CURSO DE
REFRIGERAÇÃO E AR
CONDICIONADO
5
ENVIO 10
PROIBIDA A REPRODUÇAO, TOTAL OU PARCIAL DESTA OBRA, POR QUALQUER MEIO OU METODO SEM AUTORIZAÇÃO POR ESCRITO DO EDITOR
© TODOS OS DIREITOS FICAM RESERVADOS.
CURSO DE REFRIGERAÇÃO E AR CONDICIONADOCURSO DE REFRIGERAÇÃO E AR CONDICIONADOCURSO DE REFRIGERAÇÃO E AR CONDICIONADOCURSO DE REFRIGERAÇÃO E AR CONDICIONADOCURSO DE REFRIGERAÇÃO E AR CONDICIONADO
2
CONDICIONAMENTO DO AR
Muitas pessoas acreditam que o condiciona-
mento do ar é simplesmente, resfriar o ar, porém,
isso não é certo nem correto. Essa operação deve
ser chamada de resfriamento confortável do ar.
O emprego correto do termo condicionamento do
ar significa o controle da temperatura, da circu-
lação, da umidade e das impurezas do ar que é
respirado e que nos rodeia. Em termos gerais, o
condicionamento completo do ar significa aque-
cê-lo no inverno, resfriá-lo no verão, fazer com
que se espalhe pelo ambiente, renová-lo com ar
externo, secá-lo quando a umidade é muito alta,
umedecê-lo quando o ar está muito seco e filtrá-
lo para eliminar o pó e as bactérias que se en-
contram no meio ambiente.
Considerando o que foi dito anteriormente, po-
demos observar as enormes possibilidades que
tem o ar condicionado para garantir o nosso con-
forto e a nossa saúde, tanto na vida do lar como
no trabalho.
Durante muito tempo as casas, escritórios e lo-
cais de trabalho foram aquecidos durante o in-
verno para torná-los mais confortáveis. Porém, so-
mente nos últimos anos, esses locais puderam
ser resfriados, tornando a temperatura mais agra-
dável durante os meses de verão.
Com o aparelho de ar condicionado, também
pode ser controlada a umidade, que afeta, e mui-
to, o conforto das pessoas durante o verão.
Mediante processos muito simples também
pode ser eliminado o pó em até um 98%. A propa-
gação de muitas doenças contagiosas pode ser
eliminada, ou diminuída, utilizando-se esses apa-
relhos de ar condicionado.
Se consideramos que uma pessoa respira por
dia, uma quantidade de ar equivalente a cinco
vezes o peso dos alimentos e da água que conso-
me, é fácil entender a importância que tem a qua-
lidade do ar que entra em nosso corpo.
Hoje, muitas fábricas instalam ar condiciona-
do, com o intuito de aumentar o rendimento, a
saúde e conforto do pessoal e assim, melhorar a
qualidade e reduzir os custos de seus produtos.
Locais tais como gráficas, padarias, fábricas de
tintas, de têxteis, de doces, de farinhas e outros
locais onde o produto deve ser manufaturado com
grande velocidade e obter uma ótima qualidade
final, tem no ar condicionado e no controle da
umidade, um fator que garante os objetivos pro-
postos. Como exemplo de comparação, algumas
plantas industriais têm unidades de ar condicio-
nado que produzem o frio equivalente a várias
toneladas de gelo por dia.
TIPOSDEUNIDADESDEAR
CONDICIONADO
As instalações para condicionamento do ar são
basicamente de dois tipos:
- Unidades centrais
- Equipamentos individuais
As centrais de condicionamento de ar para casas,
escritórios, fábricas, teatros, etc., têm a unidade
que aquece, esfria, filtra, umedece e recircula o ar,
muito compacta, geralmente localizada no porão
ou em outra habitação, e dela sai a tubulação
necessária para os pontos que devem ser
climatizados.
Os equipamentos individuais têm a mesma fina-
lidade, porém, eles ficam localizados em um com-
partimento único, com ótimo acabamento, para
poder serem fixados no próprio local a ser condi-
cionado.
Alguns desses aparelhos possuem uma resistên-
cia para ser utilizada no inverno, e atualmente,
existem unidades reversíveis que utilizam uma
válvula reversora. Este tipo de unidade será visto
mais adiante.
CURSO DE REFRIGERAÇÃO E AR CONDICIONADOCURSO DE REFRIGERAÇÃO E AR CONDICIONADOCURSO DE REFRIGERAÇÃO E AR CONDICIONADOCURSO DE REFRIGERAÇÃO E AR CONDICIONADOCURSO DE REFRIGERAÇÃO E AR CONDICIONADO
3
SISTEMA DE ESFRIAMENTO DIRETO
UNIDADE CENTRAL DE CONDICIONAMENTO DE AR
O sistema de ar condicionado pode ser classifi-
cado em:
- Direto.
- Indireto.
No sistema direto, o evaporador ou serpentina
de refrigerante, é o encarregado do esfriamento
e está em contato direto com o ar a ser climati-
zado. Nas pequenas unidades, tais como equipa-
mentos individuais, o sistema direto é o mais utili-
zado.
No sistema indireto, o ar é esfriado por uma
serpentina onde circula água previamente resfri-
ada. O sistema indireto é utilizado nas grandes ins-
talações por sua segurança, pois o evaporador por
onde circula o refrigerante químico, não está em
contato com os dutos de ar.
Se ocorrer um vazamento de refrigerante, ele não
será arrastado pelo fluxo de ar, e assim, evita-
se a poluição do ambiente.
ESFRIAMENTODOAR
O procedimento mais simples de esfriamen-
to o ar, consiste no emprego de unidades
refrigeradoras muito semelhantes às que
foram estudadas até agora em sistemas de
refrigeração. Realmente, tudo o que foi visto
e explicado sobre os princípios de funciona-
mento dos aparelhos de refrigeração, pode
ser aplicado nas unidades de ar condicio-
nado.
Algumas instalações empregam gelo para
esfriar o ar, fazendo-o passar através de uma
câmara cheia desse elemento.
Em outras situações e quando se dispõe
de grandes quantidades de água fria, ela é
forçada a passar pelo interior de uma
serpentina e o ar circula trocando calor com
ela. Este sistema é muito econômico.
Para esfriar o ar diretamente com o siste-
ma de refrigeração, é colocado um evapora-
dor, tipo seco, na rota do ar e deste modo,
quando passa através das aletas desse tro-
cador de calor, ele é resfriado.
Os evaporadores ou serpentinas de esfriamento
de ar, têm grandes superfícies ou áreas de contato,
por causa da superfície das aletas, desta forma o
metal, já frio, retira o calor existente no ar do
ambiente.
Outro modo de esfriar e limpar o ar, é fazer que
ele passe através de água fria e atomizada. Nes-
tas unidades, é produzida uma fina cortina d’água
e através dela, o ar é forçado obtendo o seu esfri-
amento.
CIRCULAÇÃO DE
AR
EVAPORADOR
VÁLVULA DE
EXPANSÃO
CONDENSADOR
COMPRESSOR
BOMBA E
MOTOR
FORÇA
MOTRIZ
INTERRUPTOR
DE CORTE
FORÇA MOTRIZ
TERMOSTATO
TORRE DE
RESFRIAMENTO
FIOS ELÉTRICOS
CAIXA DE
CONTROLE
FIOS
ELÉTRICOS
FIOS
ELÉTRICOS
FIOS
ELÉTRICOS
FLUXO
DE AR
CURSO DE REFRIGERAÇÃO E AR CONDICIONADOCURSO DE REFRIGERAÇÃO E AR CONDICIONADOCURSO DE REFRIGERAÇÃO E AR CONDICIONADOCURSO DE REFRIGERAÇÃO E AR CONDICIONADOCURSO DE REFRIGERAÇÃO E AR CONDICIONADO
4
COMPOSIÇÃO DO AR
O ar é uma mistura mecânica de gases e vapor
de água e está composto principalmente de:
- Vapor de Água : Relativo
- Nitrogênio : 78%
- Oxigênio : 21%
- Bióxido de carbono : 1%
Hidrogênio, Hélio, Neón, Argônio
De acordo com estes componentes poderíamos
mencionar:
- Ar Seco (Ar sem vapor de água) e
- Ar (mistura natural de ar seco e vapor de água)
Visto que todo ar em estado natural contém
certa quantidade de vapor de água, não existe
em realidade o “ar seco”. Porém, o conceito de
ar seco, é muito útil, já que simplifica muito os
cálculos psicrométricos.
Poderíamos dizer que a composição do ar seco,
é idêntica em todas as partes, porém, a quanti-
dade de vapor de água no ar varia de acordo a
região em particular e às condições climatológi-
cas, já que a quantidade de vapor de água no ar
resulta principalmente, da evaporação de água
da superfície dos rios, lagos, oceanos, etc.
Poderíamos dizer então, que a umidade atmos-
férica (conteúdo de vapor de água na atmosfe-
ra), é maior naquelas regiões localizadas perto
de grandes massas de água e menor em regiões
áridas.
CARACTERÍSTICASDOAR
1.- Umidade: é a presença de vapor de água na
atmosfera.
2.-Ar Saturado: é o que possui a quantidade
máxima de vapor de água que pode conter com
sua temperatura correspondente.
3.-Vapor Saturado: é aquele que se encontra à
mesma temperatura e pressão do líquido com o
qual foi formado.
4.-Vapor superaquecido: é aquele vapor que se
encontra a uma temperatura superior ao ponto
de ebulição do líquido com o qual foi formado.
ARCONDICIONADO
Corretamente empregado, o termo Ar Condicio-
nado significa, controlar:
1.- A Temperatura (18ºC a 25ºC)
2.- A Circulação (Injeção e Exaustão)
3.- A Pureza (98%)
4.- A Umidade (35% a 65%)
Do ar que respiramos e no qual vivemos
TIPOSDEAR CONDICIONADO
I. Tipo Comercial:
1.- Sistema Unitário compacto (janela)
2.- Sistema Split (mini central)
II. Tipo Industrial:
1.- Sistema Direto (Centrais)
2.- Sistema Indireto (Chiller)
CURSO DE REFRIGERAÇÃO E AR CONDICIONADOCURSO DE REFRIGERAÇÃO E AR CONDICIONADOCURSO DE REFRIGERAÇÃO E AR CONDICIONADOCURSO DE REFRIGERAÇÃO E AR CONDICIONADOCURSO DE REFRIGERAÇÃO E AR CONDICIONADO
5
SISTEMA UNITÁRIO
COMPACTO
(Equipamento de janela)
Este sistema se caracteriza por ser uma unidade
compacta de refrigeração, que possui um filtro de
ar e um moto-ventilador de duplo eixo, com duas
ventoinhas, uma chamada “Centrífuga ou Turbina”
que dá para o interior da habitação e outra
chamada “Helicoidal ou Axial” que dá para a parte
externa da habitação.
Tanto a unidade condensadora como o evapo-
rador são de tubos aletados e resfriados por ar
forçado. O elemento de expansão consiste num
tubo capilar. O conjunto de todos estes elemen-
tos se encontra dimensionado num gabinete me-
tálico de ótimo acabamento.
Estas unidades podem ser apenas Ciclo Frio ou
Quente/Frio, com resistências elétricas, para usar
os equipamentos no inverno, este sistema tem o
inconveniente de secar demais o ar e ter um alto
consumo elétrico. Nas unidades mais modernas se
utiliza um sistema que faz o equipamento Ciclo
Reverso, usando para isto uma peça chamada
Válvula Reversora. Desta forma se consegue
também o aquecimento nos sistemas Split e nas
Centrais de Ar Condicionado.
Serpentina de tubo aletado
Condensador ou evaporador
Centrífuga
ou turbina
Serpentina de
tubo aletado
Evaporador ou
condensador
Filtro de Ar
Ventilador
Tubo Capilar
Ventilador
Helicoidal o
Axial
M / VM / C
Exterior
Interior
CURSO DE REFRIGERAÇÃO E AR CONDICIONADOCURSO DE REFRIGERAÇÃO E AR CONDICIONADOCURSO DE REFRIGERAÇÃO E AR CONDICIONADOCURSO DE REFRIGERAÇÃO E AR CONDICIONADOCURSO DE REFRIGERAÇÃO E AR CONDICIONADO
6
CURSO DE REFRIGERAÇÃO E AR CONDICIONADOCURSO DE REFRIGERAÇÃO E AR CONDICIONADOCURSO DE REFRIGERAÇÃO E AR CONDICIONADOCURSO DE REFRIGERAÇÃO E AR CONDICIONADOCURSO DE REFRIGERAÇÃO E AR CONDICIONADO
7
SISTEMA SPLIT
(Separado)
Este sistema se utiliza em todos aqueles casos
em que o ambiente a ser aclimatado, não possui
saída ao exterior, por exemplo: corredores sub-
terrâneos, etc, e consiste em separar o equipa-
mento em duas partes, um gabinete interno e a
unidade condensadora externa.
Nestes sistemas o gabinete interno se localiza
no recinto a climatizar e está composto por um
evaporador de tubo aletado, insuflado por ar for-
çado através de um ventilador de tipo centrífugo
ou turbina, e um filtro de ar.
A unidade condensadora, por outro lado, se lo-
caliza no exterior do recinto a climatizar e é es-
friada por ar forçado através de um ventilador do
tipo Helicoidal ou Axial.
A comunicação do gabinete interno e a unida-
de condensadora, se consegue através do pro-
longamento das tubulações de alta e baixa pres-
são, cuja extensão varia de 7 até uns 20 metros
aproximadamente.
Serpentina aletada
Condensador ou
evaporador
Ventilador centrífugo
ou turbina
Filtro de ar
Tubo capilar
Tubulação de alta
e baixa pressão
Tubulação de alta
e baixa pressão
Serpentina de tubo aletado
Evaporador ou condensador
Gabinete interior
M/V
M/V
M/C
Unidade condensadora
CURSO DE REFRIGERAÇÃO E AR CONDICIONADOCURSO DE REFRIGERAÇÃO E AR CONDICIONADOCURSO DE REFRIGERAÇÃO E AR CONDICIONADOCURSO DE REFRIGERAÇÃO E AR CONDICIONADOCURSO DE REFRIGERAÇÃO E AR CONDICIONADO
8
SISTEMA DIRETO
(Centrais)
O sistema direto recebe este nome, já que é o
evaporador quem esfria diretamente o ar, força-
do a passar através da serpentina.
As centrais de ar condicionado estão compos-
tas pela unidade condensadora, evaporador, (am-
bos de tubo aletado e esfriados por ar forçado),
filtros de ar, pulverizadores (quando tem) e ven-
tiladores, tudo condicionado num conjunto com-
pacto, que se localiza no exterior do local a ser
climatizado.
A insuflação e exaustão do ar se realiza por
meio de uma rede de dutos, que se instala acima
do forro. A distribuição do ar às habitações, se
realiza por meio dos chamados “difusores”.
Sistema direto
Sala de reuniões
Difusores
Rede de dutosForro
Extração de ar
Injeção de ar
Pulverizadores
Cortagotas
Filtro de ar
Ventilador
Central de ar condicionado
Serpentina de tubo aletado
Evaporador ou condensador
CURSO DE REFRIGERAÇÃO E AR CONDICIONADOCURSO DE REFRIGERAÇÃO E AR CONDICIONADOCURSO DE REFRIGERAÇÃO E AR CONDICIONADOCURSO DE REFRIGERAÇÃO E AR CONDICIONADOCURSO DE REFRIGERAÇÃO E AR CONDICIONADO
9
CURSO DE REFRIGERAÇÃO E AR CONDICIONADOCURSO DE REFRIGERAÇÃO E AR CONDICIONADOCURSO DE REFRIGERAÇÃO E AR CONDICIONADOCURSO DE REFRIGERAÇÃO E AR CONDICIONADOCURSO DE REFRIGERAÇÃO E AR CONDICIONADO
10
SISTEMA INDIRETO
(Chiller)
Chiller é um sistema que esfria a água, fazendo
com que ela circule ao redor do evaporador e em
seguida impulsiona a água fria por meio de bombas
injetoras até os “Fan Coill”.
O Fan Coill está composto por uma serpentina
de tubo aletado, esfriado por ar forçado e que
possui um filtro de ar. Estes se localizam na parte
interna das habitações a climatizar e são coman-
dadas por um termostato e uma válvula solenóide.
O aquecimento no inverno se pode conseguir
mediante uma caldeira que esquenta a água e a
bombeia até os Fan Coill, ou através de uma re-
sistência elétrica instalada diretamente neles.
O sistema indireto recebe este nome, já que o
evaporador não esfria o ar, e sim a água, e é a
água fria que de forma indireta esfria o ar das
habitações.
F
S
Comp.
Condensador
VS
V.E.T.
Evaporador
(CHILLER)
FAN COILL
BI
DL
M/V
A.S.
M/V
T
Unidade condensadora
CURSO DE REFRIGERAÇÃO E AR CONDICIONADOCURSO DE REFRIGERAÇÃO E AR CONDICIONADOCURSO DE REFRIGERAÇÃO E AR CONDICIONADOCURSO DE REFRIGERAÇÃO E AR CONDICIONADOCURSO DE REFRIGERAÇÃO E AR CONDICIONADO
11
ESQUEMA QUE MOSTRA COMO FILTRAR, UMIDIFICAR OU SECAR O AR
FORMACORRETADEESFRIAROAR
Quando é necessário condicionar o ar de um
prédio com a finalidade de
melhorar o conforto e a
saúde dos seus morado-
res, se deve ter cuidado
para que ele não fique de-
masiado frio, ou seja, que
a temperatura não fique
muito diferente da exter-
na.
É evidente que o ar fres-
co é mais confortável e
são que o ar quente, no
verão, porém não é conve-
niente que as pessoas re-
cebam um choque térmico
ao saírem ou entrarem no
prédio. Isto significa que a
diferença de temperatura
do ar exterior e o interior
não pode ser muito gran-
de, sendo que, geralmen-
te, uma diferença de 10º
C entre ambas temperatu-
ras é suficiente para deixar o local
confortável.
A temperatura do corpo humano é
de, aproximadamente, 37º C e esse
calor é desenvolvido pela combus-
tão dos alimentos consumidos com
o oxigênio que entra em nosso corpo
quando respiramos. Dito com outras
palavras, o corpo humano é seme-
lhante a uma casa com lareira, e
contém o seu próprio sistema de
aquecimento.
Quando a temperatura do ambien-
te é inferior à do corpo, o calor é
transmitido ao ar por radiação. Se
o ambiente onde estamos, tem uma
temperatura superior à do nosso
corpo, esse calor não pode ser
transmitido por radiação, e a trans-
ferência será feita por transpiração.
A velocidade com que é feita esta troca de calor
e o controle da temperatura do corpo são feitos
pelo que é conhecido como metabolismo.
FIGURA INFERIOR DE UM CONDICIONADOR DE AR INDIVIDUAL OU DE JANELA
ENTRADA DE
AR
VENTILADOR
FILTRO
TELAD’ÁGUA
PULVERIZADOR
SERPENTINA
AQUECEDORA
SERPENTINA
RESFRIADORA
AO DUTO
AOCIRCUITODE
REFRIGERAÇÃO
TUBULAÇÃO
DEVAPOR
TUBULAÇÃO
D’ÁGUA
CURSO DE REFRIGERAÇÃO E AR CONDICIONADOCURSO DE REFRIGERAÇÃO E AR CONDICIONADOCURSO DE REFRIGERAÇÃO E AR CONDICIONADOCURSO DE REFRIGERAÇÃO E AR CONDICIONADOCURSO DE REFRIGERAÇÃO E AR CONDICIONADO
12
Uma pessoa normal, quando está des-
cansando, perde cerca de 100 calorias
por hora. Quando é feito algum exercício
físico leve, a quantidade de calorias
perdida aumenta para 150 por hora.
Agora, se o exercício for pesado, a perda
pode atingir 200 e até 250 calorias por
hora. Este calor é fornecido pelas pessoas
ao meio ambiente, e deve ser considera-
do durante o projeto do sistema de ar con-
dicionado que será utilizado.
Embora, na hora de fazer esses cálcu-
los, deva ser considerado o valor médio
da temperatura externa, nunca se deve
permitir que essa diferença de tempera-
turas seja superior aos 10º C.
Como exemplo, 21º C no interior de um
cômodo pode ser considerado como con-
fortável, durante o inverno, porém, no verão, quan-
do a temperatura externa é de 35º C, o interior
do local deve ter, no mínimo, 26º C. Esta queda
de temperatura, deverá ser considerada confor-
tável se for mantida uma umidade correta do ar
interno.
Algumas regiões, no verão, têm uma umidade
que pode atingir valores muito altos, dando uma
insuportável sensação de calor. Isso se deve a
que a umidade do meio ambiente não permite a
Zona de confort.
transpiração do corpo humano, ou seja, impede
a evaporação que garante a queda da tempera-
tura do corpo.
Por isso, as condições de conforto ideal dos
locais habitados por pessoas, são obtidas com
dois elementos muito importantes: a temperatu-
ra e a umidade do ar no local que está sendo
condicionado.
O gráfico mostra a zona de conforto, e ela vai
dos 30º C com umidade de 30%, aos 20º C com
umidade de 70%.
PESO DO VAPOR D’ÁGUA, COM AR SATURADO, EM g/m3
GRAUS GRAMAS GRAUS GRAMAS GRAUS GRAMAS GRAUS GRAMAS
CENTÍGRADOS CENTÍGRADOS CENTÍGRADOS CENTÍGRADOS
-5 3,4 20 17,2 45 65,4 70 198
0 4,8 25 23,0 50 83 75 241
5 6,8 30 30,3 55 104 80 293
10 9,4 35 39,6 60 130 85 353
15 12,8 40 51,1 65 161 90 423
NOTA: Se sabe que um litro d’água pesa um quilograma e pode ser observado por um fato muito
interessante: o ar de um cômodo de tamanho normal pode conter mais de quatro litros de água,
durante um dia quente e uma umidade relativa muito alta. O ar de um cômodo de tamanho
regular pesa uns 77 quilogramas (kg).
UMIDADE DO AR
ZONA DE CONFORTO
CURSO DE REFRIGERAÇÃO E AR CONDICIONADOCURSO DE REFRIGERAÇÃO E AR CONDICIONADOCURSO DE REFRIGERAÇÃO E AR CONDICIONADOCURSO DE REFRIGERAÇÃO E AR CONDICIONADOCURSO DE REFRIGERAÇÃO E AR CONDICIONADO
13
RETIRANDOAUMIDADEDOAR
A quantidade de umidade no ar é chamada de
umidade relativa. Este termo significa a porcen-
tagem de umidade, tomando como base o total
de água que o ar pode acumular quando fica sa-
turado. O ponto de saturação depende da tem-
peratura. Quanto mais quente estiver o ar, maior
quantidade de umidade poderá receber antes de
ficar saturado. Lembre que a umidade, neste pon-
to, começa a se transformar em gotas d’água.
Por exemplo, o ar com 17º C está saturado
quando contém 1,1 grama de água por metro cú-
bico. O ar a 21º C fica saturado quando tem 18,3
gramas de água por metro cúbico e aos 28º C,
terá 27,5 gramas de água.
Na página anterior, foi mostrada uma tabela em
que para cada valor de temperatura, há o corres-
pondente peso de água por metro cúbico.
A quantidade real de umidade que há em cada
volume de ar é conhecido como umidade absolu-
ta. Por exemplo, independente da temperatura,
se o ar contém 15 gramas de umidade por metro
cúbico, pode ser dito que esta é sua umidade
absoluta.
A umidade relativa do ar é fornecida em por-
centagem, do total de umidade de saturação a
uma certa temperatura.
Como exemplo, o ponto de saturação do ar a
25º C, é de 23 gramas por metro cúbico, se o
peso dessa umidade é de 11,5 gramas, então, a
umidade relativa deverá ser de 50%. Se o ar, a
essa mesma temperatura, pesa 16,1 gramas por
metro cúbico, então, sua umidade relativa é de
70%.
A umidade relativa do ar de um dia quente, pode
ficar entre 70% e 80%. Isto nos da uma sensação
de calor muito desagradável, ou como se diz co-
mumente, o dia está muito pesado.
A umidade relativa correta para se ter uma sen-
sação confortável, fica entre 35% e 65%, que
em média é de 50%.
O excesso de umidade pode ser retirado facil-
mente, fazendo passar esse ar por serpentinas
refrigeradas ou através de uma cortina d’água
atomizada. Todos nos sabemos que quando o ar
é resfriado, a umidade vira água, ou seja, ela é
condensada.
Se o ar carregado de água é resfriado até o pon-
to de orvalho, o vapor d’água se transformará em
uma espécie de nuvem. As unidades de ar condi-
cionado condensam a umidade e ela vira água,
sendo que ela é captada por recipientes e desvi-
ada por pequenas mangueiras até o exterior.
A porcentagem de umidade relativa pode ser
ajustada ou regulada com muita precisão.
Existem dispositivos que controlam circuitos
elétricos com a finalidade de fornecer a quanti-
dade de água atomizada ideal para o ambiente
fechado ou condicionado.
UMEDECENDOOAR
Durante os meses de inverno, o ar externo é
frio e seco ( a umidade relativa é baixa). Como
os sistemas de aquecimento dos prédios e lares
estão trabalhando, a umidade desses locais é
muito baixa para ser considerada confortável ou
saudável aos seres humanos.
Este ar seco, absorve com grande velocidade a
umidade do corpo, começando pela boca, gargan-
ta, nariz e pulmões, deixando os tecidos secos e
propensos a serem atacados por micróbios.
Muitas doenças típicas do inverno podem ser re-
duzidas ou eliminadas se o ar que respiramos
for umedecido na quantidade certa.
Umedecer ou adicionar água ao ar pode ser
feito mediante jatos d’água muito finos. Algumas
vezes, o ar é obrigado a passar através de telas
ou esponjas encharcadas com água.
Em algumas casas, os radiadores de calor ou
aquecedores têm bandejas ou recipientes com
água para que o ar aquecido que circula ao redor
destes dispositivos gere a umidade necessária.
Lembre-se que o ar é uma espécie de esponja
e como ela, pode conter uma certa quantidade
de água e depois, ficar saturada.
CURSO DE REFRIGERAÇÃO E AR CONDICIONADOCURSO DE REFRIGERAÇÃO E AR CONDICIONADOCURSO DE REFRIGERAÇÃO E AR CONDICIONADOCURSO DE REFRIGERAÇÃO E AR CONDICIONADOCURSO DE REFRIGERAÇÃO E AR CONDICIONADO
14
PORCENTAGEM DE UMIDADE RELATIVA
Termômetro úmido Diferença entre as temperaturas dos dois termômetros
0 1 2 3 4 5 6 7 8 9 10
0 100 81 64 48 36 25 14 6
1 100 82 66 52 39 28 18 10
2 100 83 67 54 42 31 21 13 8
3 100 84 69 56 44 34 25 17 9 3
4 100 84 70 57 46 36 27 20 13 7
5 100 85 71 59 48 39 30 23 16 10 5
6 100 85 72 61 50 41 33 25 19 13 8
7 100 86 73 62 52 43 35 28 22 16 11
8 100 87 74 64 54 37 30 24 18 13
9 100 87 75 65 55 47 39 26 21 16
10 100 88 76 66 57 49 41 35 29 23 18
11 100 88 77 67 58 50 43 37 31 26 21
12 100 88 78 68 60 52 45 38 33 28 23
13 100 89 79 69 61 53 46 40 35 30 25
14 100 89 79 70 62 55 48 42 36 31 27
15 100 89 80 71 63 56 49 43 38 33 29
16 100 90 80 72 64 57 51 45 40 35 30
17 100 90 81 73 65 58 52 46 41 36 32
18 100 90 81 73 66 59 53 48 42 38 33
19 100 91 82 74 67 60 54 49 44 39 35
20 100 91 82 75 68 61 55 50 45 40 36
21 100 91 83 75 68 62 56 51 46 42 38
22 100 91 83 76 69 63 57 52 47 43 39
23 100 92 84 76 70 64 58 53 48 44 40
24 100 92 84 77 70 65 59 54 49 45 41
25 100 92 84 77 71 65 60 55 50 46 42
26 100 92 85 78 72 66 61 56 51 47 43
27 100 92 85 78 72 67 61 56 52 48 44
28 100 92 85 79 73 67 62 57 53 49 45
29 100 93 86 79 73 68 63 58 54 50 46
30 100 93 86 80 74 68 63 59 54 50 47
CURSO DE REFRIGERAÇÃO E AR CONDICIONADOCURSO DE REFRIGERAÇÃO E AR CONDICIONADOCURSO DE REFRIGERAÇÃO E AR CONDICIONADOCURSO DE REFRIGERAÇÃO E AR CONDICIONADOCURSO DE REFRIGERAÇÃO E AR CONDICIONADO
15
HIGRÔMETRO
ESQUEMA DE FUNCIONAMENTO DE UM HIGRÔMETRO
PSICRÔMETRO
que tem o número 5 na parte superior. O valor
encontrado é 49 ou seja que, a umidade relativa
do ambiente é de 49%.
Outro psicrômetro muito utilizado em lares e
escritórios é o de parede. Seu funcionamento é
semelhante ao anterior, porém, como ele é fixo,
deve ser colocado num local onde o fluxo do ar
condicionado passe através dele.
INSTRUMENTOS
A umidade relativa do ar pode ser checada por
meio de um instrumento chamado higrômetro e
seu aspecto é semelhante ao da figura. Este apa-
relho tem um ponteiro que se desloca sobre uma
escala. Esse movimento é ocasionado por fios
de cabelo que se dilatam com a umidade alta e
se contraem, quando a umidade é muito baixa.
Outro método para determinar, com maior exa-
tidão, a umidade relativa do ar é o emprego do
psicrômetro. Este aparelho consiste num ter-
mômetro de bulbo seco e outro de bulbo úmi-
do. Os dois termômetros são instalados no
mesmo suporte.
O termômetro de bulbo seco, é carregado
com álcool ou mercúrio. O termômetro de
bulbo úmido é semelhante, porém, com uma
pequena diferença: o bulbo está envolto em
um feltro molhado com água à mesma tem-
peratura ambiente.
Quando o conjunto é girado, a umidade do
feltro se evapora e isto esfria o bulbo, crian-
do uma diferença de temperaturas entre am-
bos termômetros. A velocidade da evapora-
ção depende da umidade relativa do ar,
no momento em que é feito o teste.
Quanto mais baixa é a umidade relati-
va, maior será a velocidade da evapo-
ração, e maior será a diferença de tem-
peratura entre ambos termômetros.
Ambas leituras são feitas no mesmo
instante e usando uma tabela especi-
al, é possível determinar a umidade re-
lativa do ar. Não é necessário dizer que
o feltro somente pode ser molhado com
água, qualquer outro líquido afetaria a
leitura do aparelho.
Na página anterior podemos ver uma tabela
para calcular a umidade relativa, usando a leitu-
ra feita com o instrumento. Quando não é possí-
vel o uso da tabela, existem gráficos que têm a
mesma finalidade.
Nela pode ser vista, à esquerda, a coluna "Ter-
mômetro Úmido" e na parte superior, a "Diferen-
ça entre as leituras", de 0 até 10 graus.
O uso da tabela é o seguinte:
Considere que a temperatura do bulbo úmido é
de 10º C e do seco 15º C. A diferença entre as
duas leituras é 5º C. Na coluna esquerda e a
partir do valor 10, nos deslocamos até a coluna
ALTO BAIXO
CABELO HUMANO
FELTRO
ÚMIDO
TERMÔMETRO DE BULBO ÚMIDO
TERMÔMETRO DE BULBO SECO
CURSO DE REFRIGERAÇÃO E AR CONDICIONADOCURSO DE REFRIGERAÇÃO E AR CONDICIONADOCURSO DE REFRIGERAÇÃO E AR CONDICIONADOCURSO DE REFRIGERAÇÃO E AR CONDICIONADOCURSO DE REFRIGERAÇÃO E AR CONDICIONADO
16
GRÁFICOPSICROMÉTRICO
Conhecer e poder interpretar um gráfico
psicrométrico é de fundamental importância
para projetar um sistema de ar condicionado,
pois nele os fatores principais são as propri-
edades do ar durante o seu esfriamento ou
aquecimento.
Este gráfico serve para o estudo das pro-
priedades do ar e da água que há no ambien-
te, assim como a quantidade de calor, peso
e umidade relativa. Para poder utilizar o grá-
fico, é necessário definir alguns parâmetros:
Temperatura do bulbo seco (BS): É a tem-
peratura que tiramos do ar ambiente com um
termômetro simples.
Temperatura do bulbo úmido (BU): É a tem-
peratura que tiramos do ar ambiente com um
termômetro comum que incorpora um feltro
empapado em água e instalado no bulbo.
Umidade relativa (UR): É um valor que se
obtém quando se conhece a temperatura do bul-
bo seco e do bulbo úmido. Ela indica a porcenta-
gem de água que existe no ar.
Umidade absoluta (UA): É o peso de água, em
gramas, contida em um quilograma de ar. É
expressada em g/kg.
Ponto de orvalho (PO): É a temperatura na qual
o vapor d’água contido no ar se precipita em for-
ma de nuvem ou neblina. Pode se dizer que nes-
se ponto, o ar está saturado e não admite mais
água.
Calor sensível: É o calor que é necessário so-
mar ou retirar do ar para mudar sua temperatura.
Calor latente: É o calor da água que existe no
ar.
Calor total: É a soma do calor latente e o sen-
sível. É medido em calorias/kg de ar.
Volume específico (Vesp): É a relação entre o
peso e o volume do ar, expressado em metro cú-
bico/kg.
PSICRÔMETRO DE PAREDE EM GRAUS FARENHEIT
FELTRO
ÚMIDO
TERMÔMETRO
DE BULBO
SECO
TERMÔMETRO
DE BULBO
ÚMIDO
CURSO DE REFRIGERAÇÃO E AR CONDICIONADOCURSO DE REFRIGERAÇÃO E AR CONDICIONADOCURSO DE REFRIGERAÇÃO E AR CONDICIONADOCURSO DE REFRIGERAÇÃO E AR CONDICIONADOCURSO DE REFRIGERAÇÃO E AR CONDICIONADO
17
CURVAS DE UMIDADE RELATIVA
Na figura superior, são mostradas as linhas que
limitam o gráfico da curva de saturação. A linha
horizontal (BS), está dividida em graus centígra-
dos e seu valor corresponde à temperatura do
bulbo seco. A linha vertical, corresponde à umi-
dade absoluta (UA) e está dividida em gramas
de água por quilograma de ar. Finalizando, a cur-
va marcada como HR = 100% é chamada como
curva de saturação. Lembre que quando o ar está
saturado, sua umidade relativa é de 100%.
Vejamos, agora, um exemplo prático para po-
der interpretar este gráfico. Suponha que quere-
mos saber qual é a quantidade de água contida
numa certa quantidade de ar com temperatura
de 25º C. Primeiro, localizamos essa temperatu-
ra na coluna BS. Logo depois, seguimos, desse
ponto, na vertical até que cortar a curva UR. No
ponto de interseção, projetamos uma paralela à
linha BS até que a linha UA seja cortada. Neste
exemplo, o valor obtido é de 20 g/kg.
Continuando com este procedimento, também
é possível saber a quantidade de água por quilo-
grama de ar com diferentes valores de umidade
relativa. Para isso, o gráfico psicrométrico con-
tém varias linhas curvas, como pode ser obser-
vado na figura inferior, para diferentes valores
de umidade relativa. Com a ajuda dessas curvas,
é possível determinar a quantidade de água con-
tida em um quilograma de ar a 25ºC.
Para poder fazer esta pesquisa, mantemos o
procedimento anterior: procuramos o valor de 25º
C e projetamos sua vertical até que ela corte a
curva da umidade relativa selecionada. Depois,
traçamos uma linha horizontal e paralela à coor-
denada BS, até que cortar a escala UA. Como
exemplo, se temos uma UR de 20%, a quantida-
de de água por quilograma deverá ser de 4,4 g/
kg. Se à UR for de 60%, a quantidade de água
deverá ser de 12,1 g/kg, etc.
CURVA DE SATURAÇÃO
TEMPERATURA DO BULBO SECO
CURVA DE
SATURAÇÃO
HR = 100 %
UMIDADEABSOLUTA:gDEÁGUAPORkgDEAR
TEMPERATURA DO BULBO SECO
CURVA DE
SATURAÇÃO
HR = 100 %
UMIDADEABSOLUTA:gD’ÁGUAPORkgDEAR
CURSO DE REFRIGERAÇÃO E AR CONDICIONADOCURSO DE REFRIGERAÇÃO E AR CONDICIONADOCURSO DE REFRIGERAÇÃO E AR CONDICIONADOCURSO DE REFRIGERAÇÃO E AR CONDICIONADOCURSO DE REFRIGERAÇÃO E AR CONDICIONADO
18
GRAFICO DE CALOR TOTAL E LINHAS
DE VOLUME ESPECÍFICO
Outras linhas que aparecem no gráfico psicro-
métrico, são apresentadas na figura superior des-
ta página e elas correspondem aos diferentes
valores de temperatura do bulbo úmido. Por isso,
para poder determinar a umidade relativa, conhe-
cendo as temperaturas BS e BU, devemos fazer
o seguinte procedimento:
Suponha que com o psicrômetro, são obtidos
os seguintes valores:
Temperatura BS = 25º C
Temperatura BU = 20º C
Esses valores devem ser localizados na coor-
denada BS e na curva BU.
Se procura a interseção das linhas desses dois
valores, sendo que o ponto de corte é sobre a
curva UR = 60%. Se essas duas linhas de tem-
peratura se cortam em um ponto onde não há
curva de UR, deve ser considerado um valor
médio entre duas linhas de UR.
Terminando e para completar o gráfico psicro-
métrico, pode ser observada na figura inferior,
valores de calor total e linhas de volume especí-
fico.
LINHAS DE TEMPERATURA DO BULBO ÚMIDO
TEMPERATURA DO BULBO SECO
HR = 100 %
UMIDADEABSOLUTA:GD’AGUAPORkgDEAR
TEMPERATURA DO BULBO SECO
UMIDADEABSOLUTA:GDEÁGUAPORkgDEAR
CURSO DE REFRIGERAÇÃO E AR CONDICIONADOCURSO DE REFRIGERAÇÃO E AR CONDICIONADOCURSO DE REFRIGERAÇÃO E AR CONDICIONADOCURSO DE REFRIGERAÇÃO E AR CONDICIONADOCURSO DE REFRIGERAÇÃO E AR CONDICIONADO
19
INTERPRETAÇÃO DE UM GRÁFICO PSICROMÉTRICO
ESQUEMA DE UM GRÁFICO PSICROMÉTRICO COM AS SETE
PROPRIEDADES DA MISTURA DO AR COM O VAPOR D’ÁGUA. SE
DUAS PROPRIEDADES SÃO CONHECIDAS E O PONTO DO ESTADO
INICIAL FICA DETERMINADO, PODEM SER OBTIDAS AS OUTRAS
CINCO PROPIEDADES.
PSICROMETRIA
A psicrometria é uma ciência muito interes-
sante, porém, o nosso interesse neste capítu-
lo, está na sua aplicação no condicionamento
do ar.
Agora passemos à análise dos processos
básicos do condicionamento e será explicado
como podem ser utilizados os diferentes gráfi-
cos psicrométricos para resolver problemas.
CARACTERÍSTICASDOAR
O processo de aquecimento, esfriamento,
umedecimento ou a retirada de umidade, que
são parte das funções do condicionamento do
ar, modificam suas características a partir do
estado no ponto inicial até atingir o segundo
ponto do gráfico, que é a condição desejada.
Há cinco procedimentos ou processos pos-
síveis:
1) De calor sensível constante, indicado por
temperatura do bulbo seco constante.
2) De calor latente constante, indicado por
umidade e ponto de orvalho constante.
3) De calor total constante, indicado por tem-
peratura do bulbo úmido constante.
4) De umidade absoluta constante, onde to-
dos os outros fatores são modificados.
5) Qualquer combinação dos pontos anterio-
res.
Cada um dos pontos anteriores serão vistos
com exemplos.
ANÁLISEPSICROMÉTRICA
No gráfico psicrométrico são representadas
as sete propriedades de mistura do ar e do
vapor d’água.
Elas são:
Temperatura do bulbo seco (BS)
Temperatura do bulbo úmido (BU)
Umidade absoluta (UA)
Umidade relativa (UR)
Temperatura do ponto de orvalho (PR)
Calor total (CT)
Volume específico (Vesp)
TEMPERATURA DO BULBO SECO EM ºc
UMIDADEABSOLUTA:
gD’ÁGUAPORkgDE
AR.
CURVA
DE
SATURAÇÃO
CALOR TOTAL
Vesp.
CURSO DE REFRIGERAÇÃO E AR CONDICIONADOCURSO DE REFRIGERAÇÃO E AR CONDICIONADOCURSO DE REFRIGERAÇÃO E AR CONDICIONADOCURSO DE REFRIGERAÇÃO E AR CONDICIONADOCURSO DE REFRIGERAÇÃO E AR CONDICIONADO
20
AQUECIMENTO SEM UMIDADE
Na figura superior da página anterior é mostra-
do um gráfico psicrométrico completo para
temperaturas normais, com os valores utilizados,
geralmente, na prática do condicionamento do
ar e para a pressão atmosférica normal de 760
mm de mercúrio.
Se são conhecidas duas das sete propriedades
de uma mistura de ar e vapor d’água, as outras
podem ser obtidas, de forma imediata através
do gráfico. Como exemplo para poder ler o gráfi-
co, suponha que num psicrômetro são obtidas
as seguintes leituras:
Bulbo seco = 35º C e bulbo úmido = 24,5º C.
Para poder obter as outras cinco propriedades
psicrométricas do ar, veja a figura onde as condi-
ções estão representadas pelo ponto A.
Checando o gráfico inferior da página 2, poderá
ser obtida a umidade relativa = 43%. Se segue a
linha horizontal para a direita, até atingir a escala
de umidade absoluta, ela será = 15,3 gramas de
vapor d’água por quilograma de ar.
Se continuamos com a mesma linha, porém à
esquerda, até a linha de saturação, obteremos:
temperatura do ponto de orvalho = 20º C.
Se as linhas de volume específico são corta-
das, é possível obter: 0,85 e 0,9 m3/kg. Isto sig-
nifica que o volume específico médio é = 0,895
m3/kg. Podemos encontrar o calor total seguin-
do a linha do bulbo úmido para a esquerda e aci-
ma, até a linha de saturação e da escala de calor
total. Se deduz que para a condição dada no
início: calor total = 17,9 kcal por kg de ar seco.
AQUECIMENTOSEMUMIDADE
É o processo que acontece nos sistemas de
aquecimento que não estão equipados com umi-
dificador. Este é um processo de calor latente
constante, ou um processo de umidade absolu-
ta constante, onde a temperatura do ponto de
orvalho permanece a mesma. Isto significa que
somente calor sensível é agregado ao ar.
Exemplo:
O ar é aquecido inicialmente a 1,5º C (bulbo
seco); umidade relativa = 70% até 40º C.
É necessário obter a temperatura do bulbo úmi-
do, temperatura do ponto de orvalho e a umida-
de relativa do ar e o calor adicionado por quilo-
grama de ar.
Vejamos o gráfico psicrométrico na parte supe-
rior desta página. Primeiro, localizamos a condi-
ção do estado inicial no gráfico. Esta situação é
dada pelo ponto A. Se observa que o calor total
inicial (CT) é = 2,1 kcal/kg. Se continuamos com
a linha horizontal de umidade absoluta constan-
te até o final, podemos ler: temperatura do bulbo
úmido = 17,3º C; temperatura do ponto de orva-
lho = 3º C e umidade relativa = 8%. Isto é repre-
sentado pelo ponto B da figura. Para obter o va-
lor final de calor, seguimos a linha do bulbo úmi-
do = 17,3º C até a escala de calor total e obtere-
mos o calor total final (CT) = 12,1 kcal/kg.
AQUECIMENTOCOMUMIDADE
O bom condicionamento do ar durante o inver-
no necessita de umidade durante o processo de
aquecimento. Geralmente, água é fornecida para
manter a umidade relativa entre 40% e 50%, no
interior do espaço que está sendo condiciona-
do.
Exemplo:
Há necessidade de aquecer o ar que se encon-
tra a uma temperatura de bulbo seco = 5º C e
uma umidade relativa = 30% até 40º C. É neces-
sário adicionar água para manter essa umidade
relativa em 30%. Também é necessário saber a
quantidade de calor e umidade que devem ser
adicionadas por quilograma de ar.
Primeiro deve ser obtido o ponto A do estado
inicial, com um calor total inicial = 2,1 kcal/kg, e
uma umidade absoluta = 1,6 g/kg. Seguimos a
linha da umidade relativa = 30% até sua interse-
ção com a linha de temperatura do ponto de or-
valho = 40º C, para determinar o ponto B, ou
estado inicial. Se lê calor final = 18,6 kcal/kg e
umidade absoluta = 14,1 g/kg.
Calor adicionado = 18,6 - 2,1 = 16,5 kcal/kg
Água adicionada = 14,1 - 1,6 = 12,5 r/kg
CURSO DE REFRIGERAÇÃO E AR CONDICIONADOCURSO DE REFRIGERAÇÃO E AR CONDICIONADOCURSO DE REFRIGERAÇÃO E AR CONDICIONADOCURSO DE REFRIGERAÇÃO E AR CONDICIONADOCURSO DE REFRIGERAÇÃO E AR CONDICIONADO
21
PROCESSO DE AQUECIMENTO COM UMIDADE RELATIVA
CONSTANTE INTERPRETADO COM GRÁFICO PSICROMÉ-
TRICO
AQUECIMENTO COM UMIDADE
REFRIGERAÇÃOCOMUMIDADE
Este processo é o inverso ao aquecimento
com umidade constate descrito anteriormen-
te. O processo é ilustrado pelo deslocamento
do ponto B a partir do ponto A, no gráfico que
aparece na figura superior desta página. So-
mente deve ser eliminado o calor sensível do
ar, enquanto não for atingido o ponto de orva-
lho.
REFRIGERAÇÃOSEMUMIDADE
A climatização durante o verão é o exemplo
deste processo. Teoricamente, primeiro se es-
fria a mistura do ar e o vapor d’água, se elimi-
na o calor sensível ao longo de uma linha de
umidade absoluta constante até atingir a linha
de saturação. A eliminação do calor é o resul-
tado da condensação do vapor d’água, retiran-
do assim, água do ar, ao mesmo tempo que
segue reduzindo a temperatura do bulbo seco
e o processo se afasta da linha de saturação
na segunda fase. A refrigeração pode ser obti-
da fazendo que o ar passe através das aletas
de uma serpentina que contenha água fria ou
uma chuva de água atomizada, com sua tem-
peratura muito inferior à temperatura do ponto
de orvalho do ar que se quer condicionar.
Este processo é desenvolvido ao longo de
uma linha de temperatura do bulbo úmido cons-
tante. É aproveitado nos jatos d’água que são
usados para limpar o ar do sistema de ventila-
ção. Como o calor total é constante, somente
pode haver refrigeração sensível se é aumen-
tado o calor latente, ou seja, o conteúdo de
umidade. O calor sensível é empregado duran-
te a evaporação de mais água. A temperatura
do bulbo seco é reduzida, a temperatura do bul-
bo úmido permanece constante e a umidade ab-
soluta e a relativa são aumentadas.
Exemplo:
Se faz passar ar com uma temperatura do bulbo
seco = 40º C, umidade relativa = 15%, que entra
em um pulverizador de água e sai com umidade
relativa = 90%. Suponha que o processo é de
calor constante, encontre a temperatura do bulbo
seco e a quantidade de água adicionada por qui-
lograma de ar.
O ponto do estado inicial é o A . Observe que a
linha de temperatura do bulbo úmido = 20,9º C e
a umidade absoluta = 6,8 g/kg. Calor total cons-
tante significa temperatura do bulbo úmido cons-
tate, de maneira que é suficiente seguir a linha
de temperatura do bulbo úmido até sua interse-
ção com a curva de umidade relativa = 90%. As-
sim pode ser obtido o ponto do estado final B.
Veja que a temperatura do bulbo seco diminui
até os 21,5º C e a umidade absoluta final é =
14,6 g/kg. Água adicionada = 14,6 - 6,8 = 7,8 g/
kg.
CURSO DE REFRIGERAÇÃO E AR CONDICIONADOCURSO DE REFRIGERAÇÃO E AR CONDICIONADOCURSO DE REFRIGERAÇÃO E AR CONDICIONADOCURSO DE REFRIGERAÇÃO E AR CONDICIONADOCURSO DE REFRIGERAÇÃO E AR CONDICIONADO
22
REFRIGERAÇÃO COM CALOR TOTAL CONSTANTE
REFRIGERAÇÃOCOMCALOR
CONSTANTE
A condição inicial está representada pelo
ponto A da figura. Nesse gráfico, pode ser
lido que a umidade absoluta inicial = 28,2
g/kg. Se segue a linha da temperatura do
bulbo úmido = 32,5º C até a escala de ca-
lor total inicial = 27 kcal/kg.
A primeira fase do processo é de refrige-
ração sensível e é realizada sobre a linha
de umidade absoluta constante. Aqui, co-
meça a segunda fase e o processo segue
a linha de saturação até atingir à tempe-
ratura de 18º C e se chega ao ponto de
estado final C. Sobre essa linha, as tem-
peraturas do bulbo úmido, bulbo seco e
ponto de orvalho são iguais. No ponto C,
se tem umidade absoluta final = 13,1 g/kg e um
calor total final = 12,5 kcal/kg.
Calor retirado = 27 - 12,5 = 14,5 kcal/kg
Água retirada = 28,2 - 13,1 = 15,1 g/kg
Deve ficar entendido que no processo acima
descrito, a trajetória ABC é teórica e baseia-se
na hipótese de que o ar entra em contato físico
real com a superfície fria das aletas ou da água.
Esta situação se cumpre de forma satisfatória
nos pulverizadores que estão bem desenhados,
porém, no caso da serpentina, a maior parte do
ar que a atravessa, faz isso sem contato real com
sua superfície. Parte desse ar, então, jamais atin-
ge a temperatura de orvalho e o verdadeiro pro-
cesso, neste caso, está representado pela curva
AC, ou linha tracejada.
PONTODEORVALHODOAPARELHO
Antes foi dito que as serpentinas de refrigera-
ção não entram em contato direto com todo o ar
que passa através delas. A conseqüência é que
a temperatura do ar que sai não é tão baixa como
a do aparelho. Devido a isto, se pode falar de
dois pontos de orvalho:
1) Ponto de orvalho do ar
2) Ponto de orvalho do aparelho.
As superfícies das serpentina devem ser man-
tidas com uma temperatura inferior à desejada
para o ar que sai. Dito de outra maneira, o ponto
de orvalho do aparelho deve ser inferior ou mais
baixo que o ponto de orvalho do ar.
Nas serpentinas com quatro fileiras de aletas,
a superfície fria entra em contato com o 80% do
ar que a atravessa. Se ela tem seis fileiras de
aletas, esse valor pula ao 92%.
O ponto de orvalho pode ser definido como a
temperatura média da superfície da serpentina.
CURSO DE REFRIGERAÇÃO E AR CONDICIONADOCURSO DE REFRIGERAÇÃO E AR CONDICIONADOCURSO DE REFRIGERAÇÃO E AR CONDICIONADOCURSO DE REFRIGERAÇÃO E AR CONDICIONADOCURSO DE REFRIGERAÇÃO E AR CONDICIONADO
23
BS=TEMPERATURADOBULBOSECOEMºC
CT=CALORTOTAL=KCAL/KGDEARSECO
UA=UMIDADEABSOLUTA=GR/KGDEARSECO
Temp.debulboúmidoetemp.desaturação
Temp.debulboúmido
0
1
2
40%
deumidaderelativa
Temp.debulboúmido
0,90m
3 porKg.dearseco
30%
20%
10%
50%
60%70%
80%
90%
0,85
0,80
2
3
4
5
6
5
6
7
8
9
10
10
11
12
13
14
15
16
17
18
19
20
21
22
23
30354045
25
20
15
10
5
0
-5051015202530354045
-5
0
-10
15
20
25
UA
CURSO DE REFRIGERAÇÃO E AR CONDICIONADOCURSO DE REFRIGERAÇÃO E AR CONDICIONADOCURSO DE REFRIGERAÇÃO E AR CONDICIONADOCURSO DE REFRIGERAÇÃO E AR CONDICIONADOCURSO DE REFRIGERAÇÃO E AR CONDICIONADO
24
CONDICIONADOR CENTRAL
Se conhecemos as condições iniciais de um
ambiente que deve ser condicionado e os valo-
res da temperatura e umidade desejados, o grá-
fico psicrométrico permitirá determinar as calo-
rias por quilograma que devem ser fornecidas ou
retiradas do ambiente, assim como também, a
quantidade de água que se deve adicionar ou
retirar do ar.
Este gráfico é fundamental para o projeto do
equipamento de ar condicionado central, como é
mostrado na figura. Nela, pode ser observado que
junto com a serpentina há um pulverizador, caso
seja necessário adicionar água e assim, poder
aumentar a percentagem de umidade relativa.
Para que este equipamento funcione como aque-
cedor, podemos colocar em seu interior uma ser-
pentina de aquecimento, que recebe vapor d’água
de uma caldeira não desenhada na figura.
Para poder distribuir o ar é necessária uma sé-
rie de condutos ou dutos de ar condicionado que
Diagrama de um sistema industrial de condicionamento de ar,
com ilustração de seus componentes essenciais.
Observe a câmara onde o ar externo se mistura com o ar de retorno.
formam uma rede de distribuição pelo prédio todo.
Outra função que cumprem as unidades de ar
condicionado é a de permitir a entrada de ar do
exterior e que misturado com o ar condicionado,
satisfaz as necessidades de ventilação.
Distribuição
O condicionamento de um prédio não é outra
coisa que o controle do ar e o seu fornecimento
aos ambientes fechados. Também, o ar condici-
onado que é fornecido deve ser devidamente dis-
tribuído dentro do espaço que se quer climati-
zar, com a finalidade de controlar de forma con-
veniente a temperatura e a umidade de todo o
local. O fornecimento e a distribuição do ar deve
ser realizada sem correntes de ar nem barulhos
incômodos.
CÂMARA PARA MISTURAR
O AR DE RETORNO COM
AR EXTERNO
AR DE RETORNO
PULVERIZADOR
SERPENTINA DE REFRIGERAÇÃO
OFICINA
TORRE DE
RESFRIAMENTO
BOMBA D’ÁGUA DO
CONDENSADOR
MÁQUINAS DE REFRIGERAÇÃO
À TUBULAÇÃO
D’ÁGUA
CURSO DE REFRIGERAÇÃO E AR CONDICIONADOCURSO DE REFRIGERAÇÃO E AR CONDICIONADOCURSO DE REFRIGERAÇÃO E AR CONDICIONADOCURSO DE REFRIGERAÇÃO E AR CONDICIONADOCURSO DE REFRIGERAÇÃO E AR CONDICIONADO
25
Condutos
Chama-se de condutos ou dutos à tubulação
que permite dirigir e distribuir o ar condicionado
nos locais que corresponde.
Estes componentes são feitos, geralmente,
com chapas galvanizadas e as partes finais são
unidas por meio de braçadeiras. Também pode
ser utilizado alumínio e ultimamente é muito uti-
lizado o duto feito com material plástico, o que
representa um toque colorido na área em que é
instalado. A figura mostra alguns detalhes da
construção de uma instalação com dutos feitos
em chapa galvanizada. A instalação geralmente
é feita por pessoal treinado pela própria fábrica
da unidade de refrigeração. A seguir fornecemos
uma lista de instruções para ser usadas durante
a instalação da rede de distribuição:
Utilizar divisores e orientadores do fluxo bem
fixados
Os dutos devem estar bem fixos à estrutura do
prédio
Os dutos que atravessam locais que não es-
DOIS METODOS DE DERIVAÇÃO
tão condicionados, devem ser isolados para evi-
tar a troca de calor.
Os dutos devem ser o mais herméticos possível
e assim evitar a perda de ar.
Os dutos cilíndricos permitem um fluxo de ar
mais suave, porém, às vezes o arranjo interno
do local exige dutos quadrados ou retangulares.
A troca da seção do duto, ou seja, a união de
dutos de diferente tamanho, deve ser realizada
com uma redução máxima de 1:7.
Todas as reduções devem ficar no sentido do
fluxo.
Todos os diafragmas, divisores e uniões elás-
ticas devem ser instaladas de forma que não apre-
sentem algum obstáculo ao fluxo do ar.
Nas aberturas de descarga ou sucção do venti-
lador ou forçador deve ser instalada um «fole»
que evite a transmissão de vibrações.
Devem ser feitas tampas de inspeção e limpeza
ao longo dos dutos.
DIVISOR
CURSO DE REFRIGERAÇÃO E AR CONDICIONADOCURSO DE REFRIGERAÇÃO E AR CONDICIONADOCURSO DE REFRIGERAÇÃO E AR CONDICIONADOCURSO DE REFRIGERAÇÃO E AR CONDICIONADOCURSO DE REFRIGERAÇÃO E AR CONDICIONADO
26
Os dutos devem ser feitos com chapas que te-
nham uma espessura apropriada e de acordo com
o seu tamanho. Os dutos de grandes dimensões
devem ter nervos ou reforços e assim garantir
sua resistência.
Os dutos grandes que ficam suspensos, devem
ser reforçados com cantoneiras.
SISTEMA DE DUTOS PARA VÁRIAS PARTES DE UM PRÉDIO
Os joelhos com ângulo muito pequeno deverão
incorporar aletas orientadoras.
Quando forem feitas derivações, elas deverão
manter o fluxo principal do ar.
Na figura aparecem dois métodos corretos de
derivação.
UNIDADE DE
CONDICIONAMENTO
DO AR
AR
DE
FORNECIM
ENTO
AQUECIMENTO
RESFRIAMENTO
AR MISTURADO
SAÍDA DE AR
AR
DE
FORNECIM
ENTO
SAÍDA
DE AR
CURSO DE REFRIGERAÇÃO E AR CONDICIONADOCURSO DE REFRIGERAÇÃO E AR CONDICIONADOCURSO DE REFRIGERAÇÃO E AR CONDICIONADOCURSO DE REFRIGERAÇÃO E AR CONDICIONADOCURSO DE REFRIGERAÇÃO E AR CONDICIONADO
27
“MÉTODOS DE DERIVAÇÃO”
Diafragma divisor
CURSO DE REFRIGERAÇÃO E AR CONDICIONADOCURSO DE REFRIGERAÇÃO E AR CONDICIONADOCURSO DE REFRIGERAÇÃO E AR CONDICIONADOCURSO DE REFRIGERAÇÃO E AR CONDICIONADOCURSO DE REFRIGERAÇÃO E AR CONDICIONADO
28
“DERIVAÇÕES PARA DUTOS REDONDOS”
CURSO DE REFRIGERAÇÃO E AR CONDICIONADOCURSO DE REFRIGERAÇÃO E AR CONDICIONADOCURSO DE REFRIGERAÇÃO E AR CONDICIONADOCURSO DE REFRIGERAÇÃO E AR CONDICIONADOCURSO DE REFRIGERAÇÃO E AR CONDICIONADO
29
“CONEXÃO DE DUTOS DE VENTILAÇÃO”
Lona (15 cms aprox.)
Ventilador
Duto
Ventilador típico de ar condicionado (Turbina
de aletas múltiplas curvas)
CURSO DE REFRIGERAÇÃO E AR CONDICIONADOCURSO DE REFRIGERAÇÃO E AR CONDICIONADOCURSO DE REFRIGERAÇÃO E AR CONDICIONADOCURSO DE REFRIGERAÇÃO E AR CONDICIONADOCURSO DE REFRIGERAÇÃO E AR CONDICIONADO
30
“Passagem do ar através da rede de dutos”
"DIFUSORES"
Estes são construídos em diferentes tamanhos e modelos, e são as grades encarregadas de distri-
buir e dirigir o ar, até o recinto a climatizar.
Mudança no formato ou diâmetro
aumentam a resistência
Ventilador
Fricção e turbulência
mesmo em trechos retos
Grades de proteção
aumentam a fricção
Controles de fluxo
aumentam a fricção
Mudanças de direção
apresentam maior
resistência
Gabinete interior
Vista Frontal Vista Lateral
CURSO DE REFRIGERAÇÃO E AR CONDICIONADOCURSO DE REFRIGERAÇÃO E AR CONDICIONADOCURSO DE REFRIGERAÇÃO E AR CONDICIONADOCURSO DE REFRIGERAÇÃO E AR CONDICIONADOCURSO DE REFRIGERAÇÃO E AR CONDICIONADO
31
CONSIDERAÇÕESSOBREOSDUTOS
Para se ter um bom condicionamento de ar é
necessário que ele seja fornecido em cada cô-
modo na quantidade certa e de acordo com um
projeto feito de antemão. O planejamento do sis-
tema de distribuição do ar condicionado é funda-
mental para obter os resultados previstos. São
empregados diferentes tipos de sistemas de du-
tos e eles incluem:
O sistema convencional, no qual existe um duto
principal que sai da unidade condicionadora e
ramais que se dirigem para os cômodos. Cada
duto tem as dimensões que correspondem a
quantidade de ar que devem transportar. Os
dutos devem ser instalados no forro ou no po-
rão.
O sistema de alta velocidade é utilizado nos
prédios com muitos cômodos. O ar condicionado
é dirigido por meio de dutos com diâmetro
pequeno e a grande velocidade até as saídas
individuais ou trocadores que misturam o ar con-
dicionado com o ar exterior.
O sistema perimétrico é utilizado em casas re-
sidenciais. Eles utilizam pequenas saídas de ar
em cada cômodo. As saídas são instaladas ao
longo de toda a parede. Alguns especialistas in-
sistem em que este tipo de distribuição garante
um melhor e mais uniforme condicionamento do
ambiente.
Sistemas que utilizam a laje para o fornecimento
do ar condicionado, através de tubos instalados
no próprio piso.
CONDIÇÕESPARAADISTRIBUIÇÃO
DOARCONDICIONADO
Podemos estudar agora a distribuição do ar
condicionado, depois dele ter sido descarrega-
do no local que se quer condicionar. Esta análi-
se inclui a distribuição no cômodo, e os tipos de
saídas e sua localização.
Temperatura
O sistema de distribuição de ar condicionado
deve ser projetado para que ele mantenha a tem-
peratura do local dentro dos limites aceitáveis.
Num local fechado é permitida uma diferença de
temperatura de 1º C entre diferentes pontos.
Num grupo de divisões que fazem parte do mes-
mo cômodo, é possível uma ter uma diferença
de temperatura de 1,7º C entre elas. Geralmen-
te, as variações de temperatura são mais acei-
táveis quando é feito o aquecimento, do que
durante o resfriamento.
Os picos de temperatura são sentidos de forma
mais nítida do que simples variações de tempe-
ratura. Consideramos como picos de temperatu-
ra ou flutuações, aquelas que dependem do con-
trole de temperatura da unidade de condiciona-
mento do ar. Elas, também, são acompanhadas
com grandes quantidades de ar sob velocidade
variável.
Direção
A figura mostra como deve ser dirigido o ar em
função do pessoal e de sua posição normal de
trabalho.
DIREÇÃO DO AR
Aceitável
Deficiente
Boa
Deficiente
Boa Deficiente
Aceitável
CURSO DE REFRIGERAÇÃO E AR CONDICIONADOCURSO DE REFRIGERAÇÃO E AR CONDICIONADOCURSO DE REFRIGERAÇÃO E AR CONDICIONADOCURSO DE REFRIGERAÇÃO E AR CONDICIONADOCURSO DE REFRIGERAÇÃO E AR CONDICIONADO
32
Velocidade
A tabela mostra a velocidade do ar mais apropriada em locais fechados e inclui as reações das
pessoas atingidas pelo fluxo e velocidade do ar.
TABELA DE VELOCIDADE DO AR
NA ZONA OCUPADA DO CÔMODO
Velocidade Reação Aplicação
do ar (m/s)
O a 0,08 Queixas de ar parado Nenhuma
0,12 Boa Comercial
0,12 a 0,25 Boa, velocidade do Comercial
ar alta
0,35 Ruim. Papéis voam Nenhuma
0,4 Favorável. Velocidade máxima Armazém ou loja
para pessoas em movimento.
0,4 a 1,5 Favorável. Ideal para fábricas Indústria
CURSO DE REFRIGERAÇÃO E AR CONDICIONADOCURSO DE REFRIGERAÇÃO E AR CONDICIONADOCURSO DE REFRIGERAÇÃO E AR CONDICIONADOCURSO DE REFRIGERAÇÃO E AR CONDICIONADOCURSO DE REFRIGERAÇÃO E AR CONDICIONADO
33
VELOCIDADESMÁXIMASRECOMENDADASEMPÉS/MIN.
Aplicação Duto Principal Ramificações
Insuflação Retorno Insuflação Retorno
Apartamentos 1000 800 600 600
Auditórios 1300 1100 1000 800
Bancos 2000 1500 1600 1200
Quartos de Hospital 1500 1300 1200 1000
Quartos de Hotel 1500 1300 1200 1000
Indústrias 3000 1800 2200 1500
Bibliotecas 2000 1500 1600 1200
Salas de Reuniões 2000 1500 1600 1200
Escritórios 2000 1500 1600 1200
Residências 1000 800 600 600
Restaurantes 2000 1500 1600 1200
Armazéns 2000 1500 1600 1200
Teatros 1300 1100 1000 800
Quando o Nível de Ruído é crítico use os valores para ramificações
CURSO DE REFRIGERAÇÃO E AR CONDICIONADOCURSO DE REFRIGERAÇÃO E AR CONDICIONADOCURSO DE REFRIGERAÇÃO E AR CONDICIONADOCURSO DE REFRIGERAÇÃO E AR CONDICIONADOCURSO DE REFRIGERAÇÃO E AR CONDICIONADO
34
ALCANCE
É a distância horizontal que percorre, uma cor-
rente de ar, desde sua saída. A distância é medi-
da da saída até o ponto que se quer atingir e
com uma velocidade máxima de 0,25 m/s e a
uma altura de 2,1 m sobre o nível do piso. O
alcance ou distância é proporcional à velocidade
do ar primário na saída, sendo que é
independente da diferença de temperaturas entre
o ar fornecido e o ar do cômodo.
QUEDA
Queda ou elevação é a distância vertical que
atinge o ar da saída até o ponto que se quer con-
dicionar.
INDUÇÃO
É o arrasto de ar do cômodo que deve ser cli-
matizado, ocasionado pelo ar condicionado a
partir de sua saída. O ar que atinge a boca de
saída é chamado de primário e o ar que entra no
cômodo e é misturado com o ar do ambiente é
conhecido como secundário. A corrente de ar que
se forma assim, ou seja, a mistura do ar primário
com o secundário, é chamada de ar total.
DIFUSÃO
A difusão é o ângulo da corrente de ar depois
de sua saída do duto. Podemos diferenciar aqui,
a dispersão horizontal e vertical. A primeira é o
ângulo que atinge o fluxo de ar desde sua saída
até o ponto central do cômodo. A dispersão ver-
tical é a obtida no seu plano vertical. Por exem-
plo, as saídas que têm defletores
perpendiculares ao duto, produzem uma
dispersão de 19º, tanto no plano horizontal como
no vertical, dependendo da localização do
defletor.
DISPERSÃO COM DEFLETORES RETOS 19º.
DISPERSÃO COM DEFLETORES
CONVERGENTES.
CURSO DE REFRIGERAÇÃO E AR CONDICIONADOCURSO DE REFRIGERAÇÃO E AR CONDICIONADOCURSO DE REFRIGERAÇÃO E AR CONDICIONADOCURSO DE REFRIGERAÇÃO E AR CONDICIONADOCURSO DE REFRIGERAÇÃO E AR CONDICIONADO
35
TIPOSDEDEFLETORESOUGRADES
Furada
As grades localizadas nas saídas do ar condi-
cionado têm um pequeno efeito direcional. A con-
seqüência é que seu uso fica reduzido à entrada
de ar da unidade de refrigeração ou do fluxo de
DISPERSÃO COM DEFLETORES RETOS
FORMANDO ÂNGULO
DISPERSÃO COM DEFLETORES DIVERGENTES
retorno, sendo que seu uso como saída não é
muito freqüente. Às vezes ele contém uma persi-
ana usada como válvula de controle do fluxo.
Com defletor fixo
Este tipo de grade é utilizada em locais em que
a direção do ar não é muito importante.
Com defletor ajustável
Este tipo de grade é a mais conveniente para
fixar nas paredes laterais. Como é feita com de-
fletores ajustáveis ou direcionais, tanto na verti-
cal como na horizontal, os erros cometidos du-
rante a instalação ou até móveis trocados de po-
sição podem ser corrigidos de forma rápida mu-
dando a posição do defletor.
LOCALIZAÇÃO DAS SAÍDAS
O arranjo interior, a construção do prédio e as
possibilidades do pó atingir o cômodo, afetam e
influem na montagem e localização das saídas.
Embora sejam superadas todas as limitações an-
tes mencionadas, os princípios que regem a dis-
tribuição do ar e o fato de que são afetados pelo
fluxo, a queda de pressão, a capacidade e a cir-
culação do ar que queremos climatizar, criam ou-
tras limitações no projeto original.
A corrente de ar descendente numa parede fria
ou numa janela, pode atingir velocidades
superiores a um metro por segundo, incomodan-
do os ocupantes e se isso não for corrigido, dará
lugar a reclamações do pessoal.
Outros fatores que devem ser considerados,
quando é selecionada a localização de uma saí-
da, é o efeito das superfícies, quentes ou frias.
Quando é necessário aquecer o local, uma saída
localizada perto de uma janela, aquece a superfí-
cie e dá sensação de bem-estar.
As saídas ou difusores localizados no forro,
podem ser aplicados nos dutos isolados, expos-
tos ou ocultos.
Mesmo que as saídas sejam colocadas nesses
dutos, expostos e isolados, raramente elas for-
necem o ar diretamente para baixo, a não ser
quando a mistura ocorre antes do ar atingir o
espaço ocupado.
CURSO DE REFRIGERAÇÃO E AR CONDICIONADOCURSO DE REFRIGERAÇÃO E AR CONDICIONADOCURSO DE REFRIGERAÇÃO E AR CONDICIONADOCURSO DE REFRIGERAÇÃO E AR CONDICIONADOCURSO DE REFRIGERAÇÃO E AR CONDICIONADO
36
NO FORRO
A característica principal deste tipo de saída é
que pode ser produzida uma grande quantidade
de ar por metro quadrado de superfície do chão,
com o mínimo deslocamento sobre a zona que
está ocupada por pessoas e sem problemas de
correntes de ar. Como a velocidade de descarga
é muito baixa, a recirculação também é pouca.
Geralmente, o ar pode ser fornecido com uma
velocidade de 0,08 m/s.
Um duto projetado para um forro perfurado é
igual que o projetado para um forro convencio-
nal. Não se pode confiar nos painéis do forro para
poder obter uma distribuição apropriada, já que
eles não podem dirigir o ar de forma que toda a
área seja atingida pelo ar condicionado. Os pai-
néis furados permitem a difusão do ar dinâmico
e ao mesmo tempo, atingir temperaturas muito
diferentes entre si, no mesmo local, assim como
também no nível do chão.
As instalações que empregam saídas no forro
são geralmente, menos propensas a reclamações
por parte das pessoas que se encontram no cô-
modo que está sendo condicionado. Para evitar
correntes de ar incômodas, deve ser considera-
do o seguinte:
ALCANCE
Selecionar difusores ou saídas
do forro, com alcance médio. Uma
distância de propulsão muito gran-
de pode criar problemas de dife-
rentes tipos. Isso não ocorre quan-
do a distância é relativamente
curta.
SAÍDA DE AR NA PAREDE COM OBSTÁCULO
NO FORRO.
SAÍDA NA PAREDE PERTO DO CHÃO.
OBSTÁCULO
A CORRRENTE DE AR 2 TEM ALCANCE SUPE-
RIOR À CORRENTE DA SAÍDA 1.
PISO
VELOCIDADE RECOMENDADA NA SAÍDA
APLICAÇÃO VELOCIDADE
(m/s)
Estúdio de rádio 1,5 - 2,5
Residência 2,5 - 4
Apartamento 2,5 - 4
Igreja 2,5 - 4
Cômodo de hotel 2,5 - 4
Teatro 2,5 - 4
Escritório 2,5 - 4
Sala de cinema 5
Oficina pública 5 - 6,5
Loja comercial, andar superior 7,5
Loja comercial, entrada principal 10
CURSO DE REFRIGERAÇÃO E AR CONDICIONADOCURSO DE REFRIGERAÇÃO E AR CONDICIONADOCURSO DE REFRIGERAÇÃO E AR CONDICIONADOCURSO DE REFRIGERAÇÃO E AR CONDICIONADOCURSO DE REFRIGERAÇÃO E AR CONDICIONADO
37
Barulho
Uma coisa muito importante e que afeta o re-
sultado final de um bom projeto de instalação de
ar condicionado é o nível de ruído nas saídas. A
tabela seguinte fornece as velocidades mais re-
comendadas e que garantem níveis de ruído acei-
táveis em diferentes tipos de aplicações.
Na lateral
Geralmente as saídas laterais são localizadas
na parte superior da parede, quando o forro esti-
ver livre de obstáculos. Se existem obstáculos
tais como vigas, madeiras, aparelhos de luz, etc.
as saídas de ar devem ser colocadas de forma
que o fluxo do ar de saída não seja afetado no
seu trajeto horizontal. Também podem ser utili-
zados defletores para orientar o ar na direção
correta. Lembre-se que a velocidade que atinge
esse ar deve ser controlada para que ele não
crie desconforto nas pessoas que habitam a área
condicionada. As saídas laterais que ficam perto
do chão são muito adequadas para o
aquecimento, mas não para o arrefecimento do
local.
CURSO DE REFRIGERAÇÃO E AR CONDICIONADOCURSO DE REFRIGERAÇÃO E AR CONDICIONADOCURSO DE REFRIGERAÇÃO E AR CONDICIONADOCURSO DE REFRIGERAÇÃO E AR CONDICIONADOCURSO DE REFRIGERAÇÃO E AR CONDICIONADO
38
“Circuito elétrico de um condicionador de ar “ciclo-frio” com relé voltimétrico.”
Conexões do seletor
L1 – 3 = Ventilação Baixa
L1 – 2 = Ventilação Alta
L1 – 3 – P1 = Frio – Baixo
L1 – 2 – P1 = Frio – Alto
Cada vez que um compressor necessita, para arrancar, de um capacitor de partida, deve se usar um
Relé Voltimétrico, que tem por missão desconectar o capacitor de arranque uma vez que o motor
tenha entrado em funcionamento.
P1 L1
Linha
P
CM/V
T
T
2
1
4
5
TP
C
M/CP.T.
23
Capacitor
Permanente
Capacitor
Permanente
Capacitor
de
Arranque
CURSO DE REFRIGERAÇÃO E AR CONDICIONADOCURSO DE REFRIGERAÇÃO E AR CONDICIONADOCURSO DE REFRIGERAÇÃO E AR CONDICIONADOCURSO DE REFRIGERAÇÃO E AR CONDICIONADOCURSO DE REFRIGERAÇÃO E AR CONDICIONADO
39
O Relé Voltimétrico tem seu funcionamento nor-
mal fechado (contatos 1-2) e abre, quando sua
bobina é energizada (contatos 5-2). O contato nº
4 é somente uma ponte de conexões.
O moto-ventilador, funciona com um capacitor
do tipo permanente, isto significa que durante
todo o tempo de marcha, ambas as bobinas
estão energizadas.
Da rede de alimentação elétrica chega à ponte
de conexões do seletor uma linha que energiza o
ponto comum das bobinas de trabalho e partida
do moto-ventilador, também conecta o termosta-
to e o contato nº 4 do relé voltimétrico, que ener-
giza de forma direta a bobina de trabalho do com-
pressor. Do contato nº 4 do relé, também se ener-
gizam os capacitores permanente e de arranque,
que têm por missão auxiliar a bobina de partida
do compressor.
A primeira conexão do seletor será L 1-3, ener-
gizando toda a bobina de trabalho do moto-venti-
lador e também o capacitor permanente que
auxilia a bobina de partida. Arranca então o moto-
ventilador com velocidade baixa.
A segunda conexão do seletor será L 1-2, varia
somente a velocidade do ventilador (velocidade
alta)
A terceira conexão será L 1-3 P 1: é energizado
o ponto comum do compressor e também o con-
tato nº 5 do relé voltimétrico.
Arranca desta forma o compressor e o equipa-
mento começa a funcionar em frio com velocida-
de baixa. Como permanece energizada a bobina
do relé, se abre o contato (1-2) normalmente fe-
chado, desconectando o capacitor de arranque e
desta maneira o compressor permanece traba-
lhando durante todo o tempo de marcha com
ambas bobinas energizadas; a de trabalho de for-
ma direta e a de partida com o capacitor perma-
nente.
A última conexão será L1- 2- P1: idêntica à an-
terior, mas agora com velocidade alta.
CURSO DE REFRIGERAÇÃO E AR CONDICIONADOCURSO DE REFRIGERAÇÃO E AR CONDICIONADOCURSO DE REFRIGERAÇÃO E AR CONDICIONADOCURSO DE REFRIGERAÇÃO E AR CONDICIONADOCURSO DE REFRIGERAÇÃO E AR CONDICIONADO
40
“Circuito elétrico de um condicionador de ar “frio-calor” com válvula reversora
e descongelamento automático”
Conexões do Seletor
L1 – 2 = Ventilação Alta
L1 – 4 = Ventilação Baixa
L1 – 2 – 5 = Frio – Alto
L1 – 4 – 5 = Frio – Baixo
L1 – 2 – 3 = Calor - Alto
L1 – 4 – 3 = Calor - Baixo
Linha
M/V
T
2
1
4 5
M/C
P.T.
3
Capacitor
Permanente
Capacitor
Permanente
T.S.
N.C.
C
T
T
P
C
2 3
V.S.
P
Frío
Calor
CURSO DE REFRIGERAÇÃO E AR CONDICIONADOCURSO DE REFRIGERAÇÃO E AR CONDICIONADOCURSO DE REFRIGERAÇÃO E AR CONDICIONADOCURSO DE REFRIGERAÇÃO E AR CONDICIONADOCURSO DE REFRIGERAÇÃO E AR CONDICIONADO
41
Antes de mais nada devemos esclarecer que
este circuito trabalha com dois termostatos:
Um termostato frio / calor de três contatos
onde: 2 é comum, 1 é frio e 3 é calor. O outro é
um termostato de segurança cujo funcionamento
é normalmente fechado e abre quando seu bulbo
sensor detecta o congelamento da serpentina
externa, quando este atua como evaporador, fato
que ocorre no inverno.
Por outro lado a válvula reversora atua somen-
te quando sua bobina é energizada, desta forma
inverte o ciclo, e o equipamento começa a ope-
rar em calor.
Agora passaremos a analisar as conexões do
controle seletor:
Da rede de alimentação elétrica chega à ponte
de conexões do seletor, uma linha que energiza
o ponto comum do compressor, passando pelo
termostato de segurança normalmente fechado
e energizando um extremo do solenóide da vál-
vula reversora e o comum do moto-ventilador.
A primeira conexão do Seletor será L1 – 2, ener-
gizando a bobina de trabalho do ventilador e tam-
bém o capacitor permanente que auxilia a bobina
de partida. Arranca assim o ventilador com
velocidade alta.
A segunda conexão do seletor será L1 – 4, vari-
ando somente a velocidade do ventilador (velo-
cidade baixa).
A terceira conexão será L1 –2–5, o termostato
conecta os contatos “1 – 2”, energizando a bobi-
na de trabalho do compressor e o capacitor per-
manente que auxilia a bobina de partida e desta
forma arranca o compressor em frio com veloci-
dade alta.
A quarta posição do seletor será L1 – 4-5, idên-
tica à anterior mas agora em frio com velocidade
baixa.
A quinta posição do seletor será L1-2-3, o ter-
mostato agora conectará os contatos “2-3”, li-
gando novamente o compressor; mas ao mesmo
tempo o contato nº3 do termostato termina por
energizar o outro extremo da solenóide da válvu-
la, imediatamente então a válvula reversora in-
verte o ciclo, partindo o equipamento em calor
com velocidade alta.
Finalmente a última conexão será L1- 4-3, na
qual varia somente a velocidade, quer dizer, ca-
lor com velocidade baixa.
Quando o equipamento opera em calor e a tem-
peratura externa é próxima a 0ºC, é comum que
se bloqueie a serpentina externa (evaporador) o
que é percebido pelo bulbo do termostato de se-
gurança; este imediatamente abre seus conta-
tos, desenergizando o moto-ventilador e a válvula
solenóide, invertendo assim o ciclo, e se realiza
o descongelamento automático. Uma vez ocorri-
do isto, o bulbo do termostato volta a fechar seus
contatos energizando novamente o moto-ventila-
dor e a válvula solenóide, e o equipamento volta
a inverter o ciclo para funcionar em calor.
CURSO DE REFRIGERAÇÃO E AR CONDICIONADOCURSO DE REFRIGERAÇÃO E AR CONDICIONADOCURSO DE REFRIGERAÇÃO E AR CONDICIONADOCURSO DE REFRIGERAÇÃO E AR CONDICIONADOCURSO DE REFRIGERAÇÃO E AR CONDICIONADO
42
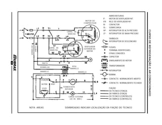
“Circuito Elétrico de um Condicionador de Ar “Frio – Calor”
com Resistência Elétrica”.
Conexões do Seletor
L1 – 4 = Ventilação Baixa
L1 – 2 = Ventilação Alta
L1 – 4 – 5 = Frio - Baixa
L1 – 2 – 5 = Frio - Alto
L1 – 4 – 3 = Calor - Baixo
L1 – 2 – 3 = Calor - Alto
A figura mostra um equipamento de ar condicionado do tipo Frio – Calor com resistência (circuito
elétrico).
No painel de controle, encontraremos o seletor e o termostato Frio – Calor de três contatos: 2
comum – 1 frio e 3 calor.
M/C
L1
Resistencia
C
M/V
T
T
2
1
45
T
P
C
D.F.
P.T.
2
3
Capacitor
Permanente
Capacitor
Permanente
P
3
CURSO DE REFRIGERAÇÃO E AR CONDICIONADOCURSO DE REFRIGERAÇÃO E AR CONDICIONADOCURSO DE REFRIGERAÇÃO E AR CONDICIONADOCURSO DE REFRIGERAÇÃO E AR CONDICIONADOCURSO DE REFRIGERAÇÃO E AR CONDICIONADO
43
O seletor serve para ligar e desligar o aparelho
e para selecionar frio ou calor.
Já o termostato é o encarregado de controlar a
temperatura da habitação e permite também exe-
cutar a troca de frio (para a época de verão) ao
calor (para a época de inverno), dependendo da
temperatura ambiente.
A primeira conexão do seletor é para que o
equipamento opere em ventilação, sem produzir
mudança de temperatura, para isto, na hora de
girar o seletor se forma uma ponte interna entre
os contatos L1 – 4, funcionando apenas o moto-
ventilador em baixa velocidade.
A segunda conexão do seletor será L1 – 2, vari-
ando somente a velocidade do moto-ventilador
(velocidade alta).
A terceira conexão do seletor será L1 – 4-5, li-
gando o compressor em frio com velocidade bai-
xa.
A quarta conexão do seletor será L1-2-5, idên-
tica à anterior mas agora será frio com velocidade
alta.
A quinta posição do seletor será L1 4-3, liga o
equipamento em calor com velocidade baixa.
Finalmente a última conexão será L1- 2-3, que
varia somente a velocidade, ou seja, calor com
velocidade alta.
Todo este funcionamento descrito anteriormen-
te é considerando que o moto-ventilador, a re-
sistência e o compressor, sejam alimentados
com uma linha que sai da ponte de conexões do
seletor energizado da rede de alimentação
elétrica.
Quem vai definir se o termostato conecta com
a resistência (contatos 2-3) ou com o compres-
sor (contatos 2-1), vai ser a estação do ano e
também, é claro, a temperatura ambiente da ha-
bitação.
Em série com a resistência se encontra um pro-
tetor térmico que tem por objetivo evitar o aque-
cimento excessivo da resistência de
aquecimento, desligando-a quando se produz
uma diminuição anormal do fluxo de ar ou
simplesmente quando falha o moto-ventilador.
O compressor do circuito é do tipo que traba-
lha com capacitor permanente e o protetor tér-
mico é o encarregado de protegê-lo, em caso de
um aumento da corrente (amperagem) ou em
caso de aumento da temperatura deste, que su-
pere a temperatura normal de trabalho. O prote-
tor térmico vai conectado ao ponto comum do
compressor, para assim proteger ambas as bo-
binas (partida e trabalho).
O circuito é alimentado por 220 volts, uma fase,
um neutro e terra.
“CONDICIONADORESPARAFRIOE
CALOR”
Existem no mercado condicionadores domésti-
cos que podem utilizar-se tanto no verão como
no inverno, são os denominados Frio-Calor.
Estão compostos por um equipamento frigorífi-
co convencional, como os estudados anterior-
mente, e uma fonte de calor que pode ser uma
resistência elétrica, ou em equipamentos mais
modernos por um sistema denominado “válvula
reversora”.
Válvula Reversora
É um dispositivo que aproveita parte dos com-
ponentes do equipamento para produzir frio ou
calor. No verão absorve calor da habitação e o
entrega ao exterior. No inverno o equipamento
transfere calor do exterior para a habitação a
fim de aquecê-la.
Aparentemente aqui temos uma contradição,
já que falamos de transferir calor do exterior no
inverno, quando justamente faz frio. Isto ocorre,
por causa que o calor flui sempre dos corpos mais
quentes para os mais frios, portanto, enquanto
a serpentina externa estiver a temperatura menor
que o ar, este poderá ceder calor (não confundir
calor com temperatura). Portanto, enquanto se
mantiverem as mencionadas condições de tem-
peratura do ar em relação à serpentina externa,
podemos considerar o ar externo como uma fon-
te de calor. Esta é a razão pela qual o sistema
“válvula reversora” apresenta um “elevado ren-
dimento em calorias produzidas, em relação a
cada watt
CURSO DE REFRIGERAÇÃO E AR CONDICIONADOCURSO DE REFRIGERAÇÃO E AR CONDICIONADOCURSO DE REFRIGERAÇÃO E AR CONDICIONADOCURSO DE REFRIGERAÇÃO E AR CONDICIONADOCURSO DE REFRIGERAÇÃO E AR CONDICIONADO
44
consumido”. “O calor gerado é 3 a 4 vezes
superior ao que se obtém consumindo igual
potência por uma reistência elétrica”.
Como inconveniente, se pode assinalar que a
“válvula reversora” tem um limite de temperatu-
ra (ao redor de 0ºC), abaixo da qual não funcio-
na, pois não se pode extrair calor do ar se este
está a uma temperatura igual ou menor que a
serpentina externa.
A válvula reversora está formada por três com-
ponentes que são:
1. Válvula de quatro vias
2. Válvula de três vias
3. Bobina solenóide
FUNCIONAMENTODAVÁLVULA
REVERSORA
Nas figuras 1 e 2 podemos ver o ciclo que com-
pleta o gás no inverno e verão.
No primeiro caso a válvula conecta a serpenti-
na interna com o “tubo de alta” do compressor,
aquecendo a parte interna do recinto; e o "tubo
de baixa" com a serpentina externa; é através
desta, que o refrigerante absorve calor do ar ex-
terno, necessário para sua evaporação.
Neste caso a bobina solenóide está energiza-
da, ou seja, que existe tensão em seus contatos.
Se estando o equipamento em aquecimento in-
terno, desconectamos intencionalmente algum
dos fios que conectam a bobina solenóide, vere-
mos que o sistema inverte a circulação e come-
ça a esfriar o ambiente. Isto é o que representa
a figura 2, que ilustra o circuito no ciclo verão.
Esta mesma inversão é realizada pela chave
seletora quando selecionamos para operar na
posição inverno ou verão. A inversão se produz
devido a que a bobina solenóide funciona atrain-
do um núcleo que mantém a válvula reversora
em posição de trabalho, e atua vencendo a re-
sistência de uma mola.
Quando se corta a corrente da bobina, a mola
recupera sua posição normal e empurra a válvu-
la que ao mesmo tempo provoca a inversão do
fluxo de gás no circuito de refrigeração. As figu-
ras ilustram o esquema explicado.
VÁLVULAREVERSORA
Os diversos tipos de válvulas estão classifica-
dos por modelos e para diferentes capacidades
de refrigeração. Servem para operar automatica-
mente nos sistemas de ar condicionado.
Estas válvulas reversoras de 4 vias estão her-
meticamente construídas para operar grandes
diferenças de pressões; têm um desviador dire-
cional de 2 posições.
Este mecanismo é controlado pela bobina so-
lenóide fixada sobre uma válvula auxiliar de 3
vias que integra o corpo principal da válvula.
A válvula inverte instantaneamente o ciclo,
segundo o sentido de fluxo das pressões, pois
opera através da diferença entre alta e baixa
pressão do sistema.
Na figura 1 se indica a passagem de gás refri-
gerante através do corpo principal da válvula e
permite observar o desviador.
No ciclo calor, a bobina solenóide ao energizar-
se aciona a haste da válvula piloto:
O conduto esquerdo se fecha com uma válvula-
agulha, ficando assim aberto o condutor direito;
a diferença de pressões criada entre as duas
câmaras “a” e “b” da válvula principal pela ação
do piloto, faz que instantaneamente se deslizem
os pistões movendo o desviador, mudando o sen-
tido de circulação do refrigerante. Em seguida as
duas pequenas recâmaras igualam as pressões.
Esta ação pode ser invertida novamente pela ação
da válvula piloto acionada pelo controle de
temperatura.
Os equipamentos com válvula reversora têm
um termostato frio /calor de três contatos que
controla automaticamente a refrigeração ou aque-
cimento segundo se queira.
CURSO DE REFRIGERAÇÃO E AR CONDICIONADOCURSO DE REFRIGERAÇÃO E AR CONDICIONADOCURSO DE REFRIGERAÇÃO E AR CONDICIONADOCURSO DE REFRIGERAÇÃO E AR CONDICIONADOCURSO DE REFRIGERAÇÃO E AR CONDICIONADO
45
"b"
"a"
Tubo capilar
Serpentina externa
trabalha como evaprador
Serpentina interna trabalha
como condensador
Cada pistão tem um
orifício de escape
Compressor
Tubo de baixa
pressão
Solenoide
energizado
Figura Nº1 - Ciclo de aquecimento da válvula reversora
CURSO DE REFRIGERAÇÃO E AR CONDICIONADOCURSO DE REFRIGERAÇÃO E AR CONDICIONADOCURSO DE REFRIGERAÇÃO E AR CONDICIONADOCURSO DE REFRIGERAÇÃO E AR CONDICIONADOCURSO DE REFRIGERAÇÃO E AR CONDICIONADO
46
Figura Nº 2 - Ciclo de refrigeração da válvula reversora
"b"
"a"
Tubo capilar
Serpentina externa trabalha
como condensador
Serpentina interna trabalha
como evaporador
Compressor
Tubo de baixa pressão
Solenoide
desenergizado
Válvula reversora
CURSO DE REFRIGERAÇÃO E AR CONDICIONADOCURSO DE REFRIGERAÇÃO E AR CONDICIONADOCURSO DE REFRIGERAÇÃO E AR CONDICIONADOCURSO DE REFRIGERAÇÃO E AR CONDICIONADOCURSO DE REFRIGERAÇÃO E AR CONDICIONADO
47
“Recirculação do Ar”
Até agora temos falado do ventilador centrífugo considerando-o como um recirculador do ar ambien-
tal. Ou seja, que o ar absorvido pelo mesmo, volta a ser insuflado novamente ao recinto através da
serpentina interna da unidade.
RECIRCULAÇÃO DO AR
“Extração do Ar”
A maioria dos equipamentos contam com um sistema mecânico que nos permite duas opções a
mais. Uma delas consiste em enviar parte do ar absorvido ao exterior , através de uma janela acionada
por meio de uma chave de comando. Desta forma se consegue extrair parte do ar viciado contido no
recinto.
FIGURA 2 - EXAUSTÃO DO AR
CURSO DE REFRIGERAÇÃO E AR CONDICIONADOCURSO DE REFRIGERAÇÃO E AR CONDICIONADOCURSO DE REFRIGERAÇÃO E AR CONDICIONADOCURSO DE REFRIGERAÇÃO E AR CONDICIONADOCURSO DE REFRIGERAÇÃO E AR CONDICIONADO
48
“Renovação de Ar”
Outra variante consiste em introduzir ar externo que se mistura com o interno através de uma aber-
tura que possui o equipamento, para este fim, e que também é comandada do painel de controle.
RENOVAÇÃO DO AR
“Circuito Elétrico de uma Mini Central de Ar Condicionado”
Neste circuito, a força se controla por meio de chaves contactoras junto aos motores, sejam estes
monofásicos ou trifásicos.
O controle se realiza com uma tensão de 24 volts, o que se consegue por meio de um transformador.
O termostato é do tipo ambiental eletrônico, ou seja, sem bulbo.
CURSODEREFRIGERAÇÃOEARCONDICIONADOCURSODEREFRIGERAÇÃOEARCONDICIONADOCURSODEREFRIGERAÇÃOEARCONDICIONADOCURSODEREFRIGERAÇÃOEARCONDICIONADOCURSODEREFRIGERAÇÃOEARCONDICIONADO
49
ABREVIATURAS
IF - MOTOR DO VENTILADOR INT.
IFR - RELE DO VENTILADOR INT.
M - CONTACTOR
OL - SOBRECARGA
HP - INTERRUPTOR DE ALTA PRESSÃO
LP - INTERRUPTOR DE BAIXA PRESSÃO
SIMBOLOS
INTERRUPTOR DE DESCONEXÃO
FUSíVEL
TERMINAL IDENTIFICAVEL
OTRAS CONEXÕES
CAPACITOR
ENROLAMENTO DE MOTOR
TRANSFORMADOR
INTERRUPTOR
BOBINA
CONTACTO - NORMALMENTE ABERTO
CONTACTO - NORMALMENTE FECHADO
FIAÇÃO
DO TECNICO (FORÇA)
DA FABRICA (FORÇA)
DO TECNICO (CONTROLES)
DA FABRICA (CONTROLES)
VENTILADOR
EXTERIOR DO
MOTOR
CAPAC. DE
MARCHA
AZUL
AMARELO
CARGA EXTERNA
(30 VA. MAX.)
TERMOSTATO
INTERIOR
MOTOR DO
COMPRESSOR
EMB AUX
EMBPPAL
CAPAC. DE
MARCHA
EMB
AUX
PPAL
AMARELO
VERMELHO
PRETO
LIGAÇÃO
AUTOM. VENT
ESFR.
VERMELHO
PRETO
AMARELO
NOTA: AREAS SOMBREADAS INDICAM LOCALIZAÇÃO DA FIAÇÃO DO TECNICO
CURSO DE REFRIGERAÇÃO E AR CONDICIONADOCURSO DE REFRIGERAÇÃO E AR CONDICIONADOCURSO DE REFRIGERAÇÃO E AR CONDICIONADOCURSO DE REFRIGERAÇÃO E AR CONDICIONADOCURSO DE REFRIGERAÇÃO E AR CONDICIONADO
50
ABREVIATURAS
OF-MOTORDOVENTILADOREXT.
IF-MOTORDOVENTILADORINT.
M-CONTACTOR
IFR-RELEDOVENTILADORINT.
SIMBOLOS
INTERRUPTORDEDESCONEXÃO
FUSÍVEL
TERMINALIDENTIFICAVEL
OTRASCONEXÕES
CAPACITOR
ENROLAMENTODEMOTOR
TRANSFORMADOR
INTERRUPTOR
BOBINA
CONTACTO-NORMALMENTEABERTO
CONTACTO-NORMALMENTEFECHADO
CABLEADO
DOTECNICO(FORÇA)
DAFABRICA(FORÇA)
DOTECNICO(CONTROLES)
DAFABRICA(CONTROLES)
CAPAC.DE
MARCHA
MOTORDO
COMPRESSOR
EMBAUX
EMBPPAL
CAPAC.DE
MARCHA
CIRCUITOCOMPLETAMENTEENERGIZADO
IFR
TERMOSTATO
INTERIOR
LIGAÇÃOVENT.
AUTOM.
ESFR.
24V.

Refrigeração 5

  • 1.
    CURSO DE REFRIGERAÇÃO EAR CONDICIONADO 5 ENVIO 10 PROIBIDA A REPRODUÇAO, TOTAL OU PARCIAL DESTA OBRA, POR QUALQUER MEIO OU METODO SEM AUTORIZAÇÃO POR ESCRITO DO EDITOR © TODOS OS DIREITOS FICAM RESERVADOS.
  • 2.
    CURSO DE REFRIGERAÇÃOE AR CONDICIONADOCURSO DE REFRIGERAÇÃO E AR CONDICIONADOCURSO DE REFRIGERAÇÃO E AR CONDICIONADOCURSO DE REFRIGERAÇÃO E AR CONDICIONADOCURSO DE REFRIGERAÇÃO E AR CONDICIONADO 2 CONDICIONAMENTO DO AR Muitas pessoas acreditam que o condiciona- mento do ar é simplesmente, resfriar o ar, porém, isso não é certo nem correto. Essa operação deve ser chamada de resfriamento confortável do ar. O emprego correto do termo condicionamento do ar significa o controle da temperatura, da circu- lação, da umidade e das impurezas do ar que é respirado e que nos rodeia. Em termos gerais, o condicionamento completo do ar significa aque- cê-lo no inverno, resfriá-lo no verão, fazer com que se espalhe pelo ambiente, renová-lo com ar externo, secá-lo quando a umidade é muito alta, umedecê-lo quando o ar está muito seco e filtrá- lo para eliminar o pó e as bactérias que se en- contram no meio ambiente. Considerando o que foi dito anteriormente, po- demos observar as enormes possibilidades que tem o ar condicionado para garantir o nosso con- forto e a nossa saúde, tanto na vida do lar como no trabalho. Durante muito tempo as casas, escritórios e lo- cais de trabalho foram aquecidos durante o in- verno para torná-los mais confortáveis. Porém, so- mente nos últimos anos, esses locais puderam ser resfriados, tornando a temperatura mais agra- dável durante os meses de verão. Com o aparelho de ar condicionado, também pode ser controlada a umidade, que afeta, e mui- to, o conforto das pessoas durante o verão. Mediante processos muito simples também pode ser eliminado o pó em até um 98%. A propa- gação de muitas doenças contagiosas pode ser eliminada, ou diminuída, utilizando-se esses apa- relhos de ar condicionado. Se consideramos que uma pessoa respira por dia, uma quantidade de ar equivalente a cinco vezes o peso dos alimentos e da água que conso- me, é fácil entender a importância que tem a qua- lidade do ar que entra em nosso corpo. Hoje, muitas fábricas instalam ar condiciona- do, com o intuito de aumentar o rendimento, a saúde e conforto do pessoal e assim, melhorar a qualidade e reduzir os custos de seus produtos. Locais tais como gráficas, padarias, fábricas de tintas, de têxteis, de doces, de farinhas e outros locais onde o produto deve ser manufaturado com grande velocidade e obter uma ótima qualidade final, tem no ar condicionado e no controle da umidade, um fator que garante os objetivos pro- postos. Como exemplo de comparação, algumas plantas industriais têm unidades de ar condicio- nado que produzem o frio equivalente a várias toneladas de gelo por dia. TIPOSDEUNIDADESDEAR CONDICIONADO As instalações para condicionamento do ar são basicamente de dois tipos: - Unidades centrais - Equipamentos individuais As centrais de condicionamento de ar para casas, escritórios, fábricas, teatros, etc., têm a unidade que aquece, esfria, filtra, umedece e recircula o ar, muito compacta, geralmente localizada no porão ou em outra habitação, e dela sai a tubulação necessária para os pontos que devem ser climatizados. Os equipamentos individuais têm a mesma fina- lidade, porém, eles ficam localizados em um com- partimento único, com ótimo acabamento, para poder serem fixados no próprio local a ser condi- cionado. Alguns desses aparelhos possuem uma resistên- cia para ser utilizada no inverno, e atualmente, existem unidades reversíveis que utilizam uma válvula reversora. Este tipo de unidade será visto mais adiante.
  • 3.
    CURSO DE REFRIGERAÇÃOE AR CONDICIONADOCURSO DE REFRIGERAÇÃO E AR CONDICIONADOCURSO DE REFRIGERAÇÃO E AR CONDICIONADOCURSO DE REFRIGERAÇÃO E AR CONDICIONADOCURSO DE REFRIGERAÇÃO E AR CONDICIONADO 3 SISTEMA DE ESFRIAMENTO DIRETO UNIDADE CENTRAL DE CONDICIONAMENTO DE AR O sistema de ar condicionado pode ser classifi- cado em: - Direto. - Indireto. No sistema direto, o evaporador ou serpentina de refrigerante, é o encarregado do esfriamento e está em contato direto com o ar a ser climati- zado. Nas pequenas unidades, tais como equipa- mentos individuais, o sistema direto é o mais utili- zado. No sistema indireto, o ar é esfriado por uma serpentina onde circula água previamente resfri- ada. O sistema indireto é utilizado nas grandes ins- talações por sua segurança, pois o evaporador por onde circula o refrigerante químico, não está em contato com os dutos de ar. Se ocorrer um vazamento de refrigerante, ele não será arrastado pelo fluxo de ar, e assim, evita- se a poluição do ambiente. ESFRIAMENTODOAR O procedimento mais simples de esfriamen- to o ar, consiste no emprego de unidades refrigeradoras muito semelhantes às que foram estudadas até agora em sistemas de refrigeração. Realmente, tudo o que foi visto e explicado sobre os princípios de funciona- mento dos aparelhos de refrigeração, pode ser aplicado nas unidades de ar condicio- nado. Algumas instalações empregam gelo para esfriar o ar, fazendo-o passar através de uma câmara cheia desse elemento. Em outras situações e quando se dispõe de grandes quantidades de água fria, ela é forçada a passar pelo interior de uma serpentina e o ar circula trocando calor com ela. Este sistema é muito econômico. Para esfriar o ar diretamente com o siste- ma de refrigeração, é colocado um evapora- dor, tipo seco, na rota do ar e deste modo, quando passa através das aletas desse tro- cador de calor, ele é resfriado. Os evaporadores ou serpentinas de esfriamento de ar, têm grandes superfícies ou áreas de contato, por causa da superfície das aletas, desta forma o metal, já frio, retira o calor existente no ar do ambiente. Outro modo de esfriar e limpar o ar, é fazer que ele passe através de água fria e atomizada. Nes- tas unidades, é produzida uma fina cortina d’água e através dela, o ar é forçado obtendo o seu esfri- amento. CIRCULAÇÃO DE AR EVAPORADOR VÁLVULA DE EXPANSÃO CONDENSADOR COMPRESSOR BOMBA E MOTOR FORÇA MOTRIZ INTERRUPTOR DE CORTE FORÇA MOTRIZ TERMOSTATO TORRE DE RESFRIAMENTO FIOS ELÉTRICOS CAIXA DE CONTROLE FIOS ELÉTRICOS FIOS ELÉTRICOS FIOS ELÉTRICOS FLUXO DE AR
  • 4.
    CURSO DE REFRIGERAÇÃOE AR CONDICIONADOCURSO DE REFRIGERAÇÃO E AR CONDICIONADOCURSO DE REFRIGERAÇÃO E AR CONDICIONADOCURSO DE REFRIGERAÇÃO E AR CONDICIONADOCURSO DE REFRIGERAÇÃO E AR CONDICIONADO 4 COMPOSIÇÃO DO AR O ar é uma mistura mecânica de gases e vapor de água e está composto principalmente de: - Vapor de Água : Relativo - Nitrogênio : 78% - Oxigênio : 21% - Bióxido de carbono : 1% Hidrogênio, Hélio, Neón, Argônio De acordo com estes componentes poderíamos mencionar: - Ar Seco (Ar sem vapor de água) e - Ar (mistura natural de ar seco e vapor de água) Visto que todo ar em estado natural contém certa quantidade de vapor de água, não existe em realidade o “ar seco”. Porém, o conceito de ar seco, é muito útil, já que simplifica muito os cálculos psicrométricos. Poderíamos dizer que a composição do ar seco, é idêntica em todas as partes, porém, a quanti- dade de vapor de água no ar varia de acordo a região em particular e às condições climatológi- cas, já que a quantidade de vapor de água no ar resulta principalmente, da evaporação de água da superfície dos rios, lagos, oceanos, etc. Poderíamos dizer então, que a umidade atmos- férica (conteúdo de vapor de água na atmosfe- ra), é maior naquelas regiões localizadas perto de grandes massas de água e menor em regiões áridas. CARACTERÍSTICASDOAR 1.- Umidade: é a presença de vapor de água na atmosfera. 2.-Ar Saturado: é o que possui a quantidade máxima de vapor de água que pode conter com sua temperatura correspondente. 3.-Vapor Saturado: é aquele que se encontra à mesma temperatura e pressão do líquido com o qual foi formado. 4.-Vapor superaquecido: é aquele vapor que se encontra a uma temperatura superior ao ponto de ebulição do líquido com o qual foi formado. ARCONDICIONADO Corretamente empregado, o termo Ar Condicio- nado significa, controlar: 1.- A Temperatura (18ºC a 25ºC) 2.- A Circulação (Injeção e Exaustão) 3.- A Pureza (98%) 4.- A Umidade (35% a 65%) Do ar que respiramos e no qual vivemos TIPOSDEAR CONDICIONADO I. Tipo Comercial: 1.- Sistema Unitário compacto (janela) 2.- Sistema Split (mini central) II. Tipo Industrial: 1.- Sistema Direto (Centrais) 2.- Sistema Indireto (Chiller)
  • 5.
    CURSO DE REFRIGERAÇÃOE AR CONDICIONADOCURSO DE REFRIGERAÇÃO E AR CONDICIONADOCURSO DE REFRIGERAÇÃO E AR CONDICIONADOCURSO DE REFRIGERAÇÃO E AR CONDICIONADOCURSO DE REFRIGERAÇÃO E AR CONDICIONADO 5 SISTEMA UNITÁRIO COMPACTO (Equipamento de janela) Este sistema se caracteriza por ser uma unidade compacta de refrigeração, que possui um filtro de ar e um moto-ventilador de duplo eixo, com duas ventoinhas, uma chamada “Centrífuga ou Turbina” que dá para o interior da habitação e outra chamada “Helicoidal ou Axial” que dá para a parte externa da habitação. Tanto a unidade condensadora como o evapo- rador são de tubos aletados e resfriados por ar forçado. O elemento de expansão consiste num tubo capilar. O conjunto de todos estes elemen- tos se encontra dimensionado num gabinete me- tálico de ótimo acabamento. Estas unidades podem ser apenas Ciclo Frio ou Quente/Frio, com resistências elétricas, para usar os equipamentos no inverno, este sistema tem o inconveniente de secar demais o ar e ter um alto consumo elétrico. Nas unidades mais modernas se utiliza um sistema que faz o equipamento Ciclo Reverso, usando para isto uma peça chamada Válvula Reversora. Desta forma se consegue também o aquecimento nos sistemas Split e nas Centrais de Ar Condicionado. Serpentina de tubo aletado Condensador ou evaporador Centrífuga ou turbina Serpentina de tubo aletado Evaporador ou condensador Filtro de Ar Ventilador Tubo Capilar Ventilador Helicoidal o Axial M / VM / C Exterior Interior
  • 6.
    CURSO DE REFRIGERAÇÃOE AR CONDICIONADOCURSO DE REFRIGERAÇÃO E AR CONDICIONADOCURSO DE REFRIGERAÇÃO E AR CONDICIONADOCURSO DE REFRIGERAÇÃO E AR CONDICIONADOCURSO DE REFRIGERAÇÃO E AR CONDICIONADO 6
  • 7.
    CURSO DE REFRIGERAÇÃOE AR CONDICIONADOCURSO DE REFRIGERAÇÃO E AR CONDICIONADOCURSO DE REFRIGERAÇÃO E AR CONDICIONADOCURSO DE REFRIGERAÇÃO E AR CONDICIONADOCURSO DE REFRIGERAÇÃO E AR CONDICIONADO 7 SISTEMA SPLIT (Separado) Este sistema se utiliza em todos aqueles casos em que o ambiente a ser aclimatado, não possui saída ao exterior, por exemplo: corredores sub- terrâneos, etc, e consiste em separar o equipa- mento em duas partes, um gabinete interno e a unidade condensadora externa. Nestes sistemas o gabinete interno se localiza no recinto a climatizar e está composto por um evaporador de tubo aletado, insuflado por ar for- çado através de um ventilador de tipo centrífugo ou turbina, e um filtro de ar. A unidade condensadora, por outro lado, se lo- caliza no exterior do recinto a climatizar e é es- friada por ar forçado através de um ventilador do tipo Helicoidal ou Axial. A comunicação do gabinete interno e a unida- de condensadora, se consegue através do pro- longamento das tubulações de alta e baixa pres- são, cuja extensão varia de 7 até uns 20 metros aproximadamente. Serpentina aletada Condensador ou evaporador Ventilador centrífugo ou turbina Filtro de ar Tubo capilar Tubulação de alta e baixa pressão Tubulação de alta e baixa pressão Serpentina de tubo aletado Evaporador ou condensador Gabinete interior M/V M/V M/C Unidade condensadora
  • 8.
    CURSO DE REFRIGERAÇÃOE AR CONDICIONADOCURSO DE REFRIGERAÇÃO E AR CONDICIONADOCURSO DE REFRIGERAÇÃO E AR CONDICIONADOCURSO DE REFRIGERAÇÃO E AR CONDICIONADOCURSO DE REFRIGERAÇÃO E AR CONDICIONADO 8 SISTEMA DIRETO (Centrais) O sistema direto recebe este nome, já que é o evaporador quem esfria diretamente o ar, força- do a passar através da serpentina. As centrais de ar condicionado estão compos- tas pela unidade condensadora, evaporador, (am- bos de tubo aletado e esfriados por ar forçado), filtros de ar, pulverizadores (quando tem) e ven- tiladores, tudo condicionado num conjunto com- pacto, que se localiza no exterior do local a ser climatizado. A insuflação e exaustão do ar se realiza por meio de uma rede de dutos, que se instala acima do forro. A distribuição do ar às habitações, se realiza por meio dos chamados “difusores”. Sistema direto Sala de reuniões Difusores Rede de dutosForro Extração de ar Injeção de ar Pulverizadores Cortagotas Filtro de ar Ventilador Central de ar condicionado Serpentina de tubo aletado Evaporador ou condensador
  • 9.
    CURSO DE REFRIGERAÇÃOE AR CONDICIONADOCURSO DE REFRIGERAÇÃO E AR CONDICIONADOCURSO DE REFRIGERAÇÃO E AR CONDICIONADOCURSO DE REFRIGERAÇÃO E AR CONDICIONADOCURSO DE REFRIGERAÇÃO E AR CONDICIONADO 9
  • 10.
    CURSO DE REFRIGERAÇÃOE AR CONDICIONADOCURSO DE REFRIGERAÇÃO E AR CONDICIONADOCURSO DE REFRIGERAÇÃO E AR CONDICIONADOCURSO DE REFRIGERAÇÃO E AR CONDICIONADOCURSO DE REFRIGERAÇÃO E AR CONDICIONADO 10 SISTEMA INDIRETO (Chiller) Chiller é um sistema que esfria a água, fazendo com que ela circule ao redor do evaporador e em seguida impulsiona a água fria por meio de bombas injetoras até os “Fan Coill”. O Fan Coill está composto por uma serpentina de tubo aletado, esfriado por ar forçado e que possui um filtro de ar. Estes se localizam na parte interna das habitações a climatizar e são coman- dadas por um termostato e uma válvula solenóide. O aquecimento no inverno se pode conseguir mediante uma caldeira que esquenta a água e a bombeia até os Fan Coill, ou através de uma re- sistência elétrica instalada diretamente neles. O sistema indireto recebe este nome, já que o evaporador não esfria o ar, e sim a água, e é a água fria que de forma indireta esfria o ar das habitações. F S Comp. Condensador VS V.E.T. Evaporador (CHILLER) FAN COILL BI DL M/V A.S. M/V T Unidade condensadora
  • 11.
    CURSO DE REFRIGERAÇÃOE AR CONDICIONADOCURSO DE REFRIGERAÇÃO E AR CONDICIONADOCURSO DE REFRIGERAÇÃO E AR CONDICIONADOCURSO DE REFRIGERAÇÃO E AR CONDICIONADOCURSO DE REFRIGERAÇÃO E AR CONDICIONADO 11 ESQUEMA QUE MOSTRA COMO FILTRAR, UMIDIFICAR OU SECAR O AR FORMACORRETADEESFRIAROAR Quando é necessário condicionar o ar de um prédio com a finalidade de melhorar o conforto e a saúde dos seus morado- res, se deve ter cuidado para que ele não fique de- masiado frio, ou seja, que a temperatura não fique muito diferente da exter- na. É evidente que o ar fres- co é mais confortável e são que o ar quente, no verão, porém não é conve- niente que as pessoas re- cebam um choque térmico ao saírem ou entrarem no prédio. Isto significa que a diferença de temperatura do ar exterior e o interior não pode ser muito gran- de, sendo que, geralmen- te, uma diferença de 10º C entre ambas temperatu- ras é suficiente para deixar o local confortável. A temperatura do corpo humano é de, aproximadamente, 37º C e esse calor é desenvolvido pela combus- tão dos alimentos consumidos com o oxigênio que entra em nosso corpo quando respiramos. Dito com outras palavras, o corpo humano é seme- lhante a uma casa com lareira, e contém o seu próprio sistema de aquecimento. Quando a temperatura do ambien- te é inferior à do corpo, o calor é transmitido ao ar por radiação. Se o ambiente onde estamos, tem uma temperatura superior à do nosso corpo, esse calor não pode ser transmitido por radiação, e a trans- ferência será feita por transpiração. A velocidade com que é feita esta troca de calor e o controle da temperatura do corpo são feitos pelo que é conhecido como metabolismo. FIGURA INFERIOR DE UM CONDICIONADOR DE AR INDIVIDUAL OU DE JANELA ENTRADA DE AR VENTILADOR FILTRO TELAD’ÁGUA PULVERIZADOR SERPENTINA AQUECEDORA SERPENTINA RESFRIADORA AO DUTO AOCIRCUITODE REFRIGERAÇÃO TUBULAÇÃO DEVAPOR TUBULAÇÃO D’ÁGUA
  • 12.
    CURSO DE REFRIGERAÇÃOE AR CONDICIONADOCURSO DE REFRIGERAÇÃO E AR CONDICIONADOCURSO DE REFRIGERAÇÃO E AR CONDICIONADOCURSO DE REFRIGERAÇÃO E AR CONDICIONADOCURSO DE REFRIGERAÇÃO E AR CONDICIONADO 12 Uma pessoa normal, quando está des- cansando, perde cerca de 100 calorias por hora. Quando é feito algum exercício físico leve, a quantidade de calorias perdida aumenta para 150 por hora. Agora, se o exercício for pesado, a perda pode atingir 200 e até 250 calorias por hora. Este calor é fornecido pelas pessoas ao meio ambiente, e deve ser considera- do durante o projeto do sistema de ar con- dicionado que será utilizado. Embora, na hora de fazer esses cálcu- los, deva ser considerado o valor médio da temperatura externa, nunca se deve permitir que essa diferença de tempera- turas seja superior aos 10º C. Como exemplo, 21º C no interior de um cômodo pode ser considerado como con- fortável, durante o inverno, porém, no verão, quan- do a temperatura externa é de 35º C, o interior do local deve ter, no mínimo, 26º C. Esta queda de temperatura, deverá ser considerada confor- tável se for mantida uma umidade correta do ar interno. Algumas regiões, no verão, têm uma umidade que pode atingir valores muito altos, dando uma insuportável sensação de calor. Isso se deve a que a umidade do meio ambiente não permite a Zona de confort. transpiração do corpo humano, ou seja, impede a evaporação que garante a queda da tempera- tura do corpo. Por isso, as condições de conforto ideal dos locais habitados por pessoas, são obtidas com dois elementos muito importantes: a temperatu- ra e a umidade do ar no local que está sendo condicionado. O gráfico mostra a zona de conforto, e ela vai dos 30º C com umidade de 30%, aos 20º C com umidade de 70%. PESO DO VAPOR D’ÁGUA, COM AR SATURADO, EM g/m3 GRAUS GRAMAS GRAUS GRAMAS GRAUS GRAMAS GRAUS GRAMAS CENTÍGRADOS CENTÍGRADOS CENTÍGRADOS CENTÍGRADOS -5 3,4 20 17,2 45 65,4 70 198 0 4,8 25 23,0 50 83 75 241 5 6,8 30 30,3 55 104 80 293 10 9,4 35 39,6 60 130 85 353 15 12,8 40 51,1 65 161 90 423 NOTA: Se sabe que um litro d’água pesa um quilograma e pode ser observado por um fato muito interessante: o ar de um cômodo de tamanho normal pode conter mais de quatro litros de água, durante um dia quente e uma umidade relativa muito alta. O ar de um cômodo de tamanho regular pesa uns 77 quilogramas (kg). UMIDADE DO AR ZONA DE CONFORTO
  • 13.
    CURSO DE REFRIGERAÇÃOE AR CONDICIONADOCURSO DE REFRIGERAÇÃO E AR CONDICIONADOCURSO DE REFRIGERAÇÃO E AR CONDICIONADOCURSO DE REFRIGERAÇÃO E AR CONDICIONADOCURSO DE REFRIGERAÇÃO E AR CONDICIONADO 13 RETIRANDOAUMIDADEDOAR A quantidade de umidade no ar é chamada de umidade relativa. Este termo significa a porcen- tagem de umidade, tomando como base o total de água que o ar pode acumular quando fica sa- turado. O ponto de saturação depende da tem- peratura. Quanto mais quente estiver o ar, maior quantidade de umidade poderá receber antes de ficar saturado. Lembre que a umidade, neste pon- to, começa a se transformar em gotas d’água. Por exemplo, o ar com 17º C está saturado quando contém 1,1 grama de água por metro cú- bico. O ar a 21º C fica saturado quando tem 18,3 gramas de água por metro cúbico e aos 28º C, terá 27,5 gramas de água. Na página anterior, foi mostrada uma tabela em que para cada valor de temperatura, há o corres- pondente peso de água por metro cúbico. A quantidade real de umidade que há em cada volume de ar é conhecido como umidade absolu- ta. Por exemplo, independente da temperatura, se o ar contém 15 gramas de umidade por metro cúbico, pode ser dito que esta é sua umidade absoluta. A umidade relativa do ar é fornecida em por- centagem, do total de umidade de saturação a uma certa temperatura. Como exemplo, o ponto de saturação do ar a 25º C, é de 23 gramas por metro cúbico, se o peso dessa umidade é de 11,5 gramas, então, a umidade relativa deverá ser de 50%. Se o ar, a essa mesma temperatura, pesa 16,1 gramas por metro cúbico, então, sua umidade relativa é de 70%. A umidade relativa do ar de um dia quente, pode ficar entre 70% e 80%. Isto nos da uma sensação de calor muito desagradável, ou como se diz co- mumente, o dia está muito pesado. A umidade relativa correta para se ter uma sen- sação confortável, fica entre 35% e 65%, que em média é de 50%. O excesso de umidade pode ser retirado facil- mente, fazendo passar esse ar por serpentinas refrigeradas ou através de uma cortina d’água atomizada. Todos nos sabemos que quando o ar é resfriado, a umidade vira água, ou seja, ela é condensada. Se o ar carregado de água é resfriado até o pon- to de orvalho, o vapor d’água se transformará em uma espécie de nuvem. As unidades de ar condi- cionado condensam a umidade e ela vira água, sendo que ela é captada por recipientes e desvi- ada por pequenas mangueiras até o exterior. A porcentagem de umidade relativa pode ser ajustada ou regulada com muita precisão. Existem dispositivos que controlam circuitos elétricos com a finalidade de fornecer a quanti- dade de água atomizada ideal para o ambiente fechado ou condicionado. UMEDECENDOOAR Durante os meses de inverno, o ar externo é frio e seco ( a umidade relativa é baixa). Como os sistemas de aquecimento dos prédios e lares estão trabalhando, a umidade desses locais é muito baixa para ser considerada confortável ou saudável aos seres humanos. Este ar seco, absorve com grande velocidade a umidade do corpo, começando pela boca, gargan- ta, nariz e pulmões, deixando os tecidos secos e propensos a serem atacados por micróbios. Muitas doenças típicas do inverno podem ser re- duzidas ou eliminadas se o ar que respiramos for umedecido na quantidade certa. Umedecer ou adicionar água ao ar pode ser feito mediante jatos d’água muito finos. Algumas vezes, o ar é obrigado a passar através de telas ou esponjas encharcadas com água. Em algumas casas, os radiadores de calor ou aquecedores têm bandejas ou recipientes com água para que o ar aquecido que circula ao redor destes dispositivos gere a umidade necessária. Lembre-se que o ar é uma espécie de esponja e como ela, pode conter uma certa quantidade de água e depois, ficar saturada.
  • 14.
    CURSO DE REFRIGERAÇÃOE AR CONDICIONADOCURSO DE REFRIGERAÇÃO E AR CONDICIONADOCURSO DE REFRIGERAÇÃO E AR CONDICIONADOCURSO DE REFRIGERAÇÃO E AR CONDICIONADOCURSO DE REFRIGERAÇÃO E AR CONDICIONADO 14 PORCENTAGEM DE UMIDADE RELATIVA Termômetro úmido Diferença entre as temperaturas dos dois termômetros 0 1 2 3 4 5 6 7 8 9 10 0 100 81 64 48 36 25 14 6 1 100 82 66 52 39 28 18 10 2 100 83 67 54 42 31 21 13 8 3 100 84 69 56 44 34 25 17 9 3 4 100 84 70 57 46 36 27 20 13 7 5 100 85 71 59 48 39 30 23 16 10 5 6 100 85 72 61 50 41 33 25 19 13 8 7 100 86 73 62 52 43 35 28 22 16 11 8 100 87 74 64 54 37 30 24 18 13 9 100 87 75 65 55 47 39 26 21 16 10 100 88 76 66 57 49 41 35 29 23 18 11 100 88 77 67 58 50 43 37 31 26 21 12 100 88 78 68 60 52 45 38 33 28 23 13 100 89 79 69 61 53 46 40 35 30 25 14 100 89 79 70 62 55 48 42 36 31 27 15 100 89 80 71 63 56 49 43 38 33 29 16 100 90 80 72 64 57 51 45 40 35 30 17 100 90 81 73 65 58 52 46 41 36 32 18 100 90 81 73 66 59 53 48 42 38 33 19 100 91 82 74 67 60 54 49 44 39 35 20 100 91 82 75 68 61 55 50 45 40 36 21 100 91 83 75 68 62 56 51 46 42 38 22 100 91 83 76 69 63 57 52 47 43 39 23 100 92 84 76 70 64 58 53 48 44 40 24 100 92 84 77 70 65 59 54 49 45 41 25 100 92 84 77 71 65 60 55 50 46 42 26 100 92 85 78 72 66 61 56 51 47 43 27 100 92 85 78 72 67 61 56 52 48 44 28 100 92 85 79 73 67 62 57 53 49 45 29 100 93 86 79 73 68 63 58 54 50 46 30 100 93 86 80 74 68 63 59 54 50 47
  • 15.
    CURSO DE REFRIGERAÇÃOE AR CONDICIONADOCURSO DE REFRIGERAÇÃO E AR CONDICIONADOCURSO DE REFRIGERAÇÃO E AR CONDICIONADOCURSO DE REFRIGERAÇÃO E AR CONDICIONADOCURSO DE REFRIGERAÇÃO E AR CONDICIONADO 15 HIGRÔMETRO ESQUEMA DE FUNCIONAMENTO DE UM HIGRÔMETRO PSICRÔMETRO que tem o número 5 na parte superior. O valor encontrado é 49 ou seja que, a umidade relativa do ambiente é de 49%. Outro psicrômetro muito utilizado em lares e escritórios é o de parede. Seu funcionamento é semelhante ao anterior, porém, como ele é fixo, deve ser colocado num local onde o fluxo do ar condicionado passe através dele. INSTRUMENTOS A umidade relativa do ar pode ser checada por meio de um instrumento chamado higrômetro e seu aspecto é semelhante ao da figura. Este apa- relho tem um ponteiro que se desloca sobre uma escala. Esse movimento é ocasionado por fios de cabelo que se dilatam com a umidade alta e se contraem, quando a umidade é muito baixa. Outro método para determinar, com maior exa- tidão, a umidade relativa do ar é o emprego do psicrômetro. Este aparelho consiste num ter- mômetro de bulbo seco e outro de bulbo úmi- do. Os dois termômetros são instalados no mesmo suporte. O termômetro de bulbo seco, é carregado com álcool ou mercúrio. O termômetro de bulbo úmido é semelhante, porém, com uma pequena diferença: o bulbo está envolto em um feltro molhado com água à mesma tem- peratura ambiente. Quando o conjunto é girado, a umidade do feltro se evapora e isto esfria o bulbo, crian- do uma diferença de temperaturas entre am- bos termômetros. A velocidade da evapora- ção depende da umidade relativa do ar, no momento em que é feito o teste. Quanto mais baixa é a umidade relati- va, maior será a velocidade da evapo- ração, e maior será a diferença de tem- peratura entre ambos termômetros. Ambas leituras são feitas no mesmo instante e usando uma tabela especi- al, é possível determinar a umidade re- lativa do ar. Não é necessário dizer que o feltro somente pode ser molhado com água, qualquer outro líquido afetaria a leitura do aparelho. Na página anterior podemos ver uma tabela para calcular a umidade relativa, usando a leitu- ra feita com o instrumento. Quando não é possí- vel o uso da tabela, existem gráficos que têm a mesma finalidade. Nela pode ser vista, à esquerda, a coluna "Ter- mômetro Úmido" e na parte superior, a "Diferen- ça entre as leituras", de 0 até 10 graus. O uso da tabela é o seguinte: Considere que a temperatura do bulbo úmido é de 10º C e do seco 15º C. A diferença entre as duas leituras é 5º C. Na coluna esquerda e a partir do valor 10, nos deslocamos até a coluna ALTO BAIXO CABELO HUMANO FELTRO ÚMIDO TERMÔMETRO DE BULBO ÚMIDO TERMÔMETRO DE BULBO SECO
  • 16.
    CURSO DE REFRIGERAÇÃOE AR CONDICIONADOCURSO DE REFRIGERAÇÃO E AR CONDICIONADOCURSO DE REFRIGERAÇÃO E AR CONDICIONADOCURSO DE REFRIGERAÇÃO E AR CONDICIONADOCURSO DE REFRIGERAÇÃO E AR CONDICIONADO 16 GRÁFICOPSICROMÉTRICO Conhecer e poder interpretar um gráfico psicrométrico é de fundamental importância para projetar um sistema de ar condicionado, pois nele os fatores principais são as propri- edades do ar durante o seu esfriamento ou aquecimento. Este gráfico serve para o estudo das pro- priedades do ar e da água que há no ambien- te, assim como a quantidade de calor, peso e umidade relativa. Para poder utilizar o grá- fico, é necessário definir alguns parâmetros: Temperatura do bulbo seco (BS): É a tem- peratura que tiramos do ar ambiente com um termômetro simples. Temperatura do bulbo úmido (BU): É a tem- peratura que tiramos do ar ambiente com um termômetro comum que incorpora um feltro empapado em água e instalado no bulbo. Umidade relativa (UR): É um valor que se obtém quando se conhece a temperatura do bul- bo seco e do bulbo úmido. Ela indica a porcenta- gem de água que existe no ar. Umidade absoluta (UA): É o peso de água, em gramas, contida em um quilograma de ar. É expressada em g/kg. Ponto de orvalho (PO): É a temperatura na qual o vapor d’água contido no ar se precipita em for- ma de nuvem ou neblina. Pode se dizer que nes- se ponto, o ar está saturado e não admite mais água. Calor sensível: É o calor que é necessário so- mar ou retirar do ar para mudar sua temperatura. Calor latente: É o calor da água que existe no ar. Calor total: É a soma do calor latente e o sen- sível. É medido em calorias/kg de ar. Volume específico (Vesp): É a relação entre o peso e o volume do ar, expressado em metro cú- bico/kg. PSICRÔMETRO DE PAREDE EM GRAUS FARENHEIT FELTRO ÚMIDO TERMÔMETRO DE BULBO SECO TERMÔMETRO DE BULBO ÚMIDO
  • 17.
    CURSO DE REFRIGERAÇÃOE AR CONDICIONADOCURSO DE REFRIGERAÇÃO E AR CONDICIONADOCURSO DE REFRIGERAÇÃO E AR CONDICIONADOCURSO DE REFRIGERAÇÃO E AR CONDICIONADOCURSO DE REFRIGERAÇÃO E AR CONDICIONADO 17 CURVAS DE UMIDADE RELATIVA Na figura superior, são mostradas as linhas que limitam o gráfico da curva de saturação. A linha horizontal (BS), está dividida em graus centígra- dos e seu valor corresponde à temperatura do bulbo seco. A linha vertical, corresponde à umi- dade absoluta (UA) e está dividida em gramas de água por quilograma de ar. Finalizando, a cur- va marcada como HR = 100% é chamada como curva de saturação. Lembre que quando o ar está saturado, sua umidade relativa é de 100%. Vejamos, agora, um exemplo prático para po- der interpretar este gráfico. Suponha que quere- mos saber qual é a quantidade de água contida numa certa quantidade de ar com temperatura de 25º C. Primeiro, localizamos essa temperatu- ra na coluna BS. Logo depois, seguimos, desse ponto, na vertical até que cortar a curva UR. No ponto de interseção, projetamos uma paralela à linha BS até que a linha UA seja cortada. Neste exemplo, o valor obtido é de 20 g/kg. Continuando com este procedimento, também é possível saber a quantidade de água por quilo- grama de ar com diferentes valores de umidade relativa. Para isso, o gráfico psicrométrico con- tém varias linhas curvas, como pode ser obser- vado na figura inferior, para diferentes valores de umidade relativa. Com a ajuda dessas curvas, é possível determinar a quantidade de água con- tida em um quilograma de ar a 25ºC. Para poder fazer esta pesquisa, mantemos o procedimento anterior: procuramos o valor de 25º C e projetamos sua vertical até que ela corte a curva da umidade relativa selecionada. Depois, traçamos uma linha horizontal e paralela à coor- denada BS, até que cortar a escala UA. Como exemplo, se temos uma UR de 20%, a quantida- de de água por quilograma deverá ser de 4,4 g/ kg. Se à UR for de 60%, a quantidade de água deverá ser de 12,1 g/kg, etc. CURVA DE SATURAÇÃO TEMPERATURA DO BULBO SECO CURVA DE SATURAÇÃO HR = 100 % UMIDADEABSOLUTA:gDEÁGUAPORkgDEAR TEMPERATURA DO BULBO SECO CURVA DE SATURAÇÃO HR = 100 % UMIDADEABSOLUTA:gD’ÁGUAPORkgDEAR
  • 18.
    CURSO DE REFRIGERAÇÃOE AR CONDICIONADOCURSO DE REFRIGERAÇÃO E AR CONDICIONADOCURSO DE REFRIGERAÇÃO E AR CONDICIONADOCURSO DE REFRIGERAÇÃO E AR CONDICIONADOCURSO DE REFRIGERAÇÃO E AR CONDICIONADO 18 GRAFICO DE CALOR TOTAL E LINHAS DE VOLUME ESPECÍFICO Outras linhas que aparecem no gráfico psicro- métrico, são apresentadas na figura superior des- ta página e elas correspondem aos diferentes valores de temperatura do bulbo úmido. Por isso, para poder determinar a umidade relativa, conhe- cendo as temperaturas BS e BU, devemos fazer o seguinte procedimento: Suponha que com o psicrômetro, são obtidos os seguintes valores: Temperatura BS = 25º C Temperatura BU = 20º C Esses valores devem ser localizados na coor- denada BS e na curva BU. Se procura a interseção das linhas desses dois valores, sendo que o ponto de corte é sobre a curva UR = 60%. Se essas duas linhas de tem- peratura se cortam em um ponto onde não há curva de UR, deve ser considerado um valor médio entre duas linhas de UR. Terminando e para completar o gráfico psicro- métrico, pode ser observada na figura inferior, valores de calor total e linhas de volume especí- fico. LINHAS DE TEMPERATURA DO BULBO ÚMIDO TEMPERATURA DO BULBO SECO HR = 100 % UMIDADEABSOLUTA:GD’AGUAPORkgDEAR TEMPERATURA DO BULBO SECO UMIDADEABSOLUTA:GDEÁGUAPORkgDEAR
  • 19.
    CURSO DE REFRIGERAÇÃOE AR CONDICIONADOCURSO DE REFRIGERAÇÃO E AR CONDICIONADOCURSO DE REFRIGERAÇÃO E AR CONDICIONADOCURSO DE REFRIGERAÇÃO E AR CONDICIONADOCURSO DE REFRIGERAÇÃO E AR CONDICIONADO 19 INTERPRETAÇÃO DE UM GRÁFICO PSICROMÉTRICO ESQUEMA DE UM GRÁFICO PSICROMÉTRICO COM AS SETE PROPRIEDADES DA MISTURA DO AR COM O VAPOR D’ÁGUA. SE DUAS PROPRIEDADES SÃO CONHECIDAS E O PONTO DO ESTADO INICIAL FICA DETERMINADO, PODEM SER OBTIDAS AS OUTRAS CINCO PROPIEDADES. PSICROMETRIA A psicrometria é uma ciência muito interes- sante, porém, o nosso interesse neste capítu- lo, está na sua aplicação no condicionamento do ar. Agora passemos à análise dos processos básicos do condicionamento e será explicado como podem ser utilizados os diferentes gráfi- cos psicrométricos para resolver problemas. CARACTERÍSTICASDOAR O processo de aquecimento, esfriamento, umedecimento ou a retirada de umidade, que são parte das funções do condicionamento do ar, modificam suas características a partir do estado no ponto inicial até atingir o segundo ponto do gráfico, que é a condição desejada. Há cinco procedimentos ou processos pos- síveis: 1) De calor sensível constante, indicado por temperatura do bulbo seco constante. 2) De calor latente constante, indicado por umidade e ponto de orvalho constante. 3) De calor total constante, indicado por tem- peratura do bulbo úmido constante. 4) De umidade absoluta constante, onde to- dos os outros fatores são modificados. 5) Qualquer combinação dos pontos anterio- res. Cada um dos pontos anteriores serão vistos com exemplos. ANÁLISEPSICROMÉTRICA No gráfico psicrométrico são representadas as sete propriedades de mistura do ar e do vapor d’água. Elas são: Temperatura do bulbo seco (BS) Temperatura do bulbo úmido (BU) Umidade absoluta (UA) Umidade relativa (UR) Temperatura do ponto de orvalho (PR) Calor total (CT) Volume específico (Vesp) TEMPERATURA DO BULBO SECO EM ºc UMIDADEABSOLUTA: gD’ÁGUAPORkgDE AR. CURVA DE SATURAÇÃO CALOR TOTAL Vesp.
  • 20.
    CURSO DE REFRIGERAÇÃOE AR CONDICIONADOCURSO DE REFRIGERAÇÃO E AR CONDICIONADOCURSO DE REFRIGERAÇÃO E AR CONDICIONADOCURSO DE REFRIGERAÇÃO E AR CONDICIONADOCURSO DE REFRIGERAÇÃO E AR CONDICIONADO 20 AQUECIMENTO SEM UMIDADE Na figura superior da página anterior é mostra- do um gráfico psicrométrico completo para temperaturas normais, com os valores utilizados, geralmente, na prática do condicionamento do ar e para a pressão atmosférica normal de 760 mm de mercúrio. Se são conhecidas duas das sete propriedades de uma mistura de ar e vapor d’água, as outras podem ser obtidas, de forma imediata através do gráfico. Como exemplo para poder ler o gráfi- co, suponha que num psicrômetro são obtidas as seguintes leituras: Bulbo seco = 35º C e bulbo úmido = 24,5º C. Para poder obter as outras cinco propriedades psicrométricas do ar, veja a figura onde as condi- ções estão representadas pelo ponto A. Checando o gráfico inferior da página 2, poderá ser obtida a umidade relativa = 43%. Se segue a linha horizontal para a direita, até atingir a escala de umidade absoluta, ela será = 15,3 gramas de vapor d’água por quilograma de ar. Se continuamos com a mesma linha, porém à esquerda, até a linha de saturação, obteremos: temperatura do ponto de orvalho = 20º C. Se as linhas de volume específico são corta- das, é possível obter: 0,85 e 0,9 m3/kg. Isto sig- nifica que o volume específico médio é = 0,895 m3/kg. Podemos encontrar o calor total seguin- do a linha do bulbo úmido para a esquerda e aci- ma, até a linha de saturação e da escala de calor total. Se deduz que para a condição dada no início: calor total = 17,9 kcal por kg de ar seco. AQUECIMENTOSEMUMIDADE É o processo que acontece nos sistemas de aquecimento que não estão equipados com umi- dificador. Este é um processo de calor latente constante, ou um processo de umidade absolu- ta constante, onde a temperatura do ponto de orvalho permanece a mesma. Isto significa que somente calor sensível é agregado ao ar. Exemplo: O ar é aquecido inicialmente a 1,5º C (bulbo seco); umidade relativa = 70% até 40º C. É necessário obter a temperatura do bulbo úmi- do, temperatura do ponto de orvalho e a umida- de relativa do ar e o calor adicionado por quilo- grama de ar. Vejamos o gráfico psicrométrico na parte supe- rior desta página. Primeiro, localizamos a condi- ção do estado inicial no gráfico. Esta situação é dada pelo ponto A. Se observa que o calor total inicial (CT) é = 2,1 kcal/kg. Se continuamos com a linha horizontal de umidade absoluta constan- te até o final, podemos ler: temperatura do bulbo úmido = 17,3º C; temperatura do ponto de orva- lho = 3º C e umidade relativa = 8%. Isto é repre- sentado pelo ponto B da figura. Para obter o va- lor final de calor, seguimos a linha do bulbo úmi- do = 17,3º C até a escala de calor total e obtere- mos o calor total final (CT) = 12,1 kcal/kg. AQUECIMENTOCOMUMIDADE O bom condicionamento do ar durante o inver- no necessita de umidade durante o processo de aquecimento. Geralmente, água é fornecida para manter a umidade relativa entre 40% e 50%, no interior do espaço que está sendo condiciona- do. Exemplo: Há necessidade de aquecer o ar que se encon- tra a uma temperatura de bulbo seco = 5º C e uma umidade relativa = 30% até 40º C. É neces- sário adicionar água para manter essa umidade relativa em 30%. Também é necessário saber a quantidade de calor e umidade que devem ser adicionadas por quilograma de ar. Primeiro deve ser obtido o ponto A do estado inicial, com um calor total inicial = 2,1 kcal/kg, e uma umidade absoluta = 1,6 g/kg. Seguimos a linha da umidade relativa = 30% até sua interse- ção com a linha de temperatura do ponto de or- valho = 40º C, para determinar o ponto B, ou estado inicial. Se lê calor final = 18,6 kcal/kg e umidade absoluta = 14,1 g/kg. Calor adicionado = 18,6 - 2,1 = 16,5 kcal/kg Água adicionada = 14,1 - 1,6 = 12,5 r/kg
  • 21.
    CURSO DE REFRIGERAÇÃOE AR CONDICIONADOCURSO DE REFRIGERAÇÃO E AR CONDICIONADOCURSO DE REFRIGERAÇÃO E AR CONDICIONADOCURSO DE REFRIGERAÇÃO E AR CONDICIONADOCURSO DE REFRIGERAÇÃO E AR CONDICIONADO 21 PROCESSO DE AQUECIMENTO COM UMIDADE RELATIVA CONSTANTE INTERPRETADO COM GRÁFICO PSICROMÉ- TRICO AQUECIMENTO COM UMIDADE REFRIGERAÇÃOCOMUMIDADE Este processo é o inverso ao aquecimento com umidade constate descrito anteriormen- te. O processo é ilustrado pelo deslocamento do ponto B a partir do ponto A, no gráfico que aparece na figura superior desta página. So- mente deve ser eliminado o calor sensível do ar, enquanto não for atingido o ponto de orva- lho. REFRIGERAÇÃOSEMUMIDADE A climatização durante o verão é o exemplo deste processo. Teoricamente, primeiro se es- fria a mistura do ar e o vapor d’água, se elimi- na o calor sensível ao longo de uma linha de umidade absoluta constante até atingir a linha de saturação. A eliminação do calor é o resul- tado da condensação do vapor d’água, retiran- do assim, água do ar, ao mesmo tempo que segue reduzindo a temperatura do bulbo seco e o processo se afasta da linha de saturação na segunda fase. A refrigeração pode ser obti- da fazendo que o ar passe através das aletas de uma serpentina que contenha água fria ou uma chuva de água atomizada, com sua tem- peratura muito inferior à temperatura do ponto de orvalho do ar que se quer condicionar. Este processo é desenvolvido ao longo de uma linha de temperatura do bulbo úmido cons- tante. É aproveitado nos jatos d’água que são usados para limpar o ar do sistema de ventila- ção. Como o calor total é constante, somente pode haver refrigeração sensível se é aumen- tado o calor latente, ou seja, o conteúdo de umidade. O calor sensível é empregado duran- te a evaporação de mais água. A temperatura do bulbo seco é reduzida, a temperatura do bul- bo úmido permanece constante e a umidade ab- soluta e a relativa são aumentadas. Exemplo: Se faz passar ar com uma temperatura do bulbo seco = 40º C, umidade relativa = 15%, que entra em um pulverizador de água e sai com umidade relativa = 90%. Suponha que o processo é de calor constante, encontre a temperatura do bulbo seco e a quantidade de água adicionada por qui- lograma de ar. O ponto do estado inicial é o A . Observe que a linha de temperatura do bulbo úmido = 20,9º C e a umidade absoluta = 6,8 g/kg. Calor total cons- tante significa temperatura do bulbo úmido cons- tate, de maneira que é suficiente seguir a linha de temperatura do bulbo úmido até sua interse- ção com a curva de umidade relativa = 90%. As- sim pode ser obtido o ponto do estado final B. Veja que a temperatura do bulbo seco diminui até os 21,5º C e a umidade absoluta final é = 14,6 g/kg. Água adicionada = 14,6 - 6,8 = 7,8 g/ kg.
  • 22.
    CURSO DE REFRIGERAÇÃOE AR CONDICIONADOCURSO DE REFRIGERAÇÃO E AR CONDICIONADOCURSO DE REFRIGERAÇÃO E AR CONDICIONADOCURSO DE REFRIGERAÇÃO E AR CONDICIONADOCURSO DE REFRIGERAÇÃO E AR CONDICIONADO 22 REFRIGERAÇÃO COM CALOR TOTAL CONSTANTE REFRIGERAÇÃOCOMCALOR CONSTANTE A condição inicial está representada pelo ponto A da figura. Nesse gráfico, pode ser lido que a umidade absoluta inicial = 28,2 g/kg. Se segue a linha da temperatura do bulbo úmido = 32,5º C até a escala de ca- lor total inicial = 27 kcal/kg. A primeira fase do processo é de refrige- ração sensível e é realizada sobre a linha de umidade absoluta constante. Aqui, co- meça a segunda fase e o processo segue a linha de saturação até atingir à tempe- ratura de 18º C e se chega ao ponto de estado final C. Sobre essa linha, as tem- peraturas do bulbo úmido, bulbo seco e ponto de orvalho são iguais. No ponto C, se tem umidade absoluta final = 13,1 g/kg e um calor total final = 12,5 kcal/kg. Calor retirado = 27 - 12,5 = 14,5 kcal/kg Água retirada = 28,2 - 13,1 = 15,1 g/kg Deve ficar entendido que no processo acima descrito, a trajetória ABC é teórica e baseia-se na hipótese de que o ar entra em contato físico real com a superfície fria das aletas ou da água. Esta situação se cumpre de forma satisfatória nos pulverizadores que estão bem desenhados, porém, no caso da serpentina, a maior parte do ar que a atravessa, faz isso sem contato real com sua superfície. Parte desse ar, então, jamais atin- ge a temperatura de orvalho e o verdadeiro pro- cesso, neste caso, está representado pela curva AC, ou linha tracejada. PONTODEORVALHODOAPARELHO Antes foi dito que as serpentinas de refrigera- ção não entram em contato direto com todo o ar que passa através delas. A conseqüência é que a temperatura do ar que sai não é tão baixa como a do aparelho. Devido a isto, se pode falar de dois pontos de orvalho: 1) Ponto de orvalho do ar 2) Ponto de orvalho do aparelho. As superfícies das serpentina devem ser man- tidas com uma temperatura inferior à desejada para o ar que sai. Dito de outra maneira, o ponto de orvalho do aparelho deve ser inferior ou mais baixo que o ponto de orvalho do ar. Nas serpentinas com quatro fileiras de aletas, a superfície fria entra em contato com o 80% do ar que a atravessa. Se ela tem seis fileiras de aletas, esse valor pula ao 92%. O ponto de orvalho pode ser definido como a temperatura média da superfície da serpentina.
  • 23.
    CURSO DE REFRIGERAÇÃOE AR CONDICIONADOCURSO DE REFRIGERAÇÃO E AR CONDICIONADOCURSO DE REFRIGERAÇÃO E AR CONDICIONADOCURSO DE REFRIGERAÇÃO E AR CONDICIONADOCURSO DE REFRIGERAÇÃO E AR CONDICIONADO 23 BS=TEMPERATURADOBULBOSECOEMºC CT=CALORTOTAL=KCAL/KGDEARSECO UA=UMIDADEABSOLUTA=GR/KGDEARSECO Temp.debulboúmidoetemp.desaturação Temp.debulboúmido 0 1 2 40% deumidaderelativa Temp.debulboúmido 0,90m 3 porKg.dearseco 30% 20% 10% 50% 60%70% 80% 90% 0,85 0,80 2 3 4 5 6 5 6 7 8 9 10 10 11 12 13 14 15 16 17 18 19 20 21 22 23 30354045 25 20 15 10 5 0 -5051015202530354045 -5 0 -10 15 20 25 UA
  • 24.
    CURSO DE REFRIGERAÇÃOE AR CONDICIONADOCURSO DE REFRIGERAÇÃO E AR CONDICIONADOCURSO DE REFRIGERAÇÃO E AR CONDICIONADOCURSO DE REFRIGERAÇÃO E AR CONDICIONADOCURSO DE REFRIGERAÇÃO E AR CONDICIONADO 24 CONDICIONADOR CENTRAL Se conhecemos as condições iniciais de um ambiente que deve ser condicionado e os valo- res da temperatura e umidade desejados, o grá- fico psicrométrico permitirá determinar as calo- rias por quilograma que devem ser fornecidas ou retiradas do ambiente, assim como também, a quantidade de água que se deve adicionar ou retirar do ar. Este gráfico é fundamental para o projeto do equipamento de ar condicionado central, como é mostrado na figura. Nela, pode ser observado que junto com a serpentina há um pulverizador, caso seja necessário adicionar água e assim, poder aumentar a percentagem de umidade relativa. Para que este equipamento funcione como aque- cedor, podemos colocar em seu interior uma ser- pentina de aquecimento, que recebe vapor d’água de uma caldeira não desenhada na figura. Para poder distribuir o ar é necessária uma sé- rie de condutos ou dutos de ar condicionado que Diagrama de um sistema industrial de condicionamento de ar, com ilustração de seus componentes essenciais. Observe a câmara onde o ar externo se mistura com o ar de retorno. formam uma rede de distribuição pelo prédio todo. Outra função que cumprem as unidades de ar condicionado é a de permitir a entrada de ar do exterior e que misturado com o ar condicionado, satisfaz as necessidades de ventilação. Distribuição O condicionamento de um prédio não é outra coisa que o controle do ar e o seu fornecimento aos ambientes fechados. Também, o ar condici- onado que é fornecido deve ser devidamente dis- tribuído dentro do espaço que se quer climati- zar, com a finalidade de controlar de forma con- veniente a temperatura e a umidade de todo o local. O fornecimento e a distribuição do ar deve ser realizada sem correntes de ar nem barulhos incômodos. CÂMARA PARA MISTURAR O AR DE RETORNO COM AR EXTERNO AR DE RETORNO PULVERIZADOR SERPENTINA DE REFRIGERAÇÃO OFICINA TORRE DE RESFRIAMENTO BOMBA D’ÁGUA DO CONDENSADOR MÁQUINAS DE REFRIGERAÇÃO À TUBULAÇÃO D’ÁGUA
  • 25.
    CURSO DE REFRIGERAÇÃOE AR CONDICIONADOCURSO DE REFRIGERAÇÃO E AR CONDICIONADOCURSO DE REFRIGERAÇÃO E AR CONDICIONADOCURSO DE REFRIGERAÇÃO E AR CONDICIONADOCURSO DE REFRIGERAÇÃO E AR CONDICIONADO 25 Condutos Chama-se de condutos ou dutos à tubulação que permite dirigir e distribuir o ar condicionado nos locais que corresponde. Estes componentes são feitos, geralmente, com chapas galvanizadas e as partes finais são unidas por meio de braçadeiras. Também pode ser utilizado alumínio e ultimamente é muito uti- lizado o duto feito com material plástico, o que representa um toque colorido na área em que é instalado. A figura mostra alguns detalhes da construção de uma instalação com dutos feitos em chapa galvanizada. A instalação geralmente é feita por pessoal treinado pela própria fábrica da unidade de refrigeração. A seguir fornecemos uma lista de instruções para ser usadas durante a instalação da rede de distribuição: Utilizar divisores e orientadores do fluxo bem fixados Os dutos devem estar bem fixos à estrutura do prédio Os dutos que atravessam locais que não es- DOIS METODOS DE DERIVAÇÃO tão condicionados, devem ser isolados para evi- tar a troca de calor. Os dutos devem ser o mais herméticos possível e assim evitar a perda de ar. Os dutos cilíndricos permitem um fluxo de ar mais suave, porém, às vezes o arranjo interno do local exige dutos quadrados ou retangulares. A troca da seção do duto, ou seja, a união de dutos de diferente tamanho, deve ser realizada com uma redução máxima de 1:7. Todas as reduções devem ficar no sentido do fluxo. Todos os diafragmas, divisores e uniões elás- ticas devem ser instaladas de forma que não apre- sentem algum obstáculo ao fluxo do ar. Nas aberturas de descarga ou sucção do venti- lador ou forçador deve ser instalada um «fole» que evite a transmissão de vibrações. Devem ser feitas tampas de inspeção e limpeza ao longo dos dutos. DIVISOR
  • 26.
    CURSO DE REFRIGERAÇÃOE AR CONDICIONADOCURSO DE REFRIGERAÇÃO E AR CONDICIONADOCURSO DE REFRIGERAÇÃO E AR CONDICIONADOCURSO DE REFRIGERAÇÃO E AR CONDICIONADOCURSO DE REFRIGERAÇÃO E AR CONDICIONADO 26 Os dutos devem ser feitos com chapas que te- nham uma espessura apropriada e de acordo com o seu tamanho. Os dutos de grandes dimensões devem ter nervos ou reforços e assim garantir sua resistência. Os dutos grandes que ficam suspensos, devem ser reforçados com cantoneiras. SISTEMA DE DUTOS PARA VÁRIAS PARTES DE UM PRÉDIO Os joelhos com ângulo muito pequeno deverão incorporar aletas orientadoras. Quando forem feitas derivações, elas deverão manter o fluxo principal do ar. Na figura aparecem dois métodos corretos de derivação. UNIDADE DE CONDICIONAMENTO DO AR AR DE FORNECIM ENTO AQUECIMENTO RESFRIAMENTO AR MISTURADO SAÍDA DE AR AR DE FORNECIM ENTO SAÍDA DE AR
  • 27.
    CURSO DE REFRIGERAÇÃOE AR CONDICIONADOCURSO DE REFRIGERAÇÃO E AR CONDICIONADOCURSO DE REFRIGERAÇÃO E AR CONDICIONADOCURSO DE REFRIGERAÇÃO E AR CONDICIONADOCURSO DE REFRIGERAÇÃO E AR CONDICIONADO 27 “MÉTODOS DE DERIVAÇÃO” Diafragma divisor
  • 28.
    CURSO DE REFRIGERAÇÃOE AR CONDICIONADOCURSO DE REFRIGERAÇÃO E AR CONDICIONADOCURSO DE REFRIGERAÇÃO E AR CONDICIONADOCURSO DE REFRIGERAÇÃO E AR CONDICIONADOCURSO DE REFRIGERAÇÃO E AR CONDICIONADO 28 “DERIVAÇÕES PARA DUTOS REDONDOS”
  • 29.
    CURSO DE REFRIGERAÇÃOE AR CONDICIONADOCURSO DE REFRIGERAÇÃO E AR CONDICIONADOCURSO DE REFRIGERAÇÃO E AR CONDICIONADOCURSO DE REFRIGERAÇÃO E AR CONDICIONADOCURSO DE REFRIGERAÇÃO E AR CONDICIONADO 29 “CONEXÃO DE DUTOS DE VENTILAÇÃO” Lona (15 cms aprox.) Ventilador Duto Ventilador típico de ar condicionado (Turbina de aletas múltiplas curvas)
  • 30.
    CURSO DE REFRIGERAÇÃOE AR CONDICIONADOCURSO DE REFRIGERAÇÃO E AR CONDICIONADOCURSO DE REFRIGERAÇÃO E AR CONDICIONADOCURSO DE REFRIGERAÇÃO E AR CONDICIONADOCURSO DE REFRIGERAÇÃO E AR CONDICIONADO 30 “Passagem do ar através da rede de dutos” "DIFUSORES" Estes são construídos em diferentes tamanhos e modelos, e são as grades encarregadas de distri- buir e dirigir o ar, até o recinto a climatizar. Mudança no formato ou diâmetro aumentam a resistência Ventilador Fricção e turbulência mesmo em trechos retos Grades de proteção aumentam a fricção Controles de fluxo aumentam a fricção Mudanças de direção apresentam maior resistência Gabinete interior Vista Frontal Vista Lateral
  • 31.
    CURSO DE REFRIGERAÇÃOE AR CONDICIONADOCURSO DE REFRIGERAÇÃO E AR CONDICIONADOCURSO DE REFRIGERAÇÃO E AR CONDICIONADOCURSO DE REFRIGERAÇÃO E AR CONDICIONADOCURSO DE REFRIGERAÇÃO E AR CONDICIONADO 31 CONSIDERAÇÕESSOBREOSDUTOS Para se ter um bom condicionamento de ar é necessário que ele seja fornecido em cada cô- modo na quantidade certa e de acordo com um projeto feito de antemão. O planejamento do sis- tema de distribuição do ar condicionado é funda- mental para obter os resultados previstos. São empregados diferentes tipos de sistemas de du- tos e eles incluem: O sistema convencional, no qual existe um duto principal que sai da unidade condicionadora e ramais que se dirigem para os cômodos. Cada duto tem as dimensões que correspondem a quantidade de ar que devem transportar. Os dutos devem ser instalados no forro ou no po- rão. O sistema de alta velocidade é utilizado nos prédios com muitos cômodos. O ar condicionado é dirigido por meio de dutos com diâmetro pequeno e a grande velocidade até as saídas individuais ou trocadores que misturam o ar con- dicionado com o ar exterior. O sistema perimétrico é utilizado em casas re- sidenciais. Eles utilizam pequenas saídas de ar em cada cômodo. As saídas são instaladas ao longo de toda a parede. Alguns especialistas in- sistem em que este tipo de distribuição garante um melhor e mais uniforme condicionamento do ambiente. Sistemas que utilizam a laje para o fornecimento do ar condicionado, através de tubos instalados no próprio piso. CONDIÇÕESPARAADISTRIBUIÇÃO DOARCONDICIONADO Podemos estudar agora a distribuição do ar condicionado, depois dele ter sido descarrega- do no local que se quer condicionar. Esta análi- se inclui a distribuição no cômodo, e os tipos de saídas e sua localização. Temperatura O sistema de distribuição de ar condicionado deve ser projetado para que ele mantenha a tem- peratura do local dentro dos limites aceitáveis. Num local fechado é permitida uma diferença de temperatura de 1º C entre diferentes pontos. Num grupo de divisões que fazem parte do mes- mo cômodo, é possível uma ter uma diferença de temperatura de 1,7º C entre elas. Geralmen- te, as variações de temperatura são mais acei- táveis quando é feito o aquecimento, do que durante o resfriamento. Os picos de temperatura são sentidos de forma mais nítida do que simples variações de tempe- ratura. Consideramos como picos de temperatu- ra ou flutuações, aquelas que dependem do con- trole de temperatura da unidade de condiciona- mento do ar. Elas, também, são acompanhadas com grandes quantidades de ar sob velocidade variável. Direção A figura mostra como deve ser dirigido o ar em função do pessoal e de sua posição normal de trabalho. DIREÇÃO DO AR Aceitável Deficiente Boa Deficiente Boa Deficiente Aceitável
  • 32.
    CURSO DE REFRIGERAÇÃOE AR CONDICIONADOCURSO DE REFRIGERAÇÃO E AR CONDICIONADOCURSO DE REFRIGERAÇÃO E AR CONDICIONADOCURSO DE REFRIGERAÇÃO E AR CONDICIONADOCURSO DE REFRIGERAÇÃO E AR CONDICIONADO 32 Velocidade A tabela mostra a velocidade do ar mais apropriada em locais fechados e inclui as reações das pessoas atingidas pelo fluxo e velocidade do ar. TABELA DE VELOCIDADE DO AR NA ZONA OCUPADA DO CÔMODO Velocidade Reação Aplicação do ar (m/s) O a 0,08 Queixas de ar parado Nenhuma 0,12 Boa Comercial 0,12 a 0,25 Boa, velocidade do Comercial ar alta 0,35 Ruim. Papéis voam Nenhuma 0,4 Favorável. Velocidade máxima Armazém ou loja para pessoas em movimento. 0,4 a 1,5 Favorável. Ideal para fábricas Indústria
  • 33.
    CURSO DE REFRIGERAÇÃOE AR CONDICIONADOCURSO DE REFRIGERAÇÃO E AR CONDICIONADOCURSO DE REFRIGERAÇÃO E AR CONDICIONADOCURSO DE REFRIGERAÇÃO E AR CONDICIONADOCURSO DE REFRIGERAÇÃO E AR CONDICIONADO 33 VELOCIDADESMÁXIMASRECOMENDADASEMPÉS/MIN. Aplicação Duto Principal Ramificações Insuflação Retorno Insuflação Retorno Apartamentos 1000 800 600 600 Auditórios 1300 1100 1000 800 Bancos 2000 1500 1600 1200 Quartos de Hospital 1500 1300 1200 1000 Quartos de Hotel 1500 1300 1200 1000 Indústrias 3000 1800 2200 1500 Bibliotecas 2000 1500 1600 1200 Salas de Reuniões 2000 1500 1600 1200 Escritórios 2000 1500 1600 1200 Residências 1000 800 600 600 Restaurantes 2000 1500 1600 1200 Armazéns 2000 1500 1600 1200 Teatros 1300 1100 1000 800 Quando o Nível de Ruído é crítico use os valores para ramificações
  • 34.
    CURSO DE REFRIGERAÇÃOE AR CONDICIONADOCURSO DE REFRIGERAÇÃO E AR CONDICIONADOCURSO DE REFRIGERAÇÃO E AR CONDICIONADOCURSO DE REFRIGERAÇÃO E AR CONDICIONADOCURSO DE REFRIGERAÇÃO E AR CONDICIONADO 34 ALCANCE É a distância horizontal que percorre, uma cor- rente de ar, desde sua saída. A distância é medi- da da saída até o ponto que se quer atingir e com uma velocidade máxima de 0,25 m/s e a uma altura de 2,1 m sobre o nível do piso. O alcance ou distância é proporcional à velocidade do ar primário na saída, sendo que é independente da diferença de temperaturas entre o ar fornecido e o ar do cômodo. QUEDA Queda ou elevação é a distância vertical que atinge o ar da saída até o ponto que se quer con- dicionar. INDUÇÃO É o arrasto de ar do cômodo que deve ser cli- matizado, ocasionado pelo ar condicionado a partir de sua saída. O ar que atinge a boca de saída é chamado de primário e o ar que entra no cômodo e é misturado com o ar do ambiente é conhecido como secundário. A corrente de ar que se forma assim, ou seja, a mistura do ar primário com o secundário, é chamada de ar total. DIFUSÃO A difusão é o ângulo da corrente de ar depois de sua saída do duto. Podemos diferenciar aqui, a dispersão horizontal e vertical. A primeira é o ângulo que atinge o fluxo de ar desde sua saída até o ponto central do cômodo. A dispersão ver- tical é a obtida no seu plano vertical. Por exem- plo, as saídas que têm defletores perpendiculares ao duto, produzem uma dispersão de 19º, tanto no plano horizontal como no vertical, dependendo da localização do defletor. DISPERSÃO COM DEFLETORES RETOS 19º. DISPERSÃO COM DEFLETORES CONVERGENTES.
  • 35.
    CURSO DE REFRIGERAÇÃOE AR CONDICIONADOCURSO DE REFRIGERAÇÃO E AR CONDICIONADOCURSO DE REFRIGERAÇÃO E AR CONDICIONADOCURSO DE REFRIGERAÇÃO E AR CONDICIONADOCURSO DE REFRIGERAÇÃO E AR CONDICIONADO 35 TIPOSDEDEFLETORESOUGRADES Furada As grades localizadas nas saídas do ar condi- cionado têm um pequeno efeito direcional. A con- seqüência é que seu uso fica reduzido à entrada de ar da unidade de refrigeração ou do fluxo de DISPERSÃO COM DEFLETORES RETOS FORMANDO ÂNGULO DISPERSÃO COM DEFLETORES DIVERGENTES retorno, sendo que seu uso como saída não é muito freqüente. Às vezes ele contém uma persi- ana usada como válvula de controle do fluxo. Com defletor fixo Este tipo de grade é utilizada em locais em que a direção do ar não é muito importante. Com defletor ajustável Este tipo de grade é a mais conveniente para fixar nas paredes laterais. Como é feita com de- fletores ajustáveis ou direcionais, tanto na verti- cal como na horizontal, os erros cometidos du- rante a instalação ou até móveis trocados de po- sição podem ser corrigidos de forma rápida mu- dando a posição do defletor. LOCALIZAÇÃO DAS SAÍDAS O arranjo interior, a construção do prédio e as possibilidades do pó atingir o cômodo, afetam e influem na montagem e localização das saídas. Embora sejam superadas todas as limitações an- tes mencionadas, os princípios que regem a dis- tribuição do ar e o fato de que são afetados pelo fluxo, a queda de pressão, a capacidade e a cir- culação do ar que queremos climatizar, criam ou- tras limitações no projeto original. A corrente de ar descendente numa parede fria ou numa janela, pode atingir velocidades superiores a um metro por segundo, incomodan- do os ocupantes e se isso não for corrigido, dará lugar a reclamações do pessoal. Outros fatores que devem ser considerados, quando é selecionada a localização de uma saí- da, é o efeito das superfícies, quentes ou frias. Quando é necessário aquecer o local, uma saída localizada perto de uma janela, aquece a superfí- cie e dá sensação de bem-estar. As saídas ou difusores localizados no forro, podem ser aplicados nos dutos isolados, expos- tos ou ocultos. Mesmo que as saídas sejam colocadas nesses dutos, expostos e isolados, raramente elas for- necem o ar diretamente para baixo, a não ser quando a mistura ocorre antes do ar atingir o espaço ocupado.
  • 36.
    CURSO DE REFRIGERAÇÃOE AR CONDICIONADOCURSO DE REFRIGERAÇÃO E AR CONDICIONADOCURSO DE REFRIGERAÇÃO E AR CONDICIONADOCURSO DE REFRIGERAÇÃO E AR CONDICIONADOCURSO DE REFRIGERAÇÃO E AR CONDICIONADO 36 NO FORRO A característica principal deste tipo de saída é que pode ser produzida uma grande quantidade de ar por metro quadrado de superfície do chão, com o mínimo deslocamento sobre a zona que está ocupada por pessoas e sem problemas de correntes de ar. Como a velocidade de descarga é muito baixa, a recirculação também é pouca. Geralmente, o ar pode ser fornecido com uma velocidade de 0,08 m/s. Um duto projetado para um forro perfurado é igual que o projetado para um forro convencio- nal. Não se pode confiar nos painéis do forro para poder obter uma distribuição apropriada, já que eles não podem dirigir o ar de forma que toda a área seja atingida pelo ar condicionado. Os pai- néis furados permitem a difusão do ar dinâmico e ao mesmo tempo, atingir temperaturas muito diferentes entre si, no mesmo local, assim como também no nível do chão. As instalações que empregam saídas no forro são geralmente, menos propensas a reclamações por parte das pessoas que se encontram no cô- modo que está sendo condicionado. Para evitar correntes de ar incômodas, deve ser considera- do o seguinte: ALCANCE Selecionar difusores ou saídas do forro, com alcance médio. Uma distância de propulsão muito gran- de pode criar problemas de dife- rentes tipos. Isso não ocorre quan- do a distância é relativamente curta. SAÍDA DE AR NA PAREDE COM OBSTÁCULO NO FORRO. SAÍDA NA PAREDE PERTO DO CHÃO. OBSTÁCULO A CORRRENTE DE AR 2 TEM ALCANCE SUPE- RIOR À CORRENTE DA SAÍDA 1. PISO VELOCIDADE RECOMENDADA NA SAÍDA APLICAÇÃO VELOCIDADE (m/s) Estúdio de rádio 1,5 - 2,5 Residência 2,5 - 4 Apartamento 2,5 - 4 Igreja 2,5 - 4 Cômodo de hotel 2,5 - 4 Teatro 2,5 - 4 Escritório 2,5 - 4 Sala de cinema 5 Oficina pública 5 - 6,5 Loja comercial, andar superior 7,5 Loja comercial, entrada principal 10
  • 37.
    CURSO DE REFRIGERAÇÃOE AR CONDICIONADOCURSO DE REFRIGERAÇÃO E AR CONDICIONADOCURSO DE REFRIGERAÇÃO E AR CONDICIONADOCURSO DE REFRIGERAÇÃO E AR CONDICIONADOCURSO DE REFRIGERAÇÃO E AR CONDICIONADO 37 Barulho Uma coisa muito importante e que afeta o re- sultado final de um bom projeto de instalação de ar condicionado é o nível de ruído nas saídas. A tabela seguinte fornece as velocidades mais re- comendadas e que garantem níveis de ruído acei- táveis em diferentes tipos de aplicações. Na lateral Geralmente as saídas laterais são localizadas na parte superior da parede, quando o forro esti- ver livre de obstáculos. Se existem obstáculos tais como vigas, madeiras, aparelhos de luz, etc. as saídas de ar devem ser colocadas de forma que o fluxo do ar de saída não seja afetado no seu trajeto horizontal. Também podem ser utili- zados defletores para orientar o ar na direção correta. Lembre-se que a velocidade que atinge esse ar deve ser controlada para que ele não crie desconforto nas pessoas que habitam a área condicionada. As saídas laterais que ficam perto do chão são muito adequadas para o aquecimento, mas não para o arrefecimento do local.
  • 38.
    CURSO DE REFRIGERAÇÃOE AR CONDICIONADOCURSO DE REFRIGERAÇÃO E AR CONDICIONADOCURSO DE REFRIGERAÇÃO E AR CONDICIONADOCURSO DE REFRIGERAÇÃO E AR CONDICIONADOCURSO DE REFRIGERAÇÃO E AR CONDICIONADO 38 “Circuito elétrico de um condicionador de ar “ciclo-frio” com relé voltimétrico.” Conexões do seletor L1 – 3 = Ventilação Baixa L1 – 2 = Ventilação Alta L1 – 3 – P1 = Frio – Baixo L1 – 2 – P1 = Frio – Alto Cada vez que um compressor necessita, para arrancar, de um capacitor de partida, deve se usar um Relé Voltimétrico, que tem por missão desconectar o capacitor de arranque uma vez que o motor tenha entrado em funcionamento. P1 L1 Linha P CM/V T T 2 1 4 5 TP C M/CP.T. 23 Capacitor Permanente Capacitor Permanente Capacitor de Arranque
  • 39.
    CURSO DE REFRIGERAÇÃOE AR CONDICIONADOCURSO DE REFRIGERAÇÃO E AR CONDICIONADOCURSO DE REFRIGERAÇÃO E AR CONDICIONADOCURSO DE REFRIGERAÇÃO E AR CONDICIONADOCURSO DE REFRIGERAÇÃO E AR CONDICIONADO 39 O Relé Voltimétrico tem seu funcionamento nor- mal fechado (contatos 1-2) e abre, quando sua bobina é energizada (contatos 5-2). O contato nº 4 é somente uma ponte de conexões. O moto-ventilador, funciona com um capacitor do tipo permanente, isto significa que durante todo o tempo de marcha, ambas as bobinas estão energizadas. Da rede de alimentação elétrica chega à ponte de conexões do seletor uma linha que energiza o ponto comum das bobinas de trabalho e partida do moto-ventilador, também conecta o termosta- to e o contato nº 4 do relé voltimétrico, que ener- giza de forma direta a bobina de trabalho do com- pressor. Do contato nº 4 do relé, também se ener- gizam os capacitores permanente e de arranque, que têm por missão auxiliar a bobina de partida do compressor. A primeira conexão do seletor será L 1-3, ener- gizando toda a bobina de trabalho do moto-venti- lador e também o capacitor permanente que auxilia a bobina de partida. Arranca então o moto- ventilador com velocidade baixa. A segunda conexão do seletor será L 1-2, varia somente a velocidade do ventilador (velocidade alta) A terceira conexão será L 1-3 P 1: é energizado o ponto comum do compressor e também o con- tato nº 5 do relé voltimétrico. Arranca desta forma o compressor e o equipa- mento começa a funcionar em frio com velocida- de baixa. Como permanece energizada a bobina do relé, se abre o contato (1-2) normalmente fe- chado, desconectando o capacitor de arranque e desta maneira o compressor permanece traba- lhando durante todo o tempo de marcha com ambas bobinas energizadas; a de trabalho de for- ma direta e a de partida com o capacitor perma- nente. A última conexão será L1- 2- P1: idêntica à an- terior, mas agora com velocidade alta.
  • 40.
    CURSO DE REFRIGERAÇÃOE AR CONDICIONADOCURSO DE REFRIGERAÇÃO E AR CONDICIONADOCURSO DE REFRIGERAÇÃO E AR CONDICIONADOCURSO DE REFRIGERAÇÃO E AR CONDICIONADOCURSO DE REFRIGERAÇÃO E AR CONDICIONADO 40 “Circuito elétrico de um condicionador de ar “frio-calor” com válvula reversora e descongelamento automático” Conexões do Seletor L1 – 2 = Ventilação Alta L1 – 4 = Ventilação Baixa L1 – 2 – 5 = Frio – Alto L1 – 4 – 5 = Frio – Baixo L1 – 2 – 3 = Calor - Alto L1 – 4 – 3 = Calor - Baixo Linha M/V T 2 1 4 5 M/C P.T. 3 Capacitor Permanente Capacitor Permanente T.S. N.C. C T T P C 2 3 V.S. P Frío Calor
  • 41.
    CURSO DE REFRIGERAÇÃOE AR CONDICIONADOCURSO DE REFRIGERAÇÃO E AR CONDICIONADOCURSO DE REFRIGERAÇÃO E AR CONDICIONADOCURSO DE REFRIGERAÇÃO E AR CONDICIONADOCURSO DE REFRIGERAÇÃO E AR CONDICIONADO 41 Antes de mais nada devemos esclarecer que este circuito trabalha com dois termostatos: Um termostato frio / calor de três contatos onde: 2 é comum, 1 é frio e 3 é calor. O outro é um termostato de segurança cujo funcionamento é normalmente fechado e abre quando seu bulbo sensor detecta o congelamento da serpentina externa, quando este atua como evaporador, fato que ocorre no inverno. Por outro lado a válvula reversora atua somen- te quando sua bobina é energizada, desta forma inverte o ciclo, e o equipamento começa a ope- rar em calor. Agora passaremos a analisar as conexões do controle seletor: Da rede de alimentação elétrica chega à ponte de conexões do seletor, uma linha que energiza o ponto comum do compressor, passando pelo termostato de segurança normalmente fechado e energizando um extremo do solenóide da vál- vula reversora e o comum do moto-ventilador. A primeira conexão do Seletor será L1 – 2, ener- gizando a bobina de trabalho do ventilador e tam- bém o capacitor permanente que auxilia a bobina de partida. Arranca assim o ventilador com velocidade alta. A segunda conexão do seletor será L1 – 4, vari- ando somente a velocidade do ventilador (velo- cidade baixa). A terceira conexão será L1 –2–5, o termostato conecta os contatos “1 – 2”, energizando a bobi- na de trabalho do compressor e o capacitor per- manente que auxilia a bobina de partida e desta forma arranca o compressor em frio com veloci- dade alta. A quarta posição do seletor será L1 – 4-5, idên- tica à anterior mas agora em frio com velocidade baixa. A quinta posição do seletor será L1-2-3, o ter- mostato agora conectará os contatos “2-3”, li- gando novamente o compressor; mas ao mesmo tempo o contato nº3 do termostato termina por energizar o outro extremo da solenóide da válvu- la, imediatamente então a válvula reversora in- verte o ciclo, partindo o equipamento em calor com velocidade alta. Finalmente a última conexão será L1- 4-3, na qual varia somente a velocidade, quer dizer, ca- lor com velocidade baixa. Quando o equipamento opera em calor e a tem- peratura externa é próxima a 0ºC, é comum que se bloqueie a serpentina externa (evaporador) o que é percebido pelo bulbo do termostato de se- gurança; este imediatamente abre seus conta- tos, desenergizando o moto-ventilador e a válvula solenóide, invertendo assim o ciclo, e se realiza o descongelamento automático. Uma vez ocorri- do isto, o bulbo do termostato volta a fechar seus contatos energizando novamente o moto-ventila- dor e a válvula solenóide, e o equipamento volta a inverter o ciclo para funcionar em calor.
  • 42.
    CURSO DE REFRIGERAÇÃOE AR CONDICIONADOCURSO DE REFRIGERAÇÃO E AR CONDICIONADOCURSO DE REFRIGERAÇÃO E AR CONDICIONADOCURSO DE REFRIGERAÇÃO E AR CONDICIONADOCURSO DE REFRIGERAÇÃO E AR CONDICIONADO 42 “Circuito Elétrico de um Condicionador de Ar “Frio – Calor” com Resistência Elétrica”. Conexões do Seletor L1 – 4 = Ventilação Baixa L1 – 2 = Ventilação Alta L1 – 4 – 5 = Frio - Baixa L1 – 2 – 5 = Frio - Alto L1 – 4 – 3 = Calor - Baixo L1 – 2 – 3 = Calor - Alto A figura mostra um equipamento de ar condicionado do tipo Frio – Calor com resistência (circuito elétrico). No painel de controle, encontraremos o seletor e o termostato Frio – Calor de três contatos: 2 comum – 1 frio e 3 calor. M/C L1 Resistencia C M/V T T 2 1 45 T P C D.F. P.T. 2 3 Capacitor Permanente Capacitor Permanente P 3
  • 43.
    CURSO DE REFRIGERAÇÃOE AR CONDICIONADOCURSO DE REFRIGERAÇÃO E AR CONDICIONADOCURSO DE REFRIGERAÇÃO E AR CONDICIONADOCURSO DE REFRIGERAÇÃO E AR CONDICIONADOCURSO DE REFRIGERAÇÃO E AR CONDICIONADO 43 O seletor serve para ligar e desligar o aparelho e para selecionar frio ou calor. Já o termostato é o encarregado de controlar a temperatura da habitação e permite também exe- cutar a troca de frio (para a época de verão) ao calor (para a época de inverno), dependendo da temperatura ambiente. A primeira conexão do seletor é para que o equipamento opere em ventilação, sem produzir mudança de temperatura, para isto, na hora de girar o seletor se forma uma ponte interna entre os contatos L1 – 4, funcionando apenas o moto- ventilador em baixa velocidade. A segunda conexão do seletor será L1 – 2, vari- ando somente a velocidade do moto-ventilador (velocidade alta). A terceira conexão do seletor será L1 – 4-5, li- gando o compressor em frio com velocidade bai- xa. A quarta conexão do seletor será L1-2-5, idên- tica à anterior mas agora será frio com velocidade alta. A quinta posição do seletor será L1 4-3, liga o equipamento em calor com velocidade baixa. Finalmente a última conexão será L1- 2-3, que varia somente a velocidade, ou seja, calor com velocidade alta. Todo este funcionamento descrito anteriormen- te é considerando que o moto-ventilador, a re- sistência e o compressor, sejam alimentados com uma linha que sai da ponte de conexões do seletor energizado da rede de alimentação elétrica. Quem vai definir se o termostato conecta com a resistência (contatos 2-3) ou com o compres- sor (contatos 2-1), vai ser a estação do ano e também, é claro, a temperatura ambiente da ha- bitação. Em série com a resistência se encontra um pro- tetor térmico que tem por objetivo evitar o aque- cimento excessivo da resistência de aquecimento, desligando-a quando se produz uma diminuição anormal do fluxo de ar ou simplesmente quando falha o moto-ventilador. O compressor do circuito é do tipo que traba- lha com capacitor permanente e o protetor tér- mico é o encarregado de protegê-lo, em caso de um aumento da corrente (amperagem) ou em caso de aumento da temperatura deste, que su- pere a temperatura normal de trabalho. O prote- tor térmico vai conectado ao ponto comum do compressor, para assim proteger ambas as bo- binas (partida e trabalho). O circuito é alimentado por 220 volts, uma fase, um neutro e terra. “CONDICIONADORESPARAFRIOE CALOR” Existem no mercado condicionadores domésti- cos que podem utilizar-se tanto no verão como no inverno, são os denominados Frio-Calor. Estão compostos por um equipamento frigorífi- co convencional, como os estudados anterior- mente, e uma fonte de calor que pode ser uma resistência elétrica, ou em equipamentos mais modernos por um sistema denominado “válvula reversora”. Válvula Reversora É um dispositivo que aproveita parte dos com- ponentes do equipamento para produzir frio ou calor. No verão absorve calor da habitação e o entrega ao exterior. No inverno o equipamento transfere calor do exterior para a habitação a fim de aquecê-la. Aparentemente aqui temos uma contradição, já que falamos de transferir calor do exterior no inverno, quando justamente faz frio. Isto ocorre, por causa que o calor flui sempre dos corpos mais quentes para os mais frios, portanto, enquanto a serpentina externa estiver a temperatura menor que o ar, este poderá ceder calor (não confundir calor com temperatura). Portanto, enquanto se mantiverem as mencionadas condições de tem- peratura do ar em relação à serpentina externa, podemos considerar o ar externo como uma fon- te de calor. Esta é a razão pela qual o sistema “válvula reversora” apresenta um “elevado ren- dimento em calorias produzidas, em relação a cada watt
  • 44.
    CURSO DE REFRIGERAÇÃOE AR CONDICIONADOCURSO DE REFRIGERAÇÃO E AR CONDICIONADOCURSO DE REFRIGERAÇÃO E AR CONDICIONADOCURSO DE REFRIGERAÇÃO E AR CONDICIONADOCURSO DE REFRIGERAÇÃO E AR CONDICIONADO 44 consumido”. “O calor gerado é 3 a 4 vezes superior ao que se obtém consumindo igual potência por uma reistência elétrica”. Como inconveniente, se pode assinalar que a “válvula reversora” tem um limite de temperatu- ra (ao redor de 0ºC), abaixo da qual não funcio- na, pois não se pode extrair calor do ar se este está a uma temperatura igual ou menor que a serpentina externa. A válvula reversora está formada por três com- ponentes que são: 1. Válvula de quatro vias 2. Válvula de três vias 3. Bobina solenóide FUNCIONAMENTODAVÁLVULA REVERSORA Nas figuras 1 e 2 podemos ver o ciclo que com- pleta o gás no inverno e verão. No primeiro caso a válvula conecta a serpenti- na interna com o “tubo de alta” do compressor, aquecendo a parte interna do recinto; e o "tubo de baixa" com a serpentina externa; é através desta, que o refrigerante absorve calor do ar ex- terno, necessário para sua evaporação. Neste caso a bobina solenóide está energiza- da, ou seja, que existe tensão em seus contatos. Se estando o equipamento em aquecimento in- terno, desconectamos intencionalmente algum dos fios que conectam a bobina solenóide, vere- mos que o sistema inverte a circulação e come- ça a esfriar o ambiente. Isto é o que representa a figura 2, que ilustra o circuito no ciclo verão. Esta mesma inversão é realizada pela chave seletora quando selecionamos para operar na posição inverno ou verão. A inversão se produz devido a que a bobina solenóide funciona atrain- do um núcleo que mantém a válvula reversora em posição de trabalho, e atua vencendo a re- sistência de uma mola. Quando se corta a corrente da bobina, a mola recupera sua posição normal e empurra a válvu- la que ao mesmo tempo provoca a inversão do fluxo de gás no circuito de refrigeração. As figu- ras ilustram o esquema explicado. VÁLVULAREVERSORA Os diversos tipos de válvulas estão classifica- dos por modelos e para diferentes capacidades de refrigeração. Servem para operar automatica- mente nos sistemas de ar condicionado. Estas válvulas reversoras de 4 vias estão her- meticamente construídas para operar grandes diferenças de pressões; têm um desviador dire- cional de 2 posições. Este mecanismo é controlado pela bobina so- lenóide fixada sobre uma válvula auxiliar de 3 vias que integra o corpo principal da válvula. A válvula inverte instantaneamente o ciclo, segundo o sentido de fluxo das pressões, pois opera através da diferença entre alta e baixa pressão do sistema. Na figura 1 se indica a passagem de gás refri- gerante através do corpo principal da válvula e permite observar o desviador. No ciclo calor, a bobina solenóide ao energizar- se aciona a haste da válvula piloto: O conduto esquerdo se fecha com uma válvula- agulha, ficando assim aberto o condutor direito; a diferença de pressões criada entre as duas câmaras “a” e “b” da válvula principal pela ação do piloto, faz que instantaneamente se deslizem os pistões movendo o desviador, mudando o sen- tido de circulação do refrigerante. Em seguida as duas pequenas recâmaras igualam as pressões. Esta ação pode ser invertida novamente pela ação da válvula piloto acionada pelo controle de temperatura. Os equipamentos com válvula reversora têm um termostato frio /calor de três contatos que controla automaticamente a refrigeração ou aque- cimento segundo se queira.
  • 45.
    CURSO DE REFRIGERAÇÃOE AR CONDICIONADOCURSO DE REFRIGERAÇÃO E AR CONDICIONADOCURSO DE REFRIGERAÇÃO E AR CONDICIONADOCURSO DE REFRIGERAÇÃO E AR CONDICIONADOCURSO DE REFRIGERAÇÃO E AR CONDICIONADO 45 "b" "a" Tubo capilar Serpentina externa trabalha como evaprador Serpentina interna trabalha como condensador Cada pistão tem um orifício de escape Compressor Tubo de baixa pressão Solenoide energizado Figura Nº1 - Ciclo de aquecimento da válvula reversora
  • 46.
    CURSO DE REFRIGERAÇÃOE AR CONDICIONADOCURSO DE REFRIGERAÇÃO E AR CONDICIONADOCURSO DE REFRIGERAÇÃO E AR CONDICIONADOCURSO DE REFRIGERAÇÃO E AR CONDICIONADOCURSO DE REFRIGERAÇÃO E AR CONDICIONADO 46 Figura Nº 2 - Ciclo de refrigeração da válvula reversora "b" "a" Tubo capilar Serpentina externa trabalha como condensador Serpentina interna trabalha como evaporador Compressor Tubo de baixa pressão Solenoide desenergizado Válvula reversora
  • 47.
    CURSO DE REFRIGERAÇÃOE AR CONDICIONADOCURSO DE REFRIGERAÇÃO E AR CONDICIONADOCURSO DE REFRIGERAÇÃO E AR CONDICIONADOCURSO DE REFRIGERAÇÃO E AR CONDICIONADOCURSO DE REFRIGERAÇÃO E AR CONDICIONADO 47 “Recirculação do Ar” Até agora temos falado do ventilador centrífugo considerando-o como um recirculador do ar ambien- tal. Ou seja, que o ar absorvido pelo mesmo, volta a ser insuflado novamente ao recinto através da serpentina interna da unidade. RECIRCULAÇÃO DO AR “Extração do Ar” A maioria dos equipamentos contam com um sistema mecânico que nos permite duas opções a mais. Uma delas consiste em enviar parte do ar absorvido ao exterior , através de uma janela acionada por meio de uma chave de comando. Desta forma se consegue extrair parte do ar viciado contido no recinto. FIGURA 2 - EXAUSTÃO DO AR
  • 48.
    CURSO DE REFRIGERAÇÃOE AR CONDICIONADOCURSO DE REFRIGERAÇÃO E AR CONDICIONADOCURSO DE REFRIGERAÇÃO E AR CONDICIONADOCURSO DE REFRIGERAÇÃO E AR CONDICIONADOCURSO DE REFRIGERAÇÃO E AR CONDICIONADO 48 “Renovação de Ar” Outra variante consiste em introduzir ar externo que se mistura com o interno através de uma aber- tura que possui o equipamento, para este fim, e que também é comandada do painel de controle. RENOVAÇÃO DO AR “Circuito Elétrico de uma Mini Central de Ar Condicionado” Neste circuito, a força se controla por meio de chaves contactoras junto aos motores, sejam estes monofásicos ou trifásicos. O controle se realiza com uma tensão de 24 volts, o que se consegue por meio de um transformador. O termostato é do tipo ambiental eletrônico, ou seja, sem bulbo.
  • 49.
    CURSODEREFRIGERAÇÃOEARCONDICIONADOCURSODEREFRIGERAÇÃOEARCONDICIONADOCURSODEREFRIGERAÇÃOEARCONDICIONADOCURSODEREFRIGERAÇÃOEARCONDICIONADOCURSODEREFRIGERAÇÃOEARCONDICIONADO 49 ABREVIATURAS IF - MOTORDO VENTILADOR INT. IFR - RELE DO VENTILADOR INT. M - CONTACTOR OL - SOBRECARGA HP - INTERRUPTOR DE ALTA PRESSÃO LP - INTERRUPTOR DE BAIXA PRESSÃO SIMBOLOS INTERRUPTOR DE DESCONEXÃO FUSíVEL TERMINAL IDENTIFICAVEL OTRAS CONEXÕES CAPACITOR ENROLAMENTO DE MOTOR TRANSFORMADOR INTERRUPTOR BOBINA CONTACTO - NORMALMENTE ABERTO CONTACTO - NORMALMENTE FECHADO FIAÇÃO DO TECNICO (FORÇA) DA FABRICA (FORÇA) DO TECNICO (CONTROLES) DA FABRICA (CONTROLES) VENTILADOR EXTERIOR DO MOTOR CAPAC. DE MARCHA AZUL AMARELO CARGA EXTERNA (30 VA. MAX.) TERMOSTATO INTERIOR MOTOR DO COMPRESSOR EMB AUX EMBPPAL CAPAC. DE MARCHA EMB AUX PPAL AMARELO VERMELHO PRETO LIGAÇÃO AUTOM. VENT ESFR. VERMELHO PRETO AMARELO NOTA: AREAS SOMBREADAS INDICAM LOCALIZAÇÃO DA FIAÇÃO DO TECNICO
  • 50.
    CURSO DE REFRIGERAÇÃOE AR CONDICIONADOCURSO DE REFRIGERAÇÃO E AR CONDICIONADOCURSO DE REFRIGERAÇÃO E AR CONDICIONADOCURSO DE REFRIGERAÇÃO E AR CONDICIONADOCURSO DE REFRIGERAÇÃO E AR CONDICIONADO 50 ABREVIATURAS OF-MOTORDOVENTILADOREXT. IF-MOTORDOVENTILADORINT. M-CONTACTOR IFR-RELEDOVENTILADORINT. SIMBOLOS INTERRUPTORDEDESCONEXÃO FUSÍVEL TERMINALIDENTIFICAVEL OTRASCONEXÕES CAPACITOR ENROLAMENTODEMOTOR TRANSFORMADOR INTERRUPTOR BOBINA CONTACTO-NORMALMENTEABERTO CONTACTO-NORMALMENTEFECHADO CABLEADO DOTECNICO(FORÇA) DAFABRICA(FORÇA) DOTECNICO(CONTROLES) DAFABRICA(CONTROLES) CAPAC.DE MARCHA MOTORDO COMPRESSOR EMBAUX EMBPPAL CAPAC.DE MARCHA CIRCUITOCOMPLETAMENTEENERGIZADO IFR TERMOSTATO INTERIOR LIGAÇÃOVENT. AUTOM. ESFR. 24V.