CG150 TITAN KS • ES • ESD                                                                                                                                                                    19. DIAGRAMA ELÉTRICO

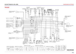
TIPO KS:                                                                   INTERRUPTOR
                                                                                                             INTERRUPTOR
                                                                                                             DA LUZ DO
                                                                                              CAIXA DE                   UNIDADE DO
                                                             INTERRUPTOR   DA LUZ DO FREIO                   FREIO
                                                                                              FUSÍVEIS                   SENSOR DE NÍVEL
                                                             DE IGNIÇÃO    DIANTEIRO                         TRASEIRO
                                                                                              SECUNDÁRIOS                DE COMBUSTÍVEL
                                                                                                                                                                           REGULADOR/
                                                                                                                                                                           RETIFICADOR

            LÂMPADA DA SINALEIRA
            DIANTEIRA DIREITA                                                                                                                 BATERIA         FUSÍVEL
            12 V 16 W                                                                                                                         12 V 4 Ah       PRINCIPAL
                                                                                                                                                              15 A




                                                                                                                                                                                                            LÂMPADA DA SINALEIRA
                                                                                                                                                                                                            TRASEIRA DIREITA
                                                                                                                                                                                                            12 V 16 W

     MEDIDOR DE COMBUSTÍVEL




     LÂMPADA DE ILUMINAÇÃO
                      12 V 2 W
     LÂMPADA DE ILUMINAÇÃO
                      12 V 2 W

     LÂMPADA DO INDICADOR
     DA SINALEIRA     12 V 3 W
     LÂMPADA DO INDICADOR DE
     PONTO MORTO      12 V 3 W                                                                                                                                                                                  LÂMPADA DA LUZ DE FREIO/
                                                                                                                                                                                                                LANTERNA TRASEIRA
     LÂMPADA DO INDICADOR                                                                                                                                                                                       12 V 21/5 W
     DE FAROL ALTO    12 V 3 W




                                                                                                                                                                                                            LÂMPADA DA SINALEIRA
                                                                                                                                                                                                            TRASEIRA ESQUERDA
                                                                                                                                                                                                            12 V 16 W

           LÂMPADA DO FAROL
           12 V 35/35 W




            LÂMPADA DA SINALEIRA
            DIANTEIRA ESQUERDA
            12 V 16 W
                                                                                                                                                                                           INTERRUPTOR DE
                                                                                                                                                                                           PONTO MORTO
                                                                                                                                                                  GERADOR
                                                                                                                                    MÓDULO DE         RELÉ DA     DE PULSOS ALTERNADOR
                                                               COMUTADOR DO                                                         CONTROLE DA       SINALEIRA   DA IGNIÇÃO
                                                               FAROL/INTERRUPTOR                                                    IGNIÇÃO (ICM)
                                                                                                            BOBINA DE       TERRA
                                                               DA SINALEIRA/                 BUZINA
                                                                                                            IGNIÇÃO         DO CHASSI
                                                               INTERRUPTOR DA
                                                               BUZINA
                                                                                                                                                                                                                                           19
                                   COMUTADOR DO FAROL                  INTERRUPTOR DA SINALEIRA                                                   Bl      Preto        Br      Marrom
      INTERRUPTOR DE IGNIÇÃO                     HI     (HL)     LO                     E     C       D     INTERRUPTOR DA BUZINA                 Y      Amarelo       O       Laranja
                   BAT1 BAT2                                                                                                  HO    BAT3          Bu       Azul        Lb     Azul claro
                                                                                                                                                  G       Verde        Lg    Verde claro
       Desligado                        (N)                                  (N)                                 Livre
                                                                                                                                                  R     Vermelho       P        Rosa
         Ligado                                                                                               Pressionado                         W      Branco       Gr        Cinza
           Cor      R    R/Bl           Cor      Bu      Y       W           Cor        O     Gr      Lb         Cor           Lg    Bl         Combinação de cores: Terra/Marcação                         0030Z-KRM-8400
                                                                                                                                                                                                                                   19-1
DIAGRAMA ELÉTRICO                                                                                                                                                                            CG150 TITAN KS • ES • ESD

                                                                                                           INTERRUPTOR
TIPO ES:                                                                              INTERRUPTOR
                                                                                      DA LUZ DO
                                                                                                           DA LUZ DO
                                                                                                CAIXA DE   FREIO     UNIDADE DO
                                                            INTERRUPTOR   INTERRUPTOR FREIO                TRASEIRO
                                                            DE IGNIÇÃO    DE PARTIDA  DIANTEIRO FUSÍVEIS             SENSOR DE NÍVEL
                                                                                                                                                RELÉ DE PARTIDA
                                                                                                SECUNDÁRIOS          DE COMBUSTÍVEL                                        REGULADOR/
                                                                                                                                                             FUSÍVEL
                                                                                                                                                             PRINCIPAL 15 A RETIFICADOR

            LÂMPADA DA SINALEIRA
            DIANTEIRA DIREITA                                                                                                       BATERIA
            12 V 16 W                                                                                                               12 V 6 Ah


                                                                                                                                TERRA DO        MOTOR DE
                                                                                                                                MOTOR           PARTIDA

                                                                                                                                                                                                          LÂMPADA DA SINALEIRA
                                                                                                                                                                                                          TRASEIRA DIREITA
                                                                                                                                                                                                          12 V 16 W
  MEDIDOR DE COMBUSTÍVEL



  LÂMPADA DE ILUMINAÇÃO
                   12 V 2 W
  LÂMPADA DE ILUMINAÇÃO
                   12 V 2 W

  LÂMPADA DO INDICADOR
  DA SINALEIRA     12 V 3 W
  LÂMPADA DO INDICADOR
  DE PONTO MORTO 12 V 3 W
                                                                                                                                                                                                                   LÂMPADA DA LUZ DE FREIO/
  LÂMPADA DO INDICADOR                                                                                                                                                                                             LANTERNA TRASEIRA
  DE FAROL ALTO    12 V 3 W                                                                                                                                                                                        12 V 21/5 W




                                                                                                                                                                                                                  LÂMPADA DA SINALEIRA
                                                                                                                                                                                                                  TRASEIRA ESQUERDA
                                                                                                                                                                                                                  12 V 16 W
            LÂMPADA DO FAROL
            12 V 35/35 W




                                                                                                                                                              DIODO


            LÂMPADA DA SINALEIRA
            DIANTEIRA ESQUERDA
            12 V 16 W
                                                                                                                                                                                          INTERRUPTOR DE
                                                                                                                                                                                          PONTO MORTO
                                                                                                                                                                   GERADOR
                                                                                                                                  MÓDULO DE          RELÉ DA                  ALTERNADOR
                                                               COMUTADOR                                                                                           DE PULSOS
                                                                                                                                  CONTROLE DA        SINALEIRA     DA IGNIÇÃO
                                                               DO FAROL/                                                          IGNIÇÃO (ICM)
                                                               INTERRUPTOR     INTERRUPTOR                   BOBINA DE    TERRA
                                                               DA SINALEIRA/   DA EMBREAGEM BUZINA           IGNIÇÃO      DO CHASSI
                                                               INTERRUPTOR
                                                               DA BUZINA
                                                              COMUTADOR DO FAROL                 INTERRUPTOR DA SINALEIRA
                                                                                                                                                                         Bl      Preto        Br      Marrom
    INTERRUPTOR DE IGNIÇÃO     INTERRUPTOR DE PARTIDA                           HI   (HL)   LO                     E     C     D     INTERRUPTOR DA BUZINA               Y      Amarelo       O       Laranja
                   BAT1 BAT2                     ST    IG                                                                                               HO   BAT3        Bu       Azul        Lb     Azul claro
       Desligado                      Livre                         (N)                                (N)                                 Livre                         G       Verde        Lg    Verde claro
                                                                                                                                                                         R     Vermelho       P        Rosa
        Ligado                     Pressionado                                                                                         Pressionado
                                                                                                                                                                         W      Branco       Gr        Cinza
         Cor        R   R/Bl          Cor        Y/R   Bl           Cor        Bu     Y     W         Cor         O      Gr   Lb           Cor          Lg    Bl       Combinação de cores: Terra/Marcação            0030Z-KRM-8500
19-2
CG150 TITAN KS • ES • ESD                                                                                                                                                                                        DIAGRAMA ELÉTRICO


TIPO ESD:                                                                 INTERRUPTOR
                                                                          DA LUZ DO
                                                                                                    CAIXA DE
                                                                                                                INTERRUPTOR
                                                                                                                DA LUZ DO   UNIDADE DO
                                                                                                                            SENSOR DE
                                                              INTERRUPTOR FREIO       INTERRUPTOR   FUSÍVEIS    FREIO
                                                                          DIANTEIRO DE PARTIDA                  TRASEIRO    NÍVEL DE                   RELÉ DE PARTIDA
                                                              DE IGNIÇÃO                            SECUNDÁRIOS             COMBUSTÍVEL                                            REGULADOR/
                                                                                                                                                                       FUSÍVEL        RETIFICADOR
                                                                                                                                                                       PRINCIPAL 15 A
              LÂMPADA DA SINALEIRA
              DIANTEIRA DIREITA                                                                                                            BATERIA
              12 V 16 W                                                                                                                    12 V 6 Ah


                                                                                                                                     TERRA DO          MOTOR DE
                                                                                                                                     MOTOR             PARTIDA

                                                                                                                                                                                                                      LÂMPADA DA SINALEIRA
                                                                                                                                                                                                                      TRASEIRA DIREITA
                                                                                                                                                                                                                      12 V 16 W
  MEDIDOR DE COMBUSTÍVEL


  LÂMPADA DE ILUMINAÇÃO
                     12 V 2 W
  LÂMPADA DE ILUMINAÇÃO
                     12 V 2 W


  LÂMPADA DO INDICADOR
  DA SINALEIRA       12 V 3 W
  LÂMPADA DO INDICADOR
  DE PONTO MORTO    12 V 3 W                                                                                                                                                                                                  LÂMPADA DA LUZ DE FREIO/
                                                                                                                                                                                                                              LANTERNA TRASEIRA
  LÂMPADA DO INDICADOR                                                                                                                                                                                                        12 V 21/5 W
  DE FAROL ALTO     12 V 3 W




                                                                                                                                                                                                                       LÂMPADA DA SINALEIRA
                                                                                                                                                                                                                       TRASEIRA ESQUERDA
                                                                                                                                                                                                                       12 V 16 W
        LÂMPADA DO FAROL
        12 V 35/35 W




                                                                                                                                                                          DIODO

           LÂMPADA DA SINALEIRA
           DIANTEIRA ESQUERDA
           12 V 16 W
                                                                                                                                                                                                    INTERRUPTOR DE
                                                                                                                                                                                                    PONTO MORTO

                                                                                                                                       MÓDULO DE                          GERADOR ALTERNADOR
                                                                                                                                                                RELÉ DA
                                                               COMUTADOR DO                                                            CONTROLE DA                        DE PULSOS
                                                                                                                                                                SINALEIRA
                                                               FAROL/INTERRUPTOR                                                       IGNIÇÃO (ICM)                      DA IGNIÇÃO
                                                               DA SINALEIRA/     INTERRUPTOR                     BOBINA DE    TERRA
                                                                                              BUZINA
                                                               INTERRUPTOR DA    DA EMBREAGEM                    IGNIÇÃO      DO CHASSI
                                                               BUZINA


                                                                   COMUTADOR DO FAROL                    INTERRUPTOR DA SINALEIRA
                                                                                                                                                                                     Bl      Preto        Br      Marrom
   INTERRUPTOR DE IGNIÇÃO       INTERRUPTOR DE PARTIDA                              HI   (HL)   LO                        E      C     D       INTERRUPTOR DA BUZINA
                                                                                                                                                                                     Y      Amarelo       O       Laranja
                  BAT1 BAT2                        ST    IG                                                                                                          HO    BAT3      Bu       Azul        Lb     Azul claro
     Desligado                          Livre                            (N)                                   (N)                                      Livre                        G       Verde        Lg    Verde claro
                                                                                                                                                                                     R     Vermelho       P        Rosa
      Ligado                         Pressionado                                                                                                 Pressionado
                                                                                                                                                                                     W      Branco       Gr        Cinza
        Cor         R    R/Bl           Cor        Y/R   Bl              Cor        Bu     Y    W              Cor        O     Gr    Lb                Cor          Lg     Bl     Combinação de cores: Terra/Marcação           0030Z-KRM-8600

                                                                                                                                                                                                                                                 19-3
CG150 TITAN KS • ES • ESD                                                                            INFORMAÇÕES GERAIS

COMO USAR ESTE MANUAL                                         ÍNDICE GERAL
Este manual descreve os procedimentos de serviço para
as motocicletas Honda CG150 KS/ES/ESD.                                            INFORMAÇÕES GERAIS                      1
Siga as recomendações da Tabela de Manutenção
(Capítulo 3) para assegurar que a motocicleta esteja em                           AGREGADOS DO CHASSI/
perfeitas condições de funcionamento.                                             SISTEMA DE ESCAPAMENTO                  2
A realização da primeira manutenção programada é
extremamente importante. O desgaste inicial que ocorre
durante o período de amaciamento será compensado.                                 MANUTENÇÃO                              3
Os capítulos 1 e 3 aplicam-se para toda a motocicleta.
O capítulo 2 apresenta os procedimentos de remoção/
instalação de componentes que podem ser necessários
                                                                                  SISTEMA DE LUBRIFICAÇÃO                 4
para efetuar os serviços descritos nos capítulos seguintes.
Os capítulos 4 a 18 descrevem as peças da motocicleta,                            SISTEMA DE ALIMENTAÇÃO                  5
agrupadas de acordo com sua localização.
Encontre o capítulo desejado nesta página e consulte o
índice na primeira página do capítulo.                                            REMOÇÃO/INSTALAÇÃO DO MOTOR             6
A maioria dos capítulos apresenta inicialmente a
ilustração de um conjunto ou sistema, informações de
serviço e diagnose de defeitos para aquele capítulo.                              CABEÇOTE/VÁLVULAS                       7

                                                               MOTOR
As páginas seguintes apresentam procedimentos
detalhados.
                                                                                  CILINDRO/PISTÃO                         8
Não conhecendo a causa do problema, consulte o
capítulo 20, “Diagnose de Defeitos”.
                                                                                  EMBREAGEM/SELETOR DE MARCHAS/
                                                                                  CONJUNTO DE PARTIDA/
                                                                                  ENGRENAGEM DO BALANCEIRO
                                                                                                                          9
 TODAS AS INFORMAÇÕES, ILUSTRAÇÕES, INS-
 TRUÇÕES E ESPECIFICAÇÕES CONTIDAS NES-
 TE MANUAL ESTÃO BASEADAS NAS MAIS RECEN-                                         ALTERNADOR/EMBREAGEM DE PARTIDA         10
 TES INFORMAÇÕES SOBRE O PRODUTO DISPO-
 NÍVEIS NA ÉPOCA DE SUA PUBLICAÇÃO. A MOTO
                                                                                  ÁRVORE DE MANIVELAS/EIXO DO
 HONDA DA AMAZÔNIA LTDA. SE RESERVA O DI-                                         BALANCEIRO/TRANSMISSÃO                  11
 REITO DE FAZER ALTERAÇÕES A QUALQUER
 MOMENTO, SEM PRÉVIO AVISO, SEM QUE ISSO                                          RODA DIANTEIRA/FREIO/SUSPENSÃO/
 INCORRA EM QUALQUER OBRIGAÇÃO. NENHUMA                                           DIREÇÃO                                 12
 PARTE DESTE MANUAL PODE SER REPRODUZIDA
                                                               CHASSI




 SEM AUTORIZAÇÃO PRÉVIA POR ESCRITO. ESTE
 MANUAL FOI ELABORADO PARA PESSOAS QUE                                            RODA TRASEIRA/FREIO/SUSPENSÃO           13
 TENHAM CONHECIMENTOS BÁSICOS SOBRE A
 MANUTENÇÃO DAS MOTOCICLETAS HONDA.
                                                                                  FREIO HIDRÁULICO                        14
                  MOTO HONDA DA AMAZÔNIA LTDA.
                  Departamento de Serviços Pós-venda
                      (Setor de Publicações Técnicas)
                                                                                  BATERIA/SISTEMA DE CARGA                15
                                                               SISTEMA ELÉTRICO




                                                                                  SISTEMA DE IGNIÇÃO                      16

                                                                                  PARTIDA ELÉTRICA                        17

                                                                                  LUZES/INSTRUMENTOS/INTERRUPTORES        18

                                                                                  DIAGRAMA ELÉTRICO                       19

                                                                                  DIAGNOSE DE DEFEITOS                    20

Diagrama

  • 1.
    CG150 TITAN KS• ES • ESD 19. DIAGRAMA ELÉTRICO TIPO KS: INTERRUPTOR INTERRUPTOR DA LUZ DO CAIXA DE UNIDADE DO INTERRUPTOR DA LUZ DO FREIO FREIO FUSÍVEIS SENSOR DE NÍVEL DE IGNIÇÃO DIANTEIRO TRASEIRO SECUNDÁRIOS DE COMBUSTÍVEL REGULADOR/ RETIFICADOR LÂMPADA DA SINALEIRA DIANTEIRA DIREITA BATERIA FUSÍVEL 12 V 16 W 12 V 4 Ah PRINCIPAL 15 A LÂMPADA DA SINALEIRA TRASEIRA DIREITA 12 V 16 W MEDIDOR DE COMBUSTÍVEL LÂMPADA DE ILUMINAÇÃO 12 V 2 W LÂMPADA DE ILUMINAÇÃO 12 V 2 W LÂMPADA DO INDICADOR DA SINALEIRA 12 V 3 W LÂMPADA DO INDICADOR DE PONTO MORTO 12 V 3 W LÂMPADA DA LUZ DE FREIO/ LANTERNA TRASEIRA LÂMPADA DO INDICADOR 12 V 21/5 W DE FAROL ALTO 12 V 3 W LÂMPADA DA SINALEIRA TRASEIRA ESQUERDA 12 V 16 W LÂMPADA DO FAROL 12 V 35/35 W LÂMPADA DA SINALEIRA DIANTEIRA ESQUERDA 12 V 16 W INTERRUPTOR DE PONTO MORTO GERADOR MÓDULO DE RELÉ DA DE PULSOS ALTERNADOR COMUTADOR DO CONTROLE DA SINALEIRA DA IGNIÇÃO FAROL/INTERRUPTOR IGNIÇÃO (ICM) BOBINA DE TERRA DA SINALEIRA/ BUZINA IGNIÇÃO DO CHASSI INTERRUPTOR DA BUZINA 19 COMUTADOR DO FAROL INTERRUPTOR DA SINALEIRA Bl Preto Br Marrom INTERRUPTOR DE IGNIÇÃO HI (HL) LO E C D INTERRUPTOR DA BUZINA Y Amarelo O Laranja BAT1 BAT2 HO BAT3 Bu Azul Lb Azul claro G Verde Lg Verde claro Desligado (N) (N) Livre R Vermelho P Rosa Ligado Pressionado W Branco Gr Cinza Cor R R/Bl Cor Bu Y W Cor O Gr Lb Cor Lg Bl Combinação de cores: Terra/Marcação 0030Z-KRM-8400 19-1
  • 2.
    DIAGRAMA ELÉTRICO CG150 TITAN KS • ES • ESD INTERRUPTOR TIPO ES: INTERRUPTOR DA LUZ DO DA LUZ DO CAIXA DE FREIO UNIDADE DO INTERRUPTOR INTERRUPTOR FREIO TRASEIRO DE IGNIÇÃO DE PARTIDA DIANTEIRO FUSÍVEIS SENSOR DE NÍVEL RELÉ DE PARTIDA SECUNDÁRIOS DE COMBUSTÍVEL REGULADOR/ FUSÍVEL PRINCIPAL 15 A RETIFICADOR LÂMPADA DA SINALEIRA DIANTEIRA DIREITA BATERIA 12 V 16 W 12 V 6 Ah TERRA DO MOTOR DE MOTOR PARTIDA LÂMPADA DA SINALEIRA TRASEIRA DIREITA 12 V 16 W MEDIDOR DE COMBUSTÍVEL LÂMPADA DE ILUMINAÇÃO 12 V 2 W LÂMPADA DE ILUMINAÇÃO 12 V 2 W LÂMPADA DO INDICADOR DA SINALEIRA 12 V 3 W LÂMPADA DO INDICADOR DE PONTO MORTO 12 V 3 W LÂMPADA DA LUZ DE FREIO/ LÂMPADA DO INDICADOR LANTERNA TRASEIRA DE FAROL ALTO 12 V 3 W 12 V 21/5 W LÂMPADA DA SINALEIRA TRASEIRA ESQUERDA 12 V 16 W LÂMPADA DO FAROL 12 V 35/35 W DIODO LÂMPADA DA SINALEIRA DIANTEIRA ESQUERDA 12 V 16 W INTERRUPTOR DE PONTO MORTO GERADOR MÓDULO DE RELÉ DA ALTERNADOR COMUTADOR DE PULSOS CONTROLE DA SINALEIRA DA IGNIÇÃO DO FAROL/ IGNIÇÃO (ICM) INTERRUPTOR INTERRUPTOR BOBINA DE TERRA DA SINALEIRA/ DA EMBREAGEM BUZINA IGNIÇÃO DO CHASSI INTERRUPTOR DA BUZINA COMUTADOR DO FAROL INTERRUPTOR DA SINALEIRA Bl Preto Br Marrom INTERRUPTOR DE IGNIÇÃO INTERRUPTOR DE PARTIDA HI (HL) LO E C D INTERRUPTOR DA BUZINA Y Amarelo O Laranja BAT1 BAT2 ST IG HO BAT3 Bu Azul Lb Azul claro Desligado Livre (N) (N) Livre G Verde Lg Verde claro R Vermelho P Rosa Ligado Pressionado Pressionado W Branco Gr Cinza Cor R R/Bl Cor Y/R Bl Cor Bu Y W Cor O Gr Lb Cor Lg Bl Combinação de cores: Terra/Marcação 0030Z-KRM-8500 19-2
  • 3.
    CG150 TITAN KS• ES • ESD DIAGRAMA ELÉTRICO TIPO ESD: INTERRUPTOR DA LUZ DO CAIXA DE INTERRUPTOR DA LUZ DO UNIDADE DO SENSOR DE INTERRUPTOR FREIO INTERRUPTOR FUSÍVEIS FREIO DIANTEIRO DE PARTIDA TRASEIRO NÍVEL DE RELÉ DE PARTIDA DE IGNIÇÃO SECUNDÁRIOS COMBUSTÍVEL REGULADOR/ FUSÍVEL RETIFICADOR PRINCIPAL 15 A LÂMPADA DA SINALEIRA DIANTEIRA DIREITA BATERIA 12 V 16 W 12 V 6 Ah TERRA DO MOTOR DE MOTOR PARTIDA LÂMPADA DA SINALEIRA TRASEIRA DIREITA 12 V 16 W MEDIDOR DE COMBUSTÍVEL LÂMPADA DE ILUMINAÇÃO 12 V 2 W LÂMPADA DE ILUMINAÇÃO 12 V 2 W LÂMPADA DO INDICADOR DA SINALEIRA 12 V 3 W LÂMPADA DO INDICADOR DE PONTO MORTO 12 V 3 W LÂMPADA DA LUZ DE FREIO/ LANTERNA TRASEIRA LÂMPADA DO INDICADOR 12 V 21/5 W DE FAROL ALTO 12 V 3 W LÂMPADA DA SINALEIRA TRASEIRA ESQUERDA 12 V 16 W LÂMPADA DO FAROL 12 V 35/35 W DIODO LÂMPADA DA SINALEIRA DIANTEIRA ESQUERDA 12 V 16 W INTERRUPTOR DE PONTO MORTO MÓDULO DE GERADOR ALTERNADOR RELÉ DA COMUTADOR DO CONTROLE DA DE PULSOS SINALEIRA FAROL/INTERRUPTOR IGNIÇÃO (ICM) DA IGNIÇÃO DA SINALEIRA/ INTERRUPTOR BOBINA DE TERRA BUZINA INTERRUPTOR DA DA EMBREAGEM IGNIÇÃO DO CHASSI BUZINA COMUTADOR DO FAROL INTERRUPTOR DA SINALEIRA Bl Preto Br Marrom INTERRUPTOR DE IGNIÇÃO INTERRUPTOR DE PARTIDA HI (HL) LO E C D INTERRUPTOR DA BUZINA Y Amarelo O Laranja BAT1 BAT2 ST IG HO BAT3 Bu Azul Lb Azul claro Desligado Livre (N) (N) Livre G Verde Lg Verde claro R Vermelho P Rosa Ligado Pressionado Pressionado W Branco Gr Cinza Cor R R/Bl Cor Y/R Bl Cor Bu Y W Cor O Gr Lb Cor Lg Bl Combinação de cores: Terra/Marcação 0030Z-KRM-8600 19-3
  • 4.
    CG150 TITAN KS• ES • ESD INFORMAÇÕES GERAIS COMO USAR ESTE MANUAL ÍNDICE GERAL Este manual descreve os procedimentos de serviço para as motocicletas Honda CG150 KS/ES/ESD. INFORMAÇÕES GERAIS 1 Siga as recomendações da Tabela de Manutenção (Capítulo 3) para assegurar que a motocicleta esteja em AGREGADOS DO CHASSI/ perfeitas condições de funcionamento. SISTEMA DE ESCAPAMENTO 2 A realização da primeira manutenção programada é extremamente importante. O desgaste inicial que ocorre durante o período de amaciamento será compensado. MANUTENÇÃO 3 Os capítulos 1 e 3 aplicam-se para toda a motocicleta. O capítulo 2 apresenta os procedimentos de remoção/ instalação de componentes que podem ser necessários SISTEMA DE LUBRIFICAÇÃO 4 para efetuar os serviços descritos nos capítulos seguintes. Os capítulos 4 a 18 descrevem as peças da motocicleta, SISTEMA DE ALIMENTAÇÃO 5 agrupadas de acordo com sua localização. Encontre o capítulo desejado nesta página e consulte o índice na primeira página do capítulo. REMOÇÃO/INSTALAÇÃO DO MOTOR 6 A maioria dos capítulos apresenta inicialmente a ilustração de um conjunto ou sistema, informações de serviço e diagnose de defeitos para aquele capítulo. CABEÇOTE/VÁLVULAS 7 MOTOR As páginas seguintes apresentam procedimentos detalhados. CILINDRO/PISTÃO 8 Não conhecendo a causa do problema, consulte o capítulo 20, “Diagnose de Defeitos”. EMBREAGEM/SELETOR DE MARCHAS/ CONJUNTO DE PARTIDA/ ENGRENAGEM DO BALANCEIRO 9 TODAS AS INFORMAÇÕES, ILUSTRAÇÕES, INS- TRUÇÕES E ESPECIFICAÇÕES CONTIDAS NES- TE MANUAL ESTÃO BASEADAS NAS MAIS RECEN- ALTERNADOR/EMBREAGEM DE PARTIDA 10 TES INFORMAÇÕES SOBRE O PRODUTO DISPO- NÍVEIS NA ÉPOCA DE SUA PUBLICAÇÃO. A MOTO ÁRVORE DE MANIVELAS/EIXO DO HONDA DA AMAZÔNIA LTDA. SE RESERVA O DI- BALANCEIRO/TRANSMISSÃO 11 REITO DE FAZER ALTERAÇÕES A QUALQUER MOMENTO, SEM PRÉVIO AVISO, SEM QUE ISSO RODA DIANTEIRA/FREIO/SUSPENSÃO/ INCORRA EM QUALQUER OBRIGAÇÃO. NENHUMA DIREÇÃO 12 PARTE DESTE MANUAL PODE SER REPRODUZIDA CHASSI SEM AUTORIZAÇÃO PRÉVIA POR ESCRITO. ESTE MANUAL FOI ELABORADO PARA PESSOAS QUE RODA TRASEIRA/FREIO/SUSPENSÃO 13 TENHAM CONHECIMENTOS BÁSICOS SOBRE A MANUTENÇÃO DAS MOTOCICLETAS HONDA. FREIO HIDRÁULICO 14 MOTO HONDA DA AMAZÔNIA LTDA. Departamento de Serviços Pós-venda (Setor de Publicações Técnicas) BATERIA/SISTEMA DE CARGA 15 SISTEMA ELÉTRICO SISTEMA DE IGNIÇÃO 16 PARTIDA ELÉTRICA 17 LUZES/INSTRUMENTOS/INTERRUPTORES 18 DIAGRAMA ELÉTRICO 19 DIAGNOSE DE DEFEITOS 20