Rua Hermann Weege, 2383 – Pomerode – SC – Fone: (47) 3387-8222
www.netzsch.com.br RPB/maio/2003
CÓD. 11.001
ÍNDICE PARA AS BOMBAS DA SÉRIE LN
1. – GENERALIDADES
1.1. – Transporte e Eventuais danos de Transporte
1.2. – Armazenagem durante longo período de tempo
2. – CONSTRUÇÃO
3. – MONTAGEM DA BOMBA E LIGAÇÃO AO SISTEMA DE TUBULAÇÕES
4. – INÍCIO DE OPERAÇÃO
5. – PROBLEMAS DE FUNCIONAMENTO - CAUSAS/SOLUÇÕES
6. – DESCRIÇÃO DE SERVIÇOS DE MANUTENÇÃO E CONSERTO
6.1. – Desmontagem e montagem da Vedação do Eixo
6.2. – Desmontagem e montagem do Rolamento
6.3. – Desmontagem e montagem dos Fusos / Buchas Mancal
7. – DESENHO EM CORTE E LISTA DE PEÇAS .
Bomba de Fusos
Manual de Instruções
Rua Hermann Weege, 2383 – Pomerode – SC – Fone: (47) 3387-8222
www.netzsch.com.br RPB/maio/2003
CÓD. 12.000
1. – GENERALIDADES
1.1.– Transporte e Eventuais Danos de Transporte
As Bombas de Fusos NETZSCH, quando não houver exigência ou solicitação
especial do cliente, são encaminhadas à expedição em embalagens tipo
engradado de madeira.
No recebimento da encomenda, recomendamos imediatamente inspecionar se
o equipamento sofreu danos no transporte. Em caso positivo, contactar
imediatamente a transportadora.
1.2. – Armazenagem durante longo período de tempo
Caso não tenham havidos entendimentos anteriores, as bombas de fusos são
embaladas visando protegê-las apenas contra eventuais danos de transporte.
Para um armazenamento por longo período de tempo até a montagem, as
bombas de fusos devem ser protegidas como segue:
- Colocar a Bomba, em um abrigo, protegendo contra as intempéries.
- As faces das flanges da bomba deverão ser recobertas com graxa para evitar
corrosão, e colocar tampas para evitar entrada de corpos estranhos.
- Encher totalmente a bomba com um óleo protetor contra corrosão (podemos
recomendar o Metal Protective Oil da Texaco). Este enchimento poderá ser
feito através dos bujões pos. 207 e 215 que se encontram sobre a Válvula de
segurança.
- Aliviar a tensão da Mola da Válvula de Segurança através do parafuso de
regulagem pos. 222, para evitar que a mola fique cansada.
- Desmontar as gaxetas, nas bombas em que estejam aplicadas como vedação
do eixo, e revestir com graxa a superfície do eixo, como também do furo do
porta gaxetas. Nas bombas em que o material das peças é aço inoxidável este
tratamento se torna dispensável.
Bomba de Fusos
Manual de Instruções
Rua Hermann Weege, 2383 – Pomerode – SC – Fone: (47) 3387-8222
www.netzsch.com.br RPB/maio/2003
CÓD. 13.000
2. - CONSTRUÇÃO
As bombas de fusos NETZSCH da série LN, são bombas de deslocamento positivo, auto-
aspirantes e, destinam-se a transferência ou circulação de meios com boas e médias
propriedades lubrificantes. Opcionalmente as bombas podem ser fornecidas com uma válvula
de segurança incorporada à bomba, que se abre e faz retornar o líquido bombeado à câmara
de sucção quando há excesso de pressão.
PRINCIPAIS CARACTERÍSTICAS
Podem operar até uma pressão máxima de 16 bar
Temperatura máxima admissível 100º C
Rolamento interno, em contato com o líquido bombeado
Formas construtivas: - Horizontal com pés ( F )
- Bomba com flange ( FL )
- Pedestal vertical ( So )
1- Fusos: Nas bombas da série LN atuam dois fusos como elementos de deslocamento
volumétrico. Um fuso de acionamento de passo duplo e, um fuso movido de passo triplo, giram
engrenados um no outro, com pequenas folgas, dentro de uma carcaça.
Devido ao perfil especial projetado para o filete dos fusos, obtem-se na carcaça, câmaras com
uma vedação ideal que formam unidades de bombeamento contínuos no sentido de
sucção/recalque, sem esmagamentos e sem turbulências do líquido, através da rotação axial
dos fusos.
Para a fixação axial do jogo de fusos é montado na tampa dianteira, um rolamento rígido de
esferas. Para evitar um deslocamento axial entre os fusos foram projetados posicionadores,
que estão montados no lado traseiro.
O empuxo axial que devido a pressão de recalque, age sobre os fusos é equilibrado
hidraúlicamente através de um furo de compensação, localizado na carcaça.
2- Mancais: Os fusos giram em quatro mancais deslizantes. Um sistema de equilíbrio hidráulico
garante uma lubrificação perfeita de todos os pontos de apoio, mediante o líquido bombeado. A
perda de líquido através dos mancais dianteiros, garante a lubrificação perfeita de todos os
pontos de apoio, mediante o liquido bombeado. A perda de líquido através dos mancais
dianteiros, garante a lubrificação do rolamento e da vedação do eixo, retornando a sucção da
bomba por um orifício localizado na carcaça.
3- Vedação do eixo
A vedação do eixo está sempre sob a condição de trabalho da sucção. Estando portanto,
sempre sujeita a uma pressão baixa. A vedação do eixo pode ser efetuada através de selo
mecânico(G1) ou retentores (C).
Bomba de Fusos
Manual de Instruções
Rua Hermann Weege, 2383 – Pomerode – SC – Fone: (47) 3387-8222
www.netzsch.com.br RPB/maio/2003
CÓD. 14.000
3. - MONTAGEM DA BOMBA E LIGAÇÃO AO SISTEMA DE TUBULAÇÕES
Os acoplamentos devem ser montados no eixo da bomba com auxilio do furo
roscado que se encontra no eixo de acionamento. NUNCA MEDIANTE
MARTELADAS !
Para um funcionamento sem problemas, é importante um perfeito alinhamento
entre a bomba e o acionamento. No fornecimento de um equipamento
completo, incluindo bomba com acionamento montados sobre uma base, o
alinhamento está previsto na fabricação. Todavia, no parafusamento, sobre um
fundamento de nivelamento irregular, pode ocorrer que a base sofra
deformações que prejudiquem alinhamento entre bomba e acionamento. Por
isso, após o parafusamento da base sobre o fundamento e após desaparafusar
e retirar a proteção que envolve o acoplamento e tomando como referência as
duas partes do acoplamento, é importante verificar e, se necessário alinhar
novamente usando régua de nivelar. Para conferir o alinhamento é necessário
observar os deslocamento: axial, paralelo, longitudinal e angular máximos
permitidos que dependem do tipo e do fabricante do acoplamento utilizado.
Quando aplicável, deverá ser feito o alinhamento do skid com a tubulação
através dos parafusos niveladores. O sentido de rotação e do eixo de
acionamento normalmente é horário, sendo que sob pedido, também poderá
ser antihorário, visto do acoplamento. Observar a seta indicativa do sentido de
giro. Se o acionamento girar no sentido oposto, é necessário inverter a ligação
nos terminais. O sentido do fluxo normalmente é da esquerda para a direita,
sob pedido, também poderá ser da direita para a esquerda, visto do
acionamento. Observar seta indicativa do sentido de fluxo fixado nas flanges da
bomba. O sistema de tubulação, deverá estar limpo ao ser ligado à bomba. A
tubulação deverá estar ligada à bomba de tal modo que nenhum tipo de
esforço externo atue sobre a bomba. É oportuno prever a instalação de juntas
compensadoras entre a bomba e tubulação.
Terminada a montagem, o eixo da bomba deverá permitir girar-se com
facilidade, manualmente.
Bomba de Fusos
Manual de Instruções
Rua Hermann Weege, 2383 – Pomerode – SC – Fone: (47) 3387-8222
www.netzsch.com.br RPB/jun/2004
CÓD. 15.000
4. – INÍCIO DE OPERAÇÃO
ADVERTÊNCIA: AS BOMBAS LN/LNA DEVERÃO TER UMA PRESSÃO
DIFERENCIAL MÍNIMA DE 1,5 BAR PARA GARANTIR A CIRCULAÇÃO
INTERNA DO PRODUTO BOMBEADO ATÉ O SELO MECÂNICO,
LUBRIFICANDO O MESMO.
Antes de colocar a bomba em funcionamento pela primeira vez ou, após um
longo período de inatividade, é necessário encher a tubulação de sucção da
bomba de óleo até o nível máximo possível.
Abrir os registro na sucção e no recalque, pois operando com os registros
fechados, a bomba estaria operando como compressor de ar, prejudicando
assim a lubrificação dos mancais. Pela mesma razão, deve-se evitar o
esvaziamento da canalização de sucção mediante o uso de ar comprimido. Se
por algum motivo operacional, for necessário utilizar ar comprimido para esta
finalidade, isto deverá ser feito do lado de recalque.
Sendo uma bomba de deslocamento positivo, a bomba de fusos não deverá
operar sem líquido (à seco). Como principal consequência teríamos a
deterioração dos mancais.
Ligado o motor de acionamento, deve-se observar o comportamento da bomba
em serviço, através do manômetro e monovacuômetro.
A bomba estando em serviço, a diferença de temperatura admissível entre as
tampas traseiras e dianteira e o líquido bombeado, é de aproximadamente
20°C.
Bomba de Fusos
Manual de Instruções
Rua Hermann Weege, 2383 – Pomerode – SC – Fone: (47) 3387-8222
www.netzsch.com.br RPB/mio/2003
CÓD. 16.000
5. - PROBLEMAS DE FUNCIONAMENTO – CAUSAS / SOLUÇÕES
O mau funcionamento da bomba, é devido principalmente a erros na
instalação, pois sendo instalada corretamente, a bomba de fusos opera sem
problemas, sempre que o líquido bombeado for adequado.
1–A bomba não bombeia, ou bombeia muito pouco.
Se a bomba não bombeia, verificar se:
- As tubulações estão ligadas corretamente, conforme as setas indicativas
do sentido de fluxo (ver no corpo da bomba);
- Sentido da rotação está correto;
- Registro da sucção e descarga estão abertos;
- Altura de sucção está muito elevada;
- Viscosidade está muito baixa, ou muito elevada;
- Válvula de segurança está regulada corretamente;
- Há entrada de ar na canalização;
2– Os fusos travam, cessando o bombeamento.
Os fusos podem ficar presos no corpo da bomba, o que pode ser devido,
por exemplo, à presença de corpos estranhos, ou à um excesso de pressão.
Neste caso, é preciso desmontar o conjunto dos fusos e polir as superfícies
danificadas.
3– Bomba apresenta elevado nível de ruído.
- Verificar se o acoplamento esta perfeitamente alinhado;
- Examinar se o líquido bombeado, quanto a presença de ar e gás;
- Verificar se a altura manômetrica de sucção excede seu valor limite
(neste caso, haverá cavitação);
- Verificar se a tubulação é muito extensa, ou com diâmetro muito
pequeno (grau de perda de carga);
- Examinar vedação do eixo e eventualmente trocar.
Bomba de Fusos
Manual de Instruções
Rua Hermann Weege, 2383 – Pomerode – SC – Fone: (47) 3387-8222
www.netzsch.com.br RPB/maio/2003
CÓD. 17.000
6. - DESCRIÇÃO DE SERVIÇO DE MANUTENÇÃO E CONSERTOS
Para efetuar qualquer manutenção ou substituição de peças da bomba, esta
deverá estar totalmente livre, sendo portanto necessário desacoplar a bomba
do acionamento, desmontar da ponta de eixo a outra metade do acoplamento
elástico com a chaveta e desaparafusar a bomba.
É extremamente importante manter limpas as ferramentas e o local onde serão
efetuados os serviços, para evitar danos às superfícies das peças.
6.1. - Desmontagem e montagem da vedação do eixo (SELO MECÂNICO)
O selo mecânico (62), é uma vedação perfeita e de precisão, não permitindo
vazamentos. O tipo de selo mecânico aplicado nas bombas de fusos é o selo
de efeito simples, não compensado, independente do sentido de rotação, de
molas múltiplas. Este selo se divide basicamente em duas partes: a parte
estacionária e a parte giratória. A parte estacionária está montado na tampa do
selo (65) e a parte giratória está montada sobre o fuso-motor (150).
A desmontagem do selo mecânico (62), deverá obedecer a seguinte
sequência:
- Remova cuidadosamente a tampa do selo (65), retirando os parafusos de
fixação (67);
- A parte estacionária do selo (62), alojada na tampa pode ser retirada com
facilidade; cuidar para não danificar as superfícies deslizantes
- Remova a tampa dianteira (45), retirando os parafusoso de fixação (47);
- Afrouxar os parafusos que fixam a parte giratória do selo sobre o fuso-motor
(150);
- Agora, a parte giratória poderá ser removida com a mão, sem auxílio de
ferramentas, do fuso-motor (150).
A montagem se procede de maneira inversa, cuidar para que as vedações (66
e 31) não sejam esquecidas. Controlar a pressão da parte giratória contra a
parte estacionária (ver desenho do selo mecânico) para que seja adequada,
para que ocorra vedação sem prejudicar as superfícies deslizantes.
Bomba de Fusos
Manual de Instruções
Rua Hermann Weege, 2383 – Pomerode – SC – Fone: (47) 3387-8222
www.netzsch.com.br RPB/maio/2003
CÓD. 17.002
6.2. – Desmontagem e Montagem do Rolamento
A princípio, deverá ser desmontada a Vedação do Eixo, conforme descrito no
item 6.1.
Em seguida deverá ser efetuada a desmontagem do Rolamento (170)
obedecendo a seguinte sequência:
Com o auxílio de um Alicate de Bico, retire o Anel de Segurança (173);
Remova a Arruela de Encosto (172);
Finalmente poderá ser desmontado o Rolamento (170).
A montagem se procede de maneira inversa.
Antes de montar novamente um Rolamento, os alojamentos e ou assentos,
deverão estar livres de sujeiras.
6.3. – Desmontagem e Montagem dos Furos / Buchas Mancal
Desmontar a Vedação de Eixo, conforme descrito no item 6.1.
Desmontar o Rolamento (170), conforme descrito no item 6.2.
Remova a Tampa Traseira (30) ou Pedestal (40), retirando os Parafusos de
fixação (32) ou as Porcas Sextavadas (35) e as Arruelas de Pressão (33)
respectivamente.
Em seguida deverá ser efetuada a desmontagem, obedecendo a seguinte
sequência:
Extraia o Jogo de Fusos (150/151), batendo axialmente o Fuso-Motor (150).
Não bata com martelo metálico diretamente no Fuso (150). Apoie sobre este,
algum material que amorteça o impacto, por exemplo: Madeira;
Desta forma extrai-se simultaneamente os Fusos (150/151) e as Buchas
Mancal (152) traseiras;
Remova da carcaça (1), as Buchas Mancal (152) dianteiras;
E por fim, desmonte do(s) Fuso(s) (150/151) o(s) Posicionador(es) (158/159),
removendo o Anel de Segurança (164) e a Chaveta (165).
A montagem se procede de maneira inversa.
Bomba de Fusos
Manual de Instruções
Folha 01
01 QUANT.: 01 APLICÁVEL A:( )PROPOSTA ( )COMPRA ( X )COMO CONSTRUIDO
02 FABRICANTE/MODELO: NETZSCH / LN 70/118-F-GL
03 TURBINA - TRANSMISSÃO: (X)DIRETA ( )CX.DE ENGRENAGENS ( )CORREIA
04
05 LÍQUIDO : ÓLEO ISO VG 46 VAZÃO NOMINAL,m3/h.: 31,62 CURVA Nº:
06 VAZÃO DO PROJETO,m3/h.: 26,88 PR.DESC.,kgf/cm²: 3,5 NPSH REQUERIDO m: 3,3
07 TEMP.OPER.: 60°C (25 a 70°C) PR.SUCÇÃO,kgf/cm²: 0 RPM : 1800 RPM MAX.:
08 DENSIDADE À T.O.: PR.DIFER.,kgf/cm²: 3,5 EFICIÊNCIA, %:
09 PR. VAPOR À T.O.KGF/cm²abs.: NPSH DISPONÍVEL, m: POTÊNCIA NO EIXO,CV: 7
10 VISCOSIDADE À T.O.cS: 21 cSt REGIME DE TRABALHO: POTÊNCIA MÁXIMA, CV:
11 SÓLIDOS EM SUSP.: DIAM.MAX,mm: CORROSÃO POR: PR.PROJ.DA BOMBA,kgf/cm²: 16
12 CONCENTRAÇÃO, % : PR.ABERT.VALV.ALÍVIO, kgf/cm²:
13 MAX.PR.DIFER.,kgf/cm²: 3,5
14 TIPO DE ROTOR: ( )ENGRENAGEM ( X )FUSO ( )MONOFUSO ( ) ROT. DO EIXO: ESQUERDA (VISTA DO ACION.)
15 BOCAIS DIMENSÃO CLASSE FACEAMENTO ORIENTAÇÃO TESTES
16 SUCÇÃO DIN 2533 - DN 100mm PN 16 RF ( X )HIDROSTÁTICO ( )TESTEMUNHADO
17 DESCARGA DIN 2533 - DN 100mm PN 16 RF ( X )PERFORMANCE ( )TESTEMUNHADO
18 MONTAGEM: ( X )HORIZ. ( )VERT.,CONEXÕES: ( X )RESPIRO ( X )DRENO ( X )MANÔMETRO ( X )FUNC.MECÂNICO ( )TESTEMUNHADO
FOLHA DE DADOS FDB S80.000065
Cliente ou usuário : SIEMENS LTDA.
Empreendimento ou Programa : PROJETO: CPFL BURITI
Área ou Unidade :
CONDIÇOES DE OPERAÇÃO
HORIZONTAL
ACIONAMENTO: MOTOR ELÉTRICO
SERVIÇO: BOMBA DE EMERGENCIA
CONSTRUÇÃO E MATERIAIS
BOMBA DE FUSOS
ITEM Nº:
HORIZONTAL
PERFORMANCE
18 MONTAGEM: ( X )HORIZ. ( )VERT.,CONEXÕES: ( X )RESPIRO ( X )DRENO ( X )MANÔMETRO ( X )FUNC.MECÂNICO ( )TESTEMUNHADO
19 VALV.ALÍVIO: INTEGRAL COM A BOMBA: ( )SIM ( X )NAO;FORNECIDA POR: ( )DESMONTAGEM APÓS TESTE
20 FABRICANTE/MODELO: PR.TESTE HIDROSTÁTICO kgf/cm²
21 ENGRENAGENS DE SINCRONIZAÇÃO EXTERNAS : ( )SIM ( X )NÃO AQUECIMENTO/RESFRIAMENTO
22 MANCAIS: RADIAIS: ROLAMENTOS ESCORRA ( )MANCAIS ( )SOBREPOSTA
23 ( )EXTERNOS ( X )INTERNOS;LUBRIF.: ( X )FLUÍDO BOMBEADO ( )ÓLEO ( )GRAXA ( )CX. GAXETAS ( )CARCAÇA
24 ACOPLAMENTO: TRANSMOTÉCTICA / TETEFLEX D-5 ( )PEDESTAL
25 REDUTOR: FORNECIDO POR: REDUÇÃO: FLUÍDO :
26 FABRICANTE/MODELO: FATOR DE SERVIÇO: VAZÃO,m³/h: PRESSÃO,kgf/cm²:
27 RETENTORES:FABRICANTE : TAMANHO: - TEMP.ENTRADA, ºC:
28 MATERIAL : Nº DE ANÉIS: - PR.PROJ.DAS CÂMARAS,kgf/cm²:
29 SELO MECÂNICO: FABRICANTE/MODELO: NETZSCH / NDB-CD4/040V
30 FLUÍDO :
31 TIPO DE BASE: BASE METÁLICA TIPO "E"
32 MATERIAL: SAE 1020 TEMP. ENTRADA, ºC:
33 CARCAÇA EIXO DE ACOPL. CONDIÇÕES DE INSTALAÇÃO
34 CAMISA CAR LUVA DO EIXO INSTALAÇÃO ( )ABRIGADA ( )AO TEMPO
35 EIXO ACION. ESTATOR ÁREA CLASSIFICADA ( )SIM ( )NÃO
36 ROTOR VEDAÇÃO SM CLASSE GRUPO DIVISÃO
37 SOBREPOSTA FUSOS
38 MOTOR: ITEM Nº TURBINA: ITEM Nº: REDUTOR,kg:
39 RPM: 1800 POT.,CV: - RPM: - TURBINA,kg:-
40 MONTADO POR: NETZSCH MONTADO POR: - BASE,kg: +/- 60 TOT.,kg: +/- 415
41 NOTAS : OBS.: ROTOR, EIXO DE ACIONAMENTO E EIXO DE ACOPLAMENTO NÃO SÃO APLICÁVEIS NESSE MODELO DE BOMBA.
42 FD: 0.19.120.173.0 - OS: 43032 - TAG: EOP-01
43
44
ORIGINAL REV.A REV.B REV.C REV.D REV.E REV.F
DATA 14/10/2010
EXECUÇÃO RICARDO
VERIFICAÇÃO CILENE
APROVAÇÃO CILENE
NÃO APLICÁVEL
CÓDIGO DE MATERIAIS : GRAFITE SINTERIZADO/SUPER DUPLEX - VITON
PESOS
VAZÃO,m³/h: PRESSÃO, kgf/cm²:
INJEÇÃO NA SELAGEM
NÃO APLICÁVEL
DIN 20MnCr5
MOTOR,kg: +/- 250
BOMBA,kg: +/- 95
GG20
NÃO APLICÁVEL
NÃO APLICÁVEL
NÃO APLICÁVEL
NÃO APLICÁVEL
NÃO APLICÁVEL
POT., CV: 10
+-------------------------------------------------------------------------------
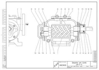
|DESENHO EM CORTE: 4904757 LISTA DE PEÇAS 30/09/2010
|AUTOR: RICARDO DATA ELABORAÇÃO: 30/09/2010 NR. MÁQUINA: LB 6865
+-------------------------------------------------------------------------------
|POSIÇÃO|QUANT.|DENOMINAÇÃO |IDENTIFICAÇÃO|
|-------|------|---------------------------------------------|------------------
| 0001 | 1 |CO BO LN 106 GG-25 EXEC FLANGE DIN 2533 RF |NDB4922005 |
| 0003 | 2 |BUJAO SEXT EXT 1/2BSP D910 1112 |508342 |
| 0004 | 2 |JUNTA VED 21X26X1,5 DIN 7603 CU |422282 |
| 0005 | 2 |BUJAO SEXT EXT 1/2BSP D910 1112 |508342 |
| 0006 | 2 |JUNTA VED 21X26X1,5 DIN 7603 CU |422282 |
| 0025 | 1 |TAMPA CO LN 106 1020 |4951311 |
| 0026 | 1 |JUNTA PLANA LN 116 NA-1002 |004110 |
| 0027 | 6 |PAR SIC M 16X 45 DIN 912 12.9 |500878 |
| 0028 | 2 |BUJAO SEXT EXT 1/2BSP D910 1112 |508342 |
| 0029 | 2 |JUNTA VED 21X26X1,5 DIN 7603 CU |422282 |
| 0030 | 1 |TAMPA TR LN 106 GG-25 |4950568 |
| 0031 | 2 |JUNTA PLANA LN 106 NA-1002 |004108 |
| 0032 | 6 |PAR SIC M 16X 35 DIN 912 12.9 |500876 |
| 0045 | 1 |TAMPA DIANT LN 106 GG-25 |4950878 |
| 0047 | 6 |PAR SIC M 16X 35 DIN 912 12.9 |500876 |
| 0061 | 1 |PINO EL 3X 24 DIN 1481 ACO-MOLA |506091 |
| 0062 | 1 |SELO MECANICO NETZSCH COD NDB4967465 |NDB4967465 |
| 0065 | 1 |TAMPA SE LN 106 GG-20 |4951552 |
| 0066 | 1 |JUNTA PLANA LN 106 NA-1002 |004107 |
| 0067 | 6 |PAR SIC M 6X 25 DIN 912 12.9 |500028 |
| 0150 | 1 |JG FUSOS LN 106/180 DIN 20MnCr5 ESQUERDA |4952222 |
| 0152 | 4 |BU MANCAL LN 106 BR |4920116 |
| 0159 | 1 |POSIC LN 106 8620 |4920163 |
| 0164 | 1 |ANEL RET E 50X2,0DIN 471 ACO-MOLA |512005 |
| 0165 | 1 |CHAV A 14,0X 9,0X45,0 DIN 6885 1045 |470961 |
| 0170 | 1 |ROLAM 6212 C3 |000506 |
| 0172 | 1 |ARRUELA ENC 60X75X3,0 DIN 988 ACO |512619 |
| 0173 | 1 |ANEL RET E 60X2,0DIN 471 ACO-MOLA |512058 |
| 0180 | 1 |CHAV A 14,0X 9,0X80,0 DIN 6885 1045 |470655 |
| 9000 | 1 |PLAQUETA IDENT ADICIONAL 70x30x3 AISI 316 |NDB4923130 |
+-------------------------------------------------------------------------------
|NETZSCH|S80000070/10 CLIENTE:.SIEMENS-JUND
|DO |BOMBA DE FUSOS NETZSCH LN 106/180-Fl-GL C.P....:....S80000070
|BRASIL |DATA DE ENTREGA ORIGINAL: 14/10/2010 QUANTID:.........1,00
+-------------------------------------------------------------------------------
POTÊNCIA & TORQUE X VELOCIDADE DE ROTAÇÃO *
0
5
10
15
20
25
30
35
40
0 200 400 600 800 1000 1200 1400 1600 1800
RPM
TORQUE(Nm)
0
0,5
1
1,5
2
2,5
3
3,5
4
4,5
5
5,5
6
6,5
7
7,5
8
POTÊNCIA(kW)
TORQUE POTÊNCIA
* BASEADO EM VALORES TEÓRICOS / TENSÃO DE ARMADURA NOMINAL: 125V SOBRECARGA OCASIONAL MÁXIMA: 1,8xIn DURANTE 30s ocasionalmente
NETZSCH DO BRASIL IND. E COM. LTDA
DNE 160.240M FDC 17/2009
EXECUÇÃO: TONIEL 21/01/2009
LIBERAÇÃO: ELISSA 21/01/2009
Instruções
para Instalação
de Motores
Elétricos
2
LEIA ATENTAMENTE ESTE MANUAL ANTES DE INICIAR A INSTALAÇÃO DO MOTOR
VERIFICAÇÃO NA RECEPÇÃO
- Verifique se ocorreram danos durante o transporte.
- Verifique os dados da placa.
- Remover o dispositivo de travamento do eixo (quando houver), antes de colocar o motor em funcionamento.
- Gire o eixo com a mão para verificar se está girando livremente.
MANUSEIO E TRANSPORTE
1 - GERAL
OS MOTORES NÃO DEVEM SER ERGUIDOS PELO EIXO, MAS SIM PELOS OLHAIS DE SUSPENSÃO,
OS QUAIS SÃO PROJETADOS APENAS PARA O PESO DO MOTOR.
Dispositivos de levantamento, se fornecidos, servem apenas para levantar o motor. Se o motor possui dois dispositivos
de levantamento, deve ser usada uma corrente dupla para o levantamento.
O levantamento ou depósito deve ser suave, sem choques, caso contrário os rolamentos podem ser danificados.
MOTORES COM ROLAMENTOS DE ROLO OU CONTATO ANGULAR SÃO PROTEGIDOS, DURANTE
O TRANSPORTE, CONTRA DANOS NOS ROLAMENTOS, POR MEIO DE UM DISPOSITIVO DE
TRAVAMENTO
OS DISPOSITIVOS DE TRAVAMENTO DEVEM SER USADOS PARA QUALQUER OUTRO TRANSPORTE
DO MOTOR, MESMO QUE ISTO IMPLIQUE EM DESACOPLÁ-LO NOVAMENTE DA MÁQUINA
ACIONADA.
ESTOCAGEM
Se os motores não forem imediatamente instalados, devem ser armazenados em local seco, isento de poeira, vibrações,
gases, agentes corrosivos, dotado de temperatura uniforme, colocando-os em posição normal e sem encostar neles outros
objetos.
No caso de motores com mais de dois anos em estoque deve-se trocar os rolamentos ou substituir totalmente a graxa
lubrificante após a limpeza.
Motores monofásicos em estoque por igual período devem ter seus capacitores substituídos (quando houver).
Recomenda-se que o eixo do motor seja girado (com a mão) pelo menos 1 vez por mês e sua resistência de isolamento
medida antes de sua instalação, no caso de motores estocados há mais de 6 meses ou sujeitos à condições de umidade
desfavoráveis.
Se o motor possui resistência de aquecimento, esta preferencialmente deverá ser energizada.
Teste da resistência de isolamento
Medir a resistência da isolação antes de pôr o motor em serviço e/ou quando haja qualquer pequeno indicador de
umidade no bobinado.
A resistência, medida a 25ºC, deve ser:
Ri ≥ (20 x U) / (1000 + 2P) [Mohm] (medido com MEGGER a 500 V cc) onde U = tensão (V); P = potência (kW)
Se a resistência de isolamento é inferior a 2 megaohms, o enrolamento deve ser desumidificado seguindo o método
abaixo:
- Aquecer em estufa à temperatura mínima de 80ºC acrescendo 5ºC a cada hora até 105ºC. Nesta temperatura deve
permanecer um período mínimo de 1 hora. Após o motor alcançar a temperatura ambiente, observar se a resistência de
isolamento do enrolamento do estator permanece constante e dentro dos valores mínimos recomendados, caso contrário
3
proceder com nova impregnação do estator.
INSTALAÇÃO
1 – Segurança
Os profissionais que trabalham em instalações elétricas, seja na montagem, na operação ou na manutenção, deverão ser
permanentemente informados e atualizados sobre as normas e prescrições de segurança que regem o serviço e aconselhados
a seguí-las.
Recomenda-se que estes serviços sejam efetuados por pessoal qualificado.
CERTIFIQUE-SE QUE OS MOTORES ELÉTRICOS ESTEJAM DESLIGADOS ANTES DE INICIAR
QUALQUER TRABALHO DE MANUTENÇÃO.
Os motores devem ser protegidos contra partidas acidentais.
Ao fazer serviços de manutenção no motor, desligue toda a rede de alimentação.
Observar se todos os acessórios foram desenergizados e desconectados.
Para impedir a penetração de pó e/ou água no interior da caixa de ligação, é necessário instalar prensa cabos ou
eletrodutos roscados nas saídas dos cabos de ligação.
Não altere a regulagem dos dispositivos de proteção, pois os mesmos podem tornar-se inoperantes.
2 - Condições de Operação
As máquinas elétricas, geralmente, são indicadas para instalação e operação na altitude de até 1000m acima do nível
do mar com temperatura ambiente de 25ºC a 40ºC. Variações são definidas na placa de identificação.
COMPARAR OS VALORES DE CORRENTE, TENSÃO, FREQÜÊNCIA, ROTAÇÃO, POTÊNCIA, ETC.,
EXIGIDOS PELA APLICAÇÃO, AOS DADOS CONTIDOS NA PLACA DE IDENTIFICAÇÃO DO MOTOR.
Motores para áreas de risco deverão ser instalados em áreas em conformidade com a identificação na placa do motor.
MANTER A ENTRADA E SAÍDA DE AR DO MOTOR SEMPRE LIMPAS. O AR EXPELIDO PELO MOTOR
NÃO DEVE SER ASPIRADO NOVAMENTE PELO VENTILADOR. A DISTÂNCIA ENTRE A ENTRADA DE
AR DO MOTOR E A PAREDE, DEVE FICAR EM TORNO DE ¼ DO DIÂMETRO DA ABERTURA DA
ENTRADA DE AR.
3 - Fundações do motor
Os motores com pés deverão ser instalados sobre fundações rígidas para evitar excessiva vibração.
O comprador é totalmente responsável pela preparação da fundação.
As partes metálicas devem ser pintadas para evitar a corrosão.
A fundação deve ser uniforme e suficientemente rígida para suportar as prováveis solicitações de curto-circuito. Devem
ser dimensionadas para impedir vibrações devidas a ressonâncias.
4 – Drenos
Assegurar que os drenos do motor se situem na parte inferior do motor quando a forma de montagem difira da
especificada na aquisição do motor.
5 – Balanceamento
OS MOTORES WEG SÃO BALANCEADOS DINAMICAMENTE COM “MEIA CHAVETA”, À VAZIO E
DESACOPLADOS.
Os elementos de transmissão, tais como, polias, acoplamentos etc.; precisam ser balanceados dinamicamente com “meia
chaveta” antes de serem instalados.
Sempre usar ferramentas apropriadas na instalação e remoção
4
6 - Alinhamento
ALINHAR AS PONTAS DE EIXO E USAR ACOPLAMENTO FLEXÍVEL SEMPRE QUE POSSÍVEL.
Certifique-se de que os dispositivos de montagem do motor não permitam alterações no alinhamento e conseqüentes
danos ao equipamento.
Quando da montagem de uma metade de acoplamento deve-se usar dos meios adequados e as ferramentas necessárias
para não danificar os rolamentos.
Montagem adequada da metade do acoplamento: comprovar que a folga y seja menor que 0,05mm e que a diferença de
X1 a X2 seja menor que 0,05mm.
Nota: A medida “x” deverá ser de, no mínimo, 3mm
Figura e tolerâncias de alinhamento
7 – Polias
Quando for utilizado um acoplamento por meio de polias e correias, deve-se observar:
- As correias devem ser esticadas apenas o suficiente para evitar deslizamento no funcionamento; seguindo orientações
do fabricante das correias.
ATENÇÃO
Uma excessiva tensão nas correias danificará os rolamentos e pode provocar a quebra do eixo.
8 – Ligação
PERIGO:
Com o motor parado, pode existir tensão no interior da caixa de ligação, para as resistências de aquecimento ou inclusive
para o bobinado, caso seja usado como elemento de aquecimento.
PERIGO:
Os capacitores dos motores monofásicos podem ter tensão que estará presente nos terminais do motor, mesmo com o
motor parado.
A CONEXÃO FEITA ERRONEAMENTE PODERÁ QUEIMAR O MOTOR.
A tensão e conexão estão indicadas na placa de características. A variação aceitável de tensão e freqüência deve ser
observada conforme norma NBR 7094.
9 - Método de Partida
De preferência o motor deve partir por partida direta, caso não seja possível, utilizar métodos compatíveis com a carga
e tensão do motor.
O sentido de giro é horário, visto o motor desde o lado do acoplamento e ligando as fases na seqüência L1, L2, L3.
Para mudar o sentido de giro, trocar dois dos três cabos de alimentação.
5
A CONEXÃO DOS CABOS NA REDE DEVE SER FEITA POR UMA PESSOA QUALIFICADA E COM
MUITA ATENÇÃO PARA ASSEGURAR UM CONTATO SEGURO E PERMANENTE. APÓS CONECTAR
O MOTOR, CERTIFIQUE-SE QUE NENHUM CORPO ESTRANHO SEJA DEIXADO NO INTERIOR DA
CAIXA DE LIGAÇÃO. AS ENTRADAS DE CABOS QUE NÃO ESTÃO SENDO USADAS DEVEM SER
FECHADAS.
Assegure-se de utilizar a bitola correta para o cabo de alimentação do motor para a rede, com base na corrente nominal
indicada na placa de identificação do motor.
ANTES DE ENERGIZAR OS TERMINAIS, CERTIFIQUE-SE QUE O ATERRAMENTO SEJA FEITO DE
ACORDO COM AS NORMAS VIGENTES. ISTO É FUNDAMENTAL CONTRA RISCOS DE ACIDENTES.
Quando o motor estiver equipado com dispositivos de proteção ou monitoramento de temperatura como, termostatos,
termistores, protetores térmicos etc.; conecte os seus respectivos terminais no dispositivo equivalente para obter a máxima
performance na proteção do conjunto.
10- Start-Up
A CHAVETA TEM QUE SER FIXA COMPLETAMENTE OU REMOVIDA ANTES DE LIGAR O MOTOR.
a) O motor deve partir e funcionar de modo suave. Caso isso não ocorra, desligue o motor e verifique novamente a
montagem e conexões antes de nova partida.
b) Se perceber vibração excessiva, verifique se os parafusos de fixação estão soltos ou se a vibração é proveniente de
máquinas adjacentes. Deve-se fazer uma verificação periódica da vibração.
c) Operar o motor sob carga nominal por um pequeno período de tempo e comparar a corrente de operação com a placa
de identificação.
MOTORES ACIONADOS POR
CONVERSORES DE FREQÜÊNCIA
Instalações com conversores de freqüência sem filtro, podem contribuir para as seguintes características de desempenho
do motor:
- Rendimento menor;
- Vibração maior;
- Ruído maior;
- Corrente nominal maior;
- Elevação de temperatura maior;
- Vida útil do isolamento menor;
- Vida útil dos rolamentos menor;
1 - Motores Normais
- Para tensão menor do que 440V não há necessidade de se usar filtro.
- Para tensão maior ou igual a 440V e menor do que 575V, deve ser usado filtro para cabos de alimentação do motor
maiores do que 20 metros.
- Para tensão igual ou superior a 575V, deve ser usado filtro para qualquer comprimento de cabo.
O NÃO CUMPRIMENTO DESTAS ORIENTAÇÕES ACARRETA EM PERDA DA GARANTIA DO MOTOR.
2 - Motores Inverter Duty
- Observar tensão de alimentação do conjunto de ventilação forçada.
- Não necessita instalação de filtros.
6
MANUTENÇÃO
PERIGO:
CHECK LIST DE SEGURANÇA
1 - Inspeção Geral
• Inspecionar o motor periodicamente.
• Manter o motor limpo e assegurar que circule a corrente de ar produzida pelo ventilador.
• Verificar o estado dos retentores ou anel V’Ring e trocá-los, se for preciso.
• Verificar o estado das ligações assim como o estado dos parafusos de sustentação.
• Verificar o estado dos rolamentos observando: Aparecimento de ruído forte, vibrações, temperatura dos
rolamentos e condições da graxa.
• Quando for detectada uma mudança nas condições de trabalho normais, verificar o motor, inspecionar as
partes necessárias e trocá-las, se necessário.
A freqüência com que devem ser feitas as inspeções, depende do tipo de motor e das condições locais de aplicação.
LUBRIFICAÇÃO
OBSERVE OS INTERVALOS DE LUBRIFICAÇÃO DOS ROLAMENTOS. ISTO É VITAL PARA A
CONFIANÇA OPERACIONAL DO MOTOR.
1 - Motores sem graxeira
Os motores até a carcaça 200 normalmente são fornecidos sem graxeira. Nestes casos a relubrificação deverá ser
efetuada conforme plano de manutenção preventiva, observando os seguintes aspectos:
- desmontar cuidadosamente os motores
- retirar toda a graxa
- lavar o rolamento com querosene ou diesel
- relubrificar o rolamento imediatamente
Nota: Não girar o rolamento sem graxa. Para verificação use óleo fino.
2 - Motores com graxeira
É aconselhável fazer a relubrificação durante o funcionamento do motor, de modo a permitir a renovação da graxa no
alojamento do rolamento. Se isto não for possível devido à presença de peças girantes perto da graxeira (polias, luvas, etc.)
que podem por em risco a integridade física do operador, procede-se da seguinte maneira:
- limpar as proximidades do orifício da graxeira
- injeta-se aproximadamente metade da quantidade total estimada de graxa e coloca-se o motor a girar durante
aproximadamente 1 minuto a plena rotação; desliga-se o motor e injeta-se o restante da graxa;
- a injeção de toda a graxa com o motor parado pode levar a penetração de parte do lubrificante no interior do
motor, através da vedação interna da caixa do rolamento.
Para a lubrificação, use exclusivamente pistola engraxadeira manual.
7
Carcaça
Tipo
Quant.
Graxa
(g.)
3600
rpm
3000
rpm
1800
rpm
1500
rpm
1000
rpm
900-500
rpm
Intervalo de Lubrificação, em horas
(Rolamentos de esferas)
160-180 10 4300 5900 9500 10900 12700 14400
200 15 3800 5400 9300 10300 12400 14300
225 30 1100 2000 4100 4700 5700 6500
250 30 1100 2000 4100 4700 5700 6500
280 30 1100 2000 4100 4700 5700 6500
315 40 700 1600 3700 5400 5400 6100
355 50 - 800 3100 4000 5000 5700
Intervalo de Lubrificação, em horas
(Rolamentos de rolos)
200 15 1600 2700 6800 8300 9600 10700
225 30 700 1100 2800 3600 4400 5000
250 30 1100 2000 4100 4700 5700 6500
280 30 1100 2000 4100 4700 5700 6500
315 40 700 1100 2800 3600 4400 5000
355 50 - - 1900 2600 3900 4400
PERIGO:
A máxima elevação de temperatura de trabalho (∆t 70ºC), tanto da graxa quanto do rolamento não deve ser ultrapassada.
A cada incremento de 15ºC neste limite, o intervalo deve ser reduzido pela metade.
3 – Lubrificantes
Ao relubrificar, usar somente graxa específica para rolamento, com as seguintes propriedades:
- Base Lítio ou compostos de Lítio de boa qualidade
- Viscosidade 100 - 140 cSt a 40ºC
- Consistência NLGl grau 2 ou 3
- Temperatura de trabalho contínuo – 30ºC até + 130ºC
Em aplicações especiais, tais como temperaturas elevadas ou baixas, variação de velocidades, etc., o tipo de graxa e o
intervalo de relubrificação estão identificados em placa adicional fixada no motor.
A UTILIZAÇÃO DE MOTORES NORMAIS EM LOCAIS E/OU APLICAÇÕES ESPECIAIS DEVE SER
PRECEDIDA DE CONSULTA AO FABRICANTE DE GRAXA E/OU WEG.
DESMONTAGEM E MONTAGEM
A desmontagem e montagem deverá ser feita por pessoal qualificado, utilizando somente ferramentas e métodos
apropriados.
As garras do extrator deverão ser aplicadas sobre a face lateral do anel interno a ser desmontado, ou sobre uma peça
adjacente.
É essencial que a montagem dos rolamentos seja efetuada em condições de rigorosa limpeza, para assegurar um bom
funcionamento e evitar danos. Rolamentos novos somente deverão ser retirados da embalagem, no momento de serem
montados.
Antes da colocação do rolamento novo, será necessário verificar se o encaixe no eixo apresenta-se isento de rebarba ou
sinais de golpes.
PARTES E PEÇAS
Ao solicitar peças de reposição, é conveniente citar a designação completa do motor, assim como o código do mesmo,
que aparece marcado na placa de identificação.
8
Caso na placa de identificação figure o número de série do motor, este deve constar no pedido.
MOTORES PARA ÁREAS DE RISCOS
Além das recomendações anteriores, observar mais estas a seguir.
A ESPECIFICAÇÃO DO LOCAL DE INSTALAÇÃO DO MOTOR É DE RESPONSABILIDADE DO USUÁRIO
QUE DETERMINARÁ AS CARACTERÍSTICAS DA ATMOSFERA AMBIENTE.
Motores para áreas de risco são fabricados conforme normas específicas para estes ambientes, sendo certificados por
órgãos credenciados.
1 – Instalação
A instalação deve seguir procedimentos elaborados pela legislação vigente no local.
A INSTALAÇÃO DE MOTORES PARA ÁREAS DE RISCO DEVE SER EXECUTADA POR PESSOAS
ESPECIALIZADAS E A PROTEÇÃO TÉRMICA DEVERÁ SEMPRE SER INSTALADA, SEJA ESTA
INTRÍNSECA AO MOTOR OU EXTERNA AO MESMO, OPERANDO NA CORRENTE NOMINAL
2 – Manutenção
A manutenção deve ser executada por assistentes técnicos autorizados e credenciados pela WEG.
Oficinas e pessoas sem autorização que realizarem consertos em motores para áreas de risco, serão totalmente
responsáveis pelo trabalho executado e danos decorrentes de seu serviço.
QUALQUER ALTERAÇÃO ELÉTRICA OU MECÂNICA NOS MOTORES PARA ÁREAS DE RISCO
ACARRETARÁ NA PERDA DA CERTIFICAÇÃO DOS MESMOS.
Na execução de manutenção, instalação e relubrificação, seguir as orientações:
• Verificar se os componentes estão isentos de rebarbas, batidas e sujeiras.
• Observar se as peças estão em perfeitas condições.
• Lubrificar superficialmente os encaixes das tampa com óleo protetor para facilitar a montagem.
• Utilizar apenas martelo de borracha na colocação das peças.
• Verificar se todos os parafusos estão bem apertados.
• Utilizar calibrador de folga para verificar o assento da caixa de ligação (menor de 0,05 mm).
NÃO RETRABALHAR PEÇAS DANIFICADAS OU COM DESGASTE. SUBSTITUIR POR NOVAS,
ORIGINAIS DE FÁBRICA.
9
GARANTIA
A WEG oferece garantia contra defeitos de fabricação ou de materiais para seus produtos por um período
de 18 meses contados a partir da data de emissão da nota fiscal fatura da fábrica ou do distribuidor/revendedor
limitado a 24 meses da data de fabricação independentemente da data da instalação e desde que satisfeitos os
seguintes requisitos: transporte, manuseio e armazenamento adequado; instalação correta e em condições
ambientais especificadas e sem presença de agentes agressivos; operação dentro dos limites de suas capacidades;
realização periódica das devidas manutenções preventivas; realização de reparos e/ou modificações somente por
pessoas autorizadas por escrito pela WEG; o produto na ocorrência de uma anomalia esteja disponível para o
fornecedor por um período mínimo necessário a identificação da causa da anomalia e seus devidos reparos; aviso
imediato por parte do comprador dos defeitos ocorridos e que os mesmos sejam posteriormente comprovados
pela WEG como defeitos de fabricação.
A garantia não inclui serviços de desmontagem nas instalações do comprador, custos de transporte do
produto e despesas de locomoção, hospedagem e alimentação do pessoal de Assistência Técnica quando
solicitado pelo cliente. Os serviços em garantia serão prestados exclusivamente em oficinas de Assistência
Técnica autorizados WEG ou na própria fábrica. Excluem-se desta garantia os componentes cuja vida útil em
uso normal seja menor que o período de garantia. O reparo e/ou substituição de peças ou produtos a critério da
WEG durante o período de garantia, não prorrogará o prazo de garantia original. A presente garantia se limita
ao produto fornecido não se responsabilizando a WEG por danos a pessoas, a terceiros, a outros equipamentos
ou instalações, lucros cessantes ou quaisquer outros danos emergentes ou conseqüentes.
WEG Motores
Rua Av. Pref. Waldemar Grubba, 3000 – 89256-900
Jaraguá do Sul - SC
Tel. (047) 372-4000 - Fax (047) 372-4040
http://www.weg.com.br
e-mail: wmo-mkt@weg.com.br
São Paulo: Tel. (011) 574-6877 - Fax (011) 549-7015

Bomba emergencia

  • 1.
    Rua Hermann Weege,2383 – Pomerode – SC – Fone: (47) 3387-8222 www.netzsch.com.br RPB/maio/2003 CÓD. 11.001 ÍNDICE PARA AS BOMBAS DA SÉRIE LN 1. – GENERALIDADES 1.1. – Transporte e Eventuais danos de Transporte 1.2. – Armazenagem durante longo período de tempo 2. – CONSTRUÇÃO 3. – MONTAGEM DA BOMBA E LIGAÇÃO AO SISTEMA DE TUBULAÇÕES 4. – INÍCIO DE OPERAÇÃO 5. – PROBLEMAS DE FUNCIONAMENTO - CAUSAS/SOLUÇÕES 6. – DESCRIÇÃO DE SERVIÇOS DE MANUTENÇÃO E CONSERTO 6.1. – Desmontagem e montagem da Vedação do Eixo 6.2. – Desmontagem e montagem do Rolamento 6.3. – Desmontagem e montagem dos Fusos / Buchas Mancal 7. – DESENHO EM CORTE E LISTA DE PEÇAS . Bomba de Fusos Manual de Instruções
  • 2.
    Rua Hermann Weege,2383 – Pomerode – SC – Fone: (47) 3387-8222 www.netzsch.com.br RPB/maio/2003 CÓD. 12.000 1. – GENERALIDADES 1.1.– Transporte e Eventuais Danos de Transporte As Bombas de Fusos NETZSCH, quando não houver exigência ou solicitação especial do cliente, são encaminhadas à expedição em embalagens tipo engradado de madeira. No recebimento da encomenda, recomendamos imediatamente inspecionar se o equipamento sofreu danos no transporte. Em caso positivo, contactar imediatamente a transportadora. 1.2. – Armazenagem durante longo período de tempo Caso não tenham havidos entendimentos anteriores, as bombas de fusos são embaladas visando protegê-las apenas contra eventuais danos de transporte. Para um armazenamento por longo período de tempo até a montagem, as bombas de fusos devem ser protegidas como segue: - Colocar a Bomba, em um abrigo, protegendo contra as intempéries. - As faces das flanges da bomba deverão ser recobertas com graxa para evitar corrosão, e colocar tampas para evitar entrada de corpos estranhos. - Encher totalmente a bomba com um óleo protetor contra corrosão (podemos recomendar o Metal Protective Oil da Texaco). Este enchimento poderá ser feito através dos bujões pos. 207 e 215 que se encontram sobre a Válvula de segurança. - Aliviar a tensão da Mola da Válvula de Segurança através do parafuso de regulagem pos. 222, para evitar que a mola fique cansada. - Desmontar as gaxetas, nas bombas em que estejam aplicadas como vedação do eixo, e revestir com graxa a superfície do eixo, como também do furo do porta gaxetas. Nas bombas em que o material das peças é aço inoxidável este tratamento se torna dispensável. Bomba de Fusos Manual de Instruções
  • 3.
    Rua Hermann Weege,2383 – Pomerode – SC – Fone: (47) 3387-8222 www.netzsch.com.br RPB/maio/2003 CÓD. 13.000 2. - CONSTRUÇÃO As bombas de fusos NETZSCH da série LN, são bombas de deslocamento positivo, auto- aspirantes e, destinam-se a transferência ou circulação de meios com boas e médias propriedades lubrificantes. Opcionalmente as bombas podem ser fornecidas com uma válvula de segurança incorporada à bomba, que se abre e faz retornar o líquido bombeado à câmara de sucção quando há excesso de pressão. PRINCIPAIS CARACTERÍSTICAS Podem operar até uma pressão máxima de 16 bar Temperatura máxima admissível 100º C Rolamento interno, em contato com o líquido bombeado Formas construtivas: - Horizontal com pés ( F ) - Bomba com flange ( FL ) - Pedestal vertical ( So ) 1- Fusos: Nas bombas da série LN atuam dois fusos como elementos de deslocamento volumétrico. Um fuso de acionamento de passo duplo e, um fuso movido de passo triplo, giram engrenados um no outro, com pequenas folgas, dentro de uma carcaça. Devido ao perfil especial projetado para o filete dos fusos, obtem-se na carcaça, câmaras com uma vedação ideal que formam unidades de bombeamento contínuos no sentido de sucção/recalque, sem esmagamentos e sem turbulências do líquido, através da rotação axial dos fusos. Para a fixação axial do jogo de fusos é montado na tampa dianteira, um rolamento rígido de esferas. Para evitar um deslocamento axial entre os fusos foram projetados posicionadores, que estão montados no lado traseiro. O empuxo axial que devido a pressão de recalque, age sobre os fusos é equilibrado hidraúlicamente através de um furo de compensação, localizado na carcaça. 2- Mancais: Os fusos giram em quatro mancais deslizantes. Um sistema de equilíbrio hidráulico garante uma lubrificação perfeita de todos os pontos de apoio, mediante o líquido bombeado. A perda de líquido através dos mancais dianteiros, garante a lubrificação perfeita de todos os pontos de apoio, mediante o liquido bombeado. A perda de líquido através dos mancais dianteiros, garante a lubrificação do rolamento e da vedação do eixo, retornando a sucção da bomba por um orifício localizado na carcaça. 3- Vedação do eixo A vedação do eixo está sempre sob a condição de trabalho da sucção. Estando portanto, sempre sujeita a uma pressão baixa. A vedação do eixo pode ser efetuada através de selo mecânico(G1) ou retentores (C). Bomba de Fusos Manual de Instruções
  • 4.
    Rua Hermann Weege,2383 – Pomerode – SC – Fone: (47) 3387-8222 www.netzsch.com.br RPB/maio/2003 CÓD. 14.000 3. - MONTAGEM DA BOMBA E LIGAÇÃO AO SISTEMA DE TUBULAÇÕES Os acoplamentos devem ser montados no eixo da bomba com auxilio do furo roscado que se encontra no eixo de acionamento. NUNCA MEDIANTE MARTELADAS ! Para um funcionamento sem problemas, é importante um perfeito alinhamento entre a bomba e o acionamento. No fornecimento de um equipamento completo, incluindo bomba com acionamento montados sobre uma base, o alinhamento está previsto na fabricação. Todavia, no parafusamento, sobre um fundamento de nivelamento irregular, pode ocorrer que a base sofra deformações que prejudiquem alinhamento entre bomba e acionamento. Por isso, após o parafusamento da base sobre o fundamento e após desaparafusar e retirar a proteção que envolve o acoplamento e tomando como referência as duas partes do acoplamento, é importante verificar e, se necessário alinhar novamente usando régua de nivelar. Para conferir o alinhamento é necessário observar os deslocamento: axial, paralelo, longitudinal e angular máximos permitidos que dependem do tipo e do fabricante do acoplamento utilizado. Quando aplicável, deverá ser feito o alinhamento do skid com a tubulação através dos parafusos niveladores. O sentido de rotação e do eixo de acionamento normalmente é horário, sendo que sob pedido, também poderá ser antihorário, visto do acoplamento. Observar a seta indicativa do sentido de giro. Se o acionamento girar no sentido oposto, é necessário inverter a ligação nos terminais. O sentido do fluxo normalmente é da esquerda para a direita, sob pedido, também poderá ser da direita para a esquerda, visto do acionamento. Observar seta indicativa do sentido de fluxo fixado nas flanges da bomba. O sistema de tubulação, deverá estar limpo ao ser ligado à bomba. A tubulação deverá estar ligada à bomba de tal modo que nenhum tipo de esforço externo atue sobre a bomba. É oportuno prever a instalação de juntas compensadoras entre a bomba e tubulação. Terminada a montagem, o eixo da bomba deverá permitir girar-se com facilidade, manualmente. Bomba de Fusos Manual de Instruções
  • 5.
    Rua Hermann Weege,2383 – Pomerode – SC – Fone: (47) 3387-8222 www.netzsch.com.br RPB/jun/2004 CÓD. 15.000 4. – INÍCIO DE OPERAÇÃO ADVERTÊNCIA: AS BOMBAS LN/LNA DEVERÃO TER UMA PRESSÃO DIFERENCIAL MÍNIMA DE 1,5 BAR PARA GARANTIR A CIRCULAÇÃO INTERNA DO PRODUTO BOMBEADO ATÉ O SELO MECÂNICO, LUBRIFICANDO O MESMO. Antes de colocar a bomba em funcionamento pela primeira vez ou, após um longo período de inatividade, é necessário encher a tubulação de sucção da bomba de óleo até o nível máximo possível. Abrir os registro na sucção e no recalque, pois operando com os registros fechados, a bomba estaria operando como compressor de ar, prejudicando assim a lubrificação dos mancais. Pela mesma razão, deve-se evitar o esvaziamento da canalização de sucção mediante o uso de ar comprimido. Se por algum motivo operacional, for necessário utilizar ar comprimido para esta finalidade, isto deverá ser feito do lado de recalque. Sendo uma bomba de deslocamento positivo, a bomba de fusos não deverá operar sem líquido (à seco). Como principal consequência teríamos a deterioração dos mancais. Ligado o motor de acionamento, deve-se observar o comportamento da bomba em serviço, através do manômetro e monovacuômetro. A bomba estando em serviço, a diferença de temperatura admissível entre as tampas traseiras e dianteira e o líquido bombeado, é de aproximadamente 20°C. Bomba de Fusos Manual de Instruções
  • 6.
    Rua Hermann Weege,2383 – Pomerode – SC – Fone: (47) 3387-8222 www.netzsch.com.br RPB/mio/2003 CÓD. 16.000 5. - PROBLEMAS DE FUNCIONAMENTO – CAUSAS / SOLUÇÕES O mau funcionamento da bomba, é devido principalmente a erros na instalação, pois sendo instalada corretamente, a bomba de fusos opera sem problemas, sempre que o líquido bombeado for adequado. 1–A bomba não bombeia, ou bombeia muito pouco. Se a bomba não bombeia, verificar se: - As tubulações estão ligadas corretamente, conforme as setas indicativas do sentido de fluxo (ver no corpo da bomba); - Sentido da rotação está correto; - Registro da sucção e descarga estão abertos; - Altura de sucção está muito elevada; - Viscosidade está muito baixa, ou muito elevada; - Válvula de segurança está regulada corretamente; - Há entrada de ar na canalização; 2– Os fusos travam, cessando o bombeamento. Os fusos podem ficar presos no corpo da bomba, o que pode ser devido, por exemplo, à presença de corpos estranhos, ou à um excesso de pressão. Neste caso, é preciso desmontar o conjunto dos fusos e polir as superfícies danificadas. 3– Bomba apresenta elevado nível de ruído. - Verificar se o acoplamento esta perfeitamente alinhado; - Examinar se o líquido bombeado, quanto a presença de ar e gás; - Verificar se a altura manômetrica de sucção excede seu valor limite (neste caso, haverá cavitação); - Verificar se a tubulação é muito extensa, ou com diâmetro muito pequeno (grau de perda de carga); - Examinar vedação do eixo e eventualmente trocar. Bomba de Fusos Manual de Instruções
  • 7.
    Rua Hermann Weege,2383 – Pomerode – SC – Fone: (47) 3387-8222 www.netzsch.com.br RPB/maio/2003 CÓD. 17.000 6. - DESCRIÇÃO DE SERVIÇO DE MANUTENÇÃO E CONSERTOS Para efetuar qualquer manutenção ou substituição de peças da bomba, esta deverá estar totalmente livre, sendo portanto necessário desacoplar a bomba do acionamento, desmontar da ponta de eixo a outra metade do acoplamento elástico com a chaveta e desaparafusar a bomba. É extremamente importante manter limpas as ferramentas e o local onde serão efetuados os serviços, para evitar danos às superfícies das peças. 6.1. - Desmontagem e montagem da vedação do eixo (SELO MECÂNICO) O selo mecânico (62), é uma vedação perfeita e de precisão, não permitindo vazamentos. O tipo de selo mecânico aplicado nas bombas de fusos é o selo de efeito simples, não compensado, independente do sentido de rotação, de molas múltiplas. Este selo se divide basicamente em duas partes: a parte estacionária e a parte giratória. A parte estacionária está montado na tampa do selo (65) e a parte giratória está montada sobre o fuso-motor (150). A desmontagem do selo mecânico (62), deverá obedecer a seguinte sequência: - Remova cuidadosamente a tampa do selo (65), retirando os parafusos de fixação (67); - A parte estacionária do selo (62), alojada na tampa pode ser retirada com facilidade; cuidar para não danificar as superfícies deslizantes - Remova a tampa dianteira (45), retirando os parafusoso de fixação (47); - Afrouxar os parafusos que fixam a parte giratória do selo sobre o fuso-motor (150); - Agora, a parte giratória poderá ser removida com a mão, sem auxílio de ferramentas, do fuso-motor (150). A montagem se procede de maneira inversa, cuidar para que as vedações (66 e 31) não sejam esquecidas. Controlar a pressão da parte giratória contra a parte estacionária (ver desenho do selo mecânico) para que seja adequada, para que ocorra vedação sem prejudicar as superfícies deslizantes. Bomba de Fusos Manual de Instruções
  • 8.
    Rua Hermann Weege,2383 – Pomerode – SC – Fone: (47) 3387-8222 www.netzsch.com.br RPB/maio/2003 CÓD. 17.002 6.2. – Desmontagem e Montagem do Rolamento A princípio, deverá ser desmontada a Vedação do Eixo, conforme descrito no item 6.1. Em seguida deverá ser efetuada a desmontagem do Rolamento (170) obedecendo a seguinte sequência: Com o auxílio de um Alicate de Bico, retire o Anel de Segurança (173); Remova a Arruela de Encosto (172); Finalmente poderá ser desmontado o Rolamento (170). A montagem se procede de maneira inversa. Antes de montar novamente um Rolamento, os alojamentos e ou assentos, deverão estar livres de sujeiras. 6.3. – Desmontagem e Montagem dos Furos / Buchas Mancal Desmontar a Vedação de Eixo, conforme descrito no item 6.1. Desmontar o Rolamento (170), conforme descrito no item 6.2. Remova a Tampa Traseira (30) ou Pedestal (40), retirando os Parafusos de fixação (32) ou as Porcas Sextavadas (35) e as Arruelas de Pressão (33) respectivamente. Em seguida deverá ser efetuada a desmontagem, obedecendo a seguinte sequência: Extraia o Jogo de Fusos (150/151), batendo axialmente o Fuso-Motor (150). Não bata com martelo metálico diretamente no Fuso (150). Apoie sobre este, algum material que amorteça o impacto, por exemplo: Madeira; Desta forma extrai-se simultaneamente os Fusos (150/151) e as Buchas Mancal (152) traseiras; Remova da carcaça (1), as Buchas Mancal (152) dianteiras; E por fim, desmonte do(s) Fuso(s) (150/151) o(s) Posicionador(es) (158/159), removendo o Anel de Segurança (164) e a Chaveta (165). A montagem se procede de maneira inversa. Bomba de Fusos Manual de Instruções
  • 12.
    Folha 01 01 QUANT.:01 APLICÁVEL A:( )PROPOSTA ( )COMPRA ( X )COMO CONSTRUIDO 02 FABRICANTE/MODELO: NETZSCH / LN 70/118-F-GL 03 TURBINA - TRANSMISSÃO: (X)DIRETA ( )CX.DE ENGRENAGENS ( )CORREIA 04 05 LÍQUIDO : ÓLEO ISO VG 46 VAZÃO NOMINAL,m3/h.: 31,62 CURVA Nº: 06 VAZÃO DO PROJETO,m3/h.: 26,88 PR.DESC.,kgf/cm²: 3,5 NPSH REQUERIDO m: 3,3 07 TEMP.OPER.: 60°C (25 a 70°C) PR.SUCÇÃO,kgf/cm²: 0 RPM : 1800 RPM MAX.: 08 DENSIDADE À T.O.: PR.DIFER.,kgf/cm²: 3,5 EFICIÊNCIA, %: 09 PR. VAPOR À T.O.KGF/cm²abs.: NPSH DISPONÍVEL, m: POTÊNCIA NO EIXO,CV: 7 10 VISCOSIDADE À T.O.cS: 21 cSt REGIME DE TRABALHO: POTÊNCIA MÁXIMA, CV: 11 SÓLIDOS EM SUSP.: DIAM.MAX,mm: CORROSÃO POR: PR.PROJ.DA BOMBA,kgf/cm²: 16 12 CONCENTRAÇÃO, % : PR.ABERT.VALV.ALÍVIO, kgf/cm²: 13 MAX.PR.DIFER.,kgf/cm²: 3,5 14 TIPO DE ROTOR: ( )ENGRENAGEM ( X )FUSO ( )MONOFUSO ( ) ROT. DO EIXO: ESQUERDA (VISTA DO ACION.) 15 BOCAIS DIMENSÃO CLASSE FACEAMENTO ORIENTAÇÃO TESTES 16 SUCÇÃO DIN 2533 - DN 100mm PN 16 RF ( X )HIDROSTÁTICO ( )TESTEMUNHADO 17 DESCARGA DIN 2533 - DN 100mm PN 16 RF ( X )PERFORMANCE ( )TESTEMUNHADO 18 MONTAGEM: ( X )HORIZ. ( )VERT.,CONEXÕES: ( X )RESPIRO ( X )DRENO ( X )MANÔMETRO ( X )FUNC.MECÂNICO ( )TESTEMUNHADO FOLHA DE DADOS FDB S80.000065 Cliente ou usuário : SIEMENS LTDA. Empreendimento ou Programa : PROJETO: CPFL BURITI Área ou Unidade : CONDIÇOES DE OPERAÇÃO HORIZONTAL ACIONAMENTO: MOTOR ELÉTRICO SERVIÇO: BOMBA DE EMERGENCIA CONSTRUÇÃO E MATERIAIS BOMBA DE FUSOS ITEM Nº: HORIZONTAL PERFORMANCE 18 MONTAGEM: ( X )HORIZ. ( )VERT.,CONEXÕES: ( X )RESPIRO ( X )DRENO ( X )MANÔMETRO ( X )FUNC.MECÂNICO ( )TESTEMUNHADO 19 VALV.ALÍVIO: INTEGRAL COM A BOMBA: ( )SIM ( X )NAO;FORNECIDA POR: ( )DESMONTAGEM APÓS TESTE 20 FABRICANTE/MODELO: PR.TESTE HIDROSTÁTICO kgf/cm² 21 ENGRENAGENS DE SINCRONIZAÇÃO EXTERNAS : ( )SIM ( X )NÃO AQUECIMENTO/RESFRIAMENTO 22 MANCAIS: RADIAIS: ROLAMENTOS ESCORRA ( )MANCAIS ( )SOBREPOSTA 23 ( )EXTERNOS ( X )INTERNOS;LUBRIF.: ( X )FLUÍDO BOMBEADO ( )ÓLEO ( )GRAXA ( )CX. GAXETAS ( )CARCAÇA 24 ACOPLAMENTO: TRANSMOTÉCTICA / TETEFLEX D-5 ( )PEDESTAL 25 REDUTOR: FORNECIDO POR: REDUÇÃO: FLUÍDO : 26 FABRICANTE/MODELO: FATOR DE SERVIÇO: VAZÃO,m³/h: PRESSÃO,kgf/cm²: 27 RETENTORES:FABRICANTE : TAMANHO: - TEMP.ENTRADA, ºC: 28 MATERIAL : Nº DE ANÉIS: - PR.PROJ.DAS CÂMARAS,kgf/cm²: 29 SELO MECÂNICO: FABRICANTE/MODELO: NETZSCH / NDB-CD4/040V 30 FLUÍDO : 31 TIPO DE BASE: BASE METÁLICA TIPO "E" 32 MATERIAL: SAE 1020 TEMP. ENTRADA, ºC: 33 CARCAÇA EIXO DE ACOPL. CONDIÇÕES DE INSTALAÇÃO 34 CAMISA CAR LUVA DO EIXO INSTALAÇÃO ( )ABRIGADA ( )AO TEMPO 35 EIXO ACION. ESTATOR ÁREA CLASSIFICADA ( )SIM ( )NÃO 36 ROTOR VEDAÇÃO SM CLASSE GRUPO DIVISÃO 37 SOBREPOSTA FUSOS 38 MOTOR: ITEM Nº TURBINA: ITEM Nº: REDUTOR,kg: 39 RPM: 1800 POT.,CV: - RPM: - TURBINA,kg:- 40 MONTADO POR: NETZSCH MONTADO POR: - BASE,kg: +/- 60 TOT.,kg: +/- 415 41 NOTAS : OBS.: ROTOR, EIXO DE ACIONAMENTO E EIXO DE ACOPLAMENTO NÃO SÃO APLICÁVEIS NESSE MODELO DE BOMBA. 42 FD: 0.19.120.173.0 - OS: 43032 - TAG: EOP-01 43 44 ORIGINAL REV.A REV.B REV.C REV.D REV.E REV.F DATA 14/10/2010 EXECUÇÃO RICARDO VERIFICAÇÃO CILENE APROVAÇÃO CILENE NÃO APLICÁVEL CÓDIGO DE MATERIAIS : GRAFITE SINTERIZADO/SUPER DUPLEX - VITON PESOS VAZÃO,m³/h: PRESSÃO, kgf/cm²: INJEÇÃO NA SELAGEM NÃO APLICÁVEL DIN 20MnCr5 MOTOR,kg: +/- 250 BOMBA,kg: +/- 95 GG20 NÃO APLICÁVEL NÃO APLICÁVEL NÃO APLICÁVEL NÃO APLICÁVEL NÃO APLICÁVEL POT., CV: 10
  • 14.
    +------------------------------------------------------------------------------- |DESENHO EM CORTE:4904757 LISTA DE PEÇAS 30/09/2010 |AUTOR: RICARDO DATA ELABORAÇÃO: 30/09/2010 NR. MÁQUINA: LB 6865 +------------------------------------------------------------------------------- |POSIÇÃO|QUANT.|DENOMINAÇÃO |IDENTIFICAÇÃO| |-------|------|---------------------------------------------|------------------ | 0001 | 1 |CO BO LN 106 GG-25 EXEC FLANGE DIN 2533 RF |NDB4922005 | | 0003 | 2 |BUJAO SEXT EXT 1/2BSP D910 1112 |508342 | | 0004 | 2 |JUNTA VED 21X26X1,5 DIN 7603 CU |422282 | | 0005 | 2 |BUJAO SEXT EXT 1/2BSP D910 1112 |508342 | | 0006 | 2 |JUNTA VED 21X26X1,5 DIN 7603 CU |422282 | | 0025 | 1 |TAMPA CO LN 106 1020 |4951311 | | 0026 | 1 |JUNTA PLANA LN 116 NA-1002 |004110 | | 0027 | 6 |PAR SIC M 16X 45 DIN 912 12.9 |500878 | | 0028 | 2 |BUJAO SEXT EXT 1/2BSP D910 1112 |508342 | | 0029 | 2 |JUNTA VED 21X26X1,5 DIN 7603 CU |422282 | | 0030 | 1 |TAMPA TR LN 106 GG-25 |4950568 | | 0031 | 2 |JUNTA PLANA LN 106 NA-1002 |004108 | | 0032 | 6 |PAR SIC M 16X 35 DIN 912 12.9 |500876 | | 0045 | 1 |TAMPA DIANT LN 106 GG-25 |4950878 | | 0047 | 6 |PAR SIC M 16X 35 DIN 912 12.9 |500876 | | 0061 | 1 |PINO EL 3X 24 DIN 1481 ACO-MOLA |506091 | | 0062 | 1 |SELO MECANICO NETZSCH COD NDB4967465 |NDB4967465 | | 0065 | 1 |TAMPA SE LN 106 GG-20 |4951552 | | 0066 | 1 |JUNTA PLANA LN 106 NA-1002 |004107 | | 0067 | 6 |PAR SIC M 6X 25 DIN 912 12.9 |500028 | | 0150 | 1 |JG FUSOS LN 106/180 DIN 20MnCr5 ESQUERDA |4952222 | | 0152 | 4 |BU MANCAL LN 106 BR |4920116 | | 0159 | 1 |POSIC LN 106 8620 |4920163 | | 0164 | 1 |ANEL RET E 50X2,0DIN 471 ACO-MOLA |512005 | | 0165 | 1 |CHAV A 14,0X 9,0X45,0 DIN 6885 1045 |470961 | | 0170 | 1 |ROLAM 6212 C3 |000506 | | 0172 | 1 |ARRUELA ENC 60X75X3,0 DIN 988 ACO |512619 | | 0173 | 1 |ANEL RET E 60X2,0DIN 471 ACO-MOLA |512058 | | 0180 | 1 |CHAV A 14,0X 9,0X80,0 DIN 6885 1045 |470655 | | 9000 | 1 |PLAQUETA IDENT ADICIONAL 70x30x3 AISI 316 |NDB4923130 | +------------------------------------------------------------------------------- |NETZSCH|S80000070/10 CLIENTE:.SIEMENS-JUND |DO |BOMBA DE FUSOS NETZSCH LN 106/180-Fl-GL C.P....:....S80000070 |BRASIL |DATA DE ENTREGA ORIGINAL: 14/10/2010 QUANTID:.........1,00 +-------------------------------------------------------------------------------
  • 18.
    POTÊNCIA & TORQUEX VELOCIDADE DE ROTAÇÃO * 0 5 10 15 20 25 30 35 40 0 200 400 600 800 1000 1200 1400 1600 1800 RPM TORQUE(Nm) 0 0,5 1 1,5 2 2,5 3 3,5 4 4,5 5 5,5 6 6,5 7 7,5 8 POTÊNCIA(kW) TORQUE POTÊNCIA * BASEADO EM VALORES TEÓRICOS / TENSÃO DE ARMADURA NOMINAL: 125V SOBRECARGA OCASIONAL MÁXIMA: 1,8xIn DURANTE 30s ocasionalmente NETZSCH DO BRASIL IND. E COM. LTDA DNE 160.240M FDC 17/2009 EXECUÇÃO: TONIEL 21/01/2009 LIBERAÇÃO: ELISSA 21/01/2009
  • 19.
  • 20.
    2 LEIA ATENTAMENTE ESTEMANUAL ANTES DE INICIAR A INSTALAÇÃO DO MOTOR VERIFICAÇÃO NA RECEPÇÃO - Verifique se ocorreram danos durante o transporte. - Verifique os dados da placa. - Remover o dispositivo de travamento do eixo (quando houver), antes de colocar o motor em funcionamento. - Gire o eixo com a mão para verificar se está girando livremente. MANUSEIO E TRANSPORTE 1 - GERAL OS MOTORES NÃO DEVEM SER ERGUIDOS PELO EIXO, MAS SIM PELOS OLHAIS DE SUSPENSÃO, OS QUAIS SÃO PROJETADOS APENAS PARA O PESO DO MOTOR. Dispositivos de levantamento, se fornecidos, servem apenas para levantar o motor. Se o motor possui dois dispositivos de levantamento, deve ser usada uma corrente dupla para o levantamento. O levantamento ou depósito deve ser suave, sem choques, caso contrário os rolamentos podem ser danificados. MOTORES COM ROLAMENTOS DE ROLO OU CONTATO ANGULAR SÃO PROTEGIDOS, DURANTE O TRANSPORTE, CONTRA DANOS NOS ROLAMENTOS, POR MEIO DE UM DISPOSITIVO DE TRAVAMENTO OS DISPOSITIVOS DE TRAVAMENTO DEVEM SER USADOS PARA QUALQUER OUTRO TRANSPORTE DO MOTOR, MESMO QUE ISTO IMPLIQUE EM DESACOPLÁ-LO NOVAMENTE DA MÁQUINA ACIONADA. ESTOCAGEM Se os motores não forem imediatamente instalados, devem ser armazenados em local seco, isento de poeira, vibrações, gases, agentes corrosivos, dotado de temperatura uniforme, colocando-os em posição normal e sem encostar neles outros objetos. No caso de motores com mais de dois anos em estoque deve-se trocar os rolamentos ou substituir totalmente a graxa lubrificante após a limpeza. Motores monofásicos em estoque por igual período devem ter seus capacitores substituídos (quando houver). Recomenda-se que o eixo do motor seja girado (com a mão) pelo menos 1 vez por mês e sua resistência de isolamento medida antes de sua instalação, no caso de motores estocados há mais de 6 meses ou sujeitos à condições de umidade desfavoráveis. Se o motor possui resistência de aquecimento, esta preferencialmente deverá ser energizada. Teste da resistência de isolamento Medir a resistência da isolação antes de pôr o motor em serviço e/ou quando haja qualquer pequeno indicador de umidade no bobinado. A resistência, medida a 25ºC, deve ser: Ri ≥ (20 x U) / (1000 + 2P) [Mohm] (medido com MEGGER a 500 V cc) onde U = tensão (V); P = potência (kW) Se a resistência de isolamento é inferior a 2 megaohms, o enrolamento deve ser desumidificado seguindo o método abaixo: - Aquecer em estufa à temperatura mínima de 80ºC acrescendo 5ºC a cada hora até 105ºC. Nesta temperatura deve permanecer um período mínimo de 1 hora. Após o motor alcançar a temperatura ambiente, observar se a resistência de isolamento do enrolamento do estator permanece constante e dentro dos valores mínimos recomendados, caso contrário
  • 21.
    3 proceder com novaimpregnação do estator. INSTALAÇÃO 1 – Segurança Os profissionais que trabalham em instalações elétricas, seja na montagem, na operação ou na manutenção, deverão ser permanentemente informados e atualizados sobre as normas e prescrições de segurança que regem o serviço e aconselhados a seguí-las. Recomenda-se que estes serviços sejam efetuados por pessoal qualificado. CERTIFIQUE-SE QUE OS MOTORES ELÉTRICOS ESTEJAM DESLIGADOS ANTES DE INICIAR QUALQUER TRABALHO DE MANUTENÇÃO. Os motores devem ser protegidos contra partidas acidentais. Ao fazer serviços de manutenção no motor, desligue toda a rede de alimentação. Observar se todos os acessórios foram desenergizados e desconectados. Para impedir a penetração de pó e/ou água no interior da caixa de ligação, é necessário instalar prensa cabos ou eletrodutos roscados nas saídas dos cabos de ligação. Não altere a regulagem dos dispositivos de proteção, pois os mesmos podem tornar-se inoperantes. 2 - Condições de Operação As máquinas elétricas, geralmente, são indicadas para instalação e operação na altitude de até 1000m acima do nível do mar com temperatura ambiente de 25ºC a 40ºC. Variações são definidas na placa de identificação. COMPARAR OS VALORES DE CORRENTE, TENSÃO, FREQÜÊNCIA, ROTAÇÃO, POTÊNCIA, ETC., EXIGIDOS PELA APLICAÇÃO, AOS DADOS CONTIDOS NA PLACA DE IDENTIFICAÇÃO DO MOTOR. Motores para áreas de risco deverão ser instalados em áreas em conformidade com a identificação na placa do motor. MANTER A ENTRADA E SAÍDA DE AR DO MOTOR SEMPRE LIMPAS. O AR EXPELIDO PELO MOTOR NÃO DEVE SER ASPIRADO NOVAMENTE PELO VENTILADOR. A DISTÂNCIA ENTRE A ENTRADA DE AR DO MOTOR E A PAREDE, DEVE FICAR EM TORNO DE ¼ DO DIÂMETRO DA ABERTURA DA ENTRADA DE AR. 3 - Fundações do motor Os motores com pés deverão ser instalados sobre fundações rígidas para evitar excessiva vibração. O comprador é totalmente responsável pela preparação da fundação. As partes metálicas devem ser pintadas para evitar a corrosão. A fundação deve ser uniforme e suficientemente rígida para suportar as prováveis solicitações de curto-circuito. Devem ser dimensionadas para impedir vibrações devidas a ressonâncias. 4 – Drenos Assegurar que os drenos do motor se situem na parte inferior do motor quando a forma de montagem difira da especificada na aquisição do motor. 5 – Balanceamento OS MOTORES WEG SÃO BALANCEADOS DINAMICAMENTE COM “MEIA CHAVETA”, À VAZIO E DESACOPLADOS. Os elementos de transmissão, tais como, polias, acoplamentos etc.; precisam ser balanceados dinamicamente com “meia chaveta” antes de serem instalados. Sempre usar ferramentas apropriadas na instalação e remoção
  • 22.
    4 6 - Alinhamento ALINHARAS PONTAS DE EIXO E USAR ACOPLAMENTO FLEXÍVEL SEMPRE QUE POSSÍVEL. Certifique-se de que os dispositivos de montagem do motor não permitam alterações no alinhamento e conseqüentes danos ao equipamento. Quando da montagem de uma metade de acoplamento deve-se usar dos meios adequados e as ferramentas necessárias para não danificar os rolamentos. Montagem adequada da metade do acoplamento: comprovar que a folga y seja menor que 0,05mm e que a diferença de X1 a X2 seja menor que 0,05mm. Nota: A medida “x” deverá ser de, no mínimo, 3mm Figura e tolerâncias de alinhamento 7 – Polias Quando for utilizado um acoplamento por meio de polias e correias, deve-se observar: - As correias devem ser esticadas apenas o suficiente para evitar deslizamento no funcionamento; seguindo orientações do fabricante das correias. ATENÇÃO Uma excessiva tensão nas correias danificará os rolamentos e pode provocar a quebra do eixo. 8 – Ligação PERIGO: Com o motor parado, pode existir tensão no interior da caixa de ligação, para as resistências de aquecimento ou inclusive para o bobinado, caso seja usado como elemento de aquecimento. PERIGO: Os capacitores dos motores monofásicos podem ter tensão que estará presente nos terminais do motor, mesmo com o motor parado. A CONEXÃO FEITA ERRONEAMENTE PODERÁ QUEIMAR O MOTOR. A tensão e conexão estão indicadas na placa de características. A variação aceitável de tensão e freqüência deve ser observada conforme norma NBR 7094. 9 - Método de Partida De preferência o motor deve partir por partida direta, caso não seja possível, utilizar métodos compatíveis com a carga e tensão do motor. O sentido de giro é horário, visto o motor desde o lado do acoplamento e ligando as fases na seqüência L1, L2, L3. Para mudar o sentido de giro, trocar dois dos três cabos de alimentação.
  • 23.
    5 A CONEXÃO DOSCABOS NA REDE DEVE SER FEITA POR UMA PESSOA QUALIFICADA E COM MUITA ATENÇÃO PARA ASSEGURAR UM CONTATO SEGURO E PERMANENTE. APÓS CONECTAR O MOTOR, CERTIFIQUE-SE QUE NENHUM CORPO ESTRANHO SEJA DEIXADO NO INTERIOR DA CAIXA DE LIGAÇÃO. AS ENTRADAS DE CABOS QUE NÃO ESTÃO SENDO USADAS DEVEM SER FECHADAS. Assegure-se de utilizar a bitola correta para o cabo de alimentação do motor para a rede, com base na corrente nominal indicada na placa de identificação do motor. ANTES DE ENERGIZAR OS TERMINAIS, CERTIFIQUE-SE QUE O ATERRAMENTO SEJA FEITO DE ACORDO COM AS NORMAS VIGENTES. ISTO É FUNDAMENTAL CONTRA RISCOS DE ACIDENTES. Quando o motor estiver equipado com dispositivos de proteção ou monitoramento de temperatura como, termostatos, termistores, protetores térmicos etc.; conecte os seus respectivos terminais no dispositivo equivalente para obter a máxima performance na proteção do conjunto. 10- Start-Up A CHAVETA TEM QUE SER FIXA COMPLETAMENTE OU REMOVIDA ANTES DE LIGAR O MOTOR. a) O motor deve partir e funcionar de modo suave. Caso isso não ocorra, desligue o motor e verifique novamente a montagem e conexões antes de nova partida. b) Se perceber vibração excessiva, verifique se os parafusos de fixação estão soltos ou se a vibração é proveniente de máquinas adjacentes. Deve-se fazer uma verificação periódica da vibração. c) Operar o motor sob carga nominal por um pequeno período de tempo e comparar a corrente de operação com a placa de identificação. MOTORES ACIONADOS POR CONVERSORES DE FREQÜÊNCIA Instalações com conversores de freqüência sem filtro, podem contribuir para as seguintes características de desempenho do motor: - Rendimento menor; - Vibração maior; - Ruído maior; - Corrente nominal maior; - Elevação de temperatura maior; - Vida útil do isolamento menor; - Vida útil dos rolamentos menor; 1 - Motores Normais - Para tensão menor do que 440V não há necessidade de se usar filtro. - Para tensão maior ou igual a 440V e menor do que 575V, deve ser usado filtro para cabos de alimentação do motor maiores do que 20 metros. - Para tensão igual ou superior a 575V, deve ser usado filtro para qualquer comprimento de cabo. O NÃO CUMPRIMENTO DESTAS ORIENTAÇÕES ACARRETA EM PERDA DA GARANTIA DO MOTOR. 2 - Motores Inverter Duty - Observar tensão de alimentação do conjunto de ventilação forçada. - Não necessita instalação de filtros.
  • 24.
    6 MANUTENÇÃO PERIGO: CHECK LIST DESEGURANÇA 1 - Inspeção Geral • Inspecionar o motor periodicamente. • Manter o motor limpo e assegurar que circule a corrente de ar produzida pelo ventilador. • Verificar o estado dos retentores ou anel V’Ring e trocá-los, se for preciso. • Verificar o estado das ligações assim como o estado dos parafusos de sustentação. • Verificar o estado dos rolamentos observando: Aparecimento de ruído forte, vibrações, temperatura dos rolamentos e condições da graxa. • Quando for detectada uma mudança nas condições de trabalho normais, verificar o motor, inspecionar as partes necessárias e trocá-las, se necessário. A freqüência com que devem ser feitas as inspeções, depende do tipo de motor e das condições locais de aplicação. LUBRIFICAÇÃO OBSERVE OS INTERVALOS DE LUBRIFICAÇÃO DOS ROLAMENTOS. ISTO É VITAL PARA A CONFIANÇA OPERACIONAL DO MOTOR. 1 - Motores sem graxeira Os motores até a carcaça 200 normalmente são fornecidos sem graxeira. Nestes casos a relubrificação deverá ser efetuada conforme plano de manutenção preventiva, observando os seguintes aspectos: - desmontar cuidadosamente os motores - retirar toda a graxa - lavar o rolamento com querosene ou diesel - relubrificar o rolamento imediatamente Nota: Não girar o rolamento sem graxa. Para verificação use óleo fino. 2 - Motores com graxeira É aconselhável fazer a relubrificação durante o funcionamento do motor, de modo a permitir a renovação da graxa no alojamento do rolamento. Se isto não for possível devido à presença de peças girantes perto da graxeira (polias, luvas, etc.) que podem por em risco a integridade física do operador, procede-se da seguinte maneira: - limpar as proximidades do orifício da graxeira - injeta-se aproximadamente metade da quantidade total estimada de graxa e coloca-se o motor a girar durante aproximadamente 1 minuto a plena rotação; desliga-se o motor e injeta-se o restante da graxa; - a injeção de toda a graxa com o motor parado pode levar a penetração de parte do lubrificante no interior do motor, através da vedação interna da caixa do rolamento. Para a lubrificação, use exclusivamente pistola engraxadeira manual.
  • 25.
    7 Carcaça Tipo Quant. Graxa (g.) 3600 rpm 3000 rpm 1800 rpm 1500 rpm 1000 rpm 900-500 rpm Intervalo de Lubrificação,em horas (Rolamentos de esferas) 160-180 10 4300 5900 9500 10900 12700 14400 200 15 3800 5400 9300 10300 12400 14300 225 30 1100 2000 4100 4700 5700 6500 250 30 1100 2000 4100 4700 5700 6500 280 30 1100 2000 4100 4700 5700 6500 315 40 700 1600 3700 5400 5400 6100 355 50 - 800 3100 4000 5000 5700 Intervalo de Lubrificação, em horas (Rolamentos de rolos) 200 15 1600 2700 6800 8300 9600 10700 225 30 700 1100 2800 3600 4400 5000 250 30 1100 2000 4100 4700 5700 6500 280 30 1100 2000 4100 4700 5700 6500 315 40 700 1100 2800 3600 4400 5000 355 50 - - 1900 2600 3900 4400 PERIGO: A máxima elevação de temperatura de trabalho (∆t 70ºC), tanto da graxa quanto do rolamento não deve ser ultrapassada. A cada incremento de 15ºC neste limite, o intervalo deve ser reduzido pela metade. 3 – Lubrificantes Ao relubrificar, usar somente graxa específica para rolamento, com as seguintes propriedades: - Base Lítio ou compostos de Lítio de boa qualidade - Viscosidade 100 - 140 cSt a 40ºC - Consistência NLGl grau 2 ou 3 - Temperatura de trabalho contínuo – 30ºC até + 130ºC Em aplicações especiais, tais como temperaturas elevadas ou baixas, variação de velocidades, etc., o tipo de graxa e o intervalo de relubrificação estão identificados em placa adicional fixada no motor. A UTILIZAÇÃO DE MOTORES NORMAIS EM LOCAIS E/OU APLICAÇÕES ESPECIAIS DEVE SER PRECEDIDA DE CONSULTA AO FABRICANTE DE GRAXA E/OU WEG. DESMONTAGEM E MONTAGEM A desmontagem e montagem deverá ser feita por pessoal qualificado, utilizando somente ferramentas e métodos apropriados. As garras do extrator deverão ser aplicadas sobre a face lateral do anel interno a ser desmontado, ou sobre uma peça adjacente. É essencial que a montagem dos rolamentos seja efetuada em condições de rigorosa limpeza, para assegurar um bom funcionamento e evitar danos. Rolamentos novos somente deverão ser retirados da embalagem, no momento de serem montados. Antes da colocação do rolamento novo, será necessário verificar se o encaixe no eixo apresenta-se isento de rebarba ou sinais de golpes. PARTES E PEÇAS Ao solicitar peças de reposição, é conveniente citar a designação completa do motor, assim como o código do mesmo, que aparece marcado na placa de identificação.
  • 26.
    8 Caso na placade identificação figure o número de série do motor, este deve constar no pedido. MOTORES PARA ÁREAS DE RISCOS Além das recomendações anteriores, observar mais estas a seguir. A ESPECIFICAÇÃO DO LOCAL DE INSTALAÇÃO DO MOTOR É DE RESPONSABILIDADE DO USUÁRIO QUE DETERMINARÁ AS CARACTERÍSTICAS DA ATMOSFERA AMBIENTE. Motores para áreas de risco são fabricados conforme normas específicas para estes ambientes, sendo certificados por órgãos credenciados. 1 – Instalação A instalação deve seguir procedimentos elaborados pela legislação vigente no local. A INSTALAÇÃO DE MOTORES PARA ÁREAS DE RISCO DEVE SER EXECUTADA POR PESSOAS ESPECIALIZADAS E A PROTEÇÃO TÉRMICA DEVERÁ SEMPRE SER INSTALADA, SEJA ESTA INTRÍNSECA AO MOTOR OU EXTERNA AO MESMO, OPERANDO NA CORRENTE NOMINAL 2 – Manutenção A manutenção deve ser executada por assistentes técnicos autorizados e credenciados pela WEG. Oficinas e pessoas sem autorização que realizarem consertos em motores para áreas de risco, serão totalmente responsáveis pelo trabalho executado e danos decorrentes de seu serviço. QUALQUER ALTERAÇÃO ELÉTRICA OU MECÂNICA NOS MOTORES PARA ÁREAS DE RISCO ACARRETARÁ NA PERDA DA CERTIFICAÇÃO DOS MESMOS. Na execução de manutenção, instalação e relubrificação, seguir as orientações: • Verificar se os componentes estão isentos de rebarbas, batidas e sujeiras. • Observar se as peças estão em perfeitas condições. • Lubrificar superficialmente os encaixes das tampa com óleo protetor para facilitar a montagem. • Utilizar apenas martelo de borracha na colocação das peças. • Verificar se todos os parafusos estão bem apertados. • Utilizar calibrador de folga para verificar o assento da caixa de ligação (menor de 0,05 mm). NÃO RETRABALHAR PEÇAS DANIFICADAS OU COM DESGASTE. SUBSTITUIR POR NOVAS, ORIGINAIS DE FÁBRICA.
  • 27.
    9 GARANTIA A WEG oferecegarantia contra defeitos de fabricação ou de materiais para seus produtos por um período de 18 meses contados a partir da data de emissão da nota fiscal fatura da fábrica ou do distribuidor/revendedor limitado a 24 meses da data de fabricação independentemente da data da instalação e desde que satisfeitos os seguintes requisitos: transporte, manuseio e armazenamento adequado; instalação correta e em condições ambientais especificadas e sem presença de agentes agressivos; operação dentro dos limites de suas capacidades; realização periódica das devidas manutenções preventivas; realização de reparos e/ou modificações somente por pessoas autorizadas por escrito pela WEG; o produto na ocorrência de uma anomalia esteja disponível para o fornecedor por um período mínimo necessário a identificação da causa da anomalia e seus devidos reparos; aviso imediato por parte do comprador dos defeitos ocorridos e que os mesmos sejam posteriormente comprovados pela WEG como defeitos de fabricação. A garantia não inclui serviços de desmontagem nas instalações do comprador, custos de transporte do produto e despesas de locomoção, hospedagem e alimentação do pessoal de Assistência Técnica quando solicitado pelo cliente. Os serviços em garantia serão prestados exclusivamente em oficinas de Assistência Técnica autorizados WEG ou na própria fábrica. Excluem-se desta garantia os componentes cuja vida útil em uso normal seja menor que o período de garantia. O reparo e/ou substituição de peças ou produtos a critério da WEG durante o período de garantia, não prorrogará o prazo de garantia original. A presente garantia se limita ao produto fornecido não se responsabilizando a WEG por danos a pessoas, a terceiros, a outros equipamentos ou instalações, lucros cessantes ou quaisquer outros danos emergentes ou conseqüentes. WEG Motores Rua Av. Pref. Waldemar Grubba, 3000 – 89256-900 Jaraguá do Sul - SC Tel. (047) 372-4000 - Fax (047) 372-4040 http://www.weg.com.br e-mail: wmo-mkt@weg.com.br São Paulo: Tel. (011) 574-6877 - Fax (011) 549-7015