Caderno de Exercícios Desenho Técnico 1
2 Cortes, seções, encurtamento
e omissão de corte
Desenho Técnico
Caderno de Exercícios Desenho Técnico 1
CORTES
Em desenho técnico, o corte de uma peça é sempre imaginário. Ele permite ver as
partes internas da peça.
Na projeção em corte, a superfície imaginada cortada é preenchida com hachuras.
Qual dos desenhos a seguir é mais fácil de interpretar?
Caderno de Exercícios Desenho Técnico 1
Os cortes podem ser representados em qualquer vista do desenho e são
classificados em:
• Corte Longitudinal Vertical;
• Corte Longitudinal Horizontal;
• Corte Transversal;
CORTE LONGITUDINAL VERTICAL
CORTE LONGITUDINAL HORIZONTAL
Caderno de Exercícios Desenho Técnico 1
CORTE TRANSVERSAL
DESENHO COM VÁRIOS CORTES
Usado quando um corte não é suficiente para mostrar todos os elementos internos
da peça.
Caderno de Exercícios Desenho Técnico 1
CORTE EM DESVIO
Caderno de Exercícios Desenho Técnico 1
MEIO CORTE
O meio-corte é empregado no desenho de peças simétricas no qual aparece
somente meia-vista em corte. O meio-corte apresenta a vantagem de indicar, em
uma só vista, as partes interna e externa da peça.
Caderno de Exercícios Desenho Técnico 1
CORTE PARCIAL
É utilizado para mostrar apenas uma parte interna do objeto ou peça, possibilitando
esclarecer pequenos detalhes.
Caderno de Exercícios Desenho Técnico 1
SEÇÕES TRAÇADAS FORA DAS VISTAS
OMISSÃO DE CORTE
Caderno de Exercícios Desenho Técnico 1
Caderno de Exercícios Desenho Técnico 1
1. Desenhe as projeções ortogonais, o corte solicitado, a indicação do corte e
escreva também o tipo do corte:
Caderno de Exercícios Desenho Técnico 1
2. Desenhe a peça abaixo em duas vistas, aplicando corte composto.
3. Desenhe o meio corte da peça abaixo:
Caderno de Exercícios Desenho Técnico 1
4. Assinale com os desenhos técnicos em corte parcial.
5. Assinale com somente a alternativa que julgar correta.
6. Qual destes desenhos apresenta corte transversal?
Caderno de Exercícios Desenho Técnico 1
7. Indique os cortes nos desenhos abaixo.
Caderno de Exercícios Desenho Técnico 1
8. Complete os exercícios à mão livre, de acordo com o exemplo.
Caderno de Exercícios Desenho Técnico 1
9. Desenhe as projeções, aplicando cortes indicados.
Observação: Furos e rasgos passantes.
Vista frontal em corte
Lateral em corte
Caderno de Exercícios Desenho Técnico 1
10. Sombrear perspectivas e hachurar projeções.
Coluna A – As peças estão representadas em perspectiva.
Coluna B – Faça o sombreado das partes atingidas pelo corte.
Coluna C – Faça o hachurado à mão livre.
.
Caderno de Exercícios Desenho Técnico 1
11. Analise as perspectivas e faça hachuras nos desenhos técnicos, indicando as partes
maciças atingidas pelo corte:
12. Asssinale com um X as perspectivas em corte que correspondem aos desenhos
técnicos:
Caderno de Exercícios Desenho Técnico 1
13. Assinale com um X a perspectiva em corte que corresponde ao desenho técnico:
14. Assinale com um X a perspectiva em corte que corresponde ao desenho técnico:
Caderno de Exercícios Desenho Técnico 1
15. Assinale com um X a perspectiva em corte que corresponde ao desenho técnico:
16. Assinale com um X a perspectiva em corte que corresponde ao desenho técnico:
Caderno de Exercícios Desenho Técnico 1
17. Assinale com um X a perspectiva em corte que corresponde ao desenho técnico:
18. Analise a perspectiva e represente a vista frontal com omissão de corte no desenho
técnico da peça:
Caderno de Exercícios Desenho Técnico 1
19. Assinale com um X as perspectivas das peças que devem ser desenhadas com
omissão de corte:
Caderno de Exercícios Desenho Técnico 1
20. Observe a perspectiva e desenhe as seções na projeção.
Caderno de Exercícios Desenho Técnico 1
21. Analise o desenho técnico e escreva V se a frase for verdadeira e F se a frase for falsa:
Caderno de Exercícios Desenho Técnico 1
3 Dimensionamento
Desenho Técnico
Caderno de Exercícios Desenho Técnico 1
NBR 10126 – Cotagem em Desenho Técnico
Cotas são numerais que indicam as medidas básicas da peça e as medidas de seus
elementos. As medidas básicas são: comprimento, largura e altura.
50 = comprimento 25 = largura 15= altura
Cuidados na cotagem
Ao cotar um desenho é necessário observar o seguinte:
Seta
errada
errada
errada
certa
Caderno de Exercícios Desenho Técnico 1
As cotas guardam uma pequena distancia acima das linhas de cota. As linhas auxiliares
também guardam uma pequena distância das vistas do desenho técnico.
Em desenho mecânico, normalmente a unidade de medida usada é o milímetro (mm), e é
dispensada a colocação do símbolo junto à cota. Quando se emprega outra unidade distinta
do milímetro (por exemplo, a polegada), coloca-se seu símbolo.
Cotas que indicam tamanho e cotas que indicam localização de elementos
Exemplo de peças com elementos:
Furo Saliência Rasgo passante Rasgo não passante
Observação
As cotas devem ser colocadas de modo que o desenho seja lido da esquerda para
direita e de cima pra baixo, paralelamente à dimensão cotada. Sempre que é
possível é bom evitar colocar cotas em linhas tracejadas.
Caderno de Exercícios Desenho Técnico 1
Para fabricar peças como essas é necessário interpretar, além das cotas básicas, as cotas
dos elementos.
A cota 9 indica localização do furo em relação à altura da peça.
A cota 12 indica a localização do furo em relação ao comprimento da peça. As cotas 10 e 16
indicam o tamanho do furo.
Cotagem de peças simétricas
A utilização de linha de simetria em peças simétricas facilita e simplifica a cotagem,
conforme os exemplos abaixo.
Cotagem de diâmetros
Sem linha de simetria Com linha de simetria
Caderno de Exercícios Desenho Técnico 1
Cotagem de raios
Quando a linha de cota está na posição inclinada, a cota acompanha a inclinação para
facilitar a leitura.
Porém, é preciso evitar a disposição das linhas de cota entre os setores hachurados e
inclinados de cerca de 30°.
Caderno de Exercícios Desenho Técnico 1
Cotagem de elementos esféricos
Elementos esféricos são elementos em forma de esfera.
A cotagem dos elementos esféricos é feita pela medida de seus diâmetros ou de seus raios.
ESF = Esférico
∅ = Diâmetro
R = Raio
Cotagem de elementos angulares
Existem peças que têm elementos angulares. Elementos angulares são formados por
ângulos.
O ângulo é medido com o goniômetro pela sua abertura em graus. O goniômetro é
conhecido como transferidor.
A cotagem da abertura do elemento é feita em linha de cota curva, cujo centro é vértice do
ângulo cotado.
Caderno de Exercícios Desenho Técnico 1
Cotagem de ângulos em peças cilíndricas
Cotagem de chanfros
O chanfro é a superfície oblíqua obtida pelo corte da aresta de duas superfícies que se
encontram.
Existem duas maneiras pelas quais os chanfros aparecem cotados: por meio de cotas
lineares e por meio de cotas lineares e angulares.
As cotas lineares indicam medidas de comprimento, largura e altura.
As cotas angulares indicam medidas de abertura de ângulos.
Cotas lineares
Cotas lineares e cotas angulares
Em peças planas ou cilíndricas, quando o chanfro está a 45° é possível simplificar a
Caderno de Exercícios Desenho Técnico 1
cotagem.
Cotagem em espaços reduzidos
Para cotar em espaços reduzidos, é necessário colocar as cotas conforme os desenhos
abaixo. Quando não houver lugar para setas, estas serão substituídas por pequenos traços
oblíquos.
Cotagem por faces de referência
Na cotagem for faces de referência as medidas da peça são indicadas a partir das faces.
Cotagem em paralelo Cotagem aditiva
A cotagem por faces de referência ou por elemento de referência pode ser executada como
cotagem em paralelo ou cotagem aditiva.
Caderno de Exercícios Desenho Técnico 1
Cotagem de furos espaçados igualmente
Existem peças com furos que têm a mesma distância entre seus centros, isto é, furos
espaçados igualmente.
A cotagem da distância entre centros de furos pode ser feita por cotas lineares e por cotas
angulares.
Cotagem linear
Cotagem linear e angular
Caderno de Exercícios Desenho Técnico 1
Quando não causarem dúvidas, o desenho e a cotagem podem ser simplificados.
Desenho e cotagem simplificados
Desenho e cotagem simplificados
Indicações especiais
Cotagem de cordas, arcos e ângulos.
As cotas de cordas, arcos e ângulos devem ser indicadas como nos exemplos abaixo.
Caderno de Exercícios Desenho Técnico 1
Raio definido por outras cotas
O raio deve ser indicado com o símbolo R sem cota quanto o seu tamanho for definido por
outras cotas.
Cotas fora de escala
As cotas fora de escala nas linhas de cota sem interrupção devem ser sublinhadas com
linha reta com a mesma largura da linha do algarismo.
Cotagem de uma área ou comprimento limitado de uma superfície, para indicar uma
situação especial.
A área ou o comprimento e sua localização são indicados por meio da linha traço e ponto
larga, desenhada adjacente à face correspondente.
Cotagem de peças com faces ou elementos inclinados
Existem peças que têm faces ou elementos inclinados.
Caderno de Exercícios Desenho Técnico 1
Nos desenhos técnicos de peças com faces ou elementos inclinados, a relação de
inclinação deve ser indicada.
A relação de inclinação 1:10 indica que a cada 10 milímetros do comprimento da peça,
diminui-se um milímetro da altura.
Como a relação de inclinação vem indicada no desenho técnico, não é necessário que a
outra cota de altura da peça apareça.
Outros exemplos a seguir.
Caderno de Exercícios Desenho Técnico 1
Cotagem com peças cônicas ou com elementos cônicos
Existem peças cônicas ou com elementos cônicos.
Nos desenhos técnicos de peças como estas, a relação de conicidade deve estar indicada.
A relação de conicidade 1:20 indica que a cada 20 milímetros do comprimento da peça,
diminui-se um milímetro do diâmetro.
Outros exemplos:
Caderno de Exercícios Desenho Técnico 1
46-Analise o desenho técnico abaixo e responda às questões a seguir.
a) Escreva dentro dos parênteses as letras correspondentes a cada elemento de
cotagem.
( ) Linha de cota
( ) Linha auxiliar de cota
( ) Cota
b) Escreva as cotas básicas de: comprimento: __________________
altura:___________________ largura: _____________________
c) Escreva as cotas básicas que determinam o tamanho do rasgo: ____ e ____.
d) Escreva a cota que determina a localização do rasgo: _____.
e) Escreva as cotas que determinam o tamanho do rebaixo: _____ e _____.
47-Complete as frases, escrevendo as palavras faltantes sobre as linhas indicadas.
a) As linhas auxiliares de cota não encostam nas linhas do .
b) A linha de encosta na linha auxiliar de cota.
c) A linha ultrapassa a linha de cota.
d) A não encosta na linha de cota.
e) A linha de é uma linha e tem setas nas extremidades.
f) Na linha de cota vertical a cota deve ser escrita de baixo para e ao lado
da linha de cota.
g) Na linha de cota horizontal a cota deve ser escrita da para a
e sobre a linha de cota.
Caderno de Exercícios Desenho Técnico 1
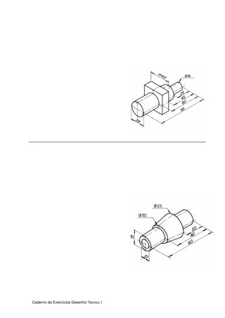
48-Faça o detalhamento das peças que seguem (vistas, cortes e dimensionamento):
Caderno de Exercícios Desenho Técnico 1
Caderno de Exercícios Desenho Técnico 1
Caderno de Exercícios Desenho Técnico 1
Caderno de Exercícios Desenho Técnico 1

Apostilacortesdimensionamento

  • 1.
    Caderno de ExercíciosDesenho Técnico 1 2 Cortes, seções, encurtamento e omissão de corte Desenho Técnico
  • 2.
    Caderno de ExercíciosDesenho Técnico 1 CORTES Em desenho técnico, o corte de uma peça é sempre imaginário. Ele permite ver as partes internas da peça. Na projeção em corte, a superfície imaginada cortada é preenchida com hachuras. Qual dos desenhos a seguir é mais fácil de interpretar?
  • 3.
    Caderno de ExercíciosDesenho Técnico 1 Os cortes podem ser representados em qualquer vista do desenho e são classificados em: • Corte Longitudinal Vertical; • Corte Longitudinal Horizontal; • Corte Transversal; CORTE LONGITUDINAL VERTICAL CORTE LONGITUDINAL HORIZONTAL
  • 4.
    Caderno de ExercíciosDesenho Técnico 1 CORTE TRANSVERSAL DESENHO COM VÁRIOS CORTES Usado quando um corte não é suficiente para mostrar todos os elementos internos da peça.
  • 5.
    Caderno de ExercíciosDesenho Técnico 1 CORTE EM DESVIO
  • 6.
    Caderno de ExercíciosDesenho Técnico 1 MEIO CORTE O meio-corte é empregado no desenho de peças simétricas no qual aparece somente meia-vista em corte. O meio-corte apresenta a vantagem de indicar, em uma só vista, as partes interna e externa da peça.
  • 7.
    Caderno de ExercíciosDesenho Técnico 1 CORTE PARCIAL É utilizado para mostrar apenas uma parte interna do objeto ou peça, possibilitando esclarecer pequenos detalhes.
  • 8.
    Caderno de ExercíciosDesenho Técnico 1 SEÇÕES TRAÇADAS FORA DAS VISTAS OMISSÃO DE CORTE
  • 9.
    Caderno de ExercíciosDesenho Técnico 1
  • 10.
    Caderno de ExercíciosDesenho Técnico 1 1. Desenhe as projeções ortogonais, o corte solicitado, a indicação do corte e escreva também o tipo do corte:
  • 11.
    Caderno de ExercíciosDesenho Técnico 1 2. Desenhe a peça abaixo em duas vistas, aplicando corte composto. 3. Desenhe o meio corte da peça abaixo:
  • 12.
    Caderno de ExercíciosDesenho Técnico 1 4. Assinale com os desenhos técnicos em corte parcial. 5. Assinale com somente a alternativa que julgar correta. 6. Qual destes desenhos apresenta corte transversal?
  • 13.
    Caderno de ExercíciosDesenho Técnico 1 7. Indique os cortes nos desenhos abaixo.
  • 14.
    Caderno de ExercíciosDesenho Técnico 1 8. Complete os exercícios à mão livre, de acordo com o exemplo.
  • 15.
    Caderno de ExercíciosDesenho Técnico 1 9. Desenhe as projeções, aplicando cortes indicados. Observação: Furos e rasgos passantes. Vista frontal em corte Lateral em corte
  • 16.
    Caderno de ExercíciosDesenho Técnico 1 10. Sombrear perspectivas e hachurar projeções. Coluna A – As peças estão representadas em perspectiva. Coluna B – Faça o sombreado das partes atingidas pelo corte. Coluna C – Faça o hachurado à mão livre. .
  • 17.
    Caderno de ExercíciosDesenho Técnico 1 11. Analise as perspectivas e faça hachuras nos desenhos técnicos, indicando as partes maciças atingidas pelo corte: 12. Asssinale com um X as perspectivas em corte que correspondem aos desenhos técnicos:
  • 18.
    Caderno de ExercíciosDesenho Técnico 1 13. Assinale com um X a perspectiva em corte que corresponde ao desenho técnico: 14. Assinale com um X a perspectiva em corte que corresponde ao desenho técnico:
  • 19.
    Caderno de ExercíciosDesenho Técnico 1 15. Assinale com um X a perspectiva em corte que corresponde ao desenho técnico: 16. Assinale com um X a perspectiva em corte que corresponde ao desenho técnico:
  • 20.
    Caderno de ExercíciosDesenho Técnico 1 17. Assinale com um X a perspectiva em corte que corresponde ao desenho técnico: 18. Analise a perspectiva e represente a vista frontal com omissão de corte no desenho técnico da peça:
  • 21.
    Caderno de ExercíciosDesenho Técnico 1 19. Assinale com um X as perspectivas das peças que devem ser desenhadas com omissão de corte:
  • 22.
    Caderno de ExercíciosDesenho Técnico 1 20. Observe a perspectiva e desenhe as seções na projeção.
  • 23.
    Caderno de ExercíciosDesenho Técnico 1 21. Analise o desenho técnico e escreva V se a frase for verdadeira e F se a frase for falsa:
  • 24.
    Caderno de ExercíciosDesenho Técnico 1 3 Dimensionamento Desenho Técnico
  • 25.
    Caderno de ExercíciosDesenho Técnico 1 NBR 10126 – Cotagem em Desenho Técnico Cotas são numerais que indicam as medidas básicas da peça e as medidas de seus elementos. As medidas básicas são: comprimento, largura e altura. 50 = comprimento 25 = largura 15= altura Cuidados na cotagem Ao cotar um desenho é necessário observar o seguinte: Seta errada errada errada certa
  • 26.
    Caderno de ExercíciosDesenho Técnico 1 As cotas guardam uma pequena distancia acima das linhas de cota. As linhas auxiliares também guardam uma pequena distância das vistas do desenho técnico. Em desenho mecânico, normalmente a unidade de medida usada é o milímetro (mm), e é dispensada a colocação do símbolo junto à cota. Quando se emprega outra unidade distinta do milímetro (por exemplo, a polegada), coloca-se seu símbolo. Cotas que indicam tamanho e cotas que indicam localização de elementos Exemplo de peças com elementos: Furo Saliência Rasgo passante Rasgo não passante Observação As cotas devem ser colocadas de modo que o desenho seja lido da esquerda para direita e de cima pra baixo, paralelamente à dimensão cotada. Sempre que é possível é bom evitar colocar cotas em linhas tracejadas.
  • 27.
    Caderno de ExercíciosDesenho Técnico 1 Para fabricar peças como essas é necessário interpretar, além das cotas básicas, as cotas dos elementos. A cota 9 indica localização do furo em relação à altura da peça. A cota 12 indica a localização do furo em relação ao comprimento da peça. As cotas 10 e 16 indicam o tamanho do furo. Cotagem de peças simétricas A utilização de linha de simetria em peças simétricas facilita e simplifica a cotagem, conforme os exemplos abaixo. Cotagem de diâmetros Sem linha de simetria Com linha de simetria
  • 28.
    Caderno de ExercíciosDesenho Técnico 1 Cotagem de raios Quando a linha de cota está na posição inclinada, a cota acompanha a inclinação para facilitar a leitura. Porém, é preciso evitar a disposição das linhas de cota entre os setores hachurados e inclinados de cerca de 30°.
  • 29.
    Caderno de ExercíciosDesenho Técnico 1 Cotagem de elementos esféricos Elementos esféricos são elementos em forma de esfera. A cotagem dos elementos esféricos é feita pela medida de seus diâmetros ou de seus raios. ESF = Esférico ∅ = Diâmetro R = Raio Cotagem de elementos angulares Existem peças que têm elementos angulares. Elementos angulares são formados por ângulos. O ângulo é medido com o goniômetro pela sua abertura em graus. O goniômetro é conhecido como transferidor. A cotagem da abertura do elemento é feita em linha de cota curva, cujo centro é vértice do ângulo cotado.
  • 30.
    Caderno de ExercíciosDesenho Técnico 1 Cotagem de ângulos em peças cilíndricas Cotagem de chanfros O chanfro é a superfície oblíqua obtida pelo corte da aresta de duas superfícies que se encontram. Existem duas maneiras pelas quais os chanfros aparecem cotados: por meio de cotas lineares e por meio de cotas lineares e angulares. As cotas lineares indicam medidas de comprimento, largura e altura. As cotas angulares indicam medidas de abertura de ângulos. Cotas lineares Cotas lineares e cotas angulares Em peças planas ou cilíndricas, quando o chanfro está a 45° é possível simplificar a
  • 31.
    Caderno de ExercíciosDesenho Técnico 1 cotagem. Cotagem em espaços reduzidos Para cotar em espaços reduzidos, é necessário colocar as cotas conforme os desenhos abaixo. Quando não houver lugar para setas, estas serão substituídas por pequenos traços oblíquos. Cotagem por faces de referência Na cotagem for faces de referência as medidas da peça são indicadas a partir das faces. Cotagem em paralelo Cotagem aditiva A cotagem por faces de referência ou por elemento de referência pode ser executada como cotagem em paralelo ou cotagem aditiva.
  • 32.
    Caderno de ExercíciosDesenho Técnico 1 Cotagem de furos espaçados igualmente Existem peças com furos que têm a mesma distância entre seus centros, isto é, furos espaçados igualmente. A cotagem da distância entre centros de furos pode ser feita por cotas lineares e por cotas angulares. Cotagem linear Cotagem linear e angular
  • 33.
    Caderno de ExercíciosDesenho Técnico 1 Quando não causarem dúvidas, o desenho e a cotagem podem ser simplificados. Desenho e cotagem simplificados Desenho e cotagem simplificados Indicações especiais Cotagem de cordas, arcos e ângulos. As cotas de cordas, arcos e ângulos devem ser indicadas como nos exemplos abaixo.
  • 34.
    Caderno de ExercíciosDesenho Técnico 1 Raio definido por outras cotas O raio deve ser indicado com o símbolo R sem cota quanto o seu tamanho for definido por outras cotas. Cotas fora de escala As cotas fora de escala nas linhas de cota sem interrupção devem ser sublinhadas com linha reta com a mesma largura da linha do algarismo. Cotagem de uma área ou comprimento limitado de uma superfície, para indicar uma situação especial. A área ou o comprimento e sua localização são indicados por meio da linha traço e ponto larga, desenhada adjacente à face correspondente. Cotagem de peças com faces ou elementos inclinados Existem peças que têm faces ou elementos inclinados.
  • 35.
    Caderno de ExercíciosDesenho Técnico 1 Nos desenhos técnicos de peças com faces ou elementos inclinados, a relação de inclinação deve ser indicada. A relação de inclinação 1:10 indica que a cada 10 milímetros do comprimento da peça, diminui-se um milímetro da altura. Como a relação de inclinação vem indicada no desenho técnico, não é necessário que a outra cota de altura da peça apareça. Outros exemplos a seguir.
  • 36.
    Caderno de ExercíciosDesenho Técnico 1 Cotagem com peças cônicas ou com elementos cônicos Existem peças cônicas ou com elementos cônicos. Nos desenhos técnicos de peças como estas, a relação de conicidade deve estar indicada. A relação de conicidade 1:20 indica que a cada 20 milímetros do comprimento da peça, diminui-se um milímetro do diâmetro. Outros exemplos:
  • 37.
    Caderno de ExercíciosDesenho Técnico 1 46-Analise o desenho técnico abaixo e responda às questões a seguir. a) Escreva dentro dos parênteses as letras correspondentes a cada elemento de cotagem. ( ) Linha de cota ( ) Linha auxiliar de cota ( ) Cota b) Escreva as cotas básicas de: comprimento: __________________ altura:___________________ largura: _____________________ c) Escreva as cotas básicas que determinam o tamanho do rasgo: ____ e ____. d) Escreva a cota que determina a localização do rasgo: _____. e) Escreva as cotas que determinam o tamanho do rebaixo: _____ e _____. 47-Complete as frases, escrevendo as palavras faltantes sobre as linhas indicadas. a) As linhas auxiliares de cota não encostam nas linhas do . b) A linha de encosta na linha auxiliar de cota. c) A linha ultrapassa a linha de cota. d) A não encosta na linha de cota. e) A linha de é uma linha e tem setas nas extremidades. f) Na linha de cota vertical a cota deve ser escrita de baixo para e ao lado da linha de cota. g) Na linha de cota horizontal a cota deve ser escrita da para a e sobre a linha de cota.
  • 38.
    Caderno de ExercíciosDesenho Técnico 1 48-Faça o detalhamento das peças que seguem (vistas, cortes e dimensionamento):
  • 39.
    Caderno de ExercíciosDesenho Técnico 1
  • 40.
    Caderno de ExercíciosDesenho Técnico 1
  • 41.
    Caderno de ExercíciosDesenho Técnico 1
  • 42.
    Caderno de ExercíciosDesenho Técnico 1