COGERAÇÃO IMPACTOS POSITIVOS E ADVERSOS NO MEIO AMBIENTE Instituto de Eletrotécnica e Energia - USP São Paulo, 25 de abril de 2008 Roberto T. Pessine
ÍNDICE 1. Conceitos e definições 2. A industria sucroalcooleira 3. Sistemas de cogeração do setor sucroalcooleiro 4. Sistema de Cogeração/ meio ambiente 5. Projeto conceitual de uma unidade industrial 6. Cenário típico de um up-grade em cogeração 7. Simulações 8. Up-grade radical 9. Cogeração:conseqüências da otimização energética 10.Cogeração/meio ambiente: enfoque global
1. CONCEITOS E DEFINIÇÕES Conceito  termodinâmico  – cogeração é a produção de mais de uma forma de energia útil, a partir de um único energético num mesmo processo. Conceito empregado no setor elétrico - Res. ANEEL 235/2006  Art 3º inciso I – Cogeração: processo operado numa instalação específica para fins da produção combinada das utilidades calor e energia mecânica, esta geralmente convertida total ou parcialmente em energia elétrica,a partir da energia disponibilizada por uma fonte primária, .... Definição do Cogeneration  Handbook  (Califórnia Energy Commission, September 1982) –  In broadest terms, cogeneration is the simultaneous production of electrical or mechanical energy and thermal energy. Outras definições – em geral limitadas Observação: a análise de sistemas de cogeração compreende necessariamente o enfoque de duas centrais de potência e sistemas para aproveitamento de calor residual. Nesses processos, em geral, as transformações energéticas enfocam 04 formas de energia: energia elétrica (mais nobre das energias), energia mecânica, calor de processo e refrigeração.
 
Comentários sobre as definições: cogeração: aplicação direta da 1ª e 2ª leis da termodinâmica conceito de calor empregado como energia útil – a exergia a forte presença da energia elétrica nas definições fronteiras das definições: ciclo combinado a gás natural etc. Implicação das definições que enfatizam a energia elétrica : Definição dos ciclos de operação de cogeração: CICLO TOPPING:  Combustível  eletricidade  calor de processo CICLO BOTTOMING:  Combustível  calor de processo  eletricidade
caldeira geração  elétrica geração  mecânica bagaço água de reposição T V T V T V – turbina a vapor DIAGRAMA TÉRMICO – UTE - COGERAÇÂO bomba bomba vapor  (P 1 , T 1 , H 1 ) vapor (P, T, H) calor de processo
2.A INDÚSTRIA SUCROALCOOLEIRA O processo global A unidade industrial Ciclo de vapor: cogeração A evolução tecnológica no tempo: -  Processos/equipamentos - O impacto no meio ambiente
PROCESSO INDUSTRIAL USINA CANA CRUA LIMPA (90 A 95 T.C./há) OUTROS RESÍDUOS VINHOTO, TORTA, ETC . SOBRA DE  BAGAÇO 20 A 28 kg /T.C. ENERGIA MECÃNICA CALOR DE PROCESSO PROCESSO INDUSTRIAL VAPOR DE ALTA PRESSÃO 1,9 A 2,6 kg VAPOR/kg BAGAÇO T.C. = TONELADA DE CANA LIMPA ENERGIA ELÉTRICA ( 2,4 A 8,8 ) kg BAGAÇO / kWh RETORNO 30 A 50 % DISPONÍVEL (60 A 200)kg /T.C. COLHEITA MECÂNICA INDUSTRIA SUCROALCOOLEIRA SUBPRODUTOS DISPONÍVEIS PARA COGERAÇÃO DE ELETRICIDADE BAGAÇO (200 A 280) kg /T.C. ~ 50% UMIDADE PALHA E PONTA (120 A 280) kg /T.C. ~ 50% UMIDADE
Panorama de uma Usina de Açúcar
 
USINA DE AÇÚCAR - SISTEMA DE MOAGEM
Turbina de acionamento da moenda
USINA DE AÇÚCAR - PRODUÇÃO DE AÇÚCAR
USINA DE AÇÚCAR – PRODUÇÃO DE ÁLCOOL
USINA DE AÇÚCAR – CICLO DE VAPOR
COMBUSTÍVEL BAGAÇO DE CANA ENERGIA ELÉTRICA kWh CANA DE AÇÚCAR COGERAÇÃO - BAGAÇO DE CANA CALDEIRA  A BAGAÇO DE CANA REDE SE  ELEVATÓRIA GERADOR TURBINA
EVOLUÇÃO TECNOLÓGICA DAS USINAS AO LONGO DO  TEMPO   Resumo da evolução temporal em ordem crescente: 1980 a 1990, 1990 -1995 - 2000, 2000 a 2007. Processo : modernização de equipamentos, métodos (álcool anidro), controle de processo. Cogeração : otimização e racionalização energética – caldeiras, turbinas, interligação com a rede elétrica (paralelismo), tubulações. Informatização.
EVOLUÇÃO TECNOLÓGICA DAS USINAS AO LONGO DO  TEMPO MEIO AMBIENTE Decréscimo da agressão ao meio ambiente ao longo do tempo produtos impactantes: processo: vinhoto,tortas,óleo fúsel, rectisol etc. sistema de cogeração: caldeira: MP, cinzas, CO 2  ,etc. o excesso de bagaço (queima, fermentação na armazenagem, etc.) Consumo de recursos naturais: água, lenha, cal, etc.
3. Sistemas típicos de cogeração do setor sucroalcooleiro No processo de beneficiamento da cana ,seja para a produção de açúcar ou de álcool, atualmente são empregados três formas de energia, todas obtidas a partir do bagaço de cana:  Calor  (parâmetro determinante na definição dos  equipamentos do sistema de geração elétrica e  mecânica); Eletricidade Energia mecânica. Nas unidades mais modernas a energia elétrica tem sido privilegiada em detrimento da mecânica
DIAGRAMAS PADRÃO DE SISTEMAS DE COGERAÇÃO EMPREGADOS PELAS INDÚSTRIAS DO SETOR SUCROALCOOLEIRO DO ESTADO DE SÃO PAULO
DIAGRAMA PADRÃO DE SISTEMA DE COGERAÇÃO EMPREGADO PELAS INDÚSTRIAS DO SETOR SUCROALCOOLEIRO DO ESTADO DE SÃO PAULO  BAGAÇO H2O   DE REPOSIÇÃO CALDEIRA P=22 kgf/cm 2 GERADOR TURBINA CONTRAPRESSÃO ENERGIA MECÂNICA   VALVULA REDUTORA   T= 300  O C BOMBA PROCESSO T=140 O C  P=1,6 kgf/cm 2 NÚMERO DE UNIDADES INDUSTRIAIS QUE UTILIZAM ESTE ESQUEMA = 128 % DA CANA PROCESSADA NESTE MÉTODO = 87,5  ( dados de 1997) H=720 kcal/kg H=657   kcal/kg T=90°C H=90 kcal/kg
DIAGRAMA PADRÃO DE SISTEMA DE COGERAÇÃO EMPREGADO PELAS INDÚSTRIAS DO SETOR SUCROALCOOLEIRO DO ESTADO DE SÃO PAULO BAGAÇO H2O   DE ALIMENTAÇÃO CALDEIRA P = 42 kgf/cm 2 a   46 kgf/cm 2 GERADOR TURBINA CONTRAPRESSÃO T= 400 O C 450 O C BOMBA PROCESSO T=140 O C  P=1,6 kgf/cm 2 NÚMERO DE UNIDADES INDUSTRIAIS QUE UTILIZAM ESTE ESQUEMA = 05  % DA CANA PROCESSADA NESTE MÉTODO = 10,5  ( dados de 1997)
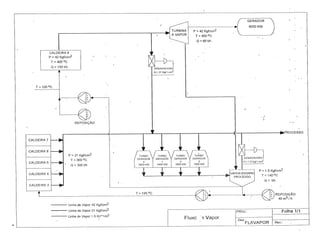
DIAGRAMA PADRÃO DE SISTEMA DE COGERAÇÃO EMPREGADO PELAS INDÚSTRIAS DO SETOR SUCROALCOOLEIRO DO ESTADO DE SÃO PAULO  BAGAÇO H2O   DE ALIMENTAÇÃO CALDEIRA P=  60  kgf/cm 2  GERADOR TURBINA DE CONTRAPRESSÃO T= 460 O C   BOMBA PROCESSO T=300 O C  P=18 kgf/cm 2 NÚMERO DE UNIDADES INDUSTRIAIS QUE UTILIZAM ESTE ESQUEMA = 01  % DA CANA PROCESSADA NESTE MÉTODO = 1,1  ( dados de 1997) TURBINA DE CONTRAPRESSÃO LINHA DE VAPOR GERADOR P=1,6 kgf/cm 2 T=140 O C  H=794 kcal/kg H=657 kcal/kg T=110°C H=111 kcal/kg H=722 kcal/kg
4 . SISTEMA DE COGERAÇÃO/ MEIO AMBIENTE a) Usina de açúcar Produtos : açúcar (principal) eletricidade (secundário) melaço (secundário) bagaço (eventualmente secundário) Setores da indústria que provocam alterações no meio ambiente: Caldeiras – MP, gases (CO 2 , CO, NOx, etc.), cinzas, calor Armazenagem do bagaço – bagacilho em suspensão Processo – produtos típicos impactantes da produção de açúcar Perdas de água – válvula de alívio, lagoa de refrigeração, etc.
4.SISTEMA DE COGERAÇÃO/ MEIO AMBIENTE   continuação b) Usina de açúcar com destilaria anexa Produtos : açúcar e álcool anidro e/ou hidratado (principal) eletricidade (secundário) fermento (secundário) bagaço (eventualmente secundário) Setores da indústria que provocam alterações no meio ambiente: Caldeiras – MP, gases(CO 2 , CO, NO x  etc.), cinzas, calor. Armazenagem do bagaço – bagacilho em suspensão Processo – produtos típicos impactantes do setor de produção de açúcar e do setor de produção de álcool Perdas de água – válvula de alívio, lagoa de refrigeração, etc.
4.SISTEMA DE COGERAÇÃO/ MEIO AMBIENTE   continuação c) Destilaria autônoma Produtos : álcool anidro e/ou hidratado (principal) eletricidade (secundário) fermento (secundário) bagaço (eventualmente secundário) Setores da indústria que provocam alterações no meio ambiente: Caldeiras – MP, gases(CO 2 , CO, NO x ,  etc.), cinzas, calor Armazenagem do bagaço – bagacilho em suspensão Processo – produtos típicos impactantes da produção de álcool Perdas de água – válvula de alívio, lagoa de refrigeração, etc.
4.SISTEMA DE COGERAÇÃO/ MEIO AMBIENTE    continuação Cogeração: eletricidade, energia mecânica, calor Sub-sistemas componentes da cogeração: Armazenagem de combustível (bagaço) Caldeira – geração de vapor (ciclo Rankine) Turbinas a vapor (contrapressão / condensação) Geradores elétricos Sistema de interligação com a rede externa
Armazenagem de bagaço de cana
Depósito de bagaço de cana de açúcar
Caldeira a bagaço de cana
Caldeira a bagaço de cana
Grupo Turbina - Gerador
Depósito de  Bagaço Turbina - gerador Sala de controle
 
5. PROJETO CONCEITUAL DE UMA UNIDADE   INDUSTRIAL   SETOR SUCROALCOOLEIRO   Definição da capacidade de produção da indústria: cana de açúcar a ser processada Equipamentos de processo (moendas e/ou difusores, dornas, evaporadores, equip. de destilação etc) Necessidade de água para o processo  Necessidades energéticas: calor para processo – vapor (determinante) energia elétrica (participação temporal crescente) energia mecânica (participação temporal decrescente)
5.PROJETO CONCEITUAL DE UMA UNIDADE INDUSTRIAL   SETOR SUCROALCOOLEIRO 1.Caldeira : vapor gerado deve atender a demanda de calor de processo – vapor levemente superaquecido Pressão = 1,5 a 2,5 kgf/cm 2 ,  Temperatura = 140 a 160 °C Consumo de vapor = 350 a 600 kg vapor/TC 2.Eficiência energética do processo industrial global determina o consumo de vapor de água 3.Caldeiras tecnologicamente avançadas: maior pressão e temperatura ( P  ~ 65 kgf/cm 2 , T~ 480 °C) maior eficiência energética (  88%) melhor controle operacional maior confiabilidade e estabilidade (fator de capacidade   95%) menor interferência no meio ambiente   Definição do porte do sistema de cogeração
6.CENÁRIO TÍPICO DE UM  UPGRADE EM   COGERAÇÃO   Indústria sucroalcooleira Não há alteração quantidade de cana moída; área de cultivo da cana no porte dos equipamentos do processo industrial (moendas, dornas,torres destilação e outros.) quantidades de produtos produzidos (álcool, açúcar) Pode haver mudanças significativas: na eficiência do uso de calor de processo:  dornas fechadas, tubulações isoladas, sistema de recuperação do calor mais eficiente etc.; no consumo de vapor de água ( 380kg/TC a 650kg/TC) Na reposição de água (ciclo de vapor : 5% a 20%; processo industrial: 1,0 m3/TC a 10,0 m3/TC )
6.CENÁRIO TÍPICO DE UPGRADE EM COGERAÇÃO   Indústria sucroalcooleira Há alteração significativa sistema de geração de vapor – caldeiras eficiência: de  ~  70% para  ~ 90% pressões: de 21kgf/cm 2  para ~ 65 a 80 kgf/cm 2 temperatura: de ~ 300°C para ~ 460°C a 520°C consumo específico de bagaço (kg bagaço / kg vapor) – função do projeto da caldeira decréscimo do consumo de bagaço (kg bagaço/TC) Elevação do  fator de capacidade: de 75% para 95% turbinas a vapor (contra pressão ou condensação) geradores – elevação da geração de eletricidade diagrama unifilar, interligação com a rede/paralelismo
 
 
7.SIMULAÇÃO DE UM UP-GRADE NO SISTEMA DE COGERAÇÃO    Considere um up grade numa usina de açúcar e álcool no qual ocorre uma otimização energética, incluindo a substituição de uma caldeira. Consumo de vapor da usina: Antes do up grade (com a caldeira velha) = 600 kg/TC Após o up grade (com a caldeira nova) = 420 kg/TC Características da caldeira velha: Pressão = 22 kgf/cm 2 ; temperatura = 300°C; eficiência = 72% Consumo específico = 2 kg vapor / kg bagaço Características da caldeira nova: Pressão = 80 kgf/cm 2 ; temperatura = 500°C; eficiência = 88% Consumo específico = 2,8 kg vapor / kg bagaço Estime a quantidade de combustível (kg de bagaço/TC) a ser usada pela Usina em ambos os casos.
7.SIMULAÇÃO DE UM UP-GRADE NO SISTEMA DE COGERAÇÃO  Geração elétrica evitada pela cogeração do setor sucroalcooleiro no Estado de SP  Período seco do sudeste (maio a novembro = 210 dias.) Potência elétrica evitada  ~  2000 MWe (ponta e fora de ponta) Considere uma UTE funcionando nas condições abaixo: eficiência da central:  η  = 35% nº de horas médio de um mês = 730 h PCi do óleo combustível 1B = 9.505 kcal/kg densidade do óleo 1B = 1,04 kg/L fator de capacidade da UTE = 100% 1 kWh = 860 kcal Estimativa de emissão - 100 kg de óleo 1B produz:  CO 2  (315,0 kg) SO 2  (5,80 kg) NO 2  (1,28 kg)
7.SIMULAÇÃO DE UM UP- GRADE NO SISTEMA DE COGERAÇÃO  Calcule: 1. O volume de óleo combustível 1B que deixou de ser Consumido. Comente. 2. A quantidade de emissões atmosféricas evitadas.  3. A quantidade de calor (em Kcal/mês) que deixou de ser emitida para o meio ambiente.
8.CENÁRIO DE UM UPGRADE  RADICAL  EM COGERAÇÃO  Indústria sucroalcooleira não há expansão da capacidade produtiva elevação significativa da produção de energia elétrica:  de  ~ 12 kWh/TC para  ~ 80 a 100 kWh/TC decréscimo do uso da energia mecânica: acionamento elétrico das moendas aumento do consumo próprio de eletricidade sistema energético com alta eficiência: caldeiras de alta pressão (~65 kgf/cm 2 , 480°C) decréscimo do uso de água: de ~ 600 kg vapor/TC para ~ 400 kg vapor/TC
9.COGERAÇÃO: CONSEQÜÊNCIAS DA OTIMIZAÇÃO ENERGÉTICA DO PROCESSO DE  BENEFICIAMENTO DE CANA DE AÇÚCAR Aumento da energia elétrica excedente. Energia elétrica excedente: disputa espaço com os produtos principais da usina (açúcar e álcool anidro/hidratado). Elevação das sobras de bagaço.
Redução de implantação de novas centrais de geração (hidráulicas, térmicas etc); Redução de implantação de novas redes de transmissão e distribuição e subestações; Aumento da eficiência global do sistema de geração elétrica do país; Decréscimo das perdas técnicas das LT’s e LD’s; Menor consumo de combustível em  UTE’s  integradas Menor consumo de água nos processos industriais e de geração elétrica: resultado da otimização e racionalização energética. Decréscimo do preço da energia elétrica ofertada ao mecado 10.COGERAÇÃO/MEIO AMBIENTE: ENFOQUE GLOBAL SEM ALTERAÇÃO DA QUANTIDADE DE CANA PROCESSADA

Roberto Teixeira Pessine 25 Abril 2008

  • 1.
    COGERAÇÃO IMPACTOS POSITIVOSE ADVERSOS NO MEIO AMBIENTE Instituto de Eletrotécnica e Energia - USP São Paulo, 25 de abril de 2008 Roberto T. Pessine
  • 2.
    ÍNDICE 1. Conceitose definições 2. A industria sucroalcooleira 3. Sistemas de cogeração do setor sucroalcooleiro 4. Sistema de Cogeração/ meio ambiente 5. Projeto conceitual de uma unidade industrial 6. Cenário típico de um up-grade em cogeração 7. Simulações 8. Up-grade radical 9. Cogeração:conseqüências da otimização energética 10.Cogeração/meio ambiente: enfoque global
  • 3.
    1. CONCEITOS EDEFINIÇÕES Conceito termodinâmico – cogeração é a produção de mais de uma forma de energia útil, a partir de um único energético num mesmo processo. Conceito empregado no setor elétrico - Res. ANEEL 235/2006 Art 3º inciso I – Cogeração: processo operado numa instalação específica para fins da produção combinada das utilidades calor e energia mecânica, esta geralmente convertida total ou parcialmente em energia elétrica,a partir da energia disponibilizada por uma fonte primária, .... Definição do Cogeneration Handbook (Califórnia Energy Commission, September 1982) – In broadest terms, cogeneration is the simultaneous production of electrical or mechanical energy and thermal energy. Outras definições – em geral limitadas Observação: a análise de sistemas de cogeração compreende necessariamente o enfoque de duas centrais de potência e sistemas para aproveitamento de calor residual. Nesses processos, em geral, as transformações energéticas enfocam 04 formas de energia: energia elétrica (mais nobre das energias), energia mecânica, calor de processo e refrigeração.
  • 4.
  • 5.
    Comentários sobre asdefinições: cogeração: aplicação direta da 1ª e 2ª leis da termodinâmica conceito de calor empregado como energia útil – a exergia a forte presença da energia elétrica nas definições fronteiras das definições: ciclo combinado a gás natural etc. Implicação das definições que enfatizam a energia elétrica : Definição dos ciclos de operação de cogeração: CICLO TOPPING: Combustível eletricidade calor de processo CICLO BOTTOMING: Combustível calor de processo eletricidade
  • 6.
    caldeira geração elétrica geração mecânica bagaço água de reposição T V T V T V – turbina a vapor DIAGRAMA TÉRMICO – UTE - COGERAÇÂO bomba bomba vapor (P 1 , T 1 , H 1 ) vapor (P, T, H) calor de processo
  • 7.
    2.A INDÚSTRIA SUCROALCOOLEIRAO processo global A unidade industrial Ciclo de vapor: cogeração A evolução tecnológica no tempo: - Processos/equipamentos - O impacto no meio ambiente
  • 8.
    PROCESSO INDUSTRIAL USINACANA CRUA LIMPA (90 A 95 T.C./há) OUTROS RESÍDUOS VINHOTO, TORTA, ETC . SOBRA DE BAGAÇO 20 A 28 kg /T.C. ENERGIA MECÃNICA CALOR DE PROCESSO PROCESSO INDUSTRIAL VAPOR DE ALTA PRESSÃO 1,9 A 2,6 kg VAPOR/kg BAGAÇO T.C. = TONELADA DE CANA LIMPA ENERGIA ELÉTRICA ( 2,4 A 8,8 ) kg BAGAÇO / kWh RETORNO 30 A 50 % DISPONÍVEL (60 A 200)kg /T.C. COLHEITA MECÂNICA INDUSTRIA SUCROALCOOLEIRA SUBPRODUTOS DISPONÍVEIS PARA COGERAÇÃO DE ELETRICIDADE BAGAÇO (200 A 280) kg /T.C. ~ 50% UMIDADE PALHA E PONTA (120 A 280) kg /T.C. ~ 50% UMIDADE
  • 9.
    Panorama de umaUsina de Açúcar
  • 10.
  • 11.
    USINA DE AÇÚCAR- SISTEMA DE MOAGEM
  • 12.
  • 13.
    USINA DE AÇÚCAR- PRODUÇÃO DE AÇÚCAR
  • 14.
    USINA DE AÇÚCAR– PRODUÇÃO DE ÁLCOOL
  • 15.
    USINA DE AÇÚCAR– CICLO DE VAPOR
  • 16.
    COMBUSTÍVEL BAGAÇO DECANA ENERGIA ELÉTRICA kWh CANA DE AÇÚCAR COGERAÇÃO - BAGAÇO DE CANA CALDEIRA A BAGAÇO DE CANA REDE SE ELEVATÓRIA GERADOR TURBINA
  • 17.
    EVOLUÇÃO TECNOLÓGICA DASUSINAS AO LONGO DO TEMPO Resumo da evolução temporal em ordem crescente: 1980 a 1990, 1990 -1995 - 2000, 2000 a 2007. Processo : modernização de equipamentos, métodos (álcool anidro), controle de processo. Cogeração : otimização e racionalização energética – caldeiras, turbinas, interligação com a rede elétrica (paralelismo), tubulações. Informatização.
  • 18.
    EVOLUÇÃO TECNOLÓGICA DASUSINAS AO LONGO DO TEMPO MEIO AMBIENTE Decréscimo da agressão ao meio ambiente ao longo do tempo produtos impactantes: processo: vinhoto,tortas,óleo fúsel, rectisol etc. sistema de cogeração: caldeira: MP, cinzas, CO 2 ,etc. o excesso de bagaço (queima, fermentação na armazenagem, etc.) Consumo de recursos naturais: água, lenha, cal, etc.
  • 19.
    3. Sistemas típicosde cogeração do setor sucroalcooleiro No processo de beneficiamento da cana ,seja para a produção de açúcar ou de álcool, atualmente são empregados três formas de energia, todas obtidas a partir do bagaço de cana: Calor (parâmetro determinante na definição dos equipamentos do sistema de geração elétrica e mecânica); Eletricidade Energia mecânica. Nas unidades mais modernas a energia elétrica tem sido privilegiada em detrimento da mecânica
  • 20.
    DIAGRAMAS PADRÃO DESISTEMAS DE COGERAÇÃO EMPREGADOS PELAS INDÚSTRIAS DO SETOR SUCROALCOOLEIRO DO ESTADO DE SÃO PAULO
  • 21.
    DIAGRAMA PADRÃO DESISTEMA DE COGERAÇÃO EMPREGADO PELAS INDÚSTRIAS DO SETOR SUCROALCOOLEIRO DO ESTADO DE SÃO PAULO BAGAÇO H2O DE REPOSIÇÃO CALDEIRA P=22 kgf/cm 2 GERADOR TURBINA CONTRAPRESSÃO ENERGIA MECÂNICA VALVULA REDUTORA T= 300 O C BOMBA PROCESSO T=140 O C P=1,6 kgf/cm 2 NÚMERO DE UNIDADES INDUSTRIAIS QUE UTILIZAM ESTE ESQUEMA = 128 % DA CANA PROCESSADA NESTE MÉTODO = 87,5 ( dados de 1997) H=720 kcal/kg H=657 kcal/kg T=90°C H=90 kcal/kg
  • 22.
    DIAGRAMA PADRÃO DESISTEMA DE COGERAÇÃO EMPREGADO PELAS INDÚSTRIAS DO SETOR SUCROALCOOLEIRO DO ESTADO DE SÃO PAULO BAGAÇO H2O DE ALIMENTAÇÃO CALDEIRA P = 42 kgf/cm 2 a 46 kgf/cm 2 GERADOR TURBINA CONTRAPRESSÃO T= 400 O C 450 O C BOMBA PROCESSO T=140 O C P=1,6 kgf/cm 2 NÚMERO DE UNIDADES INDUSTRIAIS QUE UTILIZAM ESTE ESQUEMA = 05 % DA CANA PROCESSADA NESTE MÉTODO = 10,5 ( dados de 1997)
  • 23.
    DIAGRAMA PADRÃO DESISTEMA DE COGERAÇÃO EMPREGADO PELAS INDÚSTRIAS DO SETOR SUCROALCOOLEIRO DO ESTADO DE SÃO PAULO BAGAÇO H2O DE ALIMENTAÇÃO CALDEIRA P= 60 kgf/cm 2 GERADOR TURBINA DE CONTRAPRESSÃO T= 460 O C BOMBA PROCESSO T=300 O C P=18 kgf/cm 2 NÚMERO DE UNIDADES INDUSTRIAIS QUE UTILIZAM ESTE ESQUEMA = 01 % DA CANA PROCESSADA NESTE MÉTODO = 1,1 ( dados de 1997) TURBINA DE CONTRAPRESSÃO LINHA DE VAPOR GERADOR P=1,6 kgf/cm 2 T=140 O C H=794 kcal/kg H=657 kcal/kg T=110°C H=111 kcal/kg H=722 kcal/kg
  • 24.
    4 . SISTEMADE COGERAÇÃO/ MEIO AMBIENTE a) Usina de açúcar Produtos : açúcar (principal) eletricidade (secundário) melaço (secundário) bagaço (eventualmente secundário) Setores da indústria que provocam alterações no meio ambiente: Caldeiras – MP, gases (CO 2 , CO, NOx, etc.), cinzas, calor Armazenagem do bagaço – bagacilho em suspensão Processo – produtos típicos impactantes da produção de açúcar Perdas de água – válvula de alívio, lagoa de refrigeração, etc.
  • 25.
    4.SISTEMA DE COGERAÇÃO/MEIO AMBIENTE continuação b) Usina de açúcar com destilaria anexa Produtos : açúcar e álcool anidro e/ou hidratado (principal) eletricidade (secundário) fermento (secundário) bagaço (eventualmente secundário) Setores da indústria que provocam alterações no meio ambiente: Caldeiras – MP, gases(CO 2 , CO, NO x etc.), cinzas, calor. Armazenagem do bagaço – bagacilho em suspensão Processo – produtos típicos impactantes do setor de produção de açúcar e do setor de produção de álcool Perdas de água – válvula de alívio, lagoa de refrigeração, etc.
  • 26.
    4.SISTEMA DE COGERAÇÃO/MEIO AMBIENTE continuação c) Destilaria autônoma Produtos : álcool anidro e/ou hidratado (principal) eletricidade (secundário) fermento (secundário) bagaço (eventualmente secundário) Setores da indústria que provocam alterações no meio ambiente: Caldeiras – MP, gases(CO 2 , CO, NO x , etc.), cinzas, calor Armazenagem do bagaço – bagacilho em suspensão Processo – produtos típicos impactantes da produção de álcool Perdas de água – válvula de alívio, lagoa de refrigeração, etc.
  • 27.
    4.SISTEMA DE COGERAÇÃO/MEIO AMBIENTE continuação Cogeração: eletricidade, energia mecânica, calor Sub-sistemas componentes da cogeração: Armazenagem de combustível (bagaço) Caldeira – geração de vapor (ciclo Rankine) Turbinas a vapor (contrapressão / condensação) Geradores elétricos Sistema de interligação com a rede externa
  • 28.
  • 29.
    Depósito de bagaçode cana de açúcar
  • 30.
  • 31.
  • 32.
  • 33.
    Depósito de Bagaço Turbina - gerador Sala de controle
  • 34.
  • 35.
    5. PROJETO CONCEITUALDE UMA UNIDADE INDUSTRIAL SETOR SUCROALCOOLEIRO Definição da capacidade de produção da indústria: cana de açúcar a ser processada Equipamentos de processo (moendas e/ou difusores, dornas, evaporadores, equip. de destilação etc) Necessidade de água para o processo Necessidades energéticas: calor para processo – vapor (determinante) energia elétrica (participação temporal crescente) energia mecânica (participação temporal decrescente)
  • 36.
    5.PROJETO CONCEITUAL DEUMA UNIDADE INDUSTRIAL SETOR SUCROALCOOLEIRO 1.Caldeira : vapor gerado deve atender a demanda de calor de processo – vapor levemente superaquecido Pressão = 1,5 a 2,5 kgf/cm 2 , Temperatura = 140 a 160 °C Consumo de vapor = 350 a 600 kg vapor/TC 2.Eficiência energética do processo industrial global determina o consumo de vapor de água 3.Caldeiras tecnologicamente avançadas: maior pressão e temperatura ( P ~ 65 kgf/cm 2 , T~ 480 °C) maior eficiência energética (  88%) melhor controle operacional maior confiabilidade e estabilidade (fator de capacidade  95%) menor interferência no meio ambiente Definição do porte do sistema de cogeração
  • 37.
    6.CENÁRIO TÍPICO DEUM UPGRADE EM COGERAÇÃO Indústria sucroalcooleira Não há alteração quantidade de cana moída; área de cultivo da cana no porte dos equipamentos do processo industrial (moendas, dornas,torres destilação e outros.) quantidades de produtos produzidos (álcool, açúcar) Pode haver mudanças significativas: na eficiência do uso de calor de processo: dornas fechadas, tubulações isoladas, sistema de recuperação do calor mais eficiente etc.; no consumo de vapor de água ( 380kg/TC a 650kg/TC) Na reposição de água (ciclo de vapor : 5% a 20%; processo industrial: 1,0 m3/TC a 10,0 m3/TC )
  • 38.
    6.CENÁRIO TÍPICO DEUPGRADE EM COGERAÇÃO Indústria sucroalcooleira Há alteração significativa sistema de geração de vapor – caldeiras eficiência: de ~ 70% para ~ 90% pressões: de 21kgf/cm 2 para ~ 65 a 80 kgf/cm 2 temperatura: de ~ 300°C para ~ 460°C a 520°C consumo específico de bagaço (kg bagaço / kg vapor) – função do projeto da caldeira decréscimo do consumo de bagaço (kg bagaço/TC) Elevação do fator de capacidade: de 75% para 95% turbinas a vapor (contra pressão ou condensação) geradores – elevação da geração de eletricidade diagrama unifilar, interligação com a rede/paralelismo
  • 39.
  • 40.
  • 41.
    7.SIMULAÇÃO DE UMUP-GRADE NO SISTEMA DE COGERAÇÃO Considere um up grade numa usina de açúcar e álcool no qual ocorre uma otimização energética, incluindo a substituição de uma caldeira. Consumo de vapor da usina: Antes do up grade (com a caldeira velha) = 600 kg/TC Após o up grade (com a caldeira nova) = 420 kg/TC Características da caldeira velha: Pressão = 22 kgf/cm 2 ; temperatura = 300°C; eficiência = 72% Consumo específico = 2 kg vapor / kg bagaço Características da caldeira nova: Pressão = 80 kgf/cm 2 ; temperatura = 500°C; eficiência = 88% Consumo específico = 2,8 kg vapor / kg bagaço Estime a quantidade de combustível (kg de bagaço/TC) a ser usada pela Usina em ambos os casos.
  • 42.
    7.SIMULAÇÃO DE UMUP-GRADE NO SISTEMA DE COGERAÇÃO Geração elétrica evitada pela cogeração do setor sucroalcooleiro no Estado de SP Período seco do sudeste (maio a novembro = 210 dias.) Potência elétrica evitada ~ 2000 MWe (ponta e fora de ponta) Considere uma UTE funcionando nas condições abaixo: eficiência da central: η = 35% nº de horas médio de um mês = 730 h PCi do óleo combustível 1B = 9.505 kcal/kg densidade do óleo 1B = 1,04 kg/L fator de capacidade da UTE = 100% 1 kWh = 860 kcal Estimativa de emissão - 100 kg de óleo 1B produz: CO 2 (315,0 kg) SO 2 (5,80 kg) NO 2 (1,28 kg)
  • 43.
    7.SIMULAÇÃO DE UMUP- GRADE NO SISTEMA DE COGERAÇÃO Calcule: 1. O volume de óleo combustível 1B que deixou de ser Consumido. Comente. 2. A quantidade de emissões atmosféricas evitadas. 3. A quantidade de calor (em Kcal/mês) que deixou de ser emitida para o meio ambiente.
  • 44.
    8.CENÁRIO DE UMUPGRADE RADICAL EM COGERAÇÃO Indústria sucroalcooleira não há expansão da capacidade produtiva elevação significativa da produção de energia elétrica: de ~ 12 kWh/TC para ~ 80 a 100 kWh/TC decréscimo do uso da energia mecânica: acionamento elétrico das moendas aumento do consumo próprio de eletricidade sistema energético com alta eficiência: caldeiras de alta pressão (~65 kgf/cm 2 , 480°C) decréscimo do uso de água: de ~ 600 kg vapor/TC para ~ 400 kg vapor/TC
  • 45.
    9.COGERAÇÃO: CONSEQÜÊNCIAS DAOTIMIZAÇÃO ENERGÉTICA DO PROCESSO DE BENEFICIAMENTO DE CANA DE AÇÚCAR Aumento da energia elétrica excedente. Energia elétrica excedente: disputa espaço com os produtos principais da usina (açúcar e álcool anidro/hidratado). Elevação das sobras de bagaço.
  • 46.
    Redução de implantaçãode novas centrais de geração (hidráulicas, térmicas etc); Redução de implantação de novas redes de transmissão e distribuição e subestações; Aumento da eficiência global do sistema de geração elétrica do país; Decréscimo das perdas técnicas das LT’s e LD’s; Menor consumo de combustível em UTE’s integradas Menor consumo de água nos processos industriais e de geração elétrica: resultado da otimização e racionalização energética. Decréscimo do preço da energia elétrica ofertada ao mecado 10.COGERAÇÃO/MEIO AMBIENTE: ENFOQUE GLOBAL SEM ALTERAÇÃO DA QUANTIDADE DE CANA PROCESSADA