Materiais e Sistemas Construtivos



Instalações Elétricas e de Telefonia

Instalações de SPDA


Materiais e Sistemas Construtivos



INSTALAÇÕES ELÉTRICAS E DE TELEFONIA
Instalações Elétricas

Os projetos de instalações elétricas iniciam com o levantamento das necessidades que
deverão ser atendidas em função do uso de cada espaço do edifício.

O projeto elétrico precisa contar com as informações fornecidas do projeto arquitetônico, tais
como: dimensionamento dos ambientes, layout, luminotécnica e informações sobre os
equipamentos que serão instalados.

As instalações prediais de elétrica têm como finalidade fornecer energia para pontos de
luz e força, de forma segura e eficiente.

O projeto de instalações elétricas pode contemplar ainda as instalações de telefonia, dados,
antena e sonorização, caso sejam instalações simplificadas. Para instalações complexas, é
necessário desenvolver projetos separados que serão compatibilizados antes no início das
obras.



Terminologia

Watt (W) = designa a potência, ou seja, o consumo de energia. Se uma lâmpada é de 100W,
ela consume 100W de energia.

kilowatt (kW) = múltiplo do Watt (x 1.000).

kilowatt/h (kWh) = refere-se ao consumo de energia (quilowatts consumidos por hora).
Unidade de medida usada nas contas de consumo de energia.

Volt (V) = unidade que mede a tensão de uma ligação elétrica. AS cidades brasileiras usam
110V e 220V de tensão para fiação aérea.

Ampère (A) = unidade de medida que determina a quantidade de corrente elétrica.

V x A = W (a voltagem multiplicada pela amperagem é igual à potência).




UniFIAM-FAAM 2011                                                                      1
Materiais e Sistemas Construtivos


Conceitos




Fios e Cabos

São feitos de cobre, com diversas qualidades, e tem a função de ser o condutor da energia.

Sua bitola deve ser dimensionada e suas especificações verificadas.




UniFIAM-FAAM 2011                                                                   2
Materiais e Sistemas Construtivos


Os fios e cabos são encontrados nas
mais diversas cores, entretanto, há
norma específica para a identificação
dos mesmos através das cores:

-      Fase 1 = branco;

-      Fase 2 = vermelho;

-      Fase 3 = preto;

-      Neutro = azul;

-      Terra = verde.



                                      Conduítes ou Eletrodutos

                                      Responsáveis pelo trajeto dos fios e dos cabos são
                                      encontrados em duas versões: rígidos e flexíveis.

                                      Sendo os flexíveis mais usados.

                                      O ideal é que sigam caminhos retos ou que façam curvas
                                      abertas para facilitar a passagem dos cabos.

                                      Os eletrodutos assim como as caixas de passagem
                                      devem ser posicionados nas formas antes da
                                      concretagem das peças estruturais.




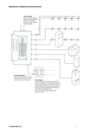
Quadro de Força e Luz

O quadro de entrada ou o de distribuição deve organizar os circuitos dividindo as cargas das
tomadas e dos pontos de luz e deve ter disjuntores compatíveis com a capacidade de carga
instalada.

Deve ser de material incombustível e ter proteção do barramento e dispositivo de corrente
diferencial ou residual (DR).

O uso do DR protege as instalações detectando fugas de corrente e desarma o disjuntor ligado
ao aparelho onde está ocorrendo o problema.


UniFIAM-FAAM 2011                                                                         3
Materiais e Sistemas Construtivos




UniFIAM-FAAM 2011                   4
Materiais e Sistemas Construtivos




UniFIAM-FAAM 2011                   5
Materiais e Sistemas Construtivos




UniFIAM-FAAM 2011                   6
Materiais e Sistemas Construtivos



INSTALAÇÕES DE SPDA
Sistema de Proteção Contra Descargas Atmosféricas – Pára Raios

A instalação de um sistema de proteção contra descargas atmosféricas tem duas funções:

   -    Neutralizar, pelo poder de atração das pontas, o crescimento do gradiente potencial
       elétrico entre o solo e as nuvens, através do permanente escoamento de cargas
       elétricas do meio ambiente para a terra.

   -    Oferecer à descarga elétrica que for cair em suas proximidades um caminho
       preferencial, reduzindo os riscos de sua incidência sobre as estruturas.

   -   A instalação de um sistema de proteção contra descargas atmosféricas não impede a
       ocorrências de raios. Nem tão pouco atrai raios. É preferível não ter pára-raio algum do
       que ter um mal instalado. Um pára-raio corretamente instalado reduz significativamente
       os perigos e os riscos de danos, pois captará os raios que iriam cair nas proximidades
       de sua instalação.



Densidade de Raios

Densidade de raios é a quantidade de raios que caem por ano em 1 km2 de área.



Níveis de Proteção e Eficiência de Proteção

O nível de proteção não está relacionado com a probabilidade de queda do raio na edificação,
mas com a eficiência que o sistema tem de captar e conduzir o raio à terra. Há quatro níveis
de proteção que o projetista pode adotar, conforme tabela:




UniFIAM-FAAM 2011                                                                     7
Materiais e Sistemas Construtivos


Classificação das Edificações e Níveis de Proteção

De acordo com os efeitos e danos causados pelos raios, as estruturas podem ser classificadas
em:




UniFIAM-FAAM 2011                                                                  8

Materiais e sistemas construtivos 03

  • 1.
    Materiais e SistemasConstrutivos Instalações Elétricas e de Telefonia Instalações de SPDA Materiais e Sistemas Construtivos INSTALAÇÕES ELÉTRICAS E DE TELEFONIA Instalações Elétricas Os projetos de instalações elétricas iniciam com o levantamento das necessidades que deverão ser atendidas em função do uso de cada espaço do edifício. O projeto elétrico precisa contar com as informações fornecidas do projeto arquitetônico, tais como: dimensionamento dos ambientes, layout, luminotécnica e informações sobre os equipamentos que serão instalados. As instalações prediais de elétrica têm como finalidade fornecer energia para pontos de luz e força, de forma segura e eficiente. O projeto de instalações elétricas pode contemplar ainda as instalações de telefonia, dados, antena e sonorização, caso sejam instalações simplificadas. Para instalações complexas, é necessário desenvolver projetos separados que serão compatibilizados antes no início das obras. Terminologia Watt (W) = designa a potência, ou seja, o consumo de energia. Se uma lâmpada é de 100W, ela consume 100W de energia. kilowatt (kW) = múltiplo do Watt (x 1.000). kilowatt/h (kWh) = refere-se ao consumo de energia (quilowatts consumidos por hora). Unidade de medida usada nas contas de consumo de energia. Volt (V) = unidade que mede a tensão de uma ligação elétrica. AS cidades brasileiras usam 110V e 220V de tensão para fiação aérea. Ampère (A) = unidade de medida que determina a quantidade de corrente elétrica. V x A = W (a voltagem multiplicada pela amperagem é igual à potência). UniFIAM-FAAM 2011 1
  • 2.
    Materiais e SistemasConstrutivos Conceitos Fios e Cabos São feitos de cobre, com diversas qualidades, e tem a função de ser o condutor da energia. Sua bitola deve ser dimensionada e suas especificações verificadas. UniFIAM-FAAM 2011 2
  • 3.
    Materiais e SistemasConstrutivos Os fios e cabos são encontrados nas mais diversas cores, entretanto, há norma específica para a identificação dos mesmos através das cores: - Fase 1 = branco; - Fase 2 = vermelho; - Fase 3 = preto; - Neutro = azul; - Terra = verde. Conduítes ou Eletrodutos Responsáveis pelo trajeto dos fios e dos cabos são encontrados em duas versões: rígidos e flexíveis. Sendo os flexíveis mais usados. O ideal é que sigam caminhos retos ou que façam curvas abertas para facilitar a passagem dos cabos. Os eletrodutos assim como as caixas de passagem devem ser posicionados nas formas antes da concretagem das peças estruturais. Quadro de Força e Luz O quadro de entrada ou o de distribuição deve organizar os circuitos dividindo as cargas das tomadas e dos pontos de luz e deve ter disjuntores compatíveis com a capacidade de carga instalada. Deve ser de material incombustível e ter proteção do barramento e dispositivo de corrente diferencial ou residual (DR). O uso do DR protege as instalações detectando fugas de corrente e desarma o disjuntor ligado ao aparelho onde está ocorrendo o problema. UniFIAM-FAAM 2011 3
  • 4.
    Materiais e SistemasConstrutivos UniFIAM-FAAM 2011 4
  • 5.
    Materiais e SistemasConstrutivos UniFIAM-FAAM 2011 5
  • 6.
    Materiais e SistemasConstrutivos UniFIAM-FAAM 2011 6
  • 7.
    Materiais e SistemasConstrutivos INSTALAÇÕES DE SPDA Sistema de Proteção Contra Descargas Atmosféricas – Pára Raios A instalação de um sistema de proteção contra descargas atmosféricas tem duas funções: - Neutralizar, pelo poder de atração das pontas, o crescimento do gradiente potencial elétrico entre o solo e as nuvens, através do permanente escoamento de cargas elétricas do meio ambiente para a terra. - Oferecer à descarga elétrica que for cair em suas proximidades um caminho preferencial, reduzindo os riscos de sua incidência sobre as estruturas. - A instalação de um sistema de proteção contra descargas atmosféricas não impede a ocorrências de raios. Nem tão pouco atrai raios. É preferível não ter pára-raio algum do que ter um mal instalado. Um pára-raio corretamente instalado reduz significativamente os perigos e os riscos de danos, pois captará os raios que iriam cair nas proximidades de sua instalação. Densidade de Raios Densidade de raios é a quantidade de raios que caem por ano em 1 km2 de área. Níveis de Proteção e Eficiência de Proteção O nível de proteção não está relacionado com a probabilidade de queda do raio na edificação, mas com a eficiência que o sistema tem de captar e conduzir o raio à terra. Há quatro níveis de proteção que o projetista pode adotar, conforme tabela: UniFIAM-FAAM 2011 7
  • 8.
    Materiais e SistemasConstrutivos Classificação das Edificações e Níveis de Proteção De acordo com os efeitos e danos causados pelos raios, as estruturas podem ser classificadas em: UniFIAM-FAAM 2011 8