Intelligent Schematic
Input System
Manual Português
Issue 6.0 - November 2002
© Labcenter Electronics
MENU DE ICONES
ARQUIVO DE COMANDO DE IMPRESSÃO
Novo Abrir Salvar Imprimir Área de Seção de Seção de
Impressão Importação Exportação
COMANDOS DE EXPOSIÇÃO
Refazer Grade Origem Cursor Bandeja Aumentar Diminuir Visualizar Lupa
PRINCIPAIS COMANDOS
Componente Ponto de Etiqueta Certificado Barra de Circuito Edição
Junção Transporte Secundário
ICONES DO DISPOSITIVO
Terminais Pino Gráfico Fita Adesiva Gerador Ponta de Ponta de Multímetro
Dispositivo Prova Voltagem Prova Corrente
GRÁFICOS 2D
Linha Caixa Circulo Arco Trajeto 2D Texto Símbolo Marcador
2
FERRAMENTAS DOPROJETO
Tempo Real Snap Fio Roteador Busca Pesquisa Propriedade de Ferramentas
Nova Folha Deletar Folha Anterior Desfazer Ação Impossível Desfazer
Valor do Material Verificação Elétrica das Trilhas Lista Líquida Ares
EDIÇÃO DE COMANDOS
Estes afetam todos os objetos atualmente etiquetados.
Cópia Bloco Movimenta Deletar Bloco Girar o Bloco Seleção Dispositivo Fazer o Dispositivo Decompor
Bloco Símbolo
Pacote de Ferramentas Undo Redo Recortar Cópia Pasta
ESPELHO E GIRAR ICONES
Girar no Sentido Horário Girar Anti-Horário Linha central de X linha central da aleta Y
3
Este documento é um tutorial, isto é, deve ser exercitado e não apenas lido, este documento foi planejado
passo a passo para deixá-lo apto a operar seu fotolite em toda sua plenitude num tempo de
aproximadamente 2 horas.
O presente software que você esta prestes a dominar, trata-se do programa mais potente e assim mesmo
muito fácil de se usar.
O presente software é um poderoso roteador automático e gerador de fotolito de alta precisão para ser
usado no processo fotográfico de transferência.
As operações para confecção de uma placa de circuito impresso, são as seguintes:
CCRRIIAARR CCOONNTTOORRNNOO DDAA PPLLAACCAA..
CCOOLLOOCCAAÇÇÃÃOO DDEE CCOOMMPPOONNEENNTTEESS..
MMAARRCCAANNDDOO LLIIGGAAÇÇÕÕEESS.. ((NNEETT LLIISSTT IINNSSTTAANNTTÂÂNNEEAA))
IINNVVOOCCAANNDDOO OO RROOTTEEAADDOORR AAUUTTOOMMÁÁTTIICCOO..
PPOOSSSSÍÍVVEELL RROOTTEEAAMMEENNTTOO ((EEDDIIÇÇÃÃOO MMAANNUUAALL))..
RROOTTEEAAMMEENNTTOO AAUUTTOOMMÁÁTTIICCOO
O roteador inteligente do seu fotolite, mesmo roteando em uma só face, o que é muito difícil de fazer,
pode chegar a níveis de 80 por cento de execução, o restante pode ser feito por roteamento manual, ou
melhorando o posicionamento dos componentes, de qualquer forma, estude bem a parte de edição
manual para poder interferir no roteamento feito pelo computador.
.
Placa
Roteada
Ligações
Uma das coisas mais estafantes de ser fazer é rotear manualmente uma placa, além de ser cansativo, o
aspecto do traçado pode não ser profissional. Felizmente no fotolite você não terá esse trabalho, pois o
fotolite tem um roteador on board que faz do roteamento automático algo bem simples.
Olhando a figura acima temos componentes marcados com ligações para serem roteadas
automaticamente, após a placa roteada, você verá o aspecto profissional das trilhas.
4
FFAAZZEENNDDOO OO CCOONNTTOORRNNOO DDAA PPLLAACCAA
Antes de fazermos o contorno da placa, escolha o sistema métrico, clicando no menu display, em
seguida, na opção metric.
O fotolite tem uma camada especial chamada de board edge. Esta camada é utilizada para registrar as
dimensões da placa.
Temos que adicionar a camada (layer = camada) board edge para fazermos o contorno da placa.
Selecione o ícone GRAPHICS MODE (segundo ícone da segunda fileira) e em seguida o ícone BOX
(segundo ícone da primeira fileira)
Selecione o ícone GRAPHICS MODE (terceiro ícone da terceira fileira) e em seguida,
5
O ícone BOX (segundo ícone da primeira fileira).
Box (quadrado)
Graphics Mode
6
pertando o lado direito do mouse e mantendo-o
reita
bou de desenhar um quadrado de 5x5 cm.
distanciarmos ou aproximarmos a imagem sendo
ocê já pode notar que a nossa placa ocupa a tela toda e que ela está cheia de pontos eqüidistantes,
s
a o programa registra as
Colocando o mouse sobre a marca de origem, e a
apertado, arraste para cima, até as coordenadas (0,50,000), em seguida arraste o mouse para a di
até as coordenadas (050,050) e finalmente para baixo até as coordenadas (000,050) libere o botão do
mouse.
Você aca
O comando zoom, teclas de F5 até F12, servem para
que a tecla F12 faz a placa ocupar a tela inteira. Clique F12.
V
esses pontos se chamam Grid visual, eles nos facilitam o traçado e o alinhamento do nosso desenho.
Escolha a tecla F3 para uma grade de 1 em 1 mm. Os valores das grades estão armazenados nas tecla
F1, F2, F3 e F4 e podem ser alterados pelo comando SYSTEM SET UP GRID.
O FOTOLITE tem uma camada especial chamada BOARD EDGE, nesta camad
dimensões da placa para orientar o roteador.
CCOOLLOOCCAANNDDOO CCOOMMPPOONNEENNTTEESS
ntes de começar a colocar os componentes, devemos mudar o layer de trabalho para TOP COPPER.
ione TOP
Fotolite tem vários componentes arquivados em Bibliotecas (LIBRARIES), com o comando para
A
Clique no selecionador de camadas no canto inferior esquerdo e escolha TOP COPPER.
Novamente o quadro de mudança de layer de trabalho está na tela, usando as setas selec
COPPER, e Tecle ENTER.
O
colocar componentes acessaremos tais componentes e os colocaremos na placa.
CCCOOLLOOCCAAÇÇÃÃOO DDEE CCOOMMPPOONNEENNTTEESSOOLLOOCCAAÇÇÃÃOO DDEE CCOOMMPPOONNEENNTTEESS
lique no ícone PLACEMENT E ROUTING MODE (o segundo ícone da primeira fileira) Em seguida,
lique sobre o botão da letra P (Placement) colocação
C
clique em EDITING PACKAGE PLACEMENT (colocação, invólucro e edição) como mostra o
desenho acima.
C
parecerá uma relação de componentes, escolha DIL8 e clique duas vezes, pois vamos colocar um
d, res40, olhe o desenho
A
circuito integrado e 8 pinos, cujo código dentro da lista de componentes é DIL8.
Usando o comando de colocação de componente escolha Dip8, cap20, cap40, le
da placa e coloque os seguintes componentes como se encontram na placa no desenho abaixo.
Colocação de componentes
Componentes
suasColocados com
respectivas ligações
Botão da letra P
7
8
GGIIRRAANNDDOO CCOOMMPPOONNEENNTTEESS
Antes de prosseguir à marcar as ligações, vamos exercitar alguns comandos importantes.
Ao escolher um componente para colocação você poderá observá-lo na janela panorâmica de Inspeção
no canto superior direito da tela.
Colocação de componentes
Girar componentes
Note: que a cada clique com o mouse na ferramenta de girar componente teremos um giro de noventa
graus no componente antes de colocá-lo na placa.
GGIIRRAANNDDOO UUMM CCOOMMPPOONNEENNTTEE JJÁÁ CCOOLLOOCCAADDOO..
Podemos a qualquer momento girar qualquer componente, basta selecioná-lo com o lado.
Direito do mouse, notaremos que uma vez selecionado o componente torna-se em
Destaque, em seguida, clica quantas vezes forem necessárias na ferramenta de girar.
Componentes. Note que o ícone de colocação de componentes tem que estar ativado, pois estamos
manipulando estritamente componentes.
MOVER COMPONENTES
Ative o ícone de colocação de componentes, selecione o componente com o lado direito do mouse, em
seguida, aperte o lado esquerdo do mouse e segure, arraste o componente para o ponto desejado.
Exercite bem esse comando.
AAPPAAGGAANNDDOO UUMM CCOOMMPPOONNEENNTTEE
Ative o ícone colocação de componentes. Selecione o componente com o lado direito do mouse, clique
novamente com lado direito do mouse (total de dois cliques no lado direito) e o componente
desaparecerá.
9
FFAAZZEENNDDOO AA AANNOOTTAAÇÇÃÃOO
Para anotar num componente sua referência e seu valor, fazemos uma anotação, por exemplo, R1, R2,
C2, U1, Etc.. Para anotar usamos a ferramenta abaixo:
Ferramenta de anotação
Clique na ferramenta de anotação, e o quadro abaixo aparecerá:
Identificação do componente
valor
Envólucro
Face, Camada.
No campo parte Id coloque a referência, por exemplo, CI1, R1, etc., coloque o valor no campo valor.
Clique OK.
Podemos dizer ao programa o que queremos que seja, mostrados na máscara de componentes, valores e
referência, somente valores ou somente referência, podemos.
Também escolher a altura e a largura das letras da anotação.
Para tal clique no menu SYSTEM/SET TEMPLATE e ative os elementos que você deseja
Estude o quadro abaixo.
MMOOVVEENNDDOO UUMMAA AANNOOTTAAÇÇÃÃOO
Podemos mover uma anotação para qualquer ponto do display, para tal basta selecionar a Anotação com
o lado direito do mouse o move-la clicando com o lado esquerdo do mouse mantendo-o apertado,
arrastando-o (clicar e segura-lo apertado) até o ponto desejado, para completar liberamos o botão
esquerdo do mouse.
CCRRIIAAÇÇÃÃOO DDEE CCOOMMPPOONNEENNTTEESS
A criação de componentes no fotolite é incrivelmente simples.
Vamos criar um resistor para ser colocado em pé na placa, com a distância de um terminal a outro de 5
mm, os terminais serão quadrados e medirão 2 mm cada lado, seria algo como abaixo:
Ilhas do Componente
Ilhas Com Silk do Componente
10
Primeiro vamos limpar a tela. Escolhemos o sistema métrico de grade para medirmos a distância das
ilhas. Escolha o menu Display a opção metric. E depois escolhemos a grade de 1 mm que está
armazenada em F3 aproxime com o zoom máximo, tecla F5.
Com o comando de colocação de ilhas (PADS) coloque duas ilhas quadradas de 2.00 mm
à uma distância de 5mm cada, como estamos usando a grade (GRID) F3 que é 1mm cada ponto na tela
está a uma distância de 1mm um do outro , devemos colocar as ilhas a cinco pontos uma da outra de
centro a centro.Uma vez colocada as ilhas como mostra acima ,Vamos desenhar o silk (máscara de
componentes) ,escolha na barra de ferramentas a Ferramenta de GRAPHICS MODE (modo gráfico)
linha
Graphic mode geométricos
Em seguida, escolha linha na barra de ferramenta escolha o gride 0.5mm que está armazenado na tecla
F2 para desenhar com mais precisão o desenhe do silk (máscara de Componentes) como abaixo.
Ilhas do componente
Ilhas com o silk do componente
Vamos agora colocar o desenho na biblioteca, trace um quadrado selecionador com o Lado direito do
mouse escolha, EDIT PACKAGE. No campo NEW PACKAGE NAME digite RESP 5 mm (resistor em pé 5
mm) e clique OK. A partir deste momento o componente estará à disposição da biblioteca.
CCOOLLOOCCAANNDDOO TTEEXXTTOO
Podemos colocar texto em nosso layout, para isso basta ativar a ferramenta GRAPHICS MODO.
texto
Graphics
mode
11
Em seguida ativa o texto. E clicar com o mouse em qualquer ponto da placa que queremos colocar o
texto. O quadro abaixo aparecerá.
MMAARRCCAANNDDOO LLIIGGAAÇÇÕÕEESS
Na barra de ferramentas existe uma ferramenta própria para marcar as ligações mostradas no desenho
abaixo.
FFeerrrraammeennttaa ppaarraa mmaarrccaarr
LLiiggaaççõõeess
Basta clicar essa ferramenta com o lado esquerdo do mouse para cada ponto a ser ligado. Usando essas
instruções marque todas as ligações do desenho placa abaixo,
Você notará que para fazer as marcações será bem rápido
Usando estas instruções marque todas as ligações do desenho da placa acima
Depois de marcadas as ligações vamos rotear automaticamente a placa.
EESSCCOOLLHHEENNDDOO AA LLAARRGGUURRAA DDAA TTRRIILLHHAA EE OO NNÚÚMMEERROO DDEE FFAACCEESS AA SSEERREEMM RROOTTEEAADDAASS..
Vamos escolher uma largura de trilha de 0.40 mm e vamos forçar o programa a rotear tudo numa única
face.
Normalmente os roteadores fazem trilhas verticais e horizontais. Podemos colocar as trilhas horizontais
em uma camada (face) e as trilhas verticais em outra. Como vamos rotear em uma só face, vamos
programar as estratégias (strategies) para rotear tanto trilhas verticais quando trilhas horizontais na
camada superior (top copper), portanto no campo vert selecione com o mouse TOP COPPER.
Para acessar EDIT strategies, clicando no menu Edit e em seguida em Set strategies.
ESCOLHENDO A LARGURA DA TRILHA
Queremos uma largura de trilha (trace style) de 0.40 mm No campo trace sytle escolha0. 40 mm abaixo
temos o quadro EDIT STRATEGIES.
12
Em seguida escolha com o mouse o meu TOOLS (ferramentas) AUTO ROUTER (auto roteador) O quadro
auto router aparecerá no campo grid 25, e sua placa será roteada. Siga
aa sseelleeççããoo ccoonnffoorrmmee oo mmooddeelloo aaoo llaaddoo.. Antes de prosseguir estude as modificações em trilhas com muita
atenção apresentadas mais abaixo, pois tais modificações poderão ser necessárias.
SSAALLVVAANNDDOO SSEEUU TTRRAABBAALLHHOO
A atual cópia que você possui do seu FOTOLITE é chamada de NC, isto é Não Comercial, por isso que
você tem acesso a todo potencial do programa a baixo custo.
Seu FOTOLITE NC Não tem limites, isto quer dizer que você pode ter qualquer número de pinos que o
seu Programa funcionará bem, mas temos uma Restrição na Versão NC ele só poderá salvar sua placa,
na fase de ligação, o que não é nenhum inconveniente uma vez que o roteamento se dá em segundos.
Mas se você quiser sua verão sem esta restrição entre contato com a TTEECCNNOO TTRRAACCEE e obtenha um
registro especial da versão plena por US$ 45,00
13
14
SSAALLVVAANNDDOO SSEEUU TTRRAABBAALLHHOO
Salvando seu trabalho, ative no menu FILE(arquivo)/SAVE , o quadro de salvamento aparecerá e você
poderá escolher um nome para salvar seu trabalho.
SSAALLVVAANNDDOO SSEEUU TTRRAABBAALLHHOO CCOOMMOO
As vezes temos que ter variantes de um projeto para fabricação, por exemplo um projeto com vários tipos
de reles , pois a cada época temos mais ou menos facilidades em obter certos modelos de reles .Neste
caso podemos modificar nosso projeto usando outro relê e salvar o projeto com outro nome , podemos ter
tantas variantes do projeto quantas necessárias .
Basta escolher o menu FILE /SAVE AS (salvar como e dar outro nome para o projeto que teremos uma
cópia do projeto modificado e o original ficará intacto).
Preenchimento de áreas
livres
A vantagem de se preencher as áreas livres, do ponto de vista estético, é que a placa.
Ganha mais solidez, do ponto de vista prático, economizamos tinta de impressora ao imprimimos em
negativo e economizamos percloreto de ferro ao corroer a placa final, e velocidade na corrosão, mas o
mais importante é o ponto de vista eletrônico.
Clique na ferramenta de preenchimento, em seguida, leve o mouse para a área que queremos preencher,
aperte o lado esquerdo do mouse e segure, à medida que deslizamos.
O mouse ele formará um quadrado de preenchimento e ao liberarmos o mouse este quadrado se
preencherá
Placa sem
preencher Placa
preenchida
IIMMPPRRIIMMIINNDDOO
O seu FOTOLITE apesar de ser uma versão n.c pode imprimir todas as artes para execução de uma
montagem e fabricação industrial isto é.
Impressão do layout impressão da máscara de componente Impressão da máscara de solda para
soldagem em cadinho, ou fluxo de solda.
IIMMPPRREESSSSÃÃOO DDOO LLAAYY OOUUTT..
Escolha MENU/PRINT no campo MODE escolha ARTWORK e ative o TOP COPPER ,face superior ou
BOTTOM COPPER(face inferior)
Cada camada deve ser acionada de uma só vez, com exceção ao campo Board que pode estar acionado,
o tempo todo, pôr se tratar do contorno da placa.
IIMMPPRREESSSSÃÃOO DDAA MMÁÁSSCCAARRAA DDEE SSOOLLDDAA
No campo MODE dos quadros de impressão, selecione SOLDER RESIST (máscara de solda), e as
camadas TOP RESIST OU BOTTOM RESIST (FACE INFERIOR OU SUPERIOR).
Cada camada deve ser acionada de uma só vez, com exceção ao campo board que pode. Estar
acionado, o tempo todo, por se tratar do contorno da placa.
15
16
TRILHAS - MUDANDO LARGURA DE TRILHAS
Podemos a qualquer ponto de nosso roteamento mudar a largura de uma trilha.
Colocação de trilhas
selecione a trilha.
MMUUDDAANNDDOO UUMMAA TTRRIILLHHAA OOUU SSEEGGMMEENNTTOO DDEE TTRRIILLHHAA
Ao lidarmos com trilhas teremos sempre que Ter o ícone de colocação de trilhas ativado.
Ao ativarmos a ferramenta de colocação de trilhas teremos uma lista com todas as larguras
De trilhas no lado direito da tela.
Escolha a largura de trilha que você quer usando o mouse, em seguida selecione a trilha.
Com o lado direito do mouse, em seguida o programa apresentará um quadro pedindo confirmação de
mudança de largura, clique ok que a mudança se efetivará.
MMUUDDAANNDDOO UUMM SSEEGGMMEENNTTOO DDEE TTRRIILLHHAA
Ative a ferramenta de colocação de trilha, clique com o lado direito do mouse para selecionar a trilha que
você deseja, coloque o mouse sobre um dos extremos do segmento a
ser mudado, clique novamente com o lado direito do mouse, em seguida coloque o mouse
No outro extremo do segmento, clique o lado direito do mouse, você notará que somente este segmento
ficou em destaque, escolha a nova largura de trilha , o programa pedirá a confirmação da mudança, clique
ok.
AAPPAAGGAANNDDOO UUMMAA TTRRIILLHHAA
Selecione a trilha com o lado direito do mouse, um segundo toque no mouse e a trilha se apagará. A trilha
tem que estar na mesma face mostrada no exibidor de layers, no canto esquerdo inferior da tela. A
ferramenta de colocação de trilhas tem que estar ativada.
AAPPAAGGAANNDDOO UUMM SSEEGGMMEENNTTOO DDEE UUMMAA TTRRIILLHHAA..
Ative a ferramenta de colocação de trilha , clique com o lado direito do mouse para selecionar a trilha que
você deseja, coloque o mouse sobre um dos extremos do segmento
A ser mudado, clique novamente com o lado direito do mouse, em seguida coloque o mouse no outro
extremo do segmento, clique o lado direito, você notará que somente este segmento ficou em destaque,
novamente com o lado direito do mouse que este segmento se apagará.
DDEESSRROOTTEEAANNDDOO
O bom dos roteadores de 32 bits é o fato que podemos desrotear com um simples comando acelerando
assim nosso processo de execução de protótipos.
Vamos supor que haja um erro em nosso projeto e que queiramos que a placa volte a condição de
ligação de componentes e obviamente alterarmos o roteamento.
Clique na ferramenta de colocar traço
Em seguida selecione todo o circuito como um só bloco. Atenção para selecionar
desenhe com o lado direito do mouse o quadrado selecionador.
17
Mover
Apagar
Clique na ferramenta apagar objetos que teremos o roteamento apagado e as ligações de volta.
RROOTTEEAAMMEENNTTOO AAUUTTOOMMÁÁTTIICCOO..
AAJJUUDDAANNDDOO OO RROOTTEEAADDOORR
AA iimmppoorrttâânncciiaa ddoo NNeecckk..
O roteador do seu FOTOLITE é inteligente, levando-se em consideração seu preço é excelente. Mas
temos que ajudá-lo ativando certos recursos que o ajudarão a vencer os obstáculos .
NNEECCKK
Quer dizer pescoço em inglês, no Inglês de nosso programa quer dizer , um traço alternativo mais fino do
que estamos usando o qual o computador pode usar para passar pôr ilhas ou mesmo traços próximos, um
valor bom para o Neck seria 0.30 mm , o qual é um traço fino, mas seguro para fabricarmos a placa .
Pôr exemplo, se estamos roteando uma placa com trilha de 1 mm de largura e o computador vê uma
passagem entre duas ilhas de um CI ele vai usar a trilha alternativa (NECK) para passar pôr esse ponto .o
NECK determinado vai aumentar o percentual de sucesso do roteador.
18
MMUUDDAANNDDOO OO GGRRIIDD ((GGRRAADDEE))
Se o roteador não conseguiu rotear uma placa totalmente , faça o seguinte ,desroteie, posicione os
componentes de forma à facilitar o caminho para o computador, roteie usando diferentes grids 10, 20,
25,50 para cada gride o computador procede diferentemente, pode ser que ele não ache o caminho no
gride 10 mas possa achar no gride 20 , pôr exemplo.
RROOTTEEAANNDDOO EEMM DDUUAASS FFAACCEESS
Agora que temos uma ferramenta poderosa para fazer placas de circuito impresso por que não usarmos
todos os recursos deste programa?
Ao termos desroteado a placa temos de voltar as ligações, vamos usar essas ligações para rotearmos
uma placa em duas faces
Vamos chamar o roteador e rotear essa placa em duas faces
Clique SYSTEM/SET STRATEGIES e o quadro acima aparecerá , selecione para o campo VERT(trilhas
verticais ) BUTTOM COPPER(face inferior) para que o roteamento vertical seja colocado na face inferior.
Você notará que os traços da camada inferior serão azuis e os traços da camada superior serão
vermelhos (essas cores você poderá mudar no SET COLOURS)
19
MMUUDDAANNDDOO UUMMAA TTRRIILLHHAA DDEE FFAACCEE
A qualquer momento podemos mudar de face uma trilha roteada .O indicador de Layer (camadas) no
canto inferior esquerdo alterna-se entre TOP COPPER e BUTTOM COPPER a cada toque na barra de
espaço ou nas teclas PAGEUP E PAGE DOWN.
Vamos supor que estamos na camada TOP COPPER, para saber em que camada estamos, olhe o
indicador de camadas, qualquer trilha pode ser mudada para a camada oposta, basta selecionarmos com
o lado esquerdo do mouse a trilha que queremos mudar de face, e mudarmos a camada teclando barra
de espaço ou PAGEUP PAGE DOWN.
O programa Apresentará um quadro pedindo a confirmação , tecle ok que a mudança será efetivada.
IIMMPPRRIIMMIINNDDOO..
Mais adiante será explicado extensivamente o conceito de camadas, por hora vamos imprimir o layout da
placa e a máscara de componentes.
Ao clicarmos o menu OUTPUT/PRINT o quadro abaixo se abrirá:
Devemos escolher uma camada a cada impressão, neste caso a camada TOP COPPER está selecionada
e também BOARD EDGE(contorno da placa ) para aparecer na impressão o contorno da placa.
GGEERRAANNDDOO FFOOTTOOLLIITTOO
Seu Fotolite tem a capacidade de gerar fotolito, pois pode tanto imprimir imagem positiva (trilhas Negras
fundo Branco) ou imagem negativa (fundo negro linhas transparentes ).
As imagens negativas são usadas pelas indústrias de placas de alta definição ,num processo chamado
fotográfico.
As imagens Positivas são usadas por amadores ou pequenas indústrias por um processo chamado
serigráfico ou silk screen.
A TECNO TRACE adotou o FOTOLITE por ser especialmente provido de recursos para gerar fotolito
negativo, pois utiliza e processo fotográfico para fabricar as placas.
Se você tem uma impressora Jato de tinta, de 600 DPI ou Laser para gerar o fotolito negativo apenas
escolha o campo INVERT COLOURS, que você produzirá o fotolito negativo tanto numa transparência
para impressora ou imprimir em papel branco e tirar xerox em transparência para retro projetor e reforçar
com nosso produto TONER MAGIC .
Caso sua impressora seja mais antiga de 300 dpi siga as instruções abaixo.
Clique OUT/EXPORT EPS vamos exportar o layout do TOP COPPER para ser capturado pelo COREL
PHOTOPAINT para fazer a inversão de cores para nós. Depois de gerado o arquivo EPS, saia do
FOTOLITE e entre no CORAL PHOTO PAINT, clique arquivo (file), Abrir (open).
Como podemos observar o diretório em que o arquivo EPS do nosso lay out é C: / fotolito/lig. Eps.
Devemos nos encaminhar a esse diretório para carregar este arquivo.
O quadro OPEN AN IMAGE aparecerá, procure o diretório em que o lay out de seu EPS encontra-se e
carregue o arquivo.
Um novo quadro aparecerá, Import Eps, clique OK.
O programa então apresentará o QUADRO IMPORT INTO BIT MAP no campo resolução, escolha a
resolução de sua impressora.
Clique ok e o lay out aparecerá no CORAL PAINT.
Escolha um zoom de 50 pôr cento para poder manusear a imagem.
Selecione a imagem usando a segunda ferramenta da barra de ferramentas (quadrado Selecionador),
clique no menu EFECT, FANCY, INVERT. que teremos a imagem em negativo (cores invertidas) basta
salvá-la e imprimí-la .
Se imprimir em transparência própria para jato de tinta ou Laser Film para laser teremos um fotolito direto.
Caso você opte em tirar xerox numa transparência para retro projetor e reforçar com Toner Magic por uma
questão de custo e qualidade (laser), teremos um fotolito indireto xerográfico que após o tratamento com
TONER MAGIC fica com qualidade laser.CONSULTE O MANUAL DO SEU KIT.
20
21
EEDDIITTAANNDDOO (( RROOTTEEAAMMEENNTTOO MMAANNUUAALL)
O fotolite é um software destinado à confecção de placas de circuito impresso. O programa é o mais
popular do mundo, pois engloba uma biblioteca de componentes vasta e recursos que somente
programas de maior custo possuem. Tais como recursos para criação de componentes, editoração de
texto dentro do programa e resolução gráfica de altíssima qualidade. Ele permite traços de até 1 milésimo
de polegada.
Mas a razão principal de seu sucesso está na simplicidade de domínio do programa pelos usuários.
Nosso curso foi elaborado de forma a explorar os principais recursos do programa no menor espaço de
tempo possível, seguindo as instruções detalhadamente você estará apto à desenhar suas placas após
40 min. de estudo deste programa.
Aconselhamos que você faça todos os exercícios sugeridos antes de tentar usar o programa.
Este curso parte do pressuposto que você instalou o fotolite no Windows 95 /98
Para executar o programa clique iniciar, programas e clique no ícone fotolite.
SSIISSTTEEMMAA DDEE MMEEDDIIDDAA DDEE LLAARRGGUURRAA DDEE TTRRIILLHHAA EE CCOOMMPPOONNEENNTTEESS ..
O sistema de largura de trilhas usado neste programa é o SISTEMA IMPERIAL, nesta versão usaremos o
sistema métrico. Mas vamos estudar também o sistema Imperial por ser usado nas medidas dos
componentes e traços do programa
EESSCCOOLLHHEENNDDOO OO SSIISSTTEEMMAA MMÉÉTTRRIICCOO..
Vamos trabalhar com a tela em mm, isto quer dizer que medidas de placas e distância dos componentes
serão expressas em mm.
Clique com o lado esquerdo do mouse sobre o Menu Display em seguida clique Metric.
FFAAMMIILLIIAARRIIZZAANNDDOO--SSEE CCOOMM OO SSIISSTTEEMMAA IIMMPPEERRIIAALL ((PPOOLLEEGGAADDAASS))
Para lhe preparar para compreender o programa a fundo, vamos estudar o sistema imperial, pois ele está
presente em todas as versões do fotolite. O mil é a unidade deste sistema de medida. Um mil é
equivalente a um milésimo de polegada. Pois medidas de trilhas e ilhas são expressas em mils.
Memorize a tabela abaixo:
MILS OU THOU (THOUSANDTHS) MM (MILIMETROS)
5 é igual a 0.125 mm
10 é igual a 0.25 mm
20 é igual a 0.5 mm
30 é igual a 0.75 mm
40 é igual a 1.0 mm
A tabela acima deve ser memorizada..
A tabela acima foi calculada com a seguinte formula:
Medida em mils x 25.4 / 1.000= valor em centímetros.
Ex: Vamos supor que queiramos saber quantos milímetros são
40 mils.
Seguindo a fórmula:
40 x 25.4 /1.000=1.02 mm em termos práticos é igual a 1 mm.
Vamos supor que queiramos traçar uma trilha de 5 cm de comprimento, quanto seria em mils?
Muito simples:
22
Sabemos que 40 mils = 1 mm então 40 x 50=2.000 mils.
Os exercícios acima são importantes para entendermos a medida de componentes e trilhas, para
mudarmos e criarmos componentes.
Atenção: Medidas de componentes no programa podem aparecer em polegadas, pôr exemplo 0.12 inc
(inches, polegadas), neste caso multiplique pôr 1000 que terá a medida em mils ou em thou.
A abreviatura de thou (thousandths, milésimos de polegadas) é th. Isto é, você verá as medidas em mils,
com th como unidade.
LLAAYYEERRSS ((CCAAMMAADDAA)
Quando fazemos uma Placa de circuito impresso no fotolite, este gera simultaneamente, vários traçados
necessários para toda etapa de fabricação da PCI, estes traçados são gerados nos LAYERS (CAMADA
DE TRABALHO), não confundir com camadas da placa de circuito impresso.
OOSS LLAAYYEERRSS DDOO PPRROOGGRRAAMMAA FFOOTTOOLLIITTOO SSÃÃOO::
TTOOPP EE BBOOTTTTOOMM.. ((SSUUPPEERRIIOORR EE IINNFFEERRIIOORR))..
Lado dos componentes e lado da solda, como costumamos chamar quando fazemos uma placa de face
simples
IINNNNEERR11 aaoo IINNNNEERR1144 - estes layers são camadas internas das placas chamadas de multi- layers.
TTOOPPSSIILLKK ee BBOOTTTTOOMM SSIILLKK (máscara de componentes superior e máscara de componentes inferior)
Nestes layers (camadas de trabalho) o fotolite desenha o silk screen do lado superior (TOP) e silkscreen
do lado inferior. (BOTTOM). O silkscreen se refere a identificação e encapsulamento do componente,
destinado a montagem em série.
TTOOPPMMAASSKK ee BBOOTTTTOOMMMMAASSKK
(MÁSCARA DE SOLDA SUPERIOR E MÁSCARA DE SOLDA INFERIOR).
Nestes layers o fotolite gera um traçado para aplicação de solda industrial para o processo de fabricação
dos aparelhos.
Essa arte chama-se máscara de solda recobrindo com verniz a parte que não deve receber solda e
deixando o cobre exposto a parte que deverá receber solda.
TTOOPP RREESSIISSTT EE BBOOTTTTOOMM RREESSIISSTT são TOP (superior) BOTTON (inferior)
Nestes layers são gerados diagramas que monitoram o processo de fabricação de placas com SMT
(surfice mount tecnology = tecnologia de montagem de superfície)
EEDDGGEE
Neste layer é definido pelo fotolite os limites da placa para roteamento automático.
23
CCOONNNN ((AABBRREEVVIIAATTUURRAA DDEE CCOONNNNEECCTTIIOONNSS))
Neste layer é gerado traços de ligações quando vamos rotear a placa manualmente usando um NET
LIST.
KKEEEEPPOOUUTT ((MMAANNTTEENNHHAA--SSEE FFOORRAA))
No caso roteamento automático, neste layer o usuário define onde o roteador não deve passar trilhas.
TTIITTTTLLEE ((TTÍÍTTUULLOO))
Este layer é utilizado somente para documentar o projeto.
Informações tais como o nome do projeto, nome do projetista, data da última revisão, etc...
SSEELLEECCIIOONNAANNDDOO OO GGRRIIDD
GRID- pode ser definido como o movimento do cursor na tela.Estes valores são estabelecidos pelo
comando :
SSYYSSTTEEMM//SSEETTUUPP GGRRIIDD
São armazenados os valores nas teclas F2 a F4 isto é podemos mudar de Grid apenas apertando uma
tecla.
EEXXEERRCCÍÍCCIIOOSS
Vamos fazer uma placa de circuito impresso com apenas 2 componentes para você exercitar e informar-
se dos passos necessários para tirar todos os recursos que o fotolite pode oferecer.
HHAABBIILLIITTAANNDDOO EE DDEESSAABBIILLIITTAANNDDOO UUMM LLAAYYEERR.
Podemos escolher que layers aparecerão na tela.
Clique com o lado esquerdo do mouse no Menu Display e em seguida clique em Layers.
Um quadro com as camadas aparecerá na tela. Deixe ativado, isto é com um tique na frente somente
TOP COPPER, TOP SILK, EDGE (PARA VERMOS A BORDA DA PLACA).
24
OO CCOONNTTOORRNNOO DDAA PPLLAACCAA
O fotolite tem uma camada especial chamada de Edge. Esta camada é utilizada para registrar as
dimensões da placa. Temos que acionar a camada (LAYER EDGE) para fazermos o contorno da placa.
Selecione o ícone GRAPHICS MODE (segundo ícone da segunda fileira) e em
seguida o ícone BOX (segundo ícone da primeira fileira)
Graphic Mode
Na parte inferior esquerda da tela tem o selecionador de camadas (LAYERS) escolha EDGE.
Vamos desenhar uma placa de 5x5 cm, o que equivale a 50 mm X 50 mm. Desenhemos uma linha que
limita as bordas da placa.
O display de coordernadas esta localizado no canto inferior direito coloque o cursor sobre a origem que
você terá coordenadas (ooo, 0000).
Clique com o lado esquerdo do mouse e o mantenha pressionado leve o mouse até as coordenadas
(050,000) mantendo o mouse pressionado deslize para a direita até as coordenadas (050,050) que um
quadrado se formará este é o contorno de nossa placa.
Como o quadrado abaixo:
Você acabou de desenhar um quadrado de 5 x 5 cm.
O comando ZOOM teclas de F5 até F12 servem para distanciarmos ou aproximarmos a imagem sendo
que a tecla F 12 faz a placa ocupar a tela inteira.
Você já pode notar que nossa placa ocupa a tela toda e que ela está cheia de pontos eqüidistantes esses
pontos se chamam Grid visual, eles nos facilitam o traçado e o alinhamento do nosso desenho, tela de 1
em 1 mm. Esse espaçamento é muito grande para desenharmos dentro da placa, teremos que mudá-lo.
25
C ..COOLLOOCCAANNDDOO CCOOMMPPOONNEENNTTEESS,, PPAARRAA RROOTTEEAAMMEENNTTOO MMAANNUUAALL
Antes de começar a colocar os componentes, devemos mudar o LAYER de trabalho para TOP.
Clique no selecionador de camada no canto inferior esquerdo e escolha TOP COPPER.
Novamente o quadro de mudança de layer de trabalho está na tela, usando as Setas selecione TOP.
Tecle ENTER.
O fotolite tem vários componentes arquivados em Bibliotecas
(LIBRARIES), com o comando para colocar componentes, acessaremos tais componentes e os
colocaremos na placa.
CCOOLLOOCCAAÇÇÃÃOO DDEE CCOOMMPPOONNEENNTTEESS
Colocação de componentes
Clique no Ícone PLACEMENT E ROUTING MODE (o segundo ícone da primeira
fileira)
Seleção de componentes
Em seguida PACKAGE PLACEMENT AND EDITING (colocação, envólucro e edição) como mostra o
desenho acima.
Clique sobre a letra P (PLACEMENT) colocação
Aparecerá uma relação de componentes escolha Dil8 e clique duas vezes, pois vamos colocar um circuito
integrado de 8 pinos ,cujo código dentro da lista de componente é DIL8.
FFAAZZEENNDDOO AA AANNOOTTAAÇÇÃÃOO
Leve o mouse no centro da placa e clique que aparecerá um invólucro de 8 pinos sobre a placa. Clique no
Ícone Edit object a segunda seta à direita, em seguida leve o mouse sobre o componente e clique um
quadro de edição aparecerá, no campo Part Id digite CI-1.
O componente ficará como o da figura
O componente ficará como o da figura ao lado.
GGIIRRAANNDDOO UUMM CCOOMMPPOONNEENNTTEE
Se você necessitar girar este componente, selecione o componente com o lado direito do mouse, você
notará que ao selecionar o componente este ficará em destaque, Escolha o menu Edit, em seguida
pressione a tecla girar a cada toque o componente girará 45 graus.
AAPPAAGGAANNDDOO UUMM CCOOMMPPOONNEENNTTEE.
Para apagar um componente basta selecionar com o lado direito do mouse, o componente ficará em
destaque, com um segundo clique do lado direito o componente se apaga.
O COMANDO UNDO este comando é o grande destaque de qualquer software de alto nível, teclando a
letra U desfazemos o último comando, por exemplo, se você apagar um componente da placa pôr
engano, destruindo a parte toda de um trabalho, tecle U que o componente retorna a tela juntamente com
as ligações que foram apagadas, este comando é muito útil procure exercitá-lo.
CCOOLLOOCCAANNDDOO OO RREESSIISSTTOORR
Usando as ferramentas de colocação e anotação de componente coloque R1
Na biblioteca seu código é res40.
Usando as setas leve o resistor até as coordenadas (0407,280) ENTER ESC
26
Sua placa ficará assim
MMOOVVIIMMEENNTTAANNDDOO UUMM CCOOMMPPOONNEENNTTEE
Os últimos 3 ícones da fig. acima à direita são respectivamente ferramenta para movimentar componente,
ferramenta para copiar componente e ferramenta para apagar componente.
MMOOVVIIMMEENNTTAANNDDOO UUMM CCOOMMPPOONNEENNTTEE
Selecione o componente com o lado direito do mouse, em seguida clique na ferramenta para movimentar
componente, um quadrado aparecerá ao redor do componente selecionado, com o mouse movimente-o
para onde quiser.
CCOOPPIIAANNDDOO UUMM CCOOMMPPOONNEENNTTEE
Selecione o componente com o lado direito do mouse, em seguida escolha o ícone copiar componente
um quadrado aparecerá em volta do componente leve-o para onde quer a cópia do componente.
27
28
CCOOLLOOCCAANNDDOO TTRRIILLHHAASS..
Vamos colocar uma trilha de 1 mm = 40 mils ou thou ou th milésimos do pino 6 do CI-1 e o terminal
quadrado do resistor R1.
Clique no ícone TRACE PLACEMENT
Aparecerá do lado direito as larguras de trilhas disponíveis em mils (milésimos de polegada) ,escolha T40
que quer dizer 1 mm.
Agora é só começar a traçar, leve o mouse nos respectivos pontos e trace. Nossa placa terá este aspecto:
APAGANDO TRILHAS
Com o lado direito do mouse selecione o segmento ou a trilha que você deseja apagar, um segundo
clique apaga esta trilha .
MMUUDDAANNDDOO AA LLAARRGGUURRAA DDEE UUMMAA TTRRIILLHHAA
Selecione com o lado direito do mouse, a trilha que deseja mudar de largura, uma vez selecionada a trilha
torna-se vazia, com o mouse clique a nova medida da largura no quadro à direita da tela.
BBLLOOCCOOSS
SSEELLEECCIIOONNAANNDDOO OOSS EELLEEMMEENNTTOOSS DDEE UUMM BBLLOOCCOO
CCOOPPIIAANNDDOO UUMM BBLLOOCCOO..
Depois de selecionado um bloco pode ser copiado usando a ferramenta copiar a primeira acima.
MMUUDDAANNDDOO UUMM BBLLOOCCOO..
Depois de selecionado um bloco pode ser mudado de lugar com a segunda ferramenta.
AAPPAAGGAANNDDOO UUMM BBLLOOCCOO..
Um bloco pode ser apagado com a terceira ferramenta acima
TTEERRMMIINNAAIISS,, iillhhaass ((PPAADDSS ))
O ícone acima é a ferramenta de colocação de ilhas, as ilhas são de muitíssima importância pois as ilhas
são parte de um componente ou são isoladas fazendo um terminal, temos ilhas para furação ou ilhas
para montagem de superfície (SMT).
Temos já feitas algumas ilhas retangulares, redondas, quadradas e terminais para interface de
computador, mas podemos criar a qualquer momento uma ilha do tamanho que desejarmos .
Você verá que criar uma nova ilha é uma tarefa muito simples, mas requer conhecimentos de medidas
Imperial.
29
30
CCRRIIAANNDDOO UUMMAA IILLHHAA.. ((tteerrmmiinnaall)
Vamos criar uma ilha quadrada de 3mm
Clique sobre a ferramenta ilha, a barra de ferramenta entrará no modo colocação de ilha.
Clique o lado esquerdo do mouse sobre o menu EDIT em seguida NEW PAD STYLE.
Ao abrir o quadro CREATE NEW PAD STYLE digite s3. 00mm (s para square quadrado) Em seguida No
quadro square coloque 120 thou ou 0.12 in e clique ok..
31
EESSCCOOLLHHEENNDDOO OO TTAAMMAANNHHOO DDEE UUMMAA IILLHHAA
Clique a ferramenta de colocação de ilha, vamos colocar uma ilha de 3 mm que criamos.
Colocação de ilhas
Escolha uma ilha quadrada segunda ferramenta, uma relação de ilhas aparecerá, clique sobre a ilha de 3
mm e coloque-a na placa..
CCRRIIAAÇÇÃÃOO DDEE CCOOMMPPOONNEENNTTEESS
A criação de componentes no FOTOLITE é incrivelmente simples.
Vamos criar um resistor para ser colocado em pé na placa, com a distância de um terminal a outro de 5
mm, os terminais serão quadrados e medirão 2 mm cada lado, seria algo como abaixo.
Ilhas do componente
Ilhas com silk do componente
Primeiro vamos limpar a tela. Escolheremos sistema métrico de grade para medirmos a distância das
ilhas. Escolha no menu Display a opção metric. E depois escolheremos a grade de 1 mm que está
armazenada em F3 aproxime com o zoom máximo, isto é F5.
Ilhas quadradas
Seleção de ilhas
Com o comando de colocação de ilhas (PADS) coloque duas ilhas quadradas de 2.00 mm ã uma
distância de 5 mm cada, como estamos usando a grade (grid) F3 que é 1 mm, cada ponto na tela está a
uma distância de 1 mm um dos outros, devemos colocar as ilhas a cinco pontos uma da outra de centro a
centro. Uma vez colocada as ilhas como mostra acima, vamos desenhar o silk (máscara de
componentes),escolha na barra de ferramentas
A ferramenta de graphics mode (modo gráfico)
linha
Graphic mode geométrico
Em seguida escolha linha na barra de ferramenta, escolha o gride 0.5mm que esta armazenado na tecla
F2 para desenhar com mais precisão, desenhe o silk (máscara de componentes ) como abaixo.
Ilhas do componente
Ilhas com o silk do componente
32
33
Vamos agora colocar o desenho na biblioteca, trace um quadrado selecionador com o lado direito do
mouse e escolha, EDIT / MAKE PACKAGE.
No campo NEW PACKAGE NAME digite RESP5mm (resistor em pé de 5 mm) e clique OK.
A partir deste momento o componente está a sua disposição na biblioteca.
Você acabou de aprender o programa mais sofisticado e de maior relação custo beneficio do mercado
mundial, como pode sentir o programa não tem limites de pinos, nos dando possibilidade de fazer
qualquer tamanho de placa, caso a restrição quanto ao salvamento de ligações e não arte final lhe cause
alguma dificuldade operacional, você poderá ter sua verão full com salvamento pagando um adicional de
US$45,00.
O FOTOLITE tem sua versão também para gerar esquemas elétricos, você poderá adquiri-lo por U$40,00.
Entre em contato conosco.
34
ISIS EDITOR
INTRODUÇÃO
UM PASSEIO PELO EDITOR DO ISIS
ESCOLHENDO, COLOCANDO E LIGANDO OS COMPONENTES.
ETIQUETANDO E MOVENDO REFERÊNCIAS DE COMPONENTES
FUNÇÃO DE EDIÇÃO EM BLOCOS
A PRÁTICA FAZ A PERFEIÇÃO
ANOTANDO O DIAGRAMA
FERRAMENTA DE DESIGNAÇÃO DE PROPRIEDADE
ANOTADOR AUTOMÁTICO
CRIANDO NOVOS DISPOSITIVOS
TOQUES FINAIS
SALVANDO, IMPRIMINDO E PLOTANDO.
DISPOSITIVOSRECURSOS AVANÇADOS DO EDITOR DE
SÍMBOLOS E BIBLIOTECA DE SÍMBOLOS
INTRODUÇÃO
objetivo deste TUTORIAL é levá-lo através da criação de um circuito de complexidade modesta a fim deO
familiarizá-lo com as técnicas necessárias para operar o ISIS. Este TUTORIAL começa com técnicas
simples como colocar e ligar componentes e técnicas mais sofisticadas de edição e criação de novos
componentes na biblioteca.
UM PASSEIO PELO EDITOR DO ISIS
nha instalado o programa.
ara usuários do Windows 3.1 ou NT 3.51, clique duplamente no ícone ISIS no Conjunto de programas
está a barra de Menu Os menus são
iadas com teclas as quais podem ser usadas em vez do menu, essas são
JANELA DE EDIÇÃO, ela age como uma janela no desenho, é
caixa azul mostra o contorno da folha atual e caixa verde a área da folha presentemente mostrada na
JANELA DE EDIÇÃO. Contudo, quando um novo objeto ‘escolhido no Selecionador de Objetos a janela
de Visão Geral é usada para exibir objeto selecionado - isto é discutido mais tarde.
Nós assumimos neste ponto que você te
P
em seguida a opção ISIS para iniciar o programa.
O editor do ISIS irá então abrir e rodar. Ao longo do topo da tela
ativados ao apontarmos no Nome do Menu e as opções são selecionadas clicando o lado esquerdo do
mouse na opção requerida.
Algumas opções são assoc
mostradas do lado direito da opção do Menu. Opções que habilitam ou desabilitam alguns recursos do
programa mostra que tal recurso está ativado com um tique no lado esquerdo da opção. A presença do
tique indica que opção está selecionada.
A área mais ampla da tela é chamada de
nesta área que colocamos e ligamos componentes. A área menor no topo direito da tela é a janela de
visão geral. Em uso normal a janela de visão geral atua como o próprio nome sugere, dá uma visão geral
do desenho.
A
35
uando você chocar-se
ovimentar a
Você pode ajustar a área do desenho mostrada na JANELA DE EDIÇÃO de várias maneiras
Para navegar na JANELA DE EDIÇÃO para cima e para baixo. Para direita e para esquerda coloque o
mouse na JANELA DE EDIÇÃO e aperte-o mantendo pressionada a tecla SHIFT, q
contra a borda a tela vai se movimentando (panning) para aquela direção. Se você quiser m
JANELA DE EDIÇÃO para uma parte completamente diferente do desenho, a maneira mais rápida seria
apontar para tal área na Janela Panorâmica e pressionar o lado esquerdo do mouse.
Você pode ajustar a escala que o desenho é mostrado na JANELA DE EDIÇÃO escolhendo o nível de
zoom apropriado no menu Display. O novo nível é escolhido usando uma das teclas entre F5/F9, se o
mouse está na JANELA DE EDIÇÃO e A JANELA DE EDIÇÃO é ampliada ao redor do mouse; portanto a
JANELA DE EDIÇÃO é ampliada em seu centro atual.
A grade de pontos pode ser mostrada na JANELA DE EDIÇÃO usando o comando Grid no menu Display,
ou apertando-se “G’’. A grade de pontos ajuda a alinhar componentes e ligações. Se você tiver dificuldade
ara ver os pontos da grade, ajuste o contraste de seu monitor ou mude a cor na qual ele é exibido ,nop
comando set colours no menu System.
Abaixo da Janela Panorâmica está a caixa de ferramentas. As ferramentas são ícones e algo chamado
selecionador de objetos, que usamos para escolher, dispositivos, símbolos ou outros objetos em
ibliotecas . O selecionador consiste num conjunto de itens nomeados , cada um dos quais podem ser
u thou a partir do centro do desenho.
b
selecionados com o lado esquerdo do mouse .Freqüentemente , um selecionador tem mais itens do que é
capaz de mostrar , podemos verificar o selecionador usando os botões para cima, para baixo , e schroll
bar no lado direito do selecionador .Os botões para cima e para baixo rolam o conteúdo do selecionador
num só item em cada direção .O botão da barra de rolamento (scroll bar) entre os botões para cima e
para baixo permite o rolamento direto da lista , clique o lado esquerdo para arrastar para cima ou para
baixo de acordo com a sua necessidade .
No lado inferior direito da tela esta o display de coordenadas , o qual oferece a leitura da posição do
mouse .Essas coordenadas marcam mm o
Escolhendo , colocando e ligando componentes
O circuito que nós vamos desenhar é mostrado no oposto . Parece trabalhoso mas muitas partes dele são
a sermos exatos) o qual nos dará oportunidade de usar
s recursos de cópias em blocos)
, repetições (Os quatro operacionais de filtro , par
o
36
37
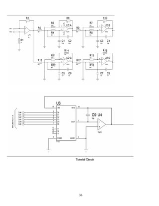
Circuito Didático
Nós começaremos com o circuito amplificador 741 , englobando U1,R1,R2 .Comece apontando no botão
p no canto superior do Selecionador e clique o lado esquerdo .Isso faz com que o quadro da biblioteca
de Selecionamento de Dispositivos apareça e podemos agora escolher dispositivos de várias bibliotecas
de dispositivos .
Há vários selecionadores entitulados, componentes(parts) ,biblioteca(library) , prefix e extensions e um
Browser nem tudo pode ser mostrado:
O selecionador de biblioteca escolhe cada qual das várias bibliotecas (exe.Dispositivos,TTL,CMOS) que
você instalou e agora é valida.
O seletor de Componentes (parts) mostra todos os componentes na atual biblioteca escolhida de acordo
com a configuração do selecionador de Extensões , se for mostrado (veja abaixo) Clique o lado esquerdo
uma vez para examina-la ou duas vezes para selecioná-la para o desenho.
O Selecionador de Prefixos é somente mostrado se há prefixos definidos na atual biblioteca escolhida e
nos permite escolher entre prefixos de dispositivos (exe.74,74ls,74als) .Qualquer prefix selecionado será
colocado em frente do nome de qualquer componente.
O selecionador de extensions é somente mostrado quando os componentes mostrados na atual biblioteca
tem mais de extensão e nos permite controlar os componentes listados no Selecionador de Componentes
.
Nomes de componentes nas bibliotecas podem ter uma extensão (um traço , ou um ponto final seguido
por um ou mais caracteres ) para diferenciar versões diferentes do mesmo componente .Por exemplo
00,00,DM and IEC são componentes TTL 74xx00 onde .DM indica DeMorgan e IEC indica componente
IEC 617.
Ao selecionar ou não certas opções no Selecionador de extensões , podemos escolher que componentes
serão mostrados na lista de componentes .Por exemplo se não estamos interessados em componentes
IEC 617 desabilitamos a opção IEC que todos componentes com a extensão IEC serão ocultos .
Note que bibliotecas cujos componentes não tem extensão ou a extensão é a mesma em todos os
componentes O selecionador de Extensão não é mostrado e os itens da biblioteca serão mostrados por
completo .
O Browser (examinador) mostra o ultimo componente escolhido no selecionador de componentes com
recurso para examinarmos o conteúdo da biblioteca .
Precisamos inicialmente dois componentes OPAMP(AMPLIFICADOR OPERACIONAL) para o 741 e res
para os resistores de re-alimentação , os dois estão na biblioteca de Dispositivos (devices), então se já
não estiver selecionada , inicie por selecionar a biblioteca de dispositivos no Selecionador de Bibliotecas.
Em seguida, dois cliques no OPAMP(AMPLIFICADOR OPERACIONAL) e RES no selecionador de
componentes para escolher cada componente . Para fechar o selecionador de bibliotecas de dispositivos
dois cliques no botão de menu do System do Windows ,escolha o botão minimizar ou use ALT F4 .
Quando o quadro de dialogo estiver fechado veremos que OPAMP(AMPLIFICADOR OPERACIONAL) e
RES apareceram no Selecionador de Objetos como os últimos objetos escolhidos prontos para colocação.
Sempre que selecionamos um objeto no Selecionador de Objetos ,devemos acionar os ícones de rotação
ou Mirror (espelho) para orientar o objeto antes da colocação ,Os objetos selecionados aparecerão como
serão colocados , na janela Panorâmica . Ao clicarmos o lado direito ou esquerdo do mouse os objetos
serão redesenhados mostrando sua nova orientação. A visão do objeto permanece até que o objeto seja
colocado, novo comando ou ação executada .
Esteja certo que o OPAMP(AMPLIFICADOR OPERACIONAL) esteja selecionado e então movimente o
apontador do mouse para o meio da folha de edição . Aperte e Segure apertado o lado esquerdo do
mouse . Um contorno verde do OPAMP(AMPLIFICADOR OPERACIONAL) vai parecer indicando que
38
podemos move-lo pela folha de Edição .Quando liberamos o botão do mouse o componente será
colocado , completamente. Coloque o OPAMP(AMPLIFICADOR OPERACIONAL) no meio da folha de
edição , selecione o RES e coloque-o acima do OPAMP(AMPLIFICADOR OPERACIONAL) como mostra
no diagrama e clique uma vez no ícone Rotação , poderemos ver como o resistor será colocado.
Finalmente coloque o segundo (vertical) resistor , R1 como anteriormente.
A não ser que sejamos hábeis , a possibilidade de colocarmos os componentes da primeira vez é rara ,
então teremos que aprender a movimentar as coisas .No ISIS primeiro temos que selecionar os objetos
para posteriormente manusea-los .Tente apontar o OPAMP(AMPLIFICADOR OPERACIONAL) e clicar a
direita do mouse . Isso faz com que o objeto fique selecionado e destacado. Ainda mantendo o mouse
sobre o componente , aperte o lado esquerdo e mantenha arrastando-o pela tela. .Este é uma das
maneiras de mover objetos . Libere o lado esquerdo do mouse e clique o direito sobre o
OPAMP(AMPLIFICADOR OPERACIONAL) uma segunda vez . Ao clicarmos objetos destacados o
apagaremos Selecione UNDO no Menu de Edit (ou pressione U) para recuperá-lo . Destaque-o e clique
primeiro esquerdo e depois direito no íconede rotação enquando observando o OPAMP(AMPLIFICADOR
OPERACIONAL) propriamente dito.
A rotação do primeiro objeto que escolhemos pode ser ajustada da seguinte maneira :
O ícone Mirror (espelho) pode similarmente ser usado para refletir o último objeto destacado.
Munido do conhecimento acima devemos agora ajustar os três componentes que colocamos para que
combine com o diagrama . Quando terminarmos de editar , aponte para um espaço livre na JANELA DE
EDIÇÃO (exe. algum lugar que não haja objetos) e clique o lado direito do mouse para liberar os objetos
destacados.
Podemos continuar agora a colocar algumas ligações . Comece apontando o extremo superior de R1 e
clique o lado esquerdo do mouse .
O ISIS sente que estamos apontando para um componente e que desejamos fazer uma ligação neste
componente.Para mostrar isso ele mostra uma linha verde que vai do pino até o apontador . Agora
aponte no extremo da entrada inversora do OPAMP(AMPLIFICADOR OPERACIONAL) e clique o lado
esquerdo novamente . O ISIS interpreta isso como o outro extremo do fio e chama o Wire Auto Router
(para escolher uma rota para o fio) Agora faça a mesma coisa para cada terminal de R2 seguindo o
diagrama .Tente destacar objetos e move-los pela tela e observe como o WAR refaz os roteamentos de
acordo.
Se não gostarmos de uma rota que o WAR fez podemos edita-la manualmente Para fazer isso selecione
o fio (apontando e clicando o lado direito) então tente arrasta-lo pelos cantos primeiramente e depois pelo
meio em rodadas retas . Se quisermos literalmente traçar uma ligação podemos faze-lo clicando o lado
esquerdo do mouse no pino e então clicando o lado esquerdo a cada ponto do trajeto da ligação onde
queremos um canto e então finalizando em outro pino. Com um pouco de prática poderemos saber
quando o WAR fez um bom trabalho e quando devemos refazer .
Para completar esta primeira seção do desenho , precisamos colocar dois terminais genéricos e um
terminal de terra e liga-los .
Para fazer isso, primeiro escolha o Modo Gadget o depois o íconeTerminal (que já estará selecionado por
default) O selecionador de objetos mudará para lista de tipos de terminais disponíveis .Escolha o terminal
terra , esteja certo que será colocado na orientação correta e coloque-o bem abaixo de R1. Agora escolha
o terminal genérico do seletor e coloque dois terminais como no diagrama .
Finalmente ligue o terminal terra a parte inferior de R1 e os dois terminais genéricos para os cantos do fio
que vão para o OPAMP(AMPLIFICADOR OPERACIONAL) .O ISIS vai colocar junção onde necessário ,
sentindo automaticamente que 3 fios se encontrão nesses pontos
Colocando e movendo Referência de componentes .
39
Antes de prosseguir para o resto do circuito , precisamos colocar referência dos componentes e valores
para os vários objetos que colocamos .Também se olharmos atentamente para as marcações U1 e 741
não estarão na posição correta .Para colocar referência para os componentes e valores clique o lado
esquerdo do mouse em Instant Edit e em seguida clique o lado esquerdo sobre o objeto que você deseja
editar .Faça nos resistores primeiro r1,1k and r2 ,1k devidamente .Agora coloque referência no
OPAMP(AMPLIFICADOR OPERACIONAL) e nos dois terminais .Para movimentar “U1” e “741”para ficar
de acordo com o desenho pressione F2 para reduzir a grade mecânica(snap grid) para 50th (ela inicia em
100th) em seguida destaque OPAMP(AMPLIFICADOR OPERACIONAL) Agora aponte para a marcação
U1 e com o lado esquerdo do mouse apertado ,arraste-o para sua posição correta sob
OPAMP(AMPLIFICADOR OPERACIONAL) .Então faça o mesmo com a marcação “741”.
Quando terminamos de colocar as marcações , coloque a grade mecânica(snap grid) em 100th apertando
F3 .Embora uma grade de tempo real pode localizar pinos e ligações ausentes na grade mecânica atual ,
o desenho tem melhor aparência se trabalharmos com uma grade mecânica constante .
Função de Edição em blocos
Devemos ter notado que a sessão do circuito que desenhamos está localizada no centro da página ao
passo que deveria estar no topo superior esquerdo.Para movimenta-lo para lá , primeiro selecione todos
os objetos que você colocou , traçando com o lado direito e mantendo apertado um quadrado
selecionador ,A área selecionada é mostrada por quadrado ciano ( como o primeiro clique normalmente
libera qualquer objeto selecionado) todos e somente aqueles objetos inteiramente dentro da quadrado
selecionador serão selecionados após a operação.Você, pode contudo ter selecionado a maioria dos
objetos com o quadro selecionador, selecione agora objetos individuais clicando diretamente sobre eles.
Agora clique o lado esquerdo do mouse sobre o ícone Move .Uma quadro verde aparecerá ao redor de
todos os objetos destacados ,podemos move-los para o canto superior esquerdo da página . A borda da
folha aparecerá em azul escuro , então reposicione o circuito amplificador para o canto superior esquerdo
do desenho.Clique o lado esquerdo do mouse para efetivar o movimento, ou direito para abortar
.Devemos notar também que ao movimentar o mouse para fora do topo da JANELA DE EDIÇÃO O ISIS
mudou para um novo segmento da folha de trabalho automaticamente se você quiser usar movimentação
panorâmica como essa em 4 vezes (exe. quando não estivermos colocando ou movimentando objetos)
podemos usar a tecla shift como mencionado anteriormente .
Os objetos selecionados permanecerão destacados , podemos desta forma experimentar os comandos
DELETE e COPY que funcionam similarmente com objetos selecionados .O efeito desses ícones podem
ser cancelados imediatamente apertando-se a tecla U , que significa UNDO.(desfazer)..
A PRÁTICA FAZ A PERFEIÇÃO
A essa altura você já deve estar pegando o jeito do ISIS , pratique desenhando a próxima seção de
circuitos centralizada no U2:A Precisamos de um capacitor (CAP) Um método rápido de se colocar
componentes cujos nomes conhecemos é usar o comando PICK/DEVICE . Tecle a letra P e depois o
nome CAP .Use as várias técnicas de edição estudadas até agora e coloque tudo no lugar.
Movimente a referência do componente e valor para o lugar devido .Não anote os componentes ainda
vamos usar o anotador automático .
Quando tiver feito o filtro com o OPAMP(AMPLIFICADOR OPERACIONAL) a seu gosto , use o quadrado
selecionador e use o ícone COPY para fazer 3 cópias do filtro totalizando 4 filtros como mostra o
diagrama ,Use o comando zoom nas teclas F5 a F9 a fim de ver toda folha enquanto fazemos isso
.quando os quatro filtros estiverem no lugar , ligue-os e coloque um dispositivo SW SPDT no desenho.
Anotando o diagrama
O ISIS lhe dá 4 modos de anotar e dar nomes aos componentes.
40
Anotação manual. Este é o método que você usou para nomear o primeiro OPAMP(AMPLIFICADOR
OPERACIONAL) e resistores .Qualquer objeto pode ser editado selecionando-se o ícone INSTANT EDIT
em seguida clicando-se o lado esquerdo do mouse sobre ele ,ou também clicando-se o lado direito do
mouse e em seguida o lado esquerdo em modo normal de colocação de componentes.Qualquer das
maneiras escolhidas um quadrado aparecerá para darmos entrada em dados relevantes , tais como
referência , valor e etc...
A Property Assignment Tool (Feramenta de designação de propriedade) -PAT.Esta ferramenta pode gerar
seqüências fixas ou crescentes para todos os objetos , todos os objetos destacados (tanto na presente
folha, tanto em todas as folhas ) ou objetos sobre os quais você subseqüentemente clicar o lado
esquerdo do mouse .Usar o PAT é mais rápido do que a anotação manual e mais lento que o Anotador
Automático , embora tenhamos o controle da anotação.
O Anotador Automático-O anotador Automático cumpre sua tarefa em segundos .Esta ferramenta está
ciente que estamos usando invólucros de componente de multi elementos como porta NAND TTL 7400 e
alocará as portas apropriadamente .Este método não sendo interativo, não teremos controle dos nomes
que são alocados .
Na prática podemos usar a mistura dos três métodos , qualquer ordem que você escolher o anotador
automático pode ser ajustado para deixar de lado qualquer anotação existente , de tal forma que, é
possível fixar referencias para certas partes e o ISIS então anotar o resto automaticamente .E isto que
faremos a seguir.
A Ferramenta de Designação de Propriedade(PAT)
Vamos supor para exemplificar ,que quiséssemos pré anotar todos os resistores usando o PAT ,Dado
que anotamos manualmente R1,R2 .Precisamos gerar a seguencia R3,R4.R5 etc...Para fazer isso,
escolha a ferramenta de designação de propriedade(pat) no menu de ferramenta .Entre REF= R# no
campo String e em seguida use a setas para baixo para movimentar para o próximo campo (o campo
count) e a tecla em valor 3 .Tenha certeza que ON click (no clique) esteja ativado ,em seguida clique o.k.
com lado esquerdo do mouse .ou tecle enter . O caracter # no texto do campo string será substituído pelo
valor do campo contagem atual. , cada vez que o PAT designar uma string para um objeto e então o
campo contagem é aumentado.
ISIS seleciona automaticamente o ícone Instant Edit para que você possa anotar os objetos requeridos
clicando o lado esquerdo do mouse sobre eles .Aponte sob R3 e clique do lado esquerdo do mouse O
PAT colocará o texto e o componente é redesenhado, Agora faça o mesmo com o resistor debaixo dele e
veja como o campo valor do PAT aumenta cada vez que você usá-lo .Você pode anotar o resto do
resistores usando a mesma técnica , quando terminar isso, pode cancelar o PAT chamando seu quadro
de dialogo (ou tecla A) e então clique no botão cancela e pressione ESC.
O PAT pode também ser usado para designar a mesma cadeia de caracteres para muitos objetos
destacados , por exemplo resistores e capacitores que tem o mesmo valor .Considere que R1-R4 tem o
valor de 220 p. .Para designar este valor , primeiro tenha certeza que somente os capacitores estão
destacados clicando numa área livre da JANELA DE EDIÇÃO para liberar todos os componentes e então
clique o lado direito do mouse somente sobre os capacitores .Agora acione o PAT e entre com 220 p no
campo STRING ,selecione o botão local tagged e clique o.k. .Pronto Não precisamos desativar o Pat pois
seu modo não está ON CLICK.
Experimente isto você mesmo no restante do diagrama até ficar claro como o PAT funciona -Embora
truculento no inicio , é muito poderoso e pode poupar bastante tempo de edição manual tediosa .Não
esqueça quando usado no modo ON CLICK esta função deve ser cancelado ao final .
O anotador Automático
O ISIS tem um anotador automático que vai escolher as referencias para você . Podemos anotar todos os
componentes ou componentes que ainda não foram anotados , aqueles que tem um ‘?” em sua referencia
.
Uma vez que já anotamos alguns componentes usaremos o anotador automático no modo de incremento
.Para fazer isso , acione o comando Anotate no menu Design , clique no botão incremental e então clique
o.k.. Em Pouco tempo o desenho será refeito mostrando a nova anotação .Uma vez que o OPAMP não é
um componente de multi elementos como o TL074, o anotador os anota como se fosse U2 ate U5 o que
está errado . Para corrigir isto , edite cada componente manualmente ,Vamos aprender a criar e usar um
TL074 mais tarde.
Mesmo com o Anotador Automático , você tem colocar o valor dos componentes manualmente , mas
tente isso para aumentar a velocidade , ao invés de mover pela folha e editar cada componente ,
simplesmente tecle E para Edit e tecle a referencia do componente .isto localiza o componente desejado e
o traz para ser editado .Você deve também tentar usar A Ferramenta de Designação de propriedade
explicada anteriomente .
CRIANDO NOVOS COMPONENTES
A nova seção do circuito emprega um atenuador digital 7110 , isso nos dá a oportunidade de aprender
como criar novos dispositivos no ISIS.
No ISIS novos componentes são criados diretamente no desenho , não existe um editor de componentes
separado..Os novos componentes são criados colocando uma seleção de gráficos 2 d e pinos anotando-
se os pinos , e finalmente destacando o desenho e invocando o comando MAKE DEVICE (FAZER
COMPONENTE)
Você verá que é útil desenhar o componente a ser criado para saber que tamanho deve ter,
considerando-se a quantidade de pinos que deve ter Neste caso use o diagrama abaixo como um guia
.A primeira coisa a fazer e localizar uma área livre no seu desenho onde o componente possa ser
criado.Clique o lado direito do mouse na região inferior a direita da janela panorâmica , para posicionar a
JANELA DE EDIÇÃO para aquela área do desenho.
Comece desenhando o corpo do novo componente . Escolha o ícone graphic mode e então o ícone
quadrado(box) .Veremos que o selecionador de objetos a direita mostra os estilos de Gráficos .Os estilos
de gráficos determina como o gráfico que nos vamos traçar vai aparentar em termos de cores ,
41
42
espessura ,cor de preenchimento . Cada estilo listado é um conjunto diferente de atributos and define
como diferentes partes do esquema aparece .
O ISIS tem um sistema de estilos poderoso, estilos locais e globais e a capacidade de estilos locais seguir
estilos globais que te possibilita personalizar a aparência de seus desenhos esquemáticos .Veja a seção
Graphics and Text Styles para uma completa explicação de como estilos funcionam e são usados.
Como estamos desenhando o corpo de um componente , escolha o estilo gráfico para componentes e
coloque o mouse sobre a JANELA DE EDIÇÃO ,aperte e segure o botão esquerdo do mouse e arraste um
retângulo. Não se preocupe em obter o tamanho exato podemos sempre modificar o tamanho mais
tarde.Você verá que como resultado de ter escolhido estilo gráfico para componente o retângulo aparece
na mesma cor ,preenchimento ,etc.. que os outros componentes da esquemática .
O próxima coisa a fazer é colocar os pinos do novo componentes .Para fazer tal , primeiro selecione
GADGET MODE e em seguida DEVICE PINS .O selecionador de objetos lista os estilo de pinos
disponíveis (note que você criar qualquer seus próprios pinos no ISIS , embora não cobriremos nesse
TUTORIAL) Selecione no seletor o pino Default , a janela panorâmica provem uma previa do pino com o
nome e número representado pelos caracteres name e 99 com sua base e final representados pela
marca de ORIGEM e cruz respectivamente a cruz representa o final ao qual será ligado um fio .
Use a rotation e mirror para orientar quanto sua posição para colocação dos pinos esquerdos em seguida
clique o lado esquerdo do mouse na JANELA DE EDIÇÃO na margem esquerda do retângulo onde
queremos que cada base de pino apareça .
Coloque os pinos para VIN , D0...D5 S1..3 E DGND Note que podemos usar as setas para baixo para
movimentar o apontador do mouse somente um quadrado de uma grade a tecla enter como substituto
para o lado esquerdo do mouse ..As vezes é mais rápido usar estas teclas . Clique o lado esquerdo do
mouse sobre o ícone MIRROR e coloque os três pinos direitos : RFB,IOUT e AGND .Para finalizar
,coloque dois pinos , um na margem superior e o outro na margem inferior do retangulo.,ajustanto tanto a
Rotation quanto o mirror antes de colocar de forma que aponte para fora do corpo do dispositivo , esses
pinos serão VDD e VBB de alimentação e serão eventualmente escondidos ( E por que eles não são
mostrados na figura).
Neste estagio você pode reposicionar os pinos ou ajustar o tamanho do retângulo de acordo.Para
movimentar um pino destaque com lado direito do mouse e movimente-o com o lado esquerdo do mouse
,para re-orientá-lo use o ícone Rotation e Mirror .Para reajustar o retângulo que compõe o componente
,destaque-o com o lado direito do mouse , aperte o lado esquerdo e mantenha apertado num dos oito
pontos de arraste ( um dos quadradinho nos extremos ou no meio de cada lado do retângulo) traga o
ponto de arraste para sua nova posição .Se ajustar sua largura você necessitará de desenhar um quadro
selecionador (com o lado direito do mouse) ao redor dos pinos e depois usar o ícone Move para
movimentá-los para a nova posição.
Então ,tendo o retângulo que compõe o componente e pinos de acordo ,nos precisamos anotar os pinos
com nomes e números e dar a eles propriedades elétricas . As propriedades elétricas (entrada,saida ,
alimentação etc..) são usadas pelo electrical rules check, para verificar se somente pinos compatíveis
estão ligados .
Nos vamos primeiro designar ,nomes ,tipos elétrico e visibilidade .Para fazer isso temos primeiro que
destacar cada pino clicando o lado direito do mouse e em seguida edita-lo clicando sobre o pino o lado
esquerdo do mouse que abrirá o quadro de edição do pino
Edite cada pino como a seguir:
. coloque o nome do pino no campo NAME .Deixe o campo Number em branco , pois vamos designar o
número dos pino com Ferramenta de designação de propriedade (PAT).
Escolha o tipo elétrico apropriado para o pino Output(saida) , Power(alimentação) para pinos VDD,
VBB,AGND e DGND e input (entrada ) para o restante.
43
Selecione se os pinos devem ser escondidos desabilitando sua visibilidade(draw body checkbox ) tanto
VDD quanto VBB são pinos de alimentação padrão e podem ser escondidos ,Já AGND e DGND não são
pinos padrão e devem permanecer visíveis para possam ser ligados ao resto do desenho de acordo.
Clique O.K. quando tiver terminado.
Para designar os pinos vamos usar a Ferramenta designadora de Propriedade (pat) .Para iniciar o PAT
clique no comando Property Assignment Tool no menu de Tool(ferramenta) e entre com NUM=# no
campo string o valor 1 no campo count .Selecione o botão ON CLICK , feche quadro clicando o.k. .Agora
cuidadosamente clique sobre cada pino em sua ordem de número (iout,agnd,etc..) a medida que você
clica em cada número um número é designado pelo PAT para aquele pino, Quando terminado não se
esqueça de desabilitar o Pat clicando cancela no seu quadro de dialogo.
Tudo que temos que fazer agora é realmente fazer o componente. Para fazer isso temos que destacar
todo o conjunto o retângulo e os pinos desenhando ao redor do componente um quadrado selecionador
com lado direito do mouse, tomando cuidado para deixar de fora os pinos ocultos ,finalmente escolha o
make device no menu Edit para ter acesso ao quadro Make device .Tecle no campo name 7110 e a letra
U no campo prefix ,selecione a biblioteca apropriada no selecionador de biblioteca (somente bibliotecas
para armazenamento são mostradas ) escolha o botão O.K. para salvar o componente.
Toques Finais
Agora que você criou um 7110 ,você pode cloca-lo em seu esquema ,liga-lo aos demais componentes e
anotar os demais componentes usando o anotar automático no modo incremental. que anota novos
componentes sem alterar o restante.
A chaves e marcação ao redor as entrada DA0DA5 é feito com sinais gráfico 2d O ISIS provem
facilidades para ,colocação de linhas ,quadrados,circulos,arcos e textos no seu desenho, tudo é escolhido
a partir do ícone graphics MODE .
A chave é feita por três linhas .escolha o ícone linhas (pode ser que você precise escolher Graphics Mode
primeiro)e então clicar inicio e fim d cada linha .Coloque o texto PIO1A como mostrado desenho
escolhendo o ícone TEXT ,ajustando o ponto de rotação para apontar para esquerda ,em seguida
clicando o lado esquerdo do mouse onde você quer que a parte inferior do caracter F apareça .Podemos
destacar e arrastar sinais de gráfico 2 d para colocar as coisas onde queremos.
Finalmente temos de colocar um contorno para o bloco do cabeçalho .Para faze-lo temos que escolher o
ícone quadrado (teremos que escolher Graphics Mode primeiro).,distancie o zoom até poder ver toda a
borda da folha em azul escuro e em seguida coloque o quadrado sobre ela , é importante notar que o
quadrado do contorno não aparece no desenho impresso .Se queremos o contorno temos que fazer com
linhas do modo gráfico 2 d .
O bloco do cabeçalho merece mais discussão. É de fato , não muito diferente que símbolos que usamos
como logotipo de firma .(Ver capitulo Símbolos e Biblioteca de Símbolos) um cabeçalho padrão é
fornecido ,mas podemos redefini-lo para ficar segundo nossas necessidades.
Header Block(bloco do cabeçalho) .
Para colocar o Cabeçalho , escolha o ícone graphics Mode , em seguida clique no Ícone Symbols ,clique
sobre o botão P do selecionador de objeto para mostrar o quadro de Seleção de símbolos .Para
escolhermos símbolos é igual escolhermos componentes de bibliotecas exceto que temos seletor de
prefix..Escolha Header (cabeçalho) da biblioteca de Símbolos do SISTEMA e feche o quadro de
dialogo.Com o cabeçalho, agora como símbolo atual ,aponte em algum lugar nas imediações do lado
inferior esquerdo , e aperte o lado esquerdo do mouse para colocar o cabeçalho em sua posição.
Algum dos campos o bloco do cabeçalho vai preencher automaticamente , outros, tais como, titulo do
desenho , precisam ser colocados com os comandos Edit Design Properties e Edit cheet Properties
(editar propriedades de folhas , no menu Design .Note que o campo Sheet Name (nome da folha) no Edit
sheet properties é diferente do campo sheet title (titulo da folha). O nome da folha é um titulo curto que
designa cada folha, o titulo da folha é uma descrição detalhada do circuito que aparecerá no cabeçalho
daquela folha .
Para vermos o efeito de nossa edição temos que aproximar o zoom no cabeçalho.
Salvando,Imprimido e Plotando.
Você pode salvar seu desenho no comando Save no menu File , e agora ‘é tão bom quanto qualquer
tempo. O comando Save as salva o desenho com outro nome , isso é , gera uma copia do desenho em
arquivo.
Para imprimir a esquemática , escolha primeiro o dispositivo no Print Setup do menu File .Isso ativa O
quadro de configuração de impressora do Windows .Os detalhes depende de cada dispositivo e da versão
do windows e o driver do sua impressora.
Consulta a documentação do driver de impressora do windows para saber detalhes.Quando você tiver
selecionado a impressora correta ,feche o quadro de dialogo ,escolha a opção Print no menu File e
imprima seu trabalho..A impressão pode ser abortada teclado-se ESC , embora demora um pouco para
tudo parar pois o ISIS e impressora tem que esvaziar os buffers.
Mais informação na geração de trabalhos impressão consulte o capitulo Hard copy Generation.
Se você possuir um kit de avaliação ,note que você só pode imprimir os desenhos sem modifica-los . Para
experimentar isso agora carregue um desenho com o comando load e imprima com o comando PRINT
RECURSOS AVANÇADOS DO EDITOR DE DISPOSITIVOS.
Vamos agora definir um componente para ser armazenado na biblioteca para o OPAMP(AMPLIFICADOR
OPERACIONAL) TL074 operacional quadruplo..Como temos quatro operacionais num só dispositivo
,nosso treinamento mostrará com criar componentes multi-elementos.
Como componente compostos necessitam que suas pinagem sejam especificadas por um script de
pinagem, vamos mostrar como criar isso
.
A ilustração acima mostra o nosso componente será. O componente é formado por figuras 2 d ,5 pinos e
marca de origem .Vamos estudar meios de construir os gráficos do OPAMP(AMPLIFICADOR
OPERACIONAL) .O Primeiro e modo mais fácil é um símbolo de OPAMP(AMPLIFICADOR
OPERACIONAL) já existente .Click no modo gráfico (graphic mode) isso fará que o quadro Symble Library
Selector se abra ,clique duas vezes no OPAMP(AMPLIFICADOR OPERACIONAL) e feche quadro de
dialogo usando o recurso do windows de minimizar. Posicione o mouse numa área livre da JANELA DE
EDIÇÃO e use o lado esquerdo mouse para colocar o componente O OPAMP(AMPLIFICADOR
OPERACIONAL) automaticamente aparece no estilo gráfico do componente ,uma vez que esse estilo foi
usado para criar o símbolo.
44
Agora coloque o pinos ao redor do corpo do componente .Este é um processo similar a criação do
atenuador 7110 que já criamos como exemplo.Escolha o modo GADGET e então pino do dispositivo para
obter uma lista dos pino disponíveis .Escolha o tipo default e depois use o ícone Rotate e Mirror para
orientar os pinos antes de coloca-los no seu desenho .Uma vez que tenhamos colocado todos o pinos ,
vamos ter que editar todos os pinos clicando com o lado direito do mouse e depois com o lado esquerdo
,.Anote no quadro que se abriu com o nome correto do pino e tipo eletrico.Temos que dar ao pinos para
referencia-los no script de pinout ; não queremos que sejam mostrados uma vez que funcionamento é
interno.Note que não será necessário colocar o número do pino pois será colocado pelo script de
Pinagem.
O pino de alimentação tem os nome V e V e tipo elétrico alimentaçào.Se você coloca-los exatamente na
borda esquerda do OPAMP(AMPLIFICADOR OPERACIONAL) ,você descobrirá que eles apenas tocarão
o lado saliente do gráfico do opamp enquando mantendo os terminais de seus pinos.(marcados com x)
no quadrado da grade .se numa situação similar , eles não tocassem ,você poderiam estender a base
com linha 2 d com mouse Snap off(movimento de snap desligado) O pinos de entrada tem nomes +IF e -
IF o tipo eletrico INPUT(entrada) .O pino de saida tem o nome op e tipo elétrico Output (saida) .
O estagio final é colocar o marcador de origem . Escolha o ícone marker para mostrar uma lista de
marcadores de origem no Selecionador de Objetos .Escolha o marcador de origem e em seguida coloque
o símbolo do marcador no centro do gráfico do OPAMP .O marcador de Origem é mostrado como um
retângulo com uma cruz fio de cabelo. Ela indica para o ISIS como o novo dispositivo deve aparecer ao
redor do mouse quando o dispositivo é arrastado e colocado no desenho.
Nos agora terminamos de fazer o dispositivo. Destaque as partes constituintes do símbolo do OPAMP ,
pino e marca de origem traçando um retângulo selecionador ao redor deles usando lado direito do mouse
, e em seguida chame o comando Mace Divise no menu Edit. .Ao aparecer o quadro Mace device escolha
uma biblioteca de destino , coloque no campo Name TL074 e no campo prefix a letra U .No campo
pinagem ,entre com o nome tl074 (este é o nome da pinagem que vamos criar e dal qual o novo
dispositivo terá seus números de pinos ) ,escolha Generate Pinout caixa de checagem(check box) (isso
faz com que o ISIS gere um script de pinagem para nos) e feche o quadro clicando O.K.
O segundo método para criar um OPAMP, seria assumir que não há símbolo pronto .Comece deletando o
símbolo do OPAMP selecionando O ícone Modo Gráfico , apontando nele e clicando o lado direito do
mouse . Agora escolha o ícone de linha , pressione f2 to ajustar o grid mecânico para 50 thou , coloque as
três linhas necessárias para fazer o triângulo. Então se você ainda não fez , aproxime o zoom para a
máxima resolução (tecla F5 ) e desabilite o gride mecânico f1 .Você está agora na melhor posição para
colocar as três linhas para fazer os símbolos para as entradas do OPAMP. Cada linha deve ter 7 pixels
.Se você colocar algo errado ,você pode editar com lado direito do mouse e arrastar pela alça de arraste
ou apagar ( clicando o lado direito do mouse e em seguida o lado esquerdo)
Tendo Feito o dispositivo TL074 , você verá que ISIS gerou um esqueleto do escripte da pinagem próximo
as partes constituintes usadas para criar o novo dispositivo .O escripte aparece assim:
45
Você pode editar o script destacando-o e então clicando o lado esquerdo mouse Para terminar a edição
use a tecla ESC. para abortar o editor o deixe o escript inalterado ou Tecle CTRL e Enter para manter as
alterações.
Edit. o escript esqueleto de tal forma que fique assim :
Os elementos e propriedades dos pinos dizem a ISIS quantos elementos e pinos há no invólucro. No
nosso caso , há quatro elementos separados no invólucro e 14 pinos (dois pinos de alimentação e quadro
conjunto de duas entradas e uma saída por dispositivo ) . AS linhas restantes indicam tipo elétrico , nome
e numero dos pinos . Por exemplo , a primeira linha indica um pino do tipo entrada com o nome +IP E OS
PINOS NÚMEROS 3,5,10,12 .os primeiros números na lista é numero do pino +IP do primeiro
operacional , o segundo numero é do pino IP+ do segundo operacional e assim por diante . O uso de
asterístico na lista de pinos em V e -V indica que esses pinos não devem ser mostrados no componente
correspondente- isto é o primeiro componente será mostrado com todos os pinos o restante dos
componentes serão mostrados apenas com duas entradas e uma saída como mostrado na figura abaixo:
Tendo editado o script nós agora vamos de fato o script da pinagem. Para fazer isto, esteja certo que
sómente o script está selecionado e acione o comando MAKE PINOUT no menu edit- O quadro MAKE
PINOUT é mostrado com nome e biblioteca automáticamente lançados e selecionados. Selecione o
botão OK para fazer a pinagem. É isso aí ! O novo dispositivo está também lançado no selecionador de
objetos pronto para colocação. Coloque 4 componentes e anote-os como elementos de A à D para
verificar que eles apareção como é mostrado acima no desenho.
46
47
Tendo definido 1 TL 074, você quase que instantâneamente define tipos TL 064 e TL 084.
Simplesmente coloque 1 TL 074 selecione-o e acione o comando MAKE DEVICE e mude o nome para
TL 064 ( ou qualquer outro) e salve-o. O que poderia ser mais fácil?
Se você precisasse adicionar alguma coisa para o básico TL 074 - talvez alguns gráficos mais, você
poderia simplesmente adiciona-los sobre 1 TL 074 colocado e acionar o comando MAKE DEVICE.
De outra forma, se TL 074 já estivesse quase certo mas precisasse pequenas alterações antes que fosse
transformado num novo dispositivo, você poderia decompo-lo de volta as suas partes constituintes
selecionando -o e selecionando o comando DECOMPOSE no menu edit, edita-los e / adicionar a eles , e
depois fazer o novo dispositivo.
Você pode repor os 4 amplificadores de filtro com as partes do TL 074 adequadas.
Para recolocar 1 componente com um tipo similar, escolha o novo tipo, e tenha certeza que o mouse está
sobre o componente que você quer repor , clique e segure o lado esquerdo do mouse e arraste o novo
componente de tal forma que um ou mais pinos se sobrecoloquem.
O ISIS vai transferir as ligações do velho componente para o novo componente enquanto mantém
intactas todas as informações sobre o velho componente, ( EX. sua referência etc).
SÍMBOLOS E BIBLIOTECA DE SÍMBOLOS
Selecione as 3 linhas que formam a chave ao redor das entradas do 7110. Em seguida acione o comando
MAKE SYMBOL no menu edit, tecle TEST como o nome do símbolo e aperte enter. Agora escolha o
ícone GRAPHIC MODE e clique o lado esquerdo do mouse no ícone SYMBOL. Você verá que o ítem
teste apareceu no selecionador de objetos.
Selecione -o e tente coloca-lo no desenho. Usos comuns para isto são coisas como o amplificador
operacional, o qual é necessitado por muitos tipos de dispositivos e emblemas etc.
Um uso especial para símbolos é o bloco do cabeçalho. O símbolo DEFAULT foi criado com linhas 2D ,
uma caixa e vários primitivos de texto especial os quais automáticamente são substituídos por
propriedades associadas com o desenho e folhas atuais. Por exemplo, um objeto texto com os caracteres:
@ D TITLE vai automáticamente aparecer à medida que o título do desenho é lançado no quadro de
comando do EDIT DESIGN PROPERTIES. A lista completa de palavras chave é apresentada no bloco do
cabeçalho.
48

Manual proteus labcenter (portugues)

  • 1.
    Intelligent Schematic Input System ManualPortuguês Issue 6.0 - November 2002 © Labcenter Electronics
  • 2.
    MENU DE ICONES ARQUIVODE COMANDO DE IMPRESSÃO Novo Abrir Salvar Imprimir Área de Seção de Seção de Impressão Importação Exportação COMANDOS DE EXPOSIÇÃO Refazer Grade Origem Cursor Bandeja Aumentar Diminuir Visualizar Lupa PRINCIPAIS COMANDOS Componente Ponto de Etiqueta Certificado Barra de Circuito Edição Junção Transporte Secundário ICONES DO DISPOSITIVO Terminais Pino Gráfico Fita Adesiva Gerador Ponta de Ponta de Multímetro Dispositivo Prova Voltagem Prova Corrente GRÁFICOS 2D Linha Caixa Circulo Arco Trajeto 2D Texto Símbolo Marcador 2
  • 3.
    FERRAMENTAS DOPROJETO Tempo RealSnap Fio Roteador Busca Pesquisa Propriedade de Ferramentas Nova Folha Deletar Folha Anterior Desfazer Ação Impossível Desfazer Valor do Material Verificação Elétrica das Trilhas Lista Líquida Ares EDIÇÃO DE COMANDOS Estes afetam todos os objetos atualmente etiquetados. Cópia Bloco Movimenta Deletar Bloco Girar o Bloco Seleção Dispositivo Fazer o Dispositivo Decompor Bloco Símbolo Pacote de Ferramentas Undo Redo Recortar Cópia Pasta ESPELHO E GIRAR ICONES Girar no Sentido Horário Girar Anti-Horário Linha central de X linha central da aleta Y 3
  • 4.
    Este documento éum tutorial, isto é, deve ser exercitado e não apenas lido, este documento foi planejado passo a passo para deixá-lo apto a operar seu fotolite em toda sua plenitude num tempo de aproximadamente 2 horas. O presente software que você esta prestes a dominar, trata-se do programa mais potente e assim mesmo muito fácil de se usar. O presente software é um poderoso roteador automático e gerador de fotolito de alta precisão para ser usado no processo fotográfico de transferência. As operações para confecção de uma placa de circuito impresso, são as seguintes: CCRRIIAARR CCOONNTTOORRNNOO DDAA PPLLAACCAA.. CCOOLLOOCCAAÇÇÃÃOO DDEE CCOOMMPPOONNEENNTTEESS.. MMAARRCCAANNDDOO LLIIGGAAÇÇÕÕEESS.. ((NNEETT LLIISSTT IINNSSTTAANNTTÂÂNNEEAA)) IINNVVOOCCAANNDDOO OO RROOTTEEAADDOORR AAUUTTOOMMÁÁTTIICCOO.. PPOOSSSSÍÍVVEELL RROOTTEEAAMMEENNTTOO ((EEDDIIÇÇÃÃOO MMAANNUUAALL)).. RROOTTEEAAMMEENNTTOO AAUUTTOOMMÁÁTTIICCOO O roteador inteligente do seu fotolite, mesmo roteando em uma só face, o que é muito difícil de fazer, pode chegar a níveis de 80 por cento de execução, o restante pode ser feito por roteamento manual, ou melhorando o posicionamento dos componentes, de qualquer forma, estude bem a parte de edição manual para poder interferir no roteamento feito pelo computador. . Placa Roteada Ligações Uma das coisas mais estafantes de ser fazer é rotear manualmente uma placa, além de ser cansativo, o aspecto do traçado pode não ser profissional. Felizmente no fotolite você não terá esse trabalho, pois o fotolite tem um roteador on board que faz do roteamento automático algo bem simples. Olhando a figura acima temos componentes marcados com ligações para serem roteadas automaticamente, após a placa roteada, você verá o aspecto profissional das trilhas. 4
  • 5.
    FFAAZZEENNDDOO OO CCOONNTTOORRNNOODDAA PPLLAACCAA Antes de fazermos o contorno da placa, escolha o sistema métrico, clicando no menu display, em seguida, na opção metric. O fotolite tem uma camada especial chamada de board edge. Esta camada é utilizada para registrar as dimensões da placa. Temos que adicionar a camada (layer = camada) board edge para fazermos o contorno da placa. Selecione o ícone GRAPHICS MODE (segundo ícone da segunda fileira) e em seguida o ícone BOX (segundo ícone da primeira fileira) Selecione o ícone GRAPHICS MODE (terceiro ícone da terceira fileira) e em seguida, 5 O ícone BOX (segundo ícone da primeira fileira). Box (quadrado) Graphics Mode
  • 6.
    6 pertando o ladodireito do mouse e mantendo-o reita bou de desenhar um quadrado de 5x5 cm. distanciarmos ou aproximarmos a imagem sendo ocê já pode notar que a nossa placa ocupa a tela toda e que ela está cheia de pontos eqüidistantes, s a o programa registra as Colocando o mouse sobre a marca de origem, e a apertado, arraste para cima, até as coordenadas (0,50,000), em seguida arraste o mouse para a di até as coordenadas (050,050) e finalmente para baixo até as coordenadas (000,050) libere o botão do mouse. Você aca O comando zoom, teclas de F5 até F12, servem para que a tecla F12 faz a placa ocupar a tela inteira. Clique F12. V esses pontos se chamam Grid visual, eles nos facilitam o traçado e o alinhamento do nosso desenho. Escolha a tecla F3 para uma grade de 1 em 1 mm. Os valores das grades estão armazenados nas tecla F1, F2, F3 e F4 e podem ser alterados pelo comando SYSTEM SET UP GRID. O FOTOLITE tem uma camada especial chamada BOARD EDGE, nesta camad dimensões da placa para orientar o roteador. CCOOLLOOCCAANNDDOO CCOOMMPPOONNEENNTTEESS ntes de começar a colocar os componentes, devemos mudar o layer de trabalho para TOP COPPER. ione TOP Fotolite tem vários componentes arquivados em Bibliotecas (LIBRARIES), com o comando para A Clique no selecionador de camadas no canto inferior esquerdo e escolha TOP COPPER. Novamente o quadro de mudança de layer de trabalho está na tela, usando as setas selec COPPER, e Tecle ENTER. O colocar componentes acessaremos tais componentes e os colocaremos na placa.
  • 7.
    CCCOOLLOOCCAAÇÇÃÃOO DDEE CCOOMMPPOONNEENNTTEESSOOLLOOCCAAÇÇÃÃOODDEE CCOOMMPPOONNEENNTTEESS lique no ícone PLACEMENT E ROUTING MODE (o segundo ícone da primeira fileira) Em seguida, lique sobre o botão da letra P (Placement) colocação C clique em EDITING PACKAGE PLACEMENT (colocação, invólucro e edição) como mostra o desenho acima. C parecerá uma relação de componentes, escolha DIL8 e clique duas vezes, pois vamos colocar um d, res40, olhe o desenho A circuito integrado e 8 pinos, cujo código dentro da lista de componentes é DIL8. Usando o comando de colocação de componente escolha Dip8, cap20, cap40, le da placa e coloque os seguintes componentes como se encontram na placa no desenho abaixo. Colocação de componentes Componentes suasColocados com respectivas ligações Botão da letra P 7
  • 8.
    8 GGIIRRAANNDDOO CCOOMMPPOONNEENNTTEESS Antes deprosseguir à marcar as ligações, vamos exercitar alguns comandos importantes. Ao escolher um componente para colocação você poderá observá-lo na janela panorâmica de Inspeção no canto superior direito da tela. Colocação de componentes Girar componentes Note: que a cada clique com o mouse na ferramenta de girar componente teremos um giro de noventa graus no componente antes de colocá-lo na placa. GGIIRRAANNDDOO UUMM CCOOMMPPOONNEENNTTEE JJÁÁ CCOOLLOOCCAADDOO.. Podemos a qualquer momento girar qualquer componente, basta selecioná-lo com o lado. Direito do mouse, notaremos que uma vez selecionado o componente torna-se em Destaque, em seguida, clica quantas vezes forem necessárias na ferramenta de girar. Componentes. Note que o ícone de colocação de componentes tem que estar ativado, pois estamos manipulando estritamente componentes. MOVER COMPONENTES Ative o ícone de colocação de componentes, selecione o componente com o lado direito do mouse, em seguida, aperte o lado esquerdo do mouse e segure, arraste o componente para o ponto desejado. Exercite bem esse comando. AAPPAAGGAANNDDOO UUMM CCOOMMPPOONNEENNTTEE Ative o ícone colocação de componentes. Selecione o componente com o lado direito do mouse, clique novamente com lado direito do mouse (total de dois cliques no lado direito) e o componente desaparecerá.
  • 9.
    9 FFAAZZEENNDDOO AA AANNOOTTAAÇÇÃÃOO Paraanotar num componente sua referência e seu valor, fazemos uma anotação, por exemplo, R1, R2, C2, U1, Etc.. Para anotar usamos a ferramenta abaixo: Ferramenta de anotação Clique na ferramenta de anotação, e o quadro abaixo aparecerá: Identificação do componente valor Envólucro Face, Camada. No campo parte Id coloque a referência, por exemplo, CI1, R1, etc., coloque o valor no campo valor. Clique OK. Podemos dizer ao programa o que queremos que seja, mostrados na máscara de componentes, valores e referência, somente valores ou somente referência, podemos. Também escolher a altura e a largura das letras da anotação. Para tal clique no menu SYSTEM/SET TEMPLATE e ative os elementos que você deseja Estude o quadro abaixo.
  • 10.
    MMOOVVEENNDDOO UUMMAA AANNOOTTAAÇÇÃÃOO Podemosmover uma anotação para qualquer ponto do display, para tal basta selecionar a Anotação com o lado direito do mouse o move-la clicando com o lado esquerdo do mouse mantendo-o apertado, arrastando-o (clicar e segura-lo apertado) até o ponto desejado, para completar liberamos o botão esquerdo do mouse. CCRRIIAAÇÇÃÃOO DDEE CCOOMMPPOONNEENNTTEESS A criação de componentes no fotolite é incrivelmente simples. Vamos criar um resistor para ser colocado em pé na placa, com a distância de um terminal a outro de 5 mm, os terminais serão quadrados e medirão 2 mm cada lado, seria algo como abaixo: Ilhas do Componente Ilhas Com Silk do Componente 10
  • 11.
    Primeiro vamos limpara tela. Escolhemos o sistema métrico de grade para medirmos a distância das ilhas. Escolha o menu Display a opção metric. E depois escolhemos a grade de 1 mm que está armazenada em F3 aproxime com o zoom máximo, tecla F5. Com o comando de colocação de ilhas (PADS) coloque duas ilhas quadradas de 2.00 mm à uma distância de 5mm cada, como estamos usando a grade (GRID) F3 que é 1mm cada ponto na tela está a uma distância de 1mm um do outro , devemos colocar as ilhas a cinco pontos uma da outra de centro a centro.Uma vez colocada as ilhas como mostra acima ,Vamos desenhar o silk (máscara de componentes) ,escolha na barra de ferramentas a Ferramenta de GRAPHICS MODE (modo gráfico) linha Graphic mode geométricos Em seguida, escolha linha na barra de ferramenta escolha o gride 0.5mm que está armazenado na tecla F2 para desenhar com mais precisão o desenhe do silk (máscara de Componentes) como abaixo. Ilhas do componente Ilhas com o silk do componente Vamos agora colocar o desenho na biblioteca, trace um quadrado selecionador com o Lado direito do mouse escolha, EDIT PACKAGE. No campo NEW PACKAGE NAME digite RESP 5 mm (resistor em pé 5 mm) e clique OK. A partir deste momento o componente estará à disposição da biblioteca. CCOOLLOOCCAANNDDOO TTEEXXTTOO Podemos colocar texto em nosso layout, para isso basta ativar a ferramenta GRAPHICS MODO. texto Graphics mode 11
  • 12.
    Em seguida ativao texto. E clicar com o mouse em qualquer ponto da placa que queremos colocar o texto. O quadro abaixo aparecerá. MMAARRCCAANNDDOO LLIIGGAAÇÇÕÕEESS Na barra de ferramentas existe uma ferramenta própria para marcar as ligações mostradas no desenho abaixo. FFeerrrraammeennttaa ppaarraa mmaarrccaarr LLiiggaaççõõeess Basta clicar essa ferramenta com o lado esquerdo do mouse para cada ponto a ser ligado. Usando essas instruções marque todas as ligações do desenho placa abaixo, Você notará que para fazer as marcações será bem rápido Usando estas instruções marque todas as ligações do desenho da placa acima Depois de marcadas as ligações vamos rotear automaticamente a placa. EESSCCOOLLHHEENNDDOO AA LLAARRGGUURRAA DDAA TTRRIILLHHAA EE OO NNÚÚMMEERROO DDEE FFAACCEESS AA SSEERREEMM RROOTTEEAADDAASS.. Vamos escolher uma largura de trilha de 0.40 mm e vamos forçar o programa a rotear tudo numa única face. Normalmente os roteadores fazem trilhas verticais e horizontais. Podemos colocar as trilhas horizontais em uma camada (face) e as trilhas verticais em outra. Como vamos rotear em uma só face, vamos programar as estratégias (strategies) para rotear tanto trilhas verticais quando trilhas horizontais na camada superior (top copper), portanto no campo vert selecione com o mouse TOP COPPER. Para acessar EDIT strategies, clicando no menu Edit e em seguida em Set strategies. ESCOLHENDO A LARGURA DA TRILHA Queremos uma largura de trilha (trace style) de 0.40 mm No campo trace sytle escolha0. 40 mm abaixo temos o quadro EDIT STRATEGIES. 12
  • 13.
    Em seguida escolhacom o mouse o meu TOOLS (ferramentas) AUTO ROUTER (auto roteador) O quadro auto router aparecerá no campo grid 25, e sua placa será roteada. Siga aa sseelleeççããoo ccoonnffoorrmmee oo mmooddeelloo aaoo llaaddoo.. Antes de prosseguir estude as modificações em trilhas com muita atenção apresentadas mais abaixo, pois tais modificações poderão ser necessárias. SSAALLVVAANNDDOO SSEEUU TTRRAABBAALLHHOO A atual cópia que você possui do seu FOTOLITE é chamada de NC, isto é Não Comercial, por isso que você tem acesso a todo potencial do programa a baixo custo. Seu FOTOLITE NC Não tem limites, isto quer dizer que você pode ter qualquer número de pinos que o seu Programa funcionará bem, mas temos uma Restrição na Versão NC ele só poderá salvar sua placa, na fase de ligação, o que não é nenhum inconveniente uma vez que o roteamento se dá em segundos. Mas se você quiser sua verão sem esta restrição entre contato com a TTEECCNNOO TTRRAACCEE e obtenha um registro especial da versão plena por US$ 45,00 13
  • 14.
    14 SSAALLVVAANNDDOO SSEEUU TTRRAABBAALLHHOO Salvandoseu trabalho, ative no menu FILE(arquivo)/SAVE , o quadro de salvamento aparecerá e você poderá escolher um nome para salvar seu trabalho. SSAALLVVAANNDDOO SSEEUU TTRRAABBAALLHHOO CCOOMMOO As vezes temos que ter variantes de um projeto para fabricação, por exemplo um projeto com vários tipos de reles , pois a cada época temos mais ou menos facilidades em obter certos modelos de reles .Neste caso podemos modificar nosso projeto usando outro relê e salvar o projeto com outro nome , podemos ter tantas variantes do projeto quantas necessárias . Basta escolher o menu FILE /SAVE AS (salvar como e dar outro nome para o projeto que teremos uma cópia do projeto modificado e o original ficará intacto). Preenchimento de áreas livres A vantagem de se preencher as áreas livres, do ponto de vista estético, é que a placa. Ganha mais solidez, do ponto de vista prático, economizamos tinta de impressora ao imprimimos em negativo e economizamos percloreto de ferro ao corroer a placa final, e velocidade na corrosão, mas o mais importante é o ponto de vista eletrônico. Clique na ferramenta de preenchimento, em seguida, leve o mouse para a área que queremos preencher, aperte o lado esquerdo do mouse e segure, à medida que deslizamos. O mouse ele formará um quadrado de preenchimento e ao liberarmos o mouse este quadrado se preencherá
  • 15.
    Placa sem preencher Placa preenchida IIMMPPRRIIMMIINNDDOO Oseu FOTOLITE apesar de ser uma versão n.c pode imprimir todas as artes para execução de uma montagem e fabricação industrial isto é. Impressão do layout impressão da máscara de componente Impressão da máscara de solda para soldagem em cadinho, ou fluxo de solda. IIMMPPRREESSSSÃÃOO DDOO LLAAYY OOUUTT.. Escolha MENU/PRINT no campo MODE escolha ARTWORK e ative o TOP COPPER ,face superior ou BOTTOM COPPER(face inferior) Cada camada deve ser acionada de uma só vez, com exceção ao campo Board que pode estar acionado, o tempo todo, pôr se tratar do contorno da placa. IIMMPPRREESSSSÃÃOO DDAA MMÁÁSSCCAARRAA DDEE SSOOLLDDAA No campo MODE dos quadros de impressão, selecione SOLDER RESIST (máscara de solda), e as camadas TOP RESIST OU BOTTOM RESIST (FACE INFERIOR OU SUPERIOR). Cada camada deve ser acionada de uma só vez, com exceção ao campo board que pode. Estar acionado, o tempo todo, por se tratar do contorno da placa. 15
  • 16.
    16 TRILHAS - MUDANDOLARGURA DE TRILHAS Podemos a qualquer ponto de nosso roteamento mudar a largura de uma trilha. Colocação de trilhas selecione a trilha. MMUUDDAANNDDOO UUMMAA TTRRIILLHHAA OOUU SSEEGGMMEENNTTOO DDEE TTRRIILLHHAA Ao lidarmos com trilhas teremos sempre que Ter o ícone de colocação de trilhas ativado. Ao ativarmos a ferramenta de colocação de trilhas teremos uma lista com todas as larguras De trilhas no lado direito da tela. Escolha a largura de trilha que você quer usando o mouse, em seguida selecione a trilha. Com o lado direito do mouse, em seguida o programa apresentará um quadro pedindo confirmação de mudança de largura, clique ok que a mudança se efetivará. MMUUDDAANNDDOO UUMM SSEEGGMMEENNTTOO DDEE TTRRIILLHHAA Ative a ferramenta de colocação de trilha, clique com o lado direito do mouse para selecionar a trilha que você deseja, coloque o mouse sobre um dos extremos do segmento a ser mudado, clique novamente com o lado direito do mouse, em seguida coloque o mouse No outro extremo do segmento, clique o lado direito do mouse, você notará que somente este segmento ficou em destaque, escolha a nova largura de trilha , o programa pedirá a confirmação da mudança, clique ok. AAPPAAGGAANNDDOO UUMMAA TTRRIILLHHAA Selecione a trilha com o lado direito do mouse, um segundo toque no mouse e a trilha se apagará. A trilha tem que estar na mesma face mostrada no exibidor de layers, no canto esquerdo inferior da tela. A ferramenta de colocação de trilhas tem que estar ativada. AAPPAAGGAANNDDOO UUMM SSEEGGMMEENNTTOO DDEE UUMMAA TTRRIILLHHAA.. Ative a ferramenta de colocação de trilha , clique com o lado direito do mouse para selecionar a trilha que você deseja, coloque o mouse sobre um dos extremos do segmento A ser mudado, clique novamente com o lado direito do mouse, em seguida coloque o mouse no outro extremo do segmento, clique o lado direito, você notará que somente este segmento ficou em destaque, novamente com o lado direito do mouse que este segmento se apagará.
  • 17.
    DDEESSRROOTTEEAANNDDOO O bom dosroteadores de 32 bits é o fato que podemos desrotear com um simples comando acelerando assim nosso processo de execução de protótipos. Vamos supor que haja um erro em nosso projeto e que queiramos que a placa volte a condição de ligação de componentes e obviamente alterarmos o roteamento. Clique na ferramenta de colocar traço Em seguida selecione todo o circuito como um só bloco. Atenção para selecionar desenhe com o lado direito do mouse o quadrado selecionador. 17 Mover Apagar Clique na ferramenta apagar objetos que teremos o roteamento apagado e as ligações de volta. RROOTTEEAAMMEENNTTOO AAUUTTOOMMÁÁTTIICCOO.. AAJJUUDDAANNDDOO OO RROOTTEEAADDOORR AA iimmppoorrttâânncciiaa ddoo NNeecckk.. O roteador do seu FOTOLITE é inteligente, levando-se em consideração seu preço é excelente. Mas temos que ajudá-lo ativando certos recursos que o ajudarão a vencer os obstáculos . NNEECCKK Quer dizer pescoço em inglês, no Inglês de nosso programa quer dizer , um traço alternativo mais fino do que estamos usando o qual o computador pode usar para passar pôr ilhas ou mesmo traços próximos, um valor bom para o Neck seria 0.30 mm , o qual é um traço fino, mas seguro para fabricarmos a placa . Pôr exemplo, se estamos roteando uma placa com trilha de 1 mm de largura e o computador vê uma passagem entre duas ilhas de um CI ele vai usar a trilha alternativa (NECK) para passar pôr esse ponto .o NECK determinado vai aumentar o percentual de sucesso do roteador.
  • 18.
    18 MMUUDDAANNDDOO OO GGRRIIDD((GGRRAADDEE)) Se o roteador não conseguiu rotear uma placa totalmente , faça o seguinte ,desroteie, posicione os componentes de forma à facilitar o caminho para o computador, roteie usando diferentes grids 10, 20, 25,50 para cada gride o computador procede diferentemente, pode ser que ele não ache o caminho no gride 10 mas possa achar no gride 20 , pôr exemplo. RROOTTEEAANNDDOO EEMM DDUUAASS FFAACCEESS Agora que temos uma ferramenta poderosa para fazer placas de circuito impresso por que não usarmos todos os recursos deste programa? Ao termos desroteado a placa temos de voltar as ligações, vamos usar essas ligações para rotearmos uma placa em duas faces Vamos chamar o roteador e rotear essa placa em duas faces Clique SYSTEM/SET STRATEGIES e o quadro acima aparecerá , selecione para o campo VERT(trilhas verticais ) BUTTOM COPPER(face inferior) para que o roteamento vertical seja colocado na face inferior. Você notará que os traços da camada inferior serão azuis e os traços da camada superior serão vermelhos (essas cores você poderá mudar no SET COLOURS)
  • 19.
    19 MMUUDDAANNDDOO UUMMAA TTRRIILLHHAADDEE FFAACCEE A qualquer momento podemos mudar de face uma trilha roteada .O indicador de Layer (camadas) no canto inferior esquerdo alterna-se entre TOP COPPER e BUTTOM COPPER a cada toque na barra de espaço ou nas teclas PAGEUP E PAGE DOWN. Vamos supor que estamos na camada TOP COPPER, para saber em que camada estamos, olhe o indicador de camadas, qualquer trilha pode ser mudada para a camada oposta, basta selecionarmos com o lado esquerdo do mouse a trilha que queremos mudar de face, e mudarmos a camada teclando barra de espaço ou PAGEUP PAGE DOWN. O programa Apresentará um quadro pedindo a confirmação , tecle ok que a mudança será efetivada. IIMMPPRRIIMMIINNDDOO.. Mais adiante será explicado extensivamente o conceito de camadas, por hora vamos imprimir o layout da placa e a máscara de componentes. Ao clicarmos o menu OUTPUT/PRINT o quadro abaixo se abrirá: Devemos escolher uma camada a cada impressão, neste caso a camada TOP COPPER está selecionada e também BOARD EDGE(contorno da placa ) para aparecer na impressão o contorno da placa. GGEERRAANNDDOO FFOOTTOOLLIITTOO Seu Fotolite tem a capacidade de gerar fotolito, pois pode tanto imprimir imagem positiva (trilhas Negras fundo Branco) ou imagem negativa (fundo negro linhas transparentes ). As imagens negativas são usadas pelas indústrias de placas de alta definição ,num processo chamado fotográfico.
  • 20.
    As imagens Positivassão usadas por amadores ou pequenas indústrias por um processo chamado serigráfico ou silk screen. A TECNO TRACE adotou o FOTOLITE por ser especialmente provido de recursos para gerar fotolito negativo, pois utiliza e processo fotográfico para fabricar as placas. Se você tem uma impressora Jato de tinta, de 600 DPI ou Laser para gerar o fotolito negativo apenas escolha o campo INVERT COLOURS, que você produzirá o fotolito negativo tanto numa transparência para impressora ou imprimir em papel branco e tirar xerox em transparência para retro projetor e reforçar com nosso produto TONER MAGIC . Caso sua impressora seja mais antiga de 300 dpi siga as instruções abaixo. Clique OUT/EXPORT EPS vamos exportar o layout do TOP COPPER para ser capturado pelo COREL PHOTOPAINT para fazer a inversão de cores para nós. Depois de gerado o arquivo EPS, saia do FOTOLITE e entre no CORAL PHOTO PAINT, clique arquivo (file), Abrir (open). Como podemos observar o diretório em que o arquivo EPS do nosso lay out é C: / fotolito/lig. Eps. Devemos nos encaminhar a esse diretório para carregar este arquivo. O quadro OPEN AN IMAGE aparecerá, procure o diretório em que o lay out de seu EPS encontra-se e carregue o arquivo. Um novo quadro aparecerá, Import Eps, clique OK. O programa então apresentará o QUADRO IMPORT INTO BIT MAP no campo resolução, escolha a resolução de sua impressora. Clique ok e o lay out aparecerá no CORAL PAINT. Escolha um zoom de 50 pôr cento para poder manusear a imagem. Selecione a imagem usando a segunda ferramenta da barra de ferramentas (quadrado Selecionador), clique no menu EFECT, FANCY, INVERT. que teremos a imagem em negativo (cores invertidas) basta salvá-la e imprimí-la . Se imprimir em transparência própria para jato de tinta ou Laser Film para laser teremos um fotolito direto. Caso você opte em tirar xerox numa transparência para retro projetor e reforçar com Toner Magic por uma questão de custo e qualidade (laser), teremos um fotolito indireto xerográfico que após o tratamento com TONER MAGIC fica com qualidade laser.CONSULTE O MANUAL DO SEU KIT. 20
  • 21.
    21 EEDDIITTAANNDDOO (( RROOTTEEAAMMEENNTTOOMMAANNUUAALL) O fotolite é um software destinado à confecção de placas de circuito impresso. O programa é o mais popular do mundo, pois engloba uma biblioteca de componentes vasta e recursos que somente programas de maior custo possuem. Tais como recursos para criação de componentes, editoração de texto dentro do programa e resolução gráfica de altíssima qualidade. Ele permite traços de até 1 milésimo de polegada. Mas a razão principal de seu sucesso está na simplicidade de domínio do programa pelos usuários. Nosso curso foi elaborado de forma a explorar os principais recursos do programa no menor espaço de tempo possível, seguindo as instruções detalhadamente você estará apto à desenhar suas placas após 40 min. de estudo deste programa. Aconselhamos que você faça todos os exercícios sugeridos antes de tentar usar o programa. Este curso parte do pressuposto que você instalou o fotolite no Windows 95 /98 Para executar o programa clique iniciar, programas e clique no ícone fotolite. SSIISSTTEEMMAA DDEE MMEEDDIIDDAA DDEE LLAARRGGUURRAA DDEE TTRRIILLHHAA EE CCOOMMPPOONNEENNTTEESS .. O sistema de largura de trilhas usado neste programa é o SISTEMA IMPERIAL, nesta versão usaremos o sistema métrico. Mas vamos estudar também o sistema Imperial por ser usado nas medidas dos componentes e traços do programa EESSCCOOLLHHEENNDDOO OO SSIISSTTEEMMAA MMÉÉTTRRIICCOO.. Vamos trabalhar com a tela em mm, isto quer dizer que medidas de placas e distância dos componentes serão expressas em mm. Clique com o lado esquerdo do mouse sobre o Menu Display em seguida clique Metric. FFAAMMIILLIIAARRIIZZAANNDDOO--SSEE CCOOMM OO SSIISSTTEEMMAA IIMMPPEERRIIAALL ((PPOOLLEEGGAADDAASS)) Para lhe preparar para compreender o programa a fundo, vamos estudar o sistema imperial, pois ele está presente em todas as versões do fotolite. O mil é a unidade deste sistema de medida. Um mil é equivalente a um milésimo de polegada. Pois medidas de trilhas e ilhas são expressas em mils. Memorize a tabela abaixo: MILS OU THOU (THOUSANDTHS) MM (MILIMETROS) 5 é igual a 0.125 mm 10 é igual a 0.25 mm 20 é igual a 0.5 mm 30 é igual a 0.75 mm 40 é igual a 1.0 mm A tabela acima deve ser memorizada.. A tabela acima foi calculada com a seguinte formula: Medida em mils x 25.4 / 1.000= valor em centímetros. Ex: Vamos supor que queiramos saber quantos milímetros são 40 mils. Seguindo a fórmula: 40 x 25.4 /1.000=1.02 mm em termos práticos é igual a 1 mm. Vamos supor que queiramos traçar uma trilha de 5 cm de comprimento, quanto seria em mils? Muito simples:
  • 22.
    22 Sabemos que 40mils = 1 mm então 40 x 50=2.000 mils. Os exercícios acima são importantes para entendermos a medida de componentes e trilhas, para mudarmos e criarmos componentes. Atenção: Medidas de componentes no programa podem aparecer em polegadas, pôr exemplo 0.12 inc (inches, polegadas), neste caso multiplique pôr 1000 que terá a medida em mils ou em thou. A abreviatura de thou (thousandths, milésimos de polegadas) é th. Isto é, você verá as medidas em mils, com th como unidade. LLAAYYEERRSS ((CCAAMMAADDAA) Quando fazemos uma Placa de circuito impresso no fotolite, este gera simultaneamente, vários traçados necessários para toda etapa de fabricação da PCI, estes traçados são gerados nos LAYERS (CAMADA DE TRABALHO), não confundir com camadas da placa de circuito impresso. OOSS LLAAYYEERRSS DDOO PPRROOGGRRAAMMAA FFOOTTOOLLIITTOO SSÃÃOO:: TTOOPP EE BBOOTTTTOOMM.. ((SSUUPPEERRIIOORR EE IINNFFEERRIIOORR)).. Lado dos componentes e lado da solda, como costumamos chamar quando fazemos uma placa de face simples IINNNNEERR11 aaoo IINNNNEERR1144 - estes layers são camadas internas das placas chamadas de multi- layers. TTOOPPSSIILLKK ee BBOOTTTTOOMM SSIILLKK (máscara de componentes superior e máscara de componentes inferior) Nestes layers (camadas de trabalho) o fotolite desenha o silk screen do lado superior (TOP) e silkscreen do lado inferior. (BOTTOM). O silkscreen se refere a identificação e encapsulamento do componente, destinado a montagem em série. TTOOPPMMAASSKK ee BBOOTTTTOOMMMMAASSKK (MÁSCARA DE SOLDA SUPERIOR E MÁSCARA DE SOLDA INFERIOR). Nestes layers o fotolite gera um traçado para aplicação de solda industrial para o processo de fabricação dos aparelhos. Essa arte chama-se máscara de solda recobrindo com verniz a parte que não deve receber solda e deixando o cobre exposto a parte que deverá receber solda. TTOOPP RREESSIISSTT EE BBOOTTTTOOMM RREESSIISSTT são TOP (superior) BOTTON (inferior) Nestes layers são gerados diagramas que monitoram o processo de fabricação de placas com SMT (surfice mount tecnology = tecnologia de montagem de superfície) EEDDGGEE Neste layer é definido pelo fotolite os limites da placa para roteamento automático.
  • 23.
    23 CCOONNNN ((AABBRREEVVIIAATTUURRAA DDEECCOONNNNEECCTTIIOONNSS)) Neste layer é gerado traços de ligações quando vamos rotear a placa manualmente usando um NET LIST. KKEEEEPPOOUUTT ((MMAANNTTEENNHHAA--SSEE FFOORRAA)) No caso roteamento automático, neste layer o usuário define onde o roteador não deve passar trilhas. TTIITTTTLLEE ((TTÍÍTTUULLOO)) Este layer é utilizado somente para documentar o projeto. Informações tais como o nome do projeto, nome do projetista, data da última revisão, etc... SSEELLEECCIIOONNAANNDDOO OO GGRRIIDD GRID- pode ser definido como o movimento do cursor na tela.Estes valores são estabelecidos pelo comando : SSYYSSTTEEMM//SSEETTUUPP GGRRIIDD São armazenados os valores nas teclas F2 a F4 isto é podemos mudar de Grid apenas apertando uma tecla. EEXXEERRCCÍÍCCIIOOSS Vamos fazer uma placa de circuito impresso com apenas 2 componentes para você exercitar e informar- se dos passos necessários para tirar todos os recursos que o fotolite pode oferecer. HHAABBIILLIITTAANNDDOO EE DDEESSAABBIILLIITTAANNDDOO UUMM LLAAYYEERR. Podemos escolher que layers aparecerão na tela. Clique com o lado esquerdo do mouse no Menu Display e em seguida clique em Layers. Um quadro com as camadas aparecerá na tela. Deixe ativado, isto é com um tique na frente somente TOP COPPER, TOP SILK, EDGE (PARA VERMOS A BORDA DA PLACA).
  • 24.
    24 OO CCOONNTTOORRNNOO DDAAPPLLAACCAA O fotolite tem uma camada especial chamada de Edge. Esta camada é utilizada para registrar as dimensões da placa. Temos que acionar a camada (LAYER EDGE) para fazermos o contorno da placa. Selecione o ícone GRAPHICS MODE (segundo ícone da segunda fileira) e em seguida o ícone BOX (segundo ícone da primeira fileira) Graphic Mode Na parte inferior esquerda da tela tem o selecionador de camadas (LAYERS) escolha EDGE. Vamos desenhar uma placa de 5x5 cm, o que equivale a 50 mm X 50 mm. Desenhemos uma linha que limita as bordas da placa. O display de coordernadas esta localizado no canto inferior direito coloque o cursor sobre a origem que você terá coordenadas (ooo, 0000). Clique com o lado esquerdo do mouse e o mantenha pressionado leve o mouse até as coordenadas (050,000) mantendo o mouse pressionado deslize para a direita até as coordenadas (050,050) que um quadrado se formará este é o contorno de nossa placa. Como o quadrado abaixo: Você acabou de desenhar um quadrado de 5 x 5 cm. O comando ZOOM teclas de F5 até F12 servem para distanciarmos ou aproximarmos a imagem sendo que a tecla F 12 faz a placa ocupar a tela inteira. Você já pode notar que nossa placa ocupa a tela toda e que ela está cheia de pontos eqüidistantes esses pontos se chamam Grid visual, eles nos facilitam o traçado e o alinhamento do nosso desenho, tela de 1 em 1 mm. Esse espaçamento é muito grande para desenharmos dentro da placa, teremos que mudá-lo.
  • 25.
    25 C ..COOLLOOCCAANNDDOO CCOOMMPPOONNEENNTTEESS,,PPAARRAA RROOTTEEAAMMEENNTTOO MMAANNUUAALL Antes de começar a colocar os componentes, devemos mudar o LAYER de trabalho para TOP. Clique no selecionador de camada no canto inferior esquerdo e escolha TOP COPPER. Novamente o quadro de mudança de layer de trabalho está na tela, usando as Setas selecione TOP. Tecle ENTER. O fotolite tem vários componentes arquivados em Bibliotecas (LIBRARIES), com o comando para colocar componentes, acessaremos tais componentes e os colocaremos na placa. CCOOLLOOCCAAÇÇÃÃOO DDEE CCOOMMPPOONNEENNTTEESS Colocação de componentes Clique no Ícone PLACEMENT E ROUTING MODE (o segundo ícone da primeira fileira) Seleção de componentes Em seguida PACKAGE PLACEMENT AND EDITING (colocação, envólucro e edição) como mostra o desenho acima. Clique sobre a letra P (PLACEMENT) colocação Aparecerá uma relação de componentes escolha Dil8 e clique duas vezes, pois vamos colocar um circuito integrado de 8 pinos ,cujo código dentro da lista de componente é DIL8. FFAAZZEENNDDOO AA AANNOOTTAAÇÇÃÃOO Leve o mouse no centro da placa e clique que aparecerá um invólucro de 8 pinos sobre a placa. Clique no Ícone Edit object a segunda seta à direita, em seguida leve o mouse sobre o componente e clique um quadro de edição aparecerá, no campo Part Id digite CI-1. O componente ficará como o da figura
  • 26.
    O componente ficarácomo o da figura ao lado. GGIIRRAANNDDOO UUMM CCOOMMPPOONNEENNTTEE Se você necessitar girar este componente, selecione o componente com o lado direito do mouse, você notará que ao selecionar o componente este ficará em destaque, Escolha o menu Edit, em seguida pressione a tecla girar a cada toque o componente girará 45 graus. AAPPAAGGAANNDDOO UUMM CCOOMMPPOONNEENNTTEE. Para apagar um componente basta selecionar com o lado direito do mouse, o componente ficará em destaque, com um segundo clique do lado direito o componente se apaga. O COMANDO UNDO este comando é o grande destaque de qualquer software de alto nível, teclando a letra U desfazemos o último comando, por exemplo, se você apagar um componente da placa pôr engano, destruindo a parte toda de um trabalho, tecle U que o componente retorna a tela juntamente com as ligações que foram apagadas, este comando é muito útil procure exercitá-lo. CCOOLLOOCCAANNDDOO OO RREESSIISSTTOORR Usando as ferramentas de colocação e anotação de componente coloque R1 Na biblioteca seu código é res40. Usando as setas leve o resistor até as coordenadas (0407,280) ENTER ESC 26
  • 27.
    Sua placa ficaráassim MMOOVVIIMMEENNTTAANNDDOO UUMM CCOOMMPPOONNEENNTTEE Os últimos 3 ícones da fig. acima à direita são respectivamente ferramenta para movimentar componente, ferramenta para copiar componente e ferramenta para apagar componente. MMOOVVIIMMEENNTTAANNDDOO UUMM CCOOMMPPOONNEENNTTEE Selecione o componente com o lado direito do mouse, em seguida clique na ferramenta para movimentar componente, um quadrado aparecerá ao redor do componente selecionado, com o mouse movimente-o para onde quiser. CCOOPPIIAANNDDOO UUMM CCOOMMPPOONNEENNTTEE Selecione o componente com o lado direito do mouse, em seguida escolha o ícone copiar componente um quadrado aparecerá em volta do componente leve-o para onde quer a cópia do componente. 27
  • 28.
    28 CCOOLLOOCCAANNDDOO TTRRIILLHHAASS.. Vamos colocaruma trilha de 1 mm = 40 mils ou thou ou th milésimos do pino 6 do CI-1 e o terminal quadrado do resistor R1. Clique no ícone TRACE PLACEMENT Aparecerá do lado direito as larguras de trilhas disponíveis em mils (milésimos de polegada) ,escolha T40 que quer dizer 1 mm. Agora é só começar a traçar, leve o mouse nos respectivos pontos e trace. Nossa placa terá este aspecto: APAGANDO TRILHAS Com o lado direito do mouse selecione o segmento ou a trilha que você deseja apagar, um segundo clique apaga esta trilha . MMUUDDAANNDDOO AA LLAARRGGUURRAA DDEE UUMMAA TTRRIILLHHAA Selecione com o lado direito do mouse, a trilha que deseja mudar de largura, uma vez selecionada a trilha torna-se vazia, com o mouse clique a nova medida da largura no quadro à direita da tela.
  • 29.
    BBLLOOCCOOSS SSEELLEECCIIOONNAANNDDOO OOSS EELLEEMMEENNTTOOSSDDEE UUMM BBLLOOCCOO CCOOPPIIAANNDDOO UUMM BBLLOOCCOO.. Depois de selecionado um bloco pode ser copiado usando a ferramenta copiar a primeira acima. MMUUDDAANNDDOO UUMM BBLLOOCCOO.. Depois de selecionado um bloco pode ser mudado de lugar com a segunda ferramenta. AAPPAAGGAANNDDOO UUMM BBLLOOCCOO.. Um bloco pode ser apagado com a terceira ferramenta acima TTEERRMMIINNAAIISS,, iillhhaass ((PPAADDSS )) O ícone acima é a ferramenta de colocação de ilhas, as ilhas são de muitíssima importância pois as ilhas são parte de um componente ou são isoladas fazendo um terminal, temos ilhas para furação ou ilhas para montagem de superfície (SMT). Temos já feitas algumas ilhas retangulares, redondas, quadradas e terminais para interface de computador, mas podemos criar a qualquer momento uma ilha do tamanho que desejarmos . Você verá que criar uma nova ilha é uma tarefa muito simples, mas requer conhecimentos de medidas Imperial. 29
  • 30.
    30 CCRRIIAANNDDOO UUMMAA IILLHHAA..((tteerrmmiinnaall) Vamos criar uma ilha quadrada de 3mm Clique sobre a ferramenta ilha, a barra de ferramenta entrará no modo colocação de ilha. Clique o lado esquerdo do mouse sobre o menu EDIT em seguida NEW PAD STYLE. Ao abrir o quadro CREATE NEW PAD STYLE digite s3. 00mm (s para square quadrado) Em seguida No quadro square coloque 120 thou ou 0.12 in e clique ok..
  • 31.
    31 EESSCCOOLLHHEENNDDOO OO TTAAMMAANNHHOODDEE UUMMAA IILLHHAA Clique a ferramenta de colocação de ilha, vamos colocar uma ilha de 3 mm que criamos. Colocação de ilhas Escolha uma ilha quadrada segunda ferramenta, uma relação de ilhas aparecerá, clique sobre a ilha de 3 mm e coloque-a na placa.. CCRRIIAAÇÇÃÃOO DDEE CCOOMMPPOONNEENNTTEESS A criação de componentes no FOTOLITE é incrivelmente simples. Vamos criar um resistor para ser colocado em pé na placa, com a distância de um terminal a outro de 5 mm, os terminais serão quadrados e medirão 2 mm cada lado, seria algo como abaixo. Ilhas do componente Ilhas com silk do componente Primeiro vamos limpar a tela. Escolheremos sistema métrico de grade para medirmos a distância das ilhas. Escolha no menu Display a opção metric. E depois escolheremos a grade de 1 mm que está armazenada em F3 aproxime com o zoom máximo, isto é F5.
  • 32.
    Ilhas quadradas Seleção deilhas Com o comando de colocação de ilhas (PADS) coloque duas ilhas quadradas de 2.00 mm ã uma distância de 5 mm cada, como estamos usando a grade (grid) F3 que é 1 mm, cada ponto na tela está a uma distância de 1 mm um dos outros, devemos colocar as ilhas a cinco pontos uma da outra de centro a centro. Uma vez colocada as ilhas como mostra acima, vamos desenhar o silk (máscara de componentes),escolha na barra de ferramentas A ferramenta de graphics mode (modo gráfico) linha Graphic mode geométrico Em seguida escolha linha na barra de ferramenta, escolha o gride 0.5mm que esta armazenado na tecla F2 para desenhar com mais precisão, desenhe o silk (máscara de componentes ) como abaixo. Ilhas do componente Ilhas com o silk do componente 32
  • 33.
    33 Vamos agora colocaro desenho na biblioteca, trace um quadrado selecionador com o lado direito do mouse e escolha, EDIT / MAKE PACKAGE. No campo NEW PACKAGE NAME digite RESP5mm (resistor em pé de 5 mm) e clique OK. A partir deste momento o componente está a sua disposição na biblioteca. Você acabou de aprender o programa mais sofisticado e de maior relação custo beneficio do mercado mundial, como pode sentir o programa não tem limites de pinos, nos dando possibilidade de fazer qualquer tamanho de placa, caso a restrição quanto ao salvamento de ligações e não arte final lhe cause alguma dificuldade operacional, você poderá ter sua verão full com salvamento pagando um adicional de US$45,00. O FOTOLITE tem sua versão também para gerar esquemas elétricos, você poderá adquiri-lo por U$40,00. Entre em contato conosco.
  • 34.
    34 ISIS EDITOR INTRODUÇÃO UM PASSEIOPELO EDITOR DO ISIS ESCOLHENDO, COLOCANDO E LIGANDO OS COMPONENTES. ETIQUETANDO E MOVENDO REFERÊNCIAS DE COMPONENTES FUNÇÃO DE EDIÇÃO EM BLOCOS A PRÁTICA FAZ A PERFEIÇÃO ANOTANDO O DIAGRAMA FERRAMENTA DE DESIGNAÇÃO DE PROPRIEDADE ANOTADOR AUTOMÁTICO CRIANDO NOVOS DISPOSITIVOS TOQUES FINAIS SALVANDO, IMPRIMINDO E PLOTANDO. DISPOSITIVOSRECURSOS AVANÇADOS DO EDITOR DE SÍMBOLOS E BIBLIOTECA DE SÍMBOLOS INTRODUÇÃO objetivo deste TUTORIAL é levá-lo através da criação de um circuito de complexidade modesta a fim deO familiarizá-lo com as técnicas necessárias para operar o ISIS. Este TUTORIAL começa com técnicas simples como colocar e ligar componentes e técnicas mais sofisticadas de edição e criação de novos componentes na biblioteca. UM PASSEIO PELO EDITOR DO ISIS nha instalado o programa. ara usuários do Windows 3.1 ou NT 3.51, clique duplamente no ícone ISIS no Conjunto de programas está a barra de Menu Os menus são iadas com teclas as quais podem ser usadas em vez do menu, essas são JANELA DE EDIÇÃO, ela age como uma janela no desenho, é caixa azul mostra o contorno da folha atual e caixa verde a área da folha presentemente mostrada na JANELA DE EDIÇÃO. Contudo, quando um novo objeto ‘escolhido no Selecionador de Objetos a janela de Visão Geral é usada para exibir objeto selecionado - isto é discutido mais tarde. Nós assumimos neste ponto que você te P em seguida a opção ISIS para iniciar o programa. O editor do ISIS irá então abrir e rodar. Ao longo do topo da tela ativados ao apontarmos no Nome do Menu e as opções são selecionadas clicando o lado esquerdo do mouse na opção requerida. Algumas opções são assoc mostradas do lado direito da opção do Menu. Opções que habilitam ou desabilitam alguns recursos do programa mostra que tal recurso está ativado com um tique no lado esquerdo da opção. A presença do tique indica que opção está selecionada. A área mais ampla da tela é chamada de nesta área que colocamos e ligamos componentes. A área menor no topo direito da tela é a janela de visão geral. Em uso normal a janela de visão geral atua como o próprio nome sugere, dá uma visão geral do desenho. A
  • 35.
    35 uando você chocar-se ovimentara Você pode ajustar a área do desenho mostrada na JANELA DE EDIÇÃO de várias maneiras Para navegar na JANELA DE EDIÇÃO para cima e para baixo. Para direita e para esquerda coloque o mouse na JANELA DE EDIÇÃO e aperte-o mantendo pressionada a tecla SHIFT, q contra a borda a tela vai se movimentando (panning) para aquela direção. Se você quiser m JANELA DE EDIÇÃO para uma parte completamente diferente do desenho, a maneira mais rápida seria apontar para tal área na Janela Panorâmica e pressionar o lado esquerdo do mouse. Você pode ajustar a escala que o desenho é mostrado na JANELA DE EDIÇÃO escolhendo o nível de zoom apropriado no menu Display. O novo nível é escolhido usando uma das teclas entre F5/F9, se o mouse está na JANELA DE EDIÇÃO e A JANELA DE EDIÇÃO é ampliada ao redor do mouse; portanto a JANELA DE EDIÇÃO é ampliada em seu centro atual. A grade de pontos pode ser mostrada na JANELA DE EDIÇÃO usando o comando Grid no menu Display, ou apertando-se “G’’. A grade de pontos ajuda a alinhar componentes e ligações. Se você tiver dificuldade ara ver os pontos da grade, ajuste o contraste de seu monitor ou mude a cor na qual ele é exibido ,nop comando set colours no menu System. Abaixo da Janela Panorâmica está a caixa de ferramentas. As ferramentas são ícones e algo chamado selecionador de objetos, que usamos para escolher, dispositivos, símbolos ou outros objetos em ibliotecas . O selecionador consiste num conjunto de itens nomeados , cada um dos quais podem ser u thou a partir do centro do desenho. b selecionados com o lado esquerdo do mouse .Freqüentemente , um selecionador tem mais itens do que é capaz de mostrar , podemos verificar o selecionador usando os botões para cima, para baixo , e schroll bar no lado direito do selecionador .Os botões para cima e para baixo rolam o conteúdo do selecionador num só item em cada direção .O botão da barra de rolamento (scroll bar) entre os botões para cima e para baixo permite o rolamento direto da lista , clique o lado esquerdo para arrastar para cima ou para baixo de acordo com a sua necessidade . No lado inferior direito da tela esta o display de coordenadas , o qual oferece a leitura da posição do mouse .Essas coordenadas marcam mm o Escolhendo , colocando e ligando componentes O circuito que nós vamos desenhar é mostrado no oposto . Parece trabalhoso mas muitas partes dele são a sermos exatos) o qual nos dará oportunidade de usar s recursos de cópias em blocos) , repetições (Os quatro operacionais de filtro , par o
  • 36.
  • 37.
    37 Circuito Didático Nós começaremoscom o circuito amplificador 741 , englobando U1,R1,R2 .Comece apontando no botão p no canto superior do Selecionador e clique o lado esquerdo .Isso faz com que o quadro da biblioteca de Selecionamento de Dispositivos apareça e podemos agora escolher dispositivos de várias bibliotecas de dispositivos . Há vários selecionadores entitulados, componentes(parts) ,biblioteca(library) , prefix e extensions e um Browser nem tudo pode ser mostrado: O selecionador de biblioteca escolhe cada qual das várias bibliotecas (exe.Dispositivos,TTL,CMOS) que você instalou e agora é valida. O seletor de Componentes (parts) mostra todos os componentes na atual biblioteca escolhida de acordo com a configuração do selecionador de Extensões , se for mostrado (veja abaixo) Clique o lado esquerdo uma vez para examina-la ou duas vezes para selecioná-la para o desenho. O Selecionador de Prefixos é somente mostrado se há prefixos definidos na atual biblioteca escolhida e nos permite escolher entre prefixos de dispositivos (exe.74,74ls,74als) .Qualquer prefix selecionado será colocado em frente do nome de qualquer componente. O selecionador de extensions é somente mostrado quando os componentes mostrados na atual biblioteca tem mais de extensão e nos permite controlar os componentes listados no Selecionador de Componentes . Nomes de componentes nas bibliotecas podem ter uma extensão (um traço , ou um ponto final seguido por um ou mais caracteres ) para diferenciar versões diferentes do mesmo componente .Por exemplo 00,00,DM and IEC são componentes TTL 74xx00 onde .DM indica DeMorgan e IEC indica componente IEC 617. Ao selecionar ou não certas opções no Selecionador de extensões , podemos escolher que componentes serão mostrados na lista de componentes .Por exemplo se não estamos interessados em componentes IEC 617 desabilitamos a opção IEC que todos componentes com a extensão IEC serão ocultos . Note que bibliotecas cujos componentes não tem extensão ou a extensão é a mesma em todos os componentes O selecionador de Extensão não é mostrado e os itens da biblioteca serão mostrados por completo . O Browser (examinador) mostra o ultimo componente escolhido no selecionador de componentes com recurso para examinarmos o conteúdo da biblioteca . Precisamos inicialmente dois componentes OPAMP(AMPLIFICADOR OPERACIONAL) para o 741 e res para os resistores de re-alimentação , os dois estão na biblioteca de Dispositivos (devices), então se já não estiver selecionada , inicie por selecionar a biblioteca de dispositivos no Selecionador de Bibliotecas. Em seguida, dois cliques no OPAMP(AMPLIFICADOR OPERACIONAL) e RES no selecionador de componentes para escolher cada componente . Para fechar o selecionador de bibliotecas de dispositivos dois cliques no botão de menu do System do Windows ,escolha o botão minimizar ou use ALT F4 . Quando o quadro de dialogo estiver fechado veremos que OPAMP(AMPLIFICADOR OPERACIONAL) e RES apareceram no Selecionador de Objetos como os últimos objetos escolhidos prontos para colocação. Sempre que selecionamos um objeto no Selecionador de Objetos ,devemos acionar os ícones de rotação ou Mirror (espelho) para orientar o objeto antes da colocação ,Os objetos selecionados aparecerão como serão colocados , na janela Panorâmica . Ao clicarmos o lado direito ou esquerdo do mouse os objetos serão redesenhados mostrando sua nova orientação. A visão do objeto permanece até que o objeto seja colocado, novo comando ou ação executada . Esteja certo que o OPAMP(AMPLIFICADOR OPERACIONAL) esteja selecionado e então movimente o apontador do mouse para o meio da folha de edição . Aperte e Segure apertado o lado esquerdo do mouse . Um contorno verde do OPAMP(AMPLIFICADOR OPERACIONAL) vai parecer indicando que
  • 38.
    38 podemos move-lo pelafolha de Edição .Quando liberamos o botão do mouse o componente será colocado , completamente. Coloque o OPAMP(AMPLIFICADOR OPERACIONAL) no meio da folha de edição , selecione o RES e coloque-o acima do OPAMP(AMPLIFICADOR OPERACIONAL) como mostra no diagrama e clique uma vez no ícone Rotação , poderemos ver como o resistor será colocado. Finalmente coloque o segundo (vertical) resistor , R1 como anteriormente. A não ser que sejamos hábeis , a possibilidade de colocarmos os componentes da primeira vez é rara , então teremos que aprender a movimentar as coisas .No ISIS primeiro temos que selecionar os objetos para posteriormente manusea-los .Tente apontar o OPAMP(AMPLIFICADOR OPERACIONAL) e clicar a direita do mouse . Isso faz com que o objeto fique selecionado e destacado. Ainda mantendo o mouse sobre o componente , aperte o lado esquerdo e mantenha arrastando-o pela tela. .Este é uma das maneiras de mover objetos . Libere o lado esquerdo do mouse e clique o direito sobre o OPAMP(AMPLIFICADOR OPERACIONAL) uma segunda vez . Ao clicarmos objetos destacados o apagaremos Selecione UNDO no Menu de Edit (ou pressione U) para recuperá-lo . Destaque-o e clique primeiro esquerdo e depois direito no íconede rotação enquando observando o OPAMP(AMPLIFICADOR OPERACIONAL) propriamente dito. A rotação do primeiro objeto que escolhemos pode ser ajustada da seguinte maneira : O ícone Mirror (espelho) pode similarmente ser usado para refletir o último objeto destacado. Munido do conhecimento acima devemos agora ajustar os três componentes que colocamos para que combine com o diagrama . Quando terminarmos de editar , aponte para um espaço livre na JANELA DE EDIÇÃO (exe. algum lugar que não haja objetos) e clique o lado direito do mouse para liberar os objetos destacados. Podemos continuar agora a colocar algumas ligações . Comece apontando o extremo superior de R1 e clique o lado esquerdo do mouse . O ISIS sente que estamos apontando para um componente e que desejamos fazer uma ligação neste componente.Para mostrar isso ele mostra uma linha verde que vai do pino até o apontador . Agora aponte no extremo da entrada inversora do OPAMP(AMPLIFICADOR OPERACIONAL) e clique o lado esquerdo novamente . O ISIS interpreta isso como o outro extremo do fio e chama o Wire Auto Router (para escolher uma rota para o fio) Agora faça a mesma coisa para cada terminal de R2 seguindo o diagrama .Tente destacar objetos e move-los pela tela e observe como o WAR refaz os roteamentos de acordo. Se não gostarmos de uma rota que o WAR fez podemos edita-la manualmente Para fazer isso selecione o fio (apontando e clicando o lado direito) então tente arrasta-lo pelos cantos primeiramente e depois pelo meio em rodadas retas . Se quisermos literalmente traçar uma ligação podemos faze-lo clicando o lado esquerdo do mouse no pino e então clicando o lado esquerdo a cada ponto do trajeto da ligação onde queremos um canto e então finalizando em outro pino. Com um pouco de prática poderemos saber quando o WAR fez um bom trabalho e quando devemos refazer . Para completar esta primeira seção do desenho , precisamos colocar dois terminais genéricos e um terminal de terra e liga-los . Para fazer isso, primeiro escolha o Modo Gadget o depois o íconeTerminal (que já estará selecionado por default) O selecionador de objetos mudará para lista de tipos de terminais disponíveis .Escolha o terminal terra , esteja certo que será colocado na orientação correta e coloque-o bem abaixo de R1. Agora escolha o terminal genérico do seletor e coloque dois terminais como no diagrama . Finalmente ligue o terminal terra a parte inferior de R1 e os dois terminais genéricos para os cantos do fio que vão para o OPAMP(AMPLIFICADOR OPERACIONAL) .O ISIS vai colocar junção onde necessário , sentindo automaticamente que 3 fios se encontrão nesses pontos Colocando e movendo Referência de componentes .
  • 39.
    39 Antes de prosseguirpara o resto do circuito , precisamos colocar referência dos componentes e valores para os vários objetos que colocamos .Também se olharmos atentamente para as marcações U1 e 741 não estarão na posição correta .Para colocar referência para os componentes e valores clique o lado esquerdo do mouse em Instant Edit e em seguida clique o lado esquerdo sobre o objeto que você deseja editar .Faça nos resistores primeiro r1,1k and r2 ,1k devidamente .Agora coloque referência no OPAMP(AMPLIFICADOR OPERACIONAL) e nos dois terminais .Para movimentar “U1” e “741”para ficar de acordo com o desenho pressione F2 para reduzir a grade mecânica(snap grid) para 50th (ela inicia em 100th) em seguida destaque OPAMP(AMPLIFICADOR OPERACIONAL) Agora aponte para a marcação U1 e com o lado esquerdo do mouse apertado ,arraste-o para sua posição correta sob OPAMP(AMPLIFICADOR OPERACIONAL) .Então faça o mesmo com a marcação “741”. Quando terminamos de colocar as marcações , coloque a grade mecânica(snap grid) em 100th apertando F3 .Embora uma grade de tempo real pode localizar pinos e ligações ausentes na grade mecânica atual , o desenho tem melhor aparência se trabalharmos com uma grade mecânica constante . Função de Edição em blocos Devemos ter notado que a sessão do circuito que desenhamos está localizada no centro da página ao passo que deveria estar no topo superior esquerdo.Para movimenta-lo para lá , primeiro selecione todos os objetos que você colocou , traçando com o lado direito e mantendo apertado um quadrado selecionador ,A área selecionada é mostrada por quadrado ciano ( como o primeiro clique normalmente libera qualquer objeto selecionado) todos e somente aqueles objetos inteiramente dentro da quadrado selecionador serão selecionados após a operação.Você, pode contudo ter selecionado a maioria dos objetos com o quadro selecionador, selecione agora objetos individuais clicando diretamente sobre eles. Agora clique o lado esquerdo do mouse sobre o ícone Move .Uma quadro verde aparecerá ao redor de todos os objetos destacados ,podemos move-los para o canto superior esquerdo da página . A borda da folha aparecerá em azul escuro , então reposicione o circuito amplificador para o canto superior esquerdo do desenho.Clique o lado esquerdo do mouse para efetivar o movimento, ou direito para abortar .Devemos notar também que ao movimentar o mouse para fora do topo da JANELA DE EDIÇÃO O ISIS mudou para um novo segmento da folha de trabalho automaticamente se você quiser usar movimentação panorâmica como essa em 4 vezes (exe. quando não estivermos colocando ou movimentando objetos) podemos usar a tecla shift como mencionado anteriormente . Os objetos selecionados permanecerão destacados , podemos desta forma experimentar os comandos DELETE e COPY que funcionam similarmente com objetos selecionados .O efeito desses ícones podem ser cancelados imediatamente apertando-se a tecla U , que significa UNDO.(desfazer).. A PRÁTICA FAZ A PERFEIÇÃO A essa altura você já deve estar pegando o jeito do ISIS , pratique desenhando a próxima seção de circuitos centralizada no U2:A Precisamos de um capacitor (CAP) Um método rápido de se colocar componentes cujos nomes conhecemos é usar o comando PICK/DEVICE . Tecle a letra P e depois o nome CAP .Use as várias técnicas de edição estudadas até agora e coloque tudo no lugar. Movimente a referência do componente e valor para o lugar devido .Não anote os componentes ainda vamos usar o anotador automático . Quando tiver feito o filtro com o OPAMP(AMPLIFICADOR OPERACIONAL) a seu gosto , use o quadrado selecionador e use o ícone COPY para fazer 3 cópias do filtro totalizando 4 filtros como mostra o diagrama ,Use o comando zoom nas teclas F5 a F9 a fim de ver toda folha enquanto fazemos isso .quando os quatro filtros estiverem no lugar , ligue-os e coloque um dispositivo SW SPDT no desenho. Anotando o diagrama O ISIS lhe dá 4 modos de anotar e dar nomes aos componentes.
  • 40.
    40 Anotação manual. Esteé o método que você usou para nomear o primeiro OPAMP(AMPLIFICADOR OPERACIONAL) e resistores .Qualquer objeto pode ser editado selecionando-se o ícone INSTANT EDIT em seguida clicando-se o lado esquerdo do mouse sobre ele ,ou também clicando-se o lado direito do mouse e em seguida o lado esquerdo em modo normal de colocação de componentes.Qualquer das maneiras escolhidas um quadrado aparecerá para darmos entrada em dados relevantes , tais como referência , valor e etc... A Property Assignment Tool (Feramenta de designação de propriedade) -PAT.Esta ferramenta pode gerar seqüências fixas ou crescentes para todos os objetos , todos os objetos destacados (tanto na presente folha, tanto em todas as folhas ) ou objetos sobre os quais você subseqüentemente clicar o lado esquerdo do mouse .Usar o PAT é mais rápido do que a anotação manual e mais lento que o Anotador Automático , embora tenhamos o controle da anotação. O Anotador Automático-O anotador Automático cumpre sua tarefa em segundos .Esta ferramenta está ciente que estamos usando invólucros de componente de multi elementos como porta NAND TTL 7400 e alocará as portas apropriadamente .Este método não sendo interativo, não teremos controle dos nomes que são alocados . Na prática podemos usar a mistura dos três métodos , qualquer ordem que você escolher o anotador automático pode ser ajustado para deixar de lado qualquer anotação existente , de tal forma que, é possível fixar referencias para certas partes e o ISIS então anotar o resto automaticamente .E isto que faremos a seguir. A Ferramenta de Designação de Propriedade(PAT) Vamos supor para exemplificar ,que quiséssemos pré anotar todos os resistores usando o PAT ,Dado que anotamos manualmente R1,R2 .Precisamos gerar a seguencia R3,R4.R5 etc...Para fazer isso, escolha a ferramenta de designação de propriedade(pat) no menu de ferramenta .Entre REF= R# no campo String e em seguida use a setas para baixo para movimentar para o próximo campo (o campo count) e a tecla em valor 3 .Tenha certeza que ON click (no clique) esteja ativado ,em seguida clique o.k. com lado esquerdo do mouse .ou tecle enter . O caracter # no texto do campo string será substituído pelo valor do campo contagem atual. , cada vez que o PAT designar uma string para um objeto e então o campo contagem é aumentado. ISIS seleciona automaticamente o ícone Instant Edit para que você possa anotar os objetos requeridos clicando o lado esquerdo do mouse sobre eles .Aponte sob R3 e clique do lado esquerdo do mouse O PAT colocará o texto e o componente é redesenhado, Agora faça o mesmo com o resistor debaixo dele e veja como o campo valor do PAT aumenta cada vez que você usá-lo .Você pode anotar o resto do resistores usando a mesma técnica , quando terminar isso, pode cancelar o PAT chamando seu quadro de dialogo (ou tecla A) e então clique no botão cancela e pressione ESC. O PAT pode também ser usado para designar a mesma cadeia de caracteres para muitos objetos destacados , por exemplo resistores e capacitores que tem o mesmo valor .Considere que R1-R4 tem o valor de 220 p. .Para designar este valor , primeiro tenha certeza que somente os capacitores estão destacados clicando numa área livre da JANELA DE EDIÇÃO para liberar todos os componentes e então clique o lado direito do mouse somente sobre os capacitores .Agora acione o PAT e entre com 220 p no campo STRING ,selecione o botão local tagged e clique o.k. .Pronto Não precisamos desativar o Pat pois seu modo não está ON CLICK. Experimente isto você mesmo no restante do diagrama até ficar claro como o PAT funciona -Embora truculento no inicio , é muito poderoso e pode poupar bastante tempo de edição manual tediosa .Não esqueça quando usado no modo ON CLICK esta função deve ser cancelado ao final . O anotador Automático
  • 41.
    O ISIS temum anotador automático que vai escolher as referencias para você . Podemos anotar todos os componentes ou componentes que ainda não foram anotados , aqueles que tem um ‘?” em sua referencia . Uma vez que já anotamos alguns componentes usaremos o anotador automático no modo de incremento .Para fazer isso , acione o comando Anotate no menu Design , clique no botão incremental e então clique o.k.. Em Pouco tempo o desenho será refeito mostrando a nova anotação .Uma vez que o OPAMP não é um componente de multi elementos como o TL074, o anotador os anota como se fosse U2 ate U5 o que está errado . Para corrigir isto , edite cada componente manualmente ,Vamos aprender a criar e usar um TL074 mais tarde. Mesmo com o Anotador Automático , você tem colocar o valor dos componentes manualmente , mas tente isso para aumentar a velocidade , ao invés de mover pela folha e editar cada componente , simplesmente tecle E para Edit e tecle a referencia do componente .isto localiza o componente desejado e o traz para ser editado .Você deve também tentar usar A Ferramenta de Designação de propriedade explicada anteriomente . CRIANDO NOVOS COMPONENTES A nova seção do circuito emprega um atenuador digital 7110 , isso nos dá a oportunidade de aprender como criar novos dispositivos no ISIS. No ISIS novos componentes são criados diretamente no desenho , não existe um editor de componentes separado..Os novos componentes são criados colocando uma seleção de gráficos 2 d e pinos anotando- se os pinos , e finalmente destacando o desenho e invocando o comando MAKE DEVICE (FAZER COMPONENTE) Você verá que é útil desenhar o componente a ser criado para saber que tamanho deve ter, considerando-se a quantidade de pinos que deve ter Neste caso use o diagrama abaixo como um guia .A primeira coisa a fazer e localizar uma área livre no seu desenho onde o componente possa ser criado.Clique o lado direito do mouse na região inferior a direita da janela panorâmica , para posicionar a JANELA DE EDIÇÃO para aquela área do desenho. Comece desenhando o corpo do novo componente . Escolha o ícone graphic mode e então o ícone quadrado(box) .Veremos que o selecionador de objetos a direita mostra os estilos de Gráficos .Os estilos de gráficos determina como o gráfico que nos vamos traçar vai aparentar em termos de cores , 41
  • 42.
    42 espessura ,cor depreenchimento . Cada estilo listado é um conjunto diferente de atributos and define como diferentes partes do esquema aparece . O ISIS tem um sistema de estilos poderoso, estilos locais e globais e a capacidade de estilos locais seguir estilos globais que te possibilita personalizar a aparência de seus desenhos esquemáticos .Veja a seção Graphics and Text Styles para uma completa explicação de como estilos funcionam e são usados. Como estamos desenhando o corpo de um componente , escolha o estilo gráfico para componentes e coloque o mouse sobre a JANELA DE EDIÇÃO ,aperte e segure o botão esquerdo do mouse e arraste um retângulo. Não se preocupe em obter o tamanho exato podemos sempre modificar o tamanho mais tarde.Você verá que como resultado de ter escolhido estilo gráfico para componente o retângulo aparece na mesma cor ,preenchimento ,etc.. que os outros componentes da esquemática . O próxima coisa a fazer é colocar os pinos do novo componentes .Para fazer tal , primeiro selecione GADGET MODE e em seguida DEVICE PINS .O selecionador de objetos lista os estilo de pinos disponíveis (note que você criar qualquer seus próprios pinos no ISIS , embora não cobriremos nesse TUTORIAL) Selecione no seletor o pino Default , a janela panorâmica provem uma previa do pino com o nome e número representado pelos caracteres name e 99 com sua base e final representados pela marca de ORIGEM e cruz respectivamente a cruz representa o final ao qual será ligado um fio . Use a rotation e mirror para orientar quanto sua posição para colocação dos pinos esquerdos em seguida clique o lado esquerdo do mouse na JANELA DE EDIÇÃO na margem esquerda do retângulo onde queremos que cada base de pino apareça . Coloque os pinos para VIN , D0...D5 S1..3 E DGND Note que podemos usar as setas para baixo para movimentar o apontador do mouse somente um quadrado de uma grade a tecla enter como substituto para o lado esquerdo do mouse ..As vezes é mais rápido usar estas teclas . Clique o lado esquerdo do mouse sobre o ícone MIRROR e coloque os três pinos direitos : RFB,IOUT e AGND .Para finalizar ,coloque dois pinos , um na margem superior e o outro na margem inferior do retangulo.,ajustanto tanto a Rotation quanto o mirror antes de colocar de forma que aponte para fora do corpo do dispositivo , esses pinos serão VDD e VBB de alimentação e serão eventualmente escondidos ( E por que eles não são mostrados na figura). Neste estagio você pode reposicionar os pinos ou ajustar o tamanho do retângulo de acordo.Para movimentar um pino destaque com lado direito do mouse e movimente-o com o lado esquerdo do mouse ,para re-orientá-lo use o ícone Rotation e Mirror .Para reajustar o retângulo que compõe o componente ,destaque-o com o lado direito do mouse , aperte o lado esquerdo e mantenha apertado num dos oito pontos de arraste ( um dos quadradinho nos extremos ou no meio de cada lado do retângulo) traga o ponto de arraste para sua nova posição .Se ajustar sua largura você necessitará de desenhar um quadro selecionador (com o lado direito do mouse) ao redor dos pinos e depois usar o ícone Move para movimentá-los para a nova posição. Então ,tendo o retângulo que compõe o componente e pinos de acordo ,nos precisamos anotar os pinos com nomes e números e dar a eles propriedades elétricas . As propriedades elétricas (entrada,saida , alimentação etc..) são usadas pelo electrical rules check, para verificar se somente pinos compatíveis estão ligados . Nos vamos primeiro designar ,nomes ,tipos elétrico e visibilidade .Para fazer isso temos primeiro que destacar cada pino clicando o lado direito do mouse e em seguida edita-lo clicando sobre o pino o lado esquerdo do mouse que abrirá o quadro de edição do pino Edite cada pino como a seguir: . coloque o nome do pino no campo NAME .Deixe o campo Number em branco , pois vamos designar o número dos pino com Ferramenta de designação de propriedade (PAT). Escolha o tipo elétrico apropriado para o pino Output(saida) , Power(alimentação) para pinos VDD, VBB,AGND e DGND e input (entrada ) para o restante.
  • 43.
    43 Selecione se ospinos devem ser escondidos desabilitando sua visibilidade(draw body checkbox ) tanto VDD quanto VBB são pinos de alimentação padrão e podem ser escondidos ,Já AGND e DGND não são pinos padrão e devem permanecer visíveis para possam ser ligados ao resto do desenho de acordo. Clique O.K. quando tiver terminado. Para designar os pinos vamos usar a Ferramenta designadora de Propriedade (pat) .Para iniciar o PAT clique no comando Property Assignment Tool no menu de Tool(ferramenta) e entre com NUM=# no campo string o valor 1 no campo count .Selecione o botão ON CLICK , feche quadro clicando o.k. .Agora cuidadosamente clique sobre cada pino em sua ordem de número (iout,agnd,etc..) a medida que você clica em cada número um número é designado pelo PAT para aquele pino, Quando terminado não se esqueça de desabilitar o Pat clicando cancela no seu quadro de dialogo. Tudo que temos que fazer agora é realmente fazer o componente. Para fazer isso temos que destacar todo o conjunto o retângulo e os pinos desenhando ao redor do componente um quadrado selecionador com lado direito do mouse, tomando cuidado para deixar de fora os pinos ocultos ,finalmente escolha o make device no menu Edit para ter acesso ao quadro Make device .Tecle no campo name 7110 e a letra U no campo prefix ,selecione a biblioteca apropriada no selecionador de biblioteca (somente bibliotecas para armazenamento são mostradas ) escolha o botão O.K. para salvar o componente. Toques Finais Agora que você criou um 7110 ,você pode cloca-lo em seu esquema ,liga-lo aos demais componentes e anotar os demais componentes usando o anotar automático no modo incremental. que anota novos componentes sem alterar o restante. A chaves e marcação ao redor as entrada DA0DA5 é feito com sinais gráfico 2d O ISIS provem facilidades para ,colocação de linhas ,quadrados,circulos,arcos e textos no seu desenho, tudo é escolhido a partir do ícone graphics MODE . A chave é feita por três linhas .escolha o ícone linhas (pode ser que você precise escolher Graphics Mode primeiro)e então clicar inicio e fim d cada linha .Coloque o texto PIO1A como mostrado desenho escolhendo o ícone TEXT ,ajustando o ponto de rotação para apontar para esquerda ,em seguida clicando o lado esquerdo do mouse onde você quer que a parte inferior do caracter F apareça .Podemos destacar e arrastar sinais de gráfico 2 d para colocar as coisas onde queremos. Finalmente temos de colocar um contorno para o bloco do cabeçalho .Para faze-lo temos que escolher o ícone quadrado (teremos que escolher Graphics Mode primeiro).,distancie o zoom até poder ver toda a borda da folha em azul escuro e em seguida coloque o quadrado sobre ela , é importante notar que o quadrado do contorno não aparece no desenho impresso .Se queremos o contorno temos que fazer com linhas do modo gráfico 2 d . O bloco do cabeçalho merece mais discussão. É de fato , não muito diferente que símbolos que usamos como logotipo de firma .(Ver capitulo Símbolos e Biblioteca de Símbolos) um cabeçalho padrão é fornecido ,mas podemos redefini-lo para ficar segundo nossas necessidades. Header Block(bloco do cabeçalho) . Para colocar o Cabeçalho , escolha o ícone graphics Mode , em seguida clique no Ícone Symbols ,clique sobre o botão P do selecionador de objeto para mostrar o quadro de Seleção de símbolos .Para escolhermos símbolos é igual escolhermos componentes de bibliotecas exceto que temos seletor de prefix..Escolha Header (cabeçalho) da biblioteca de Símbolos do SISTEMA e feche o quadro de dialogo.Com o cabeçalho, agora como símbolo atual ,aponte em algum lugar nas imediações do lado inferior esquerdo , e aperte o lado esquerdo do mouse para colocar o cabeçalho em sua posição. Algum dos campos o bloco do cabeçalho vai preencher automaticamente , outros, tais como, titulo do desenho , precisam ser colocados com os comandos Edit Design Properties e Edit cheet Properties (editar propriedades de folhas , no menu Design .Note que o campo Sheet Name (nome da folha) no Edit sheet properties é diferente do campo sheet title (titulo da folha). O nome da folha é um titulo curto que
  • 44.
    designa cada folha,o titulo da folha é uma descrição detalhada do circuito que aparecerá no cabeçalho daquela folha . Para vermos o efeito de nossa edição temos que aproximar o zoom no cabeçalho. Salvando,Imprimido e Plotando. Você pode salvar seu desenho no comando Save no menu File , e agora ‘é tão bom quanto qualquer tempo. O comando Save as salva o desenho com outro nome , isso é , gera uma copia do desenho em arquivo. Para imprimir a esquemática , escolha primeiro o dispositivo no Print Setup do menu File .Isso ativa O quadro de configuração de impressora do Windows .Os detalhes depende de cada dispositivo e da versão do windows e o driver do sua impressora. Consulta a documentação do driver de impressora do windows para saber detalhes.Quando você tiver selecionado a impressora correta ,feche o quadro de dialogo ,escolha a opção Print no menu File e imprima seu trabalho..A impressão pode ser abortada teclado-se ESC , embora demora um pouco para tudo parar pois o ISIS e impressora tem que esvaziar os buffers. Mais informação na geração de trabalhos impressão consulte o capitulo Hard copy Generation. Se você possuir um kit de avaliação ,note que você só pode imprimir os desenhos sem modifica-los . Para experimentar isso agora carregue um desenho com o comando load e imprima com o comando PRINT RECURSOS AVANÇADOS DO EDITOR DE DISPOSITIVOS. Vamos agora definir um componente para ser armazenado na biblioteca para o OPAMP(AMPLIFICADOR OPERACIONAL) TL074 operacional quadruplo..Como temos quatro operacionais num só dispositivo ,nosso treinamento mostrará com criar componentes multi-elementos. Como componente compostos necessitam que suas pinagem sejam especificadas por um script de pinagem, vamos mostrar como criar isso . A ilustração acima mostra o nosso componente será. O componente é formado por figuras 2 d ,5 pinos e marca de origem .Vamos estudar meios de construir os gráficos do OPAMP(AMPLIFICADOR OPERACIONAL) .O Primeiro e modo mais fácil é um símbolo de OPAMP(AMPLIFICADOR OPERACIONAL) já existente .Click no modo gráfico (graphic mode) isso fará que o quadro Symble Library Selector se abra ,clique duas vezes no OPAMP(AMPLIFICADOR OPERACIONAL) e feche quadro de dialogo usando o recurso do windows de minimizar. Posicione o mouse numa área livre da JANELA DE EDIÇÃO e use o lado esquerdo mouse para colocar o componente O OPAMP(AMPLIFICADOR OPERACIONAL) automaticamente aparece no estilo gráfico do componente ,uma vez que esse estilo foi usado para criar o símbolo. 44 Agora coloque o pinos ao redor do corpo do componente .Este é um processo similar a criação do atenuador 7110 que já criamos como exemplo.Escolha o modo GADGET e então pino do dispositivo para
  • 45.
    obter uma listados pino disponíveis .Escolha o tipo default e depois use o ícone Rotate e Mirror para orientar os pinos antes de coloca-los no seu desenho .Uma vez que tenhamos colocado todos o pinos , vamos ter que editar todos os pinos clicando com o lado direito do mouse e depois com o lado esquerdo ,.Anote no quadro que se abriu com o nome correto do pino e tipo eletrico.Temos que dar ao pinos para referencia-los no script de pinout ; não queremos que sejam mostrados uma vez que funcionamento é interno.Note que não será necessário colocar o número do pino pois será colocado pelo script de Pinagem. O pino de alimentação tem os nome V e V e tipo elétrico alimentaçào.Se você coloca-los exatamente na borda esquerda do OPAMP(AMPLIFICADOR OPERACIONAL) ,você descobrirá que eles apenas tocarão o lado saliente do gráfico do opamp enquando mantendo os terminais de seus pinos.(marcados com x) no quadrado da grade .se numa situação similar , eles não tocassem ,você poderiam estender a base com linha 2 d com mouse Snap off(movimento de snap desligado) O pinos de entrada tem nomes +IF e - IF o tipo eletrico INPUT(entrada) .O pino de saida tem o nome op e tipo elétrico Output (saida) . O estagio final é colocar o marcador de origem . Escolha o ícone marker para mostrar uma lista de marcadores de origem no Selecionador de Objetos .Escolha o marcador de origem e em seguida coloque o símbolo do marcador no centro do gráfico do OPAMP .O marcador de Origem é mostrado como um retângulo com uma cruz fio de cabelo. Ela indica para o ISIS como o novo dispositivo deve aparecer ao redor do mouse quando o dispositivo é arrastado e colocado no desenho. Nos agora terminamos de fazer o dispositivo. Destaque as partes constituintes do símbolo do OPAMP , pino e marca de origem traçando um retângulo selecionador ao redor deles usando lado direito do mouse , e em seguida chame o comando Mace Divise no menu Edit. .Ao aparecer o quadro Mace device escolha uma biblioteca de destino , coloque no campo Name TL074 e no campo prefix a letra U .No campo pinagem ,entre com o nome tl074 (este é o nome da pinagem que vamos criar e dal qual o novo dispositivo terá seus números de pinos ) ,escolha Generate Pinout caixa de checagem(check box) (isso faz com que o ISIS gere um script de pinagem para nos) e feche o quadro clicando O.K. O segundo método para criar um OPAMP, seria assumir que não há símbolo pronto .Comece deletando o símbolo do OPAMP selecionando O ícone Modo Gráfico , apontando nele e clicando o lado direito do mouse . Agora escolha o ícone de linha , pressione f2 to ajustar o grid mecânico para 50 thou , coloque as três linhas necessárias para fazer o triângulo. Então se você ainda não fez , aproxime o zoom para a máxima resolução (tecla F5 ) e desabilite o gride mecânico f1 .Você está agora na melhor posição para colocar as três linhas para fazer os símbolos para as entradas do OPAMP. Cada linha deve ter 7 pixels .Se você colocar algo errado ,você pode editar com lado direito do mouse e arrastar pela alça de arraste ou apagar ( clicando o lado direito do mouse e em seguida o lado esquerdo) Tendo Feito o dispositivo TL074 , você verá que ISIS gerou um esqueleto do escripte da pinagem próximo as partes constituintes usadas para criar o novo dispositivo .O escripte aparece assim: 45
  • 46.
    Você pode editaro script destacando-o e então clicando o lado esquerdo mouse Para terminar a edição use a tecla ESC. para abortar o editor o deixe o escript inalterado ou Tecle CTRL e Enter para manter as alterações. Edit. o escript esqueleto de tal forma que fique assim : Os elementos e propriedades dos pinos dizem a ISIS quantos elementos e pinos há no invólucro. No nosso caso , há quatro elementos separados no invólucro e 14 pinos (dois pinos de alimentação e quadro conjunto de duas entradas e uma saída por dispositivo ) . AS linhas restantes indicam tipo elétrico , nome e numero dos pinos . Por exemplo , a primeira linha indica um pino do tipo entrada com o nome +IP E OS PINOS NÚMEROS 3,5,10,12 .os primeiros números na lista é numero do pino +IP do primeiro operacional , o segundo numero é do pino IP+ do segundo operacional e assim por diante . O uso de asterístico na lista de pinos em V e -V indica que esses pinos não devem ser mostrados no componente correspondente- isto é o primeiro componente será mostrado com todos os pinos o restante dos componentes serão mostrados apenas com duas entradas e uma saída como mostrado na figura abaixo: Tendo editado o script nós agora vamos de fato o script da pinagem. Para fazer isto, esteja certo que sómente o script está selecionado e acione o comando MAKE PINOUT no menu edit- O quadro MAKE PINOUT é mostrado com nome e biblioteca automáticamente lançados e selecionados. Selecione o botão OK para fazer a pinagem. É isso aí ! O novo dispositivo está também lançado no selecionador de objetos pronto para colocação. Coloque 4 componentes e anote-os como elementos de A à D para verificar que eles apareção como é mostrado acima no desenho. 46
  • 47.
    47 Tendo definido 1TL 074, você quase que instantâneamente define tipos TL 064 e TL 084. Simplesmente coloque 1 TL 074 selecione-o e acione o comando MAKE DEVICE e mude o nome para TL 064 ( ou qualquer outro) e salve-o. O que poderia ser mais fácil? Se você precisasse adicionar alguma coisa para o básico TL 074 - talvez alguns gráficos mais, você poderia simplesmente adiciona-los sobre 1 TL 074 colocado e acionar o comando MAKE DEVICE. De outra forma, se TL 074 já estivesse quase certo mas precisasse pequenas alterações antes que fosse transformado num novo dispositivo, você poderia decompo-lo de volta as suas partes constituintes selecionando -o e selecionando o comando DECOMPOSE no menu edit, edita-los e / adicionar a eles , e depois fazer o novo dispositivo. Você pode repor os 4 amplificadores de filtro com as partes do TL 074 adequadas. Para recolocar 1 componente com um tipo similar, escolha o novo tipo, e tenha certeza que o mouse está sobre o componente que você quer repor , clique e segure o lado esquerdo do mouse e arraste o novo componente de tal forma que um ou mais pinos se sobrecoloquem. O ISIS vai transferir as ligações do velho componente para o novo componente enquanto mantém intactas todas as informações sobre o velho componente, ( EX. sua referência etc). SÍMBOLOS E BIBLIOTECA DE SÍMBOLOS Selecione as 3 linhas que formam a chave ao redor das entradas do 7110. Em seguida acione o comando MAKE SYMBOL no menu edit, tecle TEST como o nome do símbolo e aperte enter. Agora escolha o ícone GRAPHIC MODE e clique o lado esquerdo do mouse no ícone SYMBOL. Você verá que o ítem teste apareceu no selecionador de objetos. Selecione -o e tente coloca-lo no desenho. Usos comuns para isto são coisas como o amplificador operacional, o qual é necessitado por muitos tipos de dispositivos e emblemas etc. Um uso especial para símbolos é o bloco do cabeçalho. O símbolo DEFAULT foi criado com linhas 2D , uma caixa e vários primitivos de texto especial os quais automáticamente são substituídos por propriedades associadas com o desenho e folhas atuais. Por exemplo, um objeto texto com os caracteres: @ D TITLE vai automáticamente aparecer à medida que o título do desenho é lançado no quadro de comando do EDIT DESIGN PROPERTIES. A lista completa de palavras chave é apresentada no bloco do cabeçalho.
  • 48.