1
Praça Expedicionário Assunção, 168 – Bairro Centro
Nova Lima – MG – CEP: 34.000-000
Telefone: (31) 3541-2666
IINNSSTTAALLAAÇÇÕÕEESS
EELLÉÉTTRRIICCAASS PPRREEDDIIAAIISS
SENAI – “Serviço Nacional de Aprendizagem
Industrial”
Centro de Formação Profissional
“AFONSO GRECO”
2
Presidente da FIEMG
Olavo Machado
Gestor do SENAI
Petrônio Machado Zica
Diretor Regional do SENAI e
Superintendente de Conhecimento e Tecnologia
Lúcio Sampaio
Gerente de Educação e Tecnologia
Edmar Fernando de Alcântara
3
Sumário
1. Apresentação ........................................................................................................4
2. Simbologia.............................................................................................................5
3- Linguagem do desenho.......................................................................................14
4- Planta baixa e simbologia ...................................................................................15
5- Diagramas elétricos prediais...............................................................................22
6- Esquema unifilar .................................................................................................25
7- Diagramas elétricos industriais ...........................................................................31
8 – Exercícios..........................................................................................................35
9- Diagramas de partida de motores.......................................................................36
10- Exercícios..........................................................................................................38
11- Layout de montagem ........................................................................................40
12- Divisão de circuitos – quadros de distribuição .................................................41
Função.................................................................................................................41
13- LÂMPADAS.......................................................................................................48
As Lâmpadas Incandescentes .........................................................................48
14 – ATERRAMENTO.............................................................................................51
14.1 – Introdução.................................................................................................51
14.2 – Para que serve o aterramento elétrico?....................................................51
14.3 – Definições: Terra, Neutro e Massa ...........................................................51
14.4 – Tipos de aterramento................................................................................52
14.5 – Procedimentos..........................................................................................53
14.6- Tratamento químico do solo .......................................................................54
14.7 Medindo o terra............................................................................................55
15- Referências Bibliográficas.................................................................................56
4
11.. AApprreesseennttaaççããoo
“Muda a forma de trabalhar, agir, sentir, pensar na chamada sociedade do
conhecimento. “
Peter Drucker
O ingresso na sociedade da informação exige mudanças profundas em todos os
perfis profissionais, especialmente naqueles diretamente envolvidos na produção,
coleta, disseminação e uso da informação.
O SENAI, maior rede privada de educação profissional do país,sabe disso , e
,consciente do seu papel formativo , educa o trabalhador sob a égide do conceito
da competência:” formar o profissional com responsabilidade no processo
produtivo, com iniciativa na resolução de problemas, com conhecimentos
técnicos aprofundados, flexibilidade e criatividade, empreendedorismo e
consciência da necessidade de educação continuada.”
Vivemos numa sociedade da informação. O conhecimento , na sua área
tecnológica, amplia-se e se multiplica a cada dia. Uma constante atualização se
faz necessária. Para o SENAI, cuidar do seu acervo bibliográfico, da sua infovia, da
conexão de suas escolas à rede mundial de informações – internet- é tão
importante quanto zelar pela produção de material didático.
Isto porque, nos embates diários,instrutores e alunos , nas diversas oficinas e
laboratórios do SENAI, fazem com que as informações, contidas nos materiais
didáticos, tomem sentido e se concretizem em múltiplos conhecimentos.
O SENAI deseja , por meio dos diversos materiais didáticos, aguçar a sua
curiosidade, responder às suas demandas de informações e construir links entre os
diversos conhecimentos, tão importantes para sua formação continuada !
Gerência de Educação e Tecnologia
5
22.. SSIIMMBBOOLLOOGGIIAA
A simbologia, por se tratar de uma forma de linguagem, bem como todo o conjunto que
completa um determinado projeto (esquemas, detalhes, desenhos, etc.,) deve ser exata
para ser compreensível; deve ser também clara e de fácil interpretação para os que dela
se utilizarem. Do mesmo modo que um idioma, a simbologia está subordinada a regras,
que são as normas técnicas. Os símbolos marcados com asterisco (*) não constam nas
normas da ABNT, foram acrescentados tendo em vista facilitar a execução de projetos
elétricos.
SÍMBOLOS UTILIZADOS EM INSTALAÇÕES ELÉTRICAS PREDIAIS
6
7
8
9
10
11
12
13
14
33-- LLIINNGGUUAAGGEEMM DDOO DDEESSEENNHHOO
Croquis
O termo, de origem francesa, é aportuguesado como croqui, que pode também ser
traduzido como esboço. Além desses nomes, um termo corrente para designar este tipo
de representação é layout, proveniente do inglês.
O croqui é um desenho rápido, sem atenção às normas técnicas, feito com o objetivo
de discutir ou expressar uma idéia na forma gráfica. Portanto, não exige grande
precisão. O importante é que a idéia contida no desenho seja transmitida com clareza.
O que se deseja com essa técnica é registrar uma idéia na forma de um rascunho,para
que, posteriormente, esta possa ser utilizada na elaboração de um desenho definitivo
(finalizado). Devido à natureza de sua criação, os croquis sempre se encontram fora de
escala.
A seguir, temos o exemplo de um croqui, exibindo a idéia do arranjo dos móveis em
um escritório:
15
44-- PPLLAANNTTAA BBAAIIXXAA EE SSIIMMBBOOLLOOGGIIAA
Planta baixa é a projeção que se obtém quando cortamos, imaginariamente, uma
edificação com um plano horizontal, paralelo ao plano do piso.
A altura do plano de corte em relação ao plano do piso é tal, que permite a visualização
de paredes, portas e janelas da edificação. Esta altura pode variar entre 1,50m e 1,80m.
Exemplo de obtenção de planta baixa:
- Aqui, temos uma edificação como é vista
normalmente.
- Para chagarmos à planta baixa de uma
edificação, devemos pensar de acordo com os
seguintes procedimentos:
- A parte de cima da edificação é
removida.
- A parte de baixo servirá para o
desenho da planta baixa.
16
17
"A Planta Baixa tem por finalidade mostrar,
claramente, as divisões dos compartimentos, a
circulação entre eles,suas dimensões e seu destino".
Na planta baixa, devem estar detalhadas as medidas das paredes (comprimento e
espessura), portas, janelas, o nome e o nível de cada ambiente e escala em que foi
confeccionado o desenho. A partir da planta baixa é elaborado o projeto elétrico de ma
obra.
Elas são representadas na planta baixa, conforme as simbologias apresentadas
abaixo:
Ao lado, vemos a representação de uma porta
de abrir em uma planta baixa.
A inscrição junto à porta indica suas
dimensões. Esta indicação é feita sempre
conforme a regra:
Largura ⋅ Altura
Portanto, a porta representada ao lado possui
70 m de largura e 210 cm de altura.
18
Esta porta de correr possui 60 cm de largura e 200 cm de altura.
É importante notar que as indicações de medidas em plantas baixas são sempre feitas
em centímetros.
Vãos de Janelas e básculas
A representação de janelas é conseqüência do conceito de planta baixa, pois o plano
de corte que a fornece secciona também as janelas.
Assim como as portas, também existem dois tipos de janelas: janelas de abrir e janelas
de correr:
A indicação das dimensões da janela é feita conforme a seguinte regra:
Exemplo:
Peitoril é a parte inferior da janela, sua altura
é medida a partir do piso da edificação.
19
Ao se tratar de uma báscula ou de uma janela alta, a indicação no desenho deve ser
feita através de linhas tracejadas, indicando que se trata de uma projeção. Isto ocorre,
porque o plano de obtenção da planta baixa não atinge as básculas, por causa da altura
em que se encontram.
Note que a altura do peitoril é superior ao plano de corte utilizado no exemplo de
obtenção de planta baixa (1,50m).
Além das indicações de medidas descritas acima, as portas e janelas podem ser
acompanhadas na planta baixa por um índice:
Estes índices são referências para a consulta a um quadro de esquadrias
que,geralmente, se encontra junto à planta baixa:
20
Linhas de cota
As linhas de cota representam as medidas de um projeto. Os números que vêm
escritos junto dessas linhas são as medidas da edificação.
As formas em que comumente são encontradas as linhas de cota são as seguintes:
Nas interseções das linhas de cota com as linhas de chamada, usam-se setas, pontos
ou traços.
21
Utilizando o recurso das linhas de cota, é possível indicar diversas medidas importantes
em uma planta baixa. Também é possível chegar a informações importantes como a
área interna e o perímetro dos compartimentos de uma edificação.
Os valores das cotas indicadas na planta baixa são os valores das medidas reais
da edificação. Porém, é impossível representar, no desenho, um quarto ou uma sala
em seu tamanho real. Portanto, o desenho deve ser reduzido e para isso, é necessária
a utilização de desenhos em escala.
22
55-- DDIIAAGGRRAAMMAASS EELLÉÉTTRRIICCOOSS PPRREEDDIIAAIISS
Esquema
É a representação de uma instalação, ou parte dela, por meio de símbolos
gráficos.Todo ou qualquer projeto será desenvolvido através de símbolos, e para tanto,
serão utilizados os esquemas unifilar, multifilar e funcional.
Esquema Multifilar
Este esquema representa todo o sistema elétrico, em seus detalhes, com todos os
condutores. Cada traço é um fio que será utilizado na ligação dos componentes.
Utiliza-se, freqüentemente, o
diagrama multifilar para representar
circuitos de comando e proteção e
circuitos de força para
acionamentos industriais.
O diagrama ou circuito de força deve conter os elementos a serem acionados, ou
seja, a carga do circuito. Entre estes componentes, estão os motores e equipamentos
de alta potência, por isso, este diagrama é chamado também de diagrama de potência.
23
O diagrama ou circuito de comandos, proteção e sinalização deve conter os
elementos atuadores, tais como: botoeiras, fins de curso, lâmpadas de sinalização e
contatos auxiliares de contatores e relés.
A larga aplicação deste tipo de representação em projetos da área de comandos
elétricos e automação industrial não impedem seu uso para representar circuitos
simples como os utilizados em instalações prediais.
24
O esquema multifilar representa, exatamente, como a instalação é executada na
prática.
Sempre que for representado um símbolo, este estará instalado em uma caixa de
passagem, quer seja no teto ou parede, e os condutores sempre estarão passando por
dentro dos eletrodutos, os quais sempre terão origem de um Quadro de Distribuição
(QD). Em um projeto, se a sua representação fosse feita na forma multifilar, cada
condutor seria representado por um traço, saindo do QD e chegando ao seu destino.
Como observamos na figura acima, seria impossível representar um projeto na forma
multifilar, pois seriam tantos os traços, que dificultariam a sua interpretação. Neste
caso, para realizar um projeto com clareza, e de maneira simplificada, utilizamos a
forma unifilar.
25
66-- EESSQQUUEEMMAA UUNNIIFFIILLAARR
O esquema unifilar representa um sistema elétrico simplificado que identifica o número
de condutores e representa seus trajetos por um único traço.
Geralmente, representa a posição física dos componentes da instalação, porém não
representa com clareza o funcionamento e seqüência funcional dos circuitos. Na figura
a seguir, temos um esquema de um circuito elétrico composto de interruptor simples,
tomada, lâmpadas incandescentes, rede de eletrodutos e fiação, todos representados
na forma unifilar.
Nos projetos elétricos representados em planta baixa, utiliza-se o diagrama
unifilar,devido à facilidade de interpretação do posicionamento dos componentes e das
ligações entre caixas de passagem através de eletrodutos.
É importante lembrar que as linhas que ligam os símbolos dos componentes
representam os eletrodutos e não os fios do circuito. Estes são representados
através de símbolos específicos, dispostos sobre os eletrodutos no diagrama unifilar:
26
Esquema Funcional
Apresenta todo o sistema elétrico e permite interpretar, com clareza e rapidez, o
funcionamento ou seqüência funcional dos circuitos. Não se preocupa com aposição
física dos componentes da instalação, pois os caminhos das correntes são
representados por meio de retas, sem cruzamento ou inclinação na vertical ou
horizontal. Neste esquema, mostra-se o equipamento exatamente como ele é
encontrado à venda no mercado, ou como ele é industrialmente fabricado.
Nota: Os elementos de circuito contidos em um diagrama elétrico devem sempre ser
representados em seu estado normal (desligado).
Através das figuras a seguir é possível fazer um comparativo entre os tipos de
representação apresentados. Todos os esquemas representam o mesmo circuito:
Lâmpada incandescente comandada por interruptor conjugado com tomada.
27
28
29
3) Analise a planta baixa dada e codifique a fiação necessária para que a lâmpada
fluorescente funcione corretamente.
30
4) Numere a segunda coluna conforme os símbolos apresentados na primeira.
31
77-- DDIIAAGGRRAAMMAASS EELLÉÉTTRRIICCOOSS IINNDDUUSSTTRRIIAAIISS
Os sistemas elétricos industriais, assim como os demais, são constituídos de
"circuitos elétricos", implementados por componentes / dispositivos / equipamentos,
cada qual com a sua função, e pelas interligações entre eles. A forma pela qual
representamos os componentes, dispositivos e equipamentos escolhidos durante o
projeto e as ligações corretas a serem executadas, são através dos "diagramas".
Nos "diagramas" cada componente, dispositivo ou equipamento será representado
por um símbolo gráfico, na maioria das vezes, normalizado ou padronizado, e as
ligações sempre por linhas paralelas.
Nos sistemas elétricos industriais apesar de todas as partes estarem interligadas e
quase sempre interagirem, podemos dividi-los em cinco partes distintas:
alimentação, proteção, comando, controle e sinalização. Para facilitar o
entendimento das informações contidas no projeto, essas partes são representadas
em dois diagramas distintos, o "diagrama de força" ou "diagrama de potência" e o
"diagrama de comando e sinalização" ou “diagrama de controle”.
O "diagrama de força" é representativo do fluxo da energia elétrica no processo, ou
seja, representa-se o circuito desde o ramal de alimentação, indicando de onde ele
vem, passando pelos barramentos de distribuição para os diversos circuitos
demarradores, que são os circuitos terminais que alimentam os equipamentos de
utilização. Os transformadores, os medidores das grandezas elétricas, os
dispositivos de chaveamento normal e os dispositivos de chaveamentos de
32
emergência, deverão ser mostrados nesse diagrama.
Exemplo de diagrama de força
O "diagrama de controle" é representativo dos circuitos que implementam a lógica
de funcionamento do processo, além de alimentar os dispositivos de sinalização, os
quais nos possibilitarão uma visualização e monitoração do processo através de
painéis sinópticos. Ainda na sinalização, esse diagrama poderá conter alguns
indicadores do valor atual de alguma variável do processo que nos interesse. No
diagrama em questão irão aparecer os elementos de disparo dos dispositivos de
chaveamento (contatores, tiristores e disjuntores), botões de comando,
instrumentação de campo, relés de controle discreto em geral, controladores
analógicos, cartões de E/S de CLP's e etc.. Parte do sistema de proteção também
poderá está contida aqui.
Exemplo de diagrama de controle
33
Diagramas elétricos Industriais
Exemplo 1: Ligar um contator principal através de comando à distância por botões.
a) Circuito de comando
Convenções:
F1, F2 - Fusíveis Diazed
S0 - Botoeira Normalmente Fechada (NF)
S1 - Botoeira Normalmente Aberta (NA)
SK1 - Contato Normalmente Aberto do Contator
K1 - Bobina do Contator
34
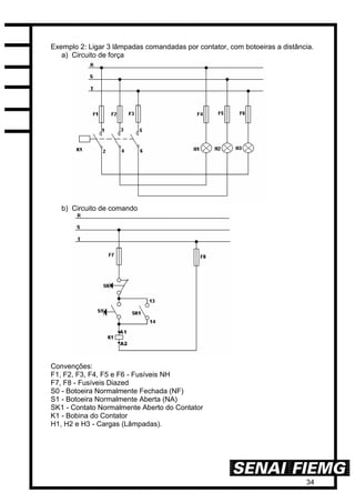
Exemplo 2: Ligar 3 lâmpadas comandadas por contator, com botoeiras a distância.
a) Circuito de força
b) Circuito de comando
Convenções:
F1, F2, F3, F4, F5 e F6 - Fusíveis NH
F7, F8 - Fusíveis Diazed
S0 - Botoeira Normalmente Fechada (NF)
S1 - Botoeira Normalmente Aberta (NA)
SK1 - Contato Normalmente Aberto do Contator
K1 - Bobina do Contator
H1, H2 e H3 - Cargas (Lâmpadas).
35
88 –– EEXXEERRCCÍÍCCIIOOSS
Tarefa 1: Efetuar a partida direta de um motor trifásico comandado por contator,
relé térmico e disjuntor.
a) Circuito de Força
b) Circuito de comando
36
99-- DDIIAAGGRRAAMMAASS DDEE PPAARRTTIIDDAA DDEE MMOOTTOORREESS
A seguir podemos observar o diagrama de força para uma instalação com quatro
motores e cada um deles com um método de partida diferente, na seqüência:
partida direta, chave estrela-triângulo, chave auto-compensadora e chave com
impedância série.
37
Diagrama de Força das partidas com tensão reduzida
38
1100-- EEXXEERRCCÍÍCCIIOOSS
TAREFA 2: Efetuar a partida de motores trifásicos em estrela triângulo automática,
utilizando contatores e relé temporizado.
a) Circuito de Força
39
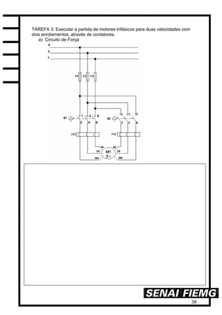
TAREFA 3: Executar a partida de motores trifásicos para duas velocidades com
dois enrolamentos, através de contatores.
a) Circuito de Força
40
1111-- LLAAYYOOUUTT DDEE MMOONNTTAAGGEEMM
O Layout de montagem constitui um documento importante para orientar a montagem,
localização e reparação de falhas em todos os equipamentos que constituem uma
instalação elétrica.
O layout que envolva máquinas, equipamentos elétricos, instalações, etc., devem refletir a
distribuição real dos dispositivos, barramentos, condutores, etc., e seus elementos
separados, como indicar os caminhos empregados para a interconexão dos contatos
destes elementos.
41
1122-- DDiivviissããoo ddee cciirrccuuiittooss –– qquuaaddrrooss ddee ddiissttrriibbuuiiççããoo
Um circuito compreende todos os elementos (tomadas, lâmpadas, etc.)
Ligados ao mesmo par de condutores e ao mesmo dispositivo de proteção (fusível
ou disjuntor)
Divide-se uma instalação elétrica em circuitos parciais para facilitar a
manutenção, para que a proteção possa ser melhor dimensionada e para reduzir
as quedas de tensão.
Sabe-se que o disjuntor (ou fusível) é calculado para toda a carga do circuito (pois
se temos um só circuito, teremos um disjuntor de grande capacidade e um
pequeno curto-circuito não será percebido por ele, entretanto se tivermos vários
circuitos, com vários disjuntores de capacidades menores, aquele curto poderá ser
percebido por um desses disjuntores que desligará somente o circuito parcial onde
tiver ocorrido um curto-circuito).
A Norma brasileira não prevê o limite de potência que deve ser instalado em
um circuito, entretanto, recomenda a utilização de um circuito independente para
cada aparelho com potência igual ou superior a 1500 VA. Também as tomadas de
corrente de cozinha, copas e áreas de serviço deverão constituir um ou mais
circuito independentes, o qual não poderá conter pontos de iluminação.
A bitola mínima dos condutores deverá ser especificada de acordo com as
referências abaixo:
Função Diâmetro do fio em
Iluminação 1,5 mm2
Tomadas em quartos, salas e similares 1,5 mm2
Tomadas em cozinhas, áreas de serviço, garagens e similares 2,5 mm2
Aquecedor de água em geral 2,5 mm2
Máquina de lavar roupa 4,0 mm2
Aparelho de ar condicionado 2,5 mm2
Fogões elétricos 6,0 mm2
Cordões flexíveis para aparelhos como abajures, lustres e
semelhantes
0,75 mm2
Circuitos de controle e sinalização (Campainha) 0,5 mm2
Os circuitos deverão partir de um quadro de distribuição onde serão
instalados os dispositivos de proteção para cada circuito (independentes para cada
circuito)
Deverá haver um condutor neutro para cada circuito não podendo ser o
neutro seccionado para instalação de proteção ou para qualquer outro fim.
– Número de tomadas por cômodo
Cada cômodo de uma residência deverá ter tantas tomadas quantos forem
os aparelhos a serem instalados dentro do mesmo. Uma sala de estar, por
exemplo, deve ter tomadas para televisor, som, abajures, enceradeira, etc.
A norma determina as seguintes quantidades mínimas para instalações de
tomadas:
42
- 1 tomada por c6omodo para área igual, ou menor que 6 m2
.
- 1 tomada para cada 5 metros ou fração de perímetro, para áreas maiores que 6
m2
.
- 1 tomada para cada 3,5 m, ou fração de perímetro para copas, cozinhas, etc.
(em cada bancada de 30 cm, ou mais, deve ser prevista uma tomada),
- 1 tomada em subsolos, sótãos, garagens e varandas.
– Dimensionamento de condutores
– Tipos de condutores
Todo metal é condutor de corrente elétrica, entretanto, alguns conduzem
melhor que outros, ou seja, alguns oferecem menor resistência a passagem de
corrente elétrica que outros.
A resistência de um condutor é expressa pela fórmula:
Onde Unidade
R = Resistência do condutor 
= Resistividade (varia com o material empregado)  mm2
/m
l = Comprimento do condutor m
S = Seção (área) transversal do condutor mm2
Os materiais mais utilizados para a condução da energia elétrica são:
Prata Utilizada em pastilhas de contato de contatores e relés
Resistividade: 0,016  mm2
/m a 20o
C
Cobre Utilizado na fabricação de fios em geral e equipamentos elétricos
(chaves, interruptores, tomadas, etc.)
Resistividade: cobre duro - 0,0179  mm2
/m a 20o
C.
cobre recozido – 0,0172  mm2
/m a 20o
C.
Bronze Liga de cobre e estanho, utilizada em equipamentos elétricos e linha
de tração elétrica (bondes, etc.).
Resistividade: (bronze silício) – 0,0246  mm2
/m a 20o
C.
Latão Liga de cobre e zinco, utilizada em aparelhagem elétrica.
Resistividade: aproximadamente a mesma do cobre.
Alumínio Utilizado na fabricação de condutores para linhas e redes por ser mais
leve e de custo mais baixo. Os fios e cabos de alumínio podem se apresentar de
duas formas:
CA - Alumínio puro
CAA – Alumínio enrolado sobre um cabo de aço (alma de aço)
Resistividade: 0,028  mm2
/m.
43
Construtivamente os condutores podem ser formados por um único fio
sólido, nas seções menores (até 16 mm2
), ou por um encordoamento de fios
sólidos, formando um cabo. Sobre o condutor assim formado é aplicada uma
camada de isolação, seja por termoplástico como PVC e o PE seja por termofixos
(vulcanização) como o EPR e XLPE
Essa camada de isolação pode ser simples (isolamento) ou dupla
(isolamento + cobertura).
É conveniente aqui estabelecer-se a diferença entre os termos: isolação e
isolamento. “Isolação” é um termo qualitativo referindo-se ao produto que cobre o
condutor e “Isolamento” é quantitativo, referindo-se à tensão para a qual o condutor
foi projetado.
- Condutores isolados
Os condutores isolados são constituídos de dois tipos: “à prova de tempo” e
para instalações embutidas. Os primeiros só podem ser usados em instalações
aéreas, uma vez que a sua isolação não tem a resistência mecânica necessária
para sua instalação em dutos, os outros podem ser usados em qualquer situação.
A escala de fabricação dos condutores adotada no Brasil é a “série métrica” onde
os condutores são representados pela seção transversal (área) em mm2
.
Normalmente são fabricados condutores de 0,5 mm2
a 500 mm2
(para o transporte
de energia).
As normas brasileiras só admitem, nas instalações residenciais, o uso de
condutores de cobre, salvo para os casos de condutores de aterramento proteção,
que têm especificações próprias.
- Cálculo dos Condutores
As Normas da ABNT definem, para a determinação da seção dos
condutores, dois critérios básicos a serem observados:
 limite de condução de corrente
 limite de queda de tensão
Após a análise, observados os dois critérios separadamente, deverá ser adotado o
resultado que levou ao condutor de maior seção.
Observa-se a seção mínima admissível pela NBR 5410, para instalações
predais, portanto, case se chegue a um condutor mais fino do que o definido pela
norma, deverá ser adotado o fio indicado.
A seção dos condutores só poderão ser inferior a 1,5 mm2
nos seguintes
casos:
44
a- Nos cordões flexíveis para a ligação de aparelhos domésticos e aparelhos de
iluminação (nas ligações internas dos lustres), a seção dos condutores poderá ser
reduzida, de acordo com a potência exigida, até 0,75 mm2
.
b- Nos circuitos de sinalização e controle (campainhas, etc.) onde poderão ser
utilizados condutores de 0,5 mm2
.
Nos casos de redução de seção, os dispositivos de proteção deverão estar
dimensionados de forma a operar (abrir o circuito), no caso de um defeito, antes de
causar danos aos condutores.
- Limite de Condução de Corrente
Quando há circulação de corrente em um condutor, o mesmo se aquece, e o
calor gerado é transferido ao ambiente em redor, dissipando-se. Se o condutor está
instalado ao ar livre a dissipação é maior, ou seja, o condutor tenderia a se resfriar
mais depressa quando a corrente deixasse de circular pelo mesmo, se o condutor
está instalado em um eletroduto a dissipação é menor.
Quando existem vários condutores no mesmo eletroduto as quantidades de
calor geradas em cada um deles, se somam, aumentando ainda mais a
temperatura.
Os condutores são fabricados para operar dentro de certos limites de
temperatura, a partir dos quais começa a haver uma alteração nas características
do isolamento que deixa de cumprir a sua finalidade.
A NBR-5410 define que os condutores com isolamento termoplástico, para
instalações residenciais, sejam especificados para uma temperatura de trabalho de
70o
C (PVC/70o
C) e as tabelas de capacidade de condução de correntes são
calculadas tomando como base este valor e a temperatura ambiente de 30o
C.
A tabela seguinte dá a capacidade de condução de corrente para condutores
instalados em eletrodutos, condutos, calhas, etc., e ao ar livre ou em instalações
expostas.
Capacidade de corrente para condutores isolados
(Temperatura ambiente de 30o
C – condutores de cobre) em A
Seção
Nominal
mm2
Eletrodutos Ar livre
2 condutores
carregados
3 condutores
carregados
2 condutores
carregados
3 condutores
carregados
1,0 13,5 12 15 13,5
1,5 17,5 15,5 19,5 17,5
2,5 24 21 26 24
4,0 32 28 35 32
6,0 41 36 46 41
10,0 57 50 63 57
16,0 76 68 85 76
25,0 101 89 112 101
35,0 125 111 138 125
50,0 151 134 168 151
45
70,0 192 171 213 192
95,0 232 207 258 232
120,0 269 239 299 269
Quando o número de condutores instalados no mesmo eletroduto for
superior a 3 e/ou a temperatura ambiente for superior a 30o
C os valores da tabela
de limites de condução de corrente (coluna “2 condutores carregados”) deverão ser
multiplicados pelos seguintes fatores de redução:
Temperatura
Ambiente
Fator de
Redução
No
de condutores no
mesmo conduto
Fator de
Redução
35 0,93 4 0,80
40 0,87 6 0,69
45 0,79 8 0,62
50 0,71 10 0,59
12 0,55
– Limite de Queda de Tensão
Como vimos anteriormente, todo condutor tem uma certa resistência a
quando circula corrente por uma resistência há uma dissipação de potência em
forma de calor e, consequentemente, uma queda de tensão no condutor.
Segundo a lei de Ohm, a queda de tensão num trecho A-B é dada por:
VAB = V = RI
A potência dissipada (perda de potência) no trecho A-B, é
WAB= V.I = (RI)I
WAB = RI2
Donde a tensão aplicada à carga será igual a V-V. Como a potência é
determinada pelo produto da corrente pela tensão aplicada, teremos na carga
W= (V-V)I
que é menor que a potência obtida, se não houvesse V.
Queda de Tensão Percentual
A queda de tensão é , normalmente, expressa em percentual (%) e seu valor
é calculado pela seguinte maneira:
V(%) = V de entrada – V na carga
x 100
46
V de entrada
A ABNT (NBR-5410) determina os seguintes valores máximos de queda de
tensão percentual admissíveis, para instalações alimentadas diretamente por um
ramal de baixa tensão:
- iluminação: 4%
- outras utilizações: 4%
O cálculo da queda de tensão através dos dados do circuito é relativamente
complexo, envolvendo fatores que nem sempre estão perfeitamente definidos no
mesmo.
Para maior facilidade foram organizadas tabelas que, para uma dada tensão
aplicada ao circuito (V de entrada), e considerando-se e considerando-se a queda
de tensão admissível (%), dão os valores do momento elétrico para cada condutor.
Obs.: Momento elétrico é igual ao produto da corrente (A) que passa pelo
condutor, pela distância (m) desde o ponto de entrada da energia até o final do
circuito. Algebricamente expressa-se da seguinte forma:
ME = A x m
As tabelas a seguir foram calculadas para condutores com isolamento em
PVC/70o
C
Tabela 1 – Momento Elétrico
Condutores em eletrodutos (A x m)
Cond.
mm2
127 V - 1 220 V - 1 220 V - 3
2% 3% 5% 2% 3% 5% 2% 3% 5%
1 75 112 187 129 194 324 152 228 379
1,5 110 166 276 191 287 478 220 330 550
2,5 181 272 454 314 471 786 367 550 917
4 292 438 730 506 759 1264 587 880 1467
6 438 657 1095 759 1138 1897 863 1294 2157
10 726 1089 1814 1257 1186 3143 1467 2200 3667
16 1104 1657 261 1913 2870 4783 2256 3385 5641
25 1693 2540 4233 2933 4400 7333 3465 5197 8661
35 2309 3464 5733 4000 6000 10000 4632 6947 11579
50 3060 4590 7651 5301 7952 16253 6111 9167 15278
70 4164 6246 10410 7213 10820 18033 8302 12453 20755
95 5404 8106 13511 9362 14043 23404 10732 16098 26829
Tabela 1 – Momento Elétrico
Condutores em instalações aéreas (A x m)
47
Cond.
mm2
127 V - 1 220 V - 1 220 V - 3
2% 3% 5% 2% 3% 5% 2% 3% 5%
1 75 112 187 129 194 324 149 224 373
1,5 110 166 276 191 287 478 222 332 554
2,5 181 272 454 314 471 786 357 536 893
4 282 423 706 489 733 1222 563 845 1408
6 412 653 1029 713 1070 1783 824 1236 2060
10 663 995 1658 1149 1723 2872 1325 1998 3313
16 996 1494 2490 1725 2588 4314 1991 2986 4977
25 1451 2177 3629 2514 3771 6286 2914 4371 7285
35 1881 2822 4704 3259 4889 8148 3761 5641 9402
50 2352 3528 5880 4074 6111 10185 4681 7021 11702
70 2988 4482 7471 5176 7765 12941 6027 9041 15068
95 3681 5522 9203 6377 9565 15942 7333 11000 18333
Exemplo de utilização da tabela de momentos elétricos:
a- Determinar a bitola dos condutores aéreos a serem ligados a uma carga
trifásica situada a 130 metros de distância a cuja corrente é de 20 A, sabendo
que a tensão do circuito é 220 V e a queda de tensão não pode ultrapassar 5%.
Solução
O momento elétrico neste caso é:
20 A x 130 m =2600 A.m
Consultando-se a tabela de “condutores em instalações aéreas” na coluna
referente a circuitos trifásicos, 220 V e 5% de queda de tensão, verifica-se:
Fio de 6 mm2
: Momento Elétrico = 2060 A.m
Fio de 10 mm2
: Momento Elétrico = 3313 A.m
O valor calculado (2600 A.m) está situado entre estes dois, o que nos obriga a
escolher o condutor mais grosso, ou seja, o fio 10.
b – Determinar a queda de tensão percentual que realmente ocorre acima.
Solução
Como o momento elétrico calculado (2600 A.m) é menor que o do condutor
utilizado (3313 A.m), a queda de tensão será menor e, para determinar o seu valor,
basta realizar uma regra de três:
Momento Elétrico do Condutor 3313 A.m V% = 5%
Momento Elétrico Calculado 2600 V% = ?
V%= 2600x5
= 3,92
3313
48
1133-- LLÂÂMMPPAADDAASS
Podemos dividir as lâmpadas de acordo com os seus princípios de funcionamento:
AASS LLÂÂMMPPAADDAASS IINNCCAANNDDEESSCCEENNTTEESS
As lâmpadas incandescentes possuem um campo de aplicação muito grande e são
formadas de três partes fundamentais:
1) Filamento
2) Bulbo de vidro
3) Base para a alimentação da lâmpada
49
- PRINCIPAIS COMPONENTES DE UMA LÂMPADA
Bulbos, filamentos e bases; são os únicos componentes de uma lâmpada
incandescente. Existem muitos outros, possuindo a mesma importância e exigindo
grandes cuidados durante o processo de fabricação. Os principais são:
Gás inerte: geralmente constituído por uma mistura de nitrogênio e argônio, cuja
principal finalidade é evitar a rápida evaporação do filamento, permitindo assim, a
operação da lâmpada em temperaturas mais elevadas. Usado em lâmpadas acima
de 40W.
Ledes: contatos metálicos que conduzem a corrente elétrica da base do filamento.
Tubo de Esgotação: uma das partes componentes da haste central. É através
dele que, durante a fabricação se faz a exaustão da lâmpada e, posteriormente,
seu enchimento com a mistura de gases inertes.
Suportes: geralmente constituídos de fios de molibdênio têm por finalidade manter
o filamento em sua devida posição.
Disco Defletor: tem a propriedade de refletir o calor, desviando o fluxo de gases
quentes e evitando o excessivo aquecimento da base.
Botão: Extremidade interna do tubo de esgotação. É achatado e serve de ponto de
ancoragem para os suportes do filamento.
50
FILAMENTO
É o fio de tungstênio estirado, enrolado em hélice simples ou dupla capaz de emitir
luz quando aquecido a certa temperatura, pela passagem da corrente elétrica.
O filamento é feito de tungstênio, este material pode suportar até 2.800º C com
bom rendimento de luz. Nas lâmpadas até 25 W, o filamento funciona ao vácuo, ou
seja no interior do bulbo não existe nenhum gás. Para as lâmpadas de potência
mais elevada, o filamento é imerso em um gás inerte, para limitar a volatização e
aderimento no bulbo.
O bulbo de vidro é de uma ampola, que pode ser transparente, esmerilhada ou
mesmo colorida.
51
1144 –– AATTEERRRRAAMMEENNTTOO
14.1 – Introdução
O aterramento elétrico, com certeza, é um assunto que gera um número enorme de
dúvidas quanto às normas e procedimentos no que se refere ao ambiente elétrico
industrial. Muitas vezes, o desconhecimento das técnicas para realizar um
aterramento eficiente, ocasiona a queima de equipamentos, ou pior, o choque
elétrico nos operadores desses equipamentos. Mas o que é “terra”? qual a
diferença entre terra, neutro e massa? Quais são as normas que devo seguir para
garantir um bom aterramento? Bem, estes são os tópicos que este artigo tentará
esclarecer. É fato que o assunto aterramento é bastante vasto e complexo, porém,
demonstraremos algumas regras básicas.
14.2 – Para que serve o aterramento elétrico?
O aterramento elétrico tem três funções principais:
a – Proteger o usuário do equipamento das descargas atmosféricas, através da
viabilização de um caminho alternativo para a terra, de descargas atmosféricas.
b – “Descarregar cargas estáticas acumuladas nas carcaças das maquinas ou
equipamentos para a terra”.
c – Facilitar o funcionamento dos dispositivos de proteção (fusíveis, disjuntores,
etc.), através da corrente desviada para a terra. Veremos, mais adiante, que
existem varias outras funções para o aterramento elétrico, até mesmo para a
eliminação de EMI, porem essas três acima são as mais fundamentais.
14.3 – Definições: Terra, Neutro e Massa
Antes de falarmos sobre os tipos de aterramento, devemos esclarecer (de uma vez
por todas!) o que é terra, neutro e massa. Na figura 1 temos um exemplo da ligação
de um PC à rede elétrica, que possui duas fases (+110 VCA, - 110 VCA), e um
neutro. Essa alimentação é fornecida pela concessionária de energia elétrica, que
somente liga a caixa de entrada ao poste externo se houver uma haste de
aterramento padrão dentro do ambiente do usuário. Alem disso, a concessionária
também exige dois disjuntores de proteção. Teoricamente, o terminal neutro da
concessionária deve ter potencial igual a 0 volt. Porém, devido ao
desbalanceamento nas fases do transformador de distribuição, é comum esse
terminal tender a assumir potenciais diferentes de zero. O desbalanceamento de
fases ocorre quando temos consumidores de necessidades muito distintas, ligadas
em um mesmo link. Por exemplo, um transformador alimenta, em um setor seu,
uma residência comum, e no outro setor, um pequeno supermercado. Essa
diferença de demanda, em um mesmo link, pode fazer com que o neutro varie seu
potencial (flutue). Para evitar que esse potencial “flutue”, ligamos (logo na entrada)
o fio neutro a uma haste de terra. Sendo assim, qualquer potencial que tender a
aparecer será escoado para a terra. Ainda analisando a figura 1, vemos que o PC
está ligado em 110 VCA, pois utiliza uma fase e um neutro.
52
Mas, ao mesmo tempo, ligamos sua carcaça através de outro condutor na mesma
haste, e damos o nome desse condutor de “terra”.
Pergunta “fatídica”: Se o neutro e o terra estão conectados ao mesmo ponto
(haste de aterramento), porque um é chamado de terra e o outro de neutro?
Aqui vai a primeira definição: o neutro e um “condutor” fornecido pela
concessionária de energia elétrica, pelo qual há o “retorno” da corrente elétrica. O
terra é um condutor construído através de uma haste metálica e que, em situações
normais, não deve possuir corrente elétrica circulante.
Resumindo: A grande diferença entre a terra e o neutro é que, pelo neutro há
corrente circulando, e pelo terra, não. Quando houver alguma corrente circulando
pelo terra, normalmente ela deverá ser transitória, isto é, desviar uma descarga
atmosférica para a terra por exemplo. O fio terra, por norma, vem identificado pela
letra PE, e deve ser de cor verde e amarela. Notem ainda que ele está ligado a
carcaça do PC. A carcaça do PC, ou de qualquer outro equipamento é o que
chamamos de “massa”.
14.4 – TIPOS DE ATERRAMENTO
A ABNT (Associação Brasileira de Normas Técnicas) possui uma norma que rege o
campo de instalações elétricas em baixa tensão. Essa norma é a NBR 5410, a
qual, como todas as demais normas da ABNT, possui subseções. As subseções:
6.3.3.1.1, 6.3.3.1.2, e 6.3.3.1.3 referem-se aos possíveis sistemas de aterramento
que podem ser feitos na indústria. Os três sistemas da NBR 5410 mais utilizados
na industria são:
53
a – Sistema TN-S:
Notem pela figura 2 que temos o secundário de um transformador (cabine primaria
trifásica) ligado em Y. O neutro é aterrado logo na entrada, e levado até a carga.
Paralelamente, outro condutor identificado como PE é utilizado como fio terra, e é
conectado à carcaça (massa) do equipamento.
b – Sistema TN-C:
Esse sistema, embora normalizado, não é aconselhável, pois o fio terra e o neutro
são constituídos pelo mesmo condutor. Dessa vez, sua identificação é PEN (e não
PE, como o anterior). Podemos notar pela figura 3 que, após o neutro ser aterrado
na entrada, ele próprio é ligado ao neutro e à massa do equipamento.
c – Sistema TT: Esse sistema é o mais eficiente de todos. Na figura 4 vemos que
o neutro é aterrado logo na entrada e segue (como neutro) até a carga
(equipamento). A massa do equipamento é aterrada com uma haste própria,
independente da haste de aterramento do neutro.
O leitor pode estar pensando: “Mas qual desses sistemas devo utilizar na prática?”
Geralmente, o próprio fabricante do equipamento especifica qual sistema como
regra geral, temos:
a) Sempre que possível optar pelo sistema TT em 1º lugar.
b) Caso, por razões operacionais e estruturais do local, não seja possível o
sistema TT, optar pelo sistema TN-S.
c) Somente optar pelo sistema TN-C em último caso, isto é, quando realmente
for impossível estabelecer qualquer um dos sistemas anteriores.
14.5 – Procedimentos
Os cálculos e variáveis para dimensionar um aterramento podem ser considerados
assuntos para “pós – graduação em Engenharia Elétrica”. A resistividade e o solo,
geometria e constituição da haste de aterramento, formato em que as hastes são
distribuídas, são alguns dos fatores que influenciam o valor da resistência do
aterramento. Como não podemos abordar tudo isso num único artigo, daremos
algumas “dicas” que, com certeza, irão ajudar:
a) Haste de aterramento: A haste de aterramento normalmente, é feita de uma
alma de aço revestida de cobre. Seu comprimento pode variar de 1,5 a
54
4,0m. As de 2,5m são mais utilizadas, pois diminuem o risco de atingirem
dutos subterrâneos em sua instalação.
b) O valor ideal para um bom aterramento deve ser menor ou igual a 5‫.ڤ‬
Dependendo da química do solo (quantidade de água, salinidade,
alcalinidade, etc.), mais de uma haste pode se fazer necessária para nos
aproximarmos desse valor. Caso isso ocorra, existem duas possibilidades:
tratamento químico do solo (que será analisado mais adiante), e o
agrupamento de barras em paralelo. Uma boa regra para agruparem – se
barras é a da formação de polígonos.
A figura 5 mostra alguns passos. Notem que, quanto maior o numero de barras,
mais próximo a um circulo ficamos.
Outra regra no agrupamento de barras é manter sempre a distância entre elas, o
mais próximo possível do comprimento de uma barra. É bom lembrar ao leitor que
são regras práticas. Como dissemos anteriormente, o dimensionamento do
aterramento é complexo, e repleto de cálculos. Para um trabalho mais preciso e
cientifico, você deve consultar uma leitura própria.
14.6- Tratamento químico do solo
Como já observamos, a resistência do terra depende muito da constituição química
do solo. Muitas vezes, o aumento do número de barras de aterramento não
consegue diminuir a resistência do terra significativamente. Somente nessa
situação devemos pensar em trabalhar quimicamente o solo. O tratamento químico
tem uma grande desvantagem em relação ao aumento do numero de hastes, pois
a terra aos poucos, absorve os elementos adicionados. Com o passar do tempo,
sua resistência volta a aumentar, portanto, essa alternativa deve ser o ultimo
recurso. temos vários produtos que podem ser colocados no solo antes ou depois
da instalação da haste para diminuirmos a resistividade do solo. A Bentonita e o
Gel são os mais utilizados. De qualquer forma, o produto a ser utilizado para essa
finalidade deve ter as seguintes características:
- Não deve ser tóxico
- Deve reter umidade
- Bom condutor de eletricidade
- Ter PH Alcalino (não corrosivo)
- Não deve ser solúvel em água.
Uma observação importante no que se refere a instalação em baixa no que se
refere a instalação em baixa tensão é a proibição (Por Norma ) de tratamento
químico do solo para equipamentos a serem instalados em locais de acesso
d = Distância entre hastes
h = Comprimento das
hastes
1 Haste 2 Hastes 3 Hastes 4 Hastes 5 Hastes
d = h
d = h
D = h
D = h
Fig 5 = Agrupamento de barras em Paralelo
55
público (Colunas de semáforos, caixas telefônicas, controladores de trafego, etc..).
Essa medida visa a segurança das pessoas nesses locais.
14.7 Medindo o terra.
O instrumento clássico para medir-se a resistência do terra é o terrômetro.
Esse instrumento possui 2 Hastes de referência, que servem como divisores
resistivos conforme a figura 6. Na verdade, o terrômetro injeta uma corrente pela
terra que é transformada em quedas de tensão pelos resistores formados pelas
hastes de referencia, e péla própria haste de terra. Através do valor dessa queda
de tensão, o mostrador é calibrado para indicar o valor ôhmico da resistência do
terra. Uma grande dificuldade na utilização desse instrumento é achar um local
apropriado para instalar as hastes de referência. Normalmente, o chão das fabricas
são concretados, e, com certeza fazer dois “buracos” no chão não é algo
agradável. Infelizmente, caso haja a necessidade de medir-se o terra, não temos
outra opção a não ser esta.
Haste de
aterramento
Hastes de
Referenci
a.
T H1 H2
Terrômetro
RT
RF
Fig. 6 - Terrômetro.
56
1155-- RReeffeerrêênncciiaass BBiibblliiooggrrááffiiccaass
CAVALIN, Geraldo; CERVELIN, Severino. Instalações Elétricas Prediais. 9. ed.[S.l.]:
Érica, 2003.
SENAI. DN. Eletricidade - Desenho; Planta Baixa. Módulo 1. Rio de Janeiro,
RJ:1980.
SENAI. DN. Eletricidade - Desenho; Escalas. Módulo 7. Rio de Janeiro, RJ:
1980.SENAI. DN. Eletricidade - Desenho; Perspectivas. Módulo 3. Rio de Janeiro,
RJ:1980.
Apostila - Comandos Elétricos Automáticos - Unidade Integrada Sesi / Senai –
Pedro Leopoldo

Instalação eletrica-prediais senai

  • 1.
    1 Praça Expedicionário Assunção,168 – Bairro Centro Nova Lima – MG – CEP: 34.000-000 Telefone: (31) 3541-2666 IINNSSTTAALLAAÇÇÕÕEESS EELLÉÉTTRRIICCAASS PPRREEDDIIAAIISS SENAI – “Serviço Nacional de Aprendizagem Industrial” Centro de Formação Profissional “AFONSO GRECO”
  • 2.
    2 Presidente da FIEMG OlavoMachado Gestor do SENAI Petrônio Machado Zica Diretor Regional do SENAI e Superintendente de Conhecimento e Tecnologia Lúcio Sampaio Gerente de Educação e Tecnologia Edmar Fernando de Alcântara
  • 3.
    3 Sumário 1. Apresentação ........................................................................................................4 2.Simbologia.............................................................................................................5 3- Linguagem do desenho.......................................................................................14 4- Planta baixa e simbologia ...................................................................................15 5- Diagramas elétricos prediais...............................................................................22 6- Esquema unifilar .................................................................................................25 7- Diagramas elétricos industriais ...........................................................................31 8 – Exercícios..........................................................................................................35 9- Diagramas de partida de motores.......................................................................36 10- Exercícios..........................................................................................................38 11- Layout de montagem ........................................................................................40 12- Divisão de circuitos – quadros de distribuição .................................................41 Função.................................................................................................................41 13- LÂMPADAS.......................................................................................................48 As Lâmpadas Incandescentes .........................................................................48 14 – ATERRAMENTO.............................................................................................51 14.1 – Introdução.................................................................................................51 14.2 – Para que serve o aterramento elétrico?....................................................51 14.3 – Definições: Terra, Neutro e Massa ...........................................................51 14.4 – Tipos de aterramento................................................................................52 14.5 – Procedimentos..........................................................................................53 14.6- Tratamento químico do solo .......................................................................54 14.7 Medindo o terra............................................................................................55 15- Referências Bibliográficas.................................................................................56
  • 4.
    4 11.. AApprreesseennttaaççããoo “Muda aforma de trabalhar, agir, sentir, pensar na chamada sociedade do conhecimento. “ Peter Drucker O ingresso na sociedade da informação exige mudanças profundas em todos os perfis profissionais, especialmente naqueles diretamente envolvidos na produção, coleta, disseminação e uso da informação. O SENAI, maior rede privada de educação profissional do país,sabe disso , e ,consciente do seu papel formativo , educa o trabalhador sob a égide do conceito da competência:” formar o profissional com responsabilidade no processo produtivo, com iniciativa na resolução de problemas, com conhecimentos técnicos aprofundados, flexibilidade e criatividade, empreendedorismo e consciência da necessidade de educação continuada.” Vivemos numa sociedade da informação. O conhecimento , na sua área tecnológica, amplia-se e se multiplica a cada dia. Uma constante atualização se faz necessária. Para o SENAI, cuidar do seu acervo bibliográfico, da sua infovia, da conexão de suas escolas à rede mundial de informações – internet- é tão importante quanto zelar pela produção de material didático. Isto porque, nos embates diários,instrutores e alunos , nas diversas oficinas e laboratórios do SENAI, fazem com que as informações, contidas nos materiais didáticos, tomem sentido e se concretizem em múltiplos conhecimentos. O SENAI deseja , por meio dos diversos materiais didáticos, aguçar a sua curiosidade, responder às suas demandas de informações e construir links entre os diversos conhecimentos, tão importantes para sua formação continuada ! Gerência de Educação e Tecnologia
  • 5.
    5 22.. SSIIMMBBOOLLOOGGIIAA A simbologia,por se tratar de uma forma de linguagem, bem como todo o conjunto que completa um determinado projeto (esquemas, detalhes, desenhos, etc.,) deve ser exata para ser compreensível; deve ser também clara e de fácil interpretação para os que dela se utilizarem. Do mesmo modo que um idioma, a simbologia está subordinada a regras, que são as normas técnicas. Os símbolos marcados com asterisco (*) não constam nas normas da ABNT, foram acrescentados tendo em vista facilitar a execução de projetos elétricos. SÍMBOLOS UTILIZADOS EM INSTALAÇÕES ELÉTRICAS PREDIAIS
  • 6.
  • 7.
  • 8.
  • 9.
  • 10.
  • 11.
  • 12.
  • 13.
  • 14.
    14 33-- LLIINNGGUUAAGGEEMM DDOODDEESSEENNHHOO Croquis O termo, de origem francesa, é aportuguesado como croqui, que pode também ser traduzido como esboço. Além desses nomes, um termo corrente para designar este tipo de representação é layout, proveniente do inglês. O croqui é um desenho rápido, sem atenção às normas técnicas, feito com o objetivo de discutir ou expressar uma idéia na forma gráfica. Portanto, não exige grande precisão. O importante é que a idéia contida no desenho seja transmitida com clareza. O que se deseja com essa técnica é registrar uma idéia na forma de um rascunho,para que, posteriormente, esta possa ser utilizada na elaboração de um desenho definitivo (finalizado). Devido à natureza de sua criação, os croquis sempre se encontram fora de escala. A seguir, temos o exemplo de um croqui, exibindo a idéia do arranjo dos móveis em um escritório:
  • 15.
    15 44-- PPLLAANNTTAA BBAAIIXXAAEE SSIIMMBBOOLLOOGGIIAA Planta baixa é a projeção que se obtém quando cortamos, imaginariamente, uma edificação com um plano horizontal, paralelo ao plano do piso. A altura do plano de corte em relação ao plano do piso é tal, que permite a visualização de paredes, portas e janelas da edificação. Esta altura pode variar entre 1,50m e 1,80m. Exemplo de obtenção de planta baixa: - Aqui, temos uma edificação como é vista normalmente. - Para chagarmos à planta baixa de uma edificação, devemos pensar de acordo com os seguintes procedimentos: - A parte de cima da edificação é removida. - A parte de baixo servirá para o desenho da planta baixa.
  • 16.
  • 17.
    17 "A Planta Baixatem por finalidade mostrar, claramente, as divisões dos compartimentos, a circulação entre eles,suas dimensões e seu destino". Na planta baixa, devem estar detalhadas as medidas das paredes (comprimento e espessura), portas, janelas, o nome e o nível de cada ambiente e escala em que foi confeccionado o desenho. A partir da planta baixa é elaborado o projeto elétrico de ma obra. Elas são representadas na planta baixa, conforme as simbologias apresentadas abaixo: Ao lado, vemos a representação de uma porta de abrir em uma planta baixa. A inscrição junto à porta indica suas dimensões. Esta indicação é feita sempre conforme a regra: Largura ⋅ Altura Portanto, a porta representada ao lado possui 70 m de largura e 210 cm de altura.
  • 18.
    18 Esta porta decorrer possui 60 cm de largura e 200 cm de altura. É importante notar que as indicações de medidas em plantas baixas são sempre feitas em centímetros. Vãos de Janelas e básculas A representação de janelas é conseqüência do conceito de planta baixa, pois o plano de corte que a fornece secciona também as janelas. Assim como as portas, também existem dois tipos de janelas: janelas de abrir e janelas de correr: A indicação das dimensões da janela é feita conforme a seguinte regra: Exemplo: Peitoril é a parte inferior da janela, sua altura é medida a partir do piso da edificação.
  • 19.
    19 Ao se tratarde uma báscula ou de uma janela alta, a indicação no desenho deve ser feita através de linhas tracejadas, indicando que se trata de uma projeção. Isto ocorre, porque o plano de obtenção da planta baixa não atinge as básculas, por causa da altura em que se encontram. Note que a altura do peitoril é superior ao plano de corte utilizado no exemplo de obtenção de planta baixa (1,50m). Além das indicações de medidas descritas acima, as portas e janelas podem ser acompanhadas na planta baixa por um índice: Estes índices são referências para a consulta a um quadro de esquadrias que,geralmente, se encontra junto à planta baixa:
  • 20.
    20 Linhas de cota Aslinhas de cota representam as medidas de um projeto. Os números que vêm escritos junto dessas linhas são as medidas da edificação. As formas em que comumente são encontradas as linhas de cota são as seguintes: Nas interseções das linhas de cota com as linhas de chamada, usam-se setas, pontos ou traços.
  • 21.
    21 Utilizando o recursodas linhas de cota, é possível indicar diversas medidas importantes em uma planta baixa. Também é possível chegar a informações importantes como a área interna e o perímetro dos compartimentos de uma edificação. Os valores das cotas indicadas na planta baixa são os valores das medidas reais da edificação. Porém, é impossível representar, no desenho, um quarto ou uma sala em seu tamanho real. Portanto, o desenho deve ser reduzido e para isso, é necessária a utilização de desenhos em escala.
  • 22.
    22 55-- DDIIAAGGRRAAMMAASS EELLÉÉTTRRIICCOOSSPPRREEDDIIAAIISS Esquema É a representação de uma instalação, ou parte dela, por meio de símbolos gráficos.Todo ou qualquer projeto será desenvolvido através de símbolos, e para tanto, serão utilizados os esquemas unifilar, multifilar e funcional. Esquema Multifilar Este esquema representa todo o sistema elétrico, em seus detalhes, com todos os condutores. Cada traço é um fio que será utilizado na ligação dos componentes. Utiliza-se, freqüentemente, o diagrama multifilar para representar circuitos de comando e proteção e circuitos de força para acionamentos industriais. O diagrama ou circuito de força deve conter os elementos a serem acionados, ou seja, a carga do circuito. Entre estes componentes, estão os motores e equipamentos de alta potência, por isso, este diagrama é chamado também de diagrama de potência.
  • 23.
    23 O diagrama oucircuito de comandos, proteção e sinalização deve conter os elementos atuadores, tais como: botoeiras, fins de curso, lâmpadas de sinalização e contatos auxiliares de contatores e relés. A larga aplicação deste tipo de representação em projetos da área de comandos elétricos e automação industrial não impedem seu uso para representar circuitos simples como os utilizados em instalações prediais.
  • 24.
    24 O esquema multifilarrepresenta, exatamente, como a instalação é executada na prática. Sempre que for representado um símbolo, este estará instalado em uma caixa de passagem, quer seja no teto ou parede, e os condutores sempre estarão passando por dentro dos eletrodutos, os quais sempre terão origem de um Quadro de Distribuição (QD). Em um projeto, se a sua representação fosse feita na forma multifilar, cada condutor seria representado por um traço, saindo do QD e chegando ao seu destino. Como observamos na figura acima, seria impossível representar um projeto na forma multifilar, pois seriam tantos os traços, que dificultariam a sua interpretação. Neste caso, para realizar um projeto com clareza, e de maneira simplificada, utilizamos a forma unifilar.
  • 25.
    25 66-- EESSQQUUEEMMAA UUNNIIFFIILLAARR Oesquema unifilar representa um sistema elétrico simplificado que identifica o número de condutores e representa seus trajetos por um único traço. Geralmente, representa a posição física dos componentes da instalação, porém não representa com clareza o funcionamento e seqüência funcional dos circuitos. Na figura a seguir, temos um esquema de um circuito elétrico composto de interruptor simples, tomada, lâmpadas incandescentes, rede de eletrodutos e fiação, todos representados na forma unifilar. Nos projetos elétricos representados em planta baixa, utiliza-se o diagrama unifilar,devido à facilidade de interpretação do posicionamento dos componentes e das ligações entre caixas de passagem através de eletrodutos. É importante lembrar que as linhas que ligam os símbolos dos componentes representam os eletrodutos e não os fios do circuito. Estes são representados através de símbolos específicos, dispostos sobre os eletrodutos no diagrama unifilar:
  • 26.
    26 Esquema Funcional Apresenta todoo sistema elétrico e permite interpretar, com clareza e rapidez, o funcionamento ou seqüência funcional dos circuitos. Não se preocupa com aposição física dos componentes da instalação, pois os caminhos das correntes são representados por meio de retas, sem cruzamento ou inclinação na vertical ou horizontal. Neste esquema, mostra-se o equipamento exatamente como ele é encontrado à venda no mercado, ou como ele é industrialmente fabricado. Nota: Os elementos de circuito contidos em um diagrama elétrico devem sempre ser representados em seu estado normal (desligado). Através das figuras a seguir é possível fazer um comparativo entre os tipos de representação apresentados. Todos os esquemas representam o mesmo circuito: Lâmpada incandescente comandada por interruptor conjugado com tomada.
  • 27.
  • 28.
  • 29.
    29 3) Analise aplanta baixa dada e codifique a fiação necessária para que a lâmpada fluorescente funcione corretamente.
  • 30.
    30 4) Numere asegunda coluna conforme os símbolos apresentados na primeira.
  • 31.
    31 77-- DDIIAAGGRRAAMMAASS EELLÉÉTTRRIICCOOSSIINNDDUUSSTTRRIIAAIISS Os sistemas elétricos industriais, assim como os demais, são constituídos de "circuitos elétricos", implementados por componentes / dispositivos / equipamentos, cada qual com a sua função, e pelas interligações entre eles. A forma pela qual representamos os componentes, dispositivos e equipamentos escolhidos durante o projeto e as ligações corretas a serem executadas, são através dos "diagramas". Nos "diagramas" cada componente, dispositivo ou equipamento será representado por um símbolo gráfico, na maioria das vezes, normalizado ou padronizado, e as ligações sempre por linhas paralelas. Nos sistemas elétricos industriais apesar de todas as partes estarem interligadas e quase sempre interagirem, podemos dividi-los em cinco partes distintas: alimentação, proteção, comando, controle e sinalização. Para facilitar o entendimento das informações contidas no projeto, essas partes são representadas em dois diagramas distintos, o "diagrama de força" ou "diagrama de potência" e o "diagrama de comando e sinalização" ou “diagrama de controle”. O "diagrama de força" é representativo do fluxo da energia elétrica no processo, ou seja, representa-se o circuito desde o ramal de alimentação, indicando de onde ele vem, passando pelos barramentos de distribuição para os diversos circuitos demarradores, que são os circuitos terminais que alimentam os equipamentos de utilização. Os transformadores, os medidores das grandezas elétricas, os dispositivos de chaveamento normal e os dispositivos de chaveamentos de
  • 32.
    32 emergência, deverão sermostrados nesse diagrama. Exemplo de diagrama de força O "diagrama de controle" é representativo dos circuitos que implementam a lógica de funcionamento do processo, além de alimentar os dispositivos de sinalização, os quais nos possibilitarão uma visualização e monitoração do processo através de painéis sinópticos. Ainda na sinalização, esse diagrama poderá conter alguns indicadores do valor atual de alguma variável do processo que nos interesse. No diagrama em questão irão aparecer os elementos de disparo dos dispositivos de chaveamento (contatores, tiristores e disjuntores), botões de comando, instrumentação de campo, relés de controle discreto em geral, controladores analógicos, cartões de E/S de CLP's e etc.. Parte do sistema de proteção também poderá está contida aqui. Exemplo de diagrama de controle
  • 33.
    33 Diagramas elétricos Industriais Exemplo1: Ligar um contator principal através de comando à distância por botões. a) Circuito de comando Convenções: F1, F2 - Fusíveis Diazed S0 - Botoeira Normalmente Fechada (NF) S1 - Botoeira Normalmente Aberta (NA) SK1 - Contato Normalmente Aberto do Contator K1 - Bobina do Contator
  • 34.
    34 Exemplo 2: Ligar3 lâmpadas comandadas por contator, com botoeiras a distância. a) Circuito de força b) Circuito de comando Convenções: F1, F2, F3, F4, F5 e F6 - Fusíveis NH F7, F8 - Fusíveis Diazed S0 - Botoeira Normalmente Fechada (NF) S1 - Botoeira Normalmente Aberta (NA) SK1 - Contato Normalmente Aberto do Contator K1 - Bobina do Contator H1, H2 e H3 - Cargas (Lâmpadas).
  • 35.
    35 88 –– EEXXEERRCCÍÍCCIIOOSS Tarefa1: Efetuar a partida direta de um motor trifásico comandado por contator, relé térmico e disjuntor. a) Circuito de Força b) Circuito de comando
  • 36.
    36 99-- DDIIAAGGRRAAMMAASS DDEEPPAARRTTIIDDAA DDEE MMOOTTOORREESS A seguir podemos observar o diagrama de força para uma instalação com quatro motores e cada um deles com um método de partida diferente, na seqüência: partida direta, chave estrela-triângulo, chave auto-compensadora e chave com impedância série.
  • 37.
    37 Diagrama de Forçadas partidas com tensão reduzida
  • 38.
    38 1100-- EEXXEERRCCÍÍCCIIOOSS TAREFA 2:Efetuar a partida de motores trifásicos em estrela triângulo automática, utilizando contatores e relé temporizado. a) Circuito de Força
  • 39.
    39 TAREFA 3: Executara partida de motores trifásicos para duas velocidades com dois enrolamentos, através de contatores. a) Circuito de Força
  • 40.
    40 1111-- LLAAYYOOUUTT DDEEMMOONNTTAAGGEEMM O Layout de montagem constitui um documento importante para orientar a montagem, localização e reparação de falhas em todos os equipamentos que constituem uma instalação elétrica. O layout que envolva máquinas, equipamentos elétricos, instalações, etc., devem refletir a distribuição real dos dispositivos, barramentos, condutores, etc., e seus elementos separados, como indicar os caminhos empregados para a interconexão dos contatos destes elementos.
  • 41.
    41 1122-- DDiivviissããoo ddeecciirrccuuiittooss –– qquuaaddrrooss ddee ddiissttrriibbuuiiççããoo Um circuito compreende todos os elementos (tomadas, lâmpadas, etc.) Ligados ao mesmo par de condutores e ao mesmo dispositivo de proteção (fusível ou disjuntor) Divide-se uma instalação elétrica em circuitos parciais para facilitar a manutenção, para que a proteção possa ser melhor dimensionada e para reduzir as quedas de tensão. Sabe-se que o disjuntor (ou fusível) é calculado para toda a carga do circuito (pois se temos um só circuito, teremos um disjuntor de grande capacidade e um pequeno curto-circuito não será percebido por ele, entretanto se tivermos vários circuitos, com vários disjuntores de capacidades menores, aquele curto poderá ser percebido por um desses disjuntores que desligará somente o circuito parcial onde tiver ocorrido um curto-circuito). A Norma brasileira não prevê o limite de potência que deve ser instalado em um circuito, entretanto, recomenda a utilização de um circuito independente para cada aparelho com potência igual ou superior a 1500 VA. Também as tomadas de corrente de cozinha, copas e áreas de serviço deverão constituir um ou mais circuito independentes, o qual não poderá conter pontos de iluminação. A bitola mínima dos condutores deverá ser especificada de acordo com as referências abaixo: Função Diâmetro do fio em Iluminação 1,5 mm2 Tomadas em quartos, salas e similares 1,5 mm2 Tomadas em cozinhas, áreas de serviço, garagens e similares 2,5 mm2 Aquecedor de água em geral 2,5 mm2 Máquina de lavar roupa 4,0 mm2 Aparelho de ar condicionado 2,5 mm2 Fogões elétricos 6,0 mm2 Cordões flexíveis para aparelhos como abajures, lustres e semelhantes 0,75 mm2 Circuitos de controle e sinalização (Campainha) 0,5 mm2 Os circuitos deverão partir de um quadro de distribuição onde serão instalados os dispositivos de proteção para cada circuito (independentes para cada circuito) Deverá haver um condutor neutro para cada circuito não podendo ser o neutro seccionado para instalação de proteção ou para qualquer outro fim. – Número de tomadas por cômodo Cada cômodo de uma residência deverá ter tantas tomadas quantos forem os aparelhos a serem instalados dentro do mesmo. Uma sala de estar, por exemplo, deve ter tomadas para televisor, som, abajures, enceradeira, etc. A norma determina as seguintes quantidades mínimas para instalações de tomadas:
  • 42.
    42 - 1 tomadapor c6omodo para área igual, ou menor que 6 m2 . - 1 tomada para cada 5 metros ou fração de perímetro, para áreas maiores que 6 m2 . - 1 tomada para cada 3,5 m, ou fração de perímetro para copas, cozinhas, etc. (em cada bancada de 30 cm, ou mais, deve ser prevista uma tomada), - 1 tomada em subsolos, sótãos, garagens e varandas. – Dimensionamento de condutores – Tipos de condutores Todo metal é condutor de corrente elétrica, entretanto, alguns conduzem melhor que outros, ou seja, alguns oferecem menor resistência a passagem de corrente elétrica que outros. A resistência de um condutor é expressa pela fórmula: Onde Unidade R = Resistência do condutor  = Resistividade (varia com o material empregado)  mm2 /m l = Comprimento do condutor m S = Seção (área) transversal do condutor mm2 Os materiais mais utilizados para a condução da energia elétrica são: Prata Utilizada em pastilhas de contato de contatores e relés Resistividade: 0,016  mm2 /m a 20o C Cobre Utilizado na fabricação de fios em geral e equipamentos elétricos (chaves, interruptores, tomadas, etc.) Resistividade: cobre duro - 0,0179  mm2 /m a 20o C. cobre recozido – 0,0172  mm2 /m a 20o C. Bronze Liga de cobre e estanho, utilizada em equipamentos elétricos e linha de tração elétrica (bondes, etc.). Resistividade: (bronze silício) – 0,0246  mm2 /m a 20o C. Latão Liga de cobre e zinco, utilizada em aparelhagem elétrica. Resistividade: aproximadamente a mesma do cobre. Alumínio Utilizado na fabricação de condutores para linhas e redes por ser mais leve e de custo mais baixo. Os fios e cabos de alumínio podem se apresentar de duas formas: CA - Alumínio puro CAA – Alumínio enrolado sobre um cabo de aço (alma de aço) Resistividade: 0,028  mm2 /m.
  • 43.
    43 Construtivamente os condutorespodem ser formados por um único fio sólido, nas seções menores (até 16 mm2 ), ou por um encordoamento de fios sólidos, formando um cabo. Sobre o condutor assim formado é aplicada uma camada de isolação, seja por termoplástico como PVC e o PE seja por termofixos (vulcanização) como o EPR e XLPE Essa camada de isolação pode ser simples (isolamento) ou dupla (isolamento + cobertura). É conveniente aqui estabelecer-se a diferença entre os termos: isolação e isolamento. “Isolação” é um termo qualitativo referindo-se ao produto que cobre o condutor e “Isolamento” é quantitativo, referindo-se à tensão para a qual o condutor foi projetado. - Condutores isolados Os condutores isolados são constituídos de dois tipos: “à prova de tempo” e para instalações embutidas. Os primeiros só podem ser usados em instalações aéreas, uma vez que a sua isolação não tem a resistência mecânica necessária para sua instalação em dutos, os outros podem ser usados em qualquer situação. A escala de fabricação dos condutores adotada no Brasil é a “série métrica” onde os condutores são representados pela seção transversal (área) em mm2 . Normalmente são fabricados condutores de 0,5 mm2 a 500 mm2 (para o transporte de energia). As normas brasileiras só admitem, nas instalações residenciais, o uso de condutores de cobre, salvo para os casos de condutores de aterramento proteção, que têm especificações próprias. - Cálculo dos Condutores As Normas da ABNT definem, para a determinação da seção dos condutores, dois critérios básicos a serem observados:  limite de condução de corrente  limite de queda de tensão Após a análise, observados os dois critérios separadamente, deverá ser adotado o resultado que levou ao condutor de maior seção. Observa-se a seção mínima admissível pela NBR 5410, para instalações predais, portanto, case se chegue a um condutor mais fino do que o definido pela norma, deverá ser adotado o fio indicado. A seção dos condutores só poderão ser inferior a 1,5 mm2 nos seguintes casos:
  • 44.
    44 a- Nos cordõesflexíveis para a ligação de aparelhos domésticos e aparelhos de iluminação (nas ligações internas dos lustres), a seção dos condutores poderá ser reduzida, de acordo com a potência exigida, até 0,75 mm2 . b- Nos circuitos de sinalização e controle (campainhas, etc.) onde poderão ser utilizados condutores de 0,5 mm2 . Nos casos de redução de seção, os dispositivos de proteção deverão estar dimensionados de forma a operar (abrir o circuito), no caso de um defeito, antes de causar danos aos condutores. - Limite de Condução de Corrente Quando há circulação de corrente em um condutor, o mesmo se aquece, e o calor gerado é transferido ao ambiente em redor, dissipando-se. Se o condutor está instalado ao ar livre a dissipação é maior, ou seja, o condutor tenderia a se resfriar mais depressa quando a corrente deixasse de circular pelo mesmo, se o condutor está instalado em um eletroduto a dissipação é menor. Quando existem vários condutores no mesmo eletroduto as quantidades de calor geradas em cada um deles, se somam, aumentando ainda mais a temperatura. Os condutores são fabricados para operar dentro de certos limites de temperatura, a partir dos quais começa a haver uma alteração nas características do isolamento que deixa de cumprir a sua finalidade. A NBR-5410 define que os condutores com isolamento termoplástico, para instalações residenciais, sejam especificados para uma temperatura de trabalho de 70o C (PVC/70o C) e as tabelas de capacidade de condução de correntes são calculadas tomando como base este valor e a temperatura ambiente de 30o C. A tabela seguinte dá a capacidade de condução de corrente para condutores instalados em eletrodutos, condutos, calhas, etc., e ao ar livre ou em instalações expostas. Capacidade de corrente para condutores isolados (Temperatura ambiente de 30o C – condutores de cobre) em A Seção Nominal mm2 Eletrodutos Ar livre 2 condutores carregados 3 condutores carregados 2 condutores carregados 3 condutores carregados 1,0 13,5 12 15 13,5 1,5 17,5 15,5 19,5 17,5 2,5 24 21 26 24 4,0 32 28 35 32 6,0 41 36 46 41 10,0 57 50 63 57 16,0 76 68 85 76 25,0 101 89 112 101 35,0 125 111 138 125 50,0 151 134 168 151
  • 45.
    45 70,0 192 171213 192 95,0 232 207 258 232 120,0 269 239 299 269 Quando o número de condutores instalados no mesmo eletroduto for superior a 3 e/ou a temperatura ambiente for superior a 30o C os valores da tabela de limites de condução de corrente (coluna “2 condutores carregados”) deverão ser multiplicados pelos seguintes fatores de redução: Temperatura Ambiente Fator de Redução No de condutores no mesmo conduto Fator de Redução 35 0,93 4 0,80 40 0,87 6 0,69 45 0,79 8 0,62 50 0,71 10 0,59 12 0,55 – Limite de Queda de Tensão Como vimos anteriormente, todo condutor tem uma certa resistência a quando circula corrente por uma resistência há uma dissipação de potência em forma de calor e, consequentemente, uma queda de tensão no condutor. Segundo a lei de Ohm, a queda de tensão num trecho A-B é dada por: VAB = V = RI A potência dissipada (perda de potência) no trecho A-B, é WAB= V.I = (RI)I WAB = RI2 Donde a tensão aplicada à carga será igual a V-V. Como a potência é determinada pelo produto da corrente pela tensão aplicada, teremos na carga W= (V-V)I que é menor que a potência obtida, se não houvesse V. Queda de Tensão Percentual A queda de tensão é , normalmente, expressa em percentual (%) e seu valor é calculado pela seguinte maneira: V(%) = V de entrada – V na carga x 100
  • 46.
    46 V de entrada AABNT (NBR-5410) determina os seguintes valores máximos de queda de tensão percentual admissíveis, para instalações alimentadas diretamente por um ramal de baixa tensão: - iluminação: 4% - outras utilizações: 4% O cálculo da queda de tensão através dos dados do circuito é relativamente complexo, envolvendo fatores que nem sempre estão perfeitamente definidos no mesmo. Para maior facilidade foram organizadas tabelas que, para uma dada tensão aplicada ao circuito (V de entrada), e considerando-se e considerando-se a queda de tensão admissível (%), dão os valores do momento elétrico para cada condutor. Obs.: Momento elétrico é igual ao produto da corrente (A) que passa pelo condutor, pela distância (m) desde o ponto de entrada da energia até o final do circuito. Algebricamente expressa-se da seguinte forma: ME = A x m As tabelas a seguir foram calculadas para condutores com isolamento em PVC/70o C Tabela 1 – Momento Elétrico Condutores em eletrodutos (A x m) Cond. mm2 127 V - 1 220 V - 1 220 V - 3 2% 3% 5% 2% 3% 5% 2% 3% 5% 1 75 112 187 129 194 324 152 228 379 1,5 110 166 276 191 287 478 220 330 550 2,5 181 272 454 314 471 786 367 550 917 4 292 438 730 506 759 1264 587 880 1467 6 438 657 1095 759 1138 1897 863 1294 2157 10 726 1089 1814 1257 1186 3143 1467 2200 3667 16 1104 1657 261 1913 2870 4783 2256 3385 5641 25 1693 2540 4233 2933 4400 7333 3465 5197 8661 35 2309 3464 5733 4000 6000 10000 4632 6947 11579 50 3060 4590 7651 5301 7952 16253 6111 9167 15278 70 4164 6246 10410 7213 10820 18033 8302 12453 20755 95 5404 8106 13511 9362 14043 23404 10732 16098 26829 Tabela 1 – Momento Elétrico Condutores em instalações aéreas (A x m)
  • 47.
    47 Cond. mm2 127 V -1 220 V - 1 220 V - 3 2% 3% 5% 2% 3% 5% 2% 3% 5% 1 75 112 187 129 194 324 149 224 373 1,5 110 166 276 191 287 478 222 332 554 2,5 181 272 454 314 471 786 357 536 893 4 282 423 706 489 733 1222 563 845 1408 6 412 653 1029 713 1070 1783 824 1236 2060 10 663 995 1658 1149 1723 2872 1325 1998 3313 16 996 1494 2490 1725 2588 4314 1991 2986 4977 25 1451 2177 3629 2514 3771 6286 2914 4371 7285 35 1881 2822 4704 3259 4889 8148 3761 5641 9402 50 2352 3528 5880 4074 6111 10185 4681 7021 11702 70 2988 4482 7471 5176 7765 12941 6027 9041 15068 95 3681 5522 9203 6377 9565 15942 7333 11000 18333 Exemplo de utilização da tabela de momentos elétricos: a- Determinar a bitola dos condutores aéreos a serem ligados a uma carga trifásica situada a 130 metros de distância a cuja corrente é de 20 A, sabendo que a tensão do circuito é 220 V e a queda de tensão não pode ultrapassar 5%. Solução O momento elétrico neste caso é: 20 A x 130 m =2600 A.m Consultando-se a tabela de “condutores em instalações aéreas” na coluna referente a circuitos trifásicos, 220 V e 5% de queda de tensão, verifica-se: Fio de 6 mm2 : Momento Elétrico = 2060 A.m Fio de 10 mm2 : Momento Elétrico = 3313 A.m O valor calculado (2600 A.m) está situado entre estes dois, o que nos obriga a escolher o condutor mais grosso, ou seja, o fio 10. b – Determinar a queda de tensão percentual que realmente ocorre acima. Solução Como o momento elétrico calculado (2600 A.m) é menor que o do condutor utilizado (3313 A.m), a queda de tensão será menor e, para determinar o seu valor, basta realizar uma regra de três: Momento Elétrico do Condutor 3313 A.m V% = 5% Momento Elétrico Calculado 2600 V% = ? V%= 2600x5 = 3,92 3313
  • 48.
    48 1133-- LLÂÂMMPPAADDAASS Podemos dividiras lâmpadas de acordo com os seus princípios de funcionamento: AASS LLÂÂMMPPAADDAASS IINNCCAANNDDEESSCCEENNTTEESS As lâmpadas incandescentes possuem um campo de aplicação muito grande e são formadas de três partes fundamentais: 1) Filamento 2) Bulbo de vidro 3) Base para a alimentação da lâmpada
  • 49.
    49 - PRINCIPAIS COMPONENTESDE UMA LÂMPADA Bulbos, filamentos e bases; são os únicos componentes de uma lâmpada incandescente. Existem muitos outros, possuindo a mesma importância e exigindo grandes cuidados durante o processo de fabricação. Os principais são: Gás inerte: geralmente constituído por uma mistura de nitrogênio e argônio, cuja principal finalidade é evitar a rápida evaporação do filamento, permitindo assim, a operação da lâmpada em temperaturas mais elevadas. Usado em lâmpadas acima de 40W. Ledes: contatos metálicos que conduzem a corrente elétrica da base do filamento. Tubo de Esgotação: uma das partes componentes da haste central. É através dele que, durante a fabricação se faz a exaustão da lâmpada e, posteriormente, seu enchimento com a mistura de gases inertes. Suportes: geralmente constituídos de fios de molibdênio têm por finalidade manter o filamento em sua devida posição. Disco Defletor: tem a propriedade de refletir o calor, desviando o fluxo de gases quentes e evitando o excessivo aquecimento da base. Botão: Extremidade interna do tubo de esgotação. É achatado e serve de ponto de ancoragem para os suportes do filamento.
  • 50.
    50 FILAMENTO É o fiode tungstênio estirado, enrolado em hélice simples ou dupla capaz de emitir luz quando aquecido a certa temperatura, pela passagem da corrente elétrica. O filamento é feito de tungstênio, este material pode suportar até 2.800º C com bom rendimento de luz. Nas lâmpadas até 25 W, o filamento funciona ao vácuo, ou seja no interior do bulbo não existe nenhum gás. Para as lâmpadas de potência mais elevada, o filamento é imerso em um gás inerte, para limitar a volatização e aderimento no bulbo. O bulbo de vidro é de uma ampola, que pode ser transparente, esmerilhada ou mesmo colorida.
  • 51.
    51 1144 –– AATTEERRRRAAMMEENNTTOO 14.1– Introdução O aterramento elétrico, com certeza, é um assunto que gera um número enorme de dúvidas quanto às normas e procedimentos no que se refere ao ambiente elétrico industrial. Muitas vezes, o desconhecimento das técnicas para realizar um aterramento eficiente, ocasiona a queima de equipamentos, ou pior, o choque elétrico nos operadores desses equipamentos. Mas o que é “terra”? qual a diferença entre terra, neutro e massa? Quais são as normas que devo seguir para garantir um bom aterramento? Bem, estes são os tópicos que este artigo tentará esclarecer. É fato que o assunto aterramento é bastante vasto e complexo, porém, demonstraremos algumas regras básicas. 14.2 – Para que serve o aterramento elétrico? O aterramento elétrico tem três funções principais: a – Proteger o usuário do equipamento das descargas atmosféricas, através da viabilização de um caminho alternativo para a terra, de descargas atmosféricas. b – “Descarregar cargas estáticas acumuladas nas carcaças das maquinas ou equipamentos para a terra”. c – Facilitar o funcionamento dos dispositivos de proteção (fusíveis, disjuntores, etc.), através da corrente desviada para a terra. Veremos, mais adiante, que existem varias outras funções para o aterramento elétrico, até mesmo para a eliminação de EMI, porem essas três acima são as mais fundamentais. 14.3 – Definições: Terra, Neutro e Massa Antes de falarmos sobre os tipos de aterramento, devemos esclarecer (de uma vez por todas!) o que é terra, neutro e massa. Na figura 1 temos um exemplo da ligação de um PC à rede elétrica, que possui duas fases (+110 VCA, - 110 VCA), e um neutro. Essa alimentação é fornecida pela concessionária de energia elétrica, que somente liga a caixa de entrada ao poste externo se houver uma haste de aterramento padrão dentro do ambiente do usuário. Alem disso, a concessionária também exige dois disjuntores de proteção. Teoricamente, o terminal neutro da concessionária deve ter potencial igual a 0 volt. Porém, devido ao desbalanceamento nas fases do transformador de distribuição, é comum esse terminal tender a assumir potenciais diferentes de zero. O desbalanceamento de fases ocorre quando temos consumidores de necessidades muito distintas, ligadas em um mesmo link. Por exemplo, um transformador alimenta, em um setor seu, uma residência comum, e no outro setor, um pequeno supermercado. Essa diferença de demanda, em um mesmo link, pode fazer com que o neutro varie seu potencial (flutue). Para evitar que esse potencial “flutue”, ligamos (logo na entrada) o fio neutro a uma haste de terra. Sendo assim, qualquer potencial que tender a aparecer será escoado para a terra. Ainda analisando a figura 1, vemos que o PC está ligado em 110 VCA, pois utiliza uma fase e um neutro.
  • 52.
    52 Mas, ao mesmotempo, ligamos sua carcaça através de outro condutor na mesma haste, e damos o nome desse condutor de “terra”. Pergunta “fatídica”: Se o neutro e o terra estão conectados ao mesmo ponto (haste de aterramento), porque um é chamado de terra e o outro de neutro? Aqui vai a primeira definição: o neutro e um “condutor” fornecido pela concessionária de energia elétrica, pelo qual há o “retorno” da corrente elétrica. O terra é um condutor construído através de uma haste metálica e que, em situações normais, não deve possuir corrente elétrica circulante. Resumindo: A grande diferença entre a terra e o neutro é que, pelo neutro há corrente circulando, e pelo terra, não. Quando houver alguma corrente circulando pelo terra, normalmente ela deverá ser transitória, isto é, desviar uma descarga atmosférica para a terra por exemplo. O fio terra, por norma, vem identificado pela letra PE, e deve ser de cor verde e amarela. Notem ainda que ele está ligado a carcaça do PC. A carcaça do PC, ou de qualquer outro equipamento é o que chamamos de “massa”. 14.4 – TIPOS DE ATERRAMENTO A ABNT (Associação Brasileira de Normas Técnicas) possui uma norma que rege o campo de instalações elétricas em baixa tensão. Essa norma é a NBR 5410, a qual, como todas as demais normas da ABNT, possui subseções. As subseções: 6.3.3.1.1, 6.3.3.1.2, e 6.3.3.1.3 referem-se aos possíveis sistemas de aterramento que podem ser feitos na indústria. Os três sistemas da NBR 5410 mais utilizados na industria são:
  • 53.
    53 a – SistemaTN-S: Notem pela figura 2 que temos o secundário de um transformador (cabine primaria trifásica) ligado em Y. O neutro é aterrado logo na entrada, e levado até a carga. Paralelamente, outro condutor identificado como PE é utilizado como fio terra, e é conectado à carcaça (massa) do equipamento. b – Sistema TN-C: Esse sistema, embora normalizado, não é aconselhável, pois o fio terra e o neutro são constituídos pelo mesmo condutor. Dessa vez, sua identificação é PEN (e não PE, como o anterior). Podemos notar pela figura 3 que, após o neutro ser aterrado na entrada, ele próprio é ligado ao neutro e à massa do equipamento. c – Sistema TT: Esse sistema é o mais eficiente de todos. Na figura 4 vemos que o neutro é aterrado logo na entrada e segue (como neutro) até a carga (equipamento). A massa do equipamento é aterrada com uma haste própria, independente da haste de aterramento do neutro. O leitor pode estar pensando: “Mas qual desses sistemas devo utilizar na prática?” Geralmente, o próprio fabricante do equipamento especifica qual sistema como regra geral, temos: a) Sempre que possível optar pelo sistema TT em 1º lugar. b) Caso, por razões operacionais e estruturais do local, não seja possível o sistema TT, optar pelo sistema TN-S. c) Somente optar pelo sistema TN-C em último caso, isto é, quando realmente for impossível estabelecer qualquer um dos sistemas anteriores. 14.5 – Procedimentos Os cálculos e variáveis para dimensionar um aterramento podem ser considerados assuntos para “pós – graduação em Engenharia Elétrica”. A resistividade e o solo, geometria e constituição da haste de aterramento, formato em que as hastes são distribuídas, são alguns dos fatores que influenciam o valor da resistência do aterramento. Como não podemos abordar tudo isso num único artigo, daremos algumas “dicas” que, com certeza, irão ajudar: a) Haste de aterramento: A haste de aterramento normalmente, é feita de uma alma de aço revestida de cobre. Seu comprimento pode variar de 1,5 a
  • 54.
    54 4,0m. As de2,5m são mais utilizadas, pois diminuem o risco de atingirem dutos subterrâneos em sua instalação. b) O valor ideal para um bom aterramento deve ser menor ou igual a 5‫.ڤ‬ Dependendo da química do solo (quantidade de água, salinidade, alcalinidade, etc.), mais de uma haste pode se fazer necessária para nos aproximarmos desse valor. Caso isso ocorra, existem duas possibilidades: tratamento químico do solo (que será analisado mais adiante), e o agrupamento de barras em paralelo. Uma boa regra para agruparem – se barras é a da formação de polígonos. A figura 5 mostra alguns passos. Notem que, quanto maior o numero de barras, mais próximo a um circulo ficamos. Outra regra no agrupamento de barras é manter sempre a distância entre elas, o mais próximo possível do comprimento de uma barra. É bom lembrar ao leitor que são regras práticas. Como dissemos anteriormente, o dimensionamento do aterramento é complexo, e repleto de cálculos. Para um trabalho mais preciso e cientifico, você deve consultar uma leitura própria. 14.6- Tratamento químico do solo Como já observamos, a resistência do terra depende muito da constituição química do solo. Muitas vezes, o aumento do número de barras de aterramento não consegue diminuir a resistência do terra significativamente. Somente nessa situação devemos pensar em trabalhar quimicamente o solo. O tratamento químico tem uma grande desvantagem em relação ao aumento do numero de hastes, pois a terra aos poucos, absorve os elementos adicionados. Com o passar do tempo, sua resistência volta a aumentar, portanto, essa alternativa deve ser o ultimo recurso. temos vários produtos que podem ser colocados no solo antes ou depois da instalação da haste para diminuirmos a resistividade do solo. A Bentonita e o Gel são os mais utilizados. De qualquer forma, o produto a ser utilizado para essa finalidade deve ter as seguintes características: - Não deve ser tóxico - Deve reter umidade - Bom condutor de eletricidade - Ter PH Alcalino (não corrosivo) - Não deve ser solúvel em água. Uma observação importante no que se refere a instalação em baixa no que se refere a instalação em baixa tensão é a proibição (Por Norma ) de tratamento químico do solo para equipamentos a serem instalados em locais de acesso d = Distância entre hastes h = Comprimento das hastes 1 Haste 2 Hastes 3 Hastes 4 Hastes 5 Hastes d = h d = h D = h D = h Fig 5 = Agrupamento de barras em Paralelo
  • 55.
    55 público (Colunas desemáforos, caixas telefônicas, controladores de trafego, etc..). Essa medida visa a segurança das pessoas nesses locais. 14.7 Medindo o terra. O instrumento clássico para medir-se a resistência do terra é o terrômetro. Esse instrumento possui 2 Hastes de referência, que servem como divisores resistivos conforme a figura 6. Na verdade, o terrômetro injeta uma corrente pela terra que é transformada em quedas de tensão pelos resistores formados pelas hastes de referencia, e péla própria haste de terra. Através do valor dessa queda de tensão, o mostrador é calibrado para indicar o valor ôhmico da resistência do terra. Uma grande dificuldade na utilização desse instrumento é achar um local apropriado para instalar as hastes de referência. Normalmente, o chão das fabricas são concretados, e, com certeza fazer dois “buracos” no chão não é algo agradável. Infelizmente, caso haja a necessidade de medir-se o terra, não temos outra opção a não ser esta. Haste de aterramento Hastes de Referenci a. T H1 H2 Terrômetro RT RF Fig. 6 - Terrômetro.
  • 56.
    56 1155-- RReeffeerrêênncciiaass BBiibblliiooggrrááffiiccaass CAVALIN,Geraldo; CERVELIN, Severino. Instalações Elétricas Prediais. 9. ed.[S.l.]: Érica, 2003. SENAI. DN. Eletricidade - Desenho; Planta Baixa. Módulo 1. Rio de Janeiro, RJ:1980. SENAI. DN. Eletricidade - Desenho; Escalas. Módulo 7. Rio de Janeiro, RJ: 1980.SENAI. DN. Eletricidade - Desenho; Perspectivas. Módulo 3. Rio de Janeiro, RJ:1980. Apostila - Comandos Elétricos Automáticos - Unidade Integrada Sesi / Senai – Pedro Leopoldo