MARCELO GANDRA FALCONE

A REALIZAÇÃO DO PRODUTO COM APLICAÇÃO DE
GESTÃO DA QUALIDADE.
ESTUDO DE CASO EM PROCESSO DE ESTAMPARIA
APLICADA A MOTORES ELÉTRICOS.

Trabalho apresentado no PECE
Programa de Educação Continuada da
Escola Politécnica da Universidade de
São Paulo, para obtenção de grau de
especialista em Gestão da Qualidade.

São Paulo
2003
MARCELO GANDRA FALCONE

A REALIZAÇÃO DO PRODUTO COM APLICAÇÃO DE
GESTÃO DA QUALIDADE.
ESTUDO DE CASO EM PROCESSO DE ESTAMPARIA
APLICADA A MOTORES ELÉTRICOS.

Trabalho apresentado no PECE
Programa de Educação Continuada da
Escola Politécnica da Universidade de
São Paulo, para obtenção de grau de
especialista em Gestão da Qualidade.

Cadeira: Monografia I
Orientador: Prof. Dr. Adherbal Caminada Neto

São Paulo
2003
FICHA CATALOGRÁFICA
Falcone, Marcelo Gandra
“A Realização do Produto com aplicação de gestão da Qualidade.Estudo de caso
em processo de estamparia aplicada a motores elétricos.”, São Paulo, SP, 2003.
Nnn p.
Monografia I
1.Qualidade em Produtos e Serviços 2.Gestão da Qualidade em Produto e
Serviços 3.Estamparia 4. Motores Elétricos de indução
I.Universidade de São Paulo. Escola Politécnica. PECE II.Título
SUMÁRIO
RESUMO
ABSTRACT
FIGURAS
TABELAS/GRÁFICOS
1- INTRODUÇÃO

01

2- DEFINIÇÕES

04

2.1.- Processo

04

2.2.- Abordagem de processos no Sistema de Gestão da Qualidade

05

2.3.- Produto

06

2.4.- Serviço

07

2.5.- Entendimento da norma NBR ISO 9001:2000 utilizados
no estudo de caso.

08

2.5.1 estrutura da documentação da qualidade:

08

2.5.2 Política da Qualidade

11

2.5.3. Requisitos do cliente

12

2.5.3.1 Reclamações do Cliente / Retorno de Material

13

2.5.3.2. Satisfação do Cliente

13

2.5.3.3. Analise critica pela Alta Direção

13

2.5.4. Desenvolvimento da competência do pessoal cujas atividades
afetam a qualidade do produto

14

2.5.5. Conscientização o pessoal quanto à importância e pertinência
de suas atividades

14

2.5.6. Planejamento da realização do produto

15

2.5.7 Análise critica dos requisitos relacionados ao produto

16

2.5.8. Comunicação com os clientes

19

2.5.9. Auditorias internas da qualidade

19

2.6.- Motor elétrico de indução

20

2.7.- Estampagem

21
3. CONCEITOS TEÓRICOS

22

3.1 Noções de Eletromagnetismo

22

3.1.1. Campos magnéticos

22

3.1.2 Correntes e eletromagnetismo

23

3.1.3. Permeabilidade

23

3.1.4. Indutância

24

3.1.5. Campos magnéticos e forças

25

3.2 Noções de Eletrotécnica

26

3.2.1. Lei da Força Eletromotriz Induzida Por Movimento

26

3.2.2. Lei da Indução de Faraday

28

3.2.3. Lei da Força sobre Corrente (Lei de Laplace)

30

3.2.4. Princípio de funcionamento dos motores trifásicos de indução

31

3.2.5. Como se cria o campo girante

32

3.3 Noções Gerais de um Motor Elétrico

35

3.3.1 Motor

36

3.3.2 Tampas

36

3.3.3 Mancais

36

3.3.4 Rotor

36

3.3.5 Estator

37

3.3.6 Enrolamento

37

3.4 Cuidados durante a fabricação e/ou manutenção

38

3.4.1 Os defeitos das partes mecânicas

38

3.4.2 Os defeitos dos núcleos magnéticos

39

3.4.3 Os defeitos do enrolamento

41

3.4.4 Produto acabado

41

3.5 Noções de perdas em núcleo magnético laminado

42

3.5.1. Composição adequada

44

3.5.2. Tipos de Laminação

45

3.5.3 Orientação do Grão

45

3.5.4. Recozimento

45

3.4.5. Corte a 45°
°

46

3.5. Ferro e aço fundido para máquinas girantes

47

3.5.1. Chapas de Ferro Silicioso

48

3.5.2 Dispersão magnética no estator e no rotor

50

3.5.3 Perdas: Aquecimento e Rendimento

51
3.6 Estampagem de núcleos magnéticos em motores elétricos

53

3.6.1 Materiais

54

3.6.2 Maquinário

55

3.6.3 Estampos

55

3.6.4 Processo de Estampagem de chapas em discos para rotores e
estatores de máquinas rotativas

58

3.6.4.1. Preparação da Máquina

58

3.6.4.2. Regulagem da Máquina

58

3.6.4.3. Estampagem do disco padrão

59

3.6.4.4. Fazer o seguinte Controle dimensional

60

3.6.4.5. Estampagem da Chapa do Estator

61

3.6.4.6. Controle Dimensional da chapa do estator

62

3.6.4.7. Estampagem da Chapa do Rotor

63

3.6.4.8. Estampagem das Ranhuras

63

3.6.4.9. Controle Dimensional das Ranhuras

63

3.6.4.10. Estampagem dos Furos de Ventilação

63

3.6.4.11. Controle Dimensional dos Furos de Ventilação

64

3.6.4.12. Estampagem do Diâmetro Interno do Rotor

64

3.6.4.13 Estampar o diâmetro interno

64

3.6.4.14 Empilhar as chapas do rotor

64

3.6.4.15. Controle Dimensional no Diâmetro Interno do Rotor

64

3.7 Montagem dos núcleos

65

4. ESTUDO DE CASO

67

4.1 Considerações Gerais

67

4.2 Descrição da Organização

68

4.2.1 Funcionários

68

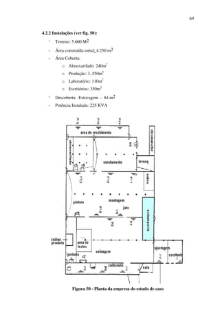
4.2.2 Instalações

69

4.3. Processos de Gestão da Qualidade

70

4.3.1 Interação dos processos

70

4.3.2. Fluxograma dos Processos Fundamentais

71

4.4 Recursos para realização do processo de estampagem

74

4.4.1. Materiais e Serviços adquiridos

74
4.4.2. Humanos

74

4.4.3 Infra-estrutura

74

4.4.4 Máquinas/Ferramentas

75

4.5. Processo de Estampagem

75

4.5.1. Localização do Processo de estamparia

75

4.5.2. Processo de estampagem

76

4.5.3 Entradas e Saídas do Processo de estampagem

77

5. CONCLUSÃO

91

BIBLIOGRAFIA

96
RESUMO

O presente trabalho visa avaliar o aproveitamento na cadeira “Monografia I – MBA
em Gestão da Qualidade” do PECE - Programa de Educação Continuada da Escola
Politécnica da Universidade de São Paulo, ministrada pelo Professor Dr. Adherbal
Caminada Neto. Além disto, o trabalho pretende sugerir de maneira simples, para
não especialistas, conceitos de Sistema da Qualidade, processo de realização do
produto, do produto e de estampagem.
O real foco do trabalho esta na realização do produto, porém no âmbito genérico sem
entrar em processos de aquisição, recebimento, expedição, rastreabilidade,
identificação, armazenagem, manuseio, ou seja, interessado no âmbito macro de
planejamento, execução, monitoramento e melhoria. O uso de motores elétricos
como produto em estudo deve-se principalmente pelo fato de ser um artigo de uso
muito grande na industria, comércio, serviços e até mesmo doméstico e o processo de
estampagem, pois o mesmo esta presente em todos os artigos que consumimos, tais
como linha de eletrodomésticos, auto peças, embalagens, bens de consumo em geral,
material de construção entre outros, que sempre tem uma peça ou outra estampada. O
processo de estampagem por prensas automáticas permite grande produção a baixo
custo e grande padronização.
O trabalho procura agregar simplicidade, coerência e uniformidade aos valores préexistentes em estudantes ou profissionais, no âmbito da gestão da realização do
produto ou serviço, para uso didático ou profissional.
ABSTRACT

The present paper seeks to valuation in the discipline “Monografia I – MBA em
Gestão da Qualidade” do PECE - Programa de Educação Continuada da Escola
Politécnica da Universidade de São Paulo, learned by the Teacher Dr. Adherbal
Caminada Neto. Besides the paper intends to suggest in a simple way, for no
specialists,

concepts

Quality

System

Management,

process

of

products

manufacturing, induction motors and stamping.
The Real focus of the paper this in the manufacturing of the product, however in the
generic extent without entering in acquisition processes, reception, expedition,
restorability, identification, storage, handling, in other words, interested party in the
extent macro planning, execution, control and improvement. The use of electric
motors as product in this paper is due mainly for the fact of being an machine of very
big use in the it manufactories, trade, services and even domestic. The stamping
process, because the even this present in all of the thinks that we consumed, such as
line of appliances, car pieces, packs, consumer goods in general, construction
material and others, that it always has one or more pieces stamped. The automatic
stamping process allows great production at a low cost and great standardization.
The paper pretends talk about simplicity, coherence and uniformity to the existent
values of the students or professionals about Quality System Management, process of
products manufacturing, induction motors and stamping, for use didactic or
professional.
LISTA DE FIGURAS

Figura 0 – Representação esquemática do planejamento
da qualidade

03

Figura 1 - Modelo clássico de Processo

04

Figura 2 - Modelo genérico de Processo

04

Figura 3 - Figura retirada da norma NBR ISO9000:2000, página 4

06

Figura 4 - Pirâmide de Nível de Documentação SQ

08

Figura 5 – Conversão de energia

20

Figura 6 - Desenho esquemático de uma chapa, retirado do livro
Máquinas de Corrente Alternada, de Alfonso Martignoni.

21

Figura 7 – Desenho esquemático de um empilhamento de chapas
estampadas formando um pacote, ou, núcleo estampado.

21

Figura 8 - Corrente elétrica

23

Figura 9 – Indutor ou Bobina

23

Figura 10 - Força eletromagnética

25

Figura 11 – Força Eletromotriz

26

Figura 12 - Núcleo fechado com secundário de 1 espira

28

Figura 13 - Núcleo fechado com secundário de n espiras

29

Figura 14 – Lei de Laplace

30

Figura 15 - Motor de curto-circuito ou de gaiola

32

Figura 16 – Enrolamento Trifásico Esquemático

32

Figura 17 – Tensões Trifásicas alternadas – Esquemático

33

Figura 18 – Efeito Global – Esquemático

34

Figura 19 – Corrente circulante – Esquemático

34

Figura 20 – Desenho esquemático de um motor, retirado do livro
Máquinas de Corrente Alternada, de Alfonso Martignoni.

35

Figura 21 – Desenho esquemático de um rotor, retirado do livro
Máquinas de Corrente Alternada, de Alfonso Martignoni.

36

Figura 22 – Desenho esquemático de um estator, retirado do livro
Máquinas de Corrente Alternada, de Alfonso Martignoni
Figura 23 – Ilustração de enrolamento retirada da apostila

37
“Motores de Indução Volume II”, Ensaios e Defeitos

38

Figura 24 – Representação de núcleos laminados. In “Materiais
Elétricos-Isolantes e Magnéticos”, de Walfredo Schmidt.

43

Figura 25 – Formas básicas de perfis de laminas de transformadores 46
Figura 26 – Curvas características dos aços laminados

49

Figura 27 – Dispersão nos canais

50

Figura 28 – Dispersão nos dentes

51

Figura 29 – Placa de dados

52

Figura 30 – Blank

54

Figura 31 - Estampo utilizado para cortes de discos, pólos,
centro de arrasto
Figura 32 - Estampo utilizado para abrir ranhuras

55
56

Figura 33 - Estampo de punção, utilizado para ranhuras de rotor,
canais de guia, furos, rasgos de chavetas

57

Figura 34 – Estampo progressivo de rotor e estator

57

Figura 35 – Blank com furo de centro e pino de arraste

59

Figura 36 – Esquema de Seqüência de estamparia

59

Figura 37 – Exemplo de disco cortado

60

Figura 38 – Esquema de protocolo dimensional

60

Figura 39 – Chapa ranhura do estator

61

Figura 40 – Empilhamento das Sobras

61

Figura 41 – Protocolo Dimensional

62

Figura 42 – Disco do rotor

63

Figura 43 – Chapa ranhura do estator

63

Figura 44 – Protocolo Dimensional

64

Figura 45 – Núcleo de rotor montado sobre o eixo com
barramento condutor

65

Figura 46 – Núcleo de estator montado com tirantes

66

Figura 47 – Chapa ranhura do estator

66

Figura 48 - Pirâmide do Custo

67

Figura 49 – Organograma

68

Figura 50 - Planta da empresa do estudo de caso

69

Figura 51 – Interação dos processos

70

Figura 52a – Fluxograma parte A

71

Figura 52b – Fluxograma parte B

72
Figura 52c – Fluxograma parte C

73

Figura 53 – Organograma da gerencia de produtos ou serviços

75

Figura 54 – Processo industrial padrão

76

Figura 55 – Folha esquemática de projeto elétrico

80

Figura 56 a – Folha esquemática de instrução de estamparia

81

Figura 56 b – Folha esquemática de instrução de estamparia,
montagem de rotor
Figura 57 – Ciclo PDCA do planejamento da qualidade

82
91
TABELAS/GRÁFICOS

TABELA I - Documentação da Qualidade

07

TABELA II - Processos básicos

15

TABELA III - Chapas de ferro silicioso e suas propriedades

48

TABELA IV – Velocidade de estampagem

58

TABELA V – Indicadores e Objetivos do processo de Desenvolvimento

78

TABELA VI – Tabela do cronograma Gant de Fabricação

83

TABELA VII – Matriz de Objetivos e Processos

88

TABELA VIII – Matriz de Objetivos da Qualidade x Indicadores

90
1

A REALIZAÇÃO DO PRODUTO COM APLICAÇÃO DE
GESTÃO DA QUALIDADE.
ESTUDO DE CASO EM PROCESSO DE ESTAMPARIA
APLICADA A MOTORES ELÉTRICOS.

1- INTRODUÇÃO
O objetivo deste trabalho é ajudar pessoas envolvidas em melhorias no Sistema de
Gestão da Qualidade em Serviços a definir claramente os objetivos e processos de
uma organização, para evitar que sistemas de gestão se tornem muito abrangentes e
complexos, pois o excesso de complexidade prejudica todos os sistemas da empresa
ao invés de torná-la mais competitiva.
Durante o trabalho tentaremos mostrar a utilização de um sistema de gestão da
Garantia de Qualidade aplicada à produção do Produto, do ponto de vista de
adequação às necessidades do cliente “aderência à especificação”, que é um fator de
competitividade permanente e obrigatório. Seu estágio mais avançado só pode ser
conseguido com a inserção das necessidades dos clientes em todos os estágios que
vão do desenvolvimento à distribuição do produto. Isso exige um esforço em
inovação e melhoria contínua, bem como uma maior atenção para as etapas
iniciadoras como o marketing e o projeto do produto, e finalizadoras, como a
logística e a distribuição. Partindo-se do pressuposto de que a “qualidade está nos
olhos do consumidor”, ou seja, de uma abordagem focada na satisfação do Cliente,
um produto de boa qualidade é aquele que melhor atende as necessidades dos
consumidores.
Para o estudo de caso utilizamos o processo de estampagem em motores elétricos de
indução. O efeito prático reside no fato dos motores elétricos serem o principal meio
de acionamento de equipamentos industriais ou domésticos e o processo de
estampagem ser largamente utilizado na industria metalúrgica. Os motores
assíncronos de indução, particularmente os de pequeno e médio portes, pois são os
2
mais encontrados. Eles podem ser monofásicos ou polifásicos, de rotor bobinado ou
rotor em gaiola, de aplicações domésticas ou industriais.
A quantidade de motores de indução é tão grande em relação aos outros tipos de
acionamento que, provavelmente, eles atinjam 95% ou mais dos motores instalados
na indústria, portanto de larga utilização e conhecimento de todos e através dos
estudos deste trabalho poderemos sugerir de maneira simples, para não especialistas,
conceitos de sistema de gestão da qualidade aplicados na produção em motores
elétricos de indução ou um produto qualquer que utiliza processo de estampagem.
Segundo alguns autores, em especial, Vicente Falconi Campos em TQC – Controle
da Qualidade Total (No Estilo Japonês), na sexta edição, página 1, o país assim como
o resto do mundo está passando por uma fase de mudanças muito rápidas.
No entanto, estas mudanças são apenas parte da rápida evolução dos sistemas de
comunicação, mudanças sociais, tecnológica, política e geopolítica e sobretudo no
grau de conhecimento da Humanidade como um todo.
Estas mudanças têm trazido ameaça à sobrevivência das empresas pelos mais
variados motivos como, por exemplo:
¬ seu produto perdeu atualidade pelo lançamento de um outro produto melhor e
mais barato;
¬ certo concorrente, no desespero de conseguirem equilibrar vendas com as
despesas fixas, baixaram o preço de seu produto fazendo com que sua
empresa perdesse competitividade;
¬ seus concorrentes já utilizam novos equipamentos que tornaram o seu
processo ineficaz para o novo nível de qualidade e tecnológico colocado no
mercado;
¬ certos clientes impõem exigências normativas ou requisitos de fornecimento
difíceis de serem alcançadas com seu atual processo; etc.
Esta é a condição característica da era em que vivemos: Super produção, ameaça de
recessão e empresas até então aparentemente inexpugnáveis podem, devido às
rápidas mudanças, ter sua sobrevivência ameaçada. Todos nós conhecemos exemplos
no Brasil e no exterior, como Olivetti, Xerox, Continental, Chantecler entre outros
tantos. É por este motivo que a preocupação atual da alta direção da Empresa esta
3
sempre em buscar melhorias e fatores de diferencial competitivo, fortes e ágeis de tal
forma a garantir a sobrevivência da empresa, seja ela bens ou de serviços.
De acordo com o item 2.4 página 3 da NBR ISO9000:2000, a intenção da Norma é
encorajar a adoção da abordagem de processo, para a gerência de uma organização.
Portanto, o objetivo da norma não é levar as empresas à certificação, mas
implementar praticas de gestão da qualidade com padrões internacionais que podem
ser utilizados de forma global e padronizados, alcançando a satisfação dos clientes. A
aplicação bem sucedida da Norma para obtenção de uma gestão de produtos e
serviços com qualidade significa:
¬ Melhor desempenho de serviços e satisfação dos clientes;
¬ Melhor produtividade, eficiência e redução de custos;
¬ Melhor participação de mercado.

Figura 0 – representação esquemática do planejamento da qualidade
Este esquema (Fig. 1) representa um processo de deslocamento a partir da “meta
estratégica da empresa” (bloco 1) até alcançar o “plano de ação” (bloco 4). Quando
seguimos o esquema, caminhando dos blocos 1 para o 4, pelo menos dois tipos de
“recursos” são necessários para que o esquema se viabilize – informação e trabalho
humano. É importante ressaltar a importância, também, do recurso financeiro para a
viabilização do processo acima esquematizado, segundo Fábio José no Trabalho de
Formatura de 1998 apresentado na Escola Federal de Engenharia de Itajubá,
Departamento de Produção, Itajubá, MG.
4
2- DEFINIÇÕES
2.1.- Processo:
Processo é assim definido: Qualquer atividade, ou conjunto de atividades, que usa
recursos para transformar entrada em saída (ver figura 1).
Transformação
Por meio de recursos
Para satisfazer as necessidades

Necessidade
(entrada)

Necessidade
Satisfeita
(saída)

Figura 1 - Modelo clássico de Processo
Para o entendimento deste trabalho o conceito de processo utilizado será:
Conjunto estruturado de atividades no tempo e no espaço, com começo, meio e fim, e
com insumos e produtos claramente identificados (ver figura 2).
Controles
Procedimentos
Especificações
Treinamento
Objetivos

Entradas
Materiais
Informações

Pr ocesso

Planejament o
E
Or ganização

Recursos
Pessoal
Equipamentos
Instalações

Figura 2 - Modelo genérico de Processo

S aídas
5
Olhando esta definição com cuidado vemos que dentro de uma organização existem
diversos processos e geralmente a entrada de um processo é à saída de outro(s)
processo(s), portanto existe uma inter-relação entre os diversos processos.

2.2.- Abordagem de processos no Sistema de Gestão da Qualidade:
Abordagem de processos é definida como a identificação e a gestão dos processos
empregados e definição da inter-relação entre eles.
Portanto a importância da "abordagem de processos" esta justamente em fazer que
uma organização identifique os processos e as relações entre eles para poder
funcionar de forma coordenada, planejada e eficaz, ou seja, de forma coesa.
De acordo com o item 2.4 página 3 da NBR ISO9000:2000, a intenção da Norma é
encorajar a adoção da abordagem de processo, para a gerência de uma organização.
Portanto, o objetivo da norma não é levar as empresas à certificação, mas fazer
alguns comentários sobre a qualidade com padrões internacionais que podem ser
utilizados de forma global e padronizada, alcançando a satisfação dos clientes. A
aplicação bem sucedida da Norma para obtenção de uma gestão de serviços com
qualidade significa:
•

Melhor desempenho de serviços e satisfação dos clientes;

•

Melhor produtividade, eficiência e redução de custos;

•

Melhor participação de mercado.

Os processos do Sistema de Gestão da Qualidade da norma ISO9001:2000 são (ver
figura 3):
•

4- Sistema de Gestão da Qualidade.

•

5- Responsabilidade da Direção

•

6- Gestão de recursos

•

7- Realização do produto

•

8- Medição, análise e melhoria
6

Figura 3 (figura retirada da norma NBR ISO9000:2000, página 4).

2.3.- Produto:
Entende-se por produto o resultado de um processo. De acordo com a ISO9000:2000
item 3.4.2 existe quatro categorias de produto:
¬ Materiais e equipamentos (ex: ferramentas, pneus, motores elétricos);
¬ Materiais processados (ex: petroquímicos, comida congelada, produtos
siderúrgicos);
¬ Informações - (ex: software, música, dicionário);
¬ Serviços (ex.: transporte, reparo de automóveis, hotéis, restaurantes);
Muitos produtos formam uma combinação das 2 ou mais categorias das definições
descritas.
Por exemplo, um produto eletrônico ( 3 categorias ):
•

Componentes eletrônicos: materiais e equipamentos;

•

Embalagem: material processado;

•

Manual, software do circuito integrado gerenciador da sintonia: informação.
7

Por exemplo, um carro ( 4 categorias ):
•

Partes e peças, motor, pneus: materiais e equipamentos;

•

Laminados (vidros e chapas), combustível, lubrificantes: materiais processados;

•

Manuais, software de gerenciamento do motor: Informação;

•

Inclui transporte, revisão inicial e explicações pelo revendedor: Serviço.

Para definirmos se um produto é material e equipamento ou material processado ou
informação ou serviços vai depender do elemento dominante, ou seja, do foco. Na
Norma esta definição é chamada produto ou serviço intencional.
2.4.- Serviço:
De acordo com a ISO9000:2000 item 3.4.2, o Serviço é o resultado de pelo menos
uma atividade desempenhada necessariamente na interface entre fornecedor e o
cliente e é geralmente intangível, é variável e é perecível (não pode ser estocado).
De acordo com a apostila do “EQ-012 Gestão da qualidade em serviços” do Prof.
Dr. Moyses Szajnbok, capitulo 1, item 1.2, a importância da parte correspondente à
oferta de bens e serviços pode ser dividida em 5 grupos:
•

Bem tangível – quando a oferta se restringe ao bem e nenhum serviço
acompanha o produto (brinquedos, frutas na quitanda, bens de balcão)

•

Bem tangível acompanhado de um ou mais serviços – quando o bem tangível
vem acompanhado de serviços tais como showrooms, entregas, manutenção,
treinamento.

•

Híbrido – quando a importância do bem é tão importante quanto o serviço,
como a roupa ajustada no corpo do cliente, o atendimento em lanchonetes.

•

Serviço principal acompanhado de bens e serviços secundários, como Hotéis,
restaurantes, internação hospitalar, viagem de avião.

•

Serviços – a oferta é principalmente do serviço, como na educação,
atendimento

médico,

serviços

profissionais liberais em geral.

domésticos,

projetos

de

engenharia,
8

2.5.- Entendimento da norma NBR ISO 9001:2000 utilizados no estudo de caso.

2.5.1 estrutura da documentação da qualidade:
De acordo com o item 4.2.1 página 4, da Norma NBR ISO9001:2000 a
documentação do sistema de gestão da qualidade deve incluir :
a) declarações documentadas da política da qualidade dos objetivos da qualidade
b) manual da qualidade
c) procedimentos documentados requeridos por esta Norma ( ver tabela abaixo )
d) documentos necessários à organização para assegurar o planejamento a operação e
o controle eficazes de seus processos, e
e) registros requeridos pela Norma ( ver tabela abaixo )

Figura 4 – Pirâmide de Nível de Documentação SQ

TABELA I – DOCUMENTAÇÃO DA QUALIDADE
® REGISTROS DA QUALIDADE OBRIGATÓRIOS
4 DOCUMENTOS OBRIGATÓRIOS
9

SETOR

PROCESSO
DO SISTEMA
DA
QUALIDADE

GARANTIA
DA
QUALIDADE

Requisitos da NBR ISO 9001:2000 + Registros
obrigatórios

DOCUMENTOS OBRIGATÓRIOS

4.1 Requisitos gerais

4
SISTEMA
DE
GESTÃO
DA
GARANTIA
QUALIDADE
DA
QUALIDADE
/ PROJETOS

Manual da Qualidade 4

4.2 Requisitos de documentação
4.2.1 Generalidades

®

4.2.2 Manual da qualidade

Contr. de doc. e registros da qualidade
4

4.2.3 Controle de documentos
4.2.4 Controle de registros

SETOR

PROCESSO
DO SISTEMA
DA
QUALIDADE

Requisitos da NBR ISO 9001:2000 + Registros
obrigatórios

DOCUMENTOS OBRIGATÓRIOS

5.2 Foco no cliente

GERÊNCIA
DE VENDAS
DIREÇÃO /
GARANTIA
DA
QUALIDADE
DIREÇÃO

Manual da Qualidade 4

5.3 Política da qualidade

5
RESPONSABILIDADE
DA
DIREÇÃO

5.1
5.4
5.4.1
5.4.2
5.5
5.5.1
5.5.2
5.5.3
5.6

Compromisso da direção
Planejamento
Objetivos da qualidade
Planejamento do sistema de
gestão da qualidade
Responsabilidade, autoridade e
comunicação
Responsabilidade e autoridade
Representante da direção
Comunicação interna
Análise crítica pela direção

5.6.1 Generalidades

®

5.6.2 Entradas para a análise crítica
5.6.3 Saídas da análise crítica
SETOR

PROCESSO
DO SISTEMA
DA
QUALIDADE

6.1 Provisão de recursos

DIREÇÃO

RECURSOS
HUMANOS

SERVIÇOS

Requisitos da NBR ISO 9001:2000 + Registros
obrigatórios

6
GESTÃO
DE
RECURSOS

6.2 Recursos humanos
6.2.1 Generalidades
6.2.2 Competência, conscientização
e treinamento
6.3 Infra-estrutura
6.4 Ambiente de trabalho

®

DOCUMENTOS OBRIGATÓRIOS
10
PROCESSO
DO SISTEMA
DA
QUALIDADE

SETOR

Requisitos da NBR ISO 9001:2000 + Registros
obrigatórios

GERÊNCIA
DE
PRODUTOS E
SERVIÇOS

7.1

Planejamento da realização do
produto

7
REALIZA –
GERÊNCIA ÇÃO
DE VENDAS DO
PRODUTO

7.2

Processos relacionados ao
cliente

7.2.1 Determinação de requisitos
relacionados ao produto
7.2.2 Análise crítica dos requisitos
relacionados ao produto
7.2.3 Comunicação com o cliente

®

®

7.3 Projeto e desenvolvimento

PROJETOS

7
REALIZA –
ÇÃO
DO
PRODUTO

COMPRAS

7.3.1 Planejamento do projeto e
desenvolvimento
7.3.2 Entradas de projeto e
desenvolvimento
7.3.3 Saídas de projeto e
desenvolvimento
7.3.4 Análise crítica de projeto e
desenvolvimento
7.3.5 Verificação de projeto e
desenvolvimento
7.3.6 Validação de projeto e
desenvolvimento
7.3.7 Controle de alterações projeto
e desenvolvimento

®
®
®
®
®

7.4 Aquisição
7.4.1 Processo de aquisição

®

7.4.2 Informações de aquisição
7.4.3
PRODUTOS /
SERVIÇOS

Verificação do produto
adquirido

7.5 Produção e fornecimento de
serviço
7.5.1 Controle de produção e
fornecimento de serviço
7.5.2 Validação dos processos de
produção e fornecimento de
serviço

PRODUTOS /
SERVIÇOS

7
REALIZA –
PRODUTOS / ÇÃO
SERVIÇOS / DO
ALMOXARIF PRODUTO
ADO

PRODUTOS /
SERVIÇOS /
ALMOXARIF
ADO
SALA DE
PROVAS

®

7.5.3 Identificação e rastreabilidade

®

7.5.4 Propriedade do cliente

®

7.5.5 Preservação do produto

7.6

Controle de dispositivos de
medição e monitoramento

®

DOCUMENTOS OBRIGATÓRIOS
11

SETOR

PROCESSO
DO SISTEMA
DA
QUALIDADE

Requisitos da NBR ISO 9001:2000 + Registros
obrigatórios

8.1 a)

GERÊNCIA
DE VENDAS

Medição, análise e melhoria de
conformidade do produto

8.2.4

PRODUTOS /
SERVIÇOS /
SALA DE
PROVAS

Medição e monitoramento de
produto

®

8.2.1 Satisfação dos clientes

8.1 b)
GARANTIA
DA
QUALIDADE

Medição, análise e melhoria de
conformidade do sistema da
qualidade

Auditorias internas da qualidade 4

8
MEDIÇÃO,
ANALISE
E
MELHORIA
DIREÇÃO

DOCUMENTOS OBRIGATÓRIOS

8.1 c) Medição, análise e melhoria da
eficácia do sistema de gestão
da qualidade
8.2.2 Auditoria interna

®

8.2.3 Medição e monitoramento de
processos
8.2.4 Melhoria contínua

GARANTIA
DA
QUALIDADE

GARANTIA
DA
QUALIDADE

GARANTIA
DA
QUALIDADE

8.3

Controle de produto nãoconforme

Controle de prod. e serv. não® conformes 4

8.4 Análise de dados

8.5.2 Ação corretiva
8.5.3 Ação preventiva

®
®

Ação corretiva e ação corretiva 4
12
2.5.2 Política da Qualidade:
O Item 5 página 5, da Norma NBR ISO9001:2000, define as responsabilidades da
Direção da Organização. Dentre as responsabilidades, vemos no item "5.3 Política da
qualidade", que a Alta Direção deve assegurar que a política da qualidade seja
comunicada e entendida por toda organização.
Como vemos pela definição o primeiro passo é determinar a Política da Qualidade,
que deve ser coerente, conveniente, simples e de igual importância e clareza com as
demais políticas da empresa. Ela deve ser elaborada de forma permitir ser
desdobrada em objetivos da qualidade. Estes desdobramentos dos objetivos devem
ter frações até o nível mais especifico das atividades que influenciam na qualidade.
Com isto todos os membros da organização tem definições quanto ao seu papel e
suas metas frente ao sistema da qualidade. Uma vez conhecedores de sua parte fica
evidente sua participação no todo.
Definida a política da qualidade, seu planejamento, estando comunicada e
implantada, a única forma de assegurar que ela esta realmente entendida por todos é
submeter a mesma a analise critica periódica, ou seja, se os objetivos dela
desdobrados forem alcançados é sinal que ela de alguma forma foi entendida e
eficaz, caso contrario, recomeçar e promover as ações corretivas e/ou preventivas
necessárias.
Em nossa organização existe uma reunião periódica chamada "Analise Critica do
Sistema da qualidade". Na pauta existe diversos tópicos a serem analisados, sendo o
ultimo deles o da Política da Qualidade, ou seja, ela só é analisada após verificação
dos todos os itens da pauta, que na verdade são conseqüência dela própria.

2.5.3. Requisitos do cliente:
Os Itens 5.2/7.2.1/8.2.1, paginas 5/7/11, da NBR ISO9001:2000 decorrem as formas
de focar nos requisitos do cliente. Especificamente o item 7.2.1 trata de reza sobre a
determinação de requisitos relacionados ao produto, respondido na questão anterior.
13
O item 5.2 determina que a alta direção deve assegurar que os requisitos do cliente
são determinados e atendidos.
Na nossa organização analisando o item da norma ISO9000:2000 "5.2 Foco no
Cliente", verificamos que algumas perguntas deveriam ser respondidas na analise de
como é satisfeita esta atividade na organização :
¬ A alta direção assegura que os requisitos do cliente são determinados e
atendidos ?
¬ Estes propósitos visam a satisfação dos clientes ?
2.5.3.1 Reclamações do Cliente / Retorno de Material:
Quando houver uma reclamação do cliente ou retorno de um material é aberto um
relatório de não conformidade e um pedido interno para a fabrica com todos os dados
disponíveis para análise de procedência da reclamação e tomada de ação corretiva
independente do tratamento da não conformidade e da procedência ou não da
reclamação. No caso de reclamação procedente além da ação corretiva é de praxe
fazer uma análise critica extemporânea visando uma ação preventiva ( conceito de
"aproveitar a oportunidade" ). A compilação das não conformidades gera um
documento específico chamado reclamação do cliente
2.5.3.2. Satisfação do Cliente:
São realizadas pesquisas periódicas de satisfação do cliente, indo até o próprio
cliente. Além da pesquisa existem indicadores de mercado, tais como numero de
interfaces com o cliente (telefonemas, visitas e comunicações externas), ofertas,
encomendas e vendas(faturamento) realizadas em comparação com a estatística com
o desempenho setorial, fornecida pela entidade de classe (ABINEE) e pela Revista
Conjuntura Econômica da Fundação Getúlio Vargas e dos retornos em garantia.
Os indicadores geram um relatório específico de desempenho das atividades de
vendas e satisfação do Cliente.
2.5.3.3. Analise critica pela Alta Direção:
O envolvimento da Alta Administração com relação ao Foco no Cliente se dá através
da analise crítica do sistema da Qualidade. A analise critica se dá em intervalos
planejados. Ela consiste em varias pautas com as partes de interesse. Uma das partes
14
de interesse é um item específico denominado pauta de realimentação do cliente,
onde são analisados os resultados de pesquisa de satisfação realizada em diversos
setores do cliente, sugestões e reclamações (+devoluções, + retornos em garantia)
dos produtos e/ou serviços prestados sendo que os resultados desta analise são
contemplados nos planos de ações preventivas e corretivas.

2.5.4. Desenvolvimento da competência do pessoal cujas atividades afetam a
qualidade do produto:
O Item 6.2.2 a página 5, da NBR ISO9001:2000 define o enunciado desta questão.
Na nossa organização para definição das competências, primeiramente definimos as
atividades que afetam a qualidade a qualidade do produto. Em um segundo momento
convocamos todos aqueles que exercem estas atividades e definimos o grau de
impacto da atividade e o tipo de necessidades em termos de educação, treinamento,
habilidade específica e experiência necessária, qualificação de norma e/ou estatutária
e/ou de segurança do trabalho e/ou de processo para o exercício da mesma. O
terceiro passo é verificação sistemática através de avaliação de desempenho no
exercício da atividade.

2.5.5. Conscientização o pessoal quanto á importância e pertinência de suas
atividades:
O Item 6.2.2 d na página 6, da NBR ISO9001:2000 define as necessidades em
conscientização, porém vamos relatar o nosso entendimento e pratica quanto a este
item. Treinar e educar são conceitos relativos a instrução formal e informal, porém
relacionados a instrução. Conscientização esta relacionado a convencer uma pessoa
sobre um determinado evento,

conhecimento ou instrução. Portanto este é um

conceito relativo a vontade e os princípios de um colaborador.
Para estimular o envolvimento e obter colaboração do funcionário ou equipe quanto
ao sistema de Gestão da Qualidade é necessário que a Política da Qualidade seja
coerente, conveniente, simples e de igual importância e clareza com as demais
políticas da empresa. Ela deve ser elaborada de forma permitir ser desdobrada em
15
objetivos da qualidade. Estes desdobramentos dos objetivos devem ter frações até o
nível mais especifico das atividades que influenciam na qualidade. Com isto todos os
membros da organização ou equipes tenham definições quanto ao seu papel e suas
metas frente ao sistema da qualidade. Uma vez conhecedores de sua parte fica
evidente sua participação no todo.
Conhecedores e cientes de sua meta e importância para o todo é necessário que os
mesmos sejam informados dos benefícios oriundos do sistema para ele como parte
interessada.
Para medir o grau de conscientização é usada a mesma planilha de avaliação das
competências, ou seja, a verificação sistemática através da ficha de avaliação de
desempenho no exercício da atividade feita pelas chefias.
No caso de baixa avaliação é feito um estudo de caso que pode determinar inclusão
em programa de treinamento e/ou educação formal, ou em caso extremo rodízio de
funções com programa de reintegração.

2.5.6. Planejamento da realização do produto:
Os conceitos descritos no item 7.1 página 7, da Norma NBR ISO9001:2000 definem
as necessidades básicas para planejar e desenvolver os processos necessários para a
realização do produto em forma coerente para atender os requisitos dos processos do
sistema de gestão da Qualidade.
Os quatro processos básicos de Gestão da qualidade para entendimento deste
trabalho:
Processos de Gestão
Processos de Vendas
Processos de execução
Processos de desenvolvimento

TABELA II – Processos básicos
16
Os requisitos para planejar a realização do produto são :
¬ Definição dos objetivos da Qualidade e metas quanto a realização do produto
¬ Requisitos padrão para realização dos produtos já fabricados ou similares e
determinação dos requisitos em produtos "novos" ( desenvolvimento ) no
processo de analise critica das necessidades do cliente.
¬ Elaboração de instruções de trabalho (desenhos), ficha de estamparia, etc.
¬ Definição dos processos padrão de execução a serem utilizados ( ex. :
Caldeiraria, Usinagem, Estamparia, Montagem, Enrolamento, Ajustagem,
Expedição )
¬ Definição dos processos especiais a serem utilizados
¬ Definição da utilização de recursos externos
¬ Definição de recursos de matéria-prima ( lista de materiais/desenho de
conjunto )
¬ Definição dos padrões de ensaios, inspeções e meios de verificação,
validação e monitoramento dos produtos nos casos de já fabricados e
similares e determinação específica conforme necessidade nos casos de
desenvolvimento ( produto novo )
¬ Definição dos registros necessários e guarda dos mesmos, para evidenciar que
os processos utilizados atenderam os requisitos e podem ser reutilizados.

2.5.7 Análise critica dos requisitos relacionados ao produto:
O Item 7.2.2 página 7,da NBR ISO9001:2000 descreve a atividade conforme
transcrição integral abaixo:
"7. Analise critica do requisitos relacionados ao produto
A organização deve analisar criticamente os requisitos relacionados ao produto.
Esta análise crítica deve ser realizada antes da organização assumir o compromisso
de fornecer um produto para o cliente (por exemplo, apresentação de propostas,
aceitação de contratos ou pedidos, aceitação de alterações em contratos ou pedidos)
e deve assegurar que :
¬ os requisitos do produto estão definidos,
¬ os requisitos de contrato ou de pedido que difiram daqueles previamente
manifestados estão resolvidos, e a organização tem a capacidade para atender
aos requisitos definidos.
17
¬ Devem ser mantidos registros dos resultados da análise crítica e das ações
resultantes dessa análise (ver 4.2.4 da Norma NBR ISO9001:2000).
¬ Quando o cliente não fornecer uma declaração documentada dos requisitos, a
organização deve confirmar os requisitos do cliente antes da aceitação.
¬ Quando os requisitos de produto forem alterados, a organização deve assegurar
que os documentos pertinentes são complementados e que o pessoal pertinente é
alertado sobre os requisitos alterados.
¬ Nota : Em algumas situações como vendas pela Internet, uma análise crítica
formal para cada pedido é impraticável. Nesses casos a análise critica pode
compreender informações pertinentes ao produto, tais como catálogos ou
material de propaganda.".
Transcrevemos a Norma, pois este é um requisito clássico das normas de qualidade,
já chamado de Marketing e Vendas, Analise de Contratos, entre outros. As únicas
novidades claras estão em fazer o pedido formal no lugar do cliente fornecendo uma
declaração documentada dos requisitos e assim confirmando os requisitos do cliente
antes da aceitação e a concessão permitida em vendas especiais como no caso de
telemarketing

e Internet. Na organização estudada existe uma combinação de

diretrizes visando o atendimento deste requisito da norma. Isto inclui a analise
precisa e clara envolvendo a área técnica ( como um verdadeira área de engenharia
de aplicação ) e a área comercial. O fabricante de máquinas elétricas analisado no
estudo de caso entende que cada pedido é praticamente um “desenvolvimento” e
portanto são analisadas todas as necessidades. Os tipos de consulta pelo cliente foram
definidos em três possibilidades distintas, ou seja, desenvolvimento, similar e já
fabricado. Para os produtos e serviços similares ou já fornecidos foi definida uma
tabela em conjunto com as áreas envolvidas com os tipos de produtos fabricados e os
requisitos necessários para perfeito entendimento dos requisitos do cliente
determinados antes da oferta, antes da fabricação , para a fabricação e a serem
informados após a fabricação . A parte necessária para emissão da oferta e emissão
do pedido interno (antes da oferta e antes da fabricação) foi colocada no sistema
integrado de gestão ( rede de computadores ) e só permite a emissão da oferta e do
pedido interno se os requisitos mínimos forem cumpridos. Para produtos ou serviços
de desenvolvimento, ou seja, aqueles que não estão pré definidos no sistema
integrado, a atividade de analise das necessidades do cliente inicia-se pelo Diretor
técnico que assume o processo por ser

o detentor de maior qualificação e
18
experiência. O departamento técnico recebe do Comercial via da cotação do cliente
com toda a documentação para a oferta a ser elaborada. Baseado nessa documentação
é feita uma análise criteriosa do escopo do fornecimento e dos dados básicos de
engenharia quanto a suficiência, consistência, clareza e aplicação.
Como citado no parágrafo anterior, a analise critica ( criteriosa ) é feita pelo o
departamento técnico em conjunto com o Comercial levando em consideração :
- Análise dos Documentos de Referência
Todos os documentos referenciados na cotação ou nas especificações técnicas do
Cliente devem ser verificados pelo Diretor Técnico e pelo homem do segmento de
mercado quanto a sua disponibilidade. Qualquer documento não disponível deve ser
providenciado, ou quando isso não for possível, ser solicitado ao Cliente.
- Planejamento
Após análise inicial, é promovida pelo Diretor técnico, caso necessário, uma
reunião para discussão dos aspectos importantes do contrato. Para essa reunião são
convocados todos aqueles que, a seu critério, terão relevante participação no projeto.
Os seguintes aspectos são discutidos na reunião.
¬ características do projeto;
¬ singularidade e inovação
¬ dificuldades previstas;
¬ elementos de referência disponíveis
¬ Normas aplicáveis e legislação;
¬ definição de prazos de execução;
¬ mão- de- obra necessária;
¬ Equipamentos ou dispositivos necessários;
¬ Material agregado e perdas previstas;
¬ Custos provenientes de financiamento a produção;
¬ Custos provenientes de administração direta e indireta;
¬ Impostos; e
¬ Acondicionamento, expedição e transporte.
¬ Qualquer omissão, insuficiência ou discrepância constatada com a
necessidade do cliente, a mesma será imediatamente comunicada ao cliente, e
solicitada a sua correção até a perfeita definição do produto a ser ofertado.
19
2.5.8. Comunicação com os clientes:
O Item 7.2.3 página 8, ISO9001:2000 define as interfaces mínimas com o cliente
para manter comunicação eficaz com o Cliente :
¬ informações sobre o produto,
¬ tratamento de consultas, contratos ou pedidos, incluindo emendas, e
¬ realimentação do cliente, incluindo suas reclamações.
Este tipo de comunicação esta dentro do processo de vendas, que além da definição
de

competências

da

equipe

que

realiza

o

processo,

existe

um

treinamento/conscientização continua "on the job" com analise e acompanhamento
dos segmentos de mercados, promoções e propagandas, analise de necessidades,
elaboração de propostas, administração de pedidos, técnicas de vendas/Negociação
e conhecimento do produto. A garantia da execução de todas as etapas de
comunicação com o cliente esta "amarrada" no Sistema de Gestão Integrado, onde o
"Status" da comunicação com o cliente aparece grafado e só permite passagem para a
próxima etapa após conclusão da anterior.

2.5.9. Auditorias internas da qualidade.
O Item 8.2.2 página 11, da NBR ISO9001:2000 é determinante, é um daqueles
requisitos básicos tradicionais de sistema da Qualidade e devem ser realizados
conforme as exigências de norma.
Basicamente consiste em :
¬ Executar auditorias a intervalos planejados, para determinar se o sistema de
gestão da qualidade:
¬ Esta conforme as disposições planejadas,
¬ Esta conforme com os requisitos da Norma utilizada no sistema de qualidade
¬ Esta conforme com os requisitos determinados para o sistema de Gestão da
qualidade pela Organização
¬ É mantido
¬ Esta implementado eficazmente.
20
Para tal é necessário criar um processo/programa com :
¬ Ter um procedimento documentado.
¬ Manter os registros e disponibilizá-los para planejamento e criação de
indicadores ( análise de resultados anteriores )
¬ Fazer planejamento conforme intervalos determinados e coerentes com a análise
critica pela Direção da empresa.
¬ Definição dos critérios com relação a importância e situação dos processos,
métodos e escopo
¬ Preparar auditores e definir equipes. Nos requisitos dos auditores verificar se não
existe impedimento dos auditores por tratar de relações de afinidade pessoais e
assegurar que o mesmo não audite seu próprio trabalho, para assegurar a
imparcialidade da auditoria.
¬ Assegurar que os responsáveis pelas áreas auditadas providenciem ao bom tempo
a eliminação das não conformidade.
2.6.- Motor elétrico de indução:
Para esta etapa de definições vamos procurar ser bastante suscintos na definição de
motor elétrico. No próximo capítulo vamos fazer um estudo bastante apurado dos
conceitos de eletromagnetismo e de eletrotécnica para definir através da importância
do entendimento dos fenômenos físicos e a razão do estudo do processo de
estampagem. Para um entendimento geral podemos definir o motor elétrico de
indução como um conversor eletromecânico de energia, que transforma energia
elétrica (corrente alternada) em energia mecânica necessária para acionar máquinas,
equipamentos ou ferramentas, através da transformação da energia elétrica que passa
nos condutores em força eletromotriz que surge no núcleo ferromagnético, que no
caso de máquinas elétricas rotativas é feito do empilhamento de chapas
ferromagnéticas estampadas (fig.5). Este núcleo magnético é também conhecido por
“pacote de chapas” magnéticas pelas razões expostas na frase anterior. Cabe
informar que o enrolamento do motor é colocado dentro das ranhuras estampadas do
núcleo magnético.
Eletricidade

motor

Movimento
Energia Mecânica

Figura 5 – Conversão de energia
21
2.7. Estampagem:
Basicamente o processo de estampagem é o corte e a conformação, pelo impacto
entre duas matrizes., de um Blank ou fita de metal, que permitem cortá-la de uma
forma e dimensões desejadas (no caso a estampagem das laminas metálicas em ligas
de aço silício é executada sob ação de prensa mecânica, fig. 6). Este processo
permite a obtenção de série de peças idênticas (Fig. 7), com tolerâncias de forma e de
dimensão bastante reduzidas, assegurando substancial economia de material e de
tempo de usinagem ou corte.
Chapa do
Estator

Chapa do Rotor

Figura 6 - Desenho esquemático de uma chapa, retirado do livro Máquinas de
Corrente Alternada, de Alfonso Martignoni, página 182.

Figura 7 – Desenho esquemático formando um empilhamento de uma série de
chapas estampadas formando um pacote, ou, núcleo estampado.
22
3. CONCEITOS TEÓRICOS:

3.1 Noções de Eletromagnetismo
Baseado em estudo da cadeira de Eletromagnetismo, da Escola de Engenharia
eletrotécnica da Universidade Estadual de Campinas, UNICAMP, é o estudo dos
campos magnéticos e suas interações com as correntes elétricas. Todas as definições
abaixo e figuras foram retiradas do mesmo estudo.
3.1.1. Campos magnéticos:
Os elétrons giram em torno do núcleo dos átomos, mas também em torno de sí
mesmos (translação), isto é semelhante ao que ocorre com os planetas e o sol. Há
diversas camadas de elétrons, e em cada uma, os elétrons se distribuem em orbitais,
regiões onde executam a rotação, distribuídos aos pares.
Ao rodarem em torno de sí, os elétrons da camada mais externa produzem um campo
magnético mínimo, mas dentro do orbital, o outro elétron do par gira também, em
sentido oposto, cancelando este campo, na maioria dos materiais.
Porém nos materiais imantados (ferromagnéticos) há regiões, chamadas domínios,
onde alguns dos pares de elétrons giram no mesmo sentido, e um campo magnético
resultante da soma de todos os pares e domínios é exercido em volta do material: são
os imãs.
O que é de fato um campo magnético ?
A palavra campo significa, na Física, uma tendência de influenciar corpos ou
partículas no espaço que rodeia uma fonte.
Ex.: O campo gravitacional, próximo à superfície de um planeta, que atrai corpos,
produzindo uma força proporcional à massa destes, o peso.
Assim, o campo magnético é a tendência de atrair partículas carregadas, elétrons e
prótons, e corpos metálicos magnetizáveis (materiais ferromagnéticos, como o ferro,
o cobalto, o níquel e ligas como o alnico).
O campo magnético pode ser produzido pôr imãs e eletroimãs, que aproveitam o
efeito magnético da corrente elétrica.
23
3.1.2 Correntes e eletromagnetismo:
A corrente elétrica num condutor produz campo magnético em torno dele, com
intensidade proporcional à corrente e inversamente à distância.
B = 4p10-7 I / r (ver Fig. 8)

Figura 8 – Corrente
elétrica
Nesta equação, válida para um condutor muito longo, I é a corrente, r a distância ao
centro do condutor e B é a densidade de fluxo, ou indução magnética, que representa
o campo magnético. É medida em Tesla, T.
Se enrolarmos um condutor, formando um indutor ou bobina, em torno de uma
forma, o campo magnético no interior deste será a soma dos produzidos em cada
espira, e tanto maior quanto mais espiras e mais juntas estiverem
B = 4p10-7NI / L
Figura 9 – Indutor ou Bobina

L é o comprimento do enrolamento, e N o número de espiras, válida para núcleo de
ar.
3.1.3. Permeabilidade
Os materiais se comportam de várias maneiras, sob campos magnéticos:
¬ Os diamagnéticos, como o alumínio e o cobre, os repelem, afastando as
linhas de campo.
¬ Os paramagnéticos se comportam quase como o ar.
¬ Os ferromagnéticos concentram o campo, atuando como condutores
magnéticos.
A permeabilidade é a propriedade dos materiais de permitir a passagem do fluxo
magnético, que é a quantidade de campo que atravessa o material.
f = BA
A é a área transversal ao campo do material, em m2 . O fluxo é medido em Webers,
Wb
24
Os materiais mais permeáveis são os ferromagnéticos. Eles tem permeabilidades
centenas a vários milhares de vezes a do ar, e são usados como núcleos de indutores,
transformadores, motores e geradores elétricos, sempre

concentrando o fluxo,

possibilitando grandes campos (e indutâncias).
Os diamagnéticos são usados como blindagem magnética (ou às ondas
eletromagnéticas), pela permeabilidade menor que a do ar, mo.
mo = 4p10-7 Tm/A

3.1.4. Indutância:
Vimos que os indutores produzem campo magnético ao conduzirem correntes. A
indutância é a relação entre o fluxo magnético e a corrente que o produz. É medida
em Henry, H.
L=f/I
Uma propriedade importante da indutância, e da qual deriva o nome, é o fato do
campo resultante da corrente induzir uma tensão no indutor que se opõe à corrente,
esta é chamada a Lei de Faraday:
E = N df / dt
N é o número de espiras do indutor, e df / dt é a velocidade de variação do fluxo,
que no caso de CA é proporcional à freqüência. E é a tensão induzida, em V.
É interessante observar como isto se relaciona ao conceito de reatância indutiva, a
oposição à passagem de corrente pelo indutor:
XL = 2 pfL
L é a indutância, e f a freqüência da corrente, em Hz.
A corrente alternada produz no indutor um campo, induzindo uma tensão
proporcional à freqüência, que se opõe à corrente, reduzindo-a, esta é a explicação da
reatância. As bobinas nos circuitos elétricos são chamadas indutores. Quando usadas
para produzir campos magnéticos, chamam-se eletroimãs ou solenóides. Já dentro de
máquinas elétricas (motores e geradores), fala-se em enrolamentos.
25
3.1.5. Campos magnéticos e forças:
Um campo magnético produz uma força sobre cargas elétricas em movimento, que
tende a fazê-las girar. Quando estas cargas deslocam-se em um condutor, este sofre a
ação de uma força perpendicular ao plano que contém o condutor e o campo:
F = B I L senq
F é a força em Newtons, L o comprimento do condutor, em m, e q o ângulo entre o
condutor e as linhas do campo.

Figura 10 - Força
eletromagnética

É esta força que permite a construção dos motores elétricos. Nestes o ângulo é de
90o, para máximo rendimento, B é produzido pelos enrolamentos, e há N espiras
(nos casos em que o rotor, parte rotativa central, é bobinado), somando-se as forças
produzidas em cada uma. O núcleo é de material ferromagnético, para que o campo
seja mais intenso, e envolve o rotor, com mínima folga, o entreferro, formando um
circuito magnético.
O processo é reversível: uma força aplicada a um condutor, movendo-o de modo a
“cortar” as linhas de um campo magnético (perpendicularmente), induz uma tensão
neste, conforme a Lei de Faraday, proporcional à velocidade e ao comprimento do
condutor, e ao campo, é o princípio do gerador elétrico e do microfone dinâmico.
E=BLv
E é a tensão em V, L o comprimento, em m, e v a velocidade do condutor, em m/s.
Além desta força, há a de atração exercida pôr um campo num material
ferromagnético, que age orientando os domínios (e os “ spins”), podendo imantá-los
(conforme a intensidade e a duração). Esta é usada nos eletroimãs, nos relés e
contatores (relés de potência usados em painéis de comando de motores), etc.
26
É também usada na fabricação de imãs, usados entre outras aplicações nos autofalantes, microfones e pequenos motores C.C. (campo), como aqueles usados em
toca - discos e gravadores.

3.2 Noções de Eletrotécnica:
Segundo a apostila “ Eletrotécnica 1 da Equacional Elétrica e Mecânica Ltda.”,
apresentada no Seminário da Subrasa, Campo Bom, RS, 1996, escrita por Ivan
Eduardo Chabu,, Reginaldo Izael da Silva e Marcelo Gandra Falcone e as figuras,
também retiradas da apostila, podemos definir:
3.2.1. Lei da Força Eletromotriz Induzida Por Movimento
Na sua forma mais simples essa lei estabelece o seguinte: Se um condutor retilíneo se
movimenta em um campo magnético aparece uma força eletro-motriz (voltagem) em
seus terminais. Essa voltagem [Volts-(V)] é dada pelo produto do comprimento do
condutor [metro(m)] pela velocidade [metro por segundo-(m/s)] e pela intensidade da
indução do campo [Weber por m2-(Wb/m2)]

Figura 11 – Força Eletromotriz
EXEMPLO: Na fig. 11 o condutor se move de baixo para cima. O campo B está
dirigido da esquerda para a direita e é produzido por um imã permanente N - S.
Quantos Volts medirá o voltímetro V, sabendo-se que o condutor tem 100 mm, o
campo tem intensidade de indução igual a 0,8 Wb/m2 e a velocidade é 30 m/s?
Solução:
27

Se o comprimento é 100 mm devemos transformá-lo em metro, logo,
L = 0,1 m
Velocidade: v = 30 m/s
Indução: B = 0,8 Wb/m2

Teremos uma tensão (voltagem) induzida no condutor que pode ser calculada
V=LxvxB
V = 0,1 x 30 x 0,8 = 2,4 V
Esta lei é muito importante para o entendimento dos princípios de funcionamento dos
motores e geradores que serão expostos mais adiante, neste item. Nos geradores de
corrente contínua, por exemplo, os condutores que estão nas ranhuras giram (se
deslocam) em relação ao campo criado pelos pólos da carcaça e nesses condutores
são induzidas as tensões que são levadas ao coletor-comutador e daí coletadas pelas
escovas.

Nota 1: Se a velocidade for invertida, isto é, se o condutor se deslocar de cima para
baixo, a polaridade da voltagem induzida + / - se inverte. Assim sendo, se o
movimento do condutor for alternativo, isto é, se ele se deslocar, ora para cima e ora
para baixo, a tensão induzida será o que se chama de “tensão (ou voltagem)
alternada”.

Nota 2: Se existir mais de um condutor ligado em série, a tensão induzida será a
soma. No exemplo dado, se houver 3 condutores em série, teremos
V = 3 x 2,4 = 7,2 V.
28
3.2.2. Lei da Indução de Faraday
Também, na sua forma mais simples, a Lei de Faraday estabelece que se existir um
fluxo magnético [unidade Weber-(Wb)] atravessando uma bobina de uma espira, e
este fluxo variar, fará aparecer uma força eletromotriz [voltagem-(V)] nos terminais
da bobina. Essa voltagem é dada pela divisão da variação do fluxo (∆φ) pelo
intervalo de tempo em que aconteceu essa variação [unidade segundo-(s)]
V = ∆φ
∆t
Se a bobina tiver N espiras o valor será N vezes maior
V=

Nx ∆ φ
∆ t

Esta lei é muito importante no cálculo de enrolamentos de transformadores e de
motores de indução.
EXEMPLO:

Na figura 12, está representado um núcleo de transformador

monofásico. No núcleo existe um fluxo magnético φ

que atravessa a bobina

secundária de uma espira. O fluxo φ é produzido pela bobina primária do
transformador. Vamos supor que este fluxo variou de 2 Wb até 0,5 Wb em 2 décimos
de segundo. Qual a voltagem média induzida nessa espira?

Figura 12 - Núcleo fechado com secundário de 1 espira.
29
Solução: Se o fluxo variou de 2 até 0,5 Wb, a variação, ∆ φ , será :
∆ φ = 2 - 0,5 = 1,5 Wb
O intervalo de tempo em que isso aconteceu é:
∆ t = 0,2s
A voltagem induzida na espira será : V = 1,5 = 7,5 V
0,2
Se a bobina possuísse 3 espiras (N=3), como a da fig. 13, a voltagem seria:
V = 3 x 1,5 = 22,5 V
0,2

Figura 13 - Núcleo fechado com secundário de n espiras.
Se possuísse 30 espiras, a voltagem seria 30 vezes o valor para uma espira :
V = 30 x 1,5 = 225 V
0,2
Se o intervalo de tempo da variação fosse 1 décimo de segundo, ao invés de 2, é fácil
notar que a voltagem seria o dobro:
V = 30 x 1,5 = 450V
0,1
30

Por aí se vê que se o fluxo produzido pela bobina primária do transformador variar
rapidamente com uma freqüência de, por exemplo 60 vezes por segundo, a tensão
aumenta ainda mais. É o efeito de freqüência sobre a voltagem induzida.

3.2.3. Lei da Força sobre Corrente (Lei de Laplace)
Esta lei, também na sua forma mais simples, estabelece que se um condutor retilíneo
for percorrido por corrente elétrica, I [Ampére-(A)], e estiver sujeito a um campo
magnético de indução, B [Weber por metro-(Wb/m)], aparecerá uma força [Newton(N)], que procura deslocar o condutor. Essa força é dada pelo produto do
comprimento do condutor [metro-(m)], pela corrente I e pela intensidade da indução.
F = L . I . B (Fig.14)

Figura 14 – Lei de Laplace

EXEMPLO: Na fig. 14 o condutor faz um ângulo reto (90º) com o campo.
A corrente no condutor é de 35 A. O valor da indução é de 0,9 Wb/m2 . Se o
condutor tem 600 mm, qual a força exercida sobre ele?
Solução:
O comprimento tem que ser dado em metro, logo L = 0,6 m (600 mm),
B = 0,9 Wb/m2 , I = 35 A :
F= L x I x B
F = 0,6 x 35 A x 0,9 = 18,9 N
31

A unidade de força Newton (N) é igual a 1 quilograma força (kgf) dividido por 9,8.
Assim se desejar a força em kgf, basta dividir por esse valor.
F=

18,9 = 1,93 kgf
9,8

Se tivermos uma bobina com 2, ou 3 ou 4 condutores, a força exercida sobre ela seria
a soma das forças em cada condutor. Se tivéssemos 4 condutores ao invés de 1, a
força seria 4 x 1,93, ou seja, 7,72 kgf.
Essa lei é muito importante no cálculo da força desenvolvida por motores elétricos.
Para isso basta calcular a força em cada condutor que existe dentro das ranhuras de
uma armadura e somando todas essas forças teremos força resultante total.
A partir dessa força é possível calcular o torque (conjugado) desenvolvido pelo
motor. Basta para isso multiplicar a força total pelo raio da armadura (em metro) e
teremos o torque em quilograma força x metro (kgf x m).

3.2.4. Princípio de funcionamento dos motores trifásicos de indução
O motor de indução tem a construção de estator semelhante à do alternador
anteriormente descrito, ou seja, na forma mais elementar possui um núcleo de ferro
onde são alojados 3 bobinas deslocadas de 120º uma da outra. O rotor é construído
com um cilindro de ferro onde são alojadas barras de material condutor, como cobre
ou alumínio, todas essas barras soldadas num anel também condutor, formando um
sistema de barras em curto-circuito - daí o nome de motor de curto-circuito ou motor
de gaiola.
Ao alimentar as 3 bobinas do estator com uma linha trifásica, é criado no interior do
estator um campo magnético que se movimenta ao longo da circunferência do estator
- é o chamado campo girante.
32

Figura 15 - Motor de curto-circuito ou de gaiola
3.2.5. Como se cria o campo girante:
Lembrando-se que as 3 tensões do sistema trifásico não são simultâneas mas sim
defasadas por um tempo de 1/3 de tempo do ciclo, e como as bobinas do estator estão
montadas afetadas uma da outra de 1/3 da circunferência obtemos a seguinte situação
(ver fig. 16):

Figura 16 – Enrolamento Trifásico Esquemático
33
Quando a tensão da linha R está passando pelo valor máximo de sua alternância, a
fase A tem a corrente também máxima e portanto o campo magnético criado por ela
é máximo e está alinhado com o eixo da fase A.
Com o passar do tempo, a tensão na linha R vai diminuindo e na fase S vai
crescendo, de forma que 1/3 do tempo de ciclo mais tarde a fase S é máxima e
também a corrente e o campo criado pela fase B. Como esta fase está montada
afastada da fase A de 1/3 da circunferência, observamos que o campo magnético
máximo se transferiu do eixo da fase A para o eixo da fase B.
Mais um tempo equivalente a 1/3 de ciclo ocorrendo, tudo se transfere para a fase C,
e assim por diante.

Figura 17 – Tensões Trifásicas alternadas - Esquemático

O efeito global, é como se o campo magnético estivesse se deslocando no sentido
anti-horário dentro do estator, ou seja, é como se existisse um imã imaginário que
estivesse se movendo sobre o estator.
34

Figura 18 – Efeito Global - Esquemático
O deslocamento deste imã (campo), ao passar pelas barras do rotor induz nela uma
tensão e como estas barras estão todas curto circuitadas, a tensão na barra aplicada
sobre a resistência da barra faz circular uma corrente na barra.

Figura 19 – Corrente circulante - Esquemático
Como já foi visto, pela Lei de Laplace, um condutor que conduz corrente dentro de
um campo magnético, fica submetido a uma força mecânica numa direção
perpendicular ao condutor. Logo, como os condutores estão montadas no rotor, as
35
forças nas barras movimentam o rotor, que vai rodar no mesmo sentido do campo
girante, acompanhando-o.
Quando a tensão trifásica da alimentação completa um ciclo, o campo magnético e
portanto o rotor completa uma volta. Assim sendo, por exemplo nessa máquina
esquemática da figura 19, de 2 pólos, com alimentação de 60 Hz na freqüência da
rede, o rotor gira 60 vezes em 1 segundo, ou 3600 rotações por minuto.
RPM = 60 x freqüência (60 Hz) = 60 x 60 = 3600 rpm
Pares de pólos

1

3.3 Noções Gerais de um Motor Elétrico
Abaixo na figura 20 podemos ver um desenho esquemático de um motor:

Figura 20 – Desenho esquemático de um motor, retirado do livro Máquinas de
Corrente Alternada, de Alfonso Martignoni, página 311.
36
3.3.1 Motor
Como podemos ver na figura 20 um motor elétrico constitui-se basicamente de :
¬ Estator;
¬ Enrolamento;
¬ Rotor;
¬ Tampas;
¬ Mancais;
3.3.2 Tampas
Constituídas normalmente de:
¬ Tampa mancal principal (L.A. e L.O.A.);
¬ Tampinha externa do alojamento do mancal (L.A. e L.O.A.);
¬ Tampinha interna do alojamento do mancal (L.A. e L.O.A.).
3.3.3 Mancais:
Normalmente são:
¬ Buchas de deslizamento ou
¬ Rolamentos.
3.3.4 Rotor:
Como podemos ver na figura 21 um rotor constitui-se basicamente de:
¬ Eixo;
¬ Núcleo Magnético;
¬ Barramento;
¬ Anéis de curto circuito.

Figura 21 – Desenho esquemático de um rotor, retirado do livro Máquinas de
Corrente Alternada, de Alfonso Martignoni, página 185.
37
3.3.5 Estator:
Como podemos ver na figura 22 um estator constitui-se basicamente de :
¬ Carcaça;
¬ Núcleo Magnético;
¬ Caixa de Bornes;
¬ Enrolamento;

Figura 22 – Desenho esquemático de um estator, retirado do livro Máquinas de
Corrente Alternada, de Alfonso Martignoni, página 23.
3.3.6 Enrolamento
Como podemos ver na figura 23 um Enrolamento constitui-se basicamente de :
¬ Condutores(fio esmaltado);
¬ Cunha de fechamento (esteca);
¬ Filme isolante para massa e entre camadas;
¬ Verniz;
38

Figura 23 – Ilustração de enrolamento retirada da apostila “motores de indução
volume II”, Ensaios e Defeitos, de Aureo Gilberto Falcone e Marcelo Gandra
Falcone, pagina 35.
3.4 Cuidados durante a fabricação e/ou manutenção:
A implementação de inspeções, testes e ensaios durante o processo de fabricação ou
manutenção visam o aumento da confiabilidade. A eficiência dos produtos na
fabricação ou na manutenção é extremamente necessária e inevitável para atingir
índices de qualidade (evitar retrabalho) e evitar retornos em garantia (evento
causador de insatisfação no cliente final).
3.4.1 Os defeitos das partes mecânicas (carcaça, núcleos magnéticos, tampas,
tampinhas e eixo) podem apresentar são:
Dimensionais em geral:
¬ Tolerâncias de ponta de eixo;
¬ Tolerâncias de rasgo de chaveta;
¬ Tolerâncias de chavetas;
¬ Tolerâncias e centralização de colos de mancais;
¬ Tolerâncias e centralização dos rebaixos, furação dos pés e altura até o centro
da carcaça;
¬ Tolerâncias e centralização de cubos das tampas;
¬ Tolerâncias e centralização de rebaixos das tampas;
¬ Tolerâncias e centralização do assento de mancais;
¬ Folga de tampinhas internas e externas.
Inspeção durante a fabricação de acordo com desenhos (dimensional).
39
Solda:
¬ Conformidade/Continuidade;
¬ Bolhas;
¬ Respingo.
Inspeções:
¬ Visual;
¬ Liquido penetrante.
Fundidos:
¬ Bolhas;
¬ Fissuras.
Inspeção por líquido penetrante após usinagem.
Balanceamento:
¬ Vibração.
Inspeção feita no próprio processo.
3.4.2 Os defeitos dos núcleos magnéticos:
Núcleo magnético:
¬ Perdas,
¬ Dimensional;
¬ Fixação.
Os testes que são realizados estão descritos abaixo e estão na ordem de execução:
¬ Inspeção por alicate de perdas para verificação do material a ser utilizado e
após estampar a primeira chapa, para verificação das características
ferromagnéticas do produto estampado. O impacto da ferramenta sobre o
material altera as características físicas dos grãos da chapa. É uma verificação
para ver se o material continua dentro do valor especificado pelo projeto. No
próximo item deste capitulo 3, em especial o item 3.5.4 iremos descrever as
características do material do núcleo magnético e como ele é afetado no
processo de estamparia e na montagem do núcleo, ou seja, na área de corte e
na montagem do núcleo cria-se tensões internas ao sistema cristalino desses
materiais e com isto surge áreas onde existe dificuldade de orientação dos
domínios magnéticos perante a ação do campo externo, o que afeta a
permeabilidade (aumenta as perdas ) o que é uma característica limitante de
projeto.
40
¬ Dimensional padrão para verificação das rebarbas que afetam diretamente o
fator de empilhamento das chapas. O fator de empilhamento significa a real
quantidade de material em um núcleo:
a rebarba influencia aqui,
ela aumenta a dimensão do núcleo
¬ Dimensional padrão para verificação da conformação da chapa do rotor e do
estator para verificar se as mesmas estão dentro das medidas especificadas
(ver exemplo de chapa na fig.6 da pág. 21).
¬ Dimensional padrão para verificação da conformação do núcleo do rotor e do
estator para verificar se os mesmas estão dentro das medidas especificadas.
¬ Verificação por liquido penetrante na fixação e encostos de montagem do
núcleo.
¬ Eventualmente em caso de suspeita durante a fabricação ou em caso de
serviços (reparos) podemos proceder um ensaio de “ loop-test” para
verificação de existência ou não de pontos quentes no núcleo magnético. A
inspeção consiste em fazer um indutor passando uma espira longa axialmente
no núcleo magnético e uma corrente elétrica controlada que passa através
deste condutor da espira. Isto produz um campo magnético no núcleo, com
intensidade proporcional à corrente e inversamente à distância, dado por
B=4p10-7I/r onde é fixado em B=1 tesla (ver Fig. 8, pagina 23). Nesta
equação, válida para um condutor muito longo, I é a corrente, r a distância ao
centro do condutor e B é a densidade de fluxo, ou indução magnética, que
representa o campo magnético. Quando passamos este campo magnético no
núcleo, onde existir pontos onde a permeabilidade é diferente, teremos
aquecimento das chapas localizado neste ponto. O critério de aceitação é de
15% de diferença em temperatura. Tal inspeção justifica-se, pois um ponto de
aquecimento localizado por perdas no ferro de origem magnética podem
provocar a queima localizada do enrolamento, parte de maior valor agregado
do motor elétrico (comparado aos núcleos do rotor e estator em separado).
Como pudemos observar a inspeção do núcleo é muito importante, pois um erro no
núcleo causa perda total do núcleo do estator, do núcleo do rotor ou do enrolamento.
Cabe lembrar que os dois núcleos juntos são a parte de maior valor agregado em
material e mão de obra no custo do motor elétrico.
41
3.4.3 Os defeitos do enrolamento:
Choque (mau isolamento entre bobina e chapa do estator), variação na resistência,
solda mal feita, ligações invertidas, sentido de rotação errado, curto entre espiras, fio
fora da ranhura, curto entre fases, foi cortado ou interrompido, ligação errada,
isolamento dobrado, isolamento danificado, protetor térmico danificado, fuga do
protetor para o enrolamento.
Os testes que são realizados estão descritos abaixo e estão na ordem de execução:
¬ Medição de resistência ôhmica;
¬ Teste de tensão aplicada AC (Hipot AC);
¬ Teste de tensão aplicada DC (Hipot DC);
¬ Teste de Surto Elétrico (Surge Test);
¬ Teste de protetor térmico;
¬ Teste do sentido de rotação
3.4.4 Produto acabado
Após a montagem os ensaios de rotina devem ser executados para verificação da
conformidade do produto com a especificação. As normas NBR 7294, da ABNT em
sua tabela 17 e a NBR 5383, da ABNT, definem como os ensaios abaixo devem ser
realizados e os critérios de aceitação dos mesmos. Alguns dos ensaios realizados
abaixo são de critério e acordo entre fabricante ou reparador e seu cliente, pois são de
caráter especial. Em caso de produto novo que não tem similar, porém não tem
caráter de protótipo, alem dos ensaios abaixo são realizados os ensaios de tipo.Os
testes de rotina que são realizados estão descritos abaixo e estão na ordem de
execução:
¬ Ensaio de Verificação da resistência ôhmica
¬ Ensaio de Resistência de Isolação
¬ Ensaio de determinação do Índice de polarização
¬ Ensaio de Tensão suportável
¬ Ensaio em Vazio
¬ Ensaio de Vibração
¬ Ensaio de ruído
¬ Ensaio de Rotor bloqueado
¬ Ensaio de Pintura
¬ Verificação Visual final
42
3.5 Noções de perdas em núcleo magnético laminado.
Ao ser calculada magneticamente a seção laminada de um núcleo para conduzir um
certo numero de linhas magnéticas, obtendo-se um certo valor de B (indução)em
função de um dado número de H (ampère-espiras) temos de escolher também um
material com determinada permeabilidade µ.
Essa seção é calculada para que o ponto de trabalho do núcleo, ou seja, a condição
em que ele vai operar, corresponda a um ponto pré-fixado da curva de magnetização.
Nos casos normais de núcleos de motores, transformadores, indutores, reatores, etc.,
procura-se utilizar um ponto de trabalho na parte da curva de magnetização em que
esta é reta, para se ter uma certa tolerância de operação para cima e para baixo, e para
que um aumento de H corresponda a um aumento linear e diretamente proporcional a
B. Casos existem, porém, em que se trabalha com núcleos projetados mais próximos
do ponto de saturação, ou mesmo já na faixa de saturação, situação em que não se
deseja um aumento de B quando H (particularmente a corrente) sofre um aumento. É
o caso dos núcleos saturados ou semi-saturados.
Calculada a seção semi-transversal, temos de construir o núcleo, no presente caso,
usando a justaposição de lâminas. Essas lâminas de material ferromagnético de dada
composição, que estudaremos

mais

adiante, são

compostas

de material

ferromagnético, propriamente dito, e de um revestimento isolante. É claro que a
seção de material a ser colocada se refere unicamente à parte de material magnético
da chapa, sem o revestimento, se bem que este tem espessura bastante fina. Ocorre,
entretanto, que justapondo chapa com chapa, as irregularidades superficiais
existentes, apesar dos elevados esforços de compressão (compactação das lâminas)
que são aplicados, vão levar um seção real do núcleo laminados superior em
consideração, ao se calcular o carretel ou o suporte de uma bobina ou enrolamento,
bem como ao se determinar o comprimento de um fio que vai ser necessário para
construir o enrolamento. O numero real que representa a razão entre o numero de
chapas vezes sua espessura e o tamanho do núcleo, é o fator de empilhamento
mencionado no item 3.4.2 página 39.
A figura 24 indica este problema.
43

Figura 24 – Representação de núcleos laminados. In “Materiais Elétricos –
Isolantes e Magnéticos”, de Walfredo Schmidt, pág. 148.
A justaposição de um dado número de chapas, isoladas entre si, reconstruindo a
seção magnética necessária, é explicada pela necessidade de se levar a resistência á
circulação das correntes induzidas no núcleo, veja a figura 24c , as quais, através das
lâminas isoladas entre si, não podem circular com a facilidade existente em uma
seção contínua.
A redução das correntes parasitas, assim obtida, reduz o problema de aquecimento de
núcleo devido ás perdas Joule que apareceriam em suas seções transversais, sem
entretanto, prejudicar a circulação das linhas magnéticas, uma vez que o
comprimento da lâmina acompanha a direção de circulação da linha magnética.
As perdas, assim reduzidas, são ainda função da espessura da lâmina, quanto mais
fina a lâmina, menores serão as correntes parasitas, porque maior é a resistência
oferecida a sua passagem. Existe entretanto, um limite inferior mecânico e
econômico para essa espessura.
Quanto mais fina a lâmina, menor é a sua resistência mecânica, e, em núcleos de
grandes dimensões, teríamos problemas de montagem dos mesmos. Ainda, quanto
44
mais fina a lâmina, maior é o número de lâminas necessárias para se construir dado
núcleo, o que eleva a mão-de-obra necessária, tanto na estampagem de cada lâmina
quanto na sua montagem. Por estas razoes, chegou-se a uma faixa de espessuras
comerciais atualmente fornecida, que varia, em geral, entre valores de 0,3 a 1mm de
espessura. No caso de motores costuma-se usar como padrão 0,5mm.
Mas, a simples redução de perdas pela laminação, não é suficiente para levar o valor
das perdas a um nível desejado.. Outros processos de redução de perdas devem ser
aplicados ao núcleo laminado, uma vez que estas perdas sempre estão ocorrendo no
equipamento esteja este com ou sem carga.
Observe-se que a perda em um equipamento dotado de um núcleo magnético se
compõe principalmente das perdas Joule no condutor, que são função da corrente de
alimentação que circula: num equipamento sem carga (em vazio), essa corrente é
sensivelmente menor (e assim suas perdas) do que perante correntes normais ou
mesmo sobrecorrentes.
Entretanto, as perdas no núcleo aparecem no mesmo instante em que se estabelece o
campo magnético. Portanto as perdas magnéticas se apresentam continuamente,
bastando o equipamento estar ligado.
Por outro lado, essas perdas representam energia elétrica transformada em
magnética, que não realiza trabalho útil, por isso é considerada parda e deve ser
mantida com o mínimo valor possível. Outros métodos de redução de perdas serão
vistos a seguir
3.5.1. Composição adequada
Sobre a composição do material usado, serão ainda feitos estudos suplementares no
que segue. Por ora, cabe indicar que o material usado na fabricação de chapas é o
ferro com silício ou ferro silicioso, com um teor máximo de silício da ordem de 3%.
Porém existem tipos com teores mais baixos. Vamos analisar essa variação.
O silício é um ótimo isolante, de modo que quando acrescentado ao ferro eleva a
resistividade do material, reduzindo assim as correntes parasitas. O silício, porém,
endurece extremamente o material, dureza essa tanto maiôs quanto maior a
porcentagem de silício.
Portanto, para efeito de corte, é interessante manter a porcentagem de silício a mais
baixa possível.
45
Como existem outros recursos de redução de perdas, a tendência moderna, é manter
baixo o teor de silício e laças mão de diversos meios, que, combinadods, permitem
reduzir aas perdas ao nível desejado.
3.5.2. Tipos de Laminação
As chapas laminadas a frio apresentam anisotropia cristalina bem mais acentuada do
que as laminadas a quente.
Levada em consideração, essa anisotropia das chapas laminadas a frio leva a valores
mais baixos de perdas do que as perdas de chapas laminadas a quente. Deve-se,
porém, cuidar para se usar a chapa no sentido preferencial de laminação, onde o
valor de B é máximo.
Por essa razão, em todos os casos em que o campo magnético tem direção constante,
ou seja, em que o núcleo é fixo e o elemento indutor também (transformadores, por
exemplo) e onde as perdas devem ser baixas, se usa a chapa laminada a frio.
3.5.3 Orientação do Grão
Para o uso adequado da anisotropia cristalina, os domínios dos grãos devem estar
orientados todos no mesmo sentido. Portanto, a chapa já deve vir com essa
orientação, o que é obtido por métodos térmicos adequados. Essa orientação granular
leva, entretanto, a cuidados especiais quando do corte ou estampagem dos núcleos, a
partir da chapa completa, fornecida em forma plana ou em rolos. O cuidado é que,
quando do corte, devemos fazer coincidir a direção preferencial de magnetização
com a direção das linhas de campo. Caso contrário, o material apresentará,
desnecessariamente, perdas elevadas.
3.5.4. Recozimento
Conforme já mencionamos em 3.4.2., o corte das chapas deforma os cristais na seção
de corte. Essas deformações significam a mudança do eixo preferencial de
magnetização em relação ao resto do material. Assim, se aplicarmos um campo
magnético orientado no sentido da orientação dos grãos, de modo a fazer coincidir os
dois eixos com o de maior permeabilidade, a seção de corte não estará operando mas
melhores condições e, conseqüentemente,

apresentará perdas

elevadas,

e

inadmissíveis para os casos práticos. Para resolver este problema, procede-se um
tratamento térmico, a algumas centenas de graus centígrados, capaz de eliminar as
tensões internas de deformação e reconduzir os cristais á sua posição original (ou o
46
mais próximo desta). Assim procedendo, estaremos beneficiando o material e suas
características. Esse aquecimento, feito em fornos contínuos e apropriados, recebe o
nome de recozimento.
3.4.5. Corte a 45°
°
Vamos observar a figura 25. Os núcleos magnéticos podem ser de diversos tipos,
ditos em I, E, U e L. Se os núcleos forem montados com perfis do tipo L, notaremos
que parte das linhas magnéticas tem orientação coincidente com o eixo preferencial
de magnetização, e parte não. Nestas últimas, a parte horizontal, no caso da figura
68, terá perdas maiores do que as permissíveis.Tal problema se repete também, de
modo pouco diverso, na montagem de núcleos com perfis E ou em E e L, e de perfis
em U ou em U e I.

Figura 25 – Formas básicas de perfis de laminas de transformadores. In
“Materiais Elétricos – Isolantes e Magnéticos”, de Walfredo Schmidt, pág. 151.
47
Somente não acontece quando esse núcleo é montado com perfis em I, pois, nesse
caso, a própria posição do I acompanhará a direção do fluxo magnético. É necessário
entretanto, estampar esses perfis, de tal modo que o seu eixo maior seja coincidente
em direção com o eixo preferencial de magnetização. Veja a fig. 25 pág. 46.
O único problema que persiste é o da orientação das chapas e a direção do campo da
região das diagonais. Nestes ainda persiste a discrepância entre o Eixo Preferencial
de Magnetização – e.p.m., e a direção do campo magnético.
Uma solução para esse caso é o corte da chapa, nas extremidades, a 45° e não a 90°.
Nessas condições, a diferença entre a orientação do campo e o e.p.m. é sensivelmente
reduzida, com o que se reduzem também as perdas. Veja a figura 25 da pág. 46, que
explica o assunto.
3.5. Ferro e aço fundido para máquinas girantes
A forma mais barata é o tipo de ferro fundido normal composto de carbono e ferrita,
com uma taxa admissível de tração de 12 kgf/mm².
O carbono quimicamente ligado, por exemplo, na forma de perlita, eleva
sensivelmente o valor da força coercitiva, Hc, enquanto que o carbono livre tem
pouca influência. Pode-se obter a eliminação do carbono na forma de grafita, de dois
modos: elevando-se o teor de silício ou aplicando-se ao material um recozimento
mais longo, a cerca de 800-900° C, neste último caso, eliminando-se também,
simultaneamente, tensões mecânicas internas resultantes da fusão. Os valores médios
de indução se movem em torno de 0,60 a 0,90 Wb/m², com um valor máximo de
permeabilidade de 240. Mais dados na Tabela III.
Outra solução mais aconselhável é o ferro fundido temperado, que apresenta
melhores características mecânicas e magnéticas. Assim, a taxa admissível de tensão
é cerca de três vezes superior (30 a 40 kgf/mm²). O valor de Hc se reduz a ¼ com
uma média de 140 A/m, enquanto a indução se eleva a quase o dobro (veja a tabela
III).
Este ferro fundido, mais caro que os dois anteriores, consiste em uma solução
tecnicamente ainda melhor que quanto aos valores de indução e de taxa admissível
de tração, mantendo praticamente a ordem de grandeza da força coercitiva, Hc. Mais
dados na Tabela III.
48
Tabela III - Chapas de ferro silicioso e suas propriedades. In “Materiais
Elétricos – Isolantes e Magnéticos”, de Walfredo Schmidt, pág. 156.

3.5.1. Chapas de Ferro Silicioso
As chapas de ferro silicioso, que, ao contrário do material anterior, que é usado na
fundição de peças, é fornecido com produto de laminação, em chapas com espessura
de 0,30 a 2,0 mm, sendo bitolas acima de 1mm já considerados especiais. Chapas
especiais existem também com espessura de 0,03 mm com características altamente
favoráveis. A razão da montagem de elementos magnéticos através da justaposição
de chapas já foi justificado anteriormente, no estudo feito dos processos de redução
das correntes e das perdas parasitas. Como o próprio nome informa, as chapas de
ferro silicioso resultam de um acréscimo de silício ao ferro, pois graças às
propriedades isolantes do silício, obtem-se, assim, um material eletricamente
bastante resistente, o que reduz as perdas. Além disso, o acréscimo de silício permite
elevar o carbono e a quase total eliminação de oxigênio, o que eleva a
permeabilidade inicial, reduz a força coercitiva e reduz também as perdas por
histerese. O silício, entretanto, endurece o material, sobretudo acima de um
acréscimo de 4,5%, o que dificulta a sua estampagem. A laminação dessas chapas
pode ser feita de tal modo que se apresente com uma estrutura orientada,
49
paralelamente ao sentido da laminação, através de uma laminação adequada a frio
com tratamento térmico especial. Resulta, assim, a chapa laminada a frio de grão
orientado, que apresenta pêras bastante baixas quando usada segundo o eixo
preferencial de magnetização (e.p.m.). Este eixo deve ser particularmente respeitado
devido à elevada anisotropia desse tipo de chapa.
Além da chapa laminada a frio, encontra-se grande aplicação da chapa laminada a
quente, que se caracteriza por apresentar perdas mais elevadas que o tipo laminado a
frio, sem ter, porém, uma anisotropia tão acentuada. Se compararmos,
geneticamente, duas curvas de anisotropia desses materiais, teremos uma situação
como a representada na Figura 26.

Figura 26 – Curvas características dos aços laminados. In “Materiais Elétricos –
Isolantes e Magnéticos”, de Walfredo Schmidt, pág. 158.
A chapa laminada a quente, devido a sua característica anisotrópica, encontra
aplicação vantajosa em todos os casos em que os campos magnéticos não circulam
por núcleos de posição fixa, que é o caso típico de rotores de máquinas girantes.
Como nesse caso, mantida a orientação do campo, o núcleo se move, o uso de chapas
de elevada anisotropia – laminadas a frio - levaria a uma sensível elevação das
perdas devido à redução de permeabilidade em qualquer posição fora do eixo de
magnetização preferencial.
50
Existem infinitas posições não coincidentes entre o e.p.m. e a orientação do campo, o
que eleva as perdas. Assim, neste caso, a chapa laminada a quente, sem anisotropia
acentuada, resulta na melhor solução.
3.5.2 Dispersão magnética no estator e no rotor
A dispersão magnética que se manifesta, tanto no estator como no rotor de um motor
assíncrono, afeta o fator de potência e, por conseguinte, a possibilidade de sobrecarga
do mesmo. Por esta razão, a técnica de construção destes motores proporciona suas
partes, de forma a manter as ditas dispersões entre valores aceitáveis.
O cálculo do coeficiente de dispersão relativo a cada fase de um motor assíncrono é
laborioso e complexo, pois são muitos os fatores que o influenciam, como por
exemplo: formato dos canais, espessura do entreferro, número de pólos, estado de
saturação do circuito magnético, comprimento e formato das cabeças das bobinas e
outros fatores cujos efeitos são dificilmente determináveis.
A fim de dar-se uma idéia de como se processa a dispersão magnética, serão
examinados a seguir:
¬ Dispersão lateral, que consiste, conforme a figura 27, da fuga a do fluxo de
um pólo para outro nas extremidades da carcaça estatórica.
¬ Dispersão na cabeça das bobinas, consistindo, conforme a figura 27, do
conjunto de linhas de força b que se fecham em volta das cabeças das
bobinas.
¬ Dispersão nos canais, consistindo, conforme a figura 27, do conjunto de
linhas de força a que se fecham em volta de canais estatóricos.

Figura 27 – Dispersão nos canais. In “Máquinas de Corrente Alternada, de
Alfonso Martignoni, página 234”.
51
¬ A dispersão zigue-zague nos dentes estatórico-rotóricos, conforme a
figura 28, constituída pelo conjnto de linhas de força que se fecham
através dos dentes estatóricos, entreferro e dentes rotóricos percorrendoa
linha zigue-zague b.

Figura 28 – Dispersão nos dentes. In “Máquinas de Corrente Alternada, de
Alfonso Martignoni, página 234”.

Pelo exposto, torna-se evidente que a avaliação das dispersões magnéticas, do fator
de potência e da corrente de curto-circuito de um motor assíncrono só é possível ser
efetuada com o motor montado, através dos ensaios enumerados no item 3.4.4. pág.
41.
3.5.3 Perdas: Aquecimento e Rendimento
A potência nominal de um motor assíncrono é expressa em cavalos (CV), sendo
assim definida pela potência mecânica que o motor fornece em seu eixo. Para uma
determinada potência, o volume e o custo de um motor dependem da velocidade com
que esta potência é fornecida. Tal velocidade, é expressa em r.p.m., depende da
freqüência (f) da linha de alimentação e do número de pólos da máquina. A potência
elétrica aparente absorvida da linha, expressa em kVA, depende da potência
mecânica em CV, o rendimento e do fator de potência com que a máquina trabalha.
O rendimento depende das perdas, e o fator de potência das dispersões do circuito
elétrico do motor. Outros fatores importantes para identificar a estrutura e as
possibilidades do motor são: o tipo de conexão das fases estatóricas, a tensão de
alimentação e a elevação de temperatura que o motor alcança quando com carga
normal, o tipo de regime para o qual foi construído (contínuo ou intermitente) e, por
52
fim, a classe de isolamento que indica quais as elevações de temperatura que o motor
pode suportar.
A placa indicada na figura 28 (a) é a de identificação de um motor assíncrono
trifásico de 200 CV enquanto a da figura 28 (b) mostra como efetuar as ligações dos
bornes para se obterem as conexões das fases em triângulo ou em estrela.

Figura 29 – Placa de dados. In “Máquinas de Corrente Alternada, de Alfonso
Martignoni, página 236”.
As Perdas que se produzem no funcionamento do motor assíncrono são:
¬ perdas no ferro estator
¬ perdas superficiais do estator e do rotor
¬ perdas por efeito Joule no estator e no rotor
¬ perdas adicionais
¬ perdas mecânicas
Perdas no ferro: As Perdas no ferro do estator, que se compõe das perdas por
correntes parasitas e das perdas por histerese magnética. As Perdas no ferro do rotor
– Sendo a velocidade do rotor muito próxima do sincronismo, a frequência de
variação do fluxo do mesmo é muito pequena. Por esta razão, as perdas no ferro do
núcleo rotórico dos motores assíncronos são consideradas nulas.
Perdas Superficiais: As perdas superficiais do estator são produzidas pela variação do
fluxo que se produz na ponta dos dentes estatóricos por efeito da passagem, em sua
frente, dos dentes rotóricos. Se o rotor for de canais fechados, estas perdas são
desprezíveis. Se o rotor possuir canais abertos ou semi-fechados, as perdas
superficiais estatóricas podem ser consideradas como sendo iguais a 30% das perdas
53
que se verificam nos dentes do estator. As perdas superficiais do rotor são devidas à
variação do fluxo que se produz na superfície periférica rotórica por efeito da
passagem desta sob os dentes e rasgos estatóricos. Estas perdas podem ser
consideradas como sendo iguais a:
W = 1,5 x Perdas nos dentes estatóricos
Perdas por efeito Joule no estator e no rotor: As perdas por efeito Joule são as que se
verificam nos condutores estatóricos e rotóricos por efeito da passagem da corrente
elétrica.
Perdas adicionais: Além das perdas calculadas, conforme anteriormente foi indicado,
outras perdas verificam-se no decorrer do funcionamento da máquina, as quais são de
difícil avaliação. Tais perdas são as que se verificam nos parafusos de fixação dos
núcleos rotóricos e estatóricos, as que se verificam nos condutores de seção nas
curvas, etc.
A fim de avaliar globalmente estas perdas, as mesmas são consideradas como sendo
0,005 da potência elétrica aparentemente absorvida pelo motor.
Perdas mecânicas: As perdas mecânicas são das devidas aos atritos nos suportes e à
ventilação, por isso dependem do tipo de suportes, dos processos de lubrificação, dos
sistemas de ventilação e da velocidade de rotação do motor.

3.6 Estampagem de núcleos magnéticos em motores elétricos
Os núcleos magnéticos são constituídos do empilhamento chapas estampadas
ranhuradas do estator e do rotor. O material utilizado é a chapa tratada conforme
exposto no item 3.5 e item 3.5.1 nas paginas 47 e 48
O material a ser utilizado, a forma, dimensões, quantidade e disposição variam
conforme a especificação vista em 3.5.2 de motor para motor, ou seja, para cada
placa de dados com características diferentes temos estampagem diferente.
Para possibilitar este universo de chapas diferentes temos diversos tipos de
ferramentas diferentes, materiais diferentes entre outras possibilidades.
54
3.6.1 Materiais.
Os materiais básicos são:
¬ Ferro fundido laminado
¬ Aço doce (ferro fundido laminado com teor de carbono SAE-1020)
¬ Aço doce para fins elétricos (ferro fundido laminado à frio com teor de
carbono SAE-1020, com porcentagem mínima de silício que não altera
propriedades de abrasão do aço 1020)
¬ Aço silicioso (ferro fundido laminado à frio com teor de carbono SAE-1020,
com porcentagem controlada de silício conforme especificação de perdas)
Estes materiais podem ser fornecidos em rolos de 1020mm de largura, chapas de
1000 x 2000mm ou blank cortado (ver fig 30).

Fotografia gentilmente cedida por Equacional
Figura 30 – Blank
A opção do tipo de material ou a forma de recebimento é de acordo com o
maquinário a ser utilizado e projeto da maquina em si. Normalmente o material
recebido em rolo é utilizado em processo de estampagem onde as prensas tem
alimentador automático, porém antes de utilizar o rolo é necessário corta-lo em fitas
na largura equivalente ao diâmetro externo da chapa do estator. Como vantagem
podemos dizer que nesta forma de recebimento o custo de aquisição é mais baixo,
porém aumenta uma etapa no processo. A chapa de 2000 x 1000mm requer o mesmo
processo do rolo, porém sua utilização é indicada para processos sem alimentação
55
automática e o custo de aquisição é 15% do que o do rolo. Já adquirir o blank pronto
elimina ao corte da chapa e do rolo, além de minimizar as perdas de material, porém
ele é de aquisição mais cara (da ordem de 100% com relação ao rolo).
3.6.2 Maquinário.
Os mais utilizados são:
¬ Prensas excêntricas
¬ Prensas Hidráulicas
¬ Picotadeiras
¬ Guilhotinas
¬ Tesouras rotativas
¬ Alimentadores
3.6.3 Estampos.
São inúmeros tipos e a escolha vai de acordo com o projeto do motor e com a
quantidade de chapas a serem estampas. Por exemplo, para fabricar 100 motores com
pacotes de 100mm com chapa de 0,5mm, serão necessárias 20.000 chapas. As
figuras de 31 até 34 exemplificam alguns tipos:

Figura 31 - Estampo utilizado para cortes de discos, pólos, centro de arrasto.
Retirado do livro ”ESTAMPOS DE CORTE E NORMAS” de Aladar Hittig.
56

Figura 32 - Estampo utilizado para abrir ranhuras. Retirado do livro
” ESTAMPOS DE CORTE E NORMAS” de Aladar Hittig.
57

Figura 33 - Estampo de punção, utilizado para ranhuras de rotor, canais de
guia, furos, rasgos de chavetas. Retirado do livro ” ESTAMPOS DE CORTE E
NORMAS” de Aladar Hittig.

Fotografia gentilmente cedida por Equacional
Figura 34 – Estampo progressivo de rotor e estator.
58
3.6.4 Processo de Estampagem de chapas em discos para rotores e estatores de
máquinas rotativas.
3.6.4.1. Preparação da Máquina
¬ Limpar ferramentas e apoio da máquina;
¬ Montar o ferramental da máquina;
¬ Ajustar e fixar a ferramenta
3.6.4.2. Regulagem da Máquina
Os valores de golpes por minuto que a máquina trabalhará para estampagem devem
ser determinados pela tabela abaixo.
TABELA IV – Velocidade de estampagem (limites por inércia da chapa)

Gentilmente cedido por COSINOX
59
3.6.4.3. Estampagem do disco padrão
Fazer estampagem do Disco Padrão conforme especificado. A seqüência das figuras
de 35 até 37 exemplificam o processo:

Figura 35 – Blank com furo de centro e pino de arraste. Fotografia gentilmente
cedida por Equacional

Figura 36 – Esquema de Seqüência de estamparia. Esquema gentilmente cedido
por Cosinox
60

Figura 37 – Exemplo de disco cortado. Fotografia gentilmente cedida por
Equacional
3.6.4.4. Fazer o seguinte Controle dimensional.
Executar o Controle Dimensional na primeira chapa estampada e depois num
intervalo de 100 em 100 chapas. O nível máximo de aceitação de rebarba nesta fase é
de 0,050mm. Preencher Protocolo Dimensional conforme figura 38:

Figura 38 – Esquema de protocolo dimensional – Gentilmente cedido por
Cosinox.
61
3.6.4.5. Estampagem da Chapa do Estator
Estampar ranhuras e o diâmetro interno da Chapa do Estator. A seqüência das figuras
de 39 até 40, exemplificam o processo:

Figura 39 – Chapa ranhura do estator – Fotografia Gentilmente cedida por
Equacional
O empilhamento da sobra do seu diâmetro interno (que será utilizado para a
fabricação da Chapa do Rotor) deverá ser intercalado á 90 graus.

Figura 40 – Empilhamento das Sobras – Esquema gentilmente cedido por
Cosinox
Empilhar as Chapas do Estator tomando como referência o rasgo da chaveta que é
deslocado conforme projeto em n graus em relação a chaveta central (vide figura 7
pagina 21).
62
3.6.4.6. Controle Dimensional da chapa do estator:
Fazer o Controle em todas as medidas solicitadas no Protocolo Dimensional,
conforme fig. 41.

Figura 41 – Protocolo Dimensional – Esquema gentilmente cedido por Cosinox
Executar o Controle Dimensional na primeira chapa estampada e depois num
intervalo de 100 em 100 chapas.O nível máximo de aceitação para a rebarba nesta
fase será de 0,080 mm.
63
3.6.4.7. Estampagem da Chapa do Rotor
Estampar as chapas do rotor, a partir do disco interno do estator.

Figura 42 – Disco do rotor (sobra do estator, fig 39 página 61) – Fotografia
Gentilmente cedida por Equacional
3.6.4.8. Estampagem das Ranhuras
Conforme projeto. Ver figura 55 no capítulo 4, que mostra um projeto elétrico
esquemático e figura 56a que mostra a instrução de trabalho que definem a
estampagem abaixo figura 43:

Figura 43 – Chapa ranhura do estator – Fotografia Gentilmente cedida por
Equacional
3.6.4.9. Controle Dimensional das Ranhuras
Executar o Controle Dimensional na primeira chapa estampada e depois num
intervalo de 100 em 100 chapas.O nível máximo de aceitação de rebarba nesta fase é
de 0,080 mm.
3.6.4.10. Estampagem dos Furos de Ventilação:
Executado somente se solicitado pelo projeto.
64
3.6.4.11. Controle Dimensional dos Furos de Ventilação:
Variação máxima de 0,05 mm.Executar o controle dimensional na primeira chapa
estampada e depois num intervalo de 100 em 100 chapas. O nível de aceitação
máxima de rebarba nesta fase é de 0,080 mm
3.6.4.12. Estampagem do Diâmetro Interno do Rotor
Tomar um dente (ranhura) como referência e marcar com pincel atômico todo o
pacote empilhado.
3.6.4.13 Estampar o diâmetro interno, posicionando a chapa pelo dente, marcado
no pino guia da ferramenta.
3.6.4.14 Empilhar as chapas do rotor tomando como referência a marcação do
pincel atômico.
3.6.4.15. Controle Dimensional no Diâmetro Interno do Rotor
Preencher Protocolo Dimensional conforme figura:

Figura 44 – Protocolo Dimensional – Esquema gentilmente cedido por Cosinox
Executar o Controle Dimensional na primeira chapa estampada e depois num
intervalo de 100 em 100 chapas. O nível máximo de aceitação para rebarba nesta fase
é de 0,080 mm.
65
3.7 Montagem dos núcleos
A forma de execução mais comum de pacote de rotor é a indicada na figura 45. O
processo consiste empilhar as chapas estampadas do rotor sobre o eixo ou dispositivo
e prensar até atingir o fator de empilhamento e a dimensão correta e travar por meio
de anel elástico, anel roscado, encosto soldado, ou outro meio mecânico de trava.
Uma vez montado o núcleo o barramento pode ser introduzido por meio de injeção
de metal condutor ou barras de metal condutor.

Figura 45 – Núcleo de rotor montado sobre o eixo com barramento condutor. In
“Máquinas de Corrente Alternada, de Alfonso Martignoni, pág. 180, fig. 147”.

A montagem do estator pode ser feita de varias formas. Assim como o rotor O
processo consiste empilhar as chapas estampadas do estator diretamento dentro da
carcaça ou sobre dispositivo e prensar até atingir o fator de empilhamento e a
dimensão correta, quando o valor for obtido é necessário travar de forma permanente
A forma mais comum de execução é a prensagem em dispositivo e solda dos canais
externos do estator ou grapas de fixação e 2 discos de compressão (superior e
inferior). Também podemos montar com tirantes que passam por furos estampados
na chapa do estator, e parafusam bob pressão os discos de compressão (ver figura
46) ou finalmente como no exemplo do rotor montar sobre um encosto inferior na
66
carcaça e soldar o disco de compressão em um canal feito na carcaça conforme
fotografia da figura 47.

Figura 46 – Núcleo de estator montado com tirantes. In “Máquinas de Corrente
Alternada, de Alfonso Martignoni, pág. 181, fig. 148”.

Figura 47 – Chapa ranhura do estator – Fotografia Gentilmente cedida por
Equacional
67
4. ESTUDO DE CASO

4.1 Considerações Gerais
Conforme descrito ao longo do trabalho o nosso objetivo é estudar um processo
fabril e ver como Gestão da Qualidade pode ajudar a conhecer e estabelecer meios
organizados para a produção. A Garantia da Qualidade do Produto, do ponto de vista
de adequação às necessidades do cliente “aderência a especificação”, é um fator de
competitividade permanente e obrigatório. Seu estágio mais avançado só pode ser
conseguido com a inserção das necessidades dos clientes em todos os estágios que
vão do desenvolvimento à distribuição do produto. Partindo-se do pressuposto de que
a “qualidade está nos olhos do consumidor”, ou seja, de uma abordagem focada na
satisfação do Cliente, um produto de boa qualidade é aquele que melhor atende as
necessidades dos consumidores.
A utilização de forma organizada dos conceitos da qualidade principalmente no que
tange aos processos iniciais 7.1, 7.2 e 7.3 da ISO9001:2000 diminui o custo da não
qualidade (ver Fig. 48).
Custo do retrabalho nas etapas do processo x Item da Norma correspondente

Projeto/planejamento

7.1/7.2/7.3

Execução

7.4/7.5

Medição final

7.6/8.2

No cliente

A área de cada segmento da
Pirâmide representa o custo da
não qualidade

Figura 48 - Pirâmide do Custo
A organização utilizada como base do estudo de caso tem como missão a fabricação
e reparos de motores e geradores elétricos para aplicações específicas, além de
serviços especiais em máquinas normais padronizadas segundo ABNT e IEC.
Possuía na época deste trabalho uma experiência acumulada de mais de 29 anos em
projeto e construção de motores e geradores. A organização tem como principais
características a qualidade física e o pronto atendimento. Os produtos e serviços por
68
realizados aplicam-se às siderúrgicas, indústrias de cimento, papel, plástico, têxteis,
açucareira, equipamento e transporte além dos nossos tradicionais equipamentos para
ensaios de máquinas, tanto em indústrias como em escolas técnicas e de engenharia.
A capacidade de produção estende-se, hoje, normalmente até o tipo 710 ABNT/IEC
e em casos específicos já forneu tipos maiores com potências superiores a 4.000 kW.
Após analises em planos estratégicos e verificando a adequação da instalação fabril,
maquinário/equipamentos e treinamento de mão de obra especializado e
desenvolvimento de competências do pessoal, vemos que a empresa em questão tem
como principal foco a fabricação e reparos de motores de tração, Siderúrgicos AC e
DC e maquinas com carcaça IEC entre 400 e 710 em baixa e média tensão ( 220 Vca
até 13.200 Vca e 12 Vcc até 7.500 VCC ). É o mercado das chamadas máquinas de
médio porte.
4.2 Descrição da Organização.
4.2.1 Funcionários
-

Total: 73

-

Administração: 15

-

Produção: 48

-

N.º de engenheiros: 04 + 01 formando

-

Nº de técnicos: 05

-

Nº de funcionários com nível superior em outras áreas: 07

Figura 49 - Organograma
69
4.2.2 Instalações (ver fig. 50):
-

Terreno: 5.600 M2

-

Área construída tortal: 4.250 m2

-

Área Coberta:
o Almoxarifado: 240m2
o Produção: 3..550m2
o Laboratório: 110m2
o Escritórios: 350m2

-

Descoberta: Estocagem - 84 m2

-

Potência Instalada: 225 KVA

Figura 50 - Planta da empresa do estudo de caso
70
4.3. Processos de Gestão da Qualidade
4.3.1 Interação dos processos

Figura 51 – Interação dos processos
71

4.3.2. Fluxograma dos Processos Fundamentais no estudo de caso

Legenda

PROCESSOS DE GESTÃO

PROCESSOS DE VENDAS

PROCESSOS DE EXECUÇÃO

Figura 52a – Fluxograma parte A
72

Legenda

PROCESSOS DE GESTÃO

PROCESSOS DE VENDAS

PROCESSOS DE EXECUÇÃO

Figura 52b – Fluxograma parte B
73

Legenda:

PROCESSOS DE GESTÃO

PROCESSOS DE VENDAS

Figura 52c – Fluxograma parte C

PROCESSOS DE EXECUÇÃO
74
4.4 Recursos para realização do processo de estampagem
4.4.1. Materiais e Serviços adquiridos:
MATERIAL

FORNECEDORES

Aço Silício laminado em blank

Cosinox Ind. Com. Ltda.

Aço Silício laminado Rolo

Acesita.

Aço Silício laminado em chapa

Acesita

Aço SAE 1020

Açotubo, Roma

Não ferrosos

Termomecânica, Shock Metais

Componentes/serviço de usinagem Mecânica Catarinense, Testa
Ferramentas de Estampagem

Ferramentarias com eletroerosão

4.4.2. Humanos:
1. 01 Auxiliar de Estamparia I. Pessoa anteriormente contratada como Ajudante
Geral II ou III.Tempo de serviço de, no mínimo, 03 (três) anos, e 06 meses na
função.
2. 03 Auxiliares de Estamparia II. Pessoas anteriormente contratada como
Auxiliares de Estamparia II. 1º grau completo. Tempo de serviço de, no mínimo,
05 (cinco) anos.
3. 02 Prensistas I. Pessoas anteriormente contratadas em outras seções que
demonstraram capacidade para executar a função com sucesso. 2º grau completo,
tempo de serviço de, no mínimo, 03 (três) anos.
4. 01 Prensista II. Pessoa anteriormente contratada como Prensista I que passou de
função por experiência adquirida no exercício da função
5. 01 Prensista III: Pessoa antiga que passou de função por experiência adquirida no
exercício de função ao longo de 20 anos
Basicamente para este tipo de processo a habilitação do profissional é adotado
treinamento operacional (“ on the job”), pois a atividade de estamparia é uma
atividade extremamente prática (os mais habilitados serão os instrutores dos menos
habilitados).
4.4.3 Infra-estrutura
Instalações : 110 metros de área operacional
30 metros de área de guarda de matrizes de estamparua
50 metros de área de abrigo das picotadeiras
75
4.4.4 Máquinas/Ferramentas
ITEM

QUANT DISCRIMINAÇÃO

MARCA

MODELO

CAPACIDADE

.
01

01

PRENSA DUPLA

GUTMANN

MONTAGEM

150 T

02

03

PRENSA EXCENTRICA

GUTMANN

ESTAMPO

75 T

03

01

PRENSA EXCENTRICA

IND.MEC.JUNDIAÍ

ESTAMPO

150 T

04

01

TESOURA

MEC.GRÁFICA

ROTATIVA

1.12m/05-049

05

01

PRENSA PNEUMÁTICA

V&O

PICOTADEIRA

1.12m/50-120 m/s

06

01

PRENSA HIDRÁULICA

SCHULLER

PICOTADEIRA

1.12m/05-040 m/s

07

01

PRENSA HIDRÁULICA

MEC-RIO

PICOTADEIRA

1.12m/05-060 m/s

08

01

PRENSA EXCENTRICA DE MESA HFISCHER

PUNÇÃO

40 T

09

01

PRENSA EXCENTRICA DE MESA HFISCHER

PUNÇÃO

40 T

10

01

GUILHOTINA

NEWTON

5

CAP.3X1220MM

11

01

RETIFICA DE MESA

S/IDENTIFICAÇÃO

12

02

PICOTADEIRA DE MESA

S/IDENTIFICAÇÃO

13

18

MATRIZES DE POLOS

AJUSTAGEM INTER.

DIVERSOS

DIVERSAS

14

12

MATRIZES DE CENTRO/EIXO

AJUSTAGEM INTER.

DIVERSOS

DIVERSAS

15

12

MATRIZES DISCO

AJUSTAGEM INTER.

DIVERSOS

DIVERSAS

16

276

MATRIZES DE RANHURAS

AJUSTAGEM INTER.

DIVERSOS

DIVERSAS

17

16

MATRIZES DE RASGOS

AJUSTAGEM INTER.

DIVERSOS

DIVERSAS

5T

4.5. Processo de Estampagem
4.5.1. Localização do Processo de estamparia:
O processo de estampagem é um processo de Produção de Produto e Serviços,
conforme item 7.5 da Norma NBR ISO9001:2000. Abaixo vemos a estrutura dos
processos de produção (fig.53):

Figura 53 – Organograma da gerencia de produtos ou serviços
76
Ou seja, o processo de estampagem é um processo atrelado a gerencia de produtos ou
serviços, sob supervisão da produção do produto, que ocorre na seção de estamparia.
O processo de estampagem como escrito no parágrafo acima é parte integrante do
Item 7 da Norma ISO9000:2000, ou seja, faz parte da realização do Produto ou
serviço. O mesmo está representado no fluxo do processo, nas figuras 52b e 52c,
caixinha numero 22 até 26. Lá vemos as principais necessidades de atribuições e
responsabilidades.

Ou seja, neste processo existe necessidade de controle da

produção, identificação e rastreabilidade, preservação do produto, medição e
monitoramento do processo como relacionado baixo:
¬ Estabelecimento de processos produtivos
¬ Disponibilização de recursos de mão de obra
¬ Disponibilização de recursos de matéria prima, equipamentos e serviços
¬ Programação da produção
¬ Produção e fornecimento de serviços
¬ Medição e monitoramento de processos
¬ Medição e monitoramento de produtos e serviços
¬ Validação dos processos produtivos
¬ Validação do projeto (ensaios de tipo / especiais)
4.5.2. Processo de estampagem:
Controles
Procedimentos
Especificações

Entradas
Materiais
Informações

Processo
Planejamento
E
Organização

Recursos :
Pessoal
Equipamentos
Instalações

Figura 54 – Processo industrial padrão

Saídas
77
4.5.3 Entradas e Saídas do Processo de estampagem:
O Fluxo de informações:
1 – Identificar as necessidades dos clientes;
2 – Estabelecer o conceito do produto;
3 – Projetar o produto e o processo;
4 – Estabelecer os padrões e cronograma de fabricação;
5 – Fabricar e testar;
6 – Verificar a satisfação do Cliente;
7 – Estabelecer a padronização final; e
8 – Reflexão sobre o processo de desenvolvimento (validação do projeto).
Para a Primeira etapa e a Segunda etapa, que incorporam as necessidades de
identificação das necessidades do cliente e o conceito do produto, são etapas que
envolvem os itens 5.2, 7.1 e 7.2 da Norma ISO9000:2000. Nesta etapa é identificado
e analisado as necessidades do cliente, as condições estruturais para atender estas
necessidades. Aqui cria-se o conceito do produto, a forma de execução, custo
estimado de produção, preço de venda, materiais a serem utilizados entre outros. Para
exemplificar podemos mostrar um caso. O mercado necessita e está cotando um
motor de características especiais devido a aplicação em transportador de chapas de
laminador, com 3Kgfm, sem ventilação, 0-1800 RPM, 440 Vca, classe de
temperatura H (∆t=155 graus celsius), montagem horizontal com flange,
acoplamento por pinhão e cremalheira, altura da ponta de eixo IEC 112.
Em uma primeira etapa, o Projeto, a Direção da Empresa e o Departamento
Comercial irão fazer uma análise de Viabilidade e preço para compor uma oferta.
Isto feito é enviada a oferta para fornecimento. Uma vez aprovada a oferta é
elaborado o projeto de execução onde serão definidas as necessidades para a
realização do produto, que anteriormente mostrou-se viável economicamente e
inserido dentro da capacidade de infra-estrutura e ambiente de trabalho. O processo
de estamparia é definido através do projeto elétrico. A tabela V, corresponde as
atividades de desenvolvimento mostradas na figura 51 da pagina 69. O ponto em
questão na tabela citada anteriormente mostra esta inter-relação de entradas do
projeto para a realização do produto. Na primeira divisão vemos claramente como o
projeto afeta a identificação das necessidades dos clientes e como se estabelece o
conceito do produto.
78
TABELA V – Indicadores e Objetivos do processo de Desenvolvimento.
FORNECEDORES

ÁREAS
ENTRADAS

PROCESSOS

(R)-Responsável

SAÍDAS

CLIENTES

INDICADORES

METAS

---

---

---

---

Cliente e
Depto.
Técnico de
Vendas
(comercial)

Prazo para
elaboração do
pré-projeto

No
máximo
X Horas

Gerência de
Produtos e
Serviços

Prazo para
elaboração do
projeto

No
máximo
X Dias

(E)-Envolvidas
---

---

Dados de itens já
fornecidos
Cliente,
Dpto.
Técnico de
Vendas,
Projetos e
Direção

Informações
técnicas para
especificação de
produtos e
serviços

DESENVO
L V I M E N T --O

Características
técnicas
preliminares
Especificações
PRÉ-PROJETO
(R) Ger. De
por similaridade
PARA
Produtos e Serviços
OFERTA
Previsão dos
(E) Projetos
prazos de
- 7.1 fornecimento

Política comercial

Previsão dos
recursos
necessários
Desenhos
dimensionais

Escopo do
fornecimento

Desenhos de
conjunto

Contrato com o
cliente

Desenho de partes
e peças

Pedido interno
Cliente,
Dpto.
Técnico de
Vendas, e
Projetos

Especificações
por similaridade
Proposta técnica
Características
técnicas
preliminares

PROJETO
DETALHADO
PARA
(R) Projetos
EXECUÇÃO

Lista de materiais

- 7.3 -

Planos de
controle

Especificações
para compras

Requisitos para
ensaios de tipo
e/ou ensaios
especiais

Registros de
resultados de
desempenho --->
(dados de itens já
fornecidos)

(dados de itens já
fornecidos)

Desenhos
dimensionais
Desenhos de
conjunto

Projetos

VERIFICAÇÃ
Desenho de partes
O DO
e peças
PROJETO
(R) Projetos
Lista de materiais

- 7.6 -

Especificações
para compras

Produto
desenvolvido com
documentos
Produtos e
técnicos
Sala de
devidamente
Provas
aprovados -->
(dados de itens já
fornecidos)

Percentual do nr.
de projetos com
problemas com
No
relação ao nr. de máximo
projetos
X%
realizados ate a
data de avaliação

Planos de
controle

PROCESSOS DE

PROCESSOS DE

PROCESSOS DE

DESENVOLVIMENTO

GESTÃO

VENDAS

PROCESSOS DE
EXECUÇÃO
79
Finda a primeira e segunda etapas, iniciamos a terceira etapa e quarta etapas de
projetar o produto e o processo e estabelecer os padrões e cronograma de fabricação.
Nos capítulos anteriores tivemos a preocupação de ilustrar claramente a importância
do material e processo no que concerne custo e dimensionamento da máquina.
Função esta preponderante em qualquer tipo de produto ou serviço, pois neste ponto
temos o principal meio de atingir ou não as necessidades do cliente interno ou
externo, ou seja, aqui é onde faremos a base para podermos materializar a
especificação do cliente ou ser “aderente a especificação”. Não é nossa pretensão
ensinar a projetar motores portanto a figura 55 da pagina 79 mostra o projeto elétrico
do produto pronto. Abaixo dos campos ESTATOR e ROTOR vemos claramente o
perfil das ranhuras e nos campos citados o diâmetro e comprimento das chapas,
assim como os canais de ventilação que porventura existirem no núcleo magnético.
Podemos explorar algo interessante na figura supra citada, no campo escovas vemos
claramente uma observação que corresponde a validação de projeto, lá observamos
que o documento foi validado com modificação após ensaios em 09 de maio de 2003,
o que corresponde dizer que o produto foi desenvolvido com documentos técnicos
devidamente aprovados e validados e estes dados passam ser dados de itens já
fornecidos.
Retomando o assunto, a etapa consiste em projetar o produto e o processo e
estabelecer os padrões e cronograma de fabricação. Definido claramente a
especificação técnica do produto a ser fornecido e exaurida as etapas de
“ clareamento” das necessidades do cliente, inicia-se o processo de projeto elétrico e
mecânico do produto. O projeto elétrico irá determinar toda a necessidade do núcleo
magnético, tipo, quantidade, perfis, ferramentas a serem utilizadas, entre outras
características técnicas de desempenho, normas e requisitos do cliente. Retomando, o
projeto vai indicar as necessidades de estampagem para garantir a aderência a
especificação original. Lembramos aqui o exemplo
Dentre os documentos gerados no projeto que afetam diretamente o processo de
estamparia como demonstrado anteriormente, encontra-se o projeto elétrico:
80

Figura 55 – Folha esquemática de projeto elétrico – Gentilmente cedida por
Equacional
81
Estabelecido o projeto elétrico procede-se a confecção da instrução de trabalho. As
figuras 56a e 56 b na página 81 mostram a ficha de estamparia (figura 56a mostra a
frente da instrução e Figura 56b o verso), que a instrução de trabalho e/ou o padrão a
ser utilizado. Novamente apresentaremos a instrução pronta:

Figura 56 a – Folha esquemática de instrução de estamparia – Gentilmente
cedida por Equacional
82

Figura 56 b – Folha esquemática de instrução de estamparia, montagem de
rotor – Gentilmente cedida por Equacional
83
Uma vez estabelecidos os padrões de fabricação é estabelecido o cronograma de
fabricação. A tabela VI mostra o cronograma de fabricação.
TABELA VI – Tabela do cronograma Gant de Fabricação.
84
Esta tabela merece algumas considerações. Como podemos observar na mesma o
conhecimento do processo e dos recursos disponíveis (humanos, máquinas e
equipamentos) é fundamental para planejar e viabilizar os processos. Analisando
com profundidade a tabela fica claro como deve ser o exercício da função de
gerente de produção. Nela vemos que o cargo exige prover recursos para
assegurar, manter e melhorar os processos planejados e garantir através de
controles e dos recursos disponibilizados que o produto ou serviço esta sendo
realizado conforme planejado.
A quinta etapa é o processo de fabricação ou execução. Que é feita conforme
instruções de trabalho, planejamento, medição e monitoramento, ou seja, é a
aplicação da instrução de trabalho a seqüência descrita:
a) Material :
¬ O tipo do material é definido em projeto.
¬ É verificada a existência em estoque de sobras. O material em estoque de
sobras é identificado segundo lote de origem, com as características de
aquisição. A forma de estocagem é simples sem requisitos especiais.
¬ No caso de necessidade de compra é verificada a forma de aquisição de
material que é definida por:
custo real por kilo = custo de aquisição por kilo + custo m.d.o por kilo
perdas
¬ Feita a aquisição do material conforme especificação e verificado o mesmo
no recebimento, ele é encaminhado para utilização.
b) Preparação das Máquinas (prensa 8 estator, prensa 5 rotor e prensa 14)
¬ Limpar ferramentas e apoio da máquina;
¬ Montar o ferramental da máquina;
¬ Ajustar e fixar a ferramenta
c) Regulagem da Máquina
¬ Os valores de golpes por minuto que a máquina trabalhará para estampagem
devem ser determinados conforme tabela IV – Velocidade de estampagem
(limites por inércia da chapa), página 48. Da ficha de estamparia retiramos o
85
diâmetro externo de 182mm e 36 canais para o estator, o que resulta em um
ajuste máximo de 500 golpes por minuto para a prensa 8. Da mesma ficha
tiramos diâmetro externo de 115mm e 28 canais para o rotor na prensa 5, o
que resulta no mesmo valor da em um ajuste máximo de 500 golpes por
minuto.
c) Estampagem do disco padrão
¬ Neste caso o disco padrão de 182mm foi cortado na tesoura rotativa por ser
um diâmetro fora do padrão do motor 112, que é 179,2mm
d) Controle dimensional do disco.
¬ A margem de tolerância neste caso é medida aberta, pois o núcleo é retificado
posteriormente. Na ficha de estamparia não consta precisão de medida,
portanto o disco pode ser checado com paquímetro.
e) Estampagem da Chapa do Estator
¬ A chapa do estator foi estampada a partir do disco, já com os canais de solda
e chaveta aberto no perímetro externo.
¬ Foi utilizada a máquina 8 com a ferramenta 105.
¬ O empilhamento da sobra do seu diâmetro interno (que será utilizado para a
fabricação da Chapa do Rotor) foi intercalado á 90 graus, para evitar que
eventuais deformidades concentrem-se no mesmo ponto.
¬ As Chapas do Estator foram empilhadas em dispositivo tomando como
referência o rasgo da chaveta que é deslocado conforme projeto em 16graus
Max e 14 graus Min graus em relação a chaveta central (vide figura 7 pagina
21 e ficha de estamparia - fig.56 a pág80).
f) Controle Dimensional:
¬ Foi executado o Controle Dimensional na primeira chapa estampada e depois
num intervalo de 100 em 100 chapas.O nível máximo de aceitação para a
rebarba nesta fase é de 0,080 mm.
¬ Não houve necessidade de afiar a ferramenta durante o processo onde foram
estampadas 3240 peças (116.640 golpes).
86
Observação: Vale a pena verificar se um intervalo maior para controle de
rebarba, pois no momento em que se controla a rebarba para o processo, uma
vez que o operador da máquina exerce auto - controle. Neste caso tivemos 388
interrupções do processo, quando na realidade não seria necessária nenhuma
parada apesar de estar sendo utilizada uma ferramenta antiga. Seria bastante
interessante rever o processo de controle no que tange a freqüência de
verificação.
g) Estampagem das Ranhuras do rotor
¬ Estampagem das ranhuras nas chapas do rotor, a partir dos discos internos
que sobraram do diâmetro interno do estator e foram empilhados intercalados
á 90 graus, para evitar que eventuais deformidades concentrem-se no mesmo
ponto. Os discos foram estampados com 28 canais pela ferramenta 506 na
máquina 5 diâmetro bruto de 115,5mm.
h) Controle Dimensional das Ranhuras
¬ Executado o Controle Dimensional na primeira chapa estampada e depois
num intervalo de 100 em 100 chapas. O nível máximo de aceitação de
rebarba nesta fase é de 0,080 mm.
¬ Como no processo de estampagem do estator não houve necessidade de afiar
a ferramenta durante o processo onde foram estampadas 38.880 peças
reforçando a observação de melhoria feita no item f. Aqui cabe mencionar
que a ferramenta era relativamente nova tendo sido usada somente uma única
outra vez em 540 chapas (o que equivale dizer 15.120 golpes). As
ferramentas antes do inicio de um novo trabalho são afiadas.
i) Estampagem dos Furos de Ventilação e Controle Dimensional dos Furos de
Ventilação:
¬ No produto acompanhado durante este estudo de caso não foram feitos os
furos de ventilação. Normalmente eles são estampas em processo similar ao
das ranhuras.
¬ A Variação máxima permitida de deslocamento é de 0,05 mm. A execução do
controle dimensional é feita na primeira chapa estampada e depois num
intervalo de 100 em 100 chapas. O nível de aceitação máxima de rebarba
nesta fase é de 0,080 mm
87
j) Estampagem do Diâmetro Interno do Rotor
¬ Estampar o diâmetro interno, posicionando a chapa pelo dente, marcado no
pino guia da ferramenta.
¬ Empilhar as chapas do rotor tomando como referência a marcação do pincel
atômico e o rasgo de chaveta.
¬ É executado o Controle Dimensional na primeira chapa estampada e depois
num intervalo de 100 em 100 chapas. O nível máximo de aceitação para
rebarba nesta fase é de 0,080 mm.
K) Montagem dos núcleos
¬ A montagem dos núcleos é feita da prensagem e travamento das chapas
estampadas. A conformidade das chapas é determinaram a qualidade do
núcleo. Chapas com problemas de dimensionais ou de rebarba, criam
dificuldades na montagem e regularidade do núcleo montado. Um núcleo
com problemas dimensionais tem que ser retificado, o que é um retrabalho.

Finda a Quinta parte do processo que é a execução propriamente dita do produto ou
serviço chegou à hora de verificar a satisfação do Cliente; lembramos que um erro no
núcleo causa perda total do mesmo seja ele núcleo do estator ou núcleo do rotor.
Defeitos do núcleo não observados além da perda dos mesmos pode causar perda do
enrolamento.
Cabe lembrar que os dois núcleos juntos são a parte de maior valor agregado em
material e mão de obra no custo do motor elétrico e o enrolamento a segunda maior
parte em valor, os dois juntos representam 80% do custo do motor elétrico de
indução.
O cliente direto do processo de estamparia é o enrolamento, porém dentro dos
conceitos de Stack Holders (partes interessadas) a clientela estende-se à acionistas,
gerencias envolvidas, cliente externo, fornecedores, governo e sociedade como um
todo. A satisfação do cliente esta nos indicadores de percentual de reclamações e de
não conformidades em relação ao numero de ordens de serviço executadas. Neste
caso a não conformidade sempre exige retrabalho. No grau mais leve usinando ou
limando os núcleos podemos recuperar os mesmos, no grau mais acentuado. No
88
ponto de vista de controle de processos, podemos dizer que o processo de
estampagem é um dos processos que alimenta a matriz de objetivos e processos no
que se refere ao processo de execução ( ver tabela VII) :
TABELA VII – MATRIZ DE OBJETIVOS E PROCESSOS
PROCESSO
S

SUB PROCESSOS ou ÁREAS
ENVOLVIDAS
ATIVIDADES
1)

Estabelecimento de
processos
produtivos

2)

Disponibilização de
recursos de mão de
obra

3)

Disponibilização de
recursos de matéria
prima,
equipamentos e
serviços

INDICADORES

4)

Programação da
produção

5)

Produção e
fornecimento de
serviços

6)

Medição e
monitoramento de
processos
Medição e
monitoramento de
produtos e serviços
Validação dos
processos
produtivos
Validação do projeto
(ensaios de tipo /
especiais)

EXECUÇÃO

7)
8)
9)

Notificações
decorrentes de
mão de obra
GER. PROD. SERV.
5%
PRODUTOS
30%
SERVIÇOS
30%
RH
5%
COMPRAS
5%
CONTROLE FINAL
15%
PROJETOS
10%

Notificações
decorrentes de
aquisições
(matéria-prima e
serviços)

METAS

No máximo X nãoconformidades a
cada 3 meses, em
Produtos

No máximo X nãoconformidades a
cada 3 meses, em
Serviços

No máximo X nãoconformidades a
cada 3 meses

Notificação de
processos

No máximo X nãoconformidades a
cada 3 meses

Notificação de
produtos ou
serviços

No máximo X nãoconformidades a
cada 3 meses

PROCESSOS DE

PROCESSOS DE

PROCESSOS DE

PROCESSOS DE

DESENVOLVIMENTO

GESTÃO

VENDAS

EXECUÇÃO

Para analisar a satisfação do cliente foi feita uma pesquisa de opinião junto ao
primeiro usuário (a própria estamparia) e com o enrolamento e também uma
auditoria da qualidade que além de auditar o item 7.5 da Norma ISO9000:2000
relativo à produção e fornecimento de produtos e serviços, controle de produção e
fornecimento de serviço, validação dos processos de produção e fornecimento de
serviço e identificação e rastreabilidade, verificamos os recursos humanos, infra
89
estrutura e ambiente de trabalho, os registros da qualidade e não conformidades,
ações corretivas e preventivas.
Como resultado da pesquisa de satisfação o resultado encontrado foi bom, porém
houve reclamação sobre a conformação das ranhuras, ou seja, as chapas não ficam
perfeitamente acamadas e as ranhuras formadas apresentam rebarbas. Como
melhoria é necessário mudança no processo com utilização de dispositivos auxiliares
aos guias de carcaça e rotor. Outra sugestão observada como relevante na pesquisa,
na utilização de chapas em tiras no lugar de blanks e proteção mecânica na forma de
anteparo na alimentação das presas excêntricas.
Já a auditoria da qualidade pegou algumas não conformidades e verificou algumas
dificuldades. As não conformidades estavam na identificação, rastreabilidade das
sobras, não registro de todas não conformidades ocorridas onde pudemos notar
alguns problemas de não entendimento do sistema de gestão, principalmente no que
se refere aos registros da qualidade e uma enorme refração a escrever. A sensação
nítida é que o nível operacional aceita e acredita no sistema de qualidade, porém
teme o mesmo e também “tem medo de lápis” (não gosta de registrar por medo das
conseqüências o que denota autoritarismo nas chefias), falta de área de segregação
entre produto acabado e sobras. Quanto a sugestão de melhorias esta na organização,
limpeza, mais treinamento para conhecimento dos conceitos de não conformidade e
ações corretivas e preventivas, identificação das sobras, melhor acondicionamento de
produto acabado, melhoria de segurança no trabalho, mudança de EPI de proteção
das mãos e melhoria da liderança para os conceitos e cumprimento do Sistema de
Gestão da Qualidade.

Uma vez finda a sexta etapa vamos estabelecer a padronização final. A padronização
final esta relacionada a meta dos indicadores, ou seja, uma vez definidos os
processos e feito um monitoramento das não conformidades, podemos dizer que o
processo esta padronizado quando atingimos patamares estáveis dentro das metas
pré-estabelecidas, ou seja, realimenta a matriz de objetivos e indicadores da
Qualidade em seu item (Ver tabela VIII).
90
TABELA VIII – Matriz de Objetivos da Qualidade x Indicadores
OBJETIVOS DA QUALIDADE

INDICADORES

METAS
Plena adequação até 2004
conforme cronograma
interno
No máximo3 , ser notificado
com observações a cada
auditoria

•

Prover e monitorar as estratégias
empresariais (3)

Instalações

•

Monitorar o sistema da qualidade
implementado (4)

Notificações decorrentes de
auditorias da qualidade

•

Incentivar e promover melhorias
contínuas (5)

Atividades de melhoria

No mínimo 1 a cada mês

•

Alcançar os resultados
economicos e financeiros
estabelacidos (3)

Faturamento

R$ 6,6 M para 2003

Margem líquida

10 % para 2003

Notificações decorrentes de
projetos

No máximo 3 nãoconformidades cada 3
meses

•

•
•

Desenvolver a atividade de
projeto buscando o cumprimento
de especificações técnicas e
adequação na utilização dos
produtos (1)
Assegurar que as necessidades
dos clientes sejam atendidas (1)

Notificações externas (devoluções,
reclamações, garantia)
Margem líquida

Redução de no mínimo 10
%
10 % para 2003
No mínimo 90 % dos
pedidos entregues dentro
do prazo contratual
No máximo 10 nãoconformidades a cada 3
meses, em Produtos
No máximo 15 nãoconformidades a cada 3
meses, em Serviços

•

Administrar de maneira eficaz os
pedidos dos clientes (1)

Prazos

•

Disponibilizar os recursos de
mão de obra com as
competências necessárias para
as atividades diretamente
relacionadas com a qualidade (2)

Notificações decorrentes de mão
de obra

Disponibilizar os recursos
materiais buscando as melhores
condições técnicas e comerciais

Notificações decorrentes de
aquisições
(matéria-prima e serviços)

No máximo 3 nãoconformidades a cada 3
meses

Executar os produtos e serviços
dentro dos padrões estabelecidos

Notificação de processos

No máximo 6 nãoconformidades a cada 3
meses

Monitorar as características de
controle dos produtos e serviços

Notificação de produtos ou serviços

No máximo 9 nãoconformidades a cada 3
meses

•

(1)

•

(1)

•

(4)

PROCESSOS DE

PROCESSOS DE

PROCESSOS DE

DESENVOLVIMENTO

GESTÃO

VENDAS

PROCESSOS DE
EXECUÇÃO

No processo de validação do projeto (Reflexão sobre o processo de
desenvolvimento), verificamos se as especificações técnicas foram cumpridas de
maneira eficaz, porém quando é feita a validação do projeto também é feita uma
análise critica da eficiência dos processos em questão, ou seja, se além de atender a
especificação é verificado a possibilidade de melhoria em termos de preço, prazo,
qualidade, atendimento e segurança de operação (confiabilidade).
91
5. CONCLUSÃO

É fundamental para um processo de produção de produto ou serviço o Planejamento
da Qualidade como um todo. Como vimos no estudo de caso Oito etapas
fundamentais ocorrem para estabelecer um processo de realização do produto, por
mais simples que possa parecer, Estas etapas são:
1 – Identificar as necessidades dos clientes;
2 – Estabelecer o conceito do produto;
3 – Projetar o produto e o processo;
4 – Estabelecer os padrões e cronograma de fabricação;
5 – Fabricar e testar;
6 – Verificar a satisfação do Cliente;
7 – Estabelecer a padronização final; e
8 – Reflexão sobre o processo de desenvolvimento (validação do projeto).

Figura 57 – Ciclo PDCA do planejamento da qualidade
Elas podem ser indicadas e dispostas na forma do ciclo PDCA (Fig.57). O quadrante
P refere-se ao planejamento das metas a serem alcançadas no processo de
desenvolvimento do produto (Cheng,1996).
92
As metas de uma empresa para um determinado produto, por exemplo: qualidade,
custo, tecnologia, confiabilidade, são provenientes, normalmente, do Plano de
Estratégico desta empresa. O P do planejamento compreende as etapas de 1 a 4. A
execução do planejado no quadrante D é a etapa 5. A verificação do quadrante C
consiste em avaliar se o novo processo proposto no quadrante P foi cumprido pelo
quadrante D, que é a certificação da satisfação do cliente, através, por exemplo, de
uma pesquisa de mercado ou mesmo aceitação do produto pelos consumidores, etapa
6. É provável que a verificação final só possa ser obtido após o lançamento do
produto e isto pode levar meses ou até alguns anos. O quadrante A consiste em
adotar os padrões propostos em caso de sucesso ou buscar as alterações necessárias,
prevenir a recorrência de anomalias, “ repadronizar” o conjunto de procedimentos
gerenciais e técnicos finais do novo processo, para que se possa iniciar a fabricação
em massa/série, etapa 7. Complementando todo o processo, faz-se a reflexão sobre o
planejamento da qualidade, etapa 8.
Na realização do produto algumas das conseqüências da ingerência do planejamento
da qualidade mais comumente conhecidas são, por exemplo, o alto número de
mudanças de projeto,

perda dos prazos, alto custo de fabricação devido ao

retrabalho, grande possibilidade de não-atendimento das necessidades dos clientes
por dificuldades de infra estrutura e condições de trabalho, procedimentos
exagerados ou deficientes, entre outras. Desta forma, é de suma importância o
planejamento da qualidade visando a realização do produto e do serviço que, agora,
é orientado pelo mercado como vimos na introdução deste trabalho. Visando este
conceito, o Sistema de Gestão da Qualidade se torna uma ferramenta essencial para o
gerenciamento como um todo. De forma sistemática, o Sistema da Qualidade
operacionaliza o planejamento, lidando com informação e trabalho humano dos
processos envolvidos e como vimos no estudo de caso ele contribui aperfeiçoamento
do produto através dos registros da qualidade que proporcionam através de análise
crítica a melhoria continuada do processo e do produto. A busca por atingir o cliente
de maneira eficiente deve ser planejada e bem detalhada e trabalhada por toda a
empresa.
Durante o capitulo 3 e o Estudo de Caso pudemos observar que grande parte das
etapas de um processos da realização do produto acontecem em cascata, ou seja, em
uma seqüência em série, portanto o fluxo é continuo e quanto mais no fim do
93
processo ocorre a não conformidade maior o custo. A utilização de um sistema de
gestão da Garantia de Qualidade ou os conceitos do mesmo aplicado à produção do
Produto, do ponto de vista de adequação às necessidades do cliente “aderência à
especificação”, torna assim um fator de competitividade permanente e obrigatório
uma vez que todo processo está voltado para atingir a satisfação do cliente, que é
quem compra e consome os produtos internos ou externos (quem paga, portanto
quem gera receita). Seu estágio mais avançado consegue a visão e a inserção das
necessidades dos clientes em todos os estágios. Simplificando, isso exige um esforço
em inovação e melhoria contínua, bem como uma maior atenção para as etapas
iniciadoras como o marketing e o projeto do produto, e finalizadoras, como a
logística e a distribuição. Partindo-se do pressuposto de que a “qualidade está nos
olhos do consumidor”, ou seja, de uma abordagem focada na satisfação do Cliente,
um produto de boa qualidade é aquele que melhor atende as necessidades dos
consumidores.
Durante o capítulo 3, pudemos entender a necessidade de conhecer o produto, para
desenvolver os processos adequados, tanto de fabricação ou serviços, como os de
Gestão da Qualidade. Não basta conhecer sistemas de gestão é necessário entender
como funciona a Empresa e o produto para estabelecer as necessidades de fluxo de
fluxo de processos e aplicabilidade e profundidade do sistema de gestão.
No capítulo 4 focamos os processos de gestão e sua interação na realização do
produto, focando exclusivamente o processo de estampagem. Durante a parte final do
estudo de caso quando realizamos uma auditoria da qualidade e uma pesquisa de
satisfação com o principal usuário do sob produto da estampagem, que era o próprio
setor de estampagem na confecção do núcleo e o enrolamento usuário de núcleo,
pudemos notar alguns problemas de não entendimento do sistema de gestão,
principalmente no que se refere aos registros da qualidade e uma enorme refração a
escrever. A sensação nítida é que o nível operacional aceita e acredita no sistema de
qualidade, porém teme o mesmo e também “tem medo de lápis” (não gosta de
registrar). As chefias são um pouco refratárias ao uso das ferramentas da qualidade,
ainda podemos notar nas chefias um receio de que o sistema da qualidade aumenta a
quantidade de serviço e o benefício obtido pode ser de uso da alta direção e as vezes
comprometedor (sob o ponto de vista do chefe antiquado). Esta postura é difícil de
compreender, os principais interessados em ter os processos controlados e
94
melhorados ao longo do tempo são os próprios gestores, mas ao mesmo tempo eles
são céticos quanto ao uso de controles que não tenham um caráter típico de controle
de qualidade. É deles que procuramos o apoio para a força do exemplo e
identificação das necessidades, porém ao mesmo tempo são os mais refratários. E um
grande paradigma a ser quebrado, pois um sistema da qualidade interfere em todas as
atividades dentro de uma organização. Portanto, para obter sucesso e sua manutenção
é necessário o engajamento de todos os colaboradores. Dirigir uma empresa, manter
seus valores e obter avanços e melhorias é um processo contínuo de mudança
comportamental e cultural e, portanto, é baseado em eterna atualização em educação
e treinamento, ou seja, é necessário estar sempre atualizando e desenvolvendo
habilidades, conhecimento e competências.
Para não fugir do assunto, nunca é tarde para relembrar que a implantação de um
Sistema da Qualidade interfere em todas as atividades dentro de uma organização.
Portanto, para obter sucesso é necessário o engajamento de todos os seus
colaboradores, enfocando o comportamento adequado perante a Organização. A
implantação de um programa de qualidade é um processo de aprendizado e, portanto,
não deve ter regras muito rígidas, mas deve estar adaptada às necessidades, usos e
costumes da empresa. Um programa de qualidade deve ser visto como o
aperfeiçoamento do gerenciamento já existente. Com a implantação de um Sistema
de Gestão da Qualidade podemos entender as mesmas definições, porém com maior
rigidez e menor maleabilidade, pois o Sistema da Qualidade deve consolidar a
afirmação e os princípios da organização, eliminar a multiplicidade de origens
culturais criando uma uniformização/padronização comportamental, pode ser
entendido como medida de organização e disciplina de trabalho, como inspiração
para manter padrões elevados de planejamento, execução, medição e monitoramento
e analise critica, como instrumento de padronização, disciplina e organização com
normas e procedimentos, como orientação para tomadas de decisões dos níveis
gerenciais, como manual de postura e apresentação ante as partes interessadas e
principalmente como definição e proteção da cultura empresarial e seus valores. No
entanto, alguns pontos básicos devem ser seguidos:
•

O Sistema deve ser implantado pela linha de cima para baixo ("top-down").
Esta implantação deve ser coordenada pelo “Comitê da Qualidade”, funciona
pela força do exemplo, adequação, persistência e dedicação;
95
•

A implantação do Sistema da Qualidade é de responsabilidade indelegável da
Alta direção da empresa. Se ele não perceber a necessidade do e o significado
do sistema de gestão da qualidade sua implantação é impossível. Não adianta
criar um "departamento de qualidade" ou nomear um diretor como
"responsável" pelo programa. A implantação de um sistema da qualidade
interfere em todas as atividades dentro de uma organização. Portanto, para
obter sucesso é necessário o engajamento de todos os seus colaboradores e
como afirmado no parágrafo anterior pela atitude da força do exemplo do
maior grau da empresa.

•

A implantação é um processo de mudança comportamental e cultural e,
portanto, é baseado num grande esforço de educação e treinamento, ou seja, é
necessário desenvolver habilidades, conhecimento e competências.

A implantação e a manutenção do Sistema da qualidade é um processo de mudança
muito forte que sempre sofre resistência e acaba levando a troca de colaboradores
que não conseguem aderir ao processo. Portanto são necessárias as seguintes
"condições básicas":
•

Liderança persistente das chefias.

•

Educação e treinamento (resistência às mudanças é produto da ignorância).

•

Identificação de elementos não aderentes e substituição por elementos
alinhados as necessidades do sistema de gestão implantado.

Saindo um pouco do âmbito da qualidade, esperamos ter contribuído para que além
da avaliação do aproveitamento do curso Gestão da Qualidade” do PECE - Programa
de Educação Continuada da Escola Politécnica da Universidade de São Paulo, com a
coordenação do Professor Titular José Roberto Cardoso e com a sub-coordenação da
área de qualidade pelo Professor Dr. Adherbal Caminada Netto, o trabalho possa ter
agregado conceitos de padronização, organização, planejamento, coerência e
uniformidade e de valores agregados para as partes interessadas, internas e externas a
empresa e com isto ajudado a darmos mais um passo na construção de empresas
sólidas nos valores da Tecnologia Industrial Básica e condizentes com as suas
potencialidades que não são pequenas, uma vez que estamos em um país com espaço
para o crescimento de técnicas, tecnologias e mercados.
96

BIBLIOGRAFIA

Campos, Vicente Falconi. TQC – CONTROLE DA QUALIDADE TOTAL ( NO
ESTILO JAPONÊS ). Sexta edição. Belo Horizonte, MG: Fundação Cristiano Otoni,
1992. 229p.
Cheng, Lin Chih. “QFD – Planejamento da Função Qualidade”, 1 a Edição, 1996.,
Fundação Cristiano Ottoni, Universidade Federal de Minas Gerais; Belo Horizonte,
MG, 1996.
Chabu, Ivan Eduardo, Reginaldo Ízael da Silva e Marcelo Gandra Falcone. “Apostila
de Eletrotécnica 1” , Equacional Elétrica e Mecânica Ltda., apresentada no
Seminário da Subrasa, Campo Bom, RS, 1996.
Falcone, Áureo Gilberto. “ MOTORES DE INDUÇÃO: MANUTENÇÃO E
INSTALAÇÃO”, 1 a edição, 1995. LBVA, São Paulo, SP, 47p.
Falcone, Áureo Gilberto. “ELETROMECÂNICA”, 1 a edição, 1979. Editora Edgard
Blücher Ltda, São Paulo, SP, 478p.
Falcone, Áureo Gilberto e Marcelo Gandra Falcone. “MOTORES DE INDUÇÃO:
DEFEITOS E ENSAIOS” , 1a edição, 1998. Pitagoras, São Paulo, SP, 49p.
Falcone, Marcelo Gandra. Orientação do Prof. Dr. Adherbal Caminada Netto..
EQ001- Sistemas da Qualidade, In: PECE, versão primeiro bimestre de 2002. São
Paulo, SP: Universidade de São Paulo, Escola Politécnica, PECE, Trabalho final de
avaliação da Disciplina. Abr. 2002.
Falcone, Marcelo Gandra. Orientação do Prof. Dr. Adherbal Caminada Netto..
EQ001- Sistemas da Qualidade, In: PECE, versão primeiro bimestre de 2002. São
Paulo, SP: Universidade de São Paulo, Escola Politécnica, PECE, Prova de avaliação
da Disciplina. Abr. 2002.
97
Fundação para o Prêmio Nacional da Qualidade. CRITÉRIOS DE EXCELÊNCIA.
Rua Geraldo Flausino Gomes, 61 - 11=' andar - conjunto 111 CEP 04575-060 Brooklin Novo - São Paulo – SP, E-mail: fpnq@durand.com.br, Web site:
www.fpnq.org.br. FPNQ Edição Revisão 1, fevereiro de 2001.67p.
Hittig, Aladar.” ESTAMPOS DE CORTE E NORMAS”, 1 a Edição, 1962. Editora e
Tipográfica Carioca, São Caetano do Sul, SP, 1962. 355p.
Martignoni, Alfonso. “ MÁQUINAS DE CORRENTE ALTERNADA”, 5 a edição,
1987. Editora Globo S.A. Rio de Janeiro, RJ, 1968, 410p.
Mini Collins. DICIONÁRIO INGLÊS-PORTUGUÊS PORTUGUÊS-INGLES, 2a
edição, 1994. São Paulo, SP: Edições Siciliano, 1999. 231p.
Norma NBR ISO9000:2000. SISTEMAS DE GESTÃO DA QUALIDADE –
FUNDAMENTOS E VOCABULÁRIO. Revisão de dez de 2000. Rio de Janeiro, RJ:
ABNT - Associação Brasileira de Normas Técnicas. Dez. 2000.
Norma NBR ISO9001:2000. "SISTEMAS DE GESTÃO DA QUALIDADE SISTEMA DA QUALIDADE". Revisão de dez de 2000. Rio de Janeiro, RJ: ABNT Associação Brasileira de Normas Técnicas. Dez. 2000.
Norma NBR ISO9004:2000. "SISTEMAS DE GESTÃO DA QUALIDADE DIRETRIZES PARA MELHORIAS DE DESEMPENHO". Revisão de dez de 2000.
Rio de Janeiro, RJ: ABNT - Associação Brasileira de Normas Técnicas. Dez. 2000.
Pestana, Fábio José Orientador: João Batista Turrioni, Dr., 1998, ANÁLISE DA
UTILIZAÇÃO DO QFD, Escola Federal de Engenharia de Itajubá, Departamento de
Produção, Itajubá, MG, Trabalho de Formatura
Schimdt, Walfredo. “ MATERIAIS ELÉTRICOS – VOLUME2 -ISOLANTES E
MAGNÉTICOS”, 2 a edição . 1979. Editora Edgard Blücher, São Paulo, SP, 166p.
Souza , Prof. Dr. Gilberto F. M.. EQ006-Confiabilidade de Produtos e Sistemas, In:
Apostila do PECE, versão segundo bimestre de 2003. São Paulo, SP: Universidade
de São Paulo, Escola Politécnica, PECE, Abr. 2003.
98

Souza , Prof. Dr. Gilberto F. M.. EQ006-Confiabilidade de Produtos e Sistemas,
INSTRUÇÕES PARA APRESENTAÇÃOO DO TRABALHO DO CURSO, versão
segundo bimestre de 2003. São Paulo, SP: Universidade de São Paulo, Escola
Politécnica, PECE, jul. 2003.
Szajnbok , Prof. Dr. Moyses. AULA 1, In: Apostila do PECE, EQ012 – Gestão da
Qualidade em Serviços, versão primeiro bimestre de 2003. São Paulo, SP:
Universidade de São Paulo, Escola Politécnica, PECE, mar. 2003.
Szajnbok, Prof. Dr. Moyses. ELABORAÇÃO DE UMA MONOGRAFIA – UMA
SUGESTÃO, In: Apostila do PECE, EQ012 – Gestão da Qualidade em Serviços,
versão primeiro bimestre de 2003. São Paulo, SP: Universidade de São Paulo, Escola
Politécnica, PECE, mar. 2003.
Universidade de São Paulo. Serviço de Bibliotecas da Escola Politécnica.
DIRETRIZES PARA APRESENTAÇÃO DE DISSERTAÇÕES E TESES, segunda
edição. São Paulo, SP, 2001. 39p.

Monografia usp fdte eng da qualidade

  • 1.
    MARCELO GANDRA FALCONE AREALIZAÇÃO DO PRODUTO COM APLICAÇÃO DE GESTÃO DA QUALIDADE. ESTUDO DE CASO EM PROCESSO DE ESTAMPARIA APLICADA A MOTORES ELÉTRICOS. Trabalho apresentado no PECE Programa de Educação Continuada da Escola Politécnica da Universidade de São Paulo, para obtenção de grau de especialista em Gestão da Qualidade. São Paulo 2003
  • 2.
    MARCELO GANDRA FALCONE AREALIZAÇÃO DO PRODUTO COM APLICAÇÃO DE GESTÃO DA QUALIDADE. ESTUDO DE CASO EM PROCESSO DE ESTAMPARIA APLICADA A MOTORES ELÉTRICOS. Trabalho apresentado no PECE Programa de Educação Continuada da Escola Politécnica da Universidade de São Paulo, para obtenção de grau de especialista em Gestão da Qualidade. Cadeira: Monografia I Orientador: Prof. Dr. Adherbal Caminada Neto São Paulo 2003
  • 3.
    FICHA CATALOGRÁFICA Falcone, MarceloGandra “A Realização do Produto com aplicação de gestão da Qualidade.Estudo de caso em processo de estamparia aplicada a motores elétricos.”, São Paulo, SP, 2003. Nnn p. Monografia I 1.Qualidade em Produtos e Serviços 2.Gestão da Qualidade em Produto e Serviços 3.Estamparia 4. Motores Elétricos de indução I.Universidade de São Paulo. Escola Politécnica. PECE II.Título
  • 4.
    SUMÁRIO RESUMO ABSTRACT FIGURAS TABELAS/GRÁFICOS 1- INTRODUÇÃO 01 2- DEFINIÇÕES 04 2.1.-Processo 04 2.2.- Abordagem de processos no Sistema de Gestão da Qualidade 05 2.3.- Produto 06 2.4.- Serviço 07 2.5.- Entendimento da norma NBR ISO 9001:2000 utilizados no estudo de caso. 08 2.5.1 estrutura da documentação da qualidade: 08 2.5.2 Política da Qualidade 11 2.5.3. Requisitos do cliente 12 2.5.3.1 Reclamações do Cliente / Retorno de Material 13 2.5.3.2. Satisfação do Cliente 13 2.5.3.3. Analise critica pela Alta Direção 13 2.5.4. Desenvolvimento da competência do pessoal cujas atividades afetam a qualidade do produto 14 2.5.5. Conscientização o pessoal quanto à importância e pertinência de suas atividades 14 2.5.6. Planejamento da realização do produto 15 2.5.7 Análise critica dos requisitos relacionados ao produto 16 2.5.8. Comunicação com os clientes 19 2.5.9. Auditorias internas da qualidade 19 2.6.- Motor elétrico de indução 20 2.7.- Estampagem 21
  • 5.
    3. CONCEITOS TEÓRICOS 22 3.1Noções de Eletromagnetismo 22 3.1.1. Campos magnéticos 22 3.1.2 Correntes e eletromagnetismo 23 3.1.3. Permeabilidade 23 3.1.4. Indutância 24 3.1.5. Campos magnéticos e forças 25 3.2 Noções de Eletrotécnica 26 3.2.1. Lei da Força Eletromotriz Induzida Por Movimento 26 3.2.2. Lei da Indução de Faraday 28 3.2.3. Lei da Força sobre Corrente (Lei de Laplace) 30 3.2.4. Princípio de funcionamento dos motores trifásicos de indução 31 3.2.5. Como se cria o campo girante 32 3.3 Noções Gerais de um Motor Elétrico 35 3.3.1 Motor 36 3.3.2 Tampas 36 3.3.3 Mancais 36 3.3.4 Rotor 36 3.3.5 Estator 37 3.3.6 Enrolamento 37 3.4 Cuidados durante a fabricação e/ou manutenção 38 3.4.1 Os defeitos das partes mecânicas 38 3.4.2 Os defeitos dos núcleos magnéticos 39 3.4.3 Os defeitos do enrolamento 41 3.4.4 Produto acabado 41 3.5 Noções de perdas em núcleo magnético laminado 42 3.5.1. Composição adequada 44 3.5.2. Tipos de Laminação 45 3.5.3 Orientação do Grão 45 3.5.4. Recozimento 45 3.4.5. Corte a 45° ° 46 3.5. Ferro e aço fundido para máquinas girantes 47 3.5.1. Chapas de Ferro Silicioso 48 3.5.2 Dispersão magnética no estator e no rotor 50 3.5.3 Perdas: Aquecimento e Rendimento 51
  • 6.
    3.6 Estampagem denúcleos magnéticos em motores elétricos 53 3.6.1 Materiais 54 3.6.2 Maquinário 55 3.6.3 Estampos 55 3.6.4 Processo de Estampagem de chapas em discos para rotores e estatores de máquinas rotativas 58 3.6.4.1. Preparação da Máquina 58 3.6.4.2. Regulagem da Máquina 58 3.6.4.3. Estampagem do disco padrão 59 3.6.4.4. Fazer o seguinte Controle dimensional 60 3.6.4.5. Estampagem da Chapa do Estator 61 3.6.4.6. Controle Dimensional da chapa do estator 62 3.6.4.7. Estampagem da Chapa do Rotor 63 3.6.4.8. Estampagem das Ranhuras 63 3.6.4.9. Controle Dimensional das Ranhuras 63 3.6.4.10. Estampagem dos Furos de Ventilação 63 3.6.4.11. Controle Dimensional dos Furos de Ventilação 64 3.6.4.12. Estampagem do Diâmetro Interno do Rotor 64 3.6.4.13 Estampar o diâmetro interno 64 3.6.4.14 Empilhar as chapas do rotor 64 3.6.4.15. Controle Dimensional no Diâmetro Interno do Rotor 64 3.7 Montagem dos núcleos 65 4. ESTUDO DE CASO 67 4.1 Considerações Gerais 67 4.2 Descrição da Organização 68 4.2.1 Funcionários 68 4.2.2 Instalações 69 4.3. Processos de Gestão da Qualidade 70 4.3.1 Interação dos processos 70 4.3.2. Fluxograma dos Processos Fundamentais 71 4.4 Recursos para realização do processo de estampagem 74 4.4.1. Materiais e Serviços adquiridos 74
  • 7.
    4.4.2. Humanos 74 4.4.3 Infra-estrutura 74 4.4.4Máquinas/Ferramentas 75 4.5. Processo de Estampagem 75 4.5.1. Localização do Processo de estamparia 75 4.5.2. Processo de estampagem 76 4.5.3 Entradas e Saídas do Processo de estampagem 77 5. CONCLUSÃO 91 BIBLIOGRAFIA 96
  • 8.
    RESUMO O presente trabalhovisa avaliar o aproveitamento na cadeira “Monografia I – MBA em Gestão da Qualidade” do PECE - Programa de Educação Continuada da Escola Politécnica da Universidade de São Paulo, ministrada pelo Professor Dr. Adherbal Caminada Neto. Além disto, o trabalho pretende sugerir de maneira simples, para não especialistas, conceitos de Sistema da Qualidade, processo de realização do produto, do produto e de estampagem. O real foco do trabalho esta na realização do produto, porém no âmbito genérico sem entrar em processos de aquisição, recebimento, expedição, rastreabilidade, identificação, armazenagem, manuseio, ou seja, interessado no âmbito macro de planejamento, execução, monitoramento e melhoria. O uso de motores elétricos como produto em estudo deve-se principalmente pelo fato de ser um artigo de uso muito grande na industria, comércio, serviços e até mesmo doméstico e o processo de estampagem, pois o mesmo esta presente em todos os artigos que consumimos, tais como linha de eletrodomésticos, auto peças, embalagens, bens de consumo em geral, material de construção entre outros, que sempre tem uma peça ou outra estampada. O processo de estampagem por prensas automáticas permite grande produção a baixo custo e grande padronização. O trabalho procura agregar simplicidade, coerência e uniformidade aos valores préexistentes em estudantes ou profissionais, no âmbito da gestão da realização do produto ou serviço, para uso didático ou profissional.
  • 9.
    ABSTRACT The present paperseeks to valuation in the discipline “Monografia I – MBA em Gestão da Qualidade” do PECE - Programa de Educação Continuada da Escola Politécnica da Universidade de São Paulo, learned by the Teacher Dr. Adherbal Caminada Neto. Besides the paper intends to suggest in a simple way, for no specialists, concepts Quality System Management, process of products manufacturing, induction motors and stamping. The Real focus of the paper this in the manufacturing of the product, however in the generic extent without entering in acquisition processes, reception, expedition, restorability, identification, storage, handling, in other words, interested party in the extent macro planning, execution, control and improvement. The use of electric motors as product in this paper is due mainly for the fact of being an machine of very big use in the it manufactories, trade, services and even domestic. The stamping process, because the even this present in all of the thinks that we consumed, such as line of appliances, car pieces, packs, consumer goods in general, construction material and others, that it always has one or more pieces stamped. The automatic stamping process allows great production at a low cost and great standardization. The paper pretends talk about simplicity, coherence and uniformity to the existent values of the students or professionals about Quality System Management, process of products manufacturing, induction motors and stamping, for use didactic or professional.
  • 10.
    LISTA DE FIGURAS Figura0 – Representação esquemática do planejamento da qualidade 03 Figura 1 - Modelo clássico de Processo 04 Figura 2 - Modelo genérico de Processo 04 Figura 3 - Figura retirada da norma NBR ISO9000:2000, página 4 06 Figura 4 - Pirâmide de Nível de Documentação SQ 08 Figura 5 – Conversão de energia 20 Figura 6 - Desenho esquemático de uma chapa, retirado do livro Máquinas de Corrente Alternada, de Alfonso Martignoni. 21 Figura 7 – Desenho esquemático de um empilhamento de chapas estampadas formando um pacote, ou, núcleo estampado. 21 Figura 8 - Corrente elétrica 23 Figura 9 – Indutor ou Bobina 23 Figura 10 - Força eletromagnética 25 Figura 11 – Força Eletromotriz 26 Figura 12 - Núcleo fechado com secundário de 1 espira 28 Figura 13 - Núcleo fechado com secundário de n espiras 29 Figura 14 – Lei de Laplace 30 Figura 15 - Motor de curto-circuito ou de gaiola 32 Figura 16 – Enrolamento Trifásico Esquemático 32 Figura 17 – Tensões Trifásicas alternadas – Esquemático 33 Figura 18 – Efeito Global – Esquemático 34 Figura 19 – Corrente circulante – Esquemático 34 Figura 20 – Desenho esquemático de um motor, retirado do livro Máquinas de Corrente Alternada, de Alfonso Martignoni. 35 Figura 21 – Desenho esquemático de um rotor, retirado do livro Máquinas de Corrente Alternada, de Alfonso Martignoni. 36 Figura 22 – Desenho esquemático de um estator, retirado do livro Máquinas de Corrente Alternada, de Alfonso Martignoni Figura 23 – Ilustração de enrolamento retirada da apostila 37
  • 11.
    “Motores de InduçãoVolume II”, Ensaios e Defeitos 38 Figura 24 – Representação de núcleos laminados. In “Materiais Elétricos-Isolantes e Magnéticos”, de Walfredo Schmidt. 43 Figura 25 – Formas básicas de perfis de laminas de transformadores 46 Figura 26 – Curvas características dos aços laminados 49 Figura 27 – Dispersão nos canais 50 Figura 28 – Dispersão nos dentes 51 Figura 29 – Placa de dados 52 Figura 30 – Blank 54 Figura 31 - Estampo utilizado para cortes de discos, pólos, centro de arrasto Figura 32 - Estampo utilizado para abrir ranhuras 55 56 Figura 33 - Estampo de punção, utilizado para ranhuras de rotor, canais de guia, furos, rasgos de chavetas 57 Figura 34 – Estampo progressivo de rotor e estator 57 Figura 35 – Blank com furo de centro e pino de arraste 59 Figura 36 – Esquema de Seqüência de estamparia 59 Figura 37 – Exemplo de disco cortado 60 Figura 38 – Esquema de protocolo dimensional 60 Figura 39 – Chapa ranhura do estator 61 Figura 40 – Empilhamento das Sobras 61 Figura 41 – Protocolo Dimensional 62 Figura 42 – Disco do rotor 63 Figura 43 – Chapa ranhura do estator 63 Figura 44 – Protocolo Dimensional 64 Figura 45 – Núcleo de rotor montado sobre o eixo com barramento condutor 65 Figura 46 – Núcleo de estator montado com tirantes 66 Figura 47 – Chapa ranhura do estator 66 Figura 48 - Pirâmide do Custo 67 Figura 49 – Organograma 68 Figura 50 - Planta da empresa do estudo de caso 69 Figura 51 – Interação dos processos 70 Figura 52a – Fluxograma parte A 71 Figura 52b – Fluxograma parte B 72
  • 12.
    Figura 52c –Fluxograma parte C 73 Figura 53 – Organograma da gerencia de produtos ou serviços 75 Figura 54 – Processo industrial padrão 76 Figura 55 – Folha esquemática de projeto elétrico 80 Figura 56 a – Folha esquemática de instrução de estamparia 81 Figura 56 b – Folha esquemática de instrução de estamparia, montagem de rotor Figura 57 – Ciclo PDCA do planejamento da qualidade 82 91
  • 13.
    TABELAS/GRÁFICOS TABELA I -Documentação da Qualidade 07 TABELA II - Processos básicos 15 TABELA III - Chapas de ferro silicioso e suas propriedades 48 TABELA IV – Velocidade de estampagem 58 TABELA V – Indicadores e Objetivos do processo de Desenvolvimento 78 TABELA VI – Tabela do cronograma Gant de Fabricação 83 TABELA VII – Matriz de Objetivos e Processos 88 TABELA VIII – Matriz de Objetivos da Qualidade x Indicadores 90
  • 14.
    1 A REALIZAÇÃO DOPRODUTO COM APLICAÇÃO DE GESTÃO DA QUALIDADE. ESTUDO DE CASO EM PROCESSO DE ESTAMPARIA APLICADA A MOTORES ELÉTRICOS. 1- INTRODUÇÃO O objetivo deste trabalho é ajudar pessoas envolvidas em melhorias no Sistema de Gestão da Qualidade em Serviços a definir claramente os objetivos e processos de uma organização, para evitar que sistemas de gestão se tornem muito abrangentes e complexos, pois o excesso de complexidade prejudica todos os sistemas da empresa ao invés de torná-la mais competitiva. Durante o trabalho tentaremos mostrar a utilização de um sistema de gestão da Garantia de Qualidade aplicada à produção do Produto, do ponto de vista de adequação às necessidades do cliente “aderência à especificação”, que é um fator de competitividade permanente e obrigatório. Seu estágio mais avançado só pode ser conseguido com a inserção das necessidades dos clientes em todos os estágios que vão do desenvolvimento à distribuição do produto. Isso exige um esforço em inovação e melhoria contínua, bem como uma maior atenção para as etapas iniciadoras como o marketing e o projeto do produto, e finalizadoras, como a logística e a distribuição. Partindo-se do pressuposto de que a “qualidade está nos olhos do consumidor”, ou seja, de uma abordagem focada na satisfação do Cliente, um produto de boa qualidade é aquele que melhor atende as necessidades dos consumidores. Para o estudo de caso utilizamos o processo de estampagem em motores elétricos de indução. O efeito prático reside no fato dos motores elétricos serem o principal meio de acionamento de equipamentos industriais ou domésticos e o processo de estampagem ser largamente utilizado na industria metalúrgica. Os motores assíncronos de indução, particularmente os de pequeno e médio portes, pois são os
  • 15.
    2 mais encontrados. Elespodem ser monofásicos ou polifásicos, de rotor bobinado ou rotor em gaiola, de aplicações domésticas ou industriais. A quantidade de motores de indução é tão grande em relação aos outros tipos de acionamento que, provavelmente, eles atinjam 95% ou mais dos motores instalados na indústria, portanto de larga utilização e conhecimento de todos e através dos estudos deste trabalho poderemos sugerir de maneira simples, para não especialistas, conceitos de sistema de gestão da qualidade aplicados na produção em motores elétricos de indução ou um produto qualquer que utiliza processo de estampagem. Segundo alguns autores, em especial, Vicente Falconi Campos em TQC – Controle da Qualidade Total (No Estilo Japonês), na sexta edição, página 1, o país assim como o resto do mundo está passando por uma fase de mudanças muito rápidas. No entanto, estas mudanças são apenas parte da rápida evolução dos sistemas de comunicação, mudanças sociais, tecnológica, política e geopolítica e sobretudo no grau de conhecimento da Humanidade como um todo. Estas mudanças têm trazido ameaça à sobrevivência das empresas pelos mais variados motivos como, por exemplo: ¬ seu produto perdeu atualidade pelo lançamento de um outro produto melhor e mais barato; ¬ certo concorrente, no desespero de conseguirem equilibrar vendas com as despesas fixas, baixaram o preço de seu produto fazendo com que sua empresa perdesse competitividade; ¬ seus concorrentes já utilizam novos equipamentos que tornaram o seu processo ineficaz para o novo nível de qualidade e tecnológico colocado no mercado; ¬ certos clientes impõem exigências normativas ou requisitos de fornecimento difíceis de serem alcançadas com seu atual processo; etc. Esta é a condição característica da era em que vivemos: Super produção, ameaça de recessão e empresas até então aparentemente inexpugnáveis podem, devido às rápidas mudanças, ter sua sobrevivência ameaçada. Todos nós conhecemos exemplos no Brasil e no exterior, como Olivetti, Xerox, Continental, Chantecler entre outros tantos. É por este motivo que a preocupação atual da alta direção da Empresa esta
  • 16.
    3 sempre em buscarmelhorias e fatores de diferencial competitivo, fortes e ágeis de tal forma a garantir a sobrevivência da empresa, seja ela bens ou de serviços. De acordo com o item 2.4 página 3 da NBR ISO9000:2000, a intenção da Norma é encorajar a adoção da abordagem de processo, para a gerência de uma organização. Portanto, o objetivo da norma não é levar as empresas à certificação, mas implementar praticas de gestão da qualidade com padrões internacionais que podem ser utilizados de forma global e padronizados, alcançando a satisfação dos clientes. A aplicação bem sucedida da Norma para obtenção de uma gestão de produtos e serviços com qualidade significa: ¬ Melhor desempenho de serviços e satisfação dos clientes; ¬ Melhor produtividade, eficiência e redução de custos; ¬ Melhor participação de mercado. Figura 0 – representação esquemática do planejamento da qualidade Este esquema (Fig. 1) representa um processo de deslocamento a partir da “meta estratégica da empresa” (bloco 1) até alcançar o “plano de ação” (bloco 4). Quando seguimos o esquema, caminhando dos blocos 1 para o 4, pelo menos dois tipos de “recursos” são necessários para que o esquema se viabilize – informação e trabalho humano. É importante ressaltar a importância, também, do recurso financeiro para a viabilização do processo acima esquematizado, segundo Fábio José no Trabalho de Formatura de 1998 apresentado na Escola Federal de Engenharia de Itajubá, Departamento de Produção, Itajubá, MG.
  • 17.
    4 2- DEFINIÇÕES 2.1.- Processo: Processoé assim definido: Qualquer atividade, ou conjunto de atividades, que usa recursos para transformar entrada em saída (ver figura 1). Transformação Por meio de recursos Para satisfazer as necessidades Necessidade (entrada) Necessidade Satisfeita (saída) Figura 1 - Modelo clássico de Processo Para o entendimento deste trabalho o conceito de processo utilizado será: Conjunto estruturado de atividades no tempo e no espaço, com começo, meio e fim, e com insumos e produtos claramente identificados (ver figura 2). Controles Procedimentos Especificações Treinamento Objetivos Entradas Materiais Informações Pr ocesso Planejament o E Or ganização Recursos Pessoal Equipamentos Instalações Figura 2 - Modelo genérico de Processo S aídas
  • 18.
    5 Olhando esta definiçãocom cuidado vemos que dentro de uma organização existem diversos processos e geralmente a entrada de um processo é à saída de outro(s) processo(s), portanto existe uma inter-relação entre os diversos processos. 2.2.- Abordagem de processos no Sistema de Gestão da Qualidade: Abordagem de processos é definida como a identificação e a gestão dos processos empregados e definição da inter-relação entre eles. Portanto a importância da "abordagem de processos" esta justamente em fazer que uma organização identifique os processos e as relações entre eles para poder funcionar de forma coordenada, planejada e eficaz, ou seja, de forma coesa. De acordo com o item 2.4 página 3 da NBR ISO9000:2000, a intenção da Norma é encorajar a adoção da abordagem de processo, para a gerência de uma organização. Portanto, o objetivo da norma não é levar as empresas à certificação, mas fazer alguns comentários sobre a qualidade com padrões internacionais que podem ser utilizados de forma global e padronizada, alcançando a satisfação dos clientes. A aplicação bem sucedida da Norma para obtenção de uma gestão de serviços com qualidade significa: • Melhor desempenho de serviços e satisfação dos clientes; • Melhor produtividade, eficiência e redução de custos; • Melhor participação de mercado. Os processos do Sistema de Gestão da Qualidade da norma ISO9001:2000 são (ver figura 3): • 4- Sistema de Gestão da Qualidade. • 5- Responsabilidade da Direção • 6- Gestão de recursos • 7- Realização do produto • 8- Medição, análise e melhoria
  • 19.
    6 Figura 3 (figuraretirada da norma NBR ISO9000:2000, página 4). 2.3.- Produto: Entende-se por produto o resultado de um processo. De acordo com a ISO9000:2000 item 3.4.2 existe quatro categorias de produto: ¬ Materiais e equipamentos (ex: ferramentas, pneus, motores elétricos); ¬ Materiais processados (ex: petroquímicos, comida congelada, produtos siderúrgicos); ¬ Informações - (ex: software, música, dicionário); ¬ Serviços (ex.: transporte, reparo de automóveis, hotéis, restaurantes); Muitos produtos formam uma combinação das 2 ou mais categorias das definições descritas. Por exemplo, um produto eletrônico ( 3 categorias ): • Componentes eletrônicos: materiais e equipamentos; • Embalagem: material processado; • Manual, software do circuito integrado gerenciador da sintonia: informação.
  • 20.
    7 Por exemplo, umcarro ( 4 categorias ): • Partes e peças, motor, pneus: materiais e equipamentos; • Laminados (vidros e chapas), combustível, lubrificantes: materiais processados; • Manuais, software de gerenciamento do motor: Informação; • Inclui transporte, revisão inicial e explicações pelo revendedor: Serviço. Para definirmos se um produto é material e equipamento ou material processado ou informação ou serviços vai depender do elemento dominante, ou seja, do foco. Na Norma esta definição é chamada produto ou serviço intencional. 2.4.- Serviço: De acordo com a ISO9000:2000 item 3.4.2, o Serviço é o resultado de pelo menos uma atividade desempenhada necessariamente na interface entre fornecedor e o cliente e é geralmente intangível, é variável e é perecível (não pode ser estocado). De acordo com a apostila do “EQ-012 Gestão da qualidade em serviços” do Prof. Dr. Moyses Szajnbok, capitulo 1, item 1.2, a importância da parte correspondente à oferta de bens e serviços pode ser dividida em 5 grupos: • Bem tangível – quando a oferta se restringe ao bem e nenhum serviço acompanha o produto (brinquedos, frutas na quitanda, bens de balcão) • Bem tangível acompanhado de um ou mais serviços – quando o bem tangível vem acompanhado de serviços tais como showrooms, entregas, manutenção, treinamento. • Híbrido – quando a importância do bem é tão importante quanto o serviço, como a roupa ajustada no corpo do cliente, o atendimento em lanchonetes. • Serviço principal acompanhado de bens e serviços secundários, como Hotéis, restaurantes, internação hospitalar, viagem de avião. • Serviços – a oferta é principalmente do serviço, como na educação, atendimento médico, serviços profissionais liberais em geral. domésticos, projetos de engenharia,
  • 21.
    8 2.5.- Entendimento danorma NBR ISO 9001:2000 utilizados no estudo de caso. 2.5.1 estrutura da documentação da qualidade: De acordo com o item 4.2.1 página 4, da Norma NBR ISO9001:2000 a documentação do sistema de gestão da qualidade deve incluir : a) declarações documentadas da política da qualidade dos objetivos da qualidade b) manual da qualidade c) procedimentos documentados requeridos por esta Norma ( ver tabela abaixo ) d) documentos necessários à organização para assegurar o planejamento a operação e o controle eficazes de seus processos, e e) registros requeridos pela Norma ( ver tabela abaixo ) Figura 4 – Pirâmide de Nível de Documentação SQ TABELA I – DOCUMENTAÇÃO DA QUALIDADE ® REGISTROS DA QUALIDADE OBRIGATÓRIOS 4 DOCUMENTOS OBRIGATÓRIOS
  • 22.
    9 SETOR PROCESSO DO SISTEMA DA QUALIDADE GARANTIA DA QUALIDADE Requisitos daNBR ISO 9001:2000 + Registros obrigatórios DOCUMENTOS OBRIGATÓRIOS 4.1 Requisitos gerais 4 SISTEMA DE GESTÃO DA GARANTIA QUALIDADE DA QUALIDADE / PROJETOS Manual da Qualidade 4 4.2 Requisitos de documentação 4.2.1 Generalidades ® 4.2.2 Manual da qualidade Contr. de doc. e registros da qualidade 4 4.2.3 Controle de documentos 4.2.4 Controle de registros SETOR PROCESSO DO SISTEMA DA QUALIDADE Requisitos da NBR ISO 9001:2000 + Registros obrigatórios DOCUMENTOS OBRIGATÓRIOS 5.2 Foco no cliente GERÊNCIA DE VENDAS DIREÇÃO / GARANTIA DA QUALIDADE DIREÇÃO Manual da Qualidade 4 5.3 Política da qualidade 5 RESPONSABILIDADE DA DIREÇÃO 5.1 5.4 5.4.1 5.4.2 5.5 5.5.1 5.5.2 5.5.3 5.6 Compromisso da direção Planejamento Objetivos da qualidade Planejamento do sistema de gestão da qualidade Responsabilidade, autoridade e comunicação Responsabilidade e autoridade Representante da direção Comunicação interna Análise crítica pela direção 5.6.1 Generalidades ® 5.6.2 Entradas para a análise crítica 5.6.3 Saídas da análise crítica SETOR PROCESSO DO SISTEMA DA QUALIDADE 6.1 Provisão de recursos DIREÇÃO RECURSOS HUMANOS SERVIÇOS Requisitos da NBR ISO 9001:2000 + Registros obrigatórios 6 GESTÃO DE RECURSOS 6.2 Recursos humanos 6.2.1 Generalidades 6.2.2 Competência, conscientização e treinamento 6.3 Infra-estrutura 6.4 Ambiente de trabalho ® DOCUMENTOS OBRIGATÓRIOS
  • 23.
    10 PROCESSO DO SISTEMA DA QUALIDADE SETOR Requisitos daNBR ISO 9001:2000 + Registros obrigatórios GERÊNCIA DE PRODUTOS E SERVIÇOS 7.1 Planejamento da realização do produto 7 REALIZA – GERÊNCIA ÇÃO DE VENDAS DO PRODUTO 7.2 Processos relacionados ao cliente 7.2.1 Determinação de requisitos relacionados ao produto 7.2.2 Análise crítica dos requisitos relacionados ao produto 7.2.3 Comunicação com o cliente ® ® 7.3 Projeto e desenvolvimento PROJETOS 7 REALIZA – ÇÃO DO PRODUTO COMPRAS 7.3.1 Planejamento do projeto e desenvolvimento 7.3.2 Entradas de projeto e desenvolvimento 7.3.3 Saídas de projeto e desenvolvimento 7.3.4 Análise crítica de projeto e desenvolvimento 7.3.5 Verificação de projeto e desenvolvimento 7.3.6 Validação de projeto e desenvolvimento 7.3.7 Controle de alterações projeto e desenvolvimento ® ® ® ® ® 7.4 Aquisição 7.4.1 Processo de aquisição ® 7.4.2 Informações de aquisição 7.4.3 PRODUTOS / SERVIÇOS Verificação do produto adquirido 7.5 Produção e fornecimento de serviço 7.5.1 Controle de produção e fornecimento de serviço 7.5.2 Validação dos processos de produção e fornecimento de serviço PRODUTOS / SERVIÇOS 7 REALIZA – PRODUTOS / ÇÃO SERVIÇOS / DO ALMOXARIF PRODUTO ADO PRODUTOS / SERVIÇOS / ALMOXARIF ADO SALA DE PROVAS ® 7.5.3 Identificação e rastreabilidade ® 7.5.4 Propriedade do cliente ® 7.5.5 Preservação do produto 7.6 Controle de dispositivos de medição e monitoramento ® DOCUMENTOS OBRIGATÓRIOS
  • 24.
    11 SETOR PROCESSO DO SISTEMA DA QUALIDADE Requisitos daNBR ISO 9001:2000 + Registros obrigatórios 8.1 a) GERÊNCIA DE VENDAS Medição, análise e melhoria de conformidade do produto 8.2.4 PRODUTOS / SERVIÇOS / SALA DE PROVAS Medição e monitoramento de produto ® 8.2.1 Satisfação dos clientes 8.1 b) GARANTIA DA QUALIDADE Medição, análise e melhoria de conformidade do sistema da qualidade Auditorias internas da qualidade 4 8 MEDIÇÃO, ANALISE E MELHORIA DIREÇÃO DOCUMENTOS OBRIGATÓRIOS 8.1 c) Medição, análise e melhoria da eficácia do sistema de gestão da qualidade 8.2.2 Auditoria interna ® 8.2.3 Medição e monitoramento de processos 8.2.4 Melhoria contínua GARANTIA DA QUALIDADE GARANTIA DA QUALIDADE GARANTIA DA QUALIDADE 8.3 Controle de produto nãoconforme Controle de prod. e serv. não® conformes 4 8.4 Análise de dados 8.5.2 Ação corretiva 8.5.3 Ação preventiva ® ® Ação corretiva e ação corretiva 4
  • 25.
    12 2.5.2 Política daQualidade: O Item 5 página 5, da Norma NBR ISO9001:2000, define as responsabilidades da Direção da Organização. Dentre as responsabilidades, vemos no item "5.3 Política da qualidade", que a Alta Direção deve assegurar que a política da qualidade seja comunicada e entendida por toda organização. Como vemos pela definição o primeiro passo é determinar a Política da Qualidade, que deve ser coerente, conveniente, simples e de igual importância e clareza com as demais políticas da empresa. Ela deve ser elaborada de forma permitir ser desdobrada em objetivos da qualidade. Estes desdobramentos dos objetivos devem ter frações até o nível mais especifico das atividades que influenciam na qualidade. Com isto todos os membros da organização tem definições quanto ao seu papel e suas metas frente ao sistema da qualidade. Uma vez conhecedores de sua parte fica evidente sua participação no todo. Definida a política da qualidade, seu planejamento, estando comunicada e implantada, a única forma de assegurar que ela esta realmente entendida por todos é submeter a mesma a analise critica periódica, ou seja, se os objetivos dela desdobrados forem alcançados é sinal que ela de alguma forma foi entendida e eficaz, caso contrario, recomeçar e promover as ações corretivas e/ou preventivas necessárias. Em nossa organização existe uma reunião periódica chamada "Analise Critica do Sistema da qualidade". Na pauta existe diversos tópicos a serem analisados, sendo o ultimo deles o da Política da Qualidade, ou seja, ela só é analisada após verificação dos todos os itens da pauta, que na verdade são conseqüência dela própria. 2.5.3. Requisitos do cliente: Os Itens 5.2/7.2.1/8.2.1, paginas 5/7/11, da NBR ISO9001:2000 decorrem as formas de focar nos requisitos do cliente. Especificamente o item 7.2.1 trata de reza sobre a determinação de requisitos relacionados ao produto, respondido na questão anterior.
  • 26.
    13 O item 5.2determina que a alta direção deve assegurar que os requisitos do cliente são determinados e atendidos. Na nossa organização analisando o item da norma ISO9000:2000 "5.2 Foco no Cliente", verificamos que algumas perguntas deveriam ser respondidas na analise de como é satisfeita esta atividade na organização : ¬ A alta direção assegura que os requisitos do cliente são determinados e atendidos ? ¬ Estes propósitos visam a satisfação dos clientes ? 2.5.3.1 Reclamações do Cliente / Retorno de Material: Quando houver uma reclamação do cliente ou retorno de um material é aberto um relatório de não conformidade e um pedido interno para a fabrica com todos os dados disponíveis para análise de procedência da reclamação e tomada de ação corretiva independente do tratamento da não conformidade e da procedência ou não da reclamação. No caso de reclamação procedente além da ação corretiva é de praxe fazer uma análise critica extemporânea visando uma ação preventiva ( conceito de "aproveitar a oportunidade" ). A compilação das não conformidades gera um documento específico chamado reclamação do cliente 2.5.3.2. Satisfação do Cliente: São realizadas pesquisas periódicas de satisfação do cliente, indo até o próprio cliente. Além da pesquisa existem indicadores de mercado, tais como numero de interfaces com o cliente (telefonemas, visitas e comunicações externas), ofertas, encomendas e vendas(faturamento) realizadas em comparação com a estatística com o desempenho setorial, fornecida pela entidade de classe (ABINEE) e pela Revista Conjuntura Econômica da Fundação Getúlio Vargas e dos retornos em garantia. Os indicadores geram um relatório específico de desempenho das atividades de vendas e satisfação do Cliente. 2.5.3.3. Analise critica pela Alta Direção: O envolvimento da Alta Administração com relação ao Foco no Cliente se dá através da analise crítica do sistema da Qualidade. A analise critica se dá em intervalos planejados. Ela consiste em varias pautas com as partes de interesse. Uma das partes
  • 27.
    14 de interesse éum item específico denominado pauta de realimentação do cliente, onde são analisados os resultados de pesquisa de satisfação realizada em diversos setores do cliente, sugestões e reclamações (+devoluções, + retornos em garantia) dos produtos e/ou serviços prestados sendo que os resultados desta analise são contemplados nos planos de ações preventivas e corretivas. 2.5.4. Desenvolvimento da competência do pessoal cujas atividades afetam a qualidade do produto: O Item 6.2.2 a página 5, da NBR ISO9001:2000 define o enunciado desta questão. Na nossa organização para definição das competências, primeiramente definimos as atividades que afetam a qualidade a qualidade do produto. Em um segundo momento convocamos todos aqueles que exercem estas atividades e definimos o grau de impacto da atividade e o tipo de necessidades em termos de educação, treinamento, habilidade específica e experiência necessária, qualificação de norma e/ou estatutária e/ou de segurança do trabalho e/ou de processo para o exercício da mesma. O terceiro passo é verificação sistemática através de avaliação de desempenho no exercício da atividade. 2.5.5. Conscientização o pessoal quanto á importância e pertinência de suas atividades: O Item 6.2.2 d na página 6, da NBR ISO9001:2000 define as necessidades em conscientização, porém vamos relatar o nosso entendimento e pratica quanto a este item. Treinar e educar são conceitos relativos a instrução formal e informal, porém relacionados a instrução. Conscientização esta relacionado a convencer uma pessoa sobre um determinado evento, conhecimento ou instrução. Portanto este é um conceito relativo a vontade e os princípios de um colaborador. Para estimular o envolvimento e obter colaboração do funcionário ou equipe quanto ao sistema de Gestão da Qualidade é necessário que a Política da Qualidade seja coerente, conveniente, simples e de igual importância e clareza com as demais políticas da empresa. Ela deve ser elaborada de forma permitir ser desdobrada em
  • 28.
    15 objetivos da qualidade.Estes desdobramentos dos objetivos devem ter frações até o nível mais especifico das atividades que influenciam na qualidade. Com isto todos os membros da organização ou equipes tenham definições quanto ao seu papel e suas metas frente ao sistema da qualidade. Uma vez conhecedores de sua parte fica evidente sua participação no todo. Conhecedores e cientes de sua meta e importância para o todo é necessário que os mesmos sejam informados dos benefícios oriundos do sistema para ele como parte interessada. Para medir o grau de conscientização é usada a mesma planilha de avaliação das competências, ou seja, a verificação sistemática através da ficha de avaliação de desempenho no exercício da atividade feita pelas chefias. No caso de baixa avaliação é feito um estudo de caso que pode determinar inclusão em programa de treinamento e/ou educação formal, ou em caso extremo rodízio de funções com programa de reintegração. 2.5.6. Planejamento da realização do produto: Os conceitos descritos no item 7.1 página 7, da Norma NBR ISO9001:2000 definem as necessidades básicas para planejar e desenvolver os processos necessários para a realização do produto em forma coerente para atender os requisitos dos processos do sistema de gestão da Qualidade. Os quatro processos básicos de Gestão da qualidade para entendimento deste trabalho: Processos de Gestão Processos de Vendas Processos de execução Processos de desenvolvimento TABELA II – Processos básicos
  • 29.
    16 Os requisitos paraplanejar a realização do produto são : ¬ Definição dos objetivos da Qualidade e metas quanto a realização do produto ¬ Requisitos padrão para realização dos produtos já fabricados ou similares e determinação dos requisitos em produtos "novos" ( desenvolvimento ) no processo de analise critica das necessidades do cliente. ¬ Elaboração de instruções de trabalho (desenhos), ficha de estamparia, etc. ¬ Definição dos processos padrão de execução a serem utilizados ( ex. : Caldeiraria, Usinagem, Estamparia, Montagem, Enrolamento, Ajustagem, Expedição ) ¬ Definição dos processos especiais a serem utilizados ¬ Definição da utilização de recursos externos ¬ Definição de recursos de matéria-prima ( lista de materiais/desenho de conjunto ) ¬ Definição dos padrões de ensaios, inspeções e meios de verificação, validação e monitoramento dos produtos nos casos de já fabricados e similares e determinação específica conforme necessidade nos casos de desenvolvimento ( produto novo ) ¬ Definição dos registros necessários e guarda dos mesmos, para evidenciar que os processos utilizados atenderam os requisitos e podem ser reutilizados. 2.5.7 Análise critica dos requisitos relacionados ao produto: O Item 7.2.2 página 7,da NBR ISO9001:2000 descreve a atividade conforme transcrição integral abaixo: "7. Analise critica do requisitos relacionados ao produto A organização deve analisar criticamente os requisitos relacionados ao produto. Esta análise crítica deve ser realizada antes da organização assumir o compromisso de fornecer um produto para o cliente (por exemplo, apresentação de propostas, aceitação de contratos ou pedidos, aceitação de alterações em contratos ou pedidos) e deve assegurar que : ¬ os requisitos do produto estão definidos, ¬ os requisitos de contrato ou de pedido que difiram daqueles previamente manifestados estão resolvidos, e a organização tem a capacidade para atender aos requisitos definidos.
  • 30.
    17 ¬ Devem sermantidos registros dos resultados da análise crítica e das ações resultantes dessa análise (ver 4.2.4 da Norma NBR ISO9001:2000). ¬ Quando o cliente não fornecer uma declaração documentada dos requisitos, a organização deve confirmar os requisitos do cliente antes da aceitação. ¬ Quando os requisitos de produto forem alterados, a organização deve assegurar que os documentos pertinentes são complementados e que o pessoal pertinente é alertado sobre os requisitos alterados. ¬ Nota : Em algumas situações como vendas pela Internet, uma análise crítica formal para cada pedido é impraticável. Nesses casos a análise critica pode compreender informações pertinentes ao produto, tais como catálogos ou material de propaganda.". Transcrevemos a Norma, pois este é um requisito clássico das normas de qualidade, já chamado de Marketing e Vendas, Analise de Contratos, entre outros. As únicas novidades claras estão em fazer o pedido formal no lugar do cliente fornecendo uma declaração documentada dos requisitos e assim confirmando os requisitos do cliente antes da aceitação e a concessão permitida em vendas especiais como no caso de telemarketing e Internet. Na organização estudada existe uma combinação de diretrizes visando o atendimento deste requisito da norma. Isto inclui a analise precisa e clara envolvendo a área técnica ( como um verdadeira área de engenharia de aplicação ) e a área comercial. O fabricante de máquinas elétricas analisado no estudo de caso entende que cada pedido é praticamente um “desenvolvimento” e portanto são analisadas todas as necessidades. Os tipos de consulta pelo cliente foram definidos em três possibilidades distintas, ou seja, desenvolvimento, similar e já fabricado. Para os produtos e serviços similares ou já fornecidos foi definida uma tabela em conjunto com as áreas envolvidas com os tipos de produtos fabricados e os requisitos necessários para perfeito entendimento dos requisitos do cliente determinados antes da oferta, antes da fabricação , para a fabricação e a serem informados após a fabricação . A parte necessária para emissão da oferta e emissão do pedido interno (antes da oferta e antes da fabricação) foi colocada no sistema integrado de gestão ( rede de computadores ) e só permite a emissão da oferta e do pedido interno se os requisitos mínimos forem cumpridos. Para produtos ou serviços de desenvolvimento, ou seja, aqueles que não estão pré definidos no sistema integrado, a atividade de analise das necessidades do cliente inicia-se pelo Diretor técnico que assume o processo por ser o detentor de maior qualificação e
  • 31.
    18 experiência. O departamentotécnico recebe do Comercial via da cotação do cliente com toda a documentação para a oferta a ser elaborada. Baseado nessa documentação é feita uma análise criteriosa do escopo do fornecimento e dos dados básicos de engenharia quanto a suficiência, consistência, clareza e aplicação. Como citado no parágrafo anterior, a analise critica ( criteriosa ) é feita pelo o departamento técnico em conjunto com o Comercial levando em consideração : - Análise dos Documentos de Referência Todos os documentos referenciados na cotação ou nas especificações técnicas do Cliente devem ser verificados pelo Diretor Técnico e pelo homem do segmento de mercado quanto a sua disponibilidade. Qualquer documento não disponível deve ser providenciado, ou quando isso não for possível, ser solicitado ao Cliente. - Planejamento Após análise inicial, é promovida pelo Diretor técnico, caso necessário, uma reunião para discussão dos aspectos importantes do contrato. Para essa reunião são convocados todos aqueles que, a seu critério, terão relevante participação no projeto. Os seguintes aspectos são discutidos na reunião. ¬ características do projeto; ¬ singularidade e inovação ¬ dificuldades previstas; ¬ elementos de referência disponíveis ¬ Normas aplicáveis e legislação; ¬ definição de prazos de execução; ¬ mão- de- obra necessária; ¬ Equipamentos ou dispositivos necessários; ¬ Material agregado e perdas previstas; ¬ Custos provenientes de financiamento a produção; ¬ Custos provenientes de administração direta e indireta; ¬ Impostos; e ¬ Acondicionamento, expedição e transporte. ¬ Qualquer omissão, insuficiência ou discrepância constatada com a necessidade do cliente, a mesma será imediatamente comunicada ao cliente, e solicitada a sua correção até a perfeita definição do produto a ser ofertado.
  • 32.
    19 2.5.8. Comunicação comos clientes: O Item 7.2.3 página 8, ISO9001:2000 define as interfaces mínimas com o cliente para manter comunicação eficaz com o Cliente : ¬ informações sobre o produto, ¬ tratamento de consultas, contratos ou pedidos, incluindo emendas, e ¬ realimentação do cliente, incluindo suas reclamações. Este tipo de comunicação esta dentro do processo de vendas, que além da definição de competências da equipe que realiza o processo, existe um treinamento/conscientização continua "on the job" com analise e acompanhamento dos segmentos de mercados, promoções e propagandas, analise de necessidades, elaboração de propostas, administração de pedidos, técnicas de vendas/Negociação e conhecimento do produto. A garantia da execução de todas as etapas de comunicação com o cliente esta "amarrada" no Sistema de Gestão Integrado, onde o "Status" da comunicação com o cliente aparece grafado e só permite passagem para a próxima etapa após conclusão da anterior. 2.5.9. Auditorias internas da qualidade. O Item 8.2.2 página 11, da NBR ISO9001:2000 é determinante, é um daqueles requisitos básicos tradicionais de sistema da Qualidade e devem ser realizados conforme as exigências de norma. Basicamente consiste em : ¬ Executar auditorias a intervalos planejados, para determinar se o sistema de gestão da qualidade: ¬ Esta conforme as disposições planejadas, ¬ Esta conforme com os requisitos da Norma utilizada no sistema de qualidade ¬ Esta conforme com os requisitos determinados para o sistema de Gestão da qualidade pela Organização ¬ É mantido ¬ Esta implementado eficazmente.
  • 33.
    20 Para tal énecessário criar um processo/programa com : ¬ Ter um procedimento documentado. ¬ Manter os registros e disponibilizá-los para planejamento e criação de indicadores ( análise de resultados anteriores ) ¬ Fazer planejamento conforme intervalos determinados e coerentes com a análise critica pela Direção da empresa. ¬ Definição dos critérios com relação a importância e situação dos processos, métodos e escopo ¬ Preparar auditores e definir equipes. Nos requisitos dos auditores verificar se não existe impedimento dos auditores por tratar de relações de afinidade pessoais e assegurar que o mesmo não audite seu próprio trabalho, para assegurar a imparcialidade da auditoria. ¬ Assegurar que os responsáveis pelas áreas auditadas providenciem ao bom tempo a eliminação das não conformidade. 2.6.- Motor elétrico de indução: Para esta etapa de definições vamos procurar ser bastante suscintos na definição de motor elétrico. No próximo capítulo vamos fazer um estudo bastante apurado dos conceitos de eletromagnetismo e de eletrotécnica para definir através da importância do entendimento dos fenômenos físicos e a razão do estudo do processo de estampagem. Para um entendimento geral podemos definir o motor elétrico de indução como um conversor eletromecânico de energia, que transforma energia elétrica (corrente alternada) em energia mecânica necessária para acionar máquinas, equipamentos ou ferramentas, através da transformação da energia elétrica que passa nos condutores em força eletromotriz que surge no núcleo ferromagnético, que no caso de máquinas elétricas rotativas é feito do empilhamento de chapas ferromagnéticas estampadas (fig.5). Este núcleo magnético é também conhecido por “pacote de chapas” magnéticas pelas razões expostas na frase anterior. Cabe informar que o enrolamento do motor é colocado dentro das ranhuras estampadas do núcleo magnético. Eletricidade motor Movimento Energia Mecânica Figura 5 – Conversão de energia
  • 34.
    21 2.7. Estampagem: Basicamente oprocesso de estampagem é o corte e a conformação, pelo impacto entre duas matrizes., de um Blank ou fita de metal, que permitem cortá-la de uma forma e dimensões desejadas (no caso a estampagem das laminas metálicas em ligas de aço silício é executada sob ação de prensa mecânica, fig. 6). Este processo permite a obtenção de série de peças idênticas (Fig. 7), com tolerâncias de forma e de dimensão bastante reduzidas, assegurando substancial economia de material e de tempo de usinagem ou corte. Chapa do Estator Chapa do Rotor Figura 6 - Desenho esquemático de uma chapa, retirado do livro Máquinas de Corrente Alternada, de Alfonso Martignoni, página 182. Figura 7 – Desenho esquemático formando um empilhamento de uma série de chapas estampadas formando um pacote, ou, núcleo estampado.
  • 35.
    22 3. CONCEITOS TEÓRICOS: 3.1Noções de Eletromagnetismo Baseado em estudo da cadeira de Eletromagnetismo, da Escola de Engenharia eletrotécnica da Universidade Estadual de Campinas, UNICAMP, é o estudo dos campos magnéticos e suas interações com as correntes elétricas. Todas as definições abaixo e figuras foram retiradas do mesmo estudo. 3.1.1. Campos magnéticos: Os elétrons giram em torno do núcleo dos átomos, mas também em torno de sí mesmos (translação), isto é semelhante ao que ocorre com os planetas e o sol. Há diversas camadas de elétrons, e em cada uma, os elétrons se distribuem em orbitais, regiões onde executam a rotação, distribuídos aos pares. Ao rodarem em torno de sí, os elétrons da camada mais externa produzem um campo magnético mínimo, mas dentro do orbital, o outro elétron do par gira também, em sentido oposto, cancelando este campo, na maioria dos materiais. Porém nos materiais imantados (ferromagnéticos) há regiões, chamadas domínios, onde alguns dos pares de elétrons giram no mesmo sentido, e um campo magnético resultante da soma de todos os pares e domínios é exercido em volta do material: são os imãs. O que é de fato um campo magnético ? A palavra campo significa, na Física, uma tendência de influenciar corpos ou partículas no espaço que rodeia uma fonte. Ex.: O campo gravitacional, próximo à superfície de um planeta, que atrai corpos, produzindo uma força proporcional à massa destes, o peso. Assim, o campo magnético é a tendência de atrair partículas carregadas, elétrons e prótons, e corpos metálicos magnetizáveis (materiais ferromagnéticos, como o ferro, o cobalto, o níquel e ligas como o alnico). O campo magnético pode ser produzido pôr imãs e eletroimãs, que aproveitam o efeito magnético da corrente elétrica.
  • 36.
    23 3.1.2 Correntes eeletromagnetismo: A corrente elétrica num condutor produz campo magnético em torno dele, com intensidade proporcional à corrente e inversamente à distância. B = 4p10-7 I / r (ver Fig. 8) Figura 8 – Corrente elétrica Nesta equação, válida para um condutor muito longo, I é a corrente, r a distância ao centro do condutor e B é a densidade de fluxo, ou indução magnética, que representa o campo magnético. É medida em Tesla, T. Se enrolarmos um condutor, formando um indutor ou bobina, em torno de uma forma, o campo magnético no interior deste será a soma dos produzidos em cada espira, e tanto maior quanto mais espiras e mais juntas estiverem B = 4p10-7NI / L Figura 9 – Indutor ou Bobina L é o comprimento do enrolamento, e N o número de espiras, válida para núcleo de ar. 3.1.3. Permeabilidade Os materiais se comportam de várias maneiras, sob campos magnéticos: ¬ Os diamagnéticos, como o alumínio e o cobre, os repelem, afastando as linhas de campo. ¬ Os paramagnéticos se comportam quase como o ar. ¬ Os ferromagnéticos concentram o campo, atuando como condutores magnéticos. A permeabilidade é a propriedade dos materiais de permitir a passagem do fluxo magnético, que é a quantidade de campo que atravessa o material. f = BA A é a área transversal ao campo do material, em m2 . O fluxo é medido em Webers, Wb
  • 37.
    24 Os materiais maispermeáveis são os ferromagnéticos. Eles tem permeabilidades centenas a vários milhares de vezes a do ar, e são usados como núcleos de indutores, transformadores, motores e geradores elétricos, sempre concentrando o fluxo, possibilitando grandes campos (e indutâncias). Os diamagnéticos são usados como blindagem magnética (ou às ondas eletromagnéticas), pela permeabilidade menor que a do ar, mo. mo = 4p10-7 Tm/A 3.1.4. Indutância: Vimos que os indutores produzem campo magnético ao conduzirem correntes. A indutância é a relação entre o fluxo magnético e a corrente que o produz. É medida em Henry, H. L=f/I Uma propriedade importante da indutância, e da qual deriva o nome, é o fato do campo resultante da corrente induzir uma tensão no indutor que se opõe à corrente, esta é chamada a Lei de Faraday: E = N df / dt N é o número de espiras do indutor, e df / dt é a velocidade de variação do fluxo, que no caso de CA é proporcional à freqüência. E é a tensão induzida, em V. É interessante observar como isto se relaciona ao conceito de reatância indutiva, a oposição à passagem de corrente pelo indutor: XL = 2 pfL L é a indutância, e f a freqüência da corrente, em Hz. A corrente alternada produz no indutor um campo, induzindo uma tensão proporcional à freqüência, que se opõe à corrente, reduzindo-a, esta é a explicação da reatância. As bobinas nos circuitos elétricos são chamadas indutores. Quando usadas para produzir campos magnéticos, chamam-se eletroimãs ou solenóides. Já dentro de máquinas elétricas (motores e geradores), fala-se em enrolamentos.
  • 38.
    25 3.1.5. Campos magnéticose forças: Um campo magnético produz uma força sobre cargas elétricas em movimento, que tende a fazê-las girar. Quando estas cargas deslocam-se em um condutor, este sofre a ação de uma força perpendicular ao plano que contém o condutor e o campo: F = B I L senq F é a força em Newtons, L o comprimento do condutor, em m, e q o ângulo entre o condutor e as linhas do campo. Figura 10 - Força eletromagnética É esta força que permite a construção dos motores elétricos. Nestes o ângulo é de 90o, para máximo rendimento, B é produzido pelos enrolamentos, e há N espiras (nos casos em que o rotor, parte rotativa central, é bobinado), somando-se as forças produzidas em cada uma. O núcleo é de material ferromagnético, para que o campo seja mais intenso, e envolve o rotor, com mínima folga, o entreferro, formando um circuito magnético. O processo é reversível: uma força aplicada a um condutor, movendo-o de modo a “cortar” as linhas de um campo magnético (perpendicularmente), induz uma tensão neste, conforme a Lei de Faraday, proporcional à velocidade e ao comprimento do condutor, e ao campo, é o princípio do gerador elétrico e do microfone dinâmico. E=BLv E é a tensão em V, L o comprimento, em m, e v a velocidade do condutor, em m/s. Além desta força, há a de atração exercida pôr um campo num material ferromagnético, que age orientando os domínios (e os “ spins”), podendo imantá-los (conforme a intensidade e a duração). Esta é usada nos eletroimãs, nos relés e contatores (relés de potência usados em painéis de comando de motores), etc.
  • 39.
    26 É também usadana fabricação de imãs, usados entre outras aplicações nos autofalantes, microfones e pequenos motores C.C. (campo), como aqueles usados em toca - discos e gravadores. 3.2 Noções de Eletrotécnica: Segundo a apostila “ Eletrotécnica 1 da Equacional Elétrica e Mecânica Ltda.”, apresentada no Seminário da Subrasa, Campo Bom, RS, 1996, escrita por Ivan Eduardo Chabu,, Reginaldo Izael da Silva e Marcelo Gandra Falcone e as figuras, também retiradas da apostila, podemos definir: 3.2.1. Lei da Força Eletromotriz Induzida Por Movimento Na sua forma mais simples essa lei estabelece o seguinte: Se um condutor retilíneo se movimenta em um campo magnético aparece uma força eletro-motriz (voltagem) em seus terminais. Essa voltagem [Volts-(V)] é dada pelo produto do comprimento do condutor [metro(m)] pela velocidade [metro por segundo-(m/s)] e pela intensidade da indução do campo [Weber por m2-(Wb/m2)] Figura 11 – Força Eletromotriz EXEMPLO: Na fig. 11 o condutor se move de baixo para cima. O campo B está dirigido da esquerda para a direita e é produzido por um imã permanente N - S. Quantos Volts medirá o voltímetro V, sabendo-se que o condutor tem 100 mm, o campo tem intensidade de indução igual a 0,8 Wb/m2 e a velocidade é 30 m/s? Solução:
  • 40.
    27 Se o comprimentoé 100 mm devemos transformá-lo em metro, logo, L = 0,1 m Velocidade: v = 30 m/s Indução: B = 0,8 Wb/m2 Teremos uma tensão (voltagem) induzida no condutor que pode ser calculada V=LxvxB V = 0,1 x 30 x 0,8 = 2,4 V Esta lei é muito importante para o entendimento dos princípios de funcionamento dos motores e geradores que serão expostos mais adiante, neste item. Nos geradores de corrente contínua, por exemplo, os condutores que estão nas ranhuras giram (se deslocam) em relação ao campo criado pelos pólos da carcaça e nesses condutores são induzidas as tensões que são levadas ao coletor-comutador e daí coletadas pelas escovas. Nota 1: Se a velocidade for invertida, isto é, se o condutor se deslocar de cima para baixo, a polaridade da voltagem induzida + / - se inverte. Assim sendo, se o movimento do condutor for alternativo, isto é, se ele se deslocar, ora para cima e ora para baixo, a tensão induzida será o que se chama de “tensão (ou voltagem) alternada”. Nota 2: Se existir mais de um condutor ligado em série, a tensão induzida será a soma. No exemplo dado, se houver 3 condutores em série, teremos V = 3 x 2,4 = 7,2 V.
  • 41.
    28 3.2.2. Lei daIndução de Faraday Também, na sua forma mais simples, a Lei de Faraday estabelece que se existir um fluxo magnético [unidade Weber-(Wb)] atravessando uma bobina de uma espira, e este fluxo variar, fará aparecer uma força eletromotriz [voltagem-(V)] nos terminais da bobina. Essa voltagem é dada pela divisão da variação do fluxo (∆φ) pelo intervalo de tempo em que aconteceu essa variação [unidade segundo-(s)] V = ∆φ ∆t Se a bobina tiver N espiras o valor será N vezes maior V= Nx ∆ φ ∆ t Esta lei é muito importante no cálculo de enrolamentos de transformadores e de motores de indução. EXEMPLO: Na figura 12, está representado um núcleo de transformador monofásico. No núcleo existe um fluxo magnético φ que atravessa a bobina secundária de uma espira. O fluxo φ é produzido pela bobina primária do transformador. Vamos supor que este fluxo variou de 2 Wb até 0,5 Wb em 2 décimos de segundo. Qual a voltagem média induzida nessa espira? Figura 12 - Núcleo fechado com secundário de 1 espira.
  • 42.
    29 Solução: Se ofluxo variou de 2 até 0,5 Wb, a variação, ∆ φ , será : ∆ φ = 2 - 0,5 = 1,5 Wb O intervalo de tempo em que isso aconteceu é: ∆ t = 0,2s A voltagem induzida na espira será : V = 1,5 = 7,5 V 0,2 Se a bobina possuísse 3 espiras (N=3), como a da fig. 13, a voltagem seria: V = 3 x 1,5 = 22,5 V 0,2 Figura 13 - Núcleo fechado com secundário de n espiras. Se possuísse 30 espiras, a voltagem seria 30 vezes o valor para uma espira : V = 30 x 1,5 = 225 V 0,2 Se o intervalo de tempo da variação fosse 1 décimo de segundo, ao invés de 2, é fácil notar que a voltagem seria o dobro: V = 30 x 1,5 = 450V 0,1
  • 43.
    30 Por aí sevê que se o fluxo produzido pela bobina primária do transformador variar rapidamente com uma freqüência de, por exemplo 60 vezes por segundo, a tensão aumenta ainda mais. É o efeito de freqüência sobre a voltagem induzida. 3.2.3. Lei da Força sobre Corrente (Lei de Laplace) Esta lei, também na sua forma mais simples, estabelece que se um condutor retilíneo for percorrido por corrente elétrica, I [Ampére-(A)], e estiver sujeito a um campo magnético de indução, B [Weber por metro-(Wb/m)], aparecerá uma força [Newton(N)], que procura deslocar o condutor. Essa força é dada pelo produto do comprimento do condutor [metro-(m)], pela corrente I e pela intensidade da indução. F = L . I . B (Fig.14) Figura 14 – Lei de Laplace EXEMPLO: Na fig. 14 o condutor faz um ângulo reto (90º) com o campo. A corrente no condutor é de 35 A. O valor da indução é de 0,9 Wb/m2 . Se o condutor tem 600 mm, qual a força exercida sobre ele? Solução: O comprimento tem que ser dado em metro, logo L = 0,6 m (600 mm), B = 0,9 Wb/m2 , I = 35 A : F= L x I x B F = 0,6 x 35 A x 0,9 = 18,9 N
  • 44.
    31 A unidade deforça Newton (N) é igual a 1 quilograma força (kgf) dividido por 9,8. Assim se desejar a força em kgf, basta dividir por esse valor. F= 18,9 = 1,93 kgf 9,8 Se tivermos uma bobina com 2, ou 3 ou 4 condutores, a força exercida sobre ela seria a soma das forças em cada condutor. Se tivéssemos 4 condutores ao invés de 1, a força seria 4 x 1,93, ou seja, 7,72 kgf. Essa lei é muito importante no cálculo da força desenvolvida por motores elétricos. Para isso basta calcular a força em cada condutor que existe dentro das ranhuras de uma armadura e somando todas essas forças teremos força resultante total. A partir dessa força é possível calcular o torque (conjugado) desenvolvido pelo motor. Basta para isso multiplicar a força total pelo raio da armadura (em metro) e teremos o torque em quilograma força x metro (kgf x m). 3.2.4. Princípio de funcionamento dos motores trifásicos de indução O motor de indução tem a construção de estator semelhante à do alternador anteriormente descrito, ou seja, na forma mais elementar possui um núcleo de ferro onde são alojados 3 bobinas deslocadas de 120º uma da outra. O rotor é construído com um cilindro de ferro onde são alojadas barras de material condutor, como cobre ou alumínio, todas essas barras soldadas num anel também condutor, formando um sistema de barras em curto-circuito - daí o nome de motor de curto-circuito ou motor de gaiola. Ao alimentar as 3 bobinas do estator com uma linha trifásica, é criado no interior do estator um campo magnético que se movimenta ao longo da circunferência do estator - é o chamado campo girante.
  • 45.
    32 Figura 15 -Motor de curto-circuito ou de gaiola 3.2.5. Como se cria o campo girante: Lembrando-se que as 3 tensões do sistema trifásico não são simultâneas mas sim defasadas por um tempo de 1/3 de tempo do ciclo, e como as bobinas do estator estão montadas afetadas uma da outra de 1/3 da circunferência obtemos a seguinte situação (ver fig. 16): Figura 16 – Enrolamento Trifásico Esquemático
  • 46.
    33 Quando a tensãoda linha R está passando pelo valor máximo de sua alternância, a fase A tem a corrente também máxima e portanto o campo magnético criado por ela é máximo e está alinhado com o eixo da fase A. Com o passar do tempo, a tensão na linha R vai diminuindo e na fase S vai crescendo, de forma que 1/3 do tempo de ciclo mais tarde a fase S é máxima e também a corrente e o campo criado pela fase B. Como esta fase está montada afastada da fase A de 1/3 da circunferência, observamos que o campo magnético máximo se transferiu do eixo da fase A para o eixo da fase B. Mais um tempo equivalente a 1/3 de ciclo ocorrendo, tudo se transfere para a fase C, e assim por diante. Figura 17 – Tensões Trifásicas alternadas - Esquemático O efeito global, é como se o campo magnético estivesse se deslocando no sentido anti-horário dentro do estator, ou seja, é como se existisse um imã imaginário que estivesse se movendo sobre o estator.
  • 47.
    34 Figura 18 –Efeito Global - Esquemático O deslocamento deste imã (campo), ao passar pelas barras do rotor induz nela uma tensão e como estas barras estão todas curto circuitadas, a tensão na barra aplicada sobre a resistência da barra faz circular uma corrente na barra. Figura 19 – Corrente circulante - Esquemático Como já foi visto, pela Lei de Laplace, um condutor que conduz corrente dentro de um campo magnético, fica submetido a uma força mecânica numa direção perpendicular ao condutor. Logo, como os condutores estão montadas no rotor, as
  • 48.
    35 forças nas barrasmovimentam o rotor, que vai rodar no mesmo sentido do campo girante, acompanhando-o. Quando a tensão trifásica da alimentação completa um ciclo, o campo magnético e portanto o rotor completa uma volta. Assim sendo, por exemplo nessa máquina esquemática da figura 19, de 2 pólos, com alimentação de 60 Hz na freqüência da rede, o rotor gira 60 vezes em 1 segundo, ou 3600 rotações por minuto. RPM = 60 x freqüência (60 Hz) = 60 x 60 = 3600 rpm Pares de pólos 1 3.3 Noções Gerais de um Motor Elétrico Abaixo na figura 20 podemos ver um desenho esquemático de um motor: Figura 20 – Desenho esquemático de um motor, retirado do livro Máquinas de Corrente Alternada, de Alfonso Martignoni, página 311.
  • 49.
    36 3.3.1 Motor Como podemosver na figura 20 um motor elétrico constitui-se basicamente de : ¬ Estator; ¬ Enrolamento; ¬ Rotor; ¬ Tampas; ¬ Mancais; 3.3.2 Tampas Constituídas normalmente de: ¬ Tampa mancal principal (L.A. e L.O.A.); ¬ Tampinha externa do alojamento do mancal (L.A. e L.O.A.); ¬ Tampinha interna do alojamento do mancal (L.A. e L.O.A.). 3.3.3 Mancais: Normalmente são: ¬ Buchas de deslizamento ou ¬ Rolamentos. 3.3.4 Rotor: Como podemos ver na figura 21 um rotor constitui-se basicamente de: ¬ Eixo; ¬ Núcleo Magnético; ¬ Barramento; ¬ Anéis de curto circuito. Figura 21 – Desenho esquemático de um rotor, retirado do livro Máquinas de Corrente Alternada, de Alfonso Martignoni, página 185.
  • 50.
    37 3.3.5 Estator: Como podemosver na figura 22 um estator constitui-se basicamente de : ¬ Carcaça; ¬ Núcleo Magnético; ¬ Caixa de Bornes; ¬ Enrolamento; Figura 22 – Desenho esquemático de um estator, retirado do livro Máquinas de Corrente Alternada, de Alfonso Martignoni, página 23. 3.3.6 Enrolamento Como podemos ver na figura 23 um Enrolamento constitui-se basicamente de : ¬ Condutores(fio esmaltado); ¬ Cunha de fechamento (esteca); ¬ Filme isolante para massa e entre camadas; ¬ Verniz;
  • 51.
    38 Figura 23 –Ilustração de enrolamento retirada da apostila “motores de indução volume II”, Ensaios e Defeitos, de Aureo Gilberto Falcone e Marcelo Gandra Falcone, pagina 35. 3.4 Cuidados durante a fabricação e/ou manutenção: A implementação de inspeções, testes e ensaios durante o processo de fabricação ou manutenção visam o aumento da confiabilidade. A eficiência dos produtos na fabricação ou na manutenção é extremamente necessária e inevitável para atingir índices de qualidade (evitar retrabalho) e evitar retornos em garantia (evento causador de insatisfação no cliente final). 3.4.1 Os defeitos das partes mecânicas (carcaça, núcleos magnéticos, tampas, tampinhas e eixo) podem apresentar são: Dimensionais em geral: ¬ Tolerâncias de ponta de eixo; ¬ Tolerâncias de rasgo de chaveta; ¬ Tolerâncias de chavetas; ¬ Tolerâncias e centralização de colos de mancais; ¬ Tolerâncias e centralização dos rebaixos, furação dos pés e altura até o centro da carcaça; ¬ Tolerâncias e centralização de cubos das tampas; ¬ Tolerâncias e centralização de rebaixos das tampas; ¬ Tolerâncias e centralização do assento de mancais; ¬ Folga de tampinhas internas e externas. Inspeção durante a fabricação de acordo com desenhos (dimensional).
  • 52.
    39 Solda: ¬ Conformidade/Continuidade; ¬ Bolhas; ¬Respingo. Inspeções: ¬ Visual; ¬ Liquido penetrante. Fundidos: ¬ Bolhas; ¬ Fissuras. Inspeção por líquido penetrante após usinagem. Balanceamento: ¬ Vibração. Inspeção feita no próprio processo. 3.4.2 Os defeitos dos núcleos magnéticos: Núcleo magnético: ¬ Perdas, ¬ Dimensional; ¬ Fixação. Os testes que são realizados estão descritos abaixo e estão na ordem de execução: ¬ Inspeção por alicate de perdas para verificação do material a ser utilizado e após estampar a primeira chapa, para verificação das características ferromagnéticas do produto estampado. O impacto da ferramenta sobre o material altera as características físicas dos grãos da chapa. É uma verificação para ver se o material continua dentro do valor especificado pelo projeto. No próximo item deste capitulo 3, em especial o item 3.5.4 iremos descrever as características do material do núcleo magnético e como ele é afetado no processo de estamparia e na montagem do núcleo, ou seja, na área de corte e na montagem do núcleo cria-se tensões internas ao sistema cristalino desses materiais e com isto surge áreas onde existe dificuldade de orientação dos domínios magnéticos perante a ação do campo externo, o que afeta a permeabilidade (aumenta as perdas ) o que é uma característica limitante de projeto.
  • 53.
    40 ¬ Dimensional padrãopara verificação das rebarbas que afetam diretamente o fator de empilhamento das chapas. O fator de empilhamento significa a real quantidade de material em um núcleo: a rebarba influencia aqui, ela aumenta a dimensão do núcleo ¬ Dimensional padrão para verificação da conformação da chapa do rotor e do estator para verificar se as mesmas estão dentro das medidas especificadas (ver exemplo de chapa na fig.6 da pág. 21). ¬ Dimensional padrão para verificação da conformação do núcleo do rotor e do estator para verificar se os mesmas estão dentro das medidas especificadas. ¬ Verificação por liquido penetrante na fixação e encostos de montagem do núcleo. ¬ Eventualmente em caso de suspeita durante a fabricação ou em caso de serviços (reparos) podemos proceder um ensaio de “ loop-test” para verificação de existência ou não de pontos quentes no núcleo magnético. A inspeção consiste em fazer um indutor passando uma espira longa axialmente no núcleo magnético e uma corrente elétrica controlada que passa através deste condutor da espira. Isto produz um campo magnético no núcleo, com intensidade proporcional à corrente e inversamente à distância, dado por B=4p10-7I/r onde é fixado em B=1 tesla (ver Fig. 8, pagina 23). Nesta equação, válida para um condutor muito longo, I é a corrente, r a distância ao centro do condutor e B é a densidade de fluxo, ou indução magnética, que representa o campo magnético. Quando passamos este campo magnético no núcleo, onde existir pontos onde a permeabilidade é diferente, teremos aquecimento das chapas localizado neste ponto. O critério de aceitação é de 15% de diferença em temperatura. Tal inspeção justifica-se, pois um ponto de aquecimento localizado por perdas no ferro de origem magnética podem provocar a queima localizada do enrolamento, parte de maior valor agregado do motor elétrico (comparado aos núcleos do rotor e estator em separado). Como pudemos observar a inspeção do núcleo é muito importante, pois um erro no núcleo causa perda total do núcleo do estator, do núcleo do rotor ou do enrolamento. Cabe lembrar que os dois núcleos juntos são a parte de maior valor agregado em material e mão de obra no custo do motor elétrico.
  • 54.
    41 3.4.3 Os defeitosdo enrolamento: Choque (mau isolamento entre bobina e chapa do estator), variação na resistência, solda mal feita, ligações invertidas, sentido de rotação errado, curto entre espiras, fio fora da ranhura, curto entre fases, foi cortado ou interrompido, ligação errada, isolamento dobrado, isolamento danificado, protetor térmico danificado, fuga do protetor para o enrolamento. Os testes que são realizados estão descritos abaixo e estão na ordem de execução: ¬ Medição de resistência ôhmica; ¬ Teste de tensão aplicada AC (Hipot AC); ¬ Teste de tensão aplicada DC (Hipot DC); ¬ Teste de Surto Elétrico (Surge Test); ¬ Teste de protetor térmico; ¬ Teste do sentido de rotação 3.4.4 Produto acabado Após a montagem os ensaios de rotina devem ser executados para verificação da conformidade do produto com a especificação. As normas NBR 7294, da ABNT em sua tabela 17 e a NBR 5383, da ABNT, definem como os ensaios abaixo devem ser realizados e os critérios de aceitação dos mesmos. Alguns dos ensaios realizados abaixo são de critério e acordo entre fabricante ou reparador e seu cliente, pois são de caráter especial. Em caso de produto novo que não tem similar, porém não tem caráter de protótipo, alem dos ensaios abaixo são realizados os ensaios de tipo.Os testes de rotina que são realizados estão descritos abaixo e estão na ordem de execução: ¬ Ensaio de Verificação da resistência ôhmica ¬ Ensaio de Resistência de Isolação ¬ Ensaio de determinação do Índice de polarização ¬ Ensaio de Tensão suportável ¬ Ensaio em Vazio ¬ Ensaio de Vibração ¬ Ensaio de ruído ¬ Ensaio de Rotor bloqueado ¬ Ensaio de Pintura ¬ Verificação Visual final
  • 55.
    42 3.5 Noções deperdas em núcleo magnético laminado. Ao ser calculada magneticamente a seção laminada de um núcleo para conduzir um certo numero de linhas magnéticas, obtendo-se um certo valor de B (indução)em função de um dado número de H (ampère-espiras) temos de escolher também um material com determinada permeabilidade µ. Essa seção é calculada para que o ponto de trabalho do núcleo, ou seja, a condição em que ele vai operar, corresponda a um ponto pré-fixado da curva de magnetização. Nos casos normais de núcleos de motores, transformadores, indutores, reatores, etc., procura-se utilizar um ponto de trabalho na parte da curva de magnetização em que esta é reta, para se ter uma certa tolerância de operação para cima e para baixo, e para que um aumento de H corresponda a um aumento linear e diretamente proporcional a B. Casos existem, porém, em que se trabalha com núcleos projetados mais próximos do ponto de saturação, ou mesmo já na faixa de saturação, situação em que não se deseja um aumento de B quando H (particularmente a corrente) sofre um aumento. É o caso dos núcleos saturados ou semi-saturados. Calculada a seção semi-transversal, temos de construir o núcleo, no presente caso, usando a justaposição de lâminas. Essas lâminas de material ferromagnético de dada composição, que estudaremos mais adiante, são compostas de material ferromagnético, propriamente dito, e de um revestimento isolante. É claro que a seção de material a ser colocada se refere unicamente à parte de material magnético da chapa, sem o revestimento, se bem que este tem espessura bastante fina. Ocorre, entretanto, que justapondo chapa com chapa, as irregularidades superficiais existentes, apesar dos elevados esforços de compressão (compactação das lâminas) que são aplicados, vão levar um seção real do núcleo laminados superior em consideração, ao se calcular o carretel ou o suporte de uma bobina ou enrolamento, bem como ao se determinar o comprimento de um fio que vai ser necessário para construir o enrolamento. O numero real que representa a razão entre o numero de chapas vezes sua espessura e o tamanho do núcleo, é o fator de empilhamento mencionado no item 3.4.2 página 39. A figura 24 indica este problema.
  • 56.
    43 Figura 24 –Representação de núcleos laminados. In “Materiais Elétricos – Isolantes e Magnéticos”, de Walfredo Schmidt, pág. 148. A justaposição de um dado número de chapas, isoladas entre si, reconstruindo a seção magnética necessária, é explicada pela necessidade de se levar a resistência á circulação das correntes induzidas no núcleo, veja a figura 24c , as quais, através das lâminas isoladas entre si, não podem circular com a facilidade existente em uma seção contínua. A redução das correntes parasitas, assim obtida, reduz o problema de aquecimento de núcleo devido ás perdas Joule que apareceriam em suas seções transversais, sem entretanto, prejudicar a circulação das linhas magnéticas, uma vez que o comprimento da lâmina acompanha a direção de circulação da linha magnética. As perdas, assim reduzidas, são ainda função da espessura da lâmina, quanto mais fina a lâmina, menores serão as correntes parasitas, porque maior é a resistência oferecida a sua passagem. Existe entretanto, um limite inferior mecânico e econômico para essa espessura. Quanto mais fina a lâmina, menor é a sua resistência mecânica, e, em núcleos de grandes dimensões, teríamos problemas de montagem dos mesmos. Ainda, quanto
  • 57.
    44 mais fina alâmina, maior é o número de lâminas necessárias para se construir dado núcleo, o que eleva a mão-de-obra necessária, tanto na estampagem de cada lâmina quanto na sua montagem. Por estas razoes, chegou-se a uma faixa de espessuras comerciais atualmente fornecida, que varia, em geral, entre valores de 0,3 a 1mm de espessura. No caso de motores costuma-se usar como padrão 0,5mm. Mas, a simples redução de perdas pela laminação, não é suficiente para levar o valor das perdas a um nível desejado.. Outros processos de redução de perdas devem ser aplicados ao núcleo laminado, uma vez que estas perdas sempre estão ocorrendo no equipamento esteja este com ou sem carga. Observe-se que a perda em um equipamento dotado de um núcleo magnético se compõe principalmente das perdas Joule no condutor, que são função da corrente de alimentação que circula: num equipamento sem carga (em vazio), essa corrente é sensivelmente menor (e assim suas perdas) do que perante correntes normais ou mesmo sobrecorrentes. Entretanto, as perdas no núcleo aparecem no mesmo instante em que se estabelece o campo magnético. Portanto as perdas magnéticas se apresentam continuamente, bastando o equipamento estar ligado. Por outro lado, essas perdas representam energia elétrica transformada em magnética, que não realiza trabalho útil, por isso é considerada parda e deve ser mantida com o mínimo valor possível. Outros métodos de redução de perdas serão vistos a seguir 3.5.1. Composição adequada Sobre a composição do material usado, serão ainda feitos estudos suplementares no que segue. Por ora, cabe indicar que o material usado na fabricação de chapas é o ferro com silício ou ferro silicioso, com um teor máximo de silício da ordem de 3%. Porém existem tipos com teores mais baixos. Vamos analisar essa variação. O silício é um ótimo isolante, de modo que quando acrescentado ao ferro eleva a resistividade do material, reduzindo assim as correntes parasitas. O silício, porém, endurece extremamente o material, dureza essa tanto maiôs quanto maior a porcentagem de silício. Portanto, para efeito de corte, é interessante manter a porcentagem de silício a mais baixa possível.
  • 58.
    45 Como existem outrosrecursos de redução de perdas, a tendência moderna, é manter baixo o teor de silício e laças mão de diversos meios, que, combinadods, permitem reduzir aas perdas ao nível desejado. 3.5.2. Tipos de Laminação As chapas laminadas a frio apresentam anisotropia cristalina bem mais acentuada do que as laminadas a quente. Levada em consideração, essa anisotropia das chapas laminadas a frio leva a valores mais baixos de perdas do que as perdas de chapas laminadas a quente. Deve-se, porém, cuidar para se usar a chapa no sentido preferencial de laminação, onde o valor de B é máximo. Por essa razão, em todos os casos em que o campo magnético tem direção constante, ou seja, em que o núcleo é fixo e o elemento indutor também (transformadores, por exemplo) e onde as perdas devem ser baixas, se usa a chapa laminada a frio. 3.5.3 Orientação do Grão Para o uso adequado da anisotropia cristalina, os domínios dos grãos devem estar orientados todos no mesmo sentido. Portanto, a chapa já deve vir com essa orientação, o que é obtido por métodos térmicos adequados. Essa orientação granular leva, entretanto, a cuidados especiais quando do corte ou estampagem dos núcleos, a partir da chapa completa, fornecida em forma plana ou em rolos. O cuidado é que, quando do corte, devemos fazer coincidir a direção preferencial de magnetização com a direção das linhas de campo. Caso contrário, o material apresentará, desnecessariamente, perdas elevadas. 3.5.4. Recozimento Conforme já mencionamos em 3.4.2., o corte das chapas deforma os cristais na seção de corte. Essas deformações significam a mudança do eixo preferencial de magnetização em relação ao resto do material. Assim, se aplicarmos um campo magnético orientado no sentido da orientação dos grãos, de modo a fazer coincidir os dois eixos com o de maior permeabilidade, a seção de corte não estará operando mas melhores condições e, conseqüentemente, apresentará perdas elevadas, e inadmissíveis para os casos práticos. Para resolver este problema, procede-se um tratamento térmico, a algumas centenas de graus centígrados, capaz de eliminar as tensões internas de deformação e reconduzir os cristais á sua posição original (ou o
  • 59.
    46 mais próximo desta).Assim procedendo, estaremos beneficiando o material e suas características. Esse aquecimento, feito em fornos contínuos e apropriados, recebe o nome de recozimento. 3.4.5. Corte a 45° ° Vamos observar a figura 25. Os núcleos magnéticos podem ser de diversos tipos, ditos em I, E, U e L. Se os núcleos forem montados com perfis do tipo L, notaremos que parte das linhas magnéticas tem orientação coincidente com o eixo preferencial de magnetização, e parte não. Nestas últimas, a parte horizontal, no caso da figura 68, terá perdas maiores do que as permissíveis.Tal problema se repete também, de modo pouco diverso, na montagem de núcleos com perfis E ou em E e L, e de perfis em U ou em U e I. Figura 25 – Formas básicas de perfis de laminas de transformadores. In “Materiais Elétricos – Isolantes e Magnéticos”, de Walfredo Schmidt, pág. 151.
  • 60.
    47 Somente não acontecequando esse núcleo é montado com perfis em I, pois, nesse caso, a própria posição do I acompanhará a direção do fluxo magnético. É necessário entretanto, estampar esses perfis, de tal modo que o seu eixo maior seja coincidente em direção com o eixo preferencial de magnetização. Veja a fig. 25 pág. 46. O único problema que persiste é o da orientação das chapas e a direção do campo da região das diagonais. Nestes ainda persiste a discrepância entre o Eixo Preferencial de Magnetização – e.p.m., e a direção do campo magnético. Uma solução para esse caso é o corte da chapa, nas extremidades, a 45° e não a 90°. Nessas condições, a diferença entre a orientação do campo e o e.p.m. é sensivelmente reduzida, com o que se reduzem também as perdas. Veja a figura 25 da pág. 46, que explica o assunto. 3.5. Ferro e aço fundido para máquinas girantes A forma mais barata é o tipo de ferro fundido normal composto de carbono e ferrita, com uma taxa admissível de tração de 12 kgf/mm². O carbono quimicamente ligado, por exemplo, na forma de perlita, eleva sensivelmente o valor da força coercitiva, Hc, enquanto que o carbono livre tem pouca influência. Pode-se obter a eliminação do carbono na forma de grafita, de dois modos: elevando-se o teor de silício ou aplicando-se ao material um recozimento mais longo, a cerca de 800-900° C, neste último caso, eliminando-se também, simultaneamente, tensões mecânicas internas resultantes da fusão. Os valores médios de indução se movem em torno de 0,60 a 0,90 Wb/m², com um valor máximo de permeabilidade de 240. Mais dados na Tabela III. Outra solução mais aconselhável é o ferro fundido temperado, que apresenta melhores características mecânicas e magnéticas. Assim, a taxa admissível de tensão é cerca de três vezes superior (30 a 40 kgf/mm²). O valor de Hc se reduz a ¼ com uma média de 140 A/m, enquanto a indução se eleva a quase o dobro (veja a tabela III). Este ferro fundido, mais caro que os dois anteriores, consiste em uma solução tecnicamente ainda melhor que quanto aos valores de indução e de taxa admissível de tração, mantendo praticamente a ordem de grandeza da força coercitiva, Hc. Mais dados na Tabela III.
  • 61.
    48 Tabela III -Chapas de ferro silicioso e suas propriedades. In “Materiais Elétricos – Isolantes e Magnéticos”, de Walfredo Schmidt, pág. 156. 3.5.1. Chapas de Ferro Silicioso As chapas de ferro silicioso, que, ao contrário do material anterior, que é usado na fundição de peças, é fornecido com produto de laminação, em chapas com espessura de 0,30 a 2,0 mm, sendo bitolas acima de 1mm já considerados especiais. Chapas especiais existem também com espessura de 0,03 mm com características altamente favoráveis. A razão da montagem de elementos magnéticos através da justaposição de chapas já foi justificado anteriormente, no estudo feito dos processos de redução das correntes e das perdas parasitas. Como o próprio nome informa, as chapas de ferro silicioso resultam de um acréscimo de silício ao ferro, pois graças às propriedades isolantes do silício, obtem-se, assim, um material eletricamente bastante resistente, o que reduz as perdas. Além disso, o acréscimo de silício permite elevar o carbono e a quase total eliminação de oxigênio, o que eleva a permeabilidade inicial, reduz a força coercitiva e reduz também as perdas por histerese. O silício, entretanto, endurece o material, sobretudo acima de um acréscimo de 4,5%, o que dificulta a sua estampagem. A laminação dessas chapas pode ser feita de tal modo que se apresente com uma estrutura orientada,
  • 62.
    49 paralelamente ao sentidoda laminação, através de uma laminação adequada a frio com tratamento térmico especial. Resulta, assim, a chapa laminada a frio de grão orientado, que apresenta pêras bastante baixas quando usada segundo o eixo preferencial de magnetização (e.p.m.). Este eixo deve ser particularmente respeitado devido à elevada anisotropia desse tipo de chapa. Além da chapa laminada a frio, encontra-se grande aplicação da chapa laminada a quente, que se caracteriza por apresentar perdas mais elevadas que o tipo laminado a frio, sem ter, porém, uma anisotropia tão acentuada. Se compararmos, geneticamente, duas curvas de anisotropia desses materiais, teremos uma situação como a representada na Figura 26. Figura 26 – Curvas características dos aços laminados. In “Materiais Elétricos – Isolantes e Magnéticos”, de Walfredo Schmidt, pág. 158. A chapa laminada a quente, devido a sua característica anisotrópica, encontra aplicação vantajosa em todos os casos em que os campos magnéticos não circulam por núcleos de posição fixa, que é o caso típico de rotores de máquinas girantes. Como nesse caso, mantida a orientação do campo, o núcleo se move, o uso de chapas de elevada anisotropia – laminadas a frio - levaria a uma sensível elevação das perdas devido à redução de permeabilidade em qualquer posição fora do eixo de magnetização preferencial.
  • 63.
    50 Existem infinitas posiçõesnão coincidentes entre o e.p.m. e a orientação do campo, o que eleva as perdas. Assim, neste caso, a chapa laminada a quente, sem anisotropia acentuada, resulta na melhor solução. 3.5.2 Dispersão magnética no estator e no rotor A dispersão magnética que se manifesta, tanto no estator como no rotor de um motor assíncrono, afeta o fator de potência e, por conseguinte, a possibilidade de sobrecarga do mesmo. Por esta razão, a técnica de construção destes motores proporciona suas partes, de forma a manter as ditas dispersões entre valores aceitáveis. O cálculo do coeficiente de dispersão relativo a cada fase de um motor assíncrono é laborioso e complexo, pois são muitos os fatores que o influenciam, como por exemplo: formato dos canais, espessura do entreferro, número de pólos, estado de saturação do circuito magnético, comprimento e formato das cabeças das bobinas e outros fatores cujos efeitos são dificilmente determináveis. A fim de dar-se uma idéia de como se processa a dispersão magnética, serão examinados a seguir: ¬ Dispersão lateral, que consiste, conforme a figura 27, da fuga a do fluxo de um pólo para outro nas extremidades da carcaça estatórica. ¬ Dispersão na cabeça das bobinas, consistindo, conforme a figura 27, do conjunto de linhas de força b que se fecham em volta das cabeças das bobinas. ¬ Dispersão nos canais, consistindo, conforme a figura 27, do conjunto de linhas de força a que se fecham em volta de canais estatóricos. Figura 27 – Dispersão nos canais. In “Máquinas de Corrente Alternada, de Alfonso Martignoni, página 234”.
  • 64.
    51 ¬ A dispersãozigue-zague nos dentes estatórico-rotóricos, conforme a figura 28, constituída pelo conjnto de linhas de força que se fecham através dos dentes estatóricos, entreferro e dentes rotóricos percorrendoa linha zigue-zague b. Figura 28 – Dispersão nos dentes. In “Máquinas de Corrente Alternada, de Alfonso Martignoni, página 234”. Pelo exposto, torna-se evidente que a avaliação das dispersões magnéticas, do fator de potência e da corrente de curto-circuito de um motor assíncrono só é possível ser efetuada com o motor montado, através dos ensaios enumerados no item 3.4.4. pág. 41. 3.5.3 Perdas: Aquecimento e Rendimento A potência nominal de um motor assíncrono é expressa em cavalos (CV), sendo assim definida pela potência mecânica que o motor fornece em seu eixo. Para uma determinada potência, o volume e o custo de um motor dependem da velocidade com que esta potência é fornecida. Tal velocidade, é expressa em r.p.m., depende da freqüência (f) da linha de alimentação e do número de pólos da máquina. A potência elétrica aparente absorvida da linha, expressa em kVA, depende da potência mecânica em CV, o rendimento e do fator de potência com que a máquina trabalha. O rendimento depende das perdas, e o fator de potência das dispersões do circuito elétrico do motor. Outros fatores importantes para identificar a estrutura e as possibilidades do motor são: o tipo de conexão das fases estatóricas, a tensão de alimentação e a elevação de temperatura que o motor alcança quando com carga normal, o tipo de regime para o qual foi construído (contínuo ou intermitente) e, por
  • 65.
    52 fim, a classede isolamento que indica quais as elevações de temperatura que o motor pode suportar. A placa indicada na figura 28 (a) é a de identificação de um motor assíncrono trifásico de 200 CV enquanto a da figura 28 (b) mostra como efetuar as ligações dos bornes para se obterem as conexões das fases em triângulo ou em estrela. Figura 29 – Placa de dados. In “Máquinas de Corrente Alternada, de Alfonso Martignoni, página 236”. As Perdas que se produzem no funcionamento do motor assíncrono são: ¬ perdas no ferro estator ¬ perdas superficiais do estator e do rotor ¬ perdas por efeito Joule no estator e no rotor ¬ perdas adicionais ¬ perdas mecânicas Perdas no ferro: As Perdas no ferro do estator, que se compõe das perdas por correntes parasitas e das perdas por histerese magnética. As Perdas no ferro do rotor – Sendo a velocidade do rotor muito próxima do sincronismo, a frequência de variação do fluxo do mesmo é muito pequena. Por esta razão, as perdas no ferro do núcleo rotórico dos motores assíncronos são consideradas nulas. Perdas Superficiais: As perdas superficiais do estator são produzidas pela variação do fluxo que se produz na ponta dos dentes estatóricos por efeito da passagem, em sua frente, dos dentes rotóricos. Se o rotor for de canais fechados, estas perdas são desprezíveis. Se o rotor possuir canais abertos ou semi-fechados, as perdas superficiais estatóricas podem ser consideradas como sendo iguais a 30% das perdas
  • 66.
    53 que se verificamnos dentes do estator. As perdas superficiais do rotor são devidas à variação do fluxo que se produz na superfície periférica rotórica por efeito da passagem desta sob os dentes e rasgos estatóricos. Estas perdas podem ser consideradas como sendo iguais a: W = 1,5 x Perdas nos dentes estatóricos Perdas por efeito Joule no estator e no rotor: As perdas por efeito Joule são as que se verificam nos condutores estatóricos e rotóricos por efeito da passagem da corrente elétrica. Perdas adicionais: Além das perdas calculadas, conforme anteriormente foi indicado, outras perdas verificam-se no decorrer do funcionamento da máquina, as quais são de difícil avaliação. Tais perdas são as que se verificam nos parafusos de fixação dos núcleos rotóricos e estatóricos, as que se verificam nos condutores de seção nas curvas, etc. A fim de avaliar globalmente estas perdas, as mesmas são consideradas como sendo 0,005 da potência elétrica aparentemente absorvida pelo motor. Perdas mecânicas: As perdas mecânicas são das devidas aos atritos nos suportes e à ventilação, por isso dependem do tipo de suportes, dos processos de lubrificação, dos sistemas de ventilação e da velocidade de rotação do motor. 3.6 Estampagem de núcleos magnéticos em motores elétricos Os núcleos magnéticos são constituídos do empilhamento chapas estampadas ranhuradas do estator e do rotor. O material utilizado é a chapa tratada conforme exposto no item 3.5 e item 3.5.1 nas paginas 47 e 48 O material a ser utilizado, a forma, dimensões, quantidade e disposição variam conforme a especificação vista em 3.5.2 de motor para motor, ou seja, para cada placa de dados com características diferentes temos estampagem diferente. Para possibilitar este universo de chapas diferentes temos diversos tipos de ferramentas diferentes, materiais diferentes entre outras possibilidades.
  • 67.
    54 3.6.1 Materiais. Os materiaisbásicos são: ¬ Ferro fundido laminado ¬ Aço doce (ferro fundido laminado com teor de carbono SAE-1020) ¬ Aço doce para fins elétricos (ferro fundido laminado à frio com teor de carbono SAE-1020, com porcentagem mínima de silício que não altera propriedades de abrasão do aço 1020) ¬ Aço silicioso (ferro fundido laminado à frio com teor de carbono SAE-1020, com porcentagem controlada de silício conforme especificação de perdas) Estes materiais podem ser fornecidos em rolos de 1020mm de largura, chapas de 1000 x 2000mm ou blank cortado (ver fig 30). Fotografia gentilmente cedida por Equacional Figura 30 – Blank A opção do tipo de material ou a forma de recebimento é de acordo com o maquinário a ser utilizado e projeto da maquina em si. Normalmente o material recebido em rolo é utilizado em processo de estampagem onde as prensas tem alimentador automático, porém antes de utilizar o rolo é necessário corta-lo em fitas na largura equivalente ao diâmetro externo da chapa do estator. Como vantagem podemos dizer que nesta forma de recebimento o custo de aquisição é mais baixo, porém aumenta uma etapa no processo. A chapa de 2000 x 1000mm requer o mesmo processo do rolo, porém sua utilização é indicada para processos sem alimentação
  • 68.
    55 automática e ocusto de aquisição é 15% do que o do rolo. Já adquirir o blank pronto elimina ao corte da chapa e do rolo, além de minimizar as perdas de material, porém ele é de aquisição mais cara (da ordem de 100% com relação ao rolo). 3.6.2 Maquinário. Os mais utilizados são: ¬ Prensas excêntricas ¬ Prensas Hidráulicas ¬ Picotadeiras ¬ Guilhotinas ¬ Tesouras rotativas ¬ Alimentadores 3.6.3 Estampos. São inúmeros tipos e a escolha vai de acordo com o projeto do motor e com a quantidade de chapas a serem estampas. Por exemplo, para fabricar 100 motores com pacotes de 100mm com chapa de 0,5mm, serão necessárias 20.000 chapas. As figuras de 31 até 34 exemplificam alguns tipos: Figura 31 - Estampo utilizado para cortes de discos, pólos, centro de arrasto. Retirado do livro ”ESTAMPOS DE CORTE E NORMAS” de Aladar Hittig.
  • 69.
    56 Figura 32 -Estampo utilizado para abrir ranhuras. Retirado do livro ” ESTAMPOS DE CORTE E NORMAS” de Aladar Hittig.
  • 70.
    57 Figura 33 -Estampo de punção, utilizado para ranhuras de rotor, canais de guia, furos, rasgos de chavetas. Retirado do livro ” ESTAMPOS DE CORTE E NORMAS” de Aladar Hittig. Fotografia gentilmente cedida por Equacional Figura 34 – Estampo progressivo de rotor e estator.
  • 71.
    58 3.6.4 Processo deEstampagem de chapas em discos para rotores e estatores de máquinas rotativas. 3.6.4.1. Preparação da Máquina ¬ Limpar ferramentas e apoio da máquina; ¬ Montar o ferramental da máquina; ¬ Ajustar e fixar a ferramenta 3.6.4.2. Regulagem da Máquina Os valores de golpes por minuto que a máquina trabalhará para estampagem devem ser determinados pela tabela abaixo. TABELA IV – Velocidade de estampagem (limites por inércia da chapa) Gentilmente cedido por COSINOX
  • 72.
    59 3.6.4.3. Estampagem dodisco padrão Fazer estampagem do Disco Padrão conforme especificado. A seqüência das figuras de 35 até 37 exemplificam o processo: Figura 35 – Blank com furo de centro e pino de arraste. Fotografia gentilmente cedida por Equacional Figura 36 – Esquema de Seqüência de estamparia. Esquema gentilmente cedido por Cosinox
  • 73.
    60 Figura 37 –Exemplo de disco cortado. Fotografia gentilmente cedida por Equacional 3.6.4.4. Fazer o seguinte Controle dimensional. Executar o Controle Dimensional na primeira chapa estampada e depois num intervalo de 100 em 100 chapas. O nível máximo de aceitação de rebarba nesta fase é de 0,050mm. Preencher Protocolo Dimensional conforme figura 38: Figura 38 – Esquema de protocolo dimensional – Gentilmente cedido por Cosinox.
  • 74.
    61 3.6.4.5. Estampagem daChapa do Estator Estampar ranhuras e o diâmetro interno da Chapa do Estator. A seqüência das figuras de 39 até 40, exemplificam o processo: Figura 39 – Chapa ranhura do estator – Fotografia Gentilmente cedida por Equacional O empilhamento da sobra do seu diâmetro interno (que será utilizado para a fabricação da Chapa do Rotor) deverá ser intercalado á 90 graus. Figura 40 – Empilhamento das Sobras – Esquema gentilmente cedido por Cosinox Empilhar as Chapas do Estator tomando como referência o rasgo da chaveta que é deslocado conforme projeto em n graus em relação a chaveta central (vide figura 7 pagina 21).
  • 75.
    62 3.6.4.6. Controle Dimensionalda chapa do estator: Fazer o Controle em todas as medidas solicitadas no Protocolo Dimensional, conforme fig. 41. Figura 41 – Protocolo Dimensional – Esquema gentilmente cedido por Cosinox Executar o Controle Dimensional na primeira chapa estampada e depois num intervalo de 100 em 100 chapas.O nível máximo de aceitação para a rebarba nesta fase será de 0,080 mm.
  • 76.
    63 3.6.4.7. Estampagem daChapa do Rotor Estampar as chapas do rotor, a partir do disco interno do estator. Figura 42 – Disco do rotor (sobra do estator, fig 39 página 61) – Fotografia Gentilmente cedida por Equacional 3.6.4.8. Estampagem das Ranhuras Conforme projeto. Ver figura 55 no capítulo 4, que mostra um projeto elétrico esquemático e figura 56a que mostra a instrução de trabalho que definem a estampagem abaixo figura 43: Figura 43 – Chapa ranhura do estator – Fotografia Gentilmente cedida por Equacional 3.6.4.9. Controle Dimensional das Ranhuras Executar o Controle Dimensional na primeira chapa estampada e depois num intervalo de 100 em 100 chapas.O nível máximo de aceitação de rebarba nesta fase é de 0,080 mm. 3.6.4.10. Estampagem dos Furos de Ventilação: Executado somente se solicitado pelo projeto.
  • 77.
    64 3.6.4.11. Controle Dimensionaldos Furos de Ventilação: Variação máxima de 0,05 mm.Executar o controle dimensional na primeira chapa estampada e depois num intervalo de 100 em 100 chapas. O nível de aceitação máxima de rebarba nesta fase é de 0,080 mm 3.6.4.12. Estampagem do Diâmetro Interno do Rotor Tomar um dente (ranhura) como referência e marcar com pincel atômico todo o pacote empilhado. 3.6.4.13 Estampar o diâmetro interno, posicionando a chapa pelo dente, marcado no pino guia da ferramenta. 3.6.4.14 Empilhar as chapas do rotor tomando como referência a marcação do pincel atômico. 3.6.4.15. Controle Dimensional no Diâmetro Interno do Rotor Preencher Protocolo Dimensional conforme figura: Figura 44 – Protocolo Dimensional – Esquema gentilmente cedido por Cosinox Executar o Controle Dimensional na primeira chapa estampada e depois num intervalo de 100 em 100 chapas. O nível máximo de aceitação para rebarba nesta fase é de 0,080 mm.
  • 78.
    65 3.7 Montagem dosnúcleos A forma de execução mais comum de pacote de rotor é a indicada na figura 45. O processo consiste empilhar as chapas estampadas do rotor sobre o eixo ou dispositivo e prensar até atingir o fator de empilhamento e a dimensão correta e travar por meio de anel elástico, anel roscado, encosto soldado, ou outro meio mecânico de trava. Uma vez montado o núcleo o barramento pode ser introduzido por meio de injeção de metal condutor ou barras de metal condutor. Figura 45 – Núcleo de rotor montado sobre o eixo com barramento condutor. In “Máquinas de Corrente Alternada, de Alfonso Martignoni, pág. 180, fig. 147”. A montagem do estator pode ser feita de varias formas. Assim como o rotor O processo consiste empilhar as chapas estampadas do estator diretamento dentro da carcaça ou sobre dispositivo e prensar até atingir o fator de empilhamento e a dimensão correta, quando o valor for obtido é necessário travar de forma permanente A forma mais comum de execução é a prensagem em dispositivo e solda dos canais externos do estator ou grapas de fixação e 2 discos de compressão (superior e inferior). Também podemos montar com tirantes que passam por furos estampados na chapa do estator, e parafusam bob pressão os discos de compressão (ver figura 46) ou finalmente como no exemplo do rotor montar sobre um encosto inferior na
  • 79.
    66 carcaça e soldaro disco de compressão em um canal feito na carcaça conforme fotografia da figura 47. Figura 46 – Núcleo de estator montado com tirantes. In “Máquinas de Corrente Alternada, de Alfonso Martignoni, pág. 181, fig. 148”. Figura 47 – Chapa ranhura do estator – Fotografia Gentilmente cedida por Equacional
  • 80.
    67 4. ESTUDO DECASO 4.1 Considerações Gerais Conforme descrito ao longo do trabalho o nosso objetivo é estudar um processo fabril e ver como Gestão da Qualidade pode ajudar a conhecer e estabelecer meios organizados para a produção. A Garantia da Qualidade do Produto, do ponto de vista de adequação às necessidades do cliente “aderência a especificação”, é um fator de competitividade permanente e obrigatório. Seu estágio mais avançado só pode ser conseguido com a inserção das necessidades dos clientes em todos os estágios que vão do desenvolvimento à distribuição do produto. Partindo-se do pressuposto de que a “qualidade está nos olhos do consumidor”, ou seja, de uma abordagem focada na satisfação do Cliente, um produto de boa qualidade é aquele que melhor atende as necessidades dos consumidores. A utilização de forma organizada dos conceitos da qualidade principalmente no que tange aos processos iniciais 7.1, 7.2 e 7.3 da ISO9001:2000 diminui o custo da não qualidade (ver Fig. 48). Custo do retrabalho nas etapas do processo x Item da Norma correspondente Projeto/planejamento 7.1/7.2/7.3 Execução 7.4/7.5 Medição final 7.6/8.2 No cliente A área de cada segmento da Pirâmide representa o custo da não qualidade Figura 48 - Pirâmide do Custo A organização utilizada como base do estudo de caso tem como missão a fabricação e reparos de motores e geradores elétricos para aplicações específicas, além de serviços especiais em máquinas normais padronizadas segundo ABNT e IEC. Possuía na época deste trabalho uma experiência acumulada de mais de 29 anos em projeto e construção de motores e geradores. A organização tem como principais características a qualidade física e o pronto atendimento. Os produtos e serviços por
  • 81.
    68 realizados aplicam-se àssiderúrgicas, indústrias de cimento, papel, plástico, têxteis, açucareira, equipamento e transporte além dos nossos tradicionais equipamentos para ensaios de máquinas, tanto em indústrias como em escolas técnicas e de engenharia. A capacidade de produção estende-se, hoje, normalmente até o tipo 710 ABNT/IEC e em casos específicos já forneu tipos maiores com potências superiores a 4.000 kW. Após analises em planos estratégicos e verificando a adequação da instalação fabril, maquinário/equipamentos e treinamento de mão de obra especializado e desenvolvimento de competências do pessoal, vemos que a empresa em questão tem como principal foco a fabricação e reparos de motores de tração, Siderúrgicos AC e DC e maquinas com carcaça IEC entre 400 e 710 em baixa e média tensão ( 220 Vca até 13.200 Vca e 12 Vcc até 7.500 VCC ). É o mercado das chamadas máquinas de médio porte. 4.2 Descrição da Organização. 4.2.1 Funcionários - Total: 73 - Administração: 15 - Produção: 48 - N.º de engenheiros: 04 + 01 formando - Nº de técnicos: 05 - Nº de funcionários com nível superior em outras áreas: 07 Figura 49 - Organograma
  • 82.
    69 4.2.2 Instalações (verfig. 50): - Terreno: 5.600 M2 - Área construída tortal: 4.250 m2 - Área Coberta: o Almoxarifado: 240m2 o Produção: 3..550m2 o Laboratório: 110m2 o Escritórios: 350m2 - Descoberta: Estocagem - 84 m2 - Potência Instalada: 225 KVA Figura 50 - Planta da empresa do estudo de caso
  • 83.
    70 4.3. Processos deGestão da Qualidade 4.3.1 Interação dos processos Figura 51 – Interação dos processos
  • 84.
    71 4.3.2. Fluxograma dosProcessos Fundamentais no estudo de caso Legenda PROCESSOS DE GESTÃO PROCESSOS DE VENDAS PROCESSOS DE EXECUÇÃO Figura 52a – Fluxograma parte A
  • 85.
    72 Legenda PROCESSOS DE GESTÃO PROCESSOSDE VENDAS PROCESSOS DE EXECUÇÃO Figura 52b – Fluxograma parte B
  • 86.
    73 Legenda: PROCESSOS DE GESTÃO PROCESSOSDE VENDAS Figura 52c – Fluxograma parte C PROCESSOS DE EXECUÇÃO
  • 87.
    74 4.4 Recursos pararealização do processo de estampagem 4.4.1. Materiais e Serviços adquiridos: MATERIAL FORNECEDORES Aço Silício laminado em blank Cosinox Ind. Com. Ltda. Aço Silício laminado Rolo Acesita. Aço Silício laminado em chapa Acesita Aço SAE 1020 Açotubo, Roma Não ferrosos Termomecânica, Shock Metais Componentes/serviço de usinagem Mecânica Catarinense, Testa Ferramentas de Estampagem Ferramentarias com eletroerosão 4.4.2. Humanos: 1. 01 Auxiliar de Estamparia I. Pessoa anteriormente contratada como Ajudante Geral II ou III.Tempo de serviço de, no mínimo, 03 (três) anos, e 06 meses na função. 2. 03 Auxiliares de Estamparia II. Pessoas anteriormente contratada como Auxiliares de Estamparia II. 1º grau completo. Tempo de serviço de, no mínimo, 05 (cinco) anos. 3. 02 Prensistas I. Pessoas anteriormente contratadas em outras seções que demonstraram capacidade para executar a função com sucesso. 2º grau completo, tempo de serviço de, no mínimo, 03 (três) anos. 4. 01 Prensista II. Pessoa anteriormente contratada como Prensista I que passou de função por experiência adquirida no exercício da função 5. 01 Prensista III: Pessoa antiga que passou de função por experiência adquirida no exercício de função ao longo de 20 anos Basicamente para este tipo de processo a habilitação do profissional é adotado treinamento operacional (“ on the job”), pois a atividade de estamparia é uma atividade extremamente prática (os mais habilitados serão os instrutores dos menos habilitados). 4.4.3 Infra-estrutura Instalações : 110 metros de área operacional 30 metros de área de guarda de matrizes de estamparua 50 metros de área de abrigo das picotadeiras
  • 88.
    75 4.4.4 Máquinas/Ferramentas ITEM QUANT DISCRIMINAÇÃO MARCA MODELO CAPACIDADE . 01 01 PRENSADUPLA GUTMANN MONTAGEM 150 T 02 03 PRENSA EXCENTRICA GUTMANN ESTAMPO 75 T 03 01 PRENSA EXCENTRICA IND.MEC.JUNDIAÍ ESTAMPO 150 T 04 01 TESOURA MEC.GRÁFICA ROTATIVA 1.12m/05-049 05 01 PRENSA PNEUMÁTICA V&O PICOTADEIRA 1.12m/50-120 m/s 06 01 PRENSA HIDRÁULICA SCHULLER PICOTADEIRA 1.12m/05-040 m/s 07 01 PRENSA HIDRÁULICA MEC-RIO PICOTADEIRA 1.12m/05-060 m/s 08 01 PRENSA EXCENTRICA DE MESA HFISCHER PUNÇÃO 40 T 09 01 PRENSA EXCENTRICA DE MESA HFISCHER PUNÇÃO 40 T 10 01 GUILHOTINA NEWTON 5 CAP.3X1220MM 11 01 RETIFICA DE MESA S/IDENTIFICAÇÃO 12 02 PICOTADEIRA DE MESA S/IDENTIFICAÇÃO 13 18 MATRIZES DE POLOS AJUSTAGEM INTER. DIVERSOS DIVERSAS 14 12 MATRIZES DE CENTRO/EIXO AJUSTAGEM INTER. DIVERSOS DIVERSAS 15 12 MATRIZES DISCO AJUSTAGEM INTER. DIVERSOS DIVERSAS 16 276 MATRIZES DE RANHURAS AJUSTAGEM INTER. DIVERSOS DIVERSAS 17 16 MATRIZES DE RASGOS AJUSTAGEM INTER. DIVERSOS DIVERSAS 5T 4.5. Processo de Estampagem 4.5.1. Localização do Processo de estamparia: O processo de estampagem é um processo de Produção de Produto e Serviços, conforme item 7.5 da Norma NBR ISO9001:2000. Abaixo vemos a estrutura dos processos de produção (fig.53): Figura 53 – Organograma da gerencia de produtos ou serviços
  • 89.
    76 Ou seja, oprocesso de estampagem é um processo atrelado a gerencia de produtos ou serviços, sob supervisão da produção do produto, que ocorre na seção de estamparia. O processo de estampagem como escrito no parágrafo acima é parte integrante do Item 7 da Norma ISO9000:2000, ou seja, faz parte da realização do Produto ou serviço. O mesmo está representado no fluxo do processo, nas figuras 52b e 52c, caixinha numero 22 até 26. Lá vemos as principais necessidades de atribuições e responsabilidades. Ou seja, neste processo existe necessidade de controle da produção, identificação e rastreabilidade, preservação do produto, medição e monitoramento do processo como relacionado baixo: ¬ Estabelecimento de processos produtivos ¬ Disponibilização de recursos de mão de obra ¬ Disponibilização de recursos de matéria prima, equipamentos e serviços ¬ Programação da produção ¬ Produção e fornecimento de serviços ¬ Medição e monitoramento de processos ¬ Medição e monitoramento de produtos e serviços ¬ Validação dos processos produtivos ¬ Validação do projeto (ensaios de tipo / especiais) 4.5.2. Processo de estampagem: Controles Procedimentos Especificações Entradas Materiais Informações Processo Planejamento E Organização Recursos : Pessoal Equipamentos Instalações Figura 54 – Processo industrial padrão Saídas
  • 90.
    77 4.5.3 Entradas eSaídas do Processo de estampagem: O Fluxo de informações: 1 – Identificar as necessidades dos clientes; 2 – Estabelecer o conceito do produto; 3 – Projetar o produto e o processo; 4 – Estabelecer os padrões e cronograma de fabricação; 5 – Fabricar e testar; 6 – Verificar a satisfação do Cliente; 7 – Estabelecer a padronização final; e 8 – Reflexão sobre o processo de desenvolvimento (validação do projeto). Para a Primeira etapa e a Segunda etapa, que incorporam as necessidades de identificação das necessidades do cliente e o conceito do produto, são etapas que envolvem os itens 5.2, 7.1 e 7.2 da Norma ISO9000:2000. Nesta etapa é identificado e analisado as necessidades do cliente, as condições estruturais para atender estas necessidades. Aqui cria-se o conceito do produto, a forma de execução, custo estimado de produção, preço de venda, materiais a serem utilizados entre outros. Para exemplificar podemos mostrar um caso. O mercado necessita e está cotando um motor de características especiais devido a aplicação em transportador de chapas de laminador, com 3Kgfm, sem ventilação, 0-1800 RPM, 440 Vca, classe de temperatura H (∆t=155 graus celsius), montagem horizontal com flange, acoplamento por pinhão e cremalheira, altura da ponta de eixo IEC 112. Em uma primeira etapa, o Projeto, a Direção da Empresa e o Departamento Comercial irão fazer uma análise de Viabilidade e preço para compor uma oferta. Isto feito é enviada a oferta para fornecimento. Uma vez aprovada a oferta é elaborado o projeto de execução onde serão definidas as necessidades para a realização do produto, que anteriormente mostrou-se viável economicamente e inserido dentro da capacidade de infra-estrutura e ambiente de trabalho. O processo de estamparia é definido através do projeto elétrico. A tabela V, corresponde as atividades de desenvolvimento mostradas na figura 51 da pagina 69. O ponto em questão na tabela citada anteriormente mostra esta inter-relação de entradas do projeto para a realização do produto. Na primeira divisão vemos claramente como o projeto afeta a identificação das necessidades dos clientes e como se estabelece o conceito do produto.
  • 91.
    78 TABELA V –Indicadores e Objetivos do processo de Desenvolvimento. FORNECEDORES ÁREAS ENTRADAS PROCESSOS (R)-Responsável SAÍDAS CLIENTES INDICADORES METAS --- --- --- --- Cliente e Depto. Técnico de Vendas (comercial) Prazo para elaboração do pré-projeto No máximo X Horas Gerência de Produtos e Serviços Prazo para elaboração do projeto No máximo X Dias (E)-Envolvidas --- --- Dados de itens já fornecidos Cliente, Dpto. Técnico de Vendas, Projetos e Direção Informações técnicas para especificação de produtos e serviços DESENVO L V I M E N T --O Características técnicas preliminares Especificações PRÉ-PROJETO (R) Ger. De por similaridade PARA Produtos e Serviços OFERTA Previsão dos (E) Projetos prazos de - 7.1 fornecimento Política comercial Previsão dos recursos necessários Desenhos dimensionais Escopo do fornecimento Desenhos de conjunto Contrato com o cliente Desenho de partes e peças Pedido interno Cliente, Dpto. Técnico de Vendas, e Projetos Especificações por similaridade Proposta técnica Características técnicas preliminares PROJETO DETALHADO PARA (R) Projetos EXECUÇÃO Lista de materiais - 7.3 - Planos de controle Especificações para compras Requisitos para ensaios de tipo e/ou ensaios especiais Registros de resultados de desempenho ---> (dados de itens já fornecidos) (dados de itens já fornecidos) Desenhos dimensionais Desenhos de conjunto Projetos VERIFICAÇÃ Desenho de partes O DO e peças PROJETO (R) Projetos Lista de materiais - 7.6 - Especificações para compras Produto desenvolvido com documentos Produtos e técnicos Sala de devidamente Provas aprovados --> (dados de itens já fornecidos) Percentual do nr. de projetos com problemas com No relação ao nr. de máximo projetos X% realizados ate a data de avaliação Planos de controle PROCESSOS DE PROCESSOS DE PROCESSOS DE DESENVOLVIMENTO GESTÃO VENDAS PROCESSOS DE EXECUÇÃO
  • 92.
    79 Finda a primeirae segunda etapas, iniciamos a terceira etapa e quarta etapas de projetar o produto e o processo e estabelecer os padrões e cronograma de fabricação. Nos capítulos anteriores tivemos a preocupação de ilustrar claramente a importância do material e processo no que concerne custo e dimensionamento da máquina. Função esta preponderante em qualquer tipo de produto ou serviço, pois neste ponto temos o principal meio de atingir ou não as necessidades do cliente interno ou externo, ou seja, aqui é onde faremos a base para podermos materializar a especificação do cliente ou ser “aderente a especificação”. Não é nossa pretensão ensinar a projetar motores portanto a figura 55 da pagina 79 mostra o projeto elétrico do produto pronto. Abaixo dos campos ESTATOR e ROTOR vemos claramente o perfil das ranhuras e nos campos citados o diâmetro e comprimento das chapas, assim como os canais de ventilação que porventura existirem no núcleo magnético. Podemos explorar algo interessante na figura supra citada, no campo escovas vemos claramente uma observação que corresponde a validação de projeto, lá observamos que o documento foi validado com modificação após ensaios em 09 de maio de 2003, o que corresponde dizer que o produto foi desenvolvido com documentos técnicos devidamente aprovados e validados e estes dados passam ser dados de itens já fornecidos. Retomando o assunto, a etapa consiste em projetar o produto e o processo e estabelecer os padrões e cronograma de fabricação. Definido claramente a especificação técnica do produto a ser fornecido e exaurida as etapas de “ clareamento” das necessidades do cliente, inicia-se o processo de projeto elétrico e mecânico do produto. O projeto elétrico irá determinar toda a necessidade do núcleo magnético, tipo, quantidade, perfis, ferramentas a serem utilizadas, entre outras características técnicas de desempenho, normas e requisitos do cliente. Retomando, o projeto vai indicar as necessidades de estampagem para garantir a aderência a especificação original. Lembramos aqui o exemplo Dentre os documentos gerados no projeto que afetam diretamente o processo de estamparia como demonstrado anteriormente, encontra-se o projeto elétrico:
  • 93.
    80 Figura 55 –Folha esquemática de projeto elétrico – Gentilmente cedida por Equacional
  • 94.
    81 Estabelecido o projetoelétrico procede-se a confecção da instrução de trabalho. As figuras 56a e 56 b na página 81 mostram a ficha de estamparia (figura 56a mostra a frente da instrução e Figura 56b o verso), que a instrução de trabalho e/ou o padrão a ser utilizado. Novamente apresentaremos a instrução pronta: Figura 56 a – Folha esquemática de instrução de estamparia – Gentilmente cedida por Equacional
  • 95.
    82 Figura 56 b– Folha esquemática de instrução de estamparia, montagem de rotor – Gentilmente cedida por Equacional
  • 96.
    83 Uma vez estabelecidosos padrões de fabricação é estabelecido o cronograma de fabricação. A tabela VI mostra o cronograma de fabricação. TABELA VI – Tabela do cronograma Gant de Fabricação.
  • 97.
    84 Esta tabela merecealgumas considerações. Como podemos observar na mesma o conhecimento do processo e dos recursos disponíveis (humanos, máquinas e equipamentos) é fundamental para planejar e viabilizar os processos. Analisando com profundidade a tabela fica claro como deve ser o exercício da função de gerente de produção. Nela vemos que o cargo exige prover recursos para assegurar, manter e melhorar os processos planejados e garantir através de controles e dos recursos disponibilizados que o produto ou serviço esta sendo realizado conforme planejado. A quinta etapa é o processo de fabricação ou execução. Que é feita conforme instruções de trabalho, planejamento, medição e monitoramento, ou seja, é a aplicação da instrução de trabalho a seqüência descrita: a) Material : ¬ O tipo do material é definido em projeto. ¬ É verificada a existência em estoque de sobras. O material em estoque de sobras é identificado segundo lote de origem, com as características de aquisição. A forma de estocagem é simples sem requisitos especiais. ¬ No caso de necessidade de compra é verificada a forma de aquisição de material que é definida por: custo real por kilo = custo de aquisição por kilo + custo m.d.o por kilo perdas ¬ Feita a aquisição do material conforme especificação e verificado o mesmo no recebimento, ele é encaminhado para utilização. b) Preparação das Máquinas (prensa 8 estator, prensa 5 rotor e prensa 14) ¬ Limpar ferramentas e apoio da máquina; ¬ Montar o ferramental da máquina; ¬ Ajustar e fixar a ferramenta c) Regulagem da Máquina ¬ Os valores de golpes por minuto que a máquina trabalhará para estampagem devem ser determinados conforme tabela IV – Velocidade de estampagem (limites por inércia da chapa), página 48. Da ficha de estamparia retiramos o
  • 98.
    85 diâmetro externo de182mm e 36 canais para o estator, o que resulta em um ajuste máximo de 500 golpes por minuto para a prensa 8. Da mesma ficha tiramos diâmetro externo de 115mm e 28 canais para o rotor na prensa 5, o que resulta no mesmo valor da em um ajuste máximo de 500 golpes por minuto. c) Estampagem do disco padrão ¬ Neste caso o disco padrão de 182mm foi cortado na tesoura rotativa por ser um diâmetro fora do padrão do motor 112, que é 179,2mm d) Controle dimensional do disco. ¬ A margem de tolerância neste caso é medida aberta, pois o núcleo é retificado posteriormente. Na ficha de estamparia não consta precisão de medida, portanto o disco pode ser checado com paquímetro. e) Estampagem da Chapa do Estator ¬ A chapa do estator foi estampada a partir do disco, já com os canais de solda e chaveta aberto no perímetro externo. ¬ Foi utilizada a máquina 8 com a ferramenta 105. ¬ O empilhamento da sobra do seu diâmetro interno (que será utilizado para a fabricação da Chapa do Rotor) foi intercalado á 90 graus, para evitar que eventuais deformidades concentrem-se no mesmo ponto. ¬ As Chapas do Estator foram empilhadas em dispositivo tomando como referência o rasgo da chaveta que é deslocado conforme projeto em 16graus Max e 14 graus Min graus em relação a chaveta central (vide figura 7 pagina 21 e ficha de estamparia - fig.56 a pág80). f) Controle Dimensional: ¬ Foi executado o Controle Dimensional na primeira chapa estampada e depois num intervalo de 100 em 100 chapas.O nível máximo de aceitação para a rebarba nesta fase é de 0,080 mm. ¬ Não houve necessidade de afiar a ferramenta durante o processo onde foram estampadas 3240 peças (116.640 golpes).
  • 99.
    86 Observação: Vale apena verificar se um intervalo maior para controle de rebarba, pois no momento em que se controla a rebarba para o processo, uma vez que o operador da máquina exerce auto - controle. Neste caso tivemos 388 interrupções do processo, quando na realidade não seria necessária nenhuma parada apesar de estar sendo utilizada uma ferramenta antiga. Seria bastante interessante rever o processo de controle no que tange a freqüência de verificação. g) Estampagem das Ranhuras do rotor ¬ Estampagem das ranhuras nas chapas do rotor, a partir dos discos internos que sobraram do diâmetro interno do estator e foram empilhados intercalados á 90 graus, para evitar que eventuais deformidades concentrem-se no mesmo ponto. Os discos foram estampados com 28 canais pela ferramenta 506 na máquina 5 diâmetro bruto de 115,5mm. h) Controle Dimensional das Ranhuras ¬ Executado o Controle Dimensional na primeira chapa estampada e depois num intervalo de 100 em 100 chapas. O nível máximo de aceitação de rebarba nesta fase é de 0,080 mm. ¬ Como no processo de estampagem do estator não houve necessidade de afiar a ferramenta durante o processo onde foram estampadas 38.880 peças reforçando a observação de melhoria feita no item f. Aqui cabe mencionar que a ferramenta era relativamente nova tendo sido usada somente uma única outra vez em 540 chapas (o que equivale dizer 15.120 golpes). As ferramentas antes do inicio de um novo trabalho são afiadas. i) Estampagem dos Furos de Ventilação e Controle Dimensional dos Furos de Ventilação: ¬ No produto acompanhado durante este estudo de caso não foram feitos os furos de ventilação. Normalmente eles são estampas em processo similar ao das ranhuras. ¬ A Variação máxima permitida de deslocamento é de 0,05 mm. A execução do controle dimensional é feita na primeira chapa estampada e depois num intervalo de 100 em 100 chapas. O nível de aceitação máxima de rebarba nesta fase é de 0,080 mm
  • 100.
    87 j) Estampagem doDiâmetro Interno do Rotor ¬ Estampar o diâmetro interno, posicionando a chapa pelo dente, marcado no pino guia da ferramenta. ¬ Empilhar as chapas do rotor tomando como referência a marcação do pincel atômico e o rasgo de chaveta. ¬ É executado o Controle Dimensional na primeira chapa estampada e depois num intervalo de 100 em 100 chapas. O nível máximo de aceitação para rebarba nesta fase é de 0,080 mm. K) Montagem dos núcleos ¬ A montagem dos núcleos é feita da prensagem e travamento das chapas estampadas. A conformidade das chapas é determinaram a qualidade do núcleo. Chapas com problemas de dimensionais ou de rebarba, criam dificuldades na montagem e regularidade do núcleo montado. Um núcleo com problemas dimensionais tem que ser retificado, o que é um retrabalho. Finda a Quinta parte do processo que é a execução propriamente dita do produto ou serviço chegou à hora de verificar a satisfação do Cliente; lembramos que um erro no núcleo causa perda total do mesmo seja ele núcleo do estator ou núcleo do rotor. Defeitos do núcleo não observados além da perda dos mesmos pode causar perda do enrolamento. Cabe lembrar que os dois núcleos juntos são a parte de maior valor agregado em material e mão de obra no custo do motor elétrico e o enrolamento a segunda maior parte em valor, os dois juntos representam 80% do custo do motor elétrico de indução. O cliente direto do processo de estamparia é o enrolamento, porém dentro dos conceitos de Stack Holders (partes interessadas) a clientela estende-se à acionistas, gerencias envolvidas, cliente externo, fornecedores, governo e sociedade como um todo. A satisfação do cliente esta nos indicadores de percentual de reclamações e de não conformidades em relação ao numero de ordens de serviço executadas. Neste caso a não conformidade sempre exige retrabalho. No grau mais leve usinando ou limando os núcleos podemos recuperar os mesmos, no grau mais acentuado. No
  • 101.
    88 ponto de vistade controle de processos, podemos dizer que o processo de estampagem é um dos processos que alimenta a matriz de objetivos e processos no que se refere ao processo de execução ( ver tabela VII) : TABELA VII – MATRIZ DE OBJETIVOS E PROCESSOS PROCESSO S SUB PROCESSOS ou ÁREAS ENVOLVIDAS ATIVIDADES 1) Estabelecimento de processos produtivos 2) Disponibilização de recursos de mão de obra 3) Disponibilização de recursos de matéria prima, equipamentos e serviços INDICADORES 4) Programação da produção 5) Produção e fornecimento de serviços 6) Medição e monitoramento de processos Medição e monitoramento de produtos e serviços Validação dos processos produtivos Validação do projeto (ensaios de tipo / especiais) EXECUÇÃO 7) 8) 9) Notificações decorrentes de mão de obra GER. PROD. SERV. 5% PRODUTOS 30% SERVIÇOS 30% RH 5% COMPRAS 5% CONTROLE FINAL 15% PROJETOS 10% Notificações decorrentes de aquisições (matéria-prima e serviços) METAS No máximo X nãoconformidades a cada 3 meses, em Produtos No máximo X nãoconformidades a cada 3 meses, em Serviços No máximo X nãoconformidades a cada 3 meses Notificação de processos No máximo X nãoconformidades a cada 3 meses Notificação de produtos ou serviços No máximo X nãoconformidades a cada 3 meses PROCESSOS DE PROCESSOS DE PROCESSOS DE PROCESSOS DE DESENVOLVIMENTO GESTÃO VENDAS EXECUÇÃO Para analisar a satisfação do cliente foi feita uma pesquisa de opinião junto ao primeiro usuário (a própria estamparia) e com o enrolamento e também uma auditoria da qualidade que além de auditar o item 7.5 da Norma ISO9000:2000 relativo à produção e fornecimento de produtos e serviços, controle de produção e fornecimento de serviço, validação dos processos de produção e fornecimento de serviço e identificação e rastreabilidade, verificamos os recursos humanos, infra
  • 102.
    89 estrutura e ambientede trabalho, os registros da qualidade e não conformidades, ações corretivas e preventivas. Como resultado da pesquisa de satisfação o resultado encontrado foi bom, porém houve reclamação sobre a conformação das ranhuras, ou seja, as chapas não ficam perfeitamente acamadas e as ranhuras formadas apresentam rebarbas. Como melhoria é necessário mudança no processo com utilização de dispositivos auxiliares aos guias de carcaça e rotor. Outra sugestão observada como relevante na pesquisa, na utilização de chapas em tiras no lugar de blanks e proteção mecânica na forma de anteparo na alimentação das presas excêntricas. Já a auditoria da qualidade pegou algumas não conformidades e verificou algumas dificuldades. As não conformidades estavam na identificação, rastreabilidade das sobras, não registro de todas não conformidades ocorridas onde pudemos notar alguns problemas de não entendimento do sistema de gestão, principalmente no que se refere aos registros da qualidade e uma enorme refração a escrever. A sensação nítida é que o nível operacional aceita e acredita no sistema de qualidade, porém teme o mesmo e também “tem medo de lápis” (não gosta de registrar por medo das conseqüências o que denota autoritarismo nas chefias), falta de área de segregação entre produto acabado e sobras. Quanto a sugestão de melhorias esta na organização, limpeza, mais treinamento para conhecimento dos conceitos de não conformidade e ações corretivas e preventivas, identificação das sobras, melhor acondicionamento de produto acabado, melhoria de segurança no trabalho, mudança de EPI de proteção das mãos e melhoria da liderança para os conceitos e cumprimento do Sistema de Gestão da Qualidade. Uma vez finda a sexta etapa vamos estabelecer a padronização final. A padronização final esta relacionada a meta dos indicadores, ou seja, uma vez definidos os processos e feito um monitoramento das não conformidades, podemos dizer que o processo esta padronizado quando atingimos patamares estáveis dentro das metas pré-estabelecidas, ou seja, realimenta a matriz de objetivos e indicadores da Qualidade em seu item (Ver tabela VIII).
  • 103.
    90 TABELA VIII –Matriz de Objetivos da Qualidade x Indicadores OBJETIVOS DA QUALIDADE INDICADORES METAS Plena adequação até 2004 conforme cronograma interno No máximo3 , ser notificado com observações a cada auditoria • Prover e monitorar as estratégias empresariais (3) Instalações • Monitorar o sistema da qualidade implementado (4) Notificações decorrentes de auditorias da qualidade • Incentivar e promover melhorias contínuas (5) Atividades de melhoria No mínimo 1 a cada mês • Alcançar os resultados economicos e financeiros estabelacidos (3) Faturamento R$ 6,6 M para 2003 Margem líquida 10 % para 2003 Notificações decorrentes de projetos No máximo 3 nãoconformidades cada 3 meses • • • Desenvolver a atividade de projeto buscando o cumprimento de especificações técnicas e adequação na utilização dos produtos (1) Assegurar que as necessidades dos clientes sejam atendidas (1) Notificações externas (devoluções, reclamações, garantia) Margem líquida Redução de no mínimo 10 % 10 % para 2003 No mínimo 90 % dos pedidos entregues dentro do prazo contratual No máximo 10 nãoconformidades a cada 3 meses, em Produtos No máximo 15 nãoconformidades a cada 3 meses, em Serviços • Administrar de maneira eficaz os pedidos dos clientes (1) Prazos • Disponibilizar os recursos de mão de obra com as competências necessárias para as atividades diretamente relacionadas com a qualidade (2) Notificações decorrentes de mão de obra Disponibilizar os recursos materiais buscando as melhores condições técnicas e comerciais Notificações decorrentes de aquisições (matéria-prima e serviços) No máximo 3 nãoconformidades a cada 3 meses Executar os produtos e serviços dentro dos padrões estabelecidos Notificação de processos No máximo 6 nãoconformidades a cada 3 meses Monitorar as características de controle dos produtos e serviços Notificação de produtos ou serviços No máximo 9 nãoconformidades a cada 3 meses • (1) • (1) • (4) PROCESSOS DE PROCESSOS DE PROCESSOS DE DESENVOLVIMENTO GESTÃO VENDAS PROCESSOS DE EXECUÇÃO No processo de validação do projeto (Reflexão sobre o processo de desenvolvimento), verificamos se as especificações técnicas foram cumpridas de maneira eficaz, porém quando é feita a validação do projeto também é feita uma análise critica da eficiência dos processos em questão, ou seja, se além de atender a especificação é verificado a possibilidade de melhoria em termos de preço, prazo, qualidade, atendimento e segurança de operação (confiabilidade).
  • 104.
    91 5. CONCLUSÃO É fundamentalpara um processo de produção de produto ou serviço o Planejamento da Qualidade como um todo. Como vimos no estudo de caso Oito etapas fundamentais ocorrem para estabelecer um processo de realização do produto, por mais simples que possa parecer, Estas etapas são: 1 – Identificar as necessidades dos clientes; 2 – Estabelecer o conceito do produto; 3 – Projetar o produto e o processo; 4 – Estabelecer os padrões e cronograma de fabricação; 5 – Fabricar e testar; 6 – Verificar a satisfação do Cliente; 7 – Estabelecer a padronização final; e 8 – Reflexão sobre o processo de desenvolvimento (validação do projeto). Figura 57 – Ciclo PDCA do planejamento da qualidade Elas podem ser indicadas e dispostas na forma do ciclo PDCA (Fig.57). O quadrante P refere-se ao planejamento das metas a serem alcançadas no processo de desenvolvimento do produto (Cheng,1996).
  • 105.
    92 As metas deuma empresa para um determinado produto, por exemplo: qualidade, custo, tecnologia, confiabilidade, são provenientes, normalmente, do Plano de Estratégico desta empresa. O P do planejamento compreende as etapas de 1 a 4. A execução do planejado no quadrante D é a etapa 5. A verificação do quadrante C consiste em avaliar se o novo processo proposto no quadrante P foi cumprido pelo quadrante D, que é a certificação da satisfação do cliente, através, por exemplo, de uma pesquisa de mercado ou mesmo aceitação do produto pelos consumidores, etapa 6. É provável que a verificação final só possa ser obtido após o lançamento do produto e isto pode levar meses ou até alguns anos. O quadrante A consiste em adotar os padrões propostos em caso de sucesso ou buscar as alterações necessárias, prevenir a recorrência de anomalias, “ repadronizar” o conjunto de procedimentos gerenciais e técnicos finais do novo processo, para que se possa iniciar a fabricação em massa/série, etapa 7. Complementando todo o processo, faz-se a reflexão sobre o planejamento da qualidade, etapa 8. Na realização do produto algumas das conseqüências da ingerência do planejamento da qualidade mais comumente conhecidas são, por exemplo, o alto número de mudanças de projeto, perda dos prazos, alto custo de fabricação devido ao retrabalho, grande possibilidade de não-atendimento das necessidades dos clientes por dificuldades de infra estrutura e condições de trabalho, procedimentos exagerados ou deficientes, entre outras. Desta forma, é de suma importância o planejamento da qualidade visando a realização do produto e do serviço que, agora, é orientado pelo mercado como vimos na introdução deste trabalho. Visando este conceito, o Sistema de Gestão da Qualidade se torna uma ferramenta essencial para o gerenciamento como um todo. De forma sistemática, o Sistema da Qualidade operacionaliza o planejamento, lidando com informação e trabalho humano dos processos envolvidos e como vimos no estudo de caso ele contribui aperfeiçoamento do produto através dos registros da qualidade que proporcionam através de análise crítica a melhoria continuada do processo e do produto. A busca por atingir o cliente de maneira eficiente deve ser planejada e bem detalhada e trabalhada por toda a empresa. Durante o capitulo 3 e o Estudo de Caso pudemos observar que grande parte das etapas de um processos da realização do produto acontecem em cascata, ou seja, em uma seqüência em série, portanto o fluxo é continuo e quanto mais no fim do
  • 106.
    93 processo ocorre anão conformidade maior o custo. A utilização de um sistema de gestão da Garantia de Qualidade ou os conceitos do mesmo aplicado à produção do Produto, do ponto de vista de adequação às necessidades do cliente “aderência à especificação”, torna assim um fator de competitividade permanente e obrigatório uma vez que todo processo está voltado para atingir a satisfação do cliente, que é quem compra e consome os produtos internos ou externos (quem paga, portanto quem gera receita). Seu estágio mais avançado consegue a visão e a inserção das necessidades dos clientes em todos os estágios. Simplificando, isso exige um esforço em inovação e melhoria contínua, bem como uma maior atenção para as etapas iniciadoras como o marketing e o projeto do produto, e finalizadoras, como a logística e a distribuição. Partindo-se do pressuposto de que a “qualidade está nos olhos do consumidor”, ou seja, de uma abordagem focada na satisfação do Cliente, um produto de boa qualidade é aquele que melhor atende as necessidades dos consumidores. Durante o capítulo 3, pudemos entender a necessidade de conhecer o produto, para desenvolver os processos adequados, tanto de fabricação ou serviços, como os de Gestão da Qualidade. Não basta conhecer sistemas de gestão é necessário entender como funciona a Empresa e o produto para estabelecer as necessidades de fluxo de fluxo de processos e aplicabilidade e profundidade do sistema de gestão. No capítulo 4 focamos os processos de gestão e sua interação na realização do produto, focando exclusivamente o processo de estampagem. Durante a parte final do estudo de caso quando realizamos uma auditoria da qualidade e uma pesquisa de satisfação com o principal usuário do sob produto da estampagem, que era o próprio setor de estampagem na confecção do núcleo e o enrolamento usuário de núcleo, pudemos notar alguns problemas de não entendimento do sistema de gestão, principalmente no que se refere aos registros da qualidade e uma enorme refração a escrever. A sensação nítida é que o nível operacional aceita e acredita no sistema de qualidade, porém teme o mesmo e também “tem medo de lápis” (não gosta de registrar). As chefias são um pouco refratárias ao uso das ferramentas da qualidade, ainda podemos notar nas chefias um receio de que o sistema da qualidade aumenta a quantidade de serviço e o benefício obtido pode ser de uso da alta direção e as vezes comprometedor (sob o ponto de vista do chefe antiquado). Esta postura é difícil de compreender, os principais interessados em ter os processos controlados e
  • 107.
    94 melhorados ao longodo tempo são os próprios gestores, mas ao mesmo tempo eles são céticos quanto ao uso de controles que não tenham um caráter típico de controle de qualidade. É deles que procuramos o apoio para a força do exemplo e identificação das necessidades, porém ao mesmo tempo são os mais refratários. E um grande paradigma a ser quebrado, pois um sistema da qualidade interfere em todas as atividades dentro de uma organização. Portanto, para obter sucesso e sua manutenção é necessário o engajamento de todos os colaboradores. Dirigir uma empresa, manter seus valores e obter avanços e melhorias é um processo contínuo de mudança comportamental e cultural e, portanto, é baseado em eterna atualização em educação e treinamento, ou seja, é necessário estar sempre atualizando e desenvolvendo habilidades, conhecimento e competências. Para não fugir do assunto, nunca é tarde para relembrar que a implantação de um Sistema da Qualidade interfere em todas as atividades dentro de uma organização. Portanto, para obter sucesso é necessário o engajamento de todos os seus colaboradores, enfocando o comportamento adequado perante a Organização. A implantação de um programa de qualidade é um processo de aprendizado e, portanto, não deve ter regras muito rígidas, mas deve estar adaptada às necessidades, usos e costumes da empresa. Um programa de qualidade deve ser visto como o aperfeiçoamento do gerenciamento já existente. Com a implantação de um Sistema de Gestão da Qualidade podemos entender as mesmas definições, porém com maior rigidez e menor maleabilidade, pois o Sistema da Qualidade deve consolidar a afirmação e os princípios da organização, eliminar a multiplicidade de origens culturais criando uma uniformização/padronização comportamental, pode ser entendido como medida de organização e disciplina de trabalho, como inspiração para manter padrões elevados de planejamento, execução, medição e monitoramento e analise critica, como instrumento de padronização, disciplina e organização com normas e procedimentos, como orientação para tomadas de decisões dos níveis gerenciais, como manual de postura e apresentação ante as partes interessadas e principalmente como definição e proteção da cultura empresarial e seus valores. No entanto, alguns pontos básicos devem ser seguidos: • O Sistema deve ser implantado pela linha de cima para baixo ("top-down"). Esta implantação deve ser coordenada pelo “Comitê da Qualidade”, funciona pela força do exemplo, adequação, persistência e dedicação;
  • 108.
    95 • A implantação doSistema da Qualidade é de responsabilidade indelegável da Alta direção da empresa. Se ele não perceber a necessidade do e o significado do sistema de gestão da qualidade sua implantação é impossível. Não adianta criar um "departamento de qualidade" ou nomear um diretor como "responsável" pelo programa. A implantação de um sistema da qualidade interfere em todas as atividades dentro de uma organização. Portanto, para obter sucesso é necessário o engajamento de todos os seus colaboradores e como afirmado no parágrafo anterior pela atitude da força do exemplo do maior grau da empresa. • A implantação é um processo de mudança comportamental e cultural e, portanto, é baseado num grande esforço de educação e treinamento, ou seja, é necessário desenvolver habilidades, conhecimento e competências. A implantação e a manutenção do Sistema da qualidade é um processo de mudança muito forte que sempre sofre resistência e acaba levando a troca de colaboradores que não conseguem aderir ao processo. Portanto são necessárias as seguintes "condições básicas": • Liderança persistente das chefias. • Educação e treinamento (resistência às mudanças é produto da ignorância). • Identificação de elementos não aderentes e substituição por elementos alinhados as necessidades do sistema de gestão implantado. Saindo um pouco do âmbito da qualidade, esperamos ter contribuído para que além da avaliação do aproveitamento do curso Gestão da Qualidade” do PECE - Programa de Educação Continuada da Escola Politécnica da Universidade de São Paulo, com a coordenação do Professor Titular José Roberto Cardoso e com a sub-coordenação da área de qualidade pelo Professor Dr. Adherbal Caminada Netto, o trabalho possa ter agregado conceitos de padronização, organização, planejamento, coerência e uniformidade e de valores agregados para as partes interessadas, internas e externas a empresa e com isto ajudado a darmos mais um passo na construção de empresas sólidas nos valores da Tecnologia Industrial Básica e condizentes com as suas potencialidades que não são pequenas, uma vez que estamos em um país com espaço para o crescimento de técnicas, tecnologias e mercados.
  • 109.
    96 BIBLIOGRAFIA Campos, Vicente Falconi.TQC – CONTROLE DA QUALIDADE TOTAL ( NO ESTILO JAPONÊS ). Sexta edição. Belo Horizonte, MG: Fundação Cristiano Otoni, 1992. 229p. Cheng, Lin Chih. “QFD – Planejamento da Função Qualidade”, 1 a Edição, 1996., Fundação Cristiano Ottoni, Universidade Federal de Minas Gerais; Belo Horizonte, MG, 1996. Chabu, Ivan Eduardo, Reginaldo Ízael da Silva e Marcelo Gandra Falcone. “Apostila de Eletrotécnica 1” , Equacional Elétrica e Mecânica Ltda., apresentada no Seminário da Subrasa, Campo Bom, RS, 1996. Falcone, Áureo Gilberto. “ MOTORES DE INDUÇÃO: MANUTENÇÃO E INSTALAÇÃO”, 1 a edição, 1995. LBVA, São Paulo, SP, 47p. Falcone, Áureo Gilberto. “ELETROMECÂNICA”, 1 a edição, 1979. Editora Edgard Blücher Ltda, São Paulo, SP, 478p. Falcone, Áureo Gilberto e Marcelo Gandra Falcone. “MOTORES DE INDUÇÃO: DEFEITOS E ENSAIOS” , 1a edição, 1998. Pitagoras, São Paulo, SP, 49p. Falcone, Marcelo Gandra. Orientação do Prof. Dr. Adherbal Caminada Netto.. EQ001- Sistemas da Qualidade, In: PECE, versão primeiro bimestre de 2002. São Paulo, SP: Universidade de São Paulo, Escola Politécnica, PECE, Trabalho final de avaliação da Disciplina. Abr. 2002. Falcone, Marcelo Gandra. Orientação do Prof. Dr. Adherbal Caminada Netto.. EQ001- Sistemas da Qualidade, In: PECE, versão primeiro bimestre de 2002. São Paulo, SP: Universidade de São Paulo, Escola Politécnica, PECE, Prova de avaliação da Disciplina. Abr. 2002.
  • 110.
    97 Fundação para oPrêmio Nacional da Qualidade. CRITÉRIOS DE EXCELÊNCIA. Rua Geraldo Flausino Gomes, 61 - 11=' andar - conjunto 111 CEP 04575-060 Brooklin Novo - São Paulo – SP, E-mail: fpnq@durand.com.br, Web site: www.fpnq.org.br. FPNQ Edição Revisão 1, fevereiro de 2001.67p. Hittig, Aladar.” ESTAMPOS DE CORTE E NORMAS”, 1 a Edição, 1962. Editora e Tipográfica Carioca, São Caetano do Sul, SP, 1962. 355p. Martignoni, Alfonso. “ MÁQUINAS DE CORRENTE ALTERNADA”, 5 a edição, 1987. Editora Globo S.A. Rio de Janeiro, RJ, 1968, 410p. Mini Collins. DICIONÁRIO INGLÊS-PORTUGUÊS PORTUGUÊS-INGLES, 2a edição, 1994. São Paulo, SP: Edições Siciliano, 1999. 231p. Norma NBR ISO9000:2000. SISTEMAS DE GESTÃO DA QUALIDADE – FUNDAMENTOS E VOCABULÁRIO. Revisão de dez de 2000. Rio de Janeiro, RJ: ABNT - Associação Brasileira de Normas Técnicas. Dez. 2000. Norma NBR ISO9001:2000. "SISTEMAS DE GESTÃO DA QUALIDADE SISTEMA DA QUALIDADE". Revisão de dez de 2000. Rio de Janeiro, RJ: ABNT Associação Brasileira de Normas Técnicas. Dez. 2000. Norma NBR ISO9004:2000. "SISTEMAS DE GESTÃO DA QUALIDADE DIRETRIZES PARA MELHORIAS DE DESEMPENHO". Revisão de dez de 2000. Rio de Janeiro, RJ: ABNT - Associação Brasileira de Normas Técnicas. Dez. 2000. Pestana, Fábio José Orientador: João Batista Turrioni, Dr., 1998, ANÁLISE DA UTILIZAÇÃO DO QFD, Escola Federal de Engenharia de Itajubá, Departamento de Produção, Itajubá, MG, Trabalho de Formatura Schimdt, Walfredo. “ MATERIAIS ELÉTRICOS – VOLUME2 -ISOLANTES E MAGNÉTICOS”, 2 a edição . 1979. Editora Edgard Blücher, São Paulo, SP, 166p. Souza , Prof. Dr. Gilberto F. M.. EQ006-Confiabilidade de Produtos e Sistemas, In: Apostila do PECE, versão segundo bimestre de 2003. São Paulo, SP: Universidade de São Paulo, Escola Politécnica, PECE, Abr. 2003.
  • 111.
    98 Souza , Prof.Dr. Gilberto F. M.. EQ006-Confiabilidade de Produtos e Sistemas, INSTRUÇÕES PARA APRESENTAÇÃOO DO TRABALHO DO CURSO, versão segundo bimestre de 2003. São Paulo, SP: Universidade de São Paulo, Escola Politécnica, PECE, jul. 2003. Szajnbok , Prof. Dr. Moyses. AULA 1, In: Apostila do PECE, EQ012 – Gestão da Qualidade em Serviços, versão primeiro bimestre de 2003. São Paulo, SP: Universidade de São Paulo, Escola Politécnica, PECE, mar. 2003. Szajnbok, Prof. Dr. Moyses. ELABORAÇÃO DE UMA MONOGRAFIA – UMA SUGESTÃO, In: Apostila do PECE, EQ012 – Gestão da Qualidade em Serviços, versão primeiro bimestre de 2003. São Paulo, SP: Universidade de São Paulo, Escola Politécnica, PECE, mar. 2003. Universidade de São Paulo. Serviço de Bibliotecas da Escola Politécnica. DIRETRIZES PARA APRESENTAÇÃO DE DISSERTAÇÕES E TESES, segunda edição. São Paulo, SP, 2001. 39p.