CURSO SEGURANÇA ELETRÔNICA
MÓDULO 1 - ALARMES CONVENCIONAIS
Setembro de 2003
Eng. Volnei Camargo Dutra
1 - SISTEMAS DE SEGURANÇA ELETRÔNICA
1.1 - Controle de Acesso : Sistema utilizado para controlar o fluxo de pessoas à determinadas
àreas de uma empresa ou organização. No lugar da "chave" utiliza-se códigos ou dispositivos
especiais (transponders) e, no lugar do "buraco da fechadura" são instaladas senhas, teclados,
decodificadores e outros dispositivos.
. Principais equipamentos utilizados para controle de acesso :
Senhas, Teclados, Fechos Magneticos, Leitores de Cartão, Transponders, Sensores de
proximidade e outros.
1.2 - CFTV - Circuito Fechado de Televisão : Utilizado para o monitoramneto de áreas através da
verificação visual à distância. Essa é a principal vantagem deste sistema, visto que o observador
fica oculto e sem contato com a pessoa ou área à ser observada.
Pode-se ainda utilizar recursos como a gravação e edição de imagens e sons.
Equipamentos : Câmeras, monitores de TV, fontes, gravadores VHS, gravadores em disco rígido
(Winchester), gravadores em memória Flash, time lapses, video fones, quads e outros .
1.3 - Cerca Elétrica : Sistema cuja principal característica é a proteção periférica e a intimidação do
intruso através de choque elétrico.
É um sistema muito eficaz, pois protege contra invasão atuando na periferia da área protegida,
mantendo o invasor à distância.
Possui ainda recursos anti-sabotagem tais como alarme contra aterramanto e corte de fio da
cerca.
O principio ativo da cerca elétrica é o CHOQUE PULSATIVO ou choque psicológico, cuja função
principal é provocar dor sem causar dano fisico.
1.4 - Alarmes : Os alarmes isolados ou convencionais são sistemas amplamente utilizados pelo
fato de serem relativamente baratos e fáceis de instalar.
Tem como principais atributos, fazer barulho e/ou avisar o usuário à distância quando forem
disparados.
Existem basicamente dois tipos de alarmes no mercado :
Alarmes Monitorados e Alarmes Isolados.
1.4.1 - Alarmes Monitorados : São aqueles em que o alarme envia periodicamente informações
(registros) para a Central de Monitoramento, onde existem pessoas de plantão. Quando houver
alguma ocorrência, imediatamente serão tomadas as ações apropriadas, tais como ida ao local,
chamada da policia etc...
Meios de Comunicação com a Central : Linha Telefônica ou Rádiofrequência (VHF,UHF, celular ou
satelite) .
Neste tipo de instalação será cobrada do usuário uma taxa mensal do usuario pelo serviço .
Também é cobrada a instalação, venda ou aluguel do equipamento.
PRINCIPAL VANTAGEM : Vigilância constante e ação imediata.
PRINCIPAL DESVANTAGEM : Custo.
1.4.2 - Alarmes Convencionais : Neste tipo de instalação o plantonista é o próprio usuário. Esteja
onde estiver precisará tomar as ações que julgar necessarias quando o alarme disparar.
Existem no mercado, alarmes convencionais com recursos, capazes de oferecer ao cliente
opções diversas e confiáveis em segurança.
Cabe ao instalador, oferecer e vender bem essas funcionalidades. Muitas delas além de
proporcionar maior segurança ainda facilitam bastante a instalação.
PRINCIPAL VANTAGEM : Confiabilidade e baixo custo relativo.
PRINCIPAL DESVANTAGEM : Sistema isolado sem vigilancia constante.
2 - ALARMES CONVENCIONAIS :
2.1 - Principais componentes de um Sistema de Alarmes Convencional:
2.1.1 - Central - Equipamento responsável pelo processamento dos sinais dos sensores e pelo
acionamento dos periféricos de saída. É o principal componente do sistema, daí a denominação
Central de Alarmes.
2.1.2 - Sensores : Dispositivos periféricos encarregados de detectar a violação do sistema e
transmitir as informações para a Central.
a) Sensores com Fio : Necessitam de uma ligação física (fio) com a central para funcionarem .
Exemplo : Sensores magnéticos, infravermelhos passivos com fio, infravermelhos ativos, barreira à laser.
b) Sensores sem Fio :Transmitem a informação de setor violado através de ondas de rádio.
Exemplo : Sensores magnéticos sem fio, infravermelhos passivos sem fio e outros.
2.1.3 - Periféricos de Saída : São encarregados de avisar o usuário sobre a violação do sistema e
também servem para afugentar o intruso.
Exemplo : Discadores, sirenes, sinalizadores, transmissores por RF etc...
2.1.4 - Elementos de Acionamento : Servem para ligar ou desligar a central.
Exemplo : Controles Remoto, Senhas Digitais, Teclados, Chaves etc..
2.1.5 - Fiação : São utilizados para interligar sensores e periféricos com a central.
2.1.6 - Pilhas e Baterias : São usadas nos controles remotos (pilhas) e para Back Up na central
(bateria 12V).
2.2 - O QUE É :
2.2.1 - Setor ou Zona de Alarme : Agrupamento de sensores com ou sem fio ligados em uma
deternina da entrada (canal) da central de alarmes. Como regra, corresponde à uma área ou
dependência do local à ser protegido.
Exemplo : Setor 1 - Sensores da sala ligados na entrada 1 da central .
Setor 2 - Sensores da cozinha ligados na entrada 2 da central, e assim por diante.
A setorização é muito útil quando se deseja uma melhor visualização e controle do sistema . É reco-
mendável que locais com várias dependências ou muitos sensores utilizem alarmes com mais de um setor. Isso será
explicado mais adiante.
2.2.2 - Contato NF - Contato normalmente fechado . Abre quando o sensor for violado.
2.2.3 - Ligação Série : Esquema elétrico usado para a instalação de sensores com fio do alarme.
Este é o princípio básico do disparo de qualquer central de alarme. Ver figura abaixo :
Quando todos os contatos dos sensores estiverem fechados, a corrente elétrica fluirá do ponto 1 para o ponto 0 .
Se qualquer um dos sensores for disparado o contato abrirá interrompendo a corrente.
Essa é a informação que a central usa para detectar disparos nos sensores com fio.
2.2.4 - Ligação Paralela : Tipo de ligação usada na alimentação dos sensores .
Sensor 1 Sensor 2 Sensor 3
corrente NF NF NF
Ligação Série
1
0
Central
Setor
+
Central
-
Sensor 1
+
Sensor 1
+
Sensor 1
+
2.2.5 - Setor Misto : Funciona com sensores com fio e sem fio simultaneamente .
2.2.6 - Tempo de Entrada (retardo para disparar) : A central espera um determinado tempo até o usuário
efetuar o desarme. Caso isso não ocorra, dispara o sistema.
2.2.7 - Tempo de Saída (retardo para ativar) : Uma vez armada, a central espera um determinado tempo
para ativar. Esse atraso deve ser suficiente para o usuário deixar o recinto sem disparar o sistema .
2.2.8 - Função Anti-Assalto (Pânico Silencioso) : Quando esse recurso é acionado, a central dispara so
mente o discador, mesmo estando desativada.
2.2.9 - Pânico Sonoro : Disparo do sistema, causado propositalmente pelo usuário para chamar atenção
em situações de emergência. Aciona a sirene e o discador ou somente o discador..
2.2.9 - Zonas Cruzadas : Ocorre quando determinada área ou entrada é protegida por dois ou mais sen
sores instalados em setores ou zonas diferentes. É indicado em casos críticos ou de alta segurança .
2.2.10 - RFL (Resistor de Fim de Linha) : Resistor instalado junto aos sensores com fio para prevenir
sabotagens no sistema.
2.2.11 - DCL (Detector de Corte de Linha) : Equipamento instalado com a finalidade de acusar cortes ou
sabotagens na linha telefônica.
2.2.12 - Discador Telefônico : Equipamento programável, cuja função é discar para uma determinada
sequência de números telefônicos quando o alarme disparar. O números são programados pelo usuário.
A atender o telefone, será ouvido um toque de sirene ou uma mensagem de voz.
2.2.13 - Discagem por Pulso : Sistema de discagem antigo, que utilizaça a comutação da linha telefônica
para fazer a discagem.
VANTAGEM : Menos Sensível à Interferências (Ruído de Linha).
DESVANTAGENS : Discagem demorada e burulhenta (pode chamar a atenção do ladrão).
2.2.14 - Discagem por Tom (DTMF - Dual Tone Multi Frequencial) : Sistema de discagem moderno e
rápido . È o mais indicado em sistemas de alarme.
VANTAGENS : Discagem rápida e silenciosa.
DESVANTAGEM : Sensível à ruídos (interferências na linha telefônica).
2.2.12 - Módulo de Voz : Equipamento capaz de gravar digitalmente uma mensagem . É utilizado em
conjunto com discadores convencionais.
3 - INSTALAÇÃO :
3.1 - Identificando os bornes de conecção da central .
Cada fabricante possui uma disposição diferente dos bornes de ligação . A tiítulo de exemplo, vamos
utilização a central STARTTRON CODE 300 como exemplo :
Tecla PROG
ENTER
by Dutra
CD1
STARTTRON Set1Set2Set3 Com +Sire -Vcc +Vcc
+Vcc-Vcc+SireComSet3 Set2 Set1
- LED +
DSEN
PROG
ASOND J
J M A M F J
03040506
D0
BOT
Entrada Senha
Botoeira
Saídas LED
Externo
Saída DIS
para Discador
Entrada Setor 3
Entrada Setor 2
Entrada Setor 1
Comum ( - 12 V)
Entrada + 12 V
Entrada - 12 V
Saída + Sirene
3.2 Identificando os Bornes dos Sensores Infravermelhos : Também neste ítem, cada fabricante
possui uma disposição própria. Vamos usar como exemplo o infravermelho passivo STARTTRON
IRM - 1040.
Figura 1
Figura 2
IR-01
by Dutra
STARTTRON
dB
TAMPERRELAY+12V -12V
-
-
-
-
-
-
Ajuste de Ganho
+12V
-12V SAÍDA
NF
TAMPER IRM - 1060
IRM - 1060
Alcance
Maior- Placa p/ Baixo
Menor-Placa p/ Cima
ONOFF
LED
LED OFF
LED ON
321
PULSE
DE PULSO
AJUSTE
Basicamente existem dois bornes de alimentação (+ 12 V e - 12 V )
e dois bornes de contato NF, identificados como RELAY, os quais
deverão ser ligados em série com outros sensores formando o
circuito de disparo do setor da central.
Esta é uma das centrais mais completas do
mercado.
Instalando e programando uma CODE 300 não
teremos dificuldade em fazer o mesmo com
qualquer outro alarme .
V2V1
VOZ
TERRA
05040302
JFMAMJ
JDNOSA
R10
D1
R15
D2
R4
by
Dutra
STARTTRON
DIS
+ 12
V
- 12 V
LINHA2
LINHA1
DS1
3.3 Identificando as conecções do discador : Essencialmente cada discador possui cinco bornes
para ligação . Vamos tomar como exemplo o discador STARTTRON DS - 500 .
Linha 1
Linha 2
- 12 V
+ 12 V
DIS
:: Linha 1 e Linha 2 : Ligação na linha telefônica. Não precisa
preocupar-se com polaridade .
:: + 12 V : Positivo da Alimentação
:: - 12 V : Negativo da Alimentação.
:: DIS : Sinal de disparo. Pode ser obtifo da saída para a sirene
ou em bornes específicos, como ocorre na centrais STARTTRON .
:: Terra : Terminal para aterramento.
Terra
3.4 Conhecendo o Cabo 4 Vias :
Esse cabo é padrão para praticamente todas as instalações de alarmes. Com ele pode-se alimentar e
colher sinais de disparos de todos os sensores com fio do mercado. Além disso é barato e funcional.
O tipo rígido quebra-se com muita facilidade, não deve ser dobrado em curvas muito fechadas .
MUITO IMPORTANTE : JAMAIS UTILIZE O CABO 4 VIAS PARA FAZER LIGAÇÕES DE FORÇA EM 110 ou 220 V .
Os cabos coloridos utilizamos para identificar as conecções .
Geralmente os cabos vermelho e preto são usados para a alimentação +12 V e -12 V respectivamente,
e os cabos amarelo e verde para o sinal de disparo.
:: Polaridade : A limentação dos infravermelhos é polarizada, ou seja, não funciona se for trocado o
positivo pelo negativo.
Já os contatos (RELAY) não são polarizados podendo ser ligados de qualquer forma, desde que
obedeçam o princípio da ligação série entre os sensores.
3.5 - A sirene : Geralmente possui os cabos de alimentação nas cores vermelha e preta .
Vermelho : Positivo +12 V
Preto : Negativo - 12 V .
Da mesma forma que o infra, a sirene é polarizada. Se ligada invertida, não funciona.
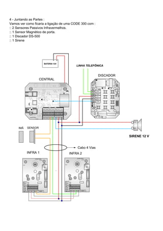
4 - Juntando as Partes :
Vamos ver como ficaria a ligação de uma CODE 300 com :
:: 2 Sensores Passivos Infravermelhos.
:: 1 Sensor Magnético de porta.
:: 1 Discador DS-500
:: 1 Sirene
V2V1
VOZ
TERRA
05040302
JFMAMJ
JDNOSA
R10
D1
R15
D2
R4
by
Dutra
STARTTRON
DIS
+ 12
V
- 12 V
LINHA2
LINHA1
DS1
IR-01
by Dutra
STARTTRON
dB
TAMPERRELAY+12V -12V
-
-
-
-
-
-
ONOFF
LED
321
PULSE
BATERIA 12V
+-
SIRENE 12 V
by Dutra
STARTTRON Set1Set2Set3 Com +Sire -Vcc+Vcc
+Vcc-Vcc+SireComSet3 Set2 Set1
- LED +
DSEN
PROG
ASOND J
J M A M F J
03040506
D0
BOT
IR-01
by Dutra
STARTTRON
dB
TAMPERRELAY+12V -12V
-
-
-
-
-
-
ONOFF
LED
321
PULSE
INFRA 1 INFRA 2
CENTRAL
Cabo 4 Vias
DISCADOR
IMÃ SENSOR
LINHA TELEFÔNICA

Curso de segurança eletrônica

  • 1.
    CURSO SEGURANÇA ELETRÔNICA MÓDULO1 - ALARMES CONVENCIONAIS Setembro de 2003 Eng. Volnei Camargo Dutra
  • 2.
    1 - SISTEMASDE SEGURANÇA ELETRÔNICA 1.1 - Controle de Acesso : Sistema utilizado para controlar o fluxo de pessoas à determinadas àreas de uma empresa ou organização. No lugar da "chave" utiliza-se códigos ou dispositivos especiais (transponders) e, no lugar do "buraco da fechadura" são instaladas senhas, teclados, decodificadores e outros dispositivos. . Principais equipamentos utilizados para controle de acesso : Senhas, Teclados, Fechos Magneticos, Leitores de Cartão, Transponders, Sensores de proximidade e outros. 1.2 - CFTV - Circuito Fechado de Televisão : Utilizado para o monitoramneto de áreas através da verificação visual à distância. Essa é a principal vantagem deste sistema, visto que o observador fica oculto e sem contato com a pessoa ou área à ser observada. Pode-se ainda utilizar recursos como a gravação e edição de imagens e sons. Equipamentos : Câmeras, monitores de TV, fontes, gravadores VHS, gravadores em disco rígido (Winchester), gravadores em memória Flash, time lapses, video fones, quads e outros . 1.3 - Cerca Elétrica : Sistema cuja principal característica é a proteção periférica e a intimidação do intruso através de choque elétrico. É um sistema muito eficaz, pois protege contra invasão atuando na periferia da área protegida, mantendo o invasor à distância. Possui ainda recursos anti-sabotagem tais como alarme contra aterramanto e corte de fio da cerca. O principio ativo da cerca elétrica é o CHOQUE PULSATIVO ou choque psicológico, cuja função principal é provocar dor sem causar dano fisico. 1.4 - Alarmes : Os alarmes isolados ou convencionais são sistemas amplamente utilizados pelo fato de serem relativamente baratos e fáceis de instalar. Tem como principais atributos, fazer barulho e/ou avisar o usuário à distância quando forem disparados. Existem basicamente dois tipos de alarmes no mercado : Alarmes Monitorados e Alarmes Isolados. 1.4.1 - Alarmes Monitorados : São aqueles em que o alarme envia periodicamente informações (registros) para a Central de Monitoramento, onde existem pessoas de plantão. Quando houver alguma ocorrência, imediatamente serão tomadas as ações apropriadas, tais como ida ao local, chamada da policia etc... Meios de Comunicação com a Central : Linha Telefônica ou Rádiofrequência (VHF,UHF, celular ou satelite) . Neste tipo de instalação será cobrada do usuário uma taxa mensal do usuario pelo serviço . Também é cobrada a instalação, venda ou aluguel do equipamento. PRINCIPAL VANTAGEM : Vigilância constante e ação imediata. PRINCIPAL DESVANTAGEM : Custo. 1.4.2 - Alarmes Convencionais : Neste tipo de instalação o plantonista é o próprio usuário. Esteja onde estiver precisará tomar as ações que julgar necessarias quando o alarme disparar. Existem no mercado, alarmes convencionais com recursos, capazes de oferecer ao cliente opções diversas e confiáveis em segurança. Cabe ao instalador, oferecer e vender bem essas funcionalidades. Muitas delas além de proporcionar maior segurança ainda facilitam bastante a instalação. PRINCIPAL VANTAGEM : Confiabilidade e baixo custo relativo. PRINCIPAL DESVANTAGEM : Sistema isolado sem vigilancia constante.
  • 3.
    2 - ALARMESCONVENCIONAIS : 2.1 - Principais componentes de um Sistema de Alarmes Convencional: 2.1.1 - Central - Equipamento responsável pelo processamento dos sinais dos sensores e pelo acionamento dos periféricos de saída. É o principal componente do sistema, daí a denominação Central de Alarmes. 2.1.2 - Sensores : Dispositivos periféricos encarregados de detectar a violação do sistema e transmitir as informações para a Central. a) Sensores com Fio : Necessitam de uma ligação física (fio) com a central para funcionarem . Exemplo : Sensores magnéticos, infravermelhos passivos com fio, infravermelhos ativos, barreira à laser. b) Sensores sem Fio :Transmitem a informação de setor violado através de ondas de rádio. Exemplo : Sensores magnéticos sem fio, infravermelhos passivos sem fio e outros. 2.1.3 - Periféricos de Saída : São encarregados de avisar o usuário sobre a violação do sistema e também servem para afugentar o intruso. Exemplo : Discadores, sirenes, sinalizadores, transmissores por RF etc... 2.1.4 - Elementos de Acionamento : Servem para ligar ou desligar a central. Exemplo : Controles Remoto, Senhas Digitais, Teclados, Chaves etc.. 2.1.5 - Fiação : São utilizados para interligar sensores e periféricos com a central. 2.1.6 - Pilhas e Baterias : São usadas nos controles remotos (pilhas) e para Back Up na central (bateria 12V). 2.2 - O QUE É : 2.2.1 - Setor ou Zona de Alarme : Agrupamento de sensores com ou sem fio ligados em uma deternina da entrada (canal) da central de alarmes. Como regra, corresponde à uma área ou dependência do local à ser protegido. Exemplo : Setor 1 - Sensores da sala ligados na entrada 1 da central . Setor 2 - Sensores da cozinha ligados na entrada 2 da central, e assim por diante. A setorização é muito útil quando se deseja uma melhor visualização e controle do sistema . É reco- mendável que locais com várias dependências ou muitos sensores utilizem alarmes com mais de um setor. Isso será explicado mais adiante. 2.2.2 - Contato NF - Contato normalmente fechado . Abre quando o sensor for violado. 2.2.3 - Ligação Série : Esquema elétrico usado para a instalação de sensores com fio do alarme. Este é o princípio básico do disparo de qualquer central de alarme. Ver figura abaixo : Quando todos os contatos dos sensores estiverem fechados, a corrente elétrica fluirá do ponto 1 para o ponto 0 . Se qualquer um dos sensores for disparado o contato abrirá interrompendo a corrente. Essa é a informação que a central usa para detectar disparos nos sensores com fio. 2.2.4 - Ligação Paralela : Tipo de ligação usada na alimentação dos sensores . Sensor 1 Sensor 2 Sensor 3 corrente NF NF NF Ligação Série 1 0 Central Setor + Central - Sensor 1 + Sensor 1 + Sensor 1 +
  • 4.
    2.2.5 - SetorMisto : Funciona com sensores com fio e sem fio simultaneamente . 2.2.6 - Tempo de Entrada (retardo para disparar) : A central espera um determinado tempo até o usuário efetuar o desarme. Caso isso não ocorra, dispara o sistema. 2.2.7 - Tempo de Saída (retardo para ativar) : Uma vez armada, a central espera um determinado tempo para ativar. Esse atraso deve ser suficiente para o usuário deixar o recinto sem disparar o sistema . 2.2.8 - Função Anti-Assalto (Pânico Silencioso) : Quando esse recurso é acionado, a central dispara so mente o discador, mesmo estando desativada. 2.2.9 - Pânico Sonoro : Disparo do sistema, causado propositalmente pelo usuário para chamar atenção em situações de emergência. Aciona a sirene e o discador ou somente o discador.. 2.2.9 - Zonas Cruzadas : Ocorre quando determinada área ou entrada é protegida por dois ou mais sen sores instalados em setores ou zonas diferentes. É indicado em casos críticos ou de alta segurança . 2.2.10 - RFL (Resistor de Fim de Linha) : Resistor instalado junto aos sensores com fio para prevenir sabotagens no sistema. 2.2.11 - DCL (Detector de Corte de Linha) : Equipamento instalado com a finalidade de acusar cortes ou sabotagens na linha telefônica. 2.2.12 - Discador Telefônico : Equipamento programável, cuja função é discar para uma determinada sequência de números telefônicos quando o alarme disparar. O números são programados pelo usuário. A atender o telefone, será ouvido um toque de sirene ou uma mensagem de voz. 2.2.13 - Discagem por Pulso : Sistema de discagem antigo, que utilizaça a comutação da linha telefônica para fazer a discagem. VANTAGEM : Menos Sensível à Interferências (Ruído de Linha). DESVANTAGENS : Discagem demorada e burulhenta (pode chamar a atenção do ladrão). 2.2.14 - Discagem por Tom (DTMF - Dual Tone Multi Frequencial) : Sistema de discagem moderno e rápido . È o mais indicado em sistemas de alarme. VANTAGENS : Discagem rápida e silenciosa. DESVANTAGEM : Sensível à ruídos (interferências na linha telefônica). 2.2.12 - Módulo de Voz : Equipamento capaz de gravar digitalmente uma mensagem . É utilizado em conjunto com discadores convencionais.
  • 5.
    3 - INSTALAÇÃO: 3.1 - Identificando os bornes de conecção da central . Cada fabricante possui uma disposição diferente dos bornes de ligação . A tiítulo de exemplo, vamos utilização a central STARTTRON CODE 300 como exemplo : Tecla PROG ENTER by Dutra CD1 STARTTRON Set1Set2Set3 Com +Sire -Vcc +Vcc +Vcc-Vcc+SireComSet3 Set2 Set1 - LED + DSEN PROG ASOND J J M A M F J 03040506 D0 BOT Entrada Senha Botoeira Saídas LED Externo Saída DIS para Discador Entrada Setor 3 Entrada Setor 2 Entrada Setor 1 Comum ( - 12 V) Entrada + 12 V Entrada - 12 V Saída + Sirene 3.2 Identificando os Bornes dos Sensores Infravermelhos : Também neste ítem, cada fabricante possui uma disposição própria. Vamos usar como exemplo o infravermelho passivo STARTTRON IRM - 1040. Figura 1 Figura 2 IR-01 by Dutra STARTTRON dB TAMPERRELAY+12V -12V - - - - - - Ajuste de Ganho +12V -12V SAÍDA NF TAMPER IRM - 1060 IRM - 1060 Alcance Maior- Placa p/ Baixo Menor-Placa p/ Cima ONOFF LED LED OFF LED ON 321 PULSE DE PULSO AJUSTE Basicamente existem dois bornes de alimentação (+ 12 V e - 12 V ) e dois bornes de contato NF, identificados como RELAY, os quais deverão ser ligados em série com outros sensores formando o circuito de disparo do setor da central. Esta é uma das centrais mais completas do mercado. Instalando e programando uma CODE 300 não teremos dificuldade em fazer o mesmo com qualquer outro alarme . V2V1 VOZ TERRA 05040302 JFMAMJ JDNOSA R10 D1 R15 D2 R4 by Dutra STARTTRON DIS + 12 V - 12 V LINHA2 LINHA1 DS1 3.3 Identificando as conecções do discador : Essencialmente cada discador possui cinco bornes para ligação . Vamos tomar como exemplo o discador STARTTRON DS - 500 . Linha 1 Linha 2 - 12 V + 12 V DIS :: Linha 1 e Linha 2 : Ligação na linha telefônica. Não precisa preocupar-se com polaridade . :: + 12 V : Positivo da Alimentação :: - 12 V : Negativo da Alimentação. :: DIS : Sinal de disparo. Pode ser obtifo da saída para a sirene ou em bornes específicos, como ocorre na centrais STARTTRON . :: Terra : Terminal para aterramento. Terra
  • 6.
    3.4 Conhecendo oCabo 4 Vias : Esse cabo é padrão para praticamente todas as instalações de alarmes. Com ele pode-se alimentar e colher sinais de disparos de todos os sensores com fio do mercado. Além disso é barato e funcional. O tipo rígido quebra-se com muita facilidade, não deve ser dobrado em curvas muito fechadas . MUITO IMPORTANTE : JAMAIS UTILIZE O CABO 4 VIAS PARA FAZER LIGAÇÕES DE FORÇA EM 110 ou 220 V . Os cabos coloridos utilizamos para identificar as conecções . Geralmente os cabos vermelho e preto são usados para a alimentação +12 V e -12 V respectivamente, e os cabos amarelo e verde para o sinal de disparo. :: Polaridade : A limentação dos infravermelhos é polarizada, ou seja, não funciona se for trocado o positivo pelo negativo. Já os contatos (RELAY) não são polarizados podendo ser ligados de qualquer forma, desde que obedeçam o princípio da ligação série entre os sensores. 3.5 - A sirene : Geralmente possui os cabos de alimentação nas cores vermelha e preta . Vermelho : Positivo +12 V Preto : Negativo - 12 V . Da mesma forma que o infra, a sirene é polarizada. Se ligada invertida, não funciona.
  • 7.
    4 - Juntandoas Partes : Vamos ver como ficaria a ligação de uma CODE 300 com : :: 2 Sensores Passivos Infravermelhos. :: 1 Sensor Magnético de porta. :: 1 Discador DS-500 :: 1 Sirene V2V1 VOZ TERRA 05040302 JFMAMJ JDNOSA R10 D1 R15 D2 R4 by Dutra STARTTRON DIS + 12 V - 12 V LINHA2 LINHA1 DS1 IR-01 by Dutra STARTTRON dB TAMPERRELAY+12V -12V - - - - - - ONOFF LED 321 PULSE BATERIA 12V +- SIRENE 12 V by Dutra STARTTRON Set1Set2Set3 Com +Sire -Vcc+Vcc +Vcc-Vcc+SireComSet3 Set2 Set1 - LED + DSEN PROG ASOND J J M A M F J 03040506 D0 BOT IR-01 by Dutra STARTTRON dB TAMPERRELAY+12V -12V - - - - - - ONOFF LED 321 PULSE INFRA 1 INFRA 2 CENTRAL Cabo 4 Vias DISCADOR IMÃ SENSOR LINHA TELEFÔNICA