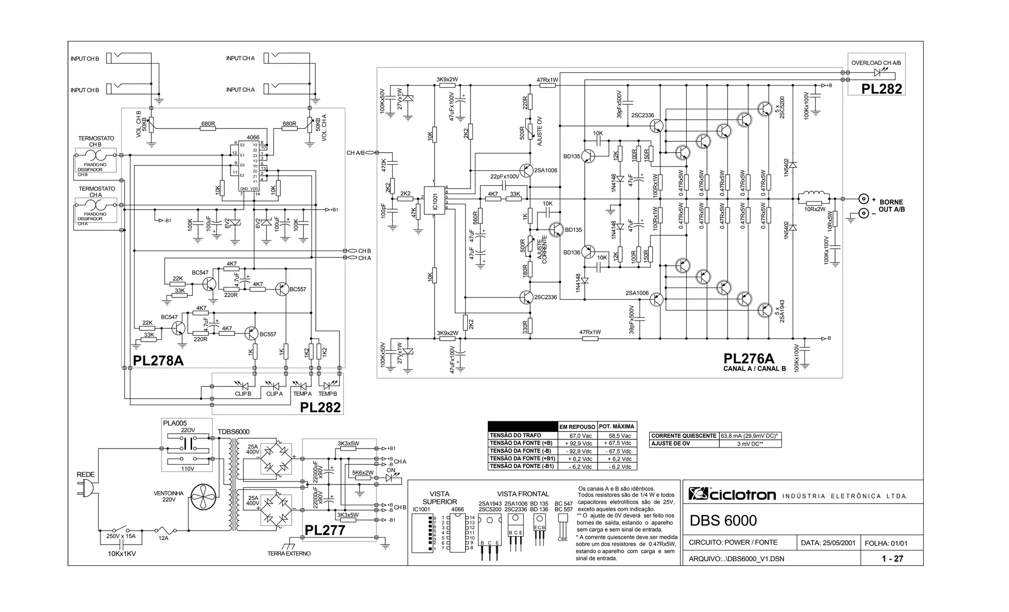
ARQUIVO:..DBS6000_V1.DSN
FOLHA: 01/01DATA: 25/05/2001CIRCUITO: POWER / FONTE
I N D Ú S T R I A E L E T R Ô N I C A L T D A.
DBS 6000
VISTA FRONTAL
BD 135
BD 1362SC2336
2SA10062SA1943
2SC5200
VISTA
SUPERIOR
IC1001 4066
1N4148
47uFx100V
3K9x2W
100Kx100V
0.47Rx5W
27Vx1W
47uF
2SA1006
CH A/B
47uF
AJUSTEOV
100R
10K
1K
500R
47K
100R
PL276A
47Rx1W
0.47Rx5W
2K2
27Vx1W
BD136
10K
1N414812K
4K7
47uFx100V
39pFx500V
180R
47Rx1W
5x
2SC5200
2K2
IC1001
2SC2336
3K9x2W
10K
33K
330R
150R
1N4148
10K
2K2
47uF
220R
12K
100Kx50V
560R
22pFx100V
100Rx1W
100pF
1N5402
100Rx1W
BD135
2SC2336
0.47Rx5W
150R
0.47Rx5W
100Kx50V
2K2
47uF
10K
2SA1006
39pFx500V
0.47Rx5W
BD135
470K
OVERLOAD CH A/B
10Rx5W
100Kx100V
OUT A/B
PL282
CANAL A / CANAL B
10Rx2W
+
100Kx100V
0.47Rx5W0.47Rx5W
0.47Rx5W0.47Rx5W
5x
2SA1943
0.47Rx5W
1N5402
CH A
TEMPB
1K2
33K
4K7
CH B
220R
22K
4K7
4K7
100uF
BC547
33K
100K
6V2
TERMOSTATO
1K
BC557
4.7uF
22K
1K
100uF
FIXADONO
DISSIPADOR
CHB
CHB
FIXADONO
DISSIPADOR
CHA
PL278A
680R
TERMOSTATO
CHA
4.7uF
100K
680R
INPUTCHA
INPUTCHA
4K7
10K
BC547
BC557
10K
50KB
CLIPB
220R
VOL.CHA
CLIPA
PL282
1K2
TEMPA
INPUTCHB
6V2
INPUTCHB
50KB
VOL.CHB
25A
400V
3K3x5W
22000uF
x90V
22000uF
x90V
TERRAEXTERNO
REDE
25A
400V
PL277
CHA
5K6x2W
3K3x5W
CHB
ON
12A
VENTOINHA
10Kx1KV
220V
110V
250V x 15A
TDBS600022OV
PLA005
_
BORNE
4066
+ 67,5 Vdc
- 6,2 Vdc
** O ajuste de 0V deverá ser feito nos
bornes de saída, estando o aparelho
sem carga e sem sinal de entrada.
CORRENTE QUIESCENTE
TENSÃO DA FONTE (+B)
TENSÃO DO TRAFO
3 mV DC**
58,5 Vac
TENSÃO DA FONTE (-B1)
- 92,9 Vdc
TENSÃO DA FONTE (+B1) + 6,2 Vdc
Todos resistores são de 1/4 W e todos
capacitores eletrolíticos são de 25V,
exceto aqueles com indicação.
POT. MÁXIMA
+ 92,9 Vdc
EM REPOUSO
+ 6,2 Vdc
TENSÃO DA FONTE (-B)
63,8 mA (29,9mV DC)*
* A corrente quiescente deve ser medida
sobre um dos resistores de 0.47Rx5W,
estando o aparelho com carga e sem
sinal de entrada.
- 67,5 Vdc
- 6,2 Vdc
AJUSTE DE OV
67,0 Vac
500R
AJUSTE
CORRENTE
Os canais A e B são idênticos.
1 - 27
BC 557
BC 547
B C E
BCE
8
7
6
5
4
3
2
1
4
3
2
1
11
12
13
14
10
87
6
5
9 ECB
+B
-B
-B1
+B1
+B
+B
-B1
-B
+B1
-B
CBE
+
+
+
12
9
6
11
8
10
E0
E2
E1
E3
GND VDD
7 14
3
1
13
5
2
4
Y2
Z2
Y3
Z3
Z0
Y0
Y1
Z1
+
2
8
1
6
7
3
5
4
+
+
+
+
+
+
+
+

Ciclotron dbs6000

  • 1.
    ARQUIVO:..DBS6000_V1.DSN FOLHA: 01/01DATA: 25/05/2001CIRCUITO:POWER / FONTE I N D Ú S T R I A E L E T R Ô N I C A L T D A. DBS 6000 VISTA FRONTAL BD 135 BD 1362SC2336 2SA10062SA1943 2SC5200 VISTA SUPERIOR IC1001 4066 1N4148 47uFx100V 3K9x2W 100Kx100V 0.47Rx5W 27Vx1W 47uF 2SA1006 CH A/B 47uF AJUSTEOV 100R 10K 1K 500R 47K 100R PL276A 47Rx1W 0.47Rx5W 2K2 27Vx1W BD136 10K 1N414812K 4K7 47uFx100V 39pFx500V 180R 47Rx1W 5x 2SC5200 2K2 IC1001 2SC2336 3K9x2W 10K 33K 330R 150R 1N4148 10K 2K2 47uF 220R 12K 100Kx50V 560R 22pFx100V 100Rx1W 100pF 1N5402 100Rx1W BD135 2SC2336 0.47Rx5W 150R 0.47Rx5W 100Kx50V 2K2 47uF 10K 2SA1006 39pFx500V 0.47Rx5W BD135 470K OVERLOAD CH A/B 10Rx5W 100Kx100V OUT A/B PL282 CANAL A / CANAL B 10Rx2W + 100Kx100V 0.47Rx5W0.47Rx5W 0.47Rx5W0.47Rx5W 5x 2SA1943 0.47Rx5W 1N5402 CH A TEMPB 1K2 33K 4K7 CH B 220R 22K 4K7 4K7 100uF BC547 33K 100K 6V2 TERMOSTATO 1K BC557 4.7uF 22K 1K 100uF FIXADONO DISSIPADOR CHB CHB FIXADONO DISSIPADOR CHA PL278A 680R TERMOSTATO CHA 4.7uF 100K 680R INPUTCHA INPUTCHA 4K7 10K BC547 BC557 10K 50KB CLIPB 220R VOL.CHA CLIPA PL282 1K2 TEMPA INPUTCHB 6V2 INPUTCHB 50KB VOL.CHB 25A 400V 3K3x5W 22000uF x90V 22000uF x90V TERRAEXTERNO REDE 25A 400V PL277 CHA 5K6x2W 3K3x5W CHB ON 12A VENTOINHA 10Kx1KV 220V 110V 250V x 15A TDBS600022OV PLA005 _ BORNE 4066 + 67,5 Vdc - 6,2 Vdc ** O ajuste de 0V deverá ser feito nos bornes de saída, estando o aparelho sem carga e sem sinal de entrada. CORRENTE QUIESCENTE TENSÃO DA FONTE (+B) TENSÃO DO TRAFO 3 mV DC** 58,5 Vac TENSÃO DA FONTE (-B1) - 92,9 Vdc TENSÃO DA FONTE (+B1) + 6,2 Vdc Todos resistores são de 1/4 W e todos capacitores eletrolíticos são de 25V, exceto aqueles com indicação. POT. MÁXIMA + 92,9 Vdc EM REPOUSO + 6,2 Vdc TENSÃO DA FONTE (-B) 63,8 mA (29,9mV DC)* * A corrente quiescente deve ser medida sobre um dos resistores de 0.47Rx5W, estando o aparelho com carga e sem sinal de entrada. - 67,5 Vdc - 6,2 Vdc AJUSTE DE OV 67,0 Vac 500R AJUSTE CORRENTE Os canais A e B são idênticos. 1 - 27 BC 557 BC 547 B C E BCE 8 7 6 5 4 3 2 1 4 3 2 1 11 12 13 14 10 87 6 5 9 ECB +B -B -B1 +B1 +B +B -B1 -B +B1 -B CBE + + + 12 9 6 11 8 10 E0 E2 E1 E3 GND VDD 7 14 3 1 13 5 2 4 Y2 Z2 Y3 Z3 Z0 Y0 Y1 Z1 + 2 8 1 6 7 3 5 4 + + + + + + + +