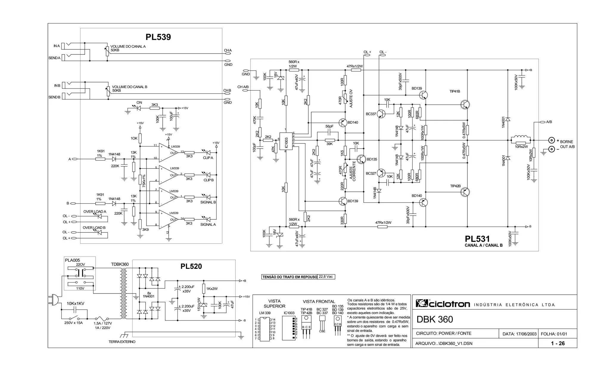
ARQUIVO:..DBK360_V1.DSN
FOLHA: 01/01CIRCUITO: POWER / FONTE
I N D Ú S T R I A E L E T R Ô N I C A L T D A.
DBK 360
1N4148
47uFx40V
560R x
1/2W
100Kx50V
18V
47uF
BD140
47uF
AJUSTEOV
100R
10K
1K5
470R
47K
100R
PL531
47Rx1/2W
0.47Rx5W
2K2
18V
BC327
10K
1N414812K
47uFx40V
39pFx500V
220R
47Rx1/2W
TIP41B
2K2
IC1003
BD139
10K
39K
330R
680R
1N4148
10K
2K2
47uF
100R
12K
100K
2K2
56pF
100Rx1W
100pF
1N4001
100Rx1W
BC337
BD139
680R
100K
2K2
47uF
10K
BD140
39pFx500V
0.47Rx5W
BD135
470K
10Rx2W
100Kx50V
OUT A/B
CANAL A / CANAL B
10Rx2W
+
100Kx50V
TIP42B
1N4001
CHA
CHB
INA
SENDA
50KB
VOLUME DO CANAL A
INB
SENDB
50KB
VOLUME DO CANAL B
2.200uF
x35V
TERRAEXTERNO
PL520
1Kx2W110V
TDBK36022OV
PLA005
_
BORNE
470R
AJUSTE
CORRENTE
1 - 26
220K
3K3
1N4148
SIGNAL A
1K91
1%
220K
3K3
100K
1OK
13K
1%
1N4148
PL539
75Kx1%
SIGNAL B
CLIPA
100uF
3K3
3K9
CLIPB
3K3
B
A
CH A/B
10K
A/B
OL -OL +
OL -
OL +
OL -
OL +
OVER LOAD A
OVER LOAD B
100K
15Vx1W
47uF
1,5A / 127V
10Kx1KV
250V x 15A
3K3
1A / 220V
Todos resistores são de 1/4 W e todos
capacitores eletrolíticos são de 25V,
exceto aqueles com indicação.
* A corrente quiescente deve ser medida
sobre um dos resistores de 0.47Rx5W,
estando o aparelho com carga e sem
sinal de entrada.
** O ajuste de 0V deverá ser feito nos
bornes de saída, estando o aparelho
sem carga e sem sinal de entrada.
Os canais A e B são idênticos.VISTA FRONTALVISTA
SUPERIOR
BD 139
IC1003
1N4001
2.200uF
x35V
8x
BD 140
BD 135
BC 327
BC 337
1K91
1%
13K
1%
560R x
1/2W
TIP41B
TIP42B
ON
TENSÃO DO TRAFO EM REPOUSO 22,8 Vac
DATA: 17/06/2003
GND
GND
GND
LM 339
+B
-B
+B
-B
+15V
+15V
+15V
+15V
+15V
8
7
6
5
4
3
2
1
BCE
CBE
B C E
4
3
2
1
11
12
13
14
10
87
6
5
9
LM3397
6
1
+
-
OUT
LM3395
4
2
+
-
OUT
+
+
LM3399
8
12
14
+
-
V-
OUT
LM33911
10
3
13
+
-
V+
OUT
+
+
6
2
1
4
8
7
3
5
+
+
+
+
+
+

Ciclotron dbk360

  • 1.
    ARQUIVO:..DBK360_V1.DSN FOLHA: 01/01CIRCUITO: POWER/ FONTE I N D Ú S T R I A E L E T R Ô N I C A L T D A. DBK 360 1N4148 47uFx40V 560R x 1/2W 100Kx50V 18V 47uF BD140 47uF AJUSTEOV 100R 10K 1K5 470R 47K 100R PL531 47Rx1/2W 0.47Rx5W 2K2 18V BC327 10K 1N414812K 47uFx40V 39pFx500V 220R 47Rx1/2W TIP41B 2K2 IC1003 BD139 10K 39K 330R 680R 1N4148 10K 2K2 47uF 100R 12K 100K 2K2 56pF 100Rx1W 100pF 1N4001 100Rx1W BC337 BD139 680R 100K 2K2 47uF 10K BD140 39pFx500V 0.47Rx5W BD135 470K 10Rx2W 100Kx50V OUT A/B CANAL A / CANAL B 10Rx2W + 100Kx50V TIP42B 1N4001 CHA CHB INA SENDA 50KB VOLUME DO CANAL A INB SENDB 50KB VOLUME DO CANAL B 2.200uF x35V TERRAEXTERNO PL520 1Kx2W110V TDBK36022OV PLA005 _ BORNE 470R AJUSTE CORRENTE 1 - 26 220K 3K3 1N4148 SIGNAL A 1K91 1% 220K 3K3 100K 1OK 13K 1% 1N4148 PL539 75Kx1% SIGNAL B CLIPA 100uF 3K3 3K9 CLIPB 3K3 B A CH A/B 10K A/B OL -OL + OL - OL + OL - OL + OVER LOAD A OVER LOAD B 100K 15Vx1W 47uF 1,5A / 127V 10Kx1KV 250V x 15A 3K3 1A / 220V Todos resistores são de 1/4 W e todos capacitores eletrolíticos são de 25V, exceto aqueles com indicação. * A corrente quiescente deve ser medida sobre um dos resistores de 0.47Rx5W, estando o aparelho com carga e sem sinal de entrada. ** O ajuste de 0V deverá ser feito nos bornes de saída, estando o aparelho sem carga e sem sinal de entrada. Os canais A e B são idênticos.VISTA FRONTALVISTA SUPERIOR BD 139 IC1003 1N4001 2.200uF x35V 8x BD 140 BD 135 BC 327 BC 337 1K91 1% 13K 1% 560R x 1/2W TIP41B TIP42B ON TENSÃO DO TRAFO EM REPOUSO 22,8 Vac DATA: 17/06/2003 GND GND GND LM 339 +B -B +B -B +15V +15V +15V +15V +15V 8 7 6 5 4 3 2 1 BCE CBE B C E 4 3 2 1 11 12 13 14 10 87 6 5 9 LM3397 6 1 + - OUT LM3395 4 2 + - OUT + + LM3399 8 12 14 + - V- OUT LM33911 10 3 13 + - V+ OUT + + 6 2 1 4 8 7 3 5 + + + + + +