ARQUIVO:..DBK6000_V1.DSN
FOLHA: 01/01CIRCUITO: POWER / FONTE
I N D Ú S T R I A E L E T R Ô N I C A L T D A.
DBK 6000
1N4148
47uFx100V
3K9x2W
100Kx100V
0.47Rx5W
27Vx1W
47uF
2SA1006
47uF
AJUSTEOV
100R
10K
1K
500R
47K
100R
PL536
47Rx1W
0.47Rx5W
2K2
27Vx1W
BD136
10K
1N414812K
4K7
47uFx100V
39pFx500V
180R
47Rx1W
5x
2SC5200
2K2
IC1001
2SC2336
3K9x2W
10K
30K
330R
150R
1N4148
10K
2K2
47uF
220R
12K
100Kx50V
390R
100pFx100V
100Rx1W
100pF
1N5402
100Rx1W
BD135
2SC2336
0.47Rx5W
150R
0.47Rx5W
100Kx50V
2K2
47uF
10K
2SA1006
39pFx500V
0.47Rx5W
BD135
470K
10Rx5W
100Kx100V
OUT A/B
CANAL A / CANAL B
10Rx2W
+
100Kx100V
0.47Rx5W0.47Rx5W
0.47Rx5W0.47Rx5W
5x
2SA1943
0.47Rx5W
1N5402
CHA
CHB
100uF
100K
6V2
TERMOSTATO
100uF
CHB
TERMOSTATO
CHA
100K
INA
SENDA
10K
10K
50KB
VOL.CHA
INB
6V2
SENDB
50KB
VOL.CHB
25A
400V
22Kx1W
15000uF
x95V
15000uF
x95V
TERRAEXTERNO
25A
400V PL517
2K7x3W
22Kx1W
VENTOINHA
220V
110V
TDBK600022OV
PLA005
_
BORNE
500R
AJUSTE
CORRENTE
1 - 20
ON
220K
3K3
12K
1%
1N4148
SIGNAL A
18K
1%
220K
3K3
100K
1OK
12K
1%
1N4148
PL530
75Kx1%
SIGNAL B
CLIPA
18K
1%
100uF
3K3
6K8
CLIPB
3K31K2
TEMP B
1K2
TEMP A
B
CH A/B
10K
A/B
OL -OL +
OL -
OL +
OL -
OL +
OVER LOAD A
OVER LOAD B
100K
15Vx1W
47uF
15A / 127V
10Kx1KV
250V x 15A
3K3
8A / 220V
14
7
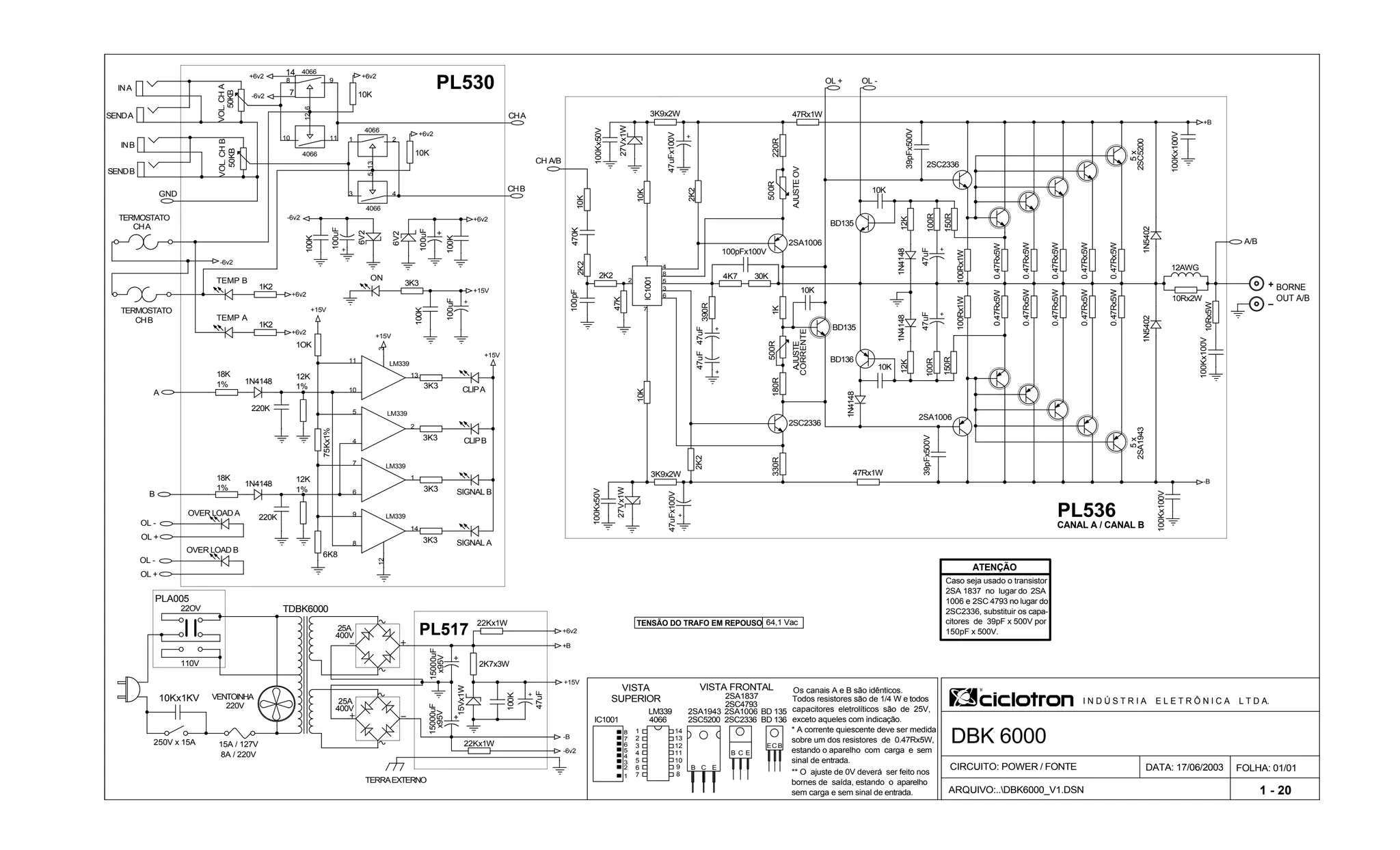
Todos resistores são de 1/4 W e todos
capacitores eletrolíticos são de 25V,
exceto aqueles com indicação.
* A corrente quiescente deve ser medida
sobre um dos resistores de 0.47Rx5W,
estando o aparelho com carga e sem
sinal de entrada.
2SC52004066
** O ajuste de 0V deverá ser feito nos
bornes de saída, estando o aparelho
sem carga e sem sinal de entrada.
2SA1943
Os canais A e B são idênticos.
BD 135
IC1001
VISTA FRONTALVISTA
SUPERIOR
BD 1362SC2336
LM339
TENSÃO DO TRAFO EM REPOUSO 64,1 Vac
DATA: 17/06/2003
A
GND
12AWG
Caso seja usado o transistor
2SA 1837 no lugar do 2SA
1006 e 2SC 4793 no lugar do
2SC2336, substituir os capa-
citores de 39pF x 500V por
150pF x 500V.
ATENÇÃO
2SA1006
2SA1837
2SC4793
+B
-B
+6v2
+B
-6v2
+6v2
-B
+15V
+15V
+15V
+15V
+6v2
+6v2
-6v2
-6v2
+6v2
+6v2
-6v2
+6v2
+15V
8
7
6
5
4
3
2
1
4
3
2
1
11
12
13
14
10
87
6
5
9 ECB
B C E
BCE
LM3397
6
1
LM3395
4
2
+
+
LM3399
8
12
14
LM33911
10
3
13
4066
1
13
2
4066
4
5
3
4066
8
6
9
+
+
4066
11
12
10
2
8
1
6
7
3
5
4
+
+
+
+
+
+
+
+

Ciclotron dbk6000

  • 1.
    ARQUIVO:..DBK6000_V1.DSN FOLHA: 01/01CIRCUITO: POWER/ FONTE I N D Ú S T R I A E L E T R Ô N I C A L T D A. DBK 6000 1N4148 47uFx100V 3K9x2W 100Kx100V 0.47Rx5W 27Vx1W 47uF 2SA1006 47uF AJUSTEOV 100R 10K 1K 500R 47K 100R PL536 47Rx1W 0.47Rx5W 2K2 27Vx1W BD136 10K 1N414812K 4K7 47uFx100V 39pFx500V 180R 47Rx1W 5x 2SC5200 2K2 IC1001 2SC2336 3K9x2W 10K 30K 330R 150R 1N4148 10K 2K2 47uF 220R 12K 100Kx50V 390R 100pFx100V 100Rx1W 100pF 1N5402 100Rx1W BD135 2SC2336 0.47Rx5W 150R 0.47Rx5W 100Kx50V 2K2 47uF 10K 2SA1006 39pFx500V 0.47Rx5W BD135 470K 10Rx5W 100Kx100V OUT A/B CANAL A / CANAL B 10Rx2W + 100Kx100V 0.47Rx5W0.47Rx5W 0.47Rx5W0.47Rx5W 5x 2SA1943 0.47Rx5W 1N5402 CHA CHB 100uF 100K 6V2 TERMOSTATO 100uF CHB TERMOSTATO CHA 100K INA SENDA 10K 10K 50KB VOL.CHA INB 6V2 SENDB 50KB VOL.CHB 25A 400V 22Kx1W 15000uF x95V 15000uF x95V TERRAEXTERNO 25A 400V PL517 2K7x3W 22Kx1W VENTOINHA 220V 110V TDBK600022OV PLA005 _ BORNE 500R AJUSTE CORRENTE 1 - 20 ON 220K 3K3 12K 1% 1N4148 SIGNAL A 18K 1% 220K 3K3 100K 1OK 12K 1% 1N4148 PL530 75Kx1% SIGNAL B CLIPA 18K 1% 100uF 3K3 6K8 CLIPB 3K31K2 TEMP B 1K2 TEMP A B CH A/B 10K A/B OL -OL + OL - OL + OL - OL + OVER LOAD A OVER LOAD B 100K 15Vx1W 47uF 15A / 127V 10Kx1KV 250V x 15A 3K3 8A / 220V 14 7 Todos resistores são de 1/4 W e todos capacitores eletrolíticos são de 25V, exceto aqueles com indicação. * A corrente quiescente deve ser medida sobre um dos resistores de 0.47Rx5W, estando o aparelho com carga e sem sinal de entrada. 2SC52004066 ** O ajuste de 0V deverá ser feito nos bornes de saída, estando o aparelho sem carga e sem sinal de entrada. 2SA1943 Os canais A e B são idênticos. BD 135 IC1001 VISTA FRONTALVISTA SUPERIOR BD 1362SC2336 LM339 TENSÃO DO TRAFO EM REPOUSO 64,1 Vac DATA: 17/06/2003 A GND 12AWG Caso seja usado o transistor 2SA 1837 no lugar do 2SA 1006 e 2SC 4793 no lugar do 2SC2336, substituir os capa- citores de 39pF x 500V por 150pF x 500V. ATENÇÃO 2SA1006 2SA1837 2SC4793 +B -B +6v2 +B -6v2 +6v2 -B +15V +15V +15V +15V +6v2 +6v2 -6v2 -6v2 +6v2 +6v2 -6v2 +6v2 +15V 8 7 6 5 4 3 2 1 4 3 2 1 11 12 13 14 10 87 6 5 9 ECB B C E BCE LM3397 6 1 LM3395 4 2 + + LM3399 8 12 14 LM33911 10 3 13 4066 1 13 2 4066 4 5 3 4066 8 6 9 + + 4066 11 12 10 2 8 1 6 7 3 5 4 + + + + + + + +