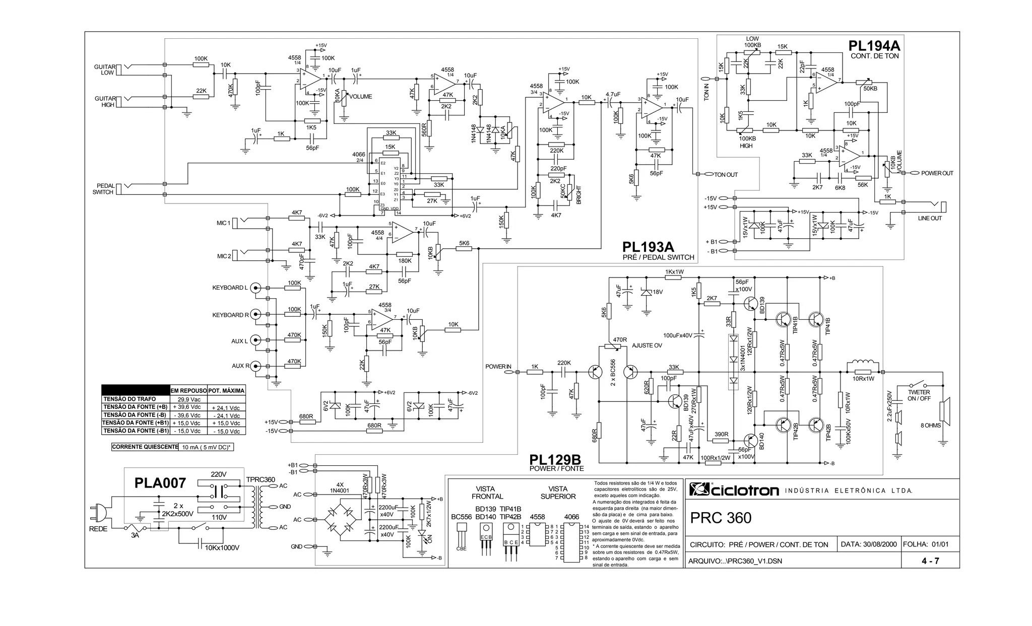
ARQUIVO:..PRC360_V1.DSN
FOLHA: 01/01CIRCUITO: PRÉ / POWER / CONT. DE TON
PRC 3604558
SUPERIOR
I N D Ú S T R I A E L E T R Ô N I C A L T D A.
HIGH
1K5
10K 1/4
470K
4558
100pF
100K
22K
LOW
1K
1uF
56pF
GUITAR
GUITAR
10uF 1uF
VOLUME
10KA
15K
33K
100K
6V2
47uF
100K
6V2
47uF
680R
680R
+15V
-15V
33K
27K
560R
47K
2K2
47K
4558
1/4 10uF
2K21N4148
1N4148
10KA
47K
SWITCH
PEDAL
150K
3/4
4558
220pF
220K
100K
2K2
50KC
BRIGHT
4K7
1uF
100K
10K
4.7uF
100K
47K
56pF
5K6
33K
47K
4K7
4K7
MIC1
MIC2
470pF
100K
100K
470K
470K
KEYBOARD L
KEYBOARD R
AUX L
AUX R
1uF
150K
100pF
10uF
PLA007
REDE
AC
2 x
2K2x500V
GND
220V
110V
TPRC360
AC
3A
10Kx1000V
PL193A
PRÉ / PEDAL SWITCH
PL194A
POWER / FONTE
0.47Rx5W
TIP41B
33R
2K7
100uFx40V
1K5
100pF
33K
470R
1Kx1W
47uF
18V
47K
220K
10Rx1W100Kx50V
10Rx1W
2xBC556
5K6
8 OHMS
TIP41B
0.47Rx5W
100pF
1K
100Rx1/2W
0.47Rx5W
0.47Rx5W
390R
TIP42B
22R
47uFx40V
TIP42B
270Rx1W
680R
47uF
BD139
620R
47K
TWETER
ON / OFF
2.2uFx250V
2200uF
x40V
470Rx3W
2200uF
x40V
4X
1N4001
470Rx3W POWERIN
4558
1/4
22pF
1K
4558
1/433K
100pF
10K
10K
50KB
10KB
VOLUME
22K
100KB
10K
1K533K
15K
HIGH
10K
LOW
15K
100KB
22K
100K
15Vx1W
47uF
+ B1
- B1
47uF
15Vx1W
100K
POWEROUT
1K
6K8
56K2K7
TON OUT
TONIN
A numeração dos integrados é feita da
esquerda para direita (na maior dimen-
são da placa) e de cima para baixo.
VISTA
4066
4066
2/4
CONT. DE TON
PL129B
-15V
+15V
120Rx1/2W
3x1N4001
BD139
56pF
x100V
BD140
56pF
x100V
120Rx1/2W
AJUSTE OV
POT. MÁXIMA
O ajuste de 0V deverá ser feito nos
terminais de saída, estando o aparelho
sem carga e sem sinal de entrada, para
aproximadamente 0Vdc.
+ 15,0 Vdc
- 24,1 Vdc
- 15,0 Vdc
Todos resistores são de 1/4 W e todos
capacitores eletrolíticos são de 25V,
exceto aqueles com indicação.
TENSÃO DA FONTE (+B)
TENSÃO DA FONTE (-B1)
TENSÃO DO TRAFO
TIP41B
CORRENTE QUIESCENTE
29,9 Vac
TENSÃO DA FONTE (-B)
+ 24,1 Vdc
EM REPOUSO
- 39,6 Vdc
TENSÃO DA FONTE (+B1) + 15,0 Vdc
* A corrente quiescente deve ser medida
sobre um dos resistores de 0.47Rx5W,
estando o aparelho com carga e sem
sinal de entrada.
10 mA ( 5 mV DC)*
- 15,0 Vdc 2K7x1/2WON
100K
100K
GND
-B1
AC
AC
+B1
BC556 TIP42BBD140
BD139
FRONTAL
VISTA
27K
4558
56pF
10KB
56pF
22K
4K7
10uF
1uF
4558
10K
4/4
100pF
5K6
47K
2K2
10KB
3/4
180K
10uF
+ 39,6 Vdc
LINEOUT
100K
100K
100K
100K
100K
100K
DATA: 30/08/2000
4 - 7
8
7
6
54
3
2
1
-15V
+15V
+6V2
+6V2
+15V
-15V
+15V
-15V
+B
-B
+15V
-15V
+15V -15V
4
3
2
1
11
12
13
14
10
87
6
5
9
-6V2
BCE
+B
-B
CBE
B C E
-6V2
+
+
+
+
+
+
_
8
3
2
4
1
+
_
8
3
2
4
1
5
13
6
12
8
9
E0
E2
E1
E3
GND VDD
7 14
11
10
2
1
3
4
Y2
Z2
Y3
Z3
Z0
Y0
Y1
Z1
+
_
7
5
6
+
_
7
5
6
+
_
7
6
5
+
+
+
+
+
_
8
3
2
4
1
+
+
+
+
+
_
5
6
7
+
++
+
+
+
+
+
_
8
3
2
4
1
+

Ciclotron prc360

  • 1.
    ARQUIVO:..PRC360_V1.DSN FOLHA: 01/01CIRCUITO: PRÉ/ POWER / CONT. DE TON PRC 3604558 SUPERIOR I N D Ú S T R I A E L E T R Ô N I C A L T D A. HIGH 1K5 10K 1/4 470K 4558 100pF 100K 22K LOW 1K 1uF 56pF GUITAR GUITAR 10uF 1uF VOLUME 10KA 15K 33K 100K 6V2 47uF 100K 6V2 47uF 680R 680R +15V -15V 33K 27K 560R 47K 2K2 47K 4558 1/4 10uF 2K21N4148 1N4148 10KA 47K SWITCH PEDAL 150K 3/4 4558 220pF 220K 100K 2K2 50KC BRIGHT 4K7 1uF 100K 10K 4.7uF 100K 47K 56pF 5K6 33K 47K 4K7 4K7 MIC1 MIC2 470pF 100K 100K 470K 470K KEYBOARD L KEYBOARD R AUX L AUX R 1uF 150K 100pF 10uF PLA007 REDE AC 2 x 2K2x500V GND 220V 110V TPRC360 AC 3A 10Kx1000V PL193A PRÉ / PEDAL SWITCH PL194A POWER / FONTE 0.47Rx5W TIP41B 33R 2K7 100uFx40V 1K5 100pF 33K 470R 1Kx1W 47uF 18V 47K 220K 10Rx1W100Kx50V 10Rx1W 2xBC556 5K6 8 OHMS TIP41B 0.47Rx5W 100pF 1K 100Rx1/2W 0.47Rx5W 0.47Rx5W 390R TIP42B 22R 47uFx40V TIP42B 270Rx1W 680R 47uF BD139 620R 47K TWETER ON / OFF 2.2uFx250V 2200uF x40V 470Rx3W 2200uF x40V 4X 1N4001 470Rx3W POWERIN 4558 1/4 22pF 1K 4558 1/433K 100pF 10K 10K 50KB 10KB VOLUME 22K 100KB 10K 1K533K 15K HIGH 10K LOW 15K 100KB 22K 100K 15Vx1W 47uF + B1 - B1 47uF 15Vx1W 100K POWEROUT 1K 6K8 56K2K7 TON OUT TONIN A numeração dos integrados é feita da esquerda para direita (na maior dimen- são da placa) e de cima para baixo. VISTA 4066 4066 2/4 CONT. DE TON PL129B -15V +15V 120Rx1/2W 3x1N4001 BD139 56pF x100V BD140 56pF x100V 120Rx1/2W AJUSTE OV POT. MÁXIMA O ajuste de 0V deverá ser feito nos terminais de saída, estando o aparelho sem carga e sem sinal de entrada, para aproximadamente 0Vdc. + 15,0 Vdc - 24,1 Vdc - 15,0 Vdc Todos resistores são de 1/4 W e todos capacitores eletrolíticos são de 25V, exceto aqueles com indicação. TENSÃO DA FONTE (+B) TENSÃO DA FONTE (-B1) TENSÃO DO TRAFO TIP41B CORRENTE QUIESCENTE 29,9 Vac TENSÃO DA FONTE (-B) + 24,1 Vdc EM REPOUSO - 39,6 Vdc TENSÃO DA FONTE (+B1) + 15,0 Vdc * A corrente quiescente deve ser medida sobre um dos resistores de 0.47Rx5W, estando o aparelho com carga e sem sinal de entrada. 10 mA ( 5 mV DC)* - 15,0 Vdc 2K7x1/2WON 100K 100K GND -B1 AC AC +B1 BC556 TIP42BBD140 BD139 FRONTAL VISTA 27K 4558 56pF 10KB 56pF 22K 4K7 10uF 1uF 4558 10K 4/4 100pF 5K6 47K 2K2 10KB 3/4 180K 10uF + 39,6 Vdc LINEOUT 100K 100K 100K 100K 100K 100K DATA: 30/08/2000 4 - 7 8 7 6 54 3 2 1 -15V +15V +6V2 +6V2 +15V -15V +15V -15V +B -B +15V -15V +15V -15V 4 3 2 1 11 12 13 14 10 87 6 5 9 -6V2 BCE +B -B CBE B C E -6V2 + + + + + + _ 8 3 2 4 1 + _ 8 3 2 4 1 5 13 6 12 8 9 E0 E2 E1 E3 GND VDD 7 14 11 10 2 1 3 4 Y2 Z2 Y3 Z3 Z0 Y0 Y1 Z1 + _ 7 5 6 + _ 7 5 6 + _ 7 6 5 + + + + + _ 8 3 2 4 1 + + + + + _ 5 6 7 + ++ + + + + + _ 8 3 2 4 1 +