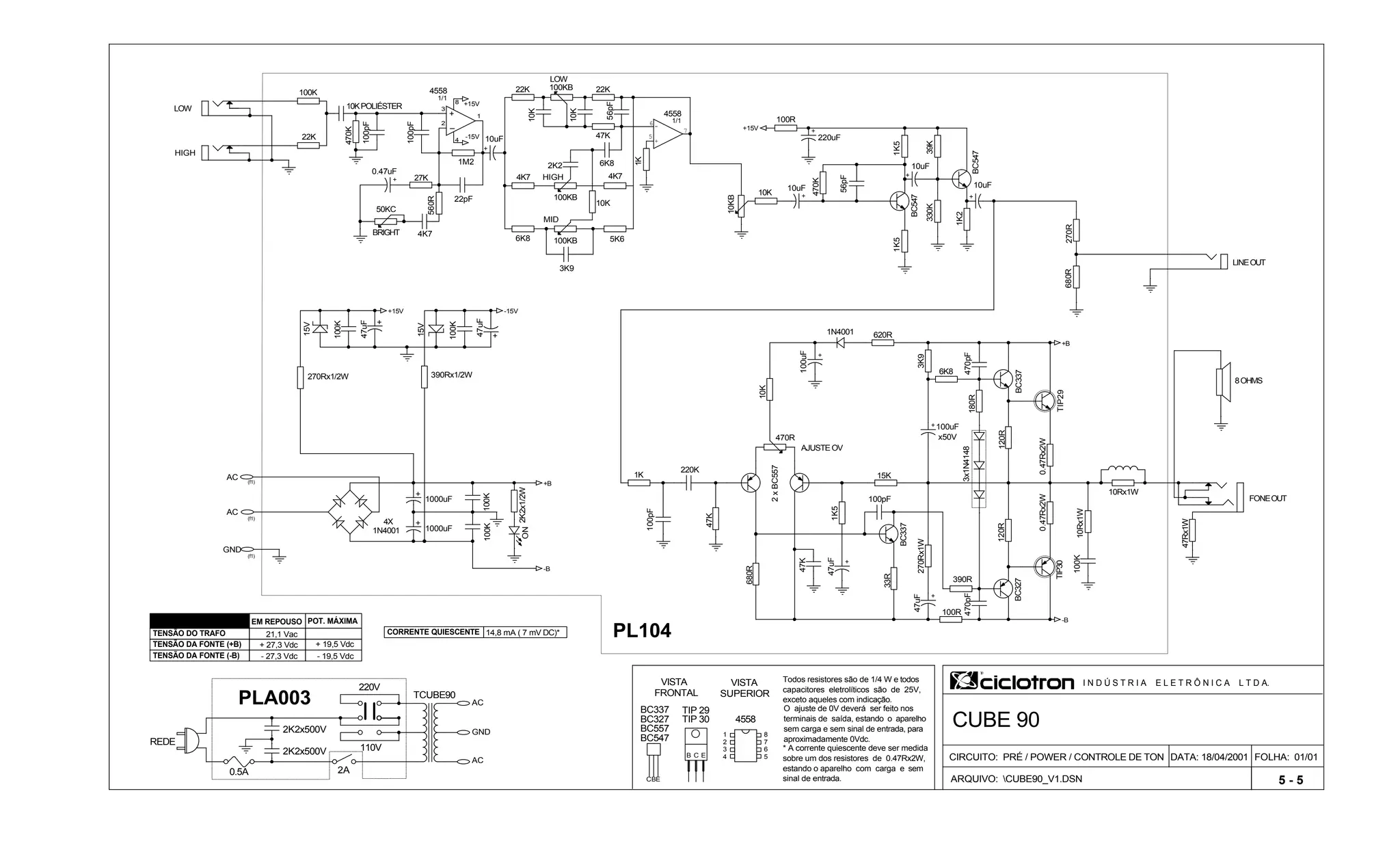
ARQUIVO: CUBE90_V1.DSN
DATA: 18/04/2001 FOLHA: 01/01CIRCUITO: PRÉ / POWER / CONTROLE DE TON
CUBE 90
VISTA
SUPERIOR
HIGH
1K51K5
10uF
330K39K
1K2
10uF
0.47Rx2W0.47Rx2W
120R120R
470pF
BC337
TIP29TIP30
BC327
180R
470pF
6K8
100uF
x50V
3K9
390R
270Rx1W
100R
47uF
33R
100pF
15K
1K547uF
47K
470R
680R
620R
3x1N4148
100uF
1N4001
47K
220K
100pF
1K
10Rx1W100K
10Rx1W
100K
4X
1N4001
100K
AC
(f1)
(f1)
AC
GND
(f1)
1000uF
100K
2K2x1/2W
15V
1000uF
47uF
100K
15V
47uF
270Rx1/2W 390Rx1/2W
270R680R
10K
10uF
56pF
470K
100R
10KB
220uF
1M2
100KB
47K10uF
5K6
2K2
22K
10KPOLIÉSTER
56pF
10K
4K7 4K7
22K
1/1
10K
470K
4558
100pF
100KB
1K
3K9
100pF
10K
6K8
6K8 100KB
100K
22K
PLA003
REDE
AC
2K2x500V GND
220V
2A
110V
TCUBE90
AC
0.5A
2K2x500V
47Rx1W
PL104
I N D Ú S T R I A E L E T R Ô N I C A L T D A.
8OHMS
TIP 29
TIP 30
BC337
BC327
BC557
BC547
4558
VISTA
FRONTAL
4558
1/1
BC337
2xBC557
FONEOUT
LINEOUT
BC547
BC547
LOW
ON
10K
27K
4K7
22pF
BRIGHT
50KC
0.47uF
560R
AJUSTEOV
EM REPOUSO
+ 19,5 Vdc
TENSÃO DA FONTE (-B)
TENSÃO DA FONTE (+B)
POT. MÁXIMA
- 27,3 Vdc
21,1 Vac
+ 27,3 Vdc
- 19,5 Vdc
TENSÃO DO TRAFO
Todos resistores são de 1/4 W e todos
capacitores eletrolíticos são de 25V,
exceto aqueles com indicação.
CORRENTE QUIESCENTE 14,8 mA ( 7 mV DC)*
* A corrente quiescente deve ser medida
sobre um dos resistores de 0.47Rx2W,
estando o aparelho com carga e sem
sinal de entrada.
O ajuste de 0V deverá ser feito nos
terminais de saída, estando o aparelho
sem carga e sem sinal de entrada, para
aproximadamente 0Vdc.
5 - 5
LOW
HIGH
MID
8
7
6
54
3
2
1
+B
-B
+B
-B
+15V -15V
-15V
+15V
+15V
B C E
CBE
+
+
+
+
+
+
+
+
+
+
-
7
5
6
+
+
+
+
+
+
_
8
3
2
4
1

Ciclotron cube 90

  • 1.
    ARQUIVO: CUBE90_V1.DSN DATA: 18/04/2001FOLHA: 01/01CIRCUITO: PRÉ / POWER / CONTROLE DE TON CUBE 90 VISTA SUPERIOR HIGH 1K51K5 10uF 330K39K 1K2 10uF 0.47Rx2W0.47Rx2W 120R120R 470pF BC337 TIP29TIP30 BC327 180R 470pF 6K8 100uF x50V 3K9 390R 270Rx1W 100R 47uF 33R 100pF 15K 1K547uF 47K 470R 680R 620R 3x1N4148 100uF 1N4001 47K 220K 100pF 1K 10Rx1W100K 10Rx1W 100K 4X 1N4001 100K AC (f1) (f1) AC GND (f1) 1000uF 100K 2K2x1/2W 15V 1000uF 47uF 100K 15V 47uF 270Rx1/2W 390Rx1/2W 270R680R 10K 10uF 56pF 470K 100R 10KB 220uF 1M2 100KB 47K10uF 5K6 2K2 22K 10KPOLIÉSTER 56pF 10K 4K7 4K7 22K 1/1 10K 470K 4558 100pF 100KB 1K 3K9 100pF 10K 6K8 6K8 100KB 100K 22K PLA003 REDE AC 2K2x500V GND 220V 2A 110V TCUBE90 AC 0.5A 2K2x500V 47Rx1W PL104 I N D Ú S T R I A E L E T R Ô N I C A L T D A. 8OHMS TIP 29 TIP 30 BC337 BC327 BC557 BC547 4558 VISTA FRONTAL 4558 1/1 BC337 2xBC557 FONEOUT LINEOUT BC547 BC547 LOW ON 10K 27K 4K7 22pF BRIGHT 50KC 0.47uF 560R AJUSTEOV EM REPOUSO + 19,5 Vdc TENSÃO DA FONTE (-B) TENSÃO DA FONTE (+B) POT. MÁXIMA - 27,3 Vdc 21,1 Vac + 27,3 Vdc - 19,5 Vdc TENSÃO DO TRAFO Todos resistores são de 1/4 W e todos capacitores eletrolíticos são de 25V, exceto aqueles com indicação. CORRENTE QUIESCENTE 14,8 mA ( 7 mV DC)* * A corrente quiescente deve ser medida sobre um dos resistores de 0.47Rx2W, estando o aparelho com carga e sem sinal de entrada. O ajuste de 0V deverá ser feito nos terminais de saída, estando o aparelho sem carga e sem sinal de entrada, para aproximadamente 0Vdc. 5 - 5 LOW HIGH MID 8 7 6 54 3 2 1 +B -B +B -B +15V -15V -15V +15V +15V B C E CBE + + + + + + + + + + - 7 5 6 + + + + + + _ 8 3 2 4 1