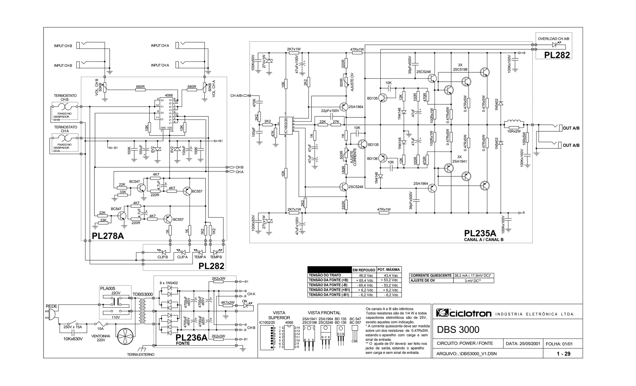
ARQUIVO:..DBS3000_V1.DSN
FOLHA: 01/01DATA: 25/05/2001CIRCUITO: POWER / FONTE
I N D Ú S T R I A E L E T R Ô N I C A L T D A.
DBS 3000
VISTA FRONTAL
BD 135
BD 1362SC5248
2SA19642SA1941
2SC5198
VISTA
SUPERIOR
IC1002/20 4066
2K2
47K
100pF
2K2
470K
10K
100Kx50V
27Vx1W
10K
100Kx50V
27Vx1W
2K7x1W
47uFx100V
2K7x1W
2SC5248
10K
2SA1964
100Rx1W
0.47Rx5W0.47Rx5W
100Rx1W
39pFx500V
47Rx1W
47Rx1W
2SA1964
2SC5248
OVERLOAD CH A/B
PL282
BD135
470R
12K
100R
1N41481N414812K
47uF
100R
47uF
470R
100Kx100V
10Rx5W
OUT A/B
OUT A/B
PL235A
CANAL A / CANAL B
IC1002/20
2K2
47uFx100V
2K2
CH A/B
22K
22pFx100V
47uF47uF
1K
1K500R
180R330R220R500R
10K
10K
BD135
BD136
1N4148
AJUSTEOVAJUSTE
CORRENTE
27K
1N5402
100Kx100V
100Kx100V
1N5402
0.47Rx5W0.47Rx5W
39pFx500V
4700uF
x65V
4700uF
x65V
4700uF
x65V
4700uF
x65V
4K7x2W
2K2x3W
2K2x3W
8 x 1N5402
PL236A220V
VENTOINHA
FONTE
10A
110V
PLA005
ON
TERRAEXTERNO
REDE
10Kx630V
22OV TDBS3000
CH B
CHA
250V x 15A
CHA
TEMPB
1K2
33K
4K7
CHB
220R
22K
4K7
4K7
100uF
BC547
33K
100K
6V2
TERMOSTATO
1K
BC557
4.7uF
22K
1K
100uF
FIXADONO
DISSIPADOR
CHB
CHB
FIXADONO
DISSIPADOR
CHA
PL278A
680R
TERMOSTATO
CHA
4.7uF
100K
680R
INPUTCHA
INPUTCHA
4K7
10K
BC547
BC557
10K
50KB
CLIPB
220R
VOL.CHA
CLIPA
PL282
1K2
TEMPA
INPUTCHB
6V2
INPUTCHB
50KB
VOL.CHB
3X
2SA1941
0.47Rx5W0.47Rx5W
3X
2SC5198
10Rx2W
4066
+ 53,2 Vdc
- 6,2 Vdc
CORRENTE QUIESCENTE
TENSÃO DA FONTE (+B)
TENSÃO DO TRAFO
3 mV DC**
43,4 Vac
TENSÃO DA FONTE (-B1)
- 65,4 Vdc
TENSÃO DA FONTE (+B1) + 6,2 Vdc
POT. MÁXIMA
+ 65,4 Vdc
EM REPOUSO
+ 6,2 Vdc
TENSÃO DA FONTE (-B)
38,2 mA ( 17,9mV DC)*
- 53,2 Vdc
- 6,2 Vdc
AJUSTE DE OV
46,0 Vac
* A corrente quiescente deve ser medida
sobre um dos resistores de 0.47Rx5W,
estando o aparelho com carga e sem
sinal de entrada.
Todos resistores são de 1/4 W e todos
capacitores eletrolíticos são de 25V,
exceto aqueles com indicação.
** O ajuste de 0V deverá ser feito nos
jacks de saída, estando o aparelho
sem carga e sem sinal de entrada.
Os canais A e B são idênticos.
1 - 29
BC 547
BC 557
B C E
BCE
ECB
8
7
6
5
4
3
2
1
4
3
2
1
11
12
13
14
10
87
6
5
9
-B
+B
-B
+B
+B1
-B1
+B
-B
-B1
+B1
CBE
+
+
+
+
+
+
+
+
+
+
12
9
6
11
8
10
E0
E2
E1
E3
GND VDD
7 14
3
1
13
5
2
4
Y2
Z2
Y3
Z3
Z0
Y0
Y1
Z1
+
+
2
5
7
6
8
3
4
1
+
+

Ciclotron dbs3000

  • 1.
    ARQUIVO:..DBS3000_V1.DSN FOLHA: 01/01DATA: 25/05/2001CIRCUITO:POWER / FONTE I N D Ú S T R I A E L E T R Ô N I C A L T D A. DBS 3000 VISTA FRONTAL BD 135 BD 1362SC5248 2SA19642SA1941 2SC5198 VISTA SUPERIOR IC1002/20 4066 2K2 47K 100pF 2K2 470K 10K 100Kx50V 27Vx1W 10K 100Kx50V 27Vx1W 2K7x1W 47uFx100V 2K7x1W 2SC5248 10K 2SA1964 100Rx1W 0.47Rx5W0.47Rx5W 100Rx1W 39pFx500V 47Rx1W 47Rx1W 2SA1964 2SC5248 OVERLOAD CH A/B PL282 BD135 470R 12K 100R 1N41481N414812K 47uF 100R 47uF 470R 100Kx100V 10Rx5W OUT A/B OUT A/B PL235A CANAL A / CANAL B IC1002/20 2K2 47uFx100V 2K2 CH A/B 22K 22pFx100V 47uF47uF 1K 1K500R 180R330R220R500R 10K 10K BD135 BD136 1N4148 AJUSTEOVAJUSTE CORRENTE 27K 1N5402 100Kx100V 100Kx100V 1N5402 0.47Rx5W0.47Rx5W 39pFx500V 4700uF x65V 4700uF x65V 4700uF x65V 4700uF x65V 4K7x2W 2K2x3W 2K2x3W 8 x 1N5402 PL236A220V VENTOINHA FONTE 10A 110V PLA005 ON TERRAEXTERNO REDE 10Kx630V 22OV TDBS3000 CH B CHA 250V x 15A CHA TEMPB 1K2 33K 4K7 CHB 220R 22K 4K7 4K7 100uF BC547 33K 100K 6V2 TERMOSTATO 1K BC557 4.7uF 22K 1K 100uF FIXADONO DISSIPADOR CHB CHB FIXADONO DISSIPADOR CHA PL278A 680R TERMOSTATO CHA 4.7uF 100K 680R INPUTCHA INPUTCHA 4K7 10K BC547 BC557 10K 50KB CLIPB 220R VOL.CHA CLIPA PL282 1K2 TEMPA INPUTCHB 6V2 INPUTCHB 50KB VOL.CHB 3X 2SA1941 0.47Rx5W0.47Rx5W 3X 2SC5198 10Rx2W 4066 + 53,2 Vdc - 6,2 Vdc CORRENTE QUIESCENTE TENSÃO DA FONTE (+B) TENSÃO DO TRAFO 3 mV DC** 43,4 Vac TENSÃO DA FONTE (-B1) - 65,4 Vdc TENSÃO DA FONTE (+B1) + 6,2 Vdc POT. MÁXIMA + 65,4 Vdc EM REPOUSO + 6,2 Vdc TENSÃO DA FONTE (-B) 38,2 mA ( 17,9mV DC)* - 53,2 Vdc - 6,2 Vdc AJUSTE DE OV 46,0 Vac * A corrente quiescente deve ser medida sobre um dos resistores de 0.47Rx5W, estando o aparelho com carga e sem sinal de entrada. Todos resistores são de 1/4 W e todos capacitores eletrolíticos são de 25V, exceto aqueles com indicação. ** O ajuste de 0V deverá ser feito nos jacks de saída, estando o aparelho sem carga e sem sinal de entrada. Os canais A e B são idênticos. 1 - 29 BC 547 BC 557 B C E BCE ECB 8 7 6 5 4 3 2 1 4 3 2 1 11 12 13 14 10 87 6 5 9 -B +B -B +B +B1 -B1 +B -B -B1 +B1 CBE + + + + + + + + + + 12 9 6 11 8 10 E0 E2 E1 E3 GND VDD 7 14 3 1 13 5 2 4 Y2 Z2 Y3 Z3 Z0 Y0 Y1 Z1 + + 2 5 7 6 8 3 4 1 + +