CLP
Função lógica NOT (NÃO)
A função NOT é aquela em que o circuito inverte o nível de entrada. Ela possui
somente uma entrada e uma saída e obedece à seguinte definição:
A função NOT é aquela que terá nível lógico “1” como resultado quando a entrada for
igual a “0” e vice-versa. Isso significa que a função NOT é um inversor lógico, ou seja, o
nível lógico da sua saída será sempre o oposto do nível lógico de entrada
Função lógica AND (E)
Esta função pode ser realizada por circuitos com duas ou mais entradas e uma saída e
funciona de acordo com a seguinte definição:
A saída de um circuito que executa a função AND será “1”, somente se todas as
entradas forem “1”.
Função lógica OR (OU INCLUSIVA)
Esta porta também possui duas ou mais entradas, e uma saída, funcionando de acordo
com a seguinte definição:
A função OR é aquela que terá “1” como resultado se uma ou mais entradas forem “1".
Função lógica NAND (NÃO-E)
A função lógica NAND é na realidade a combinação das duas funções lógicas básicas
AND e NOT.
Função lógica NOR (NÃO-OU)
A função lógica NOR é na realidade a combinação das duas funções lógicas básicas OR
e NOT.
Função lógica EXCLUSIVE-OR (OU-EXCLUSIVA)
A função lógica OU EXCLUSIVE é aquela que terá “1” como resultado, somente quando
uma entrada, entre duas variáveis de entrada, for igual a “1”.
Função lógica EXCLUSIVE-NOR (NÃO-EXCLUSIVA ou CIRCUITO COINCIDÊNCIA)
Esta função fornece nível lógico “1” como resultado somente quando suas entradas,
entre duas variáveis, forem iguais. Esta função também é conhecida como circuito
Coincidência.
Introdução
O Controlador Lógico Programável (CLP) nasceu praticamente dentro da indústria
automobilística americana, especificamente na Hydronic Division da General Motors,
em 1968, devido à grande dificuldade de mudar a lógica de controle de painéis de
comando a cada mudança na linha de montagem.
A partir de 1970, com o advento da tecnologia de microprocessadores, os
controladores passaram a ter uma grande capacidade de processamento e alta
flexibilidade de programação e expansão. Entre outras características, citamos:
ser capaz de operar com números, realizar operações aritméticas com ponto decimal
flutuante, manusear dados e se comunicar com computadores.
O sistema utilizado para programar o controlador era um dispositivo dedicado e
acondicionado em uma maleta portátil, chamada de maleta de programação, de forma
que podia ser levada para “campo” a fim de alterar dados e realizar pequenas
modificações no programa.
Podemos didaticamente dividir os CLPs historicamente de acordo com o sistema de
programação por ele utilizado:
1º Geração
Os CLPs de primeira geração se caracterizam pela programação intimamente ligada ao
hardware do equipamento. A linguagem utilizada era o Assembly, que variava de
acordo com o processador utilizado no projeto do CLP, ou seja, para poder programar
era necessário conhecer a eletrônica do projeto do CLP. Assim a tarefa de
programação era desenvolvida por uma equipe técnica altamente qualificada,
gravando-se o programa em memória EPROM, sendo realizada normalmente no
laboratório junto com a construção do CLP.
2º Geração
Aparecem as primeiras “Linguagens de Programação” não tão dependentes do
hardware do equipamento, possíveis pela inclusão de um “programa monitor“ no CLP,
o qual converte (no jargão técnico Compila) as instruções do programa, verifica o
estado das entradas, compara com as instruções do programa do usuário e altera o
estado das saídas. Os Terminais de Programação (ou Maletas, como eram conhecidas)
eram na verdade Programadores de Memória EPROM. As memórias depois de
programadas eram colocadas no CLP para que o programa do usuário fosse
executado.
3º Geração
Os CLPs passam a ter uma Entrada de Programação, onde um Teclado ou Programador
Portátil é conectado, podendo alterar, apagar, gravar o programa do usuário, além de
realizar testes (Debug) no equipamento e no programa. A estrutura física também
sofre alterações, sendo a tendência para os Sistemas Modulares com Bastidores ou
Racks.
4º Geração
Com a popularização e a diminuição dos preços dos microcomputadores
(normalmente clones do IBM PC), os CLPs passaram a incluir uma entrada para a
comunicação serial. Com o auxílio dos microcomputadores, a tarefa de programação
passou a ser realizada nestes. As vantagens eram a utilização de várias representações
das linguagens, possibilidade de simulações e testes, treinamento e ajuda por parte
do software de programação, possibilidade de armazenamento de vários programas
no micro, etc.
5º Geração
Atualmente existe uma preocupação em padronizar protocolos de comunicação para
os CLPs, de modo a proporcionar que o equipamento de um fabricante “converse”
com o equipamento outro fabricante, não só CLPs, como Controladores de Processos,
Sistemas Supervisórios, Redes Internas de Comunicação, etc., proporcionando uma
integração a fim de facilitar a automação, o gerenciamento e o desenvolvimento de
plantas industriais mais flexíveis e normalizadas, fruto da chamada globalização.
Conceituação
Um controlador lógico programável pode é definido pelo IEC (International
Electrotechnical Commission) como:
Sistema eletrônico operado digitalmente, projetado para uso em um ambiente
industrial, que usa memória programável para armazenagem interna de instruções
orientada para o usuário para implementar funções especificas, tais como lógica,
sequencial, temporização, contagem e aritmética, para controlar, através de entradas
e saídas digitais ou analógicas, vários tipos de maquinas ou processos.
Segundo a NEMA (National electrical Manufacturers Association):
Um equipamento eletrônico que funciona digitalmente e que utiliza uma memoria
programável para o armazenamento interno de instruções para implementar funções
especificas, tais como lógica, sequenciamento, registro e controle de tempos, atraves
de módulos de entradas e saídas digitais (liga/desliga) ou analógicas ( 1 a 5Vcc, 4 a
20mA etc..,) vários tipos de maquinas ou processos.
Vantagens
• Facilidade de programação e reprogramação, preferencialmente na planta, para ser
possivel alterar a sequencia de operações na linha de montagem;
• Possibilidade de manutenção e reparo com blocos de entradas e saídas modulares;
• Confiabilidade para que possa ser utilizado em ambientes industriais;
• Redução de tamanho em comparação aos sistemas em relés;
• Ser competitivo em custo aos paineis a reles;
• Possibilita entradas e saidas com niveis digitais 110V, 24V ou analógicos 4 a 20mA;
• Possibilita expansões sem grandes alterações no sistema;
• Memoria programavel de no minimo 4Kbytes e possibilidade de expansão;
• Estação de operação com intefaceis amigaveis (IHM);
• Possibilidade de integração dos dados de processo do CLP em bancos de dados
gerenciais, para tornar disponíveis informações sobre o chão de fabrica para os
departamentos envolvidos com o planejamento da produção;
A norma IEC 61131 foi elaborada pela “International Electrotechnical Commission” -
IEC com o objetivo de padronizar diversos aspectos relacionados aos de Controladores
Lógicos Programáveis, assim como aplicar modernas técnicas e linguagens de
programação para o desenvolvimento de software para estes sistemas. A norma é
composta por 8 partes, sendo que a parte 3 (61131-3) é destinada ao modelo de
software e às linguagens de programação. A parte 3 da norma apresenta e define 5
linguagens de programação que são:
• Lista de Instruções – IL
• Diagrama Ladder – LD
• Diagrama de Blocos Funcionais – FBD
• Texto Estruturado –ST
• Sequenciamento Gráfico de Funções – SFC
O PLC é composto basicamente por 3 partes principais :
Cartões
de
entrada
Cartões
de
saída
CPU
Transdutores Atuadores
• ENTRADAS: Os diversos cartões (placas) de entradas são responsáveis pelo
fornecimento das entradas em corrente contínua ou alternada;
• SAÍDAS: Os diversos cartões (placas) de saídas são responsáveis pelo fornecimento
das saídas em corrente contínua ou alternada;
• CPU (Unidade Central de Processamento): Unidade de processamento central,
cartão (placa) CPU, onde será processado o programa, a fim de se obter as saídas
específicas;
CICLO DE FUNCIONAMENTO (VARREDURA)
A figura abaixo ilustra a seqüência de funcionamento de um CLP, este processo é
conhecido como ciclo de varredura ( scan ) e o tempo gasto para efetuar os mesmos
(scan time ) é normalmente de alguns mili-segundos.
INICIALIZAÇÃO
No momento em que é ligado, o CLP executa uma série de operações pré-programadas,
gravadas em seu programa monitor que são :
• Verifica o funcionamento eletrônico da CPU, memórias e circuitos auxiliares;
• Verifica a configuração interna e compara com os circuitos instalados;
• Verifica o estado das chaves principais ( RUN / STOP , PROG, etc. );
• Desativa todas as saídas;
• Verifica a existência de um programa de usuário;
• Emite um aviso de erro caso algum dos itens acima falhe.
VERIFICAÇÃO DOS ESTADO DAS ENTRADAS
O CLP lê o estados de cada uma das entradas, verificando se alguma foi acionada.
TRANSFERIR PARA A MEMÓRIA
Após o ciclo de varredura, o CLP armazena os resultados obtidos em uma região de
memória chamada de memória Imagem das entradas e saídas. Ela recebe este nome
por ser um espelho do estado das entradas e saídas. Esta memória será consultada pelo
CLP no decorrer do processamento do programa do usuário.
COMPARAR COM O PROGRAMA DO USUÁRIO.
O CLP ao executar o programa do usuário , após consultar a memória Imagem das
entradas, atualiza o estado da memória Imagem das saídas, de acordo com as
instruções definidas pelo usuário em seu programa.
ATUALIZAR O ESTADO DAS SAÍDAS
O CLP escreve o valor contido na memória das saídas, atualizando as interfaces ou
módulos de saída, inicia-se então, um novo ciclo de varredura.
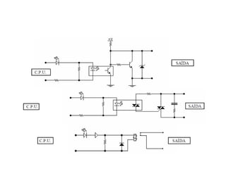
• Entradas (INPUT “I”)
São pontos de conexão onde ligamos os dispositivos que fornecem informações de
campo (presença de peças, temperatura, vazão, velocidade...) para o PLC. Estas
informações são em forma de sinais elétricos que podem ser classificados como
Digitais ou Analógicos:
Sinal Digital - Também conhecido como sinal lógico (ou discreto), tem este nome
porque só permite dois estados lógicos:
0 = desligado / “aberto” (sem sinal elétrico nos terminais do PLC)
1 = ligado / “fechado” (com sinal elétrico nos terminais do PLC)
Os sinais digitais costumam ser em: 24 VCC, 110 VCA e 220 VCA.
Exemplo de sinal digital:
Botão Atuado = “1” Ligado (enviando sinal elétrico para o PLC)
Botão Não Atuado = “0” Desligado (não enviando sinal elétrico para o PLC)
Sinal Analógico - É o sinal elétrico que varia sua intensidade com o tempo. Utilizado
para representar o valor de grandezas físicas como vazão, temperatura, nível,
deslocamento etc, que também variam com o tempo. Isto é possível porque este sinal
trabalha com um range de valores em Corrente ou Tensão que variam sua intensidade
de acordo com a variação da grandeza representada.
O sinal analógico pode ser em TENSÃO (0 - 10 Volts) ou em CORRENTE (4 - 20 mA).
Exemplo de sinal analógico:
Um sensor de nível que converte o nível de um tanque = 0 a 100% de nível em um
sinal analógico de tensão = 0 a 10 Volts. Onde cada variação no nível do tanque
resultará uma variação no sinal analógico:
Exemplos de dispositivos de entrada:
• Saídas (OUTPUT “O”)
São pontos de conexão onde ligamos os dispositivos de campo que são acionados pelo
PLC (contatores que partem motores, sinalizadores, válvulas solenóides, inversores de
freqüência, vazão, etc), este acionamento é feito através do envio de sinais elétricos
do PLC para os dispositivos de campo.
Assim como as entradas, este sinal elétrico pode ser analógico ou digital:
Exemplo de sinal digital:
Lâmpada Acionada = “1” ligado (o PLC está enviando sinal elétrico para o dispositivo);
Lâmpada Não Acionada = “0” desligado (o PLC não está enviando sinal elétrico para o
dispositivo);
Tipos de saídas digitais
Quando utilizamos saídas digitais, estas devem ser, de acordo com as especificações
técnicas dos dispositivos a serem acionados, dimensionadas em relação à Tensão e a
Corrente Elétrica consumida pelo mesmo.
Temos disponíveis vários tipos de módulos de saída, sendo os mais usuais:
Saída a Transistor: Trabalha com sinal de saída em 24 VCC que, normalmente, não
possui uma capacidade muito grande de Corrente Elétrica, pode chegar a 0,5 A (500
mA). O valor exato depende do produto que estamos utilizando. Este dado é obtido no
manual do fabricante.
Saída a Triac (Tiristor): Trabalha com sinal de saída em 110 VCA ou 220 VCA. Como o
Transistor também não possui uma capacidade muito grande de Corrente Elétrica,
varia em torno de 0,5 à 1A.
Saída a Relé: Este tipo de saída é muito utilizado, pois permite ao usuário trabalhar
com qualquer valor de tensão e possui uma capacidade maior de Corrente Elétrica,
podendo passar dos 5 A. Isto ocorre porque a saída aciona um Relé Interno (pode ser
alimentado com qualquer valor de Tensão) que disponibiliza um contato para o
usuário. O limite de corrente depende exclusivamente do relé usado pelo fabricante.
Exemplo de sinal analógico:
Podemos usar uma saída analógica do PLC para variar a velocidade de um motor elétrico
utilizando um inversor (conversor) de freqüência, onde para cada variação na intensidade do
sinal analógico haverá uma variação na velocidade do motor - 0 a 10 Volts = 0 a 60 Herts.
Unidade Central de Processamento (CPU)
É o centro do sistema constituído por um circuito eletrônico composto de
microprocessadores, e memórias programáveis pelo usuário. Esta programação é
baseada na lógica de comandos elétricos, realizada de modo simplificado e amigável,
através de um microcomputador.
A CPU é a inteligência do processo de automação. Podemos dizer isto, pois ela tem a
capacidade de identificar e compreender os sinais de entrada, provenientes dos
dispositivos de campo conectados em seus terminais e, de acordo com uma
PROGRAMAÇÃO (feita pelo usuário), enviar sinais elétricos aos dispositivos de campo
conectados nos terminais de saída, fazendo com que atuem no processo.
Ciclo de Operação
Varredura das Entradas: A CPU lê todas as entradas e guarda as informações em uma
memória especial, denominada Memória Imagem de Entrada;
Varredura do Programa: As informações da Memória Imagem de Entrada são
processadas de acordo com o programa realizado pelo usuário e de acordo com a
lógica do programa muda os estados das saídas e guarda estas informações em outra
memória especial denominada Memória Imagem de Saída.
Varredura das Saídas: As saídas são atualizadas de acordo com a Memória Imagem de
Saída. Esta rotina de operação recebe o nome de Scan, e é executado ciclicamente
pela CPU. O tempo de cada ciclo depende do tamanho do programa e do número de
pontos de Entradas e Saídas (I / O). Este tempo, porém tem de ser o menor possível
(poucos ms) e varia de CPU para CPU (dados construtivos).
Dimensionamento
Quando vamos dimensionar um PLC para uma Automação Industrial devemos
considerar alguns tópicos:
• Quantidade e Características de I/O
• Capacidade de Memória da CPU
• Alimentação e Funções Específicas
• Condições Ambientais
Modelos de PLC
Estrutura Compacta
Neste tipo de configuração um mesmo produto comporta CPU, Entradas e Saídas.
Geralmente este tipo de PLC é alimentado pela rede elétrica (110/220 VAC) e possuem,
internamente, uma fonte de 24 VCC para alimentar seus circuitos eletrônicos.
Estrutura Modular
Neste tipo de configuração, o PLC pode ser “montado” de acordo com a necessidade
da aplicação. Isto porque seus componentes estão divididos em vários módulos de
mesma função, porém com características diferentes:
Módulo da CPU: Varia em capacidade de memória, tempo de processamento,
protocolos de comunicação e recursos avançados;
Módulos de Entradas e Saídas: Variam em quantidade de pontos, resolução, tensão
de operação e capacidade de corrente. Existem também módulos que realizam
funções especiais, como controle de movimento, pesagem, redes de comunicação etc.
Módulo de Alimentação: (fonte de alimentação para os módulos). Varia na
capacidade de corrente.
Rack: Estrutura para alojar os módulos, varia no tamanho.
Realização de Diagnósticos
Neste segmento, a CPU realiza todos os diagnósticos do sistema, além de
calcular o Scan Time (Tempo de varredura), atualizar Relês Especiais correspondentes e
reinicializar o Watchdog Timer (Temporizador ‘Cão-de-Guarda’).
Entre os diagnósticos realizados, os mais importantes são o cálculo do Scan
Time e o controle do Watchdog Timer.
O Scan Time compreende o tempo consumido pela CPU para realizar todas as
tarefas em cada scan, desde o início (atualização das entradas) até o término do ciclo
(atualização das saídas).
O Watchdog Timer armazena o tempo máximo permitido para execução de
cada scan (normalmente definido pelo usuário). Se, em determinado scan, esse tempo
for excedido (Erro Fatal), a CPU é forçada ao modo de programação e todas as saídas
são desligadas. Caso contrário, o valor do Scan Time é armazenado em uma variável
apropriada (para realização de estatísticas: Scan Time máximo e mínimo, por exemplo)
e juntamente com o Watchdog Timer é reinicializado, sendo controlados a cada scan.
Todos os erros diagnosticados, Fatais ou não Fatais, são indicados por flags (bits
internos à CPU, que podem ser usados no programa de aplicação), e em alguns casos
por LEDs externos (normalmente localizados na parte frontal da CPU e dos Módulos de
I/O). Algumas CPUs dispõem, também, de uma variável destinada ao armazenamento
do código de erro ocorrido durante a execução do último scan.
Exercício:
Montar o circuito elétrico conforme o circuito logico
OU
E
Linguagens de Programação de Controladores
Programáveis IEC 61131-3
O IEC - International Electrotechnical Commission é o responsável pela
padronização dessas linguagens de programação, sendo a norma IEC
61131-3 PLC Programming Languages a recomendada para o assunto em
questão. A norma IEC 61131-3 foi publicada em 1994.
A norma IEC 61131 consiste de 8 partes. As principais são:
1. Informações gerais;
2. Requisitos de equipamentos e testes;
3. Linguagens de programação de CLP;
4. Diretrizes do usuário;
5. Comunicações.
Linguagens de programação
Classes Linguagens
• Textuais
IL (Instruction List)
ST (Structured Text)
• Gráficas
LD (Ladder Diagram)
FBD (Function Block Diagram)
SFC (Sequential Function Chart)
Ladder Diagram (LD)
Utilizar Linguagem Ladder quando o processo possui:
• Execução contínua ou paralela de múltiplas operações não sequenciais;
• Operações baseadas em bit ou em lógica booleana;
• Operações lógicas complexas;
• Processamento de mensagem e comunicação;
• Intertravamento de máquinas;
• Operações que o pessoal de manutenção deverá interpretar para resolver problemas
em máquinas ou processos.
INSTRUÇÕES BÁSICAS EM DIAGRAMA
LADDER (CLPs)
A linguagem de programação Ladder é um sistema gráfico de símbolos e termos que
evoluiu dos diagramas Ladder elétricos, que representam a maneira como a corrente
elétrica circula pelos dispositivos, de forma a completar um circuito elétrico.
É uma linguagem gráfica, muito amigável, foi baseada na lógica de contatos o que a
torna de fácil compreensão no meio elétrico.
Principais características:
• Baseada no diagrama elétrico de contatos;
• Adequada para controle discreto, combinacional e sequencial;
• Utilizam blocos de função para controle regulatório e funções especiais.
Basicamente um programa no CLP se divide em instruções de entrada e em
instruções de saída
As instruções básicas da maioria dos CLPs podem ser agrupadas em sete grupos:
• lógica de rele ou instrução de Bit,
• temporização e contagem,
• aritméticas,
• manipulação de dados,
• controle de fluxo,
• transferência de dados,
• avançadas.
Uma instrução de Bit pode ser de entrada ou de saída.
• Durante a execução de uma instrução de entrada o estado de um Bit em um
determinado endereço da memória RAM do CLP é examinado.
• Durante a execução de uma instrução de saída de bit o estado de um bit de um
determinado endereço da memória RAM do CLP é alterado para 0 ou para 1
conforme haja ou não continuidade lógica da linha que a instrução está
relacionada.
INSTRUÇÃO (XIC) Examinar se energizado. (close)
Instrução (XIO) Examinar se o Bit está com o valor “0”. (Open)
Instrução (OTE) Energizar saída
Caso haja continuidade lógica da linha o bit endereçado pela instrução será
colocado no estado lógico 1. Se não houver continuidade na linha o bit endereçado
pela instrução será colocado no estado lógico 0.
Regras gerais:
• Linhas Verticais: linhas-mãe ou linhas de alimentação;
• As saídas estão sempre na direita;
• O fluxo de execução ocorre de cima para baixo e da esquerda para a direita.
Implementar uma partida direta reversa de motores trifásicos, que consiste em
mudar o sentido de rotação de um motor trifásico. Sua sequência operacional é
bastante simples:
• Pressionando (S1) energiza-se o contator (K1), fechando o seu selo (13,14) e
abrindo o intertravamento (21,22) mesmo pressionando (S2) o contator (K2)
não será energizado, devido ao intertravamento, sendo necessário seu
desligamento para religar (S2) novamente e a rotação será contrário.
Endereçamento
Montar um circuito SET e RESET.
Montar um circuito partida direta usando as instruções Set e Reset.
Montar um circuito comandado de dois pontos.

Aula de CLP e Portas Logicas completa.pptx

  • 1.
  • 2.
    Função lógica NOT(NÃO) A função NOT é aquela em que o circuito inverte o nível de entrada. Ela possui somente uma entrada e uma saída e obedece à seguinte definição: A função NOT é aquela que terá nível lógico “1” como resultado quando a entrada for igual a “0” e vice-versa. Isso significa que a função NOT é um inversor lógico, ou seja, o nível lógico da sua saída será sempre o oposto do nível lógico de entrada
  • 3.
    Função lógica AND(E) Esta função pode ser realizada por circuitos com duas ou mais entradas e uma saída e funciona de acordo com a seguinte definição: A saída de um circuito que executa a função AND será “1”, somente se todas as entradas forem “1”.
  • 4.
    Função lógica OR(OU INCLUSIVA) Esta porta também possui duas ou mais entradas, e uma saída, funcionando de acordo com a seguinte definição: A função OR é aquela que terá “1” como resultado se uma ou mais entradas forem “1".
  • 5.
    Função lógica NAND(NÃO-E) A função lógica NAND é na realidade a combinação das duas funções lógicas básicas AND e NOT.
  • 6.
    Função lógica NOR(NÃO-OU) A função lógica NOR é na realidade a combinação das duas funções lógicas básicas OR e NOT.
  • 7.
    Função lógica EXCLUSIVE-OR(OU-EXCLUSIVA) A função lógica OU EXCLUSIVE é aquela que terá “1” como resultado, somente quando uma entrada, entre duas variáveis de entrada, for igual a “1”.
  • 8.
    Função lógica EXCLUSIVE-NOR(NÃO-EXCLUSIVA ou CIRCUITO COINCIDÊNCIA) Esta função fornece nível lógico “1” como resultado somente quando suas entradas, entre duas variáveis, forem iguais. Esta função também é conhecida como circuito Coincidência.
  • 9.
    Introdução O Controlador LógicoProgramável (CLP) nasceu praticamente dentro da indústria automobilística americana, especificamente na Hydronic Division da General Motors, em 1968, devido à grande dificuldade de mudar a lógica de controle de painéis de comando a cada mudança na linha de montagem. A partir de 1970, com o advento da tecnologia de microprocessadores, os controladores passaram a ter uma grande capacidade de processamento e alta flexibilidade de programação e expansão. Entre outras características, citamos: ser capaz de operar com números, realizar operações aritméticas com ponto decimal flutuante, manusear dados e se comunicar com computadores.
  • 10.
    O sistema utilizadopara programar o controlador era um dispositivo dedicado e acondicionado em uma maleta portátil, chamada de maleta de programação, de forma que podia ser levada para “campo” a fim de alterar dados e realizar pequenas modificações no programa. Podemos didaticamente dividir os CLPs historicamente de acordo com o sistema de programação por ele utilizado:
  • 11.
    1º Geração Os CLPsde primeira geração se caracterizam pela programação intimamente ligada ao hardware do equipamento. A linguagem utilizada era o Assembly, que variava de acordo com o processador utilizado no projeto do CLP, ou seja, para poder programar era necessário conhecer a eletrônica do projeto do CLP. Assim a tarefa de programação era desenvolvida por uma equipe técnica altamente qualificada, gravando-se o programa em memória EPROM, sendo realizada normalmente no laboratório junto com a construção do CLP. 2º Geração Aparecem as primeiras “Linguagens de Programação” não tão dependentes do hardware do equipamento, possíveis pela inclusão de um “programa monitor“ no CLP, o qual converte (no jargão técnico Compila) as instruções do programa, verifica o estado das entradas, compara com as instruções do programa do usuário e altera o estado das saídas. Os Terminais de Programação (ou Maletas, como eram conhecidas) eram na verdade Programadores de Memória EPROM. As memórias depois de programadas eram colocadas no CLP para que o programa do usuário fosse executado.
  • 12.
    3º Geração Os CLPspassam a ter uma Entrada de Programação, onde um Teclado ou Programador Portátil é conectado, podendo alterar, apagar, gravar o programa do usuário, além de realizar testes (Debug) no equipamento e no programa. A estrutura física também sofre alterações, sendo a tendência para os Sistemas Modulares com Bastidores ou Racks. 4º Geração Com a popularização e a diminuição dos preços dos microcomputadores (normalmente clones do IBM PC), os CLPs passaram a incluir uma entrada para a comunicação serial. Com o auxílio dos microcomputadores, a tarefa de programação passou a ser realizada nestes. As vantagens eram a utilização de várias representações das linguagens, possibilidade de simulações e testes, treinamento e ajuda por parte do software de programação, possibilidade de armazenamento de vários programas no micro, etc.
  • 13.
    5º Geração Atualmente existeuma preocupação em padronizar protocolos de comunicação para os CLPs, de modo a proporcionar que o equipamento de um fabricante “converse” com o equipamento outro fabricante, não só CLPs, como Controladores de Processos, Sistemas Supervisórios, Redes Internas de Comunicação, etc., proporcionando uma integração a fim de facilitar a automação, o gerenciamento e o desenvolvimento de plantas industriais mais flexíveis e normalizadas, fruto da chamada globalização.
  • 14.
    Conceituação Um controlador lógicoprogramável pode é definido pelo IEC (International Electrotechnical Commission) como: Sistema eletrônico operado digitalmente, projetado para uso em um ambiente industrial, que usa memória programável para armazenagem interna de instruções orientada para o usuário para implementar funções especificas, tais como lógica, sequencial, temporização, contagem e aritmética, para controlar, através de entradas e saídas digitais ou analógicas, vários tipos de maquinas ou processos. Segundo a NEMA (National electrical Manufacturers Association): Um equipamento eletrônico que funciona digitalmente e que utiliza uma memoria programável para o armazenamento interno de instruções para implementar funções especificas, tais como lógica, sequenciamento, registro e controle de tempos, atraves de módulos de entradas e saídas digitais (liga/desliga) ou analógicas ( 1 a 5Vcc, 4 a 20mA etc..,) vários tipos de maquinas ou processos.
  • 15.
    Vantagens • Facilidade deprogramação e reprogramação, preferencialmente na planta, para ser possivel alterar a sequencia de operações na linha de montagem; • Possibilidade de manutenção e reparo com blocos de entradas e saídas modulares; • Confiabilidade para que possa ser utilizado em ambientes industriais; • Redução de tamanho em comparação aos sistemas em relés; • Ser competitivo em custo aos paineis a reles; • Possibilita entradas e saidas com niveis digitais 110V, 24V ou analógicos 4 a 20mA; • Possibilita expansões sem grandes alterações no sistema; • Memoria programavel de no minimo 4Kbytes e possibilidade de expansão; • Estação de operação com intefaceis amigaveis (IHM); • Possibilidade de integração dos dados de processo do CLP em bancos de dados gerenciais, para tornar disponíveis informações sobre o chão de fabrica para os departamentos envolvidos com o planejamento da produção;
  • 17.
    A norma IEC61131 foi elaborada pela “International Electrotechnical Commission” - IEC com o objetivo de padronizar diversos aspectos relacionados aos de Controladores Lógicos Programáveis, assim como aplicar modernas técnicas e linguagens de programação para o desenvolvimento de software para estes sistemas. A norma é composta por 8 partes, sendo que a parte 3 (61131-3) é destinada ao modelo de software e às linguagens de programação. A parte 3 da norma apresenta e define 5 linguagens de programação que são: • Lista de Instruções – IL • Diagrama Ladder – LD • Diagrama de Blocos Funcionais – FBD • Texto Estruturado –ST • Sequenciamento Gráfico de Funções – SFC
  • 21.
    O PLC écomposto basicamente por 3 partes principais : Cartões de entrada Cartões de saída CPU Transdutores Atuadores • ENTRADAS: Os diversos cartões (placas) de entradas são responsáveis pelo fornecimento das entradas em corrente contínua ou alternada; • SAÍDAS: Os diversos cartões (placas) de saídas são responsáveis pelo fornecimento das saídas em corrente contínua ou alternada; • CPU (Unidade Central de Processamento): Unidade de processamento central, cartão (placa) CPU, onde será processado o programa, a fim de se obter as saídas específicas;
  • 22.
    CICLO DE FUNCIONAMENTO(VARREDURA) A figura abaixo ilustra a seqüência de funcionamento de um CLP, este processo é conhecido como ciclo de varredura ( scan ) e o tempo gasto para efetuar os mesmos (scan time ) é normalmente de alguns mili-segundos.
  • 23.
    INICIALIZAÇÃO No momento emque é ligado, o CLP executa uma série de operações pré-programadas, gravadas em seu programa monitor que são : • Verifica o funcionamento eletrônico da CPU, memórias e circuitos auxiliares; • Verifica a configuração interna e compara com os circuitos instalados; • Verifica o estado das chaves principais ( RUN / STOP , PROG, etc. ); • Desativa todas as saídas; • Verifica a existência de um programa de usuário; • Emite um aviso de erro caso algum dos itens acima falhe.
  • 24.
    VERIFICAÇÃO DOS ESTADODAS ENTRADAS O CLP lê o estados de cada uma das entradas, verificando se alguma foi acionada. TRANSFERIR PARA A MEMÓRIA Após o ciclo de varredura, o CLP armazena os resultados obtidos em uma região de memória chamada de memória Imagem das entradas e saídas. Ela recebe este nome por ser um espelho do estado das entradas e saídas. Esta memória será consultada pelo CLP no decorrer do processamento do programa do usuário. COMPARAR COM O PROGRAMA DO USUÁRIO. O CLP ao executar o programa do usuário , após consultar a memória Imagem das entradas, atualiza o estado da memória Imagem das saídas, de acordo com as instruções definidas pelo usuário em seu programa. ATUALIZAR O ESTADO DAS SAÍDAS O CLP escreve o valor contido na memória das saídas, atualizando as interfaces ou módulos de saída, inicia-se então, um novo ciclo de varredura.
  • 25.
    • Entradas (INPUT“I”) São pontos de conexão onde ligamos os dispositivos que fornecem informações de campo (presença de peças, temperatura, vazão, velocidade...) para o PLC. Estas informações são em forma de sinais elétricos que podem ser classificados como Digitais ou Analógicos: Sinal Digital - Também conhecido como sinal lógico (ou discreto), tem este nome porque só permite dois estados lógicos: 0 = desligado / “aberto” (sem sinal elétrico nos terminais do PLC) 1 = ligado / “fechado” (com sinal elétrico nos terminais do PLC) Os sinais digitais costumam ser em: 24 VCC, 110 VCA e 220 VCA. Exemplo de sinal digital: Botão Atuado = “1” Ligado (enviando sinal elétrico para o PLC) Botão Não Atuado = “0” Desligado (não enviando sinal elétrico para o PLC)
  • 27.
    Sinal Analógico -É o sinal elétrico que varia sua intensidade com o tempo. Utilizado para representar o valor de grandezas físicas como vazão, temperatura, nível, deslocamento etc, que também variam com o tempo. Isto é possível porque este sinal trabalha com um range de valores em Corrente ou Tensão que variam sua intensidade de acordo com a variação da grandeza representada. O sinal analógico pode ser em TENSÃO (0 - 10 Volts) ou em CORRENTE (4 - 20 mA). Exemplo de sinal analógico: Um sensor de nível que converte o nível de um tanque = 0 a 100% de nível em um sinal analógico de tensão = 0 a 10 Volts. Onde cada variação no nível do tanque resultará uma variação no sinal analógico:
  • 29.
  • 30.
    • Saídas (OUTPUT“O”) São pontos de conexão onde ligamos os dispositivos de campo que são acionados pelo PLC (contatores que partem motores, sinalizadores, válvulas solenóides, inversores de freqüência, vazão, etc), este acionamento é feito através do envio de sinais elétricos do PLC para os dispositivos de campo. Assim como as entradas, este sinal elétrico pode ser analógico ou digital: Exemplo de sinal digital: Lâmpada Acionada = “1” ligado (o PLC está enviando sinal elétrico para o dispositivo); Lâmpada Não Acionada = “0” desligado (o PLC não está enviando sinal elétrico para o dispositivo);
  • 32.
    Tipos de saídasdigitais Quando utilizamos saídas digitais, estas devem ser, de acordo com as especificações técnicas dos dispositivos a serem acionados, dimensionadas em relação à Tensão e a Corrente Elétrica consumida pelo mesmo. Temos disponíveis vários tipos de módulos de saída, sendo os mais usuais: Saída a Transistor: Trabalha com sinal de saída em 24 VCC que, normalmente, não possui uma capacidade muito grande de Corrente Elétrica, pode chegar a 0,5 A (500 mA). O valor exato depende do produto que estamos utilizando. Este dado é obtido no manual do fabricante. Saída a Triac (Tiristor): Trabalha com sinal de saída em 110 VCA ou 220 VCA. Como o Transistor também não possui uma capacidade muito grande de Corrente Elétrica, varia em torno de 0,5 à 1A. Saída a Relé: Este tipo de saída é muito utilizado, pois permite ao usuário trabalhar com qualquer valor de tensão e possui uma capacidade maior de Corrente Elétrica, podendo passar dos 5 A. Isto ocorre porque a saída aciona um Relé Interno (pode ser alimentado com qualquer valor de Tensão) que disponibiliza um contato para o usuário. O limite de corrente depende exclusivamente do relé usado pelo fabricante.
  • 34.
    Exemplo de sinalanalógico: Podemos usar uma saída analógica do PLC para variar a velocidade de um motor elétrico utilizando um inversor (conversor) de freqüência, onde para cada variação na intensidade do sinal analógico haverá uma variação na velocidade do motor - 0 a 10 Volts = 0 a 60 Herts.
  • 36.
    Unidade Central deProcessamento (CPU) É o centro do sistema constituído por um circuito eletrônico composto de microprocessadores, e memórias programáveis pelo usuário. Esta programação é baseada na lógica de comandos elétricos, realizada de modo simplificado e amigável, através de um microcomputador.
  • 37.
    A CPU éa inteligência do processo de automação. Podemos dizer isto, pois ela tem a capacidade de identificar e compreender os sinais de entrada, provenientes dos dispositivos de campo conectados em seus terminais e, de acordo com uma PROGRAMAÇÃO (feita pelo usuário), enviar sinais elétricos aos dispositivos de campo conectados nos terminais de saída, fazendo com que atuem no processo. Ciclo de Operação Varredura das Entradas: A CPU lê todas as entradas e guarda as informações em uma memória especial, denominada Memória Imagem de Entrada; Varredura do Programa: As informações da Memória Imagem de Entrada são processadas de acordo com o programa realizado pelo usuário e de acordo com a lógica do programa muda os estados das saídas e guarda estas informações em outra memória especial denominada Memória Imagem de Saída. Varredura das Saídas: As saídas são atualizadas de acordo com a Memória Imagem de Saída. Esta rotina de operação recebe o nome de Scan, e é executado ciclicamente pela CPU. O tempo de cada ciclo depende do tamanho do programa e do número de pontos de Entradas e Saídas (I / O). Este tempo, porém tem de ser o menor possível (poucos ms) e varia de CPU para CPU (dados construtivos).
  • 39.
    Dimensionamento Quando vamos dimensionarum PLC para uma Automação Industrial devemos considerar alguns tópicos: • Quantidade e Características de I/O • Capacidade de Memória da CPU • Alimentação e Funções Específicas • Condições Ambientais
  • 40.
    Modelos de PLC EstruturaCompacta Neste tipo de configuração um mesmo produto comporta CPU, Entradas e Saídas. Geralmente este tipo de PLC é alimentado pela rede elétrica (110/220 VAC) e possuem, internamente, uma fonte de 24 VCC para alimentar seus circuitos eletrônicos.
  • 41.
    Estrutura Modular Neste tipode configuração, o PLC pode ser “montado” de acordo com a necessidade da aplicação. Isto porque seus componentes estão divididos em vários módulos de mesma função, porém com características diferentes:
  • 42.
    Módulo da CPU:Varia em capacidade de memória, tempo de processamento, protocolos de comunicação e recursos avançados; Módulos de Entradas e Saídas: Variam em quantidade de pontos, resolução, tensão de operação e capacidade de corrente. Existem também módulos que realizam funções especiais, como controle de movimento, pesagem, redes de comunicação etc. Módulo de Alimentação: (fonte de alimentação para os módulos). Varia na capacidade de corrente. Rack: Estrutura para alojar os módulos, varia no tamanho.
  • 44.
    Realização de Diagnósticos Nestesegmento, a CPU realiza todos os diagnósticos do sistema, além de calcular o Scan Time (Tempo de varredura), atualizar Relês Especiais correspondentes e reinicializar o Watchdog Timer (Temporizador ‘Cão-de-Guarda’). Entre os diagnósticos realizados, os mais importantes são o cálculo do Scan Time e o controle do Watchdog Timer. O Scan Time compreende o tempo consumido pela CPU para realizar todas as tarefas em cada scan, desde o início (atualização das entradas) até o término do ciclo (atualização das saídas). O Watchdog Timer armazena o tempo máximo permitido para execução de cada scan (normalmente definido pelo usuário). Se, em determinado scan, esse tempo for excedido (Erro Fatal), a CPU é forçada ao modo de programação e todas as saídas são desligadas. Caso contrário, o valor do Scan Time é armazenado em uma variável apropriada (para realização de estatísticas: Scan Time máximo e mínimo, por exemplo) e juntamente com o Watchdog Timer é reinicializado, sendo controlados a cada scan. Todos os erros diagnosticados, Fatais ou não Fatais, são indicados por flags (bits internos à CPU, que podem ser usados no programa de aplicação), e em alguns casos por LEDs externos (normalmente localizados na parte frontal da CPU e dos Módulos de I/O). Algumas CPUs dispõem, também, de uma variável destinada ao armazenamento do código de erro ocorrido durante a execução do último scan.
  • 45.
    Exercício: Montar o circuitoelétrico conforme o circuito logico OU E
  • 46.
    Linguagens de Programaçãode Controladores Programáveis IEC 61131-3 O IEC - International Electrotechnical Commission é o responsável pela padronização dessas linguagens de programação, sendo a norma IEC 61131-3 PLC Programming Languages a recomendada para o assunto em questão. A norma IEC 61131-3 foi publicada em 1994. A norma IEC 61131 consiste de 8 partes. As principais são: 1. Informações gerais; 2. Requisitos de equipamentos e testes; 3. Linguagens de programação de CLP; 4. Diretrizes do usuário; 5. Comunicações.
  • 47.
    Linguagens de programação ClassesLinguagens • Textuais IL (Instruction List) ST (Structured Text) • Gráficas LD (Ladder Diagram) FBD (Function Block Diagram) SFC (Sequential Function Chart)
  • 49.
    Ladder Diagram (LD) UtilizarLinguagem Ladder quando o processo possui: • Execução contínua ou paralela de múltiplas operações não sequenciais; • Operações baseadas em bit ou em lógica booleana; • Operações lógicas complexas; • Processamento de mensagem e comunicação; • Intertravamento de máquinas; • Operações que o pessoal de manutenção deverá interpretar para resolver problemas em máquinas ou processos.
  • 50.
    INSTRUÇÕES BÁSICAS EMDIAGRAMA LADDER (CLPs) A linguagem de programação Ladder é um sistema gráfico de símbolos e termos que evoluiu dos diagramas Ladder elétricos, que representam a maneira como a corrente elétrica circula pelos dispositivos, de forma a completar um circuito elétrico. É uma linguagem gráfica, muito amigável, foi baseada na lógica de contatos o que a torna de fácil compreensão no meio elétrico. Principais características: • Baseada no diagrama elétrico de contatos; • Adequada para controle discreto, combinacional e sequencial; • Utilizam blocos de função para controle regulatório e funções especiais. Basicamente um programa no CLP se divide em instruções de entrada e em instruções de saída
  • 51.
    As instruções básicasda maioria dos CLPs podem ser agrupadas em sete grupos: • lógica de rele ou instrução de Bit, • temporização e contagem, • aritméticas, • manipulação de dados, • controle de fluxo, • transferência de dados, • avançadas. Uma instrução de Bit pode ser de entrada ou de saída. • Durante a execução de uma instrução de entrada o estado de um Bit em um determinado endereço da memória RAM do CLP é examinado. • Durante a execução de uma instrução de saída de bit o estado de um bit de um determinado endereço da memória RAM do CLP é alterado para 0 ou para 1 conforme haja ou não continuidade lógica da linha que a instrução está relacionada.
  • 52.
    INSTRUÇÃO (XIC) Examinarse energizado. (close) Instrução (XIO) Examinar se o Bit está com o valor “0”. (Open)
  • 53.
    Instrução (OTE) Energizarsaída Caso haja continuidade lógica da linha o bit endereçado pela instrução será colocado no estado lógico 1. Se não houver continuidade na linha o bit endereçado pela instrução será colocado no estado lógico 0.
  • 60.
    Regras gerais: • LinhasVerticais: linhas-mãe ou linhas de alimentação; • As saídas estão sempre na direita; • O fluxo de execução ocorre de cima para baixo e da esquerda para a direita.
  • 62.
    Implementar uma partidadireta reversa de motores trifásicos, que consiste em mudar o sentido de rotação de um motor trifásico. Sua sequência operacional é bastante simples: • Pressionando (S1) energiza-se o contator (K1), fechando o seu selo (13,14) e abrindo o intertravamento (21,22) mesmo pressionando (S2) o contator (K2) não será energizado, devido ao intertravamento, sendo necessário seu desligamento para religar (S2) novamente e a rotação será contrário.
  • 64.
  • 68.
    Montar um circuitoSET e RESET. Montar um circuito partida direta usando as instruções Set e Reset. Montar um circuito comandado de dois pontos.