AR CONDICIONADO AUTOMÁTICO

J AR CONDICIONADO

                                                                                                                                                                 A




                                                    AR CONDICIONADO AUTOMÁTICO
                                                                                           SEÇÃO                ATC                                              C


                                                                                                                                                                 D


                                                                                                                                                                 E
                                                                  ÍNDICE
PRECAUÇÕES .......................................................... 5           Ciclo do Refrigerante ............................................. 21
                                                                                                                                                                 F
  Precauções em Relação ao Sistema de Proteção                                      FLUXO DE REFRIGERANTE ............................ 21
  Suplementar (SRS) “AIR BAG” e “PRÉ-                                               PROTEÇÃO CONTRA CONGELAMENTO ........ 21
  TENSIONADOR DO CINTO DE SEGURANÇA” .... 5                                       Proteção do Sistema de Refrigeração ................... 21
  Precauções ao Trabalhar com HFC-134a (R-134a) 5                                   SENSOR DE PRESSÃO DO REFRIGERANTE 21                                         G
  Refrigerante Contaminado ...................................... 5                 VÁLVULA DE ALÍVIO DE PRESSÃO ................. 22
  Precauções Gerais ao Manusear o Refrigerante .... 6                             Componentes ........................................................ 23
  Precauções quanto às Conexões de Refrigerante .. 6                                SISTEMA DE REFRIGERAÇÃO ........................ 23                           H
                                                                                                                                                                 ATC
    JUNTA DE 1-TOQUE ........................................... 6                Manutenção da Quantidade de Lubrificante no
    CARACTERÍSTICAS DA CONEXÃO DO NOVO TIPO                                       Compressor ........................................................... 25
    DE REFRIGERANTE ........................................... 8                   LUBRIFICANTE .................................................. 25
                                                                                                                                                                  I
    ANEL EM “O” E CONEXÃO DE                                                        INSPEÇÃO E AJUSTE ....................................... 25
    REFRIGERANTE ................................................10              CONTROLE DO CONDICIONADOR DE AR ........... 27
  Precauções ao Reparar o Compressor ................. 12                         Descrição ............................................................... 27
  Precauções quanto aos Equipamentos de Serviço . 12                              Funcionamento ...................................................... 27         J
    DISPOSITIVO DE RECUPERAÇÃO /                                                    CONTROLES DE MISTURA DE AR .................. 27
    RECICLAGEM .................................................. 13                CONTROLE DE VELOCIDADE DO
    DETECTOR ELETRÔNICO DE VAZAMENTOS 12                                            VENTILADOR ......................................................27          K
    BOMBA DE VÁCUO .......................................... 13                    CONTROLE DE ENTRADA ................................ 27
    JOGO DE MEDIDORES DO COLETOR ............ 13                                    CONTROLE DE MODO ..................................... 27
    MANGUEIRAS DE SERVIÇO ............................ 14                           CONTROLE DO DESCONGELADOR ............... 27                                  L
    ACOPLADORES DE SERVIÇO ......................... 14                             CONTROLE DA EMBREAGEM MAGNÉTICA ... 28
    BALANÇA DE PESAGEM DE REFRIGERANTE . 14                                         SISTEMA DE AUTO-DIAGNÓSTICO ................. 28
    PARA AFERIR A BALANÇA DE PESAGEM                                              Descrição do Sistema de Controle ........................ 29
    ACR4 ...................................................................15    Funcionamento do Controle .................................. 29                M
    CILINDRO DE CARGA ...................................... 15                     TELA DO MOSTRADOR .................................... 30
  Precauções ao Utilizar o Corante de Detecção de                                   AUTO-INTERRUPTOR ....................................... 30
  Vazamentos ........................................................... 16         SELETOR DE CONTROLE DE TEMPERATURA
    IDENTIFICAÇÃO ............................................... 16                (CONTROLE DE TEMPERATURA) (LADO DO
    ETIQUETAS DE IDENTIFICAÇÃO DO                                                   MOTORISTA) ...................................................... 30
    VEÍCULO .......................................................... 16           SELETOR DE CONTROLE DE TEMPERATURA
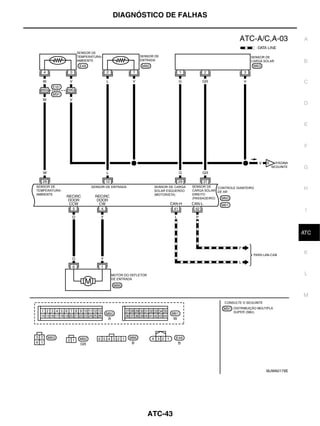
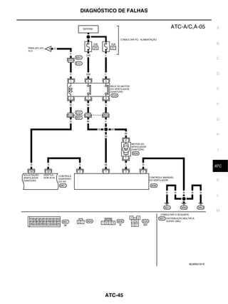
  Diagramas dos Circuitos e Diagnóstico de Falhas 16                                (CONTROLE DE TEMPERATURA) (LADO DO
PREPARAÇÃO ........................................................ 17              PASSAGEIRO) ................................................... 30
  Ferramentas Especiais .......................................... 17               SELETOR DE CONTROLE DE TEMPERATURA
  Ferramentas e Equipamentos de Serviço HFC-134a                                    (CONTROLE DE TEMPERATURA E MODO)
  (R-134a) ........................................................... 17           (TRASEIRO) ....................................................... 30
  Ferramentas Comerciais ....................................... 20                 INTERRUPTOR DE RECIRCULAÇÃO (REC) ... 30
SISTEMA DE REFRIGERAÇÃO ............................. 21




                                                                           ATC-1
INTERRUPTOR DE DESCONGELAMENTO                                                  PROCEDIMENTO DE DIAGNÓSTICO DO SISTEMA
                                                                                                                                                                  A
   (DEF) .....................................................              30     DE A/C ............................................................... 57
   INTERRUPTOR DO DESEMBAÇADOR DO VIDRO                                          Circuito do Motor do Defletor de Modo ................. 59
   TRASEIRO ......................................................... 30           FLUXO DE INSPEÇÃO ...................................... 59
   INTERRUPTOR OFF (DESLIGAR) .................... 30                              DESCRIÇÃO DO SISTEMA ............................... 60                        ATC
   INTERRUPTOR DE A/C .................................... 30                      DESCRIÇÃO DO COMPONENTE ..................... 61
   INTERRUPTOR DE MODO (DIANTEIRO) ........ 30                                     PROCEDIMENTO DE DIAGNÓSTICO DO MOTOR
   SELETOR DE CONTROLE DO VENTILADOR                                               DO DEFLETOR DE MODO ................................ 61                        C
   DIANTEIRO ........................................................ 30         Circuito do Motor do Defletor de Mistura de Ar ..... 64
   INTERRUPTOR DE MODO (TRASEIRO) ......... 30                                     FLUXO DE INSPEÇÃO ...................................... 64
 Descarga do Fluxo de Ar ...................................... 31                 DESCRIÇÃO DO SISTEMA ............................... 65
                                                                                                                                                                  D
   DIANTEIRO ........................................... 31                        DESCRIÇÃO DO COMPONENTE ..................... 66
 Descrição do Sistema ........................................... 32               PROCEDIMENTO DE DIAGNÓSTICO DO MOTOR
   INTERRUPTORES E RESPECTIVAS FUNÇÕES DE                                          DO DEFLETOR DE MISTURA DE AR
   CONTROLE ....................................................... 32             (MOTORISTA) ...........................................                   67   E
 Descrição do Sistema de Comunicação CAN ....... 33                                PROCEDIMENTO DE DIAGNÓSTICO DO MOTOR
DIAGNÓSTICO DE FALHA ..................................... 34                      DO DEFLETOR DE MISTURA DE AR
 Funções de CONSULT-II (BCM) ........................... 34                        (PASSAGEIRO) .............................................. 69                 F
   FUNCIONAMENTO BÁSICO CONSULT-II ........ 34                                   Circuito do Motor do Defletor de Entrada .............. 73
   MONITOR DE DADOS ....................................... 35                     FLUXO DE INSPEÇÃO ...................................... 73
 Como Efetuar o Diagnóstico de Falhas para uma                                     DESCRIÇÃO DO SISTEMA ............................... 74                        G
 Reparação Precisa e Rápida ................................ 36                    DESCRIÇÃO DO COMPONENTE ..................... 75
   FLUXOGRAMA DE DIAGNÓSTICO .................. 36                                 PROCEDIMENTO DE DIAGNÓSTICO DO MOTOR
   TABELA DE SINTOMAS .................................... 37                      DO DEFLETOR DE ENTRADA .......................... 75
 Localização das Peças do Componente e Conectores                                Circuito do Motor do Ventilador ............................. 76                 H
 do Chicote ............................................................. 38       FLUXO DE INSPEÇÃO ...................................... 83
   COMPARTIMENTO DO MOTOR ....................... 38                               DESCRIÇÃO DO SISTEMA ............................... 77
   COMPARTIMENTO DE PASSAGEIRO                                                     DESCRIÇÃO DO COMPONENTE ..................... 78                                I
   DIANTEIRO ............................................                   39     PROCEDIMENTO DE DIAGNÓSTICO DO MOTOR
 Diagrama ............................................................... 40       DO VENTILADOR .............................................. 78
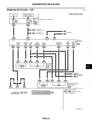
 Diagrama de Circuito – A/C – ............................... 41                   INSPEÇÃO DE COMPONENTES ...................... 82                               J
 Terminais de Controle de Ar Dianteiros e Valor de                               Circuito da Embreagem Magnética ....................... 83
 Referência ............................................................. 48       FLUXO DE INSPEÇÃO ...................................... 83
   ESQUEMA DO TERMINAL DO CONECTOR DO                                              DESCRIÇÃO DO SISTEMA ............................... 84
                                                                                                                                                                  K
   PINO .................................................................. 48      PROCEDIMENTO DE DIAGNÓSTICO PARA
 Função de Auto-diagnóstico do Sistema de A/C .. 50                                SINTOMA DE EMBREAGEM MAGNÉTICA ....... 84
   DESCRIÇÃO ...................................................... 50             INSPEÇÃO DE COMPONENTES ...................... 88
 Inspeção Operacional ........................................... 52             Arrefecimento Insuficiente ..................................... 89               L
   INSPEÇÃO DA FUNÇÃO DE MEMÓRIA .......... 52                                     FLUXO DE INSPEÇÃO ...................................... 89
   INSPEÇÃO DO VENTILADOR .......................... 53                            DIAGNÓSTICO DE TESTE DE DESEMPENHO . 90
   INSPEÇÃO DO AR DE DESCARGA ................. 53                                 TABELA DE DESEMPENHO ............................. 92                          M
   INSPEÇÃO DE RECIRCULAÇÃO ..................... 54                               DIAGNÓSTICO DE FALHAS PARA PRESSÃO
   INSPEÇÃO DE DIMINUIÇÃO DE                                                       ANORMAL .......................................................... 93
   TEMPERATURA ...................................                          54   Aquecimento Insuficiente ...................................... 96
   INSPEÇÃO DE AUMENTO DE TEMPERATURA .. 54                                        FLUXO DE INSPEÇÃO ...................................... 96
   INSPEÇÃO DO INTERRUPTOR DE A/C .......... 55                                  Ruído ..................................................................... 97
   INSPEÇÃO DO MODO AUTO ........................... 55                            FLUXO DE INSPEÇÃO ...................................... 97
 Circuito de Alimentação e Massa do Controle de Ar                               Auto-diagnóstico .................................................... 98
 Dianteiro ................................................................ 56     FLUXO DE INSPEÇÃO ...................................... 98
   FLUXO DE INSPEÇÃO ..................................... 56                    Função de Memória .............................................. 99
   DESCRIÇÃO DO COMPONENTE .................... 57                                 FLUXO DE INSPEÇÃO ...................................... 99
                                                                                 Circuito do Sensor de Temperatura-Ambiente .... 100
                                                                                   DESCRIÇÃO DO COMPONENTE ................... 100




                                                                          ATC-2
PROCESSO DE ENTRADA DA TEMPERATURA-                                      Componentes ...................................................... 121
                                                                                                                                                      A
    AMBIENTE ...................................................... 100      Remoção e Instalação ........................................ 121
    PROCEDIMENTO DE DIAGNÓSTICO DO SENSOR                                      REMOÇÃO ...................................................... 121
    DE TEMPERATURA-AMBIENTE .................... 100                           INSTALAÇÃO ................................................... 121
    INSPEÇÃO DE COMPONENTES ................... 102                        BOMBA DO AQUECEDOR ................................... 122                 ATC
  Circuito do Sensor de Temperatura Interna do                               Componentes ...................................................... 122
  Veículo .....................................................      103     Remoção e Instalação ........................................ 123
    DESCRIÇÃO DO COMPONENTE .................. 103                             REMOÇÃO ...................................................... 123     C
    PROCEDIMENTO DE DIAGNÓSTICO DO SENSOR                                      INSTALAÇÃO ................................................... 123
    DE TEMPERATURA INTERNA DO VEÍCULO .. 103                               MOTOR DO DEFLETOR DE ENTRADA ............... 123
    INSPEÇÃO DE COMPONENTES ................... 106                          Componentes ...................................................... 123
                                                                                                                                                      D
  Circuito do Sensor Ótico ..................................... 107         Remoção e Instalação ........................................ 123
    DESCRIÇÃO DO COMPONENTE .................. 107                             REMOÇÃO ...................................................... 123
    PROCESSO DE ENTRADA ÓTICA ................ 107                             INSTALAÇÃO ................................................... 123
    PROCEDIMENTO DE DIAGNÓSTICO DO SENSOR                                  MOTOR DO DEFLETOR DE MODO ..................... 124                        E
    DE CARGA SOLAR ......................................... 107             Componentes ...................................................... 124
  Circuito do Sensor de Entrada ............................ 109             Remoção e Instalação ........................................ 124
    DESCRIÇÃO DO COMPONENTE .................. 109                             REMOÇÃO ...................................................... 124     F
    PROCEDIMENTO DE DIAGNÓSTICO DO SENSOR                                      INSTALAÇÃO ................................................... 124
    DE ENTRADA .................................................. 109      MOTOR DO DEFLETOR DE MISTURA DE AR .... 125
    INSPEÇÃO DE COMPONENTES ................... 110                          Componentes ...................................................... 125   G
UNIDADE DE CONTROLE ................................... 111                  Remoção e Instalação ........................................ 125
  Remoção e Instalação ........................................ 111            MOTOR DO DEFLETOR DE MISTURA DE AR
    REMOÇÃO ...................................................... 111         (MOTORISTA) .................................................. 125
    INSTALAÇÃO .................................................. 111          MOTOR DO DEFLETOR DE MISTURA DE AR                                     H
SENSOR DE TEMPERATURA-AMBIENTE ......... 112                                   (PASSAGEIRO) ................................................ 125
  Remoção e Instalação ........................................ 113        CONTROLE VARIÁVEL DO VENTILADOR ......... 126
    REMOÇÃO ...................................................... 113       Componentes ...................................................... 126    I
    INSTALAÇÃO .................................................. 113        Remoção e Instalação ........................................ 126
SENSOR DE TEMPERATURA INTERNA DO                                               REMOÇÃO ...................................................... 126
VEÍCULO ......................................................       113       INSTALAÇÃO ................................................... 126      J
  Remoção e Instalação ........................................ 113        DUTOS E DEFLETORES ...................................... 127
    REMOÇÃO ...................................................... 113       Componentes ...................................................... 127
    INSTALAÇÃO .................................................. 113        Remoção e Instalação ........................................ 129
                                                                                                                                                      K
SENSOR ÓTICO ................................................... 114           DUTOS DO CONSOLE E DEFLETORES DO
  Remoção e Instalação ........................................ 114            CONSOLE ....................................................... 129
SENSOR DE TEMPERATURA DE ENTRADA ..... 115                                     SAÍDA DO DESCONGELADOR ...................... 129
  Remoção e Instalação ........................................ 115            DUTO DE DESEMBAÇAMENTO – LADOS DIREITO                                  L
    REMOÇÃO ...................................................... 115         E ESQUERDO ................................................. 129
    INSTALAÇÃO .................................................. 115          DUTO DO VENTILADOR – LADOS DIREITO E
MOTOR DO VENTILADOR ................................... 116                    ESQUERDO .................................................... 129      M
  Componentes ..................................................... 116        DUTO DO VENTILADOR CENTRAL ............... 129
  Remoção e Instalação ........................................ 116            DUTO DO CONECTOR DO ASSOALHO ........ 129
    REMOÇÃO ...................................................... 116         DUTOS DO ASSOALHO – DIANTEIROS E
    INSTALAÇÃO .................................................. 116          TRASEIROS .................................................... 130
FILTRO DO CONDICIONADOR DE AR ............... 117                              DUTOS SUPERIORES TRASEIROS .............. 130
  Remoção e Instalação ........................................ 117            DUTO DO ASSOALHO – LATERAL TRASEIRO .. 130
    FUNÇÃO ......................................................... 117       DIFUSORES .................................................... 130
    TEMPO DE SUBSTITUIÇÃO .......................... 117                   LINHAS DE REFRIGERANTE .............................. 131
    PROCEDIMENTO DE SUBSTITUIÇÃO .......... 117                              Procedimento de Serviço HFC-134a (R-134a) ... 131
CONJUNTO DA UNIDADE DE AQUECIMENTO E                                           AJUSTE DAS FERRAMENTAS E EQUIPAMENTOS
RESFRIAMENTO .................................................. 119            DE SERVIÇO ................................................... 131
  Componentes ..................................................... 119      Componentes ...................................................... 133
  Remoção e Instalação ........................................ 121          Remoção e Instalação do Compressor ............... 134
    REMOÇÃO ...................................................... 122         REMOÇÃO ...................................................... 134
    INSTALAÇÃO .................................................. 122          INSTALAÇÃO ................................................... 134
NÚCLEO DO AQUECEDOR ................................. 121


                                                                    ATC-3
Remoção e Instalação da Embreagem do                                           Remoção e Instalação do Condensador ............. 140
                                                                                                                                                       A
Compressor .............................................                135      REMOÇÃO ....................................................... 139
  REMOÇÃO ...................................................... 135             INSTALAÇÃO ................................................... 139
  INSPEÇÃO ...................................................... 136          Remoção e Instalação do Evaporador ................ 141
  INSTALAÇÃO ................................................... 136             REMOÇÃO ....................................................... 142   ATC
  FUNCIONAMENTO DURANTE O PERÍODO DE                                             INSTALAÇÃO ................................................... 142
  AMACIAMENTO ............................................... 138              Remoção e Instalação da Válvula de Expansão . 142
Remoção e Instalação da Mangueira Flexível de Baixa                              REMOÇÃO ....................................................... 142   C
Pressão do A/C ................................................... 138           INSTALAÇÃO ................................................... 142
  REMOÇÃO ...................................................... 138           Inspeção de Vazamentos de Refrigerante .......... 142
  INSTALAÇÃO ................................................... 138           Inspeção do Sistema quanto a Vazamentos Utilizando
                                                                                                                                                       D
Remoção e Instalação do Tubo de Alta Pressão do                                o Detector Fluorescente de Vazamentos ............ 143
A/C .............................................................. 138         Injeção de Corante .............................................. 143
  REMOÇÃO ...................................................... 138           Detector Eletrônico de Vazamentos de
  INSTALAÇÃO ................................................... 138           Refrigerante .............................................. 144         E
Remoção e Instalação da Mangueira Flexível de Baixa                              PRECAUÇÕES AO MANUSEAR O DETECTOR DE
Pressão do A/C ................................................... 138           VAZAMENTOS ................................................. 144
  REMOÇÃO ...................................................... 138             PROCEDIMENTO DE INSPEÇÃO ................... 145                      F
  INSTALAÇÃO ................................................... 138          DADOS DE SERVIÇO E ESPECIFICAÇÕES (SDS) 147
Remoção e Instalação do Tubo de Baixa Pressão do                               Dados de Serviço e Especificações (SDS) ......... 147
A/C ................................................................... 139      COMPRESSOR ............................................... 147        G
  REMOÇÃO ...................................................... 140             LUBRIFICANTE ............................................... 147
  INSTALAÇÃO ................................................... 139             REFRIGERANTE ............................................. 147
Remoção e Instalação do Sensor de Pressão do                                     ROTAÇÃO DE MARCHA-LENTA DO MOTOR . 147
Refrigerante ........................................................ 139        TENSÃO DA CORREIA ................................... 147             H
  REMOÇÃO ...................................................... 139
  INSTALAÇÃO ................................................... 139
                                                                                                                                                        I


                                                                                                                                                        J



                                                                                                                                                       K


                                                                                                                                                        L



                                                                                                                                                       M




                                                                       ATC-4
PRECAUÇÕES

PRECAUÇÕES                                                         PFP:00001
                                                                                                                   A
Precauções em Relação ao Sistema de Proteção Suplementar (SRS) “AIR BAG”
e “PRÉ-TENSIONADOR DO CINTO DE SEGURANÇA”                                                               EJS006AK


O Sistema de Proteção Suplementar, como o “AIR BAG” e o “PRÉ-TENSIONADOR DO CINTO DE SEGU-                         B
RANÇA”, utilizado junto com o cinto de segurança dianteiro, ajuda a reduzir a possibilidade de ferimentos
graves ao motorista e passageiro dianteiro em determinados tipos de colisão. As informações necessárias
para a reparação segura do sistema podem ser encontradas nas seções SRS e SB deste Manual de Serviço.
CUIDADO:                                                                                                           C
●   Para evitar que o sistema SRS fique inoperante, o que poderia aumentar o risco de ferimentos
    pessoais ou mesmo a morte na eventualidade de uma colisão onde o air bag seria inflado, todos
    os serviços de manutenção devem ser efetuados em uma concessionária autorizada NISSAN.                         D
●   A manutenção inadequada, incluindo a remoção e instalação incorreta do SRS, pode causar feri-
    mentos pessoais em virtude de uma ativação inadvertida do sistema. Quanto à remoção do Cabo
    Espiral e do Módulo do Air Bag, consulte a seção SRS.
                                                                                                                   E
●   Não utilize equipamentos elétricos de teste nos circuitos relacionados ao SRS, exceto se especifi-
    cado neste manual de Serviço. Os chicotes do SRS podem ser identificados pelos chicotes ama-
    relo e/ou laranja ou conectores do chicote.
                                                                                                        EJS006AL   F
Precauções ao Trabalhar com HFC-134a (R-134a)
CUIDADO:
●  Os refrigerantes CFC-12 (R-12) e HFC-134a (R-134a) são incompatíveis. Estes refrigerantes jamais
   devem ser misturados, mesmo que em pequenas quantidades. Caso os refrigerantes sejam mis- G
   turados, o compressor apresentará falhas.
●  Utilize apenas lubrificante e componentes especificados para o sistema abastecido com A/C HFC-
   134 a (R-134 a).                                                                                     H
●  Caso seja utilizado um lubrificante diferente do especificado, haverá falhas no compressor.
●  O lubrificante especificado HFC-134a (R-134a) absorve rapidamente a umidade da atmosfera.
   Observe as seguintes precauções de manuseio:                                                          I
                                                                                                       ATC
– Ao remover os componentes do refrigerante do veículo, vede imediatamente os componentes
   para diminuir a entrada de umidade da atmosfera.
– Ao instalar os componentes do refrigerante no veículo, não remova as tampas até exatamente a
   conexão dos componentes. Conecte todos os componentes do circuito de refrigerante o mais J
   rápido possível para reduzir a entrada de umidade no sistema.
– Utilize apenas o lubrificante especificado retirado de uma embalagem selada. Feche imediata-
   mente os recipientes de lubrificante. Caso não sejam corretamente fechados, o lubrificante ficará K
   saturado de umidade e não mais poderá ser utilizado.
– Evite inalar o refrigerante de A/C (vapor ou névoa). Isto poderá irritar os olhos, nariz e garganta.
   Utilize apenas o dispositivo de recuperação / reciclagem para descarregar o refrigerante HFC- L
   134a (R-134a). Caso haja um vazamento acidental do sistema, a área de trabalho deverá ser venti-
   lada antes de reiniciar o trabalho. Informações adicionais sobre saúde e segurança podem ser
   obtidas com o fabricante do refrigerante ou do lubrificante.
– Não permita que o lubrificante (Óleo do Sistema de A/C Nissan, tipo S) entre em contato com M
   peças de isopor. Poderão ocorrer danos.
Refrigerante Contaminado                                                                                EJS006AM


Caso um refrigerante diferente de HFC-134a (R-134a) seja identificado no veículo, você terá as
seguintes opções:
●  Explique ao cliente que as leis ambientais proíbem a liberação de refrigerante contaminado para a atmos-
   fera.
●  Explique que a recuperação do refrigerante contaminado poderia danificar seu equipamento de serviço e
   o fornecimento de refrigerante.
●  Sugira que o cliente volte ao local onde o serviço foi efetuado anteriormente, onde houve a contami-
   nação.
●  Caso você escolha efetuar a reparação, recupere o refrigerante, utilizando apenas os equipamentos e
   recipientes apropriados. Não recupere o refrigerante contaminado nos equipamentos de serviço
   existente. Caso sua instalação não tenha os equipamentos de recuperação apropriados, você poderá
   contatar um varejista de produtos refrigerantes local para que efetue o serviço. Este refrigerante deve ser
   descartado de acordo com as leis federais e regulamentos locais. Complementando, deve-se recomen-
   dar que todos os componentes do sistema de refrigeração do veículo sejam substituídos.

                                                  ATC-5
PRECAUÇÕES

●   Caso o veículo esteja dentro do período de garantia, a garantia do ar condicionado será cancelada.
    Queira por gentileza entrar em Contato com o Departamento de Atenção a Clientes NISSAN quanto à
    assistência.

Precauções Gerais ao Manusear o Refrigerante                                                       EJS006AN


CUIDADO:
●  Não libere o refrigerante no ar. Utilize equipamentos aprovados de recuperação/reciclagem para
   recolher o refrigerante sempre que o sistema do ar condicionado for descarregado.
●  Sempre utilize óculos de segurança e luvas ao trabalhar com qualquer tipo de refrigerante ou
   sistema do ar condicionado.
●  Não armazene nem tampouco aqueça o refrigerante em recipientes a temperaturas superiores a
   52°C.
●  Não aqueça o reservatório de refrigerante com chama aberta; caso seja necessário aquecer o
   recipiente, coloque a parte inferior do recipiente sobre um balde com água quente.
●  Não deixe cair, não fure nem tampouco incinere os recipientes de refrigerante.
●  Mantenha o refrigerante longe de chamas descobertas: será gerado gás tóxico em caso de que-
   ima de refrigerante.
●  O refrigerante retém o oxigênio, desta forma certifique-se de trabalhar em áreas bem ventiladas
   para evitar sufocação.
●  Não efetue teste de pressão ou de vazamentos em equipamentos de serviço de HFC-134a (R-134a)
   e/ou nos sistemas de ar condicionado, com ar comprimido durante reparações. Algumas misturas
   de ar e de HFC-134a (R-134a) mostraram-se ser inflamáveis sob altas pressões. Estas misturas,
   em caso de serem inflamadas, podem provocar ferimentos ou danos materiais. Informações adi-
   cionais sobre saúde e segurança podem ser obtidas com os fabricantes do refrigerante.

Precauções quanto às Conexões de Refrigerante                                                      EJS006AO


Foi introduzido um novo tipo de conexão de refrigerante para todas as linhas de refrigerante, exceto nos
seguintes locais.
●    Válvula de expansão à unidade de arrefecimento
●    Tubos do evaporador ao evaporador (dentro da unidade de arrefecimento).
●    Sensor de pressão de refrigerante
JUNTA DE 1-TOQUE
Descrição
●  Juntas de um toque são juntas de tubo que não requerem ferramentas ao ser efetuada a conexão da
   tubulação.
●  Diferente dos métodos de conexão convencional, que utilizam porcas e flanges, não é necessário o
   torque de aperto controlado no ponto de conexão.
●  Ao remover a junta do tubo, utilize um extrator.
PEÇAS DO COMPONENTE




                                                                                               RJIA0970E



                                               ATC-6
PRECAUÇÕES

FUNÇÕES DAS PEÇAS DO COMPONENTE
                                                                                                                               A
                         ●   Fixa os anéis em “O”.
 Tubo (lado macho)
                         ●   Fixa a mola de fixação na gaiola.
 Mola de fixação         Mola de fixação prende o tubo (lado fêmea).                                                           B
                         Quando a conexão for efetuada corretamente, será ejetada da tubulação (lado macho). (Após a
 Anel indicador
                         conexão, esta peça não será mais necessária.)
 O-ring                  Ponto de conexão dos vedadores do anel em “O”. (Não reutilizável)                                     C
                         ●   Veda a conexão, comprimindo-se os anéis em “O”.
 Tubo (lado fêmea)
                         ●   Fixa a conexão da tubulação, utilizando a mola cônica e de fixação.
                                                                                                                               D
NOTA:
●  A mola de fixação não pode ser removida da gaiola do tubo (lado macho).
●  O anel indicador permanece próximo ao ponto de conexão da tubulação, entretanto, isto não representa                        E
   uma falha. (Isto serve para inspecionar a conexão da tubulação durante a montagem de fábrica.)
REMOÇÃO
                                                                                                                               F



                                                                                                                              G


                                                                                                                               H



                                                                                                                               I


                                                                                                                               J
                                                                                                                              ATC


                                                                                                                               K

                                                                                                                  SJIA0106E

1.   Limpe o ponto de conexão da tubulação e instale o extrator.                                                               L
2.   Deslize o extrator no sentido axial da tubulação, e estique a mola de fixação com a parte cônica do extra-
     tor.
3.   Deslize o extrator o mais distante possível, de maneira que o diâmetro interno da mola de fixação fique                  M
     maior que o diâmetro externo da projeção da tubulação (lado fêmea). A seguir, a tubulação (lado macho)
     poderá ser desconectada.




                                                          ATC-7
PRECAUÇÕES

INSTALAÇÃO




                                                                                                     SJIA0107E

1.   Limpe os pontos de conexão da tubulação, e introduza a tubulação – lado macho no lado fêmea.
2.   Pressione o lado macho da tubulação firmemente de maneira que a saliência da tubulação (lado fêmea)
     estique a mola de fixação.
3.   Caso o diâmetro interno da mola de fixação fique maior que o diâmetro externo da saliência da tubulação
     (lado fêmea), a mola de fixação ficará assentada na saliência. A seguir, ela se encaixa entre a gaiola da
     tubulação (lado macho) e a saliência do tubo (lado fêmea) para fixar o ponto de conexão da tubulação.
     NOTA:
     Quando a mola de fixação assenta-se na saliência e fica encaixada entre a gaiola da tubulação (lado
     macho) e a saliência da tubulação (lado fêmea), será ouvido um estalido.
     CUIDADO:
     ● O ponto de conexão da tubulação (lado fêmea) é fino. Desta forma, ao introduzir o lado macho
        da tubulação, tome cuidado para não deformar o lado fêmea da tubulação. Introduza vagarosa-
        mente no sentido axial.
     ● Introduza tubulação firmemente até que seja ouvido um estalido.

     ● Após terminar a conexão da tubulação, puxe o lado macho da tubulação com a mão para certifi-
        car-se de que a conexão não esteja solta.
     NOTA:
     ● A conexão da junta de um toque é utilizada nos pontos abaixo.

     ● Mangueira flexível de baixa pressão ao evaporador (tamanho do anel em “O”: 16)

     ● Mangueira flexível de alta pressão ao condensador (tamanho do anel em “O”: 12)

     ● Tubo 1 ao tubo 2 de alta pressão (tamanho do anel em “O”: 8)

     ● Tubo 2 de alta pressão ao condensador (tamanho do anel em “O”: 8)


CARACTERÍSTICAS DA CONEXÃO DO NOVO TIPO DE REFRIGERANTE
●    O anel em “O” foi recolocado. É também fornecido com uma ranhura para a instalação correta. Isto eli-
     mina a possibilidade de o anel em “O” ficar preso ou danificado pela peça de correspondência. O sentido
     de vedação do anel em “O” agora é determinado verticalmente em relação à superfície de contato da
     peça de correspondência para melhorar as características de vedação.




                                                  ATC-8
PRECAUÇÕES

●   A força de reação do anel em “O” não ocorrerá no sentido que faz a junta sair, desta forma facilitando as
    conexões da tubulação.                                                                                       A


                                                                                                                 B



                                                                                                                 C


                                                                                                                 D


                                                                                                                 E



                                                                                                                 F



                                                                                                     SHA815E    G


                                                                                                                 H



                                                                                                                 I


                                                                                                                 J
                                                                                                                ATC


                                                                                                                 K


                                                                                                                 L



                                                                                                                M




                                                  ATC-9
PRECAUÇÕES

ANEL EM “O” E CONEXÃO DE REFRIGERANTE
                                          Compressor e Condensador de A/C




                                                                                                                     MJIB0276E


1.   Válvula de serviço de alta pressão     6. Vedador do eixo do compressor            9.   Válvula de serviço de baixa pressão
2.   Presilha                               7. Mangueira flexível de alta pressão do   10.   Tubo de baixa pressão do A/C
3.   Tubo de alta pressão do A/C               A/C                                     11.   Válvula de expansão
4.   Sensor de pressão de refrigerante      8. Mangueira flexível de baixa pressão     12.   Mangueira de purga do A/C
                                               do A/C
5.   Condensador




                                                         ATC-10
PRECAUÇÕES

Números de Peça e Especificações do Anel em “O”
                                                                                                                               A
                                                                Tamanho
                                                     Tipo de
                                                               do anel em   Numero de peça*   D   mm (pol.)    W   mm (pol.)
                                                     conexão
                                                                   “O”
                                                                                                                               B
                                                      Novo          8         92471 N8210      6.8 (0.268)     1.85 (0.0728)
                                                      Antigo       10          J2476 89956    9.25 (0.3642)    1.78 (0.0701)
                                                      Novo                    92472 N8210      10.9 (0.429)    2.43 (0.0957)   C
                                                                   12
                                                      Antigo                  92475 71L00      11.0 (0.433)     2.4 (0.094)
                                                      Novo                    92473 N8210      13.6 (0.535)    2.43 (0.0957)
                                                                   16                                                          D
                                                      Antigo                  92475 72L00      14.3 (0.563)     2.3 (0.091)
                                                      Novo                    92474 N8210      16.5 (0.650)    2.43 (0.0957)
                                        SHA814E                    19
                                                      Antigo                  92477 N8200     17.12 (0.6740)   1.78 (0.0701)   E
                                                      Novo         24         92195 AH300      21.8 (0.858)     2.4 (0.094)
*: Sempre verifique no Departamento de Peças as informações mais recentes sobre peças.
ATENÇÃO:                                                                                              F
Certifique-se de que todo o refrigerante seja drenado para o equipamento de reciclagem e que a
pressão no sistema seja inferior à pressão atmosférica. A seguir, solte gradativamente a conexão da
mangueira do lado de descarga, removendo-a.                                                           G
CUIDADO:
Ao substituir ou limpar os componentes do circuito de refrigerante, observe o seguinte.
●   Quando o compressor for removido, guarde-o na mesma posição em que estava instalado no H
    veículo. Caso esta instrução não seja observada, o lubrificante entrará na câmara de baixa
    pressão.
●   Ao conectar os tubos, sempre utilize um torquímetro e uma chave de apoio.                          I
                                                                                                     ATC
●   Após desconectar os tubos, vede imediatamente todas as aberturas para evitar a entrada de
    sujeira e umidade.
●   Ao instalar o ar condicionado no veículo, conecte os tubos na etapa final da operação. Não J
    remove as capas de vedação dos tubos e outros componentes exatamente antes da conexão.
●   Deixe os componentes que estiverem armazenados em áreas frias que atinjam a temperatura da
    área de trabalho, antes que as capas de vedação sejam removidas. Isto evita a formação de con- K
    densação dentro dos componentes do A/C.
●   Remova completamente a umidade do sistema de refrigeração antes de abastecer com refrige-
    rante.                                                                                            L
●   Sempre substitua os anéis em “O”.
●   Ao conectar o tubo, aplique lubrificante ao redor dos anéis em “O”, conforme mostrado na figura.
    Tome cuidado para não aplicar lubrificante na parte roscada.                                      M
    Nome do lubrificante: Lubrificante para Sistema de A/C, tipo S (DH-OS) genuíno NISSAN ou equi-
    valente
    Número de peça: KLH00-PAGS0
●   O anel em “O” deve ser firmemente fixado na parte marcada do tubo.
●   Ao substituir o anel em “O”, tome cuidado para não danificar o anel em “O” e o tubo.
●   Conecte o tubo até que seja ouvido um estalido; a seguir aperte a porca ou parafuso com a mão
    até esteja completamente fixado. Certifique-se de que o anel em “O” seja corretamente instalado
    no tubo.




                                                         ATC-11
PRECAUÇÕES

●   Após conectar a linha, efetue o teste de vazamento e certifique-se de que não haja nenhum vaza-
    mento pelas conexões. Ao ser detectado o ponto de vazamento de gás, desconecte aquela linha e
    substitua o anel em “O”. A seguir, aperte as conexões do assento do vedador, de acordo com o
    torque especificado.




                                                                                                  RHA861F


Precauções ao Reparar o Compressor                                                                      EJS006AP


●   Vede todas as aberturas para evitar a entrada de umidade e materiais estranhos.
●   Quando o compressor for removido, guarde-o na mesma posição em que estava instalado no
    veículo.
●   Ao substituir ou reparar o compresso, observe estritamente as instruções em “Manutenção da
    Quantidade de Lubrificante no Compressor”. Consulte EC-147, "DADOS DE SERVIÇO E ESPECIFI-
    CAÇÕES (SDS)".
●   Mantenha as superfícies de fricção entre a embreagem e a polia limpas. Caso a superfície esteja
    contaminada com lubrificante, limpe-a, utilizando um pano limpo embebido em thinner.
●   Após a operação de serviço do compressor, gire o eixo do compressor manualmente mais de
    5 voltas em ambos os sentidos. Isto irá distribuir uniformemente o lubrificante dentro do compres-
    sor. Após instalar o compressor, deixe o motor em marcha-lenta e acione o compressor durante
    uma hora.
●   Após substituir a embreagem magnética do compressor, aplique tensão à nova e verifique quanto
    a funcionamento normal.

Precauções quanto aos Equipamentos de Serviço                                                           EJS006AQ


DISPOSITIVO DE RECUPERAÇÃO / RECICLAGEM
Certifique-se de seguir as instruções do fabricante quanto ao funcionamento e manutenção da máquina.
Jamais adicione refrigerante diferente daquele especificado na máquina.
DETECTOR ELETRÔNICO DE VAZAMENTOS
Certifique-se de seguir as instruções do fabricante quanto ao funcionamento e manutenção do testador.




                                                ATC-12
PRECAUÇÕES

BOMBA DE VÁCUO
                                                                                 A
O lubrificante contido dentro da bomba de vácuo não é compatível
com o lubrificante especificado para os sistemas de A/C com HFC-
134a (R-134a). O lado de respiro da bomba de vácuo está exposto à
pressão atmosférica. Desta forma, o lubrificante da bomba de vácuo               B
pode passar da bomba para a mangueira de serviço. Isto é possível
quando a bomba é desligada após o vácuo e a mangueira estiver
conectada nela.
                                                                                 C
Para evitar esta passagem, utilize uma válvula manual colocada
próxima à conexão entre a mangueira e a bomba, conforme indicado
abaixo.
                                                                                 D
●   Geralmente, as bombas de vácuo dispõem de uma válvula iso-
    ladora manual. Feche esta válvula para isolar a mangueira de
    serviço da bomba.
●   Para bombas sem um isolante, utilize uma mangueira equipada                  E
    com válvula de desconexão manual, próxima à extremidade da
    bomba. Feche esta válvula para isolar a mangueira da bomba.
●   Caso a mangueira disponha de uma válvula de desconexão                       F
    automática, desconecte a mangueira da bomba. Tão logo a
    mangueira seja conectada, a válvula é aberta e o óleo lubrifi-
    cante pode sair.
                                                                                G
Algumas válvulas de uma via se abrem quando o vácuo é aplicado e
fecham-se quando houver uma condição “sem vácuo”. Tais válvulas      RHA270DA
podem restringir a capacidade da bomba em puxar um vácuo pro-
                                                                                 H
fundo e portanto não são recomendadas.

JOGO DE MEDIDORES DO COLETOR
                                                                                 I
Certifique-se de que a face do medidor esteja indicando HFC-134a
ou R-134a. Certifique-se de que o conjunto de medidores disponha
de conexões roscadas ACME 1/2”-16 para mangueiras de serviço.
Confirme se o jogo foi utilizado apenas para refrigerante HFC-134a               J
                                                                                ATC
(R-134a) e lubrificantes especificados.

                                                                                 K


                                                                                 L
                                                                     SHA533D



                                                                                M




                                               ATC-13
PRECAUÇÕES

MANGUEIRAS DE SERVIÇO
Certifique-se de que as mangueiras de serviço estejam exibindo as
marcas descritas (mangueira colorida com faixa preta). Todas as
mangueiras devem incluir dispositivos de desligamento positivo
(manual ou automático) próximo à extremidade das mangueiras
opostas ao medidor do coletor.




                                                                       RHA272D

ACOPLADORES DE SERVIÇO
Nunca tente conectar acopladores de serviço HFC-134 a (R-134 a)
a um sistema de A/C de CFC-12 (R-12). Os acopladores HFC-134a
(R-134a) não serão corretamente acoplados a um sistema CFC-12
(R-12). Entretanto, em caso de tentativa de uma conexão inade-
quada, poderá ocorrer vazamento e contaminação.

    Giro da válvula de desconexão       Válvula de serviço do A/C
           Sentido horário                        Abre
         Sentido anti-horário                    Fecha

                                                                       RHA273D

BALANÇA DE PESAGEM DE REFRIGERANTE
Comprove se não foi utilizado nenhum lubrificante diferente de HFC-
134a (134a) e que os lubrificantes especificados foram utilizados na
balança. Caso a balança controle o fluxo de refrigerante eletronica-
mente, a conexão da mangueira deve ser ACME 1/2” – 16.




                                                                       RHA274D




                                                  ATC-14
PRECAUÇÕES

PARA AFERIR A BALANÇA DE PESAGEM ACR4
                                                                                                                 A
Faça a aferição da balança a cada três meses.
Para calibrar a balança no ACR4:
1. Pressione “Shift / Reset” e “Enter” simultaneamente.
                                                                                                                 B
2. Pressione “8787”. Será exibido “A1”.
3. Remova toda o peso da balança.
4. Pressione “0”, e a seguir “Enter”. Será exibido “0,00” e passará para “A2”.                                   C
5. Coloque um peso conhecido (dumbbell ou peso similar), variando entre 4,5 e 8,6 kg (10 e 19 lb.) na parte
    central da balança.
6. Digite o peso conhecido, utilizando quatro dígitos. (Exemplo 10 lb. = 10,00, 10,5 lb. = 10,50)                D
7. Pressione “Enter” – o mostrador retornará ao modo vácuo.
8. Pressione “Shift / Reset” e “Enter” simultaneamente.
9. Pressione “6” – o peso conhecido na balança é exibido.                                                        E
10. Remova o peso conhecido da balança. Será exibido “0.00”.
11. Pressione “Shift/Reset” para retornar ACR4 ao modo de programa.
                                                                                                                 F
CILINDRO DE CARGA
Não é recomendável utilizar um cilindro de carga. O refrigerante pode ser ventilado em ar da válvula superior
do cilindro ao abastecer o cilindro com refrigerante. Da mesma forma, a precisão do cilindro é geralmente       G
inferior àquela de uma balança eletrônica ou àquela do equipamento de reciclagem / recarga.

                                                                                                                 H



                                                                                                                  I
                                                                                                                ATC


                                                                                                                 J



                                                                                                                 K


                                                                                                                 L



                                                                                                                M




                                                 ATC-15
PRECAUÇÕES

Precauções ao Utilizar o Corante de Detecção de Vazamentos                                            EJS005AR


●   O sistema de A/C contém um corante fluorescente para detecção de vazamentos, utilizado para localizar
    vazamentos de refrigerante. É necessária uma lâmpada ultravioleta (UV) para iluminar o corante ao
    inspecionar quanto a vazamentos.
●   Ao utilizar a lâmpada UV para realçar o corante fluorescente, utilize óculos de segurança para proteger-
    se contra o corante fluorescente.
●   O detector de vazamento com corante fluorescente não substitui o detector eletrônico de vazamento de
    refrigerante. O detector de vazamento com corante fluorescente deve ser utilizado juntamente com o
    detector eletrônico de vazamento de refrigerante (J-41995) para localizar os vazamentos de refrigerante.
●   Para sua segurança e para a satisfação do cliente, leia e observe atentamente as instruções e pre-
    cauções de funcionamento informadas pelo fabricante, antes de efetuar o trabalho.
●   O vedador do eixo do compressor não deve ser reparado em virtude da exudação de corante. O vedador
    do eixo do compressor deve apenas ser reparado após a confirmação do vazamento com um detector
    eletrônico de vazamento de refrigerante (J-41995).
●   Sempre remova qualquer vestígio de corante da área de vazamento após completar as reparações para
    evitar um diagnóstico incorreto durante um próxima reparação.
●   Não permita que o corante entre em contato com os painéis pintados da carroçaria ou componentes
    internos. Caso o corante seja derramado, limpe imediatamente o local afetado com o limpador de corante
    especificado. Caso o corante fluorescente seja deixado sobre alguma superfície durante um período pro-
    longado, ele não mais poderá ser removido.
●   Não pulverize o produto para remover o corante fluorescente sobre superfícies quentes (coletor de
    escapamento do motor, etc.).
●   Não utilize mais do que uma garrafa de corante de refrigerante (1/4 onça / 7,4 cc) por sistema de A/C.
●   Os corantes para detecção de vazamentos em sistemas HFC-134a (R-134a) e CFC-12 (R-12) são dife-
    rentes. Não utilize corante para detectar vazamentos em sistema de A/C com HFC-134 a (134 a) em
    sistemas com CFC-12 (R-12) (e vice-versa) pois o sistema de A/C poderá ser danificado.
●   As propriedades fluorescentes do corante irão permanecer por mais de três (3) anos exceto se ocorrer
    uma falha no compressor.

IDENTIFICAÇÃO
NOTA:
Os veículos com corante fluorescente abastecido na fábrica estão identificados com uma etiqueta verde.
Os veículos cujo corante fluorescente não foi adicionado na fábrica estão identificados com uma etiqueta
azul.
ETIQUETAS DE IDENTIFICAÇÃO DO VEÍCULO
A etiqueta de identificação dos veículos cujo corante fluorescente foi
adicionado na fábrica está localizada na parte dianteira do capuz.




                                                                                                   SHA749F



Diagramas dos Circuitos e Diagnóstico de Falhas                                                       EJS006AS


Ao fazer a leitura dos diagramas elétricos, consulte:
●   GI-17, "Como Ler os Diagramas Elétricos"
●   PG-4, "CIRCUITO DE DIRECIONAMENTO DA ALIMENTAÇÃO DE ENERGIA"
Ao efetuar o diagnóstico de falhas consulte:
●   GI-12, "Como Seguir o Diagnóstico de Falhas"
●   GI-26, "Como Realizar Diagnóstico Eficiente para um Incidente Elétrico"

                                                  ATC-16
PREPARAÇÃO

PREPARAÇÃO                                                                                                 PFP:00002
                                                                                                                           A
Ferramentas Especiais                                                                                           EJS006AT


O formato atual das ferramentas Kent-Moore pode diferir das ferramentas especiais ilustradas aqui.
  Número da ferramenta                                                                                                     B
                                                                            Descrição
  Nome da ferramenta
  KV99106200                                                                Para instalar a polia
  Instalador de polia                                                                                                      C


                                                                                                                           D

                                                         S-NT235

  KV99233130                                                                Para remover a polia                           E
  Extrator de polia


                                                                                                                           F


                                                         LHA172
                                                                                                                           G
Ferramentas e Equipamentos de Serviço HFC-134a (R-134a)                                                         EJS006AU


Nunca misture o refrigerante HFC-134a (R-134a) e/ou o lubrificante especificado com o refrigerante CFC-12 ATC
                                                                                                           H
(R-12) e/ou respectivo lubrificante.
Equipamentos separados e não intercambiáveis devem ser utilizados ao manusear cada um dos tipos de
refrigerante / lubrificante.
                                                                                                           I
As conexões do reservatório de refrigerante, conexões da mangueira de serviço e conexões do equipamento
de sérvio (equipamentos que manuseiam refrigerante e/ou lubrificante) são diferentes para o CFC-12 (R-12)
e HFC-134a (R-134a). Isto é feito para evitar misturar os refrigerantes / lubrificantes.
Os adaptadores que convertem um tamanho de conexão a outro nunca deverão ser utilizados. haverá con- J
taminação de refrigerante / lubrificante e conseqüentemente falhas no compressor.

  Número da ferramenta                                                                                                     K
                                                                           Descrição
  Nome da ferramenta


                                                                           Cor da embalagem: Azul claro
                                                                           Marca da embalagem: HFC-134a                    L
                                                                           (R-134a)
  Refrigerante HFC-134a (R-134a)                                           Tamanho da conexão: Tamanho da
                                                                           rosca
                                                                           ●   Reservatório grande 1/2″-16 ACME
                                                                                                                           M
                                                          S-NT196



                                                                           Tipo: Óleo glicol polialquilênico
  KLH00-PAGS0                                                              (PÁG), tipo S (DH-PS)
                                                                           Aplicação: Compressores de placa
  Óleo para Sistema de A/C, tipo S
                                                                           oscilante HFC-134a (R-134a)
  (DH-OS) NISSAN                                                           (apenas NISSAN)
                                                                           Lubrificidade: 40 m  l   (1,4 imp fl oz.)
                                                          S-NT197




                                                ATC-17
PREPARAÇÃO

Número da ferramenta
                                                           Descrição
Nome da ferramenta




Equipamento de recuperação /                               Função: Recuperar e reciclar e recar-
reciclagem / recarga (ACR4)                                regar refrigerante




                                               RJIA0195E




                                                           Alimentação:
Detector elétrico de vazamentos
                                                           DC 12 V (Acendedor de cigarros)




                                               SHA705EB

(J-43926)
Jogo para detecção de
vazamento com corante de
refrigerante
O jogo inclui:
(J-42220)
Lâmpada ultravioleta e óculos de
segurança (UV)
(J-41459)
Injetor de corante de HFC-134a
(R-134a)                                                   Alimentação:
Utilize com a ferramenta especial                          DC 12 V (Terminal da bateria)
J-41447, garrafa com ¼ onça
(J-41447)
Corante fluorescente para de
detecção de vazamentos
HFC-134a (R-134a)                               ZHA200H
(Caixa com 24 garrafas com ¼
onça)
(J-43872)
Produto para limpeza de corante
de refrigerante
                                                           Alimentação:
                                                           DC 12 V (Terminal da bateria)
                                                           Para inspecionar o vazamento de
(J-42220)                                                  refrigerante quando o corante fluores-
Lâmpada ultravioleta e óculos de                           cente for adicionado ao sistema de
segurança (UV)                                             A/C
                                                           Inclui:
                                                           Lâmpada ultravioleta e óculos de
                                           SHA438F
                                                           segurança (UV)




                                      ATC-18
PREPARAÇÃO

Número da ferramenta
                                                            Descrição                                 A
Nome da ferramenta

                                                            Aplicação: Para HFC-134a (R-134a)
(J-41447)                                                   Óleo PAG
Corante fluorescente para de                                Embalagem: Garrafa de ¼ de onça            B
detecção de vazamentos HFC-                                 (7,4 cc)
134a (R-134a)                                               (Inclui etiquetas auto-adesivas de
Caixa de 24, garrafas com ¼                                 identificação de corante para afixar no
onça)                                                       veículo após abastecer o sistema          C
                                                            com o corante.)
                                           SHA439F


                                                                                                      D
(J-41459)
Injetor de corante de HFC-134a                              Para adicionar ¼ de onça de corante
(R-134a)                                                    fluorescente para detecção de vaza-
Utilize com a ferramenta especial                           mentos no sistema de A/C.                 E
J-41447, garrafa com ¼ onça
                                           SHA440F

                                                                                                      F

(J-43872)
                                                            Para limpar derramamentos de
Produto para limpeza de corante                                                                       G
                                                            corante.
de refrigerante

                                           SHA441F
                                                                                                       H
                                                                                                      ATC



                                                            Identificação:                             I
                                                            ●   A face do medidor indica HFC-134a
Jogo de medidores de coletor                                    (R-134a).
(com mangueiras e acopladores)                              Tamanho da conexão: Tamanho da             J
                                                            rosca
                                                            ●   1/2″-16 ACME
                                                                                                      K
                                                RJIA0196E

                                                            Cor da mangueira:
                                                            ●   Mangueira inferior: Azul com faixa     L
Mangueiras de serviço                                           preta
●   Mangueira do lado de alta                               ●   Mangueira superior: Vermelha com
    pressão                                                     faixa preta                           M
●   Mangueira do lado de baixa                              ●   Mangueira de utilidade: Amarela
    pressão                                                     com faixa preta ou verde com faixa
●   Mangueira de utilidade                                      preta
                                           S-NT201
                                                            Conexão da mangueira ao medidor:
                                                            ●   1/2″-16 ACME


Acopladores de serviço
                                                            Conexão da mangueira à mangueira
●   Acoplador do lado de alta
                                                            de serviço:
    pressão
                                                            Conexão M14 x 1,5 é opcional ou per-
●   Acoplador do lado de baixa                              manentemente fixada.
    pressão
                                           S-NT202




                                      ATC-19
PREPARAÇÃO

 Número da ferramenta
                                                       Descrição
 Nome da ferramenta


                                                       Para medir a quantidade de
                                                       refrigerante
 Balança de pesagem de refriger-
                                                       Tamanho da conexão: Tamanho da
 ante
                                                       rosca
                                                       1/2″-16 ACME
                                          S-NT200

                                                       Capacidade:
                                                       ●   Deslocamento de ar: 4 CFM
                                                       ●   Capacidade em mícron: 20 mícron
 Bomba de vácuo
 (Incluindo a válvula de                               ●   Capacidade de óleo: 482 g
 isolamento)                                               (17 onças)
                                                           Tamanho da conexão: Tamanho da
                                                           rosca
                                          S-NT203
                                                       ●   1/2″-16 ACME


Ferramentas Comerciais                                                                 EJS006AV



 Número da ferramenta
                                                       Descrição
 Nome da ferramenta



 (J-44614)
                                                       Ferramenta de fixação do disco da
 Ferramenta de fixação do disco
                                                       embreagem
 da embreagem                                 WHA230




                                     ATC-20
SISTEMA DE REFRIGERAÇÃO

SISTEMA DE REFRIGERAÇÃO                                                                           PFP:KA990
                                                                                                                A
Ciclo do Refrigerante                                                                                EJS006AW


FLUXO DE REFRIGERANTE
O refrigerante flui no modelo padrão, ou seja, através do compressor, o condensador com o reservatório de        B
líquido, através do evaporador e de volta ao compressor. A evaporação do refrigerante através do evaporador
é controlada através de uma válvula de expansão equalizada externamente e localizada dentro do alojamento
do evaporador.                                                                                                  C

PROTEÇÃO CONTRA CONGELAMENTO
Sob condições de operação normal, quando o sistema de A/C estiver ligado, o compressor funciona conti-          D
nuamente; desta forma a pressão do evaporador e a temperatura são controladas pelo compressor de deslo-
camento variável V-6 para evitar o congelamento.

Proteção do Sistema de Refrigeração                                                                  EJS006AX
                                                                                                                E

SENSOR DE PRESSÃO DO REFRIGERANTE
O sistema de refrigerante é protegido contra pressão excessivamente alta ou baixa através de um sensor de       F
pressão de refrigerante, localizado no condensador. Caso a pressão do sistema seja aumentada ou diminuída
abaixo das especificações, o sensor de pressão de refrigerante detecta a pressão dentro da linha de
refrigerante e envia um sinal de voltagem ao ECM.
O ECM desenergiza o relé do A/C para desacoplar a embreagem do compressor magnético quando a                    G
pressão no lado de alta pressão detectada pelo sensor de pressão de refrigerante estiver acima de aproxima-
damente 2,746 kPa (28 kg/cm2, 398 psi), ou abaixo de aproximadamente 120 kPa (1,22 kg/cm2, 17,4 psi).
                                                                                                                H



                                                                                                                 I


                                                                                                                 J
                                                                                                                ATC


                                                                                                                K


                                                                                                                 L



                                                                                                                M




                                                ATC-21
SISTEMA DE REFRIGERAÇÃO

VÁLVULA DE ALÍVIO DE PRESSÃO
O sistema de refrigerante também é protegido por uma válvula de alívio de pressão, localizada na cabeça
traseira do compressor.
Quando a pressão do refrigerante no sistema aumenta atingindo um nível anormal [mais de 2,990 kPa (30,5
kg/cm2, 433,6 psi)], o orifício de liberação na válvula de alívio de pressão automaticamente é aberto e libera o
refrigerante para a atmosfera.




                                                                                                      MJIB0323E




                                                  ATC-22
SISTEMA DE REFRIGERAÇÃO

Componentes                                            EJS006AY
                                                                  A
SISTEMA DE REFRIGERAÇÃO

                                                                   B


                                                                  C


                                                                  D


                                                                  E



                                                                  F


                                                                  G


                                                                  H



                                                                   I


                                                                   J
                                                                  ATC


                                                                  K


                                                                   L



                                                                  M




                                               MJIB0209E




                             ATC-23
SISTEMA DE REFRIGERAÇÃO

1.   Saída do descongelador          6. Duto de ventilação central            9. Duto do conector do assoalho
2.   Duto de desembaçamento – LE     7. Conjunto da unidade do aquecimento   10. Duto do assoalho dianteiro
3.   Duto do ventilador – LE            e resfriamento                       11. Duto do assoalho traseiro
4.   Duto de desembaçamento – LD     8. Difusores do duto do conector do
                                        assoalho
5.   Duto do ventilador – LD




                                                 ATC-24
LUBRIFICANTE

LUBRIFICANTE                                                                                                           PFP:KLG00
                                                                                                                                       A
Manutenção da Quantidade de Lubrificante no Compressor                                                                      EJS006AZ


O lubrificante no compressor circula através do sistema com o refrigerante. Adicione lubrificante no compres-
sor ao substituir qualquer componente ou após a ocorrência de um grande vazamento de refrigerante. É                                   B
importante manter sempre a quantidade especificada.
Caso a quantidade de lubrificante não seja mantida adequadamente, poderão ocorrer as seguintes falhas:
●   Falta de lubrificante: Poderá emperrar o compressor                                                                                C
●   Lubrificante excessivo: Arrefecimento inadequado (interferência de troca térmica)
LUBRIFICANTE
Nome: Lubrificante para Sistema de A/C, tipo S (DH-PS) NISSAN ou equivalente                                                           D
Número de peça: KLH00-PAGS0
INSPEÇÃO E AJUSTE                                                                                                                      E
CUIDADO:
Caso seja observado um vazamento excessivo de lubrificante, não efetue a operação de retorno de
lubrificante.                                                                                                                          F
Dê partida ao motor e ajuste as seguintes condições:
Condição de Teste
                                                                                                      G
●   Rotação do motor: Marcha-lenta em 1.200 rpm
●   Interruptor de A/C: On
●   Rotação do ventilador: Posição máxima                                                             H
                                                                                                     ATC
●   Controle de temperatura: Opcional [Ajuste de maneira que a temperatura do ar de entrada seja 25°
    a 30°C (77° a 86°F)]
●   Posição de entrada: Recirculação (         )
                                                                                                      I
●   Efetue a operação de retorno de lubrificante durante aproximadamente 10 minutos
Ajuste a quantidade de lubrificante de acordo com a tabela a seguir.
Procedimento de Ajuste do Lubrificante para Componentes de Reposição Exceto Compressor                                                 J
Após substituir qualquer um dos seguintes componentes principais, adicione a quantidade correta de lubrifi-
cante ao sistema.
Quantidade de lubrificante a ser adicionada:                                                                                           K
                                              Lubrificante a ser adicionado ao sistema
              Peça substituída                        Quantidade de lubrificante                          Notas
                                                                                                                                       L
                                                            ml (Imp fl oz)
 Evaporador                                                   75 (2.6)                                       —
 Condensador                                                  75 (2.6)                                       —
                                                                                           Adicionar caso o compressor não tenha       M
 Líquido do tanque                                             5 (0.2)
                                                                                                      sido substituído.
                                                               30 (1.1)                              Vazamento grande
 Em caso de vazamento de refrigerante
                                                                 —                                 Vazamento pequeno *1
*1: Caso o vazamento de refrigerante seja pequeno, não será necessário adicionar lubrificante.
Procedimento de Ajuste do Lubrificante ao Substituir o Compressor
1. Antes de conectar o dispositivo de recuperação / reciclagem no veículo, inspecione os medidores do dis-
   positivo. Não deverá ser exibida nenhuma pressão de refrigerante. Caso NEGATIVO, recupere o refrige-
   rante das linhas do dispositivo.
2. Conecte o dispositivo de recuperação / reciclagem no veículo. Confirme a pureza do refrigerante no
   tanque, utilizando o dispositivo de recuperação / reciclagem e o identificador de refrigerante. Caso NE-
   GATIVO, consulte EC-5, "Refrigerante Contaminado".
3. Confirme a pureza do refrigerante no sistema de A/C do veículo, utilizando o dispositivo de recuperação /
   reciclagem e o identificador de refrigerante. Caso NEGATIVO, consulte EC-5, "Refrigerante Contami-
   nado".



                                                            ATC-25
LUBRIFICANTE

4.   Coloque o refrigerante no dispositivo de recuperação / reciclagem de refrigerante. Meça a quantidade de
     refrigerante colocada no dispositivo de recuperação / reciclagem.
5.   Drene o lubrificante do compressor antigo (removido) em um recipiente graduado e recupere a quan-
     tidade de lubrificante drenado.
6.   Drene o lubrificante do novo compressor em um recipiente separado e limpo.
7.   Meça uma quantidade igual àquela que foi drenada do compressor antigo para adicionar ao novo. Adi-
     cione este lubrificante ao novo compressor através da abertura do orifício de sucção.
8.   Meça uma quantidade de lubrificante novo igual àquela que foi recuperada durante a descarga. Adicione
     este lubrificante ao novo compressor através da abertura do orifício de sucção.
9.   Caso o tanque de líquido necessite também ser substituído, adicione uma quantidade adicional de 5 ml
     (0,2 imp fl oz) de lubrificante neste momento. Não adicione 5 ml (0,2 Imp fl oz) de lubrificante caso
     esteja apenas substituindo o compressor.




                                                                                                   RHA065DI




                                                 ATC-26
CONTROLE DO CONDICIONADOR DE AR

CONTROLE DO CONDICIONADOR DE AR                                                                      PFP:27500
                                                                                                                   A
Descrição                                                                                               EJS006B0


O controle de ar dianteiro permite a regulagem automática da temperatura interna do veículo. O sistema está
baseado na temperatura ajustada pelo motorista e passageiro, independentemente das alterações da tem-
peratura externa.
Isto é efetuado através de um microcomputador, também conhecido como controle de ar dianteiro, que
recebe sinais de entrada dos seis sensores a seguir:                                                               C
●    Sensor de temperatura-ambiente
●    Sensor de temperatura interna
●    Sensor de entrada                                                                                             D
●    Sensor ótico (um sensor para o lado do motorista e passageiro)
●    PBR (Resistor de Compensação de Posição.
                                                                                                                   E
●    Sensor de velocidade do veículo
O controle de ar dianteiro utiliza estes sinais (incluindo a temperatura de ajuste) para controlar automatica-
mente:
                                                                                                                   F
●    Volume do ar de saída
●    Temperatura do ar
●    Distribuição do ar                                                                                            G
O controle de ar dianteiro é utilizado para selecionar:
●    Volume do ar de saída
●    Temperatura / Distribuição do Ar                                                                              H


Funcionamento                                                                                           EJS006B1

                                                                                                                   I
CONTROLES DE MISTURA DE AR
Os defletores de mistura de ar são automaticamente controlados de maneira que a temperatura interna do
veículo seja mantida de acordo com um valor pré-estabelecido, pelo ajuste de temperatura, temperatura- ATC
                                                                                                        J
ambiente, temperatura interna do veículo e quantidade de calor solar.
CONTROLE DE VELOCIDADE DO VENTILADOR
A velocidade do ventilador é automaticamente controlada pelo ajuste de temperatura, temperatura-ambiente,          K
temperatura interna do veículo, temperatura de entrada, quantidade de calor solar e posição dos defletores de
mistura de ar.
Quando o interruptor AUTO é pressionado, o motor do ventilador começa a aumentar gradativamente o vo-              L
lume de fluxo de ar (se necessário).
Quando a temperatura do líquido de arrefecimento do motor estiver baixa, o funcionamento do motor do ven-
tilador é retardado para evitar a entrada de ar frio.                                                              M
CONTROLE DE ENTRADA
O defletor de entrada é automaticamente controlado pelo ajuste de temperatura, temperatura-ambiente, tem-
peratura interna do veículo, temperatura de entrada, quantidade de calor solar e pelo acionamento/desliga-
mento do compressor.
CONTROLE DE MODO
O defletor de modo é automaticamente controlado pelo ajuste de temperatura, temperatura-ambiente, tem-
peratura interna do veículo, temperatura de entrada e quantidade de calor solar.
CONTROLE DO DESCONGELADOR
O defletor do descongelador é controlado por: Ao girar o seletor do descongelador para o descongelador
dianteiro.




                                                 ATC-27
CONTROLE DO CONDICIONADOR DE AR

CONTROLE DA EMBREAGEM MAGNÉTICA




                                                                                                  WJIA1163E


Quando os interruptor de A/C ou DEF forem pressionados, o controle do ar dianteiro leva um sinal ON do
compressor ao BCM.
O BCM envia o sinal ON do compressor ao ECM, através da linha de comunicação CAN.
O ECM avalia se o compressor pode ser ligado, baseado na situação de cada sensor (sinal do sensor de
pressão do refrigerante, sensor do ângulo do acelerador, etc.). Caso seja avaliado que o compressor pode ser
ligado, ele envia um sinal ON do compressor ao IPDM E/R, através da linha de comunicação CAN.
Após receber o sinal ON do compressor do ECM, o IPDM E/R aciona o relé do ar condicionado para que o
compressor funcione.

SISTEMA DE AUTO-DIAGNÓSTICO
O sistema de auto-diagnóstico está embutido no controle de ar dianteiro para localizar rapidamente a causa
dos sintomas. Consulte EC-50, "Função de Auto-diagnóstico do Sistema de A/C".




                                                 ATC-28
CONTROLE DO CONDICIONADOR DE AR

Descrição do Sistema de Controle                                                                    EJS006B2
                                                                                                               A
O sistema de controle compreende sensores de entrada, interruptores, controle dianteiro do ar (microcom-
putador) e saídas.
A relação entre estes componentes é mostrada na figura abaixo:



                                                                                                               C


                                                                                                               D


                                                                                                               E



                                                                                                               F


                                                                                                               G


                                                                                                               H



                                                                                                                I


                                                                                                               ATC
                                                                                                                J



                                                                                                               K
                                                                                              WJIA1279E


Funcionamento do Controle                                                                           EJS006B3    L
                                       Controle dianteiro do ar

                                                                                                               M




                                                                                              MJIB0333E



                                               ATC-29
CONTROLE DO CONDICIONADOR DE AR

TELA DO MOSTRADOR
Exibe a situação operacional do sistema.
AUTO-INTERRUPTOR
●   O compressor, defletor de entrada, defletores de mistura de ar, defletores e velocidade do ventilador são
    automaticamente controlados de maneira que a temperatura interna do veículo atinja e mantenha a tem-
    peratura selecionada pelo operador.
●   Ao pressionar o interruptor AUTO, o ar de entrada, ar de saída, velocidade do ventilador e a temperatura
    do ar de descarga são automaticamente controlados.
SELETOR DE CONTROLE DE TEMPERATURA (CONTROLE DE TEMPERATURA)
(LADO DO MOTORISTA)
Aumenta ou diminui a temperatura ajustada.
SELETOR DE CONTROLE DE TEMPERATURA (CONTROLE DE TEMPERATURA)
(LADO DO PASSAGEIRO)
Aumenta ou diminui a temperatura ajustada.
SELETOR DE CONTROLE DE TEMPERATURA (CONTROLE DE TEMPERATURA E MODO)
(TRASEIRO)
Aumenta ou diminui a temperatura ajustada. O modo também altera do ajuste da área dos pés (completa-
mente quente) para a posição intermediária (quente) e para a ventilação em completamente frio.
INTERRUPTOR DE RECIRCULAÇÃO (REC)
●   Quando o interruptor REC está ativado, o indicador do interruptor REC é ligado e a entrada de ar é ajus-
    tada em REC.
●   Quando o interruptor REC é desligado, ou quando o compressor é passado de ligado para desligado, o
    interruptor REC é automaticamente desligado. O modo REC pode ser novamente ativado, ao ser pres-
    sionado o interruptor REC mais uma vez.
●   O interruptor REC é acionado quando o interruptor DEF é ligado, ou quando estiver a posição D/F.
INTERRUPTOR DE DESCONGELAMENTO (DEF)
Posiciona o defletor de ar para a posição descongelamento. Também posiciona os defletores na posição de ar
externo.
INTERRUPTOR DO DESEMBAÇADOR DO VIDRO TRASEIRO
Quando o interruptor está ligado, o vidro traseiro é desembaçado.
INTERRUPTOR OFF (DESLIGAR)
O compressor e o ventilador são desligados, o defletor de entrada é ajustado para a posição de ar externo e
os defletores de ar são ajustados para a posição da área dos pés (75% área dos pés e 25% descongela-
mento).
INTERRUPTOR DE A/C
O compressor é ligado ou desligado.
(Ao pressionar o interruptor A/C quando o interruptor AUTO estiver ligado, o interruptor de A/C e o compres-
sor serão desligados.)
INTERRUPTOR DE MODO (DIANTEIRO)
Controla os difusores de ar.
SELETOR DE CONTROLE DO VENTILADOR DIANTEIRO
Controla manualmente a velocidade do ventilador. Estão disponível sete velocidades para o controle manual
(conforme exibido na tela do mostrador).
INTERRUPTOR DE MODO (TRASEIRO)
Controla o ar / temperatura nos difusores de ar.




                                                   ATC-30
CONTROLE DO CONDICIONADOR DE AR

Descarga do Fluxo de Ar                                EJS006B4
                                                                  A
DIANTEIRO




                                                                  C


                                                                  D
                                                   LJIA0172E



                                                                  E



                                                                  F


                                                                  G

                                                   MJIB0284E
                                                                  H



                                                                   I


                                                                  ATC
                                                                   J



                                                                  K


                                                                   L



                                                                  M




                             ATC-31
CONTROLE DO CONDICIONADOR DE AR

Descrição do Sistema                                           EJS006B5


INTERRUPTORES E RESPECTIVAS FUNÇÕES DE CONTROLE




                                                       MJIB0220E




                                                   WJIA1237E


                               ATC-32
CONTROLE DO CONDICIONADOR DE AR

Descrição do Sistema de Comunicação CAN                   EJS006B7
                                                                     A
Consulte LAN-47, "Tabela de Sinais da Comunicação CAN".




                                                                     C


                                                                     D


                                                                     E



                                                                     F


                                                                     G


                                                                     H



                                                                      I


                                                                     ATC
                                                                      J



                                                                     K


                                                                      L



                                                                     M




                                             ATC-33
DIAGNÓSTICO DE FALHAS

DIAGNÓSTICO DE FALHA                                                                                            PFP:00004

Funções de CONSULT-II (BCM)                                                                                          EJS006B8


CONSULT-II pode exibir cada item de diagnóstico utilizando os modos de teste de diagnóstico mostrados
abaixo.
 Item do teste de
                      Modo de Diagnóstico                                     Descrição
 diagnóstico BCM
                                            Dá suporte a inspeções e ajustes. Os comandos são transmitidos ao BCM para
                    SUPORTE DE TRABALHO     ajustar a situação adequada para a operação exigida, os sinais de entrada /
                                            saída são recebidos do BCM e os dados recebidos são exibidos.
                        DATA MONITOR        Exibe os dados de entrada / saída do BCM em tempo real.
                                            Funcionamento de cargas elétricas podem ser verificadas, enviando-se sinais de
  Inspeção por           ACTIVE TEST
                                            acionamento a elas.
      peça
                      SELF-DIAG RESULTS     Exibe os resultados do auto-diagnóstico.
                                            O resultado do diagnóstico de transmissão / recepção da comunicação CAN
                    CAN DIAG SUPPORT MNTR
                                            pode ser lido.
                      ECU PART NUMBER       O número de peça da BCM pode ser lido.
                       CONFIGURATION        Efetua as funções de leitura / gravação da configuração do BCM.

FUNCIONAMENTO BÁSICO CONSULT-II
CUIDADO:
Caso CONSULT-II seja utilizado sem nenhuma conexão do CONVERSOR CONSULT-II, a falha poderia
ser detectada no auto-diagnóstico, dependendo da unidade de controle que efetua a comunicação
CAN.
1. Com o interruptor de ignição desligado, conecte o CONSULT-II e
    o conversor CONSULT-II no conector da conexão de dados e
    ligue o interruptor de ignição.




                                                                                                               WJIA1078E




                                                   ATC-34
DIAGNÓSTICO DE FALHAS

2.   Pressione “START” (VEÍCULO NISSAN)”.
                                                                               A



                                                                               B


                                                                               C

                                                                   BCIA0029E
                                                                               D
3.   Pressione “BCM” na tela “SELECT SYSTEM” (Selecionar
     sistema). Caso não seja indicado “BCM”, passe para GI-50,
     "Circuito dos Conectores (DLC) do Link de Dados do CONSULT-               E
     II".


                                                                               F


                                                                               G
                                                                   BCIA0030E


MONITOR DE DADOS
                                                                               H
Procedimento de Operação
1. Pressione “AIR CONDITIONER” na tela “SELECT TEST ITEM”.
                                                                               I


                                                                                J
                                                                               ATC

                                                                   WJIA0468E
                                                                               K
2.   Pressione “DATA MONITOR” na tela “SELECT DIAG MODE”.

                                                                               L



                                                                               M




                                                                   BCIA0031E




                                              ATC-35
DIAGNÓSTICO DE FALHAS

3.     Pressione “ALL SIGNALS” (todos os sinais) ou “SELECTION
       FROM MENU” (Seleção do Menu) na tela “DATA MONITOR”
       (monitor de dados).
 Todos os sinais          Monitoram todos os itens.
                          Seleciona e monitora separadamente o item
 Seleção do menu
                          selecionado

4.     Quando “SELECTION FROM MENU” for selecionado, pressione
       os itens a serem monitorados. Quando “ALL SIGNALS” for sele-
       cionado, todos os itens serão monitorados.
                                                                                                WJIA0469E
5.     Pressione “START” (iniciar).
6.     Pressione “RECORD” enquanto o monitoramento estiver sendo efetuado, desta forma a situação do item
       monitorado pode ser gravada. Para interromper a gravação, pressione “STOP”.

Lista de Itens do Mostrador
       Nome do item do monitor
                                                                                 Índice
     “OPERAÇÃO OU UNIDADE”
                                    Exibe a situação “IGN Position (ON)/OFF, ACC Position (OFF)” conforme avaliado a partir do sinal
 IGN ON SW            “ON/OFF”
                                    do interruptor de ignição.
                                    Exibe a situação “COMP (ON)/COMP (OFF)” conforme avaliado a partir do sinal do interruptor do
 COMP ON SIG          “ON/OFF”
                                    ar condicionado.
                                    Exibe a situação “FAN (ON)/FAN (OFF)” conforme avaliado a partir do sinal do interruptor do motor
 FAN ON SIG           “ON/OFF”
                                    do ventilador.



Como Efetuar o Diagnóstico de Falhas para uma Reparação
Precisa e Rápida                                                                                                               EJS006B9


FLUXOGRAMA DE DIAGNÓSTICO




                                                                                                                            SHA900E

*1 EC-52, "Inspeção Operacional".




                                                            ATC-36
DIAGNÓSTICO DE FALHAS

TABELA DE SINTOMAS
                                                                                                                                 A
                  Sintoma                                                   Referências Página
                                                                                                              EC-56, "Circuito
                                                                                                             de Alimentação e
                                              Passe ao Procedimento de Diagnóstico de Falhas do Sistema de
O sistema A/C não é ligado.                                                                                       Massa do       B
                                              A/C.
                                                                                                               Controle de Ar
                                                                                                                 Dianteiro"
O mostrador do sistema de A/C está                                                                            AV-56, "Sistema
                                              Passe a “Sistema de Navegação’.                                                    C
apresentando falha.                                                                                           de Navegação"
                                                                                                              EC-50, "Função
                                                                                                                  de Auto-
O sistema de A/C não pode ser controlado.     Passe à Função de Auto-diagnóstico.
                                                                                                               diagnóstico do    D
                                                                                                             Sistema de A/C"
O defletor de ar não é alterado.                                                                              EC-59, "Circuito
                                              Passe ao Procedimento de Diagnóstico de Falhas do Motor do
O motor do defletor de modo está                                                                               do Motor do
                                              defletor de modo.                                                                  E
apresentando falha.                                                                                          Defletor de Modo"
A temperatura do ar de descarga não é                                                                        EC-64, "Circuito
alterada.                                     Passe ao Procedimento de Diagnóstico de Falhas do Motor do       do Motor do
O motor do defletor de mistura de ar está     defletor de mistura de Ar.                                       Defletor de       F
apresentando falha.                                                                                           Mistura de Ar"
O defletor de entrada não é alterado.                                                                        EC-73, "Circuito
                                              Passe ao Procedimento de Diagnóstico de Falhas do Motor do      do Motor do
O motor do defletor de entrada está apre-                                                                                        G
                                              Defletor de Entrada.                                             Defletor de
sentando falha.
                                                                                                                Entrada"
O motor do defletor do descongelador está     Passe ao Procedimento de Diagnóstico de Falhas do Motor do
apresentando falha.                           Defletor do Descongelador.                                                         H
                                                                                                             EC-76, "Circuito
O funcionamento do motor do ventilador        Passe ao Procedimento de Diagnóstico de Falhas do Motor do
                                                                                                               do Motor do
está apresentando falha.                      Ventilador.
                                                                                                                Ventilador"
                                                                                                             EC-83, "Circuito     I
                                              Passe ao Procedimento de Diagnóstico de Falhas da
A embreagem magnética não acopla.                                                                            da Embreagem
                                              Embreagem Magnética.
                                                                                                                Magnética"
                                                                                                                  EC-89,
                                              Passe ao Procedimento de Diagnóstico de Arrefecimento                               J
                                                                                                                                 ATC
Arrefecimento insuficiente                                                                                   "Arrefecimento
                                              Insuficiente.
                                                                                                               Insuficiente"
                                                                                                                  EC-96,
Aquecimento insuficiente                      Passe ao Procedimento de Diagnóstico de Falha para
                                                                                                              "Aquecimento       K
                                              Aquecimento Insuficiente.
                                                                                                               Insuficiente"
Ruído                                         Passe ao Procedimento de Diagnóstico de Falhas para Ruído.     EC-97, "Ruído"
                                              Passe ao Procedimento de Diagnóstico de Falha para              EC-98, "Auto-
O auto-diagnóstico não pode ser efetuado.
                                              Auto-diagnóstico.                                                diagnóstico"
                                                                                                                                  L
                                              Passe ao Procedimento de Diagnóstico de Falha para Função      EC-99, "Função
A função de memória não funciona.
                                              de Memória.                                                      de Memória"
                                                                                                                                 M




                                                         ATC-37
DIAGNÓSTICO DE FALHAS

Localização das Peças do Componente e Conectores do Chicote           EJS006BA


COMPARTIMENTO DO MOTOR




                                                              MJIB0155E



                                ATC-38
DIAGNÓSTICO DE FALHAS

COMPARTIMENTO DE PASSAGEIRO DIANTEIRO
                                                          A



                                                          B


                                                          C


                                                          D


                                                          E



                                                          F


                                                          G


                                                          H



                                                           I


                                                           J
                                                          ATC


                                                          K


                                                           L



                                                          M




                                              MJIB0326E




                               ATC-39
DIAGNÓSTICO DE FALHAS

Diagrama                                  EJS006BB




                                   MJWA0176E




                  ATC-40
DIAGNÓSTICO DE FALHAS

Diagrama de Circuito – A/C –                            EJS006BC
                                                                   A



                                                                   B


                                                                   C


                                                                   D


                                                                   E



                                                                   F


                                                                   G


                                                                   H



                                                                    I


                                                                    J
                                                                   ATC


                                                                   K


                                                                    L



                                                                   M




                                                 MJWA0177E




                                ATC-41
DIAGNÓSTICO DE FALHAS




                        MJWA0178E




       ATC-42
DIAGNÓSTICO DE FALHAS


                                    A



                                    B


                                    C


                                    D


                                    E



                                    F


                                    G


                                    H



                                     I


                                     J
                                    ATC


                                    K


                                     L



                                    M




                        MJWA0179E




       ATC-43
DIAGNÓSTICO DE FALHAS




                        MJWA0180E




       ATC-44
DIAGNÓSTICO DE FALHAS


                                    A



                                    B


                                    C


                                    D


                                    E



                                    F


                                    G


                                    H



                                     I


                                     J
                                    ATC


                                    K


                                     L



                                    M




                        MJWA0181E




       ATC-45
DIAGNÓSTICO DE FALHAS




                        MJWA0182E




       ATC-46
DIAGNÓSTICO DE FALHAS


                                    A



                                    B


                                    C


                                    D


                                    E



                                    F


                                    G


                                    H



                                     I


                                     J
                                    ATC


                                    K


                                     L



                                    M




                        MJWA0183E




       ATC-47
DIAGNÓSTICO DE FALHAS

Terminais de Controle de Ar Dianteiros e Valor de Referência                                                                EJS006BF


Meça a voltagem entre cada terminal e a massa, seguindo Terminais
e Valor de Referência para controle dianteiro do ar.




                                                                                                                       MJIB0327E

ESQUEMA DO TERMINAL DO CONECTOR DO PINO




                                                                                                                       MJIB0159E


TERMINAIS E VALOR DE REFERÊNCIA DO CONTROLE DE AR DIANTEIRO
Terminal   Cor do                                        Interruptor                                      Voltagem (V)
                                   Item                                        Condição
   Nº       fio                                          de ignição                                         (Aprox.)
   1        BR      Motor do defletor de modo CW            ON         Sentido horário           Voltagem da bateria
                    Motor do defletor de mistura de ar
   2         W                                              ON         Sentido horário           Voltagem da bateria
                    (motorista) CW
                    Motor do defletor de mistura de ar
   3         G                                              ON         Sentido anti-horário      Voltagem da bateria
                    (motorista) CCW
   4         Y      Motor do defletor de entrada CW         ON         Sentido anti-horário      Voltagem da bateria
   5         O      Motor do defletor de entrada CCW        ON         Sentido horário           Voltagem da bateria
   6         P      Alimentação para IGN                    ON                      -            Voltagem da bateria
                    Aquecedor do banco (Modelos                        Aquecedor do banco ON     Voltagem da bateria
   7         Y                                              ON
                    ALE)                                               Aquecedor do banco OFF    0V
                                                                       Luzes de estacionamento
   8         G      Iluminação +                            ON                                   Voltagem da bateria
                                                                       ON




                                                                       Luzes de estacionamento
   9         B      Iluminação -                              -
                                                                       ON


                                                                                                                        PIIA2344E
                                                            ON         Interruptor do A/C OFF    5V
   10        W      Sinal ON do Compressor
                                                            ON         Interruptor do A/C ON     0V
                    Solicitação de descongelamento
   11        Y                                              ON                      -            Voltagem da bateria
                    traseiro
   12        L      Sensor de Entrada                       ON                      -            0 - 5V
   13        V      Massa do sensor                         ON                      -            0 - 5V
   14        R      Motor do defletor de modo CCW           ON         Sentido anti-horário      Voltagem da bateria



                                                          ATC-48
DIAGNÓSTICO DE FALHAS

Terminal   Cor do                                        Interruptor                                        Voltagem (V)
                                   Item                                          Condição                                  A
   Nº       fio                                          de ignição                                           (Aprox.)
                    Motor do defletor de mistura de ar
   15        P                                              ON         Sentido horário             Voltagem da bateria
                    (passageiro) CW
                    Motor do defletor de mistura de ar                                                                     B
   16       LG                                              ON         Sentido anti-horário        Voltagem da bateria
                    (Passageiro) CCW
   19       GR      Alimentação para BAT                      -                     -              Voltagem da bateria
   20        B      Massa                                     -                     -              0V                      C
                    Retorno do motor do defletor de
   21        V                                              ON                      -              0 - 5V
                    modo ON
                    Retorno do motor do defletor de
   22       SB                                              ON                      -              0 - 5V                  D
                    mistura de ar (motorista)
   23        G      Alimentação do sensor                   ON                      -              5V
   26        P      Retorno do sensor                        ON                     -              0V
                                                                                                                           E
   27        R      Sinal do sensor interno do veículo      ON                      -              0 - 5V
   28        W      Sensor de temperatura-ambiente          ON                      -              0 - 5V
   29        G      Sensor Ótico (Motorista)                ON                      -              0 - 5V
                                                                                                                           F
                    PTC relé do aquecedor 1                            Relé ON                     Voltagem da bateria
   31        P      (Modelos ALE)                           ON
                                                                       Relé OFF                    0V
   32        V      Controle variável do ventilador         ON                      -              0 - 5V
                                                                                                                           G
                    Motor do sensor interno do veículo
   33       BR                                              ON                      -              Voltagem da bateria
                    (+)
                    Motor do sensor interno do veículo
   34        O                                              ON                      -              0V                      H
                    (-)
                                                                       Interruptor do ventilador
                                                            ON                                     5V
                                                                       OFF
   35       LG      Sinal ON do ventilador
                                                                       Interruptor do ventilador                            I
                                                            ON                                     0V
                                                                       ON
                    Motor do defletor de mistura de ar
   36       SB      (Passageiro)                            ON                      -              0 - 5V
                    retorno                                                                                                 J
                                                                                                                           ATC
   37       GR      Sensor Ótico (Passageiro)               ON                      -              0 - 5V
                                                                       Motor do ventilador OFF     Voltagem da bateria
   38        B      Solicitação do ventilador               ON                                                             K
                                                                       Motor do ventilador ON      0V
                    PTC relé do aquecedor 2                            Relé ON                     Voltagem da bateria
   40       LG      (Modelos ALE)                           ON
                                                                       Relé OFF                    0V
                                                                                                                            L
   41        L      CAN-H                                   ON                      -              0 - 5V
   42        P      CAN-L                                   ON                      -              0 - 5V
                    PTC relé do aquecedor 3                            Relé ON                     Voltagem da bateria
   43       BR      (Modelos ALE)                           ON                                                             M
                                                                       Relé OFF                    0V
                    Aquecedor do espelho retrovisor                    Aquecedor OFF               0V
   44        R                                              ON
                    (Modelos ALE)                                      Aquecedor ON                Voltagem da bateria




                                                          ATC-49
DIAGNÓSTICO DE FALHAS

Função de Auto-diagnóstico do Sistema de A/C                                                            BJS0000X


DESCRIÇÃO
O sistema de auto-diagnóstico faz o diagnóstico de sensores, motores dos defletores, motor do ventilador,
etc.
COMO ATIVAR O MODO DE AUTO-DIAGNÓSTICO
CONDIÇÃO:
O auto-diagnóstico deve ser efetuado a temperaturas-ambientes superiores a 10°C.


1.   Ligue o interruptor de ignição.Gire o seletor de controle do venti-
     lador dianteiro no sentido anti-horário e o seletor de controle de
     temperatura no sentido horário ao mesmo tempo, conforme
     mostrado na figura e a seguir mantenha-os pressionado por 1
     segundo.




                                                                                                    MJIB0335E


2.   Libere ambos os seletores e pressione AUTO SWITCH dentro
     de 3 segundos.




                                                                                                    MJIB0336E


3.   A indicação da velocidade do ventilador dianteiro no mostrador irá piscar até que o código de auto-diag-
     nóstico seja indicado.
     (O auto-diagnóstico é realizado durante o fluxo da indicação.)
4.   O código de auto-diagnóstico será indicado no mostrador. (Caso não seja detectada nenhuma falha, será
     exibido “00”.)
     Consulte EC-51, "TABELA DE CÓDIGOS DE AUTO-DIAGNÓSTICO".
NOTA:
O modo de auto-diagnóstico será encerrado após ser pressionado qualquer interruptor relacionado ao con-
trole de ar dianteiro.




                                                    ATC-50
DIAGNÓSTICO DE FALHAS

TABELA DE CÓDIGOS DE AUTO-DIAGNÓSTICO
                                                                                                                              A
 Code No.                                                         Reference page
   00       Sem falha                                                 –
                                                                                                                              B
   02       EE alterado por calibração                                EC-111, "REMOÇÃO"
            Falha do circuito do motor do defletor de mistura de      EC-67, "PROCEDIMENTO DE DIAGNÓSTICO DO MOTOR
   12
            ar (motorista)                                            DO DEFLETOR DE MISTURA DE AR (MOTORISTA)"
                                                                                                                              C
                                                                      EC-84, "PROCEDIMENTO DE DIAGNÓSTICO PARA SIN-
   20       BCM não está respondendo à solicitação do A/C
                                                                      TOMA DE EMBREAGEM MAGNÉTICA"
            BCM não está respondendo à solicitação do
   21                                                                 GW-47, "DESEMBAÇADOR DO VIDRO TRASEIRO"                 D
            descongelador traseiro
            Falha do circuito do motor do defletor de mistura de      EC-69, "PROCEDIMENTO DE DIAGNÓSTICO DO MOTOR
   22
            ar (passageiro)                                           DO DEFLETOR DE MISTURA DE AR (PASSAGEIRO)"
                                                                                                                              E
            Circuito do sensor interno do veículo fora da faixa
   30
            (baixo)                                                   EC-103, "Circuito do Sensor de Temperatura Interna do
            Circuito do sensor interno do veículo fora da faixa       Veículo"
   31                                                                                                                         F
            (alto)
   40       Sensor de temperatura-ambiente 1 curto-circuito
                                                                      EC-100, "Circuito do Sensor de Temperatura-Ambiente"
   41       Sensor de temperatura-ambiente 1 circuito aberto
                                                                                                                              G
   50       Sensor ótico (motorista) circuito aberto ou em curto
            Sensor ótico (passageiro) circuito aberto ou em           EC-107, "Circuito do Sensor Ótico"
   52
            curto                                                                                                             H
   56       Sensor de entrada curto-circuito
                                                                      EC-109, "Circuito do Sensor de Entrada"
   57       Sensor de entrada circuito aberto
            Falha no circuito do motor do defletor do                                                                          I
   62
            descongelador
   80       Falha no coletor CAN
                                                                      LAN-47, "Tabela de Sinais da Comunicação CAN"            J
   81       Mensagem do BCM CAN faltando                                                                                      ATC
            Falha do circuito do motor do defletor de entrada         EC-75, "PROCEDIMENTO DE DIAGNÓSTICO DO MOTOR
   82
            (motorista)                                               DO DEFLETOR DE ENTRADA"
                                                                                                                              K
   90       Botão emperrado                                           EC-111, "REMOÇÃO".
   92       Falha do circuito do motor do defletor de modo            EC-59, "Circuito do Motor do Defletor de Modo"
                                                                                                                               L



                                                                                                                              M




                                                         ATC-51
DIAGNÓSTICO DE FALHAS

Inspeção Operacional                                                                             EJS006BH


O objetivo da inspeção operacional é confirmar se o sistema está funcionando corretamente.
      Condições         : Motor funcionando em temperatura normal de operação

INSPEÇÃO DA FUNÇÃO DE MEMÓRIA
1.   Ajuste a temperatura em 32°C (90°F).




2.   Gire o seletor de controle do ventilador no sentido anti-horário
     até que o sistema seja desligado.
3.   Desligue o interruptor de ignição.
4.   Ligue o interruptor de ignição.




                                                                                             MJIB0335E


5.   Pressione o interruptor AUTO.
6.   Confirme se a temperatura ajustada permanece na temperatura
     anterior.




                                                                                             MJIB0336E


7.  Gire o seletor de controle do ventilador no sentido anti-horário
    até que o sistema seja desligado.
Se NEGATIVO, passe ao procedimento de diagnóstico de falha para
EC-99, "Função de Memória".
Se estiver OK, continue com a próxima inspeção.




                                                                                             MJIB0335E




                                                  ATC-52
DIAGNÓSTICO DE FALHAS

INSPEÇÃO DO VENTILADOR
                                                                                   A
1.  Pressione o interruptor AUTO. O ventilador deve funcionar em
    baixa velocidade.
    Uma pá do símbolo do ventilador deve acender (no mostrador).
2. Gire o seletor de controle do ventilador novamente e continue                   B
    verificando a velocidade do ventilador e o símbolo do ventilador
    até que todas as velocidades sejam verificadas.
3. Deixe o ventilador em velocidade máxima.                                        C
Se NEGATIVO, passe ao procedimento de diagnóstico de falha para
EC-78, "PROCEDIMENTO DE DIAGNÓSTICO DO MOTOR DO                        MJIB0337E
VENTILADOR".                                                                       D
Se estiver OK, continue com a próxima inspeção.

                                                                                   E
INSPEÇÃO DO AR DE DESCARGA
1.   Pressione o interruptor MODE quatro vezes e o interruptor DEF.
2.   Cada indicador de posição deve mudar o formato (no mostra-
     dor).                                                                         F


                                                                                   G



                                                                       MJIB0338E   H

3.  Confirme se o ar de descarga é acionado de acordo com a
    tabela de distribuição de ar. Consulte EC-31, "Descarga do                     I
    Fluxo de Ar".
A posição do defletor de modo será inspecionada na próxima etapa.
Se NEGATIVO, passe ao procedimento de diagnóstico de falha para                     J
EC-59, "Circuito do Motor do Defletor de Modo".                                    ATC
Se estiver OK, continue a inspeção.
NOTA:
                                                                                   K
Confirme se a embreagem do compressor está acoplada (inspeção
sonora ou visual) e se o defletor de entrada está posicionado em       MJIB0284E
Fresco quando DEF ou D/F for selecionado.
                                                                                   L



                                                                                   M




                                                 ATC-53
DIAGNÓSTICO DE FALHAS

INSPEÇÃO DE RECIRCULAÇÃO
1.  Pressione o interruptor de recirculação (   ) uma vez. O indica-
    dor de recirculação deve acender.
2. Pressione o interruptor de recirculação (     ) mais uma vez. O
    indicador de recirculação deve apagar.
3. Preste atenção quanto à mudança de posição do defletor de
    entrada (o ruído do ventilador deve mudar levemente).
Se NEGATIVO, passe ao procedimento de diagnóstico de falha para
EC-73, "Circuito do Motor do Defletor de Entrada".
Se estiver OK, continue com a próxima inspeção.                                         MJIB0339E
NOTA:
Confirme se a embreagem do compressor está acoplada (inspeção sonora ou visual) e se o defletor de
entrada está posicionado em Fresco quando DEF ou D/F for selecionado.

INSPEÇÃO DE DIMINUIÇÃO DE TEMPERATURA
1.   Gire o seletor de controle de temperatura (lado do motorista) no
     sentido anti-horário até que seja exibido 18°C (60°F).
2. Verifique quanto a ar frio nos defletores de ar apropriados.
Se NEGATIVO, ouça o ruído do funcionamento do motor do defletor
de mistura de ar. Se OK, passe ao procedimento de diagnóstico de
falha para EC-89, "Arrefecimento Insuficiente". Caso pareça que o
motor do defletor de mistura de ar esteja apresentando falha, passe
a EC-67, "PROCEDIMENTO DE DIAGNÓSTICO DO MOTOR DO
DEFLETOR DE MISTURA DE AR (MOTORISTA)" ou EC-69, "PRO-                                   MJIB0340E
CEDIMENTO DE DIAGNÓSTICO DO MOTOR DO DEFLETOR DE
MISTURA DE AR (PASSAGEIRO)".
Se estiver OK, continue a inspeção.

INSPEÇÃO DE AUMENTO DE TEMPERATURA
1.  Gire o seletor de controle de temperatura (lado do motorista) no
    sentido horário até que seja exibido 32°C (90°F).
2. Verifique quanto a ar quente nos defletores de ar apropriados.
    ● Se NEGATIVO, ouça o ruído do funcionamento do motor do
       defletor de mistura de ar. Se OK, passe ao procedimento de
       diagnóstico de falha para EC-96, "Aquecimento Insuficiente".
Caso pareça que o motor do defletor de mistura de ar esteja apre-
sentando falha, passe a EC-69, "PROCEDIMENTO DE DIAGNÓS-
TICO DO MOTOR DO DEFLETOR DE MISTURA DE AR
(PASSAGEIRO)".                                                                           MJIB0341E
Se estiver OK, continue com a próxima inspeção.




                                                  ATC-54
DIAGNÓSTICO DE FALHAS

INSPEÇÃO DO INTERRUPTOR DE A/C
                                                                                                              A
1.  Pressione o interruptor de A/C quando o interruptor AUTO
    estiver ligado, ou no modo manual.
2. O indicador do interruptor de A/C acenderá.
    ● Confirme se a embreagem do compressor é acoplada (ins-
                                                                                                              B
       peção sonora ou visual).
Se NEGATIVO, passe ao procedimento de diagnóstico de falha para
EC-83, "Circuito da Embreagem Magnética".                                                                     C
Se estiver OK, continue com a próxima inspeção.
                                                                                                 MJIB0342E
                                                                                                              D
INSPEÇÃO DO MODO AUTO
1.   Pressione o interruptor AUTO.
                                                                                                              E
2.   O mostrador deve exibir AUTO.
     ● Caso a temperatura-ambiente esteja quente, e a temperatura
       selecionada seja fria, confirme se a embreagem do compres-
                                                                                                              F
       sor é acoplada (inspeção sonora ou visual). (O ar de des-
       carga e a velocidade do ventilador irão depender das tempe-
       raturas-ambientes internas do veículo, bem como da tempe-
       ratura ajustada.                                                                                       G
Se NEGATIVO, passe ao procedimento de diagnóstico de falha para                                  MJIB0336E
EC-56, "Circuito de Alimentação e Massa do Controle de Ar
Dianteiro", a seguir, se necessário, efetue o procedimento de diagnóstico de falha para EC-83, "Circuito da   H
Embreagem Magnética".
Caso todos as inspeções operacionais estejam satisfatórias (o sintoma não pode repetido), passe aos testes
de simulação de falha em EC-36, "Como Efetuar o Diagnóstico de Falhas para uma Reparação Precisa e             I
Rápida" e efetue os testes conforme indicado para simular o ambiente das condições de condução. Caso o
sintoma apareça, consulte EC-36, "Como Efetuar o Diagnóstico de Falhas para uma Reparação Precisa e
Rápida", EC-37, "TABELA DE SINTOMAS" e efetue os procedimentos aplicáveis de diagnóstico de falha.
                                                                                                               J
                                                                                                              ATC


                                                                                                              K


                                                                                                               L



                                                                                                              M




                                                ATC-55
DIAGNÓSTICO DE FALHAS

Circuito de Alimentação e Massa do Controle de Ar Dianteiro                          EJS006BJ


SINTOMA: O sistema A/C não é ligado.
FLUXO DE INSPEÇÃO




                                                                              MJIB0343E

*1 EC-56, "Circuito de Alimentação e      *2 EC-52, "Inspeção Operacional".
   Massa do Controle de Ar Dianteiro".




                                                       ATC-56
DIAGNÓSTICO DE FALHAS

DESCRIÇÃO DO COMPONENTE
                                                                                                       A
Controle Dianteiro do Ar
O controle dianteiro de ar possui um microcomputador embutido que
processa as informações enviadas dos vários sensores necessários
para que o ar condicionado funcione. Os motores dos defletores de                                      B
mistura de ar, motor do defletor de modo, motor do defletor de
entrada, motor do defletor do descongelador, motor do ventilador e
compressor são então controlados.                                                                      C
O controle dianteiro de ar é unificado com os mecanismos de con-
trole. Quando os vários interruptores e seletores de temperatura são
                                                                                           MJIB0327E
acionados, os dados dão entrada no controle dianteiro de ar.
                                                                                                       D
As funções de auto-diagnóstico também estão embutidas no con-
trole dianteiro de ar para oferecer uma inspeção rápida das falhas no sistema do condicionador de ar
automático.
                                                                                                       E
Controle de Temperatura do Potenciômetro (PTC)
Existem dois PTCs (passageiro e motorista) embutidos no controle
dianteiro de ar. Eles podem ser ajustados em um intervalo de 0,5°                                      F
(1,0°F) na faixa de temperatura entre 18°C (60°F) e 32°C (90°F),
girando-se o seletor de temperatura. A temperatura ajustada é exi-
bida.                                                                                                  G


                                                                                                       H
                                                                                           MJIB0344E


                                                                                                        I
PROCEDIMENTO DE DIAGNÓSTICO DO SISTEMA DE A/C
SINTOMA: O sistema A/C não é ligado.
                                                                                                        J
                                                                                                       ATC


                                                                                                       K


                                                                                                        L
                                                                                           MJIB0180E



                                                                                                       M




                                               ATC-57
DIAGNÓSTICO DE FALHAS

1. VERIFICAR OS CIRCUITOS DE ALIMENTAÇÃO DO CONTROLE DIANTEIRO DE AR
1.   Desligue o interruptor de ignição.
2.   Desconecte o conector de controle dianteiro de ar.
3.   Ligue o interruptor de ignição.
4.   Verifique a voltagem entre os terminais 6 e 19 do conector M60
     do chicote do controle dianteiro de ar e a massa.

                   Terminais             Posição do interruptor de ignição
             (+)
 Conector
 do con-                        (-)      OFF           ACC           ON
   trole      Terminal Nº
                                                                                                 WJIA1082E
 dianteiro
   de ar
                                                                  Voltagem
     M60             6                 Aprox. 0V    Aprox. 0V
                                                                  da bateria
                               Massa
                                       Voltagem     Voltagem      Voltagem
     M60             19
                                       da bateria   da bateria    da bateria

OK ou NEGATIVO
OK >> PASSE PARA 2.
NEGATIVO >> Verifique os fusíveis de 10 A [nºs. 8 e 19, localizados no bloco de fusíveis (J/B)].
Consulte PG-83.
         ● Se os fusíveis estiverem OK, inspecione o chicote quanto a circuito aberto. Repare ou substitua,
           conforme necessário.
         ● Se os fusíveis estiverem NEGATIVO, substitua o fusível e inspecione o chicote quanto a curto-
           circuito. Repare ou substitua, conforme necessário.


2. VERIFICAR O CIRCUITO DE MASSA CONTROLE DIANTEIRO DE AR
1.   Desligue o interruptor de ignição.
2.   Verifique a continuidade entre o terminal 20 do conector M60 do
     chicote do controle dianteiro de ar e a massa.
       20 – Massa:         Deve existir continuidade.
OK ou NEGATIVO
OK >> Substitua o controle dianteiro de ar. Consulte EC-111,
        "REMOÇÃO".
NEGATIVO >> Repare o chicote ou o conector.
                                                                                                 WJIA1239E




                                                      ATC-58
DIAGNÓSTICO DE FALHAS

Circuito do Motor do Defletor de Modo                                                                      EJS006BK
                                                                                                                      A
SINTOMA:
●  O defletor de ar não é alterado.
●  O motor do defletor de modo não funciona normalmente.                                                              B

FLUXO DE INSPEÇÃO
                                                                                                                      C


                                                                                                                      D


                                                                                                                      E



                                                                                                                      F


                                                                                                                      G


                                                                                                                      H



                                                                                                                       I


                                                                                                                       J
                                                                                                                      ATC


                                                                                                                      K


                                                                                                                       L



                                                                                                                      M




                                                                                                     MJIB0345E


 1 EC-31, "Descarga do Fluxo de Ar".    *3 EC-50, "Função de Auto-diagnóstico   *5 EC-61, "PROCEDIMENTO DE DIAG-
*2 EC-52, "Inspeção Operacional".          do Sistema de A/C"                      NÓSTICO DO MOTOR DO DEFLE-
                                        *4 EC-51, "TABELA DE CÓDIGOS DE            TOR DE MODO".
                                           AUTO-DIAGNÓSTICO".




                                                    ATC-59
DIAGNÓSTICO DE FALHAS

DESCRIÇÃO DO SISTEMA
Peças de Componente
Os componentes do sistema de controle do difusor de modo são:
●   Controle dianteiro de ar
●   Motor do defletor de modo
●   PBR (embutido no motor do defletor de modo)
●   Sensor de temperatura interna
●   Sensor de temperatura-ambiente
●   Sensor ótico
●   Sensor de entrada

Funcionamento do Sistema
A posição do defletor de modo (ventilação, B/L, área dos pés e descongelamento) é ajustada pelo controle
dianteiro de ar, através do motor do defletor de modo. Quando uma posição do defletor de modo é sele-
cionada no controle dianteiro de ar, a voltagem é aplicada a um dos circuitos do modo do defletor de modo
enquanto a massa é aplicada a outro circuito, fazendo o motor do defletor de modo girar. O sentido de giro é
determinado pelo circuito ao qual a voltagem ou massa é aplicada.
O controle dianteiro de ar monitora a posição do defletor de modo, medindo-se o sinal de voltagem no circuito
PBR.
No modo AUTO, a posição do defletor de modo é ajustado pelo controle dianteiro de ar que determina a
posição apropriada, com base nas entradas do sensor de temperatura interno do veículo, sensor de tempe-
ratura-ambiente, sensor ótico, sensor de entrada e a temperatura selecionada pelo motorista ou passageiro.




                                                                                                   WJIA1240E


Especificação de Controle do Defletor de Modo




                                                                                                   WJIA0434E




                                                 ATC-60
DIAGNÓSTICO DE FALHAS

DESCRIÇÃO DO COMPONENTE
                                                                                                           A
Motor do Defletor de Modo
O motor do defletor de modo está fixado na unidade do aquecedor e
resfriador. Ele gira de maneira que o ar é descarregado do difusor,
conforme indicado pelo controle dianteiro de ar. A rotação do motor                                        B
é transferida para uma conexão que ativa o defletor de modo.

                                                                                                           C

                                                                                               MJIB0161E
                                                                                                           D
PROCEDIMENTO DE DIAGNÓSTICO DO MOTOR DO DEFLETOR DE MODO
1. VERIFICAR O RESULTADO NO AUTO-DIAGNÓSTICO DE CONTROLE DIANTEIRO DE AR                                   E
O código de auto-diagnóstico 92 está presente. Consulte EC-50, "Função de Auto-diagnóstico do Sistema de
A/C".
SIM ou NÃO                                                                                                 F
SIM >> PASSE PARA 2.
NÃO >> PASSAR PARA 3.
                                                                                                           G

2. VERIFICAR OS CIRCUITOS DE ALIMENTAÇÃO E MASSA DO MOTOR DO DEFLETOR DE MODO
                                                                                                           H
1.   Desligue o interruptor de ignição.
2.   Desconecte o conector de controle dianteiro de ar e o conector
     do motor do defletor de modo.
                                                                                                           I
3.   Verifique a continuidade entre o terminal 1 do conector M60 do
     chicote de controle dianteiro de ar e o terminal 1 do conector
     M46 do chicote do motor do defletor de modo e entre o terminal
     14 do conector M60 do chicote de controle dianteiro de ar e o                                          J
                                                                                                           ATC
     terminal 6 do conector M46 do chicote do motor do defletor de
     modo.
        1-1               : Deve existir continuidade.                                                     K
        14 - 6            : Deve existir continuidade.
                                                                                             MJIB0204EA
SIM ou NÃO                                                                                                 L
OK >> Substitua o motor do defletor de modo.
NEGATIVO >> Repare ou substitua o chicote, conforme necessário.
                                                                                                           M




                                                ATC-61
DIAGNÓSTICO DE FALHAS

3. VERIFICAR A VOLTAGEM DO SINAL DE REFERÊNCIA PBR
1.   Desligue o interruptor de ignição.
2.   Desconecte o conector do motor do defletor de modo.
3.   Ligue o interruptor de ignição.
4.   Verifique a voltagem entre o terminal 3 do conector M46 do
     conector do chicote do motor do defletor de modo e a massa.
        3 – Massa          : Aproximadamente 5V
OK ou NEGATIVO
OK >> PASSE PARA 5.
NEGATIVO >> PASSE PARA 4.
                                                                        MJIB0205EA




4. VERIFICAR O CIRCUITO DA VOLTAGEM DE REFERÊNCIA PBR ENTRE O DEFLETOR DE MODO E
O CONTROLE DIANTEIRO DE AR
1.   Desligue o interruptor de ignição.
2.   Desconecte o conector de controle dianteiro de ar.
3.   Verifique a continuidade entre o terminal 3 do conector M46 do
     chicote do motor do defletor de modo e o terminal 23 do conec-
     tor M60 do chicote de controle dianteiro de ar.
        3 - 23             : Deve existir continuidade.
OK ou NEGATIVO
OK >> Substitua o controle dianteiro de ar. Consulte EC-111,
        "REMOÇÃO".
NEGATIVO >> Repare ou substitua o chicote, conforme necessário.
                                                                        MJIB0206EA




                                                ATC-62
DIAGNÓSTICO DE FALHAS

5. VERIFICAR CIRCUITO DE REFERÊNCIA DE MASSA PBR                                     A
1.   Desligue o interruptor de ignição.
2.   Desconecte o conector de controle dianteiro de ar.
3.   Verifique a continuidade entre o terminal 2 do conector M46 do                  B
     chicote do motor do defletor de modo e o terminal 26 do conec-
     tor M60 do chicote de controle dianteiro de ar.
                                                                                     C
       2 - 26             : Deve existir continuidade.
OK ou NEGATIVO
OK >> PASSE PARA 6.                                                                  D
NEGATIVO >> Repare ou substitua o chicote, conforme necessário.

                                                                        MJIB0207EA
                                                                                     E



6. VERIFICAR QUANTO A SINAL DE RETORNO PBR                                           F

1.   Conecte novamente o conector de controle dianteiro de ar e o
     conector do motor do defletor de modo.                                          G
2.   Ligue o interruptor de ignição.
3.   Verifique a voltagem entre o terminal 21 do conector M60 do chi-
     cote do controle dianteiro de ar e a massa.                                     H
4.   Pressione todos os modos do interruptor de modo.
       21 – Massa         : Aproximadamente 0 – 5V
                                                                                      I
OK ou NEGATIVO
OK >> Substitua o controle dianteiro de ar. Consulte EC-111,             WJIA1088E
        "REMOÇÃO".
                                                                                      J
                                                                                     ATC
NEGATIVO >> PASSE PARA 7.


7. VERIFICAR O CIRCUITO DE RETORNO PBR                                               K

1.   Desligue o interruptor de ignição.
2.   Desconecte o conector do motor do defletor de modo e o conec-                    L
     tor do chicote de controle dianteiro de ar.
3.   Verifique a continuidade entre o terminal 4 do conector M46 do
     chicote do motor do defletor de modo e o terminal 21 do conec-                  M
     tor M60 do chicote de controle dianteiro de ar.
       4 - 21             : Deve existir continuidade.
OK ou NEGATIVO
OK >> Substitua o motor do defletor de modo. Consulte EC-124,            WJIA1089E
        "MOTOR DO DEFLETOR DE MODO".
NEGATIVO >> Repare ou substitua o chicote, conforme necessário.




                                                  ATC-63
DIAGNÓSTICO DE FALHAS

Circuito do Motor do Defletor de Mistura de Ar                                                       EJS006BL


SINTOMA:
●  A temperatura do ar de descarga não é alterada.
●  O motor do defletor de mistura de ar não funciona.

FLUXO DE INSPEÇÃO




                                                                                              MJIB0346E

*1 EC-52, "Inspeção Operacional".        *4 EC-67, "PROCEDIMENTO DE DIAG-   TOR DE MISTURA DE AR
*2 EC-50, "Função de Auto-diagnóstico       NÓSTICO DO MOTOR DO DEFLE-      (PASSAGEIRO)"
   do Sistema de A/C"                       TOR DE MISTURA DE AR
                                            (MOTORISTA)"
*3 EC-51, "TABELA DE CÓDIGOS DE
   AUTO-DIAGNÓSTICO".                    *5 EC-69, "PROCEDIMENTO DE DIAG-
                                            NÓSTICO DO MOTOR DO DEFLE-




                                                    ATC-64
DIAGNÓSTICO DE FALHAS

DESCRIÇÃO DO SISTEMA
                                                                                                                A
Peças de Componente
Os componentes do sistema de controle do difusor de mistura de ar são:
●   Controle dianteiro de ar
                                                                                                                B
●   Motores do defletor de mistura de ar (motorista e passageiro)
●   PBR (embutido nos motores do defletor de mistura de ar)
●   Sensor de temperatura interna                                                                               C
●   Sensor de temperatura-ambiente
●   Sensor ótico
●   Sensor de entrada                                                                                           D

Funcionamento do Sistema
O controle dianteiro de ar recebe dados da temperatura selecionada pelo lado do motorista e lado do pas-        E
sageiro. O controle de ar dianteiro então aplica uma voltagem a um circuito apropriado do motor do defletor
de mistura de ar, enquanto a massa é aplicada ao outro circuito, fazendo o motor do defletor de mistura de ar
apropriado girar. O sentido de giro é determinado pelo circuito ao qual a voltagem ou massa é aplicada. O
                                                                                                                F
controle dianteiro de ar monitora as posições do defletor de mistura de ar, medindo o sinal nos circuitos PBR
de cada defletor.
No modo AUTO, as posições do defletor de mistura de ar, defletor de modo e defletor de descongelamento
são ajustadas pelo controle dianteiro de ar que determina a posição apropriada, com base nas entradas do        G
sensor de temperatura interno do veículo, sensor de temperatura-ambiente, sensor ótico, sensor de entrada e
a temperatura selecionada pelo motorista ou passageiro.
A seguir, é selecionado o funcionamento de HOT/COLD ou DEFROST/VENT ou FRESH/RECIRCULATION.                     H
Os novos dados sobre a posição do defletor retornam ao controle dianteiro de ar.

                                                                                                                 I


                                                                                                                 J
                                                                                                                ATC


                                                                                                                K


                                                                                                                 L



                                                                                                                M



                                                                                                   MJIB0330E



Especificação de Controle do Defletor de Mistura de Ar




                                                                                                   WJIA0435E



                                                 ATC-65
DIAGNÓSTICO DE FALHAS

DESCRIÇÃO DO COMPONENTE
Motores do Defletor de Mistura de Ar
Os motores do defletor de mistura de ar (lados do motorista e pas-
sageiro) estão fixados na unidade do aquecedor e resfriador. Estes
motores giram de maneira que o defletor de mistura de ar seja
aberto ou fechado de acordo com a posição ajustada pelo controle
dianteiro de ar. A rotação do motor é então transferida através de
um eixo e a posição do defletor de mistura de ar é então retornada
ao controle dianteiro de ar através do PBR embutido nos motores do
defletor de mistura de ar.

                                                                     MJIB0162E




                                                                     MJIB0163E




                                               ATC-66
DIAGNÓSTICO DE FALHAS

PROCEDIMENTO DE DIAGNÓSTICO DO MOTOR DO DEFLETOR DE MISTURA DE AR
(MOTORISTA)                                                                                                A

1. VERIFICAR O RESULTADO NO AUTO-DIAGNÓSTICO DE CONTROLE DIANTEIRO DE AR
O código de auto-diagnóstico 22 está presente. Consulte EC-50, "Função de Auto-diagnóstico do Sistema de   B
A/C".
SIM ou NÃO
SIM >> PASSE PARA 2.                                                                                       C
NÃO >> PASSAR PARA 3.

                                                                                                           D
2. VERIFICAR OS CIRCUITOS DE ALIMENTAÇÃO DO MOTOR DO DEFLETOR DE MISTURA DE AR
     (MOTORISTA)
                                                                                                           E
1. Desligue o interruptor de ignição.
2. Desconecte o conector de controle dianteiro de ar e o conector
   do motor do defletor de mistura de ar (motorista).
                                                                                                           F
3. Verifique a continuidade entre os terminais 2 e 3 do conector
   M60 do chicote de controle dianteiro de ar e os terminais 5 e 6
   do conector M97 do chicote do motor do defletor de mistura de
   ar (motorista).                                                                                         G
      2-5               : Deve existir continuidade.
      3-6               : Deve existir continuidade.
OK ou NEGATIVO                                                                                             H
OK >> Substitua o motor do defletor de mistura de ar (motorista).                             MJIB0101EA

         Consulte EC-125, "MOTOR DO DEFLETOR DE MISTURA
         DE AR (MOTORISTA)".                                                                                I
NEGATIVO >> Repare ou substitua o chicote, conforme necessário.

                                                                                                            J
                                                                                                           ATC

3. VERIFICAR A VOLTAGEM DO SINAL DE REFERÊNCIA PBR
1. Desligue o interruptor de ignição.                                                                      K
2. Desconecte o conector do motor do defletor de mistura de ar
   (motorista).
3. Ligue o interruptor de ignição.                                                                          L
4. Verifique a voltagem entre o terminal 3 do conector M97 do chi-
   cote do motor do defletor de mistura de ar (motorista) e a
   massa.                                                                                                  M
      3 – Massa          : Aproximadamente 5V
OK ou NEGATIVO
OK >> PASSE PARA 5.
NEGATIVO >> PASSE PARA 4.
                                                                                              MJIB0102EA




                                                ATC-67
DIAGNÓSTICO DE FALHAS

4. VERIFICAR O CIRCUITO DA VOLTAGEM DE REFERÊNCIA PBR ENTRE O MOTOR DO DEFLETOR
     DE MISTURA DE AR (MOTORISTA) E O CONTROLE DIANTEIRO DE AR
1.   Desligue o interruptor de ignição.
2.   Desconecte o conector de controle dianteiro de ar.
3.   Verifique a continuidade entre o terminal 3 do conector M97 do
     chicote do motor do defletor de mistura de ar (motorista) e ter-
     minal 23 do conector M60 do chicote de controle dianteiro de ar.
       3 - 23              : Deve existir continuidade.
OK ou NEGATIVO
OK >> Substitua o controle dianteiro de ar. Consulte EC-111,
        "REMOÇÃO".
NEGATIVO >> Repare ou substitua o chicote, conforme necessário.
                                                                        MJIB0103EA




5. VERIFICAR CIRCUITO DE REFERÊNCIA DE MASSA PBR
1.   Desligue o interruptor de ignição.
2.   Desconecte o conector de controle dianteiro de ar.
3.   Verifique a continuidade entre o terminal 1 do conector M97 do
     chicote do motor do defletor de mistura de ar (motorista) e ter-
     minal 26 do conector M60 do chicote de controle dianteiro de ar.
       1 - 26              : Deve existir continuidade.
OK ou NEGATIVO
OK >> PASSE PARA 6.
NEGATIVO >> Repare ou substitua o chicote, conforme necessário.
                                                                        MJIB0104EA




                                                  ATC-68
DIAGNÓSTICO DE FALHAS

6. VERIFICAR QUANTO A SINAL DE RETORNO PBR                                                                 A
1.   Conecte novamente o conector de controle dianteiro de ar e o
     conector do motor do defletor de mistura de ar (motorista).
2.   Ligue o interruptor de ignição.                                                                       B
3.   Verifique a voltagem entre o terminal 22 do conector M60 do chi-
     cote do controle dianteiro de ar e a massa.
4.   Gire o seletor de controle de temperatura (lado do motorista)                                         C
     através de toda a faixa.
        2 – 22             : Deve existir continuidade.
                                                                                                           D
OK ou NEGATIVO
                                                                                               WJIA1096E
OK >> Substitua o controle dianteiro de ar. Consulte EC-111,
        "REMOÇÃO".
NEGATIVO >> PASSE PARA 7.                                                                                  E



7. VERIFICAR O CIRCUITO DE RETORNO PBR                                                                     F

1.   Desligue o interruptor de ignição.
2.   Desconecte o conector do motor do defletor de mistura de ar                                           G
     (motorista) e o conector de controle dianteiro de ar.
3.   Verifique a continuidade entre o terminal 2 do conector M97 do
     chicote do motor do defletor de mistura de ar (motorista) e termi-
                                                                                                           H
     nal 22 do conector M60 do chicote de controle dianteiro de ar.
       22 – Massa         : Aproximadamente 0V – 5V
OK ou NEGATIVO                                                                                              I
OK >> Substitua o motor do defletor de mistura de ar (motorista).
        Consulte EC-125, "MOTOR DO DEFLETOR DE MISTURA                                         WJIA1248E

        DE AR (MOTORISTA)".
                                                                                                            J
                                                                                                           ATC
NEGATIVO >> Repare ou substitua o chicote, conforme necessário.


PROCEDIMENTO DE DIAGNÓSTICO DO MOTOR DO DEFLETOR DE MISTURA DE AR                                          K
(PASSAGEIRO)
1. VERIFICAR O RESULTADO NO AUTO-DIAGNÓSTICO DE CONTROLE DIANTEIRO DE AR                                    L
O código de auto-diagnóstico 12 está presente. Consulte EC-50, "Função de Auto-diagnóstico do Sistema de
A/C".
SIM ou NÃO                                                                                                 M
SIM >> PASSE PARA 2.
NÃO >> PASSAR PARA 3.




                                                   ATC-69
DIAGNÓSTICO DE FALHAS

2. VERIFICAR O CIRCUITO DE ALIMENTAÇÃO DO MOTOR DO DEFLETOR DE MISTURA DE AR
     (PASSAGEIRO)
1. Desligue o interruptor de ignição.
2. Desconecte o conector de controle dianteiro de ar e o conector
   do motor do defletor de mistura de ar (passageiro).
3. Verifique a continuidade entre os terminais 15 e 16 do conector
   M60 do chicote de controle dianteiro de ar e os terminais 6 e 5
   do conector M100 do chicote do motor do defletor de mistura de
   ar (passageiro).
      15 - 6             Deve existir continuidade.
      16 - 5             Deve existir continuidade.
OK ou NEGATIVO
OK >> Substitua o motor do defletor de mistura de ar (passagei-          MJIB0059EA
         ro). Consulte EC-125, "MOTOR DO DEFLETOR DE MIS-
         TURA DE AR (PASSAGEIRO)".
NEGATIVO >> Repare ou substitua o chicote, conforme necessário.




3. VERIFICAR A VOLTAGEM DO SINAL DE REFERÊNCIA PBR
1. Desligue o interruptor de ignição.
2. Desconecte o conector do motor do defletor de mistura de ar
   (passageiro).
3. Ligue o interruptor de ignição.
4. Verifique a voltagem entre o terminal 1 do conector M100 do chi-
   cote do motor do defletor de mistura de ar (passageiro) e a
   massa.
      1 – Massa          : Aproximadamente 5V
OK ou NEGATIVO
OK >> PASSE PARA 5.
                                                                         MJIB0060EA
NEGATIVO >> PASSE PARA 4.




                                                ATC-70
DIAGNÓSTICO DE FALHAS

4. VERIFICAR O CIRCUITO DA VOLTAGEM DE REFERÊNCIA PBR ENTRE O DEFLETOR DE MISTURA     A
     DE AR (PASSAGEIRO) E O CONTROLE DIANTEIRO DE AR
1.   Desligue o interruptor de ignição.
2.   Desconecte o conector de controle dianteiro de ar.                               B
3.   Verifique a continuidade entre o terminal 1 do conector M100 do
     chicote do motor do defletor de mistura de ar (passageiro) e ter-
     minal 23 do conector M60 do chicote de controle dianteiro de ar.                 C
       1 - 23              Deve existir continuidade.
OK ou NEGATIVO
OK >> Substitua o controle dianteiro de ar. Consulte EC-111,                          D
        "REMOÇÃO".                                                       MJIB0061EA

NEGATIVO >> Repare ou substitua o chicote, conforme necessário.
                                                                                      E



5. VERIFICAR CIRCUITO DE REFERÊNCIA DE MASSA PBR                                      F

1.   Desligue o interruptor de ignição.
2.   Desconecte o conector de controle dianteiro de ar.                               G
3.   Verifique a continuidade entre o terminal 3 do conector M100 do
     chicote do motor do defletor de mistura de ar (passageiro) e ter-
     minal 26 do conector M60 do chicote de controle dianteiro de ar.                 H
       3 - 26              Deve existir continuidade.
OK ou NEGATIVO
OK >> PASSE PARA 6.                                                                    I
NEGATIVO >> Repare ou substitua o chicote, conforme necessário.          MJIB0062EA


                                                                                       J
                                                                                      ATC


                                                                                      K


                                                                                       L



                                                                                      M




                                                  ATC-71
DIAGNÓSTICO DE FALHAS

6. VERIFICAR QUANTO A SINAL DE RETORNO PBR
1.   Conecte novamente o conector de controle dianteiro de ar e o
     conector do motor do defletor de mistura de ar (passageiro).
2.   Ligue o interruptor de ignição.
3.   Verifique a voltagem entre o terminal 36 do conector M61 do
     chicote do controle dianteiro de ar e a massa.
4.   Gire o seletor de controle de temperatura (lado do passageiro)
     através de toda a faixa.
        36 – Massa         : Aproximadamente 0 – 5V
OK ou NEGATIVO
                                                                         WJIA1249E
OK >> Substitua o controle dianteiro de ar. Consulte EC-111,
        "REMOÇÃO".
NEGATIVO >> PASSE PARA 7.


7. VERIFICAR O CIRCUITO DE RETORNO PBR
1.   Desligue o interruptor de ignição.
2.   Desconecte o conector do motor do defletor de mistura de ar
     (passageiro) e o conector de controle dianteiro de ar.
3.   Verifique a continuidade entre o terminal 2 do conector M100 do
     chicote do motor do defletor de mistura de ar (passageiro) e ter-
     minal 36 do conector M61 do chicote de controle dianteiro de ar.
       2 - 36              : Deve existir continuidade.
OK ou NEGATIVO
OK >> Substitua o motor do defletor de mistura de ar (passa-
                                                                         MJIB0063E
        geiro). Consulte EC-125, "MOTOR DO DEFLETOR DE
        MISTURA DE AR (PASSAGEIRO)".
NEGATIVO >> Repare ou substitua o chicote, conforme necessário.




                                                  ATC-72
DIAGNÓSTICO DE FALHAS

Circuito do Motor do Defletor de Entrada
                                                                                                               A
SINTOMA:
●  O defletor de entrada não é alterado.
●  O motor do defletor de entrada não funciona normalmente.
                                                                                                               B
FLUXO DE INSPEÇÃO

                                                                                                               C


                                                                                                               D


                                                                                                               E



                                                                                                               F


                                                                                                               G


                                                                                                               H



                                                                                                               I


                                                                                                                J
                                                                                                               ATC


                                                                                                               K


                                                                                                               L



                                                                                                               M




                                                                                                   MJIB0347E

*1 EC-52, "Inspeção Operacional".    *2 EC-50, "Função de Auto-diagnóstico   *3 EC-51, "TABELA DE CÓDIGOS DE
                                        do Sistema de A/C".                     AUTO-DIAGNÓSTICO".




                                                  ATC-73
DIAGNÓSTICO DE FALHAS

DESCRIÇÃO DO SISTEMA
Peças de Componente
Os componentes do sistema de controle do defletor de entrada são:
●   Controle dianteiro de ar
●   Motor do defletor de entrada
●   Sensor de temperatura interna
●   Sensor de temperatura-ambiente
●   Sensor ótico
●   Sensor de entrada

Funcionamento do Sistema
O controle do defletor de entrada determina a posição do defletor de entrada com base na posição do inter-
ruptor de recirculação.
Quando o interruptor de recirculação é pressionado o motor do defletor de entrada gira, fechando a entrada
de ar fresco e a recirculação de ar dentro da cabina. Caso o interruptor de recirculação seja novamente pres-
sionado, o motor do defletor de entrada gira no sentido inverso, permitindo novamente a entrada de ar fresco
para dentro da cabina.
No modo AUTO, o controle dianteiro de ar determina a posição do defletor de entrada com base na temper-
atura-ambiente, na temperatura do ar de entrada e na temperatura interna do veículo. Quando os interrup-
tores DEFROST ou OFF são pressionados ou o interruptor de A/C estiver desligado, o controle dianteiro de ar
ajusta o defletor de entrada na posição de ar fresco.




                                                                                                   WJIA0551E


Especificação de Controle do Defletor de Entrada




                                                                                                   WJIA0436E




                                                 ATC-74
DIAGNÓSTICO DE FALHAS

DESCRIÇÃO DO COMPONENTE
                                                                                                           A
Motor do Defletor de Entrada
O motor do defletor de entrada está fixado na unidade de entrada.
Ele gira de maneira que o ar é puxado pelas entradas ajustadas pelo
controle dianteiro de ar. A rotação do motor é transferida para uma                                        B
alavanca que ativa o defletor de entrada.

                                                                                                           C



                                                                                               MJIB0165E
                                                                                                           D

PROCEDIMENTO DE DIAGNÓSTICO DO MOTOR DO DEFLETOR DE ENTRADA
1. VERIFICAR O RESULTADO NO AUTO-DIAGNÓSTICO DE CONTROLE DIANTEIRO DE AR                                   E

O código de auto-diagnóstico 82 está presente. Consulte EC-50, "Função de Auto-diagnóstico do Sistema de
A/C".                                                                                                      F
SIM ou NÃO
SIM >> PASSE PARA 2.
NÃO >> Substitua o controle dianteiro de ar. Consulte EC-111, "REMOÇÃO".                                   G


2. VERIFICAR O CIRCUITO DE ALIMENTAÇÃO DO MOTOR DO DEFLETOR ENTRADA                                        H
1.   Desligue o interruptor de ignição.
2.   Desconecte o conector de controle dianteiro de ar e o conector
     do motor do defletor de entrada.                                                                      I
3.   Verifique a continuidade entre o terminal 5 do conector M60 do
     chicote de controle dianteiro de ar e o terminal 6 do conector
     M86 do chicote do motor do defletor de entrada e entre o termi-                                        J
                                                                                                           ATC
     nal 4 do conector M60 do chicote de controle dianteiro de ar e o
     terminal 1 do conector M86 do chicote do motor do defletor de
     entrada.
                                                                                                           K
        5-6               Deve existir continuidade.
        4-1               Deve existir continuidade.
                                                                                              MJIB0208EA
OK ou NEGATIVO                                                                                             L
OK >> Substitua o motor do defletor de entrada. Consulte EC-123, "MOTOR DO DEFLETOR DE
        ENTRADA".
NEGATIVO >> Repare ou substitua o chicote, conforme necessário.                                            M




                                                  ATC-75
DIAGNÓSTICO DE FALHAS

Circuito do Motor do Ventilador                                                                      EJS006BN


SINTOMA:
●  O funcionamento do motor do ventilador está apresentando falha.
●  O funcionamento do motor do ventilador está apresentando falha sob condições de partida a frio.

FLUXO DE INSPEÇÃO




                                                                                               MJIB0331E


*1 EC-52, "Inspeção Operacional".        *3 EC-51, "TABELA DE CÓDIGOS DE   4 EC-78, "PROCEDIMENTO DE DIAG-
*2 EC-50, "Função de Auto-diagnóstico       AUTO-DIAGNÓSTICO".               NÓSTICO DO MOTOR DO VENTILA-
   do Sistema de A/C"                                                        DOR".




                                                    ATC-76
DIAGNÓSTICO DE FALHAS

DESCRIÇÃO DO SISTEMA
                                                                                                                 A
Peças de Componente
Os componentes do sistema de controle de velocidade do ventilador são:
●   Controle dianteiro de ar
                                                                                                                 B
●   Sensor de temperatura interna
●   Sensor de temperatura-ambiente
●   Sensor ótico                                                                                                 C
●   Sensor de entrada
Funcionamento do Sistema
                                                                                                                 D


                                                                                                                 E



                                                                                                                 F


                                                                                                                 G


                                                                                                                 H



                                                                                                                  I


                                                                                                    WJIA1252E
                                                                                                                  J
                                                                                                                 ATC
Modo Automático
No modo automático, a velocidade do motor do ventilador é calculada pelo controle dianteiro de ar e controle
variável do ventilador com base na entrada do sensor de temperatura interna do veículo, sensor ótico, sensor     K
de entrada e sensor de temperatura-ambiente e o controle de temperatura do potenciômetro (PTC).
Quando o fluxo de ar é aumentado, a velocidade do motor do ventilador é ajustada gradativamente para evitar
um aumento repentino no fluxo de ar.                                                                              L
Em adição ao controle de fluxo de ar manual e ao controle de fluxo de ar automático normal, o controle de
fluxo de ar de partida, controle de partida de baixa temperatura da água e o controle de partida de alta tem-
peratura do compartimento de passageiros estão disponíveis.
                                                                                                                 M
Controle de Velocidade do Ventilador de Partida
Início a partir da condição de impregnação a frio (Modo automático).
Na condição de partida a frio onde a temperatura do líquido de arrefecimento é inferior a 50°C (122°F), o ven-
tilador não irá funcionar na velocidade 1 por um curto período de tempo (até 210 segundos). O tempo exato
de retardo da partida varia dependendo da temperatura-ambiente e da temperatura do líquido de arrefeci-
mento do motor.
Na maioria dos casos extremos (temperatura-ambiente extremamente baixa), o retardo de partida do ventila-
dor será de 210 segundos, conforme informado anteriormente. Após o líquido de arrefecimento atingir uma
temperatura de 50°C (122°F), ou após decorridos os 210 segundos, a velocidade do ventilador irá aumentar
para a velocidade objetiva do ventilador.
Partida a partir da condição de funcionamento normal ou impregnação a quente (Modo automático).
O ventilador irá iniciar seu funcionamento momentaneamente após o interruptor AUTO ser pressionado. A
velocidade do ventilador irá aumentar gradativamente para a velocidade objetiva durante um período de 3
segundos ou menos (o tempo real depende da velocidade objetiva do ventilador).



                                                 ATC-77
DIAGNÓSTICO DE FALHAS

Compensação da Velocidade do Ventilador – Energia Solar
Quando a temperatura interna do veículo e a temperatura ajustada estiverem muito próximas, o ventilador irá
funcionar em baixa velocidade. A velocidade irá variar dependendo da carga solar. Durante condições de
baixa (ou nenhuma) carga solar, o ventilador funciona em baixa velocidade. Durante condições de alta carga
solar, o controle dianteiro de ar faz a velocidade do ventilador aumentar.

Especificação de Controle da Velocidade do Ventilador




                                                                                                 WJIA0441E


DESCRIÇÃO DO COMPONENTE
Controle Variável do Ventilador
O controle variável do ventilador está localizado na unidade de res-
friamento. O controle variável do ventilador recebe uma voltagem de
desbloqueio do controle dianteiro de ar para manter a voltagem do
motor do ventilador na faixa de 0 a 5 volts sem escalonamento
(aproximadamente).



                                                                                                 MJIB0166E


PROCEDIMENTO DE DIAGNÓSTICO DO MOTOR DO
VENTILADOR
SINTOMA: O funcionamento do motor do ventilador está apre-
sentando falha sob controle de velocidade do ventilador de partida.




                                                                                                 MJIB0064E




                                                 ATC-78
DIAGNÓSTICO DE FALHAS

1. VERIFICAR OS FUSÍVEIS                                                                                       A
Verificar os fusíveis 15 A [Nº 24 e 27, (localizados na caixa de fusíveis e conexão de fusíveis)]. Quanto ao
esquema de fusíveis, consulte PG-80, "CAIXA DE FUSÍVEL E DE RELÉ".
        Os fusíveis estão em boas condições.
                                                                                                               B
OK ou NEGATIVO
OK >> PASSE PARA 2.
NEGATIVO >> PASSE PARA 10.
                                                                                                               C
2. VERIFICAR O CIRCUITO DE ALIMENTAÇÃO DO MOTOR DO VENTILADOR
1.   Desligue o interruptor de ignição.
2.   Desconecte o conector do motor do ventilador.                                                             D
3.   Ligue o interruptor de ignição.
4.   Gire o seletor de controle do ventilador para selecionar qualquer
     modo exceto OFF.                                                                                          E
5.   Verifique a voltagem entre o terminal 2 do conector M46 do
     conector do chicote do motor do ventilador e a massa.
OK ou NEGATIVO                                                                                                 F
OK >> PASSE PARA 12.
NEGATIVO >> PASSE PARA 3.                                                                        MJIB0065E
                                                                                                               G
3. VERIFICAR O CIRCUITO DE ALIMENTAÇÃO DO RELÉ DO
     MOTOR DO VENTILADOR (LADO DO INTERRUPTOR)
1. Desligue o interruptor de ignição.                                                                          H
2. Desconecte o relé do motor do ventilador.
3. Verifique a voltagem entre os terminais 3 e 6 do conector E28
   do chicote do relé do motor do ventilador e a massa.                                                         I
      2 – Massa         : Voltagem da bateria.
OK ou NEGATIVO
OK >> PASSE PARA 4.                                                                                             J
                                                                                                               ATC
NEGATIVO >> Repare o chicote ou o conector.

                                                                                                 MJIB0066E     K

4. VERIFICAR O RELÉ DO MOTOR DO VENTILADOR
Consulte EC-82, "Relé do Motor do Ventilador".                                                                  L
      3, 6 – Massa      : Voltagem da bateria.
OK ou NEGATIVO
OK >> PASSE PARA 5.                                                                                            M
NEGATIVO >> Substitua o relé do motor do ventilador.

5. VERIFICAR O CIRCUITO DO RELÉ DO MOTOR DO VENTILADOR (LADO DO INTERRUPTOR)
     QUANTO A CIRCUITO ABERTO
1. Desligue o interruptor de ignição.
2. Desconecte o conector do relé do motor do ventilador e o
   conector do motor do ventilador.
3. Verifique a continuidade entre os terminais 5 e 7 do conector
   E28 do chicote do relé do motor do ventilador e o terminal 2 do
   conector M94 do chicote do motor do ventilador.
      5, 7 - 2          : Deve existir continuidade.
OK ou NEGATIVO
OK >> PASSE PARA 6.
NEGATIVO >> Repare o chicote ou o conector.
                                                                                                 MJIB0067E




                                                  ATC-79
DIAGNÓSTICO DE FALHAS

6. VERIFICAR O CIRCUITO DE ALIMENTAÇÃO DO CONTROLE VARIÁVEL DO VENTILADOR QUANTO
     A CIRCUITO ABERTO
1. Desconecte o conector do chicote de controle variável do venti-
   lador.
2. Verifique a continuidade entre os terminais 5 e 7 do conector
   E28 do chicote do relé do motor do ventilador e o terminal 1 do
   conector M96 do chicote do controle variável do ventilador.
      5, 7 – 1          : Deve existir continuidade.
OK ou NEGATIVO
OK >> PASSE PARA 7.
NEGATIVO >> Repare o chicote ou o conector.
                                                                         MJIB0068E


7. VERIFICAR O CIRCUITO DO SINAL DE CONTROLE
     VARIÁVEL DO VENTILADOR
1. Desconecte o conector de controle dianteiro de ar.
2. Verifique a continuidade entre o terminal 32 do conector M61 do
   chicote de controle dianteiro de ar e o terminal 2 do conector
   M96 do chicote de controle variável do ventilador.
      32 – 2             : Deve existir continuidade.
OK ou NEGATIVO
OK >> PASSE PARA 8.
NEGATIVO >> Repare o chicote ou o conector.

                                                                         WJIA1263E

8. VERIFICAR A ALIMENTAÇÃO DO RELÉ DO MOTOR DO
     VENTILADOR (LADO DA BOBINA)
1. Ligue o interruptor de ignição.
2. Verifique a voltagem entre o terminal 1 do conector E28 do relé
   do motor do ventilador e a massa.
      1 – Massa          : Voltagem da bateria.
OK ou NEGATIVO
OK >> PASSE PARA 9.
NEGATIVO >> Repare o chicote ou o conector.


                                                                         LJIA0080E



9. VERIFICAR O CIRCUITO DE MASSA DO RELÉ DO MOTOR DO VENTILADOR (LADO DA BOBINA)
1. Desligue o interruptor de ignição.
2. Verifique a continuidade entre o terminal 2 do conector E28 do
   relé do motor do ventilador e o terminal 38 do conector M61 do
   chicote de controle de ar.
      2 – 38            : Deve existir continuidade.
OK ou NEGATIVO
OK >> Substitua o controle dianteiro de ar. Consulte EC-111,
         "REMOÇÃO".
NEGATIVO >> Repare o chicote ou o conector.
                                                                         WJIA1115E




                                               ATC-80
DIAGNÓSTICO DE FALHAS

10. SUBSTITUIR OS FUSÍVEIS                                                         A
1. Substitua os fusíveis.
2. Ative o motor do ventilador.
3. O fusível queima?                                                               B
SIM ou NÃO
SIM >> PASSE PARA 11.
NÃO >> Fim da Inspeção.                                                            C


11. VERIFICAR A ALIMENTAÇÃO DO MOTOR DO VENTILADOR QUANTO A CURTO-CIRCUITO)        D
1.   Desligue o interruptor de ignição.
2.   Desconecte o conector do motor do ventilador e o conector de
                                                                                   E
     controle variável do ventilador.
3.   Verifique a continuidade entre o terminal 1 do conector M96 do
     chicote do controle variável do ventilador e a massa.
                                                                                   F
       1 – Massa           : Não deve existir continuidade.
OK ou NEGATIVO
OK >> PASSE PARA 12.                                                               G
NEGATIVO >> Repare o chicote ou o conector.
                                                                       WJIA1264E


                                                                                   H
12. VERIFICAR O CIRCUITO DO SINAL DE CONTROLE VARIÁVEL DO VENTILADOR
1.   Desconecte o conector de controle dianteiro de ar.
2.   Verifique a continuidade entre o terminal 32 do conector M61 do                I
     chicote de controle dianteiro de ar e o terminal 2 do conector
     M96 do chicote de controle variável do ventilador.
       32 – 2              : Deve existir continuidade.                             J
                                                                                   ATC
OK ou NEGATIVO
OK >> Verifique o motor do ventilador. Se estiver OK, substitua o
        controle variável do ventilador.                                           K
        Consulte EC-116, "REMOÇÃO".
                                                                       WJIA1263E
NEGATIVO >> Repare o chicote ou o conector.
                                                                                    L



                                                                                   M




                                                 ATC-81
DIAGNÓSTICO DE FALHAS

INSPEÇÃO DE COMPONENTES
Relé do Motor do Ventilador
Verifique a continuidade entre os terminais, fornecendo uma volta-
gem de 12 V e massa aos terminais (lado da bobina) do relé.




                                                                      LJIA0068E



Motor do Ventilador
Confirme quanto a rotação suave do motor do ventilador.
●  Assegure-se de que não existam partículas estranhas dentro da
   unidade do ventilador.
●  Aplique 12 V ao terminal + e massa o terminal – e verifique se o
   motor funciona livremente e sem ruídos.



                                                                      WJIA1265E




                                                ATC-82
DIAGNÓSTICO DE FALHAS

Circuito da Embreagem Magnética                                                                                       EJS006BQ
                                                                                                                                 A
SINTOMA: A embreagem magnética não acopla.
FLUXO DE INSPEÇÃO
                                                                                                                                 B


                                                                                                                                 C


                                                                                                                                 D


                                                                                                                                 E



                                                                                                                                 F


                                                                                                                                 G


                                                                                                                                 H



                                                                                                                                  I


                                                                                                                                  J
                                                                                                                                 ATC


                                                                                                                                 K


                                                                                                                                  L



                                                                                                                                 M




                                                                                                           MJIB0348E

*1 EC-52, "Inspeção Operacional".        *3 EC-51, "TABELA DE CÓDIGOS DE          *5 EC-109, "Circuito do Sensor de
*2 EC-50, "Função de Auto-diagnóstico       AUTO-DIAGNÓSTICO".                       Entrada".
   do Sistema de A/C".                   *4 EC-100, "Circuito do Sensor de Tem-
                                            peratura-Ambiente".




                                                      ATC-83
DIAGNÓSTICO DE FALHAS

DESCRIÇÃO DO SISTEMA
O controle dianteiro de ar controla o funcionamento do compressor com base na temperatura-ambiente e
temperatura de entrada, bem como com um sinal proveniente do ECM.
Controle de Proteção de Baixa Temperatura
O controle dianteiro de ar ativará ou desativará o compressor, conforme determinado pelo sinal detectado
pelo sensor de entrada e sensor de temperatura-ambiente.
Quando a temperatura do ar de entrada for superior ao valor pré-ajustado, o compressor será ativado. O com-
pressor será desativado quando a temperatura do ar de entrada for inferior ao valor pré-ajustado. O valor pré-
ajustado depende da temperatura-ambiente; consulte a tabela a seguir.

                                                Compressor ON                       Compressor OFF
      Temperatura-ambiente °C (°F)
                                          Temperatura de entrada °C (°F)       Temperatura de entrada °C (°F)
                 0 (32)                              5.5 (42)                             5.0 (41)
                10 (50)                              4.5 (40)                             4.5 (40)
                20 (68)                              2.5 (37)                             2.0 (36)
                30 (86)                              2.0 (36)                             1.5 (35)
                40 (104)                             2.0 (36)                             1.5 (35)
                50 (122)                             2.0 (36)                             1.5 (35)


PROCEDIMENTO DE DIAGNÓSTICO PARA SINTOMA DE EMBREAGEM MAGNÉTICA
SINTOMA: A embreagem magnética não é acoplada quando o interruptor do A/C está ligado.




                                                                                                      MJIB0328E


1. VERIFICAR OS CIRCUITOS DO SENSOR DE ENTRADA E SENSOR DE TEMPERATURA-AMBIENTE
Verifique os sensores de entrada e de temperatura-ambiente. Consulte EC-50, "Função de Auto-diagnóstico
do Sistema de A/C".
OK ou NEGATIVO
OK >> PASSE PARA 2.
NEGATIVO >>
          ● Sensor de entrada com falha. Consulte EC-109, "Circuito do Sensor de Entrada".

          ● Sensor de temperatura-ambiente com falha. Consulte EC-100, "Circuito do Sensor de
             Temperatura-Ambiente".




                                                  ATC-84
DIAGNÓSTICO DE FALHAS

2. EFETUAR O TESTE AUTO-ATIVO                                                               A
Consulte PG-19, "Teste Ativo Automático".
A embreagem magnética funciona?
SIM ou NÃO                                                                                  B
SIM >>
         ●     COM CONSULT-II
         PASSAR PARA 5.                                                                     C
         ●     SEM CONSULT-II
         PASSAR PARA 6.
                                                                                            D
NÃO >> Verifique o fusível 10 A (Nº 42, localizado no IPDM E/R), e PASSE A 3.


3. VERIFICAR A CONTINUIDADE ENTRE IPDM E/R E O COMPRESSOR                                   E

1. Desligue o interruptor de ignição.
2. Desconecte o conector IPDM E/R e o conector do compressor                                F
   (embreagem magnética).
3. Verifique a continuidade entre o terminal 11 do conector E12 do
   chicote do IPDM E/R e o terminal 1 do conector F20 do chicote
                                                                                            G
   do compressor.
      11 – 1             : Deve existir continuidade.
OK ou NEGATIVO                                                                              H
OK >> PASSE PARA 4.
                                                                                WJIA0560E
NEGATIVO >> Repare o chicote ou o conector.
                                                                                             I
4. VERIFICAR O CIRCUITO DA EMBREAGEM MAGNÉTICA
Verifique quando ao ruído de funcionamento ao aplicar a corrente                             J
                                                                                            ATC
contínua da voltagem da bateria ao terminal.
OK ou NEGATIVO
OK >> Substitua o IPDM E/R. Consulte PG-27, "Remoção e Insta-                               K
          lação do IPDM E/R".
NEGATIVO >> Substitua a embreagem magnética. Consulte BCS-
                14, "Remoção e Instalação do BCM".                                           L


                                                                                SJIA0197E   M


5. VERIFICAR O SINAL DE ENTRADA DO BCM (COMPRESSOR ATIVADO)
Verifique o sinal ON/OFF do compressor. Consulte EC-34, "Funções
de CONSULT-II (BCM)".
       A/C SW ON         : COMP ON SIG ON
       A/C SW OFF        : COMP ON SIG OFF
OK ou NEGATIVO
OK >> PASSE PARA 8.
NEGATIVO >> PASSE PARA 6.


                                                                                WJIA0469E




                                               ATC-85
DIAGNÓSTICO DE FALHAS

6. VERIFICAR A CONTINUIDADE ENTRE OS CIRCUITOS DO BCM E DO CONTROLE DIANTEIRO DE
     AR
1. Desligue o interruptor de ignição.
2. Desconecte o conector do BCM e o conector de controle
   dianteiro de ar.
3. Verifique a continuidade entre o terminal 27 do conector M42 do
   chicote do BCM e o terminal 10 do conector M60 do chicote de
   controle dianteiro de ar.
      27 – 10            Deve existir continuidade.
OK ou NEGATIVO
OK >> PASSE PARA 7.
NEGATIVO >> Repare o chicote ou o conector.                                              MJIB0070E




7. VERIFICAR A VOLTAGEM DO CONTROLE DIANTEIRO DE AR (SINAL ON DO COMPRESSOR)
1. Conecte novamente o conector do BCM e o conector de con-
   trole dianteiro de ar.
2. Ligue o interruptor de ignição.
3. Verifique a voltagem entre o terminal 10 do conector M60 do chi-
   cote do controle dianteiro de ar e a massa.
OK ou NEGATIVO
OK >> PASSE PARA 8.
NEGATIVO-1 >> Caso a voltagem seja de aproximadamente 5V
                  quando o interruptor do A/C estiver ligado, substi-
                  tua o controle de ar dianteiro. Consulte EC-111,                       WJIA1137E
                  "REMOÇÃO".
NEGATIVO-2 >> Caso a voltagem seja de aproximadamente 0V quando o interruptor do A/C estiver desli-
                  gado, substitua o BCM. Consulte BCS-14, "Remoção e Instalação do BCM".

                     Terminais
               (+)
                                                                   Voltagem
                                                 Condição
  Conector de                       (-)                             (Aprox.)
    controle         Terminal Nº
 dianteiro do ar
                                             Interruptor de A/C:
                                                                      0V
                                                     ON
      M60                10        Massa
                                             Interruptor de A/C:
                                                                      5V
                                                    OFF




                                                         ATC-86
DIAGNÓSTICO DE FALHAS

8. VERIFICAR O SENSOR DE PRESSÃO DO REFRIGERANTE                                          A
      COM CONSULT-II
1.    Dê partida ao motor.
2.    Verifique a voltagem do sensor de pressão do refrigerante. Con-                     B
      sulte EC-34, "Funções de CONSULT-II (BCM)".
      SEM CONSULT-II
1.    Dê partida ao motor.                                                                C
2.    Verifique a voltagem entre o terminal 53 do conector F1 do chi-
      cote do ECM e a massa.
                                                                                          D
                  Terminais
                (+)                                             Voltagem      MJIB0071E
                                              Condição                                    E
                                     (-)                         (Aprox.)
     Conector
                      Terminal Nº
     do ECM
                                            Interruptor de
       F1                 53        Massa                      0.36 - 3.88V               F
                                               A/C: ON
OK ou NEGATIVO
OK >>       COM CONSULT-II
                                                                                          G
        PASSAR PARA 9.
           SEM CONSULT-II
        PASSAR PARA 10.                                                                   H
NEGATIVO >> Consulte EC-360, "SENSOR DE PRESSÃO DO REFRIGERANTE".


9. VERIFICAR O SINAL DE ENTRADA DO BCM (VENTILADOR ATIVADO)                               I

Verifique o sinal ON/OFF do ventilador. Consulte EC-34, "Funções
de CONSULT-II (BCM)".                                                                      J
                                                                                          ATC
       SELETOR ON                     : FAN ON SIG ON
       CONTROLE DO VENTILADOR
       DIANTEIRO SELETOR OFF          : FAN ON SIG OFF                                    K
OK ou NEGATIVO
OK >> PASSE PARA 12.
NEGATIVO >> PASSE PARA 10.                                                                L

                                                                              WJIA0469E

                                                                                          M
10. VERIFICAR A CONTINUIDADE ENTRE OS CIRCUITOS DO BCM E DO
        CONTROLE DIANTEIRO DE AR
1.    Desligue o interruptor de ignição.
2.    Desconecte o conector do BCM e o conector de controle
      dianteiro de ar.
3.    Verifique a continuidade entre o terminal 26 do conector M42 do
      chicote do BCM e o terminal 35 do conector M61 do chicote de
      controle dianteiro de ar.
         26 – 35            Deve existir continuidade.
OK ou NEGATIVO
OK >> PASSE PARA 11.
                                                                              MJIB0072E
NEGATIVO >> Repare o chicote ou o conector.




                                                             ATC-87
DIAGNÓSTICO DE FALHAS

11. VERIFICAR A VOLTAGEM DO CONTROLE DIANTEIRO DE AR (SINAL ON DO VENTILADOR)
1.   Conecte novamente o conector do BCM e o conector de con-
     trole dianteiro de ar.
2.   Ligue o interruptor de ignição.
3.   Verifique a voltagem entre o terminal 35 do conector M61 do chi-
     cote do controle dianteiro de ar e a massa.

                     Terminais
               (+)
                                                              Voltagem
                                                Condição
  Conector de                       (-)                        (Aprox.)
    controle         Terminal Nº                                                             WJIA1139E
 dianteiro do ar
                                             Interruptor de
                                             A/C: ON
                                             O motor do          0V
      M61                35        Massa     ventilador
                                             funciona
                                             Interruptor de
                                                                 5V
                                             A/C: OFF 5V

OK ou NEGATIVO
OK >> PASSE PARA 12.
NEGATIVO-1 >> Caso a voltagem seja de aproximadamente 5V quando o motor do ventilador estiver ligado,
              substitua o controle de ar dianteiro. Consulte ATC-111, "REMOÇÃO".
NEGATIVO-2 >> Caso a voltagem seja de aproximadamente 0V quando o motor do ventilador estiver desli-
              gado, substitua o BCM. Consulte BCS-14, "Remoção e Instalação do BCM".


12. VERIFICAR O RESULTADO DO AUTO-DIAGNÓSTICO
Efetue o auto-diagnóstico. Consulte EC-50, "Função de Auto-diagnóstico do Sistema de A/C".
OK ou NEGATIVO
OK >> Fim da Inspeção.
NEGATIVO >> Consulte EC-51, "TABELA DE CÓDIGOS DE AUTO-DIAGNÓSTICO".

INSPEÇÃO DE COMPONENTES
Sensor de Pressão de Refrigerante
O sensor de pressão do refrigerante está fixado no condensador.




                                                                                             MJIB0167E




                                                       ATC-88
DIAGNÓSTICO DE FALHAS

Arrefecimento Insuficiente                                                                                       EJS006BR
                                                                                                                            A
SINTOMA: Arrefecimento insuficiente
FLUXO DE INSPEÇÃO
                                                                                                                            B


                                                                                                                            C


                                                                                                                            D


                                                                                                                            E



                                                                                                                            F


                                                                                                                            G


                                                                                                                            H



                                                                                                                             I


                                                                                                                             J
                                                                                                                            ATC


                                                                                                                            K


                                                                                                                             L



                                                                                                                            M




                                                                                                        MJIB0349E

*1 EC-52, "Inspeção Operacional".        *4 EC-19, "DESCRIÇÃO DO SISTEMA".      *7 EC-92, "Leitura do Teste".
*2 EC-50, "Função de Auto-diagnóstico    *5 EC-5, "Refrigerante Contaminado".   *8 EM-14, "Verificação das Correias de
   do Sistema de A/C".                   *6 EC-90, "DIAGNÓSTICO DE TESTE           Acionamento".
*3 EC-51, "TABELA DE CÓDIGOS DE             DE DESEMPENHO".
   AUTO-DIAGNÓSTICO".




                                                     ATC-89
DIAGNÓSTICO DE FALHAS

DIAGNÓSTICO DE TESTE DE DESEMPENHO




                                                                   RJIA1601E


*1 EC-92, "TABELA DE    *3 EC-93, "DIAGNÓSTICO DE FALHAS
   DESEMPENHO".            PARA PRESSÃO ANORMAL".
*2 EC-92, "TABELA DE    *4 EC-64, "Circuito do Motor do Defletor
   DESEMPENHO".            de Mistura de Ar".



                                     ATC-90
DIAGNÓSTICO DE FALHAS


                                                                                                                   A



                                                                                                                   B


                                                                                                                   C


                                                                                                                   D


                                                                                                                   E



                                                                                                                   F


                                                                                                                   G


                                                                                                                   H



                                                                                                                    I


                                                                                                                    J
                                                                                                                   ATC


                                                                                                                   K


                                                                                                                    L



                                                                                                                   M




                                                                                                  RJIA3107E


* 1 EC-135, "Remoção e Instalação da    *2 EC-76, "Circuito do Motor do   *3 EM-14, "Verificação das Correias de
    Embreagem do Compressor".              Ventilador"                       Acionamento".




                                                     ATC-91
DIAGNÓSTICO DE FALHAS

TABELA DE DESEMPENHO
Condição de Teste
O teste deve ser efetuado como segue:
          Localização do veículo                                Área fechada ou na sombra (em um local bem ventilado)
 Portas                                        Fechadas
 Vidros                                        Abertos
 Capuz do Motor                                Aberto
 TEMP.                                         FRIO Máximo
 Interruptor de Modo                              (Ventilação) ajustado

 Interruptor de Recirculação (REC)                      (Recirculação) ajustado

   Velocidade do ventilador                    Velocidade máxima ajustada
 Rotação do motor                              Marcha-lenta
 Acione o sistema do ar condicionado durante 10 minutos antes de fazer as medições.

Leitura do Teste
Tabela de Temperatura do Ar de Recirculação à Descarga
 Ar interno (ar de recirculação) na entrada do conjunto do ventilador
                                                                                  Temperatura do ar de descarga no ventilador central
          Umidade relativa                     Temperatura do ar                                       °C (°F)
                %                                  °C (°F)
                                                    20 (68)                                       9.6 - 12.0 (49 - 54)
                                                    25 (77)                                      13.6 - 16.5 (56 - 62)
              40 - 60
                                                    30 (86)                                      18.0 - 21.4 (64 - 71)
                                                    35 (95)                                      22.8 - 26.7 (73 - 80)
                                                    20 (68)                                      12.0 - 14.3 (54 - 58)
                                                    25 (77)                                      16.5 - 19.3 (62 - 67)
              60 - 80
                                                    30 (86)                                      21.4 - 24.8 (71 - 77)
                                                    35 (95)                                      26.7 - 30.5 (80 - 87)

Tabela de Temperatura de Ar Ambiente à Temperatura de Funcionamento
                    Ar ambiente
                                                              Alta pressão (lado de descarga)          Baixa pressão (lado de sucção)
    Umidade relativa          Temperatura do ar                      kPa (kg/cm2 , psi)                       kPa (kg/cm2 , psi)
          %                       °C (°F)
                                                                       1,090 - 1,210                               220 - 240
                                     20 (68)
                                                               (11.11 - 12.33, 158.0 - 175.4)              (2.24 - 2.45, 31.9 - 34.8)
                                                                       1,370 - 1,520                               280 - 310
                                     25 (77)
                                                               (13.97 - 15.49, 198.6 - 220.3)              (2.85 - 3.16, 40.6 - 44.9)
          40 - 60
                                                                       1,610 - 1,790                               330 - 370
                                     30 (86)
                                                               (16.41 - 18.25, 233.4 - 259.5)              (3.36 - 3.77, 47.8 - 53.6)
                                                                       1,940 - 2,150                               390 - 430
                                     35 (95)
                                                               (19.78 - 21.92, 281.2 - 311.7)              (3.98 - 4.38, 56.5 - 62.3)
                                                                       1,210 - 1,330                               240 - 260
                                     20 (68)
                                                               (12.33 - 13.56, 175.4 - 192.8)              (2.45 - 2.65, 34.8 - 37.7)
                                                                       1,520 - 1,670                               310 - 340
                                     25 (77)
                                                               (15.49 - 17.02, 220.3 - 242.1)              (3.16 - 3.47, 44.9 - 49.3)
          60 - 80
                                                                       1,790 - 1,970                               370 - 410
                                     30 (86)
                                                               (18.25 - 20.08, 259.5 - 285.6)              (3.77 - 4.18, 53.6 - 59.4)
                                                                       2,150 - 2,370                               430 - 470
                                     35 (95)
                                                               (21.92 - 24.16, 311.7 - 343.5)              (4.38 - 4.79, 62.3 - 68.1)




                                                                 ATC-92
DIAGNÓSTICO DE FALHAS

DIAGNÓSTICO DE FALHAS PARA PRESSÃO ANORMAL
                                                                                                                                              A
Sempre que a pressão do lado de alta e/ou baixa do sistema estiver anormal, faça o diagnóstico utilizando um
medidor do coletor. O marcador acima da escala do medidor nas tabelas a seguir indicam a faixa padrão de
pressão (normal). Entretanto, quando a pressão padrão (normal) diferir daquela do veículo, consulte a tabela
acima (Tabela de pressão de ar ambiente à temperatura de funcionamento).                                                                      B
Em Ambos os Lados (Alta e Baixa) a Pressão está Excessivamente Alta
       Indicação do medidor               Ciclo de Refrigerante                  Causa provável                     Ação corretiva            C
                                     A pressão é reduzida logo                                            Reduza a quantidade de refri-
                                                                        Excesso de carga de refrige-
                                     após a água ser distribuída                                          gerante até que seja atingida a
                                                                        rante no ciclo de refrigeração
                                     no condensador.                                                      pressão especificada.
                                                                                                                                              D
                                                                        Desempenho insuficiente do
                                                                        condensador.
                                                                        ↓                                 ●   Limpe o condensador.
                                     A sucção de ar pelo ventila-                                                                             E
                                     dor de arrefecimento é insufi-     1. As aletas do condensador       ●   Verifique e repare o ventila-
                                     ciente.                               estão obstruídas.                  dor de arrefecimento, se
                                                                                                              necessário.
                                                                        2. Giro incorreto do ventilador
                                                                           de arrefecimento                                                   F
 Em ambos os lados (alta e baixa),   ●   O tubo de baixa pressão
 a pressão está excessivamente           não está frio.                 Troca insuficiente de calor no
 alta.                               ●   Quando o compressor é          condensador                                                           G
                                         desativado, o valor de alta    (Quando o compressor pára
                                                                        de funcionar, a alta pressão      Evacuar repetidamente e
                                         pressão cai rapidamente
                                                                        diminui muito devagar.)           recarregar o sistema.
                                         para aproximadamente
                                                                        ↓                                                                     H
                                         196 kPa (2 kg/cm2,
                                         28 psi),. A seguir, ele sobe   Ar no ciclo de refrigeração
                                         gradativamente.
                                     O motor tende ao superaque- Falha no sistema de arrefeci-            Verifique e repare o sistema de     I
                      AC359A         cimento.                    mento do motor.                          arrefecimento do motor.
                                                                        ●   Excesso de líquido refrige-
                                                                            rante no lado de baixa                                             J
                                                                                                                                              ATC
                                     ●   Uma parte do tubo de               pressão
                                         baixa pressão está mais        ●   Fluxo excessivo de des-
                                         fria do que as partes próxi-       carga de refrigerante
                                         mas à saída do evapora-                                          Substitua a válvula de expan-       K
                                                                        ●   A válvula de expansão está    são.
                                         dor.                               pouco aberta se com-
                                     ●   As placas algumas vezes            parada à especificação.
                                         estão cobertas com gelo.        ↓                                                                    L
                                                                        Ajuste incorreto da válvula de
                                                                        expansão.
                                                                                                                                              M
O Lado de Alta Pressão está Excessivamente Alto e o de Baixa Excessivamente Baixo
       Indicação do medidor                Ciclo de Refrigerante                  Causa provável                    Ação corretiva
 O lado de alta pressão está
 excessivamente alto e o de baixa
 excessivamente baixo.
                                     O lado superior do condensa-       O tubo de alta pressão ou         ●   Verifique e repare ou substi-
                                     dor e o lado de alta pressão       peças localizadas entre o             tua as peças que estejam
                                     estão quentes, entretanto, o       compressor e o condensador,           apresentando falhas.
                                     reservatório do líquido refri-     estão obstruídos ou comprimi-     ●   Verifique o lubrificante
                                     gerante não está tão quente.       dos.                                  quanto à contaminação.


                       AC360A




                                                              ATC-93
DIAGNÓSTICO DE FALHAS

O Lado de Alta Pressão está Excessivamente Baixo e o de Baixa Excessivamente Alto
       Indicação do medidor                Ciclo de Refrigerante              Causa provável                      Ação corretiva
 O lado de alta pressão está                                           A pressão de operação do
                                     Os lados de alta e baixa
 excessivamente baixo e o de                                           compressor está inadequada..
                                     pressão tornam-se iguais
 baixa excessivamente alto.                                            ↓                                 Substitua o compressor.
                                     quando o compressor pára de
                                                                       Danificado dentro das gaxetas
                                     funcionar.
                                                                       do compressor.
                                                                       A pressão de operação do
                                     Nenhuma diferença de tem-         compressor está inadequada.
                                     peratura entre os lados de alta   ↓                                 Substitua o compressor.
                                     e baixa pressão.                  Danificado dentro das gaxetas
                       AC356A                                          do compressor.

Em Ambos os Lados (Alta e Baixa) a Pressão está Excessivamente Baixa
       Indicação do medidor                 Ciclo de Refrigerante             Causa provável                      Ação corretiva
                                     ●   Existe uma grande dife-
                                         rença entre a entrada e a
                                         saída do reservatório do
                                         líquido. A temperatura de                                       ●   Substitua o reservatório do
                                         saída é extremamente          A parte interna do reservatório       líquido.
                                         baixa.                        do líquido está levemente
                                                                       obstruída.                        ●   Verifique o lubrificante
                                     ●   A entrada do reservatório                                           quanto à contaminação.
                                         do líquido e a válvula de
                                         expansão estão congela-
                                         das.
                                     ●   A temperatura da entrada
                                         da válvula de expansão é
                                         extremamente baixa
                                         quando comparada às
                                         áreas próximas ao reser-                                        ●   Verifique e repare as peças
                                                                       O tubo de alta pressão loca-          que estejam apresentando
                                         vatório do líquido.           lizado entre o reservatório do        falhas.
                                     ●   A entrada da válvula de       líquido e a válvula de expan-
                                         expansão pode estar           são está obstruído.               ●   Verifique o lubrificante
                                         congelada.                                                          quanto à contaminação.
                                     ●   A diferença de temperatura
 Em ambos os lados (alta e baixa),       ocorre em algum ponto do
 a pressão está excessivamente           lado de alta pressão.
 baixa.                                                                                                  Verifique o sistema de refri-
                                     A válvula de expansão e o         Baixa carga de refrigerante.
                                                                                                         gerante quanto a vazamentos.
                                     reservatório do líquido estão     ↓
                                                                                                         Consulte EC-142, "Inspeção
                                     aquecidas ou apenas frias ao      Conexões ou componentes
                                                                                                         de Vazamentos de
                                     tocá-las.                         com vazamentos.
                                                                                                         Refrigerante".
                                                                       A válvula de expansão fecha-
                                                                       se pouco se comparada à
                                                                       especificação.
                        AC353A       Existe uma grande diferença       ↓                                 ●   Remova partículas
                                     de temperatura entre a                                                  estranhas, utilizando ar
                                                                       1. Ajuste incorreto da válvula
                                     entrada e a saída da válvula                                            comprimido.
                                                                          de expansão.
                                     de expansão quando a própria                                        ●   Verifique o lubrificante
                                     válvula está congelada.           2. Válvula de expansão com
                                                                                                             quanto à contaminação.
                                                                          falha.
                                                                       3. A entrada e a saída podem
                                                                          ser obstruídas.
                                                                                                         ●   Verifique e repare as peças
                                     Uma parte do tubo de baixa                                              que estejam apresentando
                                     pressão está mais fria do que     O tubo de baixa pressão está          falhas.
                                     as partes próximas à saída do     obstruído ou comprimido.
                                     evaporador.                                                         ●   Verifique o lubrificante
                                                                                                             quanto à contaminação.
                                                                                                         ●   Consulte EC-109, "Circuito
                                                                                                             do Sensor de Entrada".
                                                                                                         ●   Substitua o compressor.
                                     O volume de fluxo de ar está
                                                                       Verifique o circuito do sensor    ●   Repare as aletas do evapo-
                                     excessivamente baixo. O
                                                                       de entrada.                           rador.
                                     evaporador está congelado.
                                                                                                         ●   Substitua o evaporador.
                                                                                                         ●   Consulte EC-76, "Circuito
                                                                                                             do Motor do Ventilador".


                                                             ATC-94
DIAGNÓSTICO DE FALHAS

O Lado de Baixa Pressão Algumas Vezes Fica Negativo
                                                                                                                                            A
       Indicação do medidor               Ciclo de Refrigerante               Causa provável                      Ação corretiva
 O Lado de baixa pressão algumas    ●   O sistema do ar condicio-      O refrigerante não é descar-
 vezes fica negativo..                  nado não funciona e não        regado ciclicamente.                                                 B
                                        resfria ciclicamente o ar do   ↓                                ●   Drene a água do refrige-
                                        compartimento.                 A umidade é congelada na             rante ou substitua o refrige-
                                    ●   O sistema funciona cons-       saída e entrada da válvula de        rante.
                                        tantemente durante um          expansão.                        ●   Substitua o reservatório do     C
                                        determinado período após a     ↓                                    líquido.
                                        paralisação do compressor      A água é misturada com o
                        AC354A          e a seguir é reiniciado.       refrigerante.
                                                                                                                                            D

O Lado de Baixa Pressão Fica Negativo

       Indicação do medidor               Ciclo de Refrigerante               Causa provável                      Ação corretiva            E
                                                                                                        Deixe o sistema em repouso
                                                                                                        até que seja eliminado todo o
                                                                                                        gelo. Reinicie-o novamente          F
                                                                                                        para verificar se a falha é
                                                                                                        causada ou não pela água ou
                                                                                                        partículas estranhas.
                                                                                                        ●   Caso a falha seja causada       G
                                                                                                            pela água, à primeira vista o
                                                                                                            resfriamento está satis-
                                                                                                            fatório. A seguir, a água       H
 O lado de baixa pressão fica ne-                                                                           congela levando a
 gativo..                                                              O lado de alta pressão é             obstruções. Drene a água
                                                                       fechado e o refrigerante não         do refrigerante ou substitua
                                    O reservatório do líquido ou o
                                                                       flui.                                o refrigerante.                 I
                                    lado dianteiro / traseiro do
                                                                       ↓                                ●   Caso a falha seja causada
                                    tubo da válvula de expansão é
                                                                       A válvula de expansão ou re-         em virtude de partículas
                                    congelado ou condensado.
                                                                       servatório de líquido é conge-       estranhas, remova a válvula
                                                                       lado.                                de expansão e remova as          J
                                                                                                                                            ATC
                         AC362A                                                                             partículas com ar compri-
                                                                                                            mido seco (não utilize o ar
                                                                                                            da oficina).
                                                                                                                                            K
                                                                                                        ●   Caso nenhum dos métodos
                                                                                                            possa corrigir a falha, subs-
                                                                                                            titua a válvula de expansão.
                                                                                                        ●   Substitua o reservatório do     L
                                                                                                            líquido.
                                                                                                        ●   Verifique o lubrificante
                                                                                                            quanto à contaminação.          M




                                                             ATC-95
DIAGNÓSTICO DE FALHAS

Aquecimento Insuficiente                                                                                              EJS006BS


SINTOMA: Aquecimento insuficiente
FLUXO DE INSPEÇÃO




                                                                                                              MJIB0350E


*1 EC-52, "Inspeção Operacional".           *4 EC-50, "Função de Auto-diagnóstico   *7 CO-7, "Ao Trocar o Líquido de Arrefec-
*2 EC-64, "Circuito do Motor do Defletor       do Sistema de A/C".                     imento do Motor".
   de Mistura de Ar".                       *5 EC-76, "Circuito do Motor do         *8 CO-13, "Inspeção da Tampa do
*3 EC-50, "Função de Auto-diagnóstico          Ventilador".                            Reservatório".
   do Sistema de A/C".                      *6 EC-126, "DTC P0117, P0118
                                               SENSOR ECT"”.




                                                         ATC-96
DIAGNÓSTICO DE FALHAS

Ruído                                                                                               EJS006BT
                                                                                                               A
SINTOMA: Ruído
FLUXO DE INSPEÇÃO
                                                                                                               B


                                                                                                               C


                                                                                                               D


                                                                                                               E



                                                                                                               F


                                                                                                               G


                                                                                                               H



                                                                                                                I


                                                                                                                J
                                                                                                               ATC


                                                                                                               K


                                                                                                                L



                                                                                                               M




                                                                                        WJIA0473E


*1 EC-135, "REMOÇÃO".       *3 EC-25, "Manutenção da Quantidade   *5 EM-14, "Verificação das Correias de
*2 EC-136, "INSTALAÇÃO".       de Lubrificante no Compressor".       Acionamento".
                            *4 EC-52, "Inspeção Operacional".



                                        ATC-97
DIAGNÓSTICO DE FALHAS

Auto-diagnóstico                                                                                                   EJS006BU


SINTOMA: O auto-diagnóstico não pode ser efetuado.

FLUXO DE INSPEÇÃO




                                                                                                            MJIB0350E

*1 EC-56, "Circuito de Alimentação e      *4 EC-107, "Circuito do Sensor Ótico".     *7 EC-52, "Inspeção Operacional".
   Massa do Controle de Ar Dianteiro".    *5 EC-109, "Circuito do Sensor de          *8 EC-37, "TABELA DE SINTOMAS".
*2 EC-100, "Circuito do Sensor de            Entrada".
   Temperatura-Ambiente".                 *6 EC-64, "Circuito do Motor do Defletor
*3 EC-103, "Circuito do Sensor de            de Mistura de Ar".
   Temperatura Interna do Veículo".




                                                       ATC-98
DIAGNÓSTICO DE FALHAS

Função de Memória                                                                                             EJS006BV
                                                                                                                         A
SINTOMA: A função de memória não funciona.

FLUXO DE INSPEÇÃO
                                                                                                                         B


                                                                                                                         C


                                                                                                                         D


                                                                                                                         E



                                                                                                                         F


                                                                                                                         G


                                                                                                                         H



                                                                                                                          I


                                                                                                                          J
                                                                                                                         ATC


                                                                                                                         K

                                                                                                      MJIB0332E


*1 EC-56, "Circuito de Alimentação e      *2 EC-52, "Inspeção Operacional".   *3 EC-50, "Função de Auto-diagnóstico
                                                                                                                          L
   Massa do Controle de Ar Dianteiro".                                           do Sistema de A/C"


                                                                                                                         M




                                                       ATC-99
DIAGNÓSTICO DE FALHAS

Circuito do Sensor de Temperatura-Ambiente                                                           EJS006BW


DESCRIÇÃO DO COMPONENTE
Sensor de Temperatura-ambiente
O sensor de temperatura está fixado no suporte do núcleo do radia-
dor (lado esquerdo). Ele detecta a temperatura-ambiente e converte-
a em um valor de resistência que então é introduzido no controle
dianteiro de ar.




                                                                                                MJIB0168E


PROCESSO DE ENTRADA DA TEMPERATURA-AMBIENTE
O controle dianteiro de ar inclui um circuito de processamento para a entrada do sensor de temperatura-am-
biente. Entretanto, quando a temperatura detectada pelo sensor de temperatura-ambiente aumenta rapida-
mente, o circuito de processamento retarda a função de controle dianteiro de ar. Ele permite apenas que o
controle dianteiro de ar reconheça um aumento de temperatura-ambiente de 0,33°C (0,6°F) a cada 100 se-
gundos.
Isto evita ajustes constantes em virtude de condições momentâneas, como por exemplo parar após dirigir a
altas velocidades.
Embora a temperatura-ambiente atual não seja alterada, a temperatura detectada pelo sensor de tempera-
tura-ambiente irá aumentar. Isto acontece porque o calor do compartimento do motor pode ser irradiado à
área da grade dianteira, onde está localizado o sensor de temperatura-ambiente.

PROCEDIMENTO DE DIAGNÓSTICO DO SENSOR DE TEMPERATURA-AMBIENTE
SINTOMA: O circuito do sensor de temperatura-ambiente aberto ou
em curto. (40 ou 41 são indicados no controle dianteiro de ar como
resultado da realização do auto-diagnóstico do controle dianteiro de
ar).




                                                                                                MJIB0090E



1. VERIFICAR A VOLTAGEM ENTRE O SENSOR DE TEMPERATURA-AMBIENTE E A MASSA
1.   Desconecte o conector do sensor de temperatura-ambiente.
2.   Ligue o interruptor de ignição.
3.   Verifique a voltagem entre o terminal 4 do conector E48 do
     conector do chicote do sensor de temperatura-ambiente.
        4 – Massa          : Aproximadamente 5V
OK ou NEGATIVO
OK >> PASSE PARA 2.
NEGATIVO >> PASSE PARA 4.
                                                                                                MJIB0091E




                                                ATC-100
DIAGNÓSTICO DE FALHAS

2. VERIFICAR A CONTINUIDADE ENTRE OS CIRCUITOS DO SENSOR DE TEMPERATURA-AMBIENTE                      A
     E DO CONTROLE DIANTEIRO DE AR
1. Desligue o interruptor de ignição.
2. Desconecte o conector de controle dianteiro de ar.                                                 B
3. Verifique a continuidade entre o terminal 3 do conector E48 do
   chicote do sensor de temperatura-ambiente e o terminal 13 do
   conector M60 do chicote de controle dianteiro de ar.                                               C
      3 – 13            : Deve existir continuidade.
OK ou NEGATIVO
OK >> PASSE PARA 3.                                                                                   D
NEGATIVO >> Repare o chicote ou o conector.
                                                                                         MJIB0092E

                                                                                                      E
3. VERIFICAR O SENSOR DE TEMPERATURA-AMBIENTE
Consulte EC-102, "Sensor de Temperatura-ambiente".
OK ou NEGATIVO                                                                                        F
OK >>
      1. Substitua o controle dianteiro de ar.
      2. Passe ao auto-diagnóstico EC-50, "Função de Auto-diagnóstico do Sistema de A/C" e efetue o   G
          auto-diagnóstico.
NEGATIVO >>
      1. Substitua o sensor de temperatura-ambiente.                                                  H
      2. Passe ao auto-diagnóstico EC-50, "Função de Auto-diagnóstico do Sistema de A/C" e efetue o
          auto-diagnóstico.
                                                                                                       I

4. VERIFICAR A CONTINUIDADE ENTRE OS CIRCUITOS DO SENSOR DE TEMPERATURA-
     AMBIENTE E DO CONTROLE DIANTEIRO DE AR                                                            J
                                                                                                      ATC
1.   Desligue o interruptor de ignição.
2.   Desconecte o conector de controle dianteiro de ar.
                                                                                                      K
3.   Verifique a continuidade entre o terminal 4 do conector E48 do
     chicote do sensor de temperatura-ambiente e o terminal 28 do
     conector M61 do chicote de controle dianteiro de ar.
       4 – 28             : Deve existir continuidade.                                                 L
4.   Verifique a continuidade entre o terminal 4 do conector E48 do
     conector do chicote do sensor de temperatura-ambiente.
       4 – Massa          : Não deve existir continuidade.                                            M
                                                                                         MJIB0093E
OK ou NEGATIVO
OK >>
      1. Substitua o controle dianteiro de ar.
      2. Passe ao auto-diagnóstico EC-50, "Função de Auto-diagnóstico do Sistema de A/C" e efetue o
         auto-diagnóstico.
NEGATIVO >> Repare o chicote ou o conector.




                                                ATC-101
DIAGNÓSTICO DE FALHAS

INSPEÇÃO DE COMPONENTES
Sensor de Temperatura-ambiente
Após desconectar o conector do sensor de temperatura-ambiente,
meça a resistência entre os terminais 1 e 2 no lado do componente
do sensor, utilizando a tabela abaixo.

        Temperatura °C (°F)               Resistência kΩ
              0 (32)                          9.39
              20 (68)                         3.51
              35 (95)                         1.80
             40 (104)                         1.46

Se NEGATIVO, substitua o sensor de temperatura-ambiente.




                                                                    MJIB0169E




                                              ATC-102
DIAGNÓSTICO DE FALHAS

Circuito do Sensor de Temperatura Interna do Veículo                        EJS006BX
                                                                                       A
DESCRIÇÃO DO COMPONENTE
Sensor de Temperatura Interna do Veículo
O sensor de temperatura interna do veículo está localizado no painel                   B
de instrumentos, parte inferior, lado do motorista. Ele converte as
variações de temperatura do ar dentro do compartimento de pas-
sageiros (puxado através do ventilador integrado) em um valor de
resistência. A seguir, é dada entrada no controle dianteiro de ar.                     C


                                                                                       D


                                                                       MJIB0352E
                                                                                       E



                                                                                       F


                                                                                       G


                                                                                       H

                                                                       WJIA0606E

                                                                                        I
PROCEDIMENTO DE DIAGNÓSTICO DO SENSOR DE TEMPERATURA INTERNA DO VEÍCULO
SINTOMA: O circuito do sensor de temperatura interna do veículo
está aberto ou em curto. (44 ou 46 são indicados no controle                            J
dianteiro de ar como resultado da realização do auto-diagnóstico.)                     ATC


                                                                                       K


                                                                                        L

                                                                       WJIA1146E

                                                                                       M




                                                ATC-103
DIAGNÓSTICO DE FALHAS

1. VERIFICAR O CIRCUITO DO SENSOR DE TEMPERATURA INTERNA DO VEÍCULO
Os códigos de diagnóstico 44 ou 46 estão presentes?
SIM ou NÃO
SIM >> PASSE PARA 6.
NÃO >> PASSAR PARA 2.


2. VERIFICAR A VOLTAGEM ENTRE O SENSOR DE TEMPERATURA INTERNA DO VEÍCULO E A
     MASSA
1.   Desligue o interruptor de ignição.
2.   Desconecte o conector do sensor de temperatura interna do
     veículo.
3.   Ligue o interruptor de ignição.
4.   Verifique a voltagem entre o terminal 4 do conector M50 do chi-
     cote do sensor de temperatura interna do veículo e a massa.
        4 – Massa          : Aproximadamente 5V
OK ou NEGATIVO
OK >> PASSE PARA 3.
                                                                                             LJIA0089E
NEGATIVO >> PASSE PARA 5.


3. VERIFICAR A CONTINUIDADE ENTRE OS CIRCUITOS DO SENSOR DE TEMPERATURA INTERNA
     DO VEÍCULO E DO CONTROLE DIANTEIRO DE AR
1.   Desligue o interruptor de ignição.
2.   Desconecte o conector M60 de controle dianteiro de ar.
3.   Verifique a continuidade entre o terminal 1 do conector M50 do
     chicote do sensor de temperatura interna do veículo e o terminal
     13 do conector M60 do chicote de controle dianteiro de ar.
       1 – 13              : Deve existir continuidade.
OK ou NEGATIVO
OK >> PASSE PARA 4.
NEGATIVO >> Repare o chicote ou o conector.
                                                                                             WJIA1147E



4. VERIFICAR O SENSOR DE TEMPERATURA INTERNA DO VEÍCULO
Consulte EC-106, "Sensor de Temperatura Interna do Veículo".
OK ou NEGATIVO
OK >>
     1. Substitua o controle dianteiro de ar.
     2. Passe a EC-50, "Função de Auto-diagnóstico do Sistema de A/C" e efetue o auto-diagnóstico.
NEGATIVO >>
     1. Substitua o sensor de temperatura interna do veículo.
     2. Passe a EC-50, "Função de Auto-diagnóstico do Sistema de A/C" e efetue o auto-diagnóstico.




                                                 ATC-104
DIAGNÓSTICO DE FALHAS

5. VERIFICAR A CONTINUIDADE ENTRE OS CIRCUITOS DO SENSOR DE TEMPERATURA INTERNA                         A
     DO VEÍCULO E DO CONTROLE DIANTEIRO DE AR
1. Desligue o interruptor de ignição.
2. Desconecte o conector de controle dianteiro de ar.                                                   B
3. Verifique a continuidade entre o terminal 4 do conector M50 do
   chicote do sensor de temperatura interna do veículo e o terminal
   27 do conector M61 do chicote de controle dianteiro de ar.                                           C
      4 – 27             : Deve existir continuidade.
4. Verifique a continuidade entre o terminal 4 do conector M50 do
   chicote do sensor de temperatura interna do veículo e a massa.                                       D
      4 – Massa          : Não deve existir continuidade.
                                                                                        WJIA1148E
OK ou NEGATIVO
OK >>                                                                                                   E
     1. Substitua o controle dianteiro de ar.
     2. Passe ao auto-diagnóstico EC-50, "Função de Auto-diagnóstico do Sistema de A/C" e efetue o
          auto-diagnóstico.                                                                             F
NEGATIVO >> Repare o chicote ou o conector.

                                                                                                        G
6. VERIFICAR A CONTINUIDADE ENTRE O MOTOR DO SENSOR DE TEMPERATURA INTERNA DO
     VEÍCULO E DO CONTROLE DIANTEIRO DE AR (CÓDIGOS DE AUTO-DIAGNÓSTICO 44 OU 46)
                                                                                                        H
1. Desligue o interruptor de ignição.
2. Desconecte o conector de controle dianteiro de ar e o conector
   do sensor de temperatura interna do veículo.
                                                                                                         I
3. Verifique a continuidade entre os terminais 2 e 3 do conector
   M50 do chicote do sensor de temperatura interna do veículo e
   os terminais 34 e 33 do conector M61 do chicote de controle
   dianteiro de ar.                                                                                      J
                                                                                                        ATC
      2 – 34             : Deve existir continuidade.
      3 – 33             : Deve existir continuidade.
                                                                                            WJIA1149E   K
4. Verifique a continuidade entre o terminal 2 e 3 do conector M50
   do chicote do sensor de temperatura interna do veículo e a
   massa.
      2, 3 – Massa       : Não deve existir continuidade.                                                L
OK ou NEGATIVO
OK >>
                                                                                                        M
     1. Substitua o controle dianteiro de ar.
     2. Passe a EC-50, "Função de Auto-diagnóstico do Sistema de A/C" e efetue o auto-diagnóstico.
NEGATIVO >> Repare o chicote ou o conector.




                                              ATC-105
DIAGNÓSTICO DE FALHAS

INSPEÇÃO DE COMPONENTES
Sensor de Temperatura Interna do Veículo
Após desconectar o conector do sensor de temperatura interna do
veículo, meça a resistência entre os terminais 1 e 4 no lado do com-
ponente do sensor, utilizando a tabela abaixo.

        Temperatura °C (°F)                Resistência kΩ
              −15 (5)                          21.40
             −10 (14)                          16.15
              −5 (23)                          12.29
              0 (32)                            9.41
              5 (41)                            7.27
              10 (50)                           5.66
              15 (59)                           4.45
              20 (68)                           3.51
              25 (77)                           2.79
              30 (86)                           2.24
              35 (95)                           1.80
             40 (104)                           1.45
             45 (113)                           1.18
                                                                       MJIB0353E

Se NEGATIVO, substitua o sensor de temperatura interna do
veículo.




                                                ATC-106
DIAGNÓSTICO DE FALHAS

Circuito do Sensor Ótico                                                                                 EJS006BY
                                                                                                                    A
DESCRIÇÃO DO COMPONENTE
O sensor ótico está localizado na parte central da grade do
descongelador. Ele detecta a carga solar que entra através do pára-                                                 B
brisa através de um foto-diodo. O sensor converte a carga solar em
um valor de corrente que então é introduzido no controle dianteiro
de ar.
                                                                                                                    C
PROCESSO DE ENTRADA ÓTICA
O controle dianteiro de ar inclui um circuito de processamento que
                                                                                                                    D
faz uma média das variações detectadas de carga solar durante um
determinado período de tempo. Isto evita ajustes na operação do
                                                                                                      MJIB0172E
sistema ATC em virtude de variações pequenas ou rápidas da carga
solar detectada.                                                                                                    E
Por exemplo, considere ao dirigir em uma estrada marginada por grandes árvores. A carga solar detectada
pelo sensor ótico irá variar enquanto as árvores estiverem obstruindo a luz solar. O circuito de processamento
calcula a carga solar detectada durante um determinado período de tempo, de maneira que o efeito (insignifi-        F
cante) das árvores que estejam momentaneamente obstruindo a luz solar não provoquem nenhuma alteração
quanto ao funcionamento do sistema ATC. Por outro lado, logo após entrar em um túnel longo, o sistema irá
reconhecer a mudança na carga solar, e o sistema irá reagir de acordo.
                                                                                                                    G
PROCEDIMENTO DE DIAGNÓSTICO DO SENSOR DE CARGA SOLAR
SINTOMA: O circuito do sensor de carga solar está aberto ou em
                                                                                                                    H
curto. (44 ou 46 são indicados no controle dianteiro de ar como
resultado da realização do auto-diagnóstico.)

                                                                                                                     I


                                                                                                                     J
                                                                                                                    ATC

                                                                                                    MJIB0181E
                                                                                                                    K
1. VERIFICAR A CONTINUIDADE ENTRE OS CIRCUITOS DO SENSOR DE TEMPERATURA DE CARGA
     SOLAR E DO CONTROLE DIANTEIRO DE AR
                                                                                                                     L
1. Desligue o interruptor de ignição.
2. Desconecte o conector de controle dianteiro de ar e o conector
   do sensor de carga solar.
                                                                                                                    M
3. Verifique a continuidade entre o terminal 1 e 2 do conector M63
   do chicote do sensor de carga solar e o terminal 29 e 37 do
   conector M61 do chicote de controle dianteiro de ar.
      1 – 29             : Deve existir continuidade.
      2 – 37             : Deve existir continuidade.
4. Verifique a continuidade entre o terminal 1 e 2 do conector M63
   do chicote do sensor de carga solar e a massa.                                                   MJIB0086E

      1, 2 – Massa       : Não deve existir continuidade.
OK ou NEGATIVO
OK >> PASSE PARA 2.
NEGATIVO >> Repare o chicote ou o conector.




                                                 ATC-107
DIAGNÓSTICO DE FALHAS

2. VERIFICAR A CONTINUIDADE ENTRE OS CIRCUITOS DO SENSOR DE TEMPERATURA DE
     CARGA SOLAR E DO CONTROLE DIANTEIRO DE AR
1. Desligue o interruptor de ignição.
2. Desconecte o conector de controle dianteiro de ar e o conector
   do sensor de carga solar.
3. Verifique a continuidade entre o terminal 3 do conector M63 do
   chicote do sensor de carga solar e o terminal 13 do conector
   M60 do chicote de controle dianteiro de ar.
      3 – 13             : Deve existir continuidade.
4. Verifique a continuidade entre o terminal 3 do conector M63 do
   chicote do sensor de carga solar e a massa.
      3 – Massa          : Não deve existir continuidade.               MJIB0087E

OK ou NEGATIVO
OK >> Substitua o sensor de carga solar.
NEGATIVO >> Repare o chicote ou o conector.




                                              ATC-108
DIAGNÓSTICO DE FALHAS

Circuito do Sensor de Entrada                                                  EJS006BZ
                                                                                          A
DESCRIÇÃO DO COMPONENTE
Sensor de Entrada
O sensor de entrada está localizado na unidade de aquecimento e                           B
resfriamento. Ele converte a temperatura do ar após sua passagem
pelo evaporador em um valor de resistência que então é introduzido
no controle dianteiro de ar.
                                                                                          C


                                                                                          D


                                                                          MJIB0173E       E
PROCEDIMENTO DE DIAGNÓSTICO DO SENSOR DE ENTRADA
SINTOMA: O circuito do sensor de entrada está aberto ou em curto.
                                                                                          F
(56 ou 57 são indicados no controle dianteiro de ar como resultado
da realização do auto-diagnóstico.)

                                                                                          G


                                                                                          H


                                                                          WJIA1156E
                                                                                           I
1. VERIFICAR A VOLTAGEM ENTRE O SENSOR DE TEMPERATURA ENTRADA E A MASSA
1. Desconecte o conector do sensor de temperatura de entrada.                              J
                                                                                          ATC
2. Ligue o interruptor de ignição.
3. Verifique a voltagem entre o terminal 2 do conector do conector
   do chicote do sensor de temperatura de entrada e a massa.                              K
      2 – Massa          : Aproximadamente 5V
OK ou NEGATIVO
OK >> PASSE PARA 2.                                                                        L
NEGATIVO >> PASSE PARA 4.
                                                                          WJIA1278E
                                                                                          M

2. VERIFICAR A CONTINUIDADE ENTRE OS CIRCUITOS DO SENSOR DE TEMPERATURA DE
     ENTRADA E DO CONTROLE DIANTEIRO DE AR
1. Desligue o interruptor de ignição.
2. Desconecte o conector de controle dianteiro de ar.
3. Verifique a continuidade entre o terminal 1 do conector M82 do
   chicote do sensor de temperatura de entrada e o terminal 13 do
   conector M60 do chicote de controle dianteiro de ar.
      1 – 13            : Deve existir continuidade.
OK ou NEGATIVO
OK >> PASSE PARA 3.
NEGATIVO >> Repare o chicote ou o conector.
                                                                          WJIA1157E




                                               ATC-109
DIAGNÓSTICO DE FALHAS

3. VERIFICAR O SENSOR DE TEMPERATURA DE ENTRADA
Consulte EC-110, "Sensor de Entrada".
OK ou NEGATIVO
OK >>
      1. Substitua o controle dianteiro de ar.
      2. Passe ao auto-diagnóstico EC-50, "Função de Auto-diagnóstico do Sistema de A/C" e efetue o
          auto-diagnóstico.
NEGATIVO >>
      1. Substitua o sensor de temperatura de entrada.
      2. Passe ao auto-diagnóstico EC-50, "Função de Auto-diagnóstico do Sistema de A/C" e efetue o
          auto-diagnóstico.

4. VERIFICAR A CONTINUIDADE ENTRE OS CIRCUITOS DO SENSOR DE TEMPERATURA DE
     ENTRADA E DO CONTROLE DIANTEIRO DE AR
1. Desligue o interruptor de ignição.
2. Desconecte o conector de controle dianteiro de ar.
3. Verifique a continuidade entre o terminal 2 do conector M82 do
   chicote do sensor de temperatura de entrada e o terminal 12 do
   conector M60 do chicote de controle dianteiro de ar.
      2 – 12             : Deve existir continuidade.
4. Verifique a continuidade entre o terminal 2 do conector do chi-
   cote do sensor de temperatura entrada e a massa.
      2 – Massa          : Não deve existir continuidade.
OK ou NEGATIVO                                                                          WJIA1158E

OK >>
     1. Substitua o controle dianteiro de ar.
     2. Passe ao auto-diagnóstico EC-50, "Função de Auto-diagnóstico do Sistema de A/C" e efetue o
          auto-diagnóstico.
NEGATIVO >>Repare o chicote ou o conector.

INSPEÇÃO DE COMPONENTES
Sensor de Entrada
Após desconectar o conector do sensor de temperatura de entrada,
meça a resistência entre os terminais 1 e 2, utilizando a tabela
abaixo.

        Temperatura °C (°F)               Resistência kΩ
              −15 (5)                         209.8
             −10 (14)                         160.3
              −5 (23)                         123.4
              0 (32)                          95.8
              5 (41)                          74.9
              10 (50)                         59.0
              15 (59)                         46.8
              20 (68)                         37.4
              25 (77)                         30.0
              30 (86)                         24.2
              35 (95)                         19.7
             40 (104)                         16.1
             45 (113)                         13.2

Se NEGATIVO, substitua o sensor de temperatura de entrada.
                                                                                          MJIB0174E



                                              ATC-110
UNIDADE DE CONTROLE

UNIDADE DE CONTROLE                                                                   PFP:27500
                                                                                                      A
Remoção e Instalação                                                                      EJS0006C0


REMOÇÃO
1.   Remova a lente do grupo de instrumentos C. Consulte ATC-11, "LENTE DO GRUPO DE INSTRUMEN-        B
     TOS C".
2.   Remova os quatro parafusos que fixam o controle dianteiro de
     ar na lente do grupo de instrumentos C.                                                          C
3.   Remova o controle dianteiro de ar.

                                                                                                      D


                                                                                                      E

                                                                                     LBIA0416E

                                                                                                      F
INSTALAÇÃO
A instalação deve ser efetuada na seqüência inversa de remoção.
                                                                                                      G


                                                                                                       H
                                                                                                      ATC


                                                                                                       I


                                                                                                       J



                                                                                                      K


                                                                                                       L



                                                                                                      M




                                              ATC-111
SENSOR DE TEMPERATURA AMBIENTE

SENSOR DE TEMPERATURA-AMBIENTE                                        PFP:27722

Remoção e Instalação                                                      EJS006C1


REMOÇÃO
1.   Remova a grade dianteira. Consulte EI-19, "GRADE
     DIANTEIRA".
2.   Desconecte o conector elétrico do sensor de temperatura-am-
     biente.
     NOTA:
     O sensor de temperatura-ambiente está localizado atrás do
     pára-choque dianteiro, na frente do condensador.
3.   Libere a presilha do sensor de temperatura-ambiente e a seguir
     remova o sensor de temperatura-ambiente.
                                                                      MJIB0175E




INSTALAÇÃO
A instalação deve ser efetuada na seqüência inversa de remoção.




                                                ATC-112
SENSOR DE TEMPERATURA INTERNA DO VEÍCULO

SENSOR DE TEMPERATURA INTERNA DO VEÍCULO                            PFP:27720
                                                                                   A
Remoção e Instalação                                                    EJS006C2


REMOÇÃO
1.   Remova a lente do grupo de instrumentos C. Consulte ATC-11,                   B
     "LENTE DO GRUPO DE INSTRUMENTOS C".
2.   Remova os dois parafusos e a seguir remova o sensor de tem-
     peratura interna do veículo.                                                  C


                                                                                   D



                                                                   WJIA1073E       E

INSTALAÇÃO
A instalação deve ser efetuada na seqüência inversa de remoção.                    F


                                                                                   G


                                                                                    H
                                                                                   ATC


                                                                                    I


                                                                                    J



                                                                                   K


                                                                                    L



                                                                                   M




                                              ATC-113
SENSOR ÓTICO

SENSOR ÓTICO                                                             PFP:28576

Remoção e Instalação                                                         EJS006C3


O sensor ótico está localizado na parte superior central do painel de
instrumentos.




                                                                        WJIA1072E




                                                 ATC-114
SENSOR DE TEMPERATURA DE ENTRADA

SENSOR DE TEMPERATURA DE ENTRADA                                              PFP:27723
                                                                                             A
Remoção e Instalação                                                              EJS006C4


REMOÇÃO
1.   Remova a placa protetora dianteira.                                                     B
2.   Remova o acabamento lateral do painel de instrumentos.
3.   Remova o porta-luvas.
4.   Remova o acabamento da coluna dianteira.                                                C
5.   Remova o porta-luvas superior (cobertura do grupo de instrumentos E).
6.   Desconecte o conector elétrico do sensor de temperatura de
     entrada.                                                                                D
     NOTA:
     O sensor de temperatura de entrada está localizado na parte
                                                                                             E
     superior do conjunto da unidade do aquecedor e resfriador
     próximo à tampa do evaporador do A/C.
7.   Gire o sensor de temperatura de entrada e remova-o do con-
     junto da unidade de aquecimento e resfriamento.                                         F


                                                                             MJIB0325E
                                                                                             G

INSTALAÇÃO
A instalação deve ser efetuada na seqüência inversa de remoção.                              H



                                                                                              I


                                                                                             ATC
                                                                                              J



                                                                                             K


                                                                                              L



                                                                                             M




                                               ATC-115
MOTOR DO VENTILADOR

MOTOR DO VENTILADOR                                                                                     PFP: 27226
                                                                                                                          A
Componentes                                                                                                    EJS006C5




                                                                                                                          B


                                                                                                                          C


                                                                                                                          D


                                                                                                                          E



                                                                                                                          F


                                                                                                                          G
                                                                                                      MJIB0210E


 1. Conjunto da unidade do aquecimento   2. Motor do ventilador           3. Controle variável do ventilador
    e resfriamento                                                                                                        H
Remoção e Instalação                                                                                           EJS006C6


REMOÇÃO                                                                                                                   I
1.   Remova o conjunto do porta-luvas inferior. Consulte ATC-10, "Remoção e Instalação".
2.   Desconecte o conector elétrico do motor do ventilador.
3.   Remova os três parafusos e remova o motor do ventilador.                                                              J
                                                                                                                          ATC

INSTALAÇÃO
A instalação deve ser efetuada na seqüência inversa de remoção.                                                           K


                                                                                                                          L



                                                                                                                          M




                                                     ATC-116
FILTRO DO CONDICIONADOR DE AR

FILTRO DO CONDICIONADOR DE AR                                            PFP:27277
                                                                                        A
Remoção e Instalação                                                         EJS006C7


FUNÇÃO
O ar que está dentro do compartimento de passageiros é filtrado                         B
através dos filtros do ar condicionado quando mos controles do
aquecedor ou do A/C estão ajustados nos modos recirculação ou ar
fresco. Os dois filtros do ar condicionado estão localizados no con-                    C
junto da unidade do aquecedor e resfriador.

TEMPO DE SUBSTITUIÇÃO                                                                   D
Recomenda-se substituir os dois filtros do ar condicionado regularm-
ente, dependendo das condições de condução do veículo. Consulte
MA-9, "MANUTENÇÃO PERIÓDICA". Também poderá ser                         MJIB0215E       E
necessário substituir os dois filtros do ar condicionado como parte
da substituição de componente, caso os filtros do ar condicionado
estejam danificados.
                                                                                        F
PROCEDIMENTO DE SUBSTITUIÇÃO
1.   Remova o acabamento lateral do respiro inferior do capuz.
                                                                                        G
2.   Remova o acabamento inferior da coluna dianteira.
3.   Remova o porta-luvas inferior.
a.   Remova os parafusos inferiores da porta-luvas inferior.                            H
b.   Abra o porta-luvas inferior; a seguir remova os dois parafusos
     superiores do porta-luvas inferior.
c.   Desconecte as duas presilhas superiores e remova o porta-                          I
     luvas inferior do painel de instrumentos para ter acesso à tampa
     do filtro do ar condicionado.
                                                                                         J
                                                                                        ATC


                                                                                        K
                                                                        WLIA0023E



                                                                                        L



                                                                                        M




                                                 ATC-117
FILTRO DO CONDICIONADOR DE AR

4.   Remova o parafuso e a seguir a tampa do filtro do ar condicio-
     nado.
5.   Remova os dois filtros do ar condicionado do alojamento da
     unidade do aquecedor e resfriador.




                                                                                                      MJIB0216E


6.   Introduza o primeiro filtro do ar condicionado no alojamento da
     unidade do aquecedor e resfriador, deslizando-o para a direita.
     Introduza o segundo filtro (novo) do ar condicionado no aloja-
     mento da unidade do aquecedor e resfriador.
     NOTA:
     Os filtros do ar condicionado estão indicados com setas de fluxo
     de ar. A extremidade do micro-filtro com a seta deve ficar
     voltada para a parte traseira do veículo. As setas devem estar
     voltadas para baixo.
                                                                                                      LJIA0148E


7.   Instale a tampa do filtro do ar condicionado.




                                                                                                      MJIB0216E


8.   A instalação do porta-luvas inferior deve ser efetuada na seqüência inversa de remoção.
        Parafusos inferiores do porta-luvas inferior: 3,3 N.m (0,34 kg.m, 29 lb.pol.)
        Parafusos superiores do porta-luvas inferior: 3,3 N.m (0,34 kg.m, 29 lb.pol.)
     NOTA:
     ● Utilize as duas lingüetas localizadas na parte inferior do porta-luvas inferior para alinhar o porta-luvas
       inferior ao efetuar a instalação.
     ● As presilhas na parte superior do porta-luvas inferior devem estar completamente assentadas antes da
       instalação dos parafusos (superiores e inferiores) do porta luvas inferior.




                                                     ATC-118
CONJUNTO DA UNIDADE DE AQUECIMENTO E RESFRIAMENTO

CONJUNTO DA UNIDADE DE AQUECIMENTO E RESFRIAMENTO                                                          PFP:27110
                                                                                                                          A
Componentes                                                                                                    EJS006C8


                            Conjunto da Unidade de Aquecimento e Resfriamento



                                                                                                                          C


                                                                                                                          D


                                                                                                                          E



                                                                                                                          F


                                                                                                                          G


                                                                                                                           H
                                                                                                                          ATC


                                                                                                                           I


                                                                                                                           J



                                                                                                                          K


                                                                                                                           L



                                                                                                                          M




                                                                                                         MJIB0278E

1. Tubo de alta pressão do A/C        4. Núcleo do aquecedor e olhal dos      7. Tubos do núcleo do aquecedor
2. Tubo de baixa pressão do A/C          tubos do evaporador                  8. Mangueira do reservatório do líquido
3. Válvula de expansão                5. Olhal da mangueira de purga do A/C      de arrefecimento
                                      6. Mangueira de purga do A/C            9. Conjunto da unidade do aquecimento
                                                                                 e resfriamento




                                                  ATC-119
CONJUNTO DA UNIDADE DE AQUECIMENTO E RESFRIAMENTO

Remoção e Instalação                                                                                 EJS006C9


REMOÇÃO
1.    Retire o refrigerante do sistema do A/C. Consulte EC-131, "Para Retirar o Refrigerante".
2.    Drene o líquido de arrefecimento do sistema de arrefecimento do motor. Consulte CO-8, "AO DRENAR O
      LÍQUIDO DE ARREFECIMENTO DO MOTOR".
3.    Remova a porca dos tubos (LD) do núcleo do aquecedor.
4.    Desconecte as mangueiras do núcleo do aquecedor.
5.    Desconecte os tubos de alta e baixa pressão do A/C da válvula
      de expansão.
6.    Mova os dois bancos dianteiros para a posição mais para atrás
      possível.
7.    Remova o painel de instrumentos e o painel do console. Con-
      sulte ATC-10, "Remoção e Instalação".
8.    Remova os dois dutos do assoalho dianteiro
                                                                                                 LJIA0165E
9.    Remova a coluna de direção. Consulte PS-10, "Remoção e
      Instalação".
10.   Desconecte o chicote do painel de instrumentos nos suportes do conector em linha (LD e LE), e os
      conectores elétricos do bloco de fusíveis (SMJ). Consulte PG-39, "CHICOTE".
11.   Remova as capas e a seguir remova os três parafusos da travessa da direção de cada lado para
      desconectar a travessa de direção da carroçaria do veículo.
12.   Remova o conjunto da unidade do aquecedor e resfriador com ele fixado na travessa de direção, do
      veículo.
      CUIDADO:
      ● Tome cuidado para não danificar os bancos e os painéis de acabamento internos ao remover o
        conjunto da unidade do aquecedor e resfriador com ele fixado na travessa de direção.
      ● Utilize bujões adequados nos tubos do núcleo do aquecedor para evitar vazamentos de líquido
        de arrefecimento.
13.   Remova o conjunto da unidade do aquecedor e resfriador da travessa de direção.

INSTALAÇÃO
A instalação deve ser efetuada na seqüência inversa de remoção.
CUIDADO:
●  Substitua o anel em “O” do tubo de baixa e de alta pressão do A/C por um novo; a seguir, aplique
   óleo para compressor no anel em “O” ao efetuar a instalação.
●  Após abastecer com refrigerante, verifique quanto a vazamentos. Consulte EC-144, "PRE-
   CAUÇÕES AO MANUSEAR O DETECTOR DE VAZAMENTOS".
NOTA:
●  Abasteça o sistema de arrefecimento do motor com uma mistura especificada de líquido de arrefeci-
   mento. Consulte CO-8, "REABASTECIMENTO DO LÍQUIDO DE ARREFECIMENTO DO MOTOR"
●  Carregue novamente o sistema de A/C. Consulte EC-131, "Ao Evacuar o Sistema e Abastecer com
   Refrigerante".




                                                ATC-120
NÚCLEO DO AQUECEDOR

NÚCLEO DO AQUECEDOR                                                                                      PFP:27140
                                                                                                                        A
Componentes                                                                                                  EJS006CA




                                                                                                                        B


                                                                                                                        C


                                                                                                                        D


                                                                                                                        E



                                                                                                                        F


                                                                                                                        G


                                                                                                                        H



                                                                                                                        I

                                                                                                        MJIB0211E
                                                                                                                         J
                                                                                                                        ATC
 1. Suporte do tubo do núcleo do     3. Conjunto da unidade do aquecimento   4. Cobertura do núcleo do aquecedor
    aquecedor e evaporador              e resfriamento
 2. Núcleo do aquecedor
                                                                                                                        K
Remoção e Instalação                                                                                         EJS006CB


REMOÇÃO
1.   Remova o conjunto da unidade do aquecimento e resfriamento. Consulte EC-120, "REMOÇÃO".                            L
2.   Remova os três parafusos e remova a cobertura do núcleo do aquecedor.
3.   Remova o núcleo do evaporador e o suporte do tubo do evaporador.
                                                                                                                        M
4.   Remova o núcleo do aquecedor.
     NOTA:
     Caso os filtros do ar condicionado estejam contaminados em vir-
     tude de vazamento do líquido de arrefecimento proveniente do
     núcleo do aquecedor, substitua os filtros do ar condicionado por
     novos antes de instalar o novo núcleo do aquecedor.




                                                                                                       MJIB0216E



INSTALAÇÃO
A instalação deve ser efetuada na seqüência inversa de remoção.



                                                ATC-121
BOMBA DO AQUECEDOR

BOMBA DO AQUECEDOR                                                                                 PFP:92264

Componentes                                                                                           EJS006CC


                                             Bomba do Aquecedor




                                                                                               LBIA0414E

 1. Parte superior do respiro do capuz   3. Bomba do aquecedor         5. Mangueira do aquecedor
 2. Conector elétrico da bomba do        4. Mangueira do aquecedor
    aquecedor

Remoção e Instalação                                                                                  EJS006DC


REMOÇÃO
1.   Drene parcialmente o sistema de arrefecimento do motor. Consulte CO-8, "AO DRENAR O LÍQUIDO DE
     ARREFECIMENTO DO MOTOR".
2.   Desconecte o conector elétrico da bomba do aquecedor.
3.   Desconecte as duas mangueiras do aquecedor.
4.   Remova a bomba do aquecedor do suporte que fixa a bomba do aquecedor na parte superior do respiro
     do capuz.
     CUIDADO:
     Não desmonte a bomba do aquecedor, substitua a bomba do aquecedor como um conjunto.

INSTALAÇÃO
A instalação deve ser efetuada na seqüência inversa de remoção.
CUIDADO:
●  O coxim de borracha da bomba do aquecedor deve estar completamente assentado no suporte.
●  Não desmonte a bomba do aquecedor, substitua a bomba do aquecedor como um conjunto.




                                                    ATC-122
MOTOR DO DEFLETOR DE ENTRADA

MOTOR DO DEFLETOR DE ENTRADA                                                                                   PFP:27730
                                                                                                                             A
Componentes                                                                                                       ECS006CD


          Motor do Defletor de Entrada – Conjunto da Unidade de Aquecimento e Resfriamento
                                                                                                                             B


                                                                                                                             C


                                                                                                                             D


                                                                                                                             E



                                                                                                                             F


                                                                                                                             G


                                                                                                                             H



                                                                                                                             I


                                                                                                                              J
                                                                                                                             ATC
                                                                                                             LBIA0415E

 1. Conjunto da unidade do aquecimento   3. Motor do defletor de mistura de ar   5. Motor do defletor de mistura de ar
    e resfriamento                          (motorista)                             (passageiro)
                                                                                                                             K
 2. Motor do defletor de entrada         4. Controle variável do ventilador      6. Motor do defletor de modo

Remoção e Instalação                                                                                              EJS006DD
                                                                                                                             L
REMOÇÃO
1.   Remova o conjunto da unidade do aquecimento e resfriamento. Consulte EC-119, "CONJUNTO DA
     UNIDADE DE AQUECIMENTO E RESFRIAMENTO".                                                                                 M
2.   Remova a travessa de direção do conjunto da unidade do aquecedor e resfriador.
3.   Desconecte o conector elétrico do motor do defletor de entrada.
4.   Remova os três parafusos e remova o motor do defletor de entrada.

INSTALAÇÃO
A instalação deve ser efetuada na seqüência inversa de remoção.




                                                     ATC-123
MOTOR DO DEFLETOR DE MODO

MOTOR DO DEFLETOR DE MODO                                                                                      PFP:27731

Componentes                                                                                                        EJS006CE


              Motor do Defletor de Modo – Conjunto da Unidade de Aquecedor e Resfriador




                                                                                                             LBIA0415E

 1. Conjunto da unidade do aquecimento   3. Motor do defletor de mistura de ar   5. Motor do defletor de mistura de ar
    e resfriamento                          (motorista)                             (passageiro)
 2. Motor do defletor de entrada         4. Controle variável do ventilador      6. Motor do defletor de modo


Remoção e Instalação                                                                                              EJS006DE


REMOÇÃO
1.   Remova o acabamento lateral do painel de instrumentos. Consulte IP-10, "CONJUNTO DO PAINEL DE
     INSTRUMENTOS".
2.   Remova o cobertura inferior dos instrumentos. Consulte IP-10, "CONJUNTO DO PAINEL DE INSTRU-
     MENTOS"”.
3.   Desconecte o conector elétrico do motor do defletor de modo.
4.   Remova os três parafusos e a seguir remova o motor do defletor de modo.

INSTALAÇÃO
A instalação deve ser efetuada na seqüência inversa de remoção.




                                                     ATC-124
MOTOR DO DEFLETOR DE MISTURA DE AR

MOTOR DO DEFLETOR DE MISTURA DE AR                                                                            PFP:27732
                                                                                                                             A
Componentes                                                                                                       EJS006CF


       Motores do Defletor de Mistura de Ar – Conjunto da Unidade do Aquecedor e Resfriador
                                                                                                                             B


                                                                                                                             C


                                                                                                                             D


                                                                                                                             E



                                                                                                                             F


                                                                                                                             G


                                                                                                                             H



                                                                                                                             I

                                                                                                            LBIA0415E
                                                                                                                              J
                                                                                                                             ATC
1. Conjunto da unidade do aquecimento   3. Motor do defletor de mistura de ar   5. Motor do defletor de mistura de ar
   e resfriamento                          (motorista)                             (passageiro)
2. Motor do defletor de entrada         4. Controle variável do ventilador      6. Motor do defletor de modo

Remoção e Instalação                                                                                             EJS006CG
                                                                                                                             K

MOTOR DO DEFLETOR DE MISTURA DE AR (MOTORISTA)
Remoção                                                                                                                      L
1. Remova o conjunto da unidade do aquecimento e resfriamento. Consulte EC-119, "CONJUNTO DA
    UNIDADE DE AQUECIMENTO E RESFRIAMENTO".
2. Remova a travessa de direção do conjunto da unidade do aquecedor e resfriador.
3. Desconecte o conector elétrico do motor do defletor de mistura de ar.                                                     M
4. Remova os três parafusos e a seguir remova o motor do defletor de mistura de ar.
Instalação
A instalação deve ser efetuada na seqüência inversa de remoção.
MOTOR DO DEFLETOR DE MISTURA DE AR (PASSAGEIRO)
Remoção
1. Remova o acabamento lateral do painel de instrumentos. Consulte EI-30, "Componentes".
2. Remova o painel de instrumentos inferior (LD). Consulte IP-15, "PAINEL DE INSTRUMENTOS INFE-
    RIOR (L.D) E PORTA-LUVAS".
3. Remova a travessa de direção do conjunto da unidade do aquecedor e resfriador.
4. Desconecte o conector elétrico do motor do defletor de mistura de ar.
5. Remova os três parafusos e a seguir remova o motor do defletor de mistura de ar.
Instalação
A instalação deve ser efetuada na seqüência inversa de remoção.



                                                    ATC-125
CONTROLE VARIÁVEL DO VENTILADOR

CONTROLE VARIÁVEL DO VENTILADOR                                                                                PFP:27200

Componentes                                                                                                        EJS006CH


           Controle Variável do Ventilador – Conjunto da Unidade do Aquecedor e Resfriador




                                                                                                             LBIA0415E

1. Conjunto da unidade do aquecimento   3. Motor do defletor de mistura de ar   5. Motor do defletor de mistura de ar
   e resfriamento                          (motorista)                             (passageiro)
2. Motor do defletor de entrada         4. Controle variável do ventilador      6. Motor do defletor de modo

Remoção e Instalação                                                                                               EJS006DF


REMOÇÃO
1.   Desconecte o conector elétrico de controle variável do ventilador.
2.   Remova os dois parafusos e a seguir remova o controle variável do ventilador.

INSTALAÇÃO
A instalação deve ser efetuada na seqüência inversa de remoção.




                                                     ATC-126
DUTOS E DEFLETORES

DUTOS E DEFLETORES                                                                                          PFP:27860
                                                                                                                              A
Componentes                                                                                                        EJS006CJ


                       Dutos – Conjunto da Unidade de Aquecimento e Resfriamento
                                                                                                                              B


                                                                                                                              C


                                                                                                                              D


                                                                                                                              E



                                                                                                                              F


                                                                                                                              G


                                                                                                                              H



                                                                                                                              I


                                                                                                                               J
                                                                                                                              ATC


                                                                                                                              K


                                                                                                                              L



                                                                                                                              M




                                                                                                       MJIB0212E

1.   Saída do descongelador          6. Duto de ventilação central           10.   Dutos do assoalho dianteiro
2.   Duto de desembaçamento – LE     7. Conjunto da unidade do aquecimento   11.   Dutos do assoalho traseiro
3.   Duto do ventilador – LE            e resfriamento                       12.   Duto do console traseiro
4.   Duto de desembaçamento – LD     8. Difusores do duto do conector do     13.   Duto do console central
                                        assoalho
5.   Duto do ventilador – LD                                                 14.   Duto do console dianteiro
                                     9. Duto do conector do assoalho

                                                ATC-127
DUTOS E DEFLETORES

                                                    Difusores




                                                                                                     MJIB0329E

1.   Forro do teto                     5. Duto do ventilador – LE           8. Duto de desembaçamento lateral
2.   Dutos do teto                     6. Duto do ventilador – LD              (LD)
3.   Painel de instrumentos            7. Duto de ventilação lateral (LD)
4.   Duto de ventilação lateral (LE)




                                                   ATC-128
DUTOS E DEFLETORES

Remoção e Instalação                                                                                   ECJ006CK
                                                                                                                  A
DUTOS DO CONSOLE E DEFLETORES DO CONSOLE
Remoção
O console central deve ser removido e desmontado para que os dutos e grades do console possam ser                 B
removidos.
Consulte IP-16, "Se necessário, retirar a tampa (3) e o conjunto (2) da trava do porta-luvas.".
Instalação                                                                                                        C
A instalação deve ser efetuada na seqüência inversa de remoção.
SAÍDA DO DESCONGELADOR
Remoção                                                                                                           D
1. Remova o acabamento do painel de instrumentos. Consulte IP-10, "Remoção e Instalação".
2. Remova a saída do descongelador.
                                                                                                                  E
Instalação
A instalação deve ser efetuada na seqüência inversa de remoção.
DUTO DE DESEMBAÇAMENTO – LADOS DIREITO E ESQUERDO
                                                                                                                  F
Remoção
1. Remova o acabamento do painel de instrumentos. Consulte IP-10, "Remoção e Instalação".
2. Remova o console central. Consulte IP-16, "Se necessário, retirar a tampa (3) e o conjunto (2) da trava do     G
    porta-luvas.".
3. Remova o duto de desembaçamento do lado direito ou esquerdo.
Instalação                                                                                                        H
A instalação deve ser efetuada na seqüência inversa de remoção.
DUTO DO VENTILADOR – LADOS DIREITO E ESQUERDO
Remoção                                                                                                        I
1. Remova o acabamento do painel de instrumentos. Consulte IP-10, "Remoção e Instalação".
2. Remova o console central. Consulte IP-16, "Se necessário, retirar a tampa (3) e o conjunto (2) da trava do
    porta-luvas.".                                                                                             J
                                                                                                              ATC
3. Remova o duto de ventilação lados direito ou esquerdo.
Instalação
                                                                                                               K
A instalação deve ser efetuada na seqüência inversa de remoção.
DUTO DO VENTILADOR CENTRAL
Remoção                                                                                                           L
1. Remova o conjunto da unidade do aquecimento e resfriamento. Consulte ATC-111, "REMOÇÃO".
2. Remova o console central. Consulte IP-16, "Se necessário, retirar a tampa (3) e o conjunto (2) da trava do
    porta-luvas.".                                                                                                M
3. Remova a saída do descongelador.
4. Remova os dutos de ventilação (LD ou LE).
5. Remova os dutos de desembaçamento (LD e LE).
6. Remova o duto central de ventilação.
Instalação
A instalação deve ser efetuada na seqüência inversa de remoção.
DUTO DO CONECTOR DO ASSOALHO
Remoção
1. Remova o conjunto da unidade do aquecimento e resfriamento. Consulte ATC-111, "REMOÇÃO".
2. Remova o console central. Consulte IP-16, "Se necessário, retirar a tampa (3) e o conjunto (2) da trava do
    porta-luvas.".
3. Remova o duto do conector do assoalho.
Instalação
A instalação deve ser efetuada na seqüência inversa de remoção.

                                                ATC-129
DUTOS E DEFLETORES

DUTOS DO ASSOALHO – DIANTEIROS E TRASEIROS
Remoção
1. Remova o console central. Consulte IP-16, "Se necessário, retirar a tampa (3) e o conjunto (2) da trava do
   porta-luvas.".
2. Remova o carpete do assoalho. Consulte EI-34, "Remoção e Instalação".
3. Remova as presilhas; a seguir, remova os dutos dianteiro e traseiro do assoalho.
Instalação
A instalação deve ser efetuada na seqüência inversa de remoção.

DUTOS SUPERIORES TRASEIROS
Remoção
1. Remova o painel de acabamento interior traseiro.
2. Remova o acabamento do teto. Consulte EI-36, "ACABAMENTO DO TETO".
   NOTA:
   O duto do forro do teto traseiro (conectado no duto do teto superior traseiro) faz parte do forro do teto;
   desta forma, deve ser substituído como um conjunto.
3. Remova as presilhas; a seguir, remova os dutos do teto superior e inferior traseiros.
Instalação
A instalação deve ser efetuada na seqüência inversa de remoção.

DUTO DO ASSOALHO – LATERAL TRASEIRO
Remoção
1. Remova o painel de acabamento interior traseiro.
2. Desloque o carpete do assoalho.
3. Remova as presilhas; a seguir, remova o duto do assoalho (traseiro).
Instalação
A instalação deve ser efetuada na seqüência inversa de remoção.

DIFUSORES
Remoção
1. Remova o(s) painel(éis) de acabamento interno necessário(s) para ter acesso à grade. Consulte IP-10,
   "Remoção e Instalação".
   NOTA:
   As grades do teto fazem parte do acabamento do teto. Para substituir as grades do teto, é necessário
   substituir o acabamento do teto. Consulte EI-36, "ACABAMENTO DO TETO".
2. Remova a grade do painel de acabamento interior.
Instalação
A instalação deve ser efetuada na seqüência inversa de remoção.




                                                ATC-130
LINHAS DE REFRIGERANTE

LINHAS DE REFRIGERANTE                                                                                       PFP:92600
                                                                                                                             A
Procedimento de Serviço HFC-134a (R-134a)                                                                         EJS006CL


AJUSTE DAS FERRAMENTAS E EQUIPAMENTOS DE SERVIÇO
Para Retirar o Refrigerante                                                                                                  B


                                                                                                                             C


                                                                                                                             D


                                                                                                                             E



                                                                                                                             F


                                                                                                                             G
                                                                                                            WJIA1160E

 1. Válvula de desligamento              2. Válvula de serviço A/C              3. Equipamento de Recuperação /
                                                                                   Reciclagem ACR 2000 (J-43600)             H
                                                                                   com identificador de refrigerante
ATENÇÃO:
Evite inalar o refrigerante o lubrificante de A/C (vapor ou névoa). Isto poderá irritar os olhos, nariz e                    I
garganta. Remova o refrigerante HFC-134a (R-134a) do sistema de A/C, utilizando um equipamento de
serviço aprovado que atenda os requisitos SAE J2210 para equipamentos de reciclagem de HFC-134 a
(R-134 a) ou SAE J2201 para equipamentos de recuperação de HFC-134a (R134a). Caso haja um vaza-
mento acidental do sistema, a área de trabalho deverá ser ventilada antes de reiniciar o trabalho.                            J
                                                                                                                             ATC
Informações adicionais sobre saúde e segurança podem ser obtidas com o fabricante do refrigerante
ou do lubrificante.
Ao Evacuar o Sistema e Abastecer com Refrigerante                                                                            K


                                                                                                                             L



                                                                                                                             M




                                                                                                            WJIA1161E

1. Válvula de desligamento              4. Reservatório de refrigerante         6. Bomba de vácuo (J-39649)
2. Válvula de serviço A/C                  (HFC-134a)                           7. Jogo de medidores de coletor
3. Equipamento de Recuperação /         5. Balança de pesagem de refrigerante      com mangueiras e acopladores
   Reciclagem ACR 2000 (J-43600) com       (J-39699)                               J-39183-C)
   identificador de refrigerante


                                                     ATC-131
LINHAS DE REFRIGERANTE


                                                                                                                        A



                                                                                                                        B


                                                                                                                        C


                                                                                                                        D


                                                                                                                        E



                                                                                                                        F


                                                                                                                        G


                                                                                                                        H



                                                                                                                        I


                                                                                                                         J
                                                                                                                        ATC


                                                                                                                        K


                                                                                                                        L



                                                                                                                        M




                                                                                                         WJIA0530E

*1 EC-25, "INSPEÇÃO E AJUSTE".           *3 EC-142, "Inspeção de Vazamentos de   *4 EC-90, "DIAGNÓSTICO DE TESTE
*2 EC-142, "Inspeção de Vazamentos de       Refrigerante".                          DE DESEMPENHO".
   Refrigerante".                                                                *5 EC-5, "Refrigerante Contaminado".




                                                    ATC-132
LINHAS DE REFRIGERANTE

Componentes                                                                                                               EJS006CM
                                                                                                                                     A
                                          Compressor e Condensador de A/C


                                                                                                                                     B


                                                                                                                                     C


                                                                                                                                     D


                                                                                                                                     E



                                                                                                                                     F


                                                                                                                                     G


                                                                                                                                     H



                                                                                                                                     I


                                                                                                                                      J
                                                                                                                                     ATC


                                                                                                                                     K


                                                                                                                                     L



                                                                                                                                     M




                                                                                                               MJIB0276E


1.   Válvula de serviço de alta pressão     6. Vedador do eixo do compressor           10. Tubo de baixa pressão do A/C
2.   Presilha                               7. Mangueira flexível de alta pressão do   11. Válvula de expansão
3.   Tubo de alta pressão do A/C               A/C                                     12. Mangueira de purga do A/C
4.   Sensor de pressão de refrigerante      8. Mangueira flexível de baixa pressão
                                               do A/C
5.   Condensador
                                            9. Válvula de serviço de baixa pressão




                                                        ATC-133
LINHAS DE REFRIGERANTE

Remoção e Instalação do Compressor                                                               EJS006CN


                                   Fixação do Compressor de A/C




                                                                                           MJIB0179E

 1. Compressor                     3. Alojamento da corrente de       4. Bloco do motor
 2. Suporte do alternador e do        sincronização
    compressor de A/C

REMOÇÃO
1.  Retire o refrigerante do A/C. Consulte EC-131, "Procedimento de Serviço HFC-134a (R-134a)".
2.  Remova a roda esquerda dianteira e o conjunto do pneu. Consulte WT-5, "Rodízio de pneus".
3.  Remova a cobertura do motor.
4.  Remova o pára-lama dianteiro esquerdo.
5.  Remova o protetor de barro dianteiro esquerdo.
6.  Remova o filtro de ar do motor e os dutos de ar. Consulte EM-17, "FILTRO DE AR E DUTO DE AR".
7.  Remova a correia de acionamento. Consulte EM-14, "CORREIAS DE ACIONAMENTO".
8.  Desconecte o conector do chicote do compressor.
9.  Desconecte as mangueiras flexíveis de alta e baixa pressão do A/C do compressor.
    CUIDADO:
    Cubra a junta do tubo com um material adequado, por exemplo fita de vinil para evitar a entrada
    de ar.
10. Remova os parafusos do compressor do A/C, utilizando ferramentas elétricas.

INSTALAÇÃO
A instalação deve ser efetuada na seqüência inversa de remoção.
CUIDADO:
●   Substitua os anéis em “O” das mangueiras dianteiras flexíveis de baixa e de alta pressão do A/C
    por novos; a seguir, aplique óleo para compressor nos anéis em “O” antes de efetuar a instalação.
●   Após abastecer o sistema de A/C com refrigerante, verifique quanto a vazamentos. Consulte EC-
    142, "Inspeção de Vazamentos de Refrigerante".




                                              ATC-134
LINHAS DE REFRIGERANTE

Remoção e Instalação da Embreagem do Compressor                                               EJS006CO
                                                                                                         A
                                      Conjunto da Embreagem Magnética


                                                                                                         B


                                                                                                         C


                                                                                                         D


                                                                                                         E



                                                                                                         F


                                                                                                         G
                                                                                         WJIA1162E

 1. Conjunto da embreagem magnética     4. Disco da embreagem            7. Compressor
 2. Bobina magnética                    5. Anel elástico                                                 H
 3. Polia                               6. Protetor térmico (embutido)

REMOÇÃO
                                                                                                         I
1.   Remova o compressor. Consulte ATC-134, "Remoção e Insta-
     lação do Compressor".
2.   Remova o parafuso central enquanto mantém o disco de
                                                                                                          J
                                                                                                         ATC
     embreagem imobilizado, utilizando a ferramenta, conforme mos-
     trado.
        Número da ferramenta: J-44614
                                                                                                         K
3.   Remova o disco da embreagem.

                                                                                           WHA228
                                                                                                         L

4.   Remova o anel elástico, utilizando alicate externo para anel
     elástico ou ferramenta apropriada.
                                                                                                         M




                                                                                          RHA072C




                                                    ATC-135
LINHAS DE REFRIGERANTE

5.   Remova a polia, utilizando a ferramenta com um pequeno
     adaptador. Posicione o adaptador pequeno na extremidade do
     eixo de acionamento e a parte central do extrator no adaptador
     pequeno.
        Número da ferramenta: KV99233130
     CUIDADO:
     Para evitar deformação da ranhura da polia, as garras do
     extrator deve ser fixadas sob a ranhura da polia e não den-
     tro da ranhura.
                                                                                                  WJIA1017E


6.   Remova a presilha do chicote da bobina magnética, utilizando
     uma chave de fenda; remova os 3 parafusos de fixação da
     bobina magnética; a seguir remova a bobina magnética.




                                                                                                     WHA212


INSPEÇÃO
Disco da Embreagem
Caso a superfície de contato mostre sinais de danos em virtude de
excesso de calor, substitua o disco da embreagem e a polia.




                                                                                                     WHA183


Polia
Verifique a aparência do conjunto da polia. Caso a superfície de contato da polia esteja indicando excesso de
arranhões, substitua o disco da embreagem e a polia. As superfícies de contato do conjunto da polia devem
ser limpas com um solvente adequado antes da reinstalação.
Bobina
Verifique a bobina magnética quanto a conexões soltas ou quanto a rachaduras no isolamento.




INSTALAÇÃO
1.   Instale a bobina magnética.
     CUIDADO:
     Certifique-se de alinhar o pino da bobina magnética com o
     orifício existente na cabeça dianteira do compressor.




                                                                                                     WHA213



                                                ATC-136
LINHAS DE REFRIGERANTE

2.   Instale a presilha do chicote da bobina magnética, utilizando
     uma chave de fenda.                                                             A
3.   Instale o conjunto da polia, utilizando a ferramenta e a chave; a
     seguir, instale o anel elástico, utilizando alicate apropriado.
        Número da ferramenta: KV99106200                                             B


                                                                                     C

                                                                         MJIB0290E
                                                                                     D
4.   Instale o disco da embreagem no eixo do compressor, junta-
     mente com o(s) calço(s) original(is). Comprima o disco da
     embreagem com a mão.                                                            E



                                                                                     F


                                                                                     G
                                                                          WHA184


5.   Instale o parafuso da polia da embreagem, utilizando a ferra-
                                                                                     H
     menta para evitar que o disco da embreagem seja movido e
     aperte o parafuso de acordo com a especificação. Consulte EC-
     133, "Componentes".
        Tool number : J-44614                                                        I
     CUIDADO:
     Após apertar o parafuso da polia da embreagem, verifique
     se a polia da embreagem gira suavemente.                                         J
                                                                                     ATC

                                                                          WHA229
                                                                                     K
6.  Verifique a folga da polia ao redor do disco da embreagem, con-
    forme mostrado na figura.
       Folga entre o disco da embreagem e a polia: 0,3 – 0,6 mm                      L
       (0,012 – 0,024 pol.)
7. Caso não seja obtida a folga especificada, substitua o espaça-
    dor de ajuste para fazer o novo ajuste.                                          M
8. Conecte o conector elétrico do compressor.
9. Instale a correia de acionamento. Consulte EM-14, "CORREIAS
    DE ACIONAMENTO".
10. Instale o motor sob a tampa e protetor de barro.




                                                                         WHA194



                                                  ATC-137
LINHAS DE REFRIGERANTE

FUNCIONAMENTO DURANTE O PERÍODO DE AMACIAMENTO
Ao substituir o conjunto da embreagem do compressor, sempre efetue a operação de amaciamento. Isto é
conseguido acoplando-se e desacoplando-se a embreagem aproximadamente 30 vezes. A operação de ama-
ciamento aumenta o nível de torque transmitido.
Remoção e Instalação da Mangueira Flexível de Alta Pressão do A/C                                EJS006CP


REMOÇÃO
1.   Remova a roda esquerda dianteira e o conjunto do pneu. Consulte WT-5, "Rodízio de pneus".
2.   Remova o pára-lama dianteiro esquerdo.
3.   Remova o protetor de barro dianteiro esquerdo.
4.   Retire o refrigerante. Consulte EC-131, "Procedimento de Serviço HFC-134a (R-134a)".
5.   Remova a mangueira flexível de alta pressão do A/C. Consulte EC-133, "Componentes".
     CUIDADO:
     Cubra a junta do tubo com um material adequado, por exemplo fita de vinil para evitar a entrada
     de ar.
INSTALAÇÃO
A instalação deve ser efetuada na seqüência inversa de remoção.
Consulte EC-133, "Componentes".
CUIDADO:
●   Substitua o anel em “O” da mangueira flexível de alta pressão do A/C por uma nova; a seguir, apli-
    que óleo para compressor nele ao instalá-lo.
●   Após abastecer com refrigerante, verifique quanto a vazamentos.
Remoção e Instalação do Tubo de Alta Pressão do A/C                                             EJS006CQ


REMOÇÃO
1. Remova a roda direita dianteira e o conjunto do pneu. Consulte WT-5, "Rodízio de pneus".
2. Remova o pára-lama dianteiro direito.
3. Remova o protetor de barro dianteiro direito.
4. Retire o refrigerante. Consulte EC-131, "Procedimento de Serviço HFC-134a (R-134a)".
5. Remova o tubo de baixa pressão do A/C. Consulte EC-138, "Remoção e Instalação do Tubo de Alta
   Pressão do A/C".
6. Remova o tubo de alta pressão do A/C. Consulte EC-139, "Remoção e Instalação do Tubo de Baixa
   Pressão do A/C".
   CUIDADO:
   Cubra a junta do tubo com um material adequado, por exemplo fita de vinil para evitar a entrada
   de ar.
INSTALAÇÃO
A instalação deve ser efetuada na seqüência inversa de remoção.
Consulte EC-133, "Componentes".
    CUIDADO:
    ● Substitua o anel em “O” do tubo de alta pressão do A/C por um novo; a seguir, aplique óleo
       para compressor nele ao instalá-lo.
    ● Após abastecer com refrigerante, verifique quanto a vazamentos.


Remoção e Instalação da Mangueira Flexível de Baixa Pressão do A/C                               EJS006CR


REMOÇÃO
1.   Remova a roda direita dianteira e o conjunto do pneu. Consulte WT-5, "Rodízio de pneus".
2.   Remova o pára-lama dianteiro direito.
3.   Remova o protetor de barro dianteiro direito.
4.   Retire o refrigerante. Consulte EC-131, "Procedimento de Serviço HFC-134a (R-134a)".
     CUIDADO:
     Cubra a junta do tubo com um material adequado, por exemplo fita de vinil para evitar a entrada
     de ar.
5.   Remova a mangueira flexível de baixa pressão do A/C. Consulte EC-133, "Componentes".
INSTALAÇÃO
A instalação deve ser efetuada na seqüência inversa de remoção.
Consulte EC-133, "Componentes".

                                              ATC-138
LINHAS DE REFRIGERANTE

CUIDADO:
●  Substitua o anel em “O” da mangueira flexível de baixa pressão do A/C por um novo; a seguir,             A
   aplique óleo para compressor nele ao instalá-lo.
●  Após abastecer com refrigerante, verifique quanto a vazamentos.
                                                                                                            B
Remoção e Instalação do Tubo de Baixa Pressão do A/C                                             EJS006CS


REMOÇÃO
                                                                                                            C
1.   Retire o refrigerante. Consulte EC-131, "Procedimento de Serviço HFC-134a (R-134a)".
2.   Desconecte o conector da bomba do aquecedor.
3.   Remova a bomba do aquecedor do suporte e coloque-o para fora do lugar. Não desconecte as manguei-      D
     ras do aquecedor da bomba do aquecedor.
4.   Remova o tubo de baixa pressão do A/C. Consulte EC-133, "Componentes".
     CUIDADO:                                                                                               E
     Cubra a junta do tubo com um material adequado, por exemplo fita de vinil para evitar a entrada
     de ar.
INSTALAÇÃO                                                                                                  F
A instalação deve ser efetuada na seqüência inversa de remoção.
Consulte EC-133, "Componentes".
CUIDADO:                                                                                                    G
●   Substitua o anel em “O” do tubo de baixa pressão do A/C por um novo; a seguir, aplique óleo para
    compressor nele ao instalá-lo.
●   Após abastecer com refrigerante, verifique quanto a vazamentos.                                         H

Remoção e Instalação do Sensor de Pressão do Refrigerante                                        EJS006CV


REMOÇÃO                                                                                                     I
1.   Retire o refrigerante. Consulte EC-131, "Procedimento de
     Serviço HFC-134a (R-134a)".
2.   Desconecte o conector do chicote do sensor de pressão de                                                J
     refrigerante e remova o sensor de pressão de refrigerante do                                           ATC
     condensador.
     CUIDADO:
                                                                                                            K
     Tenha cuidado para não danificar as aletas do condensa-
     dor.
INSTALAÇÃO                                                                                                  L
A instalação deve ser efetuada na seqüência inversa de remoção.                          LJIA0177E
Consulte EC-133, "Componentes".
CUIDADO:
                                                                                                            M
●   Tenha cuidado para não danificar as aletas do condensador.
●   Ao efetuar a instalação, aplique óleo para compressor no anel em “O” do sensor de pressão de
    refrigerante.
●   Após abastecer com refrigerante, verifique quanto a vazamentos.




                                              ATC-139
LINHAS DE REFRIGERANTE

Remoção e Instalação do Condensador                                                                   EJS006CW


REMOÇÃO
1.   Retire o refrigerante. Consulte EC-131, "Procedimento de Serviço HFC-134a (R-134a)".
2.   Remova o radiador. Consulte CO-11, "RADIADOR".
     CUIDADO:
     Tome cuidado para não danificar a superfície do núcleo do condensador e do radiador.
3.   Desconecte a mangueira flexível de alta pressão do A/C e o tubo de alta pressão do A/C do condensador.
     CUIDADO:
     Cubra a junta dos tubos com um material adequado, por exemplo fita de vinil para evitar a entrada
     de ar.
4.   Desconecte o conector do chicote do sensor de pressão do
     refrigerante.
5.   Remova o sensor de pressão do refrigerante do condensador.
6.   Levante o condensador para fora dos olhais de fixação e remova
     o condensador.




                                                                                                  LJIA0177E


INSTALAÇÃO
A instalação deve ser efetuada na seqüência inversa de remoção.
Consulte EC-133, "Componentes".
CUIDADO:
●   Substitua os anéis em “O” do tubo de alta pressão do A/C e a mangueira flexível de alta pressão
    do A/C por novos; a seguir, aplique óleo para compressor nele ao instalá-lo.
●   Após abastecer com refrigerante, verifique quanto a vazamentos.
●   Substitua os olhais de fixação, conforme necessário.




                                                ATC-140
LINHAS DE REFRIGERANTE

Remoção e Instalação do Evaporador                                                                                         EJS006CX
                                                                                                                                      A
                                Conjunto da Unidade de Aquecimento e Resfriamento


                                                                                                                                      B


                                                                                                                                      C


                                                                                                                                      D


                                                                                                                                      E



                                                                                                                                      F


                                                                                                                                      G


                                                                                                                                      H



                                                                                                                                      I


                                                                                                                                       J
                                                                                                                                      ATC


                                                                                                                                      K


                                                                                                                                      L



                                                                                                                                      M


                                                                                                               MJIB0214E


1.   Duto do conector de ventilação central    5. Núcleo do aquecedor e olhal dos       9. Evaporador
2.   Cobertura do núcleo do aquecedor             tubos do evaporador                  10. Aquecedor inferior e alojamento da
3.   Alojamento da entrada de ar               6. Núcleo do aquecedor                      unidade de resfriamento
4.   Núcleo do aquecedor e suporte dos         7. Aquecedor superior e alojamento da   11. Controle variável do ventilador
     tubos do evaporador                          unidade de resfriamento              12. Motor do ventilador
                                               8. Válvula de expansão




                                                           ATC-141
LINHAS DE REFRIGERANTE

REMOÇÃO
1.   Remova o núcleo do aquecedor. Consulte ATC-121, "REMOÇÃO".
2.   Separe o aquecedor do alojamento da unidade de resfriamento.
3.   Remova o evaporador.
INSTALAÇÃO
A instalação deve ser efetuada na seqüência inversa de remoção.
CUIDADO:
Substitua os anéis em “O” na mangueira flexível de baixa pressão de A/C e tubo de alta pressão do
A/C por novos. Ao efetuar a instalação, aplique óleo para compressor nos anéis em “O”.

Remoção e Instalação da Válvula de Expansão                                                          EJS006CZ


REMOÇÃO
1.   Retire o refrigerante. Consulte EC-131, "Procedimento de Serviço HFC-134a (R-134a)".
2.   Remova o conjunto da unidade do aquecimento e resfriamento. Consulte ATC-111, "REMOÇÃO".
3.   Remova o núcleo do aquecedor e os olhais dos tubos do evaporador.
4.   Remova a válvula de expansão.
INSTALAÇÃO
A instalação deve ser efetuada na seqüência inversa de remoção.
       Parafusos da válvula de expansão                    : 4 N.m (0,41 kg.m, 35 lb.pol.)
       Parafuso de fixação entre o tubo de refrigerante
       do A/C e a válvula de expansão                      : Consulte EC-133, "Componentes".
CUIDADO:
●   Substitua os anéis em “O” da válvula de expansão e tubos de refrigerante do A/C por novos; a
    seguir, aplique óleo para compressor nele ao instalá-los.
●   Após abastecer com refrigerante, verifique quanto a vazamentos.
Inspeção de Vazamentos de Refrigerante                                                               EJS006D1


Efetue uma inspeção visual das peças de refrigeração, conexões, mangueiras e componentes quanto a sinais
de vazamento de lubrificante de A/C, danos e corrosão. Vazamentos de lubrificante de A/C podem indicar
pontos de vazamento de refrigerante. Faça uma inspeção adicional nestas áreas ao utilizar um detector
eletrônico de vazamento de refrigerante ou detector de corante fluorescente de vazamentos.
Caso seja notada a presença de corante, confirme o vazamento, utilizando um detector eletrônico de vaza-
mento de refrigerante. É possível que um vazamento anterior tenha sido reparado, mas o local não tenha sido
corretamente limpo.
Ao procurar vazamentos, não pare ao encontrar um vazamento; continue a inspeção quanto a outros vaza-
mentos em todos os componentes e conexões do sistema.
Ao procurar vazamentos de refrigerante, utilizando um detector eletrônico de vazamentos, mova a ponta de
prova pela área sob suspeita a 1 – 2 pol. por segundo e a não mais de ¼ de pol. do componente.
CUIDADO:
Mover a ponta de prova do detector eletrônico de vazamento mais lentamente e mais próximo da área
sob suspeita de vazamento irá aumentar as chances de descobrir um vazamento.




                                               ATC-142
LINHAS DE REFRIGERANTE

Inspeção do Sistema quanto a Vazamentos Utilizando o Detector Fluorescente
                                                                                                                  A
de Vazamentos                                                                                          EJS006D2


1.   Verifique o sistema de A/C quanto a vazamentos, utilizando uma lâmpada UV e óculos de segurança
     [SST: J-42220] em uma área pouco iluminada (de preferência uma área sem janelas). Ilumine todos os
     componentes, conexões e linhas. O corante irá aparecer como uma área mais brilhante verde / amarela,         B
     no ponto de vazamento. O corante fluorescente observado na abertura de drenagem do evaporar indica
     um vazamento no conjunto do núcleo do evaporador (tubos, núcleo ou válvula de expansão).
2. Caso a área suspeita seja de difícil visualização, utilize um espelho ajustável ou seque a área com um         C
     pano limpo, com a lâmpada de UV para resíduos de corante
3. Após reparar o vazamento, remova o corante residual, utilizando um limpador de corante [SST: J-43872]
     para evitar futuros diagnósticos incorretos.
                                                                                                                  D
4. Efetue uma inspeção de desempenho do sistema e verifique a reparação de vazamento com um detector
     eletrônico de vazamento de refrigerante.
NOTA:
                                                                                                                  E
Outros gases na área de trabalho ou substâncias nos componentes de A/C, por exemplo, anticongelantes,
fluido do lavador de pára-brisa, solventes e lubrificantes podem ativar incorretamente o detector de vazamen-
tos. Certifique-se de que as superfícies que serão inspecionadas estejam limpas.
Limpe-as com um pano seco ou aplique ar comprimido.                                                               F
Não deixe que a ponta do sensor do detector entre em contato com qualquer substância. Isto também pode
causar falsas leituras, podendo danificar o detector.
Injeção de Corante                                                                                                G
(Este procedimento é apenas necessário ao recarregar o sistema ou quando o compressor emperrou e foi
substituído.)
1. Verifique a pressão estática (em repouso) do sistema de A/C. A pressão deve ser de, pelo menos, 345 H
    kPa (3,45 bar, 3,52 kg/cm2, 50 psi).
2. Adicione uma garrafa (1/4 onça / 7,4 cc) de corante de refrigerante de A/C na ferramenta de injeção [SST:
    J-41459].                                                                                                I
3. Conecte a ferramenta de injeção na conexão de serviço do lado de baixa pressão do A/C.
4. Dê partida ao motor e ligue o interruptor do A/C.
5. Quando o A/C estiver funcionando (compressor funcionando), injete uma garrafa (1/4 de onça / 7,4 cc) de J
    corante fluorescente através da válvula de serviço de baixa pressão; utilize a ferramenta de injeção de ATC
    corante J-41459 (consulte as instruções de operação do fabricante).
6. Com o motor ainda funcionando, desconecte a ferramenta de injeção da conexão de serviço.
                                                                                                             K
    CUIDADO:
    Tome cuidado ao reparar ou substituir um componente do sistema de A/C; adicione o corante
    diretamente na conexão aberta do sistema e efetue os procedimentos de serviço.
7. Acione o sistema do A/C, durante pelo menos 20 minutos para que o corante seja misturado ao óleo do L
    sistema. Dependendo do tamanho do vazamento, condições de operação e localização do vazamento,
    poderá levar de minutos a dias para que o corante penetre no vazamento e torne-se visível.
                                                                                                                  M




                                                ATC-143
LINHAS DE REFRIGERANTE

Detector Eletrônico de Vazamentos de Refrigerante                        EJS006D4


PRECAUÇÕES AO MANUSEAR O DETECTOR DE VAZAMENTOS
Ao efetuar uma inspeção de vazamento de refrigerante, utilize um
detector elétrico de vazamento de A/C (SST) ou equivalente. Asse-
gure-se de que o instrumento esteja calibrado e ajustado adequada-
mente de acordo com as instruções de operação.
O detector de vazamentos é um instrumento delicado. Para que o
detector de vazamentos seja utilizado adequadamente, leia as
instruções de operação e efetue a manutenção especificada.



                                                                     SHA705EB


1.   Posicione a ponta de prova a uma distância de aproximada-
     mente 5 mm (3/16 pol.) do ponto a ser inspecionado.




                                                                     SHA707EA


2.   Ao efetuar o teste, envolva completamente cada uma das co-
     nexões com a ponta de prova.




                                                                     SHA706E


3.   Mova a ponta de prova pelo componente a uma velocidade de
     aproximadamente 25 a 50 mm (1 a 2 pol.) por segundo.




                                                                     SHA708EA




                                               ATC-144
LINHAS DE REFRIGERANTE

PROCEDIMENTO DE INSPEÇÃO
Para evitar leituras imprecisas ou falsas, certifique-se de que não haja vapor de refrigerante, produtos quími- A
cos ou fumaça de cigarros nas proximidades do veículo. Efetue o teste de vazamento em uma área calma
(pouco movimento de ar/pouco vento), de maneira que o vazamento de refrigerante não seja dispersado.
1. Desligue o motor.                                                                                            B
2. Conecte um jogo de medidores de coletor de A/C apropriado (SST) nas válvulas de serviço do A/C.
3. Verifique se a pressão de refrigerante de A/C é, de pelo menos, 345 kPa (3,45 bar, 3,52 kg/cm, 50 psi)
    acima de 16°C. Caso esteja abaixo da especificação, recupere / evacue e recarregue o sistema com a
    quantidade especificada de refrigerante.                                                                    C
    NOTA:
    A temperaturas inferiores a 16°C, os vazamentos podem não ser detectados uma vez que o sistema pode
    não atingir a pressão de 345 kPa (3,45 bar, 3,52 kg/cm2, 50 psi).                                           D
4. Efetue o teste de vazamento do lado de alta pressão (descarga do compressor A para a entrada do eva-
    porador G) para o lado de baixa pressão (mangueira de drenagem do evaporador H para o vedador do
    eixo L). Consulte EC-133, "Componentes". Efetue o teste de vazamento nas seguintes áreas, cuidadosa-
    mente. Limpe o componente que será inspecionado e mova a ponta de prova para detectar o vazamento E
    completamente ao redor da conexão / componente.
    Compressor
    Verifique a conexão das mangueiras flexíveis de alta e de baixa pressão, válvula de alívio e vedador do F
    eixo.
    Reservatório do líquido
    Verifique o sensor de pressão do refrigerante.
    Válvulas de serviço                                                                                         G
    Verifique ao redor das válvulas de serviço. Assegure-se de que as tampas estejam firmemente fixadas
    nas válvulas de serviço (para evitar vazamentos).
    NOTA:
                                                                                                                H
    Após remover o conjunto do medidor do coletor de A/C das válvulas de serviço, limpe quaisquer resíduos
    das válvulas para evitar falsas leituras pelo detector de vazamentos.
    Unidade de Arrefecimento (Evaporador)
    Com o motor desligado, ajuste o ventilador em “High” (alta) durante, pelo menos 15 segundos, para dissi-    I
    par quaisquer vestígios de refrigerante na unidade de arrefecimento. Aguarde, pelo menos, 10 minutos
    (consulte o procedimento recomendado pelo fabricante quanto ao tempo real) antes de introduzir a ponta
    de prova do detector de vazamento na mangueira de drenagem.
    Mantenha a ponta de prova introduzida, durante pelo menos 10 segundos. Tome cuidado para não con- ATC       J
    taminar a extremidade da ponta de prova com água ou sujeira que poderiam estar na mangueira de
    drenagem.
5. Caso o detector de vazamentos detecte algum vazamento, verifique pelo menos uma vez, aplicando ar K
    comprimido na área onde houver suspeita de vazamento; a seguir repita a verificação, conforme indicado
    acima.
6. Não interrompa a inspeção ao descobrir um vazamento. Continue inspecionando quanto a outros vaza-
    mentos em todos os componentes do sistema.                                                                  L
    Caso não sejam localizados vazamentos, efetue as etapas de 7 a 10.
7. Dê partida ao motor.
8. Ajuste o controle do aquecedor do A/C, conforme indicado abaixo:
a. Interruptor de A/C: ON                                                                                       M
b. seletor de controle de MODO: VENT (Ventilação)
c. Posição do defletor de entrada: Recirculação
d. Temperatura frio máximo
e. Velocidade do ventilador: Alta
9. Deixe o motor funcionar a uma rotação de 1.500 rpm, durante, pelo menos, 2 minutos.




                                               ATC-145
LINHAS DE REFRIGERANTE

10. Desligue o motor e efetue novamente a inspeção de vazamento,
    observando as etapas de 4 a 6, indicadas acima.
    Os vazamentos de refrigerante devem ser inspecionados ime-
    diatamente após a paralisação do motor. Comece com o detec-
    tor de vazamentos no compressor. A pressão no lado de alta
    pressão irá cair gradativamente após o refrigerante parar de cir-
    cular e a pressão no lado de baixa pressão irá aumentar grada-
    tivamente, conforme mostrado no gráfico. Alguns vazamentos
    são mais facilmente detectados quando a pressão está alta.
11. Descarregue o sistema de A/C utilizando o equipamento de
    recuperação de refrigerante aprovado. Repare a conexão ou                                  SHA839E
    componente com vazamento, conforme necessário.
12. Evacue e recarregue o sistema de A/C e efetue o teste de vazamento para confirmar que não mais
    existem vazamentos de refrigerante.
13. Efetue o teste de desempenho do A/C para certificar-se de que o sistema está funcionando adequada-
    mente.




                                             ATC-146
DADOS DE SERVIÇO E ESPECIFICAÇÕES (SDS)

DADOS DE SERVIÇO E ESPECIFICAÇÕES (SDS)                                                                  PFP:00030
                                                                                                                       A
Dados de Serviço e Especificações (SDS)                                                                     EJS006D5


COMPRESSOR
 Marca                                                  CALSONIC KANSEI                                                B
 Modelo                                                 CR-14
 Tipo                                                   Palheta rotativa
                                                                                                                       C
 Cilindrada                                             144 cm3 (8.79 in3 )
 Diâmetro interno do cilindro                           64.2 mm (2.53 pol.) x 9.9 mm (0.39 pol.)
 Sentido de giro                                        Horário (visto da extremidade de acionamento)                  D
 Correia de acionamento                                 Poly-V (7 estrias)

LUBRIFICANTE                                                                                                           E

 Marca                                                  CALSONIC KANSEI
 Modelo                                                 CR-14
                                                                                                                       F
 Nome                                                   NISSAN A/C Sistema Lubrificante Tipo S (DH-PS)
 Número de peça                                         KLH00-PAGS0

                                     Sem A/C traseiro   180 m (6.3 Imp fl oz)
                                                                                                                       G
 Capacidade
                                     Com A/C traseiro   210 m (7.4 Imp fl oz)
                                                                                                                       H
REFRIGERANTE
 Tipo                                                   HFC 134a (R-134a)
                                     Sem A/C traseiro   0.70 ± 0.05 kg (1.54 ± 0.11 lb)                                 I
 Capacidade
                                     Com A/C traseiro   0.85 ± 0.05 kg (1.87 ± 0.11 lb)

ROTAÇÃO DE MARCHA-LENTA DO MOTOR                                                                                        J
                                                                                                                       ATC
Consulte EC-41, "Inspeção Básica".

TENSÃO DA CORREIA                                                                                                      K
Consulte EM-15, "Ajuste de Deflexão".

                                                                                                                        L



                                                                                                                       M




                                                 ATC-147
DADOS DE SERVIÇO E ESPECIFICAÇÕES (SDS)




                ATC-148

Atc

  • 1.
    AR CONDICIONADO AUTOMÁTICO JAR CONDICIONADO A AR CONDICIONADO AUTOMÁTICO SEÇÃO ATC C D E ÍNDICE PRECAUÇÕES .......................................................... 5 Ciclo do Refrigerante ............................................. 21 F Precauções em Relação ao Sistema de Proteção FLUXO DE REFRIGERANTE ............................ 21 Suplementar (SRS) “AIR BAG” e “PRÉ- PROTEÇÃO CONTRA CONGELAMENTO ........ 21 TENSIONADOR DO CINTO DE SEGURANÇA” .... 5 Proteção do Sistema de Refrigeração ................... 21 Precauções ao Trabalhar com HFC-134a (R-134a) 5 SENSOR DE PRESSÃO DO REFRIGERANTE 21 G Refrigerante Contaminado ...................................... 5 VÁLVULA DE ALÍVIO DE PRESSÃO ................. 22 Precauções Gerais ao Manusear o Refrigerante .... 6 Componentes ........................................................ 23 Precauções quanto às Conexões de Refrigerante .. 6 SISTEMA DE REFRIGERAÇÃO ........................ 23 H ATC JUNTA DE 1-TOQUE ........................................... 6 Manutenção da Quantidade de Lubrificante no CARACTERÍSTICAS DA CONEXÃO DO NOVO TIPO Compressor ........................................................... 25 DE REFRIGERANTE ........................................... 8 LUBRIFICANTE .................................................. 25 I ANEL EM “O” E CONEXÃO DE INSPEÇÃO E AJUSTE ....................................... 25 REFRIGERANTE ................................................10 CONTROLE DO CONDICIONADOR DE AR ........... 27 Precauções ao Reparar o Compressor ................. 12 Descrição ............................................................... 27 Precauções quanto aos Equipamentos de Serviço . 12 Funcionamento ...................................................... 27 J DISPOSITIVO DE RECUPERAÇÃO / CONTROLES DE MISTURA DE AR .................. 27 RECICLAGEM .................................................. 13 CONTROLE DE VELOCIDADE DO DETECTOR ELETRÔNICO DE VAZAMENTOS 12 VENTILADOR ......................................................27 K BOMBA DE VÁCUO .......................................... 13 CONTROLE DE ENTRADA ................................ 27 JOGO DE MEDIDORES DO COLETOR ............ 13 CONTROLE DE MODO ..................................... 27 MANGUEIRAS DE SERVIÇO ............................ 14 CONTROLE DO DESCONGELADOR ............... 27 L ACOPLADORES DE SERVIÇO ......................... 14 CONTROLE DA EMBREAGEM MAGNÉTICA ... 28 BALANÇA DE PESAGEM DE REFRIGERANTE . 14 SISTEMA DE AUTO-DIAGNÓSTICO ................. 28 PARA AFERIR A BALANÇA DE PESAGEM Descrição do Sistema de Controle ........................ 29 ACR4 ...................................................................15 Funcionamento do Controle .................................. 29 M CILINDRO DE CARGA ...................................... 15 TELA DO MOSTRADOR .................................... 30 Precauções ao Utilizar o Corante de Detecção de AUTO-INTERRUPTOR ....................................... 30 Vazamentos ........................................................... 16 SELETOR DE CONTROLE DE TEMPERATURA IDENTIFICAÇÃO ............................................... 16 (CONTROLE DE TEMPERATURA) (LADO DO ETIQUETAS DE IDENTIFICAÇÃO DO MOTORISTA) ...................................................... 30 VEÍCULO .......................................................... 16 SELETOR DE CONTROLE DE TEMPERATURA Diagramas dos Circuitos e Diagnóstico de Falhas 16 (CONTROLE DE TEMPERATURA) (LADO DO PREPARAÇÃO ........................................................ 17 PASSAGEIRO) ................................................... 30 Ferramentas Especiais .......................................... 17 SELETOR DE CONTROLE DE TEMPERATURA Ferramentas e Equipamentos de Serviço HFC-134a (CONTROLE DE TEMPERATURA E MODO) (R-134a) ........................................................... 17 (TRASEIRO) ....................................................... 30 Ferramentas Comerciais ....................................... 20 INTERRUPTOR DE RECIRCULAÇÃO (REC) ... 30 SISTEMA DE REFRIGERAÇÃO ............................. 21 ATC-1
  • 2.
    INTERRUPTOR DE DESCONGELAMENTO PROCEDIMENTO DE DIAGNÓSTICO DO SISTEMA A (DEF) ..................................................... 30 DE A/C ............................................................... 57 INTERRUPTOR DO DESEMBAÇADOR DO VIDRO Circuito do Motor do Defletor de Modo ................. 59 TRASEIRO ......................................................... 30 FLUXO DE INSPEÇÃO ...................................... 59 INTERRUPTOR OFF (DESLIGAR) .................... 30 DESCRIÇÃO DO SISTEMA ............................... 60 ATC INTERRUPTOR DE A/C .................................... 30 DESCRIÇÃO DO COMPONENTE ..................... 61 INTERRUPTOR DE MODO (DIANTEIRO) ........ 30 PROCEDIMENTO DE DIAGNÓSTICO DO MOTOR SELETOR DE CONTROLE DO VENTILADOR DO DEFLETOR DE MODO ................................ 61 C DIANTEIRO ........................................................ 30 Circuito do Motor do Defletor de Mistura de Ar ..... 64 INTERRUPTOR DE MODO (TRASEIRO) ......... 30 FLUXO DE INSPEÇÃO ...................................... 64 Descarga do Fluxo de Ar ...................................... 31 DESCRIÇÃO DO SISTEMA ............................... 65 D DIANTEIRO ........................................... 31 DESCRIÇÃO DO COMPONENTE ..................... 66 Descrição do Sistema ........................................... 32 PROCEDIMENTO DE DIAGNÓSTICO DO MOTOR INTERRUPTORES E RESPECTIVAS FUNÇÕES DE DO DEFLETOR DE MISTURA DE AR CONTROLE ....................................................... 32 (MOTORISTA) ........................................... 67 E Descrição do Sistema de Comunicação CAN ....... 33 PROCEDIMENTO DE DIAGNÓSTICO DO MOTOR DIAGNÓSTICO DE FALHA ..................................... 34 DO DEFLETOR DE MISTURA DE AR Funções de CONSULT-II (BCM) ........................... 34 (PASSAGEIRO) .............................................. 69 F FUNCIONAMENTO BÁSICO CONSULT-II ........ 34 Circuito do Motor do Defletor de Entrada .............. 73 MONITOR DE DADOS ....................................... 35 FLUXO DE INSPEÇÃO ...................................... 73 Como Efetuar o Diagnóstico de Falhas para uma DESCRIÇÃO DO SISTEMA ............................... 74 G Reparação Precisa e Rápida ................................ 36 DESCRIÇÃO DO COMPONENTE ..................... 75 FLUXOGRAMA DE DIAGNÓSTICO .................. 36 PROCEDIMENTO DE DIAGNÓSTICO DO MOTOR TABELA DE SINTOMAS .................................... 37 DO DEFLETOR DE ENTRADA .......................... 75 Localização das Peças do Componente e Conectores Circuito do Motor do Ventilador ............................. 76 H do Chicote ............................................................. 38 FLUXO DE INSPEÇÃO ...................................... 83 COMPARTIMENTO DO MOTOR ....................... 38 DESCRIÇÃO DO SISTEMA ............................... 77 COMPARTIMENTO DE PASSAGEIRO DESCRIÇÃO DO COMPONENTE ..................... 78 I DIANTEIRO ............................................ 39 PROCEDIMENTO DE DIAGNÓSTICO DO MOTOR Diagrama ............................................................... 40 DO VENTILADOR .............................................. 78 Diagrama de Circuito – A/C – ............................... 41 INSPEÇÃO DE COMPONENTES ...................... 82 J Terminais de Controle de Ar Dianteiros e Valor de Circuito da Embreagem Magnética ....................... 83 Referência ............................................................. 48 FLUXO DE INSPEÇÃO ...................................... 83 ESQUEMA DO TERMINAL DO CONECTOR DO DESCRIÇÃO DO SISTEMA ............................... 84 K PINO .................................................................. 48 PROCEDIMENTO DE DIAGNÓSTICO PARA Função de Auto-diagnóstico do Sistema de A/C .. 50 SINTOMA DE EMBREAGEM MAGNÉTICA ....... 84 DESCRIÇÃO ...................................................... 50 INSPEÇÃO DE COMPONENTES ...................... 88 Inspeção Operacional ........................................... 52 Arrefecimento Insuficiente ..................................... 89 L INSPEÇÃO DA FUNÇÃO DE MEMÓRIA .......... 52 FLUXO DE INSPEÇÃO ...................................... 89 INSPEÇÃO DO VENTILADOR .......................... 53 DIAGNÓSTICO DE TESTE DE DESEMPENHO . 90 INSPEÇÃO DO AR DE DESCARGA ................. 53 TABELA DE DESEMPENHO ............................. 92 M INSPEÇÃO DE RECIRCULAÇÃO ..................... 54 DIAGNÓSTICO DE FALHAS PARA PRESSÃO INSPEÇÃO DE DIMINUIÇÃO DE ANORMAL .......................................................... 93 TEMPERATURA ................................... 54 Aquecimento Insuficiente ...................................... 96 INSPEÇÃO DE AUMENTO DE TEMPERATURA .. 54 FLUXO DE INSPEÇÃO ...................................... 96 INSPEÇÃO DO INTERRUPTOR DE A/C .......... 55 Ruído ..................................................................... 97 INSPEÇÃO DO MODO AUTO ........................... 55 FLUXO DE INSPEÇÃO ...................................... 97 Circuito de Alimentação e Massa do Controle de Ar Auto-diagnóstico .................................................... 98 Dianteiro ................................................................ 56 FLUXO DE INSPEÇÃO ...................................... 98 FLUXO DE INSPEÇÃO ..................................... 56 Função de Memória .............................................. 99 DESCRIÇÃO DO COMPONENTE .................... 57 FLUXO DE INSPEÇÃO ...................................... 99 Circuito do Sensor de Temperatura-Ambiente .... 100 DESCRIÇÃO DO COMPONENTE ................... 100 ATC-2
  • 3.
    PROCESSO DE ENTRADADA TEMPERATURA- Componentes ...................................................... 121 A AMBIENTE ...................................................... 100 Remoção e Instalação ........................................ 121 PROCEDIMENTO DE DIAGNÓSTICO DO SENSOR REMOÇÃO ...................................................... 121 DE TEMPERATURA-AMBIENTE .................... 100 INSTALAÇÃO ................................................... 121 INSPEÇÃO DE COMPONENTES ................... 102 BOMBA DO AQUECEDOR ................................... 122 ATC Circuito do Sensor de Temperatura Interna do Componentes ...................................................... 122 Veículo ..................................................... 103 Remoção e Instalação ........................................ 123 DESCRIÇÃO DO COMPONENTE .................. 103 REMOÇÃO ...................................................... 123 C PROCEDIMENTO DE DIAGNÓSTICO DO SENSOR INSTALAÇÃO ................................................... 123 DE TEMPERATURA INTERNA DO VEÍCULO .. 103 MOTOR DO DEFLETOR DE ENTRADA ............... 123 INSPEÇÃO DE COMPONENTES ................... 106 Componentes ...................................................... 123 D Circuito do Sensor Ótico ..................................... 107 Remoção e Instalação ........................................ 123 DESCRIÇÃO DO COMPONENTE .................. 107 REMOÇÃO ...................................................... 123 PROCESSO DE ENTRADA ÓTICA ................ 107 INSTALAÇÃO ................................................... 123 PROCEDIMENTO DE DIAGNÓSTICO DO SENSOR MOTOR DO DEFLETOR DE MODO ..................... 124 E DE CARGA SOLAR ......................................... 107 Componentes ...................................................... 124 Circuito do Sensor de Entrada ............................ 109 Remoção e Instalação ........................................ 124 DESCRIÇÃO DO COMPONENTE .................. 109 REMOÇÃO ...................................................... 124 F PROCEDIMENTO DE DIAGNÓSTICO DO SENSOR INSTALAÇÃO ................................................... 124 DE ENTRADA .................................................. 109 MOTOR DO DEFLETOR DE MISTURA DE AR .... 125 INSPEÇÃO DE COMPONENTES ................... 110 Componentes ...................................................... 125 G UNIDADE DE CONTROLE ................................... 111 Remoção e Instalação ........................................ 125 Remoção e Instalação ........................................ 111 MOTOR DO DEFLETOR DE MISTURA DE AR REMOÇÃO ...................................................... 111 (MOTORISTA) .................................................. 125 INSTALAÇÃO .................................................. 111 MOTOR DO DEFLETOR DE MISTURA DE AR H SENSOR DE TEMPERATURA-AMBIENTE ......... 112 (PASSAGEIRO) ................................................ 125 Remoção e Instalação ........................................ 113 CONTROLE VARIÁVEL DO VENTILADOR ......... 126 REMOÇÃO ...................................................... 113 Componentes ...................................................... 126 I INSTALAÇÃO .................................................. 113 Remoção e Instalação ........................................ 126 SENSOR DE TEMPERATURA INTERNA DO REMOÇÃO ...................................................... 126 VEÍCULO ...................................................... 113 INSTALAÇÃO ................................................... 126 J Remoção e Instalação ........................................ 113 DUTOS E DEFLETORES ...................................... 127 REMOÇÃO ...................................................... 113 Componentes ...................................................... 127 INSTALAÇÃO .................................................. 113 Remoção e Instalação ........................................ 129 K SENSOR ÓTICO ................................................... 114 DUTOS DO CONSOLE E DEFLETORES DO Remoção e Instalação ........................................ 114 CONSOLE ....................................................... 129 SENSOR DE TEMPERATURA DE ENTRADA ..... 115 SAÍDA DO DESCONGELADOR ...................... 129 Remoção e Instalação ........................................ 115 DUTO DE DESEMBAÇAMENTO – LADOS DIREITO L REMOÇÃO ...................................................... 115 E ESQUERDO ................................................. 129 INSTALAÇÃO .................................................. 115 DUTO DO VENTILADOR – LADOS DIREITO E MOTOR DO VENTILADOR ................................... 116 ESQUERDO .................................................... 129 M Componentes ..................................................... 116 DUTO DO VENTILADOR CENTRAL ............... 129 Remoção e Instalação ........................................ 116 DUTO DO CONECTOR DO ASSOALHO ........ 129 REMOÇÃO ...................................................... 116 DUTOS DO ASSOALHO – DIANTEIROS E INSTALAÇÃO .................................................. 116 TRASEIROS .................................................... 130 FILTRO DO CONDICIONADOR DE AR ............... 117 DUTOS SUPERIORES TRASEIROS .............. 130 Remoção e Instalação ........................................ 117 DUTO DO ASSOALHO – LATERAL TRASEIRO .. 130 FUNÇÃO ......................................................... 117 DIFUSORES .................................................... 130 TEMPO DE SUBSTITUIÇÃO .......................... 117 LINHAS DE REFRIGERANTE .............................. 131 PROCEDIMENTO DE SUBSTITUIÇÃO .......... 117 Procedimento de Serviço HFC-134a (R-134a) ... 131 CONJUNTO DA UNIDADE DE AQUECIMENTO E AJUSTE DAS FERRAMENTAS E EQUIPAMENTOS RESFRIAMENTO .................................................. 119 DE SERVIÇO ................................................... 131 Componentes ..................................................... 119 Componentes ...................................................... 133 Remoção e Instalação ........................................ 121 Remoção e Instalação do Compressor ............... 134 REMOÇÃO ...................................................... 122 REMOÇÃO ...................................................... 134 INSTALAÇÃO .................................................. 122 INSTALAÇÃO ................................................... 134 NÚCLEO DO AQUECEDOR ................................. 121 ATC-3
  • 4.
    Remoção e Instalaçãoda Embreagem do Remoção e Instalação do Condensador ............. 140 A Compressor ............................................. 135 REMOÇÃO ....................................................... 139 REMOÇÃO ...................................................... 135 INSTALAÇÃO ................................................... 139 INSPEÇÃO ...................................................... 136 Remoção e Instalação do Evaporador ................ 141 INSTALAÇÃO ................................................... 136 REMOÇÃO ....................................................... 142 ATC FUNCIONAMENTO DURANTE O PERÍODO DE INSTALAÇÃO ................................................... 142 AMACIAMENTO ............................................... 138 Remoção e Instalação da Válvula de Expansão . 142 Remoção e Instalação da Mangueira Flexível de Baixa REMOÇÃO ....................................................... 142 C Pressão do A/C ................................................... 138 INSTALAÇÃO ................................................... 142 REMOÇÃO ...................................................... 138 Inspeção de Vazamentos de Refrigerante .......... 142 INSTALAÇÃO ................................................... 138 Inspeção do Sistema quanto a Vazamentos Utilizando D Remoção e Instalação do Tubo de Alta Pressão do o Detector Fluorescente de Vazamentos ............ 143 A/C .............................................................. 138 Injeção de Corante .............................................. 143 REMOÇÃO ...................................................... 138 Detector Eletrônico de Vazamentos de INSTALAÇÃO ................................................... 138 Refrigerante .............................................. 144 E Remoção e Instalação da Mangueira Flexível de Baixa PRECAUÇÕES AO MANUSEAR O DETECTOR DE Pressão do A/C ................................................... 138 VAZAMENTOS ................................................. 144 REMOÇÃO ...................................................... 138 PROCEDIMENTO DE INSPEÇÃO ................... 145 F INSTALAÇÃO ................................................... 138 DADOS DE SERVIÇO E ESPECIFICAÇÕES (SDS) 147 Remoção e Instalação do Tubo de Baixa Pressão do Dados de Serviço e Especificações (SDS) ......... 147 A/C ................................................................... 139 COMPRESSOR ............................................... 147 G REMOÇÃO ...................................................... 140 LUBRIFICANTE ............................................... 147 INSTALAÇÃO ................................................... 139 REFRIGERANTE ............................................. 147 Remoção e Instalação do Sensor de Pressão do ROTAÇÃO DE MARCHA-LENTA DO MOTOR . 147 Refrigerante ........................................................ 139 TENSÃO DA CORREIA ................................... 147 H REMOÇÃO ...................................................... 139 INSTALAÇÃO ................................................... 139 I J K L M ATC-4
  • 5.
    PRECAUÇÕES PRECAUÇÕES PFP:00001 A Precauções em Relação ao Sistema de Proteção Suplementar (SRS) “AIR BAG” e “PRÉ-TENSIONADOR DO CINTO DE SEGURANÇA” EJS006AK O Sistema de Proteção Suplementar, como o “AIR BAG” e o “PRÉ-TENSIONADOR DO CINTO DE SEGU- B RANÇA”, utilizado junto com o cinto de segurança dianteiro, ajuda a reduzir a possibilidade de ferimentos graves ao motorista e passageiro dianteiro em determinados tipos de colisão. As informações necessárias para a reparação segura do sistema podem ser encontradas nas seções SRS e SB deste Manual de Serviço. CUIDADO: C ● Para evitar que o sistema SRS fique inoperante, o que poderia aumentar o risco de ferimentos pessoais ou mesmo a morte na eventualidade de uma colisão onde o air bag seria inflado, todos os serviços de manutenção devem ser efetuados em uma concessionária autorizada NISSAN. D ● A manutenção inadequada, incluindo a remoção e instalação incorreta do SRS, pode causar feri- mentos pessoais em virtude de uma ativação inadvertida do sistema. Quanto à remoção do Cabo Espiral e do Módulo do Air Bag, consulte a seção SRS. E ● Não utilize equipamentos elétricos de teste nos circuitos relacionados ao SRS, exceto se especifi- cado neste manual de Serviço. Os chicotes do SRS podem ser identificados pelos chicotes ama- relo e/ou laranja ou conectores do chicote. EJS006AL F Precauções ao Trabalhar com HFC-134a (R-134a) CUIDADO: ● Os refrigerantes CFC-12 (R-12) e HFC-134a (R-134a) são incompatíveis. Estes refrigerantes jamais devem ser misturados, mesmo que em pequenas quantidades. Caso os refrigerantes sejam mis- G turados, o compressor apresentará falhas. ● Utilize apenas lubrificante e componentes especificados para o sistema abastecido com A/C HFC- 134 a (R-134 a). H ● Caso seja utilizado um lubrificante diferente do especificado, haverá falhas no compressor. ● O lubrificante especificado HFC-134a (R-134a) absorve rapidamente a umidade da atmosfera. Observe as seguintes precauções de manuseio: I ATC – Ao remover os componentes do refrigerante do veículo, vede imediatamente os componentes para diminuir a entrada de umidade da atmosfera. – Ao instalar os componentes do refrigerante no veículo, não remova as tampas até exatamente a conexão dos componentes. Conecte todos os componentes do circuito de refrigerante o mais J rápido possível para reduzir a entrada de umidade no sistema. – Utilize apenas o lubrificante especificado retirado de uma embalagem selada. Feche imediata- mente os recipientes de lubrificante. Caso não sejam corretamente fechados, o lubrificante ficará K saturado de umidade e não mais poderá ser utilizado. – Evite inalar o refrigerante de A/C (vapor ou névoa). Isto poderá irritar os olhos, nariz e garganta. Utilize apenas o dispositivo de recuperação / reciclagem para descarregar o refrigerante HFC- L 134a (R-134a). Caso haja um vazamento acidental do sistema, a área de trabalho deverá ser venti- lada antes de reiniciar o trabalho. Informações adicionais sobre saúde e segurança podem ser obtidas com o fabricante do refrigerante ou do lubrificante. – Não permita que o lubrificante (Óleo do Sistema de A/C Nissan, tipo S) entre em contato com M peças de isopor. Poderão ocorrer danos. Refrigerante Contaminado EJS006AM Caso um refrigerante diferente de HFC-134a (R-134a) seja identificado no veículo, você terá as seguintes opções: ● Explique ao cliente que as leis ambientais proíbem a liberação de refrigerante contaminado para a atmos- fera. ● Explique que a recuperação do refrigerante contaminado poderia danificar seu equipamento de serviço e o fornecimento de refrigerante. ● Sugira que o cliente volte ao local onde o serviço foi efetuado anteriormente, onde houve a contami- nação. ● Caso você escolha efetuar a reparação, recupere o refrigerante, utilizando apenas os equipamentos e recipientes apropriados. Não recupere o refrigerante contaminado nos equipamentos de serviço existente. Caso sua instalação não tenha os equipamentos de recuperação apropriados, você poderá contatar um varejista de produtos refrigerantes local para que efetue o serviço. Este refrigerante deve ser descartado de acordo com as leis federais e regulamentos locais. Complementando, deve-se recomen- dar que todos os componentes do sistema de refrigeração do veículo sejam substituídos. ATC-5
  • 6.
    PRECAUÇÕES ● Caso o veículo esteja dentro do período de garantia, a garantia do ar condicionado será cancelada. Queira por gentileza entrar em Contato com o Departamento de Atenção a Clientes NISSAN quanto à assistência. Precauções Gerais ao Manusear o Refrigerante EJS006AN CUIDADO: ● Não libere o refrigerante no ar. Utilize equipamentos aprovados de recuperação/reciclagem para recolher o refrigerante sempre que o sistema do ar condicionado for descarregado. ● Sempre utilize óculos de segurança e luvas ao trabalhar com qualquer tipo de refrigerante ou sistema do ar condicionado. ● Não armazene nem tampouco aqueça o refrigerante em recipientes a temperaturas superiores a 52°C. ● Não aqueça o reservatório de refrigerante com chama aberta; caso seja necessário aquecer o recipiente, coloque a parte inferior do recipiente sobre um balde com água quente. ● Não deixe cair, não fure nem tampouco incinere os recipientes de refrigerante. ● Mantenha o refrigerante longe de chamas descobertas: será gerado gás tóxico em caso de que- ima de refrigerante. ● O refrigerante retém o oxigênio, desta forma certifique-se de trabalhar em áreas bem ventiladas para evitar sufocação. ● Não efetue teste de pressão ou de vazamentos em equipamentos de serviço de HFC-134a (R-134a) e/ou nos sistemas de ar condicionado, com ar comprimido durante reparações. Algumas misturas de ar e de HFC-134a (R-134a) mostraram-se ser inflamáveis sob altas pressões. Estas misturas, em caso de serem inflamadas, podem provocar ferimentos ou danos materiais. Informações adi- cionais sobre saúde e segurança podem ser obtidas com os fabricantes do refrigerante. Precauções quanto às Conexões de Refrigerante EJS006AO Foi introduzido um novo tipo de conexão de refrigerante para todas as linhas de refrigerante, exceto nos seguintes locais. ● Válvula de expansão à unidade de arrefecimento ● Tubos do evaporador ao evaporador (dentro da unidade de arrefecimento). ● Sensor de pressão de refrigerante JUNTA DE 1-TOQUE Descrição ● Juntas de um toque são juntas de tubo que não requerem ferramentas ao ser efetuada a conexão da tubulação. ● Diferente dos métodos de conexão convencional, que utilizam porcas e flanges, não é necessário o torque de aperto controlado no ponto de conexão. ● Ao remover a junta do tubo, utilize um extrator. PEÇAS DO COMPONENTE RJIA0970E ATC-6
  • 7.
    PRECAUÇÕES FUNÇÕES DAS PEÇASDO COMPONENTE A ● Fixa os anéis em “O”. Tubo (lado macho) ● Fixa a mola de fixação na gaiola. Mola de fixação Mola de fixação prende o tubo (lado fêmea). B Quando a conexão for efetuada corretamente, será ejetada da tubulação (lado macho). (Após a Anel indicador conexão, esta peça não será mais necessária.) O-ring Ponto de conexão dos vedadores do anel em “O”. (Não reutilizável) C ● Veda a conexão, comprimindo-se os anéis em “O”. Tubo (lado fêmea) ● Fixa a conexão da tubulação, utilizando a mola cônica e de fixação. D NOTA: ● A mola de fixação não pode ser removida da gaiola do tubo (lado macho). ● O anel indicador permanece próximo ao ponto de conexão da tubulação, entretanto, isto não representa E uma falha. (Isto serve para inspecionar a conexão da tubulação durante a montagem de fábrica.) REMOÇÃO F G H I J ATC K SJIA0106E 1. Limpe o ponto de conexão da tubulação e instale o extrator. L 2. Deslize o extrator no sentido axial da tubulação, e estique a mola de fixação com a parte cônica do extra- tor. 3. Deslize o extrator o mais distante possível, de maneira que o diâmetro interno da mola de fixação fique M maior que o diâmetro externo da projeção da tubulação (lado fêmea). A seguir, a tubulação (lado macho) poderá ser desconectada. ATC-7
  • 8.
    PRECAUÇÕES INSTALAÇÃO SJIA0107E 1. Limpe os pontos de conexão da tubulação, e introduza a tubulação – lado macho no lado fêmea. 2. Pressione o lado macho da tubulação firmemente de maneira que a saliência da tubulação (lado fêmea) estique a mola de fixação. 3. Caso o diâmetro interno da mola de fixação fique maior que o diâmetro externo da saliência da tubulação (lado fêmea), a mola de fixação ficará assentada na saliência. A seguir, ela se encaixa entre a gaiola da tubulação (lado macho) e a saliência do tubo (lado fêmea) para fixar o ponto de conexão da tubulação. NOTA: Quando a mola de fixação assenta-se na saliência e fica encaixada entre a gaiola da tubulação (lado macho) e a saliência da tubulação (lado fêmea), será ouvido um estalido. CUIDADO: ● O ponto de conexão da tubulação (lado fêmea) é fino. Desta forma, ao introduzir o lado macho da tubulação, tome cuidado para não deformar o lado fêmea da tubulação. Introduza vagarosa- mente no sentido axial. ● Introduza tubulação firmemente até que seja ouvido um estalido. ● Após terminar a conexão da tubulação, puxe o lado macho da tubulação com a mão para certifi- car-se de que a conexão não esteja solta. NOTA: ● A conexão da junta de um toque é utilizada nos pontos abaixo. ● Mangueira flexível de baixa pressão ao evaporador (tamanho do anel em “O”: 16) ● Mangueira flexível de alta pressão ao condensador (tamanho do anel em “O”: 12) ● Tubo 1 ao tubo 2 de alta pressão (tamanho do anel em “O”: 8) ● Tubo 2 de alta pressão ao condensador (tamanho do anel em “O”: 8) CARACTERÍSTICAS DA CONEXÃO DO NOVO TIPO DE REFRIGERANTE ● O anel em “O” foi recolocado. É também fornecido com uma ranhura para a instalação correta. Isto eli- mina a possibilidade de o anel em “O” ficar preso ou danificado pela peça de correspondência. O sentido de vedação do anel em “O” agora é determinado verticalmente em relação à superfície de contato da peça de correspondência para melhorar as características de vedação. ATC-8
  • 9.
    PRECAUÇÕES ● A força de reação do anel em “O” não ocorrerá no sentido que faz a junta sair, desta forma facilitando as conexões da tubulação. A B C D E F SHA815E G H I J ATC K L M ATC-9
  • 10.
    PRECAUÇÕES ANEL EM “O”E CONEXÃO DE REFRIGERANTE Compressor e Condensador de A/C MJIB0276E 1. Válvula de serviço de alta pressão 6. Vedador do eixo do compressor 9. Válvula de serviço de baixa pressão 2. Presilha 7. Mangueira flexível de alta pressão do 10. Tubo de baixa pressão do A/C 3. Tubo de alta pressão do A/C A/C 11. Válvula de expansão 4. Sensor de pressão de refrigerante 8. Mangueira flexível de baixa pressão 12. Mangueira de purga do A/C do A/C 5. Condensador ATC-10
  • 11.
    PRECAUÇÕES Números de Peçae Especificações do Anel em “O” A Tamanho Tipo de do anel em Numero de peça* D mm (pol.) W mm (pol.) conexão “O” B Novo 8 92471 N8210 6.8 (0.268) 1.85 (0.0728) Antigo 10 J2476 89956 9.25 (0.3642) 1.78 (0.0701) Novo 92472 N8210 10.9 (0.429) 2.43 (0.0957) C 12 Antigo 92475 71L00 11.0 (0.433) 2.4 (0.094) Novo 92473 N8210 13.6 (0.535) 2.43 (0.0957) 16 D Antigo 92475 72L00 14.3 (0.563) 2.3 (0.091) Novo 92474 N8210 16.5 (0.650) 2.43 (0.0957) SHA814E 19 Antigo 92477 N8200 17.12 (0.6740) 1.78 (0.0701) E Novo 24 92195 AH300 21.8 (0.858) 2.4 (0.094) *: Sempre verifique no Departamento de Peças as informações mais recentes sobre peças. ATENÇÃO: F Certifique-se de que todo o refrigerante seja drenado para o equipamento de reciclagem e que a pressão no sistema seja inferior à pressão atmosférica. A seguir, solte gradativamente a conexão da mangueira do lado de descarga, removendo-a. G CUIDADO: Ao substituir ou limpar os componentes do circuito de refrigerante, observe o seguinte. ● Quando o compressor for removido, guarde-o na mesma posição em que estava instalado no H veículo. Caso esta instrução não seja observada, o lubrificante entrará na câmara de baixa pressão. ● Ao conectar os tubos, sempre utilize um torquímetro e uma chave de apoio. I ATC ● Após desconectar os tubos, vede imediatamente todas as aberturas para evitar a entrada de sujeira e umidade. ● Ao instalar o ar condicionado no veículo, conecte os tubos na etapa final da operação. Não J remove as capas de vedação dos tubos e outros componentes exatamente antes da conexão. ● Deixe os componentes que estiverem armazenados em áreas frias que atinjam a temperatura da área de trabalho, antes que as capas de vedação sejam removidas. Isto evita a formação de con- K densação dentro dos componentes do A/C. ● Remova completamente a umidade do sistema de refrigeração antes de abastecer com refrige- rante. L ● Sempre substitua os anéis em “O”. ● Ao conectar o tubo, aplique lubrificante ao redor dos anéis em “O”, conforme mostrado na figura. Tome cuidado para não aplicar lubrificante na parte roscada. M Nome do lubrificante: Lubrificante para Sistema de A/C, tipo S (DH-OS) genuíno NISSAN ou equi- valente Número de peça: KLH00-PAGS0 ● O anel em “O” deve ser firmemente fixado na parte marcada do tubo. ● Ao substituir o anel em “O”, tome cuidado para não danificar o anel em “O” e o tubo. ● Conecte o tubo até que seja ouvido um estalido; a seguir aperte a porca ou parafuso com a mão até esteja completamente fixado. Certifique-se de que o anel em “O” seja corretamente instalado no tubo. ATC-11
  • 12.
    PRECAUÇÕES ● Após conectar a linha, efetue o teste de vazamento e certifique-se de que não haja nenhum vaza- mento pelas conexões. Ao ser detectado o ponto de vazamento de gás, desconecte aquela linha e substitua o anel em “O”. A seguir, aperte as conexões do assento do vedador, de acordo com o torque especificado. RHA861F Precauções ao Reparar o Compressor EJS006AP ● Vede todas as aberturas para evitar a entrada de umidade e materiais estranhos. ● Quando o compressor for removido, guarde-o na mesma posição em que estava instalado no veículo. ● Ao substituir ou reparar o compresso, observe estritamente as instruções em “Manutenção da Quantidade de Lubrificante no Compressor”. Consulte EC-147, "DADOS DE SERVIÇO E ESPECIFI- CAÇÕES (SDS)". ● Mantenha as superfícies de fricção entre a embreagem e a polia limpas. Caso a superfície esteja contaminada com lubrificante, limpe-a, utilizando um pano limpo embebido em thinner. ● Após a operação de serviço do compressor, gire o eixo do compressor manualmente mais de 5 voltas em ambos os sentidos. Isto irá distribuir uniformemente o lubrificante dentro do compres- sor. Após instalar o compressor, deixe o motor em marcha-lenta e acione o compressor durante uma hora. ● Após substituir a embreagem magnética do compressor, aplique tensão à nova e verifique quanto a funcionamento normal. Precauções quanto aos Equipamentos de Serviço EJS006AQ DISPOSITIVO DE RECUPERAÇÃO / RECICLAGEM Certifique-se de seguir as instruções do fabricante quanto ao funcionamento e manutenção da máquina. Jamais adicione refrigerante diferente daquele especificado na máquina. DETECTOR ELETRÔNICO DE VAZAMENTOS Certifique-se de seguir as instruções do fabricante quanto ao funcionamento e manutenção do testador. ATC-12
  • 13.
    PRECAUÇÕES BOMBA DE VÁCUO A O lubrificante contido dentro da bomba de vácuo não é compatível com o lubrificante especificado para os sistemas de A/C com HFC- 134a (R-134a). O lado de respiro da bomba de vácuo está exposto à pressão atmosférica. Desta forma, o lubrificante da bomba de vácuo B pode passar da bomba para a mangueira de serviço. Isto é possível quando a bomba é desligada após o vácuo e a mangueira estiver conectada nela. C Para evitar esta passagem, utilize uma válvula manual colocada próxima à conexão entre a mangueira e a bomba, conforme indicado abaixo. D ● Geralmente, as bombas de vácuo dispõem de uma válvula iso- ladora manual. Feche esta válvula para isolar a mangueira de serviço da bomba. ● Para bombas sem um isolante, utilize uma mangueira equipada E com válvula de desconexão manual, próxima à extremidade da bomba. Feche esta válvula para isolar a mangueira da bomba. ● Caso a mangueira disponha de uma válvula de desconexão F automática, desconecte a mangueira da bomba. Tão logo a mangueira seja conectada, a válvula é aberta e o óleo lubrifi- cante pode sair. G Algumas válvulas de uma via se abrem quando o vácuo é aplicado e fecham-se quando houver uma condição “sem vácuo”. Tais válvulas RHA270DA podem restringir a capacidade da bomba em puxar um vácuo pro- H fundo e portanto não são recomendadas. JOGO DE MEDIDORES DO COLETOR I Certifique-se de que a face do medidor esteja indicando HFC-134a ou R-134a. Certifique-se de que o conjunto de medidores disponha de conexões roscadas ACME 1/2”-16 para mangueiras de serviço. Confirme se o jogo foi utilizado apenas para refrigerante HFC-134a J ATC (R-134a) e lubrificantes especificados. K L SHA533D M ATC-13
  • 14.
    PRECAUÇÕES MANGUEIRAS DE SERVIÇO Certifique-sede que as mangueiras de serviço estejam exibindo as marcas descritas (mangueira colorida com faixa preta). Todas as mangueiras devem incluir dispositivos de desligamento positivo (manual ou automático) próximo à extremidade das mangueiras opostas ao medidor do coletor. RHA272D ACOPLADORES DE SERVIÇO Nunca tente conectar acopladores de serviço HFC-134 a (R-134 a) a um sistema de A/C de CFC-12 (R-12). Os acopladores HFC-134a (R-134a) não serão corretamente acoplados a um sistema CFC-12 (R-12). Entretanto, em caso de tentativa de uma conexão inade- quada, poderá ocorrer vazamento e contaminação. Giro da válvula de desconexão Válvula de serviço do A/C Sentido horário Abre Sentido anti-horário Fecha RHA273D BALANÇA DE PESAGEM DE REFRIGERANTE Comprove se não foi utilizado nenhum lubrificante diferente de HFC- 134a (134a) e que os lubrificantes especificados foram utilizados na balança. Caso a balança controle o fluxo de refrigerante eletronica- mente, a conexão da mangueira deve ser ACME 1/2” – 16. RHA274D ATC-14
  • 15.
    PRECAUÇÕES PARA AFERIR ABALANÇA DE PESAGEM ACR4 A Faça a aferição da balança a cada três meses. Para calibrar a balança no ACR4: 1. Pressione “Shift / Reset” e “Enter” simultaneamente. B 2. Pressione “8787”. Será exibido “A1”. 3. Remova toda o peso da balança. 4. Pressione “0”, e a seguir “Enter”. Será exibido “0,00” e passará para “A2”. C 5. Coloque um peso conhecido (dumbbell ou peso similar), variando entre 4,5 e 8,6 kg (10 e 19 lb.) na parte central da balança. 6. Digite o peso conhecido, utilizando quatro dígitos. (Exemplo 10 lb. = 10,00, 10,5 lb. = 10,50) D 7. Pressione “Enter” – o mostrador retornará ao modo vácuo. 8. Pressione “Shift / Reset” e “Enter” simultaneamente. 9. Pressione “6” – o peso conhecido na balança é exibido. E 10. Remova o peso conhecido da balança. Será exibido “0.00”. 11. Pressione “Shift/Reset” para retornar ACR4 ao modo de programa. F CILINDRO DE CARGA Não é recomendável utilizar um cilindro de carga. O refrigerante pode ser ventilado em ar da válvula superior do cilindro ao abastecer o cilindro com refrigerante. Da mesma forma, a precisão do cilindro é geralmente G inferior àquela de uma balança eletrônica ou àquela do equipamento de reciclagem / recarga. H I ATC J K L M ATC-15
  • 16.
    PRECAUÇÕES Precauções ao Utilizaro Corante de Detecção de Vazamentos EJS005AR ● O sistema de A/C contém um corante fluorescente para detecção de vazamentos, utilizado para localizar vazamentos de refrigerante. É necessária uma lâmpada ultravioleta (UV) para iluminar o corante ao inspecionar quanto a vazamentos. ● Ao utilizar a lâmpada UV para realçar o corante fluorescente, utilize óculos de segurança para proteger- se contra o corante fluorescente. ● O detector de vazamento com corante fluorescente não substitui o detector eletrônico de vazamento de refrigerante. O detector de vazamento com corante fluorescente deve ser utilizado juntamente com o detector eletrônico de vazamento de refrigerante (J-41995) para localizar os vazamentos de refrigerante. ● Para sua segurança e para a satisfação do cliente, leia e observe atentamente as instruções e pre- cauções de funcionamento informadas pelo fabricante, antes de efetuar o trabalho. ● O vedador do eixo do compressor não deve ser reparado em virtude da exudação de corante. O vedador do eixo do compressor deve apenas ser reparado após a confirmação do vazamento com um detector eletrônico de vazamento de refrigerante (J-41995). ● Sempre remova qualquer vestígio de corante da área de vazamento após completar as reparações para evitar um diagnóstico incorreto durante um próxima reparação. ● Não permita que o corante entre em contato com os painéis pintados da carroçaria ou componentes internos. Caso o corante seja derramado, limpe imediatamente o local afetado com o limpador de corante especificado. Caso o corante fluorescente seja deixado sobre alguma superfície durante um período pro- longado, ele não mais poderá ser removido. ● Não pulverize o produto para remover o corante fluorescente sobre superfícies quentes (coletor de escapamento do motor, etc.). ● Não utilize mais do que uma garrafa de corante de refrigerante (1/4 onça / 7,4 cc) por sistema de A/C. ● Os corantes para detecção de vazamentos em sistemas HFC-134a (R-134a) e CFC-12 (R-12) são dife- rentes. Não utilize corante para detectar vazamentos em sistema de A/C com HFC-134 a (134 a) em sistemas com CFC-12 (R-12) (e vice-versa) pois o sistema de A/C poderá ser danificado. ● As propriedades fluorescentes do corante irão permanecer por mais de três (3) anos exceto se ocorrer uma falha no compressor. IDENTIFICAÇÃO NOTA: Os veículos com corante fluorescente abastecido na fábrica estão identificados com uma etiqueta verde. Os veículos cujo corante fluorescente não foi adicionado na fábrica estão identificados com uma etiqueta azul. ETIQUETAS DE IDENTIFICAÇÃO DO VEÍCULO A etiqueta de identificação dos veículos cujo corante fluorescente foi adicionado na fábrica está localizada na parte dianteira do capuz. SHA749F Diagramas dos Circuitos e Diagnóstico de Falhas EJS006AS Ao fazer a leitura dos diagramas elétricos, consulte: ● GI-17, "Como Ler os Diagramas Elétricos" ● PG-4, "CIRCUITO DE DIRECIONAMENTO DA ALIMENTAÇÃO DE ENERGIA" Ao efetuar o diagnóstico de falhas consulte: ● GI-12, "Como Seguir o Diagnóstico de Falhas" ● GI-26, "Como Realizar Diagnóstico Eficiente para um Incidente Elétrico" ATC-16
  • 17.
    PREPARAÇÃO PREPARAÇÃO PFP:00002 A Ferramentas Especiais EJS006AT O formato atual das ferramentas Kent-Moore pode diferir das ferramentas especiais ilustradas aqui. Número da ferramenta B Descrição Nome da ferramenta KV99106200 Para instalar a polia Instalador de polia C D S-NT235 KV99233130 Para remover a polia E Extrator de polia F LHA172 G Ferramentas e Equipamentos de Serviço HFC-134a (R-134a) EJS006AU Nunca misture o refrigerante HFC-134a (R-134a) e/ou o lubrificante especificado com o refrigerante CFC-12 ATC H (R-12) e/ou respectivo lubrificante. Equipamentos separados e não intercambiáveis devem ser utilizados ao manusear cada um dos tipos de refrigerante / lubrificante. I As conexões do reservatório de refrigerante, conexões da mangueira de serviço e conexões do equipamento de sérvio (equipamentos que manuseiam refrigerante e/ou lubrificante) são diferentes para o CFC-12 (R-12) e HFC-134a (R-134a). Isto é feito para evitar misturar os refrigerantes / lubrificantes. Os adaptadores que convertem um tamanho de conexão a outro nunca deverão ser utilizados. haverá con- J taminação de refrigerante / lubrificante e conseqüentemente falhas no compressor. Número da ferramenta K Descrição Nome da ferramenta Cor da embalagem: Azul claro Marca da embalagem: HFC-134a L (R-134a) Refrigerante HFC-134a (R-134a) Tamanho da conexão: Tamanho da rosca ● Reservatório grande 1/2″-16 ACME M S-NT196 Tipo: Óleo glicol polialquilênico KLH00-PAGS0 (PÁG), tipo S (DH-PS) Aplicação: Compressores de placa Óleo para Sistema de A/C, tipo S oscilante HFC-134a (R-134a) (DH-OS) NISSAN (apenas NISSAN) Lubrificidade: 40 m l (1,4 imp fl oz.) S-NT197 ATC-17
  • 18.
    PREPARAÇÃO Número da ferramenta Descrição Nome da ferramenta Equipamento de recuperação / Função: Recuperar e reciclar e recar- reciclagem / recarga (ACR4) regar refrigerante RJIA0195E Alimentação: Detector elétrico de vazamentos DC 12 V (Acendedor de cigarros) SHA705EB (J-43926) Jogo para detecção de vazamento com corante de refrigerante O jogo inclui: (J-42220) Lâmpada ultravioleta e óculos de segurança (UV) (J-41459) Injetor de corante de HFC-134a (R-134a) Alimentação: Utilize com a ferramenta especial DC 12 V (Terminal da bateria) J-41447, garrafa com ¼ onça (J-41447) Corante fluorescente para de detecção de vazamentos HFC-134a (R-134a) ZHA200H (Caixa com 24 garrafas com ¼ onça) (J-43872) Produto para limpeza de corante de refrigerante Alimentação: DC 12 V (Terminal da bateria) Para inspecionar o vazamento de (J-42220) refrigerante quando o corante fluores- Lâmpada ultravioleta e óculos de cente for adicionado ao sistema de segurança (UV) A/C Inclui: Lâmpada ultravioleta e óculos de SHA438F segurança (UV) ATC-18
  • 19.
    PREPARAÇÃO Número da ferramenta Descrição A Nome da ferramenta Aplicação: Para HFC-134a (R-134a) (J-41447) Óleo PAG Corante fluorescente para de Embalagem: Garrafa de ¼ de onça B detecção de vazamentos HFC- (7,4 cc) 134a (R-134a) (Inclui etiquetas auto-adesivas de Caixa de 24, garrafas com ¼ identificação de corante para afixar no onça) veículo após abastecer o sistema C com o corante.) SHA439F D (J-41459) Injetor de corante de HFC-134a Para adicionar ¼ de onça de corante (R-134a) fluorescente para detecção de vaza- Utilize com a ferramenta especial mentos no sistema de A/C. E J-41447, garrafa com ¼ onça SHA440F F (J-43872) Para limpar derramamentos de Produto para limpeza de corante G corante. de refrigerante SHA441F H ATC Identificação: I ● A face do medidor indica HFC-134a Jogo de medidores de coletor (R-134a). (com mangueiras e acopladores) Tamanho da conexão: Tamanho da J rosca ● 1/2″-16 ACME K RJIA0196E Cor da mangueira: ● Mangueira inferior: Azul com faixa L Mangueiras de serviço preta ● Mangueira do lado de alta ● Mangueira superior: Vermelha com pressão faixa preta M ● Mangueira do lado de baixa ● Mangueira de utilidade: Amarela pressão com faixa preta ou verde com faixa ● Mangueira de utilidade preta S-NT201 Conexão da mangueira ao medidor: ● 1/2″-16 ACME Acopladores de serviço Conexão da mangueira à mangueira ● Acoplador do lado de alta de serviço: pressão Conexão M14 x 1,5 é opcional ou per- ● Acoplador do lado de baixa manentemente fixada. pressão S-NT202 ATC-19
  • 20.
    PREPARAÇÃO Número daferramenta Descrição Nome da ferramenta Para medir a quantidade de refrigerante Balança de pesagem de refriger- Tamanho da conexão: Tamanho da ante rosca 1/2″-16 ACME S-NT200 Capacidade: ● Deslocamento de ar: 4 CFM ● Capacidade em mícron: 20 mícron Bomba de vácuo (Incluindo a válvula de ● Capacidade de óleo: 482 g isolamento) (17 onças) Tamanho da conexão: Tamanho da rosca S-NT203 ● 1/2″-16 ACME Ferramentas Comerciais EJS006AV Número da ferramenta Descrição Nome da ferramenta (J-44614) Ferramenta de fixação do disco da Ferramenta de fixação do disco embreagem da embreagem WHA230 ATC-20
  • 21.
    SISTEMA DE REFRIGERAÇÃO SISTEMADE REFRIGERAÇÃO PFP:KA990 A Ciclo do Refrigerante EJS006AW FLUXO DE REFRIGERANTE O refrigerante flui no modelo padrão, ou seja, através do compressor, o condensador com o reservatório de B líquido, através do evaporador e de volta ao compressor. A evaporação do refrigerante através do evaporador é controlada através de uma válvula de expansão equalizada externamente e localizada dentro do alojamento do evaporador. C PROTEÇÃO CONTRA CONGELAMENTO Sob condições de operação normal, quando o sistema de A/C estiver ligado, o compressor funciona conti- D nuamente; desta forma a pressão do evaporador e a temperatura são controladas pelo compressor de deslo- camento variável V-6 para evitar o congelamento. Proteção do Sistema de Refrigeração EJS006AX E SENSOR DE PRESSÃO DO REFRIGERANTE O sistema de refrigerante é protegido contra pressão excessivamente alta ou baixa através de um sensor de F pressão de refrigerante, localizado no condensador. Caso a pressão do sistema seja aumentada ou diminuída abaixo das especificações, o sensor de pressão de refrigerante detecta a pressão dentro da linha de refrigerante e envia um sinal de voltagem ao ECM. O ECM desenergiza o relé do A/C para desacoplar a embreagem do compressor magnético quando a G pressão no lado de alta pressão detectada pelo sensor de pressão de refrigerante estiver acima de aproxima- damente 2,746 kPa (28 kg/cm2, 398 psi), ou abaixo de aproximadamente 120 kPa (1,22 kg/cm2, 17,4 psi). H I J ATC K L M ATC-21
  • 22.
    SISTEMA DE REFRIGERAÇÃO VÁLVULADE ALÍVIO DE PRESSÃO O sistema de refrigerante também é protegido por uma válvula de alívio de pressão, localizada na cabeça traseira do compressor. Quando a pressão do refrigerante no sistema aumenta atingindo um nível anormal [mais de 2,990 kPa (30,5 kg/cm2, 433,6 psi)], o orifício de liberação na válvula de alívio de pressão automaticamente é aberto e libera o refrigerante para a atmosfera. MJIB0323E ATC-22
  • 23.
    SISTEMA DE REFRIGERAÇÃO Componentes EJS006AY A SISTEMA DE REFRIGERAÇÃO B C D E F G H I J ATC K L M MJIB0209E ATC-23
  • 24.
    SISTEMA DE REFRIGERAÇÃO 1. Saída do descongelador 6. Duto de ventilação central 9. Duto do conector do assoalho 2. Duto de desembaçamento – LE 7. Conjunto da unidade do aquecimento 10. Duto do assoalho dianteiro 3. Duto do ventilador – LE e resfriamento 11. Duto do assoalho traseiro 4. Duto de desembaçamento – LD 8. Difusores do duto do conector do assoalho 5. Duto do ventilador – LD ATC-24
  • 25.
    LUBRIFICANTE LUBRIFICANTE PFP:KLG00 A Manutenção da Quantidade de Lubrificante no Compressor EJS006AZ O lubrificante no compressor circula através do sistema com o refrigerante. Adicione lubrificante no compres- sor ao substituir qualquer componente ou após a ocorrência de um grande vazamento de refrigerante. É B importante manter sempre a quantidade especificada. Caso a quantidade de lubrificante não seja mantida adequadamente, poderão ocorrer as seguintes falhas: ● Falta de lubrificante: Poderá emperrar o compressor C ● Lubrificante excessivo: Arrefecimento inadequado (interferência de troca térmica) LUBRIFICANTE Nome: Lubrificante para Sistema de A/C, tipo S (DH-PS) NISSAN ou equivalente D Número de peça: KLH00-PAGS0 INSPEÇÃO E AJUSTE E CUIDADO: Caso seja observado um vazamento excessivo de lubrificante, não efetue a operação de retorno de lubrificante. F Dê partida ao motor e ajuste as seguintes condições: Condição de Teste G ● Rotação do motor: Marcha-lenta em 1.200 rpm ● Interruptor de A/C: On ● Rotação do ventilador: Posição máxima H ATC ● Controle de temperatura: Opcional [Ajuste de maneira que a temperatura do ar de entrada seja 25° a 30°C (77° a 86°F)] ● Posição de entrada: Recirculação ( ) I ● Efetue a operação de retorno de lubrificante durante aproximadamente 10 minutos Ajuste a quantidade de lubrificante de acordo com a tabela a seguir. Procedimento de Ajuste do Lubrificante para Componentes de Reposição Exceto Compressor J Após substituir qualquer um dos seguintes componentes principais, adicione a quantidade correta de lubrifi- cante ao sistema. Quantidade de lubrificante a ser adicionada: K Lubrificante a ser adicionado ao sistema Peça substituída Quantidade de lubrificante Notas L ml (Imp fl oz) Evaporador 75 (2.6) — Condensador 75 (2.6) — Adicionar caso o compressor não tenha M Líquido do tanque 5 (0.2) sido substituído. 30 (1.1) Vazamento grande Em caso de vazamento de refrigerante — Vazamento pequeno *1 *1: Caso o vazamento de refrigerante seja pequeno, não será necessário adicionar lubrificante. Procedimento de Ajuste do Lubrificante ao Substituir o Compressor 1. Antes de conectar o dispositivo de recuperação / reciclagem no veículo, inspecione os medidores do dis- positivo. Não deverá ser exibida nenhuma pressão de refrigerante. Caso NEGATIVO, recupere o refrige- rante das linhas do dispositivo. 2. Conecte o dispositivo de recuperação / reciclagem no veículo. Confirme a pureza do refrigerante no tanque, utilizando o dispositivo de recuperação / reciclagem e o identificador de refrigerante. Caso NE- GATIVO, consulte EC-5, "Refrigerante Contaminado". 3. Confirme a pureza do refrigerante no sistema de A/C do veículo, utilizando o dispositivo de recuperação / reciclagem e o identificador de refrigerante. Caso NEGATIVO, consulte EC-5, "Refrigerante Contami- nado". ATC-25
  • 26.
    LUBRIFICANTE 4. Coloque o refrigerante no dispositivo de recuperação / reciclagem de refrigerante. Meça a quantidade de refrigerante colocada no dispositivo de recuperação / reciclagem. 5. Drene o lubrificante do compressor antigo (removido) em um recipiente graduado e recupere a quan- tidade de lubrificante drenado. 6. Drene o lubrificante do novo compressor em um recipiente separado e limpo. 7. Meça uma quantidade igual àquela que foi drenada do compressor antigo para adicionar ao novo. Adi- cione este lubrificante ao novo compressor através da abertura do orifício de sucção. 8. Meça uma quantidade de lubrificante novo igual àquela que foi recuperada durante a descarga. Adicione este lubrificante ao novo compressor através da abertura do orifício de sucção. 9. Caso o tanque de líquido necessite também ser substituído, adicione uma quantidade adicional de 5 ml (0,2 imp fl oz) de lubrificante neste momento. Não adicione 5 ml (0,2 Imp fl oz) de lubrificante caso esteja apenas substituindo o compressor. RHA065DI ATC-26
  • 27.
    CONTROLE DO CONDICIONADORDE AR CONTROLE DO CONDICIONADOR DE AR PFP:27500 A Descrição EJS006B0 O controle de ar dianteiro permite a regulagem automática da temperatura interna do veículo. O sistema está baseado na temperatura ajustada pelo motorista e passageiro, independentemente das alterações da tem- peratura externa. Isto é efetuado através de um microcomputador, também conhecido como controle de ar dianteiro, que recebe sinais de entrada dos seis sensores a seguir: C ● Sensor de temperatura-ambiente ● Sensor de temperatura interna ● Sensor de entrada D ● Sensor ótico (um sensor para o lado do motorista e passageiro) ● PBR (Resistor de Compensação de Posição. E ● Sensor de velocidade do veículo O controle de ar dianteiro utiliza estes sinais (incluindo a temperatura de ajuste) para controlar automatica- mente: F ● Volume do ar de saída ● Temperatura do ar ● Distribuição do ar G O controle de ar dianteiro é utilizado para selecionar: ● Volume do ar de saída ● Temperatura / Distribuição do Ar H Funcionamento EJS006B1 I CONTROLES DE MISTURA DE AR Os defletores de mistura de ar são automaticamente controlados de maneira que a temperatura interna do veículo seja mantida de acordo com um valor pré-estabelecido, pelo ajuste de temperatura, temperatura- ATC J ambiente, temperatura interna do veículo e quantidade de calor solar. CONTROLE DE VELOCIDADE DO VENTILADOR A velocidade do ventilador é automaticamente controlada pelo ajuste de temperatura, temperatura-ambiente, K temperatura interna do veículo, temperatura de entrada, quantidade de calor solar e posição dos defletores de mistura de ar. Quando o interruptor AUTO é pressionado, o motor do ventilador começa a aumentar gradativamente o vo- L lume de fluxo de ar (se necessário). Quando a temperatura do líquido de arrefecimento do motor estiver baixa, o funcionamento do motor do ven- tilador é retardado para evitar a entrada de ar frio. M CONTROLE DE ENTRADA O defletor de entrada é automaticamente controlado pelo ajuste de temperatura, temperatura-ambiente, tem- peratura interna do veículo, temperatura de entrada, quantidade de calor solar e pelo acionamento/desliga- mento do compressor. CONTROLE DE MODO O defletor de modo é automaticamente controlado pelo ajuste de temperatura, temperatura-ambiente, tem- peratura interna do veículo, temperatura de entrada e quantidade de calor solar. CONTROLE DO DESCONGELADOR O defletor do descongelador é controlado por: Ao girar o seletor do descongelador para o descongelador dianteiro. ATC-27
  • 28.
    CONTROLE DO CONDICIONADORDE AR CONTROLE DA EMBREAGEM MAGNÉTICA WJIA1163E Quando os interruptor de A/C ou DEF forem pressionados, o controle do ar dianteiro leva um sinal ON do compressor ao BCM. O BCM envia o sinal ON do compressor ao ECM, através da linha de comunicação CAN. O ECM avalia se o compressor pode ser ligado, baseado na situação de cada sensor (sinal do sensor de pressão do refrigerante, sensor do ângulo do acelerador, etc.). Caso seja avaliado que o compressor pode ser ligado, ele envia um sinal ON do compressor ao IPDM E/R, através da linha de comunicação CAN. Após receber o sinal ON do compressor do ECM, o IPDM E/R aciona o relé do ar condicionado para que o compressor funcione. SISTEMA DE AUTO-DIAGNÓSTICO O sistema de auto-diagnóstico está embutido no controle de ar dianteiro para localizar rapidamente a causa dos sintomas. Consulte EC-50, "Função de Auto-diagnóstico do Sistema de A/C". ATC-28
  • 29.
    CONTROLE DO CONDICIONADORDE AR Descrição do Sistema de Controle EJS006B2 A O sistema de controle compreende sensores de entrada, interruptores, controle dianteiro do ar (microcom- putador) e saídas. A relação entre estes componentes é mostrada na figura abaixo: C D E F G H I ATC J K WJIA1279E Funcionamento do Controle EJS006B3 L Controle dianteiro do ar M MJIB0333E ATC-29
  • 30.
    CONTROLE DO CONDICIONADORDE AR TELA DO MOSTRADOR Exibe a situação operacional do sistema. AUTO-INTERRUPTOR ● O compressor, defletor de entrada, defletores de mistura de ar, defletores e velocidade do ventilador são automaticamente controlados de maneira que a temperatura interna do veículo atinja e mantenha a tem- peratura selecionada pelo operador. ● Ao pressionar o interruptor AUTO, o ar de entrada, ar de saída, velocidade do ventilador e a temperatura do ar de descarga são automaticamente controlados. SELETOR DE CONTROLE DE TEMPERATURA (CONTROLE DE TEMPERATURA) (LADO DO MOTORISTA) Aumenta ou diminui a temperatura ajustada. SELETOR DE CONTROLE DE TEMPERATURA (CONTROLE DE TEMPERATURA) (LADO DO PASSAGEIRO) Aumenta ou diminui a temperatura ajustada. SELETOR DE CONTROLE DE TEMPERATURA (CONTROLE DE TEMPERATURA E MODO) (TRASEIRO) Aumenta ou diminui a temperatura ajustada. O modo também altera do ajuste da área dos pés (completa- mente quente) para a posição intermediária (quente) e para a ventilação em completamente frio. INTERRUPTOR DE RECIRCULAÇÃO (REC) ● Quando o interruptor REC está ativado, o indicador do interruptor REC é ligado e a entrada de ar é ajus- tada em REC. ● Quando o interruptor REC é desligado, ou quando o compressor é passado de ligado para desligado, o interruptor REC é automaticamente desligado. O modo REC pode ser novamente ativado, ao ser pres- sionado o interruptor REC mais uma vez. ● O interruptor REC é acionado quando o interruptor DEF é ligado, ou quando estiver a posição D/F. INTERRUPTOR DE DESCONGELAMENTO (DEF) Posiciona o defletor de ar para a posição descongelamento. Também posiciona os defletores na posição de ar externo. INTERRUPTOR DO DESEMBAÇADOR DO VIDRO TRASEIRO Quando o interruptor está ligado, o vidro traseiro é desembaçado. INTERRUPTOR OFF (DESLIGAR) O compressor e o ventilador são desligados, o defletor de entrada é ajustado para a posição de ar externo e os defletores de ar são ajustados para a posição da área dos pés (75% área dos pés e 25% descongela- mento). INTERRUPTOR DE A/C O compressor é ligado ou desligado. (Ao pressionar o interruptor A/C quando o interruptor AUTO estiver ligado, o interruptor de A/C e o compres- sor serão desligados.) INTERRUPTOR DE MODO (DIANTEIRO) Controla os difusores de ar. SELETOR DE CONTROLE DO VENTILADOR DIANTEIRO Controla manualmente a velocidade do ventilador. Estão disponível sete velocidades para o controle manual (conforme exibido na tela do mostrador). INTERRUPTOR DE MODO (TRASEIRO) Controla o ar / temperatura nos difusores de ar. ATC-30
  • 31.
    CONTROLE DO CONDICIONADORDE AR Descarga do Fluxo de Ar EJS006B4 A DIANTEIRO C D LJIA0172E E F G MJIB0284E H I ATC J K L M ATC-31
  • 32.
    CONTROLE DO CONDICIONADORDE AR Descrição do Sistema EJS006B5 INTERRUPTORES E RESPECTIVAS FUNÇÕES DE CONTROLE MJIB0220E WJIA1237E ATC-32
  • 33.
    CONTROLE DO CONDICIONADORDE AR Descrição do Sistema de Comunicação CAN EJS006B7 A Consulte LAN-47, "Tabela de Sinais da Comunicação CAN". C D E F G H I ATC J K L M ATC-33
  • 34.
    DIAGNÓSTICO DE FALHAS DIAGNÓSTICODE FALHA PFP:00004 Funções de CONSULT-II (BCM) EJS006B8 CONSULT-II pode exibir cada item de diagnóstico utilizando os modos de teste de diagnóstico mostrados abaixo. Item do teste de Modo de Diagnóstico Descrição diagnóstico BCM Dá suporte a inspeções e ajustes. Os comandos são transmitidos ao BCM para SUPORTE DE TRABALHO ajustar a situação adequada para a operação exigida, os sinais de entrada / saída são recebidos do BCM e os dados recebidos são exibidos. DATA MONITOR Exibe os dados de entrada / saída do BCM em tempo real. Funcionamento de cargas elétricas podem ser verificadas, enviando-se sinais de Inspeção por ACTIVE TEST acionamento a elas. peça SELF-DIAG RESULTS Exibe os resultados do auto-diagnóstico. O resultado do diagnóstico de transmissão / recepção da comunicação CAN CAN DIAG SUPPORT MNTR pode ser lido. ECU PART NUMBER O número de peça da BCM pode ser lido. CONFIGURATION Efetua as funções de leitura / gravação da configuração do BCM. FUNCIONAMENTO BÁSICO CONSULT-II CUIDADO: Caso CONSULT-II seja utilizado sem nenhuma conexão do CONVERSOR CONSULT-II, a falha poderia ser detectada no auto-diagnóstico, dependendo da unidade de controle que efetua a comunicação CAN. 1. Com o interruptor de ignição desligado, conecte o CONSULT-II e o conversor CONSULT-II no conector da conexão de dados e ligue o interruptor de ignição. WJIA1078E ATC-34
  • 35.
    DIAGNÓSTICO DE FALHAS 2. Pressione “START” (VEÍCULO NISSAN)”. A B C BCIA0029E D 3. Pressione “BCM” na tela “SELECT SYSTEM” (Selecionar sistema). Caso não seja indicado “BCM”, passe para GI-50, "Circuito dos Conectores (DLC) do Link de Dados do CONSULT- E II". F G BCIA0030E MONITOR DE DADOS H Procedimento de Operação 1. Pressione “AIR CONDITIONER” na tela “SELECT TEST ITEM”. I J ATC WJIA0468E K 2. Pressione “DATA MONITOR” na tela “SELECT DIAG MODE”. L M BCIA0031E ATC-35
  • 36.
    DIAGNÓSTICO DE FALHAS 3. Pressione “ALL SIGNALS” (todos os sinais) ou “SELECTION FROM MENU” (Seleção do Menu) na tela “DATA MONITOR” (monitor de dados). Todos os sinais Monitoram todos os itens. Seleciona e monitora separadamente o item Seleção do menu selecionado 4. Quando “SELECTION FROM MENU” for selecionado, pressione os itens a serem monitorados. Quando “ALL SIGNALS” for sele- cionado, todos os itens serão monitorados. WJIA0469E 5. Pressione “START” (iniciar). 6. Pressione “RECORD” enquanto o monitoramento estiver sendo efetuado, desta forma a situação do item monitorado pode ser gravada. Para interromper a gravação, pressione “STOP”. Lista de Itens do Mostrador Nome do item do monitor Índice “OPERAÇÃO OU UNIDADE” Exibe a situação “IGN Position (ON)/OFF, ACC Position (OFF)” conforme avaliado a partir do sinal IGN ON SW “ON/OFF” do interruptor de ignição. Exibe a situação “COMP (ON)/COMP (OFF)” conforme avaliado a partir do sinal do interruptor do COMP ON SIG “ON/OFF” ar condicionado. Exibe a situação “FAN (ON)/FAN (OFF)” conforme avaliado a partir do sinal do interruptor do motor FAN ON SIG “ON/OFF” do ventilador. Como Efetuar o Diagnóstico de Falhas para uma Reparação Precisa e Rápida EJS006B9 FLUXOGRAMA DE DIAGNÓSTICO SHA900E *1 EC-52, "Inspeção Operacional". ATC-36
  • 37.
    DIAGNÓSTICO DE FALHAS TABELADE SINTOMAS A Sintoma Referências Página EC-56, "Circuito de Alimentação e Passe ao Procedimento de Diagnóstico de Falhas do Sistema de O sistema A/C não é ligado. Massa do B A/C. Controle de Ar Dianteiro" O mostrador do sistema de A/C está AV-56, "Sistema Passe a “Sistema de Navegação’. C apresentando falha. de Navegação" EC-50, "Função de Auto- O sistema de A/C não pode ser controlado. Passe à Função de Auto-diagnóstico. diagnóstico do D Sistema de A/C" O defletor de ar não é alterado. EC-59, "Circuito Passe ao Procedimento de Diagnóstico de Falhas do Motor do O motor do defletor de modo está do Motor do defletor de modo. E apresentando falha. Defletor de Modo" A temperatura do ar de descarga não é EC-64, "Circuito alterada. Passe ao Procedimento de Diagnóstico de Falhas do Motor do do Motor do O motor do defletor de mistura de ar está defletor de mistura de Ar. Defletor de F apresentando falha. Mistura de Ar" O defletor de entrada não é alterado. EC-73, "Circuito Passe ao Procedimento de Diagnóstico de Falhas do Motor do do Motor do O motor do defletor de entrada está apre- G Defletor de Entrada. Defletor de sentando falha. Entrada" O motor do defletor do descongelador está Passe ao Procedimento de Diagnóstico de Falhas do Motor do apresentando falha. Defletor do Descongelador. H EC-76, "Circuito O funcionamento do motor do ventilador Passe ao Procedimento de Diagnóstico de Falhas do Motor do do Motor do está apresentando falha. Ventilador. Ventilador" EC-83, "Circuito I Passe ao Procedimento de Diagnóstico de Falhas da A embreagem magnética não acopla. da Embreagem Embreagem Magnética. Magnética" EC-89, Passe ao Procedimento de Diagnóstico de Arrefecimento J ATC Arrefecimento insuficiente "Arrefecimento Insuficiente. Insuficiente" EC-96, Aquecimento insuficiente Passe ao Procedimento de Diagnóstico de Falha para "Aquecimento K Aquecimento Insuficiente. Insuficiente" Ruído Passe ao Procedimento de Diagnóstico de Falhas para Ruído. EC-97, "Ruído" Passe ao Procedimento de Diagnóstico de Falha para EC-98, "Auto- O auto-diagnóstico não pode ser efetuado. Auto-diagnóstico. diagnóstico" L Passe ao Procedimento de Diagnóstico de Falha para Função EC-99, "Função A função de memória não funciona. de Memória. de Memória" M ATC-37
  • 38.
    DIAGNÓSTICO DE FALHAS Localizaçãodas Peças do Componente e Conectores do Chicote EJS006BA COMPARTIMENTO DO MOTOR MJIB0155E ATC-38
  • 39.
    DIAGNÓSTICO DE FALHAS COMPARTIMENTODE PASSAGEIRO DIANTEIRO A B C D E F G H I J ATC K L M MJIB0326E ATC-39
  • 40.
    DIAGNÓSTICO DE FALHAS Diagrama EJS006BB MJWA0176E ATC-40
  • 41.
    DIAGNÓSTICO DE FALHAS Diagramade Circuito – A/C – EJS006BC A B C D E F G H I J ATC K L M MJWA0177E ATC-41
  • 42.
    DIAGNÓSTICO DE FALHAS MJWA0178E ATC-42
  • 43.
    DIAGNÓSTICO DE FALHAS A B C D E F G H I J ATC K L M MJWA0179E ATC-43
  • 44.
    DIAGNÓSTICO DE FALHAS MJWA0180E ATC-44
  • 45.
    DIAGNÓSTICO DE FALHAS A B C D E F G H I J ATC K L M MJWA0181E ATC-45
  • 46.
    DIAGNÓSTICO DE FALHAS MJWA0182E ATC-46
  • 47.
    DIAGNÓSTICO DE FALHAS A B C D E F G H I J ATC K L M MJWA0183E ATC-47
  • 48.
    DIAGNÓSTICO DE FALHAS Terminaisde Controle de Ar Dianteiros e Valor de Referência EJS006BF Meça a voltagem entre cada terminal e a massa, seguindo Terminais e Valor de Referência para controle dianteiro do ar. MJIB0327E ESQUEMA DO TERMINAL DO CONECTOR DO PINO MJIB0159E TERMINAIS E VALOR DE REFERÊNCIA DO CONTROLE DE AR DIANTEIRO Terminal Cor do Interruptor Voltagem (V) Item Condição Nº fio de ignição (Aprox.) 1 BR Motor do defletor de modo CW ON Sentido horário Voltagem da bateria Motor do defletor de mistura de ar 2 W ON Sentido horário Voltagem da bateria (motorista) CW Motor do defletor de mistura de ar 3 G ON Sentido anti-horário Voltagem da bateria (motorista) CCW 4 Y Motor do defletor de entrada CW ON Sentido anti-horário Voltagem da bateria 5 O Motor do defletor de entrada CCW ON Sentido horário Voltagem da bateria 6 P Alimentação para IGN ON - Voltagem da bateria Aquecedor do banco (Modelos Aquecedor do banco ON Voltagem da bateria 7 Y ON ALE) Aquecedor do banco OFF 0V Luzes de estacionamento 8 G Iluminação + ON Voltagem da bateria ON Luzes de estacionamento 9 B Iluminação - - ON PIIA2344E ON Interruptor do A/C OFF 5V 10 W Sinal ON do Compressor ON Interruptor do A/C ON 0V Solicitação de descongelamento 11 Y ON - Voltagem da bateria traseiro 12 L Sensor de Entrada ON - 0 - 5V 13 V Massa do sensor ON - 0 - 5V 14 R Motor do defletor de modo CCW ON Sentido anti-horário Voltagem da bateria ATC-48
  • 49.
    DIAGNÓSTICO DE FALHAS Terminal Cor do Interruptor Voltagem (V) Item Condição A Nº fio de ignição (Aprox.) Motor do defletor de mistura de ar 15 P ON Sentido horário Voltagem da bateria (passageiro) CW Motor do defletor de mistura de ar B 16 LG ON Sentido anti-horário Voltagem da bateria (Passageiro) CCW 19 GR Alimentação para BAT - - Voltagem da bateria 20 B Massa - - 0V C Retorno do motor do defletor de 21 V ON - 0 - 5V modo ON Retorno do motor do defletor de 22 SB ON - 0 - 5V D mistura de ar (motorista) 23 G Alimentação do sensor ON - 5V 26 P Retorno do sensor ON - 0V E 27 R Sinal do sensor interno do veículo ON - 0 - 5V 28 W Sensor de temperatura-ambiente ON - 0 - 5V 29 G Sensor Ótico (Motorista) ON - 0 - 5V F PTC relé do aquecedor 1 Relé ON Voltagem da bateria 31 P (Modelos ALE) ON Relé OFF 0V 32 V Controle variável do ventilador ON - 0 - 5V G Motor do sensor interno do veículo 33 BR ON - Voltagem da bateria (+) Motor do sensor interno do veículo 34 O ON - 0V H (-) Interruptor do ventilador ON 5V OFF 35 LG Sinal ON do ventilador Interruptor do ventilador I ON 0V ON Motor do defletor de mistura de ar 36 SB (Passageiro) ON - 0 - 5V retorno J ATC 37 GR Sensor Ótico (Passageiro) ON - 0 - 5V Motor do ventilador OFF Voltagem da bateria 38 B Solicitação do ventilador ON K Motor do ventilador ON 0V PTC relé do aquecedor 2 Relé ON Voltagem da bateria 40 LG (Modelos ALE) ON Relé OFF 0V L 41 L CAN-H ON - 0 - 5V 42 P CAN-L ON - 0 - 5V PTC relé do aquecedor 3 Relé ON Voltagem da bateria 43 BR (Modelos ALE) ON M Relé OFF 0V Aquecedor do espelho retrovisor Aquecedor OFF 0V 44 R ON (Modelos ALE) Aquecedor ON Voltagem da bateria ATC-49
  • 50.
    DIAGNÓSTICO DE FALHAS Funçãode Auto-diagnóstico do Sistema de A/C BJS0000X DESCRIÇÃO O sistema de auto-diagnóstico faz o diagnóstico de sensores, motores dos defletores, motor do ventilador, etc. COMO ATIVAR O MODO DE AUTO-DIAGNÓSTICO CONDIÇÃO: O auto-diagnóstico deve ser efetuado a temperaturas-ambientes superiores a 10°C. 1. Ligue o interruptor de ignição.Gire o seletor de controle do venti- lador dianteiro no sentido anti-horário e o seletor de controle de temperatura no sentido horário ao mesmo tempo, conforme mostrado na figura e a seguir mantenha-os pressionado por 1 segundo. MJIB0335E 2. Libere ambos os seletores e pressione AUTO SWITCH dentro de 3 segundos. MJIB0336E 3. A indicação da velocidade do ventilador dianteiro no mostrador irá piscar até que o código de auto-diag- nóstico seja indicado. (O auto-diagnóstico é realizado durante o fluxo da indicação.) 4. O código de auto-diagnóstico será indicado no mostrador. (Caso não seja detectada nenhuma falha, será exibido “00”.) Consulte EC-51, "TABELA DE CÓDIGOS DE AUTO-DIAGNÓSTICO". NOTA: O modo de auto-diagnóstico será encerrado após ser pressionado qualquer interruptor relacionado ao con- trole de ar dianteiro. ATC-50
  • 51.
    DIAGNÓSTICO DE FALHAS TABELADE CÓDIGOS DE AUTO-DIAGNÓSTICO A Code No. Reference page 00 Sem falha – B 02 EE alterado por calibração EC-111, "REMOÇÃO" Falha do circuito do motor do defletor de mistura de EC-67, "PROCEDIMENTO DE DIAGNÓSTICO DO MOTOR 12 ar (motorista) DO DEFLETOR DE MISTURA DE AR (MOTORISTA)" C EC-84, "PROCEDIMENTO DE DIAGNÓSTICO PARA SIN- 20 BCM não está respondendo à solicitação do A/C TOMA DE EMBREAGEM MAGNÉTICA" BCM não está respondendo à solicitação do 21 GW-47, "DESEMBAÇADOR DO VIDRO TRASEIRO" D descongelador traseiro Falha do circuito do motor do defletor de mistura de EC-69, "PROCEDIMENTO DE DIAGNÓSTICO DO MOTOR 22 ar (passageiro) DO DEFLETOR DE MISTURA DE AR (PASSAGEIRO)" E Circuito do sensor interno do veículo fora da faixa 30 (baixo) EC-103, "Circuito do Sensor de Temperatura Interna do Circuito do sensor interno do veículo fora da faixa Veículo" 31 F (alto) 40 Sensor de temperatura-ambiente 1 curto-circuito EC-100, "Circuito do Sensor de Temperatura-Ambiente" 41 Sensor de temperatura-ambiente 1 circuito aberto G 50 Sensor ótico (motorista) circuito aberto ou em curto Sensor ótico (passageiro) circuito aberto ou em EC-107, "Circuito do Sensor Ótico" 52 curto H 56 Sensor de entrada curto-circuito EC-109, "Circuito do Sensor de Entrada" 57 Sensor de entrada circuito aberto Falha no circuito do motor do defletor do I 62 descongelador 80 Falha no coletor CAN LAN-47, "Tabela de Sinais da Comunicação CAN" J 81 Mensagem do BCM CAN faltando ATC Falha do circuito do motor do defletor de entrada EC-75, "PROCEDIMENTO DE DIAGNÓSTICO DO MOTOR 82 (motorista) DO DEFLETOR DE ENTRADA" K 90 Botão emperrado EC-111, "REMOÇÃO". 92 Falha do circuito do motor do defletor de modo EC-59, "Circuito do Motor do Defletor de Modo" L M ATC-51
  • 52.
    DIAGNÓSTICO DE FALHAS InspeçãoOperacional EJS006BH O objetivo da inspeção operacional é confirmar se o sistema está funcionando corretamente. Condições : Motor funcionando em temperatura normal de operação INSPEÇÃO DA FUNÇÃO DE MEMÓRIA 1. Ajuste a temperatura em 32°C (90°F). 2. Gire o seletor de controle do ventilador no sentido anti-horário até que o sistema seja desligado. 3. Desligue o interruptor de ignição. 4. Ligue o interruptor de ignição. MJIB0335E 5. Pressione o interruptor AUTO. 6. Confirme se a temperatura ajustada permanece na temperatura anterior. MJIB0336E 7. Gire o seletor de controle do ventilador no sentido anti-horário até que o sistema seja desligado. Se NEGATIVO, passe ao procedimento de diagnóstico de falha para EC-99, "Função de Memória". Se estiver OK, continue com a próxima inspeção. MJIB0335E ATC-52
  • 53.
    DIAGNÓSTICO DE FALHAS INSPEÇÃODO VENTILADOR A 1. Pressione o interruptor AUTO. O ventilador deve funcionar em baixa velocidade. Uma pá do símbolo do ventilador deve acender (no mostrador). 2. Gire o seletor de controle do ventilador novamente e continue B verificando a velocidade do ventilador e o símbolo do ventilador até que todas as velocidades sejam verificadas. 3. Deixe o ventilador em velocidade máxima. C Se NEGATIVO, passe ao procedimento de diagnóstico de falha para EC-78, "PROCEDIMENTO DE DIAGNÓSTICO DO MOTOR DO MJIB0337E VENTILADOR". D Se estiver OK, continue com a próxima inspeção. E INSPEÇÃO DO AR DE DESCARGA 1. Pressione o interruptor MODE quatro vezes e o interruptor DEF. 2. Cada indicador de posição deve mudar o formato (no mostra- dor). F G MJIB0338E H 3. Confirme se o ar de descarga é acionado de acordo com a tabela de distribuição de ar. Consulte EC-31, "Descarga do I Fluxo de Ar". A posição do defletor de modo será inspecionada na próxima etapa. Se NEGATIVO, passe ao procedimento de diagnóstico de falha para J EC-59, "Circuito do Motor do Defletor de Modo". ATC Se estiver OK, continue a inspeção. NOTA: K Confirme se a embreagem do compressor está acoplada (inspeção sonora ou visual) e se o defletor de entrada está posicionado em MJIB0284E Fresco quando DEF ou D/F for selecionado. L M ATC-53
  • 54.
    DIAGNÓSTICO DE FALHAS INSPEÇÃODE RECIRCULAÇÃO 1. Pressione o interruptor de recirculação ( ) uma vez. O indica- dor de recirculação deve acender. 2. Pressione o interruptor de recirculação ( ) mais uma vez. O indicador de recirculação deve apagar. 3. Preste atenção quanto à mudança de posição do defletor de entrada (o ruído do ventilador deve mudar levemente). Se NEGATIVO, passe ao procedimento de diagnóstico de falha para EC-73, "Circuito do Motor do Defletor de Entrada". Se estiver OK, continue com a próxima inspeção. MJIB0339E NOTA: Confirme se a embreagem do compressor está acoplada (inspeção sonora ou visual) e se o defletor de entrada está posicionado em Fresco quando DEF ou D/F for selecionado. INSPEÇÃO DE DIMINUIÇÃO DE TEMPERATURA 1. Gire o seletor de controle de temperatura (lado do motorista) no sentido anti-horário até que seja exibido 18°C (60°F). 2. Verifique quanto a ar frio nos defletores de ar apropriados. Se NEGATIVO, ouça o ruído do funcionamento do motor do defletor de mistura de ar. Se OK, passe ao procedimento de diagnóstico de falha para EC-89, "Arrefecimento Insuficiente". Caso pareça que o motor do defletor de mistura de ar esteja apresentando falha, passe a EC-67, "PROCEDIMENTO DE DIAGNÓSTICO DO MOTOR DO DEFLETOR DE MISTURA DE AR (MOTORISTA)" ou EC-69, "PRO- MJIB0340E CEDIMENTO DE DIAGNÓSTICO DO MOTOR DO DEFLETOR DE MISTURA DE AR (PASSAGEIRO)". Se estiver OK, continue a inspeção. INSPEÇÃO DE AUMENTO DE TEMPERATURA 1. Gire o seletor de controle de temperatura (lado do motorista) no sentido horário até que seja exibido 32°C (90°F). 2. Verifique quanto a ar quente nos defletores de ar apropriados. ● Se NEGATIVO, ouça o ruído do funcionamento do motor do defletor de mistura de ar. Se OK, passe ao procedimento de diagnóstico de falha para EC-96, "Aquecimento Insuficiente". Caso pareça que o motor do defletor de mistura de ar esteja apre- sentando falha, passe a EC-69, "PROCEDIMENTO DE DIAGNÓS- TICO DO MOTOR DO DEFLETOR DE MISTURA DE AR (PASSAGEIRO)". MJIB0341E Se estiver OK, continue com a próxima inspeção. ATC-54
  • 55.
    DIAGNÓSTICO DE FALHAS INSPEÇÃODO INTERRUPTOR DE A/C A 1. Pressione o interruptor de A/C quando o interruptor AUTO estiver ligado, ou no modo manual. 2. O indicador do interruptor de A/C acenderá. ● Confirme se a embreagem do compressor é acoplada (ins- B peção sonora ou visual). Se NEGATIVO, passe ao procedimento de diagnóstico de falha para EC-83, "Circuito da Embreagem Magnética". C Se estiver OK, continue com a próxima inspeção. MJIB0342E D INSPEÇÃO DO MODO AUTO 1. Pressione o interruptor AUTO. E 2. O mostrador deve exibir AUTO. ● Caso a temperatura-ambiente esteja quente, e a temperatura selecionada seja fria, confirme se a embreagem do compres- F sor é acoplada (inspeção sonora ou visual). (O ar de des- carga e a velocidade do ventilador irão depender das tempe- raturas-ambientes internas do veículo, bem como da tempe- ratura ajustada. G Se NEGATIVO, passe ao procedimento de diagnóstico de falha para MJIB0336E EC-56, "Circuito de Alimentação e Massa do Controle de Ar Dianteiro", a seguir, se necessário, efetue o procedimento de diagnóstico de falha para EC-83, "Circuito da H Embreagem Magnética". Caso todos as inspeções operacionais estejam satisfatórias (o sintoma não pode repetido), passe aos testes de simulação de falha em EC-36, "Como Efetuar o Diagnóstico de Falhas para uma Reparação Precisa e I Rápida" e efetue os testes conforme indicado para simular o ambiente das condições de condução. Caso o sintoma apareça, consulte EC-36, "Como Efetuar o Diagnóstico de Falhas para uma Reparação Precisa e Rápida", EC-37, "TABELA DE SINTOMAS" e efetue os procedimentos aplicáveis de diagnóstico de falha. J ATC K L M ATC-55
  • 56.
    DIAGNÓSTICO DE FALHAS Circuitode Alimentação e Massa do Controle de Ar Dianteiro EJS006BJ SINTOMA: O sistema A/C não é ligado. FLUXO DE INSPEÇÃO MJIB0343E *1 EC-56, "Circuito de Alimentação e *2 EC-52, "Inspeção Operacional". Massa do Controle de Ar Dianteiro". ATC-56
  • 57.
    DIAGNÓSTICO DE FALHAS DESCRIÇÃODO COMPONENTE A Controle Dianteiro do Ar O controle dianteiro de ar possui um microcomputador embutido que processa as informações enviadas dos vários sensores necessários para que o ar condicionado funcione. Os motores dos defletores de B mistura de ar, motor do defletor de modo, motor do defletor de entrada, motor do defletor do descongelador, motor do ventilador e compressor são então controlados. C O controle dianteiro de ar é unificado com os mecanismos de con- trole. Quando os vários interruptores e seletores de temperatura são MJIB0327E acionados, os dados dão entrada no controle dianteiro de ar. D As funções de auto-diagnóstico também estão embutidas no con- trole dianteiro de ar para oferecer uma inspeção rápida das falhas no sistema do condicionador de ar automático. E Controle de Temperatura do Potenciômetro (PTC) Existem dois PTCs (passageiro e motorista) embutidos no controle dianteiro de ar. Eles podem ser ajustados em um intervalo de 0,5° F (1,0°F) na faixa de temperatura entre 18°C (60°F) e 32°C (90°F), girando-se o seletor de temperatura. A temperatura ajustada é exi- bida. G H MJIB0344E I PROCEDIMENTO DE DIAGNÓSTICO DO SISTEMA DE A/C SINTOMA: O sistema A/C não é ligado. J ATC K L MJIB0180E M ATC-57
  • 58.
    DIAGNÓSTICO DE FALHAS 1.VERIFICAR OS CIRCUITOS DE ALIMENTAÇÃO DO CONTROLE DIANTEIRO DE AR 1. Desligue o interruptor de ignição. 2. Desconecte o conector de controle dianteiro de ar. 3. Ligue o interruptor de ignição. 4. Verifique a voltagem entre os terminais 6 e 19 do conector M60 do chicote do controle dianteiro de ar e a massa. Terminais Posição do interruptor de ignição (+) Conector do con- (-) OFF ACC ON trole Terminal Nº WJIA1082E dianteiro de ar Voltagem M60 6 Aprox. 0V Aprox. 0V da bateria Massa Voltagem Voltagem Voltagem M60 19 da bateria da bateria da bateria OK ou NEGATIVO OK >> PASSE PARA 2. NEGATIVO >> Verifique os fusíveis de 10 A [nºs. 8 e 19, localizados no bloco de fusíveis (J/B)]. Consulte PG-83. ● Se os fusíveis estiverem OK, inspecione o chicote quanto a circuito aberto. Repare ou substitua, conforme necessário. ● Se os fusíveis estiverem NEGATIVO, substitua o fusível e inspecione o chicote quanto a curto- circuito. Repare ou substitua, conforme necessário. 2. VERIFICAR O CIRCUITO DE MASSA CONTROLE DIANTEIRO DE AR 1. Desligue o interruptor de ignição. 2. Verifique a continuidade entre o terminal 20 do conector M60 do chicote do controle dianteiro de ar e a massa. 20 – Massa: Deve existir continuidade. OK ou NEGATIVO OK >> Substitua o controle dianteiro de ar. Consulte EC-111, "REMOÇÃO". NEGATIVO >> Repare o chicote ou o conector. WJIA1239E ATC-58
  • 59.
    DIAGNÓSTICO DE FALHAS Circuitodo Motor do Defletor de Modo EJS006BK A SINTOMA: ● O defletor de ar não é alterado. ● O motor do defletor de modo não funciona normalmente. B FLUXO DE INSPEÇÃO C D E F G H I J ATC K L M MJIB0345E 1 EC-31, "Descarga do Fluxo de Ar". *3 EC-50, "Função de Auto-diagnóstico *5 EC-61, "PROCEDIMENTO DE DIAG- *2 EC-52, "Inspeção Operacional". do Sistema de A/C" NÓSTICO DO MOTOR DO DEFLE- *4 EC-51, "TABELA DE CÓDIGOS DE TOR DE MODO". AUTO-DIAGNÓSTICO". ATC-59
  • 60.
    DIAGNÓSTICO DE FALHAS DESCRIÇÃODO SISTEMA Peças de Componente Os componentes do sistema de controle do difusor de modo são: ● Controle dianteiro de ar ● Motor do defletor de modo ● PBR (embutido no motor do defletor de modo) ● Sensor de temperatura interna ● Sensor de temperatura-ambiente ● Sensor ótico ● Sensor de entrada Funcionamento do Sistema A posição do defletor de modo (ventilação, B/L, área dos pés e descongelamento) é ajustada pelo controle dianteiro de ar, através do motor do defletor de modo. Quando uma posição do defletor de modo é sele- cionada no controle dianteiro de ar, a voltagem é aplicada a um dos circuitos do modo do defletor de modo enquanto a massa é aplicada a outro circuito, fazendo o motor do defletor de modo girar. O sentido de giro é determinado pelo circuito ao qual a voltagem ou massa é aplicada. O controle dianteiro de ar monitora a posição do defletor de modo, medindo-se o sinal de voltagem no circuito PBR. No modo AUTO, a posição do defletor de modo é ajustado pelo controle dianteiro de ar que determina a posição apropriada, com base nas entradas do sensor de temperatura interno do veículo, sensor de tempe- ratura-ambiente, sensor ótico, sensor de entrada e a temperatura selecionada pelo motorista ou passageiro. WJIA1240E Especificação de Controle do Defletor de Modo WJIA0434E ATC-60
  • 61.
    DIAGNÓSTICO DE FALHAS DESCRIÇÃODO COMPONENTE A Motor do Defletor de Modo O motor do defletor de modo está fixado na unidade do aquecedor e resfriador. Ele gira de maneira que o ar é descarregado do difusor, conforme indicado pelo controle dianteiro de ar. A rotação do motor B é transferida para uma conexão que ativa o defletor de modo. C MJIB0161E D PROCEDIMENTO DE DIAGNÓSTICO DO MOTOR DO DEFLETOR DE MODO 1. VERIFICAR O RESULTADO NO AUTO-DIAGNÓSTICO DE CONTROLE DIANTEIRO DE AR E O código de auto-diagnóstico 92 está presente. Consulte EC-50, "Função de Auto-diagnóstico do Sistema de A/C". SIM ou NÃO F SIM >> PASSE PARA 2. NÃO >> PASSAR PARA 3. G 2. VERIFICAR OS CIRCUITOS DE ALIMENTAÇÃO E MASSA DO MOTOR DO DEFLETOR DE MODO H 1. Desligue o interruptor de ignição. 2. Desconecte o conector de controle dianteiro de ar e o conector do motor do defletor de modo. I 3. Verifique a continuidade entre o terminal 1 do conector M60 do chicote de controle dianteiro de ar e o terminal 1 do conector M46 do chicote do motor do defletor de modo e entre o terminal 14 do conector M60 do chicote de controle dianteiro de ar e o J ATC terminal 6 do conector M46 do chicote do motor do defletor de modo. 1-1 : Deve existir continuidade. K 14 - 6 : Deve existir continuidade. MJIB0204EA SIM ou NÃO L OK >> Substitua o motor do defletor de modo. NEGATIVO >> Repare ou substitua o chicote, conforme necessário. M ATC-61
  • 62.
    DIAGNÓSTICO DE FALHAS 3.VERIFICAR A VOLTAGEM DO SINAL DE REFERÊNCIA PBR 1. Desligue o interruptor de ignição. 2. Desconecte o conector do motor do defletor de modo. 3. Ligue o interruptor de ignição. 4. Verifique a voltagem entre o terminal 3 do conector M46 do conector do chicote do motor do defletor de modo e a massa. 3 – Massa : Aproximadamente 5V OK ou NEGATIVO OK >> PASSE PARA 5. NEGATIVO >> PASSE PARA 4. MJIB0205EA 4. VERIFICAR O CIRCUITO DA VOLTAGEM DE REFERÊNCIA PBR ENTRE O DEFLETOR DE MODO E O CONTROLE DIANTEIRO DE AR 1. Desligue o interruptor de ignição. 2. Desconecte o conector de controle dianteiro de ar. 3. Verifique a continuidade entre o terminal 3 do conector M46 do chicote do motor do defletor de modo e o terminal 23 do conec- tor M60 do chicote de controle dianteiro de ar. 3 - 23 : Deve existir continuidade. OK ou NEGATIVO OK >> Substitua o controle dianteiro de ar. Consulte EC-111, "REMOÇÃO". NEGATIVO >> Repare ou substitua o chicote, conforme necessário. MJIB0206EA ATC-62
  • 63.
    DIAGNÓSTICO DE FALHAS 5.VERIFICAR CIRCUITO DE REFERÊNCIA DE MASSA PBR A 1. Desligue o interruptor de ignição. 2. Desconecte o conector de controle dianteiro de ar. 3. Verifique a continuidade entre o terminal 2 do conector M46 do B chicote do motor do defletor de modo e o terminal 26 do conec- tor M60 do chicote de controle dianteiro de ar. C 2 - 26 : Deve existir continuidade. OK ou NEGATIVO OK >> PASSE PARA 6. D NEGATIVO >> Repare ou substitua o chicote, conforme necessário. MJIB0207EA E 6. VERIFICAR QUANTO A SINAL DE RETORNO PBR F 1. Conecte novamente o conector de controle dianteiro de ar e o conector do motor do defletor de modo. G 2. Ligue o interruptor de ignição. 3. Verifique a voltagem entre o terminal 21 do conector M60 do chi- cote do controle dianteiro de ar e a massa. H 4. Pressione todos os modos do interruptor de modo. 21 – Massa : Aproximadamente 0 – 5V I OK ou NEGATIVO OK >> Substitua o controle dianteiro de ar. Consulte EC-111, WJIA1088E "REMOÇÃO". J ATC NEGATIVO >> PASSE PARA 7. 7. VERIFICAR O CIRCUITO DE RETORNO PBR K 1. Desligue o interruptor de ignição. 2. Desconecte o conector do motor do defletor de modo e o conec- L tor do chicote de controle dianteiro de ar. 3. Verifique a continuidade entre o terminal 4 do conector M46 do chicote do motor do defletor de modo e o terminal 21 do conec- M tor M60 do chicote de controle dianteiro de ar. 4 - 21 : Deve existir continuidade. OK ou NEGATIVO OK >> Substitua o motor do defletor de modo. Consulte EC-124, WJIA1089E "MOTOR DO DEFLETOR DE MODO". NEGATIVO >> Repare ou substitua o chicote, conforme necessário. ATC-63
  • 64.
    DIAGNÓSTICO DE FALHAS Circuitodo Motor do Defletor de Mistura de Ar EJS006BL SINTOMA: ● A temperatura do ar de descarga não é alterada. ● O motor do defletor de mistura de ar não funciona. FLUXO DE INSPEÇÃO MJIB0346E *1 EC-52, "Inspeção Operacional". *4 EC-67, "PROCEDIMENTO DE DIAG- TOR DE MISTURA DE AR *2 EC-50, "Função de Auto-diagnóstico NÓSTICO DO MOTOR DO DEFLE- (PASSAGEIRO)" do Sistema de A/C" TOR DE MISTURA DE AR (MOTORISTA)" *3 EC-51, "TABELA DE CÓDIGOS DE AUTO-DIAGNÓSTICO". *5 EC-69, "PROCEDIMENTO DE DIAG- NÓSTICO DO MOTOR DO DEFLE- ATC-64
  • 65.
    DIAGNÓSTICO DE FALHAS DESCRIÇÃODO SISTEMA A Peças de Componente Os componentes do sistema de controle do difusor de mistura de ar são: ● Controle dianteiro de ar B ● Motores do defletor de mistura de ar (motorista e passageiro) ● PBR (embutido nos motores do defletor de mistura de ar) ● Sensor de temperatura interna C ● Sensor de temperatura-ambiente ● Sensor ótico ● Sensor de entrada D Funcionamento do Sistema O controle dianteiro de ar recebe dados da temperatura selecionada pelo lado do motorista e lado do pas- E sageiro. O controle de ar dianteiro então aplica uma voltagem a um circuito apropriado do motor do defletor de mistura de ar, enquanto a massa é aplicada ao outro circuito, fazendo o motor do defletor de mistura de ar apropriado girar. O sentido de giro é determinado pelo circuito ao qual a voltagem ou massa é aplicada. O F controle dianteiro de ar monitora as posições do defletor de mistura de ar, medindo o sinal nos circuitos PBR de cada defletor. No modo AUTO, as posições do defletor de mistura de ar, defletor de modo e defletor de descongelamento são ajustadas pelo controle dianteiro de ar que determina a posição apropriada, com base nas entradas do G sensor de temperatura interno do veículo, sensor de temperatura-ambiente, sensor ótico, sensor de entrada e a temperatura selecionada pelo motorista ou passageiro. A seguir, é selecionado o funcionamento de HOT/COLD ou DEFROST/VENT ou FRESH/RECIRCULATION. H Os novos dados sobre a posição do defletor retornam ao controle dianteiro de ar. I J ATC K L M MJIB0330E Especificação de Controle do Defletor de Mistura de Ar WJIA0435E ATC-65
  • 66.
    DIAGNÓSTICO DE FALHAS DESCRIÇÃODO COMPONENTE Motores do Defletor de Mistura de Ar Os motores do defletor de mistura de ar (lados do motorista e pas- sageiro) estão fixados na unidade do aquecedor e resfriador. Estes motores giram de maneira que o defletor de mistura de ar seja aberto ou fechado de acordo com a posição ajustada pelo controle dianteiro de ar. A rotação do motor é então transferida através de um eixo e a posição do defletor de mistura de ar é então retornada ao controle dianteiro de ar através do PBR embutido nos motores do defletor de mistura de ar. MJIB0162E MJIB0163E ATC-66
  • 67.
    DIAGNÓSTICO DE FALHAS PROCEDIMENTODE DIAGNÓSTICO DO MOTOR DO DEFLETOR DE MISTURA DE AR (MOTORISTA) A 1. VERIFICAR O RESULTADO NO AUTO-DIAGNÓSTICO DE CONTROLE DIANTEIRO DE AR O código de auto-diagnóstico 22 está presente. Consulte EC-50, "Função de Auto-diagnóstico do Sistema de B A/C". SIM ou NÃO SIM >> PASSE PARA 2. C NÃO >> PASSAR PARA 3. D 2. VERIFICAR OS CIRCUITOS DE ALIMENTAÇÃO DO MOTOR DO DEFLETOR DE MISTURA DE AR (MOTORISTA) E 1. Desligue o interruptor de ignição. 2. Desconecte o conector de controle dianteiro de ar e o conector do motor do defletor de mistura de ar (motorista). F 3. Verifique a continuidade entre os terminais 2 e 3 do conector M60 do chicote de controle dianteiro de ar e os terminais 5 e 6 do conector M97 do chicote do motor do defletor de mistura de ar (motorista). G 2-5 : Deve existir continuidade. 3-6 : Deve existir continuidade. OK ou NEGATIVO H OK >> Substitua o motor do defletor de mistura de ar (motorista). MJIB0101EA Consulte EC-125, "MOTOR DO DEFLETOR DE MISTURA DE AR (MOTORISTA)". I NEGATIVO >> Repare ou substitua o chicote, conforme necessário. J ATC 3. VERIFICAR A VOLTAGEM DO SINAL DE REFERÊNCIA PBR 1. Desligue o interruptor de ignição. K 2. Desconecte o conector do motor do defletor de mistura de ar (motorista). 3. Ligue o interruptor de ignição. L 4. Verifique a voltagem entre o terminal 3 do conector M97 do chi- cote do motor do defletor de mistura de ar (motorista) e a massa. M 3 – Massa : Aproximadamente 5V OK ou NEGATIVO OK >> PASSE PARA 5. NEGATIVO >> PASSE PARA 4. MJIB0102EA ATC-67
  • 68.
    DIAGNÓSTICO DE FALHAS 4.VERIFICAR O CIRCUITO DA VOLTAGEM DE REFERÊNCIA PBR ENTRE O MOTOR DO DEFLETOR DE MISTURA DE AR (MOTORISTA) E O CONTROLE DIANTEIRO DE AR 1. Desligue o interruptor de ignição. 2. Desconecte o conector de controle dianteiro de ar. 3. Verifique a continuidade entre o terminal 3 do conector M97 do chicote do motor do defletor de mistura de ar (motorista) e ter- minal 23 do conector M60 do chicote de controle dianteiro de ar. 3 - 23 : Deve existir continuidade. OK ou NEGATIVO OK >> Substitua o controle dianteiro de ar. Consulte EC-111, "REMOÇÃO". NEGATIVO >> Repare ou substitua o chicote, conforme necessário. MJIB0103EA 5. VERIFICAR CIRCUITO DE REFERÊNCIA DE MASSA PBR 1. Desligue o interruptor de ignição. 2. Desconecte o conector de controle dianteiro de ar. 3. Verifique a continuidade entre o terminal 1 do conector M97 do chicote do motor do defletor de mistura de ar (motorista) e ter- minal 26 do conector M60 do chicote de controle dianteiro de ar. 1 - 26 : Deve existir continuidade. OK ou NEGATIVO OK >> PASSE PARA 6. NEGATIVO >> Repare ou substitua o chicote, conforme necessário. MJIB0104EA ATC-68
  • 69.
    DIAGNÓSTICO DE FALHAS 6.VERIFICAR QUANTO A SINAL DE RETORNO PBR A 1. Conecte novamente o conector de controle dianteiro de ar e o conector do motor do defletor de mistura de ar (motorista). 2. Ligue o interruptor de ignição. B 3. Verifique a voltagem entre o terminal 22 do conector M60 do chi- cote do controle dianteiro de ar e a massa. 4. Gire o seletor de controle de temperatura (lado do motorista) C através de toda a faixa. 2 – 22 : Deve existir continuidade. D OK ou NEGATIVO WJIA1096E OK >> Substitua o controle dianteiro de ar. Consulte EC-111, "REMOÇÃO". NEGATIVO >> PASSE PARA 7. E 7. VERIFICAR O CIRCUITO DE RETORNO PBR F 1. Desligue o interruptor de ignição. 2. Desconecte o conector do motor do defletor de mistura de ar G (motorista) e o conector de controle dianteiro de ar. 3. Verifique a continuidade entre o terminal 2 do conector M97 do chicote do motor do defletor de mistura de ar (motorista) e termi- H nal 22 do conector M60 do chicote de controle dianteiro de ar. 22 – Massa : Aproximadamente 0V – 5V OK ou NEGATIVO I OK >> Substitua o motor do defletor de mistura de ar (motorista). Consulte EC-125, "MOTOR DO DEFLETOR DE MISTURA WJIA1248E DE AR (MOTORISTA)". J ATC NEGATIVO >> Repare ou substitua o chicote, conforme necessário. PROCEDIMENTO DE DIAGNÓSTICO DO MOTOR DO DEFLETOR DE MISTURA DE AR K (PASSAGEIRO) 1. VERIFICAR O RESULTADO NO AUTO-DIAGNÓSTICO DE CONTROLE DIANTEIRO DE AR L O código de auto-diagnóstico 12 está presente. Consulte EC-50, "Função de Auto-diagnóstico do Sistema de A/C". SIM ou NÃO M SIM >> PASSE PARA 2. NÃO >> PASSAR PARA 3. ATC-69
  • 70.
    DIAGNÓSTICO DE FALHAS 2.VERIFICAR O CIRCUITO DE ALIMENTAÇÃO DO MOTOR DO DEFLETOR DE MISTURA DE AR (PASSAGEIRO) 1. Desligue o interruptor de ignição. 2. Desconecte o conector de controle dianteiro de ar e o conector do motor do defletor de mistura de ar (passageiro). 3. Verifique a continuidade entre os terminais 15 e 16 do conector M60 do chicote de controle dianteiro de ar e os terminais 6 e 5 do conector M100 do chicote do motor do defletor de mistura de ar (passageiro). 15 - 6 Deve existir continuidade. 16 - 5 Deve existir continuidade. OK ou NEGATIVO OK >> Substitua o motor do defletor de mistura de ar (passagei- MJIB0059EA ro). Consulte EC-125, "MOTOR DO DEFLETOR DE MIS- TURA DE AR (PASSAGEIRO)". NEGATIVO >> Repare ou substitua o chicote, conforme necessário. 3. VERIFICAR A VOLTAGEM DO SINAL DE REFERÊNCIA PBR 1. Desligue o interruptor de ignição. 2. Desconecte o conector do motor do defletor de mistura de ar (passageiro). 3. Ligue o interruptor de ignição. 4. Verifique a voltagem entre o terminal 1 do conector M100 do chi- cote do motor do defletor de mistura de ar (passageiro) e a massa. 1 – Massa : Aproximadamente 5V OK ou NEGATIVO OK >> PASSE PARA 5. MJIB0060EA NEGATIVO >> PASSE PARA 4. ATC-70
  • 71.
    DIAGNÓSTICO DE FALHAS 4.VERIFICAR O CIRCUITO DA VOLTAGEM DE REFERÊNCIA PBR ENTRE O DEFLETOR DE MISTURA A DE AR (PASSAGEIRO) E O CONTROLE DIANTEIRO DE AR 1. Desligue o interruptor de ignição. 2. Desconecte o conector de controle dianteiro de ar. B 3. Verifique a continuidade entre o terminal 1 do conector M100 do chicote do motor do defletor de mistura de ar (passageiro) e ter- minal 23 do conector M60 do chicote de controle dianteiro de ar. C 1 - 23 Deve existir continuidade. OK ou NEGATIVO OK >> Substitua o controle dianteiro de ar. Consulte EC-111, D "REMOÇÃO". MJIB0061EA NEGATIVO >> Repare ou substitua o chicote, conforme necessário. E 5. VERIFICAR CIRCUITO DE REFERÊNCIA DE MASSA PBR F 1. Desligue o interruptor de ignição. 2. Desconecte o conector de controle dianteiro de ar. G 3. Verifique a continuidade entre o terminal 3 do conector M100 do chicote do motor do defletor de mistura de ar (passageiro) e ter- minal 26 do conector M60 do chicote de controle dianteiro de ar. H 3 - 26 Deve existir continuidade. OK ou NEGATIVO OK >> PASSE PARA 6. I NEGATIVO >> Repare ou substitua o chicote, conforme necessário. MJIB0062EA J ATC K L M ATC-71
  • 72.
    DIAGNÓSTICO DE FALHAS 6.VERIFICAR QUANTO A SINAL DE RETORNO PBR 1. Conecte novamente o conector de controle dianteiro de ar e o conector do motor do defletor de mistura de ar (passageiro). 2. Ligue o interruptor de ignição. 3. Verifique a voltagem entre o terminal 36 do conector M61 do chicote do controle dianteiro de ar e a massa. 4. Gire o seletor de controle de temperatura (lado do passageiro) através de toda a faixa. 36 – Massa : Aproximadamente 0 – 5V OK ou NEGATIVO WJIA1249E OK >> Substitua o controle dianteiro de ar. Consulte EC-111, "REMOÇÃO". NEGATIVO >> PASSE PARA 7. 7. VERIFICAR O CIRCUITO DE RETORNO PBR 1. Desligue o interruptor de ignição. 2. Desconecte o conector do motor do defletor de mistura de ar (passageiro) e o conector de controle dianteiro de ar. 3. Verifique a continuidade entre o terminal 2 do conector M100 do chicote do motor do defletor de mistura de ar (passageiro) e ter- minal 36 do conector M61 do chicote de controle dianteiro de ar. 2 - 36 : Deve existir continuidade. OK ou NEGATIVO OK >> Substitua o motor do defletor de mistura de ar (passa- MJIB0063E geiro). Consulte EC-125, "MOTOR DO DEFLETOR DE MISTURA DE AR (PASSAGEIRO)". NEGATIVO >> Repare ou substitua o chicote, conforme necessário. ATC-72
  • 73.
    DIAGNÓSTICO DE FALHAS Circuitodo Motor do Defletor de Entrada A SINTOMA: ● O defletor de entrada não é alterado. ● O motor do defletor de entrada não funciona normalmente. B FLUXO DE INSPEÇÃO C D E F G H I J ATC K L M MJIB0347E *1 EC-52, "Inspeção Operacional". *2 EC-50, "Função de Auto-diagnóstico *3 EC-51, "TABELA DE CÓDIGOS DE do Sistema de A/C". AUTO-DIAGNÓSTICO". ATC-73
  • 74.
    DIAGNÓSTICO DE FALHAS DESCRIÇÃODO SISTEMA Peças de Componente Os componentes do sistema de controle do defletor de entrada são: ● Controle dianteiro de ar ● Motor do defletor de entrada ● Sensor de temperatura interna ● Sensor de temperatura-ambiente ● Sensor ótico ● Sensor de entrada Funcionamento do Sistema O controle do defletor de entrada determina a posição do defletor de entrada com base na posição do inter- ruptor de recirculação. Quando o interruptor de recirculação é pressionado o motor do defletor de entrada gira, fechando a entrada de ar fresco e a recirculação de ar dentro da cabina. Caso o interruptor de recirculação seja novamente pres- sionado, o motor do defletor de entrada gira no sentido inverso, permitindo novamente a entrada de ar fresco para dentro da cabina. No modo AUTO, o controle dianteiro de ar determina a posição do defletor de entrada com base na temper- atura-ambiente, na temperatura do ar de entrada e na temperatura interna do veículo. Quando os interrup- tores DEFROST ou OFF são pressionados ou o interruptor de A/C estiver desligado, o controle dianteiro de ar ajusta o defletor de entrada na posição de ar fresco. WJIA0551E Especificação de Controle do Defletor de Entrada WJIA0436E ATC-74
  • 75.
    DIAGNÓSTICO DE FALHAS DESCRIÇÃODO COMPONENTE A Motor do Defletor de Entrada O motor do defletor de entrada está fixado na unidade de entrada. Ele gira de maneira que o ar é puxado pelas entradas ajustadas pelo controle dianteiro de ar. A rotação do motor é transferida para uma B alavanca que ativa o defletor de entrada. C MJIB0165E D PROCEDIMENTO DE DIAGNÓSTICO DO MOTOR DO DEFLETOR DE ENTRADA 1. VERIFICAR O RESULTADO NO AUTO-DIAGNÓSTICO DE CONTROLE DIANTEIRO DE AR E O código de auto-diagnóstico 82 está presente. Consulte EC-50, "Função de Auto-diagnóstico do Sistema de A/C". F SIM ou NÃO SIM >> PASSE PARA 2. NÃO >> Substitua o controle dianteiro de ar. Consulte EC-111, "REMOÇÃO". G 2. VERIFICAR O CIRCUITO DE ALIMENTAÇÃO DO MOTOR DO DEFLETOR ENTRADA H 1. Desligue o interruptor de ignição. 2. Desconecte o conector de controle dianteiro de ar e o conector do motor do defletor de entrada. I 3. Verifique a continuidade entre o terminal 5 do conector M60 do chicote de controle dianteiro de ar e o terminal 6 do conector M86 do chicote do motor do defletor de entrada e entre o termi- J ATC nal 4 do conector M60 do chicote de controle dianteiro de ar e o terminal 1 do conector M86 do chicote do motor do defletor de entrada. K 5-6 Deve existir continuidade. 4-1 Deve existir continuidade. MJIB0208EA OK ou NEGATIVO L OK >> Substitua o motor do defletor de entrada. Consulte EC-123, "MOTOR DO DEFLETOR DE ENTRADA". NEGATIVO >> Repare ou substitua o chicote, conforme necessário. M ATC-75
  • 76.
    DIAGNÓSTICO DE FALHAS Circuitodo Motor do Ventilador EJS006BN SINTOMA: ● O funcionamento do motor do ventilador está apresentando falha. ● O funcionamento do motor do ventilador está apresentando falha sob condições de partida a frio. FLUXO DE INSPEÇÃO MJIB0331E *1 EC-52, "Inspeção Operacional". *3 EC-51, "TABELA DE CÓDIGOS DE 4 EC-78, "PROCEDIMENTO DE DIAG- *2 EC-50, "Função de Auto-diagnóstico AUTO-DIAGNÓSTICO". NÓSTICO DO MOTOR DO VENTILA- do Sistema de A/C" DOR". ATC-76
  • 77.
    DIAGNÓSTICO DE FALHAS DESCRIÇÃODO SISTEMA A Peças de Componente Os componentes do sistema de controle de velocidade do ventilador são: ● Controle dianteiro de ar B ● Sensor de temperatura interna ● Sensor de temperatura-ambiente ● Sensor ótico C ● Sensor de entrada Funcionamento do Sistema D E F G H I WJIA1252E J ATC Modo Automático No modo automático, a velocidade do motor do ventilador é calculada pelo controle dianteiro de ar e controle variável do ventilador com base na entrada do sensor de temperatura interna do veículo, sensor ótico, sensor K de entrada e sensor de temperatura-ambiente e o controle de temperatura do potenciômetro (PTC). Quando o fluxo de ar é aumentado, a velocidade do motor do ventilador é ajustada gradativamente para evitar um aumento repentino no fluxo de ar. L Em adição ao controle de fluxo de ar manual e ao controle de fluxo de ar automático normal, o controle de fluxo de ar de partida, controle de partida de baixa temperatura da água e o controle de partida de alta tem- peratura do compartimento de passageiros estão disponíveis. M Controle de Velocidade do Ventilador de Partida Início a partir da condição de impregnação a frio (Modo automático). Na condição de partida a frio onde a temperatura do líquido de arrefecimento é inferior a 50°C (122°F), o ven- tilador não irá funcionar na velocidade 1 por um curto período de tempo (até 210 segundos). O tempo exato de retardo da partida varia dependendo da temperatura-ambiente e da temperatura do líquido de arrefeci- mento do motor. Na maioria dos casos extremos (temperatura-ambiente extremamente baixa), o retardo de partida do ventila- dor será de 210 segundos, conforme informado anteriormente. Após o líquido de arrefecimento atingir uma temperatura de 50°C (122°F), ou após decorridos os 210 segundos, a velocidade do ventilador irá aumentar para a velocidade objetiva do ventilador. Partida a partir da condição de funcionamento normal ou impregnação a quente (Modo automático). O ventilador irá iniciar seu funcionamento momentaneamente após o interruptor AUTO ser pressionado. A velocidade do ventilador irá aumentar gradativamente para a velocidade objetiva durante um período de 3 segundos ou menos (o tempo real depende da velocidade objetiva do ventilador). ATC-77
  • 78.
    DIAGNÓSTICO DE FALHAS Compensaçãoda Velocidade do Ventilador – Energia Solar Quando a temperatura interna do veículo e a temperatura ajustada estiverem muito próximas, o ventilador irá funcionar em baixa velocidade. A velocidade irá variar dependendo da carga solar. Durante condições de baixa (ou nenhuma) carga solar, o ventilador funciona em baixa velocidade. Durante condições de alta carga solar, o controle dianteiro de ar faz a velocidade do ventilador aumentar. Especificação de Controle da Velocidade do Ventilador WJIA0441E DESCRIÇÃO DO COMPONENTE Controle Variável do Ventilador O controle variável do ventilador está localizado na unidade de res- friamento. O controle variável do ventilador recebe uma voltagem de desbloqueio do controle dianteiro de ar para manter a voltagem do motor do ventilador na faixa de 0 a 5 volts sem escalonamento (aproximadamente). MJIB0166E PROCEDIMENTO DE DIAGNÓSTICO DO MOTOR DO VENTILADOR SINTOMA: O funcionamento do motor do ventilador está apre- sentando falha sob controle de velocidade do ventilador de partida. MJIB0064E ATC-78
  • 79.
    DIAGNÓSTICO DE FALHAS 1.VERIFICAR OS FUSÍVEIS A Verificar os fusíveis 15 A [Nº 24 e 27, (localizados na caixa de fusíveis e conexão de fusíveis)]. Quanto ao esquema de fusíveis, consulte PG-80, "CAIXA DE FUSÍVEL E DE RELÉ". Os fusíveis estão em boas condições. B OK ou NEGATIVO OK >> PASSE PARA 2. NEGATIVO >> PASSE PARA 10. C 2. VERIFICAR O CIRCUITO DE ALIMENTAÇÃO DO MOTOR DO VENTILADOR 1. Desligue o interruptor de ignição. 2. Desconecte o conector do motor do ventilador. D 3. Ligue o interruptor de ignição. 4. Gire o seletor de controle do ventilador para selecionar qualquer modo exceto OFF. E 5. Verifique a voltagem entre o terminal 2 do conector M46 do conector do chicote do motor do ventilador e a massa. OK ou NEGATIVO F OK >> PASSE PARA 12. NEGATIVO >> PASSE PARA 3. MJIB0065E G 3. VERIFICAR O CIRCUITO DE ALIMENTAÇÃO DO RELÉ DO MOTOR DO VENTILADOR (LADO DO INTERRUPTOR) 1. Desligue o interruptor de ignição. H 2. Desconecte o relé do motor do ventilador. 3. Verifique a voltagem entre os terminais 3 e 6 do conector E28 do chicote do relé do motor do ventilador e a massa. I 2 – Massa : Voltagem da bateria. OK ou NEGATIVO OK >> PASSE PARA 4. J ATC NEGATIVO >> Repare o chicote ou o conector. MJIB0066E K 4. VERIFICAR O RELÉ DO MOTOR DO VENTILADOR Consulte EC-82, "Relé do Motor do Ventilador". L 3, 6 – Massa : Voltagem da bateria. OK ou NEGATIVO OK >> PASSE PARA 5. M NEGATIVO >> Substitua o relé do motor do ventilador. 5. VERIFICAR O CIRCUITO DO RELÉ DO MOTOR DO VENTILADOR (LADO DO INTERRUPTOR) QUANTO A CIRCUITO ABERTO 1. Desligue o interruptor de ignição. 2. Desconecte o conector do relé do motor do ventilador e o conector do motor do ventilador. 3. Verifique a continuidade entre os terminais 5 e 7 do conector E28 do chicote do relé do motor do ventilador e o terminal 2 do conector M94 do chicote do motor do ventilador. 5, 7 - 2 : Deve existir continuidade. OK ou NEGATIVO OK >> PASSE PARA 6. NEGATIVO >> Repare o chicote ou o conector. MJIB0067E ATC-79
  • 80.
    DIAGNÓSTICO DE FALHAS 6.VERIFICAR O CIRCUITO DE ALIMENTAÇÃO DO CONTROLE VARIÁVEL DO VENTILADOR QUANTO A CIRCUITO ABERTO 1. Desconecte o conector do chicote de controle variável do venti- lador. 2. Verifique a continuidade entre os terminais 5 e 7 do conector E28 do chicote do relé do motor do ventilador e o terminal 1 do conector M96 do chicote do controle variável do ventilador. 5, 7 – 1 : Deve existir continuidade. OK ou NEGATIVO OK >> PASSE PARA 7. NEGATIVO >> Repare o chicote ou o conector. MJIB0068E 7. VERIFICAR O CIRCUITO DO SINAL DE CONTROLE VARIÁVEL DO VENTILADOR 1. Desconecte o conector de controle dianteiro de ar. 2. Verifique a continuidade entre o terminal 32 do conector M61 do chicote de controle dianteiro de ar e o terminal 2 do conector M96 do chicote de controle variável do ventilador. 32 – 2 : Deve existir continuidade. OK ou NEGATIVO OK >> PASSE PARA 8. NEGATIVO >> Repare o chicote ou o conector. WJIA1263E 8. VERIFICAR A ALIMENTAÇÃO DO RELÉ DO MOTOR DO VENTILADOR (LADO DA BOBINA) 1. Ligue o interruptor de ignição. 2. Verifique a voltagem entre o terminal 1 do conector E28 do relé do motor do ventilador e a massa. 1 – Massa : Voltagem da bateria. OK ou NEGATIVO OK >> PASSE PARA 9. NEGATIVO >> Repare o chicote ou o conector. LJIA0080E 9. VERIFICAR O CIRCUITO DE MASSA DO RELÉ DO MOTOR DO VENTILADOR (LADO DA BOBINA) 1. Desligue o interruptor de ignição. 2. Verifique a continuidade entre o terminal 2 do conector E28 do relé do motor do ventilador e o terminal 38 do conector M61 do chicote de controle de ar. 2 – 38 : Deve existir continuidade. OK ou NEGATIVO OK >> Substitua o controle dianteiro de ar. Consulte EC-111, "REMOÇÃO". NEGATIVO >> Repare o chicote ou o conector. WJIA1115E ATC-80
  • 81.
    DIAGNÓSTICO DE FALHAS 10.SUBSTITUIR OS FUSÍVEIS A 1. Substitua os fusíveis. 2. Ative o motor do ventilador. 3. O fusível queima? B SIM ou NÃO SIM >> PASSE PARA 11. NÃO >> Fim da Inspeção. C 11. VERIFICAR A ALIMENTAÇÃO DO MOTOR DO VENTILADOR QUANTO A CURTO-CIRCUITO) D 1. Desligue o interruptor de ignição. 2. Desconecte o conector do motor do ventilador e o conector de E controle variável do ventilador. 3. Verifique a continuidade entre o terminal 1 do conector M96 do chicote do controle variável do ventilador e a massa. F 1 – Massa : Não deve existir continuidade. OK ou NEGATIVO OK >> PASSE PARA 12. G NEGATIVO >> Repare o chicote ou o conector. WJIA1264E H 12. VERIFICAR O CIRCUITO DO SINAL DE CONTROLE VARIÁVEL DO VENTILADOR 1. Desconecte o conector de controle dianteiro de ar. 2. Verifique a continuidade entre o terminal 32 do conector M61 do I chicote de controle dianteiro de ar e o terminal 2 do conector M96 do chicote de controle variável do ventilador. 32 – 2 : Deve existir continuidade. J ATC OK ou NEGATIVO OK >> Verifique o motor do ventilador. Se estiver OK, substitua o controle variável do ventilador. K Consulte EC-116, "REMOÇÃO". WJIA1263E NEGATIVO >> Repare o chicote ou o conector. L M ATC-81
  • 82.
    DIAGNÓSTICO DE FALHAS INSPEÇÃODE COMPONENTES Relé do Motor do Ventilador Verifique a continuidade entre os terminais, fornecendo uma volta- gem de 12 V e massa aos terminais (lado da bobina) do relé. LJIA0068E Motor do Ventilador Confirme quanto a rotação suave do motor do ventilador. ● Assegure-se de que não existam partículas estranhas dentro da unidade do ventilador. ● Aplique 12 V ao terminal + e massa o terminal – e verifique se o motor funciona livremente e sem ruídos. WJIA1265E ATC-82
  • 83.
    DIAGNÓSTICO DE FALHAS Circuitoda Embreagem Magnética EJS006BQ A SINTOMA: A embreagem magnética não acopla. FLUXO DE INSPEÇÃO B C D E F G H I J ATC K L M MJIB0348E *1 EC-52, "Inspeção Operacional". *3 EC-51, "TABELA DE CÓDIGOS DE *5 EC-109, "Circuito do Sensor de *2 EC-50, "Função de Auto-diagnóstico AUTO-DIAGNÓSTICO". Entrada". do Sistema de A/C". *4 EC-100, "Circuito do Sensor de Tem- peratura-Ambiente". ATC-83
  • 84.
    DIAGNÓSTICO DE FALHAS DESCRIÇÃODO SISTEMA O controle dianteiro de ar controla o funcionamento do compressor com base na temperatura-ambiente e temperatura de entrada, bem como com um sinal proveniente do ECM. Controle de Proteção de Baixa Temperatura O controle dianteiro de ar ativará ou desativará o compressor, conforme determinado pelo sinal detectado pelo sensor de entrada e sensor de temperatura-ambiente. Quando a temperatura do ar de entrada for superior ao valor pré-ajustado, o compressor será ativado. O com- pressor será desativado quando a temperatura do ar de entrada for inferior ao valor pré-ajustado. O valor pré- ajustado depende da temperatura-ambiente; consulte a tabela a seguir. Compressor ON Compressor OFF Temperatura-ambiente °C (°F) Temperatura de entrada °C (°F) Temperatura de entrada °C (°F) 0 (32) 5.5 (42) 5.0 (41) 10 (50) 4.5 (40) 4.5 (40) 20 (68) 2.5 (37) 2.0 (36) 30 (86) 2.0 (36) 1.5 (35) 40 (104) 2.0 (36) 1.5 (35) 50 (122) 2.0 (36) 1.5 (35) PROCEDIMENTO DE DIAGNÓSTICO PARA SINTOMA DE EMBREAGEM MAGNÉTICA SINTOMA: A embreagem magnética não é acoplada quando o interruptor do A/C está ligado. MJIB0328E 1. VERIFICAR OS CIRCUITOS DO SENSOR DE ENTRADA E SENSOR DE TEMPERATURA-AMBIENTE Verifique os sensores de entrada e de temperatura-ambiente. Consulte EC-50, "Função de Auto-diagnóstico do Sistema de A/C". OK ou NEGATIVO OK >> PASSE PARA 2. NEGATIVO >> ● Sensor de entrada com falha. Consulte EC-109, "Circuito do Sensor de Entrada". ● Sensor de temperatura-ambiente com falha. Consulte EC-100, "Circuito do Sensor de Temperatura-Ambiente". ATC-84
  • 85.
    DIAGNÓSTICO DE FALHAS 2.EFETUAR O TESTE AUTO-ATIVO A Consulte PG-19, "Teste Ativo Automático". A embreagem magnética funciona? SIM ou NÃO B SIM >> ● COM CONSULT-II PASSAR PARA 5. C ● SEM CONSULT-II PASSAR PARA 6. D NÃO >> Verifique o fusível 10 A (Nº 42, localizado no IPDM E/R), e PASSE A 3. 3. VERIFICAR A CONTINUIDADE ENTRE IPDM E/R E O COMPRESSOR E 1. Desligue o interruptor de ignição. 2. Desconecte o conector IPDM E/R e o conector do compressor F (embreagem magnética). 3. Verifique a continuidade entre o terminal 11 do conector E12 do chicote do IPDM E/R e o terminal 1 do conector F20 do chicote G do compressor. 11 – 1 : Deve existir continuidade. OK ou NEGATIVO H OK >> PASSE PARA 4. WJIA0560E NEGATIVO >> Repare o chicote ou o conector. I 4. VERIFICAR O CIRCUITO DA EMBREAGEM MAGNÉTICA Verifique quando ao ruído de funcionamento ao aplicar a corrente J ATC contínua da voltagem da bateria ao terminal. OK ou NEGATIVO OK >> Substitua o IPDM E/R. Consulte PG-27, "Remoção e Insta- K lação do IPDM E/R". NEGATIVO >> Substitua a embreagem magnética. Consulte BCS- 14, "Remoção e Instalação do BCM". L SJIA0197E M 5. VERIFICAR O SINAL DE ENTRADA DO BCM (COMPRESSOR ATIVADO) Verifique o sinal ON/OFF do compressor. Consulte EC-34, "Funções de CONSULT-II (BCM)". A/C SW ON : COMP ON SIG ON A/C SW OFF : COMP ON SIG OFF OK ou NEGATIVO OK >> PASSE PARA 8. NEGATIVO >> PASSE PARA 6. WJIA0469E ATC-85
  • 86.
    DIAGNÓSTICO DE FALHAS 6.VERIFICAR A CONTINUIDADE ENTRE OS CIRCUITOS DO BCM E DO CONTROLE DIANTEIRO DE AR 1. Desligue o interruptor de ignição. 2. Desconecte o conector do BCM e o conector de controle dianteiro de ar. 3. Verifique a continuidade entre o terminal 27 do conector M42 do chicote do BCM e o terminal 10 do conector M60 do chicote de controle dianteiro de ar. 27 – 10 Deve existir continuidade. OK ou NEGATIVO OK >> PASSE PARA 7. NEGATIVO >> Repare o chicote ou o conector. MJIB0070E 7. VERIFICAR A VOLTAGEM DO CONTROLE DIANTEIRO DE AR (SINAL ON DO COMPRESSOR) 1. Conecte novamente o conector do BCM e o conector de con- trole dianteiro de ar. 2. Ligue o interruptor de ignição. 3. Verifique a voltagem entre o terminal 10 do conector M60 do chi- cote do controle dianteiro de ar e a massa. OK ou NEGATIVO OK >> PASSE PARA 8. NEGATIVO-1 >> Caso a voltagem seja de aproximadamente 5V quando o interruptor do A/C estiver ligado, substi- tua o controle de ar dianteiro. Consulte EC-111, WJIA1137E "REMOÇÃO". NEGATIVO-2 >> Caso a voltagem seja de aproximadamente 0V quando o interruptor do A/C estiver desli- gado, substitua o BCM. Consulte BCS-14, "Remoção e Instalação do BCM". Terminais (+) Voltagem Condição Conector de (-) (Aprox.) controle Terminal Nº dianteiro do ar Interruptor de A/C: 0V ON M60 10 Massa Interruptor de A/C: 5V OFF ATC-86
  • 87.
    DIAGNÓSTICO DE FALHAS 8.VERIFICAR O SENSOR DE PRESSÃO DO REFRIGERANTE A COM CONSULT-II 1. Dê partida ao motor. 2. Verifique a voltagem do sensor de pressão do refrigerante. Con- B sulte EC-34, "Funções de CONSULT-II (BCM)". SEM CONSULT-II 1. Dê partida ao motor. C 2. Verifique a voltagem entre o terminal 53 do conector F1 do chi- cote do ECM e a massa. D Terminais (+) Voltagem MJIB0071E Condição E (-) (Aprox.) Conector Terminal Nº do ECM Interruptor de F1 53 Massa 0.36 - 3.88V F A/C: ON OK ou NEGATIVO OK >> COM CONSULT-II G PASSAR PARA 9. SEM CONSULT-II PASSAR PARA 10. H NEGATIVO >> Consulte EC-360, "SENSOR DE PRESSÃO DO REFRIGERANTE". 9. VERIFICAR O SINAL DE ENTRADA DO BCM (VENTILADOR ATIVADO) I Verifique o sinal ON/OFF do ventilador. Consulte EC-34, "Funções de CONSULT-II (BCM)". J ATC SELETOR ON : FAN ON SIG ON CONTROLE DO VENTILADOR DIANTEIRO SELETOR OFF : FAN ON SIG OFF K OK ou NEGATIVO OK >> PASSE PARA 12. NEGATIVO >> PASSE PARA 10. L WJIA0469E M 10. VERIFICAR A CONTINUIDADE ENTRE OS CIRCUITOS DO BCM E DO CONTROLE DIANTEIRO DE AR 1. Desligue o interruptor de ignição. 2. Desconecte o conector do BCM e o conector de controle dianteiro de ar. 3. Verifique a continuidade entre o terminal 26 do conector M42 do chicote do BCM e o terminal 35 do conector M61 do chicote de controle dianteiro de ar. 26 – 35 Deve existir continuidade. OK ou NEGATIVO OK >> PASSE PARA 11. MJIB0072E NEGATIVO >> Repare o chicote ou o conector. ATC-87
  • 88.
    DIAGNÓSTICO DE FALHAS 11.VERIFICAR A VOLTAGEM DO CONTROLE DIANTEIRO DE AR (SINAL ON DO VENTILADOR) 1. Conecte novamente o conector do BCM e o conector de con- trole dianteiro de ar. 2. Ligue o interruptor de ignição. 3. Verifique a voltagem entre o terminal 35 do conector M61 do chi- cote do controle dianteiro de ar e a massa. Terminais (+) Voltagem Condição Conector de (-) (Aprox.) controle Terminal Nº WJIA1139E dianteiro do ar Interruptor de A/C: ON O motor do 0V M61 35 Massa ventilador funciona Interruptor de 5V A/C: OFF 5V OK ou NEGATIVO OK >> PASSE PARA 12. NEGATIVO-1 >> Caso a voltagem seja de aproximadamente 5V quando o motor do ventilador estiver ligado, substitua o controle de ar dianteiro. Consulte ATC-111, "REMOÇÃO". NEGATIVO-2 >> Caso a voltagem seja de aproximadamente 0V quando o motor do ventilador estiver desli- gado, substitua o BCM. Consulte BCS-14, "Remoção e Instalação do BCM". 12. VERIFICAR O RESULTADO DO AUTO-DIAGNÓSTICO Efetue o auto-diagnóstico. Consulte EC-50, "Função de Auto-diagnóstico do Sistema de A/C". OK ou NEGATIVO OK >> Fim da Inspeção. NEGATIVO >> Consulte EC-51, "TABELA DE CÓDIGOS DE AUTO-DIAGNÓSTICO". INSPEÇÃO DE COMPONENTES Sensor de Pressão de Refrigerante O sensor de pressão do refrigerante está fixado no condensador. MJIB0167E ATC-88
  • 89.
    DIAGNÓSTICO DE FALHAS ArrefecimentoInsuficiente EJS006BR A SINTOMA: Arrefecimento insuficiente FLUXO DE INSPEÇÃO B C D E F G H I J ATC K L M MJIB0349E *1 EC-52, "Inspeção Operacional". *4 EC-19, "DESCRIÇÃO DO SISTEMA". *7 EC-92, "Leitura do Teste". *2 EC-50, "Função de Auto-diagnóstico *5 EC-5, "Refrigerante Contaminado". *8 EM-14, "Verificação das Correias de do Sistema de A/C". *6 EC-90, "DIAGNÓSTICO DE TESTE Acionamento". *3 EC-51, "TABELA DE CÓDIGOS DE DE DESEMPENHO". AUTO-DIAGNÓSTICO". ATC-89
  • 90.
    DIAGNÓSTICO DE FALHAS DIAGNÓSTICODE TESTE DE DESEMPENHO RJIA1601E *1 EC-92, "TABELA DE *3 EC-93, "DIAGNÓSTICO DE FALHAS DESEMPENHO". PARA PRESSÃO ANORMAL". *2 EC-92, "TABELA DE *4 EC-64, "Circuito do Motor do Defletor DESEMPENHO". de Mistura de Ar". ATC-90
  • 91.
    DIAGNÓSTICO DE FALHAS A B C D E F G H I J ATC K L M RJIA3107E * 1 EC-135, "Remoção e Instalação da *2 EC-76, "Circuito do Motor do *3 EM-14, "Verificação das Correias de Embreagem do Compressor". Ventilador" Acionamento". ATC-91
  • 92.
    DIAGNÓSTICO DE FALHAS TABELADE DESEMPENHO Condição de Teste O teste deve ser efetuado como segue: Localização do veículo Área fechada ou na sombra (em um local bem ventilado) Portas Fechadas Vidros Abertos Capuz do Motor Aberto TEMP. FRIO Máximo Interruptor de Modo (Ventilação) ajustado Interruptor de Recirculação (REC) (Recirculação) ajustado Velocidade do ventilador Velocidade máxima ajustada Rotação do motor Marcha-lenta Acione o sistema do ar condicionado durante 10 minutos antes de fazer as medições. Leitura do Teste Tabela de Temperatura do Ar de Recirculação à Descarga Ar interno (ar de recirculação) na entrada do conjunto do ventilador Temperatura do ar de descarga no ventilador central Umidade relativa Temperatura do ar °C (°F) % °C (°F) 20 (68) 9.6 - 12.0 (49 - 54) 25 (77) 13.6 - 16.5 (56 - 62) 40 - 60 30 (86) 18.0 - 21.4 (64 - 71) 35 (95) 22.8 - 26.7 (73 - 80) 20 (68) 12.0 - 14.3 (54 - 58) 25 (77) 16.5 - 19.3 (62 - 67) 60 - 80 30 (86) 21.4 - 24.8 (71 - 77) 35 (95) 26.7 - 30.5 (80 - 87) Tabela de Temperatura de Ar Ambiente à Temperatura de Funcionamento Ar ambiente Alta pressão (lado de descarga) Baixa pressão (lado de sucção) Umidade relativa Temperatura do ar kPa (kg/cm2 , psi) kPa (kg/cm2 , psi) % °C (°F) 1,090 - 1,210 220 - 240 20 (68) (11.11 - 12.33, 158.0 - 175.4) (2.24 - 2.45, 31.9 - 34.8) 1,370 - 1,520 280 - 310 25 (77) (13.97 - 15.49, 198.6 - 220.3) (2.85 - 3.16, 40.6 - 44.9) 40 - 60 1,610 - 1,790 330 - 370 30 (86) (16.41 - 18.25, 233.4 - 259.5) (3.36 - 3.77, 47.8 - 53.6) 1,940 - 2,150 390 - 430 35 (95) (19.78 - 21.92, 281.2 - 311.7) (3.98 - 4.38, 56.5 - 62.3) 1,210 - 1,330 240 - 260 20 (68) (12.33 - 13.56, 175.4 - 192.8) (2.45 - 2.65, 34.8 - 37.7) 1,520 - 1,670 310 - 340 25 (77) (15.49 - 17.02, 220.3 - 242.1) (3.16 - 3.47, 44.9 - 49.3) 60 - 80 1,790 - 1,970 370 - 410 30 (86) (18.25 - 20.08, 259.5 - 285.6) (3.77 - 4.18, 53.6 - 59.4) 2,150 - 2,370 430 - 470 35 (95) (21.92 - 24.16, 311.7 - 343.5) (4.38 - 4.79, 62.3 - 68.1) ATC-92
  • 93.
    DIAGNÓSTICO DE FALHAS DIAGNÓSTICODE FALHAS PARA PRESSÃO ANORMAL A Sempre que a pressão do lado de alta e/ou baixa do sistema estiver anormal, faça o diagnóstico utilizando um medidor do coletor. O marcador acima da escala do medidor nas tabelas a seguir indicam a faixa padrão de pressão (normal). Entretanto, quando a pressão padrão (normal) diferir daquela do veículo, consulte a tabela acima (Tabela de pressão de ar ambiente à temperatura de funcionamento). B Em Ambos os Lados (Alta e Baixa) a Pressão está Excessivamente Alta Indicação do medidor Ciclo de Refrigerante Causa provável Ação corretiva C A pressão é reduzida logo Reduza a quantidade de refri- Excesso de carga de refrige- após a água ser distribuída gerante até que seja atingida a rante no ciclo de refrigeração no condensador. pressão especificada. D Desempenho insuficiente do condensador. ↓ ● Limpe o condensador. A sucção de ar pelo ventila- E dor de arrefecimento é insufi- 1. As aletas do condensador ● Verifique e repare o ventila- ciente. estão obstruídas. dor de arrefecimento, se necessário. 2. Giro incorreto do ventilador de arrefecimento F Em ambos os lados (alta e baixa), ● O tubo de baixa pressão a pressão está excessivamente não está frio. Troca insuficiente de calor no alta. ● Quando o compressor é condensador G desativado, o valor de alta (Quando o compressor pára de funcionar, a alta pressão Evacuar repetidamente e pressão cai rapidamente diminui muito devagar.) recarregar o sistema. para aproximadamente ↓ H 196 kPa (2 kg/cm2, 28 psi),. A seguir, ele sobe Ar no ciclo de refrigeração gradativamente. O motor tende ao superaque- Falha no sistema de arrefeci- Verifique e repare o sistema de I AC359A cimento. mento do motor. arrefecimento do motor. ● Excesso de líquido refrige- rante no lado de baixa J ATC ● Uma parte do tubo de pressão baixa pressão está mais ● Fluxo excessivo de des- fria do que as partes próxi- carga de refrigerante mas à saída do evapora- Substitua a válvula de expan- K ● A válvula de expansão está são. dor. pouco aberta se com- ● As placas algumas vezes parada à especificação. estão cobertas com gelo. ↓ L Ajuste incorreto da válvula de expansão. M O Lado de Alta Pressão está Excessivamente Alto e o de Baixa Excessivamente Baixo Indicação do medidor Ciclo de Refrigerante Causa provável Ação corretiva O lado de alta pressão está excessivamente alto e o de baixa excessivamente baixo. O lado superior do condensa- O tubo de alta pressão ou ● Verifique e repare ou substi- dor e o lado de alta pressão peças localizadas entre o tua as peças que estejam estão quentes, entretanto, o compressor e o condensador, apresentando falhas. reservatório do líquido refri- estão obstruídos ou comprimi- ● Verifique o lubrificante gerante não está tão quente. dos. quanto à contaminação. AC360A ATC-93
  • 94.
    DIAGNÓSTICO DE FALHAS OLado de Alta Pressão está Excessivamente Baixo e o de Baixa Excessivamente Alto Indicação do medidor Ciclo de Refrigerante Causa provável Ação corretiva O lado de alta pressão está A pressão de operação do Os lados de alta e baixa excessivamente baixo e o de compressor está inadequada.. pressão tornam-se iguais baixa excessivamente alto. ↓ Substitua o compressor. quando o compressor pára de Danificado dentro das gaxetas funcionar. do compressor. A pressão de operação do Nenhuma diferença de tem- compressor está inadequada. peratura entre os lados de alta ↓ Substitua o compressor. e baixa pressão. Danificado dentro das gaxetas AC356A do compressor. Em Ambos os Lados (Alta e Baixa) a Pressão está Excessivamente Baixa Indicação do medidor Ciclo de Refrigerante Causa provável Ação corretiva ● Existe uma grande dife- rença entre a entrada e a saída do reservatório do líquido. A temperatura de ● Substitua o reservatório do saída é extremamente A parte interna do reservatório líquido. baixa. do líquido está levemente obstruída. ● Verifique o lubrificante ● A entrada do reservatório quanto à contaminação. do líquido e a válvula de expansão estão congela- das. ● A temperatura da entrada da válvula de expansão é extremamente baixa quando comparada às áreas próximas ao reser- ● Verifique e repare as peças O tubo de alta pressão loca- que estejam apresentando vatório do líquido. lizado entre o reservatório do falhas. ● A entrada da válvula de líquido e a válvula de expan- expansão pode estar são está obstruído. ● Verifique o lubrificante congelada. quanto à contaminação. ● A diferença de temperatura Em ambos os lados (alta e baixa), ocorre em algum ponto do a pressão está excessivamente lado de alta pressão. baixa. Verifique o sistema de refri- A válvula de expansão e o Baixa carga de refrigerante. gerante quanto a vazamentos. reservatório do líquido estão ↓ Consulte EC-142, "Inspeção aquecidas ou apenas frias ao Conexões ou componentes de Vazamentos de tocá-las. com vazamentos. Refrigerante". A válvula de expansão fecha- se pouco se comparada à especificação. AC353A Existe uma grande diferença ↓ ● Remova partículas de temperatura entre a estranhas, utilizando ar 1. Ajuste incorreto da válvula entrada e a saída da válvula comprimido. de expansão. de expansão quando a própria ● Verifique o lubrificante válvula está congelada. 2. Válvula de expansão com quanto à contaminação. falha. 3. A entrada e a saída podem ser obstruídas. ● Verifique e repare as peças Uma parte do tubo de baixa que estejam apresentando pressão está mais fria do que O tubo de baixa pressão está falhas. as partes próximas à saída do obstruído ou comprimido. evaporador. ● Verifique o lubrificante quanto à contaminação. ● Consulte EC-109, "Circuito do Sensor de Entrada". ● Substitua o compressor. O volume de fluxo de ar está Verifique o circuito do sensor ● Repare as aletas do evapo- excessivamente baixo. O de entrada. rador. evaporador está congelado. ● Substitua o evaporador. ● Consulte EC-76, "Circuito do Motor do Ventilador". ATC-94
  • 95.
    DIAGNÓSTICO DE FALHAS OLado de Baixa Pressão Algumas Vezes Fica Negativo A Indicação do medidor Ciclo de Refrigerante Causa provável Ação corretiva O Lado de baixa pressão algumas ● O sistema do ar condicio- O refrigerante não é descar- vezes fica negativo.. nado não funciona e não regado ciclicamente. B resfria ciclicamente o ar do ↓ ● Drene a água do refrige- compartimento. A umidade é congelada na rante ou substitua o refrige- ● O sistema funciona cons- saída e entrada da válvula de rante. tantemente durante um expansão. ● Substitua o reservatório do C determinado período após a ↓ líquido. paralisação do compressor A água é misturada com o AC354A e a seguir é reiniciado. refrigerante. D O Lado de Baixa Pressão Fica Negativo Indicação do medidor Ciclo de Refrigerante Causa provável Ação corretiva E Deixe o sistema em repouso até que seja eliminado todo o gelo. Reinicie-o novamente F para verificar se a falha é causada ou não pela água ou partículas estranhas. ● Caso a falha seja causada G pela água, à primeira vista o resfriamento está satis- fatório. A seguir, a água H O lado de baixa pressão fica ne- congela levando a gativo.. O lado de alta pressão é obstruções. Drene a água fechado e o refrigerante não do refrigerante ou substitua O reservatório do líquido ou o flui. o refrigerante. I lado dianteiro / traseiro do ↓ ● Caso a falha seja causada tubo da válvula de expansão é A válvula de expansão ou re- em virtude de partículas congelado ou condensado. servatório de líquido é conge- estranhas, remova a válvula lado. de expansão e remova as J ATC AC362A partículas com ar compri- mido seco (não utilize o ar da oficina). K ● Caso nenhum dos métodos possa corrigir a falha, subs- titua a válvula de expansão. ● Substitua o reservatório do L líquido. ● Verifique o lubrificante quanto à contaminação. M ATC-95
  • 96.
    DIAGNÓSTICO DE FALHAS AquecimentoInsuficiente EJS006BS SINTOMA: Aquecimento insuficiente FLUXO DE INSPEÇÃO MJIB0350E *1 EC-52, "Inspeção Operacional". *4 EC-50, "Função de Auto-diagnóstico *7 CO-7, "Ao Trocar o Líquido de Arrefec- *2 EC-64, "Circuito do Motor do Defletor do Sistema de A/C". imento do Motor". de Mistura de Ar". *5 EC-76, "Circuito do Motor do *8 CO-13, "Inspeção da Tampa do *3 EC-50, "Função de Auto-diagnóstico Ventilador". Reservatório". do Sistema de A/C". *6 EC-126, "DTC P0117, P0118 SENSOR ECT"”. ATC-96
  • 97.
    DIAGNÓSTICO DE FALHAS Ruído EJS006BT A SINTOMA: Ruído FLUXO DE INSPEÇÃO B C D E F G H I J ATC K L M WJIA0473E *1 EC-135, "REMOÇÃO". *3 EC-25, "Manutenção da Quantidade *5 EM-14, "Verificação das Correias de *2 EC-136, "INSTALAÇÃO". de Lubrificante no Compressor". Acionamento". *4 EC-52, "Inspeção Operacional". ATC-97
  • 98.
    DIAGNÓSTICO DE FALHAS Auto-diagnóstico EJS006BU SINTOMA: O auto-diagnóstico não pode ser efetuado. FLUXO DE INSPEÇÃO MJIB0350E *1 EC-56, "Circuito de Alimentação e *4 EC-107, "Circuito do Sensor Ótico". *7 EC-52, "Inspeção Operacional". Massa do Controle de Ar Dianteiro". *5 EC-109, "Circuito do Sensor de *8 EC-37, "TABELA DE SINTOMAS". *2 EC-100, "Circuito do Sensor de Entrada". Temperatura-Ambiente". *6 EC-64, "Circuito do Motor do Defletor *3 EC-103, "Circuito do Sensor de de Mistura de Ar". Temperatura Interna do Veículo". ATC-98
  • 99.
    DIAGNÓSTICO DE FALHAS Funçãode Memória EJS006BV A SINTOMA: A função de memória não funciona. FLUXO DE INSPEÇÃO B C D E F G H I J ATC K MJIB0332E *1 EC-56, "Circuito de Alimentação e *2 EC-52, "Inspeção Operacional". *3 EC-50, "Função de Auto-diagnóstico L Massa do Controle de Ar Dianteiro". do Sistema de A/C" M ATC-99
  • 100.
    DIAGNÓSTICO DE FALHAS Circuitodo Sensor de Temperatura-Ambiente EJS006BW DESCRIÇÃO DO COMPONENTE Sensor de Temperatura-ambiente O sensor de temperatura está fixado no suporte do núcleo do radia- dor (lado esquerdo). Ele detecta a temperatura-ambiente e converte- a em um valor de resistência que então é introduzido no controle dianteiro de ar. MJIB0168E PROCESSO DE ENTRADA DA TEMPERATURA-AMBIENTE O controle dianteiro de ar inclui um circuito de processamento para a entrada do sensor de temperatura-am- biente. Entretanto, quando a temperatura detectada pelo sensor de temperatura-ambiente aumenta rapida- mente, o circuito de processamento retarda a função de controle dianteiro de ar. Ele permite apenas que o controle dianteiro de ar reconheça um aumento de temperatura-ambiente de 0,33°C (0,6°F) a cada 100 se- gundos. Isto evita ajustes constantes em virtude de condições momentâneas, como por exemplo parar após dirigir a altas velocidades. Embora a temperatura-ambiente atual não seja alterada, a temperatura detectada pelo sensor de tempera- tura-ambiente irá aumentar. Isto acontece porque o calor do compartimento do motor pode ser irradiado à área da grade dianteira, onde está localizado o sensor de temperatura-ambiente. PROCEDIMENTO DE DIAGNÓSTICO DO SENSOR DE TEMPERATURA-AMBIENTE SINTOMA: O circuito do sensor de temperatura-ambiente aberto ou em curto. (40 ou 41 são indicados no controle dianteiro de ar como resultado da realização do auto-diagnóstico do controle dianteiro de ar). MJIB0090E 1. VERIFICAR A VOLTAGEM ENTRE O SENSOR DE TEMPERATURA-AMBIENTE E A MASSA 1. Desconecte o conector do sensor de temperatura-ambiente. 2. Ligue o interruptor de ignição. 3. Verifique a voltagem entre o terminal 4 do conector E48 do conector do chicote do sensor de temperatura-ambiente. 4 – Massa : Aproximadamente 5V OK ou NEGATIVO OK >> PASSE PARA 2. NEGATIVO >> PASSE PARA 4. MJIB0091E ATC-100
  • 101.
    DIAGNÓSTICO DE FALHAS 2.VERIFICAR A CONTINUIDADE ENTRE OS CIRCUITOS DO SENSOR DE TEMPERATURA-AMBIENTE A E DO CONTROLE DIANTEIRO DE AR 1. Desligue o interruptor de ignição. 2. Desconecte o conector de controle dianteiro de ar. B 3. Verifique a continuidade entre o terminal 3 do conector E48 do chicote do sensor de temperatura-ambiente e o terminal 13 do conector M60 do chicote de controle dianteiro de ar. C 3 – 13 : Deve existir continuidade. OK ou NEGATIVO OK >> PASSE PARA 3. D NEGATIVO >> Repare o chicote ou o conector. MJIB0092E E 3. VERIFICAR O SENSOR DE TEMPERATURA-AMBIENTE Consulte EC-102, "Sensor de Temperatura-ambiente". OK ou NEGATIVO F OK >> 1. Substitua o controle dianteiro de ar. 2. Passe ao auto-diagnóstico EC-50, "Função de Auto-diagnóstico do Sistema de A/C" e efetue o G auto-diagnóstico. NEGATIVO >> 1. Substitua o sensor de temperatura-ambiente. H 2. Passe ao auto-diagnóstico EC-50, "Função de Auto-diagnóstico do Sistema de A/C" e efetue o auto-diagnóstico. I 4. VERIFICAR A CONTINUIDADE ENTRE OS CIRCUITOS DO SENSOR DE TEMPERATURA- AMBIENTE E DO CONTROLE DIANTEIRO DE AR J ATC 1. Desligue o interruptor de ignição. 2. Desconecte o conector de controle dianteiro de ar. K 3. Verifique a continuidade entre o terminal 4 do conector E48 do chicote do sensor de temperatura-ambiente e o terminal 28 do conector M61 do chicote de controle dianteiro de ar. 4 – 28 : Deve existir continuidade. L 4. Verifique a continuidade entre o terminal 4 do conector E48 do conector do chicote do sensor de temperatura-ambiente. 4 – Massa : Não deve existir continuidade. M MJIB0093E OK ou NEGATIVO OK >> 1. Substitua o controle dianteiro de ar. 2. Passe ao auto-diagnóstico EC-50, "Função de Auto-diagnóstico do Sistema de A/C" e efetue o auto-diagnóstico. NEGATIVO >> Repare o chicote ou o conector. ATC-101
  • 102.
    DIAGNÓSTICO DE FALHAS INSPEÇÃODE COMPONENTES Sensor de Temperatura-ambiente Após desconectar o conector do sensor de temperatura-ambiente, meça a resistência entre os terminais 1 e 2 no lado do componente do sensor, utilizando a tabela abaixo. Temperatura °C (°F) Resistência kΩ 0 (32) 9.39 20 (68) 3.51 35 (95) 1.80 40 (104) 1.46 Se NEGATIVO, substitua o sensor de temperatura-ambiente. MJIB0169E ATC-102
  • 103.
    DIAGNÓSTICO DE FALHAS Circuitodo Sensor de Temperatura Interna do Veículo EJS006BX A DESCRIÇÃO DO COMPONENTE Sensor de Temperatura Interna do Veículo O sensor de temperatura interna do veículo está localizado no painel B de instrumentos, parte inferior, lado do motorista. Ele converte as variações de temperatura do ar dentro do compartimento de pas- sageiros (puxado através do ventilador integrado) em um valor de resistência. A seguir, é dada entrada no controle dianteiro de ar. C D MJIB0352E E F G H WJIA0606E I PROCEDIMENTO DE DIAGNÓSTICO DO SENSOR DE TEMPERATURA INTERNA DO VEÍCULO SINTOMA: O circuito do sensor de temperatura interna do veículo está aberto ou em curto. (44 ou 46 são indicados no controle J dianteiro de ar como resultado da realização do auto-diagnóstico.) ATC K L WJIA1146E M ATC-103
  • 104.
    DIAGNÓSTICO DE FALHAS 1.VERIFICAR O CIRCUITO DO SENSOR DE TEMPERATURA INTERNA DO VEÍCULO Os códigos de diagnóstico 44 ou 46 estão presentes? SIM ou NÃO SIM >> PASSE PARA 6. NÃO >> PASSAR PARA 2. 2. VERIFICAR A VOLTAGEM ENTRE O SENSOR DE TEMPERATURA INTERNA DO VEÍCULO E A MASSA 1. Desligue o interruptor de ignição. 2. Desconecte o conector do sensor de temperatura interna do veículo. 3. Ligue o interruptor de ignição. 4. Verifique a voltagem entre o terminal 4 do conector M50 do chi- cote do sensor de temperatura interna do veículo e a massa. 4 – Massa : Aproximadamente 5V OK ou NEGATIVO OK >> PASSE PARA 3. LJIA0089E NEGATIVO >> PASSE PARA 5. 3. VERIFICAR A CONTINUIDADE ENTRE OS CIRCUITOS DO SENSOR DE TEMPERATURA INTERNA DO VEÍCULO E DO CONTROLE DIANTEIRO DE AR 1. Desligue o interruptor de ignição. 2. Desconecte o conector M60 de controle dianteiro de ar. 3. Verifique a continuidade entre o terminal 1 do conector M50 do chicote do sensor de temperatura interna do veículo e o terminal 13 do conector M60 do chicote de controle dianteiro de ar. 1 – 13 : Deve existir continuidade. OK ou NEGATIVO OK >> PASSE PARA 4. NEGATIVO >> Repare o chicote ou o conector. WJIA1147E 4. VERIFICAR O SENSOR DE TEMPERATURA INTERNA DO VEÍCULO Consulte EC-106, "Sensor de Temperatura Interna do Veículo". OK ou NEGATIVO OK >> 1. Substitua o controle dianteiro de ar. 2. Passe a EC-50, "Função de Auto-diagnóstico do Sistema de A/C" e efetue o auto-diagnóstico. NEGATIVO >> 1. Substitua o sensor de temperatura interna do veículo. 2. Passe a EC-50, "Função de Auto-diagnóstico do Sistema de A/C" e efetue o auto-diagnóstico. ATC-104
  • 105.
    DIAGNÓSTICO DE FALHAS 5.VERIFICAR A CONTINUIDADE ENTRE OS CIRCUITOS DO SENSOR DE TEMPERATURA INTERNA A DO VEÍCULO E DO CONTROLE DIANTEIRO DE AR 1. Desligue o interruptor de ignição. 2. Desconecte o conector de controle dianteiro de ar. B 3. Verifique a continuidade entre o terminal 4 do conector M50 do chicote do sensor de temperatura interna do veículo e o terminal 27 do conector M61 do chicote de controle dianteiro de ar. C 4 – 27 : Deve existir continuidade. 4. Verifique a continuidade entre o terminal 4 do conector M50 do chicote do sensor de temperatura interna do veículo e a massa. D 4 – Massa : Não deve existir continuidade. WJIA1148E OK ou NEGATIVO OK >> E 1. Substitua o controle dianteiro de ar. 2. Passe ao auto-diagnóstico EC-50, "Função de Auto-diagnóstico do Sistema de A/C" e efetue o auto-diagnóstico. F NEGATIVO >> Repare o chicote ou o conector. G 6. VERIFICAR A CONTINUIDADE ENTRE O MOTOR DO SENSOR DE TEMPERATURA INTERNA DO VEÍCULO E DO CONTROLE DIANTEIRO DE AR (CÓDIGOS DE AUTO-DIAGNÓSTICO 44 OU 46) H 1. Desligue o interruptor de ignição. 2. Desconecte o conector de controle dianteiro de ar e o conector do sensor de temperatura interna do veículo. I 3. Verifique a continuidade entre os terminais 2 e 3 do conector M50 do chicote do sensor de temperatura interna do veículo e os terminais 34 e 33 do conector M61 do chicote de controle dianteiro de ar. J ATC 2 – 34 : Deve existir continuidade. 3 – 33 : Deve existir continuidade. WJIA1149E K 4. Verifique a continuidade entre o terminal 2 e 3 do conector M50 do chicote do sensor de temperatura interna do veículo e a massa. 2, 3 – Massa : Não deve existir continuidade. L OK ou NEGATIVO OK >> M 1. Substitua o controle dianteiro de ar. 2. Passe a EC-50, "Função de Auto-diagnóstico do Sistema de A/C" e efetue o auto-diagnóstico. NEGATIVO >> Repare o chicote ou o conector. ATC-105
  • 106.
    DIAGNÓSTICO DE FALHAS INSPEÇÃODE COMPONENTES Sensor de Temperatura Interna do Veículo Após desconectar o conector do sensor de temperatura interna do veículo, meça a resistência entre os terminais 1 e 4 no lado do com- ponente do sensor, utilizando a tabela abaixo. Temperatura °C (°F) Resistência kΩ −15 (5) 21.40 −10 (14) 16.15 −5 (23) 12.29 0 (32) 9.41 5 (41) 7.27 10 (50) 5.66 15 (59) 4.45 20 (68) 3.51 25 (77) 2.79 30 (86) 2.24 35 (95) 1.80 40 (104) 1.45 45 (113) 1.18 MJIB0353E Se NEGATIVO, substitua o sensor de temperatura interna do veículo. ATC-106
  • 107.
    DIAGNÓSTICO DE FALHAS Circuitodo Sensor Ótico EJS006BY A DESCRIÇÃO DO COMPONENTE O sensor ótico está localizado na parte central da grade do descongelador. Ele detecta a carga solar que entra através do pára- B brisa através de um foto-diodo. O sensor converte a carga solar em um valor de corrente que então é introduzido no controle dianteiro de ar. C PROCESSO DE ENTRADA ÓTICA O controle dianteiro de ar inclui um circuito de processamento que D faz uma média das variações detectadas de carga solar durante um determinado período de tempo. Isto evita ajustes na operação do MJIB0172E sistema ATC em virtude de variações pequenas ou rápidas da carga solar detectada. E Por exemplo, considere ao dirigir em uma estrada marginada por grandes árvores. A carga solar detectada pelo sensor ótico irá variar enquanto as árvores estiverem obstruindo a luz solar. O circuito de processamento calcula a carga solar detectada durante um determinado período de tempo, de maneira que o efeito (insignifi- F cante) das árvores que estejam momentaneamente obstruindo a luz solar não provoquem nenhuma alteração quanto ao funcionamento do sistema ATC. Por outro lado, logo após entrar em um túnel longo, o sistema irá reconhecer a mudança na carga solar, e o sistema irá reagir de acordo. G PROCEDIMENTO DE DIAGNÓSTICO DO SENSOR DE CARGA SOLAR SINTOMA: O circuito do sensor de carga solar está aberto ou em H curto. (44 ou 46 são indicados no controle dianteiro de ar como resultado da realização do auto-diagnóstico.) I J ATC MJIB0181E K 1. VERIFICAR A CONTINUIDADE ENTRE OS CIRCUITOS DO SENSOR DE TEMPERATURA DE CARGA SOLAR E DO CONTROLE DIANTEIRO DE AR L 1. Desligue o interruptor de ignição. 2. Desconecte o conector de controle dianteiro de ar e o conector do sensor de carga solar. M 3. Verifique a continuidade entre o terminal 1 e 2 do conector M63 do chicote do sensor de carga solar e o terminal 29 e 37 do conector M61 do chicote de controle dianteiro de ar. 1 – 29 : Deve existir continuidade. 2 – 37 : Deve existir continuidade. 4. Verifique a continuidade entre o terminal 1 e 2 do conector M63 do chicote do sensor de carga solar e a massa. MJIB0086E 1, 2 – Massa : Não deve existir continuidade. OK ou NEGATIVO OK >> PASSE PARA 2. NEGATIVO >> Repare o chicote ou o conector. ATC-107
  • 108.
    DIAGNÓSTICO DE FALHAS 2.VERIFICAR A CONTINUIDADE ENTRE OS CIRCUITOS DO SENSOR DE TEMPERATURA DE CARGA SOLAR E DO CONTROLE DIANTEIRO DE AR 1. Desligue o interruptor de ignição. 2. Desconecte o conector de controle dianteiro de ar e o conector do sensor de carga solar. 3. Verifique a continuidade entre o terminal 3 do conector M63 do chicote do sensor de carga solar e o terminal 13 do conector M60 do chicote de controle dianteiro de ar. 3 – 13 : Deve existir continuidade. 4. Verifique a continuidade entre o terminal 3 do conector M63 do chicote do sensor de carga solar e a massa. 3 – Massa : Não deve existir continuidade. MJIB0087E OK ou NEGATIVO OK >> Substitua o sensor de carga solar. NEGATIVO >> Repare o chicote ou o conector. ATC-108
  • 109.
    DIAGNÓSTICO DE FALHAS Circuitodo Sensor de Entrada EJS006BZ A DESCRIÇÃO DO COMPONENTE Sensor de Entrada O sensor de entrada está localizado na unidade de aquecimento e B resfriamento. Ele converte a temperatura do ar após sua passagem pelo evaporador em um valor de resistência que então é introduzido no controle dianteiro de ar. C D MJIB0173E E PROCEDIMENTO DE DIAGNÓSTICO DO SENSOR DE ENTRADA SINTOMA: O circuito do sensor de entrada está aberto ou em curto. F (56 ou 57 são indicados no controle dianteiro de ar como resultado da realização do auto-diagnóstico.) G H WJIA1156E I 1. VERIFICAR A VOLTAGEM ENTRE O SENSOR DE TEMPERATURA ENTRADA E A MASSA 1. Desconecte o conector do sensor de temperatura de entrada. J ATC 2. Ligue o interruptor de ignição. 3. Verifique a voltagem entre o terminal 2 do conector do conector do chicote do sensor de temperatura de entrada e a massa. K 2 – Massa : Aproximadamente 5V OK ou NEGATIVO OK >> PASSE PARA 2. L NEGATIVO >> PASSE PARA 4. WJIA1278E M 2. VERIFICAR A CONTINUIDADE ENTRE OS CIRCUITOS DO SENSOR DE TEMPERATURA DE ENTRADA E DO CONTROLE DIANTEIRO DE AR 1. Desligue o interruptor de ignição. 2. Desconecte o conector de controle dianteiro de ar. 3. Verifique a continuidade entre o terminal 1 do conector M82 do chicote do sensor de temperatura de entrada e o terminal 13 do conector M60 do chicote de controle dianteiro de ar. 1 – 13 : Deve existir continuidade. OK ou NEGATIVO OK >> PASSE PARA 3. NEGATIVO >> Repare o chicote ou o conector. WJIA1157E ATC-109
  • 110.
    DIAGNÓSTICO DE FALHAS 3.VERIFICAR O SENSOR DE TEMPERATURA DE ENTRADA Consulte EC-110, "Sensor de Entrada". OK ou NEGATIVO OK >> 1. Substitua o controle dianteiro de ar. 2. Passe ao auto-diagnóstico EC-50, "Função de Auto-diagnóstico do Sistema de A/C" e efetue o auto-diagnóstico. NEGATIVO >> 1. Substitua o sensor de temperatura de entrada. 2. Passe ao auto-diagnóstico EC-50, "Função de Auto-diagnóstico do Sistema de A/C" e efetue o auto-diagnóstico. 4. VERIFICAR A CONTINUIDADE ENTRE OS CIRCUITOS DO SENSOR DE TEMPERATURA DE ENTRADA E DO CONTROLE DIANTEIRO DE AR 1. Desligue o interruptor de ignição. 2. Desconecte o conector de controle dianteiro de ar. 3. Verifique a continuidade entre o terminal 2 do conector M82 do chicote do sensor de temperatura de entrada e o terminal 12 do conector M60 do chicote de controle dianteiro de ar. 2 – 12 : Deve existir continuidade. 4. Verifique a continuidade entre o terminal 2 do conector do chi- cote do sensor de temperatura entrada e a massa. 2 – Massa : Não deve existir continuidade. OK ou NEGATIVO WJIA1158E OK >> 1. Substitua o controle dianteiro de ar. 2. Passe ao auto-diagnóstico EC-50, "Função de Auto-diagnóstico do Sistema de A/C" e efetue o auto-diagnóstico. NEGATIVO >>Repare o chicote ou o conector. INSPEÇÃO DE COMPONENTES Sensor de Entrada Após desconectar o conector do sensor de temperatura de entrada, meça a resistência entre os terminais 1 e 2, utilizando a tabela abaixo. Temperatura °C (°F) Resistência kΩ −15 (5) 209.8 −10 (14) 160.3 −5 (23) 123.4 0 (32) 95.8 5 (41) 74.9 10 (50) 59.0 15 (59) 46.8 20 (68) 37.4 25 (77) 30.0 30 (86) 24.2 35 (95) 19.7 40 (104) 16.1 45 (113) 13.2 Se NEGATIVO, substitua o sensor de temperatura de entrada. MJIB0174E ATC-110
  • 111.
    UNIDADE DE CONTROLE UNIDADEDE CONTROLE PFP:27500 A Remoção e Instalação EJS0006C0 REMOÇÃO 1. Remova a lente do grupo de instrumentos C. Consulte ATC-11, "LENTE DO GRUPO DE INSTRUMEN- B TOS C". 2. Remova os quatro parafusos que fixam o controle dianteiro de ar na lente do grupo de instrumentos C. C 3. Remova o controle dianteiro de ar. D E LBIA0416E F INSTALAÇÃO A instalação deve ser efetuada na seqüência inversa de remoção. G H ATC I J K L M ATC-111
  • 112.
    SENSOR DE TEMPERATURAAMBIENTE SENSOR DE TEMPERATURA-AMBIENTE PFP:27722 Remoção e Instalação EJS006C1 REMOÇÃO 1. Remova a grade dianteira. Consulte EI-19, "GRADE DIANTEIRA". 2. Desconecte o conector elétrico do sensor de temperatura-am- biente. NOTA: O sensor de temperatura-ambiente está localizado atrás do pára-choque dianteiro, na frente do condensador. 3. Libere a presilha do sensor de temperatura-ambiente e a seguir remova o sensor de temperatura-ambiente. MJIB0175E INSTALAÇÃO A instalação deve ser efetuada na seqüência inversa de remoção. ATC-112
  • 113.
    SENSOR DE TEMPERATURAINTERNA DO VEÍCULO SENSOR DE TEMPERATURA INTERNA DO VEÍCULO PFP:27720 A Remoção e Instalação EJS006C2 REMOÇÃO 1. Remova a lente do grupo de instrumentos C. Consulte ATC-11, B "LENTE DO GRUPO DE INSTRUMENTOS C". 2. Remova os dois parafusos e a seguir remova o sensor de tem- peratura interna do veículo. C D WJIA1073E E INSTALAÇÃO A instalação deve ser efetuada na seqüência inversa de remoção. F G H ATC I J K L M ATC-113
  • 114.
    SENSOR ÓTICO SENSOR ÓTICO PFP:28576 Remoção e Instalação EJS006C3 O sensor ótico está localizado na parte superior central do painel de instrumentos. WJIA1072E ATC-114
  • 115.
    SENSOR DE TEMPERATURADE ENTRADA SENSOR DE TEMPERATURA DE ENTRADA PFP:27723 A Remoção e Instalação EJS006C4 REMOÇÃO 1. Remova a placa protetora dianteira. B 2. Remova o acabamento lateral do painel de instrumentos. 3. Remova o porta-luvas. 4. Remova o acabamento da coluna dianteira. C 5. Remova o porta-luvas superior (cobertura do grupo de instrumentos E). 6. Desconecte o conector elétrico do sensor de temperatura de entrada. D NOTA: O sensor de temperatura de entrada está localizado na parte E superior do conjunto da unidade do aquecedor e resfriador próximo à tampa do evaporador do A/C. 7. Gire o sensor de temperatura de entrada e remova-o do con- junto da unidade de aquecimento e resfriamento. F MJIB0325E G INSTALAÇÃO A instalação deve ser efetuada na seqüência inversa de remoção. H I ATC J K L M ATC-115
  • 116.
    MOTOR DO VENTILADOR MOTORDO VENTILADOR PFP: 27226 A Componentes EJS006C5 B C D E F G MJIB0210E 1. Conjunto da unidade do aquecimento 2. Motor do ventilador 3. Controle variável do ventilador e resfriamento H Remoção e Instalação EJS006C6 REMOÇÃO I 1. Remova o conjunto do porta-luvas inferior. Consulte ATC-10, "Remoção e Instalação". 2. Desconecte o conector elétrico do motor do ventilador. 3. Remova os três parafusos e remova o motor do ventilador. J ATC INSTALAÇÃO A instalação deve ser efetuada na seqüência inversa de remoção. K L M ATC-116
  • 117.
    FILTRO DO CONDICIONADORDE AR FILTRO DO CONDICIONADOR DE AR PFP:27277 A Remoção e Instalação EJS006C7 FUNÇÃO O ar que está dentro do compartimento de passageiros é filtrado B através dos filtros do ar condicionado quando mos controles do aquecedor ou do A/C estão ajustados nos modos recirculação ou ar fresco. Os dois filtros do ar condicionado estão localizados no con- C junto da unidade do aquecedor e resfriador. TEMPO DE SUBSTITUIÇÃO D Recomenda-se substituir os dois filtros do ar condicionado regularm- ente, dependendo das condições de condução do veículo. Consulte MA-9, "MANUTENÇÃO PERIÓDICA". Também poderá ser MJIB0215E E necessário substituir os dois filtros do ar condicionado como parte da substituição de componente, caso os filtros do ar condicionado estejam danificados. F PROCEDIMENTO DE SUBSTITUIÇÃO 1. Remova o acabamento lateral do respiro inferior do capuz. G 2. Remova o acabamento inferior da coluna dianteira. 3. Remova o porta-luvas inferior. a. Remova os parafusos inferiores da porta-luvas inferior. H b. Abra o porta-luvas inferior; a seguir remova os dois parafusos superiores do porta-luvas inferior. c. Desconecte as duas presilhas superiores e remova o porta- I luvas inferior do painel de instrumentos para ter acesso à tampa do filtro do ar condicionado. J ATC K WLIA0023E L M ATC-117
  • 118.
    FILTRO DO CONDICIONADORDE AR 4. Remova o parafuso e a seguir a tampa do filtro do ar condicio- nado. 5. Remova os dois filtros do ar condicionado do alojamento da unidade do aquecedor e resfriador. MJIB0216E 6. Introduza o primeiro filtro do ar condicionado no alojamento da unidade do aquecedor e resfriador, deslizando-o para a direita. Introduza o segundo filtro (novo) do ar condicionado no aloja- mento da unidade do aquecedor e resfriador. NOTA: Os filtros do ar condicionado estão indicados com setas de fluxo de ar. A extremidade do micro-filtro com a seta deve ficar voltada para a parte traseira do veículo. As setas devem estar voltadas para baixo. LJIA0148E 7. Instale a tampa do filtro do ar condicionado. MJIB0216E 8. A instalação do porta-luvas inferior deve ser efetuada na seqüência inversa de remoção. Parafusos inferiores do porta-luvas inferior: 3,3 N.m (0,34 kg.m, 29 lb.pol.) Parafusos superiores do porta-luvas inferior: 3,3 N.m (0,34 kg.m, 29 lb.pol.) NOTA: ● Utilize as duas lingüetas localizadas na parte inferior do porta-luvas inferior para alinhar o porta-luvas inferior ao efetuar a instalação. ● As presilhas na parte superior do porta-luvas inferior devem estar completamente assentadas antes da instalação dos parafusos (superiores e inferiores) do porta luvas inferior. ATC-118
  • 119.
    CONJUNTO DA UNIDADEDE AQUECIMENTO E RESFRIAMENTO CONJUNTO DA UNIDADE DE AQUECIMENTO E RESFRIAMENTO PFP:27110 A Componentes EJS006C8 Conjunto da Unidade de Aquecimento e Resfriamento C D E F G H ATC I J K L M MJIB0278E 1. Tubo de alta pressão do A/C 4. Núcleo do aquecedor e olhal dos 7. Tubos do núcleo do aquecedor 2. Tubo de baixa pressão do A/C tubos do evaporador 8. Mangueira do reservatório do líquido 3. Válvula de expansão 5. Olhal da mangueira de purga do A/C de arrefecimento 6. Mangueira de purga do A/C 9. Conjunto da unidade do aquecimento e resfriamento ATC-119
  • 120.
    CONJUNTO DA UNIDADEDE AQUECIMENTO E RESFRIAMENTO Remoção e Instalação EJS006C9 REMOÇÃO 1. Retire o refrigerante do sistema do A/C. Consulte EC-131, "Para Retirar o Refrigerante". 2. Drene o líquido de arrefecimento do sistema de arrefecimento do motor. Consulte CO-8, "AO DRENAR O LÍQUIDO DE ARREFECIMENTO DO MOTOR". 3. Remova a porca dos tubos (LD) do núcleo do aquecedor. 4. Desconecte as mangueiras do núcleo do aquecedor. 5. Desconecte os tubos de alta e baixa pressão do A/C da válvula de expansão. 6. Mova os dois bancos dianteiros para a posição mais para atrás possível. 7. Remova o painel de instrumentos e o painel do console. Con- sulte ATC-10, "Remoção e Instalação". 8. Remova os dois dutos do assoalho dianteiro LJIA0165E 9. Remova a coluna de direção. Consulte PS-10, "Remoção e Instalação". 10. Desconecte o chicote do painel de instrumentos nos suportes do conector em linha (LD e LE), e os conectores elétricos do bloco de fusíveis (SMJ). Consulte PG-39, "CHICOTE". 11. Remova as capas e a seguir remova os três parafusos da travessa da direção de cada lado para desconectar a travessa de direção da carroçaria do veículo. 12. Remova o conjunto da unidade do aquecedor e resfriador com ele fixado na travessa de direção, do veículo. CUIDADO: ● Tome cuidado para não danificar os bancos e os painéis de acabamento internos ao remover o conjunto da unidade do aquecedor e resfriador com ele fixado na travessa de direção. ● Utilize bujões adequados nos tubos do núcleo do aquecedor para evitar vazamentos de líquido de arrefecimento. 13. Remova o conjunto da unidade do aquecedor e resfriador da travessa de direção. INSTALAÇÃO A instalação deve ser efetuada na seqüência inversa de remoção. CUIDADO: ● Substitua o anel em “O” do tubo de baixa e de alta pressão do A/C por um novo; a seguir, aplique óleo para compressor no anel em “O” ao efetuar a instalação. ● Após abastecer com refrigerante, verifique quanto a vazamentos. Consulte EC-144, "PRE- CAUÇÕES AO MANUSEAR O DETECTOR DE VAZAMENTOS". NOTA: ● Abasteça o sistema de arrefecimento do motor com uma mistura especificada de líquido de arrefeci- mento. Consulte CO-8, "REABASTECIMENTO DO LÍQUIDO DE ARREFECIMENTO DO MOTOR" ● Carregue novamente o sistema de A/C. Consulte EC-131, "Ao Evacuar o Sistema e Abastecer com Refrigerante". ATC-120
  • 121.
    NÚCLEO DO AQUECEDOR NÚCLEODO AQUECEDOR PFP:27140 A Componentes EJS006CA B C D E F G H I MJIB0211E J ATC 1. Suporte do tubo do núcleo do 3. Conjunto da unidade do aquecimento 4. Cobertura do núcleo do aquecedor aquecedor e evaporador e resfriamento 2. Núcleo do aquecedor K Remoção e Instalação EJS006CB REMOÇÃO 1. Remova o conjunto da unidade do aquecimento e resfriamento. Consulte EC-120, "REMOÇÃO". L 2. Remova os três parafusos e remova a cobertura do núcleo do aquecedor. 3. Remova o núcleo do evaporador e o suporte do tubo do evaporador. M 4. Remova o núcleo do aquecedor. NOTA: Caso os filtros do ar condicionado estejam contaminados em vir- tude de vazamento do líquido de arrefecimento proveniente do núcleo do aquecedor, substitua os filtros do ar condicionado por novos antes de instalar o novo núcleo do aquecedor. MJIB0216E INSTALAÇÃO A instalação deve ser efetuada na seqüência inversa de remoção. ATC-121
  • 122.
    BOMBA DO AQUECEDOR BOMBADO AQUECEDOR PFP:92264 Componentes EJS006CC Bomba do Aquecedor LBIA0414E 1. Parte superior do respiro do capuz 3. Bomba do aquecedor 5. Mangueira do aquecedor 2. Conector elétrico da bomba do 4. Mangueira do aquecedor aquecedor Remoção e Instalação EJS006DC REMOÇÃO 1. Drene parcialmente o sistema de arrefecimento do motor. Consulte CO-8, "AO DRENAR O LÍQUIDO DE ARREFECIMENTO DO MOTOR". 2. Desconecte o conector elétrico da bomba do aquecedor. 3. Desconecte as duas mangueiras do aquecedor. 4. Remova a bomba do aquecedor do suporte que fixa a bomba do aquecedor na parte superior do respiro do capuz. CUIDADO: Não desmonte a bomba do aquecedor, substitua a bomba do aquecedor como um conjunto. INSTALAÇÃO A instalação deve ser efetuada na seqüência inversa de remoção. CUIDADO: ● O coxim de borracha da bomba do aquecedor deve estar completamente assentado no suporte. ● Não desmonte a bomba do aquecedor, substitua a bomba do aquecedor como um conjunto. ATC-122
  • 123.
    MOTOR DO DEFLETORDE ENTRADA MOTOR DO DEFLETOR DE ENTRADA PFP:27730 A Componentes ECS006CD Motor do Defletor de Entrada – Conjunto da Unidade de Aquecimento e Resfriamento B C D E F G H I J ATC LBIA0415E 1. Conjunto da unidade do aquecimento 3. Motor do defletor de mistura de ar 5. Motor do defletor de mistura de ar e resfriamento (motorista) (passageiro) K 2. Motor do defletor de entrada 4. Controle variável do ventilador 6. Motor do defletor de modo Remoção e Instalação EJS006DD L REMOÇÃO 1. Remova o conjunto da unidade do aquecimento e resfriamento. Consulte EC-119, "CONJUNTO DA UNIDADE DE AQUECIMENTO E RESFRIAMENTO". M 2. Remova a travessa de direção do conjunto da unidade do aquecedor e resfriador. 3. Desconecte o conector elétrico do motor do defletor de entrada. 4. Remova os três parafusos e remova o motor do defletor de entrada. INSTALAÇÃO A instalação deve ser efetuada na seqüência inversa de remoção. ATC-123
  • 124.
    MOTOR DO DEFLETORDE MODO MOTOR DO DEFLETOR DE MODO PFP:27731 Componentes EJS006CE Motor do Defletor de Modo – Conjunto da Unidade de Aquecedor e Resfriador LBIA0415E 1. Conjunto da unidade do aquecimento 3. Motor do defletor de mistura de ar 5. Motor do defletor de mistura de ar e resfriamento (motorista) (passageiro) 2. Motor do defletor de entrada 4. Controle variável do ventilador 6. Motor do defletor de modo Remoção e Instalação EJS006DE REMOÇÃO 1. Remova o acabamento lateral do painel de instrumentos. Consulte IP-10, "CONJUNTO DO PAINEL DE INSTRUMENTOS". 2. Remova o cobertura inferior dos instrumentos. Consulte IP-10, "CONJUNTO DO PAINEL DE INSTRU- MENTOS"”. 3. Desconecte o conector elétrico do motor do defletor de modo. 4. Remova os três parafusos e a seguir remova o motor do defletor de modo. INSTALAÇÃO A instalação deve ser efetuada na seqüência inversa de remoção. ATC-124
  • 125.
    MOTOR DO DEFLETORDE MISTURA DE AR MOTOR DO DEFLETOR DE MISTURA DE AR PFP:27732 A Componentes EJS006CF Motores do Defletor de Mistura de Ar – Conjunto da Unidade do Aquecedor e Resfriador B C D E F G H I LBIA0415E J ATC 1. Conjunto da unidade do aquecimento 3. Motor do defletor de mistura de ar 5. Motor do defletor de mistura de ar e resfriamento (motorista) (passageiro) 2. Motor do defletor de entrada 4. Controle variável do ventilador 6. Motor do defletor de modo Remoção e Instalação EJS006CG K MOTOR DO DEFLETOR DE MISTURA DE AR (MOTORISTA) Remoção L 1. Remova o conjunto da unidade do aquecimento e resfriamento. Consulte EC-119, "CONJUNTO DA UNIDADE DE AQUECIMENTO E RESFRIAMENTO". 2. Remova a travessa de direção do conjunto da unidade do aquecedor e resfriador. 3. Desconecte o conector elétrico do motor do defletor de mistura de ar. M 4. Remova os três parafusos e a seguir remova o motor do defletor de mistura de ar. Instalação A instalação deve ser efetuada na seqüência inversa de remoção. MOTOR DO DEFLETOR DE MISTURA DE AR (PASSAGEIRO) Remoção 1. Remova o acabamento lateral do painel de instrumentos. Consulte EI-30, "Componentes". 2. Remova o painel de instrumentos inferior (LD). Consulte IP-15, "PAINEL DE INSTRUMENTOS INFE- RIOR (L.D) E PORTA-LUVAS". 3. Remova a travessa de direção do conjunto da unidade do aquecedor e resfriador. 4. Desconecte o conector elétrico do motor do defletor de mistura de ar. 5. Remova os três parafusos e a seguir remova o motor do defletor de mistura de ar. Instalação A instalação deve ser efetuada na seqüência inversa de remoção. ATC-125
  • 126.
    CONTROLE VARIÁVEL DOVENTILADOR CONTROLE VARIÁVEL DO VENTILADOR PFP:27200 Componentes EJS006CH Controle Variável do Ventilador – Conjunto da Unidade do Aquecedor e Resfriador LBIA0415E 1. Conjunto da unidade do aquecimento 3. Motor do defletor de mistura de ar 5. Motor do defletor de mistura de ar e resfriamento (motorista) (passageiro) 2. Motor do defletor de entrada 4. Controle variável do ventilador 6. Motor do defletor de modo Remoção e Instalação EJS006DF REMOÇÃO 1. Desconecte o conector elétrico de controle variável do ventilador. 2. Remova os dois parafusos e a seguir remova o controle variável do ventilador. INSTALAÇÃO A instalação deve ser efetuada na seqüência inversa de remoção. ATC-126
  • 127.
    DUTOS E DEFLETORES DUTOSE DEFLETORES PFP:27860 A Componentes EJS006CJ Dutos – Conjunto da Unidade de Aquecimento e Resfriamento B C D E F G H I J ATC K L M MJIB0212E 1. Saída do descongelador 6. Duto de ventilação central 10. Dutos do assoalho dianteiro 2. Duto de desembaçamento – LE 7. Conjunto da unidade do aquecimento 11. Dutos do assoalho traseiro 3. Duto do ventilador – LE e resfriamento 12. Duto do console traseiro 4. Duto de desembaçamento – LD 8. Difusores do duto do conector do 13. Duto do console central assoalho 5. Duto do ventilador – LD 14. Duto do console dianteiro 9. Duto do conector do assoalho ATC-127
  • 128.
    DUTOS E DEFLETORES Difusores MJIB0329E 1. Forro do teto 5. Duto do ventilador – LE 8. Duto de desembaçamento lateral 2. Dutos do teto 6. Duto do ventilador – LD (LD) 3. Painel de instrumentos 7. Duto de ventilação lateral (LD) 4. Duto de ventilação lateral (LE) ATC-128
  • 129.
    DUTOS E DEFLETORES Remoçãoe Instalação ECJ006CK A DUTOS DO CONSOLE E DEFLETORES DO CONSOLE Remoção O console central deve ser removido e desmontado para que os dutos e grades do console possam ser B removidos. Consulte IP-16, "Se necessário, retirar a tampa (3) e o conjunto (2) da trava do porta-luvas.". Instalação C A instalação deve ser efetuada na seqüência inversa de remoção. SAÍDA DO DESCONGELADOR Remoção D 1. Remova o acabamento do painel de instrumentos. Consulte IP-10, "Remoção e Instalação". 2. Remova a saída do descongelador. E Instalação A instalação deve ser efetuada na seqüência inversa de remoção. DUTO DE DESEMBAÇAMENTO – LADOS DIREITO E ESQUERDO F Remoção 1. Remova o acabamento do painel de instrumentos. Consulte IP-10, "Remoção e Instalação". 2. Remova o console central. Consulte IP-16, "Se necessário, retirar a tampa (3) e o conjunto (2) da trava do G porta-luvas.". 3. Remova o duto de desembaçamento do lado direito ou esquerdo. Instalação H A instalação deve ser efetuada na seqüência inversa de remoção. DUTO DO VENTILADOR – LADOS DIREITO E ESQUERDO Remoção I 1. Remova o acabamento do painel de instrumentos. Consulte IP-10, "Remoção e Instalação". 2. Remova o console central. Consulte IP-16, "Se necessário, retirar a tampa (3) e o conjunto (2) da trava do porta-luvas.". J ATC 3. Remova o duto de ventilação lados direito ou esquerdo. Instalação K A instalação deve ser efetuada na seqüência inversa de remoção. DUTO DO VENTILADOR CENTRAL Remoção L 1. Remova o conjunto da unidade do aquecimento e resfriamento. Consulte ATC-111, "REMOÇÃO". 2. Remova o console central. Consulte IP-16, "Se necessário, retirar a tampa (3) e o conjunto (2) da trava do porta-luvas.". M 3. Remova a saída do descongelador. 4. Remova os dutos de ventilação (LD ou LE). 5. Remova os dutos de desembaçamento (LD e LE). 6. Remova o duto central de ventilação. Instalação A instalação deve ser efetuada na seqüência inversa de remoção. DUTO DO CONECTOR DO ASSOALHO Remoção 1. Remova o conjunto da unidade do aquecimento e resfriamento. Consulte ATC-111, "REMOÇÃO". 2. Remova o console central. Consulte IP-16, "Se necessário, retirar a tampa (3) e o conjunto (2) da trava do porta-luvas.". 3. Remova o duto do conector do assoalho. Instalação A instalação deve ser efetuada na seqüência inversa de remoção. ATC-129
  • 130.
    DUTOS E DEFLETORES DUTOSDO ASSOALHO – DIANTEIROS E TRASEIROS Remoção 1. Remova o console central. Consulte IP-16, "Se necessário, retirar a tampa (3) e o conjunto (2) da trava do porta-luvas.". 2. Remova o carpete do assoalho. Consulte EI-34, "Remoção e Instalação". 3. Remova as presilhas; a seguir, remova os dutos dianteiro e traseiro do assoalho. Instalação A instalação deve ser efetuada na seqüência inversa de remoção. DUTOS SUPERIORES TRASEIROS Remoção 1. Remova o painel de acabamento interior traseiro. 2. Remova o acabamento do teto. Consulte EI-36, "ACABAMENTO DO TETO". NOTA: O duto do forro do teto traseiro (conectado no duto do teto superior traseiro) faz parte do forro do teto; desta forma, deve ser substituído como um conjunto. 3. Remova as presilhas; a seguir, remova os dutos do teto superior e inferior traseiros. Instalação A instalação deve ser efetuada na seqüência inversa de remoção. DUTO DO ASSOALHO – LATERAL TRASEIRO Remoção 1. Remova o painel de acabamento interior traseiro. 2. Desloque o carpete do assoalho. 3. Remova as presilhas; a seguir, remova o duto do assoalho (traseiro). Instalação A instalação deve ser efetuada na seqüência inversa de remoção. DIFUSORES Remoção 1. Remova o(s) painel(éis) de acabamento interno necessário(s) para ter acesso à grade. Consulte IP-10, "Remoção e Instalação". NOTA: As grades do teto fazem parte do acabamento do teto. Para substituir as grades do teto, é necessário substituir o acabamento do teto. Consulte EI-36, "ACABAMENTO DO TETO". 2. Remova a grade do painel de acabamento interior. Instalação A instalação deve ser efetuada na seqüência inversa de remoção. ATC-130
  • 131.
    LINHAS DE REFRIGERANTE LINHASDE REFRIGERANTE PFP:92600 A Procedimento de Serviço HFC-134a (R-134a) EJS006CL AJUSTE DAS FERRAMENTAS E EQUIPAMENTOS DE SERVIÇO Para Retirar o Refrigerante B C D E F G WJIA1160E 1. Válvula de desligamento 2. Válvula de serviço A/C 3. Equipamento de Recuperação / Reciclagem ACR 2000 (J-43600) H com identificador de refrigerante ATENÇÃO: Evite inalar o refrigerante o lubrificante de A/C (vapor ou névoa). Isto poderá irritar os olhos, nariz e I garganta. Remova o refrigerante HFC-134a (R-134a) do sistema de A/C, utilizando um equipamento de serviço aprovado que atenda os requisitos SAE J2210 para equipamentos de reciclagem de HFC-134 a (R-134 a) ou SAE J2201 para equipamentos de recuperação de HFC-134a (R134a). Caso haja um vaza- mento acidental do sistema, a área de trabalho deverá ser ventilada antes de reiniciar o trabalho. J ATC Informações adicionais sobre saúde e segurança podem ser obtidas com o fabricante do refrigerante ou do lubrificante. Ao Evacuar o Sistema e Abastecer com Refrigerante K L M WJIA1161E 1. Válvula de desligamento 4. Reservatório de refrigerante 6. Bomba de vácuo (J-39649) 2. Válvula de serviço A/C (HFC-134a) 7. Jogo de medidores de coletor 3. Equipamento de Recuperação / 5. Balança de pesagem de refrigerante com mangueiras e acopladores Reciclagem ACR 2000 (J-43600) com (J-39699) J-39183-C) identificador de refrigerante ATC-131
  • 132.
    LINHAS DE REFRIGERANTE A B C D E F G H I J ATC K L M WJIA0530E *1 EC-25, "INSPEÇÃO E AJUSTE". *3 EC-142, "Inspeção de Vazamentos de *4 EC-90, "DIAGNÓSTICO DE TESTE *2 EC-142, "Inspeção de Vazamentos de Refrigerante". DE DESEMPENHO". Refrigerante". *5 EC-5, "Refrigerante Contaminado". ATC-132
  • 133.
    LINHAS DE REFRIGERANTE Componentes EJS006CM A Compressor e Condensador de A/C B C D E F G H I J ATC K L M MJIB0276E 1. Válvula de serviço de alta pressão 6. Vedador do eixo do compressor 10. Tubo de baixa pressão do A/C 2. Presilha 7. Mangueira flexível de alta pressão do 11. Válvula de expansão 3. Tubo de alta pressão do A/C A/C 12. Mangueira de purga do A/C 4. Sensor de pressão de refrigerante 8. Mangueira flexível de baixa pressão do A/C 5. Condensador 9. Válvula de serviço de baixa pressão ATC-133
  • 134.
    LINHAS DE REFRIGERANTE Remoçãoe Instalação do Compressor EJS006CN Fixação do Compressor de A/C MJIB0179E 1. Compressor 3. Alojamento da corrente de 4. Bloco do motor 2. Suporte do alternador e do sincronização compressor de A/C REMOÇÃO 1. Retire o refrigerante do A/C. Consulte EC-131, "Procedimento de Serviço HFC-134a (R-134a)". 2. Remova a roda esquerda dianteira e o conjunto do pneu. Consulte WT-5, "Rodízio de pneus". 3. Remova a cobertura do motor. 4. Remova o pára-lama dianteiro esquerdo. 5. Remova o protetor de barro dianteiro esquerdo. 6. Remova o filtro de ar do motor e os dutos de ar. Consulte EM-17, "FILTRO DE AR E DUTO DE AR". 7. Remova a correia de acionamento. Consulte EM-14, "CORREIAS DE ACIONAMENTO". 8. Desconecte o conector do chicote do compressor. 9. Desconecte as mangueiras flexíveis de alta e baixa pressão do A/C do compressor. CUIDADO: Cubra a junta do tubo com um material adequado, por exemplo fita de vinil para evitar a entrada de ar. 10. Remova os parafusos do compressor do A/C, utilizando ferramentas elétricas. INSTALAÇÃO A instalação deve ser efetuada na seqüência inversa de remoção. CUIDADO: ● Substitua os anéis em “O” das mangueiras dianteiras flexíveis de baixa e de alta pressão do A/C por novos; a seguir, aplique óleo para compressor nos anéis em “O” antes de efetuar a instalação. ● Após abastecer o sistema de A/C com refrigerante, verifique quanto a vazamentos. Consulte EC- 142, "Inspeção de Vazamentos de Refrigerante". ATC-134
  • 135.
    LINHAS DE REFRIGERANTE Remoçãoe Instalação da Embreagem do Compressor EJS006CO A Conjunto da Embreagem Magnética B C D E F G WJIA1162E 1. Conjunto da embreagem magnética 4. Disco da embreagem 7. Compressor 2. Bobina magnética 5. Anel elástico H 3. Polia 6. Protetor térmico (embutido) REMOÇÃO I 1. Remova o compressor. Consulte ATC-134, "Remoção e Insta- lação do Compressor". 2. Remova o parafuso central enquanto mantém o disco de J ATC embreagem imobilizado, utilizando a ferramenta, conforme mos- trado. Número da ferramenta: J-44614 K 3. Remova o disco da embreagem. WHA228 L 4. Remova o anel elástico, utilizando alicate externo para anel elástico ou ferramenta apropriada. M RHA072C ATC-135
  • 136.
    LINHAS DE REFRIGERANTE 5. Remova a polia, utilizando a ferramenta com um pequeno adaptador. Posicione o adaptador pequeno na extremidade do eixo de acionamento e a parte central do extrator no adaptador pequeno. Número da ferramenta: KV99233130 CUIDADO: Para evitar deformação da ranhura da polia, as garras do extrator deve ser fixadas sob a ranhura da polia e não den- tro da ranhura. WJIA1017E 6. Remova a presilha do chicote da bobina magnética, utilizando uma chave de fenda; remova os 3 parafusos de fixação da bobina magnética; a seguir remova a bobina magnética. WHA212 INSPEÇÃO Disco da Embreagem Caso a superfície de contato mostre sinais de danos em virtude de excesso de calor, substitua o disco da embreagem e a polia. WHA183 Polia Verifique a aparência do conjunto da polia. Caso a superfície de contato da polia esteja indicando excesso de arranhões, substitua o disco da embreagem e a polia. As superfícies de contato do conjunto da polia devem ser limpas com um solvente adequado antes da reinstalação. Bobina Verifique a bobina magnética quanto a conexões soltas ou quanto a rachaduras no isolamento. INSTALAÇÃO 1. Instale a bobina magnética. CUIDADO: Certifique-se de alinhar o pino da bobina magnética com o orifício existente na cabeça dianteira do compressor. WHA213 ATC-136
  • 137.
    LINHAS DE REFRIGERANTE 2. Instale a presilha do chicote da bobina magnética, utilizando uma chave de fenda. A 3. Instale o conjunto da polia, utilizando a ferramenta e a chave; a seguir, instale o anel elástico, utilizando alicate apropriado. Número da ferramenta: KV99106200 B C MJIB0290E D 4. Instale o disco da embreagem no eixo do compressor, junta- mente com o(s) calço(s) original(is). Comprima o disco da embreagem com a mão. E F G WHA184 5. Instale o parafuso da polia da embreagem, utilizando a ferra- H menta para evitar que o disco da embreagem seja movido e aperte o parafuso de acordo com a especificação. Consulte EC- 133, "Componentes". Tool number : J-44614 I CUIDADO: Após apertar o parafuso da polia da embreagem, verifique se a polia da embreagem gira suavemente. J ATC WHA229 K 6. Verifique a folga da polia ao redor do disco da embreagem, con- forme mostrado na figura. Folga entre o disco da embreagem e a polia: 0,3 – 0,6 mm L (0,012 – 0,024 pol.) 7. Caso não seja obtida a folga especificada, substitua o espaça- dor de ajuste para fazer o novo ajuste. M 8. Conecte o conector elétrico do compressor. 9. Instale a correia de acionamento. Consulte EM-14, "CORREIAS DE ACIONAMENTO". 10. Instale o motor sob a tampa e protetor de barro. WHA194 ATC-137
  • 138.
    LINHAS DE REFRIGERANTE FUNCIONAMENTODURANTE O PERÍODO DE AMACIAMENTO Ao substituir o conjunto da embreagem do compressor, sempre efetue a operação de amaciamento. Isto é conseguido acoplando-se e desacoplando-se a embreagem aproximadamente 30 vezes. A operação de ama- ciamento aumenta o nível de torque transmitido. Remoção e Instalação da Mangueira Flexível de Alta Pressão do A/C EJS006CP REMOÇÃO 1. Remova a roda esquerda dianteira e o conjunto do pneu. Consulte WT-5, "Rodízio de pneus". 2. Remova o pára-lama dianteiro esquerdo. 3. Remova o protetor de barro dianteiro esquerdo. 4. Retire o refrigerante. Consulte EC-131, "Procedimento de Serviço HFC-134a (R-134a)". 5. Remova a mangueira flexível de alta pressão do A/C. Consulte EC-133, "Componentes". CUIDADO: Cubra a junta do tubo com um material adequado, por exemplo fita de vinil para evitar a entrada de ar. INSTALAÇÃO A instalação deve ser efetuada na seqüência inversa de remoção. Consulte EC-133, "Componentes". CUIDADO: ● Substitua o anel em “O” da mangueira flexível de alta pressão do A/C por uma nova; a seguir, apli- que óleo para compressor nele ao instalá-lo. ● Após abastecer com refrigerante, verifique quanto a vazamentos. Remoção e Instalação do Tubo de Alta Pressão do A/C EJS006CQ REMOÇÃO 1. Remova a roda direita dianteira e o conjunto do pneu. Consulte WT-5, "Rodízio de pneus". 2. Remova o pára-lama dianteiro direito. 3. Remova o protetor de barro dianteiro direito. 4. Retire o refrigerante. Consulte EC-131, "Procedimento de Serviço HFC-134a (R-134a)". 5. Remova o tubo de baixa pressão do A/C. Consulte EC-138, "Remoção e Instalação do Tubo de Alta Pressão do A/C". 6. Remova o tubo de alta pressão do A/C. Consulte EC-139, "Remoção e Instalação do Tubo de Baixa Pressão do A/C". CUIDADO: Cubra a junta do tubo com um material adequado, por exemplo fita de vinil para evitar a entrada de ar. INSTALAÇÃO A instalação deve ser efetuada na seqüência inversa de remoção. Consulte EC-133, "Componentes". CUIDADO: ● Substitua o anel em “O” do tubo de alta pressão do A/C por um novo; a seguir, aplique óleo para compressor nele ao instalá-lo. ● Após abastecer com refrigerante, verifique quanto a vazamentos. Remoção e Instalação da Mangueira Flexível de Baixa Pressão do A/C EJS006CR REMOÇÃO 1. Remova a roda direita dianteira e o conjunto do pneu. Consulte WT-5, "Rodízio de pneus". 2. Remova o pára-lama dianteiro direito. 3. Remova o protetor de barro dianteiro direito. 4. Retire o refrigerante. Consulte EC-131, "Procedimento de Serviço HFC-134a (R-134a)". CUIDADO: Cubra a junta do tubo com um material adequado, por exemplo fita de vinil para evitar a entrada de ar. 5. Remova a mangueira flexível de baixa pressão do A/C. Consulte EC-133, "Componentes". INSTALAÇÃO A instalação deve ser efetuada na seqüência inversa de remoção. Consulte EC-133, "Componentes". ATC-138
  • 139.
    LINHAS DE REFRIGERANTE CUIDADO: ● Substitua o anel em “O” da mangueira flexível de baixa pressão do A/C por um novo; a seguir, A aplique óleo para compressor nele ao instalá-lo. ● Após abastecer com refrigerante, verifique quanto a vazamentos. B Remoção e Instalação do Tubo de Baixa Pressão do A/C EJS006CS REMOÇÃO C 1. Retire o refrigerante. Consulte EC-131, "Procedimento de Serviço HFC-134a (R-134a)". 2. Desconecte o conector da bomba do aquecedor. 3. Remova a bomba do aquecedor do suporte e coloque-o para fora do lugar. Não desconecte as manguei- D ras do aquecedor da bomba do aquecedor. 4. Remova o tubo de baixa pressão do A/C. Consulte EC-133, "Componentes". CUIDADO: E Cubra a junta do tubo com um material adequado, por exemplo fita de vinil para evitar a entrada de ar. INSTALAÇÃO F A instalação deve ser efetuada na seqüência inversa de remoção. Consulte EC-133, "Componentes". CUIDADO: G ● Substitua o anel em “O” do tubo de baixa pressão do A/C por um novo; a seguir, aplique óleo para compressor nele ao instalá-lo. ● Após abastecer com refrigerante, verifique quanto a vazamentos. H Remoção e Instalação do Sensor de Pressão do Refrigerante EJS006CV REMOÇÃO I 1. Retire o refrigerante. Consulte EC-131, "Procedimento de Serviço HFC-134a (R-134a)". 2. Desconecte o conector do chicote do sensor de pressão de J refrigerante e remova o sensor de pressão de refrigerante do ATC condensador. CUIDADO: K Tenha cuidado para não danificar as aletas do condensa- dor. INSTALAÇÃO L A instalação deve ser efetuada na seqüência inversa de remoção. LJIA0177E Consulte EC-133, "Componentes". CUIDADO: M ● Tenha cuidado para não danificar as aletas do condensador. ● Ao efetuar a instalação, aplique óleo para compressor no anel em “O” do sensor de pressão de refrigerante. ● Após abastecer com refrigerante, verifique quanto a vazamentos. ATC-139
  • 140.
    LINHAS DE REFRIGERANTE Remoçãoe Instalação do Condensador EJS006CW REMOÇÃO 1. Retire o refrigerante. Consulte EC-131, "Procedimento de Serviço HFC-134a (R-134a)". 2. Remova o radiador. Consulte CO-11, "RADIADOR". CUIDADO: Tome cuidado para não danificar a superfície do núcleo do condensador e do radiador. 3. Desconecte a mangueira flexível de alta pressão do A/C e o tubo de alta pressão do A/C do condensador. CUIDADO: Cubra a junta dos tubos com um material adequado, por exemplo fita de vinil para evitar a entrada de ar. 4. Desconecte o conector do chicote do sensor de pressão do refrigerante. 5. Remova o sensor de pressão do refrigerante do condensador. 6. Levante o condensador para fora dos olhais de fixação e remova o condensador. LJIA0177E INSTALAÇÃO A instalação deve ser efetuada na seqüência inversa de remoção. Consulte EC-133, "Componentes". CUIDADO: ● Substitua os anéis em “O” do tubo de alta pressão do A/C e a mangueira flexível de alta pressão do A/C por novos; a seguir, aplique óleo para compressor nele ao instalá-lo. ● Após abastecer com refrigerante, verifique quanto a vazamentos. ● Substitua os olhais de fixação, conforme necessário. ATC-140
  • 141.
    LINHAS DE REFRIGERANTE Remoçãoe Instalação do Evaporador EJS006CX A Conjunto da Unidade de Aquecimento e Resfriamento B C D E F G H I J ATC K L M MJIB0214E 1. Duto do conector de ventilação central 5. Núcleo do aquecedor e olhal dos 9. Evaporador 2. Cobertura do núcleo do aquecedor tubos do evaporador 10. Aquecedor inferior e alojamento da 3. Alojamento da entrada de ar 6. Núcleo do aquecedor unidade de resfriamento 4. Núcleo do aquecedor e suporte dos 7. Aquecedor superior e alojamento da 11. Controle variável do ventilador tubos do evaporador unidade de resfriamento 12. Motor do ventilador 8. Válvula de expansão ATC-141
  • 142.
    LINHAS DE REFRIGERANTE REMOÇÃO 1. Remova o núcleo do aquecedor. Consulte ATC-121, "REMOÇÃO". 2. Separe o aquecedor do alojamento da unidade de resfriamento. 3. Remova o evaporador. INSTALAÇÃO A instalação deve ser efetuada na seqüência inversa de remoção. CUIDADO: Substitua os anéis em “O” na mangueira flexível de baixa pressão de A/C e tubo de alta pressão do A/C por novos. Ao efetuar a instalação, aplique óleo para compressor nos anéis em “O”. Remoção e Instalação da Válvula de Expansão EJS006CZ REMOÇÃO 1. Retire o refrigerante. Consulte EC-131, "Procedimento de Serviço HFC-134a (R-134a)". 2. Remova o conjunto da unidade do aquecimento e resfriamento. Consulte ATC-111, "REMOÇÃO". 3. Remova o núcleo do aquecedor e os olhais dos tubos do evaporador. 4. Remova a válvula de expansão. INSTALAÇÃO A instalação deve ser efetuada na seqüência inversa de remoção. Parafusos da válvula de expansão : 4 N.m (0,41 kg.m, 35 lb.pol.) Parafuso de fixação entre o tubo de refrigerante do A/C e a válvula de expansão : Consulte EC-133, "Componentes". CUIDADO: ● Substitua os anéis em “O” da válvula de expansão e tubos de refrigerante do A/C por novos; a seguir, aplique óleo para compressor nele ao instalá-los. ● Após abastecer com refrigerante, verifique quanto a vazamentos. Inspeção de Vazamentos de Refrigerante EJS006D1 Efetue uma inspeção visual das peças de refrigeração, conexões, mangueiras e componentes quanto a sinais de vazamento de lubrificante de A/C, danos e corrosão. Vazamentos de lubrificante de A/C podem indicar pontos de vazamento de refrigerante. Faça uma inspeção adicional nestas áreas ao utilizar um detector eletrônico de vazamento de refrigerante ou detector de corante fluorescente de vazamentos. Caso seja notada a presença de corante, confirme o vazamento, utilizando um detector eletrônico de vaza- mento de refrigerante. É possível que um vazamento anterior tenha sido reparado, mas o local não tenha sido corretamente limpo. Ao procurar vazamentos, não pare ao encontrar um vazamento; continue a inspeção quanto a outros vaza- mentos em todos os componentes e conexões do sistema. Ao procurar vazamentos de refrigerante, utilizando um detector eletrônico de vazamentos, mova a ponta de prova pela área sob suspeita a 1 – 2 pol. por segundo e a não mais de ¼ de pol. do componente. CUIDADO: Mover a ponta de prova do detector eletrônico de vazamento mais lentamente e mais próximo da área sob suspeita de vazamento irá aumentar as chances de descobrir um vazamento. ATC-142
  • 143.
    LINHAS DE REFRIGERANTE Inspeçãodo Sistema quanto a Vazamentos Utilizando o Detector Fluorescente A de Vazamentos EJS006D2 1. Verifique o sistema de A/C quanto a vazamentos, utilizando uma lâmpada UV e óculos de segurança [SST: J-42220] em uma área pouco iluminada (de preferência uma área sem janelas). Ilumine todos os componentes, conexões e linhas. O corante irá aparecer como uma área mais brilhante verde / amarela, B no ponto de vazamento. O corante fluorescente observado na abertura de drenagem do evaporar indica um vazamento no conjunto do núcleo do evaporador (tubos, núcleo ou válvula de expansão). 2. Caso a área suspeita seja de difícil visualização, utilize um espelho ajustável ou seque a área com um C pano limpo, com a lâmpada de UV para resíduos de corante 3. Após reparar o vazamento, remova o corante residual, utilizando um limpador de corante [SST: J-43872] para evitar futuros diagnósticos incorretos. D 4. Efetue uma inspeção de desempenho do sistema e verifique a reparação de vazamento com um detector eletrônico de vazamento de refrigerante. NOTA: E Outros gases na área de trabalho ou substâncias nos componentes de A/C, por exemplo, anticongelantes, fluido do lavador de pára-brisa, solventes e lubrificantes podem ativar incorretamente o detector de vazamen- tos. Certifique-se de que as superfícies que serão inspecionadas estejam limpas. Limpe-as com um pano seco ou aplique ar comprimido. F Não deixe que a ponta do sensor do detector entre em contato com qualquer substância. Isto também pode causar falsas leituras, podendo danificar o detector. Injeção de Corante G (Este procedimento é apenas necessário ao recarregar o sistema ou quando o compressor emperrou e foi substituído.) 1. Verifique a pressão estática (em repouso) do sistema de A/C. A pressão deve ser de, pelo menos, 345 H kPa (3,45 bar, 3,52 kg/cm2, 50 psi). 2. Adicione uma garrafa (1/4 onça / 7,4 cc) de corante de refrigerante de A/C na ferramenta de injeção [SST: J-41459]. I 3. Conecte a ferramenta de injeção na conexão de serviço do lado de baixa pressão do A/C. 4. Dê partida ao motor e ligue o interruptor do A/C. 5. Quando o A/C estiver funcionando (compressor funcionando), injete uma garrafa (1/4 de onça / 7,4 cc) de J corante fluorescente através da válvula de serviço de baixa pressão; utilize a ferramenta de injeção de ATC corante J-41459 (consulte as instruções de operação do fabricante). 6. Com o motor ainda funcionando, desconecte a ferramenta de injeção da conexão de serviço. K CUIDADO: Tome cuidado ao reparar ou substituir um componente do sistema de A/C; adicione o corante diretamente na conexão aberta do sistema e efetue os procedimentos de serviço. 7. Acione o sistema do A/C, durante pelo menos 20 minutos para que o corante seja misturado ao óleo do L sistema. Dependendo do tamanho do vazamento, condições de operação e localização do vazamento, poderá levar de minutos a dias para que o corante penetre no vazamento e torne-se visível. M ATC-143
  • 144.
    LINHAS DE REFRIGERANTE DetectorEletrônico de Vazamentos de Refrigerante EJS006D4 PRECAUÇÕES AO MANUSEAR O DETECTOR DE VAZAMENTOS Ao efetuar uma inspeção de vazamento de refrigerante, utilize um detector elétrico de vazamento de A/C (SST) ou equivalente. Asse- gure-se de que o instrumento esteja calibrado e ajustado adequada- mente de acordo com as instruções de operação. O detector de vazamentos é um instrumento delicado. Para que o detector de vazamentos seja utilizado adequadamente, leia as instruções de operação e efetue a manutenção especificada. SHA705EB 1. Posicione a ponta de prova a uma distância de aproximada- mente 5 mm (3/16 pol.) do ponto a ser inspecionado. SHA707EA 2. Ao efetuar o teste, envolva completamente cada uma das co- nexões com a ponta de prova. SHA706E 3. Mova a ponta de prova pelo componente a uma velocidade de aproximadamente 25 a 50 mm (1 a 2 pol.) por segundo. SHA708EA ATC-144
  • 145.
    LINHAS DE REFRIGERANTE PROCEDIMENTODE INSPEÇÃO Para evitar leituras imprecisas ou falsas, certifique-se de que não haja vapor de refrigerante, produtos quími- A cos ou fumaça de cigarros nas proximidades do veículo. Efetue o teste de vazamento em uma área calma (pouco movimento de ar/pouco vento), de maneira que o vazamento de refrigerante não seja dispersado. 1. Desligue o motor. B 2. Conecte um jogo de medidores de coletor de A/C apropriado (SST) nas válvulas de serviço do A/C. 3. Verifique se a pressão de refrigerante de A/C é, de pelo menos, 345 kPa (3,45 bar, 3,52 kg/cm, 50 psi) acima de 16°C. Caso esteja abaixo da especificação, recupere / evacue e recarregue o sistema com a quantidade especificada de refrigerante. C NOTA: A temperaturas inferiores a 16°C, os vazamentos podem não ser detectados uma vez que o sistema pode não atingir a pressão de 345 kPa (3,45 bar, 3,52 kg/cm2, 50 psi). D 4. Efetue o teste de vazamento do lado de alta pressão (descarga do compressor A para a entrada do eva- porador G) para o lado de baixa pressão (mangueira de drenagem do evaporador H para o vedador do eixo L). Consulte EC-133, "Componentes". Efetue o teste de vazamento nas seguintes áreas, cuidadosa- mente. Limpe o componente que será inspecionado e mova a ponta de prova para detectar o vazamento E completamente ao redor da conexão / componente. Compressor Verifique a conexão das mangueiras flexíveis de alta e de baixa pressão, válvula de alívio e vedador do F eixo. Reservatório do líquido Verifique o sensor de pressão do refrigerante. Válvulas de serviço G Verifique ao redor das válvulas de serviço. Assegure-se de que as tampas estejam firmemente fixadas nas válvulas de serviço (para evitar vazamentos). NOTA: H Após remover o conjunto do medidor do coletor de A/C das válvulas de serviço, limpe quaisquer resíduos das válvulas para evitar falsas leituras pelo detector de vazamentos. Unidade de Arrefecimento (Evaporador) Com o motor desligado, ajuste o ventilador em “High” (alta) durante, pelo menos 15 segundos, para dissi- I par quaisquer vestígios de refrigerante na unidade de arrefecimento. Aguarde, pelo menos, 10 minutos (consulte o procedimento recomendado pelo fabricante quanto ao tempo real) antes de introduzir a ponta de prova do detector de vazamento na mangueira de drenagem. Mantenha a ponta de prova introduzida, durante pelo menos 10 segundos. Tome cuidado para não con- ATC J taminar a extremidade da ponta de prova com água ou sujeira que poderiam estar na mangueira de drenagem. 5. Caso o detector de vazamentos detecte algum vazamento, verifique pelo menos uma vez, aplicando ar K comprimido na área onde houver suspeita de vazamento; a seguir repita a verificação, conforme indicado acima. 6. Não interrompa a inspeção ao descobrir um vazamento. Continue inspecionando quanto a outros vaza- mentos em todos os componentes do sistema. L Caso não sejam localizados vazamentos, efetue as etapas de 7 a 10. 7. Dê partida ao motor. 8. Ajuste o controle do aquecedor do A/C, conforme indicado abaixo: a. Interruptor de A/C: ON M b. seletor de controle de MODO: VENT (Ventilação) c. Posição do defletor de entrada: Recirculação d. Temperatura frio máximo e. Velocidade do ventilador: Alta 9. Deixe o motor funcionar a uma rotação de 1.500 rpm, durante, pelo menos, 2 minutos. ATC-145
  • 146.
    LINHAS DE REFRIGERANTE 10.Desligue o motor e efetue novamente a inspeção de vazamento, observando as etapas de 4 a 6, indicadas acima. Os vazamentos de refrigerante devem ser inspecionados ime- diatamente após a paralisação do motor. Comece com o detec- tor de vazamentos no compressor. A pressão no lado de alta pressão irá cair gradativamente após o refrigerante parar de cir- cular e a pressão no lado de baixa pressão irá aumentar grada- tivamente, conforme mostrado no gráfico. Alguns vazamentos são mais facilmente detectados quando a pressão está alta. 11. Descarregue o sistema de A/C utilizando o equipamento de recuperação de refrigerante aprovado. Repare a conexão ou SHA839E componente com vazamento, conforme necessário. 12. Evacue e recarregue o sistema de A/C e efetue o teste de vazamento para confirmar que não mais existem vazamentos de refrigerante. 13. Efetue o teste de desempenho do A/C para certificar-se de que o sistema está funcionando adequada- mente. ATC-146
  • 147.
    DADOS DE SERVIÇOE ESPECIFICAÇÕES (SDS) DADOS DE SERVIÇO E ESPECIFICAÇÕES (SDS) PFP:00030 A Dados de Serviço e Especificações (SDS) EJS006D5 COMPRESSOR Marca CALSONIC KANSEI B Modelo CR-14 Tipo Palheta rotativa C Cilindrada 144 cm3 (8.79 in3 ) Diâmetro interno do cilindro 64.2 mm (2.53 pol.) x 9.9 mm (0.39 pol.) Sentido de giro Horário (visto da extremidade de acionamento) D Correia de acionamento Poly-V (7 estrias) LUBRIFICANTE E Marca CALSONIC KANSEI Modelo CR-14 F Nome NISSAN A/C Sistema Lubrificante Tipo S (DH-PS) Número de peça KLH00-PAGS0 Sem A/C traseiro 180 m (6.3 Imp fl oz) G Capacidade Com A/C traseiro 210 m (7.4 Imp fl oz) H REFRIGERANTE Tipo HFC 134a (R-134a) Sem A/C traseiro 0.70 ± 0.05 kg (1.54 ± 0.11 lb) I Capacidade Com A/C traseiro 0.85 ± 0.05 kg (1.87 ± 0.11 lb) ROTAÇÃO DE MARCHA-LENTA DO MOTOR J ATC Consulte EC-41, "Inspeção Básica". TENSÃO DA CORREIA K Consulte EM-15, "Ajuste de Deflexão". L M ATC-147
  • 148.
    DADOS DE SERVIÇOE ESPECIFICAÇÕES (SDS) ATC-148