SISTEMA ÁUDIO-VISUAL

K SISTEMA ELÉTRICO

                                                                                                                                                           A




                                                                                SISTEMA ÁUDIO-VISUAL
                                                                                                       SEÇÃO               AV                              C


                                                                                                                                                           D


                                                                                                                                                           E
                                                                ÍNDICE
PRECAUÇÕES .......................................................... 3         SISTEMA DE DIAGNÓSTICO ................................. 39                F
 Precauções quanto ao Sistema de Proteção                                         Sistema de Navegação Diagnóstico Função ........ 39
 Suplementar (SRS) “AIR BAG” e “PRÉ-                                              Função de Auto-diagnóstico de Bordo .................. 39
 TENSIONADOR DO CINTO DE SEGURANÇA” ..... 3                                         DESCRIÇÃO ..................................................... 39     G
DESCRIÇÃO DO SISTEMA ....................................... 4                      ITEM DE DIAGNÓSTICO .................................. 39
 Sistema Funções ..................................................... 4            PROCEDIMENTO DE OPERAÇÃO .................. 40
   ÁUDIO .................................................................. 4       FAIXA DE DETECÇÃO DE ERRO DO MODO DE
                                                                                                                                                           H
   CONEXÃO DE ÁUDIO NATS (SEM SISTEMA DE                                            AUTO-DIAGNÓSTICO ....................................... 42
   NAVEGAÇÃO) ...................................................... 4              RESULTADOS DO DIAGNÓSTICO ................... 42
   SISTEMA DE INFORMAÇÕES DO VEÍCULO ..... 5                                      Modo de Confirmação / Ajuste ............................. 43
   SISTEMA DE NAVEGAÇÃO ................................ 5                          TELA DO DIAGNÓSTICO DE FALHA ............... 44                         I
   TELEFONE SEM FIO ........................................... 7                   SINAIS DO VEÍCULO ........................................ 44
 Descrição do Componente ...................................... 8                   TESTE DO ALTO-FALANTE .............................. 45
   UNIDADE DE ÁUDIO ........................................... 8                   NAVEGAÇÃO .................................................... 45       J
   UNIDADE DE CONTROLE NAVI ......................... 8                             HISTÓRICO DE ERRO ..................................... 46
   ANTENA GPS ...................................................... 9              DIAGNÓSTICO CAN DO VEÍCULO .................. 48
   UNIDADE DA TELA .............................................. 9                 DIAGNÓSTICO COMM AV ................................ 49
                                                                                                                                                            K
                                                                                                                                                           AV
   INTERRUPTOR AV .............................................. 9                  TELEFONE VIVA-VOZ ...................................... 49
 Localização das Peças do Componente ............... 10                             BLUETOOTH ..................................................... 49
 Diagrama – ÁUDIO – / Sem NAVI ......................... 12                         DELETE DA UNIDADE DE CONEXÃO .......... 50
 Diagrama de Circuito – ÁUDIO – / Sem NAVI ....... 13                           Funções de CONSULT-II (MULTI AV) .................... 51                    L
 Diagrama – NAVI – ................................................ 16            FUNÇÕES DE CONSULT-II .................................. 51
 Diagrama de Circuito – NAVI – .............................. 17                  PROCEDIMENTO DE FUNCIONAMENTO BÁSICO
 Diagrama – NAVI – / COMM ................................. 24                    CONSULT-II ................................................. 51          M
 Diagrama de Circuito – NAVI – / COMM ............... 25                          RESULTADOS DO AUTO-DIAGNÓSTICO ........... 51
 Diagrama de Circuito – TELEFONE (PRÉ-                                            MONITOR DE DADOS ......................................... 53
 INSTALAÇÃO) – / Sem NAVI ................................ 28                     MONITOR COMM AV ........................................... 54
 Comunicação CAN ................................................ 29              NÚMERO DE PEÇA DA ECU ............................... 55
   DESCRIÇÃO DO SISTEMA ............................... 29                      DIAGNÓSTICO DE FALHAS .................................. 56
TERMINAIS E VALOR DE REFERÊNCIA PARA                                              Sistema de Navegação ......................................... 56
UNIDADE DE CONTROLE ......................................               30       Imagem RGB ........................................................ 56
 Unidade de Áudio Sem NAVI ................................              30       Sistema de Controle de Voz Ativado .................... 57
 Unidade de Áudio (Com NAVI) ..............................              32       Interruptor do Volante de Direção ......................... 58
 Unidade de Controle NAVI ....................................           34
 Unidade da Tela .....................................................   37




                                                                          AV-1
Inspeção das Peças do Componente ................... 58                        REMOÇÃO E INSTALAÇÃO ...................................                      69
  INSPEÇÃO DA UNIDADE DO INTERRUPTOR DO                                         Unidade de Áudio com NAVI .................................                  69
  VOLANTE DE DIREÇÃO ................................... 58                       REMOÇÃO .........................................................          69
Exemplo de Sintomas Não Falhas ........................ 60                        INSTALAÇÃO .....................................................           69
  FUNCIONAMENTO BÁSICO ............................. 60                         Alto-falante da Porta Dianteira ..............................               69
  ÍCONE DO VEÍCULO ........................................ 60                    REMOÇÃO .........................................................          69
  DVD-ROM DE MAPAS ....................................... 61                     INSTALAÇÃO .....................................................           69
  CÁLCULO DE ROTAS E GUIA VISUAL ............ 61                                Alto-falante da Porta Traseira ................................              70
  GUIA DE VOZ .................................................... 62             REMOÇÃO .........................................................          70
  RECONHECIMENTO DE VOZ .......................... 62                             INSTALAÇÃO .....................................................           70
  A MARCA DE POSIÇÃO ATUAL MOSTRA UMA                                           Tweeter ..................................................................   70
  POSIÇÃO COMPLETAMENTE INCORRETA .... 67                                         REMOÇÃO .........................................................          70
  A MARCA DE POSIÇÃO ATUAL PULA ............. 68                                  INSTALAÇÃO .....................................................           70
  A MARCA DE LOCALIZAÇÃO ATUAL É UM RIO OU                                      Antena do Teto ......................................................        70
  MAR ................................................................... 68      REMOÇÃO .........................................................          70
  A MARCA DE LOCALIZAÇÃO ATUAL GIRA SEM                                           INSTALAÇÃO .....................................................           70
  FUNCIONAMENTO ........................................... 68                  Unidade de Controle NAVI ....................................                71
  AO DIRIGIR NA MESMA ESTRADA, ALGUMAS                                            REMOÇÃO .........................................................          71
  VEZES A MARCA DE LOCALIZAÇÃO ATUAL ESTÁ                                         INSTALAÇÃO .....................................................           71
  NO LOCAL CORRETO MAS OUTRAS VEZES NÃO                                         Antena GPS ..........................................................        71
  ESTÁ .................................................................. 68      REMOÇÃO .........................................................          70
  CORREÇÃO DE LOCALIZAÇÃO PELA                                                    INSTALAÇÃO .....................................................           71
  CORRESPONDÊNCIA DO MAPA É VAGAROSA . 68                                       Interruptor AV ........................................................      72
  EMBORA A TELA DE RECEBIMENTO GPS ESTEJA                                         REMOÇÃO .........................................................          72
  VERDE, A MARCA DO VEÍCULO NÃO RETORNA                                           INSTALAÇÃO .....................................................           72
  À LOCALIZAÇÃO CORRETA ............................ 68                         Microfone ...............................................................    72
  O NOME DO LOCAL ATUAL NÃO É EXIBIDO . 68                                        REMOÇÃO .........................................................          72
  O MOSTRADOR É DIFERENTE ENTRE A VISTA                                           INSTALAÇÃO .....................................................           72
  AÉREA E O MAPA PLANO ................................ 68                      Unidade da Tela ....................................................         72
                                                                                  REMOÇÃO .........................................................          72
                                                                                  INSTALAÇÃO .....................................................           71




                                                                          AV-2
PRECAUÇÕES

PRECAUÇÕES                                                                                      PFP: 00001
                                                                                                              A
Precauções quanto ao Sistema de Proteção Suplementar (SRS) “AIR BAG” e
“PRÉ-TENSIONADOR DO CINTO DE SEGURANÇA”                                                            EKS00Q9X


O Sistema de Proteção Suplementar, como o “AIR BAG” e o “PRÉ-TENSIONADOR DO CINTO DE SEGU-                    B
RANÇA”, utilizado junto com o cinto de segurança dianteiro, ajuda a reduzir a possibilidade de ferimentos
graves ao motorista e passageiro dianteiro em determinados tipos de colisão. As informações necessárias
para a reparação segura do sistema podem ser encontradas nas seções SRS e SB deste Manual de Serviço.         C
CUIDADO:
●   Para evitar que o sistema SRS fique inoperante, o que poderia aumentar o risco de ferimentos
    pessoais ou mesmo a morte na eventualidade de uma colisão onde o air bag seria inflado, todos             D
    os serviços de manutenção devem ser efetuados em uma concessionária autorizada NISSAN/
    INFINITI.
●   A manutenção inadequada, incluindo a remoção e instalação incorreta do SRS, pode causar feri-             E
    mentos pessoais em virtude de uma ativação inadvertida do sistema. Quanto à remoção do Cabo
    Espiral e do Módulo do Air Bag, consulte a seção SRS.
●   Não utilize equipamentos elétricos de teste nos circuitos relacionados ao SRS, exceto se especifi-
                                                                                                              F
    cado neste manual de Serviço. Os chicotes do SRS podem ser identificados pelos cabos amarelo
    e/ou laranja, ou pelos conectores do chicote.

                                                                                                              G


                                                                                                              H



                                                                                                               I


                                                                                                               J



                                                                                                               K
                                                                                                              AV


                                                                                                               L



                                                                                                              M




                                                 AV-3
DESCRIÇÃO DO SISTEMA

DESCRIÇÃO DO SISTEMA                                                                                         PFP: 00000

Sistema Funções                                                                                                  EKS00Q5X


Consulte o Manual do Proprietário quanto às instruções sobre o funcionamento do sistema de áudio.
ÁUDIO
Volume Sensível à Velocidade (CD Player com 6 CDs)
O nível de volume deste sistema é aumentado ou diminuído automaticamente, de acordo com a velocidade
do veículo. E o nível de controle pode ser selecionado pelo cliente.
CONEXÃO DE ÁUDIO NATS (SEM SISTEMA DE NAVEGAÇÃO)
Descrição
A conexão com NATS IMMU implica que a unidade de áudio pode ser acionada basicamente apenas caso
esteja conectada ao NATS IMMU correspondente aquele ao qual a unidade de áudio foi inicialmente instalada
na linha de produção.
Uma vez que o funcionamento do rádio é impossível após a conexão com NATS ser interrompida, o roubo da
unidade de áudio é basicamente ineficaz, uma vez que será necessário um equipamento especial para rea-
justar a unidade de áudio.
Processo de Inicialização para Unidades de Áudio que Estejam Conectadas ao NATS IMMU
As novas unidades de áudio serão entregues às fábricas na “NOVA” condição, ou seja, prontas para serem
conectadas com o sistema NATS do veículo. Quando a unidade de áudio que estiver na condição “NOVA” for
inicialmente ligada na fábrica, será iniciada a comunicação com a unidade de controle do imobilizador do
veículo (IMMU) e será enviado um código (“Código da Unidade de Áudio”) ao IMMU. O IMMY então armaze-
nará este código (exclusivo a cada unidade de áudio) na memória (permanente).
Após o recebimento do código pelo IMMU, NATS confirmará o recebimento correto do código pela unidade de
áudio. A partir de agora, a unidade de áudio começará a funcionar normalmente.
Durante o processo de inicialização, “NEW” é exibido no mostrador da unidade de áudio. Normalmente, a
comunicação entre a unidade de áudio e IMMU leva TÃO pouco tempo (300 ms) que a unidade de áudio
parece ligar diretamente, sem exibir “NEW” (NOVA) no mostrador.
Funcionamento Normal
Cada vez que a unidade de áudio for ligada, o código da unidade de áudio será inspecionado entre a unidade
de áudio e NATS, antes que a unidade de áudio esteja funcionando. Durante o processo de verificação do
código, “WAIT” (aguarde) é exibido no mostrador da unidade de áudio. Normalmente, a comunicação leva tão
pouco tempo (300 ms) que a unidade de áudio parece ligar diretamente sem exibir “WAIT” (aguarde) no mos-
trador.
Quando o Rádio Estiver Bloqueado
Em caso de a unidade de áudio estar sendo conectada com o sistema NATS do veículo (sistema do imobiliza-
dor), a desconexão entre a unidade de áudio e IMMY irá fazer a unidade de áudio ser comutada para o modo
de bloqueio (“SECURE”) na qual a unidade de áudio estará completamente inoperante. Desta forma, a repa-
ração da unidade de áudio é basicamente impossível, a não ser que a unidade de áudio seja novamente ajus-
tada para a condição “NEW”, onde será necessário um equipamento de decodificação especial.
Clarion forneceu a seus representantes autorizados as chamadas “caixas de decodificação” que podem
retornar a unidade de áudio à condição “NEW”, permitindo que a unidade de áudio seja ligada; desta forma, a
reparação poderá ser efetuada.
Conseqüentemente, quando a unidade de áudio for entregue ao usuário final novamente, ela estará na
condição “NEW”, permitindo assim a reconexão da unidade de áudio ao sistema do imobilizador do veículo.
Como resultado, a reparação da unidade de áudio pode apenas ser efetuada em um Representante Autori-
zado Clarion (quando o proprietário do veículo solicitar a reparação e puder mostrar a identificação pessoal).
Procedimento de Serviço
                  Item                       Procedimento de Serviço                           Descrição
 Desconexão da bateria               Não é necessária nenhuma ação adicio-
                                                                                                   –
                                     nal.
 Rádio necessita de reparação        O rádio necessita de reparação e a repa-
                                     ração deverá ser efetuada em um Repre-
                                     sentante Autorizado do Fabricante do Rá-
                                     dio, uma vez que o rádio não pode funcio-                     –
                                     nar caso não seja reajustado à condição
                                     NEW, utilizando-se equipamento especial
                                     de decodificação.
 Substituição do rádio por um novo   Não é necessária nenhuma ação adicio-       O Rádio é entregue na condição NEW
                                     nal.                                        (novo)


                                                     AV-4
DESCRIÇÃO DO SISTEMA

                    Item                              Procedimento de Serviço                         Descrição
 Transferência do rádio a outro veículo /   O rádio necessita ser reajustado para a                                                A
 substituição do rádio por uma peça “velha” condição NEW por um representante                              –
                                            autorizado do fabricante do rádio.
 Substituição de IMMU                       O rádio necessita ser reajustado para a    Após ligar o rádio, será exibido “SECURE”
                                            condição NEW por um representante          após 1 minuto.                              B
                                            autorizado Clarion.
 Sem comunicação de IMMU para o rádio       1. Caso haja alguma falha em NATS, veri-   Após ligar o rádio, será exibido “SECURE”
                                               fique o sistema NATS.                   após 1 minuto. O uso do rádio será impos-
                                                                                       sível até que a comunicação seja nova-      C
                                            2. Após a reparação de NATS, reajuste o
                                               rádio para a condição NEW em um re-     mente restabelecida ou após o rádio ser
                                               presentante autorizado Clarion.         reajustado em um Representante Autori-
                                                                                       zado Clarion.
 Quando inicializado entre ECM e IMMU       O rádio necessita ser reajustado para a    Após ligar o raio, será exibido “SECURE”    D
                                            condição NEW por um representante          após 1 minuto.
                                            autorizado Clarion.

Ajuste Pessoal do Áudio                                                                                                            E
O rádio foi projetado para armazenar vários ajustes (volume, graves, agudos, estações memorizadas) com a
chave de ignição NATS utilizada. Podem ser registradas, no máximo, 4 chaves NATS. Durante a comunicação
mencionada em “Sistema Antifurto”, o rádio reconhecerá a chave de ignição utilizada e selecionará os ajustes                       F
correspondentes.
SISTEMA DE INFORMAÇÕES DO VEÍCULO
A condição do sistema de áudio, consumo de combustível, monitor de visão traseira e sistema de navegação                           G
são exibidos.
A unidade de controle NAVI recebe o sinal de dados do ECM, painel de instrumentos através da comunicação
CAN. São calculados os valores de economia de combustível e computador de bordo das informações recebi-                            H
das, que a seguir são exibidos.
SISTEMA DE NAVEGAÇÃO
Consulte o Manual do Proprietário ou o Manual do Proprietário com as instruções de operação do sistema de                          I
navegação.
Princípio de Detecção de Localização
O sistema de navegação calcula periodicamente a posição atual do                                        J
veículo de acordo com os três sinais abaixo:
●    Distância percorrida pelo veículo, conforme determinado pelo
     sensor de velocidade do veículo.                                                                   K
                                                                                                       AV
●    Ângulo de giro do veículo, conforme determinado pelo giroscó-
     pio (sensor de velocidade angular).
●    Direção da rota do veículo, conforme determinado pela antena                                       L
     GPS (informações GPS)
A posição atual do veículo é então identificada, comparando-se a                             SKIB1058E
posição do veículo calculada com a leitura de dados do mapa (no                                         M
DVD-ROM do mapa) que é armazenada no drive de DVD-ROM (mapa de correspondência), e indicado na
tela como uma marca do veículo. Dados mais precisos são assumidos e utilizados, comparando-se os
resultados da detecção de posição do veículo encontrado pelo GPS com os resultados do mapa de corres-
pondência.

A posição atual do veículo será calculada, detectando-se a distância
que veículo percorreu a partir de um ponto de cálculo prévio e sua
direção.
●   Direção de percurso
    Os cálculos da distância de percurso estão baseados no sinal
    de entrada do sensor de velocidade do veículo. Desta forma, o
    cálculo pode tornar-se incorreto à medida que os pneus são
    desgastados. Para evitar isso, foi adotada uma função de cor-
    reção automática de distância.
                                                                                                                        SEL684V




                                                            AV-5
DESCRIÇÃO DO SISTEMA

●      Direção de percurso
       A alteração na direção de percurso do veículo é calculada por um giroscópio (sensor de velocidade angu-
       lar) e pela antena GPS (informações GPS). Existem vantagens e desvantagens.
                  Tipo                                Vantagem                                        Desvantagem
                                                                                   Os erros de direção podem ser acumulados
    Giroscópio (sensor de velocidade   Pode detectar o ângulo de giro do veículo
                                                                                   quando o veículo for dirigido por longas distâncias
    angular)                           quase precisamente.
                                                                                   sem parar.
    Antena GPS                         Pode detectar a direção de percurso do      A direção correta não pode ser detectada quando a
    (Informações GPS)                  veículo (Norte/Sul/Leste/Oeste).            velocidade do veículo for baixa.

       Uma direção de percurso mais precisa é detectada, pois as prioridades são ajustadas para os sinais
       destes dois dispositivos de acordo com a situação.

Mapa de Correspondência
O Mapa de Correspondência compara uma localização atual
detectada pelo método no “Princípio de Detecção de Localização”
com os dados do mapa da estrada armazenado no drive do DVD-
ROM.
NOTA:
Os dados do mapa da estrada estão baseados nos dados arma-
zenados no mapa do DVD-ROM.

                                                                                                                              SEL685V


A posição do veículo pode ser corrigida sob determinadas circuns-
tâncias e após dirigir por um determinado tempo quando as infor-
mações do GPS forem difíceis de receber. Neste caso, a marca do
veículo no mostrador deve ser corrigida manualmente.
●   Em um mapa de correspondência, rotas alternativas para alcan-
    çar um destino serão exibidas e priorizadas, após a estrada na
    qual o veículo está sendo atualmente conduzido seja assumida
    e a marca do veículo tenha sido reposicionada.
    Caso exista um erro na distância e/ou direção, as rotas alterna-
    tivas serão mostradas em seqüência diferente de prioridade e a
    estrada incorreta poderá ser evitada.                                                  SEL686V
    Caso duas estradas estejam paralelas, elas apresentam a
    mesma prioridade.
    Entretanto, a marca do veículo pode aparecer em ambas alternadamente, dependendo do modo como
    está sendo manobrado o volante de direção e a configuração da estrada.

●      O Mapa de Correspondência não funciona corretamente
       quando uma estrada na qual o veículo está sendo dirigido for
       nova e não estiver gravada no mapa do DVD-ROM, ou quando o
       padrão da estrada armazenado nos dados do mapa e o padrão
       da estrada atual forem diferentes em virtude de reparação.
       Ao dirigir em uma estrada que não esteja presente no mapa, a
       função de mapa de correspondência pode encontrar outra
       estrada e posicionar a marca do veículo nele. A seguir, quando
       a estrada correta for detectada, a marca do veículo pode ser
       alterada para ele.
●      Faixa efetiva para comparar a posição do veículo e a direção do                             SKIA0613E
       percurso calculada pela distância e direção com a leitura de
       dados da estrada do mapa do DVD-ROM é limitada. Desta forma, quando houver uma folga excessiva
       entre a posição atual do veículo e a posição no mapa, a correção através do mapa de correspondência
       não é possível.




                                                               AV-6
DESCRIÇÃO DO SISTEMA

GPS (Sistema de Posicionamento Global)
GPS (Sistema de Posicionamento Global) foi desenvolvido e é con-                                              A
trolado pelo Departamento de Defesa dos E.U.A. O sistema utiliza
os satélites GPS (NAVSTAR), que enviam ondas de rádio enquanto
na órbita terrestre, a uma altitude de aproximadamente 21.000 km                                              B
(13.000 milhas).
O receptor de GPS calcula a posição do veículo em três dimensões
(latitude / longitude / altitude) de acordo com o tempo de retardo das                                        C
ondas de rádio recebidas de quatro ou mais satélites GPS (posição
tridimensional). Caso as ondas de rádio sejam recebidas apenas de
três satélites GPS, o receptor de GPS calcula a posição do veículo                                  SEL526V
em duas dimensões (latitude / longitude), utilizando os dados de alti-                                        D
tude calculados pre-viamente com as ondas de rádio recebidas de quatro ou mais satélites GPS (posição
bidimensional).
A correção de posição pelo GPS não está disponível enquanto o veículo estiver parado.                         E
A precisão do GPS será comprometida sob as condições a seguir:
●     Na posição bidimensional, a precisão GPS será comprometida quando a altitude da posição do veículo
      for alterada.                                                                                           F
●     A precisão poderá ser ainda menor, dependendo da disposição dos satélites GPS utilizados para o posi-
      cionamento.
●     A detecção de posição não é possível quando o veículo estiver em uma área onde as ondas de rádio do     G
      satélite GPS não puderem ser alcançadas, como por exemplo, um túnel, um estacionamento dentro de
      um prédio ou em uma auto-estrada elevada. As ondas de rádio dos satélites GPS podem não ser recebi-
      das quando algum objeto estiver posicionado sobre a antena GPS.
                                                                                                              H
NOTA:
●     Mesmo um posicionamento de alta precisão tridimensional, o resultado da detecção apresenta um erro
      de aproximadamente 10 m (33 pés).
                                                                                                              I
●     Tendo em vista que os sinais do satélite GPS são controlados pelo Centro de Controle de Rastreamento
      dos Estados Unidos, a precisão pode ser prejudicada um pouco intencionalmente ou as ondas de rádio
      poderão ser interrompidas.
                                                                                                              J
Informações de Tráfego (RDS-TMC)
NOTA: Este sistema faz parte da unidade de controle NAVI.
A transmissão de Informações de Tráfego lhe permite evitar atrasos em virtude de incidentes no trânsito.       K
                                                                                                              AV
Congestionamentos de trânsito, obras em rodovias, estradas fechadas próximas a sua localização, etc, repre-
sentadas graficamente no mapa através de ícones mostrando a natureza do evento. Incidentes no percurso
não automaticamente informados quando você estiver se aproximando.
                                                                                                               L
O dispositivo de Informações de Tráfego lhe fornece a oportunidade de prever incidentes de trânsito, determi-
nar sua gravidade e, através do modo de orientação, permite que o incidente de trânsito seja contornado.
O sistema de navegação recebe as informações de tráfego das melhores fontes disponíveis e permite que
RDS-TMC (Canal de Informações do Sistema de Dados de Rádio e Tráfego) lhe informe e lhe oriente.               M
A transmissão RDS-TMC é alimentada por um sintonizador de FM programado de maneira que você pode
sintonizar sua estação de rádio enquanto as Informações de Tráfego estiverem sendo transmitidas.
TELEFONE SEM FIO
●   A unidade de controle NAVI possui um módulo Bluetooth. Ela pode efetuar chamadas telefônicas viva-
    voz, utilizando um telefone celular dentro do veículo.
●   5 ou mais fones portáteis podem ser registrados na unidade de controle NAVI.




                                                  AV-7
DESCRIÇÃO DO SISTEMA

Descrição do Componente
UNIDADE DE ÁUDIO
Efetue a operação de ÁUDIO através de AV SWITCH (interruptor AV) para modelos equipados com sistema
de navegação.




                                                                                                   SKIB4066E

 1. Sem NAVI (1 CD, 6 CDs player)    2. Com NAVI (6 CDs player)



UNIDADE DE CONTROLE NAVI
●   O giroscópio (sensor de velocidade angular) e o drive de DVD-
    ROM são unidades embutidas que controlam as funções de
    navegação.
●   Os sinais são recebidos do giroscópio, do sensor de velocidade
    do veículo e da antena GPS. A localização do veículo é determi-
    nada, combinando-se estes dados com os dados contidos no
    mapa do DVD-ROM.
    As informações sobre a localização são exibidas no painel da
    tela de cristal líquido.                                                                       SKIB4067E


Drive de DVD-ROM
●    Abertura para carregar o DVD (1)
Mapas, regulamentos de controle de tráfego e outras informações
pertinentes podem ser facilmente lidas no disco do DVD-ROM.




                                                                                                   SKIB4068E


DVD-ROM de mapas
●  O DVD-ROM de mapas, compreende mapas, regulamentos de controle de tráfego e outras informações
   pertinentes.
●  Para melhorar o mapa de correspondência do DV-ROM e as funções de determinação da rota, o DVD-
   ROM utiliza um formato exclusivo NISSAN. Desta forma, o uso de um DVD-ROM fornecido por outros
   fabricantes não pode ser utilizado.
Giroscópio (Sensor de Velocidade Angular)
●   O sensor do giroscópio é utilizado para detectar alterações no ângulo de esterçamento do veículo.
●   O giroscópio está embutido na unidade de controle de navegação (NAVI).




                                                   AV-8
DESCRIÇÃO DO SISTEMA

ANTENA GPS
                                                                                   A
●  Antena GPS (1)
●  Mostrador (2)
A antena GPS recebe e amplifica as ondas de rádio de satélites
GPS e a seguir transmite o sinal GPS para a unidade de controle                    B
NAVI.
                                                                                   C

                                                                       SKIB4501E
                                                                                   D
UNIDADE DA TELA
●   As imagens no mostrador incluem a imagem RGB, como por
    exemplo tela de mapa e imagem traseira exibidas ao ajustar a                   E
    alavanca seletora para a faixa R.
●   A unidade de controle NAVI controla as imagens na tela.
                                                                                   F


                                                                                   G
                                                                       SKIB3893E


INTERRUPTOR AV
                                                                                   H
Para acionar o painel, foi adotado um interruptor centralizado inte-
grado junto com o sistema NAVI. O sinal de funcionamento é en-
viado à unidade de controle NAVI por comunicação.
                                                                                   I


                                                                                   J


                                                                       SKIB4069E
                                                                                    K
                                                                                   AV


                                                                                   L



                                                                                   M




                                                   AV-9
DESCRIÇÃO DO SISTEMA

Localização das Peças do Componente                                                                        EKS00Q5Z




                                                                                                       SKIB9039E

1.   Alto-falante da porta dianteira LD    7.   Twiter LD                13. Antena GPS
2.   Alto-falante da porta dianteira LE    8.   Interruptor da direção    A. Abaixo do banco dianteiro LD
3.   Alto-falante da porta traseira LE     9.   Unidade de áudio          B. Atrás do painel de instrumentos
4.   Alto-falante da porta traseira LD    10.   Interruptor AV               Frente do veículo
5.   Unidade de controle NAVI             11.   Display
6.   Microfone                            12.   Tweeter LD




                                                           AV-10
DESCRIÇÃO DO SISTEMA

Localização da Antena                                                                                  EKS00Q60
                                                                                                                  A
                                            ANTENA DO TETO

                                                                                                                  B


                                                                                                                  C


                                                                                                                  D


                                                                                                                  E



                                                                                                                  F


                                                                                                                  G


                                                                                                                  H


                                                                                                  SKIB8975E
                                                                                                                   I
 1. Haste da Antena                  3. Alimentador (Superior) da Antena   5. Unidade de Áudio.
 2. Base da Antena                   4. Alimentador (Inferior) da Antena
                                        (Modelos do lado esquerdo)
                                                                                                                   J
ANTENA GPS
                                                                                                                   K
                                                                                                                  AV


                                                                                                                   L



                                                                                                                  M




                                                                                                  SKIB9040E

 1. Antena “GPS”                     2. Unidade de Controle NAVI            : Frente do Veículo
NOTA:
A figura mostra os modelos com volante no lado esquerdo. A posição de instalação da antena de GPS para os
modelos com volante no lado direito é similar.
                                                   AV-11
DESCRIÇÃO DO SISTEMA

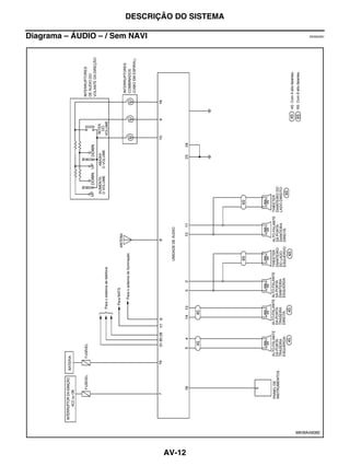
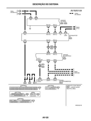
Diagrama – ÁUDIO – / Sem NAVI                      EKS00Q61




                                              MKWA4908E




                                AV-12
DESCRIÇÃO DO SISTEMA

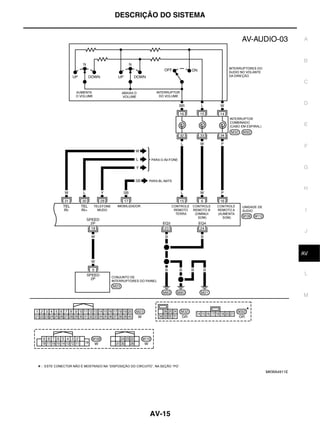
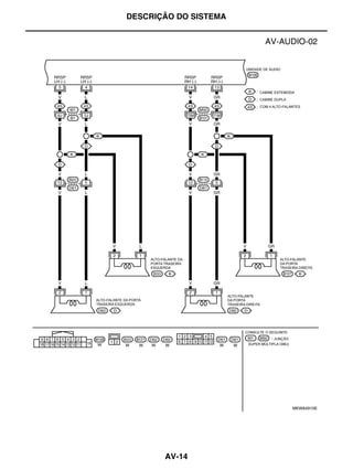
Diagrama de Circuito – ÁUDIO – / Sem NAVI             EKS00Q62
                                                                 A



                                                                 B


                                                                 C


                                                                 D


                                                                 E



                                                                 F


                                                                 G


                                                                 H



                                                                  I


                                                                  J



                                                                  K
                                                                 AV


                                                                  L



                                                                 M




                                               MKWA4909E




                                  AV-13
DESCRIÇÃO DO SISTEMA




                       MKWA4910E




       AV-14
DESCRIÇÃO DO SISTEMA


                                   A



                                   B


                                   C


                                   D


                                   E



                                   F


                                   G


                                   H



                                    I


                                    J



                                    K
                                   AV


                                    L



                                   M




                       MKWA4911E




       AV-15
DESCRIÇÃO DO SISTEMA

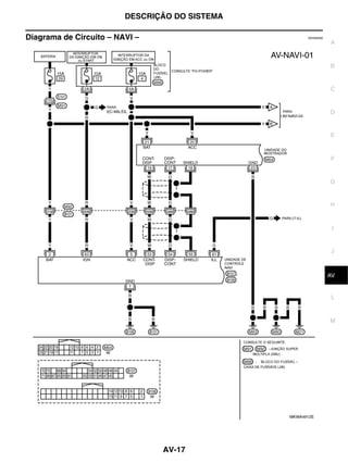
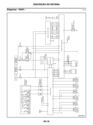
Diagrama – NAVI –                               EKS00Q65




                                           MKWA3607E




                           AV-16
DESCRIÇÃO DO SISTEMA

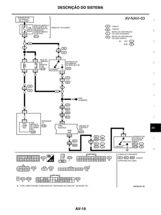
Diagrama de Circuito – NAVI –                         EKS00Q66
                                                                 A



                                                                 B


                                                                 C


                                                                 D


                                                                 E



                                                                 F


                                                                 G


                                                                 H



                                                                  I


                                                                  J



                                                                  K
                                                                 AV


                                                                  L



                                                                 M




                                                MKWA4912E




                                AV-17
DESCRIÇÃO DO SISTEMA




                       MKWA3608E




       AV-18
DESCRIÇÃO DO SISTEMA


                                   A



                                   B


                                   C


                                   D


                                   E



                                   F


                                   G


                                   H



                                    I


                                    J



                                    K
                                   AV


                                    L



                                   M




                       MKWA4913E




       AV-19
DESCRIÇÃO DO SISTEMA




                       MKWA3610E




       AV-20
DESCRIÇÃO DO SISTEMA


                                   A



                                   B


                                   C


                                   D


                                   E



                                   F


                                   G


                                   H



                                    I


                                    J



                                    K
                                   AV


                                    L



                                   M




                       MKWA3611E




       AV-21
DESCRIÇÃO DO SISTEMA




                       MKWA3612E




       AV-22
DESCRIÇÃO DO SISTEMA


                                   A



                                   B


                                   C


                                   D


                                   E



                                   F


                                   G


                                   H



                                    I


                                    J



                                    K
                                   AV


                                    L



                                   M




                       MKWA3613E




       AV-23
DESCRIÇÃO DO SISTEMA

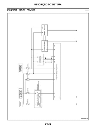
Diagrama – NAVI – / COMM                          EKS00Q67




                                              MKWA3614E




                              AV-24
DESCRIÇÃO DO SISTEMA

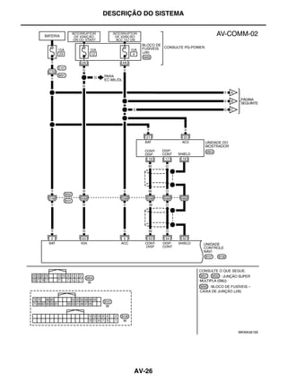
Diagrama de Circuito – NAVI – / COMM                 EKS00Q68
                                                                A



                                                                B


                                                                C


                                                                D


                                                                E



                                                                F


                                                                G


                                                                H



                                                                 I


                                                                 J



                                                                 K
                                                                AV


                                                                 L



                                                                M




                                               MKWA3615E




                                  AV-25
DESCRIÇÃO DO SISTEMA




                       MKWA3616E




       AV-26
DESCRIÇÃO DO SISTEMA


                                   A



                                   B


                                   C


                                   D


                                   E



                                   F


                                   G


                                   H



                                    I


                                    J



                                    K
                                   AV


                                    L



                                   M




                       MKWA4914E




       AV-27
DESCRIÇÃO DO SISTEMA

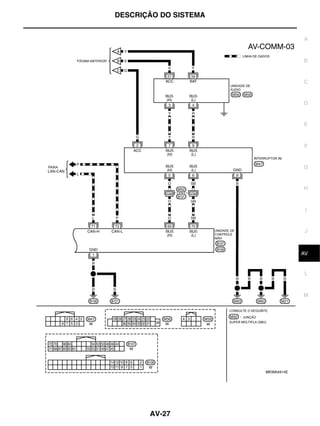
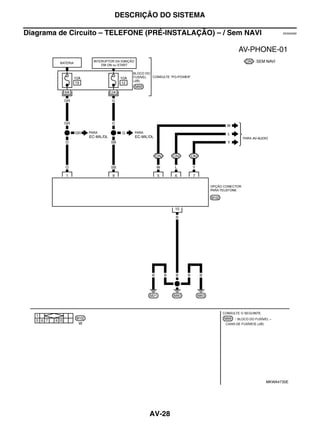
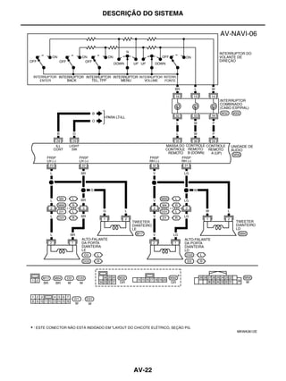
Diagrama de Circuito – TELEFONE (PRÉ-INSTALAÇÃO) – / Sem NAVI         EKS00Q69




                                                                MKWA4735E




                                AV-28
DESCRIÇÃO DO SISTEMA

Comunicação CAN                                                                                    EKS00Q6A
                                                                                                              A
DESCRIÇÃO DO SISTEMA
CAN (Rede da Área do Controlador) é uma linha de comunicação serial para aplicação em tempo real. Com-
preende uma linha de comunicação múltipla no veículo com alta velocidade de comunicação de dados e uma        B
excelente capacidade de detecção de erros. O veículo está equipado com muitas unidades de controle
eletrônicas e cada unidade de controle compartilha informações e conexões com outras unidades de controle
durante a operação (não independentes). Na comunicação CAN, as unidades de controle são conectadas
com 2 linhas de comunicação (linha CAN H, L) permitindo uma alta taxa de transmissão de informações com       C
menos fiação. Cada unidade de controle transmite / recebe dados, mas faz a leitura seletiva apenas dos
dados necessários. Consulte LAN-47, "Tabela de Sinais da Comunicação CAN".
                                                                                                              D


                                                                                                              E



                                                                                                              F


                                                                                                              G


                                                                                                              H



                                                                                                               I


                                                                                                               J



                                                                                                               K
                                                                                                              AV


                                                                                                               L



                                                                                                              M




                                                AV-29
TERMINAIS E VALOR DE REFERÊNCIA PARA UNIDADE DE CONTROLE

TERMINAIS E VALOR DE REFERÊNCIA PARA
UNIDADE DE CONTROLE                                                                                             PFP:00000

Unidade de Áudio Sem NAVI                                                                                          EKS00Q6B



   Terminal No.
                                              Sinal                 Condição
  (Cor do cabo)
                                               de
                            Item                       Interrup-                            Valor de Referência
                                             Entrada
  +          -                               /Saída      tor de           Operação
                                                        Ignição




   2         3     Sinal de Áudio do Lado
                                             Saída       ON        Saída de Som
 (BR)       (L)    Dianteiro Esquerdo


                                                                                                              SKIB1990E




   4         5     Sinal de Áudio do Lado
                                             Saída       ON        Saída de Som
  (L)       (V)    Traseiro Esquerdo


                                                                                                              SKIB1990E

                                                                   Continuar pressionando
                                                                   o interruptor DE            Aprox. 1.7 V
                                                                   BUSCA.
  6         15     Sinal do Controle
                                             Entrada     ON        Continuar pressionando
 (W)        (L)    Remoto B
                                                                   o interruptor DE            Aprox. 3.3 V
                                                                   VOLUME.
                                                                   Exceto para o acima.         Aprox. 5 V
   7               Fornecimento de
           Terra                             Entrada     ACC                   –            Voltagem de Bateria
  (V)              Energia ACC
                   Sinal de amp. da Antena
  8        Terra                             Saída       ON                    –                Aprox. 12 V
                   ON
                                                                   Interruptor de
                                                                                                Aprox. 12 V
   9                                                               Iluminação está ON.
           Terra   Sinal de Iluminação       Entrada     ON
  (O)                                                              Interruptor de
                                                                                                Aprox. 0 V
                                                                   Iluminação está OFF.




  11        12     Sinal de Áudio do Lado
                                             Saída       ON        Saída de Som
 (LG)       (V)    Dianteiro Direito


                                                                                                              SKIB1990E




  13        14     Sinal de Áudio do Lado
                                             Saída       ON        Saída de Som
 (GR)       (V)    Traseiro Direito


                                                                                                              SKIB1990E

  15               Terra do Controle
           Terra                               –         ON                    –                Aprox. 0 V
  (L)              Remoto


                                                         AV-30
TERMINAIS E VALOR DE REFERÊNCIA PARA UNIDADE DE CONTROLE

 Terminal No.
                                           Sinal                  Condição                                                       A
(Cor do cabo)
                                            de
                          Item                      Interrup-                                       Valor de Referência
                                          Entrada
 +         -                              /Saída      tor de           Operação
                                                     Ignição
                                                                Continuar PRESSIO-
                                                                NANDO o interruptor-                    Aprox. 0 V
                                                                FONTE.
                                                                                                                                 C
                                                                Continuar PRESSIO-
16        15     Sinal do Controle                              NANDO o interruptor DE                 Aprox. 1.7 V
                                          Entrada     ON        BUSCA.
(P)       (L)    Remoto A
                                                                                                                                 D
                                                                Continuar PRESSIO-
                                                                NANDO o interruptor DE                 Aprox. 3.3 V
                                                                VOLUME.
                                                                                                                                 E
                                                                Exceto para o acima.                    Aprox. 5 V
 17
           –     Imobilizador               –          –                     –                               –
(SB)
                                                                                                                                 F
                                                                                            NOTA:
                                                                                            A voltagem máxima pode ser de
                                                                                            5 Volts, devido às especificações
                                                                                            (Unidades Conectadas).               G
                                                                Quando a velocidade do
 18              Sinal da Velocidade do
         Terra                            Entrada     ON        veículo estiver em aprox.
(W)              Veículo (2-pulsos)
                                                                40 km/h (25 MPH)
                                                                                                                                 H


                                                                                                                     SKIB4731E
                                                                                                                                  I
19               Fornecimento de
         Terra                            Entrada     ON                     –                     Voltagem de Bateria
(Y)              Energia de Bateria
23
         Terra   Terra (EQ 3)               –         ON                     –                          Aprox. 0 V
                                                                                                                                  J
(B)
24
         Terra   Terra (EQ 4)               –         ON                     –                          Aprox. 0 V
(B)                                                                                                                               K
                                                                                                                                 AV
28
           –     TELEFONE MUDO              –          –                     –                               –
(Y)
30               ENTRADA POSITIVA                                                                                                 L
           –                                –          –                     –                               –
(L)              DO TELEFONE (+)
 31              ENTRADA NEGATIVA
           –     DO TELEFONE (-)            –          –                     –                               –
(W)
                                                                                                                                 M




                                                      AV-31
TERMINAIS E VALOR DE REFERÊNCIA PARA UNIDADE DE CONTROLE

Unidade de Áudio (Com NAVI)                                                                                              EKS00Q6D



    Terminal
                                              Entrada /                 Condição
   (Cor do fio)
                            Item              Saída de                                             Valor de referência
                                               Sinal      Interruptor
  +           -                                                             Funcionamento
                                                          de ignição
   3               Sinal de comunicação       Entrada /
              –                                               –                    –                       –
  (Y)              (H)                         saída
   4               Sinal de comunicação       Entrada /
              –                                               –                    –                       –
  (R)              (L)                         saída




   10        11
                   Sinal de voz TEL           Entrada        ON         Saída de voz TEL
  (W)        (O)


                                                                                                                 SKIB1990E




  12         13
                   Sinal de voz               Entrada        ON         Saída de voz
  (O)       (W)


                                                                                                                  SKIB1990E

  17       Massa   Blindagem (voz TEL)           –           ON                    –             Aproximadamente 0 V
                   Blindagem (Guia de
  18       Massa                                 –           ON                    –             Aproximadamente 0 V
                   voz)




  22         23    Sinal de áudio dianteiro
                                               Saída         ON         Saída de som
 (BR)        (L)   (L.E.)


                                                                                                                  SKIB1990E




  24         25    Sinal de áudio traseiro
                                               Saída         ON         Saída de som
  (L)        (V)   (L.E.)


                                                                                                                  SKIB1990E

                                                                        Mantenha o interruptor
                                                                                                 Aproximadamente 0 V
                                                                        SOURCE pressionado.
                                                                        Mantenha o interruptor
                                                                                                 Aproximadamente 1.2 V
                                                                        MENU UP pressionado.
                                                                        Mantenha o interruptor
  26         35    Sinal de controle-
                                              Entrada        ON         MENU DOWN                Aproximadamente 2.5 V
  (P)        (L)   remoto A
                                                                        pressionado.
                                                                        Mantenha o interruptor
                                                                                                 Aproximadamente 3.7 V
                                                                        ENTER pressionado.
                                                                        Exceto para os itens
                                                                                                 Aproximadamente 5 V
                                                                        acima.
  27
           Massa   Energia de ACC             Entrada        ACC                   –              Voltagem da bateria
  (V)



                                                          AV-32
TERMINAIS E VALOR DE REFERÊNCIA PARA UNIDADE DE CONTROLE

  Terminal
                                            Entrada /                 Condição                                                  A
 (Cor do fio)
                          Item              Saída de                                                 Valor de referência
                                             Sinal      Interruptor
 +          -                                                             Funcionamento
                                                        de ignição
                                                                      O interruptor de
                                                                      controle de iluminação
                                                                                               Alterações entre
28               Sinal de controle de                                 é acionando quando o
        Massa                               Entrada        ON                                  aproximadamente 0 V e
(B)              iluminação                                           interruptor de                                            C
                                                                                               aproximadamente 12 V
                                                                      iluminação estiver na
                                                                      posição ON.
                                                                      Interruptor de               Aproximadamente 12 V
                                                                      iluminação está ligado                                    D
 29
         Massa   Sinal de Iluminação        Entrada        ON         Interruptor de
(O)
                                                                      iluminação está              Aproximadamente 0 V
                                                                      desligado                                                 E



                                                                                                                                F
 31        32    Sinal de áudio dianteiro
                                             Saída         ON         Saída de som
(LG)       (V)   (L.D.)

                                                                                                                                G
                                                                                                                    SKIB1990E



                                                                                                                                H
 33        34    Sinal de áudio traseiro
                                             Saída         ON         Saída de som
(GR)       (V)   (L.D.)
                                                                                                                                 I
                                                                                                                    SKIB1990E

                                                                      Mantenha o interruptor
                                                                                                                                 J
                                                                      VOL DOWN                     Aproximadamente 0 V
                                                                      pressionado.
                                                                      Mantenha o interruptor
                                                                                                  Aproximadamente 1.2 V          K
                                                                      VOL UP pressionado.                                       AV
 36        35    Sinal de controle-
                                            Entrada        ON         Mantenha o interruptor
(W)        (L)   remoto B                                                                         Aproximadamente 2.5 V
                                                                      TEL, PTT pressionado.
                                                                      Mantenha o interruptor                                     L
                                                                                                  Aproximadamente 3.7 V
                                                                      BACK pressionado.
                                                                      Exceto para os itens
                                                                                                   Aproximadamente 5 V
                                                                      acima.                                                    M
39
         Massa   Energia da Bateria         Entrada        ON                    –                  Voltagem da bateria
(Y)




                                                        AV-33
TERMINAIS E VALOR DE REFERÊNCIA PARA UNIDADE DE CONTROLE

Unidade de Controle NAVI                                                                                                   EKS00Q6D



Terminal (Cor do fio)                          Entrada /                 Condição
                                 Item          Saída de    Interruptor                               Valor de referência
    +           -                               Sinal                        Funcionamento
                                                           de ignição
    1
             Massa      Massa                     –           ON                    –               Aproximadamente 0 V
   (B)
    2
             Massa      Energia da Bateria     Entrada        ON                    –               Voltagem da bateria
   (Y)
    5
             Massa      Energia de ACC         Entrada        ACC                   –               Voltagem da bateria
   (V)
    6
             Massa      Energia MIC             Saída         ON                    –               Aproximadamente 5 V
   (B)
    7        Massa      Blindagem (MIC.)          –           ON                    –               Aproximadamente 0 V




    8
             Massa      Sinal MIC.             Entrada        ON         Som
   (W)


                                                                                                                    PKIB5037J

    9        Massa      Blindagem (voz TEL)       –           ON                    –               Aproximadamente 0 V




    10         11
                        Sinal de voz TEL        Saída         ON         Saída de voz TEL
   (W)         (O)


                                                                                                                    SKIB1990E




    12          14
                        Sinal de voz            Saída         ON         Saída de voz
   (O)         (W)


                                                                                                                    SKIB1990E

                        Blindagem (Guia de
   13        Massa                                –           ON                    –               Aproximadamente 0 V
                        voz)

                                                                         Iniciar modo
                                                                         Confirmação / Ajuste e
                                                                         a seguir exibir barra de
    44         47       Sinal RGB
                                                Saída         ON         cores, selecionando
   (G)         (B)      (R: vermelho)
                                                                         “Exibir Barra de Cores”
                                                                         na tela EXIBIR
                                                                         DIAGNÓSTICO.
                                                                                                                    SKIB2238J

                                                                         Iniciar modo
                                                                         Confirmação / Ajuste e
                                                                         a seguir exibir barra de
   45          47
                        Sinal RGB (G: verde)    Saída         ON         cores, selecionando
   (R)         (B)
                                                                         “Exibir Barra de Cores”
                                                                         na tela EXIBIR
                                                                         DIAGNÓSTICO.
                                                                                                                    SKIB2236J




                                                           AV-34
TERMINAIS E VALOR DE REFERÊNCIA PARA UNIDADE DE CONTROLE

Terminal (Cor do fio)                            Entrada /                 Condição
                                                                                                                                  A
                                 Item            Saída de    Interruptor                               Valor de referência
    +           -                                 Sinal                        Funcionamento
                                                             de ignição

                                                                           Iniciar modo
                                                                           Confirmação / Ajuste e
                                                                           a seguir exibir barra de
    46         47
                        Sinal RGB (B: azul)       Saída         ON         cores, selecionando
   (W)         (B)                                                                                                                C
                                                                           “Exibir Barra de Cores”
                                                                           na tela EXIBIR
                                                                           DIAGNÓSTICO.
                                                                                                                      SKIB2237J

   47                                                                                                                             D
             Massa      Massa RGB                   –           ON                    –               Aproximadamente 0 V
   (B)

                                                                                                                                  E

   48                   Sinal de sincronização
             Massa                                Saída         ON                    –
   (B)                  RGB
                                                                                                                                  F

                                                                                                                      SKIB3603E

                        Blindagem                                                                                                 G
    49       Massa                                  –           ON                    –               Aproximadamente 0 V
                        (Sincronização)


                                                                                                                                  H
                                                                           Coloque a alavanca
                                                                           seletora na posição R,
                                                                           e a seguir exibe a
                                                                           imagem traseira.                                        I

    50                                                                                                                SKIB3599E
             Massa      Sinal de área RGB (YS)    Saída         ON
   (G)
                                                                                                                                   J

                                                                           Diferente da indicada
                                                                           acima.
                                                                                                                                   K
                                                                                                                                  AV

                                                                                                                      SKIB3600E
                                                                                                                                   L

                                                                           Coloque a alavanca
   51                   Sinal de sincronização                             seletora na posição R,
   (R)
             Massa
                        horizontal (HP)
                                                 Entrada        ON
                                                                           e a seguir exibe a
                                                                                                                                  M
                                                                           imagem traseira.

                                                                                                                      SKIB3601E




                                                                           Coloque a alavanca
    52                  Sinal de sincronização                             seletora na posição R,
             Massa                               Entrada        ON
   (W)                  vertical (VP)                                      e a seguir exibe a
                                                                           imagem traseira.

                                                                                                                      SKIB3598E




                                                             AV-35
TERMINAIS E VALOR DE REFERÊNCIA PARA UNIDADE DE CONTROLE

Terminal (Cor do fio)                            Entrada /                 Condição
                                  Item           Saída de    Interruptor                                   Valor de referência
    +           -                                 Sinal                       Funcionamento
                                                             de ignição




    53                  Sinal de comunicação                               Ajuste da qualidade da
             Massa                                Saída         ON
   (W)                  (CONT-DISP)                                        imagem


                                                                                                                           PKIB5039J




    54                  Sinal de comunicação                               Ajuste da qualidade da
             Massa                               Entrada        ON
   (O)                  (DISP-CONT)                                        imagem


                                                                                                                           PKIB5039J

   55        Massa      Blindagem                   –           ON                    –                  Aproximadamente 0 V
                                                                           Interruptor de
                                                                                                         Aproximadamente 12 V
                                                                           iluminação está ligado
    61
             Massa      Sinal de Iluminação      Entrada        ON         Interruptor de
   (G)
                                                                           iluminação está               Aproximadamente 0 V
                                                                           desligado
   63
             Massa      Sinal de ignição         Entrada        ON                    –                    Voltagem da bateria
   (R)
                                                                           Freio de
                                                                                                         Aproximadamente 0 V
    64                  Sinal de freio de                                  estacionamento ON
             Massa                               Entrada        ON
   (G)                  estacionamento                                     Freio de
                                                                                                         Aproximadamente 12 V
                                                                           estacionamento OFF
                                                                           Alavanca seletora na
                                                                                                         Aproximadamente 12 V
   65                                                                      posição R.
             Massa      Sinal de ré              Entrada        ON
  (LG)                                                                     Alavanca seletora em
                                                                                                         Aproximadamente 0 V
                                                                           posição diferente de R.
                                                                                                     NOTA:
                                                                                                     A voltagem máxima pode ser
                                                                                                     de 12 Volts, devido às especifi-
                                                                                                     cações (Unidades Conectadas).
                                                                           Quando a velocidade
    66                  Sinal de velocidade do                             do veículo for de
             Massa                               Entrada        ON
   (O)                  veículo (8 pulsos)                                 aproximadamente
                                                                           40 km/h (25 mph).



                                                                                                                           SKIB4732E

    69                  Sinal de comunicação     Entrada /
                –                                                –                    –                             –
   (O)                  (H)                       saída
   70                   Sinal de comunicação     Entrada /
                –                                                –                    –                             –
  (SB)                  (L)                       saída
   71                                            Entrada /
                –       CAN-H                                    –                    –                             –
   (L)                                            saída
   72                                            Entrada /
                –       CAN-L                                    –                    –                             –
   (P)                                            saída
                                                                           O conector não está
   73        Massa      Sinal GPS                Entrada        ON                                       Aproximadamente 5 V
                                                                           conectado.
   74        Massa      Blindagem                   –           ON                    –                  Aproximadamente 0 V


                                                             AV-36
TERMINAIS E VALOR DE REFERÊNCIA PARA UNIDADE DE CONTROLE

Unidade da Tela                                                                                                             EKS00Q6F
                                                                                                                                       A
Terminal (Cor do fio)                          Entrada /                  Condição
                                Item           Saída de    Interruptor                                Valor de referência
   +           -                                Sinal                         Funcionamento
                                                           de ignição


                                                                         Iniciar modo Confirmação
                                                                         / Ajuste e a seguir exibir                                    C
   1           8        Sinal RGB                                        barra de cores,
                                               Entrada        ON
  (G)         (B)       (R: vermelho)                                    selecionando “Exibir
                                                                         Barra de Cores” na tela
                                                                         EXIBIR DIAGNÓSTICO.                                           D
                                                                                                                     SKIB2238J


                                                                                                                                       E
                                                                         Coloque a alavanca
                                                                         seletora na posição R, e
                                                                         a seguir exibe a imagem
                                                                         traseira.                                                     F

   2                    Sinal de área RGB                                                                            SKIB3599E
            Massa                              Entrada        ON
  (G)                   (YS)
                                                                                                                                       G

                                                                         Diferente da indicada
                                                                         acima.                                                        H


                                                                                                                     SKIB3600E
                                                                                                                                        I
                                                                         Iniciar modo Confirmação
                                                                         / Ajuste e a seguir exibir
   3           8        Sinal RGB (G:                                    barra de cores,                                                J
                                               Entrada        ON
  (R)         (B)       verde)                                           selecionando “Exibir
                                                                         Barra de Cores” na tela
                                                                         EXIBIR DIAGNÓSTICO.
                                                                                                                     SKIB2236J          K
                                                                                                                                       AV


                                                                         Coloque a alavanca                                             L
   4                    Sinal de sincroniza-                             seletora na posição R, e
            Massa                               Saída         ON
  (R)                   ção horizontal (HP)                              a seguir exibe a imagem
                                                                         traseira.
                                                                                                                                       M
                                                                                                                     SKIB3601E


                                                                         Iniciar modo Confirmação
                                                                         / Ajuste e a seguir exibir
   5           8                                                         barra de cores,
                        Sinal RGB (B: azul)    Entrada        ON
  (W)         (B)                                                        selecionando “Exibir
                                                                         Barra de Cores” na tela
                                                                         EXIBIR DIAGNÓSTICO.
                                                                                                                     SKIB2237J




                                                                         Coloque a alavanca
   6                    Sinal de sincroniza-                             seletora na posição R, e
            Massa                               Saída         ON
  (W)                   ção vertical (VP)                                a seguir exibe a imagem
                                                                         traseira.

                                                                                                                     SKIB3598E




                                                            AV-37
TERMINAIS E VALOR DE REFERÊNCIA PARA UNIDADE DE CONTROLE

Terminal (Cor do fio)                        Entrada /                  Condição
                                Item         Saída de    Interruptor                             Valor de referência
   +           -                              Sinal                        Funcionamento
                                                         de ignição




   7                    Sinal de
            Massa                            Entrada        ON                     –
  (B)                   sincronização RGB


                                                                                                                SKIB3603E

   8
            Massa       Massa RGB               –           ON                     –            Aproximadamente 0 V
  (B)
                        Blindagem
  10        Massa                               –           ON                     –            Aproximadamente 0 V
                        (Sincronização)



                        Sinal de
  17                                                                   Ajuste da qualidade de
            Massa       comunicação           Saída         ON
  (O)                                                                  imagem
                        (DISP-CONT)


                                                                                                                PKIB5039J

  18        Massa       Blindagem               –           ON                     –            Aproximadamente 0 V



                        Sinal de
   19                                                                  Ajuste da qualidade de
            Massa       comunicação          Entrada        ON
  (W)                                                                  imagem
                        (CONT-DISP)


                                                                                                                PKIB5039J

  20
            Massa       Energia de ACC       Entrada        ACC                    –            Voltagem da bateria
  (V)
  21
            Massa       Energia da Bateria   Entrada        ON                     –            Voltagem da bateria
  (Y)
  23
            Massa       Massa                   –           ON                     –            Aproximadamente 0 V
  (B)




                                                          AV-38
SISTEMA DE DIAGNÓSTICO

SISTEMA DE DIAGNÓSTICO                                                                                                        PFP:00000
                                                                                                                                             A
Sistema de Navegação Diagnóstico Função                                                                                           EKS00Q6H


●      Existem 2 funções de diagnóstico (diagnóstico de bordo e diagnóstico utilizando CONSULT-II), sendo
       necessário utiliza-los apropriadamente, de acordo com a condição. Caso o diagnóstico de bordo seja ini-
       ciado, efetue o diagnóstico com ele. Caso o diagnóstico de bordo não seja iniciado (tendo como causa, o
       sistema não foi iniciado, o interruptor de funcionamento não está ativado, etc.), efetue o diagnóstico, utili-
       zando CONSULT-II.
                                                                                                                                             C
●      No diagnóstico de bordo, a função de diagnóstico da unidade de controle NAVI é iniciada através do inter-
       ruptor de funcionamento e a unidade de controle NAVI efetua o diagnóstico de cada unidade do sistema.
●      No diagnóstico que utiliza CONSULT-II, a função de diagnóstico da unidade de controle NAVI é iniciada                                 D
       através da comunicação, entre CONSULT-II e a unidade de controle NAVI; a unidade de controle NAVI
       efetua o diagnóstico de cada unidade do sistema.

Função de Auto-diagnóstico de Bordo                                                                                               EKS00Q6H   E
DESCRIÇÃO
●      A função de diagnóstico de bordo possui um modo de auto-diagnóstico para efetuar o diagnóstico de fa-
       lhas automaticamente e o modo Confirmação / Ajuste para o diagnóstico manual.                                                         F
●      O modo de auto-diagnóstico efetua o diagnóstico na unidade de controle NAVI, conexões entre cada
       unidade que compõe o sistema e as conexões entre a unidade de controle NAVI e a antena GPS. Os
       resultados são exibidos no mostrador.                                                                                                 G
●      O modo Confirmação / Ajuste é utilizado para monitorar os sinais do veículo que necessitam de aciona-
       mento e avaliação de um técnico (falhas que não podem ser automaticamente avaliadas pelo sistema), a
       confirmação / ajuste do valor de ajuste, o histórico de erros do sistema e a condição de comunicação do                               H
       sistema.
ITEM DE DIAGNÓSTICO
                                                                                                                                              I
                          Modo                                                               Descrição
                                                             ●   Diagnóstico da unidade de controle NAVI (O drive de DVD-ROM não será
                                                                 diagnosticado quando não houver nenhum mapa de DVD-ROM
                                                                 introduzido).                                                                J
                     Auto-diagnóstico
                                                             ●   Podem ser efetuados diagnósticos de conexão entre a unidade de con-
                                                                 trole NAVI e a antena GPS e entre a unidade de controle NAVI e cada
                                                                 unidade.                                                                     K
                                                                                                                                             AV
                                                             O matiz pode ser confirmado pelo mostrador da barra de cores. A gradua-
                  Exibe Diagnóstico
                                                             ção da cor pode ser confirmada pelo mostrador da barra de graduação.
                                                             O diagnóstico de sinais pode ser efetuado para a velocidade do veículo,          L
                  Sinais do Veículo                          freio de estacionamento, luzes, ignição (interruptor de ignição) e marcha à
                                                             ré.
                  Teste do Alto-falante                      A conexão do alto-falante pode ser confirmada por um teste de tom.              M
                                          Ajuste do Ângulo   É possível fazer o ajuste, quando houver uma diferença entre o ângulo de
                                          de Direção         esterçamento atual e o ângulo de esterçamento da marca do veículo.
                  Navegação
                                          Calibração de      É possível fazer o ajuste, quando houver uma diferença entre a marca de
                                          Velocidade         localização atual e a localização atual.
    Confirmação
    / Ajuste                                                 São exibidas a falha do sistema e sua freqüência que ocorreram anterior-
                  Histórico de Erro                          mente. Quando o item com falha for selecionado, o tempo e o local em que
                                                             ocorreu pela última vez serão exibidos.
                  Diagnóstico CAN do veículo                 A transmissão / recepção da comunicação CAN poderá ser monitorada.
                                                             A condição de comunicação de cada unidade que compreende o sistema
                  Diagnóstico AV COMM
                                                             pode ser monitorada.
                                                             Podem ser efetuados ajustes do volume do viva-voz, teste de microfone de
                  Telefone Viva-voz
                                                             voz, bem como deletar a memória do viva-voz.
                  Bluetooth                                  Passkey e o nome do dispositivo podem ser confirmados / alterados.
                  Deletar Registro de Conexão da
                                                             O histórico da conexão e de erros da unidade podem ser deletados.
                  Unidade


                                                                 AV-39
SISTEMA DE DIAGNÓSTICO

PROCEDIMENTO DE OPERAÇÃO
1.   Dê partida ao motor.
2.   Desligue o áudio.




3.   Enquanto pressiona o interruptor “SETTING”, gire o seletor de
     volume para a direita ou para a esquerda, por, pelo menos, 40
     estalidos. (Quando a função de diagnóstico for ativada, será
     ouvido um bipe curto.)
     Pressione o interruptor “BACK” e será exibida a tela inicial do
     sistema.




                                                                       SKIB3960E


4.   O menu de diagnóstico de sistema é exibido; a seguir, os itens
     do Auto-diagnóstico e “Confirmação / Ajuste” podem ser sele-
     cionados.




                                                                       SKIB3961E




                                                  AV-40
SISTEMA DE DIAGNÓSTICO

Modo de Auto-diagnóstico                                                                      EKS00Q6J
                                                                                                         A
1.   Inicie a função de diagnóstico; a seguir selecione “Auto-diagnós-
     tico”.
–    A tela de auto-diagnóstico é exibida. O sistema entra no modo
     de auto-diagnóstico.                                                                                B
–    O gráfico de barras visualizado no centro da tela indica o pro-
     gresso do auto-diagnóstico.
                                                                                                         C


                                                                                                         D
                                                                                          SKIB3657E


2.   Os resultados do diagnóstico são exibidos quando o auto-diag-                                       E
     nóstico estiver completo. Cada nome de unidade e linhas de
     conexão entre cada unidade serão coloridos de acordo com os
     resultados de diagnóstico, conforme segue:
                                                                                                         F
              Resultados           Unidade         Linha de
             do diagnóstico                       Conexão
                 Normal             Verde           Verde
           Falha de Conexão          Cinza         Amarelo                                               G
           Drive de DVD não
             diagnosticado           Cinza          Verde                                 SKIB6650E
          Falhas nos drives de                                                                           H
         DVD-ROM e DVD-ROM         Amarelo          Verde
           Unidade retornou
                um erro *          Vermelho          Verde                                               I
     * : Apenas a unidade de controle (unidade de controle NAVI) é exibida em vermelho.
     NOTA:
     ● Interruptor: Interruptor AV
                                                                                                         J
     ● Unidade de controle: Unidade de controle NAVI

     ● O amplificador está embutido na unidade de áudio.
                                                                                                          K
                                                                                                         AV
–    Caso falhas múltiplas ocorram simultaneamente para uma
     unidade única, as cores do interruptor da tela são determinadas
     de acordo com a seguinte ordem de prioridade: vermelho >                                            L
     amarelo > cinza.
–    Ao selecionar o interruptor na tela de auto-diagnóstico, os
     comentários sobre os resultados do auto-diagnóstico são exibi-                                      M
     dos.



                                                                                          SKIB3659E




                                                   AV-41
SISTEMA DE DIAGNÓSTICO

FAIXA DE DETECÇÃO DE ERRO DO MODO DE AUTO-DIAGNÓSTICO
●   O modo de auto-diagnóstico pode efetuar o diagnóstico da condição de conexão do circuito de comuni-
    cação, entre a unidade de controle NAVI e cada unidade e o diagnóstico da unidade de controle NAVI.
●   Uma vez que a condição de início da função de diagnóstico é interruptor de funcionamento, caso a falha
    seja detectada no circuito de comunicação, entre a unidade de controle NAVI e o interruptor AV, a função
    de diagnóstico de bordo não pode ser iniciada.
RESULTADOS DO DIAGNÓSTICO
Verifique o mostrador aplicável na tabela de referência rápida de DTCs, e a seguir repare as peças que este-
jam apresentando falha.
Tabela de Referência Rápida de DTCs
                                                                                                     Possível local da falha /
       Tela de resultados de diagnóstico                          Descrição
                                                                                                       Ação a ser tomada




                                                 Foi detectada uma falha na unidade de       Substitua a unidade de controle
                                                 controle NAV                                NAVI




                                     SKIB6651E




                                                                                             ●   Limpe as lentes de leitura do drive
                                                 ●   Foi detectada uma falha nas lentes de       do DVD-ROM na unidade de con-
                                                     leitura do drive de DVD-ROM na              trole NAVI, utilizando o disco de
                                                     unidade de controle NAVI                    limpeza especificado
                                                 ●   Existe o disco de mapas está sujo ou    ●   Disco de mapa
                                                     danificado
                                                                                             ●   Unidade de controle NAVI


                                     SKIB6652E




                                                 Foi detectado que o DVD-ROM não foi
                                                                                             Introduza o disco de mapa
                                                 introduzido na unidade de controle NAVI




                                     SKIB6653E




                                                           AV-42
SISTEMA DE DIAGNÓSTICO

                                                                                                       Possível local da falha /
        Tela de resultados de diagnóstico                          Descrição
                                                                                                         Ação a ser tomada              A


                                                  ●   Foi detectada uma falha no circuito de   ●   Circuito de alimentação da
                                                      alimentação da unidade de áudio              unidade de áudio
                                                  ●   Foi detectada uma falha no circuito de   ●   Circuito de comunicação, entre o
                                                      comunicação, entre o interruptor AV e        interruptor AV e a unidade de
                                                      a unidade de áudio.                          áudio
                                                                                                                                        C
                                                  ●   Foi detectada uma falha no sinal de      ●   Interruptor AV
                                                      comunicação, entre a unidade de áudio    ●   Unidade de áudio
                                                      e a unidade de controle NAVI             ●   Unidade de controle NAVI
                                                                                                                                        D
                                      SKIB6654E


                                                                                                                                        E
                                                  ●   Foi detectada uma falha no circuito
                                                      de comunicação, entre a unidade de       ●   Circuito de comunicação, entre a
                                                      controle NAVI e a unidade do                 unidade controle NAVI e a unidade
                                                                                                   do mostrador                         F
                                                      mostrador
                                                  ●   Foi detectada uma falha no sinal de      ●   Unidade do mostrado
                                                      comunicação, entre a unidade do          ●   Unidade de controle NAVI
                                                      mostrador e unidade de controle NAVI                                              G

                                     SKIB6655E
                                                                                                                                        H



                                                                                                                                         I
                                                  Foi detectada uma falha na conexão da        ●   Alimentador da antena de GPS
                                                  antena de GPS da unidade de controle         ●   Antena GPS
                                                  NAVI                                         ●   Unidade de controle NAVI
                                                                                                                                         J



                                      SKIB6656E                                                                                          K
                                                                                                                                        AV

Modo de Confirmação / Ajuste
1.   Inicie a função de diagnóstico; a seguir selecione “Confirmação                                                                     L
     / Ajuste”.

                                                                                                                                        M




                                                                                                                            SKIB3660E


2.   Selecione cada interruptor de tela para exibir a tela de diagnós-
     tico pertinente. Pressione o interruptor “BACK” para retornar à
     tela inicial de Confirmação / Ajuste.




                                                                                                                            SKIB4658E

                                                            AV-43
SISTEMA DE DIAGNÓSTICO

TELA DO DIAGNÓSTICO DE FALHA




                                                                                                                      SKIB3662E


●      Caso haja uma falha no sinal RGB, o tom do mostrador da barra de cores será como segue:
            Erro de sinal R (vermelho)       : Tonalidade azul claro (cian)
            Erro de sinal G (verde)          : Tonalidade púrpura (magenta)
            Erro de sinal B (azul)           : Tonalidade amarela

SINAIS DO VEÍCULO
Uma comparação pode ser efetuada de cada sinal de veículo atual e
os sinais reconhecidos pelo sistema.




                                                                                                                      SKIB3663E


      Item de Diagnóstico   Mostrador          Condição do veículo                                Notas
                               ON       Velocidade do veículo > 0 km/h
    Velocidade do veículo     OFF       Velocidade do veículo = 0 km/h
                               –        Interruptor de ignição ACC         As alterações na indicação podem ser atrasadas. Isto
                               ON       Freio de estacionamento aplicado   é normal.
    Freio de
    estacionamento                      Freio de estacionamento
                              OFF
                                        desaplicado
                               ON       Interruptor de iluminação ON
    Luzes                                                                                           –
                              OFF       Interruptor de iluminação OFF
                               ON       Interruptor de ignição ON
    Ignição                                                                                         –
                              OFF       Interruptor de ignição ACC
                               ON       Alavanca seletora na posição R
                                        Alavanca seletora em qualquer      As alterações na indicação podem ser atrasadas. Isto
    Marcha à ré               OFF
                                        posição exceto R                   é normal.
                               –        Interruptor de ignição ACC



                                                            AV-44
SISTEMA DE DIAGNÓSTICO

TESTE DO ALTO-FALANTE
                                                                                     A
Ao selecionar “Teste do Alto-falante”, a tela de diagnóstico do alto-
falante é exibida. Ao pressionar “Start”, os tons de teste são ouvidos
no alto-falante. Neste momento, ao pressionar “Start”, os tons de
teste são ouvidos no alto-falante seguinte. A seguir, ao pressionar                  B
“Stop”, os tons de teste param.
NOTA:
A freqüência do tom de teste emitido em cada alto-falante é a                        C
seguinte:
       Tweeter                                : 3 kHz                    SKIB4686E
       Alto-falante da porta dianteira        : 300 Hz                               D
       Alto-falante da porta traseira 1       : kHz

                                                                                     E
NAVEGAÇÃO
Ajuste do Ângulo de Direção
                                                                                     F
O valor de saída do ângulo de esterçamento detectado com o
giroscópio pode ser ajustado.

                                                                                     G


                                                                                     H
                                                                         SKIB3684E


Calibração de Velocidade                                                             I
Normalmente a função de correção automática da distância ajusta a
falha de distância provocada pelo desgaste dos pneus ou a mudan-
ça da pressão dos pneus. Se o ajuste imediato for necessário quan-                   J
do as correntes de pneus estiverem instaladas, faça isto.


                                                                                      K
                                                                                     AV


                                                                         SKIB3685E   L



                                                                                     M




                                                   AV-45
SISTEMA DE DIAGNÓSTICO

HISTÓRICO DE ERRO
Os resultados do “auto-diagnóstico”: determina se ocorreu alguma falha entre selecionar “Auto-diagnóstico” e
exibir “Resultados do Auto-diagnóstico”. Entretanto se uma falha ocorrer antes de selecionar “Auto-diagnós-
tico” e não ocorra novamente antes de exibir “Resultados do Auto-diagnóstico”, os resultados de diagnóstico
são determinados como normais. Por esta razão, as falhas passadas que não poderiam ser determinadas ao
mesmo tempo em que o “Auto-diagnóstico” foi conduzido, devem ser diagnosticadas a partir de “Histórico de
Erro”. Em “Histórico de Erro”, tempo, data e local que o erro selecionado que ocorreu por último são exibidos.
Tome cuidado sobre o seguinte.
●    Se houver uma falha com a placa de circuito da antena GPS na unidade de controle NAVI, a data e hora
     corretos da ocorrência poderão ser exibidas.
●    O local de ocorrência é uma posição da marca de localização atual marcada quando o erro ocorreu.
     Caso esta marca não esteja na posição correta, o local correto da ocorrência será exibido.
●    A freqüência da ocorrência é exibida por 2 tipos de contadores (ascendente e descendente). Selecione
     um dos tipos de acordo com o item de erro
Contador descendente
●  Quando o erro for detectado, ajuste o contador em 40. Se o sistema estiver normal quando a ignição for
   ligada, ele diminuirá o contador de 1 em 1.
●  O limite inferior do contador é 2. Pode ser ajustado em 0 através do interruptor “Deletar Registro” ou de
   CONSULT-II.
Contador ascendente
●  Quando o interruptor de ignição for ligado, caso o erro seja detectado, o contador irá aumentar de 1 em 1.
   Mesmo que esteja normal quando o interruptor for ligado da próxima vez, o contador não será decres-
   cido.
●  O limite superior do contador é 50. 51 ou acima será exibido como 50. Pode ser ajustado em 0 através do
   interruptor “Deletar Registro” ou de CONSULT-II.
       Tipo de exibição da
                                                          Item de exibição do histórico de erro
    freqüência de ocorrência
    Contador descendente       CAN-COMM-CIRCUIT, CONTROL UNIT (CAN), AV COMM CIRCUIT, CONTROL UNIT (AV)
    Contador ascendente        Exceto a indicada acima.




                                                                                                          SKIB3687E




                                                          AV-46
SISTEMA DE DIAGNÓSTICO

Item de Exibição do Histórico de Erro
Alguns itens de erro podem ser exibidos simultaneamente de acordo com a causa. Caso alguns itens de erro                               A
sejam exibidos simultaneamente, a detecção da causa pode ser efetuada pela combinação dos itens exibi-
dos.

                                                                                                     Possível local da falha /
                   Item exibido                                Descrição
                                                                                                       Ação a ser tomada
                                                                                           Efetue o diagnóstico, utilizando CON-
                                                                                           SULT-II; a seguir, repare as peças que      C
                                              Foi detectada uma falha de comuni-
 CAN_COMM_CIRCUIT                                                                          apresentam falhas através dos resulta-
                                              cação CAN
                                                                                           dos do diagnóstico. Consulte AV-42,
                                                                                           "RESULTADOS DO DIAGNÓSTICO".
                                                                                                                                       D
                                              Foi detectada uma falha de diagnóstico
 UNIDADE DE CONTROLE (CAN)                                                                 Substitua a unidade de controle NAVI
                                              inicial CAN
                                              Foi detectada uma falha de diagnóstico                                                   E
 UNIDADE DE CONTROLE (AV)                                                                  Substitua a unidade de controle NAVI
                                              inicial no circuito de comunicação CAN
                                              ●   Foi detectada uma falha no circuito de
                                                  alimentação e de massa da unidade        ●   Circuito de alimentação e de massa
                                                  de áudio                                     da unidade de áudio                     F
 ●   CAN_COMM_CIRCUIT (AV)
                                              ●   Foi detectada uma falha no circuito de   ●   Circuito de comunicação, entre o
 ●   Erro de Conexão da Unidade de Áudio                                                       interruptor AV e a unidade de áudio
                                                  comunicação, entre o interruptor AV e
 ●   Erro de Conexão do Amplificador              a unidade de áudio.                      ●   Interruptor AV                          G
 ●   Erro RDS-TMC                             ●   Foi detectada uma falha no sinal de      ●   Unidade de áudio
                                                  comunicação, entre a unidade de          ●   Unidade de controle NAVI
                                                  áudio e a unidade de controle NAVI
                                                                                                                                       H
                                              ●   Foi detectada uma falha no circuito de
                                                  alimentação e de massa do interruptor    ●   Circuito de alimentação e de massa
 ●   CAN_COMM_CIRCUIT (AV)                        AV                                           do interruptor AV
 ●   Erro de Conexão dos Interruptores        ●   Foi detectada uma falha no interruptor   ●   Interruptor AV                           I
                                                  do circuito AV de comunicação e a        ●   Unidade de controle NAVI
                                                  unidade de controle NAVI.
                                              ●   Foi detectada uma falha no circuito de                                                J
                                                  alimentação e de massa da unidade        ●   Circuito de alimentação e de massa
                                                  do mostrador                                 da unidade do mostrador
                                              ●   Foi detectada uma falha no circuito de   ●   Circuito de comunicação, entre a
                                                                                               unidade do mostrador e a unidade de      K
                                                                                                                                       AV
 Erro de Conexão do Mostrador Dianteiro           comunicação, entre a unidade do
                                                  mostrador e unidade de controle NAVI         controle NAVI
                                              ●   Foi detectada uma falha no sinal de      ●   Unidade do mostrador
                                                  comunicação, entre a unidade do          ●   Unidade de controle NAVI                 L
                                                  mostrador e unidade de controle NAVI
                                                                                           ●   Condição da linha de conexão da
                                                                                               antena GPS                              M
                                              Foi detectada uma falha na conexão da        ●   Antena GPS
 Erro da Antena GPS
                                              antena GPS
                                                                                           ●   Alimentador da antena de GPS
                                                                                           ●   Unidade de controle NAVI
 ●   CAN_COMM_CIRCUIT (AV)                    ●   Foi detectada uma falha no circuito      ●   Circuito de comunicação, entre a
 ●   Erro de Conexão dos Interruptores            de comunicação, entre a unidade de           unidade controle NAVI e o interruptor
                                                  controle NAVI e o interruptor AV             AV
 ●   Erro de Conexão da Unidade de Áudio
                                              ●   Foi detectada uma falha no sinal de      ●   Unidade de controle NAVI
 ●   Erro de Conexão do Amplificador              comunicação, entre a unidade de
 ●   Erro RDS-TMC                                 controle NAVI e o interruptor AV         ●   Interruptor AV

 Erro do FLASH-ROM da Unidade de Controle     Foi detectada uma falha na unidade de
                                                                                           Substitua a unidade de controle NAVI
 Conexão do Giroscópio                        controle NAVI




                                                           AV-47
SISTEMA DE DIAGNÓSTICO

                                                                                                          Possível local da falha /
                    Item exibido                                    Descrição
                                                                                                            Ação a ser tomada
    Erro de Comunicação GPS                                                                     Caso um sintoma, como por exemplo
                                                                                                uma falha de recepção do GPS ocorra,
    Erro do GPS ROM
                                                                                                a falha intermitente causado por uma
                                                    Foi detectada uma falha no GPS
    Erro do GPS RAM                                                                             forte interferência de rádio pode ser
                                                                                                detectada. Caso a falha ocorra sempre,
    Erro do GPS RTC                                                                             substitua a unidade de controle NAVI
    Erro de Comunicação do DVD-ROM
    Erro de Leitura do DVD-ROM
    Erro do Disco do DVD-ROM
    Mecanismo do DVD-ROM não Detectado
    Erro do Mecanismo do DVD-ROM                                                                ●   Limpe as lentes de leitura do drive do
                                                    ●   Foi detectada uma falha nas lentes de       DVD-ROM na unidade de controle
    Erro de Foco do DVD-ROM                             leitura do drive de DVD-ROM na              NAVI, utilizando o disco de limpeza
    Erro de DVD-ROM TOC                                 unidade de controle NAVI                    especificado
    Erro de Busca do DVD-ROM                        ●   O disco de mapas está sujo ou           ●   Disco de mapa
                                                        danificado
    Erro de Correção de Erro do DVD-ROM                                                         ●   Unidade de controle NAVI

    Erro de Transferência de Dados do DVD-ROM
    Erro de Dados do DVD-ROM
    Erro do intervalo de retardo do DVD-ROM
    Erro para Carregar / Ejetar o DVD-ROM
    Erro de Memória do Controlador CAN              Foi detectada uma falha na unidade de
                                                                                                Substitua a unidade de controle NAVI
    Erro de Conexão do Módulo Bluetooth             controle NAVI


DIAGNÓSTICO CAN DO VEÍCULO
●      Situação de comunicação CAN e contador de erro são exibidos.
●      O contador de erro exibe 0 caso a falha não tenha sido
       detectada anteriormente. Caso a falha seja detectada, ele exibe
       40. Ao ligar o interruptor de ignição, caso esteja normal, ele exi-
       birá 39. O limite inferior do contador é 1.
●      Caso seja reajustado, o contador de erro exibirá 0.

                               Possível local da falha /     Contagem da Situação
           Descrição
                                 Ação a ser tomada          do Sinal (Atual) (Anterior)                                          SKIB4661E
    Rx (ECM)                          OK / ???                        0 - 40
    Rx (Grupo de
                                      OK / ???                        0 - 40
    Instrumentos)

NOTA: “???” Indica UNKWN (desconhecido).




                                                                 AV-48
SISTEMA DE DIAGNÓSTICO

DIAGNÓSTICO COMM AV
                                                                                                             A
●      Exibe a condição de comunicação, entre a unidade de controle
       NAVI (unidade principal) e cada unidade.
●      O contador de erro exibe 0 caso a falha não tenha sido
       detectada anteriormente. Caso a falha seja detectada, ele exibe                                       B
       40. Ao ligar o interruptor de ignição, caso esteja normal, ele exi-
       birá 39. O limite inferior do contador é 1. Caso seja reajustado, o
       contador de erro é deletado.                                                                          C
●      ITM: Unidade de controle NAVI
                                                                                                 SKIB4668E
                                      Contagem da         Contagem da
                 Sinal              Situação do Sinal   Situação do Sinal                                    D
                                         (Atual)            (Anterior)
    C Tx (ITM-Primary SW)               OK / ???             0 - 40
                                                                                                             E
    C Rx (Primary SW-ITM)               OK / ???             0 - 40
    C Rx (STRG SW-ITM)                  OK / ???             0 - 40
    C Rx (Audio-ITM)                    OK / ???             0 - 40
                                                                                                             F
    C Rx (Amp-ITM)                      OK / ???             0 - 40
    C Rx (RDS-ITM)                      OK / ???             0 - 40
                                                                                                             G
NOTA: “???” Indica UNKWN (desconhecido).

TELEFONE VIVA-VOZ
                                                                                                             H
Ajuste do Volume do Viva-voz
O ajuste do volume recebido do telefone viva-voz pode ser regulado
em Low (baixo), Medium (médio) e High (alto).
                                                                                                             I


                                                                                                             J


                                                                                                 SKIB3668E
                                                                                                              K
                                                                                                             AV
Teste do Microfone de voz
Quando esta função é ativada, a voz que dá entrada no microfone sai pelo alto-falante dianteiro através da
linha de sinal de voz TEL. O microfone e a linha de sinal de voz TEL podem ser verificados.                  L
Deletar a Memória do Viva-voz
Apaga a memória relacionada com o fone de viva-voz.
                                                                                                             M




BLUETOOTH
Confirmar / Alterar Passkey
   ● A passkey do Bluetooth pode ser confirmada ou alterada.

   ● A passkey pode ser alterada por quatro dígitos (entre 0 e 9).




                                                                                                 SKIB3669E



                                                        AV-49
SISTEMA DE DIAGNÓSTICO

Confirmar / Alterar Nome do Dispositivo
●  O nome do dispositivo do Bluetooth pode ser confirmado ou
   alterado.
●  O nome do dispositivo pode ser alterado por dezesseis dígitos
   (de A a Z) (letras minúsculas podem ser utilizadas) e – (hífen).




                                                                      SKIB3670E


DELETE DA UNIDADE DE CONEXÃO
Apague o histórico da conexão da unidade e o histórico de erro que
foi gravado na unidade de controle NAVI (Apagar o histórico de co-
nexão da unidade removida).




                                                                      SKIB3671E




                                                 AV-50
SISTEMA DE DIAGNÓSTICO

Funções de CONSULT-II (MULTI AV)                                                                                     EKS00Q6L
                                                                                                                                A
FUNÇÕES DE CONSULT-II
CONSULT-II pode exibir cada item de diagnóstico utilizando os modos de teste de diagnóstico mostrados
abaixo.
                                                                                                                                B
       Modo de diagnóstico                                        Descrição                                    Referência
                              Efetua o diagnóstico da conexão do circuito de comunicação, entre a unidade de
 RESULTADOS DO AUTO-
                              controle NAVI e o sistema de navegação e exibe as falhas atuais e anteriores       AV-51          C
 DIAGNÓSTICO
                              simultaneamente.
                              O diagnóstico do sinal do veículo que representa uma entrada para a unidade de
 MONITOR DE DADOS                                                                                                AV-53
                              controle NAVI pode ser efetuado.
 CAN DIAG SUPPORT MNTR        A transmissão / recepção da comunicação CAN poderá ser monitorada.                LAN-43          D
 MONITOR COMM AV              A transmissão / recepção do sistema de navegação poderá ser monitorada.            AV-54
 NÚMERO DE PEÇA DA ECU        O número de peça da unidade de controle NAVI pode ser verificado.                  AV-55
                                                                                                                                E
Consulte GI-48, "Procedimento de Partida CONSULT-II".

PROCEDIMENTO DE FUNCIONAMENTO BÁSICO CONSULT-II                                                                                 F
CUIDADO:
Caso CONSULT-II seja utilizado sem nenhuma conexão do CONVERSOR CONSULT-II, a falha poderia
ser detectada no auto-diagnóstico, dependendo da unidade de controle que efetua a comunicação                                   G
CAN.
1.   Selecione “MULTI AV” na tela “SELECT SYSTEM” (Selecionar
                                                                                                                                H
     sistema). Caso “MULTI AV” não for indicado, verifique os
     seguintes itens.
     ● Circuito de alimentação e de massa da unidade de controle
        NAVI.                                                                                                                   I
     ● Circuito do conector da conexão de dados (DLC) de CON-
        SULT-II. Consulte GI-50, "Circuito dos Conectores (DLC) do
        Link de Dados do CONSULT-II".                                                                                           J


                                                                                                                 SKIB3672E
                                                                                                                                 K
                                                                                                                                AV
2.   Selecione item de diagnóstico na tela “SELECT DIAG MODE”
     (Selecionar modo e diagnóstico).
                                                                                                                                L



                                                                                                                                M




                                                                                                                SKIB3673E


RESULTADOS DO AUTO-DIAGNÓSTICO
O auto-diagnóstico é iniciado e os resultados do auto-diagnóstico
são exibidos, pressionando-se “START” após selecionar “SELF-
DIAG RESULTS” (Resultados do auto-diagnóstico).
●  Em de CONSULT-II, auto-diagnóstico, resultados de auto-diag-
   nóstico e histórico de erros são exibidos simultaneamente.
●  A falha atual indica “CRNT”. A falha anterior indica “PAST”.
●  Caso os DTCs [U1000], [U1300] sejam detectados, “0” será exi-
   bido em TIME. Caso esteja normal, a próxima vez que o inter-
   ruptor de ignição for ligado, adicione 1 em TIME.                                                            SKIB3674E



                                                      AV-51
SISTEMA DE DIAGNÓSTICO

Item do Mostrador de Resultados do Auto-diagnóstico
Alguns itens de erro podem ser exibidos simultaneamente, de acordo com a causa. Caso alguns itens de erro
sejam exibidos simultaneamente, a detecção da causa pode ser efetuada pela combinação dos itens exibi-
dos.

                                                                                                Possível local da falha /
                 Item exibido                             Descrição
                                                                                                  Ação a ser tomada
                                                                                      Imprima os resultados do auto-
                                         Foi detectada uma falha de comuni-
 CAN_COMM_CIRCUIT [U1000]                                                             diagnóstico e PASSE PARA LAN-3,
                                         cação CAN
                                                                                      "Precauções Ao Usar CONSULT-II".
                                         Foi detectada uma falha de diagnóstico
 CONTROL UNIT (CAN) [U1010]                                                           Substitua a unidade de controle NAVI
                                         inicial CAN
                                         Foi detectada uma falha de diagnóstico
 CONTROL UNIT (AV) [U1310]                                                            Substitua a unidade de controle NAVI
                                         inicial no circuito de comunicação CAN
 ●   AV COMM CIRCUIT [U1300]             ●   Foi detectada uma falha no circuito de   ●   Circuito de comunicação, entre o
 ●   SWITCH CONN [U1240]                     comunicação, entre o interruptor AV e        interruptor AV e a unidade de controle
                                             a unidade de controle NAVI.                  NAVI
 ●   AUDIO H/U CONN [U1249]
                                         ●   Foi detectada uma falha no sinal e       ●   Interruptor AV
 ●   AMP CONN [U124E]                        comunicação, entre o interruptor AV e
 ●   RDS CONN [U124F]                        a unidade de controle NAVI.              ●   Unidade de controle NAVI

                                         ●   Foi detectada uma falha no circuito de
                                             alimentação e de massa da unidade        ●   Circuito de alimentação e de massa
                                             de áudio.                                    da unidade de áudio
 ●   AV COMM CIRCUIT [U1300]
                                         ●   Foi detectada uma falha no circuito de   ●   Circuito de comunicação, entre o
 ●   AUDIO H/U CONN [U1249]                                                               interruptor AV e a unidade de áudio
                                             comunicação, entre o interruptor AV e
 ●   AMP CONN [U124E]                        a unidade de áudio.                      ●   Unidade de áudio
 ●   RDS CONN [U124F]                    ●   Foi detectada uma falha no sinal e       ●   Interruptor AV
                                             comunicação, entre o interruptor AV e    ●   Unidade de controle NAVI
                                             a unidade de controle NAVI.
                                         ●   Foi detectada uma falha no circuito de
                                             alimentação e de massa da unidade        ●   Circuito de alimentação e de massa
                                             do mostrador                                 da unidade do mostrador
                                         ●   Foi detectada uma falha no circuito de   ●   Circuito de comunicação, entre a
 FRONT DISP CONN [U1243]                     comunicação, entre a unidade do              unidade do mostrador e a unidade de
                                             mostrador e unidade de controle NAVI         controle NAVI
                                         ●   Foi detectada uma falha no sinal de      ●   Unidade do mostrador
                                             comunicação, entre a unidade do          ●   Unidade de controle NAVI
                                             mostrador e unidade de controle NAVI
                                                                                      ●   Condição da linha de conexão da
                                         Foi detectada uma falha na conexão da            antena GPS
 GPS ANTENNA CONN [U1244]
                                         antena GPS                                   ●   Antena GPS
                                                                                      ●   Unidade de controle NAVI
                                         ●   Foi detectada uma falha no circuito de
                                             alimentação e de massa do interrup-      ●   Circuito de alimentação e de massa
 ●   AV COMM CIRCUIT [U1300]                 tor AV                                       do interruptor AV
 ●   SWITCH CONN [U1240]                 ●   Foi detectada uma falha no sinal e       ●   Interruptor AV
                                             comunicação, entre o interruptor AV e    ●   Unidade de controle NAVI
                                             a unidade de controle NAVI.
 Unidade de Controle FLASH-ROM [U1200]   Foi detectada uma falha na unidade de
                                                                                      Substitua a unidade de controle NAVI
 GYRO NO CONN [U1201]                    controle NAVI

 GPS COMM [U1204]                                                                     Caso um sintoma, como por exemplo
                                                                                      uma falha de recepção do GPS ocorra,
 GPS ROM [U1205]
                                                                                      a falha intermitente causada por uma
                                         Foi detectada uma falha no GPS
 GPS RAM [U1206]                                                                      forte interferência de rádio poderá ser
                                                                                      detectada. Caso a falha ocorra sempre,
 GPS RTC [U1207]                                                                      substitua a unidade de controle NAVI




                                                      AV-52
SISTEMA DE DIAGNÓSTICO

                                                                                                       Possível local da falha /
                   Item exibido                                   Descrição                                                               A
                                                                                                         Ação a ser tomada
 DVD-ROM COMM [U1208]
 DVD-ROM READ [U1209]
                                                                                                                                          B
 DVD-ROM DISC [U120A]
 DVD-ROM MECHA DETECT [U120C]
 DVD-ROM DRIVE MECHA [U120D]                                                                                                              C
                                                  ●   Foi detectada uma falha nas lentes de
 DVD-ROM FOCUS [U120E]                                leitura do drive de DVD-ROM na
                                                                                              ●   Disco de mapa
 DVD-ROM TOC [U120F]                                  unidade de controle NAVI
                                                  ●   O disco de mapas está sujo ou danifi-
                                                                                              ●   Unidade de controle NAVI                D
 DVD-ROM SEEK [U1210]
                                                      cado
 DVD-ROM ERR CORRECTION [U1211]
 DVD-ROM DATA FORWARD [U1212]                                                                                                             E
 DVD-ROM DATA [U1213]
 DVD-ROM TIMEOUT [U1214]
                                                                                                                                          F
 DVD-ROM LOAD [U1215]
 CAN CONT [U1216]                                 Foi detectada uma falha na unidade de
                                                                                              Substitua a unidade de controle NAVI
 BLUETOOTH CONN [U1217]                           controle NAVI
                                                                                                                                          G


MONITOR DE DADOS
                                                                                                                                          H
Ao selecionar “DATA MONITOR” (Monitor de Dados), são exibidos
“ALL SIGNALS” (todos os sinais) e “SELECTION FROM MENU”
(Seleção do Menu).
                                                                                                                                          I


                                                                                                                                          J


                                                                                                                              SKIB3675E
                                                                                                                                           K
                                                                                                                                          AV
Todos os Sinais
●  Quando “ALL SIGNALS” for selecionado e “START” for pres-
   sionado, as condições de sinal do veículo abaixo que represen-                                                                         L
   tam entradas para a unidade de controle NAVI são exibidas.
●  Para cada sinal, o sinal atual pode ser comparado com a
   condição reconhecida no sistema.                                                                                                       M




                                                                                                                              SKIB3676E



                                   Mos-
           Item exibido                               Condição do veículo                                  Notas
                                  trador
                                           Quando a velocidade do veículo for de
                                   ON
                                           0 km/h (0 mph) ou superior.
 VHCL SPD SIG
                                           Quando a velocidade do veículo for de    As alterações na indicação podem ser atrasadas.
                                  OFF
                                           0 km/h (0 mph)                           Isto é normal.
                                   ON      Freio de estacionamento aplicado
 PKB SIG
                                  OFF      Freio de estacionamento desaplicado




                                                               AV-53
SISTEMA DE DIAGNÓSTICO

                                   Mos-
           Item exibido                             Condição do veículo                                Notas
                                  trador
                                   ON      Interruptor de iluminação ON
 ILLUM SIG                                                                                               —
                                  OFF      Interruptor de iluminação OFF
                                   ON      Interruptor de ignição ON
 IGN SIG                                                                                                 —
                                  OFF      Interruptor de ignição ACC
                                   ON      Alavanca seletora na posição R
                                                                                   As alterações na indicação podem ser atrasadas.
 REV SIG                                   Alavanca seletora em qualquer posição
                                  OFF                                              Isto é normal.
                                           exceto R

Seleção do Menu
Ao selecionar “SELECTION FROM MENU”, mostrador de sinal do
veículo pode ser selecionado. Depois disso, a condição do sinal do
veículo selecionada será exibida quando “START” for pressionado.
         Item a ser selecionado                          Descrição
 VHCL SPD SIG
 PKB SIG
                                           Bem como ao selecionar “ALL
 ILLUM SIG
                                           SIGNALS”
 IGN SIG
 REV SIG                                                                                                                SKIB4681E


MONITOR COMM AV
Ao selecionar “AV COMM MONITOR”, são exibidos “AV&NAVI C/U”
E “ÁUDIO”.
AV&NAVI C/U
●  Ao selecionar “AV&NAVI C/U”, serão exibidos a condição de
   comunicação da unidade de controle NAVI para cada unidade e
   o contador de falhas.
●  O contador de erro exibe OK caso a falha não tenha sido
   detectada anteriormente. Caso a falha seja detectada, ele exibe
   0. Ao ligar o interruptor de ignição, caso esteja normal, ele exi-                                                   SKIB4684E
   birá 1. O limite superior do contador é 39.

                                             Mostrador        Contador de falhas
                Itens
                                           (PRESENTE)           (ANTERIOR)
 TRANSMIT DIAG                             OK / UNKWN             OK / 0 - 39
 PANEL SWITCH                              OK / UNKWN             OK / 0 - 39
 SW SECONDARY                                  —                        —
 RR CONTROL SW                                 —                        —
 STEERING SW                               OK / UNKWN             OK / 0 - 39
 AUDIO                                     OK / UNKWN             OK / 0 - 39
 SPEAKER AMP                               OK / UNKWN             OK / 0 - 39
 SIDE CAMERA                                   —                        —
 REAR CAMERA                                   —                        —
 TV TUNER                                      —                        —
 DVD PLAYER                                    —                        —
 VIDEO DIST                                    —                        —
 ETC                                           —                        —
 FM MULTI                                  OK / UNKWN             OK / 0 - 39
 REMOTE CONT                                   —                        —



                                                             AV-54
SISTEMA DE DIAGNÓSTICO

ÁUDIO
●  Ao selecionar “AUDIO”, serão exibidos a condição de comuni-                        A
   cação da unidade de áudio a cada unidade e o contador de fa-
   lhas.
●  O contador de erro exibe OK caso a falha não tenha sido                            B
   detectada anteriormente. Caso a falha seja detectada, ele exibe
   0. Ao ligar o interruptor de ignição, caso esteja normal, ele exi-
   birá 1. O limite superior do contador é 39.                                        C

                                Mostrador de Itens   Contador de falhas
              Itens                                                       SKIB4685E
                                  (PRESENTE)           (ANTERIOR)
                                                                                      D
 TRANSMIT DG                      OK / UNKWN            OK / 0 - 39
 SPEAKER AMP                           —                    —
 TV TUNER                              —                    —                         E
 DVD PLAYER                            —                    —
 MD DECK                               —                    —
 CD CHANGER                            —                    —                         F
 MD CHANGER                            —                    —

                                                                                      G


NÚMERO DE PEÇA DA ECU
                                                                                      H
O número de peça da unidade de controle NAVI é exibido.


                                                                                      I


                                                                                      J


                                                                          SKIB3680E
                                                                                       K
                                                                                      AV


                                                                                      L



                                                                                      M




                                                     AV-55
DIAGNÓSTICO DE FALHAS

DIAGNÓSTICO DE FALHAS                                                                                                      PFP:00004

Sistema de Navegação                                                                                                              EKS00Q6O



            Sintomas                         Itens de Verificação                   Possível local da falha / Ação a ser tomada
                                                                             Efetue o auto-diagnóstico utilizando CONSULT-II
                                   Todos os interruptores não podem
                                                                             Consulte AV-51, "RESULTADOS DO AUTO-DIAGNÓS-
                                   ser acionados
                                                                             TICO".
                                                                             ●   Efetue o auto-diagnóstico utilizando CONSULT-II
                                                                                 Consulte AV-51, "RESULTADOS DO AUTO-DIAG-
O interruptor AV não pode ser                                                    NÓSTICO"
acionado
                                   Apenas o interruptor especificado         –   Sem falha
                                   não pode ser acionado                         Interruptor AV
                                                                             –   Foi detectada uma falha
                                                                                 Consulte AV-52, "Item do Mostrador de Resultados
                                                                                 do Auto-diagnóstico".
A tela de mapa não é exibida
                                                                             Efetue o auto-diagnóstico de bordo
(imagem RGB exceto mapa está                           –
                                                                             Consulte AV-42, "RESULTADOS DO DIAGNÓSTICO".
normal)
O mostrador de informações sobre                                             Efetue o auto-diagnóstico, utilizando CONSULT-II
economia de combustível está                           –                     Consulte AV-51, "RESULTADOS DO AUTO-DIAGNÓS-
apresentando falha                                                           TICO"
                                                                             ●   Circuito do sinal de guia de voz
Guia de voz não é ouvido                               –                     ●   Unidade de áudio
                                                                             ●   Unidade de controle NAVI
                                                                             ●   Circuito do sinal de comunicação
                                   A transmissão do rádio é recebida         ●   Unidade de áudio
                                                                             ●   Unidade de controle NAVI
Informações de Tráfego (RDS-                                                 ●   Antena do vidro ou antena de haste
TMC) não são recebidas                                                       ●   Alimentador de antena
                                   A transmissão do rádio não é
                                                                             ●   Ampères da antena. Circuito de sinal ON
                                   recebida
                                                                             ●   Unidade de áudio
                                                                             ●   Unidade de controle NAVI


Imagem RGB
            Sintomas                         Itens de Verificação                   Possível local da falha / Ação a ser tomada
                                                                             ●   Sinal RGB (R: vermelho) circuito
                                   Tonalidade azul claro (cian)              ●   Unidade do mostrador
                                                                             ●   Unidade de controle NAVI
                                                                             ●   Sinal RGB (G: verde) circuito
A cor da imagem RGB não está       Tonalidade e imagem púrpura
                                                                             ●   Unidade do mostrador
adequada.                          (magenta) está rolando
                                                                             ●   Unidade de controle NAVI
                                                                             ●   Sinal RGB (B: azul) circuito
                                   A tela está amarelada                     ●   Unidade do mostrador
                                                                             ●   Unidade de controle NAVI
                                   ●   O interruptor AV não pode ser acio-
                                       nado ao ser pressionado               Efetue o auto-diagnóstico utilizando CONSULT-II
                                                                             Consulte AV-51, "RESULTADOS DO AUTO-DIAGNÓS-
                                   ●   A luz de fundo da tela está           TICO"
                                       apagada
A imagem RGB não é exibida         ●   MULTI AV” não é exibido na tela       ●   Circuito de alimentação e de massa da unidade de
(Nada é exibido na tela)               “SELECT SYSTEM” de CONSULT-               controle NAVI
                                       II.                                   ●   Unidade de controle NAVI
                                                                             ●   Circuito de alimentação e de massa da unidade do
                                   A luz de fundo do mostrador está              mostrador
                                   apagada
                                                                             ●   Unidade do mostrador



                                                            AV-56
DIAGNÓSTICO DE FALHAS

Sistema de Controle de Voz Ativado                                                                                               EKS00Q6Q
                                                                                                                                            A
             Sintomas                         Itens de Verificação                           Provável localização da falha
                                    A voz é ouvida em “Teste do Alto-fa-
                                    lante” e “Teste do Microfone de Voz”     Unidade de controle NAVI                                       B
                                    do modo de Confirmação / Ajuste
 A voz não pode ser controlada                                               ●   Circuito de alimentação MIC
 mesmo quando a tela de controle    A voz não é ouvida em “Teste do          ●   Circuito de blindagem (MIC.)                               C
 de voz é exibida                   Alto-falante” e “Teste do Microfone de
                                                                             ●   Circuito do sinal MIC.
                                    Voz” do modo de Confirmação /
                                    Ajuste                                   ●   Microfone
                                                                             ●   Unidade de controle NAVI                                   D
                                    A tela de funcionamento de TEL é
                                    exibida, pressionando-se e man-
                                    tendo-se pressionado o interruptor       Unidade de controle NAVI                                       E
                                    “TEL/PPT” do interruptor no volante
                                    de direção
                                    ●   A tela de funcionamento de TEL
                                        não é exibida, ao pressionar e
                                                                                                                                            F
                                        manter pressionado o interruptor
                                        “TEL/PPT” do interruptor no          Interruptor do volante de direção
 A voz não pode ser controlada          volante de direção
 (A tela de controle de voz não é                                                                                                           G
 exibida)                           ●   Os demais interruptores do volante
                                        de direção estão normais
                                    Os interruptores “BACK”, “VOL UP”,       ●   Circuito B do sinal de controle-remoto                     H
                                    “VOL DOWN” e “TEL/PPT” no inter-
                                                                             ●   Interruptor do volante de direção
                                    ruptor do volante de direção não são
                                    acionados                                ●   Unidade de áudio

                                                                             ●   Circuito de massa do sinal de controle-remoto               I
                                    Todos os interruptores do volante de
                                                                             ●   Interruptor do volante de direção
                                    direção não são acionados
                                                                             ●   Unidade de áudio
                                                                                                                                             J



                                                                                                                                             K
                                                                                                                                            AV


                                                                                                                                             L



                                                                                                                                            M




                                                            AV-57
DIAGNÓSTICO DE FALHAS

Interruptor do Volante de Direção                                                                                     EKS00Q6R


Sem NAVI

                             Sintomas                                                 Provável localização da falha
                                                               ●   Circuito de massa do sinal de controle-remoto
    Todos os interruptores do volante de direção não são
                                                               ●   Interruptor do volante de direção
    acionados
                                                               ●   Unidade de áudio
    Apenas o interruptor especificado não pode ser acionado    Interruptor do volante de direção
                                                               ●   Circuito A do sinal de controle-remoto
    Os interruptores “MODE”, “SEEK UP” e “VOL UP” não são
                                                               ●   Interruptor do volante de direção
    acionados
                                                               ●   Unidade de áudio
                                                               ●   Circuito B do sinal de controle-remoto
    Os interruptores “SEEK DOWN” e “VOL DOWN” não são
                                                               ●   Interruptor do volante de direção
    acionados
                                                               ●   Unidade de áudio

Com NAVI

                             Sintomas                                                 Provável localização da falha
                                                               ●   Circuito de massa do sinal de controle-remoto
    Todos os interruptores do volante de direção não são
                                                               ●   Interruptor do volante de direção
    acionados
                                                               ●   Unidade de áudio
    Apenas o interruptor especificado não pode ser acionado    Interruptor do volante de direção
                                                               ●   Circuito A do sinal de controle-remoto
    Os interruptores “MENU UP”, “MENU DOWN” e “SOURCE”
                                                               ●   Interruptor do volante de direção
    não são acionados
                                                               ●   Unidade de áudio
                                                               ●   Circuito B do sinal de controle-remoto
    Os interruptores “BACK”, “TEL / PPT”, “VOL UP” e “VOL
                                                               ●   Interruptor do volante de direção
    DOWN” não são acionados
                                                               ●   Unidade de áudio


Inspeção das Peças do Componente
INSPEÇÃO DA UNIDADE DO INTERRUPTOR DO VOLANTE DE DIREÇÃO
●      Verifique a continuidade entre o conector M302 do chicote do interruptor de combinação, terminal 15 e
       terminal 16.
●      Verifique a continuidade entre o conector M302 do chicote do interruptor de combinação, terminal 14 e
       terminal 16.




                                                              AV-58
DIAGNÓSTICO DE FALHAS

Padrão
                                                                      A
Sem NAVI
     15 – 16
     Interruptor VOLUM DOWN ON : Aproximadamente 652 Ω
                                                                      B
     Interruptor SEEK DOWN ON : Aproximadamente 165 Ω
     14 – 16
     Interruptor VOLUM UP ON    : Aproximadamente 652 Ω               C
     Interruptor SEEK UP ON     : Aproximadamente 165 Ω
     Interruptor MODE (modo)    : Aproximadamente 0 Ω     SKIB4685E
                                                                      D
Com NAVI
     15 – 16
                                                                      E
     Interruptor BACK ON       : Aproximadamente
                                 1.010 Ω
     Interruptor TEL/PTT ON    : Aproximadamente 330 Ω
                                                                      F
     Interruptor VOLUM UP ON   : Aproximadamente 110 Ω
     Interruptor VOLUM DOWN ON : Aproximadamente
                                 0Ω
                                                                      G
     14 – 16                                              SKIB4685E
     Interruptor ENTER ON     : Aproximadamente
                                1.010Ω                                H
     Interruptor MENU DOWN ON : Aproximadamente 330 Ω
     Interruptor MENU UP ON   : Aproximadamente 110 Ω
     Interruptor SOURCE ON    : Aproximadamente 0 Ω                    I


                                                                       J



                                                                       K
                                                                      AV


                                                                       L



                                                                      M




                                         AV-59
DIAGNÓSTICO DE FALHAS

Exemplo de Sintomas Não Falhas                                                                                                      EKS00Q6T


FUNCIONAMENTO BÁSICO
              Sintoma                                   Causa provável                                     Possível solução
                                      O brilho está no ajuste mais baixo.                      Ajuste o brilho do mostrador.
 Nenhuma imagem é exibida.                                                                     Pressione       e mantenha pressionado
                                      O mostrador foi desligado.
                                                                                               para ligar o mostrador.
                                      O volume não foi ajustado corretamente, ou está
 Não está disponível o guia de voz.                                                            Não está disponível o guia de voz.
                                      desligado.
 O volume está muito alto ou muito
 baixo.                               O guia de voz não é fornecido para ruas estreitas        Não é uma falha.
                                      (caminhos exibidos em cinza).
                                      O DVD-ROM de mapa não foi introduzido, ou foi            Introduza o DVD-ROM de mapa correta-
                                      introduzido ao contrário.                                mente.
 Nenhum mapa é exibido na tela.
                                      É exibida uma tela ao invés do mapa.                     Pressione “MAP”.
 A tela está excessivamente                                                                    Aguarde até que o interior do veículo
 embaçada.                            A temperatura dentro do veículo está baixa.
 O movimento é lento.                                                                          esteja aquecido.

 Alguns pixels no mostrador são
                                      Esta condição é uma característica inerente às
 mais escuros ou mais claros que                                                               Não é uma falha.
                                      telas de cristal líquido.
 outros.
 Alguns itens do menu não podem       Alguns itens do menu tornaram-se indisponíveis           Estacione o veículo em um local seguro e
 ser selecionados.                    enquanto o veículo estava sendo conduzido.               a seguir acione o sistema de navegação.

NOTA:
As localizações armazenadas na Agenda de Endereços e outras funções de memória podem ser perdidas
caso bateria do veículo seja descarregada. Caso isto ocorra, repare a bateria do veículo conforme necessário
e entre com as informações novamente na Agenda de Endereços.

ÍCONE DO VEÍCULO
              Sintoma                                    Causa provável                                    Possível solução
                                      Isto ocorre porque a quantidade de informações exi-
                                      bidas é reduzida para que a tela não fique excessi-
 Nomes de estradas e localizações     vamente cheia. Também existe a possibilidade que
 diferem da vista em Plano e da       os nomes das estradas e localizações possam ser          Não é uma falha.
 Vista Aérea.                         exibidas múltiplas vezes e os nomes que aparecem
                                      na tela podem ser diferentes em virtude do procedi-
                                      mento de processamento.
                                      O veículo foi transportado após a o interruptor de
                                                                                               Dirija o veículo durante algum tempo na
                                      ignição ser desligado, por exemplo, transportado por
                                                                                               estrada onde o GPS possa ser recebido.
                                      balsa.
 O ícone do veículo não é exibido
                                      A posição e direção do veículo podem estar incorre-      Não é uma falha. Dirija o veículo por
 na posição correta.
                                      tos, dependendo do meio de condução e dos níveis         algum tempo para corrigir automatica-
                                      de precisão de posicionamento do sistema de nave-        mente a posição e a direção do ícone do
                                      gação.
                                                                                               veículo.
 Quando o veículo estiver sendo       Em virtude da nova estrada ainda não estar arma-
                                                                                               Informações atualizadas da estrada
 dirigido em uma estrada nova, o      zenada nos dados de mapa, o sistema automatica-
                                                                                               serão incluídas na próxima versão do
 ícone do veículo está localizado     mente coloca o ícone do veículo na estrada mais
                                                                                               DVD-ROM de mapas.
 em outra estrada próxima.            próxima disponível.
 A tela não comuta para tela
                                      A tela diurna foi ajustada na última vez que os faróis   Ajuste a tela para o modo de condução
 noturna mesmo após os faróis
                                      foram ligados.                                           noturna, ao ligar os faróis.
 serem ligados.
 O mapa não rola mesmo quando o
                                      A tela de mapa da localização atual não é exibida.       Pressione “MAP”.
 veículo estiver em movimento.
 O ícone do veículo não é exibido.    A tela de mapa da localização atual não é exibida.       Pressione “MAP”.




                                                               AV-60
DIAGNÓSTICO DE FALHAS

             Sintoma                                    Causa provável                                   Possível solução
                                    Os sinais de GPS não podem ser recebidos depen-                                                      A
                                    dendo da localização do veículo, como por exemplo       Dirija em uma via aberta e reta durante
                                    uma garagem de estacionamento, em uma via com           algum tempo.
                                    muitos edifícios altos, etc.
O indicador GPS na tela per-
                                    Os sinais GPS não podem ser recebidos em virtude        Remova os objetos do porta-objetos
                                                                                                                                         B
manece cinza.
                                    de objetos colocados no porta-objetos traseiro.         traseiro.
                                                                                            Aguarde até que os satélites sejam
                                    Não está disponível um número suficiente de
                                                                                            deslocados para locais disponíveis para o    C
                                    satélites GPS.
                                                                                            sistema de navegação.
                                                                                            Dirija o veículo durante algum tempo [a
                                                                                            uma velocidade de aproximadamente
                                                                                            30 km/h (19 mph) durante cerca de 30         D
                                    Ao utilizar correntes de pneus ou ao substituir os
                                                                                            minutos] para corrigir automaticamente a
                                    pneus, os cálculos de velocidade baseados no
A localização do ícone do veículo                                                           posição do ícone do veículo.
                                    sensor de velocidade podem estar incorretos.
está desalinhada em relação à                                                               Caso este procedimento não seja capaz
posição atual.                                                                              de corrigir a posição do ícone do veículo,   E
                                                                                            contate uma concessionária NISSAN.
                                    Os dados do mapa apresentam erros ou estão              Informações atualizadas da estrada
                                    incompletos (a posição do ícone do veículo está         serão incluídas na próxima versão do
                                    sempre desalinhada na mesma área).                      DVD-ROM de mapas.
                                                                                                                                         F

DVD-ROM DE MAPAS
                                                                                                                                         G
             Sintoma                                  Causa provável                                     Possível solução
                                                                                            Verifique o DVD-ROM e limpe-o com um
                                    O DVD-ROM de mapas está sujo ou parcialmente            pano limpo e macio.
É exibida a mensagem “Error”.                                                                                                            H
                                    danificado.                                             Caso haja algum dano, substitua o DVD-
                                                                                            ROM.


CÁLCULO DE ROTAS E GUIA VISUAL                                                                                                            I

             Sintoma                                  Causa provável                                    Possível solução
No cálculo de novos percursos, os   Os waypoints já passados não estão incluídos no        Em caso de passar novamente pelos
                                                                                                                                          J
waypoints não estão incluídos.      cálculo de novos percursos.                            waypoints, edite a rota.
                                    Os cálculos de percurso ainda não foram                Determine o destine e faça o cálculo do
                                    efetuados.                                             percurso.
                                    O veículo não está sendo conduzido na rota
                                                                                           Dirija na rota sugerida.
                                                                                                                                          K
                                                                                                                                         AV
As informações sobre o percurso
                                    sugerida.
não são exibidas.
                                    O guia de rota está desativado.                        Ative o guia de rota.
                                    As informações da rota não são fornecidas para
                                                                                           Não é uma falha.                               L
                                    ruas estreitas (caminhos exibidos em cinza).
O cálculo do novo percurso (ou
cálculo de desvio) sugere a         O cálculo de rota leva em consideração condições
                                                                                           Não é uma falha.
mesma rota igual àquela             de prioridade, mas a mesma rota foi calculada.                                                       M
previamente sugerida.
                                                                                           Podem ser colocados no máximo 5
Não é possível adicionar um         Cinco waypoints já foram ajustados à rota,             waypoints na rota. Em caso de ir para 6 ou
waypoint.                           incluindo aqueles pelos quais você já passou.          mais waypoints, efetue os cálculos de rota
                                                                                           várias vezes, conforme necessário.
                                                                                           Determine novamente o destino para a
                                    As estradas/ruas próximas ao destino não podem
                                                                                           estrada principal ou secundária e recalcule
                                    ser calculadas.
                                                                                           a rota.
                                    O ponto de partida e de chegada estão muito            Determine um destino mais distante.
                                    próximos.
A rota sugerida não é exibida.                                                             Divida o caminho, selecionando um ou
                                    O ponto de partida e de chegada estão muito
                                                                                           dois destinos intermediários e efetue os
                                    distantes.
                                                                                           cálculos de rota várias vezes.
                                    Existem estradas restritas (dia da semana,             Desative “Use Time Restricted roads”
                                    horário), próximas à localização atual do veículo ou   (estradas restritas em determinados
                                    do destino.                                            horários).
Uma parte da rota sugerida não é    A rota sugerida inclui ruas estreitas (caminhos
                                                                                           Não é uma falha.
exibida.                            exibidos em cinza).


                                                            AV-61
DIAGNÓSTICO DE FALHAS

              Sintoma                                     Causa provável                                    Possível solução
                                        Uma rota é gerenciada por seções entre os
                                        waypoints. Caso você já tenha passado pelo
Parte da rota que já foi atingida é
                                        primeiro waypoint, a seção entre o ponto de partida   Não é uma falha.
deletada.
                                        e o waypoint é deletada. (Ela poderá não ser
                                        deletada, dependendo da área.)
                                        Caso haja restrições (por exemplo ruas de mão
                                        única) nas vias próximas ao ponto de partida ou       Ajuste o local do ponto de partida e de
                                        de chegada, o sistema poderá sugerir uma rota         chegada.
                                        alternativa.
Uma rota alternativa é sugerida.
                                        Este sistema pode sugerir uma rota alternativa
                                                                                              Determine novamente o destino para a
                                        porque o cálculo de rota não leva em consideração
                                                                                              estrada principal ou secundária e recalcule
                                        algumas áreas como por exemplo ruas estreitas
                                                                                              a rota.
                                        (vias em cinza).
As informações dos marcos de
                                        Isto poderá ser causado por dados insuficientes ou
estrada não correspondem às                                                                   Não é uma falha.
                                        incorretos no DVD-ROM.
informações reais.
A rota sugerida não liga                                                                      Determine o ponto de partida, waypoints e
                                        Não existem dados para o cálculo de rota mais
exatamente o ponto de partida,                                                                chegada na via principal e efetue o cálculo
                                        próximo a estes locais.
waypoints ou chegadas.                                                                        da rota.

GUIA DE VOZ
              Sintoma                                     Causa provável                                    Possível solução
                                        O guia de voz está apenas disponível em determi-
                                        nados cruzamentos. Em alguns casos, o guia de
                                                                                               Não é uma falha.
                                        voz não está disponível, mesmo quando o veículo
                                        deve fazer uma conversão.
O guia de voz não está disponível.                                                             Volte para a rota sugerida ou solicite um
                                        O veículo foi desviado da rota sugerida.
                                                                                               novo cálculo de rota.
                                        O guia de voz está desativado.                         Ative o guia de voz.
                                        O guia de rota está desativado.                        Ative o guia de voz.
                                        O conteúdo do guia de voz pode variar, dependendo
As conteúdo de orientação não                                                                  Siga todos os regulamentos e leis de
                                        dos tipos de cruzamentos nos quais as conversões
corresponde às condições reais.                                                                trânsito.
                                        são efetuadas.

RECONHECIMENTO DE VOZ
              Sintoma                                     Causa provável                                    Possível solução
                                                                                              Feche os vidros ou peça aos passageiros
                                        Há muito ruído dentro do veículo.
                                                                                              que fiquem quietos.
                                        O volume de voz está muito baixo.                     Fale mais alto.
                                        A pronúncia não é clara.                              Fale com clareza.
O sistema não reconhece o co-                                                                 Pressione e libere “PPT” no interruptor do
mando.                                  O modo de reconhecimento de voz ainda não está
                                                                                              volante de direção e fale um comando
O sistema reconhece o comando           pronto para falar.
                                                                                              após ser ouvido o tom.
incorretamente.
                                        Já passaram 5 segundos ou mais após ter sido          Certifique-se de falar um comando dentro
                                        pressionado e liberado “PPT” no interruptor de        de 5 segundos após pressionar e liberar
                                        direção.                                              “PPT” no interruptor do volante.
                                        Apenas uma faixa limitada de comandos de voz é        Utilize o comando de voz apropriado para
                                        utilizada para cada tela.                             a tela atual.

RUÍDO NO RÁDIO
              Sintoma                                     Causa provável                                     Possível solução
                                                                                              1. Verificar o alto-falante.
Alto-falante individual traseiro está   1. Cada alto-falante.                                 2. Verificar os circuitos de saída para cada
com ruído, ou inoperante.               2. Circuito de saída para cada alto-falante.             alto-falante, entre a unidade de áudio e
                                                                                                 cada alto-falante.
                                                                                              1. Verificar a antena do teto.
                                        1. Antena do teto.                                    2. Verificar a condição do cabo terra da
Estações AM/FM fracas, ou com
                                        2. Cabo terra da unidade de áudio.                       unidade de áudio.
ruído.
                                        3. Unidade de áudio.                                  3. Remover a unidade de áudio para
                                                                                                 reparo.


                                                                 AV-62
DIAGNÓSTICO DE FALHAS

Teste dos Magazines e Discos
1. Confirme se os discos estão inseridos corretamente no magazine (não estão de ponta cabeça).                    A
2. Visualmente inspecione/compare os discos do cliente entre si e com outros discos identificando qualquer
    condição fora das especificadas abaixo.
    ● Discos com grande diâmetro externo. [O tamanho normal é de 120 mm (4,72 pol.)]
                                                                                                                  B
    ● Discos com bordas ásperas, ou dobradas.

    ● Discos com grande espessura. [O tamanho normal é de 1,2 mm (0,047 pol.)].
                                                                                                                  C
    ● Discos com arranhões, abrasões, ou depressões, na superfície.

    ● Discos com graxa/óleo, marcas de dedos, ou material estranho.

    ● Discos que estejam deformados devido à exposição excessiva ao calor.                                        D
3. Deslizar/colocar/retirar os discos de suas posições, automaticamente. Identificar os discos e/ou posições
    que precisem de alguma força extra para a colocação/retirada. Se alguma interferência for encontrada
    (disco agarrado, ou tensões excessivas), substituir o depósito ou os discos.                                  E
NOTA:
●   Os discos que estiverem completamente fora de especificação (por ex.: sujos, arranhados, etc.) podem
    até tocar corretamente, num aparelho de som doméstico. Entretanto, quando utilizados no ambiente auto-        F
    motivo podem ocorrer saltos no disco, devido ao movimento adicional do veículo, e/ou às vibrações, dev-
    ido às condições das estradas. Os trocadores automáticos não devem ser substituídos, quando houver
    problemas nos discos.
                                                                                                                  G
●   Utilizar um pano macio e úmido para limpar os discos, começando da borda em direção radial. Jamais uti-
    lizar produtos químicos de limpeza para limpar os discos.
●   Os CD-Rs não têm garantia de tocar porque eles podem conter algum arquivo de formato diferente ou
                                                                                                                  H
    corrompido (MP3, WMA...) ou podem ter sido masterizados, incorretamente, pelo cliente, em um com-
    putador.
●   Verificar se os CDS contêm o logotipo. Se não contiverem, os discos não foram masterizados, de acordo
    com o Padrão “red book” para CDs, e podem não tocar.                                                          I


INSPEÇÃO DO ALTO-FALANTE
                                                                                                                  J
1.   Desconectar o conector do circuito do alto-falante.
2.   Medir a resistência entre os terminais 1 e 2 do alto-falante.
     ● A resistência deverá ser 2 – 4 Ω.
                                                                                                           K
                                                                                                          AV
3.   Utilizando fios-ponte, conectar, momentaneamente, uma bateria de 9 Volts entre os terminais 1 e 2 do
     alto-falante.
     ● Um zumbido, ou um estalo momentâneo deverá ser ouvido.                                              L

INSPEÇÃO DA ANTENA
Utilizando um fio-ponte grosso, prender um cabo terra auxiliar, entre a antena e a carroceria.                    M
●    Se a recepção melhorar, verificar o cabo terra da antena (na superfície da carroceria).
●    Se a recepção não melhorar, verificar o principal cabo alimentador quanto a um curto-circuito, ou um cir-
     cuito aberto.
NOTA:
A resistência não deverá ser mais alta do que 0,5 ? entre a base da antena e a carroceria do veículo. Verificar
também a continuidade dos cabos alimentadores da antena entre o rádio e a base da antena.

INSPEÇÃO DO RÁDIO
Todas as inspeções de voltagem são feitas com:
●   Interruptor da Ignição ON ou ACC;
●   Rádio ON;
●   Rádio conectado (Se retirado para inspeção, providenciar um cabo terra para o compartimento, utilizando
    um fio-ponte).



                                                   AV-63
DIAGNÓSTICO DE FALHAS

EXEMPLOS DE DESLOCAMENTO DE MARCAS DE LOCALIZAÇÃO ATUAL
Ele calcula o percurso do veículo, fazendo a leitura da distância do percurso e do ângulo de giro. Desta forma,
se o veículo for dirigido da maneira a seguir, irá ocorrer um erro no mostrador de localização atual. Caso a
localização correta não tenha sido restaurada após dirigir o veículo normalmente, efetue a correção de loca-
lização.




                                                                                                      SEL698V




                                                   AV-64
DIAGNÓSTICO DE FALHAS

               Causa (condição)                           Condição de direção                    Notas (correção, etc.)
                                                                                                                                A
            Cruzamentos Y
                                                  Em um cruzamento Y ou divisão
                                                  similar da estrada, erros na direção
                                                  do percurso deduzidos por um sen-                                             B
                                                  sor podem fazer que uma marca de
                                                  localização real apareça na estrada
                                                  incorreta.
                                                                                                                                C
                                       ELK0192D

            Estradas sinuosas
                                       SEL709V    Ao dirigir em uma estrada sinuosa
                                                  contínua (por exemplo uma ponte
                                                                                                                                D
                                                  em curva), erros de ângulo de giro
                                                  são acumulados e a marca do
                                                  veículo pode ser desviada da locali-                                          E
                                                  zação correta.
                                       ELK0193D

            Estradas retas                        Ao dirigir em uma estrada longa e
                                                  reta, com poucas curvas sem parar,
                                                                                                                                F
                                                  o mapa de correspondência não fun-
                                                  ciona efetivamente e os erros de dis-
                                                  tância podem ser acumulados.                                                  G
                                                  Como resultado, a marca do veículo
                                                  pode ser desviada da localização
                                                  correta quando o veículo fizer uma      Caso, após dirigir aproximadamente
                                       ELK0194D   conversão.                              10 km (6 mph) a localização correta   H
Padrão da
            Curvas em ziguezague                                                          não tenha sido restaurada, efetue a
estrada                                                                                   correção de localização e, se
                                                  Ao dirigir em uma estrada cheia de
                                                                                          necessário, a correção da direção.
                                                  ziguezagues, o mapa pode corre-
                                                  spondente a outras estradas em                                                 I
                                                  uma direção similar próxima a cada
                                                  conversão, e a marca do veículo
                                                  pode ser desviada da localização
                                                  correta.
                                                                                                                                 J
                                       ELK0195D
            Estradas com padrão grid
            (quadriculado)                        Ao dirigir em um local onde as vias
                                                                                                                                 K
                                                                                                                                AV
                                                  são dispostas em um padrão de grid
                                                  (quadriculado), onde muitas estra-
                                                  das correm para uma direção similar
                                                  próxima, o mapa pode corre-                                                    L
                                                  sponder-se a elas por engano e a
                                                  marca do veículo pode desviar da
                                                  localização correta.
                                       ELK0196D                                                                                 M
            Estradas paralelas
                                                  Quando duas estradas caminham
                                                  paralelamente (como por exemplo
                                                  uma auto-estrada e a marginal), o
                                                  mapa pode corresponder com a
                                                  outra via por engano e a marca do
                                                  veículo pode desviar-se da localiza-
                                                  ção correta.
                                       ELK0197D




                                                     AV-65
DIAGNÓSTICO DE FALHAS

              Causa (condição)                             Condição de direção                     Notas (correção, etc.)
                                                   Ao dirigir em um estacionamento, ou
                                                   outro local onde não existem vias no
           Em um estacionamento                    mapa, a correspondência pode colo-
                                                   car a marca do veículo em uma via
                                                   próxima. Quando o veículo retorna à
                                                   estrada, a marca do veículo pode ter
                                                   sido desviada do local correto. Ao
                                                   dirigir em um círculo ou ao girar o
                                                   volante de direção repetidamente,
                                                   os erros de direção são acumula-
                                                   dos, e a marca do veículo pode des-
                                                   viar-se da localização correta.
           Viradouro                               Quando o interruptor de ignição
                                                   estiver desligado, o sistema de
                                                   navegação não pode receber o sinal
                                                   do giroscópio (sensor de velocidade
                                                   angular). Desta forma, a direção exi-
                                                   bida pode estar incorreta e a via cor-
Local                                              reta pode não ser encontrada
                                                   facilmente após girar o veículo em
                                     SEL710V       um viradouro com ignição desligada.
                                                   Em neve, estradas molhadas, pedre-
                                                   gulhos ou outras estradas onde os
                                                   pneus podem deslizar facilmente, os
           Estradas escorregadias                  erros de quilometragem acumulados
                                                   podem fazer com que a marca do           Caso, após dirigir aproximadamente
                                                   veículo seja desviada da estrada         10 km (6 mph) a localização correta
                                                   correta.                                 não tenha sido restaurada, efetue a
                                                   Ao estacionar em garagens com            correção de localização, e, se
                                                   aclives ou declives, ao dirigir em       necessário, a correção da direção.
                                                   estradas inclinadas lateralmente ou
                                                   em outros casos onde o veículo gire
           Subidas/descidas
                                                   quando inclinado, um erro no ângulo
                                                   de giro irá ocorrer e a marca do
                                                   veículo pode ser desviada da
                                                   estrada.
           Estradas não exibidas na tela do mapa   Ao dirigir em novas estradas ou ou-
                                                   tras estradas não exibidas na tela do
                                                   mapa, a correspondência de mapa
                                                   não funciona corretamente e faz a
                                                   correspondência do local com uma
                                                   estrada próxima. Quando o veículo
                                                   retorna à estrada que está no mapa,
                                     SEL699V       a marca do veículo pode ser desvia-
                                                   da da estrada correta.
Dados do
mapa       Padrão de estrada diferente (Alterada
           em virtude de obras)                    Caso o padrão da estrada arma-
                                                   zenado nos dados do mapa e no
                                                   padrão real da estrada sejam di-
                                                   ferentes, a correspondência de
                                                   mapa não funciona corretamente e
                                                   faz a correspondência com uma
                                                   estrada próxima. A marca do veículo
                                    ELK0201D       pode desviar-se da estrada correta.




                                                      AV-66
DIAGNÓSTICO DE FALHAS

                  Causa (condição)                             Condição de direção                    Notas (correção, etc.)
                                                                                                                                      A
                                                                                               Dirija o veículo por algum tempo.
                                                                                               Caso a distância ainda seja des-
                                                                                               viada, ajuste-a através da função de
               Uso de correntes de pneus.                                                      ajuste de distância. (Caso as
                                                                                                                                      B
                                                                                               correntes dos pneus sejam
                                                                                               removidas, recupere o valor
                                                                                               original.)
               Uso de pneus diferentes dos             A marca do veículo pode desviar-se      Substitua todos os pneus por outros    C
 Veículo       especificados.                                                                  de tamanho especificado.
                                                       da estrada correta.
                                                                                               Ajuste todos os pneus de acordo
               Falha na calibração do pneu
                                                                                               com a pressão de ar especificada.      D
                                                                                               Dirija o veículo por algum tempo.
                                                                                               Caso a distância ainda não esteja
               Substitua o pneu                                                                na localização correta, será ajus-
                                                                                               tada através da função de ajuste de    E
                                                                                               distância.
                                                       Caso o veículo seja dirigido logo
                                                       após a partida do motor quando a                                               F
                                                       correção do giroscópio (sensor de
               Exatamente após ser dada a partida ao                                           Aguarde por algum tempo antes de
                                                       velocidade angular) ainda não tiver
               motor                                                                           dirigir após dar a partida ao motor.
                                                       sido completada, o veículo pode
                                                       indicar a direção incorreta e pode                                             G
                                                       desviar-se da localização correta.
                                                       Ao dirigir por longas distâncias sem
 Maneira de
                                                       parar, os erros de direção podem ser
 dirigir                                                                                                                              H
               Condução continuada sem paradas         acumulados e a marca de localiza-       Pare e ajuste a orientação
                                                       ção real pode ser desviada da via
                                                       correta.
                                                       Cantar pneus ou outros tipos de         Caso, após dirigir aproximadamente      I
                                                       direção abusiva pode fazer com que      10 km (6 mph) a localização correta
                                                       o sistema se torne incapaz de efe-
               Condução abusiva                        tuar a detecção correta, e pode fazer   não tenha sido restaurada, efetue a
                                                       a marca do veículo desviar-se da via    correção de localização, e, se
                                                       correta.                                necessário, a correção da direção.      J
               Método de correção de posição
                                                                                               A partir das estradas exibidas na
                                                       Caso a precisão dos ajustes da          tela, dê entrada em uma posição
                                                       localização for insuficiente, a pre-    dentro de uma precisão de 1 mm          K
                                                                                                                                      AV
                                                       cisão pode ser reduzida quando a        (0,04 pol.).
                                                       estrada correta não puder ser
                                                       encontrada, particularmente em          CUIDADO:
                                                       locais onde existam muitas estradas.    Ao corrigir, utilize o mapa mais        L
                                                                                               detalhado possível.
 Precisão da                                 SEL701V
 correção de   Direção quando a localização for
 posição       corrigida                                                                                                              M
                                                       Caso a precisão de ajustes de locali-
                                                       zação durante a correção for insufi-
                                                                                               Efetue a correção de direção.
                                                       ciente, a precisão pode ser reduzida
                                                       logo após.


                                            SEL702V

A MARCA DE POSIÇÃO ATUAL MOSTRA UMA POSIÇÃO COMPLETAMENTE INCORRETA
Nos casos a seguir, a marca de localização real pode ser exibida em um local que seja completamente incor-
reto. Caso isto ocorra, efetue a correção da posição / direção.
●    Quando a correção de local não foi feita
– Caso a recepção do satélite GPS estiver fraca e a marca de localização real escapa para fora do local,
     ele poderá mudar para um local completamente desconhecido e não retornar caso a correção de local
     não seja efetuada. A posição será corrigida se o sinal GPS puder ser recebido.
●    Quando o veículo viajou sobre uma balsa ou quando o veículo foi rebocado.


                                                          AV-67
DIAGNÓSTICO DE FALHAS

–   Tendo em vista que o cálculo da localização atual não pode ser efetuado quando estiver viajando com a
    ignição desligada, por exemplo em uma balsa ou ao ser rebocado, a localização antes do percurso é exi-
    bida. Caso a localização precisa pode ser detectada com GPS, a localização será corrigida.
A MARCA DE POSIÇÃO ATUAL PULA
Nos casos a seguir, a marca de localização atual pode parecer pular como um resultado da correção
automática da posição atual.
●   Quando a correspondência de mapa foi feita
– Caso a localização atual e a marca de localização atual sejam diferentes quando a correspondência de
    mapa for efetuada, a marca de localização atual pode parecer pular. Neste momento, a localização pode
    ser “corrigida” de acordo com a estrada incorreta ou de acordo com a localização que não está na
    estrada.
●   Quando a correção de local GPS foi feita
– Caso a localização atual e a marca de localização atual sejam diferentes quando a localização for corri-
    gida, utilizando-se as medições GPS, a marca de localização atual pode parecer pular. Neste momento,
    a localização pode ser “corrigida” para um local que não está na estrada.
A MARCA DE LOCALIZAÇÃO ATUAL É UM RIO OU MAR
O sistema de navegação move a marca de localização atual sem distinção entre terra e rios ou mar. Caso a
marca de localização esteja de alguma maneira fora do lugar, poderá parecer que o veículo está sendo
dirigido sobre um rio ou mar.
A MARCA DE LOCALIZAÇÃO ATUAL GIRA SEM FUNCIONAMENTO
Caso o interruptor de ignição seja ligado com o veículo girando, a condição de rotação é registrada como
condição parada. Desta forma, a marca de localização atual poderá estar girando e a marca de posição mar-
car parada.
AO DIRIGIR NA MESMA ESTRADA, ALGUMAS VEZES A MARCA DE LOCALIZAÇÃO ATUAL
ESTÁ NO LOCAL CORRETO MAS OUTRAS VEZES NÃO ESTÁ
As condições da antena GPS (dados de GPS) e do giroscópio (sensor de velocidade angular) são alteradas
gradativamente. Dependendo da estrada onde esteja viajando e do funcionamento do volante de direção, os
resultados da detecção localização serão diferentes. Desta foram, mesmo em uma estrada na qual a localiza-
ção nunca tenha sido incorreta, as condições podem fazer a marca do veículo serem desviados.
CORREÇÃO DE LOCALIZAÇÃO PELA CORRESPONDÊNCIA DO MAPA É VAGAROSA
●   A função de correspondência de mapa necessita referir-se aos dados da área ao redor. É necessário diri-
    gir alguns quilômetros para que a função trabalhe.
●   Em virtude de como a correspondência de mapa funciona, quando houver muitas estradas partindo de
    direções similares na área ao redor, uma determinação de correspondência pode ser impossível. A locali-
    zação irá permanece incorreta até que alguma característica especial seja encontrada.
EMBORA A TELA DE RECEBIMENTO GPS ESTEJA VERDE, A MARCA DO VEÍCULO NÃO
RETORNA À LOCALIZAÇÃO CORRETA
●   A precisão do GPS apresenta uma faixa de falha de aproximadamente 10 m. Em alguns casos a marca
    de localização atual pode estar na rua correta, mesmo quando a correção de localização do GPS for
    feita.
●   O sistema de navegação compara os resultados da detecção da localização do GPS com os resultados
    da detecção da localização de correspondência de mapa. É utilizado aquele que for determinado como
    tendo a mais alta precisão.
●   A correção de posição pelo GPS não está disponível enquanto o veículo estiver parado.
O NOME DO LOCAL ATUAL NÃO É EXIBIDO
O nome do local atual poderia não ser exibido quando não houver nome ou informações de local na tela do
mapa.
O MOSTRADOR É DIFERENTE ENTRE A VISTA AÉREA E O MAPA PLANO
Os seguintes são diferentes na vista aérea.
●   O nome do lugar atual exibe nomes que são primariamente na direção do percurso do veículo.
●   A quantidade de tempo antes do percurso do veículo ou ângulo de giro atualizada na tela é mais longa
    que para o mostrador de mapa (plano).
●   As condições para o mostrador dos nomes de locais, estradas e outros dados são diferentes para as
    áreas próximas e para as áreas mais distantes.
●   Será efetuada alguma compensação nos dados de caracteres para evitar que o mostrador se torne muito
    complexo. Em alguns casos e em alguns locais, o conteúdo do mostrador poderá diferir.
●   O mesmo nome de local, nome de rua, etc., poderão ser exibidos várias vezes.

                                                 AV-68
REMOÇÃO E INSTALAÇÃO

REMOÇÃO E INSTALAÇÃO                                                                        PFP:00000
                                                                                                          A
Unidade de Áudio sem NAVI                                                                      EKS00Q6V


REMOÇÃO
1.   Retirar a tampa do Painel “C”. Consulte IP-10, "CONJUNTO DO PAINEL DE INSTRUMENTOS".                 B
2.   Retirar os parafusos (A). Retirar a unidade de áudio (1) do
     veículo.
                                                                                                          C
INSTALAÇÃO
A instalação é feita na ordem inversa da remoção.
                                                                                                          D


                                                                                                          E

                                                                                            SKIB8950E

                                                                                                           F
Unidade de Áudio com NAVI                                                                      EKS00Q6W


REMOÇÃO
1.   Retirar a tampa do Painel “C”. Consulte IP-10, "CONJUNTO DO PAINEL DE INSTRUMENTOS".                 G
2.   Retirar os parafusos (A). Retirar a unidade de áudio (1) do
     veículo.
                                                                                                          H
INSTALAÇÃO
A instalação é feita na ordem inversa da remoção.
                                                                                                           I


                                                                                                           J
                                                                                            SKIB4580E


Alto-falante da Porta Dianteira                                                                EKS00Q6X    K
                                                                                                          AV
REMOÇÃO
1.   Retirar o acabamento da porta (dianteira). Consulte EI-28, "ACABAMENTO DA PORTA".
                                                                                                           L
2.   Retirar os parafusos (A) e retirar o alto-falante (1).

INSTALAÇÃO
                                                                                                          M
A instalação é feita na ordem inversa da remoção.




                                                                                         SKIB3905E




                                                    AV-69
REMOÇÃO E INSTALAÇÃO

Alto-falante da Porta Traseira                                                             EKS00Q6Y
                                                                                                      A
REMOÇÃO
1.   Remova o acabamento da porta (traseira). Consulte EI-28, "ACABAMENTO DA PORTA".
2.   Remova os parafusos (A); remova o alto-falante (1).                                              B
INSTALAÇÃO
A instalação deve ser efetuada na seqüência inversa de remoção.
                                                                                                      C


                                                                                                      D


                                                                                       SKIB3906E      E

Tweeter                                                                                    EKS00Q6Z


REMOÇÃO                                                                                                F
1.   Remova a tela do alto-falante.
2.   Remova os parafusos (A); remova o tweeter (1).
                                                                                                      G
INSTALAÇÃO
A instalação deve ser efetuada na seqüência inversa de remoção.
                                                                                                      H



                                                                                                       I
                                                                                       SKIB4581E


Antena do Teto                                                                             EKS00Q71    J
REMOÇÃO
●      : Parte dianteira do veículo                                                                    K
                                                                                                      AV
1.   Remova o forro do teto. Consulte EI-36, "ACABAMENTO DO
     TETO".
2.   Remova a porca (A) e a base da antena.                                                            L
INSTALAÇÃO
A instalação deve ser efetuada na seqüência inversa de remoção.
                                                                                                      M


                                                                                       SKIB6657E




                                                 AV-70
REMOÇÃO E INSTALAÇÃO

Unidade de Controle NAVI                                                EKS00Q71


REMOÇÃO
●       : Parte dianteira do veículo
1.   Mova o banco dianteiro (LD) totalmente para frente.
2.   Desconecte os conectores.
3.   Remova os parafusos (A); remova a unidade de controle NAVI
     (1).
4.   Remova os parafusos e os suportes (2) da unidade de controle
     NAVI (1).
INSTALAÇÃO
A instalação deve ser efetuada na seqüência inversa de remoção.



                                                                    SKIB4531E

Antena GPS                                                              EKS00Q72


REMOÇÃO
●      : Parte dianteira do veículo
●    (2): Antena GPS
1.   Remova a unidade do mostrador. Consulte AV-72, "Unidade da
     Tela".
2.   Remova a unidade de áudio. Consulte AV-69, "Unidade de
     Áudio com NAVI".
3.   Desconecte o conector (1) e remova as presilhas (A).




                                                                    SKIB4583E



4.   Remova os parafusos (A); remova a antena GPS (1).
INSTALAÇÃO
A instalação deve ser efetuada na seqüência inversa de remoção.




                                                                    SKIB4584E




                                                AV-71
REMOÇÃO E INSTALAÇÃO

Unidade da Tela                                                                              EKS00Q73
                                                                                                        A
REMOÇÃO
1.   Remova o a cobertura do grupo de instrumentos C. Consulte IP-10, "CONJUNTO DO PAINEL DE
     INSTRUMENTOS".
                                                                                                        B
2.   Desconecte os conectores.

                                                                                                        C


                                                                                                        D
3.   Remova os parafusos (A); remova a unidade do mostrador (1).
INSTALAÇÃO
A instalação deve ser efetuada na seqüência inversa de remoção.                                         E



                                                                                                         F


                                                                                                        G
                                                                                         SKIB4586E


Interruptor AV                                                                               EKS00Q75
                                                                                                        H
REMOÇÃO
1.   Remova a cobertura do grupo de instrumentos C. Consulte IP-10, "CONJUNTO DO PAINEL DE INSTRU-
     MENTOS".                                                                                            I


                                                                                                         J



                                                                                                         K
                                                                                                        AV
2.   Remova os parafusos (A).
3.   Remova o interruptor AV (2) da cobertura do grupo de instru-
     mentos C (1).                                                                                       L
INSTALAÇÃO
A instalação deve ser efetuada na seqüência inversa de remoção.
                                                                                                        M




                                                                                         SKIB4587E


Microfone
REMOÇÃO
1.   Remova o console do teto (1). Consulte EI-36, "ACABAMENTO
     DO TETO".
2.   Desconecte o conector (2).
3.   Levante a lingüeta (3) e remova o microfone (4).
INSTALAÇÃO
A instalação deve ser efetuada na seqüência inversa de remoção.
                                                                                         SKIB4589E



                                                AV-72

Av

  • 1.
    SISTEMA ÁUDIO-VISUAL K SISTEMAELÉTRICO A SISTEMA ÁUDIO-VISUAL SEÇÃO AV C D E ÍNDICE PRECAUÇÕES .......................................................... 3 SISTEMA DE DIAGNÓSTICO ................................. 39 F Precauções quanto ao Sistema de Proteção Sistema de Navegação Diagnóstico Função ........ 39 Suplementar (SRS) “AIR BAG” e “PRÉ- Função de Auto-diagnóstico de Bordo .................. 39 TENSIONADOR DO CINTO DE SEGURANÇA” ..... 3 DESCRIÇÃO ..................................................... 39 G DESCRIÇÃO DO SISTEMA ....................................... 4 ITEM DE DIAGNÓSTICO .................................. 39 Sistema Funções ..................................................... 4 PROCEDIMENTO DE OPERAÇÃO .................. 40 ÁUDIO .................................................................. 4 FAIXA DE DETECÇÃO DE ERRO DO MODO DE H CONEXÃO DE ÁUDIO NATS (SEM SISTEMA DE AUTO-DIAGNÓSTICO ....................................... 42 NAVEGAÇÃO) ...................................................... 4 RESULTADOS DO DIAGNÓSTICO ................... 42 SISTEMA DE INFORMAÇÕES DO VEÍCULO ..... 5 Modo de Confirmação / Ajuste ............................. 43 SISTEMA DE NAVEGAÇÃO ................................ 5 TELA DO DIAGNÓSTICO DE FALHA ............... 44 I TELEFONE SEM FIO ........................................... 7 SINAIS DO VEÍCULO ........................................ 44 Descrição do Componente ...................................... 8 TESTE DO ALTO-FALANTE .............................. 45 UNIDADE DE ÁUDIO ........................................... 8 NAVEGAÇÃO .................................................... 45 J UNIDADE DE CONTROLE NAVI ......................... 8 HISTÓRICO DE ERRO ..................................... 46 ANTENA GPS ...................................................... 9 DIAGNÓSTICO CAN DO VEÍCULO .................. 48 UNIDADE DA TELA .............................................. 9 DIAGNÓSTICO COMM AV ................................ 49 K AV INTERRUPTOR AV .............................................. 9 TELEFONE VIVA-VOZ ...................................... 49 Localização das Peças do Componente ............... 10 BLUETOOTH ..................................................... 49 Diagrama – ÁUDIO – / Sem NAVI ......................... 12 DELETE DA UNIDADE DE CONEXÃO .......... 50 Diagrama de Circuito – ÁUDIO – / Sem NAVI ....... 13 Funções de CONSULT-II (MULTI AV) .................... 51 L Diagrama – NAVI – ................................................ 16 FUNÇÕES DE CONSULT-II .................................. 51 Diagrama de Circuito – NAVI – .............................. 17 PROCEDIMENTO DE FUNCIONAMENTO BÁSICO Diagrama – NAVI – / COMM ................................. 24 CONSULT-II ................................................. 51 M Diagrama de Circuito – NAVI – / COMM ............... 25 RESULTADOS DO AUTO-DIAGNÓSTICO ........... 51 Diagrama de Circuito – TELEFONE (PRÉ- MONITOR DE DADOS ......................................... 53 INSTALAÇÃO) – / Sem NAVI ................................ 28 MONITOR COMM AV ........................................... 54 Comunicação CAN ................................................ 29 NÚMERO DE PEÇA DA ECU ............................... 55 DESCRIÇÃO DO SISTEMA ............................... 29 DIAGNÓSTICO DE FALHAS .................................. 56 TERMINAIS E VALOR DE REFERÊNCIA PARA Sistema de Navegação ......................................... 56 UNIDADE DE CONTROLE ...................................... 30 Imagem RGB ........................................................ 56 Unidade de Áudio Sem NAVI ................................ 30 Sistema de Controle de Voz Ativado .................... 57 Unidade de Áudio (Com NAVI) .............................. 32 Interruptor do Volante de Direção ......................... 58 Unidade de Controle NAVI .................................... 34 Unidade da Tela ..................................................... 37 AV-1
  • 2.
    Inspeção das Peçasdo Componente ................... 58 REMOÇÃO E INSTALAÇÃO ................................... 69 INSPEÇÃO DA UNIDADE DO INTERRUPTOR DO Unidade de Áudio com NAVI ................................. 69 VOLANTE DE DIREÇÃO ................................... 58 REMOÇÃO ......................................................... 69 Exemplo de Sintomas Não Falhas ........................ 60 INSTALAÇÃO ..................................................... 69 FUNCIONAMENTO BÁSICO ............................. 60 Alto-falante da Porta Dianteira .............................. 69 ÍCONE DO VEÍCULO ........................................ 60 REMOÇÃO ......................................................... 69 DVD-ROM DE MAPAS ....................................... 61 INSTALAÇÃO ..................................................... 69 CÁLCULO DE ROTAS E GUIA VISUAL ............ 61 Alto-falante da Porta Traseira ................................ 70 GUIA DE VOZ .................................................... 62 REMOÇÃO ......................................................... 70 RECONHECIMENTO DE VOZ .......................... 62 INSTALAÇÃO ..................................................... 70 A MARCA DE POSIÇÃO ATUAL MOSTRA UMA Tweeter .................................................................. 70 POSIÇÃO COMPLETAMENTE INCORRETA .... 67 REMOÇÃO ......................................................... 70 A MARCA DE POSIÇÃO ATUAL PULA ............. 68 INSTALAÇÃO ..................................................... 70 A MARCA DE LOCALIZAÇÃO ATUAL É UM RIO OU Antena do Teto ...................................................... 70 MAR ................................................................... 68 REMOÇÃO ......................................................... 70 A MARCA DE LOCALIZAÇÃO ATUAL GIRA SEM INSTALAÇÃO ..................................................... 70 FUNCIONAMENTO ........................................... 68 Unidade de Controle NAVI .................................... 71 AO DIRIGIR NA MESMA ESTRADA, ALGUMAS REMOÇÃO ......................................................... 71 VEZES A MARCA DE LOCALIZAÇÃO ATUAL ESTÁ INSTALAÇÃO ..................................................... 71 NO LOCAL CORRETO MAS OUTRAS VEZES NÃO Antena GPS .......................................................... 71 ESTÁ .................................................................. 68 REMOÇÃO ......................................................... 70 CORREÇÃO DE LOCALIZAÇÃO PELA INSTALAÇÃO ..................................................... 71 CORRESPONDÊNCIA DO MAPA É VAGAROSA . 68 Interruptor AV ........................................................ 72 EMBORA A TELA DE RECEBIMENTO GPS ESTEJA REMOÇÃO ......................................................... 72 VERDE, A MARCA DO VEÍCULO NÃO RETORNA INSTALAÇÃO ..................................................... 72 À LOCALIZAÇÃO CORRETA ............................ 68 Microfone ............................................................... 72 O NOME DO LOCAL ATUAL NÃO É EXIBIDO . 68 REMOÇÃO ......................................................... 72 O MOSTRADOR É DIFERENTE ENTRE A VISTA INSTALAÇÃO ..................................................... 72 AÉREA E O MAPA PLANO ................................ 68 Unidade da Tela .................................................... 72 REMOÇÃO ......................................................... 72 INSTALAÇÃO ..................................................... 71 AV-2
  • 3.
    PRECAUÇÕES PRECAUÇÕES PFP: 00001 A Precauções quanto ao Sistema de Proteção Suplementar (SRS) “AIR BAG” e “PRÉ-TENSIONADOR DO CINTO DE SEGURANÇA” EKS00Q9X O Sistema de Proteção Suplementar, como o “AIR BAG” e o “PRÉ-TENSIONADOR DO CINTO DE SEGU- B RANÇA”, utilizado junto com o cinto de segurança dianteiro, ajuda a reduzir a possibilidade de ferimentos graves ao motorista e passageiro dianteiro em determinados tipos de colisão. As informações necessárias para a reparação segura do sistema podem ser encontradas nas seções SRS e SB deste Manual de Serviço. C CUIDADO: ● Para evitar que o sistema SRS fique inoperante, o que poderia aumentar o risco de ferimentos pessoais ou mesmo a morte na eventualidade de uma colisão onde o air bag seria inflado, todos D os serviços de manutenção devem ser efetuados em uma concessionária autorizada NISSAN/ INFINITI. ● A manutenção inadequada, incluindo a remoção e instalação incorreta do SRS, pode causar feri- E mentos pessoais em virtude de uma ativação inadvertida do sistema. Quanto à remoção do Cabo Espiral e do Módulo do Air Bag, consulte a seção SRS. ● Não utilize equipamentos elétricos de teste nos circuitos relacionados ao SRS, exceto se especifi- F cado neste manual de Serviço. Os chicotes do SRS podem ser identificados pelos cabos amarelo e/ou laranja, ou pelos conectores do chicote. G H I J K AV L M AV-3
  • 4.
    DESCRIÇÃO DO SISTEMA DESCRIÇÃODO SISTEMA PFP: 00000 Sistema Funções EKS00Q5X Consulte o Manual do Proprietário quanto às instruções sobre o funcionamento do sistema de áudio. ÁUDIO Volume Sensível à Velocidade (CD Player com 6 CDs) O nível de volume deste sistema é aumentado ou diminuído automaticamente, de acordo com a velocidade do veículo. E o nível de controle pode ser selecionado pelo cliente. CONEXÃO DE ÁUDIO NATS (SEM SISTEMA DE NAVEGAÇÃO) Descrição A conexão com NATS IMMU implica que a unidade de áudio pode ser acionada basicamente apenas caso esteja conectada ao NATS IMMU correspondente aquele ao qual a unidade de áudio foi inicialmente instalada na linha de produção. Uma vez que o funcionamento do rádio é impossível após a conexão com NATS ser interrompida, o roubo da unidade de áudio é basicamente ineficaz, uma vez que será necessário um equipamento especial para rea- justar a unidade de áudio. Processo de Inicialização para Unidades de Áudio que Estejam Conectadas ao NATS IMMU As novas unidades de áudio serão entregues às fábricas na “NOVA” condição, ou seja, prontas para serem conectadas com o sistema NATS do veículo. Quando a unidade de áudio que estiver na condição “NOVA” for inicialmente ligada na fábrica, será iniciada a comunicação com a unidade de controle do imobilizador do veículo (IMMU) e será enviado um código (“Código da Unidade de Áudio”) ao IMMU. O IMMY então armaze- nará este código (exclusivo a cada unidade de áudio) na memória (permanente). Após o recebimento do código pelo IMMU, NATS confirmará o recebimento correto do código pela unidade de áudio. A partir de agora, a unidade de áudio começará a funcionar normalmente. Durante o processo de inicialização, “NEW” é exibido no mostrador da unidade de áudio. Normalmente, a comunicação entre a unidade de áudio e IMMU leva TÃO pouco tempo (300 ms) que a unidade de áudio parece ligar diretamente, sem exibir “NEW” (NOVA) no mostrador. Funcionamento Normal Cada vez que a unidade de áudio for ligada, o código da unidade de áudio será inspecionado entre a unidade de áudio e NATS, antes que a unidade de áudio esteja funcionando. Durante o processo de verificação do código, “WAIT” (aguarde) é exibido no mostrador da unidade de áudio. Normalmente, a comunicação leva tão pouco tempo (300 ms) que a unidade de áudio parece ligar diretamente sem exibir “WAIT” (aguarde) no mos- trador. Quando o Rádio Estiver Bloqueado Em caso de a unidade de áudio estar sendo conectada com o sistema NATS do veículo (sistema do imobiliza- dor), a desconexão entre a unidade de áudio e IMMY irá fazer a unidade de áudio ser comutada para o modo de bloqueio (“SECURE”) na qual a unidade de áudio estará completamente inoperante. Desta forma, a repa- ração da unidade de áudio é basicamente impossível, a não ser que a unidade de áudio seja novamente ajus- tada para a condição “NEW”, onde será necessário um equipamento de decodificação especial. Clarion forneceu a seus representantes autorizados as chamadas “caixas de decodificação” que podem retornar a unidade de áudio à condição “NEW”, permitindo que a unidade de áudio seja ligada; desta forma, a reparação poderá ser efetuada. Conseqüentemente, quando a unidade de áudio for entregue ao usuário final novamente, ela estará na condição “NEW”, permitindo assim a reconexão da unidade de áudio ao sistema do imobilizador do veículo. Como resultado, a reparação da unidade de áudio pode apenas ser efetuada em um Representante Autori- zado Clarion (quando o proprietário do veículo solicitar a reparação e puder mostrar a identificação pessoal). Procedimento de Serviço Item Procedimento de Serviço Descrição Desconexão da bateria Não é necessária nenhuma ação adicio- – nal. Rádio necessita de reparação O rádio necessita de reparação e a repa- ração deverá ser efetuada em um Repre- sentante Autorizado do Fabricante do Rá- dio, uma vez que o rádio não pode funcio- – nar caso não seja reajustado à condição NEW, utilizando-se equipamento especial de decodificação. Substituição do rádio por um novo Não é necessária nenhuma ação adicio- O Rádio é entregue na condição NEW nal. (novo) AV-4
  • 5.
    DESCRIÇÃO DO SISTEMA Item Procedimento de Serviço Descrição Transferência do rádio a outro veículo / O rádio necessita ser reajustado para a A substituição do rádio por uma peça “velha” condição NEW por um representante – autorizado do fabricante do rádio. Substituição de IMMU O rádio necessita ser reajustado para a Após ligar o rádio, será exibido “SECURE” condição NEW por um representante após 1 minuto. B autorizado Clarion. Sem comunicação de IMMU para o rádio 1. Caso haja alguma falha em NATS, veri- Após ligar o rádio, será exibido “SECURE” fique o sistema NATS. após 1 minuto. O uso do rádio será impos- sível até que a comunicação seja nova- C 2. Após a reparação de NATS, reajuste o rádio para a condição NEW em um re- mente restabelecida ou após o rádio ser presentante autorizado Clarion. reajustado em um Representante Autori- zado Clarion. Quando inicializado entre ECM e IMMU O rádio necessita ser reajustado para a Após ligar o raio, será exibido “SECURE” D condição NEW por um representante após 1 minuto. autorizado Clarion. Ajuste Pessoal do Áudio E O rádio foi projetado para armazenar vários ajustes (volume, graves, agudos, estações memorizadas) com a chave de ignição NATS utilizada. Podem ser registradas, no máximo, 4 chaves NATS. Durante a comunicação mencionada em “Sistema Antifurto”, o rádio reconhecerá a chave de ignição utilizada e selecionará os ajustes F correspondentes. SISTEMA DE INFORMAÇÕES DO VEÍCULO A condição do sistema de áudio, consumo de combustível, monitor de visão traseira e sistema de navegação G são exibidos. A unidade de controle NAVI recebe o sinal de dados do ECM, painel de instrumentos através da comunicação CAN. São calculados os valores de economia de combustível e computador de bordo das informações recebi- H das, que a seguir são exibidos. SISTEMA DE NAVEGAÇÃO Consulte o Manual do Proprietário ou o Manual do Proprietário com as instruções de operação do sistema de I navegação. Princípio de Detecção de Localização O sistema de navegação calcula periodicamente a posição atual do J veículo de acordo com os três sinais abaixo: ● Distância percorrida pelo veículo, conforme determinado pelo sensor de velocidade do veículo. K AV ● Ângulo de giro do veículo, conforme determinado pelo giroscó- pio (sensor de velocidade angular). ● Direção da rota do veículo, conforme determinado pela antena L GPS (informações GPS) A posição atual do veículo é então identificada, comparando-se a SKIB1058E posição do veículo calculada com a leitura de dados do mapa (no M DVD-ROM do mapa) que é armazenada no drive de DVD-ROM (mapa de correspondência), e indicado na tela como uma marca do veículo. Dados mais precisos são assumidos e utilizados, comparando-se os resultados da detecção de posição do veículo encontrado pelo GPS com os resultados do mapa de corres- pondência. A posição atual do veículo será calculada, detectando-se a distância que veículo percorreu a partir de um ponto de cálculo prévio e sua direção. ● Direção de percurso Os cálculos da distância de percurso estão baseados no sinal de entrada do sensor de velocidade do veículo. Desta forma, o cálculo pode tornar-se incorreto à medida que os pneus são desgastados. Para evitar isso, foi adotada uma função de cor- reção automática de distância. SEL684V AV-5
  • 6.
    DESCRIÇÃO DO SISTEMA ● Direção de percurso A alteração na direção de percurso do veículo é calculada por um giroscópio (sensor de velocidade angu- lar) e pela antena GPS (informações GPS). Existem vantagens e desvantagens. Tipo Vantagem Desvantagem Os erros de direção podem ser acumulados Giroscópio (sensor de velocidade Pode detectar o ângulo de giro do veículo quando o veículo for dirigido por longas distâncias angular) quase precisamente. sem parar. Antena GPS Pode detectar a direção de percurso do A direção correta não pode ser detectada quando a (Informações GPS) veículo (Norte/Sul/Leste/Oeste). velocidade do veículo for baixa. Uma direção de percurso mais precisa é detectada, pois as prioridades são ajustadas para os sinais destes dois dispositivos de acordo com a situação. Mapa de Correspondência O Mapa de Correspondência compara uma localização atual detectada pelo método no “Princípio de Detecção de Localização” com os dados do mapa da estrada armazenado no drive do DVD- ROM. NOTA: Os dados do mapa da estrada estão baseados nos dados arma- zenados no mapa do DVD-ROM. SEL685V A posição do veículo pode ser corrigida sob determinadas circuns- tâncias e após dirigir por um determinado tempo quando as infor- mações do GPS forem difíceis de receber. Neste caso, a marca do veículo no mostrador deve ser corrigida manualmente. ● Em um mapa de correspondência, rotas alternativas para alcan- çar um destino serão exibidas e priorizadas, após a estrada na qual o veículo está sendo atualmente conduzido seja assumida e a marca do veículo tenha sido reposicionada. Caso exista um erro na distância e/ou direção, as rotas alterna- tivas serão mostradas em seqüência diferente de prioridade e a estrada incorreta poderá ser evitada. SEL686V Caso duas estradas estejam paralelas, elas apresentam a mesma prioridade. Entretanto, a marca do veículo pode aparecer em ambas alternadamente, dependendo do modo como está sendo manobrado o volante de direção e a configuração da estrada. ● O Mapa de Correspondência não funciona corretamente quando uma estrada na qual o veículo está sendo dirigido for nova e não estiver gravada no mapa do DVD-ROM, ou quando o padrão da estrada armazenado nos dados do mapa e o padrão da estrada atual forem diferentes em virtude de reparação. Ao dirigir em uma estrada que não esteja presente no mapa, a função de mapa de correspondência pode encontrar outra estrada e posicionar a marca do veículo nele. A seguir, quando a estrada correta for detectada, a marca do veículo pode ser alterada para ele. ● Faixa efetiva para comparar a posição do veículo e a direção do SKIA0613E percurso calculada pela distância e direção com a leitura de dados da estrada do mapa do DVD-ROM é limitada. Desta forma, quando houver uma folga excessiva entre a posição atual do veículo e a posição no mapa, a correção através do mapa de correspondência não é possível. AV-6
  • 7.
    DESCRIÇÃO DO SISTEMA GPS(Sistema de Posicionamento Global) GPS (Sistema de Posicionamento Global) foi desenvolvido e é con- A trolado pelo Departamento de Defesa dos E.U.A. O sistema utiliza os satélites GPS (NAVSTAR), que enviam ondas de rádio enquanto na órbita terrestre, a uma altitude de aproximadamente 21.000 km B (13.000 milhas). O receptor de GPS calcula a posição do veículo em três dimensões (latitude / longitude / altitude) de acordo com o tempo de retardo das C ondas de rádio recebidas de quatro ou mais satélites GPS (posição tridimensional). Caso as ondas de rádio sejam recebidas apenas de três satélites GPS, o receptor de GPS calcula a posição do veículo SEL526V em duas dimensões (latitude / longitude), utilizando os dados de alti- D tude calculados pre-viamente com as ondas de rádio recebidas de quatro ou mais satélites GPS (posição bidimensional). A correção de posição pelo GPS não está disponível enquanto o veículo estiver parado. E A precisão do GPS será comprometida sob as condições a seguir: ● Na posição bidimensional, a precisão GPS será comprometida quando a altitude da posição do veículo for alterada. F ● A precisão poderá ser ainda menor, dependendo da disposição dos satélites GPS utilizados para o posi- cionamento. ● A detecção de posição não é possível quando o veículo estiver em uma área onde as ondas de rádio do G satélite GPS não puderem ser alcançadas, como por exemplo, um túnel, um estacionamento dentro de um prédio ou em uma auto-estrada elevada. As ondas de rádio dos satélites GPS podem não ser recebi- das quando algum objeto estiver posicionado sobre a antena GPS. H NOTA: ● Mesmo um posicionamento de alta precisão tridimensional, o resultado da detecção apresenta um erro de aproximadamente 10 m (33 pés). I ● Tendo em vista que os sinais do satélite GPS são controlados pelo Centro de Controle de Rastreamento dos Estados Unidos, a precisão pode ser prejudicada um pouco intencionalmente ou as ondas de rádio poderão ser interrompidas. J Informações de Tráfego (RDS-TMC) NOTA: Este sistema faz parte da unidade de controle NAVI. A transmissão de Informações de Tráfego lhe permite evitar atrasos em virtude de incidentes no trânsito. K AV Congestionamentos de trânsito, obras em rodovias, estradas fechadas próximas a sua localização, etc, repre- sentadas graficamente no mapa através de ícones mostrando a natureza do evento. Incidentes no percurso não automaticamente informados quando você estiver se aproximando. L O dispositivo de Informações de Tráfego lhe fornece a oportunidade de prever incidentes de trânsito, determi- nar sua gravidade e, através do modo de orientação, permite que o incidente de trânsito seja contornado. O sistema de navegação recebe as informações de tráfego das melhores fontes disponíveis e permite que RDS-TMC (Canal de Informações do Sistema de Dados de Rádio e Tráfego) lhe informe e lhe oriente. M A transmissão RDS-TMC é alimentada por um sintonizador de FM programado de maneira que você pode sintonizar sua estação de rádio enquanto as Informações de Tráfego estiverem sendo transmitidas. TELEFONE SEM FIO ● A unidade de controle NAVI possui um módulo Bluetooth. Ela pode efetuar chamadas telefônicas viva- voz, utilizando um telefone celular dentro do veículo. ● 5 ou mais fones portáteis podem ser registrados na unidade de controle NAVI. AV-7
  • 8.
    DESCRIÇÃO DO SISTEMA Descriçãodo Componente UNIDADE DE ÁUDIO Efetue a operação de ÁUDIO através de AV SWITCH (interruptor AV) para modelos equipados com sistema de navegação. SKIB4066E 1. Sem NAVI (1 CD, 6 CDs player) 2. Com NAVI (6 CDs player) UNIDADE DE CONTROLE NAVI ● O giroscópio (sensor de velocidade angular) e o drive de DVD- ROM são unidades embutidas que controlam as funções de navegação. ● Os sinais são recebidos do giroscópio, do sensor de velocidade do veículo e da antena GPS. A localização do veículo é determi- nada, combinando-se estes dados com os dados contidos no mapa do DVD-ROM. As informações sobre a localização são exibidas no painel da tela de cristal líquido. SKIB4067E Drive de DVD-ROM ● Abertura para carregar o DVD (1) Mapas, regulamentos de controle de tráfego e outras informações pertinentes podem ser facilmente lidas no disco do DVD-ROM. SKIB4068E DVD-ROM de mapas ● O DVD-ROM de mapas, compreende mapas, regulamentos de controle de tráfego e outras informações pertinentes. ● Para melhorar o mapa de correspondência do DV-ROM e as funções de determinação da rota, o DVD- ROM utiliza um formato exclusivo NISSAN. Desta forma, o uso de um DVD-ROM fornecido por outros fabricantes não pode ser utilizado. Giroscópio (Sensor de Velocidade Angular) ● O sensor do giroscópio é utilizado para detectar alterações no ângulo de esterçamento do veículo. ● O giroscópio está embutido na unidade de controle de navegação (NAVI). AV-8
  • 9.
    DESCRIÇÃO DO SISTEMA ANTENAGPS A ● Antena GPS (1) ● Mostrador (2) A antena GPS recebe e amplifica as ondas de rádio de satélites GPS e a seguir transmite o sinal GPS para a unidade de controle B NAVI. C SKIB4501E D UNIDADE DA TELA ● As imagens no mostrador incluem a imagem RGB, como por exemplo tela de mapa e imagem traseira exibidas ao ajustar a E alavanca seletora para a faixa R. ● A unidade de controle NAVI controla as imagens na tela. F G SKIB3893E INTERRUPTOR AV H Para acionar o painel, foi adotado um interruptor centralizado inte- grado junto com o sistema NAVI. O sinal de funcionamento é en- viado à unidade de controle NAVI por comunicação. I J SKIB4069E K AV L M AV-9
  • 10.
    DESCRIÇÃO DO SISTEMA Localizaçãodas Peças do Componente EKS00Q5Z SKIB9039E 1. Alto-falante da porta dianteira LD 7. Twiter LD 13. Antena GPS 2. Alto-falante da porta dianteira LE 8. Interruptor da direção A. Abaixo do banco dianteiro LD 3. Alto-falante da porta traseira LE 9. Unidade de áudio B. Atrás do painel de instrumentos 4. Alto-falante da porta traseira LD 10. Interruptor AV Frente do veículo 5. Unidade de controle NAVI 11. Display 6. Microfone 12. Tweeter LD AV-10
  • 11.
    DESCRIÇÃO DO SISTEMA Localizaçãoda Antena EKS00Q60 A ANTENA DO TETO B C D E F G H SKIB8975E I 1. Haste da Antena 3. Alimentador (Superior) da Antena 5. Unidade de Áudio. 2. Base da Antena 4. Alimentador (Inferior) da Antena (Modelos do lado esquerdo) J ANTENA GPS K AV L M SKIB9040E 1. Antena “GPS” 2. Unidade de Controle NAVI : Frente do Veículo NOTA: A figura mostra os modelos com volante no lado esquerdo. A posição de instalação da antena de GPS para os modelos com volante no lado direito é similar. AV-11
  • 12.
    DESCRIÇÃO DO SISTEMA Diagrama– ÁUDIO – / Sem NAVI EKS00Q61 MKWA4908E AV-12
  • 13.
    DESCRIÇÃO DO SISTEMA Diagramade Circuito – ÁUDIO – / Sem NAVI EKS00Q62 A B C D E F G H I J K AV L M MKWA4909E AV-13
  • 14.
    DESCRIÇÃO DO SISTEMA MKWA4910E AV-14
  • 15.
    DESCRIÇÃO DO SISTEMA A B C D E F G H I J K AV L M MKWA4911E AV-15
  • 16.
    DESCRIÇÃO DO SISTEMA Diagrama– NAVI – EKS00Q65 MKWA3607E AV-16
  • 17.
    DESCRIÇÃO DO SISTEMA Diagramade Circuito – NAVI – EKS00Q66 A B C D E F G H I J K AV L M MKWA4912E AV-17
  • 18.
    DESCRIÇÃO DO SISTEMA MKWA3608E AV-18
  • 19.
    DESCRIÇÃO DO SISTEMA A B C D E F G H I J K AV L M MKWA4913E AV-19
  • 20.
    DESCRIÇÃO DO SISTEMA MKWA3610E AV-20
  • 21.
    DESCRIÇÃO DO SISTEMA A B C D E F G H I J K AV L M MKWA3611E AV-21
  • 22.
    DESCRIÇÃO DO SISTEMA MKWA3612E AV-22
  • 23.
    DESCRIÇÃO DO SISTEMA A B C D E F G H I J K AV L M MKWA3613E AV-23
  • 24.
    DESCRIÇÃO DO SISTEMA Diagrama– NAVI – / COMM EKS00Q67 MKWA3614E AV-24
  • 25.
    DESCRIÇÃO DO SISTEMA Diagramade Circuito – NAVI – / COMM EKS00Q68 A B C D E F G H I J K AV L M MKWA3615E AV-25
  • 26.
    DESCRIÇÃO DO SISTEMA MKWA3616E AV-26
  • 27.
    DESCRIÇÃO DO SISTEMA A B C D E F G H I J K AV L M MKWA4914E AV-27
  • 28.
    DESCRIÇÃO DO SISTEMA Diagramade Circuito – TELEFONE (PRÉ-INSTALAÇÃO) – / Sem NAVI EKS00Q69 MKWA4735E AV-28
  • 29.
    DESCRIÇÃO DO SISTEMA ComunicaçãoCAN EKS00Q6A A DESCRIÇÃO DO SISTEMA CAN (Rede da Área do Controlador) é uma linha de comunicação serial para aplicação em tempo real. Com- preende uma linha de comunicação múltipla no veículo com alta velocidade de comunicação de dados e uma B excelente capacidade de detecção de erros. O veículo está equipado com muitas unidades de controle eletrônicas e cada unidade de controle compartilha informações e conexões com outras unidades de controle durante a operação (não independentes). Na comunicação CAN, as unidades de controle são conectadas com 2 linhas de comunicação (linha CAN H, L) permitindo uma alta taxa de transmissão de informações com C menos fiação. Cada unidade de controle transmite / recebe dados, mas faz a leitura seletiva apenas dos dados necessários. Consulte LAN-47, "Tabela de Sinais da Comunicação CAN". D E F G H I J K AV L M AV-29
  • 30.
    TERMINAIS E VALORDE REFERÊNCIA PARA UNIDADE DE CONTROLE TERMINAIS E VALOR DE REFERÊNCIA PARA UNIDADE DE CONTROLE PFP:00000 Unidade de Áudio Sem NAVI EKS00Q6B Terminal No. Sinal Condição (Cor do cabo) de Item Interrup- Valor de Referência Entrada + - /Saída tor de Operação Ignição 2 3 Sinal de Áudio do Lado Saída ON Saída de Som (BR) (L) Dianteiro Esquerdo SKIB1990E 4 5 Sinal de Áudio do Lado Saída ON Saída de Som (L) (V) Traseiro Esquerdo SKIB1990E Continuar pressionando o interruptor DE Aprox. 1.7 V BUSCA. 6 15 Sinal do Controle Entrada ON Continuar pressionando (W) (L) Remoto B o interruptor DE Aprox. 3.3 V VOLUME. Exceto para o acima. Aprox. 5 V 7 Fornecimento de Terra Entrada ACC – Voltagem de Bateria (V) Energia ACC Sinal de amp. da Antena 8 Terra Saída ON – Aprox. 12 V ON Interruptor de Aprox. 12 V 9 Iluminação está ON. Terra Sinal de Iluminação Entrada ON (O) Interruptor de Aprox. 0 V Iluminação está OFF. 11 12 Sinal de Áudio do Lado Saída ON Saída de Som (LG) (V) Dianteiro Direito SKIB1990E 13 14 Sinal de Áudio do Lado Saída ON Saída de Som (GR) (V) Traseiro Direito SKIB1990E 15 Terra do Controle Terra – ON – Aprox. 0 V (L) Remoto AV-30
  • 31.
    TERMINAIS E VALORDE REFERÊNCIA PARA UNIDADE DE CONTROLE Terminal No. Sinal Condição A (Cor do cabo) de Item Interrup- Valor de Referência Entrada + - /Saída tor de Operação Ignição Continuar PRESSIO- NANDO o interruptor- Aprox. 0 V FONTE. C Continuar PRESSIO- 16 15 Sinal do Controle NANDO o interruptor DE Aprox. 1.7 V Entrada ON BUSCA. (P) (L) Remoto A D Continuar PRESSIO- NANDO o interruptor DE Aprox. 3.3 V VOLUME. E Exceto para o acima. Aprox. 5 V 17 – Imobilizador – – – – (SB) F NOTA: A voltagem máxima pode ser de 5 Volts, devido às especificações (Unidades Conectadas). G Quando a velocidade do 18 Sinal da Velocidade do Terra Entrada ON veículo estiver em aprox. (W) Veículo (2-pulsos) 40 km/h (25 MPH) H SKIB4731E I 19 Fornecimento de Terra Entrada ON – Voltagem de Bateria (Y) Energia de Bateria 23 Terra Terra (EQ 3) – ON – Aprox. 0 V J (B) 24 Terra Terra (EQ 4) – ON – Aprox. 0 V (B) K AV 28 – TELEFONE MUDO – – – – (Y) 30 ENTRADA POSITIVA L – – – – – (L) DO TELEFONE (+) 31 ENTRADA NEGATIVA – DO TELEFONE (-) – – – – (W) M AV-31
  • 32.
    TERMINAIS E VALORDE REFERÊNCIA PARA UNIDADE DE CONTROLE Unidade de Áudio (Com NAVI) EKS00Q6D Terminal Entrada / Condição (Cor do fio) Item Saída de Valor de referência Sinal Interruptor + - Funcionamento de ignição 3 Sinal de comunicação Entrada / – – – – (Y) (H) saída 4 Sinal de comunicação Entrada / – – – – (R) (L) saída 10 11 Sinal de voz TEL Entrada ON Saída de voz TEL (W) (O) SKIB1990E 12 13 Sinal de voz Entrada ON Saída de voz (O) (W) SKIB1990E 17 Massa Blindagem (voz TEL) – ON – Aproximadamente 0 V Blindagem (Guia de 18 Massa – ON – Aproximadamente 0 V voz) 22 23 Sinal de áudio dianteiro Saída ON Saída de som (BR) (L) (L.E.) SKIB1990E 24 25 Sinal de áudio traseiro Saída ON Saída de som (L) (V) (L.E.) SKIB1990E Mantenha o interruptor Aproximadamente 0 V SOURCE pressionado. Mantenha o interruptor Aproximadamente 1.2 V MENU UP pressionado. Mantenha o interruptor 26 35 Sinal de controle- Entrada ON MENU DOWN Aproximadamente 2.5 V (P) (L) remoto A pressionado. Mantenha o interruptor Aproximadamente 3.7 V ENTER pressionado. Exceto para os itens Aproximadamente 5 V acima. 27 Massa Energia de ACC Entrada ACC – Voltagem da bateria (V) AV-32
  • 33.
    TERMINAIS E VALORDE REFERÊNCIA PARA UNIDADE DE CONTROLE Terminal Entrada / Condição A (Cor do fio) Item Saída de Valor de referência Sinal Interruptor + - Funcionamento de ignição O interruptor de controle de iluminação Alterações entre 28 Sinal de controle de é acionando quando o Massa Entrada ON aproximadamente 0 V e (B) iluminação interruptor de C aproximadamente 12 V iluminação estiver na posição ON. Interruptor de Aproximadamente 12 V iluminação está ligado D 29 Massa Sinal de Iluminação Entrada ON Interruptor de (O) iluminação está Aproximadamente 0 V desligado E F 31 32 Sinal de áudio dianteiro Saída ON Saída de som (LG) (V) (L.D.) G SKIB1990E H 33 34 Sinal de áudio traseiro Saída ON Saída de som (GR) (V) (L.D.) I SKIB1990E Mantenha o interruptor J VOL DOWN Aproximadamente 0 V pressionado. Mantenha o interruptor Aproximadamente 1.2 V K VOL UP pressionado. AV 36 35 Sinal de controle- Entrada ON Mantenha o interruptor (W) (L) remoto B Aproximadamente 2.5 V TEL, PTT pressionado. Mantenha o interruptor L Aproximadamente 3.7 V BACK pressionado. Exceto para os itens Aproximadamente 5 V acima. M 39 Massa Energia da Bateria Entrada ON – Voltagem da bateria (Y) AV-33
  • 34.
    TERMINAIS E VALORDE REFERÊNCIA PARA UNIDADE DE CONTROLE Unidade de Controle NAVI EKS00Q6D Terminal (Cor do fio) Entrada / Condição Item Saída de Interruptor Valor de referência + - Sinal Funcionamento de ignição 1 Massa Massa – ON – Aproximadamente 0 V (B) 2 Massa Energia da Bateria Entrada ON – Voltagem da bateria (Y) 5 Massa Energia de ACC Entrada ACC – Voltagem da bateria (V) 6 Massa Energia MIC Saída ON – Aproximadamente 5 V (B) 7 Massa Blindagem (MIC.) – ON – Aproximadamente 0 V 8 Massa Sinal MIC. Entrada ON Som (W) PKIB5037J 9 Massa Blindagem (voz TEL) – ON – Aproximadamente 0 V 10 11 Sinal de voz TEL Saída ON Saída de voz TEL (W) (O) SKIB1990E 12 14 Sinal de voz Saída ON Saída de voz (O) (W) SKIB1990E Blindagem (Guia de 13 Massa – ON – Aproximadamente 0 V voz) Iniciar modo Confirmação / Ajuste e a seguir exibir barra de 44 47 Sinal RGB Saída ON cores, selecionando (G) (B) (R: vermelho) “Exibir Barra de Cores” na tela EXIBIR DIAGNÓSTICO. SKIB2238J Iniciar modo Confirmação / Ajuste e a seguir exibir barra de 45 47 Sinal RGB (G: verde) Saída ON cores, selecionando (R) (B) “Exibir Barra de Cores” na tela EXIBIR DIAGNÓSTICO. SKIB2236J AV-34
  • 35.
    TERMINAIS E VALORDE REFERÊNCIA PARA UNIDADE DE CONTROLE Terminal (Cor do fio) Entrada / Condição A Item Saída de Interruptor Valor de referência + - Sinal Funcionamento de ignição Iniciar modo Confirmação / Ajuste e a seguir exibir barra de 46 47 Sinal RGB (B: azul) Saída ON cores, selecionando (W) (B) C “Exibir Barra de Cores” na tela EXIBIR DIAGNÓSTICO. SKIB2237J 47 D Massa Massa RGB – ON – Aproximadamente 0 V (B) E 48 Sinal de sincronização Massa Saída ON – (B) RGB F SKIB3603E Blindagem G 49 Massa – ON – Aproximadamente 0 V (Sincronização) H Coloque a alavanca seletora na posição R, e a seguir exibe a imagem traseira. I 50 SKIB3599E Massa Sinal de área RGB (YS) Saída ON (G) J Diferente da indicada acima. K AV SKIB3600E L Coloque a alavanca 51 Sinal de sincronização seletora na posição R, (R) Massa horizontal (HP) Entrada ON e a seguir exibe a M imagem traseira. SKIB3601E Coloque a alavanca 52 Sinal de sincronização seletora na posição R, Massa Entrada ON (W) vertical (VP) e a seguir exibe a imagem traseira. SKIB3598E AV-35
  • 36.
    TERMINAIS E VALORDE REFERÊNCIA PARA UNIDADE DE CONTROLE Terminal (Cor do fio) Entrada / Condição Item Saída de Interruptor Valor de referência + - Sinal Funcionamento de ignição 53 Sinal de comunicação Ajuste da qualidade da Massa Saída ON (W) (CONT-DISP) imagem PKIB5039J 54 Sinal de comunicação Ajuste da qualidade da Massa Entrada ON (O) (DISP-CONT) imagem PKIB5039J 55 Massa Blindagem – ON – Aproximadamente 0 V Interruptor de Aproximadamente 12 V iluminação está ligado 61 Massa Sinal de Iluminação Entrada ON Interruptor de (G) iluminação está Aproximadamente 0 V desligado 63 Massa Sinal de ignição Entrada ON – Voltagem da bateria (R) Freio de Aproximadamente 0 V 64 Sinal de freio de estacionamento ON Massa Entrada ON (G) estacionamento Freio de Aproximadamente 12 V estacionamento OFF Alavanca seletora na Aproximadamente 12 V 65 posição R. Massa Sinal de ré Entrada ON (LG) Alavanca seletora em Aproximadamente 0 V posição diferente de R. NOTA: A voltagem máxima pode ser de 12 Volts, devido às especifi- cações (Unidades Conectadas). Quando a velocidade 66 Sinal de velocidade do do veículo for de Massa Entrada ON (O) veículo (8 pulsos) aproximadamente 40 km/h (25 mph). SKIB4732E 69 Sinal de comunicação Entrada / – – – – (O) (H) saída 70 Sinal de comunicação Entrada / – – – – (SB) (L) saída 71 Entrada / – CAN-H – – – (L) saída 72 Entrada / – CAN-L – – – (P) saída O conector não está 73 Massa Sinal GPS Entrada ON Aproximadamente 5 V conectado. 74 Massa Blindagem – ON – Aproximadamente 0 V AV-36
  • 37.
    TERMINAIS E VALORDE REFERÊNCIA PARA UNIDADE DE CONTROLE Unidade da Tela EKS00Q6F A Terminal (Cor do fio) Entrada / Condição Item Saída de Interruptor Valor de referência + - Sinal Funcionamento de ignição Iniciar modo Confirmação / Ajuste e a seguir exibir C 1 8 Sinal RGB barra de cores, Entrada ON (G) (B) (R: vermelho) selecionando “Exibir Barra de Cores” na tela EXIBIR DIAGNÓSTICO. D SKIB2238J E Coloque a alavanca seletora na posição R, e a seguir exibe a imagem traseira. F 2 Sinal de área RGB SKIB3599E Massa Entrada ON (G) (YS) G Diferente da indicada acima. H SKIB3600E I Iniciar modo Confirmação / Ajuste e a seguir exibir 3 8 Sinal RGB (G: barra de cores, J Entrada ON (R) (B) verde) selecionando “Exibir Barra de Cores” na tela EXIBIR DIAGNÓSTICO. SKIB2236J K AV Coloque a alavanca L 4 Sinal de sincroniza- seletora na posição R, e Massa Saída ON (R) ção horizontal (HP) a seguir exibe a imagem traseira. M SKIB3601E Iniciar modo Confirmação / Ajuste e a seguir exibir 5 8 barra de cores, Sinal RGB (B: azul) Entrada ON (W) (B) selecionando “Exibir Barra de Cores” na tela EXIBIR DIAGNÓSTICO. SKIB2237J Coloque a alavanca 6 Sinal de sincroniza- seletora na posição R, e Massa Saída ON (W) ção vertical (VP) a seguir exibe a imagem traseira. SKIB3598E AV-37
  • 38.
    TERMINAIS E VALORDE REFERÊNCIA PARA UNIDADE DE CONTROLE Terminal (Cor do fio) Entrada / Condição Item Saída de Interruptor Valor de referência + - Sinal Funcionamento de ignição 7 Sinal de Massa Entrada ON – (B) sincronização RGB SKIB3603E 8 Massa Massa RGB – ON – Aproximadamente 0 V (B) Blindagem 10 Massa – ON – Aproximadamente 0 V (Sincronização) Sinal de 17 Ajuste da qualidade de Massa comunicação Saída ON (O) imagem (DISP-CONT) PKIB5039J 18 Massa Blindagem – ON – Aproximadamente 0 V Sinal de 19 Ajuste da qualidade de Massa comunicação Entrada ON (W) imagem (CONT-DISP) PKIB5039J 20 Massa Energia de ACC Entrada ACC – Voltagem da bateria (V) 21 Massa Energia da Bateria Entrada ON – Voltagem da bateria (Y) 23 Massa Massa – ON – Aproximadamente 0 V (B) AV-38
  • 39.
    SISTEMA DE DIAGNÓSTICO SISTEMADE DIAGNÓSTICO PFP:00000 A Sistema de Navegação Diagnóstico Função EKS00Q6H ● Existem 2 funções de diagnóstico (diagnóstico de bordo e diagnóstico utilizando CONSULT-II), sendo necessário utiliza-los apropriadamente, de acordo com a condição. Caso o diagnóstico de bordo seja ini- ciado, efetue o diagnóstico com ele. Caso o diagnóstico de bordo não seja iniciado (tendo como causa, o sistema não foi iniciado, o interruptor de funcionamento não está ativado, etc.), efetue o diagnóstico, utili- zando CONSULT-II. C ● No diagnóstico de bordo, a função de diagnóstico da unidade de controle NAVI é iniciada através do inter- ruptor de funcionamento e a unidade de controle NAVI efetua o diagnóstico de cada unidade do sistema. ● No diagnóstico que utiliza CONSULT-II, a função de diagnóstico da unidade de controle NAVI é iniciada D através da comunicação, entre CONSULT-II e a unidade de controle NAVI; a unidade de controle NAVI efetua o diagnóstico de cada unidade do sistema. Função de Auto-diagnóstico de Bordo EKS00Q6H E DESCRIÇÃO ● A função de diagnóstico de bordo possui um modo de auto-diagnóstico para efetuar o diagnóstico de fa- lhas automaticamente e o modo Confirmação / Ajuste para o diagnóstico manual. F ● O modo de auto-diagnóstico efetua o diagnóstico na unidade de controle NAVI, conexões entre cada unidade que compõe o sistema e as conexões entre a unidade de controle NAVI e a antena GPS. Os resultados são exibidos no mostrador. G ● O modo Confirmação / Ajuste é utilizado para monitorar os sinais do veículo que necessitam de aciona- mento e avaliação de um técnico (falhas que não podem ser automaticamente avaliadas pelo sistema), a confirmação / ajuste do valor de ajuste, o histórico de erros do sistema e a condição de comunicação do H sistema. ITEM DE DIAGNÓSTICO I Modo Descrição ● Diagnóstico da unidade de controle NAVI (O drive de DVD-ROM não será diagnosticado quando não houver nenhum mapa de DVD-ROM introduzido). J Auto-diagnóstico ● Podem ser efetuados diagnósticos de conexão entre a unidade de con- trole NAVI e a antena GPS e entre a unidade de controle NAVI e cada unidade. K AV O matiz pode ser confirmado pelo mostrador da barra de cores. A gradua- Exibe Diagnóstico ção da cor pode ser confirmada pelo mostrador da barra de graduação. O diagnóstico de sinais pode ser efetuado para a velocidade do veículo, L Sinais do Veículo freio de estacionamento, luzes, ignição (interruptor de ignição) e marcha à ré. Teste do Alto-falante A conexão do alto-falante pode ser confirmada por um teste de tom. M Ajuste do Ângulo É possível fazer o ajuste, quando houver uma diferença entre o ângulo de de Direção esterçamento atual e o ângulo de esterçamento da marca do veículo. Navegação Calibração de É possível fazer o ajuste, quando houver uma diferença entre a marca de Velocidade localização atual e a localização atual. Confirmação / Ajuste São exibidas a falha do sistema e sua freqüência que ocorreram anterior- Histórico de Erro mente. Quando o item com falha for selecionado, o tempo e o local em que ocorreu pela última vez serão exibidos. Diagnóstico CAN do veículo A transmissão / recepção da comunicação CAN poderá ser monitorada. A condição de comunicação de cada unidade que compreende o sistema Diagnóstico AV COMM pode ser monitorada. Podem ser efetuados ajustes do volume do viva-voz, teste de microfone de Telefone Viva-voz voz, bem como deletar a memória do viva-voz. Bluetooth Passkey e o nome do dispositivo podem ser confirmados / alterados. Deletar Registro de Conexão da O histórico da conexão e de erros da unidade podem ser deletados. Unidade AV-39
  • 40.
    SISTEMA DE DIAGNÓSTICO PROCEDIMENTODE OPERAÇÃO 1. Dê partida ao motor. 2. Desligue o áudio. 3. Enquanto pressiona o interruptor “SETTING”, gire o seletor de volume para a direita ou para a esquerda, por, pelo menos, 40 estalidos. (Quando a função de diagnóstico for ativada, será ouvido um bipe curto.) Pressione o interruptor “BACK” e será exibida a tela inicial do sistema. SKIB3960E 4. O menu de diagnóstico de sistema é exibido; a seguir, os itens do Auto-diagnóstico e “Confirmação / Ajuste” podem ser sele- cionados. SKIB3961E AV-40
  • 41.
    SISTEMA DE DIAGNÓSTICO Modode Auto-diagnóstico EKS00Q6J A 1. Inicie a função de diagnóstico; a seguir selecione “Auto-diagnós- tico”. – A tela de auto-diagnóstico é exibida. O sistema entra no modo de auto-diagnóstico. B – O gráfico de barras visualizado no centro da tela indica o pro- gresso do auto-diagnóstico. C D SKIB3657E 2. Os resultados do diagnóstico são exibidos quando o auto-diag- E nóstico estiver completo. Cada nome de unidade e linhas de conexão entre cada unidade serão coloridos de acordo com os resultados de diagnóstico, conforme segue: F Resultados Unidade Linha de do diagnóstico Conexão Normal Verde Verde Falha de Conexão Cinza Amarelo G Drive de DVD não diagnosticado Cinza Verde SKIB6650E Falhas nos drives de H DVD-ROM e DVD-ROM Amarelo Verde Unidade retornou um erro * Vermelho Verde I * : Apenas a unidade de controle (unidade de controle NAVI) é exibida em vermelho. NOTA: ● Interruptor: Interruptor AV J ● Unidade de controle: Unidade de controle NAVI ● O amplificador está embutido na unidade de áudio. K AV – Caso falhas múltiplas ocorram simultaneamente para uma unidade única, as cores do interruptor da tela são determinadas de acordo com a seguinte ordem de prioridade: vermelho > L amarelo > cinza. – Ao selecionar o interruptor na tela de auto-diagnóstico, os comentários sobre os resultados do auto-diagnóstico são exibi- M dos. SKIB3659E AV-41
  • 42.
    SISTEMA DE DIAGNÓSTICO FAIXADE DETECÇÃO DE ERRO DO MODO DE AUTO-DIAGNÓSTICO ● O modo de auto-diagnóstico pode efetuar o diagnóstico da condição de conexão do circuito de comuni- cação, entre a unidade de controle NAVI e cada unidade e o diagnóstico da unidade de controle NAVI. ● Uma vez que a condição de início da função de diagnóstico é interruptor de funcionamento, caso a falha seja detectada no circuito de comunicação, entre a unidade de controle NAVI e o interruptor AV, a função de diagnóstico de bordo não pode ser iniciada. RESULTADOS DO DIAGNÓSTICO Verifique o mostrador aplicável na tabela de referência rápida de DTCs, e a seguir repare as peças que este- jam apresentando falha. Tabela de Referência Rápida de DTCs Possível local da falha / Tela de resultados de diagnóstico Descrição Ação a ser tomada Foi detectada uma falha na unidade de Substitua a unidade de controle controle NAV NAVI SKIB6651E ● Limpe as lentes de leitura do drive ● Foi detectada uma falha nas lentes de do DVD-ROM na unidade de con- leitura do drive de DVD-ROM na trole NAVI, utilizando o disco de unidade de controle NAVI limpeza especificado ● Existe o disco de mapas está sujo ou ● Disco de mapa danificado ● Unidade de controle NAVI SKIB6652E Foi detectado que o DVD-ROM não foi Introduza o disco de mapa introduzido na unidade de controle NAVI SKIB6653E AV-42
  • 43.
    SISTEMA DE DIAGNÓSTICO Possível local da falha / Tela de resultados de diagnóstico Descrição Ação a ser tomada A ● Foi detectada uma falha no circuito de ● Circuito de alimentação da alimentação da unidade de áudio unidade de áudio ● Foi detectada uma falha no circuito de ● Circuito de comunicação, entre o comunicação, entre o interruptor AV e interruptor AV e a unidade de a unidade de áudio. áudio C ● Foi detectada uma falha no sinal de ● Interruptor AV comunicação, entre a unidade de áudio ● Unidade de áudio e a unidade de controle NAVI ● Unidade de controle NAVI D SKIB6654E E ● Foi detectada uma falha no circuito de comunicação, entre a unidade de ● Circuito de comunicação, entre a controle NAVI e a unidade do unidade controle NAVI e a unidade do mostrador F mostrador ● Foi detectada uma falha no sinal de ● Unidade do mostrado comunicação, entre a unidade do ● Unidade de controle NAVI mostrador e unidade de controle NAVI G SKIB6655E H I Foi detectada uma falha na conexão da ● Alimentador da antena de GPS antena de GPS da unidade de controle ● Antena GPS NAVI ● Unidade de controle NAVI J SKIB6656E K AV Modo de Confirmação / Ajuste 1. Inicie a função de diagnóstico; a seguir selecione “Confirmação L / Ajuste”. M SKIB3660E 2. Selecione cada interruptor de tela para exibir a tela de diagnós- tico pertinente. Pressione o interruptor “BACK” para retornar à tela inicial de Confirmação / Ajuste. SKIB4658E AV-43
  • 44.
    SISTEMA DE DIAGNÓSTICO TELADO DIAGNÓSTICO DE FALHA SKIB3662E ● Caso haja uma falha no sinal RGB, o tom do mostrador da barra de cores será como segue: Erro de sinal R (vermelho) : Tonalidade azul claro (cian) Erro de sinal G (verde) : Tonalidade púrpura (magenta) Erro de sinal B (azul) : Tonalidade amarela SINAIS DO VEÍCULO Uma comparação pode ser efetuada de cada sinal de veículo atual e os sinais reconhecidos pelo sistema. SKIB3663E Item de Diagnóstico Mostrador Condição do veículo Notas ON Velocidade do veículo > 0 km/h Velocidade do veículo OFF Velocidade do veículo = 0 km/h – Interruptor de ignição ACC As alterações na indicação podem ser atrasadas. Isto ON Freio de estacionamento aplicado é normal. Freio de estacionamento Freio de estacionamento OFF desaplicado ON Interruptor de iluminação ON Luzes – OFF Interruptor de iluminação OFF ON Interruptor de ignição ON Ignição – OFF Interruptor de ignição ACC ON Alavanca seletora na posição R Alavanca seletora em qualquer As alterações na indicação podem ser atrasadas. Isto Marcha à ré OFF posição exceto R é normal. – Interruptor de ignição ACC AV-44
  • 45.
    SISTEMA DE DIAGNÓSTICO TESTEDO ALTO-FALANTE A Ao selecionar “Teste do Alto-falante”, a tela de diagnóstico do alto- falante é exibida. Ao pressionar “Start”, os tons de teste são ouvidos no alto-falante. Neste momento, ao pressionar “Start”, os tons de teste são ouvidos no alto-falante seguinte. A seguir, ao pressionar B “Stop”, os tons de teste param. NOTA: A freqüência do tom de teste emitido em cada alto-falante é a C seguinte: Tweeter : 3 kHz SKIB4686E Alto-falante da porta dianteira : 300 Hz D Alto-falante da porta traseira 1 : kHz E NAVEGAÇÃO Ajuste do Ângulo de Direção F O valor de saída do ângulo de esterçamento detectado com o giroscópio pode ser ajustado. G H SKIB3684E Calibração de Velocidade I Normalmente a função de correção automática da distância ajusta a falha de distância provocada pelo desgaste dos pneus ou a mudan- ça da pressão dos pneus. Se o ajuste imediato for necessário quan- J do as correntes de pneus estiverem instaladas, faça isto. K AV SKIB3685E L M AV-45
  • 46.
    SISTEMA DE DIAGNÓSTICO HISTÓRICODE ERRO Os resultados do “auto-diagnóstico”: determina se ocorreu alguma falha entre selecionar “Auto-diagnóstico” e exibir “Resultados do Auto-diagnóstico”. Entretanto se uma falha ocorrer antes de selecionar “Auto-diagnós- tico” e não ocorra novamente antes de exibir “Resultados do Auto-diagnóstico”, os resultados de diagnóstico são determinados como normais. Por esta razão, as falhas passadas que não poderiam ser determinadas ao mesmo tempo em que o “Auto-diagnóstico” foi conduzido, devem ser diagnosticadas a partir de “Histórico de Erro”. Em “Histórico de Erro”, tempo, data e local que o erro selecionado que ocorreu por último são exibidos. Tome cuidado sobre o seguinte. ● Se houver uma falha com a placa de circuito da antena GPS na unidade de controle NAVI, a data e hora corretos da ocorrência poderão ser exibidas. ● O local de ocorrência é uma posição da marca de localização atual marcada quando o erro ocorreu. Caso esta marca não esteja na posição correta, o local correto da ocorrência será exibido. ● A freqüência da ocorrência é exibida por 2 tipos de contadores (ascendente e descendente). Selecione um dos tipos de acordo com o item de erro Contador descendente ● Quando o erro for detectado, ajuste o contador em 40. Se o sistema estiver normal quando a ignição for ligada, ele diminuirá o contador de 1 em 1. ● O limite inferior do contador é 2. Pode ser ajustado em 0 através do interruptor “Deletar Registro” ou de CONSULT-II. Contador ascendente ● Quando o interruptor de ignição for ligado, caso o erro seja detectado, o contador irá aumentar de 1 em 1. Mesmo que esteja normal quando o interruptor for ligado da próxima vez, o contador não será decres- cido. ● O limite superior do contador é 50. 51 ou acima será exibido como 50. Pode ser ajustado em 0 através do interruptor “Deletar Registro” ou de CONSULT-II. Tipo de exibição da Item de exibição do histórico de erro freqüência de ocorrência Contador descendente CAN-COMM-CIRCUIT, CONTROL UNIT (CAN), AV COMM CIRCUIT, CONTROL UNIT (AV) Contador ascendente Exceto a indicada acima. SKIB3687E AV-46
  • 47.
    SISTEMA DE DIAGNÓSTICO Itemde Exibição do Histórico de Erro Alguns itens de erro podem ser exibidos simultaneamente de acordo com a causa. Caso alguns itens de erro A sejam exibidos simultaneamente, a detecção da causa pode ser efetuada pela combinação dos itens exibi- dos. Possível local da falha / Item exibido Descrição Ação a ser tomada Efetue o diagnóstico, utilizando CON- SULT-II; a seguir, repare as peças que C Foi detectada uma falha de comuni- CAN_COMM_CIRCUIT apresentam falhas através dos resulta- cação CAN dos do diagnóstico. Consulte AV-42, "RESULTADOS DO DIAGNÓSTICO". D Foi detectada uma falha de diagnóstico UNIDADE DE CONTROLE (CAN) Substitua a unidade de controle NAVI inicial CAN Foi detectada uma falha de diagnóstico E UNIDADE DE CONTROLE (AV) Substitua a unidade de controle NAVI inicial no circuito de comunicação CAN ● Foi detectada uma falha no circuito de alimentação e de massa da unidade ● Circuito de alimentação e de massa de áudio da unidade de áudio F ● CAN_COMM_CIRCUIT (AV) ● Foi detectada uma falha no circuito de ● Circuito de comunicação, entre o ● Erro de Conexão da Unidade de Áudio interruptor AV e a unidade de áudio comunicação, entre o interruptor AV e ● Erro de Conexão do Amplificador a unidade de áudio. ● Interruptor AV G ● Erro RDS-TMC ● Foi detectada uma falha no sinal de ● Unidade de áudio comunicação, entre a unidade de ● Unidade de controle NAVI áudio e a unidade de controle NAVI H ● Foi detectada uma falha no circuito de alimentação e de massa do interruptor ● Circuito de alimentação e de massa ● CAN_COMM_CIRCUIT (AV) AV do interruptor AV ● Erro de Conexão dos Interruptores ● Foi detectada uma falha no interruptor ● Interruptor AV I do circuito AV de comunicação e a ● Unidade de controle NAVI unidade de controle NAVI. ● Foi detectada uma falha no circuito de J alimentação e de massa da unidade ● Circuito de alimentação e de massa do mostrador da unidade do mostrador ● Foi detectada uma falha no circuito de ● Circuito de comunicação, entre a unidade do mostrador e a unidade de K AV Erro de Conexão do Mostrador Dianteiro comunicação, entre a unidade do mostrador e unidade de controle NAVI controle NAVI ● Foi detectada uma falha no sinal de ● Unidade do mostrador comunicação, entre a unidade do ● Unidade de controle NAVI L mostrador e unidade de controle NAVI ● Condição da linha de conexão da antena GPS M Foi detectada uma falha na conexão da ● Antena GPS Erro da Antena GPS antena GPS ● Alimentador da antena de GPS ● Unidade de controle NAVI ● CAN_COMM_CIRCUIT (AV) ● Foi detectada uma falha no circuito ● Circuito de comunicação, entre a ● Erro de Conexão dos Interruptores de comunicação, entre a unidade de unidade controle NAVI e o interruptor controle NAVI e o interruptor AV AV ● Erro de Conexão da Unidade de Áudio ● Foi detectada uma falha no sinal de ● Unidade de controle NAVI ● Erro de Conexão do Amplificador comunicação, entre a unidade de ● Erro RDS-TMC controle NAVI e o interruptor AV ● Interruptor AV Erro do FLASH-ROM da Unidade de Controle Foi detectada uma falha na unidade de Substitua a unidade de controle NAVI Conexão do Giroscópio controle NAVI AV-47
  • 48.
    SISTEMA DE DIAGNÓSTICO Possível local da falha / Item exibido Descrição Ação a ser tomada Erro de Comunicação GPS Caso um sintoma, como por exemplo uma falha de recepção do GPS ocorra, Erro do GPS ROM a falha intermitente causado por uma Foi detectada uma falha no GPS Erro do GPS RAM forte interferência de rádio pode ser detectada. Caso a falha ocorra sempre, Erro do GPS RTC substitua a unidade de controle NAVI Erro de Comunicação do DVD-ROM Erro de Leitura do DVD-ROM Erro do Disco do DVD-ROM Mecanismo do DVD-ROM não Detectado Erro do Mecanismo do DVD-ROM ● Limpe as lentes de leitura do drive do ● Foi detectada uma falha nas lentes de DVD-ROM na unidade de controle Erro de Foco do DVD-ROM leitura do drive de DVD-ROM na NAVI, utilizando o disco de limpeza Erro de DVD-ROM TOC unidade de controle NAVI especificado Erro de Busca do DVD-ROM ● O disco de mapas está sujo ou ● Disco de mapa danificado Erro de Correção de Erro do DVD-ROM ● Unidade de controle NAVI Erro de Transferência de Dados do DVD-ROM Erro de Dados do DVD-ROM Erro do intervalo de retardo do DVD-ROM Erro para Carregar / Ejetar o DVD-ROM Erro de Memória do Controlador CAN Foi detectada uma falha na unidade de Substitua a unidade de controle NAVI Erro de Conexão do Módulo Bluetooth controle NAVI DIAGNÓSTICO CAN DO VEÍCULO ● Situação de comunicação CAN e contador de erro são exibidos. ● O contador de erro exibe 0 caso a falha não tenha sido detectada anteriormente. Caso a falha seja detectada, ele exibe 40. Ao ligar o interruptor de ignição, caso esteja normal, ele exi- birá 39. O limite inferior do contador é 1. ● Caso seja reajustado, o contador de erro exibirá 0. Possível local da falha / Contagem da Situação Descrição Ação a ser tomada do Sinal (Atual) (Anterior) SKIB4661E Rx (ECM) OK / ??? 0 - 40 Rx (Grupo de OK / ??? 0 - 40 Instrumentos) NOTA: “???” Indica UNKWN (desconhecido). AV-48
  • 49.
    SISTEMA DE DIAGNÓSTICO DIAGNÓSTICOCOMM AV A ● Exibe a condição de comunicação, entre a unidade de controle NAVI (unidade principal) e cada unidade. ● O contador de erro exibe 0 caso a falha não tenha sido detectada anteriormente. Caso a falha seja detectada, ele exibe B 40. Ao ligar o interruptor de ignição, caso esteja normal, ele exi- birá 39. O limite inferior do contador é 1. Caso seja reajustado, o contador de erro é deletado. C ● ITM: Unidade de controle NAVI SKIB4668E Contagem da Contagem da Sinal Situação do Sinal Situação do Sinal D (Atual) (Anterior) C Tx (ITM-Primary SW) OK / ??? 0 - 40 E C Rx (Primary SW-ITM) OK / ??? 0 - 40 C Rx (STRG SW-ITM) OK / ??? 0 - 40 C Rx (Audio-ITM) OK / ??? 0 - 40 F C Rx (Amp-ITM) OK / ??? 0 - 40 C Rx (RDS-ITM) OK / ??? 0 - 40 G NOTA: “???” Indica UNKWN (desconhecido). TELEFONE VIVA-VOZ H Ajuste do Volume do Viva-voz O ajuste do volume recebido do telefone viva-voz pode ser regulado em Low (baixo), Medium (médio) e High (alto). I J SKIB3668E K AV Teste do Microfone de voz Quando esta função é ativada, a voz que dá entrada no microfone sai pelo alto-falante dianteiro através da linha de sinal de voz TEL. O microfone e a linha de sinal de voz TEL podem ser verificados. L Deletar a Memória do Viva-voz Apaga a memória relacionada com o fone de viva-voz. M BLUETOOTH Confirmar / Alterar Passkey ● A passkey do Bluetooth pode ser confirmada ou alterada. ● A passkey pode ser alterada por quatro dígitos (entre 0 e 9). SKIB3669E AV-49
  • 50.
    SISTEMA DE DIAGNÓSTICO Confirmar/ Alterar Nome do Dispositivo ● O nome do dispositivo do Bluetooth pode ser confirmado ou alterado. ● O nome do dispositivo pode ser alterado por dezesseis dígitos (de A a Z) (letras minúsculas podem ser utilizadas) e – (hífen). SKIB3670E DELETE DA UNIDADE DE CONEXÃO Apague o histórico da conexão da unidade e o histórico de erro que foi gravado na unidade de controle NAVI (Apagar o histórico de co- nexão da unidade removida). SKIB3671E AV-50
  • 51.
    SISTEMA DE DIAGNÓSTICO Funçõesde CONSULT-II (MULTI AV) EKS00Q6L A FUNÇÕES DE CONSULT-II CONSULT-II pode exibir cada item de diagnóstico utilizando os modos de teste de diagnóstico mostrados abaixo. B Modo de diagnóstico Descrição Referência Efetua o diagnóstico da conexão do circuito de comunicação, entre a unidade de RESULTADOS DO AUTO- controle NAVI e o sistema de navegação e exibe as falhas atuais e anteriores AV-51 C DIAGNÓSTICO simultaneamente. O diagnóstico do sinal do veículo que representa uma entrada para a unidade de MONITOR DE DADOS AV-53 controle NAVI pode ser efetuado. CAN DIAG SUPPORT MNTR A transmissão / recepção da comunicação CAN poderá ser monitorada. LAN-43 D MONITOR COMM AV A transmissão / recepção do sistema de navegação poderá ser monitorada. AV-54 NÚMERO DE PEÇA DA ECU O número de peça da unidade de controle NAVI pode ser verificado. AV-55 E Consulte GI-48, "Procedimento de Partida CONSULT-II". PROCEDIMENTO DE FUNCIONAMENTO BÁSICO CONSULT-II F CUIDADO: Caso CONSULT-II seja utilizado sem nenhuma conexão do CONVERSOR CONSULT-II, a falha poderia ser detectada no auto-diagnóstico, dependendo da unidade de controle que efetua a comunicação G CAN. 1. Selecione “MULTI AV” na tela “SELECT SYSTEM” (Selecionar H sistema). Caso “MULTI AV” não for indicado, verifique os seguintes itens. ● Circuito de alimentação e de massa da unidade de controle NAVI. I ● Circuito do conector da conexão de dados (DLC) de CON- SULT-II. Consulte GI-50, "Circuito dos Conectores (DLC) do Link de Dados do CONSULT-II". J SKIB3672E K AV 2. Selecione item de diagnóstico na tela “SELECT DIAG MODE” (Selecionar modo e diagnóstico). L M SKIB3673E RESULTADOS DO AUTO-DIAGNÓSTICO O auto-diagnóstico é iniciado e os resultados do auto-diagnóstico são exibidos, pressionando-se “START” após selecionar “SELF- DIAG RESULTS” (Resultados do auto-diagnóstico). ● Em de CONSULT-II, auto-diagnóstico, resultados de auto-diag- nóstico e histórico de erros são exibidos simultaneamente. ● A falha atual indica “CRNT”. A falha anterior indica “PAST”. ● Caso os DTCs [U1000], [U1300] sejam detectados, “0” será exi- bido em TIME. Caso esteja normal, a próxima vez que o inter- ruptor de ignição for ligado, adicione 1 em TIME. SKIB3674E AV-51
  • 52.
    SISTEMA DE DIAGNÓSTICO Itemdo Mostrador de Resultados do Auto-diagnóstico Alguns itens de erro podem ser exibidos simultaneamente, de acordo com a causa. Caso alguns itens de erro sejam exibidos simultaneamente, a detecção da causa pode ser efetuada pela combinação dos itens exibi- dos. Possível local da falha / Item exibido Descrição Ação a ser tomada Imprima os resultados do auto- Foi detectada uma falha de comuni- CAN_COMM_CIRCUIT [U1000] diagnóstico e PASSE PARA LAN-3, cação CAN "Precauções Ao Usar CONSULT-II". Foi detectada uma falha de diagnóstico CONTROL UNIT (CAN) [U1010] Substitua a unidade de controle NAVI inicial CAN Foi detectada uma falha de diagnóstico CONTROL UNIT (AV) [U1310] Substitua a unidade de controle NAVI inicial no circuito de comunicação CAN ● AV COMM CIRCUIT [U1300] ● Foi detectada uma falha no circuito de ● Circuito de comunicação, entre o ● SWITCH CONN [U1240] comunicação, entre o interruptor AV e interruptor AV e a unidade de controle a unidade de controle NAVI. NAVI ● AUDIO H/U CONN [U1249] ● Foi detectada uma falha no sinal e ● Interruptor AV ● AMP CONN [U124E] comunicação, entre o interruptor AV e ● RDS CONN [U124F] a unidade de controle NAVI. ● Unidade de controle NAVI ● Foi detectada uma falha no circuito de alimentação e de massa da unidade ● Circuito de alimentação e de massa de áudio. da unidade de áudio ● AV COMM CIRCUIT [U1300] ● Foi detectada uma falha no circuito de ● Circuito de comunicação, entre o ● AUDIO H/U CONN [U1249] interruptor AV e a unidade de áudio comunicação, entre o interruptor AV e ● AMP CONN [U124E] a unidade de áudio. ● Unidade de áudio ● RDS CONN [U124F] ● Foi detectada uma falha no sinal e ● Interruptor AV comunicação, entre o interruptor AV e ● Unidade de controle NAVI a unidade de controle NAVI. ● Foi detectada uma falha no circuito de alimentação e de massa da unidade ● Circuito de alimentação e de massa do mostrador da unidade do mostrador ● Foi detectada uma falha no circuito de ● Circuito de comunicação, entre a FRONT DISP CONN [U1243] comunicação, entre a unidade do unidade do mostrador e a unidade de mostrador e unidade de controle NAVI controle NAVI ● Foi detectada uma falha no sinal de ● Unidade do mostrador comunicação, entre a unidade do ● Unidade de controle NAVI mostrador e unidade de controle NAVI ● Condição da linha de conexão da Foi detectada uma falha na conexão da antena GPS GPS ANTENNA CONN [U1244] antena GPS ● Antena GPS ● Unidade de controle NAVI ● Foi detectada uma falha no circuito de alimentação e de massa do interrup- ● Circuito de alimentação e de massa ● AV COMM CIRCUIT [U1300] tor AV do interruptor AV ● SWITCH CONN [U1240] ● Foi detectada uma falha no sinal e ● Interruptor AV comunicação, entre o interruptor AV e ● Unidade de controle NAVI a unidade de controle NAVI. Unidade de Controle FLASH-ROM [U1200] Foi detectada uma falha na unidade de Substitua a unidade de controle NAVI GYRO NO CONN [U1201] controle NAVI GPS COMM [U1204] Caso um sintoma, como por exemplo uma falha de recepção do GPS ocorra, GPS ROM [U1205] a falha intermitente causada por uma Foi detectada uma falha no GPS GPS RAM [U1206] forte interferência de rádio poderá ser detectada. Caso a falha ocorra sempre, GPS RTC [U1207] substitua a unidade de controle NAVI AV-52
  • 53.
    SISTEMA DE DIAGNÓSTICO Possível local da falha / Item exibido Descrição A Ação a ser tomada DVD-ROM COMM [U1208] DVD-ROM READ [U1209] B DVD-ROM DISC [U120A] DVD-ROM MECHA DETECT [U120C] DVD-ROM DRIVE MECHA [U120D] C ● Foi detectada uma falha nas lentes de DVD-ROM FOCUS [U120E] leitura do drive de DVD-ROM na ● Disco de mapa DVD-ROM TOC [U120F] unidade de controle NAVI ● O disco de mapas está sujo ou danifi- ● Unidade de controle NAVI D DVD-ROM SEEK [U1210] cado DVD-ROM ERR CORRECTION [U1211] DVD-ROM DATA FORWARD [U1212] E DVD-ROM DATA [U1213] DVD-ROM TIMEOUT [U1214] F DVD-ROM LOAD [U1215] CAN CONT [U1216] Foi detectada uma falha na unidade de Substitua a unidade de controle NAVI BLUETOOTH CONN [U1217] controle NAVI G MONITOR DE DADOS H Ao selecionar “DATA MONITOR” (Monitor de Dados), são exibidos “ALL SIGNALS” (todos os sinais) e “SELECTION FROM MENU” (Seleção do Menu). I J SKIB3675E K AV Todos os Sinais ● Quando “ALL SIGNALS” for selecionado e “START” for pres- sionado, as condições de sinal do veículo abaixo que represen- L tam entradas para a unidade de controle NAVI são exibidas. ● Para cada sinal, o sinal atual pode ser comparado com a condição reconhecida no sistema. M SKIB3676E Mos- Item exibido Condição do veículo Notas trador Quando a velocidade do veículo for de ON 0 km/h (0 mph) ou superior. VHCL SPD SIG Quando a velocidade do veículo for de As alterações na indicação podem ser atrasadas. OFF 0 km/h (0 mph) Isto é normal. ON Freio de estacionamento aplicado PKB SIG OFF Freio de estacionamento desaplicado AV-53
  • 54.
    SISTEMA DE DIAGNÓSTICO Mos- Item exibido Condição do veículo Notas trador ON Interruptor de iluminação ON ILLUM SIG — OFF Interruptor de iluminação OFF ON Interruptor de ignição ON IGN SIG — OFF Interruptor de ignição ACC ON Alavanca seletora na posição R As alterações na indicação podem ser atrasadas. REV SIG Alavanca seletora em qualquer posição OFF Isto é normal. exceto R Seleção do Menu Ao selecionar “SELECTION FROM MENU”, mostrador de sinal do veículo pode ser selecionado. Depois disso, a condição do sinal do veículo selecionada será exibida quando “START” for pressionado. Item a ser selecionado Descrição VHCL SPD SIG PKB SIG Bem como ao selecionar “ALL ILLUM SIG SIGNALS” IGN SIG REV SIG SKIB4681E MONITOR COMM AV Ao selecionar “AV COMM MONITOR”, são exibidos “AV&NAVI C/U” E “ÁUDIO”. AV&NAVI C/U ● Ao selecionar “AV&NAVI C/U”, serão exibidos a condição de comunicação da unidade de controle NAVI para cada unidade e o contador de falhas. ● O contador de erro exibe OK caso a falha não tenha sido detectada anteriormente. Caso a falha seja detectada, ele exibe 0. Ao ligar o interruptor de ignição, caso esteja normal, ele exi- SKIB4684E birá 1. O limite superior do contador é 39. Mostrador Contador de falhas Itens (PRESENTE) (ANTERIOR) TRANSMIT DIAG OK / UNKWN OK / 0 - 39 PANEL SWITCH OK / UNKWN OK / 0 - 39 SW SECONDARY — — RR CONTROL SW — — STEERING SW OK / UNKWN OK / 0 - 39 AUDIO OK / UNKWN OK / 0 - 39 SPEAKER AMP OK / UNKWN OK / 0 - 39 SIDE CAMERA — — REAR CAMERA — — TV TUNER — — DVD PLAYER — — VIDEO DIST — — ETC — — FM MULTI OK / UNKWN OK / 0 - 39 REMOTE CONT — — AV-54
  • 55.
    SISTEMA DE DIAGNÓSTICO ÁUDIO ● Ao selecionar “AUDIO”, serão exibidos a condição de comuni- A cação da unidade de áudio a cada unidade e o contador de fa- lhas. ● O contador de erro exibe OK caso a falha não tenha sido B detectada anteriormente. Caso a falha seja detectada, ele exibe 0. Ao ligar o interruptor de ignição, caso esteja normal, ele exi- birá 1. O limite superior do contador é 39. C Mostrador de Itens Contador de falhas Itens SKIB4685E (PRESENTE) (ANTERIOR) D TRANSMIT DG OK / UNKWN OK / 0 - 39 SPEAKER AMP — — TV TUNER — — E DVD PLAYER — — MD DECK — — CD CHANGER — — F MD CHANGER — — G NÚMERO DE PEÇA DA ECU H O número de peça da unidade de controle NAVI é exibido. I J SKIB3680E K AV L M AV-55
  • 56.
    DIAGNÓSTICO DE FALHAS DIAGNÓSTICODE FALHAS PFP:00004 Sistema de Navegação EKS00Q6O Sintomas Itens de Verificação Possível local da falha / Ação a ser tomada Efetue o auto-diagnóstico utilizando CONSULT-II Todos os interruptores não podem Consulte AV-51, "RESULTADOS DO AUTO-DIAGNÓS- ser acionados TICO". ● Efetue o auto-diagnóstico utilizando CONSULT-II Consulte AV-51, "RESULTADOS DO AUTO-DIAG- O interruptor AV não pode ser NÓSTICO" acionado Apenas o interruptor especificado – Sem falha não pode ser acionado Interruptor AV – Foi detectada uma falha Consulte AV-52, "Item do Mostrador de Resultados do Auto-diagnóstico". A tela de mapa não é exibida Efetue o auto-diagnóstico de bordo (imagem RGB exceto mapa está – Consulte AV-42, "RESULTADOS DO DIAGNÓSTICO". normal) O mostrador de informações sobre Efetue o auto-diagnóstico, utilizando CONSULT-II economia de combustível está – Consulte AV-51, "RESULTADOS DO AUTO-DIAGNÓS- apresentando falha TICO" ● Circuito do sinal de guia de voz Guia de voz não é ouvido – ● Unidade de áudio ● Unidade de controle NAVI ● Circuito do sinal de comunicação A transmissão do rádio é recebida ● Unidade de áudio ● Unidade de controle NAVI Informações de Tráfego (RDS- ● Antena do vidro ou antena de haste TMC) não são recebidas ● Alimentador de antena A transmissão do rádio não é ● Ampères da antena. Circuito de sinal ON recebida ● Unidade de áudio ● Unidade de controle NAVI Imagem RGB Sintomas Itens de Verificação Possível local da falha / Ação a ser tomada ● Sinal RGB (R: vermelho) circuito Tonalidade azul claro (cian) ● Unidade do mostrador ● Unidade de controle NAVI ● Sinal RGB (G: verde) circuito A cor da imagem RGB não está Tonalidade e imagem púrpura ● Unidade do mostrador adequada. (magenta) está rolando ● Unidade de controle NAVI ● Sinal RGB (B: azul) circuito A tela está amarelada ● Unidade do mostrador ● Unidade de controle NAVI ● O interruptor AV não pode ser acio- nado ao ser pressionado Efetue o auto-diagnóstico utilizando CONSULT-II Consulte AV-51, "RESULTADOS DO AUTO-DIAGNÓS- ● A luz de fundo da tela está TICO" apagada A imagem RGB não é exibida ● MULTI AV” não é exibido na tela ● Circuito de alimentação e de massa da unidade de (Nada é exibido na tela) “SELECT SYSTEM” de CONSULT- controle NAVI II. ● Unidade de controle NAVI ● Circuito de alimentação e de massa da unidade do A luz de fundo do mostrador está mostrador apagada ● Unidade do mostrador AV-56
  • 57.
    DIAGNÓSTICO DE FALHAS Sistemade Controle de Voz Ativado EKS00Q6Q A Sintomas Itens de Verificação Provável localização da falha A voz é ouvida em “Teste do Alto-fa- lante” e “Teste do Microfone de Voz” Unidade de controle NAVI B do modo de Confirmação / Ajuste A voz não pode ser controlada ● Circuito de alimentação MIC mesmo quando a tela de controle A voz não é ouvida em “Teste do ● Circuito de blindagem (MIC.) C de voz é exibida Alto-falante” e “Teste do Microfone de ● Circuito do sinal MIC. Voz” do modo de Confirmação / Ajuste ● Microfone ● Unidade de controle NAVI D A tela de funcionamento de TEL é exibida, pressionando-se e man- tendo-se pressionado o interruptor Unidade de controle NAVI E “TEL/PPT” do interruptor no volante de direção ● A tela de funcionamento de TEL não é exibida, ao pressionar e F manter pressionado o interruptor “TEL/PPT” do interruptor no Interruptor do volante de direção A voz não pode ser controlada volante de direção (A tela de controle de voz não é G exibida) ● Os demais interruptores do volante de direção estão normais Os interruptores “BACK”, “VOL UP”, ● Circuito B do sinal de controle-remoto H “VOL DOWN” e “TEL/PPT” no inter- ● Interruptor do volante de direção ruptor do volante de direção não são acionados ● Unidade de áudio ● Circuito de massa do sinal de controle-remoto I Todos os interruptores do volante de ● Interruptor do volante de direção direção não são acionados ● Unidade de áudio J K AV L M AV-57
  • 58.
    DIAGNÓSTICO DE FALHAS Interruptordo Volante de Direção EKS00Q6R Sem NAVI Sintomas Provável localização da falha ● Circuito de massa do sinal de controle-remoto Todos os interruptores do volante de direção não são ● Interruptor do volante de direção acionados ● Unidade de áudio Apenas o interruptor especificado não pode ser acionado Interruptor do volante de direção ● Circuito A do sinal de controle-remoto Os interruptores “MODE”, “SEEK UP” e “VOL UP” não são ● Interruptor do volante de direção acionados ● Unidade de áudio ● Circuito B do sinal de controle-remoto Os interruptores “SEEK DOWN” e “VOL DOWN” não são ● Interruptor do volante de direção acionados ● Unidade de áudio Com NAVI Sintomas Provável localização da falha ● Circuito de massa do sinal de controle-remoto Todos os interruptores do volante de direção não são ● Interruptor do volante de direção acionados ● Unidade de áudio Apenas o interruptor especificado não pode ser acionado Interruptor do volante de direção ● Circuito A do sinal de controle-remoto Os interruptores “MENU UP”, “MENU DOWN” e “SOURCE” ● Interruptor do volante de direção não são acionados ● Unidade de áudio ● Circuito B do sinal de controle-remoto Os interruptores “BACK”, “TEL / PPT”, “VOL UP” e “VOL ● Interruptor do volante de direção DOWN” não são acionados ● Unidade de áudio Inspeção das Peças do Componente INSPEÇÃO DA UNIDADE DO INTERRUPTOR DO VOLANTE DE DIREÇÃO ● Verifique a continuidade entre o conector M302 do chicote do interruptor de combinação, terminal 15 e terminal 16. ● Verifique a continuidade entre o conector M302 do chicote do interruptor de combinação, terminal 14 e terminal 16. AV-58
  • 59.
    DIAGNÓSTICO DE FALHAS Padrão A Sem NAVI 15 – 16 Interruptor VOLUM DOWN ON : Aproximadamente 652 Ω B Interruptor SEEK DOWN ON : Aproximadamente 165 Ω 14 – 16 Interruptor VOLUM UP ON : Aproximadamente 652 Ω C Interruptor SEEK UP ON : Aproximadamente 165 Ω Interruptor MODE (modo) : Aproximadamente 0 Ω SKIB4685E D Com NAVI 15 – 16 E Interruptor BACK ON : Aproximadamente 1.010 Ω Interruptor TEL/PTT ON : Aproximadamente 330 Ω F Interruptor VOLUM UP ON : Aproximadamente 110 Ω Interruptor VOLUM DOWN ON : Aproximadamente 0Ω G 14 – 16 SKIB4685E Interruptor ENTER ON : Aproximadamente 1.010Ω H Interruptor MENU DOWN ON : Aproximadamente 330 Ω Interruptor MENU UP ON : Aproximadamente 110 Ω Interruptor SOURCE ON : Aproximadamente 0 Ω I J K AV L M AV-59
  • 60.
    DIAGNÓSTICO DE FALHAS Exemplode Sintomas Não Falhas EKS00Q6T FUNCIONAMENTO BÁSICO Sintoma Causa provável Possível solução O brilho está no ajuste mais baixo. Ajuste o brilho do mostrador. Nenhuma imagem é exibida. Pressione e mantenha pressionado O mostrador foi desligado. para ligar o mostrador. O volume não foi ajustado corretamente, ou está Não está disponível o guia de voz. Não está disponível o guia de voz. desligado. O volume está muito alto ou muito baixo. O guia de voz não é fornecido para ruas estreitas Não é uma falha. (caminhos exibidos em cinza). O DVD-ROM de mapa não foi introduzido, ou foi Introduza o DVD-ROM de mapa correta- introduzido ao contrário. mente. Nenhum mapa é exibido na tela. É exibida uma tela ao invés do mapa. Pressione “MAP”. A tela está excessivamente Aguarde até que o interior do veículo embaçada. A temperatura dentro do veículo está baixa. O movimento é lento. esteja aquecido. Alguns pixels no mostrador são Esta condição é uma característica inerente às mais escuros ou mais claros que Não é uma falha. telas de cristal líquido. outros. Alguns itens do menu não podem Alguns itens do menu tornaram-se indisponíveis Estacione o veículo em um local seguro e ser selecionados. enquanto o veículo estava sendo conduzido. a seguir acione o sistema de navegação. NOTA: As localizações armazenadas na Agenda de Endereços e outras funções de memória podem ser perdidas caso bateria do veículo seja descarregada. Caso isto ocorra, repare a bateria do veículo conforme necessário e entre com as informações novamente na Agenda de Endereços. ÍCONE DO VEÍCULO Sintoma Causa provável Possível solução Isto ocorre porque a quantidade de informações exi- bidas é reduzida para que a tela não fique excessi- Nomes de estradas e localizações vamente cheia. Também existe a possibilidade que diferem da vista em Plano e da os nomes das estradas e localizações possam ser Não é uma falha. Vista Aérea. exibidas múltiplas vezes e os nomes que aparecem na tela podem ser diferentes em virtude do procedi- mento de processamento. O veículo foi transportado após a o interruptor de Dirija o veículo durante algum tempo na ignição ser desligado, por exemplo, transportado por estrada onde o GPS possa ser recebido. balsa. O ícone do veículo não é exibido A posição e direção do veículo podem estar incorre- Não é uma falha. Dirija o veículo por na posição correta. tos, dependendo do meio de condução e dos níveis algum tempo para corrigir automatica- de precisão de posicionamento do sistema de nave- mente a posição e a direção do ícone do gação. veículo. Quando o veículo estiver sendo Em virtude da nova estrada ainda não estar arma- Informações atualizadas da estrada dirigido em uma estrada nova, o zenada nos dados de mapa, o sistema automatica- serão incluídas na próxima versão do ícone do veículo está localizado mente coloca o ícone do veículo na estrada mais DVD-ROM de mapas. em outra estrada próxima. próxima disponível. A tela não comuta para tela A tela diurna foi ajustada na última vez que os faróis Ajuste a tela para o modo de condução noturna mesmo após os faróis foram ligados. noturna, ao ligar os faróis. serem ligados. O mapa não rola mesmo quando o A tela de mapa da localização atual não é exibida. Pressione “MAP”. veículo estiver em movimento. O ícone do veículo não é exibido. A tela de mapa da localização atual não é exibida. Pressione “MAP”. AV-60
  • 61.
    DIAGNÓSTICO DE FALHAS Sintoma Causa provável Possível solução Os sinais de GPS não podem ser recebidos depen- A dendo da localização do veículo, como por exemplo Dirija em uma via aberta e reta durante uma garagem de estacionamento, em uma via com algum tempo. muitos edifícios altos, etc. O indicador GPS na tela per- Os sinais GPS não podem ser recebidos em virtude Remova os objetos do porta-objetos B manece cinza. de objetos colocados no porta-objetos traseiro. traseiro. Aguarde até que os satélites sejam Não está disponível um número suficiente de deslocados para locais disponíveis para o C satélites GPS. sistema de navegação. Dirija o veículo durante algum tempo [a uma velocidade de aproximadamente 30 km/h (19 mph) durante cerca de 30 D Ao utilizar correntes de pneus ou ao substituir os minutos] para corrigir automaticamente a pneus, os cálculos de velocidade baseados no A localização do ícone do veículo posição do ícone do veículo. sensor de velocidade podem estar incorretos. está desalinhada em relação à Caso este procedimento não seja capaz posição atual. de corrigir a posição do ícone do veículo, E contate uma concessionária NISSAN. Os dados do mapa apresentam erros ou estão Informações atualizadas da estrada incompletos (a posição do ícone do veículo está serão incluídas na próxima versão do sempre desalinhada na mesma área). DVD-ROM de mapas. F DVD-ROM DE MAPAS G Sintoma Causa provável Possível solução Verifique o DVD-ROM e limpe-o com um O DVD-ROM de mapas está sujo ou parcialmente pano limpo e macio. É exibida a mensagem “Error”. H danificado. Caso haja algum dano, substitua o DVD- ROM. CÁLCULO DE ROTAS E GUIA VISUAL I Sintoma Causa provável Possível solução No cálculo de novos percursos, os Os waypoints já passados não estão incluídos no Em caso de passar novamente pelos J waypoints não estão incluídos. cálculo de novos percursos. waypoints, edite a rota. Os cálculos de percurso ainda não foram Determine o destine e faça o cálculo do efetuados. percurso. O veículo não está sendo conduzido na rota Dirija na rota sugerida. K AV As informações sobre o percurso sugerida. não são exibidas. O guia de rota está desativado. Ative o guia de rota. As informações da rota não são fornecidas para Não é uma falha. L ruas estreitas (caminhos exibidos em cinza). O cálculo do novo percurso (ou cálculo de desvio) sugere a O cálculo de rota leva em consideração condições Não é uma falha. mesma rota igual àquela de prioridade, mas a mesma rota foi calculada. M previamente sugerida. Podem ser colocados no máximo 5 Não é possível adicionar um Cinco waypoints já foram ajustados à rota, waypoints na rota. Em caso de ir para 6 ou waypoint. incluindo aqueles pelos quais você já passou. mais waypoints, efetue os cálculos de rota várias vezes, conforme necessário. Determine novamente o destino para a As estradas/ruas próximas ao destino não podem estrada principal ou secundária e recalcule ser calculadas. a rota. O ponto de partida e de chegada estão muito Determine um destino mais distante. próximos. A rota sugerida não é exibida. Divida o caminho, selecionando um ou O ponto de partida e de chegada estão muito dois destinos intermediários e efetue os distantes. cálculos de rota várias vezes. Existem estradas restritas (dia da semana, Desative “Use Time Restricted roads” horário), próximas à localização atual do veículo ou (estradas restritas em determinados do destino. horários). Uma parte da rota sugerida não é A rota sugerida inclui ruas estreitas (caminhos Não é uma falha. exibida. exibidos em cinza). AV-61
  • 62.
    DIAGNÓSTICO DE FALHAS Sintoma Causa provável Possível solução Uma rota é gerenciada por seções entre os waypoints. Caso você já tenha passado pelo Parte da rota que já foi atingida é primeiro waypoint, a seção entre o ponto de partida Não é uma falha. deletada. e o waypoint é deletada. (Ela poderá não ser deletada, dependendo da área.) Caso haja restrições (por exemplo ruas de mão única) nas vias próximas ao ponto de partida ou Ajuste o local do ponto de partida e de de chegada, o sistema poderá sugerir uma rota chegada. alternativa. Uma rota alternativa é sugerida. Este sistema pode sugerir uma rota alternativa Determine novamente o destino para a porque o cálculo de rota não leva em consideração estrada principal ou secundária e recalcule algumas áreas como por exemplo ruas estreitas a rota. (vias em cinza). As informações dos marcos de Isto poderá ser causado por dados insuficientes ou estrada não correspondem às Não é uma falha. incorretos no DVD-ROM. informações reais. A rota sugerida não liga Determine o ponto de partida, waypoints e Não existem dados para o cálculo de rota mais exatamente o ponto de partida, chegada na via principal e efetue o cálculo próximo a estes locais. waypoints ou chegadas. da rota. GUIA DE VOZ Sintoma Causa provável Possível solução O guia de voz está apenas disponível em determi- nados cruzamentos. Em alguns casos, o guia de Não é uma falha. voz não está disponível, mesmo quando o veículo deve fazer uma conversão. O guia de voz não está disponível. Volte para a rota sugerida ou solicite um O veículo foi desviado da rota sugerida. novo cálculo de rota. O guia de voz está desativado. Ative o guia de voz. O guia de rota está desativado. Ative o guia de voz. O conteúdo do guia de voz pode variar, dependendo As conteúdo de orientação não Siga todos os regulamentos e leis de dos tipos de cruzamentos nos quais as conversões corresponde às condições reais. trânsito. são efetuadas. RECONHECIMENTO DE VOZ Sintoma Causa provável Possível solução Feche os vidros ou peça aos passageiros Há muito ruído dentro do veículo. que fiquem quietos. O volume de voz está muito baixo. Fale mais alto. A pronúncia não é clara. Fale com clareza. O sistema não reconhece o co- Pressione e libere “PPT” no interruptor do mando. O modo de reconhecimento de voz ainda não está volante de direção e fale um comando O sistema reconhece o comando pronto para falar. após ser ouvido o tom. incorretamente. Já passaram 5 segundos ou mais após ter sido Certifique-se de falar um comando dentro pressionado e liberado “PPT” no interruptor de de 5 segundos após pressionar e liberar direção. “PPT” no interruptor do volante. Apenas uma faixa limitada de comandos de voz é Utilize o comando de voz apropriado para utilizada para cada tela. a tela atual. RUÍDO NO RÁDIO Sintoma Causa provável Possível solução 1. Verificar o alto-falante. Alto-falante individual traseiro está 1. Cada alto-falante. 2. Verificar os circuitos de saída para cada com ruído, ou inoperante. 2. Circuito de saída para cada alto-falante. alto-falante, entre a unidade de áudio e cada alto-falante. 1. Verificar a antena do teto. 1. Antena do teto. 2. Verificar a condição do cabo terra da Estações AM/FM fracas, ou com 2. Cabo terra da unidade de áudio. unidade de áudio. ruído. 3. Unidade de áudio. 3. Remover a unidade de áudio para reparo. AV-62
  • 63.
    DIAGNÓSTICO DE FALHAS Testedos Magazines e Discos 1. Confirme se os discos estão inseridos corretamente no magazine (não estão de ponta cabeça). A 2. Visualmente inspecione/compare os discos do cliente entre si e com outros discos identificando qualquer condição fora das especificadas abaixo. ● Discos com grande diâmetro externo. [O tamanho normal é de 120 mm (4,72 pol.)] B ● Discos com bordas ásperas, ou dobradas. ● Discos com grande espessura. [O tamanho normal é de 1,2 mm (0,047 pol.)]. C ● Discos com arranhões, abrasões, ou depressões, na superfície. ● Discos com graxa/óleo, marcas de dedos, ou material estranho. ● Discos que estejam deformados devido à exposição excessiva ao calor. D 3. Deslizar/colocar/retirar os discos de suas posições, automaticamente. Identificar os discos e/ou posições que precisem de alguma força extra para a colocação/retirada. Se alguma interferência for encontrada (disco agarrado, ou tensões excessivas), substituir o depósito ou os discos. E NOTA: ● Os discos que estiverem completamente fora de especificação (por ex.: sujos, arranhados, etc.) podem até tocar corretamente, num aparelho de som doméstico. Entretanto, quando utilizados no ambiente auto- F motivo podem ocorrer saltos no disco, devido ao movimento adicional do veículo, e/ou às vibrações, dev- ido às condições das estradas. Os trocadores automáticos não devem ser substituídos, quando houver problemas nos discos. G ● Utilizar um pano macio e úmido para limpar os discos, começando da borda em direção radial. Jamais uti- lizar produtos químicos de limpeza para limpar os discos. ● Os CD-Rs não têm garantia de tocar porque eles podem conter algum arquivo de formato diferente ou H corrompido (MP3, WMA...) ou podem ter sido masterizados, incorretamente, pelo cliente, em um com- putador. ● Verificar se os CDS contêm o logotipo. Se não contiverem, os discos não foram masterizados, de acordo com o Padrão “red book” para CDs, e podem não tocar. I INSPEÇÃO DO ALTO-FALANTE J 1. Desconectar o conector do circuito do alto-falante. 2. Medir a resistência entre os terminais 1 e 2 do alto-falante. ● A resistência deverá ser 2 – 4 Ω. K AV 3. Utilizando fios-ponte, conectar, momentaneamente, uma bateria de 9 Volts entre os terminais 1 e 2 do alto-falante. ● Um zumbido, ou um estalo momentâneo deverá ser ouvido. L INSPEÇÃO DA ANTENA Utilizando um fio-ponte grosso, prender um cabo terra auxiliar, entre a antena e a carroceria. M ● Se a recepção melhorar, verificar o cabo terra da antena (na superfície da carroceria). ● Se a recepção não melhorar, verificar o principal cabo alimentador quanto a um curto-circuito, ou um cir- cuito aberto. NOTA: A resistência não deverá ser mais alta do que 0,5 ? entre a base da antena e a carroceria do veículo. Verificar também a continuidade dos cabos alimentadores da antena entre o rádio e a base da antena. INSPEÇÃO DO RÁDIO Todas as inspeções de voltagem são feitas com: ● Interruptor da Ignição ON ou ACC; ● Rádio ON; ● Rádio conectado (Se retirado para inspeção, providenciar um cabo terra para o compartimento, utilizando um fio-ponte). AV-63
  • 64.
    DIAGNÓSTICO DE FALHAS EXEMPLOSDE DESLOCAMENTO DE MARCAS DE LOCALIZAÇÃO ATUAL Ele calcula o percurso do veículo, fazendo a leitura da distância do percurso e do ângulo de giro. Desta forma, se o veículo for dirigido da maneira a seguir, irá ocorrer um erro no mostrador de localização atual. Caso a localização correta não tenha sido restaurada após dirigir o veículo normalmente, efetue a correção de loca- lização. SEL698V AV-64
  • 65.
    DIAGNÓSTICO DE FALHAS Causa (condição) Condição de direção Notas (correção, etc.) A Cruzamentos Y Em um cruzamento Y ou divisão similar da estrada, erros na direção do percurso deduzidos por um sen- B sor podem fazer que uma marca de localização real apareça na estrada incorreta. C ELK0192D Estradas sinuosas SEL709V Ao dirigir em uma estrada sinuosa contínua (por exemplo uma ponte D em curva), erros de ângulo de giro são acumulados e a marca do veículo pode ser desviada da locali- E zação correta. ELK0193D Estradas retas Ao dirigir em uma estrada longa e reta, com poucas curvas sem parar, F o mapa de correspondência não fun- ciona efetivamente e os erros de dis- tância podem ser acumulados. G Como resultado, a marca do veículo pode ser desviada da localização correta quando o veículo fizer uma Caso, após dirigir aproximadamente ELK0194D conversão. 10 km (6 mph) a localização correta H Padrão da Curvas em ziguezague não tenha sido restaurada, efetue a estrada correção de localização e, se Ao dirigir em uma estrada cheia de necessário, a correção da direção. ziguezagues, o mapa pode corre- spondente a outras estradas em I uma direção similar próxima a cada conversão, e a marca do veículo pode ser desviada da localização correta. J ELK0195D Estradas com padrão grid (quadriculado) Ao dirigir em um local onde as vias K AV são dispostas em um padrão de grid (quadriculado), onde muitas estra- das correm para uma direção similar próxima, o mapa pode corre- L sponder-se a elas por engano e a marca do veículo pode desviar da localização correta. ELK0196D M Estradas paralelas Quando duas estradas caminham paralelamente (como por exemplo uma auto-estrada e a marginal), o mapa pode corresponder com a outra via por engano e a marca do veículo pode desviar-se da localiza- ção correta. ELK0197D AV-65
  • 66.
    DIAGNÓSTICO DE FALHAS Causa (condição) Condição de direção Notas (correção, etc.) Ao dirigir em um estacionamento, ou outro local onde não existem vias no Em um estacionamento mapa, a correspondência pode colo- car a marca do veículo em uma via próxima. Quando o veículo retorna à estrada, a marca do veículo pode ter sido desviada do local correto. Ao dirigir em um círculo ou ao girar o volante de direção repetidamente, os erros de direção são acumula- dos, e a marca do veículo pode des- viar-se da localização correta. Viradouro Quando o interruptor de ignição estiver desligado, o sistema de navegação não pode receber o sinal do giroscópio (sensor de velocidade angular). Desta forma, a direção exi- bida pode estar incorreta e a via cor- Local reta pode não ser encontrada facilmente após girar o veículo em SEL710V um viradouro com ignição desligada. Em neve, estradas molhadas, pedre- gulhos ou outras estradas onde os pneus podem deslizar facilmente, os Estradas escorregadias erros de quilometragem acumulados podem fazer com que a marca do Caso, após dirigir aproximadamente veículo seja desviada da estrada 10 km (6 mph) a localização correta correta. não tenha sido restaurada, efetue a Ao estacionar em garagens com correção de localização, e, se aclives ou declives, ao dirigir em necessário, a correção da direção. estradas inclinadas lateralmente ou em outros casos onde o veículo gire Subidas/descidas quando inclinado, um erro no ângulo de giro irá ocorrer e a marca do veículo pode ser desviada da estrada. Estradas não exibidas na tela do mapa Ao dirigir em novas estradas ou ou- tras estradas não exibidas na tela do mapa, a correspondência de mapa não funciona corretamente e faz a correspondência do local com uma estrada próxima. Quando o veículo retorna à estrada que está no mapa, SEL699V a marca do veículo pode ser desvia- da da estrada correta. Dados do mapa Padrão de estrada diferente (Alterada em virtude de obras) Caso o padrão da estrada arma- zenado nos dados do mapa e no padrão real da estrada sejam di- ferentes, a correspondência de mapa não funciona corretamente e faz a correspondência com uma estrada próxima. A marca do veículo ELK0201D pode desviar-se da estrada correta. AV-66
  • 67.
    DIAGNÓSTICO DE FALHAS Causa (condição) Condição de direção Notas (correção, etc.) A Dirija o veículo por algum tempo. Caso a distância ainda seja des- viada, ajuste-a através da função de Uso de correntes de pneus. ajuste de distância. (Caso as B correntes dos pneus sejam removidas, recupere o valor original.) Uso de pneus diferentes dos A marca do veículo pode desviar-se Substitua todos os pneus por outros C Veículo especificados. de tamanho especificado. da estrada correta. Ajuste todos os pneus de acordo Falha na calibração do pneu com a pressão de ar especificada. D Dirija o veículo por algum tempo. Caso a distância ainda não esteja Substitua o pneu na localização correta, será ajus- tada através da função de ajuste de E distância. Caso o veículo seja dirigido logo após a partida do motor quando a F correção do giroscópio (sensor de Exatamente após ser dada a partida ao Aguarde por algum tempo antes de velocidade angular) ainda não tiver motor dirigir após dar a partida ao motor. sido completada, o veículo pode indicar a direção incorreta e pode G desviar-se da localização correta. Ao dirigir por longas distâncias sem Maneira de parar, os erros de direção podem ser dirigir H Condução continuada sem paradas acumulados e a marca de localiza- Pare e ajuste a orientação ção real pode ser desviada da via correta. Cantar pneus ou outros tipos de Caso, após dirigir aproximadamente I direção abusiva pode fazer com que 10 km (6 mph) a localização correta o sistema se torne incapaz de efe- Condução abusiva tuar a detecção correta, e pode fazer não tenha sido restaurada, efetue a a marca do veículo desviar-se da via correção de localização, e, se correta. necessário, a correção da direção. J Método de correção de posição A partir das estradas exibidas na Caso a precisão dos ajustes da tela, dê entrada em uma posição localização for insuficiente, a pre- dentro de uma precisão de 1 mm K AV cisão pode ser reduzida quando a (0,04 pol.). estrada correta não puder ser encontrada, particularmente em CUIDADO: locais onde existam muitas estradas. Ao corrigir, utilize o mapa mais L detalhado possível. Precisão da SEL701V correção de Direção quando a localização for posição corrigida M Caso a precisão de ajustes de locali- zação durante a correção for insufi- Efetue a correção de direção. ciente, a precisão pode ser reduzida logo após. SEL702V A MARCA DE POSIÇÃO ATUAL MOSTRA UMA POSIÇÃO COMPLETAMENTE INCORRETA Nos casos a seguir, a marca de localização real pode ser exibida em um local que seja completamente incor- reto. Caso isto ocorra, efetue a correção da posição / direção. ● Quando a correção de local não foi feita – Caso a recepção do satélite GPS estiver fraca e a marca de localização real escapa para fora do local, ele poderá mudar para um local completamente desconhecido e não retornar caso a correção de local não seja efetuada. A posição será corrigida se o sinal GPS puder ser recebido. ● Quando o veículo viajou sobre uma balsa ou quando o veículo foi rebocado. AV-67
  • 68.
    DIAGNÓSTICO DE FALHAS – Tendo em vista que o cálculo da localização atual não pode ser efetuado quando estiver viajando com a ignição desligada, por exemplo em uma balsa ou ao ser rebocado, a localização antes do percurso é exi- bida. Caso a localização precisa pode ser detectada com GPS, a localização será corrigida. A MARCA DE POSIÇÃO ATUAL PULA Nos casos a seguir, a marca de localização atual pode parecer pular como um resultado da correção automática da posição atual. ● Quando a correspondência de mapa foi feita – Caso a localização atual e a marca de localização atual sejam diferentes quando a correspondência de mapa for efetuada, a marca de localização atual pode parecer pular. Neste momento, a localização pode ser “corrigida” de acordo com a estrada incorreta ou de acordo com a localização que não está na estrada. ● Quando a correção de local GPS foi feita – Caso a localização atual e a marca de localização atual sejam diferentes quando a localização for corri- gida, utilizando-se as medições GPS, a marca de localização atual pode parecer pular. Neste momento, a localização pode ser “corrigida” para um local que não está na estrada. A MARCA DE LOCALIZAÇÃO ATUAL É UM RIO OU MAR O sistema de navegação move a marca de localização atual sem distinção entre terra e rios ou mar. Caso a marca de localização esteja de alguma maneira fora do lugar, poderá parecer que o veículo está sendo dirigido sobre um rio ou mar. A MARCA DE LOCALIZAÇÃO ATUAL GIRA SEM FUNCIONAMENTO Caso o interruptor de ignição seja ligado com o veículo girando, a condição de rotação é registrada como condição parada. Desta forma, a marca de localização atual poderá estar girando e a marca de posição mar- car parada. AO DIRIGIR NA MESMA ESTRADA, ALGUMAS VEZES A MARCA DE LOCALIZAÇÃO ATUAL ESTÁ NO LOCAL CORRETO MAS OUTRAS VEZES NÃO ESTÁ As condições da antena GPS (dados de GPS) e do giroscópio (sensor de velocidade angular) são alteradas gradativamente. Dependendo da estrada onde esteja viajando e do funcionamento do volante de direção, os resultados da detecção localização serão diferentes. Desta foram, mesmo em uma estrada na qual a localiza- ção nunca tenha sido incorreta, as condições podem fazer a marca do veículo serem desviados. CORREÇÃO DE LOCALIZAÇÃO PELA CORRESPONDÊNCIA DO MAPA É VAGAROSA ● A função de correspondência de mapa necessita referir-se aos dados da área ao redor. É necessário diri- gir alguns quilômetros para que a função trabalhe. ● Em virtude de como a correspondência de mapa funciona, quando houver muitas estradas partindo de direções similares na área ao redor, uma determinação de correspondência pode ser impossível. A locali- zação irá permanece incorreta até que alguma característica especial seja encontrada. EMBORA A TELA DE RECEBIMENTO GPS ESTEJA VERDE, A MARCA DO VEÍCULO NÃO RETORNA À LOCALIZAÇÃO CORRETA ● A precisão do GPS apresenta uma faixa de falha de aproximadamente 10 m. Em alguns casos a marca de localização atual pode estar na rua correta, mesmo quando a correção de localização do GPS for feita. ● O sistema de navegação compara os resultados da detecção da localização do GPS com os resultados da detecção da localização de correspondência de mapa. É utilizado aquele que for determinado como tendo a mais alta precisão. ● A correção de posição pelo GPS não está disponível enquanto o veículo estiver parado. O NOME DO LOCAL ATUAL NÃO É EXIBIDO O nome do local atual poderia não ser exibido quando não houver nome ou informações de local na tela do mapa. O MOSTRADOR É DIFERENTE ENTRE A VISTA AÉREA E O MAPA PLANO Os seguintes são diferentes na vista aérea. ● O nome do lugar atual exibe nomes que são primariamente na direção do percurso do veículo. ● A quantidade de tempo antes do percurso do veículo ou ângulo de giro atualizada na tela é mais longa que para o mostrador de mapa (plano). ● As condições para o mostrador dos nomes de locais, estradas e outros dados são diferentes para as áreas próximas e para as áreas mais distantes. ● Será efetuada alguma compensação nos dados de caracteres para evitar que o mostrador se torne muito complexo. Em alguns casos e em alguns locais, o conteúdo do mostrador poderá diferir. ● O mesmo nome de local, nome de rua, etc., poderão ser exibidos várias vezes. AV-68
  • 69.
    REMOÇÃO E INSTALAÇÃO REMOÇÃOE INSTALAÇÃO PFP:00000 A Unidade de Áudio sem NAVI EKS00Q6V REMOÇÃO 1. Retirar a tampa do Painel “C”. Consulte IP-10, "CONJUNTO DO PAINEL DE INSTRUMENTOS". B 2. Retirar os parafusos (A). Retirar a unidade de áudio (1) do veículo. C INSTALAÇÃO A instalação é feita na ordem inversa da remoção. D E SKIB8950E F Unidade de Áudio com NAVI EKS00Q6W REMOÇÃO 1. Retirar a tampa do Painel “C”. Consulte IP-10, "CONJUNTO DO PAINEL DE INSTRUMENTOS". G 2. Retirar os parafusos (A). Retirar a unidade de áudio (1) do veículo. H INSTALAÇÃO A instalação é feita na ordem inversa da remoção. I J SKIB4580E Alto-falante da Porta Dianteira EKS00Q6X K AV REMOÇÃO 1. Retirar o acabamento da porta (dianteira). Consulte EI-28, "ACABAMENTO DA PORTA". L 2. Retirar os parafusos (A) e retirar o alto-falante (1). INSTALAÇÃO M A instalação é feita na ordem inversa da remoção. SKIB3905E AV-69
  • 70.
    REMOÇÃO E INSTALAÇÃO Alto-falanteda Porta Traseira EKS00Q6Y A REMOÇÃO 1. Remova o acabamento da porta (traseira). Consulte EI-28, "ACABAMENTO DA PORTA". 2. Remova os parafusos (A); remova o alto-falante (1). B INSTALAÇÃO A instalação deve ser efetuada na seqüência inversa de remoção. C D SKIB3906E E Tweeter EKS00Q6Z REMOÇÃO F 1. Remova a tela do alto-falante. 2. Remova os parafusos (A); remova o tweeter (1). G INSTALAÇÃO A instalação deve ser efetuada na seqüência inversa de remoção. H I SKIB4581E Antena do Teto EKS00Q71 J REMOÇÃO ● : Parte dianteira do veículo K AV 1. Remova o forro do teto. Consulte EI-36, "ACABAMENTO DO TETO". 2. Remova a porca (A) e a base da antena. L INSTALAÇÃO A instalação deve ser efetuada na seqüência inversa de remoção. M SKIB6657E AV-70
  • 71.
    REMOÇÃO E INSTALAÇÃO Unidadede Controle NAVI EKS00Q71 REMOÇÃO ● : Parte dianteira do veículo 1. Mova o banco dianteiro (LD) totalmente para frente. 2. Desconecte os conectores. 3. Remova os parafusos (A); remova a unidade de controle NAVI (1). 4. Remova os parafusos e os suportes (2) da unidade de controle NAVI (1). INSTALAÇÃO A instalação deve ser efetuada na seqüência inversa de remoção. SKIB4531E Antena GPS EKS00Q72 REMOÇÃO ● : Parte dianteira do veículo ● (2): Antena GPS 1. Remova a unidade do mostrador. Consulte AV-72, "Unidade da Tela". 2. Remova a unidade de áudio. Consulte AV-69, "Unidade de Áudio com NAVI". 3. Desconecte o conector (1) e remova as presilhas (A). SKIB4583E 4. Remova os parafusos (A); remova a antena GPS (1). INSTALAÇÃO A instalação deve ser efetuada na seqüência inversa de remoção. SKIB4584E AV-71
  • 72.
    REMOÇÃO E INSTALAÇÃO Unidadeda Tela EKS00Q73 A REMOÇÃO 1. Remova o a cobertura do grupo de instrumentos C. Consulte IP-10, "CONJUNTO DO PAINEL DE INSTRUMENTOS". B 2. Desconecte os conectores. C D 3. Remova os parafusos (A); remova a unidade do mostrador (1). INSTALAÇÃO A instalação deve ser efetuada na seqüência inversa de remoção. E F G SKIB4586E Interruptor AV EKS00Q75 H REMOÇÃO 1. Remova a cobertura do grupo de instrumentos C. Consulte IP-10, "CONJUNTO DO PAINEL DE INSTRU- MENTOS". I J K AV 2. Remova os parafusos (A). 3. Remova o interruptor AV (2) da cobertura do grupo de instru- mentos C (1). L INSTALAÇÃO A instalação deve ser efetuada na seqüência inversa de remoção. M SKIB4587E Microfone REMOÇÃO 1. Remova o console do teto (1). Consulte EI-36, "ACABAMENTO DO TETO". 2. Desconecte o conector (2). 3. Levante a lingüeta (3) e remova o microfone (4). INSTALAÇÃO A instalação deve ser efetuada na seqüência inversa de remoção. SKIB4589E AV-72