1. O documento discute os sistemas de numeração binário, octal, hexadecimal e decimal, incluindo como converter entre esses sistemas.
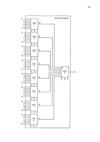
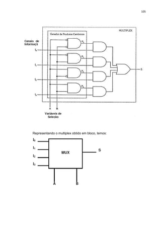
2. Também aborda circuitos lógicos digitais como portas lógicas, flip-flops e contadores, além de aritmética binária e códigos numéricos.
3. O texto fornece informações técnicas sobre conceitos fundamentais da eletrônica digital para estudantes da área.