Circuitos Seqüenciais
Circuitos Seqüenciais
• Circuitos Combinacionais: como vimos
até aqui apresentam as saídas única e
exclusivamente dependentes das
variáveis de entrada;
• Circuitos Seqüenciais: têm a saída
dependentes das variáveis de entrada
e/ou de seus estados anteriores que
permanecem armazenados:
– Flip-flop;
– Registradores;
– Contadores;
– Memórias
Flip-flop
• Dispositivo que possui dois estados
estáveis. Para o flip-flop assumir um
desses estados é necessário que haja uma
combinação das variáveis de entrada e de
um pulso de controle “clock”. Após este
pulso, o flip flop permanecerá nesse
estado até a chegada de um novo pulso
de controle e, então, de acordo com as
variáveis de entrada, permanecerá ou
mudará de estado.
• O flip-flop é o elemento básico das
chamadas memórias estáticas.
Flip-flop
• Dois estados estáveis
E1
E2
Controle CLOCK
Q
Q
0Q1Q.2
1QOQ.1
=⇒=
=⇒=
Flip-flop RS
S R Qa Qf
0 0 0
1 0 0
2 0 1
3 0 1
4 1 0
5 1 0
6 1 1
7 1 1
Q
Q
0
0
00
1
1
0
1
1
0 0
Flip-flop RS
S R Qa Qf
0 0 0 0 0
1 0 0
2 0 1
3 0 1
4 1 0
5 1 0
6 1 1
7 1 1
Q
Q
0
0
1
1
1
1
1
0
0
1
1
Flip-flop RS
S R Qa Qf
0 0 0 0 0
1 0 0 1 1
2 0 1
3 0 1
4 1 0
5 1 0
6 1 1
7 1 1
Q
Q
0
1
0
0
1
0
0
1
1
0
0
Flip-flop RS
S R Qa Qf
0 0 0 0 0
1 0 0 1 1
2 0 1 0 0
3 0 1
4 1 0
5 1 0
6 1 1
7 1 1
Q
Q
0
1
1
1
1
0
1
1
1
0
0
Flip-flop RS
S R Qa Qf
0 0 0 0 0
1 0 0 1 1
2 0 1 0 0
3 0 1 1 0
4 1 0
5 1 0
6 1 1
7 1 1
Q
Q
1
0 0
0
0
1
0
1
1
1
1
1
0
Flip-flop RS
S R Qa Qf
0 0 0 0 0
1 0 0 1 1
2 0 1 0 0
3 0 1 1 0
4 1 0 0 1
5 1 0
6 1 1
7 1 1
Q
Q
1
0
1
1
0
1
1
0
0
1
1
Flip-flop RS
S R Qa Qf
0 0 0 0 0
1 0 0 1 1
2 0 1 0 0
3 0 1 1 0
4 1 0 0 1
5 1 0 1 1
6 1 1
7 1 1
Q
Q
1
1
0
0
0
0
0
1
1
1
1
1
1
Flip-flop RS
S R Qa Qf
0 0 0 0 0
1 0 0 1 1
2 0 1 0 0
3 0 1 1 0
4 1 0 0 1
5 1 0 1 1
6 1 1 0 1
7 1 1
Q
Q
1
1
1
1
0
0
1
1
1
1
1
1
1
Flip-flop RS
S R Qa Qf
0 0 0 0 0
1 0 0 1 1
2 0 1 0 0
3 0 1 1 0
4 1 0 0 1
5 1 0 1 1
6 1 1 0 1
7 1 1 1 1
Qf = Qa
Qf = 0
Qf = 1
N.P. QQ =
S R Qf
0 0 Qa
0 1 0
1 0 1
1 1 NP
Resumo da tabela
Flip-flop RS comandado por pulso de Clock
CK
S
R
Q
Q
0
1
1
S R Qf
0 0 Qa
0 1 0
1 0 1
1 1 NP
Flip-flop RS comandado por pulso de Clock
CK
S
R
Q
Q
0 1
1
S R Qf
0 0 Qa
0 1 0
1 0 1
1 1 NP
0
QaQf0CK/P =⇒=
O FF permanece em
seu estado mesmo que
varie as entradas R e S
Flip-flop RS comandado por pulso de Clock
CK
S
R
Q
Q
1
P/ CK = 1 o FF funciona normalmente, ou seja o circuito
irá mudar de estado somente na chegada de um pulso de
CK.
Flip-flop JK
• Soluciona o problema da indeterminação de
R=S=1.
J
K
CK
Q
Q
J
Q S
CK
R
Q.JS =
Q
K K.QR =
Q
Q
Flip-flop JK
• Soluciona o problema da indeterminação de
R=S=1.
J K Qa Qf
0 0 0
0 0 1
0 1 0
0 1 1
1 0 0
1 0 1
1 1 0
1 1 1
1 0 0
00 0
Qa Q.JS = K.QR =
1 0 0
10 0
1 1 0
00 0
1 1 0
10 0
Qa
Qa
0Qa =
0
1
1Qa =
Qa1=
Qa0 =
Qa
0
1
Qa
Flip-flop JK
J K Qf
0 0 Qa
0 1 0
1 0 1
1 1
Resumo da tabela
Qa
Flip-flop JK mestre-escravo
Flip-flop JK mestre-escravo
Flip-flop JK mestre-escravo
Clock
J
K
Q
Q
Flip-flop JK mestre-escravoFlip-flop JK mestre-escravo
Flip-flop tipo D
J Q
CK
K
D
Q
J K D Qf
0 0 NE /
0 1 0 0
1 0 1 1
1 1 NE /
D Qf
0 0
1 1
7473 - DUPLO
FLIP-FLOP J-K COM CLEAR
Os flip-flops são sensíveis ao nível de clock (Level
Triggered) com entrada de Clear assíncrono.
7474 - DUPLO FLIP-FLOP
TIPO D (LATCHES) COM PRESET E CLEAR
Flip-flop TTL
• Para as diversas famílias TTL podemos
especificar as máximas velocidades
dos seus flip-flops da seguinte maneira:
– Standard (74) - 35 MHz
– Low Power (74L) - 3 MHz
– Low Power Shottky (74LS) - 45 MHz
– High Speed (74H) - 50 MHz
– (74S) - 125 MHz
Registrador de Deslocamento ou “shift-register”
Armazenar informação de mais de um bit
Registrador de Deslocamento ou “shift-register”
Registrador de Deslocamento ou “shift-register”
Tipos de shift-register
SISO - Serial-in/Serial-out
Tipos de shift-register
SISO - Serial-in/Serial-out
Tipos de shift-register
SIPO - Serial-In/Parallel-out
Contadores
• Faz contagem do número de pulsos.
• Classificação
– Sincronismo
• Assíncronos (Ripple Counters);
• Síncronos.
– Modo de contagem
• Progressivos ou crescentes (UP COUNTERS);
• Regressivos ou decrescentes (DOWN COUNTERS)
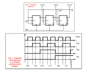
CONTADOR ASSÍNCRONO
CONTADOR ASSÍNCRONO (CRESCENTE)
CONTADOR ASSÍNCRONO (DECRESCENTE)
CONTADOR ASSÍNCRONO (DECRESCENTE)
CONTADOR SÍNCRONO
7490 - Contador de Década
7490 - Contador de Década
• Este circuito pode ser usado de três formas
diferentes, sempre com as entradas R0(1),
R0(2), R9(1) e R9(2) aterradas.
• Quando ligamos a entrada B à saída QA e
aplicamos o sinal de clock à entrada A, o
circuito funciona como um contador BCD,
ou seja, conta até 10, com as saídas em
decimal codificado em binário apresentadas
nos pinos QA, QB, QC e QD.
7490 - Contador de Década

97710 a5-circuitos seqüenciais2

  • 1.
  • 2.
    Circuitos Seqüenciais • CircuitosCombinacionais: como vimos até aqui apresentam as saídas única e exclusivamente dependentes das variáveis de entrada; • Circuitos Seqüenciais: têm a saída dependentes das variáveis de entrada e/ou de seus estados anteriores que permanecem armazenados: – Flip-flop; – Registradores; – Contadores; – Memórias
  • 3.
    Flip-flop • Dispositivo quepossui dois estados estáveis. Para o flip-flop assumir um desses estados é necessário que haja uma combinação das variáveis de entrada e de um pulso de controle “clock”. Após este pulso, o flip flop permanecerá nesse estado até a chegada de um novo pulso de controle e, então, de acordo com as variáveis de entrada, permanecerá ou mudará de estado. • O flip-flop é o elemento básico das chamadas memórias estáticas.
  • 4.
    Flip-flop • Dois estadosestáveis E1 E2 Controle CLOCK Q Q 0Q1Q.2 1QOQ.1 =⇒= =⇒=
  • 5.
    Flip-flop RS S RQa Qf 0 0 0 1 0 0 2 0 1 3 0 1 4 1 0 5 1 0 6 1 1 7 1 1 Q Q 0 0 00 1 1 0 1 1 0 0
  • 6.
    Flip-flop RS S RQa Qf 0 0 0 0 0 1 0 0 2 0 1 3 0 1 4 1 0 5 1 0 6 1 1 7 1 1 Q Q 0 0 1 1 1 1 1 0 0 1 1
  • 7.
    Flip-flop RS S RQa Qf 0 0 0 0 0 1 0 0 1 1 2 0 1 3 0 1 4 1 0 5 1 0 6 1 1 7 1 1 Q Q 0 1 0 0 1 0 0 1 1 0 0
  • 8.
    Flip-flop RS S RQa Qf 0 0 0 0 0 1 0 0 1 1 2 0 1 0 0 3 0 1 4 1 0 5 1 0 6 1 1 7 1 1 Q Q 0 1 1 1 1 0 1 1 1 0 0
  • 9.
    Flip-flop RS S RQa Qf 0 0 0 0 0 1 0 0 1 1 2 0 1 0 0 3 0 1 1 0 4 1 0 5 1 0 6 1 1 7 1 1 Q Q 1 0 0 0 0 1 0 1 1 1 1 1 0
  • 10.
    Flip-flop RS S RQa Qf 0 0 0 0 0 1 0 0 1 1 2 0 1 0 0 3 0 1 1 0 4 1 0 0 1 5 1 0 6 1 1 7 1 1 Q Q 1 0 1 1 0 1 1 0 0 1 1
  • 11.
    Flip-flop RS S RQa Qf 0 0 0 0 0 1 0 0 1 1 2 0 1 0 0 3 0 1 1 0 4 1 0 0 1 5 1 0 1 1 6 1 1 7 1 1 Q Q 1 1 0 0 0 0 0 1 1 1 1 1 1
  • 12.
    Flip-flop RS S RQa Qf 0 0 0 0 0 1 0 0 1 1 2 0 1 0 0 3 0 1 1 0 4 1 0 0 1 5 1 0 1 1 6 1 1 0 1 7 1 1 Q Q 1 1 1 1 0 0 1 1 1 1 1 1 1
  • 13.
    Flip-flop RS S RQa Qf 0 0 0 0 0 1 0 0 1 1 2 0 1 0 0 3 0 1 1 0 4 1 0 0 1 5 1 0 1 1 6 1 1 0 1 7 1 1 1 1 Qf = Qa Qf = 0 Qf = 1 N.P. QQ = S R Qf 0 0 Qa 0 1 0 1 0 1 1 1 NP Resumo da tabela
  • 14.
    Flip-flop RS comandadopor pulso de Clock CK S R Q Q 0 1 1 S R Qf 0 0 Qa 0 1 0 1 0 1 1 1 NP
  • 15.
    Flip-flop RS comandadopor pulso de Clock CK S R Q Q 0 1 1 S R Qf 0 0 Qa 0 1 0 1 0 1 1 1 NP 0 QaQf0CK/P =⇒= O FF permanece em seu estado mesmo que varie as entradas R e S
  • 16.
    Flip-flop RS comandadopor pulso de Clock CK S R Q Q 1 P/ CK = 1 o FF funciona normalmente, ou seja o circuito irá mudar de estado somente na chegada de um pulso de CK.
  • 17.
    Flip-flop JK • Solucionao problema da indeterminação de R=S=1. J K CK Q Q J Q S CK R Q.JS = Q K K.QR = Q Q
  • 18.
    Flip-flop JK • Solucionao problema da indeterminação de R=S=1. J K Qa Qf 0 0 0 0 0 1 0 1 0 0 1 1 1 0 0 1 0 1 1 1 0 1 1 1 1 0 0 00 0 Qa Q.JS = K.QR = 1 0 0 10 0 1 1 0 00 0 1 1 0 10 0 Qa Qa 0Qa = 0 1 1Qa = Qa1= Qa0 = Qa 0 1 Qa
  • 19.
    Flip-flop JK J KQf 0 0 Qa 0 1 0 1 0 1 1 1 Resumo da tabela Qa
  • 20.
  • 21.
  • 22.
  • 23.
  • 24.
    Flip-flop tipo D JQ CK K D Q J K D Qf 0 0 NE / 0 1 0 0 1 0 1 1 1 1 NE / D Qf 0 0 1 1
  • 25.
    7473 - DUPLO FLIP-FLOPJ-K COM CLEAR Os flip-flops são sensíveis ao nível de clock (Level Triggered) com entrada de Clear assíncrono.
  • 26.
    7474 - DUPLOFLIP-FLOP TIPO D (LATCHES) COM PRESET E CLEAR
  • 27.
    Flip-flop TTL • Paraas diversas famílias TTL podemos especificar as máximas velocidades dos seus flip-flops da seguinte maneira: – Standard (74) - 35 MHz – Low Power (74L) - 3 MHz – Low Power Shottky (74LS) - 45 MHz – High Speed (74H) - 50 MHz – (74S) - 125 MHz
  • 28.
    Registrador de Deslocamentoou “shift-register” Armazenar informação de mais de um bit
  • 29.
    Registrador de Deslocamentoou “shift-register”
  • 30.
    Registrador de Deslocamentoou “shift-register”
  • 31.
    Tipos de shift-register SISO- Serial-in/Serial-out
  • 32.
    Tipos de shift-register SISO- Serial-in/Serial-out
  • 33.
    Tipos de shift-register SIPO- Serial-In/Parallel-out
  • 34.
    Contadores • Faz contagemdo número de pulsos. • Classificação – Sincronismo • Assíncronos (Ripple Counters); • Síncronos. – Modo de contagem • Progressivos ou crescentes (UP COUNTERS); • Regressivos ou decrescentes (DOWN COUNTERS)
  • 35.
  • 37.
  • 38.
  • 39.
  • 40.
  • 41.
    7490 - Contadorde Década
  • 42.
    7490 - Contadorde Década • Este circuito pode ser usado de três formas diferentes, sempre com as entradas R0(1), R0(2), R9(1) e R9(2) aterradas. • Quando ligamos a entrada B à saída QA e aplicamos o sinal de clock à entrada A, o circuito funciona como um contador BCD, ou seja, conta até 10, com as saídas em decimal codificado em binário apresentadas nos pinos QA, QB, QC e QD.
  • 43.
    7490 - Contadorde Década