MANUAL DE SERVIÇOS
   SHADOW 750
      (2009)
COMO USAR ESTE MANUAL                                             ÍNDICE GERAL
Este manual descreve os procedimentos de serviço para a
motocicleta VT750C.                                                                      INFORMAÇÕES GERAIS                      1
Siga as recomendações da Tabela de Manutenção (Capítulo
                                                                                         CHASSI/CARENAGENS/
3) para garantir perfeitas condições de funcionamento e
níveis de emissões dentro das especificações.                                            SISTEMA DE ESCAPAMENTO                  2
A execução das manutenções iniciais é de grande
importância, pois compensa o desgaste inicial que ocorre
durante o período de amaciamento.
                                                                                         MANUTENÇÃO                              3
Os capítulos 1 e 3 aplicam-se à motocicleta inteira. O
capítulo 2 apresenta os procedimentos de remoção/
instalação de componentes que podem ser necessários para
                                                                                         SISTEMA DE LUBRIFICAÇÃO                 4
a execução de serviços descritos nos capítulos seguintes.
Os capítulos 4 a 21 apresentam os componentes da
motocicleta, agrupados de acordo com sua localização.
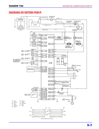
                                                                                         SISTEMA DE ALIMENTAÇÃO (PGM-FI)         5
Localize o capítulo desejado nesta página e, em seguida,
consulte o índice apresentado na primeira página do
capítulo selecionado.
                                                                                         SISTEMA DE ARREFECIMENTO                6


                                                                   MOTOR E TRANSMISSÃO
A maioria dos capítulos inicia-se com uma ilustração do
sistema ou conjunto, informações de serviço e diagnose de
defeitos. As páginas subseqüentes apresentam
                                                                                         REMOÇÃO/INSTALAÇÃO DO MOTOR             7
procedimentos detalhados.
Se a causa do problema for desconhecida, consulte o
capítulo 23, “Diagnose de Defeitos”.
                                                                                         CABEÇOTE/VÁLVULAS                       8
Sua segurança e a segurança de outras pessoas são de
grande importância. Para mantê-lo informado, incluímos
                                                                                         CILINDRO/PISTÃO                         9
mensagens de segurança e outras informações neste
manual. Infelizmente, é impossível alertar sobre todos os
riscos associados à realização de serviços neste veículo.
                                                                                         EMBREAGEM/SELETOR DE MARCHAS            10
Você deve utilizar seu próprio bom-senso.
Você encontrará informações de segurança de várias
maneiras, tais como:
                                                                                         ALTERNADOR/EMBREAGEM DE PARTIDA         11
• Etiquetas de segurança - localizadas no veículo.
• Mensagens de segurança - precedida por um símbolo de
alerta de segurança “!” e uma das três palavras, PERIGO,
CUIDADO ou ATENÇÃO.
                                                                                         ÁRVORE DE MANIVELAS/TRANSMISSÃO         12
  Esta palavra tem o seguinte significado:
p               : Caso as instruções não sejam seguidas, você
                                                                                         DIFERENCIAL                             13
                  sofrerá ferimentos sérios ou fatais.
c : Caso as instruções não sejam seguidas, você                                          RODA DIANTEIRA/SUSPENSÃO/
    poderá sofrer ferimentos sérios ou fatais.                                           SISTEMA DE DIREÇÃO                      14
                                                                   CHASSI




a                 : Caso as instruções não sejam seguidas, você
                    poderá sofrer ferimentos.
• Instruções: Como executar serviços neste veículo de maneira
                                                                                         RODA TRASEIRA/FREIO/SUSPENSÃO           15
              correta e segura.

Neste manual, você encontrará informações precedidas
                                                                                         FREIO HIDRÁULICO                        16
do símbolo de NOTA. O propósito desta mensagem é
alertar a fim de evitar danos ao veículo, outras
propriedades ou ao meio-ambiente.
                                                                                         BATERIA/SISTEMA DE CARGA                17
TODAS AS INFORMAÇÕES, ILUSTRAÇÕES,                                                       SISTEMA DE IGNIÇÃO                      18
                                                                   SISTEMA ELÉTRICO




INSTRUÇÕES E ESPECIFICAÇÕES INCLUÍDAS NESTA
PUBLICAÇÃO SÃO BASEADAS NAS INFORMAÇÕES
MAIS RECENTES DISPONÍVEIS NA OCASIÃO DA
APROVAÇÃO DA IMPRESSÃO DO MANUAL. A MOTO
                                                                                         PARTIDA ELÉTRICA                        19
HONDA DA AMAZÔNIA LTDA. SE RESERVA O DIREITO
DE ALTERAR AS CARACTERÍSTICAS DA
MOTOCICLETA A QUALQUER MOMENTO E SEM
                                                                                         ILUMINAÇÃO/INSTRUMENTOS/INTERRUPTORES   20
PRÉVIO AVISO, NÃO INCORRENDO, ASSIM, EM
OBRIGAÇÕES DE QUALQUER ESPÉCIE. NENHUMA
PARTE DESTA PUBLICAÇÃO PODE SER
                                                                                         SISTEMA IMOBILIZADOR (HISS)             21
REPRODUZIDA SEM PERMISSÃO POR ESCRITO. ESTE
MANUAL FOI ELABORADO PARA PESSOAS QUE
TENHAM CONHECIMENTOS BÁSICOS SOBRE A
                                                                                         DIAGRAMA ELÉTRICO                       22
MANUTENÇÃO DAS MOTOCICLETAS HONDA.

MOTO HONDA DA AMAZÔNIA LTDA.
                                                                                         DIAGNOSE DE DEFEITOS                    23
Departamento de Serviços Pós-venda
Setor de Publicações Técnicas
Algumas palavras sobre segurança
Informações de Serviço
As informações de serviços e reparos contidas neste manual destinam-se ao uso de técnicos profissionais qualificados.
A tentativa de execução de serviços ou reparos sem o treinamento, ferramentas e equipamentos adequados pode
causar ferimentos a você e a outras pessoas. Também pode danificar o veículo ou criar situações inseguras.
Este manual descreve os métodos e procedimentos adequados para a realização de serviços, manutenções e reparos.
Alguns procedimentos requerem a utilização de ferramentas especialmente desenvolvidas e equipamentos específicos.
Qualquer pessoa que planeja utilizar uma peça de substituição, ferramenta ou executar procedimento de serviço que não
sejam recomendados pela Honda deve determinar os riscos à sua própria segurança e ao seguro funcionamento do veículo.
Se você necessita substituir algum componente, utilize peças genuínas Honda, com o correto código da peça ou
componente equivalente. Nós não recomendamos a utilização de peças de reposição de inferior qualidade.
Para a segurança do consumidor
Serviços e manutenção adequados são essenciais para a segurança do consumidor e confiabilidade do veículo.
Qualquer erro ou descuido durante a execução de serviços em um veículo pode resultar em operação defeituosa, danos
ao veículo ou ferimentos a outras pessoas.

c

 • Serviços ou reparos realizados de maneira inadequada podem criar condições inseguras de utilização, que podem
   levar o consumidor ou outras pessoas a acidentes graves ou fatais.
 • Siga cuidadosamente os procedimentos e precauções deste manual e outros catálogos de serviço.

Para a sua segurança
Como este manual destina-se ao uso de técnicos de serviços profissionais, não fornecemos advertências sobre várias práticas
de seguranças básicas de serviços (por exemplo, para peças quentes - utilizar luvas). Se você não recebeu treinamento de
segurança para execução de serviços ou não se sente seguro em relação ao seu conhecimento sobre segurança durante a
execução de serviços, recomendamos que não tente executar os procedimentos descritos neste manual.
Algumas das mais importantes precauções de segurança de serviços gerais estão descritas a seguir. Entretanto, não
podemos advertir sobre todos os riscos concebíveis que podem surgir durante a execução de serviços ou
procedimentos de reparo. Somente você pode decidir quando deve ou não executar determinada tarefa.

c

 • O não acompanhamento dos procedimentos e precauções deste manual pode causar acidentes graves ou fatais.
 • Siga cuidadosamente os procedimentos e precauções deste manual.

Precauções de Segurança Importantes
Certifique-se de conhecer todas as práticas de segurança de serviços, de vestir roupas adequadas e utilizar
equipamentos de segurança. Sempre que realizar serviços, seja especialmente cuidadoso com os seguintes pontos:
• Leia todas as instruções antes de começar, e certifique-se de ter todas as ferramentas, as peças de substituição ou
  reparo e o conhecimento necessário para realizar as tarefas de maneira segura e completa.
• Proteja seus olhos, usando óculos de segurança adequados, protetores para os olhos ou protetores para o rosto,
  sempre que martelar, perfurar, amolar, alavancar, trabalhar próximo a ar ou líquidos pressurizados e molas ou outros
  componentes que possam armazenar energia.
• Vista roupas protetoras quando necessário, como por exemplo, luvas ou sapatos de segurança. Manusear peças
  quentes ou cortantes pode provocar queimaduras ou cortes graves. Antes de segurar algo que pareça poder machucá-
  lo, pare e vista luvas de segurança.
• Proteja-se e a outras pessoas sempre que o veículo estiver suspenso. Sempre que levantar o veículo do solo, mesmo
  que utilizando um macaco ou guindaste, certifique-se de que está seguramente apoiado. Sempre utilize cavaletes.
Certifique-se de que o motor esteja desligado sempre que iniciar procedimentos de serviços, a menos que as instruções
ditem o contrário. Isso ajudará a eliminar vários riscos em potencial.
• O monóxido de carbono liberado pelo motor é venenoso. Certifique-se de que o lugar possui ventilação adequada
  sempre que ligar o motor.
• Líquidos de arrefecimento ou peças quentes podem provocar queimaduras sérias. Espere o motor e o escapamento
  esfriarem sempre que for trabalhar nestas partes da motocicleta.
• As peças móveis da motocicleta podem provocar ferimentos. Se as instruções ditarem para ligar o motor, certifique-se
  de que suas mãos, dedos ou roupas estejam fora da área de movimento destas peças.
Os vapores de gasolina e gases de hidrogênio emitidos pela bateria são explosivos. Para reduzir a possibilidade de
incêndio ou explosões, tenha cuidado ao trabalhar próximo a gasolina ou baterias.
• Sempre utilize solventes não-inflamáveis, nunca gasolina, para limpar componentes.
• Nunca drene ou armazene gasolina em recipientes abertos.
• Mantenha cigarros, faíscas e chamas longe da bateria e de todos os componentes relacionados a combustível.
SÍMBOLOS
Os símbolos utilizados neste manual indicam procedimentos específicos de serviço. Se houver necessidade de informações
adicionais referentes a estes símbolos, estas serão explicadas especificamente no texto, sem a utilização dos símbolos.


                     Substitua a(s) peça(s) por uma nova antes da montagem.



                     Utilize óleo para motor recomendado, a menos que especificado de outra forma.


                     Utilize solução recomendada de óleo e molibdênio (mistura de óleo para motor com graxa de
                     molibdênio na proporção de 1:1).



                     Utilize graxa para uso geral (graxa para uso geral à base de sabão de lítio NLGI nº 2 ou equivalente).


                     Utilize graxa à base de bissulfeto de molibdênio (contendo mais de 3% de bissulfeto de
                     molibdênio, NLGI nº 2 ou equivalente).
                     Exemplo:       Molykote® BR-2 plus fabricada por Dow Corning, EUA
                                    Graxa para uso geral M-2, produzida pela Mitsubishi Oil, Japão
                     Utilize pasta à base de bissulfeto de molibdênio (contendo mais de 40% de bissulfeto de
                     molibdênio, NLGI nº 2 ou equivalente).
                     Exemplo:        Molykote® G-n Paste fabricada por Dow Corning, EUA
                                     Honda Moly 60 (somente para USA)
                                     Rocol ASP, produzida pela Rocol Ltda., UK
                                     Pasta Rocol, produzida pela Sumico Lubricant, Japão


                     Utilize graxa à base de silicone.


                     Utilize trava química. Utilize trava química com resistência a torque médio, a menos que
                     especificado de outra forma.


                     Aplique junta-líquida.


                     Utilize fluido de freio DOT4. Utilize o fluido de freio recomendado, a menos que especificado de
                     outra forma.


                     Utilize fluido para amortecedor ou suspensão.
SHADOW 750                           1. INFORMAÇÕES GERAIS
 NORMAS DE SERVIÇO                    1-2   ESPECIFICAÇÕES DA RODA DIANTEIRA/
                                            SUSPENSÃO/SISTEMA DE DIREÇÃO         1-11
 IDENTIFICAÇÃO DO MODELO              1-3
                                            ESPECIFICAÇÕES DA RODA
 ESPECIFICAÇÕES GERAIS                1-5   TRASEIRA/FREIO/SUSPENSÃO             1-11
 ESPECIFICAÇÕES DO SISTEMA DE               ESPECIFICAÇÕES DO FREIO HIDRÁULICO   1-11
 LUBRIFICAÇÃO                         1-7
                                            ESPECIFICAÇÕES DA BATERIA/SISTEMA
 ESPECIFICAÇÕES DO SISTEMA DE               DE CARGA                             1-12
 ALIMENTAÇÃO (PGM-FI)                 1-7
                                            ESPECIFICAÇÕES DO SISTEMA
 ESPECIFICAÇÕES DO SISTEMA DE               DE IGNIÇÃO                           1-12
 ARREFECIMENTO                        1-7
                                            ESPECIFICAÇÕES DA PARTIDA ELÉTRICA   1-12
 ESPECIFICAÇÕES DO CABEÇOTE/
 VÁLVULAS                             1-8   ESPECIFICAÇÕES DE ILUMINAÇÃO/
                                            INSTRUMENTOS/INTERRUPTORES           1-12
 ESPECIFICAÇÕES DO CILINDRO/PISTÃO    1-8
                                            VALORES DE TORQUE PADRÃO             1-13
 ESPECIFICAÇÕES DA
 EMBREAGEM/SELETOR DE MARCHAS         1-9   VALORES DE TORQUE DO MOTOR E
                                            CHASSI                               1-13
 ESPECIFICAÇÕES DO
 ALTERNADOR/EMBREAGEM DE PARTIDA      1-9   LUBRIFICAÇÃO E PONTOS DE VEDAÇÃO     1-18
 ESPECIFICAÇÕES DA ÁRVORE DE                PASSAGEM DE CABOS E FIAÇÃO           1-20
 MANIVELAS/TRANSMISSÃO               1-10
                                            SISTEMA DE CONTROLE DE EMISSÃO       1-33
 ESPECIFICAÇÕES DO DIFERENCIAL       1-10




                                                                                 1-1
INFORMAÇÕES GERAIS                                                                                 SHADOW 750


NORMAS DE SERVIÇO
1. Utilize somente peças, óleos e lubrificantes genuínos HONDA, recomendados pela HONDA ou seus equivalentes.
   Peças que não atendam às especificações HONDA podem causar danos à motocicleta.
2. Utilize as ferramentas especiais desenvolvidas para este produto a fim de evitar danos ou montagem incorreta.
3. Utilize somente ferramentas métricas ao efetuar reparos na motocicleta. Porcas e parafusos métricos não podem ser
   substituídos por fixadores Ingleses.
4. Instale novas juntas, anéis de vedação, cupilhas e placas de fixação durante a montagem.
5. Ao apertar as porcas e parafusos, inicie pelos de maior diâmetro ou pelos parafusos internos. Em seguida, aperte-os,
   diagonalmente e em diversas etapas, até o torque especificado, a menos que especificado de outra forma.
6. Limpe as peças com solvente de limpeza após a desmontagem. Lubrifique as superfícies deslizantes antes da
   montagem.
7. Após a montagem, inspecione todas as peças quanto a sua correta instalação e funcionamento adequado.
8. Passe todas as fiações elétricas como ilustrado em “Passagem de Cabos e Fiação” (pagina 1-20).
9. Não dobre nem torça os cabos de controle. Cabos de controle danificados não funcionarão suavemente, podendo
   causar seu travamento.

ABREVIAÇÕES

Neste manual, serão utilizadas as seguintes abreviações para identificar os respectivos componentes ou sistema.

    Abreviação                                  Nome completo
 Sensor CKP          Sensor de Posição da Árvore de Manivelas
 DLC                 Conector de Transmissão de Dados
 DTC                 Código de Diagnose de Defeito
 ECM                 Módulo de Controle do Motor
 Sensor ECT          Sensor de Temperatura do Líquido de Arrefecimento do Motor
 EEPROM              Memória Somente de Leitura Programável e Apagável Eletricamente
 Interruptor EOP     Interruptor de Pressão de Óleo do Motor
 HDS                 Sistema de Diagnóstico Honda
 HISS                Sistema de Segurança de Ignição Honda
 Válvula IAC         Válvula de Controle de Ar da Marcha-Lenta
 Sensor IAT          Sensor de Temperatura do Ar de Admissão
 Sensor MAP          Sensor de Pressão Absoluta do Coletor de Admissão
 MIL                 Lâmpada Indicadora de Mau-Funcionamento
 PAIR                Injeção de Ar de Pulso Secundário
 PGM-FI              Injeção de Combustível Programada
 Conector SCS        Conector de Curto-circuito de Inspeção de Serviço
 Sensor TP           Sensor de Posição do Acelerador
 Sensor VS           Sensor de Velocidade do Veículo




1-2
SHADOW 750                                                                          INFORMAÇÕES GERAIS



IDENTIFICAÇÃO DO MODELO




NÚMEROS DE SÉRIE

O Número de Identificação do Veículo (VIN) está gravado no
lado direito da coluna de direção, como mostra a ilustração.




                                                               NÚMERO DE IDENTIFICAÇÃO DO VEÍCULO (VIN)

O número de série do motor está gravado no lado direito da
carcaça do motor, como mostra a ilustração.




                                                               NÚMERO DE SÉRIE DO MOTOR


                                                                                                    1-3
INFORMAÇÕES GERAIS                                                                       SHADOW 750

O número de identificação do corpo do acelerador está
gravado na lateral do sensor de posição do acelerador, como
mostra a ilustração.




                                                                               NÚMERO DE IDENTIFICAÇÃO
                                                                               DO CORPO DO ACELERADOR
ETIQUETA                                                       ETIQUETA DE INFORMAÇÕES
                                                               DE CONTROLE DE EMISSÃO
A etiqueta de Informação de Controle de Emissão está
gravada no lado esquerdo do chassi, em seu tubo inferior.

Para garantir que a motocicleta atenda às regulamentações
locais, certifique-se de que os níveis de emissão de CO e HC
em marcha-lenta estejam de acordo com os valores
recomendados.




1-4
SHADOW 750                                                                        INFORMAÇÕES GERAIS



ESPECIFICAÇÕES GERAIS
                            Item                                            Especificação
Dimensões     Comprimento total                        2.510 mm
              Largura total                            920 mm
              Altura total                             1.125 mm
              Distância entre eixos                    1.640 mm
              Altura do assento                        660 mm
              Altura do pedal de apoio                 294 mm
              Altura mínima do solo                    130 mm
              Peso seco                                259 kg
              Capacidade máxima de carga               194 kg
Chassi        Tipo                                     Berço duplo
              Suspensão dianteira                      Garfo telescópico
              Curso do eixo dianteiro                  117 mm
              Suspensão traseira                       Braço oscilante
              Curso do eixo traseiro                   90 mm
              Medida do pneu dianteiro                 120/90-17 M/C 64S
              Medida do pneu traseiro                  160/80-15 M/C 74S
              Marca do pneu dianteiro                  Bridgestone EXEDRA G701
                                                       Dunlop D404FG
              Marca do pneu traseiro                   Bridgestone EXEDRA G702
                                                       Dunlop D404
              Freio dianteiro                          Hidráulico, disco simples
              Freio traseiro                           Sapata de expansão interna
              Ângulo do cáster                         34°00’
              Trail                                    161 mm
              Capacidade do tanque de combustível      14,4 l
Motor         Disposição dos cilindros                 2 cilindros, inclinado 52° em relação à transversal
              Diâmetro e Curso                         79 x 76 mm
              Cilindrada                               745 cm3
              Razão de compressão                      9,6:1
              Comando de Válvulas                      Silencioso, acionado por corrente, OHC
              Válvulas de admissão         Abre        Dianteira: 0° APMS, a 1 mm
                                                       Traseira: 5° DPMS, a 1 mm
                                               Fecha   25° DPMI, a 1 mm
              Válvula de escape                Abre    35° APMI, a 1 mm
                                               Fecha   Dianteira: 0° DPMS, a 1 mm
                                                       Traseira: 5°APMS, a 1 mm
              Sistema de lubrificação                  Forçado por bomba de óleo e cárter úmido
              Tipo de bomba de óleo                    Trocoidal
              Sistema de arrefecimento                 Arrefecido a líquido
              Sistema de filtragem de ar               Elemento de papel viscoso
              Peso seco do motor                       71 kg
              Seqüência de explosão                    Dianteiro – 308° – Traseira – 412° – Dianteira
              Identificação dos cilindros              Dianteiro: #2/Traseiro: #1
Sistema de    Tipo                                     Injeção de Combustível Programada (PGM-FI)
Alimentação   Diâmetro interno do acelerador           34 mm




                                                                                                       1-5
INFORMAÇÕES GERAIS                                                                            SHADOW 750


                            Item                                                     Especificação
Transmissão   Sistema de embreagem                                 Multi-disco em banho de óleo
              Sistema de acionamento da embreagem                  Acionada por cabo
              Transmissão                                          5 marchas constantemente engrenadas
              Redução primária                                     1,763 (67/38)
              Redução secundária                                   0,821(32/39
              Redução terciária (redução do eixo de transmissão)   1,059 (18/17)
              Redução final                                        3,091 (34/11)
              Relação de transmissão        1ª                     2,400 (36/15)
                                            2ª                     1,550 (31/20)
                                            3ª                     1,174 (27/23)
                                            4ª                     0,960 (24/25)
                                            5ª                     0,852 (23/27)
              Sistema de mudança de marchas                        Sistema de retorno operado pelo pé
                                                                   esquerdo, 1 – N – 2 – 3 – 4 – 5
Sistema       Sistema de ignição                                   Ignição digital totalmente transistorizada
Elétrico                                                           controlada por computador e com avanço
                                                                   elétrico
              Sistema de partida                                   Motor de partida elétrico
              Sistema de carga                                     Alternador de saída trifásica
              Regulador/retificador                                Trifásico, SCR em curto e retificação de onda
                                                                   completa
              Sistema de iluminação                                Bateria




1-6
SHADOW 750                                                                                    INFORMAÇÕES GERAIS



ESPECIFICAÇÕES DO SISTEMA DE LUBRIFICAÇÃO                                                                   Unidade: mm

                        Item                                                Padrão                       Limite de Uso
Capacidade de    Na drenagem                                                  2,5 l                            –
óleo do motor    Na troca do óleo e filtro                                    2,6 l                            –
                 Na desmontagem                                               3,2 l                            –
Óleo recomendado para motor                                          Mobil Supermoto 4T
                                                                          Multiviscoso
                                                                Classificação de serviço API: SF
                                                                   Viscosidade: SAE 20W-50
Pressão de óleo no interruptor EOP                                530 kPa (5,4 kgf/cm2, 77 psi)
                                                                      a 5.000 rpm (a 80°C)
Bomba de óleo      Folga entre os rotores interno e externo                   0,15                            0,20
                   Folga entre o rotor externo
                                                                          0,15 – 0,21                         0,35
                   e a carcaça da bomba
                   Folga entre os rotores e a face
                                                                          0,02 – 0,08                         0,10
                   da carcaça da bomba


ESPECIFICAÇÕES DO SISTEMA DE ALIMENTAÇÃO (PGM-FI)
                           Item                                                    Especificação
Número de identificação do corpo do acelerador                                         GQB3A
Marcha-lenta                                                                     1.200 ± 100 rpm
Folga da manopla do acelerador                                                       2 – 10 mm
Resistência do injetor     Dianteiro                                                  11 – 13 Ω
de combustível (a 20°C) Traseiro                                                      11 – 13 Ω
Resistência da válvula solenóide de controle PAIR (a 20°C)                            23 – 27 Ω
Pressão de combustível em marcha-lenta                              333 – 353 kPa (3,4 – 3,6 kgf/cm2, 48 – 51 psi)
Vazão da bomba de combustível (a 12 V)                                    Mínimo de 50 cm3/10 segundos


ESPECIFICAÇÕES DO SISTEMA DE ARREFECIMENTO
                            Item                                                   Especificação
Capacidade de líquido Radiador e motor                                                  1,58 l
de arrefecimento       Reservatório                                                     0,38 l
Pressão de alívio da tampa do radiador                              108 – 137 kPa (1,1 – 1,4 kgf/cm2, 16 – 20 psi)
Termostato             Início da abertura                                            80 – 84°C
                       Completamente aberto                                             95°C
                       Curso da válvula                                      Mínimo de 8 mm a 95°C
Líquido de arrefecimento recomendado                          “LÍQUIDO DE ARREFECIMENTO HONDA C2702ANT000”
                                                                  Líquido de arrefecimento de alto desempenho
                                                                              à base de Etilenoglicol




                                                                                                                     1-7
INFORMAÇÕES GERAIS                                                                                   SHADOW 750


ESPECIFICAÇÕES DO CABEÇOTE/VÁLVULAS                                                                     Unidade: mm

                          Item                                               Padrão                   Limite de uso
Compressão do cilindro (a 400 rpm)                             1.373 ± 98 kPa (14,0 ± 1,0 kgf/cm2,
                                                                          199 ± 14 psi)                    —
Folga das válvulas                             ADM                         0,15 ± 0,02                     —
                                               ESC                         0,20 ± 0,02                     —
Comprimento do calço B do tensor
                                                                               —                           6,0
da corrente de distribuição
Árvore de           Altura do ressalto     ADM                          37,188 – 37,348                   37,16
comando                                    ESC                          37,605 – 37,765                   37,58
                Empenamento                ADM/ESC                            —                            0,05
                D.E. do mancal             ADM/ESC                      21,959 – 21,980                   21,90
                Folga de óleo              ADM/ESC                       0,020 – 0,141                     0,16
Balancim e eixo D.E. do eixo do balancim ADM/ESC                        11,966 – 11,984                   11.83
do balancim     D.I. do balancim           ADM/ESC                      12,000 – 12,018                   12,05
                Folga entre o balancim e o eixo                          0,016 – 0,052                     0,07
Válvula e guia  D.E. da haste da válvula ADM                             5,475 – 5,490                     5,45
da válvula                                 ESC                           5,455 – 5,470                     5,41
                D.I. da guia da válvula    ADM                           5,500 – 5,510                     5,56
                                           ESC                           5,500 – 5,512                    5,56
                Folga entre a haste        ADM                           0,010 – 0,035                     0,10
                e a guia da válvula        ESC                           0,030 – 0,057                     0,11
                Projeção da guia da        ADM                            17,2 – 17,4                       —
                válvula sobre o cabeçote ESC                              18,7 – 18,9                       —
                Largura da sede da válvula ADM/ESC                        0,90 – 1,10                      1,5
Comprimento                                Interna                           38,11                        36,47
                 ADM
livre da mola                              Externa                           42,14                        40,58
da válvula      ESC                                                          46,11                        44,72
Empenamento do cabeçote                                                       —                            0,10


ESPECIFICAÇÕES DO CILINDRO/PISTÃO                                                                       Unidade: mm

                           Item                                             Padrão                    Limite de Uso
Cilindro             D.I.                                               79,000 – 79,015                   79,10
                     Ovalização                                               —                            0,06
                     Conicidade                                               —                            0,06
                     Empenamento                                              —                            0,10
Pistão,              D.E. do pistão a 17 mm de sua base                  78,97 – 78,99                    78,90
pino do pistão,      D.I. da cavidade do pino do pistão                 18,002 – 18,008                   18,05
anel do pistão       D.E. do pino do pistão                             17,994 – 18,000                   17,98
                     Folga entre o pistão e o pino do pistão             0,002 – 0,014                     0,04
                     Folga entre as          1° anel                      0,15 – 0,25                      0,40
                     extremidades            2º anel                      0,25 – 0,40                      0,60
                     do anel do pistão       Anel de óleo
                                                                           0,20 – 0,80                     1,0
                                             (anel lateral)
                     Folga entre o anel e a 1º anel                      0,025 – 0,055                     0,08
                     canaleta do pistão      2º anel                     0,015 – 0,045                    0,07
Folga entre o cilindro e o pistão                                        0,010 – 0,045                     0,10
D.I. da cabeça da biela                                                 18,016 – 18,034                   18,07
Folga entre a biela e o pino do pistão                                   0,016 – 0,040                     0,06




1-8
SHADOW 750                                                                               INFORMAÇÕES GERAIS



ESPECIFICAÇÕES DA EMBREAGEM/SELETOR DE MARCHAS                                                    Unidade: mm

                                Item                                        Padrão             Limite de Uso
Folga da alavanca da embreagem                                              10 – 20                  —
Embreagem      Comprimento livre da mola da embreagem                        45,3                   43,9
               Espessura do disco da embreagem            Disco A         2,62 – 2,78                2,3
                                                          Disco final     2,92 – 3,08                2,6
               Empenamento do separador da embreagem                           –                    0,30
Guia da carcaça da embreagem                              D.I.          21,991 – 22,016            22,03
                                                          D.E.          31,959 – 31,975            31,92
D.E. da árvore primária na guia da carcaça da embreagem                 21,967 – 21,980            21,95
Folga entre a guia da carcaça da embreagem e a árvore primária           0,011 – 0,049              0,08
D.I. da carcaça da embreagem                                            32,000 – 32,025            32,09
Folga entre a carcaça da embreagem e a guia da carcaça                   0,025 – 0,066              0,18
D.I. da engrenagem motora da bomba de óleo                              32,025 – 32,145            32,16
Folga entre a engrenagem motora da bomba de óleo e a guia da
                                                                         0,050 – 0,186             0,23
carcaça da embreagem


ESPECIFICAÇÕES DO ALTERNADOR/EMBREAGEM DE PARTIDA                                                 Unidade: mm

                           Item                                             Padrão             Limite de Uso
Engrenagem movida de partida                 D.I.                       37,000 – 37,025            37,10
                                             D.E.                       57,749 – 57,768            57,73
D.I. da carcaça da embreagem de partida                                 74,414 – 74,440            74,46




                                                                                                          1-9
INFORMAÇÕES GERAIS                                                                              SHADOW 750


ESPECIFICAÇÕES DA ÁRVORE DE MANIVELAS/TRANSMISSÃO                                                   Unidade: mm

                                   Item                                       Padrão             Limite de Uso
Árvore de           Folga lateral do colo da biela                          0,05 – 0,20               0,30
manivelas           Folga de óleo da bronzina da árvore de manivelas       0,028 – 0,052              0,07
                    Folga de óleo do mancal principal                      0,020 – 0,038              0,07
                    Empenamento                                                  –                    0,03
                    D.E. do mancal principal                              52,982 – 53,000           52,976
                    D.I. do mancal principal                              58,010 – 58,022           58,070
Garfo seletor,      D.I. do eixo                                          13,000 – 13,018            13,03
eixo seletor        Espessura da garra                                      5,93 – 6,00                5,6
                    D.E. do eixo seletor                                  12,966 – 12,984            12,90
D.E. do tambor seletor na extremidade esquerda                            11,966 – 11,984            11,94
D.I. do mancal do tambor seletor                                          12,000 – 12,018            12,05
Folga entre o tambor seletor e o mancal do tambor seletor                  0,016 – 0,052              0,09
Transmissão         D.I. da engrenagem                M3, M5              28,000 – 28,021            28,04
                                                      C1, C4              31,000 – 31,025            31,05
                                                      C2                  24,000 – 24,021            24,04
                    D.E. da bucha da                  M3, M5              27,959 – 27,980            27,94
                    engrenagem                        C1, C4              30,950 – 30,975            30,93
                                                      C2                  23,959 – 23,980            23,94
                    Folga entre a                     M3, M5, C2           0,020 – 0,062              0,10
                    engrenagem e a bucha              C1, C4               0,025 – 0,075              0,11
                    D.I. da bucha da                  M3                  25,000 – 25,021            25,04
                    engrenagem                        C2                  20,000 – 20,021            20,04
                    D.E. da árvore primária           Na bucha M3         24,959 – 24,980            24,94
                    D.E. da árvore secundária         Na bucha C2         19,980 – 19,993            19,96
                    Folga entre a bucha e             M3                   0,020 – 0,062              0,10
                    o eixo                            C2                   0,007 – 0,041              0,07
Sistema de          D.E. da engrenagem de transmissão                     24,000 – 24,021            24,04
transmissão         Bucha da engrenagem               D.E.                23,959 – 23,980            23,70
                    de transmissão                    D.I.                20,020 – 20,041            20,06
                    D.E. do eixo da engrenagem motora de transmissão      19,979 – 20,000            19,97
                    Folga entre a engrenagem e a bucha                     0,020 – 0,062             0,082
                    Folga entre a bucha da engrenagem e o eixo             0,020 – 0,062             0,082
                    Comprimento da mola do amortecedor
                                                                               62,3                   59
                    da engrenagem de transmissão
                    Folga entre os dentes das engrenagens de
                                                                            0,08 – 0,23              0,40
                    transmissão
                    Diferença da folga entre as medidas                         –                    0,10


ESPECIFICAÇÕES DO DIFERENCIAL                                                                       Unidade: mm

                           Item                                           Padrão                 Limite de Uso
Óleo recomendado para o diferencial                      Óleo para engrenagem Hypoid, SAE#80            –
Capacidade de             Na drenagem                                    160 cm3                        –
óleo do diferencial       Na desmontagem                                 170 cm3                        –
Folga entre os dentes das engrenagens do diferencial                    0,05 – 0,15                   0,30
Diferença da folga entre as medidas                                          –                        0,10
Folga entre a coroa e o pino limitador                                  0,30 – 0,60                     –
Pré-carga de montagem da engrenagem do diferencial           0,2 – 0,4 N.m (2,0 – 4,1 kgf.cm)           –




1-10
SHADOW 750                                                                                  INFORMAÇÕES GERAIS



ESPECIFICAÇÕES DA RODA DIANTEIRA/SUSPENSÃO/
SISTEMA DE DIREÇÃO                                                                                     Unidade: mm

                             Item                                             Padrão                 Limite de Uso
Profundidade mínima da banda de rodagem do pneu                                  –                        1,5
Pressão do        Somente piloto                                   200 kPa (2,00 kgf/cm2, 29 psi)          —
pneu frio         Piloto e passageiro                              200 kPa (2,00 kgf/cm2, 29 psi)          —
Empenamento do eixo                                                              –                        0,2
Excentricidade    Radial                                                         –                        2,0
do aro da roda    Axial                                                          –                        2,0
Peso para balanceamento da roda                                                  –                  Máximo de 60 g
Garfo da          Comprimento livre da mola                                    367,8                     360,4
suspensão         Empenamento do cilindro interno                                –                        0,2
                  Fluido recomendado para suspensão                 Óleo Honda Ultra Cushion
                                                                                                          –
                                                                       10 W ou equivalente
                  Nível de fluido                                               100                       –
                  Capacidade de fluido                                     474 ± 2,5 cm3                  –
Pré-carga do rolamento da coluna de direção                          8,8 –12,7 N (0,9 – 1,3 kgf)          –


ESPECIFICAÇÕES DA RODA TRASEIRA/FREIO/SUSPENSÃO                                                        Unidade: mm

                              Item                                            Padrão                 Limite de Uso
 Profundidade mínima da banda de rodagem do pneu                                 –                        2,0
 Pressão do pneu frio             Somente piloto                   200 kPa (2,00 kgf/cm², 29 psi)          –
                                  Piloto e passageiro              250 kPa (2,50 kgf/cm², 36 psi)          –
 Empenamento do eixo                                                             –                        0,2
 Excentricidade do aro da roda    Radial                                         –                        2,0
                                  Axial                                          –                        2,0
 Peso para balanceamento da roda                                                 –                  Máximo de 70 g
 D.I. do tambor do freio                                                   180,0 – 180,3                  181
 Altura do pedal do freio                                            75 mm a partir da porção
                                                                                                          –
                                                                    superior do pedal de apoio
 Folga do pedal do freio                                                      20 – 30                     –
 Posição padrão do ajustador de pré-carga da mola do amortecedor            2a posição                    –



ESPECIFICAÇÕES DO FREIO HIDRÁULICO                                                                     Unidade: mm

                              Item                                           Padrão                 Limite de Uso
Fluido de freio recomendado                                           Fluido de freio DOT-4                –
Freio dianteiro     Espessura do disco de freio                              5,8 – 6,2                   5,0
                    Empenamento do disco de freio                                –                       0,30
                    D.I do cilindro-mestre                               11,000 – 11,043               11,055
                    D.E. do pistão-mestre                                10,957 – 10,984               10,945
                    D.I. do cilindro do cáliper                          25,400 – 25,450               25,460
                    D.E. do pistão do cáliper                            25,335 – 25,368               25,320




                                                                                                           1-11
INFORMAÇÕES GERAIS                                                                  SHADOW 750


ESPECIFICAÇÕES DA BATERIA/SISTEMA DE CARGA
                                 Item                                     Especificação
Bateria            Capacidade                                            12 V – 11,2 Ah
                   Fuga de corrente                                    Máxima de 1,0 mA
                   Voltagem (a 20°C) Completamente carregada              13,0 – 13,2 V
                                       Necessitando carga               Abaixo de 12,4 V
                   Corrente de carga Normal                              1,1 A x 5 – 10 h
                                       Rápida                             5,5 A x 1,0 h
Alternador         Capacidade                                         0,39 kW a 5.000 rpm
                   Resistência da bobina de carga (a 20°C)                  0,1 – 1,0 Ω




ESPECIFICAÇÕES DO SISTEMA DE IGNIÇÃO
                                  Item                                    Especificação
Velas de ignição     Padrão                                    DPR7EA-9 (NGK), X22EPR-U9 (DENSO)
                     Para longos percursos em alta rotação     DPR8EA-9 (NGK), X24EPR-U9 (DENSO)
Folga entre os eletrodos da vela de ignição                               0,8 – 0,9 mm
Pico de voltagem da bobina de ignição primária                          Mínimo de 100 V
Ponto de ignição (Marca “F”)                                        8º APMS em marcha-lenta
Pico de voltagem do sensor CKP (a 20º)                                   Mínimo de 0,7 V



ESPECIFICAÇÕES DA PARTIDA ELÉTRICA                                                           Unidade: mm

                              Item                                  Padrão             Limite de Uso
Comprimento das escovas do motor de partida                          12,5                   6,5



ESPECIFICAÇÕES DE ILUMINAÇÃO/INSTRUMENTOS/INTERRUPTORES
                                 Item                                     Especificação
Lâmpadas           Farol                                                 12 V – 60/55 W
                   Luz de posição                                           12 V – 5 W
                   Lanterna/luz de freio                                  12 V – 21/5 W
                   Luz da placa de licença                                  12 V – 5 W
                   Sinaleira                                             12 V – 21 W x 4
                   Iluminação do painel de instrumentos                      LED x 7
                   Indicador da sinaleira                                  12 V – 3,4 W
                   Indicador de farol alto                                 12 V – 3,4 W
                   Indicador de reserva de combustível                     12 V – 3,4 W
                   Indicador de ponto-morto                                    LED
                   Indicador de pressão de óleo                                LED
                   Indicador de temperatura
                                                                              LED
                   do líquido de arrefecimento
                   MIL                                                         LED
                   Indicador do HISS                                           LED
Fusíveis           Fusível principal                                          30 A
                   Fusível FI                                                 15 A
                   Fusível secundário                                   10 A x 5, 20 A x 1




1-12
SHADOW 750                                                                                      INFORMAÇÕES GERAIS



VALORES DE TORQUE PADRÃO
        Tipo de fixador             Torque                             Tipo de fixador                      Torque
                                  N.m (kgf.m)                                                             N.m (kgf.m)
 Parafuso e porca, 5 mm             5,2 (0,5)        Parafuso, 5 mm                                        4,2 (0,4)
 Parafuso e porca, 6 mm             10 (1,0)         Parafuso, 6 mm                                          9 (0,9)
 Parafuso e porca, 8 mm             22 (2,2)         Parafuso flange, 6 mm (cabeça de 8 mm, flange menor)    9 (0,9)
 Parafuso e porca, 10 mm            34 (3,5)         Parafuso flange, 6 mm (cabeça de 8 mm, flange maior)   12 (1,2)
 Parafuso e porca, 12 mm            55 (5,6)         Parafuso flange, 6 mm (cabeça de 10 mm) e porca        12 (1,2)
                                                     Parafuso flange e porca, 8 mm                          27 (2,8)
                                                     Parafuso flange e porca, 10 mm                         39 (4,0)


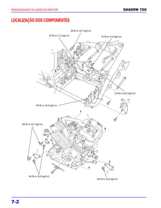
VALORES DE TORQUE DO MOTOR E CHASSI
• As especificações de torque listadas abaixo são para fixadores importantes.
• Outros fixadores devem ser apertados nos valores de torque-padrão listados acima.

                           Item                              Qtde.    Diâm. da    Torque                  Notas
                                                                     Rosca (mm) N.m (kgf.m)
 Chassi/Carenagem/Sistema de Escapamento
 Parafuso Allen da tampa traseira esquerda da carcaça do       1         6          10 (1,0)
 motor
 Prisioneiro da conexão do tubo de escapamento                 4         8             –         Consulte a página 2-12
 Parafuso Allen da tampa superior do cabeçote                  8         6          10 (1,0)
 Parafuso Allen de fixação do assento principal                2         8          26 (2,7)
 Parafuso de fixação do assento traseiro                       1         6          12 (1,2)     Parafuso ALOC;
                                                                                                 substitua-o por um
                                                                                                 novo.
 Parafuso de fixação do trilho de fixação                      6         10         64 (6,5)
 Porca da conexão do tubo de escapamento                       4          8         25 (2,5)
 Parafuso de fixação do suporte do silencioso                  4          8         34 (3,5)
 Parafuso de suporte do silencioso (lado do chassi)            2         10         44 (4,5)
 Porca do suporte do silencioso (lado do silencioso)           2          8         27 (2,8)
 Parafuso da capa do pedal de apoio principal                  2          8        21,5 (2,2)

 Manutenção
 Vela de ignição                                               4         12         18 (1,8)
 Tampa do orifício de sincronização                            1         14         10 (1,0)     Aplique graxa nas
                                                                                                 roscas.
 Tampa do orifício da árvore de manivelas                      1         30         15 (1,5)     Aplique graxa nas
                                                                                                 roscas.
 Contraporca do parafuso de ajuste da válvula                  6          7         23 (2,3)
 Cartucho do filtro de óleo do motor                           1         20         26 (2,7)     Aplique óleo para motor.
                                                                                                 nas roscas.
 Guia do filtro de óleo (lado da carcaça do motor)             1         20         18 (1,8)     Aplique trava-química
                                                                                                 nas roscas.
 Parafuso de drenagem do óleo do motor                         1         14         29 (3,0)
 Parafuso Allen da tampa do alternador                         3          6         10 (1,0)
 Parafuso Allen da tampa do filtro de ar                       5         5          1,5 (0,2)
 Tampa de abastecimento de óleo do diferencial                 1         30         12 (1,2)
 Parafuso de drenagem do óleo do diferencial                   1          8         12 (1,2)
 Porca de ajuste vertical do farol                             1         6          12 (1,2)

 Sistema de Lubrificação
 Interruptor EOP                                               1       PT 1/8       12 (1,2)     Aplique junta-líquida
                                                                                                 nas roscas.
 Parafuso do terminal do interruptor EOP                       1         4          1,9 (0,2)
 Parafuso de montagem da bomba de óleo                         3         6          13 (1,3)




                                                                                                                  1-13
INFORMAÇÕES GERAIS                                                                                SHADOW 750


                          Item                              Qtde.    Diâm. da    Torque               Notas
                                                                    Rosca (mm) N.m (kgf.m)
Sistema de Alimentação (PGM-FI)
Parafuso da tampa da válvula de inspeção PAIR                4          5         7 (0,7)
Parafuso da braçadeira do isolante (lado do corpo do         1          –            –        Consulte a página 5-45.
acelerador)
Parafuso da braçadeira do isolante (lado do coletor de       1          –            –        Consulte a página 5-49.
admissão)
Parafuso Torx do conjunto de sensores                        3           5        3,4 (0,3)
Parafuso de fixação do injetor de combustível                2           5        5,1 (0,5)
Parafuso Torx da placa de fixação da válvula IAC             2           5        2,1 (0,2)
Parafuso da guia do cabo do acelerador                       2           5        3,4 (0,3)
Sensor ECT                                                   1          12       24,5 (2,5)
Parafuso de fixação do tanque de combustível                 1           8        27 (2,8)
Parafuso de fixação da câmara do filtro de ar                1           5        1,1 (0,1)
Parafuso da braçadeira do tubo de conexão da câmara          1           4        0,7 (0,1)
do filtro de ar
Parafuso da braçadeira do tubo de conexão do filtro de ar    1           4        1 (0,1)
Sensor de O2                                                 2          18       44 (4,5)

Sistema de Arrefecimento
Parafuso da tampa da bomba de água                           5          6        13 (1,3)
Parafuso de fixação do motor da ventoinha                    3          5        5,1 (0,5)
Porca de fixação da ventoinha de arrefecimento               1          5        2,7 (0,3)    Aplique trava-química
                                                                                              nas roscas.
Parafuso de fixação do gargalo de abastecimento              2          6        10 (1,0)
do radiador
Parafuso da tampa do alojamento do termostato                2          6        10 (1,0)
Parafuso da braçadeira da mangueira de água                  14         -            -        Consulte a página 6-10.
Parafuso de fixação do conjunto do motor da ventoinha         3         6        8,4 (09)

Remoção/Instalação do Motor
Porca de fixação do motor                                    4          10       54 (5,5)
Parafuso da placa de fixação do motor                        8           8       26 (2,7)
Parafuso de fixação do braço seletor de marchas              1           6       12 (1,2)

Cabeçote/Válvulas
Parafuso da tampa do cabeçote                                4          6        10 (1,0)
Parafuso do cabeçote                                         4          8        23 (2,3)     Aplique óleo nas roscas
                                                                                              e superfícies de
                                                                                              assentamento.
Porca do cabeçote                                            8          10       47 (4,8)     Aplique óleo nas roscas
                                                                                              e superfícies de
                                                                                              assentamento.
Parafuso da engrenagem da árvore de comando                  4          7        23 (2,3)     Aplique óleo nas roscas
                                                                                              e superfícies de
                                                                                              assentamento.
Parafuso do tensor da corrente de distribuição               4          6        10 (1,0)     Consulte a página 8-25.
Parafuso do suporte da árvore de comando                     6          8        23 (2,3)
Porca do suporte da árvore de comando                        4          8        23 (2,3)

Cilindro/Pistão
Prisioneiro do cilindro                                      2           8           –        Consulte a página 9-8.
Prisioneiro do cilindro                                      6          10           –        Consulte a página 9-8.
Prisioneiro do cilindro                                      2          12           –        Consulte a página 9-8.




1-14
SHADOW 750                                                                                  INFORMAÇÕES GERAIS



                            Item                           Qtde.    Diâm. da    Torque                Notas
                                                                   Rosca (mm) N.m (kgf.m)
Embreagem/Seletor de Marcha
Parafuso da placa de acionamento da embreagem               4           6       12 (1,2)
Contraporca do cubo da embreagem                            1          18      128 (13,1)    Contraporca;
                                                                                             substitua-o por uma
                                                                                             nova e trave-a. Aplique
                                                                                             óleo nas roscas e
                                                                                             superfícies de
                                                                                             assentamento.
Parafuso da engrenagem movida da bomba de óleo              1          6        15 (1,5)     Aplique trava-química
                                                                                             nas roscas.
Parafuso Allen da tampa da embreagem                        5           6       10 (1,0)
Parafuso da engrenagem motora primária                      1          12       88 (9,0)     Aplique óleo nas
                                                                                             roscas e superfícies de
                                                                                             assentamento.
Pino da mola de retorno do eixo do seletor de marchas       1          8        23 (2,3)
Parafuso da placa limitadora do retentor de óleo do eixo    1          6        13 (1,3)
seletor de marchas
Parafuso da articulação do pedal seletor de marchas         1          8        26 (2,7)

Alternador/Embreagem de Partida
Parafuso do volante do motor                                1          12      128 (13,1)    Roscas invertidas.
                                                                                             Aplique óleo nas
                                                                                             roscas e superfícies de
                                                                                             assentamento.
Parafuso Allen do estator                                   3          6        12 (1,2)     Aplique trava-química
                                                                                             nas roscas.
Parafuso Allen da carcaça da embreagem de partida           6          8        30 (3,1)     Aplique trava- química
unidirecional                                                                                nas roscas.
Parafuso Allen do fixador da fiação do estator              1          6        12 (1,2)     Aplique trava-química
                                                                                             nas roscas.
Árvore de Manivelas/Transmissão
Parafuso da carcaça do motor                                15         8        23 (2,3)
Parafuso da placa do excêntrico seletor de marchas           1         6        12 (1,2)     Aplique trava-química
                                                                                             nas roscas.
Porca da capa da bronzina do mancal da árvore de            4          8        33 (3,4)     Aplique óleo nas
manivela                                                                                     roscas e superfícies de
                                                                                             assentamento.
Parafuso de fixação da carcaça das engrenagens de           3          8        31 (3,2)     Aplique junta-líquida
transmissão                                                                                  nas roscas.
Parafuso de fixação do conjunto das engrenagens de          2          8        31 (3,2)     Aplique óleo nas roscas
transmissão                                                                                  e superfícies de
                                                                                             assentamento.
Parafuso Allen de fixação da engrenagem movida de           4          8        31 (3,2)     Aplique óleo nas roscas
transmissão                                                                                  e superfícies de
                                                                                             assentamento.
Contraporca do rolamento da engrenagem motora de            1          30       73 (7,4)     Contraporca; substitua-a
transmissão (interna)                                                                        por uma nova e trave-a.
                                                                                             Aplique óleo nas roscas
                                                                                             e superfícies de
                                                                                             assentamento.
Contraporca do rolamento da engrenagem motora de            1          64       98 (10,0)    Contraporca; substitua-a
transmissão (externa)                                                                        por uma nova e trave-a.
                                                                                             Aplique óleo nas roscas
                                                                                             e superfícies de
                                                                                             assentamento.
Contraporca do rolamento da engrenagem movida de            1          30       73 (7,4)     Contraporca; substitua-a
transmissão (interna)                                                                        por uma nova e trave-a.
                                                                                             Aplique óleo nas roscas
                                                                                             e superfícies de
                                                                                             assentamento.
Contraporca do rolamento da engrenagem movida de            1          64       98 (10,0)    Contraporca; substitua-a
transmissão (externa)                                                                        por uma nova e trave-a.
                                                                                             Aplique óleo nas roscas
                                                                                             e superfícies de
                                                                                             assentamento.
Parafuso do eixo da engrenagem movida de transmissão        1          10       49 (5,0)




                                                                                                              1-15
INFORMAÇÕES GERAIS                                                                              SHADOW 750


                         Item                             Qtde.    Diâm. da    Torque                  Notas
                                                                  Rosca (mm) N.m (kgf.m)
Diferencial
Retentor do pinhão                                         1          64      108 (11,0)
Parafuso da lingüeta de trava do retentor do pinhão        1          6        10 (1,0)
Porca da conexão do pinhão                                 1          16      108 (11,0)    Aplique trava-química
                                                                                            nas roscas.
Parafuso da placa protetora de pó                          1           6       10 (1,0)
Parafuso da tampa da carcaça do diferencial                2          10       47 (4,8)     Aplique trava-química
                                                                                            nas roscas.
Parafuso da tampa da carcaça do diferencial                6           8       25 (2,5)
Porca de fixação do conjunto da carcaça do diferencial     4          10       64 (6,5)
Prisioneiro da carcaça do diferencial                      4          10          -         Consulte a página 13-23.

Roda Dianteira/Suspensão/Sistema de Direção
Parafuso da articulação da alavanca da embreagem           1          6         1 (0,1)
Porca da articulação da alavanca da embreagem              1          6        6 (0,6)
Parafuso do suporte superior do guidão                     4          8        23 (2,3)
Porca do suporte inferior do guidão                        2          8        23 (2,3)
Parafuso do disco de freio dianteiro                       6          8        42 (4,3)     Parafuso ALOC;
                                                                                            substitua-o por um novo.
Raio                                                       52        BC4       4,2 (0,4)
Parafuso do eixo dianteiro                                  1         14        59 (6,0)
Parafuso de fixação do deixo dianteiro                      2         8         22 (2,2)
Parafuso Allen central do garfo da suspensão                2         10       29,5 (3,0)   Aplique trava- química
                                                                                            nas roscas.
Parafuso superior do garfo da suspensão                    2          38      22,1 (2,3)
Parafuso do protetor do garfo da suspensão                 2           8       12 (1,2)
Parafuso do protetor do garfo da suspensão                 2           8       26 (2,7)
Porca da válvula do pneu                                   1         8V1        4 (0,4)
Parafuso de fixação da mesa superior do garfo              2           8       27 (2,8)
Parafuso de fixação da mesa inferior do garfo              2          10       49 (5,0)
Porca superior da coluna de direção                        1          26           –        Consulte a página 14-30.
Contraporca da coluna de direção                           1          26           –        Consulte a página 14-31.
Porca da coluna de direção                                 1          24      103 (10,5)

Roda Traseira/Freio/Suspensão
Raio                                                       52        BC4       4,2 (0,4)
Porca da válvula do pneu                                    1        8V1        4 (0,4)
Porca do eixo traseiro                                      1         18        88 (9,0)    Porca-U.
Parafuso de fixação do eixo traseiro                        1          8        27 (2,8)
Porca do braço limitador do freio traseiro                  1          8        22 (2,2)
Parafuso de fixação do braço do freio traseiro              1          8       28,5 (2,9)
Parafuso de fixação superior do amortecedor traseiro        2          8        26 (2,7)
Parafuso de fixação inferior do amortecedor                 1         10        34 (3,5)
traseiro (lado direito)
Parafuso de fixação inferior do amortecedor                1          8        22 (2,2)
traseiro (lado esquerdo)
Parafuso da placa limitadora                               5          6        20 (2,0)     Parafuso ALOC;
                                                                                            substitua-o por um novo.
Parafuso da articulação esquerda do braço oscilante        1          30      103 (10,5)
Parafuso da articulação direita do braço oscilante         1          30          –         Consulte a página 15-27.
Contraporca da articulação direita do braço oscilante      1          30      103 (10,5)
Parafuso de fixação do suporte do pedal de apoio
principal                                                  3          10       39 (4,0)
Porca de fixação do suporte do pedal de apoio principal    1          10       39 (4,0)




1-16
SHADOW 750                                                                              INFORMAÇÕES GERAIS



                          Item                         Qtde.    Diâm. da    Torque               Notas
                                                               Rosca (mm) N.m (kgf.m)
Freio Hidráulico
Válvula de sangria do cáliper do freio                  1          8        5,5 (0,6)
Parafuso da tampa do reservatório do cilindro-mestre    2          4        1,5 (0,2)
dianteiro
Pino da pastilha de freio                               1          10       18 (1,8)
Bujão do pino da pastilha de freio                      1          10       2,5 (0,3)
Parafuso de óleo da mangueira do freio                  2          10       34 (3,5)
Parafuso da articulação da alavanca do freio            1           6        1 (0,1)
Porca da articulação da alavanca do freio               1           6        6 (0,6)
Parafuso do interruptor da luz do freio dianteiro       1          4        1,2 (0,1)
Parafuso do suporte do cilindro-mestre dianteiro        2           6       12 (1,2)
Pino do suporte do cáliper do freio dianteiro           1           8       12 (1,2)     Aplique trava-química
                                                                                         nas roscas.
Pino do cáliper do freio dianteiro                      1          8        27 (2,8)     Aplique trava-química
                                                                                         nas roscas.
Parafuso de fixação do cáliper do freio dianteiro       2          8        30 (3,1)     Parafuso ALOC;
                                                                                         substitua-o por um novo.

Bateria/Sistema de Carga
Parafuso da tampa do compartimento da bateria           1          5         1 (0,1)

Partida Elétrica
Porca do terminal do cabo do motor de partida           1          6        10 (1,0)
Parafuso de montagem do motor de partida                2          5        4,9 (0,5)
Parafuso da escova negativa                             1          5        3,7 (0,4)

Iluminação/Instrumentos/Interruptores
Interruptor de ponto-morto                              1          10       12 (1,2)
Parafuso de fixação do sensor VS                        1           6       9,8 (1,0)
Parafuso de fixação do farol                            2           5       4,1 (0,4)
Porca de fixação da carcaça do farol                    1           6       12 (1,2)
Parafuso da presilha da carcaça do farol                2           4        1 (0,1)
Parafuso das lentes das sinaleiras                      4           4        1 (0,1)
Parafuso Allen de fixação da sinaleira dianteira        2           6       5,1 (0,5)
Parafuso Allen de fixação da sinaleira traseira         2           6       6,7 (0,7)
Porca de fixação da lanterna/luz de freio               3           6       6,3 (0,6)
Parafuso Allen de fixação do velocímetro                2           6       10 (1,0)
Parafuso de fixação do interruptor de ignição           2           6       12 (1,2)
Parafuso do interruptor do cavalete lateral             1           6       10 (1,0)     Parafuso ALOC;
                                                                                         substitua-o por um novo.
Sensor de reserva de combustível                        1          18       23 (2,3)
Parafuso de fixação da buzina                           1           8       21 (2,1)

Outros
Parafuso da articulação do cavalete lateral             1          10       9 (0,9)
Contraporca da articulação do cavalete lateral          1          10       30 (3,1)
Parafuso do suporte do cavalete lateral                 2          10       49 (5,0)
Parafuso da caixa de ferramentas                        2           4       2 (0,2)




                                                                                                         1-17
INFORMAÇÕES GERAIS                                                                              SHADOW 750


LUBRIFICAÇÃO E PONTOS DE VEDAÇÃO
MOTOR
        Material                                    Localização                                    Notas
Óleo a base de bissulfeto Superfície do mancal e ressaltos da árvore de comando
de molibdênio (mistura    Haste da válvula (superfície deslizante da guia da válvula)
de 50% de óleo para       Superfície deslizante do balancim
motor e 50% de de graxa   Superfície externa do eixo do balancim
de bissulfeto de          Superfície de encosto da bronzina do mancal da árvore de
molibdênio).              manivelas
                          Mancais principais da árvore de manivelas
                          Superfície externa da guia da carcaça da embreagem
                          Ranhura do garfo seletor da engrenagem de transmissão
                          Superfície deslizante da bucha da transmissão
                          Superfície interna da cabeça da biela
Óleo para motor           Superfície externa do pistão
                          Superfície externa do anel do pistão
                          Superfície externa do pino do pistão
                          Embreagem de partida unidirecional
                          Superfície externa dos eixos das engrenagens redutora e
                          intermediária de partida
                          Superfície deslizante do braço de acionamento da embreagem
                          da tampa direita da carcaça do motor
                          Superfície completa dos discos da embreagem
                          Roscas do parafuso de ajuste da válvula
                          Parede do cilindro
                          Roscas inferiores do prisioneiro do cilindro
                          Superfície completa do eixo do garfo seletor
                          Dentes das engrenagens de transmissão
                          Superfície da bronzina do mancal principal da árvore de
                          manivelas
                          Retentor do tubo de óleo
                          Junta do filtro de óleo
                          Roscas do cartucho do filtro de óleo
                          Anel retentor do injetor
                          Região de rotação dos rolamentos
                          Anel de vedação
Graxa para uso geral      Lábios dos retentores de óleo
Junta-líquida (Three Bond Superfície de contato das carcaças direita e esquerda do motor
1207B ou equivalente)     Superfície de contato da tampa direita da carcaça do motor
                          Superfície de contato da tampa esquerda da carcaça do motor
Trava-química             Roscas do parafuso da placa de fixação do rolamento da           Região de cobertura:
                          transmissão                                                      6,5 ± 1 mm
                          Roscas do parafuso da placa de fixação do tensor da              Região de cobertura:
                          corrente de distribuição                                         6,5 ± 1 mm
                          Roscas do parafuso da tampa esquerda da carcaça do motor         Região de cobertura:
                          (com a marca “Δ”)                                                6,5 ± 1 mm
Honda Bond A ou           Ranhura da junta da tampa do cabeçote
equivalente




1-18
SHADOW 750                                                                                        INFORMAÇÕES GERAIS


CHASSI
         Material                                      Localização                                         Notas
Junta-líquida (Three Bond Superfície de contato da tampa da carcaça do diferencial
1207B ou equivalente)
Graxa para uso geral       Superfície deslizante do parafuso da articulação do cavalete lateral   Aplique 1 g.
                           Região deslizante do pedal de apoio do condutor
                           Região deslizante do pedal de apoio do passageiro
                           Ranhura e superfície deslizante do flange do tubo do acelerador        Espalhe de 0,2 a 0,3 g.
                           Superfície deslizante do parafuso da articulação da alavanca da
                           embreagem
                           Lábios do retentor de pó do pedal seletor de marchas
                           Superfície deslizante do eixo dianteiro
                           Superfície interna do fixador do amortecedor
                           Lábios do retentor de pó e articulação da conexão intermediária
                           do freio traseiro
                           Superfície deslizante do excêntrico do freio traseiro                  Espalhe de 0,2 a 0,3 g.
                           Superfície deslizante entre a sapata do freio e o pino de fixação      Espalhe de 0,2 a 0,3 g.
                           Superfície deslizante da articulação do pedal do freio
                           Lábios do retentor de pó do pedal do freio
                           Lábios do retentor de pó da roda dianteira
                           Anel de vedação da carcaça do diferencial
                           Lábios do retentor de óleo da carcaça do diferencial
Graxa para uso geral com Rolamentos do cabeçote da coluna de direção                              Aplique de 3 a 5 g em
agente para extrema                                                                               cada rolamento.
pressão (Exemplo:          Lábios do retentor de pó do rolamento do cabeçote da coluna
Excelite EP2 fabricada     de direção
pela KYODO YUSHI,          Roletes de agulhas do rolamento da articulação do braço                Aplique de 1,0 a 1,5 g em
Japão) ou equivalente      oscilante                                                              cada rolamento.
                           Lábios do retentor de pó da articulação do braço oscilante
Graxa a base de bissulfeto Estrias da engrenagem motora de transmissão e do                       Aplique 1 g.
de molibdênio              excêntrico amortecedor
                           Lábios do retentor de óleo do eixo do diferencial                      Aplique 0,5 g.
                           Eixo do diferencial e estrias do eixo da transmissão (lado da          Aplique 1g.
                           conexão universal)
                           Estrias da conexão do pinhão do diferencial                            Aplique 2g.
Pasta a base de bissulfeto Flange movido do diferencial (superfície de contato do cubo da         Aplique de 0,5 a 1,0 g.
de molibdênio              roda traseira)
                           Anel de vedação do flange movido do diferencial
                           Suporte do anel de vedação da carcaça do diferencial e                 Aplique de 4 a 5 g.
                           superfície da conexão do flange movido
                           Arruela de encosto e extremidade do cubo da roda traseira              Aplique de 2 a 3 g.
                           (lado do flange movido do diferencial)
Lubrificante para cabos    Interior do cabo do acelerador
                           Interior do cabo da embreagem
Honda Bond A ou            Interior da manopla do guidão
equivalente                Superfície externa do guidão e do tubo do acelerador (região
                           de contato da manopla do guidão)
Óleo para motor            Roscas superiores da coluna de direção
                           Retentor do excêntrico do freio traseiro
Graxa de silicone          Superfície deslizante do parafuso da articulação da alavanca do
                           freio                                                                  Aplique 0,1 g.
                           Região de contato entre a alavanca do freio e o pistão-mestre          Aplique 0,1 g.
                           Superfície deslizante dos pinos do cáliper do freio e do suporte
                           Retentor de pó do cáliper do freio                                     Aplique 0,4 g.
Fluido de freio DOT-4      Pistão-mestre do freio e copos do pistão
                           Pistão do cáliper do freio e retentores do pistão
Óleo Honda ULTRA           Lãbios dos retentores de pó e de óleo do garfo da suspensão
CUSHION 10W                Anel de vedação do parafuso superior do garfo da suspensão
Trava-química              Roscas do prisioneiro da carcaça do diferencial




                                                                                                                   1-19
INFORMAÇÕES GERAIS                                                                      SHADOW 750


PASSAGEM DE CABOS E FIAÇÃO
                    MANGUEIRA DO FREIO       FIO DO INTERRUPTOR
         CABOS DO   DIANTEIRO                                           CABO DA EMBREAGEM
         ACELERADOR                          DIREITO DO GUIDÃO

                                               INDICADOR DA SINALEIRA
                                                      INDICADOR DE
                                                      RESERVA DE
                                         INDICADOR    COMBUSTÍVEL
                                         DO FAROL
                                         ALTO



     FIAÇÃO DO INTERRUPTOR DA
     LUZ DO FREIO DIANTEIRO

                                                                                  FIAÇÃO DO INTERRUPTOR
                                                                                  DA EMBREAGEM



                                                                     FIAÇÃO DO INTERRUPTOR
                                                                     ESQUERDO DO GUIDÃO




                                                                      FIAÇÃO DA SINALEIRA
FIAÇÃO DA SINALEIRA DIANTEIRA                                         DIANTEIRA


          CONECTOR 2P (Branco) DO                                       CONECTORES 2P DA SINALEIRA
          INDICADOR DA SINALEIRA                                        DIANTEIRA:
                                    CONECTOR 6P (Vermelho) DO           • Azul claro: SINALEIRA DIREITA
                                    INTERRUPTOR DO GUIDÃO DIREITO       • Laranja: SINALEIRA ESQUERDA
CONECTOR 4P (Branco) DO
INDICADOR DE RESERVA DE
COMBUSTÍVEL/FAROL ALTO
                                                                                  CONECTOR 2P (Branco)
                                                                                  DA LUZ DE POSIÇÃO
   FIAÇÃO DA SINALEIRA

FIAÇÃO DO RELÉ
DA SINALEIRA




      FIAÇÃO DO
      INDICADOR
FIAÇÃO DO INTERRUPTOR
DIREITO DO GUIDÃO

     FIAÇÃO DO INTERRUPTOR                                                            FIAÇÃO PRINCIPAL
     ESQUERDO DO GUIDÃO

                                                                                    CONECTOR 3P (Preto)
                                                                                    DO RELÉ DA SINALEIRA
                             CONECTOR 2P (Preto)         CONECTOR 3P (Branco)
  CONECTOR 9P (Preto) DO     DO COMUTADOR DO
  INTERRUPTOR ESQUERDO                                   DO FAROL
                             FAROL
  DO GUIDÃO                                 FIAÇÃO DO RELÉ
                                            DA SINALEIRA




1-20
SHADOW 750                                                           INFORMAÇÕES GERAIS




                  Para cima

                              Lado esquerdo
                                               CABOS DO ACELERADOR

                                    30° ± 5°

                                                                 CABO DA EMBREAGEM




 FIAÇÃO DO
 INTERRUPTOR DO
 GUIDÃO DIREITO




   CABOS DO
   ACELERADOR




MANGUEIRA DO FREIO DIANTEIRO




                                                                                 1-21
INFORMAÇÕES GERAIS                                         SHADOW 750




                                                    CONECTOR 12P (Branco)
                                CABO DA EMBREAGEM   DO VELOCÍMETRO



                     FIAÇÃO DO INTERRUPTOR
                     ESQUERDO DO GUIDÃO




                                                          FIAÇÃO DA BUZINA




                                                     FIAÇÃO DO MOTOR
                                                     DA VENTOINHA




1-22
SHADOW 750                                                                             INFORMAÇÕES GERAIS


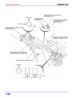
(1) FIAÇÃO PRINCIPAL
(2) MANGUEIRA DE RESPIRO DO TANQUE DE COMBUSTÍVEL
(3) MANGUEIRA SIFÃO
(4) FIAÇÃO DO SENSOR DE INCLINAÇÃO DO CHASSI
(5) CABO DO ACELERADOR


MANGUEIRA DE RESPIRO DO
TANQUE DE COMBUSTÍVEL
               FIAÇÃO DA VÁLVULA SOLENÓIDE
               DO CONTROLE PAIR
                      CONECTOR 2P (Preto) DA                                                 MANGUEIRA DE
                      VÁLVULA SOLENÓIDE DO                                                   ALIMENTAÇÃO
                      CONTROLE PAIR          CONECTORES DO SENSOR DE
                                             RESERVA DE COMBUSTÍVEL                          DE COMBUSTÍVEL
                                     (4)                       (2)                     MANGUEIRA DE
                                                         (3)                           COMBUSTÍVEL
                                             (5)                     (1)
                                                                           (3)   (2)
MANGUEIRA SIFÃO                                                                        (1)
                                                   (5)


                                             (1)




                                                                                              MANGUEIRA DE
                                                                                              RETORNO DE
                                                                                              VAPORIZAÇÃO DE
                                                                                              COMBUSTÍVEL




FIAÇÃO                                                                                        MANGUEIRA DE
DA BUZINA                                                                                     RETORNO DE
                                                                                              VAPORIZAÇÃO
                                                                                              DE COMBUSTÍVEL

CABO DA VELA DE
IGNIÇÃO DIANTEIRA
ESQUERDA                                                                                        MANGUEIRA DE
                                                                                                COMBUSTÍVEL
  FIAÇÃO DO SENSOR DE
  RESERVA DE COMBUSTÍVEL

    MANGUEIRAS DE FORNECIMENTO
    DE AR SECUNDÁRIO                                                CABO DA VELA DE IGNIÇÃO
                                           MANGUEIRA DE ALIMENTAÇÃO TRASEIRA ESQUERDA
                                           DE COMBUSTÍVEL
                    MANGUEIRA DE SUCÇÃO
                    DE AR SECUNDÁRIO




                                                                                                      1-23
INFORMAÇÕES GERAIS                                                                       SHADOW 750

(1) FIAÇÃO DO INTERRUPTOR DO CAVALETE LATERAL
(2) FIAÇÃO DO RECEPTOR DO IMOBILIZADOR/INTERRUPTOR DE IGNIÇÃO
(3) FIAÇÃO DO INTERRUPTOR DE IGNIÇÃO
(4) FIAÇÃO DO ALTERNADOR
(5) FIAÇÃO DO INTERRUPTOR DO PONTO-MORTO/INTERRUPTOR EOP
(6) FIAÇÃO DO SENSOR VS
(7) FIAÇÃO DO RECEPTOR DO IMOBILIZADOR
(8) FIAÇÃO DO REGULADOR/RETIFICADOR
(9) FIAÇÃO DA CAIXA DE RELÉS
(10) FIAÇÃO DOS ITENS (1), (5), (6)
CONECTORES INTERNOS:
• CONECTOR 2P (Branco) DO REGULADOR/ RETIFICADOR
• CONECTOR 3P (Branco) DO ALTERNADOR             CONECTORES INTERNOS:
                                                 • CONECTOR 4P (Branco) DO RECEPTOR DO IMOBILIZADOR
                                                 • CONECTOR 2P (Branco) DO INTERRUPTOR DE IGNIÇÃO
                              (8)    (10)
                                                                        (7)  (9)
                                                                   (2)
             (1)
      (4)




                                                                    (3)
          (5)                                                                       FIAÇÃO DO REGULADOR/
         (4)      (6)                                                               RETIFICADOR

                       (6)


  (1)            (5)
  (6)



   (1)
                (5)
   (1)                                                                               Para o Regulador/
                                                                                     Retificador
                                                                                  FIAÇÃO DA CAIXA DE RELÉS

                                                                             CABO DO MOTOR DE PARTIDA
         (5)                                                                       (6)

          FIAÇÃO DO
          ALTERNADOR                                                               (5)

                                        CABO DO TERRA                       (1)
                                                                      (4)
   FIAÇÃO DO INTERRUPTOR
   DO CAVALETE LATERAL          FIAÇÃO DO SENSOR VS
                                                             FIAÇÃO DO REGULADOR/RETIFICADOR
                 FIAÇÃO DO INTERRUPTOR EOP
                               CONECTORES INTERNOS:
                               • CONECTOR 3P (Branco) DO SENSOR VS
                               • CONECTOR 2P (Verde) DO INTERRUPTOR DO CAVALETE LATERAL
                               • CONECTOR 2P (Preto) DO INTERRUPTOR DO PONTO-MORTO/ INTERRUPTOR EOP




1-24
SHADOW 750                                                  INFORMAÇÕES GERAIS




               MANGUEIRAS DE RESPIRO DO TANQUE DE COMBUSTIVEL


                                          MANGUEIRA SIFÃO




                                                            FIAÇÃO DO REGULADOR/
                                                            RETIFICADOR




             MANGUEIRA DE RESPIRO DO RESERVATÓRIO DO RADIADOR




                                                                         1-25
INFORMAÇÕES GERAIS                                                            SHADOW 750




                                                            MANGUEIRA DE ALIMENTAÇÃO
                                                            DE COMBUSTÍVEL
                              Lado direito
                                             MANGUEIRA DE
                                             COMBUSTÍVEL                MANGUEIRA DE RETORNO
                                                                        DE VAPORIZAÇÃO DE
                                                                        COMBUSTÍVEL
                  Dianteira

                                             45°
MANGUEIRA DE ALIMENTAÇÃO
DE COMBUSTÍVEL




                                                                        FIAÇÃO DO RESERVATÓRIO/
                                                                        BOMBA DE COMBUSTÍVEL




      MANGUEIRA DE RETORNO DE
      VAPORIZAÇÃO DE COMBUSTÍVEL




               MANGUEIRA DE COMBUSTÍVEL


               Dianteira




                                                     5 – 8 mm




1-26
SHADOW 750                                                                 INFORMAÇÕES GERAIS


                                    CONECTORES INTERNOS:
                                    • CONECTOR 2P (Vermelho) DO SENSOR CKP
                                    • CONECTOR 2P (Branco) DO MOTOR DA VENTOINHA
                                    • CONECTOR 3P (Cinza) DO INTERRUPTOR DA LUZ DO FREIO TRASEIRO
                                                                   CABOS DO
                                                                   ACELERADOR
                                                   CONECTOR 3P (Preto)
                                                   DO SENSOR DE                 FIAÇÃO DO SENSOR
                               FIAÇÃO PRINCIPAL    INCLINAÇÃO DO CHASSI         DE INCLINAÇÃO DO
                                              MANGUEIRA DE                      CHASSI
        FIAÇÃO SECUNDARIA DO CONJUNTO
        DE SENSORES/VÁLVULA IAC               RESPIRO DO TANQUE
                                              DE COMBUSTÍVEL

                 Para cima

                             45°
MANGUEIRA DE                    °
                                    Lado
RESPIRO DA                          direito
CARCAÇA DO MOTOR

MANGUEIRA DE
RESPIRO DO TANQUE
DE COMBUSTÍVEL




    Para cima                                                                           PROTETOR
                                                                               FIAÇÃO DO
                                                                               SENSOR ECT


                                                                          CONECTOR 3P (Cinza) DO
                                                                          SENSOR ECT

                                                                     CABO DA VELA DE IGNIÇÃO
                                                                     DIANTEIRA DIREITA
                5 – 8 mm


                                                               FIAÇÃO DO SENSOR CKP
                MANGUEIRA DE SUCÇÃO
                DE AR SECUNDÁRIO

                             CABO DA EMBREAGEM    FIAÇÃO DO INTERRUPTOR DA
                                                  LUZ DO FREIO TRASEIRO




                                                                                         1-27
INFORMAÇÕES GERAIS                                                                SHADOW 750




                           MANGUEIRA DE RESPIRO DO
                           TANQUE DE COMBUSTÍVEL

                                                                            SENSOR DE
                                           CABOS DO ACELERADOR              INCLINAÇÃO DO CHASSI
      FIAÇÃO SECUNDARIA DO CONJUNTO
      DE SENSORES/VÁLVULA IAC                            FIAÇÃO DO SENSOR DE
                                                         INCLINAÇÃO DO CHASSI
   CONECTOR 4P (Branco) DA
   FIAÇÃO SECUNDÁRIA DO INJETOR


          FIAÇÃO SECUNDÁRIA
          DO INJETOR
  CONECTOR 2P (Cinza) DO
  INJETOR N° 2 DIANTEIRO




 FIAÇÃO PRINCIPAL




CONECTOR 2P (Cinza) DO
INJETOR N° 1 TRASEIRO


                                                            CONECTOR 4P (Preto)
                                                            DA VÁLVULA IAC


                                             CONECTOR 5P (Preto) DO
                                             CONJUNTO DE SENSORES




1-28
SHADOW 750                                                                                     INFORMAÇÕES GERAIS




                                                Dianteira
                                                                           Para cima


               Para cima                                    Lado Direito
                                                                                       Lado Direito
  Máximo de 30°                                                                              Para cima

                           Lado Direito
                                                                                        45°
                                                                                                         Lado Direito




     Para cima

                                                                                                         Dianteira

                                                                                                         45°
 Dianteira
                                                                                                                     Lado
                                                                                                                     Direito




       Dianteira



      Lado
  Esquerdo


      Máximo de 30°


             Para cima

                                 45°

                                              Dianteira                                Para cima
                             Lado
                             Direito


                                              Lado                        Lado
                                          Esquerdo                    Esquerdo




                                                                                                                     1-29
INFORMAÇÕES GERAIS                                                                      SHADOW 750

(1) FIAÇÃO PRINCIPAL
(2) FIAÇÃO DO SENSOR CKP
(3) CABO DA VELA DE IGNIÇÃO TRASEIRA ESQUERDA
(4) CABO DA VELA DE IGNIÇÃO TRASEIRA DIREITA

                                  CONECTOR 2P (Vermelho) DA FIAÇÃO
                                  SECUNDÁRIA DO SENSOR CKP
                                                    CABO DA VELA DE IGNIÇÃO
                                                    TRASEIRA DIREITA
                                                                     (1)
                                                                         (4)
                                    (1)                            (3)
                                                     (4)   (3)
               PROTETOR (2)

                                                                               CABO DO MOTOR
                                                                               DE PARTIDA
       INTERRUPTOR DO
       RELÉ DE PARTIDA




  CONECTOR 4P (Branco) DO
  SENSOR DE O2 TRASEIRO




CONECTOR 4P (Preto) DO
SENSOR DE O2 DIANTEIRO


                                                                                      CABO DO TERRA


  FIAÇÃO DO SENSOR                                                               CABO DA VELA DE IGNIÇÃO
  DE O2 TRASEIRO                                                                 TRASEIRA ESQUERDA
                                                                             CAIXA DE FUSÍVEIS A
                 DLC                                                 FIAÇÃO DO SENSOR DE O2 DIANTEIRO

                                                                CAIXA DE FUSÍVEIS B
                 CABO POSITIVO
                 (+) DA BATERIA                            CONECTOR 1P (Branco) DO
                                                           CABO DE PARTIDA-BATERIA




                                                 CONECTORES INTERNOS:
              BOBINA DE IGNIÇÃO                  • CONECTOR 2P (Azul claro) DA SINALEIRA TRASEIRA DIREITA
              TRASEIRA                           • CONECTOR 2P (Laranja) DA SINALEIRA TRASEIRA ESQUERDA
                            FIAÇÃO PRIMÁRIA      • CONECTOR 3P (Branco) DA LANTERNA/LUZ DE FREIO/LUZ DA
                                                   PLACA DE LICENÇA




1-30
SHADOW 750                                                                INFORMAÇÕES GERAIS



                                          MANGUEIRA DE RETORNO DE
                                          VAPORIZAÇÃO DO COMBUSTÍVEL



MANGUEIRA DE ALIMENTAÇÃO DE COMBUSTÍVEL




                                                                 CONECTOR 2P (Preto) DO
MANGUEIRA DE COMBUSTÍVEL                                         RESERVATÓRIO/BOMBA DE
                                                                 COMBUSTÍVEL


                                                                         RESERVATÓRIO/BOMBA DE
                                                                         COMBUSTÍVEL


    CABO NEGATIVO                                                        FIAÇÃO SECUNDÁRIA DO
    (-) DA BATERIA                                                       SENSOR CKP



                                                                            CABO POSITIVO
                                                                            (+) DA BATERIA



      BATERIA




                     ECM
                            CONECTOR 33P        CONECTOR 33P
                            (Cinza) DO ECM      (Preto) DO ECM




                                                                                          1-31
INFORMAÇÕES GERAIS                                                               SHADOW 750




                              FIAÇÃO DA SINALEIRA TRASEIRA DIREITA

                                                                FIAÇÃO DA LANTERNA/LUZ DE FREIO/
                                                                LUZ DA PLACA DE LICENÇA

        FIAÇÃO DA SINALEIRA TRASEIRA ESQUERDA


       FIAÇÃO DA LANTERNA/LUZ DE
       FREIO/LUZ DA PLACA DE LICENÇA




 FIAÇÃO DA LUZ DA
 LUZ DE LICENÇA




 CONECTOR 2P (Branco) DA LUZ DA PLACA DE LICENÇA




1-32
SHADOW 750                                                                                INFORMAÇÕES GERAIS



SISTEMA DE CONTROLE DE EMISSÕES
Esta motocicleta atende às exigências do Programa de Controle de Poluição do Ar para Motocicletas e Veículos
Similares PROMOT (Resolução do CONAMA, n° 297, datada de 26/02/2002 - Conselho Nacional de Meio-Ambiente).

FONTE DE EMISSÕES

O processo de combustão produz monóxido de carbono (CO), hidrocarbonetos e óxidos de nitrogênio (NOx). O controle
do monóxido de carbono, dos hidrocarbonetos e dos óxidos de nitrogênio é de grande importância pois, sob certas
condições, estes reagem fotoquimicamente para produzir fumaça tóxica quando expostos à luz solar. O monóxido de
carbono não reage da mesma forma, mas também é tóxico.

A Moto Honda da Amazônia Ltda. utiliza vários sistemas (página 1-34) para reduzir os índices de emissões de monóxido
de carbono, hidrocarbonetos e óxidos de nitrogênio.

SISTEMA DE CONTROLE DE EMISSÕES DA CARCAÇA DO MOTOR

O motor é equipado com um sistema de carcaça fechada, a fim de evitar descargas de gases na atmosfera. Os gases
expelidos retornam à câmara de combustão através da carcaça do filtro de ar e do corpo do acelerador.


                                                                                              FILTRO DE AR
                                              CORPO DO ACELERADOR




                                                                                             AR FRESCO


                                                                                             GASES EXPELIDOS




                                                                                                           1-33
INFORMAÇÕES GERAIS                                                                               SHADOW 750


SISTEMA DE CONTROLE DE EMISSÃO DO ESCAPAMENTO

O sistema de controle de emissões do escapamento é composto por um sistema de fornecimento de ar secundário
pulsativo, um catalisador de três vias e o sistema PGM-FI.

Nenhum ajuste deve ser executado, exceto o ajuste da marcha-lenta com o parafuso limitador do acelerador. O sistema
de controle de emissão do escapamento é separado do sistema de controle de emissão da carcaça do motor.

Sistema de fornecimento de ar secundário

O sistema de fornecimento de ar que secundário pulsativo introduz ar filtrado nos gases de escapamento, na porta de
escape. O ar fresco é sugado para dentro da porta de escape através da válvula solenóide de controle PAIR.

Esta carga de ar fresco promove a queima dos gases não-queimados e altera consideravelmente a quantidade de
hidrocarbonetos e monóxido de carbono em dióxido de carbono relativamente inofensivo e vapor de água.

A válvula de inspeção PAIR evita o fluxo inverso de ar através do sistema. A válvula solenóide de controle PAIR é
acionada por uma válvula solenóide. A válvula solenóide é controlada pelo ECM, e a passagem de ar fresco é aberta ou
fechada de acordo com as condições de funcionamento do motor (sensores ECT/IAT/TP/MAP e rotações do motor).

Nenhum ajuste no sistema de fornecimento de ar secundário deve ser feito, a não ser inspeções periódicas nos
componentes recomendados.


                                                                                         FILTRO DE AR



      VÁLVULA SOLENÓIDE
      DE CONTROLE PAIR

 VÁLVULA DE INSPEÇÃO PAIR




         PORTA DE ESCAPE
                                                                                          AR FRESCO

                                                                                          GASES DE ESCAPAMENTO




Catalisador de Três Vias

Esta motocicleta é equipada com catalisador de três vias.

O catalisador de três vias está localizado no sistema de escapamento. Através de reações químicas, este converte os
hidrocarbonetos, o monóxido de carbono e os óxidos de nitrogênio do escapamento do motor em dióxido de carbono
(CO2), gás nitrogênio (N2) e vapor de água.




1-34
SHADOW 750                                                                                  INFORMAÇÕES GERAIS


SISTEMA DE CONTROLE DE EMISSÃO DE RUÍDOS

São proibidas adulterações no sistema de controle de emissão ruídos: a lei de cada região proíbe os seguintes atos ou
as seguintes conseqüências: (1) a remoção ou alteração ineficaz por qualquer pessoa, a não ser por propósitos de
manutenção, reparo ou substituição, de qualquer dispositivo ou elemento de projeto incorporado a qualquer novo
veículo com o propósito prévio de controle de ruídos, para venda ou entrega ao comprador final ou enquanto em uso;
(2) a utilização do veículo após a remoção de qualquer dispositivo ou elemento do projeto ou alteração ineficaz por
qualquer pessoa.

ENTRE ESTES ATOS, PRESUMIMOS A CONSTITUIÇÃO DE ADULTERAÇÃO OS SEGUINTES LISTADOS ABAIXO:

1. Remoção ou perfuração do silencioso, defletores, tubos de escapamento ou qualquer outro componente que conduz
   os gases de escapamento.
2. Remoção ou perfuração de qualquer componente do sistema de admissão.
3. Falta de manutenção adequada.
4. Substituição de qualquer componente móvel do veículo ou componentes do sistema de admissão e escape, por
   componentes que não os especificados pelo fabricante.




                                                                                                             1-35
INFORMAÇÕES GERAIS           SHADOW 750


                     NOTAS




1-36
CHASSI/CARENAGENS/
SHADOW 750                                2.   SISTEMA DE ESCAPAMENTO


 INFORMAÇÕES DE SERVIÇO    2-2   PEDAL DE APOIO DO CONDUTOR    2-5
 DIAGNOSE DE DEFEITOS      2-2   TAMPA SUPERIOR DO CABEÇOTE    2-6
 ASSENTO                   2-3   PÁRA-LAMA DIANTEIRO           2-7
 TAMPA LATERAL             2-4   PÁRA-LAMA TRASEIRO            2-7
 TAMPA LATERAL DA                SISTEMA DE ESCAPAMENTO        2-9
 COLUNA DE DIREÇÃO         2-4
 TAMPA TRASEIRA ESQUERDA
 DA CARCAÇA DO MOTOR       2-4




                                                                2-1
CHASSI/CARENAGENS/SISTEMA DE ESCAPAMENTO                                                          SHADOW 750


INFORMAÇÕES DE SERVIÇO
INFORMAÇÕES GERAIS

• Este capítulo abrange a remoção e instalação das carenagens e sistema de escapamento.
• Queimaduras graves podem ocorrer caso o sistema de escapamento não esfrie antes da remoção ou execução de
  reparos em seus componentes.
• Sempre substitua as juntas do tubo de escapamento por novas após a remoção do tubo de escapamento.
• Ao instalar o sistema de escapamento, inicie instalando frouxamente os fixadores do tubo. Em seguida, aperte as
  presilhas do escapamento e, finalmente, aperte seus fixadores.
• Sempre inspecione o sistema de escapamento quanto a vazamentos após sua instalação.

VALORES DE TORQUE

Parafuso Allen de fixação do assento do principal       26 N.m (2,7 kgf.m)
Parafuso de fixação do assento traseiro                 12 N.m (1,2 kgf.m)    Parafuso Aloc; substitua-o por um novo.
Parafuso de fixação do trilho de fixação                64 N.m (6,5 kgf.m)
Parafuso Allen da tampa traseira esquerda da
carcaça do motor                                        10 N.m (1,0 kgf.m)
Parafuso Allen da tampa superior do cabeçote            10 N.m (1,0 kgf.m)
Porca da conexão do tubo de escapamento                 25 N.m (2,5 kgf.m)
Parafuso de fixação do suporte do silencioso            34 N.m (3,5 kgf.m)
Porca do suporte do silencioso                          27 N.m (2,8 kgf.m)
Prisioneiro da conexão do tubo de escapamento           Consulte a página 2-12.
Sensor de O2                                            44 N.m (4,5 kgf.m)
Parafuso do pedal de apoio do condutor                  21,5 N.m (2,2 kgf.m)


DIAGNOSE DE DEFEITOS
Ruído excessivo no escapamento
• Sistema de escapamento quebrado
• Vazamento de gás do escapamento

Desempenho inadequado
• Sistema de escapamento deformado
• Vazamento de gás do escapamento
• Silencioso obstruído




2-2
SHADOW 750                                                     CHASSI/CARENAGENS/SISTEMA DE ESCAPAMENTO



ASSENTO
                                                                                 ASSENTO TRASEIRO
REMOÇÃO/INSTALAÇÃO
                                                                          PARAFUSOS
Remova os parafusos Allen, o parafuso de fixação do assento               ALLEN
                                                                                                    PARAFUSO
traseiro e conjunto do assento, movendo-o para trás.

NOTA                                                                 ASSENTO
                                                                     PRINCIPAL
 Não reutilize o parafuso de fixação do assento traseiro.

Instale o conjunto do assento, inserindo adequadamente seus
encaixes sob o lábio suspenso do chassi.

Instale e aperte os parafusos Allen de fixação do assento
principal no torque especificado. Em seguida, instale um
novo parafuso de fixação do assento traseiro e aperte-o
também no torque especificado.

Torque:
Parafuso Allen de fixação
do assento principal                          26 N.m (2,7 kgf.m)
Parafuso de fixação do assento traseiro       12 N.m (1,2 kgf.m)




DESMONTAGEM/MONTAGEM                                                ASSENTO TRASEIRO            PARAFUSOS
Remova o conjunto do assento (página 2-3).

Remova os parafusos e o assento traseiro do assento
principal.

Instale o assento traseiro, juntamente com seus parafusos.
Em seguida, aperte seguramente os parafusos.

Instale o conjunto do assento (página 2-3).

                                                                                          ASSENTO PRINCIPAL




                                                                                                       2-3
CHASSI/CARENAGENS/SISTEMA DE ESCAPAMENTO                                                  SHADOW 750


TAMPA LATERAL                                                                                     GUIAS

REMOÇÃO/INSTALAÇÃO
Remova a tampa lateral, soltando suas guias das borrachas
do chassi.

NOTA
 Tenha cuidado para não danificar as guias da tampa
 lateral.

Instale a tampa lateral, encaixando suas guias nas borrachas      BORRACHAS                TAMPA LATERAL
do chassi.



TAMPA LATERAL DA COLUNA DE DIREÇÃO                                      TAMPAS LATERAIS DA
                                                                        COLUNA DE DIREÇÃO      PRESILHA
REMOÇÃO/INSTALAÇÃO
Remova os parafusos.
Remova a presilha de retenção, empurrando-a para trás.

Remova as tampas laterais da coluna de direção,
desencaixando a guia da tampa esquerda da fenda da tampa
direita.
                                                                PARAFUSO
NOTA
 Tenha cuidado para não danificar a guia e a fenda.                  FENDA    GUIA              PARAFUSO


A instalação é feita na ordem inversa da remoção.

NOTA
                                                                   GUIAS             ARRUELA   PRESILHA B
 Após a instalação, certifique-se de que os cabos e a fiação
 não interferem no movimento do guidão.



TAMPA TRASEIRA ESQUERDA DA                                      PARAFUSO
CARCAÇA DO MOTOR
REMOÇÃO/INSTALAÇÃO
                                                                TAMPA TRASEIRA ESQUERDA        BORRACHAS
Remova a presilha B e a arruela.                                DA CARCAÇA DO MOTOR

Remova o parafuso Allen e a tampa traseira esquerda da
carcaça do motor, desencaixando suas guias das borrachas.

NOTA
 Tenha cuidado para não danificar as guias da tampa
 traseira esquerda da carcaça do motor.


Inspecione a presilha B quanto a fadiga ou danos e substitua-
a se necessário.

A instalação é feita na ordem inversa da remoção.

Torque:
Parafuso Allen da tampa traseira
esquerda da carcaça do motor              10 N.m (1,0 kgf.m)




2-4
SHADOW 750                                                    CHASSI/CARENAGENS/SISTEMA DE ESCAPAMENTO



PEDAL DE APOIO DO CONDUTOR
REMOÇÃO/INSTALAÇÃO
                                                                                                 PEDAL DE
Remova os seguintes componentes:                                   MOLA DE                       DESCANSO
– Presilha E                                                       RETORNO
                                                                                        Alinhe
– Arruela
– Eixo da articulação
– Pedal de descanso
– Mola de retorno

Instale a mola de retorno no pedal de descanso, alinhando a
extremidade da mola com o orifício do pedal de descanso.

Alinhe os orifícios do parafuso, do pedal de descanso e do
suporte do pedal de apoio.

Instale o eixo da articulação, a arruela e a presilha E.

NOTA
                                                                  PRESILHA E
 Certifique-se de que a presilha E esteja seguramente
 assentada.                                                               ARRUELA
                                                                                     EIXO DA
                                                                                     ARTICULAÇÃO




DESMONTAGEM/MONTAGEM                                              PARAFUSO DA CAPA

Remova os seguintes componentes:
– Borracha do pedal de apoio
– Parafuso da capa
– Espaçador

A montagem é feita na ordem inversa da desmontagem.

Torque:
Parafuso da capa do pedal de
apoio principal                     21,5 N.m (2,2 kgf.m)                                         BORRACHA
                                                                   ESPAÇADOR




                                                                                                      2-5
CHASSI/CARENAGENS/SISTEMA DE ESCAPAMENTO                                             SHADOW 750
                                                                                        PARAFUSOS

TAMPA SUPERIOR DO CABEÇOTE
REMOÇÃO/INSTALAÇÃO

Cabeçote Dianteiro

Remova os seguintes componentes:
– Supressor de ruídos (página 3-7)
– Tanque de combustível (página 5-40)

Somente para o lado direito:
Remova a carcaça do filtro de ar (página 5-41).

Remova os parafusos Allen e a tampa superior direita do                  TAMPA SUPERIOR DO CABEÇOTE
cabeçote dianteiro.                                               PARAFUSOS

Remova os parafusos Allen e a tampa superior esquerda do
cabeçote dianteiro.

A instalação é feita na ordem inversa da remoção.

Torque:
Parafuso Allen da tampa superior
direita/esquerda do cabeçote dianteiro    10 N.m (1,0 kgf.m)




                                                                           TAMPA SUPERIOR DO CABEÇOTE
                                                               PARAFUSOS
Cabeçote Traseiro

Remova os seguintes componentes:
– Supressor de ruídos (página 3-7)
– Tanque de combustível (página 5-40)

Remova os parafusos Allen e a tampa superior direita do
cabeçote traseiro.




                                                                           TAMPA SUPERIOR DO CABEÇOTE
                                                                                       PARAFUSOS
Remova os parafusos Allen e a tampa superior esquerda do
cabeçote traseiro.

A instalação é feita na ordem inversa da remoção.

Torque:
Parafuso Allen da tampa superior
direita/esquerda do cabeçote traseiro     10 N.m (1,0 kgf.m)




                                                                           TAMPA SUPERIOR DO CABEÇOTE


2-6
SHADOW 750                                                   CHASSI/CARENAGENS/SISTEMA DE ESCAPAMENTO

                                                                 PARAFUSOS/ESPAÇADORES

PÁRA-LAMA DIANTEIRO
REMOÇÃO/INSTALAÇÃO

Remova os parafusos e espaçadores.




                                                                               PARAFUSOS

Remova o pára-lama dianteiro, empurrando-o para trás.

NOTA
 Tenha cuidado para não danificar o pára-lama dianteiro.




                                                                                       PÁRA-LAMA DIANTEIRO

Remova os parafusos, os espaçadores, as borrachas e o
                                                                        PARAFUSOS/ESPAÇADORES/BORRACHAS
suporte interno do pára-lama dianteiro.

A instalação é feita na ordem inversa da remoção.




                                                                      PÁRA-LAMA
                                                                      DIANTEIRO    SUPORTE INTERNO


                                                                 CINTA DA FIAÇÃO    CONECTORES

PÁRA-LAMA TRASEIRO
REMOÇÃO/INSTALAÇÃO

Remova os seguintes componentes:
– Conjunto do assento (página 2-3)
– Tampa lateral direita (página 2-4)

Solte a cinta da fiação.
Desacople os conectores 3P da lanterna/luz de freio/luz da
placa de licença e 2P da sinaleira traseira.




                                                                                                     2-7
CHASSI/CARENAGENS/SISTEMA DE ESCAPAMENTO                                                     SHADOW 750

Remova os parafusos, as arruelas e os trilhos de fixação.
                                                                   TRILHOS DE FIXAÇÃO   PARAFUSOS/ARRUELAS
Remova a cinta da fiação.

Remova o pára-lama traseiro do chassi.

Instale o pára-lama traseiro no chassi.

NOTA
 Passe adequadamente a fiação (página 1-20).

Fixe a fiação da lanterna/luz de freio/luz da placa de licença
utilizando a cinta da fiação.

Instale os trilhos de fixação, as arruelas e os parafusos.

Aperte os parafusos no torque especificado.
                                                                                                  PÁRA-LAMA
Torque: 64 N.m (6,5 kgf.m)                                                                        TRASEIRO

Acople os conectores 3P da lanterna/luz de freio/luz da placa
de licença e 2P da sinaleira traseira.

Fixe a cinta da fiação.

Instale os seguintes componentes:
– Conjunto do assento (página 2-3)                                                          CINTA DA FIAÇÃO
– Tampa lateral direita (página 2-4)



DESMONTAGEM/MONTAGEM
                                                                                         Alinhe
Remova os seguintes componentes:                                    PÁRA-LAMA
– Pára-lama traseiro (página 2-7)                                   TRASEIRO                       REFLETOR
– Lanterna/luz de freio (página 20-8)
– Luz da placa de licença (página 20-9)

Remova o parafuso e a presilha.

Remova o chassi traseiro e as borrachas do pára-lama                          PARAFUSO
traseiro.

NOTA
 Tenha cuidado para não danificar o pára-lama traseiro.

Instale as borrachas no chassi traseiro.
Instale o chassi traseiro, inserindo suas guias nos orifícios do
pára-lama.

Instale os componentes removidos na ordem inversa da
remoção.

NOTA                                                                                              PRESILHA
 • Passe adequadamente a fiação (página 1-20).
 • Caso o refletor tenha sido removido, instale-o alinhando                          BORRACHAS
   seus recortes com as marcas pintadas no pára-lama.              CHASSI TRASEIRO




2-8
SHADOW 750                                                    CHASSI/CARENAGENS/SISTEMA DE ESCAPAMENTO



SISTEMA DE ESCAPAMENTO                                                                       FIAÇÃO DO SENSOR
                                                                                             DE O2 DIANTEIRO
REMOÇÃO

Remova a tampa lateral direita (página 2-4).                       PRESILHAS

Desacople os conectores 4P (Branco e Preto) dos sensores de
O2.

Solte os conectores 4P (Branco e Preto) dos sensores de O2
de suas presilhas, como mostra a ilustração.

Solte a fiação do sensor de O2 dianteiro de sua lingüeta do
chassi, como mostra a ilustração.




                                                                                            LINGÜETA


                                                                              CONECTOR 4P


                                                                  TRASEIRO:             DIANTEIRO:
Remova as porcas da conexão do tubo de escapamento.




                                                                               PORCAS DA CONEXÃO

Remova as porcas, os parafusos, as arruelas e o conjunto do
silencioso.




                                                                  PORCAS/ARRUELAS/PARAFUSOS            SILENCIOSO


                                                                                                           2-9
CHASSI/CARENAGENS/SISTEMA DE ESCAPAMENTO                                              SHADOW 750
                                                            TRASEIRO:           DIANTEIRO:
Remova as juntas dianteira e traseira.




                                                                             JUNTAS

DESMONTAGEM
                                                                                             FLANGE
Remova os sensores de O2 (página 5-62).

Remova os flanges e espaçadores da conexão do tubo de
escapamento.




                                                                ESPAÇADOR
                                                                DA CONEXÃO



Somente para o silencioso traseiro:
                                                             MARTELO PLÁSTICO
Desloque o protetor do tubo de escapamento traseiro,
utilizando um martelo plástico e quebrando a lingüeta de
trava (lado oposto ao protetor). Em seguida, remova o
protetor.
                                                                                         LINGÜETA
NOTA                                                                                     DE TRAVA

 • O protetor do tubo de escapamento traseiro pode ser
   retirado sem remover-se o sistema de escapamento do
   motor.
 • Não reutilize o protetor removido.
                                                                         PROTETOR


                                                            JUNTA                            PARAFUSOS
Solte o parafuso da braçadeira da conexão do silencioso.

Remova os parafusos de fixação e o suporte do silencioso.
Em seguida, separe os silenciosos.

Remova a junta.




                                                            PARAFUSO DA BRAÇADEIRA             SUPORTE


2-10
SHADOW 750                                                   CHASSI/CARENAGENS/SISTEMA DE ESCAPAMENTO


MONTAGEM

                                                                   44 N.m (4,5 kgf.m)
                                                  SILENCIOSO
                PROTETOR DO TUBO DE               TRASEIRO
                ESCAPAMENTO TRASEIRO




             ESPAÇADOR
             DA CONEXÃO          SILENCIOSO
                                 DIANTEIRO
         FLANGE
                                                                                                           SUPORTE DO
                                                             JUNTA                                         SILENCIOSO




                                                                                           34 N.m (3,5 kgf.m)
                                                             44 N.m (4,5 kgf.m)


                                                                     JUNTA                                      PARAFUSOS
Instale uma nova junta no tubo de conexão do silencioso
dianteiro.

Monte os silenciosos dianteiro e traseiro.

Instale o suporte do silencioso e os parafusos de fixação.

Aperte os parafusos de fixação no torque especificado.

Torque: 34 N.m (3,5 kgf.m)

Aperte seguramente o parafuso da braçadeira da conexão do
silencioso.
                                                                   PARAFUSO DA BRAÇADEIRA                         SUPORTE

Somente para o silencioso traseiro:
Instale um novo protetor do tubo de escapamento traseiro.                                           PROTETOR




                                                                                                      Alinhe
                                                                                  Alinhe




                                                                                                                  2-11
CHASSI/CARENAGENS/SISTEMA DE ESCAPAMENTO                                                           SHADOW 750

Instale as flanges e espaçadores da conexão do tubo de
                                                                                                      FLANGE
escapamento.

Instale os sensores de O2 (página 5-62).




                                                                          ESPAÇADOR
                                                                          DA CONEXÃO



INSTALAÇÃO
                                                                   27 N.m (2,8 kgf.m)




        BORRACHA

  ESPAÇADOR




                                                                                               JUNTA

                                               ARRUELA
                                                                                        25 N.m (2,5 kgf.m)




                                                                                          CONJUNTO DO
                                                                                          SILENCIOSO
                 PARAFUSO



Aperte os prisioneiros da conexão do tubo de escapamento
caso estejam soltos. Certifique-se de verificar a altura entre o                           40,0 – 42,0 mm
topo do prisioneiro e o cabeçote, como mostra a ilustração.




2-12
SHADOW 750                                                CHASSI/CARENAGENS/SISTEMA DE ESCAPAMENTO

                                                              TRASEIRO:           DIANTEIRO:
Instale novas juntas.




                                                                               JUNTAS
                                                              TRASEIRO:           DIANTEIRO:
Instale o conjunto do silencioso.

NOTA
 Insira primeiramente o tubo de escapamento traseiro na
 porta de escape traseira. Em seguida, insira o tubo de
 escapamento dianteiro na porta de escape dianteira.

Instale frouxamente todos os fixadores.

Aperte as porcas da conexão do tubo de escapamento no
torque especificado.

Torque: 25 N.m (2,5 kgf.m)
                                                                          PORCAS DA CONEXÃO

Aperte as porcas do suporte do silencioso no torque
especificado, enquanto mantém fixados os parafusos.

Torque: 27 N.m (2,8 kgf.m)




                                                                                     PORCAS/PARAFUSOS




                                                                                               2-13
CHASSI/CARENAGENS/SISTEMA DE ESCAPAMENTO                                             SHADOW 750

Passe adequadamente a fiação do sensor de O2 (página 1-20).
                                                                                    FIAÇÃO DO SENSOR
                                                                                    DE O2 DIANTEIRO
Posicione os conectores dos sensores de O2 em suas
presilhas e acople-os em seguida.

Posicione a fiação do sensor de O2 dianteiro na lingüeta do   PRESILHAS
chassi, como mostra a ilustração.

NOTA
 Sempre inspecione o sistema de escapamento quanto a
 vazamentos após sua instalação.

Instale a tampa lateral direita (página 2-4).




                                                                                LINGÜETA

                                                                      CONECTOR 4P




2-14
SHADOW 750                                  3. MANUTENÇÃO
 INFORMAÇÕES DE SERVIÇO        3-2    ÓLEO DO DIFERENCIAL             3-17
 TABELA DE MANUTENÇÃO          3-4    FLUIDO DO FREIO                 3-18
 LINHA DE COMBUSTÍVEL          3-5    DESGASTE DAS SAPATAS/
                                      PASTILHAS DE FREIO              3-19
 FUNCIONAMENTO DO ACELERADOR   3-5
                                      SISTEMA DE FREIO                3-19
 FILTRO DE AR                  3-6
                                      INTERRUPTOR DA LUZ DO FREIO     3-21
 RESPIRO DA CARCAÇA DO MOTOR   3-7
                                      FACHO DO FAROL                  3-21
 VELAS DE IGNIÇÃO              3-7
                                      SISTEMA DE EMBREAGEM            3-22
 FOLGA DAS VÁLVULAS            3-9
                                      CAVALETE LATERAL                3-22
 ÓLEO DO MOTOR                 3-12
                                      SUSPENSÃO                       3-23
 FILTRO DE ÓLEO DO MOTOR       3-13
                                      PORCAS, PARAFUSOS E FIXADORES   3-23
 SISTEMA DE ESCAPAMENTO        3-14
                                      RODAS/PNEUS                     3-24
 LÍQUIDO DE ARREFECIMENTO
 DO RADIADOR                   3-14   ROLAMENTOS DA COLUNA DE DIREÇÃO 3-25
 SISTEMA DE ARREFECIMENTO      3-15
 SISTEMA DE FORNECIMENTO
 DE AR SECUNDÁRIO              3-16




                                                                        3-1
MANUTENÇÃO                                                                                       SHADOW 750




INFORMAÇÕES GERAIS

• Posicione a motocicleta sob uma superfície plana antes de iniciar qualquer manutenção.
• A gasolina é extremamente inflamável e explosiva sob certas condições.
• Trabalhe em locais com ventilação adequada. Fumar ou permitir chamas e faíscas no local de trabalho onde a gasolina
  é armazenada pode causar incêndio ou explosões.
• O gases de escapamento contém monóxido de carbono venenoso que pode causar perda de consciência ou até a
  morte. Funcione o motor em somente locais abertos ou locais fechados que possuam sistema de evacuação de gases
  de escapamento.

ESPECIFICAÇÕES

                          Item                                                     Especificação
Folga da manopla do acelerador                                                         2 – 10 mm
Vela de ignição        Padrão                                          DPR7EA-9 (NGK), X22EPR-U9 (DENSO)
                       Para longos percursos em alta rotação           DPR9EA-9 (NGK), X24EPR-U9 (DENSO)
Folga entre os eletrodos da vela de ignição                                          0,8 – 0,9 mm
Folga das válvulas     ADM                                                         0,15 ± 0,02 mm
                       ESC                                                         0,20 ± 0,02 mm
Óleo recomendado para motor                                                     Mobil Super Moto 4T
                                                                                     Multiviscoso
                                                                          Classificação de serviço API: SF
                                                                                Viscosidade: 20W-50
Capacidade de         Na drenagem                                                         2,5 l
óleo do motor         Na troca do filtro de óleo                                          2,6 l
                      Na desmontagem                                                      3,2 l
Marcha-lenta do motor                                                              1.200 ± 100 rpm
Líquido de arrefecimento recomendado                           “LÍQUIDO DE ARREFECIMENTO HONDA C2702ANT000”
                                                                   Líquido de Arrefecimento de alto desempenho
                                                                               à base de Etilenoglicol
Óleo recomendado para diferencial                                     Óleo para engrenagem Hypoid, SAE#80
Capacidade de óleo     Na drenagem                                                      160 cm3
do diferencial         Na desmontagem                                                   170 cm3
Fluido de freio recomendado                                                    Fluido de freio DOT-4
Altura do pedal do freio                                              75 mm acima do topo do pedal de apoio
Folga do pedal do freio                                                               20 – 30 mm
Folga da alavanca da embreagem                                                        10 – 20 mm
Pressão do pneu frio Somente piloto           Dianteiro                     200 kPa (2,0 kgf/cm2, 29 psi)
                                              Traseiro                      200 kPa (2,0 kgf/cm2, 29 psi)
                       Piloto e passageiro    Dianteiro                     200 kPa (2,0 kgf/cm2, 29 psi)
                                              Traseiro                      250 kPa (2,5 kgf/cm2, 36 psi)
Profundidade mínima do sulco                  Dianteira                                 1,5 mm
da banda de rodagem                           Traseira                                  2,0 mm




3-2
SHADOW 750                                                                                         MANUTENÇÃO


VALORES DE TORQUE

Vela de ignição                                          18 N.m (1,8 kgf.m)
Contraporca do parafuso de ajuste da válvula             23 N.m (2,3 kgf.m)
Tampa do orifício de sincronização                       10 N.m (1,0 kgf.m)      Aplique graxa nas roscas.
Filtro de óleo do motor                                  26 N.m (2,7 kgf.m)      Aplique óleo para motor nas roscas.
Parafuso de drenagem do óleo do motor                    29 N.m (3,0 kgf.m)
Tampa de abastecimento do óleo do diferencial            12 N.m (1,2 kgf.m)
Parafuso de drenagem do óleo do diferencial              12 N.m (1,2 kgf.m)
Parafuso da tampa do reservatório
do cilindro-mestre dianteiro                             1,5 N.m (0,2 kgf.m)
Porca de ajuste vertical do farol                        12 N.m (1,2 kgf.m)
Parafuso Allen da tampa do filtro de ar                  1,5 N.m (0,2 kgf.m)
Tampa do orifício da árvore de manivelas                 15 N.m (1,5 kgf.m)      Aplique graxa nas roscas.
Parafuso Allen da tampa do alternador                    10 N.m (1,0 kgf.m)
Raios                                                    4,2 N.m (0,4 kgf.m)

FERRAMENTAS

Chave de ajuste da válvula            Chave para filtro de óleo                Chave para raios
07908-KE90000                         07HAA-PJ70101                            07JMA-MR60100




Juntamente com chave
fixa de 10 mm




                                                                                                             3-3
MANUTENÇÃO                                                                                         SHADOW 750


TABELA DE MANUTENÇÃO
                                                                                 Período (nota 1)
               Item                      Operações
                                                             km   1.000 6.000 12.000 18.000 24.000 30.000 36.000 a cada
 Linha de combustível              Verificar                                                                     12.000
 Acelerador                        Verificar                                                                     12.000
 Filtro de ar                      Trocar (Nota 2)                                                               18.000
 Respiro do motor                  Limpar (Nota 3)                                                                6.000
 Velas de ignição                  Verificar                                                                     12.000
                                   Trocar                                                                        12.000
 Folga das válvulas                Verificar                                                                     12.000
 Óleo do motor                     Trocar (Notas 4, 5 e 6)                                                        6.000
 Filtro de óleo do motor           Trocar (Nota 6)                                                                6.000
 Sistema de escapamento            Verificar                                                                      6.000
 Líquido de arrefecimento          Verificar o nível                                                             12.000
 do radiador                       Trocar (Nota 7)                                                               36.000
 Sistema de arrefecimento          Verificar                                                                     12.000
 Sistema de suprimento de
                                   Verificar                                                                    12.000
 ar secundário
 Óleo do diferencial               Verificar o nível                                                            12.000
                                   Trocar                                                                       36.000
 Fluido de freio                   Verificar o nível                                                             6.000
                                   Trocar (Nota 7)                                                              18.000
 Pastilhas/sapatas do freio        Verificar (Nota 8)                                                            6.000
 Sistema de freio                  Verificar                                                                    12.000
 Interruptor da luz do freio       Verificar                                                                    12.000
 Farol                             Ajustar                                                                      12.000
 Embreagem                         Verificar                                                                     6.000
 Cavalete lateral                  Verificar                                                                    12.000
 Suspensões dianteira e traseira   Verificar                                                                    12.000
 Porcas, parafusos e fixadores     Verificar                                                                    12.000
 Rodas                             Verificar                                                                     6.000
 Pneus                             Verificar e calibrar                a cada 1.000 km ou semanalmente             –
 Coluna de direção                 Verificar                                                                    12.000

NOTAS
1. Para leituras maiores do hodômetro, repita os intervalos especificados na tabela.
2. Efetue o reparo com mais freqüência sob condições de muita poeira e umidade.
3. Efetue o reparo com mais freqüência sob condições de chuva ou aceleração máxima.
4. Verifique o nível de óleo diariamente, antes de pilotar, e adicione se necessário.
5. Troque 1 vez por ano ou a cada intervalo indicado na tabela, o que ocorrer primeiro.
6. Efetue o reparo com mais freqüência sob condições de muita poeira.
7. Troque a cada 2 anos ou a cada intervalo indicado na tabela, o que ocorrer primeiro.
   A troca requer habilidade mecânica.
8. Efetue o serviço com mais freqüência ao pilotar em pistas de terra, molhadas ou com muita poeira.




3-4
SHADOW 750                                                                                 MANUTENÇÃO



LINHA DE COMBUSTÍVEL                                            MANGUEIRA DE ALIMENTAÇÃO MANGUEIRA DE
                                                                DE COMBUSTÍVEL           RETORNO DE
Remova o assento (página 2-3).                                                           COMBUSTÍVEL

Inspecione a mangueira de alimentação de combustível
quanto a deterioração, danos ou vazamento.

Inspecione também a mangueira de combustível e a
mangueira de retorno de vapor de combustível (entre o
tanque e a bomba de combustível).

Substitua a mangueira de alimentação de combustível, a
mangueira de combustível e a mangueira de retorno de
vapor de combustível se necessário.                             MANGUEIRA DE COMBUSTÍVEL




FUNCIONAMENTO DO ACELERADOR
Verifique os cabos do acelerador quanto a quaisquer tipos de
danos ou deterioração. Inspecione a manopla do acelerador
quanto a suavidade de funcionamento. Inspecione o                                          2 – 10 mm
acelerador quanto a abertura e fechamento automático em
todas as posições do guidão.

Caso a manopla do acelerador mano retorno
automaticamente, lubrifique os cabos e a carcaça da manopla
do acelerador.

Se a manopla do acelerador ainda não retornar
adequadamente, substitua os cabos do acelerador por novos.

Mantendo o motor em marcha-lenta, gire completamente o            CONTRAPORCA
guidão para a esquerda e direita, de batente a batente, e
certifique-se de que não ocorre alteração da marcha-lenta. Se
a marcha-lenta aumentar, inspecione a folga da manopla do
acelerador e as conexões dos cabos.

Meça a folga da manopla do acelerador em seu flange.

Folga: 2 – 10 mm

A folga da manopla do acelerador pode ser ajustada em
ambas as extremidades do cabo do acelerador.
Ajustes menores são realizados no ajustador superior.

Solte a contraporca e gire o ajustador o quanto for
necessário.
Aperte a contraporca, enquanto mantém fixado o ajustador.            AJUSTADOR




                                                                                                       3-5
MANUTENÇÃO                                                                        SHADOW 750
                                                                  AJUSTADOR
Ajustes maiores são realizados no ajustador superior.

Remova a carcaça do filtro de ar (página 5-41).

Solte a contraporca e gire o ajustador o quanto for
necessário.
Aperte a contraporca, enquanto mantém fixado o ajustador.

Inspecione novamente o funcionamento do acelerador e
instale a carcaça do filtro de ar (página 5-42).




                                                                                 CONTRAPORCA
                                                                              TAMPA DO FILTRO DE AR

FILTRO DE AR
NOTA
 • O filtro de ar do tipo elemento de papel viscoso não
   pode ser limpo, pois seu elemento possui um adesivo
   para grudar a poeira.
 • Caso a motocicleta seja constantemente utilizada em
   regiões úmidas ou poeirentas, inspecione o filtro de ar
   com maior freqüência.

Remova os parafusos Allen e a tampa do filtro de ar.

                                                                                    PARAFUSOS
                                                                                  ANEL DE VEDAÇÃO
Remova o elemento do filtro de ar de sua carcaça.

Certifique-se de que o anel de vedação esteja instalado em
sua posição adequada e de que encontra-se em boas
condições. Substitua-o por um novo se necessário.

Substitua o elemento do filtro de ar de acordo com a tabela
de manutenção (página 3-4) ou a qualquer momento caso
esteja excessivamente sujo ou úmido.

Instale os componentes removidos na ordem inversa da
remoção.

Torque:
                                                                ELEMENTO
Parafuso Allen da tampa do filtro de ar   1,5 N.m (0,2 kgf.m)




3-6
SHADOW 750                                                                                MANUTENÇÃO



RESPIRO DA CARCAÇA DO MOTOR
NOTA

 Execute este procedimento com maior freqüência quanto
 utilizar durante chuva, com aceleração total ou após a
 lavagem ou revisão da motocicleta. Verifique se o nível
 de depósitos no bujão de drenagem pode ser visto.

Remova o bujão de drenagem da carcaça do filtro de ar e
drene seus depósitos em um recipiente adequado. Em
seguida, instale seguramente o bujão.

Remova o tanque de combustível (página 5-40).                  BUJÃO DE DRENAGEM   MANGUEIRA DE RESPIRO
                                                               DIANTEIRO: SUPRESSORES DE RUÍDOS
Inspecione a mangueira de respiro da carcaça do motor
quanto a deterioração, danos ou conexão solta. Certifique-se
de que a mangueira não esteja dobrada, torcida ou trincada.

Substitua a mangueira de respiro da carcaça do motor se
necessário.


VELAS DE IGNIÇÃO
REMOÇÃO

Desacople os supressores de ruídos e limpe ao redor da base
das velas de ignição.
                                                                           VELAS DE IGNIÇÃO
NOTA                                                           TRASEIRO:          SUPRESSORES DE RUÍDOS
 Limpe ao redor da base da vela de ignição utilizando ar
 comprimido antes de removê-las e certifique-se de que
 nenhum corpo estranho penetre na câmara de
 combustão.

Remova as velas de ignição.




                                                                           VELAS DE IGNIÇÃO




                                                                                                 3-7
MANUTENÇÃO                                                                             SHADOW 750


INSPEÇÃO
                                                                                 ELETRODO CENTRAL
Inspecione o isolante quanto a trinca ou danos e os eletrodos
quanto a desgaste, presença de fuligem ou descoloração.
Substitua as velas de ignição se necessário.

Vela de ignição recomendada:
Padrão
   DPR7EA-9 (NGK), X22EPR-U9 (DENSO)
Para longos percursos em alta rotação
   DPR9EA-9 (NGK), X24EPR-U9 (DENSO)

Limpe os eletrodos das velas de ignição, utilizando uma escova
de aço ou um detergente adequado para velas de ignição.                 ISOLANTE    ELETRODO LATERAL



Inspecione a folga entre os eletrodos central e lateral da vela
de ignição, utilizando um cálibre de lâminas.

Folga entre os eletrodos da vela de ignição: 0,8 – 0,9 mm
                                                                  0,8 – 0,9 mm
Ajuste a folga entre os eletrodos, se necessário, entortando
cuidadosamente o eletrodo lateral.




INSTALAÇÃO
Instale e aperte manualmente a vela de ignição no cabeçote.
Em seguida, aperte a vela de ignição no torque especificado.

Torque: 18 N.m (1,8 kgf.m)

Conecte os supressores de ruídos.




                                                                                     VELA DE IGNIÇÃO




3-8
SHADOW 750                                                                                  MANUTENÇÃO

                                                                TAMPA DO ALTERNADOR            PARAFUSOS

FOLGA DAS VÁLVULAS
INSPEÇÃO
NOTA
 • Verifique a marcha-lenta do motor (página 5-76) após a
   inspeção de folga das válvulas.
 • Inspecione e ajuste a folga das válvulas enquanto o
   motor permanecer frio (abaixo de 35°C).

Remova a tampa do cabeçote (página 8-6).

Remova os parafusos Allen e a tampa do alternador.

                                                                  TAMPA DO ORIFÍCIO DA ÁRVORE DE MANIVELAS
Remova a tampa do orifício de sincronização e a tampa do
orifício da árvore de manivelas.




                                                                TAMPA DO ORIFÍCIO DE SINCRONIZAÇÃO

Cilindro Dianteiro
                                                                MARCA DE REFERÊNCIA
Gire a árvore de manivelas em sentido anti-horário e alinhe a
marca “FT” do volante do motor com a marca de referência
da tampa esquerda da carcaça do motor.
Certifique-se de que o pistão esteja posicionado em PMS
(ponto-morto superior), na fase de compressão.

Esta posição pode ser obtida através da confirmação de
existência de folga entre os balancins. Se não houver folga,
gire a árvore de manivelas em sentido anti-horário por uma
volta completa e alinha novamente a marca “FT” com a
                                                                 MARCA “FT”
marca de referência.




                                                                                                     3-9
MANUTENÇÃO                                                                                 SHADOW 750
                                                                                         PARAFUSO DE AJUSTE
Inspecione a folga de todas as válvulas, inserindo um cálibre
de lâminas entre o parafuso de ajuste e a haste da válvula.

NOTA
 Ao inspecionar a folga das válvulas, movimenta o cálibre
 de lâminas a partir do centro para a lateral.


                             ADM         0,15 ± 0,02 mm
 Folga das Válvulas
                             ESC         0,20 ± 0,02 mm


Ajuste a folga da válvula, soltando a contraporca do parafuso
                                                                  CÁLIBRE DE LÂMINAS          CONTRAPORCA
de ajuste e girando o parafuso até que uma pequena
resistência possa ser observada no cálibre de lâminas.

Ferramenta
Chave de ajuste da válvula               07908-KE90000
                                         Juntamente com
                                         chave fixa de 10 mm

NOTA
 Aplique óleo para motor nas roscas e superfície de
 assentamento do parafuso de ajuste da válvula.

Aperte a contraporca do parafuso de ajuste da válvula no torque
especificado, enquanto mantém fixado o parafuso de ajuste.

Torque: 23 N.m (2,3 kgf.m)                                               CHAVE DE AJUSTE DA VÁLVULA

Cilindro Traseiro
                                                                  MARCA DE REFERÊNCIA
Gire a árvore de manivelas em sentido anti-horário e alinhe a
marca “RT” do volante do motor com a marca de referência
da tampa esquerda da carcaça do motor.
Certifique-se de que o pistão esteja posicionado em PMS
(ponto-morto superior), na fase de compressão.




                                                                    MARCA “RT”


                                                                                         PARAFUSO DE AJUSTE
Inspecione a folga de todas as válvulas, inserindo um cálibre
de lâminas entre o parafuso de ajuste e a haste da válvula.

NOTA
 Ao inspecionar a folga das válvulas, movimenta o cálibre
 de lâminas a partir do centro para a lateral.


                             ADM         0,13 ± 0,02 mm
 Folga das Válvulas
                             ESC         0,20 ± 0,02 mm


                                                                  CÁLIBRE DE LÂMINAS   CONTRAPORCA


3-10
SHADOW 750                                                                                   MANUTENÇÃO

                                                                CHAVE DE AJUSTE DA VÁLVULA
Ajuste a folga da válvula, soltando a contraporca do parafuso
de ajuste e girando o parafuso até que uma pequena
resistência possa ser observada no cálibre de lâminas.

Ferramenta
Chave de ajuste da válvula              07908-KE90000
                                        Juntamente com
                                        chave fixa de 10 mm

NOTA
 Aplique óleo para motor nas roscas e superfície de
 assentamento do parafuso de ajuste da válvula.

Aperte a contraporca do parafuso de ajuste da válvula no
                                                                TAMPA DO ORIFÍCIO    TAMPA DO ORIFÍCIO DA
torque especificado, enquanto mantém fixado o parafuso de       DE SINCRONIZAÇÃO     ÁRVORE DE MANIVELAS
ajuste.

Torque: 23 N.m (2,3 kgf.m)

Verifique novamente a folga das válvulas após apertar a
contraporca do parafuso de ajuste da válvula.

Cubra novos anéis de vedação com óleo para motor e instale-
os nas ranhuras da tampa do orifício de sincronização e da
tampa do orifício da árvore de manivelas.
Aplique graxa nas roscas da tampa do orifício de
sincronização e da tampa do orifício da árvore de manivelas.

Instale a tampa do orifício de sincronização e aperte-a no
torque especificado.
                                                                               ANÉIS DE VEDAÇÃO
Torque: 10 N.m (1,0 kgf.m)
                                                                TAMPA DO ALTERNADOR            PARAFUSOS
Instale a tampa do orifício da árvore de manivelas e aperte-a
no torque especificado.

Torque: 15 N.m (1,5 kgf.m)

Instale a tampa do alternador e aperte seus parafusos Allen
no torque especificado.

Torque: 10 N.m (1,0 kgf.m)

Instale a tampa do cabeçote (página 8-31).




                                                                                                 3-11
MANUTENÇÃO                                                                             SHADOW 750


ÓLEO DO MOTOR
INSPEÇÃO DO NÍVEL DE ÓLEO
Dê partida no motor e mantenha-o funcionando em marcha-
lenta cerca de 3 a 5 minutos.
Desligue o motor e aguarde cerca de 2 a 3 minutos.
Apóie a motocicleta em posição vertical, sobre uma
superfície plana.

Remova a tampa de abastecimento de óleo/vareta de
medição e remova o óleo da vareta utilizando um pano
limpo.

                                                              TAMPA DE ABASTECIMENTO DE ÓLEO/
                                                              VARETA DE MEDIÇÃO
Se o nível de óleo estiver abaixo ou próximo da marca de
nível inferior na vareta de medição, adicione o óleo
recomendado até atingir a marca de nível superior.

Óleo Recomendado para Motor:
MOBIL SUPER MOTO 4T
Multiviscoso
Classificação de Serviço API: SF
Viscosidade: 20W-50                                            NÍVEL SUPERIOR


                                                               NÍVEL INFERIOR


                                                              TAMPA DE ABASTECIMENTO DE ÓLEO/
                                                              VARETA DE MEDIÇÃO
Verifique se o anel de vedação encontra-se em boas
condições e substitua-o se necessário.
Cubra um novo anel de vedação com óleo para motor e
instale-o em seguida.
Instale novamente a tampa de abastecimento de óleo/vareta
de medição.

Para substituição do óleo do motor, consulte a página 3-13.




                                                                                   ANEL DE VEDAÇÃO




3-12
SHADOW 750                                                                                   MANUTENÇÃO

                                                                           PARAFUSO DE DRENAGEM DO ÓLEO

FILTRO DE ÓLEO DO MOTOR
NOTA
 A troca do óleo deve ser executada com o motor
 aquecido e a motocicleta sobre uma superfície plana,
 apoiada em seu cavalete lateral, para garantir uma
 completa drenagem.

Dê partida no motor, aguarde-o aquecer e desligue-o em
seguida.

Remova a tampa de abastecimento de óleo/vareta de
medição (página 3-12).
                                                               ARRUELA DE VEDAÇÃO
Remova o parafuso de drenagem do óleo, a arruela de            CHAVE PARA FILTRO DE ÓLEO
vedação e drene completamente o óleo do motor.

Remova o filtro de óleo, utilizando a ferramenta especial, e
aguarde a drenagem do restante do óleo.

Ferramenta:
Chave para filtro de óleo                07HAA-PJ70101




                                                                                             FILTRO DE ÓLEO
Cubra um novo anel de vedação com óleo para motor e                                        ANEL DE VEDAÇÃO
instale-o em um novo filtro de óleo.

Aplique óleo para motor nas roscas do filtro de óleo.

Instale o filtro de óleo e aperte-o no torque especificado.

Ferramenta:
Chave para filtro de óleo                07HAA-PJ70101

Torque: 26 N.m (2,7 kgf.m)
Instale o parafuso de drenagem do óleo, juntamente com
uma nova arruela de vedação, e aperte-o no torque
especificado.

Torque: 29 N.m (3,0 kgf.m)                                     FILTRO DE ÓLEO
                                                                            PARAFUSO DE DRENAGEM DO ÓLEO
Abasteça a carcaça do motor, utilizando o óleo recomendado
(página 3-12).

Capacidade de Óleo:
2,5 l na drenagem
2,6 l na troca do filtro de óleo
3,2 l na desmontagem

Inspecione o nível de óleo (página 3-12).
Instale a tampa de abastecimento de óleo/vareta de medição
(página 3-12).

Certifique-se de que não haja vazamentos.
                                                                   ARRUELA DE VEDAÇÃO


                                                                                                   3-13
MANUTENÇÃO                                                                            SHADOW 750


SISTEMA DE ESCAPAMENTO
MEDIÇÃO DE EMISSÃO DO E SCAPAMENTO EM
MARCHA-LENTA
• Utilize um tacômetro com graduações de 50 rpm ou inferior,
  capaz de indicar precisamente alterações dessa ordem.
Verifique os seguintes itens antes da inspeção:
– Condições das velas de ignição (página 3-7)
– Condições do elemento do filtro de ar (página 3-6)
– Sistema de controle de emissão da carcaça do motor
(página 3-7)
– Sistema de fornecimento de ar secundário (página 3-16)
– Ponto de ignição (página 18-9)
– Indicação do MIL (página 5-13)
1. Apóie a motocicleta sobre o seu cavalete lateral, sobre uma
superfície plana.
                                                                             FERRAMENTA DE MEDIÇÃO
2. Conecte o tacômetro de acordo com as instruções de seu                    DE NÍVEL DE CO/HC
   fabricante.
3. Dê partida no motor e mantenha-o funcionando em 3.000
   rpm até que a temperatura do parafuso de drenagem atinja
   65 ± 5°C.
Temperatura especificada: 65 ± 5°C
4. Inspecione a marcha-lenta (página 5-57).
Marcha-lenta: 1.200 ± 100 rpm
5. Conecte um tubo ou mangueira adequada (resistente à                                    60 cm
   temperatura e produtos químicos) ao silencioso, de forma
   que a ponta-de-prova possa ser inserida por mais de 60                PONTA-DE-PROVA
   cm.
6. Insira a ponta-de-prova no silencioso e meça as
   concentrações de monóxido de carbono (CO) e
   hidrocarbonetos (HC).
Medição de CO em marcha-lenta: abaixo de 0,1 %
Medição de HC em marcha-lenta: abaixo de 50 ppm
Se as concentrações de CO ou HC ultrapassarem os valores
indicados, inspecione o sistema de fornecimento de ar
secundário (página 5-59).

LÍQUIDO DE ARREFECIMENTO DO
RADIADOR
Inspecione o nível do líquido de arrefecimento no
reservatório.
O nível deve estar entre as linhas de nível “UPPER” (superior)
e “LOWER” (inferior), mantendo-se a motocicleta em posição
vertical.
Se o nível de líquido de arrefecimento estiver baixo, remova                        LINHA DE NÍVEL
a tampa do reservatório e abasteça-o, utilizando o líquido de    TAMPA              “UPPER” (SUPERIOR)
arrefecimento recomendado, até atingir a linha de nível
“UPPER” (superior).
Líquido de Arrefecimento Recomendado:
LÍQUIDO DE ARREFECIMENTO HONDA C2702ANT000
Se o nível de líquido de arrefecimento abaixar rapidamente,
inspecione quanto a vazamentos.
Se o reservatório estiver ou ficar completamente vazio, existe
grande possibilidade de penetração de ar no sistema de
arrefecimento.
                                                                                    LINHA DE NÍVEL
Certifique-se de executar a sangria o ar do sistema de                              “LOWER” (INFERIOR)
arrefecimento (página 6-7).



3-14
SHADOW 750                                                                    MANUTENÇÃO

                                                                 PASSAGENS DE AR DO RADIADOR

SISTEMA DE ARREFECIMENTO
Inspecione as passagens de ar do radiador quanto a
obstruções ou danos.




Corrija as aletas que estiverem tortas, utilizando uma
pequena chave de fenda.                                                 ALETAS DO RADIADOR
Remova os resíduos de insetos, matos e outras obstruções
utilizando ar comprimido ou água sob baixa pressão.

Substitua o radiador caso o fluxo de ar esteja obstruído em
mais de 20% de sua superfície.

Para substituição do radiador, consulte a página 6-11.




Remova as tampas laterais da coluna de direção (página 2-4).

Inspecione quanto a vazamentos de líquido de arrefecimento
na bomba de água, nas mangueiras e conexões do sistema
de arrefecimento.
Inspecione as mangueiras do radiador quanto a trincas ou
deterioração. Substitua-as se necessário.

Certifique-se de que todas as braçadeiras de mangueiras
estejam apertadas (página 6-10).




                                                               MANGUEIRAS DE ÁGUA




                                                                                    3-15
MANUTENÇÃO                                                                                  SHADOW 750


SISTEMA DE FORNECIMENTO DE AR                                    VÁLVULA DE INSPEÇÃO PAIR
SECUNDÁRIO
                                                                                    TAMPA DO CABEÇOTE
• Este modelo é equipado com sistema de fornecimento de ar
  secundário. O sistema de fornecimento de ar secundário
  está localizado nas tampas dos cabeçotes.
• O sistema de fornecimento de ar secundário introduz ar
  filtrado nos gases de escapamento através da porta de
  escape. O ar secundário é sugado na porta de escape
  sempre que houver um pulso negativo de pressão no
  sistema de escapamento. Esta carga de ar secundário
  promove a queima dos gases não-queimados do
  escapamento e altera consideravelmente a quantidade de
  hidrocarbonetos e monóxido de carbono em dióxido de
  carbono relativamente inofensivo e vapor de água.




                                                                                 PORTA DE ESCAPE


                                                                VALVULA SOLENOIDE            MANGUEIRA DE
                                                                DE CONTROLE PAIR             SUCÇÃO DE AR
Remova o tanque de combustível (página 5-40).

Inspecione as mangueiras de fornecimento de ar PAIR,
localizadas entre a válvula solenóide de controle PAIR e a
tampa do cabeçote, quanto a deterioração, danos ou
conexões soltas. Certifique-se de que as mangueiras não
estejam rachadas.

NOTA
 Se as mangueiras apresentarem qualquer sinal de dano
 por aquecimento, inspecione a válvula de inspeção PAIR
 das tampas dos cabeçotes quanto a danos (página 5-61).

                                                                MANGUEIRAS DE FORNECIMENTO DE AR
Inspecione a mangueira de sucção de ar, localizada entre o
filtro de ar e a válvula solenóide de controle PAIR, quanto a
deterioração, danos ou conexões soltas.
Certifique-se de que as mangueiras não estejam dobradas,
esmagadas ou rachadas.




3-16
SHADOW 750                                                                                 MANUTENÇÃO



ÓLEO DO DIFERENCIAL
INSPEÇÃO DO NÍVEL DE ÓLEO
Apóie a motocicleta em seu cavalete lateral, sobre uma
superfície plana.

Remova a tampa de abastecimento de óleo da carcaça do
diferencial.




                                                                TAMPA DE ABASTECIMENTO DE ÓLEO
                                                                      ANEL DE VEDAÇÃO
Verifique se o nível de óleo encontra-se na borda inferior do
orifício de abastecimento de óleo.

Inspecione quanto a vazamentos se o nível de óleo estiver
baixo. Abasteça o diferencial, utilizando o óleo recomendado,
através do orifício de abastecimento, até que o nível de óleo
atinja a borda inferior do orifício.

Óleo Recomendado para Diferencial:
Óleo para engrenagem Hypoid, SAE#80

Cubra um novo anel de vedação com óleo e instale-o na
tampa de abastecimento de óleo.
Instale e aperte a tampa de abastecimento de óleo no torque
especificado.                                                   BORDA INFERIOR DO ORIFÍCIO DE
                                                                ABASTECIMENTO DE ÓLEO
Torque: 12 N.m (1,2 kgf.m)                                                 TAMPA DE ABASTECIMENTO DE ÓLEO

TROCA DE ÓLEO
Apóie seguramente a motocicleta e levante a roda traseira do
solo.

Remova a tampa de abastecimento de óleo, o parafuso de
drenagem e a arruela de vedação da carcaça do diferencial.
Em seguida gire lentamente a roda traseira e drene o óleo do
diferencial.

Após a completa drenagem do óleo, instale o parafuso de
drenagem, juntamente com uma nova arruela de vedação, e
aperte o parafuso no torque especificado.

TORQUE: 12 N.m (1,2 kgf.m)                                      PARAFUSO DE DRENAGEM/ARRUELA DE VEDAÇÃO

Abasteça a carcaça do diferencial, utilizando o óleo
recomendado, até atingir o nível correto (página 3-17).

Capacidade de Óleo:
160 cm3 na drenagem
170 cm3 na desmontagem




                                                                                                 3-17
MANUTENÇÃO                                                                                   SHADOW 750
                                                                        JANELA DE INSPEÇÃO

FLUIDO DE FREIO
c
 • Respingos de fluido podem danificar peças pintadas,
   partes plásticas ou borrachas. Coloque um pano sobre
   estes componentes sempre que executar reparos no
   sistema de freio.
 • Não misture diferentes tipos de fluidos, pois podem não
   ser compatíveis.
 • Não permita que nenhum material estranho penetre no
   sistema durante o abastecimento do reservatório.

Quando o nível de fluido de freio estiver baixo, inspecione as     MARCA DE NÍVEL “LOWER” (INFERIOR)
pastilhas de freio quanto a desgaste (página 3-18).

Um baixo nível de fluido pode indicar desgaste das pastilhas         PARAFUSOS       TAMPA DO RESERVATÓRIO
de freio. Se as pastilhas estiverem desgastadas, o pistão do
cáliper é empurrado para fora, sendo esta a razão para o                                PLACA DE FIXAÇÃO
baixo nível de fluido no reservatório. Se as pastilhas de freio
não estiverem desgastadas e o nível do fluido ainda assim                                    DIAFRAGMA
estiver baixo, inspecione o sistema quanto a vazamentos
(página 3-18).

Gire o guidão para o lado esquerdo, de forma que o
reservatório permaneça nivelado em posição horizontal, e
inspecione o nível de fluido do reservatório do freio dianteiro,
através da janela de inspeção.



                                                                         SALIÊNCIA
Se o nível de fluido estiver próximo da linha de nível
“LOWER” (inferior), remova os parafusos, a tampa do
reservatório, a placa de fixação e o diafragma.




Abasteça o reservatório, utilizando fluido de freio DOT-4 de
um recipiente lacrado, até atingir a saliência do reservatório.

Instale o diafragma, a placa de fixação e a tampa do
reservatório. Em seguida, aperte os parafusos da tampa no
torque especificado.

Torque: 1,5 N.m (0,2 kgf.m)




3-18
SHADOW 750                                                                                      MANUTENÇÃO



DESGASTE DAS SAPATAS/PASTILHA DE                                    PASTILHAS DE FREIO

FREIO
PASTILHAS DO FREIO DIANTEIRO
Inspecione as pastilhas de freio quanto a desgaste.

Substitua as pastilhas se qualquer uma delas estiver
desgastada até a ranhura de limite de desgaste.

NOTA
                                                                      RANHURAS DE
 Sempre substitua as pastilhas de freio em conjunto para              LIMITE DE DESGASTE
 garantir uma pressão uniforme sobre o disco.

Para substituição das pastilhas de freio, consulte a página 16-7.                                SETA

SAPATAS DO FREIO TRASEIRO
Verifique a posição da placa indicadora no instante em que o
freio é acionado.

Se a seta da placa indicadora alinhar-se com a marca “Δ“,
inspecione o tambor do freio traseiro (página 15-14).

Se o D.I. do tambor do freio for inferior ao limite de uso,
substitua as sapatas do freio traseiro (página 15-15).

NOTA
 Se não for possível executar nenhum ajuste antes de ter-
 se atingido o limite indicador de desgaste, este sintoma                MARCA “Δ“
 indica desgaste excessivo, e as sapatas do freio devem
 ser substituídas.
                                                                                           MANGUEIRA DO FREIO

SISTEMA DE FREIO
Acione firmemente a alavanca do freio e certifique-se de que
não haja penetração de ar no sistema.
Se a alavanca do freio parecer suave ou esponjosa ao ser
acionada, execute a sangria do ar do sistema.

Para procedimentos de sangria, consulte a página 16-5.

Inspecione a mangueira do freio e encaixes quanto a
deteriorações, rachaduras, danos e sinais de vazamentos.
Aperte todos os encaixes soltos.
Substitua as mangueiras e encaixes se necessário.




                                                                                                        3-19
MANUTENÇÃO                                                                               SHADOW 750


ALTURA DO PEDAL DO FREIO

Inspecione a altura do pedal do freio.

Altura do pedal do freio:
75 mm acima do topo do pedal de apoio


                                                                                              75 mm




                                                                  PARAFUSO LIMITADOR
Para ajustar a altura do pedal do freio, solte a contraporca e
gire o parafuso limitador o quanto for necessário.
Aperte a contraporca enquanto mantém fixado o parafuso
limitador.

Após o ajuste da altura do pedal, verifique os seguintes itens:
– Folga do pedal do freio (página 3-20)
– Funcionamento do interruptor da luz do freio traseiro
  (página 3-21)




                                                                                              CONTRAPORCA

FOLGA DO PEDAL DO FREIO

NOTA

 Execute o ajuste da folga do pedal do freio após realizar o
 ajuste de altura do pedal.

Verifique a folga do pedal do freio.
                                                                                             20 – 30 mm
Folga do pedal do freio: 20 – 30 mm




Se necessário, ajuste a folga do pedal do freio, girando a
porca de ajuste.

NOTA
 • Certifique-se de que o recorte da porca de ajuste esteja
   assentado no pino de conexão.
 • Após o ajuste da folga do pedal do freio, inspecione o
   funcionamento do interruptor da luz do freio traseiro
   (página 3-21).




                                                                           PORCA DE AJUSTE


3-20
SHADOW 750                                                                                  MANUTENÇÃO

                                                                INTERRUPTOR DA LUZ DO FREIO TRASEIRO

INTERRUPTOR DA LUZ DO FREIO
NOTA
 • O interruptor da luz do freio do cilindro-mestre do freio
   dianteiro não pode ser ajustado. Se o funcionamento do
   interruptor da luz do freio dianteiro e o acionamento do
   freio não estiverem sincronizados, substitua o
   interruptor ou o componente do sistema que apresentar
   mau-funcionamento.
 • Efetue o ajuste do interruptor da luz do freio traseiro
   após ajustar a altura e a folga do pedal do freio.

Verifique se a luz do freio acende no momento em que o                                 PORCA DE AJUSTE
freio é acionado.
Se a luz não acender, ajuste o interruptor da luz do freio
traseiro, de forma que a luz do freio acenda no momento
adequado.

Mantenha fixado o corpo do interruptor da luz do freio
traseiro e gire a porca de ajuste o quanto for necessário.

NOTA
 Não gire o corpo do interruptor enquanto girar a porca de
 ajuste.

Inspecione o funcionamento do interruptor da luz do freio
traseiro.




FACHO DO FAROL
NOTA
 O ajuste do farol deve ser feito de acordo com as leis e
 regulamentações locais.

Apóie a motocicleta em posição vertical.

Ajuste verticalmente o facho de luz do farol, girando o
parafuso/porca de ajuste vertical.

Aperte a porca de ajuste vertical do facho do farol no torque
especificado, enquanto mantém fixado o parafuso.
                                                                        PARAFUSO/PORCA DE AJUSTE VERTICAL
Torque: 12 N.m (1,2 kgf.m)

Ajuste horizontalmente o facho de luz do farol, girando o
parafuso de ajuste horizontal.




                                                                PARAFUSO DE AJUSTE HORIZONTAL


                                                                                                  3-21
MANUTENÇÃO                                                                                 SHADOW 750


SISTEMA DE EMBREAGEM
Inspecione o cabo da embreagem quanto a dobras ou danos.
Lubrifique-o se necessário.
                                                                    10 – 20 mm
Meça a folga da alavanca da embreagem em sua
extremidade.

Folga: 10 – 20 mm

Ajustes menores podem ser efetuados através do ajustador
superior da alavanca da embreagem.
Solte a contraporca e gire o ajustador o quanto for
necessário.
Aperte a contraporca enquanto mantém fixado o ajustador.

NOTA
                                                                             CONTRAPORCA
 O ajustador pode ser danificado caso seja posicionado
 muito afastado da alavanca, permanecendo pouco
 rosqueado em seu encaixe.

Se o ajustador atingir seu limite e ainda assim a folga correta
não puder ser obtida, gire completamente o ajustador para
dentro e retorne-o para fora por uma volta.

Aperte a contraporca e efetue o ajuste maior (página 3-21).

Ajustes maiores podem ser efetuados através da porca de
ajuste inferior do motor.                                                                   AJUSTADOR
Solte a contraporca e gire a porca de ajuste o quanto for
necessário.                                                          CONTRAPORCA           PORCA DE AJUSTE
Após o término do ajuste, aperte a contraporca enquanto
mantém fixada a porca de ajuste.

Inspecione o funcionamento da embreagem.

Se a correta folga da alavanca da embreagem ainda não
puder ser obtida, ou se a embreagem escorregar durante o
teste de condução, desmonte e inspecione a embreagem
(página 10-7).


CAVALETE LATERAL
Apóie a motocicleta em posição vertical.

Inspecione a mola do cavalete lateral quanto a danos ou
perda de tensão.
Inspecione o conjunto do cavalete lateral quanto à suavidade
de movimentação e lubrifique sua articulação se necessário.

Inspecione o sistema de corte de ignição do cavalete lateral:
– Sente na motocicleta, com uma perna de cada lado, e
  levante o cavalete lateral.
– Dê partida no motor, mantendo a transmissão em ponto-
  morto. Em seguida, coloque a transmissão em marcha,
  enquanto mantém acionada a alavanca da embreagem.
– Abaixe completamente o cavalete lateral.
– O motor deve desligar-se assim que o cavalete lateral
  estiver abaixado.

Se houver problemas com o sistema, inspecione o interruptor
do cavalete lateral (página 20-23).
                                                                  CAVALETE LATERAL


3-22
SHADOW 750                                                     MANUTENÇÃO



SUSPENSÃO
INSPEÇÃO DA SUSPENSÃO DIANTEIRA

Inspecione a atuação dos garfos da suspensão, acionando o
freio dianteiro e comprimindo a suspensão dianteira por
diversas vezes.
Inspecione o conjunto do garfo da suspensão quanto a sinais
de vazamentos, danos ou fixadores soltos.
Substitua os componentes danificados que não puderem ser
reparados.
Aperte todas as porcas e parafusos.
Para reparos no garfo da suspensão, consulte a página 14-18.


INSPEÇÃO DA SUSPENSÃO TRASEIRA

Inspecione a atuação do amortecedor traseiro, comprimindo-
o por diversas vezes.
Inspecione o conjunto do amortecedor traseiro quanto a
sinais de vazamentos, danos ou fixadores soltos.
Substitua os componentes danificados que não puderem ser
reparados.
Aperte todas as porcas e parafusos.

Para reparos no amortecedor traseiro, consulte a página
15-22.




Apóie seguramente a motocicleta e levante a roda traseira do
solo.

Inspecione os rolamentos do braço oscilante quanto a
desgaste, segurando a extremidade traseira do braço
oscilante e tentando movimentá-lo de um lado para outro.

Substitua os rolamentos se qualquer sinal de folga for
observado (página 15-22).




PORCAS, PARAFUSOS E FIXADORES
Verifique se todos os parafusos e porcas do chassi estão
apertados em seus corretos valores de torque (página 1-13).

Verifique se todas as cupilhas, presilhas de segurança,
braçadeiras de mangueiras e suportes de cabos encontram-
se em seu devido lugar e adequadamente fixados.




                                                                   3-23
MANUTENÇÃO                                                     SHADOW 750


RODAS/PNEUS
Apóie seguramente a motocicleta e levante a roda dianteira
do solo.

Inspecione os rolamentos da roda dianteira quanto a
desgaste, mantendo fixado o garfo da suspensão e tentando
movimentar a roda dianteira de um lado para outro.

Para reparos na roda dianteira, consulte a página 14-13.




Apóie seguramente a motocicleta e levante a roda traseira do
solo.

Inspecione os rolamentos da roda traseira quanto a desgaste,
mantendo fixado o braço oscilante e tentando movimentar a
roda traseira de um lado para outro.

Para reparos na roda traseira, consulte a página 15-6.




Inspecione o aperto dos raios, batendo em cada um com uma
chave-de-fenda.

Se o ruído da batida no raio não for claro, ou se parecer
diferente do ruído dos outros raios, aperte-o no torque
especificado.

Ferramenta:
Chave para raios                        07JMA-MR60100

Torque: 4,2 N.m (0,4 kgf.m)

NOTA
 Bata nos raios e certifique-se de ouvir o mesmo ruído         CHAVE PARA RAIOS
 metálico em cada um.

Verifique a pressão dos pneus frios, utilizando um
manômetro.

Pressão recomendada dos pneus:
Somente piloto
    Dianteiro       200 kPa (2,0 kgf/cm2, 29 psi)
    Traseiro        200 kPa (2,0 kgf/cm2, 29 psi)
Piloto e passageiro
    Dianteiro       200 kPa (2,0 kgf/cm2, 29 psi)
    Traseiro        250 kPa (2,5 kgf/cm2, 36 psi)




3-24
SHADOW 750                                                   MANUTENÇÃO


Inspecione os pneus quanto a cortes, presença de pregos ou
outros danos.


Meça a profundidade do sulco da banda de rodagem, a partir
do centro dos pneus.
Substitua o pneu quando a profundidade do sulco da banda
de rodagem atingir os seguintes limites:

Profundidade mínima do sulco da banda de rodagem:
Dianteira   1,5 mm
Traseira    2,0 mm




ROLAMENTOS DA COLUNA DE DIREÇÃO
Apóie a motocicleta seguramente e levante a roda dianteira
do solo.

Inspecione se o guidão movimenta-se livremente de um lado
para outro. Certifique-se de que os cabos de controle não
interferem no movimento do guidão.




Verifique os rolamentos da coluna de direção, segurando os
garfos da suspensão e tentando movimentá-los de um lado
para outro.

Se o guidão movimentar-se irregularmente, prender ou
apresentar movimento vertical, inspecione os rolamentos da
coluna de direção (página 14-27).




                                                                 3-25
SHADOW 750                4. SISTEMA DE LUBRIFICAÇÃO
 DIAGRAMA DO SISTEMA                INSPEÇÃO DA PRESSÃO DE ÓLEO   4-5
 DE LUBRIFICAÇÃO              4-2
                                    BOMBA DE ÓLEO                 4-6
 INFORMAÇÕES DE SERVIÇO       4-3
 DIAGNOSE DE DEFEITOS         4-4




                                                                   4-1
SISTEMA DE LUBRIFICAÇÃO                                       SHADOW 750


DIAGRAMA DO SISTEMA DE LUBRIFICAÇÃO
                   BALANCIM




    ÁRVORE DE COMANDO




               PISTÃO




                                                                   ÁRVORE PRIMÁRIA




  ÁRVORE DE MANIVELAS


     INJETOR DE ÓLEO




                                                           ÁRVORE SECUNDÁRIA



       INTERRUPTOR EOP                               EIXO DA ENGRENAGEM
                                                     MOTORA DE TRANSMISSÃO

                                                  BOMBA DE ÓLEO




                                                  FILTRO DE ÓLEO
  FILTRO DE ÓLEO
                              VÁLVULA DE ALÍVIO
                              DE PRESSÃO




4-2
SHADOW 750                                                                                SISTEMA DE LUBRIFICAÇÃO



INFORMAÇÕES DE SERVIÇO
c
 O contato prolongado com óleo usado pode causar câncer de pele. Apesar de improvável, a menos que manuseie o
 óleo diariamente, é recomendável lavar completamente as mãos com água e sabão assim que possível após o
 manuseio do óleo usado.

• É necessária a separação das carcaças do motor para a execução de reparos na bomba de óleo.
• Ao remover ou instalar a bomba de óleo, tenha cuidado para não permitir a penetração de poeira ou sujeira no interior
  do motor.
• Se qualquer componente da bomba de óleo estiver desgastado além do valor de limite de uso, substitua a bomba de
  óleo como um conjunto.
• Após a instalação da bomba de óleo, certifique-se de que a pressão de óleo do sistema esteja correta.
• Para inspeção do nível de óleo do motor, consulte a página 3-12.
• Para troca do óleo do motor e filtro de óleo, consulte a página 3-13.
• Para inspeção do indicador de pressão de óleo, consulte a página 20-18.

ESPECIFICAÇÕES                                                                                              Unidade: mm

                         Item                                                 Padrão                     Limite de Uso
 Capacidade de    Na drenagem                                                  2,5 l                           –
 óleo do motor    Na troca do óleo e filtro                                    2,6 l                           –
                  Na desmontagem                                               3,2 l                           –
 Óleo recomendado para motor                                          Mobil Supermoto 4T
                                                                           Multiviscoso
                                                                 Classificação de serviço API: SF
                                                                    Viscosidade: SAE 20W-50
 Pressão de óleo no interruptor EOP                          530 kPa (5,4 kgf/cm2, 77 psi) a 5.000 rpm
 Bomba de óleo      Folga entre os rotores interno e externo                   0,15                           0,20
                    Folga entre o rotor externo
                                                                            0,15 – 0,21                       0,35
                    e a carcaça da bomba
                    Folga entre os rotores e a face
                                                                            0,02 – 0,08                       0,10
                    da carcaça da bomba


VALORES DE TORQUE

Interruptor EOP                                              12 N.m (1,2 kgf.m)       Aplique junta-líquida nas roscas.
Parafuso do terminal do interruptor EOP                      1,9 N.m (0,2 kgf.m)
Parafuso de montagem da bomba de óleo                        13 N.m (1,3 kgf.m)




                                                                                                                     4-3
SISTEMA DE LUBRIFICAÇÃO                                                    SHADOW 750


FERRAMENTAS
Conjunto do manômetro de óleo             Acessório do manômetro de óleo
07506-3000001                             07510-4220100




ou equivalente disponível                 ou equivalente disponível
comercialmente                            comercialmente


DIAGNOSE DE DEFEITOS
Nível de óleo muito baixo
• Consumo de óleo
• Vazamento externo de óleo
• Anéis do pistão desgastados
• Anéis do pistão instalados inadequadamente
• Cilindros desgastados
• Retentores da haste desgastados
• Guia da válvula desgastada

Baixa pressão de óleo
• Baixo nível de óleo
• Filtro de óleo obstruído
• Bomba de óleo defeituosa
• Vazamento interno de óleo
• Tipo de óleo utilizado incorreto

Sem pressão de óleo
• Baixo nível de óleo
• Válvula de alívio de pressão emperrada na posição aberta
• Corrente de acionamento da bomba de óleo quebrada
• Engrenagens motora/movida da bomba de óleo quebradas
• Bomba de óleo danificada
• Vazamento interno de óleo

Alta pressão de óleo
• Válvula de alívio de pressão emperrada na posição fechada
• Orifício dosador ou galeria de óleo obstruída
• Tipo de óleo utilizado incorreto

Contaminação do óleo
• Freqüência de troca do óleo ou filtro insuficiente
• Anéis do pistão desgastados
• Retentores da haste desgastados
• Guias das válvulas desgastadas
• Mistura de líquido de arrefecimento no óleo
  – Junta do cabeçote danificada
  – Vazamento de água na carcaça do motor

Emulsificação do óleo
• Junta do cabeçote danificada
• Vazamento de líquido de arrefecimento
• Penetração de água




4-4
SHADOW 750                                                                      SISTEMA DE LUBRIFICAÇÃO

                                                                CAPA DE BORRACHA        INTERRUPTOR EOP

INSPEÇÃO DA PRESSÃO DE ÓLEO
Remova a tampa traseira esquerda da carcaça do motor
(página 2-4).

A leitura da pressão de óleo será anormalmente alta caso o
motor esteja frio. Aqueça o motor até atingir sua temperatura
normal de funcionamento antes de inspecionar a pressão de
óleo.
Desligue o motor.

Remova a capa de borracha e desconecte a fiação do
interruptor EOP, removendo o parafuso do terminal.
                                                                PARAFUSO DO TERMINAL
                                                                MANÔMETRO DE ÓLEO             ACESSÓRIO
Remova o interruptor EOP e conecte o acessório e o
manômetro de óleo ao orifício do interruptor EOP.

Ferramentas
Conjunto do manômetro de óleo         07506-3000001 ou
equivalente disponível comercialmente
Acessório do manômetro de óleo        07510-4220100
ou equivalente disponível comercialmente

Inspecione o nível de óleo e adicione o óleo recomendado se
necessário (página 3-12).

Dê partida no motor e inspecione a pressão de óleo,
mantendo o motor a 5.000 rpm.

Pressão de óleo:
530 kPa (5,4 kgf/cm2, 77 psi) a 5.000 rpm (a 80°C)
                                                                          3 – 4 mm
Desligue o motor.

Aplique junta-líquida (Three Bond 1207B ou equivalente) nas
roscas do interruptor EOP, como mostra a ilustração, e aperte
o interruptor no torque especificado.

Torque: 12 N.m (1,2 kgf.m)

NOTA
 Não aplique junta-líquida nos primeiros 3 a 4 mm de
 roscas.


Conecte a fiação do interruptor EOP e aperte o parafuso do
terminal no torque especificado.

Torque: 1,9 N.m (0,2 kgf.m)

Instale a capa de borracha.

Dê partida no motor.

Verifique se o indicador de pressão de óleo apaga-se após 1
ou 2 segundos. Se o indicador de pressão de óleo
permaneçer aceso, desligue imediatamente o motor e
encontre a razão do problema (página 20-18).




                                                                                                 4-5
SISTEMA DE LUBRIFICAÇÃO                                                                 SHADOW 750
                                                                    BOMBA DE ÓLEO

BOMBA DE ÓLEO
REMOÇÃO

Separe as metades da carcaça do motor (página 12-9).

Remova os parafusos e a bomba de óleo da carcaça esquerda
do motor.




                                                                                             PARAFUSOS

Remova o pino-guia, os espaçadores e os anéis de vedação.




                                                             ESPAÇADORES/                     PINO-GUIA
                                                             ANÉIS DE VEDAÇÃO
                                                                                    RETENTOR DO TUBO
DESMONTAGEM

Corpo da Bomba de Óleo

Remova o tubo de óleo, o retentor do tubo e o anel de
vedação.




                                                             ANEL DE VEDAÇÃO          TUBO DE ÓLEO
                                                                           VÁLVULA DE ALÍVIO DE PRESSÃO
Remova a válvula de alívio de pressão e o anel de vedação.




                                                                      ANEL DE VEDAÇÃO


4-6
SHADOW 750                                                                     SISTEMA DE LUBRIFICAÇÃO

                                                                                          FILTRO DE ÓLEO
Remova o filtro de óleo e a junta.




                                                                                             JUNTA
                                                                  CORPO DA BOMBA
Remova os parafusos de montagem e o corpo da bomba de
sua tampa.




                                                                                PARAFUSOS
                                                                PINO DE ACIONAMENTO            PINOS-GUIAS
Remova os pinos-guias.                                                         ROTOR EXTERNO
Remova a arruela, o eixo de acionamento, o pino de
acionamento e os rotores interno e externo.




                                                                                ARRUELA
                                                                EIXO DE ACIONAMENTO    ROTOR INTERNO
Válvula de Alívio de Pressão                                          ANEL ELÁSTICO
Verifique o funcionamento da válvula de alívio de pressão,
empurrando seu pistão.

Remova o anel elástico, a arruela, a mola e o pistão do corpo
da válvula de alívio de pressão.

NOTA

 • O anel elástico encontra-se sob pressão da mola. Tenha
   cuidado ao removê-lo e vista óculos de proteção e
   protetor facial.
 • Tenha cuidado para não perder os componentes
   desmontados.

                                                                    ARRUELA                MOLA/PISTÃO


                                                                                                     4-7
SISTEMA DE LUBRIFICAÇÃO                                                                  SHADOW 750
                                                                                       CORPO DA VÁLVULA
                                                                MOLA          PISTÃO DE ALÍVIO DE PRESSÃO
Inspecione o pistão quanto a desgaste, emperramento ou
danos.
Inspecione a mola da válvula quanto a desgaste ou fadiga.
Inspecione o corpo da válvula de alívio de pressão quanto a
obstrução ou danos.

Limpe todos os componentes e monte a válvula de alívio de
pressão, seguindo a ordem inversa da desmontagem.

NOTA
 • Instale o anel elástico, mantendo sua borda chanfrada
   voltada para o lado da carga axial.
 • Não reutilize um anel elástico desgastado que poderia
   facilmente girar em sua ranhura.
                                                              ANEL ELÁSTICO    ARRUELA
 • Certifique-se de que o anel elástico esteja
   adequadamente assentado em sua ranhura.

INSPEÇÃO
NOTA
 Meça o valor de cada folga em mais de um ponto e utilize
 a maior leitura para compará-la ao valor de limite de uso.

Folga entre o Rotor Externo e a Carcaça da Bomba

Monte temporariamente os rotores interno e externo, o pino
de acionamento e o eixo da bomba de óleo no corpo da
bomba.
                                                              FOLGA ENTRE O ROTOR EXTERNO E A CARCAÇA
Meça a folga entre o rotor externo e a carcaça da bomba.      DA BOMBA

        Limite de Uso                      0,35 mm

Folga entre os Rotores Interno e Externo

Meça a folga entre os rotores interno e externo.

        Limite de Uso                      0,20 mm




                                                              FOLGA ENTRE OS ROTORES INTERNO E EXTERNO




4-8
SHADOW 750                                                                           SISTEMA DE LUBRIFICAÇÃO
                                                                  FOLGA ENTRE OS ROTORES
                                                                  E A FACE DA CARCAÇA DA BOMBA
Folga entre os Rotores e a Face da Carcaça da Bomba

Meça a folga entre os rotores e a face da carcaça da bomba.


        Limite de Uso                   0,10 mm




MONTAGEM
Mergulhe todos os componentes em óleo para motor limpo.

                           13 N.m (1,3 kgf.m)
              PINO DE                                             CORPO DA BOMBA
ROTOR EXTERNO
              ACIONAMENTO                                         DE ÓLEO                  ANEL ELÁSTICO


                                                                 PINOS-GUIAS
                                                                                          MOLA



                                                                       ANEL DE VEDAÇÃO
                                                            ARRUELA
ROTOR INTERNO


EIXO DE ACIONAMENTO


                              ANEL DE
 TUBO DE ÓLEO                 VEDAÇÃO                                                             ARRUELA


                                                                                                PISTÃO

                                                                      JUNTA
                                                                                      CORPO DA VÁLVULA DE
                                                                                      ALÍVIO DE PRESSÃO
   RETENTOR DO TUBO
                                                                               FILTRO DE ÓLEO
                             TAMPA DA BOMBA DE ÓLEO



                                                                  ROTOR INTERNO                      RANHURA
Instale os rotores externo e interno no corpo da bomba de
óleo.

NOTA
 Instale o rotor interno, mantendo o lado da ranhura
 voltado para a tampa da bomba.




                                                                                            ROTOR EXTERNO


                                                                                                            4-9
SISTEMA DE LUBRIFICAÇÃO                                                                   SHADOW 750
                                                                              PINO DE
                                                              ARRUELA         ACIONAMENTO    PINOS-GUIAS
Instale o eixo e o pino de acionamento, alinhando o pino de
acionamento com as ranhuras do rotor interno.

Posicione a arruela na ranhura do rotor interno.
Instale os pinos-guias no corpo da bomba.




                                                              EIXO DE ACIONAMENTO            ARRUELA
                                                              CORPO DA BOMBA
Instale a tampa no corpo da bomba.
Instale e aperte os parafusos de montagem da bomba de óleo
no torque especificado.

Torque: 13 N.m (1,3 kgf.m)




                                                                                PARAFUSOS
                                                                        FILTRO DE ÓLEO           Alinhe
Limpe o filtro de óleo.

Cubra uma nova junta com óleo para motor e instale-a no
corpo da bomba.
Instale o filtro de óleo na tampa da bomba, alinhando sua
extremidade lateral com a ranhura da tampa da bomba.




                                                                           JUNTA
                                                                             VÁLVULA DE ALÍVIO DE PRESSÃO
Cubra um novo anel de vedação com óleo para motor e
instale-o na válvula de alívio de pressão.

Instale a válvula de alívio de pressão na tampa da bomba.




                                                                        ANEL DE VEDAÇÃO


4-10
SHADOW 750                                                                       SISTEMA DE LUBRIFICAÇÃO

                                                                                   RETENTOR DO TUBO
Cubra um novo retentor do tubo de óleo e um novo anel de
vedação com óleo para motor e instale-os no tubo de óleo.

NOTA

 Instale o anel de vedação, mantendo seu lado cônico
 voltado para fora.



Instale seguramente o tubo de óleo na tampa da bomba.




                                                              ANEL DE VEDAÇÃO           TUBO DE ÓLEO
                                                                  ESPAÇADORES
INSTALAÇÃO

Instale os pinos-guias e os espaçadores.

Cubra novos anéis de vedação com óleo para motor e instale-
os em seguida.




                                                              ANÉIS DE VEDAÇÃO                  PINO-GUIA
                                                              BOMBA DE ÓLEO
Instale seguramente a bomba de óleo na carcaça do motor.




Instale e aperte seguramente os parafusos.

Monte as metades da carcaça do motor (página 12-48).
Verifique a pressão de óleo do motor (página 4-5).




                                                                                              PARAFUSOS


                                                                                                 4-11
SISTEMA DE LUBRIFICAÇÃO           SHADOW 750


                          NOTAS




4-12
SHADOW 750                                                5.   SISTEMA DE
                                                               ALIMENTAÇÃO (PGM-FI)


 LOCALIZAÇÃO DOS COMPONENTES        5-2    RELÉ DE CORTE DE COMBUSTÍVEL      5-39
 INFORMAÇÕES DE SERVIÇO             5-3    TANQUE DE COMBUSTÍVEL             5-40
 DIAGNOSE DE DEFEITOS DE                   CARCAÇA DO FILTRO DE AR           5-41
 SINTOMAS DO PGM-FI                 5-5
                                           CORPO DO ACELERADOR               5-43
 LOCALIZAÇÃO DOS COMPONENTES
 DO SISTEMA PGM-FI                  5-6    COLETOR DE ADMISSÃO               5-47

 DIAGRAMA DO SISTEMA PGM-FI         5-7    INJETOR                           5-49

 LOCALIZAÇÃO DO CONECTOR            5-8    SENSOR ECT                        5-51

 INFORMAÇÕES SOBRE DIAGNOSE                SENSOR DE INCLINAÇÃO DO CHASSI    5-52
 DE DEFEITOS DO PGM-FI              5-13   RELÉ DE PARADA DO MOTOR           5-54
 ÍNDICE DTC                         5-16   ECM                               5-55
 INSPEÇÃO DA LINHA DE                      MARCHA-LENTA                      5-57
 ALIMENTAÇÃO DO SENSOR              5-17
                                           VÁLVULA IAC                       5-57
 DIAGNOSE DE DEFEITOS DO MIL        5-18
                                           SISTEMA DE FORNECIMENTO
 INSPEÇÃO DO CIRCUITO DO MIL        5-31   DE AR SECUNDÁRIO                  5-59
 INSPEÇÃO DA LINHA DE COMBUSTÍVEL   5-32   SENSOR DE O2                      5-62
 RESERVATÓRIO/
 BOMBA DE COMBUSTÍVEL               5-37




                                                                              5-1
SISTEMA DE ALIMENTAÇÃO (PGM-FI)   SHADOW 750


LOCALIZAÇÃO DOS COMPONENTES

         27 N.m (2,8 kgf.m)




5-2
SHADOW 750                                                                          SISTEMA DE ALIMENTAÇÃO (PGM-FI)



INFORMAÇÕES DE SERVIÇO
INFORMAÇÕES GERAIS
• Certifique-se de aliviar a pressão de combustível, mantendo o interruptor de ignição posicionado em “OFF”.
• Antes de desconectar a mangueira de alimentação de combustível, alivie a pressão do sistema, soltando o encaixe de conexão
  rápida do reservatório/bomba de combustível (página 5-32).
• Entortar ou torcer os cabos de controle prejudica seu suave funcionamento, podendo causar travamento e resultando em perda
  do controle do veículo.
• Trabalhe em um local com ventilação adequada. Fumar ou permitir chamas ou faíscas no local de trabalho onde a gasolina é
  armazenada pode provocar incêndio ou explosões.
• Não altere completamente a posição da válvula de aceleração, partindo de completamente aberta para completamente fechada,
  após remover o cabo do acelerador. Tal procedimento pode causar funcionamento irregular em marcha-lenta.
• Tenha cuidado para não danificar o corpo do acelerador pois pode causar funcionamento incorreto da válvula de aceleração.
• Sele as portas do coletor de admissão após remover o corpo do acelerador, utilizando uma fita adesiva ou pano limpo, para evitar
  a penetração de poeira e corpos estranhos pelas portas de admissão.
• Evite a penetração de sujeira e corpos estranhos pelo venturi do acelerador e pelas mangueiras de combustível e de retorno.
  Limpe-as utilizando ar comprimido se necessário.
• O corpo do acelerador é pré-ajustado na fábrica. Não o desmonte a não ser da forma apresentada neste manual.
• Não solte ou aperte os parafusos e porcas do corpo do acelerador pintados na cor branca, pois pode provocar falhas no
  funcionamento da válvula de aceleração e no controle de marcha-lenta.
• O sistema PGM-FI é equipado com um sistema de auto-diagnose, descrito na página 5-13. Caso o MIL pisque, siga os
  procedimentos de auto-diagnose para corrigir o problema.
• Ao inspecionar o sistema PGM-FI, siga sempre os procedimentos descritos na tabela de diagnose de defeitos.
• O sistema PGM-FI é equipado com uma função a prova de falhas, a fim de garantir uma capacidade mínima de funcionamento,
  mesmo que ocorra algum defeito no sistema. Quando qualquer anormalidade for detectada pela função de auto-diagnose, a
  capacidade de funcionamento é garantida graças aos valores pré-especificados no mapa do programa de simulação. É
  importante lembrar, no entanto, que quando alguma anormalidade é detectada em algum dos injetores e/ou no sensor CKP, a
  função a prova de falhas interrompe o funcionamento do motor a fim de protegê-lo quanto a danos.
• Para localização dos componentes do sistema PGM-FI, consulte a página 5-6.
• Defeitos no sistema PGM-FI estão normalmente relacionados a mau-contatos ou conectores corroídos. Verifique estas conexões
  antes de proceder.
• Ao desmontar os componentes do sistema PGM-FI, observe a localização dos anéis de vedação. Substitua-os por novos durante a
  montagem.
• Utilize um multímetro digital para as inspeções no sistema PGM-FI.
• Para reparos no sensor de reserva de combustível, consulte a página 20-16.
• Caso o ECM seja substituído, siga as etapas de substituição do Sistema Imobilizador, localizadas na página 21-6.
ESPECIFICAÇÕES
                            Item                                                         Especificação
 Número de identificação do corpo do acelerador                                              GQB3A
 Marcha-lenta                                                                           1200 ± 100 rpm
 Folga da manopla do acelerador                                                            2 – 10 mm
 Resistência do injetor     Dianteiro                                                       11 – 13 Ω
 de combustível (a 20°C) Traseiro                                                           11 – 13 Ω
 Resistência da válvula solenóide de controle PAIR (a 20°C)                                 23 – 27 Ω
 Pressão de combustível em marcha-lenta                                   333 – 353 kPa (3,4 – 3,6 kgf/cm2, 48 – 51 psi)
 Vazão da bomba de combustível (a 12 V)                                         Mínimo de 50 cm3/10 segundos

VALORES DE TORQUE
Parafuso da tampa da válvula de inspeção PAIR                          7 N.m (0,7 kgf.m)
Parafuso de fixação da câmara do filtro de ar                          1,1 N.m (0,1 kgf.m)
Parafuso da braçadeira do tubo de conexão da câmara do filtro de ar    0,7 N.m (0,1 kgf.m)
Sensor ECT                                                             24,5 N.m (2,5 kgf.m)
Parafuso Torx da placa de fixação da válvula IAC                       2,1 N.m (0,2 kgf.m)
Parafuso da guia do cabo do acelerador                                 3,4 N.m (0,3 kgf.m)
Parafuso de fixação do injetor de combustível                          5,1 N.m (0,5 kgf.m)
Parafuso Torx do conjunto de sensores                                  3,4 N.m (0,3 kgf.m)
Parafuso da braçadeira do isolante (Lado do corpo do acelerador)       Consulte a página 5-45.
Parafuso da braçadeira do isolante (Lado do coletor de admissão)       Consulte a página 5-49.
Parafuso de fixação do tanque de combustível                           27 N.m (2,8 kgf.m)
Parafuso Allen da tampa do filtro de ar                                1,5 N.m (0,2 kgf.m)
Parafuso da braçadeira do tubo de conexão do filtro de ar              1 N.m (0,1 kgf.m)
Sensor de O2                                                           44 N.m (4,5 kgf.m)


                                                                                                                           5-3
SISTEMA DE ALIMENTAÇÃO (PGM-FI)                                                  SHADOW 750


FERRAMENTAS

Manômetro de combustível     Manômetro do coletor de admissão   Acessório para mangueira,
07406-0040004                07ZAJ-S5A0111                      6 mm/9 mm
                                                                07ZAJ-S5A0130




Acessório para mangueira,    Acessório de conexão, 6 mm/9 mm    Fiação de teste 33P do ECM
9 mm/9 mm                    07ZAJ-S5A0150                      070MZ-MCA0100
07ZAJ-S5A0120




Conector SCS                 Fiação de teste para inspeção      Chave para sensor de O2
070PZ-ZY30100                07GMJ-ML80100                      07LAA-PT50101




5-4
SHADOW 750                                                                           SISTEMA DE ALIMENTAÇÃO (PGM-FI)



DIAGNOSE DE DEFEITOS DE SINTOMAS DO PGM-FI
Quando a motocicleta possuir um destes sintomas, verifique o DTC ou o número de piscadas do MIL, consulte o índice
DTC (página 5-17) e inicie o procedimento adequado de diagnose de defeito. Se não houver DTC/MIL armazenado na
memória do ECM, execute o procedimento de diagnóstico para os sintomas, na seqüência apresentada a seguir, até
localizar a origem do problema.

             Sintoma                      Procedimento de Diagnose                              Verifique também
O motor gira, mas não dá partida 1. Dê partida no motor por mais de 10        • Sem combustível nos injetores
(Não há indicação do MIL).            segundos, verifique o número de           – Filtro de combustível obstruído
                                      piscadas do MIL (página 5-13) e execute – Mangueira de alimentação de combustível
                                      a diagnose de defeitos correspondente.      dobrada ou obstruída
                                   2. Inspecione o sistema de alimentação de – Mangueira de respiro do tanque de combustível
                                      combustível (página 5-32).                  dobrada ou obstruída
                                                                                – Bomba de combustível defeituosa
                                                                                – Circuitos da bomba de combustível defeituosos
                                                                              • Vazamento de ar de admissão.
                                                                              • Combustível contaminado/deteriorado.
                                                                              • Injetor de combustível defeituoso.
                                                                              • Válvula IAC emperrada.
                                                                              • Sistema de ignição defeituoso.
O motor gira, mas não dá partida 1. Mau-funcionamento nos circuitos de        • Circuito aberto na fiação de entrada de
(Não há ruído de funcionamento        alimentação/terra do ECM (página 5-55). alimentação e/ou terra do ECM.
da bomba de combustível            2. Inspecione o sistema de alimentação de • Sensor de inclinação do chassi ou circuito
quando o interruptor de ignição       combustível (página 5-32).                relacionado defeituoso.
é ligado).                                                                    • Relé de parada do motor ou circuito relacionado
                                                                                defeituoso.
                                                                              • Interruptor do motor ou circuito relacionado
                                                                                defeituoso.
                                                                              • Fusível FI (15 A) queimado.
                                                                              • Fusível secundário (Ignição, Partida, 10 A) queimado.
O motor morre, a partida é difícil 1. Inspecione a marcha-lenta.              • Mangueira de alimentação de combustível
e a marcha-lenta irregular.        2. Inspecione a válvula IAC.                  restringida.
                                   3. Inspecione o sistema de alimentação de • Combustível contaminado/deteriorado.
                                      combustível (página 5-32).              • Vazamento de ar de admissão.
                                   4. Inspecione o sistema de carga da        • Válvula IAC defeituosa.
                                      bateria (página 17-7).                  • Sensor MAP defeituoso.
                                                                              • Mangueira de respiro do tanque de combustível
                                                                                obstruída.
                                                                              • Sistema de ignição defeituoso.
                                                                              • Sistema de carga da bateria defeituoso.
Combustão retardada quando o Inspecione o sistema PAIR (página 5-59). • Sistema PAIR defeituoso.
freio é acionado.                                                               – Válvula solenóide de controle PAIR defeituosa.
                                                                                – Válvula de inspeção PAIR defeituosa.
                                                                                – Mangueira do sistema PAIR obstruída.
                                                                              • Sistema de ignição defeituoso.
Contra-explosões ou falhas         Inspecione o sistema de ignição.           • Sistema de ignição defeituoso.
durante a aceleração.
Desempenho inadequado              1. Inspecione o sistema de alimentação de • Mangueira de alimentação de combustível
(dirigibilidade) e pouca              combustível (página 5-32).                dobrada ou obstruída.
economia de combustível.           2. Inspecione o elemento do filtro de ar   • Regulador de pressão defeituoso.
                                      (página 3-6).                           • Injetor de combustível defeituoso.
                                                                              • Sistema de ignição defeituoso.
                                                                              • Elemento do filtro de ar obstruído.
                                                                              • Sensor MAP defeituoso.
Marcha-lenta abaixo da             1. Inspecione a marcha-lenta.              • Válvula IAC emperrada na posição fechada.
especificada ou marcha-rápida      2. Inspecione a válvula IAC.               • Sistema de alimentação de combustível
muito baixa (Não há indicação                                                   defeituoso.
do MIL).                                                                      • Sistema de ignição defeituoso.
Marcha-lenta acima da              1. Inspecione a marcha-lenta.              • Válvula IAC emperrada na posição aberta.
especificada ou marcha-rápida      2. Inspecione o funcionamento e a folga    • Sistema de ignição defeituoso.
muito alta (Não há indicação do       do acelerador.                          • Vazamento de ar de admissão.
MIL).                              3. Inspecione a válvula IAC.               • Problemas na parte superior do motor.
                                                                              • Condições inadequadas do filtro de ar.
O MIL permanece aceso ou           Execute a diagnose de defeitos do circuito • Mau-funcionamento do circuito do MIL.
nunca se acende.                   do MIL (página 5-31).

O MIL permanece aceso.             Inspecione o circuito DLC.                  • Curto-circuito na fiação relacionada ao DLC.




                                                                                                                             5-5
SISTEMA DE ALIMENTAÇÃO (PGM-FI)                                                    SHADOW 750


LOCALIZAÇÃO DOS COMPONENTES DO SISTEMA PGM-FI




                                                                CONJUNTO DE SENSORES:
                                 SENSOR ECT                     – SENSOR TP
          SENSOR DE                                             – SENSOR IAT
          INCLINAÇÃO DO CHASSI                    VÁLVULA IAC   – SENSOR MAP




                                                                RESERVATÓRIO/BOMBA DE COMBUSTÍVEL




                                                                   DLC (CONECTOR DE
                                                                   TRANSMISSÃO DE DADOS)
                                                                            SENSOR DE O2 TRASEIRO




VÁLVULA SOLENÓIDE
DE CONTROLE PAIR


      INJETOR DIANTEIRO
      N° 02



        INJETOR TRASEIRO
        N° 01                                                     ECM
                                                      SENSOR DE O2 DIANTEIRO
                                      SENSOR VS
                    SENSOR CKP
                                        RELÉ DE CORTE DE COMBUSTÍVEL/
                                        RELÉ DE PARADA DO MOTOR




5-6
SHADOW 750                                                                                                                          SISTEMA DE ALIMENTAÇÃO (PGM-FI)



DIAGRAMA DO SISTEMA PGM-FI
                                                                                                    INTERRUPTOR
                                                                                                    DE IGNIÇÃO
                                                                         FUSÍVEL PRINCIPAL,
                                                                         30 A                                      FUSÍVEL, 10 A
                   REGULADOR/
                   RETIFICADOR
                                                                                                                                              INTERRUPTOR      RELÉ DE PARADA
                                                                                                                   FUSÍVEL, 10 A              DO MOTOR         DO MOTOR


                                                           BATERIA                   FUSÍVEL FI, 15 A




                                                                                FUSÍVEL, 20 A                                                               SENSOR DE INCLINAÇÃO
                                                                                                                                                            DO CHASSI




                                                      O2
                                                     SENSOR DE O2

                                                                                                                                             RELÉ DE              RELÉ DE CORTE
                                                                                                                                             CONTROLE DA          DE COMBUSTÍVEL
                                                                                                               VÁLVULA SOLENÓIDE             VENTOINHA
                                                                                                               DE CONTROLE PAIR
                                                                                                                                                                  BOMBA DE
                                                     SENSOR DE O2
                                                      O2                                                                                                          COMBUSTÍVEL




                                                                                                                                           MOTOR DA
                                                                                                                                           VENTOINHA DE
                                                                                                                                           ARREFECIMENTO


                                          SENSOR
                                          MAP


                                          SENSOR
                                          TP                                                                                       BOBINAS
                                                                                                                                   DE IGNIÇÃO

                                          SENSOR
    Para o INDICADOR                      IAT
    DE TEMPERATURA
    DO LÍQUIDO DE
    ARREFECIMENTO
                                          SENSOR
                                          ECT                                                       ECM                               VELAS DE
                                                                                                                                      IGNIÇÃO
                                                                                                                                                                   INJETORES


                                           RECEPTOR DO
                                           IMOBILIZADOR




                                                                                                                                                                  DLC




                                                                                                              INTERRUPTOR     INTERRUPTOR DO
                                                                                                              DA              CAVALETE LATERAL
                                                                                                              EMBREAGEM

                                                                                                                                   INTERRUPTOR DE
                                                                                                                                   PONTO-MORTO
                                                            SENSOR CKP


                                                                                                                              MIL
                                                                                     PCM

                                                                                                                          INDICADOR
                                                        VÁLVULA                                                           DO HISS
                                                        IAC




                                                                                                                                           SENSOR VS
  Bl:   Preto         Br:   Marrom
  Y:    Amarelo       O:    Laranja
  Bu:   Azul          Lg:   Verde claro
  G:    Verde         P:    Rosa
  R:    Vermelho      Gr:   Cinza
  W:    Branco
                                                   A1                                   A11      B1                                  B11

                                                                                              B12
                                               A12                                         A22                                         B22


                                                                                            B23
                                               A23                                       A33                                           B33

                                                        CONECTOR 33P (Preto) A DO ECM               CONECTOR 33P (Cinza) B DO ECM

                                                                            Lado do ECM/Terminais machos




                                                                                                                                                                                   5-7
SISTEMA DE ALIMENTAÇÃO (PGM-FI)                                        SHADOW 750


LOCALIZAÇÃO DO CONECTOR
NOTA 1: Remova a tampa lateral da coluna de direção (página 2-4).




                                   CONECTOR 3P (Cinza) DO SENSOR ECT
                                   (NOTA 1)




5-8
SHADOW 750                                                           SISTEMA DE ALIMENTAÇÃO (PGM-FI)


NOTA 1: Remova a carcaça do filtro de ar (página 5-41).
NOTA 2: Remova o tanque de combustível (página 5-40).



     CONECTOR 2P (Cinza) DO INJETOR
     DE COMBUSTÍVEL DIANTEIRO N° 2
     (NOTA 2)




CONECTOR 2P (Cinza) DO INJETOR                                      CONECTOR 4P (Preto) DA VÁLVULA IAC
DE COMBUSTÍVEL TRASEIRO N° 1                                        (NOTA 1)
(NOTA 2)




                                            CONECTOR 5P (Preto) DO CONJUNTO DE SENSORES
                                            (NOTA 1)




                                                                                                   5-9
SISTEMA DE ALIMENTAÇÃO (PGM-FI)                         SHADOW 750

NOTA 1: Remova a tampa lateral esquerda (página 2-4).




                   CONECTOR 3P (Branco) DO SENSOR VS
                   (NOTA 1)




5-10
SHADOW 750                                               SISTEMA DE ALIMENTAÇÃO (PGM-FI)


NOTA 1: Remova a tampa lateral direita (página 2-4).



CONECTOR 4P (Branco) DO
SENSOR DE O2 TRASEIRO
(NOTA 1)




                                          DLC (NOTA 1)


CONECTOR 4P (Preto) DO
SENSOR DE O2 DIANTEIRO
(NOTA 1)




                                                                                5-11
SISTEMA DE ALIMENTAÇÃO (PGM-FI)                                                            SHADOW 750

NOTA 1: Remova o ECM (página 5-56).




                               CONECTOR B (Cinza)               CONECTOR A (Preto)
                        B11                         B1    A11                        A1

                        B22                         B12 A22                          A12


                                                    B23                              A23
                         B33                              A33

                                      CONECTORES 33P DO ECM (NOTA 1)




5-12
SHADOW 750                                                                          SISTEMA DE ALIMENTAÇÃO (PGM-FI)



INFORMAÇÕES SOBRE DIAGNOSE DE DEFEITOS DO PGM-FI
DIAGNOSE DE DEFEITOS GERAIS

Falha Intermitente
O termo “falha intermitente” indica que o sistema pode possuir uma falha, no entanto, esta falha não se apresenta neste instante.
Caso o MIL não acenda, inspecione todos os conectores relacionados e circuitos afetados quanto a mau-contato ou pinos soltos.
Caso o MIL estivesse anteriormente aceso e apresenta-se apagado neste instante, o problema original pode ser intermitente.

Circuito aberto e Curto-circuito
“Circuito aberto” e “curto-circuito” são termos comuns em eletricidade. Circuito aberto pode ser um rompimento em um fio ou em
uma conexão. Um curto-circuito é uma conexão acidental de um fio ao terra ou a outro fio. Em eletrônica simples, isto significa,
basicamente, que algo não funcionará da forma correta. Utilizando o ECM, isto pode significar que alguns itens funcionarão, mas
não realmente da forma que deveriam.

Caso o MIL acenda
Consulte o item “Leituras de Saída do DTC” (página 5-13)

Caso o MIL não permaneça aceso
Caso o MIL não permaneça aceso, mas ainda assim houver um problema de dirigibilidade, execute o item “Diagnose de Defeitos
dos Sintomas” (página 5-5).

DESCRIÇÃO DO SISTEMA

Sistema de Auto-Diagnose
O sistema PGM-FI é equipado com um sistema de auto-diagnose. Quando alguma anormalidade ocorrer no sistema, o ECM aciona
o MIL e armazena o DTC em sua memória temporária.

Função A Prova de Falhas
O sistema PGM-FI é equipado com uma função a prova de falhas, a fim de garantir condições mínimas de funcionamento, mesmo
se algum problema ocorrer no sistema. Quando qualquer anormalidade é detectada pela função de auto-diagnose, a capacidade
de funcionamento é mantida graças aos valores pré-especificados no mapa do programa de simulação. No entanto, quando
qualquer anormalidade for detectada nos injetores ou no sensor CKP, a função a prova de falhas interrompe automaticamente o
funcionamento do motor a fim de protegê-lo contra danos.

Modelo de Piscadas do MIL
• O DTC pode ser obtido da memória do ECM a partir do número de
  piscadas do MIL.
• O MIL indicará o atual DTC caso o ECM detecte um problema no
  presente, no instante em que o interruptor de ignição é ligado ou
  durante o funcionamento em marcha-lenta quando o cavalete lateral
  é abaixado. O MIL permanecerá aceso quando as rotações do motor
  forem superiores a 2.000 rpm ou se o cavalete lateral for recolhido.
• O MIL possui dois tipos de piscadas, uma longa e uma curta. A
  piscada longa dura 1,3 segundos, ao passo que a piscada curta dura
  0,5 segundo. Uma piscada longa equivale a dez piscadas curtas. Por
  exemplo, quando duas piscadas longas forem seguidas de cinco
  piscadas curtas, o código indicado pelo MIL é o 25 (duas piscadas                                        MIL
  longas = 20, adicionando 5 piscadas curtas).
• Quando o ECM armazenar mais de um DTC, o MIL os indicará piscando em ordem crescente, iniciando pelo de menor código.

Inspeção do MIL
No instante em que o interruptor de ignição for ligado e o interruptor do motor posicionado em “   ”, o MIL se acenderá por
alguns segundos e apagará em seguida.

• Se o MIL não acender, inspecione seu circuito (página 5-31).

Dê partida no motor e inspecione o MIL.

• Se o motor não der partida, acione o motor de partida por mais de 10 segundos e verifique a indicação do MIL.




                                                                                                                        5-13
SISTEMA DE ALIMENTAÇÃO (PGM-FI)                                                                     SHADOW 750
                                                                                                CONECTOR SCS
Lendo o DTC através do MIL
Desligue o interruptor de ignição.
Remova a tampa lateral direita (página 2-4).
Remova o conector inativo e faça um curto-circuito entre os
terminais do DLC, utilizando a ferramenta especial.
Conexão: Marrom – Verde
Ferramenta:
Conector SCS                            070PZ-ZY30100
Certifique-se de que o interruptor do motor esteja
posicionado em “ “.
Ligue o interruptor de ignição, leia e anote as piscadas do                           DLC
MIL e consulte o índice de diagnose de defeitos (página 5-16).                                     CONECTOR SCS
NOTA
 Caso o ECM possua um DTC armazenado em sua
 memória, o MIL começará a piscar.

LIMPEZA DO DTC
1. Remova a tampa lateral direita (página 2-4).
2. Desligue o interruptor de ignição.
3. Certifique-se de que o interruptor do motor esteja
   posicionado em “ “.
4. Remova o conector inativo e faça um curto-circuito entre
   os terminais do DLC, utilizando a ferramenta especial.
                                                                                       DLC
Conexão: Marrom – Verde
Ferramenta:
Conector SCS                            070PZ-ZY30100
5. Ligue o interruptor de ignição.
6. Remova a ferramenta especial do DLC.
7. O MIL acenderá por aproximadamente 5 segundos. Enquanto o MIL permanecer aceso, faça novamente um curto-
   circuito entre os terminais do DLC, utilizando a ferramenta especial. Neste instante, a memória de auto-diagnose será
   apagada se o indicador de mau-funcionamento apagar-se e começar a piscar.

NOTA
 • O DLC deve ser curto-circuitado enquanto o MIL permanecer aceso. Caso contrário, o MIL não começará a piscar.
 • Observe que a memória de auto-diagnose não pode ser apagada caso o interruptor de ignição seja desligado antes
   do MIL começar a piscar.


INSPEÇÃO DO CIRCUITO                                                  FIAÇÃO DE TESTE

Conexão da Fiação de Teste
                                                                                                                ECM
Remova o ECM (página 5-56).

Conecte a fiação de teste entre a fiação principal e o ECM.

Ferramenta:
Fiação de teste 33P do ECM              070MZ-MCA0100


                                                                                 FIAÇÃO PRINCIPAL




5-14
SHADOW 750                                                        SISTEMA DE ALIMENTAÇÃO (PGM-FI)


ESQUEMA DO TERMINAL DA FIAÇÃO DE TESTE
                                                          Lado do ECM:
Os terminais do conector do ECM são numerados de acordo
com a ilustração.
                                                           CONECTOR PRETO             CONECTOR CINZA




Os terminais da fiação de teste do ECM possuem o mesmo
                                                          Lado do Terminal da Fiação de Teste:
esquema dos terminais do conector do ECM, como mostra a
ilustração.




                                                                            Para o CONECTOR 33P (Cinza)

                                                          Para o CONECTOR 33P (Preto)




                                                                                                 5-15
SISTEMA DE ALIMENTAÇÃO (PGM-FI)                                                                                      SHADOW 750


ÍNDICE DTC
Piscadas do MIL                        Falha da Função                                Sintoma/Função a prova de falhas            Consulte
        1         Baixa voltagem no circuito do sensor MAP (inferior a 0,2 V) • O motor funciona normalmente
                  • Mau-funcionamento do sensor MAP ou de seu circuito        • Valor pré-programado: 760 mmHg/1.013 hPa
                  Alta voltagem no circuito do sensor MAP (superior a 3,9 V) • O motor funciona normalmente                         5-18
                  • Sem contato ou mau-contato no conector do sensor MAP • Valor pré-programado: 760 mmHg/1.013 hPa
                  • Mau-funcionamento do sensor MAP ou de seu circuito
        7         Baixa voltagem no circuito do sensor ECT (inferior a 0,08 V) • Dificuldade de partida em baixas temperaturas
                  • Mau-funcionamento do sensor ECT ou de seu circuito         • Valor pré-programado: 90°C
                                                                               • A ventoinha de arrefecimento permanece ligada
                                                                                                                                    5-19
                  Alta voltagem no circuito do sensor ECT (superior a 4,93 V) • Dificuldade de partida em baixas temperaturas
                  • Sem contato ou mau-contato no conector do sensor ECT • Valor pré-programado: 90°C
                  • Mau-funcionamento do sensor ECT ou de seu circuito        • A ventoinha de arrefecimento permanece ligada
        8         Baixa voltagem no circuito do sensor TP (inferior a 0,3 V)   • Aceleração inadequada do motor
                  • Sem contato ou mau-contato no conector do sensor TP        • Valor pré-programado: 0°
                  • Mau-funcionamento do sensor TP ou de seu circuito                                                               5-21
                  Alta voltagem no circuito do sensor TP (superior a 4,93 V)   • Aceleração inadequada do motor
                  • Mau-funcionamento do sensor TP ou de seu circuito          • Valor pré-programado: 0°
        9         Baixa voltagem no circuito do sensor IAT (inferior a 0,08 V) • O motor funciona normalmente
                  • Mau-funcionamento do sensor IAT ou de seu circuito         • Valor pré-programado: 35°C
                  Alta voltagem no circuito do sensor IAT (superior a 4,93 V) • O motor funciona normalmente                        5-22
                  • Sem contato ou mau-contato no conector do sensor IAT • Valor pré-programado: 35°C
                  • Mau-funcionamento do sensor IAT ou de seu circuito
       11         Ausência de sinal no sensor VS                               • O motor funciona normalmente
                  • Sem contato ou mau-contato no conector do sensor VS                                                             5-23
                  • Mau-funcionamento do sensor VS ou de seu circuito
       12         Mau-funcionamento do circuito do injetor n° 1 (traseiro)  • O motor não dá partida
                  • Sem contato ou mau-contato no conector do injetor       • Injetores, bomba de combustível e ignição             5-25
                          • Mau-funcionamento do injetor ou de seu circuito inoperantes
       13         Mau-funcionamento do circuito do injetor n° 2 (dianteiro)    • O motor não dá partida
                  • Sem contato ou mau-contato no conector do injetor          • Injetores, bomba de combustível e ignição          5-27
                  • Mau-funcionamento do injetor ou de seu circuito              inoperantes
       21         Mau-funcionamento do sensor de O2 traseiro                   • O motor funciona normalmente
                  • Sem contato ou mau-contato no conector do sensor de
                    O2 traseiro                                                                                                     5-27
                  • Mau-funcionamento do sensor de O2 traseiro ou de seu
                    circuito
       22         Mau-funcionamento do sensor de O2 dianteiro                  • O motor funciona normalmente
                  • Sem contato ou mau-contato no conector do sensor de
                    O2 dianteiro                                                                                                    5-28
                  • Mau-funcionamento do sensor de O2 dianteiro ou de seu
                    circuito
       23         Mau-funcionamento do circuito do aquecedor do sensor         • O motor funciona normalmente
                  de O2 traseiro
                  • Sem contato ou mau-contato no conector do aquecedor
                                                                                                                                    5-28
                    do sensor de O2 traseiro
                  • Mau-funcionamento do aquecedor do sensor de O2
                    traseiro ou de seu circuito
       24         Mau-funcionamento do circuito do aquecedor do sensor         • O motor funciona normalmente
                  de O2 dianteiro
                  • Sem contato ou mau-contato no conector do aquecedor
                                                                                                                                    5-30
                    do sensor de O2 dianteiro
                  • Mau-funcionamento do aquecedor do sensor de O2
                    dianteiro ou de seu circuito
       29         Mau-funcionamento do circuito da válvula IAC                 • O motor morre, a partida é difícil e a marcha-
                  • Sem contato ou mau-contato no conector da válvula IAC        lenta irregular                                    5-30
                  • Mau-funcionamento da válvula IAC ou de seu circuito




5-16
SHADOW 750                                                             SISTEMA DE ALIMENTAÇÃO (PGM-FI)



INSPEÇÃO DA LINHA DE ALIMENTAÇÃO
DO SENSOR
NOTA
 • Quando o MIL piscar 1, 8 ou 9 vezes, execute as
   seguintes inspeções antes de iniciar a diagnose de
   defeitos do MIL.
 • Antes de iniciar esta verificação, inspecione os
   conectores 33P (Preto) do ECM e 5P (Preto) do conjunto
   de sensores quanto a mau-contato ou terminais
   corroídos e verifique novamente a indicação do MIL.


1. Inspeção 1 da Voltagem de Entrada do Conjunto de
   Sensores
  Desligue o interruptor de ignição.
  Acople a fiação de teste aos conectores 33P do ECM
  (página 5-14).                                                          A18 A9
  Ligue o interruptor de ignição e posicione o interruptor do
  motor em “ “.
  Meça a voltagem entre os terminais da fiação de teste.
  Conexão: A9 (+) – A18 (–)
  Padrão: 4,75 – 5,25 V
  É indicada uma voltagem entre 4,75 e 5,25 V?
  Sim – Vá para a etapa 2.
  Não – Substitua o ECM por um em boas condições de
        funcionamento e inspecione novamente; para
        procedimentos de registro de chaves, consulte a
        página 21-4.
2. Inspeção 2 da Voltagem de Entrada do Conjunto de
   Sensores                                                     CONECTOR 5P DO CONJUNTO DE SENSORES
  Desligue o interruptor de ignição.                            (Lado dos terminais fêmeas da fiação)
  Desacople o conector 5P (Preto) do conjunto de sensores.
  Ligue o interruptor de ignição e posicione o interruptor do
  motor em “ “.
  Meça a voltagem entre os terminais do conector 5P do                               Y/R     G/O
  conjunto de sensores, no lado da fiação.
  Conexão: Amarelo/Vermelho (+) – Verde/Laranja (–)
  Padrão: 4,75 – 5,25 V
  É indicada uma voltagem entre 4,75 e 5,25 V?
  Sim – Desligue o interruptor de ignição. Acople o conector
        5P do conjunto de sensores e inicie a diagnose de
        defeitos do MIL (página 5-18).
  Não – Vá para a etapa 3.
3. Inspeção de Continuidade da Linha de Alimentação do
   Conjunto de Sensores
  Desligue o interruptor de ignição.
  Inspecione a continuidade entre os terminais do conector               A18         A9
  5P do conjunto de sensores e a fiação de teste.
  Conexão: A9 – Amarelo/Vermelho
           A18 – Verde/Laranja                                                 Y/R
  Há continuidade?
  Sim – Vá para a etapa 4.                                                             G/O
  Não – • Circuito aberto no fio Amarelo/Vermelho.
        • Circuito aberto no fio Verde/Laranja.                    CONECTOR 5P DO CONJUNTO DE SENSORES
                                                                   (Lado dos terminais fêmeas da fiação)




                                                                                                   5-17
SISTEMA DE ALIMENTAÇÃO (PGM-FI)                                                           SHADOW 750

4. Inspeção de Curto-circuito na Linha de Voltagem de
                                                                CONECTOR 5P DO CONJUNTO DE SENSORES
   Entrada do Conjunto de Sensores                              (Lado dos terminais fêmeas da fiação)
  Inspecione a continuidade entre o conector 5P do conjunto
  de sensores, no lado da fiação, e o terra.

  Conexão: Amarelo/Vermelho – Terra                                                 Y/R

  Há continuidade?
  Sim – Curto-circuito no fio Amarelo/Vermelho.
  Não – Falha intermitente.




DIAGNOSE DE DEFEITOS DO MIL
1 PISCADA (SENSOR MAP)

1. Inspeção da Linha de Alimentação do Conjunto de
   Sensores

  Execute a inspeção da linha de alimentação do conjunto de
  sensores (página 5-17).

  Está a linha de alimentação do conjunto de sensores
  funcionando normalmente?
  Sim – Vá para a etapa 2.
  Não – Substitua ou repare o elemento defeituoso.

2. Inspeção 1 da Voltagem de Saída do Sensor MAP

  Ligue o interruptor de ignição e posicione o interruptor do
  motor em “ ”.
  Meça a voltagem entre os terminais da fiação de teste.

  Conexão: B9 (+) – A18 (–)
  Padrão: 0,5 – 3,4 V (a 20°C)                                              A18                  B9

  É indicada uma voltagem entre 0,5 e 3,4 V?
  Sim – Sem contato ou mau-contato nos conectores do
        ECM.
  Não – Vá para a etapa 3.

3. Inspeção 2 da Voltagem de Saída do Sensor MAP

  Desligue o interruptor de ignição.
  Desacople o conector 5P (Preto) do conjunto de sensores.      CONECTOR 5P DO CONJUNTO DE SENSORES
                                                                (Lado dos terminais fêmeas da fiação)
  Ligue o interruptor de ignição e posicione o interruptor do
  motor em “ ”.
  Meça a voltagem no lado da fiação.                                               G/O    Lg/Y

  Conexão: Verde claro/Amarelo (+) – Verde/Laranja (–)
  Padrão: 4,75 – 5,25 V

  É indicada uma voltagem entre 4,75 e 5,25 V?
  Sim – Sensor MAP defeituoso.
  Não – Vá para a etapa 4.




5-18
SHADOW 750                                                                 SISTEMA DE ALIMENTAÇÃO (PGM-FI)


4. Inspeção de Curto-circuito no Sensor MAP

  Desligue o interruptor de ignição.
  Inspecione a continuidade entre o conector 5P do conjunto
  de sensores, no lado da fiação, e o terra.                                                           Lg/Y

  Conexão: Verde claro/Amarelo – Terra

  Há continuidade?
  Sim – Curto-circuito no fio Verde claro/Amarelo.
  Não – Vá para a etapa 5.
                                                                     CONECTOR 5P DO CONJUNTO DE SENSORES
                                                                     (Lado dos terminais fêmeas da fiação)




5. Inspeção de Continuidade do Circuito do Sensor MAP
                                                                                                              B9
  Inspecione a continuidade entre os terminais do conector
  5P do conjunto de sensores e a fiação de teste.

  Conexão: B9 – Verde claro/Amarelo

  Há continuidade?                                                CONECTOR 5P DO CONJUNTO DE
                                                                  SENSORES
  Sim – Substitua o ECM por um em boas condições de               (Lado dos terminais fêmeas da fiação)
        funcionamento e inspecione novamente; para
        procedimentos de registro de chaves, consulte a
        página 21-4.                                                                            Lg/Y
  Não – Circuito aberto no fio Verde claro/Amarelo.




7 PISCADAS (SENSOR ECT)

NOTA
 Antes de iniciar a diagnose de defeitos, inspecione o conector
 3P do sensor ECT quanto a mau-contato ou terminais
 corroídos e verifique novamente a indicação do MIL.                             A18           B13

1. Inspeção da Voltagem de Saída do Sensor ECT

  Acople a fiação de teste aos conectores 33P do ECM
  (página 5-14).

  Ligue o interruptor de ignição e posicione o interruptor do
  motor em “ ”.
  Meça a voltagem entre os terminais da fiação de teste.

  Conexão: B13 (+) – A18 (–)
  Padrão: 2,7 – 3,1 V (a 20°C)

  É indicada uma voltagem entre 2,7 e 3,1 V?
  Sim – Sem contato ou mau-contato nos conectores do
        ECM.
  Não – Vá para a etapa 2.




                                                                                                              5-19
SISTEMA DE ALIMENTAÇÃO (PGM-FI)                                                                 SHADOW 750

2. Inspeção da Voltagem de Entrada do Sensor ECT
                                                                CONECTOR 3P DO SENSOR ECT
  Desligue o interruptor de ignição.                            (Lado dos terminais fêmeas da fiação)

  Desacople o conector 3P (Cinza) do sensor ECT.
  Ligue o interruptor de ignição e posicione o interruptor do                      P/W
  motor em “ ”.
  Meça a voltagem entre o conector 3P do sensor ECT, no
  lado da fiação, e o terra.

  Conexão: Rosa/Branco (+) – Terra (–)
  Padrão: 4,75 – 5,25 V (a 20°C)

  É indicada uma voltagem entre 4,75 e 5,25 V?
  Sim – Vá para a etapa 5.
  Não – Vá para a etapa 3.

3. Inspeção de Circuito Aberto no Sensor ECT

  Desligue o interruptor de ignição.                                         A18            B13
  Inspecione a continuidade entre os terminais da fiação de
  teste e o conector 3P do sensor ECT, no lado da fiação.

  Conexão: B13 – Rosa/Branco
           A18 – Verde/Laranja                                                      P/W    G/O

  Há continuidade?
  Sim – Vá para a etapa 4.                                                 CONECTOR 3P DO SENSOR ECT
  Não – • Circuito aberto no fio Rosa/Branco.                              (Lado dos terminais fêmeas da fiação)
        • Circuito aberto Verde/Laranja.


4. Inspeção de Curto-circuito no Sensor ECT

  Inspecione a continuidade entre o conector 3P do sensor
  ECT, no lado da fiação, e o terra.
                                                                                          P/W
  Conexão: Rosa/Branco – Terra

  Há continuidade?
  Sim – Curto-circuito no fio Rosa/Branco.
  Não – Vá para a etapa 5.


                                                                 CONECTOR 3P DO SENSOR ECT
                                                                 (Lado dos terminais fêmeas da fiação)



5. Inspeção de Resistência do Sensor ECT

  Meça a resistência entre os terminais do sensor ECT.
                     Ω
  Padrão: 2,3 – 2,6 kΩ (a 20°C)
                                              Ω
  É indicada uma resistência entre 2,3 e 2,6 kΩ?
  Sim – Substitua o ECM por um em boas condições de
        funcionamento e inspecione novamente; para
        procedimentos de registro de chaves, consulte a
        página 21-4.
  Não – Sensor ECT defeituoso.                                        SENSOR ECT
                                                                      (Lado dos terminais machos do sensor)




5-20
SHADOW 750                                                             SISTEMA DE ALIMENTAÇÃO (PGM-FI)


8 PISCADAS (SENSOR TP)

1. Inspeção da Linha de Alimentação do Conjunto de Sensores

  Execute a inspeção da linha de alimentação do conjunto de
  sensores (página 5-17).

  Está a linha de alimentação do conjunto de sensores
  funcionando normalmente?
  Sim – Vá para a etapa 2.
  Não – Substitua ou repare o elemento defeituoso.

2. Inspeção da Voltagem de Saída do Sensor TP

  Ligue o interruptor de ignição e posicione o interruptor do
  motor em “ ”.
  Meça a voltagem entre os terminais da fiação de teste.

  Conexão: B31 (+) – A18 (–)
  Padrão: 0,29 – 0,71 V (acelerador completamente
                         fechado)
           4,13 – 4,76 V (acelerador completamente
                         aberto)                                            A18                  B31
  É indicada a voltagem padrão?
  Sim – Sem contato ou mau-contato nos conectores do ECM.
  Não – Vá para a etapa 3.




3. Inspeção de Curto-circuito no Sensor TP

  Desligue o interruptor de ignição.
  Desacople o conector 5P (Preto) do conjunto de sensores.

  Inspecione a continuidade entre o conector 5P do conjunto                                R/Y
  de sensores, no lado da fiação, e o terra.

  Conexão: Vermelho/Amarelo – Terra

  Há continuidade?
  Sim – Curto-circuito no fio Vermelho/Amarelo.
  Não – Vá para a etapa 4.                                         CONECTOR 5P DO CONJUNTO DE SENSORES
                                                                   (Lado dos terminais fêmeas da fiação)



4. Inspeção da Linha de Saída do Sensor TP

  Inspecione a continuidade entre os terminais da fiação de
  teste e o conector 5P do conjunto de sensores, no lado da
  fiação.                                                                                        B31
  Conexão: B31 – Vermelho/Amarelo

  Há continuidade?
  Sim – Sensor TP defeituoso.                                                       R/Y
  Não – Circuito aberto ou curto-circuito no fio
        Vermelho/Amarelo.
                                                                CONECTOR 5P DO CONJUNTO DE SENSORES
                                                                (Lado dos terminais fêmeas da fiação)




                                                                                                  5-21
SISTEMA DE ALIMENTAÇÃO (PGM-FI)                                                             SHADOW 750


9 PISCADAS (SENSOR IAT)

1. Inspeção da Linha de Alimentação do Conjunto de Sensores

  Execute a inspeção da linha de alimentação do conjunto de
  sensores (página 5-17).

  Está a linha de alimentação do conjunto de sensores
  funcionando normalmente?
  Sim – Vá para a etapa 2.
  Não – Substitua ou repare o elemento defeituoso.

2. Inspeção da Voltagem de Saída do Sensor IAT

  Ligue o interruptor de ignição e posicione o interruptor do
  motor em “ ”.
  Meça a voltagem entre os terminais da fiação de teste.

  Conexão: B29 (+) – A18 (–)
  Padrão: 2,7 – 3,1 V (a 20°C)

  É indicada uma voltagem entre 2,7 e 3,1 V?
  Sim – Sem contato ou mau-contato nos conectores do                         A18             B29
        ECM.
  Não – Vá para a etapa 3.




3. Inspeção da Voltagem de Entrada do Sensor IAT
                                                                CONECTOR 5P DO CONJUNTO DE SENSORES
  Desligue o interruptor de ignição.                            (Lado dos terminais fêmeas da fiação)
  Desacople o conector 5P do conjunto de sensores.

  Ligue o interruptor de ignição e posicione o interruptor do
  motor em “ ”.                                                           Gr/Bu
  Meça a voltagem no conector 5P do conjunto de sensores,
                                                                                    G/O
  no lado da fiação.

  Conexão: Cinza/Azul (+) – Verde/Laranja (–)
  Padrão: 4,75 – 5,25 V

  É indicada uma voltagem entre 4,75 e 5,25 V?
  Sim – Vá para a etapa 6.
  Não – Vá para a etapa 4.

4. Inspeção de Curto-circuito no Sensor IAT

  Desligue o interruptor de ignição.
  Inspecione a continuidade entre o conector 5P do conjunto                         Gr/Bu
  de sensores, no lado da fiação, e o terra.

  Conexão: Cinza/Azul – Terra

  Há continuidade?
  Sim – Curto-circuito no fio Cinza/Azul.
  Não – Vá para a etapa 5.
                                                                  CONECTOR 5P DO CONJUNTO DE SENSORES
                                                                  (Lado dos terminais fêmeas da fiação)




5-22
SHADOW 750                                                              SISTEMA DE ALIMENTAÇÃO (PGM-FI)


5. Inspeção do Circuito do Sensor IAT

  Inspecione a continuidade entre os terminais da fiação de
  teste e o conector 5P do conjunto de sensores, no lado da
  fiação.                                                                                          B29

  Conexão: B29 – Cinza/Azul

  Há continuidade?                                                                  Gr/Bu
  Sim – Vá para a etapa 6.
  Não – Circuito aberto no fio Cinza/Azul.
                                                                  CONECTOR 5P DO CONJUNTO DE SENSORES
                                                                  (Lado dos terminais fêmeas da fiação)



6. Inspeção de Resistência do Sensor IAT

  Acople o conector 5P do conjunto de sensores.
  Meça a resistência entre os terminais da fiação de teste.

  Conexão: A18 – B29
                 Ω
  Padrão: 1 – 4 kΩ (a 20°C)
                                                                             A18             B29
                                          Ω
  É indicada uma resistência entre 1 e 4 kΩ?
  Sim – Substitua o ECM por um em boas condições de
        funcionamento e inspecione novamente; para
        procedimentos de registro de chaves, consulte a
        página 21-4.
  Não – Sensor IAT defeituoso.


11 PISCADAS (SENSOR VS)

NOTA
 Antes de iniciar a diagnose de defeitos, inspecione o conector
 3P do sensor VS quanto a mau-contato ou terminais
 corroídos e verifique novamente a indicação do MIL.

1. Inspeção do Velocímetro

  Inspecione o funcionamento do velocímetro.

  O velocímetro funciona normalmente?
                                                                                      VELOCÍMETRO
  Sim – Vá para a etapa 2.
  Não – Inspecione o velocímetro (página 20-10).




                                                                                                     5-23
SISTEMA DE ALIMENTAÇÃO (PGM-FI)                                                                 SHADOW 750

2. Inspeção de Pulsos do Sensor VS no ECM

  Acople a fiação de teste aos conectores 33P do ECM
  (página 5-14).

  Apóie seguramente a motocicleta e levante a roda traseira
  do solo.                                                                                          B28
  Ligue o interruptor de ignição e posicione o interruptor do
  motor em “ ”.

  Meça a voltagem entre o terminal da fiação de teste e o
  terra, enquanto gira manual e lentamente a roda traseira.

  Conexão: B28 (+) – Terra (–)
  Padrão: Oscilante entre 0 e 5 V

  É indicada a voltagem padrão?
  Sim – Substitua o ECM por um em boas condições de             CONECTOR 3P DO SENSOR VS
        funcionamento e inspecione novamente; para              (Lado dos terminais machos da fiação)
        procedimentos de registro de chaves, consulte a
        página 21-4.
  Não – Vá para a etapa 3.

3. Inspeção da Voltagem de Entrada do Sensor VS                                      Br     G/Bl

  Desligue o interruptor de ignição.
  Desacople o conector 3P (Branco) do sensor VS.

  Ligue o interruptor de ignição e posicione o interruptor do
  motor em “ ”.
  Meça a voltagem no conector do sensor VS, no lado da
  fiação.

  Conexão: Marrom (+) – Verde/Preto (–)

  É indicada a voltagem da bateria?
  Sim – Vá para a etapa 4.
  Não – • Circuito aberto ou curto-circuito no fio Marrom.                                B28             P/G
        • Circuito aberto no fio Verde/Preto.
        • Velocímetro defeituoso.

4. Inspeção de Circuito Aberto na Linha de Sinal do Sensor VS

  Desligue o interruptor de ignição.
                                                                        CONECTOR 3P DO SENSOR VS
  Inspecione a continuidade entre o terminal da fiação de               (Lado dos terminais machos da fiação)
  teste e o conector 3P do sensor VS, no lado da fiação.

  Conexão: B28 – Rosa/Verde

  Há continuidade?
  Sim – Vá para a etapa 5.
  Não – Circuito aberto no fio Rosa/Verde.




5-24
SHADOW 750                                                               SISTEMA DE ALIMENTAÇÃO (PGM-FI)


5. Inspeção de Curto-circuito na Linha de Sinal do Sensor VS

  Inspecione a continuidade entre o conector 3P do sensor
  VS e o terra.
                                                                                                    P/G
  Conexão: Rosa/Verde – Terra

  Há continuidade?
  Sim – Curto-circuito no fio Rosa/Verde.
  Não – Sensor VS defeituoso.

                                                                            CONECTOR 3P DO SENSOR VS
                                                                            (Lado dos terminais machos da fiação)



12 PISCADAS (INJETOR Nº 1 TRASEIRO)
NOTA
 Antes de iniciar a diagnose de defeitos, inspecione o
 conector 2P do injetor quanto a mau-contato ou terminais
 corroídos e verifique novamente a indicação do MIL.


                    Linha de Entrada  Linha de Sinal no
 MIL       Injetor
                     de Alimentação     Sinal    ECM
  12   N°1 Traseiro Preto/Branco Rosa/Amarelo A17
  13   N°2 Dianteiro Preto/Branco    Rosa/Azul    A6


1. Inspeção da Voltagem de Entrada do Injetor

  Desligue o interruptor de ignição.
  Desacople o conector 2P (Cinza) do injetor.

  Ligue o interruptor de ignição e posicione o interruptor do                         LINHA DE
  motor em “ ”.                                                                       ENTRADA DE
                                                                                      ALIMENTAÇÃO
  Meça a voltagem entre o conector 2P (Cinza) do injetor, no
  lado da fiação, e o terra.

  Conexão: Linha de Entrada de Alimentação (+) – Terra (–)

  É indicada a voltagem da bateria?
  Sim – Vá para a etapa 2.
  Não – Circuito aberto ou curto-circuito na fiação da Linha    CONECTOR 2P DO INJETOR
                                                                (Lado dos terminais fêmeas da fiação)
        de Entrada de Alimentação.




                                                                                                          5-25
SISTEMA DE ALIMENTAÇÃO (PGM-FI)                                                          SHADOW 750

2. Inspeção de Circuito Aberto na Linha de Sinal do Injetor

  Acople a fiação de teste ao conector 33P (Preto) do ECM
  (página 5-14).                                                    CONECTOR 2P DO INJETOR DIANTEIRO
                                                                    (Lado dos terminais fêmeas da fiação)
  Inspecione a continuidade entre o terminal da fiação de
  teste e o conector 2P (Cinza) do injetor, no lado da fiação.

  Conexão: Injetor n° 1 Traseiro A17 – Linha de Sinal
           Injetor n° 2 Dianteiro A6 – Linha de Sinal

  Há continuidade?
  Sim – Vá para a etapa 3.                                                      LINHA DE SINAL
  Não – Circuito aberto na fiação da Linha de Sinal.
                                                                        A6



                                                                        A17
                                                                                 LINHA DE SINAL




                                                                     CONECTOR 2P DO INJETOR TRASEIRO
                                                                     (Lado dos terminais fêmeas da fiação)




3. Inspeção de Curto-circuito na Linha do Sinal do Injetor

  Inspecione a continuidade entre o conector 2P (Cinza) do
  injetor, no lado da fiação, e o terra.                                              LINHA DE SINAL
  Conexão: Linha de Sinal – Terra

  Há continuidade?
  Sim –Curto-circuito na fiação da Linha de Sinal.
  Não – Vá para a etapa 4.

                                                                       CONECTOR 2P DO INJETOR
                                                                       (Lado dos terminais fêmeas da fiação)



4. Inspeção de Resistência do Injetor

  Meça a resistência entre os terminais do conector do
  injetor.

  Padrão: 11 – 13 Ω (a 20°C)

  É indicada uma resistência entre 11 e 13 Ω?
  Sim – Substitua o ECM por um em boas condições de
        funcionamento e inspecione novamente; para
        procedimentos de registro de chaves, consulte a
        página 21-4.                                             INJETOR
  Não – Injetor defeituoso.                                      (Lado dos terminais machos do injetor)




5-26
SHADOW 750                                                                SISTEMA DE ALIMENTAÇÃO (PGM-FI)


13 PISCADAS (INJETOR Nº 2 DIANTEIRO)

Consulte a página 5-25.

21 PISCADAS (SENSOR DE O2 TRASEIRO)

NOTA
 Antes de iniciar a diagnose de defeitos, inspecione o conector
 4P do sensor de O2 quanto a mau-contato ou terminais
 corroídos e verifique novamente a indicação do MIL.


           Sensor        Linha do      Linha de   Sinal no
 MIL
            de O2          Terra         Sinal      ECM
  21      Traseiro     Verde/Laranja Branco/Verde   B20
  22      Dianteiro    Verde/Laranja Branco/Preto   B30

1. Inspeção do Sistema do Sensor de O2

  Dê partida no motor e mantenha-o funcionando até que o
  líquido de arrefecimento atinja a temperatura de 80°C.

  Execute um teste de pilotagem na motocicleta.

  O MIL pisca 21 vezes?
  Sim – Vá para a etapa 2.
  Não – Verifique a pressão de combustível (página 5-36)
        caso o sistema esteja funcionando normalmente.

2. Inspeção de Circuito Aberto no Sensor de O2

  Acople a fiação de teste aos conectores 33P do ECM
                                                                  CONECTOR 4P (Branco) DO SENSOR
  (página 5-14).                                                  DE O2 TRASEIRO
  Desacople o conector 4P (Branco ou Preto) do sensor de O2.      (Lado dos terminais machos do sensor)
  Inspecione a continuidade entre os terminais da fiação de
  teste e do conector 4P do sensor de O2, no lado da fiação.

  Conexão:
  Linha de Sinal
   Traseiro                B20 – Linha de Sinal                                                   LINHA DE
   Dianteiro               B30 – Linha de Sinal                              LINHA                SINAL
                                                                             DO TERRA
  Linha do Terra           A18 – Linha do Terra

  Há continuidade?
  Sim – Vá para a etapa 3.                                                                  B20
  Não – Circuito aberto na fiação da Linha de Sinal.
        Circuito aberto na fiação da Linha do Terra.
                                                                       A18                B30


                                                                             LINHA DO
                                                                             TERRA
                                                                                                  LINHA DE
                                                                                                  SINAL




                                                                     CONECTOR 4P (Preto) DO SENSOR DE
                                                                     O2 DIANTEIRO
                                                                     (Lado dos terminais machos do sensor)




                                                                                                          5-27
SISTEMA DE ALIMENTAÇÃO (PGM-FI)                                                                 SHADOW 750

3. Inspeção de Curto-circuito no Sensor de O2
                                                                  CONECTOR 4P DO SENSOR DE O2
  Inspecione a continuidade entre o conector 4P do sensor         (Lado dos terminais fêmeas da fiação)
  de O2, no lado da fiação, e o terra.
  Conexão: Linha de Sinal – Terra                                                         LINHA DE SINAL
  Há continuidade?
  Sim – Curto-circuito na fiação da Linha de Sinal.
  Não – Vá para a etapa 4.


4. Inspeção do Sensor de O2
  Substitua o sensor de O2 por um em boas condições de
  funcionamento (página 5-62).
  Dê partida no motor e mantenha-o funcionando até que o
  líquido de arrefecimento atinja a temperatura de 80°C.
  Execute um teste de pilotagem na motocicleta.
  O MIL pisca 21 vezes?
  Sim – Substitua o ECM por um em boas condições de
        funcionamento e inspecione novamente; para
        procedimentos de registro de chaves, consulte a
        página 21-4.
  Não – Sensor de O2 original defeituoso.

22 PISCADAS (SENSOR DE O2 DIANTEIRO)
Consulte a página 5-27.

23 PISCADAS (AQUECEDOR DO SENSOR DE O2
TRASEIRO)

NOTA
 Antes de iniciar a diagnose de defeitos, inspecione o conector
 4P do sensor de O2 quanto a mau-contato ou terminais
 corroídos e verifique novamente a indicação do MIL.

           Sensor     Linha de Entrada  Linha de   Sinal no
  MIL
            de O2      de Alimentação      Sinal     ECM
  23      Traseiro      Preto/Branco   Preto/Verde    B2
  24      Dianteiro     Preto/Branco Preto/Amarelo    B6

1. Inspeção 1 de Circuito Aberto no Aquecedor do Sensor de O2

  Desligue o interruptor de ignição.
  Desacople o conector 4P (Branco ou Preto) do sensor de O2.
                                                                  CONECTOR 4P DO SENSOR DE O2
  Ligue o interruptor de ignição e posicione o interruptor do     (Lado dos terminais fêmeas da fiação)
  motor em “ ”.
  Meça a voltagem no conector 4P (Branco ou Preto) do
  sensor de O2, no lado da fiação.

  Conexão: Linha de Entrada de Alimentação (+) – Terra (–)        LINHA DE ENTRADA
                                                                  DE ALIMENTAÇÃO
  É indicada a voltagem da bateria?
  Sim – Vá para a etapa 2.
  Não – Circuito aberto na fiação da Linha de Entrada de
        Alimentação.




5-28
SHADOW 750                                                               SISTEMA DE ALIMENTAÇÃO (PGM-FI)


2. Inspeção 2 de Circuito Aberto no Aquecedor do Sensor de O2
                                                                   CONECTOR 4P (Branco) DO SENSOR
  Acople a fiação de teste aos conectores 33P do ECM               DE O2 TRASEIRO
                                                                   (Lado dos terminais fêmeas da fiação)
  (página 5-14).

  Inspecione a continuidade entre o terminal da fiação de
  teste e o conector 4P (Branco ou Preto) do sensor de O2, no
  lado da fiação.                                                                 LINHA DE SINAL
  Conexão: Traseiro              B2 – Linha de Sinal
           Dianteiro             B6 – Linha de Sinal

  Há continuidade?
  Sim – Vá para a etapa 3.
  Não – Circuito aberto na fiação da Linha de Sinal.                                          B2



                                                                                                      B6



                                                                                           LINHA
                                                                                           DE SINAL




                                                                CONECTOR 4P (Preto) DO SENSOR
                                                                DE O2 DIANTEIRO
                                                                (Lado dos terminais fêmeas da fiação)



3. Inspeção de Curto-circuito no Aquecedor do Sensor de O2      CONECTOR 4P (Branco ou Preto) DO
                                                                SENSOR DE O2
  Inspecione a continuidade entre o conector 4P (Branco ou      (Lado dos terminais fêmeas da fiação)
  Preto) do sensor de O2, no lado da fiação, e o terra.

  Conexão: Traseiro              Linha de Sinal – Terra
           Dianteiro             Linha de Sinal – Terra                                       LINHA
                                                                                              DE SINAL
  Há continuidade?
  Sim – Curto-circuito na fiação da Linha de Sinal.
  Não – Vá para a etapa 4.




4. Inspeção de Resistência do Aquecedor do Sensor de O2
                                                                CONECTOR 4P DO SENSOR DE O2
  Meça a resistência entre os terminais do conector do          (Lado dos terminais machos do sensor)
  sensor de O2.

  Conexão: Branco – Branco
  Padrão: 10 – 16 Ω (a 20°C)

  É indicada uma resistência entre 10 e 16 Ω?
                                                                                       W     W
  Sim – Substitua o ECM por um em boas condições de
        funcionamento e inspecione novamente; para
        procedimentos de registro de chaves, consulte a
        página 21-4.
  Não – Sensor de O2 defeituoso.




                                                                                                           5-29
SISTEMA DE ALIMENTAÇÃO (PGM-FI)                                                                       SHADOW 750


24 PISCADAS (AQUECEDOR DO SENSOR DE O2
DIANTEIRO)

Consulte a página 5-28.

29 PISCADAS (VÁLVULA IAC)

NOTA
 Antes de iniciar a diagnose de defeitos, inspecione o conector
 4P da válvula IAC quanto a mau-contato ou terminais
 corroídos e verifique novamente a indicação do MIL.

1. Inspeção de Curto-circuito da Válvula IAC

  Desligue o interruptor de ignição.
  Desacople o conector 4P (Preto) da válvula IAC.                 CONECTOR 4P DA VÁLVULA IAC
  Inspecione as continuidades entre o conector 4P (Preto) da      (Lado dos terminais fêmeas da fiação)
  válvula IAC e o terra.

  Conexão: Amarelo/Verde – Terra
           Preto/Azul – Terra
           Preto – Terra                                                        Y/G Bl/Bu        Bl   Bl/Y
           Preto/Amarelo – Terra

  Há continuidade em todas as situações?
  Sim – • Curto-circuito nos fios Amarelo/Verde ou
          Preto/Azul.
        • Curto-circuito nos fios Preto ou Preto/Amarelo.
  Não – Vá para a etapa 2.


2. Inspeção de Continuidade do Circuito da Válvula IAC

  Acople a fiação de teste aos conectores 33P do ECM
  (página 5-14).

  Inspecione as continuidades entre a fiação de teste e o
  conector 4P (Preto) da válvula IAC.

  Conexão: A16    –   Preto                                                    A16
           A19    –   Amarelo/Verde                                                        A19
           A27    –   Preto/Azul
           A29    –   Preto/Amarelo

  Há continuidade em todas as situações?                                       A27       A29

  Sim – Vá para a etapa 3.
  Não – • Circuito aberto nos fios Preto ou Preto/Azul.
        • Circuito aberto nos fios Preto/Amarelo ou                            Bl
          Amarelo/Verde.
                                                                       Y/G              Bl/Y


                                                                                Bl/Bu



                                                                  CONECTOR 4P DA VÁLVULA IAC
                                                                  (Lado dos terminais fêmeas da fiação)




5-30
SHADOW 750                                                            SISTEMA DE ALIMENTAÇÃO (PGM-FI)


3. Inspeção de Resistência da Válvula IAC

  Acople o conector 4P (Preto) da válvula IAC.
  Meça a resistência entre os terminais da fiação de teste.

  Conexão: A19 – A29                                                    A16     A19
           A16 – A27
  Padrão: 99 – 121 Ω (a 25°C)

  É indicada uma resistência entre 99 e 121 Ω?                          A27    A29

  Sim – Substitua o ECM por um em boas condições de
        funcionamento e inspecione novamente; para
        procedimentos de registro de chaves, consulte a
        página 21-4.
  Não – Válvula IAC defeituosa.


INSPEÇÃO DO CIRCUITO DO MIL
Caso seja possível dar partida no motor e, no entanto, o MIL
não acende quando o interruptor de ignição é ligado e o
interruptor do motor posicionado em “ ”, inspecione como
descrito a seguir:

Verifique se o velocímetro funciona adequadamente.
• Caso não funcione, inspecione a Linha de Entrada de
  Alimentação do velocímetro (página 20-10).
• Caso funcione adequadamente, inspecione a seguir:
                                                                                        MIL
                                                                 VELOCÍMETRO
Desligue o interruptor de ignição.

Acople a fiação de teste aos conectores 33P do ECM (página
5-14).
Aterre o terminal A20 da fiação de teste, utilizando um
jumper.
Ligue o interruptor de ignição, posicione o interruptor do
motor em “ ” e verifique se o MIL acende.
                                                                               A20
                                                                               A20
• Se o MIL acender, substitua o ECM por um em boas
  condições de funcionamento e inspecione novamente; para
  procedimentos de registro de chaves, consulte a página 21-4.
• Se o MIL não acender, inspecione quanto a circuito aberto
  no fio Branco/Azul entre o velocímetro e o ECM.
  Caso a fiação esteja normal, substitua o velocímetro            JUMPER
  (página 20-10).




                                                                                              5-31
SISTEMA DE ALIMENTAÇÃO (PGM-FI)                                                     SHADOW 750


INSPEÇÃO DA LINHA DE COMBUSTÍVEL
ALIVIADOR DE PRESSÃO DE COMBUSTÍVEL

NOTA
 Antes de desconectar a mangueira de combustível, alivie
 a pressão do sistema através do procedimento a seguir.

1. Desligue o interruptor de ignição.

  Remova o conjunto do assento (página 2-3) e desacople o
  conector 2P (Preto) do reservatório/bomba de combustível.
                                                                                  CONECTOR 2P (Preto)
2. Dê partida no motor e mantenha-o funcionando até
   desligar.

3. Desligue o interruptor de ignição.

4. Desconecte o cabo negativo (–) da bateria (página 17-6).




ENCAIXE DE CONEXÃO RÁPIDA

Lado da Bomba de Combustível

NOTA
 Não dobre ou torça a mangueira de combustível.

1. Alivie a pressão de combustível (página 5-32).

2. Inspecione o encaixe de conexão rápida quanto a presença
   de sujeira. Limpe-o se necessário.

  Coloque uma toalha sobre o encaixe de conexão rápida.
                                                                 ENCAIXE DE
3. Segure o conector com uma das mãos e aperte as                CONEXÃO RÁPIDA        TOALHA
   lingüetas retentoras com a outra para soltá-las do encaixe
   de trava.
   Puxe o conector e remova o retentor e a borracha
   conectora da conexão de combustível.

NOTA
                                                                 CONECTOR
 • Utilize uma toalha para secar o restante do combustível
   proveniente da mangueira de alimentação.                                             LINGÜETAS
                                                                                        DE TRAVA
 • Tenha cuidado para não danificar a mangueira ou outros
   componentes.
 • Não utilize ferramentas.
 • Se o conector não se mover, mantenha as lingüetas
   retentoras pressionadas e empurre e puxe                     LINGÜETAS
   alternadamente o conector até que ele possa soltar-se        RETENTORAS               BORRACHA
   facilmente.                                                                           CONECTORA




5-32
SHADOW 750                                                            SISTEMA DE ALIMENTAÇÃO (PGM-FI)


4. Para evitar danos e penetração de materiais estranhos,
   vede o conector solto e a conexão de combustível
                                                                                    SACOS PLÁSTICOS
   utilizando um saco plástico.




Lado do Injetor

1. Alivie a pressão de combustível (página 5-32).

2. Remova o tanque de combustível (página 5-40).

3. Inspecione o encaixe de conexão rápida quanto a presença
   de sujeira. Limpe-o se necessário.

  Coloque uma toalha sobre o encaixe de conexão rápida.

                                                                   TOALHA      ENCAIXE DE CONEXÃO RÁPIDA




4. Remova a borracha conectora de seu retentor.
                                                                  BORRACHA                 CONECTOR
                                                                  DA CONEXÃO
5. Segure o conector com uma das mãos e aperte as
   lingüetas retentoras com a outra para soltá-las do encaixe
   de trava.
   Puxe o conector e remova o retentor e a borracha
                                                                LINGÜETAS
   conectora da conexão de combustível.                         RETENTORAS

NOTA
 • Utilize uma toalha para secar o restante do combustível
   proveniente da mangueira de alimentação.
 • Tenha cuidado para não danificar a mangueira ou outros                    LINGÜETAS DE TRAVA
   componentes.
 • Não utilize ferramentas.
 • Se o conector não se mover, mantenha as lingüetas
   retentoras pressionadas e empurre e puxe                                             SACOS PLÁSTICOS
   alternadamente o conector até que ele possa soltar-se
   facilmente.

6. Para evitar danos e penetração de materiais estranhos,
   cubra o conector e a conexão de combustível com sacos
   plásticos.




                                                                                                  5-33
SISTEMA DE ALIMENTAÇÃO (PGM-FI)                                                        SHADOW 750


INSTALAÇÃO DO ENCAIXE DE CONEXÃO RÁPIDA

• Sempre substitua o retentor do encaixe de conexão rápida
  quando desconectar a mangueira de alimentação de
  combustível.
• Se qualquer retentor necessitar de substituição, utilize um
  de mesmo fabricante do removido (existem diversos
  fabricantes de retentor com diferentes especificações).
• Substitua a borracha conectora por uma nova caso esteja
  danificada ou apresente sinais de cortes.
• Não dobre ou torça a mangueira de alimentação de
  combustível.

Lado da Bomba de Combustível

1. Insira um novo retentor no conector.

NOTA                                                                                     RETENTOR
 Alinhe as lingüetas de trava do novo retentor com as
 ranhuras do conector.




                                                                              Alinhe
                                                                  CONECTOR




2. Instale a borracha conectora na conexão de combustível,
                                                                   CONECTOR     LINGÜETAS DE TRAVA
   como mostra a ilustração.

3. Instale o conector na conexão de combustível, alinhando
   as lingüetas retentoras com as ranhuras da borracha
   conectora.
   Em seguida, pressione o encaixe de conexão rápida no
   conector até que ambas as travas do retentor encaixem-se,                             Alinhe
   emitindo um ruído “click”.

  Caso haja dificuldade em conectar o encaixe, aplique uma
  pequena quantidade de óleo para motor na extremidade                                    BORRACHA
  do tubo.                                                                                CONECTORA



4. Certifique-se de que a conexão esteja firme e de que as
   travas estejam seguramente encaixadas em seu lugar;
   inspecione visualmente, puxando levemente o conector.

5. Eleve a pressão de combustível e certifique-se de que não    CONECTOR
   haja vazamentos no sistema de alimentação de
   combustível (página 5-35).




5-34
SHADOW 750                                                              SISTEMA DE ALIMENTAÇÃO (PGM-FI)


Lado do Injetor
                                                                                             RETENTOR
1. Insira um novo retentor no conector.

NOTA
 Alinhe as lingüetas de trava do novo retentor com as
 ranhuras do conector.



                                                                                   Alinhe
                                                                    CONECTOR
2. Instale a borracha conectora na conexão de combustível,
   como mostra a ilustração.

3. Instale o conector na conexão de combustível, alinhando
                                                                 BORRACHA
   as lingüetas retentoras com as ranhuras da borracha           CONECTORA
   conectora.
   Em seguida, pressione o encaixe de conexão rápida no
   conector até que ambas as travas do retentor encaixem-se,
   emitindo um ruído “click”.

  Caso haja dificuldade em conectar o encaixe, aplique uma
  pequena quantidade de óleo para motor na extremidade             Alinhe
  do tubo.

4. Certifique-se de que a conexão esteja firme e de que as              CONECTOR     LINGÜETAS DE TRAVA
   travas estejam seguramente encaixadas em seu lugar;
   inspecione visualmente, puxando levemente o conector.

5. Instale o tanque de combustível (página 5-40).
                                                                                             CONECTOR
6. Eleve a pressão de combustível e certifique-se de que não
   haja vazamentos no sistema de alimentação de
   combustível (página 5-35).

ELEVAÇÃO DA PRESSÃO DE COMBUSTIVEL

1. Acople o conector 2P (Preto) do reservatório/bomba de
   combustível.

2. Conecte o cabo negativo (-) da bateria.

3. Ligue o interruptor de ignição e posicione o interruptor do
   motor em “ ”.

NOTA
 • Não dê partida no motor.
 • A bomba de combustível funcionará por
   aproximadamente 2 segundos e elevará a pressão de
   combustível. Repita este procedimento por 2 ou 3 vezes
   e certifique-se de que não haja vazamentos de
   combustível no sistema de alimentação.

4. Desligue o interruptor de ignição.

5. Instale o conjunto do assento (página 2-3).

                                                                       CONECTOR 2P (Preto)


                                                                                                 5-35
SISTEMA DE ALIMENTAÇÃO (PGM-FI)                                                            SHADOW 750


VERIFICAÇÃO DA PRESSÃO DE COMBUSTÍVEL
                                                                                   (5)                (4)
Alivie a pressão de combustível e desconecte o encaixe de                                       (1)
conexão rápida do reservatório/bomba de combustível
(página 5-32).
Conecte o manômetro de combustível, os acessório, a                  RETENTOR
conexão e o coletor de admissão.                                     VERDE               RETENTOR
                                                                                         MARROM
Ferramentas:
(1) Manômetro de combustível                07406-0040004              (2)
(2) Manômetro do coletor de admissão        07ZAJ-S5A0111
(3) Acessório da mangueira, 6 mm/9 mm       07ZAJ-S5A0130
(4) Acessório da mangueira, 9 mm/9 mm       07ZAJ-S5A0120
(5) Acessório de conexão, 6 mm/9 mm         07ZAJ-S5A0150

Conecte temporariamente o cabo negativo (–) da bateria.

Acople o conector 2P (Preto) do reservatório/bomba de
combustível.
Dê partida no motor e mantenha-o funcionando em marcha-
lenta.
Faça a leitura da pressão de combustível.

Padrão: 333 – 353 kPa (3,4 – 3,6 kgf/cm2, 49 – 51 psi)            RETENTOR
                                                                  VERDE
Se a pressão de combustível for superior à especificada,
substitua o conjunto da bomba de combustível (bomba de                                   RETENTOR
combustível ou regulador de pressão defeituoso).                                         MARROM

Se a pressão de combustível for inferior à especificada,                     (3)
inspecione os seguintes itens:
– Vazamento na linha de combustível
– Mangueiras de alimentação de combustível ou de respiro
  do tanque de combustível dobradas ou obstruídas
– Reservatório/bomba de combustível (página 5-37)
– Filtro de combustível obstruído (para o conjunto do
  reservatório/bomba de combustível, consulte a página 5-38)

Após a inspeção, alivie a pressão de combustível,
desconectando o encaixe de conexão rápida do
reservatório/bomba de combustível (página 5-32).

NOTA
 Coloque uma toalha ao redor do acessório para absorver
 quaisquer respingos de combustível.

Remova o manômetro de combustível, os acessórios, a            ENCAIXE DE CONEXÃO RÁPIDA
conexão e o coletor de admissão do reservatório/bomba de
combustível.

Conecte o encaixe de conexão rápida ao reservatório/bomba
de combustível (página 5-34).




5-36
SHADOW 750                                                             SISTEMA DE ALIMENTAÇÃO (PGM-FI)


VERIFICAÇÃO DO FLUXO DE COMBUSTÍVEL                            CONECTOR DO RELÉ (Marrom)
                                                               (Lado dos terminais fêmeas da fiação)
Alivie a pressão de combustível e desconecte o encaixe de
                                                                                               JUMPER
conexão rápida do reservatório/bomba de combustível
(página 5-32).
Remova o relé de corte de combustível (página 5-39).

Desligue o interruptor de ignição.

Conecte os terminais dos fios Marrom e Preto/Branco, no
lado da fiação, utilizando um jumper.
                                                                                      Bl/W Br


Conecte o acessório da mangueira ao tubo de combustível do
reservatório/bomba de combustível.

Ferramenta:                                                    ACESSÓRIO, 6 mm/9 mm
Acessório da mangueira, 6 mm/9 mm 07ZAJ-S5A0130

Coloque a extremidade da mangueira em um recipiente
aprovado para gasolina.

NOTA

 Seque imediatamente os respingos de combustível.



Conecte temporariamente o cabo negativo (–) da bateria.
Acople o conector 2P (Preto) do reservatório/bomba de
combustível.

Ligue o interruptor de ignição e mantenha o interruptor do
motor posicionado em “ ” por 10 segundos.
Meça a quantidade de fluxo de combustível.

Quantidade de fluxo de combustível:
Mínimo de 50 cm3/10 segundos em 12 V

Se o fluxo de combustível for inferior ao especificado,
inspecione os seguintes componentes:
– Bomba de combustível (página 5-57)
– Filtro de combustível obstruído (para o conjunto do
  reservatório/bomba de combustível, consulte a página 5-38)

Conecte o encaixe de conexão rápida ao reservatório/bomba
de combustível (página 5-34).


RESERVATÓRIO/BOMBA DE COMBUSTÍVEL
INSPEÇÃO
Ligue o interruptor de ignição, posicione o interruptor do
motor em “ ” e verifique se a bomba de combustível é
acionada por alguns segundos.
Caso a bomba de combustível não funcione, inspecione-a da
seguinte maneira:

Desligue o interruptor de ignição.

Remova o conjunto do assento (página 2-3).

Desacople o conector 2P (Preto) do reservatório/bomba de
combustível.

                                                                         CONECTOR 2P (Preto)


                                                                                                        5-37
SISTEMA DE ALIMENTAÇÃO (PGM-FI)                                                          SHADOW 750

Ligue o interruptor de ignição, posicione o interruptor do
motor em “ ” e meça a voltagem entre os seguintes              CONECTOR 2P DA BOMBA DE COMBUSTÍVEL
                                                               (Lado dos terminais fêmeas da fiação)
terminais.

Conexão: Marrom (+) – Verde (–)

Deve ser indicada a voltagem da bateria por alguns segundos.                    Br        G
Caso seja indicada a voltagem da bateria por alguns
segundos, substitua a bomba de combustível.

Caso não seja indicada a voltagem da bateria, inspecione os
seguintes componentes:

– Circuito aberto no fio Marrom e/ou Verde
– Fusível secundário, 10 A (Instrumentos)
– Fusível secundário, 10 A (Ignição, Partida)
– Fusível principal, 30 A
– Fusível FI, 15 A
– Relé de corte de combustível (página 5-39)
– Relé de parada do motor (página 5-54)
– Interruptor do motor (página 20-20)
– Sensor de inclinação do chassi (página 5-52)
– ECM (página 5-55)




                                                               MANGUEIRA
                                                               DE COMBUSTÍVEL        MANGUEIRA DE RETORNO
REMOÇÃO

NOTA
 Não desmonte o reservatório/bomba de combustível.

Alivie a pressão de combustível e desconecte o encaixe de
conexão rápida do reservatório/bomba de combustível
(página 5-32).

Remova os seguintes componentes:
– Tanque de combustível (página 5-40)
– Mangueira de retorno de vaporização de combustível
– Mangueira de combustível                                                   ENCAIXE DE CONEXÃO RÁPIDA
                                                                     RESERVATÓRIO/BOMBA DE COMBUSTÍVEL
Remova os parafusos, os espaçadores e o
reservatório/bomba de combustível.

Inspecione o reservatório/bomba de combustível quanto a
danos e substitua-o se necessário.




                                                                          PARAFUSOS/ESPAÇADORES


5-38
SHADOW 750                                                            SISTEMA DE ALIMENTAÇÃO (PGM-FI)


INSTALAÇÃO
                                                            PARAFUSOS/ESPAÇADORES
Instale o reservatório/bomba de combustível no chassi,
alinhando sua lingüeta com a borracha do chassi.

Instale os espaçadores e parafusos.
Aperte seguramente os parafusos.                             RESERVATÓRIO/BOMBA
                                                             DE COMBUSTÍVEL




                                                                                         Alinhe


                                                            MANGUEIRA
                                                            DE COMBUSTÍVEL       MANGUEIRA DE RETORNO
Conecte as mangueiras de combustível e de retorno de
vaporização de combustível ao reservatório/bomba de
combustível, como mostra a ilustração.

Instale o tanque de combustível (página 5-40).

Conecte o encaixe de conexão rápida ao reservatório/bomba   (Dianteira)
de combustível (página 5-34).



                                                                  5 – 8 mm


                                                                             ENCAIXE DE CONEXÃO RÁPIDA
                                                                               COMPARTIMENTO DE RELÉS

RELÉ DE CORTE DE COMBUSTÍVEL
INSPEÇÃO

Remova a tampa lateral esquerda (página 2-4).

Remova o compartimento de relés.




                                                                                                  5-39
SISTEMA DE ALIMENTAÇÃO (PGM-FI)                                                          SHADOW 750

Solte as lingüetas e remova o conector do relé (Marrom) do       COMPARTIMENTO
compartimento de relés.                                          DE RELÉS         CONECTOR (Marrom)

Desacople o conector do relé de corte de combustível.




                                                                RELÉ DE CORTE DE COMBUSTÍVEL   LINGÜETAS


                                                               RELÉ DE CORTE DE COMBUSTÍVEL
Conecte um ohmímetro entre os terminais do conector do
relé de corte de combustível.

Conexão: A – B

Conecte uma bateria de 12 V entre os seguintes terminais do
conector do relé de corte de combustível.

Conexão: C – D

Deve haver continuidade somente enquanto a bateria de 12 V
estiver conectada.

Se não houver continuidade enquanto a bateria de 12 V
                                                                    A        B       D           C
estiver conectada, substitua o relé de corte de combustível.
                                                                    CONECTORES


TANQUE DE COMBUSTÍVEL
REMOÇÃO/INSTALAÇÃO

Remova os seguintes componentes:
– Conjunto do assento (página 2-3)
– Velocímetro (página 20-12)

Desacople os conectores do sensor de reserva de
combustível.



                                                               PARAFUSO/ARRUELA/ESPAÇADOR
Desconecte a mangueira de respiro do tanque de
combustível.

Remova o parafuso de fixação do tanque de combustível,
juntamente com sua arruela e espaçador.
Remova o tanque de combustível, movendo-o para trás.




                                                                                    MANGUEIRA DE RESPIRO


5-40
SHADOW 750                                                            SISTEMA DE ALIMENTAÇÃO (PGM-FI)


Desconecte as mangueiras de combustível e de retorno de                      TANQUE DE COMBUSTÍVEL
vaporização do tanque de combustível.
Acople as conexões das mangueiras de combustível e de
retorno de vaporização do tanque de combustível.               ARRUELA

Conecte as mangueiras de combustível e de retorno de
vaporização ao tanque de combustível.

Instale o tanque de combustível, inserindo sua ranhura sobre
as borrachas de fixação.

Instale o espaçador e a arruela, mantendo o lado liso da
arruela voltado para trás.

Instale e aperte o parafuso de fixação do tanque de
combustível no torque especificado.                                 ESPAÇADOR


Torque: 27 N.m (2,8 kgf.m)                                     PARAFUSO

Acople os conectores do sensor de reserva de combustível.

Instale os seguintes componentes:
– Conjunto do assento (página 2-3)                                                 MANGUEIRA DE
                                                                                   COMBUSTÍVEL
– Velocímetro (página 20-12)
                                                               MANGUEIRA DE             CONECTORES DO
                                                               RESPIRO DO TANQUE        SENSOR DE RESERVA
                                                               DE COMBUSTÍVEL

                                                                           MANGUEIRA DE RETORNO




CARCAÇA DO FILTRO DE AR
REMOÇÃO

Remova o tanque de combustível (página 5-40).

Remova os parafusos de fixação e espaçadores da carcaça do
filtro de ar.




                                                               PARAFUSOS/ESPAÇADORES
                                                               MANGUEIRA DE RESPIRO DA CARCAÇA DO MOTOR
Desconecte a mangueira de respiro da carcaça do motor da
carcaça do filtro de ar.
Afrouxe o parafuso da braçadeira do tubo de conexão da
carcaça do filtro de ar e solte a carcaça do filtro.




                                                               PARAFUSO DA BRAÇADEIRA         CARCAÇA


                                                                                                  5-41
SISTEMA DE ALIMENTAÇÃO (PGM-FI)                                                           SHADOW 750

Desconecte a mangueira de sucção de ar PAIR e remova a
carcaça do filtro de ar.




                                                               MANGUEIRA DE SUCÇÃO DE AR

DESMONTAGEM/MONTAGEM
                                                                CÂMARA DO FILTRO DE AR

                                                                             0,7 N.m (0,1 kgf.m)




           1,0 N.m (0,1 kgf.m)
                                                                               TUBO DE CONEXÃO DA
                                                                               CÂMARA DO FILTRO DE AR
                                         1,1 N.m (0,1 kgf.m)

                                                        ESPAÇADOR




                                                                                   TAMPA DO FILTRO DE AR



     BUJÃO DE DRENAGEM

             CARCAÇA DO FILTRO DE AR
                                                                                        ·
                                         ELEMENTO
                                                                                  1,5 N.m (0,2 kgf.m)

                                         ANEL DE VEDAÇÃO



INSTALAÇÃO                                                                                    Para cima

Conecte a mangueira de sucção de ar PAIR à carcaça do filtro
de ar, como mostra a ilustração.


                                                                                              5 – 8 mm




                                                               MANGUEIRA DE SUCÇÃO DE AR


5-42
SHADOW 750                                                             SISTEMA DE ALIMENTAÇÃO (PGM-FI)

                                                               MANGUEIRA DE RESPIRO DA CARCAÇA DO MOTOR
Instale a carcaça do filtro de ar no corpo do acelerador.

Aperte o parafuso da braçadeira do tubo de conexão do filtro
de ar no torque especificado.

Torque: 1,0 N.m (0,1 kgf.m)

Conecte a mangueira de respiro da carcaça do motor à
carcaça do filtro de ar.




                                                               PARAFUSO DA BRAÇADEIRA       CARCAÇA

Instale os espaçadores e parafusos de fixação da carcaça do
filtro de ar. Em seguida, aperte seguramente os parafusos de
fixação.

Instale o tanque de combustível (página 5-40).




                                                                PARAFUSOS/ESPAÇADORES
                                                               PARAFUSO
                                                               DA BRAÇADEIRA          CONECTOR 4P (Preto)
CORPO DO ACELERADOR
REMOÇÃO

Remova a carcaça do filtro de ar (página 5-41).

Desacople os conectores 4P (Preto) da válvula IAC e 5P
(Preto) do conjunto de sensores.
Solte o parafuso da braçadeira do isolante.

Remova o corpo do acelerador do isolante.


                                                                  CONECTOR 5P (Preto)
                                                               CABOS DO ACELERADOR
Solte a contraporca do cabo do acelerador e os ajustadores.
Em seguida, desconecte os cabos do tambor do acelerador e
do suporte de cabos.




                                                                 CORPO DO ACELERADOR


                                                                                                 5-43
SISTEMA DE ALIMENTAÇÃO (PGM-FI)                                                              SHADOW 750


DESMONTAGEM/MONTAGEM

NOTA
 • O corpo do acelerador é pré-ajustado na fábrica. Não o
   desmonte de maneira diferente da apresentada neste
   manual.
 • Não altere a posição da válvula de aceleração de
   completamente aberta para completamente fechada
   após remover o cabo do acelerador, podendo causar
   funcionamento irregular em marcha-lenta.
 • Tenha cuidado para não danificar o corpo do acelerador
   e a válvula de aceleração.
 • Não solte ou aperte os parafusos do corpo do acelerador
   pintados na cor branca, podendo causar falhas no
   funcionamento da válvula de aceleração e no controle de
   marcha-lenta.
 • Execute o procedimento de reinicialização da válvula de
   aceleração completamente fechada (página 5-46) caso
   seu sensor tenha sido removido do corpo do acelerador.

Para substituição da válvula IAC, consulte a página 5-57.

           3,4 N.m (0,3 kgf.m)

                                  2,1 N.m (0,2 kgf.m)




                                                                                         PARAFUSO BRANCO
                                                                           PARAFUSO BRANCO
                                                3,4 N.m (0,3 kgf.m)

                                                                      ANEL DE VEDAÇÃO
Remova os parafusos Torx, o conjunto de sensores e o anel
de vedação do corpo do acelerador caso seja necessário.

Aplique ar comprimido em todas as passagens de ar e
orifícios do sensor no corpo do acelerador.

NOTA
 • Limpar as passagens de ar e orifícios do sensor com um
   pedaço de arame danificará o corpo do acelerador.
 • Remova a válvula IAC (página 5-58) ao limpar o corpo
   do acelerador com ar comprimido.


                                                                        PARAFUSOS TORX   CONJUNTO DE SENSORES


5-44
SHADOW 750                                                            SISTEMA DE ALIMENTAÇÃO (PGM-FI)

                                                              ANEL DE VEDAÇÃO            CONJUNTO DE SENSORES
Instale um novo anel de vedação na ranhura do corpo do
acelerador.

Instale o conjunto de sensores, alinhando a fenda do sensor
TP com o eixo da válvula de aceleração.

Aperte os parafusos Torx no torque especificado.

Torque: 3,4 N.m (0,3 kgf.m)




                                                                              Alinhe
                                                              CABOS DO ACELERADOR
INSTALAÇÃO

Conecte os cabos ao tambor do acelerador e ao suporte de
cabos.

NOTA
 Passe adequadamente os cabos do acelerador (página 1-20).




                                                              TAMBOR DO ACELERADOR

Instale o corpo do acelerador no isolante, alinhando sua
lingüeta com a fenda do isolante.




                                                                                Alinhe




                                                                    CORPO DO ACELERADOR

Aperte o parafuso da braçadeira do isolante, de forma que a
distância entre as extremidades da braçadeira seja de 7,5 ±      7,5 ± 1,0 mm
1,0 mm.




                                                                                                     5-45
SISTEMA DE ALIMENTAÇÃO (PGM-FI)                                                                SHADOW 750
                                                                 CONECTOR 5P (Preto)
Acople os conectores 5P (Preto) do conjunto de sensores e 4P
(Preto) da válvula IAC.

Ajuste a folga da manopla do acelerador (página 3-5).

Instale a carcaça do filtro de ar (página 5-41).




PROCEDIMENTO DE REINICIALIZAÇÃO DA VÁLVULA
                                                                                             CONECTOR 4P (Preto)
DE ACELERAÇÃO COMPLETAMENTE FECHADA
                                                                                            CONECTOR SCS
Execute o procedimento de reinicialização da válvula de
aceleração completamente fechada caso o conjunto de
sensores tenha sido removido.

Remova a tampa lateral direita (página 2-4).

1. Apague os DTCs da memória (página 5-14).

2. Desligue o interruptor de ignição.

3. Remova o conector inativo e faça um curto-circuito entre
   os terminais do DLC, utilizando a ferramenta especial.

Ferramentas:                                                                      DLC
Conector SCS                              070PZ-ZY30100
                                                                  CONECTOR 3P DO SENSOR ECT
4. Desacople o conector 3P (Cinza) do sensor ECT.                 (Lado dos terminais fêmeas da fiação)
  Faça um curto-circuito entre os terminais do conector 3P
  (Cinza) do sensor ECT, no lado da fiação, utilizando um
  jumper.                                                                            P/W          G/O

Conexão: Rosa/Branco – Verde/Laranja




                                                                            JUMPER



5. Ligue o interruptor de ignição e posicione o interruptor do
   motor em “ “.

  Remova o jumper da fiação enquanto o MIL estiver
  piscando (10 segundos).




                                                                                                   MIL




5-46
SHADOW 750                                                                  SISTEMA DE ALIMENTAÇÃO (PGM-FI)


6. Verifique se ocorre indicação do MIL.

  Se o MIL começar a piscar rapidamente (0,3 segundos), a reinicialização da válvula de aceleração estará terminada.




                                                 10 seg.                     0,3 seg.

                                                                             0,3 seg.
                                  0,1 seg.


             MIL ACESO                     1,2 seg.


          MIL APAGADO

                              MODELO DE RECEBIMENTO             MODELO DE CONCLUSÃO




  Se o MIL permanecer aceso, a reinicialização da válvula de aceleração não foi completada. Repita novamente este
  procedimento a partir da etapa 1.




                                                                  PARAFUSO DA BRAÇADEIRA

COLETOR DE ADMISSÃO
REMOÇÃO

Alivie a pressão de combustível e desconecte o encaixe de
conexão rápida do reservatório/bomba de combustível
(página 5-32).
Desconecte o encaixe de conexão rápida da conexão do
injetor (página 5-49).

Remova o corpo do acelerador (página 5-43).

Solte o parafuso da braçadeira do isolante e remova o
isolante do coletor de admissão.                                            ISOLANTE

Desacople os conectores 2P (Cinza) do injetor.




                                                                  CONECTORES 2P (Cinza)


                                                                                                             5-47
SISTEMA DE ALIMENTAÇÃO (PGM-FI)                                                      SHADOW 750
                                                                 PARAFUSOS
Remova os parafusos, o coletor de admissão e os anéis de
vedação.

Vede as portas de admissão do cabeçote, utilizando fita
adesiva ou um pano limpo, a fim de evitar penetração de
sujeira e corpos estranhos no interior do motor.

Para remoção do injetor, consulte a página 5-49.




                                                           COLETOR DE ADMISSÃO       ANÉIS DE VEDAÇÃO

INSTALAÇÃO

Instale novos anéis de vedação no coletor de admissão.

Instale os injetores caso tenham sido removidos
(página 5-50).




                                                             ANÉIS DE VEDAÇÃO
                                                                  PARAFUSOS
Instale o coletor de admissão nos cabeçotes.
Instale os parafusos e aperte-os em seguida.




                                                             COLETOR DE ADMISSÃO

Acople os conectores 2P (Cinza) do injetor.




                                                                                               Alinhe




                                                             CONECTORES 2P (Cinza)


5-48
SHADOW 750                                                            SISTEMA DE ALIMENTAÇÃO (PGM-FI)


Instale o isolante, mantendo sua marca “THROT BODY”
voltada para o lado do corpo do acelerador, alinhando sua
fenda com a lingüeta do coletor de admissão.

                                                                                          Alinhe




                                                                                       MARCA “THROT BODY”
                                                                   ISOLANTE



Aperte o parafuso da braçadeira do isolante, de forma que a
distância entre as extremidades da braçadeira seja de 14,5 ±     14,5 ± 1,0 mm
1,0 mm,

Instale o corpo do acelerador (página 5-45).

Conecte o encaixe de conexão rápida à conexão do injetor
(página 5-35).

Conecte o encaixe de conexão rápida ao reservatório/bomba
de combustível (página 5-34).




INJETOR                                                           ESTETOSCÓPIO

INSPEÇÃO

Dê partida no motor e mantenha-o funcionando em marcha-
lenta.
Certifique-se de que o injetor emite um ruído de
funcionamento, utilizando uma haste sonora ou um
estetoscópio.




REMOÇÃO

Desconecte o encaixe de conexão rápida da conexão do
injetor (página 5-33).

Desacople os conectores 2P (Cinza) do injetor.




                                                               CONECTORES 2P (Cinza)


                                                                                                   5-49
SISTEMA DE ALIMENTAÇÃO (PGM-FI)                                                           SHADOW 750
                                                              TAMPA DE INJETORES
Remova os parafusos e a capa de injetores, juntamente com
os injetores, do coletor de admissão.




                                                                PARAFUSOS                      INJETORES
                                                              ANEL DE VEDAÇÃO           TAMPA DE INJETORES
Remova os injetores de sua capa.

Remova o anel de vedacão e os anéis retentores.




                                                              ANÉIS RETENTORES             INJETORES
                                                                     ANÉIS RETENTORES     ANEL DE VEDAÇÃO
INSTALAÇÃO

Cubra novos anéis de vedação e anéis retentores com óleo
para motor.

Instale os novos anéis de vedação e anéis retentores, tendo
cuidado para não danificá-los.

NOTA
 Substitua os anéis de vedação e anéis retentores em
 conjunto por novos.


                                                                                           INJETOR
                                                              TAMPA DE INJETORES        LINGÜETA
Instale os injetores em sua tampa.

Alinhe a lingüeta da tampa de injetores com os terminais do
injetor, como mostra a ilustração.




                                                                                          INJETORES


5-50
SHADOW 750                                                              SISTEMA DE ALIMENTAÇÃO (PGM-FI)

                                                                TAMPA DE INJETORES
Instale a tampa de injetores, juntamente com os injetores, no
coletor de admissão.

Instale e aperte os parafusos no torque especificado.

Torque: 5,1 N.m (0,5 kgf.m)




                                                                               PARAFUSOS
                                                                                     CONECTORES 2P (Cinza)
Acople os conectores 2P (Cinza) do injetor.

NOTA
 Alinhe a lingüeta da tampa de injetores com a ranhura do
 conector do injetor, como mostra a ilustração.

Conecte o encaixe de conexão rápida à conexão do injetor
(página 5-35).




                                                                                                           Alinhe
SENSOR ECT                                                                           CONECTOR 3P (Cinza)


REMOÇÃO/INSTALAÇÃO

Drene o líquido de arrefecimento do sistema (página 6-6).
Remova as tampas laterais da coluna de direção (página 2-4).

Desacople o conector 3P (Cinza) do sensor ECT.
Remova o sensor ECT e a arruela de vedação.

NOTA
 Substitua o sensor ECT enquanto o motor estiver frio.

Instale uma nova arruela de vedação e o sensor ECT.             ARRUELA DE VEDAÇÃO          SENSOR ECT
Aperte o sensor ECT no torque especificado.

Torque: 24,5 N.m (2,5 kgf.m)

NOTA
 Sempre substitua a arruela de vedação por uma nova.

Acople o conector 3P (Cinza) do sensor ECT.

Instale as tampas laterais da coluna de direção (página 2-4).

Abasteça o sistema de arrefecimento, utilizando o líquido
recomendado (página 6-6).




                                                                                                     5-51
SISTEMA DE ALIMENTAÇÃO (PGM-FI)                                                            SHADOW 750


SENSOR DE INCLINAÇÃO DO CHASSI
INSPEÇÃO
Apóie seguramente a motocicleta sobre uma superfície plana.

Remova os seguintes componentes:
– Tampas laterais da coluna de direção (página 2-4)
– Tanque de combustível (página 5-40)

Desacople o conector 3P (Preto) do sensor de inclinação do
chassi e conecte a fiação de teste.

Ferramenta                                                          FIAÇÃO DE TESTE PARA INSPEÇÃO
Fiação de teste para inspeção           07GMJ-ML80100

Ligue o interruptor de ignição e posicione o interruptor do
motor em “ ”.

Meça a voltagem entre os terminais da fiação de teste.

          Conexão                          Padrão
Presilha Branca (+) –
                                     Voltagem da bateria
Presilha Vermelha (–)
Presilha Verde (+) –
                                            0–1V
Presilha Vermelha (–)

Desligue o interruptor de ignição.

Desacople a fiação de teste para inspeção e acople o conector
3P (Preto) do sensor de inclinação do chassi.

Remova a cinta da fiação, o parafuso e o conjunto do             CINTA DA FIAÇÃO                    PARAFUSO
suporte/sensor de inclinação do chassi.

NOTA
 Não desacople o conector do sensor de inclinação do
 chassi durante esta inspeção.




Posicione o sensor de inclinação do chassi na horizontal
(posição normal), como mostra a ilustração, ligue o
interruptor de ignição e posicione o interruptor do motor em
“ “.
                                                                    SUPORTE/SENSOR DE INCLINAÇÃO DO CHASSI
O sensor de inclinação estará normal se o relé de parada do
motor emitir um ruído “click” e a alimentação for
interrompida.                                                                        SENSOR DE INCLINAÇÃO
                                                                                     DO CHASSI A 42,5°
Incline o sensor de inclinação do chassi em
aproximadamente 42,5° para a esquerda ou direita e
mantenha o interruptor de ignição ligado e o interruptor do
motor posicionado em “ “.
                                                                       POSIÇÃO       Aproximadamente 42,5°
O sensor de inclinação estará normal se o relé de parada do            NORMAL
motor emitir um ruído “click” e a alimentação do motor for
restabelecida.

Caso este teste seja repetido, primeiro desligue o interruptor
de ignição e torne a ligá-lo novamente.                                              Aproximadamente 42,5°




5-52
SHADOW 750                                                             SISTEMA DE ALIMENTAÇÃO (PGM-FI)

                                                                CINTA DA FIAÇÃO
REMOÇÃO/INSTALAÇÃO

Remova os seguintes componentes:
– Tanque de combustível (página 5-40)
– Tampas laterais da coluna de direção (página 2-4)

Remova a cinta da fiação e desacople o conector 3P (Preto)
do sensor de inclinação do chassi.




                                                                  CONECTOR 3P (Preto)
                                                               SUPORTE/SENSOR DE
                                                               INCLINAÇÃO DO CHASSI           PARAFUSO
Remova o parafuso e o suporte/sensor de inclinação do
chassi.




                                                                 SUPORTE
Remova os parafusos, os espaçadores e o sensor de
inclinação do chassi de seu suporte.

Instale o sensor de inclinação do chassi em seu suporte.

Instale os espaçadores e parafusos. Em seguida, aperte
seguramente os parafusos.




                                                                                   PARAFUSOS/ESPAÇADORES

Instale o sensor de inclinação do chassi, mantendo sua marca
                                                                 MARCA
“UP” voltada para cima.

Instale os componentes removidos na ordem inversa da
remoção.

NOTA
 Passe adequadamente a fiação do sensor (página 1-20).




                                                                                                5-53
SISTEMA DE ALIMENTAÇÃO (PGM-FI)                                                            SHADOW 750
                                                                                  COMPARTIMENTO DE RELÉS

RELÉ DE PARADA DO MOTOR
INSPEÇÃO

Remova a tampa lateral esquerda (página 2-4).

Remova o compartimento de relés.




Solte as lingüetas e remova o conector (Marrom) do            COMPARTIMENTO DE RELÉS
compartimento de relés.                                                                    RELÉ DE PARADA
                                                                                           DO MOTOR
Remova o relé de parada do motor de seu conector.




                                                              CONECTOR (Marrom)                LINGÜETAS


                                                                     RELÉ DE PARADA DO MOTOR
Conecte um ohmímetro entre os terminais do conector do
relé de parada do motor.

Conexão: A – B

Conecte uma bateria de 12 V entre os seguintes terminais do
conector do relé de parada do motor.

Conexão: C – D

Deve haver continuidade somente enquanto a bateria de 12 V
estiver conectada.

Se não houver continuidade enquanto a bateria de 12 V
                                                                 A         B           D          C
estiver conectada, substitua o relé de parada do motor.




5-54
SHADOW 750                                                       SISTEMA DE ALIMENTAÇÃO (PGM-FI)



ECM
INSPEÇÃO DA LINHA DE ALIMENTAÇÃO/TERRA DO
ECM
                                                                A4
O motor não dá partida (não há indicação do MIL)

1. Inspeção da Voltagem de Entrada de Alimentação do ECM

  Acople os terminais da fiação de teste aos conectores 33P
  do ECM (página 5-14).

  Ligue o interruptor de ignição e posicione o interruptor do
  motor em “ ”.

  Meça a voltagem entre o terminal da fiação de teste e o
  terra.

  Conexão: A4 (+) – Terra (–)

  É indicada a voltagem da bateria?
  Sim – Vá para a etapa 2.                                      A23                      B4
                                                                                         B4
  Não – Vá para a etapa 3.

2. Inspeção da Linha do Terra do ECM

  Desligue o interruptor de ignição.

  Inspecione a continuidade entre os terminais da fiação de
  teste e o terra.

  Conexão: A23 – Terra
           B4 – Terra
                                                                      CONECTOR (Marrom) DO RELÉ
  Há continuidade em todas as situações?                              (Lado dos terminais fêmeas da fiação)
  Sim – Substitua o ECM por um em boas condições de
        funcionamento e inspecione novamente; para                                 Bl
        procedimentos de registro de chaves, consulte a
        página 21-4.
  Não – Circuito aberto na fiação da Linha do Terra.

3. Inspeção 1 do Relé de Parada do Motor

  Desligue o interruptor de ignição.
                                                                                 R/Bu
  Remova o relé de parada do motor de seu conector
  (página 5-54).

  Ligue o interruptor de ignição e posicione o interruptor do
  motor em “ ”.

  Meça a voltagem entre os terminais do relé de parada do
  motor.

  Conexão: Preto (+) – Vermelho/Azul (–)

  É indicada a voltagem da bateria?
  Sim – Vá para a etapa 4.
  Não – Inspecione o sensor de inclinação do chassi
        (página 5-52).




                                                                                                  5-55
SISTEMA DE ALIMENTAÇÃO (PGM-FI)                                                             SHADOW 750

4. Inspeção 2 do Relé de Parada do Motor

  Desligue o interruptor de ignição.                                      CONECTOR (Marrom) DO RELÉ
                                                                          (Lado dos terminais fêmeas da fiação)
  Faça um curto-circuito entre os terminais do conector do
  relé de parada do motor.
                                                                                 R/W
  Conexão: Preto/Branco – Vermelho/Branco

  Ligue o interruptor de ignição e posicione o interruptor do
  motor em “ ”.

  Meça a voltagem entre o terminal da fiação de teste e o
  terra.
                                                                              Bl/W
  Conexão: A4 (+) – Terra (–)

  É indicada a voltagem da bateria?
  Sim – • Inspecione o relé de parada do motor                  JUMPER
          (página 5-54).
        • Inspecione o interruptor do motor (página 20-20).
  Não – • Circuito aberto nos fios Preto/Branco ou
          Vermelho/Branco entre a bateria e o ECM.
        • Fusível FI (15 A) defeituoso.
                                                                     A4




REMOÇÃO/INSTALAÇÃO                                              CONECTOR                      CONECTOR
                                                                33P (Preto)                   33P (Cinza)
Remova a tampa do compartimento da bateria (página 17-6).
                                                                TAMPA
Desligue o interruptor de ignição.                                                                   ECM

Abra a tampa.

Solte a lingüeta e remova o ECM.
Desacople os conectores 33P (Preto e Cinza) do ECM.

NOTA
                                                                                                  LINGÜETA
 Tenha cuidado para não danificar o ECM e sua fiação.



A instalação é feita na ordem inversa da remoção.

Torque:
Parafuso da tampa do
compartimento da bateria                1 N.m (0,1 kgf.m)




5-56
SHADOW 750                                                             SISTEMA DE ALIMENTAÇÃO (PGM-FI)



MARCHA-LENTA
INSPEÇÃO DA MARCHA-LENTA

NOTA
 • Inspecione a marcha-lenta do motor após ter executado
   todos os outros reparos e os itens de manutenção
   estarem de acordo com a especificação.
 • Antes de inspecionar a marcha-lenta, execute as
   seguintes verificações:
   – Não haja indicação do MIL
   – Condições das velas de ignição (página 3-7)
   – Condições do filtro de ar (página 3-6)
 • O motor deve estar quente para uma inspeção precisa
   da marcha-lenta
 • Este sistema elimina a necessidade de ajuste manual da
   marcha-lenta se comparado a versões anteriores.
 • Utilize um tacômetro com graduações de 50 rpm ou
   inferior, capaz de indicar precisamente alterações dessa
   ordem.

Dê partida no motor e mantenha-o funcionando até que o
líquido de arrefecimento atinja a temperatura de 80°C.

Desligue o motor e conecte um tacômetro de acordo com as
instruções de seu fabricante.

Dê partida no motor e mantenha-o funcionando em marcha-
lenta. Em seguida, inspecione a marcha-lenta.

Marcha-lenta: 1.200 ± 100 rpm

Caso a marcha-lenta não esteja de acordo com a
especificação, inspecione os seguintes itens:

• Funcionamento do acelerador e folga da manopla do
  acelerador (página 3-5)
• Vazamento de ar de admissão ou problemas na parte
  superior do motor (página 8-5)
• Funcionamento da válvula IAC (página 5-57)




VÁLVULA IAC
INSPEÇÃO

Remova a carcaça do filtro de ar (página 5-41).

A válvula IAC encontra-se instalada no corpo do acelerador, e
seu acionamento é feito através de um motor de passo.
Quando o interruptor de ignição é ligado, a válvula IAC é
acionada por alguns segundos.

Inspecione quanto a emissão de um bip de funcionamento
pelo motor de passo, no instante em que o interruptor de
ignição é ligado.
                                                                CORPO DO ACELERADOR    VÁLVULA IAC


                                                                                              5-57
SISTEMA DE ALIMENTAÇÃO (PGM-FI)                                                             SHADOW 750
                                                                 VÁLVULA IAC
O funcionamento da válvula IAC pode ser inspecionado
visualmente através do procedimento a seguir:
• Remova a válvula IAC (página 5-58) do corpo do acelerador,
  mantendo seu conector 4P (Preto) acoplado. Em seguida,
  ligue o interruptor de ignição.




                                                                      CONECTOR 4P (Preto)
                                                                PLACA                       PARAFUSOS
                                                                DE FIXAÇÃO    VÁLVULA IAC   TORX
REMOÇÃO

NOTA
 Sempre limpe o corpo do acelerador antes de remover a
 válvula IAC, a fim de evitar penetração de sujeira ou
 corpos estranhos nas passagens da válvula IAC.

Remova a carcaça do filtro de ar (página 5-41).

Desacople o conector 4P (Preto) da válvula IAC.

Remova os parafusos Torx, a placa de fixação e a válvula IAC.
                                                                   CONECTOR 4P (Preto)
                                                                                         VÁLVULA DESLIZANTE
INSTALAÇÃO

Gire a válvula deslizante em sentido horário até se assentar
levemente na válvula IAC.




                                                                       RANHURA                 PINO-GUIA
Instale um novo anel de vedação na válvula IAC.

Instale a válvula IAC no corpo do acelerador, alinhando o
encaixe da válvula com o pino-guia do corpo do acelerador.




                                                                                 ANEL DE VEDAÇÃO


5-58
SHADOW 750                                                             SISTEMA DE ALIMENTAÇÃO (PGM-FI)

                                                                                          PLACA DE FIXAÇÃO
Instale a placa de fixação, alinhando sua ranhura com a guia
da válvula IAC.

Acople o conector 4P (Preto) da válvula IAC.




                                                                                Alinhe




                                                               CONECTOR 4P (Preto)
                                                                                         PARAFUSOS TORX
Instale e aperte os parafusos Torx no torque especificado.

Torque: 2,1 N.m (0,2 kgf.m)

Instale a carcaça do filtro de ar (página 5-41).




SISTEMA SECUNDÁRIO DE
FORNECIMENTO DE AR
INSPEÇÃO DO SISTEMA

Dê partida no motor e mantenha-o funcionando até que o
líquido de arrefecimento atinja a temperatura de 80°C.

Desligue o motor.

Remova a tampa do filtro de ar (página 3-6).

Verifique se a porta de admissão de ar secundário encontra-    PORTA DE ADMISSÃO DE AR
se limpa e sem depósitos de carvão.

Inspecione a válvula de inspeção PAIR caso haja depósitos de
carvão ou fuligem na porta de admissão de ar (página 5-61).




                                                                                                  5-59
SISTEMA DE ALIMENTAÇÃO (PGM-FI)                                                              SHADOW 750

Dê partida no motor e acelere levemente para certificar-se de
que o ar é sugado através da mangueira de fornecimento de
ar.
                                                                VÁLVULA SOLENÓIDE DE CONTROLE PAIR
Caso o ar não seja sugado, inspecione as mangueiras de
fornecimento de ar quanto a obstruções e a válvula solenóide
de controle PAIR (página 5-60).




                                                                MANGUEIRAS DE FORNECIMENTO DE AR




VÁLVULA SOLENÓIDE DE CONTROLE PAIR                                     VÁLVULA SOLENÓIDE DE CONTROLE PAIR

Inspeção

Remova a válvula solenóide de controle PAIR (página 5-61).

Certifique-se de que não haja fluxo de ar entre as conexões
(A) e (B) enquanto uma bateria de 12 V permanecer                       (B)                          (B)
conectada aos terminais da válvula solenóide de controle
PAIR. Somente deve haver fluxo de ar entre as conexões (A) e
(B) quando não houver voltagem aplicada aos terminais da                                           (A)
válvula.




Meça a resistência entre os terminais do conector.
                                                                VÁLVULA SOLENÓIDE
                                                                (Lado dos terminais machos da válvula solenóide)
Padrão: 23 – 27 Ω (a 20°C)

Se a resistência não estiver de acordo com a especificação,
substitua a válvula solenóide de controle PAIR.




5-60
SHADOW 750                                                              SISTEMA DE ALIMENTAÇÃO (PGM-FI)

                                                               CONECTOR 2P (Preto)     VÁLVULA SOLENÓIDE
REMOÇÃO/INSTALAÇÃO
Remova o tanque de combustível (página 5-40).

Desacople o conector 2P (Preto) da válvula solenóide de
controle PAIR.

Desconecte as mangueiras de sucção e fornecimento de ar da
válvula solenóide de controle PAIR.

Remova a válvula solenóide de controle PAIR de seu suporte
no chassi.

A instalação é feita na ordem inversa da remoção.

                                                               MANGUEIRAS DE             MANGUEIRA DE
                                                               FORNECIMENTO DE AR        SUCÇÃO DE AR
                                                                                             PARAFUSOS
INSPEÇÃO DA VÁLVULA DE INSPEÇÃO PAIR                           DIANTEIRO:            TRASEIRO:
Remova o tanque de combustível (página 5-40).

Remova os parafusos e a tampa da válvula de inspeção PAIR.




                                                                  TAMPAS DAS VÁLVULAS DE INSPEÇÃO PAIR

Remova a válvula de inspeção PAIR da tampa do cabeçote.
                                                               DIANTEIRO:            TRASEIRO:




                                                                       VÁLVULAS DE INSPEÇÃO PAIR
                                                               LIMITADOR DA PALHETA
Inspecione a palheta quanto a danos ou fadiga. Substitua-a
se necessário.
Substitua a válvula de inspeção PAIR caso sua sede de
borracha esteja trincada, deteriorada ou danificada.
Substitua-a também caso haja folga entre a palheta e a sede.

Instale a válvula de inspeção PAIR na ordem inversa da
remoção.

Torque:
Parafuso da tampa da válvula
de inspeção PAIR                       7 N.m (0,7 kgf.m)


                                                                            PALHETA SEDE DE BORRACHA


                                                                                                   5-61
SISTEMA DE ALIMENTAÇÃO (PGM-FI)                                       SHADOW 750


SENSOR DE O2
REMOÇÃO

NOTA
 • Os procedimentos a seguir tanto aplicam-se ao sensor
   de O2 dianteiro como ao traseiro.
 • Tenha cuidado ao manusear o sensor de O2.
 • Não aplique graxa, óleo ou outros materiais no orifício
   de ar do sensor de O2.



Remova o sistema de escapamento (página 2-9).
                                                                CHAVE PARA SENSOR DE O2
NOTA
 Não execute reparos no sensor de O2 enquanto o sensor
 permanecer quente.

Remova o sensor de O2, utilizando a ferramenta especial.

Ferramenta:
Chave para sensor de O2                 07LAA-PT50101

NOTA
 • Tenha cuidado para não danificar a fiação do sensor de O2.
 • Não utilize chaves de impacto ao remover ou instalar o
   sensor de O2.                                                     SENSOR DE O2
                                                                     SENSOR DE O2


INSTALAÇÃO

Instale o sensor de O2 e aperte-o no torque especificado.

Torque: 44 N.m (4,5 kgf.m)

Ferramenta:
Chave para sensor de O2                 07LAA-PT50101

Instale o sistema de escapamento (página 2-12).




5-62
SHADOW 750          6. SISTEMA DE ARREFECIMENTO
 DIAGRAMA DE FLUXO DO SISTEMA   6-2   ALOJAMENTO DO TERMOSTATO     6-9
 INFORMAÇÕES DE SERVIÇO         6-3   RADIADOR/VENTOINHA
                                      DE ARREFECIMENTO             6-11
 DIAGNOSE DE DEFEITOS           6-4
                                      BOMBA DE ÁGUA                6-16
 VERIFICAÇÃO DO SISTEMA         6-5
                                      RESERVATÓRIO DO RADIADOR     6-17
 SUBSTITUIÇÃO DO LÍQUIDO
 DE ARREFECIMENTO               6-6   RELÉ DE CONTROLE DA
                                      VENTOINHA DE ARREFECIMENTO   6-18
 TERMOSTATO                     6-8




                                                                    6-1
SISTEMA DE ARREFECIMENTO                                  SHADOW 750


DIAGRAMA DE FLUXO DO SISTEMA

                            TERMOSTATO




    RADIADOR
                           BOMBA DE ÁGUA




                                           RESERVATÓRIO




6-2
SHADOW 750                                                                         SISTEMA DE ARREFECIMENTO



INFORMAÇÕES DE SERVIÇO
GERAL

c
 • Remover a tampa do radiador enquanto o motor estiver quente pode fazer com que o líquido de arrefecimento
   espirre, causando sérios ferimentos.
 • Sempre espere o motor e o radiador esfriarem antes de remover a tampa do radiador.



NOTA

 Utilizar líquido de arrefecimento com inibidores de corrosão de silicato pode causar desgaste prematuro do vedador
 da bomba de água ou bloquear as passagens de água no radiador. Utilizar água da torneira pode danificar o motor.

• Adicione líquido de arrefecimento pelo reservatório. Não remova a tampa do radiador, exceto para reabastecer ou
  drenar o sistema.
• Todos os procedimentos de reparo no sistema de arrefecimento podem ser executados com o motor instalado no
  chassi.
• Evite espirrar líquido de arrefecimento em superfícies pintadas.
• Após a execução de reparos no sistema, inspecione-o quanto a vazamentos, utilizando um verificador de sistema de
  arrefecimento.
• Para inspeção do sensor de ECT, consulte a página 20-16.

ESPECIFICAÇÕES
                            Item                                                   Especificação
Capacidade de líquido Radiador e motor                                                  1,58 l
de arrefecimento       Reservatório                                                      0,38
Pressão de alívio da tampa do radiador                              108 – 137 kPa (1,1 – 1,4 kgf/cm2, 16 – 20 psi)
Termostato             Início da abertura                                            80 – 84°C
                       Completamente aberto                                             95°C
                       Curso da válvula                                      Mínimo de 8 mm a 95°C
Líquido de arrefecimento recomendado                          “LÍQUIDO DE ARREFECIMENTO HONDA C2702ANT000”
                                                                  Líquido de Arrefecimento de alto desempenho
                                                                              à base de Etilenoglicol


VALORES DE TORQUE

Parafuso de fixação do gargalo de abastecimento do radiador      10 N.m (1,0 kgf.m)
Parafuso da tampa do alojamento do termostato                    10 N.m (1,0 kgf.m)
Parafuso de fixação do motor da ventoinha de arrefecimento       5,1 N.m (0,5 kgf.m)
Porca de fixação da ventoinha de arrefecimento                   2,7 N.m (0,3 kgf.m) Aplique trava-química às roscas.
Parafuso da tampa da bomba de água                               13 N.m (1,3 kgf.m)
Parafuso de fixação do conjunto do
motor da ventoinha de arrefecimento                              8,4 N.m (0,9 kgf.m)
Parafuso da braçadeira da mangueira de água                      Consulte a página 6-10




                                                                                                              6-3
SISTEMA DE ARREFECIMENTO                                                                 SHADOW 750


DIAGNOSE DE DEFEITOS
Temperatura do motor muito alta
• Medidor de temperatura do líquido de arrefecimento do motor ou sensor ECT defeituoso
• Termostato emperrado na posição fechado
• Tampa do radiador defeituosa
• Volume de líquido de arrefecimento insuficiente
• Passagens de água obstruídas no radiador, nas mangueiras ou na jaqueta de água
• Presença de ar no sistema
• Motor da ventoinha de arrefecimento defeituoso
• Bomba de água defeituosa

Temperatura do motor muito baixa
• Termostato emperrado na posição aberto

Vazamento do líquido de arrefecimento
• Vedador mecânico da bomba de água defeituoso
• Anéis de vedação deteriorados
• Tampa do radiador defeituosa
• Junta do cabeçote danificada ou deteriorada
• Conexão da mangueira ou braçadeira solta
• Mangueiras danificadas ou deterioradas




6-4
SHADOW 750                                                                                     SISTEMA DE ARREFECIMENTO

                                                                              TAMPA DO RADIADOR

VERIFICAÇÃO DO SISTEMA
LÍQUIDO DE ARREFECIMENTO (TESTE DE
HIDRÔMETRO)

Remova o tanque de combustível (página 5-40).

Remova a tampa do radiador.




                                                                                      HIDRÔMETRO
Verifique a densidade do líquido de arrefecimento utilizando
um hidrômetro.

Inspecione o líquido de arrefecimento quanto à contaminação
e substitua-o, se necessário.




TABELA DA DENSIDADE DO LÍQUIDO DE ARREFECIMENTO


                                                             Temperatura do líquido de arrefecimento (°C)
                                       0       5      10        15      20        25      30      35         40      45      50
                                5    1,009   1,009   1,008     1,008   1,007    1,006   1,005    1,003      1,001   0,999   0,997
% de Líquido de Arrefecimento




                                10   1,018   1,017   1,017     1,016   1,015    1,014   1,013    1,011      1,009   1,007   1,005
                                15   1,028   1,027   1,026     1,025   1,024    1,022   1,020    1,018      1,026   1,014   1,012
                                20   1,036   1,035   1,034     1,033   1,031    1,029   1,027    1,025      1,023   1,021   1,019
                                25   1,045   1,044   1,043     1,042   1,040    1,038   1,036    1,034      1,031   1,028   1,025
                                30   1,053   1,052   1,051     1,049   1,047    1,045   1,043    1,041      1,038   1,035   1,032
                                35   1,063   1,062   1,060     1,058   1,056    1,054   1,052    1,049      1,046   1,043   1,040
                                40   1,072   1,070   1,068     1,066   1,064    1,062   1,059    1,056      1,053   1,050   1,047
                                45   1,080   1,078   1,076     1,074   1,072    1,069   1,066    1,063      1,060   1,057   1,054
                                50   1,086   1,084   1,082     1,084   1,077    1,074   1,071    1,068      1,065   1,062   1,059
                                55   1,095   1,093   1,091     1,088   1,085    1,082   1,079    1,076      1,073   1,070   1,067
                                60   1,100   1,098   1,095     1,092   1,089    1,086   1,083    1,080      1,077   1,074   1,071




                                                                                                                            6-5
SISTEMA DE ARREFECIMENTO                                                                 SHADOW 750
                                                                               TAMPA DO RADIADOR
INSPEÇÃO DA TAMPA DO RADIADOR/
PRESSURIZAÇÃO DO SISTEMA
Remova a tampa do radiador (página 6-5).
Umedeça as superfícies de vedação e instale a tampa no
verificador.

FERRAMENTAS:
Verificador de pressão do sistema
de arrefecimento                            SVTS4AH
Adaptador do sistema de arrefecimento       OTCJ33984A

Execute o teste de pressão na tampa do radiador. Substitua a
tampa do radiador, caso ela não retenha a pressão ou se a
pressão de alívio for muito alta ou muito baixa. A tampa deve
                                                                VERIFICADOR DO SISTEMA DE ARREFECIMENTO
reter a pressão especificada por, pelo menos, 6 segundos.

Pressão de alívio da tampa do radiador:
        108 – 137 kPa (1,1 – 1,4 kgf/cm2, 16 – 20 psi)

Execute o teste de pressão no radiador, no motor e nas
mangueiras e verifique se há vazamentos.

NOTA
 Pressões excessivas podem danificar os componentes do
 sistema de arrefecimento. Não exceda a pressão de 137
 kPa (1,4 kgf/cm2, 20 psi).

Repare ou substitua os componentes caso o sistema não
retenha a pressão especificada por, pelo menos, 6 segundos.
                                                                VERIFICADOR DO SISTEMA DE ARREFECIMENTO
Remova o verificador e instale a tampa do radiador.

Instale o tanque de combustível (página 5-40).

SUBSTITUIÇÃO DO LÍQUIDO DE
ARREFECIMENTO
PREPARAÇÃO
NOTA
 A eficiência do líquido de arrefecimento diminui com o
 acúmulo de ferrugem ou se ocorrer alteração da
 proporção da mistura durante a utilização. Portanto, para
 um melhor desempenho, substitua o líquido de
 arrefecimento regularmente, como especificado na tabela
 de manutenção.



Líquido de Arrefecimento Recomendado:
“LÍQUIDO DE ARREFECIMENTO HONDA C2702ANT000”




6-6
SHADOW 750                                                                  SISTEMA DE ARREFECIMENTO

                                                               TAMPA DO RADIADOR
SUBSTITUIÇÃO/SANGRIA DO AR

NOTA
 Ao abastecer o sistema ou o reservatório com líquido de
 arrefecimento (ou ao verificar o nível de líquido),
 posicione a motocicleta na vertical, sobre uma superfície
 plana e nivelada.



Remova o tanque de combustível (página 5-40).

Remova a tampa do radiador.



Drene o líquido de arrefecimento do sistema, removendo o
parafuso de drenagem e a arruela de vedação.

Instale os parafusos de drenagem juntamente com novas
arruelas de vedação e aperte-os no torque especificado.

Torque: 13 N.m (1,3 kgf.m)




                                                               PARAFUSO DE DRENAGEM/ARRUELA DE VEDAÇÃO
                                                                                          RESERVATÓRIO
Remova a tampa traseira esquerda da carcaça do motor
(página 2-4).

Desconecte a mangueira-sifão do reservatório do radiador e
drene o líquido de arrefecimento do reservatório.
Esvazie o reservatório (página 6-17) e enxágüe seu interior
com água.

Instale os seguintes componentes:
– Reservatório (página 6-17)
– Tampa traseira esquerda da carcaça do motor (página 2-4)



Abasteça o sistema utilizando o líquido de arrefecimento             MANGUEIRA-SIFÃO
recomendado, através do bocal de abastecimento, até atingir                  GARGALO DE ABASTECIMENTO
o gargalo de abastecimento.
Instale o tanque de combustível (página 5-57).
Sangre o ar do sistema, como se segue:

1. Coloque a transmissão em ponto-morto. Dê partida no
   motor e mantenha-o funcionando em marcha-lenta por 2 a
   3 minutos.
2. Acelere por três ou quatro vezes para sangrar o ar do
   sistema.
3. Desligue o motor, remova o tanque de combustível (página
   5-40) e adicione o líquido de arrefecimento até atingir o
   gargalo de abastecimento.
4. Instale a tampa do radiador.




                                                                                                6-7
SISTEMA DE ARREFECIMENTO                                                                   SHADOW 750

Remova a tampa do reservatório.
                                                                                TAMPA DO RESERVATÓRIO
Abasteça o reservatório até atingir a linha de nível superior e
instale a tampa do reservatório.

Instale o tanque de combustível (página 5-40).




                                                                       NÍVEL INFERIOR     NÍVEL SUPERIOR




TERMOSTATO
REMOÇÃO

Drene o líquido de arrefecimento do sistema (página 6-7).

Remova os seguintes componentes:
– Tampas laterais da coluna de direção (página 2-4)
– Carcaça do filtro de ar (página 5-41)

Coloque uma toalha sob o alojamento do termostato.

Desacople o conector 3P do sensor ECT.
Remova os parafusos da tampa do alojamento do termostato.         PARAFUSOS                    CONECTOR 3P
                                                                        TERMOSTATO
Retire o alojamento do termostato e remova o anel de
vedação e o termostato.

INSPEÇÃO DO TERMOSTATO
Inspecione visualmente o termostato quanto a danos.
Substitua o termostato caso a válvula permaneça aberta em
temperatura ambiente.

Aqueça um recipiente com água por 5 minutos, utilizando um
aquecedor elétrico.
Suspenda o termostato na água quente para verificar seu
funcionamento.

Início da Abertura do Termostato: 80 – 84°C                                             ANEL DE VEDAÇÃO

Curso de Válvula: Mínimo de 8 mm a 95°C
                                                                                           TERMÔMETRO
                                                                    TERMOSTATO
Substitua o termostato caso a válvula responda a
temperaturas diferentes da especificada.

NOTA
 Utilize luvas isolantes e óculos protetores adequados.
 Mantenha materiais inflamáveis afastados do aquecedor
 elétrico.
 Não deixe o termostato ou o termômetro tocar o
 recipiente, pois obterá uma leitura incorreta.




6-8
SHADOW 750                                                                 SISTEMA DE ARREFECIMENTO

                                                                      Alinhe
INSTALAÇÃO

Instale o termostato alinhando o flange com a fenda do
alojamento do termostato.




                                                                                         TERMOSTATO

Instale um novo anel de vedação na ranhura do alojamento
do termostato.




                                                                                     ANEL DE VEDAÇÃO
                                                                                       TAMPA
Instale o alojamento do termostato na tampa e aperte os
parafusos no torque especificado.

Torque: 10 N.m (1,0 kgf.m)

Acople o conector 3P (cinza) do sensor ECT.

Abasteça o sistema de arrefecimento e execute sua sangria
(página 6-7).

Instale os seguintes componentes:
– Carcaça do filtro de ar (página 5-41)
– Tampas laterais da coluna de direção (página 2-4)
                                                            PARAFUSOS              CONECTOR 3P (Cinza)
                                                                                    MANGUEIRA-SIFÃO

ALOJAMENTO DO TERMOSTATO
REMOÇÃO/INSTALAÇÃO

Drene o líquido de arrefecimento do sistema (página 6-7).

Remova os seguintes componentes:
– Tampas laterais da coluna de direção (página 2-4)
– Carcaça do filtro de ar (página 5-41)

Desacople o conector 3P (Cinza) do sensor ECT.
Desconecte a mangueira-sifão.

                                                            CONECTOR 3P (Cinza)


                                                                                               6-9
SISTEMA DE ARREFECIMENTO                                                              SHADOW 750
                                                                  PARAFUSOS
Solte os parafusos da braçadeira da mangueira de água e
desconecte as mangueiras de água.

Remova o parafuso e o alojamento do termostato.,




                                                            MANGUEIRAS DE ÁGUA

Instale o conjunto do alojamento do termostato na ordem
inversa da remoção.

NOTA
 • Aperte os parafusos da braçadeira da mangueira de
   água, mantendo a distância especificada, como mostra a
   ilustração.
 • Passe adequadamente as mangueiras e a fiação
   (página 1-20).


                                                             0 – 1,0 mm


                                                              ANEL DE VEDAÇÃO
DESMONTAGEM

Remova os seguintes componentes:
– Alojamento do termostato (página 6-9)
– Termostato (página 6-8)
– Sensor ECT (página 5-51)

Remova os parafusos e o anel de vedação.




                                                                                          PARAFUSOS
                                                              TAMPA
MONTAGEM

Instale um novo anel de vedação no gargalo de
abastecimento do radiador.

Monte o gargalo de abastecimento do radiador e a tampa do
alojamento do termostato.




                                                            ANEL DE VEDAÇÃO   GARGALO DE ABASTECIMENTO
                                                                              DO RADIADOR


6-10
SHADOW 750                                                                   SISTEMA DE ARREFECIMENTO


Instale e aperte os parafusos no torque especificado.

Torque: 10 N.m (1,0 kgf.m)

Instale os seguintes componentes:
– Sensor ECT (página 5-51)
– Termostato (página 6-9)
– Alojamento do termostato (página 6-9)




                                                                                           PARAFUSOS
                                                                                     CINTA DA FIAÇÃO

RADIADOR/VENTOINHA DE
ARREFECIMENTO
REMOÇÃO

Drene o líquido de arrefecimento do sistema (página 6-7).
Remova as tampas laterais da coluna de direção (página 2-4).

NOTA
 Tenha cuidado para não danificar as aletas do radiador
 durante a execução de reparos no radiador e na
 ventoinha de arrefecimento.
                                                               CONECTOR 2P (Branco)
                                                                                   PARAFUSO DA BRAÇADEIRA
Remova a cinta da fiação e desacople o conector 2P (branco)
do motor da ventoinha de arrefecimento.

Solte o parafuso da braçadeira da mangueira de água e
desconecte a mangueira de água superior do radiador.




                                                               MANGUEIRA DE ÁGUA SUPERIOR
                                                                    PARAFUSO DA BRAÇADEIRA
Solte o parafuso da braçadeira da mangueira de água e
desconecte a mangueira de água inferior do radiador.




                                                                     MANGUEIRA DE ÁGUA INFERIOR


                                                                                                  6-11
SISTEMA DE ARREFECIMENTO                                                               SHADOW 750

Remova o parafuso e o espaçador.
                                                                                     FIAÇÃO DO MOTOR
Solte a fiação do interruptor da luz do freio traseiro e do                          DA VENTOINHA DE
                                                                                     ARREFECIMENTO
sensor CKP da grade do radiador.
                                                                      RADIADOR       PRESILHA
Solte a fiação do motor da ventoinha de arrefecimento da        ESPAÇADOR
presilha e remova o radiador.


                                                              PARAFUSO




                                                                  FIAÇÃO DO INTERRUPTOR DA
                                                                  LUZ DE FREIO/SENSOR CKP




                                                                                     GRADE DO RADIADOR
DESMONTAGEM

Solte a fiação do motor da ventoinha de arrefecimento da
grade do radiador.

Remova as borrachas de fixação do radiador e a grade do
radiador




                                                               FIAÇÃO              BORRACHAS DE FIXAÇÃO
                                                              CONJUNTO DO MOTOR
                                                              DA VENTOINHA DE ARREFECIMENTO PARAFUSOS
Remova a presilha, os parafusos e o conjunto do motor da
ventoinha de arrefecimento.




                                                                   PRESILHA


6-12
SHADOW 750                                                                     SISTEMA DE ARREFECIMENTO

                                                                               VENTOINHA DE ARREFECIMENTO
Remova a porca e a ventoinha de arrefecimento.




                                                                    PORCA
                                                              PARAFUSOS
Remova os parafusos e o motor da ventoinha de
arrefecimento de seu protetor.




                                                              MOTOR DA VENTOINHA                    PROTETOR
                                                              DE ARREFECIMENTO
MONTAGEM
GRADE DO RADIADOR        RADIADOR                      5,1 N.m (0,5 kgf.m)
                                                                     MOTOR DA VENTOINHA
                                                                     DE ARREFECIMENTO           PRESILHA
                                                 VENTOINHA DE
                                                 ARREFECIMENTO




                                                                                 PROTETOR



                                                                                   8,4 N.m (0,9 kgf.m)

                                                         2,7 N.m (0,3 kgf.m)

                     BORRACHA DE FIXAÇÃO




                                                                                                         6-13
SISTEMA DE ARREFECIMENTO                                                                SHADOW 750
                                                                PARAFUSOS
Instale o motor da ventoinha de arrefecimento no protetor, na
posição indicada, como mostra a ilustração. Em seguida,
aperte os parafusos no torque especificado.

Torque: 5,1 N.m (0,5 kgf.m)




                                                                MOTOR DA VENTOINHA              PROTETOR
                                                                DE ARREFECIMENTO
                                                                              VENTOINHA DE ARREFECIMENTO
Instale a ventoinha de arrefecimento no eixo do motor,
alinhando as superfícies lisas.




                                                                     Alinhe
                                                                      PORCA
Limpe e aplique trava-química nas roscas da porca. Em
seguida, aperte a porca no torque especificado.

Torque: 2,7 N.m (0,3 kgf.m)




                                                                CONJUNTO DO MOTOR DA
                                                                VENTOINHA DE ARREFECIMENTO   PARAFUSOS
Instale o conjunto do motor da ventoinha de arrefecimento
no radiador e aperte os parafusos, juntamente com o
terminal do terra, como mostra a ilustração e no torque
especificado.

Torque: 8,4 N.m (0,9 kgf.m)

Fixe a fiação do motor da ventoinha de arrefecimento.




                                                                   PRESILHA


6-14
SHADOW 750                                                                     SISTEMA DE ARREFECIMENTO

                                                                                         GRADE DO RADIADOR
Instale o radiador na grade do radiador.
Instale as borrachas de fixação.
Passe a fiação do motor da ventoinha de arrefecimento pela
grade do radiador.




INSTALAÇÃO
                                                                 FIAÇÃO                BORRACHAS DE FIXAÇÃO
Instale o radiador, inserindo suas borrachas de fixação nos
suportes do chassi.

Passe a fiação do interruptor da luz do freio traseiro e do                  MANGUEIRA     FIAÇÃO DO MOTOR
sensor CKP através da grade do radiador (página 1-20).                       SUPERIOR      DA VENTOINHA DE
                                                                                           ARREFECIMENTO
Conecte a fiação do motor da ventoinha de arrefecimento à
presilha.                                                                RADIADOR          PRESILHA
                                                                   ESPAÇADOR
Instale o espaçador e o parafuso. Em seguida, aperte o
parafuso.

Conecte as mangueiras de água superior e inferior do            PARAFUSO
radiador (página 1-20).
Aperte os parafusos da braçadeira da mangueira de água,
mantendo a distância especificada (página 6-10).




                                                                                              MANGUEIRA
                                                                                              INFERIOR

                                                                   FIAÇÃO DO INTERRUPTOR DA
                                                                   LUZ DE FREIO/SENSOR CKP


                                                                                          CINTA DA FIAÇÃO
Acople o conector 2P (Branco) do motor da ventoinha de
arrefecimento e instale a cinta da fiação.

NOTA
 Passe adequadamente a cinta da fiação.

Instale as tampas laterais da coluna de direção (página 2-4).
Abasteça e sangre o sistema de arrefecimento (página 6-7).




                                                                CONECTOR 2P (Branco)


                                                                                                      6-15
SISTEMA DE ARREFECIMENTO                                                                    SHADOW 750
                                                                                             BOMBA DE ÁGUA

BOMBA DE ÁGUA
INSPEÇÃO DO VEDADOR MECÂNICO
Verifique o orifício de inspeção da bomba de água quanto a
sinais de vazamento de líquido de arrefecimento.

NOTA
 • É normal encontrar uma pequena quantidade de água
   no orifício de inspeção.
 • Certifique-se de que não há vazamento contínuo de
   líquido de arrefecimento pelo orifício de inspeção
   durante o funcionamento do motor.
                                                                                         ORIFÍCIO DE INSPEÇÃO
Substitua a bomba de água em conjunto, se necessário.              TAMPA                       PARAFUSOS

REMOÇÃO
Drene o líquido de arrefecimento do sistema (página 6-7).

Solte o parafuso da braçadeira da mangueira e desconecte a
mangueira de água.

Remova os parafusos, a arruela de vedação e a tampa da
bomba de água.




                                                             MANGUEIRA                   PARAFUSO/ARRUELA
                                                             DE ÁGUA                     DE VEDAÇÃO
                                                             MANGUEIRA DE ÁGUA                BOMBA DE ÁGUA
Desconecte a mangueira de água.
Remova os anéis de vedação e a bomba de água.

NOTA
 Não desmonte a bomba de água.




                                                             ANÉIS DE VEDAÇÃO
                                                                                Alinhe
INSTALAÇÃO

Cubra um novo anel de vedação com óleo para motor e
instale-o na ranhura da bomba de água.

Instale a bomba de água, alinhando sua ranhura com a
projeção do eixo da bomba de óleo.




                                                                                            ANEL DE VEDAÇÃO


6-16
SHADOW 750                                                              SISTEMA DE ARREFECIMENTO

                                                           ANEL DE VEDAÇÃO
Conecte a mangueira de água (página 1-20)
Aperte o parafuso da braçadeira da mangueira de água,
mantendo a distância especificada (página 6-10).

Instale um novo anel de vedação na ranhura na bomba de
água.




                                                           MANGUEIRA DE ÁGUA
                                                                 TAMPA                    PARAFUSOS
Alinhe os orifícios do parafuso da bomba e da carcaça do
motor. Em seguida, instale a tampa da bomba de água,
utilizando os parafusos e uma nova arruela de vedação.
Aperte os parafusos no torque especificado, em ordem
cruzada e em diversas etapas.

Torque: 13 N.m (1,3 kgf.m)

Conecte a mangueira de água (página 1-20).
Aperte o parafuso da braçadeira da mangueira de água,
mantendo a distância especificada. (página 6-10).


                                                           MANGUEIRA DE ÁGUA      PARAFUSO/
                                                                                  ARRUELA DE VEDAÇÃO

RESERVATÓRIO DO RADIADOR                                                              RESERVATÓRIO

REMOÇÃO/INSTALAÇÃO

Desconecte a mangueira-sifão do reservatório e drene o
líquido de arrefecimento.

Remova o parafuso e o reservatório.

A instalação é feita na ordem inversa a da remoção.

NOTA                                                        MANGUEIRA-SIFÃO    PARAFUSO
 Passe adequadamente as mangueiras (página 1-20).




                                                                                             6-17
SISTEMA DE ARREFECIMENTO                                                                       SHADOW 750


RELÉ DE CONTROLE DA VENTOINHA DE
ARREFECIMENTO
INSPEÇÃO DO SISTEMA
A temperatura do líquido de arrefecimento está baixa, mas o
motor da ventoinha de arrefecimento não desliga.

Remova o relé de controle da ventoinha de arrefecimento
(página 6-18) e ligue o interruptor de ignição.

Se o motor da ventoinha de arrefecimento parar, substitua o
relé de controle da ventoinha de arrefecimento.

O indicador de temperatura do líquido de arrefecimento
funciona corretamente, mas o motor da ventoinha de
arrefecimento não liga.
                                                                      JUMPER CONECTOR (Azul) DO RELÉ
Antes de executar esta inspeção, verifique se o fusível                      (Lado da fiação dos terminais fêmeas)
secundário (FAN), 20 A encontra-se queimado.

Remova o relé de controle da ventoinha de arrefecimento                              Bl/Bu
(página 6-18).

Faça um curto-circuito entre os terminais do relé de controle
da ventoinha de arrefecimento.

Conexão: Preto/Azul – Azul/Laranja
                                                                                  Bu/O
Ligue o interruptor de ignição e inspecione o motor da
ventoinha de arrefecimento.


                                                                  CONECTOR 2P (Branco)
• Se o motor ligar, substitua o relé de controle da ventoinha
  de arrefecimento.
• Se o motor não ligar, remova as tampas laterais da coluna
  de direção (página 2-4) e desacople o conector 2P (Branco)
  do motor da ventoinha de arrefecimento.
  Meça a voltagem entre o terminal do fio Preto/Azul e o terra.
  – Se for indicada a voltagem de bateria, substitua o motor
    da ventoinha de arrefecimento (página 6-11).
  – Se não for indicada nenhuma voltagem, inspecione quanto
    a circuito aberto nos fios Verde e Preto/Azul.




                                                                                       COMPARTIMENTO DE RELÉS
INSPEÇÃO
Remova a tampa lateral esquerda (página 2-4).

Remova o compartimento de relé da caixa da bateria.




6-18
SHADOW 750                                                                 SISTEMA DE ARREFECIMENTO


Solte as lingüetas e remova o conector (Azul) do relé do
compartimento de relés.                                                               CONECTOR (Azul)

Desconecte o relé do controle da ventoinha de arrefecimento
do conector do relé.



                                                               COMPARTIMENTO
                                                               DE RELÉS

                                                              RELÉ DE CONTROLE DA          LINGÜETAS
                                                              VENTOINHA DE ARREFECIMENTO

                                                              RELÉ DE CONTROLE DA
                                                              VENTOINHA DE ARREFECIMENTO
Conecte um ohmímetro aos terminais do conector do relé do
motor da ventoinha.

Conexão: A – B

Conecte uma bateria de 12 V aos seguintes terminais do
conector do relé do motor da ventoinha.

Conexão: C – D

Deve haver continuidade somente quando a bateria de 12 V
estiver conectada.

Se não houver continuidade somente quando a bateria de 12
                                                                  A        B      C              D
V estiver conectada, substitua o relé do motor da ventoinha
de arrefecimento.




                                                                                              6-19
SISTEMA DE ARREFECIMENTO           SHADOW 750


                           NOTAS




6-20
SHADOW 750                                        7.   REMOÇÃO/INSTALAÇÃO
                                                       DO MOTOR


 LOCALIZAÇÃO DOS COMPONENTES   7-2   REMOÇÃO DO MOTOR              7-4
 INFORMAÇÕES DE SERVIÇO        7-3   INSTALAÇÃO DO MOTOR           7-7




                                                                    7-1
REMOÇÃO/INSTALAÇÃO DO MOTOR                                                                    SHADOW 750


LOCALIZAÇÃO DOS COMPONENTES

                                                  26 N.m (2,7 kgf.m)

                             12 N.m (1,2 kgf.m)                           10 N.m (1,0 kgf.m)




                                                                                     1,9 N.m (0,2 kgf.m)




                  54 N.m (5,5 kgf.m)




      26 N.m (2,7 kgf.m)




           54 N.m (5,5 kgf.m)
                                                                       54 N.m (5,5 kgf.m)




7-2
SHADOW 750                                                                   REMOÇÃO/INSTALAÇÃO DO MOTOR



INFORMAÇÕES DE SERVIÇO
GERAL

• É necessário utilizar um macaco ou suporte equivalente para apoiar a motocicleta durante a remoção ou instalação do
  motor.
• É necessário utilizar um macaco ou outro suporte ajustável para apoiar e movimentar o motor.
• Ao instalar o motor, certifique-se de apertar todos os fixadores no torque e ordem especificados. Em caso de erro no
  valor do torque de aperto ou mesmo na ordem, solte todos os fixadores e aperte-os novamente no torque e ordem
  especificados.
• Não apóie o motor pelo filtro de óleo ou este poderá ser danificado.
• Ao remover ou instalar o motor, cubra ao redor do chassi com fita adesiva para protegê-lo durante seu manuseio.
• A execução de reparos nos seguintes componentes necessita da remoção do motor:
– Cabeçote (página 8-13)
– Cilindro/Pistão (página 9-4)
– Árvore de Manivelas (página 12-10)
– Transmissão (incluindo tambor seletor de marchas/garfo seletor) (página 12-20)
– Carcaça do diferencial (página 12-28)
– Bomba de óleo (página 4-6)
• A execução de reparos nos seguintes componentes não necessita da remoção do motor:
– Árvore de comando (página 8-8)
– Corpo do acelerador (5-43)
– Bomba de água (6-16)
– Embreagem/Seletor de marchas (página 10-3)
– Alternador/Embreagem de partida (11-4)
– Motor de partida (página 19-6)

ESPECIFICAÇÕES

                           Item                                                     Especificação
 Peso seco do motor                                                                    71 kg
 Capacidade de óleo do motor na desmontagem                                             3,2 l
 Capacidade do líquido de arrefecimento (Radiador e motor)                             1,58 l


VALORES DE TORQUE

Porca de fixação do motor                                     54 N.m (5,5 kgf.m)
Parafuso da placa de fixação do motor                         26 N.m (2,7 kgf.m)
Porca do terminal do cabo do motor de partida                 10 N.m (1,0 kgf.m)
Parafuso do terminal do interruptor EOP                       1,9 N.m (0,2 kgf.m)
Parafuso de fixação do braço do seletor de marchas            12 N.m (1,2 kgf.m)




                                                                                                                7-3
REMOÇÃO/INSTALAÇÃO DO MOTOR                                                               SHADOW 750


REMOÇÃO DO MOTOR
Drene o óleo de motor (página 3-13).
Drene o líquido de arrefecimento do sistema de
arrefecimento (página 6-7).

Remova os seguintes componentes:
– Tampa lateral (página 2-4)
– Tanque de combustível (página 5-40)
– Bobina de ignição dianteira (página 18-8)
– Supressores de ruídos (página 3-7)
– Alojamento do termostato (página 6-9)
– Interruptor da luz do freio traseiro (página 20-22)
– Pedal do freio (página 15-18)
– Tampa traseira esquerda da carcaça do motor (página 2-4)
– Sistema de escapamento (página 2-9)
– Injetores (página 5-49)
– Corpo do acelerador (página 5-43)
– Radiador (página 6-11)
– Tampas superiores do cabeçote (página 2-6)
– Tampa da embreagem (página 10-5)
– Tampa do alternador (página 3-9)

NOTA

 Sele a porta do coletor de admissão com uma toalha ou
 cubra-a com um pedaço de fita adesiva para evitar que
 materiais estranhos entrem no motor.


                                                                                    CONECTOR 2P (Vermelho)
Desacople o conector 2P (Vermelho) do sensor CKP.




                                                                 CINTA DA FIAÇÃO
Solte a cinta da fiação.
Desacople os conectores 2P (Branco) do interruptor de
ignição e 4P (Branco) do receptor do imobilizador.




                                                             CONECTOR 2P (Branco)       CONECTOR 4P (Branco)


7-4
SHADOW 750                                                          REMOÇÃO/INSTALAÇÃO DO MOTOR

                                                            CONECTORES
Solte a cinta da fiação.
Desacople os conectores 3P (Branco) do sensor VS e 3P
(Branco) do alternador.




                                                                                      CINTA DA FIAÇÃO
                                                            PRESILHAS                 CINTA DA FIAÇÃO
Solte a fiação da presilha e da cinta da fiação.

Desacople o conector do interruptor de ponto-morto.
Desconecte a fiação do interruptor EOP, removendo o
parafuso do terminal.




                                                            CONECTOR DO INTERRUPTOR   INTERRUPTOR
                                                            DE PONTO-MORTO            EOP
                                                                  PARAFUSO DE FIXAÇÃO
Remova o parafuso de fixação e o braço do seletor de
marchas.




                                                                         BRAÇO DO SELETOR DE MARCHAS

Desconecte as mangueiras de fornecimento de ar secundário
das tampas da válvula de inspeção PAIR.




                                                                MANGUEIRAS DE FORNECIMENTO DE AR


                                                                                               7-5
REMOÇÃO/INSTALAÇÃO DO MOTOR                                                              SHADOW 750
                                                                          FIXADOR DO CABO DA EMBREAGEM
Remova o fixador do cabo da embreagem, removendo o
parafuso. Em seguida desconecte a extremidade do cabo da
embreagem do braço de acionamento da embreagem.




                                                              CABO DA EMBREAGEM               PARAFUSO
                                                              CABO DO MOTOR DE PARTIDA       PORCA
Abra a tampa do terminal e remova a porca do terminal do
motor de partida.
Desconecte o cabo do motor de partida.

Remova o parafuso e desconecte o cabo do terra.




                                                              TAMPA          CABO DO TERRA    PARAFUSO
                                                              SUPORTES DO PEDAL DE FREIO
Remova o parafuso e o suporte do pedal do freio do chassi.




                                                                                             PARAFUSO
                                                                                      PARAFUSOS/
                                                              PLACAS DE FIXAÇÃO       PORCAS DE FIXAÇÃO
Coloque um macaco ou outro suporte ajustável sob do
motor.

NOTA
 A altura do macaco deve ser continuamente ajustada para
 aliviar a tensão causada pela remoção do parafuso.

Remova as porcas de fixação traseira do motor.
Remova os parafusos e placas de fixação traseira direita do
motor.



                                                                      PARAFUSOS


7-6
SHADOW 750                                                              REMOÇÃO/INSTALAÇÃO DO MOTOR

                                                               PLACA DE FIXAÇÃO
Remova os parafusos de fixação traseira do motor.
Remova os parafusos e a placa de fixação traseira esquerda
do motor.




                                                                PARAFUSO DE FIXAÇÃO        PARAFUSOS
                                                               PARAFUSO/                   DE FIXAÇÃO
                                                               PORCAS DE FIXAÇÃO    PLACA DE FIXAÇÃO
Remova as porcas de fixação dianteira do motor.
Remova os parafusos e a placa de fixação dianteira do motor.

Remova os parafusos de fixação e o espaçador do motor.




                                                                             ESPAÇADOR       PARAFUSOS


Solte o protetor da conexão da carcaça do diferencial.                             EIXO DE TRANSMISSÃO
Movimente o motor para frente e solte o eixo de transmissão
da conexão universal, localizada no braço oscilante.
Movimente cuidadosamente o motor e remova-o do chassi
pelo seu lado direito.

NOTA
 Durante a remoção do motor, apóie seguramente o motor
 e tenha cuidado para não danificar o chassi e o motor.

                                                                                   CONEXÃO UNIVERSAL




INSTALAÇÃO DO MOTOR
Observe a posição dos parafusos de fixação do motor.

NOTA

 • Instale sem apertar todos os parafusos e porcas de
   fixação do motor. Em seguida, aperte-os no torque e
   ordem especificados.
 • Passe adequadamente a fiação, as mangueiras e os
   cabos (página 1-20).




                                                                                                 7-7
REMOÇÃO/INSTALAÇÃO DO MOTOR                                                               SHADOW 750


Aplique 1 g de graxa a base de bissulfeto de molibdênio nas
estrias do eixo de transmissão (lado da conexão universal).

Utilizando um macaco ou outro suporte ajustável, coloque
cuidadosamente o motor no chassi e movimente-o para
posicioná-lo.

NOTA

 • Encaixe o eixo de transmissão na conexão universal.
 • Durante a instalação do motor, apóie seguramente o
   motor e tenha cuidado para não danificar o chassi e o          EIXO DE TRANSMISSÃO   CONEXÃO UNIVERSAL
   motor.


Instale ainda sem aperter as placas de fixação, os fixadores e
o espaçador do motor.

Aperte a porca de fixação inferior dianteira. Em seguida,
aperte a porca de fixação superior dianteira do motor, ambas
no torque especificado.

Torque: 54 N.m (5,5 kgf.m)




                                                                  PARAFUSOS/PORCAS DE FIXAÇÃO
                                                                               PARAFUSOS/PORCAS DE FIXAÇÃO
Aperte a porca de fixação inferior traseira. Em seguida, aperte
a porca de fixação superior traseira do motor, ambas no
torque especificado.

Torque: 54 N.m (5,5 kgf.m)




Aperte os parafusos da placa de fixação dianteira do motor
no torque especificado.

Torque: 26 N.m (2,7 kgf.m)




                                                                  PLACA DE FIXAÇÃO              PARAFUSOS


7-8
SHADOW 750                                                             REMOÇÃO/INSTALAÇÃO DO MOTOR


Aperte os parafusos da placa de fixação inferior traseira
direita do motor no torque especificado.

Torque: 26 N.m (2,7 kgf.m)




                                                                    PARAFUSOS
                                                                 PLACA DE FIXAÇÃO
Aperte os parafusos da placa de fixação superior traseira
esquerda do motor no torque especificado.

Torque: 26 N.m (2,7 kgf.m)




                                                                                           PARAFUSOS
                                                                    PARAFUSOS
Aperte os parafusos da placa de fixação superior traseira
direita do motor no torque especificado.

Torque: 26 N.m (2,7 kgf.m)




                                                              SUPORTE DO PEDAL DE FREIO
Instale os suportes do pedal do freio, juntamente com seus
parafusos.

Instale o parafuso, ainda sem apertá-lo.

• Ao instalar o suporte do pedal de apoio direito, aperte o
  parafuso do suporte do pedal do freio.




                                                                                          PARAFUSO



                                                                                               7-9
REMOÇÃO/INSTALAÇÃO DO MOTOR                                                              SHADOW 750
                                                              CABO DO MOTOR DE PARTIDA       PORCA
Conecte o cabo do motor de partida e aperte a porca do
terminal no torque especificado.

Torque: 10 N.m (1,0 kgf.m)

Conecte o cabo do terra e aperte seguramente o parafuso.

Feche seguramente a tampa do terminal.




                                                              TAMPA         CABO DO TERRA    PARAFUSO
                                                                         FIXADOR DO CABO DA EMBREAGEM
Conecte a extremidade do cabo ao braço de acionamento da
embreagem.
Instale o fixador do cabo da embreagem, juntamente com
seu parafuso.
Aperte seguramente o parafuso.




                                                              CABO DA EMBREAGEM PARAFUSO

Conecte as mangueiras de fornecimento de ar secundário nas
tampas da válvula de inspeção PAIR.




                                                                  MANGUEIRAS DE FORNECIMENTO DE AR
                                                                     Alinhe        PARAFUSO DE FIXAÇÃO
Instale o braço seletor no eixo do seletor de marchas,
alinhando-o com as marcas gravadas.

Aperte o parafuso de fixação do braço do seletor de marchas
no torque especificado.

Torque: 12 N.m (1,2 kgf.m)




                                                                        BRAÇO SELETOR DE MARCHAS


7-10
SHADOW 750                                                              REMOÇÃO/INSTALAÇÃO DO MOTOR

                                                               PRESILHAS                 CINTA DA FIAÇÃO
Prenda a fiação utilizando as presilhas e a cinta da fiação.

Acople o conector do interruptor de ponto-morto.
Conecte a fiação do interruptor EOP, apertando o parafuso do
terminal no torque especificado.

Torque: 1,9 N.m (0,2 kgf.m)




                                                               CONECTOR DO INTERRUPTOR     INTERRUPTOR EOP
                                                               DE PONTO-MORTO
                                                                CONECTORES
Acople os conectores 3P (Branco) do sensor VS e 3P (Branco)
do alternador.
Prenda a fiação utilizando a cinta da fiação




                                                                                          CINTA DA FIAÇÃO
                                                               CINTA DA FIAÇÃO          CONECTOR 4P (Branco)
Acople os conectores 4P (Branco) do receptor do imobilizador
e 2P (Branco) do interruptor de ignição.

Prenda a fiação utilizando a cinta da fiação.

Acople o conector 2P (Vermelho) do sensor CKP.

Instale os seguintes componentes:
– Radiador (página 6-15)
– Corpo do acelerador (página 5-45)
– Injetores (página 5-50)
– Sistema de escapamento (página 2-12)
– Tampa traseira esquerda da carcaça do motor (página 2-4)
– Supressor de ruídos (página 3-8)
                                                               CONECTOR 2P (Branco)
– Alojamento do termostato (página 6-9)
                                                                                      CONECTOR 2P (Vermelho)
– Interruptor da luz do freio traseiro (página 20-22)
– Pedal do freio (página 15-20)
– Tampa superior do cabeçote (página 2-6)
– Tampa da embreagem (página 10-22)
– Tampa do alternador (página 3-11)
– Bobina de ignição dianteira (página 18-8)
– Tanque de combustível (página 5-40)

Abasteça a carcaça do motor, utilizando o óleo recomendado
para motor (página 3-13).
Abasteça o sistema de arrefecimento e execute sua sangria
(página 6-7).

Inspecione o nível de óleo de motor (página 3-12).




                                                                                                   7-11
REMOÇÃO/INSTALAÇÃO DO MOTOR           SHADOW 750


                              NOTAS




7-12
SHADOW 750                      8. CABEÇOTE/VÁLVULAS
 LOCALIZAÇÃO DOS COMPONENTES    8-2    SUBSTITUIÇÃO DA GUIA DA VÁLVULA   8-18
 INFORMAÇÕES DE SERVIÇO         8-3    INSPEÇÃO/RETÍFICA DA
                                       SEDE DA VÁLVULA                   8-19
 DIAGNOSE DE DEFEITOS           8-5
                                       MONTAGEM DO CABEÇOTE              8-22
 COMPRESSÃO DO CILINDRO         8-6
                                       INSTALAÇÃO DO CABEÇOTE            8-24
 REMOÇÃO DA TAMPA DO CABEÇOTE   8-6
                                       INSTALAÇÃO DA ÁRVORE DE COMANDO 8-26
 REMOÇÃO DA ÁRVORE DE COMANDO   8-7
                                       INSTALAÇÃO DA TAMPA DO CABEÇOTE 8-31
 REMOÇÃO DO CABEÇOTE            8-13
 DESMONTAGEM DO CABEÇOTE        8-15




                                                                          8-1
CABEÇOTE/VÁLVULAS                                       SHADOW 750


LOCALIZAÇÃO DOS COMPONENTES

                       10 N.m (1,0 kgf.m)

           10 N.m (1,0 kgf.m)




   23 N.m (2,3 kgf.m)




  23 N.m (2,3 kgf.m)




                47 N.m (4,8 kgf.m)            23 N.m (2,3 kgf.m)



                                            10 N.m (1,0 kgf.m)




         23 N.m (2,3 kgf.m)




                                                    10 N.m (1,0 kgf.m)




8-2
SHADOW 750                                                                                        CABEÇOTE/VÁLVULAS



INFORMAÇÕES DE SERVIÇO
INFORMAÇÕES GERAIS
• Este capítulo apresenta os procedimentos de reparo do balancim, cabeçote, válvulas e árvores de comando.
• Reparos no balancim e árvore de comando podem ser executados com o motor instalado no chassi. Reparos no cabeçote e
  válvula exigem a remoção do motor.
• Tenha cuidado para não danificar as superfícies de contato ao remover a tampa do cabeçote e o cabeçote. Não bata no
  cabeçote e em sua tampa durante a remoção.
• Durante a desmontagem, marque e armazene os componentes removidos para certificar-se de que sejam reinstalados em
  suas posições originais.
• Limpe todos os componentes desmontados com solvente de limpeza e seque-os utilizando ar comprimido antes de inspecioná-los.
• O abastecimento de óleo lubrificante do balancim e da árvore de comando é feito através de passagens de óleo presentes no
  cabeçote e no suporte da árvore de comando. Limpe estas passagens antes de montar o cabeçote e sua tampa.
ESPECIFICAÇÕES                                                                                                 Unidade: mm

                          Item                                                 Padrão                       Limite de uso
 Compressão do cilindro (a 400 rpm)                              1.373 ± 98 kPa (14,0 ± 1,0 kgf/cm2,
                                                                            199 ± 14 psi)                         —
 Folga das válvulas                              ADM                         0,15 ± 0,02                          —
                                                 ESC                         0,20 ± 0,02                          —
 Comprimento do calço B do tensor
                                                                                   —                             6,0
 da corrente de distribuição
 Árvore de           Altura do ressalto     ADM                           37,188 – 37,348                       37,16
 comando                                    ESC                           37,605 – 37,765                       37,58
                 Empenamento                ADM/ESC                             —                                0,05
                 D.E. do mancal             ADM/ESC                       21,959 – 21,980                       21,90
                 Folga de óleo              ADM/ESC                        0,020 – 0,141                         0,16
 Balancim e eixo D.E. do eixo do balancim ADM/ESC                         11,966 – 11,984                       11.83
 do balancim     D.I. do balancim           ADM/ESC                       12,000 – 12,018                       12,05
                 Folga entre o balancim e o eixo                           0,016 – 0,052                         0,07
 Válvula e guia  D.E. da haste da válvula ADM                              5,475 – 5,490                         5,45
 da válvula                                 ESC                            5,455 – 5,470                         5,41
                 D.I. da guia da válvula    ADM                            5,500 – 5,510                         5,56
                                            ESC                            5,500 – 5,512                         5,56
                 Folga entre a haste        ADM                            0,010 – 0,035                         0,10
                 e a guia da válvula        ESC                            0,030 – 0,057                         0,11
                 Projeção da guia da        ADM                             17,2 – 17,4                           —
                 válvula sobre o cabeçote ESC                               18,7 – 18,9                           —
                 Largura da sede da válvula ADM/ESC                         0,90 – 1,10                           1,5
 Comprimento                                Interna                            38,11                            36,47
                  ADM
 livre da mola                              Externa                            42,14                            40,58
 da válvula      ESC                                                           46,11                            44,72
 Empenamento do cabeçote                                                        —                                0,10


VALORES DE TORQUE
Parafuso da tampa do cabeçote                                 10 N.m (1,0 kgf.m)
Porca do cabeçote                                             47 N.m (4,8 kgf.m)       Aplique óleo para motor nas roscas e
                                                                                       superfícies de assentamento.
Parafuso do cabeçote, 8 mm                                    23 N.m (2,3 kgf.m)       Aplique óleo para motor nas roscas e
                                                                                       superfícies de assentamento.
Parafuso da engrenagem da árvore de comando                   23 N.m (2,3 kgf.m)       Aplique trava-química nas roscas.
Parafuso do tensor da corrente de distribuição                10 N.m (1,0 kgf.m)       Consulte página 8-25
Parafuso do suporte da árvore de comando                      23 N.m (2,3 kgf.m)
Porca do suporte da árvore de comando                         23 N.m (2,3 kgf.m)




                                                                                                                        8-3
CABEÇOTE/VÁLVULAS                                                                               SHADOW 750


FERRAMENTAS

Compressor de mola da válvula        Alargador da guia da válvula, 5,510 mm   Instalador da guia da válvula, 5,5 mm
07757-0010000                        07984-2000001                            07742-0010100




Fresa para sede, 27,5 mm (45° ADM)   Fresa para sede, 35 mm (45° ESC)         Fresa plana, 28 mm (32° ADM)
07780-0010200                        07780-0010400                            07780-0012100




Fresa plana, 35 mm (32° ESC)         Fresa para interior, 30 mm (60° ADM)     Fresa para interior, 37,5 mm (60° ESC)
07780-0012300                        07780-0014000                            07780-0014100




Suporte para fresa, 5,5 mm           Instalador da guia da válvula
07781-0010101                        07743-0020000




8-4
SHADOW 750                                                                                  CABEÇOTE/VÁLVULAS



DIAGNOSE DE DEFEITOS
Problemas na parte superior do motor geralmente afetam seu desempenho. Tais problemas podem ser diagnosticados
por meio do teste de compressão ou pela detecção de ruídos na parte superior do motor, utilizando-se um estetoscópio.

Compressão muito baixa, dificuldade de partida ou desempenho inadequado em baixas rotações
• Válvulas:
  – Ajuste incorreto da válvula
  – Válvula queimada ou empenada
  – Sincronização incorreta das válvulas
  – Molas das válvulas quebradas
  – Sede das válvulas irregular
  – Válvula emperrada na posição aberto
• Cabeçote:
  – Junta do cabeçote vazando ou danificada
  – Cabeçote empenado ou trincado
  – Vela de ignição solta
• Problemas nos cilindros/pistões (página 9-3)

Compressão muito alta
• Excesso de depósitos de carvão na cabeça do pistão ou na câmara de combustão

Fumaça excessiva
• Haste ou guia da válvula desgastada
• Retentor da haste danificado
• Problemas nos cilindros/pistões (página 9-3)

Ruído excessivo
• Folga da válvula incorreta
• Válvula presa ou molas da válvulas quebrada
• Sede da válvula excessivamente desgastada
• Árvore de comando desgastada ou danificada
• Balancim ou eixo do balancim desgastado ou danificado
• Balancim ou extremidade da haste da válvula desgastada
• Dentes da engrenagem da árvore de comando desgastados
• Corrente de distribuição desgastada
• Tensor da corrente de distribuição desgastado ou danificado
• Problemas nos cilindros/pistões (página 9-3)

Marcha-lenta irregular
• Baixa compressão do cilindro




                                                                                                              8-5
CABEÇOTE/VÁLVULAS                                                                      SHADOW 750


COMPRESSÃO DO CILINDRO
NOTA
 Se for necessário manter o motor em funcionamento para
 a execução de algum reparo, certifique-se de que o local
 possui ventilação adequada. Nunca mantenha o motor
 funcionando em locais fechados.


Aqueça o motor até atingir sua temperatura normal de
funcionamento.
Desligue o motor. Em seguida, desconecte o supressor de
ruídos e remova uma vela de ignição por vez.
                                                                                     MANÔMETRO
NOTA
 Para medir a compressão de cada cilindro, remova uma
 vela de ignição por vez.


Coloque a transmissão em ponto-morto.
Instale o manômetro no orifício da vela de ignição.

Abra completamente o acelerador e dê partida no motor,
utilizando o motor de partida, até que a leitura no manômetro
pare de aumentar.

A leitura máxima é normalmente obtida entre 4 e 7 segundos.

NOTA
 Para evitar que a bateria descarregue, não acione o motor
 de partida por mais de sete segundos.


Compressão:
1.373 ± 98 kPa (14,0 ± 1,0 kgf/cm2, 199 ± 14 psi) a 400 rpm

Baixa compressão pode ser causada por:
– Junta do cabeçote queimada
– Ajuste incorreto da válvula
– Vazamento na válvula
– Anel do pistão ou cilindro desgastado

Alta compressão pode ser causada por:
– Excesso de depósitos de carvão na câmara de combustão
  ou na cabeça do pistão


REMOÇÃO DA TAMPA DO CABEÇOTE
DIANTEIRO

Remova os seguintes componentes:
– Tampa superior do cabeçote (página 2-6)
– Bobina de ignição dianteira (página 18-8)
– Válvula de inspeção PAIR (página 5-61)
– Alojamento do termostato (página 6-9)

Remova os parafusos, arruelas e vedadores de borracha da
tampa do cabeçote.

                                                                PARAFUSOS/ARRUELAS/VEDADORES
                                                                DE BORRACHA


8-6
SHADOW 750                                                                       CABEÇOTE/VÁLVULAS

                                                                                            JUNTA
Remova a tampa e a junta do cabeçote.

NOTA

 Tenha cuidado para não danificar a fiação e as superfícies
 de contato ao remover a tampa do cabeçote.




                                                                                   TAMPA DO CABEÇOTE
                                                                                 MANGUEIRA DE RESPIRO
TRASEIRO

Remova os seguintes componentes:
– Tampa superior do cabeçote (página 2-6)
– Válvula de inspeção PAIR (página 5-61)

Desconecte a mangueira de respiro da carcaça do motor da
tampa do cabeçote.

Remova os parafusos, arruelas e vedadores de borracha da
tampa do cabeçote.


                                                              PARAFUSOS/ARRUELAS/
                                                              VEDADORES DE BORRACHA
                                                                TAMPA DO CABEÇOTE
Remova a tampa e a junta do cabeçote

NOTA
 Tenha cuidado para não danificar a fiação e as superfícies
 de contato ao remover a tampa do cabeçote.




                                                                                JUNTA
                                                              TAMPA DO ALTERNADOR

REMOÇÃO DA ÁRVORE DE COMANDO
NOTA

 Os mesmos procedimentos aplicam-se tanto à árvore de
 comando do cabeçote dianteiro como do traseiro.



Remova a tampa do cabeçote traseiro (página 8-7).

Remova os parafusos Allen e a tampa do alternador.


                                                              PARAFUSOS


                                                                                               8-7
CABEÇOTE/VÁLVULAS                                                                        SHADOW 750
                                                                  TAMPA DO ORIFÍCIO DA ÁRVORE DE MANIVELAS
Remova a árvore de manivelas e a tampa do orifício de
sincronização da tampa esquerda da carcaça do motor.




                                                                TAMPA DO ORIFÍCIO DE SINCRONIZAÇÃO

Gire a árvore de manivelas em sentido anti-horário e alinhe a
                                                                MARCA DE REFERÊNCIA
marca “RT” (cilindro dianteiro: marca “FT”) com a marca de
referência na tampa esquerda da carcaça do motor.
Certifique-se de que o pistão esteja em PMS (Ponto-morto
superior) na fase de escape, de modo que o pistão esteja em
PMS na fase de compressão durante a remoção do suporte
da árvore de manivelas.




                                                                MARCA “RT”



Meça o comprimento do calço B do tensor da corrente de
distribuição.                                                      CALÇO B

                                                                                        6 mm
        Limite de Uso                     6 mm

Substitua a corrente de distribuição por uma nova caso a
projeção exceda o limite de uso.
Para a substituição da corrente de distribuição, remova os
seguintes componentes:

Dianteiro:                                                                                 CALÇO A
– Árvore de comando dianteira
– Volante do motor (página 11-5)
                                                                      CALÇO A              PINO, D.E. 2 mm
Traseiro:
– Árvore de de comando traseira
– Engrenagem motora primária (página 10-12)

Instale o pino de 2 mm de diâmetro externo no orifício do
calço A do tensor da corrente de distribuição, puxando o
calço A para cima e empurrando o calço B para baixo.

NOTA
 Tenha cuidado para que o pino de 2 mm de diâmetro
 externo não caia na carcaça do motor.



                                                                                        CALÇO B


8-8
SHADOW 750                                                                           CABEÇOTE/VÁLVULAS


Remova o parafuso da engrenagem da árvore de comando e
gire a árvore de manivelas por uma volta completa (360°) em
sentido horário. Em seguida, remova o outro parafuso da
engrenagem da árvore de comando.

NOTA
 Tenha cuidado para que os parafusos da engrenagem da
 árvore de comando não caiam na carcaça do motor.




                                                                PARAFUSOS
                                                               ENGRENAGEM
Remova a engrenagem da árvore de comando da superfície
do flange.

NOTA
 Fixe a corrente de distribuição utilizando um pedaço de
 arame para evitar que a corrente caia na carcaça do motor.




                                                              CONJUNTO DO SUPORTE
                                                              DA ÁRVORE DE COMANDO
Certifique-se de que o pistão esteja em PMS (Ponto-morto
superior) na fase de compressão.
Solte os parafusos e porcas em ordem cruzada e em diversas
etapas e remova-os. Em seguida, remova o conjunto do
suporte da árvore de comando.




                                                               PORCAS                        PARAFUSOS
                                                                   ÁRVORE DE COMANDO
Remova a árvore de comando.




                                                                                                 8-9
CABEÇOTE/VÁLVULAS                                                      SHADOW 750
                                                               PONTO DE MEDIDA
INSPEÇÃO

Empenamento da Árvore de Comando

Apóie ambas as extremidades dos mancais da árvore de
comando sobre blocos em V e meça seu empenamento,
utilizando um relógio comparador.
O empenamento real é a metade da leitura total do relógio
comparador.

        Limite de Uso                   0,05 mm




Altura do Ressalto da Árvore de Comando

Inspecione as superfícies dos ressaltos da árvore de comando
quanto a escoriações ou evidências de lubrificação
insuficiente.
Meça a altura de cada ressalto da árvore de comando.


                     ADM                     37,16 mm
   Limite de Uso
                     ESC                     37,58 mm


NOTA

 Inspecione o balancim caso o ressalto da árvore de
 comando esteja desgastado ou danificado.

Mancal da Árvore de Comando

Inspecione as superfícies do mancal da árvore de comando
quanto a escoriações ou evidências de lubrificação
insuficiente.

Meça o diâmetro externo de cada mancal da árvore de
comando.

        Limite de Uso                   21,90 mm

NOTA
 Inspecione as passagens de óleo e o suporte da árvore de
 comando quanto a desgaste ou danos caso a superfície
 do mancal esteja desgastada ou danificada.



Engrenagem da Árvore de Comando

Inspecione a engrenagem da árvore de comando quanto a
desgaste ou danos.




8-10
SHADOW 750                                                                       CABEÇOTE/VÁLVULAS

                                                             SUPERFÍCIES DO MANCAL
Cabeçote

Inspecione as superfícies do mancal da árvore de comando
do cabeçote quanto a escoriações, riscos ou evidências de
lubrificação insuficiente.




                                                             ÁRVORE DE COMANDO
Folga de Óleo da Árvore de Comando

Remova quaisquer resíduos de óleo dos mancais dos
suportes, do cabeçote e da árvore de comando.

Posicione a árvore de comando no cabeçote e aplique uma
tira de plastigauge longitudinalmente em cada mancal da
árvore de comando.

NOTA
 • Não obstrua nenhuma passagem de óleo com o
   plastigauge.
 • Não gire a árvore de comando durante a inspeção.
                                                             CONJUNTO DO SUPORTE     PLASTIGAUGES
                                                             DA ÁRVORE DE COMANDO        PORCAS
Instale cuidadosamente o suporte da árvore de comando. Em
seguida, aperte seus parafusos e porcas no torque
especificado, em ordem cruzada e em diversas etapas.

Torque: 23 N.m (2,3 kgf.m)




                                                                                     PARAFUSOS


Remova o suporte da árvore de comando e meça a largura de
cada plastigauge.
A folga de óleo é determinada pela maior espessura do
plastigauge.


        Limite de Uso                   0,16 mm

Quando o limite de uso for excedido, substitua a árvore de
comando e verifique novamente a folga de óleo.

Substitua o cabeçote e o suporte da árvore de comando caso
a folga de óleo ainda exceda o valor de limite de uso.




                                                                                            8-11
CABEÇOTE/VÁLVULAS                                                                         SHADOW 750
                                                                                        BALANCIM DE ESCAPE
DESMONTAGEM DO SUPORTE DA ÁRVORE DE
COMANDO

NOTA
 Os procedimentos de serviço aplicam-se tanto aos
 suportes da árvore de comando dianteira como traseira.

Remova os eixos dos balancins e os balancins de admissão e
escape.




                                                                BALANCINS DE ADMISSÃO                EIXOS
                                                                   PARAFUSO DE AJUSTE
Remova a contraporca e o parafuso de ajuste da válvula se
necessário.




Inspeção do Balancim
                                                                     CONTRAPORCA
Inspecione a superfície deslizante dos balancins quanto a
desgaste ou danos na região de contato com a árvore de
comando, ou quanto a obstrução nos orifícios de óleo.
Inspecione a superfície de contato do parafuso de ajuste da
válvula quanto a desgaste ou danos.

Meça o D.I. de cada balancim.


        Limite de Uso                   12,05 mm



Inspeção do Eixo do Balancim

Inspecione os eixos dos balancins quanto a desgaste ou danos.

Meça o diâmetro externo de cada eixo dos balancins.


        Limite de Uso                   11,83 mm



Calcule a folga entre o balancim e o eixo do balancim.


        Limite de Uso:                   0,07 mm


Substitua o balancim e/ou seu eixo, se necessário.




8-12
SHADOW 750                                                                        CABEÇOTE/VÁLVULAS


Inspeção do Suporte da Árvore de Comando
                                                                     MANCAIS
Inspecione as superfícies do mancal de cada suporte da
árvore de comando quanto a escoriações, riscos ou
evidências de lubrificação insuficiente.




                                                              CONEXÃO DA MANGUEIRA

REMOÇÃO DO CABEÇOTE
NOTA

 • O motor deve ser removido do chassi antes de executar
   qualquer reparo no cabeçote.
 • Os procedimentos de reparo dos cabeçotes dianteiro e
   traseiro são os mesmos.



Remova os seguintes componentes:
– Motor (página 7-4)
– Tampa do cabeçote (página 8-6)
– Árvore de comando (página 8-7)                                                       PARAFUSO
– Coletor de admissão (página 5-47)

Remova o parafuso e a conexão da mangueira de água do
cilindro.

Remova os parafusos do tensor da corrente de distribuição e
as arruelas de vedação.




                                                              PARAFUSOS/ARRUELAS DE VEDAÇÃO




                                                                                              8-13
CABEÇOTE/VÁLVULAS                                                               SHADOW 750
                                                      TENSOR DA CORRENTE DE DISTRIBUIÇÃO
Remova o tensor da corrente de distribuição.




                                                                PORCAS/ARRUELAS
Remova os seguintes parafusos e porcas do cabeçote:
– Parafuso de 6 mm
– Parafusos de 8 mm
– Porcas/arruelas

NOTA
 Solte os parafusos e porcas em ordem cruzada e em
 diversas etapas.

Remova o cabeçote.

NOTA
 Tenha cuidado para não danificar as superfícies de   PARAFUSO, 6 mm            PARAFUSOS, 8 mm
 contato ao remover o cabeçote.                                   PINOS-GUIAS

Remova os pinos-guias e a junta.




                                                                                         JUNTA
                                                                GUIA DA CORRENTE DE DISTRIBUIÇÃO
Remova a guia da corrente de distribuição.




8-14
SHADOW 750                                                                      CABEÇOTE/VÁLVULAS

                                                           COMPRESSOR DE MOLA

DESMONTAGEM DO CABEÇOTE
Remova as velas de ignição (página 3-7).

NOTA
 Marque todos os componentes durante a desmontagem
 para que possam ser instalados novamente em suas
 posições originais.

Remova as chavetas, utilizando a ferramenta especial.

Ferramenta:
Compressor de mola da válvula              07757-0010000
                                                                                      CHAVETAS
NOTA
 Para evitar perda de tensão, não comprima as molas das        SEDE DA MOLA
 válvulas mais do que o necessário.
                                                              MOLA
Remova o compressor de mola da válvula.

Remova os seguintes componentes:
– Retentor da mola
– Molas interna/externa da válvula (ADM)
– Mola da válvula (ESC)
– Válvula                                                                             VÁLVULA
– Retentor da haste                                                      RETENTOR DA HASTE
– Sede da mola                                                        RETENTOR



INSPEÇÃO

Cabeçote

Remova os depósitos de carvão da câmara de combustão e
limpe a superfície de junta do cabeçote.




Inspecione o cabeçote quanto a empenamento, utilizando
uma régua de precisão e um cálibre de lâminas.


        Limite de Uso                      0,10 mm




                                                                                          8-15
CABEÇOTE/VÁLVULAS                                                                       SHADOW 750

Mola da Válvula
                                                                 ADM:
Inspecione a mola da válvula quanto a fatiga ou danos.                  MOLA EXTERNA
                                                                        DA VÁLVULA     MOLA INTERNA
Meça o comprimento livre de cada mola da válvula.                                      DA VÁLVULA



                                 Interna       36,47 mm
                      ADM
 Limite de Uso                   Externa       40,58 mm

                      ESC                      44,72mm




                                                                 ESC:




Haste da Válvula

Inspecione cada válvula quanto a empenamento,
queimaduras, riscos ou desgaste anormal.
Insira as válvulas no cabeçote em suas posições originais.
Certifique-se de que cada válvula movimenta-se para cima e
para baixo suavemente e sem obstruções.
Meça e anote o D.E. da haste de cada válvula.

                      ADM                      5,45 mm
 Limite de Uso
                      ESC                      5,41 mm


Guia da Válvula

Utilize o alargador nas guias para remover os depósitos de
carvão antes de medir o D.I. da guia.

NOTA                                                            ALARGADOR DA GUIA DA VÁLVULA

 • Tenha cuidado para não inclinar o alargador na guia ao
   utilizá-lo. Caso contrário, as válvulas podem ser
   instaladas de maneira tendenciosa, causando
   vazamento de óleo pelo retentor da haste e contato
   inadequado da sede da válvula. Isto pode evitar a retífica
   da sede da válvula.
 • Insira o alargador pelo lado da câmara de combustão do
   cabeçote e sempre gire-o em sentido horário.

Ferramenta:
Alargador da guia da válvula
5,510 mm (ADM/ESC)                         07984-2000001




8-16
SHADOW 750                                                                              CABEÇOTE/VÁLVULAS


Meça e anote o D.I. da guia de cada válvula.



                      ADM                       5,56 mm
 Limite de Uso
                      ESC                       5,56 mm



Calcule a folga entre a haste e a guia da válvula, subtraindo o
D.E. da haste da válvula do D.I. da guia correspondente.



                      ADM                       0,10 mm
 Limite de Uso
                      ESC                       0,11 mm           GUIA DA CORRENTE DE DISTRIBUIÇÃO


Se o valor da folga entre a haste e a guia da válvula exceder o
valor de limite de uso, verifique se uma nova guia, com seus
valores padrão, corrigiria o valor da folga para os valores
tolerados.
Em caso positivo, substitua as guias das válvulas que forem
necessárias e alargue-as para que encaixem.
Se, mesmo com uma nova guia, o valor da folga entre a
haste e a guia da válvula exceder o valor de limite de uso,
substitua as válvulas e as guias.

NOTA
 Inspecione e retifique as sedes das válvulas sempre que
 as guias forem substituídas (página 8-19).                       TENSOR DA CORRENTE DE DISTRIBUIÇÃO

Guia da Corrente de Distribuição

Inspecione a guia da corrente de distribuição quanto a
desgaste ou danos.
Substitua a guia da corrente de distribuição, se necessário.

Tensor da Corrente de Distribuição

Inspecione o tensor da corrente de distribuição quanto a
desgaste ou danos.
Substitua o tensor da corrente de distribuição, se necessário.




                                                                                                       8-17
CABEÇOTE/VÁLVULAS                                                                       SHADOW 750


SUBSTITUIÇÃO DAS GUIAS DAS VÁLVULAS
NOTA
 Retifique as sedes das válvulas sempre que as guias
 forem substituídas para evitar um assentamento irregular.

Coloque as guias das válvulas para substituição em um
congelador por aproximadamente uma hora.
Aqueça o cabeçote até atingir uma temperatura entre 130 e
140°C, utilizando uma chapa quente ou um forno. Não aqueça
o cabeçote a uma temperatura superior a 150°C. Utilize um
termômetro, disponível em lojas de suprimentos de soldagem,
para certificar-se de que o cabeçote esteja aquecido a
temperatura adequada.
NOTA                                                                       INSTALADOR DA GUIA DA VÁLVULA

 Não utilize um maçarico para aquecer o cabeçote, pois
 pode causar seu empenamento.

Para evitar queimaduras, vista luvas grossas ao manusear o
cabeçote aquecido.
Apóie o cabeçote e retire as guias das válvulas pelo lado da
câmara de combustão do cabeçote.
NOTA
 Tenha cuidado para não danificar o cabeçote.

Ferramenta:
Instalador da guia da válvula
5,5 mm (ADM/ESC)                            07742-0010100
                                                                           INSTALADOR DA GUIA DA VÁLVULA
Ajuste o instalador da guia da válvula na altura da guia.
Ferramenta:
Instalador da guia da válvula               07743-0020000
Projeção da Guia da Válvula sobre o Cabeçote:
ADM                                     17,2 – 17,4 mm
ESC                                     18,7 – 18,9 mm
Insira as novas guias pelo lado da árvore de comando do
cabeçote, na altura da guia da válvula, enquanto o cabeçote
ainda encontra-se aquecido.
Espere o cabeçote esfriar até atingir a temperatura ambiente.
Em seguida, utilize o alargador nas novas guias das válvulas.
Ferramenta:
Alargador da guia da válvula
5,510 mm (ADM/ESC)                          07984-2000001
                                                                ALARGADOR DA GUIA DA VÁLVULA
NOTA
 • Tenha cuidado para não inclinar o alargador na guia ao
   utilizá-lo. Caso contrário, as válvulas podem ser
   instaladas de maneira tendenciosa, causando
   vazamento de óleo pelo retentor da haste e contato
   inadequado da sede da válvula. Isto pode evitar a retífica
   da sede da válvula.
 • Insira o alargador pelo lado da câmara de combustão do
   cabeçote e sempre gire-o em sentido horário.

Limpe completamente o cabeçote para remover quaisquer
partículas metálicas.
Retifique a sede da válvula (página 8-20).




8-18
SHADOW 750                                                                          CABEÇOTE/VÁLVULAS

                                                              FERRAMENTA DE POLIMENTO MANUAL

INSPEÇÃO/RETÍFICA DAS SEDES DAS
VÁLVULAS
INSPEÇÃO

Limpe completamente as válvulas de admissão e escape para
remover quaisquer depósitos de carvão.

Aplique uma fina camada de Azul-da-Prússia sobre as sedes
das válvulas.
Execute o polimento das válvulas e sedes, utilizando uma
mangueira de borracha ou outra ferramenta de polimento
manual, sem no entanto rotacionar a válvula.

Remova a válvula e inspecione a face da sede da válvula.

NOTA
 As válvulas não podem ser retificadas. Substitua a válvula
 se sua face estiver queimada, excessivamente desgastada
 ou se o contato com a sede for irregular.

Inspecione a face da sede da válvula quanto a:
• Face danificada:
  – Substitua a válvula e retifique a sede.
• Largura da sede irregular                                       FACE DANIFICADA   LARGURA DA
  – Substitua a válvula e retifique a sede.                                         SEDE IRREGULAR



• Área de contato (muito alta ou muito baixa):
 – Retifique a sede da válvula.




                                                                    MUITO BAIXA       MUITO ALTA




Inspecione a largura da sede da válvula.

O contato da sede da válvula deve possuir uma largura
dentro do intervalo especificado e permanecer regular em
toda a circunferência.


           Padrão                      Limite de Uso

       0,90 – 1,10 mm                      1,5 mm

                                                                                    LARGURA DE CONTATO
Se a largura da sede não estiver de acordo com os valores                           DA SEDE DA VÁLVULA
especificados, retifique a sede da válvula.




                                                                                               8-19
CABEÇOTE/VÁLVULAS                                                                   SHADOW 750


RETIFICA DAS SEDES DAS VALVULAS

NOTA
 • Siga as instruções de operação do fabricante do                                  45°
   retificador.
 • Retifique a sede da válvula sempre que a guia da válvula
   for substituída.
                                                                                                   60°
 • Tenha cuidado para não retificar a sede mais do que o
   necessário.                                                               32°




Se a área de contato da válvula estiver muito alta, a sede    CONTATO MUITO ALTO    LARGURA DA
deve ser rebaixada utilizando-se uma fresa plana de 32°.                            SEDE ANTIGA

Se a área de contato da válvula estiver muito baixa, a sede
deve ser erguida utilizando-se uma fresa para interiores de                                  32°
                                                                                             32°
60°.
                                                              CONTATO MUITO BAIXO     LARGURA DA
                                                                                      SEDE ANTIGA




                                                                                            60°
                                                                                            60°




Utilize uma fresa de 45° para remover quaisquer rugosidades
ou irregularidades das sedes.                                                       RUGOSIDADES

Ferramentas:
Fresa para sede da válvula,
27,5 mm (ADM)                              07780-0010200
Fresa para sede da válvula,
35 mm (ESC)                                07780-0010400
Suporte para fresa, 5,5 mm                 07781-0010101




Utilize uma fresa de 32° para remover 1/4 do material
existente na parte superior da sede da válvula.
                                                                                    LARGURA DA
                                                                                    SEDE ANTIGA
Ferramentas:
Fresa plana, 28 mm (ADM)                   07780-0012100
Fresa plana, 35 mm (ESC)                   07780-0012300
Suporte para fresa, 5,5 mm                 07781-0010101

                                                                                      32°




8-20
SHADOW 750                                                                   CABEÇOTE/VÁLVULAS


Utilize uma fresa de 60° para remover 1/4 do material
existente na parte inferior da sede antiga.                                      LARGURA DA
                                                                                 SEDE ANTIGA
Ferramentas:
Fresa para interiores, 30 mm
(ADM)                                     07780-0014000
Fresa para interiores, 37,5 mm
(ESC)                                     07780-0014100
Suporte para fresa, 5,5 mm                07781-0010101


                                                                                60 °
                                                                                60°




Utilize uma fresa de 45° para efetuar o acabamento e obter a
largura correta da sede.
Certifique-se de que todas as irregularidades e pontos de                     LARGURA DA SEDE
corrosão tenham sido removidos.




                                                                                   45°
                                                                                    45°




Após retificar a sede, aplique composto de polimento na face
da válvula e efetue o seu polimento, aplicando uma leve        LARGURA DA
pressão.                                                       SEDE ANTIGA

• Pressão excessiva no polimento pode deformar ou danificar
  a sede.
• Altere constantemente a inclinação da ferramenta de
  polimento para evitar um desgaste irregular da sede.
• Tenha cuidado para que o composto de polimento não
  penetre nas guias.

Após o polimento, limpe completamente os resíduos do
cabeçote e da válvula.

Verifique novamente o contato da sede após o polimento.




                                                                                          8-21
CABEÇOTE/VÁLVULAS                                                                         SHADOW 750


MONTAGEM DO CABEÇOTE                                                               CHAVETAS


                                                                                     RETENTOR DA MOLA
                                                                                     MOLA EXTERNA
                                                                                     DA VÁLVULA
                                                                                    MOLA INTERNA
                                                                                    DA VÁLVULA




                                                                                         SEDE DA MOLA

                                                                                       RETENTOR
                                                                                       DA HASTE
                                                                                   GUIA DA VÁLVULA




     VÁLVULAS DE ADMISSÃO                                                      VÁLVULA DE ESCAPE



Aplique ar comprimido em todas as passagens de óleo do              VÁLVULA RETENTOR DA HASTE
cabeçote.
                                                                                   ADM:
Instale as sedes das molas das válvulas e os novos retentores
das hastes.

NOTA
 Os retentores da haste de escape possuem anel limitador.                             ESC:


Lubrifique a superfície deslizante das hastes da guia da
válvula utilizando solução de óleo de bissulfeto de                                                ANEL
molibdênio.                                                     SEDE DA MOLA                       LIMITADOR

Instale a válvula na guia da válvula.

NOTA
 Para evitar danos ao retentor da haste, gire lentamente a
 válvula durante sua instalação.




8-22
SHADOW 750                                                                           CABEÇOTE/VÁLVULAS


Instale as molas das válvulas, mantendo o lado das espiras
                                                             ADM:
mais próximas voltado para a câmara de combustão.                     MOLA EXTERNA
                                                                      DA VÁLVULA       MOLA INTERNA
• As molas das válvulas possuem as seguintes marcas de                                 DA VÁLVULA
  identificação:
  – ADM (interna): Marca amarela
  – ADM (Externa): Marca amarela
  – ESC: Marca branca

Instale o retentor da mola.




                                                                    LADO DA CÂMARA DE COMBUSTÃO

                                                             ESC:




                                                                    LADO DA CÂMARA DE COMBUSTÃO


                                                             COMPRESSOR DE MOLA
Instale as chavetas, utilizando a ferramenta especial.

NOTA
 Aplique graxa nas chavetas da válvula para facilitar sua
 instalação.

Ferramenta:
Compressor de mola da válvula               07757-0010000

NOTA
 Para evitar perda de tensão, não comprima as molas das
 válvulas mais do que o necessário.
                                                                                           CHAVETAS
Apóie o cabeçote de forma que as válvulas não encostem em
nenhum objeto que possa danificá-las.

Bata levemente nas hastes das válvulas, utilizando um
martelo plástico e um eixo, para assentar firmemente as
chavetas, como mostra a ilustração.

Instale as velas de ignição (página 3-8).




                                                                                                8-23
CABEÇOTE/VÁLVULAS                                                                       SHADOW 750


INSTALAÇÃO DO CABEÇOTE
NOTA
 • Os mesmos procedimentos aplicam-se tanto ao
   cabeçote dianteiro como ao traseiro.
 • Tenha cuidado para não danificar as superfícies de
   contato ao limpar o cabeçote.
 • Durante a limpeza da superfície de contato do cabeçote,
   coloque uma toalha sobre o cilindro aberto para evitar
   que a poeira penetre no motor.

Limpe completamente as superfícies de contato da junta do
cilindro e do cabeçote, tendo cuidado para não danificá-las.   GUIA DA
                                                               CORRENTE        Alinhe
Instale a guia da corrente de distribuição, alinhando a
extremidade da guia com a ranhura da carcaça do motor, e as
guias com a ranhura no cilindro.




                                                                                                Alinhe
                                                                          PINOS-GUIA
Instale os pinos-guia e uma nova junta.




                                                                                             JUNTA
                                                                  MARCA “R”
Os cilindros são identificados pelas seguintes marcas
existentes em seus compartimentos de óleo:
• “F”: cabeçote dianteiro
• “R”: cabeçote traseiro




                                                                                           MARCA “F”


8-24
SHADOW 750                                                                            CABEÇOTE/VÁLVULAS

                                                                       PORCAS/ARRUELAS
Instale o cilindro no cabeçote

Aplique óleo para motor nas roscas e superfícies de
assentamento dos parafusos de 8 mm e porcas.

Instale os parafusos de 8 mm, as porcas e arruelas.

Aperte as porcas e parafusos de 8 mm no torque
especificado.

Torque:                                                                                         PARAFUSOS,
Porca                                     47 N.m (4,8 kgf.m)                                    8 mm
Parafuso, 8 mm                            23 N.m (2,3 kgf.m)
                                                                      PARAFUSO, 6 mm
Instale e aperte seguramente o parafuso de 6 mm.
                                                                 TENSOR DA CORRENTE DE DISTRIBUIÇÃO
NOTA
 • Aperte manualmente todos os parafusos. Em seguida,
   aperte primeiramente os fixadores de maior diâmetro
   seguidos pelos de menor diâmetro.
 • Aperte os parafusos e porcas em ordem cruzada e em
   diversas etapas.

Instale o tensor da corrente de distribuição, alinhando sua
extremidade com a ranhura da carcaça do motor.



                                                                                                       Alinhe

Aperte os parafusos do tensor como indicado a seguir:

1. Instale temporariamente os parafusos do tensor,
   juntamente com novas arruelas de vedação.
2. Aperte o parafuso do tensor da corrente de distribuição, no
   lado do cabeçote, no torque especificado.

  Torque: 10 N.m (1,0 kgf.m)

3. Aperte o parafuso do tensor da corrente de distribuição, no
   lado do cilindro, no torque especificado.

  Torque: 10 N.m (1,0 kgf.m)
                                                                 PARAFUSOS/ARRUELA DE VEDAÇÃO

Instale um novo anel de vedação na conexão da mangueira
de água.




                                                                         ANEL DE VEDAÇÃO


                                                                                                      8-25
CABEÇOTE/VÁLVULAS                                                                         SHADOW 750
                                                                PLACA LIMITADORA    CONEXÃO DA MANGUEIRA
Instale a conexão da mangueira de água, alinhando os
orifícios dos parafusos da placa limitadora e do cabeçote.
Instale e aperte seguramente os parafusos.

Instale o motor no chassi (página 7-7).

Instale os seguintes componentes:
– Árvore de comando (página 8-26)
– Tampa do cabeçote (página 8-31)
– Coletor de admissão (página 5-48)




                                                                                           PARAFUSO


INSTALAÇÃO DA ÁRVORE DE COMANDO
MONTAGEM DO SUPORTE DA ÁRVORE DE COMANDO
                                      EIXO DO BALANCIM        PARAFUSO DE AJUSTE
                                      DE ADMISSÃO             DA VÁLVULA
        EIXO DO BALANCIM
        DE ESCAPE

                                                                                       CONTRAPORCA




                                                                                   BALANCIM DE
                                                                                   ADMISSÃO




                                                                   SUPORTE DA ÁRVORE
                                   BALANCIM DE ESCAPE              DE COMANDO


                                                                     PARAFUSO DE AJUSTE
Aplique óleo de motor nas roscas dos parafusos de ajuste da
válvula.
Instale o parafuso de ajuste da válvula, juntamente com sua
contraporca.


.




                                                                      CONTRAPORCA


8-26
SHADOW 750                                                                       CABEÇOTE/VÁLVULAS

                                                               BALANCINS
NOTA
 • O balancim de escape possui uma superfície deslizante
   maior que a do balancim de admissão.
 • O eixo do balancim de admissão possui dois orifícios
   em cada extremidade.
 • O eixo do balancim de escape possui duas ranhuras em
   cada extremidade.

Aplique solução de óleo de bissulfeto de molibdênio na
superfície externa do eixo do balancim.
Instale os balancins e os eixos.


                                                                            EIXOS
                                                                           ORIFÍCIOS
Alinhe os orifícios do eixo do balancim de admissão com os
orifícios do suporte da árvore de comando.
Alinhe as ranhuras do eixo do balancim de escape com os
orifícios do suporte da árvore de comando.




                                                                           ORIFÍCIOS
                                                             MARCA “R”                   MARCA “F”
PROCEDIMENTO DE SINCRONIZAÇÃO DA ÁRVORE DE
COMANDO

NOTA

 • As árvores de comando estão identificadas pelas
   seguintes marcas gravadas:
   “F”: Árvore de comando do cilindro dianteiro
   “R”: Árvore de comando do cilindro traseiro
 • Se ambas as árvores de comando (dianteira e traseira)
   forem removidas, instale primeiramente a árvore de
   comando do cilindro dianteiro. Em seguida, instale a
   árvore de comando do cilindro traseiro.
 • Se não houver execução de reparos no cabeçote
   traseiro, remova sua tampa do cabeçote e verifique a
   posição da árvore de comando.
 • Se não houver execução de reparos no cabeçote
   dianteiro, remova sua tampa do cabeçote e verifique a
   posição da árvore de comando.




                                                                                           8-27
CABEÇOTE/VÁLVULAS                                                                       SHADOW 750

Ajuste de PMS do Cilindro Dianteiro
                                                                  MARCA DE REFERÊNCIA
Remova o tampa do cabeçote traseiro (página 8-7) e verifique
a posição da árvore de comando do cilindro traseiro, através
do procedimento a seguir:

NOTA
 Caso não tenham sido executados reparos no cilindro
 traseiro, inicie desta etapa.

Gire a árvore de manivelas em sentido anti-horário e alinhe a
marca “RT” do volante do motor com a marca de referência
da tampa esquerda da carcaça do motor. Em seguida,                MARCA “RT”
verifique a marca de identificação “R” na árvore de comando
traseira.
                                                                                         MARCA “R”
– Se a marca “R” encontrar-se voltada para cima, gire a
  árvore de manivelas em sentido anti-horário por 1-1/7
  voltas (412°) (alinhe a marca “FT” do volante do motor com
  a marca de referência). Em seguida, inicie a instalação da
  árvore de comando dianteira.
– Se a marca “R” encontrar-se voltada para baixo (e não
  puder ser vista), gire a árvore de manivelas em sentido anti-
  horário por 1/7 volta (52°) (alinhe a marca “FT” com a
  marca de referência). Em seguida, inicie a instalação da
  árvore de comando dianteira.

Instale a árvore de comando dianteira (página 8-29).


Ajuste de PMS de Ambos os Cilindros
                                                                  MARCA DE REFERÊNCIA
Alinhe a marca “FT” do volante do motor com a marca de
referência da tampa esquerda da carcaça do motor.

NOTA
 Caso tenham sido executados reparos em ambas as
 árvores de comando, inicie a instalação pela árvore de
 comando dianteira.

Instale a árvore de comando dianteira (página 8-29).
                                                                  MARCA “FT”
Posicione o cilindro traseiro em PMS (página 8-29).
Instale a árvore de comando traseira (página 8-29).




8-28
SHADOW 750                                                                              CABEÇOTE/VÁLVULAS


Ajuste de PMS do Cilindro Traseiro
                                                                  MARCA DE REFERÊNCIA
Remova o tampa do cabeçote dianteiro (página 8-6) e
verifique a posição da árvore de comando do cilindro
dianteiro, através do procedimento a seguir:

NOTA
 Caso não tenham sido executados reparos no cilindro
 dianteiro, inicie desta etapa.

Gire a árvore de manivelas em sentido anti-horário e alinhe a
marca “FT” do volante do motor com a marca de referência
da tampa esquerda da carcaça do motor. Em seguida,                MARCA “FT”
verifique a marca de identificação “F” na árvore de comando
dianteira.
                                                                                              MARCA “F”
– Se a marca “F” encontrar-se voltada para cima, gire a
  árvore de manivelas em sentido anti-horário por 6/7 voltas
  (308°) (alinhe a marca “RT” do volante do motor com a
  marca de referência). Em seguida, inicie a instalação da
  árvore de comando traseira.
– Se a marca “F” encontrar-se voltada para baixo (e não
  puder ser vista), gire a árvore de manivelas em sentido anti-
  horário por 1-6/7 voltas (668°) (alinhe a marca “RT” com a
  marca de referência). Em seguida, inicie a instalação da
  árvore de comando traseira.

Instale a árvore de comando traseira, através do
procedimento a seguir.
                                                                    ÁRVORE DE COMANDO           MARCA
INSTALAÇÃO DA ÁRVORE DE COMANDO

NOTA

 • Certifique de seguir os PROCEDIMENTOS DE
   SINCRONIZAÇÃO DA ÁRVORE DE COMANDO (página 8-
   27) antes de instalar a árvore de comando.
 • Os procedimentos de reparo executados nas árvores de
   comando dianteira e traseira são os mesmos.

Lubrifique as superfícies do mancal e ressaltos da árvore de
comando, utilizando solução de óleo de bissulfeto de
molibdênio.

Instale a árvore de comando, mantendo a marca de                            SUPORTE DA ÁRVORE DE COMANDO
identificação (“R”: árvore de comando traseira, “F”: árvore de
comando dianteira) voltada para cima.

Lubrifique cada superfície deslizante do balancim, utilizando
solução de óleo de bissulfeto de molibdênio.

NOTA

 Antes de instalar o suporte da árvore de comando, solte
 completamente o parafuso e a contraporca de ajuste da
 válvula.

Instale o conjunto do suporte da árvore de comando.




                                                                                                  8-29
CABEÇOTE/VÁLVULAS                                                                       SHADOW 750
                                                              CONJUNTO DO SUPORTE
                                                              DA ÁRVORE DE COMANDO
Instale os parafusos e porcas do suporte da árvore de
comando.
Aperte os parafusos e porcas no torque especificado, em
ordem cruzada e em diversas etapas.

Torque:
Parafuso do suporte da árvore
de comando                              23 N.m (2,3 kgf.m)
Porca do suporte da árvore
de comando                              23 N.m (2,3 kgf.m)




                                                                PORCAS                  PARAFUSOS
                                                                              CORRENTE DE DISTRIBUIÇÃO
Instale a engrenagem da árvore de comando na corrente de
distribuição, mantendo a marca “IN” voltada para dentro.




                                                                                     MARCA “IN”

Instale a engrenagem no flange da árvore de comando e
certifique-se de que as marcas de sincronização estão
alinhadas com a superfície superior do cabeçote.


Limpe e aplique trava-química nas roscas dos parafusos da
engrenagem da árvore de comando.

NOTA
 Tenha cuidado para que os parafusos da engrenagem da
 árvore de comando não caiam no interior da carcaça do
 motor.

                                                                         MARCAS DE SINCRONIZAÇÃO
Alinhe os orifícios dos parafusos da engrenagem e da árvore
de comando.
Instale temporariamente o parafuso da engrenagem da
árvore de comando.
Gire a árvore de manivelas por uma volta completa (360°) em
sentido anti-horário e aperte o outro parafuso da
engrenagem no torque especificado.

Torque: 23 N.m (2,3 kgf.m)

Gire a árvore de manivelas por uma volta completa (360°) em
sentido anti-horário e aperte o outro parafuso da
engrenagem no torque especificado.


                                                                      PARAFUSOS


8-30
SHADOW 750                                                                        CABEÇOTE/VÁLVULAS

                                                                    CALÇO A             PINO, D.E. 2 mm
Remova um pino de 2 mm de diâmetro externo, enquanto
mantém fixado o calço A do tensor da corrente de
distribuição e pressiona o calço B para baixo.

NOTA
 • Tenha cuidado para que o pino de 2 mm de diâmetro
   externo não caia no interior da carcaça do motor.
 • Certifique-se de remover o pino de 2 mm de diâmetro
   externo antes de instalar a tampa do cabeçote.




                                                                              CALÇO B

Abasteça o compartimento de óleo no cabeçote, utilizando
óleo para motor.

Ajuste a folga da válvula (página 3-9).




INSTALAÇÃO DA TAMPA DO CABEÇOTE                               HONDA BOND A

Limpe a ranhura da junta e a superfície de contato da tampa
do cabeçote.

Certifique-se de que junta encontra-se em boas condições.
Substitua-a se necessário.

Aplique o adesivo Honda Bond A ou um equivalente na
ranhura da junta da tampa do cabeçote.

Instale a junta na ranhura.                                   TAMPA DO CABEÇOTE


                                                                                                   JUNTA
DIANTEIRO

Limpe a superfície de contato da tampa do cabeçote.

Instale a tampa no cabeçote dianteiro.




                                                                                    TAMPA DO CABEÇOTE


                                                                                                   8-31
CABEÇOTE/VÁLVULAS                                                                       SHADOW 750

Verifique as condições dos vedadores de borracha; substitua-
os se necessário.

Instale os vedadores de borracha na tampa do cabeçote, na                              PARA CIMA
                                                                                       UP
posição indicada, como mostra a ilustração.




                                                               VEDADOR DE BORRACHA


                                                               PARAFUSO      ARRUELA
Instale as arruelas nos vedadores de borracha.
Instale os parafusos na tampa do cabeçote e aperte-os no
torque especificado.

Torque: 10 N.m (1,0 kgf.m)

Instale os seguintes componentes:
– Alojamento do termostato (página 6-9)
– Válvula de inspeção PAIR (página 5-61)
– Bobina de ignição (página 18-8)
– Tampa superior do cabeçote (página 2-6)



                                                               VEDADOR DE BORRACHA     PARAFUSOS
                                                               TAMPA DO CABEÇOTE
TRASEIRO

Limpe a superfície de contato da tampa do cabeçote.

Instale a tampa do cabeçote traseiro.




                                                                   JUNTA
                                                                                                 MANGUEIRA
Instale os vedadores de borracha (página 8-32).                PARAFUSO      ARRUELA             DE RESPIRO

Instale as arruelas.
Instale os parafusos da tampa do cabeçote e aperte-os no
torque especificado.

Torque: 10 N.m (1,0 kgf.m)

Conecte a mangueira de respiro da carcaça do motor.

Instale os seguintes componentes:
– Válvula de inspeção PAIR (página 5-61)
– Tampa superior do cabeçote (página 2-6)

                                                               VEDADOR               PARAFUSOS
                                                               DE BORRACHA


8-32
SHADOW 750                           9. CILINDRO/PISTÃO
 LOCALIZAÇÃO DOS COMPONENTES   9-2   REMOÇÃO DO CILINDRO/PISTÃO      9-4
 INFORMAÇÕES DE SERVIÇO        9-3   INSTALAÇÃO DO CILINDRO/PISTÃO   9-9
 DIAGNOSE DE DEFEITOS          9-3




                                                                      9-1
CILINDRO/PISTÃO               SHADOW 750


LOCALIZAÇÃO DOS COMPONENTES




9-2
SHADOW 750                                                                                               CILINDRO/PISTÃO



INFORMAÇÕES DE SERVIÇO
INFORMAÇÕES GERAIS
• Este capítulo apresenta os procedimentos de reparo do pistão e cilindro. Para a execução de tais reparos, o motor deve ser
  removido do chassi.
• Tenha cuidado para não danificar as paredes do cilindro e os pistões.
• Tenha cuidado para não danificar as superfícies de contato ao remover o cilindro. Não bata o cilindro com muita força
  durante a remoção.
• Durante a desmontagem, marque e armazene os componentes removidos para certificar-se de que sejam reinstalados em
  suas posições originais.
• Limpe todos os componentes desmontados com solvente de limpeza e seque-os utilizando ar comprimido antes de
  inspecioná-los.
• O abastecimento de óleo lubrificante do balancim da árvore de comando é executado através de passagens de óleo
  presentes no cabeçote e no suporte da árvore de comando. Limpe estas passagens antes de montar o cabeçote.

ESPECIFICAÇÕES
                                                                                                                Unidade: mm
                              Item                                              Padrão                       Limite de Uso
 Cilindro             D.I.                                                  79,000 – 79,015                      79,10
                      Ovalização                                                  —                               0,06
                      Conicidade                                                  —                               0,06
                      Empenamento                                                 —                               0,10
 Pistão,              D.E. do pistão a 17 mm de sua base                     78,97 – 78,99                       78,90
 pino do pistão,      D.I. da cavidade do pino do pistão                    18,002 – 18,008                      18,05
 anel do pistão       D.E. do pino do pistão                                17,994 – 18,000                      17,98
                      Folga entre o pistão e o pino do pistão                0,002 – 0,014                        0,04
                      Folga entre as          1° anel                         0,15 – 0,25                         0,40
                      extremidades            2º anel                         0,25 – 0,40                         0,60
                      do anel do pistão       Anel de óleo
                                                                               0,20 – 0,80                         1,0
                                              (anel lateral)
                      Folga entre o anel e a 1º anel                         0,025 – 0,055                        0,08
                      canaleta do pistão      2º anel                        0,015 – 0,045                       0,07
 Folga entre o cilindro e o pistão                                           0,010 – 0,045                        0,10
 D.I. da cabeça da biela                                                    18,016 – 18,034                      18,07
 Folga entre a biela e o pino do pistão                                      0,016 – 0,040                       0,06

VALORES DE TORQUE
Prisioneiro do cilindro (8 mm)                          Consulte página 9-8.
Prisioneiro do cilindro (10 mm)                         Consulte página 9-8.
Prisioneiro do cilindro (12 mm)                         Consulte página 9-8.


DIAGNOSE DE DEFEITOS
Compressão do cilindro muito baixa, dificuldade de                 Fumaça excessiva
partida e desempenho inadequado em baixas rotações                 • Cilindro, pistão ou anéis do pistão desgastados
• Vazamento na junta do cabeçote                                   • Instalação inadequada dos anéis do pistão
• Anéis do pistão desgastados, emperrados ou quebrados             • Pistão ou parede do cilindro escoriada ou riscada
• Pistão ou cilindro desgastado ou danificado
                                                                   Ruído excessivo
Compressão muito alta, superaquecimento ou pré-                    • Pino do pistão ou cavidade do pino do pistão
detonação                                                            desgastados
• Excesso de depósitos de carvão na câmara de                      • Cilindro, pistão ou anéis do pistão desgastados
  combustão ou na cabeça do pistão                                 • Cabeça da biela desgastada




                                                                                                                         9-3
CILINDRO/PISTÃO                                                                             SHADOW 750
                                                               PARAFUSOS

REMOÇÃO DO CILINDRO/PISTÃO
REMOÇÃO DO CILINDRO

NOTA
 Os mesmos procedimentos aplicam-se tanto ao cilindro
 dianteiro como ao traseiro.

Remova o cabeçote (página 8-13).

Somente para o cilindro dianteiro:
Remova os parafusos, a conexão da mangueira de água e o
anel de vedação.                                               JUNTA DA MANGUEIRA DE ÁGUA    ANEL DE VEDAÇÃO
                                                                      PRESILHAS
Remova as presilhas retentoras.

Empurre o espaçador de conexão em direção ao cilindro
dianteiro ou traseiro.




                                                                             ESPAÇADOR DE CONEXÃO
                                                                  CILINDRO
Levante o cilindro e remova-o em seguida, tendo cuidado
para não danificar o pistão e os prisioneiros.

NOTA
 • Fixe a corrente de distribuição, utilizando um pedaço de
   arame, para evitar que ela caia na carcaça do motor.
 • Não bata o cabeçote e tenha cuidado para não danificar
   sua superfície de contato ao utilizar uma chave-de-fenda.




                                                                                        ANÉIS DE VEDAÇÃO
Remova o espaçador da conexão do cilindro.

Remova os anéis de vedação.




                                                                       ESPAÇADOR DE CONEXÃO


9-4
SHADOW 750                                                                          CILINDRO/PISTÃO

                                                                JUNTA
Remova os pinos-guias e a junta.

Remova quaisquer resíduos de junta da superfície de contato
do cilindro.

NOTA
 Tenha cuidado para não danificar a superfície da junta.




                                                                  PINOS-GUIAS
                                                                PISTÃO                PINO DO PISTÃO
REMOÇÃO DO PISTÃO

Remova as presilhas do pino do pistão, utilizando um alicate.
Puxe o pino para fora do pistão e da biela. Em seguida,
remova o pistão.

NOTA
 Coloque uma toalha sobre a carcaça do motor para evitar
 que as presilhas do pino do pistão caiam na carcaça do
 motor.



                                                                        PRESILHAS

Separe as extremidades de cada anel do pistão e remova-os,
levantando-os pelo lado oposto à abertura entre suas
extremidades.

NOTA
 Tenha cuidado para não danificar o anel do pistão,
 separando excessivamente suas extremidades.




                                                                                     ANEL DO PISTÃO

Limpe os depósitos de carvão das canaletas dos anéis do
pistão, utilizando um anel que será descartado.

NOTA
 Nunca utilize uma escova de aço para remover os
 depósitos, pois poderá riscar a canaleta.




                                                                                              9-5
CILINDRO/PISTÃO                                                                     SHADOW 750


INSPEÇÃO

Pistão/Anel do Pistão

Gire os anéis do pistão e inspecione-os quanto a suavidade
de movimentação. Os anéis deverão girar livremente em suas
canaletas, sem obstruções.

NOTA
 Sempre substitua os anéis pistão em conjunto.

Pressione o anel até que sua superfície externa esteja
praticamente nivelada com o pistão e meça a folga entre o
anel e a canaleta.                                           ANEL DO PISTÃO

                           1° anel              0,08 mm
      Limite de Uso
                           2° anel              0,07 mm


Insira corretamente o anel do pistão na base do cilindro,
utilizando a cabeça do pistão.
Meça a folga entre as extremidades do anel do pistão.

                           1° anel              0,4 mm

                           2° anel              0,6 mm
      Limite de Uso
                           Anel de óleo
                                                1,0 mm
                           (anel lateral)


Meça o D.E. do pistão, a 17 mm de sua base e a 90° da
cavidade do pino do pistão.

                                                                              90°
        Limite de Uso                       78,90 mm                                 17 mm


Compare esta medida com o valor máximo do D.I. do cilindro
e calcule a folga entre o cilindro e o pistão
(página 9-7).


        Limite de Uso                       0,10 mm



Meça o D.E. do pino do pistão em três pontos diferentes.


        Limite de Uso                       17,98 mm




9-6
SHADOW 750                                                        CILINDRO/PISTÃO


Meça o D.I. da cavidade do pino do pistão.


           Limite de Uso                   18,05 mm

Calcule a folga entre o pistão e o pino do pistão.


           Limite de Uso                   0,04 mm




Biela

Meça o D.I. da cabeça da biela.


           Limite de Uso                   18,07 mm

Calcule a folga entre a biela e o pino do pistão.


           Limite de Uso                   0,06 mm




Cilindro

Inspecione a parte superior do cilindro quanto a
empenamento, utilizando uma régua de precisão e um cálibre
de lâminas através dos orifícios dos prisioneiros.


           Limite de Uso                   0,10 mm




Inspecione a parede do cilindro quanto a riscos ou desgaste.
Meça o D.I. do cilindro em três pontos dos eixos X e Y. Utilize
a maior leitura para determinar o desgaste do cilindro.


           Limite de Uso                   79,10 mm

Calcule a folga entre o cilindro e o pistão.


           Limite de Uso                   0,10 mm




                                                                           9-7
CILINDRO/PISTÃO                                                                                    SHADOW 750

Calcule a conicidade e a ovalização do cilindro em três pontos
dos eixos X e Y. Utilize a maior leitura para determinar a                              y
                                                                                        Y
conicidade e a ovalização.
                                                                                    X
                                                                                    X                    SUPERIOR
                             Conicidade    0,06 mm
  Limite de Uso
                             Ovalização    0,06 mm                                                       INTERMEDIÁRIO


Caso os valores de limites de uso sejam excedidos, o cilindro                                            INFERIOR
deverá ser retificado e o pistão substituído por um
sobremedida.

Estão disponíveis os seguintes pistão sobremedida:
   0,25 mm
                                                                  PRISIONEIROS
   0,50 mm

A folga entre o pistão e o cilindro, ao utilizar o pistão
sobremedida, deverá ser de 0,010 a 0,045 mm.

SUBSTITUIÇÃO DO PRISIONEIRO DO CILINDRO

Rosqueie duas porcas no prisioneiro e aperte uma à outra.
Em seguida, solte todo o conjunto com o auxílio de uma
chave para remover o prisioneiro.




Aplique óleo para motor nas roscas inferiores de um novo
prisioneiro e instale em seguida.
                                                                                                          LINGÜETA
NOTA
 • Instale os prisioneiros de 8 e 10 mm, mantendo o lado
   de sua lingüeta voltado para o cabeçote.
 • Instale o prisioneiro de 12 mm, mantendo seu lado de
   menor D.I. voltado o cabeçote.




Após a instalação dos prisioneiros, verifique se a altura entre
a cabeça de cada prisioneiro e a superfície da carcaça do              PRISIONEIRO,         PRISIONEIROS,
                                                                       8 mm:                10 mm e 12 mm:
motor encontra-se no valor especificado.
                                                                       186 ± 1 mm




Ajuste a altura, se necessário.
                                                                                            169 ± 1 mm




9-8
SHADOW 750                                                                                        CILINDRO/PISTÃO



INSTALAÇÃO DO CILINDRO/PISTÃO
                                                                        1° ANEL                        MARCA
INSTALAÇÃO DOS ANÉIS DO PISTÃO

Aplique óleo para motor na superfície externa do pistão e dos   MARCA
anéis do pistão.

Instale cuidadosamente os anéis do pistão em suas canaletas,
mantendo suas marcas voltadas para cima.
                                                                                 120 °

NOTA                                                                                     120 °
                                                                               120 °                2° ANEL
 • Tenha cuidado para não danificar o pistão e os anéis.
 • Não inverta o 1° e o 2° anel.
 • Para instalar o anel de óleo, instale primeiramente o                                             ESPAÇADOR
   espaçador. Em seguida instale os anéis laterais.
                                                                                                 20 mm
Posicione as folgas entre as extremidades dos anéis a 120°                                       OU MAIS
                                                                ANÉIS
umas das outras.                                                LATERAIS                                      1° ANEL
Posicione as folgas entre as extremidades dos anéis laterais                                                  2° ANEL
como mostra a ilustração.                                                                                     ANEL DE
                                                                                                              ÓLEO




INSTALAÇÃO DO PISTÃO

Aplique solução de óleo de bissulfeto de molibdênio na
superfície interna da cabeça da biela.




                                                                           PISTÃO
Coloque uma toalha sobre a carcaça do motor para evitar que
a presilha caia em seu interior.

Aplique óleo para motor na superfície externa do pino do
pistão.

Instale o pistão.
Instale o pino do pistão através do pistão e da biela.




                                                                                         PINO DO PISTÃO


                                                                                                               9-9
CILINDRO/PISTÃO                                                                    SHADOW 750
                                                                                         FOLGA
Instale novas presilhas nas canaletas da cavidade do pino do
pistão.

NOTA

 • Certifique-se de que as presilhas do pino do pistão
   estejam seguramente assentadas.
 • Não alinhe a folga da extremidade da presilha com o
   recorte do pistão.




                                                               PRESILHAS                 RECORTE
                                                                                   ANÉIS DE VEDAÇÃO
INSTALAÇÃO DO CILINDRO

Limpe completamente as superfícies da junta do cilindro e da
carcaça do motor, tendo cuidado para não danificá-las.

NOTA
 Os mesmos procedimentos aplicam-se tanto ao cilindro
 dianteiro como ao traseiro.

Instale novos anéis de vedação no espaçador da conexão.
Instale o espaçador da conexão no cilindro.

                                                                  ESPAÇADOR DA CONEXÃO
                                                                JUNTA
Instale os pinos-guias e uma nova junta.




                                                                           PINOS-GUIAS
                                                               CILINDRO
Aplique uma camada de óleo sobre a parede do cilindro, a
superfície externa do pistão e sobre os anéis do pistão.

NOTA
 Tenha cuidado para não danificar os anéis do pistão e a
 parede do pistão.

Passe a corrente de distribuição através do cilindro. Em
seguida, instale o cilindro sobre o pistão, à medida que
comprime os anéis do pistão.




9-10
SHADOW 750                                                                            CILINDRO/PISTÃO

                                                               ESPAÇADOR DA CONEXÃO     PRESILHAS
Encaixe o espaçador da conexão no orifício do cilindro e
conecte-o em seguida.
Instale as presilhas retentoras nas ranhuras do espaçador da
conexão.




                                                               ANEL DE VEDAÇÃO        PARAFUSOS
Somente para o cilindro dianteiro:
Instale um novo anel de vedação na ranhura da conexão da
mangueira de água.

Instale e aperte seguramente os parafusos da conexão da
mangueira.

Instale o cabeçote (página 8-24).




                                                                     CONEXÃO DA MANGUEIRA DE ÁGUA




                                                                                              9-11
CILINDRO/PISTÃO           SHADOW 750


                  NOTAS




9-12
SHADOW 750                                        10.      EMBREAGEM/
                                                           SELETOR DE MARCHAS


 LOCALIZAÇÃO DOS COMPONENTES   10-2   ENGRENAGEM MOTORA PRIMÁRIA       10-12
 INFORMAÇÕES DE SERVIÇO        10-3   SELETOR DE MARCHAS               10-14
 DIAGNOSE DE DEFEITOS          10-4   INSTALAÇÃO DA EMBREAGEM          10-18
 REMOÇÃO DA TAMPA DIREITA             INSTALAÇÃO DA TAMPA DIREITA
 DA CARCAÇA DO MOTOR           10-5   DA CARCAÇA DO MOTOR              10-21
 REMOÇÃO DA EMBREAGEM          10-7




                                                                       10-1
EMBREAGEM/SELETOR DE MARCHAS                                                              SHADOW 750


LOCALIZAÇÃO DOS COMPONENTES
                                                       12 N.m (1,2 kgf.m)
                                  13 N.m (1,3 kgf.m)



                 23 N.m (2,3 kgf.m)




                                 15 N.m (1,5 kgf.m)




                                                                                   ·
                                                                            88 N.m (9,0 kgf.m)




                                128 N.m (13,1 kgf.m)




                          ·
     12 N.m (1,2 kgf.m)




        10 N.m (1,0 kgf.m)




10-2
SHADOW 750                                                                   EMBREAGEM/SELETOR DE MARCHAS



INFORMAÇÕES DE SERVIÇO
INFORMAÇÕES GERAIS
• Os reparos na embreagem e seletor de marchas podem ser executados com o motor instalado no chassi.
• A viscosidade e o nível do óleo do motor afetam o funcionamento da embreagem. Aditivos no óleo também afetam
  seu desempenho e não são recomendados. Quando a embreagem não desengatar ou a motocicleta trepidar com a
  embreagem desengatada, inspecione o óleo do motor e o nível de óleo antes de executar reparos no sistema de
  embreagem.

ESPECIFICAÇÕES
                                                                                                        Unidade: mm
                                Item                                              Padrão             Limite de Uso
Folga da alavanca da embreagem                                                    10 – 20                  —
Embreagem      Comprimento livre da mola da embreagem                              45,3                   43,9
               Espessura do disco da embreagem            Disco A               2,62 – 2,78                2,3
                                                          Disco final           2,92 – 3,08                2,6
               Empenamento do separador da embreagem                                 –                    0,30
Guia da carcaça da embreagem                              D.I.                21,991 – 22,016            22,03
                                                          D.E.                31,959 – 31,975            31,92
D.E. da árvore primária na guia da carcaça da embreagem                       21,967 – 21,980            21,95
Folga entre a guia da carcaça da embreagem e a árvore primária                 0,011 – 0,049              0,08
D.I. da carcaça da embreagem                                                  32,000 – 32,025            32,09
Folga entre a carcaça da embreagem e a guia da carcaça                         0,025 – 0,066              0,18
D.I. da engrenagem motora da bomba de óleo                                    32,025 – 32,145            32,16
Folga entre a engrenagem motora da bomba de óleo e a guia da
                                                                               0,050 – 0,186             0,23
carcaça da embreagem

VALORES DE TORQUE
Parafuso da placa de acionamento da embreagem           12 N.m (1,2 kgf.m)
Contraporca do cubo da embreagem                        128 N.m (13,1 kgf.m)     Contraporca: substitua-a por uma
                                                                                 nova e trave-a.
                                                                                 Aplique óleo para motor nas roscas e
                                                                                 superfícies de assentamento
Parafuso Allen da tampa da embreagem                    10 N.m (1,0 kgf.m)
Parafuso da engrenagem motora primária                  88 N.m (9,0 kgf.m)       Aplique óleo para motor nas roscas e
                                                                                 superfícies de assentamento
Parafuso de fixação do braço seletor de marchas         12 N.m (1,2 kgf.m)
Parafuso Allen da engrenagem movida da bomba de óleo    15 N.m (1,5 kgf.m)       Aplique trava-química nas roscas.
Parafuso da articulação do pedal seletor de marchas     26 N.m (2,7 kgf.m)
Pino da mola de retorno do eixo do seletor de marchas   23 N.m (2,3 kgf.m)
Parafuso da placa limitadora do retentor de óleo do
eixo do seletor de marchas                              13 N.m (1,3 kgf.m)

FERRAMENTAS
Fixador do cubo da embreagem          Fixador de engrenagem, 2,5
07JMB-MN50301                         07724-0010100




                                                                                                           10-3
EMBREAGEM/SELETOR DE MARCHAS                                                                       SHADOW 750


DIAGNOSE DE DEFEITOS
Dificuldade em acionar a alavanca da embreagem
• Cabo da embreagem danificado, emperrado ou sujo
• Cabo da embreagem instalado inadequadamente
• Mecanismo de acionamento da embreagem danificado
• Rolamento de acionamento da embreagem danificado

A embreagem não desengata ou a motocicleta trepida com a embreagem desengatada
• Folga excessiva da alavanca da embreagem
• Separadores da embreagem empenados
• Contraporca do cubo da embreagem solta
• Nível de óleo muito alto, viscosidade do óleo inadequada ou utilização de aditivos no óleo

A embreagem escorrega
• Folga incorreta da alavanca da embreagem
• Discos da embreagem desgastados
• Molas da embreagem enfraquecidas
• Acionador da embreagem emperrado
• Nível de óleo muito baixo, viscosidade do óleo inadequada ou utilização de aditivos no óleo

Dificuldade no engate de marchas
• Funcionamento inadequado da embreagem
• Viscosidade inadequada do óleo
• Ajuste inadequado da embreagem
• Eixo seletor de marchas empenado ou danificado
• Excêntrico seletor de marchas danificado
• Eixo do garfo seletor empenado ou garfos seletores e tambor seletor danificados (página 12-21)

As marchas escapam
• Posicionador do tambor seletor quebrado
• Molas de retorno do eixo do seletor de marchas enfraquecidas ou quebradas
• Excêntrico seletor de marchas desgastado ou danificado
• Eixo do garfo seletor empenado ou garfos seletores e tambor seletor danificados (página 12-21)
• Recortes ou orifícios das engrenagens desgastados (página 12-21)




10-4
SHADOW 750                                                          EMBREAGEM/SELETOR DE MARCHAS
                                                                                      BORRACHA DE
                                                                 PARAFUSOS            VEDAÇÃO DE ÓLEO
REMOÇÃO DA TAMPA DIREITA DA
CARCAÇA DO MOTOR
Drene o óleo do motor (página 3-13)

Remova os parafusos, a tampa da embreagem e a borracha
de vedação de óleo.




                                                             TAMPA DA EMBREAGEM
                                                                     CABO DA EMBREAGEM     FIXADOR
Remova os parafusos em ordem cruzada e em diversas
etapas.

Remova o fixador do cabo e desconecte o cabo da
embreagem.

Remova a tampa direita da carcaça do motor.




                                                               PARAFUSOS              TAMPA DIREITA DA
                                                                                      CARCAÇA DO MOTOR
                                                                             PINOS-GUIAS
Remova os pinos-guias e limpe os resíduos de junta das
superfícies de contato.

NOTA
 Tenha cuidado para não danificar a superfície de contato.




                                                                              ACIONADOR DA EMBREAGEM
DESMONTAGEM

Remova o acionador da embreagem, girando o braço de
acionamento da embreagem em sentido horário.




                                                                       BRAÇO DE ACIONAMENTO


                                                                                              10-5
EMBREAGEM/SELETOR DE MARCHAS                                                          SHADOW 750
                                                               MOLA DE RETORNO
Remova o anel elástico e a mola de retorno do braço de
acionamento da embreagem.




                                                                                         ANEL ELÁSTICO

Remova o braço de acionamento da embreagem da tampa
direita da carcaça do motor.




                                                                     BRAÇO DE ACIONAMENTO
INSPEÇÃO

Inspecione o retentor de óleo quanto a fadiga ou danos.
Inspecione a superfície deslizante do braço de acionamento
na tampa direita da carcaça do motor quanto a desgaste,
danos ou encaixe inadequado.

Substitua estes componentes, se necessário.

NOTA
 Caso seja necessário substituir o retentor de óleo, instale
 o retentor nivelando-o com a superfície da carcaça.


                                                                                 RETENTOR DE ÓLEO
                                                                                 BRAÇO DE ACIONAMENTO
Inspecione o braço de acionamento da embreagem quanto a
desgaste, danos ou empenamento.
Inspecione a mola quanto a fadiga ou danos.

Substitua estes componentes se necessário.




10-6
SHADOW 750                                                           EMBREAGEM/SELETOR DE MARCHAS



REMOÇÃO DA EMBREAGEM
Remova a tampa direita da carcaça do motor (página 10-5).

Se a engrenagem movida da bomba de óleo for removida,
solte o parafuso da engrenagem movida enquanto a
embreagem ainda estiver instalada.




                                                                       PARAFUSO
                                                                    PARAFUSOS/MOLAS
Solte os parafusos da placa de acionamento da embreagem
em ordem cruzada e em diversas etapas. Remova-os em
seguida.
Remova a placa de acionamento/rolamento e as molas da
embreagem.




                                                              PLACA DE ACIONAMENTO/ROLAMENTO
                                                                                     Destrave
Destrave a contraporca do cubo da embreagem.

NOTA
 Tenha cuidado para não danificar as roscas da árvore
 primária.




                                                              FIXADOR DO CUBO DA EMBREAGEM
Fixe o cubo da embreagem, utilizando a ferramenta especial,
e remova a contraporca do cubo da embreagem.

Ferramenta:
Fixador do cubo da embreagem          07JMB-MN50301

Remova a ferramenta especial e a contraporca do cubo da
embreagem.




                                                                                      CONTRAPORCA


                                                                                                10-7
EMBREAGEM/SELETOR DE MARCHAS                                                    SHADOW 750
                                                              ARRUELA DE ENCOSTO
Remova a arruela da mola e a arruela de encosto




                                                           ARRUELA DA MOLA
                                                        MOLA JUDDER/SEDE DA MOLA/DISCOS DA
                                                        EMBREAGEM/SEPARADORES DA EMBREAGEM
Remova os seguintes componentes:
– Cubo da embreagem
– Platô
– Disco final da embreagem
– Separadores da embreagem
– Disco A da embreagem
– Mola Judder
– Sede da mola




                                                        CUBO DA EMBREAGEM           PLATÔ
                                                           ARRUELA DE ENCOSTO
Remova a arruela de encosto e a carcaça da embreagem.




                                                                          CARCAÇA DA EMBREAGEM
                                                                                  ARRUELA
Remova o parafuso da engrenagem movida da bomba de
óleo e a arruela.




                                                               PARAFUSO


10-8
SHADOW 750                                                           EMBREAGEM/SELETOR DE MARCHAS

                                                               ENGRENAGEM MOTORA
Remova as engrenagens motora e movida da bomba de óleo
e a corrente de acionamento em conjunto.




                                                                  CORRENTE DE      ENGRENAGEM MOVIDA
                                                                  ACIONAMENTO
                                                                         GUIA DA CARCAÇA DA EMBREAGEM
Remova a guia da carcaça da embreagem




INSPEÇÃO

Rolamento de Acionamento da Embreagem

Gire manualmente a pista interna do rolamento .
Os rolamentos devem girar suave e silenciosamente.
Inspecione também se a pista externa do rolamento encaixa-
se sem folga na placa de acionamento.

Remova e descarte os rolamentos caso a pista interna não
gire suave e silenciosamente ou se a pista externa encaixar-
se com folga na placa de acionamento.




Mola da Embreagem

Verifique o comprimento livre da mola da embreagem.


        Limite de Uso                    43,9 mm



NOTA
 Substitua as molas da embreagem em conjunto.




                                                                                             10-9
EMBREAGEM/SELETOR DE MARCHAS                                SHADOW 750

Disco da Embreagem

Substitua os discos da embreagem caso apresentem sinais
de escoriações ou descoloração.

NOTA
 Substitua os discos e separadores da embreagem em
 conjunto.

Meça a espessura do disco da embreagem.

                         Disco A           2,3 mm
     Limite de Uso
                         Disco final       2,6 mm


Separador da Embreagem

Inspecione os separadores quanto a descoloração.

NOTA
 Substitua os discos e separadores da embreagem em
 conjunto.

Inspecione o empenamento do separador em sua superfície,
utilizando um cálibre de lâminas.


       Limite de Uso                   0,30 mm



Cubo da Embreagem

Inspecione o cubo da embreagem quanto a trincas, entalhes
ou desgaste anormal provocado pelos separadores da
embreagem.




Carcaça da Embreagem

Inspecione os recortes da carcaça da embreagem quanto a
trincas, entalhes ou desgaste anormal provocado pelos
discos da embreagem.

Meça o D.I. da carcaça da embreagem.

       Limite de Uso                   32,09 mm




10-10
SHADOW 750                                                        EMBREAGEM/SELETOR DE MARCHAS


Guia da Carcaça da Embreagem

Inspecione a guia da carcaça da embreagem quanto a
desgaste anormal ou danos .

Meça o D.I. da guia da carcaça da embreagem.


        Limite de Uso                    22,03 mm

Meça o D.E. da guia da carcaça da embreagem.

        Limite de Uso                    31,92 mm

Calcule a folga entre a carcaça e a guia da carcaça da
embreagem.

        Limite de Uso                     0,18 mm

Engrenagem Motora da Bomba de Óleo

Inspecione a engrenagem motora da bomba de óleo quanto a
desgaste ou danos.

Meça o D.I. da engrenagem motora.

        Limite de Uso                    32,16 mm

Calcule a folga entre a engrenagem motora da bomba de
óleo e a guia da carcaça da embreagem.

        Limite de Uso                     0,23 mm

Árvore Primária

Meça o D.E. da árvore primária na superfície deslizante da
guia da carcaça da embreagem.

        Limite de Uso                    21,95 mm

Calcule a folga entre a guia da carcaça da embreagem e a
árvore primária.

        Limite de Uso                     0,08 mm
                                                             SEDE DA MOLA          MOLA JUDDER
Mola Judder/Sede da mola

Inspecione a sede da mola e a mola judder quanto a
deformações, desgaste ou danos.




                                                                                     10-11
EMBREAGEM/SELETOR DE MARCHAS                                                        SHADOW 750

Engrenagem Movida da Bomba de Óleo

Inspecione a engrenagem movida da bomba de óleo quanto
a desgaste ou danos.




                                                             PARAFUSOS                  BORRACHAS

ENGRENAGEM MOTORA PRIMÁRIA
REMOÇÃO

Remova a embreagem (página 10-7).

Remova os parafusos de fixação do sensor CKP.

Remova o sensor CKP e as borrachas.




                                                               SENSOR CKP
                                                            FIXADOR DE ENGRENAGEM   PARAFUSO/ARRUELA
Instale temporariamente a guia da carcaça da embreagem, a
engrenagem motora da bomba de óleo e a carcaça da
embreagem na árvore primária (página 10-18).

Remova o parafuso da engrenagem motora primária,
juntamente com sua arruela, enquanto mantém fixada a
engrenagem motora, utilizando a ferramenta especial.

Ferramenta:
Fixador de engrenagem, 2,5            07724-0010100

Remova o fixador de engrenagem e os componentes
temporariamente instalados.
                                                                         ENGRENAGEM MOTORA PRIMÁRIA
                                                            ROTOR DO SENSOR CKP
Remova o rotor do sensor CKP e a engrenagem motora
primária.




                                                                         ENGRENAGEM MOTORA PRIMÁRIA


10-12
SHADOW 750                                                         EMBREAGEM/SELETOR DE MARCHAS


INSPEÇÃO

Inspecione o rotor do sensor CKP quanto a desgaste ou
danos.




Inspecione a engrenagem motora primária quanto a desgaste
ou danos.




                                                            ENGRENAGEM MOTORA PRIMÁRIA    Alinhe
INSTALAÇÃO

Instale a engrenagem motora primária na árvore de
manivelas.

NOTA
 • Instale a engrenagem motora primária, alinhando sua
   ranhura mais larga com o dente maior da árvore de
   manivelas.
 • Instale a engrenagem motora primária, mantendo sua
   marca “OUT” voltada para fora.


                                                                                  MARCA “OUT”
                                                            ROTOR DO SENSOR CKP
Instale o rotor do sensor CKP, alinhando sua ranhura mais
larga com o dente maior da árvore de manivelas.




                                                                                         Alinhe


                                                                                           10-13
EMBREAGEM/SELETOR DE MARCHAS                                                            SHADOW 750
                                                                           ENGRENAGEM MOTORA PRIMÁRIA
Instale temporariamente a guia da carcaça da embreagem, a
engrenagem motora da bomba de óleo e a carcaça da
embreagem na árvore primária.

Aplique óleo para motor nas roscas e superfícies de
assentamento do parafuso da engrenagem motora primária.
Instale a arruela e o parafuso da engrenagem motora
primária.

Fixe a engrenagem motora primária, utilizando a ferramenta
especial.

Ferramenta:
Fixador de engrenagem, 2,5             07724-0010100
                                                               FIXADOR DE ENGRENAGEM   PARAFUSO/ARRUELA
                                                               PARAFUSOS                     BORRACHAS
Aperte o parafuso no torque especificado.

Torque: 88 N.m (9,0 kgf.m)

Remova o fixador de engrenagem e os componentes
temporariamente instalados.

Instale o sensor CKP e a borracha da fiação. Em seguida,
aperte os parafusos.

Instale a embreagem (página 10-18).



                                                                  SENSOR CKP
                                                                               PARAFUSO DE FIXAÇÃO

SELETOR DE MARCHAS
REMOÇÃO

Remova os seguintes componentes:
– Tampa traseira esquerda da carcaça do motor (página 2-4)
– Embreagem (página 10-7)

Remova o parafuso de fixação e o braço seletor do eixo
seletor de marchas.
Limpe o eixo do seletor de marchas.



                                                               PARAFUSO/ARRUELA
Remova o parafuso de fixação, a arruela e o pedal seletor de
marchas.




                                                                  PEDAL SELETOR DE MARCHAS



10-14
SHADOW 750                                                            EMBREAGEM/SELETOR DE MARCHAS

                                                                     RETENTORES DE PÓ
Remova os retentores de pó do pedal seletor de marchas.
Inspecione os retentores de pó quanto a desgaste ou danos.

Substitua-os, se necessário.




                                                               POSICIONADOR DE MARCHAS   MOLA DE RETORNO
Remova os seguintes componentes:
– Parafuso
– Arruela
– Posicionador de marchas
– Espaçador
– Mola de retorno




                                                                            PARAFUSO/ARRUELA/ESPAÇADOR
                                                                                EIXO SELETOR DE MARCHAS
Remova o eixo seletor de marchas da carcaça do motor,
desencaixando o braço seletor da placa do excêntrico seletor
de marchas.




INSPEÇÃO
Remova o parafuso e a placa limitadora.                                                    BRAÇO SELETOR
Inspecione o retentor de óleo do eixo seletor de marchas       PLACA LIMITADORA
quanto a deterioração ou danos. Substitua-o se necessário.

NOTA
 • Aplique graxa nos lábios do retentor de óleo.
 • Instale o retentor de óleo, mantendo seu lado marcado
   voltado para fora.

Instale a placa limitadora, juntamente com seu parafuso.

Aperte o parafuso no torque especificado.

Torque: 13 N.m (1,3 kgf.m)

                                                               PARAFUSO                  RETENTOR DO ÓLEO


                                                                                               10-15
EMBREAGEM/SELETOR DE MARCHAS                                                                 SHADOW 750
                                                               MOLAS DE RETORNO
Inspecione o eixo seletor de marchas quanto a
empenamento, desgaste ou danos.

Inspecione as molas de retorno quanto a fadiga ou danos.




                                                               EIXO SELETOR DE MARCHAS
                                                               HASTE DO PEDAL
Inspecione a haste do pedal seletor de marchas quanto a
danos. Verifique se as contraporcas estão soltas.
Substitua a haste se necessário.




                                                                                         CONTRAPORCAS
                                                                     Alinhe         EIXO SELETOR DE MARCHAS
INSTALAÇÃO

Instale o eixo seletor de marchas, alinhando as extremidades
da mola de retorno com o pino da mola do eixo seletor de
marchas na carcaça do motor.

Instale o braço seletor na placa do excêntrico seletor de
marchas.




                                                                                             BRAÇO SELETOR

Instale os seguintes componentes:
                                                                       MOLA DE RETORNO            ESPAÇADOR
– Espaçador
– Mola de retorno                                              PARAFUSO
– Posicionador de marchas
– Arruela
– Parafuso



                                                                              POSICIONADOR
                                                                              DE MARCHAS

                                                                     ARRUELA




10-16
SHADOW 750                                                             EMBREAGEM/SELETOR DE MARCHAS

                                                                                 POSICIONADOR DE MARCHAS
Fixe o posicionador de marchas, utilizando uma chave-de-
fenda, e aperte seguramente o parafuso, como mostra a
ilustração.




                                                                                            PARAFUSO
                                                                     RETENTORES DE PÓ
Aplique graxa nos lábios dos retentores de pó.
Instale os retentores de pó no pedal seletor de marchas.




                                                                PARAFUSO/ARRUELA
Instale o pedal seletor de marchas, a arruela e parafuso da
articulação.
Aperte o parafuso da articulação no torque especificado.

Torque: 26 N.m (2,7 kgf.m)




                                                                PEDAL SELETOR DE MARCHAS
                                                                       Alinhe         PARAFUSO DE FIXAÇÃO
Instale o braço seletor no eixo seletor de marchas, alinhando
as marcas gravadas.
Aperte o parafuso de fixação no torque especificado.

Torque: 12 N.m (1,2 kgf.m)




                                                                                               10-17
EMBREAGEM/SELETOR DE MARCHAS                                                        SHADOW 750
                                                                       GUIA DA CARCAÇA DA EMBREAGEM

INSTALAÇÃO DA EMBREAGEM
Aplique solução de óleo de bissulfeto de molibdênio na
superfície externa da guia da carcaça da embreagem.

Instale a guia da carcaça da embreagem na árvore primária.




                                                                  CORRENTE DE
                                                                  ACIONAMENTO    ENGRENAGEM MOTORA
Instale a corrente de acionamento da bomba de óleo, a
engrenagem motora e a engrenagem movida da bomba de
óleo em conjunto.

NOTA
 • Instale a engrenagem movida da bomba de óleo,
   mantendo a marca “O” voltada para o lado interno.
 • Alinhe as superfícies planas do orifício da engrenagem
   movida e da extremidade do eixo da bomba de óleo.




                                                             ENGRENAGEM MOVIDA                Alinhe
                                                                    MARCAS




                                                                                 ENGRENAGEM MOVIDA
                                                                                    ARRUELA
Aplique trava-química nas roscas dos parafusos da
engrenagem movida da bomba de óleo. Em seguida, instale a
arruela e o parafuso.

NOTA

 Aperte o parafuso da engrenagem movida no torque
 especificado após instalar a embreagem.




                                                                  PARAFUSO


10-18
SHADOW 750                                                           EMBREAGEM/SELETOR DE MARCHAS

                                                                                  CARCAÇA DA EMBREAGEM
Instale a carcaça da embreagem na árvore primária.

NOTA
 Alinhe as ranhuras da carcaça da embreagem com as
 guias da engrenagem motora da bomba de óleo, girando
 a engrenagem com a corrente de acionamento e
 pressionando a carcaça da embreagem na árvore
 primária.

                                                                                    Alinhe




                                                                                    ARRUELA DE ENCOSTO
Instale a arruela de encosto na árvore primária.




Cubra toda a superfície dos discos da embreagem com óleo
para motor.
Instale a sede da mola e a mola judder no cubo da
embreagem, como mostra a ilustração.

Instale o disco final da embreagem.                                                            PLATÔ
Instale os sete separadores e os sete discos A da embreagem,   MOLA JUDDER
iniciando por um separador.
Instale o platô da embreagem.                                                  DISCOS A

NOTA
 O disco final da embreagem possui um D.I. superior ao
 disco A.




                                                                                    SEPARADORES
                                                               SEDE DA MOLA         DA EMBREAGEM


                                                                              DISCO FINAL DA
                                                                              EMBREAGEM




                                                                                                 10-19
EMBREAGEM/SELETOR DE MARCHAS                                                         SHADOW 750
                                                            CONJUNTO DA EMBREAGEM
Instale o conjunto da embreagem na carcaça da embreagem.




                                                                                    RANHURA RASA
Instale o disco final da embreagem nas ranhuras rasas da
carcaça da embreagem.




                                                            ARRUELA DE ENCOSTO       MARCA “OUT SIDE”
Instale a arruela de encosto.

Instale a arruela da mola, mantendo sua marca “OUT SIDE”
voltada para fora.




                                                                                ARRUELA DA MOLA
                                                            FIXADOR DO CUBO DA EMBREAGEM
Aplique óleo para motor nas roscas e superfícies de
assentamento de uma nova contraporca do cubo da
embreagem. Em seguida, instale a contraporca na árvore
primária.
Aperte a contraporca do cubo da embreagem no torque
especificado, enquanto mantém o cubo fixado, utilizando a
ferramenta especial.

Ferramenta:
Fixador do cubo da embreagem          07JMB-MN50301

Torque: 128 N.m (13,1 kgf.m)

                                                            CONTRAPORCA


10-20
SHADOW 750                                                            EMBREAGEM/SELETOR DE MARCHAS

                                                                                         Trave
Trave a contraporca do cubo da embreagem na ranhura da
árvore primária.

NOTA

 Tenha cuidado para não danificar as roscas da árvore
 primária.




                                                                 PARAFUSOS/MOLAS
Instale as molas da embreagem, a placa de acionamento/
rolamento e os parafusos.
Aperte os parafusos em ordem cruzada e em diversas etapas
no torque especificado.

Torque: 12 N.m (1,2 kgf.m)




                                                               PLACA DE ACIONAMENTO/ROLAMENTO

Caso a engrenagem movida da bomba de óleo tenha sido
removida, aperte seu parafuso no torque especificado.

Torque: 15 N.m (1,5 kgf.m)

Instale a tampa direita da carcaça do motor (página 10-22).




                                                                         PARAFUSO
                                                                                      RETENTOR DE ÓLEO

INSTALAÇÃO DA TAMPA DIREITA DA
CARCAÇA DO MOTOR
MONTAGEM

Aplique óleo para motor na superfície deslizante do braço de
acionamento da embreagem da tampa direita da carcaça do
motor.

Aplique graxa nos lábios do retentor de óleo.




                                                                                            10-21
EMBREAGEM/SELETOR DE MARCHAS                                                         SHADOW 750

Instale o braço de acionamento da embreagem.




                                                                   BRAÇO DE ACIONAMENTO
                                                             MOLA DE RETORNO            ANEL ELÁSTICO
Instale a mola de retorno, inserindo sua extremidade menor
na ranhura do braço de acionamento da embreagem.

Instale seguramente o anel elástico na ranhura do braço de
acionamento da embreagem.

Instale a extremidade maior da mola na lingüeta da tampa.




                                                                   Instale              RANHURA
                                                                      ACIONADOR DA EMBREAGEM
Instale o acionador da embreagem, alinhando sua
extremidade com a ranhura no braço de acionamento da
embreagem, girando o braço de acionamento em sentido
horário.




                                                                           BRAÇO DE ACIONAMENTO
                                                                          PINOS-GUIAS
INSTALAÇÃO

Instale os pinos-guias.




10-22
SHADOW 750                                                             EMBREAGEM/SELETOR DE MARCHAS


Limpe as superfícies de contato da tampa direita e da carcaça
do motor.

NOTA
 Tenha cuidado para não danificar as superfícies de contato.

Aplique junta-líquida (Three Bond 1207B ou equivalente) na
superfície de contato da tampa direita da carcaça do motor.




                                                                    CABO DA EMBREAGEM    FIXADOR DO CABO
Conecte o cabo da embreagem.
Instale a tampa direita da carcaça do motor e o fixador do
cabo da embreagem. Em seguida, aperte os parafusos em
ordem cruzada e em diversas etapas.




                                                                PARAFUSOS             TAMPA DIREITA DA
                                                                                      CARCAÇA DO MOTOR
                                                                PARAFUSOS   BORRACHA DO RETENTOR DE ÓLEO
Instale a borracha do retentor de óleo na tampa da
embreagem, mantendo seu flange menor voltado para cima.

Instale a tampa da embreagem e aperte seus parafusos no
torque especificado.

Torque: 10 N.m (1,0 kgf.m)

Abasteça a carcaça do motor, utilizando o óleo recomendado
para motor (página 3-12).




                                                                TAMPA DA EMBREAGEM




                                                                                              10-23
EMBREAGEM/SELETOR DE MARCHAS           SHADOW 750


                               NOTAS




10-24
SHADOW 750                                      11.   ALTERNADOR/
                                                      EMBREAGEM DE PARTIDA


 LOCALIZAÇÃO DOS COMPONENTES   11-2   VOLANTE DO MOTOR/
                                      EMBREAGEM DE PARTIDA          11-5
 INFORMAÇÕES DE SERVIÇO        11-3
                                      INSTALAÇÃO DO ESTATOR         11-11
 DIAGNOSE DE DEFEITOS          11-3
 REMOÇÃO DO ESTATOR            11-4




                                                                    11-1
ALTERNADOR/EMBREAGEM DE PARTIDA   SHADOW 750


LOCALIZAÇÃO DOS COMPONENTES




     128 N.m (13,1 kgf.m)




11-2
SHADOW 750                                                              ALTERNADOR/EMBREAGEM DE PARTIDA



INFORMAÇÕES DE SERVIÇO
INFORMAÇÕES GERAIS

• Este capítulo abrange os reparos no estator do alternador e volante do motor. Todos os reparos podem ser executados
  com o motor instalado no chassi.
• Para inspeção do alternador, consulte a página 17-9.
• Para reparos no motor de partida, consulte a página 19-6.

ESPECIFICAÇÕES
                                                                                                          Unidade: mm
                            Item                                                    Padrão             Limite de Uso
 Engrenagem movida de partida                 D.I.                              37,000 – 37,025            37,10
                                              D.E.                              57,749 – 57,768            57,73
 D.I. da carcaça da embreagem de partida                                        74,414 – 74,440            74,46


VALORES DE TORQUE

Parafuso Allen do estator                                  12 N.m (1,2 kgf.m)      Aplique trava-química nas roscas.
Parafuso do volante do motor                               128 N.m (13,1 kgf.m)    Roscas invertidas.
                                                                                   Aplique óleo para motor nas roscas
                                                                                   e superfícies de assentamento.
Parafuso Allen do fixador da fiação do estator             12 N.m (1,2 kgf.m)      Aplique trava-química nas roscas.
Parafuso Allen da carcaça da embreagem unidirecional
de partida                                                 30 N.m (3,1 kgf.m)      Aplique trava-química nas roscas.

FERRAMENTAS

Fixador do volante do motor            Extrator do rotor
07725-0040001                          07733-0020001




DIAGNOSE DE DEFEITOS
O motor de partida gira, mas o motor não
• Embreagem de partida defeituosa
• Engrenagem redutora danificada
• Engrenagem intermediária de partida danificada




                                                                                                              11-3
ALTERNADOR/EMBREAGEM DE PARTIDA                                                         SHADOW 750
                                                                 CONECTOR 3P (Branco)

REMOÇÃO DO ESTATOR
Remova os seguintes componentes:
– Tampa lateral esquerda (página 2-4)
– Tampa traseira esquerda da carcaça do motor (página 2-4)

Desacople o conector 3P (Branco) do alternador.
Solte a fiação do alternador das cintas da fiação.




                                                                                        CINTAS DA FIAÇÃO
                                                               TAMPA ESQUERDA DA
                                                               CARCAÇA DO MOTOR              PARAFUSOS
Solte a fiação das presilhas.

Posicione um recipiente sob a tampa esquerda da carcaça do
motor para coletar o óleo.

Remova os parafusos, as presilhas e a tampa esquerda da
carcaça do motor.

NOTA
 • Solte os parafusos em ordem cruzada e em diversas etapas.
 • A tampa esquerda da carcaça do motor (estator) é
   magneticamente fixada ao volante do motor. Tenha
   cuidado ao removê-la.
 • Tenha cuidado para não danificar a tampa do alternador.                                    PRESILHAS
                                                                 PINOS-GUIAS
Remova os pinos-guias e limpe os resíduos de junta da
superfície de contato.

NOTA
 Tenha cuidado para não danificar as superfícies de contato.




                                                                 PARAFUSO                   BORRACHA
Remova o parafuso e o fixador da fiação do estator da tampa
esquerda da carcaça do motor.

Remova a borracha da fiação.




                                                                                           FIXADOR


11-4
SHADOW 750                                                          ALTERNADOR/EMBREAGEM DE PARTIDA

                                                                     ESTATOR
Remova os parafusos e o estator da tampa da esquerda da
carcaça do motor.




                                                                                     PARAFUSOS
                                                               ENGRENAGEM
                                                               INTERMEDIÁRIA       ENGRENAGEM REDUTORA
VOLANTE DO MOTOR/EMBREAGEM DE
PARTIDA
REMOÇÃO DO VOLANTE DO MOTOR

Remova a tampa esquerda da carcaça do motor (página 11-4).

NOTA
 Para inspeção da bobina de carga do alternador, consulte
 a página 17-9.

Remova a engrenagem redutora de partida e seu eixo.                                   EIXOS
Remova a engrenagem intermediária de partida e seu eixo.       PARAFUSO/ARRUELA

Remova o parafuso do volante do motor e a arruela,
enquanto mantém fixado o volante do motor, utilizando a
ferramenta especial.

Ferramenta:
Fixador do volante do motor           07725-0040001

NOTA
 O parafuso do volante do motor possui roscas invertidas.




                                                                            FIXADOR DO VOLANTE DO MOTOR
                                                               VOLANTE DO MOTOR
Remova o volante do motor, utilizando a ferramenta especial.

Ferramenta:
Extrator do rotor                     07733-0020001




                                                               EXTRATOR DO ROTOR


                                                                                                 11-5
ALTERNADOR/EMBREAGEM DE PARTIDA                                                         SHADOW 750
                                                              CHAVETA MEIA-LUA   ROLAMENTO DA AGULHAS
Remova o calço, o rolamento de agulhas e a chaveta meia-lua
da árvore de manivelas.

NOTA
 • Tenha cuidado para não danificar a ranhura da chaveta
   meia-lua e a árvore de manivelas durante a remoção da
   chaveta.
 • Não perca a chaveta meia-lua.




                                                                                          CALÇO
                                                              ENGRENAGEM INTERMEDIÁRIA DE PARTIDA
INSPEÇÃO DA ENGRENAGEM INTERMEDIÁRIA/
ENGRENAGEM REDUTORA DE PARTIDA

Engrenagem Intermediária de Partida/Eixo

Inspecione a engrenagem intermediária de partida e seu eixo
quanto a desgaste ou danos.




                                                                             EIXO
                                                              ENGRENAGEM REDUTORA DE PARTIDA
Engrenagem Redutora de Partida/Eixo

Inspecione a engrenagem redutora de partida e seu eixo
quanto a desgaste ou danos.




                                                                                 EIXO




11-6
SHADOW 750                                                       ALTERNADOR/EMBREAGEM DE PARTIDA

                                                             ENGRENAGEM MOVIDA
REMOÇÃO DA ENGRENAGEM MOVIDA DE PARTIDA/
EMBREAGEM DE PARTIDA

Inspecione o funcionamento da embreagem unidirecional,
girando a engrenagem movida de partida.
A engrenagem movida de partida deve girar suavemente em
sentido anti-horário, e não deve girar em sentido horário.

Remova a engrenagem movida de partida do volante do
motor, girando a engrenagem em sentido anti-horário.




                                                                                 VOLANTE DO MOTOR

Remova os parafusos Allen, enquanto mantém fixado o
volante do motor, utilizando a ferramenta especial.

Ferramenta:
Fixador do volante do motor           07725-0040001




                                                               PARAFUSOS ALLEN
                                                             VOLANTE DO MOTOR CARCAÇA DA EMBREAGEM
Remova a carcaça da embreagem de partida/embreagem
unidirecional do volante do motor.




                                                                           EMBREAGEM UNIDIRECIONAL
                                                                  ROLAMENTO DE AGULHAS
INSPEÇÃO DA EMBREAGEM DE PARTIDA

ROLAMENTO DE AGULHAS

Inspecione o rolamento de agulhas quanto a desgaste
anormal ou danos.




                                                                                           11-7
ALTERNADOR/EMBREAGEM DE PARTIDA                                                   SHADOW 750
                                                                                    MOLA
Carcaça da Embreagem Unidirecional/Embreagem de Partida

Inspecione a embreagem de encosto unidirecional quanto a
desgaste anormal, danos ou movimentação irregular.

NOTA
 • Somente remova a embreagem unidirecional da carcaça
   da embreagem se for substituí-la por uma nova.
 • Se a mola for removida da ranhura da embreagem
   unidirecional, substitua o conjunto da embreagem
   unidirecional por um novo.

Inspecione a superfície de contato interna da carcaça da
                                                             CARCAÇA DA              EMBREAGEM
embreagem de partida quanto a desgaste ou danos.             EMBREAGEM               UNIDIRECIONAL

Meça o D.I. da carcaça da embreagem de partida.

        Limite de Uso                   74,46 mm



Engrenagem Movida de Partida

Inspecione a superfície de contato da embreagem de encosto
unidirecional quanto a desgaste ou danos.

Meça o D.E. da engrenagem movida de partida.

        Limite de Uso                   57,73 mm

Meça o D.I. da engrenagem movida de partida.

        Limite de Uso                   37,10 mm

INSTALAÇÃO DA ENGRENAGEM MOVIDA DE
PARTIDA/EMBREAGEM DE PARTIDA
                                               CARCAÇA DA
                                               EMBREAGEM DE PARTIDA




       30 N.m (3,1 kgf.m)




                                                                             ENGRENAGEM
                                                                             MOVIDA DE PARTIDA



                                                             EMBREAGEM
                                                             UNIDIRECIONAL
                                        VOLANTE DO MOTOR




11-8
SHADOW 750                                                         ALTERNADOR/EMBREAGEM DE PARTIDA

                                                               CARCAÇA DA EMBREAGEM
Limpe a embreagem unidirecional e aplique óleo para motor
na região de encosto.
Instale a embreagem unidirecional na carcaça da embreagem
de partida, mantendo o lado do flange voltado para o volante
do motor.

NOTA
 Caso a mola tenha sido removida da ranhura da
 embreagem unidirecional, substitua o conjunto da
 embreagem unidirecional por um novo.



                                                                               EMBREAGEM UNIDIRECIONAL
                                                               VOLANTE DO MOTOR
Instale a carcaça da embreagem de partida/embreagem
unidirecional no volante do motor.




                                                                               CARCAÇA DA EMBREAGEM/
                                                                               EMBREAGEM UNIDIRECIONAL
Fixe o volante do motor, utilizando a ferramenta especial.

Ferramenta:
Fixador do volante do motor             07725-0040001

Limpe e aplique trava-química nas roscas do parafuso Allen.
Instale e aperte os parafusos Allen no torque especificado.

Torque: 30 N.m (3,1 kgf.m)




                                                                  PARAFUSOS ALLEN
                                                               ENGRENAGEM MOVIDA
Instale a engrenagem movida de partida no volante do
motor, girando a engrenagem movida em sentido anti-
horário.

Inspecione novamente o funcionamento da embreagem
unidirecional (página 11-7).




                                                                                      VOLANTE DO MOTOR


                                                                                               11-9
ALTERNADOR/EMBREAGEM DE PARTIDA                                                           SHADOW 750
                                                               CHAVETA MEIA-LUA     ROLAMENTO DE AGULHAS
INSTALAÇÃO DO VOLANTE DO MOTOR
Instale a chaveta meia-lua na ranhura da árvore de
manivelas.

NOTA
 Tenha cuidado para não danificar a ranhura da chaveta
 ou a árvore de manivelas durante a instalação da chaveta
 meia-lua.

Aplique óleo para motor na região de rotação do rolamento
de agulhas e instale-o na árvore de manivelas.
Instale o calço na árvore de manivelas.
Limpe quaisquer resíduos de óleo da superfície de contato da                                     CALÇO
árvore de manivelas.                                           VOLANTE DO MOTOR
Limpe quaisquer resíduos de óleo da superfície de contato do
volante do motor.
Instale o volante do motor na árvore de manivelas, alinhando
a ranhura da chaveta do volante do motor com a chaveta
meia-lua da árvore de manivelas.




                                                                                                     Alinhe
                                                               PARAFUSO/ARRUELA
Fixe o volante do motor, utilizando a ferramenta especial.

Ferramenta:
Fixador do volante do motor             07725-0040001

Aplique óleo para motor nas roscas e superfícies de
assentamento do parafuso do volante do motor.

Instale e aperte o parafuso do volante do motor, juntamente
com sua arruela, no torque especificado.

Torque: 128 N.m (13,1 kgf.m)

NOTA
                                                                               FIXADOR DO VOLANTE DO MOTOR
 O parafuso do volante do motor possui roscas invertidas.
                                                               ENGRENAGEM
                                                               INTERMEDIÁRIA         ENGRENAGEM REDUTORA
Aplique óleo para motor na superfície externa dos eixos da
engrenagem redutora de partida e da engrenagem
intermediária.
Instale a engrenagem redutora de partida, a engrenagem
intermediária e seus eixos na carcaça esquerda do motor.

NOTA

 Instale a engrenagem redutora de partida, mantendo sua
 marca “OUT” voltada para fora.

Instale o estator e a tampa esquerda da carcaça do motor
(página 11-11).
                                                                                 EIXOS        MARCA “OUT”


11-10
SHADOW 750                                                      ALTERNADOR/EMBREAGEM DE PARTIDA



INSTALAÇÃO DO ESTATOR
TAMPA ESQUERDA DA CARCAÇA DO MOTOR




                                                                               FIXADOR DA FIAÇÃO




                                                                                12 N.m (1,2 kgf.m)




                                             ESTATOR                             12 N.m (1,2 kgf.m)


                                                                  ESTATOR
Instale o estator na tampa esquerda da carcaça do motor.

Limpe e aplique trava-química nas roscas do parafuso.

NOTA
 Região de cobertura: 6,5 ± 1,0 mm a partir de sua ponta.

Instale e aperte os parafusos Allen do estator no torque
especificado.

Torque: 12 N.m (1,2 kgf.m)



                                                                                 PARAFUSOS ALLEN
                                                              PARAFUSO ALLEN                  BORRACHA
Instale a borracha nas ranhuras da tampa esquerda da
carcaça do motor.

Limpe e aplique trava-química nas roscas do parafuso.

NOTA
 Região de cobertura: 6,5 ± 1,0 mm a partir de sua ponta.

Instale o fixador da fiação na tampa esquerda da carcaça do
motor.
Instale e aperte o parafuso no torque especificado.

Torque: 12 N.m (1,2 kgf.m)
                                                                                  FIXADOR DA FIAÇÃO


                                                                                                 11-11
ALTERNADOR/EMBREAGEM DE PARTIDA                                                    SHADOW 750

Remova os resíduos de junta-líquida da superfície de contato
da tampa esquerda da carcaça do motor.

Aplique junta-líquida (Three Bond 1207B ou equivalente) na
superfície de contato da tampa esquerda da carcaça do
motor.

NOTA

 Não remova o excesso de junta-líquida com solvente
 orgânico.




                                                                PINOS-GUIAS
Instale os pinos-guias.




Instale a tampa esquerda da carcaça do motor.

NOTA
 A tampa esquerda da carcaça do motor (estator) é
 magneticamente fixada ao volante do motor. Tenha cuidado
 ao removê-la.

Aplique trava-química nas roscas do parafuso marcado da
tampa esquerda da carcaça do motor (marca “Δ”), como
mostra a ilustração.



                                                               TAMPA ESQUERDA DA
                                                               CARCAÇA DO MOTOR       PARAFUSOS
Instale as presilhas e os parafusos da tampa esquerda da
carcaça do motor.
Aperte os parafusos da tampa esquerda da carcaça do motor
em ordem cruzada e em diversas etapas.

Prenda a fiação utilizando as presilhas.

NOTA
 Passe adequadamente a fiação (página 1-20).




                                                                                       PRESILHAS


11-12
SHADOW 750                                                       ALTERNADOR/EMBREAGEM DE PARTIDA

                                                                  CONECTOR 3P (Branco)
Prenda a fiação do alternador, utilizando as cintas da fiação.

NOTA
 Passe adequadamente a fiação (página 1-20).

Acople o conector 3P (Branco) do alternador.

Instale os seguintes componentes:
– Tampa traseira esquerda da carcaça do motor (página 2-4)
– Tampa lateral esquerda (página 2-4)

Verifique o nível de óleo do motor (página 3-12).
                                                                                    CINTAS DA FIAÇÃO




                                                                                           11-13
ALTERNADOR/EMBREAGEM DE PARTIDA           SHADOW 750


                                  NOTAS




11-14
ÁRVORE DE MANIVELAS/
SHADOW 750                                         12.    TRANSMISSÃO


 LOCALIZAÇÃO DOS COMPONENTES     12-2    BRONZINA DO MANCAL PRINCIPAL   12-16
 INFORMAÇÕES DE SERVIÇO          12-3    TRANSMISSÃO                    12-20
 DIAGNOSE DE DEFEITOS            12-8    ENGRENAGENS DE TRANSMISSÃO     12-28
 SEPARAÇÃO DA CARCAÇA DO MOTOR   12-9    SUBSTITUIÇÃO DO ROLAMENTO
                                         DA CARCAÇA DO MOTOR            12-47
 ÁRVORE DE MANIVELAS/BIELA       12-10
                                         MONTAGEM DA CARCAÇA DO MOTOR   12-48
 BRONZINA DO MANCAL DA
 ÁRVORE DE MANIVELAS             12-13




                                                                        12-1
ÁRVORE DE MANIVELAS/TRANSMISSÃO                                                              SHADOW 750


LOCALIZAÇÃO DOS COMPONENTES

                                   49 N.m (5,0 kgf.m)




              23 N.m (2,3 kgf.m)




                                                                                            31 N.m (3,2 kgf.m)




     33 N.m (3,4 kgf.m)




                                                                             13 N.m (1,3 kgf.m)

                                                        23 N.m (2,3 kgf.m)


PARAFUSO DA CARCAÇA DO MOTOR: 23 N.m (2,3 kgf.m)




12-2
SHADOW 750                                                                ÁRVORE DE MANIVELAS/TRANSMISSÃO



INFORMAÇÕES DE SERVIÇO
INFORMAÇÕES GERAIS

• A carcaça do motor deve ser separada para a execução reparos nos seguintes componentes:
  – Bomba de óleo
  – Árvore de manivelas/biela
  – Engrenagens de transmissão
  – Transmissão
• Os seguintes componentes devem ser removidos antes da separação da carcaça do motor:
  – Cartucho de filtro de óleo (página 3-13)
  – Bomba de água (página 6-16)
  – Cabeçote (página 8-13)
  – Cilindro/pistão (página 9-4)
  – Embreagem (página 10-7)
  – Seletor de marchas (página 10-14)
  – Engrenagem motora primária (página 10-12)
  – Volante do motor (página 11-5)
  – Motor de partida (página 19-6)
  – Sensor VS (página 20-14)
  – Interruptor de ponto-morto (página 20-23)
  – Interruptor EOP (página 4-5)
• Tenha cuidado para não danificar as superfícies de contato da carcaça do motor durante a execução de reparos.
• Marque e armazene as bielas, as capas e bronzinas para certificar-se de que sejam reinstaladas em suas posições
  originais.
• As bronzinas dos mancais principais e dos mancais da árvore de manivelas são selecionadas e identificadas pelos
  códigos de cores. Selecione as bronzinas de substituição consultando as tabelas de código. Após a seleção, verifique
  novamente a folga de óleo. Folgas de óleo incorretas podem causar sérios danos ao motor.
• Antes de montar as metades da carcaça do motor, aplique junta-líquida em suas superfícies de contato e remova
  completamente o excesso.
• Sempre que substituir as engrenagens motora/movida de transmissão, os rolamentos, seus suportes ou sua carcaça,
  execute a inspeção de padrão de contato e folga entre os dentes das engrenagens e ajuste os calços se necessário. As
  linhas de extensão da superfície de encaixe das engrenagens devem interceptar-se em um determinado ponto.
• Ao utilizar uma chave para contraporca na carcaça das engrenagens do eixo de transmissão, utilize uma chave de
  torque com cabo defletor de 20 polegadas de comprimento. A chave para contraporca aumenta a ação da alavanca da
  chave, de forma que a leitura de torque obtida na chave será menor que o torque realmente aplicado à contraporca. As
  especificações apresentadas a seguir indicam o valor real de torque que deve ser aplicado à contraporca, e não o valor
  de leitura na chave de torque. O procedimento seguinte informa ambos os valores, tanto o real como o indicado na
  chave de torque.
• Proteja a carcaça das engrenagens de transmissão, utilizando uma toalha ou mordentes macios ao fixá-la em uma
  morsa. Não aperte excessivamente a carcaça das engrenagens de transmissão pois poderá danificá-la.




                                                                                                              12-3
ÁRVORE DE MANIVELAS/TRANSMISSÃO                                                          SHADOW 750


ESPECIFICAÇÕES
                                                                                             Unidade: mm
                                   Item                                    Padrão         Limite de Uso
Árvore de           Folga lateral do colo da biela                       0,05 – 0,20           0,30
manivelas           Folga de óleo da bronzina da árvore de manivelas    0,028 – 0,052          0,07
                    Folga de óleo do mancal principal                   0,020 – 0,038          0,07
                    Empenamento                                               –                0,03
                    D.E. do mancal principal                           52,982 – 53,000       52,976
                    D.I. do mancal principal                           58,010 – 58,022       58,070
Garfo seletor,      D.I. do eixo                                       13,000 – 13,018        13,03
eixo seletor        Espessura da garra                                   5,93 – 6,00            5,6
                    D.E. do eixo seletor                               12,966 – 12,984        12,90
D.E. do tambor seletor na extremidade esquerda                         11,966 – 11,984        11,94
D.I. do mancal do tambor seletor                                       12,000 – 12,018        12,05
Folga entre o tambor seletor e o mancal do tambor seletor               0,016 – 0,052          0,09
Transmissão         D.I. da engrenagem                M3, M5           28,000 – 28,021        28,04
                                                      C1, C4           31,000 – 31,025        31,05
                                                      C2               24,000 – 24,021        24,04
                    D.E. da bucha da                  M3, M5           27,959 – 27,980        27,94
                    engrenagem                        C1, C4           30,950 – 30,975        30,93
                                                      C2               23,959 – 23,980        23,94
                    Folga entre a                     M3, M5, C2        0,020 – 0,062          0,10
                    engrenagem e a bucha              C1, C4            0,025 – 0,075          0,11
                    D.I. da bucha da                  M3               25,000 – 25,021        25,04
                    engrenagem                        C2               20,000 – 20,021        20,04
                    D.E. da árvore primária           Na bucha M3      24,959 – 24,980        24,94
                    D.E. da árvore secundária         Na bucha C2      19,980 – 19,993        19,96
                    Folga entre a bucha e             M3                0,020 – 0,062          0,10
                    o eixo                            C2                0,007 – 0,041          0,07
Sistema de          D.E. da engrenagem de transmissão                  24,000 – 24,021        24,04
transmissão         Bucha da engrenagem               D.E.             23,959 – 23,980        23,70
                    de transmissão                    D.I.             20,020 – 20,041        20,06
                    D.E. do eixo da engrenagem motora de transmissão   19,979 – 20,000        19,97
                    Folga entre a engrenagem e a bucha                  0,020 – 0,062         0,082
                    Folga entre a bucha da engrenagem e o eixo          0,020 – 0,062         0,082
                    Comprimento da mola do amortecedor
                                                                            62,3               59
                    da engrenagem de transmissão
                    Folga entre os dentes das engrenagens de
                                                                         0,08 – 0,23          0,40
                    transmissão
                    Diferença da folga entre as medidas                      –                0,10




12-4
SHADOW 750                                                             ÁRVORE DE MANIVELAS/TRANSMISSÃO


VALORES DE TORQUE

Parafuso da carcaça do motor, 8 mm                           23 N.m (2,3 kgf.m)
Porca da capa da bronzina do mancal da árvore de manivelas   33 N.m (3,4 kgf.m)   Aplique óleo para motor nas roscas
                                                                                  e superfícies de assentamento.
Parafuso da placa do excêntrico seletor de marchas           12 N.m (1,2 kgf.m)   Aplique trava-química nas roscas.
Parafuso de fixação da carcaça das engrenagens
de transmissão                                               31 N.m (3,2 kgf.m)   Aplique junta-líquida nas roscas.
Parafuso de fixação do conjunto das engrenagens
de transmissão                                               31 N.m (3,2 kgf.m)   Aplique óleo para motor nas roscas
                                                                                  e superfícies de assentamento.
Contraporca do rolamento da engrenagem motora
de transmissão (Interna)                                     73 N.m (7,4 kgf.m)   Contraporca; substitua-a por uma
                                                                                  nova e trave-a.
                                                                                  Aplique óleo para motor nas roscas
                                                                                  e superfícies de assentamento.
Contraporca do rolamento da engrenagem motora
de transmissão (Externa)                                     98 N.m (10,0 kgf.m) Contraporca; substitua-a por uma
                                                                                 nova e trave-a.
                                                                                 Aplique óleo para motor nas roscas
                                                                                 e superfícies de assentamento.
Contraporca do rolamento da engrenagem movida
de transmissão (Interna)                                     73 N.m (7,4 kgf.m)   Contraporca; substitua-a por uma
                                                                                  nova e trave-a.
                                                                                  Aplique óleo para motor nas roscas
                                                                                  e superfícies de assentamento.
Contraporca do rolamento da engrenagem movida
de transmissão (Externa)                                     98 N.m (10,0 kgf.m) Contraporca; substitua-a por uma
                                                                                 nova e trave-a.
                                                                                 Aplique óleo para motor nas roscas
                                                                                 e superfícies de assentamento.
Parafuso do eixo da engrenagem movida de transmissão         49 N.m (5,0 kgf.m)
Parafuso Allen de fixação do conjunto da engrenagem
movida de transmissão                                        31 N.m (3,2 kgf.m)   Aplique óleo para motor nas roscas
                                                                                  e superfícies de assentamento.




                                                                                                            12-5
ÁRVORE DE MANIVELAS/TRANSMISSÃO                                               SHADOW 750


FERRAMENTAS

Instalador                        Acessório, 42 x 47 mm   Acessório, 52 x 55 mm
07749-0010000                     07746-0010300           07746-0010400




Acessório, 62 x 68 mm             Guia, 22 mm             Guia, 17 mm
07746-0010500                     07746-0041000           07746-0040400




Guia, 20 mm                       Guia, 30 mm             Cabo extrator
07746-0040500                     07746-0040700           07936-3710100




Conjunto extrator de rolamento,   Contrapeso extrator     Instalador, 57 mm
20 mm                             07741-0010201           070MF-MEG0100
07936-3710600




12-6
SHADOW 750                                                         ÁRVORE DE MANIVELAS/TRANSMISSÃO


FERRAMENTAS

Conjunto instalador metálico      Compressor da mola de                Fixador de eixo A
070MF-MEG0200                     amortecimento                        07PAB-0010100
                                  07964-ME90000




Cabo fixador                      Chave para contraporca, 36 x 47,8 mm Ferramenta de inspeção do
07PAB-0010400                     07916-MB00002                        diferencial
                                                                       07KMK-HC50101




Conjunto extrator de rolamento,   Instalador do retentor de óleo       Instalador, D.I. de 40 mm
17 mm                             07965-KE80200                        07746-0030100
07936-3710300




Acessório, D.I. de 30 mm          Alicate para anel elástico
07746-0030300                     07914-5670100




                                                                                                   12-7
ÁRVORE DE MANIVELAS/TRANSMISSÃO                                                     SHADOW 750


DIAGNOSE DE DEFEITOS
Ruído excessivo
• Bronzinas do mancal principal desgastadas
• Bronzinas do mancal da árvore de manivelas desgastadas
• Engrenagens da transmissão desgastadas ou danificadas
• Rolamentos da transmissão desgastados ou danificados

Ruído excessivo no lado das engrenagens
• Engrenagens do diferencial ou do eixo de transmissão desgastadas ou danificadas
• Rolamento da carcaça das engrenagens de transmissão desgastado ou danificado
• Calço de ajuste incorreto

Dificuldade no engate de marchas
• Funcionamento inadequado da embreagem (página 10-9)
• Viscosidade incorreta do óleo do motor
• Garfos seletores empenados
• Eixo do garfo seletor empenado
• Garra do garfo seletor empenada
• Ranhuras do excêntrico do tambor seletor danificadas
• Eixo seletor de marchas empenado

As marchas escapam
• Recortes ou ranhuras das engrenagens desgastadas
• Ranhura seletora de marcha desgastada
• Eixo do garfo seletor empenado
• Posicionador do tambor seletor quebrado
• Garfos seletores desgastados ou empenados
• Mola do posicionador do tambor seletor quebrada
• Mola de retorno do eixo seletor de marchas quebrada




12-8
SHADOW 750                                                         ÁRVORE DE MANIVELAS/TRANSMISSÃO

                                                              CORRENTE DE DISTRIBUIÇÃO        PARAFUSOS
SEPARAÇÃO DA CARCAÇA DO MOTOR                                 ESQUERDO:            DIREITO:

Remova o motor do chassi (página 7-4).

Consulte o item “Informações de Serviço”, na página 12-3,
para remoção dos componentes necessários à separação da
carcaça do motor.

Remova os parafusos e as placas de fixação dos tensores das
correntes de distribuição.
Remova as correntes de distribuição.


                                                              PLACAS DE FIXAÇÃO CORRENTE DE DISTRIBUIÇÃO
                                                              FIXADOR DO EIXO A       PARAFUSO/ARRUELA
Solte o parafuso do eixo da engrenagem motora de
transmissão e remova-o juntamente com sua arruela,
enquanto mantém fixado o eixo da engrenagem movida de
transmissão, utilizando as ferramentas especiais.

Ferramentas:
Fixador de eixo A                        07PAB-0010100
Cabo fixador                             07PAB-0010400




                                                                             CABO FIXADOR
                                                                 PARAFUSOS
Remova os parafusos e a placa de fixação do rolamento.




                                                                                       PLACA DE FIXAÇÃO
                                                                                     PARAFUSOS, 8 mm
Solte os parafusos de 6 e 8 mm, em ordem cruzada e em
diversas etapas, e remova-os em seguida.




                                                                                         PARAFUSOS, 6 mm


                                                                                                12-9
ÁRVORE DE MANIVELAS/TRANSMISSÃO                                                           SHADOW 750
                                                               PARAFUSOS, 8 mm    PARAFUSO, 8 mm/ARRUELA
Solte os parafusos de 6 e 8 mm, em ordem cruzada e em
diversas etapas, e remova-os em seguida juntamente com
suas arruelas.

Gire a placa do excêntrico até atingir a posição indicada na
ilustração.




                                                               PLACA DO EXCÊNTRICO        PARAFUSOS, 6 mm
                                                                        CARCAÇA DIREITA
Apóie a carcaça do motor, mantendo seu lado esquerdo
voltado para baixo, e remova a carcaça direita do motor.

NOTA
 • Separa a carcaça direita da esquerda, forçando-as
   levemente nos pontos indicados na ilustração.
 • Separa a carcaça direita da esquerda, batendo
   levemente em ambas, nos pontos indicados, utilizando
   um martelo macio.




                                                                                 PONTOS DE ALAVANCAGEM
                                                               PINOS-GUIAS
Remova os pinos-guias e o retentor do tubo.

Remova os resíduos de junta das superfícies de contato das
carcaças esquerda e direita do motor.




                                                                                        RETENTOR DO TUBO
ÁRVORE DE MANIVELAS/BIELA                                      ÁRVORE DE MANIVELAS/BIELA

REMOÇÃO DA ÁRVORE DE MANIVELAS

Separe as carcaças do motor (página 12-9).

Remova a árvore de manivelas/biela da carcaça esquerda do
motor.

NOTA
 Tenha cuidado para não danificar o mancal principal e o
 mancal da árvore de manivelas durante a execução de
 reparos na árvore de manivelas e biela.




12-10
SHADOW 750                                                            ÁRVORE DE MANIVELAS/TRANSMISSÃO

                                                                 CÁLIBRE DE LÂMINAS
INSPEÇÃO DA FOLGA LATERAL

Inspecione a folga lateral do colo das bielas antes de removê-
las.
Meça a folga lateral, inserindo um cálibre de lâminas entre a
árvore de manivelas e o colo da biela.


        Limite de Uso                    0,30 mm




                                                                      CAPAS
REMOÇÃO DA BIELA

Remova as porcas das capas das bronzinas do mancal da
árvore de manivelas.

NOTA

 Bata levemente na lateral da capa da biela caso haja
 dificuldade de removê-la.




                                                                     PORCAS
                                                                       BRONZINA                  CAPA
Marque as bielas, as bronzinas e suas capas durante sua
remoção, para que possam ser montadas em suas posições,
mancais e cilindros originais.

Para inspeção da cabeça da biela, consulte a página 9-7.




                                                                         BIELA




                                                                                            12-11
ÁRVORE DE MANIVELAS/TRANSMISSÃO                                                          SHADOW 750


INSPEÇÃO DA ÁRVORE DE MANIVELAS
                                                                                10 mm     10 mm
Inspecione as superfícies dos mancais da árvore de
manivelas quanto a danos, descoloração ou riscos.                    40 mm
Empenamento da Árvore de Manivelas

Apóie a árvore de manivelas sobre blocos em V.
Posicione um relógio comparador nos mancais principais.
Gire a árvore de manivelas por duas voltas completas e faça
a leitura de seu empenamento.


        Limite de Uso                     0,03 mm
                                                                      PONTO DE MEDIÇÃO




INSTALAÇÃO DA BIELA

NOTA
 Não inverta as bronzinas. Caso as bronzinas sejam
 invertidas, a correta folga de óleo pode não ser obtida,
 resultando em sérios danos ao motor.



Remova quaisquer resíduos de óleo das bielas, capas e
bronzinas.                                                              BIELA                     Alinhe
Instale as bronzinas em suas capas e bielas, alinhando a
lingüeta com a ranhura.

Aplique solução óleo de bissulfeto de molibdênio na
superfície de encosto das bronzinas dos mancais da árvore
de manivelas.

Instale as bielas e suas capas na árvore de manivelas,
alinhando o código de D.I. da biela e da capa. Certifique-se de
que cada componente seja instalado em sua posição original,
como observado durante a remoção.

NOTA
 • Posicione o injetor de óleo da biela do cilindro dianteiro     INJETOR DE ÓLEO                   CAPA
   voltado para o lado traseiro (lado de admissão) do                 PORCAS
   cilindro.
 • Posicione o injetor de óleo da biela do cilindro traseiro
   voltado para o lado traseiro (lado de escape) do cilindro.

Aplique óleo para motor nas roscas e superfícies de
assentamento das porcas das capas da bielas.
Instale as porcas e aperte-as alternadamente e em diversas
etapas, no torque especificado.

Torque: 33 N.m (3,4 kgf.m)

Após apertar as porcas, verifique se as bielas movimentam-
se livremente, sem obstruções.




12-12
SHADOW 750                                                      ÁRVORE DE MANIVELAS/TRANSMISSÃO

                                                                              ÁRVORE DE MANIVELAS
INSTALAÇÃO DA ÁRVORE DE MANIVELAS

Aplique solução de óleo de bissulfeto de molibdênio nos
mancais principais da árvore de manivelas. Em seguida,
instale a árvore de manivelas na carcaça esquerda do motor.

Monte a carcaça do motor (página 12-48).




BRONZINA DO MANCAL DA ÁRVORE DE
MANIVELAS
NOTA
 Não inverta as bronzinas. Caso as bronzinas sejam
 invertidas, a correta folga de óleo pode não ser obtida,
 resultando em sérios danos ao motor.

Remova as bielas (página 12-11).

INSPEÇÃO DA BRONZINA

Inspecione as bronzinas quanto a desgaste anormal, danos                      BRONZINAS
ou descascamento. Substitua-as se necessário.

Selecione a bronzina de substituição adequada (página 12-14).




INSPEÇÃO DA FOLGA DE ÓLEO

Remova quaisquer resíduos de óleo das bronzinas e mancais
da árvore de manivelas.

Coloque uma tira de plastigauge longitudinalmente em cada
mancal da árvore de manivelas, tendo cuidado para não
atingir o orifício de óleo.

Instale cuidadosamente as bielas e capas em seus corretos
mancais.



                                                                PLASTIGAUGE


                                                                                          12-13
ÁRVORE DE MANIVELAS/TRANSMISSÃO                                                         SHADOW 750
                                                                 PORCAS
Aplique óleo para motor nas roscas e superfícies de
assentamento das porcas das capas da bielas.

Instale as porcas e aperte-as alternadamente e em diversas
etapas, no torque especificado.

Torque: 33 N.m (3,4 kgf.m)

NOTA
 Não gire a árvore de manivelas durante esta inspeção.




Remova as capas das bielas e meça a altura de cada
plastigauge, eu seu ponto mais largo, a fim de determinar a
folga de óleo.


        Limite de Uso                    0,07 mm

Caso a folga de óleo exceda o valor de limite de uso,
selecione novas bielas de substituição, como descrito a
seguir.




                                                                PLASTIGAUGE

SELEÇÃO DA BRONZINA

Anote o código numérico de D.I. da biela.

NOTA
 Os códigos de D.I. da biela são identificados pelos
 números 3 e 4.




                                                                    CÓDIGO NUMÉRICO DE D.I. DA BIELA

Anote a letra de código do D.E. do mancal da árvore de
manivelas.

NOTA
 Os códigos de D.E. do mancal da árvore de manivelas são
 identificados pelas letras A e B nos contrapesos da árvore
 de manivelas.

Utilizando a tabela da página seguinte, faça o cruzamento dos
códigos das bielas e mancais para determinar o código de cor
da bronzina de substituição.

                                                                 CÓDIGO DO D.E. DO MANCAL DA ÁRVORE DE
                                                                 MANIVELAS


12-14
SHADOW 750                                                         ÁRVORE DE MANIVELAS/TRANSMISSÃO


Tabela de Seleção da Bronzina

                                                                            Código de D.I. da Biela
                                                                      3                             4
                                                               43,000 – 43,008               43,008 – 43,016
Código de D.E. do mancal                                              C                             B
                                A          39,982 – 39,990
da árvore de manivelas                                              (Rosa)                      (Amarela)
                                                                      B                             A
                                B          39,974 – 39,982
                                                                  (Amarela)                      (Verde)




Espessura da Bronzina:
A (Verde):      Mais grossa
                                                                               CÓDIGO DE COR
B (Amarela):

C (Rosa):           Mais fina

NOTA
  Após a seleção das novas bronzinas, inspecione
  novamente a folga, utilizando os plastigauges. Folgas
  incorretas podem causar sérios danos ao motor.



SELEÇÃO DA BIELA

Encontra-se gravado na capa da biela um código alfabético
de peso. Caso seja necessário substituir a biela, selecione
uma que possua o mesmo código de peso da biela original.
Se uma biela de mesmo código não estiver disponível, utilize
uma outra seguindo a especificação abaixo.

Tabela de Combinação de Peso de Biela

• A marca “O” na tabela indica os casos de coincidência de
  cruzamento dos códigos.

                      Código de Peso da Biela Traseira
                     A               B                C
Peso da Biela




                A                    O                O
 Código de

  Dianteira




                B    O               O                O
                                                                                            CÓDIGO DE PESO
                C    O               O

                                         Peso
              A                     398 – 403 g
Código de
              B                     403 – 408 g
Peso da Biela
              C                     408 – 413 g

Instale os seguintes componentes:
– Biela (página 12-12)
– Árvore de manivelas (página 12-13)




                                                                                                     12-15
ÁRVORE DE MANIVELAS/TRANSMISSÃO                                                         SHADOW 750


BRONZINA DO MANCAL PRINCIPAL
NOTA

 Não inverta as bronzinas. Caso as bronzinas sejam
 invertidas, a correta folga de óleo pode não ser obtida,
 resultando em sérios danos ao motor.

Remova a árvore de manivelas (página 12-10).

INSPEÇÃO DA BRONZINA

Remova quaisquer resíduos de óleo das bronzinas.

Inspecione as bronzinas quanto a desgaste anormal, danos              MARCA DE REFERÊNCIA
ou descascamento. Substitua-as se necessário.
                                                                                              LADO INTERNO
Meça e anote o D.I. da bronzina do mancal principal, entre a
ranhura da bronzina e a extremidade externa da carcaça do
motor na bronzina, a 90° da marca de referência.
                                                                                              LADO EXTERNO




                                                                                  90°

                                                               BRONZINA DO MANCAL PRINCIPAL

Remova quaisquer resíduos de óleo dos mancais da árvore
de manivelas.

Meça e anote o D.E. do mancal principal da árvore de
manivelas.

        Limite de Uso                   52,976 mm

Calcule a folga de óleo do mancal principal.

        Limite de Uso                    0,07 mm

Caso a folga de óleo exceda o valor de limite de uso,
selecione uma nova bronzina.


SELEÇÃO DA BRONZINA

Instale a ferramenta especial, juntamente com uma prensa
hidráulica no lado externo da carcaça do motor.

Ferramenta:
Instalador, 57 mm                         070MF-MEG0100




12-16
SHADOW 750                                                          ÁRVORE DE MANIVELAS/TRANSMISSÃO


Remova as bronzinas do mancal principal pelo lado interno
da carcaça do motor.                                                                      INSTALADOR




                                                                                       BRONZINA



Meça e anote o D.I. do mancal principal da carcaça do motor,
entre a ranhura do mancal principal e a extremidade externa            MARCA DE REFERÊNCIA
da carcaça do motor, a 90° da marca de referência.


        Limite de Uso                   58,070 mm


                                                                                 90°
                                                                                          LADO INTERNO



                                                                                          LADO EXTERNO




Em função dos resultados obtidos nas medições acima,
existem quatro cenários possíveis para seleção das bronzinas        CÓDIGO DE D.I. DO SUPORTE DA BRONZINA
dos mancais principais:
• Substituição da árvore de manivelas e carcaça do motor
• Somente substituição da carcaça do motor
• Somente substituição da árvore de manivelas
• Somente substituição das bronzinas dos mancais principais

Consulte cuidadosamente as tabelas e instruções a seguir
para seleção das bronzinas dos mancais principais.

Anote a letra de código de D.I. do suporte da bronzina.

NOTA

 As letras A e B da carcaça do motor indicam o código de
 D.I. da carcaça.
Anote o código numérico de D.E. do mancal principal.

NOTA
 Os números 1, 2 e 3 em cada em cada contrapeso da
 árvore de manivelas indicam o código de D.E. do mancal
 da árvore de manivelas.

Faça o cruzamento dos códigos da árvore de manivelas e
carcaça do motor para determinar o código de cor da
bronzina de substituição.


                                                               CÓDIGO NUMÉRICO DE D.E. DO MANCAL PRINCIPAL


                                                                                                  12-17
ÁRVORE DE MANIVELAS/TRANSMISSÃO                                                                  SHADOW 750

Substituição da árvore de manivelas e carcaça do motor:

                                                                  Código de D.E. do mancal principal
                                                           1                      2                      3
                                                    52,994 – 53,000        52,988 – 52,994        52,982 – 52,988
 Código de D.I.       A      58,016 – 58,022               C                      B                      A
 do suporte da                                         (Marrom)                (Preto)                 (Azul)
 bronzina                                                  D                      C                      B
                      B      58,010 – 58,016
                                                        (Verde)               (Marrom)                (Preto)


Somente substituição da carcaça do motor:

                                                                   Código de D.E. do mancal principal
                                                 52,994 – 53,000    52,988 – 52,994 52,982 – 52,988 52,976 – 52,982
 Código de D.I.       A      58,016 – 58,022            C                  B               A               A
 do suporte da                                      (Marrom)            (Preto)          (Azul)          (Azul)
 bronzina                                               D                  C               B               B
                      B      58,010 – 58,016
                                                     (Verde)           (Marrom)         (Preto)          (Azul)


Somente substituição da árvore de manivelas:

                                                                 Código de D.E. do mancal principal
                                                           1                       2                      3
                                                   52,994 – 53,000        52,988 – 52,994        52,982 – 52,988
 D.I. do mancal                                            D                       C                      B
                          58,010 – 58,016
 principal                                              (Verde)               (Marrom)                 (Preto)
                                                           C                       B                      A
                          58,016 – 58,022
                                                       (Marrom)                 (Preto)                 (Azul)
                                                           B                       A                      A
                          58,022 – 58,034
                                                        (Preto)                  (Azul)                 (Azul)
                                                           A             G - Sobremedida         G - Sobremedida
                          58,034 – 58,046
                                                         (Azul)              (Vermelho)             (Vermelho)
                                                   G - Sobremedida        F - Sobremedida        F - Sobremedida
                          58,046 – 58,058
                                                      (Vermelho)                (Rosa)                 (Rosa)
                                                   F - Sobremedida        E - Sobremedida        E - Sobremedida
                          58,058 – 58,070
                                                         (Rosa)               (Amarelo)              (Amarelo)


Somente substituição das bronzinas dos mancais principais:

                                                                   Código de D.E. do mancal principal
                                                 52,994 – 53,000    52,988 – 52,994 52,982 – 52,988     52,976 – 52,982
 Código de D.I.           58,010 – 58,016                D                   C               B                  A
 do suporte da                                        (Verde)           (Marrom)          (Preto)             (Azul)
 bronzina                 58,016 – 58,022                C                   B               A                  A
                                                     (Marrom)             (Preto)          (Azul)             (Azul)
                          58,022 – 58,034                B                   A               A          G - Sobremedida
                                                      (Preto)              (Azul)          (Azul)          (Vermelho)
                          58,034 – 58,046                A         G - Sobremedida G - Sobremedida      F - Sobremedida
                                                       (Azul)          (Vermelho)      (Vermelho)             (Rosa)
                          58,046 – 58,058        G - Sobremedida    F - Sobremedida F - Sobremedida     E - Sobremedida
                                                    (Vermelho)            (Rosa)          (Rosa)            (Amarelo)
                          58,058 – 58,070        F - Sobremedida    E - Sobremedida E - Sobremedida     E - Sobremedida
                                                       (Rosa)           (Amarelo)       (Amarelo)           (Amarelo)




12-18
SHADOW 750                                                      ÁRVORE DE MANIVELAS/TRANSMISSÃO

                                                                CÓDIGO DE COR DE IDENTIFICAÇÃO
Espessura da Bronzina:
E (Amarela - Sobremedida)        Mais grossa
F (Rosa - Sobremedida
G (Vermelha - Sobremedida)
A (Azul)                         Intermediária
B (Preta)
C (Marrom)
D (Verde)                        Mais fina




INSTALAÇÃO DA BRONZINA
                                                                            Alinhe     PARAFUSOS
Aplique óleo para motor nas superfícies de novas bronzinas.
Posicione as novas bronzinas no instalador metálico,
alinhando o lado da saliência com as ranhuras do instalador
metálico.

Ferramenta:
Conjunto instalador metálico             070MF-MEG0200

Aperte os parafusos alternadamente, em diversas etapas e no
torque especificado.
                                                                 BRONZINA
Torque: 23 N.m (2,3 kgf.m)


Posicione as bronzinas e ferramentas especiais no interior da
carcaça do motor, encaixando a borda da bronzina no mancal
principal da carcaça do motor.
Alinhe a linha de contato das bronzinas com a marca de
referência da carcaça do motor, como mostra a ilustração.                       CONJUNTO INSTALADOR
                                                                                METÁLICO




                                                                                     BRONZINA



Posicione a prensa hidráulica.

Ferramenta:
Conjunto instalador metálico             070MF-MEG0200




                                                                                           12-19
ÁRVORE DE MANIVELAS/TRANSMISSÃO                                                        SHADOW 750

Instale as novas bronzinas, até que o flange do instalador            CONJUNTO INSTALADOR
metálico permaneça completamente assentado.




                                                               BRONZINA


                                                                          MARCA DE REFERÊNCIA
Certifique-se de que a linha de contato da bronzina esteja
alinhada com a marca de referência da carcaça do motor.

Inspecione a folga de óleo (página 12-16).

NOTA
 Após a seleção das novas bronzinas, inspecione
 novamente a folga de óleo. Folgas incorretas podem
 causar sérios danos ao motor.

Instale a árvore de manivelas (página 12-13).



                                                                                     EIXO SELETOR

TRANSMISSÃO
REMOÇÃO

Separe as metades da carcaça do motor (página 12-9).

Remova o eixo seletor dos garfos seletores.




                                                                                   TAMBOR SELETOR
Remova os garfos seletores e o tambor seletor.




                                                             GARFOS SELETORES


12-20
SHADOW 750                                                        ÁRVORE DE MANIVELAS/TRANSMISSÃO

                                                                                   ÁRVORE PRIMÁRIA
Remova simultaneamente as árvores primária e secundária.




                                                             ÁRVORE SECUNDÁRIA
                                                                                   ÁRVORE PRIMÁRIA
DESMONTAGEM DA TRANSMISSÃO

Desmonte as árvores primária e secundária.




                                                             ÁRVORE SECUNDÁRIA

INSPEÇÃO

Engrenagens

Inspecione os ressaltos, recortes e dentes das engrenagens
quanto a danos ou desgaste excessivo.




                                                                  RESSALTO

Meça o D.I. de cada engrenagem.


                     Engrenagens M3, M5       28,04 mm
   Limite de Uso     Engrenagens C1, C4       31,05 mm
                     Engrenagem C2            24,04 mm




                                                                      RECORTE


                                                                                        12-21
ÁRVORE DE MANIVELAS/TRANSMISSÃO                                          SHADOW 750

Buchas

Inspecione as buchas quanto a desgaste ou danos.
Meça o D.E. de cada bucha.


                 Buchas das engrenagens M3, M5 27,94 mm

 Limite de Uso Buchas das engrenagens C1, C4        30,93 mm

                 Bucha da engrenagem C2             23,94 mm

Meça o D.I. de cada bucha.

                 Bucha da engrenagem M3             25,04 mm
 Limite de Uso
                 Bucha da engrenagem C2             20,04 mm
                                                                    M3
Árvores Primária/Secundária

Inspecione as ranhuras das estrias e superfícies deslizantes
quanto a desgaste anormal ou danos.
Meça o D.E. das árvores primária e secundária nas regiões
deslizantes das engrenagens e buchas.


                 Árvore primária (na bucha da       24,94 mm
                 engrenagem M3)                                C2
 Limite de Uso
                 Árvore secundária (na bucha da     19,96 mm
                 engrenagem C2)


Calcule as folgas entre a engrenagem e a bucha e entre a
bucha e o eixo.


                 Entre a engrenagem M3, M5, C2      0,10mm
                 e a bucha
                                    C1, C4          0,11mm
Limite de Uso
                 Entre a bucha        M3            0,10 mm
                 e o eixo
                                      C2            0,07 mm


Garfo Seletor

Inspecione os garfos seletores quanto a deformações ou
desgaste anormal.
Meça a espessura da garra dos garfos seletores.


         Limite de Uso                     5,6 mm

Meça o D.I. dos garfos seletores.


         Limite de Uso                   13,03 mm




12-22
SHADOW 750                                                     ÁRVORE DE MANIVELAS/TRANSMISSÃO


Eixo do Garfo Seletor

Inspecione o eixo dos garfos seletores quanto a
empenamento, desgaste anormal ou danos.
Meça o D.E. do eixo do garfo seletor.


        Limite de Uso                   12,90 mm




                                                          PLACA DO EXCÊNTRICO         PARAFUSO
Tambor Seletor/Rolamento do Tambor Seletor

Remova o parafuso e a placa do excêntrico seletor de
marchas.




                                                                                     ROLAMENTO
Remova o pino-guia e o rolamento.




                                                                                          PINO-GUIA
                                                          PINOS-GUIAS
Remova os pinos-guias da placa do excêntrico seletor de
marchas.




                                                                                PLACA DO EXCÊNTRICO


                                                                                         12-23
ÁRVORE DE MANIVELAS/TRANSMISSÃO                                                     SHADOW 750
                                                                     ROLAMENTOS
Instale temporariamente o rolamento no tambor seletor.
Gire manualmente a pista externa do rolamento.
O rolamento deve girar suave e silenciosamente.

Inspecione também se a pista interna do rolamento encaixa-
se sem folga no tambor seletor.

Remova e descarte o rolamento caso sua pista não gire suave
e silenciosamente ou se encaixar com folga no tambor
seletor.




                                                                                  TAMBOR SELETOR

Inspecione a extremidade do tambor seletor quanto a
escoriações, riscos ou evidências de lubrificação insuficiente.
Inspecione as ranhuras do tambor seletor quanto a desgaste
anormal ou danos.

Meça o D.E. do tambor seletor em sua extremidade esquerda.


        Limite de Uso                    11,94 mm




Inspecione o mancal do tambor seletor na carcaça esquerda
do motor quanto a desgaste excessivo ou danos.
Meça o D.I. do mancal do tambor seletor.


        Limite de Uso                    12,05 mm

Calcule a folga entre o mancal e o tambor seletor.


        Limite de Uso                     0,09 mm




                                                                  PINOS-GUIAS
Instale os pinos-guias nos orifícios da placa do excêntrico
seletor de marchas.




                                                                                  PLACA DE EXCÊNTRICO


12-24
SHADOW 750                                                         ÁRVORE DE MANIVELAS/TRANSMISSÃO

                                                                                      ROLAMENTO
Instale o rolamento no tambor seletor.
Instale o pino-guia no orifício do tambor seletor.




                                                              TAMBOR SELETOR              PINO-GUIA
                                                              PLACA DO EXCÊNTRICO
Instale a placa do excêntrico seletor de marchas, alinhando
seu orifício com o pino-guia.




                                                                                     Alinhe
                                                              PLACA DO EXCÊNTRICO       PARAFUSO
Limpe e aplique trava-química no parafuso da placa do
excêntrico seletor de marchas.

Região de cobertura: 6,5 ± 1,0 mm (a partir da ponta)

Instale e aperte o parafuso no torque especificado.

Torque: 12 N.m (1,2 kgf.m)




                                                                                         12-25
ÁRVORE DE MANIVELAS/TRANSMISSÃO                                                               SHADOW 750


MONTAGEM DA TRANSMISSÃO

Limpe todos os componentes em solvente.

Aplique óleo para motor nos dentes de todas as
engrenagens.

Aplique solução de óleo de bissulfeto de molibdênio nas
superfícies deslizantes das buchas das engrenagens e ranhuras
do garfo seletor para garantir uma lubrificação inicial.

Monte todos os componentes em suas posições originais.

NOTA
 • Verifique se as engrenagens movimentam-se e giram
   livremente em seu eixo.
 • Instale as arruelas e anéis elástico, mantendo as
   extremidades chanfradas voltadas para o lado da carga
   axial.
 • Não reutilize anéis elásticos usados que poderiam
   facilmente girar em suas ranhuras.
 • Certifique-se de que os anéis elásticos estejam
   assentados em suas ranhuras. Alinhe as folgas de suas
   extremidades com as ranhuras nas estrias.
 • Alinhe as lingüetas da arruela de trava com as ranhuras
   da arruela estriada.


Árvore Primária

                                                    ENGRENAGEM M2 (20D)
                  ENGRENAGEM M5 (27D)


   BUCHA DA ENGRENAGEM M5




ARRUELA ESTRIADA                                                ANEL
                                                                ELÁSTICO                   ENGRENAGEM M4 (25D)



   ANEL ELÁSTICO
                                                                                  ARRUELA ESTRIADA

             ARRUELA DE ENCOSTO                                            BUCHA DA ENGRENAGEM M3

ÁRVORE PRIMÁRIA




                                        ENGRENAGEM M3 (23D)




                    ENGRENAGEM M1 (15D)




12-26
SHADOW 750                                                             ÁRVORE DE MANIVELAS/TRANSMISSÃO


Árvore Secundária
                                                       BUCHA DA
                                                       ENGRENAGEM C2                           ARRUELA
                                ÁRVORE SECUNDÁRIA                                              DE ENCOSTO
                                                    ARRUELA
                  ENGRENAGEM C5 (23D)               DE ENCOSTO
               ARRUELA ESTRIADA
                                                                                      ENGRENAGEM C2 (31D)
         ARRUELA DE TRAVA

 ENGRENAGEM C4 (24D)

                                                                                             ENGRENAGEM
                                                                                             C3 (27D)

                                                                                 BUCHA DA ENGRENAGEM C1




                                                               ENGRENAGEM
                                                               C1 (36D)
BUCHA DA ENGRENAGEM C4


                    ARRUELA DE ENCOSTO          ENGRENAGEM DO
                                                DIFERENCIAL (39D)

                                                                                         ÁRVORE PRIMÁRIA
INSTALAÇÃO

Instale simultaneamente as árvore primária e secundária na
carcaça esquerda do motor.

Certifique-se de instalar as arruelas de encosto em ambas as
extremidades da árvore secundária.




                                                                  ÁRVORE SECUNDÁRIA
                                                                  MARCA “L”      MARCA “C”       MARCA “R”
Os garfos seletores possuem as seguintes marcas de
identificação:

• “L”: Garfo seletor esquerdo
• “C”: Garfo seletor central
• “R”: Garfo seletor direito




                                                                                                12-27
ÁRVORE DE MANIVELAS/TRANSMISSÃO                                                          SHADOW 750
                                                                                    TAMBOR SELETOR
Instale os garfos seletores nas ranhuras seletoras de
marchas, mantendo suas marcas voltadas para cima (lado da
carcaça direita do motor).
Instale o tambor seletor, alinhando os pinos-guias do garfo
seletor com as ranhuras da guia do tambor seletor.




                                                                 GARFOS SELETORES
                                                                                            EIXO SELETOR
Aplique óleo para motor em toda a superfície do eixo seletor
de marchas.

Insira completamente o eixo seletor de marchas pelos garfos
seletores na carcaça direita do motor.

Após a instalação, inspecione a transmissão quanto a
suavidade de funcionamento.

Monte as metades da carcaça do motor (página 12-48).




ENGRENAGENS DE TRANSMISSÃO
Descrição do Conjunto de Engrenagens de
Transmissão:

                                                                EXCÊNTRICO AMORTECEDOR

                                                                                         ENGRENAGEM DE
                                                                                         TRANSMISSÃO




                                                                    MOLA DE AMORTECIMENTO



     ENGRENAGEM MOVIDA DE TRANSMISSÃO                          ENGRENAGEM MOTORA DE TRANSMISSÃO




12-28
SHADOW 750                                                          ÁRVORE DE MANIVELAS/TRANSMISSÃO

                                                               ARRUELA DE ENCOSTO
REMOÇÃO

Separe as metades da carcaça do motor (página 12-9).

Remova os seguintes componentes:
– Árvore de manivelas (página 12-10)
– Transmissão (página 12-20)

Remova a arruela de encosto e a engrenagem de
transmissão.




                                                               ENGRENAGEM DE TRANSMISSÃO
                                                                                           BUCHA
Remova a bucha do eixo da engrenagem motora de
transmissão.




                                                               EXCÊNTRICO               COMPRESSOR DA
                                                               AMORTECEDOR      MOLA DE AMORTECIMENTO
Posicione o compressor da mola de amortecimento sobre o
excêntrico amortecedor e sobre o eixo da engrenagem
motora de transmissão.

Comprima a mola de amortecimento, girando o parafuso do
compressor em sentido horário, até que o anel elástico possa
ser removido.

Ferramenta:
Compressor da mola de amortecimento      07964-ME90000

Remova o anel elástico do eixo da engrenagem motora de
transmissão.
                                                                      MOLA                 ANEL ELÁSTICO
Ferramenta:
Alicate para anel elástico               07914-5670100           PARAFUSOS                     SUPORTE

Remova o compressor da mola de amortecimento, o
excêntrico amortecedor e a mola do eixo da engrenagem
motora de transmissão.

Remova o parafuso e o suporte.

Remova os parafusos de fixação da carcaça das engrenagens
de transmissão.




                                                                                           PARAFUSO


                                                                                              12-29
ÁRVORE DE MANIVELAS/TRANSMISSÃO                                              SHADOW 750

Remova o conjunto da carcaça das engrenagens de
transmissão e o anel de vedação.




                                                                              ANEL DE VEDAÇÃO
                                                             ORIFÍCIO
Remova o orifício e os anéis de vedação.
Inspecione o orifício quanto a obstruções ou danos.

Substitua-o se necessário.




                                                                              ANÉIS DE VEDAÇÃO
                                                                        RESSALTOS
INSPEÇÃO

Excêntrico Amortecedor

Inspecione os ressaltos do excêntrico amortecedor quanto a
danos ou desgaste excessivo.




Engrenagem de Transmissão

Inspecione os dentes da engrenagem de transmissão quanto
a danos ou desgaste excessivo. Inspecione os orifícios dos
recortes da engrenagem quanto a danos.

Meça o D.I. da engrenagem de transmissão.


        Limite de Uso                   24,04 mm




12-30
SHADOW 750                                                      ÁRVORE DE MANIVELAS/TRANSMISSÃO


Bucha

Inspecione a bucha da engrenagem de transmissão quanto a
desgaste ou danos. Meça o D.I. e D.E. da bucha.

                           D.E               23,70 mm
      Limite de Uso
                           D.I               20,06 mm


Calcule a folga entre a engrenagem e a bucha.

        Limite de Uso                     0,082 mm

                                                              EIXO DA ENGRENAGEM
                                                              MOTORA DE TRANSMISSÃO
Eixo da Engrenagem Motora de Transmissão

Meça o D.E. do eixo da engrenagem motora de transmissão
na região deslizante da bucha.

        Limite de Uso                     19,97 mm



Calcule a folga entre a bucha e o eixo.

        Limite de Uso                     0,082 mm




Mola de Amortecimento

Meça o comprimento livre da mola da amortecimento.


        Limite de Uso                      59 mm




Conjunto da Carcaça das Engrenagens de Transmissão

Gire o eixo da engrenagem motora de transmissão e
inspecione se os eixos das engrenagens motora e movida de
transmissão giram suave, silenciosamente e sem obstruções.

Se os eixos não girarem suave e silenciosamente, é possível
que as engrenagens e/ou rolamentos estejam danificados ou
defeituosos.
Neste caso, ambos devem ser verificados após a
desmontagem; substitua os componentes/conjuntos
defeituosos se necessário.




                                                                                      12-31
ÁRVORE DE MANIVELAS/TRANSMISSÃO                                                       SHADOW 750


INSPEÇÃO DA FOLGA/PADRÃO DE CONTATO ENTRE                                                   PONTO DE
OS DENTES DAS ENGRENAGENS                                                                   INTERSECÇÃO

NOTA
 Execute as inspeções de folga e padrão de contato entre
 os dentes das engrenagens sempre que substituir as
 engrenagens motora e movida de transmissão, os
 rolamentos, os suportes de rolamentos e a carcaça das
 engrenagens. As linhas de extensão das superfícies de
 contato da engrenagem devem se cruzar em um
 determinado ponto.




Inspeção da Folga
                                                                            EIXO DA ENGRENAGEM MOVIDA
Fixe a carcaça das engrenagens de transmissão em uma            EIXO DA ENGRENAGEM MOTORA
morsa de mordentes macios ou utilizando uma toalha.

Posicione um relógio comparador do tipo horizontal na
engrenagem movida de transmissão, através do orifício do
sensor VS.
Gire o eixo da engrenagem movida de transmissão, enquanto
mantém manualmente fixado o eixo da engrenagem motora
de transmissão, até obter o limite da folga.

Gire o eixo da engrenagem movida de transmissão em                   CARCAÇA DAS
                                                                     ENGRENAGENS
sentido oposto e execute a leitura da folga entre os dentes
das engrenagens.                                                ENGRENAGEM MOVIDA

           Padrão                      Limite de Uso

       0,08 – 0,23 mm                    0,40 mm


Remova o relógio comparador. Gire o eixo da engrenagem
movida de transmissão em 120° e meça a folga entre os
dentes das engrenagens. Repita este procedimento mais uma
vez.
Compare a diferença entre as três medições.

Diferença da folga entre as medições                                       RELÓGIO COMPARADOR
        Limite de Uso                    0,10 mm

Se a diferença entre as medições exceder o valor do limite de
uso, é provável que o rolamento não esteja corretamente
instalado ou a carcaça das engrenagens esteja deformada.
Inspecione os rolamentos e a carcaça das engrenagens de
transmissão.




12-32
SHADOW 750                                                          ÁRVORE DE MANIVELAS/TRANSMISSÃO


Se a folga for excessiva, substitua o calço de ajuste da        ENGRENAGEM MOVIDA
engrenagem motora de transmissão por um de menor                DE TRANSMISSÃO            ENGRENAGEM
espessura.                                                                                MOTORA DE
                                                                                          TRANSMISSÃO
Se a folga for muito pequena, substitua o calço de ajuste da
engrenagem motora de transmissão por um de maior
espessura.

A folga entre os dentes das engrenagens varia
aproximadamente 0,06 a 0,07 mm à medida em que a
espessura do calço é alterada em 0,10 mm.

Calços de ajuste da engrenagem motora de transmissão:              CALÇO DA
 0,30 mm                                                           ENGRENAGEM MOTORA
 0,35 mm
 0,40 mm
 0,45 mm
 0,50 mm – Padrão
 0,55 mm
 0,60 mm
 0,65 mm
 0,70 mm
 0,75 mm




Substituição do Calço de Ajuste da Engrenagem Motora de            PARAFUSOS
Transmissão

Remova os parafusos e o conjunto da engrenagem motora de
transmissão da carcaça das engrenagens.




Remova o pino-guia, o calço e o anel de vedação do suporte
do rolamento.

Selecione o novo calço de substituição (página 12-33).
                                                                             ANEL DE VEDAÇÃO
Cubra um novo anel de vedação com óleo para motor e
instale-o na ranhura do suporte do rolamento.
Instale o pino-guia e o calço.

Instale o conjunto da engrenagem motora de transmissão na
carcaça das engrenagens e aperte os parafusos (página 12-44).

Inspecione novamente a folga entre os dentes das
engrenagens (página 12-32).

Após o ajuste da folga, inspecione o padrão de contato entre
os dentes das engrenagens, como descrito na página
seguinte.
                                                                     CALÇO                     PINO-GUIA


                                                                                               12-33
ÁRVORE DE MANIVELAS/TRANSMISSÃO                                                                 SHADOW 750

Inspeção do Padrão de Contato Entre os Dentes das
Engrenagens

Descrição do Dente:
                                                               INFERIOR (lado interno da engrenagem)
                LADO DA COSTA
                (contato quando o freio-motor é utilizado)




           INCLINAÇÃO (lado externo da engrenagem)                    LADO DE ACIONAMENTO
                                                                      (contato quando o motor é utilizado)


                                                                                         DENTES DA ENGRENAGEM
                                                                                         MOVIDA DE TRANSMISSÃO
Remova o conjunto da engrenagem motora de transmissão
da carcaça das engrenagens (página 12-33).

Aplique uma fina camada de Azul-da-Prússia nos dentes da
engrenagem movida de transmissão.

Reinstale o conjunto da engrenagem motora de transmissão,
juntamente com seu calço.

Gire o eixo da engrenagem motora de transmissão por
diversas vezes no sentido normal de rotação.

Remova o conjunto da engrenagem motora de transmissão e
inspecione o padrão de contato entre os dentes das
engrenagens.

O contato estará normal se o Azul-da-Prússia for transferido      CONTATONORMAL:                       EIXO DA
aproximadamente para o centro de cada dente da                                                         ENGRENAGEM
engrenagem e ligeiramente para sua parte inferior.                                                     MOTORA

Se o padrão não estiver correto, remova e substitua o calço
de ajuste da engrenagem movida de transmissão.                    EIXO DA
                                                                  ENGRENAGEM
                                                                  MOVIDA
                                                                          CALÇO
                                                                         INCLINAÇÃO       INFERIOR      INCLINAÇÃO
                                                                            FACE
                                                                         FLANCO



Substitua o calço por um de menor espessura caso o padrão          CONTATO MUITO ALTO:
de contato esteja muito alto na face.




                                                                         LADO DE
                                                                         ACIONAMENTO           LADO DA COSTA

                                                                          FACE                           FACE




12-34
SHADOW 750                                                           ÁRVORE DE MANIVELAS/TRANSMISSÃO


Substitua o calço por um de maior espessura caso o padrão
                                                                CONTATO
de contato esteja muito baixo no flanco.                        MUITO BAIXO:

O padrão de contato entre os dentes das engrenagens varia
aproximadamente 1,5 a 2,0 mm à medida em que a
espessura do calço é alterada em 0,10 mm.

Calços de ajuste da engrenagem movida de transmissão:
 0,20 mm
                                                                     LADO DE
 0,25 mm                                                             ACIONAMENTO          LADO DA COSTA
 0,30 mm
 0,35 mm
 0,40 mm – Padrão                                                   FLANCO                        FLANCO
 0,45 mm
 0,50 mm                                                        CONJUNTO DA ENGRENAGEM
 0,55 mm                                                        MOVIDA DE TRANSMISSÃO
 0,60 mm

Substituição do Calço de Ajuste da Engrenagem Movida de
Transmissão

Fixe a carcaça das engrenagens de transmissão em uma
morsa de mordentes macios ou utilizando uma toalha.

Remova os parafusos e o conjunto da engrenagem movida
de transmissão.



                                                                                             PARAFUSOS
                                                                                           ANEL DE VEDAÇÃO
Remova o calço e o anel de vedação do suporte do
rolamento.

Selecione o novo calço de substituição (página 12-35).

Cubra um novo anel de vedação com óleo para motor e
instale-o na ranhura do suporte do rolamento.
Instale o calço.

Instale o conjunto da engrenagem movida de transmissão na
carcaça das engrenagens e aperte os parafusos (página 12-41).

Inspecione novamente o padrão de contato entre os dentes
das engrenagens (página 12-34).                                                               CALÇO
                                                                               CONTRAPORCA DA PISTA EXTERNA
DESMONTAGEM DA ENGRENAGEM MOTORA DE
TRANSMISSÃO

Fixe a carcaça das engrenagens de transmissão em uma
morsa de mordentes macios ou utilizando uma toalha.

Destrave as contraporcas das pistas interna/externa do
rolamento.




                                                                Destrave       CONTRAPORCA DA PISTA INTERNA


                                                                                                 12-35
ÁRVORE DE MANIVELAS/TRANSMISSÃO                                                         SHADOW 750
                                                             CHAVE PARA                 CONTRAPORCA DA
                                                             CONTRAPORCA                  PISTA INTERNA
Remova a contraporca da pista interna do rolamento,
utilizando as ferramentas especiais.

Ferramentas:
Fixador de eixo A                        07PAB-0010100
Cabo fixador                             07PAB-0010400
Chave para contraporca, 36 x 47,8 mm     07916-MB00002




                                                                    FIXADOR DE EIXO
                                                                              CHAVE PARA CONTRAPORCA
Remova a contraporca da pista externa do rolamento,
utilizando a ferramenta especial.

Ferramenta:
Chave para contraporca, 36 x 47,8 mm     07916-MB00002




                                                             CONTRAPORCA DA PISTA EXTERNA
                                                                PARAFUSOS
Remova os dois parafusos e o conjunto da engrenagem
motora de transmissão da carcaça das engrenagens.




                                                                      ANEL DE VEDAÇÃO
Remova o pino-guia, o calço e o anel de vedação do suporte
do rolamento.




                                                                    CALÇO                    PINO-GUIA


12-36
SHADOW 750                                                          ÁRVORE DE MANIVELAS/TRANSMISSÃO

                                                               ENGRENAGEM MOTORA
Remova a engrenagem motora de transmissão para fora do
rolamento, utilizando uma prensa hidráulica.




                                                                                           INSTALADOR
Remova o rolamento da engrenagem motora de transmissão
para fora do suporte do rolamento, utilizando as ferramentas
especiais e uma prensa hidráulica.

Ferramentas:
Instalador                                07749-0010000
Acessório, 52 x 55 mm                     07746-0010400
Guia, 30 mm                               07746-0040700




                                                               ACESSÓRIO/GUIA                ROLAMENTO
                                                               ANEL LIMITADOR
DESMONTAGEM DA ENGRENAGEM MOVIDA DE
TRANSMISSÃO

Fixe a carcaça das engrenagens de transmissão em uma
morsa de mordentes macios ou utilizando uma toalha.

Remova o anel limitador e o retentor de óleo.




                                                                                      RETENTOR DE ÓLEO
                                                                           CONTRAPORCA DA PISTA EXTERNA
Destrave as contraporcas das pistas interna e externa do
rolamento.




                                                                   Destrave CONTRAPORCA DA PISTA INTERNA


                                                                                              12-37
ÁRVORE DE MANIVELAS/TRANSMISSÃO                                                       SHADOW 750
                                                             FERRAMENTA DE INSPEÇÃO    FIXADOR DE EIXO
Fixe o eixo da engrenagem motora de transmissão e remova
a contraporca da pista interna do rolamento, utilizando as
ferramentas especiais.

Ferramentas:
Fixador de eixo A                       07PAB-0010100
Chave para contraporca, 36 x 47,8 mm    07916-MB00002
Ferramenta de inspeção do diferencial   07KMK-HC50101




                                                             CONTRAPORCA DA    CHAVE PARA CONTRAPORCA
                                                             PISTA INTERNA
                                                                               CHAVE PARA CONTRAPORCA
Remova a contraporca da pista externa do rolamento,
utilizando a ferramenta especial.

Ferramenta:
Chave para contraporca, 36 x 47,8 mm    07916-MB00002




                                                             CONTRAPORCA DA PISTA EXTERNA
                                                                                             PARAFUSOS
Remova os parafusos e o conjunto da engrenagem movida
de transmissão da carcaça das engrenagens.




                                                                           ANEL DE VEDAÇÃO
Remova o calço e o anel de vedação do suporte do
rolamento.




                                                                       CALÇO


12-38
SHADOW 750                                                         ÁRVORE DE MANIVELAS/TRANSMISSÃO

                                                               ENGRENAGEM MOVIDA
Remova a engrenagem movida de transmissão para fora do
rolamento, utilizando uma prensa hidráulica.




                                                                                       INSTALADOR
Remova o rolamento da engrenagem movida de transmissão
para fora do suporte do rolamento, utilizando as ferramentas
especiais e uma prensa hidráulica.

Ferramentas:
Instalador                               07749-0010000
Acessório, 52 x 55 mm                    07746-0010400
Guia, 30 mm                              07746-0040700




                                                                 ACESSÓRIO/GUIA        ROLAMENTO
                                                               CONTRAPESO       EXTRATOR DE ROLAMENTO
Remova o rolamento da carcaça da engrenagem movida de
transmissão, utilizando as ferramentas especiais.

Ferramentas:
Conjunto extrator de rolamento, 17 mm    07936-3710300
Cabo extrator                            07936-3710100
Contrapeso extrator                      07741-0010201




Aplique ar comprimido nas passagens de óleo da carcaça das
engrenagens de transmissão.




                                                                                           12-39
ÁRVORE DE MANIVELAS/TRANSMISSÃO                                                      SHADOW 750


MONTAGEM DA ENGRENAGEM MOVIDA DE TRANSMISSÃO


                                               RETENTOR DE ÓLEO    ANEL LIMITADOR


                                   73 N.m (7,4 kgf.m)
                        98 N.m (10,0 kgf.m)

         SUPORTE DO ROLAMENTO



        ANEL DE VEDAÇÃO
                                                ROLAMENTO
                                                (5206)




                                                                             ENGRENAGEM MOVIDA
                                                                             DE TRANSMISSÃO

                                                                      ROLAMENTO (6303)


                        31 N.m (3,2 kgf.m)                           CALÇO


                      CARCAÇA DAS ENGRENAGENS

                                                                                         INSTALADOR
Instale um novo rolamento na carcaça das engrenagens,
mantendo seu lado marcado voltado para cima, até que
esteja completamente assentado.

Ferramentas:
Instalador                               07749-0010000
Acessório, 42 x 47 mm                    07746-0010300
Guia, 17 mm                              07746-0040400




                                                                ACESSÓRIO/GUIA         ROLAMENTO
                                                            INSTALADOR DO RETENTOR DE ÓLEO ROLAMENTO
Instale um novo rolamento em seu suporte, mantendo seu
lado marcado voltado para cima, até que esteja
completamente assentado. Certifique-se de que o rolamento
gira suave e silenciosamente após sua instalação.

Ferramenta:
Instalador do retentor de óleo           07965-KE80200




12-40
SHADOW 750                                                          ÁRVORE DE MANIVELAS/TRANSMISSÃO

                                                               ENGRENAGEM MOVIDA DE TRANSMISSÃO
Apóie a pista interna do rolamento e instale a engrenagem
movida de transmissão no suporte do rolamento, utilizando
as ferramentas especiais.

Ferramentas:
Instalador, D.I. de 40 mm                07746-0030100
Acessório, D.I. de 30 mm                 07746-0030300

NOTA
 Caso seja necessário substituir a engrenagem movida de
 transmissão, a engrenagem motora de transmissão
 também deve ser substituída em conjunto.

                                                                   INSTALADOR              ACESSÓRIO
                                                                            ANEL DE VEDAÇÃO
Cubra um novo anel de vedação com óleo para motor e
instale-o na ranhura do suporte do rolamento.

Instale o calço.

NOTA
 Quando o rolamento, a engrenagem, o suporte e/ou a
 carcaça das engrenagens forem substituídos, utilize o
 calço de 0,40 mm como referência inicial.




                                                                          CALÇO
Fixe a carcaça das engrenagens de transmissão, utilizando                                 PARAFUSOS
uma morsa de mordentes macios ou uma toalha.
Instale o conjunto da engrenagem movida de transmissão na
carcaça das engrenagens, alinhando-o com os orifícios dos
parafusos.

Aplique óleo para motor nas roscas e superfícies de
assentamento dos parafusos. Instale-os em seguida.

Aperte os parafusos no torque especificado.

Torque: 31 N.m (3,2 kgf.m)

Aplique óleo para motor nas roscas e superfície de
assentamento de uma nova contraporca da pista externa do
rolamento. Em seguida, aperte-a no torque especificado,                           CHAVE PARA CONTRAPORCA
utilizando a ferramenta especial.

Ferramenta:
Chave para contraporca, 36 x 47,8 mm     07916-MB00002

Torque:
Real                                     98 N.m (10,0 kgf.m)
Indicado                                 89 N.m (9,1 kgf.m)

NOTA

 Consulte o item sobre informações de leitura na chave de
 torque, na página 12-3.

                                                               CONTRAPORCA DA PISTA EXTERNA


                                                                                              12-41
ÁRVORE DE MANIVELAS/TRANSMISSÃO                                                          SHADOW 750

                                                                FERRAMENTA DE INSPEÇÃO    FIXADOR DE EIXO
Aplique óleo para motor nas roscas e superfície de
assentamento de uma nova contraporca da pista interna do
rolamento.

Fixe o eixo da engrenagem movida de transmissão e aperte a
contraporca no torque especificado, utilizando as ferramentas
especiais.

Ferramentas:
Fixador de eixo A                         07PAB-0010100
Chave para contraporca, 36 x 47,8 mm      07916-MB00002
Ferramenta de inspeção do diferencial     07KMK-HC50101

Torque:                                                         CHAVE PARA  CONTRAPORCA DA PISTA INTERNA
Real                                      73 N.m (7,4 kgf.m)    CONTRAPORCA
Indicado                                  66 N.m (6,7 kgf.m)               CONTRAPORCA DA PISTA EXTERNA

NOTA

 Consulte o item sobre informações de leitura na chave de
 torque, na página 12-3.



Trave as contraporcas das pistas interna e externa do
rolamento.




                                                                     Trave   CONTRAPORCA DA PISTA INTERNA
                                                                ANEL LIMITADOR
Aplique graxa na cavidade do lábio de um novo retentor de
óleo e instale-o em seguida, até que a ranhura do anel
permaneça visível, de forma que o anel limitador possa ser
instalado.

Instale seguramente o anel limitador na ranhura do suporte
do rolamento.

NOTA
 • Instale o anel limitador, mantendo sua borda chanfrada
   voltada para o lado da carga axial.
 • Não reutilize um anel limitador usado que poderia
   facilmente girar em sua ranhura.
 • Certifique-se de que o anel limitador esteja                                          RETENTOR DE ÓLEO
   completamente assentado em sua ranhura.




12-42
SHADOW 750                                                               ÁRVORE DE MANIVELAS/TRANSMISSÃO


MONTAGEM DA ENGRENAGEM MOTORA DE TRANSMISSÃO

                                          MOLA                              ARRUELA DE ENCOSTO
                                                                                       ENGRENAGEM DE
                                                              98 N.m (10,0 kgf.m)      TRANSMISSÃO

                                                                                             BUCHA
                  ANEL ELÁSTICO


               EXCÊNTRICO AMORTECEDOR



                                     73 N.m (7,4 kgf.m)
                                                            ROLAMENTO
                                                            (5206)




                                                                     ANÉIS DE VEDAÇÃO
           ENGRENAGEM MOTORA
           DE TRANSMISSÃO


                            CALÇO                                                SUPORTE


                                                31 N.m (3,2 kgf.m)


                                                                   INSTALADOR
Instale um novo rolamento em seu suporte, mantendo seu
lado marcado voltado para cima, até que esteja
completamente assentado.

Ferramentas:
Instalador                               07749-0010000
Acessório, 62 x 68 mm                    07746-0010500
Guia, 30 mm                              07746-0040700

Apóie a pista interna do rolamento e instale a engrenagem
motora de transmissão, utilizando as ferramentas especiais.

Ferramentas:
Instalador, D.I. de 40 mm                07746-0030100
                                                                      ACESSÓRIO/GUIA            ROLAMENTO
Acessório, D.I. de 30 mm                 07746-0030300
                                                                           GUIA                     ACESSÓRIO
Guia, 22 mm                              07746-0041000

NOTA

 • Caso seja necessário substituir a engrenagem motora de
   transmissão, a engrenagem movida de transmissão
   também deve ser substituída em conjunto.
 • Posicione a extremidade das roscas da guia no eixo
   instalador.
 • Caso seja necessário substituir o rolamento, o suporte
   da engrenagem e/ou a carcaça das engrenagens, deve-
   se utilizar também um novo calço de ajuste (página 12-
   32).

                                                                   ENGRENAGEM MOTORA         INSTALADOR
                                                                   DE TRANSMISSÃO


                                                                                                       12-43
ÁRVORE DE MANIVELAS/TRANSMISSÃO                                                          SHADOW 750

                                                                           ANEL DE VEDAÇÃO
Cubra um novo anel de vedação com óleo para motor e
instale-o na ranhura do suporte do rolamento.
Instale o pino-guia e o calço.

NOTA

 Quando o rolamento, a engrenagem, o suporte e/ou a
 carcaça das engrenagens forem substituídos, utilize o
 calço de 0,50 mm como referência inicial.




                                                                      CALÇO                  PINO-GUIA
                                                                  PARAFUSOS
Instale o conjunto da engrenagem motora de transmissão na
carcaça das engrenagens.
Aplique óleo para motor nas roscas e superfícies de
assentamento dos parafusos e instale-os em seguida.
Aperte os parafusos no torque especificado.

Torque: 31 N.m (3,2 kgf.m)




Fixe a carcaça das engrenagens de transmissão em uma
morsa de mordentes macios ou utilizando uma toalha.

Aplique óleo para motor nas roscas e superfície de
                                                                                 CHAVE PARA CONTRAPORCA
assentamento de uma nova contraporca da pista externa do
rolamento. Em seguida, aperte-a no torque especificado,
utilizando a ferramenta especial.

Ferramenta:
Chave para contraporca, 36 x 47,8 mm     07916-MB00002

Torque:
Real                                     98 N.m (10,0 kgf.m)
Indicado                                 89 N.m (9,1 kgf.m)

NOTA
 Consulte o item sobre informações de leitura na chave de
 torque, na página 12-3.                                       CONTRAPORCA DA PISTA EXTERNA
                                                                                         CONTRAPORCA DA
                                                               CHAVE PARA CONTRAPORCA       PISTA INTERNA
Aplique óleo para motor nas roscas e superfície de
assentamento de uma nova contraporca da pista interna do
rolamento. Em seguida, aperte-a no torque especificado,
utilizando as ferramentas especiais.

Ferramentas:
Chave para contraporca, 36 x 47,8 mm     07916-MB00002
Fixador de eixo A                        07PAB-0010100
Cabo fixador                             07PAB-0010400

Torque:
Real                                     73 N.m (7,4 kgf.m)
Indicado                                 66 N.m (6,7 kgf.m)
                                                                         FIXADOR DE EIXO A


12-44
SHADOW 750                                                        ÁRVORE DE MANIVELAS/TRANSMISSÃO

                                                                          CONTRAPORCA DA PISTA EXTERNA
Trave as contraporcas das pistas interna e externa do
rolamento.




                                                              Trave         CONTRAPORCA DA PISTA INTERNA
                                                                      ORIFÍCIO
INSTALAÇÃO

Cubra novos anéis de vedação com óleo para motor e instale-
os nas ranhuras do orifício.
Instale o orifício na carcaça do motor.




                                                                                       ANÉIS DE VEDAÇÃO
                                                               ANEL DE VEDAÇÃO
Cubra um novo anel de vedação com óleo para motor e
instale-o na ranhura da carcaça das engrenagens de
transmissão.

Instale o conjunto da carcaça das engrenagens de
transmissão na carcaça esquerda do motor, alinhando o pino-
guia com o orifício da carcaça do motor.




                                                                                               Alinhe
                                                               PARAFUSOS                         Alinhe
Aplique junta-líquida (Three Bond 1207B ou equivalente) nas
roscas dos parafusos de fixação da carcaça das engrenagens
de transmissão.
Aperte os parafusos no torque especificado.

Torque: 31 N.m (3,2 kgf.m)

Instale o suporte, alinhando seu orifício com a guia da
carcaça das engrenagens de transmissão. Em seguida, aperte
seguramente o parafuso.




                                                                               PARAFUSO        SUPORTE


                                                                                              12-45
ÁRVORE DE MANIVELAS/TRANSMISSÃO                                                     SHADOW 750
                                                           EXCÊNTRICO AMORTECEDOR
Aplique 1 g de graxa de bissulfeto de molibdênio na
engrenagem motora de transmissão e nas estrias do
excêntrico amortecedor.

Instale a mola de amortecimento sobre a engrenagem
motora de transmissão, mantendo o lado das espiras mais
apertadas voltado para a carcaça esquerda do motor.
Instale o excêntrico amortecedor na mola.




                                                                 MOLA
                                                                               COMPRESSOR DA MOLA
                                                             EXCÊNTRICO          DE AMORTECIMENTO
Instale o anel elástico no excêntrico amortecedor.
Posicione o compressor da mola de amortecimento sobre o
excêntrico amortecedor e o eixo da engrenagem motora.
Comprima a mola de amortecimento, girando o parafuso do
compressor em sentido horário, até que a ranhura do anel
elástico permaneça visível.

Ferramenta:
Compressor da mola de amortecimento      07964-ME90000

Instale o anel elástico na ranhura do eixo da engrenagem
motora.

Ferramenta:
                                                                  MOLA               ANEL ELÁSTICO
Alicate para anel elástico               07914-5670100
                                                           ENGRENAGEM DE TRANSMISSÃO
NOTA
 • Instale o anel elástico, mantendo sua borda chanfrada
   voltada para o lado da carga axial.
 • Não reutilize um anel elástico usado que poderia
   facilmente girar em sua ranhura.
 • Certifique-se de que o anel elástico esteja
   completamente assentado em sua ranhura.



Solte e remova a ferramenta especial.

Instale a bucha no eixo da engrenagem motora de
transmissão.                                                   Alinhe               BUCHA
                                                                                ARRUELA DE ENCOSTO
Instale a engrenagem motora de transmissão em seu eixo,
alinhando os ressaltos do excêntrico amortecedor com os
orifícios da engrenagem motora.

Instale a arruela de encosto.

Instale os seguintes componentes:
– Árvore de manivelas (página 12-13)
– Transmissão (página 12-27)
– Bomba de óleo (página 4-11)

Monte as metades da carcaça do motor (página 12-48).




12-46
SHADOW 750                                                       ÁRVORE DE MANIVELAS/TRANSMISSÃO



SUBSTITUIÇÃO DO ROLAMENTO DA
CARCAÇA DO MOTOR
INSPEÇÃO

Remova os seguintes componentes:
– Árvore de manivelas (página 12-10)
– Transmissão (página 12-20)
– Engrenagem de transmissão (página 12-29)
– Bomba de óleo (página 4-6)
                                                              ROLAMENTO
Gire manualmente a pista interna de cada rolamento.
Os rolamentos devem girar suave e silenciosamente.
                                                             CABO          ROLAMENTO DA
Inspecione também se a pista externa dos rolamentos          EXTRATOR      ÁRVORE SECUNDÁRIA
encaixa-se sem folga na carcaça do motor.

Remova e descarte os rolamentos caso suas pistas não girem
suave e silenciosamente ou se encaixarem com folga na
carcaça do motor.

ROLAMENTOS DA CARCAÇA ESQUERDA DO MOTOR

Remova os rolamentos das árvores primária e secundária,
utilizando as ferramentas especiais.

Ferramentas:
Conjunto extrator de rolamento, 20 mm     07936-3710600
Cabo extrator                             07936-3710100
                                                             CONTRAPESO   EXTRATOR DE ROLAMENTO DA
Contrapeso extrator                       07741-0010201                   ROLAMENTO ÁRVORE PRIMÁRIA

Remova a placa-guia de óleo da carcaça do motor.

Inspecione a placa-guia de óleo quanto a obstruções ou
deformação.

Instale a placa-guia de óleo na carcaça do motor.




                                                                                   PLACA-GUIA DE ÓLEO
                                                                                       INSTALADOR
Instale novos rolamentos na carcaça esquerda do motor,
mantendo seus lados marcados voltados para cima, até que
estejam completamente assentados.

Ferramentas:
Instalador                                07749-0010000
Acessório, 42 x 47 mm                     07746-0010300




                                                                   ROLAMENTO           ACESSÓRIO


                                                                                          12-47
ÁRVORE DE MANIVELAS/TRANSMISSÃO                                                        SHADOW 750
                                                                        ROLAMENTO DO EIXO DA ENGRENAGEM
                                                                                 MOTORA DE TRANSMISSÃO
ROLAMENTOS DA CARCAÇA DIREITA DO MOTOR                         ROLAMENTO DA
                                                               PRIMÁRIA ÁRVORE
Remova os rolamentos da carcaça direita do motor.




                                                                       ROLAMENTO DA ÁRVORE SECUNDÁRIA
                                                                                       INSTALADOR
Instale novos rolamentos na carcaça direita do motor,
mantendo seus lados marcados voltados para cima, até que
estejam completamente assentados.

Ferramentas:
Rolamento da árvore primária
Instalador                               07749-0010000
Acessório, 52 x 55 mm                    07746-0010400
Guia, 22 mm                              07746-0041000

Rolamentos da árvore secundária/eixo da engrenagem
motora de transmissão:
Instalador                              07749-0010000
Acessório, 42 x 47 mm                   07746-0010300
                                                                       ROLAMENTO      ACESSÓRIO/GUIA
Guia, 20 mm                             07746-0040500


MONTAGEM DA CARCAÇA DO MOTOR
Limpe completamente as superfícies de contato das carcaças
esquerda e direta do motor, tendo cuidado para não danificá-
las.

Certifique-se de que todos os componentes estejam
instalados na carcaça esquerda do motor.

Aplique junta-líquida (Three Bond 1207B ou equivalente) nas
superfícies de contato das carcaças esquerda e direita do
motor.

                                                                       PINOS-GUIAS
Instale os pinos-guias na carcaça esquerda do motor.
Cubra um novo retentor do tubo com óleo para motor e
instale-o no tubo de óleo.

NOTA

 Instale um novo retentor, mantendo seu lado cônico
 voltado para fora.




                                                                                           TUBO DE ÓLEO


12-48
SHADOW 750                                                           ÁRVORE DE MANIVELAS/TRANSMISSÃO

                                                                CARCAÇA DIREITA
Gire a placa do excêntrico até atingir a posição indicada na
ilustração.

Instale a carcaça direita sobre a carcaça esquerda do motor.




                                                                PLACA DO EXCÊNTRICO     CARCAÇA ESQUERDA
                                                                PARAFUSOS, 8 mm    PARAFUSO, 8 mm/ARRUELA
Instale os parafusos da carcaça direita, juntamente com suas
arruelas.

Aperte os parafusos de 8 mm em ordem cruzada, em
diversas etapas e no torque especificado.

Torque:
Parafuso, 8 mm                             23 N.m (2,3 kgf.m)

Aperte seguramente os parafusos de 6 mm.




                                                                                         PARAFUSOS, 6 mm
                                                                                         PARAFUSOS, 8 mm
Instale os parafusos da carcaça esquerda do motor.

Aperte os parafusos de 8 mm em ordem cruzada, em
diversas etapas e no torque especificado.

Torque:
Parafuso, 8 mm                             23 N.m (2,3 kgf.m)

Aperte seguramente os parafusos de 6 mm.




                                                                                         PARAFUSOS, 6 mm
                                                                   PARAFUSOS
Limpe e aplique trava-química nas roscas do parafuso da
placa de fixação do rolamento (página 1-18).

Instale a placa de fixação do rolamento e aperte seus
parafusos.




                                                                                      PLACA DE FIXAÇÃO


                                                                                               12-49
ÁRVORE DE MANIVELAS/TRANSMISSÃO                                                        SHADOW 750
                                                               FIXADOR DE EIXO A      PARAFUSO/ARRUELA
Instale e aperte o parafuso, juntamente com sua arruela,
enquanto mantém fixado o eixo da engrenagem movida de
transmissão, utilizando as ferramentas especiais.

Ferramentas:
Fixador de eixo A                          07PAB-0010100
Cabo fixador                               07PAB-0010400

Torque: 49 N.m (5,0 kgf.m)

Inspecione novamente o correto aperto de todos os
parafusos da carcaça do motor.

                                                               FIXADOR MANUAL
                                                                                              PARAFUSOS
Instale as correntes de distribuição.                                              DIREITO:
                                                               ESQUERDO:
Aplique trava-química nas roscas do parafuso da placa de
fixação do tensor da corrente de distribuição (página 1-18).

Instale as placas de fixação do tensor da corrente de
distribuição e aperte os parafusos.

Instale os componentes restantes (página 12-3).
Instale o motor no chassi (página 7-7).




                                                               PLACA DE FIXAÇÃO




12-50
SHADOW 750                                    13. DIFERENCIAL
 LOCALIZAÇÃO DOS COMPONENTES   13-2   DESMONTAGEM/INSPEÇÃO
                                      DO DIFERENCIAL              13-8
 INFORMAÇÕES DE SERVIÇO        13-3
                                      MONTAGEM DO DIFERENCIAL     13-17
 DIAGNOSE DE DEFEITOS          13-6
                                      INSTALAÇÃO DO DIFERENCIAL   13-23
 REMOÇÃO DO DIFERENCIAL        13-7




                                                                  13-1
DIFERENCIAL                                                 SHADOW 750


LOCALIZAÇÃO DOS COMPONENTES




                                       64 N.m (6,5 kgf.m)




                  22 N.m (2,2 kgf.m)




13-2
SHADOW 750                                                                                               DIFERENCIAL



INFORMAÇÕES DE SERVIÇO
INFORMAÇÕES GERAIS

• O conjunto de engrenagens do diferencial e do eixo de transmissão devem ser removidos simultaneamente.
• Execute a inspeção de contato e folga entre as engrenagens sempre que substituir os rolamentos, as engrenagens ou a
  carcaça do diferencial. As linhas de extensão das superfícies de encaixe das engrenagens devem interceptar-se em um
  determinado ponto.
• Utilize uma morsa de mordentes macios ou uma toalha para fixar a carcaça do diferencial. Não aperte
  demasiadamente a carcaça do diferencial para não danificá-la.
• Substitua a coroa e o pinhão do diferencial em conjunto.

ESPECIFICAÇÕES
                                                                                                          Unidade: mm
                            Item                                            Padrão                     Limite de Uso
 Óleo recomendado para o diferencial                       Óleo para engrenagem Hypoid, SAE#80                –
 Capacidade de             Na drenagem                                     160 cm3                            –
 óleo do diferencial       Na desmontagem                                  170 cm3                            –
 Folga entre os dentes das engrenagens do diferencial                     0,05 – 0,15                       0,30
 Diferença da folga entre as medidas                                           –                            0,10
 Folga entre a coroa e o pino limitador                                   0,30 – 0,60                         –
 Pré-carga de montagem da engrenagem do diferencial            0,2 – 0,4 N.m (2,0 – 4,1 kgf.cm)               –


VALORES DE TORQUE

Retentor do pinhão                                        108 N.m (11,0 kgf.m)
Parafuso da lingüeta de trava do retentor do pinhão       10 N.m (1,0 kgf.m)
Porca da conexão do pinhão                                108 N.m (11,0 kgf.m)       Aplique trava-química nas roscas.
Parafuso da placa protetora de pó                         10 N.m (1,0 kgf.m)
Parafuso da tampa da carcaça do diferencial (10 mm)       47 N.m (4,8 kgf.m)         Aplique trava-química nas roscas.
Parafuso da tampa da carcaça do diferencial (8 mm)        25 N.m (2,5 kgf.m)
Porca de fixação da carcaça do diferencial                64 N.m (6,5 kgf.m)
Parafuso de fixação inferior do amortecedor traseiro      22 N.m (2,2 kgf.m)
(lado esquerdo)
Prisioneiro da carcaça do diferencial                     Consulte a página 13-23.




                                                                                                              13-3
DIFERENCIAL                                                                      SHADOW 750


FERRAMENTAS
Instalador                    Acessório, 32 x 35 mm            Acessório, 40 x 42 mm
07749-0010000                 07746-0010100                    07746-0010900




Acessório, 52 x 55 mm         Acessório, 72 x 75 mm            Guia, 19 mm
07746-0010400                 07746-0010600                    07746-0041400




Instalador, D.I. de 40 mm     Acessório, D.I. de 25 mm         Placa de fixação do pinhão
07746-0030100                 07746-0030200                    07924-ME40010




Instalador de espaçador “C”   Instalador do retentor de óleo   Chave para retentor
07924-ME40020                 070MF-MEG0300                    07910-MA10100




13-4
SHADOW 750                                                                                         DIFERENCIAL


FERRAMENTAS
Base extratora de pinhão            Eixo extrator                         Extrator de rolamento, 35 mm
07HMC-MM80110                       07931-ME40000                         07936-3710400




Cabo extrator                       Contrapeso do extrator de rolamento   Extrator de rolamento, 20 mm
07936-3710100                       07741-0010201                         07936-3710600




Acessório instalador de rolamento   Acessório do instalador do retentor   Instalador do retentor de óleo,
07GAD-SD40101                       de óleo                               55,7 x 60,3 mm
                                    07LAD-SM40100                         07965-KE80200




Acessório, 44 x 49,5 mm
07945-3330300




                                                                                                        13-5
DIFERENCIAL                                                                              SHADOW 750


DIAGNOSE DE DEFEITOS
Ruído excessivo
• Eixo da coroa de transmissão ou flange movido desgastados ou escoriados
• Flange movido ou cubo da roda escoriados (página 15-7)
• Pinhão de transmissão e estrias desgastados ou escoriados
• Pinhão e coroa desgastados
• Folga excessiva entre o pinhão e a coroa
• Nível de óleo muito baixo
• Pinhão e/ou estrias da conexão do pinhão desgastados ou danificados

Vazamento de óleo
• Respiro obstruído
• Nível de óleo muito alto
• Retentores danificados
• Parafusos da tampa da carcaça do diferencial soltos

Folga excessiva na roda traseira
• Estrias do eixo de transmissão desgastadas
• Folga excessiva entre o pinhão e a coroa
• Flange movido ou estrias da coroa desgastadas
• Folga excessiva nos rolamentos da carcaça do diferencial
• Eixo de transmissão, conexão universal e/ou estrias da conexão do pinhão desgastados
• Folga excessiva ou desgaste no rolamento da conexão universal




13-6
SHADOW 750                                                                                   DIFERENCIAL

                                                                                       PARAFUSO

REMOÇÃO DO DIFERENCIAL
Drene o óleo do diferencial (página 3-17).
Remova a roda traseira (página 15-6).

Remova o parafuso de fixação inferior do amortecedor
esquerdo.

Remova as porcas de fixação e o conjunto da carcaça do
diferencial.



                                                                    PORCAS           CONJUNTO DA CARCAÇA
                                                                                           DO DIFERENCIAL

Remova o eixo da transmissão do conjunto da carcaça do
diferencial, girando cuidadosamente o eixo da transmissão e
retirando-o em seguida.




                                                                              EIXO DA TRANSMISSÃO
                                                               RETENTOR DE ÓLEO           ANEL LIMITADOR
Remova a mola, o retentor de óleo e o anel limitador do eixo
da transmissão.




                                                                                          MOLA

INSPEÇÃO                                                                                      ESTRIAS

Inspecione as estrias do eixo da transmissão quanto a
desgaste ou danos.

Se as estrias do eixo de transmissão estiverem danificadas,
inspecione também as estrias da conexão universal
(página 15-25).




                                                               EIXO DE TRANSMISSÃO




                                                                                                  13-7
DIFERENCIAL                                                                              SHADOW 750

                                                                CONEXÃO DO PINHÃO        EIXO DA COROA
Gire a conexão do pinhão e certifique-se de que o pinhão e a
coroa movimentam-se suave e silenciosamente, sem obstruções.
Se a engrenagem não se movimentar suave e
silenciosamente, as engrenagens e/ou o rolamento podem
estar danificados ou defeituosos.
Estes componentes devem ser inspecionados após a
desmontagem; substitua os componentes/conjuntos
defeituosos se necessário.


DESMONTAGEM/INSPEÇÃO DO
DIFERENCIAL
NOTA
 Inspecione a folga e o padrão de contato entre os dentes das
 engrenagens do diferencial sempre que o pinhão, a coroa, os
 rolamentos ou a carcaça do diferencial forem substituídos.
 As linhas de extensão das superfícies de encaixe da
 engrenagem deve interceptar-se em um determinado ponto.

Remova o diferencial e o eixo de transmissão (página 13-7).
INSPEÇÃO DA FOLGA ENTRE OS DENTES DAS
ENGRENAGENS DO DIFERENCIAL
Remova a tampa de abastecimento de óleo.
Fixe o conjunto da carcaça do diferencial em uma morsa de
mordentes macios.                                                                   PONTO DE INTERSECÇÃO
NOTA
 Não aperte excessivamente a morsa na carcaça do
 diferencial.
                                                                                           PLACA DE
                                                                                           FIXAÇÃO
Instale as ferramentas especiais na carcaça do diferencial e
na conexão do pinhão para manter o pinhão fixado.
Ferramentas:
Placa de fixaçãp do pinhão               07924-ME40010
Instalador de espaçador “C”              07924-ME40020
Posicione um relógio comparador do tipo horizontal sobre a
coroa, através do orifício de abastecimento de óleo.
Gire a coroa para trás e para frente para obter a leitura da
folga entre os dentes das engrenagens.                            ESPAÇADOR         RELÓGIO COMPARADOR

            Padrão                      Limite de Uso

        0,05 – 0,15 mm                     0,30 mm
                                                                               COROA
Remova o relógio comparador e as ferramentas especiais.
Gire a coroa em 120° e meça a folga entre as engrenagens.
Repita este procedimento mais uma vez.
Compare a diferença entre as três medições.

        Limite de Uso                      0,10 mm

Se a diferença entre as três medições exceder o valor de
limite de uso, é provável que o rolamento não esteja
instalado corretamente ou a carcaça esteja deformada.
Inspecione os rolamentos e a carcaça do diferencial.




13-8
SHADOW 750                                                                                   DIFERENCIAL


Se a folga entre os dentes das engrenagens for excessiva,
substitua o calço direito da coroa por um de maior espessura.            PINHÃO          CALÇO DA COROA
Se a folga entre os dentes das engrenagens for muito
pequena, substitua o calço direito da coroa por um de menor
espessura.

Calço da Coroa:
A 1,82 mm
B 1,88 mm
C 1,94 mm
D 2,00 mm – Padrão
E 2,06 mm
F 2,12 mm                                                                                    COROA
G 2,18 mm
H 2,24 mm
I 2,30 mm                                                                               PARAFUSO/ARRUELA

Para substituição do calço da coroa, consulte a página 13-11.

SEPARAÇÃO DA CARCAÇA DO DIFERENCIAL

Remova o parafuso, a arruela e a placa protetora de pó,
girando-a em sentido horário.




                                                                PLACA PROTETORA DE PÓ
                                                                PARAFUSOS, 8 mm          PARAFUSOS, 10 mm
Solte os parafusos de 8 e 10 mm em ordem cruzada e em
diversas etapas. Remova-os, em seguida.
Pressione a tampa da carcaça do diferencial e remova-a em
seguida.




                                                                          TAMPA DA CARCAÇA DO DIFERENCIAL

Remova a arruela ondulada.




                                                                                        ARRUELA ONDULADA


                                                                                                 13-9
DIFERENCIAL                                                                                          SHADOW 750


INSPEÇÃO DO PADRÃO DE CONTATO ENTRE OS
DENTES DAS ENGRENAGENS

Descrição do dente:    LADO DA COSTA                                INFERIOR
                       (contato quando o freio-motor é acionado)    (lado interno da engrenagem)




                         INCLINAÇÃO
                         (lado externo da engrenagem)
                                                                              LADO DE ACIONAMENTO
                                                                              (contato quando o motor é acionado)

                                                                   Aplique Azul-da-Prússia
Limpe os resíduos de junta das superfícies de contato da
carcaça do diferencial e de sua tampa, tendo cuidado para
não danificá-las.

NOTA
 Mantenha a tampa e a carcaça do diferencial livre de poeira
 ou objetos estranhos.

Aplique uma fina camada de Azul-da-Prússia nos dentes do
pinhão.

Instale a arruela ondulada.
                                                                                                   ARRUELA ONDULADA
                                                                                   GUIA             PARAFUSOS, 10 mm
Instale a tampa da carcaça e aperte os parafusos em ordem
cruzada e em diversas etapas, até que a tampa encoste de
maneira regular na carcaça do diferencial.
Aperte alternadamente os parafusos de 10 mm, em diversas
etapas e no torque especificado.

Torque: 47 N.m (4,8 kgf.m)

Aperte os parafusos de 8 mm em ordem cruzada, em
diversas etapas e no torque especificado.

Torque: 25 N.m (2,5 kgf.m)

                                                                   PARAFUSOS, 8 mm                 TAMPA DA CARCAÇA
                                                                                                   DO DIFERENCIAL

Remova a tampa de abastecimento de óleo.
                                                                    NORMAL:        CALÇO DO PINHÃO
Gire a coroa diversas vezes no sentido normal de rotação.
Inspecione o padrão de contato entre os dentes das
engrenagens através do orifício de abastecimento de óleo.

O contato está normal se o Azul-da-Prússia estiver transferido
aproximadamente para o centro de cada dente e levemente
para a face.
                                                                                       INFERIOR   INFERIOR
                                                                          INCLINAÇÃO                         INCLINAÇÃO
Se o padrão de contato não estiver correto, remova e                                                             FACE
                                                                            FACE
substitua o calço do pinhão por um adequado (página 13-14).
                                                                                 LADO DE          LADO DA
                                                                          FLANCO ACIONAMENTO      COSTA        FLANCO




13-10
SHADOW 750                                                                                      DIFERENCIAL


Substitua o calço do pinhão por um de maior espessura se o     MUITO ALTO    CALÇO DO PINHÃO
contato entre os dentes das engrenagens estiver muito alto,
em direção à face.




                                                                        FACE                         FACE

                                                                             LADO DE       LADO DA
                                                                             ACIONAMENTO   COSTA



Substitua o calço do pinhão por um de menor espessura se o     MUITO BAIXO    CALÇO DO PINHÃO
contato entre os dentes das engrenagens estiver muito baixo,
em direção ao flanco.

O padrão de contato entre os dentes das engrenagens varia
aproximadamente 1,5 a 2,0 mm à medida em que a
espessura do calço é alterada em 0,10 mm.

Calço do Pinhão:
A 1,82 mm
B 1,88 mm
C 1,94 mm                                                                     LADO DE      LADO DA
                                                                       FLANCO ACIONA-      COSTA FLANCO
D 2,00 mm – Padrão                                                            MENTO
E 2,06 mm
F 2,12 mm
G 2,18 mm                                                         ACESSÓRIO                     INSTALADOR
Para a substituição do calço do pinhão, consulte a página
13-14.

REMOÇÃO DA COROA/SUBSTITUIÇÃO DO CALÇO
Remove a tampa da carcaça do diferencial (página 13-9).

Se a coroa permanecer na tampa, remova-a pelo
procedimento a seguir:

Remova a coroa da tampa da carcaça do diferencial,
utilizando as ferramentas especiais e uma prensa hidráulica.

Ferramentas:
Instalador                             07749-0010000
                                                                                           COROA
Acessório do instalador
do retentor de óleo                    07LAD-SM40100

Remova o retentor de óleo.




                                                                    RETENTOR DE ÓLEO


                                                                                                  13-11
DIFERENCIAL                                                                            SHADOW 750
                                                               COROA           ANEL DE VEDAÇÃO
Remova o fixador do anel de vedação da coroa.

Remova o anel de vedação do fixador.




                                                                      FIXADOR DO ANEL DE VEDAÇÃO
                                                               ACESSÓRIO                  INSTALADOR
Caso o rolamento permaneça na tampa, remova-o pelo
procedimento a seguir:

Remova o retentor de óleo e o rolamento da tampa,
utilizando as ferramentas especiais e uma prensa hidráulica.

Ferramentas:
Instalador                              07749-0010000
Instalador do retentor de óleo          070MF-MEG0300
Acessório, 72 x 75 mm                   07746-0010600




                                                                            RETENTOR DE ÓLEO/ROLAMENTO
                                                                                EXTRATOR DO ROLAMENTO
Caso o rolamento permaneça na coroa, remova-o pelo
procedimento a seguir:

Remova o rolamento da coroa, utilizando um extrator de
rolamento disponível comercialmente.

A substituição deste rolamento pode não ser necessária após
a remoção. Entretanto, inspecione o rolamento quanto à
folga excessiva após sua remoção.

Substitua-o se necessário.



                                                                                      ROLAMENTO
                                                                   COROA               CALÇO
Selecione o calço de substituição (página 13-9).

NOTA
 Quando o conjunto de engrenagens, o rolamento do
 pinhão, o rolamento da coroa e/ou a carcaça do
 diferencial forem substituídos, utilize um calço de 2,00
 mm de espessura para referência inicial.




                                                                                           ROLAMENTO


13-12
SHADOW 750                                                                               DIFERENCIAL

                                                            CONEXÃO DO PINHÃO        PLACA DE FIXAÇÃO
REMOÇÃO DO PINHÃO

Fixe a carcaça do diferencial em uma morsa de mordentes
macios.

Remova a porca da conexão do pinhão, enquanto mantém a
conexão fixada, utilizando as ferramentas especiais.

Ferramentas:
Placa de fixação do pinhão             07924-ME40010
Instalador de espaçador “C”            07924-ME40020

Remova a conexão do pinhão.
                                                               ESPAÇADOR                 PORCA
                                                                                    LINGÜETA DE TRAVA
Remova o parafuso e a lingüeta de trava do retentor.




                                                                           PARAFUSO
                                                                               CHAVE PARA RETENTOR
Remova o retentor do pinhão, utilizando a ferramenta
especial.

Ferramenta:
Chave para retentor                    07910-MA10100




                                                             RETENTOR DE ÓLEO
Remova o anel de vedação e o retentor de óleo do retentor
do pinhão.




                                                              ANEL DE VEDAÇÃO


                                                                                           13-13
DIFERENCIAL                                                                                SHADOW 750
                                                                        EIXO EXTRATOR
Instale a ferramenta especial no eixo do pinhão e na carcaça
do diferencial.

Ferramentas:
Base extratora de pinhão                07HMC-MM80110
Eixo extrator                           07931-ME40000

Remova o conjunto do pinhão da carcaça do diferencial.
Inspecione o rolamento de agulhas do pinhão na carcaça do
diferencial quanto a desgaste ou danos.




REMOÇÃO DO ROLAMENTO DO PINHÃO/
                                                               BASE EXTRATORA
SUBSTITUIÇÃO DO CALÇO
Remova o rolamento do pinhão de seu eixo, utilizando um
extrator de rolamento disponível comercialmente.

A substituição deste rolamento pode não ser necessária após
sua remoção. Entretanto, inspecione o rolamento quanto à
folga excessiva após a remoção.

Remova o calço do pinhão.

Substitua-o se necessário.

NOTA
 Substitua o rolamento do pinhão e as pistas internas do
 rolamento em conjunto.
                                                                                           ROLAMENTO/CALÇO
                                                                         CALÇO PISTAS INTERNAS DO ROLAMENTO
Selecione o calço de substituição (página 13-11).

Instale o calço, o rolamento e as pistas internas no pinhão.

NOTA
 Quando o conjunto de engrenagens, o rolamento do
 pinhão, o rolamento da coroa e/ou a carcaça do
 diferencial forem substituídos, utilize um calço de 2,00
 mm de espessura para referência inicial.




                                                               PINHÃO                   ROLAMENTO
                                                                                             INSTALADOR
Instale o rolamento, mantendo seu lado marcado voltado
para cima.

Ferramentas:
Instalador, D.I de 40 mm                07746-0030100
Acessório, D.I. de 25 mm                07746-0030200




                                                                                           ACESSÓRIO


13-14
SHADOW 750                                                                                   DIFERENCIAL


SUBSTITUIÇÃO DO ROLAMENTO DA CARCAÇA                                EXTRATOR DE            CONTRAPESO
                                                                    ROLAMENTO              DO EXTRATOR
Rolamento da Coroa

Aqueça uniformemente a carcaça do diferencial até atingir a
temperatura de 80°C, utilizando uma pistola de calor.
Remova o rolamento da coroa da carcaça do diferencial,
utilizando a ferramenta especial.

Ferramentas:
Extrator de rolamento, 35 mm            07936-3710400
Cabo extrator                           07936-3710100
Contrapeso do extrator                  07741-0010201             ROLAMENTO               CABO EXTRATOR

NOTA                                                                RETENTOR DE ÓLEO
 Certifique-se de vestir luvas isolantes ao manusear a
 carcaça do diferencial enquanto permanecer aquecida.



Remova o retentor de óleo.




Remova a tampa de respiro e aplique ar comprimido através
do orifício.

Instale a tampa de respiro.




                                                                 TAMPA DE RESPIRO
                                                                                          INSTALADOR
Aplique graxa nos lábios de um novo retentor de óleo.
Instale o retentor de óleo na carcaça do diferencial, mantendo
seu lado marcado voltado para baixo, até que esteja
completamente assentado.

Ferramentas:
Instalador                              07749-0010000
Acessório, 44 x 49,5 mm                 07945-3330300




                                                                       ACESSÓRIO       RETENTOR DE ÓLEO


                                                                                               13-15
DIFERENCIAL                                                                               SHADOW 750
                                                                                           INSTALADOR
Instale o rolamento da coroa na carcaça do diferencial,
mantendo seu lado marcado voltado para dentro, até que
esteja completamente assentado, utilizando as ferramentas
especiais.

Ferramentas:
Instalador                              07749-0010000
Acessório, 52 x 55 mm                   07746-0010400




                                                                      ACESSÓRIO         ROLAMENTO
                                                                 ANEL LIMITADOR       ROLAMENTO
Rolamento de Agulhas do Pinhão

Gire o anel limitador até que sua extremidade fique visível no
orifício de acesso.
Bata cuidadosamente nas proximidades da extremidade do
anel, utilizando um marcador, para dobrar sua extremidade
para cima.
Fixe a extremidade do anel, utilizando um alicate de ponta
fina, e remova o anel limitador pelo orifício de acesso.




                                                                                         ORIFÍCIO DE ACESSO

Aqueça a carcaça do diferencial, até atingir a temperatura de
                                                                 EXTRATOR DE ROLAMENTO
80°C, e remova o rolamento de agulhas, utilizando as
ferramentas especiais.
                                                                   CABO
NOTA                                                               EXTRATOR
 Certifique-se de vestir luvas isolantes ao manusear a
 carcaça do diferencial enquanto permanecer aquecida.

Ferramentas:
Extrator de rolamento, 20 mm            07936-3710600
Cabo extrator                           07936-3710100
Contrapeso do extrator                  07741-0010201                     CONTRAPESO DO EXTRATOR



Instale seguramente um novo anel limitador na ranhura de
um novo rolamento.                                                                       ANEL LIMITADOR




                                                                       ROLAMENTO




13-16
SHADOW 750                                                                                     DIFERENCIAL


Resfrie o rolamento de agulhas em um congelador.
                                                                                            INSTALADOR
Aqueça a carcaça do diferencial até atingir a temperatura de
80°C.

Remova o rolamento de agulhas do congelador e instale-o na
carcaça do diferencial, mantendo seu lado marcado voltado
para cima, até que esteja completamente assentado.

Ferramentas:
Instalador                              07749-0010000
Acessório, 32 x 35 mm                   07746-0010100
Guia, 19 mm                             07746-0041400              ACESSÓRIO/GUIA



Certifique-se de que o anel limitador esteja seguramente
assentado na ranhura da carcaça do diferencial.




                                                                                            ANEL LIMITADOR


MONTAGEM DO DIFERENCIAL
INSTALAÇÃO DO PINHÃO


                                         PINHÃO

                             CALÇO




              PISTAS INTERNAS


                                                  LINGÜETA
                                                  DE TRAVA



                                                                                      ANEL DE
                                                                                      VEDAÇÃO
    ROLAMENTO DO PINHÃO
                                                                             108 N.m (11,0 kgf.m)
        10 N.m (1,0 kgf.m)
                                                                          RETENTOR DE ÓLEO

                        108 N.m (11,0 kgf.m)       CONEXÃO DO PINHÃO




                                                                                                    13-17
DIFERENCIAL                                                                            SHADOW 750
                                                                       INSTALADOR DO RETENTOR DE ÓLEO
Instale o conjunto do pinhão na carcaça do diferencial,
utilizando a ferramenta especial.

Ferramenta:
Instalador do retentor de óleo,
55,7 x 60,3 mm                          07965-KE80200




                                                                                         INSTALADOR
Aplique graxa nos lábios de um novo retentor de óleo.

Instale o retentor de óleo no retentor do pinhão, mantendo
seu lado marcado voltado para cima, até que esteja
completamente assentado.

Ferramentas:
Instalador                              07749-0010000
Acessório, 44 x 49,5 mm                 07945-3330300

Aplique graxa na cavidade do lábio do retentor.



                                                                RETENTOR DE ÓLEO         ACESSÓRIO
                                                             RETENTOR DO PINHÃO
Cubra um novo anel de vedação com graxa e instale-o na
ranhura do retentor.




                                                                                        ANEL DE VEDAÇÃO
                                                                                   CHAVE PARA RETENTOR
Fixe a carcaça do diferencial em uma morsa de mordentes
macios.
Instale o retentor do pinhão na carcaça do diferencial e
aperte-o no torque especificado, utilizando a ferramenta
especial.

Ferramenta:
Chave para retentor                     07910-MA10100

Torque: 108 N.m (11,0 kgf.m)




13-18
SHADOW 750                                                                               DIFERENCIAL

                                                                                    LINGÜETA DE TRAVA
Instale a lingüeta de trava, mantendo sua lingüeta voltada
para cima, ajustando a posição das ranhuras do retentor do
pinhão em relação à lingüeta de trava. Em seguida, aperte o
parafuso no torque especificado.

Torque: 10 N.m (1,0 kgf.m)

NOTA

 Encontra-se disponível dois tipos de lingüeta de trava (A e
 B), como mostra a ilustração.



                                                                                      PARAFUSO
                                                                 PORCA DA CONEXÃO
Limpe completamente as roscas do eixo do pinhão e da
porca da conexão do pinhão.

Aplique trava-química nas roscas da porca da conexão e
instale a conexão do pinhão, juntamente com sua porca, no
eixo do pinhão.




                                                               CONEXÃO DO PINHÃO
                                                                                     PLACA DE FIXAÇÃO
Fixe a conexão do pinhão, utilizando as ferramentas
especiais, e aperte a porca da conexão do pinhão no torque
especificado.

Ferramentas:
Placa de fixação do pinhão              07924-ME40010
Instalador de espaçador “C”             07924-ME40020

Torque: 108 N.m (11,0 kgf.m)




                                                                 ESPAÇADORES




                                                                                           13-19
DIFERENCIAL                                                                                 SHADOW 750


INSTALAÇÃO DA COROA

                                      CALÇO
                                                  ANEL DE VEDAÇÃO
                                                                   FIXADOR DO ANEL DE VEDAÇÃO
                                                                            COROA
                 10 N.m (1,0 kgf.m)
                                                                                        ARRUELA ONDULADA
                                     PLACA                                                     ROLAMENTO
                                     PROTETORA DE PÓ                                           (57/34)


                                              25 N.m (2,5 kgf.m)


               ARRUELA
                                                                   RETENTOR
                                                                   DE ÓLEO




                  RETENTOR DE ÓLEO

                47 N.m (4,8 kgf.m)
                TAMPA DA CARCAÇA
                DO DIFERENCIAL
                               CALÇO                                ROLAMENTO (16012)
                                                  PINO LIMITADOR

                                                                   ANEL DE VEDAÇÃO                  INSTALADOR
Aplique graxa em um novo anel de vedação e instale-o na
ranhura do fixador do anel.

Instale o fixador do anel de vedação na coroa, até que esteja
completamente assentada, utilizando as ferramentas
especiais.

Ferramentas:
Instalador                              07749-0010000
Acessório                               07746-0010900




                                                                   FIXADOR DO ANEL DE VEDAÇÃO        ACESSÓRIO
                                                                        INSTALADOR
Instale um novo rolamento da coroa na tampa, mantendo seu
lado marcado voltado para dentro, até que esteja
completamente assentado, utilizando as ferramentas especiais.

Ferramentas:
Instalador                              07749-0010000
Acessório instalador de rolamento       07GAD-SD40101




                                                                      ROLAMENTO                 ACESSÓRIO


13-20
SHADOW 750                                                                                        DIFERENCIAL

                                                                 ROLAMENTO/CALÇO
Instale o calço no rolamento da coroa.
Apóie a pista interna do rolamento, utilizando a ferramenta
especial, e instale a coroa no rolamento, utilizando uma
prensa hidráulica.

Ferramenta:
Instalador do retentor de óleo          070MF-MEG0300




                                                                            INSTALADOR DO RETENTOR DE ÓLEO
                                                                    COROA
Meça a folga entre a coroa e o pino limitador, utilizando um
cálibre de lâminas.

Folga: 0,30 – 0,60 mm

Remova a coroa caso a folga não esteja de acordo com o
valor especificado.




                                                                                                PINO LIMITADOR

Aqueça a tampa da carcaça do diferencial até atingir a
temperatura de 80°C, utilizando uma pistola de calor. Aqueça-
a de forma lenta e uniforme para evitar empenamento.
Quando a tampa da carcaça do diferencial atingir a
temperatura adequada, remova o pino limitador, batendo
levemente na tampa.

NOTA

 Certifique-se de vestir luvas isolantes ao manusear a
 carcaça do diferencial enquanto permanecer aquecida.



                                                                                             PINO LIMITADOR

Selecione o calço do pino limitador para obter a folga                                 COROA
adequada.
                                                                                                0,30 – 0,60 mm
Espessura do calço: A                     0,10 mm
                    B                     0,15 mm

Instale o calço. Em seguida, instale o pino limitador na tampa
da carcaça do diferencial.




                                                                            PINO LIMITADOR     CALÇO




                                                                                                    13-21
DIFERENCIAL                                                                              SHADOW 750
                                                                   ACESSÓRIO              INSTALADOR
Aplique graxa nos lábios de um novo retentor de óleo.

Instale o retentor de óleo, até nivelar-se à superfície da
tampa, utilizando as ferramentas especiais.

Ferramentas:
Instalador                                 07749-0010000
Instalador do retentor de óleo             070MF-MEG0300
Acessório, 72 x 75 mm                      07746-0010600




MONTAGEM DA CARCAÇA DO DIFERENCIAL                             INSTALADOR DO             RETENTOR DE ÓLEO
                                                               RETENTOR DE ÓLEO
Quando o conjunto de engrenagens, rolamento e/ou carcaça                                TAMPA DA CARCAÇA
do diferencial forem removidos, execute as seguintes
inspeções:

– Inspeção de padrão de contato entre os dentes das
  engrenagens (página 13-10)
– Inspeção de folga entre os dentes das engrenagens do
  diferencial (página 13-8)

Limpe a superfície de contato da carcaça do diferencial e de
sua tampa, tendo cuidado para não danificá-las.

NOTA
 Mantenha a tampa e a carcaça do diferencial livre de poeira
 ou objetos estranhos.
                                                               CARCAÇA DO DIFERENCIAL   ARRUELA ONDULADA
                                                               PARAFUSOS, 8 mm           PARAFUSOS, 10 mm
Aplique junta-líquida (Three Bond 1207B ou equivalente) na
superfície de contato da tampa da carcaça do diferencial.

Instale a arruela ondulada.
Instale a tampa da carcaça do diferencial.

Aplique trava-química nas roscas dos parafusos de 10 mm da
tampa da carcaça do diferencial.

Instale os parafusos e aperte-os em ordem cruzada e em
diversas etapas, até que a tampa encoste uniformemente na
carcaça do diferencial.

Aperte alternadamente os parafusos de 10 mm, em diversas
etapas e no torque especificado.
                                                                         TAMPA DA CARCAÇA DO DIFERENCIAL
Torque: 47 N.m (4,8 kgf.m)

Aperte os parafusos de 8 mm em ordem cruzada, em
diversas etapas e no torque especificado.

Torque: 25 N.m (2,5 kgf.m)

Certifique-se de que o conjunto de engrenagens gira
suavemente, sem obstruções.

Meça a pré-carga de montagem do diferencial.

Padrão: 0,2 – 0,4 N.m (2,0 – 4,1 kgf.cm)

Se a pré-carga não estiver de acordo com o valor
especificado, inspecione os rolamentos quanto a sua correta
instalação.




13-22
SHADOW 750                                                                                    DIFERENCIAL


Instale a placa protetora de pó, alinhando suas lingüetas com
                                                                 PLACA PROTETORA DE PÓ      PARAFUSO
as ranhuras da tampa.

Gire a placa protetora de pó em sentido anti-horário e instale
o parafuso e a arruela.

Aperte o parafuso no torque especificado.

Torque: 10 N.m (1,0 kgf.m)



                                                                                            ARRUELA




INSTALAÇÃO DO DIFERENCIAL                                                                 PRISIONEIRO
Certifique-se de que os prisioneiros da carcaça do diferencial
estejam apertados.
Se algum prisioneiro estiver solto, remova-o, limpe suas
roscas com limpador de contato e instale-o em seguida,
aplicando trava-química.

Após a instalação, certifique-se de medir a altura da parte
superior de cada prisioneiro à superfície da carcaça do                                   26 ± 1 mm
diferencial, como mostra a ilustração.



                                                                                           ANEL LIMITADOR
Instale um novo anel limitador na ranhura do eixo de
transmissão.
Instale a mola no eixo de transmissão.
Aplique 0,5 g de graxa à base de bissulfeto de molibdênio
nos lábios de um novo retentor de óleo e instale-o no eixo de
transmissão.




                                                                  RETENTOR DE ÓLEO           MOLA
                                                                      CONEXÃO DO PINHÃO
Aplique 2 g ou mais de graxa à base de bissulfeto de
molibdênio nas estrias da conexão do pinhão.

Instale o eixo de transmissão na conexão do pinhão, até que
o anel limitador se assente na ranhura da estria da conexão.

NOTA
 • Certifique-se de que o anel limitador esteja
   adequadamente assentado, puxando cuidadosamente o
   eixo de transmissão.
 • Tenha cuidado para não danificar o retentor de óleo do
   eixo de transmissão.

                                                                            EIXO DE TRANSMISSÃO


                                                                                                13-23
DIFERENCIAL                                                                 SHADOW 750
                                                                 PARAFUSO
Aplique 1 g de graxa à base de bissulfeto de molibdênio nas
estrias do eixo de transmissão, no lado da conexão universal.

Insira o conjunto do diferencial no braço oscilante, alinhando
as estrias do eixo de transmissão com as estrias da conexão
universal.
Instale as porcas de fixação da carcaça do diferencial.

Aperte as porcas de fixação da carcaça do diferencial em
ordem cruzada, em diversas etapas e no torque especificado.

Torque: 64 N.m (6,5 kgf.m)

Aperte o parafuso de fixação inferior do amortecedor no
                                                                      PORCAS
torque especificado.

Torque: 22 N.m (2,2 kgf.m)

Instale a roda traseira (página 15-12).
Abasteça a carcaça do diferencial, utilizando o óleo
recomendado (página 3-17).




13-24
RODA DIANTEIRA/SUSPENSÃO/
SHADOW 750                                14.    SISTEMA DE DIREÇÃO


 LOCALIZAÇÃO DOS COMPONENTES   14-2   RODA DIANTEIRA                14-13
 INFORMAÇÕES DE SERVIÇO        14-3   GARFO DA SUSPENSÃO            14-18
 DIAGNOSE DE DEFEITOS          14-5   COLUNA DE DIREÇÃO             14-27
 GUIDÃO                        14-6




                                                                    14-1
RODA DIANTEIRA/SUSPENSÃO/SISTEMA DE DIREÇÃO                                         SHADOW 750


LOCALIZAÇÃO DOS COMPONENTES


                                                               23 N.m (2,3 kgf.m)




                                                             103 N.m (10,5 kgf.m)

                                                            26 N.m (2,7 kgf.m)

                                                                      12 N.m (1,2 kgf.m)

         30 N.m (3,1 kgf.m)




                                       23 N.m (2,3 kgf.m)




       59 N.m (6,0 kgf.m)




          22 N.m (2,2 kgf.m)




14-2
SHADOW 750                                                RODA DIANTEIRA/SUSPENSÃO/SISTEMA DE DIREÇÃO



INFORMAÇÕES DE SERVIÇO
INFORMAÇÕES GERAIS

• Utilizar a motocicleta com aros danificados prejudica a dirigibilidade e segurança do veículo.
• Discos ou pastilhas de freio contaminados reduzem a capacidade de frenagem. Descarte pastilhas de freio
  contaminadas e limpe os discos utilizando agente desengraxante de freio de alta qualidade.
• Ao executar reparos na roda dianteira, no garfo da suspensão ou no sistema de direção, apóie a motocicleta utilizando
  um cavalete de trabalho ou um macaco sob o motor.
• Para reparos no sistema de freio hidráulico, consulte a página 16-2.

ESPECIFICAÇÕES
                                                                                                          Unidade: mm
                          Item                                              Padrão                    Limite de Uso
Profundidade mínima da banda de rodagem do pneu                                –                           1,5
Pressão do        Somente piloto                                 200 kPa (2,00 kgf/cm2, 29 psi)             —
pneu frio         Piloto e passageiro                            200 kPa (2,00 kgf/cm2, 29 psi)             —
Empenamento do eixo                                                            –                           0,2
Excentricidade    Radial                                                       –                           2,0
do aro da roda    Axial                                                        –                           2,0
Peso para balanceamento da roda                                                –                     Máximo de 60 g
Garfo da          Comprimento livre da mola                                  367,8                        360,4
suspensão         Empenamento do cilindro interno                              –                           0,2
                  Fluido recomendado para suspensão               Óleo Honda Ultra Cushion
                                                                                                             –
                                                                     10 W ou equivalente
                  Nível de fluido                                             100                            –
                  Capacidade de fluido                                   474 ± 2,5 cm3                       –
Pré-carga do rolamento da coluna de direção                        8,8 –12,7 N (0,9 – 1,3 kgf)               –


VALORES DE TORQUE

Parafuso do suporte superior do guidão                  23 N.m (2,3 kgf.m)
Parafuso do suporte inferior do guidão                  23 N.m (2,3 kgf.m)
Parafuso do suporte do cilindro-mestre dianteiro        12 N.m (1,2 kgf.m)
Parafuso do disco de freio dianteiro                    42 N.m (4,3 kgf.m)     Parafuso ALOC, substitua-o por um novo.
Raio                                                    4,2 N.m (0,4 kgf.m)
Parafuso do eixo dianteiro                              59 N.m (6,0 kgf.m)
Parafuso de fixação do eixo dianteiro                   22 N.m (2,2 kgf.m)
Parafuso Allen central do garfo da suspensão            29,5 N.m (3,0 kgf.m)   Aplique trava-química nas roscas.
Parafuso superior do garfo da suspensão                 22,1 N.m (2,3 kgf.m)
Parafuso do protetor do garfo da suspensão, 6 mm        12 N.m (1,2 kgf.m)
Parafuso do protetor do garfo da suspensão, 8 mm        26 N.m (2,7 kgf.m)
Parafuso de fixação da mesa superior do garfo           27 N.m (2,8 kgf.m)
Parafuso de fixação da mesa inferior do garfo           49 N.m (5,0 kgf.m)
Parafuso de fixação do cáliper do freio dianteiro       30 N.m (3,1 kgf.m)     Parafuso ALOC, substitua-o por um novo.
Porca superior da coluna de direção                     Consulte página 14-30.
Contraporca superior da coluna de direção               Consulte página 14-31.
Porca da coluna de direção                              103 N.m (10,5 kgf.m)
Parafuso da articulação da alavanca da embreagem        1 N.m (0,1 kgf.m)
Porca da articulação da alavanca da embreagem           6 N.m (0,6 kgf.m)




                                                                                                              14-3
RODA DIANTEIRA/SUSPENSÃO/SISTEMA DE DIREÇÃO                                    SHADOW 750


FERRAMENTAS
Instalador                  Acessório, 42 x 47 mm            Acessório, 52 x 55 mm
07749-0010000               07746-0010300                    07746-0010400




Guia, 20 mm                 Eixo extrator de rolamento       Cabeçote extrator de rolamento,
07746-0040500               07GGD-0010100                    20 mm
                                                             07746-0050600




Chave para raios            Contrapeso deslizante            Acessório instalador
07JMA-MR60100               07947-KA50100                    07947-KF00100




Acessório, D.I. de 30 mm    Soquete para coluna de direção   Extrator de rolamento
07746-0030300               07916-3710101                    07946-3710500




14-4
SHADOW 750                                             RODA DIANTEIRA/SUSPENSÃO/SISTEMA DE DIREÇÃO


Conjunto extrator de rolamento de
esferas
07953-MJ10000




DIAGNOSE DE DEFEITOS
                                                          Dificuldade para girar a roda dianteira
Dificuldade de esterçar                                   • Rolamentos da roda defeituosos
• Porca superior da coluna de direção muito apertada      • Eixo empenado
• Rolamentos da coluna de direção desgastados ou          • Freio arrastando (página 16-4)
  danificados
• Coluna de direção empenada                              Suspensão muito macia
• Baixa pressão do pneu                                   • Molas do garfo enfraquecidas
• Pneu defeituoso                                         • Baixo nível de fluido no garfo da suspensão
                                                          • Viscosidade incorreta do fluido da suspensão (baixa
A motocicleta puxa para um dos lados ou não se              viscosidade)
desloca em linha reta                                     • Pressão do pneu muito baixa
• Garfo da suspensão empenado
• Rolamentos da coluna de direção danificados             Suspensão muito dura
• Porca superior da coluna de direção solta               • Pressão do pneu muito alta
• Chassi torto                                            • Cilindros internos empenados
• Rolamentos da roda desgastados                          • Cilindros externos presos
• Eixo empenado                                           • Quantidade excessiva de fluido no garfo da suspensão
• Componentes da articulação do braço oscilante           • Viscosidade incorreta do fluido da suspensão (alta
  desgastados                                               viscosidade)
                                                          • Passagem de fluido do garfo da suspensão obstruída
Roda dianteira trepidando
• Aro torto                                               Ruídos na suspensão dianteira
• Rolamentos da roda desgastados                          • Fixadores do garfo da suspensão soltos
• Pneu defeituoso                                         • Viscosidade incorreta do fluido da suspensão (baixa
• Roda e pneu desbalanceados                                viscosidade)
• Fixador do eixo apertado inadequadamente                • Bucha do cilindro interno ou externo desgastada




                                                                                                        14-5
RODA DIANTEIRA/SUSPENSÃO/SISTEMA DE DIREÇÃO                                         SHADOW 750
                                                                     ESPELHOS RETROVISORES

GUIDÃO
REMOÇÃO

Remova os espelhos retrovisores.

Solte a fiação do interruptor do guidão e a mangueira do
freio das presilhas da fiação.

Remova as presilhas da fiação do guidão.



                                                                            PRESILHAS
                                                              PARAFUSO        ALAVANCA DA EMBREAGEM
Remova o parafuso da articulação, a porca e a alavanca da
embreagem do suporte da alavanca.

Desacople os conectores do interruptor da embreagem.




                                                            CONECTORES               PORCA
                                                                  FIXADOR                SUPORTE
Remova os parafusos, o fixador e o suporte da alavanca da
embreagem.




                                                            PARAFUSOS
                                                                            INTERRUPTOR DA EMBREAGEM
Remova o interruptor da embreagem do suporte da alavanca
da embreagem.




                                                                SUPORTE


14-6
SHADOW 750                                                   RODA DIANTEIRA/SUSPENSÃO/SISTEMA DE DIREÇÃO

                                                                    MANOPLA     ALOJAMENTO DO INTERRUPTOR
Remova os parafusos e o alojamento do interruptor do
guidão esquerdo.

Remova a manopla do guidão esquerdo e a capa do
alojamento.




                                                                                    PARAFUSOS         TAMPA
                                                                  CILINDRO-MESTRE                SUPORTE
Desacople os conectores da fiação do interruptor da luz do
freio dianteiro.

Remova os parafusos, o suporte e o conjunto do cilindro-
mestre.

NOTA

 Mantenha o reservatório voltado para cima a fim de evitar
 penetração de ar no sistema hidráulico.




                                                                  CONECTORES                       PARAFUSOS
                                                                                    INTERRUPTOR
                                                                   PARAFUSOS        ALOJAMENTO DO ACELERADOR
Remova os parafusos do interruptor direito do
guidão/alojamento.




                                                                                                  MANOPLA
Desconecte os cabos do acelerador do tubo do acelerador e
remova a manopla do acelerador do guidão direito.

Remova o interruptor do guidão direito/alojamento do
acelerador do guidão.




                                                                                                  CABOS


                                                                                                    14-7
RODA DIANTEIRA/SUSPENSÃO/SISTEMA DE DIREÇÃO                                         SHADOW 750

Solte as porcas do suporte inferior do guidão.




                                                                              PORCAS
                                                                       CAPAS DOS PARAFUSOS
Remova as capas dos parafusos.




                                                           PARAFUSOS     SUPORTES SUPERIORES
Remova os parafusos, os suportes superiores e o guidão.




                                                                                        GUIDÃO
                                                           BORRACHAS DE FIXAÇÃO   SUPORTES INFERIORES
Remova as porcas do suporte inferior, as arruelas, as
borrachas de fixação e os suportes inferiores do guidão.




                                                           PORCAS/ARRUELAS


14-8
SHADOW 750                                                     RODA DIANTEIRA/SUSPENSÃO/SISTEMA DE DIREÇÃO

                                                                                     BUCHAS
INSTALAÇÃO

NOTA
 Passe adequadamente o cabo, a mangueira e a fiação
 (página 1-20).

Inspecione as buchas quanto a desgaste anormal ou danos.




                                                                    PARA CIMA      BORRACHAS DE FIXAÇÃO
Instale as borrachas de fixação na mesa superior, como
mostra a ilustração.




                                                                                         SUPORTES INFERIORES
Instale frouxamente os suportes inferiores, as arruelas e as
porcas do guidão na mesa superior.




                                                                       PORCAS/ARRUELAS
                                                                    PARAFUSOS     SUPORTES SUPERIORES
Posicione o guidão sobre os suportes inferiores, alinhando a
marca gravada do guidão com as superfícies superiores dos
suportes inferiores.
Instale os suportes superiores, mantendo suas marcas
gravadas voltadas para frente.

Aperte primeiramente os parafusos dianteiros. Em seguida,
aperte os parafusos traseiros, todos no torque especificado.

Torque: 23 N.m (2,3 kgf.m)




                                                                      Alinhe      MARCAS GRAVADAS


                                                                                                    14-9
RODA DIANTEIRA/SUSPENSÃO/SISTEMA DE DIREÇÃO                                              SHADOW 750

Aperte as porcas do suporte inferior do guidão no torque
especificado.

Torque: 23 N.m (2,3 kgf.m)




                                                                                PORCAS

Instale a capa do alojamento no lado esquerdo do guidão.
                                                                                   CAPA DO ALOJAMENTO




Limpe a superfície interna de ambas as manoplas do guidão      ESQUERDO:            DIREITO:
e as superfícies externas do guidão e do tubo do acelerador.
Aplique o adesivo Honda Bond A ou equivalente na superfície
interna da manopla do guidão e na superfície externa do
guidão e do tubo do acelerador. Espere cerca de 3 a 5
minutos e instale a manopla.

Gire a manopla para uma aplicação uniforme do adesivo.

NOTA
 Deixe o adesivo secar por aproximadamente uma hora
 antes de utilizar a motocicleta.                                          MANOPLAS DO GUIDÃO




Aplique de 0,2 a 0,3 g de graxa na ranhura do flange e na
superfície deslizante do tubo do acelerador.

Instale o tubo do acelerador no guidão.




                                                                                     TUBO DO ACELERADOR


14-10
SHADOW 750                                                    RODA DIANTEIRA/SUSPENSÃO/SISTEMA DE DIREÇÃO

                                                                            CABOS
Conecte os cabos do acelerador no flange do tubo do
acelerador.

Instale o interruptor/alojamento do acelerador no guidão,
utilizando dois parafusos e alinhando o pino de localização
com o orifício do guidão.




                                                                          Alinhe
                                                                   MENOR             INTERRUPTOR/
                                                                   COMPRIMENTO       ALOJAMENTO DO ACELERADOR
Aperte primeiramente o parafuso dianteiro de maior
comprimento. Em seguida, aperte o parafuso traseiro de
menor comprimento.




                                                                   MAIOR COMPRIMENTO
                                                                   CILINDRO-MESTRE   Alinhe           SUPORTE
Instale o cilindro-mestre, o suporte e os parafusos.
Alinhe a extremidade do cilindro-mestre com a marca
gravada no guidão e aperte primeiramente o parafuso
superior. Em seguida, aperte o parafuso inferior, ambos no
torque especificado.

Torque: 12 N.m (1,2 kgf.m)

NOTA
 Instale o suporte, mantendo sua marca “UP” voltada para
 cima.

Acople os conectores do interruptor da luz do freio dianteiro.     CONECTORES        MARCA “UP”     PARAFUSOS
                                                                                    ALOJAMENTO DO INTERRUPTOR
                                                                   Alinhe                  ESQUERDO DO GUIDÃO
Instale o alojamento do interruptor esquerdo do guidão,
juntamente com seus parafusos, alinhando o pino de
localização com o orifício do guidão.
Aperte primeiramente o parafuso dianteiro de menor
comprimento. Em seguida, aperte o parafuso traseiro de
maior comprimento.

NOTA
 Posicione o flange da capa do alojamento em sua ranhura.




                                                                   CAPA             MENOR               MAIOR
                                                                                    COMPRIMENTO   COMPRIMENTO


                                                                                                    14-11
RODA DIANTEIRA/SUSPENSÃO/SISTEMA DE DIREÇÃO                                                SHADOW 750
                                                                  SUPORTE                    Alinhe
Instale o interruptor da embreagem no suporte, alinhando a
lingüeta do interruptor da embreagem com a ranhura do
suporte.




                                                                           INTERRUPTOR DA EMBREAGEM
                                                                      FIXADOR       SUPORTE      Alinhe
Instale o suporte da alavanca da embreagem, o fixador e os
parafusos.
Alinhe a extremidade do suporte com a marca gravada no
guidão e aperte primeiramente o parafuso superior. Em
seguida, aperte seguramente o parafuso inferior.

NOTA
 Instale o fixador, mantendo sua marca “UP” voltada para cima.




                                                                 PARAFUSOS            MARCA “UP”
                                                                   PARAFUSO      ALAVANCA DA EMBREAGEM
Acople os conectores do interruptor da embreagem.
Conecte o cabo da embreagem à alavanca da embreagem.

Instale a alavanca da embreagem no suporte.

Aplique graxa na superfície deslizante do parafuso da
articulação da alavanca da embreagem.
Instale e aperte o parafuso da articulação da alavanca da
embreagem no torque especificado.

Torque: 1 N.m (0,1 kgf.m)

Aperte a porca no torque especificado, enquanto mantém
fixado o parafuso da articulação.
                                                                 CONECTORES     PORCA CABO DA EMBREAGEM
                                                                          ESPELHOS RETROVISORES
Torque: 6 N.m (0,6 kgf.m)

Instale as presilhas da fiação nos prisioneiros do guidão.

Prenda a mangueira do freio e a fiação do interruptor
utilizando suas presilhas.

Instale os espelhos retrovisores.

Ajuste a folga da alavanca da embreagem (página 3-22).




                                                                               PRESILHAS


14-12
SHADOW 750                                                   RODA DIANTEIRA/SUSPENSÃO/SISTEMA DE DIREÇÃO



RODA DIANTEIRA
REMOÇÃO

Remova o parafuso do eixo e solte os parafusos de fixação
direito do eixo.




                                                                  PARAFUSO DO EIXO    PARAFUSOS DE FIXAÇÃO

Apóie seguramente a motocicleta e levante a roda dianteira
do solo.

Solte os parafusos de fixação esquerdo do eixo.

Remova o eixo e a roda dianteira.

NOTA
 Não acione a alavanca do freio após a remoção da roda
 dianteira, pois dificultará o encaixe do disco de freio entre
 as pastilhas.


                                                                  PARAFUSOS DE FIXAÇÃO              EIXO
                                                                  DIREITO:       ESPAÇADORES    ESQUERDO:
Remova os espaçadores laterais.




INSPEÇÃO

Eixo

Posicione o eixo sobre blocos em V.
Gire o eixo e meça seu empenamento, utilizando um relógio
comparador.
O valor real de empenamento é a metade do valor de leitura
total.


        Limite de Uso                      0,2 mm




                                                                                                14-13
RODA DIANTEIRA/SUSPENSÃO/SISTEMA DE DIREÇÃO                                           SHADOW 750

Aro da Roda

Inspecione o empenamento do aro, posicionando a roda em
um cavalete de inspeção.
Gire lentamente a roda e meça seu empenamento, utilizando
um relógio comparador.
O valor real de empenamento é a metade do valor de leitura
total.

                           Radial             2,0 mm
      Limite de Uso
                           Axial              2,0 mm




Rolamento da Roda

Gire manualmente a pista interna de cada rolamento.
Os rolamentos devem girar suave e silenciosamente.
Inspecione também se a pista externa do rolamento encaixa-
se sem folga no cubo da roda.

Remova e descarte os rolamentos caso suas pistas não girem
suave e silenciosamente ou se encaixarem com folga no cubo
da roda (página 14-14).

NOTA
 Substitua os rolamentos da roda em pares.

                                                               DISCO DE FREIO               PARAFUSOS
DESMONTAGEM

Remova os retentores de pó de ambos os lados do cubo da
roda.

Remova os parafusos e o disco de freio.

NOTA
 Não reutilize os parafusos.




                                                                     RETENTOR DE PÓ
                                                                            EIXO EXTRATOR
Instale o cabeçote extrator no rolamento da roda.
Pelo lado oposto da roda, instale o eixo extrator e remova o
rolamento do cubo da roda.
Remova o espaçador e o outro rolamento.

Ferramentas:
Eixo extrator de rolamento                 07GGD-0010100
Cabeçote extrator de rolamento, 20 mm      07746-0050600

NOTA
 • Substitua os rolamentos da roda em pares.
 • Não reutilize rolamentos usados.

                                                                 CABEÇOTE EXTRATOR


14-14
SHADOW 750                                                    RODA DIANTEIRA/SUSPENSÃO/SISTEMA DE DIREÇÃO


MONTAGEM
                                                                                  RETENTOR DE PÓ




                                                                                           ROLAMENTO
                                                                                           (6204UU)

           DISCO DE FREIO




                                                              ESPAÇADOR
                                                       ROLAMENTO
                                                       (6204UU)

 42 N.m (4,3 kgf.m)                      RETENTOR DE PÓ

                                                                                                 INSTALADOR
Instale o novo rolamento esquerdo, até que esteja
completamente assentado.

Instale o espaçador.
Instale o novo rolamento direito, até que esteja
completamente assentado no espaçador.

Ferramentas:
Instalador                               07749-0010000
Acessório, 42 x 47 mm                    07746-0010300
Guia, 20 mm                              07746-0040500



Ajuste do Cubo da Roda                                                ROLAMENTO            ACESSÓRIO/GUIA

Meça a distância B (largura do aro) e calcule a distância A
como indicado a seguir:                                                                B
                                                                                       B     A
                                                                                             A

A = 79 mm – B/2

Ajuste a posição do aro e a distância A, apertando os raios
progressivamente, em diversas etapas e no torque                                                 79 mm
especificado.

Ferramenta:
Chave para raios                         07JMA-MR60100

Torque: 4,2 N.m (0,4 kgf.m)




                                                                                                    14-15
RODA DIANTEIRA/SUSPENSÃO/SISTEMA DE DIREÇÃO                                              SHADOW 750
                                                               DISCO DE FREIO               PARAFUSOS
Instale o disco de freio, mantendo seu lado marcado voltado
para fora.
Instale novos parafusos e aperte-os em ordem cruzada, em
diversas etapas e no torque especificado.

Torque: 42 N.m (4,3 kgf.m)

NOTA
 Não contamine os discos de freio com graxa, pois
 reduzirá a capacidade de frenagem.



BALANCEAMENTO DA RODA
                                                               MARCA DE BALANCEAMENTO
NOTA
 • Monte o pneu, mantendo a seta gravada voltada para o
   sentido de rotação.
 • O balanceamento da roda deve ser verificado sempre
   que o pneu for remontado.
 • Para um perfeito balanceamento, a marca de
   balanceamento do pneu (ponto de menor massa: um
   ponto pintado na parede lateral do pneu) deve ser
   posicionada próxima à haste da válvula. Monte
   novamente o pneu, se necessário.
 • Inspecione cuidadosamente o balanceamento antes de
   instalar a roda.


                                                               HASTE DA VÁLVULA                 SETA

Monte a roda, o pneu e o conjunto do disco de freio no
cavalete de inspeção.
Gire a roda, espere-a parar e marque a parte inferior (maior
peso) da roda com giz.
Repita o procedimento acima duas ou três vezes para
verificar a região de maior peso.
Se a roda estiver balanceada, ela não irá parar
constantemente na mesma posição.



                                                                                          CAVALETE DE
                                                                                          INSPEÇÃO


                                                               PESO PARA BALANCEAMENTO
Para balancear a roda, instale um novo peso para
balanceamento no lado mais leve do raio, no lado oposto à
marca de giz. Adicione somente a quantidade de peso
suficiente para que a roda não mais pare na mesma posição
ao ser girada.
Não adicione mais de 60 g de massa à roda dianteira.

NOTA
 Nunca reutilize o peso de balanceamento após removê-lo
 do raio.




14-16
SHADOW 750                                                    RODA DIANTEIRA/SUSPENSÃO/SISTEMA DE DIREÇÃO

                                                                              RETENTOR DE PÓ
Aplique graxa nos lábios de novos retentores de pó. Em
seguida, instale os retentores até que estejam nivelados com
o cubo da roda.




                                                                   DIREITO:          ESPAÇADORES     ESQUERDO:
INSTALAÇÃO

Instale os espaçadores laterais.

NOTA

 Instale o espaçador lateral esquerdo (lado do disco de
 freio), mantendo seu flange voltado para fora.




Instale a roda dianteira entre os garfos da suspensão, de forma
que o disco de freio permaneça entre as pastilhas de freio.

NOTA
 Tenha cuidado para não danificar as pastilhas.

Aplique uma fina camada de graxa na superfície deslizante
do eixo.

Insira o eixo pelo lado esquerdo, até que esteja
completamente assentado.
Instale e aperte o parafuso do eixo no torque especificado,
enquanto mantém o eixo fixado.                                     PARAFUSO DO EIXO        PARAFUSOS DE FIXAÇÃO

Torque: 59 N.m (6,0 kgf.m)

Aperte os parafusos de fixação direito do eixo no torque
especificado.

Torque: 22 N.m (2,2 kgf.m)

Mantendo o freio dianteiro acionado, bombeie a suspensão
dianteira para cima e para baixo por diversas vezes para
assentar o eixo e verificar o funcionamento do freio.




                                                                                                     14-17
RODA DIANTEIRA/SUSPENSÃO/SISTEMA DE DIREÇÃO                                           SHADOW 750

Aperte os parafusos de fixação esquerdo do eixo no torque
especificado.

Torque: 22 N.m (2,2 kgf.m)




                                                             PARAFUSOS DE FIXAÇÃO
                                                                                          PARAFUSOS

GARFO DA SUSPENSÃO
REMOÇÃO
Remova os seguintes componentes:
– Roda dianteira (página 14-13)
– Pára-lama dianteiro (página 2-7)
– Guidão (página 14-6)
– Lentes e soquetes dos indicadores (página 20-8)

Remova os parafusos e o conjunto do cáliper do freio.

Somente para o garfo direito da suspensão:
Não reutilize os parafusos de fixação do cáliper.
                                                              CONJUNTO DO CÁLIPER DO FREIO
                                                             PARAFUSO             PORCA/ARRUELA
NOTA                                                         SUPERIOR DO GARFO    DA COLUNA DE DIREÇÃO
 Apóie o cáliper do freio de forma que não fique pendurado
 pela mangueira do freio.

Solte os parafusos de fixação da mesa superior do garfo da
suspensão.

NOTA
 Quando o garfo estiver pronto para ser desmontado, solte
 o parafuso superior do garfo mas ainda não o remova.

Remova a porca da coluna de direção, a arruela e a mesa
superior.
                                                                       PARAFUSOS DE FIXAÇÃO DA
                                                             ANEL DE   MESA SUPERIOR DO GARFO
                                                             VEDAÇÃO       PROTETOR SUPERIOR DO GARFO
Remova os parafusos e o protetor superior do garfo da
suspensão.
Remova o anel de vedação.




                                                                   PARAFUSOS


14-18
SHADOW 750                                                   RODA DIANTEIRA/SUSPENSÃO/SISTEMA DE DIREÇÃO

                                                                                 PROTETOR INFERIOR DO GARFO
Solte o parafuso de fixação da mesa inferior. Puxe o garfo
para baixo e remova o cilindro interno da mesa inferior.

Remova o protetor inferior do garfo da suspensão.




                                                                  PARAFUSO DE FIXAÇÃO DA MESA INFERIOR
                                                                  RETENTOR DE PÓ
DESMONTAGEM

Remova o retentor de pó.

Remova o anel limitador do retentor de óleo.

NOTA
 Tenha cuidado para não riscar a superfície deslizante do
 cilindro interno.




                                                                                             ANEL LIMITADOR
                                                                  PARAFUSO
                                                                  SUPERIOR DO GARFO         ANEL DE VEDAÇÃO
Remova o parafuso superior do garfo e o anel de vedação.

NOTA
 O parafuso superior do garfo encontra-se sob pressão da
 mola; tenha cuidado ao soltá-lo.




                                                                  ESPAÇADOR                    SEDE DA MOLA
Remova o espaçador e a sede da mola.




                                                                                                 14-19
RODA DIANTEIRA/SUSPENSÃO/SISTEMA DE DIREÇÃO                                           SHADOW 750
                                                                                       MOLA DO GARFO
Remova a mola do garfo do cilindro interno.

Retire o fluido para suspensão, bombeando diversas vezes o
cilindro interno .




                                                             PARAFUSO ALLEN/ARRUELA
Fixe o cilindro externo em uma morsa de mordentes macios.

Remova o parafuso Allen central do garfo da suspensão e a
arruela de vedação.

NOTA
 Se o pistão do garfo girar com o parafuso Allen central,
 instale temporariamente a mola do garfo, a sede da mola,
 o espaçador e o parafuso superior.




                                                                              MOLA DE AMORTECIMENTO
Remova o pistão do garfo e a mola de amortecimento.

NOTA
 Não remova o anel do pistão do garfo a menos que seja
 necessário substituí-lo por um novo.




                                                                   PISTÃO DO GARFO

Executando movimentos sucessivos rápidos, puxe o cilindro
interno para fora do cilindro externo.

Remova o componente de trava do óleo.




14-20
SHADOW 750                                                 RODA DIANTEIRA/SUSPENSÃO/SISTEMA DE DIREÇÃO

                                                                                             MOLA
Remova a mola e o componente de trava do óleo do cilindro
externo.




                                                                  COMPONENTE DE TRAVA DO ÓLEO
                                                                       ANEL DE APOIO    RETENTOR DE ÓLEO
Remova cuidadosamente a bucha deslizante, pressionando a
ranhura com uma chave-de-fenda, até que a bucha possa ser
removida manualmente.

NOTA
 • Tenha cuidado para não danificar a bucha deslizante,
   especialmente sua superfície deslizante.
 • Para evitar perda de tensão, não abra a bucha mais do
   que o necessário.

Remova os seguintes componentes:
– Bucha da guia
– Anel de apoio
                                                                BUCHA DESLIZANTE           BUCHA DA GUIA
– Retentor de óleo
                                                                  COMPONENTE DE TRAVA DO ÓLEO
INSPEÇÃO

Componente de Trava do Óleo/Mola

Inspecione o componente de trava do óleo quanto a desgaste
ou danos.
Inspecione a mola quanto a fadiga ou danos.




                                                                                             MOLA

Mola do Garfo

Meça o comprimento livre da mola do garfo da suspensão.


       Limite de Uso                   360,4 mm




                                                                                              14-21
RODA DIANTEIRA/SUSPENSÃO/SISTEMA DE DIREÇÃO                                               SHADOW 750
                                                                CILINDRO EXTERNO          ANEL DE DESGASTE
CILINDRO INTERNO/CILINDRO EXTERNO/PISTÃO DO
GARFO

Inspecione os cilindros interno e externo quanto a
escoriações e desgaste anormal ou excessivo.

Inspecione o anel de desgaste quanto a desgaste ou danos.

Substitua qualquer componente danificado, se necessário.




                                                                                          CILINDRO INTERNO
                                                                                   ANEL DO PISTÃO DO GARFO
Inspecione o pistão do garfo quanto a escoriações e desgaste
anormal ou excessivo.

Inspecione o anel do pistão quanto a desgaste ou danos.
Inspecione a mola de amortecimento quanto a fadiga ou
danos.

Substitua qualquer componente danificado, se necessário.




                                                                MOLA DE AMORTECIMENTO

Posicione o cilindro interno sobre blocos em V e meça seu
empenamento, utilizando um relógio comparador.
O valor real de empenamento é a metade do valor de leitura
total.


        Limite de Uso                    0,2 mm




Inspecione visualmente o cilindro externo e as buchas da
guia.                                                                    BUCHA
Substitua as buchas caso estejam excessivamente escoriadas
ou riscadas, ou se o revestimento de teflon estiver                                       ANEL DE APOIO
desgastado de modo que mais de 3/4 da superfície total de
cobre permaneça visível.

Inspecione o anel de apoio; substitua-o se qualquer distorção
for observada nos pontos indicados, como mostra a                                        Pontos de Inspeção
ilustração.
                                                                  SUPERFÍCIES DE COBRE




14-22
SHADOW 750                                                    RODA DIANTEIRA/SUSPENSÃO/SISTEMA DE DIREÇÃO


MONTAGEM
Antes da montagem, lave todos os componentes com
solvente de limpeza não-inflamável ou de alto ponto de
inflamação e deixe-os secar completamente.
                          ANEL DE DESGASTE                                           22,1 N.m (2,3 kgf.m)

                                          RETENTOR DE PÓ
                ANEL LIMITADOR


                 RETENTOR                                                                   ANEL DE
                 DE ÓLEO                                                                    VEDAÇÃO
        ANEL DE APOIO
        BUCHA                                                                             ESPAÇADOR
        DESLIZANTE
    BUCHA DO
    CILINDRO INTERNO                                                                    SEDE DA MOLA

                     MOLA

   COMPONENTE DE                                                                         MOLA DO GARFO
   TRAVA DO ÓLEO
                                                                                    ANEL DO PISTÃO


       CILINDRO EXTERNO                                                            PISTÃO DO GARFO

            ARRUELA DE                                          CILINDRO INTERNO     MOLA DE AMORTECIMENTO
            VEDAÇÃO
                                       29,5 N.m (3,0 kgf.m)
                                                                   BUCHA DESLIZANTE              RETENTOR DE ÓLEO
Instale a bucha do cilindro interno, tendo cuidado para não
danificar seu revestimento, caso a bucha tenha sido
removida.

NOTA

 Não abra a bucha deslizante mais do que o necessário.

Remova as saliências da superfície de contato da bucha,
tendo cuidado para não descascar seu revestimento.

Aplique o fluido para suspensão nos lábios de um novo
retentor de óleo.
Instale a bucha deslizante, o anel de apoio e o novo retentor
                                                                   BUCHA DO CILINDRO INTERNO     ANEL DE APOIO
de óleo no cilindro interno.
                                                                                       MOLA DE AMORTECIMENTO
NOTA
 Instale o retentor de óleo, mantendo seu lado marcado
 voltado para cima.

Instale a mola de amortecimento no garfo do pistão. Em
seguida, instale o pistão no cilindro interno.




                                                                          PISTÃO DO GARFO


                                                                                                            14-23
RODA DIANTEIRA/SUSPENSÃO/SISTEMA DE DIREÇÃO                                                SHADOW 750
                                                                  CILINDRO EXTERNO           PISTÃO DO GARFO
Instale o componente de trava do óleo, juntamente com a
mola, na extremidade do pistão do garfo.
Instale o conjunto do cilindro interno no cilindro externo.




                                                                  COMPONENTE DE           MOLA
                                                                  TRAVA DO ÓLEO
                                                                                     ARRUELA DE VEDAÇÃO
Fixe o cilindro externo em uma morsa de mordentes macios.

Aplique trava-química nas roscas do parafuso Allen central
do garfo da suspensão.
Instale o parafuso Allen, juntamente com uma nova arruela
de vedação.




                                                                            PARAFUSO ALLEN
                                                                  PARAFUSO ALLEN/ARRUELA
Aperte o parafuso Allen central do garfo da suspensão no
torque especificado.

Torque: 29,5 N.m (3,0 kgf.m)

NOTA
 Se o pistão do garfo girar com o parafuso Allen central,
 instale temporariamente a mola do garfo, a sede da mola,
 o espaçador e o parafuso superior.




                                                                  CONTRAPESO DESLIZANTE
Aplique fluido para suspensão nos lábios de um novo                                           RETENTOR
retentor de óleo. Em seguida, instale o retentor, mantendo                                    DE PÓ
seu lado marcado voltado para cima.                                                             ANEL
                                                                                                LIMITADOR
Instale o retentor de óleo, até que a ranhura do anel limitador
permaneça visível, utilizando as ferramentas especiais.
                                                                                                 RETENTOR
Ferramentas:                                                                                     DE ÓLEO
Contrapeso deslizante                   07947-KA50100                                            ANEL DE
Acessório instalador                    07947-KF00100                                            APOIO

                                                                                                 BUCHA
                                                                                                 DESLIZANTE

                                                                  ACESSÓRIO INSTALADOR


14-24
SHADOW 750                                                  RODA DIANTEIRA/SUSPENSÃO/SISTEMA DE DIREÇÃO

                                                                                   RETENTOR DE PÓ
Instale o anel limitador na ranhura no cilindro externo, tendo
cuidado para não riscar a superfície deslizante do cilindro.

Cubra o retentor de pó com fluido para suspensão e instale-o
em seguida.




                                                                            ANEL LIMITADOR

Abasteça o cilindro interno com a quantidade especificada do
                                                                  FLUIDO PARA SUSPENSÃO
fluido recomendado para suspensão.

Fluido recomendado para suspensão:
Óleo Honda Ultra Cushion 10 W

Capacidade padrão de fluido: 474 ± 2,5 cm3                                                      100 mm

Bombeie lentamente o cilindro interno por diversas vezes e
execute a sangria do ar armazenado na em sua parte inferior.

Comprima completamente o cilindro interno. Meça o nível de
fluido a partir da parte superior do cilindro interno.

Nível de fluido: 100 mm
                                                                 MOLA DO GARFO
Puxe o cilindro interno para cima e instale a mola do garfo da
suspensão, mantendo o lado das espiras mais próximas                                                PARA
voltado para cima.                                                                                  CIMA




                                                                 SEDE DA MOLA                 ESPAÇADOR
Instale a sede da mola e o espaçador.




                                                                                               14-25
RODA DIANTEIRA/SUSPENSÃO/SISTEMA DE DIREÇÃO                                              SHADOW 750
                                                               PARAFUSO SUPERIOR DO GARFO DA SUSPENSÃO
Cubra um novo anel de vedação com fluido para suspensão e
instale-o na ranhura do parafuso superior do garfo.

Fixe seguramente o parafuso superior do garfo e instale-o no
cilindro interno.

NOTA

 • Tenha cuidado para não danificar as roscas do parafuso
   superior do garfo da suspensão.
 • Aperte o parafuso superior do garfo da suspensão após
   instalar o cilindro interno na mesa do garfo.


                                                                                      ANEL DE VEDAÇÃO
                                                                                PROTETOR INFERIOR DO GARFO
INSTALAÇÃO

Instale o protetor inferior do garfo e o cilindro interno na
mesa inferior.

Aperte levemente o parafuso de fixação da mesa inferior do
garfo da suspensão.




                                                               PARAFUSO DE FIXAÇÃO DA MESA INFERIOR
                                                                                       PROTETOR
                                                               ANEL DE VEDAÇÃO         SUPERIOR DO GARFO
Instale o protetor superior do garfo. Em seguida, aperte os
parafusos de 8 e 6 mm no torque especificado.

Torque:
Parafuso, 8 mm                            26 N.m (2,7 kgf.m)
Parafuso, 6 mm                            12 N.m (1,2 kgf.m)

Instale um novo anel de vedação.




Instale a mesa superior, a arruela e a porca da coluna de
direção.
                                                               PARAFUSO, 8 mm             PARAFUSO, 6 mm
NOTA                                                                                  PORCA DA COLUNA
                                                               MESA SUPERIOR DO GARFO DE DIREÇÃO/ARRUELA
 Aperte a porca da coluna de direção após apertar os
 parafusos de fixação das mesas superior e inferior.

Solte os parafusos de fixação da mesa inferior do garfo e
alinhe a superfície da extremidade superior do cilindro
interno com a mesa superior, como mostra a ilustração.
Aperte os parafusos de fixação das mesas do garfo da
suspensão no torque especificado.

Torque:
Parafuso de fixação da mesa superior      27 N.m (2,8 kgf.m)
Parafuso de fixação da mesa inferior      49 N.m (5,0 kgf.m)

                                                               PARAFUSOS DE FIXAÇÃO DA MESA SUPERIOR


14-26
SHADOW 750                                                  RODA DIANTEIRA/SUSPENSÃO/SISTEMA DE DIREÇÃO

                                                                 PARAFUSO SUPERIOR DO GARFO DA SUSPENSÃO
Aperte a porca da coluna de direção no torque especificado.

Torque: 103 N.m (10,5 kgf.m)

Aperte os parafusos superiores do garfo da suspensão no
torque especificado.

Torque: 22,1 N.m (2,3 kgf.m)




                                                                                PORCA DA COLUNA DE DIREÇÃO
                                                                                          PARAFUSOS
Somente para o garfo direito:
Instale o cáliper do freio, utilizando novos parafusos de
fixação. Em seguida, aperte os parafusos no torque
especificado.

Torque: 30 N.m (3,1 kgf.m)

Instale os seguintes componentes:
– Lentes e soquetes dos indicadores (página 20-8)
– Guidão (página 14-9)
– Pára-lama dianteiro (página 2-7)
– Roda dianteira (página 14-17)

                                                                 CONJUNTO DO CÁLIPER DO FREIO
                                                                                        SUPORTE DA
                                                                 SUPORTE DO FAROL       SINALEIRA DIANTEIRA
COLUNA DE DIREÇÃO
REMOÇÃO

Remova os seguintes componentes:
– Garfos da suspensão (página 14-18)
– Carcaça do farol (página 20-5)
– Sinaleira (página 20-7)

Remova os parafusos, porcas, suporte do farol e suporte da
sinaleira dianteira.


                                                                 PARAFUSOS                      PORCAS
                                                                 TAMPA DA COLUNA DE DIREÇÃO
Remova os parafusos e a tampa da coluna de direção.               ESQUERDO:                        DIREITO:
NOTA
 Não reutilize os parafusos.




                                                                                PARAFUSOS


                                                                                                 14-27
RODA DIANTEIRA/SUSPENSÃO/SISTEMA DE DIREÇÃO                                               SHADOW 750
                                                                                      CONTRAPORCA
Endireite as lingüetas da arruela de trava.

Remova a contraporca superior da coluna de direção,
juntamente com a arruela de trava.




                                                                               ARRUELA DE TRAVA
                                                                         SOQUETE PARA COLUNA DE DIREÇÃO
Solte a porca superior da coluna de direção, utilizando a
ferramenta especial.

Ferramenta:
Soquete para coluna de direção           07916-3710101

Remova a porca superior, enquanto mantém fixada a coluna
de direção.




                                                                                  PORCA SUPERIOR
                                                              RETENTOR            ROLAMENTO     COLUNA
                                                              DE PÓ               SUPERIOR      DE DIREÇÃO
Remova os seguintes componentes:
– Coluna de direção
– Retentor de pó
– Pista interna superior
– Rolamento superior da coluna de direção
– Rolamento inferior da coluna de direção




                                                              PISTA INTERNA            ROLAMENTO INFERIOR
                                                                      ACESSÓRIO           EIXO INSTALADOR
SUBSTITUIÇÃO DO ROLAMENTO

Remova a pista externa do rolamento superior, utilizando as
ferramentas especiais.

Ferramentas:
Conjunto extrator de
rolamento de esferas                     07953-MJ10000
– Acessório extrator                     07953-MJ10100
– Eixo instalador                        07953-MJ10200




14-28
SHADOW 750                                                   RODA DIANTEIRA/SUSPENSÃO/SISTEMA DE DIREÇÃO


Remova a pista externa do rolamento inferior, utilizando a
ferramenta especial e um eixo adequado.

Ferramenta:
Extrator de rolamento                   07946-3710500




                                                                                       EXTRATOR DE ROLAMENTO

Instale a porca da coluna de direção para evitar que as roscas
sejam danificadas durante a remoção da pista interna do             RETENTOR DE PÓ
rolamento inferior.
Remova a pista interna do rolamento inferior, utilizando uma
talhadeira ou ferramenta equivalente, tendo cuidado para não
danificar a coluna de direção.
Remova o retentor de pó.                                                                           PORCA




                                                                       PISTA INTERNA



Aplique a graxa especificada (página 1-18) nos lábios de um
novo retentor de pó e instale-o na coluna de direção.                                            RETENTOR
Instale uma nova pista interna do rolamento inferior,                                            DE PÓ
utilizando a ferramenta especial e uma prensa hidráulica.

Ferramenta:
Acessório, D.I. de 30 mm                07746-0030300




                                                                        PISTA INTERNA         ACESSÓRIO


                                                                                                  INSTALADOR
Instale uma nova pista externa do rolamento superior no tubo
da coluna de direção, utilizando as ferramentas especiais.

Ferramentas:
Instalador                              07749-0010000
Acessório, 42 x 47 mm                   07746-0010300

Instale uma nova pista externa do rolamento inferior no tubo
da coluna de direção, utilizando as ferramentas especiais.

Ferramentas:
Instalador                              07749-0010000
Acessório, 52 x 55 mm                   07746-0010400
                                                                                             ACESSÓRIO


                                                                                                  14-29
RODA DIANTEIRA/SUSPENSÃO/SISTEMA DE DIREÇÃO                                               SHADOW 750


INSTALAÇÃO

                                     PRESILHA DA MANGUEIRA        CONTRAPORCA

                                                                              ARRUELA
                                                                              DE TRAVA
                                                                                         PORCA
                                                                                         SUPERIOR

                                                                                  RETENTOR DE PÓ

                                                                                 PISTA INTERNA
                                                                                 SUPERIOR

    TAMPA DA COLUNA                                                           ROLAMENTO SUPERIOR
    DE DIREÇÃO                                                                DA COLUNA DE DIREÇÃO


                                                                     PISTA EXTERNA SUPERIOR


                                                                            PISTA EXTERNA INFERIOR
                                                                           ROLAMENTO INFERIOR
            COLUNA DE DIREÇÃO                                              DA COLUNA DE DIREÇÃO

             : ROLAMENTOS                                            PISTA INTERNA INFERIOR
             : RETENTORES DE PÓ

                                                                RETENTOR DE PÓ

                                                              RETENTOR           ROLAMENTO       COLUNA
                                                              DE PÓ              SUPERIOR        DE DIREÇÃO
Aplique de 3 a 5 g da graxa especificada (página 1-18) em
cada novo rolamento da coluna de direção. Instale o
rolamento inferior da coluna de direção na coluna.
Aplique a graxa especificada (página 1-18) nos lábios de um
novo retentor de pó superior.
Aplique óleo nas roscas da porca superior da coluna de
direção.

Insira a coluna de direção no tubo da coluna e instale os
seguintes componentes, enquanto mantém a coluna de
direção fixada:
– Rolamento superior da coluna
– Nova pista interna superior
– Retentor de pó
                                                              PISTA INTERNA         ROLAMENTO INFERIOR
– Porca superior
                                                                         SOQUETE PARA COLUNA DE DIREÇÃO
Aperte a porca superior da coluna de direção no torque
especificado, utilizando a ferramenta especial.

Ferramenta:
Soquete para coluna de direção          07916-3710101

Torque: 25 N.m (2,5 kgf.m)




                                                                              PORCA SUPERIOR


14-30
SHADOW 750                                                   RODA DIANTEIRA/SUSPENSÃO/SISTEMA DE DIREÇÃO


Movimente a coluna de direção por, pelo menos, cinco vezes,
de batente a batente, para assentar os rolamentos.




                                                                              SOQUETE PARA COLUNA DE DIREÇÃO
Aperte novamente a porca superior da coluna de direção no
torque especificado, utilizando a ferramenta especial.

Ferramenta:
Soquete para coluna de direção          07916-3710101

Torque: 25 N.m (2,5 kgf.m)




                                                                                       PORCA SUPERIOR
                                                                                           ARRUELA DA TRAVA
Instale uma nova arruela de trava, alinhando suas lingüetas
com as ranhuras da porca superior.

Instale a contraporca até que encoste na arruela de trava.

Aperte primeiro a contraporca em 90°, para alinhar suas
ranhuras com as lingüetas da arruela de trava.
Entorte as lingüetas da arruela de trava em direção às
ranhuras da contraporca.




                                                                  LINGÜETAS                    CONTRAPORCA
                                                                        TAMPA DA COLUNA               Alinhe
Instale a tampa da coluna de direção, a guia da mangueira e                                     DIREITO:
                                                                   ESQUERDO:
novos parafusos.
Aperte seguramente os parafusos.

NOTA
 Ao instalar a guia da mangueira, alinhe as lingüetas da
 guia da mangueira com a tampa da coluna de direção.




                                                                  PARAFUSOS


                                                                                                  14-31
RODA DIANTEIRA/SUSPENSÃO/SISTEMA DE DIREÇÃO                                              SHADOW 750
                                                                   PARAFUSOS    SUPORTE DO FAROL
Instale o suporte da sinaleira dianteira, o suporte do farol, os
parafusos e as porcas. Aperte as porcas em seguida.

Instale os garfos da suspensão na mesa inferior (página 14-26).

Movimente a coluna de direção por diversas vezes, de
batente a batente, para certificar-se de que a coluna de
direção movimenta-se suavemente, sem folgas ou restrições
de movimento.

Passe adequadamente a mangueira, os cabos e a fiação nas
guias (página 1-20).

Instale os seguintes componentes:
                                                                       PORCAS      SUPORTE DA SINALEIRA
– Carcaça do farol (página 20-5)                                                   DIANTEIRA
– Sinaleira (página 20-7)

Pré-carga do Rolamento da Coluna de Direção

Apóie seguramente a motocicleta e levante a roda dianteira
do solo.
Posicione a coluna de direção em linha reta, voltada para
frente.
                                                                                   90°
                                                                                   90°
Instale um torquímetro de mola no protetor superior do garfo
da suspensão, entre as mesas superior e inferior.

NOTA
 Certifique-se de que não haja interferência de cabos,
 fiação ou mangueiras.

Puxe o torquímetro de mola, mantendo-o em ângulo reto em
relação à coluna de direção.
Verifique o torquímetro no ponto onde a coluna de direção
começa a movimentar-se.

Pré-carga do rolamento da coluna de direção:
8,8 – 12,7 N (0,9 – 1,3 kgf)

Se a leitura não estiver de acordo com o valor especificado,
ajuste novamente a porca superior da coluna de direção.




14-32
RODA TRASEIRA/
SHADOW 750                                              15.   FREIO/SUSPENSÃO


 LOCALIZAÇÃO DOS COMPONENTES   15-2   FREIO TRASEIRO                   15-14
 INFORMAÇÕES DE SERVIÇO        15-3   PEDAL DO FREIO                   15-18
 DIAGNOSE DE DEFEITOS          15-5   AMORTECEDOR                      15-22
 RODA TRASEIRA                 15-6   BRAÇO OSCILANTE                  15-23




                                                                       15-1
RODA TRASEIRA/FREIO/SUSPENSÃO                                   SHADOW 750


LOCALIZAÇÃO DOS COMPONENTES
      103 N.m (10,5 kgf.m)            103 N.m (10,5 kgf.m)




                                           34 N.m (3,5 kgf.m)




                                                         27 N.m (2,8 kgf.m)


                 64 N.m (6,5 kgf.m)
                                                    22 N.m (2,2 kgf.m)




      22 N.m (2,2 kgf.m)




                88 N.m (9,0 kgf.m)




15-2
SHADOW 750                                                                      RODA TRASEIRA/FREIO/SUSPENSÃO



INFORMAÇÕES DE SERVIÇO
INFORMAÇÕES GERAIS

c
 • A freqüente inalação de poeira da pastilha de freio, independente de sua composição, pode ser prejudicial à sua
   saúde. Evite inalar estas partículas.
 • Nunca utilize uma mangueira de ar ou uma escova para limpar o conjunto de freio. Utilize um aspirador de pó
   aprovado.

• Utilizar a motocicleta com aros danificados prejudica a dirigibilidade e segurança do veículo.
• Ao executar reparos na roda traseira, no amortecedor ou no braço oscilante, levante a motocicleta do solo, apoiando
  seguramente seu chassi com um cavalete de trabalho ou suporte equivalente.
• Utilize somente parafusos e porcas de substituição genuínos Honda em todas as articulações e pontos de fixação da
  suspensão.
• Ao utilizar uma chave para contraporca, utilize uma chave de torque com cabo defletor de 20 polegadas de
  comprimento. A chave para contraporca aumenta a ação da alavanca da chave, de forma que a leitura de torque obtida
  na chave será menor que o torque realmente aplicado à contraporca. As especificações apresentadas indicam o valor
  real de torque que deve ser aplicado à contraporca, e não o valor da leitura na chave de torque. Não aperte
  demasiadamente a contraporca. O procedimento seguinte informa ambos os valores, tanto o real como o indicado na
  chave de torque.

ESPECIFICAÇÕES                                                                                               Unidade: mm

                              Item                                                Padrão                 Limite de Uso
 Profundidade mínima da banda de rodagem do pneu                                     –                         2,0
 Pressão do pneu frio             Somente piloto                       200 kPa (2,00 kgf/cm², 29 psi)           –
                                  Piloto e passageiro                  250 kPa (2,50 kgf/cm², 36 psi)           –
 Empenamento do eixo                                                                 –                        0,20
 Excentricidade do aro da roda    Radial                                             –                         2,0
                                  Axial                                              –                         2,0
 Peso para balanceamento da roda                                                     –                  Máximo de 70 g
 D.I. do tambor do freio                                                       180,0 – 180,3                  181
 Altura do pedal do freio                                                75 mm a partir da porção
                                                                                                               –
                                                                        superior do pedal de apoio
 Folga do pedal do freio                                                          20 – 30                      –
 Posição padrão do ajustador de pré-carga da mola do amortecedor                2a posição                     –


VALORES DE TORQUE

Raio                                                                   4,2 N.m (0,4 kgf.m)
Porca do eixo traseiro                                                 88 N.m (9,0 kgf.m)         Porca-U.
Parafuso da articulação esquerda do braço oscilante                    103 N.m (10,5 kgf.m)
Parafuso da articulação direita do braço oscilante                     Consulte a página 15-27.
Contraporca da articulação direita do braço oscilante                  103 N.m (10,5 kgf.m)
Parafuso da placa limitadora                                           20 N.m (2,0 kgf.m)         Parafuso ALOC,
                                                                                                  substitua-o por um novo.
Parafuso de fixação do eixo traseiro                                   27 N.m (2,8 kgf.m)
Porca do braço limitador do freio traseiro                             22 N.m (2,2 kgf.m)
Parafuso de fixação do braço do freio traseiro                         28,5 N.m (2,9 kgf.m)
Parafuso de fixação superior do amortecedor traseiro                   26 N.m (2,7 kgf.m)
Parafuso de fixação inferior do amortecedor traseiro (lado direito)    34 N.m (3,5 kgf.m)
Parafuso de fixação inferior do amortecedor traseiro (lado esquerdo)   22 N.m (2,2 kgf.m)
Parafuso de fixação do suporte do pedal de apoio do condutor           39 N.m (4,0 kgf.m)
Porca de fixação do suporte do pedal de apoio do condutor              39 N.m (4,0 kgf.m)




                                                                                                                15-3
RODA TRASEIRA/FREIO/SUSPENSÃO                                              SHADOW 750


FERRAMENTAS

Instalador                  Acessório, 37 x 40 mm        Acessório, 42 x 47 mm
07749-0010000               07746-0010200                07746-0010300




Guia, 20 mm                 Eixo extrator de rolamento   Cabeçote extrator de rolamento,
07746-0040500               07GGD-0010100                20 mm
                                                         07746-0050600




Chave para raios            Chave para contraporca
07JMA-MR60100               07908-4690003




15-4
SHADOW 750                                                           RODA TRASEIRA/FREIO/SUSPENSÃO



DIAGNOSE DE DEFEITOS
Suspensão muito macia
• Ajuste incorreto da suspensão
• Molas do amortecedor enfraquecidas
• Vazamento de fluido no amortecedor
• Pressão do pneu muito baixa

Suspensão muito dura
• Ajuste incorreto da suspensão
• Haste do amortecedor empenada
• Borrachas de fixação do amortecedor danificadas
• Rolamentos da articulação do braço oscilante danificados
• Pressão do pneu muito alta

Ruídos na suspensão traseira
• Fixadores da suspensão soltos
• Carcaça do amortecedor presa
• Borrachas de fixação do amortecedor desgastadas
• Amortecedor traseiro defeituoso

Roda traseira trepidando
• Aro torto
• Roda e pneu desbalanceados
• Pressão do pneu muito baixa
• Rolamentos da articulação do braço oscilante defeituosos
• Fixadores do eixo apertados inadequadamente
• Pneu defeituoso

Dificuldade de girar a roda traseira
• Rolamentos da roda defeituosos
• Eixo empenado
• Freio arrastando
• Rolamentos do diferencial danificados (página 13-7)

Desempenho insatisfatório do freio
• Ajuste incorreto do freio
• Sapatas do freio desgastadas
• Revestimento do freio oleoso ou contaminado com graxa ou sujeira
• Excêntrico do freio desgastado
• Tambor do freio desgastado
• Encaixe inadequado da região serrilhada do braço do freio
• Sapatas do freio desgastadas na região de contato do excêntrico




                                                                                           15-5
RODA TRASEIRA/FREIO/SUSPENSÃO                                                               SHADOW 750
                                                                          PORCA DO EIXO

RODA TRASEIRA
REMOÇÃO

Remova o sistema de escapamento (página 2-9).

Remova a porca do eixo.

Apóie seguramente a motocicleta e levante a roda traseira do
solo.




                                                                 BRAÇO DO FREIO    MOLA             CUPILHA
Remova a porca de ajuste, o pino de conexão e a mola.

Remova a cupilha, a porca, a arruela, a arruela de borracha e
o parafuso.




                                                                 PORCA DE        PINO DE     PORCA/ARRUELA/
                                                                 AJUSTE          CONEXÃO     PARAFUSO
                                                                  ESPAÇADOR LATERAL
Solte o parafuso de fixação. Em seguida, remova o eixo e o
espaçador lateral direito.

Empurre a roda traseira para o lado direito a fim de separá-la
da carcaça do diferencial. Em seguida, remova
cuidadosamente a roda traseira do chassi.




                                                                 PARAFUSO DE FIXAÇÃO                EIXO
                                                                                       ESPAÇADOR LATERAL
Remova o espaçador lateral esquerdo da coroa.




15-6
SHADOW 750                                                       RODA TRASEIRA/FREIO/SUSPENSÃO


INSPEÇÃO

Eixo

Posicione o eixo traseiro sobre blocos em V.
Gire o eixo e meça seu empenamento, utilizando um relógio
comparador.
O valor real de empenamento é a metade do valor de leitura
total.


        Limite de Uso                     0,2 mm




Aro da Roda

Inspecione o aro da roda, colocando a roda em um cavalete
de inspeção.
Gire lentamente a roda e faça a leitura de sua excentricidade,
utilizando um relógio comparador.
O valor real de excentricidade é a metade do valor de leitura
total.

                      Radial                    2,0 mm
   Limite de Uso
                      Axial                     2,0 mm




Flange Movido do Diferencial

Inspecione as estrias do flange movido quanto a desgaste ou
danos.
Se estiverem danificadas, inspecione também as estrias da
coroa.

Balanceamento da Roda

Para balanceamento da roda, consulte a página 14-16.

Não adicione mais de 70 g de peso para balancear a roda
traseira.

Rolamento da Roda                                                             ESTRIAS

Remova o espelho do freio e o flange movido (página 15-8).

Gire manualmente a pista interna de cada rolamento.
Os rolamentos devem girar suave e silenciosamente.
Inspecione também se a pista externa do rolamento encaixa-
se sem folga no cubo da roda.

Remova e descarte os rolamentos caso suas pistas não girem
suave e silenciosamente ou se encaixarem com folga no cubo
da roda.

NOTA
 Substitua os rolamentos da roda em pares.




                                                                                        15-7
RODA TRASEIRA/FREIO/SUSPENSÃO                                                        SHADOW 750
                                                                        CONJUNTO DO ESPELHO DO FREIO
DESMONTAGEM

Remova o conjunto do espelho do freio do cubo direito da
roda.




                                                                                     FLANGE MOVIDO
Remova o anel de vedação.
Remova o flange movido do diferencial do cubo esquerdo da
roda.




                                                            ANEL DE VEDAÇÃO

Remova a arruela de encosto.




                                                                              ARRUELA DE ENCOSTO

Remova os parafusos em ordem cruzada e em diversas
etapas.
Remova o anel de vedação

NOTA

 Não reutilize os parafusos.




                                                                 ANEL DE VEDAÇÃO           PARAFUSOS


15-8
SHADOW 750                                                             RODA TRASEIRA/FREIO/SUSPENSÃO

                                                               PROJEÇÕES              PLACA LIMITADORA
Alinhe a seta da placa limitadora entre as projeções no cubo
da roda, girando a placa limitadora. Em seguida, remova a
placa limitadora.




                                                                      SETA
                                                               AMORTECEDORES DE BORRACHA
Remova os amortecedores de borracha.

Inspecione os amortecedores de borracha quanto a
deterioração ou danos.

NOTA
 Substitua os amortecedores de borracha em conjunto.




                                                                                           EIXO EXTRATOR
Instale o cabeçote extrator no rolamento.
Pelo lado oposto da roda, instale o eixo extrator e remova o
rolamento do cubo da roda.
Remova o espaçador e o outro rolamento

NOTA
 • Substitua os rolamentos da roda em pares.
 • Não reutilize rolamentos usados.

Ferramentas:
Eixo extrator de rolamento                  07GGD-0010100
Cabeçote extrator de rolamento, 20 mm       07746-0050600
                                                               CABEÇOTE EXTRATOR




                                                                                                15-9
RODA TRASEIRA/FREIO/SUSPENSÃO                                                                SHADOW 750


MONTAGEM

                                                                                           ROLAMENTO (6204UU)

                                                ESPAÇADOR




                                   ANEL DE VEDAÇÃO

         AMORTECEDORES DE BORRACHA


        PLACA LIMITADORA




 ANEL DE VEDAÇÃO


                                                                    ROLAMENTO
                                                                    (20 x 47 x 20,6)
                                                       ARRUELA DE ENCOSTO

                                        20 N.m (2,0 kgf.m)

                              FLANGE MOVIDO
                              DO DIFERENCIAL
                                                                                                 INSTALADOR
Instale cuidadosamente um novo rolamento direito,
mantendo seu lado marcado voltado para cima, até que
esteja completamente assentado.

Instale o espaçador.
Instale cuidadosamente um novo rolamento esquerdo,
mantendo seu lado marcado voltado para cima, até que
esteja completamente assentado.

Ferramentas:
Instalador                                 07749-0010000
Acessório, 42 x 47 mm                      07746-0010300
Guia, 20 mm                                07746-0040500
                                                                       ROLAMENTO                 ACESSÓRIO/GUIA
Ajuste de Alinhamento da Roda

Meça a distância B (largura do aro) e calcule a distância A,                           B
                                                                                       B     A
                                                                                             A
como indicado a seguir:

A = 70,5 mm – B/2

Ajuste a posição do aro e a distância A, apertando os raios                                      70,5 mm
progressivamente, em diversas etapas e no torque
especificado em.

Ferramenta:
Chave para ráios                           07JMA-MR60100

Torque: 4,2 N.m (0,4 kgf.m)




15-10
SHADOW 750                                                                RODA TRASEIRA/FREIO/SUSPENSÃO

                                                                  AMORTECEDOR DE BORRACHA
Instale os amortecedores de borracha, mantendo sua marca
“OUT SIDE” voltada para fora.




                                                                          MARCA “OUT SIDE”
                                                                  PROJEÇÕES                PLACA LIMITADORA
Instale a placa limitadora, alinhando a seta entre as projeções
no cubo da roda.
Alinhe os orifícios dos parafusos, girando o anel limitador.

NOTA

 Instale a placa limitadora, mantendo sua marca “OUT
 SIDE” voltada para cima.




                                                                  MARCA “OUT SIDE”               SETA
                                                                  PLACA LIMITADORA
Instale e aperte os novos parafusos no torque especificado.

Torque: 20 N.m (2,0 kgf.m)

Aplique pasta à base de bissulfeto de molibdênio na ranhura
do anel de vedação no cubo da roda.
Cubra um novo anel de vedação com pasta à base de
bissulfeto de molibdênio e instale-o na ranhura do cubo
esquerdo da roda.




                                                                  ANEL DE VEDAÇÃO               PARAFUSOS
                                                                                        ARRUELA DE ENCOSTO
Aplique de 2 a 3 g de pasta à base de bissulfeto de
molibdênio na superfície de contato da arruela de encosto e
na extremidade do cubo da roda (lado do flange movido).

Instale a arruela de encosto no cubo da roda.




                                                                                                 15-11
RODA TRASEIRA/FREIO/SUSPENSÃO                                              SHADOW 750

Aplique de 0,5 a 1 g de pasta à base de bissulfeto de
molibdênio na superfície de contato do flange movido do
diferencial e na arruela de encosto.




                                                                           FLANGE MOVIDO
Cubra um novo anel de vedação com pasta à base de
bissulfeto de molibdênio e instale-o na ranhura do flange
movido.

Instale o flange movido no cubo esquerdo da roda.




                                                            ANEL DE VEDAÇÃO
                                                               CONJUNTO DO ESPELHO DE FREIO
Instale o conjunto do espelho do freio no cubo direito da
roda.




                                                                      ESPAÇADOR LATERAL
INSTALAÇÃO

Instale o espaçador lateral esquerdo na coroa.




15-12
SHADOW 750                                                               RODA TRASEIRA/FREIO/SUSPENSÃO


Aplique de 4 a 5 g de pasta à base de bissulfeto de
                                                                               ESTRIAS
molibdênio na superfície de conexão do fixador do anel de
vedação da carcaça do diferencial e no flange movido.

Posicione a roda traseira no braço oscilante e encaixe as
estrias do flange movido nas estrias da coroa.

NOTA
 Fixe seguramente a roda, tendo cuidado para não
 danificar a carcaça do diferencial.




                                                                   ESPAÇADOR LATERAL
Instale o espaçador lateral direito e o eixo traseiro.




                                                                                   EIXO
                                                              BRAÇO DO FREIO      MOLA           CUPILHA
Conecte o braço limitador no espelho do freio, juntamente
com o parafuso, a arruela de borracha, a arruela e a porca.
Aperte a porca no torque especificado.

Torque: 22 N.m (2,2 kgf.m)

Instale uma nova cupilha.
Instale a mola, o pino de conexão e a porca de ajuste.




                                                              PORCA DE         PINO DE    PORCA/ARRUELA/
                                                              AJUSTE           CONEXÃO    PARAFUSO
                                                                         PORCA DO EIXO
Instale e aperte a porca do eixo no torque especificado,
enquanto mantém o eixo fixado.

Torque: 88 N.m (9,0 kgf.m)




                                                                                               15-13
RODA TRASEIRA/FREIO/SUSPENSÃO                                          SHADOW 750

Mantendo o freio traseiro acionado, bombeie o braço
oscilante para cima e para baixo por diversas vezes para
assentar o eixo.




Aperte o parafuso de fixação no torque especificado.

Torque: 27 N.m (2,8 kgf.m)

Instale o sistema de escapamento (página 2-12).

Ajuste a folga do pedal de freio (página 3-20).




                                                            PARAFUSO DE FIXAÇÃO
                                                           CONJUNTO DO ESPELHO DO FREIO

FREIO TRASEIRO
REMOÇÃO

Remova a roda traseira (página 15-6).

Remova o conjunto do espelho do freio do cubo direito da
roda.




INSPEÇÃO

Meça o D.I. do tambor do freio.


        Limite de Uso                     181 mm




15-14
SHADOW 750                                                               RODA TRASEIRA/FREIO/SUSPENSÃO

                                                                      PLACA DE FIXAÇÃO
DESMONTAGEM

Remova as cupilhas e a placa de fixação.

NOTA
 • Sempre substitua as sapatas do freio em conjunto.
 • Quando reutilizar as sapatas do freio, marque todos os
   componentes para que possam ser instalados em suas
   posições originais.




                                                                                              CUPILHAS
                                                                     MOLAS                         SAPATAS
Remova as sapatas do freio e as molas.




Remova o parafuso e o braço do freio.




                                                                      PARAFUSO               BRAÇO DO FREIO
                                                                 PLACA INDICADORA        EXCÊNTRICO DO FREIO
Remova a placa indicadora, o excêntrico do freio e o retentor.




                                                                                         RETENTOR


                                                                                                    15-15
RODA TRASEIRA/FREIO/SUSPENSÃO                                                               SHADOW 750


MONTAGEM

             28,5 N.m (2,9 kgf.m)
                                      PLACA INDICADORA

                                                    RETENTOR


                                                                      MOLAS



                                                                                 SAPATAS DO FREIO


                                                                                        EXCÊNTRICO
                                                                                        DO FREIO



       BRAÇO DO FREIO




                     ESPELHO DO FREIO                                                  CUPILHAS
                                                           PLACA DE FIXAÇÃO



                                                                      EXCÊNTRICO DO FREIO
Aplique de 0,2 a 0,3 g de graxa na superfície do excêntrico do
freio.
Instale o excêntrico no espelho do freio.




                                                                 PLACA INDICADORA         EXCÊNTRICO DO FREIO
Aplique óleo para motor no retentor e instale-o no espelho do
freio.
Instale a placa indicadora de desgaste no excêntrico do freio,
alinhando seu dente mais largo com a ranhura maior.




                                                                      RETENTOR                      Alinhe


15-16
SHADOW 750                                                            RODA TRASEIRA/FREIO/SUSPENSÃO

                                                                      Alinhe
Instale o braço do freio, alinhando as marcas gravadas do
braço e do excêntrico do freio.
Instale e aperte o parafuso de fixação do braço do freio no
torque especificado.

Torque: 28,5 N.m (2,9 kgf.m)




                                                                PARAFUSO                 BRAÇO DO FREIO
                                                                  MOLAS                        SAPATAS
Aplique de 0,2 a 0,3 g de graxa entre a superfície deslizante
da sapata e do excêntrico do freio.
Aplique graxa na superfície deslizante do pino de fixação.
Instale as sapatas do freio, juntamente com as molas.

NOTA

 • Se as sapatas do freio forem reutilizadas, tanto as
   sapatas como as molas devem ser instaladas em suas
   posições originais.
 • Instale as molas, mantendo suas extremidades voltadas
   para cima.



                                                                                              CUPILHAS
Instale a placa de fixação e novas cupilhas, como mostra a
ilustração.




                                                                                       PLACA DE FIXAÇÃO
                                                                           CONJUNTO DO ESPELHO DO FREIO
INSTALAÇÃO

Instale o conjunto do espelho do freio no cubo direito da
roda.

Instale a roda traseira (página 15-12).




                                                                                             15-17
RODA TRASEIRA/FREIO/SUSPENSÃO                                                          SHADOW 750
                                                               MOLAS DE RETORNO

PEDAL DO FREIO
REMOÇÃO

Remova o sistema de escapamento (página 2-9).

Solte as molas de retorno do pedal do freio e do interruptor
da luz do freio traseiro.




Remova os parafusos, a porca e o suporte do pedal de apoio
direito do condutor do chassi.




                                                               SUPORTE            PARAFUSOS      PORCA
                                                               PORCA DE AJUSTE                HASTE
Remova a porca de ajuste.
Pressione o pedal do freio e remova a haste do freio do pino
de conexão.

Remova o pino de conexão e a mola.




                                                               PINO DE CONEXÃO              MOLA
                                                                                      PARAFUSO
Remova o parafuso e a conexão da haste intermediária.




                                                                         CONEXÃO DA HASTE INTERMEDIÁRIA


15-18
SHADOW 750                                                            RODA TRASEIRA/FREIO/SUSPENSÃO

                                                              RETENTOR DE PÓ               ARTICULAÇÃO
Remova a articulação da conexão da haste intermediária e os
retentores de pó.

Inspecione os retentores de pó quanto a desgaste ou danos.




Remova o anel elástico, a arruela e o conjunto do pedal do
freio.




                                                                                  ANEL ELÁSTICO/ARRUELA
                                                              RETENTORES DE PÓ
Remova os retentores do pó.

Inspecione os retentores de pó quanto a desgaste ou danos.

Remova a cupilha e os pinos de conexão.




                                                                     PINO DE CONEXÃO      CUPILHA
                                                              CUPILHAS/PINOS DE CONEXÃO
Remova a cupilha e os pinos de conexão.

Inspecione o pedal do freio, as hastes, a conexão da haste
intermediária e a articulação quanto a desgaste ou danos.
Inspecione os pinos da conexão quanto a desgaste ou danos.
Substitua estes componentes, se necessário.




                                                                        CONEXÃO DA HASTE INTERMEDIÁRIA


                                                                                             15-19
RODA TRASEIRA/FREIO/SUSPENSÃO                                                              SHADOW 750


INSTALAÇÃO
                                       HASTE DO FREIO



                                                                                          PEDAL DO FREIO

                                                                           RETENTORES DE PÓ


                              RETENTORES DE PÓ

              CUPILHA
                                                                                              ARRUELA
                                            ARTICULAÇÃO DA
                                            CONEXÃO DA HASTE
                                            INTERMEDIÁRIA

                                                                                              ANEL ELÁSTICO
 PINO DE CONEXÃO


                                                                                         PINO DE CONEXÃO

                                                         HASTE INTERMEDIÁRIA
                                                         DO FREIO
CONEXÃO DA HASTE
INTERMEDIÁRIA
                                                                               CUPILHA
                                          PINO DE CONEXÃO
                     CUPILHA

                                                                       CUPILHAS
Aplique graxa nos pinos de conexão.
Instale as hastes do freio, os pinos de conexão e as novas
cupilhas na conexão da haste intermediária .




                                                                                     PINOS DE CONEXÃO
                                                                          RETENTORES DE PÓ
Aplique graxa no pino de conexão.
Instale a haste intermediária do freio, o pino de conexão e
uma nova cupilha.
Aplique graxa nos lábios dos retentores de pó.
Instale os retentores de pó no pedal do freio.




                                                                    PINO DE CONEXÃO             CUPILHA


15-20
SHADOW 750                                                               RODA TRASEIRA/FREIO/SUSPENSÃO


Aplique graxa na superfície deslizante da articulação do pedal
do freio.
Instale adequadamente o conjunto do pedal do freio no
suporte.
Instale a arruela e o anel elástico.

NOTA

 • Instale as arruelas e anéis elásticos, mantendo as bordas
   chanfradas voltadas para o lado da carga axial.
 • Não reutilize um anel elástico desgastado que possa
   facilmente girar em sua ranhura.
 • Certifique-se de que o anel elástico esteja assentado em
   sua ranhura.
                                                                                       ANEL ELÁSTICO/ARRUELA


Instale o suporte do pedal de apoio direito do condutor,
juntamente com os parafusos e a porca.

Aperte a porca no torque especificado.

Torque: 39 N.m (4,0 kgf.m)




                                                                 SUPORTE              PARAFUSOS     PORCA
                                                                 MOLAS DE RETORNO
Encaixe as molas de retorno do pedal do freio e do
interruptor da luz do freio no pedal.




                                                                 RETENTORES DE PÓ
Aplique graxa nos lábios do retentor de pó e na superfície
deslizante da articulação da conexão da haste intermediária.
Instale os retentores de pó e a articulação da conexão da
haste intermediária .




                                                                                    ARTICULAÇÃO


                                                                                                  15-21
RODA TRASEIRA/FREIO/SUSPENSÃO                                                             SHADOW 750
                                                                                              PARAFUSO
Instale a conexão da haste intermediária na articulação.

Instale e aperte seguramente um novo parafuso.




                                                                             CONEXÃO DA HASTE INTERMEDIÁRIA
                                                                  PORCA DE AJUSTE
Instale a mola, o pino de conexão e a porca de ajuste.

Instale o sistema de escapamento (página 2-12).

Execute os seguintes ajustes:
– Folga do pedal do freio (página 3-20)
– Altura do pedal do freio (página 3-20)
– Interruptor da luz do freio traseiro (página 3-21)




                                                                  PINO DE CONEXÃO               MOLA
                                                                                         PARAFUSO/ARRUELA

AMORTECEDOR
Apóie seguramente o chassi e o braço oscilante, utilizando
um cavalete de trabalho ou suporte equivalente.

Remova os parafusos de fixação, as arruelas e o amortecedor.


Inspecione quanto a deformação ou vazamentos de óleo.
Inspecione os fixadores de borracha quanto a desgaste ou
danos.

NOTA

 Substitua o amortecedor em conjunto.                                     PARAFUSO       AMORTECEDOR
                                                                   SETA
Aplique graxa na superfície interna do fixador do amortecedor.

Instale o amortecedor na ordem inversa da remoção.

NOTA
 Instale o amortecedor, mantendo sua seta voltada para o
 lado traseiro.

Torque:
Parafuso de fixação superior                 26 N.m (2,7 kgf.m)
Parafuso de fixação inferior (lado direito)  34 N.m (3,5 kgf.m)
Parafuso de fixação inferior (lado esquerdo) 22 N.m (2,2 kgf.m)

                                                                               FIXADORES DE BORRACHA


15-22
SHADOW 750                                                            RODA TRASEIRA/FREIO/SUSPENSÃO



BRAÇO OSCILANTE
REMOÇÃO

Remova os seguintes componentes:
– Tampa traseira esquerda da carcaça do motor (página 2-4)
– Roda traseira (página 15-6)
– Carcaça do diferencial (página 13-7)

Remova o parafuso de fixação inferior direito do
amortecedor.


                                                                                     PARAFUSO
                                                                                       CAPA
Remova as capas de ambos os parafusos da articulação.




                                                              PARAFUSO DA                CHAVE PARA
                                                              ARTICULAÇÃO DIREITA        CONTRAPORCA
Solte a contraporca da articulação direita, utilizando a
ferramenta especial, e remova-a em seguida.

Ferramenta:
Chave para contraporca                      07908-4690003

Solte o parafuso da articulação direita.




                                                              CONTRAPORCA
                                                              PROTETOR DA CONEXÃO
Solte o parafuso da articulação esquerda.

Solte o protetor da conexão da carcaça das engrenagens de
transmissão.
Remova os parafusos das articulações direita e esquerda. Em
seguida, remova o braço oscilante do chassi.




                                                              PARAFUSO DA ARTICULAÇÃO ESQUERDA


                                                                                           15-23
RODA TRASEIRA/FREIO/SUSPENSÃO                                                      SHADOW 750
                                                             CONEXÃO UNIVERSAL
Remova a conexão universal do eixo de transmissão.




                                                                                   PORCA/ARRUELAS/
                                                             BRAÇO LIMITADOR             PARAFUSO
Remova os seguintes componentes:
– Cupilha
– Porca
– Arruela
– Arruela da mola
– Parafuso
– Braço limitador




                                                                    CUPILHA
                                                             PROTETOR DA CONEXÃO
Remova os rolamentos da articulação e o protetor da
conexão.




                                                                                    ROLAMENTO

INSPEÇÃO

Inspecione o protetor da conexão quanto a cortes ou outros
danos.




                                                                                      PROTETOR
                                                                                      DA CONEXÃO




15-24
SHADOW 750                                                           RODA TRASEIRA/FREIO/SUSPENSÃO

                                                              ESTRIAS
Certifique-se de que a conexão universal movimenta-se
suavemente, sem obstruções ao movimento ou ruídos.
Inspecione as estrias quanto a desgaste ou danos.
Caso estejam danificadas, verifique também as estrias do
eixo da engrenagem movida de transmissão e do eixo de
transmissão.




                                                                         SUPORTE DE GRAXA
Inspecione os rolamentos e retentores de pó quanto a
desgaste ou danos.
Inspecione as pistas externas quanto a desgaste ou danos.
Inspecione os suportes de graxa quanto a danos ou
deformações.

NOTA
 Ambos os rolamentos, pistas externas e suportes de
 graxa devem ser substituídos em conjunto caso algum
 componente esteja danificado ou desgastado.



                                                             PISTA EXTERNA           RETENTOR DE PÓ

SUBSTITUIÇÃO DA PISTA EXTERNA DO ROLAMENTO                   PISTA EXTERNA
DA ARTICULAÇÃO

Marque ou perfure um orifício adequado no suporte de
graxa.

Insira um instalador adequado através do braço oscilante e
remova a outra pista externa e o suporte de graxa do braço
oscilante.                                                     SUPORTE DE
                                                               GRAXA
Remova a pista externa e o suporte de graxa do lado
marcado ou perfurado do braço oscilante.



                                                                                    INSTALADOR
Instale um novo suporte de graxa na articulação.
Instale adequadamente uma nova pista externa, até que
esteja completamente assentada, utilizando as ferramentas
especiais.

Ferramentas:
Instalador                               07749-0010000
Acessório, 37 x 40 mm                    07746-0010200




                                                                 ACESSÓRIO


                                                                                            15-25
RODA TRASEIRA/FREIO/SUSPENSÃO                                                          SHADOW 750


INSTALAÇÃO
    PROTETOR DA CONEXÃO
                                                                         ARRUELA DA MOLA



                                                                                    PARAFUSO




                             SUPORTE
                             DE GRAXA


                    PISTA EXTERNA

                                                                       ARRUELA

    ROLAMENTO DA
    ARTICULAÇÃO                              CUPILHA           PORCA             BRAÇO LIMITADOR




Aplique de 1 a 1,5 g da graxa especificada (página 1-18) nos
roletes de agulhas e lábios do retentor de pó de cada novo
rolamento.

Instale os rolamentos nas articulações do braço oscilante.




                                                                  PROTETOR DA CONEXÃO
Instale adequadamente o protetor da conexão na ranhura do
braço oscilante, mantendo sua marca “UP” voltada para
cima.




                                                                            MARCA “UP”


15-26
SHADOW 750                                                                RODA TRASEIRA/FREIO/SUSPENSÃO
                                                                                           PORCA/ARRUELAS/
                                                                  BRAÇO LIMITADOR          PARAFUSO
Instale os seguintes componentes:
– Braço limitador
– Parafuso
– Arruela da mola
– Arruela
– Porca

Aperte a porca e instale uma nova cupilha.




                                                                              CUPILHA

Aplique 1 g de graxa à base de bissulfeto de molibdênio nas
estrias do eixo de transmissão.

Instale a conexão universal no eixo de transmissão.




                                                                                CONEXÃO UNIVERSAL
Posicione o braço oscilante no chassi e mantenha-o fixado.                     PROTETOR DA CONEXÃO

Instale o protetor da conexão sob a carcaça das engrenagens
de transmissão.

Instale o parafuso da articulação direita.

NOTA
 Alinhe cuidadosamente as articulações do braço oscilante
 com seus parafusos.

Aperte o parafuso da articulação esquerda no torque
especificado.

Torque: 103 N.m (10,5 kgf.m)                                      PARAFUSO DA ARTICULAÇÃO ESQUERDA

Aperte temporariamente o parafuso da articulação direita no
torque especificado.

Torque: 28 N.m (2,9 kgf.m)

Movimente o braço oscilante para cima e para baixo por
diversas vezes, até que os rolamentos da articulação estejam
completamente assentados.
Solte o parafuso da articulação direita, girando-o 1/4 de volta
(90°) em sentido anti-horário. Em seguida aperte-o no torque
especificado.

Torque: 22 N.m (2,2 kgf.m)
                                                                            PARAFUSO DA ARTICULAÇÃO DIREITA


                                                                                                15-27
RODA TRASEIRA/FREIO/SUSPENSÃO                                                          SHADOW 750
                                                                   CONTRAPORCA
Instale a contraporca da articulação direita.
Aperte a contraporca no torque especificado, enquanto
mantém o parafuso da articulação fixado.

Ferramenta:
Chave para contraporca               07908-4690003

Torque:
Real                                 103 N.m (10,5 kgf.m)
Indicado                             93 N.m (9,5 kgf.m)

NOTA
 Para informações sobre leitura na chave de torque,
 consulte a página 15-3.                                     CHAVE PARA CONTRAPORCA
                                                                                         CAPA
Instale as capas das articulações.




Instale e aperte o parafuso de fixação inferior direito do
amortecedor no torque especificado.

Torque: 34 N.m (3,5 kgf.m)

Instale os seguintes componentes:
– Carcaça do diferencial (página 13-23)
– Roda traseira (página 15-12)
– Tampa traseira esquerda da carcaça do motor (página 2-4)




                                                                                      PARAFUSO




15-28
SHADOW 750           RODA TRASEIRA/FREIO/SUSPENSÃO


             NOTAS




                                         15-29
SHADOW 750                            16. FREIO HIDRÁULICO
 LOCALIZAÇÃO DOS COMPONENTES   16-2    PASTILHAS/DISCO DE FREIO     16-7
 INFORMAÇÕES DE SERVIÇO        16-3    CILINDRO-MESTRE              16-8
 DIAGNOSE DE DEFEITOS          16-4    CÁLIPER DO FREIO DIANTEIRO   16-13
 SUBSTITUIÇÃO DO FLUIDO DE
 FREIO/SANGRIA DO AR           16-5




                                                                    16-1
FREIO HIDRÁULICO                                             SHADOW 750


LOCALIZAÇÃO DOS COMPONENTES

                                    1,5 N.m (0,2 kgf.m)


                                                           12 N.m (1,2 kgf.m)




                                                          34 N.m (3,5 kgf.m)




                                                          30 N.m (3,1 kgf.m)
34 N.m (3,5 kgf.m)




               18 N.m (1,8 kgf.m)
                                    2,5 N.m (0,3 kgf.m)




16-2
SHADOW 750                                                                                          FREIO HIDRÁULICO



INFORMAÇÕES DE SERVIÇO
INFORMAÇÕES GERAIS

c
 A freqüente inalação de poeira das pastilhas de freio, indiferentemente da composição de seus materiais, pode ser
 prejudicial à saúde.
 • Evite respirar partículas de poeira.
 • Nunca utilize uma mangueira de ar ou escova para limpar o conjunto do freio. Utilize um aspirador de pó aprovado.

NOTA
 Respingos de fluido de freio danificam severamente as lentes dos instrumentos e superfícies pintadas. Também
 podem danificar alguns componentes de borracha. Tenha cuidado sempre ao remover a tampa do reservatório;
 certifique-se primeiramente de que o reservatório esteja em posição horizontal.

• Discos ou pastilhas de freio contaminados reduzem a capacidade de frenagem. Descarte pastilhas de freio
  contaminadas e limpe os discos contaminados utilizando agente desengraxante de freio de alta qualidade.
• Nunca permita que contaminantes (como água e poeira) penetrem no reservatório enquanto estiver aberto.
• Execute a sangria do sistema hidráulico sempre que o sistema for aberto ou parecer esponjoso.
• Ao efetuar reparos no sistema de freio, sempre utilize fluido de freio DOT-4 novo, de um recipiente lacrado. Não
  misture diferentes tipos de fluidos pois não são compatíveis.
• Sempre inspecione o funcionamento do freio antes de utilizar a motocicleta.

ESPECIFICAÇÕES
                                                                                                           Unidade: mm
                                   Item                                            Padrão               Limite de Uso
Fluido de freio recomendado                                                 Fluido de freio DOT-4              –
Freio dianteiro     Espessura do disco de freio                                    5,8 – 6,2                  5,0
                    Empenamento do disco de freio                                      –                     0,30
                    D.I do cilindro-mestre                                     11,000 – 11,043             11,055
                    D.E. do pistão-mestre                                      10,957 – 10,984             10,945
                    D.I. do cilindro do cáliper                                25,400 – 25,450             25,460
                    D.E. do pistão do cáliper                                  25,335 – 25,368             25,320

VALORES DE TORQUE

Válvula de sangria do cáliper do freio                      5,5 N.m (0,6 kgf.m)
Parafuso da tampa do reservatório
do cilindro-mestre dianteiro                                1,5 N.m (0,2 kgf.m)
Pino da pastilha de freio                                   18 N.m (1,8 kgf.m)
Bujão do pino da pastilha de freio                          2,5 N.m (0,3 kgf.m)
Parafuso do óleo da mangueira do freio                      34 N.m (3,5 kgf.m)
Parafuso da articulação da alavanca do freio                1,0 N.m (0,1 kgf.m)
Porca da articulação da alavanca do freio                   6 N.m (0,6 kgf.m)
Parafuso do interruptor da luz do freio dianteiro           1,2 N.m (0,1 kgf.m)
Parafuso do suporte do cilindro-mestre dianteiro            12 N.m (1,2 kgf.m)
Pino do suporte do cáliper do freio dianteiro               12 N.m (1,2 kgf.m)     Aplique trava-química nas roscas.
Pino do cáliper do freio dianteiro                          27 N.m (2,8 kgf.m)     Aplique trava-química nas roscas.
Parafuso de fixação do cáliper do freio dianteiro           30 N.m (3,1 kgf.m)     Parafuso ALOC; substitua-o por um
                                                                                   novo.




                                                                                                               16-3
FREIO HIDRÁULICO                                          SHADOW 750


FERRAMENTA

 Alicate para anel elástico
 07914-SA5001




DIAGNOSE DE DEFEITOS
Alavanca do freio macia ou esponjosa
• Existência de ar no sistema hidráulico
• Vazamento no sistema hidráulico
• Pastilhas/disco de freio contaminados
• Retentores do pistão do cáliper desgastados
• Copos do pistão do cilindro-mestre desgastados
• Pastilhas/disco de freio desgastados
• Cáliper contaminado
• Cilindro-mestre contaminado
• Cáliper deslizando inadequadamente
• Baixo nível de fluido de freio
• Passagem de fluido obstruída
• Disco de freio empenado/deformado
• Pistões do cáliper emperrados/desgastados
• Pistão-mestre emperrado/desgastado
• Alavanca do freio empenada

Alavanca do freio dura
• Sistema hidráulico obstruído/restringido
• Pistões do cáliper emperrados/desgastados
• Pistão-mestre emperrado/desgastado
• Cáliper deslizando inadequadamente
• Alavanca do freio empenada

Freio arrastando
• Pastilhas/disco de freio contaminados
• Roda desalinhada
• Pastilhas/disco de freio desgastados desuniformemente
• Disco de freio empenado/deformado
• Cáliper deslizando inadequadamente
• Passagem de fluido obstruída/restringida
• Pistões do cáliper emperrados




16-4
SHADOW 750                                                                       FREIO HIDRÁULICO



SUBSTITUIÇÃO DO FLUIDO DE FREIO/
SANGRIA DO AR
NOTA
 • Não permita que materiais estranhos penetrem no
   sistema durante o reabastecimento do reservatório.
 • Ao utilizar um sangrador de freio disponível
   comercialmente, siga as instruções de utilização do
   fabricante.




DRENAGEM DO FLUIDO DE FREIO                                                   TAMPA
                                                                PARAFUSOS
Antes de remover a tampa do reservatório, gire o guidão para                       PLACA DE
                                                                                   FIXAÇÃO
a esquerda, até que o reservatório do cilindro-mestre
dianteiro esteja nivelado.                                                            DIAFRAGMA

Remova os seguintes componentes:
– Parafusos
– Tampa do reservatório
– Placa de fixação
– Diafragma




                                                                            VÁLVULA DE SANGRIA
Conecte a mangueira de sangria à válvula de sangria.
Solte a válvula de sangria e bombeie a alavanca do freio, até
que não haja mais fluido escorrendo pela válvula de sangria.
Aperte a válvula de sangria.




ABASTECIMENTO DE FLUIDO DE FREIO/SANGRIA DO AR

Abasteça o reservatório, utilizando fluido de freio DOT-4
novo, de um recipiente lacrado.
                                                                    MANGUEIRA DE SANGRIA
Conecte um sangrador de freio disponível comercialmente à
                                                                 SANGRADOR DO FREIO
válvula de sangria.
Acione o sangrador de freio e solte a válvula de sangria.
Caso um sistema de reabastecimento automático não seja
utilizado, adicione o fluido quando seu nível no reservatório
estiver baixo.

NOTA
 • Inspecione constantemente o nível de fluido no
   reservatório durante a sangria para evitar que o ar seja
   bombeado para dentro do sistema.
 • Ao utilizar uma ferramenta de sangria de freio, siga as
   instruções de utilização do fabricante.




                                                                                           16-5
FREIO HIDRÁULICO                                                                   SHADOW 750

Execute o procedimento de sangria até que o sistema esteja
completamente nivelado/sangrado.

NOTA

 Se o ar penetrar no sangrador através das roscas da
 válvula de sangria, vede-as utilizando fita de teflon.

Feche a válvula de sangria e acione a alavanca do freio. Caso
o sistema ainda pareça esponjoso, execute novamente o
procedimento de sangria.

Após completar o procedimento de sangria do ar, aperte a
válvula de sangria no torque especificado.
                                                                             VÁLVULA DE SANGRIA
Torque: 5,5 N.m (0,6 kgf.m)

Caso um sangrador de freio não esteja disponível, execute os
seguintes procedimentos:

Abasteça o reservatório, utilizando fluido de freio DOT-4 de
um recipiente lacrado.

Conecte uma mangueira de sangria à válvula de sangria.

Pressurize o sistema, acionando a alavanca do freio, até que
uma resistência na alavanca do freio seja observada.

1. Acione a alavanca do freio até o final de seu curso, abra a
   válvula de sangria em 1/4 volta e torne a fechá-la.                  MANGUEIRA DE SANGRIA

NOTA
 Não solte a alavanca do freio até que a válvula de sangria
 esteja fechada.

2. Solte lentamente a alavanca do freio e espere alguns
   segundos após a alavanca ter atingido o final de seu curso.

Repita os procedimento 1 e 2 até que não mais apareçam
bolhas de ar na mangueira de sangria.

Após a completa sangria do ar, aperte a válvula de sangria no
torque especificado.

Torque: 5,5 N.m (0,6 kgf.m)
                                                                 SALIÊNCIA
Abasteça o reservatório, utilizando fluido de freio DOT-4, até
atingir sua saliência.




16-6
SHADOW 750                                                                              FREIO HIDRÁULICO


Instale os seguintes componentes:
– Diafragma                                                         PARAFUSOS           TAMPA
– Placa de fixação                                                                       PLACA DE
– Tampa do reservatório                                                                  FIXAÇÃO
– Parafusos                                                                                 DIAFRAGMA

Aperte os parafusos no torque especificado.

Torque: 1,5 N.m (0,2 kgf.m)




PASTILHAS/DISCO DE FREIO
SUBSTITUIÇÃO DAS PASTILHA DE FREIO

Empurre os pistões do cáliper em todo o seu curso para
permitir a instalação de novas pastilhas de freio.

NOTA
 Inspecione o nível de fluido de freio no reservatório, pois
 esta operação provoca aumento no nível de fluido.




Remova o bujão do pino da pastilha e solte o pino.

Remova o pino da pastilha do corpo do cáliper, enquanto
empurra as pastilhas de freio em direção a mola da pastilha.




                                                                BUJÃO DO PINO DA PASTILHA PINO DA PASTILHA
                                                                PASTILHAS
Remova as pastilhas de freio.                                                               Alinhe
Instale novas pastilhas de freio no cáliper, de modo que suas
extremidades acomodem-se adequadamente no retentor da
pastilha do suporte.

NOTA
 • Certifique-se de que a mola da pastilha está
   corretamente instalada.
 • Sempre substitua as pastilhas de freio em pares para
   garantir uma pressão uniforme sobre os discos.




                                                                                                     16-7
FREIO HIDRÁULICO                                                                             SHADOW 750

Instale o pino da pastilha, empurrando as pastilhas em
direção à mola para alinhar os orifícios dos pinos das
pastilhas com o corpo do cáliper.

Aperte o pino da pastilha no torque especificado.

Torque: 18 N.m (1,8 kgf.m)

Instale o bujão do pino da pastilha e aperte-o no torque
especificado.

Torque: 2,5 N.m (0,3 kgf.m)

Acione a alavanca do freio para assentar o pistão do cáliper
nas pastilhas.
                                                                    PINO DA PASTILHA BUJÃO DO PINO DA PASTILHA
INSPEÇÃO DO DISCO DE FREIO
Inspecione visualmente o disco de freio quanto a danos ou
trincas.

Meça a espessura do disco de freio em diversos pontos.


        Limite de Uso                       5,0 mm




Meça o empenamento do disco de freio, utilizando um
relógio comparador.

        Limite de Uso                      0,30 mm

Inspecione os rolamentos da roda quanto a folga excessiva
caso o empenamento do disco de freio exceda valor de limite
de uso.
Substitua o disco de freio caso os rolamentos estejam
normais.

Para informações sobre substituição do disco de freio,
consulte a página 14-14.

                                                                    ESPELHO RETROVISOR   ARRUELAS DE VEDAÇÃO
CILINDRO-MESTRE
DESMONTAGEM
Drene o fluido de freio do sistema hidráulico (página 16-5).
Remova o espelho retrovisor.

Remova o parafuso do óleo e as arruelas de vedação.
Desacople os conectores do interruptor da luz do freio dianteiro.

NOTA
 Ao remover o parafuso de óleo, cubra a extremidade da
 mangueira para evitar contaminação.


                                                                    CONECTORES              PARAFUSO DO ÓLEO


16-8
SHADOW 750                                                                              FREIO HIDRÁULICO

                                                               CILINDRO-MESTRE
Remova os parafusos, o suporte e o cilindro-mestre.




                                                                            PARAFUSOS           SUPORTE
                                                               ALAVANCA
Remova a porca, o parafuso da articulação e a alavanca do
freio.




                                                                         PARAFUSO DA ARTICULAÇÃO/PORCA
                                                                 PARAFUSO                  INTERRUPTOR
Remova o parafuso e o interruptor da luz do freio dianteiro.




Remova o protetor.

Inspecione o protetor quanto a desgaste, deterioração ou
danos.




                                                                          PROTETOR


                                                                                                16-9
FREIO HIDRÁULICO                                                                    SHADOW 750
                                                             ANEL ELÁSTICO
Remova o anel elástico, utilizando a ferramenta especial.

Ferramenta:
Alicate para anel elástico              07914-SA50001




                                                                                       ALICATE
                                                                             MOLA
Remova a arruela, o pistão-mestre e a mola.

Limpe o cilindro-mestre, o reservatório e o pistão-mestre,
utilizando fluido de freio novo.




                                                                PISTÃO-MESTRE          ARRUELA

INSPEÇÃO

Inspecione o cilindro-mestre quanto a riscos anormais ou
danos.

Meça o D.I. do cilindro-mestre.


        Limite de Uso                   11,055 mm




                                                                       COPOS
Inspecione os copos do pistão quanto a desgaste,
deterioração ou danos.

Inspecione o pistão-mestre quanto a riscos anormais ou
danos.

Meça o D.E. do pistão-mestre.


        Limite de Uso                   10,945 mm




16-10
SHADOW 750                                                                                    FREIO HIDRÁULICO


Inspecione a mola quanto a fadiga ou danos.




                                                                                 MOLA
MONTAGEM

                                   ARRUELA
                                                    1 N.m (0,1 kgf.m)
                                                                                         1,5 N.m (0,2 kgf.m)


                                              PISTÃO-
                                              MESTRE
                           ANEL ELÁSTICO

                                                        COPOS



                   PROTETOR

                                               MOLA




                                                                                         INTERRUPTOR
                                                                                         DA LUZ DO FREIO
                       ALAVANCA DO FREIO

                                             6 N.m (0,6 kgf.m)          1,2 N.m (0,1 kgf.m)
NOTA
 Substitua o pistão, a mola, os copos, a arruela e o anel
 elástico em conjunto.                                                      MOLA                    COPOS

Cubra o pistão-mestre e os copos do pistão com fluido de
freio novo.
Instale a mola na extremidade do pistão.

Instale o pistão-mestre/mola no cilindro-mestre.

NOTA

 Ao instalar os copos do pistão, não permita que seus
 lábios girem ao contrário.

Instale a arruela no pistão.
                                                                           PISTÃO-MESTRE                ARRUELA


                                                                                                       16-11
FREIO HIDRÁULICO                                                                             SHADOW 750
                                                                        ANEL ELÁSTICO
Instale o anel elástico na ranhura do cilindro-mestre,
utilizando a ferramenta especial.

Ferramenta:
Alicate para anel elástico               07914-SA50001

• Instale o anel elástico e a arruela, mantendo suas bordas
  chanfradas voltadas para o lado da carga axial.
• Não reutilize um anel elástico desgastado que possa
  facilmente girar em sua ranhura.
• Certifique-se de que o anel elástico esteja assentado em sua
  ranhura.

Instale o protetor na ranhura do cilindro-mestre e do pistão.
                                                                     ALICATE            PROTETOR
                                                                   INTERRUPTOR                     PARAFUSO
Aplique 0,1 g de graxa de silicone na região de contato entre
alavanca do freio e o pistão.

Instale o interruptor da luz do freio, alinhando suas guias com
a ranhura do cilindro-mestre.

Instale e aperte o parafuso no torque especificado.

Torque: 1,2 N.m (0,1 kgf.m)




                                                                                   Alinhe
                                                                   ALAVANCA
Aplique 0,1 g de graxa de silicone na superfície deslizante da
articulação da alavanca do freio.
Instale a alavanca do freio e o parafuso de articulação. Em
seguida, aperte o parafuso no torque especificado.

Torque: 1 N.m (0,1 kgf.m)

Aperte a porca no torque especificado, enquanto mantém o
parafuso da articulação fixado.

Torque: 6 N.m (0,6 kgf.m)



                                                                             PARAFUSO DA ARTICULAÇÃO/PORCA
                                                                  CILINDRO-MESTRE                 Alinhe
Instale o cilindro-mestre, juntamente com o suporte e seus
dois parafusos.
Alinhe a extremidade do cilindro-mestre com a marca
gravada no guidão. Aperte primeiramente o parafuso
superior e, em seguida, aperte o parafuso inferior, ambos no
torque especificado.

Torque: 12 N.m (1,2 kgf.m)

NOTA

 Instale o suporte, mantendo sua marca “UP” voltada para
 cima.

                                                                                 PARAFUSOS         MARCA “UP”


16-12
SHADOW 750                                                                             FREIO HIDRÁULICO
                                                                               ARRUELAS        PARAFUSO
                                                                ESPELHO        DE VEDAÇÃO      DO ÓLEO
Conecte a mangueira do freio no cilindro-mestre, utilizando o
parafuso do óleo e uma nova arruela de vedação.
Aperte o parafuso do óleo no torque especificado.

Torque: 34 N.m (3,5 kgf.m)

NOTA
 Certifique-se de acomodar a conexão da mangueira no
 limitador.

Instale o espelho retrovisor.

Acople os conectores do interruptor da luz do freio.

Abasteça o sistema hidráulico e execute o procedimento de        CONECTORES                    LIMITADOR
sangria do ar (página 16-5).                                       PARAFUSO DO ÓLEO


CÁLIPER DO FREIO DIANTEIRO
DESMONTAGEM
Drene o fluido de freio do sistema hidráulico (página 16-5).

Remova as pastilhas de freio (página 16-7).

Remova o parafuso do óleo e as arruelas de vedação.

NOTA
 Ao remover o parafuso do óleo, cubra a extremidade da
 mangueira para evitar contaminação.
                                                                                 ARRUELAS DE VEDAÇÃO
                                                                                          PARAFUSOS

Remova os parafusos de fixação e o conjunto do cáliper do
freio.

NOTA

 Não reutilize os parafusos de fixação do cáliper.




                                                                             CONJUNTO DO CÁLIPER DO FREIO
                                                                                     CORPO DO CÁLIPER
Remova o suporte do corpo do cáliper.




                                                                   SUPORTE


                                                                                               16-13
FREIO HIDRÁULICO                                                                          SHADOW 750
                                                                 MOLA DA PASTILHA               PROTETOR
Remova o protetor do pino do suporte e a mola da pastilha
do corpo do cáliper.




                                                                 RETENTOR DA PASTILHA            PROTETOR
Remova o protetor do pino do cáliper e o retentor da pastilha
do suporte.
Limpe as superfícies de contato do retentor e do suporte.




                                                                           SUPORTE

Coloque uma toalha sobre os pistões.
Posicione o corpo do cáliper, mantendo os pistões voltados
para baixo. Em seguida, aplique pequenos jatos de ar
comprimido na entrada de fluido para remover os pistões.

NOTA

 Não utilize ar comprimido sob muita pressão ou aproxime
 demasiadamente o injetor de ar da entrada de fluido.




                                                                                        RETENTOR DO PISTÃO
Empurre o retentor de pó e o retentor do pistão para dentro e
levante-os para fora.

NOTA
 Tenha cuidado para não danificar a superfície deslizante
 do pistão.

Limpe as ranhuras dos retentores, os cilindros do cáliper e os
pistões, utilizando fluido de freio novo.




                                                                       RETENTOR DE PÓ


16-14
SHADOW 750                                                                                 FREIO HIDRÁULICO


INSPEÇÃO

Inspecione os cilindros do cáliper quanto a escoriações,
riscos ou danos.

Meça o D.I. do cilindro do cáliper.


        Limite de Uso                   27,060 mm




Inspecione os pistões do cáliper quanto a escoriações, riscos
ou danos.

Meça o D.E. do pistão do cáliper.


        Limite de Uso                   26,930 mm




MONTAGEM                                                        PROTETOR DO          SUPORTE DO CÁLIPER
                                                                PINO DO CÁLIPER
                                                                                             RETENTOR
                                                                                             DA PASTILHA
                                                            PISTÃO DO
                                                            CÁLIPER
                           5,5 N.m (0,6 kgf.m)
                                                    RETENTOR
                                                    DE PÓ
            CORPO DO CÁLIPER
                                           RETENTOR
                                           DO PISTÃO
27 N.m (2,8 kgf.m)




                                                                                    12 N.m (1,2 kgf.m)



    18 N.m (1,8 kgf.m)




                                                                        PASTILHAS
   2,5 N.m (0,3 kgf.m)           PROTETOR DO PINO          MOLA DA      DE FREIO
                                 DO SUPORTE                PASTILHA




                                                                                                    16-15
FREIO HIDRÁULICO                                                                           SHADOW 750
                                                                              RETENTORES DO PISTÃO
Cubra os novos retentores do pistão utilizando fluido de freio
novo e os novos retentores de pó utilizando graxa de silicone.
Em seguida, instale-os nas ranhuras do retentor do cáliper.

Cubra os pistões do cáliper utilizando fluido de freio novo e
instale-os nos cilindros do cáliper, mantendo suas aberturas
voltadas para as pastilhas.




                                                                     RETENTORES DE PÓ                  PISTÕES
                                                                 RETENTOR DA PASTILHA                PROTETOR
Inspecione o protetor do pino do cáliper e substitua-o caso
esteja endurecido, deteriorado ou danificado.

Aplique o adesivo Honda Bond A ou equivalente na superfície
de contato do retentor da pastilha.
Instale o retentor no suporte.

Caso o pino do suporte tenha sido removido, aplique trava-
química em suas roscas e aperte-o no torque especificado.

Torque: 12 N.m (1,2 kgf.m)



                                                                       SUPORTE                PINO
                                                                 MOLA DA PASTILHA              PROTETOR
Inspecione o protetor do pino do suporte e substitua-o caso
esteja endurecido, deteriorado ou danificado.

Instale o protetor do pino do suporte e a mola da pastilha no
cáliper.

Caso o pino do cáliper tenha sido removido, aplique trava-
química em suas roscas e aperte-o no torque especificado.

Torque: 27 N.m (2,8 kgf.m)




                                                                      CÁLIPER                  PINO
                                                                                         CORPO DO CÁLIPER
Aplique 0,4 g de graxa de silicone nos pinos do cáliper e do
suporte.

Instale o suporte do cáliper no corpo do cáliper.




                                                                    SUPORTE


16-16
SHADOW 750                                                                        FREIO HIDRÁULICO

                                                                                     PARAFUSOS
Instale o conjunto do cáliper do freio, de modo que o disco de
freio permaneça posicionado entre as pastilhas, tendo
cuidado para não danificá-las.

Instale os novos parafusos de fixação do cáliper e aperte-os
no torque especificado.

Torque: 30 N.m (3,1 kgf.m)




                                                                       CONJUNTO DO CÁLIPER DO FREIO
                                                                 PARAFUSO DO ÓLEO
Conecte a mangueira do freio no corpo do cáliper, utilizando
o parafuso do óleo e novas arruelas de vedação. Em seguida,
aperte o parafuso do óleo no torque especificado.

Torque: 34 N.m (3,5 kgf.m)

Instale as pastilhas de freio (página 16-7).

Abasteça e sistema hidráulico e execute o procedimento de
sangria (página 16-5).




                                                                               ARRUELAS DE VEDAÇÃO




                                                                                         16-17
FREIO HIDRÁULICO           SHADOW 750


                   NOTAS




16-18
SHADOW 750          17. BATERIA/SISTEMA DE CARGA
 LOCALIZAÇÃO DO SISTEMA   17-2   BATERIA                         17-6
 DIAGRAMA DO SISTEMA      17-2   INSPEÇÃO DO SISTEMA DE CARGA    17-7
 INFORMAÇÕES DO SISTEMA   17-3   REGULADOR/RETIFICADOR           17-8
 DIAGNOSE DE DEFEITOS     17-5   BOBINA DE CARGA DO ALTERNADOR   17-9




                                                                 17-1
BATERIA/SISTEMA DE CARGA                                                   SHADOW 750


LOCALIZAÇÃO DO SISTEMA

                                      FUSÍVEL PRINCIPAL (30 A)




                                                                 BATERIA




           ALTERNADOR
                                REGULADOR/RETIFICADOR


DIAGRAMA DO SISTEMA


                           3P             FUSÍVEL
                                          PRINCIPAL, 30A



                                              2P




                                REGULADOR/
                                RETIFICADOR                BATERIA


             ALTERNADOR




                                                                              Y: Amarelo
                                                                              G: Verde
                                                                              R: Vermelho
                                                                              W: Branco




17-2
SHADOW 750                                                                             BATERIA/SISTEMA DE CARGA



INFORMAÇÕES DO SISTEMA
INFORMAÇÕES GERAIS

c
 • A bateria produz gases explosivos; não fume e mantenha chamas e faíscas afastadas. Trabalhe em uma área com
   ventilação adequada ao carregar a bateria.
 • A bateria contém ácido sulfúrico (eletrólito). O contato com a pele ou com os olhos poderá causar sérias
   queimaduras. Vista roupas protetoras e protetor facial.
   – Caso o eletrólito entre em contato com a pele, lave-a com grandes quantidades de água.
   – Caso o eletrólito entre em contato com os olhos, lave-os com grandes quantidades de água por, pelo menos, 15
     minutos e procure imediatamente um médico.
 • O eletrólito é venenoso:
    – Em caso de ingestão, beba grandes quantidades de água ou leite e procure imediatamente um médico.


NOTA
 • Sempre desligue o interruptor de ignição antes de desconectar qualquer componente elétrico.
 • Alguns componentes elétricos podem ser danificados caso seus terminais ou conectores sejam acoplados ou
   desacoplados enquanto o interruptor de ignição estiver ligado e houver fluxo de corrente elétrica.

• Caso a motocicleta seja armazenada por um período prolongado, remova a bateria, carregue-a completamente e
  armazene-a em local seco e ventilado.
• Se a bateria permanecer na motocicleta sem uso, desacople o cabo negativo de seu terminal.
• As baterias livres de manutenção (MF) devem ser substituídas quando atingirem o final de sua vida útil.
• A bateria pode ser danificada se submetida a uma carga insuficiente ou excessiva, ou se permanecer descarregada por
  um longo período. Estas mesmas condições contribuem para a redução da vida útil da bateria. Mesmo em condições
  normais de utilização, o desempenho da bateria diminui após 2 ou 3 anos.
• A voltagem da bateria pode ser recuperada após sua recarga, no entanto, sob severas condições de uso, a voltagem da
  bateria pode cair rapidamente ou até cessar eventualmente. Por esta razão, o sistema de carga é tido como razão do
  problema. Problemas de sobrecarga normalmente são resultantes de defeitos na própria bateria. Se uma das células
  da bateria estiver em curto-circuito e a voltagem da bateria não subir, o regulador/retificador supre o excesso de
  voltagem à bateria. Sob estas condições, o nível de eletrólito diminui rapidamente.
• Antes de efetuar a diagnose do sistema de carga, inspecione quanto ao correto uso e manutenção da bateria. Verifique
  se a bateria é freqüentemente utilizada sob severas condições de uso, como por exemplo, manter o farol e a lanterna
  traseira acesos por longos períodos sem utilizar a motocicleta.
• A bateria se descarregará quando a motocicleta não for utilizada. Por esta razão, carregue a bateria a cada duas
  semanas para evitar a sulfatação de suas placas.
• Ao inspecionar o sistema de carga, sempre siga as etapas da tabela de diagnose de defeitos (página 17-5).
• Para reparos no alternador, consulte a página 11-4.

CARGA DA BATERIA

• Ligue e desligue o carregador de baterias em seu interruptor (Liga/Desliga), e não no terminal da bateria.
• Ao recarregar a bateria, não exceda a corrente de carga ou o tempo especificado na bateria. Utilizar corrente excessiva
  ou estender o tempo de carga pode danificar a bateria.
• Cargas rápidas somente devem ser utilizadas em situações emergenciais. Do contrário, cargas lentas são sempre
  preferíveis.

TESTE DA BATERIA

Consulte o manual de instruções do testador de bateria recomendado para procedimentos de teste da bateria.
O testador de bateria recomendado aplica uma “carga” na bateria, de forma que sua condição real possa ser medida.

Testador de bateria recomendado: FBT50




                                                                                                               17-3
BATERIA/SISTEMA DE CARGA                                                                             SHADOW 750


ESPECIFICAÇÃO
                          Item                                                     Especificação
Bateria            Capacidade                                                     12 V – 11,2 Ah
                   Fuga de corrente                                              Máxima de 1,0 mA
                   Voltagem (a 20°C) Completamente
                                                                                    13,0 – 13,2 V
                                      carregada
                                      Necessitando
                                                                                  Abaixo de 12,4 V
                                      de carga
                   Corrente de carga Normal                                         1,1 A x 5 – 10 h
                                      Rápida                                         5,5 A x 1,0 h
Alternador         Capacidade                                                    0,39 kW a 5.000 rpm
                   Resistência da bobina de carga (a 20°C)                             0,1 – 1,0 Ω


VALORES DE TORQUE

Parafuso da tampa do compartimento da bateria                1 N.m (0,1 kgf.m)




17-4
SHADOW 750                                                                              BATERIA/SISTEMA DE CARGA



DIAGNOSE DE DEFEITOS
BATERIA DANIFICADA OU ENFRAQUECIDA

1. Teste da Bateria
  Remova a bateria (página 17-6).
  Inspecione as condições da bateria, utilizando o testador de bateria recomendado.
  Testador de bateria recomendado: FBT50
  Está a bateria em boas condições?
  Sim – Vá para a etapa 2.
  Não – Bateria defeituosa.

2. Teste de Fuga de Corrente
  Instale a bateria (página 17-6).
  Inspecione a fuga de corrente da bateria (página 17-7).
  É indicada uma fuga de corrente inferior a 1,0 mA?
  Sim – Vá para a etapa 4.
  Não – Vá para a etapa 3.

3. Teste de Fuga de Corrente com o Regulador/Retificador Desconectado
  Desacople o conector do regulador/retificador e inspecione novamente a fuga de corrente da bateria.
  É indicada uma fuga de corrente inferior a 1,0 mA?
  Sim – Regulador/retificador defeituoso.
  Não – • Fiação em curto-circuito.
        • Interruptor de ignição defeituoso.

4. Inspeção da Bobina de Carga do Alternador
  Inspecione a bobina de carga do alternador (página 17-9).
  É indicada uma resistência entre 0,1 e 1,0 Ω (a 20°C)?
  Sim – Vá para a etapa 5.
  Não – Bobina de carga defeituosa.

5. Inspeção da Voltagem de Carga
  Meça e anote a voltagem da bateria, utilizando um multímetro digital (página 17-6).
  Dê partida no motor.
  Meça a voltagem de carga (página 17-7).
  Compare o valor obtido na medição com o resultado do seguinte cálculo.
  Padrão: Voltagem medida da bateria < Voltagem de carga medida < 15,5 V
  Está a voltagem de carga da bateria de acordo com o valor especificado?
  Sim – Bateria defeituosa.
  Não – Vá para a etapa 6.

6. Inspeção do Sistema do Regulador/Retificador
  Inspecione a voltagem e a resistência no conector do regulador/retificador (página 17-8).
  Estão os valores da medição de voltagem e resistência corretos?
  Sim – Regulador/retificador defeituoso.
  Não – • Circuito aberto na fiação relacionada.
        • Sem contato ou mau-contato nos terminais relacionados.
        • Fiação em curto-circuito




                                                                                                         17-5
BATERIA/SISTEMA DE CARGA                                                                 SHADOW 750


BATERIA                                                             TAMPA DO COMPARTIMENTO DA BATERIA
REMOÇÃO/INSTALAÇÃO
                                                                               CABO POSITIVO (+)
Remova o assento (página 2-3).
                                                               CABO NEGATIVO (–)
Remova o parafuso.
Remova a tampa do compartimento da bateria, soltando os                               BATERIA
fixadores da tampa do compartimento.

Desligue o interruptor da ignição e desconecte primeiramente                           PARAFUSO
o cabo negativo (—) da bateria. Em seguida, desconecte seu
cabo positivo (+).
Remova a bateria de seu compartimento.

Instale a bateria na ordem inversa da remoção.

NOTA
 • Conecte primeiramente o cabo positivo (+). Em seguida,
   conecte o cabo negativo (–) da bateria.
 • Após conectar os cabos da bateria, cubra seus terminais
   com graxa.

Torque:
Parafuso da tampa do
compartimento da bateria               1 N.m (0,1 kgf.m)




INSPEÇÃO DA VOLTAGEM

Remova a tampa do compartimento da bateria (página 17-6).

Meça a voltagem da bateria, utilizando um multímetro digital
disponível comercialmente.

Voltagem:
Completamente carregada                  13,0 – 13,2 V
Necessitando de carga                    Abaixo de 12,4 V

Ferramenta:
Multímetro digital disponível comercialmente
                                                                                                BATERIA




17-6
SHADOW 750                                                                      BATERIA/SISTEMA DE CARGA

                                                                         CABO NEGATIVO (–)

INSPEÇÃO DO SISTEMA DE CARGA
TESTE DE FUGA DE CORRENTE
Remova a tampa do compartimento da bateria (página 17-6).
Desligue o interruptor da ignição e desconecte o cabo
negativo (–) da bateria.
Conecte a ponta-de-prova (+) do amperímetro ao cabo
negativo, e a ponta-de-prova (–) do amperímetro ao terminal
negativo (–) da bateria.
Mantendo o interruptor de ignição desligado, inspecione
execute o teste de fuga de corrente.
NOTA
                                                                                 TERMINAL NEGATIVO (–)
 • Ao medir a corrente utilizando um testador, ajuste-o
   para a maior escala e, em seguida, corrija a escala para
   um nível apropriado. Uma corrente superior à escala
   selecionada poderá queimar o fusível do testador.
 • Ao medir a corrente, não ligue o interruptor de ignição.
   Um repentino surto de corrente pode queimar o fusível
   do testador.

Fuga de corrente especificada: Máxima de 1,0 mA
Se a fuga de corrente exceder o valor especificado, é
provável que haja um curto-circuito.
Localize o curto-circuito, desacoplando as conexões uma a
uma e medindo a corrente.
INSPEÇÃO DA VOLTAGEM DE CARGA
NOTA
 Certifique-se de que a bateria esteja em boas condições
 antes de executar este teste.

Conecte o tacômetro.
Dê partida no motor, mantenha-o funcionando até atingir sua
temperatura normal e desligue-o em seguida.
Remova a tampa do compartimento da bateria (página 17-6).
Conecte o multímetro entre os terminais positivo e negativo
da bateria.
NOTA
 • Para evitar curto-circuito, certifique-se de quais são os
   cabos e terminais positivos e negativos.
 • Não desconecte os cabos da bateria ou qualquer cabo do
   sistema de carga sem antes desligar o interruptor de
   ignição. Não observar esta recomendação pode danificar
   o testador ou componentes elétricos da motocicleta.

Ligue o farol alto e dê partida novamente no motor.
Meça a voltagem, mantendo o motor funcionando em 5.000
rpm.
Padrão:
VB medida < VC medida < 15,5 V
• VB = Voltagem da bateria (página 17-6)
• VC = Voltagem de carga

                                                               BATERIA


                                                                                                   17-7
BATERIA/SISTEMA DE CARGA                                                             SHADOW 750


REGULADOR/RETIFICADOR
INSPEÇÃO DA FIAÇÃO

Linha de Carga da Bateria

Remova a tampa lateral esquerda (página 2-4).

Mantendo o interruptor de ignição desligado, desacople o
conector 2P (Branco) do regulador/retificador.



                                                                           CONECTOR 2P (Branco)

Meça a voltagem entre o terminal do fio Vermelho (+) do      CONECTOR 2P DO REGULADOR/RETIFICADOR
conector 2P, no lado da fiação, e o terra (–).               (Lado da fiação dos terminais fêmeas)
Deve ser indicada a voltagem da bateria em todas as
situações.




Linha do Terra

Inspecione a continuidade entre o terminal do fio Verde do
conector 2P, no lado da fiação, e o terra.
Deve haver continuidade em todas as situações.

Se todos os componente do sistema de carga estiverem
normais e não houver mau-contato no conector do
regulador/retificador, substitua o regulador/retificador.


                                                             CONECTOR 2P DO REGULADOR/RETIFICADOR
                                                             (Lado da fiação dos terminais fêmeas)




17-8
SHADOW 750                                                                         BATERIA/SISTEMA DE CARGA

                                                                     PRESILHA
INSTALAÇÃO/REMOÇÃO

Remova os seguintes componentes:
– Tampa lateral esquerda (página 2-4)
– Tampa traseira esquerda da carcaça do motor (página 2-4)

Solte a fiação de sua presilha.
Mantendo o interruptor de ignição desligado, desacople os
conectores 2P (Branco) do regulador/retificador e 3P (Branco)
do alternador.




                                                                                                 CONECTORES

Remova os parafusos e o regulador/retificador.

Instale o regulador/retificador na ordem inversa da remoção.




                                                                     PARAFUSOS
                                                                                        REGULADOR/RETIFICADOR




BOBINA DE CARGA DO ALTERNADOR
INSPEÇÃO

Remova a tampa lateral esquerda (página 2-4).

Mantendo o interruptor de ignição desligado, desacople o
conector 3P (Branco) do alternador.




Meça a resistência entre os terminais do fio Amarelo do
                                                                         CONECTOR 3P (Branco)
conector, no lado do alternador/estator.


        Limite de Uso                0,1 – 1,0 Ω (a 20°C)          CONECTOR 3P DO ALTERNADOR
                                                                   (Lado do alternador/estator dos terminais fêmeas)


Inspecione a continuidade entre cada terminal da fiação do
conector, no lado do alternador/estator, e o terra.
Não deve haver continuidade.

Substitua o estator caso o valor medido de resistência esteja
fora do valor especificado ou se houver continuidade entre
qualquer um dos fios e o terra.

Para substituição do alternador/estator, consulte a página 11-4.




                                                                                                           17-9
BATERIA/SISTEMA DE CARGA           SHADOW 750


                           NOTAS




17-10
SHADOW 750                18. SISTEMA DE IGNIÇÃO
 LOCALIZAÇÃO DO SISTEMA   18-2   INSPEÇÃO DO SISTEMA DE IGNIÇÃO   18-5
 DIAGRAMA DO SISTEMA      18-2   BOBINA DE IGNIÇÃO                18-8
 INFORMAÇÕES DE SERVIÇO   18-3   PONTO DE IGNIÇÃO                 18-9
 DIAGNOSE DE DEFEITOS     18-4




                                                                  18-1
SISTEMA DE IGNIÇÃO                                                                                                                          SHADOW 750


LOCALIZAÇÃO DO SISTEMA
                                    INTERRUPTOR DO MOTOR
  INTERRUPTOR
  DA EMBREAGEM
                                                                                   INTERRUPTOR DE IGNIÇÃO
                                                                           SENSOR TP                          CAIXA DE FUSÍVEIS A
                                                                                                              • DIODO
     SENSOR DE                                                                                                • FUSÍVEL SECUNDÁRIO,
     INCLINAÇÃO                                                                                                 10 A (IGNIÇÃO, PARTIDA)
     DO CHASSI
                                                                                                                                        CAIXA DE FUSÍVEIS B
                                                                                                                                        • FUSÍVEL FI, 15 A
                                                                                                                                          BATERIA




BOBINA DE IGNIÇÃO
DIANTEIRA

 VELA DE IGNIÇÃO
         SENSOR CKP
         INTERRUPTOR DE
         PONTO-MORTO                        BOBINA DE
                                            IGNIÇÃO
                      INTERRUPTOR DO        TRASEIRA
                      CAVALETE LATERAL
                               RELÉ DE PARADA
                               DO MOTOR                                                   ECM

DIAGRAMA DO SISTEMA
                                                                    FUSÍVEL FI, 15 A


                                                                                       INTERRUPTOR
                                                        FUSÍVEL SECUNDÁRIO, 10 A       DE IGNIÇÃO           FUSÍVEL
                                                        (IGNIÇÃO, PARTIDA)                                  PRINCIPAL, 30 A



                                                                                INTERRUPTOR
                                                                                DA EMBREAGEM
                INTERRUPTOR
                DO MOTOR
                                                                                                                              BATERIA



                                                                                               9P (Preto)
                     SENSOR DE
                     INCLINAÇÃO
                     DO CHASSI

                                                                   DIODO
                                          Para o INDICADOR
                                          DE PONTO-MORTO                                                         PARA CIMA                PARA BAIXO

                                                                                                                                           INTERRUPTOR DO
                                  3P (Preto)                                                                                               CAVALETE LATERAL

    RELÉ DE
    PARADA
    DO MOTOR
                                                             INTERRUPTOR DE
                                                             PONTO-MORTO




                         BOBINA DE
                         IGNIÇÃO

                                                                                                                                              Bl:   Preto
                                                                                         ECM                                                  Y:    Amarelo
                                                                                                                                              Bu:   Azul
                                                                                                                                              G:    Verde
                                         DIANTEIRO      TRASEIRO
                                                                                                                                              R:    Vermelho
                                                                                                                               SENSOR         W:    Branco
                              VELAS DE                                                                                         CKP            LG:   Verde claro
                              IGNIÇÃO




18-2
SHADOW 750                                                                                        SISTEMA DE IGNIÇÃO



INFORMAÇÕES DE SERVIÇO
INFORMAÇÕES GERAIS
NOTA
 • O Módulo de Controle do Motor (ECM) pode ser danificado se sofrer alguma queda. Caso seu conector seja
   desacoplado enquanto houver passagem de corrente, o excesso de voltagem também pode danificar o ECM. Sempre
   desligue o interruptor de ignição antes de executar reparos.
 • Utilize velas de ignição com o correto grau térmico. Utilizar velas com o grau térmico incorreto pode danificar o motor.

• Alguns componentes elétricos podem ser danificados caso seus terminais ou conectores sejam acoplados ou
  desacoplados enquanto o interruptor de ignição estiver ligado e houver fluxo de corrente.
• Ao executar reparos no sistema de ignição, sempre siga as etapas da tabela de diagnose de defeitos, na página 18-4.
• O ponto de ignição geralmente não necessita de ajustes, pois é pré-ajustado na fábrica.
• Um sistema de ignição defeituoso está normalmente relacionado mau-contatos. Inspecione estas conexões antes de
  proceder.
• Certifique-se de que a bateria esteja adequadamente carregada. Utilizar o motor de partida com uma bateria enfraquecida
  resulta em uma menor velocidade de partida do motor, bem como a inexistência de faíscas na vela de ignição.
• Para inspeção da vela de ignição, consulte a página 3-7.
• Para informações sobre os seguintes componentes, consulte as respectivas páginas:
  – Interruptor de ignição; página 20-19
  – Interruptor do motor; página 20-20
  – Interruptor do ponto-morto; página 20-23
  – Interruptor do cavalete lateral; página 20-23
  – Diodo; página 19-16
  – ECM; página 5-55
  – Sensor de inclinação do chassi; página 5-52
  – Relé de parada do motor; página 5-54
  – Interruptor da embreagem; página 20-22

ESPECIFICAÇÕES
                                  Item                                                     Especificação
Velas de ignição     Padrão                                                     DPR7EA-9 (NGK), X22EPR-U9 (DENSO)
                     Para longos percursos em alta rotação                      DPR8EA-9 (NGK), X24EPR-U9 (DENSO)
Folga entre os eletrodos da vela de ignição                                                0,8 – 0,9 mm
Pico de voltagem da bobina de ignição primária                                           Mínimo de 100 V
Ponto de ignição (Marca “F”)                                                         8º APMS em marcha-lenta
Pico de voltagem do sensor CKP (a 20º)                                                    Mínimo de 0,7 V

VALORES DE TORQUE
Parafuso Allen da tampa do alternador                        10 N.m (1,0 kgf.m)
Tampa do orifício de sincronização                           10 N.m (1,0 kgf.m)       Aplique graxa nas roscas.

FERRAMENTAS
Verificador de diagnóstico Imrie     Fiação de teste do ECM, 33P
(modelo 625) ou Adaptador de pico de 070MZ-MCA0100
voltagem 07HGJ-0020100




juntamente com multímetro digital
disponível comercialmente
(impedância mínima de 10 MΩ/VCC)




                                                                                                                  18-3
SISTEMA DE IGNIÇÃO                                                                                                SHADOW 750


DIAGNOSE DE DEFEITOS
• Inspecione os seguintes itens antes de executar a diagnose de defeitos do sistema:
  – Vela de ignição defeituosa
  – Supressor de ruídos ou conector da vela de ignição soltos
  – Penetração de água no supressor de ruídos (Fuga de voltagem na bobina de ignição secundária)
• Se não houver faísca em ambos os cilindro, substitua temporariamente a bobina de ignição por uma em boas
  condições de funcionamento e execute o teste de faísca. Se houver faísca, a bobina de ignição original está defeituosa.
• A “voltagem inicial” da bobina de ignição primária é a voltagem da bateria com o interruptor de ignição ligado e o
  interruptor do motor posicionado em “     ” (O motor não é acionado pelo motor de partida).
Não há faíscas nas velas de ignição

                 Condição anormal                                   Possível causa (Inspecione seguindo a ordem numérica)
Voltagem da bobina    Sem voltagem inicial com o          1. Relé de parada motor defeituoso.
de ignição primária   interruptor de ignição ligado e o   2. Circuito aberto no fio Preto/Branco entre a bobina de ignição e o relé de
                      interruptor do motor                   parada do motor.
                      posicionado em “      ” (Os         3. Sem contato ou mau-contato no terminal da fiação da bobina de ignição
                      outros componentes elétricos           primária ou circuito aberto na bobina de ignição primária.
                      funcionam normalmente).             4. ECM defeituoso (em casos onde a voltagem inicial está normal com o
                                                             conector do ECM desacoplado).
                      A voltagem inicial está normal,     1. Conexões do adaptador de pico de voltagem incorretas (o sistema está
                      mas cai para 2 a 4 V quando o          normal se a voltagem medida for superior à especificada ao inverter-se as
                      motor é acionado.                      conexões).
                                                          2. Bateria descarregada (a voltagem da bateria cai demasiadamente quando é
                                                             acionada a partida do motor).
                                                          3. Sem voltagem entre os terminais Preto/Branco (+) e terra (-) do conector do
                                                             ECM ou conector do ECM solto.
                                                          4. Circuito aberto ou mau-contato no fio Verde do ECM.
                                                          5. Circuito aberto ou mau-contato nos fios Azul/Amarelo ou Amarelo/Azul entre
                                                             as bobinas de ignição e o ECM.
                                                          6. Interruptor do cavalete lateral, interruptor da embreagem ou interruptor de
                                                             ponto-morto defeituosos.
                                                          7. Circuito aberto ou mau-contato na fiação relacionada ao circuito N° 6.
                                                             – Linha do interruptor do cavalete lateral: fio Verde/Branco
                                                             – Linha do interruptor de ponto-morto: fio Verde claro
                                                             – Linha do interruptor da embreagem: fio Verde/Branco
                                                          8. Sensor CKP defeituoso (meça o pico de voltagem).
                                                          9. ECM defeituoso (caso os itens de 1 a 8 estejam normais).
                      A voltagem inicial está normal,     1. Conexões do adaptador de pico de voltagem incorretas (o sistema está
                      mas não há pico de voltagem            normal se a voltagem medida for superior à especificada ao inverter-se as
                      quando o motor é acionado.             conexões).
                                                          2. Adaptador de pico de voltagem defeituoso.
                                                          3. Sensor CKP defeituoso (meça o pico de voltagem).
                                                          4. ECM defeituoso (caso os itens de 1 a 3 estejam normais).
                      A voltagem inicial está normal,     1. Impedância interna do multímetro muito baixa; abaixo 10 MΩ/VCC.
                      mas o pico de voltagem é            2. Velocidade de partida muito baixa (bateria descarregada).
                      inferior ao valor padrão.           3. Ponto de amostra do testador e pulso medido não sincronizados (o sistema
                                                             está normal se a voltagem medida for superior à voltagem padrão pelo
                                                             menos uma vez).
                                                          4. ECM defeituoso (caso os itens de 1 a 3 estejam normais).
                      A voltagem inicial está normal,     1. Vela de ignição defeituosa ou fuga de corrente da bobina de ignição
                      mas não há faísca.                     secundária.
                                                          2. Bobina(s) de ignição defeituosa(s).
Sensor CKP            Pico de voltagem inferior ao        1. Impedância interna do multímetro muito baixa; abaixo 10 MΩ/VCC.
                      valor padrão.                       2. Velocidade de partida muito baixa (bateria descarregada).
                                                          3. Ponto de amostra do testador e pulso medido não sincronizados (o sistema
                                                             está normal se a voltagem medida for superior à voltagem padrão pelo
                                                             menos uma vez).
                                                          4. Sensor CKP defeituoso (caso os itens de 1 a 3 estejam normais).
                      Sem pico de voltagem.               1. Adaptador de pico de voltagem defeituoso.
                                                          2. Sensor CKP defeituoso.




18-4
SHADOW 750                                                                     SISTEMA DE IGNIÇÃO



INSPEÇÃO DO SISTEMA DE IGNIÇÃO
NOTA

 • Se não houver faísca nas velas de ignição, inspecione
   todas as conexões quanto a mau-contato ou conector
   solto antes de medir o pico de voltagem.
 • Utilize o multímetro digital recomendado ou um
   disponível comercialmente com impedância interna
   mínima de 10 MΩ/VCC.
 • Os valores apresentados nos mostradores podem diferir
   dependendo da impedância interna do multímetro.
 • Caso um verificador Imrie (modelo 625) seja utilizado,
   siga as instruções do fabricante.

Conecte o adaptador de pico de voltagem ao multímetro
                                                                               MULTÍMETRO DIGITAL
digital ou utilize o verificador de pico de voltagem.

Ferramenta:
Verificador de diagnóstico Imrie (modelo 625) ou
Adaptador de pico de voltagem          07HGJ-0020100
juntamente com multímetro digital disponível
                                             Ω
comercialmente (impedância mínima de 10 MΩ/VCC)




                                                            ADAPTADOR DE PICO DE VOLTAGEM



PICO DE VOLTAGEM DA BOBINA DE IGNIÇÃO
PRIMÁRIA

NOTA
 • Inspecione todas as conexões do sistema antes de
   executar esta inspeção. Conexões inadequadas podem
   provocar leituras incorretas.
 • Certifique-se de que a compressão dos cilindros esteja
   normal e verifique se todas as velas de ignição estão
   corretamente instaladas em seus cabeçotes.



Remova o conjunto do assento (página 2-3).                                  CONECTOR 2P (Preto)
Desacople o conector 2P (Preto) do reservatório/bomba de
combustível.




                                                                                            18-5
SISTEMA DE IGNIÇÃO                                                                       SHADOW 750

Desconecte os supressores de ruídos das velas de ignição.
Conecte velas de ignição em boas condições de
funcionamento aos supressores de ruídos e aterre-as nos
cabeçotes, como executado no teste de faísca.




                                                                     VELA DE IGNIÇÃO EM BOAS
                                                                     CONDIÇÕES DE FUNCIONAMENTO
Dianteiro:                                                       DIANTEIRO:
Remova o tanque de combustível (página 5-40).

Traseiro:
Remova a tampa lateral direita (página 2-4).

Mantendo a fiação da bobina de ignição primária conectada,
acople as pontas-de-prova do adaptador de pico de voltagem
ao terminal da bobina de ignição primária e ao terra.

Ferramenta:
Verificador de diagnóstico Imrie (modelo 625) ou
Adaptador de pico de voltagem          07HGJ-0020100
juntamente com multímetro digital disponível
                                             Ω
comercialmente (impedância mínima de 10 MΩ/VCC)

Conexões:
Dianteiro                 Azul/Amarelo (+) – Terra (–)           TRASEIRO:
Traseiro                  Amarelo/Azul (+) – Terra (–)

Ligue o interruptor de ignição e posicione o interruptor do
motor em “     ”.

Verifique a voltagem inicial nesta situação.
Deve ser indicada a voltagem da bateria.

Se a voltagem inicial não puder ser medida, verifique os itens
da tabela de diagnose de defeitos (página 18-4).

Coloque a transmissão em ponto-morto.

Dê partida no motor, utilizando o motor de partida, e meça o
pico de voltagem da bobina de ignição primária.

Pico de Voltagem: Mínimo de 100 V

NOTA
 Apesar dos valores medidos serem diferentes em cada
 bobina de ignição, eles são normais se a voltagem for
 superior ao valor especificado.

Se o pico de voltagem for inferior ao valor padrão, verifique
os itens da tabela de diagnose de defeitos
(página 18-4).

Instale os componentes removidos na ordem inversa da
remoção.




18-6
SHADOW 750                                                                              SISTEMA DE IGNIÇÃO


PICO DE VOLTAGEM DO SENSOR CKP
NOTA
 Certifique-se de que a compressão dos cilindros esteja
                                                                                                      B22
 normal e verifique se todas as velas de ignição estão
 corretamente instaladas em seus cabeçotes.


Acople a fiação de teste do ECM aos conectores 33P do ECM
(página 5-14).
                                                                  ADAPTADOR DE PICO DE VOLTAGEM
Acople as pontas-de-prova do adaptador de pico de voltagem
ao terminal da fiação de teste.

Ferramenta:
Verificador de diagnóstico Imrie (modelo 625) ou
Adaptador de pico de voltagem             07HGJ-0020100
juntamente com multímetro digital disponível
                                             Ω
comercialmente (impedância mínima de 10 MΩ/VCC)

Conexão: B22 (+) – Terra (–)

Ligue o interruptor de ignição e posicione o interruptor do
motor em “     ”.

Coloque a transmissão em ponto-morto.
Dê partida no motor, utilizando o motor de partida, e meça o
pico de voltagem do sensor CKP.

Pico de voltagem: Mínimo de 0,7 V

Se a voltagem medida no conector do ECM for anormal,
meça o pico de voltagem no conector do sensor CKP.

Desligue o interruptor de ignição.

Remova as tampas laterais da coluna de direção (página 2-4).

Desacople o conector 2P (Vermelho) do sensor CKP.




Acople as pontas-de-prova do adaptador de pico de voltagem
aos terminais do conector, no lado do sensor CKP.                               CONECTOR 2P (Vermelho)
Da mesma forma que no conector do ECM, meça o pico de
voltagem e compare-o à voltagem medida no conector do                  CONECTOR 2P DO SENSOR CKP
ECM.                                                                   (Lado dos terminais fêmeas do sensor)

• Se o pico de voltagem medido no ECM for anormal e o pico
  de voltagem medido no sensor CKP normal, é provável que
  a fiação possua um mau-contato, um curto-circuito ou
  apresente circuito aberto.
• Se o pico de voltagem for inferior ao valor padrão, verifique                                      W/Y
  os itens da tabela de diagnose de defeitos (página 18-4).

Instale os componentes removidos na ordem inversa da
remoção.
                                                                      ADAPTADOR DE PICO DE VOLTAGEM




                                                                                                       18-7
SISTEMA DE IGNIÇÃO                                                                      SHADOW 750
                                                            PARAFUSOS/ESPAÇADORES

BOBINA DE IGNIÇÃO
REMOÇÃO/INSTALAÇÃO DA BOBINA DE IGNIÇÃO
DIANTEIRA

Remova o tanque de combustível (página 5-40).
Desacople os supressores de ruídos (página 3-7).

Desacople o conector da fiação da bobina de ignição
primária.
Remova os parafusos, os espaçadores e a bobina de ignição
dianteira do chassi.

Instale a bobina de ignição na ordem inversa da remoção.    BOBINA DE IGNIÇÃO DIANTEIRA     CONECTORES
                                                               CINTA DA FIAÇÃO
NOTA
 Passe adequadamente os cabos das vela de ignição
 (página 1-20).

REMOÇÃO/INSTALAÇÃO DA BOBINA DE IGNIÇÃO
TRASEIRA

Remova a tampa lateral direita (página 2-4).
Desacople os supressores de ruídos (página 3-7).

Solte os cabos das velas de ignição de suas cintas.

                                                                                CABO DA VELA DE IGNIÇÃO

Remova a caixa de fusíveis do suporte do compartimento da
bateria, soltando suas lingüetas.



                                                                                            LINGÜETAS




                                                                    CAIXA DE FUSÍVEIS

                                                              PARAFUSOS/                BOBINA DE
                                                              ESPAÇADORES               IGNIÇÃO TRASEIRA
Desacople os conectores da fiação da bobina de ignição
primária.
Remova os parafusos, os espaçadores e a bobina de ignição
traseira.

Instale a bobina de ignição traseira na ordem inversa da
remoção.

NOTA
 Passe adequadamente os cabos das vela de ignição
 (página 1-20).


                                                                              CONECTORES


18-8
SHADOW 750                                                                           SISTEMA DE IGNIÇÃO

                                                               TAMPA DO ALTERNADOR

PONTO DE IGNIÇÃO
Dê partida no motor, mantenha-o funcionando até atingir sua
temperatura normal de funcionamento e desligue-o em
seguida.

Remova os parafusos Allen e a tampa do alternador.




                                                               PARAFUSOS ALLEN
                                                               TAMPA DO ORIFÍCIO DE SINCRONIZAÇÃO
Remova a tampa do orifício de sincronização.




                                                               LÂMPADA ESTROBOSCÓPICA
Conecte um tacômetro.

Conecte uma lâmpada estroboscópica ao cabo da vela de
ignição dianteira.

NOTA

 Consulte o manual de instruções do fabricante da
 lâmpada estroboscópica.

Dê partida no motor, mantenha-o funcionando em marcha-
lenta e inspecione o ponto de ignição.

Marcha-lenta: 1.200 ± 100 rpm


O ponto de ignição está correto se a marca “F” do volante do
                                                                   MARCA “F”
motor alinhar-se com a marca de referência da tampa
esquerda da carcaça do motor.




                                                               MARCA DE REFERÊNCIA




                                                                                                    18-9
SISTEMA DE IGNIÇÃO                                                                      SHADOW 750
                                                               TAMPA DO ORIFÍCIO DE SINCRONIZAÇÃO
Cubra um novo anel de vedação com óleo para motor e
instale-o na ranhura da tampa do orifício de sincronização.
Aplique graxa nas roscas da tampa do orifício de
sincronização.
Instale a tampa do orifício de sincronização e aperte-a no
torque especificado.

Torque: 10 N.m (1,0 kgf.m)




                                                                         ANEL DE VEDAÇÃO
                                                               TAMPA DO ALTERNADOR
Instale a tampa do alternador e aperte os parafusos Allen no
torque especificado.

Torque: 10 N.m (1,0 kgf.m)




                                                               PARAFUSOS ALLEN




18-10
SHADOW 750                       19. PARTIDA ELÉTRICA
 LOCALIZAÇÃO DO SISTEMA   19-2    MOTOR DE PARTIDA                 19-6
 DIAGRAMA DO SISTEMA      19-2    INTERRUPTOR DO RELÉ DE PARTIDA   19-14
 INFORMAÇÕES DE SERVIÇO   19-3    DIODO                            19-16
 DIAGNOSE DE DEFEITOS     19-4




                                                                   19-1
PARTIDA ELÉTRICA                                                                                                     SHADOW 750


LOCALIZAÇÃO DO SISTEMA
                                                                    INTERRUPTOR
                               INTERRUPTOR DO MOTOR                 DE PARTIDA
                                                                                                     CAIXA DE FUSÍVEIS A
    INTERRUPTOR                                                                                      • DIODO
                                                                      INTERRUPTOR                    • FUSÍVEL SECUNDÁRIO, 10 A
    DA EMBREAGEM                                                      DE IGNIÇÃO                       (IGNIÇÃO, PARTIDA)

                                                                                                     FUSÍVEL PRINCIPAL, 30 A/
                                                                                                     INTERRUPTOR DO RELÉ
                                                                                                     DE PARTIDA




           INTERRUPTOR DE
           PONTO-MORTO
                       INTERRUPTO DO                           MOTOR DE            BATERIA
                       CAVALETE LATERAL                        PARTIDA


DIAGRAMA DO SISTEMA



                                                  FUSÍVEL           INTERRUPTOR
                                                  PRINCIPAL, 30 A   DE IGNIÇÃO


                                                                                                     6P (Vermelho)    FUSÍVEL SECUNDÁRIO,
                                                                                                                      10 A (IGNIÇÃO, PARTIDA)


                                                                    INTERRUPTOR        INTERRUPTOR
                                                                    DE PARTIDA         DO MOTOR
            BATERIA

                                             INTERRUPTOR DO                       INTERRUPTOR
                                             RELÉ DE PARTIDA         9P (Preto)   DA EMBREAGEM

                    MOTOR DE
                    PARTIDA



                                     DIODO                                                              PARA CIMA      PARA BAIXO

                                                                    Para o INDICADOR
                                                                    DE PONTO-MORTO

                                                                                                                       INTERRUPTOR DO
                                                                                                                       CAVALETE LATERAL
                                             INTERRUPTOR DE
                                             PONTO-MORTO
  Bl: Preto            R: Vermelho
  G: Verde             Y: Amarelo
  Lg: Verde claro      W: Branco




19-2
SHADOW 750                                                                                        PARTIDA ELÉTRICA



INFORMAÇÕES DE SERVIÇO
INFORMAÇÕES GERAIS

NOTA
 O motor de partida pode ser danificado se for mantido fluxo de corrente através dele e a partida do motor não for
 acionada.

• Sempre desligue o interruptor de ignição antes de executar reparos no motor de partida. O motor pode
  repentinamente ser acionado, causando sérios ferimentos.
• Reparos no motor de partida podem ser executados com o motor instalado no chassi.
• Ao inspecionar o sistema de partida, siga sempre as etapas de diagnose de defeitos (página 19-4).
• Uma bateria fraca pode ser incapaz de acionar o motor de partida rápido o suficiente ou fornecer a corrente de ignição
  adequada.
• Para informações sobre os seguintes componentes, consulte as respectivas páginas:
  – Interruptor de ignição; página 20-19
  – Interruptor do motor; página 20-20
  – Interruptor de partida; página 20-20
  – Interruptor de ponto-morto; página 20-23
  – Interruptor do cavalete lateral; página 20-23
  – Interruptor da embreagem; página 20-22

ESPECIFICAÇÕES
                                                                                                           Unidade: mm
                         Item                                                Padrão                     Limite de Uso
 Comprimento das escovas do motor de partida                                  12,5                           6,5


VALORES DE TORQUE

Porca do terminal do cabo do motor de partida               10 N.m (1,0 kgf.m)
Parafuso de montagem do motor de partida                    4,9 N.m (0,5 kgf.m)
Parafuso da escova negativa                                 3,7 N.m (0,4 kgf.m)




                                                                                                               19-3
PARTIDA ELÉTRICA                                                                                      SHADOW 750


DIAGNOSE DE DEFEITOS
O motor de partida não funciona.

1. Inspeção do Fusível
  Verifique se o fusível principal, 30 A, e o secundário, 10 A (ignição, partida), estão queimados.
  Está algum fusível queimado?
  Sim – Substitua o fusível.
  Não – Vá para a etapa 2.

2. Inspeção da Bateria
  Certifique-se de que a bateria esteja completamente carregada e em boas condições (página 17-6).
  Está a bateria em boas condições?
  Sim – Vá para a etapa 3.
  Não – Carregue ou substitua a bateria.
3. Inspeção de Funcionamento do Interruptor do Relé de Partida
  Inspecione o funcionamento do interruptor do relé de partida.
  Deve ser emitido um ruído “clique” quando o botão do interruptor de partida é pressionado.
  É emitido um ruído “clique”?
  Sim – Vá para a etapa 4.
  Não – Vá para a etapa 5.

4. Inspeção do Motor de Partida
  Aplique a voltagem da bateria diretamente ao motor de partida e verifique seu funcionamento.
  O motor de partida funciona?
  Sim – • Mau-contato no cabo do motor de partida.
        • Interruptor do relé de partida defeituoso (página 19-14).
  Não – Motor de partida defeituoso (página 19-6).

5. Inspeção das Linhas do Terra da Bobina do Relé
  Desacople o conector do interruptor do relé de partida e inspecione a continuidade das linhas do terra da bobina do
  relé.
  1. Terminal Verde/Vermelho – diodo – linha do interruptor de ponto-morto (com a transmissão em ponto-morto e a
     alavanca da embreagem solta).
  2. Terminal Verde/Vermelho – interruptor da embreagem – linha do interruptor do cavalete lateral (em qualquer
     marcha, exceto ponto-morto, a alavanca da embreagem acionada e o cavalete lateral recolhido).
  Há continuidade?
  Sim – Vá para a etapa 6.
  Não – • Interruptor de ponto-morto defeituoso (página 20-23).
        • Diodo defeituoso (página 19-16).
        • Interruptor da embreagem defeituoso (página 20-22).
        • Interruptor do cavalete lateral defeituoso (página 20-23)
        • Sem contato ou mau-contato no conector.
        • Circuito aberto na fiação.




19-4
SHADOW 750                                                                                      PARTIDA ELÉTRICA


6. Inspeção da Voltagem do Relé de Partida
  Acople o conector do interruptor do relé de partida.
  Mantendo o interruptor de ignição ligado, o interruptor do motor posicionado em “     ” e o interruptor de partida
  pressionado, meça a voltagem no conector do interruptor do relé de partida (entre o terminal Amarelo/Vermelho (+) e
  o terra (–)).
  É indicada a voltagem da bateria?
  Sim – Vá para a etapa 7.
  Não – • Interruptor de ignição defeituoso (página 20-19).
        • Interruptor de partida defeituoso (página 20-20).
        • Interruptor do motor defeituoso (página 20-20).
        • Sem contato ou mau-contato no conector.
        • Circuito aberto na fiação.

7. Inspeção de Continuidade do Interruptor do Relé de Partida
  Remova o interruptor do relé de partida.
  Conecte o cabo positivo de uma bateria de 12 V completamente carregada ao terminal do fio Amarelo/Vermelho do
  interruptor do relé de partida e o cabo negativo ao terminal do fio Verde/Vermelho.
  Inspecione a continuidade entre os maiores terminais do interruptor do relé de partida, enquanto mantém a bateria
  conectada.
  Há continuidade?
  Sim – Sem contato ou mau-contato no conector do interruptor do relé de partida.
  Não – Interruptor do relé de partida defeituoso.

O motor de partida funciona quando a transmissão está em ponto-morto, mas não funciona com a transmissão em
qualquer outra posição exceto o ponto-morto, com o cavalete lateral recolhido e a alavanca da embreagem acionada.

1. Inspeção do Interruptor da Embreagem
  Inspecione o funcionamento do interruptor da embreagem (página 20-22).
  Está o interruptor da embreagem funcionando normalmente?
  Sim – Vá para a etapa 2.
  Não – Interruptor da embreagem defeituoso.

2. Inspeção do Interruptor do Cavalete Lateral
  Inspecione o funcionamento do interruptor do cavalete lateral (página 20-23).
  Está o interruptor do cavalete lateral funcionando normalmente?
  Sim – • Circuito aberto na fiação.
        • Sem contato ou mau-contato no conector.
  Não – Interruptor do cavalete lateral defeituoso (página 20-23).

O motor de partida gira muito lentamente
• Baixa voltagem da bateria.
• Mau-contato nos cabos do terminal da bateria.
• Mau-contato nos cabos do motor de partida.
• Motor de partida defeituoso.
• Mau-contato no cabo do terra da bateria.

O motor de partida funciona, mas o motor não
• O motor de partida funciona em sentido contrário
  – Carcaça montada inadequadamente
  – Terminais conectados inadequadamente
• Embreagem de partida defeituosa
• Engrenagem intermediária de partida e/ou engrenagem redutora de partida defeituosa ou danificada.

O interruptor do relé de partida emite um ruído “clique”, mas o motor não é acionado
• A árvore de manivelas não gira devido a problemas no motor.




                                                                                                            19-5
PARTIDA ELÉTRICA                                                                   SHADOW 750
                                                             TAMPA               PORCA DO TERMINAL

MOTOR DE PARTIDA
REMOÇÃO

Desconecte o cabo negativo (-) da bateria (página 17-6).

Abra a tampa do terminal e remova sua porca.
Desconecte o cabo do motor de partida.




                                                                           CABO DO MOTOR DE PARTIDA
                                                           CABO DO TERRA           MOTOR DE PARTIDA
Remova os parafusos e o cabo do terra.

Remova o motor de partida da carcaça do motor.




                                                                              PARAFUSOS
                                                                                ANEL DE VEDAÇÃO
Remova o anel de vedação do motor de partida.




                                                                  PARAFUSOS/ANEL DE VEDAÇÃO
DESMONTAGEM/INSPEÇÃO

Remova os parafusos de montagem e anéis de vedação.




19-6
SHADOW 750                                                                            PARTIDA ELÉTRICA

                                                                                    TAMPA DIANTEIRA
Remova a tampa dianteira e o anel de vedação.




                                                              ANEL DE VEDAÇÃO
                                                              TAMPA TRASEIRA           ANEL DE VEDAÇÃO
Remova a carcaça do motor de partida e o anel de vedação.
Remova o induzido da tampa traseira.




                                                                   INDUZIDO          CARCAÇA DO MOTOR
                                                                                     DE PARTIDA
                                                                                    ESCOVAS/MOLAS
Remova as escovas e molas do suporte de escovas.

Remova o limitador da tampa traseira.




                                                                       LIMITADOR
                                                              HÁ CONTINUIDADE:        ESCOVAS POSITIVAS
Inspecione a continuidade entre o terminal do cabo do motor
de partida e as escovas positivas.

Deve haver continuidade.




                                                              TERMINAL DO CABO DO MOTOR DE PARTIDA


                                                                                               19-7
PARTIDA ELÉTRICA                                                                       SHADOW 750
                                                             TAMPA TRASEIRA       ESCOVAS NEGATIVAS
Inspecione a continuidade entre as escovas positivas e a
tampa traseira.
Não deve haver continuidade.

Inspecione a continuidade entre as escovas negativas e a
tampa traseira.
Deve haver continuidade.

Inspecione a continuidade entre as escovas positivas e
negativas.
Não deve haver continuidade.



                                                                 ESCOVAS POSITIVAS
                                                                                       PARAFUSO
Remova o parafuso e as escovas negativas.




                                                                                     ESCOVAS NEGATIVAS
                                                                 LIMITADOR
                                                                 DO TERMINAL               ISOLANTE
Remova os seguintes componentes:
– Porca do terminal
– Arruela
– Isolante
– Limitador do terminal
– Anel de vedação




                                                             ANEL DE VEDAÇÃO      ARRUELA         PORCA
                                                                                  ESCOVAS POSITIVAS
Remova o parafuso do terminal, as escovas positivas e o
suporte de escovas.

Inspecione o suporte de escovas quanto a trincas ou danos.




                                                             SUPORTE DE ESCOVAS    PARAFUSO DO TERMINAL


19-8
SHADOW 750                                                                         PARTIDA ELÉTRICA


Meça o comprimento de cada escova.


        Limite de Uso                    6,5 mm




                                                                                     INDUZIDO
Inspecione o comutador quanto a danos ou desgaste
anormal.

Inspecione as barras comutadoras quanto a descoloração.
Limpe os resíduos metálicos localizados entre as barras
comutadoras.

NOTA
 Não utilize esmeril ou lixa no comutador.

Substitua o induzido por um novo, se necessário.



                                                          HÁ CONTINUIDADE: BARRAS COMUTADORAS
Inspecione a continuidade entre os pares de barras
comutadoras.
Deve haver continuidade.




                                                          NÃO HÁ
                                                          CONTINUIDADE:    BARRA COMUTADORA
Inspecione a continuidade entre cada barra comutadora
individual e o eixo do induzido.
Não deve haver continuidade.




                                                                EIXO DO INDUZIDO


                                                                                           19-9
PARTIDA ELÉTRICA                                                                          SHADOW 750
                                                                  ROLAMENTO DE ESFERAS         RETENTOR DE PÓ
Inspecione o retentor de pó e o rolamento de esferas quanto
a desgaste ou danos.
Verifique se o rolamento de esferas gira suavemente.




                                                                          BUCHA
Inspecione a bucha da tampa traseira quanto a desgaste ou
danos.




MONTAGEM



                            ANEL DE VEDAÇÃO
                                                 ANEL DE VEDAÇÃO
             4,9 N.m (0,5 kgf.m)                              TAMPA DIANTEIRA

                                                                    ANEL DE VEDAÇÃO
                           PARAFUSO
                           DO TERMINAL                                      CARCAÇA DO
                                                                            MOTOR DE PARTIDA


           INDUZIDO                                                                   ANEL DE VEDAÇÃO




        ESCOVAS POSITIVAS
             3,7 N.m (0,4 kgf.m)
                                                                                          ISOLANTE
       ESCOVAS NEGATIVAS
                                                                                               ARRUELA
                           MOLA
                                    SUPORTE DE                                                  PORCA
                                    ESCOVAS
                                       LIMITADOR

                                   TAMPA TRASEIRA              ANEL DE     LIMITADOR DO TERMINAL
                                                               VEDAÇÃO




19-10
SHADOW 750                                                                             PARTIDA ELÉTRICA

                                                                                SUPORTE DE ESCOVAS
Instale o suporte de escovas, as escovas positivas e o
parafuso do terminal.




                                                              ESCOVAS POSITIVAS   PARAFUSO DO TERMINAL
                                                              LIMITADOR DO TERMINAL           ISOLANTE
Instale um novo anel de vedação, o limitador do terminal, o
isolante e a arruela.




                                                              ANEL DE VEDAÇÃO              ARRUELA
                                                                                          PORCA
Instale e aperte seguramente a porca do terminal.




                                                                    PARAFUSO          ESCOVAS NEGATIVAS
Instale as escovas negativas e o parafuso.
Aperte o parafuso no torque especificado.

Torque: 3,7 N.m (0,4 kgf.m)




                                                                                             19-11
PARTIDA ELÉTRICA                                                                  SHADOW 750
                                                                                      MOLAS
Instale as molas da escova nas ranhuras do suporte de
escovas.

Instale o limitador na tampa traseira.




                                                               LIMITADOR
                                                                                      ESCOVAS
Instale as escovas no suporte de escovas.




                                                               INDUZIDO
Instale o induzido na tampa traseira.




                                                               TAMPA TRASEIRA
                                                                                ANEL DE VEDAÇÃO
Instale um novo anel de vedação na carcaça do motor de
partida.
Instale a carcaça do motor de partida, alinhando sua ranhura
com o limitador da tampa traseira.

NOTA
 A bobina pode ser danificada caso o imã atraia o induzido
 contra a carcaça.




                                                                Alinhe          CARCAÇA DO MOTOR
                                                                                DE PARTIDA


19-12
SHADOW 750                                                                          PARTIDA ELÉTRICA

                                                                                    TAMPA DIANTEIRA
Instale um novo anel de vedação na carcaça do motor de
partida.
Instale a tampa dianteira na carcaça do motor de partida.




                                                                  ANEL DE VEDAÇÃO
                                                                                      Alinhe
Alinhe as marcas de referência na tampa dianteira, na carcaça
do motor de partida e na tampa traseira.




                                                                ANÉIS DE VEDAÇÃO
Instale novos anéis de vedação nos parafusos de montagem.
Instale a aperte os parafusos de montagem no torque
especificado.

Torque: 4,9 N.m (0,5 kgf.m)




                                                                                     PARAFUSOS
                                                                                    ANEL DE VEDAÇÃO
INSTALAÇÃO

Aplique óleo para motor em um novo anel de vedação e
instale-o na ranhura do motor de partida.




                                                                                           19-13
PARTIDA ELÉTRICA                                                                          SHADOW 750
                                                                CABO DO TERRA             MOTOR DE PARTIDA
Instale o motor de partida na carcaça do motor, pelo lado
direito.

Conecte o cabo do terra.

NOTA
 Passe adequadamente o cabo (página 1-20).

Instale e aperte seguramente os parafusos.




                                                                                     PARAFUSOS
                                                                         TAMPA           PORCA DO TERMINAL
Conecte o cabo do motor de partida.

NOTA
 Passe adequadamente o cabo (página 1-20).

Instale e aperte a porca do terminal no torque especificado.

Torque: 10 N.m (1,0 kgf.m)

Feche a tampa do terminal.

Conecte o cabo negativo (–) da bateria (página 17-6).


                                                                      CABO DO MOTOR DE PARTIDA
INTERRUPTOR DO RELÉ DE PARTIDA                                  INTERRUPTOR DO RELÉ DE PARTIDA
INSPEÇÃO
Remova a tampa lateral direita (página 2-4).

Coloque a transmissão em ponto-morto.
Ligue o interruptor de ignição e posicione o interruptor do
motor em “     ”.

Acione o interruptor de partida.
A bobina está normal se o interruptor do relé de partida
emitir um ruído “clique”.

Caso o interruptor não emita um ruído “clique”, inspecione o
interruptor do relé de partida através do procedimento a
seguir.

Voltagem do Relé de Partida

Puxe o interruptor do relé de partida do compartimento da
bateria, mantendo o conector 4P (Vermelho) do interruptor
do relé de partida acoplado.
Coloque a transmissão em ponto-morto.
Ligue o interruptor de ignição e posicione o interruptor do
motor em “      ”.

Meça a voltagem entre o terminal do fio Amarelo/Vermelho
(+) e o terra (–).

Se for indicada a voltagem da bateria quando o interruptor de
partida é acionado, o circuito de alimentação da bobina do
relé está normal.
                                                                CONECTOR 4P (Vermelho)


19-14
SHADOW 750                                                                              PARTIDA ELÉTRICA

                                                               CONECTOR 4P (Vermelho)
Linha do Terra

Desacople o conector 4P (Vermelho) do interruptor do relé de
partida.
Inspecione a continuidade entre o terminal do fio
Verde/Vermelho (linha do terra) e o terra.

O circuito do terra da bobina do relé está funcionando
normalmente se houver continuidade quando a transmissão
estiver em ponto-morto ou quando a embreagem estiver
desengatada e o cavalete lateral retraído (em ponto-morto,
deve ser observada uma pequena resistência devido ao
diodo).



Inspeção de Funcionamento

Remova o interruptor do relé de partida (página 19-15).
Conecte um ohmímetro entre os terminais maiores do
interruptor do relé de partida.

Conecte o cabo positivo (+) de uma bateria de 12 V
completamente carregada ao terminal Amarelo/Vermelho do
interruptor do relé de partida e o cabo negativo (-) ao
terminal Verde/Vermelho.

Deve haver continuidade entre os terminais dos cabos
                                                                Amarelo/Vermelho        Verde/Vermelho
enquanto a bateria estiver conectada, e não deve haver
continuidade quando a bateria estiver desconectada.
                                                               INTERRUPTOR DO RELÉ DE PARTIDA
REMOÇÃO/INSTALAÇÃO

Remova a tampa lateral direita (página 2-4).

Desligue o interruptor de ignição.

Desconecte o cabo negativo (–) da bateria (página 17-6).
Puxe o interruptor do relé de partida do compartimento da
bateria.




                                                               PARAFUSOS ALLEN      CONECTOR 4P (Vermelho)
Desacople o conector 4P (Vermelho) do interruptor do relé de
partida.
Remova os parafusos Allen e os cabos.

A instalação é feita na ordem inversa da remoção.




                                                                                                CABOS


                                                                                                 19-15
PARTIDA ELÉTRICA                                                                      SHADOW 750
                                                         TAMPA DA CAIXA DE FUSÍVEIS

DIODO
INSPEÇÃO

Remova a tampa lateral direita (página 2-4).

Abra a tampa da caixa de fusíveis A.
Remova o diodo.




                                                                                        DIODO
                                                            DIODO
Inspecione a continuidade entre os terminais do diodo.
Quando houver continuidade, deve ser observado um
pequeno valor de resistência.
                                                                                         B
O diodo está funcionando normalmente se houver
continuidade somente em uma direção.

                                                                                 A              C




                                                             A        B      C




19-16
SHADOW 750                                      20.    ILUMINAÇÃO/INSTRUMENTOS/
                                                       INTERRUPTORES


 LOCALIZAÇÃO DOS COMPONENTES       20-2    SENSOR DE RESERVA
                                           DE COMBUSTÍVEL                    20-16
 INFORMAÇÕES DE SERVIÇO            20-3
                                           INDICADOR DE PRESSÃO DE ÓLEO      20-18
 FAROL                             20-5
                                           INTERRUPTOR DE IGNIÇÃO            20-19
 LUZ DE POSIÇÃO                    20-6
                                           INTERRUPTOR DO GUIDÃO             20-20
 SINALEIRA                         20-6
                                           INTERRUPTOR DA LUZ DE FREIO       20-21
 INDICADOR DE FAROL ALTO/RESERVA
 DE COMBUSTÍVEL/SINALEIRA          20-8    INTERRUPTOR DA EMBREAGEM          20-22
 LANTERNA/LUZ DE FREIO             20-8    INTERRUPTOR DE PONTO-MORTO        20-23
 LUZ DA PLACA DE LICENÇA           20-9    INTERRUPTOR DO CAVALETE LATERAL   20-23
 VELOCÍMETRO/SENSOR VS             20-10   BUZINA                            20-25
 INDICADOR DE TEMPERATURA                  RELÉ DA SINALEIRA                 20-25
 DO LÍQUIDO DE ARREFECIMENTO/
 SENSOR ECT                        20-15




                                                                             20-1
ILUMINAÇÃO/INSTRUMENTOS/INTERRUPTORES                                      SHADOW 750


LOCALIZAÇÃO DO SISTEMA




    INTERRUPTOR                             INTERRUPTOR DA LUZ
    ESQUERDO DO GUIDÃO                      DO FREIO DIANTEIRO
                               VELOCÍMETRO
                                                       INTERRUPTOR
                 LUZES INDICADORAS                     DIREITO DO GUIDÃO


 INTERRUPTOR
 DA EMBREAGEM
                                                 SENSOR ECT



                                                   SENSOR DE RESERVA
     RELÉ DA                                       DE COMBUSTÍVEL
     SINALEIRA
                                                 CAIXA DE FUSÍVEIS




   BUZINA


  INTERRUPTOR DA LUZ
  DO FREIO TRASEIRO




             INTERRUPTOR DE          INTERRUPTOR EOP
             PONTO-MORTO                                  SENSOR VS

                         INTERRUPTOR DO
                         CAVALETE LATERAL




20-2
SHADOW 750                                                      ILUMINAÇÃO/INSTRUMENTOS/INTERRUPTORES



INFORMAÇÕES DE SERVIÇO
INFORMAÇÕES GERAIS

NOTA
 Observe o seguinte itens ao substituir a lâmpada halógena do farol:
 • Vista luvas limpas para substituir a lâmpada. Não deixe impressões digitais na lâmpada do farol, pois podem
   causar manchas quentes na lâmpada e provar sua queima prematuramente.
 • Caso você toque a lâmpada com as mãos descobertas, limpe-a utilizando um pano umedecido com álcool a fim de
   evitar desgaste precoce.

• Certifique-se de instalar o protetor de pó após a substituição da lâmpada do farol.
• A lâmpada halógena do farol torna-se muito quente enquanto o farol estiver aceso, e permanece quente por um
  período após o seu desligamento. Certifique-se de que a lâmpada tenha esfriado antes de executar reparos.
• Verifique as condições da bateria antes de executar qualquer inspeção que necessite da correta voltagem da bateria.
• Testes de continuidade podem ser executados com os interruptores instalados na motocicleta.
• Os seguintes códigos de cores são utilizados neste capítulo:

Bu: Azul                      G: Verde                       Lg: Verde claro                 R: Vermelho
Bl: Preto                     Gr: Cinza                      O: Laranja                      W: Branco
Br: Marrom                    Lb: Azul claro                 Y: Amarelo

ESPECIFICAÇÕES

                           Item                                                    Especificação
Lâmpadas            Farol                                                         12 V – 60/55 W
                    Luz de posição                                                   12 V – 5 W
                    Lanterna/luz de freio                                          12 V – 21/5 W
                    Luz da placa de licença                                          12 V – 5 W
                    Sinaleira                                                     12 V – 21 W x 4
                    Iluminação do painel de instrumentos                              LED x 7
                    Indicador da sinaleira                                          12 V – 3,4 W
                    Indicador de farol alto                                         12 V – 3,4 W
                    Indicador de reserva de combustível                             12 V – 3,4 W
                    Indicador de ponto-morto                                            LED
                    Indicador de pressão de óleo                                        LED
                    Indicador de temperatura
                                                                                       LED
                    do líquido de arrefecimento
                    MIL                                                                 LED
                    Indicador do HISS                                                   LED
Fusíveis            Fusível principal                                                  30 A
                    Fusível FI                                                         15 A
                    Fusível secundário                                           10 A x 5, 20 A x 1




                                                                                                              20-3
ILUMINAÇÃO/INSTRUMENTOS/INTERRUPTORES                                                       SHADOW 750


VALORES DE TORQUE

Parafuso de fixação do interruptor de ignição      12 N.m (1,2 kgf.m)
Interruptor de ponto-morto                         12 N.m (1,2 kgf.m)
Parafuso do interruptor do cavalete lateral        10 N.m (1,0 kgf.m)    Parafuso ALOC; substitua-o por um novo.
Parafuso de fixação da buzina                      21 N.m (2,1 kgf.m)
Parafuso Allen de fixação do velocímetro           10 N.m (1,0 kgf.m)
Parafuso do terminal do interruptor EOP            1,9 N.m (0,2 kgf.m)
Parafuso de fixação do farol                       4,1 N.m (0,4 kgf.m)
Porca de fixação da carcaça do farol               12 N.m (1,2 kgf.m)
Parafuso das lentes das sinaleiras                 1 N.m (0,1 kgf.m)
Parafuso Allen de fixação da sinaleira dianteira   5,1 N.m (0,5 kgf.m)
Parafuso Allen de fixação da sinaleira traseira    6,7 N.m (0,7 kgf.m)
Porca de fixação da lanterna/luz de freio          6,3 N.m (0,6 kgf.m)
Parafuso de fixação do sensor VS                   9,8 N.m (1,0 kgf.m)
Sensor de reserva de combustível                   23 N.m (2,3 kgf.m)

FERRAMENTA

Fiação de teste
07GMJ-ML80100




20-4
SHADOW 750                                                     ILUMINAÇÃO/INSTRUMENTOS/INTERRUPTORES



FAROL                                                             CONECTOR         CONECTOR DA
                                                                                   LUZ DE POSIÇÃO
                                                                  DO FAROL
SUBSTITUIÇÃO DA LÂMPADA

Remova os parafusos, os espaçadores e o farol de sua
carcaça.

Desacople os conectores 3P (Branco) do farol e 2P (Branco)
da luz de posição.


                                                                     FAROL        PARAFUSOS/ESPAÇADORES



Remova o protetor de pó.
                                                                                             MARCA “TOP”
                                                                              RETENTOR
Solte o retentor e remova a lâmpada.

NOTA
 Evite tocar na lâmpada halógena do farol. Marcas digitais
 podem criar pontos quentes na lâmpada e provocar sua
 queima prematuramente.

Instale uma nova lâmpada, alinhando suas lingüetas com as
ranhuras no farol.
                                                                                LÂMPADA     PROTETOR DE PÓ
Encaixe o retentor.
Instale o protetor de pó, mantendo sua marca “TOP” voltada
para cima.

Acople os conectores 3P (Branco) do farol e 2P (Branco) da                               CONECTOR DA
luz de posição.                                                                          LUZ DE POSIÇÃO
                                                                     Alinhe

Instale o farol em sua carcaça, alinhando o fixador do farol
com a lingüeta de sua carcaça.
Instale os espaçadores e parafusos.
Aperte os parafusos no torque especificado.

Torque: 4,1 N.m (0,4 kgf.m)

                                                                    FAROL        CONECTOR PARAFUSOS/
                                                                                 DO FAROL ESPAÇADORES



REMOÇÃO/INSTALAÇÃO DA CARCAÇA DO FAROL
                                                                 CARCAÇA DO FAROL
                                                                                                 PRESILHAS
Remova os seguintes componentes:
– Farol (20-5)
– Sinaleira dianteira (página 20-7)

Solte a fiação de suas presilhas.
Remova a fiação da carcaça do farol.




                                                                                                     20-5
ILUMINAÇÃO/INSTRUMENTOS/INTERRUPTORES                                                      SHADOW 750

Remova a porca de fixação, a porca de ajuste, os parafusos e       PORCA DE FIXAÇÃO    PORCA DE AJUSTE
a carcaça do farol de seu suporte.

Instale a carcaça do farol na ordem inversa da remoção.

NOTA
 Passe adequadamente a fiação (página 1-20).

Torque:
Porca de fixação da carcaça do farol    12 N.m (1,2 kgf.m)
                                                                                           PARAFUSOS
Ajuste o facho de luz do farol (página 3-21).                   CARCAÇA DO FAROL




LUZ DE POSIÇÃO
SUBSTITUIÇÃO DA LÂMPADA
                                                                                                 LÂMPADA
Remova o farol (página 20-5).

Remova o soquete da lâmpada da luz de posição.
Remova a lâmpada e substitua-a por uma nova.

A instalação é feita na ordem inversa da remoção.

                                                                                       SOQUETE




SINALEIRA                                                                           LÂMPADA
                                                                                                 LENTE
SUBSTITUIÇÃO DA LÂMPADA

Remova o parafuso e a lente da sinaleira.
Empurre a lâmpada para dentro e gire-a em sentido anti-
horário para removê-la de seu soquete. Em seguida,
substitua-a por uma nova.

Certifique-se de que a junta da lente esteja instalada em sua
correta posição e em boas condições; substitua-a por uma
nova, se necessário.                                             PARAFUSO          JUNTA

Instale a lente, alinhando suas fendas com as lingüetas da
sinaleira.

Instale e aperte o parafuso da lente da sinaleira no torque
especificado.

Torque: 1 N.m (0,1 kgf.m)




20-6
SHADOW 750                                                          ILUMINAÇÃO/INSTRUMENTOS/INTERRUPTORES


REMOÇÃO/INSTALAÇÃO                                                                            CARCAÇA DO FAROL
Dianteira

Remova o farol (página 20-5).

Desacople os conectores 3P da sinaleira.

• Azul claro: conector da sinaleira direita
• Laranja: conector da sinaleira esquerda


                                                                        CONECTORES 3P



Remova os parafusos, os espaçadores e o conjunto da tampa
da sinaleira.
                                                                        SINALEIRA
Remova os parafusos e os suportes A e B da tampa da
sinaleira.
Remova o parafuso Allen e o suporte A da sinaleira.
                                                                              SUPORTE B
A instalação é feita na ordem inversa da remoção.
                                                                                                         PARAFUSO
NOTA                                                                                                     ALLEN

 Passe adequadamente a fiação (página 1-20).
                                                                                    Alinhe
Torque:                                                                                         SUPORTE A
Parafuso Allen de fixação                                                                        PARAFUSOS
da sinaleira dianteira                        5,1 N.m (0,5 kgf.m)

NOTA
 Instale a sinaleira, alinhando sua lingüeta com a fenda do
 suporte A.




                                                                                             CONJUNTO DA TAMPA
Traseira                                                               PARAFUSO ESPAÇADOR
Remova o pára-lama traseiro (página 2-7).

Remova o parafuso Allen e a sinaleira do trilho de fixação.

Instale a sinaleira, alinhando sua lingüeta com a fenda do
trilho de fixação.                                                                               SINALEIRA

NOTA                                                                                            Alinhe
 Passe adequadamente a fiação (página 1-20).

Instale e aperte o parafuso Allen de fixação da sinaleira
traseira no torque especificado.

Torque: 6,7 N.m (0,7 kgf.m)

Instale o pára-lama traseiro (página 2-7).                                 TRILHO DE FIXAÇÃO      PARAFUSO ALLEN




                                                                                                             20-7
ILUMINAÇÃO/INSTRUMENTOS/INTERRUPTORES                                                    SHADOW 750


INDICADOR DE FAROL ALTO/RESERVA DE                              LENTE DO INDICADOR DE
                                                                RESERVA DE COMBUSTÍVEL
                                                                                          LENTE DO
                                                                                          INDICADOR
COMBUSTÍVEL/SINALEIRA                                                                     DA SINALEIRA

SUBSTITUIÇÃO DA LÂMPADA                                          LÂMPADA

Remova a lente do indicador.
Empurre o soquete da lâmpada para baixo e remova-o em
seguida.
Remova a lâmpada e substitua-a por uma nova.
                                                                                        LENTE DO
Instale os componentes removidos na ordem inversa da             SOQUETE       LINGÜETA INDICADOR DE
remoção.                                                                                FAROL ALTO

NOTA
 Instale o soquete da lâmpada, mantendo sua lingüeta
                                                                                JUNTA    PARAFUSOS
 voltada para trás.



LANTERNA/LUZ DE FREIO
SUBSTITUIÇÃO DA LÂMPADA

Remova os parafusos e as lentes da lanterna/luz de freio.

Empurre a lâmpada para dentro e gire-a em sentido anti-                                         LENTE
                                                                            LÂMPADA
horário para removê-la de seu soquete. Em seguida,
substitua-a por uma nova.

Certifique-se de que a junta da lente esteja instalada em sua
correta posição e em boas condições; substitua-a por uma
nova, se necessário.                                               PRESILHAS

Instale os componentes removidos na ordem inversa da
remoção.

REMOÇÃO/INSTALAÇÃO

Remova os seguintes componentes:
– Pára-lama traseiro (página 2-7)
– Luz da placa de licença (página 20-9)

Solte a fiação da lanterna/luz de freio de suas presilhas.




20-8
SHADOW 750                                                      ILUMINAÇÃO/INSTRUMENTOS/INTERRUPTORES


Remova as porcas, os espaçadores e a lanterna/luz de freio.
                                                                                    LANTERNA/LUZ DE FREIO
A instalação é feita na ordem inversa da remoção.

NOTA
 Passe adequadamente a fiação (página 1-20).

Torque:
Porca de fixação da lanterna/luz de freio 6,3 N.m (0,6 kgf.m)


                                                                  PORCAS/ESPAÇADORES




LUZ DA PLACA DE LICENÇA                                                  TAMPA DA LUZ DA PLACA DE LICENÇA

SUBSTITUIÇÃO DA LÂMPADA

Remova os parafusos e tampa da luz da placa de licença.

Remova a lâmpada e substitua-a por uma nova.
Certifique-se de que a junta da lente esteja instalada em sua
correta posição e em boas condições; substitua-a por uma
nova, se necessário.

                                                                    LÂMPADA     JUNTA         PARAFUSOS
Instale os componentes removidos na ordem inversa da
remoção.


REMOÇÃO                                                               CONJUNTO DA LUZ DA PLACA DE LICENÇA

Remova as porcas, os espaçadores, a borracha e o conjunto           ESPAÇADOR
da luz da placa de licença.

Desacople o conector 2P (Branco) da luz da placa de licença.




                                                                                                  BORRACHA
                                                                    PORCAS
                                                                                       CONECTOR 2P (Branco)




                                                                                                    20-9
ILUMINAÇÃO/INSTRUMENTOS/INTERRUPTORES                                                             SHADOW 750


DESMONTAGEM/MONTAGEM

Remova a luz da placa de licença (página 20-9).

Remova os parafusos, o suporte da placa de licença, o
suporte da base e o conjunto do suporte/base da luz da placa
de licença.
Remova as porcas e a base da luz da placa de licença.

A montagem é feita na ordem inversa da desmontagem.


                                                               BASE DA LUZ DA
                                                               PLACA DE LICENÇA


                             SUPORTE




                                                                                           SUPORTE DA
                                                                                           PLACA DE LICENÇA

                  SUPORTE DA BASE




                         SUPORTE DA LUZ DA
                         PLACA DE LICENÇA

                                                                              PARAFUSOS

INSTALAÇÃO

A instalação é feita na ordem inversa da remoção.



VELOCÍMETRO/SENSOR VS
INSPEÇÃO DA LINHA DE ALIMENTAÇÃO/TERRA

Remova o conjunto do velocímetro (página 20-12).
                                                                                  Br
Linha de Entrada de Alimentação

Meça a voltagem entre o terminal do fio Marrom (+) do
conector 12P do velocímetro e o terra (-).
Deve ser indicada a voltagem da bateria quando o interruptor
de ignição estiver ligado.

Caso não haja voltagem, execute as seguintes inspeções:
– Fio Marrom quanto a circuito aberto                                CONECTOR 12P DO VELOCÍMETRO
– Fusível secundário 10 A (painel de instrumentos) queimado          (Lado da fiação dos terminais fêmeas)




20-10
SHADOW 750                                                        ILUMINAÇÃO/INSTRUMENTOS/INTERRUPTORES


Linha do Terra
                                                                                      G/Bl
Inspecione a continuidade entre o terminal do fio Verde/Preto
e o terra.
Deve haver continuidade em todas as situações.
Caso não haja continuidade, inspecione quanto a circuito
aberto no fio Verde/Preto.




                                                                    CONECTOR 12P DO VELOCÍMETRO
                                                                    (Lado da fiação dos terminais fêmeas)




Linha de Voltagem Auxiliar
                                                                   CONECTOR 12P DO VELOCÍMETRO
                                                                   (Lado da fiação dos terminais fêmeas)
Inspecione esta linha caso o hodômetro/hodômetro parcial
não funcione corretamente.
Meça a voltagem entre o terminal do fio Rosa (+) e o terra (-).
Deve haver a voltagem da bateria em todas as situações.
                                                                                     P
Caso não haja voltagem, execute as seguintes inspeções:
– Circuito aberto no fio Rosa
– Fusível secundário 10 A (Hodômetro) queimado
– Circuito aberto no fio Vermelho entre a caixa de fusíveis e a
  bateria




INSPEÇÃO DO VELOCÍMETRO
                                                                   CONECTOR 12P DO VELOCÍMETRO
                                                                   (Lado da fiação dos terminais fêmeas)
O velocímetro não funciona

Inspecione se os indicadores funcionam adequadamente.
Caso não funcionem, inspecione a linha de alimentação/terra
(página 20-10).                                                                    G/Bl

Remova o conjunto do velocímetro (página 20-12).

Apóie seguramente a motocicleta e levante a roda traseira do
solo.                                                                                 P/G
Coloque a transmissão em ponto-morto e ligue o interruptor
de ignição.

Meça a voltagem entre os terminais dos fios Rosa/Verde (+) e
Verde/Preto (-) do conector do velocímetro.
Gire lenta e manualmente a roda traseira.
Deve ser indicado um pulso de voltagem oscilando entre 0 e
5 V.

• Caso o pulso de voltagem seja indicado, substitua o
  velocímetro.
• Caso o pulso de voltagem não seja indicado, execute as
  seguintes inspeções:
  – Fio Rosa/Verde quanto a circuito aberto ou curto-circuito.
  – Fio Verde/Preto quanto a circuito aberto.
    Se a fiação estiver normal, inspecione o sensor VS (página
    20-13).




                                                                                                            20-11
ILUMINAÇÃO/INSTRUMENTOS/INTERRUPTORES                                                   SHADOW 750
                                                                    CONJUNTO DO VELOCÍMETRO
INSTALAÇÃO/REMOÇÃO DO VELOCÍMETRO

Remova os parafusos e o conjunto do velocímetro do tanque
de combustível.

Remova o protetor de pó e desacople o conector 12P do
velocímetro.




                                                               PARAFUSOS     CONECTOR 12P/PROTETOR DE PÓ
                                                                     INTERRUPTOR DO HODÔMETRO PARCIAL
Remova os parafusos, a tampa do interruptor e o interruptor
do hodômetro parcial.




                                                               PARAFUSOS                     TAMPA
                                                                PRESILHA                      VELOCÍMETRO
Remova os parafusos, a presilha, o velocímetro e o anel de
vedação.

Certifique-se de que o anel de vedação esteja em boas
condições. Substitua-o se necessário.




                                                              ANEL DE VEDAÇÃO   PARAFUSOS


Instale os componentes removidos na tampa do velocímetro
                                                               PRESILHA    ANEL DE VEDAÇÃO   VELOCÍMETRO
na ordem inversa da remoção.

NOTA
                                                              TAMPA DO
 Instale o interruptor do hodômetro parcial, mantendo sua     INTERRUPTOR
 guia voltada para baixo.




                                                              INTERRUPTOR DO    GUIA
                                                              HODÔMETRO PARCIAL




20-12
SHADOW 750                                                     ILUMINAÇÃO/INSTRUMENTOS/INTERRUPTORES


Acople o conector 12P do velocímetro e instale o protetor de
                                                                                                 CONECTOR 12P
pó.

Instale o conjunto do velocímetro sobre o tanque de
combustível, alinhando a lingüeta do tanque de combustível
com a fenda do painel de instrumentos.
                                                                PARAFUSOS
Instale e aperte os parafusos no torque especificado.

Torque: 10 N.m (1,0 kgf.m)


                                                                               PROTETOR DE PÓ


                                                                                           CONECTOR 3P (Branco)
INSPEÇÃO DO SENSOR VS

Remova a tampa lateral esquerda (página 2-4).

Desacople o conector 3P (Branco) do sensor VS.




Ligue o interruptor de ignição e meça a voltagem no conector
3P (Branco), no lado da fiação.
                                                                 CONECTOR 3P DO SENSOR VS
                                                                 (Lado da fiação dos terminais fêmeas)
Conexão: Marrom (+) – Verde/Preto (-)

Deve ser indicada a voltagem da bateria.

Caso não haja voltagem, inspecione quanto a circuito aberto                        Br     G/Bl
nos fios Marrom e Verde/Preto.

Apóie seguramente a motocicleta e levante a roda traseira do
solo.

Conecte a fiação de teste no conector 3P (Branco) do sensor
VS.

Ferramenta:                                                      CONECTOR 3P (Branco)
Fiação de teste                            07GMJ-ML80100

Meça a voltagem entre o terminal Vermelho (+) e o terminal
Branco (-).

Conexão: terminal Vermelho (+) – terminal Branco (-)
Padrão: oscilando entre 0 e 5 V

Coloque a transmissão em ponto-morto e ligue o interruptor
de ignição.
Gire lenta e manualmente a roda traseira.
Caso o pulso de voltagem não seja indicado, substitua o
sensor VS.
                                                                 FIAÇÃO DE TESTE


                                                                                                         20-13
ILUMINAÇÃO/INSTRUMENTOS/INTERRUPTORES                                                       SHADOW 750

                                                                       CONECTOR 3P (Branco)
SUBSTITUIÇÃO DO SENSOR VS

Remova os seguintes componentes:
– Tampa lateral esquerda (página 2-4)
– Tampa traseira esquerda da carcaça do motor (página 2-4)

Solte a cinta da fiação e desacople o conector 3P (Branco) do
sensor VS.




                                                                                        CINTA DA FIAÇÃO
                                                                PRESILHAS               CINTA DA FIAÇÃO
Solte a fiação do sensor VS de suas presilhas e da cinta da
fiação.

Remova o parafuso e o sensor VS da carcaça do motor.




                                                                               PARAFUSO         SENSOR VS
                                                                                           ANEL DE VEDAÇÃO
Cubra um novo anel de vedação com óleo para motor e
instale-o na ranhura do sensor VS.

Instale o sensor VS, juntamente com o parafuso de fixação.

NOTA
 Passe adequadamente a fiação do sensor VS (página 1-
 20).

Aperte o parafuso de fixação no torque especificado.

Torque: 9,8 N.m (1,0 kgf.m)
                                                                            SENSOR VS
Instale os componentes removidos na ordem inversa da
remoção.




20-14
SHADOW 750                                                         ILUMINAÇÃO/INSTRUMENTOS/INTERRUPTORES



INDICADOR DE TEMPERATURA DO
LÍQUIDO DE ARREFECIMENTO/SENSOR
ECT
INSPEÇÃO

A temperatura do líquido de arrefecimento está muito alta,
mas o indicador não acende

Certifique-se de que os indicadores de ponto-morto e pressão                     INDICADOR DE TEMPERATURA
de óleo funcionam adequadamente.                                                 DO LÍQUIDO DE ARREFECIMENTO

Caso não funcionem, inspecione a linha de entrada de
alimentação do velocímetro (página 20-10).

Remova as tampas laterais da coluna de direção (página 2-4).

Desacople o conector 3P (Cinza) do sensor ECT.
Aterre o fio Verde/Azul do conector 3P (Cinza) do sensor ECT
utilizando um jumper.
Ligue o interruptor de ignição e inspecione o indicador de
temperatura do líquido de arrefecimento.

• Caso o indicador acenda, inspecione o sensor ECT (página
  5-51).
• Caso o indicador não acenda, inspecione quanto a circuito
  aberto no fio Verde/Azul. Se o fio estiver normal, substitua o
  velocímetro (página 20-12).                                               CONECTOR 3P (Cinza)

A temperatura do líquido de arrefecimento está normal, mas
o indicador acende

Remova as tampas laterais da coluna de direção (página 2-4).

Desacople o conector 3P (Cinza) do sensor ECT.

Ligue o interruptor de ignição e inspecione o indicador de
temperatura do líquido de arrefecimento.

• Caso o indicador não acenda, inspecione o sensor ECT
  (página 20-16).
• Caso o indicador acenda, inspecione quanto a curto-circuito
  no fio Verde/Azul. Se o fio estiver normal, substitua o
                                                                           CONECTOR 3P (Cinza)
  velocímetro (página 20-12).




                                                                                                  20-15
ILUMINAÇÃO/INSTRUMENTOS/INTERRUPTORES                                                    SHADOW 750


INSPEÇÃO DO SENSOR ECT
                                                                                          TERMÔMETRO
Drene o líquido de arrefecimento do sistema (página 6-7).
Remova o sensor ECT (página 5-51).

Aqueça o líquido de arrefecimento utilizando um aquecedor
elétrico.
Mergulhe o sensor ECT em um recipiente contendo líquido
de arrefecimento sobre um aquecedor elétrico e inspecione a
continuidade no sensor, à medida em que a temperatura do
líquido de arrefecimento se eleva.

c
 • Vista luvas isolantes e óculos de proteção adequados.
 • Mantenha materiais inflamáveis afastados do
   aquecedor elétrico.
                                                                       SENSOR ECT

NOTA
                                                                .
 • Mergulhe o sensor ECT em líquido de arrefecimento até
  atingir suas roscas, mantendo uma altura mínima de 40
  mm entre o fundo do recipiente e o sensor.
 • Mantenha a temperatura constante por pelo menos 3
  minutos antes de executar o teste. Uma repentina
  mudança de temperatura resultará em leituras
  incorretas. Não permita que o termômetro ou o sensor
                                                                    TERMINAL DO SENSOR
  ECT encostem no recipiente


Conexão: Verde/Azul – Terra

 Temperatura           50°C           80°C          120°C
 Resistência       6,8 – 7,4 kΩ   2,1 – 2,7 kΩ   0,6 – 0,8 kΩ

Substitua o sensor ECT caso os valores de resistência
estejam diferente do especificado.

Instale o sensor ECT (página 5-51).


SENSOR DE RESERVA DE COMBUSTÍVEL
INSPEÇÃO

O tanque de combustível está vazio, mas o indicador não
acende
                                                                                         JUMPER
Desacople os conectores do sensor de reserva de combustível.
Faça um curto-circuito entre os terminais dos fios Preto/Verde
claro e Verde, no lado da fiação, utilizando um jumper.
Ligue o interruptor de ignição e inspecione o indicador de
reserva de combustível.

• Caso o indicador acenda, substitua sensor de reserva de
  combustível (página 20-18).
• Caso o indicador não acenda, inspecione a voltagem no
  conector 4P do indicador de reserva de combustível/farol
  alto, como indicado a seguir.                                      CONECTORES




20-16
SHADOW 750                                                       ILUMINAÇÃO/INSTRUMENTOS/INTERRUPTORES


Remova o farol (página 20-5).
                                                                   CONECTOR 4P (Branco)
Acople os conectores do sensor de reserva de combustível.
Desligue o interruptor de ignição.

Desacople o conector 4P (Branco) do indicador de reserva de
combustível/farol alto.




Meça a voltagem entre os terminais dos fios Marrom (+) e               CONECTOR 4P DO INDICADOR DE RESERVA
Preto/Verde claro (-) do conector, no lado da fiação.                  DE COMBUSTÍVEL/FAROL ALTO
                                                                       (Lado da fiação dos terminais fêmeas)
Ligue o interruptor de ignição.

• Caso seja indicada a voltagem da bateria, inspecione quanto
  a circuito aberto nos fios Marrom ou Verde claro/Vermelho
  entre o conector 4P do indicador de reserva de combustível/                             Br
  farol alto e a lâmpada do indicador de reserva de
  combustível. Se a fiação estiver normal, substitua a lâmpada
  do indicador de reserva de combustível (página 20-8).
• Caso não haja voltagem, inspecione quanto a circuito aberto                                  Bl/Lg
  no fio Marrom ou Preto/Verde claro.



Há combustível suficiente no tanque, mas o indicador
permanece aceso

Desligue o interruptor de ignição.
                                                                                                Bl/Lg
Desacople os conectores do sensor de reserva de
combustível.

Inspecione a continuidade entre o fio Preto/Verde claro e o
terra.

• Caso haja continuidade, inspecione quanto a curto-circuito
  no fio Preto/Verde claro.
• Caso não haja continuidade, substitua o sensor de reserva
  de combustível (página 20-18).




                                                                                                        20-17
ILUMINAÇÃO/INSTRUMENTOS/INTERRUPTORES                                                   SHADOW 750
                                                                SENSOR DE RESERVA DE COMBUSTÍVEL
REMOÇÃO/INSTALAÇÃO

Remova o tanque de combustível (página 5-40).

Drene o combustível em um recipiente aprovado.
Remova o sensor de reserva de combustível e o anel de
vedação.




                                                                    ANEL DE VEDAÇÃO
                                                                SENSOR DE RESERVA DE COMBUSTÍVEL
Instale um novo anel de vedação no sensor de reserva de
combustível.
Instale e aperte o sensor de reserva de combustível no torque
especificado.

Torque: 23 N.m (2,3 kgf.m)

Instale o tanque de combustível (página 5-40).

NOTA
 Após a instalação do tanque de combustível, certifique-se
 de que não haja vazamentos de combustível.

                                                                                      ANEL DE VEDAÇÃO


INDICADOR DE PRESSÃO DE ÓLEO
INSPEÇÃO

O indicador não funciona com o interruptor de ignição ligado

Certifique-se de que os indicadores de temperatura do líquido
de arrefecimento e de ponto-morto funcionam
adequadamente.

Caso não funcionem adequadamente, inspecione a linha de
entrada de alimentação do velocímetro (página 20-10).           INDICADOR DE PRESSÃO DE ÓLEO


                                                                CAPA DE BORRACHA         INTERRUPTOR EOP
Remova a tampa traseira esquerda da carcaça do motor
(página 2-4).

Remova a capa de borracha e desconecte a fiação do
interruptor EOP, removendo o parafuso do terminal.
Aterre o terminal do fio.
Ligue o interruptor de ignição e inspecione o indicador de
pressão de óleo.

• Caso o indicador funcione, substitua o interruptor EOP.
• Caso o indicador não funcione, inspecione quanto a circuito
  aberto no fio Azul/Vermelho. Se o fio estiver normal,
  substitua o velocímetro (página 20-12).
                                                                                PARAFUSO DO TERMINAL


20-18
SHADOW 750                                                       ILUMINAÇÃO/INSTRUMENTOS/INTERRUPTORES

                                                                  CAPA DE BORRACHA           INTERRUPTOR EOP
O indicador permanece aceso enquanto o motor estiver em
funcionamento

Remova a capa de borracha e desconecte a fiação do
interruptor EOP, removendo o parafuso do terminal.
Inspecione a continuidade entre o terminal do fio e o terra.

• Caso haja continuidade, inspecione quanto a curto-circuito
  no fio Azul/Vermelho.
• Caso não haja continuidade, inspecione a pressão de óleo
  (página 4-5).
  Se a pressão de óleo estiver normal, substitua o interruptor
  EOP.
                                                                                  PARAFUSO DO TERMINAL
Após a inspeção, conecte a fiação do interruptor EOP e aperte
o parafuso do terminal no torque especificado.

Torque: 1,9 N.m (0,2 kgf.m)

Instale adequadamente a capa de borracha.

Instale a tampa traseira esquerda da carcaça do motor
(página 2-4).




                                                                      CONECTOR 2P (Branco)


INTERRUPTOR DE IGNIÇÃO
INSPEÇÃO

Remova a tampa lateral esquerda (página 2-4).

Desacople o conector 2P (Branco) do interruptor de ignição.

Inspecione a continuidade entre os terminais do conector, no
lado do interruptor, em cada posição do interruptor.
Deve haver continuidade entre os fios com os seguintes
códigos de cores, como mostra a tabela.

                IG    BAT 1                                           CONECTOR 2P (Branco)
 Ligado         O      O
 Desligado
 Cor           R/Bl    R

REMOÇÃO/INSTALAÇÃO

Remova o receptor do imobilizador (página 21-16).

Desacople o conector 2P (Branco) do interruptor de ignição.




                                                                                                  20-19
ILUMINAÇÃO/INSTRUMENTOS/INTERRUPTORES                                                        SHADOW 750
                                                                                INTERRUPTOR DE IGNIÇÃO/
                                                                                ESPAÇADOR/BASE DO INTERRUPTOR
Remova os parafusos de fixação e o conjunto do interruptor
de ignição.
Remova os parafusos, o interruptor de ignição, o espaçador e
a base do interruptor de seu suporte.

Instale a base do interruptor, o interruptor de ignição e o
espaçador em seu suporte.
Aperte os novos parafusos no torque especificado.

Torque: 12 N.m (1,2 kgf.m)

NOTA
 As cabeças dos parafusos de fixação do interruptor de
 ignição quebram-se ao apertar os parafusos no torque               PARAFUSOS            PARAFUSOS DE FIXAÇÃO
 especificado.

                                                                                      ESPAÇADOR
Instale o conjunto do interruptor de ignição no chassi.
                                                                                            BASE DO
Instale e aperte seguramente os parafusos de fixação.                                       INTERRUPTOR

Passe adequadamente a fiação do interruptor de ignição
(página 1-20).

Acople o conector 2P (Branco) do interruptor de ignição.
                                                                            SUPORTE
Instale o receptor do imobilizador (página 21-16).
Para procedimentos de registro de chaves (quando o                   PARAFUSOS DE FIXAÇÃO
interruptor de ignição estiver defeituoso), consulte página 21-5.
                                                                                 INTERRUPTOR DE IGNIÇÃO

INTERRUPTOR DO GUIDÃO
Remova o farol (página 20-5).
                                                                                               CONECTOR 6P
                                                                                               (Vermelho)
Desacople os seguintes conectores:
– Conector 9P (Preto) do interruptor esquerdo do guidão
– Conector 6P (Vermelho) do interruptor direito do guidão
– Conector 2P (Preto) do comutador do farol

Inspecione a continuidade entre os terminais do conector, em
todas as posições do interruptor.
Deve haver continuidade entre os fios com os seguintes
códigos de cores, como mostram as tabelas.
                                                                     CONECTOR 9P           CONECTOR 2P
INTERRUPTOR DIREITO DO GUIDÃO                                        (Preto)               (Preto)

Interruptor do Motor
         IG    BAT2
                                                                                            INTERRUPTOR
         O      O                                                                           DO MOTOR)
Cor     Bl/W   Bl/G

Interruptor de Partida
                ST       IG   BAT1   HL
 Solto                         O     O
 Pressionado     O      O
 Cor            Y/R    Bl/W   Bl/R Bu/W
                                                                                               INTERRUPTOR
                                                                                               DE PARTIDA




20-20
SHADOW 750                                                       ILUMINAÇÃO/INSTRUMENTOS/INTERRUPTORES


INTERRUPTOR ESQUERDO DO GUIDÃO                                     COMUTADOR DO FAROL
Interruptor da Sinaleira
         W      R       L
R        O      O
N
L        O              O
Cor      Gr     Lb      O

Interruptor da Buzina
                                                                   INTERRUPTOR                 INTERRUPTOR
               Ho    BAT3                                          DA SINALEIRA                DA BUZINA
Solto
Pressionado    O      O
Cor            Lg    W/G

Comutador do Farol
        HL      Lo      Hi
Lo      O       O
(N)     O       O       O
Hi      O               O
Cor    Bu/W     W       Bu




INTERRUPTOR DA LUZ DE FREIO
FREIO DIANTEIRO

Desacople os conectores do interruptor da luz de freio e
inspecione a continuidade entre os terminais da fiação.

Deve haver continuidade quando a alavanca do freio estiver
acionada, e não deve haver continuidade quando a alavanca
estiver solta.




FREIO TRASEIRO

Remova as tampas laterais da coluna de direção (página 2-4).

Desacople o conector 3P (Cinza) do interruptor da luz do freio
traseiro.




                                                                         CONECTOR 3P (Cinza)


                                                                                                  20-21
ILUMINAÇÃO/INSTRUMENTOS/INTERRUPTORES                                                          SHADOW 750

Inspecione a continuidade entre os terminais do conector, no
lado do interruptor.

Deve haver continuidade quando o pedal do freio estiver
acionado, e não deve haver continuidade quando o pedal
estiver solto.




                                                                 CONECTOR 3P DO INTERRUPTOR DA LUZ
                                                                 DO FREIO TRASEIRO
                                                                 (Lado do interruptor dos terminais fêmeas)


                                                                 CINTA DA FIAÇÃO
REMOÇÃO/INSTALAÇÃO DO INTERRUPTOR DA LUZ
DO FREIO TRASEIRO

Remova as tampas laterais da coluna de direção (página 2-4).

Remova a cinta da fiação e desacople o conector 3P (Cinza)
do interruptor da luz do freio traseiro.




                                                                                  CONECTOR 3P (Cinza)
                                                                        INTERRUPTOR DA LUZ DO FREIO TRASEIRO
Solte a mola de retorno e remova o interruptor da luz do freio
traseiro.

A instalação é feita na ordem inversa da remoção.

NOTA
 Passe adequadamente a fiação (página 1-20).

Ajuste o interruptor da luz do freio traseiro (página 3-21).




                                                                 MOLA DE RETORNO


INTERRUPTOR DA EMBREAGEM
Desacople os conectores do interruptor da embreagem e
inspecione a continuidade entre os terminais do interruptor.

Deve haver continuidade quando a alavanca da embreagem
estiver acionada, e não deve haver continuidade quando a
alavanca estiver solta.




20-22
SHADOW 750                                                     ILUMINAÇÃO/INSTRUMENTOS/INTERRUPTORES

                                                                             INTERRUPTOR DE PONTO-MORTO

INTERRUPTOR DE PONTO-MORTO
Remova a tampa traseira esquerda da carcaça do motor
(página 2-4).

INSPEÇÃO

Desacople o conector do interruptor de ponto-morto.
Inspecione a continuidade entre o terminal do interruptor de
ponto-morto e o terra.

Deve haver continuidade quando a transmissão estiver
colocada em ponto-morto, e não deve haver continuidade
                                                                                   CONECTOR
quando a transmissão estiver engatada em qualquer marcha
                                                                INTERRUPTOR DE
que não seja o ponto-morto.                                     PONTO-MORTO          ARRUELA DE VEDAÇÃO

SUBSTITUIÇÃO

Desacople o conector do interruptor de ponto-morto.
Remova o interruptor de ponto-morto, juntamente com a
arruela de vedação, da carcaça do motor.

Instale o interruptor de ponto-morto, juntamente com uma
nova arruela de vedação, e aperte-o no torque especificado.

Torque: 12 N.m (1,2 kgf.m)

Acople o conector do interruptor de ponto-morto.
                                                                                        CONECTOR
Instale a tampa traseira esquerda da carcaça do motor
                                                                       CONECTOR 2P (Verde)
(página 2-4).


INTERRUPTOR DO CAVALETE LATERAL
INSPEÇÃO

Remova a tampa traseira esquerda da carcaça do motor
(página 2-4).

Desacople o conector 2P (Verde) do interruptor do cavalete
lateral.
Inspecione a continuidade entre os terminais do conector, no
lado do interruptor.

Deve haver continuidade somente quando o cavalete lateral
estiver recolhido, e não deve haver continuidade quando o
cavalete lateral estiver abaixado.




                                                                                              20-23
ILUMINAÇÃO/INSTRUMENTOS/INTERRUPTORES                                                       SHADOW 750
                                                                 BRAÇADEIRA DA FIAÇÃO
REMOÇÃO/INSTALAÇÃO

Remova os seguintes componentes:
– Tampa lateral esquerda (página 2-4)
– Tampa traseira esquerda da carcaça do motor (página 2-4)

Apóie seguramente a motocicleta.

Solte a braçadeira da fiação e desacople o conector 2P
(Verde) do interruptor do cavalete lateral.




                                                                                          CONECTOR 2P (Verde)
                                                                                        BRAÇADEIRA DA FIAÇÃO
Solte a fiação do interruptor do cavalete lateral de sua
braçadeira e de suas presilhas.




                                                                                        PRESILHAS
                                                                      PARAFUSO
Remova o parafuso e o interruptor do cavalete lateral.

NOTA
 Não reutilize o parafuso do interruptor do cavalete lateral.




                                                                         INTERRUPTOR DO CAVALETE LATERAL
                                                                              Alinhe
Instale o interruptor do cavalete lateral, alinhando seu pino
com o orifício do cavalete lateral, e a ranhura do interruptor
com o pino do suporte.




                                                                                           Alinhe


20-24
SHADOW 750                                                        ILUMINAÇÃO/INSTRUMENTOS/INTERRUPTORES

                                                                         PARAFUSO
Instale um novo parafuso no interruptor do cavalete lateral.
Aperte o parafuso no torque especificado.

Torque: 10 N.m (1,0 kgf.m)

Instale os componentes removidos na ordem inversa da
remoção.

NOTA
 Passe adequadamente a fiação do interruptor do cavalete
 lateral (página 1-20).



BUZINA                                                             CONECTORES
INSPEÇÃO

Desacople os conectores da buzina.
Conecte uma bateria de 12 V diretamente aos terminais da
buzina.

A buzina está normal se emitir som quando a bateria de 12 V
estiver conectada aos seus terminais.


REMOÇÃO/INSTALAÇÃO                                                                              BATERIA

Desacople os conectores da buzina.

Remova o parafuso e a buzina.                                            CONECTORES                   BUZINA

Instale a buzina no chassi, alinhando sua superfície lisa com o
suporte da buzina.
Instale e aperte o parafuso no torque especificado.

Torque: 21 N.m (2,1 kgf.m)

Acople os conectores.


RELÉ DA SINALEIRA
A sinaleira não funciona

Remova o farol (página 20-5).                                         PARAFUSO               Alinhe
                                                                      RELÉ DA SINALEIRA
Remova o relé da sinaleira e seu suporte.
Remova a capa de borracha e desacople o conector.
Conecte os terminais dos fios Branco/Verde e Cinza do
conector, no lado da fiação, utilizando um jumper.
Ligue o interruptor de ignição e inspecione o funcionamento
das sinaleiras, acionando seu interruptor.

• Caso a sinaleira não funcione, inspecione quanto a circuito
  aberto nos fios Branco/Verde e Cinza.
• Caso a sinaleira funcione, inspecione os terminais do
  conector quanto a mau-contato ou terminais corroídos.
  Se os terminais do conector estiverem em boas condições,
  substitua o relé da sinaleira.
                                                                        CONECTOR          CAPA DE BORRACHA


                                                                                                20-25
ILUMINAÇÃO/INSTRUMENTOS/INTERRUPTORES       SHADOW 750


                                    NOTAS




20-26
SHADOW 750      21. SISTEMA IMOBILIZADOR (HISS)
 LOCALIZAÇÃO DO SISTEMA     21-2   DIAGNOSE DE DEFEITOS        21-9
 DIAGRAMA DO SISTEMA        21-2   INDICADOR DO IMOBILIZADOR   21-12
 INFORMAÇÕES DE SERVIÇO     21-3   ECM                         21-13
 PROCEDIMENTO DE REGISTRO          RECEPTOR IMOBILIZADOR       21-14
 DE CHAVES                  21-4
 INDICAÇÃO DO CÓDIGO DE
 DIAGNÓSTICO                21-7




                                                               21-1
SISTEMA IMOBILIZADOR (HISS)                                                                               SHADOW 750


LOCALIZAÇÃO DO SISTEMA
                        INTERRUPTOR DO MOTOR
           SENSOR DE
           INCLINAÇÃO DO CHASSI              CAIXA DE FUSÍVEIS A
                                             • FUSÍVEL SECUNDÁRIO, 10 A
                                               (IGNIÇÃO, PARTIDA, INSTRUMENTOS)
                                                                         CAIXA DE FUSÍVEIS B
                                                                         • FUSÍVEL FI, 15 A
                                                                                FUSÍVEL PRINCIPAL, 30 A

                                                                                         BATERIA




                SENSOR CKP
                           INTERRUPTOR DE IGNIÇÃO/
                           RECEPTOR IMOBILIZADOR                     ECM

                                                     RELÉ DE PARADA DO MOTOR


DIAGRAMA DO SISTEMA
                FUSÍVEL SECUNDÁRIO, 10 A (HODÔMETRO)
                                                                                                              R: Vermelho
                                          INTERRUPTOR DE IGNIÇÃO
                                                                                                              BI: Preto
                FUSÍVEL SECUNDÁRIO,
                10 A (IGNIÇÃO, PARTIDA)                                                                       Bu: Azul
                                                                                                              Y: Amarelo
                                          RELÉ DE PARADA     FUSÍVEL FI, 15 A                                 G: Verde
                                          DO MOTOR
                                                                                                              W: Branco
                         SENSOR DE
                        INCLINAÇÃO
                                                                                                              O: Laranja
                         DO CHASSI                                                                            P: Rosa

 INDICADOR DO                                                  RECEPTOR
 IMOBILIZADOR                        3P
                                     3P                      IMOBILIZADOR
                                     (Preto)                                                    FUSÍVEL PRINCIPAL, 30 A



                                 INTERRUPTOR                               4P
                                 DO MOTOR




                                                                                                BATERIA




                 SENSOR CKP

                                                            ECM




21-2
SHADOW 750                                                                       SISTEMA IMOBILIZADOR (HISS)



INFORMAÇÕES DE SERVIÇO
INFORMAÇÕES GERAIS

• Ao inspecionar o sistema imobilizador (HISS), siga as etapas da tabela de diagnose de defeitos (página 21-9).
• Mantenha a chave imobilizadora afastada de chaves imobilizadoras de outros veículos durante sua utilização. Pode
  ocorrer o bloqueio do sinal do código da chave, prejudicando o correto funcionamento do sistema.
• A chave possui um componente eletrônico incorporado (transponder). Não a deixe cair, chocar-se com outros objetos
  ou permanecer em locais no veículo onde a temperatura atinja níveis elevados. Não deixe a chave em contato
  prolongado com a água como, por exemplo, ao lavar as roupas.
• O módulo de controle do motor (ECM), bem como a chave codificada devem ser substituídos caso se percam todas as
  chaves codificadas.
• O sistema não funciona utilizando-se uma chave duplicada a não ser que o código seja registrado no transponder
  através do sistema imobilizador (HISS).
• O ECM pode armazenar até quatro chaves codificadas (as quatro chaves podem ser registradas).
• Não modifique o sistema imobilizador pois poderá causar falhas no sistema (o motor poderá não dar partida).
• Para inspeção no sistema de ignição, consulte a página 18-5.
• Para reparos no interruptor de ignição, consulte a página 20-19.
• Para inspeção do sistema do interruptor do motor, consulte a página 20-20.
• Para inspeção no sistema do sensor de inclinação do chassi, consulte a página 5-52.

FERRAMENTAS

Adaptador de inspeção                 Fiação de teste 33P do ECM
07XMZ-MBW0101                         070MZ-MCA0100




                                                                                                          21-3
SISTEMA IMOBILIZADOR (HISS)                                                                             SHADOW 750


PROCEDIMENTOS DE REGISTRO DE CHAVES
Quando perder uma chave ou quando uma chave-reserva for solicitada

 1. Obtenha uma nova chave codificada.

 2. Desgaste a chave de acordo com o formato da chave original.

 3. Aplique a voltagem da bateria às linhas do sensor CKP do ECM, utilizando a ferramenta especial (página 21-7).

 4. Ligue o interruptor de ignição, utilizando a chave original, e posicione o interruptor do motor “   ”. O indicador do
    imobilizador acenderá e permanecerá aceso.

  • O código da chave original foi reconhecido pelo ECM.
  • Se houver algum problema no sistema imobilizador (HISS), este automaticamente entrará em modo de diagnóstico
    e o indicador permanecerá aceso por aproximadamente dez segundos. Em seguida, o sistema indicará o código de
    diagnóstico (página 21-7).

 5. Desconecte a presilha vermelha do adaptador de inspeção do terminal positivo (+) da bateria por um período de dois
    segundos ou superior e conecte-a novamente. O indicador permanecerá aceso por aproximadamente dois segundos
    e piscará repetidamente por quatro vezes.
                                LIGADO
                           DESLIGADO

                                                2 segundos
  • O sistema imobilizador (HISS) entrou em modo de registro. O registro de todas as chaves, exceto a chave original
    inserida no interruptor de ignição foi cancelado (o registro da chave perdida ou das chaves-reserva foi cancelado).

   A chave-reserva deve ser registrada novamente.

 6. Desligue o interruptor de ignição e remova a chave.

 7. Ligue o interruptor de ignição utilizando uma nova chave ou a chave-reserva (Nunca utilize uma chave registrada nas
    etapas anteriores). O indicador acenderá por dois segundos e piscará repetidamente por quatro vezes.
                                LIGADO

                            DESLIGADO

                                                2 segundos
  • A nova chave ou a chave-reserva foi registrada no ECM.
  • Caso ocorra algum problema no registro, o sistema entrará em modo de diagnóstico e o indicador permanecerá
    aceso por aproximadamente dez segundos. Em seguida, o sistema indicará o código de diagnóstico (página 21-8).
  • Mantenha as outras chaves codificadas afastadas pelo menos 50 mm do receptor do imobilizador.

 8. Repita as etapas 6 e 7 para continuar a registrar outras novas chaves.

   O ECM pode armazenar até quatro chaves codificadas (As quatro chaves podem ser registradas).

 9. Desligue o interruptor de ignição, remova o adaptador de inspeção e acople o conector 2P (Vermelho) do sensor CKP.

10. Ligue o interruptor de ignição utilizando uma chave registrada.

  • O sistema imobilizador (HISS) retornará para o modo normal.

11. Verifique se é possível dar partida no motor utilizando todas as chaves registradas.




21-4
SHADOW 750                                                                                   SISTEMA IMOBILIZADOR (HISS)


Quando o interruptor de ignição estiver defeituoso
 1. Obtenha um novo interruptor de ignição e duas novas chaves codificadas.
 2. Remova o interruptor de ignição (página 20-19).
 3. Aplique a voltagem de 12 V da bateria às linhas do sensor CKP do ECM, utilizando a ferramenta especial (página 21-7).
 4. Posicione a chave original (registrada) próxima ao receptor do imobilizador, de forma que o transponder da chave possa se
    comunicar com o receptor.
 5. Conecte o novo interruptor de ignição à fiação e ligue o interruptor, utilizando uma nova chave codificada (Mantenha o
    interruptor de ignição afastado do receptor) e mantendo o interruptor do motor posicionado em “ ”. O indicador do
    imobilizador deverá acender e permanecer aceso.
  • O código da chave original foi reconhecido pelo ECM.
  • Se houver algum problema no sistema imobilizador (HISS), o sistema entrará em modo de diagnóstico e o indicador
    permanecerá aceso por aproximadamente dez segundos. Em seguida, o sistema indicará o código de diagnóstico (página 21-7).
 6. Desconecte a presilha vermelha do adaptador de inspeção do terminal positivo (+) da bateria por um período de dois segundos
    ou superior. Conecte-a novamente em seguida. O indicador permanecerá aceso por aproximadamente dois segundos e piscará
    repetidamente por quatro vezes.
                                     LIGADO
                                   DESLIGADO

                                                 2 segundos
  • O sistema imobilizador (HISS) entrará em modo de registro. O registro de todas as chaves, exceto a chave original posicionada
    próxima do receptor será cancelado.
 7. Desligue o interruptor de ignição e remova a chave.
 8. Instale o interruptor de ignição (página 20-19).
 9. Ligue o interruptor de ignição utilizando a primeira nova chave. O indicador acenderá por dois segundos e piscará
    repetidamente por quatro vezes.
                                          LIGADO
                                     DESLIGADO

                                                       2 segundos
  • A primeira chave ou a chave-reserva foi registrada pelo ECM.
  • Caso ocorra algum problema no registro, o sistema entrará em modo de diagnóstico e o indicador permanecerá
    aceso por aproximadamente dez segundos. Em seguida, o sistema indicará o código de diagnóstico (página 21-8).
10. Desligue o interruptor de ignição e desacople a presilha vermelha do adaptador de inspeção do terminal positivo (+) da bateria.
11. Ligue o interruptor de ignição (utilizando a primeira chave registrada na etapa 9). O indicador do imobilizador permanecerá
    aceso por dois segundos e apagará em seguida.
  • O sistema imobilizador (HISS) retornou para o modo normal.
12. Desligue o interruptor de ignição e acople a presilha vermelha do adaptador de inspeção ao terminal positivo (+) da bateria.
13. Ligue o interruptor de ignição (utilizando a primeira chave registrada na etapa 9). O indicador do imobilizador acenderá e
    permanecerá aceso.
  • O código da primeira chave foi reconhecido pelo ECM.
  • Se houver algum problema no sistema imobilizador (HISS), o sistema entrará em modo de diagnóstico e o indicador
    permanecerá aceso por aproximadamente dez segundos. Em seguida, o sistema indicará o código de diagnóstico (página 21-7).
14. Desconecte a presilha vermelha do adaptador de inspeção do terminal positivo (+) da bateria por um período de dois segundos
    ou superior. Conecte-a novamente em seguida. O indicador permanecerá aceso por aproximadamente dois segundos e piscará
    repetidamente por quatro vezes.
  • O sistema imobilizador (HISS) entrou em modo de registro. O registro da chave original utilizada na etapa 4 foi cancelado.
15. Desligue o interruptor de ignição e remova a chave.
16. Ligue o interruptor de ignição utilizando uma segunda nova chave (Nunca utilize a chave registrada na etapa anterior). O
    indicador acenderá por dois segundos e piscará repetidamente por quatro vezes.
  • A segunda chave ou a chave-reserva foi registrada pelo ECM.
  • Caso ocorra algum problema no registro, o sistema entrará em modo de diagnóstico e o indicador permanecerá
    aceso por aproximadamente dez segundos. Em seguida, o sistema indicará o código de diagnóstico (página 21-8).
  • Mantenha a outra chave codificada afastada pelo menos 50 mm do receptor do imobilizador.




                                                                                                                          21-5
SISTEMA IMOBILIZADOR (HISS)                                                                          SHADOW 750

17. Repita as etapas 15 e 16 para continuar a registrar outras novas chaves.

  • O ECM pode armazenar até quatro chaves codificadas (As quatro chaves podem ser registradas).

18. Desligue o interruptor de ignição, remova o adaptador de inspeção e acople o conector 2P (Vermelho) do sensor CKP.

19. Ligue o interruptor de ignição utilizando a chave registrada.

  • O sistema imobilizador (HISS) retornou para o modo normal.

20. Inspecione se é possível dar partida no motor utilizando todas as chaves registradas.

Quando perder todas as chaves ou o ECM estiver defeituoso

1. Obtenha um novo ECM juntamente com duas novas chaves codificadas.

2. Desgaste a chave de acordo com o formato da chave original (ou utilize a placa de identificação da chave quando
   perder todas as chaves).

3. Substitua o ECM por um novo.

4. Ligue o interruptor de ignição, utilizando a primeira nova chave, e posicione o interruptor do motor “   ”. O indicador
   do imobilizador acenderá por dois segundos e piscará repetidamente por quatro vezes.

 • A primeira chave foi registrada pelo ECM.
 • Caso ocorra algum problema no registro, o sistema entrará em modo de diagnóstico e o indicador permanecerá
   aceso por aproximadamente dez segundos. Em seguida, o sistema indicará o código de diagnóstico (página 21-8).

5. Desligue o interruptor de ignição e remova a primeira chave.

6. Ligue o interruptor de ignição utilizando uma segunda nova chave. O indicador do imobilizador acenderá por dois
   segundos e piscará repetidamente por quatro vezes.

 • A segunda chave foi registrada pelo ECM.
 • Caso ocorra algum problema no registro, o sistema entrará em modo de diagnóstico e o indicador permanecerá
   aceso por aproximadamente dez segundos. Em seguida, o sistema indicará o código de diagnóstico (página 21-8).

7. Desligue o interruptor de ignição e remova a segunda chave.

 • O sistema (ECM) não retornará ao modo normal a não ser que pelo menos duas chaves estejam registradas no ECM.
 • A terceira nova chave não poderá ser registrada em seguida. Quando for necessário registrar uma terceira chave, siga
   os procedimentos “Quando perder uma chave ou uma chave-reserva for solicitada” (página 21-4).

8. Inspecione se é possível dar partida no motor utilizando todas as chaves registradas.




21-6
SHADOW 750                                                                            SISTEMA IMOBILIZADOR (HISS)



INDICAÇÃO DO CÓDIGO DE DIAGNÓSTICO                                CONECTOR 2P (Vermelho)          BATERIA DE 12 V

Remova a tampa lateral direita (página 2-4).

Desacople o conector 2P (Vermelho) da fiação secundária do
sensor CKP.

Acople o adaptador de inspeção ao conector, no lado da
fiação.
Acople a presilha Vermelha do adaptador ao terminal
negativo (-).
                                                                   ADAPTADOR DE INSPEÇÃO
Ferramentas:
Adaptador de inspeção                     07XMZ-MBW0101

Ligue o interruptor de ignição, utilizando a chave
devidamente registrada, e mantendo o interruptor do motor
posicionado em “ ”.
O indicador do imobilizador acenderá por aproximadamente
dez segundos e começará a piscar para indicar o código de
diagnóstico caso o sistema esteja anormal.
A freqüência de piscadas será continuamente repetida.

O indicador do imobilizador permanecerá aceso quando o
sistema estiver normal (O sistema permanece em modo
normal e não é indicado o DTC).

                                                                                        INDICADOR DO IMOBILIZADOR



CÓDIGO DE DIAGNÓSTICO

Quando o sistema (ECM) entrar em modo de diagnóstico a partir do modo normal:

      Modelo de piscadas                  Sintoma                     Problema                   Procedimento
LIGADO                           Os dados do ECM estão       ECM defeituoso.               Substitua o ECM.
  DESLI-                         anormais.
  GADO
           10 seg.
                                 Os sinais codificados não   Receptor do imobilizador      Siga as etapas de diagnose
                                 podem ser enviados ou       ou fiação defeituosos         de defeitos (página 21-9).
                                 recebidos.

                                 O código de identificação   Interferência de outro        Mantenha as chaves
                                 não é aceito.               transponder.                  codificadas de outros
                                                                                           veículos afastadas pelo
                                                                                           menos 50 mm do receptor
                                 O código secreto não é                                    do imobilizador.
                                 aceito.




                                                                                                              21-7
SISTEMA IMOBILIZADOR (HISS)                                                                 SHADOW 750

Quando o sistema (ECM) entrar em modo de diagnóstico a partir do modo de registro:

      Modelo de piscadas                 Sintoma                   Problema                Procedimento
LIGADO                         O registro é sobreposto.    A chave já encontra-se    Utilize uma nova chave ou
 DESLI-                                                    devidamente registrada.   uma chave cancelada.
 GADO
          10 seg.
                               Os sinais codificados não   Falha na comunicação.     Siga as etapas de diagnose
                               podem ser enviados ou                                 de defeitos (página 21-9).
                               recebidos.

                               Impossível efetuar o        A chave já encontra-se    Utilize uma nova chave.
                               registro.                   registrada em outro
                                                           sistema.




21-8
SHADOW 750                                                                         SISTEMA IMOBILIZADOR (HISS)



DIAGNOSE DE DEFEITOS
O indicador do imobilizador acende por aproximadamente dois segundos e apaga-se em seguida quando o interruptor
de ignição é ligado, utilizando-se uma chave devidamente registrada, o interruptor do motor posicionado em “ ” e o
sistema imobilizador funcionando normalmente. Se houver algum problema ou a chave devidamente registrada não for
utilizada, o indicador permanecerá aceso.

O indicador do imobilizador não acende quando o interruptor de ignição é ligado

1. Inspeção do Fusível

  Verifique se o fusível secundário, 10 A (Instrumentos) está queimado.

  Está o fusível queimado?
  Sim – Substitua o fusível secundário.
  Não – Vá para a etapa 2.

2. Inspeção do Velocímetro

  Inspecione se o indicador de ponto-morto acende quando o interruptor de ignição é ligado.

  O indicador acende?
  Sim – Vá para a etapa 4.
  Não – Vá para a etapa 3.

3. Inspeção da Linha de Entrada de Alimentação do Velocímetro

  Inspecione a linha de entrada de alimentação (fio Marrom) do conector 12P do velocímetro (página 20-10).

  É indicada uma voltagem de acordo com os valores especificados?
  Sim – Velocímetro defeituoso.
  Não – • Circuito aberto no fio Marrom.
        • Circuito aberto no fio Verde/Preto.

4. Inspeção da Linha do Indicador do Imobilizador no Conector do ECM
  Inspecione a linha do indicador do imobilizador (fio Branco/Vermelho) no conector 33P (Cinza) do ECM (página 21-13).

  É indicada uma voltagem de acordo com os valores especificados?
  Sim – Vá para a etapa 6.
  Não – Vá para a etapa 5.

5. Inspeção da Linha do Indicador do Imobilizador no Conector do Velocímetro

  Inspecione a linha do indicador do imobilizador (fio Branco/Vermelho) no conector 12P do velocímetro (página 21-12).

  É indicada uma voltagem de acordo com os alores especificados?
  Sim – Velocímetro defeituoso
  Não – Circuito aberto no fio Branco/Vermelho

6. Inspeção da Linha de Entrada de Alimentação no Conector do ECM

  Inspecione a linha de entrada de alimentação (fio Preto/Branco) no conector 33P (Preto) do ECM (página 21-13).

  É indicada uma voltagem de acordo com os valores especificados?
  Sim – Vá para a etapa 7.
  Não – • Circuito aberto nos fios Preto/Branco, Vermelho/Branco ou Vermelho/Amarelo.
        • Relé de parada do motor defeituoso.
        • Fusível FI,15 A, queimado.




                                                                                                             21-9
SISTEMA IMOBILIZADOR (HISS)                                                                       SHADOW 750

7. Inspeção da Linha do Terra no Conector do ECM

  Inspecione a linha do terra (fiação Verde e Verde/Rosa) no conector 33P (Cinza) do ECM (página 21-13).

  Há continuidade?
  Sim – • Sem contato ou mau-contato no conector do ECM.
        • ECM defeituoso.
  Não – Circuito aberto na fiação Verde ou Verde/Rosa.

O indicador do imobilizador permanece aceso com o interruptor de ignição ligado

1. Inspeção de Interferências no Receptor do Imobilizador

  Verifique se existe obstruções metálicas ou chaves codificadas de outros veículos próximas do receptor do
  imobilizador e da chave.

  Há alguma obstrução metálica ou outras chaves?
  Sim – Remova-as e inspecione novamente.
  Não – Vá para a etapa 2.
2. Inspeção da Primeira Chave Codificada

  Ligue o interruptor de ignição, utilizando uma chave-reserva e mantendo o interruptor do motor posicionado em
  “ ”. Em seguida, inspecione o indicador do imobilizador.
  O indicador deve acender por dois segundos e apagar-se em seguida.

  O indicador se apaga?
  Sim – Primeira chave codificada defeituosa.
  Não – Vá para a etapa 3.

3. Inspeção do Código de Diagnóstico

  Execute o procedimento de leitura do código de diagnóstico (página 21-7) e verifique se o indicador do imobilizador
  começa a piscar.

  O indicador pisca ou permanece aceso?
  Pisca – Faça a leitura do código de diagnóstico (página 21-7).
  Permanece aceso – Vá para a etapa 4.

4. Inspeção da Linha do Indicador do Imobilizador no Conector do ECM

  Inspecione a linha do indicador do imobilizador (fio Branco/Vermelho) no conector 33P (Cinza) do ECM (página 21-13).

  É indicada uma voltagem de acordo com os valores especificados?
  Sim – Vá para a etapa 5.
  Não – Curto-circuito no fio Branco/Vermelho.

5. Inspeção da Linha do Sensor CKP

  Inspecione as linhas do sensor CKP (fios Amarelo e Branco/Amarelo) entre os conectores do ECM e do sensor CKP
  (página 21-14).

  Há continuidade?
  Sim – ECM defeituoso.
  Não – • Circuito aberto no fio Amarelo.
        • Circuito aberto no fio Branco/Amarelo.




21-10
SHADOW 750                                                                           SISTEMA IMOBILIZADOR (HISS)


É indicado o DTC “              ” (Os sinais codificados não podem ser enviados ou recebidos)

1. Inspeção da Linha de Entrada de Alimentação do Receptor do Imobilizador

  Inspecione a linha de entrada de alimentação (fio Amarelo/Vermelho) no conector 4P (Branco) do receptor do
  imobilizador (página 21-14).

  É indicada uma voltagem de aproximadamente 5 V?
  Sim – Vá para a etapa 2.
  Não – Circuito aberto ou curto-circuito no fio Amarelo/Vermelho.

2. Inspeção da Linha do Terra do Receptor do Imobilizador

  Inspecione a linha do terra (fio Verde/Laranja) no conector 4P (Branco) do receptor do imobilizador (página 21-15).

  Há continuidade?
  Sim – Vá para a etapa 3.
  Não – Circuito aberto ou curto-circuito no fio Verde/Laranja.

3. Inspeção da Linha de Sinal do Receptor do Imobilizador
  Inspecione as linhas de sinal (fios Rosa e Laranja/Azul) entre os conectores 4P (Branco) do receptor do imobilizador e
  33P (Cinza) do ECM (página 21-15).

  Há continuidade?
  Sim – Receptor do imobilizador defeituoso.
  Não – • Circuito aberto ou curto-circuito no fio Rosa.
        • Circuito aberto ou curto-circuito no fio Laranja/Azul.




                                                                                                            21-11
SISTEMA IMOBILIZADOR (HISS)                                                                     SHADOW 750
                                                                                                CONECTOR 12P

INDICADOR DO IMOBILIZADOR
Remova o velocímetro (página 20-12).

Execute as seguintes inspeções, mantendo o conector 12P do
velocímetro acoplado.




                                                                     VELOCÍMETRO

INSPEÇÃO DA LINHA DE ENTRADA DE ALIMENTAÇÃO                       CONECTOR 12P DO VELOCÍMETRO
                                                                  (Vista pelo lado da fiação)
Meça a voltagem entre os terminais dos fios Marrom (+) e
Verde/Preto (–).
Ligue o interruptor de ignição.

Deve ser indicada a voltagem da bateria.

                                                                                 G/Bl              Br




INSPEÇÃO DA LINHA DO INDICADOR DO
IMOBILIZADOR

Meça a voltagem entre o terminal do fio Branco/Vermelho (+)
e o terra (–).
Ligue o interruptor de ignição.
                                                                                           W/R
Deve ser indicada a voltagem da bateria.

O sistema está normal se não for indicada nenhuma
voltagem por aproximadamente dois segundos após o                 CONECTOR 12P DO
interruptor de ignição ser ligado e, em seguida, for indicada a   VELOCÍMETRO
voltagem da bateria.                                              (Vista pelo lado da fiação)




21-12
SHADOW 750                                                            SISTEMA IMOBILIZADOR (HISS)



ECM
Acople a fiação de teste aos conectores 33P do ECM (página
5-14).

Execute as seguintes inspeções no conector do ECM, no lado
da fiação.




INSPEÇÃO DA LINHA DO INDICADOR DO
IMOBILIZADOR

Meça a voltagem entre o terminal B12 (+) da fiação de teste e
o terra (–).
Ligue o interruptor de ignição                                           B12

Deve ser indicada a voltagem da bateria.




INSPEÇÃO DA LINHA DE ENTRADA DE ALIMENTAÇÃO

Meça a voltagem entre o terminal A4 (+) da fiação de teste e
o terra (–).
Ligue o interruptor de ignição e posicione o interruptor do
motor em “ ”.                                                   A4

Deve ser indicada a voltagem da bateria.




INSPEÇÃO DA LINHA DO TERRA

Inspecione a continuidade entre os terminais B4 e A23 da
fiação de teste e o terra.

Deve haver continuidade em todas as situações.                  A23              B4




                                                                                       21-13
SISTEMA IMOBILIZADOR (HISS)                                                                  SHADOW 750


INSPEÇÃO DA LINHA DO SENSOR CKP

Remova a tampa lateral da coluna de direção (página 2-4).

Desacople o conector 2P (Vermelho) do sensor CKP.




                                                                      CONECTOR 2P (Vermelho)

Inspecione a continuidade dos fios Amarelo e Branco/
Amarelo entre os conectores do terminal da fiação de teste e
do sensor CKP.
                                                                                    A32                B22
Deve haver continuidade entre os terminais da fiação de
mesma cor.



                                                                             W/Y              Y

                                                               CONECTOR 2P DO SENSOR CKP
                                                               (Lado da fiação dos terminais fêmeas)


                                                                                       CONECTOR 4P (Branco)

RECEPTOR DO IMOBILIZADOR
Remova a tampa lateral esquerda (página 2-4).

Desacople o conector 4P (Branco) do receptor do
imobilizador.




INSPEÇÃO DA LINHA DE ENTRADA DE ALIMENTAÇÃO
                                                               CONECTOR 4P DO RECEPTOR
                                                               DO IMOBILIZADOR
Meça a voltagem entre o terminal do fio Amarelo/Vermelho       (Lado da fiação dos terminais fêmeas)
(+) do conector, no lado da fiação, e o terra (–).
Ligue o interruptor de ignição e posicione o interruptor do
motor em “ ”.
                                                                          Y/R
Deve ser indicada uma voltagem de aproximadamente 5 V.




21-14
SHADOW 750                                                                     SISTEMA IMOBILIZADOR (HISS)


INSPEÇÃO DA LINHA DO TERRA
                                                                CONECTOR 4P DO RECEPTOR DO
                                                                IMOBILIZADOR
Inspecione a continuidade entre o terminal do fio               (Lado da fiação dos terminais fêmeas)
Verde/laranja do conector, no lado da fiação, e o terra.

Deve haver continuidade em todas as situações.                                          G/O




INSPEÇÃO DA LINHA DE SINAL
                                                                CONECTOR 4P DO RECEPTOR DO
                                                                IMOBILIZADOR
Meça a voltagem entre o terminal do fio Rosa (+) do conector,   (Lado da fiação dos terminais fêmeas)
no lado da fiação, e o terra (–).
Ligue o interruptor de ignição e posicione o interruptor do
motor em “ ”.
                                                                                P
Deve ser indicada uma voltagem de aproximadamente 5 V.




Desligue o interruptor de ignição.

Acople a fiação de teste aos conectores 33P do ECM (página
5-14).
                                                                                                    B32
Inspecione a continuidade do fio Laranja/Azul entre o
receptor do imobilizador e os terminais da fiação de teste.

Deve haver continuidade.                                                                  O/Bu

                                                                CONECTOR 4P DO RECEPTOR DO IMOBILIZADOR
                                                                (Lado da fiação dos terminais fêmeas)




Acople o conector 33P (Cinza) do ECM.
                                                                CONECTOR 4P DO RECEPTOR DO IMOBILIZADOR
                                                                (Lado da fiação dos terminais fêmeas)
Inspecione a continuidade entre o terminal do fio
Laranja/Azul e o terra.

Não deve haver continuidade.                                                            O/Bu




                                                                                                        21-15
SISTEMA IMOBILIZADOR (HISS)                                                                        SHADOW 750
                                                                         CINTA DA FIAÇÃO
SUBSTITUIÇÃO

Remova os seguintes componentes:
– Conjunto do assento (página 2-3)
– Tampas laterais (página 2-4)

Remova a cinta da fiação e desacople o conector 4P (Branco)
do receptor do imobilizador.




                                                                              CONECTOR 4P (Branco)
                                                                         PARAFUSOS              PRESILHAS
Remoa os parafusos, a presilha e o receptor do imobilizador.




                                                                                         RECEPTOR DO IMOBILIZADOR

Instale um novo receptor, juntamente com a presilha. Em
seguida, aperte os parafusos.                                                              PRESILHA
Passe adequadamente a fiação do receptor (página 1-20).                                                  RECEPTOR DO
                                                                                                         IMOBILIZADOR
Instale os componentes removidos na ordem inversa da
remoção.




                                                                       PARAFUSOS


SUBSTITUIÇÃO DE COMPONENTES PELO PROBLEMA

                                                                     Componentes de substituição
                 Problema                       Chave          Receptor do                 Interruptor    *Acessório de
                                                                               ECM
                                              codificada       imobilizador                de Ignição     trava e chave
 Perdeu-se uma chave ou necessita-se
                                                  O
 de uma chave-reserva
 Perdeu-se todas as chaves ou o ECM
                                                  O                                O
 está defeituoso
 Receptor do imobilizador defeituoso                               O
 Interruptor de ignição defeituoso                O                                            O
 *Acessório de trava defeituoso                                                                                O

* Entende-se por acessório de trava como a tampa de abastecimento de combustível,
  o suporte para capacete e a trava do guidão.




21-16
SHADOW 750           SISTEMA IMOBILIZADOR (HISS)


             NOTAS




                                      21-17
SHADOW 750           22. DIAGRAMA ELÉTRICO
 DIAGRAMA ELÉTRICO   22-2




                                       22-1
RELÉ DE CORTE
                                                                                                                                                                                                                                                                                                                                                                                                                   DE COMBUSTÍVEL




22-2
                                                                                                                                                                                                                                                                                                                                                                                            RELÉ DE                             RELÉ DE       SENSOR DE RESERVA
                                                                                                                                                                                                                                                                                    INTERRUPTOR INTERRUPTOR                                                                                 CONTROLE                            PARADA        DE COMBUSTÍVEL
                                                                                                                                                                                                                                                                                    DO CAVALETE   DA LUZ DO                                                                                 DA VENTOINHA                        DO MOTOR
                                                     A     INDICADOR DE TEMPERATURA                                                                                      INTERRUPTOR DE                                                                                             LATERAL       FREIO TRASEIRO                                                     BOMBA DE                       CAIXA DE RELÉS                      SENSOR DE         SENSOR   SENSOR
                                                                                                                                                         INTERRUPTOR
                                                           DO LÍQUIDO DE ARREFECIMENTO                                                                   DA LUZ DO       PARADA/PARTIDA                                                                     RECEPTOR DO INTERRUPTOR                                                                                  COMBUSTÍVEL                                                        INCLINAÇÃO        DE O2    DE O2
                                                                                                                                                                                                                                                                                            MOTOR DA                                                                                                                                    DO CHASSI
                                                                                                                                                         FREIO DIANTEIRO DO MOTOR                                                                           IMOBILIZADOR DE IGNIÇÃO         VENTOINHA           SENSOR VS                                                                                                                                 TRASEIRO DIANTEIRO                                                                                                         ECM
                                                     B     INDICADOR DE PONTO-MORTO
                                                                                                                                                                                                                                                                                                 PARA




                                                                                                                                                                                                                            IG



                                                                                                                                                                                                                    IG
                                                     C     MIL                                                                                                                                                                                                                                   BAIXO          FAN




                                                                                                                                                                                                                                                  BAT1
                                                                                                                                                                                                                                                                                  IG




                                                                                                                                                                                                                                                                  VCC
                                                                                                                                                                                                                                                                  GND
                                                                                                                                                                                                                                                                 TXCT
                                                                                                                                                                                                                                                                 RXDT
                                                                                                                                                                                                                                                                                 BAT1
                                                                                                                                                                                                                                                                                                PARA




                                                                                                                                                                                                                                             HL
                                                     D     INDICADOR DE PRESSÃO DE ÓLEO                                                                                                                                                                                                                                                                                                                                                                                                                                                         33P Bl                                                                        33P Gr




                                                                                                                                                                                                                                 ST




                                                                                                                                                                                                          BAT2
                                                                                                                                                                                                                                                                                                BAIXO                                                                          2P                                                                                                                         A                                                                            B




                                                                                                                                                                                                                                                                                                                                                                                                                                                                                                           1
                                                                                                                                                                                                                                                                                                                                                                                                                                                                                                           2
                                                                                                                                                                                                                                                                                                                                                                                                                                                                                                           3
                                                                                                                                                                                                                                                                                                                                                                                                                                                                                                           4
                                                                                                                                                                                                                                                                                                                                                                                                                                                                                                           5
                                                                                                                                                                                                                                                                                                                                                                                                                                                                                                           6
                                                                                                                                                                                                                                                                                                                                                                                                                                                                                                           7
                                                                                                                                                                                                                                                                                                                                                                                                                                                                                                           8
                                                                                                                                                                                                                                                                                                                                                                                                                                                                                                           9
                                                                                                                                                                                                                                                                                                                                                                                                                                                                                                                                                                                        1
                                                                                                                                                                                                                                                                                                                                                                                                                                                                                                                                                                                        2
                                                                                                                                                                                                                                                                                                                                                                                                                                                                                                                                                                                        3
                                                                                                                                                                                                                                                                                                                                                                                                                                                                                                                                                                                        4
                                                                                                                                                                                                                                                                                                                                                                                                                                                                                                                                                                                        5
                                                                                                                                                                                                                                                                                                                                                                                                                                                                                                                                                                                        6
                                                                                                                                                                                                                                                                                                                                                                                                                                                                                                                                                                                        7
                                                                                                                                                                                                                                                                                                                                                                                                                                                                                                                                                                                        8
                                                                                                                                                                                                                                                                                                                                                                                                                                                                                                                                                                                        9
            INDICADOR DE                             E     INDICADOR DO HISS




                                                                                                                                                                                                                                                                                                                                                                                                                                                                                                          10
                                                                                                                                                                                                                                                                                                                                                                                                                                                                                                          11
                                                                                                                                                                                                                                                                                                                                                                                                                                                                                                          12
                                                                                                                                                                                                                                                                                                                                                                                                                                                                                                          13
                                                                                                                                                                                                                                                                                                                                                                                                                                                                                                          14
                                                                                                                                                                                                                                                                                                                                                                                                                                                                                                          15
                                                                                                                                                                                                                                                                                                                                                                                                                                                                                                          16
                                                                                                                                                                                                                                                                                                                                                                                                                                                                                                          17
                                                                                                                                                                                                                                                                                                                                                                                                                                                                                                          18
                                                                                                                                                                                                                                                                                                                                                                                                                                                                                                          19
                                                                                                                                                                                                                                                                                                                                                                                                                                                                                                          20
                                                                                                                                                                                                                                                                                                                                                                                                                                                                                                          21
                                                                                                                                                                                                                                                                                                                                                                                                                                                                                                          22
                                                                                                                                                                                                                                                                                                                                                                                                                                                                                                          23
                                                                                                                                                                                                                                                                                                                                                                                                                                                                                                          24
                                                                                                                                                                                                                                                                                                                                                                                                                                                                                                          25
                                                                                                                                                                                                                                                                                                                                                                                                                                                                                                          26
                                                                                                                                                                                                                                                                                                                                                                                                                                                                                                          27
                                                                                                                                                                                                                                                                                                                                                                                                                                                                                                          28
                                                                                                                                                                                                                                                                                                                                                                                                                                                                                                          29
                                                                                                                                                                                                                                                                                                                                                                                                                                                                                                          30
                                                                                                                                                                                                                                                                                                                                                                                                                                                                                                          31
                                                                                                                                                                                                                                                                                                                                                                                                                                                                                                          32
                                                                                                                                                                                                                                                                                                                                                                                                                                                                                                          33
                                                                                                                                                                                                                                                                                                                                                                                                                                                                                                                                                                                       10
                                                                                                                                                                                                                                                                                                                                                                                                                                                                                                                                                                                       11
                                                                                                                                                                                                                                                                                                                                                                                                                                                                                                                                                                                       12
                                                                                                                                                                                                                                                                                                                                                                                                                                                                                                                                                                                       13
                                                                                                                                                                                                                                                                                                                                                                                                                                                                                                                                                                                       14
                                                                                                                                                                                                                                                                                                                                                                                                                                                                                                                                                                                       15
                                                                                                                                                                                                                                                                                                                                                                                                                                                                                                                                                                                       16
                                                                                                                                                                                                                                                                                                                                                                                                                                                                                                                                                                                       17
                                                                                                                                                                                                                                                                                                                                                                                                                                                                                                                                                                                       18
                                                                                                                                                                                                                                                                                                                                                                                                                                                                                                                                                                                       19
                                                                                                                                                                                                                                                                                                                                                                                                                                                                                                                                                                                       20
                                                                                                                                                                                                                                                                                                                                                                                                                                                                                                                                                                                       21
                                                                                                                                                                                                                                                                                                                                                                                                                                                                                                                                                                                       22
                                                                                                                                                                                                                                                                                                                                                                                                                                                                                                                                                                                       23
                                                                                                                                                                                                                                                                                                                                                                                                                                                                                                                                                                                       24
                                                                                                                                                                                                                                                                                                                                                                                                                                                                                                                                                                                       25
                                                                                                                                                                                                                                                                                                                                                                                                                                                                                                                                                                                       26
                                                                                                                                                                                                                                                                                                                                                                                                                                                                                                                                                                                       27
                                                                                                                                                                                                                                                                                                                                                                                                                                                                                                                                                                                       28
                                                                                                                                                                                                                                                                                                                                                                                                                                                                                                                                                                                       29
                                                                                                                                                                                                                                                                                                                                                                                                                                                                                                                                                                                       30
                                                                                                                                                                                                                                                                                                                                                                                                                                                                                                                                                                                       31
                                                                                                                                                                                                                                                                                                                                                                                                                                                                                                                                                                                       32
                                                                                                                                                                                                                                                                                                                                                                                                                                                                                                                                                                                       33




                                                                                                                                                                                                                                                                                                                                                                                                                    Br
                                                                                                                                                                                                                                                                                                                                                                                                                             Bl




                                                                                                                                                                                                                                                                                                                                                                                                     G/Y
                                                                                                                                                                                                                                                                                                                                                                                                                            R/W
                                                                                                                                                                                                                                                                                                                                                                                                                                                            G




                                                                                                                                                                                                                                                                                                                                                                                                                            R/Bu
                                                                                                                                                                                                                                                                                                                                                                                                                            Bl/W




                                                                                                                                                                                                                                                                                                                                                                                                    Bl/W
                                                                                                                                                                                                                                                                                                                                                                                                                   Bl/W
                                                                                                                                                                                                                                                                                                                                                                                                                   Bl/W




                                                                                                                                                                                                                                                                                                                                                                                                    Bu/O
                                                                                                                                                                                                                                                                                                                                                                                                                   Br/Bl




                                                                                                                                                                                                                                                                                                                                                                                                    Bl/Bu
            RESERVA DE




                                                                                                                                                                                                                                                                                                                                                                                                                                                           Bl/Lg




                                                                                                                                                                                                                                                                                                                                                                                                                                            G
                                                                                                                                                                                                                                                                                                                                                                                                                                            W
                                                                                                                                                                                                                                                                                                                                                                                                                                                                                     Gr
                                                                                                                                                                                                                                                                                                                                                                                                                                                                                     Bl


                                                                                                                                                                                                                                                                                                                                                                                                                                                                                     W
                                                                                                                                                                                                                                                                                                                                                                                                                                                                                     W




                                                                                                                                                                                                                                                                                                                                                                                                                                                                        Gr
                                                                                                                                                                                                                                                                                                                                                                                                                                                                        Bl


                                                                                                                                                                                                                                                                                                                                                                                                                                                                        W
                                                                                                                                                                                                                                                                                                                                                                                                                                                                        W




                                                                                                                                                                              Bl
                                                                                                                                                                              Bl
                                                     F     LÂMPADA DOS INSTRUMENTOS x 7




                                                                                                                                                                                                                                                                                                                                                  Br
                                                                                                                                                                                                                                                                                                                                                                          G




                                                                                                                                                                                                                                                                                                                              Bl
                                                                                                                                                                                                                                                                                                                                    Bl
                                                                                                                                                                                                                                                                                                                                                                                                                                           R/W




                                                                                                                                                                                                                                                                                                                                                                          Br




                                                                                                                                                                                                                         Y/R
                                                                                                                                                                                                                                                   Bl/R
                                                                                                                                                                                                                                                                                                                                                  Bl/Y
                                                                                                                                                                                                                                                                                                                                                  G/Bl




                                                                                                                                                                                                                 Bl/G
                                                                                                                                                                                                                         Bl/W


                                                                                                                                                                                                   Bl/W
                                                                                                                                                                                                                                      Bu/W
            COMBUSTÍVEL                                                                                                                                                                                                                                                                                                                                                                                                                                                                       DLC
            12V 3,4W




                                                                                                                                                                                                                                                                                                                                                                                                                                                                                                                                                                                                                           P
                                                                                                                                                                                                                                                                                                                                                                                                                                                                                                                                                                                                                                             Y




                                                                                                                                                                                                                                                                                                                                                                                                                                                                                                                                                                               W
                                                                                                                                                                                                                                                                                                                                                                                                                                                                                                                                                                                                  G




                                                                                                                                                                                                                                                                                                                                                                                                                                                                                                                                                  Bl
                                                                                                                                                                                                                                                                                                                                                                                                                                                                                                                                                                                                                                       Br
                                                                                                                                                                                                                                                                                                                                          3P             3P




                                                                                                                                                                                                                                                                                                                                                                                                                                                                                                                                                  P/Y
                                                                                                                                                                                                                                                                                                                                                                                                                                                                                                                                                                                                                                                        P/G
                                                                                                                                                                                                                                                                                                                                                                                                                                                                                                                                                                                                                                                        R/Y
                                                                                                                                                                                                                                                                                                                                                                                                                                                                   4P           4P




                                                                                                                                                                                                                                                                                                                                                                                                                                                                                                                                                 Y/G
                                                                                                                                                                                                                                                                                                                                                                                                                                                     3P




                                                                                                                                                                                                                                                                                                                                                                                                                                                                                                                            Y/R
                                                                                                                                                                                                                                                                                                                                                                                                                                                                                                                                                 G/P
                                                                                                                                                                                                                                                                                                                                                                                                                                                                                                                                                                                                                                                       G/R




                                                                                                                                                                                                                                                                                                                                                                                                                                                                                                                                                                              G/Y




                                                                                                                                                                                                                                                                                                                                                                                                                                                                                                                                                 G/O
                                                                                                                                                                                                                                                                                                                                                                                                                                                                                                                                                                                                                          W/R
                                                                                                                                                                                                                                                                                                                                                                                                                                                                                                                                                                                                                          P/W




                                                                                                                                                                                                                                                                                                                                                                                                                                                                                                                                                                              W/Y
                                                                                                                                                                                                                                                                                                                                                                                                                                                                                                                                                                                                        Bl/Y




                                                                                                                                                                                                                                                                                                                                                                                                                                                                                                                                                                              Bl/Y
                                                                                                                                                                                                                                                                                                                                                                                                                                                                                                                                                                                                                 Lg/Y




                                                                                                                                                                                                                                                                                                                                                                                                                                                                                                                     P/Bu
                                                                                                                                                                                                                                                                                                                                                                                                                                                                                                                                                 O/Bl
                                                                                                                                                                                                                                                                                                                                                                                                                                                                                                                                                                                           Bl/G
                                                                                                                                                                                                                                                                                                                                                                                                                                                                                                                                                                                                                          G/W
                                                                                                                                                                                                                                                                                                                                                                                                                                                                                                                                                                                                                                       W/G
                                                                                                                                                                                                                                                                                                                                                                                                                                                                                                                                                                                                                                                       W/Bl




                                                                                                                                                                                                                                                                                                                                                                                                                                                                                                              Bu/Y
                                                                                                                                                                                                                                                                                                                                                                                                                                                                                                              Bl/W
                                                                                                                                                                                                                                                                                                                                                                                                                                                                                                                                       Y/Bu
                                                                                                                                                                                                                                                                                                                                                                                                                                                                                                                                                                                                                                                       O/Bu




                                                                                                                                                                                                                                                                                                                                                                                                                                                                                                                                                 W/Bu
                                                                                                                                                                                                                                                                                                                                                                                                                                                                                                                                                 Br/Bl
                                                                                                                                                                                                                                                                                                                                                                                                                                                                                                                                                                      Bl/Bu
                                                                                                                                                                                                                                                                                                                                                                                                                                                                                                                                                                                                                                                       Gr/Bu
                                                                            A         B         C         D          E          F                                                                                                                                                                                                                        W                                                                                           Bl            W            Bl           4P      R
                                                                                                                                             PAINEL DE
                                                                                                                                          INSTRUMENTOS
       INDICADOR                INDICADOR




                                                                                                                                                                                                                                                                                                                                                                                                                                                                                              G
                                                                                                                                                                                                                                                                                                                                                                                                                                                                                              Br

                                                                                                                                                                                                                                                                                                                                                                                                                                                                                              W




                                                                                                                                                                                                                                                                                                                                                                                                                                            G




                                                                                                                                                                                                                                                                                                                                                   Br
                                                                                                                                                                                                                                                                                                                                                                                                                                                                                     G/O

                                                                                                                                                                                                                                                                                                                                                                                                                                                                                     Bl/Y




                                                                                                                                                                                                                                                                                                                                                                                                                                                                        Bl/G
                                                                                                                                                                                                                                                                                                                                                                                                                                                                        Bl/W
                                                                                                                                                                                                                                                                                                                                                                                                                                                                        G/O
                                                                                                                                                                                                                                                                                                                                                                                                                                                                        W/G




                                                                                                                                                                                                                                                                                                                                                  P/G
                                                                                                                                                                                                                                                                                                                                                                                                                                                                                     Bl/W
                                                                                                                                                                                                                                                                                                                                                                                                                                                                                     W/Bl




                                                                                                                                                                                                                                                                                                                              G/Y
                                DA SINALEIRA




                                                                                                                                                                                                                                                                                                                                                                                                                                                                                             Bl/W




                                                                                                                                                                                                                                                                                                                                    W/G
                                                                                                                                                                                                                                                                                                                                                  G/Bl
                                                                                                                                                                                                                                                                                                                                                                                                                                           W/Bl
                                                                                                                                                                                                                                                                                                                                                                                                                                           R/Bu
       DO FAROL ALTO                                                             CONJUNTO DE CIRCUITOS                                                                                                                                                                                                                                                                                                                                                                                                                                                                                                                                                                                            G/O
       12V 3,4W                 12V 3,4W                                                                                                                                                                                                                                                                                                                                                                                                                                                                                                                                                                                                                                                                     24P
                                                                                                                                                                                                                                                                                                                                                                                                                                                                                                                                                                                                                                                                                                  G/O




                                                                                                                                                                                                                                                                                  R




                                                                                                                                                                                                                                                                  P
                                                                                                                                                                                                                                                                                                 G
                                                                                                                                                                                                                                                                                                                 Bl




                                                                                                                                                                                           Bl
Manual de serviços shadow 750
Manual de serviços shadow 750
Manual de serviços shadow 750
Manual de serviços shadow 750
Manual de serviços shadow 750
Manual de serviços shadow 750
Manual de serviços shadow 750
Manual de serviços shadow 750
Manual de serviços shadow 750

Manual de serviços shadow 750

  • 1.
    MANUAL DE SERVIÇOS SHADOW 750 (2009)
  • 2.
    COMO USAR ESTEMANUAL ÍNDICE GERAL Este manual descreve os procedimentos de serviço para a motocicleta VT750C. INFORMAÇÕES GERAIS 1 Siga as recomendações da Tabela de Manutenção (Capítulo CHASSI/CARENAGENS/ 3) para garantir perfeitas condições de funcionamento e níveis de emissões dentro das especificações. SISTEMA DE ESCAPAMENTO 2 A execução das manutenções iniciais é de grande importância, pois compensa o desgaste inicial que ocorre durante o período de amaciamento. MANUTENÇÃO 3 Os capítulos 1 e 3 aplicam-se à motocicleta inteira. O capítulo 2 apresenta os procedimentos de remoção/ instalação de componentes que podem ser necessários para SISTEMA DE LUBRIFICAÇÃO 4 a execução de serviços descritos nos capítulos seguintes. Os capítulos 4 a 21 apresentam os componentes da motocicleta, agrupados de acordo com sua localização. SISTEMA DE ALIMENTAÇÃO (PGM-FI) 5 Localize o capítulo desejado nesta página e, em seguida, consulte o índice apresentado na primeira página do capítulo selecionado. SISTEMA DE ARREFECIMENTO 6 MOTOR E TRANSMISSÃO A maioria dos capítulos inicia-se com uma ilustração do sistema ou conjunto, informações de serviço e diagnose de defeitos. As páginas subseqüentes apresentam REMOÇÃO/INSTALAÇÃO DO MOTOR 7 procedimentos detalhados. Se a causa do problema for desconhecida, consulte o capítulo 23, “Diagnose de Defeitos”. CABEÇOTE/VÁLVULAS 8 Sua segurança e a segurança de outras pessoas são de grande importância. Para mantê-lo informado, incluímos CILINDRO/PISTÃO 9 mensagens de segurança e outras informações neste manual. Infelizmente, é impossível alertar sobre todos os riscos associados à realização de serviços neste veículo. EMBREAGEM/SELETOR DE MARCHAS 10 Você deve utilizar seu próprio bom-senso. Você encontrará informações de segurança de várias maneiras, tais como: ALTERNADOR/EMBREAGEM DE PARTIDA 11 • Etiquetas de segurança - localizadas no veículo. • Mensagens de segurança - precedida por um símbolo de alerta de segurança “!” e uma das três palavras, PERIGO, CUIDADO ou ATENÇÃO. ÁRVORE DE MANIVELAS/TRANSMISSÃO 12 Esta palavra tem o seguinte significado: p : Caso as instruções não sejam seguidas, você DIFERENCIAL 13 sofrerá ferimentos sérios ou fatais. c : Caso as instruções não sejam seguidas, você RODA DIANTEIRA/SUSPENSÃO/ poderá sofrer ferimentos sérios ou fatais. SISTEMA DE DIREÇÃO 14 CHASSI a : Caso as instruções não sejam seguidas, você poderá sofrer ferimentos. • Instruções: Como executar serviços neste veículo de maneira RODA TRASEIRA/FREIO/SUSPENSÃO 15 correta e segura. Neste manual, você encontrará informações precedidas FREIO HIDRÁULICO 16 do símbolo de NOTA. O propósito desta mensagem é alertar a fim de evitar danos ao veículo, outras propriedades ou ao meio-ambiente. BATERIA/SISTEMA DE CARGA 17 TODAS AS INFORMAÇÕES, ILUSTRAÇÕES, SISTEMA DE IGNIÇÃO 18 SISTEMA ELÉTRICO INSTRUÇÕES E ESPECIFICAÇÕES INCLUÍDAS NESTA PUBLICAÇÃO SÃO BASEADAS NAS INFORMAÇÕES MAIS RECENTES DISPONÍVEIS NA OCASIÃO DA APROVAÇÃO DA IMPRESSÃO DO MANUAL. A MOTO PARTIDA ELÉTRICA 19 HONDA DA AMAZÔNIA LTDA. SE RESERVA O DIREITO DE ALTERAR AS CARACTERÍSTICAS DA MOTOCICLETA A QUALQUER MOMENTO E SEM ILUMINAÇÃO/INSTRUMENTOS/INTERRUPTORES 20 PRÉVIO AVISO, NÃO INCORRENDO, ASSIM, EM OBRIGAÇÕES DE QUALQUER ESPÉCIE. NENHUMA PARTE DESTA PUBLICAÇÃO PODE SER SISTEMA IMOBILIZADOR (HISS) 21 REPRODUZIDA SEM PERMISSÃO POR ESCRITO. ESTE MANUAL FOI ELABORADO PARA PESSOAS QUE TENHAM CONHECIMENTOS BÁSICOS SOBRE A DIAGRAMA ELÉTRICO 22 MANUTENÇÃO DAS MOTOCICLETAS HONDA. MOTO HONDA DA AMAZÔNIA LTDA. DIAGNOSE DE DEFEITOS 23 Departamento de Serviços Pós-venda Setor de Publicações Técnicas
  • 3.
    Algumas palavras sobresegurança Informações de Serviço As informações de serviços e reparos contidas neste manual destinam-se ao uso de técnicos profissionais qualificados. A tentativa de execução de serviços ou reparos sem o treinamento, ferramentas e equipamentos adequados pode causar ferimentos a você e a outras pessoas. Também pode danificar o veículo ou criar situações inseguras. Este manual descreve os métodos e procedimentos adequados para a realização de serviços, manutenções e reparos. Alguns procedimentos requerem a utilização de ferramentas especialmente desenvolvidas e equipamentos específicos. Qualquer pessoa que planeja utilizar uma peça de substituição, ferramenta ou executar procedimento de serviço que não sejam recomendados pela Honda deve determinar os riscos à sua própria segurança e ao seguro funcionamento do veículo. Se você necessita substituir algum componente, utilize peças genuínas Honda, com o correto código da peça ou componente equivalente. Nós não recomendamos a utilização de peças de reposição de inferior qualidade. Para a segurança do consumidor Serviços e manutenção adequados são essenciais para a segurança do consumidor e confiabilidade do veículo. Qualquer erro ou descuido durante a execução de serviços em um veículo pode resultar em operação defeituosa, danos ao veículo ou ferimentos a outras pessoas. c • Serviços ou reparos realizados de maneira inadequada podem criar condições inseguras de utilização, que podem levar o consumidor ou outras pessoas a acidentes graves ou fatais. • Siga cuidadosamente os procedimentos e precauções deste manual e outros catálogos de serviço. Para a sua segurança Como este manual destina-se ao uso de técnicos de serviços profissionais, não fornecemos advertências sobre várias práticas de seguranças básicas de serviços (por exemplo, para peças quentes - utilizar luvas). Se você não recebeu treinamento de segurança para execução de serviços ou não se sente seguro em relação ao seu conhecimento sobre segurança durante a execução de serviços, recomendamos que não tente executar os procedimentos descritos neste manual. Algumas das mais importantes precauções de segurança de serviços gerais estão descritas a seguir. Entretanto, não podemos advertir sobre todos os riscos concebíveis que podem surgir durante a execução de serviços ou procedimentos de reparo. Somente você pode decidir quando deve ou não executar determinada tarefa. c • O não acompanhamento dos procedimentos e precauções deste manual pode causar acidentes graves ou fatais. • Siga cuidadosamente os procedimentos e precauções deste manual. Precauções de Segurança Importantes Certifique-se de conhecer todas as práticas de segurança de serviços, de vestir roupas adequadas e utilizar equipamentos de segurança. Sempre que realizar serviços, seja especialmente cuidadoso com os seguintes pontos: • Leia todas as instruções antes de começar, e certifique-se de ter todas as ferramentas, as peças de substituição ou reparo e o conhecimento necessário para realizar as tarefas de maneira segura e completa. • Proteja seus olhos, usando óculos de segurança adequados, protetores para os olhos ou protetores para o rosto, sempre que martelar, perfurar, amolar, alavancar, trabalhar próximo a ar ou líquidos pressurizados e molas ou outros componentes que possam armazenar energia. • Vista roupas protetoras quando necessário, como por exemplo, luvas ou sapatos de segurança. Manusear peças quentes ou cortantes pode provocar queimaduras ou cortes graves. Antes de segurar algo que pareça poder machucá- lo, pare e vista luvas de segurança. • Proteja-se e a outras pessoas sempre que o veículo estiver suspenso. Sempre que levantar o veículo do solo, mesmo que utilizando um macaco ou guindaste, certifique-se de que está seguramente apoiado. Sempre utilize cavaletes. Certifique-se de que o motor esteja desligado sempre que iniciar procedimentos de serviços, a menos que as instruções ditem o contrário. Isso ajudará a eliminar vários riscos em potencial. • O monóxido de carbono liberado pelo motor é venenoso. Certifique-se de que o lugar possui ventilação adequada sempre que ligar o motor. • Líquidos de arrefecimento ou peças quentes podem provocar queimaduras sérias. Espere o motor e o escapamento esfriarem sempre que for trabalhar nestas partes da motocicleta. • As peças móveis da motocicleta podem provocar ferimentos. Se as instruções ditarem para ligar o motor, certifique-se de que suas mãos, dedos ou roupas estejam fora da área de movimento destas peças. Os vapores de gasolina e gases de hidrogênio emitidos pela bateria são explosivos. Para reduzir a possibilidade de incêndio ou explosões, tenha cuidado ao trabalhar próximo a gasolina ou baterias. • Sempre utilize solventes não-inflamáveis, nunca gasolina, para limpar componentes. • Nunca drene ou armazene gasolina em recipientes abertos. • Mantenha cigarros, faíscas e chamas longe da bateria e de todos os componentes relacionados a combustível.
  • 4.
    SÍMBOLOS Os símbolos utilizadosneste manual indicam procedimentos específicos de serviço. Se houver necessidade de informações adicionais referentes a estes símbolos, estas serão explicadas especificamente no texto, sem a utilização dos símbolos. Substitua a(s) peça(s) por uma nova antes da montagem. Utilize óleo para motor recomendado, a menos que especificado de outra forma. Utilize solução recomendada de óleo e molibdênio (mistura de óleo para motor com graxa de molibdênio na proporção de 1:1). Utilize graxa para uso geral (graxa para uso geral à base de sabão de lítio NLGI nº 2 ou equivalente). Utilize graxa à base de bissulfeto de molibdênio (contendo mais de 3% de bissulfeto de molibdênio, NLGI nº 2 ou equivalente). Exemplo: Molykote® BR-2 plus fabricada por Dow Corning, EUA Graxa para uso geral M-2, produzida pela Mitsubishi Oil, Japão Utilize pasta à base de bissulfeto de molibdênio (contendo mais de 40% de bissulfeto de molibdênio, NLGI nº 2 ou equivalente). Exemplo: Molykote® G-n Paste fabricada por Dow Corning, EUA Honda Moly 60 (somente para USA) Rocol ASP, produzida pela Rocol Ltda., UK Pasta Rocol, produzida pela Sumico Lubricant, Japão Utilize graxa à base de silicone. Utilize trava química. Utilize trava química com resistência a torque médio, a menos que especificado de outra forma. Aplique junta-líquida. Utilize fluido de freio DOT4. Utilize o fluido de freio recomendado, a menos que especificado de outra forma. Utilize fluido para amortecedor ou suspensão.
  • 5.
    SHADOW 750 1. INFORMAÇÕES GERAIS NORMAS DE SERVIÇO 1-2 ESPECIFICAÇÕES DA RODA DIANTEIRA/ SUSPENSÃO/SISTEMA DE DIREÇÃO 1-11 IDENTIFICAÇÃO DO MODELO 1-3 ESPECIFICAÇÕES DA RODA ESPECIFICAÇÕES GERAIS 1-5 TRASEIRA/FREIO/SUSPENSÃO 1-11 ESPECIFICAÇÕES DO SISTEMA DE ESPECIFICAÇÕES DO FREIO HIDRÁULICO 1-11 LUBRIFICAÇÃO 1-7 ESPECIFICAÇÕES DA BATERIA/SISTEMA ESPECIFICAÇÕES DO SISTEMA DE DE CARGA 1-12 ALIMENTAÇÃO (PGM-FI) 1-7 ESPECIFICAÇÕES DO SISTEMA ESPECIFICAÇÕES DO SISTEMA DE DE IGNIÇÃO 1-12 ARREFECIMENTO 1-7 ESPECIFICAÇÕES DA PARTIDA ELÉTRICA 1-12 ESPECIFICAÇÕES DO CABEÇOTE/ VÁLVULAS 1-8 ESPECIFICAÇÕES DE ILUMINAÇÃO/ INSTRUMENTOS/INTERRUPTORES 1-12 ESPECIFICAÇÕES DO CILINDRO/PISTÃO 1-8 VALORES DE TORQUE PADRÃO 1-13 ESPECIFICAÇÕES DA EMBREAGEM/SELETOR DE MARCHAS 1-9 VALORES DE TORQUE DO MOTOR E CHASSI 1-13 ESPECIFICAÇÕES DO ALTERNADOR/EMBREAGEM DE PARTIDA 1-9 LUBRIFICAÇÃO E PONTOS DE VEDAÇÃO 1-18 ESPECIFICAÇÕES DA ÁRVORE DE PASSAGEM DE CABOS E FIAÇÃO 1-20 MANIVELAS/TRANSMISSÃO 1-10 SISTEMA DE CONTROLE DE EMISSÃO 1-33 ESPECIFICAÇÕES DO DIFERENCIAL 1-10 1-1
  • 6.
    INFORMAÇÕES GERAIS SHADOW 750 NORMAS DE SERVIÇO 1. Utilize somente peças, óleos e lubrificantes genuínos HONDA, recomendados pela HONDA ou seus equivalentes. Peças que não atendam às especificações HONDA podem causar danos à motocicleta. 2. Utilize as ferramentas especiais desenvolvidas para este produto a fim de evitar danos ou montagem incorreta. 3. Utilize somente ferramentas métricas ao efetuar reparos na motocicleta. Porcas e parafusos métricos não podem ser substituídos por fixadores Ingleses. 4. Instale novas juntas, anéis de vedação, cupilhas e placas de fixação durante a montagem. 5. Ao apertar as porcas e parafusos, inicie pelos de maior diâmetro ou pelos parafusos internos. Em seguida, aperte-os, diagonalmente e em diversas etapas, até o torque especificado, a menos que especificado de outra forma. 6. Limpe as peças com solvente de limpeza após a desmontagem. Lubrifique as superfícies deslizantes antes da montagem. 7. Após a montagem, inspecione todas as peças quanto a sua correta instalação e funcionamento adequado. 8. Passe todas as fiações elétricas como ilustrado em “Passagem de Cabos e Fiação” (pagina 1-20). 9. Não dobre nem torça os cabos de controle. Cabos de controle danificados não funcionarão suavemente, podendo causar seu travamento. ABREVIAÇÕES Neste manual, serão utilizadas as seguintes abreviações para identificar os respectivos componentes ou sistema. Abreviação Nome completo Sensor CKP Sensor de Posição da Árvore de Manivelas DLC Conector de Transmissão de Dados DTC Código de Diagnose de Defeito ECM Módulo de Controle do Motor Sensor ECT Sensor de Temperatura do Líquido de Arrefecimento do Motor EEPROM Memória Somente de Leitura Programável e Apagável Eletricamente Interruptor EOP Interruptor de Pressão de Óleo do Motor HDS Sistema de Diagnóstico Honda HISS Sistema de Segurança de Ignição Honda Válvula IAC Válvula de Controle de Ar da Marcha-Lenta Sensor IAT Sensor de Temperatura do Ar de Admissão Sensor MAP Sensor de Pressão Absoluta do Coletor de Admissão MIL Lâmpada Indicadora de Mau-Funcionamento PAIR Injeção de Ar de Pulso Secundário PGM-FI Injeção de Combustível Programada Conector SCS Conector de Curto-circuito de Inspeção de Serviço Sensor TP Sensor de Posição do Acelerador Sensor VS Sensor de Velocidade do Veículo 1-2
  • 7.
    SHADOW 750 INFORMAÇÕES GERAIS IDENTIFICAÇÃO DO MODELO NÚMEROS DE SÉRIE O Número de Identificação do Veículo (VIN) está gravado no lado direito da coluna de direção, como mostra a ilustração. NÚMERO DE IDENTIFICAÇÃO DO VEÍCULO (VIN) O número de série do motor está gravado no lado direito da carcaça do motor, como mostra a ilustração. NÚMERO DE SÉRIE DO MOTOR 1-3
  • 8.
    INFORMAÇÕES GERAIS SHADOW 750 O número de identificação do corpo do acelerador está gravado na lateral do sensor de posição do acelerador, como mostra a ilustração. NÚMERO DE IDENTIFICAÇÃO DO CORPO DO ACELERADOR ETIQUETA ETIQUETA DE INFORMAÇÕES DE CONTROLE DE EMISSÃO A etiqueta de Informação de Controle de Emissão está gravada no lado esquerdo do chassi, em seu tubo inferior. Para garantir que a motocicleta atenda às regulamentações locais, certifique-se de que os níveis de emissão de CO e HC em marcha-lenta estejam de acordo com os valores recomendados. 1-4
  • 9.
    SHADOW 750 INFORMAÇÕES GERAIS ESPECIFICAÇÕES GERAIS Item Especificação Dimensões Comprimento total 2.510 mm Largura total 920 mm Altura total 1.125 mm Distância entre eixos 1.640 mm Altura do assento 660 mm Altura do pedal de apoio 294 mm Altura mínima do solo 130 mm Peso seco 259 kg Capacidade máxima de carga 194 kg Chassi Tipo Berço duplo Suspensão dianteira Garfo telescópico Curso do eixo dianteiro 117 mm Suspensão traseira Braço oscilante Curso do eixo traseiro 90 mm Medida do pneu dianteiro 120/90-17 M/C 64S Medida do pneu traseiro 160/80-15 M/C 74S Marca do pneu dianteiro Bridgestone EXEDRA G701 Dunlop D404FG Marca do pneu traseiro Bridgestone EXEDRA G702 Dunlop D404 Freio dianteiro Hidráulico, disco simples Freio traseiro Sapata de expansão interna Ângulo do cáster 34°00’ Trail 161 mm Capacidade do tanque de combustível 14,4 l Motor Disposição dos cilindros 2 cilindros, inclinado 52° em relação à transversal Diâmetro e Curso 79 x 76 mm Cilindrada 745 cm3 Razão de compressão 9,6:1 Comando de Válvulas Silencioso, acionado por corrente, OHC Válvulas de admissão Abre Dianteira: 0° APMS, a 1 mm Traseira: 5° DPMS, a 1 mm Fecha 25° DPMI, a 1 mm Válvula de escape Abre 35° APMI, a 1 mm Fecha Dianteira: 0° DPMS, a 1 mm Traseira: 5°APMS, a 1 mm Sistema de lubrificação Forçado por bomba de óleo e cárter úmido Tipo de bomba de óleo Trocoidal Sistema de arrefecimento Arrefecido a líquido Sistema de filtragem de ar Elemento de papel viscoso Peso seco do motor 71 kg Seqüência de explosão Dianteiro – 308° – Traseira – 412° – Dianteira Identificação dos cilindros Dianteiro: #2/Traseiro: #1 Sistema de Tipo Injeção de Combustível Programada (PGM-FI) Alimentação Diâmetro interno do acelerador 34 mm 1-5
  • 10.
    INFORMAÇÕES GERAIS SHADOW 750 Item Especificação Transmissão Sistema de embreagem Multi-disco em banho de óleo Sistema de acionamento da embreagem Acionada por cabo Transmissão 5 marchas constantemente engrenadas Redução primária 1,763 (67/38) Redução secundária 0,821(32/39 Redução terciária (redução do eixo de transmissão) 1,059 (18/17) Redução final 3,091 (34/11) Relação de transmissão 1ª 2,400 (36/15) 2ª 1,550 (31/20) 3ª 1,174 (27/23) 4ª 0,960 (24/25) 5ª 0,852 (23/27) Sistema de mudança de marchas Sistema de retorno operado pelo pé esquerdo, 1 – N – 2 – 3 – 4 – 5 Sistema Sistema de ignição Ignição digital totalmente transistorizada Elétrico controlada por computador e com avanço elétrico Sistema de partida Motor de partida elétrico Sistema de carga Alternador de saída trifásica Regulador/retificador Trifásico, SCR em curto e retificação de onda completa Sistema de iluminação Bateria 1-6
  • 11.
    SHADOW 750 INFORMAÇÕES GERAIS ESPECIFICAÇÕES DO SISTEMA DE LUBRIFICAÇÃO Unidade: mm Item Padrão Limite de Uso Capacidade de Na drenagem 2,5 l – óleo do motor Na troca do óleo e filtro 2,6 l – Na desmontagem 3,2 l – Óleo recomendado para motor Mobil Supermoto 4T Multiviscoso Classificação de serviço API: SF Viscosidade: SAE 20W-50 Pressão de óleo no interruptor EOP 530 kPa (5,4 kgf/cm2, 77 psi) a 5.000 rpm (a 80°C) Bomba de óleo Folga entre os rotores interno e externo 0,15 0,20 Folga entre o rotor externo 0,15 – 0,21 0,35 e a carcaça da bomba Folga entre os rotores e a face 0,02 – 0,08 0,10 da carcaça da bomba ESPECIFICAÇÕES DO SISTEMA DE ALIMENTAÇÃO (PGM-FI) Item Especificação Número de identificação do corpo do acelerador GQB3A Marcha-lenta 1.200 ± 100 rpm Folga da manopla do acelerador 2 – 10 mm Resistência do injetor Dianteiro 11 – 13 Ω de combustível (a 20°C) Traseiro 11 – 13 Ω Resistência da válvula solenóide de controle PAIR (a 20°C) 23 – 27 Ω Pressão de combustível em marcha-lenta 333 – 353 kPa (3,4 – 3,6 kgf/cm2, 48 – 51 psi) Vazão da bomba de combustível (a 12 V) Mínimo de 50 cm3/10 segundos ESPECIFICAÇÕES DO SISTEMA DE ARREFECIMENTO Item Especificação Capacidade de líquido Radiador e motor 1,58 l de arrefecimento Reservatório 0,38 l Pressão de alívio da tampa do radiador 108 – 137 kPa (1,1 – 1,4 kgf/cm2, 16 – 20 psi) Termostato Início da abertura 80 – 84°C Completamente aberto 95°C Curso da válvula Mínimo de 8 mm a 95°C Líquido de arrefecimento recomendado “LÍQUIDO DE ARREFECIMENTO HONDA C2702ANT000” Líquido de arrefecimento de alto desempenho à base de Etilenoglicol 1-7
  • 12.
    INFORMAÇÕES GERAIS SHADOW 750 ESPECIFICAÇÕES DO CABEÇOTE/VÁLVULAS Unidade: mm Item Padrão Limite de uso Compressão do cilindro (a 400 rpm) 1.373 ± 98 kPa (14,0 ± 1,0 kgf/cm2, 199 ± 14 psi) — Folga das válvulas ADM 0,15 ± 0,02 — ESC 0,20 ± 0,02 — Comprimento do calço B do tensor — 6,0 da corrente de distribuição Árvore de Altura do ressalto ADM 37,188 – 37,348 37,16 comando ESC 37,605 – 37,765 37,58 Empenamento ADM/ESC — 0,05 D.E. do mancal ADM/ESC 21,959 – 21,980 21,90 Folga de óleo ADM/ESC 0,020 – 0,141 0,16 Balancim e eixo D.E. do eixo do balancim ADM/ESC 11,966 – 11,984 11.83 do balancim D.I. do balancim ADM/ESC 12,000 – 12,018 12,05 Folga entre o balancim e o eixo 0,016 – 0,052 0,07 Válvula e guia D.E. da haste da válvula ADM 5,475 – 5,490 5,45 da válvula ESC 5,455 – 5,470 5,41 D.I. da guia da válvula ADM 5,500 – 5,510 5,56 ESC 5,500 – 5,512 5,56 Folga entre a haste ADM 0,010 – 0,035 0,10 e a guia da válvula ESC 0,030 – 0,057 0,11 Projeção da guia da ADM 17,2 – 17,4 — válvula sobre o cabeçote ESC 18,7 – 18,9 — Largura da sede da válvula ADM/ESC 0,90 – 1,10 1,5 Comprimento Interna 38,11 36,47 ADM livre da mola Externa 42,14 40,58 da válvula ESC 46,11 44,72 Empenamento do cabeçote — 0,10 ESPECIFICAÇÕES DO CILINDRO/PISTÃO Unidade: mm Item Padrão Limite de Uso Cilindro D.I. 79,000 – 79,015 79,10 Ovalização — 0,06 Conicidade — 0,06 Empenamento — 0,10 Pistão, D.E. do pistão a 17 mm de sua base 78,97 – 78,99 78,90 pino do pistão, D.I. da cavidade do pino do pistão 18,002 – 18,008 18,05 anel do pistão D.E. do pino do pistão 17,994 – 18,000 17,98 Folga entre o pistão e o pino do pistão 0,002 – 0,014 0,04 Folga entre as 1° anel 0,15 – 0,25 0,40 extremidades 2º anel 0,25 – 0,40 0,60 do anel do pistão Anel de óleo 0,20 – 0,80 1,0 (anel lateral) Folga entre o anel e a 1º anel 0,025 – 0,055 0,08 canaleta do pistão 2º anel 0,015 – 0,045 0,07 Folga entre o cilindro e o pistão 0,010 – 0,045 0,10 D.I. da cabeça da biela 18,016 – 18,034 18,07 Folga entre a biela e o pino do pistão 0,016 – 0,040 0,06 1-8
  • 13.
    SHADOW 750 INFORMAÇÕES GERAIS ESPECIFICAÇÕES DA EMBREAGEM/SELETOR DE MARCHAS Unidade: mm Item Padrão Limite de Uso Folga da alavanca da embreagem 10 – 20 — Embreagem Comprimento livre da mola da embreagem 45,3 43,9 Espessura do disco da embreagem Disco A 2,62 – 2,78 2,3 Disco final 2,92 – 3,08 2,6 Empenamento do separador da embreagem – 0,30 Guia da carcaça da embreagem D.I. 21,991 – 22,016 22,03 D.E. 31,959 – 31,975 31,92 D.E. da árvore primária na guia da carcaça da embreagem 21,967 – 21,980 21,95 Folga entre a guia da carcaça da embreagem e a árvore primária 0,011 – 0,049 0,08 D.I. da carcaça da embreagem 32,000 – 32,025 32,09 Folga entre a carcaça da embreagem e a guia da carcaça 0,025 – 0,066 0,18 D.I. da engrenagem motora da bomba de óleo 32,025 – 32,145 32,16 Folga entre a engrenagem motora da bomba de óleo e a guia da 0,050 – 0,186 0,23 carcaça da embreagem ESPECIFICAÇÕES DO ALTERNADOR/EMBREAGEM DE PARTIDA Unidade: mm Item Padrão Limite de Uso Engrenagem movida de partida D.I. 37,000 – 37,025 37,10 D.E. 57,749 – 57,768 57,73 D.I. da carcaça da embreagem de partida 74,414 – 74,440 74,46 1-9
  • 14.
    INFORMAÇÕES GERAIS SHADOW 750 ESPECIFICAÇÕES DA ÁRVORE DE MANIVELAS/TRANSMISSÃO Unidade: mm Item Padrão Limite de Uso Árvore de Folga lateral do colo da biela 0,05 – 0,20 0,30 manivelas Folga de óleo da bronzina da árvore de manivelas 0,028 – 0,052 0,07 Folga de óleo do mancal principal 0,020 – 0,038 0,07 Empenamento – 0,03 D.E. do mancal principal 52,982 – 53,000 52,976 D.I. do mancal principal 58,010 – 58,022 58,070 Garfo seletor, D.I. do eixo 13,000 – 13,018 13,03 eixo seletor Espessura da garra 5,93 – 6,00 5,6 D.E. do eixo seletor 12,966 – 12,984 12,90 D.E. do tambor seletor na extremidade esquerda 11,966 – 11,984 11,94 D.I. do mancal do tambor seletor 12,000 – 12,018 12,05 Folga entre o tambor seletor e o mancal do tambor seletor 0,016 – 0,052 0,09 Transmissão D.I. da engrenagem M3, M5 28,000 – 28,021 28,04 C1, C4 31,000 – 31,025 31,05 C2 24,000 – 24,021 24,04 D.E. da bucha da M3, M5 27,959 – 27,980 27,94 engrenagem C1, C4 30,950 – 30,975 30,93 C2 23,959 – 23,980 23,94 Folga entre a M3, M5, C2 0,020 – 0,062 0,10 engrenagem e a bucha C1, C4 0,025 – 0,075 0,11 D.I. da bucha da M3 25,000 – 25,021 25,04 engrenagem C2 20,000 – 20,021 20,04 D.E. da árvore primária Na bucha M3 24,959 – 24,980 24,94 D.E. da árvore secundária Na bucha C2 19,980 – 19,993 19,96 Folga entre a bucha e M3 0,020 – 0,062 0,10 o eixo C2 0,007 – 0,041 0,07 Sistema de D.E. da engrenagem de transmissão 24,000 – 24,021 24,04 transmissão Bucha da engrenagem D.E. 23,959 – 23,980 23,70 de transmissão D.I. 20,020 – 20,041 20,06 D.E. do eixo da engrenagem motora de transmissão 19,979 – 20,000 19,97 Folga entre a engrenagem e a bucha 0,020 – 0,062 0,082 Folga entre a bucha da engrenagem e o eixo 0,020 – 0,062 0,082 Comprimento da mola do amortecedor 62,3 59 da engrenagem de transmissão Folga entre os dentes das engrenagens de 0,08 – 0,23 0,40 transmissão Diferença da folga entre as medidas – 0,10 ESPECIFICAÇÕES DO DIFERENCIAL Unidade: mm Item Padrão Limite de Uso Óleo recomendado para o diferencial Óleo para engrenagem Hypoid, SAE#80 – Capacidade de Na drenagem 160 cm3 – óleo do diferencial Na desmontagem 170 cm3 – Folga entre os dentes das engrenagens do diferencial 0,05 – 0,15 0,30 Diferença da folga entre as medidas – 0,10 Folga entre a coroa e o pino limitador 0,30 – 0,60 – Pré-carga de montagem da engrenagem do diferencial 0,2 – 0,4 N.m (2,0 – 4,1 kgf.cm) – 1-10
  • 15.
    SHADOW 750 INFORMAÇÕES GERAIS ESPECIFICAÇÕES DA RODA DIANTEIRA/SUSPENSÃO/ SISTEMA DE DIREÇÃO Unidade: mm Item Padrão Limite de Uso Profundidade mínima da banda de rodagem do pneu – 1,5 Pressão do Somente piloto 200 kPa (2,00 kgf/cm2, 29 psi) — pneu frio Piloto e passageiro 200 kPa (2,00 kgf/cm2, 29 psi) — Empenamento do eixo – 0,2 Excentricidade Radial – 2,0 do aro da roda Axial – 2,0 Peso para balanceamento da roda – Máximo de 60 g Garfo da Comprimento livre da mola 367,8 360,4 suspensão Empenamento do cilindro interno – 0,2 Fluido recomendado para suspensão Óleo Honda Ultra Cushion – 10 W ou equivalente Nível de fluido 100 – Capacidade de fluido 474 ± 2,5 cm3 – Pré-carga do rolamento da coluna de direção 8,8 –12,7 N (0,9 – 1,3 kgf) – ESPECIFICAÇÕES DA RODA TRASEIRA/FREIO/SUSPENSÃO Unidade: mm Item Padrão Limite de Uso Profundidade mínima da banda de rodagem do pneu – 2,0 Pressão do pneu frio Somente piloto 200 kPa (2,00 kgf/cm², 29 psi) – Piloto e passageiro 250 kPa (2,50 kgf/cm², 36 psi) – Empenamento do eixo – 0,2 Excentricidade do aro da roda Radial – 2,0 Axial – 2,0 Peso para balanceamento da roda – Máximo de 70 g D.I. do tambor do freio 180,0 – 180,3 181 Altura do pedal do freio 75 mm a partir da porção – superior do pedal de apoio Folga do pedal do freio 20 – 30 – Posição padrão do ajustador de pré-carga da mola do amortecedor 2a posição – ESPECIFICAÇÕES DO FREIO HIDRÁULICO Unidade: mm Item Padrão Limite de Uso Fluido de freio recomendado Fluido de freio DOT-4 – Freio dianteiro Espessura do disco de freio 5,8 – 6,2 5,0 Empenamento do disco de freio – 0,30 D.I do cilindro-mestre 11,000 – 11,043 11,055 D.E. do pistão-mestre 10,957 – 10,984 10,945 D.I. do cilindro do cáliper 25,400 – 25,450 25,460 D.E. do pistão do cáliper 25,335 – 25,368 25,320 1-11
  • 16.
    INFORMAÇÕES GERAIS SHADOW 750 ESPECIFICAÇÕES DA BATERIA/SISTEMA DE CARGA Item Especificação Bateria Capacidade 12 V – 11,2 Ah Fuga de corrente Máxima de 1,0 mA Voltagem (a 20°C) Completamente carregada 13,0 – 13,2 V Necessitando carga Abaixo de 12,4 V Corrente de carga Normal 1,1 A x 5 – 10 h Rápida 5,5 A x 1,0 h Alternador Capacidade 0,39 kW a 5.000 rpm Resistência da bobina de carga (a 20°C) 0,1 – 1,0 Ω ESPECIFICAÇÕES DO SISTEMA DE IGNIÇÃO Item Especificação Velas de ignição Padrão DPR7EA-9 (NGK), X22EPR-U9 (DENSO) Para longos percursos em alta rotação DPR8EA-9 (NGK), X24EPR-U9 (DENSO) Folga entre os eletrodos da vela de ignição 0,8 – 0,9 mm Pico de voltagem da bobina de ignição primária Mínimo de 100 V Ponto de ignição (Marca “F”) 8º APMS em marcha-lenta Pico de voltagem do sensor CKP (a 20º) Mínimo de 0,7 V ESPECIFICAÇÕES DA PARTIDA ELÉTRICA Unidade: mm Item Padrão Limite de Uso Comprimento das escovas do motor de partida 12,5 6,5 ESPECIFICAÇÕES DE ILUMINAÇÃO/INSTRUMENTOS/INTERRUPTORES Item Especificação Lâmpadas Farol 12 V – 60/55 W Luz de posição 12 V – 5 W Lanterna/luz de freio 12 V – 21/5 W Luz da placa de licença 12 V – 5 W Sinaleira 12 V – 21 W x 4 Iluminação do painel de instrumentos LED x 7 Indicador da sinaleira 12 V – 3,4 W Indicador de farol alto 12 V – 3,4 W Indicador de reserva de combustível 12 V – 3,4 W Indicador de ponto-morto LED Indicador de pressão de óleo LED Indicador de temperatura LED do líquido de arrefecimento MIL LED Indicador do HISS LED Fusíveis Fusível principal 30 A Fusível FI 15 A Fusível secundário 10 A x 5, 20 A x 1 1-12
  • 17.
    SHADOW 750 INFORMAÇÕES GERAIS VALORES DE TORQUE PADRÃO Tipo de fixador Torque Tipo de fixador Torque N.m (kgf.m) N.m (kgf.m) Parafuso e porca, 5 mm 5,2 (0,5) Parafuso, 5 mm 4,2 (0,4) Parafuso e porca, 6 mm 10 (1,0) Parafuso, 6 mm 9 (0,9) Parafuso e porca, 8 mm 22 (2,2) Parafuso flange, 6 mm (cabeça de 8 mm, flange menor) 9 (0,9) Parafuso e porca, 10 mm 34 (3,5) Parafuso flange, 6 mm (cabeça de 8 mm, flange maior) 12 (1,2) Parafuso e porca, 12 mm 55 (5,6) Parafuso flange, 6 mm (cabeça de 10 mm) e porca 12 (1,2) Parafuso flange e porca, 8 mm 27 (2,8) Parafuso flange e porca, 10 mm 39 (4,0) VALORES DE TORQUE DO MOTOR E CHASSI • As especificações de torque listadas abaixo são para fixadores importantes. • Outros fixadores devem ser apertados nos valores de torque-padrão listados acima. Item Qtde. Diâm. da Torque Notas Rosca (mm) N.m (kgf.m) Chassi/Carenagem/Sistema de Escapamento Parafuso Allen da tampa traseira esquerda da carcaça do 1 6 10 (1,0) motor Prisioneiro da conexão do tubo de escapamento 4 8 – Consulte a página 2-12 Parafuso Allen da tampa superior do cabeçote 8 6 10 (1,0) Parafuso Allen de fixação do assento principal 2 8 26 (2,7) Parafuso de fixação do assento traseiro 1 6 12 (1,2) Parafuso ALOC; substitua-o por um novo. Parafuso de fixação do trilho de fixação 6 10 64 (6,5) Porca da conexão do tubo de escapamento 4 8 25 (2,5) Parafuso de fixação do suporte do silencioso 4 8 34 (3,5) Parafuso de suporte do silencioso (lado do chassi) 2 10 44 (4,5) Porca do suporte do silencioso (lado do silencioso) 2 8 27 (2,8) Parafuso da capa do pedal de apoio principal 2 8 21,5 (2,2) Manutenção Vela de ignição 4 12 18 (1,8) Tampa do orifício de sincronização 1 14 10 (1,0) Aplique graxa nas roscas. Tampa do orifício da árvore de manivelas 1 30 15 (1,5) Aplique graxa nas roscas. Contraporca do parafuso de ajuste da válvula 6 7 23 (2,3) Cartucho do filtro de óleo do motor 1 20 26 (2,7) Aplique óleo para motor. nas roscas. Guia do filtro de óleo (lado da carcaça do motor) 1 20 18 (1,8) Aplique trava-química nas roscas. Parafuso de drenagem do óleo do motor 1 14 29 (3,0) Parafuso Allen da tampa do alternador 3 6 10 (1,0) Parafuso Allen da tampa do filtro de ar 5 5 1,5 (0,2) Tampa de abastecimento de óleo do diferencial 1 30 12 (1,2) Parafuso de drenagem do óleo do diferencial 1 8 12 (1,2) Porca de ajuste vertical do farol 1 6 12 (1,2) Sistema de Lubrificação Interruptor EOP 1 PT 1/8 12 (1,2) Aplique junta-líquida nas roscas. Parafuso do terminal do interruptor EOP 1 4 1,9 (0,2) Parafuso de montagem da bomba de óleo 3 6 13 (1,3) 1-13
  • 18.
    INFORMAÇÕES GERAIS SHADOW 750 Item Qtde. Diâm. da Torque Notas Rosca (mm) N.m (kgf.m) Sistema de Alimentação (PGM-FI) Parafuso da tampa da válvula de inspeção PAIR 4 5 7 (0,7) Parafuso da braçadeira do isolante (lado do corpo do 1 – – Consulte a página 5-45. acelerador) Parafuso da braçadeira do isolante (lado do coletor de 1 – – Consulte a página 5-49. admissão) Parafuso Torx do conjunto de sensores 3 5 3,4 (0,3) Parafuso de fixação do injetor de combustível 2 5 5,1 (0,5) Parafuso Torx da placa de fixação da válvula IAC 2 5 2,1 (0,2) Parafuso da guia do cabo do acelerador 2 5 3,4 (0,3) Sensor ECT 1 12 24,5 (2,5) Parafuso de fixação do tanque de combustível 1 8 27 (2,8) Parafuso de fixação da câmara do filtro de ar 1 5 1,1 (0,1) Parafuso da braçadeira do tubo de conexão da câmara 1 4 0,7 (0,1) do filtro de ar Parafuso da braçadeira do tubo de conexão do filtro de ar 1 4 1 (0,1) Sensor de O2 2 18 44 (4,5) Sistema de Arrefecimento Parafuso da tampa da bomba de água 5 6 13 (1,3) Parafuso de fixação do motor da ventoinha 3 5 5,1 (0,5) Porca de fixação da ventoinha de arrefecimento 1 5 2,7 (0,3) Aplique trava-química nas roscas. Parafuso de fixação do gargalo de abastecimento 2 6 10 (1,0) do radiador Parafuso da tampa do alojamento do termostato 2 6 10 (1,0) Parafuso da braçadeira da mangueira de água 14 - - Consulte a página 6-10. Parafuso de fixação do conjunto do motor da ventoinha 3 6 8,4 (09) Remoção/Instalação do Motor Porca de fixação do motor 4 10 54 (5,5) Parafuso da placa de fixação do motor 8 8 26 (2,7) Parafuso de fixação do braço seletor de marchas 1 6 12 (1,2) Cabeçote/Válvulas Parafuso da tampa do cabeçote 4 6 10 (1,0) Parafuso do cabeçote 4 8 23 (2,3) Aplique óleo nas roscas e superfícies de assentamento. Porca do cabeçote 8 10 47 (4,8) Aplique óleo nas roscas e superfícies de assentamento. Parafuso da engrenagem da árvore de comando 4 7 23 (2,3) Aplique óleo nas roscas e superfícies de assentamento. Parafuso do tensor da corrente de distribuição 4 6 10 (1,0) Consulte a página 8-25. Parafuso do suporte da árvore de comando 6 8 23 (2,3) Porca do suporte da árvore de comando 4 8 23 (2,3) Cilindro/Pistão Prisioneiro do cilindro 2 8 – Consulte a página 9-8. Prisioneiro do cilindro 6 10 – Consulte a página 9-8. Prisioneiro do cilindro 2 12 – Consulte a página 9-8. 1-14
  • 19.
    SHADOW 750 INFORMAÇÕES GERAIS Item Qtde. Diâm. da Torque Notas Rosca (mm) N.m (kgf.m) Embreagem/Seletor de Marcha Parafuso da placa de acionamento da embreagem 4 6 12 (1,2) Contraporca do cubo da embreagem 1 18 128 (13,1) Contraporca; substitua-o por uma nova e trave-a. Aplique óleo nas roscas e superfícies de assentamento. Parafuso da engrenagem movida da bomba de óleo 1 6 15 (1,5) Aplique trava-química nas roscas. Parafuso Allen da tampa da embreagem 5 6 10 (1,0) Parafuso da engrenagem motora primária 1 12 88 (9,0) Aplique óleo nas roscas e superfícies de assentamento. Pino da mola de retorno do eixo do seletor de marchas 1 8 23 (2,3) Parafuso da placa limitadora do retentor de óleo do eixo 1 6 13 (1,3) seletor de marchas Parafuso da articulação do pedal seletor de marchas 1 8 26 (2,7) Alternador/Embreagem de Partida Parafuso do volante do motor 1 12 128 (13,1) Roscas invertidas. Aplique óleo nas roscas e superfícies de assentamento. Parafuso Allen do estator 3 6 12 (1,2) Aplique trava-química nas roscas. Parafuso Allen da carcaça da embreagem de partida 6 8 30 (3,1) Aplique trava- química unidirecional nas roscas. Parafuso Allen do fixador da fiação do estator 1 6 12 (1,2) Aplique trava-química nas roscas. Árvore de Manivelas/Transmissão Parafuso da carcaça do motor 15 8 23 (2,3) Parafuso da placa do excêntrico seletor de marchas 1 6 12 (1,2) Aplique trava-química nas roscas. Porca da capa da bronzina do mancal da árvore de 4 8 33 (3,4) Aplique óleo nas manivela roscas e superfícies de assentamento. Parafuso de fixação da carcaça das engrenagens de 3 8 31 (3,2) Aplique junta-líquida transmissão nas roscas. Parafuso de fixação do conjunto das engrenagens de 2 8 31 (3,2) Aplique óleo nas roscas transmissão e superfícies de assentamento. Parafuso Allen de fixação da engrenagem movida de 4 8 31 (3,2) Aplique óleo nas roscas transmissão e superfícies de assentamento. Contraporca do rolamento da engrenagem motora de 1 30 73 (7,4) Contraporca; substitua-a transmissão (interna) por uma nova e trave-a. Aplique óleo nas roscas e superfícies de assentamento. Contraporca do rolamento da engrenagem motora de 1 64 98 (10,0) Contraporca; substitua-a transmissão (externa) por uma nova e trave-a. Aplique óleo nas roscas e superfícies de assentamento. Contraporca do rolamento da engrenagem movida de 1 30 73 (7,4) Contraporca; substitua-a transmissão (interna) por uma nova e trave-a. Aplique óleo nas roscas e superfícies de assentamento. Contraporca do rolamento da engrenagem movida de 1 64 98 (10,0) Contraporca; substitua-a transmissão (externa) por uma nova e trave-a. Aplique óleo nas roscas e superfícies de assentamento. Parafuso do eixo da engrenagem movida de transmissão 1 10 49 (5,0) 1-15
  • 20.
    INFORMAÇÕES GERAIS SHADOW 750 Item Qtde. Diâm. da Torque Notas Rosca (mm) N.m (kgf.m) Diferencial Retentor do pinhão 1 64 108 (11,0) Parafuso da lingüeta de trava do retentor do pinhão 1 6 10 (1,0) Porca da conexão do pinhão 1 16 108 (11,0) Aplique trava-química nas roscas. Parafuso da placa protetora de pó 1 6 10 (1,0) Parafuso da tampa da carcaça do diferencial 2 10 47 (4,8) Aplique trava-química nas roscas. Parafuso da tampa da carcaça do diferencial 6 8 25 (2,5) Porca de fixação do conjunto da carcaça do diferencial 4 10 64 (6,5) Prisioneiro da carcaça do diferencial 4 10 - Consulte a página 13-23. Roda Dianteira/Suspensão/Sistema de Direção Parafuso da articulação da alavanca da embreagem 1 6 1 (0,1) Porca da articulação da alavanca da embreagem 1 6 6 (0,6) Parafuso do suporte superior do guidão 4 8 23 (2,3) Porca do suporte inferior do guidão 2 8 23 (2,3) Parafuso do disco de freio dianteiro 6 8 42 (4,3) Parafuso ALOC; substitua-o por um novo. Raio 52 BC4 4,2 (0,4) Parafuso do eixo dianteiro 1 14 59 (6,0) Parafuso de fixação do deixo dianteiro 2 8 22 (2,2) Parafuso Allen central do garfo da suspensão 2 10 29,5 (3,0) Aplique trava- química nas roscas. Parafuso superior do garfo da suspensão 2 38 22,1 (2,3) Parafuso do protetor do garfo da suspensão 2 8 12 (1,2) Parafuso do protetor do garfo da suspensão 2 8 26 (2,7) Porca da válvula do pneu 1 8V1 4 (0,4) Parafuso de fixação da mesa superior do garfo 2 8 27 (2,8) Parafuso de fixação da mesa inferior do garfo 2 10 49 (5,0) Porca superior da coluna de direção 1 26 – Consulte a página 14-30. Contraporca da coluna de direção 1 26 – Consulte a página 14-31. Porca da coluna de direção 1 24 103 (10,5) Roda Traseira/Freio/Suspensão Raio 52 BC4 4,2 (0,4) Porca da válvula do pneu 1 8V1 4 (0,4) Porca do eixo traseiro 1 18 88 (9,0) Porca-U. Parafuso de fixação do eixo traseiro 1 8 27 (2,8) Porca do braço limitador do freio traseiro 1 8 22 (2,2) Parafuso de fixação do braço do freio traseiro 1 8 28,5 (2,9) Parafuso de fixação superior do amortecedor traseiro 2 8 26 (2,7) Parafuso de fixação inferior do amortecedor 1 10 34 (3,5) traseiro (lado direito) Parafuso de fixação inferior do amortecedor 1 8 22 (2,2) traseiro (lado esquerdo) Parafuso da placa limitadora 5 6 20 (2,0) Parafuso ALOC; substitua-o por um novo. Parafuso da articulação esquerda do braço oscilante 1 30 103 (10,5) Parafuso da articulação direita do braço oscilante 1 30 – Consulte a página 15-27. Contraporca da articulação direita do braço oscilante 1 30 103 (10,5) Parafuso de fixação do suporte do pedal de apoio principal 3 10 39 (4,0) Porca de fixação do suporte do pedal de apoio principal 1 10 39 (4,0) 1-16
  • 21.
    SHADOW 750 INFORMAÇÕES GERAIS Item Qtde. Diâm. da Torque Notas Rosca (mm) N.m (kgf.m) Freio Hidráulico Válvula de sangria do cáliper do freio 1 8 5,5 (0,6) Parafuso da tampa do reservatório do cilindro-mestre 2 4 1,5 (0,2) dianteiro Pino da pastilha de freio 1 10 18 (1,8) Bujão do pino da pastilha de freio 1 10 2,5 (0,3) Parafuso de óleo da mangueira do freio 2 10 34 (3,5) Parafuso da articulação da alavanca do freio 1 6 1 (0,1) Porca da articulação da alavanca do freio 1 6 6 (0,6) Parafuso do interruptor da luz do freio dianteiro 1 4 1,2 (0,1) Parafuso do suporte do cilindro-mestre dianteiro 2 6 12 (1,2) Pino do suporte do cáliper do freio dianteiro 1 8 12 (1,2) Aplique trava-química nas roscas. Pino do cáliper do freio dianteiro 1 8 27 (2,8) Aplique trava-química nas roscas. Parafuso de fixação do cáliper do freio dianteiro 2 8 30 (3,1) Parafuso ALOC; substitua-o por um novo. Bateria/Sistema de Carga Parafuso da tampa do compartimento da bateria 1 5 1 (0,1) Partida Elétrica Porca do terminal do cabo do motor de partida 1 6 10 (1,0) Parafuso de montagem do motor de partida 2 5 4,9 (0,5) Parafuso da escova negativa 1 5 3,7 (0,4) Iluminação/Instrumentos/Interruptores Interruptor de ponto-morto 1 10 12 (1,2) Parafuso de fixação do sensor VS 1 6 9,8 (1,0) Parafuso de fixação do farol 2 5 4,1 (0,4) Porca de fixação da carcaça do farol 1 6 12 (1,2) Parafuso da presilha da carcaça do farol 2 4 1 (0,1) Parafuso das lentes das sinaleiras 4 4 1 (0,1) Parafuso Allen de fixação da sinaleira dianteira 2 6 5,1 (0,5) Parafuso Allen de fixação da sinaleira traseira 2 6 6,7 (0,7) Porca de fixação da lanterna/luz de freio 3 6 6,3 (0,6) Parafuso Allen de fixação do velocímetro 2 6 10 (1,0) Parafuso de fixação do interruptor de ignição 2 6 12 (1,2) Parafuso do interruptor do cavalete lateral 1 6 10 (1,0) Parafuso ALOC; substitua-o por um novo. Sensor de reserva de combustível 1 18 23 (2,3) Parafuso de fixação da buzina 1 8 21 (2,1) Outros Parafuso da articulação do cavalete lateral 1 10 9 (0,9) Contraporca da articulação do cavalete lateral 1 10 30 (3,1) Parafuso do suporte do cavalete lateral 2 10 49 (5,0) Parafuso da caixa de ferramentas 2 4 2 (0,2) 1-17
  • 22.
    INFORMAÇÕES GERAIS SHADOW 750 LUBRIFICAÇÃO E PONTOS DE VEDAÇÃO MOTOR Material Localização Notas Óleo a base de bissulfeto Superfície do mancal e ressaltos da árvore de comando de molibdênio (mistura Haste da válvula (superfície deslizante da guia da válvula) de 50% de óleo para Superfície deslizante do balancim motor e 50% de de graxa Superfície externa do eixo do balancim de bissulfeto de Superfície de encosto da bronzina do mancal da árvore de molibdênio). manivelas Mancais principais da árvore de manivelas Superfície externa da guia da carcaça da embreagem Ranhura do garfo seletor da engrenagem de transmissão Superfície deslizante da bucha da transmissão Superfície interna da cabeça da biela Óleo para motor Superfície externa do pistão Superfície externa do anel do pistão Superfície externa do pino do pistão Embreagem de partida unidirecional Superfície externa dos eixos das engrenagens redutora e intermediária de partida Superfície deslizante do braço de acionamento da embreagem da tampa direita da carcaça do motor Superfície completa dos discos da embreagem Roscas do parafuso de ajuste da válvula Parede do cilindro Roscas inferiores do prisioneiro do cilindro Superfície completa do eixo do garfo seletor Dentes das engrenagens de transmissão Superfície da bronzina do mancal principal da árvore de manivelas Retentor do tubo de óleo Junta do filtro de óleo Roscas do cartucho do filtro de óleo Anel retentor do injetor Região de rotação dos rolamentos Anel de vedação Graxa para uso geral Lábios dos retentores de óleo Junta-líquida (Three Bond Superfície de contato das carcaças direita e esquerda do motor 1207B ou equivalente) Superfície de contato da tampa direita da carcaça do motor Superfície de contato da tampa esquerda da carcaça do motor Trava-química Roscas do parafuso da placa de fixação do rolamento da Região de cobertura: transmissão 6,5 ± 1 mm Roscas do parafuso da placa de fixação do tensor da Região de cobertura: corrente de distribuição 6,5 ± 1 mm Roscas do parafuso da tampa esquerda da carcaça do motor Região de cobertura: (com a marca “Δ”) 6,5 ± 1 mm Honda Bond A ou Ranhura da junta da tampa do cabeçote equivalente 1-18
  • 23.
    SHADOW 750 INFORMAÇÕES GERAIS CHASSI Material Localização Notas Junta-líquida (Three Bond Superfície de contato da tampa da carcaça do diferencial 1207B ou equivalente) Graxa para uso geral Superfície deslizante do parafuso da articulação do cavalete lateral Aplique 1 g. Região deslizante do pedal de apoio do condutor Região deslizante do pedal de apoio do passageiro Ranhura e superfície deslizante do flange do tubo do acelerador Espalhe de 0,2 a 0,3 g. Superfície deslizante do parafuso da articulação da alavanca da embreagem Lábios do retentor de pó do pedal seletor de marchas Superfície deslizante do eixo dianteiro Superfície interna do fixador do amortecedor Lábios do retentor de pó e articulação da conexão intermediária do freio traseiro Superfície deslizante do excêntrico do freio traseiro Espalhe de 0,2 a 0,3 g. Superfície deslizante entre a sapata do freio e o pino de fixação Espalhe de 0,2 a 0,3 g. Superfície deslizante da articulação do pedal do freio Lábios do retentor de pó do pedal do freio Lábios do retentor de pó da roda dianteira Anel de vedação da carcaça do diferencial Lábios do retentor de óleo da carcaça do diferencial Graxa para uso geral com Rolamentos do cabeçote da coluna de direção Aplique de 3 a 5 g em agente para extrema cada rolamento. pressão (Exemplo: Lábios do retentor de pó do rolamento do cabeçote da coluna Excelite EP2 fabricada de direção pela KYODO YUSHI, Roletes de agulhas do rolamento da articulação do braço Aplique de 1,0 a 1,5 g em Japão) ou equivalente oscilante cada rolamento. Lábios do retentor de pó da articulação do braço oscilante Graxa a base de bissulfeto Estrias da engrenagem motora de transmissão e do Aplique 1 g. de molibdênio excêntrico amortecedor Lábios do retentor de óleo do eixo do diferencial Aplique 0,5 g. Eixo do diferencial e estrias do eixo da transmissão (lado da Aplique 1g. conexão universal) Estrias da conexão do pinhão do diferencial Aplique 2g. Pasta a base de bissulfeto Flange movido do diferencial (superfície de contato do cubo da Aplique de 0,5 a 1,0 g. de molibdênio roda traseira) Anel de vedação do flange movido do diferencial Suporte do anel de vedação da carcaça do diferencial e Aplique de 4 a 5 g. superfície da conexão do flange movido Arruela de encosto e extremidade do cubo da roda traseira Aplique de 2 a 3 g. (lado do flange movido do diferencial) Lubrificante para cabos Interior do cabo do acelerador Interior do cabo da embreagem Honda Bond A ou Interior da manopla do guidão equivalente Superfície externa do guidão e do tubo do acelerador (região de contato da manopla do guidão) Óleo para motor Roscas superiores da coluna de direção Retentor do excêntrico do freio traseiro Graxa de silicone Superfície deslizante do parafuso da articulação da alavanca do freio Aplique 0,1 g. Região de contato entre a alavanca do freio e o pistão-mestre Aplique 0,1 g. Superfície deslizante dos pinos do cáliper do freio e do suporte Retentor de pó do cáliper do freio Aplique 0,4 g. Fluido de freio DOT-4 Pistão-mestre do freio e copos do pistão Pistão do cáliper do freio e retentores do pistão Óleo Honda ULTRA Lãbios dos retentores de pó e de óleo do garfo da suspensão CUSHION 10W Anel de vedação do parafuso superior do garfo da suspensão Trava-química Roscas do prisioneiro da carcaça do diferencial 1-19
  • 24.
    INFORMAÇÕES GERAIS SHADOW 750 PASSAGEM DE CABOS E FIAÇÃO MANGUEIRA DO FREIO FIO DO INTERRUPTOR CABOS DO DIANTEIRO CABO DA EMBREAGEM ACELERADOR DIREITO DO GUIDÃO INDICADOR DA SINALEIRA INDICADOR DE RESERVA DE INDICADOR COMBUSTÍVEL DO FAROL ALTO FIAÇÃO DO INTERRUPTOR DA LUZ DO FREIO DIANTEIRO FIAÇÃO DO INTERRUPTOR DA EMBREAGEM FIAÇÃO DO INTERRUPTOR ESQUERDO DO GUIDÃO FIAÇÃO DA SINALEIRA FIAÇÃO DA SINALEIRA DIANTEIRA DIANTEIRA CONECTOR 2P (Branco) DO CONECTORES 2P DA SINALEIRA INDICADOR DA SINALEIRA DIANTEIRA: CONECTOR 6P (Vermelho) DO • Azul claro: SINALEIRA DIREITA INTERRUPTOR DO GUIDÃO DIREITO • Laranja: SINALEIRA ESQUERDA CONECTOR 4P (Branco) DO INDICADOR DE RESERVA DE COMBUSTÍVEL/FAROL ALTO CONECTOR 2P (Branco) DA LUZ DE POSIÇÃO FIAÇÃO DA SINALEIRA FIAÇÃO DO RELÉ DA SINALEIRA FIAÇÃO DO INDICADOR FIAÇÃO DO INTERRUPTOR DIREITO DO GUIDÃO FIAÇÃO DO INTERRUPTOR FIAÇÃO PRINCIPAL ESQUERDO DO GUIDÃO CONECTOR 3P (Preto) DO RELÉ DA SINALEIRA CONECTOR 2P (Preto) CONECTOR 3P (Branco) CONECTOR 9P (Preto) DO DO COMUTADOR DO INTERRUPTOR ESQUERDO DO FAROL FAROL DO GUIDÃO FIAÇÃO DO RELÉ DA SINALEIRA 1-20
  • 25.
    SHADOW 750 INFORMAÇÕES GERAIS Para cima Lado esquerdo CABOS DO ACELERADOR 30° ± 5° CABO DA EMBREAGEM FIAÇÃO DO INTERRUPTOR DO GUIDÃO DIREITO CABOS DO ACELERADOR MANGUEIRA DO FREIO DIANTEIRO 1-21
  • 26.
    INFORMAÇÕES GERAIS SHADOW 750 CONECTOR 12P (Branco) CABO DA EMBREAGEM DO VELOCÍMETRO FIAÇÃO DO INTERRUPTOR ESQUERDO DO GUIDÃO FIAÇÃO DA BUZINA FIAÇÃO DO MOTOR DA VENTOINHA 1-22
  • 27.
    SHADOW 750 INFORMAÇÕES GERAIS (1) FIAÇÃO PRINCIPAL (2) MANGUEIRA DE RESPIRO DO TANQUE DE COMBUSTÍVEL (3) MANGUEIRA SIFÃO (4) FIAÇÃO DO SENSOR DE INCLINAÇÃO DO CHASSI (5) CABO DO ACELERADOR MANGUEIRA DE RESPIRO DO TANQUE DE COMBUSTÍVEL FIAÇÃO DA VÁLVULA SOLENÓIDE DO CONTROLE PAIR CONECTOR 2P (Preto) DA MANGUEIRA DE VÁLVULA SOLENÓIDE DO ALIMENTAÇÃO CONTROLE PAIR CONECTORES DO SENSOR DE RESERVA DE COMBUSTÍVEL DE COMBUSTÍVEL (4) (2) MANGUEIRA DE (3) COMBUSTÍVEL (5) (1) (3) (2) MANGUEIRA SIFÃO (1) (5) (1) MANGUEIRA DE RETORNO DE VAPORIZAÇÃO DE COMBUSTÍVEL FIAÇÃO MANGUEIRA DE DA BUZINA RETORNO DE VAPORIZAÇÃO DE COMBUSTÍVEL CABO DA VELA DE IGNIÇÃO DIANTEIRA ESQUERDA MANGUEIRA DE COMBUSTÍVEL FIAÇÃO DO SENSOR DE RESERVA DE COMBUSTÍVEL MANGUEIRAS DE FORNECIMENTO DE AR SECUNDÁRIO CABO DA VELA DE IGNIÇÃO MANGUEIRA DE ALIMENTAÇÃO TRASEIRA ESQUERDA DE COMBUSTÍVEL MANGUEIRA DE SUCÇÃO DE AR SECUNDÁRIO 1-23
  • 28.
    INFORMAÇÕES GERAIS SHADOW 750 (1) FIAÇÃO DO INTERRUPTOR DO CAVALETE LATERAL (2) FIAÇÃO DO RECEPTOR DO IMOBILIZADOR/INTERRUPTOR DE IGNIÇÃO (3) FIAÇÃO DO INTERRUPTOR DE IGNIÇÃO (4) FIAÇÃO DO ALTERNADOR (5) FIAÇÃO DO INTERRUPTOR DO PONTO-MORTO/INTERRUPTOR EOP (6) FIAÇÃO DO SENSOR VS (7) FIAÇÃO DO RECEPTOR DO IMOBILIZADOR (8) FIAÇÃO DO REGULADOR/RETIFICADOR (9) FIAÇÃO DA CAIXA DE RELÉS (10) FIAÇÃO DOS ITENS (1), (5), (6) CONECTORES INTERNOS: • CONECTOR 2P (Branco) DO REGULADOR/ RETIFICADOR • CONECTOR 3P (Branco) DO ALTERNADOR CONECTORES INTERNOS: • CONECTOR 4P (Branco) DO RECEPTOR DO IMOBILIZADOR • CONECTOR 2P (Branco) DO INTERRUPTOR DE IGNIÇÃO (8) (10) (7) (9) (2) (1) (4) (3) (5) FIAÇÃO DO REGULADOR/ (4) (6) RETIFICADOR (6) (1) (5) (6) (1) (5) (1) Para o Regulador/ Retificador FIAÇÃO DA CAIXA DE RELÉS CABO DO MOTOR DE PARTIDA (5) (6) FIAÇÃO DO ALTERNADOR (5) CABO DO TERRA (1) (4) FIAÇÃO DO INTERRUPTOR DO CAVALETE LATERAL FIAÇÃO DO SENSOR VS FIAÇÃO DO REGULADOR/RETIFICADOR FIAÇÃO DO INTERRUPTOR EOP CONECTORES INTERNOS: • CONECTOR 3P (Branco) DO SENSOR VS • CONECTOR 2P (Verde) DO INTERRUPTOR DO CAVALETE LATERAL • CONECTOR 2P (Preto) DO INTERRUPTOR DO PONTO-MORTO/ INTERRUPTOR EOP 1-24
  • 29.
    SHADOW 750 INFORMAÇÕES GERAIS MANGUEIRAS DE RESPIRO DO TANQUE DE COMBUSTIVEL MANGUEIRA SIFÃO FIAÇÃO DO REGULADOR/ RETIFICADOR MANGUEIRA DE RESPIRO DO RESERVATÓRIO DO RADIADOR 1-25
  • 30.
    INFORMAÇÕES GERAIS SHADOW 750 MANGUEIRA DE ALIMENTAÇÃO DE COMBUSTÍVEL Lado direito MANGUEIRA DE COMBUSTÍVEL MANGUEIRA DE RETORNO DE VAPORIZAÇÃO DE COMBUSTÍVEL Dianteira 45° MANGUEIRA DE ALIMENTAÇÃO DE COMBUSTÍVEL FIAÇÃO DO RESERVATÓRIO/ BOMBA DE COMBUSTÍVEL MANGUEIRA DE RETORNO DE VAPORIZAÇÃO DE COMBUSTÍVEL MANGUEIRA DE COMBUSTÍVEL Dianteira 5 – 8 mm 1-26
  • 31.
    SHADOW 750 INFORMAÇÕES GERAIS CONECTORES INTERNOS: • CONECTOR 2P (Vermelho) DO SENSOR CKP • CONECTOR 2P (Branco) DO MOTOR DA VENTOINHA • CONECTOR 3P (Cinza) DO INTERRUPTOR DA LUZ DO FREIO TRASEIRO CABOS DO ACELERADOR CONECTOR 3P (Preto) DO SENSOR DE FIAÇÃO DO SENSOR FIAÇÃO PRINCIPAL INCLINAÇÃO DO CHASSI DE INCLINAÇÃO DO MANGUEIRA DE CHASSI FIAÇÃO SECUNDARIA DO CONJUNTO DE SENSORES/VÁLVULA IAC RESPIRO DO TANQUE DE COMBUSTÍVEL Para cima 45° MANGUEIRA DE ° Lado RESPIRO DA direito CARCAÇA DO MOTOR MANGUEIRA DE RESPIRO DO TANQUE DE COMBUSTÍVEL Para cima PROTETOR FIAÇÃO DO SENSOR ECT CONECTOR 3P (Cinza) DO SENSOR ECT CABO DA VELA DE IGNIÇÃO DIANTEIRA DIREITA 5 – 8 mm FIAÇÃO DO SENSOR CKP MANGUEIRA DE SUCÇÃO DE AR SECUNDÁRIO CABO DA EMBREAGEM FIAÇÃO DO INTERRUPTOR DA LUZ DO FREIO TRASEIRO 1-27
  • 32.
    INFORMAÇÕES GERAIS SHADOW 750 MANGUEIRA DE RESPIRO DO TANQUE DE COMBUSTÍVEL SENSOR DE CABOS DO ACELERADOR INCLINAÇÃO DO CHASSI FIAÇÃO SECUNDARIA DO CONJUNTO DE SENSORES/VÁLVULA IAC FIAÇÃO DO SENSOR DE INCLINAÇÃO DO CHASSI CONECTOR 4P (Branco) DA FIAÇÃO SECUNDÁRIA DO INJETOR FIAÇÃO SECUNDÁRIA DO INJETOR CONECTOR 2P (Cinza) DO INJETOR N° 2 DIANTEIRO FIAÇÃO PRINCIPAL CONECTOR 2P (Cinza) DO INJETOR N° 1 TRASEIRO CONECTOR 4P (Preto) DA VÁLVULA IAC CONECTOR 5P (Preto) DO CONJUNTO DE SENSORES 1-28
  • 33.
    SHADOW 750 INFORMAÇÕES GERAIS Dianteira Para cima Para cima Lado Direito Lado Direito Máximo de 30° Para cima Lado Direito 45° Lado Direito Para cima Dianteira 45° Dianteira Lado Direito Dianteira Lado Esquerdo Máximo de 30° Para cima 45° Dianteira Para cima Lado Direito Lado Lado Esquerdo Esquerdo 1-29
  • 34.
    INFORMAÇÕES GERAIS SHADOW 750 (1) FIAÇÃO PRINCIPAL (2) FIAÇÃO DO SENSOR CKP (3) CABO DA VELA DE IGNIÇÃO TRASEIRA ESQUERDA (4) CABO DA VELA DE IGNIÇÃO TRASEIRA DIREITA CONECTOR 2P (Vermelho) DA FIAÇÃO SECUNDÁRIA DO SENSOR CKP CABO DA VELA DE IGNIÇÃO TRASEIRA DIREITA (1) (4) (1) (3) (4) (3) PROTETOR (2) CABO DO MOTOR DE PARTIDA INTERRUPTOR DO RELÉ DE PARTIDA CONECTOR 4P (Branco) DO SENSOR DE O2 TRASEIRO CONECTOR 4P (Preto) DO SENSOR DE O2 DIANTEIRO CABO DO TERRA FIAÇÃO DO SENSOR CABO DA VELA DE IGNIÇÃO DE O2 TRASEIRO TRASEIRA ESQUERDA CAIXA DE FUSÍVEIS A DLC FIAÇÃO DO SENSOR DE O2 DIANTEIRO CAIXA DE FUSÍVEIS B CABO POSITIVO (+) DA BATERIA CONECTOR 1P (Branco) DO CABO DE PARTIDA-BATERIA CONECTORES INTERNOS: BOBINA DE IGNIÇÃO • CONECTOR 2P (Azul claro) DA SINALEIRA TRASEIRA DIREITA TRASEIRA • CONECTOR 2P (Laranja) DA SINALEIRA TRASEIRA ESQUERDA FIAÇÃO PRIMÁRIA • CONECTOR 3P (Branco) DA LANTERNA/LUZ DE FREIO/LUZ DA PLACA DE LICENÇA 1-30
  • 35.
    SHADOW 750 INFORMAÇÕES GERAIS MANGUEIRA DE RETORNO DE VAPORIZAÇÃO DO COMBUSTÍVEL MANGUEIRA DE ALIMENTAÇÃO DE COMBUSTÍVEL CONECTOR 2P (Preto) DO MANGUEIRA DE COMBUSTÍVEL RESERVATÓRIO/BOMBA DE COMBUSTÍVEL RESERVATÓRIO/BOMBA DE COMBUSTÍVEL CABO NEGATIVO FIAÇÃO SECUNDÁRIA DO (-) DA BATERIA SENSOR CKP CABO POSITIVO (+) DA BATERIA BATERIA ECM CONECTOR 33P CONECTOR 33P (Cinza) DO ECM (Preto) DO ECM 1-31
  • 36.
    INFORMAÇÕES GERAIS SHADOW 750 FIAÇÃO DA SINALEIRA TRASEIRA DIREITA FIAÇÃO DA LANTERNA/LUZ DE FREIO/ LUZ DA PLACA DE LICENÇA FIAÇÃO DA SINALEIRA TRASEIRA ESQUERDA FIAÇÃO DA LANTERNA/LUZ DE FREIO/LUZ DA PLACA DE LICENÇA FIAÇÃO DA LUZ DA LUZ DE LICENÇA CONECTOR 2P (Branco) DA LUZ DA PLACA DE LICENÇA 1-32
  • 37.
    SHADOW 750 INFORMAÇÕES GERAIS SISTEMA DE CONTROLE DE EMISSÕES Esta motocicleta atende às exigências do Programa de Controle de Poluição do Ar para Motocicletas e Veículos Similares PROMOT (Resolução do CONAMA, n° 297, datada de 26/02/2002 - Conselho Nacional de Meio-Ambiente). FONTE DE EMISSÕES O processo de combustão produz monóxido de carbono (CO), hidrocarbonetos e óxidos de nitrogênio (NOx). O controle do monóxido de carbono, dos hidrocarbonetos e dos óxidos de nitrogênio é de grande importância pois, sob certas condições, estes reagem fotoquimicamente para produzir fumaça tóxica quando expostos à luz solar. O monóxido de carbono não reage da mesma forma, mas também é tóxico. A Moto Honda da Amazônia Ltda. utiliza vários sistemas (página 1-34) para reduzir os índices de emissões de monóxido de carbono, hidrocarbonetos e óxidos de nitrogênio. SISTEMA DE CONTROLE DE EMISSÕES DA CARCAÇA DO MOTOR O motor é equipado com um sistema de carcaça fechada, a fim de evitar descargas de gases na atmosfera. Os gases expelidos retornam à câmara de combustão através da carcaça do filtro de ar e do corpo do acelerador. FILTRO DE AR CORPO DO ACELERADOR AR FRESCO GASES EXPELIDOS 1-33
  • 38.
    INFORMAÇÕES GERAIS SHADOW 750 SISTEMA DE CONTROLE DE EMISSÃO DO ESCAPAMENTO O sistema de controle de emissões do escapamento é composto por um sistema de fornecimento de ar secundário pulsativo, um catalisador de três vias e o sistema PGM-FI. Nenhum ajuste deve ser executado, exceto o ajuste da marcha-lenta com o parafuso limitador do acelerador. O sistema de controle de emissão do escapamento é separado do sistema de controle de emissão da carcaça do motor. Sistema de fornecimento de ar secundário O sistema de fornecimento de ar que secundário pulsativo introduz ar filtrado nos gases de escapamento, na porta de escape. O ar fresco é sugado para dentro da porta de escape através da válvula solenóide de controle PAIR. Esta carga de ar fresco promove a queima dos gases não-queimados e altera consideravelmente a quantidade de hidrocarbonetos e monóxido de carbono em dióxido de carbono relativamente inofensivo e vapor de água. A válvula de inspeção PAIR evita o fluxo inverso de ar através do sistema. A válvula solenóide de controle PAIR é acionada por uma válvula solenóide. A válvula solenóide é controlada pelo ECM, e a passagem de ar fresco é aberta ou fechada de acordo com as condições de funcionamento do motor (sensores ECT/IAT/TP/MAP e rotações do motor). Nenhum ajuste no sistema de fornecimento de ar secundário deve ser feito, a não ser inspeções periódicas nos componentes recomendados. FILTRO DE AR VÁLVULA SOLENÓIDE DE CONTROLE PAIR VÁLVULA DE INSPEÇÃO PAIR PORTA DE ESCAPE AR FRESCO GASES DE ESCAPAMENTO Catalisador de Três Vias Esta motocicleta é equipada com catalisador de três vias. O catalisador de três vias está localizado no sistema de escapamento. Através de reações químicas, este converte os hidrocarbonetos, o monóxido de carbono e os óxidos de nitrogênio do escapamento do motor em dióxido de carbono (CO2), gás nitrogênio (N2) e vapor de água. 1-34
  • 39.
    SHADOW 750 INFORMAÇÕES GERAIS SISTEMA DE CONTROLE DE EMISSÃO DE RUÍDOS São proibidas adulterações no sistema de controle de emissão ruídos: a lei de cada região proíbe os seguintes atos ou as seguintes conseqüências: (1) a remoção ou alteração ineficaz por qualquer pessoa, a não ser por propósitos de manutenção, reparo ou substituição, de qualquer dispositivo ou elemento de projeto incorporado a qualquer novo veículo com o propósito prévio de controle de ruídos, para venda ou entrega ao comprador final ou enquanto em uso; (2) a utilização do veículo após a remoção de qualquer dispositivo ou elemento do projeto ou alteração ineficaz por qualquer pessoa. ENTRE ESTES ATOS, PRESUMIMOS A CONSTITUIÇÃO DE ADULTERAÇÃO OS SEGUINTES LISTADOS ABAIXO: 1. Remoção ou perfuração do silencioso, defletores, tubos de escapamento ou qualquer outro componente que conduz os gases de escapamento. 2. Remoção ou perfuração de qualquer componente do sistema de admissão. 3. Falta de manutenção adequada. 4. Substituição de qualquer componente móvel do veículo ou componentes do sistema de admissão e escape, por componentes que não os especificados pelo fabricante. 1-35
  • 40.
    INFORMAÇÕES GERAIS SHADOW 750 NOTAS 1-36
  • 41.
    CHASSI/CARENAGENS/ SHADOW 750 2. SISTEMA DE ESCAPAMENTO INFORMAÇÕES DE SERVIÇO 2-2 PEDAL DE APOIO DO CONDUTOR 2-5 DIAGNOSE DE DEFEITOS 2-2 TAMPA SUPERIOR DO CABEÇOTE 2-6 ASSENTO 2-3 PÁRA-LAMA DIANTEIRO 2-7 TAMPA LATERAL 2-4 PÁRA-LAMA TRASEIRO 2-7 TAMPA LATERAL DA SISTEMA DE ESCAPAMENTO 2-9 COLUNA DE DIREÇÃO 2-4 TAMPA TRASEIRA ESQUERDA DA CARCAÇA DO MOTOR 2-4 2-1
  • 42.
    CHASSI/CARENAGENS/SISTEMA DE ESCAPAMENTO SHADOW 750 INFORMAÇÕES DE SERVIÇO INFORMAÇÕES GERAIS • Este capítulo abrange a remoção e instalação das carenagens e sistema de escapamento. • Queimaduras graves podem ocorrer caso o sistema de escapamento não esfrie antes da remoção ou execução de reparos em seus componentes. • Sempre substitua as juntas do tubo de escapamento por novas após a remoção do tubo de escapamento. • Ao instalar o sistema de escapamento, inicie instalando frouxamente os fixadores do tubo. Em seguida, aperte as presilhas do escapamento e, finalmente, aperte seus fixadores. • Sempre inspecione o sistema de escapamento quanto a vazamentos após sua instalação. VALORES DE TORQUE Parafuso Allen de fixação do assento do principal 26 N.m (2,7 kgf.m) Parafuso de fixação do assento traseiro 12 N.m (1,2 kgf.m) Parafuso Aloc; substitua-o por um novo. Parafuso de fixação do trilho de fixação 64 N.m (6,5 kgf.m) Parafuso Allen da tampa traseira esquerda da carcaça do motor 10 N.m (1,0 kgf.m) Parafuso Allen da tampa superior do cabeçote 10 N.m (1,0 kgf.m) Porca da conexão do tubo de escapamento 25 N.m (2,5 kgf.m) Parafuso de fixação do suporte do silencioso 34 N.m (3,5 kgf.m) Porca do suporte do silencioso 27 N.m (2,8 kgf.m) Prisioneiro da conexão do tubo de escapamento Consulte a página 2-12. Sensor de O2 44 N.m (4,5 kgf.m) Parafuso do pedal de apoio do condutor 21,5 N.m (2,2 kgf.m) DIAGNOSE DE DEFEITOS Ruído excessivo no escapamento • Sistema de escapamento quebrado • Vazamento de gás do escapamento Desempenho inadequado • Sistema de escapamento deformado • Vazamento de gás do escapamento • Silencioso obstruído 2-2
  • 43.
    SHADOW 750 CHASSI/CARENAGENS/SISTEMA DE ESCAPAMENTO ASSENTO ASSENTO TRASEIRO REMOÇÃO/INSTALAÇÃO PARAFUSOS Remova os parafusos Allen, o parafuso de fixação do assento ALLEN PARAFUSO traseiro e conjunto do assento, movendo-o para trás. NOTA ASSENTO PRINCIPAL Não reutilize o parafuso de fixação do assento traseiro. Instale o conjunto do assento, inserindo adequadamente seus encaixes sob o lábio suspenso do chassi. Instale e aperte os parafusos Allen de fixação do assento principal no torque especificado. Em seguida, instale um novo parafuso de fixação do assento traseiro e aperte-o também no torque especificado. Torque: Parafuso Allen de fixação do assento principal 26 N.m (2,7 kgf.m) Parafuso de fixação do assento traseiro 12 N.m (1,2 kgf.m) DESMONTAGEM/MONTAGEM ASSENTO TRASEIRO PARAFUSOS Remova o conjunto do assento (página 2-3). Remova os parafusos e o assento traseiro do assento principal. Instale o assento traseiro, juntamente com seus parafusos. Em seguida, aperte seguramente os parafusos. Instale o conjunto do assento (página 2-3). ASSENTO PRINCIPAL 2-3
  • 44.
    CHASSI/CARENAGENS/SISTEMA DE ESCAPAMENTO SHADOW 750 TAMPA LATERAL GUIAS REMOÇÃO/INSTALAÇÃO Remova a tampa lateral, soltando suas guias das borrachas do chassi. NOTA Tenha cuidado para não danificar as guias da tampa lateral. Instale a tampa lateral, encaixando suas guias nas borrachas BORRACHAS TAMPA LATERAL do chassi. TAMPA LATERAL DA COLUNA DE DIREÇÃO TAMPAS LATERAIS DA COLUNA DE DIREÇÃO PRESILHA REMOÇÃO/INSTALAÇÃO Remova os parafusos. Remova a presilha de retenção, empurrando-a para trás. Remova as tampas laterais da coluna de direção, desencaixando a guia da tampa esquerda da fenda da tampa direita. PARAFUSO NOTA Tenha cuidado para não danificar a guia e a fenda. FENDA GUIA PARAFUSO A instalação é feita na ordem inversa da remoção. NOTA GUIAS ARRUELA PRESILHA B Após a instalação, certifique-se de que os cabos e a fiação não interferem no movimento do guidão. TAMPA TRASEIRA ESQUERDA DA PARAFUSO CARCAÇA DO MOTOR REMOÇÃO/INSTALAÇÃO TAMPA TRASEIRA ESQUERDA BORRACHAS Remova a presilha B e a arruela. DA CARCAÇA DO MOTOR Remova o parafuso Allen e a tampa traseira esquerda da carcaça do motor, desencaixando suas guias das borrachas. NOTA Tenha cuidado para não danificar as guias da tampa traseira esquerda da carcaça do motor. Inspecione a presilha B quanto a fadiga ou danos e substitua- a se necessário. A instalação é feita na ordem inversa da remoção. Torque: Parafuso Allen da tampa traseira esquerda da carcaça do motor 10 N.m (1,0 kgf.m) 2-4
  • 45.
    SHADOW 750 CHASSI/CARENAGENS/SISTEMA DE ESCAPAMENTO PEDAL DE APOIO DO CONDUTOR REMOÇÃO/INSTALAÇÃO PEDAL DE Remova os seguintes componentes: MOLA DE DESCANSO – Presilha E RETORNO Alinhe – Arruela – Eixo da articulação – Pedal de descanso – Mola de retorno Instale a mola de retorno no pedal de descanso, alinhando a extremidade da mola com o orifício do pedal de descanso. Alinhe os orifícios do parafuso, do pedal de descanso e do suporte do pedal de apoio. Instale o eixo da articulação, a arruela e a presilha E. NOTA PRESILHA E Certifique-se de que a presilha E esteja seguramente assentada. ARRUELA EIXO DA ARTICULAÇÃO DESMONTAGEM/MONTAGEM PARAFUSO DA CAPA Remova os seguintes componentes: – Borracha do pedal de apoio – Parafuso da capa – Espaçador A montagem é feita na ordem inversa da desmontagem. Torque: Parafuso da capa do pedal de apoio principal 21,5 N.m (2,2 kgf.m) BORRACHA ESPAÇADOR 2-5
  • 46.
    CHASSI/CARENAGENS/SISTEMA DE ESCAPAMENTO SHADOW 750 PARAFUSOS TAMPA SUPERIOR DO CABEÇOTE REMOÇÃO/INSTALAÇÃO Cabeçote Dianteiro Remova os seguintes componentes: – Supressor de ruídos (página 3-7) – Tanque de combustível (página 5-40) Somente para o lado direito: Remova a carcaça do filtro de ar (página 5-41). Remova os parafusos Allen e a tampa superior direita do TAMPA SUPERIOR DO CABEÇOTE cabeçote dianteiro. PARAFUSOS Remova os parafusos Allen e a tampa superior esquerda do cabeçote dianteiro. A instalação é feita na ordem inversa da remoção. Torque: Parafuso Allen da tampa superior direita/esquerda do cabeçote dianteiro 10 N.m (1,0 kgf.m) TAMPA SUPERIOR DO CABEÇOTE PARAFUSOS Cabeçote Traseiro Remova os seguintes componentes: – Supressor de ruídos (página 3-7) – Tanque de combustível (página 5-40) Remova os parafusos Allen e a tampa superior direita do cabeçote traseiro. TAMPA SUPERIOR DO CABEÇOTE PARAFUSOS Remova os parafusos Allen e a tampa superior esquerda do cabeçote traseiro. A instalação é feita na ordem inversa da remoção. Torque: Parafuso Allen da tampa superior direita/esquerda do cabeçote traseiro 10 N.m (1,0 kgf.m) TAMPA SUPERIOR DO CABEÇOTE 2-6
  • 47.
    SHADOW 750 CHASSI/CARENAGENS/SISTEMA DE ESCAPAMENTO PARAFUSOS/ESPAÇADORES PÁRA-LAMA DIANTEIRO REMOÇÃO/INSTALAÇÃO Remova os parafusos e espaçadores. PARAFUSOS Remova o pára-lama dianteiro, empurrando-o para trás. NOTA Tenha cuidado para não danificar o pára-lama dianteiro. PÁRA-LAMA DIANTEIRO Remova os parafusos, os espaçadores, as borrachas e o PARAFUSOS/ESPAÇADORES/BORRACHAS suporte interno do pára-lama dianteiro. A instalação é feita na ordem inversa da remoção. PÁRA-LAMA DIANTEIRO SUPORTE INTERNO CINTA DA FIAÇÃO CONECTORES PÁRA-LAMA TRASEIRO REMOÇÃO/INSTALAÇÃO Remova os seguintes componentes: – Conjunto do assento (página 2-3) – Tampa lateral direita (página 2-4) Solte a cinta da fiação. Desacople os conectores 3P da lanterna/luz de freio/luz da placa de licença e 2P da sinaleira traseira. 2-7
  • 48.
    CHASSI/CARENAGENS/SISTEMA DE ESCAPAMENTO SHADOW 750 Remova os parafusos, as arruelas e os trilhos de fixação. TRILHOS DE FIXAÇÃO PARAFUSOS/ARRUELAS Remova a cinta da fiação. Remova o pára-lama traseiro do chassi. Instale o pára-lama traseiro no chassi. NOTA Passe adequadamente a fiação (página 1-20). Fixe a fiação da lanterna/luz de freio/luz da placa de licença utilizando a cinta da fiação. Instale os trilhos de fixação, as arruelas e os parafusos. Aperte os parafusos no torque especificado. PÁRA-LAMA Torque: 64 N.m (6,5 kgf.m) TRASEIRO Acople os conectores 3P da lanterna/luz de freio/luz da placa de licença e 2P da sinaleira traseira. Fixe a cinta da fiação. Instale os seguintes componentes: – Conjunto do assento (página 2-3) CINTA DA FIAÇÃO – Tampa lateral direita (página 2-4) DESMONTAGEM/MONTAGEM Alinhe Remova os seguintes componentes: PÁRA-LAMA – Pára-lama traseiro (página 2-7) TRASEIRO REFLETOR – Lanterna/luz de freio (página 20-8) – Luz da placa de licença (página 20-9) Remova o parafuso e a presilha. Remova o chassi traseiro e as borrachas do pára-lama PARAFUSO traseiro. NOTA Tenha cuidado para não danificar o pára-lama traseiro. Instale as borrachas no chassi traseiro. Instale o chassi traseiro, inserindo suas guias nos orifícios do pára-lama. Instale os componentes removidos na ordem inversa da remoção. NOTA PRESILHA • Passe adequadamente a fiação (página 1-20). • Caso o refletor tenha sido removido, instale-o alinhando BORRACHAS seus recortes com as marcas pintadas no pára-lama. CHASSI TRASEIRO 2-8
  • 49.
    SHADOW 750 CHASSI/CARENAGENS/SISTEMA DE ESCAPAMENTO SISTEMA DE ESCAPAMENTO FIAÇÃO DO SENSOR DE O2 DIANTEIRO REMOÇÃO Remova a tampa lateral direita (página 2-4). PRESILHAS Desacople os conectores 4P (Branco e Preto) dos sensores de O2. Solte os conectores 4P (Branco e Preto) dos sensores de O2 de suas presilhas, como mostra a ilustração. Solte a fiação do sensor de O2 dianteiro de sua lingüeta do chassi, como mostra a ilustração. LINGÜETA CONECTOR 4P TRASEIRO: DIANTEIRO: Remova as porcas da conexão do tubo de escapamento. PORCAS DA CONEXÃO Remova as porcas, os parafusos, as arruelas e o conjunto do silencioso. PORCAS/ARRUELAS/PARAFUSOS SILENCIOSO 2-9
  • 50.
    CHASSI/CARENAGENS/SISTEMA DE ESCAPAMENTO SHADOW 750 TRASEIRO: DIANTEIRO: Remova as juntas dianteira e traseira. JUNTAS DESMONTAGEM FLANGE Remova os sensores de O2 (página 5-62). Remova os flanges e espaçadores da conexão do tubo de escapamento. ESPAÇADOR DA CONEXÃO Somente para o silencioso traseiro: MARTELO PLÁSTICO Desloque o protetor do tubo de escapamento traseiro, utilizando um martelo plástico e quebrando a lingüeta de trava (lado oposto ao protetor). Em seguida, remova o protetor. LINGÜETA NOTA DE TRAVA • O protetor do tubo de escapamento traseiro pode ser retirado sem remover-se o sistema de escapamento do motor. • Não reutilize o protetor removido. PROTETOR JUNTA PARAFUSOS Solte o parafuso da braçadeira da conexão do silencioso. Remova os parafusos de fixação e o suporte do silencioso. Em seguida, separe os silenciosos. Remova a junta. PARAFUSO DA BRAÇADEIRA SUPORTE 2-10
  • 51.
    SHADOW 750 CHASSI/CARENAGENS/SISTEMA DE ESCAPAMENTO MONTAGEM 44 N.m (4,5 kgf.m) SILENCIOSO PROTETOR DO TUBO DE TRASEIRO ESCAPAMENTO TRASEIRO ESPAÇADOR DA CONEXÃO SILENCIOSO DIANTEIRO FLANGE SUPORTE DO JUNTA SILENCIOSO 34 N.m (3,5 kgf.m) 44 N.m (4,5 kgf.m) JUNTA PARAFUSOS Instale uma nova junta no tubo de conexão do silencioso dianteiro. Monte os silenciosos dianteiro e traseiro. Instale o suporte do silencioso e os parafusos de fixação. Aperte os parafusos de fixação no torque especificado. Torque: 34 N.m (3,5 kgf.m) Aperte seguramente o parafuso da braçadeira da conexão do silencioso. PARAFUSO DA BRAÇADEIRA SUPORTE Somente para o silencioso traseiro: Instale um novo protetor do tubo de escapamento traseiro. PROTETOR Alinhe Alinhe 2-11
  • 52.
    CHASSI/CARENAGENS/SISTEMA DE ESCAPAMENTO SHADOW 750 Instale as flanges e espaçadores da conexão do tubo de FLANGE escapamento. Instale os sensores de O2 (página 5-62). ESPAÇADOR DA CONEXÃO INSTALAÇÃO 27 N.m (2,8 kgf.m) BORRACHA ESPAÇADOR JUNTA ARRUELA 25 N.m (2,5 kgf.m) CONJUNTO DO SILENCIOSO PARAFUSO Aperte os prisioneiros da conexão do tubo de escapamento caso estejam soltos. Certifique-se de verificar a altura entre o 40,0 – 42,0 mm topo do prisioneiro e o cabeçote, como mostra a ilustração. 2-12
  • 53.
    SHADOW 750 CHASSI/CARENAGENS/SISTEMA DE ESCAPAMENTO TRASEIRO: DIANTEIRO: Instale novas juntas. JUNTAS TRASEIRO: DIANTEIRO: Instale o conjunto do silencioso. NOTA Insira primeiramente o tubo de escapamento traseiro na porta de escape traseira. Em seguida, insira o tubo de escapamento dianteiro na porta de escape dianteira. Instale frouxamente todos os fixadores. Aperte as porcas da conexão do tubo de escapamento no torque especificado. Torque: 25 N.m (2,5 kgf.m) PORCAS DA CONEXÃO Aperte as porcas do suporte do silencioso no torque especificado, enquanto mantém fixados os parafusos. Torque: 27 N.m (2,8 kgf.m) PORCAS/PARAFUSOS 2-13
  • 54.
    CHASSI/CARENAGENS/SISTEMA DE ESCAPAMENTO SHADOW 750 Passe adequadamente a fiação do sensor de O2 (página 1-20). FIAÇÃO DO SENSOR DE O2 DIANTEIRO Posicione os conectores dos sensores de O2 em suas presilhas e acople-os em seguida. Posicione a fiação do sensor de O2 dianteiro na lingüeta do PRESILHAS chassi, como mostra a ilustração. NOTA Sempre inspecione o sistema de escapamento quanto a vazamentos após sua instalação. Instale a tampa lateral direita (página 2-4). LINGÜETA CONECTOR 4P 2-14
  • 55.
    SHADOW 750 3. MANUTENÇÃO INFORMAÇÕES DE SERVIÇO 3-2 ÓLEO DO DIFERENCIAL 3-17 TABELA DE MANUTENÇÃO 3-4 FLUIDO DO FREIO 3-18 LINHA DE COMBUSTÍVEL 3-5 DESGASTE DAS SAPATAS/ PASTILHAS DE FREIO 3-19 FUNCIONAMENTO DO ACELERADOR 3-5 SISTEMA DE FREIO 3-19 FILTRO DE AR 3-6 INTERRUPTOR DA LUZ DO FREIO 3-21 RESPIRO DA CARCAÇA DO MOTOR 3-7 FACHO DO FAROL 3-21 VELAS DE IGNIÇÃO 3-7 SISTEMA DE EMBREAGEM 3-22 FOLGA DAS VÁLVULAS 3-9 CAVALETE LATERAL 3-22 ÓLEO DO MOTOR 3-12 SUSPENSÃO 3-23 FILTRO DE ÓLEO DO MOTOR 3-13 PORCAS, PARAFUSOS E FIXADORES 3-23 SISTEMA DE ESCAPAMENTO 3-14 RODAS/PNEUS 3-24 LÍQUIDO DE ARREFECIMENTO DO RADIADOR 3-14 ROLAMENTOS DA COLUNA DE DIREÇÃO 3-25 SISTEMA DE ARREFECIMENTO 3-15 SISTEMA DE FORNECIMENTO DE AR SECUNDÁRIO 3-16 3-1
  • 56.
    MANUTENÇÃO SHADOW 750 INFORMAÇÕES GERAIS • Posicione a motocicleta sob uma superfície plana antes de iniciar qualquer manutenção. • A gasolina é extremamente inflamável e explosiva sob certas condições. • Trabalhe em locais com ventilação adequada. Fumar ou permitir chamas e faíscas no local de trabalho onde a gasolina é armazenada pode causar incêndio ou explosões. • O gases de escapamento contém monóxido de carbono venenoso que pode causar perda de consciência ou até a morte. Funcione o motor em somente locais abertos ou locais fechados que possuam sistema de evacuação de gases de escapamento. ESPECIFICAÇÕES Item Especificação Folga da manopla do acelerador 2 – 10 mm Vela de ignição Padrão DPR7EA-9 (NGK), X22EPR-U9 (DENSO) Para longos percursos em alta rotação DPR9EA-9 (NGK), X24EPR-U9 (DENSO) Folga entre os eletrodos da vela de ignição 0,8 – 0,9 mm Folga das válvulas ADM 0,15 ± 0,02 mm ESC 0,20 ± 0,02 mm Óleo recomendado para motor Mobil Super Moto 4T Multiviscoso Classificação de serviço API: SF Viscosidade: 20W-50 Capacidade de Na drenagem 2,5 l óleo do motor Na troca do filtro de óleo 2,6 l Na desmontagem 3,2 l Marcha-lenta do motor 1.200 ± 100 rpm Líquido de arrefecimento recomendado “LÍQUIDO DE ARREFECIMENTO HONDA C2702ANT000” Líquido de Arrefecimento de alto desempenho à base de Etilenoglicol Óleo recomendado para diferencial Óleo para engrenagem Hypoid, SAE#80 Capacidade de óleo Na drenagem 160 cm3 do diferencial Na desmontagem 170 cm3 Fluido de freio recomendado Fluido de freio DOT-4 Altura do pedal do freio 75 mm acima do topo do pedal de apoio Folga do pedal do freio 20 – 30 mm Folga da alavanca da embreagem 10 – 20 mm Pressão do pneu frio Somente piloto Dianteiro 200 kPa (2,0 kgf/cm2, 29 psi) Traseiro 200 kPa (2,0 kgf/cm2, 29 psi) Piloto e passageiro Dianteiro 200 kPa (2,0 kgf/cm2, 29 psi) Traseiro 250 kPa (2,5 kgf/cm2, 36 psi) Profundidade mínima do sulco Dianteira 1,5 mm da banda de rodagem Traseira 2,0 mm 3-2
  • 57.
    SHADOW 750 MANUTENÇÃO VALORES DE TORQUE Vela de ignição 18 N.m (1,8 kgf.m) Contraporca do parafuso de ajuste da válvula 23 N.m (2,3 kgf.m) Tampa do orifício de sincronização 10 N.m (1,0 kgf.m) Aplique graxa nas roscas. Filtro de óleo do motor 26 N.m (2,7 kgf.m) Aplique óleo para motor nas roscas. Parafuso de drenagem do óleo do motor 29 N.m (3,0 kgf.m) Tampa de abastecimento do óleo do diferencial 12 N.m (1,2 kgf.m) Parafuso de drenagem do óleo do diferencial 12 N.m (1,2 kgf.m) Parafuso da tampa do reservatório do cilindro-mestre dianteiro 1,5 N.m (0,2 kgf.m) Porca de ajuste vertical do farol 12 N.m (1,2 kgf.m) Parafuso Allen da tampa do filtro de ar 1,5 N.m (0,2 kgf.m) Tampa do orifício da árvore de manivelas 15 N.m (1,5 kgf.m) Aplique graxa nas roscas. Parafuso Allen da tampa do alternador 10 N.m (1,0 kgf.m) Raios 4,2 N.m (0,4 kgf.m) FERRAMENTAS Chave de ajuste da válvula Chave para filtro de óleo Chave para raios 07908-KE90000 07HAA-PJ70101 07JMA-MR60100 Juntamente com chave fixa de 10 mm 3-3
  • 58.
    MANUTENÇÃO SHADOW 750 TABELA DE MANUTENÇÃO Período (nota 1) Item Operações km 1.000 6.000 12.000 18.000 24.000 30.000 36.000 a cada Linha de combustível Verificar 12.000 Acelerador Verificar 12.000 Filtro de ar Trocar (Nota 2) 18.000 Respiro do motor Limpar (Nota 3) 6.000 Velas de ignição Verificar 12.000 Trocar 12.000 Folga das válvulas Verificar 12.000 Óleo do motor Trocar (Notas 4, 5 e 6) 6.000 Filtro de óleo do motor Trocar (Nota 6) 6.000 Sistema de escapamento Verificar 6.000 Líquido de arrefecimento Verificar o nível 12.000 do radiador Trocar (Nota 7) 36.000 Sistema de arrefecimento Verificar 12.000 Sistema de suprimento de Verificar 12.000 ar secundário Óleo do diferencial Verificar o nível 12.000 Trocar 36.000 Fluido de freio Verificar o nível 6.000 Trocar (Nota 7) 18.000 Pastilhas/sapatas do freio Verificar (Nota 8) 6.000 Sistema de freio Verificar 12.000 Interruptor da luz do freio Verificar 12.000 Farol Ajustar 12.000 Embreagem Verificar 6.000 Cavalete lateral Verificar 12.000 Suspensões dianteira e traseira Verificar 12.000 Porcas, parafusos e fixadores Verificar 12.000 Rodas Verificar 6.000 Pneus Verificar e calibrar a cada 1.000 km ou semanalmente – Coluna de direção Verificar 12.000 NOTAS 1. Para leituras maiores do hodômetro, repita os intervalos especificados na tabela. 2. Efetue o reparo com mais freqüência sob condições de muita poeira e umidade. 3. Efetue o reparo com mais freqüência sob condições de chuva ou aceleração máxima. 4. Verifique o nível de óleo diariamente, antes de pilotar, e adicione se necessário. 5. Troque 1 vez por ano ou a cada intervalo indicado na tabela, o que ocorrer primeiro. 6. Efetue o reparo com mais freqüência sob condições de muita poeira. 7. Troque a cada 2 anos ou a cada intervalo indicado na tabela, o que ocorrer primeiro. A troca requer habilidade mecânica. 8. Efetue o serviço com mais freqüência ao pilotar em pistas de terra, molhadas ou com muita poeira. 3-4
  • 59.
    SHADOW 750 MANUTENÇÃO LINHA DE COMBUSTÍVEL MANGUEIRA DE ALIMENTAÇÃO MANGUEIRA DE DE COMBUSTÍVEL RETORNO DE Remova o assento (página 2-3). COMBUSTÍVEL Inspecione a mangueira de alimentação de combustível quanto a deterioração, danos ou vazamento. Inspecione também a mangueira de combustível e a mangueira de retorno de vapor de combustível (entre o tanque e a bomba de combustível). Substitua a mangueira de alimentação de combustível, a mangueira de combustível e a mangueira de retorno de vapor de combustível se necessário. MANGUEIRA DE COMBUSTÍVEL FUNCIONAMENTO DO ACELERADOR Verifique os cabos do acelerador quanto a quaisquer tipos de danos ou deterioração. Inspecione a manopla do acelerador quanto a suavidade de funcionamento. Inspecione o 2 – 10 mm acelerador quanto a abertura e fechamento automático em todas as posições do guidão. Caso a manopla do acelerador mano retorno automaticamente, lubrifique os cabos e a carcaça da manopla do acelerador. Se a manopla do acelerador ainda não retornar adequadamente, substitua os cabos do acelerador por novos. Mantendo o motor em marcha-lenta, gire completamente o CONTRAPORCA guidão para a esquerda e direita, de batente a batente, e certifique-se de que não ocorre alteração da marcha-lenta. Se a marcha-lenta aumentar, inspecione a folga da manopla do acelerador e as conexões dos cabos. Meça a folga da manopla do acelerador em seu flange. Folga: 2 – 10 mm A folga da manopla do acelerador pode ser ajustada em ambas as extremidades do cabo do acelerador. Ajustes menores são realizados no ajustador superior. Solte a contraporca e gire o ajustador o quanto for necessário. Aperte a contraporca, enquanto mantém fixado o ajustador. AJUSTADOR 3-5
  • 60.
    MANUTENÇÃO SHADOW 750 AJUSTADOR Ajustes maiores são realizados no ajustador superior. Remova a carcaça do filtro de ar (página 5-41). Solte a contraporca e gire o ajustador o quanto for necessário. Aperte a contraporca, enquanto mantém fixado o ajustador. Inspecione novamente o funcionamento do acelerador e instale a carcaça do filtro de ar (página 5-42). CONTRAPORCA TAMPA DO FILTRO DE AR FILTRO DE AR NOTA • O filtro de ar do tipo elemento de papel viscoso não pode ser limpo, pois seu elemento possui um adesivo para grudar a poeira. • Caso a motocicleta seja constantemente utilizada em regiões úmidas ou poeirentas, inspecione o filtro de ar com maior freqüência. Remova os parafusos Allen e a tampa do filtro de ar. PARAFUSOS ANEL DE VEDAÇÃO Remova o elemento do filtro de ar de sua carcaça. Certifique-se de que o anel de vedação esteja instalado em sua posição adequada e de que encontra-se em boas condições. Substitua-o por um novo se necessário. Substitua o elemento do filtro de ar de acordo com a tabela de manutenção (página 3-4) ou a qualquer momento caso esteja excessivamente sujo ou úmido. Instale os componentes removidos na ordem inversa da remoção. Torque: ELEMENTO Parafuso Allen da tampa do filtro de ar 1,5 N.m (0,2 kgf.m) 3-6
  • 61.
    SHADOW 750 MANUTENÇÃO RESPIRO DA CARCAÇA DO MOTOR NOTA Execute este procedimento com maior freqüência quanto utilizar durante chuva, com aceleração total ou após a lavagem ou revisão da motocicleta. Verifique se o nível de depósitos no bujão de drenagem pode ser visto. Remova o bujão de drenagem da carcaça do filtro de ar e drene seus depósitos em um recipiente adequado. Em seguida, instale seguramente o bujão. Remova o tanque de combustível (página 5-40). BUJÃO DE DRENAGEM MANGUEIRA DE RESPIRO DIANTEIRO: SUPRESSORES DE RUÍDOS Inspecione a mangueira de respiro da carcaça do motor quanto a deterioração, danos ou conexão solta. Certifique-se de que a mangueira não esteja dobrada, torcida ou trincada. Substitua a mangueira de respiro da carcaça do motor se necessário. VELAS DE IGNIÇÃO REMOÇÃO Desacople os supressores de ruídos e limpe ao redor da base das velas de ignição. VELAS DE IGNIÇÃO NOTA TRASEIRO: SUPRESSORES DE RUÍDOS Limpe ao redor da base da vela de ignição utilizando ar comprimido antes de removê-las e certifique-se de que nenhum corpo estranho penetre na câmara de combustão. Remova as velas de ignição. VELAS DE IGNIÇÃO 3-7
  • 62.
    MANUTENÇÃO SHADOW 750 INSPEÇÃO ELETRODO CENTRAL Inspecione o isolante quanto a trinca ou danos e os eletrodos quanto a desgaste, presença de fuligem ou descoloração. Substitua as velas de ignição se necessário. Vela de ignição recomendada: Padrão DPR7EA-9 (NGK), X22EPR-U9 (DENSO) Para longos percursos em alta rotação DPR9EA-9 (NGK), X24EPR-U9 (DENSO) Limpe os eletrodos das velas de ignição, utilizando uma escova de aço ou um detergente adequado para velas de ignição. ISOLANTE ELETRODO LATERAL Inspecione a folga entre os eletrodos central e lateral da vela de ignição, utilizando um cálibre de lâminas. Folga entre os eletrodos da vela de ignição: 0,8 – 0,9 mm 0,8 – 0,9 mm Ajuste a folga entre os eletrodos, se necessário, entortando cuidadosamente o eletrodo lateral. INSTALAÇÃO Instale e aperte manualmente a vela de ignição no cabeçote. Em seguida, aperte a vela de ignição no torque especificado. Torque: 18 N.m (1,8 kgf.m) Conecte os supressores de ruídos. VELA DE IGNIÇÃO 3-8
  • 63.
    SHADOW 750 MANUTENÇÃO TAMPA DO ALTERNADOR PARAFUSOS FOLGA DAS VÁLVULAS INSPEÇÃO NOTA • Verifique a marcha-lenta do motor (página 5-76) após a inspeção de folga das válvulas. • Inspecione e ajuste a folga das válvulas enquanto o motor permanecer frio (abaixo de 35°C). Remova a tampa do cabeçote (página 8-6). Remova os parafusos Allen e a tampa do alternador. TAMPA DO ORIFÍCIO DA ÁRVORE DE MANIVELAS Remova a tampa do orifício de sincronização e a tampa do orifício da árvore de manivelas. TAMPA DO ORIFÍCIO DE SINCRONIZAÇÃO Cilindro Dianteiro MARCA DE REFERÊNCIA Gire a árvore de manivelas em sentido anti-horário e alinhe a marca “FT” do volante do motor com a marca de referência da tampa esquerda da carcaça do motor. Certifique-se de que o pistão esteja posicionado em PMS (ponto-morto superior), na fase de compressão. Esta posição pode ser obtida através da confirmação de existência de folga entre os balancins. Se não houver folga, gire a árvore de manivelas em sentido anti-horário por uma volta completa e alinha novamente a marca “FT” com a MARCA “FT” marca de referência. 3-9
  • 64.
    MANUTENÇÃO SHADOW 750 PARAFUSO DE AJUSTE Inspecione a folga de todas as válvulas, inserindo um cálibre de lâminas entre o parafuso de ajuste e a haste da válvula. NOTA Ao inspecionar a folga das válvulas, movimenta o cálibre de lâminas a partir do centro para a lateral. ADM 0,15 ± 0,02 mm Folga das Válvulas ESC 0,20 ± 0,02 mm Ajuste a folga da válvula, soltando a contraporca do parafuso CÁLIBRE DE LÂMINAS CONTRAPORCA de ajuste e girando o parafuso até que uma pequena resistência possa ser observada no cálibre de lâminas. Ferramenta Chave de ajuste da válvula 07908-KE90000 Juntamente com chave fixa de 10 mm NOTA Aplique óleo para motor nas roscas e superfície de assentamento do parafuso de ajuste da válvula. Aperte a contraporca do parafuso de ajuste da válvula no torque especificado, enquanto mantém fixado o parafuso de ajuste. Torque: 23 N.m (2,3 kgf.m) CHAVE DE AJUSTE DA VÁLVULA Cilindro Traseiro MARCA DE REFERÊNCIA Gire a árvore de manivelas em sentido anti-horário e alinhe a marca “RT” do volante do motor com a marca de referência da tampa esquerda da carcaça do motor. Certifique-se de que o pistão esteja posicionado em PMS (ponto-morto superior), na fase de compressão. MARCA “RT” PARAFUSO DE AJUSTE Inspecione a folga de todas as válvulas, inserindo um cálibre de lâminas entre o parafuso de ajuste e a haste da válvula. NOTA Ao inspecionar a folga das válvulas, movimenta o cálibre de lâminas a partir do centro para a lateral. ADM 0,13 ± 0,02 mm Folga das Válvulas ESC 0,20 ± 0,02 mm CÁLIBRE DE LÂMINAS CONTRAPORCA 3-10
  • 65.
    SHADOW 750 MANUTENÇÃO CHAVE DE AJUSTE DA VÁLVULA Ajuste a folga da válvula, soltando a contraporca do parafuso de ajuste e girando o parafuso até que uma pequena resistência possa ser observada no cálibre de lâminas. Ferramenta Chave de ajuste da válvula 07908-KE90000 Juntamente com chave fixa de 10 mm NOTA Aplique óleo para motor nas roscas e superfície de assentamento do parafuso de ajuste da válvula. Aperte a contraporca do parafuso de ajuste da válvula no TAMPA DO ORIFÍCIO TAMPA DO ORIFÍCIO DA torque especificado, enquanto mantém fixado o parafuso de DE SINCRONIZAÇÃO ÁRVORE DE MANIVELAS ajuste. Torque: 23 N.m (2,3 kgf.m) Verifique novamente a folga das válvulas após apertar a contraporca do parafuso de ajuste da válvula. Cubra novos anéis de vedação com óleo para motor e instale- os nas ranhuras da tampa do orifício de sincronização e da tampa do orifício da árvore de manivelas. Aplique graxa nas roscas da tampa do orifício de sincronização e da tampa do orifício da árvore de manivelas. Instale a tampa do orifício de sincronização e aperte-a no torque especificado. ANÉIS DE VEDAÇÃO Torque: 10 N.m (1,0 kgf.m) TAMPA DO ALTERNADOR PARAFUSOS Instale a tampa do orifício da árvore de manivelas e aperte-a no torque especificado. Torque: 15 N.m (1,5 kgf.m) Instale a tampa do alternador e aperte seus parafusos Allen no torque especificado. Torque: 10 N.m (1,0 kgf.m) Instale a tampa do cabeçote (página 8-31). 3-11
  • 66.
    MANUTENÇÃO SHADOW 750 ÓLEO DO MOTOR INSPEÇÃO DO NÍVEL DE ÓLEO Dê partida no motor e mantenha-o funcionando em marcha- lenta cerca de 3 a 5 minutos. Desligue o motor e aguarde cerca de 2 a 3 minutos. Apóie a motocicleta em posição vertical, sobre uma superfície plana. Remova a tampa de abastecimento de óleo/vareta de medição e remova o óleo da vareta utilizando um pano limpo. TAMPA DE ABASTECIMENTO DE ÓLEO/ VARETA DE MEDIÇÃO Se o nível de óleo estiver abaixo ou próximo da marca de nível inferior na vareta de medição, adicione o óleo recomendado até atingir a marca de nível superior. Óleo Recomendado para Motor: MOBIL SUPER MOTO 4T Multiviscoso Classificação de Serviço API: SF Viscosidade: 20W-50 NÍVEL SUPERIOR NÍVEL INFERIOR TAMPA DE ABASTECIMENTO DE ÓLEO/ VARETA DE MEDIÇÃO Verifique se o anel de vedação encontra-se em boas condições e substitua-o se necessário. Cubra um novo anel de vedação com óleo para motor e instale-o em seguida. Instale novamente a tampa de abastecimento de óleo/vareta de medição. Para substituição do óleo do motor, consulte a página 3-13. ANEL DE VEDAÇÃO 3-12
  • 67.
    SHADOW 750 MANUTENÇÃO PARAFUSO DE DRENAGEM DO ÓLEO FILTRO DE ÓLEO DO MOTOR NOTA A troca do óleo deve ser executada com o motor aquecido e a motocicleta sobre uma superfície plana, apoiada em seu cavalete lateral, para garantir uma completa drenagem. Dê partida no motor, aguarde-o aquecer e desligue-o em seguida. Remova a tampa de abastecimento de óleo/vareta de medição (página 3-12). ARRUELA DE VEDAÇÃO Remova o parafuso de drenagem do óleo, a arruela de CHAVE PARA FILTRO DE ÓLEO vedação e drene completamente o óleo do motor. Remova o filtro de óleo, utilizando a ferramenta especial, e aguarde a drenagem do restante do óleo. Ferramenta: Chave para filtro de óleo 07HAA-PJ70101 FILTRO DE ÓLEO Cubra um novo anel de vedação com óleo para motor e ANEL DE VEDAÇÃO instale-o em um novo filtro de óleo. Aplique óleo para motor nas roscas do filtro de óleo. Instale o filtro de óleo e aperte-o no torque especificado. Ferramenta: Chave para filtro de óleo 07HAA-PJ70101 Torque: 26 N.m (2,7 kgf.m) Instale o parafuso de drenagem do óleo, juntamente com uma nova arruela de vedação, e aperte-o no torque especificado. Torque: 29 N.m (3,0 kgf.m) FILTRO DE ÓLEO PARAFUSO DE DRENAGEM DO ÓLEO Abasteça a carcaça do motor, utilizando o óleo recomendado (página 3-12). Capacidade de Óleo: 2,5 l na drenagem 2,6 l na troca do filtro de óleo 3,2 l na desmontagem Inspecione o nível de óleo (página 3-12). Instale a tampa de abastecimento de óleo/vareta de medição (página 3-12). Certifique-se de que não haja vazamentos. ARRUELA DE VEDAÇÃO 3-13
  • 68.
    MANUTENÇÃO SHADOW 750 SISTEMA DE ESCAPAMENTO MEDIÇÃO DE EMISSÃO DO E SCAPAMENTO EM MARCHA-LENTA • Utilize um tacômetro com graduações de 50 rpm ou inferior, capaz de indicar precisamente alterações dessa ordem. Verifique os seguintes itens antes da inspeção: – Condições das velas de ignição (página 3-7) – Condições do elemento do filtro de ar (página 3-6) – Sistema de controle de emissão da carcaça do motor (página 3-7) – Sistema de fornecimento de ar secundário (página 3-16) – Ponto de ignição (página 18-9) – Indicação do MIL (página 5-13) 1. Apóie a motocicleta sobre o seu cavalete lateral, sobre uma superfície plana. FERRAMENTA DE MEDIÇÃO 2. Conecte o tacômetro de acordo com as instruções de seu DE NÍVEL DE CO/HC fabricante. 3. Dê partida no motor e mantenha-o funcionando em 3.000 rpm até que a temperatura do parafuso de drenagem atinja 65 ± 5°C. Temperatura especificada: 65 ± 5°C 4. Inspecione a marcha-lenta (página 5-57). Marcha-lenta: 1.200 ± 100 rpm 5. Conecte um tubo ou mangueira adequada (resistente à 60 cm temperatura e produtos químicos) ao silencioso, de forma que a ponta-de-prova possa ser inserida por mais de 60 PONTA-DE-PROVA cm. 6. Insira a ponta-de-prova no silencioso e meça as concentrações de monóxido de carbono (CO) e hidrocarbonetos (HC). Medição de CO em marcha-lenta: abaixo de 0,1 % Medição de HC em marcha-lenta: abaixo de 50 ppm Se as concentrações de CO ou HC ultrapassarem os valores indicados, inspecione o sistema de fornecimento de ar secundário (página 5-59). LÍQUIDO DE ARREFECIMENTO DO RADIADOR Inspecione o nível do líquido de arrefecimento no reservatório. O nível deve estar entre as linhas de nível “UPPER” (superior) e “LOWER” (inferior), mantendo-se a motocicleta em posição vertical. Se o nível de líquido de arrefecimento estiver baixo, remova LINHA DE NÍVEL a tampa do reservatório e abasteça-o, utilizando o líquido de TAMPA “UPPER” (SUPERIOR) arrefecimento recomendado, até atingir a linha de nível “UPPER” (superior). Líquido de Arrefecimento Recomendado: LÍQUIDO DE ARREFECIMENTO HONDA C2702ANT000 Se o nível de líquido de arrefecimento abaixar rapidamente, inspecione quanto a vazamentos. Se o reservatório estiver ou ficar completamente vazio, existe grande possibilidade de penetração de ar no sistema de arrefecimento. LINHA DE NÍVEL Certifique-se de executar a sangria o ar do sistema de “LOWER” (INFERIOR) arrefecimento (página 6-7). 3-14
  • 69.
    SHADOW 750 MANUTENÇÃO PASSAGENS DE AR DO RADIADOR SISTEMA DE ARREFECIMENTO Inspecione as passagens de ar do radiador quanto a obstruções ou danos. Corrija as aletas que estiverem tortas, utilizando uma pequena chave de fenda. ALETAS DO RADIADOR Remova os resíduos de insetos, matos e outras obstruções utilizando ar comprimido ou água sob baixa pressão. Substitua o radiador caso o fluxo de ar esteja obstruído em mais de 20% de sua superfície. Para substituição do radiador, consulte a página 6-11. Remova as tampas laterais da coluna de direção (página 2-4). Inspecione quanto a vazamentos de líquido de arrefecimento na bomba de água, nas mangueiras e conexões do sistema de arrefecimento. Inspecione as mangueiras do radiador quanto a trincas ou deterioração. Substitua-as se necessário. Certifique-se de que todas as braçadeiras de mangueiras estejam apertadas (página 6-10). MANGUEIRAS DE ÁGUA 3-15
  • 70.
    MANUTENÇÃO SHADOW 750 SISTEMA DE FORNECIMENTO DE AR VÁLVULA DE INSPEÇÃO PAIR SECUNDÁRIO TAMPA DO CABEÇOTE • Este modelo é equipado com sistema de fornecimento de ar secundário. O sistema de fornecimento de ar secundário está localizado nas tampas dos cabeçotes. • O sistema de fornecimento de ar secundário introduz ar filtrado nos gases de escapamento através da porta de escape. O ar secundário é sugado na porta de escape sempre que houver um pulso negativo de pressão no sistema de escapamento. Esta carga de ar secundário promove a queima dos gases não-queimados do escapamento e altera consideravelmente a quantidade de hidrocarbonetos e monóxido de carbono em dióxido de carbono relativamente inofensivo e vapor de água. PORTA DE ESCAPE VALVULA SOLENOIDE MANGUEIRA DE DE CONTROLE PAIR SUCÇÃO DE AR Remova o tanque de combustível (página 5-40). Inspecione as mangueiras de fornecimento de ar PAIR, localizadas entre a válvula solenóide de controle PAIR e a tampa do cabeçote, quanto a deterioração, danos ou conexões soltas. Certifique-se de que as mangueiras não estejam rachadas. NOTA Se as mangueiras apresentarem qualquer sinal de dano por aquecimento, inspecione a válvula de inspeção PAIR das tampas dos cabeçotes quanto a danos (página 5-61). MANGUEIRAS DE FORNECIMENTO DE AR Inspecione a mangueira de sucção de ar, localizada entre o filtro de ar e a válvula solenóide de controle PAIR, quanto a deterioração, danos ou conexões soltas. Certifique-se de que as mangueiras não estejam dobradas, esmagadas ou rachadas. 3-16
  • 71.
    SHADOW 750 MANUTENÇÃO ÓLEO DO DIFERENCIAL INSPEÇÃO DO NÍVEL DE ÓLEO Apóie a motocicleta em seu cavalete lateral, sobre uma superfície plana. Remova a tampa de abastecimento de óleo da carcaça do diferencial. TAMPA DE ABASTECIMENTO DE ÓLEO ANEL DE VEDAÇÃO Verifique se o nível de óleo encontra-se na borda inferior do orifício de abastecimento de óleo. Inspecione quanto a vazamentos se o nível de óleo estiver baixo. Abasteça o diferencial, utilizando o óleo recomendado, através do orifício de abastecimento, até que o nível de óleo atinja a borda inferior do orifício. Óleo Recomendado para Diferencial: Óleo para engrenagem Hypoid, SAE#80 Cubra um novo anel de vedação com óleo e instale-o na tampa de abastecimento de óleo. Instale e aperte a tampa de abastecimento de óleo no torque especificado. BORDA INFERIOR DO ORIFÍCIO DE ABASTECIMENTO DE ÓLEO Torque: 12 N.m (1,2 kgf.m) TAMPA DE ABASTECIMENTO DE ÓLEO TROCA DE ÓLEO Apóie seguramente a motocicleta e levante a roda traseira do solo. Remova a tampa de abastecimento de óleo, o parafuso de drenagem e a arruela de vedação da carcaça do diferencial. Em seguida gire lentamente a roda traseira e drene o óleo do diferencial. Após a completa drenagem do óleo, instale o parafuso de drenagem, juntamente com uma nova arruela de vedação, e aperte o parafuso no torque especificado. TORQUE: 12 N.m (1,2 kgf.m) PARAFUSO DE DRENAGEM/ARRUELA DE VEDAÇÃO Abasteça a carcaça do diferencial, utilizando o óleo recomendado, até atingir o nível correto (página 3-17). Capacidade de Óleo: 160 cm3 na drenagem 170 cm3 na desmontagem 3-17
  • 72.
    MANUTENÇÃO SHADOW 750 JANELA DE INSPEÇÃO FLUIDO DE FREIO c • Respingos de fluido podem danificar peças pintadas, partes plásticas ou borrachas. Coloque um pano sobre estes componentes sempre que executar reparos no sistema de freio. • Não misture diferentes tipos de fluidos, pois podem não ser compatíveis. • Não permita que nenhum material estranho penetre no sistema durante o abastecimento do reservatório. Quando o nível de fluido de freio estiver baixo, inspecione as MARCA DE NÍVEL “LOWER” (INFERIOR) pastilhas de freio quanto a desgaste (página 3-18). Um baixo nível de fluido pode indicar desgaste das pastilhas PARAFUSOS TAMPA DO RESERVATÓRIO de freio. Se as pastilhas estiverem desgastadas, o pistão do cáliper é empurrado para fora, sendo esta a razão para o PLACA DE FIXAÇÃO baixo nível de fluido no reservatório. Se as pastilhas de freio não estiverem desgastadas e o nível do fluido ainda assim DIAFRAGMA estiver baixo, inspecione o sistema quanto a vazamentos (página 3-18). Gire o guidão para o lado esquerdo, de forma que o reservatório permaneça nivelado em posição horizontal, e inspecione o nível de fluido do reservatório do freio dianteiro, através da janela de inspeção. SALIÊNCIA Se o nível de fluido estiver próximo da linha de nível “LOWER” (inferior), remova os parafusos, a tampa do reservatório, a placa de fixação e o diafragma. Abasteça o reservatório, utilizando fluido de freio DOT-4 de um recipiente lacrado, até atingir a saliência do reservatório. Instale o diafragma, a placa de fixação e a tampa do reservatório. Em seguida, aperte os parafusos da tampa no torque especificado. Torque: 1,5 N.m (0,2 kgf.m) 3-18
  • 73.
    SHADOW 750 MANUTENÇÃO DESGASTE DAS SAPATAS/PASTILHA DE PASTILHAS DE FREIO FREIO PASTILHAS DO FREIO DIANTEIRO Inspecione as pastilhas de freio quanto a desgaste. Substitua as pastilhas se qualquer uma delas estiver desgastada até a ranhura de limite de desgaste. NOTA RANHURAS DE Sempre substitua as pastilhas de freio em conjunto para LIMITE DE DESGASTE garantir uma pressão uniforme sobre o disco. Para substituição das pastilhas de freio, consulte a página 16-7. SETA SAPATAS DO FREIO TRASEIRO Verifique a posição da placa indicadora no instante em que o freio é acionado. Se a seta da placa indicadora alinhar-se com a marca “Δ“, inspecione o tambor do freio traseiro (página 15-14). Se o D.I. do tambor do freio for inferior ao limite de uso, substitua as sapatas do freio traseiro (página 15-15). NOTA Se não for possível executar nenhum ajuste antes de ter- se atingido o limite indicador de desgaste, este sintoma MARCA “Δ“ indica desgaste excessivo, e as sapatas do freio devem ser substituídas. MANGUEIRA DO FREIO SISTEMA DE FREIO Acione firmemente a alavanca do freio e certifique-se de que não haja penetração de ar no sistema. Se a alavanca do freio parecer suave ou esponjosa ao ser acionada, execute a sangria do ar do sistema. Para procedimentos de sangria, consulte a página 16-5. Inspecione a mangueira do freio e encaixes quanto a deteriorações, rachaduras, danos e sinais de vazamentos. Aperte todos os encaixes soltos. Substitua as mangueiras e encaixes se necessário. 3-19
  • 74.
    MANUTENÇÃO SHADOW 750 ALTURA DO PEDAL DO FREIO Inspecione a altura do pedal do freio. Altura do pedal do freio: 75 mm acima do topo do pedal de apoio 75 mm PARAFUSO LIMITADOR Para ajustar a altura do pedal do freio, solte a contraporca e gire o parafuso limitador o quanto for necessário. Aperte a contraporca enquanto mantém fixado o parafuso limitador. Após o ajuste da altura do pedal, verifique os seguintes itens: – Folga do pedal do freio (página 3-20) – Funcionamento do interruptor da luz do freio traseiro (página 3-21) CONTRAPORCA FOLGA DO PEDAL DO FREIO NOTA Execute o ajuste da folga do pedal do freio após realizar o ajuste de altura do pedal. Verifique a folga do pedal do freio. 20 – 30 mm Folga do pedal do freio: 20 – 30 mm Se necessário, ajuste a folga do pedal do freio, girando a porca de ajuste. NOTA • Certifique-se de que o recorte da porca de ajuste esteja assentado no pino de conexão. • Após o ajuste da folga do pedal do freio, inspecione o funcionamento do interruptor da luz do freio traseiro (página 3-21). PORCA DE AJUSTE 3-20
  • 75.
    SHADOW 750 MANUTENÇÃO INTERRUPTOR DA LUZ DO FREIO TRASEIRO INTERRUPTOR DA LUZ DO FREIO NOTA • O interruptor da luz do freio do cilindro-mestre do freio dianteiro não pode ser ajustado. Se o funcionamento do interruptor da luz do freio dianteiro e o acionamento do freio não estiverem sincronizados, substitua o interruptor ou o componente do sistema que apresentar mau-funcionamento. • Efetue o ajuste do interruptor da luz do freio traseiro após ajustar a altura e a folga do pedal do freio. Verifique se a luz do freio acende no momento em que o PORCA DE AJUSTE freio é acionado. Se a luz não acender, ajuste o interruptor da luz do freio traseiro, de forma que a luz do freio acenda no momento adequado. Mantenha fixado o corpo do interruptor da luz do freio traseiro e gire a porca de ajuste o quanto for necessário. NOTA Não gire o corpo do interruptor enquanto girar a porca de ajuste. Inspecione o funcionamento do interruptor da luz do freio traseiro. FACHO DO FAROL NOTA O ajuste do farol deve ser feito de acordo com as leis e regulamentações locais. Apóie a motocicleta em posição vertical. Ajuste verticalmente o facho de luz do farol, girando o parafuso/porca de ajuste vertical. Aperte a porca de ajuste vertical do facho do farol no torque especificado, enquanto mantém fixado o parafuso. PARAFUSO/PORCA DE AJUSTE VERTICAL Torque: 12 N.m (1,2 kgf.m) Ajuste horizontalmente o facho de luz do farol, girando o parafuso de ajuste horizontal. PARAFUSO DE AJUSTE HORIZONTAL 3-21
  • 76.
    MANUTENÇÃO SHADOW 750 SISTEMA DE EMBREAGEM Inspecione o cabo da embreagem quanto a dobras ou danos. Lubrifique-o se necessário. 10 – 20 mm Meça a folga da alavanca da embreagem em sua extremidade. Folga: 10 – 20 mm Ajustes menores podem ser efetuados através do ajustador superior da alavanca da embreagem. Solte a contraporca e gire o ajustador o quanto for necessário. Aperte a contraporca enquanto mantém fixado o ajustador. NOTA CONTRAPORCA O ajustador pode ser danificado caso seja posicionado muito afastado da alavanca, permanecendo pouco rosqueado em seu encaixe. Se o ajustador atingir seu limite e ainda assim a folga correta não puder ser obtida, gire completamente o ajustador para dentro e retorne-o para fora por uma volta. Aperte a contraporca e efetue o ajuste maior (página 3-21). Ajustes maiores podem ser efetuados através da porca de ajuste inferior do motor. AJUSTADOR Solte a contraporca e gire a porca de ajuste o quanto for necessário. CONTRAPORCA PORCA DE AJUSTE Após o término do ajuste, aperte a contraporca enquanto mantém fixada a porca de ajuste. Inspecione o funcionamento da embreagem. Se a correta folga da alavanca da embreagem ainda não puder ser obtida, ou se a embreagem escorregar durante o teste de condução, desmonte e inspecione a embreagem (página 10-7). CAVALETE LATERAL Apóie a motocicleta em posição vertical. Inspecione a mola do cavalete lateral quanto a danos ou perda de tensão. Inspecione o conjunto do cavalete lateral quanto à suavidade de movimentação e lubrifique sua articulação se necessário. Inspecione o sistema de corte de ignição do cavalete lateral: – Sente na motocicleta, com uma perna de cada lado, e levante o cavalete lateral. – Dê partida no motor, mantendo a transmissão em ponto- morto. Em seguida, coloque a transmissão em marcha, enquanto mantém acionada a alavanca da embreagem. – Abaixe completamente o cavalete lateral. – O motor deve desligar-se assim que o cavalete lateral estiver abaixado. Se houver problemas com o sistema, inspecione o interruptor do cavalete lateral (página 20-23). CAVALETE LATERAL 3-22
  • 77.
    SHADOW 750 MANUTENÇÃO SUSPENSÃO INSPEÇÃO DA SUSPENSÃO DIANTEIRA Inspecione a atuação dos garfos da suspensão, acionando o freio dianteiro e comprimindo a suspensão dianteira por diversas vezes. Inspecione o conjunto do garfo da suspensão quanto a sinais de vazamentos, danos ou fixadores soltos. Substitua os componentes danificados que não puderem ser reparados. Aperte todas as porcas e parafusos. Para reparos no garfo da suspensão, consulte a página 14-18. INSPEÇÃO DA SUSPENSÃO TRASEIRA Inspecione a atuação do amortecedor traseiro, comprimindo- o por diversas vezes. Inspecione o conjunto do amortecedor traseiro quanto a sinais de vazamentos, danos ou fixadores soltos. Substitua os componentes danificados que não puderem ser reparados. Aperte todas as porcas e parafusos. Para reparos no amortecedor traseiro, consulte a página 15-22. Apóie seguramente a motocicleta e levante a roda traseira do solo. Inspecione os rolamentos do braço oscilante quanto a desgaste, segurando a extremidade traseira do braço oscilante e tentando movimentá-lo de um lado para outro. Substitua os rolamentos se qualquer sinal de folga for observado (página 15-22). PORCAS, PARAFUSOS E FIXADORES Verifique se todos os parafusos e porcas do chassi estão apertados em seus corretos valores de torque (página 1-13). Verifique se todas as cupilhas, presilhas de segurança, braçadeiras de mangueiras e suportes de cabos encontram- se em seu devido lugar e adequadamente fixados. 3-23
  • 78.
    MANUTENÇÃO SHADOW 750 RODAS/PNEUS Apóie seguramente a motocicleta e levante a roda dianteira do solo. Inspecione os rolamentos da roda dianteira quanto a desgaste, mantendo fixado o garfo da suspensão e tentando movimentar a roda dianteira de um lado para outro. Para reparos na roda dianteira, consulte a página 14-13. Apóie seguramente a motocicleta e levante a roda traseira do solo. Inspecione os rolamentos da roda traseira quanto a desgaste, mantendo fixado o braço oscilante e tentando movimentar a roda traseira de um lado para outro. Para reparos na roda traseira, consulte a página 15-6. Inspecione o aperto dos raios, batendo em cada um com uma chave-de-fenda. Se o ruído da batida no raio não for claro, ou se parecer diferente do ruído dos outros raios, aperte-o no torque especificado. Ferramenta: Chave para raios 07JMA-MR60100 Torque: 4,2 N.m (0,4 kgf.m) NOTA Bata nos raios e certifique-se de ouvir o mesmo ruído CHAVE PARA RAIOS metálico em cada um. Verifique a pressão dos pneus frios, utilizando um manômetro. Pressão recomendada dos pneus: Somente piloto Dianteiro 200 kPa (2,0 kgf/cm2, 29 psi) Traseiro 200 kPa (2,0 kgf/cm2, 29 psi) Piloto e passageiro Dianteiro 200 kPa (2,0 kgf/cm2, 29 psi) Traseiro 250 kPa (2,5 kgf/cm2, 36 psi) 3-24
  • 79.
    SHADOW 750 MANUTENÇÃO Inspecione os pneus quanto a cortes, presença de pregos ou outros danos. Meça a profundidade do sulco da banda de rodagem, a partir do centro dos pneus. Substitua o pneu quando a profundidade do sulco da banda de rodagem atingir os seguintes limites: Profundidade mínima do sulco da banda de rodagem: Dianteira 1,5 mm Traseira 2,0 mm ROLAMENTOS DA COLUNA DE DIREÇÃO Apóie a motocicleta seguramente e levante a roda dianteira do solo. Inspecione se o guidão movimenta-se livremente de um lado para outro. Certifique-se de que os cabos de controle não interferem no movimento do guidão. Verifique os rolamentos da coluna de direção, segurando os garfos da suspensão e tentando movimentá-los de um lado para outro. Se o guidão movimentar-se irregularmente, prender ou apresentar movimento vertical, inspecione os rolamentos da coluna de direção (página 14-27). 3-25
  • 80.
    SHADOW 750 4. SISTEMA DE LUBRIFICAÇÃO DIAGRAMA DO SISTEMA INSPEÇÃO DA PRESSÃO DE ÓLEO 4-5 DE LUBRIFICAÇÃO 4-2 BOMBA DE ÓLEO 4-6 INFORMAÇÕES DE SERVIÇO 4-3 DIAGNOSE DE DEFEITOS 4-4 4-1
  • 81.
    SISTEMA DE LUBRIFICAÇÃO SHADOW 750 DIAGRAMA DO SISTEMA DE LUBRIFICAÇÃO BALANCIM ÁRVORE DE COMANDO PISTÃO ÁRVORE PRIMÁRIA ÁRVORE DE MANIVELAS INJETOR DE ÓLEO ÁRVORE SECUNDÁRIA INTERRUPTOR EOP EIXO DA ENGRENAGEM MOTORA DE TRANSMISSÃO BOMBA DE ÓLEO FILTRO DE ÓLEO FILTRO DE ÓLEO VÁLVULA DE ALÍVIO DE PRESSÃO 4-2
  • 82.
    SHADOW 750 SISTEMA DE LUBRIFICAÇÃO INFORMAÇÕES DE SERVIÇO c O contato prolongado com óleo usado pode causar câncer de pele. Apesar de improvável, a menos que manuseie o óleo diariamente, é recomendável lavar completamente as mãos com água e sabão assim que possível após o manuseio do óleo usado. • É necessária a separação das carcaças do motor para a execução de reparos na bomba de óleo. • Ao remover ou instalar a bomba de óleo, tenha cuidado para não permitir a penetração de poeira ou sujeira no interior do motor. • Se qualquer componente da bomba de óleo estiver desgastado além do valor de limite de uso, substitua a bomba de óleo como um conjunto. • Após a instalação da bomba de óleo, certifique-se de que a pressão de óleo do sistema esteja correta. • Para inspeção do nível de óleo do motor, consulte a página 3-12. • Para troca do óleo do motor e filtro de óleo, consulte a página 3-13. • Para inspeção do indicador de pressão de óleo, consulte a página 20-18. ESPECIFICAÇÕES Unidade: mm Item Padrão Limite de Uso Capacidade de Na drenagem 2,5 l – óleo do motor Na troca do óleo e filtro 2,6 l – Na desmontagem 3,2 l – Óleo recomendado para motor Mobil Supermoto 4T Multiviscoso Classificação de serviço API: SF Viscosidade: SAE 20W-50 Pressão de óleo no interruptor EOP 530 kPa (5,4 kgf/cm2, 77 psi) a 5.000 rpm Bomba de óleo Folga entre os rotores interno e externo 0,15 0,20 Folga entre o rotor externo 0,15 – 0,21 0,35 e a carcaça da bomba Folga entre os rotores e a face 0,02 – 0,08 0,10 da carcaça da bomba VALORES DE TORQUE Interruptor EOP 12 N.m (1,2 kgf.m) Aplique junta-líquida nas roscas. Parafuso do terminal do interruptor EOP 1,9 N.m (0,2 kgf.m) Parafuso de montagem da bomba de óleo 13 N.m (1,3 kgf.m) 4-3
  • 83.
    SISTEMA DE LUBRIFICAÇÃO SHADOW 750 FERRAMENTAS Conjunto do manômetro de óleo Acessório do manômetro de óleo 07506-3000001 07510-4220100 ou equivalente disponível ou equivalente disponível comercialmente comercialmente DIAGNOSE DE DEFEITOS Nível de óleo muito baixo • Consumo de óleo • Vazamento externo de óleo • Anéis do pistão desgastados • Anéis do pistão instalados inadequadamente • Cilindros desgastados • Retentores da haste desgastados • Guia da válvula desgastada Baixa pressão de óleo • Baixo nível de óleo • Filtro de óleo obstruído • Bomba de óleo defeituosa • Vazamento interno de óleo • Tipo de óleo utilizado incorreto Sem pressão de óleo • Baixo nível de óleo • Válvula de alívio de pressão emperrada na posição aberta • Corrente de acionamento da bomba de óleo quebrada • Engrenagens motora/movida da bomba de óleo quebradas • Bomba de óleo danificada • Vazamento interno de óleo Alta pressão de óleo • Válvula de alívio de pressão emperrada na posição fechada • Orifício dosador ou galeria de óleo obstruída • Tipo de óleo utilizado incorreto Contaminação do óleo • Freqüência de troca do óleo ou filtro insuficiente • Anéis do pistão desgastados • Retentores da haste desgastados • Guias das válvulas desgastadas • Mistura de líquido de arrefecimento no óleo – Junta do cabeçote danificada – Vazamento de água na carcaça do motor Emulsificação do óleo • Junta do cabeçote danificada • Vazamento de líquido de arrefecimento • Penetração de água 4-4
  • 84.
    SHADOW 750 SISTEMA DE LUBRIFICAÇÃO CAPA DE BORRACHA INTERRUPTOR EOP INSPEÇÃO DA PRESSÃO DE ÓLEO Remova a tampa traseira esquerda da carcaça do motor (página 2-4). A leitura da pressão de óleo será anormalmente alta caso o motor esteja frio. Aqueça o motor até atingir sua temperatura normal de funcionamento antes de inspecionar a pressão de óleo. Desligue o motor. Remova a capa de borracha e desconecte a fiação do interruptor EOP, removendo o parafuso do terminal. PARAFUSO DO TERMINAL MANÔMETRO DE ÓLEO ACESSÓRIO Remova o interruptor EOP e conecte o acessório e o manômetro de óleo ao orifício do interruptor EOP. Ferramentas Conjunto do manômetro de óleo 07506-3000001 ou equivalente disponível comercialmente Acessório do manômetro de óleo 07510-4220100 ou equivalente disponível comercialmente Inspecione o nível de óleo e adicione o óleo recomendado se necessário (página 3-12). Dê partida no motor e inspecione a pressão de óleo, mantendo o motor a 5.000 rpm. Pressão de óleo: 530 kPa (5,4 kgf/cm2, 77 psi) a 5.000 rpm (a 80°C) 3 – 4 mm Desligue o motor. Aplique junta-líquida (Three Bond 1207B ou equivalente) nas roscas do interruptor EOP, como mostra a ilustração, e aperte o interruptor no torque especificado. Torque: 12 N.m (1,2 kgf.m) NOTA Não aplique junta-líquida nos primeiros 3 a 4 mm de roscas. Conecte a fiação do interruptor EOP e aperte o parafuso do terminal no torque especificado. Torque: 1,9 N.m (0,2 kgf.m) Instale a capa de borracha. Dê partida no motor. Verifique se o indicador de pressão de óleo apaga-se após 1 ou 2 segundos. Se o indicador de pressão de óleo permaneçer aceso, desligue imediatamente o motor e encontre a razão do problema (página 20-18). 4-5
  • 85.
    SISTEMA DE LUBRIFICAÇÃO SHADOW 750 BOMBA DE ÓLEO BOMBA DE ÓLEO REMOÇÃO Separe as metades da carcaça do motor (página 12-9). Remova os parafusos e a bomba de óleo da carcaça esquerda do motor. PARAFUSOS Remova o pino-guia, os espaçadores e os anéis de vedação. ESPAÇADORES/ PINO-GUIA ANÉIS DE VEDAÇÃO RETENTOR DO TUBO DESMONTAGEM Corpo da Bomba de Óleo Remova o tubo de óleo, o retentor do tubo e o anel de vedação. ANEL DE VEDAÇÃO TUBO DE ÓLEO VÁLVULA DE ALÍVIO DE PRESSÃO Remova a válvula de alívio de pressão e o anel de vedação. ANEL DE VEDAÇÃO 4-6
  • 86.
    SHADOW 750 SISTEMA DE LUBRIFICAÇÃO FILTRO DE ÓLEO Remova o filtro de óleo e a junta. JUNTA CORPO DA BOMBA Remova os parafusos de montagem e o corpo da bomba de sua tampa. PARAFUSOS PINO DE ACIONAMENTO PINOS-GUIAS Remova os pinos-guias. ROTOR EXTERNO Remova a arruela, o eixo de acionamento, o pino de acionamento e os rotores interno e externo. ARRUELA EIXO DE ACIONAMENTO ROTOR INTERNO Válvula de Alívio de Pressão ANEL ELÁSTICO Verifique o funcionamento da válvula de alívio de pressão, empurrando seu pistão. Remova o anel elástico, a arruela, a mola e o pistão do corpo da válvula de alívio de pressão. NOTA • O anel elástico encontra-se sob pressão da mola. Tenha cuidado ao removê-lo e vista óculos de proteção e protetor facial. • Tenha cuidado para não perder os componentes desmontados. ARRUELA MOLA/PISTÃO 4-7
  • 87.
    SISTEMA DE LUBRIFICAÇÃO SHADOW 750 CORPO DA VÁLVULA MOLA PISTÃO DE ALÍVIO DE PRESSÃO Inspecione o pistão quanto a desgaste, emperramento ou danos. Inspecione a mola da válvula quanto a desgaste ou fadiga. Inspecione o corpo da válvula de alívio de pressão quanto a obstrução ou danos. Limpe todos os componentes e monte a válvula de alívio de pressão, seguindo a ordem inversa da desmontagem. NOTA • Instale o anel elástico, mantendo sua borda chanfrada voltada para o lado da carga axial. • Não reutilize um anel elástico desgastado que poderia facilmente girar em sua ranhura. ANEL ELÁSTICO ARRUELA • Certifique-se de que o anel elástico esteja adequadamente assentado em sua ranhura. INSPEÇÃO NOTA Meça o valor de cada folga em mais de um ponto e utilize a maior leitura para compará-la ao valor de limite de uso. Folga entre o Rotor Externo e a Carcaça da Bomba Monte temporariamente os rotores interno e externo, o pino de acionamento e o eixo da bomba de óleo no corpo da bomba. FOLGA ENTRE O ROTOR EXTERNO E A CARCAÇA Meça a folga entre o rotor externo e a carcaça da bomba. DA BOMBA Limite de Uso 0,35 mm Folga entre os Rotores Interno e Externo Meça a folga entre os rotores interno e externo. Limite de Uso 0,20 mm FOLGA ENTRE OS ROTORES INTERNO E EXTERNO 4-8
  • 88.
    SHADOW 750 SISTEMA DE LUBRIFICAÇÃO FOLGA ENTRE OS ROTORES E A FACE DA CARCAÇA DA BOMBA Folga entre os Rotores e a Face da Carcaça da Bomba Meça a folga entre os rotores e a face da carcaça da bomba. Limite de Uso 0,10 mm MONTAGEM Mergulhe todos os componentes em óleo para motor limpo. 13 N.m (1,3 kgf.m) PINO DE CORPO DA BOMBA ROTOR EXTERNO ACIONAMENTO DE ÓLEO ANEL ELÁSTICO PINOS-GUIAS MOLA ANEL DE VEDAÇÃO ARRUELA ROTOR INTERNO EIXO DE ACIONAMENTO ANEL DE TUBO DE ÓLEO VEDAÇÃO ARRUELA PISTÃO JUNTA CORPO DA VÁLVULA DE ALÍVIO DE PRESSÃO RETENTOR DO TUBO FILTRO DE ÓLEO TAMPA DA BOMBA DE ÓLEO ROTOR INTERNO RANHURA Instale os rotores externo e interno no corpo da bomba de óleo. NOTA Instale o rotor interno, mantendo o lado da ranhura voltado para a tampa da bomba. ROTOR EXTERNO 4-9
  • 89.
    SISTEMA DE LUBRIFICAÇÃO SHADOW 750 PINO DE ARRUELA ACIONAMENTO PINOS-GUIAS Instale o eixo e o pino de acionamento, alinhando o pino de acionamento com as ranhuras do rotor interno. Posicione a arruela na ranhura do rotor interno. Instale os pinos-guias no corpo da bomba. EIXO DE ACIONAMENTO ARRUELA CORPO DA BOMBA Instale a tampa no corpo da bomba. Instale e aperte os parafusos de montagem da bomba de óleo no torque especificado. Torque: 13 N.m (1,3 kgf.m) PARAFUSOS FILTRO DE ÓLEO Alinhe Limpe o filtro de óleo. Cubra uma nova junta com óleo para motor e instale-a no corpo da bomba. Instale o filtro de óleo na tampa da bomba, alinhando sua extremidade lateral com a ranhura da tampa da bomba. JUNTA VÁLVULA DE ALÍVIO DE PRESSÃO Cubra um novo anel de vedação com óleo para motor e instale-o na válvula de alívio de pressão. Instale a válvula de alívio de pressão na tampa da bomba. ANEL DE VEDAÇÃO 4-10
  • 90.
    SHADOW 750 SISTEMA DE LUBRIFICAÇÃO RETENTOR DO TUBO Cubra um novo retentor do tubo de óleo e um novo anel de vedação com óleo para motor e instale-os no tubo de óleo. NOTA Instale o anel de vedação, mantendo seu lado cônico voltado para fora. Instale seguramente o tubo de óleo na tampa da bomba. ANEL DE VEDAÇÃO TUBO DE ÓLEO ESPAÇADORES INSTALAÇÃO Instale os pinos-guias e os espaçadores. Cubra novos anéis de vedação com óleo para motor e instale- os em seguida. ANÉIS DE VEDAÇÃO PINO-GUIA BOMBA DE ÓLEO Instale seguramente a bomba de óleo na carcaça do motor. Instale e aperte seguramente os parafusos. Monte as metades da carcaça do motor (página 12-48). Verifique a pressão de óleo do motor (página 4-5). PARAFUSOS 4-11
  • 91.
    SISTEMA DE LUBRIFICAÇÃO SHADOW 750 NOTAS 4-12
  • 92.
    SHADOW 750 5. SISTEMA DE ALIMENTAÇÃO (PGM-FI) LOCALIZAÇÃO DOS COMPONENTES 5-2 RELÉ DE CORTE DE COMBUSTÍVEL 5-39 INFORMAÇÕES DE SERVIÇO 5-3 TANQUE DE COMBUSTÍVEL 5-40 DIAGNOSE DE DEFEITOS DE CARCAÇA DO FILTRO DE AR 5-41 SINTOMAS DO PGM-FI 5-5 CORPO DO ACELERADOR 5-43 LOCALIZAÇÃO DOS COMPONENTES DO SISTEMA PGM-FI 5-6 COLETOR DE ADMISSÃO 5-47 DIAGRAMA DO SISTEMA PGM-FI 5-7 INJETOR 5-49 LOCALIZAÇÃO DO CONECTOR 5-8 SENSOR ECT 5-51 INFORMAÇÕES SOBRE DIAGNOSE SENSOR DE INCLINAÇÃO DO CHASSI 5-52 DE DEFEITOS DO PGM-FI 5-13 RELÉ DE PARADA DO MOTOR 5-54 ÍNDICE DTC 5-16 ECM 5-55 INSPEÇÃO DA LINHA DE MARCHA-LENTA 5-57 ALIMENTAÇÃO DO SENSOR 5-17 VÁLVULA IAC 5-57 DIAGNOSE DE DEFEITOS DO MIL 5-18 SISTEMA DE FORNECIMENTO INSPEÇÃO DO CIRCUITO DO MIL 5-31 DE AR SECUNDÁRIO 5-59 INSPEÇÃO DA LINHA DE COMBUSTÍVEL 5-32 SENSOR DE O2 5-62 RESERVATÓRIO/ BOMBA DE COMBUSTÍVEL 5-37 5-1
  • 93.
    SISTEMA DE ALIMENTAÇÃO(PGM-FI) SHADOW 750 LOCALIZAÇÃO DOS COMPONENTES 27 N.m (2,8 kgf.m) 5-2
  • 94.
    SHADOW 750 SISTEMA DE ALIMENTAÇÃO (PGM-FI) INFORMAÇÕES DE SERVIÇO INFORMAÇÕES GERAIS • Certifique-se de aliviar a pressão de combustível, mantendo o interruptor de ignição posicionado em “OFF”. • Antes de desconectar a mangueira de alimentação de combustível, alivie a pressão do sistema, soltando o encaixe de conexão rápida do reservatório/bomba de combustível (página 5-32). • Entortar ou torcer os cabos de controle prejudica seu suave funcionamento, podendo causar travamento e resultando em perda do controle do veículo. • Trabalhe em um local com ventilação adequada. Fumar ou permitir chamas ou faíscas no local de trabalho onde a gasolina é armazenada pode provocar incêndio ou explosões. • Não altere completamente a posição da válvula de aceleração, partindo de completamente aberta para completamente fechada, após remover o cabo do acelerador. Tal procedimento pode causar funcionamento irregular em marcha-lenta. • Tenha cuidado para não danificar o corpo do acelerador pois pode causar funcionamento incorreto da válvula de aceleração. • Sele as portas do coletor de admissão após remover o corpo do acelerador, utilizando uma fita adesiva ou pano limpo, para evitar a penetração de poeira e corpos estranhos pelas portas de admissão. • Evite a penetração de sujeira e corpos estranhos pelo venturi do acelerador e pelas mangueiras de combustível e de retorno. Limpe-as utilizando ar comprimido se necessário. • O corpo do acelerador é pré-ajustado na fábrica. Não o desmonte a não ser da forma apresentada neste manual. • Não solte ou aperte os parafusos e porcas do corpo do acelerador pintados na cor branca, pois pode provocar falhas no funcionamento da válvula de aceleração e no controle de marcha-lenta. • O sistema PGM-FI é equipado com um sistema de auto-diagnose, descrito na página 5-13. Caso o MIL pisque, siga os procedimentos de auto-diagnose para corrigir o problema. • Ao inspecionar o sistema PGM-FI, siga sempre os procedimentos descritos na tabela de diagnose de defeitos. • O sistema PGM-FI é equipado com uma função a prova de falhas, a fim de garantir uma capacidade mínima de funcionamento, mesmo que ocorra algum defeito no sistema. Quando qualquer anormalidade for detectada pela função de auto-diagnose, a capacidade de funcionamento é garantida graças aos valores pré-especificados no mapa do programa de simulação. É importante lembrar, no entanto, que quando alguma anormalidade é detectada em algum dos injetores e/ou no sensor CKP, a função a prova de falhas interrompe o funcionamento do motor a fim de protegê-lo quanto a danos. • Para localização dos componentes do sistema PGM-FI, consulte a página 5-6. • Defeitos no sistema PGM-FI estão normalmente relacionados a mau-contatos ou conectores corroídos. Verifique estas conexões antes de proceder. • Ao desmontar os componentes do sistema PGM-FI, observe a localização dos anéis de vedação. Substitua-os por novos durante a montagem. • Utilize um multímetro digital para as inspeções no sistema PGM-FI. • Para reparos no sensor de reserva de combustível, consulte a página 20-16. • Caso o ECM seja substituído, siga as etapas de substituição do Sistema Imobilizador, localizadas na página 21-6. ESPECIFICAÇÕES Item Especificação Número de identificação do corpo do acelerador GQB3A Marcha-lenta 1200 ± 100 rpm Folga da manopla do acelerador 2 – 10 mm Resistência do injetor Dianteiro 11 – 13 Ω de combustível (a 20°C) Traseiro 11 – 13 Ω Resistência da válvula solenóide de controle PAIR (a 20°C) 23 – 27 Ω Pressão de combustível em marcha-lenta 333 – 353 kPa (3,4 – 3,6 kgf/cm2, 48 – 51 psi) Vazão da bomba de combustível (a 12 V) Mínimo de 50 cm3/10 segundos VALORES DE TORQUE Parafuso da tampa da válvula de inspeção PAIR 7 N.m (0,7 kgf.m) Parafuso de fixação da câmara do filtro de ar 1,1 N.m (0,1 kgf.m) Parafuso da braçadeira do tubo de conexão da câmara do filtro de ar 0,7 N.m (0,1 kgf.m) Sensor ECT 24,5 N.m (2,5 kgf.m) Parafuso Torx da placa de fixação da válvula IAC 2,1 N.m (0,2 kgf.m) Parafuso da guia do cabo do acelerador 3,4 N.m (0,3 kgf.m) Parafuso de fixação do injetor de combustível 5,1 N.m (0,5 kgf.m) Parafuso Torx do conjunto de sensores 3,4 N.m (0,3 kgf.m) Parafuso da braçadeira do isolante (Lado do corpo do acelerador) Consulte a página 5-45. Parafuso da braçadeira do isolante (Lado do coletor de admissão) Consulte a página 5-49. Parafuso de fixação do tanque de combustível 27 N.m (2,8 kgf.m) Parafuso Allen da tampa do filtro de ar 1,5 N.m (0,2 kgf.m) Parafuso da braçadeira do tubo de conexão do filtro de ar 1 N.m (0,1 kgf.m) Sensor de O2 44 N.m (4,5 kgf.m) 5-3
  • 95.
    SISTEMA DE ALIMENTAÇÃO(PGM-FI) SHADOW 750 FERRAMENTAS Manômetro de combustível Manômetro do coletor de admissão Acessório para mangueira, 07406-0040004 07ZAJ-S5A0111 6 mm/9 mm 07ZAJ-S5A0130 Acessório para mangueira, Acessório de conexão, 6 mm/9 mm Fiação de teste 33P do ECM 9 mm/9 mm 07ZAJ-S5A0150 070MZ-MCA0100 07ZAJ-S5A0120 Conector SCS Fiação de teste para inspeção Chave para sensor de O2 070PZ-ZY30100 07GMJ-ML80100 07LAA-PT50101 5-4
  • 96.
    SHADOW 750 SISTEMA DE ALIMENTAÇÃO (PGM-FI) DIAGNOSE DE DEFEITOS DE SINTOMAS DO PGM-FI Quando a motocicleta possuir um destes sintomas, verifique o DTC ou o número de piscadas do MIL, consulte o índice DTC (página 5-17) e inicie o procedimento adequado de diagnose de defeito. Se não houver DTC/MIL armazenado na memória do ECM, execute o procedimento de diagnóstico para os sintomas, na seqüência apresentada a seguir, até localizar a origem do problema. Sintoma Procedimento de Diagnose Verifique também O motor gira, mas não dá partida 1. Dê partida no motor por mais de 10 • Sem combustível nos injetores (Não há indicação do MIL). segundos, verifique o número de – Filtro de combustível obstruído piscadas do MIL (página 5-13) e execute – Mangueira de alimentação de combustível a diagnose de defeitos correspondente. dobrada ou obstruída 2. Inspecione o sistema de alimentação de – Mangueira de respiro do tanque de combustível combustível (página 5-32). dobrada ou obstruída – Bomba de combustível defeituosa – Circuitos da bomba de combustível defeituosos • Vazamento de ar de admissão. • Combustível contaminado/deteriorado. • Injetor de combustível defeituoso. • Válvula IAC emperrada. • Sistema de ignição defeituoso. O motor gira, mas não dá partida 1. Mau-funcionamento nos circuitos de • Circuito aberto na fiação de entrada de (Não há ruído de funcionamento alimentação/terra do ECM (página 5-55). alimentação e/ou terra do ECM. da bomba de combustível 2. Inspecione o sistema de alimentação de • Sensor de inclinação do chassi ou circuito quando o interruptor de ignição combustível (página 5-32). relacionado defeituoso. é ligado). • Relé de parada do motor ou circuito relacionado defeituoso. • Interruptor do motor ou circuito relacionado defeituoso. • Fusível FI (15 A) queimado. • Fusível secundário (Ignição, Partida, 10 A) queimado. O motor morre, a partida é difícil 1. Inspecione a marcha-lenta. • Mangueira de alimentação de combustível e a marcha-lenta irregular. 2. Inspecione a válvula IAC. restringida. 3. Inspecione o sistema de alimentação de • Combustível contaminado/deteriorado. combustível (página 5-32). • Vazamento de ar de admissão. 4. Inspecione o sistema de carga da • Válvula IAC defeituosa. bateria (página 17-7). • Sensor MAP defeituoso. • Mangueira de respiro do tanque de combustível obstruída. • Sistema de ignição defeituoso. • Sistema de carga da bateria defeituoso. Combustão retardada quando o Inspecione o sistema PAIR (página 5-59). • Sistema PAIR defeituoso. freio é acionado. – Válvula solenóide de controle PAIR defeituosa. – Válvula de inspeção PAIR defeituosa. – Mangueira do sistema PAIR obstruída. • Sistema de ignição defeituoso. Contra-explosões ou falhas Inspecione o sistema de ignição. • Sistema de ignição defeituoso. durante a aceleração. Desempenho inadequado 1. Inspecione o sistema de alimentação de • Mangueira de alimentação de combustível (dirigibilidade) e pouca combustível (página 5-32). dobrada ou obstruída. economia de combustível. 2. Inspecione o elemento do filtro de ar • Regulador de pressão defeituoso. (página 3-6). • Injetor de combustível defeituoso. • Sistema de ignição defeituoso. • Elemento do filtro de ar obstruído. • Sensor MAP defeituoso. Marcha-lenta abaixo da 1. Inspecione a marcha-lenta. • Válvula IAC emperrada na posição fechada. especificada ou marcha-rápida 2. Inspecione a válvula IAC. • Sistema de alimentação de combustível muito baixa (Não há indicação defeituoso. do MIL). • Sistema de ignição defeituoso. Marcha-lenta acima da 1. Inspecione a marcha-lenta. • Válvula IAC emperrada na posição aberta. especificada ou marcha-rápida 2. Inspecione o funcionamento e a folga • Sistema de ignição defeituoso. muito alta (Não há indicação do do acelerador. • Vazamento de ar de admissão. MIL). 3. Inspecione a válvula IAC. • Problemas na parte superior do motor. • Condições inadequadas do filtro de ar. O MIL permanece aceso ou Execute a diagnose de defeitos do circuito • Mau-funcionamento do circuito do MIL. nunca se acende. do MIL (página 5-31). O MIL permanece aceso. Inspecione o circuito DLC. • Curto-circuito na fiação relacionada ao DLC. 5-5
  • 97.
    SISTEMA DE ALIMENTAÇÃO(PGM-FI) SHADOW 750 LOCALIZAÇÃO DOS COMPONENTES DO SISTEMA PGM-FI CONJUNTO DE SENSORES: SENSOR ECT – SENSOR TP SENSOR DE – SENSOR IAT INCLINAÇÃO DO CHASSI VÁLVULA IAC – SENSOR MAP RESERVATÓRIO/BOMBA DE COMBUSTÍVEL DLC (CONECTOR DE TRANSMISSÃO DE DADOS) SENSOR DE O2 TRASEIRO VÁLVULA SOLENÓIDE DE CONTROLE PAIR INJETOR DIANTEIRO N° 02 INJETOR TRASEIRO N° 01 ECM SENSOR DE O2 DIANTEIRO SENSOR VS SENSOR CKP RELÉ DE CORTE DE COMBUSTÍVEL/ RELÉ DE PARADA DO MOTOR 5-6
  • 98.
    SHADOW 750 SISTEMA DE ALIMENTAÇÃO (PGM-FI) DIAGRAMA DO SISTEMA PGM-FI INTERRUPTOR DE IGNIÇÃO FUSÍVEL PRINCIPAL, 30 A FUSÍVEL, 10 A REGULADOR/ RETIFICADOR INTERRUPTOR RELÉ DE PARADA FUSÍVEL, 10 A DO MOTOR DO MOTOR BATERIA FUSÍVEL FI, 15 A FUSÍVEL, 20 A SENSOR DE INCLINAÇÃO DO CHASSI O2 SENSOR DE O2 RELÉ DE RELÉ DE CORTE CONTROLE DA DE COMBUSTÍVEL VÁLVULA SOLENÓIDE VENTOINHA DE CONTROLE PAIR BOMBA DE SENSOR DE O2 O2 COMBUSTÍVEL MOTOR DA VENTOINHA DE ARREFECIMENTO SENSOR MAP SENSOR TP BOBINAS DE IGNIÇÃO SENSOR Para o INDICADOR IAT DE TEMPERATURA DO LÍQUIDO DE ARREFECIMENTO SENSOR ECT ECM VELAS DE IGNIÇÃO INJETORES RECEPTOR DO IMOBILIZADOR DLC INTERRUPTOR INTERRUPTOR DO DA CAVALETE LATERAL EMBREAGEM INTERRUPTOR DE PONTO-MORTO SENSOR CKP MIL PCM INDICADOR VÁLVULA DO HISS IAC SENSOR VS Bl: Preto Br: Marrom Y: Amarelo O: Laranja Bu: Azul Lg: Verde claro G: Verde P: Rosa R: Vermelho Gr: Cinza W: Branco A1 A11 B1 B11 B12 A12 A22 B22 B23 A23 A33 B33 CONECTOR 33P (Preto) A DO ECM CONECTOR 33P (Cinza) B DO ECM Lado do ECM/Terminais machos 5-7
  • 99.
    SISTEMA DE ALIMENTAÇÃO(PGM-FI) SHADOW 750 LOCALIZAÇÃO DO CONECTOR NOTA 1: Remova a tampa lateral da coluna de direção (página 2-4). CONECTOR 3P (Cinza) DO SENSOR ECT (NOTA 1) 5-8
  • 100.
    SHADOW 750 SISTEMA DE ALIMENTAÇÃO (PGM-FI) NOTA 1: Remova a carcaça do filtro de ar (página 5-41). NOTA 2: Remova o tanque de combustível (página 5-40). CONECTOR 2P (Cinza) DO INJETOR DE COMBUSTÍVEL DIANTEIRO N° 2 (NOTA 2) CONECTOR 2P (Cinza) DO INJETOR CONECTOR 4P (Preto) DA VÁLVULA IAC DE COMBUSTÍVEL TRASEIRO N° 1 (NOTA 1) (NOTA 2) CONECTOR 5P (Preto) DO CONJUNTO DE SENSORES (NOTA 1) 5-9
  • 101.
    SISTEMA DE ALIMENTAÇÃO(PGM-FI) SHADOW 750 NOTA 1: Remova a tampa lateral esquerda (página 2-4). CONECTOR 3P (Branco) DO SENSOR VS (NOTA 1) 5-10
  • 102.
    SHADOW 750 SISTEMA DE ALIMENTAÇÃO (PGM-FI) NOTA 1: Remova a tampa lateral direita (página 2-4). CONECTOR 4P (Branco) DO SENSOR DE O2 TRASEIRO (NOTA 1) DLC (NOTA 1) CONECTOR 4P (Preto) DO SENSOR DE O2 DIANTEIRO (NOTA 1) 5-11
  • 103.
    SISTEMA DE ALIMENTAÇÃO(PGM-FI) SHADOW 750 NOTA 1: Remova o ECM (página 5-56). CONECTOR B (Cinza) CONECTOR A (Preto) B11 B1 A11 A1 B22 B12 A22 A12 B23 A23 B33 A33 CONECTORES 33P DO ECM (NOTA 1) 5-12
  • 104.
    SHADOW 750 SISTEMA DE ALIMENTAÇÃO (PGM-FI) INFORMAÇÕES SOBRE DIAGNOSE DE DEFEITOS DO PGM-FI DIAGNOSE DE DEFEITOS GERAIS Falha Intermitente O termo “falha intermitente” indica que o sistema pode possuir uma falha, no entanto, esta falha não se apresenta neste instante. Caso o MIL não acenda, inspecione todos os conectores relacionados e circuitos afetados quanto a mau-contato ou pinos soltos. Caso o MIL estivesse anteriormente aceso e apresenta-se apagado neste instante, o problema original pode ser intermitente. Circuito aberto e Curto-circuito “Circuito aberto” e “curto-circuito” são termos comuns em eletricidade. Circuito aberto pode ser um rompimento em um fio ou em uma conexão. Um curto-circuito é uma conexão acidental de um fio ao terra ou a outro fio. Em eletrônica simples, isto significa, basicamente, que algo não funcionará da forma correta. Utilizando o ECM, isto pode significar que alguns itens funcionarão, mas não realmente da forma que deveriam. Caso o MIL acenda Consulte o item “Leituras de Saída do DTC” (página 5-13) Caso o MIL não permaneça aceso Caso o MIL não permaneça aceso, mas ainda assim houver um problema de dirigibilidade, execute o item “Diagnose de Defeitos dos Sintomas” (página 5-5). DESCRIÇÃO DO SISTEMA Sistema de Auto-Diagnose O sistema PGM-FI é equipado com um sistema de auto-diagnose. Quando alguma anormalidade ocorrer no sistema, o ECM aciona o MIL e armazena o DTC em sua memória temporária. Função A Prova de Falhas O sistema PGM-FI é equipado com uma função a prova de falhas, a fim de garantir condições mínimas de funcionamento, mesmo se algum problema ocorrer no sistema. Quando qualquer anormalidade é detectada pela função de auto-diagnose, a capacidade de funcionamento é mantida graças aos valores pré-especificados no mapa do programa de simulação. No entanto, quando qualquer anormalidade for detectada nos injetores ou no sensor CKP, a função a prova de falhas interrompe automaticamente o funcionamento do motor a fim de protegê-lo contra danos. Modelo de Piscadas do MIL • O DTC pode ser obtido da memória do ECM a partir do número de piscadas do MIL. • O MIL indicará o atual DTC caso o ECM detecte um problema no presente, no instante em que o interruptor de ignição é ligado ou durante o funcionamento em marcha-lenta quando o cavalete lateral é abaixado. O MIL permanecerá aceso quando as rotações do motor forem superiores a 2.000 rpm ou se o cavalete lateral for recolhido. • O MIL possui dois tipos de piscadas, uma longa e uma curta. A piscada longa dura 1,3 segundos, ao passo que a piscada curta dura 0,5 segundo. Uma piscada longa equivale a dez piscadas curtas. Por exemplo, quando duas piscadas longas forem seguidas de cinco piscadas curtas, o código indicado pelo MIL é o 25 (duas piscadas MIL longas = 20, adicionando 5 piscadas curtas). • Quando o ECM armazenar mais de um DTC, o MIL os indicará piscando em ordem crescente, iniciando pelo de menor código. Inspeção do MIL No instante em que o interruptor de ignição for ligado e o interruptor do motor posicionado em “ ”, o MIL se acenderá por alguns segundos e apagará em seguida. • Se o MIL não acender, inspecione seu circuito (página 5-31). Dê partida no motor e inspecione o MIL. • Se o motor não der partida, acione o motor de partida por mais de 10 segundos e verifique a indicação do MIL. 5-13
  • 105.
    SISTEMA DE ALIMENTAÇÃO(PGM-FI) SHADOW 750 CONECTOR SCS Lendo o DTC através do MIL Desligue o interruptor de ignição. Remova a tampa lateral direita (página 2-4). Remova o conector inativo e faça um curto-circuito entre os terminais do DLC, utilizando a ferramenta especial. Conexão: Marrom – Verde Ferramenta: Conector SCS 070PZ-ZY30100 Certifique-se de que o interruptor do motor esteja posicionado em “ “. Ligue o interruptor de ignição, leia e anote as piscadas do DLC MIL e consulte o índice de diagnose de defeitos (página 5-16). CONECTOR SCS NOTA Caso o ECM possua um DTC armazenado em sua memória, o MIL começará a piscar. LIMPEZA DO DTC 1. Remova a tampa lateral direita (página 2-4). 2. Desligue o interruptor de ignição. 3. Certifique-se de que o interruptor do motor esteja posicionado em “ “. 4. Remova o conector inativo e faça um curto-circuito entre os terminais do DLC, utilizando a ferramenta especial. DLC Conexão: Marrom – Verde Ferramenta: Conector SCS 070PZ-ZY30100 5. Ligue o interruptor de ignição. 6. Remova a ferramenta especial do DLC. 7. O MIL acenderá por aproximadamente 5 segundos. Enquanto o MIL permanecer aceso, faça novamente um curto- circuito entre os terminais do DLC, utilizando a ferramenta especial. Neste instante, a memória de auto-diagnose será apagada se o indicador de mau-funcionamento apagar-se e começar a piscar. NOTA • O DLC deve ser curto-circuitado enquanto o MIL permanecer aceso. Caso contrário, o MIL não começará a piscar. • Observe que a memória de auto-diagnose não pode ser apagada caso o interruptor de ignição seja desligado antes do MIL começar a piscar. INSPEÇÃO DO CIRCUITO FIAÇÃO DE TESTE Conexão da Fiação de Teste ECM Remova o ECM (página 5-56). Conecte a fiação de teste entre a fiação principal e o ECM. Ferramenta: Fiação de teste 33P do ECM 070MZ-MCA0100 FIAÇÃO PRINCIPAL 5-14
  • 106.
    SHADOW 750 SISTEMA DE ALIMENTAÇÃO (PGM-FI) ESQUEMA DO TERMINAL DA FIAÇÃO DE TESTE Lado do ECM: Os terminais do conector do ECM são numerados de acordo com a ilustração. CONECTOR PRETO CONECTOR CINZA Os terminais da fiação de teste do ECM possuem o mesmo Lado do Terminal da Fiação de Teste: esquema dos terminais do conector do ECM, como mostra a ilustração. Para o CONECTOR 33P (Cinza) Para o CONECTOR 33P (Preto) 5-15
  • 107.
    SISTEMA DE ALIMENTAÇÃO(PGM-FI) SHADOW 750 ÍNDICE DTC Piscadas do MIL Falha da Função Sintoma/Função a prova de falhas Consulte 1 Baixa voltagem no circuito do sensor MAP (inferior a 0,2 V) • O motor funciona normalmente • Mau-funcionamento do sensor MAP ou de seu circuito • Valor pré-programado: 760 mmHg/1.013 hPa Alta voltagem no circuito do sensor MAP (superior a 3,9 V) • O motor funciona normalmente 5-18 • Sem contato ou mau-contato no conector do sensor MAP • Valor pré-programado: 760 mmHg/1.013 hPa • Mau-funcionamento do sensor MAP ou de seu circuito 7 Baixa voltagem no circuito do sensor ECT (inferior a 0,08 V) • Dificuldade de partida em baixas temperaturas • Mau-funcionamento do sensor ECT ou de seu circuito • Valor pré-programado: 90°C • A ventoinha de arrefecimento permanece ligada 5-19 Alta voltagem no circuito do sensor ECT (superior a 4,93 V) • Dificuldade de partida em baixas temperaturas • Sem contato ou mau-contato no conector do sensor ECT • Valor pré-programado: 90°C • Mau-funcionamento do sensor ECT ou de seu circuito • A ventoinha de arrefecimento permanece ligada 8 Baixa voltagem no circuito do sensor TP (inferior a 0,3 V) • Aceleração inadequada do motor • Sem contato ou mau-contato no conector do sensor TP • Valor pré-programado: 0° • Mau-funcionamento do sensor TP ou de seu circuito 5-21 Alta voltagem no circuito do sensor TP (superior a 4,93 V) • Aceleração inadequada do motor • Mau-funcionamento do sensor TP ou de seu circuito • Valor pré-programado: 0° 9 Baixa voltagem no circuito do sensor IAT (inferior a 0,08 V) • O motor funciona normalmente • Mau-funcionamento do sensor IAT ou de seu circuito • Valor pré-programado: 35°C Alta voltagem no circuito do sensor IAT (superior a 4,93 V) • O motor funciona normalmente 5-22 • Sem contato ou mau-contato no conector do sensor IAT • Valor pré-programado: 35°C • Mau-funcionamento do sensor IAT ou de seu circuito 11 Ausência de sinal no sensor VS • O motor funciona normalmente • Sem contato ou mau-contato no conector do sensor VS 5-23 • Mau-funcionamento do sensor VS ou de seu circuito 12 Mau-funcionamento do circuito do injetor n° 1 (traseiro) • O motor não dá partida • Sem contato ou mau-contato no conector do injetor • Injetores, bomba de combustível e ignição 5-25 • Mau-funcionamento do injetor ou de seu circuito inoperantes 13 Mau-funcionamento do circuito do injetor n° 2 (dianteiro) • O motor não dá partida • Sem contato ou mau-contato no conector do injetor • Injetores, bomba de combustível e ignição 5-27 • Mau-funcionamento do injetor ou de seu circuito inoperantes 21 Mau-funcionamento do sensor de O2 traseiro • O motor funciona normalmente • Sem contato ou mau-contato no conector do sensor de O2 traseiro 5-27 • Mau-funcionamento do sensor de O2 traseiro ou de seu circuito 22 Mau-funcionamento do sensor de O2 dianteiro • O motor funciona normalmente • Sem contato ou mau-contato no conector do sensor de O2 dianteiro 5-28 • Mau-funcionamento do sensor de O2 dianteiro ou de seu circuito 23 Mau-funcionamento do circuito do aquecedor do sensor • O motor funciona normalmente de O2 traseiro • Sem contato ou mau-contato no conector do aquecedor 5-28 do sensor de O2 traseiro • Mau-funcionamento do aquecedor do sensor de O2 traseiro ou de seu circuito 24 Mau-funcionamento do circuito do aquecedor do sensor • O motor funciona normalmente de O2 dianteiro • Sem contato ou mau-contato no conector do aquecedor 5-30 do sensor de O2 dianteiro • Mau-funcionamento do aquecedor do sensor de O2 dianteiro ou de seu circuito 29 Mau-funcionamento do circuito da válvula IAC • O motor morre, a partida é difícil e a marcha- • Sem contato ou mau-contato no conector da válvula IAC lenta irregular 5-30 • Mau-funcionamento da válvula IAC ou de seu circuito 5-16
  • 108.
    SHADOW 750 SISTEMA DE ALIMENTAÇÃO (PGM-FI) INSPEÇÃO DA LINHA DE ALIMENTAÇÃO DO SENSOR NOTA • Quando o MIL piscar 1, 8 ou 9 vezes, execute as seguintes inspeções antes de iniciar a diagnose de defeitos do MIL. • Antes de iniciar esta verificação, inspecione os conectores 33P (Preto) do ECM e 5P (Preto) do conjunto de sensores quanto a mau-contato ou terminais corroídos e verifique novamente a indicação do MIL. 1. Inspeção 1 da Voltagem de Entrada do Conjunto de Sensores Desligue o interruptor de ignição. Acople a fiação de teste aos conectores 33P do ECM (página 5-14). A18 A9 Ligue o interruptor de ignição e posicione o interruptor do motor em “ “. Meça a voltagem entre os terminais da fiação de teste. Conexão: A9 (+) – A18 (–) Padrão: 4,75 – 5,25 V É indicada uma voltagem entre 4,75 e 5,25 V? Sim – Vá para a etapa 2. Não – Substitua o ECM por um em boas condições de funcionamento e inspecione novamente; para procedimentos de registro de chaves, consulte a página 21-4. 2. Inspeção 2 da Voltagem de Entrada do Conjunto de Sensores CONECTOR 5P DO CONJUNTO DE SENSORES Desligue o interruptor de ignição. (Lado dos terminais fêmeas da fiação) Desacople o conector 5P (Preto) do conjunto de sensores. Ligue o interruptor de ignição e posicione o interruptor do motor em “ “. Meça a voltagem entre os terminais do conector 5P do Y/R G/O conjunto de sensores, no lado da fiação. Conexão: Amarelo/Vermelho (+) – Verde/Laranja (–) Padrão: 4,75 – 5,25 V É indicada uma voltagem entre 4,75 e 5,25 V? Sim – Desligue o interruptor de ignição. Acople o conector 5P do conjunto de sensores e inicie a diagnose de defeitos do MIL (página 5-18). Não – Vá para a etapa 3. 3. Inspeção de Continuidade da Linha de Alimentação do Conjunto de Sensores Desligue o interruptor de ignição. Inspecione a continuidade entre os terminais do conector A18 A9 5P do conjunto de sensores e a fiação de teste. Conexão: A9 – Amarelo/Vermelho A18 – Verde/Laranja Y/R Há continuidade? Sim – Vá para a etapa 4. G/O Não – • Circuito aberto no fio Amarelo/Vermelho. • Circuito aberto no fio Verde/Laranja. CONECTOR 5P DO CONJUNTO DE SENSORES (Lado dos terminais fêmeas da fiação) 5-17
  • 109.
    SISTEMA DE ALIMENTAÇÃO(PGM-FI) SHADOW 750 4. Inspeção de Curto-circuito na Linha de Voltagem de CONECTOR 5P DO CONJUNTO DE SENSORES Entrada do Conjunto de Sensores (Lado dos terminais fêmeas da fiação) Inspecione a continuidade entre o conector 5P do conjunto de sensores, no lado da fiação, e o terra. Conexão: Amarelo/Vermelho – Terra Y/R Há continuidade? Sim – Curto-circuito no fio Amarelo/Vermelho. Não – Falha intermitente. DIAGNOSE DE DEFEITOS DO MIL 1 PISCADA (SENSOR MAP) 1. Inspeção da Linha de Alimentação do Conjunto de Sensores Execute a inspeção da linha de alimentação do conjunto de sensores (página 5-17). Está a linha de alimentação do conjunto de sensores funcionando normalmente? Sim – Vá para a etapa 2. Não – Substitua ou repare o elemento defeituoso. 2. Inspeção 1 da Voltagem de Saída do Sensor MAP Ligue o interruptor de ignição e posicione o interruptor do motor em “ ”. Meça a voltagem entre os terminais da fiação de teste. Conexão: B9 (+) – A18 (–) Padrão: 0,5 – 3,4 V (a 20°C) A18 B9 É indicada uma voltagem entre 0,5 e 3,4 V? Sim – Sem contato ou mau-contato nos conectores do ECM. Não – Vá para a etapa 3. 3. Inspeção 2 da Voltagem de Saída do Sensor MAP Desligue o interruptor de ignição. Desacople o conector 5P (Preto) do conjunto de sensores. CONECTOR 5P DO CONJUNTO DE SENSORES (Lado dos terminais fêmeas da fiação) Ligue o interruptor de ignição e posicione o interruptor do motor em “ ”. Meça a voltagem no lado da fiação. G/O Lg/Y Conexão: Verde claro/Amarelo (+) – Verde/Laranja (–) Padrão: 4,75 – 5,25 V É indicada uma voltagem entre 4,75 e 5,25 V? Sim – Sensor MAP defeituoso. Não – Vá para a etapa 4. 5-18
  • 110.
    SHADOW 750 SISTEMA DE ALIMENTAÇÃO (PGM-FI) 4. Inspeção de Curto-circuito no Sensor MAP Desligue o interruptor de ignição. Inspecione a continuidade entre o conector 5P do conjunto de sensores, no lado da fiação, e o terra. Lg/Y Conexão: Verde claro/Amarelo – Terra Há continuidade? Sim – Curto-circuito no fio Verde claro/Amarelo. Não – Vá para a etapa 5. CONECTOR 5P DO CONJUNTO DE SENSORES (Lado dos terminais fêmeas da fiação) 5. Inspeção de Continuidade do Circuito do Sensor MAP B9 Inspecione a continuidade entre os terminais do conector 5P do conjunto de sensores e a fiação de teste. Conexão: B9 – Verde claro/Amarelo Há continuidade? CONECTOR 5P DO CONJUNTO DE SENSORES Sim – Substitua o ECM por um em boas condições de (Lado dos terminais fêmeas da fiação) funcionamento e inspecione novamente; para procedimentos de registro de chaves, consulte a página 21-4. Lg/Y Não – Circuito aberto no fio Verde claro/Amarelo. 7 PISCADAS (SENSOR ECT) NOTA Antes de iniciar a diagnose de defeitos, inspecione o conector 3P do sensor ECT quanto a mau-contato ou terminais corroídos e verifique novamente a indicação do MIL. A18 B13 1. Inspeção da Voltagem de Saída do Sensor ECT Acople a fiação de teste aos conectores 33P do ECM (página 5-14). Ligue o interruptor de ignição e posicione o interruptor do motor em “ ”. Meça a voltagem entre os terminais da fiação de teste. Conexão: B13 (+) – A18 (–) Padrão: 2,7 – 3,1 V (a 20°C) É indicada uma voltagem entre 2,7 e 3,1 V? Sim – Sem contato ou mau-contato nos conectores do ECM. Não – Vá para a etapa 2. 5-19
  • 111.
    SISTEMA DE ALIMENTAÇÃO(PGM-FI) SHADOW 750 2. Inspeção da Voltagem de Entrada do Sensor ECT CONECTOR 3P DO SENSOR ECT Desligue o interruptor de ignição. (Lado dos terminais fêmeas da fiação) Desacople o conector 3P (Cinza) do sensor ECT. Ligue o interruptor de ignição e posicione o interruptor do P/W motor em “ ”. Meça a voltagem entre o conector 3P do sensor ECT, no lado da fiação, e o terra. Conexão: Rosa/Branco (+) – Terra (–) Padrão: 4,75 – 5,25 V (a 20°C) É indicada uma voltagem entre 4,75 e 5,25 V? Sim – Vá para a etapa 5. Não – Vá para a etapa 3. 3. Inspeção de Circuito Aberto no Sensor ECT Desligue o interruptor de ignição. A18 B13 Inspecione a continuidade entre os terminais da fiação de teste e o conector 3P do sensor ECT, no lado da fiação. Conexão: B13 – Rosa/Branco A18 – Verde/Laranja P/W G/O Há continuidade? Sim – Vá para a etapa 4. CONECTOR 3P DO SENSOR ECT Não – • Circuito aberto no fio Rosa/Branco. (Lado dos terminais fêmeas da fiação) • Circuito aberto Verde/Laranja. 4. Inspeção de Curto-circuito no Sensor ECT Inspecione a continuidade entre o conector 3P do sensor ECT, no lado da fiação, e o terra. P/W Conexão: Rosa/Branco – Terra Há continuidade? Sim – Curto-circuito no fio Rosa/Branco. Não – Vá para a etapa 5. CONECTOR 3P DO SENSOR ECT (Lado dos terminais fêmeas da fiação) 5. Inspeção de Resistência do Sensor ECT Meça a resistência entre os terminais do sensor ECT. Ω Padrão: 2,3 – 2,6 kΩ (a 20°C) Ω É indicada uma resistência entre 2,3 e 2,6 kΩ? Sim – Substitua o ECM por um em boas condições de funcionamento e inspecione novamente; para procedimentos de registro de chaves, consulte a página 21-4. Não – Sensor ECT defeituoso. SENSOR ECT (Lado dos terminais machos do sensor) 5-20
  • 112.
    SHADOW 750 SISTEMA DE ALIMENTAÇÃO (PGM-FI) 8 PISCADAS (SENSOR TP) 1. Inspeção da Linha de Alimentação do Conjunto de Sensores Execute a inspeção da linha de alimentação do conjunto de sensores (página 5-17). Está a linha de alimentação do conjunto de sensores funcionando normalmente? Sim – Vá para a etapa 2. Não – Substitua ou repare o elemento defeituoso. 2. Inspeção da Voltagem de Saída do Sensor TP Ligue o interruptor de ignição e posicione o interruptor do motor em “ ”. Meça a voltagem entre os terminais da fiação de teste. Conexão: B31 (+) – A18 (–) Padrão: 0,29 – 0,71 V (acelerador completamente fechado) 4,13 – 4,76 V (acelerador completamente aberto) A18 B31 É indicada a voltagem padrão? Sim – Sem contato ou mau-contato nos conectores do ECM. Não – Vá para a etapa 3. 3. Inspeção de Curto-circuito no Sensor TP Desligue o interruptor de ignição. Desacople o conector 5P (Preto) do conjunto de sensores. Inspecione a continuidade entre o conector 5P do conjunto R/Y de sensores, no lado da fiação, e o terra. Conexão: Vermelho/Amarelo – Terra Há continuidade? Sim – Curto-circuito no fio Vermelho/Amarelo. Não – Vá para a etapa 4. CONECTOR 5P DO CONJUNTO DE SENSORES (Lado dos terminais fêmeas da fiação) 4. Inspeção da Linha de Saída do Sensor TP Inspecione a continuidade entre os terminais da fiação de teste e o conector 5P do conjunto de sensores, no lado da fiação. B31 Conexão: B31 – Vermelho/Amarelo Há continuidade? Sim – Sensor TP defeituoso. R/Y Não – Circuito aberto ou curto-circuito no fio Vermelho/Amarelo. CONECTOR 5P DO CONJUNTO DE SENSORES (Lado dos terminais fêmeas da fiação) 5-21
  • 113.
    SISTEMA DE ALIMENTAÇÃO(PGM-FI) SHADOW 750 9 PISCADAS (SENSOR IAT) 1. Inspeção da Linha de Alimentação do Conjunto de Sensores Execute a inspeção da linha de alimentação do conjunto de sensores (página 5-17). Está a linha de alimentação do conjunto de sensores funcionando normalmente? Sim – Vá para a etapa 2. Não – Substitua ou repare o elemento defeituoso. 2. Inspeção da Voltagem de Saída do Sensor IAT Ligue o interruptor de ignição e posicione o interruptor do motor em “ ”. Meça a voltagem entre os terminais da fiação de teste. Conexão: B29 (+) – A18 (–) Padrão: 2,7 – 3,1 V (a 20°C) É indicada uma voltagem entre 2,7 e 3,1 V? Sim – Sem contato ou mau-contato nos conectores do A18 B29 ECM. Não – Vá para a etapa 3. 3. Inspeção da Voltagem de Entrada do Sensor IAT CONECTOR 5P DO CONJUNTO DE SENSORES Desligue o interruptor de ignição. (Lado dos terminais fêmeas da fiação) Desacople o conector 5P do conjunto de sensores. Ligue o interruptor de ignição e posicione o interruptor do motor em “ ”. Gr/Bu Meça a voltagem no conector 5P do conjunto de sensores, G/O no lado da fiação. Conexão: Cinza/Azul (+) – Verde/Laranja (–) Padrão: 4,75 – 5,25 V É indicada uma voltagem entre 4,75 e 5,25 V? Sim – Vá para a etapa 6. Não – Vá para a etapa 4. 4. Inspeção de Curto-circuito no Sensor IAT Desligue o interruptor de ignição. Inspecione a continuidade entre o conector 5P do conjunto Gr/Bu de sensores, no lado da fiação, e o terra. Conexão: Cinza/Azul – Terra Há continuidade? Sim – Curto-circuito no fio Cinza/Azul. Não – Vá para a etapa 5. CONECTOR 5P DO CONJUNTO DE SENSORES (Lado dos terminais fêmeas da fiação) 5-22
  • 114.
    SHADOW 750 SISTEMA DE ALIMENTAÇÃO (PGM-FI) 5. Inspeção do Circuito do Sensor IAT Inspecione a continuidade entre os terminais da fiação de teste e o conector 5P do conjunto de sensores, no lado da fiação. B29 Conexão: B29 – Cinza/Azul Há continuidade? Gr/Bu Sim – Vá para a etapa 6. Não – Circuito aberto no fio Cinza/Azul. CONECTOR 5P DO CONJUNTO DE SENSORES (Lado dos terminais fêmeas da fiação) 6. Inspeção de Resistência do Sensor IAT Acople o conector 5P do conjunto de sensores. Meça a resistência entre os terminais da fiação de teste. Conexão: A18 – B29 Ω Padrão: 1 – 4 kΩ (a 20°C) A18 B29 Ω É indicada uma resistência entre 1 e 4 kΩ? Sim – Substitua o ECM por um em boas condições de funcionamento e inspecione novamente; para procedimentos de registro de chaves, consulte a página 21-4. Não – Sensor IAT defeituoso. 11 PISCADAS (SENSOR VS) NOTA Antes de iniciar a diagnose de defeitos, inspecione o conector 3P do sensor VS quanto a mau-contato ou terminais corroídos e verifique novamente a indicação do MIL. 1. Inspeção do Velocímetro Inspecione o funcionamento do velocímetro. O velocímetro funciona normalmente? VELOCÍMETRO Sim – Vá para a etapa 2. Não – Inspecione o velocímetro (página 20-10). 5-23
  • 115.
    SISTEMA DE ALIMENTAÇÃO(PGM-FI) SHADOW 750 2. Inspeção de Pulsos do Sensor VS no ECM Acople a fiação de teste aos conectores 33P do ECM (página 5-14). Apóie seguramente a motocicleta e levante a roda traseira do solo. B28 Ligue o interruptor de ignição e posicione o interruptor do motor em “ ”. Meça a voltagem entre o terminal da fiação de teste e o terra, enquanto gira manual e lentamente a roda traseira. Conexão: B28 (+) – Terra (–) Padrão: Oscilante entre 0 e 5 V É indicada a voltagem padrão? Sim – Substitua o ECM por um em boas condições de CONECTOR 3P DO SENSOR VS funcionamento e inspecione novamente; para (Lado dos terminais machos da fiação) procedimentos de registro de chaves, consulte a página 21-4. Não – Vá para a etapa 3. 3. Inspeção da Voltagem de Entrada do Sensor VS Br G/Bl Desligue o interruptor de ignição. Desacople o conector 3P (Branco) do sensor VS. Ligue o interruptor de ignição e posicione o interruptor do motor em “ ”. Meça a voltagem no conector do sensor VS, no lado da fiação. Conexão: Marrom (+) – Verde/Preto (–) É indicada a voltagem da bateria? Sim – Vá para a etapa 4. Não – • Circuito aberto ou curto-circuito no fio Marrom. B28 P/G • Circuito aberto no fio Verde/Preto. • Velocímetro defeituoso. 4. Inspeção de Circuito Aberto na Linha de Sinal do Sensor VS Desligue o interruptor de ignição. CONECTOR 3P DO SENSOR VS Inspecione a continuidade entre o terminal da fiação de (Lado dos terminais machos da fiação) teste e o conector 3P do sensor VS, no lado da fiação. Conexão: B28 – Rosa/Verde Há continuidade? Sim – Vá para a etapa 5. Não – Circuito aberto no fio Rosa/Verde. 5-24
  • 116.
    SHADOW 750 SISTEMA DE ALIMENTAÇÃO (PGM-FI) 5. Inspeção de Curto-circuito na Linha de Sinal do Sensor VS Inspecione a continuidade entre o conector 3P do sensor VS e o terra. P/G Conexão: Rosa/Verde – Terra Há continuidade? Sim – Curto-circuito no fio Rosa/Verde. Não – Sensor VS defeituoso. CONECTOR 3P DO SENSOR VS (Lado dos terminais machos da fiação) 12 PISCADAS (INJETOR Nº 1 TRASEIRO) NOTA Antes de iniciar a diagnose de defeitos, inspecione o conector 2P do injetor quanto a mau-contato ou terminais corroídos e verifique novamente a indicação do MIL. Linha de Entrada Linha de Sinal no MIL Injetor de Alimentação Sinal ECM 12 N°1 Traseiro Preto/Branco Rosa/Amarelo A17 13 N°2 Dianteiro Preto/Branco Rosa/Azul A6 1. Inspeção da Voltagem de Entrada do Injetor Desligue o interruptor de ignição. Desacople o conector 2P (Cinza) do injetor. Ligue o interruptor de ignição e posicione o interruptor do LINHA DE motor em “ ”. ENTRADA DE ALIMENTAÇÃO Meça a voltagem entre o conector 2P (Cinza) do injetor, no lado da fiação, e o terra. Conexão: Linha de Entrada de Alimentação (+) – Terra (–) É indicada a voltagem da bateria? Sim – Vá para a etapa 2. Não – Circuito aberto ou curto-circuito na fiação da Linha CONECTOR 2P DO INJETOR (Lado dos terminais fêmeas da fiação) de Entrada de Alimentação. 5-25
  • 117.
    SISTEMA DE ALIMENTAÇÃO(PGM-FI) SHADOW 750 2. Inspeção de Circuito Aberto na Linha de Sinal do Injetor Acople a fiação de teste ao conector 33P (Preto) do ECM (página 5-14). CONECTOR 2P DO INJETOR DIANTEIRO (Lado dos terminais fêmeas da fiação) Inspecione a continuidade entre o terminal da fiação de teste e o conector 2P (Cinza) do injetor, no lado da fiação. Conexão: Injetor n° 1 Traseiro A17 – Linha de Sinal Injetor n° 2 Dianteiro A6 – Linha de Sinal Há continuidade? Sim – Vá para a etapa 3. LINHA DE SINAL Não – Circuito aberto na fiação da Linha de Sinal. A6 A17 LINHA DE SINAL CONECTOR 2P DO INJETOR TRASEIRO (Lado dos terminais fêmeas da fiação) 3. Inspeção de Curto-circuito na Linha do Sinal do Injetor Inspecione a continuidade entre o conector 2P (Cinza) do injetor, no lado da fiação, e o terra. LINHA DE SINAL Conexão: Linha de Sinal – Terra Há continuidade? Sim –Curto-circuito na fiação da Linha de Sinal. Não – Vá para a etapa 4. CONECTOR 2P DO INJETOR (Lado dos terminais fêmeas da fiação) 4. Inspeção de Resistência do Injetor Meça a resistência entre os terminais do conector do injetor. Padrão: 11 – 13 Ω (a 20°C) É indicada uma resistência entre 11 e 13 Ω? Sim – Substitua o ECM por um em boas condições de funcionamento e inspecione novamente; para procedimentos de registro de chaves, consulte a página 21-4. INJETOR Não – Injetor defeituoso. (Lado dos terminais machos do injetor) 5-26
  • 118.
    SHADOW 750 SISTEMA DE ALIMENTAÇÃO (PGM-FI) 13 PISCADAS (INJETOR Nº 2 DIANTEIRO) Consulte a página 5-25. 21 PISCADAS (SENSOR DE O2 TRASEIRO) NOTA Antes de iniciar a diagnose de defeitos, inspecione o conector 4P do sensor de O2 quanto a mau-contato ou terminais corroídos e verifique novamente a indicação do MIL. Sensor Linha do Linha de Sinal no MIL de O2 Terra Sinal ECM 21 Traseiro Verde/Laranja Branco/Verde B20 22 Dianteiro Verde/Laranja Branco/Preto B30 1. Inspeção do Sistema do Sensor de O2 Dê partida no motor e mantenha-o funcionando até que o líquido de arrefecimento atinja a temperatura de 80°C. Execute um teste de pilotagem na motocicleta. O MIL pisca 21 vezes? Sim – Vá para a etapa 2. Não – Verifique a pressão de combustível (página 5-36) caso o sistema esteja funcionando normalmente. 2. Inspeção de Circuito Aberto no Sensor de O2 Acople a fiação de teste aos conectores 33P do ECM CONECTOR 4P (Branco) DO SENSOR (página 5-14). DE O2 TRASEIRO Desacople o conector 4P (Branco ou Preto) do sensor de O2. (Lado dos terminais machos do sensor) Inspecione a continuidade entre os terminais da fiação de teste e do conector 4P do sensor de O2, no lado da fiação. Conexão: Linha de Sinal Traseiro B20 – Linha de Sinal LINHA DE Dianteiro B30 – Linha de Sinal LINHA SINAL DO TERRA Linha do Terra A18 – Linha do Terra Há continuidade? Sim – Vá para a etapa 3. B20 Não – Circuito aberto na fiação da Linha de Sinal. Circuito aberto na fiação da Linha do Terra. A18 B30 LINHA DO TERRA LINHA DE SINAL CONECTOR 4P (Preto) DO SENSOR DE O2 DIANTEIRO (Lado dos terminais machos do sensor) 5-27
  • 119.
    SISTEMA DE ALIMENTAÇÃO(PGM-FI) SHADOW 750 3. Inspeção de Curto-circuito no Sensor de O2 CONECTOR 4P DO SENSOR DE O2 Inspecione a continuidade entre o conector 4P do sensor (Lado dos terminais fêmeas da fiação) de O2, no lado da fiação, e o terra. Conexão: Linha de Sinal – Terra LINHA DE SINAL Há continuidade? Sim – Curto-circuito na fiação da Linha de Sinal. Não – Vá para a etapa 4. 4. Inspeção do Sensor de O2 Substitua o sensor de O2 por um em boas condições de funcionamento (página 5-62). Dê partida no motor e mantenha-o funcionando até que o líquido de arrefecimento atinja a temperatura de 80°C. Execute um teste de pilotagem na motocicleta. O MIL pisca 21 vezes? Sim – Substitua o ECM por um em boas condições de funcionamento e inspecione novamente; para procedimentos de registro de chaves, consulte a página 21-4. Não – Sensor de O2 original defeituoso. 22 PISCADAS (SENSOR DE O2 DIANTEIRO) Consulte a página 5-27. 23 PISCADAS (AQUECEDOR DO SENSOR DE O2 TRASEIRO) NOTA Antes de iniciar a diagnose de defeitos, inspecione o conector 4P do sensor de O2 quanto a mau-contato ou terminais corroídos e verifique novamente a indicação do MIL. Sensor Linha de Entrada Linha de Sinal no MIL de O2 de Alimentação Sinal ECM 23 Traseiro Preto/Branco Preto/Verde B2 24 Dianteiro Preto/Branco Preto/Amarelo B6 1. Inspeção 1 de Circuito Aberto no Aquecedor do Sensor de O2 Desligue o interruptor de ignição. Desacople o conector 4P (Branco ou Preto) do sensor de O2. CONECTOR 4P DO SENSOR DE O2 Ligue o interruptor de ignição e posicione o interruptor do (Lado dos terminais fêmeas da fiação) motor em “ ”. Meça a voltagem no conector 4P (Branco ou Preto) do sensor de O2, no lado da fiação. Conexão: Linha de Entrada de Alimentação (+) – Terra (–) LINHA DE ENTRADA DE ALIMENTAÇÃO É indicada a voltagem da bateria? Sim – Vá para a etapa 2. Não – Circuito aberto na fiação da Linha de Entrada de Alimentação. 5-28
  • 120.
    SHADOW 750 SISTEMA DE ALIMENTAÇÃO (PGM-FI) 2. Inspeção 2 de Circuito Aberto no Aquecedor do Sensor de O2 CONECTOR 4P (Branco) DO SENSOR Acople a fiação de teste aos conectores 33P do ECM DE O2 TRASEIRO (Lado dos terminais fêmeas da fiação) (página 5-14). Inspecione a continuidade entre o terminal da fiação de teste e o conector 4P (Branco ou Preto) do sensor de O2, no lado da fiação. LINHA DE SINAL Conexão: Traseiro B2 – Linha de Sinal Dianteiro B6 – Linha de Sinal Há continuidade? Sim – Vá para a etapa 3. Não – Circuito aberto na fiação da Linha de Sinal. B2 B6 LINHA DE SINAL CONECTOR 4P (Preto) DO SENSOR DE O2 DIANTEIRO (Lado dos terminais fêmeas da fiação) 3. Inspeção de Curto-circuito no Aquecedor do Sensor de O2 CONECTOR 4P (Branco ou Preto) DO SENSOR DE O2 Inspecione a continuidade entre o conector 4P (Branco ou (Lado dos terminais fêmeas da fiação) Preto) do sensor de O2, no lado da fiação, e o terra. Conexão: Traseiro Linha de Sinal – Terra Dianteiro Linha de Sinal – Terra LINHA DE SINAL Há continuidade? Sim – Curto-circuito na fiação da Linha de Sinal. Não – Vá para a etapa 4. 4. Inspeção de Resistência do Aquecedor do Sensor de O2 CONECTOR 4P DO SENSOR DE O2 Meça a resistência entre os terminais do conector do (Lado dos terminais machos do sensor) sensor de O2. Conexão: Branco – Branco Padrão: 10 – 16 Ω (a 20°C) É indicada uma resistência entre 10 e 16 Ω? W W Sim – Substitua o ECM por um em boas condições de funcionamento e inspecione novamente; para procedimentos de registro de chaves, consulte a página 21-4. Não – Sensor de O2 defeituoso. 5-29
  • 121.
    SISTEMA DE ALIMENTAÇÃO(PGM-FI) SHADOW 750 24 PISCADAS (AQUECEDOR DO SENSOR DE O2 DIANTEIRO) Consulte a página 5-28. 29 PISCADAS (VÁLVULA IAC) NOTA Antes de iniciar a diagnose de defeitos, inspecione o conector 4P da válvula IAC quanto a mau-contato ou terminais corroídos e verifique novamente a indicação do MIL. 1. Inspeção de Curto-circuito da Válvula IAC Desligue o interruptor de ignição. Desacople o conector 4P (Preto) da válvula IAC. CONECTOR 4P DA VÁLVULA IAC Inspecione as continuidades entre o conector 4P (Preto) da (Lado dos terminais fêmeas da fiação) válvula IAC e o terra. Conexão: Amarelo/Verde – Terra Preto/Azul – Terra Preto – Terra Y/G Bl/Bu Bl Bl/Y Preto/Amarelo – Terra Há continuidade em todas as situações? Sim – • Curto-circuito nos fios Amarelo/Verde ou Preto/Azul. • Curto-circuito nos fios Preto ou Preto/Amarelo. Não – Vá para a etapa 2. 2. Inspeção de Continuidade do Circuito da Válvula IAC Acople a fiação de teste aos conectores 33P do ECM (página 5-14). Inspecione as continuidades entre a fiação de teste e o conector 4P (Preto) da válvula IAC. Conexão: A16 – Preto A16 A19 – Amarelo/Verde A19 A27 – Preto/Azul A29 – Preto/Amarelo Há continuidade em todas as situações? A27 A29 Sim – Vá para a etapa 3. Não – • Circuito aberto nos fios Preto ou Preto/Azul. • Circuito aberto nos fios Preto/Amarelo ou Bl Amarelo/Verde. Y/G Bl/Y Bl/Bu CONECTOR 4P DA VÁLVULA IAC (Lado dos terminais fêmeas da fiação) 5-30
  • 122.
    SHADOW 750 SISTEMA DE ALIMENTAÇÃO (PGM-FI) 3. Inspeção de Resistência da Válvula IAC Acople o conector 4P (Preto) da válvula IAC. Meça a resistência entre os terminais da fiação de teste. Conexão: A19 – A29 A16 A19 A16 – A27 Padrão: 99 – 121 Ω (a 25°C) É indicada uma resistência entre 99 e 121 Ω? A27 A29 Sim – Substitua o ECM por um em boas condições de funcionamento e inspecione novamente; para procedimentos de registro de chaves, consulte a página 21-4. Não – Válvula IAC defeituosa. INSPEÇÃO DO CIRCUITO DO MIL Caso seja possível dar partida no motor e, no entanto, o MIL não acende quando o interruptor de ignição é ligado e o interruptor do motor posicionado em “ ”, inspecione como descrito a seguir: Verifique se o velocímetro funciona adequadamente. • Caso não funcione, inspecione a Linha de Entrada de Alimentação do velocímetro (página 20-10). • Caso funcione adequadamente, inspecione a seguir: MIL VELOCÍMETRO Desligue o interruptor de ignição. Acople a fiação de teste aos conectores 33P do ECM (página 5-14). Aterre o terminal A20 da fiação de teste, utilizando um jumper. Ligue o interruptor de ignição, posicione o interruptor do motor em “ ” e verifique se o MIL acende. A20 A20 • Se o MIL acender, substitua o ECM por um em boas condições de funcionamento e inspecione novamente; para procedimentos de registro de chaves, consulte a página 21-4. • Se o MIL não acender, inspecione quanto a circuito aberto no fio Branco/Azul entre o velocímetro e o ECM. Caso a fiação esteja normal, substitua o velocímetro JUMPER (página 20-10). 5-31
  • 123.
    SISTEMA DE ALIMENTAÇÃO(PGM-FI) SHADOW 750 INSPEÇÃO DA LINHA DE COMBUSTÍVEL ALIVIADOR DE PRESSÃO DE COMBUSTÍVEL NOTA Antes de desconectar a mangueira de combustível, alivie a pressão do sistema através do procedimento a seguir. 1. Desligue o interruptor de ignição. Remova o conjunto do assento (página 2-3) e desacople o conector 2P (Preto) do reservatório/bomba de combustível. CONECTOR 2P (Preto) 2. Dê partida no motor e mantenha-o funcionando até desligar. 3. Desligue o interruptor de ignição. 4. Desconecte o cabo negativo (–) da bateria (página 17-6). ENCAIXE DE CONEXÃO RÁPIDA Lado da Bomba de Combustível NOTA Não dobre ou torça a mangueira de combustível. 1. Alivie a pressão de combustível (página 5-32). 2. Inspecione o encaixe de conexão rápida quanto a presença de sujeira. Limpe-o se necessário. Coloque uma toalha sobre o encaixe de conexão rápida. ENCAIXE DE 3. Segure o conector com uma das mãos e aperte as CONEXÃO RÁPIDA TOALHA lingüetas retentoras com a outra para soltá-las do encaixe de trava. Puxe o conector e remova o retentor e a borracha conectora da conexão de combustível. NOTA CONECTOR • Utilize uma toalha para secar o restante do combustível proveniente da mangueira de alimentação. LINGÜETAS DE TRAVA • Tenha cuidado para não danificar a mangueira ou outros componentes. • Não utilize ferramentas. • Se o conector não se mover, mantenha as lingüetas retentoras pressionadas e empurre e puxe LINGÜETAS alternadamente o conector até que ele possa soltar-se RETENTORAS BORRACHA facilmente. CONECTORA 5-32
  • 124.
    SHADOW 750 SISTEMA DE ALIMENTAÇÃO (PGM-FI) 4. Para evitar danos e penetração de materiais estranhos, vede o conector solto e a conexão de combustível SACOS PLÁSTICOS utilizando um saco plástico. Lado do Injetor 1. Alivie a pressão de combustível (página 5-32). 2. Remova o tanque de combustível (página 5-40). 3. Inspecione o encaixe de conexão rápida quanto a presença de sujeira. Limpe-o se necessário. Coloque uma toalha sobre o encaixe de conexão rápida. TOALHA ENCAIXE DE CONEXÃO RÁPIDA 4. Remova a borracha conectora de seu retentor. BORRACHA CONECTOR DA CONEXÃO 5. Segure o conector com uma das mãos e aperte as lingüetas retentoras com a outra para soltá-las do encaixe de trava. Puxe o conector e remova o retentor e a borracha LINGÜETAS conectora da conexão de combustível. RETENTORAS NOTA • Utilize uma toalha para secar o restante do combustível proveniente da mangueira de alimentação. • Tenha cuidado para não danificar a mangueira ou outros LINGÜETAS DE TRAVA componentes. • Não utilize ferramentas. • Se o conector não se mover, mantenha as lingüetas retentoras pressionadas e empurre e puxe SACOS PLÁSTICOS alternadamente o conector até que ele possa soltar-se facilmente. 6. Para evitar danos e penetração de materiais estranhos, cubra o conector e a conexão de combustível com sacos plásticos. 5-33
  • 125.
    SISTEMA DE ALIMENTAÇÃO(PGM-FI) SHADOW 750 INSTALAÇÃO DO ENCAIXE DE CONEXÃO RÁPIDA • Sempre substitua o retentor do encaixe de conexão rápida quando desconectar a mangueira de alimentação de combustível. • Se qualquer retentor necessitar de substituição, utilize um de mesmo fabricante do removido (existem diversos fabricantes de retentor com diferentes especificações). • Substitua a borracha conectora por uma nova caso esteja danificada ou apresente sinais de cortes. • Não dobre ou torça a mangueira de alimentação de combustível. Lado da Bomba de Combustível 1. Insira um novo retentor no conector. NOTA RETENTOR Alinhe as lingüetas de trava do novo retentor com as ranhuras do conector. Alinhe CONECTOR 2. Instale a borracha conectora na conexão de combustível, CONECTOR LINGÜETAS DE TRAVA como mostra a ilustração. 3. Instale o conector na conexão de combustível, alinhando as lingüetas retentoras com as ranhuras da borracha conectora. Em seguida, pressione o encaixe de conexão rápida no conector até que ambas as travas do retentor encaixem-se, Alinhe emitindo um ruído “click”. Caso haja dificuldade em conectar o encaixe, aplique uma pequena quantidade de óleo para motor na extremidade BORRACHA do tubo. CONECTORA 4. Certifique-se de que a conexão esteja firme e de que as travas estejam seguramente encaixadas em seu lugar; inspecione visualmente, puxando levemente o conector. 5. Eleve a pressão de combustível e certifique-se de que não CONECTOR haja vazamentos no sistema de alimentação de combustível (página 5-35). 5-34
  • 126.
    SHADOW 750 SISTEMA DE ALIMENTAÇÃO (PGM-FI) Lado do Injetor RETENTOR 1. Insira um novo retentor no conector. NOTA Alinhe as lingüetas de trava do novo retentor com as ranhuras do conector. Alinhe CONECTOR 2. Instale a borracha conectora na conexão de combustível, como mostra a ilustração. 3. Instale o conector na conexão de combustível, alinhando BORRACHA as lingüetas retentoras com as ranhuras da borracha CONECTORA conectora. Em seguida, pressione o encaixe de conexão rápida no conector até que ambas as travas do retentor encaixem-se, emitindo um ruído “click”. Caso haja dificuldade em conectar o encaixe, aplique uma pequena quantidade de óleo para motor na extremidade Alinhe do tubo. 4. Certifique-se de que a conexão esteja firme e de que as CONECTOR LINGÜETAS DE TRAVA travas estejam seguramente encaixadas em seu lugar; inspecione visualmente, puxando levemente o conector. 5. Instale o tanque de combustível (página 5-40). CONECTOR 6. Eleve a pressão de combustível e certifique-se de que não haja vazamentos no sistema de alimentação de combustível (página 5-35). ELEVAÇÃO DA PRESSÃO DE COMBUSTIVEL 1. Acople o conector 2P (Preto) do reservatório/bomba de combustível. 2. Conecte o cabo negativo (-) da bateria. 3. Ligue o interruptor de ignição e posicione o interruptor do motor em “ ”. NOTA • Não dê partida no motor. • A bomba de combustível funcionará por aproximadamente 2 segundos e elevará a pressão de combustível. Repita este procedimento por 2 ou 3 vezes e certifique-se de que não haja vazamentos de combustível no sistema de alimentação. 4. Desligue o interruptor de ignição. 5. Instale o conjunto do assento (página 2-3). CONECTOR 2P (Preto) 5-35
  • 127.
    SISTEMA DE ALIMENTAÇÃO(PGM-FI) SHADOW 750 VERIFICAÇÃO DA PRESSÃO DE COMBUSTÍVEL (5) (4) Alivie a pressão de combustível e desconecte o encaixe de (1) conexão rápida do reservatório/bomba de combustível (página 5-32). Conecte o manômetro de combustível, os acessório, a RETENTOR conexão e o coletor de admissão. VERDE RETENTOR MARROM Ferramentas: (1) Manômetro de combustível 07406-0040004 (2) (2) Manômetro do coletor de admissão 07ZAJ-S5A0111 (3) Acessório da mangueira, 6 mm/9 mm 07ZAJ-S5A0130 (4) Acessório da mangueira, 9 mm/9 mm 07ZAJ-S5A0120 (5) Acessório de conexão, 6 mm/9 mm 07ZAJ-S5A0150 Conecte temporariamente o cabo negativo (–) da bateria. Acople o conector 2P (Preto) do reservatório/bomba de combustível. Dê partida no motor e mantenha-o funcionando em marcha- lenta. Faça a leitura da pressão de combustível. Padrão: 333 – 353 kPa (3,4 – 3,6 kgf/cm2, 49 – 51 psi) RETENTOR VERDE Se a pressão de combustível for superior à especificada, substitua o conjunto da bomba de combustível (bomba de RETENTOR combustível ou regulador de pressão defeituoso). MARROM Se a pressão de combustível for inferior à especificada, (3) inspecione os seguintes itens: – Vazamento na linha de combustível – Mangueiras de alimentação de combustível ou de respiro do tanque de combustível dobradas ou obstruídas – Reservatório/bomba de combustível (página 5-37) – Filtro de combustível obstruído (para o conjunto do reservatório/bomba de combustível, consulte a página 5-38) Após a inspeção, alivie a pressão de combustível, desconectando o encaixe de conexão rápida do reservatório/bomba de combustível (página 5-32). NOTA Coloque uma toalha ao redor do acessório para absorver quaisquer respingos de combustível. Remova o manômetro de combustível, os acessórios, a ENCAIXE DE CONEXÃO RÁPIDA conexão e o coletor de admissão do reservatório/bomba de combustível. Conecte o encaixe de conexão rápida ao reservatório/bomba de combustível (página 5-34). 5-36
  • 128.
    SHADOW 750 SISTEMA DE ALIMENTAÇÃO (PGM-FI) VERIFICAÇÃO DO FLUXO DE COMBUSTÍVEL CONECTOR DO RELÉ (Marrom) (Lado dos terminais fêmeas da fiação) Alivie a pressão de combustível e desconecte o encaixe de JUMPER conexão rápida do reservatório/bomba de combustível (página 5-32). Remova o relé de corte de combustível (página 5-39). Desligue o interruptor de ignição. Conecte os terminais dos fios Marrom e Preto/Branco, no lado da fiação, utilizando um jumper. Bl/W Br Conecte o acessório da mangueira ao tubo de combustível do reservatório/bomba de combustível. Ferramenta: ACESSÓRIO, 6 mm/9 mm Acessório da mangueira, 6 mm/9 mm 07ZAJ-S5A0130 Coloque a extremidade da mangueira em um recipiente aprovado para gasolina. NOTA Seque imediatamente os respingos de combustível. Conecte temporariamente o cabo negativo (–) da bateria. Acople o conector 2P (Preto) do reservatório/bomba de combustível. Ligue o interruptor de ignição e mantenha o interruptor do motor posicionado em “ ” por 10 segundos. Meça a quantidade de fluxo de combustível. Quantidade de fluxo de combustível: Mínimo de 50 cm3/10 segundos em 12 V Se o fluxo de combustível for inferior ao especificado, inspecione os seguintes componentes: – Bomba de combustível (página 5-57) – Filtro de combustível obstruído (para o conjunto do reservatório/bomba de combustível, consulte a página 5-38) Conecte o encaixe de conexão rápida ao reservatório/bomba de combustível (página 5-34). RESERVATÓRIO/BOMBA DE COMBUSTÍVEL INSPEÇÃO Ligue o interruptor de ignição, posicione o interruptor do motor em “ ” e verifique se a bomba de combustível é acionada por alguns segundos. Caso a bomba de combustível não funcione, inspecione-a da seguinte maneira: Desligue o interruptor de ignição. Remova o conjunto do assento (página 2-3). Desacople o conector 2P (Preto) do reservatório/bomba de combustível. CONECTOR 2P (Preto) 5-37
  • 129.
    SISTEMA DE ALIMENTAÇÃO(PGM-FI) SHADOW 750 Ligue o interruptor de ignição, posicione o interruptor do motor em “ ” e meça a voltagem entre os seguintes CONECTOR 2P DA BOMBA DE COMBUSTÍVEL (Lado dos terminais fêmeas da fiação) terminais. Conexão: Marrom (+) – Verde (–) Deve ser indicada a voltagem da bateria por alguns segundos. Br G Caso seja indicada a voltagem da bateria por alguns segundos, substitua a bomba de combustível. Caso não seja indicada a voltagem da bateria, inspecione os seguintes componentes: – Circuito aberto no fio Marrom e/ou Verde – Fusível secundário, 10 A (Instrumentos) – Fusível secundário, 10 A (Ignição, Partida) – Fusível principal, 30 A – Fusível FI, 15 A – Relé de corte de combustível (página 5-39) – Relé de parada do motor (página 5-54) – Interruptor do motor (página 20-20) – Sensor de inclinação do chassi (página 5-52) – ECM (página 5-55) MANGUEIRA DE COMBUSTÍVEL MANGUEIRA DE RETORNO REMOÇÃO NOTA Não desmonte o reservatório/bomba de combustível. Alivie a pressão de combustível e desconecte o encaixe de conexão rápida do reservatório/bomba de combustível (página 5-32). Remova os seguintes componentes: – Tanque de combustível (página 5-40) – Mangueira de retorno de vaporização de combustível – Mangueira de combustível ENCAIXE DE CONEXÃO RÁPIDA RESERVATÓRIO/BOMBA DE COMBUSTÍVEL Remova os parafusos, os espaçadores e o reservatório/bomba de combustível. Inspecione o reservatório/bomba de combustível quanto a danos e substitua-o se necessário. PARAFUSOS/ESPAÇADORES 5-38
  • 130.
    SHADOW 750 SISTEMA DE ALIMENTAÇÃO (PGM-FI) INSTALAÇÃO PARAFUSOS/ESPAÇADORES Instale o reservatório/bomba de combustível no chassi, alinhando sua lingüeta com a borracha do chassi. Instale os espaçadores e parafusos. Aperte seguramente os parafusos. RESERVATÓRIO/BOMBA DE COMBUSTÍVEL Alinhe MANGUEIRA DE COMBUSTÍVEL MANGUEIRA DE RETORNO Conecte as mangueiras de combustível e de retorno de vaporização de combustível ao reservatório/bomba de combustível, como mostra a ilustração. Instale o tanque de combustível (página 5-40). Conecte o encaixe de conexão rápida ao reservatório/bomba (Dianteira) de combustível (página 5-34). 5 – 8 mm ENCAIXE DE CONEXÃO RÁPIDA COMPARTIMENTO DE RELÉS RELÉ DE CORTE DE COMBUSTÍVEL INSPEÇÃO Remova a tampa lateral esquerda (página 2-4). Remova o compartimento de relés. 5-39
  • 131.
    SISTEMA DE ALIMENTAÇÃO(PGM-FI) SHADOW 750 Solte as lingüetas e remova o conector do relé (Marrom) do COMPARTIMENTO compartimento de relés. DE RELÉS CONECTOR (Marrom) Desacople o conector do relé de corte de combustível. RELÉ DE CORTE DE COMBUSTÍVEL LINGÜETAS RELÉ DE CORTE DE COMBUSTÍVEL Conecte um ohmímetro entre os terminais do conector do relé de corte de combustível. Conexão: A – B Conecte uma bateria de 12 V entre os seguintes terminais do conector do relé de corte de combustível. Conexão: C – D Deve haver continuidade somente enquanto a bateria de 12 V estiver conectada. Se não houver continuidade enquanto a bateria de 12 V A B D C estiver conectada, substitua o relé de corte de combustível. CONECTORES TANQUE DE COMBUSTÍVEL REMOÇÃO/INSTALAÇÃO Remova os seguintes componentes: – Conjunto do assento (página 2-3) – Velocímetro (página 20-12) Desacople os conectores do sensor de reserva de combustível. PARAFUSO/ARRUELA/ESPAÇADOR Desconecte a mangueira de respiro do tanque de combustível. Remova o parafuso de fixação do tanque de combustível, juntamente com sua arruela e espaçador. Remova o tanque de combustível, movendo-o para trás. MANGUEIRA DE RESPIRO 5-40
  • 132.
    SHADOW 750 SISTEMA DE ALIMENTAÇÃO (PGM-FI) Desconecte as mangueiras de combustível e de retorno de TANQUE DE COMBUSTÍVEL vaporização do tanque de combustível. Acople as conexões das mangueiras de combustível e de retorno de vaporização do tanque de combustível. ARRUELA Conecte as mangueiras de combustível e de retorno de vaporização ao tanque de combustível. Instale o tanque de combustível, inserindo sua ranhura sobre as borrachas de fixação. Instale o espaçador e a arruela, mantendo o lado liso da arruela voltado para trás. Instale e aperte o parafuso de fixação do tanque de combustível no torque especificado. ESPAÇADOR Torque: 27 N.m (2,8 kgf.m) PARAFUSO Acople os conectores do sensor de reserva de combustível. Instale os seguintes componentes: – Conjunto do assento (página 2-3) MANGUEIRA DE COMBUSTÍVEL – Velocímetro (página 20-12) MANGUEIRA DE CONECTORES DO RESPIRO DO TANQUE SENSOR DE RESERVA DE COMBUSTÍVEL MANGUEIRA DE RETORNO CARCAÇA DO FILTRO DE AR REMOÇÃO Remova o tanque de combustível (página 5-40). Remova os parafusos de fixação e espaçadores da carcaça do filtro de ar. PARAFUSOS/ESPAÇADORES MANGUEIRA DE RESPIRO DA CARCAÇA DO MOTOR Desconecte a mangueira de respiro da carcaça do motor da carcaça do filtro de ar. Afrouxe o parafuso da braçadeira do tubo de conexão da carcaça do filtro de ar e solte a carcaça do filtro. PARAFUSO DA BRAÇADEIRA CARCAÇA 5-41
  • 133.
    SISTEMA DE ALIMENTAÇÃO(PGM-FI) SHADOW 750 Desconecte a mangueira de sucção de ar PAIR e remova a carcaça do filtro de ar. MANGUEIRA DE SUCÇÃO DE AR DESMONTAGEM/MONTAGEM CÂMARA DO FILTRO DE AR 0,7 N.m (0,1 kgf.m) 1,0 N.m (0,1 kgf.m) TUBO DE CONEXÃO DA CÂMARA DO FILTRO DE AR 1,1 N.m (0,1 kgf.m) ESPAÇADOR TAMPA DO FILTRO DE AR BUJÃO DE DRENAGEM CARCAÇA DO FILTRO DE AR · ELEMENTO 1,5 N.m (0,2 kgf.m) ANEL DE VEDAÇÃO INSTALAÇÃO Para cima Conecte a mangueira de sucção de ar PAIR à carcaça do filtro de ar, como mostra a ilustração. 5 – 8 mm MANGUEIRA DE SUCÇÃO DE AR 5-42
  • 134.
    SHADOW 750 SISTEMA DE ALIMENTAÇÃO (PGM-FI) MANGUEIRA DE RESPIRO DA CARCAÇA DO MOTOR Instale a carcaça do filtro de ar no corpo do acelerador. Aperte o parafuso da braçadeira do tubo de conexão do filtro de ar no torque especificado. Torque: 1,0 N.m (0,1 kgf.m) Conecte a mangueira de respiro da carcaça do motor à carcaça do filtro de ar. PARAFUSO DA BRAÇADEIRA CARCAÇA Instale os espaçadores e parafusos de fixação da carcaça do filtro de ar. Em seguida, aperte seguramente os parafusos de fixação. Instale o tanque de combustível (página 5-40). PARAFUSOS/ESPAÇADORES PARAFUSO DA BRAÇADEIRA CONECTOR 4P (Preto) CORPO DO ACELERADOR REMOÇÃO Remova a carcaça do filtro de ar (página 5-41). Desacople os conectores 4P (Preto) da válvula IAC e 5P (Preto) do conjunto de sensores. Solte o parafuso da braçadeira do isolante. Remova o corpo do acelerador do isolante. CONECTOR 5P (Preto) CABOS DO ACELERADOR Solte a contraporca do cabo do acelerador e os ajustadores. Em seguida, desconecte os cabos do tambor do acelerador e do suporte de cabos. CORPO DO ACELERADOR 5-43
  • 135.
    SISTEMA DE ALIMENTAÇÃO(PGM-FI) SHADOW 750 DESMONTAGEM/MONTAGEM NOTA • O corpo do acelerador é pré-ajustado na fábrica. Não o desmonte de maneira diferente da apresentada neste manual. • Não altere a posição da válvula de aceleração de completamente aberta para completamente fechada após remover o cabo do acelerador, podendo causar funcionamento irregular em marcha-lenta. • Tenha cuidado para não danificar o corpo do acelerador e a válvula de aceleração. • Não solte ou aperte os parafusos do corpo do acelerador pintados na cor branca, podendo causar falhas no funcionamento da válvula de aceleração e no controle de marcha-lenta. • Execute o procedimento de reinicialização da válvula de aceleração completamente fechada (página 5-46) caso seu sensor tenha sido removido do corpo do acelerador. Para substituição da válvula IAC, consulte a página 5-57. 3,4 N.m (0,3 kgf.m) 2,1 N.m (0,2 kgf.m) PARAFUSO BRANCO PARAFUSO BRANCO 3,4 N.m (0,3 kgf.m) ANEL DE VEDAÇÃO Remova os parafusos Torx, o conjunto de sensores e o anel de vedação do corpo do acelerador caso seja necessário. Aplique ar comprimido em todas as passagens de ar e orifícios do sensor no corpo do acelerador. NOTA • Limpar as passagens de ar e orifícios do sensor com um pedaço de arame danificará o corpo do acelerador. • Remova a válvula IAC (página 5-58) ao limpar o corpo do acelerador com ar comprimido. PARAFUSOS TORX CONJUNTO DE SENSORES 5-44
  • 136.
    SHADOW 750 SISTEMA DE ALIMENTAÇÃO (PGM-FI) ANEL DE VEDAÇÃO CONJUNTO DE SENSORES Instale um novo anel de vedação na ranhura do corpo do acelerador. Instale o conjunto de sensores, alinhando a fenda do sensor TP com o eixo da válvula de aceleração. Aperte os parafusos Torx no torque especificado. Torque: 3,4 N.m (0,3 kgf.m) Alinhe CABOS DO ACELERADOR INSTALAÇÃO Conecte os cabos ao tambor do acelerador e ao suporte de cabos. NOTA Passe adequadamente os cabos do acelerador (página 1-20). TAMBOR DO ACELERADOR Instale o corpo do acelerador no isolante, alinhando sua lingüeta com a fenda do isolante. Alinhe CORPO DO ACELERADOR Aperte o parafuso da braçadeira do isolante, de forma que a distância entre as extremidades da braçadeira seja de 7,5 ± 7,5 ± 1,0 mm 1,0 mm. 5-45
  • 137.
    SISTEMA DE ALIMENTAÇÃO(PGM-FI) SHADOW 750 CONECTOR 5P (Preto) Acople os conectores 5P (Preto) do conjunto de sensores e 4P (Preto) da válvula IAC. Ajuste a folga da manopla do acelerador (página 3-5). Instale a carcaça do filtro de ar (página 5-41). PROCEDIMENTO DE REINICIALIZAÇÃO DA VÁLVULA CONECTOR 4P (Preto) DE ACELERAÇÃO COMPLETAMENTE FECHADA CONECTOR SCS Execute o procedimento de reinicialização da válvula de aceleração completamente fechada caso o conjunto de sensores tenha sido removido. Remova a tampa lateral direita (página 2-4). 1. Apague os DTCs da memória (página 5-14). 2. Desligue o interruptor de ignição. 3. Remova o conector inativo e faça um curto-circuito entre os terminais do DLC, utilizando a ferramenta especial. Ferramentas: DLC Conector SCS 070PZ-ZY30100 CONECTOR 3P DO SENSOR ECT 4. Desacople o conector 3P (Cinza) do sensor ECT. (Lado dos terminais fêmeas da fiação) Faça um curto-circuito entre os terminais do conector 3P (Cinza) do sensor ECT, no lado da fiação, utilizando um jumper. P/W G/O Conexão: Rosa/Branco – Verde/Laranja JUMPER 5. Ligue o interruptor de ignição e posicione o interruptor do motor em “ “. Remova o jumper da fiação enquanto o MIL estiver piscando (10 segundos). MIL 5-46
  • 138.
    SHADOW 750 SISTEMA DE ALIMENTAÇÃO (PGM-FI) 6. Verifique se ocorre indicação do MIL. Se o MIL começar a piscar rapidamente (0,3 segundos), a reinicialização da válvula de aceleração estará terminada. 10 seg. 0,3 seg. 0,3 seg. 0,1 seg. MIL ACESO 1,2 seg. MIL APAGADO MODELO DE RECEBIMENTO MODELO DE CONCLUSÃO Se o MIL permanecer aceso, a reinicialização da válvula de aceleração não foi completada. Repita novamente este procedimento a partir da etapa 1. PARAFUSO DA BRAÇADEIRA COLETOR DE ADMISSÃO REMOÇÃO Alivie a pressão de combustível e desconecte o encaixe de conexão rápida do reservatório/bomba de combustível (página 5-32). Desconecte o encaixe de conexão rápida da conexão do injetor (página 5-49). Remova o corpo do acelerador (página 5-43). Solte o parafuso da braçadeira do isolante e remova o isolante do coletor de admissão. ISOLANTE Desacople os conectores 2P (Cinza) do injetor. CONECTORES 2P (Cinza) 5-47
  • 139.
    SISTEMA DE ALIMENTAÇÃO(PGM-FI) SHADOW 750 PARAFUSOS Remova os parafusos, o coletor de admissão e os anéis de vedação. Vede as portas de admissão do cabeçote, utilizando fita adesiva ou um pano limpo, a fim de evitar penetração de sujeira e corpos estranhos no interior do motor. Para remoção do injetor, consulte a página 5-49. COLETOR DE ADMISSÃO ANÉIS DE VEDAÇÃO INSTALAÇÃO Instale novos anéis de vedação no coletor de admissão. Instale os injetores caso tenham sido removidos (página 5-50). ANÉIS DE VEDAÇÃO PARAFUSOS Instale o coletor de admissão nos cabeçotes. Instale os parafusos e aperte-os em seguida. COLETOR DE ADMISSÃO Acople os conectores 2P (Cinza) do injetor. Alinhe CONECTORES 2P (Cinza) 5-48
  • 140.
    SHADOW 750 SISTEMA DE ALIMENTAÇÃO (PGM-FI) Instale o isolante, mantendo sua marca “THROT BODY” voltada para o lado do corpo do acelerador, alinhando sua fenda com a lingüeta do coletor de admissão. Alinhe MARCA “THROT BODY” ISOLANTE Aperte o parafuso da braçadeira do isolante, de forma que a distância entre as extremidades da braçadeira seja de 14,5 ± 14,5 ± 1,0 mm 1,0 mm, Instale o corpo do acelerador (página 5-45). Conecte o encaixe de conexão rápida à conexão do injetor (página 5-35). Conecte o encaixe de conexão rápida ao reservatório/bomba de combustível (página 5-34). INJETOR ESTETOSCÓPIO INSPEÇÃO Dê partida no motor e mantenha-o funcionando em marcha- lenta. Certifique-se de que o injetor emite um ruído de funcionamento, utilizando uma haste sonora ou um estetoscópio. REMOÇÃO Desconecte o encaixe de conexão rápida da conexão do injetor (página 5-33). Desacople os conectores 2P (Cinza) do injetor. CONECTORES 2P (Cinza) 5-49
  • 141.
    SISTEMA DE ALIMENTAÇÃO(PGM-FI) SHADOW 750 TAMPA DE INJETORES Remova os parafusos e a capa de injetores, juntamente com os injetores, do coletor de admissão. PARAFUSOS INJETORES ANEL DE VEDAÇÃO TAMPA DE INJETORES Remova os injetores de sua capa. Remova o anel de vedacão e os anéis retentores. ANÉIS RETENTORES INJETORES ANÉIS RETENTORES ANEL DE VEDAÇÃO INSTALAÇÃO Cubra novos anéis de vedação e anéis retentores com óleo para motor. Instale os novos anéis de vedação e anéis retentores, tendo cuidado para não danificá-los. NOTA Substitua os anéis de vedação e anéis retentores em conjunto por novos. INJETOR TAMPA DE INJETORES LINGÜETA Instale os injetores em sua tampa. Alinhe a lingüeta da tampa de injetores com os terminais do injetor, como mostra a ilustração. INJETORES 5-50
  • 142.
    SHADOW 750 SISTEMA DE ALIMENTAÇÃO (PGM-FI) TAMPA DE INJETORES Instale a tampa de injetores, juntamente com os injetores, no coletor de admissão. Instale e aperte os parafusos no torque especificado. Torque: 5,1 N.m (0,5 kgf.m) PARAFUSOS CONECTORES 2P (Cinza) Acople os conectores 2P (Cinza) do injetor. NOTA Alinhe a lingüeta da tampa de injetores com a ranhura do conector do injetor, como mostra a ilustração. Conecte o encaixe de conexão rápida à conexão do injetor (página 5-35). Alinhe SENSOR ECT CONECTOR 3P (Cinza) REMOÇÃO/INSTALAÇÃO Drene o líquido de arrefecimento do sistema (página 6-6). Remova as tampas laterais da coluna de direção (página 2-4). Desacople o conector 3P (Cinza) do sensor ECT. Remova o sensor ECT e a arruela de vedação. NOTA Substitua o sensor ECT enquanto o motor estiver frio. Instale uma nova arruela de vedação e o sensor ECT. ARRUELA DE VEDAÇÃO SENSOR ECT Aperte o sensor ECT no torque especificado. Torque: 24,5 N.m (2,5 kgf.m) NOTA Sempre substitua a arruela de vedação por uma nova. Acople o conector 3P (Cinza) do sensor ECT. Instale as tampas laterais da coluna de direção (página 2-4). Abasteça o sistema de arrefecimento, utilizando o líquido recomendado (página 6-6). 5-51
  • 143.
    SISTEMA DE ALIMENTAÇÃO(PGM-FI) SHADOW 750 SENSOR DE INCLINAÇÃO DO CHASSI INSPEÇÃO Apóie seguramente a motocicleta sobre uma superfície plana. Remova os seguintes componentes: – Tampas laterais da coluna de direção (página 2-4) – Tanque de combustível (página 5-40) Desacople o conector 3P (Preto) do sensor de inclinação do chassi e conecte a fiação de teste. Ferramenta FIAÇÃO DE TESTE PARA INSPEÇÃO Fiação de teste para inspeção 07GMJ-ML80100 Ligue o interruptor de ignição e posicione o interruptor do motor em “ ”. Meça a voltagem entre os terminais da fiação de teste. Conexão Padrão Presilha Branca (+) – Voltagem da bateria Presilha Vermelha (–) Presilha Verde (+) – 0–1V Presilha Vermelha (–) Desligue o interruptor de ignição. Desacople a fiação de teste para inspeção e acople o conector 3P (Preto) do sensor de inclinação do chassi. Remova a cinta da fiação, o parafuso e o conjunto do CINTA DA FIAÇÃO PARAFUSO suporte/sensor de inclinação do chassi. NOTA Não desacople o conector do sensor de inclinação do chassi durante esta inspeção. Posicione o sensor de inclinação do chassi na horizontal (posição normal), como mostra a ilustração, ligue o interruptor de ignição e posicione o interruptor do motor em “ “. SUPORTE/SENSOR DE INCLINAÇÃO DO CHASSI O sensor de inclinação estará normal se o relé de parada do motor emitir um ruído “click” e a alimentação for interrompida. SENSOR DE INCLINAÇÃO DO CHASSI A 42,5° Incline o sensor de inclinação do chassi em aproximadamente 42,5° para a esquerda ou direita e mantenha o interruptor de ignição ligado e o interruptor do motor posicionado em “ “. POSIÇÃO Aproximadamente 42,5° O sensor de inclinação estará normal se o relé de parada do NORMAL motor emitir um ruído “click” e a alimentação do motor for restabelecida. Caso este teste seja repetido, primeiro desligue o interruptor de ignição e torne a ligá-lo novamente. Aproximadamente 42,5° 5-52
  • 144.
    SHADOW 750 SISTEMA DE ALIMENTAÇÃO (PGM-FI) CINTA DA FIAÇÃO REMOÇÃO/INSTALAÇÃO Remova os seguintes componentes: – Tanque de combustível (página 5-40) – Tampas laterais da coluna de direção (página 2-4) Remova a cinta da fiação e desacople o conector 3P (Preto) do sensor de inclinação do chassi. CONECTOR 3P (Preto) SUPORTE/SENSOR DE INCLINAÇÃO DO CHASSI PARAFUSO Remova o parafuso e o suporte/sensor de inclinação do chassi. SUPORTE Remova os parafusos, os espaçadores e o sensor de inclinação do chassi de seu suporte. Instale o sensor de inclinação do chassi em seu suporte. Instale os espaçadores e parafusos. Em seguida, aperte seguramente os parafusos. PARAFUSOS/ESPAÇADORES Instale o sensor de inclinação do chassi, mantendo sua marca MARCA “UP” voltada para cima. Instale os componentes removidos na ordem inversa da remoção. NOTA Passe adequadamente a fiação do sensor (página 1-20). 5-53
  • 145.
    SISTEMA DE ALIMENTAÇÃO(PGM-FI) SHADOW 750 COMPARTIMENTO DE RELÉS RELÉ DE PARADA DO MOTOR INSPEÇÃO Remova a tampa lateral esquerda (página 2-4). Remova o compartimento de relés. Solte as lingüetas e remova o conector (Marrom) do COMPARTIMENTO DE RELÉS compartimento de relés. RELÉ DE PARADA DO MOTOR Remova o relé de parada do motor de seu conector. CONECTOR (Marrom) LINGÜETAS RELÉ DE PARADA DO MOTOR Conecte um ohmímetro entre os terminais do conector do relé de parada do motor. Conexão: A – B Conecte uma bateria de 12 V entre os seguintes terminais do conector do relé de parada do motor. Conexão: C – D Deve haver continuidade somente enquanto a bateria de 12 V estiver conectada. Se não houver continuidade enquanto a bateria de 12 V A B D C estiver conectada, substitua o relé de parada do motor. 5-54
  • 146.
    SHADOW 750 SISTEMA DE ALIMENTAÇÃO (PGM-FI) ECM INSPEÇÃO DA LINHA DE ALIMENTAÇÃO/TERRA DO ECM A4 O motor não dá partida (não há indicação do MIL) 1. Inspeção da Voltagem de Entrada de Alimentação do ECM Acople os terminais da fiação de teste aos conectores 33P do ECM (página 5-14). Ligue o interruptor de ignição e posicione o interruptor do motor em “ ”. Meça a voltagem entre o terminal da fiação de teste e o terra. Conexão: A4 (+) – Terra (–) É indicada a voltagem da bateria? Sim – Vá para a etapa 2. A23 B4 B4 Não – Vá para a etapa 3. 2. Inspeção da Linha do Terra do ECM Desligue o interruptor de ignição. Inspecione a continuidade entre os terminais da fiação de teste e o terra. Conexão: A23 – Terra B4 – Terra CONECTOR (Marrom) DO RELÉ Há continuidade em todas as situações? (Lado dos terminais fêmeas da fiação) Sim – Substitua o ECM por um em boas condições de funcionamento e inspecione novamente; para Bl procedimentos de registro de chaves, consulte a página 21-4. Não – Circuito aberto na fiação da Linha do Terra. 3. Inspeção 1 do Relé de Parada do Motor Desligue o interruptor de ignição. R/Bu Remova o relé de parada do motor de seu conector (página 5-54). Ligue o interruptor de ignição e posicione o interruptor do motor em “ ”. Meça a voltagem entre os terminais do relé de parada do motor. Conexão: Preto (+) – Vermelho/Azul (–) É indicada a voltagem da bateria? Sim – Vá para a etapa 4. Não – Inspecione o sensor de inclinação do chassi (página 5-52). 5-55
  • 147.
    SISTEMA DE ALIMENTAÇÃO(PGM-FI) SHADOW 750 4. Inspeção 2 do Relé de Parada do Motor Desligue o interruptor de ignição. CONECTOR (Marrom) DO RELÉ (Lado dos terminais fêmeas da fiação) Faça um curto-circuito entre os terminais do conector do relé de parada do motor. R/W Conexão: Preto/Branco – Vermelho/Branco Ligue o interruptor de ignição e posicione o interruptor do motor em “ ”. Meça a voltagem entre o terminal da fiação de teste e o terra. Bl/W Conexão: A4 (+) – Terra (–) É indicada a voltagem da bateria? Sim – • Inspecione o relé de parada do motor JUMPER (página 5-54). • Inspecione o interruptor do motor (página 20-20). Não – • Circuito aberto nos fios Preto/Branco ou Vermelho/Branco entre a bateria e o ECM. • Fusível FI (15 A) defeituoso. A4 REMOÇÃO/INSTALAÇÃO CONECTOR CONECTOR 33P (Preto) 33P (Cinza) Remova a tampa do compartimento da bateria (página 17-6). TAMPA Desligue o interruptor de ignição. ECM Abra a tampa. Solte a lingüeta e remova o ECM. Desacople os conectores 33P (Preto e Cinza) do ECM. NOTA LINGÜETA Tenha cuidado para não danificar o ECM e sua fiação. A instalação é feita na ordem inversa da remoção. Torque: Parafuso da tampa do compartimento da bateria 1 N.m (0,1 kgf.m) 5-56
  • 148.
    SHADOW 750 SISTEMA DE ALIMENTAÇÃO (PGM-FI) MARCHA-LENTA INSPEÇÃO DA MARCHA-LENTA NOTA • Inspecione a marcha-lenta do motor após ter executado todos os outros reparos e os itens de manutenção estarem de acordo com a especificação. • Antes de inspecionar a marcha-lenta, execute as seguintes verificações: – Não haja indicação do MIL – Condições das velas de ignição (página 3-7) – Condições do filtro de ar (página 3-6) • O motor deve estar quente para uma inspeção precisa da marcha-lenta • Este sistema elimina a necessidade de ajuste manual da marcha-lenta se comparado a versões anteriores. • Utilize um tacômetro com graduações de 50 rpm ou inferior, capaz de indicar precisamente alterações dessa ordem. Dê partida no motor e mantenha-o funcionando até que o líquido de arrefecimento atinja a temperatura de 80°C. Desligue o motor e conecte um tacômetro de acordo com as instruções de seu fabricante. Dê partida no motor e mantenha-o funcionando em marcha- lenta. Em seguida, inspecione a marcha-lenta. Marcha-lenta: 1.200 ± 100 rpm Caso a marcha-lenta não esteja de acordo com a especificação, inspecione os seguintes itens: • Funcionamento do acelerador e folga da manopla do acelerador (página 3-5) • Vazamento de ar de admissão ou problemas na parte superior do motor (página 8-5) • Funcionamento da válvula IAC (página 5-57) VÁLVULA IAC INSPEÇÃO Remova a carcaça do filtro de ar (página 5-41). A válvula IAC encontra-se instalada no corpo do acelerador, e seu acionamento é feito através de um motor de passo. Quando o interruptor de ignição é ligado, a válvula IAC é acionada por alguns segundos. Inspecione quanto a emissão de um bip de funcionamento pelo motor de passo, no instante em que o interruptor de ignição é ligado. CORPO DO ACELERADOR VÁLVULA IAC 5-57
  • 149.
    SISTEMA DE ALIMENTAÇÃO(PGM-FI) SHADOW 750 VÁLVULA IAC O funcionamento da válvula IAC pode ser inspecionado visualmente através do procedimento a seguir: • Remova a válvula IAC (página 5-58) do corpo do acelerador, mantendo seu conector 4P (Preto) acoplado. Em seguida, ligue o interruptor de ignição. CONECTOR 4P (Preto) PLACA PARAFUSOS DE FIXAÇÃO VÁLVULA IAC TORX REMOÇÃO NOTA Sempre limpe o corpo do acelerador antes de remover a válvula IAC, a fim de evitar penetração de sujeira ou corpos estranhos nas passagens da válvula IAC. Remova a carcaça do filtro de ar (página 5-41). Desacople o conector 4P (Preto) da válvula IAC. Remova os parafusos Torx, a placa de fixação e a válvula IAC. CONECTOR 4P (Preto) VÁLVULA DESLIZANTE INSTALAÇÃO Gire a válvula deslizante em sentido horário até se assentar levemente na válvula IAC. RANHURA PINO-GUIA Instale um novo anel de vedação na válvula IAC. Instale a válvula IAC no corpo do acelerador, alinhando o encaixe da válvula com o pino-guia do corpo do acelerador. ANEL DE VEDAÇÃO 5-58
  • 150.
    SHADOW 750 SISTEMA DE ALIMENTAÇÃO (PGM-FI) PLACA DE FIXAÇÃO Instale a placa de fixação, alinhando sua ranhura com a guia da válvula IAC. Acople o conector 4P (Preto) da válvula IAC. Alinhe CONECTOR 4P (Preto) PARAFUSOS TORX Instale e aperte os parafusos Torx no torque especificado. Torque: 2,1 N.m (0,2 kgf.m) Instale a carcaça do filtro de ar (página 5-41). SISTEMA SECUNDÁRIO DE FORNECIMENTO DE AR INSPEÇÃO DO SISTEMA Dê partida no motor e mantenha-o funcionando até que o líquido de arrefecimento atinja a temperatura de 80°C. Desligue o motor. Remova a tampa do filtro de ar (página 3-6). Verifique se a porta de admissão de ar secundário encontra- PORTA DE ADMISSÃO DE AR se limpa e sem depósitos de carvão. Inspecione a válvula de inspeção PAIR caso haja depósitos de carvão ou fuligem na porta de admissão de ar (página 5-61). 5-59
  • 151.
    SISTEMA DE ALIMENTAÇÃO(PGM-FI) SHADOW 750 Dê partida no motor e acelere levemente para certificar-se de que o ar é sugado através da mangueira de fornecimento de ar. VÁLVULA SOLENÓIDE DE CONTROLE PAIR Caso o ar não seja sugado, inspecione as mangueiras de fornecimento de ar quanto a obstruções e a válvula solenóide de controle PAIR (página 5-60). MANGUEIRAS DE FORNECIMENTO DE AR VÁLVULA SOLENÓIDE DE CONTROLE PAIR VÁLVULA SOLENÓIDE DE CONTROLE PAIR Inspeção Remova a válvula solenóide de controle PAIR (página 5-61). Certifique-se de que não haja fluxo de ar entre as conexões (A) e (B) enquanto uma bateria de 12 V permanecer (B) (B) conectada aos terminais da válvula solenóide de controle PAIR. Somente deve haver fluxo de ar entre as conexões (A) e (B) quando não houver voltagem aplicada aos terminais da (A) válvula. Meça a resistência entre os terminais do conector. VÁLVULA SOLENÓIDE (Lado dos terminais machos da válvula solenóide) Padrão: 23 – 27 Ω (a 20°C) Se a resistência não estiver de acordo com a especificação, substitua a válvula solenóide de controle PAIR. 5-60
  • 152.
    SHADOW 750 SISTEMA DE ALIMENTAÇÃO (PGM-FI) CONECTOR 2P (Preto) VÁLVULA SOLENÓIDE REMOÇÃO/INSTALAÇÃO Remova o tanque de combustível (página 5-40). Desacople o conector 2P (Preto) da válvula solenóide de controle PAIR. Desconecte as mangueiras de sucção e fornecimento de ar da válvula solenóide de controle PAIR. Remova a válvula solenóide de controle PAIR de seu suporte no chassi. A instalação é feita na ordem inversa da remoção. MANGUEIRAS DE MANGUEIRA DE FORNECIMENTO DE AR SUCÇÃO DE AR PARAFUSOS INSPEÇÃO DA VÁLVULA DE INSPEÇÃO PAIR DIANTEIRO: TRASEIRO: Remova o tanque de combustível (página 5-40). Remova os parafusos e a tampa da válvula de inspeção PAIR. TAMPAS DAS VÁLVULAS DE INSPEÇÃO PAIR Remova a válvula de inspeção PAIR da tampa do cabeçote. DIANTEIRO: TRASEIRO: VÁLVULAS DE INSPEÇÃO PAIR LIMITADOR DA PALHETA Inspecione a palheta quanto a danos ou fadiga. Substitua-a se necessário. Substitua a válvula de inspeção PAIR caso sua sede de borracha esteja trincada, deteriorada ou danificada. Substitua-a também caso haja folga entre a palheta e a sede. Instale a válvula de inspeção PAIR na ordem inversa da remoção. Torque: Parafuso da tampa da válvula de inspeção PAIR 7 N.m (0,7 kgf.m) PALHETA SEDE DE BORRACHA 5-61
  • 153.
    SISTEMA DE ALIMENTAÇÃO(PGM-FI) SHADOW 750 SENSOR DE O2 REMOÇÃO NOTA • Os procedimentos a seguir tanto aplicam-se ao sensor de O2 dianteiro como ao traseiro. • Tenha cuidado ao manusear o sensor de O2. • Não aplique graxa, óleo ou outros materiais no orifício de ar do sensor de O2. Remova o sistema de escapamento (página 2-9). CHAVE PARA SENSOR DE O2 NOTA Não execute reparos no sensor de O2 enquanto o sensor permanecer quente. Remova o sensor de O2, utilizando a ferramenta especial. Ferramenta: Chave para sensor de O2 07LAA-PT50101 NOTA • Tenha cuidado para não danificar a fiação do sensor de O2. • Não utilize chaves de impacto ao remover ou instalar o sensor de O2. SENSOR DE O2 SENSOR DE O2 INSTALAÇÃO Instale o sensor de O2 e aperte-o no torque especificado. Torque: 44 N.m (4,5 kgf.m) Ferramenta: Chave para sensor de O2 07LAA-PT50101 Instale o sistema de escapamento (página 2-12). 5-62
  • 154.
    SHADOW 750 6. SISTEMA DE ARREFECIMENTO DIAGRAMA DE FLUXO DO SISTEMA 6-2 ALOJAMENTO DO TERMOSTATO 6-9 INFORMAÇÕES DE SERVIÇO 6-3 RADIADOR/VENTOINHA DE ARREFECIMENTO 6-11 DIAGNOSE DE DEFEITOS 6-4 BOMBA DE ÁGUA 6-16 VERIFICAÇÃO DO SISTEMA 6-5 RESERVATÓRIO DO RADIADOR 6-17 SUBSTITUIÇÃO DO LÍQUIDO DE ARREFECIMENTO 6-6 RELÉ DE CONTROLE DA VENTOINHA DE ARREFECIMENTO 6-18 TERMOSTATO 6-8 6-1
  • 155.
    SISTEMA DE ARREFECIMENTO SHADOW 750 DIAGRAMA DE FLUXO DO SISTEMA TERMOSTATO RADIADOR BOMBA DE ÁGUA RESERVATÓRIO 6-2
  • 156.
    SHADOW 750 SISTEMA DE ARREFECIMENTO INFORMAÇÕES DE SERVIÇO GERAL c • Remover a tampa do radiador enquanto o motor estiver quente pode fazer com que o líquido de arrefecimento espirre, causando sérios ferimentos. • Sempre espere o motor e o radiador esfriarem antes de remover a tampa do radiador. NOTA Utilizar líquido de arrefecimento com inibidores de corrosão de silicato pode causar desgaste prematuro do vedador da bomba de água ou bloquear as passagens de água no radiador. Utilizar água da torneira pode danificar o motor. • Adicione líquido de arrefecimento pelo reservatório. Não remova a tampa do radiador, exceto para reabastecer ou drenar o sistema. • Todos os procedimentos de reparo no sistema de arrefecimento podem ser executados com o motor instalado no chassi. • Evite espirrar líquido de arrefecimento em superfícies pintadas. • Após a execução de reparos no sistema, inspecione-o quanto a vazamentos, utilizando um verificador de sistema de arrefecimento. • Para inspeção do sensor de ECT, consulte a página 20-16. ESPECIFICAÇÕES Item Especificação Capacidade de líquido Radiador e motor 1,58 l de arrefecimento Reservatório 0,38 Pressão de alívio da tampa do radiador 108 – 137 kPa (1,1 – 1,4 kgf/cm2, 16 – 20 psi) Termostato Início da abertura 80 – 84°C Completamente aberto 95°C Curso da válvula Mínimo de 8 mm a 95°C Líquido de arrefecimento recomendado “LÍQUIDO DE ARREFECIMENTO HONDA C2702ANT000” Líquido de Arrefecimento de alto desempenho à base de Etilenoglicol VALORES DE TORQUE Parafuso de fixação do gargalo de abastecimento do radiador 10 N.m (1,0 kgf.m) Parafuso da tampa do alojamento do termostato 10 N.m (1,0 kgf.m) Parafuso de fixação do motor da ventoinha de arrefecimento 5,1 N.m (0,5 kgf.m) Porca de fixação da ventoinha de arrefecimento 2,7 N.m (0,3 kgf.m) Aplique trava-química às roscas. Parafuso da tampa da bomba de água 13 N.m (1,3 kgf.m) Parafuso de fixação do conjunto do motor da ventoinha de arrefecimento 8,4 N.m (0,9 kgf.m) Parafuso da braçadeira da mangueira de água Consulte a página 6-10 6-3
  • 157.
    SISTEMA DE ARREFECIMENTO SHADOW 750 DIAGNOSE DE DEFEITOS Temperatura do motor muito alta • Medidor de temperatura do líquido de arrefecimento do motor ou sensor ECT defeituoso • Termostato emperrado na posição fechado • Tampa do radiador defeituosa • Volume de líquido de arrefecimento insuficiente • Passagens de água obstruídas no radiador, nas mangueiras ou na jaqueta de água • Presença de ar no sistema • Motor da ventoinha de arrefecimento defeituoso • Bomba de água defeituosa Temperatura do motor muito baixa • Termostato emperrado na posição aberto Vazamento do líquido de arrefecimento • Vedador mecânico da bomba de água defeituoso • Anéis de vedação deteriorados • Tampa do radiador defeituosa • Junta do cabeçote danificada ou deteriorada • Conexão da mangueira ou braçadeira solta • Mangueiras danificadas ou deterioradas 6-4
  • 158.
    SHADOW 750 SISTEMA DE ARREFECIMENTO TAMPA DO RADIADOR VERIFICAÇÃO DO SISTEMA LÍQUIDO DE ARREFECIMENTO (TESTE DE HIDRÔMETRO) Remova o tanque de combustível (página 5-40). Remova a tampa do radiador. HIDRÔMETRO Verifique a densidade do líquido de arrefecimento utilizando um hidrômetro. Inspecione o líquido de arrefecimento quanto à contaminação e substitua-o, se necessário. TABELA DA DENSIDADE DO LÍQUIDO DE ARREFECIMENTO Temperatura do líquido de arrefecimento (°C) 0 5 10 15 20 25 30 35 40 45 50 5 1,009 1,009 1,008 1,008 1,007 1,006 1,005 1,003 1,001 0,999 0,997 % de Líquido de Arrefecimento 10 1,018 1,017 1,017 1,016 1,015 1,014 1,013 1,011 1,009 1,007 1,005 15 1,028 1,027 1,026 1,025 1,024 1,022 1,020 1,018 1,026 1,014 1,012 20 1,036 1,035 1,034 1,033 1,031 1,029 1,027 1,025 1,023 1,021 1,019 25 1,045 1,044 1,043 1,042 1,040 1,038 1,036 1,034 1,031 1,028 1,025 30 1,053 1,052 1,051 1,049 1,047 1,045 1,043 1,041 1,038 1,035 1,032 35 1,063 1,062 1,060 1,058 1,056 1,054 1,052 1,049 1,046 1,043 1,040 40 1,072 1,070 1,068 1,066 1,064 1,062 1,059 1,056 1,053 1,050 1,047 45 1,080 1,078 1,076 1,074 1,072 1,069 1,066 1,063 1,060 1,057 1,054 50 1,086 1,084 1,082 1,084 1,077 1,074 1,071 1,068 1,065 1,062 1,059 55 1,095 1,093 1,091 1,088 1,085 1,082 1,079 1,076 1,073 1,070 1,067 60 1,100 1,098 1,095 1,092 1,089 1,086 1,083 1,080 1,077 1,074 1,071 6-5
  • 159.
    SISTEMA DE ARREFECIMENTO SHADOW 750 TAMPA DO RADIADOR INSPEÇÃO DA TAMPA DO RADIADOR/ PRESSURIZAÇÃO DO SISTEMA Remova a tampa do radiador (página 6-5). Umedeça as superfícies de vedação e instale a tampa no verificador. FERRAMENTAS: Verificador de pressão do sistema de arrefecimento SVTS4AH Adaptador do sistema de arrefecimento OTCJ33984A Execute o teste de pressão na tampa do radiador. Substitua a tampa do radiador, caso ela não retenha a pressão ou se a pressão de alívio for muito alta ou muito baixa. A tampa deve VERIFICADOR DO SISTEMA DE ARREFECIMENTO reter a pressão especificada por, pelo menos, 6 segundos. Pressão de alívio da tampa do radiador: 108 – 137 kPa (1,1 – 1,4 kgf/cm2, 16 – 20 psi) Execute o teste de pressão no radiador, no motor e nas mangueiras e verifique se há vazamentos. NOTA Pressões excessivas podem danificar os componentes do sistema de arrefecimento. Não exceda a pressão de 137 kPa (1,4 kgf/cm2, 20 psi). Repare ou substitua os componentes caso o sistema não retenha a pressão especificada por, pelo menos, 6 segundos. VERIFICADOR DO SISTEMA DE ARREFECIMENTO Remova o verificador e instale a tampa do radiador. Instale o tanque de combustível (página 5-40). SUBSTITUIÇÃO DO LÍQUIDO DE ARREFECIMENTO PREPARAÇÃO NOTA A eficiência do líquido de arrefecimento diminui com o acúmulo de ferrugem ou se ocorrer alteração da proporção da mistura durante a utilização. Portanto, para um melhor desempenho, substitua o líquido de arrefecimento regularmente, como especificado na tabela de manutenção. Líquido de Arrefecimento Recomendado: “LÍQUIDO DE ARREFECIMENTO HONDA C2702ANT000” 6-6
  • 160.
    SHADOW 750 SISTEMA DE ARREFECIMENTO TAMPA DO RADIADOR SUBSTITUIÇÃO/SANGRIA DO AR NOTA Ao abastecer o sistema ou o reservatório com líquido de arrefecimento (ou ao verificar o nível de líquido), posicione a motocicleta na vertical, sobre uma superfície plana e nivelada. Remova o tanque de combustível (página 5-40). Remova a tampa do radiador. Drene o líquido de arrefecimento do sistema, removendo o parafuso de drenagem e a arruela de vedação. Instale os parafusos de drenagem juntamente com novas arruelas de vedação e aperte-os no torque especificado. Torque: 13 N.m (1,3 kgf.m) PARAFUSO DE DRENAGEM/ARRUELA DE VEDAÇÃO RESERVATÓRIO Remova a tampa traseira esquerda da carcaça do motor (página 2-4). Desconecte a mangueira-sifão do reservatório do radiador e drene o líquido de arrefecimento do reservatório. Esvazie o reservatório (página 6-17) e enxágüe seu interior com água. Instale os seguintes componentes: – Reservatório (página 6-17) – Tampa traseira esquerda da carcaça do motor (página 2-4) Abasteça o sistema utilizando o líquido de arrefecimento MANGUEIRA-SIFÃO recomendado, através do bocal de abastecimento, até atingir GARGALO DE ABASTECIMENTO o gargalo de abastecimento. Instale o tanque de combustível (página 5-57). Sangre o ar do sistema, como se segue: 1. Coloque a transmissão em ponto-morto. Dê partida no motor e mantenha-o funcionando em marcha-lenta por 2 a 3 minutos. 2. Acelere por três ou quatro vezes para sangrar o ar do sistema. 3. Desligue o motor, remova o tanque de combustível (página 5-40) e adicione o líquido de arrefecimento até atingir o gargalo de abastecimento. 4. Instale a tampa do radiador. 6-7
  • 161.
    SISTEMA DE ARREFECIMENTO SHADOW 750 Remova a tampa do reservatório. TAMPA DO RESERVATÓRIO Abasteça o reservatório até atingir a linha de nível superior e instale a tampa do reservatório. Instale o tanque de combustível (página 5-40). NÍVEL INFERIOR NÍVEL SUPERIOR TERMOSTATO REMOÇÃO Drene o líquido de arrefecimento do sistema (página 6-7). Remova os seguintes componentes: – Tampas laterais da coluna de direção (página 2-4) – Carcaça do filtro de ar (página 5-41) Coloque uma toalha sob o alojamento do termostato. Desacople o conector 3P do sensor ECT. Remova os parafusos da tampa do alojamento do termostato. PARAFUSOS CONECTOR 3P TERMOSTATO Retire o alojamento do termostato e remova o anel de vedação e o termostato. INSPEÇÃO DO TERMOSTATO Inspecione visualmente o termostato quanto a danos. Substitua o termostato caso a válvula permaneça aberta em temperatura ambiente. Aqueça um recipiente com água por 5 minutos, utilizando um aquecedor elétrico. Suspenda o termostato na água quente para verificar seu funcionamento. Início da Abertura do Termostato: 80 – 84°C ANEL DE VEDAÇÃO Curso de Válvula: Mínimo de 8 mm a 95°C TERMÔMETRO TERMOSTATO Substitua o termostato caso a válvula responda a temperaturas diferentes da especificada. NOTA Utilize luvas isolantes e óculos protetores adequados. Mantenha materiais inflamáveis afastados do aquecedor elétrico. Não deixe o termostato ou o termômetro tocar o recipiente, pois obterá uma leitura incorreta. 6-8
  • 162.
    SHADOW 750 SISTEMA DE ARREFECIMENTO Alinhe INSTALAÇÃO Instale o termostato alinhando o flange com a fenda do alojamento do termostato. TERMOSTATO Instale um novo anel de vedação na ranhura do alojamento do termostato. ANEL DE VEDAÇÃO TAMPA Instale o alojamento do termostato na tampa e aperte os parafusos no torque especificado. Torque: 10 N.m (1,0 kgf.m) Acople o conector 3P (cinza) do sensor ECT. Abasteça o sistema de arrefecimento e execute sua sangria (página 6-7). Instale os seguintes componentes: – Carcaça do filtro de ar (página 5-41) – Tampas laterais da coluna de direção (página 2-4) PARAFUSOS CONECTOR 3P (Cinza) MANGUEIRA-SIFÃO ALOJAMENTO DO TERMOSTATO REMOÇÃO/INSTALAÇÃO Drene o líquido de arrefecimento do sistema (página 6-7). Remova os seguintes componentes: – Tampas laterais da coluna de direção (página 2-4) – Carcaça do filtro de ar (página 5-41) Desacople o conector 3P (Cinza) do sensor ECT. Desconecte a mangueira-sifão. CONECTOR 3P (Cinza) 6-9
  • 163.
    SISTEMA DE ARREFECIMENTO SHADOW 750 PARAFUSOS Solte os parafusos da braçadeira da mangueira de água e desconecte as mangueiras de água. Remova o parafuso e o alojamento do termostato., MANGUEIRAS DE ÁGUA Instale o conjunto do alojamento do termostato na ordem inversa da remoção. NOTA • Aperte os parafusos da braçadeira da mangueira de água, mantendo a distância especificada, como mostra a ilustração. • Passe adequadamente as mangueiras e a fiação (página 1-20). 0 – 1,0 mm ANEL DE VEDAÇÃO DESMONTAGEM Remova os seguintes componentes: – Alojamento do termostato (página 6-9) – Termostato (página 6-8) – Sensor ECT (página 5-51) Remova os parafusos e o anel de vedação. PARAFUSOS TAMPA MONTAGEM Instale um novo anel de vedação no gargalo de abastecimento do radiador. Monte o gargalo de abastecimento do radiador e a tampa do alojamento do termostato. ANEL DE VEDAÇÃO GARGALO DE ABASTECIMENTO DO RADIADOR 6-10
  • 164.
    SHADOW 750 SISTEMA DE ARREFECIMENTO Instale e aperte os parafusos no torque especificado. Torque: 10 N.m (1,0 kgf.m) Instale os seguintes componentes: – Sensor ECT (página 5-51) – Termostato (página 6-9) – Alojamento do termostato (página 6-9) PARAFUSOS CINTA DA FIAÇÃO RADIADOR/VENTOINHA DE ARREFECIMENTO REMOÇÃO Drene o líquido de arrefecimento do sistema (página 6-7). Remova as tampas laterais da coluna de direção (página 2-4). NOTA Tenha cuidado para não danificar as aletas do radiador durante a execução de reparos no radiador e na ventoinha de arrefecimento. CONECTOR 2P (Branco) PARAFUSO DA BRAÇADEIRA Remova a cinta da fiação e desacople o conector 2P (branco) do motor da ventoinha de arrefecimento. Solte o parafuso da braçadeira da mangueira de água e desconecte a mangueira de água superior do radiador. MANGUEIRA DE ÁGUA SUPERIOR PARAFUSO DA BRAÇADEIRA Solte o parafuso da braçadeira da mangueira de água e desconecte a mangueira de água inferior do radiador. MANGUEIRA DE ÁGUA INFERIOR 6-11
  • 165.
    SISTEMA DE ARREFECIMENTO SHADOW 750 Remova o parafuso e o espaçador. FIAÇÃO DO MOTOR Solte a fiação do interruptor da luz do freio traseiro e do DA VENTOINHA DE ARREFECIMENTO sensor CKP da grade do radiador. RADIADOR PRESILHA Solte a fiação do motor da ventoinha de arrefecimento da ESPAÇADOR presilha e remova o radiador. PARAFUSO FIAÇÃO DO INTERRUPTOR DA LUZ DE FREIO/SENSOR CKP GRADE DO RADIADOR DESMONTAGEM Solte a fiação do motor da ventoinha de arrefecimento da grade do radiador. Remova as borrachas de fixação do radiador e a grade do radiador FIAÇÃO BORRACHAS DE FIXAÇÃO CONJUNTO DO MOTOR DA VENTOINHA DE ARREFECIMENTO PARAFUSOS Remova a presilha, os parafusos e o conjunto do motor da ventoinha de arrefecimento. PRESILHA 6-12
  • 166.
    SHADOW 750 SISTEMA DE ARREFECIMENTO VENTOINHA DE ARREFECIMENTO Remova a porca e a ventoinha de arrefecimento. PORCA PARAFUSOS Remova os parafusos e o motor da ventoinha de arrefecimento de seu protetor. MOTOR DA VENTOINHA PROTETOR DE ARREFECIMENTO MONTAGEM GRADE DO RADIADOR RADIADOR 5,1 N.m (0,5 kgf.m) MOTOR DA VENTOINHA DE ARREFECIMENTO PRESILHA VENTOINHA DE ARREFECIMENTO PROTETOR 8,4 N.m (0,9 kgf.m) 2,7 N.m (0,3 kgf.m) BORRACHA DE FIXAÇÃO 6-13
  • 167.
    SISTEMA DE ARREFECIMENTO SHADOW 750 PARAFUSOS Instale o motor da ventoinha de arrefecimento no protetor, na posição indicada, como mostra a ilustração. Em seguida, aperte os parafusos no torque especificado. Torque: 5,1 N.m (0,5 kgf.m) MOTOR DA VENTOINHA PROTETOR DE ARREFECIMENTO VENTOINHA DE ARREFECIMENTO Instale a ventoinha de arrefecimento no eixo do motor, alinhando as superfícies lisas. Alinhe PORCA Limpe e aplique trava-química nas roscas da porca. Em seguida, aperte a porca no torque especificado. Torque: 2,7 N.m (0,3 kgf.m) CONJUNTO DO MOTOR DA VENTOINHA DE ARREFECIMENTO PARAFUSOS Instale o conjunto do motor da ventoinha de arrefecimento no radiador e aperte os parafusos, juntamente com o terminal do terra, como mostra a ilustração e no torque especificado. Torque: 8,4 N.m (0,9 kgf.m) Fixe a fiação do motor da ventoinha de arrefecimento. PRESILHA 6-14
  • 168.
    SHADOW 750 SISTEMA DE ARREFECIMENTO GRADE DO RADIADOR Instale o radiador na grade do radiador. Instale as borrachas de fixação. Passe a fiação do motor da ventoinha de arrefecimento pela grade do radiador. INSTALAÇÃO FIAÇÃO BORRACHAS DE FIXAÇÃO Instale o radiador, inserindo suas borrachas de fixação nos suportes do chassi. Passe a fiação do interruptor da luz do freio traseiro e do MANGUEIRA FIAÇÃO DO MOTOR sensor CKP através da grade do radiador (página 1-20). SUPERIOR DA VENTOINHA DE ARREFECIMENTO Conecte a fiação do motor da ventoinha de arrefecimento à presilha. RADIADOR PRESILHA ESPAÇADOR Instale o espaçador e o parafuso. Em seguida, aperte o parafuso. Conecte as mangueiras de água superior e inferior do PARAFUSO radiador (página 1-20). Aperte os parafusos da braçadeira da mangueira de água, mantendo a distância especificada (página 6-10). MANGUEIRA INFERIOR FIAÇÃO DO INTERRUPTOR DA LUZ DE FREIO/SENSOR CKP CINTA DA FIAÇÃO Acople o conector 2P (Branco) do motor da ventoinha de arrefecimento e instale a cinta da fiação. NOTA Passe adequadamente a cinta da fiação. Instale as tampas laterais da coluna de direção (página 2-4). Abasteça e sangre o sistema de arrefecimento (página 6-7). CONECTOR 2P (Branco) 6-15
  • 169.
    SISTEMA DE ARREFECIMENTO SHADOW 750 BOMBA DE ÁGUA BOMBA DE ÁGUA INSPEÇÃO DO VEDADOR MECÂNICO Verifique o orifício de inspeção da bomba de água quanto a sinais de vazamento de líquido de arrefecimento. NOTA • É normal encontrar uma pequena quantidade de água no orifício de inspeção. • Certifique-se de que não há vazamento contínuo de líquido de arrefecimento pelo orifício de inspeção durante o funcionamento do motor. ORIFÍCIO DE INSPEÇÃO Substitua a bomba de água em conjunto, se necessário. TAMPA PARAFUSOS REMOÇÃO Drene o líquido de arrefecimento do sistema (página 6-7). Solte o parafuso da braçadeira da mangueira e desconecte a mangueira de água. Remova os parafusos, a arruela de vedação e a tampa da bomba de água. MANGUEIRA PARAFUSO/ARRUELA DE ÁGUA DE VEDAÇÃO MANGUEIRA DE ÁGUA BOMBA DE ÁGUA Desconecte a mangueira de água. Remova os anéis de vedação e a bomba de água. NOTA Não desmonte a bomba de água. ANÉIS DE VEDAÇÃO Alinhe INSTALAÇÃO Cubra um novo anel de vedação com óleo para motor e instale-o na ranhura da bomba de água. Instale a bomba de água, alinhando sua ranhura com a projeção do eixo da bomba de óleo. ANEL DE VEDAÇÃO 6-16
  • 170.
    SHADOW 750 SISTEMA DE ARREFECIMENTO ANEL DE VEDAÇÃO Conecte a mangueira de água (página 1-20) Aperte o parafuso da braçadeira da mangueira de água, mantendo a distância especificada (página 6-10). Instale um novo anel de vedação na ranhura na bomba de água. MANGUEIRA DE ÁGUA TAMPA PARAFUSOS Alinhe os orifícios do parafuso da bomba e da carcaça do motor. Em seguida, instale a tampa da bomba de água, utilizando os parafusos e uma nova arruela de vedação. Aperte os parafusos no torque especificado, em ordem cruzada e em diversas etapas. Torque: 13 N.m (1,3 kgf.m) Conecte a mangueira de água (página 1-20). Aperte o parafuso da braçadeira da mangueira de água, mantendo a distância especificada. (página 6-10). MANGUEIRA DE ÁGUA PARAFUSO/ ARRUELA DE VEDAÇÃO RESERVATÓRIO DO RADIADOR RESERVATÓRIO REMOÇÃO/INSTALAÇÃO Desconecte a mangueira-sifão do reservatório e drene o líquido de arrefecimento. Remova o parafuso e o reservatório. A instalação é feita na ordem inversa a da remoção. NOTA MANGUEIRA-SIFÃO PARAFUSO Passe adequadamente as mangueiras (página 1-20). 6-17
  • 171.
    SISTEMA DE ARREFECIMENTO SHADOW 750 RELÉ DE CONTROLE DA VENTOINHA DE ARREFECIMENTO INSPEÇÃO DO SISTEMA A temperatura do líquido de arrefecimento está baixa, mas o motor da ventoinha de arrefecimento não desliga. Remova o relé de controle da ventoinha de arrefecimento (página 6-18) e ligue o interruptor de ignição. Se o motor da ventoinha de arrefecimento parar, substitua o relé de controle da ventoinha de arrefecimento. O indicador de temperatura do líquido de arrefecimento funciona corretamente, mas o motor da ventoinha de arrefecimento não liga. JUMPER CONECTOR (Azul) DO RELÉ Antes de executar esta inspeção, verifique se o fusível (Lado da fiação dos terminais fêmeas) secundário (FAN), 20 A encontra-se queimado. Remova o relé de controle da ventoinha de arrefecimento Bl/Bu (página 6-18). Faça um curto-circuito entre os terminais do relé de controle da ventoinha de arrefecimento. Conexão: Preto/Azul – Azul/Laranja Bu/O Ligue o interruptor de ignição e inspecione o motor da ventoinha de arrefecimento. CONECTOR 2P (Branco) • Se o motor ligar, substitua o relé de controle da ventoinha de arrefecimento. • Se o motor não ligar, remova as tampas laterais da coluna de direção (página 2-4) e desacople o conector 2P (Branco) do motor da ventoinha de arrefecimento. Meça a voltagem entre o terminal do fio Preto/Azul e o terra. – Se for indicada a voltagem de bateria, substitua o motor da ventoinha de arrefecimento (página 6-11). – Se não for indicada nenhuma voltagem, inspecione quanto a circuito aberto nos fios Verde e Preto/Azul. COMPARTIMENTO DE RELÉS INSPEÇÃO Remova a tampa lateral esquerda (página 2-4). Remova o compartimento de relé da caixa da bateria. 6-18
  • 172.
    SHADOW 750 SISTEMA DE ARREFECIMENTO Solte as lingüetas e remova o conector (Azul) do relé do compartimento de relés. CONECTOR (Azul) Desconecte o relé do controle da ventoinha de arrefecimento do conector do relé. COMPARTIMENTO DE RELÉS RELÉ DE CONTROLE DA LINGÜETAS VENTOINHA DE ARREFECIMENTO RELÉ DE CONTROLE DA VENTOINHA DE ARREFECIMENTO Conecte um ohmímetro aos terminais do conector do relé do motor da ventoinha. Conexão: A – B Conecte uma bateria de 12 V aos seguintes terminais do conector do relé do motor da ventoinha. Conexão: C – D Deve haver continuidade somente quando a bateria de 12 V estiver conectada. Se não houver continuidade somente quando a bateria de 12 A B C D V estiver conectada, substitua o relé do motor da ventoinha de arrefecimento. 6-19
  • 173.
    SISTEMA DE ARREFECIMENTO SHADOW 750 NOTAS 6-20
  • 174.
    SHADOW 750 7. REMOÇÃO/INSTALAÇÃO DO MOTOR LOCALIZAÇÃO DOS COMPONENTES 7-2 REMOÇÃO DO MOTOR 7-4 INFORMAÇÕES DE SERVIÇO 7-3 INSTALAÇÃO DO MOTOR 7-7 7-1
  • 175.
    REMOÇÃO/INSTALAÇÃO DO MOTOR SHADOW 750 LOCALIZAÇÃO DOS COMPONENTES 26 N.m (2,7 kgf.m) 12 N.m (1,2 kgf.m) 10 N.m (1,0 kgf.m) 1,9 N.m (0,2 kgf.m) 54 N.m (5,5 kgf.m) 26 N.m (2,7 kgf.m) 54 N.m (5,5 kgf.m) 54 N.m (5,5 kgf.m) 7-2
  • 176.
    SHADOW 750 REMOÇÃO/INSTALAÇÃO DO MOTOR INFORMAÇÕES DE SERVIÇO GERAL • É necessário utilizar um macaco ou suporte equivalente para apoiar a motocicleta durante a remoção ou instalação do motor. • É necessário utilizar um macaco ou outro suporte ajustável para apoiar e movimentar o motor. • Ao instalar o motor, certifique-se de apertar todos os fixadores no torque e ordem especificados. Em caso de erro no valor do torque de aperto ou mesmo na ordem, solte todos os fixadores e aperte-os novamente no torque e ordem especificados. • Não apóie o motor pelo filtro de óleo ou este poderá ser danificado. • Ao remover ou instalar o motor, cubra ao redor do chassi com fita adesiva para protegê-lo durante seu manuseio. • A execução de reparos nos seguintes componentes necessita da remoção do motor: – Cabeçote (página 8-13) – Cilindro/Pistão (página 9-4) – Árvore de Manivelas (página 12-10) – Transmissão (incluindo tambor seletor de marchas/garfo seletor) (página 12-20) – Carcaça do diferencial (página 12-28) – Bomba de óleo (página 4-6) • A execução de reparos nos seguintes componentes não necessita da remoção do motor: – Árvore de comando (página 8-8) – Corpo do acelerador (5-43) – Bomba de água (6-16) – Embreagem/Seletor de marchas (página 10-3) – Alternador/Embreagem de partida (11-4) – Motor de partida (página 19-6) ESPECIFICAÇÕES Item Especificação Peso seco do motor 71 kg Capacidade de óleo do motor na desmontagem 3,2 l Capacidade do líquido de arrefecimento (Radiador e motor) 1,58 l VALORES DE TORQUE Porca de fixação do motor 54 N.m (5,5 kgf.m) Parafuso da placa de fixação do motor 26 N.m (2,7 kgf.m) Porca do terminal do cabo do motor de partida 10 N.m (1,0 kgf.m) Parafuso do terminal do interruptor EOP 1,9 N.m (0,2 kgf.m) Parafuso de fixação do braço do seletor de marchas 12 N.m (1,2 kgf.m) 7-3
  • 177.
    REMOÇÃO/INSTALAÇÃO DO MOTOR SHADOW 750 REMOÇÃO DO MOTOR Drene o óleo de motor (página 3-13). Drene o líquido de arrefecimento do sistema de arrefecimento (página 6-7). Remova os seguintes componentes: – Tampa lateral (página 2-4) – Tanque de combustível (página 5-40) – Bobina de ignição dianteira (página 18-8) – Supressores de ruídos (página 3-7) – Alojamento do termostato (página 6-9) – Interruptor da luz do freio traseiro (página 20-22) – Pedal do freio (página 15-18) – Tampa traseira esquerda da carcaça do motor (página 2-4) – Sistema de escapamento (página 2-9) – Injetores (página 5-49) – Corpo do acelerador (página 5-43) – Radiador (página 6-11) – Tampas superiores do cabeçote (página 2-6) – Tampa da embreagem (página 10-5) – Tampa do alternador (página 3-9) NOTA Sele a porta do coletor de admissão com uma toalha ou cubra-a com um pedaço de fita adesiva para evitar que materiais estranhos entrem no motor. CONECTOR 2P (Vermelho) Desacople o conector 2P (Vermelho) do sensor CKP. CINTA DA FIAÇÃO Solte a cinta da fiação. Desacople os conectores 2P (Branco) do interruptor de ignição e 4P (Branco) do receptor do imobilizador. CONECTOR 2P (Branco) CONECTOR 4P (Branco) 7-4
  • 178.
    SHADOW 750 REMOÇÃO/INSTALAÇÃO DO MOTOR CONECTORES Solte a cinta da fiação. Desacople os conectores 3P (Branco) do sensor VS e 3P (Branco) do alternador. CINTA DA FIAÇÃO PRESILHAS CINTA DA FIAÇÃO Solte a fiação da presilha e da cinta da fiação. Desacople o conector do interruptor de ponto-morto. Desconecte a fiação do interruptor EOP, removendo o parafuso do terminal. CONECTOR DO INTERRUPTOR INTERRUPTOR DE PONTO-MORTO EOP PARAFUSO DE FIXAÇÃO Remova o parafuso de fixação e o braço do seletor de marchas. BRAÇO DO SELETOR DE MARCHAS Desconecte as mangueiras de fornecimento de ar secundário das tampas da válvula de inspeção PAIR. MANGUEIRAS DE FORNECIMENTO DE AR 7-5
  • 179.
    REMOÇÃO/INSTALAÇÃO DO MOTOR SHADOW 750 FIXADOR DO CABO DA EMBREAGEM Remova o fixador do cabo da embreagem, removendo o parafuso. Em seguida desconecte a extremidade do cabo da embreagem do braço de acionamento da embreagem. CABO DA EMBREAGEM PARAFUSO CABO DO MOTOR DE PARTIDA PORCA Abra a tampa do terminal e remova a porca do terminal do motor de partida. Desconecte o cabo do motor de partida. Remova o parafuso e desconecte o cabo do terra. TAMPA CABO DO TERRA PARAFUSO SUPORTES DO PEDAL DE FREIO Remova o parafuso e o suporte do pedal do freio do chassi. PARAFUSO PARAFUSOS/ PLACAS DE FIXAÇÃO PORCAS DE FIXAÇÃO Coloque um macaco ou outro suporte ajustável sob do motor. NOTA A altura do macaco deve ser continuamente ajustada para aliviar a tensão causada pela remoção do parafuso. Remova as porcas de fixação traseira do motor. Remova os parafusos e placas de fixação traseira direita do motor. PARAFUSOS 7-6
  • 180.
    SHADOW 750 REMOÇÃO/INSTALAÇÃO DO MOTOR PLACA DE FIXAÇÃO Remova os parafusos de fixação traseira do motor. Remova os parafusos e a placa de fixação traseira esquerda do motor. PARAFUSO DE FIXAÇÃO PARAFUSOS PARAFUSO/ DE FIXAÇÃO PORCAS DE FIXAÇÃO PLACA DE FIXAÇÃO Remova as porcas de fixação dianteira do motor. Remova os parafusos e a placa de fixação dianteira do motor. Remova os parafusos de fixação e o espaçador do motor. ESPAÇADOR PARAFUSOS Solte o protetor da conexão da carcaça do diferencial. EIXO DE TRANSMISSÃO Movimente o motor para frente e solte o eixo de transmissão da conexão universal, localizada no braço oscilante. Movimente cuidadosamente o motor e remova-o do chassi pelo seu lado direito. NOTA Durante a remoção do motor, apóie seguramente o motor e tenha cuidado para não danificar o chassi e o motor. CONEXÃO UNIVERSAL INSTALAÇÃO DO MOTOR Observe a posição dos parafusos de fixação do motor. NOTA • Instale sem apertar todos os parafusos e porcas de fixação do motor. Em seguida, aperte-os no torque e ordem especificados. • Passe adequadamente a fiação, as mangueiras e os cabos (página 1-20). 7-7
  • 181.
    REMOÇÃO/INSTALAÇÃO DO MOTOR SHADOW 750 Aplique 1 g de graxa a base de bissulfeto de molibdênio nas estrias do eixo de transmissão (lado da conexão universal). Utilizando um macaco ou outro suporte ajustável, coloque cuidadosamente o motor no chassi e movimente-o para posicioná-lo. NOTA • Encaixe o eixo de transmissão na conexão universal. • Durante a instalação do motor, apóie seguramente o motor e tenha cuidado para não danificar o chassi e o EIXO DE TRANSMISSÃO CONEXÃO UNIVERSAL motor. Instale ainda sem aperter as placas de fixação, os fixadores e o espaçador do motor. Aperte a porca de fixação inferior dianteira. Em seguida, aperte a porca de fixação superior dianteira do motor, ambas no torque especificado. Torque: 54 N.m (5,5 kgf.m) PARAFUSOS/PORCAS DE FIXAÇÃO PARAFUSOS/PORCAS DE FIXAÇÃO Aperte a porca de fixação inferior traseira. Em seguida, aperte a porca de fixação superior traseira do motor, ambas no torque especificado. Torque: 54 N.m (5,5 kgf.m) Aperte os parafusos da placa de fixação dianteira do motor no torque especificado. Torque: 26 N.m (2,7 kgf.m) PLACA DE FIXAÇÃO PARAFUSOS 7-8
  • 182.
    SHADOW 750 REMOÇÃO/INSTALAÇÃO DO MOTOR Aperte os parafusos da placa de fixação inferior traseira direita do motor no torque especificado. Torque: 26 N.m (2,7 kgf.m) PARAFUSOS PLACA DE FIXAÇÃO Aperte os parafusos da placa de fixação superior traseira esquerda do motor no torque especificado. Torque: 26 N.m (2,7 kgf.m) PARAFUSOS PARAFUSOS Aperte os parafusos da placa de fixação superior traseira direita do motor no torque especificado. Torque: 26 N.m (2,7 kgf.m) SUPORTE DO PEDAL DE FREIO Instale os suportes do pedal do freio, juntamente com seus parafusos. Instale o parafuso, ainda sem apertá-lo. • Ao instalar o suporte do pedal de apoio direito, aperte o parafuso do suporte do pedal do freio. PARAFUSO 7-9
  • 183.
    REMOÇÃO/INSTALAÇÃO DO MOTOR SHADOW 750 CABO DO MOTOR DE PARTIDA PORCA Conecte o cabo do motor de partida e aperte a porca do terminal no torque especificado. Torque: 10 N.m (1,0 kgf.m) Conecte o cabo do terra e aperte seguramente o parafuso. Feche seguramente a tampa do terminal. TAMPA CABO DO TERRA PARAFUSO FIXADOR DO CABO DA EMBREAGEM Conecte a extremidade do cabo ao braço de acionamento da embreagem. Instale o fixador do cabo da embreagem, juntamente com seu parafuso. Aperte seguramente o parafuso. CABO DA EMBREAGEM PARAFUSO Conecte as mangueiras de fornecimento de ar secundário nas tampas da válvula de inspeção PAIR. MANGUEIRAS DE FORNECIMENTO DE AR Alinhe PARAFUSO DE FIXAÇÃO Instale o braço seletor no eixo do seletor de marchas, alinhando-o com as marcas gravadas. Aperte o parafuso de fixação do braço do seletor de marchas no torque especificado. Torque: 12 N.m (1,2 kgf.m) BRAÇO SELETOR DE MARCHAS 7-10
  • 184.
    SHADOW 750 REMOÇÃO/INSTALAÇÃO DO MOTOR PRESILHAS CINTA DA FIAÇÃO Prenda a fiação utilizando as presilhas e a cinta da fiação. Acople o conector do interruptor de ponto-morto. Conecte a fiação do interruptor EOP, apertando o parafuso do terminal no torque especificado. Torque: 1,9 N.m (0,2 kgf.m) CONECTOR DO INTERRUPTOR INTERRUPTOR EOP DE PONTO-MORTO CONECTORES Acople os conectores 3P (Branco) do sensor VS e 3P (Branco) do alternador. Prenda a fiação utilizando a cinta da fiação CINTA DA FIAÇÃO CINTA DA FIAÇÃO CONECTOR 4P (Branco) Acople os conectores 4P (Branco) do receptor do imobilizador e 2P (Branco) do interruptor de ignição. Prenda a fiação utilizando a cinta da fiação. Acople o conector 2P (Vermelho) do sensor CKP. Instale os seguintes componentes: – Radiador (página 6-15) – Corpo do acelerador (página 5-45) – Injetores (página 5-50) – Sistema de escapamento (página 2-12) – Tampa traseira esquerda da carcaça do motor (página 2-4) – Supressor de ruídos (página 3-8) CONECTOR 2P (Branco) – Alojamento do termostato (página 6-9) CONECTOR 2P (Vermelho) – Interruptor da luz do freio traseiro (página 20-22) – Pedal do freio (página 15-20) – Tampa superior do cabeçote (página 2-6) – Tampa da embreagem (página 10-22) – Tampa do alternador (página 3-11) – Bobina de ignição dianteira (página 18-8) – Tanque de combustível (página 5-40) Abasteça a carcaça do motor, utilizando o óleo recomendado para motor (página 3-13). Abasteça o sistema de arrefecimento e execute sua sangria (página 6-7). Inspecione o nível de óleo de motor (página 3-12). 7-11
  • 185.
    REMOÇÃO/INSTALAÇÃO DO MOTOR SHADOW 750 NOTAS 7-12
  • 186.
    SHADOW 750 8. CABEÇOTE/VÁLVULAS LOCALIZAÇÃO DOS COMPONENTES 8-2 SUBSTITUIÇÃO DA GUIA DA VÁLVULA 8-18 INFORMAÇÕES DE SERVIÇO 8-3 INSPEÇÃO/RETÍFICA DA SEDE DA VÁLVULA 8-19 DIAGNOSE DE DEFEITOS 8-5 MONTAGEM DO CABEÇOTE 8-22 COMPRESSÃO DO CILINDRO 8-6 INSTALAÇÃO DO CABEÇOTE 8-24 REMOÇÃO DA TAMPA DO CABEÇOTE 8-6 INSTALAÇÃO DA ÁRVORE DE COMANDO 8-26 REMOÇÃO DA ÁRVORE DE COMANDO 8-7 INSTALAÇÃO DA TAMPA DO CABEÇOTE 8-31 REMOÇÃO DO CABEÇOTE 8-13 DESMONTAGEM DO CABEÇOTE 8-15 8-1
  • 187.
    CABEÇOTE/VÁLVULAS SHADOW 750 LOCALIZAÇÃO DOS COMPONENTES 10 N.m (1,0 kgf.m) 10 N.m (1,0 kgf.m) 23 N.m (2,3 kgf.m) 23 N.m (2,3 kgf.m) 47 N.m (4,8 kgf.m) 23 N.m (2,3 kgf.m) 10 N.m (1,0 kgf.m) 23 N.m (2,3 kgf.m) 10 N.m (1,0 kgf.m) 8-2
  • 188.
    SHADOW 750 CABEÇOTE/VÁLVULAS INFORMAÇÕES DE SERVIÇO INFORMAÇÕES GERAIS • Este capítulo apresenta os procedimentos de reparo do balancim, cabeçote, válvulas e árvores de comando. • Reparos no balancim e árvore de comando podem ser executados com o motor instalado no chassi. Reparos no cabeçote e válvula exigem a remoção do motor. • Tenha cuidado para não danificar as superfícies de contato ao remover a tampa do cabeçote e o cabeçote. Não bata no cabeçote e em sua tampa durante a remoção. • Durante a desmontagem, marque e armazene os componentes removidos para certificar-se de que sejam reinstalados em suas posições originais. • Limpe todos os componentes desmontados com solvente de limpeza e seque-os utilizando ar comprimido antes de inspecioná-los. • O abastecimento de óleo lubrificante do balancim e da árvore de comando é feito através de passagens de óleo presentes no cabeçote e no suporte da árvore de comando. Limpe estas passagens antes de montar o cabeçote e sua tampa. ESPECIFICAÇÕES Unidade: mm Item Padrão Limite de uso Compressão do cilindro (a 400 rpm) 1.373 ± 98 kPa (14,0 ± 1,0 kgf/cm2, 199 ± 14 psi) — Folga das válvulas ADM 0,15 ± 0,02 — ESC 0,20 ± 0,02 — Comprimento do calço B do tensor — 6,0 da corrente de distribuição Árvore de Altura do ressalto ADM 37,188 – 37,348 37,16 comando ESC 37,605 – 37,765 37,58 Empenamento ADM/ESC — 0,05 D.E. do mancal ADM/ESC 21,959 – 21,980 21,90 Folga de óleo ADM/ESC 0,020 – 0,141 0,16 Balancim e eixo D.E. do eixo do balancim ADM/ESC 11,966 – 11,984 11.83 do balancim D.I. do balancim ADM/ESC 12,000 – 12,018 12,05 Folga entre o balancim e o eixo 0,016 – 0,052 0,07 Válvula e guia D.E. da haste da válvula ADM 5,475 – 5,490 5,45 da válvula ESC 5,455 – 5,470 5,41 D.I. da guia da válvula ADM 5,500 – 5,510 5,56 ESC 5,500 – 5,512 5,56 Folga entre a haste ADM 0,010 – 0,035 0,10 e a guia da válvula ESC 0,030 – 0,057 0,11 Projeção da guia da ADM 17,2 – 17,4 — válvula sobre o cabeçote ESC 18,7 – 18,9 — Largura da sede da válvula ADM/ESC 0,90 – 1,10 1,5 Comprimento Interna 38,11 36,47 ADM livre da mola Externa 42,14 40,58 da válvula ESC 46,11 44,72 Empenamento do cabeçote — 0,10 VALORES DE TORQUE Parafuso da tampa do cabeçote 10 N.m (1,0 kgf.m) Porca do cabeçote 47 N.m (4,8 kgf.m) Aplique óleo para motor nas roscas e superfícies de assentamento. Parafuso do cabeçote, 8 mm 23 N.m (2,3 kgf.m) Aplique óleo para motor nas roscas e superfícies de assentamento. Parafuso da engrenagem da árvore de comando 23 N.m (2,3 kgf.m) Aplique trava-química nas roscas. Parafuso do tensor da corrente de distribuição 10 N.m (1,0 kgf.m) Consulte página 8-25 Parafuso do suporte da árvore de comando 23 N.m (2,3 kgf.m) Porca do suporte da árvore de comando 23 N.m (2,3 kgf.m) 8-3
  • 189.
    CABEÇOTE/VÁLVULAS SHADOW 750 FERRAMENTAS Compressor de mola da válvula Alargador da guia da válvula, 5,510 mm Instalador da guia da válvula, 5,5 mm 07757-0010000 07984-2000001 07742-0010100 Fresa para sede, 27,5 mm (45° ADM) Fresa para sede, 35 mm (45° ESC) Fresa plana, 28 mm (32° ADM) 07780-0010200 07780-0010400 07780-0012100 Fresa plana, 35 mm (32° ESC) Fresa para interior, 30 mm (60° ADM) Fresa para interior, 37,5 mm (60° ESC) 07780-0012300 07780-0014000 07780-0014100 Suporte para fresa, 5,5 mm Instalador da guia da válvula 07781-0010101 07743-0020000 8-4
  • 190.
    SHADOW 750 CABEÇOTE/VÁLVULAS DIAGNOSE DE DEFEITOS Problemas na parte superior do motor geralmente afetam seu desempenho. Tais problemas podem ser diagnosticados por meio do teste de compressão ou pela detecção de ruídos na parte superior do motor, utilizando-se um estetoscópio. Compressão muito baixa, dificuldade de partida ou desempenho inadequado em baixas rotações • Válvulas: – Ajuste incorreto da válvula – Válvula queimada ou empenada – Sincronização incorreta das válvulas – Molas das válvulas quebradas – Sede das válvulas irregular – Válvula emperrada na posição aberto • Cabeçote: – Junta do cabeçote vazando ou danificada – Cabeçote empenado ou trincado – Vela de ignição solta • Problemas nos cilindros/pistões (página 9-3) Compressão muito alta • Excesso de depósitos de carvão na cabeça do pistão ou na câmara de combustão Fumaça excessiva • Haste ou guia da válvula desgastada • Retentor da haste danificado • Problemas nos cilindros/pistões (página 9-3) Ruído excessivo • Folga da válvula incorreta • Válvula presa ou molas da válvulas quebrada • Sede da válvula excessivamente desgastada • Árvore de comando desgastada ou danificada • Balancim ou eixo do balancim desgastado ou danificado • Balancim ou extremidade da haste da válvula desgastada • Dentes da engrenagem da árvore de comando desgastados • Corrente de distribuição desgastada • Tensor da corrente de distribuição desgastado ou danificado • Problemas nos cilindros/pistões (página 9-3) Marcha-lenta irregular • Baixa compressão do cilindro 8-5
  • 191.
    CABEÇOTE/VÁLVULAS SHADOW 750 COMPRESSÃO DO CILINDRO NOTA Se for necessário manter o motor em funcionamento para a execução de algum reparo, certifique-se de que o local possui ventilação adequada. Nunca mantenha o motor funcionando em locais fechados. Aqueça o motor até atingir sua temperatura normal de funcionamento. Desligue o motor. Em seguida, desconecte o supressor de ruídos e remova uma vela de ignição por vez. MANÔMETRO NOTA Para medir a compressão de cada cilindro, remova uma vela de ignição por vez. Coloque a transmissão em ponto-morto. Instale o manômetro no orifício da vela de ignição. Abra completamente o acelerador e dê partida no motor, utilizando o motor de partida, até que a leitura no manômetro pare de aumentar. A leitura máxima é normalmente obtida entre 4 e 7 segundos. NOTA Para evitar que a bateria descarregue, não acione o motor de partida por mais de sete segundos. Compressão: 1.373 ± 98 kPa (14,0 ± 1,0 kgf/cm2, 199 ± 14 psi) a 400 rpm Baixa compressão pode ser causada por: – Junta do cabeçote queimada – Ajuste incorreto da válvula – Vazamento na válvula – Anel do pistão ou cilindro desgastado Alta compressão pode ser causada por: – Excesso de depósitos de carvão na câmara de combustão ou na cabeça do pistão REMOÇÃO DA TAMPA DO CABEÇOTE DIANTEIRO Remova os seguintes componentes: – Tampa superior do cabeçote (página 2-6) – Bobina de ignição dianteira (página 18-8) – Válvula de inspeção PAIR (página 5-61) – Alojamento do termostato (página 6-9) Remova os parafusos, arruelas e vedadores de borracha da tampa do cabeçote. PARAFUSOS/ARRUELAS/VEDADORES DE BORRACHA 8-6
  • 192.
    SHADOW 750 CABEÇOTE/VÁLVULAS JUNTA Remova a tampa e a junta do cabeçote. NOTA Tenha cuidado para não danificar a fiação e as superfícies de contato ao remover a tampa do cabeçote. TAMPA DO CABEÇOTE MANGUEIRA DE RESPIRO TRASEIRO Remova os seguintes componentes: – Tampa superior do cabeçote (página 2-6) – Válvula de inspeção PAIR (página 5-61) Desconecte a mangueira de respiro da carcaça do motor da tampa do cabeçote. Remova os parafusos, arruelas e vedadores de borracha da tampa do cabeçote. PARAFUSOS/ARRUELAS/ VEDADORES DE BORRACHA TAMPA DO CABEÇOTE Remova a tampa e a junta do cabeçote NOTA Tenha cuidado para não danificar a fiação e as superfícies de contato ao remover a tampa do cabeçote. JUNTA TAMPA DO ALTERNADOR REMOÇÃO DA ÁRVORE DE COMANDO NOTA Os mesmos procedimentos aplicam-se tanto à árvore de comando do cabeçote dianteiro como do traseiro. Remova a tampa do cabeçote traseiro (página 8-7). Remova os parafusos Allen e a tampa do alternador. PARAFUSOS 8-7
  • 193.
    CABEÇOTE/VÁLVULAS SHADOW 750 TAMPA DO ORIFÍCIO DA ÁRVORE DE MANIVELAS Remova a árvore de manivelas e a tampa do orifício de sincronização da tampa esquerda da carcaça do motor. TAMPA DO ORIFÍCIO DE SINCRONIZAÇÃO Gire a árvore de manivelas em sentido anti-horário e alinhe a MARCA DE REFERÊNCIA marca “RT” (cilindro dianteiro: marca “FT”) com a marca de referência na tampa esquerda da carcaça do motor. Certifique-se de que o pistão esteja em PMS (Ponto-morto superior) na fase de escape, de modo que o pistão esteja em PMS na fase de compressão durante a remoção do suporte da árvore de manivelas. MARCA “RT” Meça o comprimento do calço B do tensor da corrente de distribuição. CALÇO B 6 mm Limite de Uso 6 mm Substitua a corrente de distribuição por uma nova caso a projeção exceda o limite de uso. Para a substituição da corrente de distribuição, remova os seguintes componentes: Dianteiro: CALÇO A – Árvore de comando dianteira – Volante do motor (página 11-5) CALÇO A PINO, D.E. 2 mm Traseiro: – Árvore de de comando traseira – Engrenagem motora primária (página 10-12) Instale o pino de 2 mm de diâmetro externo no orifício do calço A do tensor da corrente de distribuição, puxando o calço A para cima e empurrando o calço B para baixo. NOTA Tenha cuidado para que o pino de 2 mm de diâmetro externo não caia na carcaça do motor. CALÇO B 8-8
  • 194.
    SHADOW 750 CABEÇOTE/VÁLVULAS Remova o parafuso da engrenagem da árvore de comando e gire a árvore de manivelas por uma volta completa (360°) em sentido horário. Em seguida, remova o outro parafuso da engrenagem da árvore de comando. NOTA Tenha cuidado para que os parafusos da engrenagem da árvore de comando não caiam na carcaça do motor. PARAFUSOS ENGRENAGEM Remova a engrenagem da árvore de comando da superfície do flange. NOTA Fixe a corrente de distribuição utilizando um pedaço de arame para evitar que a corrente caia na carcaça do motor. CONJUNTO DO SUPORTE DA ÁRVORE DE COMANDO Certifique-se de que o pistão esteja em PMS (Ponto-morto superior) na fase de compressão. Solte os parafusos e porcas em ordem cruzada e em diversas etapas e remova-os. Em seguida, remova o conjunto do suporte da árvore de comando. PORCAS PARAFUSOS ÁRVORE DE COMANDO Remova a árvore de comando. 8-9
  • 195.
    CABEÇOTE/VÁLVULAS SHADOW 750 PONTO DE MEDIDA INSPEÇÃO Empenamento da Árvore de Comando Apóie ambas as extremidades dos mancais da árvore de comando sobre blocos em V e meça seu empenamento, utilizando um relógio comparador. O empenamento real é a metade da leitura total do relógio comparador. Limite de Uso 0,05 mm Altura do Ressalto da Árvore de Comando Inspecione as superfícies dos ressaltos da árvore de comando quanto a escoriações ou evidências de lubrificação insuficiente. Meça a altura de cada ressalto da árvore de comando. ADM 37,16 mm Limite de Uso ESC 37,58 mm NOTA Inspecione o balancim caso o ressalto da árvore de comando esteja desgastado ou danificado. Mancal da Árvore de Comando Inspecione as superfícies do mancal da árvore de comando quanto a escoriações ou evidências de lubrificação insuficiente. Meça o diâmetro externo de cada mancal da árvore de comando. Limite de Uso 21,90 mm NOTA Inspecione as passagens de óleo e o suporte da árvore de comando quanto a desgaste ou danos caso a superfície do mancal esteja desgastada ou danificada. Engrenagem da Árvore de Comando Inspecione a engrenagem da árvore de comando quanto a desgaste ou danos. 8-10
  • 196.
    SHADOW 750 CABEÇOTE/VÁLVULAS SUPERFÍCIES DO MANCAL Cabeçote Inspecione as superfícies do mancal da árvore de comando do cabeçote quanto a escoriações, riscos ou evidências de lubrificação insuficiente. ÁRVORE DE COMANDO Folga de Óleo da Árvore de Comando Remova quaisquer resíduos de óleo dos mancais dos suportes, do cabeçote e da árvore de comando. Posicione a árvore de comando no cabeçote e aplique uma tira de plastigauge longitudinalmente em cada mancal da árvore de comando. NOTA • Não obstrua nenhuma passagem de óleo com o plastigauge. • Não gire a árvore de comando durante a inspeção. CONJUNTO DO SUPORTE PLASTIGAUGES DA ÁRVORE DE COMANDO PORCAS Instale cuidadosamente o suporte da árvore de comando. Em seguida, aperte seus parafusos e porcas no torque especificado, em ordem cruzada e em diversas etapas. Torque: 23 N.m (2,3 kgf.m) PARAFUSOS Remova o suporte da árvore de comando e meça a largura de cada plastigauge. A folga de óleo é determinada pela maior espessura do plastigauge. Limite de Uso 0,16 mm Quando o limite de uso for excedido, substitua a árvore de comando e verifique novamente a folga de óleo. Substitua o cabeçote e o suporte da árvore de comando caso a folga de óleo ainda exceda o valor de limite de uso. 8-11
  • 197.
    CABEÇOTE/VÁLVULAS SHADOW 750 BALANCIM DE ESCAPE DESMONTAGEM DO SUPORTE DA ÁRVORE DE COMANDO NOTA Os procedimentos de serviço aplicam-se tanto aos suportes da árvore de comando dianteira como traseira. Remova os eixos dos balancins e os balancins de admissão e escape. BALANCINS DE ADMISSÃO EIXOS PARAFUSO DE AJUSTE Remova a contraporca e o parafuso de ajuste da válvula se necessário. Inspeção do Balancim CONTRAPORCA Inspecione a superfície deslizante dos balancins quanto a desgaste ou danos na região de contato com a árvore de comando, ou quanto a obstrução nos orifícios de óleo. Inspecione a superfície de contato do parafuso de ajuste da válvula quanto a desgaste ou danos. Meça o D.I. de cada balancim. Limite de Uso 12,05 mm Inspeção do Eixo do Balancim Inspecione os eixos dos balancins quanto a desgaste ou danos. Meça o diâmetro externo de cada eixo dos balancins. Limite de Uso 11,83 mm Calcule a folga entre o balancim e o eixo do balancim. Limite de Uso: 0,07 mm Substitua o balancim e/ou seu eixo, se necessário. 8-12
  • 198.
    SHADOW 750 CABEÇOTE/VÁLVULAS Inspeção do Suporte da Árvore de Comando MANCAIS Inspecione as superfícies do mancal de cada suporte da árvore de comando quanto a escoriações, riscos ou evidências de lubrificação insuficiente. CONEXÃO DA MANGUEIRA REMOÇÃO DO CABEÇOTE NOTA • O motor deve ser removido do chassi antes de executar qualquer reparo no cabeçote. • Os procedimentos de reparo dos cabeçotes dianteiro e traseiro são os mesmos. Remova os seguintes componentes: – Motor (página 7-4) – Tampa do cabeçote (página 8-6) – Árvore de comando (página 8-7) PARAFUSO – Coletor de admissão (página 5-47) Remova o parafuso e a conexão da mangueira de água do cilindro. Remova os parafusos do tensor da corrente de distribuição e as arruelas de vedação. PARAFUSOS/ARRUELAS DE VEDAÇÃO 8-13
  • 199.
    CABEÇOTE/VÁLVULAS SHADOW 750 TENSOR DA CORRENTE DE DISTRIBUIÇÃO Remova o tensor da corrente de distribuição. PORCAS/ARRUELAS Remova os seguintes parafusos e porcas do cabeçote: – Parafuso de 6 mm – Parafusos de 8 mm – Porcas/arruelas NOTA Solte os parafusos e porcas em ordem cruzada e em diversas etapas. Remova o cabeçote. NOTA Tenha cuidado para não danificar as superfícies de PARAFUSO, 6 mm PARAFUSOS, 8 mm contato ao remover o cabeçote. PINOS-GUIAS Remova os pinos-guias e a junta. JUNTA GUIA DA CORRENTE DE DISTRIBUIÇÃO Remova a guia da corrente de distribuição. 8-14
  • 200.
    SHADOW 750 CABEÇOTE/VÁLVULAS COMPRESSOR DE MOLA DESMONTAGEM DO CABEÇOTE Remova as velas de ignição (página 3-7). NOTA Marque todos os componentes durante a desmontagem para que possam ser instalados novamente em suas posições originais. Remova as chavetas, utilizando a ferramenta especial. Ferramenta: Compressor de mola da válvula 07757-0010000 CHAVETAS NOTA Para evitar perda de tensão, não comprima as molas das SEDE DA MOLA válvulas mais do que o necessário. MOLA Remova o compressor de mola da válvula. Remova os seguintes componentes: – Retentor da mola – Molas interna/externa da válvula (ADM) – Mola da válvula (ESC) – Válvula VÁLVULA – Retentor da haste RETENTOR DA HASTE – Sede da mola RETENTOR INSPEÇÃO Cabeçote Remova os depósitos de carvão da câmara de combustão e limpe a superfície de junta do cabeçote. Inspecione o cabeçote quanto a empenamento, utilizando uma régua de precisão e um cálibre de lâminas. Limite de Uso 0,10 mm 8-15
  • 201.
    CABEÇOTE/VÁLVULAS SHADOW 750 Mola da Válvula ADM: Inspecione a mola da válvula quanto a fatiga ou danos. MOLA EXTERNA DA VÁLVULA MOLA INTERNA Meça o comprimento livre de cada mola da válvula. DA VÁLVULA Interna 36,47 mm ADM Limite de Uso Externa 40,58 mm ESC 44,72mm ESC: Haste da Válvula Inspecione cada válvula quanto a empenamento, queimaduras, riscos ou desgaste anormal. Insira as válvulas no cabeçote em suas posições originais. Certifique-se de que cada válvula movimenta-se para cima e para baixo suavemente e sem obstruções. Meça e anote o D.E. da haste de cada válvula. ADM 5,45 mm Limite de Uso ESC 5,41 mm Guia da Válvula Utilize o alargador nas guias para remover os depósitos de carvão antes de medir o D.I. da guia. NOTA ALARGADOR DA GUIA DA VÁLVULA • Tenha cuidado para não inclinar o alargador na guia ao utilizá-lo. Caso contrário, as válvulas podem ser instaladas de maneira tendenciosa, causando vazamento de óleo pelo retentor da haste e contato inadequado da sede da válvula. Isto pode evitar a retífica da sede da válvula. • Insira o alargador pelo lado da câmara de combustão do cabeçote e sempre gire-o em sentido horário. Ferramenta: Alargador da guia da válvula 5,510 mm (ADM/ESC) 07984-2000001 8-16
  • 202.
    SHADOW 750 CABEÇOTE/VÁLVULAS Meça e anote o D.I. da guia de cada válvula. ADM 5,56 mm Limite de Uso ESC 5,56 mm Calcule a folga entre a haste e a guia da válvula, subtraindo o D.E. da haste da válvula do D.I. da guia correspondente. ADM 0,10 mm Limite de Uso ESC 0,11 mm GUIA DA CORRENTE DE DISTRIBUIÇÃO Se o valor da folga entre a haste e a guia da válvula exceder o valor de limite de uso, verifique se uma nova guia, com seus valores padrão, corrigiria o valor da folga para os valores tolerados. Em caso positivo, substitua as guias das válvulas que forem necessárias e alargue-as para que encaixem. Se, mesmo com uma nova guia, o valor da folga entre a haste e a guia da válvula exceder o valor de limite de uso, substitua as válvulas e as guias. NOTA Inspecione e retifique as sedes das válvulas sempre que as guias forem substituídas (página 8-19). TENSOR DA CORRENTE DE DISTRIBUIÇÃO Guia da Corrente de Distribuição Inspecione a guia da corrente de distribuição quanto a desgaste ou danos. Substitua a guia da corrente de distribuição, se necessário. Tensor da Corrente de Distribuição Inspecione o tensor da corrente de distribuição quanto a desgaste ou danos. Substitua o tensor da corrente de distribuição, se necessário. 8-17
  • 203.
    CABEÇOTE/VÁLVULAS SHADOW 750 SUBSTITUIÇÃO DAS GUIAS DAS VÁLVULAS NOTA Retifique as sedes das válvulas sempre que as guias forem substituídas para evitar um assentamento irregular. Coloque as guias das válvulas para substituição em um congelador por aproximadamente uma hora. Aqueça o cabeçote até atingir uma temperatura entre 130 e 140°C, utilizando uma chapa quente ou um forno. Não aqueça o cabeçote a uma temperatura superior a 150°C. Utilize um termômetro, disponível em lojas de suprimentos de soldagem, para certificar-se de que o cabeçote esteja aquecido a temperatura adequada. NOTA INSTALADOR DA GUIA DA VÁLVULA Não utilize um maçarico para aquecer o cabeçote, pois pode causar seu empenamento. Para evitar queimaduras, vista luvas grossas ao manusear o cabeçote aquecido. Apóie o cabeçote e retire as guias das válvulas pelo lado da câmara de combustão do cabeçote. NOTA Tenha cuidado para não danificar o cabeçote. Ferramenta: Instalador da guia da válvula 5,5 mm (ADM/ESC) 07742-0010100 INSTALADOR DA GUIA DA VÁLVULA Ajuste o instalador da guia da válvula na altura da guia. Ferramenta: Instalador da guia da válvula 07743-0020000 Projeção da Guia da Válvula sobre o Cabeçote: ADM 17,2 – 17,4 mm ESC 18,7 – 18,9 mm Insira as novas guias pelo lado da árvore de comando do cabeçote, na altura da guia da válvula, enquanto o cabeçote ainda encontra-se aquecido. Espere o cabeçote esfriar até atingir a temperatura ambiente. Em seguida, utilize o alargador nas novas guias das válvulas. Ferramenta: Alargador da guia da válvula 5,510 mm (ADM/ESC) 07984-2000001 ALARGADOR DA GUIA DA VÁLVULA NOTA • Tenha cuidado para não inclinar o alargador na guia ao utilizá-lo. Caso contrário, as válvulas podem ser instaladas de maneira tendenciosa, causando vazamento de óleo pelo retentor da haste e contato inadequado da sede da válvula. Isto pode evitar a retífica da sede da válvula. • Insira o alargador pelo lado da câmara de combustão do cabeçote e sempre gire-o em sentido horário. Limpe completamente o cabeçote para remover quaisquer partículas metálicas. Retifique a sede da válvula (página 8-20). 8-18
  • 204.
    SHADOW 750 CABEÇOTE/VÁLVULAS FERRAMENTA DE POLIMENTO MANUAL INSPEÇÃO/RETÍFICA DAS SEDES DAS VÁLVULAS INSPEÇÃO Limpe completamente as válvulas de admissão e escape para remover quaisquer depósitos de carvão. Aplique uma fina camada de Azul-da-Prússia sobre as sedes das válvulas. Execute o polimento das válvulas e sedes, utilizando uma mangueira de borracha ou outra ferramenta de polimento manual, sem no entanto rotacionar a válvula. Remova a válvula e inspecione a face da sede da válvula. NOTA As válvulas não podem ser retificadas. Substitua a válvula se sua face estiver queimada, excessivamente desgastada ou se o contato com a sede for irregular. Inspecione a face da sede da válvula quanto a: • Face danificada: – Substitua a válvula e retifique a sede. • Largura da sede irregular FACE DANIFICADA LARGURA DA – Substitua a válvula e retifique a sede. SEDE IRREGULAR • Área de contato (muito alta ou muito baixa): – Retifique a sede da válvula. MUITO BAIXA MUITO ALTA Inspecione a largura da sede da válvula. O contato da sede da válvula deve possuir uma largura dentro do intervalo especificado e permanecer regular em toda a circunferência. Padrão Limite de Uso 0,90 – 1,10 mm 1,5 mm LARGURA DE CONTATO Se a largura da sede não estiver de acordo com os valores DA SEDE DA VÁLVULA especificados, retifique a sede da válvula. 8-19
  • 205.
    CABEÇOTE/VÁLVULAS SHADOW 750 RETIFICA DAS SEDES DAS VALVULAS NOTA • Siga as instruções de operação do fabricante do 45° retificador. • Retifique a sede da válvula sempre que a guia da válvula for substituída. 60° • Tenha cuidado para não retificar a sede mais do que o necessário. 32° Se a área de contato da válvula estiver muito alta, a sede CONTATO MUITO ALTO LARGURA DA deve ser rebaixada utilizando-se uma fresa plana de 32°. SEDE ANTIGA Se a área de contato da válvula estiver muito baixa, a sede deve ser erguida utilizando-se uma fresa para interiores de 32° 32° 60°. CONTATO MUITO BAIXO LARGURA DA SEDE ANTIGA 60° 60° Utilize uma fresa de 45° para remover quaisquer rugosidades ou irregularidades das sedes. RUGOSIDADES Ferramentas: Fresa para sede da válvula, 27,5 mm (ADM) 07780-0010200 Fresa para sede da válvula, 35 mm (ESC) 07780-0010400 Suporte para fresa, 5,5 mm 07781-0010101 Utilize uma fresa de 32° para remover 1/4 do material existente na parte superior da sede da válvula. LARGURA DA SEDE ANTIGA Ferramentas: Fresa plana, 28 mm (ADM) 07780-0012100 Fresa plana, 35 mm (ESC) 07780-0012300 Suporte para fresa, 5,5 mm 07781-0010101 32° 8-20
  • 206.
    SHADOW 750 CABEÇOTE/VÁLVULAS Utilize uma fresa de 60° para remover 1/4 do material existente na parte inferior da sede antiga. LARGURA DA SEDE ANTIGA Ferramentas: Fresa para interiores, 30 mm (ADM) 07780-0014000 Fresa para interiores, 37,5 mm (ESC) 07780-0014100 Suporte para fresa, 5,5 mm 07781-0010101 60 ° 60° Utilize uma fresa de 45° para efetuar o acabamento e obter a largura correta da sede. Certifique-se de que todas as irregularidades e pontos de LARGURA DA SEDE corrosão tenham sido removidos. 45° 45° Após retificar a sede, aplique composto de polimento na face da válvula e efetue o seu polimento, aplicando uma leve LARGURA DA pressão. SEDE ANTIGA • Pressão excessiva no polimento pode deformar ou danificar a sede. • Altere constantemente a inclinação da ferramenta de polimento para evitar um desgaste irregular da sede. • Tenha cuidado para que o composto de polimento não penetre nas guias. Após o polimento, limpe completamente os resíduos do cabeçote e da válvula. Verifique novamente o contato da sede após o polimento. 8-21
  • 207.
    CABEÇOTE/VÁLVULAS SHADOW 750 MONTAGEM DO CABEÇOTE CHAVETAS RETENTOR DA MOLA MOLA EXTERNA DA VÁLVULA MOLA INTERNA DA VÁLVULA SEDE DA MOLA RETENTOR DA HASTE GUIA DA VÁLVULA VÁLVULAS DE ADMISSÃO VÁLVULA DE ESCAPE Aplique ar comprimido em todas as passagens de óleo do VÁLVULA RETENTOR DA HASTE cabeçote. ADM: Instale as sedes das molas das válvulas e os novos retentores das hastes. NOTA Os retentores da haste de escape possuem anel limitador. ESC: Lubrifique a superfície deslizante das hastes da guia da válvula utilizando solução de óleo de bissulfeto de ANEL molibdênio. SEDE DA MOLA LIMITADOR Instale a válvula na guia da válvula. NOTA Para evitar danos ao retentor da haste, gire lentamente a válvula durante sua instalação. 8-22
  • 208.
    SHADOW 750 CABEÇOTE/VÁLVULAS Instale as molas das válvulas, mantendo o lado das espiras ADM: mais próximas voltado para a câmara de combustão. MOLA EXTERNA DA VÁLVULA MOLA INTERNA • As molas das válvulas possuem as seguintes marcas de DA VÁLVULA identificação: – ADM (interna): Marca amarela – ADM (Externa): Marca amarela – ESC: Marca branca Instale o retentor da mola. LADO DA CÂMARA DE COMBUSTÃO ESC: LADO DA CÂMARA DE COMBUSTÃO COMPRESSOR DE MOLA Instale as chavetas, utilizando a ferramenta especial. NOTA Aplique graxa nas chavetas da válvula para facilitar sua instalação. Ferramenta: Compressor de mola da válvula 07757-0010000 NOTA Para evitar perda de tensão, não comprima as molas das válvulas mais do que o necessário. CHAVETAS Apóie o cabeçote de forma que as válvulas não encostem em nenhum objeto que possa danificá-las. Bata levemente nas hastes das válvulas, utilizando um martelo plástico e um eixo, para assentar firmemente as chavetas, como mostra a ilustração. Instale as velas de ignição (página 3-8). 8-23
  • 209.
    CABEÇOTE/VÁLVULAS SHADOW 750 INSTALAÇÃO DO CABEÇOTE NOTA • Os mesmos procedimentos aplicam-se tanto ao cabeçote dianteiro como ao traseiro. • Tenha cuidado para não danificar as superfícies de contato ao limpar o cabeçote. • Durante a limpeza da superfície de contato do cabeçote, coloque uma toalha sobre o cilindro aberto para evitar que a poeira penetre no motor. Limpe completamente as superfícies de contato da junta do cilindro e do cabeçote, tendo cuidado para não danificá-las. GUIA DA CORRENTE Alinhe Instale a guia da corrente de distribuição, alinhando a extremidade da guia com a ranhura da carcaça do motor, e as guias com a ranhura no cilindro. Alinhe PINOS-GUIA Instale os pinos-guia e uma nova junta. JUNTA MARCA “R” Os cilindros são identificados pelas seguintes marcas existentes em seus compartimentos de óleo: • “F”: cabeçote dianteiro • “R”: cabeçote traseiro MARCA “F” 8-24
  • 210.
    SHADOW 750 CABEÇOTE/VÁLVULAS PORCAS/ARRUELAS Instale o cilindro no cabeçote Aplique óleo para motor nas roscas e superfícies de assentamento dos parafusos de 8 mm e porcas. Instale os parafusos de 8 mm, as porcas e arruelas. Aperte as porcas e parafusos de 8 mm no torque especificado. Torque: PARAFUSOS, Porca 47 N.m (4,8 kgf.m) 8 mm Parafuso, 8 mm 23 N.m (2,3 kgf.m) PARAFUSO, 6 mm Instale e aperte seguramente o parafuso de 6 mm. TENSOR DA CORRENTE DE DISTRIBUIÇÃO NOTA • Aperte manualmente todos os parafusos. Em seguida, aperte primeiramente os fixadores de maior diâmetro seguidos pelos de menor diâmetro. • Aperte os parafusos e porcas em ordem cruzada e em diversas etapas. Instale o tensor da corrente de distribuição, alinhando sua extremidade com a ranhura da carcaça do motor. Alinhe Aperte os parafusos do tensor como indicado a seguir: 1. Instale temporariamente os parafusos do tensor, juntamente com novas arruelas de vedação. 2. Aperte o parafuso do tensor da corrente de distribuição, no lado do cabeçote, no torque especificado. Torque: 10 N.m (1,0 kgf.m) 3. Aperte o parafuso do tensor da corrente de distribuição, no lado do cilindro, no torque especificado. Torque: 10 N.m (1,0 kgf.m) PARAFUSOS/ARRUELA DE VEDAÇÃO Instale um novo anel de vedação na conexão da mangueira de água. ANEL DE VEDAÇÃO 8-25
  • 211.
    CABEÇOTE/VÁLVULAS SHADOW 750 PLACA LIMITADORA CONEXÃO DA MANGUEIRA Instale a conexão da mangueira de água, alinhando os orifícios dos parafusos da placa limitadora e do cabeçote. Instale e aperte seguramente os parafusos. Instale o motor no chassi (página 7-7). Instale os seguintes componentes: – Árvore de comando (página 8-26) – Tampa do cabeçote (página 8-31) – Coletor de admissão (página 5-48) PARAFUSO INSTALAÇÃO DA ÁRVORE DE COMANDO MONTAGEM DO SUPORTE DA ÁRVORE DE COMANDO EIXO DO BALANCIM PARAFUSO DE AJUSTE DE ADMISSÃO DA VÁLVULA EIXO DO BALANCIM DE ESCAPE CONTRAPORCA BALANCIM DE ADMISSÃO SUPORTE DA ÁRVORE BALANCIM DE ESCAPE DE COMANDO PARAFUSO DE AJUSTE Aplique óleo de motor nas roscas dos parafusos de ajuste da válvula. Instale o parafuso de ajuste da válvula, juntamente com sua contraporca. . CONTRAPORCA 8-26
  • 212.
    SHADOW 750 CABEÇOTE/VÁLVULAS BALANCINS NOTA • O balancim de escape possui uma superfície deslizante maior que a do balancim de admissão. • O eixo do balancim de admissão possui dois orifícios em cada extremidade. • O eixo do balancim de escape possui duas ranhuras em cada extremidade. Aplique solução de óleo de bissulfeto de molibdênio na superfície externa do eixo do balancim. Instale os balancins e os eixos. EIXOS ORIFÍCIOS Alinhe os orifícios do eixo do balancim de admissão com os orifícios do suporte da árvore de comando. Alinhe as ranhuras do eixo do balancim de escape com os orifícios do suporte da árvore de comando. ORIFÍCIOS MARCA “R” MARCA “F” PROCEDIMENTO DE SINCRONIZAÇÃO DA ÁRVORE DE COMANDO NOTA • As árvores de comando estão identificadas pelas seguintes marcas gravadas: “F”: Árvore de comando do cilindro dianteiro “R”: Árvore de comando do cilindro traseiro • Se ambas as árvores de comando (dianteira e traseira) forem removidas, instale primeiramente a árvore de comando do cilindro dianteiro. Em seguida, instale a árvore de comando do cilindro traseiro. • Se não houver execução de reparos no cabeçote traseiro, remova sua tampa do cabeçote e verifique a posição da árvore de comando. • Se não houver execução de reparos no cabeçote dianteiro, remova sua tampa do cabeçote e verifique a posição da árvore de comando. 8-27
  • 213.
    CABEÇOTE/VÁLVULAS SHADOW 750 Ajuste de PMS do Cilindro Dianteiro MARCA DE REFERÊNCIA Remova o tampa do cabeçote traseiro (página 8-7) e verifique a posição da árvore de comando do cilindro traseiro, através do procedimento a seguir: NOTA Caso não tenham sido executados reparos no cilindro traseiro, inicie desta etapa. Gire a árvore de manivelas em sentido anti-horário e alinhe a marca “RT” do volante do motor com a marca de referência da tampa esquerda da carcaça do motor. Em seguida, MARCA “RT” verifique a marca de identificação “R” na árvore de comando traseira. MARCA “R” – Se a marca “R” encontrar-se voltada para cima, gire a árvore de manivelas em sentido anti-horário por 1-1/7 voltas (412°) (alinhe a marca “FT” do volante do motor com a marca de referência). Em seguida, inicie a instalação da árvore de comando dianteira. – Se a marca “R” encontrar-se voltada para baixo (e não puder ser vista), gire a árvore de manivelas em sentido anti- horário por 1/7 volta (52°) (alinhe a marca “FT” com a marca de referência). Em seguida, inicie a instalação da árvore de comando dianteira. Instale a árvore de comando dianteira (página 8-29). Ajuste de PMS de Ambos os Cilindros MARCA DE REFERÊNCIA Alinhe a marca “FT” do volante do motor com a marca de referência da tampa esquerda da carcaça do motor. NOTA Caso tenham sido executados reparos em ambas as árvores de comando, inicie a instalação pela árvore de comando dianteira. Instale a árvore de comando dianteira (página 8-29). MARCA “FT” Posicione o cilindro traseiro em PMS (página 8-29). Instale a árvore de comando traseira (página 8-29). 8-28
  • 214.
    SHADOW 750 CABEÇOTE/VÁLVULAS Ajuste de PMS do Cilindro Traseiro MARCA DE REFERÊNCIA Remova o tampa do cabeçote dianteiro (página 8-6) e verifique a posição da árvore de comando do cilindro dianteiro, através do procedimento a seguir: NOTA Caso não tenham sido executados reparos no cilindro dianteiro, inicie desta etapa. Gire a árvore de manivelas em sentido anti-horário e alinhe a marca “FT” do volante do motor com a marca de referência da tampa esquerda da carcaça do motor. Em seguida, MARCA “FT” verifique a marca de identificação “F” na árvore de comando dianteira. MARCA “F” – Se a marca “F” encontrar-se voltada para cima, gire a árvore de manivelas em sentido anti-horário por 6/7 voltas (308°) (alinhe a marca “RT” do volante do motor com a marca de referência). Em seguida, inicie a instalação da árvore de comando traseira. – Se a marca “F” encontrar-se voltada para baixo (e não puder ser vista), gire a árvore de manivelas em sentido anti- horário por 1-6/7 voltas (668°) (alinhe a marca “RT” com a marca de referência). Em seguida, inicie a instalação da árvore de comando traseira. Instale a árvore de comando traseira, através do procedimento a seguir. ÁRVORE DE COMANDO MARCA INSTALAÇÃO DA ÁRVORE DE COMANDO NOTA • Certifique de seguir os PROCEDIMENTOS DE SINCRONIZAÇÃO DA ÁRVORE DE COMANDO (página 8- 27) antes de instalar a árvore de comando. • Os procedimentos de reparo executados nas árvores de comando dianteira e traseira são os mesmos. Lubrifique as superfícies do mancal e ressaltos da árvore de comando, utilizando solução de óleo de bissulfeto de molibdênio. Instale a árvore de comando, mantendo a marca de SUPORTE DA ÁRVORE DE COMANDO identificação (“R”: árvore de comando traseira, “F”: árvore de comando dianteira) voltada para cima. Lubrifique cada superfície deslizante do balancim, utilizando solução de óleo de bissulfeto de molibdênio. NOTA Antes de instalar o suporte da árvore de comando, solte completamente o parafuso e a contraporca de ajuste da válvula. Instale o conjunto do suporte da árvore de comando. 8-29
  • 215.
    CABEÇOTE/VÁLVULAS SHADOW 750 CONJUNTO DO SUPORTE DA ÁRVORE DE COMANDO Instale os parafusos e porcas do suporte da árvore de comando. Aperte os parafusos e porcas no torque especificado, em ordem cruzada e em diversas etapas. Torque: Parafuso do suporte da árvore de comando 23 N.m (2,3 kgf.m) Porca do suporte da árvore de comando 23 N.m (2,3 kgf.m) PORCAS PARAFUSOS CORRENTE DE DISTRIBUIÇÃO Instale a engrenagem da árvore de comando na corrente de distribuição, mantendo a marca “IN” voltada para dentro. MARCA “IN” Instale a engrenagem no flange da árvore de comando e certifique-se de que as marcas de sincronização estão alinhadas com a superfície superior do cabeçote. Limpe e aplique trava-química nas roscas dos parafusos da engrenagem da árvore de comando. NOTA Tenha cuidado para que os parafusos da engrenagem da árvore de comando não caiam no interior da carcaça do motor. MARCAS DE SINCRONIZAÇÃO Alinhe os orifícios dos parafusos da engrenagem e da árvore de comando. Instale temporariamente o parafuso da engrenagem da árvore de comando. Gire a árvore de manivelas por uma volta completa (360°) em sentido anti-horário e aperte o outro parafuso da engrenagem no torque especificado. Torque: 23 N.m (2,3 kgf.m) Gire a árvore de manivelas por uma volta completa (360°) em sentido anti-horário e aperte o outro parafuso da engrenagem no torque especificado. PARAFUSOS 8-30
  • 216.
    SHADOW 750 CABEÇOTE/VÁLVULAS CALÇO A PINO, D.E. 2 mm Remova um pino de 2 mm de diâmetro externo, enquanto mantém fixado o calço A do tensor da corrente de distribuição e pressiona o calço B para baixo. NOTA • Tenha cuidado para que o pino de 2 mm de diâmetro externo não caia no interior da carcaça do motor. • Certifique-se de remover o pino de 2 mm de diâmetro externo antes de instalar a tampa do cabeçote. CALÇO B Abasteça o compartimento de óleo no cabeçote, utilizando óleo para motor. Ajuste a folga da válvula (página 3-9). INSTALAÇÃO DA TAMPA DO CABEÇOTE HONDA BOND A Limpe a ranhura da junta e a superfície de contato da tampa do cabeçote. Certifique-se de que junta encontra-se em boas condições. Substitua-a se necessário. Aplique o adesivo Honda Bond A ou um equivalente na ranhura da junta da tampa do cabeçote. Instale a junta na ranhura. TAMPA DO CABEÇOTE JUNTA DIANTEIRO Limpe a superfície de contato da tampa do cabeçote. Instale a tampa no cabeçote dianteiro. TAMPA DO CABEÇOTE 8-31
  • 217.
    CABEÇOTE/VÁLVULAS SHADOW 750 Verifique as condições dos vedadores de borracha; substitua- os se necessário. Instale os vedadores de borracha na tampa do cabeçote, na PARA CIMA UP posição indicada, como mostra a ilustração. VEDADOR DE BORRACHA PARAFUSO ARRUELA Instale as arruelas nos vedadores de borracha. Instale os parafusos na tampa do cabeçote e aperte-os no torque especificado. Torque: 10 N.m (1,0 kgf.m) Instale os seguintes componentes: – Alojamento do termostato (página 6-9) – Válvula de inspeção PAIR (página 5-61) – Bobina de ignição (página 18-8) – Tampa superior do cabeçote (página 2-6) VEDADOR DE BORRACHA PARAFUSOS TAMPA DO CABEÇOTE TRASEIRO Limpe a superfície de contato da tampa do cabeçote. Instale a tampa do cabeçote traseiro. JUNTA MANGUEIRA Instale os vedadores de borracha (página 8-32). PARAFUSO ARRUELA DE RESPIRO Instale as arruelas. Instale os parafusos da tampa do cabeçote e aperte-os no torque especificado. Torque: 10 N.m (1,0 kgf.m) Conecte a mangueira de respiro da carcaça do motor. Instale os seguintes componentes: – Válvula de inspeção PAIR (página 5-61) – Tampa superior do cabeçote (página 2-6) VEDADOR PARAFUSOS DE BORRACHA 8-32
  • 218.
    SHADOW 750 9. CILINDRO/PISTÃO LOCALIZAÇÃO DOS COMPONENTES 9-2 REMOÇÃO DO CILINDRO/PISTÃO 9-4 INFORMAÇÕES DE SERVIÇO 9-3 INSTALAÇÃO DO CILINDRO/PISTÃO 9-9 DIAGNOSE DE DEFEITOS 9-3 9-1
  • 219.
    CILINDRO/PISTÃO SHADOW 750 LOCALIZAÇÃO DOS COMPONENTES 9-2
  • 220.
    SHADOW 750 CILINDRO/PISTÃO INFORMAÇÕES DE SERVIÇO INFORMAÇÕES GERAIS • Este capítulo apresenta os procedimentos de reparo do pistão e cilindro. Para a execução de tais reparos, o motor deve ser removido do chassi. • Tenha cuidado para não danificar as paredes do cilindro e os pistões. • Tenha cuidado para não danificar as superfícies de contato ao remover o cilindro. Não bata o cilindro com muita força durante a remoção. • Durante a desmontagem, marque e armazene os componentes removidos para certificar-se de que sejam reinstalados em suas posições originais. • Limpe todos os componentes desmontados com solvente de limpeza e seque-os utilizando ar comprimido antes de inspecioná-los. • O abastecimento de óleo lubrificante do balancim da árvore de comando é executado através de passagens de óleo presentes no cabeçote e no suporte da árvore de comando. Limpe estas passagens antes de montar o cabeçote. ESPECIFICAÇÕES Unidade: mm Item Padrão Limite de Uso Cilindro D.I. 79,000 – 79,015 79,10 Ovalização — 0,06 Conicidade — 0,06 Empenamento — 0,10 Pistão, D.E. do pistão a 17 mm de sua base 78,97 – 78,99 78,90 pino do pistão, D.I. da cavidade do pino do pistão 18,002 – 18,008 18,05 anel do pistão D.E. do pino do pistão 17,994 – 18,000 17,98 Folga entre o pistão e o pino do pistão 0,002 – 0,014 0,04 Folga entre as 1° anel 0,15 – 0,25 0,40 extremidades 2º anel 0,25 – 0,40 0,60 do anel do pistão Anel de óleo 0,20 – 0,80 1,0 (anel lateral) Folga entre o anel e a 1º anel 0,025 – 0,055 0,08 canaleta do pistão 2º anel 0,015 – 0,045 0,07 Folga entre o cilindro e o pistão 0,010 – 0,045 0,10 D.I. da cabeça da biela 18,016 – 18,034 18,07 Folga entre a biela e o pino do pistão 0,016 – 0,040 0,06 VALORES DE TORQUE Prisioneiro do cilindro (8 mm) Consulte página 9-8. Prisioneiro do cilindro (10 mm) Consulte página 9-8. Prisioneiro do cilindro (12 mm) Consulte página 9-8. DIAGNOSE DE DEFEITOS Compressão do cilindro muito baixa, dificuldade de Fumaça excessiva partida e desempenho inadequado em baixas rotações • Cilindro, pistão ou anéis do pistão desgastados • Vazamento na junta do cabeçote • Instalação inadequada dos anéis do pistão • Anéis do pistão desgastados, emperrados ou quebrados • Pistão ou parede do cilindro escoriada ou riscada • Pistão ou cilindro desgastado ou danificado Ruído excessivo Compressão muito alta, superaquecimento ou pré- • Pino do pistão ou cavidade do pino do pistão detonação desgastados • Excesso de depósitos de carvão na câmara de • Cilindro, pistão ou anéis do pistão desgastados combustão ou na cabeça do pistão • Cabeça da biela desgastada 9-3
  • 221.
    CILINDRO/PISTÃO SHADOW 750 PARAFUSOS REMOÇÃO DO CILINDRO/PISTÃO REMOÇÃO DO CILINDRO NOTA Os mesmos procedimentos aplicam-se tanto ao cilindro dianteiro como ao traseiro. Remova o cabeçote (página 8-13). Somente para o cilindro dianteiro: Remova os parafusos, a conexão da mangueira de água e o anel de vedação. JUNTA DA MANGUEIRA DE ÁGUA ANEL DE VEDAÇÃO PRESILHAS Remova as presilhas retentoras. Empurre o espaçador de conexão em direção ao cilindro dianteiro ou traseiro. ESPAÇADOR DE CONEXÃO CILINDRO Levante o cilindro e remova-o em seguida, tendo cuidado para não danificar o pistão e os prisioneiros. NOTA • Fixe a corrente de distribuição, utilizando um pedaço de arame, para evitar que ela caia na carcaça do motor. • Não bata o cabeçote e tenha cuidado para não danificar sua superfície de contato ao utilizar uma chave-de-fenda. ANÉIS DE VEDAÇÃO Remova o espaçador da conexão do cilindro. Remova os anéis de vedação. ESPAÇADOR DE CONEXÃO 9-4
  • 222.
    SHADOW 750 CILINDRO/PISTÃO JUNTA Remova os pinos-guias e a junta. Remova quaisquer resíduos de junta da superfície de contato do cilindro. NOTA Tenha cuidado para não danificar a superfície da junta. PINOS-GUIAS PISTÃO PINO DO PISTÃO REMOÇÃO DO PISTÃO Remova as presilhas do pino do pistão, utilizando um alicate. Puxe o pino para fora do pistão e da biela. Em seguida, remova o pistão. NOTA Coloque uma toalha sobre a carcaça do motor para evitar que as presilhas do pino do pistão caiam na carcaça do motor. PRESILHAS Separe as extremidades de cada anel do pistão e remova-os, levantando-os pelo lado oposto à abertura entre suas extremidades. NOTA Tenha cuidado para não danificar o anel do pistão, separando excessivamente suas extremidades. ANEL DO PISTÃO Limpe os depósitos de carvão das canaletas dos anéis do pistão, utilizando um anel que será descartado. NOTA Nunca utilize uma escova de aço para remover os depósitos, pois poderá riscar a canaleta. 9-5
  • 223.
    CILINDRO/PISTÃO SHADOW 750 INSPEÇÃO Pistão/Anel do Pistão Gire os anéis do pistão e inspecione-os quanto a suavidade de movimentação. Os anéis deverão girar livremente em suas canaletas, sem obstruções. NOTA Sempre substitua os anéis pistão em conjunto. Pressione o anel até que sua superfície externa esteja praticamente nivelada com o pistão e meça a folga entre o anel e a canaleta. ANEL DO PISTÃO 1° anel 0,08 mm Limite de Uso 2° anel 0,07 mm Insira corretamente o anel do pistão na base do cilindro, utilizando a cabeça do pistão. Meça a folga entre as extremidades do anel do pistão. 1° anel 0,4 mm 2° anel 0,6 mm Limite de Uso Anel de óleo 1,0 mm (anel lateral) Meça o D.E. do pistão, a 17 mm de sua base e a 90° da cavidade do pino do pistão. 90° Limite de Uso 78,90 mm 17 mm Compare esta medida com o valor máximo do D.I. do cilindro e calcule a folga entre o cilindro e o pistão (página 9-7). Limite de Uso 0,10 mm Meça o D.E. do pino do pistão em três pontos diferentes. Limite de Uso 17,98 mm 9-6
  • 224.
    SHADOW 750 CILINDRO/PISTÃO Meça o D.I. da cavidade do pino do pistão. Limite de Uso 18,05 mm Calcule a folga entre o pistão e o pino do pistão. Limite de Uso 0,04 mm Biela Meça o D.I. da cabeça da biela. Limite de Uso 18,07 mm Calcule a folga entre a biela e o pino do pistão. Limite de Uso 0,06 mm Cilindro Inspecione a parte superior do cilindro quanto a empenamento, utilizando uma régua de precisão e um cálibre de lâminas através dos orifícios dos prisioneiros. Limite de Uso 0,10 mm Inspecione a parede do cilindro quanto a riscos ou desgaste. Meça o D.I. do cilindro em três pontos dos eixos X e Y. Utilize a maior leitura para determinar o desgaste do cilindro. Limite de Uso 79,10 mm Calcule a folga entre o cilindro e o pistão. Limite de Uso 0,10 mm 9-7
  • 225.
    CILINDRO/PISTÃO SHADOW 750 Calcule a conicidade e a ovalização do cilindro em três pontos dos eixos X e Y. Utilize a maior leitura para determinar a y Y conicidade e a ovalização. X X SUPERIOR Conicidade 0,06 mm Limite de Uso Ovalização 0,06 mm INTERMEDIÁRIO Caso os valores de limites de uso sejam excedidos, o cilindro INFERIOR deverá ser retificado e o pistão substituído por um sobremedida. Estão disponíveis os seguintes pistão sobremedida: 0,25 mm PRISIONEIROS 0,50 mm A folga entre o pistão e o cilindro, ao utilizar o pistão sobremedida, deverá ser de 0,010 a 0,045 mm. SUBSTITUIÇÃO DO PRISIONEIRO DO CILINDRO Rosqueie duas porcas no prisioneiro e aperte uma à outra. Em seguida, solte todo o conjunto com o auxílio de uma chave para remover o prisioneiro. Aplique óleo para motor nas roscas inferiores de um novo prisioneiro e instale em seguida. LINGÜETA NOTA • Instale os prisioneiros de 8 e 10 mm, mantendo o lado de sua lingüeta voltado para o cabeçote. • Instale o prisioneiro de 12 mm, mantendo seu lado de menor D.I. voltado o cabeçote. Após a instalação dos prisioneiros, verifique se a altura entre a cabeça de cada prisioneiro e a superfície da carcaça do PRISIONEIRO, PRISIONEIROS, 8 mm: 10 mm e 12 mm: motor encontra-se no valor especificado. 186 ± 1 mm Ajuste a altura, se necessário. 169 ± 1 mm 9-8
  • 226.
    SHADOW 750 CILINDRO/PISTÃO INSTALAÇÃO DO CILINDRO/PISTÃO 1° ANEL MARCA INSTALAÇÃO DOS ANÉIS DO PISTÃO Aplique óleo para motor na superfície externa do pistão e dos MARCA anéis do pistão. Instale cuidadosamente os anéis do pistão em suas canaletas, mantendo suas marcas voltadas para cima. 120 ° NOTA 120 ° 120 ° 2° ANEL • Tenha cuidado para não danificar o pistão e os anéis. • Não inverta o 1° e o 2° anel. • Para instalar o anel de óleo, instale primeiramente o ESPAÇADOR espaçador. Em seguida instale os anéis laterais. 20 mm Posicione as folgas entre as extremidades dos anéis a 120° OU MAIS ANÉIS umas das outras. LATERAIS 1° ANEL Posicione as folgas entre as extremidades dos anéis laterais 2° ANEL como mostra a ilustração. ANEL DE ÓLEO INSTALAÇÃO DO PISTÃO Aplique solução de óleo de bissulfeto de molibdênio na superfície interna da cabeça da biela. PISTÃO Coloque uma toalha sobre a carcaça do motor para evitar que a presilha caia em seu interior. Aplique óleo para motor na superfície externa do pino do pistão. Instale o pistão. Instale o pino do pistão através do pistão e da biela. PINO DO PISTÃO 9-9
  • 227.
    CILINDRO/PISTÃO SHADOW 750 FOLGA Instale novas presilhas nas canaletas da cavidade do pino do pistão. NOTA • Certifique-se de que as presilhas do pino do pistão estejam seguramente assentadas. • Não alinhe a folga da extremidade da presilha com o recorte do pistão. PRESILHAS RECORTE ANÉIS DE VEDAÇÃO INSTALAÇÃO DO CILINDRO Limpe completamente as superfícies da junta do cilindro e da carcaça do motor, tendo cuidado para não danificá-las. NOTA Os mesmos procedimentos aplicam-se tanto ao cilindro dianteiro como ao traseiro. Instale novos anéis de vedação no espaçador da conexão. Instale o espaçador da conexão no cilindro. ESPAÇADOR DA CONEXÃO JUNTA Instale os pinos-guias e uma nova junta. PINOS-GUIAS CILINDRO Aplique uma camada de óleo sobre a parede do cilindro, a superfície externa do pistão e sobre os anéis do pistão. NOTA Tenha cuidado para não danificar os anéis do pistão e a parede do pistão. Passe a corrente de distribuição através do cilindro. Em seguida, instale o cilindro sobre o pistão, à medida que comprime os anéis do pistão. 9-10
  • 228.
    SHADOW 750 CILINDRO/PISTÃO ESPAÇADOR DA CONEXÃO PRESILHAS Encaixe o espaçador da conexão no orifício do cilindro e conecte-o em seguida. Instale as presilhas retentoras nas ranhuras do espaçador da conexão. ANEL DE VEDAÇÃO PARAFUSOS Somente para o cilindro dianteiro: Instale um novo anel de vedação na ranhura da conexão da mangueira de água. Instale e aperte seguramente os parafusos da conexão da mangueira. Instale o cabeçote (página 8-24). CONEXÃO DA MANGUEIRA DE ÁGUA 9-11
  • 229.
    CILINDRO/PISTÃO SHADOW 750 NOTAS 9-12
  • 230.
    SHADOW 750 10. EMBREAGEM/ SELETOR DE MARCHAS LOCALIZAÇÃO DOS COMPONENTES 10-2 ENGRENAGEM MOTORA PRIMÁRIA 10-12 INFORMAÇÕES DE SERVIÇO 10-3 SELETOR DE MARCHAS 10-14 DIAGNOSE DE DEFEITOS 10-4 INSTALAÇÃO DA EMBREAGEM 10-18 REMOÇÃO DA TAMPA DIREITA INSTALAÇÃO DA TAMPA DIREITA DA CARCAÇA DO MOTOR 10-5 DA CARCAÇA DO MOTOR 10-21 REMOÇÃO DA EMBREAGEM 10-7 10-1
  • 231.
    EMBREAGEM/SELETOR DE MARCHAS SHADOW 750 LOCALIZAÇÃO DOS COMPONENTES 12 N.m (1,2 kgf.m) 13 N.m (1,3 kgf.m) 23 N.m (2,3 kgf.m) 15 N.m (1,5 kgf.m) · 88 N.m (9,0 kgf.m) 128 N.m (13,1 kgf.m) · 12 N.m (1,2 kgf.m) 10 N.m (1,0 kgf.m) 10-2
  • 232.
    SHADOW 750 EMBREAGEM/SELETOR DE MARCHAS INFORMAÇÕES DE SERVIÇO INFORMAÇÕES GERAIS • Os reparos na embreagem e seletor de marchas podem ser executados com o motor instalado no chassi. • A viscosidade e o nível do óleo do motor afetam o funcionamento da embreagem. Aditivos no óleo também afetam seu desempenho e não são recomendados. Quando a embreagem não desengatar ou a motocicleta trepidar com a embreagem desengatada, inspecione o óleo do motor e o nível de óleo antes de executar reparos no sistema de embreagem. ESPECIFICAÇÕES Unidade: mm Item Padrão Limite de Uso Folga da alavanca da embreagem 10 – 20 — Embreagem Comprimento livre da mola da embreagem 45,3 43,9 Espessura do disco da embreagem Disco A 2,62 – 2,78 2,3 Disco final 2,92 – 3,08 2,6 Empenamento do separador da embreagem – 0,30 Guia da carcaça da embreagem D.I. 21,991 – 22,016 22,03 D.E. 31,959 – 31,975 31,92 D.E. da árvore primária na guia da carcaça da embreagem 21,967 – 21,980 21,95 Folga entre a guia da carcaça da embreagem e a árvore primária 0,011 – 0,049 0,08 D.I. da carcaça da embreagem 32,000 – 32,025 32,09 Folga entre a carcaça da embreagem e a guia da carcaça 0,025 – 0,066 0,18 D.I. da engrenagem motora da bomba de óleo 32,025 – 32,145 32,16 Folga entre a engrenagem motora da bomba de óleo e a guia da 0,050 – 0,186 0,23 carcaça da embreagem VALORES DE TORQUE Parafuso da placa de acionamento da embreagem 12 N.m (1,2 kgf.m) Contraporca do cubo da embreagem 128 N.m (13,1 kgf.m) Contraporca: substitua-a por uma nova e trave-a. Aplique óleo para motor nas roscas e superfícies de assentamento Parafuso Allen da tampa da embreagem 10 N.m (1,0 kgf.m) Parafuso da engrenagem motora primária 88 N.m (9,0 kgf.m) Aplique óleo para motor nas roscas e superfícies de assentamento Parafuso de fixação do braço seletor de marchas 12 N.m (1,2 kgf.m) Parafuso Allen da engrenagem movida da bomba de óleo 15 N.m (1,5 kgf.m) Aplique trava-química nas roscas. Parafuso da articulação do pedal seletor de marchas 26 N.m (2,7 kgf.m) Pino da mola de retorno do eixo do seletor de marchas 23 N.m (2,3 kgf.m) Parafuso da placa limitadora do retentor de óleo do eixo do seletor de marchas 13 N.m (1,3 kgf.m) FERRAMENTAS Fixador do cubo da embreagem Fixador de engrenagem, 2,5 07JMB-MN50301 07724-0010100 10-3
  • 233.
    EMBREAGEM/SELETOR DE MARCHAS SHADOW 750 DIAGNOSE DE DEFEITOS Dificuldade em acionar a alavanca da embreagem • Cabo da embreagem danificado, emperrado ou sujo • Cabo da embreagem instalado inadequadamente • Mecanismo de acionamento da embreagem danificado • Rolamento de acionamento da embreagem danificado A embreagem não desengata ou a motocicleta trepida com a embreagem desengatada • Folga excessiva da alavanca da embreagem • Separadores da embreagem empenados • Contraporca do cubo da embreagem solta • Nível de óleo muito alto, viscosidade do óleo inadequada ou utilização de aditivos no óleo A embreagem escorrega • Folga incorreta da alavanca da embreagem • Discos da embreagem desgastados • Molas da embreagem enfraquecidas • Acionador da embreagem emperrado • Nível de óleo muito baixo, viscosidade do óleo inadequada ou utilização de aditivos no óleo Dificuldade no engate de marchas • Funcionamento inadequado da embreagem • Viscosidade inadequada do óleo • Ajuste inadequado da embreagem • Eixo seletor de marchas empenado ou danificado • Excêntrico seletor de marchas danificado • Eixo do garfo seletor empenado ou garfos seletores e tambor seletor danificados (página 12-21) As marchas escapam • Posicionador do tambor seletor quebrado • Molas de retorno do eixo do seletor de marchas enfraquecidas ou quebradas • Excêntrico seletor de marchas desgastado ou danificado • Eixo do garfo seletor empenado ou garfos seletores e tambor seletor danificados (página 12-21) • Recortes ou orifícios das engrenagens desgastados (página 12-21) 10-4
  • 234.
    SHADOW 750 EMBREAGEM/SELETOR DE MARCHAS BORRACHA DE PARAFUSOS VEDAÇÃO DE ÓLEO REMOÇÃO DA TAMPA DIREITA DA CARCAÇA DO MOTOR Drene o óleo do motor (página 3-13) Remova os parafusos, a tampa da embreagem e a borracha de vedação de óleo. TAMPA DA EMBREAGEM CABO DA EMBREAGEM FIXADOR Remova os parafusos em ordem cruzada e em diversas etapas. Remova o fixador do cabo e desconecte o cabo da embreagem. Remova a tampa direita da carcaça do motor. PARAFUSOS TAMPA DIREITA DA CARCAÇA DO MOTOR PINOS-GUIAS Remova os pinos-guias e limpe os resíduos de junta das superfícies de contato. NOTA Tenha cuidado para não danificar a superfície de contato. ACIONADOR DA EMBREAGEM DESMONTAGEM Remova o acionador da embreagem, girando o braço de acionamento da embreagem em sentido horário. BRAÇO DE ACIONAMENTO 10-5
  • 235.
    EMBREAGEM/SELETOR DE MARCHAS SHADOW 750 MOLA DE RETORNO Remova o anel elástico e a mola de retorno do braço de acionamento da embreagem. ANEL ELÁSTICO Remova o braço de acionamento da embreagem da tampa direita da carcaça do motor. BRAÇO DE ACIONAMENTO INSPEÇÃO Inspecione o retentor de óleo quanto a fadiga ou danos. Inspecione a superfície deslizante do braço de acionamento na tampa direita da carcaça do motor quanto a desgaste, danos ou encaixe inadequado. Substitua estes componentes, se necessário. NOTA Caso seja necessário substituir o retentor de óleo, instale o retentor nivelando-o com a superfície da carcaça. RETENTOR DE ÓLEO BRAÇO DE ACIONAMENTO Inspecione o braço de acionamento da embreagem quanto a desgaste, danos ou empenamento. Inspecione a mola quanto a fadiga ou danos. Substitua estes componentes se necessário. 10-6
  • 236.
    SHADOW 750 EMBREAGEM/SELETOR DE MARCHAS REMOÇÃO DA EMBREAGEM Remova a tampa direita da carcaça do motor (página 10-5). Se a engrenagem movida da bomba de óleo for removida, solte o parafuso da engrenagem movida enquanto a embreagem ainda estiver instalada. PARAFUSO PARAFUSOS/MOLAS Solte os parafusos da placa de acionamento da embreagem em ordem cruzada e em diversas etapas. Remova-os em seguida. Remova a placa de acionamento/rolamento e as molas da embreagem. PLACA DE ACIONAMENTO/ROLAMENTO Destrave Destrave a contraporca do cubo da embreagem. NOTA Tenha cuidado para não danificar as roscas da árvore primária. FIXADOR DO CUBO DA EMBREAGEM Fixe o cubo da embreagem, utilizando a ferramenta especial, e remova a contraporca do cubo da embreagem. Ferramenta: Fixador do cubo da embreagem 07JMB-MN50301 Remova a ferramenta especial e a contraporca do cubo da embreagem. CONTRAPORCA 10-7
  • 237.
    EMBREAGEM/SELETOR DE MARCHAS SHADOW 750 ARRUELA DE ENCOSTO Remova a arruela da mola e a arruela de encosto ARRUELA DA MOLA MOLA JUDDER/SEDE DA MOLA/DISCOS DA EMBREAGEM/SEPARADORES DA EMBREAGEM Remova os seguintes componentes: – Cubo da embreagem – Platô – Disco final da embreagem – Separadores da embreagem – Disco A da embreagem – Mola Judder – Sede da mola CUBO DA EMBREAGEM PLATÔ ARRUELA DE ENCOSTO Remova a arruela de encosto e a carcaça da embreagem. CARCAÇA DA EMBREAGEM ARRUELA Remova o parafuso da engrenagem movida da bomba de óleo e a arruela. PARAFUSO 10-8
  • 238.
    SHADOW 750 EMBREAGEM/SELETOR DE MARCHAS ENGRENAGEM MOTORA Remova as engrenagens motora e movida da bomba de óleo e a corrente de acionamento em conjunto. CORRENTE DE ENGRENAGEM MOVIDA ACIONAMENTO GUIA DA CARCAÇA DA EMBREAGEM Remova a guia da carcaça da embreagem INSPEÇÃO Rolamento de Acionamento da Embreagem Gire manualmente a pista interna do rolamento . Os rolamentos devem girar suave e silenciosamente. Inspecione também se a pista externa do rolamento encaixa- se sem folga na placa de acionamento. Remova e descarte os rolamentos caso a pista interna não gire suave e silenciosamente ou se a pista externa encaixar- se com folga na placa de acionamento. Mola da Embreagem Verifique o comprimento livre da mola da embreagem. Limite de Uso 43,9 mm NOTA Substitua as molas da embreagem em conjunto. 10-9
  • 239.
    EMBREAGEM/SELETOR DE MARCHAS SHADOW 750 Disco da Embreagem Substitua os discos da embreagem caso apresentem sinais de escoriações ou descoloração. NOTA Substitua os discos e separadores da embreagem em conjunto. Meça a espessura do disco da embreagem. Disco A 2,3 mm Limite de Uso Disco final 2,6 mm Separador da Embreagem Inspecione os separadores quanto a descoloração. NOTA Substitua os discos e separadores da embreagem em conjunto. Inspecione o empenamento do separador em sua superfície, utilizando um cálibre de lâminas. Limite de Uso 0,30 mm Cubo da Embreagem Inspecione o cubo da embreagem quanto a trincas, entalhes ou desgaste anormal provocado pelos separadores da embreagem. Carcaça da Embreagem Inspecione os recortes da carcaça da embreagem quanto a trincas, entalhes ou desgaste anormal provocado pelos discos da embreagem. Meça o D.I. da carcaça da embreagem. Limite de Uso 32,09 mm 10-10
  • 240.
    SHADOW 750 EMBREAGEM/SELETOR DE MARCHAS Guia da Carcaça da Embreagem Inspecione a guia da carcaça da embreagem quanto a desgaste anormal ou danos . Meça o D.I. da guia da carcaça da embreagem. Limite de Uso 22,03 mm Meça o D.E. da guia da carcaça da embreagem. Limite de Uso 31,92 mm Calcule a folga entre a carcaça e a guia da carcaça da embreagem. Limite de Uso 0,18 mm Engrenagem Motora da Bomba de Óleo Inspecione a engrenagem motora da bomba de óleo quanto a desgaste ou danos. Meça o D.I. da engrenagem motora. Limite de Uso 32,16 mm Calcule a folga entre a engrenagem motora da bomba de óleo e a guia da carcaça da embreagem. Limite de Uso 0,23 mm Árvore Primária Meça o D.E. da árvore primária na superfície deslizante da guia da carcaça da embreagem. Limite de Uso 21,95 mm Calcule a folga entre a guia da carcaça da embreagem e a árvore primária. Limite de Uso 0,08 mm SEDE DA MOLA MOLA JUDDER Mola Judder/Sede da mola Inspecione a sede da mola e a mola judder quanto a deformações, desgaste ou danos. 10-11
  • 241.
    EMBREAGEM/SELETOR DE MARCHAS SHADOW 750 Engrenagem Movida da Bomba de Óleo Inspecione a engrenagem movida da bomba de óleo quanto a desgaste ou danos. PARAFUSOS BORRACHAS ENGRENAGEM MOTORA PRIMÁRIA REMOÇÃO Remova a embreagem (página 10-7). Remova os parafusos de fixação do sensor CKP. Remova o sensor CKP e as borrachas. SENSOR CKP FIXADOR DE ENGRENAGEM PARAFUSO/ARRUELA Instale temporariamente a guia da carcaça da embreagem, a engrenagem motora da bomba de óleo e a carcaça da embreagem na árvore primária (página 10-18). Remova o parafuso da engrenagem motora primária, juntamente com sua arruela, enquanto mantém fixada a engrenagem motora, utilizando a ferramenta especial. Ferramenta: Fixador de engrenagem, 2,5 07724-0010100 Remova o fixador de engrenagem e os componentes temporariamente instalados. ENGRENAGEM MOTORA PRIMÁRIA ROTOR DO SENSOR CKP Remova o rotor do sensor CKP e a engrenagem motora primária. ENGRENAGEM MOTORA PRIMÁRIA 10-12
  • 242.
    SHADOW 750 EMBREAGEM/SELETOR DE MARCHAS INSPEÇÃO Inspecione o rotor do sensor CKP quanto a desgaste ou danos. Inspecione a engrenagem motora primária quanto a desgaste ou danos. ENGRENAGEM MOTORA PRIMÁRIA Alinhe INSTALAÇÃO Instale a engrenagem motora primária na árvore de manivelas. NOTA • Instale a engrenagem motora primária, alinhando sua ranhura mais larga com o dente maior da árvore de manivelas. • Instale a engrenagem motora primária, mantendo sua marca “OUT” voltada para fora. MARCA “OUT” ROTOR DO SENSOR CKP Instale o rotor do sensor CKP, alinhando sua ranhura mais larga com o dente maior da árvore de manivelas. Alinhe 10-13
  • 243.
    EMBREAGEM/SELETOR DE MARCHAS SHADOW 750 ENGRENAGEM MOTORA PRIMÁRIA Instale temporariamente a guia da carcaça da embreagem, a engrenagem motora da bomba de óleo e a carcaça da embreagem na árvore primária. Aplique óleo para motor nas roscas e superfícies de assentamento do parafuso da engrenagem motora primária. Instale a arruela e o parafuso da engrenagem motora primária. Fixe a engrenagem motora primária, utilizando a ferramenta especial. Ferramenta: Fixador de engrenagem, 2,5 07724-0010100 FIXADOR DE ENGRENAGEM PARAFUSO/ARRUELA PARAFUSOS BORRACHAS Aperte o parafuso no torque especificado. Torque: 88 N.m (9,0 kgf.m) Remova o fixador de engrenagem e os componentes temporariamente instalados. Instale o sensor CKP e a borracha da fiação. Em seguida, aperte os parafusos. Instale a embreagem (página 10-18). SENSOR CKP PARAFUSO DE FIXAÇÃO SELETOR DE MARCHAS REMOÇÃO Remova os seguintes componentes: – Tampa traseira esquerda da carcaça do motor (página 2-4) – Embreagem (página 10-7) Remova o parafuso de fixação e o braço seletor do eixo seletor de marchas. Limpe o eixo do seletor de marchas. PARAFUSO/ARRUELA Remova o parafuso de fixação, a arruela e o pedal seletor de marchas. PEDAL SELETOR DE MARCHAS 10-14
  • 244.
    SHADOW 750 EMBREAGEM/SELETOR DE MARCHAS RETENTORES DE PÓ Remova os retentores de pó do pedal seletor de marchas. Inspecione os retentores de pó quanto a desgaste ou danos. Substitua-os, se necessário. POSICIONADOR DE MARCHAS MOLA DE RETORNO Remova os seguintes componentes: – Parafuso – Arruela – Posicionador de marchas – Espaçador – Mola de retorno PARAFUSO/ARRUELA/ESPAÇADOR EIXO SELETOR DE MARCHAS Remova o eixo seletor de marchas da carcaça do motor, desencaixando o braço seletor da placa do excêntrico seletor de marchas. INSPEÇÃO Remova o parafuso e a placa limitadora. BRAÇO SELETOR Inspecione o retentor de óleo do eixo seletor de marchas PLACA LIMITADORA quanto a deterioração ou danos. Substitua-o se necessário. NOTA • Aplique graxa nos lábios do retentor de óleo. • Instale o retentor de óleo, mantendo seu lado marcado voltado para fora. Instale a placa limitadora, juntamente com seu parafuso. Aperte o parafuso no torque especificado. Torque: 13 N.m (1,3 kgf.m) PARAFUSO RETENTOR DO ÓLEO 10-15
  • 245.
    EMBREAGEM/SELETOR DE MARCHAS SHADOW 750 MOLAS DE RETORNO Inspecione o eixo seletor de marchas quanto a empenamento, desgaste ou danos. Inspecione as molas de retorno quanto a fadiga ou danos. EIXO SELETOR DE MARCHAS HASTE DO PEDAL Inspecione a haste do pedal seletor de marchas quanto a danos. Verifique se as contraporcas estão soltas. Substitua a haste se necessário. CONTRAPORCAS Alinhe EIXO SELETOR DE MARCHAS INSTALAÇÃO Instale o eixo seletor de marchas, alinhando as extremidades da mola de retorno com o pino da mola do eixo seletor de marchas na carcaça do motor. Instale o braço seletor na placa do excêntrico seletor de marchas. BRAÇO SELETOR Instale os seguintes componentes: MOLA DE RETORNO ESPAÇADOR – Espaçador – Mola de retorno PARAFUSO – Posicionador de marchas – Arruela – Parafuso POSICIONADOR DE MARCHAS ARRUELA 10-16
  • 246.
    SHADOW 750 EMBREAGEM/SELETOR DE MARCHAS POSICIONADOR DE MARCHAS Fixe o posicionador de marchas, utilizando uma chave-de- fenda, e aperte seguramente o parafuso, como mostra a ilustração. PARAFUSO RETENTORES DE PÓ Aplique graxa nos lábios dos retentores de pó. Instale os retentores de pó no pedal seletor de marchas. PARAFUSO/ARRUELA Instale o pedal seletor de marchas, a arruela e parafuso da articulação. Aperte o parafuso da articulação no torque especificado. Torque: 26 N.m (2,7 kgf.m) PEDAL SELETOR DE MARCHAS Alinhe PARAFUSO DE FIXAÇÃO Instale o braço seletor no eixo seletor de marchas, alinhando as marcas gravadas. Aperte o parafuso de fixação no torque especificado. Torque: 12 N.m (1,2 kgf.m) 10-17
  • 247.
    EMBREAGEM/SELETOR DE MARCHAS SHADOW 750 GUIA DA CARCAÇA DA EMBREAGEM INSTALAÇÃO DA EMBREAGEM Aplique solução de óleo de bissulfeto de molibdênio na superfície externa da guia da carcaça da embreagem. Instale a guia da carcaça da embreagem na árvore primária. CORRENTE DE ACIONAMENTO ENGRENAGEM MOTORA Instale a corrente de acionamento da bomba de óleo, a engrenagem motora e a engrenagem movida da bomba de óleo em conjunto. NOTA • Instale a engrenagem movida da bomba de óleo, mantendo a marca “O” voltada para o lado interno. • Alinhe as superfícies planas do orifício da engrenagem movida e da extremidade do eixo da bomba de óleo. ENGRENAGEM MOVIDA Alinhe MARCAS ENGRENAGEM MOVIDA ARRUELA Aplique trava-química nas roscas dos parafusos da engrenagem movida da bomba de óleo. Em seguida, instale a arruela e o parafuso. NOTA Aperte o parafuso da engrenagem movida no torque especificado após instalar a embreagem. PARAFUSO 10-18
  • 248.
    SHADOW 750 EMBREAGEM/SELETOR DE MARCHAS CARCAÇA DA EMBREAGEM Instale a carcaça da embreagem na árvore primária. NOTA Alinhe as ranhuras da carcaça da embreagem com as guias da engrenagem motora da bomba de óleo, girando a engrenagem com a corrente de acionamento e pressionando a carcaça da embreagem na árvore primária. Alinhe ARRUELA DE ENCOSTO Instale a arruela de encosto na árvore primária. Cubra toda a superfície dos discos da embreagem com óleo para motor. Instale a sede da mola e a mola judder no cubo da embreagem, como mostra a ilustração. Instale o disco final da embreagem. PLATÔ Instale os sete separadores e os sete discos A da embreagem, MOLA JUDDER iniciando por um separador. Instale o platô da embreagem. DISCOS A NOTA O disco final da embreagem possui um D.I. superior ao disco A. SEPARADORES SEDE DA MOLA DA EMBREAGEM DISCO FINAL DA EMBREAGEM 10-19
  • 249.
    EMBREAGEM/SELETOR DE MARCHAS SHADOW 750 CONJUNTO DA EMBREAGEM Instale o conjunto da embreagem na carcaça da embreagem. RANHURA RASA Instale o disco final da embreagem nas ranhuras rasas da carcaça da embreagem. ARRUELA DE ENCOSTO MARCA “OUT SIDE” Instale a arruela de encosto. Instale a arruela da mola, mantendo sua marca “OUT SIDE” voltada para fora. ARRUELA DA MOLA FIXADOR DO CUBO DA EMBREAGEM Aplique óleo para motor nas roscas e superfícies de assentamento de uma nova contraporca do cubo da embreagem. Em seguida, instale a contraporca na árvore primária. Aperte a contraporca do cubo da embreagem no torque especificado, enquanto mantém o cubo fixado, utilizando a ferramenta especial. Ferramenta: Fixador do cubo da embreagem 07JMB-MN50301 Torque: 128 N.m (13,1 kgf.m) CONTRAPORCA 10-20
  • 250.
    SHADOW 750 EMBREAGEM/SELETOR DE MARCHAS Trave Trave a contraporca do cubo da embreagem na ranhura da árvore primária. NOTA Tenha cuidado para não danificar as roscas da árvore primária. PARAFUSOS/MOLAS Instale as molas da embreagem, a placa de acionamento/ rolamento e os parafusos. Aperte os parafusos em ordem cruzada e em diversas etapas no torque especificado. Torque: 12 N.m (1,2 kgf.m) PLACA DE ACIONAMENTO/ROLAMENTO Caso a engrenagem movida da bomba de óleo tenha sido removida, aperte seu parafuso no torque especificado. Torque: 15 N.m (1,5 kgf.m) Instale a tampa direita da carcaça do motor (página 10-22). PARAFUSO RETENTOR DE ÓLEO INSTALAÇÃO DA TAMPA DIREITA DA CARCAÇA DO MOTOR MONTAGEM Aplique óleo para motor na superfície deslizante do braço de acionamento da embreagem da tampa direita da carcaça do motor. Aplique graxa nos lábios do retentor de óleo. 10-21
  • 251.
    EMBREAGEM/SELETOR DE MARCHAS SHADOW 750 Instale o braço de acionamento da embreagem. BRAÇO DE ACIONAMENTO MOLA DE RETORNO ANEL ELÁSTICO Instale a mola de retorno, inserindo sua extremidade menor na ranhura do braço de acionamento da embreagem. Instale seguramente o anel elástico na ranhura do braço de acionamento da embreagem. Instale a extremidade maior da mola na lingüeta da tampa. Instale RANHURA ACIONADOR DA EMBREAGEM Instale o acionador da embreagem, alinhando sua extremidade com a ranhura no braço de acionamento da embreagem, girando o braço de acionamento em sentido horário. BRAÇO DE ACIONAMENTO PINOS-GUIAS INSTALAÇÃO Instale os pinos-guias. 10-22
  • 252.
    SHADOW 750 EMBREAGEM/SELETOR DE MARCHAS Limpe as superfícies de contato da tampa direita e da carcaça do motor. NOTA Tenha cuidado para não danificar as superfícies de contato. Aplique junta-líquida (Three Bond 1207B ou equivalente) na superfície de contato da tampa direita da carcaça do motor. CABO DA EMBREAGEM FIXADOR DO CABO Conecte o cabo da embreagem. Instale a tampa direita da carcaça do motor e o fixador do cabo da embreagem. Em seguida, aperte os parafusos em ordem cruzada e em diversas etapas. PARAFUSOS TAMPA DIREITA DA CARCAÇA DO MOTOR PARAFUSOS BORRACHA DO RETENTOR DE ÓLEO Instale a borracha do retentor de óleo na tampa da embreagem, mantendo seu flange menor voltado para cima. Instale a tampa da embreagem e aperte seus parafusos no torque especificado. Torque: 10 N.m (1,0 kgf.m) Abasteça a carcaça do motor, utilizando o óleo recomendado para motor (página 3-12). TAMPA DA EMBREAGEM 10-23
  • 253.
    EMBREAGEM/SELETOR DE MARCHAS SHADOW 750 NOTAS 10-24
  • 254.
    SHADOW 750 11. ALTERNADOR/ EMBREAGEM DE PARTIDA LOCALIZAÇÃO DOS COMPONENTES 11-2 VOLANTE DO MOTOR/ EMBREAGEM DE PARTIDA 11-5 INFORMAÇÕES DE SERVIÇO 11-3 INSTALAÇÃO DO ESTATOR 11-11 DIAGNOSE DE DEFEITOS 11-3 REMOÇÃO DO ESTATOR 11-4 11-1
  • 255.
    ALTERNADOR/EMBREAGEM DE PARTIDA SHADOW 750 LOCALIZAÇÃO DOS COMPONENTES 128 N.m (13,1 kgf.m) 11-2
  • 256.
    SHADOW 750 ALTERNADOR/EMBREAGEM DE PARTIDA INFORMAÇÕES DE SERVIÇO INFORMAÇÕES GERAIS • Este capítulo abrange os reparos no estator do alternador e volante do motor. Todos os reparos podem ser executados com o motor instalado no chassi. • Para inspeção do alternador, consulte a página 17-9. • Para reparos no motor de partida, consulte a página 19-6. ESPECIFICAÇÕES Unidade: mm Item Padrão Limite de Uso Engrenagem movida de partida D.I. 37,000 – 37,025 37,10 D.E. 57,749 – 57,768 57,73 D.I. da carcaça da embreagem de partida 74,414 – 74,440 74,46 VALORES DE TORQUE Parafuso Allen do estator 12 N.m (1,2 kgf.m) Aplique trava-química nas roscas. Parafuso do volante do motor 128 N.m (13,1 kgf.m) Roscas invertidas. Aplique óleo para motor nas roscas e superfícies de assentamento. Parafuso Allen do fixador da fiação do estator 12 N.m (1,2 kgf.m) Aplique trava-química nas roscas. Parafuso Allen da carcaça da embreagem unidirecional de partida 30 N.m (3,1 kgf.m) Aplique trava-química nas roscas. FERRAMENTAS Fixador do volante do motor Extrator do rotor 07725-0040001 07733-0020001 DIAGNOSE DE DEFEITOS O motor de partida gira, mas o motor não • Embreagem de partida defeituosa • Engrenagem redutora danificada • Engrenagem intermediária de partida danificada 11-3
  • 257.
    ALTERNADOR/EMBREAGEM DE PARTIDA SHADOW 750 CONECTOR 3P (Branco) REMOÇÃO DO ESTATOR Remova os seguintes componentes: – Tampa lateral esquerda (página 2-4) – Tampa traseira esquerda da carcaça do motor (página 2-4) Desacople o conector 3P (Branco) do alternador. Solte a fiação do alternador das cintas da fiação. CINTAS DA FIAÇÃO TAMPA ESQUERDA DA CARCAÇA DO MOTOR PARAFUSOS Solte a fiação das presilhas. Posicione um recipiente sob a tampa esquerda da carcaça do motor para coletar o óleo. Remova os parafusos, as presilhas e a tampa esquerda da carcaça do motor. NOTA • Solte os parafusos em ordem cruzada e em diversas etapas. • A tampa esquerda da carcaça do motor (estator) é magneticamente fixada ao volante do motor. Tenha cuidado ao removê-la. • Tenha cuidado para não danificar a tampa do alternador. PRESILHAS PINOS-GUIAS Remova os pinos-guias e limpe os resíduos de junta da superfície de contato. NOTA Tenha cuidado para não danificar as superfícies de contato. PARAFUSO BORRACHA Remova o parafuso e o fixador da fiação do estator da tampa esquerda da carcaça do motor. Remova a borracha da fiação. FIXADOR 11-4
  • 258.
    SHADOW 750 ALTERNADOR/EMBREAGEM DE PARTIDA ESTATOR Remova os parafusos e o estator da tampa da esquerda da carcaça do motor. PARAFUSOS ENGRENAGEM INTERMEDIÁRIA ENGRENAGEM REDUTORA VOLANTE DO MOTOR/EMBREAGEM DE PARTIDA REMOÇÃO DO VOLANTE DO MOTOR Remova a tampa esquerda da carcaça do motor (página 11-4). NOTA Para inspeção da bobina de carga do alternador, consulte a página 17-9. Remova a engrenagem redutora de partida e seu eixo. EIXOS Remova a engrenagem intermediária de partida e seu eixo. PARAFUSO/ARRUELA Remova o parafuso do volante do motor e a arruela, enquanto mantém fixado o volante do motor, utilizando a ferramenta especial. Ferramenta: Fixador do volante do motor 07725-0040001 NOTA O parafuso do volante do motor possui roscas invertidas. FIXADOR DO VOLANTE DO MOTOR VOLANTE DO MOTOR Remova o volante do motor, utilizando a ferramenta especial. Ferramenta: Extrator do rotor 07733-0020001 EXTRATOR DO ROTOR 11-5
  • 259.
    ALTERNADOR/EMBREAGEM DE PARTIDA SHADOW 750 CHAVETA MEIA-LUA ROLAMENTO DA AGULHAS Remova o calço, o rolamento de agulhas e a chaveta meia-lua da árvore de manivelas. NOTA • Tenha cuidado para não danificar a ranhura da chaveta meia-lua e a árvore de manivelas durante a remoção da chaveta. • Não perca a chaveta meia-lua. CALÇO ENGRENAGEM INTERMEDIÁRIA DE PARTIDA INSPEÇÃO DA ENGRENAGEM INTERMEDIÁRIA/ ENGRENAGEM REDUTORA DE PARTIDA Engrenagem Intermediária de Partida/Eixo Inspecione a engrenagem intermediária de partida e seu eixo quanto a desgaste ou danos. EIXO ENGRENAGEM REDUTORA DE PARTIDA Engrenagem Redutora de Partida/Eixo Inspecione a engrenagem redutora de partida e seu eixo quanto a desgaste ou danos. EIXO 11-6
  • 260.
    SHADOW 750 ALTERNADOR/EMBREAGEM DE PARTIDA ENGRENAGEM MOVIDA REMOÇÃO DA ENGRENAGEM MOVIDA DE PARTIDA/ EMBREAGEM DE PARTIDA Inspecione o funcionamento da embreagem unidirecional, girando a engrenagem movida de partida. A engrenagem movida de partida deve girar suavemente em sentido anti-horário, e não deve girar em sentido horário. Remova a engrenagem movida de partida do volante do motor, girando a engrenagem em sentido anti-horário. VOLANTE DO MOTOR Remova os parafusos Allen, enquanto mantém fixado o volante do motor, utilizando a ferramenta especial. Ferramenta: Fixador do volante do motor 07725-0040001 PARAFUSOS ALLEN VOLANTE DO MOTOR CARCAÇA DA EMBREAGEM Remova a carcaça da embreagem de partida/embreagem unidirecional do volante do motor. EMBREAGEM UNIDIRECIONAL ROLAMENTO DE AGULHAS INSPEÇÃO DA EMBREAGEM DE PARTIDA ROLAMENTO DE AGULHAS Inspecione o rolamento de agulhas quanto a desgaste anormal ou danos. 11-7
  • 261.
    ALTERNADOR/EMBREAGEM DE PARTIDA SHADOW 750 MOLA Carcaça da Embreagem Unidirecional/Embreagem de Partida Inspecione a embreagem de encosto unidirecional quanto a desgaste anormal, danos ou movimentação irregular. NOTA • Somente remova a embreagem unidirecional da carcaça da embreagem se for substituí-la por uma nova. • Se a mola for removida da ranhura da embreagem unidirecional, substitua o conjunto da embreagem unidirecional por um novo. Inspecione a superfície de contato interna da carcaça da CARCAÇA DA EMBREAGEM embreagem de partida quanto a desgaste ou danos. EMBREAGEM UNIDIRECIONAL Meça o D.I. da carcaça da embreagem de partida. Limite de Uso 74,46 mm Engrenagem Movida de Partida Inspecione a superfície de contato da embreagem de encosto unidirecional quanto a desgaste ou danos. Meça o D.E. da engrenagem movida de partida. Limite de Uso 57,73 mm Meça o D.I. da engrenagem movida de partida. Limite de Uso 37,10 mm INSTALAÇÃO DA ENGRENAGEM MOVIDA DE PARTIDA/EMBREAGEM DE PARTIDA CARCAÇA DA EMBREAGEM DE PARTIDA 30 N.m (3,1 kgf.m) ENGRENAGEM MOVIDA DE PARTIDA EMBREAGEM UNIDIRECIONAL VOLANTE DO MOTOR 11-8
  • 262.
    SHADOW 750 ALTERNADOR/EMBREAGEM DE PARTIDA CARCAÇA DA EMBREAGEM Limpe a embreagem unidirecional e aplique óleo para motor na região de encosto. Instale a embreagem unidirecional na carcaça da embreagem de partida, mantendo o lado do flange voltado para o volante do motor. NOTA Caso a mola tenha sido removida da ranhura da embreagem unidirecional, substitua o conjunto da embreagem unidirecional por um novo. EMBREAGEM UNIDIRECIONAL VOLANTE DO MOTOR Instale a carcaça da embreagem de partida/embreagem unidirecional no volante do motor. CARCAÇA DA EMBREAGEM/ EMBREAGEM UNIDIRECIONAL Fixe o volante do motor, utilizando a ferramenta especial. Ferramenta: Fixador do volante do motor 07725-0040001 Limpe e aplique trava-química nas roscas do parafuso Allen. Instale e aperte os parafusos Allen no torque especificado. Torque: 30 N.m (3,1 kgf.m) PARAFUSOS ALLEN ENGRENAGEM MOVIDA Instale a engrenagem movida de partida no volante do motor, girando a engrenagem movida em sentido anti- horário. Inspecione novamente o funcionamento da embreagem unidirecional (página 11-7). VOLANTE DO MOTOR 11-9
  • 263.
    ALTERNADOR/EMBREAGEM DE PARTIDA SHADOW 750 CHAVETA MEIA-LUA ROLAMENTO DE AGULHAS INSTALAÇÃO DO VOLANTE DO MOTOR Instale a chaveta meia-lua na ranhura da árvore de manivelas. NOTA Tenha cuidado para não danificar a ranhura da chaveta ou a árvore de manivelas durante a instalação da chaveta meia-lua. Aplique óleo para motor na região de rotação do rolamento de agulhas e instale-o na árvore de manivelas. Instale o calço na árvore de manivelas. Limpe quaisquer resíduos de óleo da superfície de contato da CALÇO árvore de manivelas. VOLANTE DO MOTOR Limpe quaisquer resíduos de óleo da superfície de contato do volante do motor. Instale o volante do motor na árvore de manivelas, alinhando a ranhura da chaveta do volante do motor com a chaveta meia-lua da árvore de manivelas. Alinhe PARAFUSO/ARRUELA Fixe o volante do motor, utilizando a ferramenta especial. Ferramenta: Fixador do volante do motor 07725-0040001 Aplique óleo para motor nas roscas e superfícies de assentamento do parafuso do volante do motor. Instale e aperte o parafuso do volante do motor, juntamente com sua arruela, no torque especificado. Torque: 128 N.m (13,1 kgf.m) NOTA FIXADOR DO VOLANTE DO MOTOR O parafuso do volante do motor possui roscas invertidas. ENGRENAGEM INTERMEDIÁRIA ENGRENAGEM REDUTORA Aplique óleo para motor na superfície externa dos eixos da engrenagem redutora de partida e da engrenagem intermediária. Instale a engrenagem redutora de partida, a engrenagem intermediária e seus eixos na carcaça esquerda do motor. NOTA Instale a engrenagem redutora de partida, mantendo sua marca “OUT” voltada para fora. Instale o estator e a tampa esquerda da carcaça do motor (página 11-11). EIXOS MARCA “OUT” 11-10
  • 264.
    SHADOW 750 ALTERNADOR/EMBREAGEM DE PARTIDA INSTALAÇÃO DO ESTATOR TAMPA ESQUERDA DA CARCAÇA DO MOTOR FIXADOR DA FIAÇÃO 12 N.m (1,2 kgf.m) ESTATOR 12 N.m (1,2 kgf.m) ESTATOR Instale o estator na tampa esquerda da carcaça do motor. Limpe e aplique trava-química nas roscas do parafuso. NOTA Região de cobertura: 6,5 ± 1,0 mm a partir de sua ponta. Instale e aperte os parafusos Allen do estator no torque especificado. Torque: 12 N.m (1,2 kgf.m) PARAFUSOS ALLEN PARAFUSO ALLEN BORRACHA Instale a borracha nas ranhuras da tampa esquerda da carcaça do motor. Limpe e aplique trava-química nas roscas do parafuso. NOTA Região de cobertura: 6,5 ± 1,0 mm a partir de sua ponta. Instale o fixador da fiação na tampa esquerda da carcaça do motor. Instale e aperte o parafuso no torque especificado. Torque: 12 N.m (1,2 kgf.m) FIXADOR DA FIAÇÃO 11-11
  • 265.
    ALTERNADOR/EMBREAGEM DE PARTIDA SHADOW 750 Remova os resíduos de junta-líquida da superfície de contato da tampa esquerda da carcaça do motor. Aplique junta-líquida (Three Bond 1207B ou equivalente) na superfície de contato da tampa esquerda da carcaça do motor. NOTA Não remova o excesso de junta-líquida com solvente orgânico. PINOS-GUIAS Instale os pinos-guias. Instale a tampa esquerda da carcaça do motor. NOTA A tampa esquerda da carcaça do motor (estator) é magneticamente fixada ao volante do motor. Tenha cuidado ao removê-la. Aplique trava-química nas roscas do parafuso marcado da tampa esquerda da carcaça do motor (marca “Δ”), como mostra a ilustração. TAMPA ESQUERDA DA CARCAÇA DO MOTOR PARAFUSOS Instale as presilhas e os parafusos da tampa esquerda da carcaça do motor. Aperte os parafusos da tampa esquerda da carcaça do motor em ordem cruzada e em diversas etapas. Prenda a fiação utilizando as presilhas. NOTA Passe adequadamente a fiação (página 1-20). PRESILHAS 11-12
  • 266.
    SHADOW 750 ALTERNADOR/EMBREAGEM DE PARTIDA CONECTOR 3P (Branco) Prenda a fiação do alternador, utilizando as cintas da fiação. NOTA Passe adequadamente a fiação (página 1-20). Acople o conector 3P (Branco) do alternador. Instale os seguintes componentes: – Tampa traseira esquerda da carcaça do motor (página 2-4) – Tampa lateral esquerda (página 2-4) Verifique o nível de óleo do motor (página 3-12). CINTAS DA FIAÇÃO 11-13
  • 267.
    ALTERNADOR/EMBREAGEM DE PARTIDA SHADOW 750 NOTAS 11-14
  • 268.
    ÁRVORE DE MANIVELAS/ SHADOW750 12. TRANSMISSÃO LOCALIZAÇÃO DOS COMPONENTES 12-2 BRONZINA DO MANCAL PRINCIPAL 12-16 INFORMAÇÕES DE SERVIÇO 12-3 TRANSMISSÃO 12-20 DIAGNOSE DE DEFEITOS 12-8 ENGRENAGENS DE TRANSMISSÃO 12-28 SEPARAÇÃO DA CARCAÇA DO MOTOR 12-9 SUBSTITUIÇÃO DO ROLAMENTO DA CARCAÇA DO MOTOR 12-47 ÁRVORE DE MANIVELAS/BIELA 12-10 MONTAGEM DA CARCAÇA DO MOTOR 12-48 BRONZINA DO MANCAL DA ÁRVORE DE MANIVELAS 12-13 12-1
  • 269.
    ÁRVORE DE MANIVELAS/TRANSMISSÃO SHADOW 750 LOCALIZAÇÃO DOS COMPONENTES 49 N.m (5,0 kgf.m) 23 N.m (2,3 kgf.m) 31 N.m (3,2 kgf.m) 33 N.m (3,4 kgf.m) 13 N.m (1,3 kgf.m) 23 N.m (2,3 kgf.m) PARAFUSO DA CARCAÇA DO MOTOR: 23 N.m (2,3 kgf.m) 12-2
  • 270.
    SHADOW 750 ÁRVORE DE MANIVELAS/TRANSMISSÃO INFORMAÇÕES DE SERVIÇO INFORMAÇÕES GERAIS • A carcaça do motor deve ser separada para a execução reparos nos seguintes componentes: – Bomba de óleo – Árvore de manivelas/biela – Engrenagens de transmissão – Transmissão • Os seguintes componentes devem ser removidos antes da separação da carcaça do motor: – Cartucho de filtro de óleo (página 3-13) – Bomba de água (página 6-16) – Cabeçote (página 8-13) – Cilindro/pistão (página 9-4) – Embreagem (página 10-7) – Seletor de marchas (página 10-14) – Engrenagem motora primária (página 10-12) – Volante do motor (página 11-5) – Motor de partida (página 19-6) – Sensor VS (página 20-14) – Interruptor de ponto-morto (página 20-23) – Interruptor EOP (página 4-5) • Tenha cuidado para não danificar as superfícies de contato da carcaça do motor durante a execução de reparos. • Marque e armazene as bielas, as capas e bronzinas para certificar-se de que sejam reinstaladas em suas posições originais. • As bronzinas dos mancais principais e dos mancais da árvore de manivelas são selecionadas e identificadas pelos códigos de cores. Selecione as bronzinas de substituição consultando as tabelas de código. Após a seleção, verifique novamente a folga de óleo. Folgas de óleo incorretas podem causar sérios danos ao motor. • Antes de montar as metades da carcaça do motor, aplique junta-líquida em suas superfícies de contato e remova completamente o excesso. • Sempre que substituir as engrenagens motora/movida de transmissão, os rolamentos, seus suportes ou sua carcaça, execute a inspeção de padrão de contato e folga entre os dentes das engrenagens e ajuste os calços se necessário. As linhas de extensão da superfície de encaixe das engrenagens devem interceptar-se em um determinado ponto. • Ao utilizar uma chave para contraporca na carcaça das engrenagens do eixo de transmissão, utilize uma chave de torque com cabo defletor de 20 polegadas de comprimento. A chave para contraporca aumenta a ação da alavanca da chave, de forma que a leitura de torque obtida na chave será menor que o torque realmente aplicado à contraporca. As especificações apresentadas a seguir indicam o valor real de torque que deve ser aplicado à contraporca, e não o valor de leitura na chave de torque. O procedimento seguinte informa ambos os valores, tanto o real como o indicado na chave de torque. • Proteja a carcaça das engrenagens de transmissão, utilizando uma toalha ou mordentes macios ao fixá-la em uma morsa. Não aperte excessivamente a carcaça das engrenagens de transmissão pois poderá danificá-la. 12-3
  • 271.
    ÁRVORE DE MANIVELAS/TRANSMISSÃO SHADOW 750 ESPECIFICAÇÕES Unidade: mm Item Padrão Limite de Uso Árvore de Folga lateral do colo da biela 0,05 – 0,20 0,30 manivelas Folga de óleo da bronzina da árvore de manivelas 0,028 – 0,052 0,07 Folga de óleo do mancal principal 0,020 – 0,038 0,07 Empenamento – 0,03 D.E. do mancal principal 52,982 – 53,000 52,976 D.I. do mancal principal 58,010 – 58,022 58,070 Garfo seletor, D.I. do eixo 13,000 – 13,018 13,03 eixo seletor Espessura da garra 5,93 – 6,00 5,6 D.E. do eixo seletor 12,966 – 12,984 12,90 D.E. do tambor seletor na extremidade esquerda 11,966 – 11,984 11,94 D.I. do mancal do tambor seletor 12,000 – 12,018 12,05 Folga entre o tambor seletor e o mancal do tambor seletor 0,016 – 0,052 0,09 Transmissão D.I. da engrenagem M3, M5 28,000 – 28,021 28,04 C1, C4 31,000 – 31,025 31,05 C2 24,000 – 24,021 24,04 D.E. da bucha da M3, M5 27,959 – 27,980 27,94 engrenagem C1, C4 30,950 – 30,975 30,93 C2 23,959 – 23,980 23,94 Folga entre a M3, M5, C2 0,020 – 0,062 0,10 engrenagem e a bucha C1, C4 0,025 – 0,075 0,11 D.I. da bucha da M3 25,000 – 25,021 25,04 engrenagem C2 20,000 – 20,021 20,04 D.E. da árvore primária Na bucha M3 24,959 – 24,980 24,94 D.E. da árvore secundária Na bucha C2 19,980 – 19,993 19,96 Folga entre a bucha e M3 0,020 – 0,062 0,10 o eixo C2 0,007 – 0,041 0,07 Sistema de D.E. da engrenagem de transmissão 24,000 – 24,021 24,04 transmissão Bucha da engrenagem D.E. 23,959 – 23,980 23,70 de transmissão D.I. 20,020 – 20,041 20,06 D.E. do eixo da engrenagem motora de transmissão 19,979 – 20,000 19,97 Folga entre a engrenagem e a bucha 0,020 – 0,062 0,082 Folga entre a bucha da engrenagem e o eixo 0,020 – 0,062 0,082 Comprimento da mola do amortecedor 62,3 59 da engrenagem de transmissão Folga entre os dentes das engrenagens de 0,08 – 0,23 0,40 transmissão Diferença da folga entre as medidas – 0,10 12-4
  • 272.
    SHADOW 750 ÁRVORE DE MANIVELAS/TRANSMISSÃO VALORES DE TORQUE Parafuso da carcaça do motor, 8 mm 23 N.m (2,3 kgf.m) Porca da capa da bronzina do mancal da árvore de manivelas 33 N.m (3,4 kgf.m) Aplique óleo para motor nas roscas e superfícies de assentamento. Parafuso da placa do excêntrico seletor de marchas 12 N.m (1,2 kgf.m) Aplique trava-química nas roscas. Parafuso de fixação da carcaça das engrenagens de transmissão 31 N.m (3,2 kgf.m) Aplique junta-líquida nas roscas. Parafuso de fixação do conjunto das engrenagens de transmissão 31 N.m (3,2 kgf.m) Aplique óleo para motor nas roscas e superfícies de assentamento. Contraporca do rolamento da engrenagem motora de transmissão (Interna) 73 N.m (7,4 kgf.m) Contraporca; substitua-a por uma nova e trave-a. Aplique óleo para motor nas roscas e superfícies de assentamento. Contraporca do rolamento da engrenagem motora de transmissão (Externa) 98 N.m (10,0 kgf.m) Contraporca; substitua-a por uma nova e trave-a. Aplique óleo para motor nas roscas e superfícies de assentamento. Contraporca do rolamento da engrenagem movida de transmissão (Interna) 73 N.m (7,4 kgf.m) Contraporca; substitua-a por uma nova e trave-a. Aplique óleo para motor nas roscas e superfícies de assentamento. Contraporca do rolamento da engrenagem movida de transmissão (Externa) 98 N.m (10,0 kgf.m) Contraporca; substitua-a por uma nova e trave-a. Aplique óleo para motor nas roscas e superfícies de assentamento. Parafuso do eixo da engrenagem movida de transmissão 49 N.m (5,0 kgf.m) Parafuso Allen de fixação do conjunto da engrenagem movida de transmissão 31 N.m (3,2 kgf.m) Aplique óleo para motor nas roscas e superfícies de assentamento. 12-5
  • 273.
    ÁRVORE DE MANIVELAS/TRANSMISSÃO SHADOW 750 FERRAMENTAS Instalador Acessório, 42 x 47 mm Acessório, 52 x 55 mm 07749-0010000 07746-0010300 07746-0010400 Acessório, 62 x 68 mm Guia, 22 mm Guia, 17 mm 07746-0010500 07746-0041000 07746-0040400 Guia, 20 mm Guia, 30 mm Cabo extrator 07746-0040500 07746-0040700 07936-3710100 Conjunto extrator de rolamento, Contrapeso extrator Instalador, 57 mm 20 mm 07741-0010201 070MF-MEG0100 07936-3710600 12-6
  • 274.
    SHADOW 750 ÁRVORE DE MANIVELAS/TRANSMISSÃO FERRAMENTAS Conjunto instalador metálico Compressor da mola de Fixador de eixo A 070MF-MEG0200 amortecimento 07PAB-0010100 07964-ME90000 Cabo fixador Chave para contraporca, 36 x 47,8 mm Ferramenta de inspeção do 07PAB-0010400 07916-MB00002 diferencial 07KMK-HC50101 Conjunto extrator de rolamento, Instalador do retentor de óleo Instalador, D.I. de 40 mm 17 mm 07965-KE80200 07746-0030100 07936-3710300 Acessório, D.I. de 30 mm Alicate para anel elástico 07746-0030300 07914-5670100 12-7
  • 275.
    ÁRVORE DE MANIVELAS/TRANSMISSÃO SHADOW 750 DIAGNOSE DE DEFEITOS Ruído excessivo • Bronzinas do mancal principal desgastadas • Bronzinas do mancal da árvore de manivelas desgastadas • Engrenagens da transmissão desgastadas ou danificadas • Rolamentos da transmissão desgastados ou danificados Ruído excessivo no lado das engrenagens • Engrenagens do diferencial ou do eixo de transmissão desgastadas ou danificadas • Rolamento da carcaça das engrenagens de transmissão desgastado ou danificado • Calço de ajuste incorreto Dificuldade no engate de marchas • Funcionamento inadequado da embreagem (página 10-9) • Viscosidade incorreta do óleo do motor • Garfos seletores empenados • Eixo do garfo seletor empenado • Garra do garfo seletor empenada • Ranhuras do excêntrico do tambor seletor danificadas • Eixo seletor de marchas empenado As marchas escapam • Recortes ou ranhuras das engrenagens desgastadas • Ranhura seletora de marcha desgastada • Eixo do garfo seletor empenado • Posicionador do tambor seletor quebrado • Garfos seletores desgastados ou empenados • Mola do posicionador do tambor seletor quebrada • Mola de retorno do eixo seletor de marchas quebrada 12-8
  • 276.
    SHADOW 750 ÁRVORE DE MANIVELAS/TRANSMISSÃO CORRENTE DE DISTRIBUIÇÃO PARAFUSOS SEPARAÇÃO DA CARCAÇA DO MOTOR ESQUERDO: DIREITO: Remova o motor do chassi (página 7-4). Consulte o item “Informações de Serviço”, na página 12-3, para remoção dos componentes necessários à separação da carcaça do motor. Remova os parafusos e as placas de fixação dos tensores das correntes de distribuição. Remova as correntes de distribuição. PLACAS DE FIXAÇÃO CORRENTE DE DISTRIBUIÇÃO FIXADOR DO EIXO A PARAFUSO/ARRUELA Solte o parafuso do eixo da engrenagem motora de transmissão e remova-o juntamente com sua arruela, enquanto mantém fixado o eixo da engrenagem movida de transmissão, utilizando as ferramentas especiais. Ferramentas: Fixador de eixo A 07PAB-0010100 Cabo fixador 07PAB-0010400 CABO FIXADOR PARAFUSOS Remova os parafusos e a placa de fixação do rolamento. PLACA DE FIXAÇÃO PARAFUSOS, 8 mm Solte os parafusos de 6 e 8 mm, em ordem cruzada e em diversas etapas, e remova-os em seguida. PARAFUSOS, 6 mm 12-9
  • 277.
    ÁRVORE DE MANIVELAS/TRANSMISSÃO SHADOW 750 PARAFUSOS, 8 mm PARAFUSO, 8 mm/ARRUELA Solte os parafusos de 6 e 8 mm, em ordem cruzada e em diversas etapas, e remova-os em seguida juntamente com suas arruelas. Gire a placa do excêntrico até atingir a posição indicada na ilustração. PLACA DO EXCÊNTRICO PARAFUSOS, 6 mm CARCAÇA DIREITA Apóie a carcaça do motor, mantendo seu lado esquerdo voltado para baixo, e remova a carcaça direita do motor. NOTA • Separa a carcaça direita da esquerda, forçando-as levemente nos pontos indicados na ilustração. • Separa a carcaça direita da esquerda, batendo levemente em ambas, nos pontos indicados, utilizando um martelo macio. PONTOS DE ALAVANCAGEM PINOS-GUIAS Remova os pinos-guias e o retentor do tubo. Remova os resíduos de junta das superfícies de contato das carcaças esquerda e direita do motor. RETENTOR DO TUBO ÁRVORE DE MANIVELAS/BIELA ÁRVORE DE MANIVELAS/BIELA REMOÇÃO DA ÁRVORE DE MANIVELAS Separe as carcaças do motor (página 12-9). Remova a árvore de manivelas/biela da carcaça esquerda do motor. NOTA Tenha cuidado para não danificar o mancal principal e o mancal da árvore de manivelas durante a execução de reparos na árvore de manivelas e biela. 12-10
  • 278.
    SHADOW 750 ÁRVORE DE MANIVELAS/TRANSMISSÃO CÁLIBRE DE LÂMINAS INSPEÇÃO DA FOLGA LATERAL Inspecione a folga lateral do colo das bielas antes de removê- las. Meça a folga lateral, inserindo um cálibre de lâminas entre a árvore de manivelas e o colo da biela. Limite de Uso 0,30 mm CAPAS REMOÇÃO DA BIELA Remova as porcas das capas das bronzinas do mancal da árvore de manivelas. NOTA Bata levemente na lateral da capa da biela caso haja dificuldade de removê-la. PORCAS BRONZINA CAPA Marque as bielas, as bronzinas e suas capas durante sua remoção, para que possam ser montadas em suas posições, mancais e cilindros originais. Para inspeção da cabeça da biela, consulte a página 9-7. BIELA 12-11
  • 279.
    ÁRVORE DE MANIVELAS/TRANSMISSÃO SHADOW 750 INSPEÇÃO DA ÁRVORE DE MANIVELAS 10 mm 10 mm Inspecione as superfícies dos mancais da árvore de manivelas quanto a danos, descoloração ou riscos. 40 mm Empenamento da Árvore de Manivelas Apóie a árvore de manivelas sobre blocos em V. Posicione um relógio comparador nos mancais principais. Gire a árvore de manivelas por duas voltas completas e faça a leitura de seu empenamento. Limite de Uso 0,03 mm PONTO DE MEDIÇÃO INSTALAÇÃO DA BIELA NOTA Não inverta as bronzinas. Caso as bronzinas sejam invertidas, a correta folga de óleo pode não ser obtida, resultando em sérios danos ao motor. Remova quaisquer resíduos de óleo das bielas, capas e bronzinas. BIELA Alinhe Instale as bronzinas em suas capas e bielas, alinhando a lingüeta com a ranhura. Aplique solução óleo de bissulfeto de molibdênio na superfície de encosto das bronzinas dos mancais da árvore de manivelas. Instale as bielas e suas capas na árvore de manivelas, alinhando o código de D.I. da biela e da capa. Certifique-se de que cada componente seja instalado em sua posição original, como observado durante a remoção. NOTA • Posicione o injetor de óleo da biela do cilindro dianteiro INJETOR DE ÓLEO CAPA voltado para o lado traseiro (lado de admissão) do PORCAS cilindro. • Posicione o injetor de óleo da biela do cilindro traseiro voltado para o lado traseiro (lado de escape) do cilindro. Aplique óleo para motor nas roscas e superfícies de assentamento das porcas das capas da bielas. Instale as porcas e aperte-as alternadamente e em diversas etapas, no torque especificado. Torque: 33 N.m (3,4 kgf.m) Após apertar as porcas, verifique se as bielas movimentam- se livremente, sem obstruções. 12-12
  • 280.
    SHADOW 750 ÁRVORE DE MANIVELAS/TRANSMISSÃO ÁRVORE DE MANIVELAS INSTALAÇÃO DA ÁRVORE DE MANIVELAS Aplique solução de óleo de bissulfeto de molibdênio nos mancais principais da árvore de manivelas. Em seguida, instale a árvore de manivelas na carcaça esquerda do motor. Monte a carcaça do motor (página 12-48). BRONZINA DO MANCAL DA ÁRVORE DE MANIVELAS NOTA Não inverta as bronzinas. Caso as bronzinas sejam invertidas, a correta folga de óleo pode não ser obtida, resultando em sérios danos ao motor. Remova as bielas (página 12-11). INSPEÇÃO DA BRONZINA Inspecione as bronzinas quanto a desgaste anormal, danos BRONZINAS ou descascamento. Substitua-as se necessário. Selecione a bronzina de substituição adequada (página 12-14). INSPEÇÃO DA FOLGA DE ÓLEO Remova quaisquer resíduos de óleo das bronzinas e mancais da árvore de manivelas. Coloque uma tira de plastigauge longitudinalmente em cada mancal da árvore de manivelas, tendo cuidado para não atingir o orifício de óleo. Instale cuidadosamente as bielas e capas em seus corretos mancais. PLASTIGAUGE 12-13
  • 281.
    ÁRVORE DE MANIVELAS/TRANSMISSÃO SHADOW 750 PORCAS Aplique óleo para motor nas roscas e superfícies de assentamento das porcas das capas da bielas. Instale as porcas e aperte-as alternadamente e em diversas etapas, no torque especificado. Torque: 33 N.m (3,4 kgf.m) NOTA Não gire a árvore de manivelas durante esta inspeção. Remova as capas das bielas e meça a altura de cada plastigauge, eu seu ponto mais largo, a fim de determinar a folga de óleo. Limite de Uso 0,07 mm Caso a folga de óleo exceda o valor de limite de uso, selecione novas bielas de substituição, como descrito a seguir. PLASTIGAUGE SELEÇÃO DA BRONZINA Anote o código numérico de D.I. da biela. NOTA Os códigos de D.I. da biela são identificados pelos números 3 e 4. CÓDIGO NUMÉRICO DE D.I. DA BIELA Anote a letra de código do D.E. do mancal da árvore de manivelas. NOTA Os códigos de D.E. do mancal da árvore de manivelas são identificados pelas letras A e B nos contrapesos da árvore de manivelas. Utilizando a tabela da página seguinte, faça o cruzamento dos códigos das bielas e mancais para determinar o código de cor da bronzina de substituição. CÓDIGO DO D.E. DO MANCAL DA ÁRVORE DE MANIVELAS 12-14
  • 282.
    SHADOW 750 ÁRVORE DE MANIVELAS/TRANSMISSÃO Tabela de Seleção da Bronzina Código de D.I. da Biela 3 4 43,000 – 43,008 43,008 – 43,016 Código de D.E. do mancal C B A 39,982 – 39,990 da árvore de manivelas (Rosa) (Amarela) B A B 39,974 – 39,982 (Amarela) (Verde) Espessura da Bronzina: A (Verde): Mais grossa CÓDIGO DE COR B (Amarela): C (Rosa): Mais fina NOTA Após a seleção das novas bronzinas, inspecione novamente a folga, utilizando os plastigauges. Folgas incorretas podem causar sérios danos ao motor. SELEÇÃO DA BIELA Encontra-se gravado na capa da biela um código alfabético de peso. Caso seja necessário substituir a biela, selecione uma que possua o mesmo código de peso da biela original. Se uma biela de mesmo código não estiver disponível, utilize uma outra seguindo a especificação abaixo. Tabela de Combinação de Peso de Biela • A marca “O” na tabela indica os casos de coincidência de cruzamento dos códigos. Código de Peso da Biela Traseira A B C Peso da Biela A O O Código de Dianteira B O O O CÓDIGO DE PESO C O O Peso A 398 – 403 g Código de B 403 – 408 g Peso da Biela C 408 – 413 g Instale os seguintes componentes: – Biela (página 12-12) – Árvore de manivelas (página 12-13) 12-15
  • 283.
    ÁRVORE DE MANIVELAS/TRANSMISSÃO SHADOW 750 BRONZINA DO MANCAL PRINCIPAL NOTA Não inverta as bronzinas. Caso as bronzinas sejam invertidas, a correta folga de óleo pode não ser obtida, resultando em sérios danos ao motor. Remova a árvore de manivelas (página 12-10). INSPEÇÃO DA BRONZINA Remova quaisquer resíduos de óleo das bronzinas. Inspecione as bronzinas quanto a desgaste anormal, danos MARCA DE REFERÊNCIA ou descascamento. Substitua-as se necessário. LADO INTERNO Meça e anote o D.I. da bronzina do mancal principal, entre a ranhura da bronzina e a extremidade externa da carcaça do motor na bronzina, a 90° da marca de referência. LADO EXTERNO 90° BRONZINA DO MANCAL PRINCIPAL Remova quaisquer resíduos de óleo dos mancais da árvore de manivelas. Meça e anote o D.E. do mancal principal da árvore de manivelas. Limite de Uso 52,976 mm Calcule a folga de óleo do mancal principal. Limite de Uso 0,07 mm Caso a folga de óleo exceda o valor de limite de uso, selecione uma nova bronzina. SELEÇÃO DA BRONZINA Instale a ferramenta especial, juntamente com uma prensa hidráulica no lado externo da carcaça do motor. Ferramenta: Instalador, 57 mm 070MF-MEG0100 12-16
  • 284.
    SHADOW 750 ÁRVORE DE MANIVELAS/TRANSMISSÃO Remova as bronzinas do mancal principal pelo lado interno da carcaça do motor. INSTALADOR BRONZINA Meça e anote o D.I. do mancal principal da carcaça do motor, entre a ranhura do mancal principal e a extremidade externa MARCA DE REFERÊNCIA da carcaça do motor, a 90° da marca de referência. Limite de Uso 58,070 mm 90° LADO INTERNO LADO EXTERNO Em função dos resultados obtidos nas medições acima, existem quatro cenários possíveis para seleção das bronzinas CÓDIGO DE D.I. DO SUPORTE DA BRONZINA dos mancais principais: • Substituição da árvore de manivelas e carcaça do motor • Somente substituição da carcaça do motor • Somente substituição da árvore de manivelas • Somente substituição das bronzinas dos mancais principais Consulte cuidadosamente as tabelas e instruções a seguir para seleção das bronzinas dos mancais principais. Anote a letra de código de D.I. do suporte da bronzina. NOTA As letras A e B da carcaça do motor indicam o código de D.I. da carcaça. Anote o código numérico de D.E. do mancal principal. NOTA Os números 1, 2 e 3 em cada em cada contrapeso da árvore de manivelas indicam o código de D.E. do mancal da árvore de manivelas. Faça o cruzamento dos códigos da árvore de manivelas e carcaça do motor para determinar o código de cor da bronzina de substituição. CÓDIGO NUMÉRICO DE D.E. DO MANCAL PRINCIPAL 12-17
  • 285.
    ÁRVORE DE MANIVELAS/TRANSMISSÃO SHADOW 750 Substituição da árvore de manivelas e carcaça do motor: Código de D.E. do mancal principal 1 2 3 52,994 – 53,000 52,988 – 52,994 52,982 – 52,988 Código de D.I. A 58,016 – 58,022 C B A do suporte da (Marrom) (Preto) (Azul) bronzina D C B B 58,010 – 58,016 (Verde) (Marrom) (Preto) Somente substituição da carcaça do motor: Código de D.E. do mancal principal 52,994 – 53,000 52,988 – 52,994 52,982 – 52,988 52,976 – 52,982 Código de D.I. A 58,016 – 58,022 C B A A do suporte da (Marrom) (Preto) (Azul) (Azul) bronzina D C B B B 58,010 – 58,016 (Verde) (Marrom) (Preto) (Azul) Somente substituição da árvore de manivelas: Código de D.E. do mancal principal 1 2 3 52,994 – 53,000 52,988 – 52,994 52,982 – 52,988 D.I. do mancal D C B 58,010 – 58,016 principal (Verde) (Marrom) (Preto) C B A 58,016 – 58,022 (Marrom) (Preto) (Azul) B A A 58,022 – 58,034 (Preto) (Azul) (Azul) A G - Sobremedida G - Sobremedida 58,034 – 58,046 (Azul) (Vermelho) (Vermelho) G - Sobremedida F - Sobremedida F - Sobremedida 58,046 – 58,058 (Vermelho) (Rosa) (Rosa) F - Sobremedida E - Sobremedida E - Sobremedida 58,058 – 58,070 (Rosa) (Amarelo) (Amarelo) Somente substituição das bronzinas dos mancais principais: Código de D.E. do mancal principal 52,994 – 53,000 52,988 – 52,994 52,982 – 52,988 52,976 – 52,982 Código de D.I. 58,010 – 58,016 D C B A do suporte da (Verde) (Marrom) (Preto) (Azul) bronzina 58,016 – 58,022 C B A A (Marrom) (Preto) (Azul) (Azul) 58,022 – 58,034 B A A G - Sobremedida (Preto) (Azul) (Azul) (Vermelho) 58,034 – 58,046 A G - Sobremedida G - Sobremedida F - Sobremedida (Azul) (Vermelho) (Vermelho) (Rosa) 58,046 – 58,058 G - Sobremedida F - Sobremedida F - Sobremedida E - Sobremedida (Vermelho) (Rosa) (Rosa) (Amarelo) 58,058 – 58,070 F - Sobremedida E - Sobremedida E - Sobremedida E - Sobremedida (Rosa) (Amarelo) (Amarelo) (Amarelo) 12-18
  • 286.
    SHADOW 750 ÁRVORE DE MANIVELAS/TRANSMISSÃO CÓDIGO DE COR DE IDENTIFICAÇÃO Espessura da Bronzina: E (Amarela - Sobremedida) Mais grossa F (Rosa - Sobremedida G (Vermelha - Sobremedida) A (Azul) Intermediária B (Preta) C (Marrom) D (Verde) Mais fina INSTALAÇÃO DA BRONZINA Alinhe PARAFUSOS Aplique óleo para motor nas superfícies de novas bronzinas. Posicione as novas bronzinas no instalador metálico, alinhando o lado da saliência com as ranhuras do instalador metálico. Ferramenta: Conjunto instalador metálico 070MF-MEG0200 Aperte os parafusos alternadamente, em diversas etapas e no torque especificado. BRONZINA Torque: 23 N.m (2,3 kgf.m) Posicione as bronzinas e ferramentas especiais no interior da carcaça do motor, encaixando a borda da bronzina no mancal principal da carcaça do motor. Alinhe a linha de contato das bronzinas com a marca de referência da carcaça do motor, como mostra a ilustração. CONJUNTO INSTALADOR METÁLICO BRONZINA Posicione a prensa hidráulica. Ferramenta: Conjunto instalador metálico 070MF-MEG0200 12-19
  • 287.
    ÁRVORE DE MANIVELAS/TRANSMISSÃO SHADOW 750 Instale as novas bronzinas, até que o flange do instalador CONJUNTO INSTALADOR metálico permaneça completamente assentado. BRONZINA MARCA DE REFERÊNCIA Certifique-se de que a linha de contato da bronzina esteja alinhada com a marca de referência da carcaça do motor. Inspecione a folga de óleo (página 12-16). NOTA Após a seleção das novas bronzinas, inspecione novamente a folga de óleo. Folgas incorretas podem causar sérios danos ao motor. Instale a árvore de manivelas (página 12-13). EIXO SELETOR TRANSMISSÃO REMOÇÃO Separe as metades da carcaça do motor (página 12-9). Remova o eixo seletor dos garfos seletores. TAMBOR SELETOR Remova os garfos seletores e o tambor seletor. GARFOS SELETORES 12-20
  • 288.
    SHADOW 750 ÁRVORE DE MANIVELAS/TRANSMISSÃO ÁRVORE PRIMÁRIA Remova simultaneamente as árvores primária e secundária. ÁRVORE SECUNDÁRIA ÁRVORE PRIMÁRIA DESMONTAGEM DA TRANSMISSÃO Desmonte as árvores primária e secundária. ÁRVORE SECUNDÁRIA INSPEÇÃO Engrenagens Inspecione os ressaltos, recortes e dentes das engrenagens quanto a danos ou desgaste excessivo. RESSALTO Meça o D.I. de cada engrenagem. Engrenagens M3, M5 28,04 mm Limite de Uso Engrenagens C1, C4 31,05 mm Engrenagem C2 24,04 mm RECORTE 12-21
  • 289.
    ÁRVORE DE MANIVELAS/TRANSMISSÃO SHADOW 750 Buchas Inspecione as buchas quanto a desgaste ou danos. Meça o D.E. de cada bucha. Buchas das engrenagens M3, M5 27,94 mm Limite de Uso Buchas das engrenagens C1, C4 30,93 mm Bucha da engrenagem C2 23,94 mm Meça o D.I. de cada bucha. Bucha da engrenagem M3 25,04 mm Limite de Uso Bucha da engrenagem C2 20,04 mm M3 Árvores Primária/Secundária Inspecione as ranhuras das estrias e superfícies deslizantes quanto a desgaste anormal ou danos. Meça o D.E. das árvores primária e secundária nas regiões deslizantes das engrenagens e buchas. Árvore primária (na bucha da 24,94 mm engrenagem M3) C2 Limite de Uso Árvore secundária (na bucha da 19,96 mm engrenagem C2) Calcule as folgas entre a engrenagem e a bucha e entre a bucha e o eixo. Entre a engrenagem M3, M5, C2 0,10mm e a bucha C1, C4 0,11mm Limite de Uso Entre a bucha M3 0,10 mm e o eixo C2 0,07 mm Garfo Seletor Inspecione os garfos seletores quanto a deformações ou desgaste anormal. Meça a espessura da garra dos garfos seletores. Limite de Uso 5,6 mm Meça o D.I. dos garfos seletores. Limite de Uso 13,03 mm 12-22
  • 290.
    SHADOW 750 ÁRVORE DE MANIVELAS/TRANSMISSÃO Eixo do Garfo Seletor Inspecione o eixo dos garfos seletores quanto a empenamento, desgaste anormal ou danos. Meça o D.E. do eixo do garfo seletor. Limite de Uso 12,90 mm PLACA DO EXCÊNTRICO PARAFUSO Tambor Seletor/Rolamento do Tambor Seletor Remova o parafuso e a placa do excêntrico seletor de marchas. ROLAMENTO Remova o pino-guia e o rolamento. PINO-GUIA PINOS-GUIAS Remova os pinos-guias da placa do excêntrico seletor de marchas. PLACA DO EXCÊNTRICO 12-23
  • 291.
    ÁRVORE DE MANIVELAS/TRANSMISSÃO SHADOW 750 ROLAMENTOS Instale temporariamente o rolamento no tambor seletor. Gire manualmente a pista externa do rolamento. O rolamento deve girar suave e silenciosamente. Inspecione também se a pista interna do rolamento encaixa- se sem folga no tambor seletor. Remova e descarte o rolamento caso sua pista não gire suave e silenciosamente ou se encaixar com folga no tambor seletor. TAMBOR SELETOR Inspecione a extremidade do tambor seletor quanto a escoriações, riscos ou evidências de lubrificação insuficiente. Inspecione as ranhuras do tambor seletor quanto a desgaste anormal ou danos. Meça o D.E. do tambor seletor em sua extremidade esquerda. Limite de Uso 11,94 mm Inspecione o mancal do tambor seletor na carcaça esquerda do motor quanto a desgaste excessivo ou danos. Meça o D.I. do mancal do tambor seletor. Limite de Uso 12,05 mm Calcule a folga entre o mancal e o tambor seletor. Limite de Uso 0,09 mm PINOS-GUIAS Instale os pinos-guias nos orifícios da placa do excêntrico seletor de marchas. PLACA DE EXCÊNTRICO 12-24
  • 292.
    SHADOW 750 ÁRVORE DE MANIVELAS/TRANSMISSÃO ROLAMENTO Instale o rolamento no tambor seletor. Instale o pino-guia no orifício do tambor seletor. TAMBOR SELETOR PINO-GUIA PLACA DO EXCÊNTRICO Instale a placa do excêntrico seletor de marchas, alinhando seu orifício com o pino-guia. Alinhe PLACA DO EXCÊNTRICO PARAFUSO Limpe e aplique trava-química no parafuso da placa do excêntrico seletor de marchas. Região de cobertura: 6,5 ± 1,0 mm (a partir da ponta) Instale e aperte o parafuso no torque especificado. Torque: 12 N.m (1,2 kgf.m) 12-25
  • 293.
    ÁRVORE DE MANIVELAS/TRANSMISSÃO SHADOW 750 MONTAGEM DA TRANSMISSÃO Limpe todos os componentes em solvente. Aplique óleo para motor nos dentes de todas as engrenagens. Aplique solução de óleo de bissulfeto de molibdênio nas superfícies deslizantes das buchas das engrenagens e ranhuras do garfo seletor para garantir uma lubrificação inicial. Monte todos os componentes em suas posições originais. NOTA • Verifique se as engrenagens movimentam-se e giram livremente em seu eixo. • Instale as arruelas e anéis elástico, mantendo as extremidades chanfradas voltadas para o lado da carga axial. • Não reutilize anéis elásticos usados que poderiam facilmente girar em suas ranhuras. • Certifique-se de que os anéis elásticos estejam assentados em suas ranhuras. Alinhe as folgas de suas extremidades com as ranhuras nas estrias. • Alinhe as lingüetas da arruela de trava com as ranhuras da arruela estriada. Árvore Primária ENGRENAGEM M2 (20D) ENGRENAGEM M5 (27D) BUCHA DA ENGRENAGEM M5 ARRUELA ESTRIADA ANEL ELÁSTICO ENGRENAGEM M4 (25D) ANEL ELÁSTICO ARRUELA ESTRIADA ARRUELA DE ENCOSTO BUCHA DA ENGRENAGEM M3 ÁRVORE PRIMÁRIA ENGRENAGEM M3 (23D) ENGRENAGEM M1 (15D) 12-26
  • 294.
    SHADOW 750 ÁRVORE DE MANIVELAS/TRANSMISSÃO Árvore Secundária BUCHA DA ENGRENAGEM C2 ARRUELA ÁRVORE SECUNDÁRIA DE ENCOSTO ARRUELA ENGRENAGEM C5 (23D) DE ENCOSTO ARRUELA ESTRIADA ENGRENAGEM C2 (31D) ARRUELA DE TRAVA ENGRENAGEM C4 (24D) ENGRENAGEM C3 (27D) BUCHA DA ENGRENAGEM C1 ENGRENAGEM C1 (36D) BUCHA DA ENGRENAGEM C4 ARRUELA DE ENCOSTO ENGRENAGEM DO DIFERENCIAL (39D) ÁRVORE PRIMÁRIA INSTALAÇÃO Instale simultaneamente as árvore primária e secundária na carcaça esquerda do motor. Certifique-se de instalar as arruelas de encosto em ambas as extremidades da árvore secundária. ÁRVORE SECUNDÁRIA MARCA “L” MARCA “C” MARCA “R” Os garfos seletores possuem as seguintes marcas de identificação: • “L”: Garfo seletor esquerdo • “C”: Garfo seletor central • “R”: Garfo seletor direito 12-27
  • 295.
    ÁRVORE DE MANIVELAS/TRANSMISSÃO SHADOW 750 TAMBOR SELETOR Instale os garfos seletores nas ranhuras seletoras de marchas, mantendo suas marcas voltadas para cima (lado da carcaça direita do motor). Instale o tambor seletor, alinhando os pinos-guias do garfo seletor com as ranhuras da guia do tambor seletor. GARFOS SELETORES EIXO SELETOR Aplique óleo para motor em toda a superfície do eixo seletor de marchas. Insira completamente o eixo seletor de marchas pelos garfos seletores na carcaça direita do motor. Após a instalação, inspecione a transmissão quanto a suavidade de funcionamento. Monte as metades da carcaça do motor (página 12-48). ENGRENAGENS DE TRANSMISSÃO Descrição do Conjunto de Engrenagens de Transmissão: EXCÊNTRICO AMORTECEDOR ENGRENAGEM DE TRANSMISSÃO MOLA DE AMORTECIMENTO ENGRENAGEM MOVIDA DE TRANSMISSÃO ENGRENAGEM MOTORA DE TRANSMISSÃO 12-28
  • 296.
    SHADOW 750 ÁRVORE DE MANIVELAS/TRANSMISSÃO ARRUELA DE ENCOSTO REMOÇÃO Separe as metades da carcaça do motor (página 12-9). Remova os seguintes componentes: – Árvore de manivelas (página 12-10) – Transmissão (página 12-20) Remova a arruela de encosto e a engrenagem de transmissão. ENGRENAGEM DE TRANSMISSÃO BUCHA Remova a bucha do eixo da engrenagem motora de transmissão. EXCÊNTRICO COMPRESSOR DA AMORTECEDOR MOLA DE AMORTECIMENTO Posicione o compressor da mola de amortecimento sobre o excêntrico amortecedor e sobre o eixo da engrenagem motora de transmissão. Comprima a mola de amortecimento, girando o parafuso do compressor em sentido horário, até que o anel elástico possa ser removido. Ferramenta: Compressor da mola de amortecimento 07964-ME90000 Remova o anel elástico do eixo da engrenagem motora de transmissão. MOLA ANEL ELÁSTICO Ferramenta: Alicate para anel elástico 07914-5670100 PARAFUSOS SUPORTE Remova o compressor da mola de amortecimento, o excêntrico amortecedor e a mola do eixo da engrenagem motora de transmissão. Remova o parafuso e o suporte. Remova os parafusos de fixação da carcaça das engrenagens de transmissão. PARAFUSO 12-29
  • 297.
    ÁRVORE DE MANIVELAS/TRANSMISSÃO SHADOW 750 Remova o conjunto da carcaça das engrenagens de transmissão e o anel de vedação. ANEL DE VEDAÇÃO ORIFÍCIO Remova o orifício e os anéis de vedação. Inspecione o orifício quanto a obstruções ou danos. Substitua-o se necessário. ANÉIS DE VEDAÇÃO RESSALTOS INSPEÇÃO Excêntrico Amortecedor Inspecione os ressaltos do excêntrico amortecedor quanto a danos ou desgaste excessivo. Engrenagem de Transmissão Inspecione os dentes da engrenagem de transmissão quanto a danos ou desgaste excessivo. Inspecione os orifícios dos recortes da engrenagem quanto a danos. Meça o D.I. da engrenagem de transmissão. Limite de Uso 24,04 mm 12-30
  • 298.
    SHADOW 750 ÁRVORE DE MANIVELAS/TRANSMISSÃO Bucha Inspecione a bucha da engrenagem de transmissão quanto a desgaste ou danos. Meça o D.I. e D.E. da bucha. D.E 23,70 mm Limite de Uso D.I 20,06 mm Calcule a folga entre a engrenagem e a bucha. Limite de Uso 0,082 mm EIXO DA ENGRENAGEM MOTORA DE TRANSMISSÃO Eixo da Engrenagem Motora de Transmissão Meça o D.E. do eixo da engrenagem motora de transmissão na região deslizante da bucha. Limite de Uso 19,97 mm Calcule a folga entre a bucha e o eixo. Limite de Uso 0,082 mm Mola de Amortecimento Meça o comprimento livre da mola da amortecimento. Limite de Uso 59 mm Conjunto da Carcaça das Engrenagens de Transmissão Gire o eixo da engrenagem motora de transmissão e inspecione se os eixos das engrenagens motora e movida de transmissão giram suave, silenciosamente e sem obstruções. Se os eixos não girarem suave e silenciosamente, é possível que as engrenagens e/ou rolamentos estejam danificados ou defeituosos. Neste caso, ambos devem ser verificados após a desmontagem; substitua os componentes/conjuntos defeituosos se necessário. 12-31
  • 299.
    ÁRVORE DE MANIVELAS/TRANSMISSÃO SHADOW 750 INSPEÇÃO DA FOLGA/PADRÃO DE CONTATO ENTRE PONTO DE OS DENTES DAS ENGRENAGENS INTERSECÇÃO NOTA Execute as inspeções de folga e padrão de contato entre os dentes das engrenagens sempre que substituir as engrenagens motora e movida de transmissão, os rolamentos, os suportes de rolamentos e a carcaça das engrenagens. As linhas de extensão das superfícies de contato da engrenagem devem se cruzar em um determinado ponto. Inspeção da Folga EIXO DA ENGRENAGEM MOVIDA Fixe a carcaça das engrenagens de transmissão em uma EIXO DA ENGRENAGEM MOTORA morsa de mordentes macios ou utilizando uma toalha. Posicione um relógio comparador do tipo horizontal na engrenagem movida de transmissão, através do orifício do sensor VS. Gire o eixo da engrenagem movida de transmissão, enquanto mantém manualmente fixado o eixo da engrenagem motora de transmissão, até obter o limite da folga. Gire o eixo da engrenagem movida de transmissão em CARCAÇA DAS ENGRENAGENS sentido oposto e execute a leitura da folga entre os dentes das engrenagens. ENGRENAGEM MOVIDA Padrão Limite de Uso 0,08 – 0,23 mm 0,40 mm Remova o relógio comparador. Gire o eixo da engrenagem movida de transmissão em 120° e meça a folga entre os dentes das engrenagens. Repita este procedimento mais uma vez. Compare a diferença entre as três medições. Diferença da folga entre as medições RELÓGIO COMPARADOR Limite de Uso 0,10 mm Se a diferença entre as medições exceder o valor do limite de uso, é provável que o rolamento não esteja corretamente instalado ou a carcaça das engrenagens esteja deformada. Inspecione os rolamentos e a carcaça das engrenagens de transmissão. 12-32
  • 300.
    SHADOW 750 ÁRVORE DE MANIVELAS/TRANSMISSÃO Se a folga for excessiva, substitua o calço de ajuste da ENGRENAGEM MOVIDA engrenagem motora de transmissão por um de menor DE TRANSMISSÃO ENGRENAGEM espessura. MOTORA DE TRANSMISSÃO Se a folga for muito pequena, substitua o calço de ajuste da engrenagem motora de transmissão por um de maior espessura. A folga entre os dentes das engrenagens varia aproximadamente 0,06 a 0,07 mm à medida em que a espessura do calço é alterada em 0,10 mm. Calços de ajuste da engrenagem motora de transmissão: CALÇO DA 0,30 mm ENGRENAGEM MOTORA 0,35 mm 0,40 mm 0,45 mm 0,50 mm – Padrão 0,55 mm 0,60 mm 0,65 mm 0,70 mm 0,75 mm Substituição do Calço de Ajuste da Engrenagem Motora de PARAFUSOS Transmissão Remova os parafusos e o conjunto da engrenagem motora de transmissão da carcaça das engrenagens. Remova o pino-guia, o calço e o anel de vedação do suporte do rolamento. Selecione o novo calço de substituição (página 12-33). ANEL DE VEDAÇÃO Cubra um novo anel de vedação com óleo para motor e instale-o na ranhura do suporte do rolamento. Instale o pino-guia e o calço. Instale o conjunto da engrenagem motora de transmissão na carcaça das engrenagens e aperte os parafusos (página 12-44). Inspecione novamente a folga entre os dentes das engrenagens (página 12-32). Após o ajuste da folga, inspecione o padrão de contato entre os dentes das engrenagens, como descrito na página seguinte. CALÇO PINO-GUIA 12-33
  • 301.
    ÁRVORE DE MANIVELAS/TRANSMISSÃO SHADOW 750 Inspeção do Padrão de Contato Entre os Dentes das Engrenagens Descrição do Dente: INFERIOR (lado interno da engrenagem) LADO DA COSTA (contato quando o freio-motor é utilizado) INCLINAÇÃO (lado externo da engrenagem) LADO DE ACIONAMENTO (contato quando o motor é utilizado) DENTES DA ENGRENAGEM MOVIDA DE TRANSMISSÃO Remova o conjunto da engrenagem motora de transmissão da carcaça das engrenagens (página 12-33). Aplique uma fina camada de Azul-da-Prússia nos dentes da engrenagem movida de transmissão. Reinstale o conjunto da engrenagem motora de transmissão, juntamente com seu calço. Gire o eixo da engrenagem motora de transmissão por diversas vezes no sentido normal de rotação. Remova o conjunto da engrenagem motora de transmissão e inspecione o padrão de contato entre os dentes das engrenagens. O contato estará normal se o Azul-da-Prússia for transferido CONTATONORMAL: EIXO DA aproximadamente para o centro de cada dente da ENGRENAGEM engrenagem e ligeiramente para sua parte inferior. MOTORA Se o padrão não estiver correto, remova e substitua o calço de ajuste da engrenagem movida de transmissão. EIXO DA ENGRENAGEM MOVIDA CALÇO INCLINAÇÃO INFERIOR INCLINAÇÃO FACE FLANCO Substitua o calço por um de menor espessura caso o padrão CONTATO MUITO ALTO: de contato esteja muito alto na face. LADO DE ACIONAMENTO LADO DA COSTA FACE FACE 12-34
  • 302.
    SHADOW 750 ÁRVORE DE MANIVELAS/TRANSMISSÃO Substitua o calço por um de maior espessura caso o padrão CONTATO de contato esteja muito baixo no flanco. MUITO BAIXO: O padrão de contato entre os dentes das engrenagens varia aproximadamente 1,5 a 2,0 mm à medida em que a espessura do calço é alterada em 0,10 mm. Calços de ajuste da engrenagem movida de transmissão: 0,20 mm LADO DE 0,25 mm ACIONAMENTO LADO DA COSTA 0,30 mm 0,35 mm 0,40 mm – Padrão FLANCO FLANCO 0,45 mm 0,50 mm CONJUNTO DA ENGRENAGEM 0,55 mm MOVIDA DE TRANSMISSÃO 0,60 mm Substituição do Calço de Ajuste da Engrenagem Movida de Transmissão Fixe a carcaça das engrenagens de transmissão em uma morsa de mordentes macios ou utilizando uma toalha. Remova os parafusos e o conjunto da engrenagem movida de transmissão. PARAFUSOS ANEL DE VEDAÇÃO Remova o calço e o anel de vedação do suporte do rolamento. Selecione o novo calço de substituição (página 12-35). Cubra um novo anel de vedação com óleo para motor e instale-o na ranhura do suporte do rolamento. Instale o calço. Instale o conjunto da engrenagem movida de transmissão na carcaça das engrenagens e aperte os parafusos (página 12-41). Inspecione novamente o padrão de contato entre os dentes das engrenagens (página 12-34). CALÇO CONTRAPORCA DA PISTA EXTERNA DESMONTAGEM DA ENGRENAGEM MOTORA DE TRANSMISSÃO Fixe a carcaça das engrenagens de transmissão em uma morsa de mordentes macios ou utilizando uma toalha. Destrave as contraporcas das pistas interna/externa do rolamento. Destrave CONTRAPORCA DA PISTA INTERNA 12-35
  • 303.
    ÁRVORE DE MANIVELAS/TRANSMISSÃO SHADOW 750 CHAVE PARA CONTRAPORCA DA CONTRAPORCA PISTA INTERNA Remova a contraporca da pista interna do rolamento, utilizando as ferramentas especiais. Ferramentas: Fixador de eixo A 07PAB-0010100 Cabo fixador 07PAB-0010400 Chave para contraporca, 36 x 47,8 mm 07916-MB00002 FIXADOR DE EIXO CHAVE PARA CONTRAPORCA Remova a contraporca da pista externa do rolamento, utilizando a ferramenta especial. Ferramenta: Chave para contraporca, 36 x 47,8 mm 07916-MB00002 CONTRAPORCA DA PISTA EXTERNA PARAFUSOS Remova os dois parafusos e o conjunto da engrenagem motora de transmissão da carcaça das engrenagens. ANEL DE VEDAÇÃO Remova o pino-guia, o calço e o anel de vedação do suporte do rolamento. CALÇO PINO-GUIA 12-36
  • 304.
    SHADOW 750 ÁRVORE DE MANIVELAS/TRANSMISSÃO ENGRENAGEM MOTORA Remova a engrenagem motora de transmissão para fora do rolamento, utilizando uma prensa hidráulica. INSTALADOR Remova o rolamento da engrenagem motora de transmissão para fora do suporte do rolamento, utilizando as ferramentas especiais e uma prensa hidráulica. Ferramentas: Instalador 07749-0010000 Acessório, 52 x 55 mm 07746-0010400 Guia, 30 mm 07746-0040700 ACESSÓRIO/GUIA ROLAMENTO ANEL LIMITADOR DESMONTAGEM DA ENGRENAGEM MOVIDA DE TRANSMISSÃO Fixe a carcaça das engrenagens de transmissão em uma morsa de mordentes macios ou utilizando uma toalha. Remova o anel limitador e o retentor de óleo. RETENTOR DE ÓLEO CONTRAPORCA DA PISTA EXTERNA Destrave as contraporcas das pistas interna e externa do rolamento. Destrave CONTRAPORCA DA PISTA INTERNA 12-37
  • 305.
    ÁRVORE DE MANIVELAS/TRANSMISSÃO SHADOW 750 FERRAMENTA DE INSPEÇÃO FIXADOR DE EIXO Fixe o eixo da engrenagem motora de transmissão e remova a contraporca da pista interna do rolamento, utilizando as ferramentas especiais. Ferramentas: Fixador de eixo A 07PAB-0010100 Chave para contraporca, 36 x 47,8 mm 07916-MB00002 Ferramenta de inspeção do diferencial 07KMK-HC50101 CONTRAPORCA DA CHAVE PARA CONTRAPORCA PISTA INTERNA CHAVE PARA CONTRAPORCA Remova a contraporca da pista externa do rolamento, utilizando a ferramenta especial. Ferramenta: Chave para contraporca, 36 x 47,8 mm 07916-MB00002 CONTRAPORCA DA PISTA EXTERNA PARAFUSOS Remova os parafusos e o conjunto da engrenagem movida de transmissão da carcaça das engrenagens. ANEL DE VEDAÇÃO Remova o calço e o anel de vedação do suporte do rolamento. CALÇO 12-38
  • 306.
    SHADOW 750 ÁRVORE DE MANIVELAS/TRANSMISSÃO ENGRENAGEM MOVIDA Remova a engrenagem movida de transmissão para fora do rolamento, utilizando uma prensa hidráulica. INSTALADOR Remova o rolamento da engrenagem movida de transmissão para fora do suporte do rolamento, utilizando as ferramentas especiais e uma prensa hidráulica. Ferramentas: Instalador 07749-0010000 Acessório, 52 x 55 mm 07746-0010400 Guia, 30 mm 07746-0040700 ACESSÓRIO/GUIA ROLAMENTO CONTRAPESO EXTRATOR DE ROLAMENTO Remova o rolamento da carcaça da engrenagem movida de transmissão, utilizando as ferramentas especiais. Ferramentas: Conjunto extrator de rolamento, 17 mm 07936-3710300 Cabo extrator 07936-3710100 Contrapeso extrator 07741-0010201 Aplique ar comprimido nas passagens de óleo da carcaça das engrenagens de transmissão. 12-39
  • 307.
    ÁRVORE DE MANIVELAS/TRANSMISSÃO SHADOW 750 MONTAGEM DA ENGRENAGEM MOVIDA DE TRANSMISSÃO RETENTOR DE ÓLEO ANEL LIMITADOR 73 N.m (7,4 kgf.m) 98 N.m (10,0 kgf.m) SUPORTE DO ROLAMENTO ANEL DE VEDAÇÃO ROLAMENTO (5206) ENGRENAGEM MOVIDA DE TRANSMISSÃO ROLAMENTO (6303) 31 N.m (3,2 kgf.m) CALÇO CARCAÇA DAS ENGRENAGENS INSTALADOR Instale um novo rolamento na carcaça das engrenagens, mantendo seu lado marcado voltado para cima, até que esteja completamente assentado. Ferramentas: Instalador 07749-0010000 Acessório, 42 x 47 mm 07746-0010300 Guia, 17 mm 07746-0040400 ACESSÓRIO/GUIA ROLAMENTO INSTALADOR DO RETENTOR DE ÓLEO ROLAMENTO Instale um novo rolamento em seu suporte, mantendo seu lado marcado voltado para cima, até que esteja completamente assentado. Certifique-se de que o rolamento gira suave e silenciosamente após sua instalação. Ferramenta: Instalador do retentor de óleo 07965-KE80200 12-40
  • 308.
    SHADOW 750 ÁRVORE DE MANIVELAS/TRANSMISSÃO ENGRENAGEM MOVIDA DE TRANSMISSÃO Apóie a pista interna do rolamento e instale a engrenagem movida de transmissão no suporte do rolamento, utilizando as ferramentas especiais. Ferramentas: Instalador, D.I. de 40 mm 07746-0030100 Acessório, D.I. de 30 mm 07746-0030300 NOTA Caso seja necessário substituir a engrenagem movida de transmissão, a engrenagem motora de transmissão também deve ser substituída em conjunto. INSTALADOR ACESSÓRIO ANEL DE VEDAÇÃO Cubra um novo anel de vedação com óleo para motor e instale-o na ranhura do suporte do rolamento. Instale o calço. NOTA Quando o rolamento, a engrenagem, o suporte e/ou a carcaça das engrenagens forem substituídos, utilize o calço de 0,40 mm como referência inicial. CALÇO Fixe a carcaça das engrenagens de transmissão, utilizando PARAFUSOS uma morsa de mordentes macios ou uma toalha. Instale o conjunto da engrenagem movida de transmissão na carcaça das engrenagens, alinhando-o com os orifícios dos parafusos. Aplique óleo para motor nas roscas e superfícies de assentamento dos parafusos. Instale-os em seguida. Aperte os parafusos no torque especificado. Torque: 31 N.m (3,2 kgf.m) Aplique óleo para motor nas roscas e superfície de assentamento de uma nova contraporca da pista externa do rolamento. Em seguida, aperte-a no torque especificado, CHAVE PARA CONTRAPORCA utilizando a ferramenta especial. Ferramenta: Chave para contraporca, 36 x 47,8 mm 07916-MB00002 Torque: Real 98 N.m (10,0 kgf.m) Indicado 89 N.m (9,1 kgf.m) NOTA Consulte o item sobre informações de leitura na chave de torque, na página 12-3. CONTRAPORCA DA PISTA EXTERNA 12-41
  • 309.
    ÁRVORE DE MANIVELAS/TRANSMISSÃO SHADOW 750 FERRAMENTA DE INSPEÇÃO FIXADOR DE EIXO Aplique óleo para motor nas roscas e superfície de assentamento de uma nova contraporca da pista interna do rolamento. Fixe o eixo da engrenagem movida de transmissão e aperte a contraporca no torque especificado, utilizando as ferramentas especiais. Ferramentas: Fixador de eixo A 07PAB-0010100 Chave para contraporca, 36 x 47,8 mm 07916-MB00002 Ferramenta de inspeção do diferencial 07KMK-HC50101 Torque: CHAVE PARA CONTRAPORCA DA PISTA INTERNA Real 73 N.m (7,4 kgf.m) CONTRAPORCA Indicado 66 N.m (6,7 kgf.m) CONTRAPORCA DA PISTA EXTERNA NOTA Consulte o item sobre informações de leitura na chave de torque, na página 12-3. Trave as contraporcas das pistas interna e externa do rolamento. Trave CONTRAPORCA DA PISTA INTERNA ANEL LIMITADOR Aplique graxa na cavidade do lábio de um novo retentor de óleo e instale-o em seguida, até que a ranhura do anel permaneça visível, de forma que o anel limitador possa ser instalado. Instale seguramente o anel limitador na ranhura do suporte do rolamento. NOTA • Instale o anel limitador, mantendo sua borda chanfrada voltada para o lado da carga axial. • Não reutilize um anel limitador usado que poderia facilmente girar em sua ranhura. • Certifique-se de que o anel limitador esteja RETENTOR DE ÓLEO completamente assentado em sua ranhura. 12-42
  • 310.
    SHADOW 750 ÁRVORE DE MANIVELAS/TRANSMISSÃO MONTAGEM DA ENGRENAGEM MOTORA DE TRANSMISSÃO MOLA ARRUELA DE ENCOSTO ENGRENAGEM DE 98 N.m (10,0 kgf.m) TRANSMISSÃO BUCHA ANEL ELÁSTICO EXCÊNTRICO AMORTECEDOR 73 N.m (7,4 kgf.m) ROLAMENTO (5206) ANÉIS DE VEDAÇÃO ENGRENAGEM MOTORA DE TRANSMISSÃO CALÇO SUPORTE 31 N.m (3,2 kgf.m) INSTALADOR Instale um novo rolamento em seu suporte, mantendo seu lado marcado voltado para cima, até que esteja completamente assentado. Ferramentas: Instalador 07749-0010000 Acessório, 62 x 68 mm 07746-0010500 Guia, 30 mm 07746-0040700 Apóie a pista interna do rolamento e instale a engrenagem motora de transmissão, utilizando as ferramentas especiais. Ferramentas: Instalador, D.I. de 40 mm 07746-0030100 ACESSÓRIO/GUIA ROLAMENTO Acessório, D.I. de 30 mm 07746-0030300 GUIA ACESSÓRIO Guia, 22 mm 07746-0041000 NOTA • Caso seja necessário substituir a engrenagem motora de transmissão, a engrenagem movida de transmissão também deve ser substituída em conjunto. • Posicione a extremidade das roscas da guia no eixo instalador. • Caso seja necessário substituir o rolamento, o suporte da engrenagem e/ou a carcaça das engrenagens, deve- se utilizar também um novo calço de ajuste (página 12- 32). ENGRENAGEM MOTORA INSTALADOR DE TRANSMISSÃO 12-43
  • 311.
    ÁRVORE DE MANIVELAS/TRANSMISSÃO SHADOW 750 ANEL DE VEDAÇÃO Cubra um novo anel de vedação com óleo para motor e instale-o na ranhura do suporte do rolamento. Instale o pino-guia e o calço. NOTA Quando o rolamento, a engrenagem, o suporte e/ou a carcaça das engrenagens forem substituídos, utilize o calço de 0,50 mm como referência inicial. CALÇO PINO-GUIA PARAFUSOS Instale o conjunto da engrenagem motora de transmissão na carcaça das engrenagens. Aplique óleo para motor nas roscas e superfícies de assentamento dos parafusos e instale-os em seguida. Aperte os parafusos no torque especificado. Torque: 31 N.m (3,2 kgf.m) Fixe a carcaça das engrenagens de transmissão em uma morsa de mordentes macios ou utilizando uma toalha. Aplique óleo para motor nas roscas e superfície de CHAVE PARA CONTRAPORCA assentamento de uma nova contraporca da pista externa do rolamento. Em seguida, aperte-a no torque especificado, utilizando a ferramenta especial. Ferramenta: Chave para contraporca, 36 x 47,8 mm 07916-MB00002 Torque: Real 98 N.m (10,0 kgf.m) Indicado 89 N.m (9,1 kgf.m) NOTA Consulte o item sobre informações de leitura na chave de torque, na página 12-3. CONTRAPORCA DA PISTA EXTERNA CONTRAPORCA DA CHAVE PARA CONTRAPORCA PISTA INTERNA Aplique óleo para motor nas roscas e superfície de assentamento de uma nova contraporca da pista interna do rolamento. Em seguida, aperte-a no torque especificado, utilizando as ferramentas especiais. Ferramentas: Chave para contraporca, 36 x 47,8 mm 07916-MB00002 Fixador de eixo A 07PAB-0010100 Cabo fixador 07PAB-0010400 Torque: Real 73 N.m (7,4 kgf.m) Indicado 66 N.m (6,7 kgf.m) FIXADOR DE EIXO A 12-44
  • 312.
    SHADOW 750 ÁRVORE DE MANIVELAS/TRANSMISSÃO CONTRAPORCA DA PISTA EXTERNA Trave as contraporcas das pistas interna e externa do rolamento. Trave CONTRAPORCA DA PISTA INTERNA ORIFÍCIO INSTALAÇÃO Cubra novos anéis de vedação com óleo para motor e instale- os nas ranhuras do orifício. Instale o orifício na carcaça do motor. ANÉIS DE VEDAÇÃO ANEL DE VEDAÇÃO Cubra um novo anel de vedação com óleo para motor e instale-o na ranhura da carcaça das engrenagens de transmissão. Instale o conjunto da carcaça das engrenagens de transmissão na carcaça esquerda do motor, alinhando o pino- guia com o orifício da carcaça do motor. Alinhe PARAFUSOS Alinhe Aplique junta-líquida (Three Bond 1207B ou equivalente) nas roscas dos parafusos de fixação da carcaça das engrenagens de transmissão. Aperte os parafusos no torque especificado. Torque: 31 N.m (3,2 kgf.m) Instale o suporte, alinhando seu orifício com a guia da carcaça das engrenagens de transmissão. Em seguida, aperte seguramente o parafuso. PARAFUSO SUPORTE 12-45
  • 313.
    ÁRVORE DE MANIVELAS/TRANSMISSÃO SHADOW 750 EXCÊNTRICO AMORTECEDOR Aplique 1 g de graxa de bissulfeto de molibdênio na engrenagem motora de transmissão e nas estrias do excêntrico amortecedor. Instale a mola de amortecimento sobre a engrenagem motora de transmissão, mantendo o lado das espiras mais apertadas voltado para a carcaça esquerda do motor. Instale o excêntrico amortecedor na mola. MOLA COMPRESSOR DA MOLA EXCÊNTRICO DE AMORTECIMENTO Instale o anel elástico no excêntrico amortecedor. Posicione o compressor da mola de amortecimento sobre o excêntrico amortecedor e o eixo da engrenagem motora. Comprima a mola de amortecimento, girando o parafuso do compressor em sentido horário, até que a ranhura do anel elástico permaneça visível. Ferramenta: Compressor da mola de amortecimento 07964-ME90000 Instale o anel elástico na ranhura do eixo da engrenagem motora. Ferramenta: MOLA ANEL ELÁSTICO Alicate para anel elástico 07914-5670100 ENGRENAGEM DE TRANSMISSÃO NOTA • Instale o anel elástico, mantendo sua borda chanfrada voltada para o lado da carga axial. • Não reutilize um anel elástico usado que poderia facilmente girar em sua ranhura. • Certifique-se de que o anel elástico esteja completamente assentado em sua ranhura. Solte e remova a ferramenta especial. Instale a bucha no eixo da engrenagem motora de transmissão. Alinhe BUCHA ARRUELA DE ENCOSTO Instale a engrenagem motora de transmissão em seu eixo, alinhando os ressaltos do excêntrico amortecedor com os orifícios da engrenagem motora. Instale a arruela de encosto. Instale os seguintes componentes: – Árvore de manivelas (página 12-13) – Transmissão (página 12-27) – Bomba de óleo (página 4-11) Monte as metades da carcaça do motor (página 12-48). 12-46
  • 314.
    SHADOW 750 ÁRVORE DE MANIVELAS/TRANSMISSÃO SUBSTITUIÇÃO DO ROLAMENTO DA CARCAÇA DO MOTOR INSPEÇÃO Remova os seguintes componentes: – Árvore de manivelas (página 12-10) – Transmissão (página 12-20) – Engrenagem de transmissão (página 12-29) – Bomba de óleo (página 4-6) ROLAMENTO Gire manualmente a pista interna de cada rolamento. Os rolamentos devem girar suave e silenciosamente. CABO ROLAMENTO DA Inspecione também se a pista externa dos rolamentos EXTRATOR ÁRVORE SECUNDÁRIA encaixa-se sem folga na carcaça do motor. Remova e descarte os rolamentos caso suas pistas não girem suave e silenciosamente ou se encaixarem com folga na carcaça do motor. ROLAMENTOS DA CARCAÇA ESQUERDA DO MOTOR Remova os rolamentos das árvores primária e secundária, utilizando as ferramentas especiais. Ferramentas: Conjunto extrator de rolamento, 20 mm 07936-3710600 Cabo extrator 07936-3710100 CONTRAPESO EXTRATOR DE ROLAMENTO DA Contrapeso extrator 07741-0010201 ROLAMENTO ÁRVORE PRIMÁRIA Remova a placa-guia de óleo da carcaça do motor. Inspecione a placa-guia de óleo quanto a obstruções ou deformação. Instale a placa-guia de óleo na carcaça do motor. PLACA-GUIA DE ÓLEO INSTALADOR Instale novos rolamentos na carcaça esquerda do motor, mantendo seus lados marcados voltados para cima, até que estejam completamente assentados. Ferramentas: Instalador 07749-0010000 Acessório, 42 x 47 mm 07746-0010300 ROLAMENTO ACESSÓRIO 12-47
  • 315.
    ÁRVORE DE MANIVELAS/TRANSMISSÃO SHADOW 750 ROLAMENTO DO EIXO DA ENGRENAGEM MOTORA DE TRANSMISSÃO ROLAMENTOS DA CARCAÇA DIREITA DO MOTOR ROLAMENTO DA PRIMÁRIA ÁRVORE Remova os rolamentos da carcaça direita do motor. ROLAMENTO DA ÁRVORE SECUNDÁRIA INSTALADOR Instale novos rolamentos na carcaça direita do motor, mantendo seus lados marcados voltados para cima, até que estejam completamente assentados. Ferramentas: Rolamento da árvore primária Instalador 07749-0010000 Acessório, 52 x 55 mm 07746-0010400 Guia, 22 mm 07746-0041000 Rolamentos da árvore secundária/eixo da engrenagem motora de transmissão: Instalador 07749-0010000 Acessório, 42 x 47 mm 07746-0010300 ROLAMENTO ACESSÓRIO/GUIA Guia, 20 mm 07746-0040500 MONTAGEM DA CARCAÇA DO MOTOR Limpe completamente as superfícies de contato das carcaças esquerda e direta do motor, tendo cuidado para não danificá- las. Certifique-se de que todos os componentes estejam instalados na carcaça esquerda do motor. Aplique junta-líquida (Three Bond 1207B ou equivalente) nas superfícies de contato das carcaças esquerda e direita do motor. PINOS-GUIAS Instale os pinos-guias na carcaça esquerda do motor. Cubra um novo retentor do tubo com óleo para motor e instale-o no tubo de óleo. NOTA Instale um novo retentor, mantendo seu lado cônico voltado para fora. TUBO DE ÓLEO 12-48
  • 316.
    SHADOW 750 ÁRVORE DE MANIVELAS/TRANSMISSÃO CARCAÇA DIREITA Gire a placa do excêntrico até atingir a posição indicada na ilustração. Instale a carcaça direita sobre a carcaça esquerda do motor. PLACA DO EXCÊNTRICO CARCAÇA ESQUERDA PARAFUSOS, 8 mm PARAFUSO, 8 mm/ARRUELA Instale os parafusos da carcaça direita, juntamente com suas arruelas. Aperte os parafusos de 8 mm em ordem cruzada, em diversas etapas e no torque especificado. Torque: Parafuso, 8 mm 23 N.m (2,3 kgf.m) Aperte seguramente os parafusos de 6 mm. PARAFUSOS, 6 mm PARAFUSOS, 8 mm Instale os parafusos da carcaça esquerda do motor. Aperte os parafusos de 8 mm em ordem cruzada, em diversas etapas e no torque especificado. Torque: Parafuso, 8 mm 23 N.m (2,3 kgf.m) Aperte seguramente os parafusos de 6 mm. PARAFUSOS, 6 mm PARAFUSOS Limpe e aplique trava-química nas roscas do parafuso da placa de fixação do rolamento (página 1-18). Instale a placa de fixação do rolamento e aperte seus parafusos. PLACA DE FIXAÇÃO 12-49
  • 317.
    ÁRVORE DE MANIVELAS/TRANSMISSÃO SHADOW 750 FIXADOR DE EIXO A PARAFUSO/ARRUELA Instale e aperte o parafuso, juntamente com sua arruela, enquanto mantém fixado o eixo da engrenagem movida de transmissão, utilizando as ferramentas especiais. Ferramentas: Fixador de eixo A 07PAB-0010100 Cabo fixador 07PAB-0010400 Torque: 49 N.m (5,0 kgf.m) Inspecione novamente o correto aperto de todos os parafusos da carcaça do motor. FIXADOR MANUAL PARAFUSOS Instale as correntes de distribuição. DIREITO: ESQUERDO: Aplique trava-química nas roscas do parafuso da placa de fixação do tensor da corrente de distribuição (página 1-18). Instale as placas de fixação do tensor da corrente de distribuição e aperte os parafusos. Instale os componentes restantes (página 12-3). Instale o motor no chassi (página 7-7). PLACA DE FIXAÇÃO 12-50
  • 318.
    SHADOW 750 13. DIFERENCIAL LOCALIZAÇÃO DOS COMPONENTES 13-2 DESMONTAGEM/INSPEÇÃO DO DIFERENCIAL 13-8 INFORMAÇÕES DE SERVIÇO 13-3 MONTAGEM DO DIFERENCIAL 13-17 DIAGNOSE DE DEFEITOS 13-6 INSTALAÇÃO DO DIFERENCIAL 13-23 REMOÇÃO DO DIFERENCIAL 13-7 13-1
  • 319.
    DIFERENCIAL SHADOW 750 LOCALIZAÇÃO DOS COMPONENTES 64 N.m (6,5 kgf.m) 22 N.m (2,2 kgf.m) 13-2
  • 320.
    SHADOW 750 DIFERENCIAL INFORMAÇÕES DE SERVIÇO INFORMAÇÕES GERAIS • O conjunto de engrenagens do diferencial e do eixo de transmissão devem ser removidos simultaneamente. • Execute a inspeção de contato e folga entre as engrenagens sempre que substituir os rolamentos, as engrenagens ou a carcaça do diferencial. As linhas de extensão das superfícies de encaixe das engrenagens devem interceptar-se em um determinado ponto. • Utilize uma morsa de mordentes macios ou uma toalha para fixar a carcaça do diferencial. Não aperte demasiadamente a carcaça do diferencial para não danificá-la. • Substitua a coroa e o pinhão do diferencial em conjunto. ESPECIFICAÇÕES Unidade: mm Item Padrão Limite de Uso Óleo recomendado para o diferencial Óleo para engrenagem Hypoid, SAE#80 – Capacidade de Na drenagem 160 cm3 – óleo do diferencial Na desmontagem 170 cm3 – Folga entre os dentes das engrenagens do diferencial 0,05 – 0,15 0,30 Diferença da folga entre as medidas – 0,10 Folga entre a coroa e o pino limitador 0,30 – 0,60 – Pré-carga de montagem da engrenagem do diferencial 0,2 – 0,4 N.m (2,0 – 4,1 kgf.cm) – VALORES DE TORQUE Retentor do pinhão 108 N.m (11,0 kgf.m) Parafuso da lingüeta de trava do retentor do pinhão 10 N.m (1,0 kgf.m) Porca da conexão do pinhão 108 N.m (11,0 kgf.m) Aplique trava-química nas roscas. Parafuso da placa protetora de pó 10 N.m (1,0 kgf.m) Parafuso da tampa da carcaça do diferencial (10 mm) 47 N.m (4,8 kgf.m) Aplique trava-química nas roscas. Parafuso da tampa da carcaça do diferencial (8 mm) 25 N.m (2,5 kgf.m) Porca de fixação da carcaça do diferencial 64 N.m (6,5 kgf.m) Parafuso de fixação inferior do amortecedor traseiro 22 N.m (2,2 kgf.m) (lado esquerdo) Prisioneiro da carcaça do diferencial Consulte a página 13-23. 13-3
  • 321.
    DIFERENCIAL SHADOW 750 FERRAMENTAS Instalador Acessório, 32 x 35 mm Acessório, 40 x 42 mm 07749-0010000 07746-0010100 07746-0010900 Acessório, 52 x 55 mm Acessório, 72 x 75 mm Guia, 19 mm 07746-0010400 07746-0010600 07746-0041400 Instalador, D.I. de 40 mm Acessório, D.I. de 25 mm Placa de fixação do pinhão 07746-0030100 07746-0030200 07924-ME40010 Instalador de espaçador “C” Instalador do retentor de óleo Chave para retentor 07924-ME40020 070MF-MEG0300 07910-MA10100 13-4
  • 322.
    SHADOW 750 DIFERENCIAL FERRAMENTAS Base extratora de pinhão Eixo extrator Extrator de rolamento, 35 mm 07HMC-MM80110 07931-ME40000 07936-3710400 Cabo extrator Contrapeso do extrator de rolamento Extrator de rolamento, 20 mm 07936-3710100 07741-0010201 07936-3710600 Acessório instalador de rolamento Acessório do instalador do retentor Instalador do retentor de óleo, 07GAD-SD40101 de óleo 55,7 x 60,3 mm 07LAD-SM40100 07965-KE80200 Acessório, 44 x 49,5 mm 07945-3330300 13-5
  • 323.
    DIFERENCIAL SHADOW 750 DIAGNOSE DE DEFEITOS Ruído excessivo • Eixo da coroa de transmissão ou flange movido desgastados ou escoriados • Flange movido ou cubo da roda escoriados (página 15-7) • Pinhão de transmissão e estrias desgastados ou escoriados • Pinhão e coroa desgastados • Folga excessiva entre o pinhão e a coroa • Nível de óleo muito baixo • Pinhão e/ou estrias da conexão do pinhão desgastados ou danificados Vazamento de óleo • Respiro obstruído • Nível de óleo muito alto • Retentores danificados • Parafusos da tampa da carcaça do diferencial soltos Folga excessiva na roda traseira • Estrias do eixo de transmissão desgastadas • Folga excessiva entre o pinhão e a coroa • Flange movido ou estrias da coroa desgastadas • Folga excessiva nos rolamentos da carcaça do diferencial • Eixo de transmissão, conexão universal e/ou estrias da conexão do pinhão desgastados • Folga excessiva ou desgaste no rolamento da conexão universal 13-6
  • 324.
    SHADOW 750 DIFERENCIAL PARAFUSO REMOÇÃO DO DIFERENCIAL Drene o óleo do diferencial (página 3-17). Remova a roda traseira (página 15-6). Remova o parafuso de fixação inferior do amortecedor esquerdo. Remova as porcas de fixação e o conjunto da carcaça do diferencial. PORCAS CONJUNTO DA CARCAÇA DO DIFERENCIAL Remova o eixo da transmissão do conjunto da carcaça do diferencial, girando cuidadosamente o eixo da transmissão e retirando-o em seguida. EIXO DA TRANSMISSÃO RETENTOR DE ÓLEO ANEL LIMITADOR Remova a mola, o retentor de óleo e o anel limitador do eixo da transmissão. MOLA INSPEÇÃO ESTRIAS Inspecione as estrias do eixo da transmissão quanto a desgaste ou danos. Se as estrias do eixo de transmissão estiverem danificadas, inspecione também as estrias da conexão universal (página 15-25). EIXO DE TRANSMISSÃO 13-7
  • 325.
    DIFERENCIAL SHADOW 750 CONEXÃO DO PINHÃO EIXO DA COROA Gire a conexão do pinhão e certifique-se de que o pinhão e a coroa movimentam-se suave e silenciosamente, sem obstruções. Se a engrenagem não se movimentar suave e silenciosamente, as engrenagens e/ou o rolamento podem estar danificados ou defeituosos. Estes componentes devem ser inspecionados após a desmontagem; substitua os componentes/conjuntos defeituosos se necessário. DESMONTAGEM/INSPEÇÃO DO DIFERENCIAL NOTA Inspecione a folga e o padrão de contato entre os dentes das engrenagens do diferencial sempre que o pinhão, a coroa, os rolamentos ou a carcaça do diferencial forem substituídos. As linhas de extensão das superfícies de encaixe da engrenagem deve interceptar-se em um determinado ponto. Remova o diferencial e o eixo de transmissão (página 13-7). INSPEÇÃO DA FOLGA ENTRE OS DENTES DAS ENGRENAGENS DO DIFERENCIAL Remova a tampa de abastecimento de óleo. Fixe o conjunto da carcaça do diferencial em uma morsa de mordentes macios. PONTO DE INTERSECÇÃO NOTA Não aperte excessivamente a morsa na carcaça do diferencial. PLACA DE FIXAÇÃO Instale as ferramentas especiais na carcaça do diferencial e na conexão do pinhão para manter o pinhão fixado. Ferramentas: Placa de fixaçãp do pinhão 07924-ME40010 Instalador de espaçador “C” 07924-ME40020 Posicione um relógio comparador do tipo horizontal sobre a coroa, através do orifício de abastecimento de óleo. Gire a coroa para trás e para frente para obter a leitura da folga entre os dentes das engrenagens. ESPAÇADOR RELÓGIO COMPARADOR Padrão Limite de Uso 0,05 – 0,15 mm 0,30 mm COROA Remova o relógio comparador e as ferramentas especiais. Gire a coroa em 120° e meça a folga entre as engrenagens. Repita este procedimento mais uma vez. Compare a diferença entre as três medições. Limite de Uso 0,10 mm Se a diferença entre as três medições exceder o valor de limite de uso, é provável que o rolamento não esteja instalado corretamente ou a carcaça esteja deformada. Inspecione os rolamentos e a carcaça do diferencial. 13-8
  • 326.
    SHADOW 750 DIFERENCIAL Se a folga entre os dentes das engrenagens for excessiva, substitua o calço direito da coroa por um de maior espessura. PINHÃO CALÇO DA COROA Se a folga entre os dentes das engrenagens for muito pequena, substitua o calço direito da coroa por um de menor espessura. Calço da Coroa: A 1,82 mm B 1,88 mm C 1,94 mm D 2,00 mm – Padrão E 2,06 mm F 2,12 mm COROA G 2,18 mm H 2,24 mm I 2,30 mm PARAFUSO/ARRUELA Para substituição do calço da coroa, consulte a página 13-11. SEPARAÇÃO DA CARCAÇA DO DIFERENCIAL Remova o parafuso, a arruela e a placa protetora de pó, girando-a em sentido horário. PLACA PROTETORA DE PÓ PARAFUSOS, 8 mm PARAFUSOS, 10 mm Solte os parafusos de 8 e 10 mm em ordem cruzada e em diversas etapas. Remova-os, em seguida. Pressione a tampa da carcaça do diferencial e remova-a em seguida. TAMPA DA CARCAÇA DO DIFERENCIAL Remova a arruela ondulada. ARRUELA ONDULADA 13-9
  • 327.
    DIFERENCIAL SHADOW 750 INSPEÇÃO DO PADRÃO DE CONTATO ENTRE OS DENTES DAS ENGRENAGENS Descrição do dente: LADO DA COSTA INFERIOR (contato quando o freio-motor é acionado) (lado interno da engrenagem) INCLINAÇÃO (lado externo da engrenagem) LADO DE ACIONAMENTO (contato quando o motor é acionado) Aplique Azul-da-Prússia Limpe os resíduos de junta das superfícies de contato da carcaça do diferencial e de sua tampa, tendo cuidado para não danificá-las. NOTA Mantenha a tampa e a carcaça do diferencial livre de poeira ou objetos estranhos. Aplique uma fina camada de Azul-da-Prússia nos dentes do pinhão. Instale a arruela ondulada. ARRUELA ONDULADA GUIA PARAFUSOS, 10 mm Instale a tampa da carcaça e aperte os parafusos em ordem cruzada e em diversas etapas, até que a tampa encoste de maneira regular na carcaça do diferencial. Aperte alternadamente os parafusos de 10 mm, em diversas etapas e no torque especificado. Torque: 47 N.m (4,8 kgf.m) Aperte os parafusos de 8 mm em ordem cruzada, em diversas etapas e no torque especificado. Torque: 25 N.m (2,5 kgf.m) PARAFUSOS, 8 mm TAMPA DA CARCAÇA DO DIFERENCIAL Remova a tampa de abastecimento de óleo. NORMAL: CALÇO DO PINHÃO Gire a coroa diversas vezes no sentido normal de rotação. Inspecione o padrão de contato entre os dentes das engrenagens através do orifício de abastecimento de óleo. O contato está normal se o Azul-da-Prússia estiver transferido aproximadamente para o centro de cada dente e levemente para a face. INFERIOR INFERIOR INCLINAÇÃO INCLINAÇÃO Se o padrão de contato não estiver correto, remova e FACE FACE substitua o calço do pinhão por um adequado (página 13-14). LADO DE LADO DA FLANCO ACIONAMENTO COSTA FLANCO 13-10
  • 328.
    SHADOW 750 DIFERENCIAL Substitua o calço do pinhão por um de maior espessura se o MUITO ALTO CALÇO DO PINHÃO contato entre os dentes das engrenagens estiver muito alto, em direção à face. FACE FACE LADO DE LADO DA ACIONAMENTO COSTA Substitua o calço do pinhão por um de menor espessura se o MUITO BAIXO CALÇO DO PINHÃO contato entre os dentes das engrenagens estiver muito baixo, em direção ao flanco. O padrão de contato entre os dentes das engrenagens varia aproximadamente 1,5 a 2,0 mm à medida em que a espessura do calço é alterada em 0,10 mm. Calço do Pinhão: A 1,82 mm B 1,88 mm C 1,94 mm LADO DE LADO DA FLANCO ACIONA- COSTA FLANCO D 2,00 mm – Padrão MENTO E 2,06 mm F 2,12 mm G 2,18 mm ACESSÓRIO INSTALADOR Para a substituição do calço do pinhão, consulte a página 13-14. REMOÇÃO DA COROA/SUBSTITUIÇÃO DO CALÇO Remove a tampa da carcaça do diferencial (página 13-9). Se a coroa permanecer na tampa, remova-a pelo procedimento a seguir: Remova a coroa da tampa da carcaça do diferencial, utilizando as ferramentas especiais e uma prensa hidráulica. Ferramentas: Instalador 07749-0010000 COROA Acessório do instalador do retentor de óleo 07LAD-SM40100 Remova o retentor de óleo. RETENTOR DE ÓLEO 13-11
  • 329.
    DIFERENCIAL SHADOW 750 COROA ANEL DE VEDAÇÃO Remova o fixador do anel de vedação da coroa. Remova o anel de vedação do fixador. FIXADOR DO ANEL DE VEDAÇÃO ACESSÓRIO INSTALADOR Caso o rolamento permaneça na tampa, remova-o pelo procedimento a seguir: Remova o retentor de óleo e o rolamento da tampa, utilizando as ferramentas especiais e uma prensa hidráulica. Ferramentas: Instalador 07749-0010000 Instalador do retentor de óleo 070MF-MEG0300 Acessório, 72 x 75 mm 07746-0010600 RETENTOR DE ÓLEO/ROLAMENTO EXTRATOR DO ROLAMENTO Caso o rolamento permaneça na coroa, remova-o pelo procedimento a seguir: Remova o rolamento da coroa, utilizando um extrator de rolamento disponível comercialmente. A substituição deste rolamento pode não ser necessária após a remoção. Entretanto, inspecione o rolamento quanto à folga excessiva após sua remoção. Substitua-o se necessário. ROLAMENTO COROA CALÇO Selecione o calço de substituição (página 13-9). NOTA Quando o conjunto de engrenagens, o rolamento do pinhão, o rolamento da coroa e/ou a carcaça do diferencial forem substituídos, utilize um calço de 2,00 mm de espessura para referência inicial. ROLAMENTO 13-12
  • 330.
    SHADOW 750 DIFERENCIAL CONEXÃO DO PINHÃO PLACA DE FIXAÇÃO REMOÇÃO DO PINHÃO Fixe a carcaça do diferencial em uma morsa de mordentes macios. Remova a porca da conexão do pinhão, enquanto mantém a conexão fixada, utilizando as ferramentas especiais. Ferramentas: Placa de fixação do pinhão 07924-ME40010 Instalador de espaçador “C” 07924-ME40020 Remova a conexão do pinhão. ESPAÇADOR PORCA LINGÜETA DE TRAVA Remova o parafuso e a lingüeta de trava do retentor. PARAFUSO CHAVE PARA RETENTOR Remova o retentor do pinhão, utilizando a ferramenta especial. Ferramenta: Chave para retentor 07910-MA10100 RETENTOR DE ÓLEO Remova o anel de vedação e o retentor de óleo do retentor do pinhão. ANEL DE VEDAÇÃO 13-13
  • 331.
    DIFERENCIAL SHADOW 750 EIXO EXTRATOR Instale a ferramenta especial no eixo do pinhão e na carcaça do diferencial. Ferramentas: Base extratora de pinhão 07HMC-MM80110 Eixo extrator 07931-ME40000 Remova o conjunto do pinhão da carcaça do diferencial. Inspecione o rolamento de agulhas do pinhão na carcaça do diferencial quanto a desgaste ou danos. REMOÇÃO DO ROLAMENTO DO PINHÃO/ BASE EXTRATORA SUBSTITUIÇÃO DO CALÇO Remova o rolamento do pinhão de seu eixo, utilizando um extrator de rolamento disponível comercialmente. A substituição deste rolamento pode não ser necessária após sua remoção. Entretanto, inspecione o rolamento quanto à folga excessiva após a remoção. Remova o calço do pinhão. Substitua-o se necessário. NOTA Substitua o rolamento do pinhão e as pistas internas do rolamento em conjunto. ROLAMENTO/CALÇO CALÇO PISTAS INTERNAS DO ROLAMENTO Selecione o calço de substituição (página 13-11). Instale o calço, o rolamento e as pistas internas no pinhão. NOTA Quando o conjunto de engrenagens, o rolamento do pinhão, o rolamento da coroa e/ou a carcaça do diferencial forem substituídos, utilize um calço de 2,00 mm de espessura para referência inicial. PINHÃO ROLAMENTO INSTALADOR Instale o rolamento, mantendo seu lado marcado voltado para cima. Ferramentas: Instalador, D.I de 40 mm 07746-0030100 Acessório, D.I. de 25 mm 07746-0030200 ACESSÓRIO 13-14
  • 332.
    SHADOW 750 DIFERENCIAL SUBSTITUIÇÃO DO ROLAMENTO DA CARCAÇA EXTRATOR DE CONTRAPESO ROLAMENTO DO EXTRATOR Rolamento da Coroa Aqueça uniformemente a carcaça do diferencial até atingir a temperatura de 80°C, utilizando uma pistola de calor. Remova o rolamento da coroa da carcaça do diferencial, utilizando a ferramenta especial. Ferramentas: Extrator de rolamento, 35 mm 07936-3710400 Cabo extrator 07936-3710100 Contrapeso do extrator 07741-0010201 ROLAMENTO CABO EXTRATOR NOTA RETENTOR DE ÓLEO Certifique-se de vestir luvas isolantes ao manusear a carcaça do diferencial enquanto permanecer aquecida. Remova o retentor de óleo. Remova a tampa de respiro e aplique ar comprimido através do orifício. Instale a tampa de respiro. TAMPA DE RESPIRO INSTALADOR Aplique graxa nos lábios de um novo retentor de óleo. Instale o retentor de óleo na carcaça do diferencial, mantendo seu lado marcado voltado para baixo, até que esteja completamente assentado. Ferramentas: Instalador 07749-0010000 Acessório, 44 x 49,5 mm 07945-3330300 ACESSÓRIO RETENTOR DE ÓLEO 13-15
  • 333.
    DIFERENCIAL SHADOW 750 INSTALADOR Instale o rolamento da coroa na carcaça do diferencial, mantendo seu lado marcado voltado para dentro, até que esteja completamente assentado, utilizando as ferramentas especiais. Ferramentas: Instalador 07749-0010000 Acessório, 52 x 55 mm 07746-0010400 ACESSÓRIO ROLAMENTO ANEL LIMITADOR ROLAMENTO Rolamento de Agulhas do Pinhão Gire o anel limitador até que sua extremidade fique visível no orifício de acesso. Bata cuidadosamente nas proximidades da extremidade do anel, utilizando um marcador, para dobrar sua extremidade para cima. Fixe a extremidade do anel, utilizando um alicate de ponta fina, e remova o anel limitador pelo orifício de acesso. ORIFÍCIO DE ACESSO Aqueça a carcaça do diferencial, até atingir a temperatura de EXTRATOR DE ROLAMENTO 80°C, e remova o rolamento de agulhas, utilizando as ferramentas especiais. CABO NOTA EXTRATOR Certifique-se de vestir luvas isolantes ao manusear a carcaça do diferencial enquanto permanecer aquecida. Ferramentas: Extrator de rolamento, 20 mm 07936-3710600 Cabo extrator 07936-3710100 Contrapeso do extrator 07741-0010201 CONTRAPESO DO EXTRATOR Instale seguramente um novo anel limitador na ranhura de um novo rolamento. ANEL LIMITADOR ROLAMENTO 13-16
  • 334.
    SHADOW 750 DIFERENCIAL Resfrie o rolamento de agulhas em um congelador. INSTALADOR Aqueça a carcaça do diferencial até atingir a temperatura de 80°C. Remova o rolamento de agulhas do congelador e instale-o na carcaça do diferencial, mantendo seu lado marcado voltado para cima, até que esteja completamente assentado. Ferramentas: Instalador 07749-0010000 Acessório, 32 x 35 mm 07746-0010100 Guia, 19 mm 07746-0041400 ACESSÓRIO/GUIA Certifique-se de que o anel limitador esteja seguramente assentado na ranhura da carcaça do diferencial. ANEL LIMITADOR MONTAGEM DO DIFERENCIAL INSTALAÇÃO DO PINHÃO PINHÃO CALÇO PISTAS INTERNAS LINGÜETA DE TRAVA ANEL DE VEDAÇÃO ROLAMENTO DO PINHÃO 108 N.m (11,0 kgf.m) 10 N.m (1,0 kgf.m) RETENTOR DE ÓLEO 108 N.m (11,0 kgf.m) CONEXÃO DO PINHÃO 13-17
  • 335.
    DIFERENCIAL SHADOW 750 INSTALADOR DO RETENTOR DE ÓLEO Instale o conjunto do pinhão na carcaça do diferencial, utilizando a ferramenta especial. Ferramenta: Instalador do retentor de óleo, 55,7 x 60,3 mm 07965-KE80200 INSTALADOR Aplique graxa nos lábios de um novo retentor de óleo. Instale o retentor de óleo no retentor do pinhão, mantendo seu lado marcado voltado para cima, até que esteja completamente assentado. Ferramentas: Instalador 07749-0010000 Acessório, 44 x 49,5 mm 07945-3330300 Aplique graxa na cavidade do lábio do retentor. RETENTOR DE ÓLEO ACESSÓRIO RETENTOR DO PINHÃO Cubra um novo anel de vedação com graxa e instale-o na ranhura do retentor. ANEL DE VEDAÇÃO CHAVE PARA RETENTOR Fixe a carcaça do diferencial em uma morsa de mordentes macios. Instale o retentor do pinhão na carcaça do diferencial e aperte-o no torque especificado, utilizando a ferramenta especial. Ferramenta: Chave para retentor 07910-MA10100 Torque: 108 N.m (11,0 kgf.m) 13-18
  • 336.
    SHADOW 750 DIFERENCIAL LINGÜETA DE TRAVA Instale a lingüeta de trava, mantendo sua lingüeta voltada para cima, ajustando a posição das ranhuras do retentor do pinhão em relação à lingüeta de trava. Em seguida, aperte o parafuso no torque especificado. Torque: 10 N.m (1,0 kgf.m) NOTA Encontra-se disponível dois tipos de lingüeta de trava (A e B), como mostra a ilustração. PARAFUSO PORCA DA CONEXÃO Limpe completamente as roscas do eixo do pinhão e da porca da conexão do pinhão. Aplique trava-química nas roscas da porca da conexão e instale a conexão do pinhão, juntamente com sua porca, no eixo do pinhão. CONEXÃO DO PINHÃO PLACA DE FIXAÇÃO Fixe a conexão do pinhão, utilizando as ferramentas especiais, e aperte a porca da conexão do pinhão no torque especificado. Ferramentas: Placa de fixação do pinhão 07924-ME40010 Instalador de espaçador “C” 07924-ME40020 Torque: 108 N.m (11,0 kgf.m) ESPAÇADORES 13-19
  • 337.
    DIFERENCIAL SHADOW 750 INSTALAÇÃO DA COROA CALÇO ANEL DE VEDAÇÃO FIXADOR DO ANEL DE VEDAÇÃO COROA 10 N.m (1,0 kgf.m) ARRUELA ONDULADA PLACA ROLAMENTO PROTETORA DE PÓ (57/34) 25 N.m (2,5 kgf.m) ARRUELA RETENTOR DE ÓLEO RETENTOR DE ÓLEO 47 N.m (4,8 kgf.m) TAMPA DA CARCAÇA DO DIFERENCIAL CALÇO ROLAMENTO (16012) PINO LIMITADOR ANEL DE VEDAÇÃO INSTALADOR Aplique graxa em um novo anel de vedação e instale-o na ranhura do fixador do anel. Instale o fixador do anel de vedação na coroa, até que esteja completamente assentada, utilizando as ferramentas especiais. Ferramentas: Instalador 07749-0010000 Acessório 07746-0010900 FIXADOR DO ANEL DE VEDAÇÃO ACESSÓRIO INSTALADOR Instale um novo rolamento da coroa na tampa, mantendo seu lado marcado voltado para dentro, até que esteja completamente assentado, utilizando as ferramentas especiais. Ferramentas: Instalador 07749-0010000 Acessório instalador de rolamento 07GAD-SD40101 ROLAMENTO ACESSÓRIO 13-20
  • 338.
    SHADOW 750 DIFERENCIAL ROLAMENTO/CALÇO Instale o calço no rolamento da coroa. Apóie a pista interna do rolamento, utilizando a ferramenta especial, e instale a coroa no rolamento, utilizando uma prensa hidráulica. Ferramenta: Instalador do retentor de óleo 070MF-MEG0300 INSTALADOR DO RETENTOR DE ÓLEO COROA Meça a folga entre a coroa e o pino limitador, utilizando um cálibre de lâminas. Folga: 0,30 – 0,60 mm Remova a coroa caso a folga não esteja de acordo com o valor especificado. PINO LIMITADOR Aqueça a tampa da carcaça do diferencial até atingir a temperatura de 80°C, utilizando uma pistola de calor. Aqueça- a de forma lenta e uniforme para evitar empenamento. Quando a tampa da carcaça do diferencial atingir a temperatura adequada, remova o pino limitador, batendo levemente na tampa. NOTA Certifique-se de vestir luvas isolantes ao manusear a carcaça do diferencial enquanto permanecer aquecida. PINO LIMITADOR Selecione o calço do pino limitador para obter a folga COROA adequada. 0,30 – 0,60 mm Espessura do calço: A 0,10 mm B 0,15 mm Instale o calço. Em seguida, instale o pino limitador na tampa da carcaça do diferencial. PINO LIMITADOR CALÇO 13-21
  • 339.
    DIFERENCIAL SHADOW 750 ACESSÓRIO INSTALADOR Aplique graxa nos lábios de um novo retentor de óleo. Instale o retentor de óleo, até nivelar-se à superfície da tampa, utilizando as ferramentas especiais. Ferramentas: Instalador 07749-0010000 Instalador do retentor de óleo 070MF-MEG0300 Acessório, 72 x 75 mm 07746-0010600 MONTAGEM DA CARCAÇA DO DIFERENCIAL INSTALADOR DO RETENTOR DE ÓLEO RETENTOR DE ÓLEO Quando o conjunto de engrenagens, rolamento e/ou carcaça TAMPA DA CARCAÇA do diferencial forem removidos, execute as seguintes inspeções: – Inspeção de padrão de contato entre os dentes das engrenagens (página 13-10) – Inspeção de folga entre os dentes das engrenagens do diferencial (página 13-8) Limpe a superfície de contato da carcaça do diferencial e de sua tampa, tendo cuidado para não danificá-las. NOTA Mantenha a tampa e a carcaça do diferencial livre de poeira ou objetos estranhos. CARCAÇA DO DIFERENCIAL ARRUELA ONDULADA PARAFUSOS, 8 mm PARAFUSOS, 10 mm Aplique junta-líquida (Three Bond 1207B ou equivalente) na superfície de contato da tampa da carcaça do diferencial. Instale a arruela ondulada. Instale a tampa da carcaça do diferencial. Aplique trava-química nas roscas dos parafusos de 10 mm da tampa da carcaça do diferencial. Instale os parafusos e aperte-os em ordem cruzada e em diversas etapas, até que a tampa encoste uniformemente na carcaça do diferencial. Aperte alternadamente os parafusos de 10 mm, em diversas etapas e no torque especificado. TAMPA DA CARCAÇA DO DIFERENCIAL Torque: 47 N.m (4,8 kgf.m) Aperte os parafusos de 8 mm em ordem cruzada, em diversas etapas e no torque especificado. Torque: 25 N.m (2,5 kgf.m) Certifique-se de que o conjunto de engrenagens gira suavemente, sem obstruções. Meça a pré-carga de montagem do diferencial. Padrão: 0,2 – 0,4 N.m (2,0 – 4,1 kgf.cm) Se a pré-carga não estiver de acordo com o valor especificado, inspecione os rolamentos quanto a sua correta instalação. 13-22
  • 340.
    SHADOW 750 DIFERENCIAL Instale a placa protetora de pó, alinhando suas lingüetas com PLACA PROTETORA DE PÓ PARAFUSO as ranhuras da tampa. Gire a placa protetora de pó em sentido anti-horário e instale o parafuso e a arruela. Aperte o parafuso no torque especificado. Torque: 10 N.m (1,0 kgf.m) ARRUELA INSTALAÇÃO DO DIFERENCIAL PRISIONEIRO Certifique-se de que os prisioneiros da carcaça do diferencial estejam apertados. Se algum prisioneiro estiver solto, remova-o, limpe suas roscas com limpador de contato e instale-o em seguida, aplicando trava-química. Após a instalação, certifique-se de medir a altura da parte superior de cada prisioneiro à superfície da carcaça do 26 ± 1 mm diferencial, como mostra a ilustração. ANEL LIMITADOR Instale um novo anel limitador na ranhura do eixo de transmissão. Instale a mola no eixo de transmissão. Aplique 0,5 g de graxa à base de bissulfeto de molibdênio nos lábios de um novo retentor de óleo e instale-o no eixo de transmissão. RETENTOR DE ÓLEO MOLA CONEXÃO DO PINHÃO Aplique 2 g ou mais de graxa à base de bissulfeto de molibdênio nas estrias da conexão do pinhão. Instale o eixo de transmissão na conexão do pinhão, até que o anel limitador se assente na ranhura da estria da conexão. NOTA • Certifique-se de que o anel limitador esteja adequadamente assentado, puxando cuidadosamente o eixo de transmissão. • Tenha cuidado para não danificar o retentor de óleo do eixo de transmissão. EIXO DE TRANSMISSÃO 13-23
  • 341.
    DIFERENCIAL SHADOW 750 PARAFUSO Aplique 1 g de graxa à base de bissulfeto de molibdênio nas estrias do eixo de transmissão, no lado da conexão universal. Insira o conjunto do diferencial no braço oscilante, alinhando as estrias do eixo de transmissão com as estrias da conexão universal. Instale as porcas de fixação da carcaça do diferencial. Aperte as porcas de fixação da carcaça do diferencial em ordem cruzada, em diversas etapas e no torque especificado. Torque: 64 N.m (6,5 kgf.m) Aperte o parafuso de fixação inferior do amortecedor no PORCAS torque especificado. Torque: 22 N.m (2,2 kgf.m) Instale a roda traseira (página 15-12). Abasteça a carcaça do diferencial, utilizando o óleo recomendado (página 3-17). 13-24
  • 342.
    RODA DIANTEIRA/SUSPENSÃO/ SHADOW 750 14. SISTEMA DE DIREÇÃO LOCALIZAÇÃO DOS COMPONENTES 14-2 RODA DIANTEIRA 14-13 INFORMAÇÕES DE SERVIÇO 14-3 GARFO DA SUSPENSÃO 14-18 DIAGNOSE DE DEFEITOS 14-5 COLUNA DE DIREÇÃO 14-27 GUIDÃO 14-6 14-1
  • 343.
    RODA DIANTEIRA/SUSPENSÃO/SISTEMA DEDIREÇÃO SHADOW 750 LOCALIZAÇÃO DOS COMPONENTES 23 N.m (2,3 kgf.m) 103 N.m (10,5 kgf.m) 26 N.m (2,7 kgf.m) 12 N.m (1,2 kgf.m) 30 N.m (3,1 kgf.m) 23 N.m (2,3 kgf.m) 59 N.m (6,0 kgf.m) 22 N.m (2,2 kgf.m) 14-2
  • 344.
    SHADOW 750 RODA DIANTEIRA/SUSPENSÃO/SISTEMA DE DIREÇÃO INFORMAÇÕES DE SERVIÇO INFORMAÇÕES GERAIS • Utilizar a motocicleta com aros danificados prejudica a dirigibilidade e segurança do veículo. • Discos ou pastilhas de freio contaminados reduzem a capacidade de frenagem. Descarte pastilhas de freio contaminadas e limpe os discos utilizando agente desengraxante de freio de alta qualidade. • Ao executar reparos na roda dianteira, no garfo da suspensão ou no sistema de direção, apóie a motocicleta utilizando um cavalete de trabalho ou um macaco sob o motor. • Para reparos no sistema de freio hidráulico, consulte a página 16-2. ESPECIFICAÇÕES Unidade: mm Item Padrão Limite de Uso Profundidade mínima da banda de rodagem do pneu – 1,5 Pressão do Somente piloto 200 kPa (2,00 kgf/cm2, 29 psi) — pneu frio Piloto e passageiro 200 kPa (2,00 kgf/cm2, 29 psi) — Empenamento do eixo – 0,2 Excentricidade Radial – 2,0 do aro da roda Axial – 2,0 Peso para balanceamento da roda – Máximo de 60 g Garfo da Comprimento livre da mola 367,8 360,4 suspensão Empenamento do cilindro interno – 0,2 Fluido recomendado para suspensão Óleo Honda Ultra Cushion – 10 W ou equivalente Nível de fluido 100 – Capacidade de fluido 474 ± 2,5 cm3 – Pré-carga do rolamento da coluna de direção 8,8 –12,7 N (0,9 – 1,3 kgf) – VALORES DE TORQUE Parafuso do suporte superior do guidão 23 N.m (2,3 kgf.m) Parafuso do suporte inferior do guidão 23 N.m (2,3 kgf.m) Parafuso do suporte do cilindro-mestre dianteiro 12 N.m (1,2 kgf.m) Parafuso do disco de freio dianteiro 42 N.m (4,3 kgf.m) Parafuso ALOC, substitua-o por um novo. Raio 4,2 N.m (0,4 kgf.m) Parafuso do eixo dianteiro 59 N.m (6,0 kgf.m) Parafuso de fixação do eixo dianteiro 22 N.m (2,2 kgf.m) Parafuso Allen central do garfo da suspensão 29,5 N.m (3,0 kgf.m) Aplique trava-química nas roscas. Parafuso superior do garfo da suspensão 22,1 N.m (2,3 kgf.m) Parafuso do protetor do garfo da suspensão, 6 mm 12 N.m (1,2 kgf.m) Parafuso do protetor do garfo da suspensão, 8 mm 26 N.m (2,7 kgf.m) Parafuso de fixação da mesa superior do garfo 27 N.m (2,8 kgf.m) Parafuso de fixação da mesa inferior do garfo 49 N.m (5,0 kgf.m) Parafuso de fixação do cáliper do freio dianteiro 30 N.m (3,1 kgf.m) Parafuso ALOC, substitua-o por um novo. Porca superior da coluna de direção Consulte página 14-30. Contraporca superior da coluna de direção Consulte página 14-31. Porca da coluna de direção 103 N.m (10,5 kgf.m) Parafuso da articulação da alavanca da embreagem 1 N.m (0,1 kgf.m) Porca da articulação da alavanca da embreagem 6 N.m (0,6 kgf.m) 14-3
  • 345.
    RODA DIANTEIRA/SUSPENSÃO/SISTEMA DEDIREÇÃO SHADOW 750 FERRAMENTAS Instalador Acessório, 42 x 47 mm Acessório, 52 x 55 mm 07749-0010000 07746-0010300 07746-0010400 Guia, 20 mm Eixo extrator de rolamento Cabeçote extrator de rolamento, 07746-0040500 07GGD-0010100 20 mm 07746-0050600 Chave para raios Contrapeso deslizante Acessório instalador 07JMA-MR60100 07947-KA50100 07947-KF00100 Acessório, D.I. de 30 mm Soquete para coluna de direção Extrator de rolamento 07746-0030300 07916-3710101 07946-3710500 14-4
  • 346.
    SHADOW 750 RODA DIANTEIRA/SUSPENSÃO/SISTEMA DE DIREÇÃO Conjunto extrator de rolamento de esferas 07953-MJ10000 DIAGNOSE DE DEFEITOS Dificuldade para girar a roda dianteira Dificuldade de esterçar • Rolamentos da roda defeituosos • Porca superior da coluna de direção muito apertada • Eixo empenado • Rolamentos da coluna de direção desgastados ou • Freio arrastando (página 16-4) danificados • Coluna de direção empenada Suspensão muito macia • Baixa pressão do pneu • Molas do garfo enfraquecidas • Pneu defeituoso • Baixo nível de fluido no garfo da suspensão • Viscosidade incorreta do fluido da suspensão (baixa A motocicleta puxa para um dos lados ou não se viscosidade) desloca em linha reta • Pressão do pneu muito baixa • Garfo da suspensão empenado • Rolamentos da coluna de direção danificados Suspensão muito dura • Porca superior da coluna de direção solta • Pressão do pneu muito alta • Chassi torto • Cilindros internos empenados • Rolamentos da roda desgastados • Cilindros externos presos • Eixo empenado • Quantidade excessiva de fluido no garfo da suspensão • Componentes da articulação do braço oscilante • Viscosidade incorreta do fluido da suspensão (alta desgastados viscosidade) • Passagem de fluido do garfo da suspensão obstruída Roda dianteira trepidando • Aro torto Ruídos na suspensão dianteira • Rolamentos da roda desgastados • Fixadores do garfo da suspensão soltos • Pneu defeituoso • Viscosidade incorreta do fluido da suspensão (baixa • Roda e pneu desbalanceados viscosidade) • Fixador do eixo apertado inadequadamente • Bucha do cilindro interno ou externo desgastada 14-5
  • 347.
    RODA DIANTEIRA/SUSPENSÃO/SISTEMA DEDIREÇÃO SHADOW 750 ESPELHOS RETROVISORES GUIDÃO REMOÇÃO Remova os espelhos retrovisores. Solte a fiação do interruptor do guidão e a mangueira do freio das presilhas da fiação. Remova as presilhas da fiação do guidão. PRESILHAS PARAFUSO ALAVANCA DA EMBREAGEM Remova o parafuso da articulação, a porca e a alavanca da embreagem do suporte da alavanca. Desacople os conectores do interruptor da embreagem. CONECTORES PORCA FIXADOR SUPORTE Remova os parafusos, o fixador e o suporte da alavanca da embreagem. PARAFUSOS INTERRUPTOR DA EMBREAGEM Remova o interruptor da embreagem do suporte da alavanca da embreagem. SUPORTE 14-6
  • 348.
    SHADOW 750 RODA DIANTEIRA/SUSPENSÃO/SISTEMA DE DIREÇÃO MANOPLA ALOJAMENTO DO INTERRUPTOR Remova os parafusos e o alojamento do interruptor do guidão esquerdo. Remova a manopla do guidão esquerdo e a capa do alojamento. PARAFUSOS TAMPA CILINDRO-MESTRE SUPORTE Desacople os conectores da fiação do interruptor da luz do freio dianteiro. Remova os parafusos, o suporte e o conjunto do cilindro- mestre. NOTA Mantenha o reservatório voltado para cima a fim de evitar penetração de ar no sistema hidráulico. CONECTORES PARAFUSOS INTERRUPTOR PARAFUSOS ALOJAMENTO DO ACELERADOR Remova os parafusos do interruptor direito do guidão/alojamento. MANOPLA Desconecte os cabos do acelerador do tubo do acelerador e remova a manopla do acelerador do guidão direito. Remova o interruptor do guidão direito/alojamento do acelerador do guidão. CABOS 14-7
  • 349.
    RODA DIANTEIRA/SUSPENSÃO/SISTEMA DEDIREÇÃO SHADOW 750 Solte as porcas do suporte inferior do guidão. PORCAS CAPAS DOS PARAFUSOS Remova as capas dos parafusos. PARAFUSOS SUPORTES SUPERIORES Remova os parafusos, os suportes superiores e o guidão. GUIDÃO BORRACHAS DE FIXAÇÃO SUPORTES INFERIORES Remova as porcas do suporte inferior, as arruelas, as borrachas de fixação e os suportes inferiores do guidão. PORCAS/ARRUELAS 14-8
  • 350.
    SHADOW 750 RODA DIANTEIRA/SUSPENSÃO/SISTEMA DE DIREÇÃO BUCHAS INSTALAÇÃO NOTA Passe adequadamente o cabo, a mangueira e a fiação (página 1-20). Inspecione as buchas quanto a desgaste anormal ou danos. PARA CIMA BORRACHAS DE FIXAÇÃO Instale as borrachas de fixação na mesa superior, como mostra a ilustração. SUPORTES INFERIORES Instale frouxamente os suportes inferiores, as arruelas e as porcas do guidão na mesa superior. PORCAS/ARRUELAS PARAFUSOS SUPORTES SUPERIORES Posicione o guidão sobre os suportes inferiores, alinhando a marca gravada do guidão com as superfícies superiores dos suportes inferiores. Instale os suportes superiores, mantendo suas marcas gravadas voltadas para frente. Aperte primeiramente os parafusos dianteiros. Em seguida, aperte os parafusos traseiros, todos no torque especificado. Torque: 23 N.m (2,3 kgf.m) Alinhe MARCAS GRAVADAS 14-9
  • 351.
    RODA DIANTEIRA/SUSPENSÃO/SISTEMA DEDIREÇÃO SHADOW 750 Aperte as porcas do suporte inferior do guidão no torque especificado. Torque: 23 N.m (2,3 kgf.m) PORCAS Instale a capa do alojamento no lado esquerdo do guidão. CAPA DO ALOJAMENTO Limpe a superfície interna de ambas as manoplas do guidão ESQUERDO: DIREITO: e as superfícies externas do guidão e do tubo do acelerador. Aplique o adesivo Honda Bond A ou equivalente na superfície interna da manopla do guidão e na superfície externa do guidão e do tubo do acelerador. Espere cerca de 3 a 5 minutos e instale a manopla. Gire a manopla para uma aplicação uniforme do adesivo. NOTA Deixe o adesivo secar por aproximadamente uma hora antes de utilizar a motocicleta. MANOPLAS DO GUIDÃO Aplique de 0,2 a 0,3 g de graxa na ranhura do flange e na superfície deslizante do tubo do acelerador. Instale o tubo do acelerador no guidão. TUBO DO ACELERADOR 14-10
  • 352.
    SHADOW 750 RODA DIANTEIRA/SUSPENSÃO/SISTEMA DE DIREÇÃO CABOS Conecte os cabos do acelerador no flange do tubo do acelerador. Instale o interruptor/alojamento do acelerador no guidão, utilizando dois parafusos e alinhando o pino de localização com o orifício do guidão. Alinhe MENOR INTERRUPTOR/ COMPRIMENTO ALOJAMENTO DO ACELERADOR Aperte primeiramente o parafuso dianteiro de maior comprimento. Em seguida, aperte o parafuso traseiro de menor comprimento. MAIOR COMPRIMENTO CILINDRO-MESTRE Alinhe SUPORTE Instale o cilindro-mestre, o suporte e os parafusos. Alinhe a extremidade do cilindro-mestre com a marca gravada no guidão e aperte primeiramente o parafuso superior. Em seguida, aperte o parafuso inferior, ambos no torque especificado. Torque: 12 N.m (1,2 kgf.m) NOTA Instale o suporte, mantendo sua marca “UP” voltada para cima. Acople os conectores do interruptor da luz do freio dianteiro. CONECTORES MARCA “UP” PARAFUSOS ALOJAMENTO DO INTERRUPTOR Alinhe ESQUERDO DO GUIDÃO Instale o alojamento do interruptor esquerdo do guidão, juntamente com seus parafusos, alinhando o pino de localização com o orifício do guidão. Aperte primeiramente o parafuso dianteiro de menor comprimento. Em seguida, aperte o parafuso traseiro de maior comprimento. NOTA Posicione o flange da capa do alojamento em sua ranhura. CAPA MENOR MAIOR COMPRIMENTO COMPRIMENTO 14-11
  • 353.
    RODA DIANTEIRA/SUSPENSÃO/SISTEMA DEDIREÇÃO SHADOW 750 SUPORTE Alinhe Instale o interruptor da embreagem no suporte, alinhando a lingüeta do interruptor da embreagem com a ranhura do suporte. INTERRUPTOR DA EMBREAGEM FIXADOR SUPORTE Alinhe Instale o suporte da alavanca da embreagem, o fixador e os parafusos. Alinhe a extremidade do suporte com a marca gravada no guidão e aperte primeiramente o parafuso superior. Em seguida, aperte seguramente o parafuso inferior. NOTA Instale o fixador, mantendo sua marca “UP” voltada para cima. PARAFUSOS MARCA “UP” PARAFUSO ALAVANCA DA EMBREAGEM Acople os conectores do interruptor da embreagem. Conecte o cabo da embreagem à alavanca da embreagem. Instale a alavanca da embreagem no suporte. Aplique graxa na superfície deslizante do parafuso da articulação da alavanca da embreagem. Instale e aperte o parafuso da articulação da alavanca da embreagem no torque especificado. Torque: 1 N.m (0,1 kgf.m) Aperte a porca no torque especificado, enquanto mantém fixado o parafuso da articulação. CONECTORES PORCA CABO DA EMBREAGEM ESPELHOS RETROVISORES Torque: 6 N.m (0,6 kgf.m) Instale as presilhas da fiação nos prisioneiros do guidão. Prenda a mangueira do freio e a fiação do interruptor utilizando suas presilhas. Instale os espelhos retrovisores. Ajuste a folga da alavanca da embreagem (página 3-22). PRESILHAS 14-12
  • 354.
    SHADOW 750 RODA DIANTEIRA/SUSPENSÃO/SISTEMA DE DIREÇÃO RODA DIANTEIRA REMOÇÃO Remova o parafuso do eixo e solte os parafusos de fixação direito do eixo. PARAFUSO DO EIXO PARAFUSOS DE FIXAÇÃO Apóie seguramente a motocicleta e levante a roda dianteira do solo. Solte os parafusos de fixação esquerdo do eixo. Remova o eixo e a roda dianteira. NOTA Não acione a alavanca do freio após a remoção da roda dianteira, pois dificultará o encaixe do disco de freio entre as pastilhas. PARAFUSOS DE FIXAÇÃO EIXO DIREITO: ESPAÇADORES ESQUERDO: Remova os espaçadores laterais. INSPEÇÃO Eixo Posicione o eixo sobre blocos em V. Gire o eixo e meça seu empenamento, utilizando um relógio comparador. O valor real de empenamento é a metade do valor de leitura total. Limite de Uso 0,2 mm 14-13
  • 355.
    RODA DIANTEIRA/SUSPENSÃO/SISTEMA DEDIREÇÃO SHADOW 750 Aro da Roda Inspecione o empenamento do aro, posicionando a roda em um cavalete de inspeção. Gire lentamente a roda e meça seu empenamento, utilizando um relógio comparador. O valor real de empenamento é a metade do valor de leitura total. Radial 2,0 mm Limite de Uso Axial 2,0 mm Rolamento da Roda Gire manualmente a pista interna de cada rolamento. Os rolamentos devem girar suave e silenciosamente. Inspecione também se a pista externa do rolamento encaixa- se sem folga no cubo da roda. Remova e descarte os rolamentos caso suas pistas não girem suave e silenciosamente ou se encaixarem com folga no cubo da roda (página 14-14). NOTA Substitua os rolamentos da roda em pares. DISCO DE FREIO PARAFUSOS DESMONTAGEM Remova os retentores de pó de ambos os lados do cubo da roda. Remova os parafusos e o disco de freio. NOTA Não reutilize os parafusos. RETENTOR DE PÓ EIXO EXTRATOR Instale o cabeçote extrator no rolamento da roda. Pelo lado oposto da roda, instale o eixo extrator e remova o rolamento do cubo da roda. Remova o espaçador e o outro rolamento. Ferramentas: Eixo extrator de rolamento 07GGD-0010100 Cabeçote extrator de rolamento, 20 mm 07746-0050600 NOTA • Substitua os rolamentos da roda em pares. • Não reutilize rolamentos usados. CABEÇOTE EXTRATOR 14-14
  • 356.
    SHADOW 750 RODA DIANTEIRA/SUSPENSÃO/SISTEMA DE DIREÇÃO MONTAGEM RETENTOR DE PÓ ROLAMENTO (6204UU) DISCO DE FREIO ESPAÇADOR ROLAMENTO (6204UU) 42 N.m (4,3 kgf.m) RETENTOR DE PÓ INSTALADOR Instale o novo rolamento esquerdo, até que esteja completamente assentado. Instale o espaçador. Instale o novo rolamento direito, até que esteja completamente assentado no espaçador. Ferramentas: Instalador 07749-0010000 Acessório, 42 x 47 mm 07746-0010300 Guia, 20 mm 07746-0040500 Ajuste do Cubo da Roda ROLAMENTO ACESSÓRIO/GUIA Meça a distância B (largura do aro) e calcule a distância A como indicado a seguir: B B A A A = 79 mm – B/2 Ajuste a posição do aro e a distância A, apertando os raios progressivamente, em diversas etapas e no torque 79 mm especificado. Ferramenta: Chave para raios 07JMA-MR60100 Torque: 4,2 N.m (0,4 kgf.m) 14-15
  • 357.
    RODA DIANTEIRA/SUSPENSÃO/SISTEMA DEDIREÇÃO SHADOW 750 DISCO DE FREIO PARAFUSOS Instale o disco de freio, mantendo seu lado marcado voltado para fora. Instale novos parafusos e aperte-os em ordem cruzada, em diversas etapas e no torque especificado. Torque: 42 N.m (4,3 kgf.m) NOTA Não contamine os discos de freio com graxa, pois reduzirá a capacidade de frenagem. BALANCEAMENTO DA RODA MARCA DE BALANCEAMENTO NOTA • Monte o pneu, mantendo a seta gravada voltada para o sentido de rotação. • O balanceamento da roda deve ser verificado sempre que o pneu for remontado. • Para um perfeito balanceamento, a marca de balanceamento do pneu (ponto de menor massa: um ponto pintado na parede lateral do pneu) deve ser posicionada próxima à haste da válvula. Monte novamente o pneu, se necessário. • Inspecione cuidadosamente o balanceamento antes de instalar a roda. HASTE DA VÁLVULA SETA Monte a roda, o pneu e o conjunto do disco de freio no cavalete de inspeção. Gire a roda, espere-a parar e marque a parte inferior (maior peso) da roda com giz. Repita o procedimento acima duas ou três vezes para verificar a região de maior peso. Se a roda estiver balanceada, ela não irá parar constantemente na mesma posição. CAVALETE DE INSPEÇÃO PESO PARA BALANCEAMENTO Para balancear a roda, instale um novo peso para balanceamento no lado mais leve do raio, no lado oposto à marca de giz. Adicione somente a quantidade de peso suficiente para que a roda não mais pare na mesma posição ao ser girada. Não adicione mais de 60 g de massa à roda dianteira. NOTA Nunca reutilize o peso de balanceamento após removê-lo do raio. 14-16
  • 358.
    SHADOW 750 RODA DIANTEIRA/SUSPENSÃO/SISTEMA DE DIREÇÃO RETENTOR DE PÓ Aplique graxa nos lábios de novos retentores de pó. Em seguida, instale os retentores até que estejam nivelados com o cubo da roda. DIREITO: ESPAÇADORES ESQUERDO: INSTALAÇÃO Instale os espaçadores laterais. NOTA Instale o espaçador lateral esquerdo (lado do disco de freio), mantendo seu flange voltado para fora. Instale a roda dianteira entre os garfos da suspensão, de forma que o disco de freio permaneça entre as pastilhas de freio. NOTA Tenha cuidado para não danificar as pastilhas. Aplique uma fina camada de graxa na superfície deslizante do eixo. Insira o eixo pelo lado esquerdo, até que esteja completamente assentado. Instale e aperte o parafuso do eixo no torque especificado, enquanto mantém o eixo fixado. PARAFUSO DO EIXO PARAFUSOS DE FIXAÇÃO Torque: 59 N.m (6,0 kgf.m) Aperte os parafusos de fixação direito do eixo no torque especificado. Torque: 22 N.m (2,2 kgf.m) Mantendo o freio dianteiro acionado, bombeie a suspensão dianteira para cima e para baixo por diversas vezes para assentar o eixo e verificar o funcionamento do freio. 14-17
  • 359.
    RODA DIANTEIRA/SUSPENSÃO/SISTEMA DEDIREÇÃO SHADOW 750 Aperte os parafusos de fixação esquerdo do eixo no torque especificado. Torque: 22 N.m (2,2 kgf.m) PARAFUSOS DE FIXAÇÃO PARAFUSOS GARFO DA SUSPENSÃO REMOÇÃO Remova os seguintes componentes: – Roda dianteira (página 14-13) – Pára-lama dianteiro (página 2-7) – Guidão (página 14-6) – Lentes e soquetes dos indicadores (página 20-8) Remova os parafusos e o conjunto do cáliper do freio. Somente para o garfo direito da suspensão: Não reutilize os parafusos de fixação do cáliper. CONJUNTO DO CÁLIPER DO FREIO PARAFUSO PORCA/ARRUELA NOTA SUPERIOR DO GARFO DA COLUNA DE DIREÇÃO Apóie o cáliper do freio de forma que não fique pendurado pela mangueira do freio. Solte os parafusos de fixação da mesa superior do garfo da suspensão. NOTA Quando o garfo estiver pronto para ser desmontado, solte o parafuso superior do garfo mas ainda não o remova. Remova a porca da coluna de direção, a arruela e a mesa superior. PARAFUSOS DE FIXAÇÃO DA ANEL DE MESA SUPERIOR DO GARFO VEDAÇÃO PROTETOR SUPERIOR DO GARFO Remova os parafusos e o protetor superior do garfo da suspensão. Remova o anel de vedação. PARAFUSOS 14-18
  • 360.
    SHADOW 750 RODA DIANTEIRA/SUSPENSÃO/SISTEMA DE DIREÇÃO PROTETOR INFERIOR DO GARFO Solte o parafuso de fixação da mesa inferior. Puxe o garfo para baixo e remova o cilindro interno da mesa inferior. Remova o protetor inferior do garfo da suspensão. PARAFUSO DE FIXAÇÃO DA MESA INFERIOR RETENTOR DE PÓ DESMONTAGEM Remova o retentor de pó. Remova o anel limitador do retentor de óleo. NOTA Tenha cuidado para não riscar a superfície deslizante do cilindro interno. ANEL LIMITADOR PARAFUSO SUPERIOR DO GARFO ANEL DE VEDAÇÃO Remova o parafuso superior do garfo e o anel de vedação. NOTA O parafuso superior do garfo encontra-se sob pressão da mola; tenha cuidado ao soltá-lo. ESPAÇADOR SEDE DA MOLA Remova o espaçador e a sede da mola. 14-19
  • 361.
    RODA DIANTEIRA/SUSPENSÃO/SISTEMA DEDIREÇÃO SHADOW 750 MOLA DO GARFO Remova a mola do garfo do cilindro interno. Retire o fluido para suspensão, bombeando diversas vezes o cilindro interno . PARAFUSO ALLEN/ARRUELA Fixe o cilindro externo em uma morsa de mordentes macios. Remova o parafuso Allen central do garfo da suspensão e a arruela de vedação. NOTA Se o pistão do garfo girar com o parafuso Allen central, instale temporariamente a mola do garfo, a sede da mola, o espaçador e o parafuso superior. MOLA DE AMORTECIMENTO Remova o pistão do garfo e a mola de amortecimento. NOTA Não remova o anel do pistão do garfo a menos que seja necessário substituí-lo por um novo. PISTÃO DO GARFO Executando movimentos sucessivos rápidos, puxe o cilindro interno para fora do cilindro externo. Remova o componente de trava do óleo. 14-20
  • 362.
    SHADOW 750 RODA DIANTEIRA/SUSPENSÃO/SISTEMA DE DIREÇÃO MOLA Remova a mola e o componente de trava do óleo do cilindro externo. COMPONENTE DE TRAVA DO ÓLEO ANEL DE APOIO RETENTOR DE ÓLEO Remova cuidadosamente a bucha deslizante, pressionando a ranhura com uma chave-de-fenda, até que a bucha possa ser removida manualmente. NOTA • Tenha cuidado para não danificar a bucha deslizante, especialmente sua superfície deslizante. • Para evitar perda de tensão, não abra a bucha mais do que o necessário. Remova os seguintes componentes: – Bucha da guia – Anel de apoio BUCHA DESLIZANTE BUCHA DA GUIA – Retentor de óleo COMPONENTE DE TRAVA DO ÓLEO INSPEÇÃO Componente de Trava do Óleo/Mola Inspecione o componente de trava do óleo quanto a desgaste ou danos. Inspecione a mola quanto a fadiga ou danos. MOLA Mola do Garfo Meça o comprimento livre da mola do garfo da suspensão. Limite de Uso 360,4 mm 14-21
  • 363.
    RODA DIANTEIRA/SUSPENSÃO/SISTEMA DEDIREÇÃO SHADOW 750 CILINDRO EXTERNO ANEL DE DESGASTE CILINDRO INTERNO/CILINDRO EXTERNO/PISTÃO DO GARFO Inspecione os cilindros interno e externo quanto a escoriações e desgaste anormal ou excessivo. Inspecione o anel de desgaste quanto a desgaste ou danos. Substitua qualquer componente danificado, se necessário. CILINDRO INTERNO ANEL DO PISTÃO DO GARFO Inspecione o pistão do garfo quanto a escoriações e desgaste anormal ou excessivo. Inspecione o anel do pistão quanto a desgaste ou danos. Inspecione a mola de amortecimento quanto a fadiga ou danos. Substitua qualquer componente danificado, se necessário. MOLA DE AMORTECIMENTO Posicione o cilindro interno sobre blocos em V e meça seu empenamento, utilizando um relógio comparador. O valor real de empenamento é a metade do valor de leitura total. Limite de Uso 0,2 mm Inspecione visualmente o cilindro externo e as buchas da guia. BUCHA Substitua as buchas caso estejam excessivamente escoriadas ou riscadas, ou se o revestimento de teflon estiver ANEL DE APOIO desgastado de modo que mais de 3/4 da superfície total de cobre permaneça visível. Inspecione o anel de apoio; substitua-o se qualquer distorção for observada nos pontos indicados, como mostra a Pontos de Inspeção ilustração. SUPERFÍCIES DE COBRE 14-22
  • 364.
    SHADOW 750 RODA DIANTEIRA/SUSPENSÃO/SISTEMA DE DIREÇÃO MONTAGEM Antes da montagem, lave todos os componentes com solvente de limpeza não-inflamável ou de alto ponto de inflamação e deixe-os secar completamente. ANEL DE DESGASTE 22,1 N.m (2,3 kgf.m) RETENTOR DE PÓ ANEL LIMITADOR RETENTOR ANEL DE DE ÓLEO VEDAÇÃO ANEL DE APOIO BUCHA ESPAÇADOR DESLIZANTE BUCHA DO CILINDRO INTERNO SEDE DA MOLA MOLA COMPONENTE DE MOLA DO GARFO TRAVA DO ÓLEO ANEL DO PISTÃO CILINDRO EXTERNO PISTÃO DO GARFO ARRUELA DE CILINDRO INTERNO MOLA DE AMORTECIMENTO VEDAÇÃO 29,5 N.m (3,0 kgf.m) BUCHA DESLIZANTE RETENTOR DE ÓLEO Instale a bucha do cilindro interno, tendo cuidado para não danificar seu revestimento, caso a bucha tenha sido removida. NOTA Não abra a bucha deslizante mais do que o necessário. Remova as saliências da superfície de contato da bucha, tendo cuidado para não descascar seu revestimento. Aplique o fluido para suspensão nos lábios de um novo retentor de óleo. Instale a bucha deslizante, o anel de apoio e o novo retentor BUCHA DO CILINDRO INTERNO ANEL DE APOIO de óleo no cilindro interno. MOLA DE AMORTECIMENTO NOTA Instale o retentor de óleo, mantendo seu lado marcado voltado para cima. Instale a mola de amortecimento no garfo do pistão. Em seguida, instale o pistão no cilindro interno. PISTÃO DO GARFO 14-23
  • 365.
    RODA DIANTEIRA/SUSPENSÃO/SISTEMA DEDIREÇÃO SHADOW 750 CILINDRO EXTERNO PISTÃO DO GARFO Instale o componente de trava do óleo, juntamente com a mola, na extremidade do pistão do garfo. Instale o conjunto do cilindro interno no cilindro externo. COMPONENTE DE MOLA TRAVA DO ÓLEO ARRUELA DE VEDAÇÃO Fixe o cilindro externo em uma morsa de mordentes macios. Aplique trava-química nas roscas do parafuso Allen central do garfo da suspensão. Instale o parafuso Allen, juntamente com uma nova arruela de vedação. PARAFUSO ALLEN PARAFUSO ALLEN/ARRUELA Aperte o parafuso Allen central do garfo da suspensão no torque especificado. Torque: 29,5 N.m (3,0 kgf.m) NOTA Se o pistão do garfo girar com o parafuso Allen central, instale temporariamente a mola do garfo, a sede da mola, o espaçador e o parafuso superior. CONTRAPESO DESLIZANTE Aplique fluido para suspensão nos lábios de um novo RETENTOR retentor de óleo. Em seguida, instale o retentor, mantendo DE PÓ seu lado marcado voltado para cima. ANEL LIMITADOR Instale o retentor de óleo, até que a ranhura do anel limitador permaneça visível, utilizando as ferramentas especiais. RETENTOR Ferramentas: DE ÓLEO Contrapeso deslizante 07947-KA50100 ANEL DE Acessório instalador 07947-KF00100 APOIO BUCHA DESLIZANTE ACESSÓRIO INSTALADOR 14-24
  • 366.
    SHADOW 750 RODA DIANTEIRA/SUSPENSÃO/SISTEMA DE DIREÇÃO RETENTOR DE PÓ Instale o anel limitador na ranhura no cilindro externo, tendo cuidado para não riscar a superfície deslizante do cilindro. Cubra o retentor de pó com fluido para suspensão e instale-o em seguida. ANEL LIMITADOR Abasteça o cilindro interno com a quantidade especificada do FLUIDO PARA SUSPENSÃO fluido recomendado para suspensão. Fluido recomendado para suspensão: Óleo Honda Ultra Cushion 10 W Capacidade padrão de fluido: 474 ± 2,5 cm3 100 mm Bombeie lentamente o cilindro interno por diversas vezes e execute a sangria do ar armazenado na em sua parte inferior. Comprima completamente o cilindro interno. Meça o nível de fluido a partir da parte superior do cilindro interno. Nível de fluido: 100 mm MOLA DO GARFO Puxe o cilindro interno para cima e instale a mola do garfo da suspensão, mantendo o lado das espiras mais próximas PARA voltado para cima. CIMA SEDE DA MOLA ESPAÇADOR Instale a sede da mola e o espaçador. 14-25
  • 367.
    RODA DIANTEIRA/SUSPENSÃO/SISTEMA DEDIREÇÃO SHADOW 750 PARAFUSO SUPERIOR DO GARFO DA SUSPENSÃO Cubra um novo anel de vedação com fluido para suspensão e instale-o na ranhura do parafuso superior do garfo. Fixe seguramente o parafuso superior do garfo e instale-o no cilindro interno. NOTA • Tenha cuidado para não danificar as roscas do parafuso superior do garfo da suspensão. • Aperte o parafuso superior do garfo da suspensão após instalar o cilindro interno na mesa do garfo. ANEL DE VEDAÇÃO PROTETOR INFERIOR DO GARFO INSTALAÇÃO Instale o protetor inferior do garfo e o cilindro interno na mesa inferior. Aperte levemente o parafuso de fixação da mesa inferior do garfo da suspensão. PARAFUSO DE FIXAÇÃO DA MESA INFERIOR PROTETOR ANEL DE VEDAÇÃO SUPERIOR DO GARFO Instale o protetor superior do garfo. Em seguida, aperte os parafusos de 8 e 6 mm no torque especificado. Torque: Parafuso, 8 mm 26 N.m (2,7 kgf.m) Parafuso, 6 mm 12 N.m (1,2 kgf.m) Instale um novo anel de vedação. Instale a mesa superior, a arruela e a porca da coluna de direção. PARAFUSO, 8 mm PARAFUSO, 6 mm NOTA PORCA DA COLUNA MESA SUPERIOR DO GARFO DE DIREÇÃO/ARRUELA Aperte a porca da coluna de direção após apertar os parafusos de fixação das mesas superior e inferior. Solte os parafusos de fixação da mesa inferior do garfo e alinhe a superfície da extremidade superior do cilindro interno com a mesa superior, como mostra a ilustração. Aperte os parafusos de fixação das mesas do garfo da suspensão no torque especificado. Torque: Parafuso de fixação da mesa superior 27 N.m (2,8 kgf.m) Parafuso de fixação da mesa inferior 49 N.m (5,0 kgf.m) PARAFUSOS DE FIXAÇÃO DA MESA SUPERIOR 14-26
  • 368.
    SHADOW 750 RODA DIANTEIRA/SUSPENSÃO/SISTEMA DE DIREÇÃO PARAFUSO SUPERIOR DO GARFO DA SUSPENSÃO Aperte a porca da coluna de direção no torque especificado. Torque: 103 N.m (10,5 kgf.m) Aperte os parafusos superiores do garfo da suspensão no torque especificado. Torque: 22,1 N.m (2,3 kgf.m) PORCA DA COLUNA DE DIREÇÃO PARAFUSOS Somente para o garfo direito: Instale o cáliper do freio, utilizando novos parafusos de fixação. Em seguida, aperte os parafusos no torque especificado. Torque: 30 N.m (3,1 kgf.m) Instale os seguintes componentes: – Lentes e soquetes dos indicadores (página 20-8) – Guidão (página 14-9) – Pára-lama dianteiro (página 2-7) – Roda dianteira (página 14-17) CONJUNTO DO CÁLIPER DO FREIO SUPORTE DA SUPORTE DO FAROL SINALEIRA DIANTEIRA COLUNA DE DIREÇÃO REMOÇÃO Remova os seguintes componentes: – Garfos da suspensão (página 14-18) – Carcaça do farol (página 20-5) – Sinaleira (página 20-7) Remova os parafusos, porcas, suporte do farol e suporte da sinaleira dianteira. PARAFUSOS PORCAS TAMPA DA COLUNA DE DIREÇÃO Remova os parafusos e a tampa da coluna de direção. ESQUERDO: DIREITO: NOTA Não reutilize os parafusos. PARAFUSOS 14-27
  • 369.
    RODA DIANTEIRA/SUSPENSÃO/SISTEMA DEDIREÇÃO SHADOW 750 CONTRAPORCA Endireite as lingüetas da arruela de trava. Remova a contraporca superior da coluna de direção, juntamente com a arruela de trava. ARRUELA DE TRAVA SOQUETE PARA COLUNA DE DIREÇÃO Solte a porca superior da coluna de direção, utilizando a ferramenta especial. Ferramenta: Soquete para coluna de direção 07916-3710101 Remova a porca superior, enquanto mantém fixada a coluna de direção. PORCA SUPERIOR RETENTOR ROLAMENTO COLUNA DE PÓ SUPERIOR DE DIREÇÃO Remova os seguintes componentes: – Coluna de direção – Retentor de pó – Pista interna superior – Rolamento superior da coluna de direção – Rolamento inferior da coluna de direção PISTA INTERNA ROLAMENTO INFERIOR ACESSÓRIO EIXO INSTALADOR SUBSTITUIÇÃO DO ROLAMENTO Remova a pista externa do rolamento superior, utilizando as ferramentas especiais. Ferramentas: Conjunto extrator de rolamento de esferas 07953-MJ10000 – Acessório extrator 07953-MJ10100 – Eixo instalador 07953-MJ10200 14-28
  • 370.
    SHADOW 750 RODA DIANTEIRA/SUSPENSÃO/SISTEMA DE DIREÇÃO Remova a pista externa do rolamento inferior, utilizando a ferramenta especial e um eixo adequado. Ferramenta: Extrator de rolamento 07946-3710500 EXTRATOR DE ROLAMENTO Instale a porca da coluna de direção para evitar que as roscas sejam danificadas durante a remoção da pista interna do RETENTOR DE PÓ rolamento inferior. Remova a pista interna do rolamento inferior, utilizando uma talhadeira ou ferramenta equivalente, tendo cuidado para não danificar a coluna de direção. Remova o retentor de pó. PORCA PISTA INTERNA Aplique a graxa especificada (página 1-18) nos lábios de um novo retentor de pó e instale-o na coluna de direção. RETENTOR Instale uma nova pista interna do rolamento inferior, DE PÓ utilizando a ferramenta especial e uma prensa hidráulica. Ferramenta: Acessório, D.I. de 30 mm 07746-0030300 PISTA INTERNA ACESSÓRIO INSTALADOR Instale uma nova pista externa do rolamento superior no tubo da coluna de direção, utilizando as ferramentas especiais. Ferramentas: Instalador 07749-0010000 Acessório, 42 x 47 mm 07746-0010300 Instale uma nova pista externa do rolamento inferior no tubo da coluna de direção, utilizando as ferramentas especiais. Ferramentas: Instalador 07749-0010000 Acessório, 52 x 55 mm 07746-0010400 ACESSÓRIO 14-29
  • 371.
    RODA DIANTEIRA/SUSPENSÃO/SISTEMA DEDIREÇÃO SHADOW 750 INSTALAÇÃO PRESILHA DA MANGUEIRA CONTRAPORCA ARRUELA DE TRAVA PORCA SUPERIOR RETENTOR DE PÓ PISTA INTERNA SUPERIOR TAMPA DA COLUNA ROLAMENTO SUPERIOR DE DIREÇÃO DA COLUNA DE DIREÇÃO PISTA EXTERNA SUPERIOR PISTA EXTERNA INFERIOR ROLAMENTO INFERIOR COLUNA DE DIREÇÃO DA COLUNA DE DIREÇÃO : ROLAMENTOS PISTA INTERNA INFERIOR : RETENTORES DE PÓ RETENTOR DE PÓ RETENTOR ROLAMENTO COLUNA DE PÓ SUPERIOR DE DIREÇÃO Aplique de 3 a 5 g da graxa especificada (página 1-18) em cada novo rolamento da coluna de direção. Instale o rolamento inferior da coluna de direção na coluna. Aplique a graxa especificada (página 1-18) nos lábios de um novo retentor de pó superior. Aplique óleo nas roscas da porca superior da coluna de direção. Insira a coluna de direção no tubo da coluna e instale os seguintes componentes, enquanto mantém a coluna de direção fixada: – Rolamento superior da coluna – Nova pista interna superior – Retentor de pó PISTA INTERNA ROLAMENTO INFERIOR – Porca superior SOQUETE PARA COLUNA DE DIREÇÃO Aperte a porca superior da coluna de direção no torque especificado, utilizando a ferramenta especial. Ferramenta: Soquete para coluna de direção 07916-3710101 Torque: 25 N.m (2,5 kgf.m) PORCA SUPERIOR 14-30
  • 372.
    SHADOW 750 RODA DIANTEIRA/SUSPENSÃO/SISTEMA DE DIREÇÃO Movimente a coluna de direção por, pelo menos, cinco vezes, de batente a batente, para assentar os rolamentos. SOQUETE PARA COLUNA DE DIREÇÃO Aperte novamente a porca superior da coluna de direção no torque especificado, utilizando a ferramenta especial. Ferramenta: Soquete para coluna de direção 07916-3710101 Torque: 25 N.m (2,5 kgf.m) PORCA SUPERIOR ARRUELA DA TRAVA Instale uma nova arruela de trava, alinhando suas lingüetas com as ranhuras da porca superior. Instale a contraporca até que encoste na arruela de trava. Aperte primeiro a contraporca em 90°, para alinhar suas ranhuras com as lingüetas da arruela de trava. Entorte as lingüetas da arruela de trava em direção às ranhuras da contraporca. LINGÜETAS CONTRAPORCA TAMPA DA COLUNA Alinhe Instale a tampa da coluna de direção, a guia da mangueira e DIREITO: ESQUERDO: novos parafusos. Aperte seguramente os parafusos. NOTA Ao instalar a guia da mangueira, alinhe as lingüetas da guia da mangueira com a tampa da coluna de direção. PARAFUSOS 14-31
  • 373.
    RODA DIANTEIRA/SUSPENSÃO/SISTEMA DEDIREÇÃO SHADOW 750 PARAFUSOS SUPORTE DO FAROL Instale o suporte da sinaleira dianteira, o suporte do farol, os parafusos e as porcas. Aperte as porcas em seguida. Instale os garfos da suspensão na mesa inferior (página 14-26). Movimente a coluna de direção por diversas vezes, de batente a batente, para certificar-se de que a coluna de direção movimenta-se suavemente, sem folgas ou restrições de movimento. Passe adequadamente a mangueira, os cabos e a fiação nas guias (página 1-20). Instale os seguintes componentes: PORCAS SUPORTE DA SINALEIRA – Carcaça do farol (página 20-5) DIANTEIRA – Sinaleira (página 20-7) Pré-carga do Rolamento da Coluna de Direção Apóie seguramente a motocicleta e levante a roda dianteira do solo. Posicione a coluna de direção em linha reta, voltada para frente. 90° 90° Instale um torquímetro de mola no protetor superior do garfo da suspensão, entre as mesas superior e inferior. NOTA Certifique-se de que não haja interferência de cabos, fiação ou mangueiras. Puxe o torquímetro de mola, mantendo-o em ângulo reto em relação à coluna de direção. Verifique o torquímetro no ponto onde a coluna de direção começa a movimentar-se. Pré-carga do rolamento da coluna de direção: 8,8 – 12,7 N (0,9 – 1,3 kgf) Se a leitura não estiver de acordo com o valor especificado, ajuste novamente a porca superior da coluna de direção. 14-32
  • 374.
    RODA TRASEIRA/ SHADOW 750 15. FREIO/SUSPENSÃO LOCALIZAÇÃO DOS COMPONENTES 15-2 FREIO TRASEIRO 15-14 INFORMAÇÕES DE SERVIÇO 15-3 PEDAL DO FREIO 15-18 DIAGNOSE DE DEFEITOS 15-5 AMORTECEDOR 15-22 RODA TRASEIRA 15-6 BRAÇO OSCILANTE 15-23 15-1
  • 375.
    RODA TRASEIRA/FREIO/SUSPENSÃO SHADOW 750 LOCALIZAÇÃO DOS COMPONENTES 103 N.m (10,5 kgf.m) 103 N.m (10,5 kgf.m) 34 N.m (3,5 kgf.m) 27 N.m (2,8 kgf.m) 64 N.m (6,5 kgf.m) 22 N.m (2,2 kgf.m) 22 N.m (2,2 kgf.m) 88 N.m (9,0 kgf.m) 15-2
  • 376.
    SHADOW 750 RODA TRASEIRA/FREIO/SUSPENSÃO INFORMAÇÕES DE SERVIÇO INFORMAÇÕES GERAIS c • A freqüente inalação de poeira da pastilha de freio, independente de sua composição, pode ser prejudicial à sua saúde. Evite inalar estas partículas. • Nunca utilize uma mangueira de ar ou uma escova para limpar o conjunto de freio. Utilize um aspirador de pó aprovado. • Utilizar a motocicleta com aros danificados prejudica a dirigibilidade e segurança do veículo. • Ao executar reparos na roda traseira, no amortecedor ou no braço oscilante, levante a motocicleta do solo, apoiando seguramente seu chassi com um cavalete de trabalho ou suporte equivalente. • Utilize somente parafusos e porcas de substituição genuínos Honda em todas as articulações e pontos de fixação da suspensão. • Ao utilizar uma chave para contraporca, utilize uma chave de torque com cabo defletor de 20 polegadas de comprimento. A chave para contraporca aumenta a ação da alavanca da chave, de forma que a leitura de torque obtida na chave será menor que o torque realmente aplicado à contraporca. As especificações apresentadas indicam o valor real de torque que deve ser aplicado à contraporca, e não o valor da leitura na chave de torque. Não aperte demasiadamente a contraporca. O procedimento seguinte informa ambos os valores, tanto o real como o indicado na chave de torque. ESPECIFICAÇÕES Unidade: mm Item Padrão Limite de Uso Profundidade mínima da banda de rodagem do pneu – 2,0 Pressão do pneu frio Somente piloto 200 kPa (2,00 kgf/cm², 29 psi) – Piloto e passageiro 250 kPa (2,50 kgf/cm², 36 psi) – Empenamento do eixo – 0,20 Excentricidade do aro da roda Radial – 2,0 Axial – 2,0 Peso para balanceamento da roda – Máximo de 70 g D.I. do tambor do freio 180,0 – 180,3 181 Altura do pedal do freio 75 mm a partir da porção – superior do pedal de apoio Folga do pedal do freio 20 – 30 – Posição padrão do ajustador de pré-carga da mola do amortecedor 2a posição – VALORES DE TORQUE Raio 4,2 N.m (0,4 kgf.m) Porca do eixo traseiro 88 N.m (9,0 kgf.m) Porca-U. Parafuso da articulação esquerda do braço oscilante 103 N.m (10,5 kgf.m) Parafuso da articulação direita do braço oscilante Consulte a página 15-27. Contraporca da articulação direita do braço oscilante 103 N.m (10,5 kgf.m) Parafuso da placa limitadora 20 N.m (2,0 kgf.m) Parafuso ALOC, substitua-o por um novo. Parafuso de fixação do eixo traseiro 27 N.m (2,8 kgf.m) Porca do braço limitador do freio traseiro 22 N.m (2,2 kgf.m) Parafuso de fixação do braço do freio traseiro 28,5 N.m (2,9 kgf.m) Parafuso de fixação superior do amortecedor traseiro 26 N.m (2,7 kgf.m) Parafuso de fixação inferior do amortecedor traseiro (lado direito) 34 N.m (3,5 kgf.m) Parafuso de fixação inferior do amortecedor traseiro (lado esquerdo) 22 N.m (2,2 kgf.m) Parafuso de fixação do suporte do pedal de apoio do condutor 39 N.m (4,0 kgf.m) Porca de fixação do suporte do pedal de apoio do condutor 39 N.m (4,0 kgf.m) 15-3
  • 377.
    RODA TRASEIRA/FREIO/SUSPENSÃO SHADOW 750 FERRAMENTAS Instalador Acessório, 37 x 40 mm Acessório, 42 x 47 mm 07749-0010000 07746-0010200 07746-0010300 Guia, 20 mm Eixo extrator de rolamento Cabeçote extrator de rolamento, 07746-0040500 07GGD-0010100 20 mm 07746-0050600 Chave para raios Chave para contraporca 07JMA-MR60100 07908-4690003 15-4
  • 378.
    SHADOW 750 RODA TRASEIRA/FREIO/SUSPENSÃO DIAGNOSE DE DEFEITOS Suspensão muito macia • Ajuste incorreto da suspensão • Molas do amortecedor enfraquecidas • Vazamento de fluido no amortecedor • Pressão do pneu muito baixa Suspensão muito dura • Ajuste incorreto da suspensão • Haste do amortecedor empenada • Borrachas de fixação do amortecedor danificadas • Rolamentos da articulação do braço oscilante danificados • Pressão do pneu muito alta Ruídos na suspensão traseira • Fixadores da suspensão soltos • Carcaça do amortecedor presa • Borrachas de fixação do amortecedor desgastadas • Amortecedor traseiro defeituoso Roda traseira trepidando • Aro torto • Roda e pneu desbalanceados • Pressão do pneu muito baixa • Rolamentos da articulação do braço oscilante defeituosos • Fixadores do eixo apertados inadequadamente • Pneu defeituoso Dificuldade de girar a roda traseira • Rolamentos da roda defeituosos • Eixo empenado • Freio arrastando • Rolamentos do diferencial danificados (página 13-7) Desempenho insatisfatório do freio • Ajuste incorreto do freio • Sapatas do freio desgastadas • Revestimento do freio oleoso ou contaminado com graxa ou sujeira • Excêntrico do freio desgastado • Tambor do freio desgastado • Encaixe inadequado da região serrilhada do braço do freio • Sapatas do freio desgastadas na região de contato do excêntrico 15-5
  • 379.
    RODA TRASEIRA/FREIO/SUSPENSÃO SHADOW 750 PORCA DO EIXO RODA TRASEIRA REMOÇÃO Remova o sistema de escapamento (página 2-9). Remova a porca do eixo. Apóie seguramente a motocicleta e levante a roda traseira do solo. BRAÇO DO FREIO MOLA CUPILHA Remova a porca de ajuste, o pino de conexão e a mola. Remova a cupilha, a porca, a arruela, a arruela de borracha e o parafuso. PORCA DE PINO DE PORCA/ARRUELA/ AJUSTE CONEXÃO PARAFUSO ESPAÇADOR LATERAL Solte o parafuso de fixação. Em seguida, remova o eixo e o espaçador lateral direito. Empurre a roda traseira para o lado direito a fim de separá-la da carcaça do diferencial. Em seguida, remova cuidadosamente a roda traseira do chassi. PARAFUSO DE FIXAÇÃO EIXO ESPAÇADOR LATERAL Remova o espaçador lateral esquerdo da coroa. 15-6
  • 380.
    SHADOW 750 RODA TRASEIRA/FREIO/SUSPENSÃO INSPEÇÃO Eixo Posicione o eixo traseiro sobre blocos em V. Gire o eixo e meça seu empenamento, utilizando um relógio comparador. O valor real de empenamento é a metade do valor de leitura total. Limite de Uso 0,2 mm Aro da Roda Inspecione o aro da roda, colocando a roda em um cavalete de inspeção. Gire lentamente a roda e faça a leitura de sua excentricidade, utilizando um relógio comparador. O valor real de excentricidade é a metade do valor de leitura total. Radial 2,0 mm Limite de Uso Axial 2,0 mm Flange Movido do Diferencial Inspecione as estrias do flange movido quanto a desgaste ou danos. Se estiverem danificadas, inspecione também as estrias da coroa. Balanceamento da Roda Para balanceamento da roda, consulte a página 14-16. Não adicione mais de 70 g de peso para balancear a roda traseira. Rolamento da Roda ESTRIAS Remova o espelho do freio e o flange movido (página 15-8). Gire manualmente a pista interna de cada rolamento. Os rolamentos devem girar suave e silenciosamente. Inspecione também se a pista externa do rolamento encaixa- se sem folga no cubo da roda. Remova e descarte os rolamentos caso suas pistas não girem suave e silenciosamente ou se encaixarem com folga no cubo da roda. NOTA Substitua os rolamentos da roda em pares. 15-7
  • 381.
    RODA TRASEIRA/FREIO/SUSPENSÃO SHADOW 750 CONJUNTO DO ESPELHO DO FREIO DESMONTAGEM Remova o conjunto do espelho do freio do cubo direito da roda. FLANGE MOVIDO Remova o anel de vedação. Remova o flange movido do diferencial do cubo esquerdo da roda. ANEL DE VEDAÇÃO Remova a arruela de encosto. ARRUELA DE ENCOSTO Remova os parafusos em ordem cruzada e em diversas etapas. Remova o anel de vedação NOTA Não reutilize os parafusos. ANEL DE VEDAÇÃO PARAFUSOS 15-8
  • 382.
    SHADOW 750 RODA TRASEIRA/FREIO/SUSPENSÃO PROJEÇÕES PLACA LIMITADORA Alinhe a seta da placa limitadora entre as projeções no cubo da roda, girando a placa limitadora. Em seguida, remova a placa limitadora. SETA AMORTECEDORES DE BORRACHA Remova os amortecedores de borracha. Inspecione os amortecedores de borracha quanto a deterioração ou danos. NOTA Substitua os amortecedores de borracha em conjunto. EIXO EXTRATOR Instale o cabeçote extrator no rolamento. Pelo lado oposto da roda, instale o eixo extrator e remova o rolamento do cubo da roda. Remova o espaçador e o outro rolamento NOTA • Substitua os rolamentos da roda em pares. • Não reutilize rolamentos usados. Ferramentas: Eixo extrator de rolamento 07GGD-0010100 Cabeçote extrator de rolamento, 20 mm 07746-0050600 CABEÇOTE EXTRATOR 15-9
  • 383.
    RODA TRASEIRA/FREIO/SUSPENSÃO SHADOW 750 MONTAGEM ROLAMENTO (6204UU) ESPAÇADOR ANEL DE VEDAÇÃO AMORTECEDORES DE BORRACHA PLACA LIMITADORA ANEL DE VEDAÇÃO ROLAMENTO (20 x 47 x 20,6) ARRUELA DE ENCOSTO 20 N.m (2,0 kgf.m) FLANGE MOVIDO DO DIFERENCIAL INSTALADOR Instale cuidadosamente um novo rolamento direito, mantendo seu lado marcado voltado para cima, até que esteja completamente assentado. Instale o espaçador. Instale cuidadosamente um novo rolamento esquerdo, mantendo seu lado marcado voltado para cima, até que esteja completamente assentado. Ferramentas: Instalador 07749-0010000 Acessório, 42 x 47 mm 07746-0010300 Guia, 20 mm 07746-0040500 ROLAMENTO ACESSÓRIO/GUIA Ajuste de Alinhamento da Roda Meça a distância B (largura do aro) e calcule a distância A, B B A A como indicado a seguir: A = 70,5 mm – B/2 Ajuste a posição do aro e a distância A, apertando os raios 70,5 mm progressivamente, em diversas etapas e no torque especificado em. Ferramenta: Chave para ráios 07JMA-MR60100 Torque: 4,2 N.m (0,4 kgf.m) 15-10
  • 384.
    SHADOW 750 RODA TRASEIRA/FREIO/SUSPENSÃO AMORTECEDOR DE BORRACHA Instale os amortecedores de borracha, mantendo sua marca “OUT SIDE” voltada para fora. MARCA “OUT SIDE” PROJEÇÕES PLACA LIMITADORA Instale a placa limitadora, alinhando a seta entre as projeções no cubo da roda. Alinhe os orifícios dos parafusos, girando o anel limitador. NOTA Instale a placa limitadora, mantendo sua marca “OUT SIDE” voltada para cima. MARCA “OUT SIDE” SETA PLACA LIMITADORA Instale e aperte os novos parafusos no torque especificado. Torque: 20 N.m (2,0 kgf.m) Aplique pasta à base de bissulfeto de molibdênio na ranhura do anel de vedação no cubo da roda. Cubra um novo anel de vedação com pasta à base de bissulfeto de molibdênio e instale-o na ranhura do cubo esquerdo da roda. ANEL DE VEDAÇÃO PARAFUSOS ARRUELA DE ENCOSTO Aplique de 2 a 3 g de pasta à base de bissulfeto de molibdênio na superfície de contato da arruela de encosto e na extremidade do cubo da roda (lado do flange movido). Instale a arruela de encosto no cubo da roda. 15-11
  • 385.
    RODA TRASEIRA/FREIO/SUSPENSÃO SHADOW 750 Aplique de 0,5 a 1 g de pasta à base de bissulfeto de molibdênio na superfície de contato do flange movido do diferencial e na arruela de encosto. FLANGE MOVIDO Cubra um novo anel de vedação com pasta à base de bissulfeto de molibdênio e instale-o na ranhura do flange movido. Instale o flange movido no cubo esquerdo da roda. ANEL DE VEDAÇÃO CONJUNTO DO ESPELHO DE FREIO Instale o conjunto do espelho do freio no cubo direito da roda. ESPAÇADOR LATERAL INSTALAÇÃO Instale o espaçador lateral esquerdo na coroa. 15-12
  • 386.
    SHADOW 750 RODA TRASEIRA/FREIO/SUSPENSÃO Aplique de 4 a 5 g de pasta à base de bissulfeto de ESTRIAS molibdênio na superfície de conexão do fixador do anel de vedação da carcaça do diferencial e no flange movido. Posicione a roda traseira no braço oscilante e encaixe as estrias do flange movido nas estrias da coroa. NOTA Fixe seguramente a roda, tendo cuidado para não danificar a carcaça do diferencial. ESPAÇADOR LATERAL Instale o espaçador lateral direito e o eixo traseiro. EIXO BRAÇO DO FREIO MOLA CUPILHA Conecte o braço limitador no espelho do freio, juntamente com o parafuso, a arruela de borracha, a arruela e a porca. Aperte a porca no torque especificado. Torque: 22 N.m (2,2 kgf.m) Instale uma nova cupilha. Instale a mola, o pino de conexão e a porca de ajuste. PORCA DE PINO DE PORCA/ARRUELA/ AJUSTE CONEXÃO PARAFUSO PORCA DO EIXO Instale e aperte a porca do eixo no torque especificado, enquanto mantém o eixo fixado. Torque: 88 N.m (9,0 kgf.m) 15-13
  • 387.
    RODA TRASEIRA/FREIO/SUSPENSÃO SHADOW 750 Mantendo o freio traseiro acionado, bombeie o braço oscilante para cima e para baixo por diversas vezes para assentar o eixo. Aperte o parafuso de fixação no torque especificado. Torque: 27 N.m (2,8 kgf.m) Instale o sistema de escapamento (página 2-12). Ajuste a folga do pedal de freio (página 3-20). PARAFUSO DE FIXAÇÃO CONJUNTO DO ESPELHO DO FREIO FREIO TRASEIRO REMOÇÃO Remova a roda traseira (página 15-6). Remova o conjunto do espelho do freio do cubo direito da roda. INSPEÇÃO Meça o D.I. do tambor do freio. Limite de Uso 181 mm 15-14
  • 388.
    SHADOW 750 RODA TRASEIRA/FREIO/SUSPENSÃO PLACA DE FIXAÇÃO DESMONTAGEM Remova as cupilhas e a placa de fixação. NOTA • Sempre substitua as sapatas do freio em conjunto. • Quando reutilizar as sapatas do freio, marque todos os componentes para que possam ser instalados em suas posições originais. CUPILHAS MOLAS SAPATAS Remova as sapatas do freio e as molas. Remova o parafuso e o braço do freio. PARAFUSO BRAÇO DO FREIO PLACA INDICADORA EXCÊNTRICO DO FREIO Remova a placa indicadora, o excêntrico do freio e o retentor. RETENTOR 15-15
  • 389.
    RODA TRASEIRA/FREIO/SUSPENSÃO SHADOW 750 MONTAGEM 28,5 N.m (2,9 kgf.m) PLACA INDICADORA RETENTOR MOLAS SAPATAS DO FREIO EXCÊNTRICO DO FREIO BRAÇO DO FREIO ESPELHO DO FREIO CUPILHAS PLACA DE FIXAÇÃO EXCÊNTRICO DO FREIO Aplique de 0,2 a 0,3 g de graxa na superfície do excêntrico do freio. Instale o excêntrico no espelho do freio. PLACA INDICADORA EXCÊNTRICO DO FREIO Aplique óleo para motor no retentor e instale-o no espelho do freio. Instale a placa indicadora de desgaste no excêntrico do freio, alinhando seu dente mais largo com a ranhura maior. RETENTOR Alinhe 15-16
  • 390.
    SHADOW 750 RODA TRASEIRA/FREIO/SUSPENSÃO Alinhe Instale o braço do freio, alinhando as marcas gravadas do braço e do excêntrico do freio. Instale e aperte o parafuso de fixação do braço do freio no torque especificado. Torque: 28,5 N.m (2,9 kgf.m) PARAFUSO BRAÇO DO FREIO MOLAS SAPATAS Aplique de 0,2 a 0,3 g de graxa entre a superfície deslizante da sapata e do excêntrico do freio. Aplique graxa na superfície deslizante do pino de fixação. Instale as sapatas do freio, juntamente com as molas. NOTA • Se as sapatas do freio forem reutilizadas, tanto as sapatas como as molas devem ser instaladas em suas posições originais. • Instale as molas, mantendo suas extremidades voltadas para cima. CUPILHAS Instale a placa de fixação e novas cupilhas, como mostra a ilustração. PLACA DE FIXAÇÃO CONJUNTO DO ESPELHO DO FREIO INSTALAÇÃO Instale o conjunto do espelho do freio no cubo direito da roda. Instale a roda traseira (página 15-12). 15-17
  • 391.
    RODA TRASEIRA/FREIO/SUSPENSÃO SHADOW 750 MOLAS DE RETORNO PEDAL DO FREIO REMOÇÃO Remova o sistema de escapamento (página 2-9). Solte as molas de retorno do pedal do freio e do interruptor da luz do freio traseiro. Remova os parafusos, a porca e o suporte do pedal de apoio direito do condutor do chassi. SUPORTE PARAFUSOS PORCA PORCA DE AJUSTE HASTE Remova a porca de ajuste. Pressione o pedal do freio e remova a haste do freio do pino de conexão. Remova o pino de conexão e a mola. PINO DE CONEXÃO MOLA PARAFUSO Remova o parafuso e a conexão da haste intermediária. CONEXÃO DA HASTE INTERMEDIÁRIA 15-18
  • 392.
    SHADOW 750 RODA TRASEIRA/FREIO/SUSPENSÃO RETENTOR DE PÓ ARTICULAÇÃO Remova a articulação da conexão da haste intermediária e os retentores de pó. Inspecione os retentores de pó quanto a desgaste ou danos. Remova o anel elástico, a arruela e o conjunto do pedal do freio. ANEL ELÁSTICO/ARRUELA RETENTORES DE PÓ Remova os retentores do pó. Inspecione os retentores de pó quanto a desgaste ou danos. Remova a cupilha e os pinos de conexão. PINO DE CONEXÃO CUPILHA CUPILHAS/PINOS DE CONEXÃO Remova a cupilha e os pinos de conexão. Inspecione o pedal do freio, as hastes, a conexão da haste intermediária e a articulação quanto a desgaste ou danos. Inspecione os pinos da conexão quanto a desgaste ou danos. Substitua estes componentes, se necessário. CONEXÃO DA HASTE INTERMEDIÁRIA 15-19
  • 393.
    RODA TRASEIRA/FREIO/SUSPENSÃO SHADOW 750 INSTALAÇÃO HASTE DO FREIO PEDAL DO FREIO RETENTORES DE PÓ RETENTORES DE PÓ CUPILHA ARRUELA ARTICULAÇÃO DA CONEXÃO DA HASTE INTERMEDIÁRIA ANEL ELÁSTICO PINO DE CONEXÃO PINO DE CONEXÃO HASTE INTERMEDIÁRIA DO FREIO CONEXÃO DA HASTE INTERMEDIÁRIA CUPILHA PINO DE CONEXÃO CUPILHA CUPILHAS Aplique graxa nos pinos de conexão. Instale as hastes do freio, os pinos de conexão e as novas cupilhas na conexão da haste intermediária . PINOS DE CONEXÃO RETENTORES DE PÓ Aplique graxa no pino de conexão. Instale a haste intermediária do freio, o pino de conexão e uma nova cupilha. Aplique graxa nos lábios dos retentores de pó. Instale os retentores de pó no pedal do freio. PINO DE CONEXÃO CUPILHA 15-20
  • 394.
    SHADOW 750 RODA TRASEIRA/FREIO/SUSPENSÃO Aplique graxa na superfície deslizante da articulação do pedal do freio. Instale adequadamente o conjunto do pedal do freio no suporte. Instale a arruela e o anel elástico. NOTA • Instale as arruelas e anéis elásticos, mantendo as bordas chanfradas voltadas para o lado da carga axial. • Não reutilize um anel elástico desgastado que possa facilmente girar em sua ranhura. • Certifique-se de que o anel elástico esteja assentado em sua ranhura. ANEL ELÁSTICO/ARRUELA Instale o suporte do pedal de apoio direito do condutor, juntamente com os parafusos e a porca. Aperte a porca no torque especificado. Torque: 39 N.m (4,0 kgf.m) SUPORTE PARAFUSOS PORCA MOLAS DE RETORNO Encaixe as molas de retorno do pedal do freio e do interruptor da luz do freio no pedal. RETENTORES DE PÓ Aplique graxa nos lábios do retentor de pó e na superfície deslizante da articulação da conexão da haste intermediária. Instale os retentores de pó e a articulação da conexão da haste intermediária . ARTICULAÇÃO 15-21
  • 395.
    RODA TRASEIRA/FREIO/SUSPENSÃO SHADOW 750 PARAFUSO Instale a conexão da haste intermediária na articulação. Instale e aperte seguramente um novo parafuso. CONEXÃO DA HASTE INTERMEDIÁRIA PORCA DE AJUSTE Instale a mola, o pino de conexão e a porca de ajuste. Instale o sistema de escapamento (página 2-12). Execute os seguintes ajustes: – Folga do pedal do freio (página 3-20) – Altura do pedal do freio (página 3-20) – Interruptor da luz do freio traseiro (página 3-21) PINO DE CONEXÃO MOLA PARAFUSO/ARRUELA AMORTECEDOR Apóie seguramente o chassi e o braço oscilante, utilizando um cavalete de trabalho ou suporte equivalente. Remova os parafusos de fixação, as arruelas e o amortecedor. Inspecione quanto a deformação ou vazamentos de óleo. Inspecione os fixadores de borracha quanto a desgaste ou danos. NOTA Substitua o amortecedor em conjunto. PARAFUSO AMORTECEDOR SETA Aplique graxa na superfície interna do fixador do amortecedor. Instale o amortecedor na ordem inversa da remoção. NOTA Instale o amortecedor, mantendo sua seta voltada para o lado traseiro. Torque: Parafuso de fixação superior 26 N.m (2,7 kgf.m) Parafuso de fixação inferior (lado direito) 34 N.m (3,5 kgf.m) Parafuso de fixação inferior (lado esquerdo) 22 N.m (2,2 kgf.m) FIXADORES DE BORRACHA 15-22
  • 396.
    SHADOW 750 RODA TRASEIRA/FREIO/SUSPENSÃO BRAÇO OSCILANTE REMOÇÃO Remova os seguintes componentes: – Tampa traseira esquerda da carcaça do motor (página 2-4) – Roda traseira (página 15-6) – Carcaça do diferencial (página 13-7) Remova o parafuso de fixação inferior direito do amortecedor. PARAFUSO CAPA Remova as capas de ambos os parafusos da articulação. PARAFUSO DA CHAVE PARA ARTICULAÇÃO DIREITA CONTRAPORCA Solte a contraporca da articulação direita, utilizando a ferramenta especial, e remova-a em seguida. Ferramenta: Chave para contraporca 07908-4690003 Solte o parafuso da articulação direita. CONTRAPORCA PROTETOR DA CONEXÃO Solte o parafuso da articulação esquerda. Solte o protetor da conexão da carcaça das engrenagens de transmissão. Remova os parafusos das articulações direita e esquerda. Em seguida, remova o braço oscilante do chassi. PARAFUSO DA ARTICULAÇÃO ESQUERDA 15-23
  • 397.
    RODA TRASEIRA/FREIO/SUSPENSÃO SHADOW 750 CONEXÃO UNIVERSAL Remova a conexão universal do eixo de transmissão. PORCA/ARRUELAS/ BRAÇO LIMITADOR PARAFUSO Remova os seguintes componentes: – Cupilha – Porca – Arruela – Arruela da mola – Parafuso – Braço limitador CUPILHA PROTETOR DA CONEXÃO Remova os rolamentos da articulação e o protetor da conexão. ROLAMENTO INSPEÇÃO Inspecione o protetor da conexão quanto a cortes ou outros danos. PROTETOR DA CONEXÃO 15-24
  • 398.
    SHADOW 750 RODA TRASEIRA/FREIO/SUSPENSÃO ESTRIAS Certifique-se de que a conexão universal movimenta-se suavemente, sem obstruções ao movimento ou ruídos. Inspecione as estrias quanto a desgaste ou danos. Caso estejam danificadas, verifique também as estrias do eixo da engrenagem movida de transmissão e do eixo de transmissão. SUPORTE DE GRAXA Inspecione os rolamentos e retentores de pó quanto a desgaste ou danos. Inspecione as pistas externas quanto a desgaste ou danos. Inspecione os suportes de graxa quanto a danos ou deformações. NOTA Ambos os rolamentos, pistas externas e suportes de graxa devem ser substituídos em conjunto caso algum componente esteja danificado ou desgastado. PISTA EXTERNA RETENTOR DE PÓ SUBSTITUIÇÃO DA PISTA EXTERNA DO ROLAMENTO PISTA EXTERNA DA ARTICULAÇÃO Marque ou perfure um orifício adequado no suporte de graxa. Insira um instalador adequado através do braço oscilante e remova a outra pista externa e o suporte de graxa do braço oscilante. SUPORTE DE GRAXA Remova a pista externa e o suporte de graxa do lado marcado ou perfurado do braço oscilante. INSTALADOR Instale um novo suporte de graxa na articulação. Instale adequadamente uma nova pista externa, até que esteja completamente assentada, utilizando as ferramentas especiais. Ferramentas: Instalador 07749-0010000 Acessório, 37 x 40 mm 07746-0010200 ACESSÓRIO 15-25
  • 399.
    RODA TRASEIRA/FREIO/SUSPENSÃO SHADOW 750 INSTALAÇÃO PROTETOR DA CONEXÃO ARRUELA DA MOLA PARAFUSO SUPORTE DE GRAXA PISTA EXTERNA ARRUELA ROLAMENTO DA ARTICULAÇÃO CUPILHA PORCA BRAÇO LIMITADOR Aplique de 1 a 1,5 g da graxa especificada (página 1-18) nos roletes de agulhas e lábios do retentor de pó de cada novo rolamento. Instale os rolamentos nas articulações do braço oscilante. PROTETOR DA CONEXÃO Instale adequadamente o protetor da conexão na ranhura do braço oscilante, mantendo sua marca “UP” voltada para cima. MARCA “UP” 15-26
  • 400.
    SHADOW 750 RODA TRASEIRA/FREIO/SUSPENSÃO PORCA/ARRUELAS/ BRAÇO LIMITADOR PARAFUSO Instale os seguintes componentes: – Braço limitador – Parafuso – Arruela da mola – Arruela – Porca Aperte a porca e instale uma nova cupilha. CUPILHA Aplique 1 g de graxa à base de bissulfeto de molibdênio nas estrias do eixo de transmissão. Instale a conexão universal no eixo de transmissão. CONEXÃO UNIVERSAL Posicione o braço oscilante no chassi e mantenha-o fixado. PROTETOR DA CONEXÃO Instale o protetor da conexão sob a carcaça das engrenagens de transmissão. Instale o parafuso da articulação direita. NOTA Alinhe cuidadosamente as articulações do braço oscilante com seus parafusos. Aperte o parafuso da articulação esquerda no torque especificado. Torque: 103 N.m (10,5 kgf.m) PARAFUSO DA ARTICULAÇÃO ESQUERDA Aperte temporariamente o parafuso da articulação direita no torque especificado. Torque: 28 N.m (2,9 kgf.m) Movimente o braço oscilante para cima e para baixo por diversas vezes, até que os rolamentos da articulação estejam completamente assentados. Solte o parafuso da articulação direita, girando-o 1/4 de volta (90°) em sentido anti-horário. Em seguida aperte-o no torque especificado. Torque: 22 N.m (2,2 kgf.m) PARAFUSO DA ARTICULAÇÃO DIREITA 15-27
  • 401.
    RODA TRASEIRA/FREIO/SUSPENSÃO SHADOW 750 CONTRAPORCA Instale a contraporca da articulação direita. Aperte a contraporca no torque especificado, enquanto mantém o parafuso da articulação fixado. Ferramenta: Chave para contraporca 07908-4690003 Torque: Real 103 N.m (10,5 kgf.m) Indicado 93 N.m (9,5 kgf.m) NOTA Para informações sobre leitura na chave de torque, consulte a página 15-3. CHAVE PARA CONTRAPORCA CAPA Instale as capas das articulações. Instale e aperte o parafuso de fixação inferior direito do amortecedor no torque especificado. Torque: 34 N.m (3,5 kgf.m) Instale os seguintes componentes: – Carcaça do diferencial (página 13-23) – Roda traseira (página 15-12) – Tampa traseira esquerda da carcaça do motor (página 2-4) PARAFUSO 15-28
  • 402.
    SHADOW 750 RODA TRASEIRA/FREIO/SUSPENSÃO NOTAS 15-29
  • 403.
    SHADOW 750 16. FREIO HIDRÁULICO LOCALIZAÇÃO DOS COMPONENTES 16-2 PASTILHAS/DISCO DE FREIO 16-7 INFORMAÇÕES DE SERVIÇO 16-3 CILINDRO-MESTRE 16-8 DIAGNOSE DE DEFEITOS 16-4 CÁLIPER DO FREIO DIANTEIRO 16-13 SUBSTITUIÇÃO DO FLUIDO DE FREIO/SANGRIA DO AR 16-5 16-1
  • 404.
    FREIO HIDRÁULICO SHADOW 750 LOCALIZAÇÃO DOS COMPONENTES 1,5 N.m (0,2 kgf.m) 12 N.m (1,2 kgf.m) 34 N.m (3,5 kgf.m) 30 N.m (3,1 kgf.m) 34 N.m (3,5 kgf.m) 18 N.m (1,8 kgf.m) 2,5 N.m (0,3 kgf.m) 16-2
  • 405.
    SHADOW 750 FREIO HIDRÁULICO INFORMAÇÕES DE SERVIÇO INFORMAÇÕES GERAIS c A freqüente inalação de poeira das pastilhas de freio, indiferentemente da composição de seus materiais, pode ser prejudicial à saúde. • Evite respirar partículas de poeira. • Nunca utilize uma mangueira de ar ou escova para limpar o conjunto do freio. Utilize um aspirador de pó aprovado. NOTA Respingos de fluido de freio danificam severamente as lentes dos instrumentos e superfícies pintadas. Também podem danificar alguns componentes de borracha. Tenha cuidado sempre ao remover a tampa do reservatório; certifique-se primeiramente de que o reservatório esteja em posição horizontal. • Discos ou pastilhas de freio contaminados reduzem a capacidade de frenagem. Descarte pastilhas de freio contaminadas e limpe os discos contaminados utilizando agente desengraxante de freio de alta qualidade. • Nunca permita que contaminantes (como água e poeira) penetrem no reservatório enquanto estiver aberto. • Execute a sangria do sistema hidráulico sempre que o sistema for aberto ou parecer esponjoso. • Ao efetuar reparos no sistema de freio, sempre utilize fluido de freio DOT-4 novo, de um recipiente lacrado. Não misture diferentes tipos de fluidos pois não são compatíveis. • Sempre inspecione o funcionamento do freio antes de utilizar a motocicleta. ESPECIFICAÇÕES Unidade: mm Item Padrão Limite de Uso Fluido de freio recomendado Fluido de freio DOT-4 – Freio dianteiro Espessura do disco de freio 5,8 – 6,2 5,0 Empenamento do disco de freio – 0,30 D.I do cilindro-mestre 11,000 – 11,043 11,055 D.E. do pistão-mestre 10,957 – 10,984 10,945 D.I. do cilindro do cáliper 25,400 – 25,450 25,460 D.E. do pistão do cáliper 25,335 – 25,368 25,320 VALORES DE TORQUE Válvula de sangria do cáliper do freio 5,5 N.m (0,6 kgf.m) Parafuso da tampa do reservatório do cilindro-mestre dianteiro 1,5 N.m (0,2 kgf.m) Pino da pastilha de freio 18 N.m (1,8 kgf.m) Bujão do pino da pastilha de freio 2,5 N.m (0,3 kgf.m) Parafuso do óleo da mangueira do freio 34 N.m (3,5 kgf.m) Parafuso da articulação da alavanca do freio 1,0 N.m (0,1 kgf.m) Porca da articulação da alavanca do freio 6 N.m (0,6 kgf.m) Parafuso do interruptor da luz do freio dianteiro 1,2 N.m (0,1 kgf.m) Parafuso do suporte do cilindro-mestre dianteiro 12 N.m (1,2 kgf.m) Pino do suporte do cáliper do freio dianteiro 12 N.m (1,2 kgf.m) Aplique trava-química nas roscas. Pino do cáliper do freio dianteiro 27 N.m (2,8 kgf.m) Aplique trava-química nas roscas. Parafuso de fixação do cáliper do freio dianteiro 30 N.m (3,1 kgf.m) Parafuso ALOC; substitua-o por um novo. 16-3
  • 406.
    FREIO HIDRÁULICO SHADOW 750 FERRAMENTA Alicate para anel elástico 07914-SA5001 DIAGNOSE DE DEFEITOS Alavanca do freio macia ou esponjosa • Existência de ar no sistema hidráulico • Vazamento no sistema hidráulico • Pastilhas/disco de freio contaminados • Retentores do pistão do cáliper desgastados • Copos do pistão do cilindro-mestre desgastados • Pastilhas/disco de freio desgastados • Cáliper contaminado • Cilindro-mestre contaminado • Cáliper deslizando inadequadamente • Baixo nível de fluido de freio • Passagem de fluido obstruída • Disco de freio empenado/deformado • Pistões do cáliper emperrados/desgastados • Pistão-mestre emperrado/desgastado • Alavanca do freio empenada Alavanca do freio dura • Sistema hidráulico obstruído/restringido • Pistões do cáliper emperrados/desgastados • Pistão-mestre emperrado/desgastado • Cáliper deslizando inadequadamente • Alavanca do freio empenada Freio arrastando • Pastilhas/disco de freio contaminados • Roda desalinhada • Pastilhas/disco de freio desgastados desuniformemente • Disco de freio empenado/deformado • Cáliper deslizando inadequadamente • Passagem de fluido obstruída/restringida • Pistões do cáliper emperrados 16-4
  • 407.
    SHADOW 750 FREIO HIDRÁULICO SUBSTITUIÇÃO DO FLUIDO DE FREIO/ SANGRIA DO AR NOTA • Não permita que materiais estranhos penetrem no sistema durante o reabastecimento do reservatório. • Ao utilizar um sangrador de freio disponível comercialmente, siga as instruções de utilização do fabricante. DRENAGEM DO FLUIDO DE FREIO TAMPA PARAFUSOS Antes de remover a tampa do reservatório, gire o guidão para PLACA DE FIXAÇÃO a esquerda, até que o reservatório do cilindro-mestre dianteiro esteja nivelado. DIAFRAGMA Remova os seguintes componentes: – Parafusos – Tampa do reservatório – Placa de fixação – Diafragma VÁLVULA DE SANGRIA Conecte a mangueira de sangria à válvula de sangria. Solte a válvula de sangria e bombeie a alavanca do freio, até que não haja mais fluido escorrendo pela válvula de sangria. Aperte a válvula de sangria. ABASTECIMENTO DE FLUIDO DE FREIO/SANGRIA DO AR Abasteça o reservatório, utilizando fluido de freio DOT-4 novo, de um recipiente lacrado. MANGUEIRA DE SANGRIA Conecte um sangrador de freio disponível comercialmente à SANGRADOR DO FREIO válvula de sangria. Acione o sangrador de freio e solte a válvula de sangria. Caso um sistema de reabastecimento automático não seja utilizado, adicione o fluido quando seu nível no reservatório estiver baixo. NOTA • Inspecione constantemente o nível de fluido no reservatório durante a sangria para evitar que o ar seja bombeado para dentro do sistema. • Ao utilizar uma ferramenta de sangria de freio, siga as instruções de utilização do fabricante. 16-5
  • 408.
    FREIO HIDRÁULICO SHADOW 750 Execute o procedimento de sangria até que o sistema esteja completamente nivelado/sangrado. NOTA Se o ar penetrar no sangrador através das roscas da válvula de sangria, vede-as utilizando fita de teflon. Feche a válvula de sangria e acione a alavanca do freio. Caso o sistema ainda pareça esponjoso, execute novamente o procedimento de sangria. Após completar o procedimento de sangria do ar, aperte a válvula de sangria no torque especificado. VÁLVULA DE SANGRIA Torque: 5,5 N.m (0,6 kgf.m) Caso um sangrador de freio não esteja disponível, execute os seguintes procedimentos: Abasteça o reservatório, utilizando fluido de freio DOT-4 de um recipiente lacrado. Conecte uma mangueira de sangria à válvula de sangria. Pressurize o sistema, acionando a alavanca do freio, até que uma resistência na alavanca do freio seja observada. 1. Acione a alavanca do freio até o final de seu curso, abra a válvula de sangria em 1/4 volta e torne a fechá-la. MANGUEIRA DE SANGRIA NOTA Não solte a alavanca do freio até que a válvula de sangria esteja fechada. 2. Solte lentamente a alavanca do freio e espere alguns segundos após a alavanca ter atingido o final de seu curso. Repita os procedimento 1 e 2 até que não mais apareçam bolhas de ar na mangueira de sangria. Após a completa sangria do ar, aperte a válvula de sangria no torque especificado. Torque: 5,5 N.m (0,6 kgf.m) SALIÊNCIA Abasteça o reservatório, utilizando fluido de freio DOT-4, até atingir sua saliência. 16-6
  • 409.
    SHADOW 750 FREIO HIDRÁULICO Instale os seguintes componentes: – Diafragma PARAFUSOS TAMPA – Placa de fixação PLACA DE – Tampa do reservatório FIXAÇÃO – Parafusos DIAFRAGMA Aperte os parafusos no torque especificado. Torque: 1,5 N.m (0,2 kgf.m) PASTILHAS/DISCO DE FREIO SUBSTITUIÇÃO DAS PASTILHA DE FREIO Empurre os pistões do cáliper em todo o seu curso para permitir a instalação de novas pastilhas de freio. NOTA Inspecione o nível de fluido de freio no reservatório, pois esta operação provoca aumento no nível de fluido. Remova o bujão do pino da pastilha e solte o pino. Remova o pino da pastilha do corpo do cáliper, enquanto empurra as pastilhas de freio em direção a mola da pastilha. BUJÃO DO PINO DA PASTILHA PINO DA PASTILHA PASTILHAS Remova as pastilhas de freio. Alinhe Instale novas pastilhas de freio no cáliper, de modo que suas extremidades acomodem-se adequadamente no retentor da pastilha do suporte. NOTA • Certifique-se de que a mola da pastilha está corretamente instalada. • Sempre substitua as pastilhas de freio em pares para garantir uma pressão uniforme sobre os discos. 16-7
  • 410.
    FREIO HIDRÁULICO SHADOW 750 Instale o pino da pastilha, empurrando as pastilhas em direção à mola para alinhar os orifícios dos pinos das pastilhas com o corpo do cáliper. Aperte o pino da pastilha no torque especificado. Torque: 18 N.m (1,8 kgf.m) Instale o bujão do pino da pastilha e aperte-o no torque especificado. Torque: 2,5 N.m (0,3 kgf.m) Acione a alavanca do freio para assentar o pistão do cáliper nas pastilhas. PINO DA PASTILHA BUJÃO DO PINO DA PASTILHA INSPEÇÃO DO DISCO DE FREIO Inspecione visualmente o disco de freio quanto a danos ou trincas. Meça a espessura do disco de freio em diversos pontos. Limite de Uso 5,0 mm Meça o empenamento do disco de freio, utilizando um relógio comparador. Limite de Uso 0,30 mm Inspecione os rolamentos da roda quanto a folga excessiva caso o empenamento do disco de freio exceda valor de limite de uso. Substitua o disco de freio caso os rolamentos estejam normais. Para informações sobre substituição do disco de freio, consulte a página 14-14. ESPELHO RETROVISOR ARRUELAS DE VEDAÇÃO CILINDRO-MESTRE DESMONTAGEM Drene o fluido de freio do sistema hidráulico (página 16-5). Remova o espelho retrovisor. Remova o parafuso do óleo e as arruelas de vedação. Desacople os conectores do interruptor da luz do freio dianteiro. NOTA Ao remover o parafuso de óleo, cubra a extremidade da mangueira para evitar contaminação. CONECTORES PARAFUSO DO ÓLEO 16-8
  • 411.
    SHADOW 750 FREIO HIDRÁULICO CILINDRO-MESTRE Remova os parafusos, o suporte e o cilindro-mestre. PARAFUSOS SUPORTE ALAVANCA Remova a porca, o parafuso da articulação e a alavanca do freio. PARAFUSO DA ARTICULAÇÃO/PORCA PARAFUSO INTERRUPTOR Remova o parafuso e o interruptor da luz do freio dianteiro. Remova o protetor. Inspecione o protetor quanto a desgaste, deterioração ou danos. PROTETOR 16-9
  • 412.
    FREIO HIDRÁULICO SHADOW 750 ANEL ELÁSTICO Remova o anel elástico, utilizando a ferramenta especial. Ferramenta: Alicate para anel elástico 07914-SA50001 ALICATE MOLA Remova a arruela, o pistão-mestre e a mola. Limpe o cilindro-mestre, o reservatório e o pistão-mestre, utilizando fluido de freio novo. PISTÃO-MESTRE ARRUELA INSPEÇÃO Inspecione o cilindro-mestre quanto a riscos anormais ou danos. Meça o D.I. do cilindro-mestre. Limite de Uso 11,055 mm COPOS Inspecione os copos do pistão quanto a desgaste, deterioração ou danos. Inspecione o pistão-mestre quanto a riscos anormais ou danos. Meça o D.E. do pistão-mestre. Limite de Uso 10,945 mm 16-10
  • 413.
    SHADOW 750 FREIO HIDRÁULICO Inspecione a mola quanto a fadiga ou danos. MOLA MONTAGEM ARRUELA 1 N.m (0,1 kgf.m) 1,5 N.m (0,2 kgf.m) PISTÃO- MESTRE ANEL ELÁSTICO COPOS PROTETOR MOLA INTERRUPTOR DA LUZ DO FREIO ALAVANCA DO FREIO 6 N.m (0,6 kgf.m) 1,2 N.m (0,1 kgf.m) NOTA Substitua o pistão, a mola, os copos, a arruela e o anel elástico em conjunto. MOLA COPOS Cubra o pistão-mestre e os copos do pistão com fluido de freio novo. Instale a mola na extremidade do pistão. Instale o pistão-mestre/mola no cilindro-mestre. NOTA Ao instalar os copos do pistão, não permita que seus lábios girem ao contrário. Instale a arruela no pistão. PISTÃO-MESTRE ARRUELA 16-11
  • 414.
    FREIO HIDRÁULICO SHADOW 750 ANEL ELÁSTICO Instale o anel elástico na ranhura do cilindro-mestre, utilizando a ferramenta especial. Ferramenta: Alicate para anel elástico 07914-SA50001 • Instale o anel elástico e a arruela, mantendo suas bordas chanfradas voltadas para o lado da carga axial. • Não reutilize um anel elástico desgastado que possa facilmente girar em sua ranhura. • Certifique-se de que o anel elástico esteja assentado em sua ranhura. Instale o protetor na ranhura do cilindro-mestre e do pistão. ALICATE PROTETOR INTERRUPTOR PARAFUSO Aplique 0,1 g de graxa de silicone na região de contato entre alavanca do freio e o pistão. Instale o interruptor da luz do freio, alinhando suas guias com a ranhura do cilindro-mestre. Instale e aperte o parafuso no torque especificado. Torque: 1,2 N.m (0,1 kgf.m) Alinhe ALAVANCA Aplique 0,1 g de graxa de silicone na superfície deslizante da articulação da alavanca do freio. Instale a alavanca do freio e o parafuso de articulação. Em seguida, aperte o parafuso no torque especificado. Torque: 1 N.m (0,1 kgf.m) Aperte a porca no torque especificado, enquanto mantém o parafuso da articulação fixado. Torque: 6 N.m (0,6 kgf.m) PARAFUSO DA ARTICULAÇÃO/PORCA CILINDRO-MESTRE Alinhe Instale o cilindro-mestre, juntamente com o suporte e seus dois parafusos. Alinhe a extremidade do cilindro-mestre com a marca gravada no guidão. Aperte primeiramente o parafuso superior e, em seguida, aperte o parafuso inferior, ambos no torque especificado. Torque: 12 N.m (1,2 kgf.m) NOTA Instale o suporte, mantendo sua marca “UP” voltada para cima. PARAFUSOS MARCA “UP” 16-12
  • 415.
    SHADOW 750 FREIO HIDRÁULICO ARRUELAS PARAFUSO ESPELHO DE VEDAÇÃO DO ÓLEO Conecte a mangueira do freio no cilindro-mestre, utilizando o parafuso do óleo e uma nova arruela de vedação. Aperte o parafuso do óleo no torque especificado. Torque: 34 N.m (3,5 kgf.m) NOTA Certifique-se de acomodar a conexão da mangueira no limitador. Instale o espelho retrovisor. Acople os conectores do interruptor da luz do freio. Abasteça o sistema hidráulico e execute o procedimento de CONECTORES LIMITADOR sangria do ar (página 16-5). PARAFUSO DO ÓLEO CÁLIPER DO FREIO DIANTEIRO DESMONTAGEM Drene o fluido de freio do sistema hidráulico (página 16-5). Remova as pastilhas de freio (página 16-7). Remova o parafuso do óleo e as arruelas de vedação. NOTA Ao remover o parafuso do óleo, cubra a extremidade da mangueira para evitar contaminação. ARRUELAS DE VEDAÇÃO PARAFUSOS Remova os parafusos de fixação e o conjunto do cáliper do freio. NOTA Não reutilize os parafusos de fixação do cáliper. CONJUNTO DO CÁLIPER DO FREIO CORPO DO CÁLIPER Remova o suporte do corpo do cáliper. SUPORTE 16-13
  • 416.
    FREIO HIDRÁULICO SHADOW 750 MOLA DA PASTILHA PROTETOR Remova o protetor do pino do suporte e a mola da pastilha do corpo do cáliper. RETENTOR DA PASTILHA PROTETOR Remova o protetor do pino do cáliper e o retentor da pastilha do suporte. Limpe as superfícies de contato do retentor e do suporte. SUPORTE Coloque uma toalha sobre os pistões. Posicione o corpo do cáliper, mantendo os pistões voltados para baixo. Em seguida, aplique pequenos jatos de ar comprimido na entrada de fluido para remover os pistões. NOTA Não utilize ar comprimido sob muita pressão ou aproxime demasiadamente o injetor de ar da entrada de fluido. RETENTOR DO PISTÃO Empurre o retentor de pó e o retentor do pistão para dentro e levante-os para fora. NOTA Tenha cuidado para não danificar a superfície deslizante do pistão. Limpe as ranhuras dos retentores, os cilindros do cáliper e os pistões, utilizando fluido de freio novo. RETENTOR DE PÓ 16-14
  • 417.
    SHADOW 750 FREIO HIDRÁULICO INSPEÇÃO Inspecione os cilindros do cáliper quanto a escoriações, riscos ou danos. Meça o D.I. do cilindro do cáliper. Limite de Uso 27,060 mm Inspecione os pistões do cáliper quanto a escoriações, riscos ou danos. Meça o D.E. do pistão do cáliper. Limite de Uso 26,930 mm MONTAGEM PROTETOR DO SUPORTE DO CÁLIPER PINO DO CÁLIPER RETENTOR DA PASTILHA PISTÃO DO CÁLIPER 5,5 N.m (0,6 kgf.m) RETENTOR DE PÓ CORPO DO CÁLIPER RETENTOR DO PISTÃO 27 N.m (2,8 kgf.m) 12 N.m (1,2 kgf.m) 18 N.m (1,8 kgf.m) PASTILHAS 2,5 N.m (0,3 kgf.m) PROTETOR DO PINO MOLA DA DE FREIO DO SUPORTE PASTILHA 16-15
  • 418.
    FREIO HIDRÁULICO SHADOW 750 RETENTORES DO PISTÃO Cubra os novos retentores do pistão utilizando fluido de freio novo e os novos retentores de pó utilizando graxa de silicone. Em seguida, instale-os nas ranhuras do retentor do cáliper. Cubra os pistões do cáliper utilizando fluido de freio novo e instale-os nos cilindros do cáliper, mantendo suas aberturas voltadas para as pastilhas. RETENTORES DE PÓ PISTÕES RETENTOR DA PASTILHA PROTETOR Inspecione o protetor do pino do cáliper e substitua-o caso esteja endurecido, deteriorado ou danificado. Aplique o adesivo Honda Bond A ou equivalente na superfície de contato do retentor da pastilha. Instale o retentor no suporte. Caso o pino do suporte tenha sido removido, aplique trava- química em suas roscas e aperte-o no torque especificado. Torque: 12 N.m (1,2 kgf.m) SUPORTE PINO MOLA DA PASTILHA PROTETOR Inspecione o protetor do pino do suporte e substitua-o caso esteja endurecido, deteriorado ou danificado. Instale o protetor do pino do suporte e a mola da pastilha no cáliper. Caso o pino do cáliper tenha sido removido, aplique trava- química em suas roscas e aperte-o no torque especificado. Torque: 27 N.m (2,8 kgf.m) CÁLIPER PINO CORPO DO CÁLIPER Aplique 0,4 g de graxa de silicone nos pinos do cáliper e do suporte. Instale o suporte do cáliper no corpo do cáliper. SUPORTE 16-16
  • 419.
    SHADOW 750 FREIO HIDRÁULICO PARAFUSOS Instale o conjunto do cáliper do freio, de modo que o disco de freio permaneça posicionado entre as pastilhas, tendo cuidado para não danificá-las. Instale os novos parafusos de fixação do cáliper e aperte-os no torque especificado. Torque: 30 N.m (3,1 kgf.m) CONJUNTO DO CÁLIPER DO FREIO PARAFUSO DO ÓLEO Conecte a mangueira do freio no corpo do cáliper, utilizando o parafuso do óleo e novas arruelas de vedação. Em seguida, aperte o parafuso do óleo no torque especificado. Torque: 34 N.m (3,5 kgf.m) Instale as pastilhas de freio (página 16-7). Abasteça e sistema hidráulico e execute o procedimento de sangria (página 16-5). ARRUELAS DE VEDAÇÃO 16-17
  • 420.
    FREIO HIDRÁULICO SHADOW 750 NOTAS 16-18
  • 421.
    SHADOW 750 17. BATERIA/SISTEMA DE CARGA LOCALIZAÇÃO DO SISTEMA 17-2 BATERIA 17-6 DIAGRAMA DO SISTEMA 17-2 INSPEÇÃO DO SISTEMA DE CARGA 17-7 INFORMAÇÕES DO SISTEMA 17-3 REGULADOR/RETIFICADOR 17-8 DIAGNOSE DE DEFEITOS 17-5 BOBINA DE CARGA DO ALTERNADOR 17-9 17-1
  • 422.
    BATERIA/SISTEMA DE CARGA SHADOW 750 LOCALIZAÇÃO DO SISTEMA FUSÍVEL PRINCIPAL (30 A) BATERIA ALTERNADOR REGULADOR/RETIFICADOR DIAGRAMA DO SISTEMA 3P FUSÍVEL PRINCIPAL, 30A 2P REGULADOR/ RETIFICADOR BATERIA ALTERNADOR Y: Amarelo G: Verde R: Vermelho W: Branco 17-2
  • 423.
    SHADOW 750 BATERIA/SISTEMA DE CARGA INFORMAÇÕES DO SISTEMA INFORMAÇÕES GERAIS c • A bateria produz gases explosivos; não fume e mantenha chamas e faíscas afastadas. Trabalhe em uma área com ventilação adequada ao carregar a bateria. • A bateria contém ácido sulfúrico (eletrólito). O contato com a pele ou com os olhos poderá causar sérias queimaduras. Vista roupas protetoras e protetor facial. – Caso o eletrólito entre em contato com a pele, lave-a com grandes quantidades de água. – Caso o eletrólito entre em contato com os olhos, lave-os com grandes quantidades de água por, pelo menos, 15 minutos e procure imediatamente um médico. • O eletrólito é venenoso: – Em caso de ingestão, beba grandes quantidades de água ou leite e procure imediatamente um médico. NOTA • Sempre desligue o interruptor de ignição antes de desconectar qualquer componente elétrico. • Alguns componentes elétricos podem ser danificados caso seus terminais ou conectores sejam acoplados ou desacoplados enquanto o interruptor de ignição estiver ligado e houver fluxo de corrente elétrica. • Caso a motocicleta seja armazenada por um período prolongado, remova a bateria, carregue-a completamente e armazene-a em local seco e ventilado. • Se a bateria permanecer na motocicleta sem uso, desacople o cabo negativo de seu terminal. • As baterias livres de manutenção (MF) devem ser substituídas quando atingirem o final de sua vida útil. • A bateria pode ser danificada se submetida a uma carga insuficiente ou excessiva, ou se permanecer descarregada por um longo período. Estas mesmas condições contribuem para a redução da vida útil da bateria. Mesmo em condições normais de utilização, o desempenho da bateria diminui após 2 ou 3 anos. • A voltagem da bateria pode ser recuperada após sua recarga, no entanto, sob severas condições de uso, a voltagem da bateria pode cair rapidamente ou até cessar eventualmente. Por esta razão, o sistema de carga é tido como razão do problema. Problemas de sobrecarga normalmente são resultantes de defeitos na própria bateria. Se uma das células da bateria estiver em curto-circuito e a voltagem da bateria não subir, o regulador/retificador supre o excesso de voltagem à bateria. Sob estas condições, o nível de eletrólito diminui rapidamente. • Antes de efetuar a diagnose do sistema de carga, inspecione quanto ao correto uso e manutenção da bateria. Verifique se a bateria é freqüentemente utilizada sob severas condições de uso, como por exemplo, manter o farol e a lanterna traseira acesos por longos períodos sem utilizar a motocicleta. • A bateria se descarregará quando a motocicleta não for utilizada. Por esta razão, carregue a bateria a cada duas semanas para evitar a sulfatação de suas placas. • Ao inspecionar o sistema de carga, sempre siga as etapas da tabela de diagnose de defeitos (página 17-5). • Para reparos no alternador, consulte a página 11-4. CARGA DA BATERIA • Ligue e desligue o carregador de baterias em seu interruptor (Liga/Desliga), e não no terminal da bateria. • Ao recarregar a bateria, não exceda a corrente de carga ou o tempo especificado na bateria. Utilizar corrente excessiva ou estender o tempo de carga pode danificar a bateria. • Cargas rápidas somente devem ser utilizadas em situações emergenciais. Do contrário, cargas lentas são sempre preferíveis. TESTE DA BATERIA Consulte o manual de instruções do testador de bateria recomendado para procedimentos de teste da bateria. O testador de bateria recomendado aplica uma “carga” na bateria, de forma que sua condição real possa ser medida. Testador de bateria recomendado: FBT50 17-3
  • 424.
    BATERIA/SISTEMA DE CARGA SHADOW 750 ESPECIFICAÇÃO Item Especificação Bateria Capacidade 12 V – 11,2 Ah Fuga de corrente Máxima de 1,0 mA Voltagem (a 20°C) Completamente 13,0 – 13,2 V carregada Necessitando Abaixo de 12,4 V de carga Corrente de carga Normal 1,1 A x 5 – 10 h Rápida 5,5 A x 1,0 h Alternador Capacidade 0,39 kW a 5.000 rpm Resistência da bobina de carga (a 20°C) 0,1 – 1,0 Ω VALORES DE TORQUE Parafuso da tampa do compartimento da bateria 1 N.m (0,1 kgf.m) 17-4
  • 425.
    SHADOW 750 BATERIA/SISTEMA DE CARGA DIAGNOSE DE DEFEITOS BATERIA DANIFICADA OU ENFRAQUECIDA 1. Teste da Bateria Remova a bateria (página 17-6). Inspecione as condições da bateria, utilizando o testador de bateria recomendado. Testador de bateria recomendado: FBT50 Está a bateria em boas condições? Sim – Vá para a etapa 2. Não – Bateria defeituosa. 2. Teste de Fuga de Corrente Instale a bateria (página 17-6). Inspecione a fuga de corrente da bateria (página 17-7). É indicada uma fuga de corrente inferior a 1,0 mA? Sim – Vá para a etapa 4. Não – Vá para a etapa 3. 3. Teste de Fuga de Corrente com o Regulador/Retificador Desconectado Desacople o conector do regulador/retificador e inspecione novamente a fuga de corrente da bateria. É indicada uma fuga de corrente inferior a 1,0 mA? Sim – Regulador/retificador defeituoso. Não – • Fiação em curto-circuito. • Interruptor de ignição defeituoso. 4. Inspeção da Bobina de Carga do Alternador Inspecione a bobina de carga do alternador (página 17-9). É indicada uma resistência entre 0,1 e 1,0 Ω (a 20°C)? Sim – Vá para a etapa 5. Não – Bobina de carga defeituosa. 5. Inspeção da Voltagem de Carga Meça e anote a voltagem da bateria, utilizando um multímetro digital (página 17-6). Dê partida no motor. Meça a voltagem de carga (página 17-7). Compare o valor obtido na medição com o resultado do seguinte cálculo. Padrão: Voltagem medida da bateria < Voltagem de carga medida < 15,5 V Está a voltagem de carga da bateria de acordo com o valor especificado? Sim – Bateria defeituosa. Não – Vá para a etapa 6. 6. Inspeção do Sistema do Regulador/Retificador Inspecione a voltagem e a resistência no conector do regulador/retificador (página 17-8). Estão os valores da medição de voltagem e resistência corretos? Sim – Regulador/retificador defeituoso. Não – • Circuito aberto na fiação relacionada. • Sem contato ou mau-contato nos terminais relacionados. • Fiação em curto-circuito 17-5
  • 426.
    BATERIA/SISTEMA DE CARGA SHADOW 750 BATERIA TAMPA DO COMPARTIMENTO DA BATERIA REMOÇÃO/INSTALAÇÃO CABO POSITIVO (+) Remova o assento (página 2-3). CABO NEGATIVO (–) Remova o parafuso. Remova a tampa do compartimento da bateria, soltando os BATERIA fixadores da tampa do compartimento. Desligue o interruptor da ignição e desconecte primeiramente PARAFUSO o cabo negativo (—) da bateria. Em seguida, desconecte seu cabo positivo (+). Remova a bateria de seu compartimento. Instale a bateria na ordem inversa da remoção. NOTA • Conecte primeiramente o cabo positivo (+). Em seguida, conecte o cabo negativo (–) da bateria. • Após conectar os cabos da bateria, cubra seus terminais com graxa. Torque: Parafuso da tampa do compartimento da bateria 1 N.m (0,1 kgf.m) INSPEÇÃO DA VOLTAGEM Remova a tampa do compartimento da bateria (página 17-6). Meça a voltagem da bateria, utilizando um multímetro digital disponível comercialmente. Voltagem: Completamente carregada 13,0 – 13,2 V Necessitando de carga Abaixo de 12,4 V Ferramenta: Multímetro digital disponível comercialmente BATERIA 17-6
  • 427.
    SHADOW 750 BATERIA/SISTEMA DE CARGA CABO NEGATIVO (–) INSPEÇÃO DO SISTEMA DE CARGA TESTE DE FUGA DE CORRENTE Remova a tampa do compartimento da bateria (página 17-6). Desligue o interruptor da ignição e desconecte o cabo negativo (–) da bateria. Conecte a ponta-de-prova (+) do amperímetro ao cabo negativo, e a ponta-de-prova (–) do amperímetro ao terminal negativo (–) da bateria. Mantendo o interruptor de ignição desligado, inspecione execute o teste de fuga de corrente. NOTA TERMINAL NEGATIVO (–) • Ao medir a corrente utilizando um testador, ajuste-o para a maior escala e, em seguida, corrija a escala para um nível apropriado. Uma corrente superior à escala selecionada poderá queimar o fusível do testador. • Ao medir a corrente, não ligue o interruptor de ignição. Um repentino surto de corrente pode queimar o fusível do testador. Fuga de corrente especificada: Máxima de 1,0 mA Se a fuga de corrente exceder o valor especificado, é provável que haja um curto-circuito. Localize o curto-circuito, desacoplando as conexões uma a uma e medindo a corrente. INSPEÇÃO DA VOLTAGEM DE CARGA NOTA Certifique-se de que a bateria esteja em boas condições antes de executar este teste. Conecte o tacômetro. Dê partida no motor, mantenha-o funcionando até atingir sua temperatura normal e desligue-o em seguida. Remova a tampa do compartimento da bateria (página 17-6). Conecte o multímetro entre os terminais positivo e negativo da bateria. NOTA • Para evitar curto-circuito, certifique-se de quais são os cabos e terminais positivos e negativos. • Não desconecte os cabos da bateria ou qualquer cabo do sistema de carga sem antes desligar o interruptor de ignição. Não observar esta recomendação pode danificar o testador ou componentes elétricos da motocicleta. Ligue o farol alto e dê partida novamente no motor. Meça a voltagem, mantendo o motor funcionando em 5.000 rpm. Padrão: VB medida < VC medida < 15,5 V • VB = Voltagem da bateria (página 17-6) • VC = Voltagem de carga BATERIA 17-7
  • 428.
    BATERIA/SISTEMA DE CARGA SHADOW 750 REGULADOR/RETIFICADOR INSPEÇÃO DA FIAÇÃO Linha de Carga da Bateria Remova a tampa lateral esquerda (página 2-4). Mantendo o interruptor de ignição desligado, desacople o conector 2P (Branco) do regulador/retificador. CONECTOR 2P (Branco) Meça a voltagem entre o terminal do fio Vermelho (+) do CONECTOR 2P DO REGULADOR/RETIFICADOR conector 2P, no lado da fiação, e o terra (–). (Lado da fiação dos terminais fêmeas) Deve ser indicada a voltagem da bateria em todas as situações. Linha do Terra Inspecione a continuidade entre o terminal do fio Verde do conector 2P, no lado da fiação, e o terra. Deve haver continuidade em todas as situações. Se todos os componente do sistema de carga estiverem normais e não houver mau-contato no conector do regulador/retificador, substitua o regulador/retificador. CONECTOR 2P DO REGULADOR/RETIFICADOR (Lado da fiação dos terminais fêmeas) 17-8
  • 429.
    SHADOW 750 BATERIA/SISTEMA DE CARGA PRESILHA INSTALAÇÃO/REMOÇÃO Remova os seguintes componentes: – Tampa lateral esquerda (página 2-4) – Tampa traseira esquerda da carcaça do motor (página 2-4) Solte a fiação de sua presilha. Mantendo o interruptor de ignição desligado, desacople os conectores 2P (Branco) do regulador/retificador e 3P (Branco) do alternador. CONECTORES Remova os parafusos e o regulador/retificador. Instale o regulador/retificador na ordem inversa da remoção. PARAFUSOS REGULADOR/RETIFICADOR BOBINA DE CARGA DO ALTERNADOR INSPEÇÃO Remova a tampa lateral esquerda (página 2-4). Mantendo o interruptor de ignição desligado, desacople o conector 3P (Branco) do alternador. Meça a resistência entre os terminais do fio Amarelo do CONECTOR 3P (Branco) conector, no lado do alternador/estator. Limite de Uso 0,1 – 1,0 Ω (a 20°C) CONECTOR 3P DO ALTERNADOR (Lado do alternador/estator dos terminais fêmeas) Inspecione a continuidade entre cada terminal da fiação do conector, no lado do alternador/estator, e o terra. Não deve haver continuidade. Substitua o estator caso o valor medido de resistência esteja fora do valor especificado ou se houver continuidade entre qualquer um dos fios e o terra. Para substituição do alternador/estator, consulte a página 11-4. 17-9
  • 430.
    BATERIA/SISTEMA DE CARGA SHADOW 750 NOTAS 17-10
  • 431.
    SHADOW 750 18. SISTEMA DE IGNIÇÃO LOCALIZAÇÃO DO SISTEMA 18-2 INSPEÇÃO DO SISTEMA DE IGNIÇÃO 18-5 DIAGRAMA DO SISTEMA 18-2 BOBINA DE IGNIÇÃO 18-8 INFORMAÇÕES DE SERVIÇO 18-3 PONTO DE IGNIÇÃO 18-9 DIAGNOSE DE DEFEITOS 18-4 18-1
  • 432.
    SISTEMA DE IGNIÇÃO SHADOW 750 LOCALIZAÇÃO DO SISTEMA INTERRUPTOR DO MOTOR INTERRUPTOR DA EMBREAGEM INTERRUPTOR DE IGNIÇÃO SENSOR TP CAIXA DE FUSÍVEIS A • DIODO SENSOR DE • FUSÍVEL SECUNDÁRIO, INCLINAÇÃO 10 A (IGNIÇÃO, PARTIDA) DO CHASSI CAIXA DE FUSÍVEIS B • FUSÍVEL FI, 15 A BATERIA BOBINA DE IGNIÇÃO DIANTEIRA VELA DE IGNIÇÃO SENSOR CKP INTERRUPTOR DE PONTO-MORTO BOBINA DE IGNIÇÃO INTERRUPTOR DO TRASEIRA CAVALETE LATERAL RELÉ DE PARADA DO MOTOR ECM DIAGRAMA DO SISTEMA FUSÍVEL FI, 15 A INTERRUPTOR FUSÍVEL SECUNDÁRIO, 10 A DE IGNIÇÃO FUSÍVEL (IGNIÇÃO, PARTIDA) PRINCIPAL, 30 A INTERRUPTOR DA EMBREAGEM INTERRUPTOR DO MOTOR BATERIA 9P (Preto) SENSOR DE INCLINAÇÃO DO CHASSI DIODO Para o INDICADOR DE PONTO-MORTO PARA CIMA PARA BAIXO INTERRUPTOR DO 3P (Preto) CAVALETE LATERAL RELÉ DE PARADA DO MOTOR INTERRUPTOR DE PONTO-MORTO BOBINA DE IGNIÇÃO Bl: Preto ECM Y: Amarelo Bu: Azul G: Verde DIANTEIRO TRASEIRO R: Vermelho SENSOR W: Branco VELAS DE CKP LG: Verde claro IGNIÇÃO 18-2
  • 433.
    SHADOW 750 SISTEMA DE IGNIÇÃO INFORMAÇÕES DE SERVIÇO INFORMAÇÕES GERAIS NOTA • O Módulo de Controle do Motor (ECM) pode ser danificado se sofrer alguma queda. Caso seu conector seja desacoplado enquanto houver passagem de corrente, o excesso de voltagem também pode danificar o ECM. Sempre desligue o interruptor de ignição antes de executar reparos. • Utilize velas de ignição com o correto grau térmico. Utilizar velas com o grau térmico incorreto pode danificar o motor. • Alguns componentes elétricos podem ser danificados caso seus terminais ou conectores sejam acoplados ou desacoplados enquanto o interruptor de ignição estiver ligado e houver fluxo de corrente. • Ao executar reparos no sistema de ignição, sempre siga as etapas da tabela de diagnose de defeitos, na página 18-4. • O ponto de ignição geralmente não necessita de ajustes, pois é pré-ajustado na fábrica. • Um sistema de ignição defeituoso está normalmente relacionado mau-contatos. Inspecione estas conexões antes de proceder. • Certifique-se de que a bateria esteja adequadamente carregada. Utilizar o motor de partida com uma bateria enfraquecida resulta em uma menor velocidade de partida do motor, bem como a inexistência de faíscas na vela de ignição. • Para inspeção da vela de ignição, consulte a página 3-7. • Para informações sobre os seguintes componentes, consulte as respectivas páginas: – Interruptor de ignição; página 20-19 – Interruptor do motor; página 20-20 – Interruptor do ponto-morto; página 20-23 – Interruptor do cavalete lateral; página 20-23 – Diodo; página 19-16 – ECM; página 5-55 – Sensor de inclinação do chassi; página 5-52 – Relé de parada do motor; página 5-54 – Interruptor da embreagem; página 20-22 ESPECIFICAÇÕES Item Especificação Velas de ignição Padrão DPR7EA-9 (NGK), X22EPR-U9 (DENSO) Para longos percursos em alta rotação DPR8EA-9 (NGK), X24EPR-U9 (DENSO) Folga entre os eletrodos da vela de ignição 0,8 – 0,9 mm Pico de voltagem da bobina de ignição primária Mínimo de 100 V Ponto de ignição (Marca “F”) 8º APMS em marcha-lenta Pico de voltagem do sensor CKP (a 20º) Mínimo de 0,7 V VALORES DE TORQUE Parafuso Allen da tampa do alternador 10 N.m (1,0 kgf.m) Tampa do orifício de sincronização 10 N.m (1,0 kgf.m) Aplique graxa nas roscas. FERRAMENTAS Verificador de diagnóstico Imrie Fiação de teste do ECM, 33P (modelo 625) ou Adaptador de pico de 070MZ-MCA0100 voltagem 07HGJ-0020100 juntamente com multímetro digital disponível comercialmente (impedância mínima de 10 MΩ/VCC) 18-3
  • 434.
    SISTEMA DE IGNIÇÃO SHADOW 750 DIAGNOSE DE DEFEITOS • Inspecione os seguintes itens antes de executar a diagnose de defeitos do sistema: – Vela de ignição defeituosa – Supressor de ruídos ou conector da vela de ignição soltos – Penetração de água no supressor de ruídos (Fuga de voltagem na bobina de ignição secundária) • Se não houver faísca em ambos os cilindro, substitua temporariamente a bobina de ignição por uma em boas condições de funcionamento e execute o teste de faísca. Se houver faísca, a bobina de ignição original está defeituosa. • A “voltagem inicial” da bobina de ignição primária é a voltagem da bateria com o interruptor de ignição ligado e o interruptor do motor posicionado em “ ” (O motor não é acionado pelo motor de partida). Não há faíscas nas velas de ignição Condição anormal Possível causa (Inspecione seguindo a ordem numérica) Voltagem da bobina Sem voltagem inicial com o 1. Relé de parada motor defeituoso. de ignição primária interruptor de ignição ligado e o 2. Circuito aberto no fio Preto/Branco entre a bobina de ignição e o relé de interruptor do motor parada do motor. posicionado em “ ” (Os 3. Sem contato ou mau-contato no terminal da fiação da bobina de ignição outros componentes elétricos primária ou circuito aberto na bobina de ignição primária. funcionam normalmente). 4. ECM defeituoso (em casos onde a voltagem inicial está normal com o conector do ECM desacoplado). A voltagem inicial está normal, 1. Conexões do adaptador de pico de voltagem incorretas (o sistema está mas cai para 2 a 4 V quando o normal se a voltagem medida for superior à especificada ao inverter-se as motor é acionado. conexões). 2. Bateria descarregada (a voltagem da bateria cai demasiadamente quando é acionada a partida do motor). 3. Sem voltagem entre os terminais Preto/Branco (+) e terra (-) do conector do ECM ou conector do ECM solto. 4. Circuito aberto ou mau-contato no fio Verde do ECM. 5. Circuito aberto ou mau-contato nos fios Azul/Amarelo ou Amarelo/Azul entre as bobinas de ignição e o ECM. 6. Interruptor do cavalete lateral, interruptor da embreagem ou interruptor de ponto-morto defeituosos. 7. Circuito aberto ou mau-contato na fiação relacionada ao circuito N° 6. – Linha do interruptor do cavalete lateral: fio Verde/Branco – Linha do interruptor de ponto-morto: fio Verde claro – Linha do interruptor da embreagem: fio Verde/Branco 8. Sensor CKP defeituoso (meça o pico de voltagem). 9. ECM defeituoso (caso os itens de 1 a 8 estejam normais). A voltagem inicial está normal, 1. Conexões do adaptador de pico de voltagem incorretas (o sistema está mas não há pico de voltagem normal se a voltagem medida for superior à especificada ao inverter-se as quando o motor é acionado. conexões). 2. Adaptador de pico de voltagem defeituoso. 3. Sensor CKP defeituoso (meça o pico de voltagem). 4. ECM defeituoso (caso os itens de 1 a 3 estejam normais). A voltagem inicial está normal, 1. Impedância interna do multímetro muito baixa; abaixo 10 MΩ/VCC. mas o pico de voltagem é 2. Velocidade de partida muito baixa (bateria descarregada). inferior ao valor padrão. 3. Ponto de amostra do testador e pulso medido não sincronizados (o sistema está normal se a voltagem medida for superior à voltagem padrão pelo menos uma vez). 4. ECM defeituoso (caso os itens de 1 a 3 estejam normais). A voltagem inicial está normal, 1. Vela de ignição defeituosa ou fuga de corrente da bobina de ignição mas não há faísca. secundária. 2. Bobina(s) de ignição defeituosa(s). Sensor CKP Pico de voltagem inferior ao 1. Impedância interna do multímetro muito baixa; abaixo 10 MΩ/VCC. valor padrão. 2. Velocidade de partida muito baixa (bateria descarregada). 3. Ponto de amostra do testador e pulso medido não sincronizados (o sistema está normal se a voltagem medida for superior à voltagem padrão pelo menos uma vez). 4. Sensor CKP defeituoso (caso os itens de 1 a 3 estejam normais). Sem pico de voltagem. 1. Adaptador de pico de voltagem defeituoso. 2. Sensor CKP defeituoso. 18-4
  • 435.
    SHADOW 750 SISTEMA DE IGNIÇÃO INSPEÇÃO DO SISTEMA DE IGNIÇÃO NOTA • Se não houver faísca nas velas de ignição, inspecione todas as conexões quanto a mau-contato ou conector solto antes de medir o pico de voltagem. • Utilize o multímetro digital recomendado ou um disponível comercialmente com impedância interna mínima de 10 MΩ/VCC. • Os valores apresentados nos mostradores podem diferir dependendo da impedância interna do multímetro. • Caso um verificador Imrie (modelo 625) seja utilizado, siga as instruções do fabricante. Conecte o adaptador de pico de voltagem ao multímetro MULTÍMETRO DIGITAL digital ou utilize o verificador de pico de voltagem. Ferramenta: Verificador de diagnóstico Imrie (modelo 625) ou Adaptador de pico de voltagem 07HGJ-0020100 juntamente com multímetro digital disponível Ω comercialmente (impedância mínima de 10 MΩ/VCC) ADAPTADOR DE PICO DE VOLTAGEM PICO DE VOLTAGEM DA BOBINA DE IGNIÇÃO PRIMÁRIA NOTA • Inspecione todas as conexões do sistema antes de executar esta inspeção. Conexões inadequadas podem provocar leituras incorretas. • Certifique-se de que a compressão dos cilindros esteja normal e verifique se todas as velas de ignição estão corretamente instaladas em seus cabeçotes. Remova o conjunto do assento (página 2-3). CONECTOR 2P (Preto) Desacople o conector 2P (Preto) do reservatório/bomba de combustível. 18-5
  • 436.
    SISTEMA DE IGNIÇÃO SHADOW 750 Desconecte os supressores de ruídos das velas de ignição. Conecte velas de ignição em boas condições de funcionamento aos supressores de ruídos e aterre-as nos cabeçotes, como executado no teste de faísca. VELA DE IGNIÇÃO EM BOAS CONDIÇÕES DE FUNCIONAMENTO Dianteiro: DIANTEIRO: Remova o tanque de combustível (página 5-40). Traseiro: Remova a tampa lateral direita (página 2-4). Mantendo a fiação da bobina de ignição primária conectada, acople as pontas-de-prova do adaptador de pico de voltagem ao terminal da bobina de ignição primária e ao terra. Ferramenta: Verificador de diagnóstico Imrie (modelo 625) ou Adaptador de pico de voltagem 07HGJ-0020100 juntamente com multímetro digital disponível Ω comercialmente (impedância mínima de 10 MΩ/VCC) Conexões: Dianteiro Azul/Amarelo (+) – Terra (–) TRASEIRO: Traseiro Amarelo/Azul (+) – Terra (–) Ligue o interruptor de ignição e posicione o interruptor do motor em “ ”. Verifique a voltagem inicial nesta situação. Deve ser indicada a voltagem da bateria. Se a voltagem inicial não puder ser medida, verifique os itens da tabela de diagnose de defeitos (página 18-4). Coloque a transmissão em ponto-morto. Dê partida no motor, utilizando o motor de partida, e meça o pico de voltagem da bobina de ignição primária. Pico de Voltagem: Mínimo de 100 V NOTA Apesar dos valores medidos serem diferentes em cada bobina de ignição, eles são normais se a voltagem for superior ao valor especificado. Se o pico de voltagem for inferior ao valor padrão, verifique os itens da tabela de diagnose de defeitos (página 18-4). Instale os componentes removidos na ordem inversa da remoção. 18-6
  • 437.
    SHADOW 750 SISTEMA DE IGNIÇÃO PICO DE VOLTAGEM DO SENSOR CKP NOTA Certifique-se de que a compressão dos cilindros esteja B22 normal e verifique se todas as velas de ignição estão corretamente instaladas em seus cabeçotes. Acople a fiação de teste do ECM aos conectores 33P do ECM (página 5-14). ADAPTADOR DE PICO DE VOLTAGEM Acople as pontas-de-prova do adaptador de pico de voltagem ao terminal da fiação de teste. Ferramenta: Verificador de diagnóstico Imrie (modelo 625) ou Adaptador de pico de voltagem 07HGJ-0020100 juntamente com multímetro digital disponível Ω comercialmente (impedância mínima de 10 MΩ/VCC) Conexão: B22 (+) – Terra (–) Ligue o interruptor de ignição e posicione o interruptor do motor em “ ”. Coloque a transmissão em ponto-morto. Dê partida no motor, utilizando o motor de partida, e meça o pico de voltagem do sensor CKP. Pico de voltagem: Mínimo de 0,7 V Se a voltagem medida no conector do ECM for anormal, meça o pico de voltagem no conector do sensor CKP. Desligue o interruptor de ignição. Remova as tampas laterais da coluna de direção (página 2-4). Desacople o conector 2P (Vermelho) do sensor CKP. Acople as pontas-de-prova do adaptador de pico de voltagem aos terminais do conector, no lado do sensor CKP. CONECTOR 2P (Vermelho) Da mesma forma que no conector do ECM, meça o pico de voltagem e compare-o à voltagem medida no conector do CONECTOR 2P DO SENSOR CKP ECM. (Lado dos terminais fêmeas do sensor) • Se o pico de voltagem medido no ECM for anormal e o pico de voltagem medido no sensor CKP normal, é provável que a fiação possua um mau-contato, um curto-circuito ou apresente circuito aberto. • Se o pico de voltagem for inferior ao valor padrão, verifique W/Y os itens da tabela de diagnose de defeitos (página 18-4). Instale os componentes removidos na ordem inversa da remoção. ADAPTADOR DE PICO DE VOLTAGEM 18-7
  • 438.
    SISTEMA DE IGNIÇÃO SHADOW 750 PARAFUSOS/ESPAÇADORES BOBINA DE IGNIÇÃO REMOÇÃO/INSTALAÇÃO DA BOBINA DE IGNIÇÃO DIANTEIRA Remova o tanque de combustível (página 5-40). Desacople os supressores de ruídos (página 3-7). Desacople o conector da fiação da bobina de ignição primária. Remova os parafusos, os espaçadores e a bobina de ignição dianteira do chassi. Instale a bobina de ignição na ordem inversa da remoção. BOBINA DE IGNIÇÃO DIANTEIRA CONECTORES CINTA DA FIAÇÃO NOTA Passe adequadamente os cabos das vela de ignição (página 1-20). REMOÇÃO/INSTALAÇÃO DA BOBINA DE IGNIÇÃO TRASEIRA Remova a tampa lateral direita (página 2-4). Desacople os supressores de ruídos (página 3-7). Solte os cabos das velas de ignição de suas cintas. CABO DA VELA DE IGNIÇÃO Remova a caixa de fusíveis do suporte do compartimento da bateria, soltando suas lingüetas. LINGÜETAS CAIXA DE FUSÍVEIS PARAFUSOS/ BOBINA DE ESPAÇADORES IGNIÇÃO TRASEIRA Desacople os conectores da fiação da bobina de ignição primária. Remova os parafusos, os espaçadores e a bobina de ignição traseira. Instale a bobina de ignição traseira na ordem inversa da remoção. NOTA Passe adequadamente os cabos das vela de ignição (página 1-20). CONECTORES 18-8
  • 439.
    SHADOW 750 SISTEMA DE IGNIÇÃO TAMPA DO ALTERNADOR PONTO DE IGNIÇÃO Dê partida no motor, mantenha-o funcionando até atingir sua temperatura normal de funcionamento e desligue-o em seguida. Remova os parafusos Allen e a tampa do alternador. PARAFUSOS ALLEN TAMPA DO ORIFÍCIO DE SINCRONIZAÇÃO Remova a tampa do orifício de sincronização. LÂMPADA ESTROBOSCÓPICA Conecte um tacômetro. Conecte uma lâmpada estroboscópica ao cabo da vela de ignição dianteira. NOTA Consulte o manual de instruções do fabricante da lâmpada estroboscópica. Dê partida no motor, mantenha-o funcionando em marcha- lenta e inspecione o ponto de ignição. Marcha-lenta: 1.200 ± 100 rpm O ponto de ignição está correto se a marca “F” do volante do MARCA “F” motor alinhar-se com a marca de referência da tampa esquerda da carcaça do motor. MARCA DE REFERÊNCIA 18-9
  • 440.
    SISTEMA DE IGNIÇÃO SHADOW 750 TAMPA DO ORIFÍCIO DE SINCRONIZAÇÃO Cubra um novo anel de vedação com óleo para motor e instale-o na ranhura da tampa do orifício de sincronização. Aplique graxa nas roscas da tampa do orifício de sincronização. Instale a tampa do orifício de sincronização e aperte-a no torque especificado. Torque: 10 N.m (1,0 kgf.m) ANEL DE VEDAÇÃO TAMPA DO ALTERNADOR Instale a tampa do alternador e aperte os parafusos Allen no torque especificado. Torque: 10 N.m (1,0 kgf.m) PARAFUSOS ALLEN 18-10
  • 441.
    SHADOW 750 19. PARTIDA ELÉTRICA LOCALIZAÇÃO DO SISTEMA 19-2 MOTOR DE PARTIDA 19-6 DIAGRAMA DO SISTEMA 19-2 INTERRUPTOR DO RELÉ DE PARTIDA 19-14 INFORMAÇÕES DE SERVIÇO 19-3 DIODO 19-16 DIAGNOSE DE DEFEITOS 19-4 19-1
  • 442.
    PARTIDA ELÉTRICA SHADOW 750 LOCALIZAÇÃO DO SISTEMA INTERRUPTOR INTERRUPTOR DO MOTOR DE PARTIDA CAIXA DE FUSÍVEIS A INTERRUPTOR • DIODO INTERRUPTOR • FUSÍVEL SECUNDÁRIO, 10 A DA EMBREAGEM DE IGNIÇÃO (IGNIÇÃO, PARTIDA) FUSÍVEL PRINCIPAL, 30 A/ INTERRUPTOR DO RELÉ DE PARTIDA INTERRUPTOR DE PONTO-MORTO INTERRUPTO DO MOTOR DE BATERIA CAVALETE LATERAL PARTIDA DIAGRAMA DO SISTEMA FUSÍVEL INTERRUPTOR PRINCIPAL, 30 A DE IGNIÇÃO 6P (Vermelho) FUSÍVEL SECUNDÁRIO, 10 A (IGNIÇÃO, PARTIDA) INTERRUPTOR INTERRUPTOR DE PARTIDA DO MOTOR BATERIA INTERRUPTOR DO INTERRUPTOR RELÉ DE PARTIDA 9P (Preto) DA EMBREAGEM MOTOR DE PARTIDA DIODO PARA CIMA PARA BAIXO Para o INDICADOR DE PONTO-MORTO INTERRUPTOR DO CAVALETE LATERAL INTERRUPTOR DE PONTO-MORTO Bl: Preto R: Vermelho G: Verde Y: Amarelo Lg: Verde claro W: Branco 19-2
  • 443.
    SHADOW 750 PARTIDA ELÉTRICA INFORMAÇÕES DE SERVIÇO INFORMAÇÕES GERAIS NOTA O motor de partida pode ser danificado se for mantido fluxo de corrente através dele e a partida do motor não for acionada. • Sempre desligue o interruptor de ignição antes de executar reparos no motor de partida. O motor pode repentinamente ser acionado, causando sérios ferimentos. • Reparos no motor de partida podem ser executados com o motor instalado no chassi. • Ao inspecionar o sistema de partida, siga sempre as etapas de diagnose de defeitos (página 19-4). • Uma bateria fraca pode ser incapaz de acionar o motor de partida rápido o suficiente ou fornecer a corrente de ignição adequada. • Para informações sobre os seguintes componentes, consulte as respectivas páginas: – Interruptor de ignição; página 20-19 – Interruptor do motor; página 20-20 – Interruptor de partida; página 20-20 – Interruptor de ponto-morto; página 20-23 – Interruptor do cavalete lateral; página 20-23 – Interruptor da embreagem; página 20-22 ESPECIFICAÇÕES Unidade: mm Item Padrão Limite de Uso Comprimento das escovas do motor de partida 12,5 6,5 VALORES DE TORQUE Porca do terminal do cabo do motor de partida 10 N.m (1,0 kgf.m) Parafuso de montagem do motor de partida 4,9 N.m (0,5 kgf.m) Parafuso da escova negativa 3,7 N.m (0,4 kgf.m) 19-3
  • 444.
    PARTIDA ELÉTRICA SHADOW 750 DIAGNOSE DE DEFEITOS O motor de partida não funciona. 1. Inspeção do Fusível Verifique se o fusível principal, 30 A, e o secundário, 10 A (ignição, partida), estão queimados. Está algum fusível queimado? Sim – Substitua o fusível. Não – Vá para a etapa 2. 2. Inspeção da Bateria Certifique-se de que a bateria esteja completamente carregada e em boas condições (página 17-6). Está a bateria em boas condições? Sim – Vá para a etapa 3. Não – Carregue ou substitua a bateria. 3. Inspeção de Funcionamento do Interruptor do Relé de Partida Inspecione o funcionamento do interruptor do relé de partida. Deve ser emitido um ruído “clique” quando o botão do interruptor de partida é pressionado. É emitido um ruído “clique”? Sim – Vá para a etapa 4. Não – Vá para a etapa 5. 4. Inspeção do Motor de Partida Aplique a voltagem da bateria diretamente ao motor de partida e verifique seu funcionamento. O motor de partida funciona? Sim – • Mau-contato no cabo do motor de partida. • Interruptor do relé de partida defeituoso (página 19-14). Não – Motor de partida defeituoso (página 19-6). 5. Inspeção das Linhas do Terra da Bobina do Relé Desacople o conector do interruptor do relé de partida e inspecione a continuidade das linhas do terra da bobina do relé. 1. Terminal Verde/Vermelho – diodo – linha do interruptor de ponto-morto (com a transmissão em ponto-morto e a alavanca da embreagem solta). 2. Terminal Verde/Vermelho – interruptor da embreagem – linha do interruptor do cavalete lateral (em qualquer marcha, exceto ponto-morto, a alavanca da embreagem acionada e o cavalete lateral recolhido). Há continuidade? Sim – Vá para a etapa 6. Não – • Interruptor de ponto-morto defeituoso (página 20-23). • Diodo defeituoso (página 19-16). • Interruptor da embreagem defeituoso (página 20-22). • Interruptor do cavalete lateral defeituoso (página 20-23) • Sem contato ou mau-contato no conector. • Circuito aberto na fiação. 19-4
  • 445.
    SHADOW 750 PARTIDA ELÉTRICA 6. Inspeção da Voltagem do Relé de Partida Acople o conector do interruptor do relé de partida. Mantendo o interruptor de ignição ligado, o interruptor do motor posicionado em “ ” e o interruptor de partida pressionado, meça a voltagem no conector do interruptor do relé de partida (entre o terminal Amarelo/Vermelho (+) e o terra (–)). É indicada a voltagem da bateria? Sim – Vá para a etapa 7. Não – • Interruptor de ignição defeituoso (página 20-19). • Interruptor de partida defeituoso (página 20-20). • Interruptor do motor defeituoso (página 20-20). • Sem contato ou mau-contato no conector. • Circuito aberto na fiação. 7. Inspeção de Continuidade do Interruptor do Relé de Partida Remova o interruptor do relé de partida. Conecte o cabo positivo de uma bateria de 12 V completamente carregada ao terminal do fio Amarelo/Vermelho do interruptor do relé de partida e o cabo negativo ao terminal do fio Verde/Vermelho. Inspecione a continuidade entre os maiores terminais do interruptor do relé de partida, enquanto mantém a bateria conectada. Há continuidade? Sim – Sem contato ou mau-contato no conector do interruptor do relé de partida. Não – Interruptor do relé de partida defeituoso. O motor de partida funciona quando a transmissão está em ponto-morto, mas não funciona com a transmissão em qualquer outra posição exceto o ponto-morto, com o cavalete lateral recolhido e a alavanca da embreagem acionada. 1. Inspeção do Interruptor da Embreagem Inspecione o funcionamento do interruptor da embreagem (página 20-22). Está o interruptor da embreagem funcionando normalmente? Sim – Vá para a etapa 2. Não – Interruptor da embreagem defeituoso. 2. Inspeção do Interruptor do Cavalete Lateral Inspecione o funcionamento do interruptor do cavalete lateral (página 20-23). Está o interruptor do cavalete lateral funcionando normalmente? Sim – • Circuito aberto na fiação. • Sem contato ou mau-contato no conector. Não – Interruptor do cavalete lateral defeituoso (página 20-23). O motor de partida gira muito lentamente • Baixa voltagem da bateria. • Mau-contato nos cabos do terminal da bateria. • Mau-contato nos cabos do motor de partida. • Motor de partida defeituoso. • Mau-contato no cabo do terra da bateria. O motor de partida funciona, mas o motor não • O motor de partida funciona em sentido contrário – Carcaça montada inadequadamente – Terminais conectados inadequadamente • Embreagem de partida defeituosa • Engrenagem intermediária de partida e/ou engrenagem redutora de partida defeituosa ou danificada. O interruptor do relé de partida emite um ruído “clique”, mas o motor não é acionado • A árvore de manivelas não gira devido a problemas no motor. 19-5
  • 446.
    PARTIDA ELÉTRICA SHADOW 750 TAMPA PORCA DO TERMINAL MOTOR DE PARTIDA REMOÇÃO Desconecte o cabo negativo (-) da bateria (página 17-6). Abra a tampa do terminal e remova sua porca. Desconecte o cabo do motor de partida. CABO DO MOTOR DE PARTIDA CABO DO TERRA MOTOR DE PARTIDA Remova os parafusos e o cabo do terra. Remova o motor de partida da carcaça do motor. PARAFUSOS ANEL DE VEDAÇÃO Remova o anel de vedação do motor de partida. PARAFUSOS/ANEL DE VEDAÇÃO DESMONTAGEM/INSPEÇÃO Remova os parafusos de montagem e anéis de vedação. 19-6
  • 447.
    SHADOW 750 PARTIDA ELÉTRICA TAMPA DIANTEIRA Remova a tampa dianteira e o anel de vedação. ANEL DE VEDAÇÃO TAMPA TRASEIRA ANEL DE VEDAÇÃO Remova a carcaça do motor de partida e o anel de vedação. Remova o induzido da tampa traseira. INDUZIDO CARCAÇA DO MOTOR DE PARTIDA ESCOVAS/MOLAS Remova as escovas e molas do suporte de escovas. Remova o limitador da tampa traseira. LIMITADOR HÁ CONTINUIDADE: ESCOVAS POSITIVAS Inspecione a continuidade entre o terminal do cabo do motor de partida e as escovas positivas. Deve haver continuidade. TERMINAL DO CABO DO MOTOR DE PARTIDA 19-7
  • 448.
    PARTIDA ELÉTRICA SHADOW 750 TAMPA TRASEIRA ESCOVAS NEGATIVAS Inspecione a continuidade entre as escovas positivas e a tampa traseira. Não deve haver continuidade. Inspecione a continuidade entre as escovas negativas e a tampa traseira. Deve haver continuidade. Inspecione a continuidade entre as escovas positivas e negativas. Não deve haver continuidade. ESCOVAS POSITIVAS PARAFUSO Remova o parafuso e as escovas negativas. ESCOVAS NEGATIVAS LIMITADOR DO TERMINAL ISOLANTE Remova os seguintes componentes: – Porca do terminal – Arruela – Isolante – Limitador do terminal – Anel de vedação ANEL DE VEDAÇÃO ARRUELA PORCA ESCOVAS POSITIVAS Remova o parafuso do terminal, as escovas positivas e o suporte de escovas. Inspecione o suporte de escovas quanto a trincas ou danos. SUPORTE DE ESCOVAS PARAFUSO DO TERMINAL 19-8
  • 449.
    SHADOW 750 PARTIDA ELÉTRICA Meça o comprimento de cada escova. Limite de Uso 6,5 mm INDUZIDO Inspecione o comutador quanto a danos ou desgaste anormal. Inspecione as barras comutadoras quanto a descoloração. Limpe os resíduos metálicos localizados entre as barras comutadoras. NOTA Não utilize esmeril ou lixa no comutador. Substitua o induzido por um novo, se necessário. HÁ CONTINUIDADE: BARRAS COMUTADORAS Inspecione a continuidade entre os pares de barras comutadoras. Deve haver continuidade. NÃO HÁ CONTINUIDADE: BARRA COMUTADORA Inspecione a continuidade entre cada barra comutadora individual e o eixo do induzido. Não deve haver continuidade. EIXO DO INDUZIDO 19-9
  • 450.
    PARTIDA ELÉTRICA SHADOW 750 ROLAMENTO DE ESFERAS RETENTOR DE PÓ Inspecione o retentor de pó e o rolamento de esferas quanto a desgaste ou danos. Verifique se o rolamento de esferas gira suavemente. BUCHA Inspecione a bucha da tampa traseira quanto a desgaste ou danos. MONTAGEM ANEL DE VEDAÇÃO ANEL DE VEDAÇÃO 4,9 N.m (0,5 kgf.m) TAMPA DIANTEIRA ANEL DE VEDAÇÃO PARAFUSO DO TERMINAL CARCAÇA DO MOTOR DE PARTIDA INDUZIDO ANEL DE VEDAÇÃO ESCOVAS POSITIVAS 3,7 N.m (0,4 kgf.m) ISOLANTE ESCOVAS NEGATIVAS ARRUELA MOLA SUPORTE DE PORCA ESCOVAS LIMITADOR TAMPA TRASEIRA ANEL DE LIMITADOR DO TERMINAL VEDAÇÃO 19-10
  • 451.
    SHADOW 750 PARTIDA ELÉTRICA SUPORTE DE ESCOVAS Instale o suporte de escovas, as escovas positivas e o parafuso do terminal. ESCOVAS POSITIVAS PARAFUSO DO TERMINAL LIMITADOR DO TERMINAL ISOLANTE Instale um novo anel de vedação, o limitador do terminal, o isolante e a arruela. ANEL DE VEDAÇÃO ARRUELA PORCA Instale e aperte seguramente a porca do terminal. PARAFUSO ESCOVAS NEGATIVAS Instale as escovas negativas e o parafuso. Aperte o parafuso no torque especificado. Torque: 3,7 N.m (0,4 kgf.m) 19-11
  • 452.
    PARTIDA ELÉTRICA SHADOW 750 MOLAS Instale as molas da escova nas ranhuras do suporte de escovas. Instale o limitador na tampa traseira. LIMITADOR ESCOVAS Instale as escovas no suporte de escovas. INDUZIDO Instale o induzido na tampa traseira. TAMPA TRASEIRA ANEL DE VEDAÇÃO Instale um novo anel de vedação na carcaça do motor de partida. Instale a carcaça do motor de partida, alinhando sua ranhura com o limitador da tampa traseira. NOTA A bobina pode ser danificada caso o imã atraia o induzido contra a carcaça. Alinhe CARCAÇA DO MOTOR DE PARTIDA 19-12
  • 453.
    SHADOW 750 PARTIDA ELÉTRICA TAMPA DIANTEIRA Instale um novo anel de vedação na carcaça do motor de partida. Instale a tampa dianteira na carcaça do motor de partida. ANEL DE VEDAÇÃO Alinhe Alinhe as marcas de referência na tampa dianteira, na carcaça do motor de partida e na tampa traseira. ANÉIS DE VEDAÇÃO Instale novos anéis de vedação nos parafusos de montagem. Instale a aperte os parafusos de montagem no torque especificado. Torque: 4,9 N.m (0,5 kgf.m) PARAFUSOS ANEL DE VEDAÇÃO INSTALAÇÃO Aplique óleo para motor em um novo anel de vedação e instale-o na ranhura do motor de partida. 19-13
  • 454.
    PARTIDA ELÉTRICA SHADOW 750 CABO DO TERRA MOTOR DE PARTIDA Instale o motor de partida na carcaça do motor, pelo lado direito. Conecte o cabo do terra. NOTA Passe adequadamente o cabo (página 1-20). Instale e aperte seguramente os parafusos. PARAFUSOS TAMPA PORCA DO TERMINAL Conecte o cabo do motor de partida. NOTA Passe adequadamente o cabo (página 1-20). Instale e aperte a porca do terminal no torque especificado. Torque: 10 N.m (1,0 kgf.m) Feche a tampa do terminal. Conecte o cabo negativo (–) da bateria (página 17-6). CABO DO MOTOR DE PARTIDA INTERRUPTOR DO RELÉ DE PARTIDA INTERRUPTOR DO RELÉ DE PARTIDA INSPEÇÃO Remova a tampa lateral direita (página 2-4). Coloque a transmissão em ponto-morto. Ligue o interruptor de ignição e posicione o interruptor do motor em “ ”. Acione o interruptor de partida. A bobina está normal se o interruptor do relé de partida emitir um ruído “clique”. Caso o interruptor não emita um ruído “clique”, inspecione o interruptor do relé de partida através do procedimento a seguir. Voltagem do Relé de Partida Puxe o interruptor do relé de partida do compartimento da bateria, mantendo o conector 4P (Vermelho) do interruptor do relé de partida acoplado. Coloque a transmissão em ponto-morto. Ligue o interruptor de ignição e posicione o interruptor do motor em “ ”. Meça a voltagem entre o terminal do fio Amarelo/Vermelho (+) e o terra (–). Se for indicada a voltagem da bateria quando o interruptor de partida é acionado, o circuito de alimentação da bobina do relé está normal. CONECTOR 4P (Vermelho) 19-14
  • 455.
    SHADOW 750 PARTIDA ELÉTRICA CONECTOR 4P (Vermelho) Linha do Terra Desacople o conector 4P (Vermelho) do interruptor do relé de partida. Inspecione a continuidade entre o terminal do fio Verde/Vermelho (linha do terra) e o terra. O circuito do terra da bobina do relé está funcionando normalmente se houver continuidade quando a transmissão estiver em ponto-morto ou quando a embreagem estiver desengatada e o cavalete lateral retraído (em ponto-morto, deve ser observada uma pequena resistência devido ao diodo). Inspeção de Funcionamento Remova o interruptor do relé de partida (página 19-15). Conecte um ohmímetro entre os terminais maiores do interruptor do relé de partida. Conecte o cabo positivo (+) de uma bateria de 12 V completamente carregada ao terminal Amarelo/Vermelho do interruptor do relé de partida e o cabo negativo (-) ao terminal Verde/Vermelho. Deve haver continuidade entre os terminais dos cabos Amarelo/Vermelho Verde/Vermelho enquanto a bateria estiver conectada, e não deve haver continuidade quando a bateria estiver desconectada. INTERRUPTOR DO RELÉ DE PARTIDA REMOÇÃO/INSTALAÇÃO Remova a tampa lateral direita (página 2-4). Desligue o interruptor de ignição. Desconecte o cabo negativo (–) da bateria (página 17-6). Puxe o interruptor do relé de partida do compartimento da bateria. PARAFUSOS ALLEN CONECTOR 4P (Vermelho) Desacople o conector 4P (Vermelho) do interruptor do relé de partida. Remova os parafusos Allen e os cabos. A instalação é feita na ordem inversa da remoção. CABOS 19-15
  • 456.
    PARTIDA ELÉTRICA SHADOW 750 TAMPA DA CAIXA DE FUSÍVEIS DIODO INSPEÇÃO Remova a tampa lateral direita (página 2-4). Abra a tampa da caixa de fusíveis A. Remova o diodo. DIODO DIODO Inspecione a continuidade entre os terminais do diodo. Quando houver continuidade, deve ser observado um pequeno valor de resistência. B O diodo está funcionando normalmente se houver continuidade somente em uma direção. A C A B C 19-16
  • 457.
    SHADOW 750 20. ILUMINAÇÃO/INSTRUMENTOS/ INTERRUPTORES LOCALIZAÇÃO DOS COMPONENTES 20-2 SENSOR DE RESERVA DE COMBUSTÍVEL 20-16 INFORMAÇÕES DE SERVIÇO 20-3 INDICADOR DE PRESSÃO DE ÓLEO 20-18 FAROL 20-5 INTERRUPTOR DE IGNIÇÃO 20-19 LUZ DE POSIÇÃO 20-6 INTERRUPTOR DO GUIDÃO 20-20 SINALEIRA 20-6 INTERRUPTOR DA LUZ DE FREIO 20-21 INDICADOR DE FAROL ALTO/RESERVA DE COMBUSTÍVEL/SINALEIRA 20-8 INTERRUPTOR DA EMBREAGEM 20-22 LANTERNA/LUZ DE FREIO 20-8 INTERRUPTOR DE PONTO-MORTO 20-23 LUZ DA PLACA DE LICENÇA 20-9 INTERRUPTOR DO CAVALETE LATERAL 20-23 VELOCÍMETRO/SENSOR VS 20-10 BUZINA 20-25 INDICADOR DE TEMPERATURA RELÉ DA SINALEIRA 20-25 DO LÍQUIDO DE ARREFECIMENTO/ SENSOR ECT 20-15 20-1
  • 458.
    ILUMINAÇÃO/INSTRUMENTOS/INTERRUPTORES SHADOW 750 LOCALIZAÇÃO DO SISTEMA INTERRUPTOR INTERRUPTOR DA LUZ ESQUERDO DO GUIDÃO DO FREIO DIANTEIRO VELOCÍMETRO INTERRUPTOR LUZES INDICADORAS DIREITO DO GUIDÃO INTERRUPTOR DA EMBREAGEM SENSOR ECT SENSOR DE RESERVA RELÉ DA DE COMBUSTÍVEL SINALEIRA CAIXA DE FUSÍVEIS BUZINA INTERRUPTOR DA LUZ DO FREIO TRASEIRO INTERRUPTOR DE INTERRUPTOR EOP PONTO-MORTO SENSOR VS INTERRUPTOR DO CAVALETE LATERAL 20-2
  • 459.
    SHADOW 750 ILUMINAÇÃO/INSTRUMENTOS/INTERRUPTORES INFORMAÇÕES DE SERVIÇO INFORMAÇÕES GERAIS NOTA Observe o seguinte itens ao substituir a lâmpada halógena do farol: • Vista luvas limpas para substituir a lâmpada. Não deixe impressões digitais na lâmpada do farol, pois podem causar manchas quentes na lâmpada e provar sua queima prematuramente. • Caso você toque a lâmpada com as mãos descobertas, limpe-a utilizando um pano umedecido com álcool a fim de evitar desgaste precoce. • Certifique-se de instalar o protetor de pó após a substituição da lâmpada do farol. • A lâmpada halógena do farol torna-se muito quente enquanto o farol estiver aceso, e permanece quente por um período após o seu desligamento. Certifique-se de que a lâmpada tenha esfriado antes de executar reparos. • Verifique as condições da bateria antes de executar qualquer inspeção que necessite da correta voltagem da bateria. • Testes de continuidade podem ser executados com os interruptores instalados na motocicleta. • Os seguintes códigos de cores são utilizados neste capítulo: Bu: Azul G: Verde Lg: Verde claro R: Vermelho Bl: Preto Gr: Cinza O: Laranja W: Branco Br: Marrom Lb: Azul claro Y: Amarelo ESPECIFICAÇÕES Item Especificação Lâmpadas Farol 12 V – 60/55 W Luz de posição 12 V – 5 W Lanterna/luz de freio 12 V – 21/5 W Luz da placa de licença 12 V – 5 W Sinaleira 12 V – 21 W x 4 Iluminação do painel de instrumentos LED x 7 Indicador da sinaleira 12 V – 3,4 W Indicador de farol alto 12 V – 3,4 W Indicador de reserva de combustível 12 V – 3,4 W Indicador de ponto-morto LED Indicador de pressão de óleo LED Indicador de temperatura LED do líquido de arrefecimento MIL LED Indicador do HISS LED Fusíveis Fusível principal 30 A Fusível FI 15 A Fusível secundário 10 A x 5, 20 A x 1 20-3
  • 460.
    ILUMINAÇÃO/INSTRUMENTOS/INTERRUPTORES SHADOW 750 VALORES DE TORQUE Parafuso de fixação do interruptor de ignição 12 N.m (1,2 kgf.m) Interruptor de ponto-morto 12 N.m (1,2 kgf.m) Parafuso do interruptor do cavalete lateral 10 N.m (1,0 kgf.m) Parafuso ALOC; substitua-o por um novo. Parafuso de fixação da buzina 21 N.m (2,1 kgf.m) Parafuso Allen de fixação do velocímetro 10 N.m (1,0 kgf.m) Parafuso do terminal do interruptor EOP 1,9 N.m (0,2 kgf.m) Parafuso de fixação do farol 4,1 N.m (0,4 kgf.m) Porca de fixação da carcaça do farol 12 N.m (1,2 kgf.m) Parafuso das lentes das sinaleiras 1 N.m (0,1 kgf.m) Parafuso Allen de fixação da sinaleira dianteira 5,1 N.m (0,5 kgf.m) Parafuso Allen de fixação da sinaleira traseira 6,7 N.m (0,7 kgf.m) Porca de fixação da lanterna/luz de freio 6,3 N.m (0,6 kgf.m) Parafuso de fixação do sensor VS 9,8 N.m (1,0 kgf.m) Sensor de reserva de combustível 23 N.m (2,3 kgf.m) FERRAMENTA Fiação de teste 07GMJ-ML80100 20-4
  • 461.
    SHADOW 750 ILUMINAÇÃO/INSTRUMENTOS/INTERRUPTORES FAROL CONECTOR CONECTOR DA LUZ DE POSIÇÃO DO FAROL SUBSTITUIÇÃO DA LÂMPADA Remova os parafusos, os espaçadores e o farol de sua carcaça. Desacople os conectores 3P (Branco) do farol e 2P (Branco) da luz de posição. FAROL PARAFUSOS/ESPAÇADORES Remova o protetor de pó. MARCA “TOP” RETENTOR Solte o retentor e remova a lâmpada. NOTA Evite tocar na lâmpada halógena do farol. Marcas digitais podem criar pontos quentes na lâmpada e provocar sua queima prematuramente. Instale uma nova lâmpada, alinhando suas lingüetas com as ranhuras no farol. LÂMPADA PROTETOR DE PÓ Encaixe o retentor. Instale o protetor de pó, mantendo sua marca “TOP” voltada para cima. Acople os conectores 3P (Branco) do farol e 2P (Branco) da CONECTOR DA luz de posição. LUZ DE POSIÇÃO Alinhe Instale o farol em sua carcaça, alinhando o fixador do farol com a lingüeta de sua carcaça. Instale os espaçadores e parafusos. Aperte os parafusos no torque especificado. Torque: 4,1 N.m (0,4 kgf.m) FAROL CONECTOR PARAFUSOS/ DO FAROL ESPAÇADORES REMOÇÃO/INSTALAÇÃO DA CARCAÇA DO FAROL CARCAÇA DO FAROL PRESILHAS Remova os seguintes componentes: – Farol (20-5) – Sinaleira dianteira (página 20-7) Solte a fiação de suas presilhas. Remova a fiação da carcaça do farol. 20-5
  • 462.
    ILUMINAÇÃO/INSTRUMENTOS/INTERRUPTORES SHADOW 750 Remova a porca de fixação, a porca de ajuste, os parafusos e PORCA DE FIXAÇÃO PORCA DE AJUSTE a carcaça do farol de seu suporte. Instale a carcaça do farol na ordem inversa da remoção. NOTA Passe adequadamente a fiação (página 1-20). Torque: Porca de fixação da carcaça do farol 12 N.m (1,2 kgf.m) PARAFUSOS Ajuste o facho de luz do farol (página 3-21). CARCAÇA DO FAROL LUZ DE POSIÇÃO SUBSTITUIÇÃO DA LÂMPADA LÂMPADA Remova o farol (página 20-5). Remova o soquete da lâmpada da luz de posição. Remova a lâmpada e substitua-a por uma nova. A instalação é feita na ordem inversa da remoção. SOQUETE SINALEIRA LÂMPADA LENTE SUBSTITUIÇÃO DA LÂMPADA Remova o parafuso e a lente da sinaleira. Empurre a lâmpada para dentro e gire-a em sentido anti- horário para removê-la de seu soquete. Em seguida, substitua-a por uma nova. Certifique-se de que a junta da lente esteja instalada em sua correta posição e em boas condições; substitua-a por uma nova, se necessário. PARAFUSO JUNTA Instale a lente, alinhando suas fendas com as lingüetas da sinaleira. Instale e aperte o parafuso da lente da sinaleira no torque especificado. Torque: 1 N.m (0,1 kgf.m) 20-6
  • 463.
    SHADOW 750 ILUMINAÇÃO/INSTRUMENTOS/INTERRUPTORES REMOÇÃO/INSTALAÇÃO CARCAÇA DO FAROL Dianteira Remova o farol (página 20-5). Desacople os conectores 3P da sinaleira. • Azul claro: conector da sinaleira direita • Laranja: conector da sinaleira esquerda CONECTORES 3P Remova os parafusos, os espaçadores e o conjunto da tampa da sinaleira. SINALEIRA Remova os parafusos e os suportes A e B da tampa da sinaleira. Remova o parafuso Allen e o suporte A da sinaleira. SUPORTE B A instalação é feita na ordem inversa da remoção. PARAFUSO NOTA ALLEN Passe adequadamente a fiação (página 1-20). Alinhe Torque: SUPORTE A Parafuso Allen de fixação PARAFUSOS da sinaleira dianteira 5,1 N.m (0,5 kgf.m) NOTA Instale a sinaleira, alinhando sua lingüeta com a fenda do suporte A. CONJUNTO DA TAMPA Traseira PARAFUSO ESPAÇADOR Remova o pára-lama traseiro (página 2-7). Remova o parafuso Allen e a sinaleira do trilho de fixação. Instale a sinaleira, alinhando sua lingüeta com a fenda do trilho de fixação. SINALEIRA NOTA Alinhe Passe adequadamente a fiação (página 1-20). Instale e aperte o parafuso Allen de fixação da sinaleira traseira no torque especificado. Torque: 6,7 N.m (0,7 kgf.m) Instale o pára-lama traseiro (página 2-7). TRILHO DE FIXAÇÃO PARAFUSO ALLEN 20-7
  • 464.
    ILUMINAÇÃO/INSTRUMENTOS/INTERRUPTORES SHADOW 750 INDICADOR DE FAROL ALTO/RESERVA DE LENTE DO INDICADOR DE RESERVA DE COMBUSTÍVEL LENTE DO INDICADOR COMBUSTÍVEL/SINALEIRA DA SINALEIRA SUBSTITUIÇÃO DA LÂMPADA LÂMPADA Remova a lente do indicador. Empurre o soquete da lâmpada para baixo e remova-o em seguida. Remova a lâmpada e substitua-a por uma nova. LENTE DO Instale os componentes removidos na ordem inversa da SOQUETE LINGÜETA INDICADOR DE remoção. FAROL ALTO NOTA Instale o soquete da lâmpada, mantendo sua lingüeta JUNTA PARAFUSOS voltada para trás. LANTERNA/LUZ DE FREIO SUBSTITUIÇÃO DA LÂMPADA Remova os parafusos e as lentes da lanterna/luz de freio. Empurre a lâmpada para dentro e gire-a em sentido anti- LENTE LÂMPADA horário para removê-la de seu soquete. Em seguida, substitua-a por uma nova. Certifique-se de que a junta da lente esteja instalada em sua correta posição e em boas condições; substitua-a por uma nova, se necessário. PRESILHAS Instale os componentes removidos na ordem inversa da remoção. REMOÇÃO/INSTALAÇÃO Remova os seguintes componentes: – Pára-lama traseiro (página 2-7) – Luz da placa de licença (página 20-9) Solte a fiação da lanterna/luz de freio de suas presilhas. 20-8
  • 465.
    SHADOW 750 ILUMINAÇÃO/INSTRUMENTOS/INTERRUPTORES Remova as porcas, os espaçadores e a lanterna/luz de freio. LANTERNA/LUZ DE FREIO A instalação é feita na ordem inversa da remoção. NOTA Passe adequadamente a fiação (página 1-20). Torque: Porca de fixação da lanterna/luz de freio 6,3 N.m (0,6 kgf.m) PORCAS/ESPAÇADORES LUZ DA PLACA DE LICENÇA TAMPA DA LUZ DA PLACA DE LICENÇA SUBSTITUIÇÃO DA LÂMPADA Remova os parafusos e tampa da luz da placa de licença. Remova a lâmpada e substitua-a por uma nova. Certifique-se de que a junta da lente esteja instalada em sua correta posição e em boas condições; substitua-a por uma nova, se necessário. LÂMPADA JUNTA PARAFUSOS Instale os componentes removidos na ordem inversa da remoção. REMOÇÃO CONJUNTO DA LUZ DA PLACA DE LICENÇA Remova as porcas, os espaçadores, a borracha e o conjunto ESPAÇADOR da luz da placa de licença. Desacople o conector 2P (Branco) da luz da placa de licença. BORRACHA PORCAS CONECTOR 2P (Branco) 20-9
  • 466.
    ILUMINAÇÃO/INSTRUMENTOS/INTERRUPTORES SHADOW 750 DESMONTAGEM/MONTAGEM Remova a luz da placa de licença (página 20-9). Remova os parafusos, o suporte da placa de licença, o suporte da base e o conjunto do suporte/base da luz da placa de licença. Remova as porcas e a base da luz da placa de licença. A montagem é feita na ordem inversa da desmontagem. BASE DA LUZ DA PLACA DE LICENÇA SUPORTE SUPORTE DA PLACA DE LICENÇA SUPORTE DA BASE SUPORTE DA LUZ DA PLACA DE LICENÇA PARAFUSOS INSTALAÇÃO A instalação é feita na ordem inversa da remoção. VELOCÍMETRO/SENSOR VS INSPEÇÃO DA LINHA DE ALIMENTAÇÃO/TERRA Remova o conjunto do velocímetro (página 20-12). Br Linha de Entrada de Alimentação Meça a voltagem entre o terminal do fio Marrom (+) do conector 12P do velocímetro e o terra (-). Deve ser indicada a voltagem da bateria quando o interruptor de ignição estiver ligado. Caso não haja voltagem, execute as seguintes inspeções: – Fio Marrom quanto a circuito aberto CONECTOR 12P DO VELOCÍMETRO – Fusível secundário 10 A (painel de instrumentos) queimado (Lado da fiação dos terminais fêmeas) 20-10
  • 467.
    SHADOW 750 ILUMINAÇÃO/INSTRUMENTOS/INTERRUPTORES Linha do Terra G/Bl Inspecione a continuidade entre o terminal do fio Verde/Preto e o terra. Deve haver continuidade em todas as situações. Caso não haja continuidade, inspecione quanto a circuito aberto no fio Verde/Preto. CONECTOR 12P DO VELOCÍMETRO (Lado da fiação dos terminais fêmeas) Linha de Voltagem Auxiliar CONECTOR 12P DO VELOCÍMETRO (Lado da fiação dos terminais fêmeas) Inspecione esta linha caso o hodômetro/hodômetro parcial não funcione corretamente. Meça a voltagem entre o terminal do fio Rosa (+) e o terra (-). Deve haver a voltagem da bateria em todas as situações. P Caso não haja voltagem, execute as seguintes inspeções: – Circuito aberto no fio Rosa – Fusível secundário 10 A (Hodômetro) queimado – Circuito aberto no fio Vermelho entre a caixa de fusíveis e a bateria INSPEÇÃO DO VELOCÍMETRO CONECTOR 12P DO VELOCÍMETRO (Lado da fiação dos terminais fêmeas) O velocímetro não funciona Inspecione se os indicadores funcionam adequadamente. Caso não funcionem, inspecione a linha de alimentação/terra (página 20-10). G/Bl Remova o conjunto do velocímetro (página 20-12). Apóie seguramente a motocicleta e levante a roda traseira do solo. P/G Coloque a transmissão em ponto-morto e ligue o interruptor de ignição. Meça a voltagem entre os terminais dos fios Rosa/Verde (+) e Verde/Preto (-) do conector do velocímetro. Gire lenta e manualmente a roda traseira. Deve ser indicado um pulso de voltagem oscilando entre 0 e 5 V. • Caso o pulso de voltagem seja indicado, substitua o velocímetro. • Caso o pulso de voltagem não seja indicado, execute as seguintes inspeções: – Fio Rosa/Verde quanto a circuito aberto ou curto-circuito. – Fio Verde/Preto quanto a circuito aberto. Se a fiação estiver normal, inspecione o sensor VS (página 20-13). 20-11
  • 468.
    ILUMINAÇÃO/INSTRUMENTOS/INTERRUPTORES SHADOW 750 CONJUNTO DO VELOCÍMETRO INSTALAÇÃO/REMOÇÃO DO VELOCÍMETRO Remova os parafusos e o conjunto do velocímetro do tanque de combustível. Remova o protetor de pó e desacople o conector 12P do velocímetro. PARAFUSOS CONECTOR 12P/PROTETOR DE PÓ INTERRUPTOR DO HODÔMETRO PARCIAL Remova os parafusos, a tampa do interruptor e o interruptor do hodômetro parcial. PARAFUSOS TAMPA PRESILHA VELOCÍMETRO Remova os parafusos, a presilha, o velocímetro e o anel de vedação. Certifique-se de que o anel de vedação esteja em boas condições. Substitua-o se necessário. ANEL DE VEDAÇÃO PARAFUSOS Instale os componentes removidos na tampa do velocímetro PRESILHA ANEL DE VEDAÇÃO VELOCÍMETRO na ordem inversa da remoção. NOTA TAMPA DO Instale o interruptor do hodômetro parcial, mantendo sua INTERRUPTOR guia voltada para baixo. INTERRUPTOR DO GUIA HODÔMETRO PARCIAL 20-12
  • 469.
    SHADOW 750 ILUMINAÇÃO/INSTRUMENTOS/INTERRUPTORES Acople o conector 12P do velocímetro e instale o protetor de CONECTOR 12P pó. Instale o conjunto do velocímetro sobre o tanque de combustível, alinhando a lingüeta do tanque de combustível com a fenda do painel de instrumentos. PARAFUSOS Instale e aperte os parafusos no torque especificado. Torque: 10 N.m (1,0 kgf.m) PROTETOR DE PÓ CONECTOR 3P (Branco) INSPEÇÃO DO SENSOR VS Remova a tampa lateral esquerda (página 2-4). Desacople o conector 3P (Branco) do sensor VS. Ligue o interruptor de ignição e meça a voltagem no conector 3P (Branco), no lado da fiação. CONECTOR 3P DO SENSOR VS (Lado da fiação dos terminais fêmeas) Conexão: Marrom (+) – Verde/Preto (-) Deve ser indicada a voltagem da bateria. Caso não haja voltagem, inspecione quanto a circuito aberto Br G/Bl nos fios Marrom e Verde/Preto. Apóie seguramente a motocicleta e levante a roda traseira do solo. Conecte a fiação de teste no conector 3P (Branco) do sensor VS. Ferramenta: CONECTOR 3P (Branco) Fiação de teste 07GMJ-ML80100 Meça a voltagem entre o terminal Vermelho (+) e o terminal Branco (-). Conexão: terminal Vermelho (+) – terminal Branco (-) Padrão: oscilando entre 0 e 5 V Coloque a transmissão em ponto-morto e ligue o interruptor de ignição. Gire lenta e manualmente a roda traseira. Caso o pulso de voltagem não seja indicado, substitua o sensor VS. FIAÇÃO DE TESTE 20-13
  • 470.
    ILUMINAÇÃO/INSTRUMENTOS/INTERRUPTORES SHADOW 750 CONECTOR 3P (Branco) SUBSTITUIÇÃO DO SENSOR VS Remova os seguintes componentes: – Tampa lateral esquerda (página 2-4) – Tampa traseira esquerda da carcaça do motor (página 2-4) Solte a cinta da fiação e desacople o conector 3P (Branco) do sensor VS. CINTA DA FIAÇÃO PRESILHAS CINTA DA FIAÇÃO Solte a fiação do sensor VS de suas presilhas e da cinta da fiação. Remova o parafuso e o sensor VS da carcaça do motor. PARAFUSO SENSOR VS ANEL DE VEDAÇÃO Cubra um novo anel de vedação com óleo para motor e instale-o na ranhura do sensor VS. Instale o sensor VS, juntamente com o parafuso de fixação. NOTA Passe adequadamente a fiação do sensor VS (página 1- 20). Aperte o parafuso de fixação no torque especificado. Torque: 9,8 N.m (1,0 kgf.m) SENSOR VS Instale os componentes removidos na ordem inversa da remoção. 20-14
  • 471.
    SHADOW 750 ILUMINAÇÃO/INSTRUMENTOS/INTERRUPTORES INDICADOR DE TEMPERATURA DO LÍQUIDO DE ARREFECIMENTO/SENSOR ECT INSPEÇÃO A temperatura do líquido de arrefecimento está muito alta, mas o indicador não acende Certifique-se de que os indicadores de ponto-morto e pressão INDICADOR DE TEMPERATURA de óleo funcionam adequadamente. DO LÍQUIDO DE ARREFECIMENTO Caso não funcionem, inspecione a linha de entrada de alimentação do velocímetro (página 20-10). Remova as tampas laterais da coluna de direção (página 2-4). Desacople o conector 3P (Cinza) do sensor ECT. Aterre o fio Verde/Azul do conector 3P (Cinza) do sensor ECT utilizando um jumper. Ligue o interruptor de ignição e inspecione o indicador de temperatura do líquido de arrefecimento. • Caso o indicador acenda, inspecione o sensor ECT (página 5-51). • Caso o indicador não acenda, inspecione quanto a circuito aberto no fio Verde/Azul. Se o fio estiver normal, substitua o velocímetro (página 20-12). CONECTOR 3P (Cinza) A temperatura do líquido de arrefecimento está normal, mas o indicador acende Remova as tampas laterais da coluna de direção (página 2-4). Desacople o conector 3P (Cinza) do sensor ECT. Ligue o interruptor de ignição e inspecione o indicador de temperatura do líquido de arrefecimento. • Caso o indicador não acenda, inspecione o sensor ECT (página 20-16). • Caso o indicador acenda, inspecione quanto a curto-circuito no fio Verde/Azul. Se o fio estiver normal, substitua o CONECTOR 3P (Cinza) velocímetro (página 20-12). 20-15
  • 472.
    ILUMINAÇÃO/INSTRUMENTOS/INTERRUPTORES SHADOW 750 INSPEÇÃO DO SENSOR ECT TERMÔMETRO Drene o líquido de arrefecimento do sistema (página 6-7). Remova o sensor ECT (página 5-51). Aqueça o líquido de arrefecimento utilizando um aquecedor elétrico. Mergulhe o sensor ECT em um recipiente contendo líquido de arrefecimento sobre um aquecedor elétrico e inspecione a continuidade no sensor, à medida em que a temperatura do líquido de arrefecimento se eleva. c • Vista luvas isolantes e óculos de proteção adequados. • Mantenha materiais inflamáveis afastados do aquecedor elétrico. SENSOR ECT NOTA . • Mergulhe o sensor ECT em líquido de arrefecimento até atingir suas roscas, mantendo uma altura mínima de 40 mm entre o fundo do recipiente e o sensor. • Mantenha a temperatura constante por pelo menos 3 minutos antes de executar o teste. Uma repentina mudança de temperatura resultará em leituras incorretas. Não permita que o termômetro ou o sensor TERMINAL DO SENSOR ECT encostem no recipiente Conexão: Verde/Azul – Terra Temperatura 50°C 80°C 120°C Resistência 6,8 – 7,4 kΩ 2,1 – 2,7 kΩ 0,6 – 0,8 kΩ Substitua o sensor ECT caso os valores de resistência estejam diferente do especificado. Instale o sensor ECT (página 5-51). SENSOR DE RESERVA DE COMBUSTÍVEL INSPEÇÃO O tanque de combustível está vazio, mas o indicador não acende JUMPER Desacople os conectores do sensor de reserva de combustível. Faça um curto-circuito entre os terminais dos fios Preto/Verde claro e Verde, no lado da fiação, utilizando um jumper. Ligue o interruptor de ignição e inspecione o indicador de reserva de combustível. • Caso o indicador acenda, substitua sensor de reserva de combustível (página 20-18). • Caso o indicador não acenda, inspecione a voltagem no conector 4P do indicador de reserva de combustível/farol alto, como indicado a seguir. CONECTORES 20-16
  • 473.
    SHADOW 750 ILUMINAÇÃO/INSTRUMENTOS/INTERRUPTORES Remova o farol (página 20-5). CONECTOR 4P (Branco) Acople os conectores do sensor de reserva de combustível. Desligue o interruptor de ignição. Desacople o conector 4P (Branco) do indicador de reserva de combustível/farol alto. Meça a voltagem entre os terminais dos fios Marrom (+) e CONECTOR 4P DO INDICADOR DE RESERVA Preto/Verde claro (-) do conector, no lado da fiação. DE COMBUSTÍVEL/FAROL ALTO (Lado da fiação dos terminais fêmeas) Ligue o interruptor de ignição. • Caso seja indicada a voltagem da bateria, inspecione quanto a circuito aberto nos fios Marrom ou Verde claro/Vermelho entre o conector 4P do indicador de reserva de combustível/ Br farol alto e a lâmpada do indicador de reserva de combustível. Se a fiação estiver normal, substitua a lâmpada do indicador de reserva de combustível (página 20-8). • Caso não haja voltagem, inspecione quanto a circuito aberto Bl/Lg no fio Marrom ou Preto/Verde claro. Há combustível suficiente no tanque, mas o indicador permanece aceso Desligue o interruptor de ignição. Bl/Lg Desacople os conectores do sensor de reserva de combustível. Inspecione a continuidade entre o fio Preto/Verde claro e o terra. • Caso haja continuidade, inspecione quanto a curto-circuito no fio Preto/Verde claro. • Caso não haja continuidade, substitua o sensor de reserva de combustível (página 20-18). 20-17
  • 474.
    ILUMINAÇÃO/INSTRUMENTOS/INTERRUPTORES SHADOW 750 SENSOR DE RESERVA DE COMBUSTÍVEL REMOÇÃO/INSTALAÇÃO Remova o tanque de combustível (página 5-40). Drene o combustível em um recipiente aprovado. Remova o sensor de reserva de combustível e o anel de vedação. ANEL DE VEDAÇÃO SENSOR DE RESERVA DE COMBUSTÍVEL Instale um novo anel de vedação no sensor de reserva de combustível. Instale e aperte o sensor de reserva de combustível no torque especificado. Torque: 23 N.m (2,3 kgf.m) Instale o tanque de combustível (página 5-40). NOTA Após a instalação do tanque de combustível, certifique-se de que não haja vazamentos de combustível. ANEL DE VEDAÇÃO INDICADOR DE PRESSÃO DE ÓLEO INSPEÇÃO O indicador não funciona com o interruptor de ignição ligado Certifique-se de que os indicadores de temperatura do líquido de arrefecimento e de ponto-morto funcionam adequadamente. Caso não funcionem adequadamente, inspecione a linha de entrada de alimentação do velocímetro (página 20-10). INDICADOR DE PRESSÃO DE ÓLEO CAPA DE BORRACHA INTERRUPTOR EOP Remova a tampa traseira esquerda da carcaça do motor (página 2-4). Remova a capa de borracha e desconecte a fiação do interruptor EOP, removendo o parafuso do terminal. Aterre o terminal do fio. Ligue o interruptor de ignição e inspecione o indicador de pressão de óleo. • Caso o indicador funcione, substitua o interruptor EOP. • Caso o indicador não funcione, inspecione quanto a circuito aberto no fio Azul/Vermelho. Se o fio estiver normal, substitua o velocímetro (página 20-12). PARAFUSO DO TERMINAL 20-18
  • 475.
    SHADOW 750 ILUMINAÇÃO/INSTRUMENTOS/INTERRUPTORES CAPA DE BORRACHA INTERRUPTOR EOP O indicador permanece aceso enquanto o motor estiver em funcionamento Remova a capa de borracha e desconecte a fiação do interruptor EOP, removendo o parafuso do terminal. Inspecione a continuidade entre o terminal do fio e o terra. • Caso haja continuidade, inspecione quanto a curto-circuito no fio Azul/Vermelho. • Caso não haja continuidade, inspecione a pressão de óleo (página 4-5). Se a pressão de óleo estiver normal, substitua o interruptor EOP. PARAFUSO DO TERMINAL Após a inspeção, conecte a fiação do interruptor EOP e aperte o parafuso do terminal no torque especificado. Torque: 1,9 N.m (0,2 kgf.m) Instale adequadamente a capa de borracha. Instale a tampa traseira esquerda da carcaça do motor (página 2-4). CONECTOR 2P (Branco) INTERRUPTOR DE IGNIÇÃO INSPEÇÃO Remova a tampa lateral esquerda (página 2-4). Desacople o conector 2P (Branco) do interruptor de ignição. Inspecione a continuidade entre os terminais do conector, no lado do interruptor, em cada posição do interruptor. Deve haver continuidade entre os fios com os seguintes códigos de cores, como mostra a tabela. IG BAT 1 CONECTOR 2P (Branco) Ligado O O Desligado Cor R/Bl R REMOÇÃO/INSTALAÇÃO Remova o receptor do imobilizador (página 21-16). Desacople o conector 2P (Branco) do interruptor de ignição. 20-19
  • 476.
    ILUMINAÇÃO/INSTRUMENTOS/INTERRUPTORES SHADOW 750 INTERRUPTOR DE IGNIÇÃO/ ESPAÇADOR/BASE DO INTERRUPTOR Remova os parafusos de fixação e o conjunto do interruptor de ignição. Remova os parafusos, o interruptor de ignição, o espaçador e a base do interruptor de seu suporte. Instale a base do interruptor, o interruptor de ignição e o espaçador em seu suporte. Aperte os novos parafusos no torque especificado. Torque: 12 N.m (1,2 kgf.m) NOTA As cabeças dos parafusos de fixação do interruptor de ignição quebram-se ao apertar os parafusos no torque PARAFUSOS PARAFUSOS DE FIXAÇÃO especificado. ESPAÇADOR Instale o conjunto do interruptor de ignição no chassi. BASE DO Instale e aperte seguramente os parafusos de fixação. INTERRUPTOR Passe adequadamente a fiação do interruptor de ignição (página 1-20). Acople o conector 2P (Branco) do interruptor de ignição. SUPORTE Instale o receptor do imobilizador (página 21-16). Para procedimentos de registro de chaves (quando o PARAFUSOS DE FIXAÇÃO interruptor de ignição estiver defeituoso), consulte página 21-5. INTERRUPTOR DE IGNIÇÃO INTERRUPTOR DO GUIDÃO Remova o farol (página 20-5). CONECTOR 6P (Vermelho) Desacople os seguintes conectores: – Conector 9P (Preto) do interruptor esquerdo do guidão – Conector 6P (Vermelho) do interruptor direito do guidão – Conector 2P (Preto) do comutador do farol Inspecione a continuidade entre os terminais do conector, em todas as posições do interruptor. Deve haver continuidade entre os fios com os seguintes códigos de cores, como mostram as tabelas. CONECTOR 9P CONECTOR 2P INTERRUPTOR DIREITO DO GUIDÃO (Preto) (Preto) Interruptor do Motor IG BAT2 INTERRUPTOR O O DO MOTOR) Cor Bl/W Bl/G Interruptor de Partida ST IG BAT1 HL Solto O O Pressionado O O Cor Y/R Bl/W Bl/R Bu/W INTERRUPTOR DE PARTIDA 20-20
  • 477.
    SHADOW 750 ILUMINAÇÃO/INSTRUMENTOS/INTERRUPTORES INTERRUPTOR ESQUERDO DO GUIDÃO COMUTADOR DO FAROL Interruptor da Sinaleira W R L R O O N L O O Cor Gr Lb O Interruptor da Buzina INTERRUPTOR INTERRUPTOR Ho BAT3 DA SINALEIRA DA BUZINA Solto Pressionado O O Cor Lg W/G Comutador do Farol HL Lo Hi Lo O O (N) O O O Hi O O Cor Bu/W W Bu INTERRUPTOR DA LUZ DE FREIO FREIO DIANTEIRO Desacople os conectores do interruptor da luz de freio e inspecione a continuidade entre os terminais da fiação. Deve haver continuidade quando a alavanca do freio estiver acionada, e não deve haver continuidade quando a alavanca estiver solta. FREIO TRASEIRO Remova as tampas laterais da coluna de direção (página 2-4). Desacople o conector 3P (Cinza) do interruptor da luz do freio traseiro. CONECTOR 3P (Cinza) 20-21
  • 478.
    ILUMINAÇÃO/INSTRUMENTOS/INTERRUPTORES SHADOW 750 Inspecione a continuidade entre os terminais do conector, no lado do interruptor. Deve haver continuidade quando o pedal do freio estiver acionado, e não deve haver continuidade quando o pedal estiver solto. CONECTOR 3P DO INTERRUPTOR DA LUZ DO FREIO TRASEIRO (Lado do interruptor dos terminais fêmeas) CINTA DA FIAÇÃO REMOÇÃO/INSTALAÇÃO DO INTERRUPTOR DA LUZ DO FREIO TRASEIRO Remova as tampas laterais da coluna de direção (página 2-4). Remova a cinta da fiação e desacople o conector 3P (Cinza) do interruptor da luz do freio traseiro. CONECTOR 3P (Cinza) INTERRUPTOR DA LUZ DO FREIO TRASEIRO Solte a mola de retorno e remova o interruptor da luz do freio traseiro. A instalação é feita na ordem inversa da remoção. NOTA Passe adequadamente a fiação (página 1-20). Ajuste o interruptor da luz do freio traseiro (página 3-21). MOLA DE RETORNO INTERRUPTOR DA EMBREAGEM Desacople os conectores do interruptor da embreagem e inspecione a continuidade entre os terminais do interruptor. Deve haver continuidade quando a alavanca da embreagem estiver acionada, e não deve haver continuidade quando a alavanca estiver solta. 20-22
  • 479.
    SHADOW 750 ILUMINAÇÃO/INSTRUMENTOS/INTERRUPTORES INTERRUPTOR DE PONTO-MORTO INTERRUPTOR DE PONTO-MORTO Remova a tampa traseira esquerda da carcaça do motor (página 2-4). INSPEÇÃO Desacople o conector do interruptor de ponto-morto. Inspecione a continuidade entre o terminal do interruptor de ponto-morto e o terra. Deve haver continuidade quando a transmissão estiver colocada em ponto-morto, e não deve haver continuidade CONECTOR quando a transmissão estiver engatada em qualquer marcha INTERRUPTOR DE que não seja o ponto-morto. PONTO-MORTO ARRUELA DE VEDAÇÃO SUBSTITUIÇÃO Desacople o conector do interruptor de ponto-morto. Remova o interruptor de ponto-morto, juntamente com a arruela de vedação, da carcaça do motor. Instale o interruptor de ponto-morto, juntamente com uma nova arruela de vedação, e aperte-o no torque especificado. Torque: 12 N.m (1,2 kgf.m) Acople o conector do interruptor de ponto-morto. CONECTOR Instale a tampa traseira esquerda da carcaça do motor CONECTOR 2P (Verde) (página 2-4). INTERRUPTOR DO CAVALETE LATERAL INSPEÇÃO Remova a tampa traseira esquerda da carcaça do motor (página 2-4). Desacople o conector 2P (Verde) do interruptor do cavalete lateral. Inspecione a continuidade entre os terminais do conector, no lado do interruptor. Deve haver continuidade somente quando o cavalete lateral estiver recolhido, e não deve haver continuidade quando o cavalete lateral estiver abaixado. 20-23
  • 480.
    ILUMINAÇÃO/INSTRUMENTOS/INTERRUPTORES SHADOW 750 BRAÇADEIRA DA FIAÇÃO REMOÇÃO/INSTALAÇÃO Remova os seguintes componentes: – Tampa lateral esquerda (página 2-4) – Tampa traseira esquerda da carcaça do motor (página 2-4) Apóie seguramente a motocicleta. Solte a braçadeira da fiação e desacople o conector 2P (Verde) do interruptor do cavalete lateral. CONECTOR 2P (Verde) BRAÇADEIRA DA FIAÇÃO Solte a fiação do interruptor do cavalete lateral de sua braçadeira e de suas presilhas. PRESILHAS PARAFUSO Remova o parafuso e o interruptor do cavalete lateral. NOTA Não reutilize o parafuso do interruptor do cavalete lateral. INTERRUPTOR DO CAVALETE LATERAL Alinhe Instale o interruptor do cavalete lateral, alinhando seu pino com o orifício do cavalete lateral, e a ranhura do interruptor com o pino do suporte. Alinhe 20-24
  • 481.
    SHADOW 750 ILUMINAÇÃO/INSTRUMENTOS/INTERRUPTORES PARAFUSO Instale um novo parafuso no interruptor do cavalete lateral. Aperte o parafuso no torque especificado. Torque: 10 N.m (1,0 kgf.m) Instale os componentes removidos na ordem inversa da remoção. NOTA Passe adequadamente a fiação do interruptor do cavalete lateral (página 1-20). BUZINA CONECTORES INSPEÇÃO Desacople os conectores da buzina. Conecte uma bateria de 12 V diretamente aos terminais da buzina. A buzina está normal se emitir som quando a bateria de 12 V estiver conectada aos seus terminais. REMOÇÃO/INSTALAÇÃO BATERIA Desacople os conectores da buzina. Remova o parafuso e a buzina. CONECTORES BUZINA Instale a buzina no chassi, alinhando sua superfície lisa com o suporte da buzina. Instale e aperte o parafuso no torque especificado. Torque: 21 N.m (2,1 kgf.m) Acople os conectores. RELÉ DA SINALEIRA A sinaleira não funciona Remova o farol (página 20-5). PARAFUSO Alinhe RELÉ DA SINALEIRA Remova o relé da sinaleira e seu suporte. Remova a capa de borracha e desacople o conector. Conecte os terminais dos fios Branco/Verde e Cinza do conector, no lado da fiação, utilizando um jumper. Ligue o interruptor de ignição e inspecione o funcionamento das sinaleiras, acionando seu interruptor. • Caso a sinaleira não funcione, inspecione quanto a circuito aberto nos fios Branco/Verde e Cinza. • Caso a sinaleira funcione, inspecione os terminais do conector quanto a mau-contato ou terminais corroídos. Se os terminais do conector estiverem em boas condições, substitua o relé da sinaleira. CONECTOR CAPA DE BORRACHA 20-25
  • 482.
  • 483.
    SHADOW 750 21. SISTEMA IMOBILIZADOR (HISS) LOCALIZAÇÃO DO SISTEMA 21-2 DIAGNOSE DE DEFEITOS 21-9 DIAGRAMA DO SISTEMA 21-2 INDICADOR DO IMOBILIZADOR 21-12 INFORMAÇÕES DE SERVIÇO 21-3 ECM 21-13 PROCEDIMENTO DE REGISTRO RECEPTOR IMOBILIZADOR 21-14 DE CHAVES 21-4 INDICAÇÃO DO CÓDIGO DE DIAGNÓSTICO 21-7 21-1
  • 484.
    SISTEMA IMOBILIZADOR (HISS) SHADOW 750 LOCALIZAÇÃO DO SISTEMA INTERRUPTOR DO MOTOR SENSOR DE INCLINAÇÃO DO CHASSI CAIXA DE FUSÍVEIS A • FUSÍVEL SECUNDÁRIO, 10 A (IGNIÇÃO, PARTIDA, INSTRUMENTOS) CAIXA DE FUSÍVEIS B • FUSÍVEL FI, 15 A FUSÍVEL PRINCIPAL, 30 A BATERIA SENSOR CKP INTERRUPTOR DE IGNIÇÃO/ RECEPTOR IMOBILIZADOR ECM RELÉ DE PARADA DO MOTOR DIAGRAMA DO SISTEMA FUSÍVEL SECUNDÁRIO, 10 A (HODÔMETRO) R: Vermelho INTERRUPTOR DE IGNIÇÃO BI: Preto FUSÍVEL SECUNDÁRIO, 10 A (IGNIÇÃO, PARTIDA) Bu: Azul Y: Amarelo RELÉ DE PARADA FUSÍVEL FI, 15 A G: Verde DO MOTOR W: Branco SENSOR DE INCLINAÇÃO O: Laranja DO CHASSI P: Rosa INDICADOR DO RECEPTOR IMOBILIZADOR 3P 3P IMOBILIZADOR (Preto) FUSÍVEL PRINCIPAL, 30 A INTERRUPTOR 4P DO MOTOR BATERIA SENSOR CKP ECM 21-2
  • 485.
    SHADOW 750 SISTEMA IMOBILIZADOR (HISS) INFORMAÇÕES DE SERVIÇO INFORMAÇÕES GERAIS • Ao inspecionar o sistema imobilizador (HISS), siga as etapas da tabela de diagnose de defeitos (página 21-9). • Mantenha a chave imobilizadora afastada de chaves imobilizadoras de outros veículos durante sua utilização. Pode ocorrer o bloqueio do sinal do código da chave, prejudicando o correto funcionamento do sistema. • A chave possui um componente eletrônico incorporado (transponder). Não a deixe cair, chocar-se com outros objetos ou permanecer em locais no veículo onde a temperatura atinja níveis elevados. Não deixe a chave em contato prolongado com a água como, por exemplo, ao lavar as roupas. • O módulo de controle do motor (ECM), bem como a chave codificada devem ser substituídos caso se percam todas as chaves codificadas. • O sistema não funciona utilizando-se uma chave duplicada a não ser que o código seja registrado no transponder através do sistema imobilizador (HISS). • O ECM pode armazenar até quatro chaves codificadas (as quatro chaves podem ser registradas). • Não modifique o sistema imobilizador pois poderá causar falhas no sistema (o motor poderá não dar partida). • Para inspeção no sistema de ignição, consulte a página 18-5. • Para reparos no interruptor de ignição, consulte a página 20-19. • Para inspeção do sistema do interruptor do motor, consulte a página 20-20. • Para inspeção no sistema do sensor de inclinação do chassi, consulte a página 5-52. FERRAMENTAS Adaptador de inspeção Fiação de teste 33P do ECM 07XMZ-MBW0101 070MZ-MCA0100 21-3
  • 486.
    SISTEMA IMOBILIZADOR (HISS) SHADOW 750 PROCEDIMENTOS DE REGISTRO DE CHAVES Quando perder uma chave ou quando uma chave-reserva for solicitada 1. Obtenha uma nova chave codificada. 2. Desgaste a chave de acordo com o formato da chave original. 3. Aplique a voltagem da bateria às linhas do sensor CKP do ECM, utilizando a ferramenta especial (página 21-7). 4. Ligue o interruptor de ignição, utilizando a chave original, e posicione o interruptor do motor “ ”. O indicador do imobilizador acenderá e permanecerá aceso. • O código da chave original foi reconhecido pelo ECM. • Se houver algum problema no sistema imobilizador (HISS), este automaticamente entrará em modo de diagnóstico e o indicador permanecerá aceso por aproximadamente dez segundos. Em seguida, o sistema indicará o código de diagnóstico (página 21-7). 5. Desconecte a presilha vermelha do adaptador de inspeção do terminal positivo (+) da bateria por um período de dois segundos ou superior e conecte-a novamente. O indicador permanecerá aceso por aproximadamente dois segundos e piscará repetidamente por quatro vezes. LIGADO DESLIGADO 2 segundos • O sistema imobilizador (HISS) entrou em modo de registro. O registro de todas as chaves, exceto a chave original inserida no interruptor de ignição foi cancelado (o registro da chave perdida ou das chaves-reserva foi cancelado). A chave-reserva deve ser registrada novamente. 6. Desligue o interruptor de ignição e remova a chave. 7. Ligue o interruptor de ignição utilizando uma nova chave ou a chave-reserva (Nunca utilize uma chave registrada nas etapas anteriores). O indicador acenderá por dois segundos e piscará repetidamente por quatro vezes. LIGADO DESLIGADO 2 segundos • A nova chave ou a chave-reserva foi registrada no ECM. • Caso ocorra algum problema no registro, o sistema entrará em modo de diagnóstico e o indicador permanecerá aceso por aproximadamente dez segundos. Em seguida, o sistema indicará o código de diagnóstico (página 21-8). • Mantenha as outras chaves codificadas afastadas pelo menos 50 mm do receptor do imobilizador. 8. Repita as etapas 6 e 7 para continuar a registrar outras novas chaves. O ECM pode armazenar até quatro chaves codificadas (As quatro chaves podem ser registradas). 9. Desligue o interruptor de ignição, remova o adaptador de inspeção e acople o conector 2P (Vermelho) do sensor CKP. 10. Ligue o interruptor de ignição utilizando uma chave registrada. • O sistema imobilizador (HISS) retornará para o modo normal. 11. Verifique se é possível dar partida no motor utilizando todas as chaves registradas. 21-4
  • 487.
    SHADOW 750 SISTEMA IMOBILIZADOR (HISS) Quando o interruptor de ignição estiver defeituoso 1. Obtenha um novo interruptor de ignição e duas novas chaves codificadas. 2. Remova o interruptor de ignição (página 20-19). 3. Aplique a voltagem de 12 V da bateria às linhas do sensor CKP do ECM, utilizando a ferramenta especial (página 21-7). 4. Posicione a chave original (registrada) próxima ao receptor do imobilizador, de forma que o transponder da chave possa se comunicar com o receptor. 5. Conecte o novo interruptor de ignição à fiação e ligue o interruptor, utilizando uma nova chave codificada (Mantenha o interruptor de ignição afastado do receptor) e mantendo o interruptor do motor posicionado em “ ”. O indicador do imobilizador deverá acender e permanecer aceso. • O código da chave original foi reconhecido pelo ECM. • Se houver algum problema no sistema imobilizador (HISS), o sistema entrará em modo de diagnóstico e o indicador permanecerá aceso por aproximadamente dez segundos. Em seguida, o sistema indicará o código de diagnóstico (página 21-7). 6. Desconecte a presilha vermelha do adaptador de inspeção do terminal positivo (+) da bateria por um período de dois segundos ou superior. Conecte-a novamente em seguida. O indicador permanecerá aceso por aproximadamente dois segundos e piscará repetidamente por quatro vezes. LIGADO DESLIGADO 2 segundos • O sistema imobilizador (HISS) entrará em modo de registro. O registro de todas as chaves, exceto a chave original posicionada próxima do receptor será cancelado. 7. Desligue o interruptor de ignição e remova a chave. 8. Instale o interruptor de ignição (página 20-19). 9. Ligue o interruptor de ignição utilizando a primeira nova chave. O indicador acenderá por dois segundos e piscará repetidamente por quatro vezes. LIGADO DESLIGADO 2 segundos • A primeira chave ou a chave-reserva foi registrada pelo ECM. • Caso ocorra algum problema no registro, o sistema entrará em modo de diagnóstico e o indicador permanecerá aceso por aproximadamente dez segundos. Em seguida, o sistema indicará o código de diagnóstico (página 21-8). 10. Desligue o interruptor de ignição e desacople a presilha vermelha do adaptador de inspeção do terminal positivo (+) da bateria. 11. Ligue o interruptor de ignição (utilizando a primeira chave registrada na etapa 9). O indicador do imobilizador permanecerá aceso por dois segundos e apagará em seguida. • O sistema imobilizador (HISS) retornou para o modo normal. 12. Desligue o interruptor de ignição e acople a presilha vermelha do adaptador de inspeção ao terminal positivo (+) da bateria. 13. Ligue o interruptor de ignição (utilizando a primeira chave registrada na etapa 9). O indicador do imobilizador acenderá e permanecerá aceso. • O código da primeira chave foi reconhecido pelo ECM. • Se houver algum problema no sistema imobilizador (HISS), o sistema entrará em modo de diagnóstico e o indicador permanecerá aceso por aproximadamente dez segundos. Em seguida, o sistema indicará o código de diagnóstico (página 21-7). 14. Desconecte a presilha vermelha do adaptador de inspeção do terminal positivo (+) da bateria por um período de dois segundos ou superior. Conecte-a novamente em seguida. O indicador permanecerá aceso por aproximadamente dois segundos e piscará repetidamente por quatro vezes. • O sistema imobilizador (HISS) entrou em modo de registro. O registro da chave original utilizada na etapa 4 foi cancelado. 15. Desligue o interruptor de ignição e remova a chave. 16. Ligue o interruptor de ignição utilizando uma segunda nova chave (Nunca utilize a chave registrada na etapa anterior). O indicador acenderá por dois segundos e piscará repetidamente por quatro vezes. • A segunda chave ou a chave-reserva foi registrada pelo ECM. • Caso ocorra algum problema no registro, o sistema entrará em modo de diagnóstico e o indicador permanecerá aceso por aproximadamente dez segundos. Em seguida, o sistema indicará o código de diagnóstico (página 21-8). • Mantenha a outra chave codificada afastada pelo menos 50 mm do receptor do imobilizador. 21-5
  • 488.
    SISTEMA IMOBILIZADOR (HISS) SHADOW 750 17. Repita as etapas 15 e 16 para continuar a registrar outras novas chaves. • O ECM pode armazenar até quatro chaves codificadas (As quatro chaves podem ser registradas). 18. Desligue o interruptor de ignição, remova o adaptador de inspeção e acople o conector 2P (Vermelho) do sensor CKP. 19. Ligue o interruptor de ignição utilizando a chave registrada. • O sistema imobilizador (HISS) retornou para o modo normal. 20. Inspecione se é possível dar partida no motor utilizando todas as chaves registradas. Quando perder todas as chaves ou o ECM estiver defeituoso 1. Obtenha um novo ECM juntamente com duas novas chaves codificadas. 2. Desgaste a chave de acordo com o formato da chave original (ou utilize a placa de identificação da chave quando perder todas as chaves). 3. Substitua o ECM por um novo. 4. Ligue o interruptor de ignição, utilizando a primeira nova chave, e posicione o interruptor do motor “ ”. O indicador do imobilizador acenderá por dois segundos e piscará repetidamente por quatro vezes. • A primeira chave foi registrada pelo ECM. • Caso ocorra algum problema no registro, o sistema entrará em modo de diagnóstico e o indicador permanecerá aceso por aproximadamente dez segundos. Em seguida, o sistema indicará o código de diagnóstico (página 21-8). 5. Desligue o interruptor de ignição e remova a primeira chave. 6. Ligue o interruptor de ignição utilizando uma segunda nova chave. O indicador do imobilizador acenderá por dois segundos e piscará repetidamente por quatro vezes. • A segunda chave foi registrada pelo ECM. • Caso ocorra algum problema no registro, o sistema entrará em modo de diagnóstico e o indicador permanecerá aceso por aproximadamente dez segundos. Em seguida, o sistema indicará o código de diagnóstico (página 21-8). 7. Desligue o interruptor de ignição e remova a segunda chave. • O sistema (ECM) não retornará ao modo normal a não ser que pelo menos duas chaves estejam registradas no ECM. • A terceira nova chave não poderá ser registrada em seguida. Quando for necessário registrar uma terceira chave, siga os procedimentos “Quando perder uma chave ou uma chave-reserva for solicitada” (página 21-4). 8. Inspecione se é possível dar partida no motor utilizando todas as chaves registradas. 21-6
  • 489.
    SHADOW 750 SISTEMA IMOBILIZADOR (HISS) INDICAÇÃO DO CÓDIGO DE DIAGNÓSTICO CONECTOR 2P (Vermelho) BATERIA DE 12 V Remova a tampa lateral direita (página 2-4). Desacople o conector 2P (Vermelho) da fiação secundária do sensor CKP. Acople o adaptador de inspeção ao conector, no lado da fiação. Acople a presilha Vermelha do adaptador ao terminal negativo (-). ADAPTADOR DE INSPEÇÃO Ferramentas: Adaptador de inspeção 07XMZ-MBW0101 Ligue o interruptor de ignição, utilizando a chave devidamente registrada, e mantendo o interruptor do motor posicionado em “ ”. O indicador do imobilizador acenderá por aproximadamente dez segundos e começará a piscar para indicar o código de diagnóstico caso o sistema esteja anormal. A freqüência de piscadas será continuamente repetida. O indicador do imobilizador permanecerá aceso quando o sistema estiver normal (O sistema permanece em modo normal e não é indicado o DTC). INDICADOR DO IMOBILIZADOR CÓDIGO DE DIAGNÓSTICO Quando o sistema (ECM) entrar em modo de diagnóstico a partir do modo normal: Modelo de piscadas Sintoma Problema Procedimento LIGADO Os dados do ECM estão ECM defeituoso. Substitua o ECM. DESLI- anormais. GADO 10 seg. Os sinais codificados não Receptor do imobilizador Siga as etapas de diagnose podem ser enviados ou ou fiação defeituosos de defeitos (página 21-9). recebidos. O código de identificação Interferência de outro Mantenha as chaves não é aceito. transponder. codificadas de outros veículos afastadas pelo menos 50 mm do receptor O código secreto não é do imobilizador. aceito. 21-7
  • 490.
    SISTEMA IMOBILIZADOR (HISS) SHADOW 750 Quando o sistema (ECM) entrar em modo de diagnóstico a partir do modo de registro: Modelo de piscadas Sintoma Problema Procedimento LIGADO O registro é sobreposto. A chave já encontra-se Utilize uma nova chave ou DESLI- devidamente registrada. uma chave cancelada. GADO 10 seg. Os sinais codificados não Falha na comunicação. Siga as etapas de diagnose podem ser enviados ou de defeitos (página 21-9). recebidos. Impossível efetuar o A chave já encontra-se Utilize uma nova chave. registro. registrada em outro sistema. 21-8
  • 491.
    SHADOW 750 SISTEMA IMOBILIZADOR (HISS) DIAGNOSE DE DEFEITOS O indicador do imobilizador acende por aproximadamente dois segundos e apaga-se em seguida quando o interruptor de ignição é ligado, utilizando-se uma chave devidamente registrada, o interruptor do motor posicionado em “ ” e o sistema imobilizador funcionando normalmente. Se houver algum problema ou a chave devidamente registrada não for utilizada, o indicador permanecerá aceso. O indicador do imobilizador não acende quando o interruptor de ignição é ligado 1. Inspeção do Fusível Verifique se o fusível secundário, 10 A (Instrumentos) está queimado. Está o fusível queimado? Sim – Substitua o fusível secundário. Não – Vá para a etapa 2. 2. Inspeção do Velocímetro Inspecione se o indicador de ponto-morto acende quando o interruptor de ignição é ligado. O indicador acende? Sim – Vá para a etapa 4. Não – Vá para a etapa 3. 3. Inspeção da Linha de Entrada de Alimentação do Velocímetro Inspecione a linha de entrada de alimentação (fio Marrom) do conector 12P do velocímetro (página 20-10). É indicada uma voltagem de acordo com os valores especificados? Sim – Velocímetro defeituoso. Não – • Circuito aberto no fio Marrom. • Circuito aberto no fio Verde/Preto. 4. Inspeção da Linha do Indicador do Imobilizador no Conector do ECM Inspecione a linha do indicador do imobilizador (fio Branco/Vermelho) no conector 33P (Cinza) do ECM (página 21-13). É indicada uma voltagem de acordo com os valores especificados? Sim – Vá para a etapa 6. Não – Vá para a etapa 5. 5. Inspeção da Linha do Indicador do Imobilizador no Conector do Velocímetro Inspecione a linha do indicador do imobilizador (fio Branco/Vermelho) no conector 12P do velocímetro (página 21-12). É indicada uma voltagem de acordo com os alores especificados? Sim – Velocímetro defeituoso Não – Circuito aberto no fio Branco/Vermelho 6. Inspeção da Linha de Entrada de Alimentação no Conector do ECM Inspecione a linha de entrada de alimentação (fio Preto/Branco) no conector 33P (Preto) do ECM (página 21-13). É indicada uma voltagem de acordo com os valores especificados? Sim – Vá para a etapa 7. Não – • Circuito aberto nos fios Preto/Branco, Vermelho/Branco ou Vermelho/Amarelo. • Relé de parada do motor defeituoso. • Fusível FI,15 A, queimado. 21-9
  • 492.
    SISTEMA IMOBILIZADOR (HISS) SHADOW 750 7. Inspeção da Linha do Terra no Conector do ECM Inspecione a linha do terra (fiação Verde e Verde/Rosa) no conector 33P (Cinza) do ECM (página 21-13). Há continuidade? Sim – • Sem contato ou mau-contato no conector do ECM. • ECM defeituoso. Não – Circuito aberto na fiação Verde ou Verde/Rosa. O indicador do imobilizador permanece aceso com o interruptor de ignição ligado 1. Inspeção de Interferências no Receptor do Imobilizador Verifique se existe obstruções metálicas ou chaves codificadas de outros veículos próximas do receptor do imobilizador e da chave. Há alguma obstrução metálica ou outras chaves? Sim – Remova-as e inspecione novamente. Não – Vá para a etapa 2. 2. Inspeção da Primeira Chave Codificada Ligue o interruptor de ignição, utilizando uma chave-reserva e mantendo o interruptor do motor posicionado em “ ”. Em seguida, inspecione o indicador do imobilizador. O indicador deve acender por dois segundos e apagar-se em seguida. O indicador se apaga? Sim – Primeira chave codificada defeituosa. Não – Vá para a etapa 3. 3. Inspeção do Código de Diagnóstico Execute o procedimento de leitura do código de diagnóstico (página 21-7) e verifique se o indicador do imobilizador começa a piscar. O indicador pisca ou permanece aceso? Pisca – Faça a leitura do código de diagnóstico (página 21-7). Permanece aceso – Vá para a etapa 4. 4. Inspeção da Linha do Indicador do Imobilizador no Conector do ECM Inspecione a linha do indicador do imobilizador (fio Branco/Vermelho) no conector 33P (Cinza) do ECM (página 21-13). É indicada uma voltagem de acordo com os valores especificados? Sim – Vá para a etapa 5. Não – Curto-circuito no fio Branco/Vermelho. 5. Inspeção da Linha do Sensor CKP Inspecione as linhas do sensor CKP (fios Amarelo e Branco/Amarelo) entre os conectores do ECM e do sensor CKP (página 21-14). Há continuidade? Sim – ECM defeituoso. Não – • Circuito aberto no fio Amarelo. • Circuito aberto no fio Branco/Amarelo. 21-10
  • 493.
    SHADOW 750 SISTEMA IMOBILIZADOR (HISS) É indicado o DTC “ ” (Os sinais codificados não podem ser enviados ou recebidos) 1. Inspeção da Linha de Entrada de Alimentação do Receptor do Imobilizador Inspecione a linha de entrada de alimentação (fio Amarelo/Vermelho) no conector 4P (Branco) do receptor do imobilizador (página 21-14). É indicada uma voltagem de aproximadamente 5 V? Sim – Vá para a etapa 2. Não – Circuito aberto ou curto-circuito no fio Amarelo/Vermelho. 2. Inspeção da Linha do Terra do Receptor do Imobilizador Inspecione a linha do terra (fio Verde/Laranja) no conector 4P (Branco) do receptor do imobilizador (página 21-15). Há continuidade? Sim – Vá para a etapa 3. Não – Circuito aberto ou curto-circuito no fio Verde/Laranja. 3. Inspeção da Linha de Sinal do Receptor do Imobilizador Inspecione as linhas de sinal (fios Rosa e Laranja/Azul) entre os conectores 4P (Branco) do receptor do imobilizador e 33P (Cinza) do ECM (página 21-15). Há continuidade? Sim – Receptor do imobilizador defeituoso. Não – • Circuito aberto ou curto-circuito no fio Rosa. • Circuito aberto ou curto-circuito no fio Laranja/Azul. 21-11
  • 494.
    SISTEMA IMOBILIZADOR (HISS) SHADOW 750 CONECTOR 12P INDICADOR DO IMOBILIZADOR Remova o velocímetro (página 20-12). Execute as seguintes inspeções, mantendo o conector 12P do velocímetro acoplado. VELOCÍMETRO INSPEÇÃO DA LINHA DE ENTRADA DE ALIMENTAÇÃO CONECTOR 12P DO VELOCÍMETRO (Vista pelo lado da fiação) Meça a voltagem entre os terminais dos fios Marrom (+) e Verde/Preto (–). Ligue o interruptor de ignição. Deve ser indicada a voltagem da bateria. G/Bl Br INSPEÇÃO DA LINHA DO INDICADOR DO IMOBILIZADOR Meça a voltagem entre o terminal do fio Branco/Vermelho (+) e o terra (–). Ligue o interruptor de ignição. W/R Deve ser indicada a voltagem da bateria. O sistema está normal se não for indicada nenhuma voltagem por aproximadamente dois segundos após o CONECTOR 12P DO interruptor de ignição ser ligado e, em seguida, for indicada a VELOCÍMETRO voltagem da bateria. (Vista pelo lado da fiação) 21-12
  • 495.
    SHADOW 750 SISTEMA IMOBILIZADOR (HISS) ECM Acople a fiação de teste aos conectores 33P do ECM (página 5-14). Execute as seguintes inspeções no conector do ECM, no lado da fiação. INSPEÇÃO DA LINHA DO INDICADOR DO IMOBILIZADOR Meça a voltagem entre o terminal B12 (+) da fiação de teste e o terra (–). Ligue o interruptor de ignição B12 Deve ser indicada a voltagem da bateria. INSPEÇÃO DA LINHA DE ENTRADA DE ALIMENTAÇÃO Meça a voltagem entre o terminal A4 (+) da fiação de teste e o terra (–). Ligue o interruptor de ignição e posicione o interruptor do motor em “ ”. A4 Deve ser indicada a voltagem da bateria. INSPEÇÃO DA LINHA DO TERRA Inspecione a continuidade entre os terminais B4 e A23 da fiação de teste e o terra. Deve haver continuidade em todas as situações. A23 B4 21-13
  • 496.
    SISTEMA IMOBILIZADOR (HISS) SHADOW 750 INSPEÇÃO DA LINHA DO SENSOR CKP Remova a tampa lateral da coluna de direção (página 2-4). Desacople o conector 2P (Vermelho) do sensor CKP. CONECTOR 2P (Vermelho) Inspecione a continuidade dos fios Amarelo e Branco/ Amarelo entre os conectores do terminal da fiação de teste e do sensor CKP. A32 B22 Deve haver continuidade entre os terminais da fiação de mesma cor. W/Y Y CONECTOR 2P DO SENSOR CKP (Lado da fiação dos terminais fêmeas) CONECTOR 4P (Branco) RECEPTOR DO IMOBILIZADOR Remova a tampa lateral esquerda (página 2-4). Desacople o conector 4P (Branco) do receptor do imobilizador. INSPEÇÃO DA LINHA DE ENTRADA DE ALIMENTAÇÃO CONECTOR 4P DO RECEPTOR DO IMOBILIZADOR Meça a voltagem entre o terminal do fio Amarelo/Vermelho (Lado da fiação dos terminais fêmeas) (+) do conector, no lado da fiação, e o terra (–). Ligue o interruptor de ignição e posicione o interruptor do motor em “ ”. Y/R Deve ser indicada uma voltagem de aproximadamente 5 V. 21-14
  • 497.
    SHADOW 750 SISTEMA IMOBILIZADOR (HISS) INSPEÇÃO DA LINHA DO TERRA CONECTOR 4P DO RECEPTOR DO IMOBILIZADOR Inspecione a continuidade entre o terminal do fio (Lado da fiação dos terminais fêmeas) Verde/laranja do conector, no lado da fiação, e o terra. Deve haver continuidade em todas as situações. G/O INSPEÇÃO DA LINHA DE SINAL CONECTOR 4P DO RECEPTOR DO IMOBILIZADOR Meça a voltagem entre o terminal do fio Rosa (+) do conector, (Lado da fiação dos terminais fêmeas) no lado da fiação, e o terra (–). Ligue o interruptor de ignição e posicione o interruptor do motor em “ ”. P Deve ser indicada uma voltagem de aproximadamente 5 V. Desligue o interruptor de ignição. Acople a fiação de teste aos conectores 33P do ECM (página 5-14). B32 Inspecione a continuidade do fio Laranja/Azul entre o receptor do imobilizador e os terminais da fiação de teste. Deve haver continuidade. O/Bu CONECTOR 4P DO RECEPTOR DO IMOBILIZADOR (Lado da fiação dos terminais fêmeas) Acople o conector 33P (Cinza) do ECM. CONECTOR 4P DO RECEPTOR DO IMOBILIZADOR (Lado da fiação dos terminais fêmeas) Inspecione a continuidade entre o terminal do fio Laranja/Azul e o terra. Não deve haver continuidade. O/Bu 21-15
  • 498.
    SISTEMA IMOBILIZADOR (HISS) SHADOW 750 CINTA DA FIAÇÃO SUBSTITUIÇÃO Remova os seguintes componentes: – Conjunto do assento (página 2-3) – Tampas laterais (página 2-4) Remova a cinta da fiação e desacople o conector 4P (Branco) do receptor do imobilizador. CONECTOR 4P (Branco) PARAFUSOS PRESILHAS Remoa os parafusos, a presilha e o receptor do imobilizador. RECEPTOR DO IMOBILIZADOR Instale um novo receptor, juntamente com a presilha. Em seguida, aperte os parafusos. PRESILHA Passe adequadamente a fiação do receptor (página 1-20). RECEPTOR DO IMOBILIZADOR Instale os componentes removidos na ordem inversa da remoção. PARAFUSOS SUBSTITUIÇÃO DE COMPONENTES PELO PROBLEMA Componentes de substituição Problema Chave Receptor do Interruptor *Acessório de ECM codificada imobilizador de Ignição trava e chave Perdeu-se uma chave ou necessita-se O de uma chave-reserva Perdeu-se todas as chaves ou o ECM O O está defeituoso Receptor do imobilizador defeituoso O Interruptor de ignição defeituoso O O *Acessório de trava defeituoso O * Entende-se por acessório de trava como a tampa de abastecimento de combustível, o suporte para capacete e a trava do guidão. 21-16
  • 499.
    SHADOW 750 SISTEMA IMOBILIZADOR (HISS) NOTAS 21-17
  • 500.
    SHADOW 750 22. DIAGRAMA ELÉTRICO DIAGRAMA ELÉTRICO 22-2 22-1
  • 501.
    RELÉ DE CORTE DE COMBUSTÍVEL 22-2 RELÉ DE RELÉ DE SENSOR DE RESERVA INTERRUPTOR INTERRUPTOR CONTROLE PARADA DE COMBUSTÍVEL DO CAVALETE DA LUZ DO DA VENTOINHA DO MOTOR A INDICADOR DE TEMPERATURA INTERRUPTOR DE LATERAL FREIO TRASEIRO BOMBA DE CAIXA DE RELÉS SENSOR DE SENSOR SENSOR INTERRUPTOR DO LÍQUIDO DE ARREFECIMENTO DA LUZ DO PARADA/PARTIDA RECEPTOR DO INTERRUPTOR COMBUSTÍVEL INCLINAÇÃO DE O2 DE O2 MOTOR DA DO CHASSI FREIO DIANTEIRO DO MOTOR IMOBILIZADOR DE IGNIÇÃO VENTOINHA SENSOR VS TRASEIRO DIANTEIRO ECM B INDICADOR DE PONTO-MORTO PARA IG IG C MIL BAIXO FAN BAT1 IG VCC GND TXCT RXDT BAT1 PARA HL D INDICADOR DE PRESSÃO DE ÓLEO 33P Bl 33P Gr ST BAT2 BAIXO 2P A B 1 2 3 4 5 6 7 8 9 1 2 3 4 5 6 7 8 9 INDICADOR DE E INDICADOR DO HISS 10 11 12 13 14 15 16 17 18 19 20 21 22 23 24 25 26 27 28 29 30 31 32 33 10 11 12 13 14 15 16 17 18 19 20 21 22 23 24 25 26 27 28 29 30 31 32 33 Br Bl G/Y R/W G R/Bu Bl/W Bl/W Bl/W Bl/W Bu/O Br/Bl Bl/Bu RESERVA DE Bl/Lg G W Gr Bl W W Gr Bl W W Bl Bl F LÂMPADA DOS INSTRUMENTOS x 7 Br G Bl Bl R/W Br Y/R Bl/R Bl/Y G/Bl Bl/G Bl/W Bl/W Bu/W COMBUSTÍVEL DLC 12V 3,4W P Y W G Bl Br 3P 3P P/Y P/G R/Y 4P 4P Y/G 3P Y/R G/P G/R G/Y G/O W/R P/W W/Y Bl/Y Bl/Y Lg/Y P/Bu O/Bl Bl/G G/W W/G W/Bl Bu/Y Bl/W Y/Bu O/Bu W/Bu Br/Bl Bl/Bu Gr/Bu A B C D E F W Bl W Bl 4P R PAINEL DE INSTRUMENTOS INDICADOR INDICADOR G Br W G Br G/O Bl/Y Bl/G Bl/W G/O W/G P/G Bl/W W/Bl G/Y DA SINALEIRA Bl/W W/G G/Bl W/Bl R/Bu DO FAROL ALTO CONJUNTO DE CIRCUITOS G/O 12V 3,4W 12V 3,4W 24P G/O R P G Bl Bl