3 ) Teoremas de Thevenin e Norton
Estes são chamados de métodos de solução por redução de circuitos .
Para isso deve - se montar modelos que simplifiquem um circuito complexo para uma fonte
e a carga da qual se deseja saber informações .
Daí para executar os modelos , tem-se que dividir o circuito em duas partes .
Para isso deve - se considerar que em A não existem elementos não lineares e que não
existem fontes dependentes de elementos do circuito B .
Para trabalhar com o circuito linear A, separadamente, é necessário criar uma identidade
entre A e B que não afete os circuitos. Assim coloca-se em a – b uma fonte de tensão .
No circuito linear A , considera-se que todas as fontes estão mortas e que então tem-se :
a
+
v
_
b
Circuito
Linear
A
Circuito
B
i
Circuito A
Fontes
Mortas
+
-
i
v
Rth
a
b
Circuito
Linear
A
+
-
i
v
E agora que a fonte v seja morta
isc = corrente de curto-circuito
Com isso teremos
i = i1 + isc
aplicando a super-posição
i1 = -
Rth
v
i = -
Rth
v
+ isc
Caso em ab exista um circuito aberto
i = 0 v = Rth . isc
voc = tensão de circuito aberto
Com isso os equivalentes de Thevenin e Norton podem ser montados :
Rthi
voc
+
-
+ a
v
- b
isc Rth
+ a
v
- b
i
Circuito
A
isc
Thevenin Norton
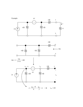
Exemplo
Rth = 2 +
63
6.3
+
= 4 Ω
-2 +
6
6−voc
+
3
voc
= 0 voc = 6V
- +
R
i
a
b
2 Ω
3 Ω
6V
6 Ω
2A
6 Ω
2 Ω
3 Ω
a
Rth
b
a
- +
3 Ω
2 Ω
6 Ω
2A
voc - 6
6V
voc
+
voc
-
i
voc = 6V I =
4
6
+R
Para obter o equivalente de Norton
voc = Rth . isc isc =
4
6
= 1,5A
i
I = (
4
4
+R
) . 1,5 =
4
6
+R
A
Rth = 4 Ω
R
a
b
4 Ω
1,5A
+
-
R
Fontes – Relações
v = vg – Rg . i
i =
R
v
g
g
-
Rg
v
ig
i = ig -
Rg
v
( - ig +
Rg
v
+ i = 0 )
Rl
Rg i
+
v
-
+
-
vg
RlRg
i
ig
+
v
-

Teoremas de Thevenin e Norton

  • 1.
    3 ) Teoremasde Thevenin e Norton Estes são chamados de métodos de solução por redução de circuitos . Para isso deve - se montar modelos que simplifiquem um circuito complexo para uma fonte e a carga da qual se deseja saber informações . Daí para executar os modelos , tem-se que dividir o circuito em duas partes . Para isso deve - se considerar que em A não existem elementos não lineares e que não existem fontes dependentes de elementos do circuito B . Para trabalhar com o circuito linear A, separadamente, é necessário criar uma identidade entre A e B que não afete os circuitos. Assim coloca-se em a – b uma fonte de tensão . No circuito linear A , considera-se que todas as fontes estão mortas e que então tem-se : a + v _ b Circuito Linear A Circuito B i Circuito A Fontes Mortas + - i v Rth a b Circuito Linear A + - i v
  • 2.
    E agora quea fonte v seja morta isc = corrente de curto-circuito Com isso teremos i = i1 + isc aplicando a super-posição i1 = - Rth v i = - Rth v + isc Caso em ab exista um circuito aberto i = 0 v = Rth . isc voc = tensão de circuito aberto Com isso os equivalentes de Thevenin e Norton podem ser montados : Rthi voc + - + a v - b isc Rth + a v - b i Circuito A isc Thevenin Norton
  • 3.
    Exemplo Rth = 2+ 63 6.3 + = 4 Ω -2 + 6 6−voc + 3 voc = 0 voc = 6V - + R i a b 2 Ω 3 Ω 6V 6 Ω 2A 6 Ω 2 Ω 3 Ω a Rth b a - + 3 Ω 2 Ω 6 Ω 2A voc - 6 6V voc + voc -
  • 4.
    i voc = 6VI = 4 6 +R Para obter o equivalente de Norton voc = Rth . isc isc = 4 6 = 1,5A i I = ( 4 4 +R ) . 1,5 = 4 6 +R A Rth = 4 Ω R a b 4 Ω 1,5A + - R
  • 5.
    Fontes – Relações v= vg – Rg . i i = R v g g - Rg v ig i = ig - Rg v ( - ig + Rg v + i = 0 ) Rl Rg i + v - + - vg RlRg i ig + v -