SAFETY.CAT.COM
QPEBU2109
Setembro 2009
2005
Manual de
Funcionamento e
Manutenção
AP300 Pavimentadora de asfalto
B2Y231 e seguintes (máquinas)
Informações importantes de segurança
A maior parte dos acidentes que se verificam durante a utilização, manutenção e reparação deste
produto são provocados pela não observância das normas básicas de segurança ou pela não adopção
das medidas de precaução fundamentais. Muitas vezes conseguem evitar-se acidentes, identificando
situações potencialmente perigosas, antes da sua ocorrência. Uma pessoa tem de estar alertada para
potenciais perigos. Devia ter formação, aptidões e ferramentas necessárias, para poder desempenhar
convenientemente as suas funções.
A utilização, lubrificação, manutenção ou reparação impróprias deste produto são operações
perigosas que podem provocar lesões ou morte.
Não utilizar a máquina, nem realizar qualquer trabalho de lubrificação, manutenção ou reparação
enquanto não tiver lido e compreendido bem todas as instruções de funcionamento, lubrificação,
manutenção e reparação incluídas neste Manual.
Medidas de segurança e avisos estão disponíveis no Manual e no próprio produto. Se estes avisos não
forem tidos em atenção, há risco de graves lesões corporais ou morte, para si e para os outros.
Os perigos são identificados pelo ≈Símbolo de Alerta∆ seguido de uma ≈Palavra de alerta∆, como
≈PERIGO∆, ≈AVISO∆ ou ≈CUIDADO∆. O Símbolo de Alerta - ≈AVISO∆ está representado abaixo.
O significado deste símbolo de alerta é:
Atenção! Esteja alerta! A sua segurança está em risco!
A mensagem que aparece abaixo do aviso informa-o sobre o perigo existente. Pode ser apresentada por
escrito ou por pictograma.
As operações que podem causar danos no produto estão identificadas por letreiros de ≈ATENÇøO!∆
aplicados no produto e presentes neste manual de instruções.
A Caterpillar não pode exaustivamente prever todas as circunstâncias que envolvam potencial
perigo. Assim, os avisos incluídos neste Manual de Instruções e no produto não são exaustivos.
Não utilizar este produto de modos diferentes dos descritos neste manual sem previamente se
assegurar de ter considerado todas as regras e precauções de segurança aplicáveis ao
funcionamento do produto no local de utilização, incluindo as regras e precauções aplicáveis ao
local da obra. No caso de utilização de ferramentas, procedimentos, métodos de trabalho ou
técnicas operativas não recomendadas especificamente pela Caterpillar, é necessário ter a certeza
de que são seguras para si e para os outros. É preciso também ter a certeza de que os processos
que se utilizam para manobra, lubrificação, manutenção ou reparação do produto que se pretende
usar não lhe provoquem danos e não ponham em risco a segurança do produto.
Informações, especificações e figuras incluídas nesta publicação são baseadas nos conhecimentos
disponíveis na altura em que foi redigido este manual de instruções. As especificações, torques,
pressões, medidas, ajustamentos, figuras e outros itens estão sujeitos a alteração, a todo o momento.
Estas alterações podem afectar a assistência que é dada ao produto. Procure as informações completas
mais actualizadas sobre o produto, antes de dar início a qualquer trabalho. Os distribuidores Caterpillar
têm disponíveis todas as informações mais actualizadas.
m CUIDADO
Quando for necessário substituir peças neste
produto, a Caterpillar recomenda a utilização de
peças Caterpillar originais ou peças com
características equivalentes que não tenham em
atenção apenas a dimensão física, tipo,
resistência e material de composição.
Descurar este aviso pode conduzir a falhas
prematuras de funcionamento, danificar o
produto e provocar lesões nas pessoas ou
mesmo morte.
m AVISO
QPEBU2109 3
Índice
Índice
Prefácio................................................................... 4
Secção de segurança
Mensagens de segurança ..................................... 6
Mensagens complementares .............................. 13
Informações gerais de perigo ............................. 19
Eliminar devidamente os resíduos ....................... 21
Prevenção de esmagamento e prevenção de
corte ................................................................. 21
Prevenção de queimaduras ................................ 21
Prevenção de incêndio e prevenção de
explosão ........................................................... 22
Informação sobre os pneus ................................. 26
Prevenção de lesões por temporal com
relâmpagos ...................................................... 26
Antes de pôr o motor a trabalhar ......................... 26
Arranque do motor ............................................... 27
Antes da utilização .............................................. 27
Informação sobre a visibilidade .......................... 27
Operação ............................................................. 28
Paragem do motor ............................................... 28
Estacionamento ................................................... 28
Funcionamento em declive .................................. 28
Baixar o equipamento com o motor desligado ... 29
Informações sobre os níveis de ruído e vibração 29
Posto de condução .............................................. 32
Protecções (Protecção do operador) .................. 32
Secção de informação sobre o produto
Informações gerais ................................................ 33
Informações sobre a identificação ........................ 34
Secção de Funcionamento
Antes da utilização ................................................ 37
Funcionamento da máquina.................................. 40
Arranque do motor ................................................ 77
Informações sobre o funcionamento..................... 79
Processos de regulação........................................ 88
Estacionamento ..................................................... 91
Limpeza da máquina............................................. 94
Informações sobre o transporte ............................ 95
Informações sobre o reboque ............................. 101
Arranque do motor (métodos alternativos).......... 103
Secção de manutenção
Acessos para manutenção.................................. 105
Informação sobre o enchimento dos pneus........ 111
Viscosidade dos lubrificantes e capacidades de
reabastecimento.................................................. 112
Apoio à manutenção ........................................... 115
Quadro de Intervalos de Manutenção ............... 116
Secção de informações de referência
Material de referência.......................................... 170
Secção Índices
‹ndices ................................................................. 172
4 QPEBU2109
Prefácio
Prefácio
Informação sobre a documentação
técnica
Este Manual deve ser guardado na cabine do
operador, no suporte próprio ou por trás do assento,
no espaço próprio.
Este Manual contém informações de segurança,
instruções operatórias, informações para transporte,
lubrificação e manutenção.
Algumas fotografias ou figuras desta publicação
mostram pormenores ou acessórios que podem não
ser coincidentes com os da sua máquina.
Protecções e coberturas poderão ter sido
removidas para melhor ilustração.
O constante melhoramento e progresso do design
do produto podem ter provocado modificações na
sua máquina que não estão incluídas nesta
publicação. Ler, estudar e conservar este Manual
de Instruções com a máquina.
Sempre que surja qualquer problema com a sua
máquina ou com a presente publicação, consultar o
distribuidor Caterpillar, para obter as últimas
informações disponíveis.
Segurança
A secção de segurança elenca as medidas básicas
de segurança. Além disso, identifica o texto e
localiza os sinais de aviso e letreiros utilizados na
máquina.
Antes de utilizar ou fazer qualquer trabalho de
lubrificação, manutenção ou reparação, ler com
atenção e compreender bem as medidas de
precaução básicas enumeradas na secção de
segurança.
Operação
A secção de funcionamento é uma referência para o
operador novo e um refresco de memória para o
operador experiente. Nele se discutem gabaris,
interruptores, comandos da máquina, comandos
dos acessórios e informações relativas ao
transporte e reboque.
Fotografias e figuras guiam o operador através de
processos de verificação, arranque, funcionamento
e paragem da máquina correctos.
Técnicas operatórias emolduradas, presentes nesta
publicação, são técnicas básicas. Competência e
técnica desenvolvem-se à medida que o operador
conhecer melhor a máquina e as suas capacidades.
Manutenção
A secção de manutenção é um guia dos cuidados
com o equipamento. O Quadro de Intervalos de
Manutenção (Maintenance Interval Schedule -MIS)
contém a lista dos itens da máquina sujeitos a
manutenção periódica específica. Os itens não
sujeitos a intervalos de manutenção específicos
estão indicados no intervalo de manutenção como
≈Quando necessário∆. O Quadro de Intervalos de
Manutenção também indica o número da página
onde se poderão consultar as instruções com todos
os passos necessários à manutenção em causa.
Utilizar o Quadro de Intervalos de Manutenção
como um indicador ou ≈uma fonte segura∆ para
todos os processos de manutenção.
Intervalos de Manutenção
Utilize o contador de horas de serviço para
determinar os intervalos de manutenção. Os
intervalos de calendário apresentados (diariamente,
semanalmente, mensalmente, etc.) podem ser
usados em vez dos intervalos do contador de horas
de serviço, se derem programas de manutenção
mais convenientes e aproximarem a leitura indicada
do contador de horas de serviço. A manutenção
recomendada deveria realizar-se sempre no
intervalo que ocorre primeiro.
No caso de condições de trabalho muito duras,
muito pó, ou ambientes muito húmidos, pode ser
necessário ter de fazer uma lubrificação mais
frequente do que a indicada no quadro de
manutenção programada.
Fazer a manutenção nos componentes com
intervalos de frequência múltiplos do intervalo
original necessário. Por exemplo, na manutenção de
500 em 500 horas de serviço ou trimestral, repetir as
operações de manutenção dos itens com
manutenção de 250 em 250 horas de serviço ou
mensal e de 10 em 10 horas de serviço ou diária.
Proposta 65 da Califórnia - Aviso
Os gases emitidos pelos motores diesel e alguns
dos seus constituintes são conhecidos pelo Estado
da Califórnia como elementos que provocam
cancro, defeitos congénitos e outros danos na
reprodução.
Suportes da bateria, terminais e acessórios afins
contêm chumbo e compostos de chumbo. Lavar as
mãos após manipulação.
QPEBU2109 5
Prefácio
Manutenção do motor certificada
Manutenção e reparação adequadas são
essenciais para manter motor e sistemas da
máquina operando correctamente. O proprietário do
super-potente motor diesel fora de estrada é
responsável pela efectiva realização da
manutenção necessária indicada no Manual do
Proprietário, Manual de Funcionamento e
Manutenção e no Manual de Serviço.
É expressamente proibido às pessoas envolvidas
na reparação, manutenção, venda, concessão de
leasings ou comércio de motores, remover, alterar
ou tornar inoperativo qualquer dispositivo
relacionado com emissão de gases de escape ou
elemento de design, presente dentro ou fora de um
motor ou máquina que cumpra os regulamentos (40
CFR Part 89). Determinados elementos da máquina
e do motor,como sistemas de escape, combustível,
eléctrico, entrada de ar e refrigerante, podem estar
relacionados com as emissões e, como tal, não
podem ser alterados sem aprovação expressa da
Caterpillar.
Capacidade da máquina
Acessórios adicionais ou alterações na máquina
podem ultrapassar a capacidade de design da
máquina e influir negativamente na performance da
mesma. Inclusas estarão certificações sobre a
estabilidade e os sistemas tais como,travões,
direcção, e ROPS (estrutura de protecção
anticapotamento). Para mais informações, contactar
o distribuidor Caterpillar.
Número de Identificação de
Produto da Caterpillar
No primeiro trimestre de 2001 o Número de
Identificação de Produto da Caterpillar (PIN) muda
de 8 para 17 caracteres. Com o objectivo de
uniformizar a identificação dos equipamentos, a
Caterpillar juntamente com outros fabricantes estão
a fazer diligências no sentido de cumprir a última
versão do padrão de numeração para identificar
produtos. Os PINs das máquinas, não de estrada,
são definidos pela ISO 10261. O novo formato de
PIN vai ser aplicado a todas as máquinas Caterpillar
e jogos de geradores. As placas do PIN e marcação
do chassis apresentam os 17 caracteres do PIN. O
novo formato tem aspecto análogo ao seguinte:
Ilustração 1
Onde:
1. Código mundial de fábrica da Caterpillar
(caracteres 1-3)
2. Descrição da máquina (caracteres 4-8)
3. Carácter de verificação (carácter 9)
4. Secção Indicadora da Máquina (MIS) ou Número
de sequência do produto (caracteres 10-17).
Anteriormente, estes caracteres constituíam o
Número de Série.
Máquinas e jogos de geradores produzidos antes
do primeiro trimestre de 2001 conservarão o formato
de PIN com 8 caracteres.
Componentes como motores, transmissões, eixos,
etc, e ferramentas de trabalho continuarão a utilizar
um número de série (S/N) de 8 caracteres.
* *6 S L 1 2 3 4 5
4
G
3
0 7 8 9 B
2
C A T
1
XS0001AA
6 QPEBU2109
Secçãodesegurança
Mensagensdesegurança
Secção de segurança
Mensagens de segurança
Há várias mensagens de segurança aplicadas na
máquina. A localização exacta dos perigos e a
respectiva descrição estão descritos nesta secção.
Disponha de tempo para se familiarizar com estas
mensagens de segurança.
É necessário saber ler todas as mensagens de
segurança.
Limpar as mensagens de segurança de maneira a
poder ler o que têm escrito. Limpar as mensagens
de segurança de modo a poder ver as figuras.
Substituir as mensagens de segurança de modo a
estarem legíveis. Substituir as mensagens de
segurança de modo a poder ver as figuras. Para
limpar as mensagens de segurança, utilizar um
pano, água e sabão. Não usar solventes, gasolina,
etc.
Repor toda e qualquer mensagem de segurança
que se apresentar danificada ou que tiver
desaparecido. Substituir todas as mensagens de
segurança que estiverem ilegíveis. Se houver
qualquer mensagem de segurança aplicada numa
peça que foi substituída, é necessário aplicar uma
mensagem nova na peça de substituição. Para
novos autocolantes das mensagens, contactar o
seu distribuidor.
QPEBU2109 7
Secçãodesegurança
Mensagensdesegurança
Ilustração 2
3
XS0923AB
65
4
7
8
2
1
1
11
12
8 QPEBU2109
Secçãodesegurança
Mensagensdesegurança
Ilustração 3
230-1341 1
1
7
8
6
910
11
13
9
XS1146AB
5
QPEBU2109 9
Secçãodesegurança
Mensagensdesegurança
Não accionar (1)
Esta mensagem de segurança está colocada na
consola e nos assentos do operador.
m CUIDADO
Não accionar nem utilizar esta máquina antes de
ter lido e compreendido bem as instruções e
avisos incluídos no Manual de Funcionamento e
Manutenção. Não seguir as instruções ou
descurar os avisos/advertências pode provocar
lesões ou levar à morte. Para substituição de
manuais, contactar o distribuidor Caterpillar. É
da responsabilidade do utilizador adoptar as
medidas de segurança necessárias.
Líquido refrigerante quente sob
pressão! (2)
Esta mensagem de segurança está colocada no
cimo da capota do motor, próximo do tampão de
enchimento do radiador.
m CUIDADO
Líquido de refrigeração quente sob pressão - O
líquido de refrigeração quente pode provocar
queimaduras graves, lesões ou morte. Para abrir
o tampão de enchimento do sistema de
refrigeração, desligar o motor e aguardar até que
os componentes do sistema de refrigeração
estejam frios. Desapertar a tampa de pressão do
sistema de refrigeração devagar, para eliminar a
pressão. Ler e compreender o Manual de
Funcionamento e Manutenção, antes de realizar
qualquer serviço de manutenção no sistema
refrigerante.
Ligação incorrecta dos cabos de
ligação em ponte (3)
Esta mensagem de segurança está colocada dentro
do compartimento da bateria, no cavilhão de engate
da bateria.
m CUIDADO
Perigo de explosão! Ligações indevidas do cabo
de ligação directa podem provocar explosão e
causar lesões pessoais graves ou morte. As
baterias podem estar postas em compartimentos
diversos. Consultar o Manual de Funcionamento
e Manutenção, para saber como ligar
devidamente os cabos de ligação directa.
Superfície quente (4)
Esta mensagem de segurança está situada na
tampa do radiador.
m CUIDADO
Superfície quente - Componentes ou peças
quentes podem provocar queimaduras ou lesões
graves. Não permitir o contacto destas peças ou
componentes com a pele. Usar vestuário ou
equipamento protector, para proteger a pele.
XS0877AB
XS0421AB
225-0312
-+
XS0005AA
XS0416AB
10 QPEBU2109
Secçãodesegurança
Mensagensdesegurança
Perigo de entrelaçamento (5)
Esta mensagem de segurança está colocada nos
lados direito e esquerdo traseiros da máquina,
próximo do lado exterior do grupo do trado.
m CUIDADO
O entrelaçamento pode provocar lesões
pessoais graves ou morte. Manter-se afastado da
ferramenta de trabalho durante o funcionamento.
Pulverização a alta pressão (6)
Esta mensagem de segurança está colocada nos
lados direito e esquerdo traseiros da máquina,
próximo dos tubos hidráulicos flexíveis que ligam a
pavimentadora de asfalto ao nivelador.
m CUIDADO
Fluido sob pressão. Manter-se afastado da
máquina durante o funcionamento. O risco da
pulverização de fluidos a alta pressão pode
provocar lesões pessoais graves ou morte.
XS0418AB
XS0419AB
QPEBU2109 11
Secçãodesegurança
Mensagensdesegurança
Ventoinha rotativa (7)
Esta mensagem de segurança está situada na
tampa do radiador.
m CUIDADO
A ventoinha rotativa pode provocar lesões
graves ou morte. Desligar o motor e tirar a chave
de arranque antes de fazer qualquer trabalho de
manutenção no motor ou na ventoinha.
Pinos de segurança (8)
Esta mensagem de segurança está colocada de
ambos os lados da máquina, próximo dos pinos de
segurança da tremonha.
m CUIDADO
Trabalhar debaixo de tremonhas levantadas mal
seguras, pode provocar lesões graves ou morte.
Activar sempre os pinos de segurança para
bloquear as tremonhas na posição de elevação,
enquanto estiver a trabalhar debaixo das
tremonhas.
Perigo de choque/electrocussão
(9)
Esta mensagem de segurança está patente apenas
nas máquinas equipadas com niveladores providos
de sistema de aquecimento eléctrico e está situada
no painel de comando do sistema de aquecimento
eléctrico.
m CUIDADO
Perigo de choque/electrocussão! Ler e
compreender as instruções e avisos dados no
Manual de Funcionamento e Manutenção. Não
seguir as instruções ou descurar os avisos pode
provocar lesões graves ou morte.
Perigo de incêndio (10)
Esta mensagem de segurança está aplicada no
lado traseiro direito da máquina, próximo do suporte
da botija de gás.
m CUIDADO
Perigo de incêndio! Não aproximar chamas livres
da área enquanto se estiverem a acender os
queimadores a gás. Pode provocar lesões graves
ou morte. Ler o Manual de Funcionamento e
Manutenção.
XS0420AB
XS0413AB
XS0850AB
XS0849AB
12 QPEBU2109
Secçãodesegurança
Mensagensdesegurança
Pinos de segurança do nivelador
(11)
Esta mensagem de segurança está colocada de
ambos os lados da máquina, próximo dos pinos de
segurança para bloqueio do nivelador.
m CUIDADO
Trabalhar debaixo de niveladores levantados mal
seguros, pode provocar lesões graves ou morte.
Activar sempre os pinos de segurança para
bloquear o nivelador na posição de elevação,
enquanto estiver a trabalhar debaixo do
nivelador.
Cinto de segurança (12)
Esta mensagem de segurança está colocada na
consola do operador.
m CUIDADO
Cair da máquina pode provocar lesões graves ou
morte. Durante a condução da máquina em
estradas públicas, é necessário usar sempre o
cinto de segurança.
Product Link (se disponível) (13)
Esta mensagem de segurança só se encontra
aplicada nas máquinas equipadas com dispositivo
de comunicação Product Link da Caterpillar (se
disponível) e está situada do lado esquerdo da
máquina.
m CUIDADO
Esta máquina está equipada com o dispositivo
de comunicação Product Link da Caterpillar, que
deve ser desactivado a um raio de distância
inferior a 12 m (40 ft) de uma área de explosão.
Descurar esta disposição pode provocar lesões
graves ou morte.
317-6087
XS1006AB
XS1009AB
230-1341 1
XS1147AB
QPEBU2109 13
Secçãodesegurança
Mensagenscomplementares
Mensagens complementares
Ilustração 4
286-6909
169-2876 1
12V
312-6461 1
134-7258 3
ELC
224-8697 1
312-6460
15A
15A
30A
5A
5A
15A
15A
5A
5A 5A
10A 10A
10A 5A
10A
10A
10A
10A
10A 10A
10A 10A
10A 10A
10A
10A 10A
15A
15A 10A 10A
10A
10A
15A
25A 25A
15
11
2
10
1
7
XS1138AB
4
13
6
14 QPEBU2109
Secçãodesegurança
Mensagenscomplementares
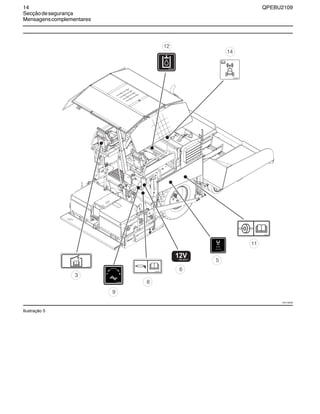
Ilustração 5
081-6617 3
169-2876 1
12V
278-7580
312-6459
279-6497 1
307-0047
224-8697 1
158-7864 1
3
9
8
5
11
12
14
6
XS1139AB
QPEBU2109 15
Secçãodesegurança
Mensagenscomplementares
Depósito de agente lubrificante (1)
Esta mensagem está colocada na máquina, junto ao
tampão do depósito de agente lubrificante. Para
mais informações, consultar o Manual de
Funcionamento e Manutenção, "Processo de
limpeza da máquina".
Ilustração 6
Interruptor da bomba de agente
lubrificante (2)
Esta mensagem está colocada na máquina, junto ao
interruptor do sistema de pulverização de agente
lubrificante. Para mais informações, consultar o
Manual de Funcionamento e Manutenção,
"Processo de limpeza da máquina".
Ilustração 7
Compartimento para manuais (3)
Esta mensagem está colocada no lado traseiro da
máquina, no compartimento para manuais.
Ilustração 8
Extended Life Coolant (4)
Esta mensagem está colocada no topo da cobertura
do motor, próximo da cobertura do tampão do
radiador. Para mais informações, consultar o
Manual de Funcionamento e Manutenção "Aditivo
do refrigerante do sistema de refrigeração (ELC) -
Adicionar.
Ilustração 9
XS1111AB
286-6909
XS1112AB
081-6617 3
XS1113AB
134-7258 3
ELC
XS1114AB
16 QPEBU2109
Secçãodesegurança
Mensagenscomplementares
Pistola de pulverização de agente
lubrificante (5)
Esta mensagem está colocada no depósito de
agente lubrificante, junto à pistola de pulverização
de tal agente. Para mais informações, consultar o
Manual de Funcionamento e Manutenção,
"Processo de limpeza da máquina".
Ilustração 10
Tomada de corrente de 12 Volt (6)
Esta mensagem está colocada do lado direito e do
lado esquerdo da máquina, junto das tomadas de
corrente de 12 Volt. Para mais informações,
consultar o Manual de Funcionamento e
Manutenção, "Tomada de corrente de 12 Volt".
Ilustração 11
Desactivação manual do travão de
estacionamento (7)
Esta mensagem está colocada do lado esquerdo da
máquina, junto à válvula de desactivação manual do
travão de estacionamento. Para mais informações,
consultar o Manual de Funcionamento e
Manutenção, "Informações sobre o reboque" e
"Desactivação manual do travão de
estacionamento".
Ilustração 12
Instruções para lubrificação (8)
Esta mensagem está colocada no lado traseiro
direito da máquina, junto dos pontos de lubrificação
do eixo de transmissão dos transportadores de
freio. Para mais informações, consultar o Manual de
Funcionamento e Manutenção, "Transportadores de
freio - Lubrificar".
Ilustração 13
278-7580
XS1115AB
169-2876 1
12V
XS1116AB
312-6461 1
XS1117AB
279-6497 1
XS1118AB
QPEBU2109 17
Secçãodesegurança
Mensagenscomplementares
Frequência de vibração (9)
Esta mensagem está colocada no lado traseiro
direito da máquina, junto do comando de
ajustamento da frequência de vibração. Para mais
informações, consultar o Manual de Funcionamento
e Manutenção, "Comando de ajustamento da
frequência de vibração".
Ilustração 14
Compensação do nivelador (10)
Esta mensagem está colocada no lado traseiro
esquerdo da máquina, junto do comando de
ajustamento da compensação do nivelador. Para
mais informações, consultar o Manual de
Funcionamento e Manutenção, "Comando de
ajustamento da pressão de compensação do
nivelador".
Ilustração 15
Pneus com lastro (11)
Esta mensagem está colocada do lado direito e do
lado esquerdo da máquina. Para mais informações,
consultar o Manual de Funcionamento e
Manutenção, "Informação sobre os pneus",
"Informação sobre o enchimento dos pneus" e
"Enchimento dos pneus - Verificar".
Ilustração 16
Depósito hidráulico (12)
Esta mensagem está colocada no depósito
hidráulico, junto do tampão deste. Para mais
informações, consultar o Manual de Funcionamento
e Manutenção, "‡leo do sistema hidráulico -
Substituir", "Nível de óleo do sistema hidráulico -
Verificar" e "Amostra de óleo do sistema hidráulico -
Colher amostra".
Ilustração 17
312-6459
XS1140AB
312-6460
XS1141AB
224-8697 1
XS1142AB
158-7864 1
XS1143AB
18 QPEBU2109
Secçãodesegurança
Mensagenscomplementares
Fusíveis (13)
Esta mensagem está colocada na porta de acesso
ao compartimento dos fusíveis. Para mais
informações, consultar o Manual de Funcionamento
e Manutenção, "Fusíveis - Substituir".
Ilustração 18
Product Link (14)
Esta mensagem está patente apenas nas máquinas
equipadas com dispositivo de comunicação
Product Link da Caterpillar (se disponível) e está
situada no lado esquerdo da máquina. Para mais
informações, consultar o Manual de Funcionamento
e Manutenção, "Product Link (se disponível)".
Ilustração 19
Comando da manete de potência
(15)
Esta mensagem está colocada do lado esquerdo
dos comandos do tablier, junto ao comando da
manete de potência. Para mais informações,
consultar o Manual de Funcionamento e
Manutenção, "Comando da manete de potência".
Ilustração 20
15A
15A
30A
5A
5A
15A
15A
5A
5A 5A
10A 10A
10A 5A
10A
10A
10A
10A
10A 10A
10A 10A
10A 10A
10A
10A 10A
15A
15A 10A 10A
10A
10A
15A
25A 25A
F
R
1
F
R 2
291-5366 1
XS1144AB
307-0047
XS1126AB
XS1145AB
QPEBU2109 19
Secçãodesegurança
Informaçõesgeraisdeperigo
Informações gerais de perigo
Ilustração 21
Aplicar no interruptor de arranque ou nos
comandos, uma etiqueta de aviso a dizer ≈Não
accionar∆ ou análoga, antes de começar qualquer
trabalho de manutenção ou de reparação no
equipamento. Estas etiquetas de aviso (Instrução
especial, SEHS7332) estão disponíveis no
distribuidor Caterpillar.
Saber a largura do próprio equipamento para, ao
operar com o equipamento próximo de vedações ou
obstáculos fronteiros, poder manter o espaço
adequado.
Saber a localização de eventuais linhas de alta
tensão e cabos eléctricos soterrados. Se a máquina
tocar qualquer destes perigos, há grande risco de
lesões corporais ou morte por electrocussão.
Ilustração 22
Usar capacete, óculos de protecção e outro
equipamento de protecção, segundo as
necessidades.
Não usar roupa larga nem jóias, porque podem
prender-se nos comandos ou noutras partes do
equipamento.
Verificar se todas as protecções e coberturas do
equipamento estão bem seguras no lugar.
Manter o equipamento livre de objectos estranhos.
Remover detritos, óleo, ferramentas e outros
objectos da plataforma, locais de passagem e
degraus da máquina.
Prender todos os elementos móveis que não façam
parte do equipamento, como lancheiras,
ferramentas e análogos.
Tomar conhecimento dos sinais de mão próprios do
local da obra e conhecer o pessoal autorizado a
fazer os sinais em questão. Aceitar os sinais de mão
de uma única pessoa.
Não fumar, enquanto se estiverem a fazer serviços
de manutenção no ar condicionado.
Não fumar, também, no caso de possibilidade de
presença de gás de refrigeração. A inalação de
fumo da chama que entra em contacto com
refrigerante do ar condicionado pode provocar
danos corporais ou morte. Inalar gás do refrigerante
do ar condicionado, através de um cigarro aceso,
pode provocar danos corporais ou morte.
Nunca colocar produtos de manutenção fluidos
dentro de recipientes de vidro.
Drenar todos os líquidos para um recipiente próprio.
Respeitar todos os regulamentos sobre eliminação
de líquidos.
Utilizar as soluções de limpeza com cuidado. Fazer
um relatório a indicar todas as reparações
necessárias.
Não permitir o acesso ao equipamento de pessoal
não autorizado.
Salvo indicação em contrário, realizar a manutenção
com o equipamento na posição de assistência e
manutenção. Para saber como colocar o
equipamento na posição de assistência e
manutenção, consultar o Manual de Funcionamento
e Manutenção.
Quando se fizerem serviços de manutenção acima
do nível do solo, usar dispositivos adequados, como
escadas ou plataformas aéreas de elevação. Se
disponíveis, usar os pontos de fixação da máquina e
utilizar equipamento de protecção individual
antiquedas (em altura) e chicotes (cabos curtos)
aprovados.
Ar e água pressurizados
Ar e/ou água pressurizados podem causar expulsão
de detritos e/ou água quente, provocando lesões
nas pessoas.
Quando se utilizar ar e/ou água pressurizados para
limpeza, usar roupa e sapatos de protecção e
protectores para os olhos. Os protectores para os
olhos podem ser óculos ou uma máscara de
protecção do rosto.
A pressão máxima do ar para fins de limpeza tem
de ser reduzida para 205 kPa (30 psi) quando o
bico estiver apoiado na superfície que se estiver a
limpar e quando se utilizar um bico provido de
deflector de ar e dispositivos de protecção
individual. A pressão máxima da água para fins de
limpeza tem de ser inferior a 275 kPa40 ( psi).
W
A
R
N
IN
G
operate
sig
ned
by
date
do
not
XS0009AA
XS0010AA
20 QPEBU2109
Secçãodesegurança
Informaçõesgeraisdeperigo
Pressão retida
Pode haver retenção de pressão no sistema
hidráulico. A sua eliminação pode provocar
movimento repentino da máquina ou de algum
acessório. Agir com prudência, ao desligar linhas
hidráulicas ou acessórios. A alta pressão do óleo
libertado pode provocar o efeito de um chicote de
mangueira. A alta pressão do óleo libertado pode
provocar um jacto de óleo. A penetração de fluido
pode provocar graves lesões e possível morte.
Penetração de fluido
Após paragem do motor, a pressão continua retida
no circuito hidráulico ainda por muito tempo. Se a
pressão não estiver aliviada devidamente, pode
causar escape rápido de fluido hidráulico ou, por
exemplo, fazer saltar tampas de tubos.
Não remover componentes ou peças do circuito
hidráulico enquanto a pressão não tiver sido
aliviada, porque corre risco de lesões. Não
desmontar componentes ou peças do circuito
hidráulico enquanto a pressão não tiver sido
aliviada, porque corre risco de lesões. Para saber
como agir, quando necessitar de aliviar a pressão
hidráulica do circuito, consultar o Manual de
Serviço.
Ilustração 23
Utilizar sempre uma tábua ou cartão, aquando da
inspecção de fugas. A fuga de fluido sob pressão pode
penetrar nos tecidos do corpo. A penetração de fluido
pode provocar graves lesões e possível morte. Uma
fuga de um orifício com o diâmetro de um pino pode
provocar graves lesões. Em caso de injecção de fluido
na pele, tratar-se urgentemente. Procurar um médico
familiarizado com este tipo de lesões.
Retenção dos derrames de fluidos
É necessário tomar precauções, a fim de impedir a
fuga de fluidos durante a inspecção, manutenção,
ensaio, afinação e reparação do equipamento.
Preparar-se para recolher o fluido em recipientes
adequados, antes de abrir qualquer compartimento
ou desmontar componentes que contenham fluidos.
Consultar a Publicação especial, NENG2500 ≈Guia
de produtos e ferramentas Caterpillar∆ no que
respeita ao seguinte:
• Apetrechos úteis para recolher fluidos e
equipamento indicado para recolha de fluidos.
• Apetrechos úteis para guardar fluidos e
equipamento indicado para guardar fluidos.
Respeitar todos os regulamentos sobre eliminação
de líquidos.
Informação sobre o amianto
Ilustração 24
Os equipamentos e peças de substituição
Caterpillar que são expedidos pela Caterpillar não
contêm amianto. A Caterpillar recomenda a
utilização exclusiva de peças de substituição
genuínas Caterpillar . Respeitar as linhas de
conduta, a seguir indicadas, para manipular peças
de substituição que contenham amianto ou para
manipular detritos de amianto.
Agir com prudência. Evitar inalar pó que possa ter
sido formado durante a manipulação de
componentes com fibras de amianto. A sua inalação
pode ser perigosa para a saúde. Os componentes
que poderão conter fibras de amianto são calços de
travão, cintas de travão, material de enchimento,
discos de embraiagem e algumas juntas. O amianto
utilizado nestes componentes está habitualmente
revestido de resina ou tem, de qualquer modo, um
isolamento. A sua normal manipulação não é
perigosa, a não ser que se forme pó de amianto
disperso no ar.
Se houver possibilidade de presença de pó de
amianto no ambiente, há várias linhas de conduta a
respeitar:
• Nunca utilizar ar comprimido, para limpeza.
• Evitar escovar materiais que contenham amianto.
• Evitar moagem de materiais que contenham
amianto.
• Adoptar uma técnica húmida, para limpar
materiais com amianto.
• Também pode utilizar-se um instrumento de
limpeza, a vácuo, equipado com filtro de
partículas de ar (HEPA).
XS0011AA
XS0012AA
QPEBU2109 21
Secçãodesegurança
Eliminardevidamenteosresíduos
• Utilizar um sistema de ventilação de exaustão nos
trabalhos mecânicos permanentes.
• Não havendo outro modo de controlar o pó, usar
uma máscara de respiração aprovada.
• Em relação ao local de trabalho, respeitar as
normas e regulamentos em vigor. Nos Estados
Unidos, respeitar os requisitos da Occupational
Safety and Health Administration (OSHA). Tais
requisitos OSHA podem ser encontrados no "29
CFR 1910. 1001".
• Eliminar o amianto, segundo os regulamentos
ambientais em vigor.
• Manter-se afastado das áreas que possam conter
partículas de amianto no ar.
Eliminar devidamente os
resíduos
Ilustração 25
A eliminação imprópria dos resíduos de processo
pode ser perigosa para o meio ambiente. Os fluidos
potencialmente nocivos podem ser eliminados de
acordo com os regulamentos locais.
Utilizar sempre recipientes estanques, quando
drenar fluidos. Não deitar resíduos para o solo,
esgotos ou qualquer fonte de água.
Prevenção de esmagamento e
prevenção de corte
Segurar o equipamento devidamente, antes de
realizar qualquer trabalho ou manutenção por baixo
dele. Não confiar nos cilindros hidráulicos, para
segurar o equipamento. Se for tocado algum
comando ou se partir algum tubo hidráulico o
equipamento pode cair.
Não trabalhar por baixo da cabine da máquina, a
não ser que esteja bem segura.
Salvo indicação em contrário, nunca tentar fazer
ajustamentos enquanto a máquina estiver em
andamento ou o motor estiver a funcionar.
Nunca saltar por cima dos terminais do solenóide
do motor de arranque, para ligar o motor. Pode
provocar um movimento súbito inesperado da
máquina.
Sempre que houver ligações de comando do
equipamento, o espaço na área de ligação alterar-
se-á com o movimento do equipamento ou da
máquina. Não ocupar as áreas de movimento da
máquina ou do equipamento.
Manter-se afastado de todas as partes de rotação e
movimento.
Se, para qualquer serviço de manutenção, for
necessário desmontar algumas protecções, repô-
las sempre na sua posição de origem assim que for
concluído o serviço em questão.
Manter os objectos afastado de pás de ventoinha
em movimento. A pá da ventoinha em movimento
projecta ou corta os objectos em que toca.
Não utilizar cabos eléctricos torcidos ou
desgastados. Usar luvas, sempre que se manipular
cabos eléctricos.
Ao bater nos pinos retentores, eles podem ser
projectados. O pino retentor, quando salta, pode
provocar lesões pessoais. Certificar-se de que não
há pessoas presentes na área, sempre que se
aplicar algum pino retentor. Para evitar lesões nos
olhos, usar óculos protectores sempre que se
realizar esta operação.
Quando se bate no objecto, há risco de projecção
de lascas ou resíduos. Certificar-se de que não há
pessoas em risco de lesão por projecção de lascas
ou resíduos.
Prevenção de queimaduras
Não tocar parte alguma de um motor em
funcionamento. Aguardar que o motor arrefeça,
antes de realizar qualquer serviço de manutenção.
Aliviar a pressão nos sistemas de ar, óleo,
lubrificação, combustível ou arrefecimento, antes de
desligar qualquer linha, acessório ou item
relacionado com eles.
Líquido de refrigeração
Quando o motor estiver à temperatura de utilização,
o líquido de refrigeração do motor está quente e sob
pressão. O radiador e todas as linhas que vão para
os aquecedores ou para o motor contêm líquido de
refrigeração quente.
Qualquer contacto com líquido de refrigeração
quente ou vapor pode provocar queimaduras
graves. Antes de drenar o líquido do sistema de
refrigeração, deixar arrefecer os componentes do
sistema em causa.
Verificar o nível de líquido de refrigeração só após o
motor ter parado.
Verificar se o tampão de enchimento está frio, antes
de o tirar. Deverá estar suficientemente frio para
poder ser tocado directamente com as mãos.
Retirar o tampão de enchimento devagar, para
aliviar a pressão.
XS0013AA
22 QPEBU2109
Secçãodesegurança
Prevençãodeincêndioeprevençãodeexplosão
O condicionador do sistema de refrigeração contém
álcalis que podem provocar lesões corporais. Não
permitir que os álcalis entrem em contacto com a
pele, olhos ou boca.
Óleos
‡leos e componentes quentes podem provocar
lesões pessoais. Não permitir o contacto da pele
com óleos quentes. Não permitir, também, o
contacto da pele com componentes quentes.
Tirar o tampão de enchimento do depósito
hidráulico apenas após paragem do motor. Deverá
estar suficientemente frio para poder ser tocado
directamente com as mãos. Seguir o procedimento
standard deste manual, para tirar o tampão de
enchimento do depósito hidráulico.
Baterias
O electrólito é um ácido. O electrólito pode provocar
lesões corporais. Não permitir que o electrólito entre
em contacto com a pele ou os olhos. Usar sempre
luvas de protecção, para operações na bateria.
Lavar sempre as mãos a seguir a tocar em baterias
e conectores. Recomenda-se a utilização de luvas.
Prevenção de incêndio e
prevenção de explosão
Ilustração 26
Indicações gerais
Todos os combustíveis, a maior parte dos lubrificantes e
algumas misturas de líquidos de refrigeração são
inflamáveis.
Para minimizar o risco de incêndio ou de explosão, a
Caterpillar aconselha respeitar as indicações dadas a
seguir.
Fazer sempre uma inspecção visual de toda a
máquina, porque pode ajudar a identificar eventuais
perigos de incêndio. Não utilizar máquinas, quando
existir risco de incêndio. Para assistência, contactar o
distribuidor Caterpillar.
Compreender o uso das saídas principal e secundária
da máquina. Consultar o Manual de Funcionamento e
Manutenção, "Saída secundária".
Não utilizar máquinas que apresentem fugas de
líquidos. Eliminar as fugas e limpar os líquidos
derramados, antes de voltar a pôr a máquina a
funcionar. Fugas ou derramamentos de líquidos em
superfícies quentes ou em componentes eléctricos
podem provocar incêndio. Um incêndio pode provocar
lesões pessoais ou morte.
Remover materiais inflamáveis, como folhas, ramos,
pedaços de papel, sujidade, etc. eventualmente
acumulados no compartimento do motor ou
depositados à volta de outras áreas quentes ou de
peças quentes da máquina.
Manter fechadas as portas de acesso aos principais
compartimentos da máquina e conservar todas as
portas em bom estado de funcionamento para, em
caso de incêndio, poder haver livre acesso ao
equipamento anti-incêndio.
Limpar todas as acumulações de materiais inflamáveis,
como combustível, óleo e detritos da máquina.
Não utilizar a máquina próximo de chamas.
Manter todas as protecções no respectivo lugar. As
protecções do escape (se disponíveis) protegem os
componentes quentes do escape de jactos de óleo ou
combustível, no caso de haver qualquer rotura numa
linha, tubo flexível ou vedação. As protecções do
escape têm de ser montadas devidamente.
Não fazer trabalhos de soldadura ou cortes de
maçarico em linhas ou depósitos que contenham
material ou líquidosinflamáveis. Esvaziar e purgar as
linhas e os depósitos. Limpar muito bem as linhas e os
depósitos com solvente não inflamável, antes de fazer
trabalhos de soldaura ou corte com maçarico.
Assegurar-se de que os componentes estão
convenientemente ligados à terra, para evitar a
formação de arcos indesejáveis.
O pó gerado pela reparação de capotas ou resguardos
não metálicos pode ser inflamável e/ou explosivo.
Reparar estes componentes num local bem ventilado,
longe de chamas abertas ou faíscas. Usar equipamento
de protecção individual (- Personal Protection
Equipment - PPE) apropriado.
Inspeccionar todas as linhas e tubos flexíveis, para
verificar se estão gastos ou deteriorados. Substituir as
linhas e os tubos flexíveis que estiverem danificados. As
linhas e os tubos flexíveis têm de ter suportes
apropriados e braçadeiras seguras. Apertar todas as
ligações com o binário de aperto recomendado. As
coberturas de protecção e os materiais de isolamento
podem alimentar incêndios.
Guardar convenientemente combustíveis e lubrificantes
em reservatórios devidamente identificados e afastados
do pessoal não autorizado. Guardar trapos sujos de
óleo e materiais inflamáveis em recipientes protegidos.
Não fumar em áreas utilizadas para guardar material
inflamável.
XS0014AA
QPEBU2109 23
Secçãodesegurança
Prevençãodeincêndioeprevençãodeexplosão
Ilustração 27
Proceder ao abastecimento de combustível na
máquina com prudência. Não fumar durante o
abastecimento de combustível na máquina. Não
introduzir combustível nas máquinas próximo de
chamas abertas ou faíscas. Desligar sempre o
motor, antes de proceder ao abastecimento de
combustível. Atestar o depósito de combustível ao
ar livre. Limpar bem as áreas onde houve
derramamentos.
Seguir os processos de abastecimento de
combustível descritos na secção ≈Funcionamento∆
do Manual de Funcionamento e Manutenção e
respeitar os regulamentos locais em vigor. Nunca
guardar líquidos inflamáveis na cabine do operador
da máquina.
Bateria e cabos respectivos
Ilustração 28
Para minimizar o risco de incêndio ou de explosão
associados à bateria, a Caterpillar aconselha
respeitar as indicações dadas a seguir.
Não utilizar a máquina se os cabos da bateria ou os
componentes associados apresentarem sinais de
desgaste ou danos. Para assistência, contactar o
distribuidor Caterpillar.
Observar os procedimentos de segurança, para pôr
o motor a funcionar com cabos de ligação em
ponte. Ligações incorrectas do cabo de ligação em
ponte (jumper) podem provocar explosão e, de
consequência, originar lesões pessoais. Para
instruções específicas, consultar o Manual de
Funcionamento e Manutenção, "Arranque do motor
com cabos de ligação em ponte".
Não pôr a carregar baterias congeladas. Podem
provocar explosão.
Os gases das baterias podem explodir. Manter
chamas abertas ou faíscas afastadas da parte
superior da bateria. Não fumar nas áreas de recarga
das baterias.
Nunca verificar a carga da bateria colocando um
objecto de metal em contacto com os suportes dos
terminais. Utilizar um voltímetro ou um densímetro.
Inspeccionar diariamente os cabos da bateria que
estão em áreas visíveis. Verificar se os cabos,
molas, presilhas e outros elementos de fixação
estão danificados. Se for necessário, substituí-los. O
uso e os factores ambientais são causa de
deterioração. Procurar os sinais seguintes:
• Desgaste
• Abrasão
• Rachas
• Descoloração
• Cortes no isolamento dos cabos
• Incrustação
• Terminais corroídos, danificadas e soltos ou
pouco apertados
Substituir os cabos da bateria degradados e todas
as peças associadas. Eliminar todas as
incrustações que possam ter provocado deficiência
de isolamento ou danos ou desgaste em
componentes associados. Certificar-se de que
todos os componentes sejam de novo devidamente
montados.
A eventual presença de fios expostos no cabo da
bateria pode provocar curto-circuito a terra no caso
de contacto da área exposta com uma superfície
ligada à terra. Os curto-circuitos dos cabos da
bateria provocam produção de calor e podem
constituir um perigo de incêndio.
XS0015AA
XS0017AA
24 QPEBU2109
Secçãodesegurança
Prevençãodeincêndioeprevençãodeexplosão
A eventual presença de fios expostos no cabo de
ligação à terra, entre a bateria e o interruptor de
desligamento, pode provocar by-pass deste último
no caso de contacto da área exposta com uma
superfície ligada à terra. Isto pode dar aso a uma
condição não segura para manutenção da máquina.
Reparar os componentes ou substituí-los, antes de
proceder à manutenção da máquina.
m CUIDADO
O incêndio de uma máquina pode provocar
lesões pessoais ou morte. O contacto entre um
cabo de bateria exposto e uma ligação à terra
pode provocar incêndio. Substituir os cabos e os
componentes associados que apresentarem
sinais de desgaste ou danos. Contactar o
distribuidor Caterpillar.
Cabos eléctricos
Verificar diariamente os cabos eléctricos. Em
presença de uma das condições indicadas a
seguir, proceder à substituição dos componentes
antes de usar a máquina.
• Desgaste
• Sinais de abrasão ou desgaste
• Rachas
• Descoloração
• Cortes no isolamento
• Outros danos
Verificar se todas as braçadeiras, protecções,
molas e presilhas estão bem montadas. Isto ajudará
a prevenir vibrações, fricção noutros componentes
e excesso de calor, durante o funcionamento da
máquina.
Evitar fixar os cabos eléctricos a tubos flexíveis e a
tubos que contenham líquidos inflamáveis ou
combustível.
Contactar o distribuidor Caterpillar para reparações
ou peças de substituição.
Manter os cabos e as ligações eléctricas sem
detritos
Linhas, tubos e tubagem flexível
Não curvar linhas de alta pressão. Não bater em
linhas de alta pressão. Não instalar linhas que
estejam curvadas ou danificadas Apertar todas as
ligações com o binário recomendado, utilizando as
chaves de suporte apropriadas.
Ilustração 29
Verificar linhas, tubos e tubagens flexíveis com
atenção. Durante as operações de verificação de
fugas, usar equipamento de protecção individual
(Personal Protection Equipment - PPE). Utilizar
sempre uma tábua ou cartão, aquando da
inspecção de fugas. A fuga de fluido sob pressão
pode penetrar nos tecidos do corpo. A penetração
de fluido pode provocar graves lesões e possível
morte. Uma fuga de um orifício com o diâmetro de
um pino pode provocar graves lesões. Em caso de
injecção de fluido na pele, tratar-se urgentemente.
Procurar um médico familiarizado com este tipo de
lesões.
No caso de se verificar uma das condições abaixo
indicadas, substituir as peças afectadas:
• Acessórios terminais danificados ou com fugas
• Coberturas exteriores gastas ou cortadas
• Fios expostos
• Coberturas exteriores com protuberâncias ou
inchadas
• Partes flexíveis dos tubos torcidas
• Armação interior que sai das coberturas de
revestimento exterior
• Elementos de ligação terminais fora do restectivo
lugar
Verificar se todas as braçadeiras, protecções e
blindagens térmicas estão bem montadas. Durante
o funcionamento da máquina, isto ajudará a
prevenir vibrações, fricção noutros componentes,
excesso de calor e eventuais deficiências nas
linhas, tubagens e tubos flexíveis.
Não utilizar máquinas, quando existir risco de
incêndio. Reparar eventuais linhas corroídas,
desapertadas ou danificadas. As fugas podem
alimentar incêndios. Contactar o distribuidor
Caterpillar para reparações ou peças de
substituição. Usar peças originais Caterpillar ou
equivalentes em termos de capacidades ou de
limites de pressão e temperatura.
XS0011AA
QPEBU2109 25
Secçãodesegurança
Prevençãodeincêndioeprevençãodeexplosão
Éter
O éter (se disponível) é habitualmente usado nas
aplicações em clima frio. O éter é um produto
inflamável e venenoso.
Seguir os procedimentos devidos, para arranque do
motor a frio. Consultar a secção do Manual de
Funcionamento e Manutenção intitulada ≈Arranque
do motor∆.
Não pulverizar éter num motor, se a máquina estiver
equipada com um dispositivo térmico auxiliar para
arranque no tempo frio.
Usar éter em áreas bem ventiladas. Não fumar
durante a substituição de um cilindro de éter ou
quando estiver a utilizar um pulverizador de éter.
Não guardar cilindros de éter em locais habitados
ou na cabine do operador de uma máquina. Não
guardar cilindros de éter em locais expostos à luz
solar directa ou com temperatura superior a 49° C
(120,2° F). Manter os cilindros de éter afastados de
chamas abertas ou faíscas.
Eliminar os cilindros de éter convenientemente. Não
furar os cilindros de éter. Manter os cilindros de éter
afastados de pessoal não autorizado.
Extintor de incêndios
Como posterior medida de segurança, ter sempre
um extintor de incêndio disponível na máquina.
Familiarizar-se com o funcionamento do extintor de
incêndio. Inspeccionar o extintor de incêndio e fazer
a sua manutenção com regularidade. Seguir as
recomendações da placa de instruções.
Tomar em consideração instalar um sistema de
supressão de incêndio independente, se a
aplicação e as condições de trabalho o justificarem.
Localização do extintor de
incêndio
Verificar se o extintor de incêndio está presente na
máquina. Certificar-se de que sabe utilizar o extintor
de incêndio. Inspeccionar o extintor de incêndio e
fazer-lhe a manutenção necessária. Obedecer às
recomendações da placa de instruções.
Ilustração 30
Sítio recomendado para o extintor de incêndio nas máquinas equi-
padas com tejadilho desdobrável manualmente ou sem tejadilho.
Ilustração 31
Sítio recomendado para o extintor de incêndio nas máquinas equi-
padas com tejadilho hidráulico desdobrável.
Montar o extintor de incêndio no suporte, perto do
assento direito do operador.
XS0940AB
XS0900AB
26 QPEBU2109
Secçãodesegurança
Informaçãosobreospneus
Informação sobre os pneus
Os pneus insuflados com ar podem explodir devido
à combustão de gás no seu interior.
Outras explosões poderão ser provocadas pelo
calor gerado pelas soldaduras, pelo aquecimento
dos componentes da jante ou pelo uso excessivo
dos travões.
A explosão de um pneu pode ser muito violenta.
Pode projectar o pneu, componentes da jante e
componentes do eixo para mais de 500 m (1500
pés) de distância da máquina. Quer a força da
explosão, quer a projecção de objectos podem
provocar danos nas instalações ou no equipamento
e lesões pessoais ou mesmo morte.
Ilustração 32
(A) Pelo menos 15 m (50 pés)
(B) Pelo menos 500 m (1500 ft)
Não se aproximar de pneus quentes. Manter a
distância mínima de segurança, conforme figura.
Manter-se fora da área sombreada, conforme
mostrado na figura acima.
Qunado estiver a encher um pneu, ter o cuidado de
se colocar atrás do trilho da roda e utilizar um
dispositivo de auto-fixação.
O serviços de manutenção em pneus e jantes
podem ser perigosos. Por isso, só pessoas
experientes que utilizem ferramentas e técnicas de
actuação próprias poderão levar a cabo estes
serviços. Não adoptando na manutenção de pneus
e jantes os procedimentos certos, há risco de
explosão violenta. Esta força de explosão pode
provocar lesões pessoais graves ou mesmo morte.
Obedecer escrupulosamente às instruções
específicas do distribuidor de pneus.
Prevenção de lesões por
temporal com relâmpagos
Em presença de relâmpagos nas imediações da
máquina, o operador não deverá fazer nenhuma
das acções seguintes:
• Subir para a máquina.
• Descer da máquina.
Se durante a condução da máquina se
desencadear um temporal, manter-se no lugar de
condução. Se quando estiver no solo se
desencadear um temporal, manter-se afastado da
máquina e das suas imediações.
Antes de pôr o motor a
trabalhar
Ligar o motor apenas da cabine do operador.
Nunca ligar em curto-circuito os terminais do motor
de arranque ou as baterias. As ligações de curto-
circuito podem danificar o sistema eléctrico,
saltando o sistema de arranque em ponto morto do
motor.
Verificar as condições do cinto de segurança e do
hardware de montagem. Substituir todas peças
gastas ou danificadas. Seja qual for o aspecto do
cinto de segurança, substituí-lo ao fim de 3 anos de
utilização. Não usar extensões nos cintos de
segurança retrácteis.
Ajustar o assento de modo que o operador, sentado
com as costas bem apoiadas no encosto do
assento, possa chegar facilmente à alavanca de
avanço e ao pedal do travão secundário.
Verificar se a máquina está equipada com o sistema
de iluminação indicado para as condições de
trabalho a enfrentar. Verificar se todas as luzes da
máquina estão em perfeito funcionamento.
Antes de pôr o motor a trabalhar e de deslocar a
máquina, certificar-se de que não há pessoas por
baixo, à volta ou em cima da máquina. Certificar-se
de que não há pessoal na área.
XS0456AB
QPEBU2109 27
Secçãodesegurança
Arranquedomotor
Arranque do motor
Ilustração 33
Não pôr o motor a trabalhar nem mexer em qualquer
comando, se houver alguma inscrição a dizer ≈Não
accionar,∆ ou análoga, colocada no interruptor de
arranque ou nos comandos.
Antes de ligar o motor, verificar se há pessoas a
passar ou pessoal de manutenção presente na
área. Certificar-se de que todas as pessoas estão
longe da máquina. Tocar a buzina durante uns
instantes, antes de pôr o motor a trabalhar.
Colocar o interruptor do travão de estacionamento
na posição "ON".
Ligar o motor e pô-lo em acção num local bem
ventilado. Em locais fechados, abrir um buraco de
exaustão para o exterior.
Antes da utilização
Afastar da máquina e da área de trabalho todo o
pessoal.
Retirar do caminho da máquina todos os
obstáculos. Cuidado com os perigos, como cabos
eléctricos, valas, etc.
Verificar se a buzina, alarme de marcha atrás e
restantes dispositivos de aviso estão em perfeito
funcionamento.
Apertar o cinto de segurança (se disponível) com
firmeza.
Antes de funcionar com a máquina, consultar o
Manual de Funcionamento e Manutenção,
≈Inspecção diária∆.
Aquecer o motor e o óleo hidráulico, antes de utilizar
a máquina.
Informação sobre a
visibilidade
Antes de ligar a máquina, convém fazer uma
inspecção a toda a volta dela, para se certificar de
que não há perigos latentes.
Enquanto a máquina estiver a funcionar, manter a
área à volta da máquina constantemente sob
vigilância, de maneira a poder identificar os
potenciais perigos latentes à medida que
aparecem.
A máquina pode ser equipada com elementos
auxiliares de visão. Como exemplo de auxiliares de
visão temos o Circuito de Televisão Fechado
(CCTV) e os espelhos. Antes de pôr a máquina a
funcionar, certificar-se de que os auxiliares de visão
estão limpos e em condições de funcionamento
perfeitas. Ajustar os auxiliares de visão conforme
indicado aqui neste Manual de Funcionamento e
Manutenção. Se disponível, o sistema de visão da
área de trabalho deve ser ajustado de acordo com
as indicações dadas no Manual de Funcionamento
e Manutenção, SEBU8157, ≈Sistema de visão da
área de trabalho∆.
Em máquinas grandes pode não ser possível
proporcionar uma visão directa de todas as áreas à
volta da máquina. É necessária uma organização
apropriada no local da obra de modo a minimizar os
perigos causados pela restrição de visibilidade. A
organização do local da obra consiste numa
colecção de regras e procedimentos que
coordenam as máquinas e as pessoas que
trabalham juntas na mesma área. Alguns exemplos
de organização do local da obra são:
• Instruções de segurança
• Esquemas controlados dos movimentos da
máquina e dos veículos
• Trabalhadores a dirigir o trânsito, incitando a
avançar só quando as condições são seguras
• Ÿreas limitadas
• Formação do operador
• Símbolos de aviso ou sinais de aviso nas
máquinas ou nos veículos
• Um sistema de comunicação
• Comunicação entre trabalhadores e operários
antes de aproximar-se da máquina
Modificações à configuração da máquina por parte
do utilizador, de que resultem diminuição de
visibilidade, deverão ser verificadas.
W
A
R
N
IN
G
operate
sig
ned
by
date
do
not
XS0009AA
28 QPEBU2109
Secçãodesegurança
Operação
Operação
Amplitude térmica de
funcionamento
A máquina, na sua configuração standard, foi
concebida para utilização em ambientes com
temperaturas variáveis entre -20 °C (-4 °F) e 50 °C
(122 °F). É possível dispor de configurações
especiais para temperaturas ambiente diferentes
das indicadas. Para mais informações sobre
configurações especiais da sua máquina, consultar
o distribuidor Caterpillar.
Funcionamento da máquina
Manobrar a máquina, apenas depois de estar
sentado no lugar de condução. Accionar os
comandos só quando o motor estiver a funcionar.
Enquanto operar com a máquina devagar, ao ar
livre, verificar se todos os comandos e dispositivos
de protecção estão em perfeito funcionamento.
Antes de deslocar a máquina, é necessário
certificar-se de que não há pessoas em perigo.
Eventuais passageiros, terão de sentar-se no
assento extra do operador.
Não permitir ao pessoal viajar no nivelador, quando
circular com a máquina em estrada.
Nunca utilizar o instrumento de trabalho como
plataforma de trabalho.
Anotar todas as reparações necessárias, durante o
funcionamento da máquina. Indicar as reparações a
fazer.
Transportar os acessórios a cerca de 40 cm (15
polegadas) de distância do solo. Não aproximar a
máquina das bordas de escarpas, escavações ou
ressaltos.
Se a máquina começar a deslizar para o lado, ao
descer uma superfície inclinada, retirar
imediatamente a carga e voltar a máquina na
direcção do declive.
Evitar toda e qualquer condição que possa fazer
tombar a máquina. A máquina pode tombar quando
se trabalha em colinas, escarpas e declives.
Também pode tombar, quando se atravessam
fossos, cumes ou outros obstáculos inesperados.
Evitar operar com a máquina, transversalmente a
declives. Quando possível, operar com a máquina
subindo e descendo os declives.
Manter o controlo da máquina. Não sobrecarregar a
máquina com cargas superiores à sua capacidade
máxima.
Certificar-se de que os engates e dispositivos de
reboque são apropriados.
Ligar o equipamento de reboque a uma barra de
tracção ou a um engate.
Nunca passar por cima de um cabo eléctrico.
Nunca permitir a ninguém, passar por cima de um
cabo eléctrico.
Antes de manobrar a máquina, ter a certeza de que
não há pessoas entre a máquina e o equipamento
de reboque. Bloquear o engate do equipamento de
reboque, para alinhar o engate com a barra de
tracção. Manobrar a máquina. Ligar a máquina ao
equipamento de reboque.
Verificar as dimensões máximas da máquina.
Paragem do motor
Não desligar o motor imediatamente, após a
máquina ter operado sob carga. Isto pode provocar
sobreaquecimento e desgaste acelerado dos
componentes do motor.
Depois de ter estacionado a máquina e activado o
travão de estacionamento, deixar o motor a
trabalhar durante dois minutos, antes de o desligar.
Deste modo, dá tempo às partes quentes do motor,
para arrefecerem gradualmente.
Estacionamento
Estacionar a máquina numa superfície horizontal. Se
tiver de estacionar a máquina em declive, é
necessário bloqueá-la de modo a impedir-lhe
qualquer movimento.
Colocar a alavanca de propulsão na posição de
PONTO MORTO, para parar a máquina.
Activar o travão de estacionamento, empurrando o
comando respectivo para a posição ON. O
indicador do travão de estacionamento acende-se.
Baixar o nivelador a nível do solo.
Baixar as tremonhas, para a posição mais baixa.
Desligar o motor.
Rodar o interruptor de alimentação para a posição
OFF e tirar a chave.
Rodar o interruptor que desliga a bateria para a
posição OFF.
Funcionamento em declive
O funcionamento das máquinas em condições de
segurança em várias aplicações depende de vários
factores: modelo, configuração, manutenção e
velocidade de funcionamento da máquina,
condições do terreno, nível dos fluidos e da pressão
de enchimento dos pneus. Porém, os factores mais
importantes consistem na competência e
capacidade de juízo do operador.
QPEBU2109 29
Secçãodesegurança
Baixaroequipamentocomomotordesligado
Um operador bem preparado com formação própria
que respeite as instruções do Manual de
Funcionamento e Manutenção oferece a máxima
garantia e estabilidade. A formação dá ao pessoal
as seguintes capacidades: observação das
condições ambientais de trabalho, sensibilidade à
máquina, identificação dos perigos potenciais e
manipulação da máquina em condições de
segurança devido à tomada de decisões
apropriadas.
Durante a execução de trabalhos ao lado de colinas
e em declives, ter em consideração os seguintes
factores relevantes:
Velocidade de deslocação √ Perante velocidades
elevadas, as forças de inércia tendem a diminuir a
estabilidade da máquina.
Irregularidade do terreno ou da superfície √ A
máquina pode resultar menos estável em terreno
irregular.
Sentido de marcha √ Evitar operar com a máquina
transversalmente a declives. Quando possível,
operar com a máquina subindo e descendo os
declives. Ao trabalhar em declives, ter o cuidado de
dispor a máquina de modo a ficar com a
extremidade mais pesada da máquina a montante.
Equipamento montado √ O equilíbrio da máquina
pode ser comprometido pelos elementos seguintes:
equipamento montado na máquina, configuração
desta última, pesos e contrapesos.
Natureza da superfície √ As superfícies de terreno
submetidas a recente enchimento de terra podem
ceder com o peso da máquina.
Material da superfície √ A presença de rochas e
humidade no material de superfície podem influir
negativa e drasticamente na tracção e estabilidade
da máquina. As superfícies rochosas podem
provocar deslizamento lateral da máquina.
Patinagem devido a carga excessiva √ esta
condição pode dar origem a afundamento no
terreno dos rastos ou pneus situados a jusante,
aumentando a inclinação da máquina.
Largura dos rastos ou dos pneus √ Rastos e pneus
mais estreitos aumentam posteriormente o risco de
afundamento no terreno, diminuindo a estabilidade
da máquina.
Instrumentos fixados na barra de tracção √ Estes
instrumentos podem diminuir o peso exercido sobre
os rastos de montante. O mesmo acontece se a
máquina for provida de pneus em vez de rastos.
Esta redução de peso diminui a estabilidade da
máquina.
Altura da carga de trabalho da máquina √ Quando
a carga de trabalho está em posição mais alta, a
estabilidade da máquina diminui.
Equipamento utilizado √ Prestar atenção às
características de performance do equipamento
utilizado e aos seus efeitos sobre a estabilidade da
máquina.
Técnicas operacionais √ Manter todos os
acessórios baixos, ao nível do solo, para ter a
máxima estabilidade.
Os sistemas da máquina estão sujeitos a limitações
ao actuar em declive √ Os declives podem influir
negativamente no funcionamento e manipulação
dos vários sistemas da máquina. Estes sistemas são
necessários para o controlo da referida máquina
durante a actuação em declives.
NOTA: O funcionamento em condições de
segurança em superfícies inclinadas pode exigir
uma manutenção especial na máquina. São ainda
necessárias excelente competência por parte do
operador e uso de equipamento apropriado para as
aplicações específicas. Consultar as secções do
Manual de Funcionamento e Manutenção, para os
requisitos necessários relativos ao nível dos fluidos
e para indicações sobre o uso previsto da máquina.
Baixar o equipamento com o
motor desligado
Antes de baixar qualquer equipamento com o motor
desligado, afastar todo o pessoal da área circundante.
O processo varia segundo o tipo de equipamento a
baixar. Lembrar-se de que a maior parte dos sistemas
utiliza fluidos a alta pressão ou ar, para baixar ou
levantar o equipamento. O processo implica a
libertação de ar a alta pressão, de componentes
hidráulicos ou outros elementos, para permitir baixar o
equipamento. Usar equipamento de protecção
individual e seguir o processo definido no Manual de
Funcionamento e Manutenção, ≈Baixar o equipamento
com o motor desligado∆ na secção de Funcionamento
do Manual.
Informações sobre os níveis
de ruído e vibração
Informações sobre os níveis de ruído
Pode ser necessária a utilização de protectores
para os ouvidos, quando a máquina é manobrada
com o lugar de condução aberto, durante longos
períodos de tempo ou em ambientes ruidosos.
Informações sobre os níveis de
ruído para as máquinas destinadas
a países da União Europeia ou que
adoptam as “Directivas UE”
O nível de pressão acústica equivalente sobre o
operador (Leq) medido segundo a "EN500-2006" é
de 84 dB(A). O lugar de condução está equipado
com tejadilho e o assento giratório está voltado para
a frente.
O nível médio de pressão acústica exterior medido
segundo a "2000/14/EC" é de 104 dB(A)para as
máquinas standard.
30 QPEBU2109
Secçãodesegurança
Informaçõessobreosníveisderuídoevibração
“Directiva da União Europeia 2002/
44/CE sobre a exposição aos
riscos devidos aos agentes físicos
(vibrações)
Dados de vibração da pavimentadora de
asfalto
Informações relativas ao nível de vibração de mão/
braço
Quando a máquina é utilizada para os fins previstos,
as vibrações que transmite a mãos/braços é inferior a
2,5m/s (metros/segundo quadrado).
Informações sobre o nível de vibrações em todo o corpo
Esta secção fornece os dados relativos às vibrações
e o método para fazer uma estimativa do nível de
vibração produzido pela pavimentadora de asfalto.
NOTA: Os níveis de vibração dependem de muitos
parâmetros. Muitos destes são enumerados abaixo.
• Formação do operador, comportamento, modo
operatório e stress
• Tipo de máquina, qualidade do assento, qualidade
do sistema de suspensão e condições do
equipamento
Não é possível determinar com precisão os níveis de
vibração desta máquina. Os níveis de vibração
esperados podem ser estimados com os dados do
Quadro 1, para calcular a exposição diária a
vibrações. Pode ser usada uma simples avaliação
da aplicação da máquina.
Estimar os níveis de vibração nas três direcções de
vibração. Para as condições de funcionamento
usuais, utilizar, como nível estimativo, a média dos
níveis de vibração. Com um operador experiente e
terreno plano, subtrair os Factores Cenário do nível
de vibração médio, para obter o nível de vibração
estimado. Para operações agressivas e terreno
difícil, adicionar os Factores Cenário ao nível de
vibração médio, para obter o nível de vibração
estimado.
NOTA: Todos os níveis de vibração são expressos
em metros por segundo quadrado (m/s ).
Tabela1
“Referência ISO Quadro A - Níveis de vibração equivalentes das emissões de vibração a todo o corpo produzidas
por máquinas de movimentação de terras.”
Tipo de
máquina
Actividade operativa
característica
Níveis de vibração Factores Cenário
Eixo dos
X's
Eixo dos
Y's
Eixo dos
Z's
Eixo dos
X's
Eixo dos
Y's
Eixo dos
Z's
Pavimentadorade
asfalto
transferência 0,75 0,40 1,08 0,30 0,12 0,37
ciclodetrabalho 0,11 0,15 0,34 0,04 0,05 0,17
QPEBU2109 31
Secçãodesegurança
Informaçõessobreosníveisderuídoevibração
NOTA: Para mais informações sobre os níveis de
vibração, consultar a ≈ISO/TR 25398 Vibrações
Mecânicas -Guia para avaliação da exposição de todo
o corpo a vibrações, para operadores de máquinas de
movimentação de terras∆. A referida publicação utiliza
dados medidos por institutos e organizações
internacionais e fabricantes de todo o mundo. Este
documento dá informações sobre a exposição de todo
o corpo a vibrações por parte de operadores de
máquinas de movimentação de terras. Para mais
informações sobre os níveis de vibração da máquina,
consultar o Suplemento do Manual de Funcionamento
e Manutenção, SEBU8257.
A suspensão do assento Caterpillar satisfaz os
critérios estabelecidos na ≈ISO 7096∆. Isto diz
respeito ao nível de vibração vertical, em condições
de utilização muito difíceis.
Linhas-guia para redução dos níveis de vibração
Regular as máquinas devidamente. Fazer nas
máquinas a manutenção necessária. Trabalhar com
as máquinas sem fazer gestos bruscos. As linhas-
guia seguintes podem ajudar a reduzir o nível de
vibração transmitido a todo o corpo:
1. Fazer a manutenção da máquina, respeitando
as recomendações do fabricante.
a. Pressões dos pneus
b. Sistemas de travagem e direcção
c. Comandos, sistema hidráulico e
ligações(articulações)
2. Utilizar um assento que cumpra os requisitos da
≈ISO 7096∆. Manter o assento ajustado e fazer-
lhe a manutenção necessária.
a. Ajustar o assento e a suspensão de acordo
com o peso e estatura do operador.
b. Inspeccionar e fazer a manutenção
necessária à suspensão do assento e
mecanismos de ajustamento.
3. Fazer as operações a seguir com suavidade.
a. Virar
b. Travar
c. Acelerar
d. Mudar de velocidade
4. Para um ciclo de trabalho prolongado ou uma
distância de viagem grande, minimizar as
vibrações.
a. Se não houver nenhum sistema de controlo
de condução disponível, diminuir a
velocidade para evitar solavancos.
b. Deslocar as máquinas de uns locais de
trabalho para os outros, carregando-as em
meios de transporte.
5. Um menor conforto para o operador pode ser
provocado por outros factores de risco. As
linhas-guia seguintes podem ser eficazes para
proporcionar maior conforto ao operador:
a. Ajustar o assento e os comandos de modo a
conseguir uma boa postura.
b. Ajustar os espelhos de modo a minimizar
posições torcidas.
c. Fazer intervalos a fim de diminuir os longos
períodos de trabalho sentado.
d. Não saltar da plataforma do operador
e. Reduzir o mais possível choques e impactos,
durante as actividades desportivas e de
lazer.
Fontes
As informações sobre as vibrações e o respectivo
processo de cálculo são baseados na ≈ISO/TR
25398 Vibrações Mecânicas -Guia para avaliação
da exposição de todo o corpo a vibrações, para
operadores de máquinas de movimentação de
terras∆. Os dados harmonizados foram medidos por
institutos e organizações internacionais e por
fabricantes de todo o mundo.
Este documento dá informações sobre a avaliação
da exposição de todo o corpo a vibrações por parte
de operadores de máquinas de movimentação de
terras. O método baseia-se na emissão de
vibrações medidas em condições de trabalho reais,
para todas as máquinas.
Deve consultar-se a directiva original. Este
documento é um mero resumo parcial do conteúdo
da legislação aplicável. Não pretende substituir as
fontes originais. Outras partes destes documentos
são baseadas em informações fornecidas pelo
United Kingdom Health and Safety Executive.
Para mais informações sobre vibração, consultar o
Manual de Funcionamento e Manutenção,
SEBU8257 ≈Directiva 2002/44/EC sobre a exposição
dos trabalhadores aos riscos devidos aos agentes
físicos (vibrações)∆.
Para mais informações sobre as características das
máquinas que minimizam os níveis de vibração,
consultar o distribuidor Caterpillar local. Para
informações sobre a utilização da máquina em
condições de segurança, dirigir-se ao distribuidor
Caterpillar local.
Consultar o site internet indicado a seguir, para
descobrir o distribuidor mais próximo:
Caterpillar, Inc.
www.cat.com
32 QPEBU2109
Secçãodesegurança
Postodecondução
Posto de condução
Quaisquer modificações no interior da cabine de
operação não devem projectar-se no espaço
reservado ao operador. A instalação de um rádio,
extintor de incêndio ou outro equipamento na
cabine, terá de ser feita de modo a manter
inalterável o espaço reservado ao operador. Todo e
qualquer objecto introduzido na cabine não deverá
projectar-se no espaço reservado ao operador.
Lancheiras ou outros objectos soltos têm de estar
bem presos. Os objectos presentes não devem, de
modo nenhum, representar perigo no caso de
realização de trabalhos em terreno irregular ou de
capotamento.
Protecções (Protecção do
operador)
Há vários tipos de protecções utilizadas para a
segurança do operador. A máquina e a sua
aplicação determinam o tipo de protecção a usar. É
necessário fazer a inspecção diária das protecções,
para ver se há estruturas encurvadas, rachadas ou
desapertadas. Nunca utilizar uma máquina, se a
sua estrutura estiver danificada. Se a máquina for
utilizada desapropriadamente ou as técnicas de
operação adoptadas forem incorrectas, o operador
expõe-se a riscos. Esta situação pode verificar-se,
mesmo se a máquina estiver equipada com as
protecções apropriadas. Seguir os modos
operatórios recomendados para a máquina de que
se dispõe.
QPEBU2109 33
Secçãodeinformaçãosobreoproduto
Informaçõesgerais
Secção de informação
sobre o produto
Informações gerais
Especificações
As características técnicas da máquina de base
estão indicadas no quadro abaixo.
NOTA: O equipamento de opção adquirido influi
quer no peso, quer nas dimensões indicadas no
quadro abaixo.
Tabela2
Utilização prevista
A pavimentadora de asfalto é uma máquina que é
utilizada na construção de estradas. A
pavimentadora de asfalto utiliza, normalmente,
material em granel para aplicação das superfícies
asfaltadas. A maior parte das vezes, o
conglomerado de asfalto quente é fornecido por
veículos que o depositam na tremonha da frente da
pavimentadora.
A pavimentadora de asfalto AP300 é uma
pavimentadora para trabalhos ligeiros que pode
pavimentar superfícies para vários tipos de
aplicações. A pavimentadora de asfalto pode ser
utilizada em diversas aplicações como estradas,
ruas de centros urbanos, lotes de parqueamento,
estradas nacionais e auto-estradas. A
pavimentadora de asfalto recebe a mistura de
asfalto na parte da frente, de um camião ou de um
veículo de transferência próprio. A mistura é, então,
colocada na tremonha. As esteiras rolantes
transportam a mistura da tremonha para a parte
traseira da máquina. A seguir, a mistura desce para
o piso, à frente do nivelador. O nivelador modela a
mistura de acordo com as dimensões
especificadas. Além disso, nivela a mistura
conforme as dimensões especificadas. As
inclinações longitudinal e transversal da superfície
de asfalto são verificadas com grande precisão,
utilizando sensores e marcas de referência
montados na pavimentadora. Este sistema permite
obter um tapete extremamente plano. A
pavimentadora pode ser configurada com diversos
tipos de nivelador, para satisfazer as mais comuns
exigências dos clientes.
Restrições de configuração/
aplicação
• Usar somente em ambientes com gases não
explosivos.
• Utilizar a máquina apenas com ferramentas
aprovadas e com as protecções colocadas no
devido lugar.
• Não usar em aplicações subterrâneas.
• Proibido o uso de reboques.
Pavimentadora de Asfalto AP300
Pesodamáquina
(Sódotractor)
6100kg(13,448lb)
Pesodamáquina
comniveladorAS3173
7300kg(16,093lb)
Comprimentodamáquina
(Sódotractor)
4300mm(169,29pol.)
Comprimentodamáquina 4819mm(189,72pol.)
Larguradamáquina
(comtremonhasabertas)
2920mm(114,96pol.)
Larguradamáquina
(comtremonhasfechadas)
1726mm(67,95pol.)
Alturadamáquina
(semtejadilho)
2636mm(103,78pol.)
Alturadamáquina
(comtejadilhoalçado)
3340mm(131,49pol.)
Alturadamáquina
(comtejadilhobaixado)
2960mm(116,53pol.)
34 QPEBU2109
Secçãodeinformaçãosobreoproduto
Informaçõessobreaidentificação
Informações sobre a
identificação
Localização das placas e
etiquetas
O Número de Identificação do Produto (PIN) é
utilizado para identificar uma máquina com motor
concebida para ser conduzida por um operador.
Os produtos Caterpillar tais como motores,
transmissões e acessórios maiores, não concebidos
para serem conduzidos por operador, são
identificados por Números de série.
A placa de certificação (CE) é utilizada para atestar
que o produto cumpre todos os requisitos
estabelecidos por um país ou grupo de países. O
produto é testado por uma equipe de ensaios
certificada, para verificar a sua conformidade.
A etiqueta de certificação das emissões (se
disponível) é utilizada para atestar que o motor
cumpre os requisitos da EPA sobre emissões de
gases de escape.
Para uma referência rápida, escrever os números
de identificação nos espaços próprios, por baixo da
figura.
Número de identificação do
produto (PIN):
Ilustração 34
Localização da placa do Número de Identificação do Produto
(PIN) (1) e da Placa de Certificação facultativa (CE) (2).
PIN da máquina
Número de série do motor
Ilustração 35
Localização da placa do número de série do motor
Número de série do motor
Certificação
União Europeia
Esta placa está colocada na parte inferior esquerda
da placa do PIN.
Ilustração 36
NOTA: A placa CE está aplicada nas máquinas
certificadas conformes os requisitos da União
Europeia em vigor na altura da respectiva
fabricação.
As máquinas que cumprem a norma 2006/42/CE,
incluem na placa CE as informações a seguir. Para
consulta rápida, aconselhamos escrever esta
informação nos espaços próprios disponíveis
abaixo.
2
1
XS0889AB
XS0993AB
225-4148 11
XS1227AB
QPEBU2109 35
Secçãodeinformaçãosobreoproduto
Informaçõessobreaidentificação
• Potência do motor primário (kW)
• Potência do motor complementar
(Se disponível)
• Peso em operação típico da máquina para o
mercado europeu (kg)
• Ano de fabrico
• Tipo de máquina
Etiqueta de certificação das
emissões
NOTA: Esta informação diz respeito aos Estados
Unidos, Canadá e Europa.
Para uma declaração de garantia sobre o controlo
de emissões de gases de escape, contactar o
distribuidor Caterpillar.
.
Mostramos abaixo um exemplo deste tipo de etiqueta.
Ilustração 37
XS0454AB
36 QPEBU2109
Secçãodeinformaçãosobreoproduto
Informaçõessobreaidentificação
Declaração de conformidade
NOTA: O extracto da declaração de conformidade CE mostrado abaixo aplica-se apenas às máquinas que
trazem, de origem, a marca ≈CE∆ aplicada pelo fabricante indicado e que desde então não sofreram alterações.
Esta declaração é aplicável às máquinas com número de série B2Y231 e seguintes
DECLARAÇÃO CE DE CONFORMIDADE DAS MÁQUINAS
Fabricante:
Pessoa autorizada a elaborar o Caderno Técnico e, a pedido, a comunicar as partes mais importantes do
mesmo às autoridades dos Estados membros da União Europeia:
CaterpillarPavingProductsInc.
BrooklynPark,MN55445
USA
Eu, abaixo assinado, , certifico por este meio que o equipamento de construção indicado abaixo
Descrição: Denominaçãogenérica:
Função:
Modelo/Tipo:
NºdeSérie:
Designaçãocomercial:
Cumpre todos os requisitos pertinentes das Directivas seguintes
Tabela3
Nota(1)Anexo- Níveldepotênciasonoragarantido- dB(A)
Níveldepotênciasonoradeumtipodeequipamentorepresentativo- dB(A)
Potênciadomotorpor - kWVelocidadenominaldomotor- rpm
Documentaçãotécnicaacessívelatravésdapessoa,acimaindicada,autorizadaaelaboraroCadernoTécnico
Realizado em: Assinatura
Data: Nome/Funções
NOTA: A informação acima correspondia à verdade a (data de publicação), mas está sujeita a alterações. Para
mais pormenores, consultar a declaração de conformidade individual fornecida com a máquina.
Directivas Organismo notificado Documento Nº.
2006/42/EC
2000/14/CEalteradapelaDirectiva2005/
88/CE,
Nota(1)
2004/108/CE
QPEBU2109 37
SecçãodeFuncionamento
Antesdautilização
Secção de Funcionamento
Antes da utilização
Subir e descer da máquina
Ilustração 38
Para subir e descer da máquina utilizar sempre
escadas e corrimãos. Descer da máquina,
utilizando sempre escadas e corrimãos. Antes de
subir para a máquina, limpar a escada e os
corrimãos. Inspeccionar escada e corrimãos. Fazer
todas as reparações necessárias.
Sempre que o operador subir e descer da máquina,
deverá fazê-lo voltado sempre de frente para a
máquina. Manter o contacto de três pontos com os
degraus e o corrimão.
NOTA: O contacto de três pontos pode ser com
dois pés e uma mão ou com um pé e duas mãos.
Nunca subir para uma máquina em movimento.
Nunca descer de uma máquina em movimento.
Nunca saltar da máquina para o chão. Não tentar
subir para a máquina, transportando ferramentas ou
outros objectos. Não tentar descer da máquina,
transportando ferramentas ou outros objectos. Usar
uma corda para puxar o equipamento para a
plataforma. Para entrar e sair do lugar de condução,
não se apoiar nos comandos como se fossem um
corrimão.
Inspecção diária
m CUIDADO
Os gases de escape dos motores diesel contêm
produtos de combustão que podem provocar
lesões pessoais.
Ligar e pôr sempre o motor em acção num local
bem ventilado e, se se estiver num local fechado,
arranjar uma saída de exaustão para o exterior.
Para obter o máximo de tempo de vida útil da
máquina, fazer-lhe sempre uma inspecção visual. A
inspecção visual deve ser feita antes de subir para
a máquina, para ligar o motor.
Observá-la bem a toda a volta e por baixo, para ver
se há parafusos desapertados, sujidade, fugas de
óleo ou de líquido de refrigeração, elementos
partidos ou peças gastas.
Verificar as condições dos equipamentos
acessórios. Verificar as condições dos
componentes hidráulicos.
AVISO
Massa lubrificante e óleo acumulados numa
máquina podem provocar incêndio. Remover estes
detritos com vapor de limpeza ou água a alta
pressão, pelo menos, de 1000 em 1000 horas ou
sempre que houver uma quantidade significativa de
óleo derramado na máquina.
Fazer, diariamente, as operações seguintes:
• Alarme de marcha atrás- Testar
• Correntes (de tracção) da correia transportadora -
Limpar
• Nível do líquido de refrigeração do sistema
refrigerante - Verificar
• Suportes do motor - Inspeccionar
• Nível de óleo no motor - Verificar
• Separador de água do sistema de combustível -
Esvaziar
• Nível de óleo do sistema hidráulico - Verificar
• Suportes do gerador - Inspeccionar
• Cinto de segurança - Inspeccionar
Limpar todas as ligações, tampas e tampões, antes
de começar a manutenção da máquina.
NOTA: Verificar se há fugas. Em caso afirmativo,
descobrir a sua origem. Reparar a fuga. Em caso de
suspeita de fuga, verificar os níveis dos fluidos com
frequência superior à recomendada.
XS0022AA
38 QPEBU2109
SecçãodeFuncionamento
Antesdautilização
Ilustração 39
1. Verificar a entrada de ar do motor, para ver se
há detritos acumulados ou obstruções. Limpar a
entrada de ar, eliminando eventuais detritos ou
obstruções.
Ilustração 40
2. Quando o motor estiver na velocidade máxima,
verificar o indicador do filtro do motor. Se o
indicador se acender, é necessário fazer a
manutenção da entrada de ar do motor.
Consultar o Manual de Funcionamento e
Manutenção, ≈Elemento principal do filtro de ar
do motor - Limpar/Substituir∆ e ≈Elemento
secundário do filtro de ar do motor - Substituir∆.
Desligar o motor antes de fazer as operações de
manutenção nos filtros de ar do motor.
Ilustração 41
3. Verificar o estado de desgaste das correias
transportadoras. Verificar se as correias
transportadoras estão danificadas. As correias
transportadoras poderão apresentar os
seguintes sinais de dano ou desgaste: barras de
freio desapertadas ou partidas, movimento
irregular da correia transportadora e desgaste
excessivo das rodas dentadas de transmissão.
Reparar as correias transportadoras gastas ou
danificadas.
Ilustração 42
4. Verificar se os segmentos da correia dos trados
têm componentes gastos ou danificados. Os
cantos dos segmentos em causa devem estar
perfeitamente quadrados. æ medida que os
trados se vão desgastando, a espessura e
diâmetro podem ir diminuindo. Quando a borda
do trado apresentar desgaste num ponto, é
necessário substituí-lo.
XS0945AB
XS1106AB
XS0931AB
XS0925AB
QPEBU2109 39
SecçãodeFuncionamento
Antesdautilização
5. Verificar se há cabos soltos ou pouco apertados.
Verificar se há cabos com desgaste.
6. Verificar as luzes, para ver se há lâmpadas
fundidas. Verificar as luzes, para ver se há lentes
partidas. Substituir as lâmpadas fundidas ou as
lentes partidas.
Ilustração 43
7. Verificar se há fugas no sistema hidráulico.
Verificar se o depósito hidráulico, tubos flexíveis,
canos, tampões e ligações apresentam fugas ou
danos. Reparar eventuais danos. Reparar
eventuais fugas.
8. Todas as coberturas e protecções têm de estar
bem seguras, no lugar. Verificar se as
coberturas e protecções estão danificadas.
Reparar eventuais danos.
Ilustração 44
9. Verificar se os degraus, locais de passagem e
corrimãos da máquina estão danificados.
Reparar os componentes danificados ou com
desgaste. Verificar se os degraus, locais de
passagem e corrimãos da máquina estão
limpos. Limpar os componentes.
10. Verificar se as plataformas do operador estão
limpas. Manter as plataformas do operador
sempre limpas.
XS0937AB
XS0932AB
40 QPEBU2109
SecçãodeFuncionamento
Funcionamentodamáquina
Funcionamento da
máquina
Assento
Ajustar o assento no início de cada turno de
trabalho e quando houver substituição de operador.
O assento e a consola lateral do operador movem-
se como se fossem um corpo único.
NOTA: Não tocar nenhum dos comandos da
máquina. Pode provocar-se um movimento súbito
inesperado da máquina.
Usar sempre o cinto de segurança (se disponível)
ao operar com a máquina. Para mais pormenores
sobre este procedimento, consultar o Manual de
Funcionamento e Manutenção,, ≈Cinto de
segurança∆.
O assento tem de ser ajustado de modo tal que
todos os comandos fiquem facilmente acessíveis. O
assento tem de ser ajustado de modo a permitir ao
operador carregar a fundo no pedal do travão de
serviço.
O operador pode ajustar o assento, colocando-o
mais para a frente ou para trás. O operador pode
ajustar a altura do assento.
Ilustração 45
Desapertar o manípulo (1), para destravar, subir e
descer o encosto do assento.
Utilizar o comando de regulação da altura (3), para
ajustar a altura do assento. Colocar o comando na
posição de funcionamento. Rodando o comando no
sentido dos ponteiros do relógio, o assento sobe.
Rodando o comando no sentido contrário aos
ponteiros do relógio, o assento desce. O indicador
(2) mostra o peso do operador, expresso em quilos
e em libras.
Para pôr o assento para a frente ou para trás, puxar
para cima a alavanca (4) e mantê-la nessa posição.
Deslocar o assento para a posição desejada. Para
fixar o assento na posição seleccionada, soltar a
alavanca.
Cinto de segurança
NOTA: Esta máquina foi equipada com cinto de
segurança na altura da sua expedição da
Caterpillar. No momento da instalação, o cinto de
segurança e as suas instruções de montagem
cumprem os padrões
SAE J386. Para todas as peças de reposição,
contactar o distribuidor Caterpillar.
Verificar sempre as condições do cinto de
segurança e do hardware de montagem, antes de
pôr a máquina em funcionamento.
Ajustamento do cinto segurança,
para
cintos não retrácteis
Ajustar ambas as extremidades do cinto de
segurança. O cinto deve ficar justo, mas
confortável.
Como alargar o cinto de segurança
Ilustração 46
1. Desapertar o cinto de segurança.
(1) Manípulo de fixação do encosto do assento
(2) Indicador de altura do assento
(3) Comando de regulação da altura do assento
(4) Alavanca de posição do assento
1
XS0930AB
4
2
3
XS1010AB
QPEBU2109 41
SecçãodeFuncionamento
Funcionamentodamáquina
Ilustração 47
2. Para tirar a folga da correia exterior do cinto (1),
rodar o fecho (2). Deste modo a barra de
bloqueio solta-se e a tira do cinto está, então,
apta para deslizar através da fivela do fecho.
3. Tirar a folga à correia exterior do cinto, puxando
sobre o fecho.
4. Alargar a outra metade do cinto de segurança
da mesma maneira. Se o cinto de segurança
não ficar comodamente adaptado ao corpo do
condutor com o fecho em posição central,
ajustá-lo de novo.
Como encurtar o cinto de segurança
Ilustração 48
1. Apertar o cinto de segurança. Puxar a alça da
correia exterior, a fim de encurtar o cinto de
segurança.
2. Ajustar a outra metade do cinto de segurança da
mesma maneira.
3. Se o cinto de segurança não ficar comodamente
adaptado ao corpo do condutor com o fecho em
posição central, ajustá-lo de novo.
Como apertar o cinto de segurança
Ilustração 49
Prender a lingueta do cinto de segurança (3) na
fivela (2). Assegurar-se de que o cinto de segurança
está colocado transversalmente ao colo do
operador.
Como desapertar o cinto de segurança
Ilustração 50
Puxar para cima a alavanca de desbloqueio. Deste
modo o cinto de segurança abre-se.
XS1011AB
1
2
XS1012AB
XS1013AB
2
3
XS1012AB
42 QPEBU2109
SecçãodeFuncionamento
Funcionamentodamáquina
Extensão do cinto de segurança
m CUIDADO
Quando se utilizarem cintos de segurança
retrácteis, não usar extensões porque podem
provocar lesões pessoais ou mesmo a morte.
O sistema do enrolador pode, ou não, bloquear o
cinto, dependendo do comprimento da extensão
e da estatura da pessoa. Se o enrolador não se
bloquear, o cinto não reterá a pessoa.
Estão disponíveis cintos de segurança não
retrácteis mais compridos e extensões para estes.
A Caterpillar pede para usar extensões,
exclusivamente, com cintos de segurança não
retrácteis.
Para cintos de segurança mais compridos e
informações sobre as extensões, dirigir-se ao
distribuidor Caterpillar.
Ajustamento do tablier
Ajustar o tablier no início de cada turno de trabalho
e quando houver mudança de operador ou de
condições de trabalho.
O tablier tem de ser ajustado de modo que todos os
comandos fiquem facilmente acessíveis.
AVISO
Posicionar o tablier apenas quando a máquina
estiver parada e o travão de estacionamento estiver
activado. Quando a máquina estiver em movimento,
o tablier tem de estar fixado no seu lugar.
NOTA: Deslizar com o tablier apenas quando o
assento estiver a ocupar a posição extrema direita
ou esquerda, fora do limite exterior da plataforma do
operador.
Ilustração 51
O tablier desliza sobre um carril próprio, para
ambos os lados. Para deslocar o tablier de um lado
para outro, utilizar o volante (1).
O tablier pode rodar, sobre o próprio eixo, para
quatro posições diferentes.
Para fazer deslizar o tablier:
Ilustração 52
1. Puxar e reter o manípulo de fixação (2), para
desbloquear o tablier.
2. Deslocar o tablier para a posição desejada.
3. Largar o manípulo de fixação (2), para fixar o
tablier na posição desejada.
1
XS0898AB
XS0887AB
2
QPEBU2109 43
SecçãodeFuncionamento
Funcionamentodamáquina
Extensões da plataforma do
operador
A pavimentadora de asfalto tem duas extensões na
plataforma do operador que podem ser colocadas
fora do limite exterior da estrutura da máquina, de
modo a proporcionar ao operador melhor visão da
área de trabalho.
AVISO
Mover as extensões da plataforma apenas quando a
máquina estiver parada e o travão de
estacionamento estiver activado.
Para baixar as extensões da plataforma, proceder
do modo seguinte:
Ilustração 53
1. Rodar a alavanca de fixação (1), para destravar
e deslizar com a plataforma do assento do
operador para fora, para um das duas posições
disponíveis.
Ilustração 54
2. Puxar e manter puxado o pino de retenção (2),
para rodar e baixar o chão do assento do
operador (3).
3. Fixar a plataforma do assento do operador na
posição desejada com a alavanca de fixação
(1).
XS0935AB
1
2
XS0942AB
3
44 QPEBU2109
SecçãodeFuncionamento
Funcionamentodamáquina
Product Link (se disponível)
O Product Link PL121SR é um dispositivo de
comunicação por satélite que transmite à
Caterpillar, aos seus distribuidores e aos seus
clientes, informações sobre a máquina. A unidade
contém um receptor do Sistema de Posição Global
(receptor do GPS) e um transmissor-receptor
satélite.
O Product Link PL121SR tem capacidade de
comunicação nos dois sentidos, isto é, da máquina
para o utilizador remoto e vice-versa. O utilizador
remoto pode ser um distribuidor ou um cliente. Da
máquina e sempre que o desejar, o utilizador
poderá pedir informações actualizadas, como o
número de horas de utilização ou a localização da
máquina. Também é possível alterar os parâmetros
do sistema para o dispositivo Product Link
PL121SR. Os dados são transmitidos da máquina
para um satélite. A seguir, os dados são
transmitidos para uma estação terrestre. A estação
receptora transmite os dados à Caterpillar Inc. que,
por sua vez, os pode enviar para um dos seus
distribuidores e para o cliente.
Transmissão dos dados
Os dados da máquina relativos às suas condições e
funcionamento são transmitidos à Caterpillar e/ou
distribuidores Caterpillar, pelo dispositivo Product
Link, a fim de proporcionar aos clientes um serviço
de nível superior e melhorar os serviços e produtos
Caterpillar. As informações transmitidas podem
conter os dados seguintes: número de série da
máquina, localização da máquina, códigos de
avarias, dados sobre as emissões, consumo de
combustível, número de horas de serviço, números
das versões de software e de hardware e
equipamentos acessórios instalados.
A Caterpillar e/ou os distribuidores Caterpillar
podem usar estas informações para vários fins:
fornecer serviços de assistência aos clientes e/ou à
máquina, controlar ou preservar o equipamento
Product Link, monitorizar o estado físico da máquina
ou a sua performance, ajudar a preservar a
máquina, melhorar a eficiência desta, avaliar ou
melhorar os produtos e serviços Caterpillar,
obedecer a requisitos de lei e decisões judiciais
válidas, realizar estudos de mercado e oferecer aos
clientes novos produtos e serviços
A Caterpillar poderá partilhar, total ou parcialmente,
as informações recebidas com as filiais Caterpillar,
distribuidores e representantes autorizados. A
Caterpillar não poderá vender definitiva ou
temporariamente a terceiros os direitos de uso das
informações recebidas e envidará todos os esforços
razoáveis para guardar as informações em
segurança. A Caterpillar reconhece e respeita a
privacidade do cliente. Para mais informações,
contactar o distribuidor Caterpillar local.
Utilização numa área de explosão
Se a máquina tiver de ser utilizada num raio de
distância inferior a 12 m (40 ft) de uma área de
explosão, é necessário desactivar o Product Link
PL121SR. Para desactivar o Product Link PL121SR,
instalar na cabine da máquina um interruptor
próprio que permita desligar o módulo Product Link
PL121. instruções de instalação, consultar a
instrução especial, REHS2365, ≈Guia de instalação
do Product Link PL121SR e do PL300∆. Também se
pode desligar o módulo Product Link PL121SR da
fonte de corrente eléctrica, desligando o feixe de
fios no módulo Product Link.
Este aviso sobre a zona de explosão não substitui
os requisitos publicados ou os regulamentos
presentes no ≈Título 30 do US Code of Federal
Regulations (CFR)∆. Este aviso não permite
derrogação dos requisitos publicados ou dos
regulamentos presentes no ≈Título 30 do US Code of
Federal Regulations (CFR)∆. A avaliação dos riscos
deve ser realizada, individualmente, por cada
cliente. Cada um dos clientes deverá cumprir todos
os requisitos do ≈Título 30 do US Code of Federal
Regulations (CFR)∆a fim de garantir o
armazenamento, transporte, carregamento e
detonação de qualquer explosivo em condições de
segurança.
As especificações do Product Link PL121SR dadas
a seguir têm por objectivo dar um contributo na
avaliação de quaisquer riscos associados e garantir
o cumprimento de todos os regulamentos locais:
• A potência nominal de transmissão do transmissor
do Product Link PL121SR é de 5 a 10 watts
• A gama de frequências de funcionamento do
módulo Product Link PL121SR é de 148 MHz a
150 MHz.
Para eventuais questões, contactar o distribuidor
Caterpillar local.
Informações para a instalação inicial do Product
Link PL121SR estão disponíveis na instrução
especial, REHS2365, ≈Guia de instalação do
Product Link PL121SR∆.
Também estão disponíveis informações sobre o
funcionamento, configuração e resolução de
problemas do Product Link PL121SR na publicação
Funcionamento do sistema, resolução de
problemas, ensaio e ajustamento,, RENR7911 .
QPEBU2109 45
SecçãodeFuncionamento
Funcionamentodamáquina
Conformidade com a
regulamentação
Ilustração 55
AVISO
A transmissão de informações mediante utilização
do dispositivo Product Link está sujeita a normas de
lei variáveis de local para local, incluindo autorização
de uso de frequências de rádio, embora não limitada
a essa autorização. A utilização do Product Link
deve ser limitada aos locais onde são satisfeitos
todos os requisitos de lei relativos ao uso da rede de
comunicação Product Link.
No caso de uma máquina equipada com o
dispositivo Product Link ser colocada ou transferida
para um local onde (i) os requisitos de lei não são
satisfeitos ou onde (ii) a transmissão ou
processamento através de várias sedes das
informações em causa não são legais, a Caterpillar
declina toda e qualquer responsabilidade em relação
a tal inconformidade e reserva-se o direito de
suspender a transmissão de informações da
máquina em questão.
Interpelar o distribuidor Caterpillar local sobre
quaisquer questões relativas ao funcionamento do
dispositivo Product Link num país específico.
XS1135AB
ORBCOMM TYPE
APPROVAL: 801QWI
IC: 4650A-Q121415
46 QPEBU2109
SecçãodeFuncionamento
Funcionamentodamáquina
Ilustração 56
NOTA: Fornece-se a seguir a tradução de um
extracto do documento acima.
XS1136AB
We hereby declare that all essential radio test suites have been carriedout and that the above named
product is in conformity to all the essential requirements of Directive 1999/5/EC
declare under our sole responsibility that the product
BG L LO A
MONITORING REMOTE ASSETS WORLDWIDE
to which this declaration relates, is in conformity with the followingstandards and/or other normative
documents
The technical documentation relevant to the above equipment will be hel at:
We,
of
Identification mark:
The conformity assessment procedure referred to in Article 10 and detailed in Annex [IV] of Directive
1999/5/EC has been followed with the involvement of the following Notified Body:
The equipment will also carry the
Class 2 equipment identifier
BABT, Claremont House, 34 Molesey Road, Walton-on-Thames, KT12 4RQ, UK
Quake Global Inc (Previously Quake Wireless, Inc. up to January 2001)
9765 Clairemont Mesa Blvd, Suite A
San Diego, CA 92124, USA
EN 301 721 V1.2.1 (June 2001)
EN 300 489-20 V1.2.1 (November 2002)
EN 60950-1/A11:2004, 1st
Edition
Quake Global Inc (Previously Quake Wireless, Inc. up to January 2001)
9765 Clairemont Mesa Blvd, Suite A (Previously 5575 Ruffin Road, Suite 100 up to March
2002)
San Diego
CA 92124, USA (Previously 92123)
QHE2500, Q2000, Q1500, Q1400, Q1200S, Q1200SG, Q1200SH, Q1200SM and Q1200SV
DECLARATION OF CONFORMITY
0168
President
(name)
(title)
(signature of authorised person) (date)
Polina Braunstein
QPEBU2109 47
SecçãodeFuncionamento
Funcionamentodamáquina
DECLARAÇÃO DE CONFORMIDADE
Nós, QuakeGlobal,Inc(QuakeWireless,IncatéJaneirode2001)
de 9765ClairemontMesaBlvd,SuiteA(5575RuffinRoad,Suite100,atéMarçode2002)
SanDiego
CA92124,Usa(92123anteriormente)
declaramos, sob nossa exclusiva responsabilidade, que os produtos
QHE2500, Q2000, Q1500, Q1400, Q1200S, Q1200SG, Q1200SH, Q1200SM e Q1200SV
a que se refere esta declaração, estão em conformidade com as seguintes normas e/ou documentos normativos.
EN 301 721 V1,2.1 (Junho 2001)
EN 300 489-20V1,2.1 (Novembro 2002)
EN 60950-1/A11:2004, 1≤ edição
Declaramos ainda por este meio que todos os testes de rádio essenciais foram realizados e que o produto acima
mencionado se encontra em conformidade com todos os requisitos essenciais da Directiva ≈1999/5/CE∆.
O procedimento de avaliação de conformidade referido no Artigo 10 e descrito em pormenor no Anexo [IV] da
Directiva ≈1999/5/CE∆ foi realizado com a participação do seguinte organismo notificado:
BABT, Claremont House, 34 Molesey Foad, Walton-on-Thames, KT12 4RQ, Reino Unido
Marcadeidentificação: 0168 Oequipamentoincluiráaindaa
identificaçãode
Equipamentodeclasse2.
A documentação técnica inerente ao equipamento acima será guardada em:
Quake Global Inc (Quake Wireless, Inc. até Janeiro de 2001)
9765 Clairemont Mesa Blvd, Suite A
San Diego, CA 92124, USA
Polina Braunstein
Presidente
(Assinaturadapessoaautorizada) (data)
48 QPEBU2109
SecçãodeFuncionamento
Funcionamentodamáquina
Comandos do operador
Interruptores de paragem do
motor e da máquina
Ilustração 57
Interruptores de paragem do motor e da
máquina √ Os interruptores de paragem
do motor e da máquina presentes na
máquina são três.
ON √ Premir o interruptor para o activar (ON) e
para desactivar o funcionamento do motor e da
máquina.
OFF √ Puxar o interruptor para fora, para o desligar
(OFF) e activar o funcionamento do motor e da
máquina.
Ilustração 58
Um dos interruptores de paragem está situado no
tablier.
Ilustração 59
Em cada um dos painéis de comando do nivelador
há um interruptor de paragem. Os painéis de
comando do nivelador são dois, um de cada lado
do nivelador.
Para desligar o motor, premir um dos interruptores
de paragem com comando à distância. A máquina e
o motor não funcionarão enquanto não forem
premidos todos os botões de paragem com
comando à distância.
NOTA: Os interruptores de paragem devem ser
utilizados sempre que for necessário desligar o
motor de repente. Para saber qual o processo de
paragem do motor recomendado, consultar o
Manual de Funcionamento e Manutenção,
≈Paragem do motor∆.
XS0932AB
XS1105AB
XS0851AB
QPEBU2109 49
SecçãodeFuncionamento
Funcionamentodamáquina
Comandos do tablier (Consola
principal)
Comando do travão de
estacionamento
Ilustração 60
Comando do travão de estacionamento √ O
interruptor do travão de estacionamento é um
interruptor de duas posições. Para activar o travão,
empurrar o interruptor para baixo. Quando o travão
de estacionamento está activado, o sistema de
propulsão está em PONTO MORTO. Para desactivar
o travão, puxar o interruptor para cima.
Chave de arranque do motor
Ilustração 61
OFF √ Para desligar a corrente eléctrica
do motor e da máquina, rodar o interruptor
no sentido contrário aos ponteiros do
relógio, para a posição OFF. Rodar a chave para a
posição OFF, antes de tentar pôr de novo o motor a
funcionar. Rodar a chave para a posição OFF, para
desligar o motor.
ON √ Para activar os circuitos eléctricos,
rodar o interruptor para a posição ON.
Quando a chave é libertada da posição
START, regressa à posição ON.
START √ Rodar a chave de arranque do
motor para a posição START, para pôr o
motor a funcionar. Largar a chave assim
que o motor pegar.
NOTA: Se o motor não pegar, voltar com a chave à
posição OFF, antes de a voltar a rodar para a
posição START.
Antes de pôr o motor a funcionar, é necessário fazer
com que se verifiquem as condições seguintes:
• Todos os interruptores devem estar na posição
OFF.
• O travão de estacionamento deve estar activado.
• O selector de modo operatório deve estar em
STANDBY.
• A alavanca de propulsão deve estar em PONTO
MORTO.
• Todos os interruptores de PARAGEM da máquina
e do motor devem estar em OFF.
Para mais informações, consultar o Manual de
Funcionamento e Manutenção, ≈Arranque do
motor∆.
XS1105AB
XS1105AB
50 QPEBU2109
SecçãodeFuncionamento
Funcionamentodamáquina
Interruptor de activação dos
comandos da máquina
Ilustração 62
Interruptor de activação dos comandos da
máquina √ Premir o interruptor, para
activar todas as funções da máquina. A luz
dentro do interruptor acende-se quando os
comandos da máquina estiverem activados.
Indicadores
Ilustração 63
Sistema de carga (1) √ O indicador
acende-se quando o alternador não estiver
a funcionar devidamente. Se o indicador
se acender, conduzir a máquina para um local
seguro e desligar o motor. Procurar o problema.
Não utilizar a máquina enquanto não tiverem sido
feitas todas as reparações necessárias.
Baixa pressão de óleo no motor (2) √ O
indicador acende-se quando a pressão de
óleo no motor for excessivamente baixa.
Se o indicador se acender, conduzir a máquina para
um local seguro e desligar o motor. Procurar o
problema. Não utilizar a máquina enquanto não
tiverem sido feitas todas as reparações necessárias.
Temperatura alta do óleo hidráulico (3) √
O indicador acende-se quando a
temperatura do óleo hidráulico for
excessivamente alta. Se o indicador se
acender, conduzir a máquina para um local seguro
e desligar o motor. Procurar o problema. Não utilizar
a máquina enquanto não tiverem sido feitas todas
as reparações necessárias.
Sistema eléctrico desactivado (4) √ O
indicador acende-se quando o sistema
eléctrico estiver desactivado.
Modo Manual (5) √ O indicador acende-
se quando estiver activado o modo de
trabalho manual.
Correia transportadora esquerda (6) √ O
indicador acende-se quando a correia
transportadora esquerda estiver a
funcionar.
Correia transportadora direita (7) √ O
indicador acende-se quando a correia
transportadora direita estiver a funcionar.
Vibrador (8) √ O indicador acende-se
quando os vibradores estiverem activados.
Performance de travagem (9) (se
disponível) √ O indicador acende-se
quando a performance de travagem
diminui devido à existência de baixa pressão
hidráulica.
Avaria no sistema de propulsão da
máquina (10) √ O indicador começa a
piscar quando houver uma avaria na parte
eléctrica do sistema de propulsão. O número de
vezes que a luz piscar indica o tipo e a causa da
anomalia detectada.
XS1105AB
20
24
23
25
22
17
18
21
13
16
15
1
14
26
9
19
2 11 3 12 4 5 6 7 8
XS1106AB
10
QPEBU2109 51
SecçãodeFuncionamento
Funcionamentodamáquina
Tabela4
Travão de estacionamento (11) √ O
indicador acende-se quando o travão de
estacionamento estiver accionado.
Filtro de ar do motor (12) √ O indicador
acende-se quando o filtro de ar do motor
estiver obstruído e a passagem de ar se
restringir. Quando este indicador se acender, limpar
o filtro de ar o mais rapidamente possível.
Sistema eléctrico activado (13) √ O
indicador acende-se quando o sistema
eléctrico estiver activado.
Modo Automático (14) √ O indicador
acende-se quando estiver activado o
modo automático de trabalho.
Trado esquerdo (15) √ O indicador
acende-se quando o trado esquerdo
estiver a funcionar.
Trado direito (16) √ O indicador acende-
se quando o trado direito estiver a
funcionar.
Velocidade lenta (17) √ O indicador
acende-se quando estiver seleccionada a
velocidade lenta no selector de velocidade de
avanço.
Velocidade rápida (18) √ O indicador
acende-se quando estiver seleccionada a
velocidade rápida no selector de
velocidade de avanço.
Luz de trabalho (19) √ O indicador da luz
de trabalho acende-se quando as luzes de
trabalho estiverem acesas.
Indicadores de direcção (20) √ O
indicador acende-se quando estiverem
activados os indicadores de direcção.
Velocidade hidráulica lenta (21) √ O
indicador acende-se quando estiver
seleccionada a velocidade hidráulica lenta
no selector de mudança da velocidade hidráulica.
Velocidade hidráulica rápida (22) √ O
indicador acende-se quando estiver
seleccionada a velocidade hidráulica
rápida no selector de mudança da velocidade
hidráulica.
Compensação do nivelador activada (23)
√ O indicador acende-se quando o
circuito de compensação do nivelador
estiver activado.
Sistema de pulverização de agente
lubrificante (24) √ O indicador acende-se
quando o sistema de pulverização do
agente lubrificante estiver ligado.
Aquecimento eléctrico do nivelador (25)
(Se disponível) √ O indicador acende-se
quando o sistema de aquecimento
eléctrico do nivelador estiver activado.
NOTA: Se o indicador começar a piscar, significa
que existe uma condição de velocidade excessiva:
desligar imediatamente a máquina, utilizando o
interruptor de paragem do motor e da máquina.
Tracção dianteira (26) (Se disponível) √ O
indicador acende-se quando a tracção
dianteira estiver activada.
Indicador de nível de combustível
Ilustração 64
Indicador do nível de combustível √ Este mostrador
indica o nível de combustível.
AVARI
A
NÚMERO DE
FLASHES
CAUSA EFEITO
2 2 Avariano
controlo
automáticoda
velocidadede
trabalho
Nomodo
automáticoa
máquinanão
anda.
3 3 Avariano
sensorde
posiçãoda
alavancade
propulsão
Nomodo
manuala
máquinanão
anda.
4 4 Avariana
electroválvula
damarchade
avançoda
bombade
propulsão
Amáquinanão
consegue
andarparaa
frente
5 5 Avariana
electroválvula
demarcha
atrásda
bombade
propulsão
Amáquinanão
consegue
andarparatrás
XS1105AB
52 QPEBU2109
SecçãodeFuncionamento
Funcionamentodamáquina
Indicador de temperatura da água
Ilustração 65
Indicador de temperatura da água √ Este indicador
mostra a temperatura da água de refrigeração do
motor.
Interruptor de teste dos
indicadores
Ilustração 66
Interruptor de teste dos indicadores √
Premir o interruptor, para testar os
indicadores. O interruptor ilumina o
indicador do filtro de ar do motor, o
indicador de alta temperatura do óleo hidráulico e o
indicador de eficiência de travagem. Reparar ou
substituir qualquer indicador que não funcione.
Interruptor do indicador de
direcção
Ilustração 67
Indicador de direcção √ Colocar o
interruptor do indicador de direcção para a
esquerda, para activar as luzes do sinal de
voltar à esquerda. Colocar o interruptor do indicador
de direcção para a direita, para activar as luzes do
sinal de voltar à direita.
XS1105AB
XS1105AB
XS1105AB
QPEBU2109 53
SecçãodeFuncionamento
Funcionamentodamáquina
Interruptor das luzes de
emergência
Ilustração 68
Luzes de emergência √ Carregar no
interruptor, para ligar as luzes de
emergência. Carregar de novo no
interruptor, para desligar as luzes de emergência.
Quando as luzes de emergência estiverem ligadas,
o interruptor estará iluminado.
Volante
Ilustração 69
Volante √ Comanda o ângulo de viragem da
máquina. Rodar o volante no sentido dos ponteiros
do relógio, para virar a máquina para a direita.
Rodar o volante no sentido contrário aos ponteiros
do relógio, para virar a máquina para a esquerda.
Pedal do travão de serviço (Se
disponível)
Ilustração 70
Pedal do travão de serviço √ O pedal do travão de
serviço é utilizado para activar o travão de serviço.
Carregar no pedal progressivamente com o pé,
para travar gradualmente. Carregar a fundo no
pedal, para desactivar o sistema de propulsão. Para
reactivar o sistema de propulsão depois de o ter
desactivado, colocar a alavanca de propulsão em
ponto morto. A seguir, colocar o selector de modo
em STANDBY.
XS1105AB
XS0898AB
XS0887AB
54 QPEBU2109
SecçãodeFuncionamento
Funcionamentodamáquina
Comando da tremonha esquerda
Ilustração 71
LEVANTAR √ Colocar o interruptor para
cima e mantê-lo nessa posição, para
levantar a tremonha esquerda.
BAIXAR √ Colocar o interruptor para baixo
e mantê-lo nessa posição, para baixar a
tremonha esquerda.
NOTA: Quando o selector é libertado, o interruptor
regressa à posição do meio. Quando o interruptor
estiver na posição central, a tremonha mantém-se
na posição definida.
Comando da tremonha direita
Ilustração 72
LEVANTAR √ Colocar o interruptor para
cima e mantê-lo nessa posição, para
levantar a tremonha direita.
BAIXAR √ Colocar o interruptor para baixo
e mantê-lo nessa posição, para baixar a
tremonha direita.
NOTA: Quando o selector é libertado, o interruptor
regressa à posição do meio. Quando o interruptor
estiver na posição central, a tremonha mantém-se
na posição definida.
E
A
B
D
F
G
C
XS0883AB
E
A
B
D
F
G
C
XS0883AB
QPEBU2109 55
SecçãodeFuncionamento
Funcionamentodamáquina
Comando de altura do trado
Ilustração 73
Comando de regulação da altura do trado √
Colocar o interruptor para cima, para
levantar o trado. Colocar o interruptor para
baixo, para baixar o trado
NOTA: Libertando o interruptor, este regressará à
posição central. O trado mantém-se na posição
definida.
Comando do modo de trabalho do
trado esquerdo
Ilustração 74
OFF √ Colocar o interruptor na posição
central, para desligar o trado (OFF).
AUTOMŸTICO √ Colocar o interruptor para
cima, para pôr os trados a funcionar no
modo automático. Quando o interruptor está
na posição AUTOMŸTICO, a velocidade dos trados
será determinada pelo sinal do sensor sonoro de
comando do alimentador.
MANUAL √ Colocar o interruptor para
baixo, para activar o funcionamento manual
dos trados. Com o interruptor na posição
MANUAL, os trados funcionarão à velocidade
máxima.
E
A
B
D
F
G
C
XS0883AB
E
A
B
D
F
G
C
XS0883AB
56 QPEBU2109
SecçãodeFuncionamento
Funcionamentodamáquina
Botão de inversão de rotação do
trado esquerdo
Ilustração 75
Botão de inversão de rotação do trado
esquerdo √ Premir o botão, para inverter o
sentido de rotação do trado esquerdo.
Comando do modo de trabalho do
trado direito
Ilustração 76
OFF √ Colocar o interruptor na posição
central, para desligar (OFF) o trado direito.
AUTOMŸTICO √ Colocar o interruptor para
cima, para activar o funcionamento
automático do trado. Quando o interruptor
estiver em AUTOMŸTICO, a velocidade dos trados
é determinada pelo sinal do sensor sonoro de
comando do alimentador.
MANUAL √ Colocar o interruptor para
baixo, para activar o funcionamento manual
dos trados. Com o interruptor na posição
MANUAL, os trados funcionarão à velocidade
máxima.
E
A
B
D
F
G
C
XS0883AB
E
A
B
D
F
G
C
XS0883AB
QPEBU2109 57
SecçãodeFuncionamento
Funcionamentodamáquina
Botão de inversão de rotação do
trado direito.
Ilustração 77
Botão de inversão de rotação do trado
direito √ Premir o botão, para inverter o
sentido de rotação do trado direito.
Comando do modo de trabalho da
correia transportadora esquerda
Ilustração 78
OFF √ Colocar o interruptor na posição
central, para desligar (OFF) a correia
transportadora.
AUTOMŸTICO √ Colocar o interruptor para
cima, para activar o funcionamento
automático da correia transportadora.
Quando o interruptor estiver em AUTOMŸTICO, a
velocidade da correia transportadora é determinada
pela posição do sinal que chega do sensor sonoro
de controlo da correia transportadora (se
disponível) ou do painel de comando da correia
transportadora.
MANUAL √ Colocar o interruptor para
baixo, para activar o funcionamento manual
da correia transportadora. Com o interruptor
na posição MANUAL, a correia transportadora
funcionará à velocidade máxima.
E
A
B
D
F
G
C
XS0883AB
E
A
B
D
F
G
C
XS0883AB
58 QPEBU2109
SecçãodeFuncionamento
Funcionamentodamáquina
Botão de inversão de rotação da
correia transportadora esquerda
Ilustração 79
Botão de inversão de rotação da correia
transportadora esquerda √ Premir o botão,
para inverter o sentido de rotação da correia
transportadora esquerda.
Comando do modo de trabalho da
correia transportadora direita
Ilustração 80
OFF √ Colocar o interruptor na posição
central, para desligar (OFF) a correia
transportadora.
AUTOMŸTICO √ Colocar o interruptor para
cima, para activar o funcionamento
automático da correia transportadora.
Quando o interruptor estiver em AUTOMŸTICO, a
velocidade da correia transportadora é determinada
pela posição do sinal que chega do sensor sonoro
de controlo da correia transportadora (se
disponível) ou do painel de comando da correia
transportadora.
MANUAL √ Colocar o interruptor para
baixo, para activar o funcionamento manual
da correia transportadora. Com o interruptor
na posição MANUAL, a correia transportadora
funcionará à velocidade máxima.
E
A
B
D
F
G
C
XS0883AB
E
A
B
D
F
G
C
XS0883AB
QPEBU2109 59
SecçãodeFuncionamento
Funcionamentodamáquina
Botão de inversão de rotação da
correia transportadora direita
Ilustração 81
Botão de inversão de rotação da correia
transportadora direita √ Premir o botão,
para inverter o sentido de rotação da correia
transportadora direita.
Regulador da espessura de
pavimentação do lado esquerdo do
nivelador
Ilustração 82
AUMENTAR √ Colocar o interruptor para
cima e mantê-lo nessa posição, para
aumentar a espessura do material do lado
esquerdo do nivelador.
DIMINUIR √ Colocar o interruptor para
baixo e mantê-lo nessa posição, para
diminuir a espessura do material do lado
esquerdo do nivelador.
NOTA: Libertando o interruptor, este regressará à
posição central.
E
A
B
D
F
G
C
XS0883AB
XS1105AB
60 QPEBU2109
SecçãodeFuncionamento
Funcionamentodamáquina
Comando da espessura de
pavimentação do lado direito do
nivelador
Ilustração 83
AUMENTAR √ Colocar o interruptor para
cima e mantê-lo nessa posição, para
aumentar a espessura do material do lado
direito do nivelador.
DIMINUIR √ Colocar o interruptor para
baixo e mantê-lo nessa posição, para
diminuir a espessura do material do lado
direito do nivelador.
NOTA: Libertando o interruptor, este regressará à
posição central.
Comando da largura de aplicação
do lado esquerdo do nivelador
Ilustração 84
ESQUERDO (FORA) √ Colocar o
interruptor na posição da esquerda, para
estender o alargamento esquerdo do
nivelador.
DIREITO (DENTRO) √ Colocar o interruptor
na posição da direita, para recolher o
alargamento esquerdo do nivelador.
NOTA: Ao libertar o interruptor, este regressará à
posição central e o alargamento do nivelador
suspenderá o movimento.
E
A
B
D
F
G
C
XS0883AB
XS1105AB
QPEBU2109 61
SecçãodeFuncionamento
Funcionamentodamáquina
Comando da largura de aplicação
do lado direito do nivelador
Ilustração 85
DIREITO (FORA) √ Colocar o interruptor na
posição da direita, para estender o
alargamento direito do nivelador.
ESQUERDO (DENTRO) √ Colocar o
interruptor na posição da esquerda, para
recolher o alargamento direito do nivelador.
NOTA: Ao libertar o interruptor, este regressará à
posição central e o alargamento do nivelador
suspenderá o movimento.
Comando vibratório do nivelador
Ilustração 86
OFF √ Colocar o interruptor na posição
central, para desligar a vibração do
nivelador.
AUTOMŸTICO √ Colocar o interruptor para
cima, para activar o funcionamento
automático do sistema de vibração do
nivelador. A vibração do nivelador pode ser ligada e
desligada através do selector de modo de
funcionamento.
MANUAL √ Colocar o interruptor para
baixo, para activar o funcionamento manual
do sistema de vibração do nivelador. O
sistema de vibração do nivelador está sempre
ligado.
E
A
B
D
F
G
C
XS0883AB
E
A
B
D
F
G
C
XS0883AB
62 QPEBU2109
SecçãodeFuncionamento
Funcionamentodamáquina
Interruptor levantar/ondular do
nivelador
Ilustração 87
Interruptor levantar/ondular do nivelador √ Levanta
ou abaixa o nivelador.
LEVANTAR √ Mover o interruptor para
cima, para levantar o nivelador. A posição
de elevação do interruptor é momentânea. É
necessário continuar a segurar o interruptor, para
levantar o nivelador. Quando se tirar a mão do
interruptor, na posição de elevação, este regressará
automaticamente à posição BLOQUEADO,
mantendo o nivelador na posição em que estiver
nessa altura.
BLOQUEADO √ Colocar o interruptor na
posição central, para bloquear o nivelador
na posição em que estiver.
ONDULAR √ Colocar o interruptor para
baixo, para baixar o nivelador e lhe permitir
ondular livremente, para cima ou para
baixo, de acordo com a conformação do terreno.
Interruptor do sistema de
compensação do nivelador
Ilustração 88
OFF √ Colocar o interruptor para baixo,
para desligar o sistema de compensação
do nivelador.
ON √ Colocar o interruptor para cima, para
ligar o sistema de compensação do
nivelador. Neste modo, a elevação do
nivelador é controlada pelo Comando de
ajustamento da pressão de compensação do
nivelador.
E
A
B
D
F
G
C
XS0883AB
E
A
B
D
F
G
C
XS0883AB
QPEBU2109 63
SecçãodeFuncionamento
Funcionamentodamáquina
Interruptor do modo de
funcionamento
Ilustração 89
Interruptor do modo de funcionamento √ Define o
modo de funcionamento da máquina. Mudando o
interruptor da posição AUTOMŸTICO para
STANDBY, pode suspender-se temporariamente o
funcionamento da máquina. Isto permite parar a
máquina enquanto se aguarda o carregamento do
asfalto.
MANUAL √ Rodar o interruptor para a
esquerda, para a posição manual, para
utilizar a máquina no modo manual. No
modo MANUAL, é necessário ligar e desligar
manual e individualmente todas as funções
(vibração, trados, correias transportadoras).
STANDBY √ Colocar o interruptor na
posição standby, para suspender o
funcionamento hidráulico (propulsão,
vibração, trados), reduzir a velocidade do motor
para marcha lenta e accionar o travão de
estacionamento.
AUTOMŸTICO √ Colocar o interruptor na
posição automático, para reiniciar as
funções da máquina (propulsão, vibração,
trados, correias transportadoras) com as
velocidades de funcionamento definidas.
Controlo automático da velocidade
de trabalho
Ilustração 90
Controlo automático da velocidade de
trabalho √ Estabelece a velocidade
máxima de avanço da máquina, durante os
trabalhos de pavimentação no modo
AUTOMŸTICO. Rodar o botão no sentido contrário
aos ponteiros do relógio, para diminuir a velocidade
da máquina. Rodar o botão no sentido dos ponteiros
do relógio, para aumentar a velocidade da máquina.
NOTA: Este comando define apenas a velocidade
máxima da máquina. A velocidade continua a ser
controlada pela alavanca de propulsão.
E
A
B
D
F
G
C
XS0883AB
E
A
B
D
F
G
C
XS0883AB
64 QPEBU2109
SecçãodeFuncionamento
Funcionamentodamáquina
Alavanca de propulsão
Ilustração 91
Alavanca de propulsão √ Comanda a
velocidade de avanço e recuo da máquina.
Para tirar a alavanca da posição de PONTO
MORTO, levantar o batente (1), por baixo do
manípulo, e mover a alavanca.
AVANÇAR √ Deslocar a alavanca de
propulsão para a frente, para deslocar a
pavimentadora para a frente. Quanto maior
for a deslocação da alavanca, maior será a
velocidade da máquina.
NOTA: Se o modo de funcionamento da máquina
definido for AUTOMŸTICO, a velocidade máxima da
máquina é estabelecida pelo Controlo automático
da velocidade de trabalho.
PONTO MORTO √ Colocar a alavanca de
propulsão na posição central, para parar a
máquina. Depois da máquina parar, o
travão de estacionamento activar-se-á
automaticamente.
RECUAR √ Colocar a alavanca de
propulsão para trás, para a pavimentadora
recuar. Quanto maior for a deslocação da
alavanca, maior será a velocidade da máquina.
Selector de mudança de
velocidade
Ilustração 92
Selector de mudança de velocidade √ Selecciona
a velocidade de andamento da máquina.
Tartaruga √ Colocar o selector na posição
da tartaruga, para utilizar a máquina a baixa
velocidade.
Lebre √ Colocar o selector na posição da
lebre, para utilizar a máquina a alta
velocidade.
Consulta: Para saber o processo indicado para
mudar a velocidade da máquina, consultar o
Manual de Funcionamento e Manutenção,
≈Deslocação da máquina∆.
E
A
B
D
F
G
C
1
XS0924AB
E
A
B
D
F
G
C
XS0883AB
QPEBU2109 65
SecçãodeFuncionamento
Funcionamentodamáquina
Selector de mudança de
velocidade hidráulica
Ilustração 93
LENTA √ Colocar o interruptor para cima,
para seleccionar a velocidade hidráulica
lenta no motor da máquina.
RŸPIDA √ Colocar o interruptor para baixo,
para seleccionar a velocidade hidráulica
rápida no motor da máquina.
NOTA: A velocidade da máquina depende das
programações combinadas do selector de
mudança de velocidade e do selector de mudança
de velocidade hidráulica.
Interruptor do comando assistido
das rodas dianteiras (Se
disponível)
Ilustração 94
Interruptor do comando assistido das rodas
dianteiras √ Activa o sistema de comando assistido
das rodas dianteiras.
OFF √ Colocar o interruptor para trás, para
desligar (OFF) o sistema de comando
assistido das rodas dianteiras.
ON √ Colocar o interruptor para a frente,
para ligar (ON) o sistema de comando
assistido das rodas dianteiras.
NOTA: O comando assistido das rodas dianteiras
só está activado quando a máquina pavimenta no
modo AUTOMŸTICO.
E
A
B
D
F
G
C
XS0883AB
E
A
B
D
F
G
C
XS0883AB
66 QPEBU2109
SecçãodeFuncionamento
Funcionamentodamáquina
Comando da manete de potência
Ilustração 95
Comando da manete de potência √ Mover o
comando da manete de potência, para mudar a
velocidade do motor. Mover o comando da manete
de potência no sentido contrário aos ponteiros do
relógio, para ralenti baixo.
NOTA: Durante o funcionamento normal, o
comando da manete de potência deve estar na
posição de ralenti alto.
Selector das luzes e da buzina
Ilustração 96
OFF √ Rodar o botão no sentido contrário
aos ponteiros do relógio, para desligar as
luzes todas.
Luzes de estacionamento √ Rodar o botão
para a primeira posição, no sentido dos
ponteiros do relógio, para acender as luzes
de estacionamento e do tablier.
Luzes de circulação rodoviária √ Rodar o
botão para a segunda posição, no sentido
dos ponteiros do relógio, para acender as
luzes de circulação em estrada.
Luzes de trabalho √ Rodar o botão para a
terceira posição, no sentido dos ponteiros
do relógio, para acender as luzes de
trabalho.
Buzina √ Carregar no botão, para accionar
a buzina.
XS1105AB XS1105AB
QPEBU2109 67
SecçãodeFuncionamento
Funcionamentodamáquina
Interruptor do bloqueador do
diferencial
Ilustração 97
Interruptor do bloqueador do diferencial √
Este interruptor permite ao operador ligar o
sistema de bloqueio do diferencial.
ON √ Colocar e manter o interruptor para
cima, para activar o bloqueador do
diferencial. A função do bloqueador do
diferencial é minimizar a patinagem das rodas em
terreno não compacto ou escorregadio.
NOTA: Quando o interruptor é libertado da posição
ON, regressa à posição OFF e o bloqueador
mecânico do diferencial é desactivado.
NOTA: O bloqueador do diferencial deve ser
activado apenas momentaneamente, quando for
necessário devido à patinagem das rodas. Não
utilizar o bloqueador do diferencial durante o
funcionamento normal da máquina.
Interruptor do sistema de
aquecimento eléctrico do nivelador
(se disponível)
Ilustração 98
Interruptor do sistema de aquecimento
eléctrico do nivelador √ Este interruptor
serve para ligar o sistema de aquecimento
eléctrico do nivelador.
OFF √ Colocar o interruptor para baixo,
para desligar o sistema de aquecimento
eléctrico do nivelador.
ON √ Colocar o interruptor para cima, para
ligar o sistema de aquecimento eléctrico do
nivelador.
XS1105AB
XS1105AB
68 QPEBU2109
SecçãodeFuncionamento
Funcionamentodamáquina
Comando de ajustamento da
frequência de vibração
Ilustração 99
Comando de ajustamento da frequência de
vibração √ Rodar o botão, para ajustar a
frequência de vibração quando o interruptor
de modo de funcionamento estiver em
AUTOMŸTICO ou MANUAL. Rodar o botão no
sentido contrário aos ponteiros do relógio, para
diminuir a frequência. Rodar o botão no sentido dos
ponteiros do relógio, para aumentar a frequência.
Comando de ajustamento da
pressão de compensação do
nivelador
Ilustração 100
Comando de ajustamento da pressão de
compensação do nivelador √ Utilizar este
comando, para ajustar a pressão de
funcionamento do sistema distribuidor de
carga do nivelador, quando a máquina estiver a
funcionar com o interruptor de modo de
funcionamento em STAND-BY. O sistema de
compensação do nivelador aplica no nivelador uma
força vertical, de baixo para cima, para diminuir o
peso efectivo do nivelador.
Rodar o comando no sentido dos ponteiros do
relógio, para aumentar a força de compensação (e
reduzir o peso efectivo do nivelador). Rodar o
comando no sentido contrário aos ponteiros do
relógio, para diminuir a força de compensação (e
aumentar o peso efectivo do nivelador). O
ajustamento óptimo da compensação do nivelador
depende do asfalto e das condições de operação
de cada obra.
XS1004AB
XS1003AB
QPEBU2109 69
SecçãodeFuncionamento
Funcionamentodamáquina
Manómetro da pressão de
compensação do nivelador
Ilustração 101
Manómetro da pressão de compensação do
nivelador √ Indica a pressão hidráulica do sistema
de compensação do nivelador, expressa em bars e
em psi.
Comandos do operador
(Painéis de comando do
nivelador)
Ilustração 102
NOTA: Há um painel de comando do lado direito e
outro do lado esquerdo da máquina. Os comandos
do lado esquerdo do nivelador comandam as
funções do lado esquerdo do nivelador. Os
comandos do lado direito comandam as funções do
lado direito do nivelador.
XS1003AB
XS0932AB
70 QPEBU2109
SecçãodeFuncionamento
Funcionamentodamáquina
Regulador da espessura de
pavimentação do lado esquerdo do
nivelador
Ilustração 103
AUMENTAR √ Para aumentar a espessura
do material do lado esquerdo do nivelador,
colocar o interruptor para cima.
DIMINUIR √ Para diminuir a espessura do
material do lado esquerdo do nivelador,
colocar o interruptor para baixo.
NOTA: Libertando o interruptor, este regressará à
posição do meio. A espessura do nivelador
mantém-se na última posição seleccionada.
Comando da espessura de
pavimentação do lado direito do
nivelador
Ilustração 104
AUMENTAR √ Para aumentar a espessura
do material do lado direito do nivelador,
colocar o interruptor para cima.
DIMINUIR √ Para diminuir a espessura do
material do lado direito do nivelador,
colocar o interruptor para baixo.
NOTA: Libertando o interruptor, este regressará à
posição do meio. A espessura do nivelador
mantém-se na última posição seleccionada.
XS0851AB XS0851AB
QPEBU2109 71
SecçãodeFuncionamento
Funcionamentodamáquina
Comando da largura de aplicação
do lado esquerdo do nivelador
Ilustração 105
Comando da largura de aplicação do lado
esquerdo do nivelador √ Deslocar para a
esquerda o comando da largura de
aplicação do lado esquerdo, para estender
ou recolher o alargamento esquerdo do
nivelador.
ESQUERDO (FORA) √ Colocar o
interruptor na posição da esquerda, para
estender o alargamento esquerdo.
DIREITO (DENTRO √ Colocar o interruptor
na posição da direita, para recolher o
alargamento esquerdo.
NOTA: Libertando o interruptor, este regressará à
posição do MEIO. A largura do nivelador conserva-
se na última posição seleccionada.
Botão da buzina
Ilustração 106
Botão da buzina √ Premir o botão para
tocar a buzina.
XS0851AB
XS0851AB
72 QPEBU2109
SecçãodeFuncionamento
Funcionamentodamáquina
Comando do trado esquerdo
Ilustração 107
Comando do trado esquerdo √ Colocar o
interruptor para a esquerda ou para a
direita, para definir o sentido de rotação do
trado esquerdo.
ESQUERDO (FORA) √ Colocar o
interruptor na posição da esquerda, para
accionar manualmente o sentido de
direcção do trado, do centro da máquina
para o exterior.
DIREITO (DENTRO √ Colocar o interruptor
na posição da direita, para accionar o trado,
manualmente, no sentido inverso.
Libertando o interruptor, este regressará à posição
do meio e os trados passarão a funcionar
normalmente.
Comando da correia
transportadora esquerda
Ilustração 108
Comando da correia transportadora
esquerda √ Colocar o interruptor para cima
ou para baixo, para comandar manualmente
o sentido de rotação da correia
transportadora esquerda.
PARA CIMA √ Colocar o interruptor para
cima, para accionar manualmente a correia
transportadora esquerda no sentido oposto.
Esta função demonstra-se muitas vezes útil
para libertar o material que está a obstruir a
tremonha.
PARA BAIXO √ Colocar o interruptor para
baixo, para accionar manualmente a correia
transportadora esquerda e aumentar a
quantidade de material recebida no trado
esquerdo.
XS0851AB
XS0851AB
QPEBU2109 73
SecçãodeFuncionamento
Funcionamentodamáquina
Libertando o interruptor, este regressará à posição
do meio e a correia transportadora esquerda passa
a funcionar normalmente.
Interruptor para desligar a
bateria
Ilustração 109
Consulta: Para aceder ao interruptor que desliga a
bateria, consultar o Manual de Funcionamento e
Manutenção, ≈Porta direita de acesso - Abertura∆.
Interruptor para desligar a bateria √ O
interruptor para desligar a bateria está
dentro da máquina, do lado direito.
Interruptor para desligar a bateria ON √
Rodar a chave no sentido dos ponteiros do
relógio, para a posição ON, para ligar o
sistema eléctrico.
Interruptor para desligar a bateria OFF √
Rodar a chave no sentido contrário aos
ponteiros do relógio, para desligar todo o
sistema eléctrico.
Tirar a chave da máquina ao abandoná-la no fim do
dia de trabalho ou quando o operador se ausentar
por um longo período de tempo. Retirar também a
chave sempre que se realizarem serviços de
manutenção no sistema eléctrico.
AVISO
Nunca colocar o interruptor da bateria na posição
OFF enquanto o motor estiver em funcionamento.
Perigo de graves danos para o sistema eléctrico.
Alarme de marcha atrás
Ilustração 110
Alarme de marcha atrás √ O alarme de marcha
atrás toca quando a alavanca de propulsão estiver
na posição de MARCHA ATRŸS. O alarme de
marcha atrás serve de advertência para as pessoas
atrás da máquina. O alarme de marcha atrás avisa
as pessoas de que a máquina está a recuar.
O alarme de marcha atrás está situado no lado
posterior esquerdo da máquina.
20
XS1148AB
XS0888AB
74 QPEBU2109
SecçãodeFuncionamento
Funcionamentodamáquina
Contador de horas de serviço
Ilustração 111
Consulta: Para aceder ao contador de horas de
serviço, consultar o Manual de Funcionamento e
Manutenção, ≈Porta direita de acesso - Abertura∆.
Contador de horas de serviço √ Este mostrador
indica o número total de horas de funcionamento do
motor. Para determinar os intervalos de
manutenção, utilizar o contador de horas de serviço.
Pino de segurança, para
bloqueio do nivelador
m CUIDADO
Movimentos acidentais do nivelador podem
provocar lesões graves ou morte. Depois do
nivelador estar completamente para cima
bloqueá-lo nesta posição, utilizando a alavanca
de fixação, para estender os pinos de segurança.
Ilustração 112
A máquina tem dois pinos de segurança para
bloquear a posição do nivelador. Os pinos estão
situados de ambos os lados da máquina.
Os pinos são utilizados para manter o nivelador fixo
na posição ELEVADA, durante as transferências da
máquina.
1. Levantar o nivelador até uma posição que
permita abrir as barras de segurança.
Ilustração 113
NOTA: Há uma alavanca de fixação de cada lado
da máquina.
2. Baixar as alavancas de fixação do nivelador
para abrir os pinos de segurança para bloqueio
do nivelador até ao máximo de extensão.
3. Baixar o nivelador de modo a ficar apoiado nos
pinos de segurança.
20
XS1148AB
XS0981AB
XS0980AB
QPEBU2109 75
SecçãodeFuncionamento
Funcionamentodamáquina
Pino de segurança, para
bloqueio da tremonha
m CUIDADO
As partes laterais da tremonha podem oscilar
para baixo e causar perigo de esmagamento de
que podem decorrer lesões graves ou morte.
Activar sempre os pinos de segurança da
tremonha, para a fixar na posição de elevação.
Para saber como accionar os pinos de segurança
da tremonha, consultar o Manual de
Funcionamento e Manutenção, “Pino de
segurança para bloqueio da tremonha”.
Ilustração 114
Há dois pinos de segurança na máquina, para
bloquear a posição da tremonha. Os pinos estão
situados na parte anterior da máquina, de ambos os
lados.
As seguranças são utilizadas para manter as
tremonhas na posição fechada, durante as
transferências da máquina.
1. Levantar (fechar) as tremonhas esquerda e
direita até uma posição de elevação que permita
abrir os pinos de segurança.
2. Abrir os pinos completamente.
3. Baixar as tremonhas esquerda e direita até
ficarem apoiadas sobre os pinos.
Interruptor do sistema de
pulverização de agente
lubrificante
Ilustração 115
Puxar o interruptor (1), para activar o sistema de
pulverização de agente lubrificante.
XS0936AB
XS0890AB
1
76 QPEBU2109
SecçãodeFuncionamento
Funcionamentodamáquina
Tomadas de corrente de12 Volt
Ilustração 116
Estão situadas no lado traseiro direito e traseiro
esquerdo dos suportes da plataforma deslizante do
operador e são utilizadas para alimentar os faróis
rotativos da pavimentadora.
AVISO
As tomadas de corrente das luzes de trabalho e do
farol rotativo foram concebidas expressa e
exclusivamente para este fim. Não utilizar as
tomadas para alimentar outros equipamentos,
porque há risco de danificar o sistema eléctrico da
máquina.
Tomada de corrente (se
disponível)
Ilustração 117
Só as máquinas com sistema eléctrico de
aquecimento do nivelador (1)dispõem de tomada
de corrente. Utilizá-la para alimentar todas as
ferramentas de trabalho Caterpillar aprovadas que
necessitarem de electricidade.
XS0890AB
XS0891AB
QPEBU2109 77
SecçãodeFuncionamento
Arranquedomotor
Arranque do motor
Arranque do motor
m CUIDADO
Para prevenir lesões pessoais, certificar-se de
que todo o pessoal está afastado da máquina.
Tocar a buzina durante vários segundos, antes
de ligar o motor.
Ilustração 118
1. Rodar o interruptor que desliga a bateria para a
posição ON.
Consulta: Para aceder ao interruptor que desliga a
bateria, consultar o Manual de Funcionamento e
Manutenção, ≈Porta direita de acesso - Abertura∆.
2. Verificar se há fugas de óleo ou de outros fluidos
na máquina.
3. Verificar se todos os interruptores, selectores e
comandos estão na posição OFF, STANDBY ou
PONTO MORTO.
Ilustração 119
4. Verificar se os interruptores de paragem do
motor e da máquina no tablier e nos painéis de
comando estão desligados (OFF) (rodar os
interruptores para a direita, para os desligar).
20
XS1148AB
XS0954AB
78 QPEBU2109
SecçãodeFuncionamento
Arranquedomotor
Ilustração 120
5. Verificar se o selector de modo de
funcionamento (1) está em STANDBY (no
centro).
6. Verificar se a alavanca de propulsão, (2), está
em PONTO MORTO.
Ilustração 121
7. Rodar a chave de arranque do motor, (3), para
a posição ON. Os indicadores do sistema de
carga, sistema eléctrico desactivado, travão de
estacionamento, avaria no motor e eficiência de
travagem acendem-se.
8. Rodar a chave de arranque do motor para a
posição START até o motor pegar.
NOTA: Se o motor não pegar no prazo de 30
segundos, interromper as tentativas. Rodar a chave
de arranque do motor, (3), para a posição OFF.
Aguardar dois minutos, para deixar arrefecer o
motor de arranque, e tentar outra vez.
NOTA: Se o interruptor de activação dos comandos
da máquina for premido durante o processo de
arranque, a máquina não pegará. Rodar a chave de
arranque do motor para a posição OFF, aguardar 5
segundos, para dar ao sistema electrónico da
máquina o tempo suficiente para fazer o reset e
depois, tentar novamente.
Ilustração 122
9. Durante o funcionamento do motor, apenas o
indicador do travão de estacionamento (4) e o
de sistema eléctrico desactivado (5) deverão
manter-se acesos.
AVISO
Se o indicador do sistema de carga (6) se mantiver
apagado (OFF) durante o processo de arranque,
verificar se a lâmpada do indicador está funcionar
devidamente. Se o indicador do sistema de carga (6)
se mantiver aceso (ON) enquanto o motor está a
funcionar, é porque há uma avaria no sistema de
carregamento da bateria. Neste caso, desligar a
máquina e contactar o distribuidor Caterpillar.
E
A
B
D
F
G
C
XS0883AB
1
2
3
XS1105AB
6 5
XS1106AB
4
7
QPEBU2109 79
SecçãodeFuncionamento
Informaçõessobreofuncionamento
m CUIDADO
Perigo de lesões pessoais graves e possível
morte no caso de diminuição da performance de
travagem da máquina. Se o indicador de
performance de travagem (7) se mantiver
APAGADO durante o processo de arranque da
máquina, verificar se a lâmpada do indicador
está a funcionar correctamente. Se o indicador
de performance de travagem (7) se mantiver
ACESO durante o funcionamento do motor, a
performance de travagem pode ter diminuído.
Neste caso, desligar a máquina e contactar o
distribuidor Caterpillar. Não tentar deslocar a
máquina enquanto a causa do problema não tiver
sido identificada e o problema não estiver
resolvido. Descurar este conselho pode provocar
lesões graves e possível morte.
Aquecimento da máquina e do
motor
AVISO
Manter o motor a baixa rotação até a pressão de
óleo aparecer indicada no mostrador. Se não
aparecer no prazo de 15 segundos, desligar o motor
e averiguar a causa do problema, antes de pôr o
motor novamente a funcionar. A não observação
destas indicações pode provocar danos no motor.
1. Deixar aquecer o motor em marcha lenta,
quando frio, durante pelo menos cinco minutos.
Accionar os comandos dos acessórios, para
tornar mais rápido o aquecimento dos
componentes hidráulicos.
2. Durante o funcionamento da máquina, olhar com
frequência para o tablier. Se algum dos
indicadores não funcionar devidamente,
desligar o motor. Inspeccionar o sistema
eléctrico ou o sistema da máquina, para
determinar a causa do problema de
funcionamento do indicador em causa. Efectuar
as reparações necessárias, antes de voltar a
ligar a máquina.
3. Testar todos os comandos. Verificar se os
comandos funcionam devidamente.
Informações sobre o
funcionamento
Informações sobre o
funcionamento
Para evitar lesões pessoais, verificar a área à volta
da máquina. Afastar da máquina todo o pessoal,
antes de mover a máquina. Manter sempre a
máquina sob controlo, para evitar acidentes.
Para começar a descer um declive, seleccionar a
mudança apropriada.
NOTA: Quando a inclinação for superior a 6%,
colocar o comando do comutador de velocidades
na posição de velocidade LENTA (LOW).
Não deixar o motor atingir velocidade excessiva
enquanto estiver a avançar em descida.
80 QPEBU2109
SecçãodeFuncionamento
Informaçõessobreofuncionamento
Deslocar a máquina
NOTA: Antes de deslocar a máquina, verificar se as
tremonhas, o nivelador e as extensões da
plataforma do operador estão na posição desejada.
Se a máquina tiver de circular em estrada durante
um período de tempo mais extenso, aplicar os pinos
de segurança de bloqueio da tremonha, os pinos de
segurança de bloqueio do nivelador e recolher as
extensões da plataforma do operador.
Ilustração 123
1. Ajustar o assento do operador.
Consulta: Para informações sobre como fazer o
arranque do motor, consultar o Manual de
Funcionamento e Manutenção, ≈Arranque do motor∆.
Consulta: Para saber qual o processo indicado
para aquecer a máquina e o motor, consultar o
Manual de Funcionamento e Manutenção,
≈Aquecimento da máquina e do motor∆.
2. Com o motor a funcionar, premir o interruptor de
activação dos comandos da máquina (1). O
indicador de desactivação do sistema eléctrico
(2) apaga-se e acende-se o indicador de
sistema eléctrico activado (3), para informar que
as funções da máquina estão activadas.
3. Colocar o comando da manete de potência (4)
para a frente ou para trás, para seleccionar a
velocidade do motor desejada. Colocar a
alavanca de comando para trás, para aumentar
a velocidade do motor e para a frente, para a
diminuir.
4. Utilizar o interruptor levantar/ondular (5) do
nivelador, para levantar o nivelador
completamente e fixá-lo nesta posição com
pinos de fixação do nivelador.
E
STOP
A
B
D
F
G
C
2
1
3 5
4
XS1107AB
QPEBU2109 81
SecçãodeFuncionamento
Informaçõessobreofuncionamento
Ilustração 124
5. Verificar se a velocidade de avanço está posta
na gama de velocidades desejada.
• LENTA: o indicador de marcha lenta (7) está
aceso.
• RŸPIDA: o indicador de marcha rápida (8)
está aceso.
7
8
XS1106AB
82 QPEBU2109
SecçãodeFuncionamento
Informaçõessobreofuncionamento
Ilustração 125
6. Se for necessário, a velocidade pode ser
mudada do modo seguinte:
• Colocar a máquina numa superfície horizontal.
• Verificar se a alavanca de marcha de avanço/
recuo (9) está em ponto morto.
• Colocar o selector de modo de funcionamento
(10) na posição STANDBY (central) .
• Carregar no comando do travão de
estacionamento (11), para accionar os travões
de estacionamento.
• Verificar se o indicador do travão de
estacionamento (12) está aceso (ON).
NOTA: Se o indicador não estiver aceso, não
mudar a velocidade da máquina. Verificar o que
está a acontecer e corrigir o erro que está a
provocar o mau funcionamento do indicador, antes
de deslocar a máquina.
• Usar o selector de velocidade de avanço (6)
para definir a velocidade desejada (o
indicador próprio acende-se).
NOTA: Para confirmar ao operador que o
funcionamento é correcto, a máquina emite um
breve sinal sonoro.
AVISO
Se a mudança de velocidade não tiver sido feita
devidamente, nenhum dos indicadores de
velocidade se acende e a máquina emite um sinal
sonoro, para avisar o operador. Este sinal sonoro
continua a tocar enquanto o processo de mudança
de velocidade não for concluído correctamente.
Enquanto o sinal sonoro estiver a tocar, a máquina
está em ponto morto. Seguir as indicações do ponto
7, para activar a transmissão.
7. Se a mudança de velocidade não tiver sido
concluída de modo correcto, proceder assim:
• Seleccionar a velocidade desejada no selector
de velocidade de avanço (6).
• Puxar o comando do travão de
estacionamento (11), para desactivar os
travões.
• Seleccionar o modo MANUAL no selector de
modo de funcionamento (10).
E
STOP
A
B
D
F
G
C
11
3
17
9
15 6
10
XS1107AB
16
1214
13
QPEBU2109 83
SecçãodeFuncionamento
Informaçõessobreofuncionamento
• Colocar a alavanca de marcha de avanço/
recuo (9) para a frente ou para trás, até se
acender o indicador da velocidade desejada.
• Colocar a alavanca de marcha de avanço/
recuo (9) na posição de ponto morto.
• Seleccionar o modo STANDBY no selector de
modo de funcionamento (10).
• Seleccionar o modo MANUAL no selector de
modo de funcionamento (10).
8. Verificar se a velocidade hidráulica definida
corresponde à desejada.
• LENTA: O indicador de velocidade hidráulica
lenta (13) está aceso.
• RŸPIDA: O indicador de velocidade hidráulica
rápida (14) está aceso.
9. Se for necessário, colocar o selector de
mudança de velocidade hidráulica (15) para
cima ou para baixo, para escolher a velocidade
hidráulica desejada.
Ilustração 126
10. Deslocar a máquina para a frente e para trás,
conforme desejado, utilizando a alavanca de
propulsão (9). Andando com a alavanca mais
para a frente ou mais trás, aumentar-se-á a
velocidade de deslocação da máquina.
11. Para parar a máquina, repor lentamente a
alavanca de propulsão na posição de PONTO
MORTO (central). O travão de estacionamento
será automaticamente accionado.
m CUIDADO
Perigo de lesões pessoais graves e possível
morte no caso de diminuição da performance de
travagem da máquina. Se o indicador de
performance de travagem (16) se ACENDER
durante o movimento da máquina, pode indicar
performance de travagem diminuída. Neste caso,
repor a alavanca de propulsão (9), calmamente,
na posição de PONTO MORTO (central) e colocar
o comando da manete de potência (4) para a
frente, na posição de ralenti. O travão de
estacionamento será automaticamente
accionado. Desligar o motor e contactar o
distribuidor Caterpillar. Não tentar deslocar a
máquina enquanto a causa do problema não tiver
sido identificada e o problema não estiver
resolvido. Descurar este conselho pode provocar
lesões graves e possível morte.
NOTA: Ao conduzir a máquina em subidas ou
descidas, manter alta a velocidade de rotação do
motor e conservar a alavanca de propulsão numa
posição de velocidade lenta. Se for necessário,
seleccionar a velocidade lenta para percorrer
subidas ou descidas.
12. Se quando se deslocar a máquina, as rodas
traseiras derraparem, colocar o interruptor do
bloqueador do diferencial (17) para cima e
mantê-lo nessa posição, para aplicar
manualmente o bloqueio do diferencial até o
problema de tracção se resolver.
NOTA: Ao conduzir a máquina em subidas ou
descidas, manter alta a velocidade de rotação do
motor e conservar a alavanca de propulsão numa
posição de velocidade lenta. Se for necessário,
seleccionar a gama de velocidades lenta, para
percorrer subidas ou descidas.
E
A
B
D
F
G
C
9
XS0924AB
84 QPEBU2109
SecçãodeFuncionamento
Informaçõessobreofuncionamento
Começar a pavimentar
1. Pulverizar todas as partes da máquina
(tremonhas, cintas transportadoras, trados e
nivelador) sujeitas a contacto com o material de
pavimentação, com um agente lubrificante.
Consulta: Para informações sobre o modo
apropriado de pulverizar a máquina, consultar o
Manual de Funcionamento e Manutenção, ≈Limpeza
da máquina∆, antes de começar a pavimentação.
2. Conduzir a pavimentadora para o local onde se
deve iniciar a asfaltar.
Ilustração 127
3. Levantar as tremonhas e recolher os pinos de
bloqueio respectivos. Abrir a tremonhas na
posição desejada.
Ilustração 128
4. Levantar o nivelador e libertar os respectivos
pinos de bloqueio.
Consulta: Para saber qual o processo indicado
para destravar os pinos de segurança de bloqueio
do nivelador, consultar o Manual de Funcionamento
e Manutenção, ≈Pinos de segurança para bloqueio
do nivelador∆.
5. Antes de colocar o nivelador na posição de
trabalho, a altura da sola do nivelador tem de ser
igual à espessura do tapete de estrada. Para tal,
poderão utilizar-se calços de madeira, o próprio
conglomerado ou a borda de asfalto da estrada
pré-existente.
6. Colocar o nivelador no ponto de partida
determinado no passo 5.
Ilustração 129
A figura mostra o indicador de pavimentação
7. Utilizando os comandos dos painéis de
comando do nivelador, ajustar a espessura de
pavimentação fazendo coincidir os valores dos
indicadores de pavimentação com o valor da
espessura criada por baixo das solas de
alisamento. O valor dado pelos indicadores é
aproximado.
Consulta: Consultar o Manual de Funcionamento e
Manutenção, ≈Processos de regulação∆.
XS0936AB
XS0981AB
XS0857AB
QPEBU2109 85
SecçãodeFuncionamento
Informaçõessobreofuncionamento
Ilustração 130
a. Para máquinas equipadas com niveladores
com aquecimento a gás.
• Ligar o sistema de aquecimento do
nivelador como descrito no Manual de
Funcionamento e Manutenção do
nivelador.
• Pré-aquecer as solas de alisamento a
100°C (212°F), antes de começar a
trabalhar. Manter esta temperatura durante
4 ou 5 minutos, até as solas de alisamento
estarem uniformemente aquecidas.
• Utilizar os comandos dos trados e das
correias transportadoras, para distribuir o
asfalto e programar o potenciómetro da
ignição electrónica à temperatura
desejada.
• Após aplicação dos primeiros 50-60 cm
(1.7-2.0 pés) de asfalto, é recomendável
interromper o trabalho e aguardar 10-15
minutos antes de prosseguir. Deste modo
ajuda-se a distribuir uniformemente o calor
nas solas de alisamento.
Ilustração 131
b. Para máquinas equipadas com niveladores
com aquecimento eléctrico.
• Ligar o sistema de aquecimento eléctrico
dos niveladores como indicado no Manual
de Funcionamento e Manutenção do
nivelador.
• Seleccionar a temperatura de utilização
necessária. Alcançada a referida
temperatura, usar os comandos das
correias transportadoras e dos trados,
para distribuir o material.
8. Programar o sistema de vibração e o sistema de
compensação do nivelador com os valores
desejados.
9. Ligar as correias transportadoras e os trados,
utilizando os comandos do tablier.
10. O camião que transporta o material de
pavimentação pode, agora, apoiar-se nos rolos
de impulsão para começar a descarregar o
material.
Quando o material betuminoso tiver enchido o túnel
e os trados tiverem descarregado material suficiente
de ambos os lados, os sensores de pás
interrompem, automaticamente, o movimento dos
trados.
É, então, possível começar a aplicar o material de
pavimentação.
Seleccionar a velocidade de trabalho lenta no
comando do comutador de velocidades.
Seleccionar a velocidade hidráulica lenta no
selector de mudança de velocidade hidráulica.
XS0852AB
!
XS0437AB
86 QPEBU2109
SecçãodeFuncionamento
Informaçõessobreofuncionamento
Utilizar o selector de modo de funcionamento, para
seleccionar o modo ≈AUTOMŸTICO∆ e usar o
controlo automático da velocidade de trabalho de
modo que a máquina avance com a velocidade
seleccionada e a espessura da superfície de
estrada seja conseguida ao fim de alguns metros.
Para ajustar a velocidade de funcionamento, utilizar
o controlo automático da velocidade de trabalho.
Quando for necessário mudar de camião para deitar
mais asfalto na pavimentadora, colocar o selector
de modo de funcionamento em STANDBY, para
interromper as funções e aguardar os camiões.
Remate do tapete de asfalto
São vários os métodos utilizados para obter um bom
remate vertical na borda do tapete de asfalto. Estes
métodos permitem a deslocação de um
compactador a subir e descer do tapete de asfalto.
Ilustração 132
Um dos métodos para rematar um tapete de asfalto
utiliza uma folha de papel, (1), com cerca de 1 m (3
pés) de largura. O papel deve ser ligeiramente mais
comprido do que a largura do tapete de asfalto.
A pavimentadora mantém-se em funcionamento
enquanto não acabar todo o material presente na
tremonha. Quando a tremonha se esvaziar, as
correias transportadoras, vibradores e tampers
param. O nivelador é levantado e a pavimentadora é
afastada do tapete de asfalto.
Alisar o material uniformemente a toda a largura do
tapete, (3), de modo a formar uma abertura para o
papel. O papel é colocado a toda a largura do
tapete, na abertura realizada. O material (2) é
alisado em cima do papel. O material é alisado à
mesma profundidade a que foi aplicado o tapete
betuminoso.
Poderá utilizar-se uma camada de desperdícios ou
outro material em vez do papel, para obter o mesmo
resultado.
Ilustração 133
Outro método para obter um bom remate no tapete
de asfalto, consiste na utilização de uma tábua, (5),
com a mesma espessura do tapete de asfalto
compactado (6). Ao longo da extremidade
longitudinal do tapete de asfalto alisa-se uma
abertura para a tábua. A tábua é introduzida na
abertura. O restante material é alisado contra a
tábua, de modo a formar uma rampa (4) para o
compactador. A rampa manterá a tábua no lugar.
Juntas paralelas
Para fazer uma junta paralela, é necessário fazer
uma junta topo a topo, entre os dois tapetes de
asfalto. É preferível unir os tapetes de asfalto antes
do arrefecimento do primeiro deles.
Ilustração 134
Para fazer uma junta paralela, o compactador não
deve passar a menos de 150 a 300 mm (6 a 12
polegadas) de distância da extremidade do
primeiro tapete (3) mais próximo das superfícies de
junção (2). Passar com o compactador sobre a junta
paralela, na altura em que se fizer a compactação
do segundo tapete de asfalto (1).
Para fazer a junta paralela é necessário sobrepor 25 a
50 mm (1 a 2 polegadas) do bordo do nivelador sobre
o primeiro tapete de asfalto aplicado. O bordo do
nivelador deve estar ao mesmo nível do primeiro
tapete de asfalto.
XS0426AB
XS0427AB
XS0428AB
QPEBU2109 87
SecçãodeFuncionamento
Informaçõessobreofuncionamento
Se o primeiro tapete tiver sido compactado, levantar o
nivelador de modo que o material seja suficiente para
compactação. Para o segundo tapete de asfalto
coincidir com o primeiro, é necessário que tenha
espessura suficiente para a compactação do mesmo.
Compactar a junta paralela o mais cedo possível.
A junta paralela tem de ser ligada a um tapete
betuminoso frio. Quando se aplicar o segundo tapete
de asfalto é necessário que a quantidade de material
a compactar seja suficiente para poder coincidir com
a espessura do tapete de asfalto frio. A junta deve ser
compactada imediatamente a seguir ao trabalho da
pavimentadora.
Juntas transversais
A qualidade das juntas transversais depende da
preparação feita na superfície da junta, no final da
aplicação do primeiro tapete de asfalto. A borda do
primeiro tapete de asfalto deve ser vertical, de modo a
permitir uma boa ligação entre as superfícies de união.
NOTA: Quando se fizer uma junção antes do
arrefecimento do primeiro tapete de asfalto, não
compactar os últimos 1,8 m (6 pés) do primeiro tapete.
Quando se estiver pronto para fazer a junção, levantar o
nivelador e recuar com a pavimentadora. Parar a
pavimentadora quando a borda do primeiro tapete
estiver a cerca de 75 a 100 mm (3 a 4 polegadas) de
distância da frente do nivelador. Baixar o nivelador
sobre as tiras com espessura suficiente para
compactação do material aplicado.
Com o nivelador no primeiro tapete aplicado, ajustar os
reguladores da espessura de pavimentação, se tiverem
sido alterados. Encher a correia transportadora do trado
com asfalto. Começar a pavimentação.
Quando se ajustam os reguladores da espessura de
pavimentação, é necessário que o material seja
suficiente para compactar o segundo tapete. Ajustar os
reguladores da espessura de pavimentação de modo a
conseguir a espessura de tapete de asfalto desejada.
Pavimentação à volta das
câmaras de visita
O processo de aplicação do asfalto à volta das
câmaras de visita depende da camada que é
pavimentada.
A superfície do material, após aplicação da camada
superior, é habitualmente mais alta do que a tampa
da câmara de visita.
Quando se aplicarem duas camadas de asfalto, o
nivelador, ao aplicar a camada de fundo, não
conseguirá passar por cima da câmara de visita. É
necessário levantar o nivelador, para que possa passar
por cima da câmara de visita. Baixar de novo o
nivelador para a altura devida, após a passagem por
cima da câmara de visita.
Para marcar a posição da câmara de visita, colocar
uma marca ao longo do tapete da estrada. A marca
ajudará o operador a imaginar a posição da câmara
de visita enquanto esta estiver por baixo da
pavimentadora.
É necessário parar a pavimentadora, quando o
nivelador estiver quase em contacto com a câmara
de visita. Nesta altura, o nivelador deve ser
levantado para poder passar por cima da câmara
de visita. Levantar o nivelador. Avançar com a
pavimentadora até o nivelador ter passado a
câmara de visita. Imediatamente após a passagem
desta, o nivelador volta a ser baixado para a
posição original.
Alisar o excesso de material depositado no solo, à
volta da câmara de visita.
Ilustração 135
Se a posição da câmara de visita for tal que
comporte a passagem de uma das rodas por cima
da referida câmara, utilizar os reguladores da
espessura de pavimentação para manter o
nivelador à altura desejada, quando as rodas
passarem por cima da câmara em causa.
Para a máquina poder passar por cima de uma
câmara de visita com relevo superior a
76 mm (3 pol.), é necessário construir uma rampa.
Para a construção das rampas, utilizar material da
tremonha da máquina.
Remover todo o asfalto de cima da câmara de visita,
antes do compactador passar por cima desta.
XS0425AB
88 QPEBU2109
SecçãodeFuncionamento
Processosderegulação
Processos de regulação
Processos de regulação
Espessura de pavimentação -
Verificação
Ilustração 136
A alteração da espessura de pavimentação é
indicada por dois ponteiros nos indicadores de
pavimentação. Estes indicam, aproximadamente, a
espessura de pavimentação, expressa em cm, de
acordo com a posição dos braços de reboque do
nivelador. A leitura da espessura pode ser
aproximada, na medida em que varia de acordo
com o tipo de material e a velocidade de trabalho.
Contra-haste de direcção
Ilustração 137
m CUIDADO
A máquina em movimento pode provocar lesões
graves ou morte. Ajustar e posicionar o indicador
do nivelador quando a máquina estiver parada e
quando o selector de modo de funcionamento no
tablier estiver em Standby.
Ilustração 138
1. Desapertar o manípulo de fixação (1), para
estender a haste de apoio da máquina (2).
XS0857AB
E
A
B
D
F
G
C
XS0883AB
1
XS0934AB
4 2
3
6 5
QPEBU2109 89
SecçãodeFuncionamento
Processosderegulação
2. Montar o suporte (3) na haste de apoio da
máquina (2). Apertar o manípulo de fixação (4),
para fixar o apoio (3) na posição desejada.
3. Montar a contra-haste de direcção (5) no apoio
(3) e apertar o manípulo de fixação (6).
NOTA: A contra-haste de direcção tem de ser
removida da máquina quando ela circular em
estrada ou durante o transporte da máquina.
Chaves de palheta para correias
transportadoras e trados
Ilustração 139
m CUIDADO
Perigo de lesões graves ou morte, se a máquina
estiver a funcionar enquanto as posições das
chaves de palheta estiverem a ser ajustadas.
Ajustar e posicionar as chaves de palheta só
quando a máquina estiver parada e o selector de
modo de funcionamento no tablier estiver em
Standby.
Ilustração 140
Para regular a quantidade de material que sai pela
frente do nivelador, a máquina está equipada com
dois sensores para ajustamento da velocidade das
correias transportadoras e dos trados de acordo
com a quantidade de material necessária. Para
regular a quantidade de material fornecida pelas
correias transportadoras, desapertar o parafuso (1)
para ajustar a altura da palheta (2). A altura da
palheta determina a quantidade de material
fornecida à parte da frente do nivelador pelas
correias transportadoras.
Com as palhetas da correia transportadora (3)
reguladas na posição mais alta, as correias
transportadoras fornecem o máximo de material
possível na parte da frente do nivelador.
Com as palhetas da correia transportadora (3)
reguladas na posição mais baixa, as correias
transportadoras fornecem o mínimo de material
possível na parte da frente do nivelador.
Ao atingir a altura de ajustamento desejada, apertar
o parafuso (1).
E
A
B
D
F
G
C
XS0883AB
XS0992AB
3
2
1
90 QPEBU2109
SecçãodeFuncionamento
Processosderegulação
Ilustração 141
Para regular a quantidade de material presente nos
trados, desapertar o botão (4) para ajustar a altura
da palheta (5). A posição das chaves de palheta
dos trados (5) determina a quantidade de material
presente na frente do nivelador na posição
desejada.
Se for necessário deslocar a posição de montagem
da chave de palheta do trado (5) do centro da
máquina para o exterior da máquina, desapertar o
botão (6) e deslocar o grupo para a posição
desejada. Ao atingir a altura e posição desejadas,
apertar os botões (4) e (6).
XS0992AB
456
QPEBU2109 91
SecçãodeFuncionamento
Estacionamento
Estacionamento
Parar a máquina
Estacionar a máquina numa superfície horizontal. Se
for necessário estacionar em declive, bloquear
firmemente as rodas.
1. Colocar a alavanca de propulsão na posição de
PONTO MORTO.
2. Colocar todos os interruptores que estiverem em
AUTO, na posição MANUAL ou OFF.
3. Colocar o interruptor do travão de
estacionamento na posição ON.
4. Baixar o nivelador a nível do solo. Fechar
(levantar) as tremonhas e aplicar os pinos de
bloqueio respectivos.
5. Colocar o comando de velocidade do motor na
posição de MARCHA LENTA.
Desligar o motor
AVISO
Desligar o motor imediatamente após ter operado
sob carga, pode provocar sobreaquecimento e
desgaste precoce dos seus componentes.
Seguir as indicações do processo de paragem
abaixo, para deixar arrefecer o motor e impedir
temperaturas excessivas na sede central do motor
turbo-comprimido, que podem provocar problemas
de coquefacção do óleo.
1. Antes de desligar o motor, deixá-lo funcionar ao
ralenti, durante cerca de cinco de minutos. É
necessário que o motor funcione sem carga.
Deste modo, as partes quentes do motor
poderão arrefecer gradualmente. Este
procedimento aumenta a duração do motor.
2. Desligar o interruptor de alimentação situado na
consola principal. Retirar a chave.
3. Certificar-se de que todos os comandos estão
na posição OFF. Certificar-se de que todos os
comandos estão na posição própria para
estacionamento da máquina.
Como parar o motor em caso
de avaria eléctrica
Ilustração 142
Rodar a chave de arranque do motor para a posição
OFF. Se o motor não parar, é porque há qualquer
avaria eléctrica.
Se o motor não parar, proceder do modo seguinte:
1. Pôr o motor a funcionar em ralenti.
Ilustração 143
2. Premir o interruptor de paragem de comando à
distância (1) no tablier ou um dos dois
interruptores de paragem de comando à
distância situados em ambos os painéis de
comando do nivelador.
1
XS1105AB
XS0851AB
1
92 QPEBU2109
SecçãodeFuncionamento
Estacionamento
NOTA: Não utilizar a máquina enquanto o problema
não estiver resolvido. Dirigir-se ao distribuidor
Caterpillar, para as reparações necessárias.
Baixar o equipamento com o
motor desligado
Certificar-se de que todo o pessoal está afastado da
máquina, antes de proceder ao abaixamento
manual do nivelador. Certificar-se de que todos os
comandos do tablier estão na posição STANDBY ou
OFF.
Ilustração 144
1. Abrir a porta direita de acesso da máquina e
bloqueá-la na posição aberta.
Consulta: Para aceder ao interruptor que desliga a
bateria, consultar o Manual de Funcionamento e
Manutenção, ≈Porta direita de acesso - Abertura∆.
2. Introduzir a chave e rodar o interruptor que
desliga a bateria, (1), no sentido dos ponteiros
do relógio, colocando-o na posição ON.
Ilustração 145
3. Introduzir a chave e rodar o interruptor de
arranque do motor, (2), no sentido dos ponteiros
do relógio, colocando-o na posição ON.
4. Premir o interruptor de activação dos comandos
da máquina (3), para activar as funções desta.
Ilustração 146
5. Colocar o selector de modo de funcionamento
(4) na posição MANUAL.
6. Colocar o comando levantar/ondular do
nivelador, (5), na posição ONDULAR. Deste
modo o nivelador desce.
7. Depois do nivelador estar completamente
baixado, no chão, colocar todos os comandos
indicados acima na posição de PONTO MORTO
ou OFF, e rodar a chave de arranque do motor,
(2), para a posição OFF.
20
1
XS1148AB
2
3
XS1105AB
E
A
B
D
F
G
C
XS0883AB
4
5
QPEBU2109 93
SecçãodeFuncionamento
Estacionamento
Abandonar a máquina
1. Colocar a nivelador apoiado no solo e fechar as
tremonhas. Montar os pinos de segurança de
bloqueio das tremonhas.
2. Usar os degraus e corrimãos, para descer da
máquina. Descer as escadas voltado de frente
para a máquina.
3. Inspeccionar o compartimento do motor, para
ver se há lixo ou sujidade depositados. Limpar
toda a sujidade do compartimento do motor,
para minimizar os riscos de incêndio.
Ilustração 147
4. Se a máquina estiver a ser estacionada para
ficar inactiva durante um certo período de
tempo, como para passar a noite, rodar o
interruptor que desliga a bateria (1) para OFF.
Consulta: Para aceder ao interruptor que desliga a
bateria, consultar o Manual de Funcionamento e
Manutenção, ≈Porta direita de acesso - Abertura∆.
5. Montar as protecções anti-vandalismo. Montar
os fechos de segurança das protecções anti-
vandalismo.
Protecções anti-vandalismo
Ilustração 148
A protecção anti-vandalismo está situada na
consola do operador. Puxar a protecção anti-
vandalismo, fazendo-a deslizar na direcção da
pessoa que a está a utilizar. A protecção aplica-se
por cima dos comandos do operador e à volta da
base do volante. Trancar a protecção anti-
vandalismo no lugar com um cadeado.
20
1
XS1148AB
XS0898AB
94 QPEBU2109
SecçãodeFuncionamento
Limpezadamáquina
Limpeza da máquina
Processo de limpeza da
máquina
NOTA: Seguir as normas e regulamentos vigentes
no local da obra, no que respeita a utilização de
produtos de limpeza e solventes.
1. Estacionar a máquina ao nível do solo.
Estacionar a máquina numa área afastada do
tapete da estrada. Se for necessário estacionar
em declive, bloquear bem as rodas.
NOTA: Realizar esta operação, pulverizando a
pavimentadora com agente lubrificante diluído em
água a 50%.
Ilustração 149
2. Retirar a pistola de pulverização de agente
lubrificante do lugar, na porta direita de acesso.
Consulta: Consultar o Manual de Funcionamento e
Manutenção, ≈Porta direita de acesso - Abertura∆.
Ilustração 150
NOTA: Antes de pulverizar a máquina, verificar se o
nível de agente lubrificante no respectivo depósito é
suficiente.
3. Montar a pistola de pulverização de agente
lubrificante (1) no conector (2) situado no
depósito de agente lubrificante.
4. Agarrar a pistola de agente lubrificante (1) e
ligar o sistema de pulverização, puxando o
interruptor (3).
5. Remover a alavanca de segurança (4) do punho
e premir o gatilho (5), para começar a pulverizar
agente lubrificante.
6. Pulverizar todas as partes da máquina que
estiverem em contacto com o material de
pavimentação, sobretudo tremonhas, correias
transportadoras, trados e nivelador.
AVISO
Não utilizar o sistema pulverizador sem líquido.
Perigo de danos para a bomba e outros
componentes do sistema.
7. Quando concluído, empurrar o interruptor (3)
para dentro, para desligar o sistema. Retirar a
pistola de pulverização de agente lubrificante,
(1), do conector (2) do depósito de agente
lubrificante. Repor a pistola de pulverização de
agente lubrificante (1) no sítio e fechar a porta
direita de acesso.
XS1149AB
3
1
2
XS0876AB
2
4
5
QPEBU2109 95
SecçãodeFuncionamento
Informaçõessobreotransporte
Informações sobre o
transporte
Expedição da máquina
m CUIDADO
Uma máquina que se afasta sem controlo, pode
provocar lesões pessoais ou mesmo morte.
Prestar atenção enquanto se carrega a máquina.
É necessário reagir com prontidão ao premir um
dos interruptores de paragem, da máquina ou do
motor, para evitar que a máquina se mova.
Segurar-se bem, para poder enfrentar uma
paragem brusca, sempre que um dos
interruptores de paragem da máquina/motor for
premido com a máquina em movimento.
Verificar o itinerário de expedição da máquina.
Certificar-se de que há espaço para a máquina
passar por baixo de passagens superiores. Pode
ser necessário desmontar as luzes de aviso e fechar
o tejadilho desdobrável (se disponível) ou o
tejadilho hidráulico desdobrável (se disponível) e
baixar o tubo de escape.
Consulta: Para instruções sobre como baixar o
tubo de escape, consultar o Manual de
Funcionamento e Manutenção, ≈Tubo de escape∆.
Consulta: Para informações sobre como levantar e
baixar o tejadilho desdobrável, consultar o Manual
de Funcionamento e Manutenção, ≈Tejadilho
desdobrável∆.
Consulta: Para informações sobre como levantar e
baixar o tejadilho desdobrável, consultar o Manual
de Funcionamento e Manutenção, ≈Tejadilho
hidráulico desdobrável∆.
Evitar movimentos da máquina, quando estiver a ser
carregada num camião. Evitar deslizamentos da
máquina, enquanto viajar dentro do camião.
AVISO
Respeitar todos regulamentos locais no que respeita
a peso, largura e comprimento da carga.
Se a máquina for transportada para um clima mais
frio, assegurar-se de que o sistema refrigerante tem
o anticongelante apropriado.
Respeitar todos os regulamentos que estabelecem a
largura máxima das cargas transportadas.
Como carregar a máquina
NOTA: A máquina pode ser transportada como
carga de 2,50 m (8,20 pés).
Ilustração 151
• Bloquear as rodas do camião, antes de carregar a
máquina. Bloquear as rodas do vagão do
caminho de ferro, antes de carregar a máquina
em cima.
• Ligar o motor. Colocar o selector de modo de
funcionamento em MANUAL e premir o interruptor
de activação do circuito eléctrico. Levantar o
nivelador ao máximo e fechar completamente as
tremonhas, activando os respectivos pinos de
segurança.
• Desactivar o travão de estacionamento.
Ilustração 152
• Carregar a máquina no reboque conforme figura.
• Colocar a alavanca de propulsão na posição de
PONTO MORTO.
• Activar o travão de estacionamento.
• Baixar o nivelador. O nivelador tem de estar
assente sobre a base do reboque.
XS0073AA
XS1000AB
96 QPEBU2109
SecçãodeFuncionamento
Informaçõessobreotransporte
• Rodar o botão de comando de velocidade do
motor de modo a reduzir-lhe a velocidade.
• Colocar a chave de arranque do motor na posição
OFF. Retirar a chave.
• Rodar o interruptor de desligamento para a
posição OFF. Retirar a chave.
Ilustração 153
• Fixar a máquina com amarras, quando se
transporta.
Consulta: Consultar o Manual de Funcionamento e
Manutenção, ≈Elevação e amarragem da máquina∆.
• Cobrir a abertura de acesso ao motor. Retirar o
tubo de escape e cobrir a abertura de exaustão.
Fechar o tejadilho desdobrável (se disponível) ou
baixar o tejadilho hidráulico desdobrável (se
disponível).
Consulta: Consultar o Manual de Funcionamento e
Manutenção, ≈Tubo de escape∆.
Circulação da máquina em
estrada
Arranjar todas as licenças necessárias junto das
autoridades próprias.
Verificar todos os regulamentos do tráfego local.
Respeitar todos os regulamentos do tráfego local.
Verificar o itinerário de viagem com especial
atenção às passagens superiores. Tem de haver
espaço de passagem suficiente.
1. Fazer uma inspecção visual a toda a volta da
máquina. Medir os níveis dos fluidos nos vários
compartimentos.
2. Ajustar a largura do nivelador ao terreno.
Recomenda-se minimizar a largura do nivelador
quando a máquina circular em estrada.
3. Levantar o nivelador. Estender os pinos de
segurança para bloqueio do nivelador. Baixar o
nivelador de modo a ficar apoiado nos pinos de
segurança.
Consulta: Consultar o Manual de Funcionamento e
Manutenção, ≈Pino de segurança, para bloqueio do
nivelador∆.
4. Levantar as tremonhas completamente.
Estender os pinos de segurança de bloqueio da
tremonha.
Consulta: Consultar o Manual de Funcionamento e
Manutenção, ≈Pino de segurança, para bloqueio da
tremonha∆.
5. Instalar as bandeiras, sinais ou luzes
eventualmente necessárias.
m CUIDADO
Deslocar a máquina antes do afastamento de
todas as pessoas pode provocar lesões pessoais
ou morte. Tocar a buzina durante vários
segundos, antes de deslocar a máquina.
6. Ligar o motor. Para saber qual o processo de
arranque indicado, consultar o Manual de
Funcionamento e Manutenção, ≈Arranque do
motor∆.
7. Para informações sobre como fazer a
deslocação da máquina, consultar o Manual de
Funcionamento e Manutenção, ≈Deslocar a
máquina∆.
Pino de segurança, para bloqueio
do nivelador
m CUIDADO
Movimentos acidentais do nivelador podem
provocar lesões graves ou morte. Bloquear o
nivelador na posição ELEVADA, utilizando a
alavanca de bloqueio de modo a abrir os pinos
de segurança quando o nivelador estiver no
limite superior de elevação.
Ilustração 154
XS0999AB
XS0980AB
QPEBU2109 97
SecçãodeFuncionamento
Informaçõessobreotransporte
Há duas alavancas na máquina. Estão situadas na
traseira da máquina, próximo dos assentos direito e
esquerdo do operador. Os pinos de segurança são
utilizados para manter o nivelador fixo na posição
ELEVADA, durante as transferências da máquina.
1. Levantar o nivelador até uma posição que
permita abrir os pinos de segurança do
nivelador.
2. Baixar as alavancas, para estender os pinos de
segurança ao máximo de extensão.
3. Baixar o nivelador de modo a ficar apoiado nos
pinos de segurança.
Tubo de escape
Para diminuir a altura da máquina para transporte,
baixar o tubo de escape. Para baixar o tubo de
escape, proceder conforme indicado abaixo.
Ilustração 155
1. Desbloquear o manípulo (1), para baixar o tubo
de escape (2.)
Ilustração 156
2. Rodar completamente e baixar o tubo de escape
(2) para a posição de recolha.
NOTA: Se o tubo de escape estiver demasiado
apertado para ser baixado, desapertar o parafuso
(3).
3. Montar uma protecção própria sobre a abertura
do silencioso de modo a impedir a entrada de
água e detritos no sistema de escape.
NOTA: Para levantar o tubo de escape da posição
de recolha, proceder na ordem inversa.
2
XS0895AB
1
3
XS0894AB
2
98 QPEBU2109
SecçãodeFuncionamento
Informaçõessobreotransporte
Tejadilho desdobrável (se
disponível)
Baixar o tejadilho
Ilustração 157
1. Em cada um dos suportes do tejadilho, rodar o
cubo de bloqueio (1) para baixo e puxar para
dentro, em direcção ao centro do posto de
condução.
Ilustração 158
2. Puxar o tejadilho para baixo, utilizando as duas
pegas (2).
Ilustração 159
3. Quando o tejadilho chega ao fundo, o encaixe
de fecho (3) de cada suporte do tejadilho engata
no pino de bloqueio.
Levantar o tejadilho
1. Puxar as pegas para baixo (2) e libertar os
quatro encaixes do fecho (3).
2. Levantar o tejadilho até ficar completamente
alçado.
XS0617AA
XS0618AA
XS0619AA
QPEBU2109 99
SecçãodeFuncionamento
Informaçõessobreotransporte
Tejadilho hidráulico
desdobrável (se disponível)
Para diminuir a altura da máquina para transporte,
baixar o tejadilho hidráulico desdobrável (se
disponível). Para baixar o tejadilho hidráulico
desdobrável proceder conforme indicado abaixo.
Ilustração 160
1. Tirar o pino de retenção (1) do pino de bloqueio
do tejadilho hidráulico (2).
2. Tirar o pino de bloqueio do tejadilho hidráulico
(2).
Ilustração 161
3. Pôr para baixo e manter nesta posição o
interruptor do tejadilho hidráulico (3) até este
último baixar completamente.
NOTA: Para levantar o tejadilho hidráulico
desdobrável proceder na ordem inversa.
1
XS0952AB
2
3
XS0953AB
100 QPEBU2109
SecçãodeFuncionamento
Informaçõessobreotransporte
Elevação e amarragem da
máquina
Elevação da máquina
NOTA: Consultar o Manual de Funcionamento e
Manutenção, ≈Pino de segurança para bloqueio da
tremonha∆ e "Pino de segurança para bloqueio do
nivelador" antes de içar a máquina, a fim de
bloquear devidamente as tremonhas na posição
fechada e bloquear o nivelador na posição elevada.
AVISO
Elevação e amarragem incorrectas da máquina
podem causar deslocações de carga, provocando
lesões e danos.
Para informações sobre as especificações básicas
da máquina, consultar o Manual de Funcionamento
e Manutenção, ≈Especificações∆.
O peso da máquina nesta secção refere-se às
unidades produzidas pela Caterpillar, Inc. Estas
informações dizem respeito à unidade produzida
pela Caterpillar, Inc.
Ponto de elevação √ Para levantar a
máquina, prender os dispositivos de
elevação aos quatro pontos de elevação.
Ilustração 162
Utilizar cabos e lingas com a capacidade de
elevação necessária para aguentar o peso da
máquina.
Colocar o guindaste ou o dispositivo de elevação de
modo tal que permita à máquina ser içada sempre
nivelada.
A largura da barra separadora tem de ser suficiente
para evitar que os cabos ou lingas de elevação
toquem na máquina.
1. Para aceder aos olhais de elevação da frente,
levantar as tremonhas frontais.
2. Colocar os cabos em posição nos quatro olhais
de elevação próprios. Estes olhais de elevação
são identificados na máquina com o símbolo de
um gancho.
3. Para mais informações, consultar o Manual de
Funcionamento e Manutenção, ≈Expedição da
máquina∆.
Amarragem da máquina
AVISO
Elevação e amarragem incorrectas da máquina
podem causar deslocações de carga, provocando
lesões e danos.
Para informações sobre as especificações básicas
da máquina, consultar o Manual de Funcionamento
e Manutenção, ≈Especificações∆.
O peso da máquina nesta secção refere-se às
unidades produzidas pela Caterpillar, Inc. Estas
informações dizem respeito à unidade produzida
pela Caterpillar, Inc.
Ponto de amarragem √ Para amarrar a
máquina, prender as amarras nos pontos
de amarragem.
Ilustração 163
1. Bloquear as rodas.
2. Baixar o nivelador a nível do solo.
3. Colocar cabos nos quatro pontos de amarragem
próprios.
4. Para mais informações, consultar o Manual de
Funcionamento e Manutenção, ≈Expedição da
máquina∆.
XS1260AB
XS1260AB
QPEBU2109 101
SecçãodeFuncionamento
Informaçõessobreoreboque
Informações sobre o
reboque
Rebocar a máquina
NOTA: Para informações sobre como desactivar os
travões de estacionamento, consultar o Manual de
Funcionamento e Manutenção, ≈Desactivar o travão
de estacionamento∆.
Seguir as indicações abaixo, para realizar
convenientemente as operações de reboque.
Esta máquina está equipada com travões
hidráulicos activados por mola e desactivados à
pressão. Se o motor, sistema eléctrico ou sistema
hidráulico de propulsão estiverem desactivados, os
travões estarão activados e a máquina não poderá
mover-se.
A máquina está equipada com direcção hidráulica.
Se o motor, sistema eléctrico ou sistema hidráulico
de propulsão estiverem desactivados, a direcção
da máquina estará bloqueada durante o reboque.
Estas instruções para reboque aplicam-se apenas à
deslocação de máquinas que estejam desactivadas
e que devam percorrer curtas distâncias, a baixa
velocidade. Dirigir a máquina, à velocidade de 1
km/h (0,6 mph) ou inferior, para um local onde
possa ser convenientemente reparada. Estas
instruções servem apenas para casos de
emergência. Se for necessária a deslocação a
longas distâncias, rebocar sempre a máquina.
Instalar protecções em ambas as máquinas. Isto
protegerá o operador no caso da barra ou cabo de
reboque se partirem.
Não deixar o operador viajar na máquina que estiver
a ser rebocada, a não ser que ele possa comandar
a direcção e/ou os travões.
Antes de iniciar o reboque, verificar se a barra ou o
cabo de reboque estão em boas condições.
Certificar-se de que o cabo ou a barra de reboque
são suficientemente fortes para poderem rebocar o
peso em causa. A resistência do cabo ou da barra
de reboque deve ser igual a, pelo menos, 150% do
peso bruto da máquina que reboca. Este requisito é
válido sobretudo quando se tiver de rebocar uma
máquina desactivada atolada na lama e para
reboque em declive.
Manter o ângulo do cabo de reboque no mínimo. O
ângulo não deve ser superior a 30≥ em relação à
posição recta, de alinhamento.
Movimentos bruscos da máquina podem provocar
sobrecarga no cabo ou barra de reboque. Isto pode
dar origem à rotura do cabo ou barra de reboque. A
deslocação da máquina é mais eficaz, movendo-a
gradual e uniformemente. Para rebocar uma
máquina avariada, consultar o distribuidor
Caterpillar.
Em geral, a máquina que reboca deve ter o mesmo
tamanho da máquina avariada. Certificar-se de que
a máquina que reboca tem capacidade de
travagem, peso e potência suficientes. A máquina
que reboca tem de ter capacidade para controlar
ambas as máquinas ao longo da distância e da
inclinação de terreno que deverá percorrer.
É necessário fornecer controlo e capacidade de
travagem suficientes, quando se desloca uma
máquina avariada em descida. Isto pode exigir a
utilização de uma máquina de reboque maior ou de
máquinas adicionais ligadas à retaguarda. Deste
modo, evita-se que a máquina se desloque sem
controlo.
Devido à infinidade de situações que podem
verificar-se, é impossível enumerá-las todas. Em
superfícies uniformes e horizontais é suficiente
utilizar uma máquina de reboque com capacidades
mínimas. Em declives ou superfícies em más
condições, é necessário utilizar uma máquina de
reboque com capacidades máximas.
Prender o dispositivo de reboque à máquina, antes
de desactivar os travões.
Para informações acerca do reboque de uma
máquina avariada, consultar o distribuidor
Caterpillar.
102 QPEBU2109
SecçãodeFuncionamento
Informaçõessobreoreboque
Desactivação manual do
travão de estacionamento
m CUIDADO
Para evitar possíveis acidentes, é necessário
bloquear muito bem as rodas, antes de
desactivar manualmente os travões de
estacionamento. Quando os travões de
estacionamento forem desactivados
manualmente, a máquina fica sem travões.
Para rebocar a máquina, é necessário seguir o
procedimento abaixo indicado, antes de efectuar o
reboque.
1. Abrir a porta esquerda de acesso.
Consulta: Consultar o Manual de Funcionamento e
Manutenção, ≈Porta esquerda de acesso -
Abertura∆.
Ilustração 164
2. Localizar a válvula para desactivar o travão e o
respectivo sistema hidráulico.
3. Desapertar completamente o anel de fixação (1)
e rodar o botão de regulação (2) para a direita,
para desactivar o travão, até ao limite de curso
do botão (2).
4. Usar a bomba manual (3) situada no grupo de
desengate do travão. Accionar a bomba manual
(3) até sentir resistência.
5. Abrir a tampa de acesso ao compartimento da
bateria.
Consulta: Consultar o Manual de Funcionamento e
Manutenção, ≈Tampa de acesso ao compartimento
da bateria - Abertura∆.
Ilustração 165
6. Desligar os cabos positivo (4) e negativo (5) da
bateria, por esta ordem.
Consulta: Consultar o Manual de Funcionamento e
Manutenção, ≈Bateria ou cabo da bateria
Inspeccionar/Substituir∆.
7. Tirar o cavilhão de engate (6) da bateria e retirar
a bateria (7).
8. Desmontar os parafusos (8) e tirar o suporte da
bateria (9).
Ilustração 166
9. Mover manualmente a alavanca (10), para
colocar o mecanismo da caixa de transmissão
(11) na posição central (ponto morto).
3
XS0893AB
1
2
XS0899AB
4 9 85
6
7
10
XS0995AB
11
QPEBU2109 103
SecçãodeFuncionamento
Arranquedomotor(métodosalternativos)
NOTA: Rebocar a máquina apenas a baixa
velocidade e para curtas distâncias.
NOTA: Não accionar a máquina se os travões
estiverem desactivados.
10. Concluído o reboque da máquina, proceder na
ordem inversa, para repor a máquina em
condições operacionais.
Arranque do motor
(métodos alternativos)
Arranque do motor com cabos
de ligação em ponte
m CUIDADO
A falta de manutenção das baterias pode
provocar lesões pessoais ou morte.
Procedimentos de arranque incorrectos com
cabo de ligação em ponte, podem provocar
explosão e, por consequência, lesões pessoais
ou morte.
Evitar faíscas nas imediações das baterias.
Podem provocar vapores e explodir. Evitar que
as extremidades do cabo de ligação em ponte se
toquem ou toquem na máquina.
Não fumar durante a verificação dos níveis de
electrólito da bateria.
O electrólito é um ácido e, no caso de contacto
com a pele ou os olhos, pode provocar lesões.
Quando se puser a máquina em funcionamento
com cabos de ligação em ponte, usar sempre
protectores para os olhos.
Ligar sempre o pólo positivo ( + ) de uma bateria
ao pólo positivo ( + ) de outra bateria e o pólo
negativo ( - ) de uma bateria ao pólo negativo ( - )
da outra bateria.
A máquina com a bateria descarregada deve ser
posta em funcionamento com os cabos de ponte,
apenas se a fonte de energia utilizada tiver a
mesma tensão da bateria descarregada.
Desligar todas as luzes e acessórios da máquina
com a bateria descarregada. Caso contrário,
estes activar-se-ão quando a nova fonte de
energia estiver ligada.
104 QPEBU2109
SecçãodeFuncionamento
Arranquedomotor(métodosalternativos)
AVISO
Quando de ligar o motor a partir de outra máquina,
certificar-se de que as máquinas não se tocam.
Deste modo podem evitar-se danos nos circuitos
eléctricos e nos rolamentos do motor.
Ligar o interruptor de corte da bateria (fechar) antes
da ligação da alimentação, para impedir danos nos
componentes do circuito eléctrico da máquina
avariada.
Baterias sem manutenção, completamente
descarregadas, não podem ser recarregadas
integralmente através do alternador, após arranque
com ligação em ponte. As baterias precisam de ser
carregadas à tensão certa, com um carregador
próprio. Muitas baterias consideradas inutilizadas
poderão ser ainda recarregadas.
Esta máquina tem um sistema de arranque de 12
volt. Utilizar apenas fontes de energia com a mesma
tensão, para fazer pegar o motor com ligação em
ponte. A utilização de tensões superiores põe em
risco o sistema eléctrico.
Para informações completas sobre o ensaio e
recarga das baterias, consultar a publicação
Instrução especial,, SEHS7633 “Procedimento de
ensaio da bateria”, disponível junto do distribuidor
Caterpillar.
Utilização de cabos de ligação em
ponte
Não estando disponíveis as tomadas auxiliares de
arranque, seguir o procedimento abaixo.
1. Verificar a efectiva impossibilidade de ligar a
máquina. Consultar o Módulo do Manual de
Serviço, SENR2947 ≈Activação e carregamento
de sistemas para máquinas equipadas com
conector diagnóstico∆. O procedimento é
aplicável mesmo se a máquina não tiver um
conector de diagnóstico.
2. Colocar a alavanca de propulsão da máquina
avariada na posição de PONTO MORTO. Activar
o travão de estacionamento.
3. Rodar a chave de arranque do motor da
máquina avariada para a posição OFF. Desligar
todos os acessórios.
4. Activar o interruptor de corte da bateria numa
máquina avariada.
5. Colocar a máquina utilizada como fonte de
energia de modo que os cabos de ligação em
ponte cheguem à máquina avariada. IMPEDIR
QUE AS MÁQUINAS SE TOQUEM.
6. Desligar o motor da máquina que estiver a ser
usada como fonte de energia. No caso de se
estar a utilizar uma fonte de energia auxiliar,
desligar o sistema de carga.
7. Observar as tampas da bateria, verificando se
estão bem colocadas e apertadas. Fazer esta
verificação em ambas as máquinas. Verificar se
as baterias da máquina avariada estão
congeladas. Verificar se o nível de electrólito
está baixo.
8. Ligar o cabo de ligação em ponte positivo ao
terminal do cabo positivo da bateria
descarregada.
Impedir que as braçadeiras dos cabos toquem
qualquer metal, excepto os terminais da bateria.
NOTA: As baterias em série podem estar em
compartimentos separados. Usar o terminal que
está ligado ao solenóide do motor de arranque. Esta
bateria está normalmente do mesmo lado da
máquina em que se encontra o motor de arranque.
9. Ligar o cabo de ligação em ponte positivo ao
terminal positivo da fonte de energia. Seguir o
procedimento a partir do ponto 8, para
determinar o terminal correcto.
10. Ligar uma extremidade do cabo de ligação em
ponte negativo ao terminal negativo da fonte de
energia.
11. Proceder à ligação final. Ligar o cabo negativo
ao chassis da máquina avariada. Fazer esta
ligação longe da bateria, combustível, linhas
hidráulicas ou partes em movimento.
12. Ligar o motor da máquina que estiver a ser
usada como fonte de energia. No caso de se
estar a utilizar uma fonte de energia auxiliar,
activar o sistema de carga na fonte de energia
auxiliar.
13. Aguardar um mínimo de dois minutos, enquanto
as baterias da máquina avariada se carregam
parcialmente.
14. Tentar fazer pegar o motor da máquina avariada.
Consultar o Manual de Funcionamento e
Manutenção, ≈Arranque do motor∆.
15. Assim que o motor da máquina avariada pegar,
desligar o cabo de ligação em ponte da FONTE
DE ENERGIA.
16. Desligar a outra extremidade do cabo de ligação
em ponte, da máquina avariada.
17. Quando o motor estiver a trabalhar e o sistema
de carga estiver a funcionar, determinar a causa
da avaria do sistema de carga da máquina
avariada.
QPEBU2109 105
Secçãodemanutenção
Acessosparamanutenção
Secção de manutenção
Acessos para manutenção
Portas e coberturas de acesso
Ilustração 167
Vista do lado direito
Ilustração 168
Vista do lado esquerdo
Ilustração 169
Vista traseira
Ilustração 170
Vista traseira
(1) Porta direita de acesso
(2) Cobertura direita de acesso
(3) Porta esquerda de acesso
(4) Tampa do compartimento do radiador
XS0969AB
1
2
XS0968AB
4
3
(5) Porta de acesso ao motor
(6) Tampa de acesso ao compartimento da bateria
XS0966AB
5
XS0949AB
6
106 QPEBU2109
Secçãodemanutenção
Acessosparamanutenção
Ilustração 171
Vista frontal
Porta direita de acesso -
Abertura
m CUIDADO
Componentes ou partes quentes podem
provocar queimaduras ou lesões pessoais. Evitar
o contacto de componentes ou partes quentes
com a pele. Usar dispositivos de protecção para
a pele.
Ilustração 172
1. Rodar os dois fechos (1) no sentido contrário
aos ponteiros do relógio, para abrir a porta de
acesso (2).
Ilustração 173
2. Abrir a porta direita de acesso (2) e colocar a
haste (3), fixando-a bem.
(7) Capota anterior de acesso ao motor
XS0968AB
7
XS0948AB
1
1
2
XS0956AB
2
3
QPEBU2109 107
Secçãodemanutenção
Acessosparamanutenção
Cobertura direita de acesso -
Abertura
m CUIDADO
Componentes ou partes quentes podem
provocar queimaduras ou lesões pessoais. Evitar
o contacto de componentes ou partes quentes
com a pele. Usar dispositivos de protecção para
a pele.
Ilustração 174
1. Premir o botão (1), para desbloquear o fecho da
tampa de acesso do lado direito.
Ilustração 175
2. Abrir completamente a tampa de acesso (2) e
colocar a haste (3), fixando-a bem.
Porta esquerda de acesso -
Abertura
m CUIDADO
Componentes ou partes quentes podem
provocar queimaduras ou lesões pessoais. Evitar
o contacto de componentes ou partes quentes
com a pele. Usar dispositivos de protecção para
a pele.
Ilustração 176
1. Rodar os dois fechos (1) no sentido contrário
aos ponteiros do relógio, para abrir a porta de
acesso (2).
Ilustração 177
2. Abrir a porta direita de acesso (2) e colocar a
haste (3), fixando-a bem.
XS0943AB
1
XS0944AB
2 3
XS0947AB
1
2 1
XS0955AB
3
2
108 QPEBU2109
Secçãodemanutenção
Acessosparamanutenção
Tampa do radiador - Abertura
m CUIDADO
Componentes ou partes quentes podem
provocar queimaduras ou lesões pessoais. Evitar
o contacto de componentes ou partes quentes
com a pele. Usar dispositivos de protecção para
a pele.
Ilustração 178
Tirar nove parafusos (1) e remover a tampa do
radiador (2).
Tampa de acesso ao
compartimento da bateria -
Abertura
m CUIDADO
Componentes ou partes quentes podem
provocar queimaduras ou lesões pessoais. Evitar
o contacto de componentes ou partes quentes
com a pele. Usar dispositivos de protecção para
a pele.
Ilustração 179
NOTA: Antes de abrir a tampa que dá acesso às
baterias, certificar-se de que o tablier está
totalmente deslocado para o lado direito ou para o
lado esquerdo da máquina.
1. Tirar o parafuso (1), para levantar e abrir a
tampa de acesso à bateria (2).
2
XS0945AB
1
XS0949AB
1 2
QPEBU2109 109
Secçãodemanutenção
Acessosparamanutenção
Ilustração 180
2. Levantar completamente a tampa de acesso (2)
e colocar a haste (3), fixando-a bem.
Porta posterior de acesso ao
motor - Abertura
m CUIDADO
Componentes ou partes quentes podem
provocar queimaduras ou lesões pessoais. Evitar
o contacto de componentes ou partes quentes
com a pele. Usar dispositivos de protecção para
a pele.
Ilustração 181
1. Premir o botão (1), para desbloquear o fecho da
porta posterior de acesso ao motor.
2. Utilizar a pega (2) para levantar a capota (3)
para a posição de abertura máxima.
3
XS0899AB
2
XS0966AB
1
2
3
110 QPEBU2109
Secçãodemanutenção
Acessosparamanutenção
Tampas de acesso à
plataforma - Abertura
m CUIDADO
Componentes ou partes quentes podem
provocar queimaduras ou lesões pessoais. Evitar
o contacto de componentes ou partes quentes
com a pele. Usar dispositivos de protecção para
a pele.
Ilustração 182
Para abrir as tampas esquerda e direita de acesso à
plataforma, (1) e (2), tirar os parafusos (3).
Capota anterior de acesso ao
motor - Abertura
m CUIDADO
Componentes ou partes quentes podem
provocar queimaduras ou lesões pessoais. Evitar
o contacto de componentes ou partes quentes
com a pele. Usar dispositivos de protecção para
a pele.
Ilustração 183
Tirar os quatro parafusos (1) e remover a capota de
acesso (2).
XS0949AB
3 21
3 33
3
XS0951AB
1 1
1 1
2
QPEBU2109 111
Secçãodemanutenção
Informaçãosobreoenchimentodospneus
Informação sobre o
enchimento dos pneus
Enchimento dos pneus com ar
m CUIDADO
Os serviços de manutenção e substituição de
pneus e jantes podem ser perigosos. Por isso,
têm de ser feitos por pessoal especializado,
utilizando as ferramentas próprias e adoptando
as técnicas correctas. Se durante a manutenção
de pneus e jantes não forem seguidos os
procedimentos devidos, há risco de explosão
violenta e, de consequência, perigo de lesões
graves ou morte. Seguir com atenção as
informações específicas dadas pelo fornecedor
de pneus ou pelo distribuidor.
m CUIDADO
A explosão de um pneu ou a rotura de uma jante
podem provocar lesões pessoais graves ou
morte.
Utilizar um equipamento de auto-fixação para
encher os pneus e ter o cuidado de se colocar
atrás do trilho da roda durante o enchimento,
para prevenir lesões pessoais.
AVISO
Definir o regulador do equipamento de encher pneus
com não mais de 140 kPa (20 psi) acima da pressão
de pneus recomendada.
Pressão dos pneus para
expedição
As pressões dos pneus indicadas no Quadro 4 são
pressões de enchimento a frio, para expedição.
Tabela5
A pressão de enchimento operativa baseia-se nos
elementos seguintes:
• Peso da máquina pronta a funcionar sem
equipamentos acessórios
• Carga útil nominal
• Condições de trabalho médias.
As pressões podem variar de aplicação para
aplicação. Os valores de pressão recomendados
devem ser pedidos ao fornecedor de pneus.
Ajustamento da pressão de
enchimento dos pneus
A pressão dos pneus num local quente (18° a 21°C
(65° a 70°F) de temperatura média) altera-se
significativamente quando a máquina é transferida
para temperaturas muitas frias. Quando se enche
um pneu com a pressão devida em ambiente
quente, a pressão ficará baixa quando se passar a
um ambiente de temperatura muito baixa. A baixa
pressão reduz o tempo de vida útil de um pneu.
Quando se utilizar a máquina em condições de
temperatura muito frias, ver a Publicação especial,
SEBU5898 ≈Recomendações em caso de
temperaturas baixas∆.
Montagem dos pneus
A manutenção de pneus e jantes deve ser realizada
por um mecânico qualificado. Os serviços que deve
fazer um mecânico qualificado são os seguintes:
• Esvaziar pneus
• Encher pneus
m CUIDADO
O enchimento incorrecto de um pneu pode
provocar lesões pessoais ou morte.
A explosão de pneus ou rotura de jantes podem
decorrer da utilização de equipamento impróprio
ou empregado incorrectamente.
Utilizar um equipamento de auto-fixação para
encher os pneus e ter o cuidado de se colocar
atrás do trilho da roda, durante o enchimento.
Para evitar encher excessivamente os pneus, é
necessário usar equipamento de insuflação
próprio e ser destro e prático na sua utilização.
Antes de encher o pneu, colocá-lo num
dispositivo que o mantenha em posição fixa.
NOTA: Para mais informações sobre montagem e
desmontagem do pneu traseiro, consultar o Manual
de Montagem e Desmontagem, ≈Pneu e jante -
Remoção (retaguarda)∆.
Código
Pressão para expedição
kPa psi
365/80R20XZL 210 30.5
112 QPEBU2109
Secçãodemanutenção
Viscosidadedoslubrificantesecapacidadesdereabastecimento
Viscosidade dos lubrificantes
e capacidades de
reabastecimento
Viscosidade dos lubrificantes
O grau de viscosidade apropriado para o
lubrificante é determinado quando a máquina é
posta a funcionar, em função da temperatura
exterior mínima. O grau de viscosidade apropriado
do lubrificante também é determinado em função da
temperatura exterior máxima enquanto a máquina
está a trabalhar. Utilizar a coluna do quadro
intitulada ≈mín∆, para determinar o grau de
viscosidade necessário para o arranque da
máquina a frio. Utilizar a coluna do quadro intitulada
≈Máx∆, para determinar o grau de viscosidade
necessário para utilizar a máquina à temperatura
máxima prevista. Para reabastecer a máquina de
lubrificante, utilizar o grau de viscosidade mais alto
permitido para a temperatura ambiente existente
quando a máquina for posta a funcionar. As
máquinas que forem usadas continuamente devem
utilizar óleos com maior viscosidade nas
transmissões finais e nos diferenciais, para manter
uma camada de óleo o mais espessa possível.
Consultar o distribuidor Caterpillar no caso de
necessidade de informações adicionais.
Tabela6
Viscosidade dos lubrificantes por temperatura ambiente
Compartimento ou sistema Tipo de óleo e classificação Viscosidades de óleo
°C °F
Mín Máx Mín Máx
Cárter do motor(1)(2)(3)(4)
Cat DEO Multigrade
Cat DEO SYN
Cat Arctic DEO SYN(5)
Cat ECF-1(6)
API CG-4Multigrade(7)
SAE 0W-20 −40 10 −40 50
SAE 0W-30 −40 30 −40 86
SAE 0W-40 −40 40 −40 104
SAE 5W-30 −30 30 −22 86
SAE 5W-40 −30 40 −22 122
SAE 10W-30(8)
−18 40 0 104
SAE 10W-40 −18 50 0 122
SAE 15W-40 −9.5 50 15 122
QPEBU2109 113
Secçãodemanutenção
Viscosidadedoslubrificantesecapacidadesdereabastecimento
Sistema hidráulico,
Circuito dos travões
Cat HYDO
Cat HYDO Advanced(9)
Cat DEO
Cat MTO
Cat TDTO
Cat TDTO-TMS
Cat DEO SYN
Cat Arctic DEO SYN
Cat Arctic TDTO SYN
Cat ECF-1
Cat BIO HYDO (HEES)
API CG-4
API CF
commercial TO-4
commercial BF-1(10)
SAE 0W-20 −40 40 −40 104
SAE 0W-30 −40 40 −40 104
SAE 5W-30 −30 40 −22 104
SAE 5W-40 −30 40 −22 104
SAE 10W −20 40 −4 104
SAE30W 10 50 50 122
SAE 10W-30 −20 40 −4 104
SAE 15W-40 −15 50 5 122
CatMTO −25 40 −13 104
Óleohidráulico
biodegradável(HEES)Cat
(10)
−40 43 −40 110
CatTDTO-TMS(11)
−20 50 −4 122
Transmissões finais, caixa
de engrenagens,
transmissões finais da
tracção dianteira
Cat GO (Gear oil, óleo para
engrenagens)
Cat SYNTHETIC GO
commercial API GL-5 óleo
para engrenagens
SAE75W-90 −30 40 −22 104
SAE75W-140 −30 45 −22 113
SAE 80W-90 −20 40 −4 104
SAE 85W-140 −10 50 14 122
SAE 90 0 40 32 104
(1)Recomenda-secalorcomplementarparaosarranquesafrioabaixodatemperaturaambientemínima.Podesernecessáriocalorcomplementarparaarranquesa
frioacimadatemperaturamínimaindicada,dependendodacargaparasitaeoutrosfactores.Entende-seporarranquesafrioosarranquesfeitosapósum
extensoperíododeinactividadedomotor,emqueoóleoadquiriumaiorviscosidadeporexposiçãoatemperaturasambientemaisfrias.
(2)OsóleosAPICFnãosãorecomendáveisparaasSéries3500daCaterpillarnemparamotoresdeinjecçãodirecta(DI)maispequenos.OsóleosAPICF-4nãosão
recomendáveisparaosmotoresdieseldasmáquinasCaterpillar.
(3)OsóleosAPICH-4,APICI-4eAPICI-4PLUSsãoaceitáveisparaomotordieselAcertC15seforemsatisfeitososrequisitosECF-1(Especificaçõesdofluidodo
cárterdomotor-1)daCaterpillar.Ointervalodesubstituiçãodeóleonãodeveexceder500horas.
(4)OsóleosAPICH-4,APICI-4eAPICI-4PLUSsãoaceitáveisparaomotordieselAcertC9seforemsatisfeitososrequisitosECF-1(Especificaçõesdofluidodo
cárterdomotor-1)daCaterpillar.Ointervalodesubstituiçãodeóleonãodeveexceder250horas.
(5)CatArcticDEOSYNéumóleocomgraudeviscosidadeSAE0W-30.
(6)OsóleosAPICI-4,APICI-4PLUSeAPICH-4sãoaceitáveisseforemsatisfeitososrequisitosECF-1(Especificaçõesdofluidodocárterdomotor-1)da
Caterpillar.OsóleosAPICI-4,APICI-4PLUSeAPICH-4quenãosatisfazemosrequisitosECF-1daCaterpillarpodemdiminuiro tempodevidaútildomotor.
(7)OsóleosAPICG-4sãoaceitáveisparatodososmotoresdieseldasmáquinasCaterpillar.QuandoéutilizadooóleoAPICG-4,ointervalodesubstituiçãodeste
nãodeveexceder250horas.OsóleosAPICG-4quesatisfazemospadrõesdoAPICI-4,APICI-4PLUS,ouAPICH-4tambémtêmdesatisfazerosrequisitosda
especificaçãoECF-1daCaterpillar.
(8)SAE10W-30éograudeviscosidadepreferidoparaosmotoresdiesel3116,3126,C7,C-9eC9quandoascondiçõesdetemperaturaambientevariamentre-18
°C(0°F)e40°C(104°F).
(9)OóleoCatHydoAdvanced10éopreferidoparaempregonamaiorpartedossistemasdetransmissãohidrostáticaehidráulicadasmáquinasCaterpillar,quando
ascondiçõesdatemperaturaambientevariamentre-20°C(-4°F)e40°C(104°F).CatHYDOAdvanced10temgraudeviscosidadeSAEde10W.Paratiraro
máximoproveitodascaracterísticasdemelhorperformancedoóleoCatHYDOAdvanced10,quandosemudaparaesteúltimoóleoacontaminaçãocruzada
comoanteriormenteusadodevesermantidaabaixode10%.Ointervalodemudançaparatodososóleosdosistemahidráulicoaprovadospodeserprolongado
para2000horasdeserviçoquandoéutilizadooserviçoS.O.S.decolheitadeamostras.QuandonãoseutilizaoserviçoS·O·Sdecolheitadeamostrasdeóleo,o
intervalodemudançadeóleoéde1000em1000horasdeserviço.
(10)Oóleohidráulicobiodegradávelcomercial(HEES)temdesatisfazeraespecificaçãoBF-1daCaterpillar.Ointervalodastemperaturasambienteindicadas
referem-seaoóleohidráulicobiodegradávelCaterpillar(HEES),nãoaoóleohidráulicocomercialBF-1.
(11)CatTDTO-TMS(TransmissionMulti-Season)(misturasintéticaqueultrapassaosrequisitosdaespecificaçãomultigrauTO-4M).
Viscosidade dos lubrificantes por temperatura ambiente
Compartimento ou sistema Tipo de óleo e classificação Viscosidades de óleo
°C °F
Mín Máx Mín Máx
114 QPEBU2109
Secçãodemanutenção
Viscosidadedoslubrificantesecapacidadesdereabastecimento
Tabela7
Capacidades
(Reabastecimento)
Tabela8
Informação S·O·S
A utilização dos Serviços S”O”S é altamente
recomendável aos clientes Caterpillar, para
minimizar os custos de compra e gestão. Os
clientes fornecem amostras de óleo, líquido de
refrigeração e outras informações da máquina. O
distribuidor utiliza os dados fornecidos para
aconselhar o cliente sobre a gestão do
equipamento. Além disso, os Serviços S”O”S podem
ajudar a determinar a causa de um eventual
problema de produção.
Para informações detalhadas sobre os Serviços
SOS, consultar a Publicação especial, SEBU6250
≈Recomendações sobre os fluidos a utilizar nas
máquinas Caterpillar∆.
Para informações sobre os intervalos de
manutenção e localização dos pontos específicos
de colheita de amostras, consultar o Manual de
Funcionamento e Manutenção, ≈Quadro de
Intervalos de Manutenção∆.
Para informações completas e assistência para
estabelecer um programa S”O”S para a própria
máquina, consultar o distribuidor Caterpillar.
Especificações das massas lubrificantes
Compartimento ou sistema Tipo de massa lubrif. Classificação
°C °F
Mín Máx Mín Máx
Caixa do trado
Multi-Purpose Grease 1
Arctic Platinum 1
NLGI1 −20 150 −4 302
Lubrificação geral com
massa
Desert Gold
Multi-Purpose Grease
Multi-Purpose Grease
Medium
NLGI2 −20 150 −4 302
Capacidades de reabastecimento aproximadas
Compartimento ou sistema Litros
Galões
E.U.A.
Gal. UK Tipo de fluido recomendado
Sistemarefrigerante 44 11.6 9.6 CaterpillarELC
Depósitodecombustível 79 21 17
CombustíveldieselNo.1oucombustível
dieselNo.2
Cárterdomotor 13 3.4 2.8 CaterpillarDEOSAE15W/40
Depósitohidráulico 150 40 33
CaterpillarHYDOSAE10W
CaterpillarHYDOAdvancedSAE10W
Cadaunidadedetracçãodianteira
(sedisponíveis)
0.8 0.21 0.17 CaterpillarGOSAE80W/90
Cadatransmissãofinal 10 2.6 2.2 CaterpillarGOSAE80W/90
Cadacaixadeengrenagens 6.5 1.7 1.4 CaterpillarGOSAE80W/90
Agentelubrificante 32 8.45 7.03
QPEBU2109 115
Secçãodemanutenção
Apoioàmanutenção
Apoio à manutenção
Processos de soldadura para
máquinas e motores com
comandos electrónicos
Para evitar danos nos comandos electrónicos e nos
rolamentos, é necessário adoptar processos de
soldadura apropriados. Quando possível, remover o
componente a soldar da máquina ou do motor e
depois proceder à operação desejada. No caso de
ser necessário soldar próximo de um comando
electrónico da máquina ou do motor, remover
temporariamente o comando electrónico, para evitar
eventuais danos do calor. Para soldar componentes
numa máquina ou motor com comandos
electrónicos, seguir as indicações abaixo.
1. Desligar o motor. Colocar a chave de arranque
do motor na posição OFF.
2. Se disponível, rodar o interruptor que desliga a
bateria para a posição OFF. Se não houver
qualquer interruptor de corte da bateria, desligar
o cabo negativo da bateria.
AVISO
NÃO utilizar componentes eléctricos (ECM ou
sensores do ECM) ou pontos de ligação à terra de
componentes electrónicos, para ligar o soldador à
terra.
3. Fixar o cabo de ligação à terra do soldador ao
componente que vai ser soldado. Colocar o
elemento de fixação o mais próximo possível da
solda. Certificar-se de que o troço de circuito
eléctrico do cabo de ligação à terra até ao
componente não passa através de qualquer
rolamento. Seguir este procedimento, para
diminuir a possibilidade de danos nos
componentes seguintes:
• Rolamentos da transmissão
• Componentes hidráulicos
• Componentes eléctricos
• Outros componentes da máquina
4. Proteger os cabos para não se sujarem com os
detritos produzidos pela soldadura. Proteger os
cabos para não se sujarem com os salpicos da
soldadura.
5. Adoptar técnicas standard para fazer a
soldadura.
116 QPEBU2109
Secçãodemanutenção
QuadrodeIntervalosdeManutenção
Quadro de Intervalos de
Manutenção
Assegurar-se de que foram lidas todas as
informações de segurança, avisos e instruções,
antes de ser feito qualquer accionamento ou
trabalho de manutenção na máquina.
O utilizador é responsável pela manutenção,
incluindo todos os ajustamentos, a utilização de
lubrificantes apropriados, líquidos e filtros e pela
substituição de componentes devida ao desgaste
normal e envelhecimento das peças. Não respeitar
os intervalos de manutenção devidos e os
procedimentos indicados pode determinar uma
menor performance da máquina e/ou desgaste
prematuro dos componentes.
Para determinar os intervalos de manutenção,
basear-se na quilometragem, consumo de
combustível, horas de serviço ou calendarização,
de acordo com o prazo QUE PRIMEIRO VENCER .
O equipamento utilizado em condições de trabalho
mais duras pode necessitar de manutenção mais
frequente.
NOTA: Antes de proceder à manutenção do
intervalo sucessivo, é necessário fazer todos os
trabalhos de manutenção do intervalo anterior.
NOTA: No caso de utilização de óleo hidráulico Cat
HYDO Advanced 10 o intervalo de substituição
muda. O intervalo normal de 1000 horas prolongar-
se-á para 2000 horas de serviço. Os serviços S•O•S
poderão prolongar ainda mais o intervalo de
substituição de óleo. Para pormenores, consultar o
distribuidor Caterpillar local.
Quando necessário
Bateria - Reciclagem ........................................... 121
Bateria ou cabo da bateria - Inspeccionar/
Substituir ............................................................ 121
Disjuntor - Rearmar.............................................. 122
Elemento primário do filtro de ar do motor -
Limpar/Substituir ................................................ 135
Elemento secundário do filtro de ar do motor -
Substituir ............................................................ 138
Entrada do filtro de ar do motor - Limpar ............ 140
Sistema de combustível- Encher......................... 149
Fusíveis - Substituir.............................................. 153
‡leo do motor - Inspeccionar.............................. 161
De 10 em 10 horas de serviço ou
diariamente
Alarme de marcha atrás- Testar.......................... 120
Correntes (de tracção) da correia transportadora -
Limpar ................................................................ 124
Nível do líquido de refrigeração do sistema
refrigerante - Verificar ........................................ 129
Suportes do motor - Inspeccionar....................... 140
Nível de óleo no motor - Verificar ........................ 145
Separador de água do sistema de combustível - Es-
vaziar.................................................................. 151
Suportes do gerador - Inspeccionar ................... 156
Nível de óleo do sistema hidráulico - Verificar.... 159
Cinto de segurança - Inspeccionar..................... 166
De 50 em 50 horas de serviço
Correias transportadoras do trado - Lubrificar.... 118
Bogies - Lubrificar ............................................... 122
Transportadores de freio - Lubrificar................... 132
Guia da plataforma do operador - Lubrificar ...... 161
Cilindros de elevação do nivelador - Lubrificar .. 164
Pinos de fixação do nivelador - Lubrificar........... 164
Guias deslizantes do braço lateral do nivelador -
Limpar................................................................ 165
Ponto de reboque do nivelador - Lubrificar ........ 165
De 50 em 50 horas de serviço ou
semanalmente
Rolamentos do cilindro da tremonha -Lubrificar. 156
Pinos de segurança da tremonha - Lubrificar..... 157
Enchimento dos pneus - Verificar ....................... 168
De 100 em 100 horas de serviço ou
de 2 em 2 semanas
Porcas das rodas de tracção - Apertar............... 133
Nível de óleo da transmissão planetária das
rodas - Verificar.................................................. 135
Nível de óleo da transmissão planetária das
rodas dianteiras - Verificar................................. 148
Nível de óleo da caixa de velocidades - Verificar155
Núcleo do radiador - Limpar ............................... 163
De 250 em 250 horas de serviço
Correias - Inspeccionar/Ajustar/Substituir........... 121
Amostra de líquido de refrigeração do
sistema refrigerante (nível 1) - Colher................ 129
Filtro secundário do sistema de combustível -
Substituir ............................................................ 150
Interruptor de alavanca - Inspeccionar............... 168
De 250 em 250 horas de serviço ou
mensalmente
Filtro do depósito de agente lubrificante -
Substituir ............................................................ 163
QPEBU2109 117
Secçãodemanutenção
QuadrodeIntervalosdeManutenção
De 500 em 500 horas (para
sistemas novos, sistemas
reabastecidos e sistemas
convertidos)
Amostra de líquido de refrigeração do
sistema refrigerante (nível 2) - Colher................ 130
De 500 em 500 horas de serviço
Unidade de transmissão do trado - Verificar/
Lubrificar ............................................................ 119
Correntes de transmissão dos trados - Verificar/
Ajustar ................................................................ 119
Correntes (de tracção) das correias transportadoras
- Ajustar.............................................................. 123
Sistema da correia transportadora - Inspeccionar
........................................................................... 124
‡leo da transmissão planetária das rodas -
Substituir ............................................................ 133
Amostra de óleo da transmissão planetária das ro-
das - Colher amostra.......................................... 135
Filtro e óleo do motor - Substituir......................... 141
Amostra de óleo do motor - Colher amostra ....... 146
‡leo da transmissão planetária das rodas
dianteiras (se disponível) - Substituir................. 147
Amostra de óleo da transmissão planetária das
rodas dianteiras
(se disponível) - Colher amostra ........................ 149
‡leo da caixa de engrenagens - Substituir......... 155
Travão de estacionamento - Verificar.................. 162
Junta universal de transmissão - Lubrificar......... 168
De 500 em 500 horas de serviço ou
trimestralmente
Elemento do separador de água do sistema
de combustível - Substituir................................. 152
De 1000 em 1000 horas de serviço
Folga da válvula do motor - Verificar................... 147
‡leo do sistema hidráulico - Substituir................ 157
Amostra de óleo do sistema hidráulico - Colher
amostra .............................................................. 160
Filtro do depósito de óleo do sistema hidráulico -
Substituir ............................................................ 160
De 2000 em 2000 horas de serviço
Alternador - Inspeccionar .................................... 118
Motor de arranque - Inspeccionar....................... 167
Anualmente
Amostra de líquido de refrigeração do
sistema refrigerante (nível 2) - Colher................ 130
De 3000 em 3000 horas de serviço
Regulador de temperatura da água do sistema
refrigerante - Substituir ...................................... 131
De 3 em 3 anos a partir da data de
instalação ou de 5 em 5 anos após
a data de fabricação
Cinto de segurança - Substituir........................... 167
De 6.000 em 6.000 horas de serviço
ou trienalmente
Aditivo do refrigerante do sistema de
refrigeração
(ELC) - Adicionar ............................................... 128
De 12000 em 12000 horas de
serviço ou de 6 em 6 anos
Líquido de refrigeração do sistema refrigerante
(ELC) - Substituir................................................ 126
118 QPEBU2109
Secçãodemanutenção
Alternador-Inspeccionar
Alternador - Inspeccionar
1. Abrir a capota posterior de acesso ao motor.
Consulta: Consultar o Manual de Funcionamento e
Manutenção, ≈Porta posterior de acesso ao motor -
Abertura∆.
Ilustração 184
2. Inspeccionar o alternador e verificar se há
ligações mal adaptadas e se a bateria está
devidamente carregada. Inspeccionar o
amperímetro (se disponível) durante o
funcionamento do motor, para verificar se os
desempenhos da bateria e/ou do sistema
eléctrico são perfeitos. Proceder às reparações
de acordo com as necessidades. Consultar o
manual de serviço.
Correias transportadoras do
trado - Lubrificar
AVISO
Se a lubrificação não for realizada, o asfalto à volta
das juntas vedantes pode solidificar correndo-se,
assim, o risco de provocar danos na própria junta e
de avaria prematura do rolamento.
Ilustração 185
Ilustração 186
Lubrificar os dois copos de lubrificação dos
rolamentos exteriores com massa lubrificante.
NOTA: Adicionar lubrificante até se observar
excesso de massa em cada um dos rolamentos.
XS0961AB
XS0963AB
XS0962AB
QPEBU2109 119
Secçãodemanutenção
Unidadedetransmissãodotrado-Verificar/Lubrificar
Unidade de transmissão do
trado - Verificar/Lubrificar
m CUIDADO
As partes rotativas e de movimento podem
provocar lesões pessoais ou morte. Manter-se
afastado de todas as partes de rotação e
movimento.
Nunca realizar serviços de manutenção
enquanto a máquina estiver em movimento.
A máquina tem de ser estacionada numa
superfície plana e o motor tem de ser desligado.
Aplicar um cartaz de aviso a dizer "Não
accionar", ou análogo, no interruptor de
arranque e nos comandos, antes de começar
qualquer trabalho de manutenção, reparação ou
ajustamento da máquina.
Ilustração 187
1. Tirar os seis parafusos (1) e desmontar a tampa
da unidade de accionamento do trado (2).
2. Verificar o nível de massa lubrificante na caixa
da unidade de transmissão do trado. O nível de
massa lubrificante dentro da caixa deve chegar
à borda inferior da abertura da tampa. Se for
necessário, adicionar massa lubrificante até ao
bordo inferior da abertura.
3. Verificar o estado da junta vedante situada atrás
da tampa da unidade de transmissão do trado
(2). Se for necessário, substituir o vedante.
4. Montar a tampa da unidade de transmissão do
trado (2) e colocar os seis parafusos (1).
Correntes de transmissão dos
trados - Verificar/Ajustar
m CUIDADO
As partes rotativas e de movimento podem
provocar lesões pessoais ou morte. Manter-se
afastado de todas as partes de rotação e
movimento.
Salvo indicação em contrário, nunca tentar fazer
ajustamentos/regulações enquanto a máquina
estiver em andamento ou o motor estiver a
funcionar.
A máquina tem de ser estacionada numa
superfície plana e o motor tem de ser desligado.
Aplicar um cartaz de aviso a dizer "Não
accionar", ou análogo, no interruptor de
arranque e nos comandos, antes de começar
qualquer trabalho de manutenção, reparação ou
ajustamento da máquina.
Ilustração 188
1. Tirar os parafusos e abrir as duas tampas de
inspecção laterais, (1).
2. Usando luvas ou qualquer outra protecção
própria nas mãos, carregar nas correntes com o
polegar. Sob a pressão do polegar, não devem
deslocar-se mais de 1 cm (0,4 pol.).
XS0925AB
2 1
XS0925AB
2
4
3
1
2
4
3
1
120 QPEBU2109
Secçãodemanutenção
Alarmedemarchaatrás-Testar
3. Se as correntes da correia transportadora
precisarem de ajustamento, proceder assim:
a. Desapertar os oito parafusos (2) que estão a
fixar os motores de accionamento do trado à
caixa de transmissão.
b. Desapertar as contra-porcas (4) e rodar os
parafusos do ajustador (3) até obter a tensão
devida.
c. Apertar oito parafusos (2) e as contra-porcas
(4).
d. Montar de novo as tampas de inspecção
laterais (1).
Alarme de marcha atrás-
Testar
Ilustração 189
1. Rodar a chave de arranque do motor, (1), para
a posição ON.
2. Carregar no interruptor de activação do circuito
eléctrico (2), para activar as funções eléctricas
da máquina.
Ilustração 190
3. Colocar o selector de modo de funcionamento
(3) na posição MANUAL.
4. Colocar a alavanca de propulsão (4) na posição
MARCHA ATRŸS.
5. O alarme de marcha atrás deve disparar
imediatamente. O alarme de marcha atrás deve
continuar a tocar até a alavanca de comando de
avanço (4) ser mudada para a posição de
PONTO MORTO ou para a posição AVANÇAR.
Ilustração 191
O alarme de marcha atrás está colocado na
retaguarda da máquina, do lado direito.
1
2
XS1105AB
E
A
B
D
F
G
C
XS0883AB
4
3
XS0888AB
QPEBU2109 121
Secçãodemanutenção
Bateria-Reciclagem
Bateria - Reciclagem
Reciclar sempre a bateria. Nunca deitar fora uma
bateria.
Entregar sempre as baterias usadas num dos locais
seguintes:
• Fornecedor de baterias
• Centro autorizado para recolha de baterias
usadas
• Centro de reciclagem
Bateria ou cabo da bateria -
Inspeccionar/Substituir
m CUIDADO
O fumo libertado pelas baterias ou a sua
explosão pode provocar lesões nas pessoas ou
morte.
As baterias libertam fumo inflamável que pode
explodir. O electrólito é um ácido que pode
provocar lesões em contacto com a pele ou com
os olhos.
Evitar faíscas nas imediações das baterias. As
faíscas podem causar explosão dos vapores.
Evitar que as extremidades do cabo de ligação
directa se toquem ou toquem no motor. Ligações
incorrectas do cabo de ligação directa podem
provocar explosão.
Ao trabalhar com baterias, usar sempre óculos
de protecção.
1. Rodar a chave de arranque do motor para a
posição OFF. Rodar todos os interruptores para
a posição OFF.
2. Rodar o interruptor que desliga a bateria para a
posição OFF. Retirar a chave.
3. No interruptor que desliga a bateria, desligar o
cabo negativo da bateria que está ligado ao
chassis.
NOTA: Não deixar que os cabos desligados da
bateria toquem no interruptor que a desliga.
4. Desligar o cabo negativo da bateria dos
terminais da bateria.
5. Fazer as reparações necessárias. Substituir o
cabo ou a bateria, segundo as necessidades.
6. Ligar o cabo negativo da bateria aos terminais
da bateria.
7. Ligar o cabo negativo da bateria no interruptor
de desligamento.
8. Introduzir a chave do interruptor que desliga a
bateria. Rodar a chave para a posição ON.
Correias - Inspeccionar/
Ajustar/Substituir
1. Abrir a capota posterior de acesso ao motor.
Consulta: Consultar o Manual de Funcionamento e
Manutenção, ≈Capota posterior de acesso ao motor
- Abertura∆.
2. Verificar se as correias estão gastas ou têm
qualquer racha.
3. Se a correia precisar de ser substituída, seguir
as indicações dos pontos 3.a a 3.c.
NOTA: Se as correias precisarem de substituição,
têm de ser mudadas aos pares.
Ilustração 192
a. Aliviar a tensão da correia, desapertando as
contra-porcas (1) e (2).
b. Desmontar as correias.
c. Montar correias novas.
2
XS0959AB
1
122 QPEBU2109
Secçãodemanutenção
Bogies-Lubrificar
Ilustração 193
4. Utilizar um medidor de tensão de correias 144-
0235, para verificar a tensão de todas as
correias, aplicando uma força de 355 N. A
tensão da correia está bem regulada se houver
uma flexão de 9 a 15 mm (0,35-0,60 pol).
Bogies - Lubrificar
Ilustração 194
NOTA: Limpar os copos de lubrificação antes de os
lubrificar.
Adicionar o lubrificante devagar, até notar excesso
do mesmo. Lubrificar um copo de lubrificação do
lado esquerdo da máquina com massa lubrificante.
Lubrificar um copo de lubrificação do lado direito da
máquina, com massa lubrificante.
Disjuntor - Rearmar
Abrir a porta direita de acesso.
Consulta: Consultar o Manual de Funcionamento e
Manutenção, ≈Porta direita de acesso - Abertura∆.
Ilustração 195
Rearme do disjuntor √ Premir o botão, para
rearmar os disjuntores. O botão
permanecerá premido se o circuito estiver a
funcionar correctamente. Se o botão não
permanecer rearmado, verificar o circuito eléctrico
em causa.
Disjuntor principal (1) √ 80 Amp
Disjuntor do tejadilho hidráulico (se disponível) (2) √
80 Amp
Disjuntor das luzes de trabalho complementares
Xenon (se disponível) (3) √ 20 Amp
XS0424AA
XS0939AB
20
XS1148AB
123
QPEBU2109 123
Secçãodemanutenção
Correntes(detracção)dascorreiastransportadoras-Ajustar
Correntes (de tracção) das
correias transportadoras -
Ajustar
Verificar a tensão das correntes de transmissão da
correia transportadora do modo seguinte:
1. Abrir a porta esquerda de acesso.
Consulta: Consultar o Manual de Funcionamento e
Manutenção, ≈Porta esquerda de acesso -
Abertura∆.
2. Abrir a porta direita de acesso.
Consulta: Consultar o Manual de Funcionamento e
Manutenção, ≈Porta direita de acesso - Abertura∆.
Ilustração 196
3. Tirar os parafusos (1) e remover as protecções
laterais (2) de cada lado da máquina.
4. Usando luvas ou qualquer outra protecção
própria nas mãos, carregar com o polegar no
centro das correntes (2). Sob a pressão do
polegar, não devem deslocar-se mais de 1 cm
(0,4 pol.).
Ilustração 197
5. Se for necessário ajustar a tensão das correntes
da correia transportadora, tirar os parafusos (3)
e remover a tampa (4).
6. Desapertar os quatro parafusos de ajustamento
do motor hidráulico (5).
7. Desapertar as contra-porcas (6) e rodar a porca
do ajustador (7) até obter a tensão devida.
8. Desapertar os parafusos e contra-porcas de
ajustamento do motor hidráulico (5).
9. Montar as tampas (4) utilizando os parafusos (3).
10. Montar as tampas laterais (2) utilizando os
parafusos (1).
11. Fechar as portas de acesso esquerda e direita.
1
XS0960AB
13
1
24
XS1001AB
1
5
5
76
124 QPEBU2109
Secçãodemanutenção
Correntes(detracção)dacorreiatransportadora-Limpar
Correntes (de tracção) da
correia transportadora -
Limpar
Ilustração 198
Tirar a cobertura de protecção e limpar a área. Para
facilitar a limpeza, pulverizar as superfícies a limpar
com agente lubrificante.
Sistema da correia
transportadora - Inspeccionar
Tensão da corrente de tracção das
correias transportadoras - Verificar
Ilustração 199
Verificar a tensão das correntes de tracção da
correia transportadora. Em condições normais, a
corrente deve estar apoiada nas corrediças de
apoio situadas debaixo dela e as partes não
apoiadas devem estar ligeiramente flectidas. Ver
figura abaixo.
Ilustração 200
Inspeccionar visualmente as correntes da correia
transportadora e verificar quanto flectem.
XS0477AA
XS0977AB
XS0978AB
QPEBU2109 125
Secçãodemanutenção
Sistemadacorreiatransportadora-Inspeccionar
Ilustração 201
Ajustar a tensão da corrente com a máquina
desligada. Rodar as quatro porcas do ajustador (1),
para obter a tensão devida na corrente de tracção
da correia transportadora.
Barras de tracção
Ilustração 202
Os cantos das novas barras de tracção são
quadrados. æ medida que as barras de tracção se
vão desgastando, vão começando a ficar mais
finas. Quando se começar a notar uma manifesta
diminuição da performance de transferência de
material, as barras de tracção deverão ser
substituídas.
Correia transportadora do trado
Ilustração 203
Os cantos dos trados novos são quadrados. æ
medida que os trados se vão desgastando, o
respectivo diâmetro vai-se tornando mais fino.
Quando o bordo do trado ficar muito fino, é
necessário que seja substituído.
XS0979AB
1 1
XS0931AB
XS0925AB
126 QPEBU2109
Secçãodemanutenção
Líquidoderefrigeraçãodosistemarefrigerante(ELC)-Substituir
Líquido de refrigeração do
sistema refrigerante (ELC) -
Substituir
m CUIDADO
Líquido de refrigeração quente, vapor e álcalis
podem provocar lesões pessoais ou morte.
Usar sempre óculos de protecção e luvas, para
trabalhar no radiador.
À temperatura de funcionamento, o líquido de
refrigeração do motor está quente e sob pressão.
O radiador e todas as linhas que vão para os
aquecedores ou para o motor contêm líquido de
refrigeração quente ou vapor. Qualquer contacto
com eles pode provocar queimaduras graves.
Tirar a tampa de pressão do sistema refrigerante
devagar, para aliviar a pressão, somente quando
o motor estiver parado e a tampa de pressão do
sistema refrigerante estiver suficientemente fria
para poder ser tocada directamente com as
mãos.
Não tentar apertar as ligações dos tubos
enquanto o líquido de refrigeração estiver
quente, porque podem saltar e provocar
queimaduras.
O aditivo refrigerante do sistema de refrigeração
contém álcalis.
Evitar contacto com a pele e com os olhos.
AVISO
É necessário tomar precauções a fim de impedir a
fuga de fluidos durante a inspecção, manutenção,
ensaio, afinação e reparação do produto. Estar
preparado para recolher o fluido em recipientes
adequados, antes de abrir qualquer compartimento
ou desmontar qualquer componente que contenha
líquidos.
Para informações sobre as ferramentas e acessórios
a utilizar para recolher e guardar os elementos
fluidos dos produtos Caterpillar, consultar a
Publicação especial, NENG2500, “Guia de produtos
e ferramentas Caterpillar”.
Eliminar todos os fluidos de acordo com as
disposições e regulamentos locais .
AVISO
Não substituir o líquido de refrigeração enquanto não
se tiver lido e compreendido o material constante da
secção de especificações do sistema refrigerante.
AVISO
Misturar Extended Life Coolant (ELC) com outros
produtos diminui a eficácia e o tempo de vida útil do
líquido de refrigeração. Utilizar apenas produtos
Caterpillar ou produtos comerciais que satisfaçam as
características Caterpillar EC-1 para líquidos de
refrigeração pré-misturados ou concentrados. Com o
ELC Caterpillar usar apenas aditivos Caterpillar .
Descurar estas recomendações pode provocar
danos nos componentes do sistema refrigerante.
Se houver contaminação do sistema refrigerante
ELC, consultar o Manual de Funcionamento e
Manutenção, “Extended Life Coolant (ELC)” sob o
título Contaminação do sistema refrigerante ELC.
NOTA: Esta máquina foi atestada na fábrica com
Caterpillar Extended Life Coolant.
Se o líquido de refrigeração da máquina tiver sido
mudado de normal para Extended Life Coolant, ver
a Publicação especial, SEBU6250
≈Recomendações sobre os fluidos a utilizar nas
máquinas Caterpillar∆
Escoar o líquido de refrigeração sempre que estiver
sujo ou se observar presença de espuma.
NOTA: Para informações sobre como impedir
derrames de fluidos, consultar o Manual de
Funcionamento e Manutenção, ≈Informações gerais
de perigo∆.
Ilustração 204
1. Abrir a tampa que encobre o tampão do
radiador (1).
2. Desapertar o tampão do radiador devagar (2),
para eliminar pressão. Retirar o tampão do
radiador devagar.
3. Abrir a porta esquerda de acesso.
Consulta: Consultar o Manual de Funcionamento e
Manutenção, ≈Porta esquerda de acesso -
Abertura∆.
XS0950AB
1
2
QPEBU2109 127
Secçãodemanutenção
Líquidoderefrigeraçãodosistemarefrigerante(ELC)-Substituir
Ilustração 205
4. Aplicar um tubo adequado na extremidade da
válvula de purga (3).
5. Desapertar a válvula de purga do radiador (2).
Deixar o líquido de refrigeração escoar para um
recipiente apropriado.
6. Lavar o sistema refrigerante. Seguir as
indicações do ponto 6.a a 6.h, para lavar
devidamente o sistema refrigerante.
a. Apertar a válvula de purga (3).
b. Encher o sistema com uma solução
composta de água limpa e um produto de
limpeza para sistemas refrigerantes. A
concentração do produto de limpeza para
sistemas refrigerantes na solução deve ser
de 6 a 10%.
c. Colocar o tampão no radiador (2).
d. Pôr o motor a trabalhar e deixá-lo funcionar
até atingir a temperatura de funcionamento.
e. Desligar o motor e deixá-lo arrefecer.
f. Desapertar o tampão do radiador (2)
devagar, para aliviar a pressão
eventualmente presente no sistema
refrigerante.
g. Desapertar a válvula de purga (3) e deixar
escoar a solução de limpeza para um
recipiente apropriado.
h. Lavar o radiador com água limpa até a água
de drenagem começar a sair transparente.
7. Apertar a válvula de purga (3).
8. Adicionar o Extended Life Coolant (ELC).
Consultar as publicações seguintes:
• Publicação especial, SEBU6250
≈Recomendações sobre os fluidos a utilizar
nas máquinas Caterpillar∆
• Manual de Funcionamento e Manutenção,
≈Capacidades (Reabastecimento)∆
9. Ligar o motor. Deixar funcionar o motor sem o
tampão do radiador, até o termostato se abrir e o
nível do líquido de refrigeração se estabilizar.
10. Verificar o nível do líquido de refrigeração.
Consulta: Para saber como proceder
correctamente, consultar o Manual de
Funcionamento e Manutenção, ≈Nível do líquido de
refrigeração do sistema refrigerante - Verificar∆.
11. Substituir o tampão do radiador se a junta estiver
danificada. Colocar o tampão no radiador (2).
12. Desligar o motor.
13. Desmontar o tubo apropriado da válvula de
purga (3).
14. Fechar o tampão do radiador (1) e fechar a porta
esquerda de acesso.
XS0893AB
3
128 QPEBU2109
Secçãodemanutenção
Aditivodorefrigerantedosistemaderefrigeração(ELC)-Adicionar
Aditivo do refrigerante do
sistema de refrigeração (ELC)
- Adicionar
m CUIDADO
Líquido de refrigeração quente, vapor e álcalis
podem provocar lesões pessoais ou morte.
Usar sempre óculos de protecção e luvas, para
trabalhar no radiador.
À temperatura de funcionamento, o líquido de
refrigeração do motor está quente e sob pressão.
O radiador e todas as linhas que vão para os
aquecedores ou para o motor contêm líquido de
refrigeração quente ou vapor. Qualquer contacto
com eles pode provocar queimaduras graves.
Tirar a tampa de pressão do sistema refrigerante
devagar, para aliviar a pressão, somente quando
o motor estiver parado e a tampa de pressão do
sistema refrigerante estiver suficientemente fria
para poder ser tocada directamente com as
mãos.
Não tentar apertar as ligações dos tubos
enquanto o líquido de refrigeração estiver
quente, porque podem saltar e provocar
queimaduras.
O aditivo refrigerante do sistema de refrigeração
contém álcalis.
Evitar contacto com a pele e com os olhos.
Usar Caterpillar Extended Life Coolant (ELC)
quando se acrescentar líquido de refrigeração no
sistema refrigerante. Para todas as informações
sobre os requisitos do sistema refrigerante,
consultar a Publicação especial, SEBU6250
≈Recomendações sobre os fluidos a utilizar nas
máquinas Caterpillar∆.
Utilizar um kit de ensaio da concentração de líquido
de refrigeração, para testar a concentração deste.
AVISO
Misturar ELC com outros produtos diminuirá a
eficácia do líquido de refrigeração.
Isso pode provocar danos para os componentes do
sistema refrigerante.
Se não houver produtos Caterpillar disponíveis e for
necessário utilizar produtos comerciais, verificar se
satisfazem a especificação Caterpillar EC-1 para
líquidos de refrigeração concentrados ou pré-
misturados, e Caterpillar Extender.
NOTA: Esta máquina foi atestada na fábrica com
Caterpillar Extended Life Coolant.
1. Estacionar a máquina num terreno plano.
2. Desligar o motor.
Ilustração 206
3. Abrir a tampa que encobre o tampão do
radiador (1).
4. Certificar-se de que o sistema refrigerante tenha
arrefecido. Desapertar a tampa de pressão do
sistema refrigerante (2)devagar, para aliviar a
pressão do sistema. Retirar a tampa de pressão (2).
Consulta: Consultar o Manual de Funcionamento e
Manutenção, ≈Informações gerais de perigo∆, para
informações sobre como impedir derrames de
fluidos.
5. Pode ser necessário drenar algum líquido de
refrigeração do radiador, para poder adicionar
no sistema o ELC da Caterpillar.
Consulta: Consultar o Manual de Funcionamento e
Manutenção, ≈Líquido de refrigeração do sistema
refrigerante (ELC) - Substituir∆.
NOTA: Eliminar sempre os líquidos drenados de
acordo com os regulamentos locais.
6. Adicionar Extended Life Coolant (ELC)
Caterpillar no sistema refrigerante. Para saber a
quantidade de ELC Caterpillar a adicionar,
consultar as publicações seguintes:
• Publicação especial, SEBU6250
≈Recomendações sobre os fluidos a utilizar
nas máquinas Caterpillar ∆
• Manual de Funcionamento e Manutenção,
≈Capacidades (Reabastecimento)∆
7. Verificar a junta da tampa de pressão do sistema
refrigerante. Se a junta estiver danificada,
substituir a tampa de pressão.
8. Colocar a tampa de pressão do sistema
refrigerante (2).
9. Fechar a tampa que encobre o tampão do
radiador (1).
XS0950AB
1
2
QPEBU2109 129
Secçãodemanutenção
Níveldolíquidoderefrigeraçãodosistemarefrigerante-Verificar
Nível do líquido de
refrigeração do sistema
refrigerante - Verificar
m CUIDADO
À temperatura de funcionamento, o líquido de
refrigeração do motor está quente e sob pressão.
O vapor pode provocar lesões pessoais.
Verificar o nível de líquido de refrigeração
somente após paragem do motor e do tampão de
enchimento estar suficientemente frio para poder
ser tocado directamente com a mão.
Retirar o tampão de enchimento devagar, para
aliviar a pressão.
O condicionador do sistema de refrigeração
contém álcalis Evitar o contacto com a pele e
com os olhos para impedir lesões pessoais.
1. Abrir a tampa que encobre o tampão do
radiador (1).
Ilustração 207
2. Desapertar o tampão de pressão (2) devagar,
para aliviar a pressão do sistema. Tirar a tampa
de pressão (2) devagar.
Consulta: Para informações sobre como impedir
derrames de fluidos, consultar o Manual de
Funcionamento e Manutenção, ≈Informações gerais
de perigo∆.
3. Manter o nível do líquido de refrigeração ao cimo
do tubo de enchimento. Se houver necessidade
de adicionar líquido de refrigeração diariamente,
verificar se há fugas no sistema refrigerante. Em
caso afirmativo, repará-las.
4. Inspeccionar o vedante. Inspeccionar o tampão
de pressão. Limpar o tampão de pressão com
um pano limpo. Substituir o tampão se o vedante
ou o próprio tampão estiverem danificados.
5. Colocar a tampa de pressão (2). Fechar o
tampão do radiador (1).
Amostra de líquido de
refrigeração do sistema
refrigerante (nível 1) - Colher
amostra
NOTA: Não é necessário obter amostras de líquido
de refrigeração (nível 1) se o sistema refrigerante
estiver atestado com Cat ELC (Extended Life
Coolant). Nos sistemas refrigerantes enchidos com
Cat ELC a amostra de líquido de refrigeração (nível
2) deve ser colhida de acordo com o intervalo de
tempo recomendado, indicado no Quadro de
Intervalos de Manutenção.
NOTA: Colher uma amostra de líquido de
refrigeração (nível 1) se o sistema refrigerante
estiver atestado com um refrigerante diverso do Cat
ELC. Podem ser utilizados os líquidos de
refrigeração abaixo indicados.
• Líquidos de refrigeração comerciais de longa
duração que satisfazem a Especificação-1 dos
refrigerantes para motor Caterpillar (Caterpillar
EC-1).
• Antigelo/Líquido de refrigeração para motor diesel
Cat (DEAC).
• Líquido de refrigeração/Antigelo comercial para
condições de trabalho pesadas.
AVISO
Utilizar sempre uma bomba específica para
amostras de óleo e outra para amostras de líquido
de refrigeração. A utilização da mesma bomba para
ambas as colheitas provocará contaminação das
amostras. Se as amostras estiverem contaminadas
dão origem a falsos resultados e interpretações
erradas que podem representar um problema para
distribuidores e clientes.
NOTA: Os resultados de nível 1 podem indicar a
necessidade de uma análise de nível 2.
XS0950AB
1
2
130 QPEBU2109
Secçãodemanutenção
Amostradelíquidoderefrigeraçãodosistemarefrigerante(nível2)-Colheramostra
Ilustração 208
1. Abrir a tampa que encobre o tampão do
radiador (1).
Colher a amostra de líquido de refrigeração,
respeitando o mais possível o intervalo de
amostragem recomendado. Colher uma amostra de
óleo durante a substituição. Para obter o efeito total
da análise S”O”S, é necessário estabelecer uma
tendência de dados constante. Para definir um
histórico de dados pertinente, colher amostras
constantes com intervalos uniformemente
distanciados. O material de apoio para colher as
amostras poderá ser pedido ao distribuidor
Caterpillar.
Respeitar as linhas de conduta a seguir indicadas,
para colher devidamente as amostras de líquido de
refrigeração:
• Completar a informação no rótulo da garrafa de
amostragem antes de começar a colher as
amostras.
• Guardar as garrafas de amostragem não usadas
dentro de sacos de plástico.
• Colher as amostras de líquido de refrigeração
directamente da porta de amostragem própria. As
amostras não devem ser colhidas de mais
nenhum outro sítio.
• Conservar as tampas nas garrafas de
amostragem vazias até estar tudo pronto para
começar a colheita de amostras.
• Colocar a amostra no tubo para expedição
imediatamente após obter a amostra, para evitar
contaminação.
• Nunca colher amostras a partir de garrafas de
expansão.
• Nunca colher amostras a partir de drenos de
sistemas.
Submeter a amostra a análise de nível 1.
Para mais informações sobre a análise do líquido de
refrigeração, ver Publicação especial, SEBU6250
≈Recomendações sobre os fluidos a utilizar nas
máquinas Caterpillar∆ ou consultar o distribuidor
Caterpillar.
Amostra de líquido de
refrigeração do sistema
refrigerante (nível 2) - Colher
amostra
AVISO
Utilizar sempre uma bomba específica para
amostras de óleo e outra para amostras de líquido
de refrigeração. A utilização da mesma bomba para
ambas as colheitas provocará contaminação das
amostras. Se as amostras estiverem contaminadas
dão origem a falsos resultados e interpretações
erradas que podem representar um problema para
distribuidores e clientes.
Ilustração 209
1. Abrir a tampa que encobre o tampão do
radiador (1).
Colher a amostra de líquido de refrigeração,
respeitando o mais possível o intervalo de
amostragem recomendado. Colher uma amostra de
óleo durante a substituição. O material de apoio
para colher as amostras poderá ser pedido ao
distribuidor Caterpillar.
Para indicações sobre o modo correcto de colher
amostras de líquido de refrigeração, consultar o
Manual de Funcionamento e Manutenção, ≈Amostra
de líquido de refrigeração do sistema refrigerante
(nível 1) - Colher amostra∆.
Submeter a amostra a análise de nível 2.
Para mais informações sobre a análise do líquido de
refrigeração, ver Publicação especial, SEBU6250
≈Recomendações sobre os fluidos a utilizar nas
máquinas Caterpillar∆ ou consultar o distribuidor
Caterpillar.
XS0950AB
1
XS0950AB
1
QPEBU2109 131
Secçãodemanutenção
Reguladordetemperaturadaáguadosistemarefrigerante-
Regulador de temperatura da
água do sistema refrigerante -
Substituir
m CUIDADO
À temperatura de funcionamento, o líquido de
refrigeração do motor está quente e sob pressão.
O vapor pode provocar lesões pessoais.
Verificar o nível de líquido de refrigeração
somente após paragem do motor e do tampão de
enchimento estar suficientemente frio para poder
ser tocado directamente com a mão.
Retirar o tampão de enchimento devagar, para
aliviar a pressão.
O condicionador do sistema de refrigeração
contém álcalis Evitar o contacto com a pele e
com os olhos para impedir lesões pessoais.
Substituir o regulador de temperatura de água com
periodicidade regular, para diminuir a possibilidade
de tempos mortos imprevistos e problemas no
sistema refrigerante.
O regulador de temperatura de água deve ser
substituído depois do sistema refrigerante ter sido
limpo. Substituir o regulador de temperatura de
água enquanto o sistema refrigerante estiver
completamente vazio. Substituir o regulador de
temperatura de água enquanto o refrigerante do
sistema de refrigeração estiver a ser esvaziado para
um nível inferior ao do encaixe do regulador de
temperatura de água.
NOTA: Se se substituir apenas o regulador de
temperatura de água, escoar o líquido de
refrigeração do sistema refrigerante até um nível de
altura inferior ao do encaixe do regulador de
temperatura de água.
AVISO
A não substituição do regulador de temperatura de
água regularmente pode provocar graves danos no
motor.
Os reguladores de temperatura de água podem ser
reutilizados se satisfizerem as especificações de
teste, se não estiverem danificados e se não tiverem
excessivo depósito acumulado.
Uma vez que os motores Caterpillar são providos de
um sistema refrigerante em derivação, é necessário
que o motor seja sempre accionado com um
regulador de temperatura de água.
Em função da carga, a ausência de um regulador de
temperatura de água durante o funcionamento pode
provocar sobreaquecimento ou condições de
sobrearrefecimento.
Se o regulador de temperatura de água estiver mal
instalado haverá sobreaquecimento do motor.
1. Abrir a porta posterior de acesso ao motor.
Consulta: Consultar o Manual de Funcionamento e
Manutenção, ≈Porta posterior de acesso ao motor -
Abertura∆.
2. Drenar o líquido de refrigeração do sistema até
um nível abaixo do regulador de temperatura de
água, para um recipiente próprio para
conservação ou eliminação. Para saber como
drenar o líquido devidamente, consultar o
Manual de Funcionamento e Manutenção,
≈Líquido de refrigeração do sistema refrigerante
- Substituir∆.
3. Desapertar as braçadeiras do tubo superior do
radiador e desligar este último do
compartimento do regulador de temperatura da
água.
Ilustração 210
4. Tirar o parafuso (1) que está fixar o
compartimento do regulador.
1
XS0957AB
1
132 QPEBU2109
Secçãodemanutenção
Transportadoresdefreio-Lubrificar
Ilustração 211
5. Retirar o compartimento do regulador (2).
Remover a junta de vedação usada (3) do
compartimento (2).
AVISO
Os motores Caterpillar estão equipados com um
sistema de refrigeração em derivação que exige que
o motor seja accionado somente se tiver um
termostato instalado.
Se o termostato estiver mal instalado haverá
sobreaquecimento do motor. Verificar as juntas de
vedação antes da montagem e substituí-las, se
estiverem gastas ou danificadas.
6. Montar uma junta de vedação nova (3) no
compartimento do regulador. Montar um
regulador de temperatura de água novo (2).
7. Montar os parafusos (1) e o compartimento do
regulador.
8. Instalar o tubo superior do radiador e apertar as
respectivas braçadeiras.
9. Atestar o sistema refrigerante.
Consulta: Consultar o Manual de Funcionamento e
Manutenção, ≈Aditivo do refrigerante do sistema de
refrigeração - Adicionar∆.
10. Fechar a porta posterior de acesso ao motor.
Transportadores de freio -
Lubrificar
AVISO
Toda a massa lubrificante de aplicação diária deverá
ser aplicada no fim do turno de trabalho da máquina,
quando esta ainda está quente e o asfalto mole ou,
pelo menos, não completamente solidificado. A não
observação desta indicação causará a solidificação
do asfalto à volta das juntas vedantes, arriscando-se
assim a danificar a própria junta e provocar a avaria
prematura do rolamento.
Ilustração 212
Lubrificar os três copos de lubrificação, no lado
traseiro da máquina, com massa lubrificante. Deste
modo lubrificam-se os rolamentos da correia
transportadora de tracção.
2
XS0958AB
3
XS0925AB
QPEBU2109 133
Secçãodemanutenção
Porcasdasrodasdetracção-Apertar
Porcas das rodas de tracção -
Apertar
Ilustração 213
O binário de aperto a aplicar nas porcas das rodas
de tracção é de 350 Ø 10 Nm (260 Ø 7 lb pés).
Óleo da transmissão
planetária das rodas -
Substituir
m CUIDADO
Óleos e componentes quentes podem provocar
lesões pessoais.
Não permitir o contacto destes produtos com a
pele.
AVISO
É necessário tomar precauções a fim de impedir a
fuga de fluidos durante a inspecção, manutenção,
ensaio, afinação e reparação da máquina. Estar
preparado para recolher o fluido em recipientes
adequados, antes de abrir qualquer compartimento
ou desmontar qualquer componente que contenha
líquidos.
Para informações sobre as ferramentas e acessórios
a utilizar para recolher e guardar os elementos
fluidos das máquinas Caterpillar, consultar a
Publicação especial, NENG2500, “Guia de produtos
e ferramentas Caterpillar”.
Eliminar todos os fluidos de acordo com as
disposições e regulamentos locais .
Ilustração 214
1. Deslocar a máquina de modo a ficar com a
haste da válvula para os pneus na posição
correspondente às 12 horas.
XS0947AB
XS0974AB
134 QPEBU2109
Secçãodemanutenção
Óleodatransmissãoplanetáriadasrodas-Substituir
Ilustração 215
2. Tirar a tampa (2) da extremidade do tubo de
drenagem (1).
3. Drenar o óleo para um recipiente apropriado.
4. Colocar a tampa (2) na extremidade do tubo de
drenagem (1).
5. Abrir as tampas esquerda e direita de acesso à
plataforma.
Consulta: Consultar o Manual de Funcionamento e
Manutenção, ≈Tampas de acesso à plataforma -
Abertura∆.
Ilustração 216
6. Tirar o respirador de ventilação (3) do tubo de
enchimento da transmissão planetária das rodas
(4).
7. Encher a transmissão planetária das rodas com
óleo novo. Para saber qual a capacidade de
reabastecimento devida, consultar o Manual de
Funcionamento e Manutenção, ≈Capacidades
(Reabastecimento)∆.
Ilustração 217
8. Observar o nível de óleo durante o processo de
reabastecimento. Ter-se-á a quantidade de óleo
devida quando o nível atingir o meio do
indicador de referência de nível (5).
9. Limpar o tubo de enchimento da transmissão
planetária das rodas (4) e montar o respirador
de ventilação (3).
10. Repetir as operações indicadas nos pontos 2 a
9, para mudar o óleo da outra transmissão
planetária das rodas.
11. Fechar as tampas esquerda e direita de acesso
à plataforma.
2
XS0938AB
1
3
4
XS1150AB
XS0974AB
5
QPEBU2109 135
Secçãodemanutenção
Níveldeóleodatransmissãoplanetáriadasrodas-Verificar
Nível de óleo da transmissão
planetária das rodas - Verificar
Ilustração 218
1. Deslocar a máquina de modo a ficar com a
haste da válvula para os pneus na posição
correspondente às 12 horas.
2. Manter o nível de óleo a meio do indicador de
referência de nível (1).
3. Se for necessário adicionar óleo, abrir as tampas
de acesso.
Consulta: Consultar o Manual de Funcionamento e
Manutenção, ≈Tampas de acesso à plataforma -
Abertura∆.
Ilustração 219
4. Tirar o respirador de ventilação (1) do tubo de
enchimento da transmissão planetária das rodas
(2) e adicionar óleo até ao nível correcto.
Consulta: Consultar o Manual de Funcionamento e
Manutenção, ≈Viscosidade dos lubrificantes e
capacidades de reabastecimento∆.
5. Limpar o respirador de ventilação (1) e montá-lo
no tubo de enchimento da transmissão
planetária das rodas (2).
6. Repetir as operações indicadas nos pontos 1 a
5, para verificar o nível de óleo na outra
transmissão planetária das rodas.
Amostra de óleo da
transmissão planetária das
rodas - Colher amostra
Colher uma amostra de óleo quando ele for
substituído.
Mandar a amostra de óleo para o distribuidor, para
análise.
Consulta: Consultar o Manual de Funcionamento e
Manutenção, ≈‡leo da transmissão planetária das
rodas - Substituir∆.
Consulta: Para informações sobre a obtenção de
amostras de óleo, consultar a Publicação especial,
PEHJ0191 ≈Serviços Cat S•O•S ∆.
Consulta: Para mais informações sobre a obtenção
de amostras de óleo, consultar a Publicação
especial, PEGJ0047 ≈Como colher uma boa amostra
S•O•S∆.
Elemento primário do filtro de
ar do motor - Limpar/Substituir
AVISO
Fazer a manutenção do filtro de ar apenas com o
motor parado. Perigo de danos para o motor!
1. Abrir a porta posterior de acesso ao motor.
Consulta: Consultar o Manual de Funcionamento e
Manutenção, ≈Porta posterior de acesso ao motor -
Abertura∆.
XS0974AB
1
2
XS1150AB
136 QPEBU2109
Secçãodemanutenção
Elementoprimáriodofiltrodeardomotor-Limpar/Substituir
Ilustração 220
2. Soltar as três molas (1), para desmontar a tampa
do filtro de ar do motor (2).
Ilustração 221
3. Retirar o elemento primário (3). Limpar muito
bem a tampa do filtro (2) e a parte interior do
encaixe do filtro de ar (4).
4. Instalar um elemento filtrante primário, limpo (3).
NOTA: Consultar o Manual de Funcionamento e
Manutenção, ≈Limpeza dos elementos primários do
filtro de ar∆.
5. Montar a tampa do filtro de ar do motor (2) e
colocar as três molas (1).
Ilustração 222
6. Esvaziar e limpar o dispositivo de extracção de
pó (5).
7. Fechar a porta posterior de acesso ao motor.
Limpeza dos elementos primários
do filtro de ar
AVISO
A Caterpillar recomenda utilizar serviços de limpeza
do filtro de ar certificados, disponíveis junto dos
distribuidores Caterpillar. O processo de limpeza
Caterpillar utiliza técnicas aprovadas que garantem
qualidade constante e suficiente duração do filtro.
Se tentar limpar sozinho o elemento filtrante,
respeitar as indicações seguintes:
Não bater ou abanar o elemento filtrante, para
remover o pó;
Não lavar o elemento filtrante;
Para eliminar o pó do elemento filtrante, utilizar ar
comprimido a baixa pressão. A pressão de ar não
deve ser superior a 207 kPa (30 psi). Orientar o fluxo
de ar para cima e para baixo, ao longo das pregas, e
de dentro para fora do elemento filtrante. Ter muito
cuidado para evitar danos nas pregas.
Não usar filtros de ar que tenham pregas, juntas ou
vedações danificadas. A sujidade que entrar para o
motor provocará danos nos respectivos
componentes.
XS0892AB
21
1
1
3
XS0964AB
4
5
XS0892AB
QPEBU2109 137
Secçãodemanutenção
Elementoprimáriodofiltrodeardomotor-Limpar/Substituir
Ao limpar o elemento primário do filtro de ar, verificar
se o material do filtro está rasgado ou dilacerado.
Substituir o elemento primário do filtro de ar ao fim
de seis limpezas consecutivas. O elemento primário
do filtro de ar deve ser substituído, pelo menos, uma
vez por ano. Tal substituição deve ser feita,
independentemente do número de limpezas
realizadas.
AVISO
Não limpar o elemento filtrante batendo-o ou
abanando-o. Pode provocar danos nas vedações.
Não utilizar elementos que tenham pregas, juntas ou
vedações danificadas. Os elementos danificados
deixam passar a sujidade para o interior. Perigo de
danos para o motor!
Inspeccionar visualmente os elementos primários
do filtro de ar, antes de limpar. Verificar se a
vedação, juntas e cobertura exterior do elemento
filtrante apresentam algum dano. Eliminar todo e
qualquer elemento filtrante que não esteja em
perfeitas condições de integridade.
São dois os métodos habitualmente usados para
limpar os elementos primários do filtro de ar:
• Com ar comprimido
• Com aspirador
Com ar comprimido
O ar comprimido pode ser usado para limpar os
elementos primários do filtro de ar que não tenham
sido limpos mais de duas vezes. O ar comprimido não
limpa os depósitos de carbono e óleo. Usar ar seco
filtrado com pressão máxima de 207 kPa (30 psi).
Ilustração 223
NOTA: Ao limpar os elementos primários do filtro
de ar, começar sempre pelo lado limpo (lado
interior), para forçar as partículas de sujidade a
deslocar-se para a parte suja (lado exterior).
Orientar o tubo de modo tal que o ar possa fluir no
interior do elemento longitudinalmente, a fim de
evitar danos nas pregas de papel. Não dirigir o
vapor de ar directamente para o elemento primário
do filtro de ar. A sujidade presente poderia ser
impelida mais longe, para dentro das pregas.
Com aspirador
A limpeza com aspirador é outro método para
limpar os elementos primários do filtro de ar que
requerem limpeza quotidiana devido às condições
secas e de poeira existentes no ambiente. A
limpeza com ar comprimido deve ser feita antes da
limpeza com aspirador. A limpeza com aspirador
não remove depósitos de carbono e óleo.
Inspecção dos elementos
primários do filtro de ar
Ilustração 224
Inspeccionar o elemento primário do filtro de ar
depois de limpo e seco. Utilizar uma luz azul de 60
watt numa divisão às escuras ou em local análogo.
Colocar a luz azul dentro do elemento primário do
filtro de ar. Rodar o elemento primário do filtro de ar.
Verificar se o elemento primário do filtro de ar está
rasgado e/ou furado. Controlar a luz eventualmente
filtrada através do material do filtro. Se for
necessário, para confirmar o resultado, comparar o
elemento primário do filtro de ar usado com um
novo que tenha o mesmo número de código.
Não utilizar elementos primários do filtro de ar cujo
material constituinte esteja rasgado e/ou furado.
Não utilizar elementos filtrantes primários com
pregas, juntas ou vedações danificadas. Eliminar
todo e qualquer elemento filtrante primário que não
esteja em perfeitas condições de integridade.
Como guardar os elementos primários
do filtro de ar
Se um elemento primário do filtro de ar que passou
a inspecção com êxito não for utilizado, pode ser
guardado para posterior utilização.
XS0606AB
XS0607AB
138 QPEBU2109
Secçãodemanutenção
Elementosecundáriodofiltrodeardomotor-Substituir
Ilustração 225
Não utilizar tinta, coberturas impermeáveis ou
plástico como cobertura protectora para
conservação. Podem impedir a circulação de ar.
Para proteger da poluição e danos, envolver os
elementos primários do filtro de ar em papel VCI
(Volatile Corrosion Inhibited) inibidor volátil de
corrosão.
Conservar o elemento primário do filtro de ar numa
caixa. Para o identificar, marcar o exterior da caixa e
o próprio elemento do filtro. Incluir as informações
seguintes:
• Data de limpeza
• Número de limpezas a que foi submetido
Guardar a caixa num lugar seco.
Elemento secundário do filtro
de ar do motor - Substituir
AVISO
Substituir sempre o elemento filtrante secundário.
Nunca tentar reutilizar o elemento filtrante
secundário, limpando-o.
Quando o elemento primário do filtro for substituído,
também deve ser substituído o elemento filtrante
secundário.
O elemento filtrante secundário também tem de ser
substituído se for visualizada no display a
mensagem de aviso de restrição do filtro, após
instalação de um elemento primário limpo, ou se o
fumo de escape continuar negro.
1. Abrir a porta posterior de acesso ao motor.
Consulta: Consultar o Manual de Funcionamento e
Manutenção, ≈Porta posterior de acesso ao motor -
Abertura∆.
Ilustração 226
2. Soltar as três molas (1), para desmontar a tampa
do filtro de ar do motor (2).
XS0608AB
XS0892AB
21
1
1
QPEBU2109 139
Secçãodemanutenção
Elementosecundáriodofiltrodeardomotor-Substituir
Ilustração 227
3. Desmontar o elemento filtrante primário (3) do
encaixe do filtro de ar.
Ilustração 228
4. Desmontar o elemento filtrante secundário (4).
Ilustração 229
5. Tapar a abertura de entrada de ar. Limpar a
parte de dentro do encaixe do filtro de ar (5).
6. Destapar a abertura de entrada de ar. Montar
um elemento secundário novo.
7. Montar o elemento filtrante primário (3); montar a
tampa do filtro de ar do motor (2) e as três molas
(1).
Ilustração 230
8. Esvaziar e limpar o dispositivo de extracção de
pó (6).
9. Fechar a porta posterior de acesso ao motor.
3
XS0964AB
4
XS0964AB
5
XS0964AB
6
XS0892AB
140 QPEBU2109
Secçãodemanutenção
Entradadofiltrodeardomotor-Limpar
Entrada do filtro de ar do
motor - Limpar
Ilustração 231
Observar a entrada de ar do motor, para verificar se
tem detritos acumulados ou obstruções. Retirar
eventuais detritos presentes e eliminar obstruções
da tampa exterior de entrada de ar do motor.
Ilustração 232
Se a entrada de ar do motor necessitar de posterior
limpeza, abrir a porta de acesso do radiador.
Limpar a entrada de ar do motor, eliminando todos
os detritos presentes.
Fechar a porta de acesso ao radiador.
Suportes do motor -
Inspeccionar
1. Abrir a capota anterior de acesso ao motor
Consulta: Consultar o Manual de Funcionamento e
Manutenção, ≈Capota anterior de acesso ao motor -
Abertura∆.
2. Abrir a porta posterior de acesso ao motor.
Consulta: Consultar o Manual de Funcionamento e
Manutenção, ≈Porta posterior de acesso ao motor -
Abertura∆.
Ilustração 233
3. Verificar se algum dos três suportes do motor
tem alguma racha. Substituir todos os suportes
do motor rachados.
4. Fechar a capota anterior de acesso ao motor.
Fechar a capota posterior de acesso ao motor.
Para mais informações e instruções sobre a
máquina, dirigir-se ao distribuidor Caterpillar.
XS0945AB
XS0896AB
XS0985AB
QPEBU2109 141
Secçãodemanutenção
Filtroeóleodomotor-Substituir
Filtro e óleo do motor -
Substituir
Selecção do intervalo de
substituição do óleo
AVISO
A substituição do óleo deve ser feita de 500 em 500
horas de serviço, admitindo que são satisfeitas as
condições de funcionamento estabelecidas e que
são utilizados os tipos de óleo Multigrade
recomendados. Quando estes requisitos não forem
satisfeitos, diminuir o intervalo de substituição do
óleo para 250 horas, ou utilizar os Serviços S·O·S de
colheita de amostras de óleo e do programa de
análise para determinar um intervalo de substituição
de óleo aceitável.
Se for seleccionado um intervalo de tempo
demasiado longo para substituição do filtro e do
óleo, o motor pode estragar-se.
Recomenda-se a utilização de filtros de óleo
Caterpillar.
Os tipos de óleos Multigrade recomendados estão
indicados no Quadro 8. Não usar óleos Single
grade.
Ciclos de funcionamento anormalmente rígidos ou
condições ambientais difíceis podem diminuir o
tempo de vida útil do óleo do motor. Temperaturas
polares, ambientes corrosivos ou condições de
trabalho com muita poeira podem requerer a
redução dos intervalos de substituição do óleo
recomendados no Quadro 8. Consultar também o
Manual, SEBU5898, ≈Recomendações em caso de
temperaturas baixas∆. Carência de manutenção dos
filtros de ar ou dos filtros de óleo obriga a uma
diminuição dos intervalos de substituição de óleo.
Consultar o distribuidor Caterpillar para mais
informações, se este produto estiver sujeito a ciclos
de funcionamento anormalmente rígidos ou a
condições ambientais difíceis.
Tabela9
Intervalos do óleo do motor(1)
(1)Ointervalotradicionaldesubstituiçãodeóleonosmotoreséde250
horas.Ointervalostandardparasubstituiçãodoóleonestamáquina
éde500horas,partindodoprincípioquesãosatisfeitasascondições
defuncionamentoestabelecidasequesãoutilizadosostiposdeóleo
recomendadosnestequadro.Melhoriasnomotorpermitemrespeitar
esteintervalodesubstituiçãodeóleonomotor.Estenovointervalo
standardnãoépermitidoparaoutrasmáquinas.Paraasoutras
máquinas,consultarosrespectivosManuaisdeFuncionamentoe
Manutenção.
Tipo de
óleo
Multigrade
Condições de operação
Difíceis
Normais
(2)
(2)Ascondiçõesnormaisincluemestesfactores:Teordeenxofreno
combustívelabaixode0,3%,altitudeabaixode1830m(6000pés),
umbomfiltrodeareboamanutençãodofiltrodecombustível.As
condiçõesnormaisnãoincluemfactordecargaalto,ciclosde
funcionamentorígidosoucondiçõesambientaisdifíceis.
Factor
decarga
alto(3)
superior
a 62,1 L
(16,4
gal.
america
nos p/
hora
de
combus
tível)
(3)Factoresdecargaaltospodemdiminuirotempodevidaútildoóleodo
motor.Ciclosdecargaaltacontínuosetemposderepousomuito
brevesdeterminamaumentodeconsumodecombustívele
contaminaçãodoóleo.Estesfactoresesgotammaisrapidamenteos
aditivosdosóleos.Seamédiadeconsumodecombustívelda
máquinaforsuperiora62,1L(16,4galõesamericanos)porhora,
seguirasindicaçõespara“Factordecargaalto”patentesnoQuadro
8.Paradeterminaramédiadeconsumodecombustível,calculara
médiadeconsumodecombustívelduranteumperíodode50a100
horas.Seaaplicaçãodamáquinamudar,amédiadeconsumode
combustívelpodealterar-se.
Teor de
enxofre
no
combus
tível de
0,3%
a
0,5%
(4)
(4)Parateoresdeenxofresuperioresa0,5%,consultaraPublicação
especial, SEBU6250 “Recomendaçõessobreosfluidosautilizarnas
máquinasCaterpillar”.
Altitude
superior
a 1830
m (6000
pés)
CatDEO
preferido 500h 500h 500h 250h(6)
ECF-1
11,0
mínimo
TBN(4)
preferido
500h 500h 500h 250h(6)
ECF-1
TBN(4)
abaixode
11,0
500h 500h 250h(5)
(5)Paraverificarumintervalodesubstituiçãodeóleode500horas,
consultaro“ProgramaA”abaixo.
250h(6)
(6)Usaro“ProgramaB”abaixo,paradeterminarumintervaloapropriado.
APICG-4 250h 250h 250h 250h
142 QPEBU2109
Secçãodemanutenção
Filtroeóleodomotor-Substituir
Ajustamento do intervalo de substituição
do óleo
NOTA: O distribuidor Caterpillar tem informações
adicionais sobre estes programas.
Programa A
Verificação para um intervalo de substituição de
óleo de 500 horas
Este programa consiste em três intervalos de
substituição de óleo de 500 horas. A colheita e
análise das amostras de óleo são realizadas após
250 horas e 500 horas para cada um dos três
intervalos, num total de seis amostras. A análise
inclui a viscosidade do óleo e a análise do óleo a
infravermelhos (IR). Se todos os resultados forem
satisfatórios, o intervalo de substituição de óleo de
500 horas é aceitável para a máquina, naquela
aplicação. Repetir o Programa A no caso de
mudança de aplicação da máquina.
Se uma amostra não passar na análise de óleo,
proceder num dos modos seguintes:
• Diminuir o intervalo de substituição de óleo para
250 horas.
• Proceder ao Programa B.
• Mudar para um tipo de óleo preferido do Quadro
8.
Programa B
Optimização dos intervalos de substituição de óleo
Começar com um intervalo de substituição de óleo
de 250 horas. Os intervalos de substituição de óleo
são regulados através de incrementos. Cada
incremento consiste em 50 horas adicionais. A
colheita e análise periódica de amostras de óleo são
realizadas durante cada intervalo.
A análise inclui a viscosidade do óleo e a análise do
óleo a infravermelhos (IR). Repetir o Programa B no
caso de mudança de aplicação da máquina.
Se uma amostra de óleo não passar na análise,
diminuir o intervalo de substituição de óleo ou
mudar para um tipo de óleo Multigrade preferido da
lista acima.
Consulta: Referência: Módulo, PEDP7035,
≈Optimização dos intervalos de substituição de
óleo∆
Consulta: Referência: Módulo, PEHJ0191,
≈Serviços Cat S•O•S∆
Consulta: Referência: Módulo, PEGJ0046,
≈Serviços Cat S•O•S: Interpretação dos resultados∆
Como substituir o óleo e o filtro do
motor
m CUIDADO
Óleos e componentes quentes podem provocar
lesões pessoais.
Não permitir o contacto destes produtos com a
pele.
AVISO
É necessário tomar precauções a fim de impedir a
fuga de fluidos durante a inspecção, manutenção,
ensaio, afinação e reparação da máquina. Estar
preparado para recolher o fluido em recipientes
adequados, antes de abrir qualquer compartimento
ou desmontar qualquer componente que contenha
líquidos.
Para informações sobre as ferramentas e acessórios
a utilizar para recolher e guardar os elementos
fluidos das máquinas Caterpillar, consultar a
Publicação especial, NENG2500, “Guia de produtos
e ferramentas Caterpillar”.
Eliminar todos os fluidos de acordo com as
disposições e regulamentos locais .
1. Abrir a porta direita de acesso.
Consulta: Consultar o Manual de Funcionamento e
Manutenção, ≈Porta direita de acesso - Abertura∆.
2. Abrir a capota anterior de acesso ao motor.
Consulta: Consultar o Manual de Funcionamento e
Manutenção, ≈Capota anterior de acesso ao motor -
Abertura∆.
QPEBU2109 143
Secçãodemanutenção
Filtroeóleodomotor-Substituir
Ilustração 234
3. Libertar o tubo de drenagem (1) do respectivo
retentor e colocá-lo num recipiente adequado.
4. Abrir a capota anterior de acesso ao motor
Ilustração 235
5. Abrir a válvula de purga de óleo do motor (2) no
cárter de óleo do motor. Drenar o óleo para um
recipiente apropriado.
6. Fechar a válvula de purga de óleo do motor (2).
7. Limpar o tubo de drenagem (1) do óleo.
8. Repor o tubo de drenagem (1) na posição
original.
Ilustração 236
9. Tirar o filtro (3). Eliminar o elemento filtrante de
acordo com os regulamentos locais.
10. Limpar a base do encaixe do filtro. Todas as
vedações velhas do filtro têm de ser retiradas da
base de encaixe do mesmo.
11. Aplicar uma camada fina de óleo de motor na
vedação do novo elemento filtrante.
12. Montar o novo filtro de óleo do motor. Apertar o
filtro de óleo à mão, segundo as instruções
mostradas no próprio filtro. Não apertar
excessivamente o filtro.
NOTA: Não encher o filtro de óleo antes de o
montar. Este óleo não será filtrado e pode estar
contaminado. ‡leo contaminado pode provocar
desgaste acelerado nos componentes do motor.
13. Abrir a porta posterior de acesso ao motor.
Consulta: Consultar o Manual de Funcionamento e
Manutenção, ≈Porta posterior de acesso ao motor -
Abertura∆.
1
XS0986AB
XS0984AB
2
XS0927AB
3
144 QPEBU2109
Secçãodemanutenção
Filtroeóleodomotor-Substituir
Ilustração 237
14. Desapertar o parafuso (4) e rodar a tampa do
tampão de enchimento (5) 180° no sentido dos
ponteiros do relógio, para acesso ao tampão de
enchimento de óleo do motor.
Ilustração 238
15. Desmontar o tampão de enchimento de óleo (6).
Encher o cárter com óleo novo. Para saber qual
a capacidade de reabastecimento devida,
consultar o Manual de Funcionamento e
Manutenção, ≈Capacidades
(Reabastecimento)∆. Limpar o tampão de
enchimento de óleo e instalá-lo.
Ilustração 239
16. Verificar o nível de óleo na vareta de nível (7).
Manter o nível de óleo entre as marcas ≈FULL∆
(cheio) e ≈ADD∆ (adicionar) da vareta de nível.
17. Ligar o motor e deixá-lo funcionar durante dois
minutos. Monitorizar o manómetro do óleo.
18. Verificar se há fugas de óleo na máquina.
19. Desligar o motor.
20. Aguardar 10 minutos para dar ao óleo o tempo
necessário para entrar de novo no cárter.
Verificar o nível de óleo.
21. Fechar a tampa do tampão de enchimento de
óleo do motor (5) e apertar o parafuso (4).
22. Fechar a porta posterior de acesso ao motor.
23. Fechar a porta anterior de acesso ao motor.
24. Fechar a porta direita de acesso.
5
XS0892AB
4
XS0965AB
6
7
XS0892AB
QPEBU2109 145
Secçãodemanutenção
Níveldeóleonomotor-Verificar
Nível de óleo no motor -
Verificar
1. Nivelar a máquina antes de verificar os níveis
dos líquidos, para garantir terem sido obtidos os
níveis de fluidos correctos.
2. Para verificar o nível de óleo, desligar o motor.
3. Abrir a porta posterior de acesso ao motor.
Consulta: Consultar o Manual de Funcionamento e
Manutenção, ≈Porta posterior de acesso ao motor -
Abertura∆.
Ilustração 240
4. Verificar o nível de óleo com a vareta de nível
(1).
AVISO
Não encher o cárter excessivamente. O nível de óleo
não deve estar acima da marca FULL RANGE na
vareta de nível.
5. Manter o nível de óleo na vareta de nível entre as
marcas ≈FULL∆ (cheio) e ≈ADD∆ (adicionar) da
mesma.
6. Desapertar o parafuso (2) e rodar a tampa do
tampão de enchimento do motor (3) de 180°, no
sentido dos ponteiros do relógio, para acesso ao
tampão de enchimento de óleo do motor.
Ilustração 241
7. Limpar o tampão de enchimento do óleo (4).
Retirar o tampão de enchimento do óleo. Se for
necessário, adicionar óleo.
8. Colocar o tampão de enchimento (4).
9. Fechar a tampa do tampão de enchimento de
óleo do motor (3) e apertar o parafuso (2).
10. Fechar a capota posterior de acesso ao motor.
1
XS0892AB
3 2
XS0965AB
4
146 QPEBU2109
Secçãodemanutenção
Amostradeóleodomotor-Colheramostra
Amostra de óleo do motor -
Colher amostra
m CUIDADO
Óleos e componentes quentes podem provocar
lesões pessoais.
Não permitir o contacto destes produtos com a
pele.
AVISO
É necessário tomar precauções a fim de impedir a
fuga de fluidos durante a inspecção, manutenção,
ensaio, afinação e reparação do produto. Estar
preparado para recolher o fluido em recipientes
adequados, antes de abrir qualquer compartimento
ou desmontar qualquer componente que contenha
líquidos.
Para informações sobre as ferramentas e acessórios
a utilizar para recolher e guardar os elementos
fluidos dos produtos Caterpillar, consultar a
Publicação especial, NENG2500, “Guia de produtos
e ferramentas Caterpillar” .
Eliminar todos os fluidos de acordo com as
disposições e regulamentos locais .
Colheita e análise de uma amostra
Além de um bom programa de manutenção
preventiva, a Caterpillar recomenda a utilização do
serviço de análises S.O.S. do óleo com assiduidade
regular, a fim de verificar as condições do motor e
as suas necessidades de manutenção.
As amostras de óleo devem ser colhidas quando o
óleo está quente e bem misturado. A amostra deve
ser colhida nesta altura para haver a certeza de que
é representativa do óleo presente no cárter.
1. Deixar a máquina funcionar durante alguns
minutos antes de colher a amostra de óleo.
Desta maneira, o óleo do motor misturar-se-á e
poderá obter-se uma amostra mais fiel.
2. Abrir a capota anterior de acesso ao motor
Consulta: Consultar o Manual de Funcionamento e
Manutenção, ≈Capota anterior de acesso ao motor -
Abertura∆.
Ilustração 242
3. Utilizar a válvula de colheita de amostras para
conseguir uma amostra de óleo do motor.
Consulta: Para informações inerentes à obtenção
de amostras de óleo do motor, consultar a
Publicação especial, PEHJ0191 ≈Serviços Cat
S•O•S ∆.
Consulta: Para mais informações sobre a obtenção
de amostras de óleo do motor, consultar a
Publicação especial, PEGJ0047 ≈Como colher uma
boa amostra S•O•S∆.
4. Enviar a amostra ao distribuidor, para análise.
5. Fechar a capota anterior de acesso ao motor.
XS0927AB
QPEBU2109 147
Secçãodemanutenção
Folgadaválvuladomotor-Verificar
Folga da válvula do motor -
Verificar
Esta manutenção é recomendada pela Caterpillar
como parte do programa de manutenção preventiva
e lubrificação, a fim de proporcionar a máxima
duração do motor.
AVISO
Esta manutenção deve ser feita unicamente por
pessoal de manutenção qualificado. Para
informações completas sobre o processo de
regulação da folga das válvulas, consultar o artigo do
Manual de regulação e funcionamento/ensaio de
sistemas, “Regulação da folga das válvulas e do
balancim das válvulas” ou o distribuidor Caterpillar.
O funcionamento dos motores Caterpillar com
válvulas mal reguladas pode diminuir a eficiência do
motor. Esta inferior eficiência pode provocar
aumento de consumo de combustível e/ou diminuir a
duração dos componentes do motor.
m CUIDADO
Assegurar-se de que o motor não possa ser
accionado durante a realização desta
manutenção, para evitar lesões graves ou morte
por contacto com componentes em movimento.
Não usar o motor de arranque para rodar o
volante.
Os componentes quentes do motor podem
causar queimaduras. Deixar ao motor o tempo
necessário para arrefecer, antes de medir/regular
o espaço de folga das válvulas.
Antes de medir a folga das válvulas, certificar-se de
que o motor está parado. Para a medição ser
precisa, devem-se deixar arrefecer as válvulas,
antes de realizar este serviço de manutenção.
Para saber como proceder correctamente, consultar
o módulo do Manual de Serviço apropriado para o
motor da máquina em questão ou contactar o
distribuidor Caterpillar.
Consulta: Para mais informações sobre a folga das
válvulas do motor, consultar o Manual de Serviço,
≈C4.4 Motores industriais∆.
NOTA: A folga da válvula do motor deve ser
ajustada por um mecânico qualificado, porque é
uma operação que requer ferramentas especiais e
formação própria.
Óleo da transmissão
planetária das rodas
dianteiras (se disponível) -
Substituir
m CUIDADO
Óleos e componentes quentes podem provocar
lesões pessoais.
Não permitir o contacto destes produtos com a
pele.
AVISO
É necessário tomar precauções a fim de impedir a
fuga de fluidos durante a inspecção, manutenção,
ensaio, afinação e reparação da máquina. Estar
preparado para recolher o fluido em recipientes
adequados, antes de abrir qualquer compartimento
ou desmontar qualquer componente que contenha
líquidos.
Para informações sobre as ferramentas e acessórios
a utilizar para recolher e guardar os elementos
fluidos das máquinas Caterpillar, consultar a
Publicação especial, NENG2500, “Guia de produtos
e ferramentas Caterpillar”.
Eliminar todos os fluidos de acordo com as
disposições e regulamentos locais .
Ilustração 243
Quando se substitui o óleo na transmissão
planetária das rodas dianteiras, é necessário
deslocar a máquina de modo a colocar o tampão de
enchimento (1) na posição correspondente às 3
horas e o tampão de esvaziamento (2) nas 6 horas.
XS0997AB
12
148 QPEBU2109
Secçãodemanutenção
Níveldeóleodatransmissãoplanetáriadasrodasdianteiras-Verificar
1. Tirar o tampão de enchimento (1).
2. Tirar o tampão de esvaziamento (2).
3. Drenar o óleo para um recipiente apropriado.
Ilustração 244
4. Deslocar a máquina de modo a colocar o
tampão de enchimento (1) na posição
correspondente às 12 horas e o tampão de
esvaziamento (2) nas 3 horas.
5. Encher a transmissão planetária das rodas
dianteiras com óleo novo. Para saber qual a
capacidade de reabastecimento devida,
consultar o Manual de Funcionamento e
Manutenção, ≈Capacidades
(Reabastecimento)∆.
6. Observar o nível de óleo durante o processo de
reabastecimento. Ter-se-á a quantidade de óleo
devida quando o nível atingir a borda inferior da
abertura do orifício para aplicação do tampão de
esvaziamento (2).
7. Limpar e montar as tampas (1) e (2).
8. Repetir as operações indicadas nos pontos 1 a
9, para substituir o óleo da outra transmissão
planetária das rodas dianteiras.
Nível de óleo da transmissão
planetária das rodas
dianteiras - Verificar
m CUIDADO
Óleos e componentes quentes podem provocar
lesões pessoais.
Não permitir o contacto destes produtos com a
pele.
AVISO
É necessário tomar precauções a fim de impedir a
fuga de fluidos durante a inspecção, manutenção,
ensaio, afinação e reparação da máquina. Estar
preparado para recolher o fluido em recipientes
adequados, antes de abrir qualquer compartimento
ou desmontar qualquer componente que contenha
líquidos.
Para informações sobre as ferramentas e acessórios
a utilizar para recolher e guardar os elementos
fluidos das máquinas Caterpillar, consultar a
Publicação especial, NENG2500, “Guia de produtos
e ferramentas Caterpillar”.
Eliminar todos os fluidos de acordo com as
disposições e regulamentos locais .
Ilustração 245
Quando se verifica o nível de óleo nas transmissões
planetárias das rodas dianteiras, é necessário
deslocar a máquina de modo a colocar o tampão de
enchimento (1) na posição correspondente às 12
horas e o tampão indicador de nível (2) nas 3 horas.
2
1
XS0990AB
2
1
XS0990AB
QPEBU2109 149
Secçãodemanutenção
Amostradeóleodatransmissãoplanetáriadasrodasdianteiras
1. Tirar o tampão indicador de nível (2).
2. Verificar o nível de óleo na caixa da unidade de
tracção dianteira. O nível de óleo dentro da
caixa deve chegar à borda inferior da abertura
do orifício. Se for necessário, tirar o tampão de
enchimento (1) e acrescentar óleo até à borda
inferior do furo no tampão indicador de nível (2).
3. Limpar e montar as tampas (1) e (2).
Amostra de óleo da
transmissão planetária das
rodas dianteiras (se
disponível) - Colher amostra
Colher uma amostra de óleo durante a substituição.
Enviar a amostra de óleo ao distribuidor, para
análise.
Consulta: Consultar o Manual de Funcionamento e
Manutenção, ≈‡leo da transmissão planetária das
rodas dianteiras (se disponível) - Substituir∆.
Consulta: Para mais informações sobre a obtenção
de amostras de óleo, consultar a Publicação
especial, PEHJ0191 ≈Serviços Cat S•O•S ∆.
Consulta: Para mais informações sobre a obtenção
de amostras de óleo, consultar a Publicação
especial, PEGJ0047 ≈Como colher uma boa amostra
S•O•S∆.
Sistema de combustível-
Encher
Quando se fazem trabalhos de assistência nos
filtros de combustível ou quando se fica sem
combustível, pode haver retenção de ar no sistema
de carburante. Quando há ar retido no sistema de
carburante, o motor não pode arrancar. Para encher
os elementos filtrantes novos com combustível,
proceder conforme indicado a seguir. Seguir o
mesmo procedimento para purgar o ar das linhas
de combustível.
1. Abrir a porta posterior de acesso ao motor.
Consulta: Consultar o Manual de Funcionamento e
Manutenção, ≈Porta posterior de acesso ao motor -
Abertura∆.
Ilustração 246
2. Limpar bem todas as superfícies exteriores da
tampa (1).
3. Tirar os parafusos (2) da tampa (1).
4. Tirar a tampa (1).
5. Rodar a chave de ignição para a posição RUN.
Deixar a chave de ignição em RUN durante três
minutos.
6. Rodar a chave de ignição para a posição OFF.
NOTA: Há risco de danos na bomba de
combustível e no motor de arranque se este último
for usado com muita frequência para purgar o ar do
sistema de combustível.
1
XS0892AB
2
150 QPEBU2109
Secçãodemanutenção
Filtrosecundáriodosistemadecombustível-Substituir
Ilustração 247
7. Desapertar as porcas cónicas (3) das linhas de
combustível a alta pressão em todos os
injectores de combustível.
AVISO
Não accionar continuamente o motor, durante mais
de 30 segundos. Deixar arrefecer o motor de
arranque durante dois minutos, antes de voltar a
accionar o motor.
8. Observar a ligação na porca cónica. Ligar o
motor de arranque e accionar o motor até o
combustível se libertar do ar.
9. Apertar as porcas cónicas (3) com um binário de
30 Nm (22 lb pés).
10. Agora, o motor está pronto para arrancar.
Imediatamente após eliminar o ar do sistema de
combustível, ligar o motor e deixá-lo funcionar
ao ralenti durante, pelo menos, cinco minutos.
NOTA: Deste modo contribuirá para assegurar que
a bomba está completamente desprovida de ar
11. Colocar a tampa (1).
12. Colocar os parafusos (2). Apertar as porcas (2)
com um binário de
9 Nm (7 lb pés).
13. Fechar a porta posterior de acesso ao motor.
Filtro secundário do sistema
de combustível -Substituir
m CUIDADO
Fugas ou derramamentos de combustível em
superfícies quentes ou componentes eléctricos
podem provocar incêndio. Para prevenir possíveis
lesões, desligar a chave de arranque quando se
forem substituir os filtros de combustível ou os
elementos do separador de água. Limpar
imediatamente qualquer derrame de combustível.
AVISO
É necessário tomar precauções a fim de impedir a
fuga de fluidos durante a inspecção, manutenção,
ensaio, afinação e reparação do produto. Estar
preparado para recolher o fluido em recipientes
adequados, antes de abrir qualquer compartimento
ou desmontar qualquer componente que contenha
líquidos.
Para informações sobre as ferramentas e acessórios
a utilizar para recolher e guardar os elementos
fluidos dos produtos Caterpillar, consultar a
Publicação especial, NENG2500, “Guia de produtos
e ferramentas Caterpillar” .
Eliminar todos os fluidos de acordo com as
disposições e regulamentos locais .
1. Abrir a porta posterior de acesso ao motor.
Consulta: Consultar o Manual de Funcionamento e
Manutenção, ≈Porta posterior de acesso ao motor -
Abertura∆.
Ilustração 248
2. Limpar a parte exterior do conjunto do filtro de
combustível (1). Ligar um tubo adequado na válvula
de purga do filtro de combustível (2), a fim de
drenar o combustível para um recipiente próprio.
XS0971AB
3
1 XS0892AB
2
QPEBU2109 151
Secçãodemanutenção
Separadordeáguadosistemadecombustível-Esvaziar
3. Abrir a válvula de purga (2) e drenar o
combustível para um recipiente apropriado.
Ilustração 249
4. Tirar o recipiente do filtro (1) da cabeça do filtro
(3). Premir sobre o elemento (4). Rodar o
elemento no sentido contrário aos ponteiros do
relógio, para o soltar do elemento do filtro, e
retirar o elemento do recipiente. Deitar fora o
elemento usado.
5. Tirar a anilha vedante (5) do recipiente do filtro e
limpar este último. Verificar se as roscas do
recipiente do filtro estão danificadas.
6. Aplicar uma anilha vedante nova (5) no
recipiente do filtro (1).
7. Colocar um elemento novo (4) no recipiente do
filtro (1). Fazer pressão sobre o elemento e rodá-
lo no sentido dos ponteiros do relógio, para o
bloquear no recipiente do filtro.
8. Montar o recipiente do filtro (1) no cimo da
cabeça do filtro (3).
9. Atarraxar o recipiente do filtro à mão, até este
tocar na cabeça do filtro. Rodar o recipiente do
filtro de 90≥.
NOTA: Não usar ferramentas para atarraxar o
recipiente do filtro.
10. Encher o sistema de combustível Consultar o
Manual de Funcionamento e Manutenção,
≈Sistema de combustível - Encher∆.
11. Fechar a porta posterior de acesso ao motor.
Separador de água do sistema
de combustível - Esvaziar
m CUIDADO
Fugas ou derramamentos de combustível em
superfícies quentes ou componentes eléctricos
podem provocar incêndio. Para prevenir
possíveis lesões, desligar a chave de arranque
quando se forem substituir os filtros de
combustível ou os elementos do separador de
água. Limpar imediatamente qualquer derrame
de combustível.
AVISO
O separador de água não é um filtro. O separador de
água separa a água do combustível. O motor não
deve funcionar com o separador de água cheio até
mais de metade. Perigo de danos para o motor!
Durante o funcionamento normal do motor, o
separador de água está sob sucção. Certificar-se de
que a válvula de purga está bem apertada, para
impedir a entrada de ar para o sistema de
combustível.
1. Abrir a porta esquerda de acesso.
Consulta: Consultar o Manual de Funcionamento e
Manutenção, ≈Porta esquerda de acesso -
Abertura∆.
Ilustração 250
2. Tirar os quatro parafusos (1) e desmontar a
tampa (2).
XS0970AB
3
4
1 5
1
XS0928AB
2
152 QPEBU2109
Secçãodemanutenção
Elementodoseparadordeáguadosistemadecombustível-Substituir
Ilustração 251
3. Abrir a válvula de purga (3) no recipiente
separador de água (4).
4. Drenar a água do recipiente separador de água
(4) para um recipiente próprio. Fechar a válvula
de purga (3).
5. Montar a tampa (2) e colocar os 4 parafusos (1).
6. Fechar a porta esquerda de acesso.
Elemento do separador de
água do sistema de
combustível - Substituir
m CUIDADO
Fugas ou derramamentos de combustível em
superfícies quentes ou componentes eléctricos
podem provocar incêndio. Para prevenir
possíveis lesões, desligar a chave de arranque
quando se forem substituir os filtros de
combustível ou os elementos do separador de
água. Limpar imediatamente qualquer derrame
de combustível.
AVISO
É necessário tomar precauções a fim de impedir a fuga
de fluidos durante a inspecção, manutenção, ensaio,
afinação e reparação do produto. Estar preparado para
recolher o fluido em recipientes adequados, antes de
abrir qualquer compartimento ou desmontar qualquer
componente que contenha líquidos.
Para informações sobre as ferramentas e acessórios
a utilizar para recolher e guardar os elementos
fluidos dos produtos Caterpillar, consultar a
Publicação especial, NENG2500, “Guia de produtos
e ferramentas Caterpillar”.
Não deixar entrar sujidade para o sistema de
combustível. Limpar bem a área à volta do
componente do sistema de combustível que vai ser
desligado. Colocar uma protecção por cima do
componente desligado do sistema de combustível.
Eliminar todos os fluidos de acordo com as
disposições e regulamentos locais .
1. Abrir a porta esquerda de acesso.
Consulta: Consultar o Manual de Funcionamento e
Manutenção, ≈Porta esquerda de acesso - Abertura∆.
Ilustração 252
XS0929AB
3
4
1
XS0928AB
2
QPEBU2109 153
Secçãodemanutenção
Fusíveis-Substituir
2. Tirar os quatro parafusos (1) e desmontar a
tampa (2).
Ilustração 253
3. Abrir a válvula de purga (3) no recipiente
separador de água (4).
4. Drenar a água do recipiente separador de água
(4) para um recipiente próprio. Fechar a válvula
de purga (3).
5. Desapertar o parafuso de retenção (5) e
desmontar o elemento filtrante primário (6) do
respectivo suporte.
6. Retirar o recipiente separador de água (4) do
elemento filtrante primário (6).
7. Limpar bem o recipiente separador de água.
Verificar o estado das vedações da anilha
vedante. Montar vedações novas na anilha
vedante, se for necessário.
8. Montar, no recipiente separador de água (4), um
elemento filtrante primário novo (6).
9. Montar o elemento filtrante primário (6) no
respectivo suporte. Apertar o parafuso de
retenção (5).
10. Encher o sistema de combustível Consultar o
Manual de Funcionamento e Manutenção,
≈Sistema de combustível - Encher∆.
11. Montar a tampa (2) e colocar os 4 parafusos (1).
12. Fechar a porta esquerda de acesso.
Fusíveis - Substituir
Fusíveis √ Os fusíveis protegem o sistema
eléctrico de danos provocados pelas
sobrecargas dos circuitos. Se o elemento
do novo fusível se separar, verificar o circuito.
Resolver o problema antes de voltar a pôr a
máquina a funcionar.
AVISO
Substituir os fusíveis por outros do mesmo tipo e
dimensão. A utilização indevida de fusíveis pode
provocar danos eléctricos. Substituição frequente de
fusíveis pode indicar outro tipo de problema
eléctrico. Contactar o distribuidor Caterpillar.
Ilustração 254
O compartimento dos fusíveis está atrás do tablier.
Há três parafusos a fixar a tampa ao tablier.
Para aceder ao compartimento dos fusíveis, tirar os
três parafusos e abrir a tampa.
XS0929AB
3
4
6
5
XS0973AB
1 5 4 QPEBU2109
Secçãodemanutenção
Fusíveis-Substituir
Ilustração 255
(1) Luzes piloto do motor, indicadores do motor - 5 Amps
(2) Luzes piloto do tablier, buzina - 25 Amps
(3) Faróis rotativos - 15 Amps
(4) Emergência 1 - 10 Amps
(5) Bomba do agente lubrificante, sistema de aquecimento a GPL
do nivelador - 15 Amps
(6) Paragem do motor - 10 Amps
(7) Velocidade hidráulica lenta/rápida - 30 Amps
(8) Luzes de trabalho dianteiras - 15 Amps
(9) Luzes de trabalho traseiras - 15 Amps
(10) Luzes laterais dianteiras - 5 Amps
(11) Luzes laterais traseiras - 5 Amps
(12) Médios dianteiros - 15 Amps
(13) Modo manual - 5 Amps
(14) Modo automático - 25 Amps
(15) Comando assistido das rodas dianteiras (se disponível) - 10
Amps
(16) Caixa de velocidades mecânica alta/baixa - 15 Amps
(17) Compensação nivelador - 10 Amps
(18) Bloqueador do diferencial - 10 Amps
(19) Abertura/fecho dos alargamentos do nivelador direito - 10
Amps
(20) Levantar/baixar espessura de pavimentação lado esquerdo -
10 Amps
(21) Levantar/baixar espessura de pavimentação lado esquerdo -
10 Amps
(22) Vibrador no modo manual - 10 Amps
(23) Abertura/fecho dos alargamentos do nivelador esquerdo - 10
Amps
(24) Levantar/baixar caixa trado - 10 Amps
(25) Levantar/baixar tremonhas - 15 Amps
(26) Rotação direcção alimentador trado esquerdo - 10 Amps
(27) Rotação direcção alimentador trado direito - 10 Amps
(28) Rotação direcção correia transportadora direita - 10 Amps
(29) Rotação direcção correia transportadora esquerda - 10 Amps
(30) Vibrador no modo automático - 10 Amps
(31)Controlador do sistema de aquecimento eléctrico do nivela-
dor - 5 Amps
(32) Sensores a ultra-sons/de contacto - 10 Amps
(33) Emergência 2 - 10 Amps
(34) Travão de estacionamento - 10 Amps
(35) Bomba de elevação do tejadilho hidráulico (se disponível) -
10 Amps
(36) Sistema de aquecimento eléctrico do nivelador (se disponí-
vel) - 10 Amps
XS0972AB
1
12
2
11
10
9
8
7
6
5
4
3
13
24
14
23
22
21
20
19
18
17
16
15
25
36
26
35
34
33
32
31
30
29
28
27
QPEBU2109 155
Secçãodemanutenção
Óleodacaixadeengrenagens-Substituir
Óleo da caixa de engrenagens
- Substituir
Consultar o distribuidor Caterpillar para o
procedimento necessário.
Nível de óleo da caixa de
velocidades - Verificar
1. Abrir a tampa de acesso ao compartimento da
bateria.
Consulta: Consultar o Manual de Funcionamento e
Manutenção, ≈Tampa de acesso ao compartimento
da bateria - Abertura∆.
Ilustração 256
2. Desligar os cabos positivo (1) e negativo (2) da
bateria, por esta ordem.
Consulta: Consultar o Manual de Funcionamento e
Manutenção, ≈Bateria ou cabo da bateria
Inspeccionar/Substituir∆.
3. Tirar o cavilhão de engate (3) da bateria e retirar
a bateria (4).
4. Tirar os parafusos (5) e desmontar o suporte da
bateria (6).
Ilustração 257
5. Verificar o nível de óleo da caixa de
engrenagens, utilizando a vareta de nível
colocada no tampão de enchimento (7). Manter
o nível de óleo entre as marcas FULL (cheio) e
ADD (adicionar) da vareta de nível.
6. Se for necessário, acrescentar óleo até obter o
nível correcto.
7. Verificar o tampão de enchimento (7). Substituir
o tampão de enchimento (7) se estiver
danificado.
8. Colocar o tampão de enchimento (7).
9. Verificar o respirador de ventilação (8). Limpar
ou substituir o respirador de ventilação (8) se for
necessário.
10. Montar o suporte da bateria (6) e colocar os
parafusos (5).
11. Montar a bateria (4) no respectivo suporte (6) e
bloquear o cavilhão de engate da bateria (3).
12. Ligar os cabos da bateria à bateria.
Consulta: Consultar o Manual de Funcionamento e
Manutenção, ≈Bateria ou cabos da bateria -
Inspeccionar/Substituir∆.
13. Fechar a tampa de acesso ao compartimento da
bateria.
1
XS0899AB
2
56
34
8
XS0926AB
7
156 QPEBU2109
Secçãodemanutenção
Suportesdogerador-Inspeccionar
Suportes do gerador -
Inspeccionar
1. Abrir a tampa direita de acesso.
Consulta: Consultar o Manual de Funcionamento e
Manutenção, ≈Cobertura direita de acesso -
Abertura∆.
Ilustração 258
2. Abrir a porta posterior de acesso ao motor.
Consulta: Consultar o Manual de Funcionamento e
Manutenção, ≈Porta posterior de acesso ao motor -
Abertura∆.
Ilustração 259
3. Verificar se algum dos quatro suportes do
gerador apresenta qualquer racha. Substituir
todos os suportes do motor rachados.
4. Fechar a porta traseira de acesso ao motor e a
tampa direita de acesso.
5. Para mais informações e instruções sobre a
máquina, dirigir-se ao distribuidor Caterpillar.
Rolamentos do cilindro da
tremonha -Lubrificar
Ilustração 260
Lubrificar quatro copos de lubrificação com massa
lubrificante.
Há dois copos de lubrificação em cada cilindro da
tremonha. Um copo está na parte superior do
cilindro. O outro copo está situado na parte inferior
do cilindro.
Há dois cilindros na máquina. Um de cada lado da
máquina.
XS0944AB
XS0892AB
XS0939AB
QPEBU2109 157
Secçãodemanutenção
Pinosdesegurançaparabloqueiodatremonha-Lubrificar
Pinos de segurança para
bloqueio da tremonha -
Lubrificar
Ilustração 261
Lubrificar os pinos de segurança para bloqueio da
tremonha com massa lubrificante. Aplicar uma
camada fina de massa lubrificante no dispositivo de
bloqueio da tremonha e deslocá-lo de modo a
distribuir a massa pela superfície.
Cada tremonha tem um bloqueio de segurança.
Na máquina há dois pinos de segurança para
bloqueio da tremonha. Um de cada lado da
máquina.
Óleo do sistema hidráulico -
Substituir
m CUIDADO
Óleos e componentes quentes podem provocar
lesões pessoais.
Não permitir o contacto destes produtos com a pele.
AVISO
É necessário tomar precauções a fim de impedir a
fuga de fluidos durante a inspecção, manutenção,
ensaio, afinação e reparação da máquina. Estar
preparado para recolher o fluido em recipientes
adequados, antes de abrir qualquer compartimento
ou desmontar qualquer componente que contenha
líquidos.
Para informações sobre as ferramentas e acessórios
a utilizar para recolher e guardar os elementos
fluidos das máquinas Caterpillar, consultar a
Publicação especial, NENG2500, “Guia de produtos
e ferramentas Caterpillar”.
Eliminar todos os fluidos de acordo com as
disposições e regulamentos locais .
1. Abrir a porta esquerda de acesso.
Consulta: Consultar o Manual de Funcionamento e
Manutenção, ≈Porta esquerda de acesso -
Abertura∆.
Ilustração 262
2. Tirar a tampa (1) da válvula de purga de óleo
hidráulico (2).
3. Ligar o tubo de drenagem (incluído na caixa de
ferramentas da máquina) à válvula de purga de
óleo hidráulico (2).
XS0936AB
2
XS0937AB
1
158 QPEBU2109
Secçãodemanutenção
Óleodosistemahidráulico-Substituir
4. Abrir a válvula de purga de óleo hidráulico (2).
Drenar o óleo para um recipiente apropriado.
NOTA: Consultar o Manual de Funcionamento e
Manutenção, ≈Informações gerais de perigo∆, para
informações sobre como impedir derrames de
fluidos.
5. Fechar a válvula de purga de óleo hidráulico (2).
Desmontar e limpar o tubo de drenagem e
colocar a tampa (1).
6. Abrir a tampa esquerda de acesso operador.
Consulta: Consultar o Manual de Funcionamento e
Manutenção, ≈Tampas de acesso à plataforma -
Abertura∆.
Ilustração 263
7. Tirar os parafusos (3) e desmontar a tampa do
depósito hidráulico (4).
8. Limpar e verificar se o vedante da tampa do
depósito hidráulico (5) tem danos. Substituí-lo,
se for necessário.
9. Substituir o filtro interior de aspiração (6).
10. Substituir o filtro do depósito de óleo hidráulico
Consulta: Consultar o Manual de Funcionamento e
Manutenção, ≈Filtro do depósito de óleo hidráulico -
Substituir∆.
11. Atestar o depósito hidráulico com óleo novo,
através do orifício no cimo do reservatório. Para
saber qual o fluido a seleccionar e quantidade
de óleo a usar, consultar o Manual de
Funcionamento e Manutenção, ≈Viscosidade
dos lubrificantes e capacidades de
reabastecimento∆.
12. Montar a tampa do depósito hidráulico (4) com o
respectivo vedante (5). Colocar os parafusos (3).
13. Ligar o motor e verificar se há fugas.
14. Verificar o nível de óleo hidráulico.
Consulta: Consultar o Manual de Funcionamento e
Manutenção, ≈Nível de óleo da caixa de
velocidades - Verificar∆.
NOTA: O óleo não pode ter bolhas de ar. Se houver
bolhas de ar no óleo, significa que está a entrar ar
para o sistema hidráulico. Verificar se há fugas nos
tubos da linha de aspiração.
15. Fechar a plataforma esquerda do operador.
16. Fechar a porta esquerda de acesso.
3
XS0991AB
6
4
5
QPEBU2109 159
Secçãodemanutenção
Níveldeóleodosistemahidráulico-Verificar
Nível de óleo do sistema
hidráulico - Verificar
Ilustração 264
1. Verificar o nível de óleo no respectivo indicador
de referência (1), situado no lado esquerdo
traseiro da máquina.
2. Manter o nível do óleo a meio do respectivo
indicador de referência (1).
3. Se for necessário adicionar mais óleo, abrir a
porta posterior de acesso ao motor.
Consulta: Consultar o Manual de Funcionamento e
Manutenção, ≈Porta posterior de acesso ao motor -
Abertura∆.
Ilustração 265
4. Retirar o tampão de enchimento (2).
5. Adicionar óleo, para obter o nível necessário no
indicador de referência de nível (1).
6. Verificar o tampão de enchimento (2). Substituí-
lo, se estiver danificado.
7. Colocar o tampão de enchimento (2).
8. Fechar a porta posterior de acesso ao motor.
1
XS0987AB
XS0965AB
2
160 QPEBU2109
Secçãodemanutenção
Amostradeóleodosistemahidráulico-Colheramostra
Amostra de óleo do sistema
hidráulico - Colher amostra
Colheita e análise de uma amostra
Além de um bom programa de manutenção
preventiva, a Caterpillar recomenda a utilização
assídua e regular do serviço de análises de óleo
S.O.S., a fim de monitorizar as condições do óleo do
sistema hidráulico e as necessidades de
manutenção do sistema. As amostras de óleo
devem ser colhidas quando o óleo está quente e
bem misturado. A amostra deve ser colhida nesta
altura, para haver a certeza de que é representativa
do óleo presente no depósito do sistema hidráulico.
1. Abrir a porta posterior de acesso ao motor.
Consulta: Consultar o Manual de Funcionamento e
Manutenção, ≈Porta posterior de acesso ao motor -
Abertura∆.
Ilustração 266
2. Retirar o tampão de enchimento (1).
3. Colher a amostra de óleo a partir do tampão de
enchimento (1).
Consulta: Para informações inerentes à obtenção
de amostras de óleo do motor, consultar a
Publicação especial, PEHJ0191 ≈Serviços Cat
S•O•S ∆.
Consulta: Para mais informações sobre a obtenção
de amostras de óleo do motor, consultar a
Publicação especial, PEGJ0047 ≈Como colher uma
boa amostra S•O•S∆.
4. Limpar e montar o tampão de enchimento (1).
5. Fechar a porta posterior de acesso ao motor.
Filtro do depósito de óleo do
sistema hidráulico - Substituir
1. Abrir a porta esquerda de acesso.
Consulta: Consultar o Manual de Funcionamento e
Manutenção, ≈Porta esquerda de acesso -
Abertura∆.
Ilustração 267
NOTA: Consultar o Manual de Funcionamento e
Manutenção, ≈Informações gerais de perigo∆, para
informações sobre como impedir derrames de
fluidos.
2. Substituir o filtro (1) quando se mudar o óleo do
sistema hidráulico.
Ilustração 268
3. Desapertar a tampa (2) e retirar o cartucho (3).
4. Separar o suporte do cartucho (4) do cartucho
(3).
XS0965AB1
1
XS0937AB
XS0988AB
2
4
3
QPEBU2109 161
Secçãodemanutenção
Óleodomotor-Inspeccionar
5. Limpar o suporte do cartucho (4) e montar um
cartucho filtrante novo (3).
6. Introduzir o cartucho no respectivo encaixe e
montar de novo a tampa (2) em cima do filtro (1).
7. Verificar o nível de óleo do sistema hidráulico.
Consulta: Consultar o Manual de Funcionamento e
Manutenção, ≈Nível de óleo do sistema hidráulico -
Verificar∆.
8. Fechar a porta esquerda de acesso.
Óleo do motor - Inspeccionar
Inspeccionar um filtro usado, para
verificar se há detritos
Ilustração 269
O elemento mostrado contém detritos
Cortar e abrir o elemento filtrante com um
instrumento próprio. Abrir as pregas e inspeccionar
o elemento para verificar a presença de metais ou
outros detritos. Uma quantidade excessiva de
detritos no elemento filtrante pode indicar uma
possível avaria.
Em caso de presença de metais no elemento
filtrante, pode ser utilizado um íman para distinguir
os metais ferrosos dos não ferrosos.
Metais ferrosos podem indicar desgaste nas peças
de aço e de ferro fundido.
Metais não ferrosos podem indicar desgaste nas
peças de alumínio do motor, como rolamentos
principais, rolamentos de hastes ou rolamentos do
turbocompressor.
No elemento filtrante podem ser encontradas
pequenas quantidades de detritos. Isto pode ser
devido à fricção e ao desgaste normal. Consultar o
distribuidor Caterpillar para preparar outras análises
se for encontrada uma quantidade de detritos
excessiva.
No caso de ser utilizado um elemento filtrante de
óleo não recomendado pela Caterpillar há risco de
graves danos para o motor, rolamentos, eixo da
cambota e outros componentes. Isto pode provocar
partículas de óleo não filtrado maiores. As partículas
podem entrar no sistema de lubrificação e provocar-
lhe danos.
Guia da plataforma do
operador - Lubrificar
Ilustração 270
Lubrificar um copo de lubrificação do lado
esquerdo da máquina com massa lubrificante.
Ilustração 271
Lubrificar um copo de lubrificação do lado direito da
máquina, com massa lubrificante.
XS0010AB
XS0975AB
XS0946AB
162 QPEBU2109
Secçãodemanutenção
Travãodeestacionamento-Verificar
Travão de estacionamento -
Verificar
Verificar a área à volta da máquina. Certificar-se de
que não há pessoas nem obstáculos presentes na
máquina e na área circundante.
Testar o travão de estacionamento numa superfície
seca.
Apertar o cinto de segurança antes de testar o
travão de estacionamento.
Para determinar se o travão de estacionamento está
a actuar devidamente são utilizados os testes
abaixo. Estes testes não servem para medir o
esforço de retenção máximo do travão. O esforço
de retenção do travão que é necessário para
segurar a máquina a um número específico de rpm
do motor varia em função da máquina. As variações
são dadas pelas diferenças na regulação do motor,
na eficiência da transmissão, etc.
Ilustração 272
Colocar a máquina sobre a inclinação do declive,
mas perto da base deste, para testar o travão de
estacionamento. Realizar este serviço com o
nivelador levantado e travado, com os pinos de
segurança engatados. A posição de teste deve ser
numa rampa com 24,4 % ou 11≥ de inclinação.
1. Ligar o motor. Consultar o Manual de
Funcionamento e Manutenção, ≈Arranque do
motor∆.
2. Deslocar a máquina para a posição do teste.
Consultar o Manual de Funcionamento e
Manutenção, ≈Deslocar a máquina∆.
3. Colocar a alavanca do acelerador na posição
HIGH IDLE (ralenti alto).
4. Activar o travão de estacionamento. A máquina
não se deve mover nas condições seguintes:
• O motor está a funcionar em regime de ralenti
alto.
• A alavanca de propulsão está em PONTO
MOTOR.
• O travão de estacionamento está activado.
• A máquina está colocada na inclinação
especificada.
m CUIDADO
Se a máquina se mover durante o teste, há risco
de lesões pessoais. Se a máquina começar a
andar, desactivar o travão de estacionamento e
utilizar a alavanca de propulsão, para deslocar a
máquina para uma superfície plana.
5. Estacionar a máquina numa superfície
horizontal.
6. Desligar o motor.
AVISO
Se a máquina se mover durante o teste de ensaio
dos travões, consultar o distribuidor Caterpillar. O
distribuidor tem de verificar o sistema de travagem e
fazer as reparações necessárias, antes de voltar a
pôr a máquina funcionar.
XS0998AB
QPEBU2109 163
Secçãodemanutenção
Núcleodoradiador-Limpar
Núcleo do radiador - Limpar
O núcleo do radiador está atrás da tampa do
radiador.
Certificar-se de que chave de arranque do motor
está na posição OFF. Não limpar o núcleo do
radiador quando o sistema refrigerante da máquina
estiver quente ou a máquina estiver a funcionar.
Ilustração 273
1. Abrir a tampa do radiador
Consulta: Consultar o Manual de Funcionamento e
Manutenção, ≈Tampa do radiador - Abertura∆.
2. Verificar se há detritos no núcleo do radiador. Se
for necessário, limpar o radiador.
Apesar de ser preferível utilizar ar comprimido
para eliminar pó e detritos em geral de um
radiador, também pode utilizar-se água ou vapor
a alta pressão. Limpar o radiador de acordo com
as condições em que se encontrar.
Para mais informações sobre a limpeza das
alhetas de radiador, ver a Publicação especial,
SEBD0518 ≈Conhecer o sistema de
refrigeração∆.
3. Fechar a tampa do radiador
Filtro do depósito de agente
lubrificante - Substituir
AVISO
É necessário tomar precauções a fim de impedir a
fuga de fluidos durante a inspecção, manutenção,
ensaio, afinação e reparação do produto. Estar
preparado para recolher o fluido em recipientes
adequados, antes de abrir qualquer compartimento
ou desmontar qualquer componente que contenha
líquidos.
Para informações sobre as ferramentas e acessórios
a utilizar para recolher e guardar os elementos
fluidos dos produtos Caterpillar, consultar a
Publicação especial, NENG2500, “Guia de produtos
e ferramentas Caterpillar”.
Eliminar todos os fluidos de acordo com as
disposições e regulamentos locais .
Ilustração 274
1. Tirar a braçadeira (1) do filtro do depósito de
agente lubrificante (2).
2. Desligar o tubo (3) e drenar o agente lubrificante
todo para um recipiente apropriado.
3. Tirar a braçadeira (4) e o tubo (5) do filtro do
depósito de agente lubrificante (2).
4. Retirar o filtro (2).
5. Montar um filtro novo (2), instalar o tubo (5) e
aplicar a braçadeira (4) no filtro (2).
6. Instalar o tubo (3) e colocar a braçadeira (1) no
filtro (2).
XS0896AB
XS0890AB
3 1 2 4 5
164 QPEBU2109
Secçãodemanutenção
Cilindrosdeelevaçãodonivelador-Lubrificar
Cilindros de elevação do
nivelador - Lubrificar
Ilustração 275
Lubrificar um copo de lubrificação do lado
esquerdo da máquina com massa lubrificante.
Ilustração 276
Lubrificar um copo de lubrificação do lado direito da
máquina, com massa lubrificante.
Pinos de fixação do nivelador -
Lubrificar
Ilustração 277
Lubrificar o pino de segurança do lado esquerdo da
máquina. Lubrificar um copo de lubrificação do lado
esquerdo da máquina com massa lubrificante.
Ilustração 278
Lubrificar o pino de segurança do lado direito da
máquina. Lubrificar um copo de lubrificação do lado
direito da máquina, com massa lubrificante.
XS0963AB
XS0962AB
XS0983AB
XS0982AB
QPEBU2109 165
Secçãodemanutenção
Guiasdeslizantesdobraçolateraldonivelador-Limpar
Guias deslizantes do braço
lateral do nivelador - Limpar
Ilustração 279
Limpar toda a sujidade acumulada na superfície de
deslizamento do rolo. Se for necessário, utilizar um
raspador.
Ponto de reboque do nivelador
- Lubrificar
Ilustração 280
Lubrificar dois copos de lubrificação do lado
esquerdo da máquina com massa lubrificante.
XS0947AB
XS0989AB
166 QPEBU2109
Secçãodemanutenção
Cintodesegurança-Inspeccionar
Ilustração 281
Lubrificar dois copos de lubrificação do lado direito
da máquina com massa lubrificante.
Cinto de segurança -
Inspeccionar
Verificar sempre as condições do cinto de
segurança e as respectivas fixações de montagem,
antes de pôr a máquina a funcionar. Substituir todas
as peças danificadas ou gastas, antes de utilizar a
máquina.
Ilustração 282
Exemplo típico
Verificar se as fixações de montagem (1)
apresentam sinais de danos ou desgaste. Substituir
todas as fixações de montagem que estiverem
gastas ou danificadas. Certificar-se de que os
parafusos de fixação estão bem apertados.
Verificar se o fecho (2) apresenta sinais de danos ou
desgaste. Se o fecho estiver gasto ou danificada,
substituir totalmente o cinto de segurança.
Inspeccionar as correias do cinto de segurança (3)
para ver se estão gastas ou puídas. Substituir o
cinto, se estiver gasto ou puído.
Para substituição do cinto de segurança e das
fixações de montagem, consultar o distribuidor
Caterpillar.
NOTA: Substituir o cinto de segurança no prazo de
três anos a contar da data de instalação ou de cinco
anos a contar da data de fabrico, consoante o que
ocorrer primeiro. O cinto de segurança, o respectivo
fecho e o enrolador do cinto têm aplicada,
respectivamente, uma etiqueta com a data que
permitirá determinar a idade do cinto.
Se a sua máquina estiver equipada com uma
extensão do cinto de segurança, repetir esta
inspecção na extensão do cinto.
XS0938AB
XS1014AB
1
2 3
QPEBU2109 167
Secçãodemanutenção
Cintodesegurança-Substituir
Cinto de segurança -
Substituir
Substituir o cinto de segurança no prazo de três
anos a contar da data de instalação ou de cinco
anos a contar da data de fabrico, consoante o que
ocorrer primeiro. O cinto de segurança, o respectivo
fecho e o enrolador do cinto têm aplicada,
respectivamente, uma etiqueta com a data que
permitirá determinar a idade do cinto.
Ilustração 283
(1) Data de fabrico
(2) Data de instalação
Para substituição do cinto de segurança e das
fixações de montagem, consultar o distribuidor
Caterpillar.
Se a sua máquina estiver equipada com uma
extensão para cinto de segurança, repetir esta
inspecção na extensão do cinto.
Motor de arranque -
Inspeccionar
Ilustração 284
A Caterpillar recomenda uma inspecção
programada no motor de arranque. Se o motor de
arranque falhar, o motor poderá não pegar numa
situação de emergência
1. Abrir a capota anterior de acesso ao motor
Consulta: Consultar o Manual de Funcionamento e
Manutenção, ≈Capota anterior de acesso ao motor -
Abertura∆.
Verificar se o motor de arranque está a funcionar
devidamente. Verificar as ligações eléctricas e
limpá-las. Para mais informações ou assistência,
contactar o distribuidor Caterpillar.
2. Fechar a capota anterior de acesso ao motor.
XS1015AB
1
2 XS0927AB
168 QPEBU2109
Secçãodemanutenção
Enchimentodospneus-Verificar
Enchimento dos pneus -
Verificar
A pressão dos pneus num local quente (18° a 21°C
(65° a 70°F) de temperatura média) altera-se
significativamente quando a máquina é transferida
para temperaturas muitas frias. Quando se enche
um pneu com a pressão devida em ambiente
quente, a pressão ficará baixa quando se passar a
um ambiente de temperatura muito baixa. A baixa
pressão reduz o tempo de vida útil de um pneu.
Quando se utilizar a máquina em condições de
temperatura muito frias, ver a Publicação especial,
SEBU5898 ≈Recomendações em caso de
temperaturas baixas∆.
Ilustração 285
m CUIDADO
O lastro líquido dos pneus é irritante. Proteger os
olhos e o rosto dos salpicos que saem da haste
da válvula durante a verificação do nível de lastro
ou da pressão de ar presente nos pneus. Não
proteger os olhos e o rosto pode causar lesões
pessoais.
Os pneus vêm, de fábrica, cheios de lastro líquido.
Quando se for verificar a pressão dos pneus,
deslocar a máquina de modo que a haste da válvula
para o pneu fique na posição correspondente às 12
horas, para evitar que saia lastro líquido da haste da
válvula. Usar o manómetro 1P-0545 para pneus
equipados com lastro líquido.
NOTA: Depois da máquina ser posta em posição,
haverá uma pequena quantidade de lastro líquido
na haste da válvula. Premir a haste da válvula, para
deixar o lastro líquido ser expulso da haste, antes
colocar o manómetro.
Verificar a pressão dos pneus. Consultar a
Informação sobre o enchimento dos pneus na
secção de manutenção, para informações
pormenorizadas sobre o enchimento dos pneus.
Interruptor de alavanca -
Inspeccionar
Ilustração 286
Para inspeccionar os interruptores da máquina,
seguir as indicações seguintes.
1. Rodar a chave de arranque do motor para a
posição OFF. Não testar os interruptores quando
a máquina estiver a funcionar.
2. Inspeccionar, visualmente, a área à volta da
junta vedante (3). Verificar se apresenta rachas
ou fendas. Se observar qualquer racha ou fenda,
substituir o interruptor.
3. Mover ligeiramente o interruptor de alavanca (1),
para testar a folga de actuação. Se o interruptor
se deslocar mais de 2 mm (0,01 pol.) em
qualquer direcção, substituí-lo.
4. Premir o interruptor para cima. O interruptor de
alavanca (1) deve deslocar-se cerca de 5 mm
(0,2 pol.). Se o interruptor se mover de modo
incorrecto, substituí-lo. Repetir a medição
quando se prime o interruptor para baixo.
Junta universal de
transmissão - Lubrificar
1. Abrir a tampa de acesso ao compartimento da
bateria.
Consulta: Consultar o Manual de Funcionamento e
Manutenção, ≈Tampa de acesso ao compartimento
da bateria - Abertura∆.
XS0974AB
XS0869AB
1 2
3
QPEBU2109 169
Secçãodemanutenção
Juntauniversaldetransmissão-Lubrificar
Ilustração 287
2. Desligar os cabos positivo (1) e negativo (2) da
bateria, por esta ordem.
Consulta: Consultar o Manual de Funcionamento e
Manutenção, ≈Bateria ou cabo da bateria
Inspeccionar/Substituir∆.
3. Tirar o cavilhão de engate (3) da bateria e retirar
a bateria (4).
4. Desmontar os parafusos (5) e tirar o suporte da
bateria (6).
Ilustração 288
5. Tirar o parafuso (7) e os grampos (8).
Ilustração 289
6. Lubrificar dois copos de lubrificação na junta
universal, com massa lubrificante.
NOTA: Pode ser necessário remover algumas
protecções de cabos para aceder aos copos de
lubrificação
7. Montar os grampos (8) e o parafuso (7).
8. Montar o suporte da bateria (6) e colocar os
parafusos (5).
9. Montar a bateria (4) no respectivo suporte (6) e
bloquear o cavilhão de engate da bateria (3).
10. Ligar os cabos da bateria à bateria.
Consulta: Consultar o Manual de Funcionamento e
Manutenção, ≈Bateria ou cabos da bateria -
Inspeccionar/Substituir∆.
11. Fechar a tampa de acesso ao compartimento da
bateria.
1
XS0899AB
2
56
34
7
XS0926AB
8
XS1008AB
170 QPEBU2109
Secçãodeinformaçõesdereferência
Materialdereferência
Secção de informações de
referência
Material de referência
Material de referência
Em qualquer distribuidor Caterpillar está disponível
a seguinte documentação técnica:
• Publicação especial, PEHP6047 ≈Ficha técnica do
óleo hidráulico biodegradável Caterpillar (HEES)∆
• Publicação especial, PEHP7508 ≈Ficha técnica do
óleo para engrenagens Caterpillar (GO)∆
• Publicação especial, PEHP3050 ≈Ficha técnica do
óleo multiuso Caterpillar, para tractores (MTO)∆
• Publicação especial, PECP9067 ≈Uma fonte
segura∆
• Publicação especial, SEBD0640 ≈O óleo e o seu
motor∆
• Publicação especial, PEGJ 0046 ≈Serviços S•O•S
Cat: Interpretação dos resultados∆
• Publicação especial, PEGJ0047 ≈Como colher
uma boa amostra S•O•S∆
• Publicação especial, SEBD0518 ≈Conheça o seu
sistema de refrigeração∆
• Publicação especial, SEBD0970 ≈O líquido de
refrigeração e o seu motor∆
• Publicação especial, SEBD0717 ≈Os carburantes
diesel e o seu motor∆
• Publicação especial, SENR3130 ≈Especificações
sobre binários de aperto∆
• Publicação especial, SENR2947 ≈Ligar e carregar
sistemas para máquinas equipadas com conector
de diagnóstico∆
• Publicação especial, SEHS9031 ≈Procedimento
de armazenamento dos produtos Caterpillar ∆
• Publicação especial, SEBU5898
≈Recomendações em caso de temperaturas
baixas, para todas as máquinas Caterpillar∆
• Publicação especial, SEBU6250
≈Recomendações sobre os fluidos a utilizar nas
máquinas Caterpillar ∆
• Publicação especial, SEBU6981 ≈Informações
sobre a garantia de controlo de emissões∆
• Publicação especial, NENG2500 ≈Guia de
produtos e ferramentas Caterpillar ∆
• Publicação especial, PEHJ0191 ≈Serviços S•O•S
Cat∆
• Publicação especial, SEBU8257 ≈Directiva da
União Europeia 2002/44/CE sobre a exposição
aos riscos devidos aos agentes físicos
(vibrações)∆
• Publicação especial, PEHP4036 ≈Ficha de dados -
Extended Life Coolant∆
• Publicação especial, SEHS7332 ≈Cartaz de aviso -
Perigo! Não accionar∆
• Instrução especial, REHS1642 ≈Funcionamento do
sistema Product Link∆
• Funcionamento do sistema, resolução de
problemas, ensaio e ajustamento, RENR7911
≈Product Link 121SR/321SR∆
• Instrução especial, REHS2365 ≈Guia de
instalação do Product Link PL121SR e do PL300∆
O Manual de Funcionamento e Manutenção está
disponível em outros idiomas. Consultar o
distribuidor Caterpillar, para saber como conseguir
os referidos Manuais.
Material de referência adicional
ASTM D2896,≈Medições TBN∆ Esta publicação
pode encontrar-se geralmente em sociedades
tecnológicas locais, bibliotecas e universidades.
SAE J313,,≈Carburantes diesel∆ Está incluído no
manual SAE. Esta publicação, também pode ser
encontrada em sociedades tecnológicas locais,
bibliotecas e universidades.
SAE J754,,≈Nomenclatura∆ Geralmente está incluído
no manual SAE.
SAE J183,,≈Classificação∆ Geralmente está incluído
no manual SAE.
Engine Manufacturers Association ≈Manual de
dados dos fluidos dos motores∆
Engine Manufacturers Association
Two North LaSalle Street, Suite 2200
Chicago, Illinois, USA 60602
E-mail: ema@enginemanufacturers.org
Telefone principal: (312) 827-8700
Fax: (312) 827-8737
QPEBU2109 171
Secçãodeinformaçõesdereferência
Materialdereferência
Desactivação e eliminação da
máquina
Quando a máquina for retirada do serviço, é
necessário respeitar os regulamentos locais sobre
desactivação de máquinas, variáveis de país para
país. O processo de eliminação variará, portanto, de
acordo com os regulamentos do local onde estiver a
máquina. Para mais informações, contactar o
distribuidor Caterpillar mais próximo.
172 QPEBU2109
SecçãoÍndices
Index
A
Abandonaramáquina ............................................ 93
Acessosparamanutenção ................................... 105
Aditivodorefrigerantedosistemade
refrigeração(ELC)-Adicionar .............................. 128
Ajustamentodapressãodeenchimentodospneus 111
Alarmedemarchaatrás .......................................... 73
Alarmedemarchaatrás-Testar ............................ 120
Alternador-Inspeccionar ..................................... 118
Amostradelíquidoderefrigeraçãodosistema
refrigerante(nível1)-Colheramostra ................... 129
Amostradelíquidoderefrigeraçãodosistema
refrigerante(nível2)-Colheramostra ................... 130
Amostradeóleodatransmissãoplanetáriadas
rodas-Colheramostra ......................................... 135
Amostradeóleodatransmissãoplanetáriadasrodas
dianteiras(sedisponível)-Colheramostra............ 149
Amostradeóleodomotor-Colheramostra ........... 146
Colheitaeanálisedeumaamostra..................... 146
Amostradeóleodosistemahidráulico-
Colheramostra .................................................... 160
Colheitaeanálisedeumaamostra..................... 160
Antesdautilização ............................................27,37
Antesdepôromotoratrabalhar .............................. 26
Apoioàmanutenção ............................................. 115
Aquecimentodamáquinaedomotor ...................... 79
Arranquedomotor .............................................27,77
Arranquedomotor(métodosalternativos) ............ 103
Arranquedomotorcomcabosdeligaçãoemponte 103
Utilizaçãodecabosdeligaçãoemponte ............ 104
Assento.................................................................. 40
B
Baixaroequipamentocomomotordesligado.....29,92
Bateria-Reciclagem ............................................ 121
Bateriaoucabodabateria-Inspeccionar/
Substituir.............................................................. 121
Bogies-Lubrificar ................................................. 122
C
Capacidades(Reabastecimento) ......................... 114
Capotaanteriordeacessoaomotor-Abertura ...... 110
Cilindrosdeelevaçãodonivelador-Lubrificar ....... 164
Cintodesegurança ................................................ 40
Ajustamentodocintosegurança,paracintosnão
retrácteis ......................................................... 40
Ajustamentodotablier ......................................... 42
Extensãodocintodesegurança .......................... 42
Extensõesdaplataformadooperador ................. 43
Cintodesegurança-Inspeccionar ........................ 166
Cintodesegurança-Substituir ............................. 167
Circulaçãodamáquinaemestrada ......................... 96
Pinodesegurança,parabloqueiodonivelador .... 96
Coberturadireitadeacesso-Abertura .................. 107
Comandosdooperador .......................................... 48
Comandosdooperador(Painéisdecomandodo
nivelador) ............................................................... 69
Botãodabuzina .................................................. 71
Comandodacorreiatransportadoraesquerda..... 72
Comandodaespessuradepavimentaçãodolado
direitodonivelador........................................... 70
Comandodalarguradeaplicaçãodoladoesquerdo
donivelador ..................................................... 71
Comandodotradoesquerdo ............................... 72
Reguladordaespessuradepavimentaçãodolado
esquerdodonivelador ..................................... 70
Comandosdotablier(Consolaprincipal) ................ 49
Alavancadepropulsão ........................................ 64
Botãodeinversãoderotaçãodacorreia
transportadoradireita ...................................... 59
Botãodeinversãoderotaçãodacorreia
transportadoraesquerda ................................. 58
Botãodeinversãoderotaçãodotradodireito ....... 57
Botãodeinversãoderotaçãodotradoesquerdo .. 56
Chavedearranquedomotor ............................... 49
Comandodaespessuradepavimentaçãodolado
direitodonivelador........................................... 60
Comandodalarguradeaplicaçãodoladodireitodo
nivelador ......................................................... 61
Comandodalarguradeaplicaçãodoladoesquerdo
donivelador ..................................................... 60
Comandodamanetedepotência ........................ 66
Comandodatremonhadireita ............................. 54
Comandodatremonhaesquerda ........................ 54
Comandodeajustamentodafrequênciade
vibração .......................................................... 68
Comandodeajustamentodapressãode
compensaçãodonivelador .............................. 68
Comandoderegulaçãodaalturadotrado ............ 55
Comandodomododetrabalhodacorreia
transportadoradireita ...................................... 58
Comandodomododetrabalhodacorreia
transportadoraesquerda ................................. 57
Comandodomododetrabalhodotradodireito .... 56
Comandodomododetrabalhodotradoesquerdo 55
Comandodotravãodeestacionamento .............. 49
Comandovibratóriodonivelador ......................... 61
Controloautomáticodavelocidadedetrabalho.... 63
Indicadordeníveldecombustível ........................ 51
Indicadordetemperaturadaágua ....................... 52
Indicadores......................................................... 50
Interruptordasluzesdeemergência .................... 53
Interruptordeactivaçãodoscomandosda
máquina .......................................................... 50
Interruptordetestedosindicadores ..................... 52
Interruptordobloqueadordodiferencial .............. 67
Interruptordocomandoassistidodasrodas
dianteiras(Sedisponível) ................................ 65
Interruptordoindicadordedirecção..................... 52
Interruptordomododefuncionamento ................ 63
Interruptordosistemadeaquecimentoeléctricodo
nivelador(sedisponível) .................................. 67
Interruptordosistemadecompensaçãodo
nivelador ......................................................... 62
Interruptorlevantar/ondulardonivelador ............. 62
Manómetrodapressãodecompensaçãodo
nivelador ......................................................... 69
Pedaldotravãodeserviço(Sedisponível) ........... 53
Reguladordaespessuradepavimentaçãodolado
esquerdodonivelador ..................................... 59
Selectordasluzesedabuzina ............................. 66
Selectordemudançadevelocidade .................... 64
Selectordemudançadevelocidadehidráulica .... 65
Volante ............................................................... 53
QPEBU2109 173
SecçãoÍndices
Começarapavimentar ........................................... 84
Comocarregaramáquina....................................... 95
Comopararomotoremcasodeavariaeléctrica ...... 91
Contadordehorasdeserviço .................................. 74
Correias-Inspeccionar/Ajustar/Substituir .....121,122
Correiastransportadorasdotrado-Lubrificar ....... 118
Correntes(detracção)dacorreiatransportadora-
Limpar .................................................................. 124
Correntes(detracção)dascorreiastransportadoras-
Ajustar ................................................................. 123
Correntesdetransmissãodostrados-Verificar/
Ajustar ................................................................. 119
D
Declaraçãodeconformidade .................................. 36
Desactivaçãoeeliminaçãodamáquina ................ 171
Desactivaçãomanualdotravãode
estacionamento ................................................... 102
Desligaromotor ..................................................... 91
Deslocaramáquina ................................................ 80
Disjuntor-Rearmar .............................................. 122
E
Elementodoseparadordeáguadosistemade
combustível-Substituir ........................................ 152
Elementoprimáriodofiltrodeardomotor-Limpar/
Substituir .............................................................. 135
Inspecçãodoselementosprimáriosdofiltro
dear .............................................................. 137
Limpezadoselementosprimáriosdofiltrodear.. 136
Elementosecundáriodofiltrodeardomotor-
Substituir ............................................................. 138
Elevaçãoeamarragemdamáquina ...................... 100
Amarragemdamáquina .................................... 100
Elevaçãodamáquina ........................................ 100
Eliminardevidamenteosresíduos .......................... 21
Enchimentodospneus-Verificar .......................... 168
Enchimentodospneuscomar .............................. 111
Entradadofiltrodeardomotor-Limpar ................. 140
Especificações ....................................................... 33
Estacionamento ................................................28,91
Etiquetadecertificaçãodasemissões .................... 35
Expediçãodamáquina ........................................... 95
F
Filtrododepósitodeagentelubrificante-Substituir 163
Filtrododepósitodeóleodosistemahidráulico-
Substituir .............................................................. 160
Filtroeóleodomotor-Substituir ............................ 141
Comosubstituiroóleoeofiltrodomotor ............. 142
Selecçãodointervalodesubstituiçãodoóleo..... 141
Filtrosecundáriodosistemadecombustível-
Substituir .............................................................. 150
Folgadaválvuladomotor-Verificar ...................... 147
Funcionamentodamáquina ................................... 40
Funcionamentoemdeclive ..................................... 28
Fusíveis-Substituir .............................................. 153
G
Guiadaplataformadooperador-Lubrificar ........... 161
Guiasdeslizantesdobraçolateraldonivelador-
Limpar .................................................................. 165
I
InformaçãoS·O·S ................................................ 114
Informaçãosobreavisibilidade............................... 27
Informaçãosobreoenchimentodospneus ........... 111
Informaçãosobreospneus..................................... 26
Informaçõesgerais ................................................ 33
Informaçõesgeraisdeperigo.................................. 19
Areáguapressurizados ...................................... 19
Informaçãosobreoamianto ................................ 20
Penetraçãodefluido ........................................... 20
Pressãoretida..................................................... 20
Retençãodosderramesdefluidos ....................... 20
Informaçõesimportantesdesegurança .................... 2
Informaçõessobreaidentificação .......................... 34
Informaçõessobreofuncionamento ....................... 79
Informaçõessobreoreboque ............................... 101
Informaçõessobreotransporte .............................. 95
Informaçõessobreosníveisderuídoevibração...... 29
“DirectivadaUniãoEuropeia2002/44/CEsobrea
exposiçãoaosriscosdevidosaosagentesfísicos
(vibrações) ...................................................... 30
Fontes ................................................................ 31
Informaçõessobreosníveisderuído ................... 29
Informaçõessobreosníveisderuídoparaas
máquinasdestinadasapaísesdaUniãoEuropeia
ouqueadoptamas“DirectivasUE” ................... 29
Inspecçãodiária ..................................................... 37
Interruptordealavanca-Inspeccionar .................. 168
Interruptordosistemadepulverizaçãodeagente
lubrificante ............................................................. 75
Interruptorparadesligarabateria ........................... 73
Interruptoresdeparagemdomotoredamáquina .... 48
J
Juntauniversaldetransmissão-Lubrificar ............ 168
Juntasparalelas ..................................................... 86
Juntastransversais ................................................ 87
L
Limpezadamáquina .............................................. 94
Líquidoderefrigeraçãodosistemarefrigerante(ELC)-
Substituir ............................................................. 126
Localizaçãodasplacaseetiquetas ......................... 34
Certificação ........................................................ 34
Númerodeidentificaçãodoproduto(PIN): ........... 34
Númerodesériedomotor .................................... 34
M
Materialdereferência ........................................... 170
Materialdereferênciaadicional ......................... 170
Mensagenscomplementares ................................. 13
Mensagensdesegurança ........................................ 6
Montagemdospneus ........................................... 111
Motordearranque-Inspeccionar ......................... 167
N
Níveldeóleodacaixadevelocidades-Verificar .... 155
Níveldeóleodatransmissãoplanetáriadasrodas-
Verificar ............................................................... 135
Níveldeóleodatransmissãoplanetáriadasrodas
dianteiras-Verificar.............................................. 148
Níveldeóleodosistemahidráulico-Verificar ........ 159
Níveldeóleonomotor-Verificar ........................... 145
QPEBU2109 174
SecçãoÍndices
Níveldolíquidoderefrigeraçãodosistema
refrigerante-Verificar ........................................... 129
Núcleodoradiador-Limpar .................................. 163
O
Óleodacaixadeengrenagens-Substituir ............. 155
Óleodatransmissãoplanetáriadasrodas-
Substituir ............................................................. 133
Óleodatransmissãoplanetáriadasrodasdianteiras
(sedisponível)-Substituir ..................................... 147
Óleodomotor-Inspeccionar ................................ 161
Inspeccionarumfiltrousado,paraverificarsehá
detritos .......................................................... 161
Óleodosistemahidráulico-Substituir ................... 157
Operação ............................................................... 28
Amplitudetérmicadefuncionamento ................... 28
Funcionamentodamáquina ................................ 28
P
Paragemdomotor .................................................. 28
Pararamáquina ..................................................... 91
Pavimentaçãoàvoltadascâmarasdevisita ............ 87
Pinodesegurançaparabloqueiodastremonhas .... 75
Pinodesegurança,parabloqueiodonivelador ........ 74
Pinosdefixaçãodonivelador-Lubrificar ............... 164
Pinosdesegurançaparabloqueiodatremonha-
Lubrificar .............................................................. 157
Pontodereboquedonivelador-Lubrificar ............. 165
Porcasdasrodasdetracção-Apertar ................... 133
Portadireitadeacesso-Abertura .......................... 106
Portaesquerdadeacesso-Abertura .................... 107
Portaposteriordeacessoaomotor-Abertura ....... 109
Portasecoberturasdeacesso .............................. 105
Postodecondução ................................................. 32
Prefácio ................................................................... 4
Capacidadedamáquina........................................ 5
Informaçãosobreadocumentaçãotécnica ............ 4
Manutenção.......................................................... 4
Manutençãodomotorcertificada ........................... 5
NúmerodeIdentificaçãodeProdutodaCaterpillar . 5
Operação.............................................................. 4
Proposta65daCalifórnia-Aviso............................ 4
Segurança ............................................................ 4
Pressãodospneusparaexpedição ...................... 111
Prevençãodeesmagamentoeprevençãodecorte . 21
Prevençãodeincêndioeprevençãodeexplosão .... 22
Bateriaecabosrespectivos ................................. 23
Caboseléctricos ................................................. 24
Éter ..................................................................... 25
Extintordeincêndios ........................................... 25
Indicaçõesgerais ................................................ 22
Linhas,tubosetubagemflexível .......................... 24
Localizaçãodoextintordeincêndio ..................... 25
Prevençãodelesõesportemporalcomrelâmpagos 26
Prevençãodequeimaduras .................................... 21
Baterias .............................................................. 22
Líquidoderefrigeração........................................ 21
Óleos .................................................................. 22
Processodelimpezadamáquina ............................ 94
Processosderegulação ......................................... 88
Chavesdepalhetaparacorreiastransportadorase
trados .............................................................. 89
Contra-hastededirecção .................................... 88
Espessuradepavimentação-Verificação ........... 88
Processosdesoldaduraparamáquinasemotores
comcomandoselectrónicos ................................. 115
ProductLink(sedisponível) .................................... 44
Conformidadecomaregulamentação ................. 45
Transmissãodosdados ...................................... 44
Utilizaçãonumaáreadeexplosão ....................... 44
Protecções(Protecçãodooperador) ...................... 32
Protecçõesanti-vandalismo ................................... 93
Q
QuadrodeIntervalosdeManutenção ................... 116
R
Rebocaramáquina .............................................. 101
Reguladordetemperaturadaáguadosistema
refrigerante-Substituir ......................................... 131
Rematedotapetedeasfalto ................................... 86
Rolamentosdocilindrodatremonha-Lubrificar .... 156
S
SecçãodeFuncionamento ..................................... 37
Secçãodeinformaçãosobreoproduto ................... 33
Secçãodeinformaçõesdereferência ................... 170
Secçãodemanutenção ........................................ 105
Secçãodesegurança ............................................... 6
Separadordeáguadosistemadecombustível-
Esvaziar ............................................................... 151
Sistemadacorreiatransportadora-Inspeccionar . 124
Barrasdetracção .............................................. 125
Correiatransportadoradotrado ........................ 125
Tensãodacorrentedetracçãodascorreias
transportadoras-Verificar ............................. 124
Sistemadecombustível-Encher .......................... 149
Subiredescerdamáquina ...................................... 37
Suportesdogerador-Inspeccionar ...................... 156
Suportesdomotor-Inspeccionar ......................... 140
T
Tampadeacessoaocompartimentodabateria-
Abertura ............................................................... 108
Tampadoradiador-Abertura ............................... 108
Tampasdeacessoàplataforma-Abertura ........... 110
Tejadilhodesdobrável(sedisponível)..................... 98
Baixarotejadilho ................................................. 98
Levantarotejadilho ............................................. 98
Tejadilhohidráulicodesdobrável(sedisponível) ..... 99
Tomadadecorrente(sedisponível) ........................ 76
Tomadasdecorrentede12Volt .............................. 76
Transportadoresdefreio-Lubrificar ..................... 132
Travãodeestacionamento-Verificar .................... 162
Tubodeescape ...................................................... 97
U
Unidadedetransmissãodotrado-Verificar/
Lubrificar .............................................................. 119
Utilizaçãoprevista .................................................. 33
Restriçõesdeconfiguração/aplicação................. 33
V
Viscosidadedoslubrificantes ............................... 112
Viscosidadedoslubrificantesecapacidadesde
reabastecimento .................................................. 112
Informações sobre o produto e o distribuidor
Nota: Para saber a localização das placas de identificação do produto, consultar a secção ≈Informações
sobre a identificação do produto∆ do Manual de Funcionamento e Manutenção.
Data de entrega: ______________________
Informações sobre o produto
Modelo: _____________________________________________________________________________________
Número de identificação do produto (PIN): ______________________________________________________
Número de série do motor: ____________________________________________________________________
Número de série da transmissão:_______________________________________________________________
Numero de série do gerador: __________________________________________________________________
Números de série dos equipamentos acessórios: ________________________________________________
Número de referência do cliente: _______________________________________________________________
Número de referência do distribuidor:___________________________________________________________
Informações sobre o distribuidor
Nome: _____________________________________ Filial:_______________________________________
Morada: ___________________________________________________________________________________
___________________________________________________________________________________
___________________________________________________________________________________
Pessoa a contactar Número de telefone Horário útil
Vendas: __________________________ __________________________ _________________________
Peças: __________________________ __________________________ _________________________
Assistência técnica: _________________ __________________________ _________________________
©2009 Caterpillar Impresso em Itália
Todos os direitos reservados
Cat, Caterpillar, respectivos logotipos, a cor ≈Amarelo Caterpillar∆, a apresentação do
produto Power edge, bem como as identidades corporativa e de produto usadas
neste documento são marcas registadas da Caterpillar que não podem ser usadas
sem autorização.

Manual Operação e Manutenção AP300

  • 1.
    SAFETY.CAT.COM QPEBU2109 Setembro 2009 2005 Manual de Funcionamentoe Manutenção AP300 Pavimentadora de asfalto B2Y231 e seguintes (máquinas)
  • 2.
    Informações importantes desegurança A maior parte dos acidentes que se verificam durante a utilização, manutenção e reparação deste produto são provocados pela não observância das normas básicas de segurança ou pela não adopção das medidas de precaução fundamentais. Muitas vezes conseguem evitar-se acidentes, identificando situações potencialmente perigosas, antes da sua ocorrência. Uma pessoa tem de estar alertada para potenciais perigos. Devia ter formação, aptidões e ferramentas necessárias, para poder desempenhar convenientemente as suas funções. A utilização, lubrificação, manutenção ou reparação impróprias deste produto são operações perigosas que podem provocar lesões ou morte. Não utilizar a máquina, nem realizar qualquer trabalho de lubrificação, manutenção ou reparação enquanto não tiver lido e compreendido bem todas as instruções de funcionamento, lubrificação, manutenção e reparação incluídas neste Manual. Medidas de segurança e avisos estão disponíveis no Manual e no próprio produto. Se estes avisos não forem tidos em atenção, há risco de graves lesões corporais ou morte, para si e para os outros. Os perigos são identificados pelo ≈Símbolo de Alerta∆ seguido de uma ≈Palavra de alerta∆, como ≈PERIGO∆, ≈AVISO∆ ou ≈CUIDADO∆. O Símbolo de Alerta - ≈AVISO∆ está representado abaixo. O significado deste símbolo de alerta é: Atenção! Esteja alerta! A sua segurança está em risco! A mensagem que aparece abaixo do aviso informa-o sobre o perigo existente. Pode ser apresentada por escrito ou por pictograma. As operações que podem causar danos no produto estão identificadas por letreiros de ≈ATENÇøO!∆ aplicados no produto e presentes neste manual de instruções. A Caterpillar não pode exaustivamente prever todas as circunstâncias que envolvam potencial perigo. Assim, os avisos incluídos neste Manual de Instruções e no produto não são exaustivos. Não utilizar este produto de modos diferentes dos descritos neste manual sem previamente se assegurar de ter considerado todas as regras e precauções de segurança aplicáveis ao funcionamento do produto no local de utilização, incluindo as regras e precauções aplicáveis ao local da obra. No caso de utilização de ferramentas, procedimentos, métodos de trabalho ou técnicas operativas não recomendadas especificamente pela Caterpillar, é necessário ter a certeza de que são seguras para si e para os outros. É preciso também ter a certeza de que os processos que se utilizam para manobra, lubrificação, manutenção ou reparação do produto que se pretende usar não lhe provoquem danos e não ponham em risco a segurança do produto. Informações, especificações e figuras incluídas nesta publicação são baseadas nos conhecimentos disponíveis na altura em que foi redigido este manual de instruções. As especificações, torques, pressões, medidas, ajustamentos, figuras e outros itens estão sujeitos a alteração, a todo o momento. Estas alterações podem afectar a assistência que é dada ao produto. Procure as informações completas mais actualizadas sobre o produto, antes de dar início a qualquer trabalho. Os distribuidores Caterpillar têm disponíveis todas as informações mais actualizadas. m CUIDADO Quando for necessário substituir peças neste produto, a Caterpillar recomenda a utilização de peças Caterpillar originais ou peças com características equivalentes que não tenham em atenção apenas a dimensão física, tipo, resistência e material de composição. Descurar este aviso pode conduzir a falhas prematuras de funcionamento, danificar o produto e provocar lesões nas pessoas ou mesmo morte. m AVISO
  • 3.
    QPEBU2109 3 Índice Índice Prefácio................................................................... 4 Secçãode segurança Mensagens de segurança ..................................... 6 Mensagens complementares .............................. 13 Informações gerais de perigo ............................. 19 Eliminar devidamente os resíduos ....................... 21 Prevenção de esmagamento e prevenção de corte ................................................................. 21 Prevenção de queimaduras ................................ 21 Prevenção de incêndio e prevenção de explosão ........................................................... 22 Informação sobre os pneus ................................. 26 Prevenção de lesões por temporal com relâmpagos ...................................................... 26 Antes de pôr o motor a trabalhar ......................... 26 Arranque do motor ............................................... 27 Antes da utilização .............................................. 27 Informação sobre a visibilidade .......................... 27 Operação ............................................................. 28 Paragem do motor ............................................... 28 Estacionamento ................................................... 28 Funcionamento em declive .................................. 28 Baixar o equipamento com o motor desligado ... 29 Informações sobre os níveis de ruído e vibração 29 Posto de condução .............................................. 32 Protecções (Protecção do operador) .................. 32 Secção de informação sobre o produto Informações gerais ................................................ 33 Informações sobre a identificação ........................ 34 Secção de Funcionamento Antes da utilização ................................................ 37 Funcionamento da máquina.................................. 40 Arranque do motor ................................................ 77 Informações sobre o funcionamento..................... 79 Processos de regulação........................................ 88 Estacionamento ..................................................... 91 Limpeza da máquina............................................. 94 Informações sobre o transporte ............................ 95 Informações sobre o reboque ............................. 101 Arranque do motor (métodos alternativos).......... 103 Secção de manutenção Acessos para manutenção.................................. 105 Informação sobre o enchimento dos pneus........ 111 Viscosidade dos lubrificantes e capacidades de reabastecimento.................................................. 112 Apoio à manutenção ........................................... 115 Quadro de Intervalos de Manutenção ............... 116 Secção de informações de referência Material de referência.......................................... 170 Secção Índices ‹ndices ................................................................. 172
  • 4.
    4 QPEBU2109 Prefácio Prefácio Informação sobrea documentação técnica Este Manual deve ser guardado na cabine do operador, no suporte próprio ou por trás do assento, no espaço próprio. Este Manual contém informações de segurança, instruções operatórias, informações para transporte, lubrificação e manutenção. Algumas fotografias ou figuras desta publicação mostram pormenores ou acessórios que podem não ser coincidentes com os da sua máquina. Protecções e coberturas poderão ter sido removidas para melhor ilustração. O constante melhoramento e progresso do design do produto podem ter provocado modificações na sua máquina que não estão incluídas nesta publicação. Ler, estudar e conservar este Manual de Instruções com a máquina. Sempre que surja qualquer problema com a sua máquina ou com a presente publicação, consultar o distribuidor Caterpillar, para obter as últimas informações disponíveis. Segurança A secção de segurança elenca as medidas básicas de segurança. Além disso, identifica o texto e localiza os sinais de aviso e letreiros utilizados na máquina. Antes de utilizar ou fazer qualquer trabalho de lubrificação, manutenção ou reparação, ler com atenção e compreender bem as medidas de precaução básicas enumeradas na secção de segurança. Operação A secção de funcionamento é uma referência para o operador novo e um refresco de memória para o operador experiente. Nele se discutem gabaris, interruptores, comandos da máquina, comandos dos acessórios e informações relativas ao transporte e reboque. Fotografias e figuras guiam o operador através de processos de verificação, arranque, funcionamento e paragem da máquina correctos. Técnicas operatórias emolduradas, presentes nesta publicação, são técnicas básicas. Competência e técnica desenvolvem-se à medida que o operador conhecer melhor a máquina e as suas capacidades. Manutenção A secção de manutenção é um guia dos cuidados com o equipamento. O Quadro de Intervalos de Manutenção (Maintenance Interval Schedule -MIS) contém a lista dos itens da máquina sujeitos a manutenção periódica específica. Os itens não sujeitos a intervalos de manutenção específicos estão indicados no intervalo de manutenção como ≈Quando necessário∆. O Quadro de Intervalos de Manutenção também indica o número da página onde se poderão consultar as instruções com todos os passos necessários à manutenção em causa. Utilizar o Quadro de Intervalos de Manutenção como um indicador ou ≈uma fonte segura∆ para todos os processos de manutenção. Intervalos de Manutenção Utilize o contador de horas de serviço para determinar os intervalos de manutenção. Os intervalos de calendário apresentados (diariamente, semanalmente, mensalmente, etc.) podem ser usados em vez dos intervalos do contador de horas de serviço, se derem programas de manutenção mais convenientes e aproximarem a leitura indicada do contador de horas de serviço. A manutenção recomendada deveria realizar-se sempre no intervalo que ocorre primeiro. No caso de condições de trabalho muito duras, muito pó, ou ambientes muito húmidos, pode ser necessário ter de fazer uma lubrificação mais frequente do que a indicada no quadro de manutenção programada. Fazer a manutenção nos componentes com intervalos de frequência múltiplos do intervalo original necessário. Por exemplo, na manutenção de 500 em 500 horas de serviço ou trimestral, repetir as operações de manutenção dos itens com manutenção de 250 em 250 horas de serviço ou mensal e de 10 em 10 horas de serviço ou diária. Proposta 65 da Califórnia - Aviso Os gases emitidos pelos motores diesel e alguns dos seus constituintes são conhecidos pelo Estado da Califórnia como elementos que provocam cancro, defeitos congénitos e outros danos na reprodução. Suportes da bateria, terminais e acessórios afins contêm chumbo e compostos de chumbo. Lavar as mãos após manipulação.
  • 5.
    QPEBU2109 5 Prefácio Manutenção domotor certificada Manutenção e reparação adequadas são essenciais para manter motor e sistemas da máquina operando correctamente. O proprietário do super-potente motor diesel fora de estrada é responsável pela efectiva realização da manutenção necessária indicada no Manual do Proprietário, Manual de Funcionamento e Manutenção e no Manual de Serviço. É expressamente proibido às pessoas envolvidas na reparação, manutenção, venda, concessão de leasings ou comércio de motores, remover, alterar ou tornar inoperativo qualquer dispositivo relacionado com emissão de gases de escape ou elemento de design, presente dentro ou fora de um motor ou máquina que cumpra os regulamentos (40 CFR Part 89). Determinados elementos da máquina e do motor,como sistemas de escape, combustível, eléctrico, entrada de ar e refrigerante, podem estar relacionados com as emissões e, como tal, não podem ser alterados sem aprovação expressa da Caterpillar. Capacidade da máquina Acessórios adicionais ou alterações na máquina podem ultrapassar a capacidade de design da máquina e influir negativamente na performance da mesma. Inclusas estarão certificações sobre a estabilidade e os sistemas tais como,travões, direcção, e ROPS (estrutura de protecção anticapotamento). Para mais informações, contactar o distribuidor Caterpillar. Número de Identificação de Produto da Caterpillar No primeiro trimestre de 2001 o Número de Identificação de Produto da Caterpillar (PIN) muda de 8 para 17 caracteres. Com o objectivo de uniformizar a identificação dos equipamentos, a Caterpillar juntamente com outros fabricantes estão a fazer diligências no sentido de cumprir a última versão do padrão de numeração para identificar produtos. Os PINs das máquinas, não de estrada, são definidos pela ISO 10261. O novo formato de PIN vai ser aplicado a todas as máquinas Caterpillar e jogos de geradores. As placas do PIN e marcação do chassis apresentam os 17 caracteres do PIN. O novo formato tem aspecto análogo ao seguinte: Ilustração 1 Onde: 1. Código mundial de fábrica da Caterpillar (caracteres 1-3) 2. Descrição da máquina (caracteres 4-8) 3. Carácter de verificação (carácter 9) 4. Secção Indicadora da Máquina (MIS) ou Número de sequência do produto (caracteres 10-17). Anteriormente, estes caracteres constituíam o Número de Série. Máquinas e jogos de geradores produzidos antes do primeiro trimestre de 2001 conservarão o formato de PIN com 8 caracteres. Componentes como motores, transmissões, eixos, etc, e ferramentas de trabalho continuarão a utilizar um número de série (S/N) de 8 caracteres. * *6 S L 1 2 3 4 5 4 G 3 0 7 8 9 B 2 C A T 1 XS0001AA
  • 6.
    6 QPEBU2109 Secçãodesegurança Mensagensdesegurança Secção desegurança Mensagens de segurança Há várias mensagens de segurança aplicadas na máquina. A localização exacta dos perigos e a respectiva descrição estão descritos nesta secção. Disponha de tempo para se familiarizar com estas mensagens de segurança. É necessário saber ler todas as mensagens de segurança. Limpar as mensagens de segurança de maneira a poder ler o que têm escrito. Limpar as mensagens de segurança de modo a poder ver as figuras. Substituir as mensagens de segurança de modo a estarem legíveis. Substituir as mensagens de segurança de modo a poder ver as figuras. Para limpar as mensagens de segurança, utilizar um pano, água e sabão. Não usar solventes, gasolina, etc. Repor toda e qualquer mensagem de segurança que se apresentar danificada ou que tiver desaparecido. Substituir todas as mensagens de segurança que estiverem ilegíveis. Se houver qualquer mensagem de segurança aplicada numa peça que foi substituída, é necessário aplicar uma mensagem nova na peça de substituição. Para novos autocolantes das mensagens, contactar o seu distribuidor.
  • 7.
  • 8.
  • 9.
    QPEBU2109 9 Secçãodesegurança Mensagensdesegurança Não accionar(1) Esta mensagem de segurança está colocada na consola e nos assentos do operador. m CUIDADO Não accionar nem utilizar esta máquina antes de ter lido e compreendido bem as instruções e avisos incluídos no Manual de Funcionamento e Manutenção. Não seguir as instruções ou descurar os avisos/advertências pode provocar lesões ou levar à morte. Para substituição de manuais, contactar o distribuidor Caterpillar. É da responsabilidade do utilizador adoptar as medidas de segurança necessárias. Líquido refrigerante quente sob pressão! (2) Esta mensagem de segurança está colocada no cimo da capota do motor, próximo do tampão de enchimento do radiador. m CUIDADO Líquido de refrigeração quente sob pressão - O líquido de refrigeração quente pode provocar queimaduras graves, lesões ou morte. Para abrir o tampão de enchimento do sistema de refrigeração, desligar o motor e aguardar até que os componentes do sistema de refrigeração estejam frios. Desapertar a tampa de pressão do sistema de refrigeração devagar, para eliminar a pressão. Ler e compreender o Manual de Funcionamento e Manutenção, antes de realizar qualquer serviço de manutenção no sistema refrigerante. Ligação incorrecta dos cabos de ligação em ponte (3) Esta mensagem de segurança está colocada dentro do compartimento da bateria, no cavilhão de engate da bateria. m CUIDADO Perigo de explosão! Ligações indevidas do cabo de ligação directa podem provocar explosão e causar lesões pessoais graves ou morte. As baterias podem estar postas em compartimentos diversos. Consultar o Manual de Funcionamento e Manutenção, para saber como ligar devidamente os cabos de ligação directa. Superfície quente (4) Esta mensagem de segurança está situada na tampa do radiador. m CUIDADO Superfície quente - Componentes ou peças quentes podem provocar queimaduras ou lesões graves. Não permitir o contacto destas peças ou componentes com a pele. Usar vestuário ou equipamento protector, para proteger a pele. XS0877AB XS0421AB 225-0312 -+ XS0005AA XS0416AB
  • 10.
    10 QPEBU2109 Secçãodesegurança Mensagensdesegurança Perigo deentrelaçamento (5) Esta mensagem de segurança está colocada nos lados direito e esquerdo traseiros da máquina, próximo do lado exterior do grupo do trado. m CUIDADO O entrelaçamento pode provocar lesões pessoais graves ou morte. Manter-se afastado da ferramenta de trabalho durante o funcionamento. Pulverização a alta pressão (6) Esta mensagem de segurança está colocada nos lados direito e esquerdo traseiros da máquina, próximo dos tubos hidráulicos flexíveis que ligam a pavimentadora de asfalto ao nivelador. m CUIDADO Fluido sob pressão. Manter-se afastado da máquina durante o funcionamento. O risco da pulverização de fluidos a alta pressão pode provocar lesões pessoais graves ou morte. XS0418AB XS0419AB
  • 11.
    QPEBU2109 11 Secçãodesegurança Mensagensdesegurança Ventoinha rotativa(7) Esta mensagem de segurança está situada na tampa do radiador. m CUIDADO A ventoinha rotativa pode provocar lesões graves ou morte. Desligar o motor e tirar a chave de arranque antes de fazer qualquer trabalho de manutenção no motor ou na ventoinha. Pinos de segurança (8) Esta mensagem de segurança está colocada de ambos os lados da máquina, próximo dos pinos de segurança da tremonha. m CUIDADO Trabalhar debaixo de tremonhas levantadas mal seguras, pode provocar lesões graves ou morte. Activar sempre os pinos de segurança para bloquear as tremonhas na posição de elevação, enquanto estiver a trabalhar debaixo das tremonhas. Perigo de choque/electrocussão (9) Esta mensagem de segurança está patente apenas nas máquinas equipadas com niveladores providos de sistema de aquecimento eléctrico e está situada no painel de comando do sistema de aquecimento eléctrico. m CUIDADO Perigo de choque/electrocussão! Ler e compreender as instruções e avisos dados no Manual de Funcionamento e Manutenção. Não seguir as instruções ou descurar os avisos pode provocar lesões graves ou morte. Perigo de incêndio (10) Esta mensagem de segurança está aplicada no lado traseiro direito da máquina, próximo do suporte da botija de gás. m CUIDADO Perigo de incêndio! Não aproximar chamas livres da área enquanto se estiverem a acender os queimadores a gás. Pode provocar lesões graves ou morte. Ler o Manual de Funcionamento e Manutenção. XS0420AB XS0413AB XS0850AB XS0849AB
  • 12.
    12 QPEBU2109 Secçãodesegurança Mensagensdesegurança Pinos desegurança do nivelador (11) Esta mensagem de segurança está colocada de ambos os lados da máquina, próximo dos pinos de segurança para bloqueio do nivelador. m CUIDADO Trabalhar debaixo de niveladores levantados mal seguros, pode provocar lesões graves ou morte. Activar sempre os pinos de segurança para bloquear o nivelador na posição de elevação, enquanto estiver a trabalhar debaixo do nivelador. Cinto de segurança (12) Esta mensagem de segurança está colocada na consola do operador. m CUIDADO Cair da máquina pode provocar lesões graves ou morte. Durante a condução da máquina em estradas públicas, é necessário usar sempre o cinto de segurança. Product Link (se disponível) (13) Esta mensagem de segurança só se encontra aplicada nas máquinas equipadas com dispositivo de comunicação Product Link da Caterpillar (se disponível) e está situada do lado esquerdo da máquina. m CUIDADO Esta máquina está equipada com o dispositivo de comunicação Product Link da Caterpillar, que deve ser desactivado a um raio de distância inferior a 12 m (40 ft) de uma área de explosão. Descurar esta disposição pode provocar lesões graves ou morte. 317-6087 XS1006AB XS1009AB 230-1341 1 XS1147AB
  • 13.
    QPEBU2109 13 Secçãodesegurança Mensagenscomplementares Mensagens complementares Ilustração4 286-6909 169-2876 1 12V 312-6461 1 134-7258 3 ELC 224-8697 1 312-6460 15A 15A 30A 5A 5A 15A 15A 5A 5A 5A 10A 10A 10A 5A 10A 10A 10A 10A 10A 10A 10A 10A 10A 10A 10A 10A 10A 15A 15A 10A 10A 10A 10A 15A 25A 25A 15 11 2 10 1 7 XS1138AB 4 13 6
  • 14.
    14 QPEBU2109 Secçãodesegurança Mensagenscomplementares Ilustração 5 081-66173 169-2876 1 12V 278-7580 312-6459 279-6497 1 307-0047 224-8697 1 158-7864 1 3 9 8 5 11 12 14 6 XS1139AB
  • 15.
    QPEBU2109 15 Secçãodesegurança Mensagenscomplementares Depósito deagente lubrificante (1) Esta mensagem está colocada na máquina, junto ao tampão do depósito de agente lubrificante. Para mais informações, consultar o Manual de Funcionamento e Manutenção, "Processo de limpeza da máquina". Ilustração 6 Interruptor da bomba de agente lubrificante (2) Esta mensagem está colocada na máquina, junto ao interruptor do sistema de pulverização de agente lubrificante. Para mais informações, consultar o Manual de Funcionamento e Manutenção, "Processo de limpeza da máquina". Ilustração 7 Compartimento para manuais (3) Esta mensagem está colocada no lado traseiro da máquina, no compartimento para manuais. Ilustração 8 Extended Life Coolant (4) Esta mensagem está colocada no topo da cobertura do motor, próximo da cobertura do tampão do radiador. Para mais informações, consultar o Manual de Funcionamento e Manutenção "Aditivo do refrigerante do sistema de refrigeração (ELC) - Adicionar. Ilustração 9 XS1111AB 286-6909 XS1112AB 081-6617 3 XS1113AB 134-7258 3 ELC XS1114AB
  • 16.
    16 QPEBU2109 Secçãodesegurança Mensagenscomplementares Pistola depulverização de agente lubrificante (5) Esta mensagem está colocada no depósito de agente lubrificante, junto à pistola de pulverização de tal agente. Para mais informações, consultar o Manual de Funcionamento e Manutenção, "Processo de limpeza da máquina". Ilustração 10 Tomada de corrente de 12 Volt (6) Esta mensagem está colocada do lado direito e do lado esquerdo da máquina, junto das tomadas de corrente de 12 Volt. Para mais informações, consultar o Manual de Funcionamento e Manutenção, "Tomada de corrente de 12 Volt". Ilustração 11 Desactivação manual do travão de estacionamento (7) Esta mensagem está colocada do lado esquerdo da máquina, junto à válvula de desactivação manual do travão de estacionamento. Para mais informações, consultar o Manual de Funcionamento e Manutenção, "Informações sobre o reboque" e "Desactivação manual do travão de estacionamento". Ilustração 12 Instruções para lubrificação (8) Esta mensagem está colocada no lado traseiro direito da máquina, junto dos pontos de lubrificação do eixo de transmissão dos transportadores de freio. Para mais informações, consultar o Manual de Funcionamento e Manutenção, "Transportadores de freio - Lubrificar". Ilustração 13 278-7580 XS1115AB 169-2876 1 12V XS1116AB 312-6461 1 XS1117AB 279-6497 1 XS1118AB
  • 17.
    QPEBU2109 17 Secçãodesegurança Mensagenscomplementares Frequência devibração (9) Esta mensagem está colocada no lado traseiro direito da máquina, junto do comando de ajustamento da frequência de vibração. Para mais informações, consultar o Manual de Funcionamento e Manutenção, "Comando de ajustamento da frequência de vibração". Ilustração 14 Compensação do nivelador (10) Esta mensagem está colocada no lado traseiro esquerdo da máquina, junto do comando de ajustamento da compensação do nivelador. Para mais informações, consultar o Manual de Funcionamento e Manutenção, "Comando de ajustamento da pressão de compensação do nivelador". Ilustração 15 Pneus com lastro (11) Esta mensagem está colocada do lado direito e do lado esquerdo da máquina. Para mais informações, consultar o Manual de Funcionamento e Manutenção, "Informação sobre os pneus", "Informação sobre o enchimento dos pneus" e "Enchimento dos pneus - Verificar". Ilustração 16 Depósito hidráulico (12) Esta mensagem está colocada no depósito hidráulico, junto do tampão deste. Para mais informações, consultar o Manual de Funcionamento e Manutenção, "‡leo do sistema hidráulico - Substituir", "Nível de óleo do sistema hidráulico - Verificar" e "Amostra de óleo do sistema hidráulico - Colher amostra". Ilustração 17 312-6459 XS1140AB 312-6460 XS1141AB 224-8697 1 XS1142AB 158-7864 1 XS1143AB
  • 18.
    18 QPEBU2109 Secçãodesegurança Mensagenscomplementares Fusíveis (13) Estamensagem está colocada na porta de acesso ao compartimento dos fusíveis. Para mais informações, consultar o Manual de Funcionamento e Manutenção, "Fusíveis - Substituir". Ilustração 18 Product Link (14) Esta mensagem está patente apenas nas máquinas equipadas com dispositivo de comunicação Product Link da Caterpillar (se disponível) e está situada no lado esquerdo da máquina. Para mais informações, consultar o Manual de Funcionamento e Manutenção, "Product Link (se disponível)". Ilustração 19 Comando da manete de potência (15) Esta mensagem está colocada do lado esquerdo dos comandos do tablier, junto ao comando da manete de potência. Para mais informações, consultar o Manual de Funcionamento e Manutenção, "Comando da manete de potência". Ilustração 20 15A 15A 30A 5A 5A 15A 15A 5A 5A 5A 10A 10A 10A 5A 10A 10A 10A 10A 10A 10A 10A 10A 10A 10A 10A 10A 10A 15A 15A 10A 10A 10A 10A 15A 25A 25A F R 1 F R 2 291-5366 1 XS1144AB 307-0047 XS1126AB XS1145AB
  • 19.
    QPEBU2109 19 Secçãodesegurança Informaçõesgeraisdeperigo Informações geraisde perigo Ilustração 21 Aplicar no interruptor de arranque ou nos comandos, uma etiqueta de aviso a dizer ≈Não accionar∆ ou análoga, antes de começar qualquer trabalho de manutenção ou de reparação no equipamento. Estas etiquetas de aviso (Instrução especial, SEHS7332) estão disponíveis no distribuidor Caterpillar. Saber a largura do próprio equipamento para, ao operar com o equipamento próximo de vedações ou obstáculos fronteiros, poder manter o espaço adequado. Saber a localização de eventuais linhas de alta tensão e cabos eléctricos soterrados. Se a máquina tocar qualquer destes perigos, há grande risco de lesões corporais ou morte por electrocussão. Ilustração 22 Usar capacete, óculos de protecção e outro equipamento de protecção, segundo as necessidades. Não usar roupa larga nem jóias, porque podem prender-se nos comandos ou noutras partes do equipamento. Verificar se todas as protecções e coberturas do equipamento estão bem seguras no lugar. Manter o equipamento livre de objectos estranhos. Remover detritos, óleo, ferramentas e outros objectos da plataforma, locais de passagem e degraus da máquina. Prender todos os elementos móveis que não façam parte do equipamento, como lancheiras, ferramentas e análogos. Tomar conhecimento dos sinais de mão próprios do local da obra e conhecer o pessoal autorizado a fazer os sinais em questão. Aceitar os sinais de mão de uma única pessoa. Não fumar, enquanto se estiverem a fazer serviços de manutenção no ar condicionado. Não fumar, também, no caso de possibilidade de presença de gás de refrigeração. A inalação de fumo da chama que entra em contacto com refrigerante do ar condicionado pode provocar danos corporais ou morte. Inalar gás do refrigerante do ar condicionado, através de um cigarro aceso, pode provocar danos corporais ou morte. Nunca colocar produtos de manutenção fluidos dentro de recipientes de vidro. Drenar todos os líquidos para um recipiente próprio. Respeitar todos os regulamentos sobre eliminação de líquidos. Utilizar as soluções de limpeza com cuidado. Fazer um relatório a indicar todas as reparações necessárias. Não permitir o acesso ao equipamento de pessoal não autorizado. Salvo indicação em contrário, realizar a manutenção com o equipamento na posição de assistência e manutenção. Para saber como colocar o equipamento na posição de assistência e manutenção, consultar o Manual de Funcionamento e Manutenção. Quando se fizerem serviços de manutenção acima do nível do solo, usar dispositivos adequados, como escadas ou plataformas aéreas de elevação. Se disponíveis, usar os pontos de fixação da máquina e utilizar equipamento de protecção individual antiquedas (em altura) e chicotes (cabos curtos) aprovados. Ar e água pressurizados Ar e/ou água pressurizados podem causar expulsão de detritos e/ou água quente, provocando lesões nas pessoas. Quando se utilizar ar e/ou água pressurizados para limpeza, usar roupa e sapatos de protecção e protectores para os olhos. Os protectores para os olhos podem ser óculos ou uma máscara de protecção do rosto. A pressão máxima do ar para fins de limpeza tem de ser reduzida para 205 kPa (30 psi) quando o bico estiver apoiado na superfície que se estiver a limpar e quando se utilizar um bico provido de deflector de ar e dispositivos de protecção individual. A pressão máxima da água para fins de limpeza tem de ser inferior a 275 kPa40 ( psi). W A R N IN G operate sig ned by date do not XS0009AA XS0010AA
  • 20.
    20 QPEBU2109 Secçãodesegurança Informaçõesgeraisdeperigo Pressão retida Podehaver retenção de pressão no sistema hidráulico. A sua eliminação pode provocar movimento repentino da máquina ou de algum acessório. Agir com prudência, ao desligar linhas hidráulicas ou acessórios. A alta pressão do óleo libertado pode provocar o efeito de um chicote de mangueira. A alta pressão do óleo libertado pode provocar um jacto de óleo. A penetração de fluido pode provocar graves lesões e possível morte. Penetração de fluido Após paragem do motor, a pressão continua retida no circuito hidráulico ainda por muito tempo. Se a pressão não estiver aliviada devidamente, pode causar escape rápido de fluido hidráulico ou, por exemplo, fazer saltar tampas de tubos. Não remover componentes ou peças do circuito hidráulico enquanto a pressão não tiver sido aliviada, porque corre risco de lesões. Não desmontar componentes ou peças do circuito hidráulico enquanto a pressão não tiver sido aliviada, porque corre risco de lesões. Para saber como agir, quando necessitar de aliviar a pressão hidráulica do circuito, consultar o Manual de Serviço. Ilustração 23 Utilizar sempre uma tábua ou cartão, aquando da inspecção de fugas. A fuga de fluido sob pressão pode penetrar nos tecidos do corpo. A penetração de fluido pode provocar graves lesões e possível morte. Uma fuga de um orifício com o diâmetro de um pino pode provocar graves lesões. Em caso de injecção de fluido na pele, tratar-se urgentemente. Procurar um médico familiarizado com este tipo de lesões. Retenção dos derrames de fluidos É necessário tomar precauções, a fim de impedir a fuga de fluidos durante a inspecção, manutenção, ensaio, afinação e reparação do equipamento. Preparar-se para recolher o fluido em recipientes adequados, antes de abrir qualquer compartimento ou desmontar componentes que contenham fluidos. Consultar a Publicação especial, NENG2500 ≈Guia de produtos e ferramentas Caterpillar∆ no que respeita ao seguinte: • Apetrechos úteis para recolher fluidos e equipamento indicado para recolha de fluidos. • Apetrechos úteis para guardar fluidos e equipamento indicado para guardar fluidos. Respeitar todos os regulamentos sobre eliminação de líquidos. Informação sobre o amianto Ilustração 24 Os equipamentos e peças de substituição Caterpillar que são expedidos pela Caterpillar não contêm amianto. A Caterpillar recomenda a utilização exclusiva de peças de substituição genuínas Caterpillar . Respeitar as linhas de conduta, a seguir indicadas, para manipular peças de substituição que contenham amianto ou para manipular detritos de amianto. Agir com prudência. Evitar inalar pó que possa ter sido formado durante a manipulação de componentes com fibras de amianto. A sua inalação pode ser perigosa para a saúde. Os componentes que poderão conter fibras de amianto são calços de travão, cintas de travão, material de enchimento, discos de embraiagem e algumas juntas. O amianto utilizado nestes componentes está habitualmente revestido de resina ou tem, de qualquer modo, um isolamento. A sua normal manipulação não é perigosa, a não ser que se forme pó de amianto disperso no ar. Se houver possibilidade de presença de pó de amianto no ambiente, há várias linhas de conduta a respeitar: • Nunca utilizar ar comprimido, para limpeza. • Evitar escovar materiais que contenham amianto. • Evitar moagem de materiais que contenham amianto. • Adoptar uma técnica húmida, para limpar materiais com amianto. • Também pode utilizar-se um instrumento de limpeza, a vácuo, equipado com filtro de partículas de ar (HEPA). XS0011AA XS0012AA
  • 21.
    QPEBU2109 21 Secçãodesegurança Eliminardevidamenteosresíduos • Utilizarum sistema de ventilação de exaustão nos trabalhos mecânicos permanentes. • Não havendo outro modo de controlar o pó, usar uma máscara de respiração aprovada. • Em relação ao local de trabalho, respeitar as normas e regulamentos em vigor. Nos Estados Unidos, respeitar os requisitos da Occupational Safety and Health Administration (OSHA). Tais requisitos OSHA podem ser encontrados no "29 CFR 1910. 1001". • Eliminar o amianto, segundo os regulamentos ambientais em vigor. • Manter-se afastado das áreas que possam conter partículas de amianto no ar. Eliminar devidamente os resíduos Ilustração 25 A eliminação imprópria dos resíduos de processo pode ser perigosa para o meio ambiente. Os fluidos potencialmente nocivos podem ser eliminados de acordo com os regulamentos locais. Utilizar sempre recipientes estanques, quando drenar fluidos. Não deitar resíduos para o solo, esgotos ou qualquer fonte de água. Prevenção de esmagamento e prevenção de corte Segurar o equipamento devidamente, antes de realizar qualquer trabalho ou manutenção por baixo dele. Não confiar nos cilindros hidráulicos, para segurar o equipamento. Se for tocado algum comando ou se partir algum tubo hidráulico o equipamento pode cair. Não trabalhar por baixo da cabine da máquina, a não ser que esteja bem segura. Salvo indicação em contrário, nunca tentar fazer ajustamentos enquanto a máquina estiver em andamento ou o motor estiver a funcionar. Nunca saltar por cima dos terminais do solenóide do motor de arranque, para ligar o motor. Pode provocar um movimento súbito inesperado da máquina. Sempre que houver ligações de comando do equipamento, o espaço na área de ligação alterar- se-á com o movimento do equipamento ou da máquina. Não ocupar as áreas de movimento da máquina ou do equipamento. Manter-se afastado de todas as partes de rotação e movimento. Se, para qualquer serviço de manutenção, for necessário desmontar algumas protecções, repô- las sempre na sua posição de origem assim que for concluído o serviço em questão. Manter os objectos afastado de pás de ventoinha em movimento. A pá da ventoinha em movimento projecta ou corta os objectos em que toca. Não utilizar cabos eléctricos torcidos ou desgastados. Usar luvas, sempre que se manipular cabos eléctricos. Ao bater nos pinos retentores, eles podem ser projectados. O pino retentor, quando salta, pode provocar lesões pessoais. Certificar-se de que não há pessoas presentes na área, sempre que se aplicar algum pino retentor. Para evitar lesões nos olhos, usar óculos protectores sempre que se realizar esta operação. Quando se bate no objecto, há risco de projecção de lascas ou resíduos. Certificar-se de que não há pessoas em risco de lesão por projecção de lascas ou resíduos. Prevenção de queimaduras Não tocar parte alguma de um motor em funcionamento. Aguardar que o motor arrefeça, antes de realizar qualquer serviço de manutenção. Aliviar a pressão nos sistemas de ar, óleo, lubrificação, combustível ou arrefecimento, antes de desligar qualquer linha, acessório ou item relacionado com eles. Líquido de refrigeração Quando o motor estiver à temperatura de utilização, o líquido de refrigeração do motor está quente e sob pressão. O radiador e todas as linhas que vão para os aquecedores ou para o motor contêm líquido de refrigeração quente. Qualquer contacto com líquido de refrigeração quente ou vapor pode provocar queimaduras graves. Antes de drenar o líquido do sistema de refrigeração, deixar arrefecer os componentes do sistema em causa. Verificar o nível de líquido de refrigeração só após o motor ter parado. Verificar se o tampão de enchimento está frio, antes de o tirar. Deverá estar suficientemente frio para poder ser tocado directamente com as mãos. Retirar o tampão de enchimento devagar, para aliviar a pressão. XS0013AA
  • 22.
    22 QPEBU2109 Secçãodesegurança Prevençãodeincêndioeprevençãodeexplosão O condicionadordo sistema de refrigeração contém álcalis que podem provocar lesões corporais. Não permitir que os álcalis entrem em contacto com a pele, olhos ou boca. Óleos ‡leos e componentes quentes podem provocar lesões pessoais. Não permitir o contacto da pele com óleos quentes. Não permitir, também, o contacto da pele com componentes quentes. Tirar o tampão de enchimento do depósito hidráulico apenas após paragem do motor. Deverá estar suficientemente frio para poder ser tocado directamente com as mãos. Seguir o procedimento standard deste manual, para tirar o tampão de enchimento do depósito hidráulico. Baterias O electrólito é um ácido. O electrólito pode provocar lesões corporais. Não permitir que o electrólito entre em contacto com a pele ou os olhos. Usar sempre luvas de protecção, para operações na bateria. Lavar sempre as mãos a seguir a tocar em baterias e conectores. Recomenda-se a utilização de luvas. Prevenção de incêndio e prevenção de explosão Ilustração 26 Indicações gerais Todos os combustíveis, a maior parte dos lubrificantes e algumas misturas de líquidos de refrigeração são inflamáveis. Para minimizar o risco de incêndio ou de explosão, a Caterpillar aconselha respeitar as indicações dadas a seguir. Fazer sempre uma inspecção visual de toda a máquina, porque pode ajudar a identificar eventuais perigos de incêndio. Não utilizar máquinas, quando existir risco de incêndio. Para assistência, contactar o distribuidor Caterpillar. Compreender o uso das saídas principal e secundária da máquina. Consultar o Manual de Funcionamento e Manutenção, "Saída secundária". Não utilizar máquinas que apresentem fugas de líquidos. Eliminar as fugas e limpar os líquidos derramados, antes de voltar a pôr a máquina a funcionar. Fugas ou derramamentos de líquidos em superfícies quentes ou em componentes eléctricos podem provocar incêndio. Um incêndio pode provocar lesões pessoais ou morte. Remover materiais inflamáveis, como folhas, ramos, pedaços de papel, sujidade, etc. eventualmente acumulados no compartimento do motor ou depositados à volta de outras áreas quentes ou de peças quentes da máquina. Manter fechadas as portas de acesso aos principais compartimentos da máquina e conservar todas as portas em bom estado de funcionamento para, em caso de incêndio, poder haver livre acesso ao equipamento anti-incêndio. Limpar todas as acumulações de materiais inflamáveis, como combustível, óleo e detritos da máquina. Não utilizar a máquina próximo de chamas. Manter todas as protecções no respectivo lugar. As protecções do escape (se disponíveis) protegem os componentes quentes do escape de jactos de óleo ou combustível, no caso de haver qualquer rotura numa linha, tubo flexível ou vedação. As protecções do escape têm de ser montadas devidamente. Não fazer trabalhos de soldadura ou cortes de maçarico em linhas ou depósitos que contenham material ou líquidosinflamáveis. Esvaziar e purgar as linhas e os depósitos. Limpar muito bem as linhas e os depósitos com solvente não inflamável, antes de fazer trabalhos de soldaura ou corte com maçarico. Assegurar-se de que os componentes estão convenientemente ligados à terra, para evitar a formação de arcos indesejáveis. O pó gerado pela reparação de capotas ou resguardos não metálicos pode ser inflamável e/ou explosivo. Reparar estes componentes num local bem ventilado, longe de chamas abertas ou faíscas. Usar equipamento de protecção individual (- Personal Protection Equipment - PPE) apropriado. Inspeccionar todas as linhas e tubos flexíveis, para verificar se estão gastos ou deteriorados. Substituir as linhas e os tubos flexíveis que estiverem danificados. As linhas e os tubos flexíveis têm de ter suportes apropriados e braçadeiras seguras. Apertar todas as ligações com o binário de aperto recomendado. As coberturas de protecção e os materiais de isolamento podem alimentar incêndios. Guardar convenientemente combustíveis e lubrificantes em reservatórios devidamente identificados e afastados do pessoal não autorizado. Guardar trapos sujos de óleo e materiais inflamáveis em recipientes protegidos. Não fumar em áreas utilizadas para guardar material inflamável. XS0014AA
  • 23.
    QPEBU2109 23 Secçãodesegurança Prevençãodeincêndioeprevençãodeexplosão Ilustração 27 Procederao abastecimento de combustível na máquina com prudência. Não fumar durante o abastecimento de combustível na máquina. Não introduzir combustível nas máquinas próximo de chamas abertas ou faíscas. Desligar sempre o motor, antes de proceder ao abastecimento de combustível. Atestar o depósito de combustível ao ar livre. Limpar bem as áreas onde houve derramamentos. Seguir os processos de abastecimento de combustível descritos na secção ≈Funcionamento∆ do Manual de Funcionamento e Manutenção e respeitar os regulamentos locais em vigor. Nunca guardar líquidos inflamáveis na cabine do operador da máquina. Bateria e cabos respectivos Ilustração 28 Para minimizar o risco de incêndio ou de explosão associados à bateria, a Caterpillar aconselha respeitar as indicações dadas a seguir. Não utilizar a máquina se os cabos da bateria ou os componentes associados apresentarem sinais de desgaste ou danos. Para assistência, contactar o distribuidor Caterpillar. Observar os procedimentos de segurança, para pôr o motor a funcionar com cabos de ligação em ponte. Ligações incorrectas do cabo de ligação em ponte (jumper) podem provocar explosão e, de consequência, originar lesões pessoais. Para instruções específicas, consultar o Manual de Funcionamento e Manutenção, "Arranque do motor com cabos de ligação em ponte". Não pôr a carregar baterias congeladas. Podem provocar explosão. Os gases das baterias podem explodir. Manter chamas abertas ou faíscas afastadas da parte superior da bateria. Não fumar nas áreas de recarga das baterias. Nunca verificar a carga da bateria colocando um objecto de metal em contacto com os suportes dos terminais. Utilizar um voltímetro ou um densímetro. Inspeccionar diariamente os cabos da bateria que estão em áreas visíveis. Verificar se os cabos, molas, presilhas e outros elementos de fixação estão danificados. Se for necessário, substituí-los. O uso e os factores ambientais são causa de deterioração. Procurar os sinais seguintes: • Desgaste • Abrasão • Rachas • Descoloração • Cortes no isolamento dos cabos • Incrustação • Terminais corroídos, danificadas e soltos ou pouco apertados Substituir os cabos da bateria degradados e todas as peças associadas. Eliminar todas as incrustações que possam ter provocado deficiência de isolamento ou danos ou desgaste em componentes associados. Certificar-se de que todos os componentes sejam de novo devidamente montados. A eventual presença de fios expostos no cabo da bateria pode provocar curto-circuito a terra no caso de contacto da área exposta com uma superfície ligada à terra. Os curto-circuitos dos cabos da bateria provocam produção de calor e podem constituir um perigo de incêndio. XS0015AA XS0017AA
  • 24.
    24 QPEBU2109 Secçãodesegurança Prevençãodeincêndioeprevençãodeexplosão A eventualpresença de fios expostos no cabo de ligação à terra, entre a bateria e o interruptor de desligamento, pode provocar by-pass deste último no caso de contacto da área exposta com uma superfície ligada à terra. Isto pode dar aso a uma condição não segura para manutenção da máquina. Reparar os componentes ou substituí-los, antes de proceder à manutenção da máquina. m CUIDADO O incêndio de uma máquina pode provocar lesões pessoais ou morte. O contacto entre um cabo de bateria exposto e uma ligação à terra pode provocar incêndio. Substituir os cabos e os componentes associados que apresentarem sinais de desgaste ou danos. Contactar o distribuidor Caterpillar. Cabos eléctricos Verificar diariamente os cabos eléctricos. Em presença de uma das condições indicadas a seguir, proceder à substituição dos componentes antes de usar a máquina. • Desgaste • Sinais de abrasão ou desgaste • Rachas • Descoloração • Cortes no isolamento • Outros danos Verificar se todas as braçadeiras, protecções, molas e presilhas estão bem montadas. Isto ajudará a prevenir vibrações, fricção noutros componentes e excesso de calor, durante o funcionamento da máquina. Evitar fixar os cabos eléctricos a tubos flexíveis e a tubos que contenham líquidos inflamáveis ou combustível. Contactar o distribuidor Caterpillar para reparações ou peças de substituição. Manter os cabos e as ligações eléctricas sem detritos Linhas, tubos e tubagem flexível Não curvar linhas de alta pressão. Não bater em linhas de alta pressão. Não instalar linhas que estejam curvadas ou danificadas Apertar todas as ligações com o binário recomendado, utilizando as chaves de suporte apropriadas. Ilustração 29 Verificar linhas, tubos e tubagens flexíveis com atenção. Durante as operações de verificação de fugas, usar equipamento de protecção individual (Personal Protection Equipment - PPE). Utilizar sempre uma tábua ou cartão, aquando da inspecção de fugas. A fuga de fluido sob pressão pode penetrar nos tecidos do corpo. A penetração de fluido pode provocar graves lesões e possível morte. Uma fuga de um orifício com o diâmetro de um pino pode provocar graves lesões. Em caso de injecção de fluido na pele, tratar-se urgentemente. Procurar um médico familiarizado com este tipo de lesões. No caso de se verificar uma das condições abaixo indicadas, substituir as peças afectadas: • Acessórios terminais danificados ou com fugas • Coberturas exteriores gastas ou cortadas • Fios expostos • Coberturas exteriores com protuberâncias ou inchadas • Partes flexíveis dos tubos torcidas • Armação interior que sai das coberturas de revestimento exterior • Elementos de ligação terminais fora do restectivo lugar Verificar se todas as braçadeiras, protecções e blindagens térmicas estão bem montadas. Durante o funcionamento da máquina, isto ajudará a prevenir vibrações, fricção noutros componentes, excesso de calor e eventuais deficiências nas linhas, tubagens e tubos flexíveis. Não utilizar máquinas, quando existir risco de incêndio. Reparar eventuais linhas corroídas, desapertadas ou danificadas. As fugas podem alimentar incêndios. Contactar o distribuidor Caterpillar para reparações ou peças de substituição. Usar peças originais Caterpillar ou equivalentes em termos de capacidades ou de limites de pressão e temperatura. XS0011AA
  • 25.
    QPEBU2109 25 Secçãodesegurança Prevençãodeincêndioeprevençãodeexplosão Éter O éter(se disponível) é habitualmente usado nas aplicações em clima frio. O éter é um produto inflamável e venenoso. Seguir os procedimentos devidos, para arranque do motor a frio. Consultar a secção do Manual de Funcionamento e Manutenção intitulada ≈Arranque do motor∆. Não pulverizar éter num motor, se a máquina estiver equipada com um dispositivo térmico auxiliar para arranque no tempo frio. Usar éter em áreas bem ventiladas. Não fumar durante a substituição de um cilindro de éter ou quando estiver a utilizar um pulverizador de éter. Não guardar cilindros de éter em locais habitados ou na cabine do operador de uma máquina. Não guardar cilindros de éter em locais expostos à luz solar directa ou com temperatura superior a 49° C (120,2° F). Manter os cilindros de éter afastados de chamas abertas ou faíscas. Eliminar os cilindros de éter convenientemente. Não furar os cilindros de éter. Manter os cilindros de éter afastados de pessoal não autorizado. Extintor de incêndios Como posterior medida de segurança, ter sempre um extintor de incêndio disponível na máquina. Familiarizar-se com o funcionamento do extintor de incêndio. Inspeccionar o extintor de incêndio e fazer a sua manutenção com regularidade. Seguir as recomendações da placa de instruções. Tomar em consideração instalar um sistema de supressão de incêndio independente, se a aplicação e as condições de trabalho o justificarem. Localização do extintor de incêndio Verificar se o extintor de incêndio está presente na máquina. Certificar-se de que sabe utilizar o extintor de incêndio. Inspeccionar o extintor de incêndio e fazer-lhe a manutenção necessária. Obedecer às recomendações da placa de instruções. Ilustração 30 Sítio recomendado para o extintor de incêndio nas máquinas equi- padas com tejadilho desdobrável manualmente ou sem tejadilho. Ilustração 31 Sítio recomendado para o extintor de incêndio nas máquinas equi- padas com tejadilho hidráulico desdobrável. Montar o extintor de incêndio no suporte, perto do assento direito do operador. XS0940AB XS0900AB
  • 26.
    26 QPEBU2109 Secçãodesegurança Informaçãosobreospneus Informação sobreos pneus Os pneus insuflados com ar podem explodir devido à combustão de gás no seu interior. Outras explosões poderão ser provocadas pelo calor gerado pelas soldaduras, pelo aquecimento dos componentes da jante ou pelo uso excessivo dos travões. A explosão de um pneu pode ser muito violenta. Pode projectar o pneu, componentes da jante e componentes do eixo para mais de 500 m (1500 pés) de distância da máquina. Quer a força da explosão, quer a projecção de objectos podem provocar danos nas instalações ou no equipamento e lesões pessoais ou mesmo morte. Ilustração 32 (A) Pelo menos 15 m (50 pés) (B) Pelo menos 500 m (1500 ft) Não se aproximar de pneus quentes. Manter a distância mínima de segurança, conforme figura. Manter-se fora da área sombreada, conforme mostrado na figura acima. Qunado estiver a encher um pneu, ter o cuidado de se colocar atrás do trilho da roda e utilizar um dispositivo de auto-fixação. O serviços de manutenção em pneus e jantes podem ser perigosos. Por isso, só pessoas experientes que utilizem ferramentas e técnicas de actuação próprias poderão levar a cabo estes serviços. Não adoptando na manutenção de pneus e jantes os procedimentos certos, há risco de explosão violenta. Esta força de explosão pode provocar lesões pessoais graves ou mesmo morte. Obedecer escrupulosamente às instruções específicas do distribuidor de pneus. Prevenção de lesões por temporal com relâmpagos Em presença de relâmpagos nas imediações da máquina, o operador não deverá fazer nenhuma das acções seguintes: • Subir para a máquina. • Descer da máquina. Se durante a condução da máquina se desencadear um temporal, manter-se no lugar de condução. Se quando estiver no solo se desencadear um temporal, manter-se afastado da máquina e das suas imediações. Antes de pôr o motor a trabalhar Ligar o motor apenas da cabine do operador. Nunca ligar em curto-circuito os terminais do motor de arranque ou as baterias. As ligações de curto- circuito podem danificar o sistema eléctrico, saltando o sistema de arranque em ponto morto do motor. Verificar as condições do cinto de segurança e do hardware de montagem. Substituir todas peças gastas ou danificadas. Seja qual for o aspecto do cinto de segurança, substituí-lo ao fim de 3 anos de utilização. Não usar extensões nos cintos de segurança retrácteis. Ajustar o assento de modo que o operador, sentado com as costas bem apoiadas no encosto do assento, possa chegar facilmente à alavanca de avanço e ao pedal do travão secundário. Verificar se a máquina está equipada com o sistema de iluminação indicado para as condições de trabalho a enfrentar. Verificar se todas as luzes da máquina estão em perfeito funcionamento. Antes de pôr o motor a trabalhar e de deslocar a máquina, certificar-se de que não há pessoas por baixo, à volta ou em cima da máquina. Certificar-se de que não há pessoal na área. XS0456AB
  • 27.
    QPEBU2109 27 Secçãodesegurança Arranquedomotor Arranque domotor Ilustração 33 Não pôr o motor a trabalhar nem mexer em qualquer comando, se houver alguma inscrição a dizer ≈Não accionar,∆ ou análoga, colocada no interruptor de arranque ou nos comandos. Antes de ligar o motor, verificar se há pessoas a passar ou pessoal de manutenção presente na área. Certificar-se de que todas as pessoas estão longe da máquina. Tocar a buzina durante uns instantes, antes de pôr o motor a trabalhar. Colocar o interruptor do travão de estacionamento na posição "ON". Ligar o motor e pô-lo em acção num local bem ventilado. Em locais fechados, abrir um buraco de exaustão para o exterior. Antes da utilização Afastar da máquina e da área de trabalho todo o pessoal. Retirar do caminho da máquina todos os obstáculos. Cuidado com os perigos, como cabos eléctricos, valas, etc. Verificar se a buzina, alarme de marcha atrás e restantes dispositivos de aviso estão em perfeito funcionamento. Apertar o cinto de segurança (se disponível) com firmeza. Antes de funcionar com a máquina, consultar o Manual de Funcionamento e Manutenção, ≈Inspecção diária∆. Aquecer o motor e o óleo hidráulico, antes de utilizar a máquina. Informação sobre a visibilidade Antes de ligar a máquina, convém fazer uma inspecção a toda a volta dela, para se certificar de que não há perigos latentes. Enquanto a máquina estiver a funcionar, manter a área à volta da máquina constantemente sob vigilância, de maneira a poder identificar os potenciais perigos latentes à medida que aparecem. A máquina pode ser equipada com elementos auxiliares de visão. Como exemplo de auxiliares de visão temos o Circuito de Televisão Fechado (CCTV) e os espelhos. Antes de pôr a máquina a funcionar, certificar-se de que os auxiliares de visão estão limpos e em condições de funcionamento perfeitas. Ajustar os auxiliares de visão conforme indicado aqui neste Manual de Funcionamento e Manutenção. Se disponível, o sistema de visão da área de trabalho deve ser ajustado de acordo com as indicações dadas no Manual de Funcionamento e Manutenção, SEBU8157, ≈Sistema de visão da área de trabalho∆. Em máquinas grandes pode não ser possível proporcionar uma visão directa de todas as áreas à volta da máquina. É necessária uma organização apropriada no local da obra de modo a minimizar os perigos causados pela restrição de visibilidade. A organização do local da obra consiste numa colecção de regras e procedimentos que coordenam as máquinas e as pessoas que trabalham juntas na mesma área. Alguns exemplos de organização do local da obra são: • Instruções de segurança • Esquemas controlados dos movimentos da máquina e dos veículos • Trabalhadores a dirigir o trânsito, incitando a avançar só quando as condições são seguras • Ÿreas limitadas • Formação do operador • Símbolos de aviso ou sinais de aviso nas máquinas ou nos veículos • Um sistema de comunicação • Comunicação entre trabalhadores e operários antes de aproximar-se da máquina Modificações à configuração da máquina por parte do utilizador, de que resultem diminuição de visibilidade, deverão ser verificadas. W A R N IN G operate sig ned by date do not XS0009AA
  • 28.
    28 QPEBU2109 Secçãodesegurança Operação Operação Amplitude térmicade funcionamento A máquina, na sua configuração standard, foi concebida para utilização em ambientes com temperaturas variáveis entre -20 °C (-4 °F) e 50 °C (122 °F). É possível dispor de configurações especiais para temperaturas ambiente diferentes das indicadas. Para mais informações sobre configurações especiais da sua máquina, consultar o distribuidor Caterpillar. Funcionamento da máquina Manobrar a máquina, apenas depois de estar sentado no lugar de condução. Accionar os comandos só quando o motor estiver a funcionar. Enquanto operar com a máquina devagar, ao ar livre, verificar se todos os comandos e dispositivos de protecção estão em perfeito funcionamento. Antes de deslocar a máquina, é necessário certificar-se de que não há pessoas em perigo. Eventuais passageiros, terão de sentar-se no assento extra do operador. Não permitir ao pessoal viajar no nivelador, quando circular com a máquina em estrada. Nunca utilizar o instrumento de trabalho como plataforma de trabalho. Anotar todas as reparações necessárias, durante o funcionamento da máquina. Indicar as reparações a fazer. Transportar os acessórios a cerca de 40 cm (15 polegadas) de distância do solo. Não aproximar a máquina das bordas de escarpas, escavações ou ressaltos. Se a máquina começar a deslizar para o lado, ao descer uma superfície inclinada, retirar imediatamente a carga e voltar a máquina na direcção do declive. Evitar toda e qualquer condição que possa fazer tombar a máquina. A máquina pode tombar quando se trabalha em colinas, escarpas e declives. Também pode tombar, quando se atravessam fossos, cumes ou outros obstáculos inesperados. Evitar operar com a máquina, transversalmente a declives. Quando possível, operar com a máquina subindo e descendo os declives. Manter o controlo da máquina. Não sobrecarregar a máquina com cargas superiores à sua capacidade máxima. Certificar-se de que os engates e dispositivos de reboque são apropriados. Ligar o equipamento de reboque a uma barra de tracção ou a um engate. Nunca passar por cima de um cabo eléctrico. Nunca permitir a ninguém, passar por cima de um cabo eléctrico. Antes de manobrar a máquina, ter a certeza de que não há pessoas entre a máquina e o equipamento de reboque. Bloquear o engate do equipamento de reboque, para alinhar o engate com a barra de tracção. Manobrar a máquina. Ligar a máquina ao equipamento de reboque. Verificar as dimensões máximas da máquina. Paragem do motor Não desligar o motor imediatamente, após a máquina ter operado sob carga. Isto pode provocar sobreaquecimento e desgaste acelerado dos componentes do motor. Depois de ter estacionado a máquina e activado o travão de estacionamento, deixar o motor a trabalhar durante dois minutos, antes de o desligar. Deste modo, dá tempo às partes quentes do motor, para arrefecerem gradualmente. Estacionamento Estacionar a máquina numa superfície horizontal. Se tiver de estacionar a máquina em declive, é necessário bloqueá-la de modo a impedir-lhe qualquer movimento. Colocar a alavanca de propulsão na posição de PONTO MORTO, para parar a máquina. Activar o travão de estacionamento, empurrando o comando respectivo para a posição ON. O indicador do travão de estacionamento acende-se. Baixar o nivelador a nível do solo. Baixar as tremonhas, para a posição mais baixa. Desligar o motor. Rodar o interruptor de alimentação para a posição OFF e tirar a chave. Rodar o interruptor que desliga a bateria para a posição OFF. Funcionamento em declive O funcionamento das máquinas em condições de segurança em várias aplicações depende de vários factores: modelo, configuração, manutenção e velocidade de funcionamento da máquina, condições do terreno, nível dos fluidos e da pressão de enchimento dos pneus. Porém, os factores mais importantes consistem na competência e capacidade de juízo do operador.
  • 29.
    QPEBU2109 29 Secçãodesegurança Baixaroequipamentocomomotordesligado Um operadorbem preparado com formação própria que respeite as instruções do Manual de Funcionamento e Manutenção oferece a máxima garantia e estabilidade. A formação dá ao pessoal as seguintes capacidades: observação das condições ambientais de trabalho, sensibilidade à máquina, identificação dos perigos potenciais e manipulação da máquina em condições de segurança devido à tomada de decisões apropriadas. Durante a execução de trabalhos ao lado de colinas e em declives, ter em consideração os seguintes factores relevantes: Velocidade de deslocação √ Perante velocidades elevadas, as forças de inércia tendem a diminuir a estabilidade da máquina. Irregularidade do terreno ou da superfície √ A máquina pode resultar menos estável em terreno irregular. Sentido de marcha √ Evitar operar com a máquina transversalmente a declives. Quando possível, operar com a máquina subindo e descendo os declives. Ao trabalhar em declives, ter o cuidado de dispor a máquina de modo a ficar com a extremidade mais pesada da máquina a montante. Equipamento montado √ O equilíbrio da máquina pode ser comprometido pelos elementos seguintes: equipamento montado na máquina, configuração desta última, pesos e contrapesos. Natureza da superfície √ As superfícies de terreno submetidas a recente enchimento de terra podem ceder com o peso da máquina. Material da superfície √ A presença de rochas e humidade no material de superfície podem influir negativa e drasticamente na tracção e estabilidade da máquina. As superfícies rochosas podem provocar deslizamento lateral da máquina. Patinagem devido a carga excessiva √ esta condição pode dar origem a afundamento no terreno dos rastos ou pneus situados a jusante, aumentando a inclinação da máquina. Largura dos rastos ou dos pneus √ Rastos e pneus mais estreitos aumentam posteriormente o risco de afundamento no terreno, diminuindo a estabilidade da máquina. Instrumentos fixados na barra de tracção √ Estes instrumentos podem diminuir o peso exercido sobre os rastos de montante. O mesmo acontece se a máquina for provida de pneus em vez de rastos. Esta redução de peso diminui a estabilidade da máquina. Altura da carga de trabalho da máquina √ Quando a carga de trabalho está em posição mais alta, a estabilidade da máquina diminui. Equipamento utilizado √ Prestar atenção às características de performance do equipamento utilizado e aos seus efeitos sobre a estabilidade da máquina. Técnicas operacionais √ Manter todos os acessórios baixos, ao nível do solo, para ter a máxima estabilidade. Os sistemas da máquina estão sujeitos a limitações ao actuar em declive √ Os declives podem influir negativamente no funcionamento e manipulação dos vários sistemas da máquina. Estes sistemas são necessários para o controlo da referida máquina durante a actuação em declives. NOTA: O funcionamento em condições de segurança em superfícies inclinadas pode exigir uma manutenção especial na máquina. São ainda necessárias excelente competência por parte do operador e uso de equipamento apropriado para as aplicações específicas. Consultar as secções do Manual de Funcionamento e Manutenção, para os requisitos necessários relativos ao nível dos fluidos e para indicações sobre o uso previsto da máquina. Baixar o equipamento com o motor desligado Antes de baixar qualquer equipamento com o motor desligado, afastar todo o pessoal da área circundante. O processo varia segundo o tipo de equipamento a baixar. Lembrar-se de que a maior parte dos sistemas utiliza fluidos a alta pressão ou ar, para baixar ou levantar o equipamento. O processo implica a libertação de ar a alta pressão, de componentes hidráulicos ou outros elementos, para permitir baixar o equipamento. Usar equipamento de protecção individual e seguir o processo definido no Manual de Funcionamento e Manutenção, ≈Baixar o equipamento com o motor desligado∆ na secção de Funcionamento do Manual. Informações sobre os níveis de ruído e vibração Informações sobre os níveis de ruído Pode ser necessária a utilização de protectores para os ouvidos, quando a máquina é manobrada com o lugar de condução aberto, durante longos períodos de tempo ou em ambientes ruidosos. Informações sobre os níveis de ruído para as máquinas destinadas a países da União Europeia ou que adoptam as “Directivas UE” O nível de pressão acústica equivalente sobre o operador (Leq) medido segundo a "EN500-2006" é de 84 dB(A). O lugar de condução está equipado com tejadilho e o assento giratório está voltado para a frente. O nível médio de pressão acústica exterior medido segundo a "2000/14/EC" é de 104 dB(A)para as máquinas standard.
  • 30.
    30 QPEBU2109 Secçãodesegurança Informaçõessobreosníveisderuídoevibração “Directiva daUnião Europeia 2002/ 44/CE sobre a exposição aos riscos devidos aos agentes físicos (vibrações) Dados de vibração da pavimentadora de asfalto Informações relativas ao nível de vibração de mão/ braço Quando a máquina é utilizada para os fins previstos, as vibrações que transmite a mãos/braços é inferior a 2,5m/s (metros/segundo quadrado). Informações sobre o nível de vibrações em todo o corpo Esta secção fornece os dados relativos às vibrações e o método para fazer uma estimativa do nível de vibração produzido pela pavimentadora de asfalto. NOTA: Os níveis de vibração dependem de muitos parâmetros. Muitos destes são enumerados abaixo. • Formação do operador, comportamento, modo operatório e stress • Tipo de máquina, qualidade do assento, qualidade do sistema de suspensão e condições do equipamento Não é possível determinar com precisão os níveis de vibração desta máquina. Os níveis de vibração esperados podem ser estimados com os dados do Quadro 1, para calcular a exposição diária a vibrações. Pode ser usada uma simples avaliação da aplicação da máquina. Estimar os níveis de vibração nas três direcções de vibração. Para as condições de funcionamento usuais, utilizar, como nível estimativo, a média dos níveis de vibração. Com um operador experiente e terreno plano, subtrair os Factores Cenário do nível de vibração médio, para obter o nível de vibração estimado. Para operações agressivas e terreno difícil, adicionar os Factores Cenário ao nível de vibração médio, para obter o nível de vibração estimado. NOTA: Todos os níveis de vibração são expressos em metros por segundo quadrado (m/s ). Tabela1 “Referência ISO Quadro A - Níveis de vibração equivalentes das emissões de vibração a todo o corpo produzidas por máquinas de movimentação de terras.” Tipo de máquina Actividade operativa característica Níveis de vibração Factores Cenário Eixo dos X's Eixo dos Y's Eixo dos Z's Eixo dos X's Eixo dos Y's Eixo dos Z's Pavimentadorade asfalto transferência 0,75 0,40 1,08 0,30 0,12 0,37 ciclodetrabalho 0,11 0,15 0,34 0,04 0,05 0,17
  • 31.
    QPEBU2109 31 Secçãodesegurança Informaçõessobreosníveisderuídoevibração NOTA: Paramais informações sobre os níveis de vibração, consultar a ≈ISO/TR 25398 Vibrações Mecânicas -Guia para avaliação da exposição de todo o corpo a vibrações, para operadores de máquinas de movimentação de terras∆. A referida publicação utiliza dados medidos por institutos e organizações internacionais e fabricantes de todo o mundo. Este documento dá informações sobre a exposição de todo o corpo a vibrações por parte de operadores de máquinas de movimentação de terras. Para mais informações sobre os níveis de vibração da máquina, consultar o Suplemento do Manual de Funcionamento e Manutenção, SEBU8257. A suspensão do assento Caterpillar satisfaz os critérios estabelecidos na ≈ISO 7096∆. Isto diz respeito ao nível de vibração vertical, em condições de utilização muito difíceis. Linhas-guia para redução dos níveis de vibração Regular as máquinas devidamente. Fazer nas máquinas a manutenção necessária. Trabalhar com as máquinas sem fazer gestos bruscos. As linhas- guia seguintes podem ajudar a reduzir o nível de vibração transmitido a todo o corpo: 1. Fazer a manutenção da máquina, respeitando as recomendações do fabricante. a. Pressões dos pneus b. Sistemas de travagem e direcção c. Comandos, sistema hidráulico e ligações(articulações) 2. Utilizar um assento que cumpra os requisitos da ≈ISO 7096∆. Manter o assento ajustado e fazer- lhe a manutenção necessária. a. Ajustar o assento e a suspensão de acordo com o peso e estatura do operador. b. Inspeccionar e fazer a manutenção necessária à suspensão do assento e mecanismos de ajustamento. 3. Fazer as operações a seguir com suavidade. a. Virar b. Travar c. Acelerar d. Mudar de velocidade 4. Para um ciclo de trabalho prolongado ou uma distância de viagem grande, minimizar as vibrações. a. Se não houver nenhum sistema de controlo de condução disponível, diminuir a velocidade para evitar solavancos. b. Deslocar as máquinas de uns locais de trabalho para os outros, carregando-as em meios de transporte. 5. Um menor conforto para o operador pode ser provocado por outros factores de risco. As linhas-guia seguintes podem ser eficazes para proporcionar maior conforto ao operador: a. Ajustar o assento e os comandos de modo a conseguir uma boa postura. b. Ajustar os espelhos de modo a minimizar posições torcidas. c. Fazer intervalos a fim de diminuir os longos períodos de trabalho sentado. d. Não saltar da plataforma do operador e. Reduzir o mais possível choques e impactos, durante as actividades desportivas e de lazer. Fontes As informações sobre as vibrações e o respectivo processo de cálculo são baseados na ≈ISO/TR 25398 Vibrações Mecânicas -Guia para avaliação da exposição de todo o corpo a vibrações, para operadores de máquinas de movimentação de terras∆. Os dados harmonizados foram medidos por institutos e organizações internacionais e por fabricantes de todo o mundo. Este documento dá informações sobre a avaliação da exposição de todo o corpo a vibrações por parte de operadores de máquinas de movimentação de terras. O método baseia-se na emissão de vibrações medidas em condições de trabalho reais, para todas as máquinas. Deve consultar-se a directiva original. Este documento é um mero resumo parcial do conteúdo da legislação aplicável. Não pretende substituir as fontes originais. Outras partes destes documentos são baseadas em informações fornecidas pelo United Kingdom Health and Safety Executive. Para mais informações sobre vibração, consultar o Manual de Funcionamento e Manutenção, SEBU8257 ≈Directiva 2002/44/EC sobre a exposição dos trabalhadores aos riscos devidos aos agentes físicos (vibrações)∆. Para mais informações sobre as características das máquinas que minimizam os níveis de vibração, consultar o distribuidor Caterpillar local. Para informações sobre a utilização da máquina em condições de segurança, dirigir-se ao distribuidor Caterpillar local. Consultar o site internet indicado a seguir, para descobrir o distribuidor mais próximo: Caterpillar, Inc. www.cat.com
  • 32.
    32 QPEBU2109 Secçãodesegurança Postodecondução Posto decondução Quaisquer modificações no interior da cabine de operação não devem projectar-se no espaço reservado ao operador. A instalação de um rádio, extintor de incêndio ou outro equipamento na cabine, terá de ser feita de modo a manter inalterável o espaço reservado ao operador. Todo e qualquer objecto introduzido na cabine não deverá projectar-se no espaço reservado ao operador. Lancheiras ou outros objectos soltos têm de estar bem presos. Os objectos presentes não devem, de modo nenhum, representar perigo no caso de realização de trabalhos em terreno irregular ou de capotamento. Protecções (Protecção do operador) Há vários tipos de protecções utilizadas para a segurança do operador. A máquina e a sua aplicação determinam o tipo de protecção a usar. É necessário fazer a inspecção diária das protecções, para ver se há estruturas encurvadas, rachadas ou desapertadas. Nunca utilizar uma máquina, se a sua estrutura estiver danificada. Se a máquina for utilizada desapropriadamente ou as técnicas de operação adoptadas forem incorrectas, o operador expõe-se a riscos. Esta situação pode verificar-se, mesmo se a máquina estiver equipada com as protecções apropriadas. Seguir os modos operatórios recomendados para a máquina de que se dispõe.
  • 33.
    QPEBU2109 33 Secçãodeinformaçãosobreoproduto Informaçõesgerais Secção deinformação sobre o produto Informações gerais Especificações As características técnicas da máquina de base estão indicadas no quadro abaixo. NOTA: O equipamento de opção adquirido influi quer no peso, quer nas dimensões indicadas no quadro abaixo. Tabela2 Utilização prevista A pavimentadora de asfalto é uma máquina que é utilizada na construção de estradas. A pavimentadora de asfalto utiliza, normalmente, material em granel para aplicação das superfícies asfaltadas. A maior parte das vezes, o conglomerado de asfalto quente é fornecido por veículos que o depositam na tremonha da frente da pavimentadora. A pavimentadora de asfalto AP300 é uma pavimentadora para trabalhos ligeiros que pode pavimentar superfícies para vários tipos de aplicações. A pavimentadora de asfalto pode ser utilizada em diversas aplicações como estradas, ruas de centros urbanos, lotes de parqueamento, estradas nacionais e auto-estradas. A pavimentadora de asfalto recebe a mistura de asfalto na parte da frente, de um camião ou de um veículo de transferência próprio. A mistura é, então, colocada na tremonha. As esteiras rolantes transportam a mistura da tremonha para a parte traseira da máquina. A seguir, a mistura desce para o piso, à frente do nivelador. O nivelador modela a mistura de acordo com as dimensões especificadas. Além disso, nivela a mistura conforme as dimensões especificadas. As inclinações longitudinal e transversal da superfície de asfalto são verificadas com grande precisão, utilizando sensores e marcas de referência montados na pavimentadora. Este sistema permite obter um tapete extremamente plano. A pavimentadora pode ser configurada com diversos tipos de nivelador, para satisfazer as mais comuns exigências dos clientes. Restrições de configuração/ aplicação • Usar somente em ambientes com gases não explosivos. • Utilizar a máquina apenas com ferramentas aprovadas e com as protecções colocadas no devido lugar. • Não usar em aplicações subterrâneas. • Proibido o uso de reboques. Pavimentadora de Asfalto AP300 Pesodamáquina (Sódotractor) 6100kg(13,448lb) Pesodamáquina comniveladorAS3173 7300kg(16,093lb) Comprimentodamáquina (Sódotractor) 4300mm(169,29pol.) Comprimentodamáquina 4819mm(189,72pol.) Larguradamáquina (comtremonhasabertas) 2920mm(114,96pol.) Larguradamáquina (comtremonhasfechadas) 1726mm(67,95pol.) Alturadamáquina (semtejadilho) 2636mm(103,78pol.) Alturadamáquina (comtejadilhoalçado) 3340mm(131,49pol.) Alturadamáquina (comtejadilhobaixado) 2960mm(116,53pol.)
  • 34.
    34 QPEBU2109 Secçãodeinformaçãosobreoproduto Informaçõessobreaidentificação Informações sobrea identificação Localização das placas e etiquetas O Número de Identificação do Produto (PIN) é utilizado para identificar uma máquina com motor concebida para ser conduzida por um operador. Os produtos Caterpillar tais como motores, transmissões e acessórios maiores, não concebidos para serem conduzidos por operador, são identificados por Números de série. A placa de certificação (CE) é utilizada para atestar que o produto cumpre todos os requisitos estabelecidos por um país ou grupo de países. O produto é testado por uma equipe de ensaios certificada, para verificar a sua conformidade. A etiqueta de certificação das emissões (se disponível) é utilizada para atestar que o motor cumpre os requisitos da EPA sobre emissões de gases de escape. Para uma referência rápida, escrever os números de identificação nos espaços próprios, por baixo da figura. Número de identificação do produto (PIN): Ilustração 34 Localização da placa do Número de Identificação do Produto (PIN) (1) e da Placa de Certificação facultativa (CE) (2). PIN da máquina Número de série do motor Ilustração 35 Localização da placa do número de série do motor Número de série do motor Certificação União Europeia Esta placa está colocada na parte inferior esquerda da placa do PIN. Ilustração 36 NOTA: A placa CE está aplicada nas máquinas certificadas conformes os requisitos da União Europeia em vigor na altura da respectiva fabricação. As máquinas que cumprem a norma 2006/42/CE, incluem na placa CE as informações a seguir. Para consulta rápida, aconselhamos escrever esta informação nos espaços próprios disponíveis abaixo. 2 1 XS0889AB XS0993AB 225-4148 11 XS1227AB
  • 35.
    QPEBU2109 35 Secçãodeinformaçãosobreoproduto Informaçõessobreaidentificação • Potênciado motor primário (kW) • Potência do motor complementar (Se disponível) • Peso em operação típico da máquina para o mercado europeu (kg) • Ano de fabrico • Tipo de máquina Etiqueta de certificação das emissões NOTA: Esta informação diz respeito aos Estados Unidos, Canadá e Europa. Para uma declaração de garantia sobre o controlo de emissões de gases de escape, contactar o distribuidor Caterpillar. . Mostramos abaixo um exemplo deste tipo de etiqueta. Ilustração 37 XS0454AB
  • 36.
    36 QPEBU2109 Secçãodeinformaçãosobreoproduto Informaçõessobreaidentificação Declaração deconformidade NOTA: O extracto da declaração de conformidade CE mostrado abaixo aplica-se apenas às máquinas que trazem, de origem, a marca ≈CE∆ aplicada pelo fabricante indicado e que desde então não sofreram alterações. Esta declaração é aplicável às máquinas com número de série B2Y231 e seguintes DECLARAÇÃO CE DE CONFORMIDADE DAS MÁQUINAS Fabricante: Pessoa autorizada a elaborar o Caderno Técnico e, a pedido, a comunicar as partes mais importantes do mesmo às autoridades dos Estados membros da União Europeia: CaterpillarPavingProductsInc. BrooklynPark,MN55445 USA Eu, abaixo assinado, , certifico por este meio que o equipamento de construção indicado abaixo Descrição: Denominaçãogenérica: Função: Modelo/Tipo: NºdeSérie: Designaçãocomercial: Cumpre todos os requisitos pertinentes das Directivas seguintes Tabela3 Nota(1)Anexo- Níveldepotênciasonoragarantido- dB(A) Níveldepotênciasonoradeumtipodeequipamentorepresentativo- dB(A) Potênciadomotorpor - kWVelocidadenominaldomotor- rpm Documentaçãotécnicaacessívelatravésdapessoa,acimaindicada,autorizadaaelaboraroCadernoTécnico Realizado em: Assinatura Data: Nome/Funções NOTA: A informação acima correspondia à verdade a (data de publicação), mas está sujeita a alterações. Para mais pormenores, consultar a declaração de conformidade individual fornecida com a máquina. Directivas Organismo notificado Documento Nº. 2006/42/EC 2000/14/CEalteradapelaDirectiva2005/ 88/CE, Nota(1) 2004/108/CE
  • 37.
    QPEBU2109 37 SecçãodeFuncionamento Antesdautilização Secção deFuncionamento Antes da utilização Subir e descer da máquina Ilustração 38 Para subir e descer da máquina utilizar sempre escadas e corrimãos. Descer da máquina, utilizando sempre escadas e corrimãos. Antes de subir para a máquina, limpar a escada e os corrimãos. Inspeccionar escada e corrimãos. Fazer todas as reparações necessárias. Sempre que o operador subir e descer da máquina, deverá fazê-lo voltado sempre de frente para a máquina. Manter o contacto de três pontos com os degraus e o corrimão. NOTA: O contacto de três pontos pode ser com dois pés e uma mão ou com um pé e duas mãos. Nunca subir para uma máquina em movimento. Nunca descer de uma máquina em movimento. Nunca saltar da máquina para o chão. Não tentar subir para a máquina, transportando ferramentas ou outros objectos. Não tentar descer da máquina, transportando ferramentas ou outros objectos. Usar uma corda para puxar o equipamento para a plataforma. Para entrar e sair do lugar de condução, não se apoiar nos comandos como se fossem um corrimão. Inspecção diária m CUIDADO Os gases de escape dos motores diesel contêm produtos de combustão que podem provocar lesões pessoais. Ligar e pôr sempre o motor em acção num local bem ventilado e, se se estiver num local fechado, arranjar uma saída de exaustão para o exterior. Para obter o máximo de tempo de vida útil da máquina, fazer-lhe sempre uma inspecção visual. A inspecção visual deve ser feita antes de subir para a máquina, para ligar o motor. Observá-la bem a toda a volta e por baixo, para ver se há parafusos desapertados, sujidade, fugas de óleo ou de líquido de refrigeração, elementos partidos ou peças gastas. Verificar as condições dos equipamentos acessórios. Verificar as condições dos componentes hidráulicos. AVISO Massa lubrificante e óleo acumulados numa máquina podem provocar incêndio. Remover estes detritos com vapor de limpeza ou água a alta pressão, pelo menos, de 1000 em 1000 horas ou sempre que houver uma quantidade significativa de óleo derramado na máquina. Fazer, diariamente, as operações seguintes: • Alarme de marcha atrás- Testar • Correntes (de tracção) da correia transportadora - Limpar • Nível do líquido de refrigeração do sistema refrigerante - Verificar • Suportes do motor - Inspeccionar • Nível de óleo no motor - Verificar • Separador de água do sistema de combustível - Esvaziar • Nível de óleo do sistema hidráulico - Verificar • Suportes do gerador - Inspeccionar • Cinto de segurança - Inspeccionar Limpar todas as ligações, tampas e tampões, antes de começar a manutenção da máquina. NOTA: Verificar se há fugas. Em caso afirmativo, descobrir a sua origem. Reparar a fuga. Em caso de suspeita de fuga, verificar os níveis dos fluidos com frequência superior à recomendada. XS0022AA
  • 38.
    38 QPEBU2109 SecçãodeFuncionamento Antesdautilização Ilustração 39 1.Verificar a entrada de ar do motor, para ver se há detritos acumulados ou obstruções. Limpar a entrada de ar, eliminando eventuais detritos ou obstruções. Ilustração 40 2. Quando o motor estiver na velocidade máxima, verificar o indicador do filtro do motor. Se o indicador se acender, é necessário fazer a manutenção da entrada de ar do motor. Consultar o Manual de Funcionamento e Manutenção, ≈Elemento principal do filtro de ar do motor - Limpar/Substituir∆ e ≈Elemento secundário do filtro de ar do motor - Substituir∆. Desligar o motor antes de fazer as operações de manutenção nos filtros de ar do motor. Ilustração 41 3. Verificar o estado de desgaste das correias transportadoras. Verificar se as correias transportadoras estão danificadas. As correias transportadoras poderão apresentar os seguintes sinais de dano ou desgaste: barras de freio desapertadas ou partidas, movimento irregular da correia transportadora e desgaste excessivo das rodas dentadas de transmissão. Reparar as correias transportadoras gastas ou danificadas. Ilustração 42 4. Verificar se os segmentos da correia dos trados têm componentes gastos ou danificados. Os cantos dos segmentos em causa devem estar perfeitamente quadrados. æ medida que os trados se vão desgastando, a espessura e diâmetro podem ir diminuindo. Quando a borda do trado apresentar desgaste num ponto, é necessário substituí-lo. XS0945AB XS1106AB XS0931AB XS0925AB
  • 39.
    QPEBU2109 39 SecçãodeFuncionamento Antesdautilização 5. Verificarse há cabos soltos ou pouco apertados. Verificar se há cabos com desgaste. 6. Verificar as luzes, para ver se há lâmpadas fundidas. Verificar as luzes, para ver se há lentes partidas. Substituir as lâmpadas fundidas ou as lentes partidas. Ilustração 43 7. Verificar se há fugas no sistema hidráulico. Verificar se o depósito hidráulico, tubos flexíveis, canos, tampões e ligações apresentam fugas ou danos. Reparar eventuais danos. Reparar eventuais fugas. 8. Todas as coberturas e protecções têm de estar bem seguras, no lugar. Verificar se as coberturas e protecções estão danificadas. Reparar eventuais danos. Ilustração 44 9. Verificar se os degraus, locais de passagem e corrimãos da máquina estão danificados. Reparar os componentes danificados ou com desgaste. Verificar se os degraus, locais de passagem e corrimãos da máquina estão limpos. Limpar os componentes. 10. Verificar se as plataformas do operador estão limpas. Manter as plataformas do operador sempre limpas. XS0937AB XS0932AB
  • 40.
    40 QPEBU2109 SecçãodeFuncionamento Funcionamentodamáquina Funcionamento da máquina Assento Ajustaro assento no início de cada turno de trabalho e quando houver substituição de operador. O assento e a consola lateral do operador movem- se como se fossem um corpo único. NOTA: Não tocar nenhum dos comandos da máquina. Pode provocar-se um movimento súbito inesperado da máquina. Usar sempre o cinto de segurança (se disponível) ao operar com a máquina. Para mais pormenores sobre este procedimento, consultar o Manual de Funcionamento e Manutenção,, ≈Cinto de segurança∆. O assento tem de ser ajustado de modo tal que todos os comandos fiquem facilmente acessíveis. O assento tem de ser ajustado de modo a permitir ao operador carregar a fundo no pedal do travão de serviço. O operador pode ajustar o assento, colocando-o mais para a frente ou para trás. O operador pode ajustar a altura do assento. Ilustração 45 Desapertar o manípulo (1), para destravar, subir e descer o encosto do assento. Utilizar o comando de regulação da altura (3), para ajustar a altura do assento. Colocar o comando na posição de funcionamento. Rodando o comando no sentido dos ponteiros do relógio, o assento sobe. Rodando o comando no sentido contrário aos ponteiros do relógio, o assento desce. O indicador (2) mostra o peso do operador, expresso em quilos e em libras. Para pôr o assento para a frente ou para trás, puxar para cima a alavanca (4) e mantê-la nessa posição. Deslocar o assento para a posição desejada. Para fixar o assento na posição seleccionada, soltar a alavanca. Cinto de segurança NOTA: Esta máquina foi equipada com cinto de segurança na altura da sua expedição da Caterpillar. No momento da instalação, o cinto de segurança e as suas instruções de montagem cumprem os padrões SAE J386. Para todas as peças de reposição, contactar o distribuidor Caterpillar. Verificar sempre as condições do cinto de segurança e do hardware de montagem, antes de pôr a máquina em funcionamento. Ajustamento do cinto segurança, para cintos não retrácteis Ajustar ambas as extremidades do cinto de segurança. O cinto deve ficar justo, mas confortável. Como alargar o cinto de segurança Ilustração 46 1. Desapertar o cinto de segurança. (1) Manípulo de fixação do encosto do assento (2) Indicador de altura do assento (3) Comando de regulação da altura do assento (4) Alavanca de posição do assento 1 XS0930AB 4 2 3 XS1010AB
  • 41.
    QPEBU2109 41 SecçãodeFuncionamento Funcionamentodamáquina Ilustração 47 2.Para tirar a folga da correia exterior do cinto (1), rodar o fecho (2). Deste modo a barra de bloqueio solta-se e a tira do cinto está, então, apta para deslizar através da fivela do fecho. 3. Tirar a folga à correia exterior do cinto, puxando sobre o fecho. 4. Alargar a outra metade do cinto de segurança da mesma maneira. Se o cinto de segurança não ficar comodamente adaptado ao corpo do condutor com o fecho em posição central, ajustá-lo de novo. Como encurtar o cinto de segurança Ilustração 48 1. Apertar o cinto de segurança. Puxar a alça da correia exterior, a fim de encurtar o cinto de segurança. 2. Ajustar a outra metade do cinto de segurança da mesma maneira. 3. Se o cinto de segurança não ficar comodamente adaptado ao corpo do condutor com o fecho em posição central, ajustá-lo de novo. Como apertar o cinto de segurança Ilustração 49 Prender a lingueta do cinto de segurança (3) na fivela (2). Assegurar-se de que o cinto de segurança está colocado transversalmente ao colo do operador. Como desapertar o cinto de segurança Ilustração 50 Puxar para cima a alavanca de desbloqueio. Deste modo o cinto de segurança abre-se. XS1011AB 1 2 XS1012AB XS1013AB 2 3 XS1012AB
  • 42.
    42 QPEBU2109 SecçãodeFuncionamento Funcionamentodamáquina Extensão docinto de segurança m CUIDADO Quando se utilizarem cintos de segurança retrácteis, não usar extensões porque podem provocar lesões pessoais ou mesmo a morte. O sistema do enrolador pode, ou não, bloquear o cinto, dependendo do comprimento da extensão e da estatura da pessoa. Se o enrolador não se bloquear, o cinto não reterá a pessoa. Estão disponíveis cintos de segurança não retrácteis mais compridos e extensões para estes. A Caterpillar pede para usar extensões, exclusivamente, com cintos de segurança não retrácteis. Para cintos de segurança mais compridos e informações sobre as extensões, dirigir-se ao distribuidor Caterpillar. Ajustamento do tablier Ajustar o tablier no início de cada turno de trabalho e quando houver mudança de operador ou de condições de trabalho. O tablier tem de ser ajustado de modo que todos os comandos fiquem facilmente acessíveis. AVISO Posicionar o tablier apenas quando a máquina estiver parada e o travão de estacionamento estiver activado. Quando a máquina estiver em movimento, o tablier tem de estar fixado no seu lugar. NOTA: Deslizar com o tablier apenas quando o assento estiver a ocupar a posição extrema direita ou esquerda, fora do limite exterior da plataforma do operador. Ilustração 51 O tablier desliza sobre um carril próprio, para ambos os lados. Para deslocar o tablier de um lado para outro, utilizar o volante (1). O tablier pode rodar, sobre o próprio eixo, para quatro posições diferentes. Para fazer deslizar o tablier: Ilustração 52 1. Puxar e reter o manípulo de fixação (2), para desbloquear o tablier. 2. Deslocar o tablier para a posição desejada. 3. Largar o manípulo de fixação (2), para fixar o tablier na posição desejada. 1 XS0898AB XS0887AB 2
  • 43.
    QPEBU2109 43 SecçãodeFuncionamento Funcionamentodamáquina Extensões daplataforma do operador A pavimentadora de asfalto tem duas extensões na plataforma do operador que podem ser colocadas fora do limite exterior da estrutura da máquina, de modo a proporcionar ao operador melhor visão da área de trabalho. AVISO Mover as extensões da plataforma apenas quando a máquina estiver parada e o travão de estacionamento estiver activado. Para baixar as extensões da plataforma, proceder do modo seguinte: Ilustração 53 1. Rodar a alavanca de fixação (1), para destravar e deslizar com a plataforma do assento do operador para fora, para um das duas posições disponíveis. Ilustração 54 2. Puxar e manter puxado o pino de retenção (2), para rodar e baixar o chão do assento do operador (3). 3. Fixar a plataforma do assento do operador na posição desejada com a alavanca de fixação (1). XS0935AB 1 2 XS0942AB 3
  • 44.
    44 QPEBU2109 SecçãodeFuncionamento Funcionamentodamáquina Product Link(se disponível) O Product Link PL121SR é um dispositivo de comunicação por satélite que transmite à Caterpillar, aos seus distribuidores e aos seus clientes, informações sobre a máquina. A unidade contém um receptor do Sistema de Posição Global (receptor do GPS) e um transmissor-receptor satélite. O Product Link PL121SR tem capacidade de comunicação nos dois sentidos, isto é, da máquina para o utilizador remoto e vice-versa. O utilizador remoto pode ser um distribuidor ou um cliente. Da máquina e sempre que o desejar, o utilizador poderá pedir informações actualizadas, como o número de horas de utilização ou a localização da máquina. Também é possível alterar os parâmetros do sistema para o dispositivo Product Link PL121SR. Os dados são transmitidos da máquina para um satélite. A seguir, os dados são transmitidos para uma estação terrestre. A estação receptora transmite os dados à Caterpillar Inc. que, por sua vez, os pode enviar para um dos seus distribuidores e para o cliente. Transmissão dos dados Os dados da máquina relativos às suas condições e funcionamento são transmitidos à Caterpillar e/ou distribuidores Caterpillar, pelo dispositivo Product Link, a fim de proporcionar aos clientes um serviço de nível superior e melhorar os serviços e produtos Caterpillar. As informações transmitidas podem conter os dados seguintes: número de série da máquina, localização da máquina, códigos de avarias, dados sobre as emissões, consumo de combustível, número de horas de serviço, números das versões de software e de hardware e equipamentos acessórios instalados. A Caterpillar e/ou os distribuidores Caterpillar podem usar estas informações para vários fins: fornecer serviços de assistência aos clientes e/ou à máquina, controlar ou preservar o equipamento Product Link, monitorizar o estado físico da máquina ou a sua performance, ajudar a preservar a máquina, melhorar a eficiência desta, avaliar ou melhorar os produtos e serviços Caterpillar, obedecer a requisitos de lei e decisões judiciais válidas, realizar estudos de mercado e oferecer aos clientes novos produtos e serviços A Caterpillar poderá partilhar, total ou parcialmente, as informações recebidas com as filiais Caterpillar, distribuidores e representantes autorizados. A Caterpillar não poderá vender definitiva ou temporariamente a terceiros os direitos de uso das informações recebidas e envidará todos os esforços razoáveis para guardar as informações em segurança. A Caterpillar reconhece e respeita a privacidade do cliente. Para mais informações, contactar o distribuidor Caterpillar local. Utilização numa área de explosão Se a máquina tiver de ser utilizada num raio de distância inferior a 12 m (40 ft) de uma área de explosão, é necessário desactivar o Product Link PL121SR. Para desactivar o Product Link PL121SR, instalar na cabine da máquina um interruptor próprio que permita desligar o módulo Product Link PL121. instruções de instalação, consultar a instrução especial, REHS2365, ≈Guia de instalação do Product Link PL121SR e do PL300∆. Também se pode desligar o módulo Product Link PL121SR da fonte de corrente eléctrica, desligando o feixe de fios no módulo Product Link. Este aviso sobre a zona de explosão não substitui os requisitos publicados ou os regulamentos presentes no ≈Título 30 do US Code of Federal Regulations (CFR)∆. Este aviso não permite derrogação dos requisitos publicados ou dos regulamentos presentes no ≈Título 30 do US Code of Federal Regulations (CFR)∆. A avaliação dos riscos deve ser realizada, individualmente, por cada cliente. Cada um dos clientes deverá cumprir todos os requisitos do ≈Título 30 do US Code of Federal Regulations (CFR)∆a fim de garantir o armazenamento, transporte, carregamento e detonação de qualquer explosivo em condições de segurança. As especificações do Product Link PL121SR dadas a seguir têm por objectivo dar um contributo na avaliação de quaisquer riscos associados e garantir o cumprimento de todos os regulamentos locais: • A potência nominal de transmissão do transmissor do Product Link PL121SR é de 5 a 10 watts • A gama de frequências de funcionamento do módulo Product Link PL121SR é de 148 MHz a 150 MHz. Para eventuais questões, contactar o distribuidor Caterpillar local. Informações para a instalação inicial do Product Link PL121SR estão disponíveis na instrução especial, REHS2365, ≈Guia de instalação do Product Link PL121SR∆. Também estão disponíveis informações sobre o funcionamento, configuração e resolução de problemas do Product Link PL121SR na publicação Funcionamento do sistema, resolução de problemas, ensaio e ajustamento,, RENR7911 .
  • 45.
    QPEBU2109 45 SecçãodeFuncionamento Funcionamentodamáquina Conformidade coma regulamentação Ilustração 55 AVISO A transmissão de informações mediante utilização do dispositivo Product Link está sujeita a normas de lei variáveis de local para local, incluindo autorização de uso de frequências de rádio, embora não limitada a essa autorização. A utilização do Product Link deve ser limitada aos locais onde são satisfeitos todos os requisitos de lei relativos ao uso da rede de comunicação Product Link. No caso de uma máquina equipada com o dispositivo Product Link ser colocada ou transferida para um local onde (i) os requisitos de lei não são satisfeitos ou onde (ii) a transmissão ou processamento através de várias sedes das informações em causa não são legais, a Caterpillar declina toda e qualquer responsabilidade em relação a tal inconformidade e reserva-se o direito de suspender a transmissão de informações da máquina em questão. Interpelar o distribuidor Caterpillar local sobre quaisquer questões relativas ao funcionamento do dispositivo Product Link num país específico. XS1135AB ORBCOMM TYPE APPROVAL: 801QWI IC: 4650A-Q121415
  • 46.
    46 QPEBU2109 SecçãodeFuncionamento Funcionamentodamáquina Ilustração 56 NOTA:Fornece-se a seguir a tradução de um extracto do documento acima. XS1136AB We hereby declare that all essential radio test suites have been carriedout and that the above named product is in conformity to all the essential requirements of Directive 1999/5/EC declare under our sole responsibility that the product BG L LO A MONITORING REMOTE ASSETS WORLDWIDE to which this declaration relates, is in conformity with the followingstandards and/or other normative documents The technical documentation relevant to the above equipment will be hel at: We, of Identification mark: The conformity assessment procedure referred to in Article 10 and detailed in Annex [IV] of Directive 1999/5/EC has been followed with the involvement of the following Notified Body: The equipment will also carry the Class 2 equipment identifier BABT, Claremont House, 34 Molesey Road, Walton-on-Thames, KT12 4RQ, UK Quake Global Inc (Previously Quake Wireless, Inc. up to January 2001) 9765 Clairemont Mesa Blvd, Suite A San Diego, CA 92124, USA EN 301 721 V1.2.1 (June 2001) EN 300 489-20 V1.2.1 (November 2002) EN 60950-1/A11:2004, 1st Edition Quake Global Inc (Previously Quake Wireless, Inc. up to January 2001) 9765 Clairemont Mesa Blvd, Suite A (Previously 5575 Ruffin Road, Suite 100 up to March 2002) San Diego CA 92124, USA (Previously 92123) QHE2500, Q2000, Q1500, Q1400, Q1200S, Q1200SG, Q1200SH, Q1200SM and Q1200SV DECLARATION OF CONFORMITY 0168 President (name) (title) (signature of authorised person) (date) Polina Braunstein
  • 47.
    QPEBU2109 47 SecçãodeFuncionamento Funcionamentodamáquina DECLARAÇÃO DECONFORMIDADE Nós, QuakeGlobal,Inc(QuakeWireless,IncatéJaneirode2001) de 9765ClairemontMesaBlvd,SuiteA(5575RuffinRoad,Suite100,atéMarçode2002) SanDiego CA92124,Usa(92123anteriormente) declaramos, sob nossa exclusiva responsabilidade, que os produtos QHE2500, Q2000, Q1500, Q1400, Q1200S, Q1200SG, Q1200SH, Q1200SM e Q1200SV a que se refere esta declaração, estão em conformidade com as seguintes normas e/ou documentos normativos. EN 301 721 V1,2.1 (Junho 2001) EN 300 489-20V1,2.1 (Novembro 2002) EN 60950-1/A11:2004, 1≤ edição Declaramos ainda por este meio que todos os testes de rádio essenciais foram realizados e que o produto acima mencionado se encontra em conformidade com todos os requisitos essenciais da Directiva ≈1999/5/CE∆. O procedimento de avaliação de conformidade referido no Artigo 10 e descrito em pormenor no Anexo [IV] da Directiva ≈1999/5/CE∆ foi realizado com a participação do seguinte organismo notificado: BABT, Claremont House, 34 Molesey Foad, Walton-on-Thames, KT12 4RQ, Reino Unido Marcadeidentificação: 0168 Oequipamentoincluiráaindaa identificaçãode Equipamentodeclasse2. A documentação técnica inerente ao equipamento acima será guardada em: Quake Global Inc (Quake Wireless, Inc. até Janeiro de 2001) 9765 Clairemont Mesa Blvd, Suite A San Diego, CA 92124, USA Polina Braunstein Presidente (Assinaturadapessoaautorizada) (data)
  • 48.
    48 QPEBU2109 SecçãodeFuncionamento Funcionamentodamáquina Comandos dooperador Interruptores de paragem do motor e da máquina Ilustração 57 Interruptores de paragem do motor e da máquina √ Os interruptores de paragem do motor e da máquina presentes na máquina são três. ON √ Premir o interruptor para o activar (ON) e para desactivar o funcionamento do motor e da máquina. OFF √ Puxar o interruptor para fora, para o desligar (OFF) e activar o funcionamento do motor e da máquina. Ilustração 58 Um dos interruptores de paragem está situado no tablier. Ilustração 59 Em cada um dos painéis de comando do nivelador há um interruptor de paragem. Os painéis de comando do nivelador são dois, um de cada lado do nivelador. Para desligar o motor, premir um dos interruptores de paragem com comando à distância. A máquina e o motor não funcionarão enquanto não forem premidos todos os botões de paragem com comando à distância. NOTA: Os interruptores de paragem devem ser utilizados sempre que for necessário desligar o motor de repente. Para saber qual o processo de paragem do motor recomendado, consultar o Manual de Funcionamento e Manutenção, ≈Paragem do motor∆. XS0932AB XS1105AB XS0851AB
  • 49.
    QPEBU2109 49 SecçãodeFuncionamento Funcionamentodamáquina Comandos dotablier (Consola principal) Comando do travão de estacionamento Ilustração 60 Comando do travão de estacionamento √ O interruptor do travão de estacionamento é um interruptor de duas posições. Para activar o travão, empurrar o interruptor para baixo. Quando o travão de estacionamento está activado, o sistema de propulsão está em PONTO MORTO. Para desactivar o travão, puxar o interruptor para cima. Chave de arranque do motor Ilustração 61 OFF √ Para desligar a corrente eléctrica do motor e da máquina, rodar o interruptor no sentido contrário aos ponteiros do relógio, para a posição OFF. Rodar a chave para a posição OFF, antes de tentar pôr de novo o motor a funcionar. Rodar a chave para a posição OFF, para desligar o motor. ON √ Para activar os circuitos eléctricos, rodar o interruptor para a posição ON. Quando a chave é libertada da posição START, regressa à posição ON. START √ Rodar a chave de arranque do motor para a posição START, para pôr o motor a funcionar. Largar a chave assim que o motor pegar. NOTA: Se o motor não pegar, voltar com a chave à posição OFF, antes de a voltar a rodar para a posição START. Antes de pôr o motor a funcionar, é necessário fazer com que se verifiquem as condições seguintes: • Todos os interruptores devem estar na posição OFF. • O travão de estacionamento deve estar activado. • O selector de modo operatório deve estar em STANDBY. • A alavanca de propulsão deve estar em PONTO MORTO. • Todos os interruptores de PARAGEM da máquina e do motor devem estar em OFF. Para mais informações, consultar o Manual de Funcionamento e Manutenção, ≈Arranque do motor∆. XS1105AB XS1105AB
  • 50.
    50 QPEBU2109 SecçãodeFuncionamento Funcionamentodamáquina Interruptor deactivação dos comandos da máquina Ilustração 62 Interruptor de activação dos comandos da máquina √ Premir o interruptor, para activar todas as funções da máquina. A luz dentro do interruptor acende-se quando os comandos da máquina estiverem activados. Indicadores Ilustração 63 Sistema de carga (1) √ O indicador acende-se quando o alternador não estiver a funcionar devidamente. Se o indicador se acender, conduzir a máquina para um local seguro e desligar o motor. Procurar o problema. Não utilizar a máquina enquanto não tiverem sido feitas todas as reparações necessárias. Baixa pressão de óleo no motor (2) √ O indicador acende-se quando a pressão de óleo no motor for excessivamente baixa. Se o indicador se acender, conduzir a máquina para um local seguro e desligar o motor. Procurar o problema. Não utilizar a máquina enquanto não tiverem sido feitas todas as reparações necessárias. Temperatura alta do óleo hidráulico (3) √ O indicador acende-se quando a temperatura do óleo hidráulico for excessivamente alta. Se o indicador se acender, conduzir a máquina para um local seguro e desligar o motor. Procurar o problema. Não utilizar a máquina enquanto não tiverem sido feitas todas as reparações necessárias. Sistema eléctrico desactivado (4) √ O indicador acende-se quando o sistema eléctrico estiver desactivado. Modo Manual (5) √ O indicador acende- se quando estiver activado o modo de trabalho manual. Correia transportadora esquerda (6) √ O indicador acende-se quando a correia transportadora esquerda estiver a funcionar. Correia transportadora direita (7) √ O indicador acende-se quando a correia transportadora direita estiver a funcionar. Vibrador (8) √ O indicador acende-se quando os vibradores estiverem activados. Performance de travagem (9) (se disponível) √ O indicador acende-se quando a performance de travagem diminui devido à existência de baixa pressão hidráulica. Avaria no sistema de propulsão da máquina (10) √ O indicador começa a piscar quando houver uma avaria na parte eléctrica do sistema de propulsão. O número de vezes que a luz piscar indica o tipo e a causa da anomalia detectada. XS1105AB 20 24 23 25 22 17 18 21 13 16 15 1 14 26 9 19 2 11 3 12 4 5 6 7 8 XS1106AB 10
  • 51.
    QPEBU2109 51 SecçãodeFuncionamento Funcionamentodamáquina Tabela4 Travão deestacionamento (11) √ O indicador acende-se quando o travão de estacionamento estiver accionado. Filtro de ar do motor (12) √ O indicador acende-se quando o filtro de ar do motor estiver obstruído e a passagem de ar se restringir. Quando este indicador se acender, limpar o filtro de ar o mais rapidamente possível. Sistema eléctrico activado (13) √ O indicador acende-se quando o sistema eléctrico estiver activado. Modo Automático (14) √ O indicador acende-se quando estiver activado o modo automático de trabalho. Trado esquerdo (15) √ O indicador acende-se quando o trado esquerdo estiver a funcionar. Trado direito (16) √ O indicador acende- se quando o trado direito estiver a funcionar. Velocidade lenta (17) √ O indicador acende-se quando estiver seleccionada a velocidade lenta no selector de velocidade de avanço. Velocidade rápida (18) √ O indicador acende-se quando estiver seleccionada a velocidade rápida no selector de velocidade de avanço. Luz de trabalho (19) √ O indicador da luz de trabalho acende-se quando as luzes de trabalho estiverem acesas. Indicadores de direcção (20) √ O indicador acende-se quando estiverem activados os indicadores de direcção. Velocidade hidráulica lenta (21) √ O indicador acende-se quando estiver seleccionada a velocidade hidráulica lenta no selector de mudança da velocidade hidráulica. Velocidade hidráulica rápida (22) √ O indicador acende-se quando estiver seleccionada a velocidade hidráulica rápida no selector de mudança da velocidade hidráulica. Compensação do nivelador activada (23) √ O indicador acende-se quando o circuito de compensação do nivelador estiver activado. Sistema de pulverização de agente lubrificante (24) √ O indicador acende-se quando o sistema de pulverização do agente lubrificante estiver ligado. Aquecimento eléctrico do nivelador (25) (Se disponível) √ O indicador acende-se quando o sistema de aquecimento eléctrico do nivelador estiver activado. NOTA: Se o indicador começar a piscar, significa que existe uma condição de velocidade excessiva: desligar imediatamente a máquina, utilizando o interruptor de paragem do motor e da máquina. Tracção dianteira (26) (Se disponível) √ O indicador acende-se quando a tracção dianteira estiver activada. Indicador de nível de combustível Ilustração 64 Indicador do nível de combustível √ Este mostrador indica o nível de combustível. AVARI A NÚMERO DE FLASHES CAUSA EFEITO 2 2 Avariano controlo automáticoda velocidadede trabalho Nomodo automáticoa máquinanão anda. 3 3 Avariano sensorde posiçãoda alavancade propulsão Nomodo manuala máquinanão anda. 4 4 Avariana electroválvula damarchade avançoda bombade propulsão Amáquinanão consegue andarparaa frente 5 5 Avariana electroválvula demarcha atrásda bombade propulsão Amáquinanão consegue andarparatrás XS1105AB
  • 52.
    52 QPEBU2109 SecçãodeFuncionamento Funcionamentodamáquina Indicador detemperatura da água Ilustração 65 Indicador de temperatura da água √ Este indicador mostra a temperatura da água de refrigeração do motor. Interruptor de teste dos indicadores Ilustração 66 Interruptor de teste dos indicadores √ Premir o interruptor, para testar os indicadores. O interruptor ilumina o indicador do filtro de ar do motor, o indicador de alta temperatura do óleo hidráulico e o indicador de eficiência de travagem. Reparar ou substituir qualquer indicador que não funcione. Interruptor do indicador de direcção Ilustração 67 Indicador de direcção √ Colocar o interruptor do indicador de direcção para a esquerda, para activar as luzes do sinal de voltar à esquerda. Colocar o interruptor do indicador de direcção para a direita, para activar as luzes do sinal de voltar à direita. XS1105AB XS1105AB XS1105AB
  • 53.
    QPEBU2109 53 SecçãodeFuncionamento Funcionamentodamáquina Interruptor dasluzes de emergência Ilustração 68 Luzes de emergência √ Carregar no interruptor, para ligar as luzes de emergência. Carregar de novo no interruptor, para desligar as luzes de emergência. Quando as luzes de emergência estiverem ligadas, o interruptor estará iluminado. Volante Ilustração 69 Volante √ Comanda o ângulo de viragem da máquina. Rodar o volante no sentido dos ponteiros do relógio, para virar a máquina para a direita. Rodar o volante no sentido contrário aos ponteiros do relógio, para virar a máquina para a esquerda. Pedal do travão de serviço (Se disponível) Ilustração 70 Pedal do travão de serviço √ O pedal do travão de serviço é utilizado para activar o travão de serviço. Carregar no pedal progressivamente com o pé, para travar gradualmente. Carregar a fundo no pedal, para desactivar o sistema de propulsão. Para reactivar o sistema de propulsão depois de o ter desactivado, colocar a alavanca de propulsão em ponto morto. A seguir, colocar o selector de modo em STANDBY. XS1105AB XS0898AB XS0887AB
  • 54.
    54 QPEBU2109 SecçãodeFuncionamento Funcionamentodamáquina Comando datremonha esquerda Ilustração 71 LEVANTAR √ Colocar o interruptor para cima e mantê-lo nessa posição, para levantar a tremonha esquerda. BAIXAR √ Colocar o interruptor para baixo e mantê-lo nessa posição, para baixar a tremonha esquerda. NOTA: Quando o selector é libertado, o interruptor regressa à posição do meio. Quando o interruptor estiver na posição central, a tremonha mantém-se na posição definida. Comando da tremonha direita Ilustração 72 LEVANTAR √ Colocar o interruptor para cima e mantê-lo nessa posição, para levantar a tremonha direita. BAIXAR √ Colocar o interruptor para baixo e mantê-lo nessa posição, para baixar a tremonha direita. NOTA: Quando o selector é libertado, o interruptor regressa à posição do meio. Quando o interruptor estiver na posição central, a tremonha mantém-se na posição definida. E A B D F G C XS0883AB E A B D F G C XS0883AB
  • 55.
    QPEBU2109 55 SecçãodeFuncionamento Funcionamentodamáquina Comando dealtura do trado Ilustração 73 Comando de regulação da altura do trado √ Colocar o interruptor para cima, para levantar o trado. Colocar o interruptor para baixo, para baixar o trado NOTA: Libertando o interruptor, este regressará à posição central. O trado mantém-se na posição definida. Comando do modo de trabalho do trado esquerdo Ilustração 74 OFF √ Colocar o interruptor na posição central, para desligar o trado (OFF). AUTOMŸTICO √ Colocar o interruptor para cima, para pôr os trados a funcionar no modo automático. Quando o interruptor está na posição AUTOMŸTICO, a velocidade dos trados será determinada pelo sinal do sensor sonoro de comando do alimentador. MANUAL √ Colocar o interruptor para baixo, para activar o funcionamento manual dos trados. Com o interruptor na posição MANUAL, os trados funcionarão à velocidade máxima. E A B D F G C XS0883AB E A B D F G C XS0883AB
  • 56.
    56 QPEBU2109 SecçãodeFuncionamento Funcionamentodamáquina Botão deinversão de rotação do trado esquerdo Ilustração 75 Botão de inversão de rotação do trado esquerdo √ Premir o botão, para inverter o sentido de rotação do trado esquerdo. Comando do modo de trabalho do trado direito Ilustração 76 OFF √ Colocar o interruptor na posição central, para desligar (OFF) o trado direito. AUTOMŸTICO √ Colocar o interruptor para cima, para activar o funcionamento automático do trado. Quando o interruptor estiver em AUTOMŸTICO, a velocidade dos trados é determinada pelo sinal do sensor sonoro de comando do alimentador. MANUAL √ Colocar o interruptor para baixo, para activar o funcionamento manual dos trados. Com o interruptor na posição MANUAL, os trados funcionarão à velocidade máxima. E A B D F G C XS0883AB E A B D F G C XS0883AB
  • 57.
    QPEBU2109 57 SecçãodeFuncionamento Funcionamentodamáquina Botão deinversão de rotação do trado direito. Ilustração 77 Botão de inversão de rotação do trado direito √ Premir o botão, para inverter o sentido de rotação do trado direito. Comando do modo de trabalho da correia transportadora esquerda Ilustração 78 OFF √ Colocar o interruptor na posição central, para desligar (OFF) a correia transportadora. AUTOMŸTICO √ Colocar o interruptor para cima, para activar o funcionamento automático da correia transportadora. Quando o interruptor estiver em AUTOMŸTICO, a velocidade da correia transportadora é determinada pela posição do sinal que chega do sensor sonoro de controlo da correia transportadora (se disponível) ou do painel de comando da correia transportadora. MANUAL √ Colocar o interruptor para baixo, para activar o funcionamento manual da correia transportadora. Com o interruptor na posição MANUAL, a correia transportadora funcionará à velocidade máxima. E A B D F G C XS0883AB E A B D F G C XS0883AB
  • 58.
    58 QPEBU2109 SecçãodeFuncionamento Funcionamentodamáquina Botão deinversão de rotação da correia transportadora esquerda Ilustração 79 Botão de inversão de rotação da correia transportadora esquerda √ Premir o botão, para inverter o sentido de rotação da correia transportadora esquerda. Comando do modo de trabalho da correia transportadora direita Ilustração 80 OFF √ Colocar o interruptor na posição central, para desligar (OFF) a correia transportadora. AUTOMŸTICO √ Colocar o interruptor para cima, para activar o funcionamento automático da correia transportadora. Quando o interruptor estiver em AUTOMŸTICO, a velocidade da correia transportadora é determinada pela posição do sinal que chega do sensor sonoro de controlo da correia transportadora (se disponível) ou do painel de comando da correia transportadora. MANUAL √ Colocar o interruptor para baixo, para activar o funcionamento manual da correia transportadora. Com o interruptor na posição MANUAL, a correia transportadora funcionará à velocidade máxima. E A B D F G C XS0883AB E A B D F G C XS0883AB
  • 59.
    QPEBU2109 59 SecçãodeFuncionamento Funcionamentodamáquina Botão deinversão de rotação da correia transportadora direita Ilustração 81 Botão de inversão de rotação da correia transportadora direita √ Premir o botão, para inverter o sentido de rotação da correia transportadora direita. Regulador da espessura de pavimentação do lado esquerdo do nivelador Ilustração 82 AUMENTAR √ Colocar o interruptor para cima e mantê-lo nessa posição, para aumentar a espessura do material do lado esquerdo do nivelador. DIMINUIR √ Colocar o interruptor para baixo e mantê-lo nessa posição, para diminuir a espessura do material do lado esquerdo do nivelador. NOTA: Libertando o interruptor, este regressará à posição central. E A B D F G C XS0883AB XS1105AB
  • 60.
    60 QPEBU2109 SecçãodeFuncionamento Funcionamentodamáquina Comando daespessura de pavimentação do lado direito do nivelador Ilustração 83 AUMENTAR √ Colocar o interruptor para cima e mantê-lo nessa posição, para aumentar a espessura do material do lado direito do nivelador. DIMINUIR √ Colocar o interruptor para baixo e mantê-lo nessa posição, para diminuir a espessura do material do lado direito do nivelador. NOTA: Libertando o interruptor, este regressará à posição central. Comando da largura de aplicação do lado esquerdo do nivelador Ilustração 84 ESQUERDO (FORA) √ Colocar o interruptor na posição da esquerda, para estender o alargamento esquerdo do nivelador. DIREITO (DENTRO) √ Colocar o interruptor na posição da direita, para recolher o alargamento esquerdo do nivelador. NOTA: Ao libertar o interruptor, este regressará à posição central e o alargamento do nivelador suspenderá o movimento. E A B D F G C XS0883AB XS1105AB
  • 61.
    QPEBU2109 61 SecçãodeFuncionamento Funcionamentodamáquina Comando dalargura de aplicação do lado direito do nivelador Ilustração 85 DIREITO (FORA) √ Colocar o interruptor na posição da direita, para estender o alargamento direito do nivelador. ESQUERDO (DENTRO) √ Colocar o interruptor na posição da esquerda, para recolher o alargamento direito do nivelador. NOTA: Ao libertar o interruptor, este regressará à posição central e o alargamento do nivelador suspenderá o movimento. Comando vibratório do nivelador Ilustração 86 OFF √ Colocar o interruptor na posição central, para desligar a vibração do nivelador. AUTOMŸTICO √ Colocar o interruptor para cima, para activar o funcionamento automático do sistema de vibração do nivelador. A vibração do nivelador pode ser ligada e desligada através do selector de modo de funcionamento. MANUAL √ Colocar o interruptor para baixo, para activar o funcionamento manual do sistema de vibração do nivelador. O sistema de vibração do nivelador está sempre ligado. E A B D F G C XS0883AB E A B D F G C XS0883AB
  • 62.
    62 QPEBU2109 SecçãodeFuncionamento Funcionamentodamáquina Interruptor levantar/ondulardo nivelador Ilustração 87 Interruptor levantar/ondular do nivelador √ Levanta ou abaixa o nivelador. LEVANTAR √ Mover o interruptor para cima, para levantar o nivelador. A posição de elevação do interruptor é momentânea. É necessário continuar a segurar o interruptor, para levantar o nivelador. Quando se tirar a mão do interruptor, na posição de elevação, este regressará automaticamente à posição BLOQUEADO, mantendo o nivelador na posição em que estiver nessa altura. BLOQUEADO √ Colocar o interruptor na posição central, para bloquear o nivelador na posição em que estiver. ONDULAR √ Colocar o interruptor para baixo, para baixar o nivelador e lhe permitir ondular livremente, para cima ou para baixo, de acordo com a conformação do terreno. Interruptor do sistema de compensação do nivelador Ilustração 88 OFF √ Colocar o interruptor para baixo, para desligar o sistema de compensação do nivelador. ON √ Colocar o interruptor para cima, para ligar o sistema de compensação do nivelador. Neste modo, a elevação do nivelador é controlada pelo Comando de ajustamento da pressão de compensação do nivelador. E A B D F G C XS0883AB E A B D F G C XS0883AB
  • 63.
    QPEBU2109 63 SecçãodeFuncionamento Funcionamentodamáquina Interruptor domodo de funcionamento Ilustração 89 Interruptor do modo de funcionamento √ Define o modo de funcionamento da máquina. Mudando o interruptor da posição AUTOMŸTICO para STANDBY, pode suspender-se temporariamente o funcionamento da máquina. Isto permite parar a máquina enquanto se aguarda o carregamento do asfalto. MANUAL √ Rodar o interruptor para a esquerda, para a posição manual, para utilizar a máquina no modo manual. No modo MANUAL, é necessário ligar e desligar manual e individualmente todas as funções (vibração, trados, correias transportadoras). STANDBY √ Colocar o interruptor na posição standby, para suspender o funcionamento hidráulico (propulsão, vibração, trados), reduzir a velocidade do motor para marcha lenta e accionar o travão de estacionamento. AUTOMŸTICO √ Colocar o interruptor na posição automático, para reiniciar as funções da máquina (propulsão, vibração, trados, correias transportadoras) com as velocidades de funcionamento definidas. Controlo automático da velocidade de trabalho Ilustração 90 Controlo automático da velocidade de trabalho √ Estabelece a velocidade máxima de avanço da máquina, durante os trabalhos de pavimentação no modo AUTOMŸTICO. Rodar o botão no sentido contrário aos ponteiros do relógio, para diminuir a velocidade da máquina. Rodar o botão no sentido dos ponteiros do relógio, para aumentar a velocidade da máquina. NOTA: Este comando define apenas a velocidade máxima da máquina. A velocidade continua a ser controlada pela alavanca de propulsão. E A B D F G C XS0883AB E A B D F G C XS0883AB
  • 64.
    64 QPEBU2109 SecçãodeFuncionamento Funcionamentodamáquina Alavanca depropulsão Ilustração 91 Alavanca de propulsão √ Comanda a velocidade de avanço e recuo da máquina. Para tirar a alavanca da posição de PONTO MORTO, levantar o batente (1), por baixo do manípulo, e mover a alavanca. AVANÇAR √ Deslocar a alavanca de propulsão para a frente, para deslocar a pavimentadora para a frente. Quanto maior for a deslocação da alavanca, maior será a velocidade da máquina. NOTA: Se o modo de funcionamento da máquina definido for AUTOMŸTICO, a velocidade máxima da máquina é estabelecida pelo Controlo automático da velocidade de trabalho. PONTO MORTO √ Colocar a alavanca de propulsão na posição central, para parar a máquina. Depois da máquina parar, o travão de estacionamento activar-se-á automaticamente. RECUAR √ Colocar a alavanca de propulsão para trás, para a pavimentadora recuar. Quanto maior for a deslocação da alavanca, maior será a velocidade da máquina. Selector de mudança de velocidade Ilustração 92 Selector de mudança de velocidade √ Selecciona a velocidade de andamento da máquina. Tartaruga √ Colocar o selector na posição da tartaruga, para utilizar a máquina a baixa velocidade. Lebre √ Colocar o selector na posição da lebre, para utilizar a máquina a alta velocidade. Consulta: Para saber o processo indicado para mudar a velocidade da máquina, consultar o Manual de Funcionamento e Manutenção, ≈Deslocação da máquina∆. E A B D F G C 1 XS0924AB E A B D F G C XS0883AB
  • 65.
    QPEBU2109 65 SecçãodeFuncionamento Funcionamentodamáquina Selector demudança de velocidade hidráulica Ilustração 93 LENTA √ Colocar o interruptor para cima, para seleccionar a velocidade hidráulica lenta no motor da máquina. RŸPIDA √ Colocar o interruptor para baixo, para seleccionar a velocidade hidráulica rápida no motor da máquina. NOTA: A velocidade da máquina depende das programações combinadas do selector de mudança de velocidade e do selector de mudança de velocidade hidráulica. Interruptor do comando assistido das rodas dianteiras (Se disponível) Ilustração 94 Interruptor do comando assistido das rodas dianteiras √ Activa o sistema de comando assistido das rodas dianteiras. OFF √ Colocar o interruptor para trás, para desligar (OFF) o sistema de comando assistido das rodas dianteiras. ON √ Colocar o interruptor para a frente, para ligar (ON) o sistema de comando assistido das rodas dianteiras. NOTA: O comando assistido das rodas dianteiras só está activado quando a máquina pavimenta no modo AUTOMŸTICO. E A B D F G C XS0883AB E A B D F G C XS0883AB
  • 66.
    66 QPEBU2109 SecçãodeFuncionamento Funcionamentodamáquina Comando damanete de potência Ilustração 95 Comando da manete de potência √ Mover o comando da manete de potência, para mudar a velocidade do motor. Mover o comando da manete de potência no sentido contrário aos ponteiros do relógio, para ralenti baixo. NOTA: Durante o funcionamento normal, o comando da manete de potência deve estar na posição de ralenti alto. Selector das luzes e da buzina Ilustração 96 OFF √ Rodar o botão no sentido contrário aos ponteiros do relógio, para desligar as luzes todas. Luzes de estacionamento √ Rodar o botão para a primeira posição, no sentido dos ponteiros do relógio, para acender as luzes de estacionamento e do tablier. Luzes de circulação rodoviária √ Rodar o botão para a segunda posição, no sentido dos ponteiros do relógio, para acender as luzes de circulação em estrada. Luzes de trabalho √ Rodar o botão para a terceira posição, no sentido dos ponteiros do relógio, para acender as luzes de trabalho. Buzina √ Carregar no botão, para accionar a buzina. XS1105AB XS1105AB
  • 67.
    QPEBU2109 67 SecçãodeFuncionamento Funcionamentodamáquina Interruptor dobloqueador do diferencial Ilustração 97 Interruptor do bloqueador do diferencial √ Este interruptor permite ao operador ligar o sistema de bloqueio do diferencial. ON √ Colocar e manter o interruptor para cima, para activar o bloqueador do diferencial. A função do bloqueador do diferencial é minimizar a patinagem das rodas em terreno não compacto ou escorregadio. NOTA: Quando o interruptor é libertado da posição ON, regressa à posição OFF e o bloqueador mecânico do diferencial é desactivado. NOTA: O bloqueador do diferencial deve ser activado apenas momentaneamente, quando for necessário devido à patinagem das rodas. Não utilizar o bloqueador do diferencial durante o funcionamento normal da máquina. Interruptor do sistema de aquecimento eléctrico do nivelador (se disponível) Ilustração 98 Interruptor do sistema de aquecimento eléctrico do nivelador √ Este interruptor serve para ligar o sistema de aquecimento eléctrico do nivelador. OFF √ Colocar o interruptor para baixo, para desligar o sistema de aquecimento eléctrico do nivelador. ON √ Colocar o interruptor para cima, para ligar o sistema de aquecimento eléctrico do nivelador. XS1105AB XS1105AB
  • 68.
    68 QPEBU2109 SecçãodeFuncionamento Funcionamentodamáquina Comando deajustamento da frequência de vibração Ilustração 99 Comando de ajustamento da frequência de vibração √ Rodar o botão, para ajustar a frequência de vibração quando o interruptor de modo de funcionamento estiver em AUTOMŸTICO ou MANUAL. Rodar o botão no sentido contrário aos ponteiros do relógio, para diminuir a frequência. Rodar o botão no sentido dos ponteiros do relógio, para aumentar a frequência. Comando de ajustamento da pressão de compensação do nivelador Ilustração 100 Comando de ajustamento da pressão de compensação do nivelador √ Utilizar este comando, para ajustar a pressão de funcionamento do sistema distribuidor de carga do nivelador, quando a máquina estiver a funcionar com o interruptor de modo de funcionamento em STAND-BY. O sistema de compensação do nivelador aplica no nivelador uma força vertical, de baixo para cima, para diminuir o peso efectivo do nivelador. Rodar o comando no sentido dos ponteiros do relógio, para aumentar a força de compensação (e reduzir o peso efectivo do nivelador). Rodar o comando no sentido contrário aos ponteiros do relógio, para diminuir a força de compensação (e aumentar o peso efectivo do nivelador). O ajustamento óptimo da compensação do nivelador depende do asfalto e das condições de operação de cada obra. XS1004AB XS1003AB
  • 69.
    QPEBU2109 69 SecçãodeFuncionamento Funcionamentodamáquina Manómetro dapressão de compensação do nivelador Ilustração 101 Manómetro da pressão de compensação do nivelador √ Indica a pressão hidráulica do sistema de compensação do nivelador, expressa em bars e em psi. Comandos do operador (Painéis de comando do nivelador) Ilustração 102 NOTA: Há um painel de comando do lado direito e outro do lado esquerdo da máquina. Os comandos do lado esquerdo do nivelador comandam as funções do lado esquerdo do nivelador. Os comandos do lado direito comandam as funções do lado direito do nivelador. XS1003AB XS0932AB
  • 70.
    70 QPEBU2109 SecçãodeFuncionamento Funcionamentodamáquina Regulador daespessura de pavimentação do lado esquerdo do nivelador Ilustração 103 AUMENTAR √ Para aumentar a espessura do material do lado esquerdo do nivelador, colocar o interruptor para cima. DIMINUIR √ Para diminuir a espessura do material do lado esquerdo do nivelador, colocar o interruptor para baixo. NOTA: Libertando o interruptor, este regressará à posição do meio. A espessura do nivelador mantém-se na última posição seleccionada. Comando da espessura de pavimentação do lado direito do nivelador Ilustração 104 AUMENTAR √ Para aumentar a espessura do material do lado direito do nivelador, colocar o interruptor para cima. DIMINUIR √ Para diminuir a espessura do material do lado direito do nivelador, colocar o interruptor para baixo. NOTA: Libertando o interruptor, este regressará à posição do meio. A espessura do nivelador mantém-se na última posição seleccionada. XS0851AB XS0851AB
  • 71.
    QPEBU2109 71 SecçãodeFuncionamento Funcionamentodamáquina Comando dalargura de aplicação do lado esquerdo do nivelador Ilustração 105 Comando da largura de aplicação do lado esquerdo do nivelador √ Deslocar para a esquerda o comando da largura de aplicação do lado esquerdo, para estender ou recolher o alargamento esquerdo do nivelador. ESQUERDO (FORA) √ Colocar o interruptor na posição da esquerda, para estender o alargamento esquerdo. DIREITO (DENTRO √ Colocar o interruptor na posição da direita, para recolher o alargamento esquerdo. NOTA: Libertando o interruptor, este regressará à posição do MEIO. A largura do nivelador conserva- se na última posição seleccionada. Botão da buzina Ilustração 106 Botão da buzina √ Premir o botão para tocar a buzina. XS0851AB XS0851AB
  • 72.
    72 QPEBU2109 SecçãodeFuncionamento Funcionamentodamáquina Comando dotrado esquerdo Ilustração 107 Comando do trado esquerdo √ Colocar o interruptor para a esquerda ou para a direita, para definir o sentido de rotação do trado esquerdo. ESQUERDO (FORA) √ Colocar o interruptor na posição da esquerda, para accionar manualmente o sentido de direcção do trado, do centro da máquina para o exterior. DIREITO (DENTRO √ Colocar o interruptor na posição da direita, para accionar o trado, manualmente, no sentido inverso. Libertando o interruptor, este regressará à posição do meio e os trados passarão a funcionar normalmente. Comando da correia transportadora esquerda Ilustração 108 Comando da correia transportadora esquerda √ Colocar o interruptor para cima ou para baixo, para comandar manualmente o sentido de rotação da correia transportadora esquerda. PARA CIMA √ Colocar o interruptor para cima, para accionar manualmente a correia transportadora esquerda no sentido oposto. Esta função demonstra-se muitas vezes útil para libertar o material que está a obstruir a tremonha. PARA BAIXO √ Colocar o interruptor para baixo, para accionar manualmente a correia transportadora esquerda e aumentar a quantidade de material recebida no trado esquerdo. XS0851AB XS0851AB
  • 73.
    QPEBU2109 73 SecçãodeFuncionamento Funcionamentodamáquina Libertando ointerruptor, este regressará à posição do meio e a correia transportadora esquerda passa a funcionar normalmente. Interruptor para desligar a bateria Ilustração 109 Consulta: Para aceder ao interruptor que desliga a bateria, consultar o Manual de Funcionamento e Manutenção, ≈Porta direita de acesso - Abertura∆. Interruptor para desligar a bateria √ O interruptor para desligar a bateria está dentro da máquina, do lado direito. Interruptor para desligar a bateria ON √ Rodar a chave no sentido dos ponteiros do relógio, para a posição ON, para ligar o sistema eléctrico. Interruptor para desligar a bateria OFF √ Rodar a chave no sentido contrário aos ponteiros do relógio, para desligar todo o sistema eléctrico. Tirar a chave da máquina ao abandoná-la no fim do dia de trabalho ou quando o operador se ausentar por um longo período de tempo. Retirar também a chave sempre que se realizarem serviços de manutenção no sistema eléctrico. AVISO Nunca colocar o interruptor da bateria na posição OFF enquanto o motor estiver em funcionamento. Perigo de graves danos para o sistema eléctrico. Alarme de marcha atrás Ilustração 110 Alarme de marcha atrás √ O alarme de marcha atrás toca quando a alavanca de propulsão estiver na posição de MARCHA ATRŸS. O alarme de marcha atrás serve de advertência para as pessoas atrás da máquina. O alarme de marcha atrás avisa as pessoas de que a máquina está a recuar. O alarme de marcha atrás está situado no lado posterior esquerdo da máquina. 20 XS1148AB XS0888AB
  • 74.
    74 QPEBU2109 SecçãodeFuncionamento Funcionamentodamáquina Contador dehoras de serviço Ilustração 111 Consulta: Para aceder ao contador de horas de serviço, consultar o Manual de Funcionamento e Manutenção, ≈Porta direita de acesso - Abertura∆. Contador de horas de serviço √ Este mostrador indica o número total de horas de funcionamento do motor. Para determinar os intervalos de manutenção, utilizar o contador de horas de serviço. Pino de segurança, para bloqueio do nivelador m CUIDADO Movimentos acidentais do nivelador podem provocar lesões graves ou morte. Depois do nivelador estar completamente para cima bloqueá-lo nesta posição, utilizando a alavanca de fixação, para estender os pinos de segurança. Ilustração 112 A máquina tem dois pinos de segurança para bloquear a posição do nivelador. Os pinos estão situados de ambos os lados da máquina. Os pinos são utilizados para manter o nivelador fixo na posição ELEVADA, durante as transferências da máquina. 1. Levantar o nivelador até uma posição que permita abrir as barras de segurança. Ilustração 113 NOTA: Há uma alavanca de fixação de cada lado da máquina. 2. Baixar as alavancas de fixação do nivelador para abrir os pinos de segurança para bloqueio do nivelador até ao máximo de extensão. 3. Baixar o nivelador de modo a ficar apoiado nos pinos de segurança. 20 XS1148AB XS0981AB XS0980AB
  • 75.
    QPEBU2109 75 SecçãodeFuncionamento Funcionamentodamáquina Pino desegurança, para bloqueio da tremonha m CUIDADO As partes laterais da tremonha podem oscilar para baixo e causar perigo de esmagamento de que podem decorrer lesões graves ou morte. Activar sempre os pinos de segurança da tremonha, para a fixar na posição de elevação. Para saber como accionar os pinos de segurança da tremonha, consultar o Manual de Funcionamento e Manutenção, “Pino de segurança para bloqueio da tremonha”. Ilustração 114 Há dois pinos de segurança na máquina, para bloquear a posição da tremonha. Os pinos estão situados na parte anterior da máquina, de ambos os lados. As seguranças são utilizadas para manter as tremonhas na posição fechada, durante as transferências da máquina. 1. Levantar (fechar) as tremonhas esquerda e direita até uma posição de elevação que permita abrir os pinos de segurança. 2. Abrir os pinos completamente. 3. Baixar as tremonhas esquerda e direita até ficarem apoiadas sobre os pinos. Interruptor do sistema de pulverização de agente lubrificante Ilustração 115 Puxar o interruptor (1), para activar o sistema de pulverização de agente lubrificante. XS0936AB XS0890AB 1
  • 76.
    76 QPEBU2109 SecçãodeFuncionamento Funcionamentodamáquina Tomadas decorrente de12 Volt Ilustração 116 Estão situadas no lado traseiro direito e traseiro esquerdo dos suportes da plataforma deslizante do operador e são utilizadas para alimentar os faróis rotativos da pavimentadora. AVISO As tomadas de corrente das luzes de trabalho e do farol rotativo foram concebidas expressa e exclusivamente para este fim. Não utilizar as tomadas para alimentar outros equipamentos, porque há risco de danificar o sistema eléctrico da máquina. Tomada de corrente (se disponível) Ilustração 117 Só as máquinas com sistema eléctrico de aquecimento do nivelador (1)dispõem de tomada de corrente. Utilizá-la para alimentar todas as ferramentas de trabalho Caterpillar aprovadas que necessitarem de electricidade. XS0890AB XS0891AB
  • 77.
    QPEBU2109 77 SecçãodeFuncionamento Arranquedomotor Arranque domotor Arranque do motor m CUIDADO Para prevenir lesões pessoais, certificar-se de que todo o pessoal está afastado da máquina. Tocar a buzina durante vários segundos, antes de ligar o motor. Ilustração 118 1. Rodar o interruptor que desliga a bateria para a posição ON. Consulta: Para aceder ao interruptor que desliga a bateria, consultar o Manual de Funcionamento e Manutenção, ≈Porta direita de acesso - Abertura∆. 2. Verificar se há fugas de óleo ou de outros fluidos na máquina. 3. Verificar se todos os interruptores, selectores e comandos estão na posição OFF, STANDBY ou PONTO MORTO. Ilustração 119 4. Verificar se os interruptores de paragem do motor e da máquina no tablier e nos painéis de comando estão desligados (OFF) (rodar os interruptores para a direita, para os desligar). 20 XS1148AB XS0954AB
  • 78.
    78 QPEBU2109 SecçãodeFuncionamento Arranquedomotor Ilustração 120 5.Verificar se o selector de modo de funcionamento (1) está em STANDBY (no centro). 6. Verificar se a alavanca de propulsão, (2), está em PONTO MORTO. Ilustração 121 7. Rodar a chave de arranque do motor, (3), para a posição ON. Os indicadores do sistema de carga, sistema eléctrico desactivado, travão de estacionamento, avaria no motor e eficiência de travagem acendem-se. 8. Rodar a chave de arranque do motor para a posição START até o motor pegar. NOTA: Se o motor não pegar no prazo de 30 segundos, interromper as tentativas. Rodar a chave de arranque do motor, (3), para a posição OFF. Aguardar dois minutos, para deixar arrefecer o motor de arranque, e tentar outra vez. NOTA: Se o interruptor de activação dos comandos da máquina for premido durante o processo de arranque, a máquina não pegará. Rodar a chave de arranque do motor para a posição OFF, aguardar 5 segundos, para dar ao sistema electrónico da máquina o tempo suficiente para fazer o reset e depois, tentar novamente. Ilustração 122 9. Durante o funcionamento do motor, apenas o indicador do travão de estacionamento (4) e o de sistema eléctrico desactivado (5) deverão manter-se acesos. AVISO Se o indicador do sistema de carga (6) se mantiver apagado (OFF) durante o processo de arranque, verificar se a lâmpada do indicador está funcionar devidamente. Se o indicador do sistema de carga (6) se mantiver aceso (ON) enquanto o motor está a funcionar, é porque há uma avaria no sistema de carregamento da bateria. Neste caso, desligar a máquina e contactar o distribuidor Caterpillar. E A B D F G C XS0883AB 1 2 3 XS1105AB 6 5 XS1106AB 4 7
  • 79.
    QPEBU2109 79 SecçãodeFuncionamento Informaçõessobreofuncionamento m CUIDADO Perigode lesões pessoais graves e possível morte no caso de diminuição da performance de travagem da máquina. Se o indicador de performance de travagem (7) se mantiver APAGADO durante o processo de arranque da máquina, verificar se a lâmpada do indicador está a funcionar correctamente. Se o indicador de performance de travagem (7) se mantiver ACESO durante o funcionamento do motor, a performance de travagem pode ter diminuído. Neste caso, desligar a máquina e contactar o distribuidor Caterpillar. Não tentar deslocar a máquina enquanto a causa do problema não tiver sido identificada e o problema não estiver resolvido. Descurar este conselho pode provocar lesões graves e possível morte. Aquecimento da máquina e do motor AVISO Manter o motor a baixa rotação até a pressão de óleo aparecer indicada no mostrador. Se não aparecer no prazo de 15 segundos, desligar o motor e averiguar a causa do problema, antes de pôr o motor novamente a funcionar. A não observação destas indicações pode provocar danos no motor. 1. Deixar aquecer o motor em marcha lenta, quando frio, durante pelo menos cinco minutos. Accionar os comandos dos acessórios, para tornar mais rápido o aquecimento dos componentes hidráulicos. 2. Durante o funcionamento da máquina, olhar com frequência para o tablier. Se algum dos indicadores não funcionar devidamente, desligar o motor. Inspeccionar o sistema eléctrico ou o sistema da máquina, para determinar a causa do problema de funcionamento do indicador em causa. Efectuar as reparações necessárias, antes de voltar a ligar a máquina. 3. Testar todos os comandos. Verificar se os comandos funcionam devidamente. Informações sobre o funcionamento Informações sobre o funcionamento Para evitar lesões pessoais, verificar a área à volta da máquina. Afastar da máquina todo o pessoal, antes de mover a máquina. Manter sempre a máquina sob controlo, para evitar acidentes. Para começar a descer um declive, seleccionar a mudança apropriada. NOTA: Quando a inclinação for superior a 6%, colocar o comando do comutador de velocidades na posição de velocidade LENTA (LOW). Não deixar o motor atingir velocidade excessiva enquanto estiver a avançar em descida.
  • 80.
    80 QPEBU2109 SecçãodeFuncionamento Informaçõessobreofuncionamento Deslocar amáquina NOTA: Antes de deslocar a máquina, verificar se as tremonhas, o nivelador e as extensões da plataforma do operador estão na posição desejada. Se a máquina tiver de circular em estrada durante um período de tempo mais extenso, aplicar os pinos de segurança de bloqueio da tremonha, os pinos de segurança de bloqueio do nivelador e recolher as extensões da plataforma do operador. Ilustração 123 1. Ajustar o assento do operador. Consulta: Para informações sobre como fazer o arranque do motor, consultar o Manual de Funcionamento e Manutenção, ≈Arranque do motor∆. Consulta: Para saber qual o processo indicado para aquecer a máquina e o motor, consultar o Manual de Funcionamento e Manutenção, ≈Aquecimento da máquina e do motor∆. 2. Com o motor a funcionar, premir o interruptor de activação dos comandos da máquina (1). O indicador de desactivação do sistema eléctrico (2) apaga-se e acende-se o indicador de sistema eléctrico activado (3), para informar que as funções da máquina estão activadas. 3. Colocar o comando da manete de potência (4) para a frente ou para trás, para seleccionar a velocidade do motor desejada. Colocar a alavanca de comando para trás, para aumentar a velocidade do motor e para a frente, para a diminuir. 4. Utilizar o interruptor levantar/ondular (5) do nivelador, para levantar o nivelador completamente e fixá-lo nesta posição com pinos de fixação do nivelador. E STOP A B D F G C 2 1 3 5 4 XS1107AB
  • 81.
    QPEBU2109 81 SecçãodeFuncionamento Informaçõessobreofuncionamento Ilustração 124 5.Verificar se a velocidade de avanço está posta na gama de velocidades desejada. • LENTA: o indicador de marcha lenta (7) está aceso. • RŸPIDA: o indicador de marcha rápida (8) está aceso. 7 8 XS1106AB
  • 82.
    82 QPEBU2109 SecçãodeFuncionamento Informaçõessobreofuncionamento Ilustração 125 6.Se for necessário, a velocidade pode ser mudada do modo seguinte: • Colocar a máquina numa superfície horizontal. • Verificar se a alavanca de marcha de avanço/ recuo (9) está em ponto morto. • Colocar o selector de modo de funcionamento (10) na posição STANDBY (central) . • Carregar no comando do travão de estacionamento (11), para accionar os travões de estacionamento. • Verificar se o indicador do travão de estacionamento (12) está aceso (ON). NOTA: Se o indicador não estiver aceso, não mudar a velocidade da máquina. Verificar o que está a acontecer e corrigir o erro que está a provocar o mau funcionamento do indicador, antes de deslocar a máquina. • Usar o selector de velocidade de avanço (6) para definir a velocidade desejada (o indicador próprio acende-se). NOTA: Para confirmar ao operador que o funcionamento é correcto, a máquina emite um breve sinal sonoro. AVISO Se a mudança de velocidade não tiver sido feita devidamente, nenhum dos indicadores de velocidade se acende e a máquina emite um sinal sonoro, para avisar o operador. Este sinal sonoro continua a tocar enquanto o processo de mudança de velocidade não for concluído correctamente. Enquanto o sinal sonoro estiver a tocar, a máquina está em ponto morto. Seguir as indicações do ponto 7, para activar a transmissão. 7. Se a mudança de velocidade não tiver sido concluída de modo correcto, proceder assim: • Seleccionar a velocidade desejada no selector de velocidade de avanço (6). • Puxar o comando do travão de estacionamento (11), para desactivar os travões. • Seleccionar o modo MANUAL no selector de modo de funcionamento (10). E STOP A B D F G C 11 3 17 9 15 6 10 XS1107AB 16 1214 13
  • 83.
    QPEBU2109 83 SecçãodeFuncionamento Informaçõessobreofuncionamento • Colocara alavanca de marcha de avanço/ recuo (9) para a frente ou para trás, até se acender o indicador da velocidade desejada. • Colocar a alavanca de marcha de avanço/ recuo (9) na posição de ponto morto. • Seleccionar o modo STANDBY no selector de modo de funcionamento (10). • Seleccionar o modo MANUAL no selector de modo de funcionamento (10). 8. Verificar se a velocidade hidráulica definida corresponde à desejada. • LENTA: O indicador de velocidade hidráulica lenta (13) está aceso. • RŸPIDA: O indicador de velocidade hidráulica rápida (14) está aceso. 9. Se for necessário, colocar o selector de mudança de velocidade hidráulica (15) para cima ou para baixo, para escolher a velocidade hidráulica desejada. Ilustração 126 10. Deslocar a máquina para a frente e para trás, conforme desejado, utilizando a alavanca de propulsão (9). Andando com a alavanca mais para a frente ou mais trás, aumentar-se-á a velocidade de deslocação da máquina. 11. Para parar a máquina, repor lentamente a alavanca de propulsão na posição de PONTO MORTO (central). O travão de estacionamento será automaticamente accionado. m CUIDADO Perigo de lesões pessoais graves e possível morte no caso de diminuição da performance de travagem da máquina. Se o indicador de performance de travagem (16) se ACENDER durante o movimento da máquina, pode indicar performance de travagem diminuída. Neste caso, repor a alavanca de propulsão (9), calmamente, na posição de PONTO MORTO (central) e colocar o comando da manete de potência (4) para a frente, na posição de ralenti. O travão de estacionamento será automaticamente accionado. Desligar o motor e contactar o distribuidor Caterpillar. Não tentar deslocar a máquina enquanto a causa do problema não tiver sido identificada e o problema não estiver resolvido. Descurar este conselho pode provocar lesões graves e possível morte. NOTA: Ao conduzir a máquina em subidas ou descidas, manter alta a velocidade de rotação do motor e conservar a alavanca de propulsão numa posição de velocidade lenta. Se for necessário, seleccionar a velocidade lenta para percorrer subidas ou descidas. 12. Se quando se deslocar a máquina, as rodas traseiras derraparem, colocar o interruptor do bloqueador do diferencial (17) para cima e mantê-lo nessa posição, para aplicar manualmente o bloqueio do diferencial até o problema de tracção se resolver. NOTA: Ao conduzir a máquina em subidas ou descidas, manter alta a velocidade de rotação do motor e conservar a alavanca de propulsão numa posição de velocidade lenta. Se for necessário, seleccionar a gama de velocidades lenta, para percorrer subidas ou descidas. E A B D F G C 9 XS0924AB
  • 84.
    84 QPEBU2109 SecçãodeFuncionamento Informaçõessobreofuncionamento Começar apavimentar 1. Pulverizar todas as partes da máquina (tremonhas, cintas transportadoras, trados e nivelador) sujeitas a contacto com o material de pavimentação, com um agente lubrificante. Consulta: Para informações sobre o modo apropriado de pulverizar a máquina, consultar o Manual de Funcionamento e Manutenção, ≈Limpeza da máquina∆, antes de começar a pavimentação. 2. Conduzir a pavimentadora para o local onde se deve iniciar a asfaltar. Ilustração 127 3. Levantar as tremonhas e recolher os pinos de bloqueio respectivos. Abrir a tremonhas na posição desejada. Ilustração 128 4. Levantar o nivelador e libertar os respectivos pinos de bloqueio. Consulta: Para saber qual o processo indicado para destravar os pinos de segurança de bloqueio do nivelador, consultar o Manual de Funcionamento e Manutenção, ≈Pinos de segurança para bloqueio do nivelador∆. 5. Antes de colocar o nivelador na posição de trabalho, a altura da sola do nivelador tem de ser igual à espessura do tapete de estrada. Para tal, poderão utilizar-se calços de madeira, o próprio conglomerado ou a borda de asfalto da estrada pré-existente. 6. Colocar o nivelador no ponto de partida determinado no passo 5. Ilustração 129 A figura mostra o indicador de pavimentação 7. Utilizando os comandos dos painéis de comando do nivelador, ajustar a espessura de pavimentação fazendo coincidir os valores dos indicadores de pavimentação com o valor da espessura criada por baixo das solas de alisamento. O valor dado pelos indicadores é aproximado. Consulta: Consultar o Manual de Funcionamento e Manutenção, ≈Processos de regulação∆. XS0936AB XS0981AB XS0857AB
  • 85.
    QPEBU2109 85 SecçãodeFuncionamento Informaçõessobreofuncionamento Ilustração 130 a.Para máquinas equipadas com niveladores com aquecimento a gás. • Ligar o sistema de aquecimento do nivelador como descrito no Manual de Funcionamento e Manutenção do nivelador. • Pré-aquecer as solas de alisamento a 100°C (212°F), antes de começar a trabalhar. Manter esta temperatura durante 4 ou 5 minutos, até as solas de alisamento estarem uniformemente aquecidas. • Utilizar os comandos dos trados e das correias transportadoras, para distribuir o asfalto e programar o potenciómetro da ignição electrónica à temperatura desejada. • Após aplicação dos primeiros 50-60 cm (1.7-2.0 pés) de asfalto, é recomendável interromper o trabalho e aguardar 10-15 minutos antes de prosseguir. Deste modo ajuda-se a distribuir uniformemente o calor nas solas de alisamento. Ilustração 131 b. Para máquinas equipadas com niveladores com aquecimento eléctrico. • Ligar o sistema de aquecimento eléctrico dos niveladores como indicado no Manual de Funcionamento e Manutenção do nivelador. • Seleccionar a temperatura de utilização necessária. Alcançada a referida temperatura, usar os comandos das correias transportadoras e dos trados, para distribuir o material. 8. Programar o sistema de vibração e o sistema de compensação do nivelador com os valores desejados. 9. Ligar as correias transportadoras e os trados, utilizando os comandos do tablier. 10. O camião que transporta o material de pavimentação pode, agora, apoiar-se nos rolos de impulsão para começar a descarregar o material. Quando o material betuminoso tiver enchido o túnel e os trados tiverem descarregado material suficiente de ambos os lados, os sensores de pás interrompem, automaticamente, o movimento dos trados. É, então, possível começar a aplicar o material de pavimentação. Seleccionar a velocidade de trabalho lenta no comando do comutador de velocidades. Seleccionar a velocidade hidráulica lenta no selector de mudança de velocidade hidráulica. XS0852AB ! XS0437AB
  • 86.
    86 QPEBU2109 SecçãodeFuncionamento Informaçõessobreofuncionamento Utilizar oselector de modo de funcionamento, para seleccionar o modo ≈AUTOMŸTICO∆ e usar o controlo automático da velocidade de trabalho de modo que a máquina avance com a velocidade seleccionada e a espessura da superfície de estrada seja conseguida ao fim de alguns metros. Para ajustar a velocidade de funcionamento, utilizar o controlo automático da velocidade de trabalho. Quando for necessário mudar de camião para deitar mais asfalto na pavimentadora, colocar o selector de modo de funcionamento em STANDBY, para interromper as funções e aguardar os camiões. Remate do tapete de asfalto São vários os métodos utilizados para obter um bom remate vertical na borda do tapete de asfalto. Estes métodos permitem a deslocação de um compactador a subir e descer do tapete de asfalto. Ilustração 132 Um dos métodos para rematar um tapete de asfalto utiliza uma folha de papel, (1), com cerca de 1 m (3 pés) de largura. O papel deve ser ligeiramente mais comprido do que a largura do tapete de asfalto. A pavimentadora mantém-se em funcionamento enquanto não acabar todo o material presente na tremonha. Quando a tremonha se esvaziar, as correias transportadoras, vibradores e tampers param. O nivelador é levantado e a pavimentadora é afastada do tapete de asfalto. Alisar o material uniformemente a toda a largura do tapete, (3), de modo a formar uma abertura para o papel. O papel é colocado a toda a largura do tapete, na abertura realizada. O material (2) é alisado em cima do papel. O material é alisado à mesma profundidade a que foi aplicado o tapete betuminoso. Poderá utilizar-se uma camada de desperdícios ou outro material em vez do papel, para obter o mesmo resultado. Ilustração 133 Outro método para obter um bom remate no tapete de asfalto, consiste na utilização de uma tábua, (5), com a mesma espessura do tapete de asfalto compactado (6). Ao longo da extremidade longitudinal do tapete de asfalto alisa-se uma abertura para a tábua. A tábua é introduzida na abertura. O restante material é alisado contra a tábua, de modo a formar uma rampa (4) para o compactador. A rampa manterá a tábua no lugar. Juntas paralelas Para fazer uma junta paralela, é necessário fazer uma junta topo a topo, entre os dois tapetes de asfalto. É preferível unir os tapetes de asfalto antes do arrefecimento do primeiro deles. Ilustração 134 Para fazer uma junta paralela, o compactador não deve passar a menos de 150 a 300 mm (6 a 12 polegadas) de distância da extremidade do primeiro tapete (3) mais próximo das superfícies de junção (2). Passar com o compactador sobre a junta paralela, na altura em que se fizer a compactação do segundo tapete de asfalto (1). Para fazer a junta paralela é necessário sobrepor 25 a 50 mm (1 a 2 polegadas) do bordo do nivelador sobre o primeiro tapete de asfalto aplicado. O bordo do nivelador deve estar ao mesmo nível do primeiro tapete de asfalto. XS0426AB XS0427AB XS0428AB
  • 87.
    QPEBU2109 87 SecçãodeFuncionamento Informaçõessobreofuncionamento Se oprimeiro tapete tiver sido compactado, levantar o nivelador de modo que o material seja suficiente para compactação. Para o segundo tapete de asfalto coincidir com o primeiro, é necessário que tenha espessura suficiente para a compactação do mesmo. Compactar a junta paralela o mais cedo possível. A junta paralela tem de ser ligada a um tapete betuminoso frio. Quando se aplicar o segundo tapete de asfalto é necessário que a quantidade de material a compactar seja suficiente para poder coincidir com a espessura do tapete de asfalto frio. A junta deve ser compactada imediatamente a seguir ao trabalho da pavimentadora. Juntas transversais A qualidade das juntas transversais depende da preparação feita na superfície da junta, no final da aplicação do primeiro tapete de asfalto. A borda do primeiro tapete de asfalto deve ser vertical, de modo a permitir uma boa ligação entre as superfícies de união. NOTA: Quando se fizer uma junção antes do arrefecimento do primeiro tapete de asfalto, não compactar os últimos 1,8 m (6 pés) do primeiro tapete. Quando se estiver pronto para fazer a junção, levantar o nivelador e recuar com a pavimentadora. Parar a pavimentadora quando a borda do primeiro tapete estiver a cerca de 75 a 100 mm (3 a 4 polegadas) de distância da frente do nivelador. Baixar o nivelador sobre as tiras com espessura suficiente para compactação do material aplicado. Com o nivelador no primeiro tapete aplicado, ajustar os reguladores da espessura de pavimentação, se tiverem sido alterados. Encher a correia transportadora do trado com asfalto. Começar a pavimentação. Quando se ajustam os reguladores da espessura de pavimentação, é necessário que o material seja suficiente para compactar o segundo tapete. Ajustar os reguladores da espessura de pavimentação de modo a conseguir a espessura de tapete de asfalto desejada. Pavimentação à volta das câmaras de visita O processo de aplicação do asfalto à volta das câmaras de visita depende da camada que é pavimentada. A superfície do material, após aplicação da camada superior, é habitualmente mais alta do que a tampa da câmara de visita. Quando se aplicarem duas camadas de asfalto, o nivelador, ao aplicar a camada de fundo, não conseguirá passar por cima da câmara de visita. É necessário levantar o nivelador, para que possa passar por cima da câmara de visita. Baixar de novo o nivelador para a altura devida, após a passagem por cima da câmara de visita. Para marcar a posição da câmara de visita, colocar uma marca ao longo do tapete da estrada. A marca ajudará o operador a imaginar a posição da câmara de visita enquanto esta estiver por baixo da pavimentadora. É necessário parar a pavimentadora, quando o nivelador estiver quase em contacto com a câmara de visita. Nesta altura, o nivelador deve ser levantado para poder passar por cima da câmara de visita. Levantar o nivelador. Avançar com a pavimentadora até o nivelador ter passado a câmara de visita. Imediatamente após a passagem desta, o nivelador volta a ser baixado para a posição original. Alisar o excesso de material depositado no solo, à volta da câmara de visita. Ilustração 135 Se a posição da câmara de visita for tal que comporte a passagem de uma das rodas por cima da referida câmara, utilizar os reguladores da espessura de pavimentação para manter o nivelador à altura desejada, quando as rodas passarem por cima da câmara em causa. Para a máquina poder passar por cima de uma câmara de visita com relevo superior a 76 mm (3 pol.), é necessário construir uma rampa. Para a construção das rampas, utilizar material da tremonha da máquina. Remover todo o asfalto de cima da câmara de visita, antes do compactador passar por cima desta. XS0425AB
  • 88.
    88 QPEBU2109 SecçãodeFuncionamento Processosderegulação Processos deregulação Processos de regulação Espessura de pavimentação - Verificação Ilustração 136 A alteração da espessura de pavimentação é indicada por dois ponteiros nos indicadores de pavimentação. Estes indicam, aproximadamente, a espessura de pavimentação, expressa em cm, de acordo com a posição dos braços de reboque do nivelador. A leitura da espessura pode ser aproximada, na medida em que varia de acordo com o tipo de material e a velocidade de trabalho. Contra-haste de direcção Ilustração 137 m CUIDADO A máquina em movimento pode provocar lesões graves ou morte. Ajustar e posicionar o indicador do nivelador quando a máquina estiver parada e quando o selector de modo de funcionamento no tablier estiver em Standby. Ilustração 138 1. Desapertar o manípulo de fixação (1), para estender a haste de apoio da máquina (2). XS0857AB E A B D F G C XS0883AB 1 XS0934AB 4 2 3 6 5
  • 89.
    QPEBU2109 89 SecçãodeFuncionamento Processosderegulação 2. Montaro suporte (3) na haste de apoio da máquina (2). Apertar o manípulo de fixação (4), para fixar o apoio (3) na posição desejada. 3. Montar a contra-haste de direcção (5) no apoio (3) e apertar o manípulo de fixação (6). NOTA: A contra-haste de direcção tem de ser removida da máquina quando ela circular em estrada ou durante o transporte da máquina. Chaves de palheta para correias transportadoras e trados Ilustração 139 m CUIDADO Perigo de lesões graves ou morte, se a máquina estiver a funcionar enquanto as posições das chaves de palheta estiverem a ser ajustadas. Ajustar e posicionar as chaves de palheta só quando a máquina estiver parada e o selector de modo de funcionamento no tablier estiver em Standby. Ilustração 140 Para regular a quantidade de material que sai pela frente do nivelador, a máquina está equipada com dois sensores para ajustamento da velocidade das correias transportadoras e dos trados de acordo com a quantidade de material necessária. Para regular a quantidade de material fornecida pelas correias transportadoras, desapertar o parafuso (1) para ajustar a altura da palheta (2). A altura da palheta determina a quantidade de material fornecida à parte da frente do nivelador pelas correias transportadoras. Com as palhetas da correia transportadora (3) reguladas na posição mais alta, as correias transportadoras fornecem o máximo de material possível na parte da frente do nivelador. Com as palhetas da correia transportadora (3) reguladas na posição mais baixa, as correias transportadoras fornecem o mínimo de material possível na parte da frente do nivelador. Ao atingir a altura de ajustamento desejada, apertar o parafuso (1). E A B D F G C XS0883AB XS0992AB 3 2 1
  • 90.
    90 QPEBU2109 SecçãodeFuncionamento Processosderegulação Ilustração 141 Pararegular a quantidade de material presente nos trados, desapertar o botão (4) para ajustar a altura da palheta (5). A posição das chaves de palheta dos trados (5) determina a quantidade de material presente na frente do nivelador na posição desejada. Se for necessário deslocar a posição de montagem da chave de palheta do trado (5) do centro da máquina para o exterior da máquina, desapertar o botão (6) e deslocar o grupo para a posição desejada. Ao atingir a altura e posição desejadas, apertar os botões (4) e (6). XS0992AB 456
  • 91.
    QPEBU2109 91 SecçãodeFuncionamento Estacionamento Estacionamento Parar amáquina Estacionar a máquina numa superfície horizontal. Se for necessário estacionar em declive, bloquear firmemente as rodas. 1. Colocar a alavanca de propulsão na posição de PONTO MORTO. 2. Colocar todos os interruptores que estiverem em AUTO, na posição MANUAL ou OFF. 3. Colocar o interruptor do travão de estacionamento na posição ON. 4. Baixar o nivelador a nível do solo. Fechar (levantar) as tremonhas e aplicar os pinos de bloqueio respectivos. 5. Colocar o comando de velocidade do motor na posição de MARCHA LENTA. Desligar o motor AVISO Desligar o motor imediatamente após ter operado sob carga, pode provocar sobreaquecimento e desgaste precoce dos seus componentes. Seguir as indicações do processo de paragem abaixo, para deixar arrefecer o motor e impedir temperaturas excessivas na sede central do motor turbo-comprimido, que podem provocar problemas de coquefacção do óleo. 1. Antes de desligar o motor, deixá-lo funcionar ao ralenti, durante cerca de cinco de minutos. É necessário que o motor funcione sem carga. Deste modo, as partes quentes do motor poderão arrefecer gradualmente. Este procedimento aumenta a duração do motor. 2. Desligar o interruptor de alimentação situado na consola principal. Retirar a chave. 3. Certificar-se de que todos os comandos estão na posição OFF. Certificar-se de que todos os comandos estão na posição própria para estacionamento da máquina. Como parar o motor em caso de avaria eléctrica Ilustração 142 Rodar a chave de arranque do motor para a posição OFF. Se o motor não parar, é porque há qualquer avaria eléctrica. Se o motor não parar, proceder do modo seguinte: 1. Pôr o motor a funcionar em ralenti. Ilustração 143 2. Premir o interruptor de paragem de comando à distância (1) no tablier ou um dos dois interruptores de paragem de comando à distância situados em ambos os painéis de comando do nivelador. 1 XS1105AB XS0851AB 1
  • 92.
    92 QPEBU2109 SecçãodeFuncionamento Estacionamento NOTA: Nãoutilizar a máquina enquanto o problema não estiver resolvido. Dirigir-se ao distribuidor Caterpillar, para as reparações necessárias. Baixar o equipamento com o motor desligado Certificar-se de que todo o pessoal está afastado da máquina, antes de proceder ao abaixamento manual do nivelador. Certificar-se de que todos os comandos do tablier estão na posição STANDBY ou OFF. Ilustração 144 1. Abrir a porta direita de acesso da máquina e bloqueá-la na posição aberta. Consulta: Para aceder ao interruptor que desliga a bateria, consultar o Manual de Funcionamento e Manutenção, ≈Porta direita de acesso - Abertura∆. 2. Introduzir a chave e rodar o interruptor que desliga a bateria, (1), no sentido dos ponteiros do relógio, colocando-o na posição ON. Ilustração 145 3. Introduzir a chave e rodar o interruptor de arranque do motor, (2), no sentido dos ponteiros do relógio, colocando-o na posição ON. 4. Premir o interruptor de activação dos comandos da máquina (3), para activar as funções desta. Ilustração 146 5. Colocar o selector de modo de funcionamento (4) na posição MANUAL. 6. Colocar o comando levantar/ondular do nivelador, (5), na posição ONDULAR. Deste modo o nivelador desce. 7. Depois do nivelador estar completamente baixado, no chão, colocar todos os comandos indicados acima na posição de PONTO MORTO ou OFF, e rodar a chave de arranque do motor, (2), para a posição OFF. 20 1 XS1148AB 2 3 XS1105AB E A B D F G C XS0883AB 4 5
  • 93.
    QPEBU2109 93 SecçãodeFuncionamento Estacionamento Abandonar amáquina 1. Colocar a nivelador apoiado no solo e fechar as tremonhas. Montar os pinos de segurança de bloqueio das tremonhas. 2. Usar os degraus e corrimãos, para descer da máquina. Descer as escadas voltado de frente para a máquina. 3. Inspeccionar o compartimento do motor, para ver se há lixo ou sujidade depositados. Limpar toda a sujidade do compartimento do motor, para minimizar os riscos de incêndio. Ilustração 147 4. Se a máquina estiver a ser estacionada para ficar inactiva durante um certo período de tempo, como para passar a noite, rodar o interruptor que desliga a bateria (1) para OFF. Consulta: Para aceder ao interruptor que desliga a bateria, consultar o Manual de Funcionamento e Manutenção, ≈Porta direita de acesso - Abertura∆. 5. Montar as protecções anti-vandalismo. Montar os fechos de segurança das protecções anti- vandalismo. Protecções anti-vandalismo Ilustração 148 A protecção anti-vandalismo está situada na consola do operador. Puxar a protecção anti- vandalismo, fazendo-a deslizar na direcção da pessoa que a está a utilizar. A protecção aplica-se por cima dos comandos do operador e à volta da base do volante. Trancar a protecção anti- vandalismo no lugar com um cadeado. 20 1 XS1148AB XS0898AB
  • 94.
    94 QPEBU2109 SecçãodeFuncionamento Limpezadamáquina Limpeza damáquina Processo de limpeza da máquina NOTA: Seguir as normas e regulamentos vigentes no local da obra, no que respeita a utilização de produtos de limpeza e solventes. 1. Estacionar a máquina ao nível do solo. Estacionar a máquina numa área afastada do tapete da estrada. Se for necessário estacionar em declive, bloquear bem as rodas. NOTA: Realizar esta operação, pulverizando a pavimentadora com agente lubrificante diluído em água a 50%. Ilustração 149 2. Retirar a pistola de pulverização de agente lubrificante do lugar, na porta direita de acesso. Consulta: Consultar o Manual de Funcionamento e Manutenção, ≈Porta direita de acesso - Abertura∆. Ilustração 150 NOTA: Antes de pulverizar a máquina, verificar se o nível de agente lubrificante no respectivo depósito é suficiente. 3. Montar a pistola de pulverização de agente lubrificante (1) no conector (2) situado no depósito de agente lubrificante. 4. Agarrar a pistola de agente lubrificante (1) e ligar o sistema de pulverização, puxando o interruptor (3). 5. Remover a alavanca de segurança (4) do punho e premir o gatilho (5), para começar a pulverizar agente lubrificante. 6. Pulverizar todas as partes da máquina que estiverem em contacto com o material de pavimentação, sobretudo tremonhas, correias transportadoras, trados e nivelador. AVISO Não utilizar o sistema pulverizador sem líquido. Perigo de danos para a bomba e outros componentes do sistema. 7. Quando concluído, empurrar o interruptor (3) para dentro, para desligar o sistema. Retirar a pistola de pulverização de agente lubrificante, (1), do conector (2) do depósito de agente lubrificante. Repor a pistola de pulverização de agente lubrificante (1) no sítio e fechar a porta direita de acesso. XS1149AB 3 1 2 XS0876AB 2 4 5
  • 95.
    QPEBU2109 95 SecçãodeFuncionamento Informaçõessobreotransporte Informações sobreo transporte Expedição da máquina m CUIDADO Uma máquina que se afasta sem controlo, pode provocar lesões pessoais ou mesmo morte. Prestar atenção enquanto se carrega a máquina. É necessário reagir com prontidão ao premir um dos interruptores de paragem, da máquina ou do motor, para evitar que a máquina se mova. Segurar-se bem, para poder enfrentar uma paragem brusca, sempre que um dos interruptores de paragem da máquina/motor for premido com a máquina em movimento. Verificar o itinerário de expedição da máquina. Certificar-se de que há espaço para a máquina passar por baixo de passagens superiores. Pode ser necessário desmontar as luzes de aviso e fechar o tejadilho desdobrável (se disponível) ou o tejadilho hidráulico desdobrável (se disponível) e baixar o tubo de escape. Consulta: Para instruções sobre como baixar o tubo de escape, consultar o Manual de Funcionamento e Manutenção, ≈Tubo de escape∆. Consulta: Para informações sobre como levantar e baixar o tejadilho desdobrável, consultar o Manual de Funcionamento e Manutenção, ≈Tejadilho desdobrável∆. Consulta: Para informações sobre como levantar e baixar o tejadilho desdobrável, consultar o Manual de Funcionamento e Manutenção, ≈Tejadilho hidráulico desdobrável∆. Evitar movimentos da máquina, quando estiver a ser carregada num camião. Evitar deslizamentos da máquina, enquanto viajar dentro do camião. AVISO Respeitar todos regulamentos locais no que respeita a peso, largura e comprimento da carga. Se a máquina for transportada para um clima mais frio, assegurar-se de que o sistema refrigerante tem o anticongelante apropriado. Respeitar todos os regulamentos que estabelecem a largura máxima das cargas transportadas. Como carregar a máquina NOTA: A máquina pode ser transportada como carga de 2,50 m (8,20 pés). Ilustração 151 • Bloquear as rodas do camião, antes de carregar a máquina. Bloquear as rodas do vagão do caminho de ferro, antes de carregar a máquina em cima. • Ligar o motor. Colocar o selector de modo de funcionamento em MANUAL e premir o interruptor de activação do circuito eléctrico. Levantar o nivelador ao máximo e fechar completamente as tremonhas, activando os respectivos pinos de segurança. • Desactivar o travão de estacionamento. Ilustração 152 • Carregar a máquina no reboque conforme figura. • Colocar a alavanca de propulsão na posição de PONTO MORTO. • Activar o travão de estacionamento. • Baixar o nivelador. O nivelador tem de estar assente sobre a base do reboque. XS0073AA XS1000AB
  • 96.
    96 QPEBU2109 SecçãodeFuncionamento Informaçõessobreotransporte • Rodaro botão de comando de velocidade do motor de modo a reduzir-lhe a velocidade. • Colocar a chave de arranque do motor na posição OFF. Retirar a chave. • Rodar o interruptor de desligamento para a posição OFF. Retirar a chave. Ilustração 153 • Fixar a máquina com amarras, quando se transporta. Consulta: Consultar o Manual de Funcionamento e Manutenção, ≈Elevação e amarragem da máquina∆. • Cobrir a abertura de acesso ao motor. Retirar o tubo de escape e cobrir a abertura de exaustão. Fechar o tejadilho desdobrável (se disponível) ou baixar o tejadilho hidráulico desdobrável (se disponível). Consulta: Consultar o Manual de Funcionamento e Manutenção, ≈Tubo de escape∆. Circulação da máquina em estrada Arranjar todas as licenças necessárias junto das autoridades próprias. Verificar todos os regulamentos do tráfego local. Respeitar todos os regulamentos do tráfego local. Verificar o itinerário de viagem com especial atenção às passagens superiores. Tem de haver espaço de passagem suficiente. 1. Fazer uma inspecção visual a toda a volta da máquina. Medir os níveis dos fluidos nos vários compartimentos. 2. Ajustar a largura do nivelador ao terreno. Recomenda-se minimizar a largura do nivelador quando a máquina circular em estrada. 3. Levantar o nivelador. Estender os pinos de segurança para bloqueio do nivelador. Baixar o nivelador de modo a ficar apoiado nos pinos de segurança. Consulta: Consultar o Manual de Funcionamento e Manutenção, ≈Pino de segurança, para bloqueio do nivelador∆. 4. Levantar as tremonhas completamente. Estender os pinos de segurança de bloqueio da tremonha. Consulta: Consultar o Manual de Funcionamento e Manutenção, ≈Pino de segurança, para bloqueio da tremonha∆. 5. Instalar as bandeiras, sinais ou luzes eventualmente necessárias. m CUIDADO Deslocar a máquina antes do afastamento de todas as pessoas pode provocar lesões pessoais ou morte. Tocar a buzina durante vários segundos, antes de deslocar a máquina. 6. Ligar o motor. Para saber qual o processo de arranque indicado, consultar o Manual de Funcionamento e Manutenção, ≈Arranque do motor∆. 7. Para informações sobre como fazer a deslocação da máquina, consultar o Manual de Funcionamento e Manutenção, ≈Deslocar a máquina∆. Pino de segurança, para bloqueio do nivelador m CUIDADO Movimentos acidentais do nivelador podem provocar lesões graves ou morte. Bloquear o nivelador na posição ELEVADA, utilizando a alavanca de bloqueio de modo a abrir os pinos de segurança quando o nivelador estiver no limite superior de elevação. Ilustração 154 XS0999AB XS0980AB
  • 97.
    QPEBU2109 97 SecçãodeFuncionamento Informaçõessobreotransporte Há duasalavancas na máquina. Estão situadas na traseira da máquina, próximo dos assentos direito e esquerdo do operador. Os pinos de segurança são utilizados para manter o nivelador fixo na posição ELEVADA, durante as transferências da máquina. 1. Levantar o nivelador até uma posição que permita abrir os pinos de segurança do nivelador. 2. Baixar as alavancas, para estender os pinos de segurança ao máximo de extensão. 3. Baixar o nivelador de modo a ficar apoiado nos pinos de segurança. Tubo de escape Para diminuir a altura da máquina para transporte, baixar o tubo de escape. Para baixar o tubo de escape, proceder conforme indicado abaixo. Ilustração 155 1. Desbloquear o manípulo (1), para baixar o tubo de escape (2.) Ilustração 156 2. Rodar completamente e baixar o tubo de escape (2) para a posição de recolha. NOTA: Se o tubo de escape estiver demasiado apertado para ser baixado, desapertar o parafuso (3). 3. Montar uma protecção própria sobre a abertura do silencioso de modo a impedir a entrada de água e detritos no sistema de escape. NOTA: Para levantar o tubo de escape da posição de recolha, proceder na ordem inversa. 2 XS0895AB 1 3 XS0894AB 2
  • 98.
    98 QPEBU2109 SecçãodeFuncionamento Informaçõessobreotransporte Tejadilho desdobrável(se disponível) Baixar o tejadilho Ilustração 157 1. Em cada um dos suportes do tejadilho, rodar o cubo de bloqueio (1) para baixo e puxar para dentro, em direcção ao centro do posto de condução. Ilustração 158 2. Puxar o tejadilho para baixo, utilizando as duas pegas (2). Ilustração 159 3. Quando o tejadilho chega ao fundo, o encaixe de fecho (3) de cada suporte do tejadilho engata no pino de bloqueio. Levantar o tejadilho 1. Puxar as pegas para baixo (2) e libertar os quatro encaixes do fecho (3). 2. Levantar o tejadilho até ficar completamente alçado. XS0617AA XS0618AA XS0619AA
  • 99.
    QPEBU2109 99 SecçãodeFuncionamento Informaçõessobreotransporte Tejadilho hidráulico desdobrável(se disponível) Para diminuir a altura da máquina para transporte, baixar o tejadilho hidráulico desdobrável (se disponível). Para baixar o tejadilho hidráulico desdobrável proceder conforme indicado abaixo. Ilustração 160 1. Tirar o pino de retenção (1) do pino de bloqueio do tejadilho hidráulico (2). 2. Tirar o pino de bloqueio do tejadilho hidráulico (2). Ilustração 161 3. Pôr para baixo e manter nesta posição o interruptor do tejadilho hidráulico (3) até este último baixar completamente. NOTA: Para levantar o tejadilho hidráulico desdobrável proceder na ordem inversa. 1 XS0952AB 2 3 XS0953AB
  • 100.
    100 QPEBU2109 SecçãodeFuncionamento Informaçõessobreotransporte Elevação eamarragem da máquina Elevação da máquina NOTA: Consultar o Manual de Funcionamento e Manutenção, ≈Pino de segurança para bloqueio da tremonha∆ e "Pino de segurança para bloqueio do nivelador" antes de içar a máquina, a fim de bloquear devidamente as tremonhas na posição fechada e bloquear o nivelador na posição elevada. AVISO Elevação e amarragem incorrectas da máquina podem causar deslocações de carga, provocando lesões e danos. Para informações sobre as especificações básicas da máquina, consultar o Manual de Funcionamento e Manutenção, ≈Especificações∆. O peso da máquina nesta secção refere-se às unidades produzidas pela Caterpillar, Inc. Estas informações dizem respeito à unidade produzida pela Caterpillar, Inc. Ponto de elevação √ Para levantar a máquina, prender os dispositivos de elevação aos quatro pontos de elevação. Ilustração 162 Utilizar cabos e lingas com a capacidade de elevação necessária para aguentar o peso da máquina. Colocar o guindaste ou o dispositivo de elevação de modo tal que permita à máquina ser içada sempre nivelada. A largura da barra separadora tem de ser suficiente para evitar que os cabos ou lingas de elevação toquem na máquina. 1. Para aceder aos olhais de elevação da frente, levantar as tremonhas frontais. 2. Colocar os cabos em posição nos quatro olhais de elevação próprios. Estes olhais de elevação são identificados na máquina com o símbolo de um gancho. 3. Para mais informações, consultar o Manual de Funcionamento e Manutenção, ≈Expedição da máquina∆. Amarragem da máquina AVISO Elevação e amarragem incorrectas da máquina podem causar deslocações de carga, provocando lesões e danos. Para informações sobre as especificações básicas da máquina, consultar o Manual de Funcionamento e Manutenção, ≈Especificações∆. O peso da máquina nesta secção refere-se às unidades produzidas pela Caterpillar, Inc. Estas informações dizem respeito à unidade produzida pela Caterpillar, Inc. Ponto de amarragem √ Para amarrar a máquina, prender as amarras nos pontos de amarragem. Ilustração 163 1. Bloquear as rodas. 2. Baixar o nivelador a nível do solo. 3. Colocar cabos nos quatro pontos de amarragem próprios. 4. Para mais informações, consultar o Manual de Funcionamento e Manutenção, ≈Expedição da máquina∆. XS1260AB XS1260AB
  • 101.
    QPEBU2109 101 SecçãodeFuncionamento Informaçõessobreoreboque Informações sobreo reboque Rebocar a máquina NOTA: Para informações sobre como desactivar os travões de estacionamento, consultar o Manual de Funcionamento e Manutenção, ≈Desactivar o travão de estacionamento∆. Seguir as indicações abaixo, para realizar convenientemente as operações de reboque. Esta máquina está equipada com travões hidráulicos activados por mola e desactivados à pressão. Se o motor, sistema eléctrico ou sistema hidráulico de propulsão estiverem desactivados, os travões estarão activados e a máquina não poderá mover-se. A máquina está equipada com direcção hidráulica. Se o motor, sistema eléctrico ou sistema hidráulico de propulsão estiverem desactivados, a direcção da máquina estará bloqueada durante o reboque. Estas instruções para reboque aplicam-se apenas à deslocação de máquinas que estejam desactivadas e que devam percorrer curtas distâncias, a baixa velocidade. Dirigir a máquina, à velocidade de 1 km/h (0,6 mph) ou inferior, para um local onde possa ser convenientemente reparada. Estas instruções servem apenas para casos de emergência. Se for necessária a deslocação a longas distâncias, rebocar sempre a máquina. Instalar protecções em ambas as máquinas. Isto protegerá o operador no caso da barra ou cabo de reboque se partirem. Não deixar o operador viajar na máquina que estiver a ser rebocada, a não ser que ele possa comandar a direcção e/ou os travões. Antes de iniciar o reboque, verificar se a barra ou o cabo de reboque estão em boas condições. Certificar-se de que o cabo ou a barra de reboque são suficientemente fortes para poderem rebocar o peso em causa. A resistência do cabo ou da barra de reboque deve ser igual a, pelo menos, 150% do peso bruto da máquina que reboca. Este requisito é válido sobretudo quando se tiver de rebocar uma máquina desactivada atolada na lama e para reboque em declive. Manter o ângulo do cabo de reboque no mínimo. O ângulo não deve ser superior a 30≥ em relação à posição recta, de alinhamento. Movimentos bruscos da máquina podem provocar sobrecarga no cabo ou barra de reboque. Isto pode dar origem à rotura do cabo ou barra de reboque. A deslocação da máquina é mais eficaz, movendo-a gradual e uniformemente. Para rebocar uma máquina avariada, consultar o distribuidor Caterpillar. Em geral, a máquina que reboca deve ter o mesmo tamanho da máquina avariada. Certificar-se de que a máquina que reboca tem capacidade de travagem, peso e potência suficientes. A máquina que reboca tem de ter capacidade para controlar ambas as máquinas ao longo da distância e da inclinação de terreno que deverá percorrer. É necessário fornecer controlo e capacidade de travagem suficientes, quando se desloca uma máquina avariada em descida. Isto pode exigir a utilização de uma máquina de reboque maior ou de máquinas adicionais ligadas à retaguarda. Deste modo, evita-se que a máquina se desloque sem controlo. Devido à infinidade de situações que podem verificar-se, é impossível enumerá-las todas. Em superfícies uniformes e horizontais é suficiente utilizar uma máquina de reboque com capacidades mínimas. Em declives ou superfícies em más condições, é necessário utilizar uma máquina de reboque com capacidades máximas. Prender o dispositivo de reboque à máquina, antes de desactivar os travões. Para informações acerca do reboque de uma máquina avariada, consultar o distribuidor Caterpillar.
  • 102.
    102 QPEBU2109 SecçãodeFuncionamento Informaçõessobreoreboque Desactivação manualdo travão de estacionamento m CUIDADO Para evitar possíveis acidentes, é necessário bloquear muito bem as rodas, antes de desactivar manualmente os travões de estacionamento. Quando os travões de estacionamento forem desactivados manualmente, a máquina fica sem travões. Para rebocar a máquina, é necessário seguir o procedimento abaixo indicado, antes de efectuar o reboque. 1. Abrir a porta esquerda de acesso. Consulta: Consultar o Manual de Funcionamento e Manutenção, ≈Porta esquerda de acesso - Abertura∆. Ilustração 164 2. Localizar a válvula para desactivar o travão e o respectivo sistema hidráulico. 3. Desapertar completamente o anel de fixação (1) e rodar o botão de regulação (2) para a direita, para desactivar o travão, até ao limite de curso do botão (2). 4. Usar a bomba manual (3) situada no grupo de desengate do travão. Accionar a bomba manual (3) até sentir resistência. 5. Abrir a tampa de acesso ao compartimento da bateria. Consulta: Consultar o Manual de Funcionamento e Manutenção, ≈Tampa de acesso ao compartimento da bateria - Abertura∆. Ilustração 165 6. Desligar os cabos positivo (4) e negativo (5) da bateria, por esta ordem. Consulta: Consultar o Manual de Funcionamento e Manutenção, ≈Bateria ou cabo da bateria Inspeccionar/Substituir∆. 7. Tirar o cavilhão de engate (6) da bateria e retirar a bateria (7). 8. Desmontar os parafusos (8) e tirar o suporte da bateria (9). Ilustração 166 9. Mover manualmente a alavanca (10), para colocar o mecanismo da caixa de transmissão (11) na posição central (ponto morto). 3 XS0893AB 1 2 XS0899AB 4 9 85 6 7 10 XS0995AB 11
  • 103.
    QPEBU2109 103 SecçãodeFuncionamento Arranquedomotor(métodosalternativos) NOTA: Rebocara máquina apenas a baixa velocidade e para curtas distâncias. NOTA: Não accionar a máquina se os travões estiverem desactivados. 10. Concluído o reboque da máquina, proceder na ordem inversa, para repor a máquina em condições operacionais. Arranque do motor (métodos alternativos) Arranque do motor com cabos de ligação em ponte m CUIDADO A falta de manutenção das baterias pode provocar lesões pessoais ou morte. Procedimentos de arranque incorrectos com cabo de ligação em ponte, podem provocar explosão e, por consequência, lesões pessoais ou morte. Evitar faíscas nas imediações das baterias. Podem provocar vapores e explodir. Evitar que as extremidades do cabo de ligação em ponte se toquem ou toquem na máquina. Não fumar durante a verificação dos níveis de electrólito da bateria. O electrólito é um ácido e, no caso de contacto com a pele ou os olhos, pode provocar lesões. Quando se puser a máquina em funcionamento com cabos de ligação em ponte, usar sempre protectores para os olhos. Ligar sempre o pólo positivo ( + ) de uma bateria ao pólo positivo ( + ) de outra bateria e o pólo negativo ( - ) de uma bateria ao pólo negativo ( - ) da outra bateria. A máquina com a bateria descarregada deve ser posta em funcionamento com os cabos de ponte, apenas se a fonte de energia utilizada tiver a mesma tensão da bateria descarregada. Desligar todas as luzes e acessórios da máquina com a bateria descarregada. Caso contrário, estes activar-se-ão quando a nova fonte de energia estiver ligada.
  • 104.
    104 QPEBU2109 SecçãodeFuncionamento Arranquedomotor(métodosalternativos) AVISO Quando deligar o motor a partir de outra máquina, certificar-se de que as máquinas não se tocam. Deste modo podem evitar-se danos nos circuitos eléctricos e nos rolamentos do motor. Ligar o interruptor de corte da bateria (fechar) antes da ligação da alimentação, para impedir danos nos componentes do circuito eléctrico da máquina avariada. Baterias sem manutenção, completamente descarregadas, não podem ser recarregadas integralmente através do alternador, após arranque com ligação em ponte. As baterias precisam de ser carregadas à tensão certa, com um carregador próprio. Muitas baterias consideradas inutilizadas poderão ser ainda recarregadas. Esta máquina tem um sistema de arranque de 12 volt. Utilizar apenas fontes de energia com a mesma tensão, para fazer pegar o motor com ligação em ponte. A utilização de tensões superiores põe em risco o sistema eléctrico. Para informações completas sobre o ensaio e recarga das baterias, consultar a publicação Instrução especial,, SEHS7633 “Procedimento de ensaio da bateria”, disponível junto do distribuidor Caterpillar. Utilização de cabos de ligação em ponte Não estando disponíveis as tomadas auxiliares de arranque, seguir o procedimento abaixo. 1. Verificar a efectiva impossibilidade de ligar a máquina. Consultar o Módulo do Manual de Serviço, SENR2947 ≈Activação e carregamento de sistemas para máquinas equipadas com conector diagnóstico∆. O procedimento é aplicável mesmo se a máquina não tiver um conector de diagnóstico. 2. Colocar a alavanca de propulsão da máquina avariada na posição de PONTO MORTO. Activar o travão de estacionamento. 3. Rodar a chave de arranque do motor da máquina avariada para a posição OFF. Desligar todos os acessórios. 4. Activar o interruptor de corte da bateria numa máquina avariada. 5. Colocar a máquina utilizada como fonte de energia de modo que os cabos de ligação em ponte cheguem à máquina avariada. IMPEDIR QUE AS MÁQUINAS SE TOQUEM. 6. Desligar o motor da máquina que estiver a ser usada como fonte de energia. No caso de se estar a utilizar uma fonte de energia auxiliar, desligar o sistema de carga. 7. Observar as tampas da bateria, verificando se estão bem colocadas e apertadas. Fazer esta verificação em ambas as máquinas. Verificar se as baterias da máquina avariada estão congeladas. Verificar se o nível de electrólito está baixo. 8. Ligar o cabo de ligação em ponte positivo ao terminal do cabo positivo da bateria descarregada. Impedir que as braçadeiras dos cabos toquem qualquer metal, excepto os terminais da bateria. NOTA: As baterias em série podem estar em compartimentos separados. Usar o terminal que está ligado ao solenóide do motor de arranque. Esta bateria está normalmente do mesmo lado da máquina em que se encontra o motor de arranque. 9. Ligar o cabo de ligação em ponte positivo ao terminal positivo da fonte de energia. Seguir o procedimento a partir do ponto 8, para determinar o terminal correcto. 10. Ligar uma extremidade do cabo de ligação em ponte negativo ao terminal negativo da fonte de energia. 11. Proceder à ligação final. Ligar o cabo negativo ao chassis da máquina avariada. Fazer esta ligação longe da bateria, combustível, linhas hidráulicas ou partes em movimento. 12. Ligar o motor da máquina que estiver a ser usada como fonte de energia. No caso de se estar a utilizar uma fonte de energia auxiliar, activar o sistema de carga na fonte de energia auxiliar. 13. Aguardar um mínimo de dois minutos, enquanto as baterias da máquina avariada se carregam parcialmente. 14. Tentar fazer pegar o motor da máquina avariada. Consultar o Manual de Funcionamento e Manutenção, ≈Arranque do motor∆. 15. Assim que o motor da máquina avariada pegar, desligar o cabo de ligação em ponte da FONTE DE ENERGIA. 16. Desligar a outra extremidade do cabo de ligação em ponte, da máquina avariada. 17. Quando o motor estiver a trabalhar e o sistema de carga estiver a funcionar, determinar a causa da avaria do sistema de carga da máquina avariada.
  • 105.
    QPEBU2109 105 Secçãodemanutenção Acessosparamanutenção Secção demanutenção Acessos para manutenção Portas e coberturas de acesso Ilustração 167 Vista do lado direito Ilustração 168 Vista do lado esquerdo Ilustração 169 Vista traseira Ilustração 170 Vista traseira (1) Porta direita de acesso (2) Cobertura direita de acesso (3) Porta esquerda de acesso (4) Tampa do compartimento do radiador XS0969AB 1 2 XS0968AB 4 3 (5) Porta de acesso ao motor (6) Tampa de acesso ao compartimento da bateria XS0966AB 5 XS0949AB 6
  • 106.
    106 QPEBU2109 Secçãodemanutenção Acessosparamanutenção Ilustração 171 Vistafrontal Porta direita de acesso - Abertura m CUIDADO Componentes ou partes quentes podem provocar queimaduras ou lesões pessoais. Evitar o contacto de componentes ou partes quentes com a pele. Usar dispositivos de protecção para a pele. Ilustração 172 1. Rodar os dois fechos (1) no sentido contrário aos ponteiros do relógio, para abrir a porta de acesso (2). Ilustração 173 2. Abrir a porta direita de acesso (2) e colocar a haste (3), fixando-a bem. (7) Capota anterior de acesso ao motor XS0968AB 7 XS0948AB 1 1 2 XS0956AB 2 3
  • 107.
    QPEBU2109 107 Secçãodemanutenção Acessosparamanutenção Cobertura direitade acesso - Abertura m CUIDADO Componentes ou partes quentes podem provocar queimaduras ou lesões pessoais. Evitar o contacto de componentes ou partes quentes com a pele. Usar dispositivos de protecção para a pele. Ilustração 174 1. Premir o botão (1), para desbloquear o fecho da tampa de acesso do lado direito. Ilustração 175 2. Abrir completamente a tampa de acesso (2) e colocar a haste (3), fixando-a bem. Porta esquerda de acesso - Abertura m CUIDADO Componentes ou partes quentes podem provocar queimaduras ou lesões pessoais. Evitar o contacto de componentes ou partes quentes com a pele. Usar dispositivos de protecção para a pele. Ilustração 176 1. Rodar os dois fechos (1) no sentido contrário aos ponteiros do relógio, para abrir a porta de acesso (2). Ilustração 177 2. Abrir a porta direita de acesso (2) e colocar a haste (3), fixando-a bem. XS0943AB 1 XS0944AB 2 3 XS0947AB 1 2 1 XS0955AB 3 2
  • 108.
    108 QPEBU2109 Secçãodemanutenção Acessosparamanutenção Tampa doradiador - Abertura m CUIDADO Componentes ou partes quentes podem provocar queimaduras ou lesões pessoais. Evitar o contacto de componentes ou partes quentes com a pele. Usar dispositivos de protecção para a pele. Ilustração 178 Tirar nove parafusos (1) e remover a tampa do radiador (2). Tampa de acesso ao compartimento da bateria - Abertura m CUIDADO Componentes ou partes quentes podem provocar queimaduras ou lesões pessoais. Evitar o contacto de componentes ou partes quentes com a pele. Usar dispositivos de protecção para a pele. Ilustração 179 NOTA: Antes de abrir a tampa que dá acesso às baterias, certificar-se de que o tablier está totalmente deslocado para o lado direito ou para o lado esquerdo da máquina. 1. Tirar o parafuso (1), para levantar e abrir a tampa de acesso à bateria (2). 2 XS0945AB 1 XS0949AB 1 2
  • 109.
    QPEBU2109 109 Secçãodemanutenção Acessosparamanutenção Ilustração 180 2.Levantar completamente a tampa de acesso (2) e colocar a haste (3), fixando-a bem. Porta posterior de acesso ao motor - Abertura m CUIDADO Componentes ou partes quentes podem provocar queimaduras ou lesões pessoais. Evitar o contacto de componentes ou partes quentes com a pele. Usar dispositivos de protecção para a pele. Ilustração 181 1. Premir o botão (1), para desbloquear o fecho da porta posterior de acesso ao motor. 2. Utilizar a pega (2) para levantar a capota (3) para a posição de abertura máxima. 3 XS0899AB 2 XS0966AB 1 2 3
  • 110.
    110 QPEBU2109 Secçãodemanutenção Acessosparamanutenção Tampas deacesso à plataforma - Abertura m CUIDADO Componentes ou partes quentes podem provocar queimaduras ou lesões pessoais. Evitar o contacto de componentes ou partes quentes com a pele. Usar dispositivos de protecção para a pele. Ilustração 182 Para abrir as tampas esquerda e direita de acesso à plataforma, (1) e (2), tirar os parafusos (3). Capota anterior de acesso ao motor - Abertura m CUIDADO Componentes ou partes quentes podem provocar queimaduras ou lesões pessoais. Evitar o contacto de componentes ou partes quentes com a pele. Usar dispositivos de protecção para a pele. Ilustração 183 Tirar os quatro parafusos (1) e remover a capota de acesso (2). XS0949AB 3 21 3 33 3 XS0951AB 1 1 1 1 2
  • 111.
    QPEBU2109 111 Secçãodemanutenção Informaçãosobreoenchimentodospneus Informação sobreo enchimento dos pneus Enchimento dos pneus com ar m CUIDADO Os serviços de manutenção e substituição de pneus e jantes podem ser perigosos. Por isso, têm de ser feitos por pessoal especializado, utilizando as ferramentas próprias e adoptando as técnicas correctas. Se durante a manutenção de pneus e jantes não forem seguidos os procedimentos devidos, há risco de explosão violenta e, de consequência, perigo de lesões graves ou morte. Seguir com atenção as informações específicas dadas pelo fornecedor de pneus ou pelo distribuidor. m CUIDADO A explosão de um pneu ou a rotura de uma jante podem provocar lesões pessoais graves ou morte. Utilizar um equipamento de auto-fixação para encher os pneus e ter o cuidado de se colocar atrás do trilho da roda durante o enchimento, para prevenir lesões pessoais. AVISO Definir o regulador do equipamento de encher pneus com não mais de 140 kPa (20 psi) acima da pressão de pneus recomendada. Pressão dos pneus para expedição As pressões dos pneus indicadas no Quadro 4 são pressões de enchimento a frio, para expedição. Tabela5 A pressão de enchimento operativa baseia-se nos elementos seguintes: • Peso da máquina pronta a funcionar sem equipamentos acessórios • Carga útil nominal • Condições de trabalho médias. As pressões podem variar de aplicação para aplicação. Os valores de pressão recomendados devem ser pedidos ao fornecedor de pneus. Ajustamento da pressão de enchimento dos pneus A pressão dos pneus num local quente (18° a 21°C (65° a 70°F) de temperatura média) altera-se significativamente quando a máquina é transferida para temperaturas muitas frias. Quando se enche um pneu com a pressão devida em ambiente quente, a pressão ficará baixa quando se passar a um ambiente de temperatura muito baixa. A baixa pressão reduz o tempo de vida útil de um pneu. Quando se utilizar a máquina em condições de temperatura muito frias, ver a Publicação especial, SEBU5898 ≈Recomendações em caso de temperaturas baixas∆. Montagem dos pneus A manutenção de pneus e jantes deve ser realizada por um mecânico qualificado. Os serviços que deve fazer um mecânico qualificado são os seguintes: • Esvaziar pneus • Encher pneus m CUIDADO O enchimento incorrecto de um pneu pode provocar lesões pessoais ou morte. A explosão de pneus ou rotura de jantes podem decorrer da utilização de equipamento impróprio ou empregado incorrectamente. Utilizar um equipamento de auto-fixação para encher os pneus e ter o cuidado de se colocar atrás do trilho da roda, durante o enchimento. Para evitar encher excessivamente os pneus, é necessário usar equipamento de insuflação próprio e ser destro e prático na sua utilização. Antes de encher o pneu, colocá-lo num dispositivo que o mantenha em posição fixa. NOTA: Para mais informações sobre montagem e desmontagem do pneu traseiro, consultar o Manual de Montagem e Desmontagem, ≈Pneu e jante - Remoção (retaguarda)∆. Código Pressão para expedição kPa psi 365/80R20XZL 210 30.5
  • 112.
    112 QPEBU2109 Secçãodemanutenção Viscosidadedoslubrificantesecapacidadesdereabastecimento Viscosidade doslubrificantes e capacidades de reabastecimento Viscosidade dos lubrificantes O grau de viscosidade apropriado para o lubrificante é determinado quando a máquina é posta a funcionar, em função da temperatura exterior mínima. O grau de viscosidade apropriado do lubrificante também é determinado em função da temperatura exterior máxima enquanto a máquina está a trabalhar. Utilizar a coluna do quadro intitulada ≈mín∆, para determinar o grau de viscosidade necessário para o arranque da máquina a frio. Utilizar a coluna do quadro intitulada ≈Máx∆, para determinar o grau de viscosidade necessário para utilizar a máquina à temperatura máxima prevista. Para reabastecer a máquina de lubrificante, utilizar o grau de viscosidade mais alto permitido para a temperatura ambiente existente quando a máquina for posta a funcionar. As máquinas que forem usadas continuamente devem utilizar óleos com maior viscosidade nas transmissões finais e nos diferenciais, para manter uma camada de óleo o mais espessa possível. Consultar o distribuidor Caterpillar no caso de necessidade de informações adicionais. Tabela6 Viscosidade dos lubrificantes por temperatura ambiente Compartimento ou sistema Tipo de óleo e classificação Viscosidades de óleo °C °F Mín Máx Mín Máx Cárter do motor(1)(2)(3)(4) Cat DEO Multigrade Cat DEO SYN Cat Arctic DEO SYN(5) Cat ECF-1(6) API CG-4Multigrade(7) SAE 0W-20 −40 10 −40 50 SAE 0W-30 −40 30 −40 86 SAE 0W-40 −40 40 −40 104 SAE 5W-30 −30 30 −22 86 SAE 5W-40 −30 40 −22 122 SAE 10W-30(8) −18 40 0 104 SAE 10W-40 −18 50 0 122 SAE 15W-40 −9.5 50 15 122
  • 113.
    QPEBU2109 113 Secçãodemanutenção Viscosidadedoslubrificantesecapacidadesdereabastecimento Sistema hidráulico, Circuitodos travões Cat HYDO Cat HYDO Advanced(9) Cat DEO Cat MTO Cat TDTO Cat TDTO-TMS Cat DEO SYN Cat Arctic DEO SYN Cat Arctic TDTO SYN Cat ECF-1 Cat BIO HYDO (HEES) API CG-4 API CF commercial TO-4 commercial BF-1(10) SAE 0W-20 −40 40 −40 104 SAE 0W-30 −40 40 −40 104 SAE 5W-30 −30 40 −22 104 SAE 5W-40 −30 40 −22 104 SAE 10W −20 40 −4 104 SAE30W 10 50 50 122 SAE 10W-30 −20 40 −4 104 SAE 15W-40 −15 50 5 122 CatMTO −25 40 −13 104 Óleohidráulico biodegradável(HEES)Cat (10) −40 43 −40 110 CatTDTO-TMS(11) −20 50 −4 122 Transmissões finais, caixa de engrenagens, transmissões finais da tracção dianteira Cat GO (Gear oil, óleo para engrenagens) Cat SYNTHETIC GO commercial API GL-5 óleo para engrenagens SAE75W-90 −30 40 −22 104 SAE75W-140 −30 45 −22 113 SAE 80W-90 −20 40 −4 104 SAE 85W-140 −10 50 14 122 SAE 90 0 40 32 104 (1)Recomenda-secalorcomplementarparaosarranquesafrioabaixodatemperaturaambientemínima.Podesernecessáriocalorcomplementarparaarranquesa frioacimadatemperaturamínimaindicada,dependendodacargaparasitaeoutrosfactores.Entende-seporarranquesafrioosarranquesfeitosapósum extensoperíododeinactividadedomotor,emqueoóleoadquiriumaiorviscosidadeporexposiçãoatemperaturasambientemaisfrias. (2)OsóleosAPICFnãosãorecomendáveisparaasSéries3500daCaterpillarnemparamotoresdeinjecçãodirecta(DI)maispequenos.OsóleosAPICF-4nãosão recomendáveisparaosmotoresdieseldasmáquinasCaterpillar. (3)OsóleosAPICH-4,APICI-4eAPICI-4PLUSsãoaceitáveisparaomotordieselAcertC15seforemsatisfeitososrequisitosECF-1(Especificaçõesdofluidodo cárterdomotor-1)daCaterpillar.Ointervalodesubstituiçãodeóleonãodeveexceder500horas. (4)OsóleosAPICH-4,APICI-4eAPICI-4PLUSsãoaceitáveisparaomotordieselAcertC9seforemsatisfeitososrequisitosECF-1(Especificaçõesdofluidodo cárterdomotor-1)daCaterpillar.Ointervalodesubstituiçãodeóleonãodeveexceder250horas. (5)CatArcticDEOSYNéumóleocomgraudeviscosidadeSAE0W-30. (6)OsóleosAPICI-4,APICI-4PLUSeAPICH-4sãoaceitáveisseforemsatisfeitososrequisitosECF-1(Especificaçõesdofluidodocárterdomotor-1)da Caterpillar.OsóleosAPICI-4,APICI-4PLUSeAPICH-4quenãosatisfazemosrequisitosECF-1daCaterpillarpodemdiminuiro tempodevidaútildomotor. (7)OsóleosAPICG-4sãoaceitáveisparatodososmotoresdieseldasmáquinasCaterpillar.QuandoéutilizadooóleoAPICG-4,ointervalodesubstituiçãodeste nãodeveexceder250horas.OsóleosAPICG-4quesatisfazemospadrõesdoAPICI-4,APICI-4PLUS,ouAPICH-4tambémtêmdesatisfazerosrequisitosda especificaçãoECF-1daCaterpillar. (8)SAE10W-30éograudeviscosidadepreferidoparaosmotoresdiesel3116,3126,C7,C-9eC9quandoascondiçõesdetemperaturaambientevariamentre-18 °C(0°F)e40°C(104°F). (9)OóleoCatHydoAdvanced10éopreferidoparaempregonamaiorpartedossistemasdetransmissãohidrostáticaehidráulicadasmáquinasCaterpillar,quando ascondiçõesdatemperaturaambientevariamentre-20°C(-4°F)e40°C(104°F).CatHYDOAdvanced10temgraudeviscosidadeSAEde10W.Paratiraro máximoproveitodascaracterísticasdemelhorperformancedoóleoCatHYDOAdvanced10,quandosemudaparaesteúltimoóleoacontaminaçãocruzada comoanteriormenteusadodevesermantidaabaixode10%.Ointervalodemudançaparatodososóleosdosistemahidráulicoaprovadospodeserprolongado para2000horasdeserviçoquandoéutilizadooserviçoS.O.S.decolheitadeamostras.QuandonãoseutilizaoserviçoS·O·Sdecolheitadeamostrasdeóleo,o intervalodemudançadeóleoéde1000em1000horasdeserviço. (10)Oóleohidráulicobiodegradávelcomercial(HEES)temdesatisfazeraespecificaçãoBF-1daCaterpillar.Ointervalodastemperaturasambienteindicadas referem-seaoóleohidráulicobiodegradávelCaterpillar(HEES),nãoaoóleohidráulicocomercialBF-1. (11)CatTDTO-TMS(TransmissionMulti-Season)(misturasintéticaqueultrapassaosrequisitosdaespecificaçãomultigrauTO-4M). Viscosidade dos lubrificantes por temperatura ambiente Compartimento ou sistema Tipo de óleo e classificação Viscosidades de óleo °C °F Mín Máx Mín Máx
  • 114.
    114 QPEBU2109 Secçãodemanutenção Viscosidadedoslubrificantesecapacidadesdereabastecimento Tabela7 Capacidades (Reabastecimento) Tabela8 Informação S·O·S Autilização dos Serviços S”O”S é altamente recomendável aos clientes Caterpillar, para minimizar os custos de compra e gestão. Os clientes fornecem amostras de óleo, líquido de refrigeração e outras informações da máquina. O distribuidor utiliza os dados fornecidos para aconselhar o cliente sobre a gestão do equipamento. Além disso, os Serviços S”O”S podem ajudar a determinar a causa de um eventual problema de produção. Para informações detalhadas sobre os Serviços SOS, consultar a Publicação especial, SEBU6250 ≈Recomendações sobre os fluidos a utilizar nas máquinas Caterpillar∆. Para informações sobre os intervalos de manutenção e localização dos pontos específicos de colheita de amostras, consultar o Manual de Funcionamento e Manutenção, ≈Quadro de Intervalos de Manutenção∆. Para informações completas e assistência para estabelecer um programa S”O”S para a própria máquina, consultar o distribuidor Caterpillar. Especificações das massas lubrificantes Compartimento ou sistema Tipo de massa lubrif. Classificação °C °F Mín Máx Mín Máx Caixa do trado Multi-Purpose Grease 1 Arctic Platinum 1 NLGI1 −20 150 −4 302 Lubrificação geral com massa Desert Gold Multi-Purpose Grease Multi-Purpose Grease Medium NLGI2 −20 150 −4 302 Capacidades de reabastecimento aproximadas Compartimento ou sistema Litros Galões E.U.A. Gal. UK Tipo de fluido recomendado Sistemarefrigerante 44 11.6 9.6 CaterpillarELC Depósitodecombustível 79 21 17 CombustíveldieselNo.1oucombustível dieselNo.2 Cárterdomotor 13 3.4 2.8 CaterpillarDEOSAE15W/40 Depósitohidráulico 150 40 33 CaterpillarHYDOSAE10W CaterpillarHYDOAdvancedSAE10W Cadaunidadedetracçãodianteira (sedisponíveis) 0.8 0.21 0.17 CaterpillarGOSAE80W/90 Cadatransmissãofinal 10 2.6 2.2 CaterpillarGOSAE80W/90 Cadacaixadeengrenagens 6.5 1.7 1.4 CaterpillarGOSAE80W/90 Agentelubrificante 32 8.45 7.03
  • 115.
    QPEBU2109 115 Secçãodemanutenção Apoioàmanutenção Apoio àmanutenção Processos de soldadura para máquinas e motores com comandos electrónicos Para evitar danos nos comandos electrónicos e nos rolamentos, é necessário adoptar processos de soldadura apropriados. Quando possível, remover o componente a soldar da máquina ou do motor e depois proceder à operação desejada. No caso de ser necessário soldar próximo de um comando electrónico da máquina ou do motor, remover temporariamente o comando electrónico, para evitar eventuais danos do calor. Para soldar componentes numa máquina ou motor com comandos electrónicos, seguir as indicações abaixo. 1. Desligar o motor. Colocar a chave de arranque do motor na posição OFF. 2. Se disponível, rodar o interruptor que desliga a bateria para a posição OFF. Se não houver qualquer interruptor de corte da bateria, desligar o cabo negativo da bateria. AVISO NÃO utilizar componentes eléctricos (ECM ou sensores do ECM) ou pontos de ligação à terra de componentes electrónicos, para ligar o soldador à terra. 3. Fixar o cabo de ligação à terra do soldador ao componente que vai ser soldado. Colocar o elemento de fixação o mais próximo possível da solda. Certificar-se de que o troço de circuito eléctrico do cabo de ligação à terra até ao componente não passa através de qualquer rolamento. Seguir este procedimento, para diminuir a possibilidade de danos nos componentes seguintes: • Rolamentos da transmissão • Componentes hidráulicos • Componentes eléctricos • Outros componentes da máquina 4. Proteger os cabos para não se sujarem com os detritos produzidos pela soldadura. Proteger os cabos para não se sujarem com os salpicos da soldadura. 5. Adoptar técnicas standard para fazer a soldadura.
  • 116.
    116 QPEBU2109 Secçãodemanutenção QuadrodeIntervalosdeManutenção Quadro deIntervalos de Manutenção Assegurar-se de que foram lidas todas as informações de segurança, avisos e instruções, antes de ser feito qualquer accionamento ou trabalho de manutenção na máquina. O utilizador é responsável pela manutenção, incluindo todos os ajustamentos, a utilização de lubrificantes apropriados, líquidos e filtros e pela substituição de componentes devida ao desgaste normal e envelhecimento das peças. Não respeitar os intervalos de manutenção devidos e os procedimentos indicados pode determinar uma menor performance da máquina e/ou desgaste prematuro dos componentes. Para determinar os intervalos de manutenção, basear-se na quilometragem, consumo de combustível, horas de serviço ou calendarização, de acordo com o prazo QUE PRIMEIRO VENCER . O equipamento utilizado em condições de trabalho mais duras pode necessitar de manutenção mais frequente. NOTA: Antes de proceder à manutenção do intervalo sucessivo, é necessário fazer todos os trabalhos de manutenção do intervalo anterior. NOTA: No caso de utilização de óleo hidráulico Cat HYDO Advanced 10 o intervalo de substituição muda. O intervalo normal de 1000 horas prolongar- se-á para 2000 horas de serviço. Os serviços S•O•S poderão prolongar ainda mais o intervalo de substituição de óleo. Para pormenores, consultar o distribuidor Caterpillar local. Quando necessário Bateria - Reciclagem ........................................... 121 Bateria ou cabo da bateria - Inspeccionar/ Substituir ............................................................ 121 Disjuntor - Rearmar.............................................. 122 Elemento primário do filtro de ar do motor - Limpar/Substituir ................................................ 135 Elemento secundário do filtro de ar do motor - Substituir ............................................................ 138 Entrada do filtro de ar do motor - Limpar ............ 140 Sistema de combustível- Encher......................... 149 Fusíveis - Substituir.............................................. 153 ‡leo do motor - Inspeccionar.............................. 161 De 10 em 10 horas de serviço ou diariamente Alarme de marcha atrás- Testar.......................... 120 Correntes (de tracção) da correia transportadora - Limpar ................................................................ 124 Nível do líquido de refrigeração do sistema refrigerante - Verificar ........................................ 129 Suportes do motor - Inspeccionar....................... 140 Nível de óleo no motor - Verificar ........................ 145 Separador de água do sistema de combustível - Es- vaziar.................................................................. 151 Suportes do gerador - Inspeccionar ................... 156 Nível de óleo do sistema hidráulico - Verificar.... 159 Cinto de segurança - Inspeccionar..................... 166 De 50 em 50 horas de serviço Correias transportadoras do trado - Lubrificar.... 118 Bogies - Lubrificar ............................................... 122 Transportadores de freio - Lubrificar................... 132 Guia da plataforma do operador - Lubrificar ...... 161 Cilindros de elevação do nivelador - Lubrificar .. 164 Pinos de fixação do nivelador - Lubrificar........... 164 Guias deslizantes do braço lateral do nivelador - Limpar................................................................ 165 Ponto de reboque do nivelador - Lubrificar ........ 165 De 50 em 50 horas de serviço ou semanalmente Rolamentos do cilindro da tremonha -Lubrificar. 156 Pinos de segurança da tremonha - Lubrificar..... 157 Enchimento dos pneus - Verificar ....................... 168 De 100 em 100 horas de serviço ou de 2 em 2 semanas Porcas das rodas de tracção - Apertar............... 133 Nível de óleo da transmissão planetária das rodas - Verificar.................................................. 135 Nível de óleo da transmissão planetária das rodas dianteiras - Verificar................................. 148 Nível de óleo da caixa de velocidades - Verificar155 Núcleo do radiador - Limpar ............................... 163 De 250 em 250 horas de serviço Correias - Inspeccionar/Ajustar/Substituir........... 121 Amostra de líquido de refrigeração do sistema refrigerante (nível 1) - Colher................ 129 Filtro secundário do sistema de combustível - Substituir ............................................................ 150 Interruptor de alavanca - Inspeccionar............... 168 De 250 em 250 horas de serviço ou mensalmente Filtro do depósito de agente lubrificante - Substituir ............................................................ 163
  • 117.
    QPEBU2109 117 Secçãodemanutenção QuadrodeIntervalosdeManutenção De 500em 500 horas (para sistemas novos, sistemas reabastecidos e sistemas convertidos) Amostra de líquido de refrigeração do sistema refrigerante (nível 2) - Colher................ 130 De 500 em 500 horas de serviço Unidade de transmissão do trado - Verificar/ Lubrificar ............................................................ 119 Correntes de transmissão dos trados - Verificar/ Ajustar ................................................................ 119 Correntes (de tracção) das correias transportadoras - Ajustar.............................................................. 123 Sistema da correia transportadora - Inspeccionar ........................................................................... 124 ‡leo da transmissão planetária das rodas - Substituir ............................................................ 133 Amostra de óleo da transmissão planetária das ro- das - Colher amostra.......................................... 135 Filtro e óleo do motor - Substituir......................... 141 Amostra de óleo do motor - Colher amostra ....... 146 ‡leo da transmissão planetária das rodas dianteiras (se disponível) - Substituir................. 147 Amostra de óleo da transmissão planetária das rodas dianteiras (se disponível) - Colher amostra ........................ 149 ‡leo da caixa de engrenagens - Substituir......... 155 Travão de estacionamento - Verificar.................. 162 Junta universal de transmissão - Lubrificar......... 168 De 500 em 500 horas de serviço ou trimestralmente Elemento do separador de água do sistema de combustível - Substituir................................. 152 De 1000 em 1000 horas de serviço Folga da válvula do motor - Verificar................... 147 ‡leo do sistema hidráulico - Substituir................ 157 Amostra de óleo do sistema hidráulico - Colher amostra .............................................................. 160 Filtro do depósito de óleo do sistema hidráulico - Substituir ............................................................ 160 De 2000 em 2000 horas de serviço Alternador - Inspeccionar .................................... 118 Motor de arranque - Inspeccionar....................... 167 Anualmente Amostra de líquido de refrigeração do sistema refrigerante (nível 2) - Colher................ 130 De 3000 em 3000 horas de serviço Regulador de temperatura da água do sistema refrigerante - Substituir ...................................... 131 De 3 em 3 anos a partir da data de instalação ou de 5 em 5 anos após a data de fabricação Cinto de segurança - Substituir........................... 167 De 6.000 em 6.000 horas de serviço ou trienalmente Aditivo do refrigerante do sistema de refrigeração (ELC) - Adicionar ............................................... 128 De 12000 em 12000 horas de serviço ou de 6 em 6 anos Líquido de refrigeração do sistema refrigerante (ELC) - Substituir................................................ 126
  • 118.
    118 QPEBU2109 Secçãodemanutenção Alternador-Inspeccionar Alternador -Inspeccionar 1. Abrir a capota posterior de acesso ao motor. Consulta: Consultar o Manual de Funcionamento e Manutenção, ≈Porta posterior de acesso ao motor - Abertura∆. Ilustração 184 2. Inspeccionar o alternador e verificar se há ligações mal adaptadas e se a bateria está devidamente carregada. Inspeccionar o amperímetro (se disponível) durante o funcionamento do motor, para verificar se os desempenhos da bateria e/ou do sistema eléctrico são perfeitos. Proceder às reparações de acordo com as necessidades. Consultar o manual de serviço. Correias transportadoras do trado - Lubrificar AVISO Se a lubrificação não for realizada, o asfalto à volta das juntas vedantes pode solidificar correndo-se, assim, o risco de provocar danos na própria junta e de avaria prematura do rolamento. Ilustração 185 Ilustração 186 Lubrificar os dois copos de lubrificação dos rolamentos exteriores com massa lubrificante. NOTA: Adicionar lubrificante até se observar excesso de massa em cada um dos rolamentos. XS0961AB XS0963AB XS0962AB
  • 119.
    QPEBU2109 119 Secçãodemanutenção Unidadedetransmissãodotrado-Verificar/Lubrificar Unidade detransmissão do trado - Verificar/Lubrificar m CUIDADO As partes rotativas e de movimento podem provocar lesões pessoais ou morte. Manter-se afastado de todas as partes de rotação e movimento. Nunca realizar serviços de manutenção enquanto a máquina estiver em movimento. A máquina tem de ser estacionada numa superfície plana e o motor tem de ser desligado. Aplicar um cartaz de aviso a dizer "Não accionar", ou análogo, no interruptor de arranque e nos comandos, antes de começar qualquer trabalho de manutenção, reparação ou ajustamento da máquina. Ilustração 187 1. Tirar os seis parafusos (1) e desmontar a tampa da unidade de accionamento do trado (2). 2. Verificar o nível de massa lubrificante na caixa da unidade de transmissão do trado. O nível de massa lubrificante dentro da caixa deve chegar à borda inferior da abertura da tampa. Se for necessário, adicionar massa lubrificante até ao bordo inferior da abertura. 3. Verificar o estado da junta vedante situada atrás da tampa da unidade de transmissão do trado (2). Se for necessário, substituir o vedante. 4. Montar a tampa da unidade de transmissão do trado (2) e colocar os seis parafusos (1). Correntes de transmissão dos trados - Verificar/Ajustar m CUIDADO As partes rotativas e de movimento podem provocar lesões pessoais ou morte. Manter-se afastado de todas as partes de rotação e movimento. Salvo indicação em contrário, nunca tentar fazer ajustamentos/regulações enquanto a máquina estiver em andamento ou o motor estiver a funcionar. A máquina tem de ser estacionada numa superfície plana e o motor tem de ser desligado. Aplicar um cartaz de aviso a dizer "Não accionar", ou análogo, no interruptor de arranque e nos comandos, antes de começar qualquer trabalho de manutenção, reparação ou ajustamento da máquina. Ilustração 188 1. Tirar os parafusos e abrir as duas tampas de inspecção laterais, (1). 2. Usando luvas ou qualquer outra protecção própria nas mãos, carregar nas correntes com o polegar. Sob a pressão do polegar, não devem deslocar-se mais de 1 cm (0,4 pol.). XS0925AB 2 1 XS0925AB 2 4 3 1 2 4 3 1
  • 120.
    120 QPEBU2109 Secçãodemanutenção Alarmedemarchaatrás-Testar 3. Seas correntes da correia transportadora precisarem de ajustamento, proceder assim: a. Desapertar os oito parafusos (2) que estão a fixar os motores de accionamento do trado à caixa de transmissão. b. Desapertar as contra-porcas (4) e rodar os parafusos do ajustador (3) até obter a tensão devida. c. Apertar oito parafusos (2) e as contra-porcas (4). d. Montar de novo as tampas de inspecção laterais (1). Alarme de marcha atrás- Testar Ilustração 189 1. Rodar a chave de arranque do motor, (1), para a posição ON. 2. Carregar no interruptor de activação do circuito eléctrico (2), para activar as funções eléctricas da máquina. Ilustração 190 3. Colocar o selector de modo de funcionamento (3) na posição MANUAL. 4. Colocar a alavanca de propulsão (4) na posição MARCHA ATRŸS. 5. O alarme de marcha atrás deve disparar imediatamente. O alarme de marcha atrás deve continuar a tocar até a alavanca de comando de avanço (4) ser mudada para a posição de PONTO MORTO ou para a posição AVANÇAR. Ilustração 191 O alarme de marcha atrás está colocado na retaguarda da máquina, do lado direito. 1 2 XS1105AB E A B D F G C XS0883AB 4 3 XS0888AB
  • 121.
    QPEBU2109 121 Secçãodemanutenção Bateria-Reciclagem Bateria -Reciclagem Reciclar sempre a bateria. Nunca deitar fora uma bateria. Entregar sempre as baterias usadas num dos locais seguintes: • Fornecedor de baterias • Centro autorizado para recolha de baterias usadas • Centro de reciclagem Bateria ou cabo da bateria - Inspeccionar/Substituir m CUIDADO O fumo libertado pelas baterias ou a sua explosão pode provocar lesões nas pessoas ou morte. As baterias libertam fumo inflamável que pode explodir. O electrólito é um ácido que pode provocar lesões em contacto com a pele ou com os olhos. Evitar faíscas nas imediações das baterias. As faíscas podem causar explosão dos vapores. Evitar que as extremidades do cabo de ligação directa se toquem ou toquem no motor. Ligações incorrectas do cabo de ligação directa podem provocar explosão. Ao trabalhar com baterias, usar sempre óculos de protecção. 1. Rodar a chave de arranque do motor para a posição OFF. Rodar todos os interruptores para a posição OFF. 2. Rodar o interruptor que desliga a bateria para a posição OFF. Retirar a chave. 3. No interruptor que desliga a bateria, desligar o cabo negativo da bateria que está ligado ao chassis. NOTA: Não deixar que os cabos desligados da bateria toquem no interruptor que a desliga. 4. Desligar o cabo negativo da bateria dos terminais da bateria. 5. Fazer as reparações necessárias. Substituir o cabo ou a bateria, segundo as necessidades. 6. Ligar o cabo negativo da bateria aos terminais da bateria. 7. Ligar o cabo negativo da bateria no interruptor de desligamento. 8. Introduzir a chave do interruptor que desliga a bateria. Rodar a chave para a posição ON. Correias - Inspeccionar/ Ajustar/Substituir 1. Abrir a capota posterior de acesso ao motor. Consulta: Consultar o Manual de Funcionamento e Manutenção, ≈Capota posterior de acesso ao motor - Abertura∆. 2. Verificar se as correias estão gastas ou têm qualquer racha. 3. Se a correia precisar de ser substituída, seguir as indicações dos pontos 3.a a 3.c. NOTA: Se as correias precisarem de substituição, têm de ser mudadas aos pares. Ilustração 192 a. Aliviar a tensão da correia, desapertando as contra-porcas (1) e (2). b. Desmontar as correias. c. Montar correias novas. 2 XS0959AB 1
  • 122.
    122 QPEBU2109 Secçãodemanutenção Bogies-Lubrificar Ilustração 193 4.Utilizar um medidor de tensão de correias 144- 0235, para verificar a tensão de todas as correias, aplicando uma força de 355 N. A tensão da correia está bem regulada se houver uma flexão de 9 a 15 mm (0,35-0,60 pol). Bogies - Lubrificar Ilustração 194 NOTA: Limpar os copos de lubrificação antes de os lubrificar. Adicionar o lubrificante devagar, até notar excesso do mesmo. Lubrificar um copo de lubrificação do lado esquerdo da máquina com massa lubrificante. Lubrificar um copo de lubrificação do lado direito da máquina, com massa lubrificante. Disjuntor - Rearmar Abrir a porta direita de acesso. Consulta: Consultar o Manual de Funcionamento e Manutenção, ≈Porta direita de acesso - Abertura∆. Ilustração 195 Rearme do disjuntor √ Premir o botão, para rearmar os disjuntores. O botão permanecerá premido se o circuito estiver a funcionar correctamente. Se o botão não permanecer rearmado, verificar o circuito eléctrico em causa. Disjuntor principal (1) √ 80 Amp Disjuntor do tejadilho hidráulico (se disponível) (2) √ 80 Amp Disjuntor das luzes de trabalho complementares Xenon (se disponível) (3) √ 20 Amp XS0424AA XS0939AB 20 XS1148AB 123
  • 123.
    QPEBU2109 123 Secçãodemanutenção Correntes(detracção)dascorreiastransportadoras-Ajustar Correntes (detracção) das correias transportadoras - Ajustar Verificar a tensão das correntes de transmissão da correia transportadora do modo seguinte: 1. Abrir a porta esquerda de acesso. Consulta: Consultar o Manual de Funcionamento e Manutenção, ≈Porta esquerda de acesso - Abertura∆. 2. Abrir a porta direita de acesso. Consulta: Consultar o Manual de Funcionamento e Manutenção, ≈Porta direita de acesso - Abertura∆. Ilustração 196 3. Tirar os parafusos (1) e remover as protecções laterais (2) de cada lado da máquina. 4. Usando luvas ou qualquer outra protecção própria nas mãos, carregar com o polegar no centro das correntes (2). Sob a pressão do polegar, não devem deslocar-se mais de 1 cm (0,4 pol.). Ilustração 197 5. Se for necessário ajustar a tensão das correntes da correia transportadora, tirar os parafusos (3) e remover a tampa (4). 6. Desapertar os quatro parafusos de ajustamento do motor hidráulico (5). 7. Desapertar as contra-porcas (6) e rodar a porca do ajustador (7) até obter a tensão devida. 8. Desapertar os parafusos e contra-porcas de ajustamento do motor hidráulico (5). 9. Montar as tampas (4) utilizando os parafusos (3). 10. Montar as tampas laterais (2) utilizando os parafusos (1). 11. Fechar as portas de acesso esquerda e direita. 1 XS0960AB 13 1 24 XS1001AB 1 5 5 76
  • 124.
    124 QPEBU2109 Secçãodemanutenção Correntes(detracção)dacorreiatransportadora-Limpar Correntes (detracção) da correia transportadora - Limpar Ilustração 198 Tirar a cobertura de protecção e limpar a área. Para facilitar a limpeza, pulverizar as superfícies a limpar com agente lubrificante. Sistema da correia transportadora - Inspeccionar Tensão da corrente de tracção das correias transportadoras - Verificar Ilustração 199 Verificar a tensão das correntes de tracção da correia transportadora. Em condições normais, a corrente deve estar apoiada nas corrediças de apoio situadas debaixo dela e as partes não apoiadas devem estar ligeiramente flectidas. Ver figura abaixo. Ilustração 200 Inspeccionar visualmente as correntes da correia transportadora e verificar quanto flectem. XS0477AA XS0977AB XS0978AB
  • 125.
    QPEBU2109 125 Secçãodemanutenção Sistemadacorreiatransportadora-Inspeccionar Ilustração 201 Ajustara tensão da corrente com a máquina desligada. Rodar as quatro porcas do ajustador (1), para obter a tensão devida na corrente de tracção da correia transportadora. Barras de tracção Ilustração 202 Os cantos das novas barras de tracção são quadrados. æ medida que as barras de tracção se vão desgastando, vão começando a ficar mais finas. Quando se começar a notar uma manifesta diminuição da performance de transferência de material, as barras de tracção deverão ser substituídas. Correia transportadora do trado Ilustração 203 Os cantos dos trados novos são quadrados. æ medida que os trados se vão desgastando, o respectivo diâmetro vai-se tornando mais fino. Quando o bordo do trado ficar muito fino, é necessário que seja substituído. XS0979AB 1 1 XS0931AB XS0925AB
  • 126.
    126 QPEBU2109 Secçãodemanutenção Líquidoderefrigeraçãodosistemarefrigerante(ELC)-Substituir Líquido derefrigeração do sistema refrigerante (ELC) - Substituir m CUIDADO Líquido de refrigeração quente, vapor e álcalis podem provocar lesões pessoais ou morte. Usar sempre óculos de protecção e luvas, para trabalhar no radiador. À temperatura de funcionamento, o líquido de refrigeração do motor está quente e sob pressão. O radiador e todas as linhas que vão para os aquecedores ou para o motor contêm líquido de refrigeração quente ou vapor. Qualquer contacto com eles pode provocar queimaduras graves. Tirar a tampa de pressão do sistema refrigerante devagar, para aliviar a pressão, somente quando o motor estiver parado e a tampa de pressão do sistema refrigerante estiver suficientemente fria para poder ser tocada directamente com as mãos. Não tentar apertar as ligações dos tubos enquanto o líquido de refrigeração estiver quente, porque podem saltar e provocar queimaduras. O aditivo refrigerante do sistema de refrigeração contém álcalis. Evitar contacto com a pele e com os olhos. AVISO É necessário tomar precauções a fim de impedir a fuga de fluidos durante a inspecção, manutenção, ensaio, afinação e reparação do produto. Estar preparado para recolher o fluido em recipientes adequados, antes de abrir qualquer compartimento ou desmontar qualquer componente que contenha líquidos. Para informações sobre as ferramentas e acessórios a utilizar para recolher e guardar os elementos fluidos dos produtos Caterpillar, consultar a Publicação especial, NENG2500, “Guia de produtos e ferramentas Caterpillar”. Eliminar todos os fluidos de acordo com as disposições e regulamentos locais . AVISO Não substituir o líquido de refrigeração enquanto não se tiver lido e compreendido o material constante da secção de especificações do sistema refrigerante. AVISO Misturar Extended Life Coolant (ELC) com outros produtos diminui a eficácia e o tempo de vida útil do líquido de refrigeração. Utilizar apenas produtos Caterpillar ou produtos comerciais que satisfaçam as características Caterpillar EC-1 para líquidos de refrigeração pré-misturados ou concentrados. Com o ELC Caterpillar usar apenas aditivos Caterpillar . Descurar estas recomendações pode provocar danos nos componentes do sistema refrigerante. Se houver contaminação do sistema refrigerante ELC, consultar o Manual de Funcionamento e Manutenção, “Extended Life Coolant (ELC)” sob o título Contaminação do sistema refrigerante ELC. NOTA: Esta máquina foi atestada na fábrica com Caterpillar Extended Life Coolant. Se o líquido de refrigeração da máquina tiver sido mudado de normal para Extended Life Coolant, ver a Publicação especial, SEBU6250 ≈Recomendações sobre os fluidos a utilizar nas máquinas Caterpillar∆ Escoar o líquido de refrigeração sempre que estiver sujo ou se observar presença de espuma. NOTA: Para informações sobre como impedir derrames de fluidos, consultar o Manual de Funcionamento e Manutenção, ≈Informações gerais de perigo∆. Ilustração 204 1. Abrir a tampa que encobre o tampão do radiador (1). 2. Desapertar o tampão do radiador devagar (2), para eliminar pressão. Retirar o tampão do radiador devagar. 3. Abrir a porta esquerda de acesso. Consulta: Consultar o Manual de Funcionamento e Manutenção, ≈Porta esquerda de acesso - Abertura∆. XS0950AB 1 2
  • 127.
    QPEBU2109 127 Secçãodemanutenção Líquidoderefrigeraçãodosistemarefrigerante(ELC)-Substituir Ilustração 205 4.Aplicar um tubo adequado na extremidade da válvula de purga (3). 5. Desapertar a válvula de purga do radiador (2). Deixar o líquido de refrigeração escoar para um recipiente apropriado. 6. Lavar o sistema refrigerante. Seguir as indicações do ponto 6.a a 6.h, para lavar devidamente o sistema refrigerante. a. Apertar a válvula de purga (3). b. Encher o sistema com uma solução composta de água limpa e um produto de limpeza para sistemas refrigerantes. A concentração do produto de limpeza para sistemas refrigerantes na solução deve ser de 6 a 10%. c. Colocar o tampão no radiador (2). d. Pôr o motor a trabalhar e deixá-lo funcionar até atingir a temperatura de funcionamento. e. Desligar o motor e deixá-lo arrefecer. f. Desapertar o tampão do radiador (2) devagar, para aliviar a pressão eventualmente presente no sistema refrigerante. g. Desapertar a válvula de purga (3) e deixar escoar a solução de limpeza para um recipiente apropriado. h. Lavar o radiador com água limpa até a água de drenagem começar a sair transparente. 7. Apertar a válvula de purga (3). 8. Adicionar o Extended Life Coolant (ELC). Consultar as publicações seguintes: • Publicação especial, SEBU6250 ≈Recomendações sobre os fluidos a utilizar nas máquinas Caterpillar∆ • Manual de Funcionamento e Manutenção, ≈Capacidades (Reabastecimento)∆ 9. Ligar o motor. Deixar funcionar o motor sem o tampão do radiador, até o termostato se abrir e o nível do líquido de refrigeração se estabilizar. 10. Verificar o nível do líquido de refrigeração. Consulta: Para saber como proceder correctamente, consultar o Manual de Funcionamento e Manutenção, ≈Nível do líquido de refrigeração do sistema refrigerante - Verificar∆. 11. Substituir o tampão do radiador se a junta estiver danificada. Colocar o tampão no radiador (2). 12. Desligar o motor. 13. Desmontar o tubo apropriado da válvula de purga (3). 14. Fechar o tampão do radiador (1) e fechar a porta esquerda de acesso. XS0893AB 3
  • 128.
    128 QPEBU2109 Secçãodemanutenção Aditivodorefrigerantedosistemaderefrigeração(ELC)-Adicionar Aditivo dorefrigerante do sistema de refrigeração (ELC) - Adicionar m CUIDADO Líquido de refrigeração quente, vapor e álcalis podem provocar lesões pessoais ou morte. Usar sempre óculos de protecção e luvas, para trabalhar no radiador. À temperatura de funcionamento, o líquido de refrigeração do motor está quente e sob pressão. O radiador e todas as linhas que vão para os aquecedores ou para o motor contêm líquido de refrigeração quente ou vapor. Qualquer contacto com eles pode provocar queimaduras graves. Tirar a tampa de pressão do sistema refrigerante devagar, para aliviar a pressão, somente quando o motor estiver parado e a tampa de pressão do sistema refrigerante estiver suficientemente fria para poder ser tocada directamente com as mãos. Não tentar apertar as ligações dos tubos enquanto o líquido de refrigeração estiver quente, porque podem saltar e provocar queimaduras. O aditivo refrigerante do sistema de refrigeração contém álcalis. Evitar contacto com a pele e com os olhos. Usar Caterpillar Extended Life Coolant (ELC) quando se acrescentar líquido de refrigeração no sistema refrigerante. Para todas as informações sobre os requisitos do sistema refrigerante, consultar a Publicação especial, SEBU6250 ≈Recomendações sobre os fluidos a utilizar nas máquinas Caterpillar∆. Utilizar um kit de ensaio da concentração de líquido de refrigeração, para testar a concentração deste. AVISO Misturar ELC com outros produtos diminuirá a eficácia do líquido de refrigeração. Isso pode provocar danos para os componentes do sistema refrigerante. Se não houver produtos Caterpillar disponíveis e for necessário utilizar produtos comerciais, verificar se satisfazem a especificação Caterpillar EC-1 para líquidos de refrigeração concentrados ou pré- misturados, e Caterpillar Extender. NOTA: Esta máquina foi atestada na fábrica com Caterpillar Extended Life Coolant. 1. Estacionar a máquina num terreno plano. 2. Desligar o motor. Ilustração 206 3. Abrir a tampa que encobre o tampão do radiador (1). 4. Certificar-se de que o sistema refrigerante tenha arrefecido. Desapertar a tampa de pressão do sistema refrigerante (2)devagar, para aliviar a pressão do sistema. Retirar a tampa de pressão (2). Consulta: Consultar o Manual de Funcionamento e Manutenção, ≈Informações gerais de perigo∆, para informações sobre como impedir derrames de fluidos. 5. Pode ser necessário drenar algum líquido de refrigeração do radiador, para poder adicionar no sistema o ELC da Caterpillar. Consulta: Consultar o Manual de Funcionamento e Manutenção, ≈Líquido de refrigeração do sistema refrigerante (ELC) - Substituir∆. NOTA: Eliminar sempre os líquidos drenados de acordo com os regulamentos locais. 6. Adicionar Extended Life Coolant (ELC) Caterpillar no sistema refrigerante. Para saber a quantidade de ELC Caterpillar a adicionar, consultar as publicações seguintes: • Publicação especial, SEBU6250 ≈Recomendações sobre os fluidos a utilizar nas máquinas Caterpillar ∆ • Manual de Funcionamento e Manutenção, ≈Capacidades (Reabastecimento)∆ 7. Verificar a junta da tampa de pressão do sistema refrigerante. Se a junta estiver danificada, substituir a tampa de pressão. 8. Colocar a tampa de pressão do sistema refrigerante (2). 9. Fechar a tampa que encobre o tampão do radiador (1). XS0950AB 1 2
  • 129.
    QPEBU2109 129 Secçãodemanutenção Níveldolíquidoderefrigeraçãodosistemarefrigerante-Verificar Nível dolíquido de refrigeração do sistema refrigerante - Verificar m CUIDADO À temperatura de funcionamento, o líquido de refrigeração do motor está quente e sob pressão. O vapor pode provocar lesões pessoais. Verificar o nível de líquido de refrigeração somente após paragem do motor e do tampão de enchimento estar suficientemente frio para poder ser tocado directamente com a mão. Retirar o tampão de enchimento devagar, para aliviar a pressão. O condicionador do sistema de refrigeração contém álcalis Evitar o contacto com a pele e com os olhos para impedir lesões pessoais. 1. Abrir a tampa que encobre o tampão do radiador (1). Ilustração 207 2. Desapertar o tampão de pressão (2) devagar, para aliviar a pressão do sistema. Tirar a tampa de pressão (2) devagar. Consulta: Para informações sobre como impedir derrames de fluidos, consultar o Manual de Funcionamento e Manutenção, ≈Informações gerais de perigo∆. 3. Manter o nível do líquido de refrigeração ao cimo do tubo de enchimento. Se houver necessidade de adicionar líquido de refrigeração diariamente, verificar se há fugas no sistema refrigerante. Em caso afirmativo, repará-las. 4. Inspeccionar o vedante. Inspeccionar o tampão de pressão. Limpar o tampão de pressão com um pano limpo. Substituir o tampão se o vedante ou o próprio tampão estiverem danificados. 5. Colocar a tampa de pressão (2). Fechar o tampão do radiador (1). Amostra de líquido de refrigeração do sistema refrigerante (nível 1) - Colher amostra NOTA: Não é necessário obter amostras de líquido de refrigeração (nível 1) se o sistema refrigerante estiver atestado com Cat ELC (Extended Life Coolant). Nos sistemas refrigerantes enchidos com Cat ELC a amostra de líquido de refrigeração (nível 2) deve ser colhida de acordo com o intervalo de tempo recomendado, indicado no Quadro de Intervalos de Manutenção. NOTA: Colher uma amostra de líquido de refrigeração (nível 1) se o sistema refrigerante estiver atestado com um refrigerante diverso do Cat ELC. Podem ser utilizados os líquidos de refrigeração abaixo indicados. • Líquidos de refrigeração comerciais de longa duração que satisfazem a Especificação-1 dos refrigerantes para motor Caterpillar (Caterpillar EC-1). • Antigelo/Líquido de refrigeração para motor diesel Cat (DEAC). • Líquido de refrigeração/Antigelo comercial para condições de trabalho pesadas. AVISO Utilizar sempre uma bomba específica para amostras de óleo e outra para amostras de líquido de refrigeração. A utilização da mesma bomba para ambas as colheitas provocará contaminação das amostras. Se as amostras estiverem contaminadas dão origem a falsos resultados e interpretações erradas que podem representar um problema para distribuidores e clientes. NOTA: Os resultados de nível 1 podem indicar a necessidade de uma análise de nível 2. XS0950AB 1 2
  • 130.
    130 QPEBU2109 Secçãodemanutenção Amostradelíquidoderefrigeraçãodosistemarefrigerante(nível2)-Colheramostra Ilustração 208 1.Abrir a tampa que encobre o tampão do radiador (1). Colher a amostra de líquido de refrigeração, respeitando o mais possível o intervalo de amostragem recomendado. Colher uma amostra de óleo durante a substituição. Para obter o efeito total da análise S”O”S, é necessário estabelecer uma tendência de dados constante. Para definir um histórico de dados pertinente, colher amostras constantes com intervalos uniformemente distanciados. O material de apoio para colher as amostras poderá ser pedido ao distribuidor Caterpillar. Respeitar as linhas de conduta a seguir indicadas, para colher devidamente as amostras de líquido de refrigeração: • Completar a informação no rótulo da garrafa de amostragem antes de começar a colher as amostras. • Guardar as garrafas de amostragem não usadas dentro de sacos de plástico. • Colher as amostras de líquido de refrigeração directamente da porta de amostragem própria. As amostras não devem ser colhidas de mais nenhum outro sítio. • Conservar as tampas nas garrafas de amostragem vazias até estar tudo pronto para começar a colheita de amostras. • Colocar a amostra no tubo para expedição imediatamente após obter a amostra, para evitar contaminação. • Nunca colher amostras a partir de garrafas de expansão. • Nunca colher amostras a partir de drenos de sistemas. Submeter a amostra a análise de nível 1. Para mais informações sobre a análise do líquido de refrigeração, ver Publicação especial, SEBU6250 ≈Recomendações sobre os fluidos a utilizar nas máquinas Caterpillar∆ ou consultar o distribuidor Caterpillar. Amostra de líquido de refrigeração do sistema refrigerante (nível 2) - Colher amostra AVISO Utilizar sempre uma bomba específica para amostras de óleo e outra para amostras de líquido de refrigeração. A utilização da mesma bomba para ambas as colheitas provocará contaminação das amostras. Se as amostras estiverem contaminadas dão origem a falsos resultados e interpretações erradas que podem representar um problema para distribuidores e clientes. Ilustração 209 1. Abrir a tampa que encobre o tampão do radiador (1). Colher a amostra de líquido de refrigeração, respeitando o mais possível o intervalo de amostragem recomendado. Colher uma amostra de óleo durante a substituição. O material de apoio para colher as amostras poderá ser pedido ao distribuidor Caterpillar. Para indicações sobre o modo correcto de colher amostras de líquido de refrigeração, consultar o Manual de Funcionamento e Manutenção, ≈Amostra de líquido de refrigeração do sistema refrigerante (nível 1) - Colher amostra∆. Submeter a amostra a análise de nível 2. Para mais informações sobre a análise do líquido de refrigeração, ver Publicação especial, SEBU6250 ≈Recomendações sobre os fluidos a utilizar nas máquinas Caterpillar∆ ou consultar o distribuidor Caterpillar. XS0950AB 1 XS0950AB 1
  • 131.
    QPEBU2109 131 Secçãodemanutenção Reguladordetemperaturadaáguadosistemarefrigerante- Regulador detemperatura da água do sistema refrigerante - Substituir m CUIDADO À temperatura de funcionamento, o líquido de refrigeração do motor está quente e sob pressão. O vapor pode provocar lesões pessoais. Verificar o nível de líquido de refrigeração somente após paragem do motor e do tampão de enchimento estar suficientemente frio para poder ser tocado directamente com a mão. Retirar o tampão de enchimento devagar, para aliviar a pressão. O condicionador do sistema de refrigeração contém álcalis Evitar o contacto com a pele e com os olhos para impedir lesões pessoais. Substituir o regulador de temperatura de água com periodicidade regular, para diminuir a possibilidade de tempos mortos imprevistos e problemas no sistema refrigerante. O regulador de temperatura de água deve ser substituído depois do sistema refrigerante ter sido limpo. Substituir o regulador de temperatura de água enquanto o sistema refrigerante estiver completamente vazio. Substituir o regulador de temperatura de água enquanto o refrigerante do sistema de refrigeração estiver a ser esvaziado para um nível inferior ao do encaixe do regulador de temperatura de água. NOTA: Se se substituir apenas o regulador de temperatura de água, escoar o líquido de refrigeração do sistema refrigerante até um nível de altura inferior ao do encaixe do regulador de temperatura de água. AVISO A não substituição do regulador de temperatura de água regularmente pode provocar graves danos no motor. Os reguladores de temperatura de água podem ser reutilizados se satisfizerem as especificações de teste, se não estiverem danificados e se não tiverem excessivo depósito acumulado. Uma vez que os motores Caterpillar são providos de um sistema refrigerante em derivação, é necessário que o motor seja sempre accionado com um regulador de temperatura de água. Em função da carga, a ausência de um regulador de temperatura de água durante o funcionamento pode provocar sobreaquecimento ou condições de sobrearrefecimento. Se o regulador de temperatura de água estiver mal instalado haverá sobreaquecimento do motor. 1. Abrir a porta posterior de acesso ao motor. Consulta: Consultar o Manual de Funcionamento e Manutenção, ≈Porta posterior de acesso ao motor - Abertura∆. 2. Drenar o líquido de refrigeração do sistema até um nível abaixo do regulador de temperatura de água, para um recipiente próprio para conservação ou eliminação. Para saber como drenar o líquido devidamente, consultar o Manual de Funcionamento e Manutenção, ≈Líquido de refrigeração do sistema refrigerante - Substituir∆. 3. Desapertar as braçadeiras do tubo superior do radiador e desligar este último do compartimento do regulador de temperatura da água. Ilustração 210 4. Tirar o parafuso (1) que está fixar o compartimento do regulador. 1 XS0957AB 1
  • 132.
    132 QPEBU2109 Secçãodemanutenção Transportadoresdefreio-Lubrificar Ilustração 211 5.Retirar o compartimento do regulador (2). Remover a junta de vedação usada (3) do compartimento (2). AVISO Os motores Caterpillar estão equipados com um sistema de refrigeração em derivação que exige que o motor seja accionado somente se tiver um termostato instalado. Se o termostato estiver mal instalado haverá sobreaquecimento do motor. Verificar as juntas de vedação antes da montagem e substituí-las, se estiverem gastas ou danificadas. 6. Montar uma junta de vedação nova (3) no compartimento do regulador. Montar um regulador de temperatura de água novo (2). 7. Montar os parafusos (1) e o compartimento do regulador. 8. Instalar o tubo superior do radiador e apertar as respectivas braçadeiras. 9. Atestar o sistema refrigerante. Consulta: Consultar o Manual de Funcionamento e Manutenção, ≈Aditivo do refrigerante do sistema de refrigeração - Adicionar∆. 10. Fechar a porta posterior de acesso ao motor. Transportadores de freio - Lubrificar AVISO Toda a massa lubrificante de aplicação diária deverá ser aplicada no fim do turno de trabalho da máquina, quando esta ainda está quente e o asfalto mole ou, pelo menos, não completamente solidificado. A não observação desta indicação causará a solidificação do asfalto à volta das juntas vedantes, arriscando-se assim a danificar a própria junta e provocar a avaria prematura do rolamento. Ilustração 212 Lubrificar os três copos de lubrificação, no lado traseiro da máquina, com massa lubrificante. Deste modo lubrificam-se os rolamentos da correia transportadora de tracção. 2 XS0958AB 3 XS0925AB
  • 133.
    QPEBU2109 133 Secçãodemanutenção Porcasdasrodasdetracção-Apertar Porcas dasrodas de tracção - Apertar Ilustração 213 O binário de aperto a aplicar nas porcas das rodas de tracção é de 350 Ø 10 Nm (260 Ø 7 lb pés). Óleo da transmissão planetária das rodas - Substituir m CUIDADO Óleos e componentes quentes podem provocar lesões pessoais. Não permitir o contacto destes produtos com a pele. AVISO É necessário tomar precauções a fim de impedir a fuga de fluidos durante a inspecção, manutenção, ensaio, afinação e reparação da máquina. Estar preparado para recolher o fluido em recipientes adequados, antes de abrir qualquer compartimento ou desmontar qualquer componente que contenha líquidos. Para informações sobre as ferramentas e acessórios a utilizar para recolher e guardar os elementos fluidos das máquinas Caterpillar, consultar a Publicação especial, NENG2500, “Guia de produtos e ferramentas Caterpillar”. Eliminar todos os fluidos de acordo com as disposições e regulamentos locais . Ilustração 214 1. Deslocar a máquina de modo a ficar com a haste da válvula para os pneus na posição correspondente às 12 horas. XS0947AB XS0974AB
  • 134.
    134 QPEBU2109 Secçãodemanutenção Óleodatransmissãoplanetáriadasrodas-Substituir Ilustração 215 2.Tirar a tampa (2) da extremidade do tubo de drenagem (1). 3. Drenar o óleo para um recipiente apropriado. 4. Colocar a tampa (2) na extremidade do tubo de drenagem (1). 5. Abrir as tampas esquerda e direita de acesso à plataforma. Consulta: Consultar o Manual de Funcionamento e Manutenção, ≈Tampas de acesso à plataforma - Abertura∆. Ilustração 216 6. Tirar o respirador de ventilação (3) do tubo de enchimento da transmissão planetária das rodas (4). 7. Encher a transmissão planetária das rodas com óleo novo. Para saber qual a capacidade de reabastecimento devida, consultar o Manual de Funcionamento e Manutenção, ≈Capacidades (Reabastecimento)∆. Ilustração 217 8. Observar o nível de óleo durante o processo de reabastecimento. Ter-se-á a quantidade de óleo devida quando o nível atingir o meio do indicador de referência de nível (5). 9. Limpar o tubo de enchimento da transmissão planetária das rodas (4) e montar o respirador de ventilação (3). 10. Repetir as operações indicadas nos pontos 2 a 9, para mudar o óleo da outra transmissão planetária das rodas. 11. Fechar as tampas esquerda e direita de acesso à plataforma. 2 XS0938AB 1 3 4 XS1150AB XS0974AB 5
  • 135.
    QPEBU2109 135 Secçãodemanutenção Níveldeóleodatransmissãoplanetáriadasrodas-Verificar Nível deóleo da transmissão planetária das rodas - Verificar Ilustração 218 1. Deslocar a máquina de modo a ficar com a haste da válvula para os pneus na posição correspondente às 12 horas. 2. Manter o nível de óleo a meio do indicador de referência de nível (1). 3. Se for necessário adicionar óleo, abrir as tampas de acesso. Consulta: Consultar o Manual de Funcionamento e Manutenção, ≈Tampas de acesso à plataforma - Abertura∆. Ilustração 219 4. Tirar o respirador de ventilação (1) do tubo de enchimento da transmissão planetária das rodas (2) e adicionar óleo até ao nível correcto. Consulta: Consultar o Manual de Funcionamento e Manutenção, ≈Viscosidade dos lubrificantes e capacidades de reabastecimento∆. 5. Limpar o respirador de ventilação (1) e montá-lo no tubo de enchimento da transmissão planetária das rodas (2). 6. Repetir as operações indicadas nos pontos 1 a 5, para verificar o nível de óleo na outra transmissão planetária das rodas. Amostra de óleo da transmissão planetária das rodas - Colher amostra Colher uma amostra de óleo quando ele for substituído. Mandar a amostra de óleo para o distribuidor, para análise. Consulta: Consultar o Manual de Funcionamento e Manutenção, ≈‡leo da transmissão planetária das rodas - Substituir∆. Consulta: Para informações sobre a obtenção de amostras de óleo, consultar a Publicação especial, PEHJ0191 ≈Serviços Cat S•O•S ∆. Consulta: Para mais informações sobre a obtenção de amostras de óleo, consultar a Publicação especial, PEGJ0047 ≈Como colher uma boa amostra S•O•S∆. Elemento primário do filtro de ar do motor - Limpar/Substituir AVISO Fazer a manutenção do filtro de ar apenas com o motor parado. Perigo de danos para o motor! 1. Abrir a porta posterior de acesso ao motor. Consulta: Consultar o Manual de Funcionamento e Manutenção, ≈Porta posterior de acesso ao motor - Abertura∆. XS0974AB 1 2 XS1150AB
  • 136.
    136 QPEBU2109 Secçãodemanutenção Elementoprimáriodofiltrodeardomotor-Limpar/Substituir Ilustração 220 2.Soltar as três molas (1), para desmontar a tampa do filtro de ar do motor (2). Ilustração 221 3. Retirar o elemento primário (3). Limpar muito bem a tampa do filtro (2) e a parte interior do encaixe do filtro de ar (4). 4. Instalar um elemento filtrante primário, limpo (3). NOTA: Consultar o Manual de Funcionamento e Manutenção, ≈Limpeza dos elementos primários do filtro de ar∆. 5. Montar a tampa do filtro de ar do motor (2) e colocar as três molas (1). Ilustração 222 6. Esvaziar e limpar o dispositivo de extracção de pó (5). 7. Fechar a porta posterior de acesso ao motor. Limpeza dos elementos primários do filtro de ar AVISO A Caterpillar recomenda utilizar serviços de limpeza do filtro de ar certificados, disponíveis junto dos distribuidores Caterpillar. O processo de limpeza Caterpillar utiliza técnicas aprovadas que garantem qualidade constante e suficiente duração do filtro. Se tentar limpar sozinho o elemento filtrante, respeitar as indicações seguintes: Não bater ou abanar o elemento filtrante, para remover o pó; Não lavar o elemento filtrante; Para eliminar o pó do elemento filtrante, utilizar ar comprimido a baixa pressão. A pressão de ar não deve ser superior a 207 kPa (30 psi). Orientar o fluxo de ar para cima e para baixo, ao longo das pregas, e de dentro para fora do elemento filtrante. Ter muito cuidado para evitar danos nas pregas. Não usar filtros de ar que tenham pregas, juntas ou vedações danificadas. A sujidade que entrar para o motor provocará danos nos respectivos componentes. XS0892AB 21 1 1 3 XS0964AB 4 5 XS0892AB
  • 137.
    QPEBU2109 137 Secçãodemanutenção Elementoprimáriodofiltrodeardomotor-Limpar/Substituir Ao limparo elemento primário do filtro de ar, verificar se o material do filtro está rasgado ou dilacerado. Substituir o elemento primário do filtro de ar ao fim de seis limpezas consecutivas. O elemento primário do filtro de ar deve ser substituído, pelo menos, uma vez por ano. Tal substituição deve ser feita, independentemente do número de limpezas realizadas. AVISO Não limpar o elemento filtrante batendo-o ou abanando-o. Pode provocar danos nas vedações. Não utilizar elementos que tenham pregas, juntas ou vedações danificadas. Os elementos danificados deixam passar a sujidade para o interior. Perigo de danos para o motor! Inspeccionar visualmente os elementos primários do filtro de ar, antes de limpar. Verificar se a vedação, juntas e cobertura exterior do elemento filtrante apresentam algum dano. Eliminar todo e qualquer elemento filtrante que não esteja em perfeitas condições de integridade. São dois os métodos habitualmente usados para limpar os elementos primários do filtro de ar: • Com ar comprimido • Com aspirador Com ar comprimido O ar comprimido pode ser usado para limpar os elementos primários do filtro de ar que não tenham sido limpos mais de duas vezes. O ar comprimido não limpa os depósitos de carbono e óleo. Usar ar seco filtrado com pressão máxima de 207 kPa (30 psi). Ilustração 223 NOTA: Ao limpar os elementos primários do filtro de ar, começar sempre pelo lado limpo (lado interior), para forçar as partículas de sujidade a deslocar-se para a parte suja (lado exterior). Orientar o tubo de modo tal que o ar possa fluir no interior do elemento longitudinalmente, a fim de evitar danos nas pregas de papel. Não dirigir o vapor de ar directamente para o elemento primário do filtro de ar. A sujidade presente poderia ser impelida mais longe, para dentro das pregas. Com aspirador A limpeza com aspirador é outro método para limpar os elementos primários do filtro de ar que requerem limpeza quotidiana devido às condições secas e de poeira existentes no ambiente. A limpeza com ar comprimido deve ser feita antes da limpeza com aspirador. A limpeza com aspirador não remove depósitos de carbono e óleo. Inspecção dos elementos primários do filtro de ar Ilustração 224 Inspeccionar o elemento primário do filtro de ar depois de limpo e seco. Utilizar uma luz azul de 60 watt numa divisão às escuras ou em local análogo. Colocar a luz azul dentro do elemento primário do filtro de ar. Rodar o elemento primário do filtro de ar. Verificar se o elemento primário do filtro de ar está rasgado e/ou furado. Controlar a luz eventualmente filtrada através do material do filtro. Se for necessário, para confirmar o resultado, comparar o elemento primário do filtro de ar usado com um novo que tenha o mesmo número de código. Não utilizar elementos primários do filtro de ar cujo material constituinte esteja rasgado e/ou furado. Não utilizar elementos filtrantes primários com pregas, juntas ou vedações danificadas. Eliminar todo e qualquer elemento filtrante primário que não esteja em perfeitas condições de integridade. Como guardar os elementos primários do filtro de ar Se um elemento primário do filtro de ar que passou a inspecção com êxito não for utilizado, pode ser guardado para posterior utilização. XS0606AB XS0607AB
  • 138.
    138 QPEBU2109 Secçãodemanutenção Elementosecundáriodofiltrodeardomotor-Substituir Ilustração 225 Nãoutilizar tinta, coberturas impermeáveis ou plástico como cobertura protectora para conservação. Podem impedir a circulação de ar. Para proteger da poluição e danos, envolver os elementos primários do filtro de ar em papel VCI (Volatile Corrosion Inhibited) inibidor volátil de corrosão. Conservar o elemento primário do filtro de ar numa caixa. Para o identificar, marcar o exterior da caixa e o próprio elemento do filtro. Incluir as informações seguintes: • Data de limpeza • Número de limpezas a que foi submetido Guardar a caixa num lugar seco. Elemento secundário do filtro de ar do motor - Substituir AVISO Substituir sempre o elemento filtrante secundário. Nunca tentar reutilizar o elemento filtrante secundário, limpando-o. Quando o elemento primário do filtro for substituído, também deve ser substituído o elemento filtrante secundário. O elemento filtrante secundário também tem de ser substituído se for visualizada no display a mensagem de aviso de restrição do filtro, após instalação de um elemento primário limpo, ou se o fumo de escape continuar negro. 1. Abrir a porta posterior de acesso ao motor. Consulta: Consultar o Manual de Funcionamento e Manutenção, ≈Porta posterior de acesso ao motor - Abertura∆. Ilustração 226 2. Soltar as três molas (1), para desmontar a tampa do filtro de ar do motor (2). XS0608AB XS0892AB 21 1 1
  • 139.
    QPEBU2109 139 Secçãodemanutenção Elementosecundáriodofiltrodeardomotor-Substituir Ilustração 227 3.Desmontar o elemento filtrante primário (3) do encaixe do filtro de ar. Ilustração 228 4. Desmontar o elemento filtrante secundário (4). Ilustração 229 5. Tapar a abertura de entrada de ar. Limpar a parte de dentro do encaixe do filtro de ar (5). 6. Destapar a abertura de entrada de ar. Montar um elemento secundário novo. 7. Montar o elemento filtrante primário (3); montar a tampa do filtro de ar do motor (2) e as três molas (1). Ilustração 230 8. Esvaziar e limpar o dispositivo de extracção de pó (6). 9. Fechar a porta posterior de acesso ao motor. 3 XS0964AB 4 XS0964AB 5 XS0964AB 6 XS0892AB
  • 140.
    140 QPEBU2109 Secçãodemanutenção Entradadofiltrodeardomotor-Limpar Entrada dofiltro de ar do motor - Limpar Ilustração 231 Observar a entrada de ar do motor, para verificar se tem detritos acumulados ou obstruções. Retirar eventuais detritos presentes e eliminar obstruções da tampa exterior de entrada de ar do motor. Ilustração 232 Se a entrada de ar do motor necessitar de posterior limpeza, abrir a porta de acesso do radiador. Limpar a entrada de ar do motor, eliminando todos os detritos presentes. Fechar a porta de acesso ao radiador. Suportes do motor - Inspeccionar 1. Abrir a capota anterior de acesso ao motor Consulta: Consultar o Manual de Funcionamento e Manutenção, ≈Capota anterior de acesso ao motor - Abertura∆. 2. Abrir a porta posterior de acesso ao motor. Consulta: Consultar o Manual de Funcionamento e Manutenção, ≈Porta posterior de acesso ao motor - Abertura∆. Ilustração 233 3. Verificar se algum dos três suportes do motor tem alguma racha. Substituir todos os suportes do motor rachados. 4. Fechar a capota anterior de acesso ao motor. Fechar a capota posterior de acesso ao motor. Para mais informações e instruções sobre a máquina, dirigir-se ao distribuidor Caterpillar. XS0945AB XS0896AB XS0985AB
  • 141.
    QPEBU2109 141 Secçãodemanutenção Filtroeóleodomotor-Substituir Filtro eóleo do motor - Substituir Selecção do intervalo de substituição do óleo AVISO A substituição do óleo deve ser feita de 500 em 500 horas de serviço, admitindo que são satisfeitas as condições de funcionamento estabelecidas e que são utilizados os tipos de óleo Multigrade recomendados. Quando estes requisitos não forem satisfeitos, diminuir o intervalo de substituição do óleo para 250 horas, ou utilizar os Serviços S·O·S de colheita de amostras de óleo e do programa de análise para determinar um intervalo de substituição de óleo aceitável. Se for seleccionado um intervalo de tempo demasiado longo para substituição do filtro e do óleo, o motor pode estragar-se. Recomenda-se a utilização de filtros de óleo Caterpillar. Os tipos de óleos Multigrade recomendados estão indicados no Quadro 8. Não usar óleos Single grade. Ciclos de funcionamento anormalmente rígidos ou condições ambientais difíceis podem diminuir o tempo de vida útil do óleo do motor. Temperaturas polares, ambientes corrosivos ou condições de trabalho com muita poeira podem requerer a redução dos intervalos de substituição do óleo recomendados no Quadro 8. Consultar também o Manual, SEBU5898, ≈Recomendações em caso de temperaturas baixas∆. Carência de manutenção dos filtros de ar ou dos filtros de óleo obriga a uma diminuição dos intervalos de substituição de óleo. Consultar o distribuidor Caterpillar para mais informações, se este produto estiver sujeito a ciclos de funcionamento anormalmente rígidos ou a condições ambientais difíceis. Tabela9 Intervalos do óleo do motor(1) (1)Ointervalotradicionaldesubstituiçãodeóleonosmotoreséde250 horas.Ointervalostandardparasubstituiçãodoóleonestamáquina éde500horas,partindodoprincípioquesãosatisfeitasascondições defuncionamentoestabelecidasequesãoutilizadosostiposdeóleo recomendadosnestequadro.Melhoriasnomotorpermitemrespeitar esteintervalodesubstituiçãodeóleonomotor.Estenovointervalo standardnãoépermitidoparaoutrasmáquinas.Paraasoutras máquinas,consultarosrespectivosManuaisdeFuncionamentoe Manutenção. Tipo de óleo Multigrade Condições de operação Difíceis Normais (2) (2)Ascondiçõesnormaisincluemestesfactores:Teordeenxofreno combustívelabaixode0,3%,altitudeabaixode1830m(6000pés), umbomfiltrodeareboamanutençãodofiltrodecombustível.As condiçõesnormaisnãoincluemfactordecargaalto,ciclosde funcionamentorígidosoucondiçõesambientaisdifíceis. Factor decarga alto(3) superior a 62,1 L (16,4 gal. america nos p/ hora de combus tível) (3)Factoresdecargaaltospodemdiminuirotempodevidaútildoóleodo motor.Ciclosdecargaaltacontínuosetemposderepousomuito brevesdeterminamaumentodeconsumodecombustívele contaminaçãodoóleo.Estesfactoresesgotammaisrapidamenteos aditivosdosóleos.Seamédiadeconsumodecombustívelda máquinaforsuperiora62,1L(16,4galõesamericanos)porhora, seguirasindicaçõespara“Factordecargaalto”patentesnoQuadro 8.Paradeterminaramédiadeconsumodecombustível,calculara médiadeconsumodecombustívelduranteumperíodode50a100 horas.Seaaplicaçãodamáquinamudar,amédiadeconsumode combustívelpodealterar-se. Teor de enxofre no combus tível de 0,3% a 0,5% (4) (4)Parateoresdeenxofresuperioresa0,5%,consultaraPublicação especial, SEBU6250 “Recomendaçõessobreosfluidosautilizarnas máquinasCaterpillar”. Altitude superior a 1830 m (6000 pés) CatDEO preferido 500h 500h 500h 250h(6) ECF-1 11,0 mínimo TBN(4) preferido 500h 500h 500h 250h(6) ECF-1 TBN(4) abaixode 11,0 500h 500h 250h(5) (5)Paraverificarumintervalodesubstituiçãodeóleode500horas, consultaro“ProgramaA”abaixo. 250h(6) (6)Usaro“ProgramaB”abaixo,paradeterminarumintervaloapropriado. APICG-4 250h 250h 250h 250h
  • 142.
    142 QPEBU2109 Secçãodemanutenção Filtroeóleodomotor-Substituir Ajustamento dointervalo de substituição do óleo NOTA: O distribuidor Caterpillar tem informações adicionais sobre estes programas. Programa A Verificação para um intervalo de substituição de óleo de 500 horas Este programa consiste em três intervalos de substituição de óleo de 500 horas. A colheita e análise das amostras de óleo são realizadas após 250 horas e 500 horas para cada um dos três intervalos, num total de seis amostras. A análise inclui a viscosidade do óleo e a análise do óleo a infravermelhos (IR). Se todos os resultados forem satisfatórios, o intervalo de substituição de óleo de 500 horas é aceitável para a máquina, naquela aplicação. Repetir o Programa A no caso de mudança de aplicação da máquina. Se uma amostra não passar na análise de óleo, proceder num dos modos seguintes: • Diminuir o intervalo de substituição de óleo para 250 horas. • Proceder ao Programa B. • Mudar para um tipo de óleo preferido do Quadro 8. Programa B Optimização dos intervalos de substituição de óleo Começar com um intervalo de substituição de óleo de 250 horas. Os intervalos de substituição de óleo são regulados através de incrementos. Cada incremento consiste em 50 horas adicionais. A colheita e análise periódica de amostras de óleo são realizadas durante cada intervalo. A análise inclui a viscosidade do óleo e a análise do óleo a infravermelhos (IR). Repetir o Programa B no caso de mudança de aplicação da máquina. Se uma amostra de óleo não passar na análise, diminuir o intervalo de substituição de óleo ou mudar para um tipo de óleo Multigrade preferido da lista acima. Consulta: Referência: Módulo, PEDP7035, ≈Optimização dos intervalos de substituição de óleo∆ Consulta: Referência: Módulo, PEHJ0191, ≈Serviços Cat S•O•S∆ Consulta: Referência: Módulo, PEGJ0046, ≈Serviços Cat S•O•S: Interpretação dos resultados∆ Como substituir o óleo e o filtro do motor m CUIDADO Óleos e componentes quentes podem provocar lesões pessoais. Não permitir o contacto destes produtos com a pele. AVISO É necessário tomar precauções a fim de impedir a fuga de fluidos durante a inspecção, manutenção, ensaio, afinação e reparação da máquina. Estar preparado para recolher o fluido em recipientes adequados, antes de abrir qualquer compartimento ou desmontar qualquer componente que contenha líquidos. Para informações sobre as ferramentas e acessórios a utilizar para recolher e guardar os elementos fluidos das máquinas Caterpillar, consultar a Publicação especial, NENG2500, “Guia de produtos e ferramentas Caterpillar”. Eliminar todos os fluidos de acordo com as disposições e regulamentos locais . 1. Abrir a porta direita de acesso. Consulta: Consultar o Manual de Funcionamento e Manutenção, ≈Porta direita de acesso - Abertura∆. 2. Abrir a capota anterior de acesso ao motor. Consulta: Consultar o Manual de Funcionamento e Manutenção, ≈Capota anterior de acesso ao motor - Abertura∆.
  • 143.
    QPEBU2109 143 Secçãodemanutenção Filtroeóleodomotor-Substituir Ilustração 234 3.Libertar o tubo de drenagem (1) do respectivo retentor e colocá-lo num recipiente adequado. 4. Abrir a capota anterior de acesso ao motor Ilustração 235 5. Abrir a válvula de purga de óleo do motor (2) no cárter de óleo do motor. Drenar o óleo para um recipiente apropriado. 6. Fechar a válvula de purga de óleo do motor (2). 7. Limpar o tubo de drenagem (1) do óleo. 8. Repor o tubo de drenagem (1) na posição original. Ilustração 236 9. Tirar o filtro (3). Eliminar o elemento filtrante de acordo com os regulamentos locais. 10. Limpar a base do encaixe do filtro. Todas as vedações velhas do filtro têm de ser retiradas da base de encaixe do mesmo. 11. Aplicar uma camada fina de óleo de motor na vedação do novo elemento filtrante. 12. Montar o novo filtro de óleo do motor. Apertar o filtro de óleo à mão, segundo as instruções mostradas no próprio filtro. Não apertar excessivamente o filtro. NOTA: Não encher o filtro de óleo antes de o montar. Este óleo não será filtrado e pode estar contaminado. ‡leo contaminado pode provocar desgaste acelerado nos componentes do motor. 13. Abrir a porta posterior de acesso ao motor. Consulta: Consultar o Manual de Funcionamento e Manutenção, ≈Porta posterior de acesso ao motor - Abertura∆. 1 XS0986AB XS0984AB 2 XS0927AB 3
  • 144.
    144 QPEBU2109 Secçãodemanutenção Filtroeóleodomotor-Substituir Ilustração 237 14.Desapertar o parafuso (4) e rodar a tampa do tampão de enchimento (5) 180° no sentido dos ponteiros do relógio, para acesso ao tampão de enchimento de óleo do motor. Ilustração 238 15. Desmontar o tampão de enchimento de óleo (6). Encher o cárter com óleo novo. Para saber qual a capacidade de reabastecimento devida, consultar o Manual de Funcionamento e Manutenção, ≈Capacidades (Reabastecimento)∆. Limpar o tampão de enchimento de óleo e instalá-lo. Ilustração 239 16. Verificar o nível de óleo na vareta de nível (7). Manter o nível de óleo entre as marcas ≈FULL∆ (cheio) e ≈ADD∆ (adicionar) da vareta de nível. 17. Ligar o motor e deixá-lo funcionar durante dois minutos. Monitorizar o manómetro do óleo. 18. Verificar se há fugas de óleo na máquina. 19. Desligar o motor. 20. Aguardar 10 minutos para dar ao óleo o tempo necessário para entrar de novo no cárter. Verificar o nível de óleo. 21. Fechar a tampa do tampão de enchimento de óleo do motor (5) e apertar o parafuso (4). 22. Fechar a porta posterior de acesso ao motor. 23. Fechar a porta anterior de acesso ao motor. 24. Fechar a porta direita de acesso. 5 XS0892AB 4 XS0965AB 6 7 XS0892AB
  • 145.
    QPEBU2109 145 Secçãodemanutenção Níveldeóleonomotor-Verificar Nível deóleo no motor - Verificar 1. Nivelar a máquina antes de verificar os níveis dos líquidos, para garantir terem sido obtidos os níveis de fluidos correctos. 2. Para verificar o nível de óleo, desligar o motor. 3. Abrir a porta posterior de acesso ao motor. Consulta: Consultar o Manual de Funcionamento e Manutenção, ≈Porta posterior de acesso ao motor - Abertura∆. Ilustração 240 4. Verificar o nível de óleo com a vareta de nível (1). AVISO Não encher o cárter excessivamente. O nível de óleo não deve estar acima da marca FULL RANGE na vareta de nível. 5. Manter o nível de óleo na vareta de nível entre as marcas ≈FULL∆ (cheio) e ≈ADD∆ (adicionar) da mesma. 6. Desapertar o parafuso (2) e rodar a tampa do tampão de enchimento do motor (3) de 180°, no sentido dos ponteiros do relógio, para acesso ao tampão de enchimento de óleo do motor. Ilustração 241 7. Limpar o tampão de enchimento do óleo (4). Retirar o tampão de enchimento do óleo. Se for necessário, adicionar óleo. 8. Colocar o tampão de enchimento (4). 9. Fechar a tampa do tampão de enchimento de óleo do motor (3) e apertar o parafuso (2). 10. Fechar a capota posterior de acesso ao motor. 1 XS0892AB 3 2 XS0965AB 4
  • 146.
    146 QPEBU2109 Secçãodemanutenção Amostradeóleodomotor-Colheramostra Amostra deóleo do motor - Colher amostra m CUIDADO Óleos e componentes quentes podem provocar lesões pessoais. Não permitir o contacto destes produtos com a pele. AVISO É necessário tomar precauções a fim de impedir a fuga de fluidos durante a inspecção, manutenção, ensaio, afinação e reparação do produto. Estar preparado para recolher o fluido em recipientes adequados, antes de abrir qualquer compartimento ou desmontar qualquer componente que contenha líquidos. Para informações sobre as ferramentas e acessórios a utilizar para recolher e guardar os elementos fluidos dos produtos Caterpillar, consultar a Publicação especial, NENG2500, “Guia de produtos e ferramentas Caterpillar” . Eliminar todos os fluidos de acordo com as disposições e regulamentos locais . Colheita e análise de uma amostra Além de um bom programa de manutenção preventiva, a Caterpillar recomenda a utilização do serviço de análises S.O.S. do óleo com assiduidade regular, a fim de verificar as condições do motor e as suas necessidades de manutenção. As amostras de óleo devem ser colhidas quando o óleo está quente e bem misturado. A amostra deve ser colhida nesta altura para haver a certeza de que é representativa do óleo presente no cárter. 1. Deixar a máquina funcionar durante alguns minutos antes de colher a amostra de óleo. Desta maneira, o óleo do motor misturar-se-á e poderá obter-se uma amostra mais fiel. 2. Abrir a capota anterior de acesso ao motor Consulta: Consultar o Manual de Funcionamento e Manutenção, ≈Capota anterior de acesso ao motor - Abertura∆. Ilustração 242 3. Utilizar a válvula de colheita de amostras para conseguir uma amostra de óleo do motor. Consulta: Para informações inerentes à obtenção de amostras de óleo do motor, consultar a Publicação especial, PEHJ0191 ≈Serviços Cat S•O•S ∆. Consulta: Para mais informações sobre a obtenção de amostras de óleo do motor, consultar a Publicação especial, PEGJ0047 ≈Como colher uma boa amostra S•O•S∆. 4. Enviar a amostra ao distribuidor, para análise. 5. Fechar a capota anterior de acesso ao motor. XS0927AB
  • 147.
    QPEBU2109 147 Secçãodemanutenção Folgadaválvuladomotor-Verificar Folga daválvula do motor - Verificar Esta manutenção é recomendada pela Caterpillar como parte do programa de manutenção preventiva e lubrificação, a fim de proporcionar a máxima duração do motor. AVISO Esta manutenção deve ser feita unicamente por pessoal de manutenção qualificado. Para informações completas sobre o processo de regulação da folga das válvulas, consultar o artigo do Manual de regulação e funcionamento/ensaio de sistemas, “Regulação da folga das válvulas e do balancim das válvulas” ou o distribuidor Caterpillar. O funcionamento dos motores Caterpillar com válvulas mal reguladas pode diminuir a eficiência do motor. Esta inferior eficiência pode provocar aumento de consumo de combustível e/ou diminuir a duração dos componentes do motor. m CUIDADO Assegurar-se de que o motor não possa ser accionado durante a realização desta manutenção, para evitar lesões graves ou morte por contacto com componentes em movimento. Não usar o motor de arranque para rodar o volante. Os componentes quentes do motor podem causar queimaduras. Deixar ao motor o tempo necessário para arrefecer, antes de medir/regular o espaço de folga das válvulas. Antes de medir a folga das válvulas, certificar-se de que o motor está parado. Para a medição ser precisa, devem-se deixar arrefecer as válvulas, antes de realizar este serviço de manutenção. Para saber como proceder correctamente, consultar o módulo do Manual de Serviço apropriado para o motor da máquina em questão ou contactar o distribuidor Caterpillar. Consulta: Para mais informações sobre a folga das válvulas do motor, consultar o Manual de Serviço, ≈C4.4 Motores industriais∆. NOTA: A folga da válvula do motor deve ser ajustada por um mecânico qualificado, porque é uma operação que requer ferramentas especiais e formação própria. Óleo da transmissão planetária das rodas dianteiras (se disponível) - Substituir m CUIDADO Óleos e componentes quentes podem provocar lesões pessoais. Não permitir o contacto destes produtos com a pele. AVISO É necessário tomar precauções a fim de impedir a fuga de fluidos durante a inspecção, manutenção, ensaio, afinação e reparação da máquina. Estar preparado para recolher o fluido em recipientes adequados, antes de abrir qualquer compartimento ou desmontar qualquer componente que contenha líquidos. Para informações sobre as ferramentas e acessórios a utilizar para recolher e guardar os elementos fluidos das máquinas Caterpillar, consultar a Publicação especial, NENG2500, “Guia de produtos e ferramentas Caterpillar”. Eliminar todos os fluidos de acordo com as disposições e regulamentos locais . Ilustração 243 Quando se substitui o óleo na transmissão planetária das rodas dianteiras, é necessário deslocar a máquina de modo a colocar o tampão de enchimento (1) na posição correspondente às 3 horas e o tampão de esvaziamento (2) nas 6 horas. XS0997AB 12
  • 148.
    148 QPEBU2109 Secçãodemanutenção Níveldeóleodatransmissãoplanetáriadasrodasdianteiras-Verificar 1. Tiraro tampão de enchimento (1). 2. Tirar o tampão de esvaziamento (2). 3. Drenar o óleo para um recipiente apropriado. Ilustração 244 4. Deslocar a máquina de modo a colocar o tampão de enchimento (1) na posição correspondente às 12 horas e o tampão de esvaziamento (2) nas 3 horas. 5. Encher a transmissão planetária das rodas dianteiras com óleo novo. Para saber qual a capacidade de reabastecimento devida, consultar o Manual de Funcionamento e Manutenção, ≈Capacidades (Reabastecimento)∆. 6. Observar o nível de óleo durante o processo de reabastecimento. Ter-se-á a quantidade de óleo devida quando o nível atingir a borda inferior da abertura do orifício para aplicação do tampão de esvaziamento (2). 7. Limpar e montar as tampas (1) e (2). 8. Repetir as operações indicadas nos pontos 1 a 9, para substituir o óleo da outra transmissão planetária das rodas dianteiras. Nível de óleo da transmissão planetária das rodas dianteiras - Verificar m CUIDADO Óleos e componentes quentes podem provocar lesões pessoais. Não permitir o contacto destes produtos com a pele. AVISO É necessário tomar precauções a fim de impedir a fuga de fluidos durante a inspecção, manutenção, ensaio, afinação e reparação da máquina. Estar preparado para recolher o fluido em recipientes adequados, antes de abrir qualquer compartimento ou desmontar qualquer componente que contenha líquidos. Para informações sobre as ferramentas e acessórios a utilizar para recolher e guardar os elementos fluidos das máquinas Caterpillar, consultar a Publicação especial, NENG2500, “Guia de produtos e ferramentas Caterpillar”. Eliminar todos os fluidos de acordo com as disposições e regulamentos locais . Ilustração 245 Quando se verifica o nível de óleo nas transmissões planetárias das rodas dianteiras, é necessário deslocar a máquina de modo a colocar o tampão de enchimento (1) na posição correspondente às 12 horas e o tampão indicador de nível (2) nas 3 horas. 2 1 XS0990AB 2 1 XS0990AB
  • 149.
    QPEBU2109 149 Secçãodemanutenção Amostradeóleodatransmissãoplanetáriadasrodasdianteiras 1. Tiraro tampão indicador de nível (2). 2. Verificar o nível de óleo na caixa da unidade de tracção dianteira. O nível de óleo dentro da caixa deve chegar à borda inferior da abertura do orifício. Se for necessário, tirar o tampão de enchimento (1) e acrescentar óleo até à borda inferior do furo no tampão indicador de nível (2). 3. Limpar e montar as tampas (1) e (2). Amostra de óleo da transmissão planetária das rodas dianteiras (se disponível) - Colher amostra Colher uma amostra de óleo durante a substituição. Enviar a amostra de óleo ao distribuidor, para análise. Consulta: Consultar o Manual de Funcionamento e Manutenção, ≈‡leo da transmissão planetária das rodas dianteiras (se disponível) - Substituir∆. Consulta: Para mais informações sobre a obtenção de amostras de óleo, consultar a Publicação especial, PEHJ0191 ≈Serviços Cat S•O•S ∆. Consulta: Para mais informações sobre a obtenção de amostras de óleo, consultar a Publicação especial, PEGJ0047 ≈Como colher uma boa amostra S•O•S∆. Sistema de combustível- Encher Quando se fazem trabalhos de assistência nos filtros de combustível ou quando se fica sem combustível, pode haver retenção de ar no sistema de carburante. Quando há ar retido no sistema de carburante, o motor não pode arrancar. Para encher os elementos filtrantes novos com combustível, proceder conforme indicado a seguir. Seguir o mesmo procedimento para purgar o ar das linhas de combustível. 1. Abrir a porta posterior de acesso ao motor. Consulta: Consultar o Manual de Funcionamento e Manutenção, ≈Porta posterior de acesso ao motor - Abertura∆. Ilustração 246 2. Limpar bem todas as superfícies exteriores da tampa (1). 3. Tirar os parafusos (2) da tampa (1). 4. Tirar a tampa (1). 5. Rodar a chave de ignição para a posição RUN. Deixar a chave de ignição em RUN durante três minutos. 6. Rodar a chave de ignição para a posição OFF. NOTA: Há risco de danos na bomba de combustível e no motor de arranque se este último for usado com muita frequência para purgar o ar do sistema de combustível. 1 XS0892AB 2
  • 150.
    150 QPEBU2109 Secçãodemanutenção Filtrosecundáriodosistemadecombustível-Substituir Ilustração 247 7.Desapertar as porcas cónicas (3) das linhas de combustível a alta pressão em todos os injectores de combustível. AVISO Não accionar continuamente o motor, durante mais de 30 segundos. Deixar arrefecer o motor de arranque durante dois minutos, antes de voltar a accionar o motor. 8. Observar a ligação na porca cónica. Ligar o motor de arranque e accionar o motor até o combustível se libertar do ar. 9. Apertar as porcas cónicas (3) com um binário de 30 Nm (22 lb pés). 10. Agora, o motor está pronto para arrancar. Imediatamente após eliminar o ar do sistema de combustível, ligar o motor e deixá-lo funcionar ao ralenti durante, pelo menos, cinco minutos. NOTA: Deste modo contribuirá para assegurar que a bomba está completamente desprovida de ar 11. Colocar a tampa (1). 12. Colocar os parafusos (2). Apertar as porcas (2) com um binário de 9 Nm (7 lb pés). 13. Fechar a porta posterior de acesso ao motor. Filtro secundário do sistema de combustível -Substituir m CUIDADO Fugas ou derramamentos de combustível em superfícies quentes ou componentes eléctricos podem provocar incêndio. Para prevenir possíveis lesões, desligar a chave de arranque quando se forem substituir os filtros de combustível ou os elementos do separador de água. Limpar imediatamente qualquer derrame de combustível. AVISO É necessário tomar precauções a fim de impedir a fuga de fluidos durante a inspecção, manutenção, ensaio, afinação e reparação do produto. Estar preparado para recolher o fluido em recipientes adequados, antes de abrir qualquer compartimento ou desmontar qualquer componente que contenha líquidos. Para informações sobre as ferramentas e acessórios a utilizar para recolher e guardar os elementos fluidos dos produtos Caterpillar, consultar a Publicação especial, NENG2500, “Guia de produtos e ferramentas Caterpillar” . Eliminar todos os fluidos de acordo com as disposições e regulamentos locais . 1. Abrir a porta posterior de acesso ao motor. Consulta: Consultar o Manual de Funcionamento e Manutenção, ≈Porta posterior de acesso ao motor - Abertura∆. Ilustração 248 2. Limpar a parte exterior do conjunto do filtro de combustível (1). Ligar um tubo adequado na válvula de purga do filtro de combustível (2), a fim de drenar o combustível para um recipiente próprio. XS0971AB 3 1 XS0892AB 2
  • 151.
    QPEBU2109 151 Secçãodemanutenção Separadordeáguadosistemadecombustível-Esvaziar 3. Abrira válvula de purga (2) e drenar o combustível para um recipiente apropriado. Ilustração 249 4. Tirar o recipiente do filtro (1) da cabeça do filtro (3). Premir sobre o elemento (4). Rodar o elemento no sentido contrário aos ponteiros do relógio, para o soltar do elemento do filtro, e retirar o elemento do recipiente. Deitar fora o elemento usado. 5. Tirar a anilha vedante (5) do recipiente do filtro e limpar este último. Verificar se as roscas do recipiente do filtro estão danificadas. 6. Aplicar uma anilha vedante nova (5) no recipiente do filtro (1). 7. Colocar um elemento novo (4) no recipiente do filtro (1). Fazer pressão sobre o elemento e rodá- lo no sentido dos ponteiros do relógio, para o bloquear no recipiente do filtro. 8. Montar o recipiente do filtro (1) no cimo da cabeça do filtro (3). 9. Atarraxar o recipiente do filtro à mão, até este tocar na cabeça do filtro. Rodar o recipiente do filtro de 90≥. NOTA: Não usar ferramentas para atarraxar o recipiente do filtro. 10. Encher o sistema de combustível Consultar o Manual de Funcionamento e Manutenção, ≈Sistema de combustível - Encher∆. 11. Fechar a porta posterior de acesso ao motor. Separador de água do sistema de combustível - Esvaziar m CUIDADO Fugas ou derramamentos de combustível em superfícies quentes ou componentes eléctricos podem provocar incêndio. Para prevenir possíveis lesões, desligar a chave de arranque quando se forem substituir os filtros de combustível ou os elementos do separador de água. Limpar imediatamente qualquer derrame de combustível. AVISO O separador de água não é um filtro. O separador de água separa a água do combustível. O motor não deve funcionar com o separador de água cheio até mais de metade. Perigo de danos para o motor! Durante o funcionamento normal do motor, o separador de água está sob sucção. Certificar-se de que a válvula de purga está bem apertada, para impedir a entrada de ar para o sistema de combustível. 1. Abrir a porta esquerda de acesso. Consulta: Consultar o Manual de Funcionamento e Manutenção, ≈Porta esquerda de acesso - Abertura∆. Ilustração 250 2. Tirar os quatro parafusos (1) e desmontar a tampa (2). XS0970AB 3 4 1 5 1 XS0928AB 2
  • 152.
    152 QPEBU2109 Secçãodemanutenção Elementodoseparadordeáguadosistemadecombustível-Substituir Ilustração 251 3.Abrir a válvula de purga (3) no recipiente separador de água (4). 4. Drenar a água do recipiente separador de água (4) para um recipiente próprio. Fechar a válvula de purga (3). 5. Montar a tampa (2) e colocar os 4 parafusos (1). 6. Fechar a porta esquerda de acesso. Elemento do separador de água do sistema de combustível - Substituir m CUIDADO Fugas ou derramamentos de combustível em superfícies quentes ou componentes eléctricos podem provocar incêndio. Para prevenir possíveis lesões, desligar a chave de arranque quando se forem substituir os filtros de combustível ou os elementos do separador de água. Limpar imediatamente qualquer derrame de combustível. AVISO É necessário tomar precauções a fim de impedir a fuga de fluidos durante a inspecção, manutenção, ensaio, afinação e reparação do produto. Estar preparado para recolher o fluido em recipientes adequados, antes de abrir qualquer compartimento ou desmontar qualquer componente que contenha líquidos. Para informações sobre as ferramentas e acessórios a utilizar para recolher e guardar os elementos fluidos dos produtos Caterpillar, consultar a Publicação especial, NENG2500, “Guia de produtos e ferramentas Caterpillar”. Não deixar entrar sujidade para o sistema de combustível. Limpar bem a área à volta do componente do sistema de combustível que vai ser desligado. Colocar uma protecção por cima do componente desligado do sistema de combustível. Eliminar todos os fluidos de acordo com as disposições e regulamentos locais . 1. Abrir a porta esquerda de acesso. Consulta: Consultar o Manual de Funcionamento e Manutenção, ≈Porta esquerda de acesso - Abertura∆. Ilustração 252 XS0929AB 3 4 1 XS0928AB 2
  • 153.
    QPEBU2109 153 Secçãodemanutenção Fusíveis-Substituir 2. Tiraros quatro parafusos (1) e desmontar a tampa (2). Ilustração 253 3. Abrir a válvula de purga (3) no recipiente separador de água (4). 4. Drenar a água do recipiente separador de água (4) para um recipiente próprio. Fechar a válvula de purga (3). 5. Desapertar o parafuso de retenção (5) e desmontar o elemento filtrante primário (6) do respectivo suporte. 6. Retirar o recipiente separador de água (4) do elemento filtrante primário (6). 7. Limpar bem o recipiente separador de água. Verificar o estado das vedações da anilha vedante. Montar vedações novas na anilha vedante, se for necessário. 8. Montar, no recipiente separador de água (4), um elemento filtrante primário novo (6). 9. Montar o elemento filtrante primário (6) no respectivo suporte. Apertar o parafuso de retenção (5). 10. Encher o sistema de combustível Consultar o Manual de Funcionamento e Manutenção, ≈Sistema de combustível - Encher∆. 11. Montar a tampa (2) e colocar os 4 parafusos (1). 12. Fechar a porta esquerda de acesso. Fusíveis - Substituir Fusíveis √ Os fusíveis protegem o sistema eléctrico de danos provocados pelas sobrecargas dos circuitos. Se o elemento do novo fusível se separar, verificar o circuito. Resolver o problema antes de voltar a pôr a máquina a funcionar. AVISO Substituir os fusíveis por outros do mesmo tipo e dimensão. A utilização indevida de fusíveis pode provocar danos eléctricos. Substituição frequente de fusíveis pode indicar outro tipo de problema eléctrico. Contactar o distribuidor Caterpillar. Ilustração 254 O compartimento dos fusíveis está atrás do tablier. Há três parafusos a fixar a tampa ao tablier. Para aceder ao compartimento dos fusíveis, tirar os três parafusos e abrir a tampa. XS0929AB 3 4 6 5 XS0973AB
  • 154.
    1 5 4QPEBU2109 Secçãodemanutenção Fusíveis-Substituir Ilustração 255 (1) Luzes piloto do motor, indicadores do motor - 5 Amps (2) Luzes piloto do tablier, buzina - 25 Amps (3) Faróis rotativos - 15 Amps (4) Emergência 1 - 10 Amps (5) Bomba do agente lubrificante, sistema de aquecimento a GPL do nivelador - 15 Amps (6) Paragem do motor - 10 Amps (7) Velocidade hidráulica lenta/rápida - 30 Amps (8) Luzes de trabalho dianteiras - 15 Amps (9) Luzes de trabalho traseiras - 15 Amps (10) Luzes laterais dianteiras - 5 Amps (11) Luzes laterais traseiras - 5 Amps (12) Médios dianteiros - 15 Amps (13) Modo manual - 5 Amps (14) Modo automático - 25 Amps (15) Comando assistido das rodas dianteiras (se disponível) - 10 Amps (16) Caixa de velocidades mecânica alta/baixa - 15 Amps (17) Compensação nivelador - 10 Amps (18) Bloqueador do diferencial - 10 Amps (19) Abertura/fecho dos alargamentos do nivelador direito - 10 Amps (20) Levantar/baixar espessura de pavimentação lado esquerdo - 10 Amps (21) Levantar/baixar espessura de pavimentação lado esquerdo - 10 Amps (22) Vibrador no modo manual - 10 Amps (23) Abertura/fecho dos alargamentos do nivelador esquerdo - 10 Amps (24) Levantar/baixar caixa trado - 10 Amps (25) Levantar/baixar tremonhas - 15 Amps (26) Rotação direcção alimentador trado esquerdo - 10 Amps (27) Rotação direcção alimentador trado direito - 10 Amps (28) Rotação direcção correia transportadora direita - 10 Amps (29) Rotação direcção correia transportadora esquerda - 10 Amps (30) Vibrador no modo automático - 10 Amps (31)Controlador do sistema de aquecimento eléctrico do nivela- dor - 5 Amps (32) Sensores a ultra-sons/de contacto - 10 Amps (33) Emergência 2 - 10 Amps (34) Travão de estacionamento - 10 Amps (35) Bomba de elevação do tejadilho hidráulico (se disponível) - 10 Amps (36) Sistema de aquecimento eléctrico do nivelador (se disponí- vel) - 10 Amps XS0972AB 1 12 2 11 10 9 8 7 6 5 4 3 13 24 14 23 22 21 20 19 18 17 16 15 25 36 26 35 34 33 32 31 30 29 28 27
  • 155.
    QPEBU2109 155 Secçãodemanutenção Óleodacaixadeengrenagens-Substituir Óleo dacaixa de engrenagens - Substituir Consultar o distribuidor Caterpillar para o procedimento necessário. Nível de óleo da caixa de velocidades - Verificar 1. Abrir a tampa de acesso ao compartimento da bateria. Consulta: Consultar o Manual de Funcionamento e Manutenção, ≈Tampa de acesso ao compartimento da bateria - Abertura∆. Ilustração 256 2. Desligar os cabos positivo (1) e negativo (2) da bateria, por esta ordem. Consulta: Consultar o Manual de Funcionamento e Manutenção, ≈Bateria ou cabo da bateria Inspeccionar/Substituir∆. 3. Tirar o cavilhão de engate (3) da bateria e retirar a bateria (4). 4. Tirar os parafusos (5) e desmontar o suporte da bateria (6). Ilustração 257 5. Verificar o nível de óleo da caixa de engrenagens, utilizando a vareta de nível colocada no tampão de enchimento (7). Manter o nível de óleo entre as marcas FULL (cheio) e ADD (adicionar) da vareta de nível. 6. Se for necessário, acrescentar óleo até obter o nível correcto. 7. Verificar o tampão de enchimento (7). Substituir o tampão de enchimento (7) se estiver danificado. 8. Colocar o tampão de enchimento (7). 9. Verificar o respirador de ventilação (8). Limpar ou substituir o respirador de ventilação (8) se for necessário. 10. Montar o suporte da bateria (6) e colocar os parafusos (5). 11. Montar a bateria (4) no respectivo suporte (6) e bloquear o cavilhão de engate da bateria (3). 12. Ligar os cabos da bateria à bateria. Consulta: Consultar o Manual de Funcionamento e Manutenção, ≈Bateria ou cabos da bateria - Inspeccionar/Substituir∆. 13. Fechar a tampa de acesso ao compartimento da bateria. 1 XS0899AB 2 56 34 8 XS0926AB 7
  • 156.
    156 QPEBU2109 Secçãodemanutenção Suportesdogerador-Inspeccionar Suportes dogerador - Inspeccionar 1. Abrir a tampa direita de acesso. Consulta: Consultar o Manual de Funcionamento e Manutenção, ≈Cobertura direita de acesso - Abertura∆. Ilustração 258 2. Abrir a porta posterior de acesso ao motor. Consulta: Consultar o Manual de Funcionamento e Manutenção, ≈Porta posterior de acesso ao motor - Abertura∆. Ilustração 259 3. Verificar se algum dos quatro suportes do gerador apresenta qualquer racha. Substituir todos os suportes do motor rachados. 4. Fechar a porta traseira de acesso ao motor e a tampa direita de acesso. 5. Para mais informações e instruções sobre a máquina, dirigir-se ao distribuidor Caterpillar. Rolamentos do cilindro da tremonha -Lubrificar Ilustração 260 Lubrificar quatro copos de lubrificação com massa lubrificante. Há dois copos de lubrificação em cada cilindro da tremonha. Um copo está na parte superior do cilindro. O outro copo está situado na parte inferior do cilindro. Há dois cilindros na máquina. Um de cada lado da máquina. XS0944AB XS0892AB XS0939AB
  • 157.
    QPEBU2109 157 Secçãodemanutenção Pinosdesegurançaparabloqueiodatremonha-Lubrificar Pinos desegurança para bloqueio da tremonha - Lubrificar Ilustração 261 Lubrificar os pinos de segurança para bloqueio da tremonha com massa lubrificante. Aplicar uma camada fina de massa lubrificante no dispositivo de bloqueio da tremonha e deslocá-lo de modo a distribuir a massa pela superfície. Cada tremonha tem um bloqueio de segurança. Na máquina há dois pinos de segurança para bloqueio da tremonha. Um de cada lado da máquina. Óleo do sistema hidráulico - Substituir m CUIDADO Óleos e componentes quentes podem provocar lesões pessoais. Não permitir o contacto destes produtos com a pele. AVISO É necessário tomar precauções a fim de impedir a fuga de fluidos durante a inspecção, manutenção, ensaio, afinação e reparação da máquina. Estar preparado para recolher o fluido em recipientes adequados, antes de abrir qualquer compartimento ou desmontar qualquer componente que contenha líquidos. Para informações sobre as ferramentas e acessórios a utilizar para recolher e guardar os elementos fluidos das máquinas Caterpillar, consultar a Publicação especial, NENG2500, “Guia de produtos e ferramentas Caterpillar”. Eliminar todos os fluidos de acordo com as disposições e regulamentos locais . 1. Abrir a porta esquerda de acesso. Consulta: Consultar o Manual de Funcionamento e Manutenção, ≈Porta esquerda de acesso - Abertura∆. Ilustração 262 2. Tirar a tampa (1) da válvula de purga de óleo hidráulico (2). 3. Ligar o tubo de drenagem (incluído na caixa de ferramentas da máquina) à válvula de purga de óleo hidráulico (2). XS0936AB 2 XS0937AB 1
  • 158.
    158 QPEBU2109 Secçãodemanutenção Óleodosistemahidráulico-Substituir 4. Abrira válvula de purga de óleo hidráulico (2). Drenar o óleo para um recipiente apropriado. NOTA: Consultar o Manual de Funcionamento e Manutenção, ≈Informações gerais de perigo∆, para informações sobre como impedir derrames de fluidos. 5. Fechar a válvula de purga de óleo hidráulico (2). Desmontar e limpar o tubo de drenagem e colocar a tampa (1). 6. Abrir a tampa esquerda de acesso operador. Consulta: Consultar o Manual de Funcionamento e Manutenção, ≈Tampas de acesso à plataforma - Abertura∆. Ilustração 263 7. Tirar os parafusos (3) e desmontar a tampa do depósito hidráulico (4). 8. Limpar e verificar se o vedante da tampa do depósito hidráulico (5) tem danos. Substituí-lo, se for necessário. 9. Substituir o filtro interior de aspiração (6). 10. Substituir o filtro do depósito de óleo hidráulico Consulta: Consultar o Manual de Funcionamento e Manutenção, ≈Filtro do depósito de óleo hidráulico - Substituir∆. 11. Atestar o depósito hidráulico com óleo novo, através do orifício no cimo do reservatório. Para saber qual o fluido a seleccionar e quantidade de óleo a usar, consultar o Manual de Funcionamento e Manutenção, ≈Viscosidade dos lubrificantes e capacidades de reabastecimento∆. 12. Montar a tampa do depósito hidráulico (4) com o respectivo vedante (5). Colocar os parafusos (3). 13. Ligar o motor e verificar se há fugas. 14. Verificar o nível de óleo hidráulico. Consulta: Consultar o Manual de Funcionamento e Manutenção, ≈Nível de óleo da caixa de velocidades - Verificar∆. NOTA: O óleo não pode ter bolhas de ar. Se houver bolhas de ar no óleo, significa que está a entrar ar para o sistema hidráulico. Verificar se há fugas nos tubos da linha de aspiração. 15. Fechar a plataforma esquerda do operador. 16. Fechar a porta esquerda de acesso. 3 XS0991AB 6 4 5
  • 159.
    QPEBU2109 159 Secçãodemanutenção Níveldeóleodosistemahidráulico-Verificar Nível deóleo do sistema hidráulico - Verificar Ilustração 264 1. Verificar o nível de óleo no respectivo indicador de referência (1), situado no lado esquerdo traseiro da máquina. 2. Manter o nível do óleo a meio do respectivo indicador de referência (1). 3. Se for necessário adicionar mais óleo, abrir a porta posterior de acesso ao motor. Consulta: Consultar o Manual de Funcionamento e Manutenção, ≈Porta posterior de acesso ao motor - Abertura∆. Ilustração 265 4. Retirar o tampão de enchimento (2). 5. Adicionar óleo, para obter o nível necessário no indicador de referência de nível (1). 6. Verificar o tampão de enchimento (2). Substituí- lo, se estiver danificado. 7. Colocar o tampão de enchimento (2). 8. Fechar a porta posterior de acesso ao motor. 1 XS0987AB XS0965AB 2
  • 160.
    160 QPEBU2109 Secçãodemanutenção Amostradeóleodosistemahidráulico-Colheramostra Amostra deóleo do sistema hidráulico - Colher amostra Colheita e análise de uma amostra Além de um bom programa de manutenção preventiva, a Caterpillar recomenda a utilização assídua e regular do serviço de análises de óleo S.O.S., a fim de monitorizar as condições do óleo do sistema hidráulico e as necessidades de manutenção do sistema. As amostras de óleo devem ser colhidas quando o óleo está quente e bem misturado. A amostra deve ser colhida nesta altura, para haver a certeza de que é representativa do óleo presente no depósito do sistema hidráulico. 1. Abrir a porta posterior de acesso ao motor. Consulta: Consultar o Manual de Funcionamento e Manutenção, ≈Porta posterior de acesso ao motor - Abertura∆. Ilustração 266 2. Retirar o tampão de enchimento (1). 3. Colher a amostra de óleo a partir do tampão de enchimento (1). Consulta: Para informações inerentes à obtenção de amostras de óleo do motor, consultar a Publicação especial, PEHJ0191 ≈Serviços Cat S•O•S ∆. Consulta: Para mais informações sobre a obtenção de amostras de óleo do motor, consultar a Publicação especial, PEGJ0047 ≈Como colher uma boa amostra S•O•S∆. 4. Limpar e montar o tampão de enchimento (1). 5. Fechar a porta posterior de acesso ao motor. Filtro do depósito de óleo do sistema hidráulico - Substituir 1. Abrir a porta esquerda de acesso. Consulta: Consultar o Manual de Funcionamento e Manutenção, ≈Porta esquerda de acesso - Abertura∆. Ilustração 267 NOTA: Consultar o Manual de Funcionamento e Manutenção, ≈Informações gerais de perigo∆, para informações sobre como impedir derrames de fluidos. 2. Substituir o filtro (1) quando se mudar o óleo do sistema hidráulico. Ilustração 268 3. Desapertar a tampa (2) e retirar o cartucho (3). 4. Separar o suporte do cartucho (4) do cartucho (3). XS0965AB1 1 XS0937AB XS0988AB 2 4 3
  • 161.
    QPEBU2109 161 Secçãodemanutenção Óleodomotor-Inspeccionar 5. Limparo suporte do cartucho (4) e montar um cartucho filtrante novo (3). 6. Introduzir o cartucho no respectivo encaixe e montar de novo a tampa (2) em cima do filtro (1). 7. Verificar o nível de óleo do sistema hidráulico. Consulta: Consultar o Manual de Funcionamento e Manutenção, ≈Nível de óleo do sistema hidráulico - Verificar∆. 8. Fechar a porta esquerda de acesso. Óleo do motor - Inspeccionar Inspeccionar um filtro usado, para verificar se há detritos Ilustração 269 O elemento mostrado contém detritos Cortar e abrir o elemento filtrante com um instrumento próprio. Abrir as pregas e inspeccionar o elemento para verificar a presença de metais ou outros detritos. Uma quantidade excessiva de detritos no elemento filtrante pode indicar uma possível avaria. Em caso de presença de metais no elemento filtrante, pode ser utilizado um íman para distinguir os metais ferrosos dos não ferrosos. Metais ferrosos podem indicar desgaste nas peças de aço e de ferro fundido. Metais não ferrosos podem indicar desgaste nas peças de alumínio do motor, como rolamentos principais, rolamentos de hastes ou rolamentos do turbocompressor. No elemento filtrante podem ser encontradas pequenas quantidades de detritos. Isto pode ser devido à fricção e ao desgaste normal. Consultar o distribuidor Caterpillar para preparar outras análises se for encontrada uma quantidade de detritos excessiva. No caso de ser utilizado um elemento filtrante de óleo não recomendado pela Caterpillar há risco de graves danos para o motor, rolamentos, eixo da cambota e outros componentes. Isto pode provocar partículas de óleo não filtrado maiores. As partículas podem entrar no sistema de lubrificação e provocar- lhe danos. Guia da plataforma do operador - Lubrificar Ilustração 270 Lubrificar um copo de lubrificação do lado esquerdo da máquina com massa lubrificante. Ilustração 271 Lubrificar um copo de lubrificação do lado direito da máquina, com massa lubrificante. XS0010AB XS0975AB XS0946AB
  • 162.
    162 QPEBU2109 Secçãodemanutenção Travãodeestacionamento-Verificar Travão deestacionamento - Verificar Verificar a área à volta da máquina. Certificar-se de que não há pessoas nem obstáculos presentes na máquina e na área circundante. Testar o travão de estacionamento numa superfície seca. Apertar o cinto de segurança antes de testar o travão de estacionamento. Para determinar se o travão de estacionamento está a actuar devidamente são utilizados os testes abaixo. Estes testes não servem para medir o esforço de retenção máximo do travão. O esforço de retenção do travão que é necessário para segurar a máquina a um número específico de rpm do motor varia em função da máquina. As variações são dadas pelas diferenças na regulação do motor, na eficiência da transmissão, etc. Ilustração 272 Colocar a máquina sobre a inclinação do declive, mas perto da base deste, para testar o travão de estacionamento. Realizar este serviço com o nivelador levantado e travado, com os pinos de segurança engatados. A posição de teste deve ser numa rampa com 24,4 % ou 11≥ de inclinação. 1. Ligar o motor. Consultar o Manual de Funcionamento e Manutenção, ≈Arranque do motor∆. 2. Deslocar a máquina para a posição do teste. Consultar o Manual de Funcionamento e Manutenção, ≈Deslocar a máquina∆. 3. Colocar a alavanca do acelerador na posição HIGH IDLE (ralenti alto). 4. Activar o travão de estacionamento. A máquina não se deve mover nas condições seguintes: • O motor está a funcionar em regime de ralenti alto. • A alavanca de propulsão está em PONTO MOTOR. • O travão de estacionamento está activado. • A máquina está colocada na inclinação especificada. m CUIDADO Se a máquina se mover durante o teste, há risco de lesões pessoais. Se a máquina começar a andar, desactivar o travão de estacionamento e utilizar a alavanca de propulsão, para deslocar a máquina para uma superfície plana. 5. Estacionar a máquina numa superfície horizontal. 6. Desligar o motor. AVISO Se a máquina se mover durante o teste de ensaio dos travões, consultar o distribuidor Caterpillar. O distribuidor tem de verificar o sistema de travagem e fazer as reparações necessárias, antes de voltar a pôr a máquina funcionar. XS0998AB
  • 163.
    QPEBU2109 163 Secçãodemanutenção Núcleodoradiador-Limpar Núcleo doradiador - Limpar O núcleo do radiador está atrás da tampa do radiador. Certificar-se de que chave de arranque do motor está na posição OFF. Não limpar o núcleo do radiador quando o sistema refrigerante da máquina estiver quente ou a máquina estiver a funcionar. Ilustração 273 1. Abrir a tampa do radiador Consulta: Consultar o Manual de Funcionamento e Manutenção, ≈Tampa do radiador - Abertura∆. 2. Verificar se há detritos no núcleo do radiador. Se for necessário, limpar o radiador. Apesar de ser preferível utilizar ar comprimido para eliminar pó e detritos em geral de um radiador, também pode utilizar-se água ou vapor a alta pressão. Limpar o radiador de acordo com as condições em que se encontrar. Para mais informações sobre a limpeza das alhetas de radiador, ver a Publicação especial, SEBD0518 ≈Conhecer o sistema de refrigeração∆. 3. Fechar a tampa do radiador Filtro do depósito de agente lubrificante - Substituir AVISO É necessário tomar precauções a fim de impedir a fuga de fluidos durante a inspecção, manutenção, ensaio, afinação e reparação do produto. Estar preparado para recolher o fluido em recipientes adequados, antes de abrir qualquer compartimento ou desmontar qualquer componente que contenha líquidos. Para informações sobre as ferramentas e acessórios a utilizar para recolher e guardar os elementos fluidos dos produtos Caterpillar, consultar a Publicação especial, NENG2500, “Guia de produtos e ferramentas Caterpillar”. Eliminar todos os fluidos de acordo com as disposições e regulamentos locais . Ilustração 274 1. Tirar a braçadeira (1) do filtro do depósito de agente lubrificante (2). 2. Desligar o tubo (3) e drenar o agente lubrificante todo para um recipiente apropriado. 3. Tirar a braçadeira (4) e o tubo (5) do filtro do depósito de agente lubrificante (2). 4. Retirar o filtro (2). 5. Montar um filtro novo (2), instalar o tubo (5) e aplicar a braçadeira (4) no filtro (2). 6. Instalar o tubo (3) e colocar a braçadeira (1) no filtro (2). XS0896AB XS0890AB 3 1 2 4 5
  • 164.
    164 QPEBU2109 Secçãodemanutenção Cilindrosdeelevaçãodonivelador-Lubrificar Cilindros deelevação do nivelador - Lubrificar Ilustração 275 Lubrificar um copo de lubrificação do lado esquerdo da máquina com massa lubrificante. Ilustração 276 Lubrificar um copo de lubrificação do lado direito da máquina, com massa lubrificante. Pinos de fixação do nivelador - Lubrificar Ilustração 277 Lubrificar o pino de segurança do lado esquerdo da máquina. Lubrificar um copo de lubrificação do lado esquerdo da máquina com massa lubrificante. Ilustração 278 Lubrificar o pino de segurança do lado direito da máquina. Lubrificar um copo de lubrificação do lado direito da máquina, com massa lubrificante. XS0963AB XS0962AB XS0983AB XS0982AB
  • 165.
    QPEBU2109 165 Secçãodemanutenção Guiasdeslizantesdobraçolateraldonivelador-Limpar Guias deslizantesdo braço lateral do nivelador - Limpar Ilustração 279 Limpar toda a sujidade acumulada na superfície de deslizamento do rolo. Se for necessário, utilizar um raspador. Ponto de reboque do nivelador - Lubrificar Ilustração 280 Lubrificar dois copos de lubrificação do lado esquerdo da máquina com massa lubrificante. XS0947AB XS0989AB
  • 166.
    166 QPEBU2109 Secçãodemanutenção Cintodesegurança-Inspeccionar Ilustração 281 Lubrificardois copos de lubrificação do lado direito da máquina com massa lubrificante. Cinto de segurança - Inspeccionar Verificar sempre as condições do cinto de segurança e as respectivas fixações de montagem, antes de pôr a máquina a funcionar. Substituir todas as peças danificadas ou gastas, antes de utilizar a máquina. Ilustração 282 Exemplo típico Verificar se as fixações de montagem (1) apresentam sinais de danos ou desgaste. Substituir todas as fixações de montagem que estiverem gastas ou danificadas. Certificar-se de que os parafusos de fixação estão bem apertados. Verificar se o fecho (2) apresenta sinais de danos ou desgaste. Se o fecho estiver gasto ou danificada, substituir totalmente o cinto de segurança. Inspeccionar as correias do cinto de segurança (3) para ver se estão gastas ou puídas. Substituir o cinto, se estiver gasto ou puído. Para substituição do cinto de segurança e das fixações de montagem, consultar o distribuidor Caterpillar. NOTA: Substituir o cinto de segurança no prazo de três anos a contar da data de instalação ou de cinco anos a contar da data de fabrico, consoante o que ocorrer primeiro. O cinto de segurança, o respectivo fecho e o enrolador do cinto têm aplicada, respectivamente, uma etiqueta com a data que permitirá determinar a idade do cinto. Se a sua máquina estiver equipada com uma extensão do cinto de segurança, repetir esta inspecção na extensão do cinto. XS0938AB XS1014AB 1 2 3
  • 167.
    QPEBU2109 167 Secçãodemanutenção Cintodesegurança-Substituir Cinto desegurança - Substituir Substituir o cinto de segurança no prazo de três anos a contar da data de instalação ou de cinco anos a contar da data de fabrico, consoante o que ocorrer primeiro. O cinto de segurança, o respectivo fecho e o enrolador do cinto têm aplicada, respectivamente, uma etiqueta com a data que permitirá determinar a idade do cinto. Ilustração 283 (1) Data de fabrico (2) Data de instalação Para substituição do cinto de segurança e das fixações de montagem, consultar o distribuidor Caterpillar. Se a sua máquina estiver equipada com uma extensão para cinto de segurança, repetir esta inspecção na extensão do cinto. Motor de arranque - Inspeccionar Ilustração 284 A Caterpillar recomenda uma inspecção programada no motor de arranque. Se o motor de arranque falhar, o motor poderá não pegar numa situação de emergência 1. Abrir a capota anterior de acesso ao motor Consulta: Consultar o Manual de Funcionamento e Manutenção, ≈Capota anterior de acesso ao motor - Abertura∆. Verificar se o motor de arranque está a funcionar devidamente. Verificar as ligações eléctricas e limpá-las. Para mais informações ou assistência, contactar o distribuidor Caterpillar. 2. Fechar a capota anterior de acesso ao motor. XS1015AB 1 2 XS0927AB
  • 168.
    168 QPEBU2109 Secçãodemanutenção Enchimentodospneus-Verificar Enchimento dospneus - Verificar A pressão dos pneus num local quente (18° a 21°C (65° a 70°F) de temperatura média) altera-se significativamente quando a máquina é transferida para temperaturas muitas frias. Quando se enche um pneu com a pressão devida em ambiente quente, a pressão ficará baixa quando se passar a um ambiente de temperatura muito baixa. A baixa pressão reduz o tempo de vida útil de um pneu. Quando se utilizar a máquina em condições de temperatura muito frias, ver a Publicação especial, SEBU5898 ≈Recomendações em caso de temperaturas baixas∆. Ilustração 285 m CUIDADO O lastro líquido dos pneus é irritante. Proteger os olhos e o rosto dos salpicos que saem da haste da válvula durante a verificação do nível de lastro ou da pressão de ar presente nos pneus. Não proteger os olhos e o rosto pode causar lesões pessoais. Os pneus vêm, de fábrica, cheios de lastro líquido. Quando se for verificar a pressão dos pneus, deslocar a máquina de modo que a haste da válvula para o pneu fique na posição correspondente às 12 horas, para evitar que saia lastro líquido da haste da válvula. Usar o manómetro 1P-0545 para pneus equipados com lastro líquido. NOTA: Depois da máquina ser posta em posição, haverá uma pequena quantidade de lastro líquido na haste da válvula. Premir a haste da válvula, para deixar o lastro líquido ser expulso da haste, antes colocar o manómetro. Verificar a pressão dos pneus. Consultar a Informação sobre o enchimento dos pneus na secção de manutenção, para informações pormenorizadas sobre o enchimento dos pneus. Interruptor de alavanca - Inspeccionar Ilustração 286 Para inspeccionar os interruptores da máquina, seguir as indicações seguintes. 1. Rodar a chave de arranque do motor para a posição OFF. Não testar os interruptores quando a máquina estiver a funcionar. 2. Inspeccionar, visualmente, a área à volta da junta vedante (3). Verificar se apresenta rachas ou fendas. Se observar qualquer racha ou fenda, substituir o interruptor. 3. Mover ligeiramente o interruptor de alavanca (1), para testar a folga de actuação. Se o interruptor se deslocar mais de 2 mm (0,01 pol.) em qualquer direcção, substituí-lo. 4. Premir o interruptor para cima. O interruptor de alavanca (1) deve deslocar-se cerca de 5 mm (0,2 pol.). Se o interruptor se mover de modo incorrecto, substituí-lo. Repetir a medição quando se prime o interruptor para baixo. Junta universal de transmissão - Lubrificar 1. Abrir a tampa de acesso ao compartimento da bateria. Consulta: Consultar o Manual de Funcionamento e Manutenção, ≈Tampa de acesso ao compartimento da bateria - Abertura∆. XS0974AB XS0869AB 1 2 3
  • 169.
    QPEBU2109 169 Secçãodemanutenção Juntauniversaldetransmissão-Lubrificar Ilustração 287 2.Desligar os cabos positivo (1) e negativo (2) da bateria, por esta ordem. Consulta: Consultar o Manual de Funcionamento e Manutenção, ≈Bateria ou cabo da bateria Inspeccionar/Substituir∆. 3. Tirar o cavilhão de engate (3) da bateria e retirar a bateria (4). 4. Desmontar os parafusos (5) e tirar o suporte da bateria (6). Ilustração 288 5. Tirar o parafuso (7) e os grampos (8). Ilustração 289 6. Lubrificar dois copos de lubrificação na junta universal, com massa lubrificante. NOTA: Pode ser necessário remover algumas protecções de cabos para aceder aos copos de lubrificação 7. Montar os grampos (8) e o parafuso (7). 8. Montar o suporte da bateria (6) e colocar os parafusos (5). 9. Montar a bateria (4) no respectivo suporte (6) e bloquear o cavilhão de engate da bateria (3). 10. Ligar os cabos da bateria à bateria. Consulta: Consultar o Manual de Funcionamento e Manutenção, ≈Bateria ou cabos da bateria - Inspeccionar/Substituir∆. 11. Fechar a tampa de acesso ao compartimento da bateria. 1 XS0899AB 2 56 34 7 XS0926AB 8 XS1008AB
  • 170.
    170 QPEBU2109 Secçãodeinformaçõesdereferência Materialdereferência Secção deinformações de referência Material de referência Material de referência Em qualquer distribuidor Caterpillar está disponível a seguinte documentação técnica: • Publicação especial, PEHP6047 ≈Ficha técnica do óleo hidráulico biodegradável Caterpillar (HEES)∆ • Publicação especial, PEHP7508 ≈Ficha técnica do óleo para engrenagens Caterpillar (GO)∆ • Publicação especial, PEHP3050 ≈Ficha técnica do óleo multiuso Caterpillar, para tractores (MTO)∆ • Publicação especial, PECP9067 ≈Uma fonte segura∆ • Publicação especial, SEBD0640 ≈O óleo e o seu motor∆ • Publicação especial, PEGJ 0046 ≈Serviços S•O•S Cat: Interpretação dos resultados∆ • Publicação especial, PEGJ0047 ≈Como colher uma boa amostra S•O•S∆ • Publicação especial, SEBD0518 ≈Conheça o seu sistema de refrigeração∆ • Publicação especial, SEBD0970 ≈O líquido de refrigeração e o seu motor∆ • Publicação especial, SEBD0717 ≈Os carburantes diesel e o seu motor∆ • Publicação especial, SENR3130 ≈Especificações sobre binários de aperto∆ • Publicação especial, SENR2947 ≈Ligar e carregar sistemas para máquinas equipadas com conector de diagnóstico∆ • Publicação especial, SEHS9031 ≈Procedimento de armazenamento dos produtos Caterpillar ∆ • Publicação especial, SEBU5898 ≈Recomendações em caso de temperaturas baixas, para todas as máquinas Caterpillar∆ • Publicação especial, SEBU6250 ≈Recomendações sobre os fluidos a utilizar nas máquinas Caterpillar ∆ • Publicação especial, SEBU6981 ≈Informações sobre a garantia de controlo de emissões∆ • Publicação especial, NENG2500 ≈Guia de produtos e ferramentas Caterpillar ∆ • Publicação especial, PEHJ0191 ≈Serviços S•O•S Cat∆ • Publicação especial, SEBU8257 ≈Directiva da União Europeia 2002/44/CE sobre a exposição aos riscos devidos aos agentes físicos (vibrações)∆ • Publicação especial, PEHP4036 ≈Ficha de dados - Extended Life Coolant∆ • Publicação especial, SEHS7332 ≈Cartaz de aviso - Perigo! Não accionar∆ • Instrução especial, REHS1642 ≈Funcionamento do sistema Product Link∆ • Funcionamento do sistema, resolução de problemas, ensaio e ajustamento, RENR7911 ≈Product Link 121SR/321SR∆ • Instrução especial, REHS2365 ≈Guia de instalação do Product Link PL121SR e do PL300∆ O Manual de Funcionamento e Manutenção está disponível em outros idiomas. Consultar o distribuidor Caterpillar, para saber como conseguir os referidos Manuais. Material de referência adicional ASTM D2896,≈Medições TBN∆ Esta publicação pode encontrar-se geralmente em sociedades tecnológicas locais, bibliotecas e universidades. SAE J313,,≈Carburantes diesel∆ Está incluído no manual SAE. Esta publicação, também pode ser encontrada em sociedades tecnológicas locais, bibliotecas e universidades. SAE J754,,≈Nomenclatura∆ Geralmente está incluído no manual SAE. SAE J183,,≈Classificação∆ Geralmente está incluído no manual SAE. Engine Manufacturers Association ≈Manual de dados dos fluidos dos motores∆ Engine Manufacturers Association Two North LaSalle Street, Suite 2200 Chicago, Illinois, USA 60602 E-mail: ema@enginemanufacturers.org Telefone principal: (312) 827-8700 Fax: (312) 827-8737
  • 171.
    QPEBU2109 171 Secçãodeinformaçõesdereferência Materialdereferência Desactivação eeliminação da máquina Quando a máquina for retirada do serviço, é necessário respeitar os regulamentos locais sobre desactivação de máquinas, variáveis de país para país. O processo de eliminação variará, portanto, de acordo com os regulamentos do local onde estiver a máquina. Para mais informações, contactar o distribuidor Caterpillar mais próximo.
  • 172.
    172 QPEBU2109 SecçãoÍndices Index A Abandonaramáquina ............................................93 Acessosparamanutenção ................................... 105 Aditivodorefrigerantedosistemade refrigeração(ELC)-Adicionar .............................. 128 Ajustamentodapressãodeenchimentodospneus 111 Alarmedemarchaatrás .......................................... 73 Alarmedemarchaatrás-Testar ............................ 120 Alternador-Inspeccionar ..................................... 118 Amostradelíquidoderefrigeraçãodosistema refrigerante(nível1)-Colheramostra ................... 129 Amostradelíquidoderefrigeraçãodosistema refrigerante(nível2)-Colheramostra ................... 130 Amostradeóleodatransmissãoplanetáriadas rodas-Colheramostra ......................................... 135 Amostradeóleodatransmissãoplanetáriadasrodas dianteiras(sedisponível)-Colheramostra............ 149 Amostradeóleodomotor-Colheramostra ........... 146 Colheitaeanálisedeumaamostra..................... 146 Amostradeóleodosistemahidráulico- Colheramostra .................................................... 160 Colheitaeanálisedeumaamostra..................... 160 Antesdautilização ............................................27,37 Antesdepôromotoratrabalhar .............................. 26 Apoioàmanutenção ............................................. 115 Aquecimentodamáquinaedomotor ...................... 79 Arranquedomotor .............................................27,77 Arranquedomotor(métodosalternativos) ............ 103 Arranquedomotorcomcabosdeligaçãoemponte 103 Utilizaçãodecabosdeligaçãoemponte ............ 104 Assento.................................................................. 40 B Baixaroequipamentocomomotordesligado.....29,92 Bateria-Reciclagem ............................................ 121 Bateriaoucabodabateria-Inspeccionar/ Substituir.............................................................. 121 Bogies-Lubrificar ................................................. 122 C Capacidades(Reabastecimento) ......................... 114 Capotaanteriordeacessoaomotor-Abertura ...... 110 Cilindrosdeelevaçãodonivelador-Lubrificar ....... 164 Cintodesegurança ................................................ 40 Ajustamentodocintosegurança,paracintosnão retrácteis ......................................................... 40 Ajustamentodotablier ......................................... 42 Extensãodocintodesegurança .......................... 42 Extensõesdaplataformadooperador ................. 43 Cintodesegurança-Inspeccionar ........................ 166 Cintodesegurança-Substituir ............................. 167 Circulaçãodamáquinaemestrada ......................... 96 Pinodesegurança,parabloqueiodonivelador .... 96 Coberturadireitadeacesso-Abertura .................. 107 Comandosdooperador .......................................... 48 Comandosdooperador(Painéisdecomandodo nivelador) ............................................................... 69 Botãodabuzina .................................................. 71 Comandodacorreiatransportadoraesquerda..... 72 Comandodaespessuradepavimentaçãodolado direitodonivelador........................................... 70 Comandodalarguradeaplicaçãodoladoesquerdo donivelador ..................................................... 71 Comandodotradoesquerdo ............................... 72 Reguladordaespessuradepavimentaçãodolado esquerdodonivelador ..................................... 70 Comandosdotablier(Consolaprincipal) ................ 49 Alavancadepropulsão ........................................ 64 Botãodeinversãoderotaçãodacorreia transportadoradireita ...................................... 59 Botãodeinversãoderotaçãodacorreia transportadoraesquerda ................................. 58 Botãodeinversãoderotaçãodotradodireito ....... 57 Botãodeinversãoderotaçãodotradoesquerdo .. 56 Chavedearranquedomotor ............................... 49 Comandodaespessuradepavimentaçãodolado direitodonivelador........................................... 60 Comandodalarguradeaplicaçãodoladodireitodo nivelador ......................................................... 61 Comandodalarguradeaplicaçãodoladoesquerdo donivelador ..................................................... 60 Comandodamanetedepotência ........................ 66 Comandodatremonhadireita ............................. 54 Comandodatremonhaesquerda ........................ 54 Comandodeajustamentodafrequênciade vibração .......................................................... 68 Comandodeajustamentodapressãode compensaçãodonivelador .............................. 68 Comandoderegulaçãodaalturadotrado ............ 55 Comandodomododetrabalhodacorreia transportadoradireita ...................................... 58 Comandodomododetrabalhodacorreia transportadoraesquerda ................................. 57 Comandodomododetrabalhodotradodireito .... 56 Comandodomododetrabalhodotradoesquerdo 55 Comandodotravãodeestacionamento .............. 49 Comandovibratóriodonivelador ......................... 61 Controloautomáticodavelocidadedetrabalho.... 63 Indicadordeníveldecombustível ........................ 51 Indicadordetemperaturadaágua ....................... 52 Indicadores......................................................... 50 Interruptordasluzesdeemergência .................... 53 Interruptordeactivaçãodoscomandosda máquina .......................................................... 50 Interruptordetestedosindicadores ..................... 52 Interruptordobloqueadordodiferencial .............. 67 Interruptordocomandoassistidodasrodas dianteiras(Sedisponível) ................................ 65 Interruptordoindicadordedirecção..................... 52 Interruptordomododefuncionamento ................ 63 Interruptordosistemadeaquecimentoeléctricodo nivelador(sedisponível) .................................. 67 Interruptordosistemadecompensaçãodo nivelador ......................................................... 62 Interruptorlevantar/ondulardonivelador ............. 62 Manómetrodapressãodecompensaçãodo nivelador ......................................................... 69 Pedaldotravãodeserviço(Sedisponível) ........... 53 Reguladordaespessuradepavimentaçãodolado esquerdodonivelador ..................................... 59 Selectordasluzesedabuzina ............................. 66 Selectordemudançadevelocidade .................... 64 Selectordemudançadevelocidadehidráulica .... 65 Volante ............................................................... 53
  • 173.
    QPEBU2109 173 SecçãoÍndices Começarapavimentar ...........................................84 Comocarregaramáquina....................................... 95 Comopararomotoremcasodeavariaeléctrica ...... 91 Contadordehorasdeserviço .................................. 74 Correias-Inspeccionar/Ajustar/Substituir .....121,122 Correiastransportadorasdotrado-Lubrificar ....... 118 Correntes(detracção)dacorreiatransportadora- Limpar .................................................................. 124 Correntes(detracção)dascorreiastransportadoras- Ajustar ................................................................. 123 Correntesdetransmissãodostrados-Verificar/ Ajustar ................................................................. 119 D Declaraçãodeconformidade .................................. 36 Desactivaçãoeeliminaçãodamáquina ................ 171 Desactivaçãomanualdotravãode estacionamento ................................................... 102 Desligaromotor ..................................................... 91 Deslocaramáquina ................................................ 80 Disjuntor-Rearmar .............................................. 122 E Elementodoseparadordeáguadosistemade combustível-Substituir ........................................ 152 Elementoprimáriodofiltrodeardomotor-Limpar/ Substituir .............................................................. 135 Inspecçãodoselementosprimáriosdofiltro dear .............................................................. 137 Limpezadoselementosprimáriosdofiltrodear.. 136 Elementosecundáriodofiltrodeardomotor- Substituir ............................................................. 138 Elevaçãoeamarragemdamáquina ...................... 100 Amarragemdamáquina .................................... 100 Elevaçãodamáquina ........................................ 100 Eliminardevidamenteosresíduos .......................... 21 Enchimentodospneus-Verificar .......................... 168 Enchimentodospneuscomar .............................. 111 Entradadofiltrodeardomotor-Limpar ................. 140 Especificações ....................................................... 33 Estacionamento ................................................28,91 Etiquetadecertificaçãodasemissões .................... 35 Expediçãodamáquina ........................................... 95 F Filtrododepósitodeagentelubrificante-Substituir 163 Filtrododepósitodeóleodosistemahidráulico- Substituir .............................................................. 160 Filtroeóleodomotor-Substituir ............................ 141 Comosubstituiroóleoeofiltrodomotor ............. 142 Selecçãodointervalodesubstituiçãodoóleo..... 141 Filtrosecundáriodosistemadecombustível- Substituir .............................................................. 150 Folgadaválvuladomotor-Verificar ...................... 147 Funcionamentodamáquina ................................... 40 Funcionamentoemdeclive ..................................... 28 Fusíveis-Substituir .............................................. 153 G Guiadaplataformadooperador-Lubrificar ........... 161 Guiasdeslizantesdobraçolateraldonivelador- Limpar .................................................................. 165 I InformaçãoS·O·S ................................................ 114 Informaçãosobreavisibilidade............................... 27 Informaçãosobreoenchimentodospneus ........... 111 Informaçãosobreospneus..................................... 26 Informaçõesgerais ................................................ 33 Informaçõesgeraisdeperigo.................................. 19 Areáguapressurizados ...................................... 19 Informaçãosobreoamianto ................................ 20 Penetraçãodefluido ........................................... 20 Pressãoretida..................................................... 20 Retençãodosderramesdefluidos ....................... 20 Informaçõesimportantesdesegurança .................... 2 Informaçõessobreaidentificação .......................... 34 Informaçõessobreofuncionamento ....................... 79 Informaçõessobreoreboque ............................... 101 Informaçõessobreotransporte .............................. 95 Informaçõessobreosníveisderuídoevibração...... 29 “DirectivadaUniãoEuropeia2002/44/CEsobrea exposiçãoaosriscosdevidosaosagentesfísicos (vibrações) ...................................................... 30 Fontes ................................................................ 31 Informaçõessobreosníveisderuído ................... 29 Informaçõessobreosníveisderuídoparaas máquinasdestinadasapaísesdaUniãoEuropeia ouqueadoptamas“DirectivasUE” ................... 29 Inspecçãodiária ..................................................... 37 Interruptordealavanca-Inspeccionar .................. 168 Interruptordosistemadepulverizaçãodeagente lubrificante ............................................................. 75 Interruptorparadesligarabateria ........................... 73 Interruptoresdeparagemdomotoredamáquina .... 48 J Juntauniversaldetransmissão-Lubrificar ............ 168 Juntasparalelas ..................................................... 86 Juntastransversais ................................................ 87 L Limpezadamáquina .............................................. 94 Líquidoderefrigeraçãodosistemarefrigerante(ELC)- Substituir ............................................................. 126 Localizaçãodasplacaseetiquetas ......................... 34 Certificação ........................................................ 34 Númerodeidentificaçãodoproduto(PIN): ........... 34 Númerodesériedomotor .................................... 34 M Materialdereferência ........................................... 170 Materialdereferênciaadicional ......................... 170 Mensagenscomplementares ................................. 13 Mensagensdesegurança ........................................ 6 Montagemdospneus ........................................... 111 Motordearranque-Inspeccionar ......................... 167 N Níveldeóleodacaixadevelocidades-Verificar .... 155 Níveldeóleodatransmissãoplanetáriadasrodas- Verificar ............................................................... 135 Níveldeóleodatransmissãoplanetáriadasrodas dianteiras-Verificar.............................................. 148 Níveldeóleodosistemahidráulico-Verificar ........ 159 Níveldeóleonomotor-Verificar ........................... 145
  • 174.
    QPEBU2109 174 SecçãoÍndices Níveldolíquidoderefrigeraçãodosistema refrigerante-Verificar ...........................................129 Núcleodoradiador-Limpar .................................. 163 O Óleodacaixadeengrenagens-Substituir ............. 155 Óleodatransmissãoplanetáriadasrodas- Substituir ............................................................. 133 Óleodatransmissãoplanetáriadasrodasdianteiras (sedisponível)-Substituir ..................................... 147 Óleodomotor-Inspeccionar ................................ 161 Inspeccionarumfiltrousado,paraverificarsehá detritos .......................................................... 161 Óleodosistemahidráulico-Substituir ................... 157 Operação ............................................................... 28 Amplitudetérmicadefuncionamento ................... 28 Funcionamentodamáquina ................................ 28 P Paragemdomotor .................................................. 28 Pararamáquina ..................................................... 91 Pavimentaçãoàvoltadascâmarasdevisita ............ 87 Pinodesegurançaparabloqueiodastremonhas .... 75 Pinodesegurança,parabloqueiodonivelador ........ 74 Pinosdefixaçãodonivelador-Lubrificar ............... 164 Pinosdesegurançaparabloqueiodatremonha- Lubrificar .............................................................. 157 Pontodereboquedonivelador-Lubrificar ............. 165 Porcasdasrodasdetracção-Apertar ................... 133 Portadireitadeacesso-Abertura .......................... 106 Portaesquerdadeacesso-Abertura .................... 107 Portaposteriordeacessoaomotor-Abertura ....... 109 Portasecoberturasdeacesso .............................. 105 Postodecondução ................................................. 32 Prefácio ................................................................... 4 Capacidadedamáquina........................................ 5 Informaçãosobreadocumentaçãotécnica ............ 4 Manutenção.......................................................... 4 Manutençãodomotorcertificada ........................... 5 NúmerodeIdentificaçãodeProdutodaCaterpillar . 5 Operação.............................................................. 4 Proposta65daCalifórnia-Aviso............................ 4 Segurança ............................................................ 4 Pressãodospneusparaexpedição ...................... 111 Prevençãodeesmagamentoeprevençãodecorte . 21 Prevençãodeincêndioeprevençãodeexplosão .... 22 Bateriaecabosrespectivos ................................. 23 Caboseléctricos ................................................. 24 Éter ..................................................................... 25 Extintordeincêndios ........................................... 25 Indicaçõesgerais ................................................ 22 Linhas,tubosetubagemflexível .......................... 24 Localizaçãodoextintordeincêndio ..................... 25 Prevençãodelesõesportemporalcomrelâmpagos 26 Prevençãodequeimaduras .................................... 21 Baterias .............................................................. 22 Líquidoderefrigeração........................................ 21 Óleos .................................................................. 22 Processodelimpezadamáquina ............................ 94 Processosderegulação ......................................... 88 Chavesdepalhetaparacorreiastransportadorase trados .............................................................. 89 Contra-hastededirecção .................................... 88 Espessuradepavimentação-Verificação ........... 88 Processosdesoldaduraparamáquinasemotores comcomandoselectrónicos ................................. 115 ProductLink(sedisponível) .................................... 44 Conformidadecomaregulamentação ................. 45 Transmissãodosdados ...................................... 44 Utilizaçãonumaáreadeexplosão ....................... 44 Protecções(Protecçãodooperador) ...................... 32 Protecçõesanti-vandalismo ................................... 93 Q QuadrodeIntervalosdeManutenção ................... 116 R Rebocaramáquina .............................................. 101 Reguladordetemperaturadaáguadosistema refrigerante-Substituir ......................................... 131 Rematedotapetedeasfalto ................................... 86 Rolamentosdocilindrodatremonha-Lubrificar .... 156 S SecçãodeFuncionamento ..................................... 37 Secçãodeinformaçãosobreoproduto ................... 33 Secçãodeinformaçõesdereferência ................... 170 Secçãodemanutenção ........................................ 105 Secçãodesegurança ............................................... 6 Separadordeáguadosistemadecombustível- Esvaziar ............................................................... 151 Sistemadacorreiatransportadora-Inspeccionar . 124 Barrasdetracção .............................................. 125 Correiatransportadoradotrado ........................ 125 Tensãodacorrentedetracçãodascorreias transportadoras-Verificar ............................. 124 Sistemadecombustível-Encher .......................... 149 Subiredescerdamáquina ...................................... 37 Suportesdogerador-Inspeccionar ...................... 156 Suportesdomotor-Inspeccionar ......................... 140 T Tampadeacessoaocompartimentodabateria- Abertura ............................................................... 108 Tampadoradiador-Abertura ............................... 108 Tampasdeacessoàplataforma-Abertura ........... 110 Tejadilhodesdobrável(sedisponível)..................... 98 Baixarotejadilho ................................................. 98 Levantarotejadilho ............................................. 98 Tejadilhohidráulicodesdobrável(sedisponível) ..... 99 Tomadadecorrente(sedisponível) ........................ 76 Tomadasdecorrentede12Volt .............................. 76 Transportadoresdefreio-Lubrificar ..................... 132 Travãodeestacionamento-Verificar .................... 162 Tubodeescape ...................................................... 97 U Unidadedetransmissãodotrado-Verificar/ Lubrificar .............................................................. 119 Utilizaçãoprevista .................................................. 33 Restriçõesdeconfiguração/aplicação................. 33 V Viscosidadedoslubrificantes ............................... 112 Viscosidadedoslubrificantesecapacidadesde reabastecimento .................................................. 112
  • 175.
    Informações sobre oproduto e o distribuidor Nota: Para saber a localização das placas de identificação do produto, consultar a secção ≈Informações sobre a identificação do produto∆ do Manual de Funcionamento e Manutenção. Data de entrega: ______________________ Informações sobre o produto Modelo: _____________________________________________________________________________________ Número de identificação do produto (PIN): ______________________________________________________ Número de série do motor: ____________________________________________________________________ Número de série da transmissão:_______________________________________________________________ Numero de série do gerador: __________________________________________________________________ Números de série dos equipamentos acessórios: ________________________________________________ Número de referência do cliente: _______________________________________________________________ Número de referência do distribuidor:___________________________________________________________ Informações sobre o distribuidor Nome: _____________________________________ Filial:_______________________________________ Morada: ___________________________________________________________________________________ ___________________________________________________________________________________ ___________________________________________________________________________________ Pessoa a contactar Número de telefone Horário útil Vendas: __________________________ __________________________ _________________________ Peças: __________________________ __________________________ _________________________ Assistência técnica: _________________ __________________________ _________________________
  • 176.
    ©2009 Caterpillar Impressoem Itália Todos os direitos reservados Cat, Caterpillar, respectivos logotipos, a cor ≈Amarelo Caterpillar∆, a apresentação do produto Power edge, bem como as identidades corporativa e de produto usadas neste documento são marcas registadas da Caterpillar que não podem ser usadas sem autorização.