Apresentação:
01- Características técnicas 3
Sistemas Mecânicos:
02- Novo Motor FIRE 3
03- Componentes do Motor FIRE 5
04- Sistema de Arrefecimento 6
05 Sistema de Alimentação de combustível (SAC) 7
Sistemas Eletroeletrônico:
0- Nova Arquitetura elétrica 8
09- Sistema Venice 9
11- Acelerador Eletrônico Drive by Wire 11
12- Nova Injeção Eletrônica ME 7.3 H4 12
15- Apresentação dos componentes da injeção eletrô 15
20- Estratégica importante de funcionam 20
23- Recursos do Scanner 23
29- Teste seus conhecimentos 29
Diagnósticos e Manutenção:
30- Diagnostico de Falhas 30
31- Teste seus conhecimentos 31
32- Teste passo a passo 32
33- Item 01- Modulo de Comando (MC 33
36- Item 02- Sensor do Oxigênio (HEGO) 36
39- Item 03- Conjunto medidor de densidade - CMD 39
44- Item 04- Sensor de temperatura do liq. arrefe 44
47- Item 05- Borboleta Motorizada - ETC 47
51- Item 06- Sensor de posição do acelerador - SPA 51
55- Item 07- Sensor de posição da arvore de manivela 55
57- Item 08- Eletroinjetores de combustível - INJ 57
61- Item 09- Sistema de alimentação de combustível 61
64- Item 10- Eletrovalvula de purga de canister - 64
67- Item 11- Bobina de ignição - DIS 67
71- Item 11- Sensor de Detonação - KS 71
72- Item 13- Sensor de Velocidade - VSS 72
75- Item 14- Interruptor do Pedal de Embreagem - C 75
77- Teste seus conhecimentos 77
Diagnósticos e Manutenção:
81- Ficha Técnica 81
84- Manutenções periódicas 84
Relês, fusíveis, e computador a bordo:
85- Localização de fusíveis, reles e computador de 85
86- Caixa de fusíveis do vão do motor 86
88- Caixa de fusíveis do painel e computador de bordo 88
91- Pontos de aterramento 91
Diagrama Elétrico do veiculo:
92- Localização dos componentes elétricos 92
93- Circuito de iluminação 93
94- Circuitos de interruptores de porta e buzina 94
Pinagem do MC:
95- Pinagem do conector A do modulo de comando 95
96- Pinagem do conector B do modulo de comando 96
Tabelas ideias e dicas:
97- Tabela de valores ideais 97
98- Dicas para Motor FIRE 1.3 16V 98
Diagramas Elétricos ME 7.3 H4
x100- Diagramas elétricos - Sistema Bosch ME 7.3 H4 100
02-
realização:
apoio:
Indice Analitco Manual Eletrônico do Palio e Siena Flex
MECÂNICA 2000 Retornar ao indice Retornar ao ÍNDICE 2
Manual Eletrônico do Palio e Siena Flex
01-Características técnicas do Moto FIRE 1.0 e 1.3 16V
02- Novo Motor FIRE
MECÂNICA 2000 Retornar ao indice Retornar ao ÍNDICE 2
Manual Eletrônico do Palio e Siena Flex
04
MECÂNICA 2000 Retornar ao indice Retornar ao ÍNDICE 2
Manual Eletrônico do Palio e Siena Flex
03- Componentes do Motor FIRE
MECÂNICA 2000 Retornar ao indice Retornar ao ÍNDICE 2
Manual Eletrônico do Palio e Siena Flex
04- Sistema de Arrefecimento
MECÂNICA 2000 Retornar ao indice Retornar ao ÍNDICE 2
Manual Eletrônico do Palio e Siena Flex
05 Sistema de Alimentacao de combustivel (SAC)
MECÂNICA 2000 Retornar ao indice Retornar ao ÍNDICE 2
Manual Eletrônico do Palio e Siena Flex
08- Nova Arquitetura elétrica
MECÂNICA 2000 Retornar ao indice Retornar ao ÍNDICE 2
Manual Eletrônico do Palio e Siena Flex
09- Sistema Venice
MECÂNICA 2000 Retornar ao indice Retornar ao ÍNDICE 2
Manual Eletrônico do Palio e Siena Flex
MECÂNICA 2000 Retornar ao indice Retornar ao ÍNDICE 2
Manual Eletrônico do Palio e Siena Flex
11- Acelerador Eletronico Drive by Wire
MECÂNICA 2000 Retornar ao indice Retornar ao ÍNDICE 2
Manual Eletrônico do Palio e Siena Flex
12- Nova Injecao Eletronica ME 7.3 H4
MECÂNICA 2000 Retornar ao indice Retornar ao ÍNDICE 2
Manual Eletrônico do Palio e Siena Flex
Localização dos Componentes da injeção eletrônica ME 7.3 H4
MECÂNICA 2000 Retornar ao indice Retornar ao ÍNDICE 2
Manual Eletrônico do Palio e Siena Flex
MECÂNICA 2000 Retornar ao indice Retornar ao ÍNDICE 2
Manual Eletrônico do Palio e Siena Flex
15- Apresentação dos componentes da injeção eletrônica
MECÂNICA 2000 Retornar ao indice Retornar ao ÍNDICE 2
Manual Eletrônico do Palio e Siena Flex
MECÂNICA 2000 Retornar ao indice Retornar ao ÍNDICE 2
Manual Eletrônico do Palio e Siena Flex
MECÂNICA 2000 Retornar ao indice Retornar ao ÍNDICE 2
Manual Eletrônico do Palio e Siena Flex
MECÂNICA 2000 Retornar ao indice Retornar ao ÍNDICE 2
Manual Eletrônico do Palio e Siena Flex
MECÂNICA 2000 Retornar ao indice Retornar ao ÍNDICE 2
Manual Eletrônico do Palio e Siena Flex
20- Estratégica importante de funcionamento do MC
MECÂNICA 2000 Retornar ao indice Retornar ao ÍNDICE 2
Manual Eletrônico do Palio e Siena Flex
MECÂNICA 2000 Retornar ao indice Retornar ao ÍNDICE 2
Manual Eletrônico do Palio e Siena Flex
MECÂNICA 2000 Retornar ao indice Retornar ao ÍNDICE 2
Manual Eletrônico do Palio e Siena Flex
23- Recursos do Scanner
MECÂNICA 2000 Retornar ao indice Retornar ao ÍNDICE 2
Manual Eletrônico do Palio e Siena Flex
MECÂNICA 2000 Retornar ao indice Retornar ao ÍNDICE 2
Manual Eletrônico do Palio e Siena Flex
MECÂNICA 2000 Retornar ao indice Retornar ao ÍNDICE 2
Manual Eletrônico do Palio e Siena Flex
MECÂNICA 2000 Retornar ao indice Retornar ao ÍNDICE 2
Manual Eletrônico do Palio e Siena Flex
MECÂNICA 2000 Retornar ao indice Retornar ao ÍNDICE 2
Manual Eletrônico do Palio e Siena Flex
MECÂNICA 2000 Retornar ao indice Retornar ao ÍNDICE 2
Manual Eletrônico do Palio e Siena Flex
29- Teste seus conhecimentos
MECÂNICA 2000 Retornar ao indice Retornar ao ÍNDICE 2
Manual Eletrônico do Palio e Siena Flex
30- Diagnostico de Falhas
MECÂNICA 2000 Retornar ao indice Retornar ao ÍNDICE 2
Manual Eletrônico do Palio e Siena Flex
31- Teste seus conhecimentos
MECÂNICA 2000 Retornar ao indice Retornar ao ÍNDICE 2
Manual Eletrônico do Palio e Siena Flex
32 - Teste passo a passo
MECÂNICA 2000 Retornar ao indice Retornar ao ÍNDICE 2
Manual Eletrônico do Palio e Siena Flex
33- Item 01- Modulo de Comando (MC)
MECÂNICA 2000 Retornar ao indice Retornar ao ÍNDICE 2
Manual Eletrônico do Palio e Siena Flex
MECÂNICA 2000 Retornar ao indice Retornar ao ÍNDICE 2
Manual Eletrônico do Palio e Siena Flex
MECÂNICA 2000 Retornar ao indice Retornar ao ÍNDICE 2
Manual Eletrônico do Palio e Siena Flex
36- Item 02 - Sensor do Oxigênio (HEGO)
MECÂNICA 2000 Retornar ao indice Retornar ao ÍNDICE 2
Manual Eletrônico do Palio e Siena Flex
MECÂNICA 2000 Retornar ao indice Retornar ao ÍNDICE 2
Manual Eletrônico do Palio e Siena Flex
MECÂNICA 2000 Retornar ao indice Retornar ao ÍNDICE 2
Manual Eletrônico do Palio e Siena Flex
39
39- Item 03- Conjunto medidor de densidade - CMD
MECÂNICA 2000 Retornar ao indice Retornar ao ÍNDICE 2
Manual Eletrônico do Palio e Siena Flex
MECÂNICA 2000 Retornar ao indice Retornar ao ÍNDICE 2
Manual Eletrônico do Palio e Siena Flex
MECÂNICA 2000 Retornar ao indice Retornar ao ÍNDICE 2
Manual Eletrônico do Palio e Siena Flex
MECÂNICA 2000 Retornar ao indice Retornar ao ÍNDICE 2
Manual Eletrônico do Palio e Siena Flex
MECÂNICA 2000 Retornar ao indice Retornar ao ÍNDICE 2
Manual Eletrônico do Palio e Siena Flex
44- Item 04 - Sensor de temperatura do liq. arrefecimento - ECT
MECÂNICA 2000 Retornar ao indice Retornar ao ÍNDICE 2
Manual Eletrônico do Palio e Siena Flex
MECÂNICA 2000 Retornar ao indice Retornar ao ÍNDICE 2
Manual Eletrônico do Palio e Siena Flex
MECÂNICA 2000 Retornar ao indice Retornar ao ÍNDICE 2
Manual Eletrônico do Palio e Siena Flex
47- Item 05- Borboleta Motorizada - ETC
MECÂNICA 2000 Retornar ao indice Retornar ao ÍNDICE 2
Manual Eletrônico do Palio e Siena Flex
MECÂNICA 2000 Retornar ao indice Retornar ao ÍNDICE 2
Manual Eletrônico do Palio e Siena Flex
MECÂNICA 2000 Retornar ao indice Retornar ao ÍNDICE 2
Manual Eletrônico do Palio e Siena Flex
MECÂNICA 2000 Retornar ao indice Retornar ao ÍNDICE 2
Manual Eletrônico do Palio e Siena Flex
51- Item 06- Sensor de posição do acelerador - SPA
MECÂNICA 2000 Retornar ao indice Retornar ao ÍNDICE 2
Manual Eletrônico do Palio e Siena Flex
MECÂNICA 2000 Retornar ao indice Retornar ao ÍNDICE 2
Manual Eletrônico do Palio e Siena Flex
MECÂNICA 2000 Retornar ao indice Retornar ao ÍNDICE 2
Manual Eletrônico do Palio e Siena Flex
MECÂNICA 2000 Retornar ao indice Retornar ao ÍNDICE 2
Manual Eletrônico do Palio e Siena Flex
55- Item 07- Sensor de posicao da arvore de manivelas - CKP
MECÂNICA 2000 Retornar ao indice Retornar ao ÍNDICE 2
Manual Eletrônico do Palio e Siena Flex
MECÂNICA 2000 Retornar ao indice Retornar ao ÍNDICE 2
Manual Eletrônico do Palio e Siena Flex
57- Item 08 - Eletroinjetores de combustível - INJ
MECÂNICA 2000 Retornar ao indice Retornar ao ÍNDICE 2
Manual Eletrônico do Palio e Siena Flex
MECÂNICA 2000 Retornar ao indice Retornar ao ÍNDICE 2
Manual Eletrônico do Palio e Siena Flex
MECÂNICA 2000 Retornar ao indice Retornar ao ÍNDICE 2
Manual Eletrônico do Palio e Siena Flex
MECÂNICA 2000 Retornar ao indice Retornar ao ÍNDICE 2
Manual Eletrônico do Palio e Siena Flex
61- Item 09- Sistema de alimentação de combustíveL - SAC
MECÂNICA 2000 Retornar ao indice Retornar ao ÍNDICE 2
Manual Eletrônico do Palio e Siena Flex
MECÂNICA 2000 Retornar ao indice Retornar ao ÍNDICE 2
Manual Eletrônico do Palio e Siena Flex
MECÂNICA 2000 Retornar ao indice Retornar ao ÍNDICE 2
Manual Eletrônico do Palio e Siena Flex
64
64- Item 10- Eletrovalvula de purga de canister - CANP
MECÂNICA 2000 Retornar ao indice Retornar ao ÍNDICE 2
Manual Eletrônico do Palio e Siena Flex
MECÂNICA 2000 Retornar ao indice Retornar ao ÍNDICE 2
Manual Eletrônico do Palio e Siena Flex
MECÂNICA 2000 Retornar ao indice Retornar ao ÍNDICE 2
Manual Eletrônico do Palio e Siena Flex
67
67- Item 11- Bobina de ignição - DIS
MECÂNICA 2000 Retornar ao indice Retornar ao ÍNDICE 2
Manual Eletrônico do Palio e Siena Flex
MECÂNICA 2000 Retornar ao indice Retornar ao ÍNDICE 2
Manual Eletrônico do Palio e Siena Flex
MECÂNICA 2000 Retornar ao indice Retornar ao ÍNDICE 2
Manual Eletrônico do Palio e Siena Flex
MECÂNICA 2000 Retornar ao indice Retornar ao ÍNDICE 2
Manual Eletrônico do Palio e Siena Flex
71
71- Item 12 - Sensor de Detonação - KS
MECÂNICA 2000 Retornar ao indice Retornar ao ÍNDICE 2
Manual Eletrônico do Palio e Siena Flex
72
72- Item 13- Sensor de Velocidade - VSS
MECÂNICA 2000 Retornar ao indice Retornar ao ÍNDICE 2
Manual Eletrônico do Palio e Siena Flex
MECÂNICA 2000 Retornar ao indice Retornar ao ÍNDICE 2
Manual Eletrônico do Palio e Siena Flex
MECÂNICA 2000 Retornar ao indice Retornar ao ÍNDICE 2
Manual Eletrônico do Palio e Siena Flex
75- Item 14- Interruptor do Pedal de Embreagem - CPP
MECÂNICA 2000 Retornar ao indice Retornar ao ÍNDICE 2
Manual Eletrônico do Palio e Siena Flex
MECÂNICA 2000 Retornar ao indice Retornar ao ÍNDICE 2
Manual Eletrônico do Palio e Siena Flex
77- Teste seus conhecimentos
MECÂNICA 2000 Retornar ao indice Retornar ao ÍNDICE 2
Manual Eletrônico do Palio e Siena Flex
MECÂNICA 2000 Retornar ao indice Retornar ao ÍNDICE 2
Manual Eletrônico do Palio e Siena Flex
MECÂNICA 2000 Retornar ao indice Retornar ao ÍNDICE 2
Manual Eletrônico do Palio e Siena Flex
MECÂNICA 2000 Retornar ao indice Retornar ao ÍNDICE 2
Manual Eletrônico do Palio e Siena Flex
81- Ficha Tecnica
MECÂNICA 2000 Retornar ao indice Retornar ao ÍNDICE 2
Manual Eletrônico do Palio e Siena Flex
MECÂNICA 2000 Retornar ao indice Retornar ao ÍNDICE 2
Manual Eletrônico do Palio e Siena Flex
MECÂNICA 2000 Retornar ao indice Retornar ao ÍNDICE 2
Manual Eletrônico do Palio e Siena Flex
84- Manutencoes periodicas
MECÂNICA 2000 Retornar ao indice Retornar ao ÍNDICE 2
Manual Eletrônico do Palio e Siena Flex
85- Localizacao de fusiveis, reles e computador de bordo
MECÂNICA 2000 Retornar ao indice Retornar ao ÍNDICE 2
Manual Eletrônico do Palio e Siena Flex
86- Caixa de fusiveis do vao do motor
MECÂNICA 2000 Retornar ao indice Retornar ao ÍNDICE 2
Manual Eletrônico do Palio e Siena Flex
MECÂNICA 2000 Retornar ao indice Retornar ao ÍNDICE 2
Manual Eletrônico do Palio e Siena Flex
88- Caixa de fusiveis do painel e computador de bordo
MECÂNICA 2000 Retornar ao indice Retornar ao ÍNDICE 2
Manual Eletrônico do Palio e Siena Flex
MECÂNICA 2000 Retornar ao indice Retornar ao ÍNDICE 2
Manual Eletrônico do Palio e Siena Flex
MECÂNICA 2000 Retornar ao indice Retornar ao ÍNDICE 2
Manual Eletrônico do Palio e Siena Flex
91- Pontos de aterramento
MECÂNICA 2000 Retornar ao indice Retornar ao ÍNDICE 2
Manual Eletrônico do Palio e Siena Flex
92- Localizacao dos componentes eletricos
MECÂNICA 2000 Retornar ao indice Retornar ao ÍNDICE 2
Manual Eletrônico do Palio e Siena Flex
93- Circuito de iluminacao
MECÂNICA 2000 Retornar ao indice Retornar ao ÍNDICE 2
Manual Eletrônico do Palio e Siena Flex
94- Circuitos de interruptores de porta e buzina
MECÂNICA 2000 Retornar ao indice Retornar ao ÍNDICE 2
Manual Eletrônico do Palio e Siena Flex
95- Pinagem do conector A do modulo de comando
MECÂNICA 2000 Retornar ao indice Retornar ao ÍNDICE 2
Manual Eletrônico do Palio e Siena Flex
96- Pinagem do conector B do modulo de comando
MECÂNICA 2000 Retornar ao indice Retornar ao ÍNDICE 2
Manual Eletrônico do Palio e Siena Flex
97- Tabela de valores ideias
MECÂNICA 2000 Retornar ao indice Retornar ao ÍNDICE 2
Manual Eletrônico do Palio e Siena Flex
98- Dicas para Motor fire 1.3 16V
MECÂNICA 2000 Retornar ao indice Retornar ao ÍNDICE 2
Manual Eletrônico do Palio e Siena Flex
MECÂNICA 2000 Retornar ao indice Retornar ao ÍNDICE 2
Manual Eletrônico do Palio e Siena Flex
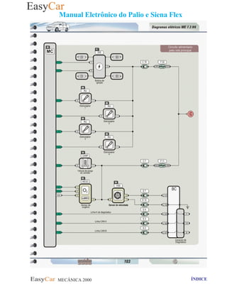
x100- Diagramas eletricos - Sistema Boch ME 7.3 H4
MECÂNICA 2000 Retornar ao indice Retornar ao ÍNDICE 2
Manual Eletrônico do Palio e Siena Flex
MECÂNICA 2000 Retornar ao indice Retornar ao ÍNDICE 2
Manual Eletrônico do Palio e Siena Flex
MECÂNICA 2000 Retornar ao indice Retornar ao ÍNDICE 2
Manual Eletrônico do Palio e Siena Flex

Manual eletronico palio e siena fire 1.0 16v

  • 1.
    Apresentação: 01- Características técnicas3 Sistemas Mecânicos: 02- Novo Motor FIRE 3 03- Componentes do Motor FIRE 5 04- Sistema de Arrefecimento 6 05 Sistema de Alimentação de combustível (SAC) 7 Sistemas Eletroeletrônico: 0- Nova Arquitetura elétrica 8 09- Sistema Venice 9 11- Acelerador Eletrônico Drive by Wire 11 12- Nova Injeção Eletrônica ME 7.3 H4 12 15- Apresentação dos componentes da injeção eletrô 15 20- Estratégica importante de funcionam 20 23- Recursos do Scanner 23 29- Teste seus conhecimentos 29 Diagnósticos e Manutenção: 30- Diagnostico de Falhas 30 31- Teste seus conhecimentos 31 32- Teste passo a passo 32 33- Item 01- Modulo de Comando (MC 33 36- Item 02- Sensor do Oxigênio (HEGO) 36 39- Item 03- Conjunto medidor de densidade - CMD 39 44- Item 04- Sensor de temperatura do liq. arrefe 44 47- Item 05- Borboleta Motorizada - ETC 47 51- Item 06- Sensor de posição do acelerador - SPA 51 55- Item 07- Sensor de posição da arvore de manivela 55 57- Item 08- Eletroinjetores de combustível - INJ 57 61- Item 09- Sistema de alimentação de combustível 61 64- Item 10- Eletrovalvula de purga de canister - 64 67- Item 11- Bobina de ignição - DIS 67 71- Item 11- Sensor de Detonação - KS 71 72- Item 13- Sensor de Velocidade - VSS 72 75- Item 14- Interruptor do Pedal de Embreagem - C 75 77- Teste seus conhecimentos 77 Diagnósticos e Manutenção: 81- Ficha Técnica 81 84- Manutenções periódicas 84 Relês, fusíveis, e computador a bordo: 85- Localização de fusíveis, reles e computador de 85 86- Caixa de fusíveis do vão do motor 86 88- Caixa de fusíveis do painel e computador de bordo 88 91- Pontos de aterramento 91 Diagrama Elétrico do veiculo: 92- Localização dos componentes elétricos 92 93- Circuito de iluminação 93 94- Circuitos de interruptores de porta e buzina 94 Pinagem do MC: 95- Pinagem do conector A do modulo de comando 95 96- Pinagem do conector B do modulo de comando 96 Tabelas ideias e dicas: 97- Tabela de valores ideais 97 98- Dicas para Motor FIRE 1.3 16V 98 Diagramas Elétricos ME 7.3 H4 x100- Diagramas elétricos - Sistema Bosch ME 7.3 H4 100 02- realização: apoio: Indice Analitco Manual Eletrônico do Palio e Siena Flex
  • 2.
    MECÂNICA 2000 Retornarao indice Retornar ao ÍNDICE 2 Manual Eletrônico do Palio e Siena Flex 01-Características técnicas do Moto FIRE 1.0 e 1.3 16V 02- Novo Motor FIRE
  • 3.
    MECÂNICA 2000 Retornarao indice Retornar ao ÍNDICE 2 Manual Eletrônico do Palio e Siena Flex 04
  • 4.
    MECÂNICA 2000 Retornarao indice Retornar ao ÍNDICE 2 Manual Eletrônico do Palio e Siena Flex 03- Componentes do Motor FIRE
  • 5.
    MECÂNICA 2000 Retornarao indice Retornar ao ÍNDICE 2 Manual Eletrônico do Palio e Siena Flex 04- Sistema de Arrefecimento
  • 6.
    MECÂNICA 2000 Retornarao indice Retornar ao ÍNDICE 2 Manual Eletrônico do Palio e Siena Flex 05 Sistema de Alimentacao de combustivel (SAC)
  • 7.
    MECÂNICA 2000 Retornarao indice Retornar ao ÍNDICE 2 Manual Eletrônico do Palio e Siena Flex 08- Nova Arquitetura elétrica
  • 8.
    MECÂNICA 2000 Retornarao indice Retornar ao ÍNDICE 2 Manual Eletrônico do Palio e Siena Flex 09- Sistema Venice
  • 9.
    MECÂNICA 2000 Retornarao indice Retornar ao ÍNDICE 2 Manual Eletrônico do Palio e Siena Flex
  • 10.
    MECÂNICA 2000 Retornarao indice Retornar ao ÍNDICE 2 Manual Eletrônico do Palio e Siena Flex 11- Acelerador Eletronico Drive by Wire
  • 11.
    MECÂNICA 2000 Retornarao indice Retornar ao ÍNDICE 2 Manual Eletrônico do Palio e Siena Flex 12- Nova Injecao Eletronica ME 7.3 H4
  • 12.
    MECÂNICA 2000 Retornarao indice Retornar ao ÍNDICE 2 Manual Eletrônico do Palio e Siena Flex Localização dos Componentes da injeção eletrônica ME 7.3 H4
  • 13.
    MECÂNICA 2000 Retornarao indice Retornar ao ÍNDICE 2 Manual Eletrônico do Palio e Siena Flex
  • 14.
    MECÂNICA 2000 Retornarao indice Retornar ao ÍNDICE 2 Manual Eletrônico do Palio e Siena Flex 15- Apresentação dos componentes da injeção eletrônica
  • 15.
    MECÂNICA 2000 Retornarao indice Retornar ao ÍNDICE 2 Manual Eletrônico do Palio e Siena Flex
  • 16.
    MECÂNICA 2000 Retornarao indice Retornar ao ÍNDICE 2 Manual Eletrônico do Palio e Siena Flex
  • 17.
    MECÂNICA 2000 Retornarao indice Retornar ao ÍNDICE 2 Manual Eletrônico do Palio e Siena Flex
  • 18.
    MECÂNICA 2000 Retornarao indice Retornar ao ÍNDICE 2 Manual Eletrônico do Palio e Siena Flex
  • 19.
    MECÂNICA 2000 Retornarao indice Retornar ao ÍNDICE 2 Manual Eletrônico do Palio e Siena Flex 20- Estratégica importante de funcionamento do MC
  • 20.
    MECÂNICA 2000 Retornarao indice Retornar ao ÍNDICE 2 Manual Eletrônico do Palio e Siena Flex
  • 21.
    MECÂNICA 2000 Retornarao indice Retornar ao ÍNDICE 2 Manual Eletrônico do Palio e Siena Flex
  • 22.
    MECÂNICA 2000 Retornarao indice Retornar ao ÍNDICE 2 Manual Eletrônico do Palio e Siena Flex 23- Recursos do Scanner
  • 23.
    MECÂNICA 2000 Retornarao indice Retornar ao ÍNDICE 2 Manual Eletrônico do Palio e Siena Flex
  • 24.
    MECÂNICA 2000 Retornarao indice Retornar ao ÍNDICE 2 Manual Eletrônico do Palio e Siena Flex
  • 25.
    MECÂNICA 2000 Retornarao indice Retornar ao ÍNDICE 2 Manual Eletrônico do Palio e Siena Flex
  • 26.
    MECÂNICA 2000 Retornarao indice Retornar ao ÍNDICE 2 Manual Eletrônico do Palio e Siena Flex
  • 27.
    MECÂNICA 2000 Retornarao indice Retornar ao ÍNDICE 2 Manual Eletrônico do Palio e Siena Flex
  • 28.
    MECÂNICA 2000 Retornarao indice Retornar ao ÍNDICE 2 Manual Eletrônico do Palio e Siena Flex 29- Teste seus conhecimentos
  • 29.
    MECÂNICA 2000 Retornarao indice Retornar ao ÍNDICE 2 Manual Eletrônico do Palio e Siena Flex 30- Diagnostico de Falhas
  • 30.
    MECÂNICA 2000 Retornarao indice Retornar ao ÍNDICE 2 Manual Eletrônico do Palio e Siena Flex 31- Teste seus conhecimentos
  • 31.
    MECÂNICA 2000 Retornarao indice Retornar ao ÍNDICE 2 Manual Eletrônico do Palio e Siena Flex 32 - Teste passo a passo
  • 32.
    MECÂNICA 2000 Retornarao indice Retornar ao ÍNDICE 2 Manual Eletrônico do Palio e Siena Flex 33- Item 01- Modulo de Comando (MC)
  • 33.
    MECÂNICA 2000 Retornarao indice Retornar ao ÍNDICE 2 Manual Eletrônico do Palio e Siena Flex
  • 34.
    MECÂNICA 2000 Retornarao indice Retornar ao ÍNDICE 2 Manual Eletrônico do Palio e Siena Flex
  • 35.
    MECÂNICA 2000 Retornarao indice Retornar ao ÍNDICE 2 Manual Eletrônico do Palio e Siena Flex 36- Item 02 - Sensor do Oxigênio (HEGO)
  • 36.
    MECÂNICA 2000 Retornarao indice Retornar ao ÍNDICE 2 Manual Eletrônico do Palio e Siena Flex
  • 37.
    MECÂNICA 2000 Retornarao indice Retornar ao ÍNDICE 2 Manual Eletrônico do Palio e Siena Flex
  • 38.
    MECÂNICA 2000 Retornarao indice Retornar ao ÍNDICE 2 Manual Eletrônico do Palio e Siena Flex 39 39- Item 03- Conjunto medidor de densidade - CMD
  • 39.
    MECÂNICA 2000 Retornarao indice Retornar ao ÍNDICE 2 Manual Eletrônico do Palio e Siena Flex
  • 40.
    MECÂNICA 2000 Retornarao indice Retornar ao ÍNDICE 2 Manual Eletrônico do Palio e Siena Flex
  • 41.
    MECÂNICA 2000 Retornarao indice Retornar ao ÍNDICE 2 Manual Eletrônico do Palio e Siena Flex
  • 42.
    MECÂNICA 2000 Retornarao indice Retornar ao ÍNDICE 2 Manual Eletrônico do Palio e Siena Flex
  • 43.
    MECÂNICA 2000 Retornarao indice Retornar ao ÍNDICE 2 Manual Eletrônico do Palio e Siena Flex 44- Item 04 - Sensor de temperatura do liq. arrefecimento - ECT
  • 44.
    MECÂNICA 2000 Retornarao indice Retornar ao ÍNDICE 2 Manual Eletrônico do Palio e Siena Flex
  • 45.
    MECÂNICA 2000 Retornarao indice Retornar ao ÍNDICE 2 Manual Eletrônico do Palio e Siena Flex
  • 46.
    MECÂNICA 2000 Retornarao indice Retornar ao ÍNDICE 2 Manual Eletrônico do Palio e Siena Flex 47- Item 05- Borboleta Motorizada - ETC
  • 47.
    MECÂNICA 2000 Retornarao indice Retornar ao ÍNDICE 2 Manual Eletrônico do Palio e Siena Flex
  • 48.
    MECÂNICA 2000 Retornarao indice Retornar ao ÍNDICE 2 Manual Eletrônico do Palio e Siena Flex
  • 49.
    MECÂNICA 2000 Retornarao indice Retornar ao ÍNDICE 2 Manual Eletrônico do Palio e Siena Flex
  • 50.
    MECÂNICA 2000 Retornarao indice Retornar ao ÍNDICE 2 Manual Eletrônico do Palio e Siena Flex 51- Item 06- Sensor de posição do acelerador - SPA
  • 51.
    MECÂNICA 2000 Retornarao indice Retornar ao ÍNDICE 2 Manual Eletrônico do Palio e Siena Flex
  • 52.
    MECÂNICA 2000 Retornarao indice Retornar ao ÍNDICE 2 Manual Eletrônico do Palio e Siena Flex
  • 53.
    MECÂNICA 2000 Retornarao indice Retornar ao ÍNDICE 2 Manual Eletrônico do Palio e Siena Flex
  • 54.
    MECÂNICA 2000 Retornarao indice Retornar ao ÍNDICE 2 Manual Eletrônico do Palio e Siena Flex 55- Item 07- Sensor de posicao da arvore de manivelas - CKP
  • 55.
    MECÂNICA 2000 Retornarao indice Retornar ao ÍNDICE 2 Manual Eletrônico do Palio e Siena Flex
  • 56.
    MECÂNICA 2000 Retornarao indice Retornar ao ÍNDICE 2 Manual Eletrônico do Palio e Siena Flex 57- Item 08 - Eletroinjetores de combustível - INJ
  • 57.
    MECÂNICA 2000 Retornarao indice Retornar ao ÍNDICE 2 Manual Eletrônico do Palio e Siena Flex
  • 58.
    MECÂNICA 2000 Retornarao indice Retornar ao ÍNDICE 2 Manual Eletrônico do Palio e Siena Flex
  • 59.
    MECÂNICA 2000 Retornarao indice Retornar ao ÍNDICE 2 Manual Eletrônico do Palio e Siena Flex
  • 60.
    MECÂNICA 2000 Retornarao indice Retornar ao ÍNDICE 2 Manual Eletrônico do Palio e Siena Flex 61- Item 09- Sistema de alimentação de combustíveL - SAC
  • 61.
    MECÂNICA 2000 Retornarao indice Retornar ao ÍNDICE 2 Manual Eletrônico do Palio e Siena Flex
  • 62.
    MECÂNICA 2000 Retornarao indice Retornar ao ÍNDICE 2 Manual Eletrônico do Palio e Siena Flex
  • 63.
    MECÂNICA 2000 Retornarao indice Retornar ao ÍNDICE 2 Manual Eletrônico do Palio e Siena Flex 64 64- Item 10- Eletrovalvula de purga de canister - CANP
  • 64.
    MECÂNICA 2000 Retornarao indice Retornar ao ÍNDICE 2 Manual Eletrônico do Palio e Siena Flex
  • 65.
    MECÂNICA 2000 Retornarao indice Retornar ao ÍNDICE 2 Manual Eletrônico do Palio e Siena Flex
  • 66.
    MECÂNICA 2000 Retornarao indice Retornar ao ÍNDICE 2 Manual Eletrônico do Palio e Siena Flex 67 67- Item 11- Bobina de ignição - DIS
  • 67.
    MECÂNICA 2000 Retornarao indice Retornar ao ÍNDICE 2 Manual Eletrônico do Palio e Siena Flex
  • 68.
    MECÂNICA 2000 Retornarao indice Retornar ao ÍNDICE 2 Manual Eletrônico do Palio e Siena Flex
  • 69.
    MECÂNICA 2000 Retornarao indice Retornar ao ÍNDICE 2 Manual Eletrônico do Palio e Siena Flex
  • 70.
    MECÂNICA 2000 Retornarao indice Retornar ao ÍNDICE 2 Manual Eletrônico do Palio e Siena Flex 71 71- Item 12 - Sensor de Detonação - KS
  • 71.
    MECÂNICA 2000 Retornarao indice Retornar ao ÍNDICE 2 Manual Eletrônico do Palio e Siena Flex 72 72- Item 13- Sensor de Velocidade - VSS
  • 72.
    MECÂNICA 2000 Retornarao indice Retornar ao ÍNDICE 2 Manual Eletrônico do Palio e Siena Flex
  • 73.
    MECÂNICA 2000 Retornarao indice Retornar ao ÍNDICE 2 Manual Eletrônico do Palio e Siena Flex
  • 74.
    MECÂNICA 2000 Retornarao indice Retornar ao ÍNDICE 2 Manual Eletrônico do Palio e Siena Flex 75- Item 14- Interruptor do Pedal de Embreagem - CPP
  • 75.
    MECÂNICA 2000 Retornarao indice Retornar ao ÍNDICE 2 Manual Eletrônico do Palio e Siena Flex
  • 76.
    MECÂNICA 2000 Retornarao indice Retornar ao ÍNDICE 2 Manual Eletrônico do Palio e Siena Flex 77- Teste seus conhecimentos
  • 77.
    MECÂNICA 2000 Retornarao indice Retornar ao ÍNDICE 2 Manual Eletrônico do Palio e Siena Flex
  • 78.
    MECÂNICA 2000 Retornarao indice Retornar ao ÍNDICE 2 Manual Eletrônico do Palio e Siena Flex
  • 79.
    MECÂNICA 2000 Retornarao indice Retornar ao ÍNDICE 2 Manual Eletrônico do Palio e Siena Flex
  • 80.
    MECÂNICA 2000 Retornarao indice Retornar ao ÍNDICE 2 Manual Eletrônico do Palio e Siena Flex 81- Ficha Tecnica
  • 81.
    MECÂNICA 2000 Retornarao indice Retornar ao ÍNDICE 2 Manual Eletrônico do Palio e Siena Flex
  • 82.
    MECÂNICA 2000 Retornarao indice Retornar ao ÍNDICE 2 Manual Eletrônico do Palio e Siena Flex
  • 83.
    MECÂNICA 2000 Retornarao indice Retornar ao ÍNDICE 2 Manual Eletrônico do Palio e Siena Flex 84- Manutencoes periodicas
  • 84.
    MECÂNICA 2000 Retornarao indice Retornar ao ÍNDICE 2 Manual Eletrônico do Palio e Siena Flex 85- Localizacao de fusiveis, reles e computador de bordo
  • 85.
    MECÂNICA 2000 Retornarao indice Retornar ao ÍNDICE 2 Manual Eletrônico do Palio e Siena Flex 86- Caixa de fusiveis do vao do motor
  • 86.
    MECÂNICA 2000 Retornarao indice Retornar ao ÍNDICE 2 Manual Eletrônico do Palio e Siena Flex
  • 87.
    MECÂNICA 2000 Retornarao indice Retornar ao ÍNDICE 2 Manual Eletrônico do Palio e Siena Flex 88- Caixa de fusiveis do painel e computador de bordo
  • 88.
    MECÂNICA 2000 Retornarao indice Retornar ao ÍNDICE 2 Manual Eletrônico do Palio e Siena Flex
  • 89.
    MECÂNICA 2000 Retornarao indice Retornar ao ÍNDICE 2 Manual Eletrônico do Palio e Siena Flex
  • 90.
    MECÂNICA 2000 Retornarao indice Retornar ao ÍNDICE 2 Manual Eletrônico do Palio e Siena Flex 91- Pontos de aterramento
  • 91.
    MECÂNICA 2000 Retornarao indice Retornar ao ÍNDICE 2 Manual Eletrônico do Palio e Siena Flex 92- Localizacao dos componentes eletricos
  • 92.
    MECÂNICA 2000 Retornarao indice Retornar ao ÍNDICE 2 Manual Eletrônico do Palio e Siena Flex 93- Circuito de iluminacao
  • 93.
    MECÂNICA 2000 Retornarao indice Retornar ao ÍNDICE 2 Manual Eletrônico do Palio e Siena Flex 94- Circuitos de interruptores de porta e buzina
  • 94.
    MECÂNICA 2000 Retornarao indice Retornar ao ÍNDICE 2 Manual Eletrônico do Palio e Siena Flex 95- Pinagem do conector A do modulo de comando
  • 95.
    MECÂNICA 2000 Retornarao indice Retornar ao ÍNDICE 2 Manual Eletrônico do Palio e Siena Flex 96- Pinagem do conector B do modulo de comando
  • 96.
    MECÂNICA 2000 Retornarao indice Retornar ao ÍNDICE 2 Manual Eletrônico do Palio e Siena Flex 97- Tabela de valores ideias
  • 97.
    MECÂNICA 2000 Retornarao indice Retornar ao ÍNDICE 2 Manual Eletrônico do Palio e Siena Flex 98- Dicas para Motor fire 1.3 16V
  • 98.
    MECÂNICA 2000 Retornarao indice Retornar ao ÍNDICE 2 Manual Eletrônico do Palio e Siena Flex
  • 99.
    MECÂNICA 2000 Retornarao indice Retornar ao ÍNDICE 2 Manual Eletrônico do Palio e Siena Flex x100- Diagramas eletricos - Sistema Boch ME 7.3 H4
  • 100.
    MECÂNICA 2000 Retornarao indice Retornar ao ÍNDICE 2 Manual Eletrônico do Palio e Siena Flex
  • 101.
    MECÂNICA 2000 Retornarao indice Retornar ao ÍNDICE 2 Manual Eletrônico do Palio e Siena Flex
  • 102.
    MECÂNICA 2000 Retornarao indice Retornar ao ÍNDICE 2 Manual Eletrônico do Palio e Siena Flex