AUTO BOMBA TANQUE FLORESTAL
Manual de operação e manutenção
SCANIA P360 4X4Jacinto Marques de Oliveira, Sucrs, Lda
• Este manual deve ser lido, antes de efetuar qualquer operação com o
veículo.
• Antes de operar com o veículo, verificar sempre a operacionalidade e bom
funcionamento do mesmo.
• Todas as operações de manutenção correspondentes ao motor, caixa de
velocidades e diferencial devem ser realizadas segundo as instruções que
constam do manual da marca.
• Não projetar água diretamente para os quadros elétricos.
• Se for necessário elevar a cabine do veículo, as conexões storz, que fazem
as ligações do circuito hidráulico de proteção aos pneus e cabine, devem
ser separadas e a grade frontal de proteção deve ser rebaixada.
Avisos
• O movimento de abertura da escada de acesso à
parte superior do veículo, deve ser efectuado com
a escada segura na mão.
i
Índice
Seção I – Manual de operação
1.1 - Componentes elétricos
1.2 - Comandos na cabine
1.3 - Bomba Godiva
1.4 - Regulador de pressão
1.5 - Abastecimento dos tanques de água
1.6 - Carretel Collins de alta pressão
1.7 - Canhão monitor
1.8 - Guincho
1.9 - Sistema de proteção
Seção II – Manual de manutenção
2.1 - Bomba Godiva
2.2 - Transmissões
2.3 - Circuito de ar e Sistema de proteção
Seção III - Projeto de equipamentos
Seção IV - Esquemas elétricos
Seção V - Esquemas hidráulicos
Seção VI - Anexos
Pag
1
1.1
1.2
1.5
1.8
1.11
1.12
1.13
1.14
1.15
2
2.1
2.3
2.4
3
4
5
6
ii
SEÇÃOI
Manual de
operação
1
Quando o veículo está desligado em parque, deve ter a ficha “AUTO
EJECT” ligada a uma tomada de corrente com uma potência de
energia de 230V, sempre com o corta corrente ativado.
Quando se coloca o veículo em funcionamento, a ficha é expulsa
automaticamente da ligação na carroçaria.
• Ficha AUTO-EJECT
• Carregador de baterias e Quadro de interruptores
COMPONENTES ELÉTRICOS
1.1
1.1 - Componentes elétricos
• Corta corrente
O corta corrente está localizado junto dos degraus de
acesso da parte traseira da cabine.
Carregador de baterias Quadro de interruptores
Geral
Carregador baterias
O carregador de baterias e o quadro de interruptores estão localizados no interior dos
compartimentos dianteiros.
COMANDOS NA CABINE
• Painel de comandos
1.2 - Comandos na cabine
1.2
10
Luz piloto de corta corrente ligado
Luz piloto de cofres abertos
Luz piloto de bomba em funcionamento
Barra sinalizadora
Iluminação frontal e lateral da barra
Luzes laterais + Cúpulas intermitentes
Projetor frontal
Projetores traseiros
Alteração de toques da sirene
Sistema de proteção da cabine
Sistema de proteção dos pneus
Sirene a ar
Tomada de força
1
2
3
4
5
6
7
8
9
10
11
13
12
barra
sinalizadora
Iluminação
da barra
projetor
frontal
luzes laterais
cúpulas
projetor
traseiro
sireneIluminação
perímetro
cofres mastro bomba patim
6 7 9
1 2 3
4 5 8
11
12
13
COMANDOS NA CABINE
• Sirene e alto falante
O comando de controle da sirene e alto falante, está localizado no interior da cabine.
Seguidamente é apresentado o procedimento de utilização deste procedimento.
• Rádio de comunicação
O rádio de comunicação (Motorola
PRO5100) está localizado ao centro da
cabine.
1.3
O botão inferior permite ligar/desligar a
sirene.
A posição intermediária do botão superior
activa um toque de tom contínuo da
sirene.
A posição mais à direita do botão superior
ativa a função de alto falante.
Pressionando o botão do microfone
permite falar para o exterior da cabine.
O botão de ajuste do volume do
microfone encontra-se do lado esquerdo
do comando.
O botão de ativação do microfone
encontra-se do lado direito do comando.
Na posição mais à esquerda do botão
superior a sirene alterna entre três tons
distintos.
• Sistema de tração e bloqueios
Bloqueio do diferencial central.
Bloqueio dos diferenciais central e traseiro.
Bloqueio dos diferenciais central, traseiro e dianteiro.
1
2
3
COMANDOS NA CABINE
1.4
1
2
3
4 5
Desengate das rodas motrizes.
Velocidade baixa na caixa de transferência.
4
5
BOMBA GODIVA
1.3 - Bomba Godiva
1.5
P1 P2
P3 P4
P5
P6
P7
P8
P9
P10
P11 P12 P13 P14
P1 - Manômetro de alta pressão
P2 - Tacômetro do motor / Horímetro da bomba
P3 - Manômetro de baixa pressão
P4 - Vacuômetro
P5 - Stop - Paragem de emergência
P6 - Nível de água
P7 - Temperatura da água do motor
P8 - Regulador automático de pressão
P9 - Lâmpada vigia de avarias diversas
P10 - Acelerador
P11 - Lâmpada vigia de PTO ligada
P12 - Lâmpada vigia de bomba de escorva em
funcionamento
P13 - Bomba de escorva
P14 - Sistema de proteção da cabine
P15 - Sinal acústico do nível de água
P16 - Iluminação do painel
P17 - Sistema de proteção dos pneus
P18 - Válvula tanque-bomba
P19 - Válvula de retorno ao tanque
P20 - Carretel de alta pressão
P21 - Enrolamento do carretel de alta pressão
P21P20P19P18
P17P16P15
• Painel de controle da bomba
VBP 2 ½’’ - Válvula de saída de água em baixa pressão.
VAP 1’’ - Válvula de saída de água em alta pressão
Vadmissão 4’’- Válvula para admissão de água do exterior.
VBP 2 ½’’
Vadmissão 4’’
VAP 1’’
B1
B2
B3
B1 - Painel de controle da bomba.
B2 - Alavanca seletora de (Alta e Baixa / Baixa ) pressão.
B3 - Nível de água.
NÍVEL ÁGUA (B3)
Existe, na traseira da viatura, um nível de água em acrílico que permite
confirmar facilmente o nível de água existente no tanque. Para cortar a água
para a zona do nível aquando de operações de manutenção, basta desligar a
válvula vermelha em baixo.
1.6
BOMBA GODIVA
• Admissão e expedições da bomba
VBP 2 ½’’
• Accionamento da bomba
1.7
1. Verificar se o ar do veículo está acima do mínimo.
2. Acionar a tomada de força da bomba de água.
3. Manter abertas as válvulas tanque/bomba e de retorno ao tanque.
• Trabalhar com as saídas da bomba
Selecionar se pretende trabalhar em alta ou baixa pressão, rodando a alavanca para a posição
pretendida. De seguida, abrir as saídas pretendidas e os respectivos passadores.
Alta e baixa pressão Baixa pressão
BOMBA GODIVA
1. Verificar se a bomba está a trabalhar em baixa pressão.
2. Fechar a válvula de retorno ao tanque.
3. Fechar a válvula tanque bomba.
4. Montar tubos de sucção, ralo e cesto na admissão da bomba.
5. Fechar todas as saídas.
6. Seguir o procedimento - Acionamento da bomba.
7. Acelerar.
8. Esperar que a água chegue à bomba. Esta operação está correta quando o vacuômetro se
aproxima da posição “zero” e o manômetro de baixa indica pressão.
9. Abrir as saídas desejadas.
• Sucção de água do exterior com a bomba
Nota: Quando a trabalhar em alta pressão, o valor da baixa pressão não deve
ultrapassar os 5 bar.
O valor no visor de LED pisca até à pressão da bomba atingir o valor designado.
A unidade de controle mantém a pressão em +/- 0.5 bars e automaticamente ajusta a rotação do
motor do veiculo através do sinal “Throttle+” and “Throttle-”. Estes sinais comunicam com o módulo do
equipamento de controle electrônico (ECM/EDC) do veículo.
Quando o tanque de água estiver vazio, o nível do tanque de água (TLG) envia o sinal “Tanque Vazio”
para a unidade de controlo. Isto origina que a unidade de controle vá gerar o “Throttle-”.
O sinal “Throttle-” mantém-se ativo 5 segundos após a pressão da bomba cair para 4 bars ou um
máximo de 20 segundos de princípio. Isto põe o motor em marcha lenta.
Se a regulação automática estiver desligada (On/Off), a unidade de controle ajusta as rotações do
motor do veículo para marcha lenta. Isto é feito seguindo o mesmo processo e descrição acima, no
caso de tanque vazio.
O botão PRESET é utilizado para memorizar o valor da pressão frequentemente utilizada, além de
recuperar esse valor apenas com um toque.
Memorizar o valor de pressão frequentemente utilizado ou alterar esse valor da memória.
- O regulador de pressão deve estar desligado (posição OFF). Carregue e segure o botão PRESET e
altere o valor no visor com o encoder, botão 2. Depois de libertar o botão PRESET, o valor está
memorizado. Este procedimento pode ser repetido a qualquer momento.
- Para recuperar o valor pressão memorizada:
Ligue o regulador com o botão ON/OFF e carregue no botão PRESET.
REGULADOR DE PRESSÃO
FUNÇÃO DA MEMÓRIA PRESET
PRESSURE GOVERNOR 4-20 bar
BAR x 100kPa
+
SET
VALUE
1. Pressione e segure
2. Ajuste com o encoder
1.
2.
PRESSURE GOVERNOR 4-20 bar
BAR x 100kPa
+
SET
VALUE
2.1.
1. Ligue o regulador
2. Carregue no botão PRESET
1.8
Ligue o regulador automático com o botão ON/OFF (botão vermelho
localizado na frente do painel).
Isto vai fazer com que a pressão aumente para os 4 bar. A pressão pode
consequentemente ser ajustada para o valor desejado usando o encoder em
incrementos de 1 bar. O máximo é 16 bar. O valor inicial é 4 bar.
1.4 - Regulador de pressão
PRESSURE GOVERNOR 4-20 bar
BAR x 100kPa
+
SET
VALUE
PRESSURE GOVERNOR 4-20 bar
BAR x 100kPa
+
SET
VALUE
PRESSURE GOVERNOR 4-20 bar
BAR x 100kPa
+
SET
VALUE
Mensagem“SE” a piscar
(erro do sensor)
‐ Sinal inexistente no sensor
de pressão.
‐ Sensor de pressão não
detectado na unidade de
controle.
‐ Sensor de pressão não
conectado.
‐ Cabo do sensor/conector com
defeitos.
‐ Sensor de pressão com defeitos.
Mensagem “OL” a piscar
(Sobrecarga)
‐ Voltagem muito alta na
saída do sensor de pressão.
‐ Sobpressão no sensor de
pressão (>20 bars).
‐ Sensor de pressão com defeitos.
‐ Voltagem de abastecimento
muito baixa (<22V).
Mensagem “EE” a piscar
(erro eprom)
‐ Controlador não está
calibrado ou a calibração está
incorreta.
‐ Regulador de pressão não tem
valor de referência.
‐ Procedimento de calibração
efetuado com um
cabo/conector do sensor
danificado; sensor de pressão
com defeitos ou o sensor não
estava conectado.
‐ O mesmo valor para 3 e 7 bar
(calibração incorreta).
Existem códigos de diagnóstico que incorporam o equipamento. Esses códigos de diagnóstico irão
ajudar nos processos relacionados com problemas.
Visor Problema Causa possível
REGULADOR DE PRESSÃO
• Diagnóstico
1.9
Existem códigos de mensagens que incorporam o equipamento. Esses códigos irão ajudar-nos nos
processos relacionados com problemas.
PRESSURE GOVERNOR 4-20 bar
BARx 100kPa
+
SET
VALUE
PRESSURE GOVERNOR 4-20 bar
BAR x 100kPa
+
SET
VALUE
PRESSURE GOVERNOR 4-20 bar
BAR x 100kPa
+
SET
VALUE
PRESSURE GOVERNOR 4-20 bar
BAR x 100kPa
+
SET
VALUE
Sinal (-) a piscar
C1 - Condição 1
‐ Quando desligar o
computador, coloca o
motor em marcha lenta.
‐ Condição 1 está ativa. Isto
permite que o motor se
coloque em marcha lenta.
‐ O regulador de pressão está
desligado.
‐ Mais de 24 volts na entrada 10
do conector (C1).
‐ Sinal de pouca água do sensor
de nível do tanque.
C2 - Condição 2
C3 - Condição 3
‐ Condição 1 e 2 estão ativas.
Isto origina que o motor se
coloque em marcha lenta.
‐ Mais de 24 volts na entrada 11
do conector (C2).
‐ Mais de 24 volts na entrada 10 e
11 do conector (C1 e C2).
‐ Condição 2 está ativa. Isto
permite que o motor se
coloque em marcha lenta.
Visor Problema Causa possível
REGULADOR DE PRESSÃO
• Mensagens no visor
1.10
Para abastecer o tanque de água através da rede de hidrantes, deve ser ligada uma mangueira
nas entradas laterais, e esperar que a água saia pela tubagem de descarga.
O abastecimento do tanque de água através da rede de hidrantes, pode também ser efetuado
através da tampa superior do tanque, que está localizada na parte superior da viatura.
ABASTECIMENTO DOS TANQUES DE ÁGUA
Quando o abastecimento de água for efetuado pelas entradas laterais, a uma pressão superior a 3 bar a
tampa superior do tanque deve ser aberta .
ATENÇÃO
O abastecimento do tanque de água, pode ser efectuado de três formas:
• Entradas laterais
• Entrada superior
1.11
1.5 - Abastecimento dos tanques de água
• Sucção a partir de uma fonte exterior
Tanque principal
Tanque sistema
de proteção
Para abastecer o tanque de água com a bomba, deve ser seguido o procedimento descrito em
“Sucção de água do exterior com a bomba” e, em seguida, abrir-se a válvula de retorno ao
tanque ou montar-se uma mangueira da bomba a uma das entradas laterais do tanque.
1. Desbloquear o comando de segurança.
2. Retirar a mangueira.
3. Para recolher a mangueira, pressionar o interruptor existente no painel de controle da bomba.
4. No final da operação, travar de novo o comando de segurança.
CARRETEL COLLINS DE ALTA PRESSÃO
• Recolher a mangueira manualmente
1. Introduzir a manivela no orifício para o efeito.
2. Enrolar a mangueira.
3. Colocar o travão de segurança na posição de fechado.
• Procedimento
1.12
1.6 - Carretel Collins de alta pressão
1.7 – Canhão monitor
Na parte superior do veículo, está instalado um canhão monitor Elkhart Sidewinder® que pode
ser controlado através do joystick da cabine ou do comando que se encontra no cofre traseiro
do veículo.
1.13
CANHÃO MONITOR
Procedimento
1. Acionar a tomada de força da bomba de água.
2. Abrir a válvula de água do monitor.
3. Operar com o joystick ou com o comando de controle.
• Joystick e comando de controle permitem controlar
os movimentos de rotação vertical e horizontal do
monitor, padrão de saída da água (jato sólido ou
neblinado) e a válvula de água do monitor.
Joystick
Comando de controle
• Deslocamento horizontal até 334°.
• Deslocamento vertical de 135° (-45° até +90°).
156°
156°
Zona de atuação do monitor
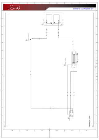
GUINCHO
1. Ligar o comando do guincho, na tomada, como indicado nas imagens.
2. Seguir o manual do fabricante.
1.8 - Guincho
O comando do guincho deve
ser ligado a esta tomada.
Os procedimentos de operação e manutenção do guincho podem ser consultados no manual do fabricante.
ATENÇÃO
1.14
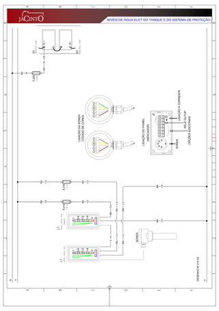
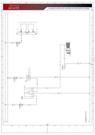
1.9 - Sistema de proteção
SISTEMA DE PROTEÇÃO
1.15
Bicos aspersores de proteção dos pneusBicos aspersores de proteção da cabine
A viatura está equipada com um sistema de proteção contra chamas e calor.
A água utilizada na alimentação do sistema de proteção é proveniente de um reservatório de
emergência unicamente destinado a este fim.
O sistema de proteção é formado por dois circuitos independentes. Um desses circuitos protege
a cabine e é acionado por uma bomba elétrica. O outro circuito protege os pneus, o
carroçamento e a parte frontal da viatura e é alimentado pela bomba de incêndios (em baixa
pressão), sendo por isso necessário acionar a PTO para que este funcione.
Localização dos bicos aspersores ao longo da viatura
Se for necessário elevar a cabine do veículo, as conexões storz que fazem as ligações do circuito
hidráulico de proteção aos pneus e cabine devem ser separadas.
Atenção
Manual de
manutenção
SEÇÃOII
2
• Lubrificação da bomba
Cada 12 meses
BOMBA GODIVA
Cada mês
Verificar o nível de óleo da caixa de rolamentos.
Quantidade: 1 litro
Óleo SAE 15W/40
ou SAE 10W/40
Substituir o óleo da caixa de rolamentos.
2.1
2.1 - Bomba Godiva
• Limpeza da bomba
Deve proceder-se à limpeza da bomba, fazendo-a girar com água limpa, evitando assim a
formação de depósitos e incrustações danosas ao seu bom funcionamento.
Em particular, durante o inverno, é necessário esvaziar completamente a água da bomba e
tubulações, para evitar a formação de gelo e consequente ocorrência de fissuras. O
esvaziamento da bomba pode ser efetuado através da válvula indicada na figura e que está
localizada na parte inferior deste equipamento.
Após cada utilização
Dreno de águaDreno de óleoDreno de água
• Outras ações requeridas
Mensalmente
Teste em vácuo.
Teste em pressão - para localizar fugas.
Retirar o filtro de alta pressão e limpá-lo com água limpa.
2.2
Nota: Se o ambiente de trabalho for muito duro, os períodos mencionados podem ter de ser menores.
BOMBA GODIVA
Quando a operação de sucção da água introduzir impurezas, os filtros devem ser limpos com água
limpa.
ATENÇÃO
Filtro de alta pressão
TRANSMISSÕES
• Transmissões
2.2 - Transmissões
Semestralmente
Aplicar graxa nos pontos de lubrificação.
Graxa de lubrificação adónia MO 2
Nota: Se o ambiente de trabalho for muito duro, os períodos mencionados podem ter de ser menores.
A cada 300 horas de serviço
Verificar o aperto das transmissões.
2.3
Bomba Godiva P2A-3010
Tomada de Força
Filtro de água do sistema de proteção
No início da operação com o equipamento
Verificar o nível do óleo no copo de lubrificação e, se necessário acrescentar.
• Circuito de ar
• Sistema de proteção
Regularmente
Retirar o filtro de água do sistema de proteção da cabine e lavá-lo com água limpa.
2.3 - Circuito de ar e Sistema de proteção
CIRCUITO DE AR E SISTEMA DE PROTEÇÃO
Óleo 10
2.4
Projeto de
equipamentos
SEÇÃOIII
3
Designação Qtd Ref Jacinto
Cofre 1
Bomba elétrica Tellarini TEL 524 1 MISHPEELE0023
Ficha Auto Eject 230 V 1 MISEVITOM0001
Calço de rodas 1 MISCHSCAL0001
Suporte para calço de rodas 1 MISCHSSUP0001
Depósito de combustível original SCANIA 1 ----
Cofre 2
Depósito AdBlue original SCANIA 1 ----
Calço de rodas 1 MISCHSCAL0001
Suporte para calço de rodas 1 MISCHSSUP0001
Cofre 3
Suporte em aço inox para esguicho de 1’’ 1 ----
Suporte em aço inox para esguicho de 1 ½’’ 1 ----
Suporte em aço inox para divisor 2 ½’’ x 1 ½’’ x 1 ½’’ 1 ----
Suporte em aço inox para divisor 1 ½’’ x 1’’ x 1’’ 1 ----
Cofre 4
Suporte em aço inox para esguicho de 1’’ 1 ----
Suporte em aço inox para esguicho de 1 ½’’ 1 ----
Suporte em aço inox para divisor 2 ½’’ x 1 ½’’ x 1 ½’’ 1 ----
Suporte em aço inox para divisor 1 ½’’ x 1’’ x 1’’ 1 ----
Lista Planta 0 - Equipamento - ABTF
Designação Qtd Ref Jacinto
Cabine frontal
Painel de controle dos sinalizadores 1 MISEVICON0030
Cabine traseira
Suporte p/ EPR HoBostrom 4 MISPROSUP0020
Cofre 1
Tabuleiro em aço inox 1100 x 500 x 70 1 MISACATAB0003
Cofre 2
Tabuleiro em aço inox 1100 x 500 x 70 1 MISACATAB0003
Cofre 3
Estante p/ 4 lances de mangueira de 1”, 3 lances de 1 ½’’ e
2 lances de 2 ½’’
1 ----
Cofre 4
Estante p/ 4 lances de mangueira de 1”, 3 lances de 1 ½’’ e
2 lances de 2 ½’’
1 ----
Cofre 5
Bomba Godiva P2A-3010 1 MISHPEBOM0045
Suporte p/redução 2 ½’’ x 1 ½’’ 3 MISHPEFIX0001
Lista Planta 1 - Equipamento - ABTF
Designação Qtd Ref Jacinto
Cabine frontal
Rádio transceptor Motorola PRO5100 1 MISEVIRAD0024
Amplificador AS-320 100W 24V c/ PA 1 MISEVIAMP0009
Cabine traseira
Cabides p/ equipamento de proteção individual 5 ----
Cofre 1
Carregador de baterias ACCTIVA TWIN 15A 1 MISEVICAR0024
Quadro de disjuntores elétricos 1 MISEVIQUA0001
Cofre 3
Prateleira em aço inox 1015 x 510 x 50 1 ----
Cofre 4
Prateleira em aço inox 1015 x 510 x 50 1 ----
Cofre 5
Carretel Collins HR47 para mangote 1 MISHPECAR0067
Lance de 60 mts de mangote de borracha Φ 25,4 mm 1 MISHPEMAN0111
Esguicho 1” tipo pistola AWG 1 MISHPEAGU0035
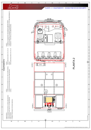
Lista Planta 2 - Equipamento - ABTF
Designação Qtd Ref Jacinto
Barra sinalizadora VAMA PXS5/15 Led’s vermelha 1800mm 1 MISEVIBAR0030
Luz vermelha LD116 4 MISEVIFOC0039
Guincho elétrico Superwinch Talon 18.0 1 MISSOCGUI0022
Grade frontal 1 MISCHSPRO0024
Projetor frontal Φ200 mm 1 MISEVIFAR0002
Projetor traseiro Φ130 mm 2 MISEVIFAR0004
Refletivo 4 MISEVIFAR0086
Sinaleira limitora da carroçaria 2 MISEVIFAR0016
Cúpula LP800 vermelha 2 MISEVIBAL0015
Monitor Elkhart Sidewinder 1 MISHPEMON0020
Proteção tipo “Santo Antônio” à cabine 1 MISCHSROL0011
Guincho para pneu de reserva 1 MISSOCGUI0024
Suporte para escada prolongável 2 ----
Escada em aço inox acesso à parte superior da carroçaria 1 MISSOCESC0040
Pára-choques traseiro rebatível 1 MISCHSPCH0019
Engate de reboque original SCANIA 1 ----
Caixa alumínio para abafadores 2935 x 440 x 245 1 MISACATAB0001
Caixa alumínio para mangote 1 ----
Lista Planta 3 - Equipamento - ABTF
Esquemas
elétricos
SEÇÃOIV
4
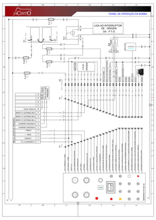
S1S2S3S4S5S6S7S8S1S2
----------
GND--------GNDGND--GND
*3*3
BATBATBATBAT
RESET
PROG
PROG
*1*2--*2
F1-Fichadealimentação75A(vermelha)F4-FichaCOM(PR10-BUS-CP7M)*1-Interligaçãoentreoteclado
+12VDC-BAT-fiosvermelhos1
Extensãofornecida
tátilCP7MeaplacaPR10
-Massa-GND-fiospretos2BUS
3Com15metrosdecomprimento*2-Interligaçãoentreaplaca
F2-Fichadesaídas(S1aS8-PR10)4BUSPR10eaplacaPR2
1Rotativos/Barra-fiolaranja
2IluminaçãodePerímetroBarra-fiolaranjaF5-Fichadeentradasdesinais(+/-)*3-
31Chave/CortedeCorrente-fiovermelho(+)
4ProjetorFrontal-fiovermelho2Bombaengrenada-fiopreto(+)
5ProjetorTraseiro-fiovermelho3Mínimos-fioamarelo(+)
6IluminaçãodePerímetroDireito-fioverde4Freio-de-mão-fiocastanho(-)
7Sirene-mudançadetons-fiovermelho5Cofreaberto-fioverde(-)
S/N:C018009000243
8RotativosTraseiros-fiovermelho6Bombaengrenada-fiopreto(-)
7Mastroelevado-fiobranco(-)
JACINTO,Lda
F3-Fichadesaídas(S1eS2-PR2)8Patimaberto-fioverde/amarelo(-)
1IluminaçãoCofres-fiovermelho
2IluminaçãoPerímetroEsquerdo-fioverdeF6-Fichadeentradasdesinaisextra(+/-)
1220V-fiovermelho/preto(-)
ABTF
2220V-fiovermelho(+)
F
1
QuadroEletrônicoGeral
F
1
5
A
F
1
5
A
F
1
0
A
F
2
0
A
F
2
0
A
F
1
5
A
F
3
A
F
1
0
A
F
1
0
A
F
1
5
A
F
2
F
3
RELÉ1
Rotativos
RELÉ2
Ilum.Barra
RELÉ3
EstrobesF.
RELÉ4
ProjectorF.
RELÉ5
ProjectorT.
RELÉ6
Ilum.
PerímetroD.
RELÉ7
Sirene
RELÉ8
RotativosT.
RELÉ9
Ilum.Cofres
RELÉ10
Ilum.
PerímetroE.
F
4
PR10-Firmware-VUCI12PR2-S-Firmware-v1.2
F
5INPUTS+(8)/-(8)
F
6
Vin+
Vin-
Diodosdeproteção1V5KE30A
EstrobesFrontal-fiovermelho
JAElectrónica,Lda
QuadroEletrônicoGeraldaViatura
COFRE2-750TANQUE-1800COFRE4-1100
IALIAL
2xIM+STLDISCIM+CR
STLD+STTD+ISP+ISC+2xIM+ROT
STLE+STTE+ISC+ISP+2xIM+IAT+PT
2xIM+ISC+STLEIM+ISC
IALIAL
COFRE1-750TANQUE-1800COFRE3-1100
TOTALCOMPRIMENTO3650
CBD-CablagemDireitacom6metrosdecomprimentoextra
LED'sCofresLED'sCofres
T
O
T
A
L
L
A
R
G
U
R
A
2
4
5
0
C
A
B
I
N
E
C
O
F
R
E
5
-
1
0
6
0
L
E
D
'
s
C
o
f
r
e
s
JAElectrónica,Lda-PlantaViaturaABFT
LED'sCofresLED'sCofres
CBE-CablagemEsquerdacom6metrosdecomprimentoextra
ISC1/2,00metrosISC1,00metro
IAL/IAT1/2,00metrosIAL/IAT1,00metro
ABFT
ISP4,00metrosISP4,00metrosISCIluminação/SensorCofreMassaLinhanegativa
ISPIluminação/SensorPatimPT
STTE1,50metros
IALIluminaçãodeÁreaLateralROTRotativoAuxiliar
STTD1,50metroIATIluminaçãodeÁreaTraseiraCRColunadeRádio
STTEMTMastro
STTDLED
STLD1,00metroSTLE
STLD
IM1/3,00metros
IMIluminaçãodeMínimos
IM1/3,00metros
CablagemEsquerdaCablagemDireita
LED1,00metrosLED1,00metros
STLE1,00metro
-
ROT2,00metros
CR3,00metros
MASSA2,00metrosMASSA2,00metros
PT2,00metros-
TOTAL16CONDUTORESTOTAL18CONDUTORES
Preto1,00mm2
JAElectrónica,Lda–LEGENDA
Preto1,00mm2
Vermelho1,00mm2
Vermelho1,00mm2
Verde0,75mm2
Verde0,75mm2
Preto1,50mm2
Preto1,50mm2
Verde1,50mm2
Verde1,50mm2
Preto1,00mm2
Preto1,00mm2
Vermelho1,00mm2
Vermelho1,00mm2
Verde/Amarelo0,75mm2
ProjectorTraseiroVerde/Amarelo0,75mm2
Preto0,75mm2
Preto0,75mm2
Vermelho0,75mm2
Vermelho0,75mm2
Branco0,75mm2
EstrobeTraseiroEsquerdoBranco0,75mm2
EstrobeTraseiroDireitoLed'sCofres/PatinsPreto0,75mm2
EstrobeLateralEsquerdoVermelho0,75mm2
EstrobeLateralDireitoBranco0,75mm2
Preto1,00mm2
Preto1,00mm2
Amarelo1,00mm2
Amarelo1,00mm2
CaboAudio2x0,75mm2
Cabo2x0,75mm2
Preto0,75mm2
Vermelho0,75mm2
Laranja1,50mm2
Branco0,75mm2
CaboAudio2x0,75mm2
Preto2,50mm2
Preto2,50mm2
Vermelho2,50mm2
3Estrobe-9fios-Vermelho+Preto+Branco0,75mm2
3Estrobes-9fios-Vermelho+Preto+Branco0,75mm2
3FocosdeIlum.dePerímetro-1fio-Verde1,50mm2
2FocosdeIlum.dePerímetro-1fio-Verde1,50mm2
RotativoTraseiroAUX-1fios-Laranja1,50mm2
4IluminaçõesdeCofres/Patins-1fio-Vermelho1,00mm2
3IluminaçõesdeCofres/Patins-1fio-Vermelho1,00mm2
3SensoresdeCofres-1fio-Verde0,75mm2
2SensoresdeCofres-1fio-Verde0,75mm2
1SensordePatim-1fio-Verde/Amarelo0,75mm2
1SensordePatim-1fio-Verde/Amarelo0,75mm2
5IluminaçõesMínimos-1fio-Amarelo1,00mm2
5IluminaçõesMínimos-1fio-Amarelo1,00mm2
MASSA-1fio-Preto2,5mm2
MASSA-1fio-Preto2,5mm2
1ProjetorTraseiro-1fio-Vermelho2,5mm2AltoFalante-2fios-Vermelho+Vermelho/Preto2x0,75mm2
Esquemas
hidráulicos
SEÇÃOV
5
ID Designação Qtd Ref Jacinto
1 Bomba Godiva P2A-3010 1 MISHPEBOM0045
2 Válvula borboleta 5’’ com atuador pneumático 1 MISHPEVAL0072
3 Filtro do tanque 1 ----
4 Válvula eletropneumática PN64 1’’ DA-050 2 MISHPEVAL0014
5 Válvula esférica P TOT 51-2’’ 1 MISHPEVAL0038
6 Válvula retenção 2 ½’’ 2 MISHPEVAL0064
7 Tubo ladrão de água 0,34 mts 2 MISHPETUB0131
8 Nível de água ----
Joelho inox 304 MF ½’’ 1 MISHPEJOE0047
Joelho níquel 18 x ½’’ F 1 MISHPEJOE0092
O-ring 16x3 Nitril 4 MISHPEORR0025
Tubo vidro acrílico transparente 16 mm 1 MISHPETUB0164
União níquel 18 x ½’’ F bicone 1 MISHPEUNI0052
9 Carretel Collins HR47 para mangote 1 MISHPECAR0067
10 Válvula eletropneumática PN64 2’’ ½ DA-200 1 MISHPEVAL0019
11 Canhão monitor Elkhart Sidewinder 1 MISHPEMON0020
12 Válvula esférica PN64 1’’ 1 MISHPEVAL0049
13 Válvula manual expedição original Godiva 4 ----
14 Válvula manual borboleta TTV DN100 4’’ 1 MISHPEVAL0031
Lista Esquema Hidráulico - ABTF
ID Designação Qtd Ref Jacinto
1 Bomba Godiva P2A-3010 1 MISHPEBOM0045
2 Tanque de água 1 ----
3 Bomba elétrica Tellarini TEL524 1 MISHPEELE0023
4 Válvula eletropneumática PN64 1’’ DA-050 1 MISHPEVAL0014
5 Bico aspersor 28 MISHPEDIF0001
Lista Esquema Sistema de Proteção Cabine e Pneus - ABTF
Anexos
SEÇÃOVI
6
ID Designação
1 Eletroválvula do Sistema de proteção da cabine
2 Eletroválvula do Sistema de proteção dos pneus e carroçamento
3 Eletroválvula do Retorno ao tanque
4 Eletroválvula do Carretel de alta pressão
5 Eletroválvula do Canhão monitor
6 Eletroválvula Tanque - bomba
Eletroválvulas - ABTF
No cofre traseiro do veículo, do lado esquerdo, encontram-se os comandos de controle das
eletroválvulas instaladas, juntamente com uma placa identificativa das mesmas.
MANUAL DO ABTF - SCANIA
MANUAL DO ABTF - SCANIA
MANUAL DO ABTF - SCANIA
MANUAL DO ABTF - SCANIA
MANUAL DO ABTF - SCANIA
MANUAL DO ABTF - SCANIA
MANUAL DO ABTF - SCANIA
MANUAL DO ABTF - SCANIA

MANUAL DO ABTF - SCANIA

  • 1.
    AUTO BOMBA TANQUEFLORESTAL Manual de operação e manutenção SCANIA P360 4X4Jacinto Marques de Oliveira, Sucrs, Lda
  • 2.
    • Este manualdeve ser lido, antes de efetuar qualquer operação com o veículo. • Antes de operar com o veículo, verificar sempre a operacionalidade e bom funcionamento do mesmo. • Todas as operações de manutenção correspondentes ao motor, caixa de velocidades e diferencial devem ser realizadas segundo as instruções que constam do manual da marca. • Não projetar água diretamente para os quadros elétricos. • Se for necessário elevar a cabine do veículo, as conexões storz, que fazem as ligações do circuito hidráulico de proteção aos pneus e cabine, devem ser separadas e a grade frontal de proteção deve ser rebaixada. Avisos • O movimento de abertura da escada de acesso à parte superior do veículo, deve ser efectuado com a escada segura na mão. i
  • 3.
    Índice Seção I –Manual de operação 1.1 - Componentes elétricos 1.2 - Comandos na cabine 1.3 - Bomba Godiva 1.4 - Regulador de pressão 1.5 - Abastecimento dos tanques de água 1.6 - Carretel Collins de alta pressão 1.7 - Canhão monitor 1.8 - Guincho 1.9 - Sistema de proteção Seção II – Manual de manutenção 2.1 - Bomba Godiva 2.2 - Transmissões 2.3 - Circuito de ar e Sistema de proteção Seção III - Projeto de equipamentos Seção IV - Esquemas elétricos Seção V - Esquemas hidráulicos Seção VI - Anexos Pag 1 1.1 1.2 1.5 1.8 1.11 1.12 1.13 1.14 1.15 2 2.1 2.3 2.4 3 4 5 6 ii
  • 4.
  • 5.
    Quando o veículoestá desligado em parque, deve ter a ficha “AUTO EJECT” ligada a uma tomada de corrente com uma potência de energia de 230V, sempre com o corta corrente ativado. Quando se coloca o veículo em funcionamento, a ficha é expulsa automaticamente da ligação na carroçaria. • Ficha AUTO-EJECT • Carregador de baterias e Quadro de interruptores COMPONENTES ELÉTRICOS 1.1 1.1 - Componentes elétricos • Corta corrente O corta corrente está localizado junto dos degraus de acesso da parte traseira da cabine. Carregador de baterias Quadro de interruptores Geral Carregador baterias O carregador de baterias e o quadro de interruptores estão localizados no interior dos compartimentos dianteiros.
  • 6.
    COMANDOS NA CABINE •Painel de comandos 1.2 - Comandos na cabine 1.2 10 Luz piloto de corta corrente ligado Luz piloto de cofres abertos Luz piloto de bomba em funcionamento Barra sinalizadora Iluminação frontal e lateral da barra Luzes laterais + Cúpulas intermitentes Projetor frontal Projetores traseiros Alteração de toques da sirene Sistema de proteção da cabine Sistema de proteção dos pneus Sirene a ar Tomada de força 1 2 3 4 5 6 7 8 9 10 11 13 12 barra sinalizadora Iluminação da barra projetor frontal luzes laterais cúpulas projetor traseiro sireneIluminação perímetro cofres mastro bomba patim 6 7 9 1 2 3 4 5 8 11 12 13
  • 7.
    COMANDOS NA CABINE •Sirene e alto falante O comando de controle da sirene e alto falante, está localizado no interior da cabine. Seguidamente é apresentado o procedimento de utilização deste procedimento. • Rádio de comunicação O rádio de comunicação (Motorola PRO5100) está localizado ao centro da cabine. 1.3 O botão inferior permite ligar/desligar a sirene. A posição intermediária do botão superior activa um toque de tom contínuo da sirene. A posição mais à direita do botão superior ativa a função de alto falante. Pressionando o botão do microfone permite falar para o exterior da cabine. O botão de ajuste do volume do microfone encontra-se do lado esquerdo do comando. O botão de ativação do microfone encontra-se do lado direito do comando. Na posição mais à esquerda do botão superior a sirene alterna entre três tons distintos.
  • 8.
    • Sistema detração e bloqueios Bloqueio do diferencial central. Bloqueio dos diferenciais central e traseiro. Bloqueio dos diferenciais central, traseiro e dianteiro. 1 2 3 COMANDOS NA CABINE 1.4 1 2 3 4 5 Desengate das rodas motrizes. Velocidade baixa na caixa de transferência. 4 5
  • 9.
    BOMBA GODIVA 1.3 -Bomba Godiva 1.5 P1 P2 P3 P4 P5 P6 P7 P8 P9 P10 P11 P12 P13 P14 P1 - Manômetro de alta pressão P2 - Tacômetro do motor / Horímetro da bomba P3 - Manômetro de baixa pressão P4 - Vacuômetro P5 - Stop - Paragem de emergência P6 - Nível de água P7 - Temperatura da água do motor P8 - Regulador automático de pressão P9 - Lâmpada vigia de avarias diversas P10 - Acelerador P11 - Lâmpada vigia de PTO ligada P12 - Lâmpada vigia de bomba de escorva em funcionamento P13 - Bomba de escorva P14 - Sistema de proteção da cabine P15 - Sinal acústico do nível de água P16 - Iluminação do painel P17 - Sistema de proteção dos pneus P18 - Válvula tanque-bomba P19 - Válvula de retorno ao tanque P20 - Carretel de alta pressão P21 - Enrolamento do carretel de alta pressão P21P20P19P18 P17P16P15 • Painel de controle da bomba
  • 10.
    VBP 2 ½’’- Válvula de saída de água em baixa pressão. VAP 1’’ - Válvula de saída de água em alta pressão Vadmissão 4’’- Válvula para admissão de água do exterior. VBP 2 ½’’ Vadmissão 4’’ VAP 1’’ B1 B2 B3 B1 - Painel de controle da bomba. B2 - Alavanca seletora de (Alta e Baixa / Baixa ) pressão. B3 - Nível de água. NÍVEL ÁGUA (B3) Existe, na traseira da viatura, um nível de água em acrílico que permite confirmar facilmente o nível de água existente no tanque. Para cortar a água para a zona do nível aquando de operações de manutenção, basta desligar a válvula vermelha em baixo. 1.6 BOMBA GODIVA • Admissão e expedições da bomba VBP 2 ½’’
  • 11.
    • Accionamento dabomba 1.7 1. Verificar se o ar do veículo está acima do mínimo. 2. Acionar a tomada de força da bomba de água. 3. Manter abertas as válvulas tanque/bomba e de retorno ao tanque. • Trabalhar com as saídas da bomba Selecionar se pretende trabalhar em alta ou baixa pressão, rodando a alavanca para a posição pretendida. De seguida, abrir as saídas pretendidas e os respectivos passadores. Alta e baixa pressão Baixa pressão BOMBA GODIVA 1. Verificar se a bomba está a trabalhar em baixa pressão. 2. Fechar a válvula de retorno ao tanque. 3. Fechar a válvula tanque bomba. 4. Montar tubos de sucção, ralo e cesto na admissão da bomba. 5. Fechar todas as saídas. 6. Seguir o procedimento - Acionamento da bomba. 7. Acelerar. 8. Esperar que a água chegue à bomba. Esta operação está correta quando o vacuômetro se aproxima da posição “zero” e o manômetro de baixa indica pressão. 9. Abrir as saídas desejadas. • Sucção de água do exterior com a bomba Nota: Quando a trabalhar em alta pressão, o valor da baixa pressão não deve ultrapassar os 5 bar.
  • 12.
    O valor novisor de LED pisca até à pressão da bomba atingir o valor designado. A unidade de controle mantém a pressão em +/- 0.5 bars e automaticamente ajusta a rotação do motor do veiculo através do sinal “Throttle+” and “Throttle-”. Estes sinais comunicam com o módulo do equipamento de controle electrônico (ECM/EDC) do veículo. Quando o tanque de água estiver vazio, o nível do tanque de água (TLG) envia o sinal “Tanque Vazio” para a unidade de controlo. Isto origina que a unidade de controle vá gerar o “Throttle-”. O sinal “Throttle-” mantém-se ativo 5 segundos após a pressão da bomba cair para 4 bars ou um máximo de 20 segundos de princípio. Isto põe o motor em marcha lenta. Se a regulação automática estiver desligada (On/Off), a unidade de controle ajusta as rotações do motor do veículo para marcha lenta. Isto é feito seguindo o mesmo processo e descrição acima, no caso de tanque vazio. O botão PRESET é utilizado para memorizar o valor da pressão frequentemente utilizada, além de recuperar esse valor apenas com um toque. Memorizar o valor de pressão frequentemente utilizado ou alterar esse valor da memória. - O regulador de pressão deve estar desligado (posição OFF). Carregue e segure o botão PRESET e altere o valor no visor com o encoder, botão 2. Depois de libertar o botão PRESET, o valor está memorizado. Este procedimento pode ser repetido a qualquer momento. - Para recuperar o valor pressão memorizada: Ligue o regulador com o botão ON/OFF e carregue no botão PRESET. REGULADOR DE PRESSÃO FUNÇÃO DA MEMÓRIA PRESET PRESSURE GOVERNOR 4-20 bar BAR x 100kPa + SET VALUE 1. Pressione e segure 2. Ajuste com o encoder 1. 2. PRESSURE GOVERNOR 4-20 bar BAR x 100kPa + SET VALUE 2.1. 1. Ligue o regulador 2. Carregue no botão PRESET 1.8 Ligue o regulador automático com o botão ON/OFF (botão vermelho localizado na frente do painel). Isto vai fazer com que a pressão aumente para os 4 bar. A pressão pode consequentemente ser ajustada para o valor desejado usando o encoder em incrementos de 1 bar. O máximo é 16 bar. O valor inicial é 4 bar. 1.4 - Regulador de pressão
  • 13.
    PRESSURE GOVERNOR 4-20bar BAR x 100kPa + SET VALUE PRESSURE GOVERNOR 4-20 bar BAR x 100kPa + SET VALUE PRESSURE GOVERNOR 4-20 bar BAR x 100kPa + SET VALUE Mensagem“SE” a piscar (erro do sensor) ‐ Sinal inexistente no sensor de pressão. ‐ Sensor de pressão não detectado na unidade de controle. ‐ Sensor de pressão não conectado. ‐ Cabo do sensor/conector com defeitos. ‐ Sensor de pressão com defeitos. Mensagem “OL” a piscar (Sobrecarga) ‐ Voltagem muito alta na saída do sensor de pressão. ‐ Sobpressão no sensor de pressão (>20 bars). ‐ Sensor de pressão com defeitos. ‐ Voltagem de abastecimento muito baixa (<22V). Mensagem “EE” a piscar (erro eprom) ‐ Controlador não está calibrado ou a calibração está incorreta. ‐ Regulador de pressão não tem valor de referência. ‐ Procedimento de calibração efetuado com um cabo/conector do sensor danificado; sensor de pressão com defeitos ou o sensor não estava conectado. ‐ O mesmo valor para 3 e 7 bar (calibração incorreta). Existem códigos de diagnóstico que incorporam o equipamento. Esses códigos de diagnóstico irão ajudar nos processos relacionados com problemas. Visor Problema Causa possível REGULADOR DE PRESSÃO • Diagnóstico 1.9
  • 14.
    Existem códigos demensagens que incorporam o equipamento. Esses códigos irão ajudar-nos nos processos relacionados com problemas. PRESSURE GOVERNOR 4-20 bar BARx 100kPa + SET VALUE PRESSURE GOVERNOR 4-20 bar BAR x 100kPa + SET VALUE PRESSURE GOVERNOR 4-20 bar BAR x 100kPa + SET VALUE PRESSURE GOVERNOR 4-20 bar BAR x 100kPa + SET VALUE Sinal (-) a piscar C1 - Condição 1 ‐ Quando desligar o computador, coloca o motor em marcha lenta. ‐ Condição 1 está ativa. Isto permite que o motor se coloque em marcha lenta. ‐ O regulador de pressão está desligado. ‐ Mais de 24 volts na entrada 10 do conector (C1). ‐ Sinal de pouca água do sensor de nível do tanque. C2 - Condição 2 C3 - Condição 3 ‐ Condição 1 e 2 estão ativas. Isto origina que o motor se coloque em marcha lenta. ‐ Mais de 24 volts na entrada 11 do conector (C2). ‐ Mais de 24 volts na entrada 10 e 11 do conector (C1 e C2). ‐ Condição 2 está ativa. Isto permite que o motor se coloque em marcha lenta. Visor Problema Causa possível REGULADOR DE PRESSÃO • Mensagens no visor 1.10
  • 15.
    Para abastecer otanque de água através da rede de hidrantes, deve ser ligada uma mangueira nas entradas laterais, e esperar que a água saia pela tubagem de descarga. O abastecimento do tanque de água através da rede de hidrantes, pode também ser efetuado através da tampa superior do tanque, que está localizada na parte superior da viatura. ABASTECIMENTO DOS TANQUES DE ÁGUA Quando o abastecimento de água for efetuado pelas entradas laterais, a uma pressão superior a 3 bar a tampa superior do tanque deve ser aberta . ATENÇÃO O abastecimento do tanque de água, pode ser efectuado de três formas: • Entradas laterais • Entrada superior 1.11 1.5 - Abastecimento dos tanques de água • Sucção a partir de uma fonte exterior Tanque principal Tanque sistema de proteção Para abastecer o tanque de água com a bomba, deve ser seguido o procedimento descrito em “Sucção de água do exterior com a bomba” e, em seguida, abrir-se a válvula de retorno ao tanque ou montar-se uma mangueira da bomba a uma das entradas laterais do tanque.
  • 16.
    1. Desbloquear ocomando de segurança. 2. Retirar a mangueira. 3. Para recolher a mangueira, pressionar o interruptor existente no painel de controle da bomba. 4. No final da operação, travar de novo o comando de segurança. CARRETEL COLLINS DE ALTA PRESSÃO • Recolher a mangueira manualmente 1. Introduzir a manivela no orifício para o efeito. 2. Enrolar a mangueira. 3. Colocar o travão de segurança na posição de fechado. • Procedimento 1.12 1.6 - Carretel Collins de alta pressão
  • 17.
    1.7 – Canhãomonitor Na parte superior do veículo, está instalado um canhão monitor Elkhart Sidewinder® que pode ser controlado através do joystick da cabine ou do comando que se encontra no cofre traseiro do veículo. 1.13 CANHÃO MONITOR Procedimento 1. Acionar a tomada de força da bomba de água. 2. Abrir a válvula de água do monitor. 3. Operar com o joystick ou com o comando de controle. • Joystick e comando de controle permitem controlar os movimentos de rotação vertical e horizontal do monitor, padrão de saída da água (jato sólido ou neblinado) e a válvula de água do monitor. Joystick Comando de controle • Deslocamento horizontal até 334°. • Deslocamento vertical de 135° (-45° até +90°). 156° 156° Zona de atuação do monitor
  • 18.
    GUINCHO 1. Ligar ocomando do guincho, na tomada, como indicado nas imagens. 2. Seguir o manual do fabricante. 1.8 - Guincho O comando do guincho deve ser ligado a esta tomada. Os procedimentos de operação e manutenção do guincho podem ser consultados no manual do fabricante. ATENÇÃO 1.14
  • 19.
    1.9 - Sistemade proteção SISTEMA DE PROTEÇÃO 1.15 Bicos aspersores de proteção dos pneusBicos aspersores de proteção da cabine A viatura está equipada com um sistema de proteção contra chamas e calor. A água utilizada na alimentação do sistema de proteção é proveniente de um reservatório de emergência unicamente destinado a este fim. O sistema de proteção é formado por dois circuitos independentes. Um desses circuitos protege a cabine e é acionado por uma bomba elétrica. O outro circuito protege os pneus, o carroçamento e a parte frontal da viatura e é alimentado pela bomba de incêndios (em baixa pressão), sendo por isso necessário acionar a PTO para que este funcione. Localização dos bicos aspersores ao longo da viatura Se for necessário elevar a cabine do veículo, as conexões storz que fazem as ligações do circuito hidráulico de proteção aos pneus e cabine devem ser separadas. Atenção
  • 20.
  • 21.
    • Lubrificação dabomba Cada 12 meses BOMBA GODIVA Cada mês Verificar o nível de óleo da caixa de rolamentos. Quantidade: 1 litro Óleo SAE 15W/40 ou SAE 10W/40 Substituir o óleo da caixa de rolamentos. 2.1 2.1 - Bomba Godiva • Limpeza da bomba Deve proceder-se à limpeza da bomba, fazendo-a girar com água limpa, evitando assim a formação de depósitos e incrustações danosas ao seu bom funcionamento. Em particular, durante o inverno, é necessário esvaziar completamente a água da bomba e tubulações, para evitar a formação de gelo e consequente ocorrência de fissuras. O esvaziamento da bomba pode ser efetuado através da válvula indicada na figura e que está localizada na parte inferior deste equipamento. Após cada utilização Dreno de águaDreno de óleoDreno de água
  • 22.
    • Outras açõesrequeridas Mensalmente Teste em vácuo. Teste em pressão - para localizar fugas. Retirar o filtro de alta pressão e limpá-lo com água limpa. 2.2 Nota: Se o ambiente de trabalho for muito duro, os períodos mencionados podem ter de ser menores. BOMBA GODIVA Quando a operação de sucção da água introduzir impurezas, os filtros devem ser limpos com água limpa. ATENÇÃO Filtro de alta pressão
  • 23.
    TRANSMISSÕES • Transmissões 2.2 -Transmissões Semestralmente Aplicar graxa nos pontos de lubrificação. Graxa de lubrificação adónia MO 2 Nota: Se o ambiente de trabalho for muito duro, os períodos mencionados podem ter de ser menores. A cada 300 horas de serviço Verificar o aperto das transmissões. 2.3 Bomba Godiva P2A-3010 Tomada de Força
  • 24.
    Filtro de águado sistema de proteção No início da operação com o equipamento Verificar o nível do óleo no copo de lubrificação e, se necessário acrescentar. • Circuito de ar • Sistema de proteção Regularmente Retirar o filtro de água do sistema de proteção da cabine e lavá-lo com água limpa. 2.3 - Circuito de ar e Sistema de proteção CIRCUITO DE AR E SISTEMA DE PROTEÇÃO Óleo 10 2.4
  • 25.
  • 27.
    Designação Qtd RefJacinto Cofre 1 Bomba elétrica Tellarini TEL 524 1 MISHPEELE0023 Ficha Auto Eject 230 V 1 MISEVITOM0001 Calço de rodas 1 MISCHSCAL0001 Suporte para calço de rodas 1 MISCHSSUP0001 Depósito de combustível original SCANIA 1 ---- Cofre 2 Depósito AdBlue original SCANIA 1 ---- Calço de rodas 1 MISCHSCAL0001 Suporte para calço de rodas 1 MISCHSSUP0001 Cofre 3 Suporte em aço inox para esguicho de 1’’ 1 ---- Suporte em aço inox para esguicho de 1 ½’’ 1 ---- Suporte em aço inox para divisor 2 ½’’ x 1 ½’’ x 1 ½’’ 1 ---- Suporte em aço inox para divisor 1 ½’’ x 1’’ x 1’’ 1 ---- Cofre 4 Suporte em aço inox para esguicho de 1’’ 1 ---- Suporte em aço inox para esguicho de 1 ½’’ 1 ---- Suporte em aço inox para divisor 2 ½’’ x 1 ½’’ x 1 ½’’ 1 ---- Suporte em aço inox para divisor 1 ½’’ x 1’’ x 1’’ 1 ---- Lista Planta 0 - Equipamento - ABTF
  • 29.
    Designação Qtd RefJacinto Cabine frontal Painel de controle dos sinalizadores 1 MISEVICON0030 Cabine traseira Suporte p/ EPR HoBostrom 4 MISPROSUP0020 Cofre 1 Tabuleiro em aço inox 1100 x 500 x 70 1 MISACATAB0003 Cofre 2 Tabuleiro em aço inox 1100 x 500 x 70 1 MISACATAB0003 Cofre 3 Estante p/ 4 lances de mangueira de 1”, 3 lances de 1 ½’’ e 2 lances de 2 ½’’ 1 ---- Cofre 4 Estante p/ 4 lances de mangueira de 1”, 3 lances de 1 ½’’ e 2 lances de 2 ½’’ 1 ---- Cofre 5 Bomba Godiva P2A-3010 1 MISHPEBOM0045 Suporte p/redução 2 ½’’ x 1 ½’’ 3 MISHPEFIX0001 Lista Planta 1 - Equipamento - ABTF
  • 31.
    Designação Qtd RefJacinto Cabine frontal Rádio transceptor Motorola PRO5100 1 MISEVIRAD0024 Amplificador AS-320 100W 24V c/ PA 1 MISEVIAMP0009 Cabine traseira Cabides p/ equipamento de proteção individual 5 ---- Cofre 1 Carregador de baterias ACCTIVA TWIN 15A 1 MISEVICAR0024 Quadro de disjuntores elétricos 1 MISEVIQUA0001 Cofre 3 Prateleira em aço inox 1015 x 510 x 50 1 ---- Cofre 4 Prateleira em aço inox 1015 x 510 x 50 1 ---- Cofre 5 Carretel Collins HR47 para mangote 1 MISHPECAR0067 Lance de 60 mts de mangote de borracha Φ 25,4 mm 1 MISHPEMAN0111 Esguicho 1” tipo pistola AWG 1 MISHPEAGU0035 Lista Planta 2 - Equipamento - ABTF
  • 33.
    Designação Qtd RefJacinto Barra sinalizadora VAMA PXS5/15 Led’s vermelha 1800mm 1 MISEVIBAR0030 Luz vermelha LD116 4 MISEVIFOC0039 Guincho elétrico Superwinch Talon 18.0 1 MISSOCGUI0022 Grade frontal 1 MISCHSPRO0024 Projetor frontal Φ200 mm 1 MISEVIFAR0002 Projetor traseiro Φ130 mm 2 MISEVIFAR0004 Refletivo 4 MISEVIFAR0086 Sinaleira limitora da carroçaria 2 MISEVIFAR0016 Cúpula LP800 vermelha 2 MISEVIBAL0015 Monitor Elkhart Sidewinder 1 MISHPEMON0020 Proteção tipo “Santo Antônio” à cabine 1 MISCHSROL0011 Guincho para pneu de reserva 1 MISSOCGUI0024 Suporte para escada prolongável 2 ---- Escada em aço inox acesso à parte superior da carroçaria 1 MISSOCESC0040 Pára-choques traseiro rebatível 1 MISCHSPCH0019 Engate de reboque original SCANIA 1 ---- Caixa alumínio para abafadores 2935 x 440 x 245 1 MISACATAB0001 Caixa alumínio para mangote 1 ---- Lista Planta 3 - Equipamento - ABTF
  • 38.
  • 50.
    S1S2S3S4S5S6S7S8S1S2 ---------- GND--------GNDGND--GND *3*3 BATBATBATBAT RESET PROG PROG *1*2--*2 F1-Fichadealimentação75A(vermelha)F4-FichaCOM(PR10-BUS-CP7M)*1-Interligaçãoentreoteclado +12VDC-BAT-fiosvermelhos1 Extensãofornecida tátilCP7MeaplacaPR10 -Massa-GND-fiospretos2BUS 3Com15metrosdecomprimento*2-Interligaçãoentreaplaca F2-Fichadesaídas(S1aS8-PR10)4BUSPR10eaplacaPR2 1Rotativos/Barra-fiolaranja 2IluminaçãodePerímetroBarra-fiolaranjaF5-Fichadeentradasdesinais(+/-)*3- 31Chave/CortedeCorrente-fiovermelho(+) 4ProjetorFrontal-fiovermelho2Bombaengrenada-fiopreto(+) 5ProjetorTraseiro-fiovermelho3Mínimos-fioamarelo(+) 6IluminaçãodePerímetroDireito-fioverde4Freio-de-mão-fiocastanho(-) 7Sirene-mudançadetons-fiovermelho5Cofreaberto-fioverde(-) S/N:C018009000243 8RotativosTraseiros-fiovermelho6Bombaengrenada-fiopreto(-) 7Mastroelevado-fiobranco(-) JACINTO,Lda F3-Fichadesaídas(S1eS2-PR2)8Patimaberto-fioverde/amarelo(-) 1IluminaçãoCofres-fiovermelho 2IluminaçãoPerímetroEsquerdo-fioverdeF6-Fichadeentradasdesinaisextra(+/-) 1220V-fiovermelho/preto(-) ABTF 2220V-fiovermelho(+) F 1 QuadroEletrônicoGeral F 1 5 A F 1 5 A F 1 0 A F 2 0 A F 2 0 A F 1 5 A F 3 A F 1 0 A F 1 0 A F 1 5 A F 2 F 3 RELÉ1 Rotativos RELÉ2 Ilum.Barra RELÉ3 EstrobesF. RELÉ4 ProjectorF. RELÉ5 ProjectorT. RELÉ6 Ilum. PerímetroD. RELÉ7 Sirene RELÉ8 RotativosT. RELÉ9 Ilum.Cofres RELÉ10 Ilum. PerímetroE. F 4 PR10-Firmware-VUCI12PR2-S-Firmware-v1.2 F 5INPUTS+(8)/-(8) F 6 Vin+ Vin- Diodosdeproteção1V5KE30A EstrobesFrontal-fiovermelho JAElectrónica,Lda QuadroEletrônicoGeraldaViatura
  • 51.
  • 52.
    ISC1/2,00metrosISC1,00metro IAL/IAT1/2,00metrosIAL/IAT1,00metro ABFT ISP4,00metrosISP4,00metrosISCIluminação/SensorCofreMassaLinhanegativa ISPIluminação/SensorPatimPT STTE1,50metros IALIluminaçãodeÁreaLateralROTRotativoAuxiliar STTD1,50metroIATIluminaçãodeÁreaTraseiraCRColunadeRádio STTEMTMastro STTDLED STLD1,00metroSTLE STLD IM1/3,00metros IMIluminaçãodeMínimos IM1/3,00metros CablagemEsquerdaCablagemDireita LED1,00metrosLED1,00metros STLE1,00metro - ROT2,00metros CR3,00metros MASSA2,00metrosMASSA2,00metros PT2,00metros- TOTAL16CONDUTORESTOTAL18CONDUTORES Preto1,00mm2 JAElectrónica,Lda–LEGENDA Preto1,00mm2 Vermelho1,00mm2 Vermelho1,00mm2 Verde0,75mm2 Verde0,75mm2 Preto1,50mm2 Preto1,50mm2 Verde1,50mm2 Verde1,50mm2 Preto1,00mm2 Preto1,00mm2 Vermelho1,00mm2 Vermelho1,00mm2 Verde/Amarelo0,75mm2 ProjectorTraseiroVerde/Amarelo0,75mm2 Preto0,75mm2 Preto0,75mm2 Vermelho0,75mm2 Vermelho0,75mm2 Branco0,75mm2 EstrobeTraseiroEsquerdoBranco0,75mm2 EstrobeTraseiroDireitoLed'sCofres/PatinsPreto0,75mm2 EstrobeLateralEsquerdoVermelho0,75mm2 EstrobeLateralDireitoBranco0,75mm2 Preto1,00mm2 Preto1,00mm2 Amarelo1,00mm2 Amarelo1,00mm2 CaboAudio2x0,75mm2 Cabo2x0,75mm2 Preto0,75mm2 Vermelho0,75mm2 Laranja1,50mm2 Branco0,75mm2 CaboAudio2x0,75mm2 Preto2,50mm2 Preto2,50mm2 Vermelho2,50mm2 3Estrobe-9fios-Vermelho+Preto+Branco0,75mm2 3Estrobes-9fios-Vermelho+Preto+Branco0,75mm2 3FocosdeIlum.dePerímetro-1fio-Verde1,50mm2 2FocosdeIlum.dePerímetro-1fio-Verde1,50mm2 RotativoTraseiroAUX-1fios-Laranja1,50mm2 4IluminaçõesdeCofres/Patins-1fio-Vermelho1,00mm2 3IluminaçõesdeCofres/Patins-1fio-Vermelho1,00mm2 3SensoresdeCofres-1fio-Verde0,75mm2 2SensoresdeCofres-1fio-Verde0,75mm2 1SensordePatim-1fio-Verde/Amarelo0,75mm2 1SensordePatim-1fio-Verde/Amarelo0,75mm2 5IluminaçõesMínimos-1fio-Amarelo1,00mm2 5IluminaçõesMínimos-1fio-Amarelo1,00mm2 MASSA-1fio-Preto2,5mm2 MASSA-1fio-Preto2,5mm2 1ProjetorTraseiro-1fio-Vermelho2,5mm2AltoFalante-2fios-Vermelho+Vermelho/Preto2x0,75mm2
  • 53.
  • 55.
    ID Designação QtdRef Jacinto 1 Bomba Godiva P2A-3010 1 MISHPEBOM0045 2 Válvula borboleta 5’’ com atuador pneumático 1 MISHPEVAL0072 3 Filtro do tanque 1 ---- 4 Válvula eletropneumática PN64 1’’ DA-050 2 MISHPEVAL0014 5 Válvula esférica P TOT 51-2’’ 1 MISHPEVAL0038 6 Válvula retenção 2 ½’’ 2 MISHPEVAL0064 7 Tubo ladrão de água 0,34 mts 2 MISHPETUB0131 8 Nível de água ---- Joelho inox 304 MF ½’’ 1 MISHPEJOE0047 Joelho níquel 18 x ½’’ F 1 MISHPEJOE0092 O-ring 16x3 Nitril 4 MISHPEORR0025 Tubo vidro acrílico transparente 16 mm 1 MISHPETUB0164 União níquel 18 x ½’’ F bicone 1 MISHPEUNI0052 9 Carretel Collins HR47 para mangote 1 MISHPECAR0067 10 Válvula eletropneumática PN64 2’’ ½ DA-200 1 MISHPEVAL0019 11 Canhão monitor Elkhart Sidewinder 1 MISHPEMON0020 12 Válvula esférica PN64 1’’ 1 MISHPEVAL0049 13 Válvula manual expedição original Godiva 4 ---- 14 Válvula manual borboleta TTV DN100 4’’ 1 MISHPEVAL0031 Lista Esquema Hidráulico - ABTF
  • 57.
    ID Designação QtdRef Jacinto 1 Bomba Godiva P2A-3010 1 MISHPEBOM0045 2 Tanque de água 1 ---- 3 Bomba elétrica Tellarini TEL524 1 MISHPEELE0023 4 Válvula eletropneumática PN64 1’’ DA-050 1 MISHPEVAL0014 5 Bico aspersor 28 MISHPEDIF0001 Lista Esquema Sistema de Proteção Cabine e Pneus - ABTF
  • 58.
  • 59.
    ID Designação 1 Eletroválvulado Sistema de proteção da cabine 2 Eletroválvula do Sistema de proteção dos pneus e carroçamento 3 Eletroválvula do Retorno ao tanque 4 Eletroválvula do Carretel de alta pressão 5 Eletroválvula do Canhão monitor 6 Eletroválvula Tanque - bomba Eletroválvulas - ABTF No cofre traseiro do veículo, do lado esquerdo, encontram-se os comandos de controle das eletroválvulas instaladas, juntamente com uma placa identificativa das mesmas.