IDENTIFICAÇÃO E SÍMBOLOS
DE INSTRUMENTOS
NOMENCLATURA
“Não é que eu procure falar difícil, é que as coisas têm nome”
João Guimarães Rosa
IDENTIFICAÇÃO E SÍMBOLOS
DE INSTRUMENTOS
O uso correto da simbologia de representação de
instrumentos é fundamental para a correta
apresentação de documentos na área de controle e
instrumentação. Toda esta simbologia foi padronizada
pelos órgãos normativos, no caso a ISA (The
international society for measurement and control,
antiga Instrument Society of America) e a ABNT
(Associação Brasileira de Normas Técnicas).
IDENTIFICAÇÃO E SÍMBOLOS
DE INSTRUMENTOS
Em geral esta notação é utilizada lado a lado com a
representação dos equipamentos de processo
formando um documento denominado diagrama
P&ID (Process and Instrumentation/ Piping
(tubulação) and Instrumentation Diagram).
IDENTIFICAÇÃO E SÍMBOLOS
DE INSTRUMENTOS
Um P&ID deve incluir:
• Instrumentação e nomenclatura
• Equipamentos mecanicos com nomes e números
(tags)
• Todas as válvulas e suas identificações
• Dimensões e identificação de tubulações
• Outros - drenos, redutores
• Direção de fluxo
• Entradas e saída de controle, intertravamentos
IDENTIFICAÇÃO E SÍMBOLOS
DE INSTRUMENTOS
• As normas de instrumentação
estabelecem símbolos gráficos e
codificação para identificação
alfanumérica de instrumentos ou funções
programadas, que deverão ser utilizados
nos diagramas e malhas de controle de
projetos de instrumentação.
IDENTIFICAÇÃO E SÍMBOLOS
DE INSTRUMENTOS
• Para facilitar o entendimento dos
fluxogramas apresentados neste curso,
mostra se a seguir, a essência da norma
S 5.1 (Instrumentation Symbols and
Indentification) da ISA (Instrument Society
of América).
IDENTIFICAÇÃO E SÍMBOLOS
DE INSTRUMENTOS
• De acordo com esta norma, cada
instrumento ou função programada será
identificada por um conjunto de letras que
o classifica funcionalmente e um conjunto
de algarismo que indica a malha o qual o
instrumento ou função programada
pertence.
IDENTIFICAÇÃO E SÍMBOLOS
DE INSTRUMENTOS
Todo equipamento industrial deve ser identificado por
seu tag. Este tag é formado pelo nome da área, tipo
do equipamento e um número seqüencial, caso haja
mais de uma equipamento do mesmo tipo na mesma
área, separados por hífens, o que totaliza oito
caracteres. Muitas empresas adotam tags mais
longos de 12 ou mais caracteres.
  10
GRUPO DE LETRAS 20
GRUPO DE LETRAS
LETR VARIÁVEL MEDIDA FUNÇÃO
  10
LETRA MODIFICADORA PASSIVA ATIVA MODIFICADORA
A ANÁLISE
  ALARME
   
B CHAMA
       
C CONDUTIVIDAD
    CONTROLADOR
 
D DENSIDADE DIFERENCIAL
     
E TENSÃO
  ELEM.PRIMÁRIO
   
F VAZÃO  RAZÃO
     
G     VISÃO DIRETA
   
H MANUAL
      ALTO
I CORRENTE 
ELÉTRIC
  INDICADOR
   
J POTENCIA VARREDURA
     
K TEMPO TAXA DE VARIAÇÃO C. O 
TEMPO
  ESTAÇÃO    DE 
CONTROLE
 
L NÍVEL
  LAMPADA PILOTO
  BAIXO
M UMIDADE INSTANTANEO
    MEDIO
N          
O     ORIFÍCIO  DE 
RESTR
   
P PRESSÃO
  PONTO DE TESTE
   
Q QUANTIDADE TOTALIZAÇÃO
     
R RADIAÇÃO
  REGISTRADOR
   
S VELOCIDADE SEGURANÇA
  CHAVE
 
T TEMPERATURA
    TRANSMISSOR
 
U MULTIVARIÁVE
  MULTIFUNÇÃO
   
V VIBRAÇÃO
    VÁLVULA
 
W PESO OU FORÇA
  PTA. DE PROVA
   
X N. CLASSIFICAD
       
Y ESTADO 
    SOLENÓIDE / RELE
 
Z POSIÇÃO
    ACIONADOR
 
  10
GRUPO DE LETRAS 20
GRUPO DE LETRAS
LETR VARIÁVEL MEDIDA FUNÇÃO
  10
LETRA MODIFICADORA PASSIVA ATIVA MODIFICADORA
A ANÁLISE
  ALARME
   
B CHAMA
       
C CONDUTIVIDAD
    CONTROLADOR
 
D DENSIDADE DIFERENCIAL
     
E TENSÃO
  ELEM.PRIMÁRIO
   
F VAZÃO  RAZÃO
     
G     VISÃO DIRETA
   
H MANUAL
      ALTO
I CORRENTE 
ELÉTRIC
  INDICADOR
   
J POTENCIA VARREDURA
     
K TEMPO TAXA DE VARIAÇÃO C. O 
TEMPO
  ESTAÇÃO    DE 
CONTROLE
 
L NÍVEL
  LAMPADA PILOTO
  BAIXO
M UMIDADE INSTANTANEO
    MEDIO
N          
O     ORIFÍCIO  DE 
RESTR
   
P PRESSÃO
  PONTO DE TESTE
   
Q QUANTIDADE TOTALIZAÇÃO
     
R RADIAÇÃO
  REGISTRADOR
   
S VELOCIDADE SEGURANÇA
  CHAVE
 
T TEMPERATURA
    TRANSMISSOR
 
U MULTIVARIÁVE
  MULTIFUNÇÃO
   
V VIBRAÇÃO
    VÁLVULA
 
W PESO OU FORÇA
  PTA. DE PROVA
   
X N. CLASSIFICAD
       
Y ESTADO 
    SOLENÓIDE / RELE
 
Z POSIÇÃO
    ACIONADOR
 
  10
GRUPO DE LETRAS 20
GRUPO DE LETRAS
LETR VARIÁVEL MEDIDA FUNÇÃO
  10
LETRA MODIFICADORA PASSIVA ATIVA MODIFICADORA
A ANÁLISE
  ALARME
   
B CHAMA
       
C CONDUTIVIDAD
    CONTROLADOR
 
D DENSIDADE DIFERENCIAL
     
E TENSÃO
  ELEM.PRIMÁRIO
   
F VAZÃO  RAZÃO
     
G     VISÃO DIRETA
   
H MANUAL
      ALTO
I CORRENTE 
ELÉTRIC
  INDICADOR
   
J POTENCIA VARREDURA
     
K TEMPO TAXA DE VARIAÇÃO C. O 
TEMPO
  ESTAÇÃO    DE 
CONTROLE
 
L NÍVEL
  LAMPADA PILOTO
  BAIXO
M UMIDADE INSTANTANEO
    MEDIO
N          
O     ORIFÍCIO  DE 
RESTR
   
P PRESSÃO
  PONTO DE TESTE
   
Q QUANTIDADE TOTALIZAÇÃO
     
R RADIAÇÃO
  REGISTRADOR
   
S VELOCIDADE SEGURANÇA
  CHAVE
 
T TEMPERATURA
    TRANSMISSOR
 
U MULTIVARIÁVE
  MULTIFUNÇÃO
   
V VIBRAÇÃO
    VÁLVULA
 
W PESO OU FORÇA
  PTA. DE PROVA
   
X N. CLASSIFICAD
       
Y ESTADO 
    SOLENÓIDE / RELE
 
Z POSIÇÃO
    ACIONADOR
 
  10
GRUPO DE LETRAS 20
GRUPO DE LETRAS
LETR VARIÁVEL MEDIDA FUNÇÃO
  10
LETRA MODIFICADORA PASSIVA ATIVA MODIFICADORA
A ANÁLISE
  ALARME
   
B CHAMA
       
C CONDUTIVIDAD
    CONTROLADOR
 
D DENSIDADE DIFERENCIAL
     
E TENSÃO
  ELEM.PRIMÁRIO
   
F VAZÃO  RAZÃO
     
G     VISÃO DIRETA
   
H MANUAL
      ALTO
I CORRENTE 
ELÉTRIC
  INDICADOR
   
J POTENCIA VARREDURA
     
K TEMPO TAXA DE VARIAÇÃO C. O 
TEMPO
  ESTAÇÃO    DE 
CONTROLE
 
L NÍVEL
  LAMPADA PILOTO
  BAIXO
M UMIDADE INSTANTANEO
    MEDIO
N          
O     ORIFÍCIO  DE 
RESTR
   
P PRESSÃO
  PONTO DE TESTE
   
Q QUANTIDADE TOTALIZAÇÃO
     
R RADIAÇÃO
  REGISTRADOR
   
S VELOCIDADE SEGURANÇA
  CHAVE
 
T TEMPERATURA
    TRANSMISSOR
 
U MULTIVARIÁVE
  MULTIFUNÇÃO
   
V VIBRAÇÃO
    VÁLVULA
 
W PESO OU FORÇA
  PTA. DE PROVA
   
X N. CLASSIFICAD
       
Y ESTADO 
    SOLENÓIDE / RELE
 
Z POSIÇÃO
    ACIONADOR
 
  10
GRUPO DE LETRAS 20
GRUPO DE LETRAS
LETR VARIÁVEL MEDIDA FUNÇÃO
  10
LETRA MODIFICADORA PASSIVA ATIVA MODIFICADORA
A ANÁLISE
  ALARME
   
B CHAMA
       
C CONDUTIVIDAD
    CONTROLADOR
 
D DENSIDADE DIFERENCIAL
     
E TENSÃO
  ELEM.PRIMÁRIO
   
F VAZÃO  RAZÃO
     
G     VISÃO DIRETA
   
H MANUAL
      ALTO
I CORRENTE 
ELÉTRIC
  INDICADOR
   
J POTENCIA VARREDURA
     
K TEMPO TAXA DE VARIAÇÃO C. O 
TEMPO
  ESTAÇÃO    DE 
CONTROLE
 
L NÍVEL
  LAMPADA PILOTO
  BAIXO
M UMIDADE INSTANTANEO
    MEDIO
N          
O     ORIFÍCIO  DE 
RESTR
   
P PRESSÃO
  PONTO DE TESTE
   
Q QUANTIDADE TOTALIZAÇÃO
     
R RADIAÇÃO
  REGISTRADOR
   
S VELOCIDADE SEGURANÇA
  CHAVE
 
T TEMPERATURA
    TRANSMISSOR
 
U MULTIVARIÁVE
  MULTIFUNÇÃO
   
V VIBRAÇÃO
    VÁLVULA
 
W PESO OU FORÇA
  PTA. DE PROVA
   
X N. CLASSIFICAD
       
Y ESTADO 
    SOLENÓIDE / RELE
 
Z POSIÇÃO
    ACIONADOR
 
  10
GRUPO DE LETRAS 20
GRUPO DE LETRAS
LETR VARIÁVEL MEDIDA FUNÇÃO
  10
LETRA MODIFICADORA PASSIVA ATIVA MODIFICADORA
A ANÁLISE
  ALARME
   
B CHAMA
       
C CONDUTIVIDAD
    CONTROLADOR
 
D DENSIDADE DIFERENCIAL
     
E TENSÃO
  ELEM.PRIMÁRIO
   
F VAZÃO  RAZÃO
     
G     VISÃO DIRETA
   
H MANUAL
      ALTO
I CORRENTE 
ELÉTRIC
  INDICADOR
   
J POTENCIA VARREDURA
     
K TEMPO TAXA DE VARIAÇÃO C. O 
TEMPO
  ESTAÇÃO    DE 
CONTROLE
 
L NÍVEL
  LAMPADA PILOTO
  BAIXO
M UMIDADE INSTANTANEO
    MEDIO
N          
O     ORIFÍCIO  DE 
RESTR
   
P PRESSÃO
  PONTO DE TESTE
   
Q QUANTIDADE TOTALIZAÇÃO
     
R RADIAÇÃO
  REGISTRADOR
   
S VELOCIDADE SEGURANÇA
  CHAVE
 
T TEMPERATURA
    TRANSMISSOR
 
U MULTIVARIÁVE
  MULTIFUNÇÃO
   
V VIBRAÇÃO
    VÁLVULA
 
W PESO OU FORÇA
  PTA. DE PROVA
   
X N. CLASSIFICAD
       
Y ESTADO 
    SOLENÓIDE / RELE
 
Z POSIÇÃO
    ACIONADOR
 
IDENTIFICAÇÃO E SÍMBOLOS DE
INSTRUMENTOS
• Exemplo: PDIT
• P =1a
Letra ⇒.................................
• D = Modificada ⇒...........................
• I = Passiva ou de Informação ⇒....
• T = Ativa ou de Saída ⇒...............
• Pressão
• Diferencial
• Indicador
• Transmissor
•RESP.: Transmissor indicador de
pressão diferencial.
EXERCÍCIOS
FIC
LT
AT
PRC
WIC
FRC
PIC
FS
ZR
PIT
CONTROLADOR INDICADOR VAZÃO
TRANSMISSOR DE NÍVEL
TRANSMISSOR DE ANÁLISE
CONTROLADOR REGISTRADOR DE
PRESSÃO
CONTROLADOR INDICADOR DE PESO
CONTROLADOR REGISTRADOR DE
VAZÃO
CONTROLADOR INDICADOR DE PRESSÃO
CHAVE DE VAZÃO
EXERCÍCIOS
LSHH
TDIT
LIT
LG
TV
LALL
PSV
ZSL
FV
PCV
TRC
CHAVE DE NÍVEL MUITO ALTA
TRANSMISSOR INDICADOR DIFERENCIAL
DE TEMPERATURA
TRANSMISSOR INDICADOR DE NÍVEL
VISOR DE NÍVEL
VÁLVULA DE CONTROLE DE
TEMPERATURA
ALARME DE NÍVEL MUITO BAIXO
VÁLVULA DE SEGURANÇA DE PRESSÃO
CHAVE DE POSIÇÃO BAIXA
VÁLVULA DE CONTROLE DE VAZÃO
VÁLVULA DE CONTROLADORA DE
PRESSÃO
CONTROLADOR REGISTRADOR DE
TEMPERATURA
Localização
primária
*** Normalmente
acessível ao
operador
Montagem do
Campo
Localização Auxiliar
*** Normalmente
acessível ao operador
Instrumentos
discretos
1
*
2 3
Display
compartilhado,
controle
compartilhado
4 5 6
Função em
computador
7 8 9
Controle Lógico
Programável
10 11 12
i
Placa de Orifício
Instrumentos montados
no mesmo alojamento
Medidor Venturi Luz Piloto Purga
Tubo Pitot
Diafragma de selagem
Intertravamento lógico
indefinido
P
• A Fig. abaixo mostra os símbolos e funções de
processamento de sinais.
Válvula com atuador pneumático de diafragma
Válvula com atuador elétrico (senoidal ou motor)
Válvula com atuador hidráulico ou pneumático tipo
pistão
Válvula manual
Válvula auto-operada de diafragma
Válvula
Especifique cada um dos instrumentos da
malha, em função da norma S.5.l. :
LT-100
LIC-100
LAH-100
LAL-100
LSL-100
LSH-100
LG-100
 CAMPO
 CAMPO
 PAINEL
 PAINEL
 PAINEL
 PAINEL
 CAMPO
Qual o tipo de sinal de transmissão da malha LIC-
100 ?
• ( ) Elétrico
• ( ) Pneumático
• ( ) Hidráulico
Qual o tipo de sinal de transmissão ?
• ( ) Elétrico
• ( ) Pneumático
• ( ) Hidráulico
Ex.: Vazão
Registrador montado no
painel e transmissor local
com transmissão
pneumática.
Ex.: Vazão
Registrador de vazão com
registrador de pressão.
Registradores no painel e
transmissores locais com
transmissão pneumática.
Ex.: Vazão
Controlador e registrador de
vazão comandando válvula
de controle, com transmissão
pneumática.
Registrador no painel e
transmissor local.
Ex.: Pressão
Alarme de pressão alta
montagem local.
Ex.: Pressão
Controlador de pressão, tipo
cego, comandando válvula
de controle, com
transmissão pneumática.
Ex.: Pressão
Registrador-controlador de
pressão, comandando
válvula de controle, com
transmissão pneumática.
Registrador no painel e
transmissor local.
Indicador e
registrador de
temperatura no
painel, com
transmissão elétrica.
Ex.: Temperatura
Registrador controlador
de temperatura, no
painel (com transmissão
elétrica) comandando
válvula de controle, com
transmissão pneumática.
Ex.: Temperatura
Controlador-indicador de
temperatura, tipo
expansão comandando
válvula de controle, com
transmissão pneumática.
Ex.: Temperatura
Visor de Nível
Ex.: Nível
Controlador e registrador de
nível comandando válvula de
controle com transmissão
pneumática. Controlador no
painel e transmissor local.
Ex.: Nível
L T
3 0 1
L I C
3 0 1
L I
3 0 1
L C V - 3 0 1
Instrumento combinado:
controlador, indicador de
nível e transmissor,
comandando válvula de
controle, com indicador no
painel e com transmissão
pneumática.
Ex.: Nível
Exercício
Apostila
Pag. 30 - Exercícios 4 e 5
Introdução à instrumentação
Introdução à instrumentação
Introdução à instrumentação
Introdução à instrumentação
Exercício
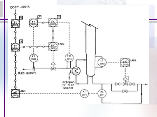
FLUXOGRAMAS DE ENGENHARIA
• Listar todos os instrumentos e seus
respectivos significados, a sua localização
e tipo de transmissão.
Instrumentao 1simbologia-110319134321-phpapp01
Instrumentao 1simbologia-110319134321-phpapp01

Instrumentao 1simbologia-110319134321-phpapp01

  • 1.
    IDENTIFICAÇÃO E SÍMBOLOS DEINSTRUMENTOS NOMENCLATURA “Não é que eu procure falar difícil, é que as coisas têm nome” João Guimarães Rosa
  • 2.
    IDENTIFICAÇÃO E SÍMBOLOS DEINSTRUMENTOS O uso correto da simbologia de representação de instrumentos é fundamental para a correta apresentação de documentos na área de controle e instrumentação. Toda esta simbologia foi padronizada pelos órgãos normativos, no caso a ISA (The international society for measurement and control, antiga Instrument Society of America) e a ABNT (Associação Brasileira de Normas Técnicas).
  • 3.
    IDENTIFICAÇÃO E SÍMBOLOS DEINSTRUMENTOS Em geral esta notação é utilizada lado a lado com a representação dos equipamentos de processo formando um documento denominado diagrama P&ID (Process and Instrumentation/ Piping (tubulação) and Instrumentation Diagram).
  • 4.
    IDENTIFICAÇÃO E SÍMBOLOS DEINSTRUMENTOS Um P&ID deve incluir: • Instrumentação e nomenclatura • Equipamentos mecanicos com nomes e números (tags) • Todas as válvulas e suas identificações • Dimensões e identificação de tubulações • Outros - drenos, redutores • Direção de fluxo • Entradas e saída de controle, intertravamentos
  • 5.
    IDENTIFICAÇÃO E SÍMBOLOS DEINSTRUMENTOS • As normas de instrumentação estabelecem símbolos gráficos e codificação para identificação alfanumérica de instrumentos ou funções programadas, que deverão ser utilizados nos diagramas e malhas de controle de projetos de instrumentação.
  • 6.
    IDENTIFICAÇÃO E SÍMBOLOS DEINSTRUMENTOS • Para facilitar o entendimento dos fluxogramas apresentados neste curso, mostra se a seguir, a essência da norma S 5.1 (Instrumentation Symbols and Indentification) da ISA (Instrument Society of América).
  • 7.
    IDENTIFICAÇÃO E SÍMBOLOS DEINSTRUMENTOS • De acordo com esta norma, cada instrumento ou função programada será identificada por um conjunto de letras que o classifica funcionalmente e um conjunto de algarismo que indica a malha o qual o instrumento ou função programada pertence.
  • 8.
    IDENTIFICAÇÃO E SÍMBOLOS DEINSTRUMENTOS Todo equipamento industrial deve ser identificado por seu tag. Este tag é formado pelo nome da área, tipo do equipamento e um número seqüencial, caso haja mais de uma equipamento do mesmo tipo na mesma área, separados por hífens, o que totaliza oito caracteres. Muitas empresas adotam tags mais longos de 12 ou mais caracteres.
  • 9.
      10 GRUPO DELETRAS 20 GRUPO DE LETRAS LETR VARIÁVEL MEDIDA FUNÇÃO   10 LETRA MODIFICADORA PASSIVA ATIVA MODIFICADORA A ANÁLISE   ALARME     B CHAMA         C CONDUTIVIDAD     CONTROLADOR   D DENSIDADE DIFERENCIAL       E TENSÃO   ELEM.PRIMÁRIO     F VAZÃO  RAZÃO       G     VISÃO DIRETA     H MANUAL       ALTO I CORRENTE  ELÉTRIC   INDICADOR     J POTENCIA VARREDURA       K TEMPO TAXA DE VARIAÇÃO C. O  TEMPO   ESTAÇÃO    DE  CONTROLE   L NÍVEL   LAMPADA PILOTO   BAIXO M UMIDADE INSTANTANEO     MEDIO N           O     ORIFÍCIO  DE  RESTR     P PRESSÃO   PONTO DE TESTE     Q QUANTIDADE TOTALIZAÇÃO       R RADIAÇÃO   REGISTRADOR     S VELOCIDADE SEGURANÇA   CHAVE   T TEMPERATURA     TRANSMISSOR   U MULTIVARIÁVE   MULTIFUNÇÃO     V VIBRAÇÃO     VÁLVULA   W PESO OU FORÇA   PTA. DE PROVA     X N. CLASSIFICAD         Y ESTADO      SOLENÓIDE / RELE   Z POSIÇÃO     ACIONADOR  
  • 10.
      10 GRUPO DELETRAS 20 GRUPO DE LETRAS LETR VARIÁVEL MEDIDA FUNÇÃO   10 LETRA MODIFICADORA PASSIVA ATIVA MODIFICADORA A ANÁLISE   ALARME     B CHAMA         C CONDUTIVIDAD     CONTROLADOR   D DENSIDADE DIFERENCIAL       E TENSÃO   ELEM.PRIMÁRIO     F VAZÃO  RAZÃO       G     VISÃO DIRETA     H MANUAL       ALTO I CORRENTE  ELÉTRIC   INDICADOR     J POTENCIA VARREDURA       K TEMPO TAXA DE VARIAÇÃO C. O  TEMPO   ESTAÇÃO    DE  CONTROLE   L NÍVEL   LAMPADA PILOTO   BAIXO M UMIDADE INSTANTANEO     MEDIO N           O     ORIFÍCIO  DE  RESTR     P PRESSÃO   PONTO DE TESTE     Q QUANTIDADE TOTALIZAÇÃO       R RADIAÇÃO   REGISTRADOR     S VELOCIDADE SEGURANÇA   CHAVE   T TEMPERATURA     TRANSMISSOR   U MULTIVARIÁVE   MULTIFUNÇÃO     V VIBRAÇÃO     VÁLVULA   W PESO OU FORÇA   PTA. DE PROVA     X N. CLASSIFICAD         Y ESTADO      SOLENÓIDE / RELE   Z POSIÇÃO     ACIONADOR  
  • 11.
      10 GRUPO DELETRAS 20 GRUPO DE LETRAS LETR VARIÁVEL MEDIDA FUNÇÃO   10 LETRA MODIFICADORA PASSIVA ATIVA MODIFICADORA A ANÁLISE   ALARME     B CHAMA         C CONDUTIVIDAD     CONTROLADOR   D DENSIDADE DIFERENCIAL       E TENSÃO   ELEM.PRIMÁRIO     F VAZÃO  RAZÃO       G     VISÃO DIRETA     H MANUAL       ALTO I CORRENTE  ELÉTRIC   INDICADOR     J POTENCIA VARREDURA       K TEMPO TAXA DE VARIAÇÃO C. O  TEMPO   ESTAÇÃO    DE  CONTROLE   L NÍVEL   LAMPADA PILOTO   BAIXO M UMIDADE INSTANTANEO     MEDIO N           O     ORIFÍCIO  DE  RESTR     P PRESSÃO   PONTO DE TESTE     Q QUANTIDADE TOTALIZAÇÃO       R RADIAÇÃO   REGISTRADOR     S VELOCIDADE SEGURANÇA   CHAVE   T TEMPERATURA     TRANSMISSOR   U MULTIVARIÁVE   MULTIFUNÇÃO     V VIBRAÇÃO     VÁLVULA   W PESO OU FORÇA   PTA. DE PROVA     X N. CLASSIFICAD         Y ESTADO      SOLENÓIDE / RELE   Z POSIÇÃO     ACIONADOR  
  • 12.
      10 GRUPO DELETRAS 20 GRUPO DE LETRAS LETR VARIÁVEL MEDIDA FUNÇÃO   10 LETRA MODIFICADORA PASSIVA ATIVA MODIFICADORA A ANÁLISE   ALARME     B CHAMA         C CONDUTIVIDAD     CONTROLADOR   D DENSIDADE DIFERENCIAL       E TENSÃO   ELEM.PRIMÁRIO     F VAZÃO  RAZÃO       G     VISÃO DIRETA     H MANUAL       ALTO I CORRENTE  ELÉTRIC   INDICADOR     J POTENCIA VARREDURA       K TEMPO TAXA DE VARIAÇÃO C. O  TEMPO   ESTAÇÃO    DE  CONTROLE   L NÍVEL   LAMPADA PILOTO   BAIXO M UMIDADE INSTANTANEO     MEDIO N           O     ORIFÍCIO  DE  RESTR     P PRESSÃO   PONTO DE TESTE     Q QUANTIDADE TOTALIZAÇÃO       R RADIAÇÃO   REGISTRADOR     S VELOCIDADE SEGURANÇA   CHAVE   T TEMPERATURA     TRANSMISSOR   U MULTIVARIÁVE   MULTIFUNÇÃO     V VIBRAÇÃO     VÁLVULA   W PESO OU FORÇA   PTA. DE PROVA     X N. CLASSIFICAD         Y ESTADO      SOLENÓIDE / RELE   Z POSIÇÃO     ACIONADOR  
  • 13.
      10 GRUPO DELETRAS 20 GRUPO DE LETRAS LETR VARIÁVEL MEDIDA FUNÇÃO   10 LETRA MODIFICADORA PASSIVA ATIVA MODIFICADORA A ANÁLISE   ALARME     B CHAMA         C CONDUTIVIDAD     CONTROLADOR   D DENSIDADE DIFERENCIAL       E TENSÃO   ELEM.PRIMÁRIO     F VAZÃO  RAZÃO       G     VISÃO DIRETA     H MANUAL       ALTO I CORRENTE  ELÉTRIC   INDICADOR     J POTENCIA VARREDURA       K TEMPO TAXA DE VARIAÇÃO C. O  TEMPO   ESTAÇÃO    DE  CONTROLE   L NÍVEL   LAMPADA PILOTO   BAIXO M UMIDADE INSTANTANEO     MEDIO N           O     ORIFÍCIO  DE  RESTR     P PRESSÃO   PONTO DE TESTE     Q QUANTIDADE TOTALIZAÇÃO       R RADIAÇÃO   REGISTRADOR     S VELOCIDADE SEGURANÇA   CHAVE   T TEMPERATURA     TRANSMISSOR   U MULTIVARIÁVE   MULTIFUNÇÃO     V VIBRAÇÃO     VÁLVULA   W PESO OU FORÇA   PTA. DE PROVA     X N. CLASSIFICAD         Y ESTADO      SOLENÓIDE / RELE   Z POSIÇÃO     ACIONADOR  
  • 14.
      10 GRUPO DELETRAS 20 GRUPO DE LETRAS LETR VARIÁVEL MEDIDA FUNÇÃO   10 LETRA MODIFICADORA PASSIVA ATIVA MODIFICADORA A ANÁLISE   ALARME     B CHAMA         C CONDUTIVIDAD     CONTROLADOR   D DENSIDADE DIFERENCIAL       E TENSÃO   ELEM.PRIMÁRIO     F VAZÃO  RAZÃO       G     VISÃO DIRETA     H MANUAL       ALTO I CORRENTE  ELÉTRIC   INDICADOR     J POTENCIA VARREDURA       K TEMPO TAXA DE VARIAÇÃO C. O  TEMPO   ESTAÇÃO    DE  CONTROLE   L NÍVEL   LAMPADA PILOTO   BAIXO M UMIDADE INSTANTANEO     MEDIO N           O     ORIFÍCIO  DE  RESTR     P PRESSÃO   PONTO DE TESTE     Q QUANTIDADE TOTALIZAÇÃO       R RADIAÇÃO   REGISTRADOR     S VELOCIDADE SEGURANÇA   CHAVE   T TEMPERATURA     TRANSMISSOR   U MULTIVARIÁVE   MULTIFUNÇÃO     V VIBRAÇÃO     VÁLVULA   W PESO OU FORÇA   PTA. DE PROVA     X N. CLASSIFICAD         Y ESTADO      SOLENÓIDE / RELE   Z POSIÇÃO     ACIONADOR  
  • 15.
    IDENTIFICAÇÃO E SÍMBOLOSDE INSTRUMENTOS • Exemplo: PDIT • P =1a Letra ⇒................................. • D = Modificada ⇒........................... • I = Passiva ou de Informação ⇒.... • T = Ativa ou de Saída ⇒............... • Pressão • Diferencial • Indicador • Transmissor •RESP.: Transmissor indicador de pressão diferencial.
  • 16.
    EXERCÍCIOS FIC LT AT PRC WIC FRC PIC FS ZR PIT CONTROLADOR INDICADOR VAZÃO TRANSMISSORDE NÍVEL TRANSMISSOR DE ANÁLISE CONTROLADOR REGISTRADOR DE PRESSÃO CONTROLADOR INDICADOR DE PESO CONTROLADOR REGISTRADOR DE VAZÃO CONTROLADOR INDICADOR DE PRESSÃO CHAVE DE VAZÃO
  • 17.
    EXERCÍCIOS LSHH TDIT LIT LG TV LALL PSV ZSL FV PCV TRC CHAVE DE NÍVELMUITO ALTA TRANSMISSOR INDICADOR DIFERENCIAL DE TEMPERATURA TRANSMISSOR INDICADOR DE NÍVEL VISOR DE NÍVEL VÁLVULA DE CONTROLE DE TEMPERATURA ALARME DE NÍVEL MUITO BAIXO VÁLVULA DE SEGURANÇA DE PRESSÃO CHAVE DE POSIÇÃO BAIXA VÁLVULA DE CONTROLE DE VAZÃO VÁLVULA DE CONTROLADORA DE PRESSÃO CONTROLADOR REGISTRADOR DE TEMPERATURA
  • 18.
    Localização primária *** Normalmente acessível ao operador Montagemdo Campo Localização Auxiliar *** Normalmente acessível ao operador Instrumentos discretos 1 * 2 3 Display compartilhado, controle compartilhado 4 5 6 Função em computador 7 8 9 Controle Lógico Programável 10 11 12
  • 19.
    i Placa de Orifício Instrumentosmontados no mesmo alojamento Medidor Venturi Luz Piloto Purga Tubo Pitot Diafragma de selagem Intertravamento lógico indefinido P
  • 24.
    • A Fig.abaixo mostra os símbolos e funções de processamento de sinais.
  • 25.
    Válvula com atuadorpneumático de diafragma Válvula com atuador elétrico (senoidal ou motor) Válvula com atuador hidráulico ou pneumático tipo pistão Válvula manual Válvula auto-operada de diafragma Válvula
  • 26.
    Especifique cada umdos instrumentos da malha, em função da norma S.5.l. : LT-100 LIC-100 LAH-100 LAL-100 LSL-100 LSH-100 LG-100  CAMPO  CAMPO  PAINEL  PAINEL  PAINEL  PAINEL  CAMPO
  • 27.
    Qual o tipode sinal de transmissão da malha LIC- 100 ? • ( ) Elétrico • ( ) Pneumático • ( ) Hidráulico
  • 28.
    Qual o tipode sinal de transmissão ? • ( ) Elétrico • ( ) Pneumático • ( ) Hidráulico
  • 30.
    Ex.: Vazão Registrador montadono painel e transmissor local com transmissão pneumática.
  • 31.
    Ex.: Vazão Registrador devazão com registrador de pressão. Registradores no painel e transmissores locais com transmissão pneumática.
  • 32.
    Ex.: Vazão Controlador eregistrador de vazão comandando válvula de controle, com transmissão pneumática. Registrador no painel e transmissor local.
  • 33.
    Ex.: Pressão Alarme depressão alta montagem local.
  • 34.
    Ex.: Pressão Controlador depressão, tipo cego, comandando válvula de controle, com transmissão pneumática.
  • 35.
    Ex.: Pressão Registrador-controlador de pressão,comandando válvula de controle, com transmissão pneumática. Registrador no painel e transmissor local.
  • 36.
    Indicador e registrador de temperaturano painel, com transmissão elétrica. Ex.: Temperatura
  • 37.
    Registrador controlador de temperatura,no painel (com transmissão elétrica) comandando válvula de controle, com transmissão pneumática. Ex.: Temperatura
  • 38.
    Controlador-indicador de temperatura, tipo expansãocomandando válvula de controle, com transmissão pneumática. Ex.: Temperatura
  • 39.
  • 40.
    Controlador e registradorde nível comandando válvula de controle com transmissão pneumática. Controlador no painel e transmissor local. Ex.: Nível
  • 41.
    L T 3 01 L I C 3 0 1 L I 3 0 1 L C V - 3 0 1 Instrumento combinado: controlador, indicador de nível e transmissor, comandando válvula de controle, com indicador no painel e com transmissão pneumática. Ex.: Nível
  • 44.
  • 45.
  • 46.
  • 47.
  • 48.
  • 50.
    Exercício FLUXOGRAMAS DE ENGENHARIA •Listar todos os instrumentos e seus respectivos significados, a sua localização e tipo de transmissão.