Desenho Técnico
Instrumentos de Desenho técnico:
• Lapiseira 05 ou 07, com mina tipo B, ou 2B;
• Régua graduada de 300mm
• Compasso de pontas médio;
• Borracha macia de látex;
• Jogo de esquadros de 45º e 90º; de 30º60º e
90º
• Flanela pequena
• Fita adesiva pequena
Desenho Técnico
Conhecimentos:
• Importância do Desenho Técnico,
• Caligrafia técnica,
• formatos de papel e instrumentos utilizados no desenho
técnico,
• linhas e normas aplicadas ao desenho técnico, escalas,
Regras de cotagem.
• Projeção ortogonal (vistas essenciais):
• croquis, tolerâncias geométrica,
• perspectivas Cavaleira e isométrica.
Objetivos:
• Ler projetos de sistemas mecânicos, por meio
da elaboração de desenho.
• Interpretar, com segurança, desenhos técnicos
de sua especialidade, de acordo com as normas
da ABNT;
• Executar traçados à mão livre e com
instrumentos básicos, como forma de expressão
de sua linguagem técnica.
Introdução ao Desenho Técnico
Quando uma pessoa vai escrever uma
carta, pensa antes o que vai escrever.
Depois escreve aquilo que pensa. Passa
seus pensamentos para o papel em forma
de palavras escritas.
• Quem lê a carta, fica conhecendo o
pensamento de quem a escreveu. As
palavras escritas na carta representam os
pensamentos de quem a escreveu.
Quando alguém quer transmitir um
recado, também pensa antes o que vai
dizer. As palavras faladas representam o
pensamento de quem falou.
• E quando alguém desenha?
• Acontece a mesma coisa. Primeiro a
pessoa pensa o que vai desenhar, depois
desenha aquilo que pensou, passa seus
pensamentos para o papel.
Classificação dos desenhos
técnicos
• Os desenhos técnicos são classificados
segundo os critérios seguintes:
1 - Quanto ao aspecto geométrico
A) Desenho projetivo:
• Desenho resultante de projeção de peça sobre
um ou mais planos, compreendendo as
projeções ortogonais e as perspectivas.
• B) Desenho não projetivo:
Diagramas esquemas, Ábaco, nomogramas,
Fluxogramas, Organogramas e Gráficos e
outros.
2 – Quanto ao grau de elaboração:
A) Croquis:
Representação gráfica expedida. Aplicada
habitualmente aos estágios iniciais da
elaboração de um projeto ou a
representação de elementos existentes ou a
execução de obras. É executa a mão livre
ou com instrumentos.
B) Desenho Preliminar:
Representação gráfica empregada nos
estágios intermediários da elaboração do
projeto, sujeito ainda a alterações.
Corresponde ao anteprojeto.
C) Desenho definitivo:
Desenho integrante da solução final do
projeto, contendo os elementos necessários
a sua compreensão de modo a poder servir
à execução.
• Descrição verbal da peça.
• Fotografia da peça.
• Modelo da peça.
• Desenho técnico da Peça.
Descrição Verbal
• Não é o bastante para transmitir as ideias de
forma e dimensões de uma peça, mesmo que
ela não seja muito complicada. Se
experimentarmos descrever, usando somente o
recurso da palavra, um objeto, de maneira que
outra pessoa o execute, isso é praticamente
impossível.
A Fotografia
• Transmite relativamente bem a ideia da parte
exterior da peça, mas não mostra seus detalhes
internos e nem suas dimensões. Logo, a
fotografia também não resolve o nosso
problema.
O Modelo
• Resolve, até certo ponto alguns problemas, mas
Nem todos. Por exemplo, se tivéssemos que
transportar uma peça de grande tamanho, para
reproduzi-la pelo modelo... Além disso, a peça
pode estar sendo "projetada", não existindo
ainda um modelo da mesma.
Desenho técnico
• Pode transmitir, com clareza, precisão e de
maneira simples, todas as idéias de forma e
dimensões de uma peça. Além disso, há uma
série de outras informações necessárias que
somente o desenho pode dar, tais como:. O
material de que é feita a peça, os acabamentos
de sua superfície, as tolerâncias de suas
medidas etc.
• Portanto, o conhecimento de Desenho
Técnico é indispensável a todos aqueles
que necessitam executar tarefas que
sejam de ajustagem, tornearia,
marcenaria, eletricidade etc.
• O Desenho Técnico é usado na indústria
pelos engenheiros, projetistas,
desenhistas, mestres e operários
qualificados, como uma linguagem técnica
universal, pela qual se expressam e
registram idéias e dados para a
construção de móveis, máquinas e
estruturas
• Sendo uma linguagem gráfica universal, o
Desenho técnico possui normas
específicas para o seu traçado e
interpretação. Estas normas são
elaboradas por entidades especializadas
que padroniza e normaliza o seu
emprego.
Normas
• No Brasil, a ABNT - Associação Brasileira
de Normas Técnicas - padronizou as
normas NB-8, NB-13 e outras, que fixam
as condições gerais que devem ser
observadas na execução dos desenhos
técnicos e representações convencionais.
Normas da ABNT
• NBR 10647 – DESENHO TÉCNICO – NORMA GERAL
• • NBR 10068 – FOLHA DE DESENHO LAY-OUT E DIMENSÕES
• • NBR 10582 – APRESENTAÇÃO DA FOLHA PARA DESENHO
TÉCNICO
• • NBR 13142 – DESENHO TÉCNICO – DOBRAMENTO DE
CÓPIAS
• • NBR 8402 – EXECUÇÃO DE CARACTERES PARA ESCRITA EM
DESENHOS TÉCNICOS
• • NBR 8403 – APLICAÇÃO DE LINHAS EM DESENHOS – TIPOS
DE LINHAS – LARGURAS DAS LINHAS
• NBR10067 – PRINCÍPIOS GERAIS DE REPRESENTAÇÃO EM
DESENHO TECNICO
Normas da ABNT
• NBR 8196 – DESENHO TÉCNICO – EMPREGO DE ESCALAS
• • NBR 12298 – REPRESENTAÇÃO DE ÁREA DE CORTE POR
MEIO DE HACHURAS EM DESENHO TÉCNICO
• • NBR10126 – COTAGEM EM DESENHO TÉCNICO
• • NBR8404 – INDICAÇÃO DO ESTADO DE SUPERFÍCIE EM
DESENHOS TÉCNICOS
• • NBR 6158 – SISTEMA DE TOLERÂNCIAS E AJUSTES
• • NBR 8993 – REPRESENTAÇÃO CONVENCIONAL DE PARTES
ROSCADAS EM DESENHO TÉCNICO
• Quais as diferenças entre o desenho
técnico e o desenho artístico?
• O desenho técnico é um tipo de
representação gráfica utilizado por
profissionais de uma mesma área, como,
por exemplo, na mecânica, na marcenaria,
na eletricidade.
• Observe os desenhos a seuir:
são exemplos de desenhos artísticos.
• Já o desenho técnico, ao contrário do
artístico, deve transmitir com exatidão
todas as características do objeto que
representa. Para conseguir isso, o
desenhista deve seguir regras
estabelecidas previamente, chamadas de
• normas técnicas.
• Assim, todos os elementos do desenho
técnico obedecem a normas técnicas, ou
seja, são normalizados. Cada área
ocupacional tem seu próprio desenho
técnico, de acordo com normas
específicas. Observe alguns exemplos:
Caligrafia Técnica
• Uma caligrafia simples, perfeitamente legível e
facilmente desenhável, constitui uma das mais
importantes condições dos desenhos técnicos.
• Em desenho técnico, usamos uma caligrafia
obedecendo às normas e não à caligrafia
comum. Vejamos a diferença.
Caligrafia Técnica
• As letras e algarismos podem ser verticais ou inclinados
para a direita, sendo usados, de preferência, estes
últimos. Devem ser semelhantes aos dos tipos
representados abaixo:
• ABCDEFGHIJKLMNOPQRSTUVWXYZ
• abcdefghijklmnopqrstuvwxyz
• 0123456789
• ABCDEFGHIJKLMNOPQRSTUVWXYZ
• abcdefghijklmnopqrstuvwxyz
• 0123456789
Caligrafia Técnica
Forma de escrita vertical
Caligrafia Técnica
Forma de escrita inclinada
FORMATOS DE PAPÉIS
• O formato básico de papel, designado por
A0 (A zero), e o do retângulo de lados
medindo 841 mm e 1189 mm, tendo a
área de 1 m2. Do formato básico, derivam-
se os demais formatos.
MARGEM DE FORMATOS
MARGEM DE FORMATOS
LEGENDA E POSICIONAMENTO NAS FOLHAS
A norma NBR 10068/1987 e a norma ISO 5457:1984 tratam sobre o
assunto. Veja como pode ser elaborada uma legenda.
Dobramento de formatos
• Efetua-se o dobramento a partir do lado
“d” (direito) em dobras verticais de 185
mm. A parte final “a” é dobrada ao meio.
LEGENDA
• A legenda deve ficar no canto inferior direito dos
formatos, A3, A2, A1 e A0, ou ao longo da
largura da folha de desenho, no formato A4.
Materiais e Instrumentos de Desenho
Técnico
Materiais e Instrumentos de Desenho
Técnico
Instrumentos de Desenho Técnico
• O lápis, instrumento básico para o traçado de desenhos.
Pode ser de seção redonda ou hexagonal.
• A dureza da grafita é indicada por números, letras ou
ambos.
• Os lápis de seções hexagonais, mais adequados para
desenho, são classificados de acordo com as letras B. F
e H. Os lápis de seção redonda, comumente
encontrados no comércio para uso geral são
classificados pelos números 1. 2 e 3, correspondentes
às hexagonais, de acordo com a tabela abaixo.
Lápis
Ao fazer a ponta no lápis, deve-se ter o cuidado de fazê-la
na extremidade oposta àquela onde se encontra indicada a
dureza da grafite. Caso contrário, o reconhecimento do
lápis de acordo com sua dureza será bem difícil.
Para o afinamento da grafite é interessante ter uma tira
de1ixa fina colada em um pedaço de madeira.
Lápis
BORRACHA
• A borracha para apagar desenhos a 1ápis deve ser
macia e flexível. Para facilitar o trabalho de apagar, em
trechos pequenos, a borracha deve ser chanfrada numa
das extremidades.
• Este chanfro é obtido raspando-a numa superfície
áspera.
Fig. 9 – Chanframento da borracha
Régua
• Existem diversos tipos de réguas, sendo as mais
empregadas: a régua graduada e a régua "T".
• A) Régua Graduada
• Ela consiste numa peça reta (plana), tendo graduações
em ambas as arestas, para a marcação de medidas.
Existem réguas graduadas em milímetros ou em
polegadas e algumas possuem as duas graduações em
arestas opostas.
Fig. 11 – Régua milimetrada
Régua
• As réguas graduadas servem para tomar
e aplicar medidas lineares, portanto, não
devem ser utilizadas para auxiliar nos
traçados de linhas. Geralmente a
graduação impressa na régua, produz
pequenas depressões; por isso, as linhas
traçadas com tais réguas resultam em
linhas irregulares.
ESQUADROS
• Os esquadros são instrumentos de
desenho, de forma triangular.
• Os mais utilizados são os seguintes:
• Esquadro de 45º, composto por dois
ângulos de 45º e um de 90º.
• Esquadro de 60º, composto por ângulos
de 30º, 60º e 90º.
Régua “T”
• Consiste em uma haste reta e plana,
tendo numa das extremidades uma
travessa (cabeça) perpendicular à haste.
• As figuras abaixo mostram a posição da
mão e a maneira de pegar e deslocar o
lápis, fatores importantes para a obtenção
de uma boa caligrafia.
• Nesses desenhos, as representações
foram feitas por meio de traços, símbolos,
números e indicações escritas, de acordo
com normas técnicas.
• No Brasil, a entidade responsável pelas
normas técnicas é a ABNT - Associação
Brasileira de Normas Técnicas. Neste
curso você vai conhecer a aplicação das
principais normas técnicas referentes ao
desenho técnico mecânico, de acordo
com a ABNT.
Normas do Desenho Técnico;
tipos de linhas
• As linhas dão formas ao desenho e por
isso exercem um papel muito importante
na elaboração das vistas, sendo que a
norma NBR 8403/1984 menciona todos os
tipos de linhas usadas na elaboração do
desenho, bem como sua aplicação.
Assista ao vídeo e faça atividade seguinte
para fixar o conhecimento.
Normas do Desenho Técnico;
Tipos de linhas
Normas do Desenho Técnico;
Linhas para contorno e arestas visíveis
Normas do Desenho Técnico;
linhas de contornos e arestas não
visíveis
Normas do Desenho Técnico;
Linhas de simetria
Normas do Desenho Técnico;
linhas de centro
Normas do Desenho Técnico
Normas do Desenho Técnico
Linhas Convencionais
• Ao analisarmos um desenho, notamos que ele
apresenta linhas de tipos e espessuras diferentes. O
conhecimento destas linhas é indispensável para a
interpretação dos desenhos. Quanto à espessura, as
linhas devem ser:
• Grossas
• Médias
• Finas
• A espessura da linha média deve ser a metade da linha
grossa e a espessura da linha fina, metade da linha
média.
TIPOS DE LIHAS
Linhas Convencionais
• Linhas para arestas e contornos visíveis
são de espessura grossa
• Linhas para arestas e contornos não
visíveis são de espessura média e
tracejada.
• Linhas de Cota
• Elas são de espessura fina e de traço contínuo, sendo
limitadas por setas nas extremidades.
• Linhas de Chamada ou Extensão
• São de espessura fina e traço contínuo. Não devem
tocar o contorno do desenho e prolongam-se além da
última linha de cota que limitam.
• Linhas de Corte
• São de espessura grossa, formada por traços e pontos.
Servem para indicar cortes e seções.
Linhas para Hachura
• Elas são de espessura fina, traços contínuos ou
tracejados, geralmente inclinados a 45º e
mostram as partes cortadas da peça. Servem
também para indicar o material de que a peça é
feita, de acordo com as convenções
recomendadas pela ABNT.
Linhas de rupturas
• Para rupturas curtas
• Elas são de espessura média, traço contínuo e
sinuoso e servem para indicar pequenas
rupturas e cortes parciais.
Construções geométricas
• O ponto - é a figura geométrica mais simples.
Não tem dimensão, isto é, não tem
comprimento, nem largura, nem altura.
• No desenho, o ponto é determinado pelo
cruzamento de duas linhas. Para identificá-lo,
usamos letras maiúsculas do alfabeto latino,
como mostram os exemplos:
Lê-se: ponto A, ponto B e ponto C.
Construções geométricas
• Linha reta ou reta
•
• A reta é ilimitada, isto é, não tem início nem fim.
As retas são identificadas por letras minúsculas
do alfabeto latino. Veja a representação da uma
reta r:
•Perspectivas
Tipos de perspectivas
• Perspectivas – são figuras resultantes de
projeção cilíndrica ou cônicas sobre um
único plano, com a finalidade de permitir a
percepção da forma global de um objeto.
Atividade 02
Desenhar a
perspectiva
isométrica
conforme a
figura ao
lado e as
vistas
essenciais
do desenho
Desenhar a perspectiva isométrica a
partir das vistas
A = 30 H =15
B = 30 i = 90
C = 15 j = 60
D = 60
E = 30
F = 45
G = 15
i
j
perspectiva isométrica a partir das
vistas
Perspectiva cavaleira
• A perspectiva cavaleira ou perspectiva
cavalheira e uma projeção do objeto onde uma
das faces fica em verdadeira grandeza, ou seja,
perpendicular ao observador. Como na projeção
ortogonal, e as demais faces seguem os
sentidos dos esquadros mediante os ângulos de
60°,45° ou 30°, conforme a escolha do
desenhista. Diferente da perspectiva isométrica,
a perspectiva cavaleira acarretara distorção das
faces em perspectiva.
Perspectiva cavaleira
• Na perspectiva cavaleira uma face da
peça é desenha exatamente de frente, em
verdadeira grandeza. As outras faces são
projetadas obliquamente, inclinadas a 30°,
45° ou 60°.
• Quando escolher a representação de um
desenho em perspectiva cavaleira?
Quando a face frontal conter detalhes,
principalmente objetos circulares, para
que sejam representados em verdadeira
grandeza
Tipos de Perspectivas
• As perspectivas de maior utilização em
desenho técnico são:
• A. Perspectiva isométrica;
• B. Perspectiva cavaleira;
• C. Perspectiva bimétrica.
Tipos de Perspectivas
• As perspectivas Cavaleiras podem ser:
• A. Perspectiva cavaleira de 30º;
• B. Perspectiva cavaleira de 45º;;
• C. Perspectiva cavaleira de 60º;
Perspectiva cavaleira
Perspectivas
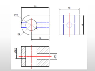
• Vistas ortográficas – são figuras
resultantes de projeções cilíndricas
ortogonais de modo a representar com
exatidão a forma do objeto com seus
detalhes.
Perspectivas
• Perspectiva Vistas ortográficas
Tipos de Perspectivas
Perspectiva Perspectiva
Cavaleira de 30º cavaleira de 45º
Perspectiva
isométrica
Tipos de Perspectivas
Perspectiva Cavaleira de 30º
Tipos de Perspectivas
Perspecti cavaleira de 45º
Tipos de Perspectivas
Perspectiva isométrica
Perspectiva bimétrica x : y : z 2/3 : 1: 1
Perspectiva triimétrica
Perspectivas Isométricas
• A perspectiva, por ser desenho ilustrativo,
auxilia na interpretação de peças, embora,
em muitos casos, não possa mostrar
todos os detalhes.
• A perspectiva isométrica (medidas iguais)
é uma das mais simples e eficientes.
Parte de três eixos a 120 graus
(isométricos) sobre os quais marcam-se
as medidas da peça.
• As arestas paralelas da peça são traçadas
na perspectiva isométrica por linhas
também paralelas.
Perspectiva isométrica
Vistas essenciais
Perspectiva isométrica
Eixo traseiro do caminhão
• Os quadros de 1 a 6 mostram a sequência
do traçado à mão livre da perspectiva
isométrica.
Perspectivas Isométricas
• Os elementos cilíndricos e os arcos são
traçados em perspectiva isométrica,
conforme os desenhos abaixo:
Perspectivas Isométricas
• Fases do traçado à mão livre de elementos cilíndricos e
arcos.
Perspectiva Isométrica do cilíndro
SISTEMAS DE PROJEÇÕES
ORTOGONAIS
• Uma peça que estamos observando ou
mesmo imaginando, pode ser desenhada
(representada) num plano. A essa
representação gráfica se dá o nome de
"projeção".
• O plano é denominado "plano de
projeção" e a representação da peça
recebe nele, o nome de projeção.
Diedros
• Cada diedro é a região limitada por dois
semiplanos perpendiculares entre si. Os
diedros são numerados no sentido anti-
horário, isto é, no sentido contrário ao do
movimento dos ponteiros do relógio.
SISTEMAS DE PROJEÇÕES
ORTOGONAIS
• No Brasil, assim como na Europa, Ásia e em
outros países usa-se da projeção no primeiro
diedro, eo3º diedro é usado nos EUA e no
Canadá.
Símbolos de Projeção ortogonal no 1º
Diedro e 3º Diedro
• Na legenda deve estar incluída a representação
do diedro usado no desenho:
• O método de representação de objetos
em dois semi planos perpendiculares
entre si, criado por Gaspar Monge, é
também conhecido como método
mongeano.
• Atualmente, a maioria dos países que
utilizam o método mongeano adotam a
projeção ortográfica no 1º diedro. No
Brasil, a ABNT recomenda a
representação no 1º diedro.
• Ao interpretar um desenho técnico procure
identificar, de imediato, em que diedro ele
está representado.
• O símbolo a baixo indica que o desenho
técnico está representado no 1º diedro.
Este símbolo aparece no canto inferior
direito da folha de papel dos desenhos
técnicos, dentro da legenda.
• 1° diedro.
• Quando o desenho técnico estiver
representado no 3º diedro, você verá este
outro símbolo:
3° diedro:
Símbolos de Projeção ortogonal no 1º
Diedro e 3º Diedro
Projeção ortogonal no 1º Diedro -procedimento
• Para simplificar o entendimento da
projeção ortográfica passaremos a
representar apenas o 1º diedro, o que é
normalizado pela ABNT.
• Chamaremos o semiplano vertical
superior de plano vertical.
O semiplano horizontal
anterior passará a ser
chamado de plano
horizontal.
Projeções ortogonais
Projeções Ortogonais pelo 1º
Diedro
• Considerando o objeto imóvel no espaço,
o observador pode vê-lo por seis direções
diferentes, obtendo seis vistas da peça.
• Para vistas principais, as projeções têm
de ser obtidas em planos perpendiculares
entre si e paralelos dois a dois, formando
uma caixa.
Projeções Ortogonais pelo 1º
Diedro
Projeções Ortogonais pelo 1º
Diedro
• Plano 1 – Vista de Frente ou Elevação – mostra
a projeção frontal do objeto.
• Plano 2 – Vista Superior ou Planta – mostra a
projeção do objeto visto por cima.
• Plano 3 – Vista Lateral Esquerda ou Perfil –
mostra o objeto visto pelo lado esquerdo.
• Plano 4 – Vista Lateral Direita – mostra o objeto
visto pelo lado direito.
• Plano 5 – Vista Inferior – mostra o objeto sendo
visto pelo lado de baixo.
• Plano 6 – Vista Posterior – mostra o objeto
sendo visto por trás.
• Os rebatimentos normalizados para o 1º
• diedro mantêm, em relação à vista de
• frente, as seguintes posições:
• – a vista de cima fica em baixo;
• – a vista de baixo fica em cima;
• – a vista da esquerda fica à direita;
• – a vista da direita fica à esquerda.
• Observe que não são colocados os
nomes das vistas, bem como não
aparecem as linhas de limite dos
planos de projeções.
Atividade: Desenhar a Perspectiva Isométrica
conforme o desenho técnico abaixo:
Obs: desenhar as projeções ortográficas, após o desenho da
perspectiva
Atividade 02: Desenhar a Perspectiva Isométrica
conforme o desenho técnico abaixo
Obs. Fazer a cotagem na perspectiva conforme a ABNT
Escala 2:1
Atividade 03: Desenhar a Perspectiva Isométrica
conforme o desenho técnico abaixo
Obs. Fazer a cotagem na perspectiva conforme a ABNT
Atividade 04: Desenhar a Perspectiva Isométrica
do cilindro de 3 corpos na escala natural,
conforme modelo abaixo:
• Diametro
menor = 30mm
• Di}ametro
maior = 60mm;
• Quadrado =
25 x 25mm
Atividade 06: Desenhar a Perspectiva Isométrica
conforme o desenho técnico abaixo na escala 2:1
Obs. Fazer a cotagem
conforme a ABNT
e desenhar as
vistas essenciais
na escala 2:1
Perspectiva Isométrica do cilíndro
• É importante olhar para o desenho
sabendo que as vistas, apesar de serem
desenhos bidimensionais, representam o
mesmo objeto visto por diversas posições.
• Partindo da posição definida pela vista de
frente e sabendo a disposição final
convencionada para as outras vistas, é
possível entender os tombos
(rebatimentos) efetuados no objeto.
Projeções Ortogonais pelo 1º
Diedro
Escolha das Vistas
• Na maioria dos casos, o conjunto formado
pelas vistas de frente, vista superior e
uma das vistas laterais é suficiente para
representar, com perfeição, o objeto
desenhado.
Projeção no 3° diedro
• A projeção no 3° diedro mostra as
seguintes vistas:
• frontal; inferior (representada abaixo da
vista frontal);
• lateral direita (representada no
lado direito da vista frontal).
Projeções Ortogonais pelo 3º
Diedro
• Plano 1 – Vista de Frente – mostra a projeção
frontal do objeto.
• Plano 2 – Vista Superior – mostra a projeção do
objeto visto por cima.
• Plano 3 – Vista Lateral Direita – mostra o objeto
visto pelo lado direito.
• Plano 4 – Vista Lateral Esquerda – mostra o
objeto visto pelo lado esquerdo.
• Plano 5 – Vista Inferior – mostra o objeto sendo
visto pelo lado de baixo.
• Plano 6 – Vista Posterior – mostra o objeto
sendo visto por trás.
Comparações entre as Projeções
do 1° e do 3° Diedros
Comparações entre as Projeções
do 1° e do 3° Diedros
1. Quanto à vista de Frente
• Tanto no 1° como no 3° diedro, deve-se
escolher como frente o lado que melhor
representa a forma da peça, respeitando
sua posição de trabalho ou de equilíbrio.
2. Quanto às Posições relativas das
vistas
Projeção no 3° diedro
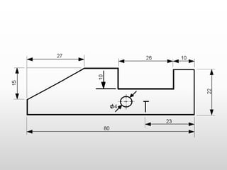
Regras de contagem
• Saber cotar é muito mais do que colocar
as dimensões nos desenhos. A cotagem
requer conhecimento das normas,
técnicas e princípios a ela associados,
além dos processos de fabricação e das
funções da peça ou dos elementos que a
constituem. Uma cotagem incorreta ou
ambígua pode causar grandes prejuízos
na fabricação do produto.
Regras de contagem
Cuidados na cotagem
Cuidados na cotagem
Cuidados na cotagem
• Quando a linha de cota está na posição
inclinada, a cota acompanha a inclinação.
Regras de Cotagem
• Como vemos na figura acima, as linhas de Cota
são de espessura fina, traço continuo, limitadas
por setas nas extremidades. As linhas de
extensão são de espessura fina, traço contínuo,
não devem tocar o contorno do.
• O número que exprime o valor numérico
da cota pode ser escrito acima da linha de
cota, equidistante dos extremos em
intervalo aberto dela interrupção da linha
de cota.
• No mesmo desenho devemos empregar
apenas uma destas duas modalidades. O
valor numérico colocado acima da linha de
cota é mais fácil e evita a possibilidade de
erros.
• Em desenho técnico, normalmente, a
unidade de medida é o milímetro, sendo
dispensada a colocação do símbolo junto
ao valor numérico da cota.
• Se houver o emprego de outra unidade,
coloca-se o respectivo símbolo ao lado do
valor numérico, conforme figura abaixo:
Simbologia e Convenções
• A ABNT (ASSOCIAÇAO BRASILEIRA DE
NORMAS TÉCNICAS), em suas normas
• NB-8 e NB-13, recomenda a utilização dos
símbolos abaixo, que devem ser
colocados sempre antes dos valores
numéricos das cotas.
• Φ - Indicativo de Diâmetro
• - Indicativo de quadrado
• R - Indicativo de Raio r
Simbologia e Convenções
Escalas
• Os desenhos que utilizamos em oficinas,
para orientar a construção de uma peça,
nem sempre podem ser executados com
os valores reais das medidas da peça. Por
exemplo:
Escalas
• Os desenhos que utilizamos em oficinas,
para orientar a construção de uma peça,
nem sempre podem ser executados com
os valores reais das medidas da peça. Por
exemplo:
• É impossível representar no desenho uma
mesa de três metros de comprimento em
seu tamanho real, como também difícil ou
quase impossível representar em seu
tamanho natural uma peça para relógio,
com três milímetros de diâmetro.
• O recurso será, então, reduzir ou ampliar
o desenho, conservando a proporção da
peça a ser executada.
• Em todos estes casos, isto é, desenhando
na mesma medida, reduzindo ou
ampliando, estaremos empregando
escalas. Escala é, portanto, a relação
entre as medidas do desenho e a da peça.
ESCALAS USUAIS
Escalas
• Os desenhos que utilizamos em oficinas,
para orientar a construção de uma peça,
nem sempre podem ser executados com
os valores reais das medidas da peça. Por
exemplo:
Escalas
• ESCALAS USUAIS
• Quando o desenho for do mesmo
tamanho da peça ou quando tiver as
mesmas dimensões indicadas nas cotas,
teremos a escala natural
• Escala Natural
• A escala natural é indicada da seguinte
forma:
• Escala 1:1, que se lê "Escala um por um".
• O exemplo abaixo mostra o desenho de
um punção de bico com todas as
indicações necessárias ã sua execução
na oficina. Note que, devido ao seu
tamanho, foi possível desenhar em escala
natural.
• Escala de Redução
• Quando o desenho de uma peça for
efetuado em tamanho menor do que o
tamanho da própria peça, estaremos
usando escala de Redução. Note que,
embora reduzindo o tamanho do desenho,
as cotas conservaram as medidas reais
da peça.
• A escala de redução é indicada da
seguinte forma:
• Escala 1:2, que se lê "Escala um por
dois".
• Neste exemplo, o desenho está duas
vezes menor que os valores das cotas.
• As Escalas de redução recomendadas
pela ABNT são as seguintes:
• Escala de Ampliação
Quando o desenho de uma peça for
efetuado no tamanho maior do que esta,
estaremos usando escala de ampliação.
Note que as cotas conservaram, também,
os valores reais da peça.
1 : 2 1 : 2,5 1 : 5 1 : 10 1 : 100
• OBSERVAÇÕES:
• A escala do desenho deve
obrigatoriamente ser indicada na legenda.
• Constando na mesma folha desenhos em
escalas diferentes, estas devem ser
indicadas tanto na legenda como junto
aos desenhos a que correspondem.
• Sempre que possível devemos desenhar
em escala natural.
Cortes
• Corte é a denominação dada à
representação de um produto secionada
por um ou mais planos virtuais (planos
secantes). No corte se representa tudo o
que está atrás do plano secante, sendo
que as linhas que estavam invisíveis nas
vistas ortogonais passam a ficar visíveis.
Cortes
• É um recurso muito utilizado para
representar mais efetivamente detalhes
internos de componentes ou montagens.
Representação em cortes
Representação em cortes
Representação em cortes
• Vimos que as vistas principais apresentam
detalhes internos, com linhas tracejadas
indicando os contornos e arestas não
visíveis, como o exemplo abaixo.
• Vimos que as vistas principais apresentam
detalhes internos, com linhas tracejadas
indicando os contornos e arestas não
visíveis, como o exemplo abaixo.
• Se empregarmos o corte, os detalhes
internos passarão a ficar visíveis.
Imaginemos que a peça seja cortada no
sentido longitudinal e a parte da frente,
retirada; na projeção, teremos a elevação
em corte.
• OBSERVAÇÕES:
• O corte é imaginário.
• O sombreado, na projeção, corresponde à
parte da peça que foi atingida pelo corte.
• A região não sombreada indica a não
atingida.
Corte
Corte
Corte
Representação em cortes
Representação em cortes
Representação em cortes
Hachuras
Na projeção em corte, a superfície imaginada
cortada é preenchida com hachuras que são
linhas estreitas geralmente traçadas a 45º,
porém em alguns casos é permitido uma
inclinação de 30º.
Hachuras
As hachuras também mostram os tipos de
materiais; embora se utilize atualmente a penas a
de ferro fundido, independentemente do material.
Imagens: Silva, A. et al. Desenho Técnico Moderno, 2. ed., 2006.
Hachuras
Imagens: Silva, A. et al. Desenho Técnico Moderno, 2. ed., 2006.
Hachuras
Imagens: Silva, A. et al. Desenho Técnico Moderno, 2. ed., 2006.
Hachuras
• As hachuras em uma peça composta (unidas ou
montagem), são feitas em direções diferentes.
• Cortes em componentes de paredes muito delgadas,
como por exemplo: chapas, juntas, guarnições, perfis
estruturais, devem ser representadas em negrito com
espaçamento em branco..
Hachuras
• As hachuras não devem ter a mesma inclinação
de arestas das peças, nem das cotas. Também
não devem interceptar dimensões.
Imagens: Vale, Frederico A. M. do. Desenho de Máquinas. 2004/02.
Cortes
Tipos de cortes
• CORTE COMPOSTO (Em desvio)
• Utilizado quando se deseja representar detalhes em
diferentes planos de corte.
Fonte: Apostila Desenho Mecânico. Desenho com instrumentos. Convênio SENAI/São Paulo
Tipos de cortes
• CORTE PARCIAL
• É um corte utilizado apenas para mostrar determinados
detalhes internos na projeção. Para limitar a parte
cortada, usa-se a linha de ruptura (sinuosa estreita)
Fonte: Apostila Desenho Mecânico. Desenho com instrumentos. Convênio SENAI/São Paulo
Tipos de cortes
• CORTE PARCIAL
Fonte: Apostila Desenho Mecânico. Desenho com instrumentos. Convênio SENAI/São Paulo
Meio corte
• O meio-corte é empregado no desenho de
peças simétricas, no qual aparece
somente meia vista em corte. O meio
corte apresenta a vantagem de indicar, em
uma só vista, as partes internas e externa
da peça.
Fonte: Apostila Desenho Mecânico. Desenho com instrumentos. Convênio SENAI/São Paulo
DESENHO ASSISTIDO POR COMPUTADOR
• INTRODUÇÃO
• Neste tema, você estudará os conceitos
de Desenho Assistido por Computador
aplicando os principais comandos de
modelamento, montagem e detalhamento.
Ao final desse tema você estará apto a
realizar modelamento de peças 3D, bem
como extrair as vistas do modelo e fazer
montagens de itens.
DESENHO ASSISTIDO POR COMPUTADOR
• Como técnico em metalurgia, é essencial
que você tenha esses conhecimentos a
fim de desenvolver bem suas atividades!
• O assunto que você estudará nesse tema
é: CAD sigla em inglês que significa
Desenho Assistido por Computador.
DESENHO ASSISTIDO POR COMPUTADOR
• Existem inúmeros softwares destinados a
esse fim, porém focaremos nossos
estudos no SolidWorks. Presente no
mercado desde 1995, o SolidWorks é
capaz de elaborar desenho 3D, 2D,
montagens e recursos mais avançados,
tais como: simulações por elementos
finitos e movimentos.
DESENHO ASSISTIDO POR COMPUTADOR
• Sendo um software totalmente
paramétrico, ou seja, existe uma ligação
entre o modelamento da peça em 3D e a
projeção das vistas em 2D, de forma que
ao se fazer uma modificação no
modelamento, logo as vistas ou
montagens são modificadas.
DESENHO ASSISTIDO POR COMPUTADOR
•Um modelo do SolidWorks consiste em
geometria sólida 3D em um documento
de peça ou montagem.
DESENHO ASSISTIDO POR COMPUTADOR
• É possível refinar o projeto adicionando,
editando ou reordenando os recursos.
DESENHO ASSISTIDO POR COMPUTADOR
• Os desenhos são criados a partir de
modelos ou por meio de rascunhos de
vistas em um documento de desenho.
DESENHO ASSISTIDO POR COMPUTADOR
• A associação entre peças, montagens e
desenhos assegura
que as alterações
feitas em um
documento ou
vista sejam
Automaticamente
feitas em todos os
outros documentos e vistas.
DESENHO ASSISTIDO POR COMPUTADOR
• Em geral, você começa com um esboço,
cria um recurso-base e adiciona mais
recursos ao modelo. Também existe a
possibilidade de iniciar com uma geometria
sólida ou de superfície importada.
DESENHO ASSISTIDO POR COMPUTADOR
• É possível gerar desenhos ou montagens
em qualquer momento no processo de
projeto.
DESENHO ASSISTIDO POR COMPUTADOR
• CONCEITOS E COMANDOS BÁSICOS.
•
Trabalho de pesquisa sobre Saúde e
Segurança no trabalho
• Pesquisar sobre:
• Acidentes do trabalho, Conceitos,tipos,
características e prevenção;
• Ato inseguro;
• Condição insegura;
• EPIs e EPCs; agentes agressores à saúde
• Obs. Entregar até quarta feira 04/09.

Desenho Técnico - Conceitos e Normas

  • 1.
    Desenho Técnico Instrumentos deDesenho técnico: • Lapiseira 05 ou 07, com mina tipo B, ou 2B; • Régua graduada de 300mm • Compasso de pontas médio; • Borracha macia de látex; • Jogo de esquadros de 45º e 90º; de 30º60º e 90º • Flanela pequena • Fita adesiva pequena
  • 2.
    Desenho Técnico Conhecimentos: • Importânciado Desenho Técnico, • Caligrafia técnica, • formatos de papel e instrumentos utilizados no desenho técnico, • linhas e normas aplicadas ao desenho técnico, escalas, Regras de cotagem. • Projeção ortogonal (vistas essenciais): • croquis, tolerâncias geométrica, • perspectivas Cavaleira e isométrica.
  • 3.
    Objetivos: • Ler projetosde sistemas mecânicos, por meio da elaboração de desenho. • Interpretar, com segurança, desenhos técnicos de sua especialidade, de acordo com as normas da ABNT; • Executar traçados à mão livre e com instrumentos básicos, como forma de expressão de sua linguagem técnica.
  • 4.
    Introdução ao DesenhoTécnico Quando uma pessoa vai escrever uma carta, pensa antes o que vai escrever. Depois escreve aquilo que pensa. Passa seus pensamentos para o papel em forma de palavras escritas.
  • 5.
    • Quem lêa carta, fica conhecendo o pensamento de quem a escreveu. As palavras escritas na carta representam os pensamentos de quem a escreveu. Quando alguém quer transmitir um recado, também pensa antes o que vai dizer. As palavras faladas representam o pensamento de quem falou.
  • 6.
    • E quandoalguém desenha? • Acontece a mesma coisa. Primeiro a pessoa pensa o que vai desenhar, depois desenha aquilo que pensou, passa seus pensamentos para o papel.
  • 7.
    Classificação dos desenhos técnicos •Os desenhos técnicos são classificados segundo os critérios seguintes: 1 - Quanto ao aspecto geométrico A) Desenho projetivo: • Desenho resultante de projeção de peça sobre um ou mais planos, compreendendo as projeções ortogonais e as perspectivas.
  • 8.
    • B) Desenhonão projetivo: Diagramas esquemas, Ábaco, nomogramas, Fluxogramas, Organogramas e Gráficos e outros.
  • 9.
    2 – Quantoao grau de elaboração: A) Croquis: Representação gráfica expedida. Aplicada habitualmente aos estágios iniciais da elaboração de um projeto ou a representação de elementos existentes ou a execução de obras. É executa a mão livre ou com instrumentos.
  • 10.
    B) Desenho Preliminar: Representaçãográfica empregada nos estágios intermediários da elaboração do projeto, sujeito ainda a alterações. Corresponde ao anteprojeto.
  • 11.
    C) Desenho definitivo: Desenhointegrante da solução final do projeto, contendo os elementos necessários a sua compreensão de modo a poder servir à execução.
  • 12.
    • Descrição verbalda peça. • Fotografia da peça. • Modelo da peça. • Desenho técnico da Peça.
  • 13.
    Descrição Verbal • Nãoé o bastante para transmitir as ideias de forma e dimensões de uma peça, mesmo que ela não seja muito complicada. Se experimentarmos descrever, usando somente o recurso da palavra, um objeto, de maneira que outra pessoa o execute, isso é praticamente impossível.
  • 14.
    A Fotografia • Transmiterelativamente bem a ideia da parte exterior da peça, mas não mostra seus detalhes internos e nem suas dimensões. Logo, a fotografia também não resolve o nosso problema.
  • 15.
    O Modelo • Resolve,até certo ponto alguns problemas, mas Nem todos. Por exemplo, se tivéssemos que transportar uma peça de grande tamanho, para reproduzi-la pelo modelo... Além disso, a peça pode estar sendo "projetada", não existindo ainda um modelo da mesma.
  • 16.
    Desenho técnico • Podetransmitir, com clareza, precisão e de maneira simples, todas as idéias de forma e dimensões de uma peça. Além disso, há uma série de outras informações necessárias que somente o desenho pode dar, tais como:. O material de que é feita a peça, os acabamentos de sua superfície, as tolerâncias de suas medidas etc.
  • 17.
    • Portanto, oconhecimento de Desenho Técnico é indispensável a todos aqueles que necessitam executar tarefas que sejam de ajustagem, tornearia, marcenaria, eletricidade etc.
  • 18.
    • O DesenhoTécnico é usado na indústria pelos engenheiros, projetistas, desenhistas, mestres e operários qualificados, como uma linguagem técnica universal, pela qual se expressam e registram idéias e dados para a construção de móveis, máquinas e estruturas
  • 19.
    • Sendo umalinguagem gráfica universal, o Desenho técnico possui normas específicas para o seu traçado e interpretação. Estas normas são elaboradas por entidades especializadas que padroniza e normaliza o seu emprego.
  • 20.
    Normas • No Brasil,a ABNT - Associação Brasileira de Normas Técnicas - padronizou as normas NB-8, NB-13 e outras, que fixam as condições gerais que devem ser observadas na execução dos desenhos técnicos e representações convencionais.
  • 21.
    Normas da ABNT •NBR 10647 – DESENHO TÉCNICO – NORMA GERAL • • NBR 10068 – FOLHA DE DESENHO LAY-OUT E DIMENSÕES • • NBR 10582 – APRESENTAÇÃO DA FOLHA PARA DESENHO TÉCNICO • • NBR 13142 – DESENHO TÉCNICO – DOBRAMENTO DE CÓPIAS • • NBR 8402 – EXECUÇÃO DE CARACTERES PARA ESCRITA EM DESENHOS TÉCNICOS • • NBR 8403 – APLICAÇÃO DE LINHAS EM DESENHOS – TIPOS DE LINHAS – LARGURAS DAS LINHAS • NBR10067 – PRINCÍPIOS GERAIS DE REPRESENTAÇÃO EM DESENHO TECNICO
  • 22.
    Normas da ABNT •NBR 8196 – DESENHO TÉCNICO – EMPREGO DE ESCALAS • • NBR 12298 – REPRESENTAÇÃO DE ÁREA DE CORTE POR MEIO DE HACHURAS EM DESENHO TÉCNICO • • NBR10126 – COTAGEM EM DESENHO TÉCNICO • • NBR8404 – INDICAÇÃO DO ESTADO DE SUPERFÍCIE EM DESENHOS TÉCNICOS • • NBR 6158 – SISTEMA DE TOLERÂNCIAS E AJUSTES • • NBR 8993 – REPRESENTAÇÃO CONVENCIONAL DE PARTES ROSCADAS EM DESENHO TÉCNICO
  • 23.
    • Quais asdiferenças entre o desenho técnico e o desenho artístico? • O desenho técnico é um tipo de representação gráfica utilizado por profissionais de uma mesma área, como, por exemplo, na mecânica, na marcenaria, na eletricidade.
  • 24.
    • Observe osdesenhos a seuir: são exemplos de desenhos artísticos.
  • 25.
    • Já odesenho técnico, ao contrário do artístico, deve transmitir com exatidão todas as características do objeto que representa. Para conseguir isso, o desenhista deve seguir regras estabelecidas previamente, chamadas de • normas técnicas.
  • 26.
    • Assim, todosos elementos do desenho técnico obedecem a normas técnicas, ou seja, são normalizados. Cada área ocupacional tem seu próprio desenho técnico, de acordo com normas específicas. Observe alguns exemplos:
  • 27.
    Caligrafia Técnica • Umacaligrafia simples, perfeitamente legível e facilmente desenhável, constitui uma das mais importantes condições dos desenhos técnicos. • Em desenho técnico, usamos uma caligrafia obedecendo às normas e não à caligrafia comum. Vejamos a diferença.
  • 28.
    Caligrafia Técnica • Asletras e algarismos podem ser verticais ou inclinados para a direita, sendo usados, de preferência, estes últimos. Devem ser semelhantes aos dos tipos representados abaixo: • ABCDEFGHIJKLMNOPQRSTUVWXYZ • abcdefghijklmnopqrstuvwxyz • 0123456789 • ABCDEFGHIJKLMNOPQRSTUVWXYZ • abcdefghijklmnopqrstuvwxyz • 0123456789
  • 29.
  • 30.
  • 31.
    FORMATOS DE PAPÉIS •O formato básico de papel, designado por A0 (A zero), e o do retângulo de lados medindo 841 mm e 1189 mm, tendo a área de 1 m2. Do formato básico, derivam- se os demais formatos.
  • 35.
  • 36.
    MARGEM DE FORMATOS LEGENDAE POSICIONAMENTO NAS FOLHAS A norma NBR 10068/1987 e a norma ISO 5457:1984 tratam sobre o assunto. Veja como pode ser elaborada uma legenda.
  • 38.
    Dobramento de formatos •Efetua-se o dobramento a partir do lado “d” (direito) em dobras verticais de 185 mm. A parte final “a” é dobrada ao meio.
  • 39.
    LEGENDA • A legendadeve ficar no canto inferior direito dos formatos, A3, A2, A1 e A0, ou ao longo da largura da folha de desenho, no formato A4.
  • 40.
    Materiais e Instrumentosde Desenho Técnico
  • 41.
    Materiais e Instrumentosde Desenho Técnico
  • 42.
    Instrumentos de DesenhoTécnico • O lápis, instrumento básico para o traçado de desenhos. Pode ser de seção redonda ou hexagonal. • A dureza da grafita é indicada por números, letras ou ambos. • Os lápis de seções hexagonais, mais adequados para desenho, são classificados de acordo com as letras B. F e H. Os lápis de seção redonda, comumente encontrados no comércio para uso geral são classificados pelos números 1. 2 e 3, correspondentes às hexagonais, de acordo com a tabela abaixo.
  • 43.
    Lápis Ao fazer aponta no lápis, deve-se ter o cuidado de fazê-la na extremidade oposta àquela onde se encontra indicada a dureza da grafite. Caso contrário, o reconhecimento do lápis de acordo com sua dureza será bem difícil. Para o afinamento da grafite é interessante ter uma tira de1ixa fina colada em um pedaço de madeira.
  • 44.
  • 45.
    BORRACHA • A borrachapara apagar desenhos a 1ápis deve ser macia e flexível. Para facilitar o trabalho de apagar, em trechos pequenos, a borracha deve ser chanfrada numa das extremidades. • Este chanfro é obtido raspando-a numa superfície áspera. Fig. 9 – Chanframento da borracha
  • 46.
    Régua • Existem diversostipos de réguas, sendo as mais empregadas: a régua graduada e a régua "T". • A) Régua Graduada • Ela consiste numa peça reta (plana), tendo graduações em ambas as arestas, para a marcação de medidas. Existem réguas graduadas em milímetros ou em polegadas e algumas possuem as duas graduações em arestas opostas. Fig. 11 – Régua milimetrada
  • 47.
    Régua • As réguasgraduadas servem para tomar e aplicar medidas lineares, portanto, não devem ser utilizadas para auxiliar nos traçados de linhas. Geralmente a graduação impressa na régua, produz pequenas depressões; por isso, as linhas traçadas com tais réguas resultam em linhas irregulares.
  • 48.
    ESQUADROS • Os esquadrossão instrumentos de desenho, de forma triangular. • Os mais utilizados são os seguintes: • Esquadro de 45º, composto por dois ângulos de 45º e um de 90º. • Esquadro de 60º, composto por ângulos de 30º, 60º e 90º.
  • 49.
    Régua “T” • Consisteem uma haste reta e plana, tendo numa das extremidades uma travessa (cabeça) perpendicular à haste.
  • 50.
    • As figurasabaixo mostram a posição da mão e a maneira de pegar e deslocar o lápis, fatores importantes para a obtenção de uma boa caligrafia.
  • 54.
    • Nesses desenhos,as representações foram feitas por meio de traços, símbolos, números e indicações escritas, de acordo com normas técnicas. • No Brasil, a entidade responsável pelas normas técnicas é a ABNT - Associação Brasileira de Normas Técnicas. Neste curso você vai conhecer a aplicação das principais normas técnicas referentes ao desenho técnico mecânico, de acordo com a ABNT.
  • 55.
    Normas do DesenhoTécnico; tipos de linhas • As linhas dão formas ao desenho e por isso exercem um papel muito importante na elaboração das vistas, sendo que a norma NBR 8403/1984 menciona todos os tipos de linhas usadas na elaboração do desenho, bem como sua aplicação. Assista ao vídeo e faça atividade seguinte para fixar o conhecimento.
  • 56.
    Normas do DesenhoTécnico; Tipos de linhas
  • 57.
    Normas do DesenhoTécnico; Linhas para contorno e arestas visíveis
  • 58.
    Normas do DesenhoTécnico; linhas de contornos e arestas não visíveis
  • 59.
    Normas do DesenhoTécnico; Linhas de simetria
  • 60.
    Normas do DesenhoTécnico; linhas de centro
  • 61.
  • 62.
  • 63.
    Linhas Convencionais • Aoanalisarmos um desenho, notamos que ele apresenta linhas de tipos e espessuras diferentes. O conhecimento destas linhas é indispensável para a interpretação dos desenhos. Quanto à espessura, as linhas devem ser: • Grossas • Médias • Finas • A espessura da linha média deve ser a metade da linha grossa e a espessura da linha fina, metade da linha média.
  • 64.
  • 67.
    Linhas Convencionais • Linhaspara arestas e contornos visíveis são de espessura grossa • Linhas para arestas e contornos não visíveis são de espessura média e tracejada.
  • 68.
    • Linhas deCota • Elas são de espessura fina e de traço contínuo, sendo limitadas por setas nas extremidades. • Linhas de Chamada ou Extensão • São de espessura fina e traço contínuo. Não devem tocar o contorno do desenho e prolongam-se além da última linha de cota que limitam.
  • 69.
    • Linhas deCorte • São de espessura grossa, formada por traços e pontos. Servem para indicar cortes e seções.
  • 70.
    Linhas para Hachura •Elas são de espessura fina, traços contínuos ou tracejados, geralmente inclinados a 45º e mostram as partes cortadas da peça. Servem também para indicar o material de que a peça é feita, de acordo com as convenções recomendadas pela ABNT.
  • 71.
    Linhas de rupturas •Para rupturas curtas • Elas são de espessura média, traço contínuo e sinuoso e servem para indicar pequenas rupturas e cortes parciais.
  • 72.
    Construções geométricas • Oponto - é a figura geométrica mais simples. Não tem dimensão, isto é, não tem comprimento, nem largura, nem altura. • No desenho, o ponto é determinado pelo cruzamento de duas linhas. Para identificá-lo, usamos letras maiúsculas do alfabeto latino, como mostram os exemplos: Lê-se: ponto A, ponto B e ponto C.
  • 73.
    Construções geométricas • Linhareta ou reta • • A reta é ilimitada, isto é, não tem início nem fim. As retas são identificadas por letras minúsculas do alfabeto latino. Veja a representação da uma reta r:
  • 74.
  • 75.
    Tipos de perspectivas •Perspectivas – são figuras resultantes de projeção cilíndrica ou cônicas sobre um único plano, com a finalidade de permitir a percepção da forma global de um objeto.
  • 76.
    Atividade 02 Desenhar a perspectiva isométrica conformea figura ao lado e as vistas essenciais do desenho
  • 77.
    Desenhar a perspectivaisométrica a partir das vistas A = 30 H =15 B = 30 i = 90 C = 15 j = 60 D = 60 E = 30 F = 45 G = 15 i j
  • 78.
    perspectiva isométrica apartir das vistas
  • 79.
    Perspectiva cavaleira • Aperspectiva cavaleira ou perspectiva cavalheira e uma projeção do objeto onde uma das faces fica em verdadeira grandeza, ou seja, perpendicular ao observador. Como na projeção ortogonal, e as demais faces seguem os sentidos dos esquadros mediante os ângulos de 60°,45° ou 30°, conforme a escolha do desenhista. Diferente da perspectiva isométrica, a perspectiva cavaleira acarretara distorção das faces em perspectiva.
  • 80.
    Perspectiva cavaleira • Naperspectiva cavaleira uma face da peça é desenha exatamente de frente, em verdadeira grandeza. As outras faces são projetadas obliquamente, inclinadas a 30°, 45° ou 60°.
  • 81.
    • Quando escolhera representação de um desenho em perspectiva cavaleira? Quando a face frontal conter detalhes, principalmente objetos circulares, para que sejam representados em verdadeira grandeza
  • 82.
    Tipos de Perspectivas •As perspectivas de maior utilização em desenho técnico são: • A. Perspectiva isométrica; • B. Perspectiva cavaleira; • C. Perspectiva bimétrica.
  • 83.
    Tipos de Perspectivas •As perspectivas Cavaleiras podem ser: • A. Perspectiva cavaleira de 30º; • B. Perspectiva cavaleira de 45º;; • C. Perspectiva cavaleira de 60º;
  • 84.
  • 86.
    Perspectivas • Vistas ortográficas– são figuras resultantes de projeções cilíndricas ortogonais de modo a representar com exatidão a forma do objeto com seus detalhes.
  • 87.
  • 88.
    Tipos de Perspectivas PerspectivaPerspectiva Cavaleira de 30º cavaleira de 45º Perspectiva isométrica
  • 89.
  • 90.
  • 91.
  • 92.
    Perspectiva bimétrica x: y : z 2/3 : 1: 1 Perspectiva triimétrica
  • 94.
    Perspectivas Isométricas • Aperspectiva, por ser desenho ilustrativo, auxilia na interpretação de peças, embora, em muitos casos, não possa mostrar todos os detalhes.
  • 95.
    • A perspectivaisométrica (medidas iguais) é uma das mais simples e eficientes. Parte de três eixos a 120 graus (isométricos) sobre os quais marcam-se as medidas da peça. • As arestas paralelas da peça são traçadas na perspectiva isométrica por linhas também paralelas.
  • 98.
  • 99.
  • 102.
  • 106.
    • Os quadrosde 1 a 6 mostram a sequência do traçado à mão livre da perspectiva isométrica.
  • 107.
    Perspectivas Isométricas • Oselementos cilíndricos e os arcos são traçados em perspectiva isométrica, conforme os desenhos abaixo:
  • 108.
    Perspectivas Isométricas • Fasesdo traçado à mão livre de elementos cilíndricos e arcos.
  • 109.
  • 110.
    SISTEMAS DE PROJEÇÕES ORTOGONAIS •Uma peça que estamos observando ou mesmo imaginando, pode ser desenhada (representada) num plano. A essa representação gráfica se dá o nome de "projeção". • O plano é denominado "plano de projeção" e a representação da peça recebe nele, o nome de projeção.
  • 111.
    Diedros • Cada diedroé a região limitada por dois semiplanos perpendiculares entre si. Os diedros são numerados no sentido anti- horário, isto é, no sentido contrário ao do movimento dos ponteiros do relógio.
  • 112.
    SISTEMAS DE PROJEÇÕES ORTOGONAIS •No Brasil, assim como na Europa, Ásia e em outros países usa-se da projeção no primeiro diedro, eo3º diedro é usado nos EUA e no Canadá.
  • 113.
    Símbolos de Projeçãoortogonal no 1º Diedro e 3º Diedro • Na legenda deve estar incluída a representação do diedro usado no desenho:
  • 114.
    • O métodode representação de objetos em dois semi planos perpendiculares entre si, criado por Gaspar Monge, é também conhecido como método mongeano. • Atualmente, a maioria dos países que utilizam o método mongeano adotam a projeção ortográfica no 1º diedro. No Brasil, a ABNT recomenda a representação no 1º diedro.
  • 115.
    • Ao interpretarum desenho técnico procure identificar, de imediato, em que diedro ele está representado. • O símbolo a baixo indica que o desenho técnico está representado no 1º diedro. Este símbolo aparece no canto inferior direito da folha de papel dos desenhos técnicos, dentro da legenda. • 1° diedro.
  • 116.
    • Quando odesenho técnico estiver representado no 3º diedro, você verá este outro símbolo: 3° diedro:
  • 117.
    Símbolos de Projeçãoortogonal no 1º Diedro e 3º Diedro Projeção ortogonal no 1º Diedro -procedimento
  • 120.
    • Para simplificaro entendimento da projeção ortográfica passaremos a representar apenas o 1º diedro, o que é normalizado pela ABNT. • Chamaremos o semiplano vertical superior de plano vertical. O semiplano horizontal anterior passará a ser chamado de plano horizontal.
  • 121.
  • 122.
  • 123.
    • Considerando oobjeto imóvel no espaço, o observador pode vê-lo por seis direções diferentes, obtendo seis vistas da peça. • Para vistas principais, as projeções têm de ser obtidas em planos perpendiculares entre si e paralelos dois a dois, formando uma caixa.
  • 124.
  • 125.
  • 126.
    • Plano 1– Vista de Frente ou Elevação – mostra a projeção frontal do objeto. • Plano 2 – Vista Superior ou Planta – mostra a projeção do objeto visto por cima. • Plano 3 – Vista Lateral Esquerda ou Perfil – mostra o objeto visto pelo lado esquerdo. • Plano 4 – Vista Lateral Direita – mostra o objeto visto pelo lado direito. • Plano 5 – Vista Inferior – mostra o objeto sendo visto pelo lado de baixo. • Plano 6 – Vista Posterior – mostra o objeto sendo visto por trás.
  • 127.
    • Os rebatimentosnormalizados para o 1º • diedro mantêm, em relação à vista de • frente, as seguintes posições: • – a vista de cima fica em baixo; • – a vista de baixo fica em cima; • – a vista da esquerda fica à direita; • – a vista da direita fica à esquerda.
  • 128.
    • Observe quenão são colocados os nomes das vistas, bem como não aparecem as linhas de limite dos planos de projeções.
  • 129.
    Atividade: Desenhar aPerspectiva Isométrica conforme o desenho técnico abaixo: Obs: desenhar as projeções ortográficas, após o desenho da perspectiva
  • 130.
    Atividade 02: Desenhara Perspectiva Isométrica conforme o desenho técnico abaixo Obs. Fazer a cotagem na perspectiva conforme a ABNT Escala 2:1
  • 131.
    Atividade 03: Desenhara Perspectiva Isométrica conforme o desenho técnico abaixo Obs. Fazer a cotagem na perspectiva conforme a ABNT
  • 132.
    Atividade 04: Desenhara Perspectiva Isométrica do cilindro de 3 corpos na escala natural, conforme modelo abaixo: • Diametro menor = 30mm • Di}ametro maior = 60mm; • Quadrado = 25 x 25mm
  • 133.
    Atividade 06: Desenhara Perspectiva Isométrica conforme o desenho técnico abaixo na escala 2:1 Obs. Fazer a cotagem conforme a ABNT e desenhar as vistas essenciais na escala 2:1
  • 134.
  • 136.
    • É importanteolhar para o desenho sabendo que as vistas, apesar de serem desenhos bidimensionais, representam o mesmo objeto visto por diversas posições. • Partindo da posição definida pela vista de frente e sabendo a disposição final convencionada para as outras vistas, é possível entender os tombos (rebatimentos) efetuados no objeto.
  • 137.
  • 138.
    Escolha das Vistas •Na maioria dos casos, o conjunto formado pelas vistas de frente, vista superior e uma das vistas laterais é suficiente para representar, com perfeição, o objeto desenhado.
  • 140.
    Projeção no 3°diedro • A projeção no 3° diedro mostra as seguintes vistas: • frontal; inferior (representada abaixo da vista frontal); • lateral direita (representada no lado direito da vista frontal).
  • 141.
  • 142.
    • Plano 1– Vista de Frente – mostra a projeção frontal do objeto. • Plano 2 – Vista Superior – mostra a projeção do objeto visto por cima. • Plano 3 – Vista Lateral Direita – mostra o objeto visto pelo lado direito. • Plano 4 – Vista Lateral Esquerda – mostra o objeto visto pelo lado esquerdo. • Plano 5 – Vista Inferior – mostra o objeto sendo visto pelo lado de baixo. • Plano 6 – Vista Posterior – mostra o objeto sendo visto por trás.
  • 143.
    Comparações entre asProjeções do 1° e do 3° Diedros
  • 144.
    Comparações entre asProjeções do 1° e do 3° Diedros 1. Quanto à vista de Frente • Tanto no 1° como no 3° diedro, deve-se escolher como frente o lado que melhor representa a forma da peça, respeitando sua posição de trabalho ou de equilíbrio. 2. Quanto às Posições relativas das vistas
  • 145.
  • 146.
    Regras de contagem •Saber cotar é muito mais do que colocar as dimensões nos desenhos. A cotagem requer conhecimento das normas, técnicas e princípios a ela associados, além dos processos de fabricação e das funções da peça ou dos elementos que a constituem. Uma cotagem incorreta ou ambígua pode causar grandes prejuízos na fabricação do produto.
  • 147.
  • 148.
  • 149.
  • 150.
    Cuidados na cotagem •Quando a linha de cota está na posição inclinada, a cota acompanha a inclinação.
  • 151.
    Regras de Cotagem •Como vemos na figura acima, as linhas de Cota são de espessura fina, traço continuo, limitadas por setas nas extremidades. As linhas de extensão são de espessura fina, traço contínuo, não devem tocar o contorno do.
  • 152.
    • O númeroque exprime o valor numérico da cota pode ser escrito acima da linha de cota, equidistante dos extremos em intervalo aberto dela interrupção da linha de cota.
  • 154.
    • No mesmodesenho devemos empregar apenas uma destas duas modalidades. O valor numérico colocado acima da linha de cota é mais fácil e evita a possibilidade de erros. • Em desenho técnico, normalmente, a unidade de medida é o milímetro, sendo dispensada a colocação do símbolo junto ao valor numérico da cota. • Se houver o emprego de outra unidade, coloca-se o respectivo símbolo ao lado do valor numérico, conforme figura abaixo:
  • 157.
    Simbologia e Convenções •A ABNT (ASSOCIAÇAO BRASILEIRA DE NORMAS TÉCNICAS), em suas normas • NB-8 e NB-13, recomenda a utilização dos símbolos abaixo, que devem ser colocados sempre antes dos valores numéricos das cotas. • Φ - Indicativo de Diâmetro • - Indicativo de quadrado • R - Indicativo de Raio r
  • 158.
  • 159.
    Escalas • Os desenhosque utilizamos em oficinas, para orientar a construção de uma peça, nem sempre podem ser executados com os valores reais das medidas da peça. Por exemplo:
  • 160.
    Escalas • Os desenhosque utilizamos em oficinas, para orientar a construção de uma peça, nem sempre podem ser executados com os valores reais das medidas da peça. Por exemplo:
  • 161.
    • É impossívelrepresentar no desenho uma mesa de três metros de comprimento em seu tamanho real, como também difícil ou quase impossível representar em seu tamanho natural uma peça para relógio, com três milímetros de diâmetro.
  • 162.
    • O recursoserá, então, reduzir ou ampliar o desenho, conservando a proporção da peça a ser executada. • Em todos estes casos, isto é, desenhando na mesma medida, reduzindo ou ampliando, estaremos empregando escalas. Escala é, portanto, a relação entre as medidas do desenho e a da peça.
  • 163.
  • 164.
    Escalas • Os desenhosque utilizamos em oficinas, para orientar a construção de uma peça, nem sempre podem ser executados com os valores reais das medidas da peça. Por exemplo:
  • 165.
  • 167.
    • ESCALAS USUAIS •Quando o desenho for do mesmo tamanho da peça ou quando tiver as mesmas dimensões indicadas nas cotas, teremos a escala natural • Escala Natural • A escala natural é indicada da seguinte forma:
  • 168.
    • Escala 1:1,que se lê "Escala um por um". • O exemplo abaixo mostra o desenho de um punção de bico com todas as indicações necessárias ã sua execução na oficina. Note que, devido ao seu tamanho, foi possível desenhar em escala natural.
  • 170.
    • Escala deRedução • Quando o desenho de uma peça for efetuado em tamanho menor do que o tamanho da própria peça, estaremos usando escala de Redução. Note que, embora reduzindo o tamanho do desenho, as cotas conservaram as medidas reais da peça. • A escala de redução é indicada da seguinte forma:
  • 171.
    • Escala 1:2,que se lê "Escala um por dois". • Neste exemplo, o desenho está duas vezes menor que os valores das cotas.
  • 172.
    • As Escalasde redução recomendadas pela ABNT são as seguintes: • Escala de Ampliação Quando o desenho de uma peça for efetuado no tamanho maior do que esta, estaremos usando escala de ampliação. Note que as cotas conservaram, também, os valores reais da peça. 1 : 2 1 : 2,5 1 : 5 1 : 10 1 : 100
  • 174.
    • OBSERVAÇÕES: • Aescala do desenho deve obrigatoriamente ser indicada na legenda. • Constando na mesma folha desenhos em escalas diferentes, estas devem ser indicadas tanto na legenda como junto aos desenhos a que correspondem. • Sempre que possível devemos desenhar em escala natural.
  • 175.
    Cortes • Corte éa denominação dada à representação de um produto secionada por um ou mais planos virtuais (planos secantes). No corte se representa tudo o que está atrás do plano secante, sendo que as linhas que estavam invisíveis nas vistas ortogonais passam a ficar visíveis.
  • 176.
    Cortes • É umrecurso muito utilizado para representar mais efetivamente detalhes internos de componentes ou montagens.
  • 177.
  • 178.
  • 179.
  • 180.
    • Vimos queas vistas principais apresentam detalhes internos, com linhas tracejadas indicando os contornos e arestas não visíveis, como o exemplo abaixo.
  • 181.
    • Vimos queas vistas principais apresentam detalhes internos, com linhas tracejadas indicando os contornos e arestas não visíveis, como o exemplo abaixo.
  • 183.
    • Se empregarmoso corte, os detalhes internos passarão a ficar visíveis. Imaginemos que a peça seja cortada no sentido longitudinal e a parte da frente, retirada; na projeção, teremos a elevação em corte.
  • 186.
    • OBSERVAÇÕES: • Ocorte é imaginário. • O sombreado, na projeção, corresponde à parte da peça que foi atingida pelo corte. • A região não sombreada indica a não atingida.
  • 187.
  • 188.
  • 189.
  • 190.
  • 191.
  • 192.
  • 193.
    Hachuras Na projeção emcorte, a superfície imaginada cortada é preenchida com hachuras que são linhas estreitas geralmente traçadas a 45º, porém em alguns casos é permitido uma inclinação de 30º.
  • 194.
    Hachuras As hachuras tambémmostram os tipos de materiais; embora se utilize atualmente a penas a de ferro fundido, independentemente do material. Imagens: Silva, A. et al. Desenho Técnico Moderno, 2. ed., 2006.
  • 195.
    Hachuras Imagens: Silva, A.et al. Desenho Técnico Moderno, 2. ed., 2006.
  • 196.
    Hachuras Imagens: Silva, A.et al. Desenho Técnico Moderno, 2. ed., 2006.
  • 197.
    Hachuras • As hachurasem uma peça composta (unidas ou montagem), são feitas em direções diferentes. • Cortes em componentes de paredes muito delgadas, como por exemplo: chapas, juntas, guarnições, perfis estruturais, devem ser representadas em negrito com espaçamento em branco..
  • 198.
    Hachuras • As hachurasnão devem ter a mesma inclinação de arestas das peças, nem das cotas. Também não devem interceptar dimensões. Imagens: Vale, Frederico A. M. do. Desenho de Máquinas. 2004/02.
  • 199.
  • 200.
    Tipos de cortes •CORTE COMPOSTO (Em desvio) • Utilizado quando se deseja representar detalhes em diferentes planos de corte. Fonte: Apostila Desenho Mecânico. Desenho com instrumentos. Convênio SENAI/São Paulo
  • 201.
    Tipos de cortes •CORTE PARCIAL • É um corte utilizado apenas para mostrar determinados detalhes internos na projeção. Para limitar a parte cortada, usa-se a linha de ruptura (sinuosa estreita) Fonte: Apostila Desenho Mecânico. Desenho com instrumentos. Convênio SENAI/São Paulo
  • 202.
    Tipos de cortes •CORTE PARCIAL Fonte: Apostila Desenho Mecânico. Desenho com instrumentos. Convênio SENAI/São Paulo
  • 203.
    Meio corte • Omeio-corte é empregado no desenho de peças simétricas, no qual aparece somente meia vista em corte. O meio corte apresenta a vantagem de indicar, em uma só vista, as partes internas e externa da peça. Fonte: Apostila Desenho Mecânico. Desenho com instrumentos. Convênio SENAI/São Paulo
  • 204.
    DESENHO ASSISTIDO PORCOMPUTADOR • INTRODUÇÃO • Neste tema, você estudará os conceitos de Desenho Assistido por Computador aplicando os principais comandos de modelamento, montagem e detalhamento. Ao final desse tema você estará apto a realizar modelamento de peças 3D, bem como extrair as vistas do modelo e fazer montagens de itens.
  • 205.
    DESENHO ASSISTIDO PORCOMPUTADOR • Como técnico em metalurgia, é essencial que você tenha esses conhecimentos a fim de desenvolver bem suas atividades! • O assunto que você estudará nesse tema é: CAD sigla em inglês que significa Desenho Assistido por Computador.
  • 206.
    DESENHO ASSISTIDO PORCOMPUTADOR • Existem inúmeros softwares destinados a esse fim, porém focaremos nossos estudos no SolidWorks. Presente no mercado desde 1995, o SolidWorks é capaz de elaborar desenho 3D, 2D, montagens e recursos mais avançados, tais como: simulações por elementos finitos e movimentos.
  • 207.
    DESENHO ASSISTIDO PORCOMPUTADOR • Sendo um software totalmente paramétrico, ou seja, existe uma ligação entre o modelamento da peça em 3D e a projeção das vistas em 2D, de forma que ao se fazer uma modificação no modelamento, logo as vistas ou montagens são modificadas.
  • 208.
    DESENHO ASSISTIDO PORCOMPUTADOR •Um modelo do SolidWorks consiste em geometria sólida 3D em um documento de peça ou montagem.
  • 209.
    DESENHO ASSISTIDO PORCOMPUTADOR • É possível refinar o projeto adicionando, editando ou reordenando os recursos.
  • 210.
    DESENHO ASSISTIDO PORCOMPUTADOR • Os desenhos são criados a partir de modelos ou por meio de rascunhos de vistas em um documento de desenho.
  • 211.
    DESENHO ASSISTIDO PORCOMPUTADOR • A associação entre peças, montagens e desenhos assegura que as alterações feitas em um documento ou vista sejam Automaticamente feitas em todos os outros documentos e vistas.
  • 212.
    DESENHO ASSISTIDO PORCOMPUTADOR • Em geral, você começa com um esboço, cria um recurso-base e adiciona mais recursos ao modelo. Também existe a possibilidade de iniciar com uma geometria sólida ou de superfície importada.
  • 213.
    DESENHO ASSISTIDO PORCOMPUTADOR • É possível gerar desenhos ou montagens em qualquer momento no processo de projeto.
  • 214.
    DESENHO ASSISTIDO PORCOMPUTADOR • CONCEITOS E COMANDOS BÁSICOS. •
  • 215.
    Trabalho de pesquisasobre Saúde e Segurança no trabalho • Pesquisar sobre: • Acidentes do trabalho, Conceitos,tipos, características e prevenção; • Ato inseguro; • Condição insegura; • EPIs e EPCs; agentes agressores à saúde • Obs. Entregar até quarta feira 04/09.