Série: CFW-08
Software: versão 3.6X
0899.4484 P/3
ATENÇÃO!
É muito importante conferir se a
versão de software do inversor é
igual a indicada acima.
06/2002
MANUAL DO
INVERSOR DE
FREQÜÊNCIA
Índice
Referência Rápida dos
Parâmetros, Mensagens
de Erro e Estado
1 Parâmetros .................................................................................06
2 Mensagens de Erro ....................................................................14
3 Outras Mensagens .....................................................................14
CAPÍTULO 1
Instruções de Segurança
1.1 Avisos de Segurança no Manual ...........................................14
1.2 Aviso de Segurança no Produto ............................................14
1.3 Recomendações Preliminares ...............................................14
CAPÍTULO 2
Informações Gerais
2.1 Sobre o Manual .....................................................................16
2.2 Versão de Software ...............................................................16
2.3 Sobre o CFW-08 ...................................................................17
2.3.1 Diferenças entre o Antigo µline, e o Novo CFW-08 ......20
2.4 Etiqueta de Identificação do CFW-08 ....................................24
2.5 Recebimento e Armazenamento ...........................................26
CAPÍTULO 3
Instalação e Conexão
3.1 Instalação Mecânica..............................................................27
3.1.1 Ambiente ......................................................................27
3.1.2 Posicionamento/Fixação...............................................28
3.2 Instalação Elétrica .................................................................30
3.2.1 Conexões de Potência/Aterramento .............................30
3.2.2 Bornes de Potência ......................................................34
3.2.3 Localização das Conexões de Potência/Aterramento e
Controle ........................................................................35
3.2.4 Conexões de Sinal e Controle ......................................38
3.2.5 Acionamentos Típicos ..................................................39
CAPÍTULO 4
Energização/Colocação em Funcionamento
4.1 Preparação para Energização ...............................................42
4.2 Primeira Energização ............................................................42
4.3 Colocação em Funcionamento ..............................................43
4.3.1 Colocação em Funcionamento - Operação pela HMI -
Tipo de Controle: V/F Linear (P202=0) .........................43
4.3.2 Colocação em Funcionamento - Operação via Bornes -
Tipo de Controle: V/F Linear (P202=0) .........................45
4.3.3 Colocação em Funcionamento - Operação pela HMI -
Tipo de Controle: Vetorial (P202=2) ..............................46
Índice
CAPÍTULO 5
Uso da HMI
5.1 Descrição da Interface Homem-Máquina ................................ 50
5.2 Uso da HMI ............................................................................. 51
5.2.1 Uso da HMI para Operação do Inversor ......................... 52
5.2.2 Sinalizações/Indicações nos Displays da HMI ................ 53
5.2.3 Visualização/Alteração de Parâmetros ........................... 53
CAPÍTULO 6
Descrição Detalhada dos Parâmetros
6.1 Simbologia Utilizada ................................................................ 56
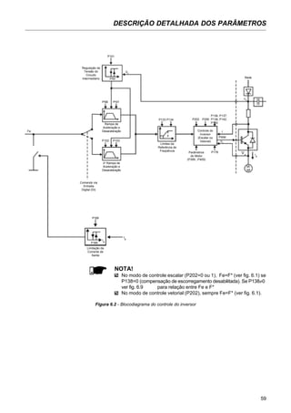
6.2 Introdução ............................................................................... 56
6.2.1 Modos de Controle ......................................................... 56
6.2.2 Controle V/F (Escalar) .................................................... 56
6.2.3 Controle Vetorial (VVC) .................................................. 57
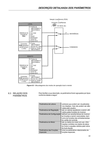
6.2.4 Fontes de Referência de Freqüência .............................. 57
6.2.5 Comandos ...................................................................... 60
6.2.6 Definições das Situações de Operação Local/Remoto ... 60
6.3 Relação de Parâmetros ........................................................... 61
6.3.1 Parâmetros de Acesso e de Leitura - P000...P099 ......... 62
6.3.2 Parâmetros de Regulação - P100...P199 ....................... 63
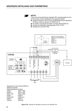
6.3.3 Parâmetros de Configuração - P200...P398 ................... 71
6.3.4 Parâmetros do Motor - P399...P499 ....................................... 91
6.3.5 Parâmetros das Funções Especiais - P500...P699 ......... 94
6.3.5.1 Introdução ........................................................... 94
6.3.5.2 Descrição ............................................................ 94
6.3.5.3 Guia para Colocação em Funcionamento ........... 96
CAPÍTULO 7
Solução e Prevenção de Falhas
7.1 Erros e Possíveis Causas ..................................................... 100
7.2 Solução dos Problemas mais Freqüentes ............................. 102
7.3 Telefone/Fax/E-mail para Contato (Assistência Técnica) ...... 103
7.4 Manutenção Preventiva ......................................................... 103
7.4.1 Instruções de Limpeza ................................................. 104
7.5 Tabela de Material para Reposição ....................................... 105
CAPÍTULO 8
Dispositivos Opcionais
8.1 HMI CFW08P ........................................................................ 107
8.1.1 Instruções para Retirada da HMI-CFW08-P ................. 107
8.2 TCL - CFW08 ........................................................................ 109
8.3 HMI-CFW08-S ....................................................................... 110
8.3.1 Instalação-CFW08-S .................................................... 110
8.3.2 Colocação em Funcionamento da HMI-CFW08-S ........ 111
8.3.3 Função Copy da HMI-CFW08-S ................................... 111
8.4 HMI-CFW08-S-N4 ................................................................. 112
8.5 KMR-CFW08-S ..................................................................... 112
8.6 MIS-CFW08........................................................................... 113
8.7 CAB-HMI08-S-1, CAB-HMI08-S-2, CAB-HMI08-S-3
CAB-HMI08-S-5, CAB-HMI08-S-7,5,
CAB-HMI08-S-10 .................................................................. 113
Índice
8.8 TCR - CFW08 113
8.9 MCS - CFW08114
8.9.1 Instruções para Inserção e Retirada da MCS - CFW08 114
8.10 KCS - CFW08 115
8.11 KMD - CFW08 - M1 ............................................................... 115
8.12 KN1 - CFW08 - M1, KN1 - CFW08 - M2 ................................ 116
8.13 MIW-02 117
8.14 Filtros Supressores de RFI .................................................... 118
8.15 Reatância de Rede ................................................................ 118
8.15.1 Critérios de Uso .......................................................... 119
8.16 Reatância de Carga............................................................... 121
8.17 Frenagem Reostática ............................................................ 122
8.17.1 Dimensionamento....................................................... 122
8.17.2 Instalação ................................................................... 123
8.18 Comunicação Serial .............................................................. 124
8.18.1 Introdução .................................................................. 124
8.18.2 Descrição das Interfaces ............................................ 125
8.18.2.1 RS-485 .......................................................... 125
8.18.2.2 RS-232 .......................................................... 126
8.18.3 Definições................................................................... 126
8.18.3.1 Termos Utilizados .......................................... 126
8.18.3.2 Resolução dos Parâmetros/Variáveis ............ 127
8.18.3.3 Formato dos Caracteres ................................ 127
8.18.3.4 Protocolo ....................................................... 127
8.18.3.4.1 Telegrama de Leitura .................... 128
8.18.3.4.2 Telegrama de Escrita .................... 129
8.18.3.5 Execução e Teste de Telegrama ................... 130
8.18.3.6 Seqüência de Telegramas ............................. 130
8.18.3.7 Códigos de Variações ................................... 130
8.18.4 Exemplos de Telegramas ........................................... 131
8.18.5 Variáveis e Erros das Comunição Serial..................... 131
8.18.5.1 Variáveis Básicas .......................................... 131
8.18.5.1.1 V00 (código 00700) ....................... 131
8.18.5.1.2 V02 (código 00702) ....................... 131
8.18.5.1.3 V03 (código 00703) ....................... 132
8.18.5.1.4 V04 (código 00704) ....................... 133
8.18.5.1.5 V05 (código 00705) ....................... 133
8.18.5.1.6 Exemplos de Telegramas com
Variáveis Básicas........................................... 134
8.18.5.2 Parâmetros Relacionados à Comunicação Serial
134
8.18.5.3 Erros Relacionados à Comunicação Serial.... 134
8.18.6 Tempos para Leitura/Escrita de Telegramas .............. 134
8.18.7 Conexão Física RS-232 - RS-485 .............................. 135
8.19 Modbus-RTU ..................................................................... .... 136
8.19.1Introdução ao Protocolo Modbus-RTU......................... 136
8.19.1.1 Modos de Transmissão................................. . 136
8.19.1.2 Estrutura das mensagens no modo RTU........ 137
8.19.1.2.1 Endereço ....................................... 137
8.19.1.2.2 Código da Função........................ . 137
8.19.1.2.3 Campo de Dados.......................... . 137
8.19.1.2.4 CRC............................................ ... 137
8.19.1.3 Tempo entre mensagens............................... 138
8.19.2 Operação do CFW-08 na Rede Modbus-RTU..............139
8.19.2.1 Descrição das Interfaces................................ 139
8.19.2.1.1 RS-232........................................... 139
Índice
CAPÍTULO 9
Características Técnicas
9.1 Dados da Potência ................................................................ 147
9.1.1 Rede 200 - 240V .......................................................... 147
9.1.2 Rede 380 - 480V .......................................................... 147
9.2 Dados da Eletrônica/Gerais................................................... 149
9.3 Dados dos Motores WEG Standard IV Pólos ........................ 150
CAPÍTULO 10
Garantia
Condições Gerais de Garantia para
Inversores de Freqüência CFW-08 .................................................. 151
8.19.2.1.2 RS-485........................................... 139
8.19.2.2 Configurações do inversor na rede
Modbus-RTU............................................... ... 139
8.19.2.2.1 Endereço do inversor na rede....... 139
8.19.2.2.2 Taxa de transmissão e paridade... 139
8.19.2.3Acesso aos dados do inversor................... ..... 140
8.19.2.3.1Funções Disponíveis e Tempos de
Resposta........................................ 140
8.19.2.3.2Endereçamento dos
Registradores e Offset ................... 140
8.19.3Descrição Detalhada das Funções............................ .. 141
8.19.3.1 Função 03 - Read Holding Register............... 141
8.19.3.2 Função 06 - Preset Single Register............... 142
8.19.3.3 Função 16 - Preset Multiple Registers........... 143
8.19.4Erros da Comunicação Modbus-RTU......................... 145
8.19.4.1 Mensagens de Erro..................................... ... 145
6
CFW-08 - REFERÊNCIA RÁPIDA DOS PARÂMETROS
Software: V3.6X
Aplicação:
Modelo:
N.o
de série:
Responsável:
Data: / / .
1. Parâmetros
Parâmetro Função Faixa de Valores
Ajuste Ajuste
Obervação Pág.
de Fábrica do Usuário
P000 Parâmetro de Acesso
0 ... 4, 6 ... 999 = Leitura
0 - 62
5 = Alteração
PARÂMETROS DE LEITURA (P002 ... P099)
P002
Valor Proporcional à Freqüência
0 ... 6553 - - 62
(P208xP005)
P003 Corrente de Saída (Motor) 0 ... 1.5xInom
- - 62
P004 Tensão do Circuito Intermediário 0 ... 862V - - 62
P005 Freqüência de Saída (Motor) 0.00 ... 99.99, 100.0 ... 300.0Hz - - 62
P007 Tensão de Saída (Motor) 0 ... 600V - - 62
P008 Temperatura do Dissipador 25 ... 110°C - - 62
P009 Torque do Motor 0.0 ... 150.0% - -
Somente visível
62no modo
vetorial (P202=2)
P014 Último Erro Ocorrido 00 ... 41 - - 62
P023 Versão de Software x . y z - - 63
P040
Variável de Processo (PID)
0 ... 6553 - - 63
(Valor % x P528)
PARÂMETROS DE REGULAÇÃO (P100 ... P199)
Rampas
P100 Tempo de Aceleração 0.1 ... 999s 5.0 63
P101 Tempo de Desaceleração 0.1 ... 999s 10.0 63
P102 Tempo Aceleração - 2a
Rampa 0.1 ... 999s 5.0 63
P103 Tempo Desaceleração - 2a
Rampa 0.1 ... 999s 10.0 63
P104 Rampa S
0 = Inativa
0 631 = 50%
2 = 100%
Referência da Freqüência
P120 Backup da Referência Digital
0 = Inativo
1 64
1= Ativo
2 = Backup por P121
(ou P525 - PID)
P121
Referência de Freqüência
P133 ... P134 3.00 64
pelas Teclas HMI
P122 Referência JOG 0.00 ... P134 5.00 64
P124 Referência 1 Multispeed P133 ... P134 3.00 65
P125 Referência 2 Multispeed P133 ... P134 10.00 65
P126 Referência 3 Multispeed P133 ... P134 20.00 65
P127 Referência 4 Multispeed P133 ... P134 30.00 65
P128 Referência 5 Multispeed P133 ... P134 40.00 65
P129 Referência 6 Multispeed P133 ... P134 50.00 65
P130 Referência 7 Multispeed P133 ... P134 60.00 65
P131 Referência 8 Multispeed P133 ... P134 66.00 65
REFERÊNCIA RÁPIDA DOS PARÂMETROS, MENSAGENS DE ERRO E ESTADO
7
CFW-08 - REFERÊNCIA RÁPIDA DOS PARÂMETROS
Limites de Freqüência
P133 Freqüência Mínima (Fmin
) 0.00 ... P134 3.00 66
P134 Freqüência Máxima (Fmax
) P133 ... 300.0Hz 66.00 66
Controle V/F
P136 Boost de Torque Manual
0.0 ... 30.0%
5.0 ou
Somente visíveis
66
(Compensação IxR)
2.0 ou
no modo de con-
1.0 (2)
trole V/F (esca-
P137
Boost de Torque Automático
0.00 ... 1.00 0.00
lar)-P202=0ou1.
66
(Compensação IxR Automática)
P138 Escorregamento Nominal 0.0 ... 10.0% 0.0 67
P142 (1)
Tensão de Saída Máxima 0.0 ... 100% 100 68
P145 (1)
Freqüência de Início de
P133 ... P134 60.00 68
Enfraquecimento de Campo (Fnom
)
Regulação Tensão CC
P151
Nível de Atuação da Regulação da Linha 200V: 325 ... 410V 380V
69
Tensão do Circuito Intermediário Linha 400V: 564 ... 820V 780V
Corrente de Sobrecarga
P156 Corrente de Sobrecarga do Motor 0.2xInom
... 1.3xInom
1.2xP401 69
Limitação de Corrente
P169 Corrente Máxima de Saída 0.2xInom
... 2.0xInom
1.5xInom
70
Controle de Fluxo
P178 Fluxo Nominal 50 .0 ... 150% 100%
Somente visível
70
no modo
vetorial (P202=2).
PARÂMETROS DE CONFIGURAÇÃO (P200 ... P398)
Parâmetros Genéricos
P202 (1)
Tipo de Controle
0 = Controle V/F Linear
0 71
(Escalar)
1 = Controle V/F Quadrático
(Escalar)
2 = Controle Vetorial
P203 (1)
Seleção de Funções Especiais
0 = Nenhuma
0 72
1 = Regulador PID
P204 (1) Carrega Parâmetros com 0 ... 4 = Sem Função
0 - 72
Padrão de Fábrica 5 = Carrega Padrão de Fábrica
0 = P005
72
1 = P003
P205
Seleção do Parâmetro 2 = P002
2
de Leitura Indicado 3 = P007
4, 5 = Sem Função
6 = P040
P206 Tempo de Auto-Reset 0 ... 255s 0 72
P208 Fator de Escala da Referência 0.00 ... 99.9 1.00 73
0 = Sem Função Somente
73P215 (1)
Função Copy 1 = Copy (inversor -> HMI) 0 acessível via
2 = Paste (HMI -> inversor) HMI-CFW08-S.
P219 (1) Ponto de Início da Redução da
0.00 ... 25.00Hz 6.00 74
Freqüência de Chaveamento
(1)
Esse parâmetro só pode ser alterado com o inversor desabilitado (motor parado).
(2)
O padrão de fábrica do parâmetro P136 depende do modelo do inversor conforme a seguir:
- modelos 1.6-2.6-4.0-7.0A/200-240V ou 1.0-1.6-2.6-4.0A/380-480V: P136=5.0%;
- modelos 7.3-10-16A/200-240V ou 2.7-4.3-6.5-10A/380-480V: P136=2.0%;
- modelos 13-16A/380-480V: P136=1.0%.
8
CFW-08 - REFERÊNCIA RÁPIDA DOS PARÂMETROS
(1)
Esse parâmetro só pode ser alterado com o inversor desabilitado (motor parado).
Definição Local/Remoto
0 = Sempre Local
75
1 = Sempre Remoto
2 = Tecla HMI-CFW08-P
(default: local)
P220 (1)
Seleção da Fonte Local/Remoto
3 = Tecla HMI-CFW08-P
(default: remoto) 2
4 = DI2 ... DI4
5 = Serial ou Tecla
HMI-CFW08-S (default: local)
6 = Serial ou Tecla
HMI-CFW08-S (default: remoto)
0 = Teclas e HMIs
75
1 = AI1
2, 3 = AI2
P221 (1) Seleção da Referência - 4 = E.P.
0
Situação Local 5 = Serial
6 = Multispeed
7 = Soma AI>=0
8 = Soma AI
0 = Teclas e HMIs
75
1 = AI1
2, 3 = AI2
P222 (1) Seleção da Referência - 4 = E.P.
1
Situação Remoto 5 = Serial
6 = Multispeed
7 = Soma AI>=0
8 = Soma AI
0 = Teclas HMI-CFW08-P
76P229 (1) Seleção de Comandos - 1 = Bornes
0
Situação Local 2 = Serial ou Teclas
HMI-CFW08-S
0 = Teclas HMI-CFW08-P
76P230 (1) Seleção de Comandos - 1 = Bornes
1
Situação Remoto 2 = Serial ou Teclas
HMI-CFW08-S
P231 (1)
Seleção do Sentido de Giro -
0 = Horário
76
Situação Local e Remoto
1 = Anti-horário 2
2 = Comandos
Entrada(s) Analógica(s)
P234Ganho da Entrada Analógica AI1 0.00 ... 9.99 1.00 76
P235
(1)
Sinal da Entrada Analógica AI1
0 = 0-10V/0-20mA
0 77
1 = 4-20mA
P236 Offset da Entrada Analógica AI1 -120 ... 120% 0.0 78
P238 Ganho da Entrada Analógica AI2 0.00 ... 9.99 1.00 78
P239
(1)
Sinal da Entrada Analógica AI2
0 = 0-10V/0-20mA
0 78
1 = 4-20mA
P240 Offset da Entrada Analógica AI2 -120 ... 120% 0.0 78
P248
Constante de Tempo do Filtro
1 ... 200 ms 200 78
das Entradas Analógicas (AIs)
Somente
existentes na
versão
CFW-08 Plus
9
CFW-08 - REFERÊNCIA RÁPIDA DOS PARÂMETROS
Saída Analógica
0 = Freqüência de Saída (Fs)
78
1 = Freqüência de Entrada (Fe)
2 = Corrente de Saída (Is)
3, 5, 8 = Sem Função
P251 Função da Saída 4 = Torque 0
Analógica AO 6 = Variável de Processo
(PID)
7 = Corrente Ativa
9 = Setpoint PID
P252 Ganho da Saída Analógica AO 0.00 ... 9.99 1.00 78
Entradas Digitais
P263 (1)
Função da Entrada Digital
0 = Sem função ou Habilita
0 79DI1
Geral
1 ... 7 e 10 ... 12 = Habilita
Geral
8 = Avanço
9 = Gira/Pára
13 = Avanço com 2a
rampa
14 = Liga
P264 (1)
Função da Entrada Digital
0 = Sentido de Giro
0 79DI2
1 = Local/Remoto
2 ... 6 e 9 ... 12 = Sem Função
7 = Multispeed (MS2)
8 = Retorno
13 = Retorno com 2a
rampa
14 = Desliga
P265 (1)
Função da Entrada Digital
0 = Sentido de Giro
10 79
DI3
1 = Local/Remoto
2 = Habilita Geral
3 = JOG
4 = Sem Erro Externo
5 = Acelera E.P.
6 = 2a
Rampa
7 = Multispeed (MS1)
8 = Sem Função ou
Gira/Pára
9 = Gira/Pára
10 = Reset
11, 12 = Sem Função
13 = Desabilita Flying Start
14 = Multispeed (MS1)
com 2a
Rampa
15 = Manual/Automático
(PID)
P266 (1)
Função da Entrada Digital
0 = Sentido de Giro
8 79DI4
1 = Local/Remoto
2 = Habilita Geral
3 = JOG
4 = Sem Erro Externo
5 = Desacelera E.P.
6 = 2a
Rampa
(1)
Esse parâmetro só pode ser alterado com o inversor desabilitado (motor parado).
Somente
existentes
na versão
CFW-08 Plus.
10
CFW-08 - REFERÊNCIA RÁPIDA DOS PARÂMETROS
De acordo
com o
modelo do
inversor.
Somente
existente na
versão CFW-08
Plus.
No modo vetorial
(P202=2) não é
possível ajustar
P297=7 (15kHz).
7 = Multispeed (MS0)
79
8 = Sem Função ou
Gira/Pára
9 = Gira/Pára
10 = Reset
11, 12, 14 e 15 =
Sem Função
13 = Desabilita Flying Start
Saídas Digitais
P277 (1)
Função da Saída
0 = Fs>Fx
7 84a Relé RL1
1 = Fe>Fx
2 = Fs=Fe
3 = Is>Ix
4 e 6 = Sem Função
5 = Run
7 = Sem Erro
P279 (1)
Função da Saída
0 = Fs>Fx
0
84
1 = Fe>Fx
2 = Fs=Fe
2 Relé RL2
3 = Is>Ix
4 e 6 = Sem Função
5 = Run
7 = Sem Erro
Fx e Ix
P288 Freqüência Fx 0.00 ... P134 3.00 85
P290 Corrente Ix 0 ... 1.5xInom
1.0xInom
85
Dados do Inversor
P295 (1)
Corrente Nominal
300 = 1.0A
85
do Inversor (Inom
)
301 = 1.6A
302 = 2.6A
303 = 2.7A
304 = 4.0A
305 = 4.3A
306 = 6.5A
307 = 7.0A
308 = 7.3A
309 = 10A
310 = 13A
311 = 16A
P297 (1)
Freqüência de Chaveamento
4 = 5.0kHz
4 865 = 2.5kHz
6 = 10kHz
7 = 15kHz
Frenagem CC
P300 Duração da Frenagem CC 0.0 ... 15.0s 0.0 87
P301
Freqüência de Início da
0.00 ... 15.00Hz 1.00 87
Frenagem CC
P302
Corrente Aplicada na
0.0 ... 130% 0.0 87
Frenagem CC
Skip Frequencies
P303 Freqüência Evitada 1 P133 ... P134 20.00 88
P304 Freqüência Evitada 2 P133 ... P134 30.00 88
P306 Faixa Evitada 0.00 ... 25.00Hz 0.00 88
(1)
Esse parâmetro só pode ser alterado com o inversor desabilitado (motor parado).
11
CFW-08 - REFERÊNCIA RÁPIDA DOS PARÂMETROS
Interface Serial
P308 (1)
Endereço Serial
1 ... 30 (Serial WEG)
1 88
1 ... 247 (Modbus-RTU)
0 = Serial WEG
1 = Modbus-RTU 9600 bps
sem paridade
2 = Modbus-RTU 9600 bps
com paridade impar
3 = Modbus-RTU 9600 bps
com paridade par
P309 (1)
Protocolo da Interface Serial 4 = Modbus-RTU 19200 bps 0 88
sem paridade
5 = Modbus-RTU 19200 bps
com paridade impar
6 = Modbus-RTU 19200 bps
com paridade par
7 = Modbus-RTU 38400 bps
sem paridade
8 = Modbus-RTU 38400 bps
com paridade impar
9 = Modbus-RTU 38400 bps
com paridade par
Flying Start e Ride-Through
P310 (1)
Flying Start e Ride-through
0 = Inativas
0 891 = Flying start
2 = Flying start e Ride-through
3 = Ride-through
P311 Rampa de Tensão 0.1 ... 10.0s 5.0 89
Watchdog da Serial
0 = Desabilita por rampa
P313 Ação do Watchdog da 1 = Desabilita geral 2 90
Serial 2 = Somente indica E29
3 = Vai para modo local
P314
Tempo do Watchdog da 0.0 = Desabilita a função
0.0 90
Serial 0.1 ...99.9s = Valor ajustado
(1)
Esse parâmetro só pode ser alterado com o inversor desabilitado (motor parado).
12
CFW-08 - REFERÊNCIA RÁPIDA DOS PARÂMETROS
Somente visível
no modo vetorial
(P202=2).
Conforme
inversor
Somente visível
no modo vetorial
(P202=2).
Conforme
inversor
PARÂMETROS DO MOTOR (P399 ... P499)
Parâmetros Nominais
P399 (1)
Rendimento Nominal do Motor 50.0 ... 99.9% 91
P400 (1)
Tensão Nominal do Motor 0 ... 600V 91
P401 Corrente Nominal do Motor 0.3xInom
... 1.3xInom
91
P402 Velocidade Nominal do Motor 0 ... 9999rpm 91
P403 (1)
Freqüência Nominal do Motor 0.00 ... P134 91
P404 (1)
Potência Nominal do Motor
0 = 0.16CV
92
1 = 0.25CV
2 = 0.33CV
3 = 0.50CV
4 = 0.75CV
5 = 1CV
6 = 1.5CV
7 = 2CV
8 = 3CV
9 = 4CV
10 = 5CV
11 = 5.5CV
12 = 6CV
13 = 7.5CV
14 = 10CV
15 = 12.5CV
P407 (1)
Fator de Potência Nominal
0.50 ... 0.99 92
do Motor
Parâmetros Medidos
P408 (1)
Auto-Ajuste ?
0 = Não
0 - 92
1 = Sim
P409 Resistência do Estator 0.00 ... 99.99Ω 93
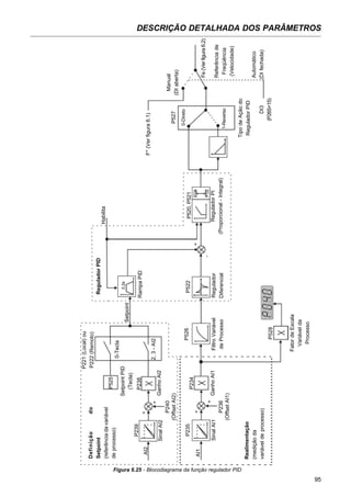
FUNÇÃO ESPECIAL (P500 ... P599)
Regulador PID
P520 Ganho Proporcional 0.000 ... 7.999 1.000 99
P521 Ganho Integral 0.000 ... 9.999 1.000 99
P522 Ganho Diferencial 0.000 ... 9.999 0.000 99
P525
Setpoint Via Teclas do
0.00 ... 100.0% 0.00 99
Regulador PID
P526 Filtro da Variável de Processo 0.01 ... 10.00s 0.10 99
P527 Tipo de Ação do Regulador PID
0 = Direto
0 99
1 = Reverso
P528
Fator de Escala da
0.00 ... 99.9 1.00 99
Variável Processo
Somente visível
no modo vetorial
(P202=2).
Somente visível
no modo vetorial
(P202=2).
De acordo
com o
modelo
do inversor
(motor
standard
IV pólos
60Hz
casado
com
inversor-
conforme
tabela do
item 9.3)
(1)
Esse parâmetro só pode ser alterado com o inversor desabilitado (motor parado).
13
CFW-08 - REFERÊNCIA RÁPIDA DOS PARÂMETROS
Indicação Significado Página
E00 Sobrecorrente/Curto-circuito/Falta à terra na saída 100
E01 Sobretensão no circuito intermediário (link CC) 100
E02 Subtensão no circuito intermediário (link CC) 100
E04
Sobretemperatura no dissipador de potência
101
e/ou circuito interno do invesor
E05 Sobrecarga na saída (função Ixt) 101
E06 Erro externo 101
E10 Erro da função copy 101
E14
Erro na rotina de auto-ajuste
101
(estimação dos parâmetros do motor)
E22, E23, E25
Falha na comunicação serial 101
E26 e E27
E24 Erro de programação 101
E29 Erro de estouro do watchdog da serial 101
E31 Falha de conexão da HMI-CFW08-S 101
E41 Erro de auto-diagnose 101
2. Mensagens de Erro
3. Outras Mensagens Indicação Significado
rdy Inversor pronto (ready) para ser habilitado
Sub
Inversor com tensão de rede insuficiente para operação
(subtensão)
dcbr Indicação durante atuação da frenagem CC
auto Inversor executando rotina de auto-ajuste
copy
Função copy (somente diponível na HMI-CFW08-S) -
cópia da programação do inversor para HMI
past
Função copy (somente diponível na HMI-CFW08-S) -
cópia da programação da HMI para o inversor
14
INSTRUÇÕES DE SEGURANÇA
Este manual contém as informações necessárias para o uso correto do
inversor de freqüência CFW-08.
Ele foi escrito para ser utilizado por pessoas com treinamento ou quali-
ficação técnica adequados para operar este tipo de equipamento.
No decorrer do texto serão utilizados os seguintes avisos de seguran-
ça:
PERIGO!
A não consideração dos procedimentos recomendados neste aviso pode
levar à morte, ferimento grave e danos materiais consideráveis.
ATENÇÃO!
A não consideração dos procedimentos recomendados neste aviso po-
dem levar a danos materiais.
NOTA!
O texto objetiva fornecer informações importantes para correto enten-
dimento e bom funcionamento do produto.
Os seguintes símbolos podem estar afixados ao produto, servindo como
aviso de segurança:
Tensões elevadas presentes
Componentes sensíveis a descarga eletrostáticas
Não tocá-los.
Conexão obrigatória ao terra de proteção (PE)
Conexão da blindagem ao terra
PERIGO!
Somente pessoas com qualificação adequada e familiaridade com o
inversor CFW-08 e equipamentos associados devem planejar ou
implementar a instalação, partida, operação e manutenção deste equi-
pamento.
1.3 RECOMENDAÇÕES
PRELIMINARES
1.2 AVISOS DE SEGURANÇA
NO PRODUTO
1.1 AVISOS DE SEGURANÇA
NO MANUAL
CAPÍTULO 1
PERIGO!
O circuito de controle do inversor (ECC2,DSP) e a HMI-CFW08-P
(conectada diretamente ao inversor) estão flutuando em alta tensão
(tensão de entrada retificada).
15
INSTRUÇÕES DE SEGURANÇA
Estas pessoas devem seguir todas as instruções de segurança conti-
das neste manual e/ou definidas por normas locais.
Não seguir as instruções de segurança pode resultar em risco de vida e/
ou danos no equipamento.
NOTA!
Para os propósitos deste manual, pessoas qualificadas são aquelas trei-
nadas de forma a estarem aptas para:
1. Instalar, aterrar, energizar e operar o CFW-09 de acordo com
este manual e os procedimentos legais de segurança vigentes;
2. Usar os equipamentos de proteção de acordo com as normas
estabelecidas;
3. Prestar serviços de primeiro socorro.
PERIGO!
Sempre desconecte a alimentação geral antes de tocar qualquer com-
ponente elétrico associado ao inversor.
Altas tensões e partes girantes (ventiladores) podem estar presentes
mesmo após a desconexão da alimentação. Aguarde pelo menos 10
minutos para a descarga completa dos capacitores da potência e para-
da dos ventiladores.
Sempre conecte a carcaça do equipamento ao terra de proteção (PE)
no ponto adequado para isto.
ATENÇÃO!
Os cartões eletrônicos possuem componentes sensíveis a descargas
eletrostáticas. Não toque diretamente sobre componentes ou conectores.
Caso necessário, toque antes na carcaça metálica aterrada ou utilize
pulseira de aterramento adequada.
NOTA!
Inversores de freqüência podem interferir em outros equipamentos ele-
trônicos. Siga os cuidados recomendados no capítulo 3 Instalação para
minimizar estes efeitos.
NOTA!
Leia completamente este manual antes de instalar ou operar este inver-
sor.
Não execute nenhum ensaio de tensão aplicada ao inversor!
Caso seja necessário consulte o fabricante.
16
O capítulo 2 fornece informações sobre o conteúdo deste manual e o
seu propósito, descreve as principais características do inversor CFW-08
e como identificá-lo. Adicionalmente, informações sobre recebimento e
armazenamento são fornecidas.
Este manual tem 10 capítulos, que seguem uma seqüência lógica para
o usuário receber, instalar, programar e operar o CFW-08:
Cap. 1 - Informações sobre segurança.
Cap. 2 - Informações gerais e recebimento do CFW-08.
Cap. 3 - Informações sobre como instalar fisicamente o CFW-08, como
conectá-lo eletricamente (circuito de potência e controle), como
instalar os opcionais.
Cap. 4 - Informações sobre a colocação em funcionamento, passos a
serem seguidos.
Cap. 5 - Informações sobre como usar a HMI (Interface Homem - Máqui-
na/ teclado e display).
Cap. 6 - Descrição detalhada de todos os parâmetros de programação
do CFW-08.
Cap. 7 - Informações sobre como resolver problemas, instruções sobre
limpeza e manutenção preventiva.
Cap. 8 - Descrição, características técnicas e instalação e instalação
dos equipamentos opcionais do CFW-08.
Cap. 9 - Tabelas e informações técnicas sobre a linha de potências do
CFW-08.
Cap. 10 - Informações sobre a garantia do CFW-08.
O propósito deste manual é dar as informações mínimas necessárias
para o bom uso do CFW-08. Devido a grande gama de funções deste
produto, é possível aplicá-lo de formas diferentes às apresentadas aqui.
Não é a intenção deste manual esgotar todas as possibilidades de apli-
cação do CFW-08, nem a WEG pode assumir qualquer responsabilida-
de pelo uso do CFW-08 baseado neste manual.
É proibida a reprodução do conteúdo deste manual, no todo ou em partes,
sem a permissão por escrito da WEG.
A versão de software usada no CFW-08 é importante porque é o software
que define as funções e os parâmetros de programação. Este manual
refere-se à versão de software conforme indicado na contra-capa. Por
exemplo, a versão 3.0X significa de 3.00 a 3.09, onde “X” são evolu-
ções no software que não afetam o conteúdo deste manual.
A versão de software pode ser lida no parâmetro P023.
INFORMAÇÕES GERAIS
2.1 SOBRE O MANUAL
2.2 VERSÃO DE SOFTWARE
CAPÍTULO 2
INFORMAÇÕES GERAIS
17
O inversor de freqüência CFW-08 possui no mesmo produto um con-
trole V/F (escalar) e um controle vetorial sensorless (VVC: voltage vector
control) programáveis. O usuário pode optar por um ou outro método
de controle de acordo com a aplicação.
No modo vetorial a operação é otimizada para o motor em uso obten-
do-se um melhor desempenho em termos de torque e regulação de
velocidade. A função de “Auto-Ajuste”, disponível para o controle vetorial,
permite o ajuste automático dos parâmetros do inversor a partir da iden-
tificação (também automática) dos parâmetros do motor conectado à
saída do inversor.
O modo V/F (escalar) é recomendado para aplicações mais simples
como o acionamento da maioria das bombas e ventiladores. Nestes
casos é possível reduzir as perdas no motor e no inversor utilizando a
opção “V/F Quadrática”, o que resulta em economia de energia. O modo
V/F também é utilizado quando mais de um motor é acionado por um
inversor simultaneamente (aplicações multimotores).
Existem duas versões do CFW-08: a versão standard que possui car-
tão de controle com conexões de sinal e controle com funções equiva-
lentes à antiga linha µline, e a versão CFW-08 Plus que possui uma
entrada analógica adicional (duas entradas analógicas no total), uma
saída a relé adicional e uma saída analógica.
A linha de potências e demais informações técnicas estão no Cap. 9.
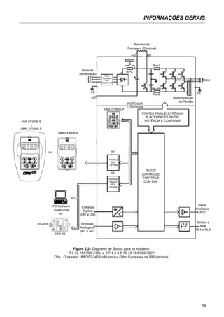
O blocodiagrama a seguir proporciona uma visão de conjunto do CFW-
08.
2.3 SOBRE O CFW-08
18
INFORMAÇÕES GERAIS
Figura 2.1 - Diagrama de Blocos para os modelos:
1.6-2.6-4.0-7.0A/200-240V e 1.0-1.6-2.6-4.0A/380-480V
Rede de
Alimentação
R
S
T
PE
HMI-CFW08-S
+
KMR-CFW08-S
HMI-CFW08-S
ou
PC-Software
SuperDrive
ou
RS-485
MIW-02
Entradas
Analógicas
(AI1 e AI2)
Entradas
Digitais
(DI1 a DI4)
Interface
RS-232
MCS-
CFW08
Interface
MIS-
CFW08
ou
ou
HMI-CFW08-P
POTÊNCIA
CONTROLE
FONTES PARA ELETRÔNICA
E INTERFACES ENTRE
POTÊNCIA E CONTROLE
"ECC2"
CARTÃO DE
CONTROLE
COM DSP
Saída
Analógica
(AO)
Saídas a
Relé
(RL1 e RL2)
Motor
U
V
W
Rsh2
Rsh1
NTC
PE
Filtro RFI
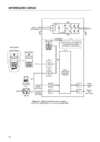
INFORMAÇÕES GERAIS
19
Figura 2.2– Diagrama de Blocos para os modelos:
7.3-10-16A/200-240V e 2.7-4.3-6.5-10-13-16A/380-480V
Obs.: O modelo 16A/200-240V não possui Filtro Supressor de RFI opcional.
Rede de
Alimentação
R
S
T
Filtro
Supresor
RFI
(Opcional)
HMI-CFW08-S
+
KMR-CFW08-S
HMI-CFW08-S
ou
PC-Software
SuperDrive
ou
RS-485
MIW-02
Entradas
Analógicas
(AI1 e AI2)
Entradas
Digitais
(DI1 a DI4)
Interface
RS-232
MCS-
CFW08
Interface
MIS-
CFW08
HMI-CFW08-P
POTÊNCIA
CONTROLE
FONTES PARA ELETRÔNICA
E INTERFACES ENTRE
POTÊNCIA E CONTROLE
"ECC2"
CARTÃO DE
CONTROLE
COM DSP
Saída
Analógica
(AO)
Saídas a
Relé
(RL1 e RL2)
Motor
U
V
W
Rsh2
Rsh1
RPC
Pré-Carga
Resistor de
Frenagem (Opcional)
BR+VD
PE
-UD Realimentação
de Tensão
PE
ou
ou
FiltroRFI
20
INFORMAÇÕES GERAIS
Aparência do Produto
Embora bem menos que a parte interna e eletrônica, a aparência do
produto também sofreu algumas alterações. As principais são:
- a tampografia frontal das tampas plásticas (antes: µline, agora:
CFW-08 vector inverter);
- logotipo WEG que agora aparece em todos os acessórios da
linha CFW-08 (HMI, módulos de comunicação, etc).
A figura a seguir faz uma comparação:
2.3.1Diferenças entre o Antigo
µline, e o Novo CFW-08
(a) µline (b) CFW-08
Figura 2.3 - Comparativo entre a aparência das linhas µline e CFW-08
Versão de Software
O novo CFW-08 inicia com a versão de software V3.00. Portanto, as
versões de software V1.xx e V2.xx são exclusivas da linha µline.
Além disso, o controle do inversor foi implementado em um DSP
(Digital Signal Processor - processador digital de sinais), o que
possibilita um controle bem mais sofisticado e um conjunto de
parâmetros e funções maior.
Acessórios
Na migração realizada do microcontrolador de 16 bits do uline para
o DSP do novo CFW-08, teve que ser modificada também, a alimentação
dos circuitos eletrônicos de 5V para 3.3V. Portanto, os acessórios
(HMIs, módulos de comunicação, etc) do antigo uline NÃO PODEM
SER UTILIZADOS com a nova linha CFW-08. Como regra geral,
somente utilize os acessórios que possuam a logomarca WEG,
conforme comentado anteriormente.
Este item tem por objetivo apresentar as principais diferenças existen-
tes entre o novo CFW-08 e a antiga linha uline. As informações a seguir
são destinadas aos usuários que já estavam acostumados com a linha
µline.
A tabela abaixo apresenta as equivalências para os principais acessóri-
os da antiga linha µline e do novo CFW-08.Acessório
HMI local (paralela)
HMI remota serial
Interface para HMI remota serial
Interface para comunicação serial
RS-232
Interface para comunicação serial
RS-485
µline
IHM-8P (417100258)
IHM-8R (417100244)
MIR-8R (417100259)
MCW-01 (417100252)
MCW-02 (417100253)
CFW-08
HMI-CFW08-P (417100868)
HMI-CFW08-S (417100869)
MIS-CFW08 (417100872)
MCS-CFW08 (417100882)
MCS-CFW08 (417100882) +
MIW-02 (417100543)
INFORMAÇÕES GERAIS
21
Expansão de Potência da Linha
A faixa de potência do antigo µline (0.25-2CV) foi ampliada para
(0.25-10CV) com a nova linha CFW-08.
Modos de Controle
Somente a linha CFW-08 tem:
- controle vetorial (VVC), o qual melhora sensivelmente a performance
do inversor - deu origem aos parâmetros P178, P399, P400, P402,
P403, P404, P407, P408 e P409;
- a curva V/F quadrática, que possibilita uma economia de energia
no acionamento de cargas com característica torque x velocidade
quadrática - exemplos: bombas centrífugas e ventiladores.
Resolução de Freqüência
O novo CFW-08 tem uma resolução de freqüência 10 vezes maior
que o antigo uline, ou seja, apresenta uma resolução de 0.01Hz
para freqüências até 100.0Hz e 0.1Hz para freqüências maiores que
99.99Hz.
Freqüência de Chaveamento de 10 e 15kHz
Utilizando o novo CFW-08 pode-se ajustar a freqüência de
chaveamento do inversor em 10 e 15kHz, o que permite um
acionamento extremamente silencioso.
O ruído acústico gerado pelo motor com freqüência de chaveamento
de 10kHz é menor no CFW-08 quando comparado ao µline. Isto se
deve à melhoria da modulação PWM no CFW-08.
Entradas e Saídas (I/Os)
A linha CFW-08 Plus possui mais I/Os que a antiga linha µline,
enquanto a linha CFW-08 é equivalente a linha uline em termos de I/Os.
Veja tabela a seguir:
I/O
Entradas Digitais
Entrada(s) Analógica(s)
Saída Analógica
Saída a Relé
µline
4
1
-
1
(contato rev)
CFW-08
4
1
-
1
(contato rev)
CFW-08 Plus
4
2
1
2 (1 contato NA,
1 contatoNF)
22
INFORMAÇÕES GERAIS
I/O
Entrada Digital DI1
Entrada Digital DI2
Entrada Digital DI3
Entrada Digital DI4
0V para entradas digitais
+10V
Entrada Analógica AI1 -
sinal em tensão
Entrada Analógica AI1 -
sinal em corrente
0V para entrada(s)
analógica(s)
Entrada Analógica AI2 -
sinal em tensão
Entrada Analógica AI2 -
sinal em corrente
Saída Analógica AO
Saída a Relé RL1
Saída a Relé RL2
µline
1
2
3
4
5
6
7
9
8
não
disponível
não
disponível
não
disponível
10(NF), 11(C)
e 12(NA)
não
disponível
CFW-08
1
2
3
4
5
6
7 com chave S1:1
na posição OFF
7 com chave S1:1
na posição ON
5
não
disponível
não
disponível
não
disponível
10(NF), 11(C)
e 12(NA)
não
disponível
CFW-08 Plus
1
2
3
4
5
6
7 com chave S1:1
na posição OFF
7 com chave S1:1
na posição ON
5
8 com chave S1:2
na posição OFF
8 com chave S1:2
na posição ON
9
11-12(NA)
10-11(NF)
Parâmetros e Funções
Parâmetros que já Existiam no uline e Sofreram Alterações
a) P136 - Boost de Torque Manual (Compensação IxR)
Além do nome do parâmetro, alterou-se também a maneira como
o usuário entra com o valor da compensação IxR. No antigo uline
o parâmetro P136 continha uma família de 10 curvas (faixa de
valores: 0 a 9). No novo CFW-08 a compensação IxR é ajustada
entrando-se com o valor percentual (relativo à tensão de entra-
da) que define o valor da tensão de saída para freqüência de
saída igual a zero. Consegue-se assim um maior conjunto de
curvas e uma faixa de variação maior.
Veja a tabela a seguir para uma equivalência entre o que era
programado no antigo uline e o que deve ser programado no
novo CFW-08 para se obter o mesmo resultado.
P136 ajustado no µline
0
1
2
3
4
5
6
7
8
9
P136 a ser ajustado no CFW-08
0.0
2.5
5.0
7.5
10.0
12.5
15.0
17.5
20.0
22.5
Porém, as conexões de controle (bornes XC1) diferem da linha µline
para a linha CFW-08. As diferenças da pinagem são apresentadas
na tabela abaixo:
INFORMAÇÕES GERAIS
23
b) Boost de Torque Automático (Compensação IxR Automática) e Com-
pensação de Escorregamento
Na linha uline, somente era usado o valor da corrente do motor
(P401) nas funções de compensação IxR automática e de
escorregamento. O fator de potência nominal do motor era
considerado fixo e igual a 0,9.
Agora no novo CFW-08, são utilizados os parâmetros P401 e
P407 (fator de potência nominal do motor). Portanto:
Exemplo: Dado uma aplicação com uline em que P401=3,8A. Se for
usado o novo CFW-08, utilizar a seguinte programação:
P401=3,8A e P407=0,9
ou
P407=cos ∅ nominal do motor em uso e P401=3,8 . 0,9
P407
Parâmetros Existentes Somente em Versões Especiais de Software
do uline
a) Entradas Rápidas
No novo CFW-08, o tempo de resposta das entradas digitais é de
10ms (máximo).
Além disso, o mínimo tempo de aceleração e desaceleração passou
de 0.2s (uline) para 0.1s (CFW-08). E ainda, pode-se interromper
a frenagem CC antes de ser concluída, por exemplo, para uma
nova habilitação.
b) Outras Alterações
P120=2 - backup da referência digital via P121 independentemente
da fonte da referência.
P265=14 - DI3: multispeed com 2a
rampa.
Novos Parâmetros e Funções
A referência 1 do multispeed passa do parâmetro P121 (no uline)
para P124 (no CFW-08).
Nível da regulação da tensão do circuito intermediário (holding de
rampa) programável via P151 - no antigo uline esse nível era fixo em
377V para a linha 200-240V e 747V para a linha 380-480V.
A maneira de programar o parâmetro P302 mudou. No uline P302
referia-se à tensão aplicada na saída durante a frenagem CC e no
novo CFW-08 P302 define a corrente da frenagem CC.
Regulador PID.
Resumindo, os novos parâmetros são: P009, P040, P124, P151,
P178, P202, P203, P205, P219, P238, P239, P240, P251, P252,
P279, P399, P400, P402, P403, P404, P407, P408, P409, P520,
P521, P522, P525, P526, P527 e P528.
P401 uline
. 0,9 = P401 . P407 CFW-08
24
INFORMAÇÕES GERAIS
2.4 ETIQUETAS DE
IDENTIFICAÇÃO DO CFW-08
Figura 2.4 - Descrição e localização das etiquetas de Identificação
Versão de
Software
Revisão de Hardware
Dados Nominais de Entrada
(Tensão, Corrente, etc)
Data de FabricaçãoÍtem de estoque WEGNúmero de Série
Modelo
(Código Inteligente do Inversor)
Dados Nominais de Saída
(Tensão, Freqüência)
Etiqueta Lateral do CFW-08
Etiqueta Frontal do CFW-08 (sob a HMI)
Obs.: Para retirar a
HMI ver instruções no
ítem 8.1.1 (figura 8.2).
Ítem de estoque WEG
Número de Série
Modelo (Código Inteligente do Inversor)
Data de Fabricação
Revisão de Hardware
Versão de Software
INFORMAÇÕES GERAIS
25
CFW-080040B2024PO000000000000Z
Software
Especial:
00=nãotem
Finaldo
Código
Filtro
Supressor
deRFI:
00=nãotem
FA=filtro
supressor
deRFI-
ClasseA
Hardware
Especial:
00=nãotem
COMOESPECIFICAROMODELODOCFW-08:
Corrente
Nominalde
Saídapara
220a240V:
0016=1.6A
0026=2.6A
0040=4.0A
0070=7.0A
0073=7.3A
0100=10A
0160=16A
380a480V:
0010=1.0A
0016=1.6A
0026=2.6A
0027=2.7A
0040=4.0A
0043=4.3A
0065=6.5A
0100=10A
0130=13A
0160=16A
Númerode
fasesna
alimentação:
S=monofásico
T=trifásico
B=monofásico
outrifásico
Línguado
Manual:
P=português
E=inglês
S=espanhol
F=francês
G=alemão
Tensãode
Alimentação:
2024=
200a240V
3848=
380a480V
Opcionais:
S=standard
O=com
opcionais
Graude
Proteção:
00=standard
N1=Nema1
Interface
Homem
Máquina:
00=standard
SI=sem
interface
Conversor
deFreqüência
WEGSérie08
Cartãode
Controle:
00=controle
padrão
A1=controle1
(versãoPlus)
26
INFORMAÇÕES GERAIS
NOTA!
O campo Opcionais (S ou O) define se o CFW-08 será na versão
standard ou se terá opcionais. Se for standard, aqui termina o código.
Colocar também sempre a letra Z no final. Por exemplo:
CFW080040B2024PSZ = inversor CFW-08 standard de 4.0A, entra-
da monofásica ou trifásica 200...240V com manual em portu-
guês.
O produto standard, para efeitos deste código, é assim concebido:
- CFW-08 com cartão de controle padrão.
- Grau de proteção: NEMA 1 nos modelos 13 e 16A/380-480V;
IP20 nos demais modelos.
Se tiver opcionais, deverão ser preenchidos os campos na seqüên-
cia correta até o último opcional, quando então o código será
finalizado com a letra Z.
Para aqueles opcionais que forem standard ou não forem usados,
não é necessário colocar no código os números 00.
Por exemplo, se quisermos o produto do exemplo acima com grau
de proteção NEMA 1:
CFW080040B2024EON1Z = inversor CFW-08 standard de 4.0A,
entrada monofásica ou trifásica 200...240V com manual em inglês e
com kit para grau de proteção NEMA 1.
O CFW-08 Plus é formado pelo inversor e cartão de controle 1.
Exemplo: CFW080040B2024POA1Z
Tensão de alimentação somente trifásica para os modelos de 7.0 e
16.0A/200-240V e para todos os modelos da linha 380-480V.
O filtro supressor de RFI-classe A (opcional) é instalado internamente
nos modelos 7.3 e 10A/200-240V e 2.7-4.3-6.5-10-13-16A/380-480V.
Além disso, estão disponíveis filtros supressores de RFI classe B
para todos os modelos da linha CFW-08: os quais são instalados
externamente.
A relação dos modelos existentes (tensão/corrente) é apresentada
no item 9.1.
O CFW-08 é fornecido embalado em caixa de papelão.
Na parte externa desta embalagem existe uma etiqueta de identificação
que é a mesma que está afixada na lateral do inversor.
Favor verificar o conteúdo desta etiqueta com o pedido de compra.
Verifique se:
AetiquetadeidentificaçãodeCFW-08correspondeaomodelocomprado.
Não ocorreram danos durante o transporte.
Caso for detectado algum problema, contate imediatamente a
transportadora.
Se o CFW-08 não for logo instalado, armazene-o em um lugar limpo e
seco (temperatura entre –25°C e 60°C) com uma cobertura para não
sujar com pó.
2.5 Recebimento e
Armazenamento
27
CAPÍTULO 3
INSTALAÇÃO E CONEXÃO
3.1 INSTALAÇÃO MECÂNICA Este capítulo descreve os procedimentos de instalação elétrica e me-
cânica do CFW-08. As orientações e sugestões devem ser seguidas
visando o correto funcionamento do inversor.
3.1.1 Ambiente A localização dos inversores é fator determinante para a obtenção de
um funcionamento correto e uma vida normal de seus componentes. O
inversor deve ser montado em um ambiente livre de:
exposição direta a raios solares, chuva, umidade excessiva ou maresia;
gases ou líquidos explosivos e/ou corrosivos;
vibração excessiva, poeira ou partículas metálicas/óleos suspensos
no ar.
Condições ambientais permitidas:
Temperatura : 0 ... 40ºC - condições nominais. 0 ... 50ºC - redução
da corrente de 2% para cada grau Celsius acima de 40ºC.
Umidade relativa do ar : 5% a 90% sem condensação.
Altitude máxima : 1000m - condições nominais. 1000 ... 4000m -
redução da corrente de 10% para cada 1000m acima de 1000m.
Grau de poluição: 2 (conforme EN50178 e UL508C)
NOTA!
Para inversores instalados dentro de painéis ou caixas metálicas fecha-
das, prover exaustão adequada para que a temperatura fique dentro da
faixa permitida. Ver potências dissipadas no item 9.1.
28
INSTALAÇÃO E CONEXÃO
Tabela 3.1 - Espaços livres recomendados
Instalar o inversor na posição vertical.
Deixar no mínimo os espaços livres ao redor do inversor conforme
Tabela 3.1.
Não colocar componentes sensíveis ao calor logo acima do inver-
sor.
Se montar um inversor ao lado do outro, usar a distância mínima B.
Se montar um inversor em cima do outro, usar a distância mínima A + C
e desviar do inversor superior o ar quente que vem do inversor de baixo.
Instalar em superfície razoavelmente plana.
Dimensões externas, furos para fixação, etc, ver figura 3.2.
Ver figura 3.3 para procedimento de instalação do CFW-08.
Prever conduítes ou calhas independentes para a separação física
dos condutores de sinal, controle e potência (ver instalação elétrica).
Separar os cabos do motor dos demais cabos.
Modelo CFW-08
1,6A / 200-240V
2,6A / 200-240V
4,0A / 200-240V
7,0A / 200-240V
1,0A / 380-480V
1,6A / 380-480V
2,6A / 380-480V
4,0A / 380-480V
7,3A / 200-240V
10A / 200-240V
16A / 200-240V
2,7A / 380-480V
4,3A / 380-480V
6,5A / 380-480V
10A / 380-480V
13A / 380-480V
16A / 380-480V
A B C D
30 mm 1,18 in 5 mm 0,20 in 50 mm 2 in 50 mm 2 in
35 mm 1,38 in 15 mm 0,59 in 50 mm 2 in 50 mm 2 in
40 mm 1,57 in 30 mm 1,18 in 50 mm 2 in 50 mm 2 in
3.1.2 Posicionamento/Fixação
Figura 3.1 - Espaços livres para ventilação
INSTALAÇÃO E CONEXÃO
29
Figura 3.2 - Dimensional do CFW-08
VISTA DA BASE
FIXAÇÃO
VISTA
FRONTAL
VISTA LATERAL
30
INSTALAÇÃO E CONEXÃO
Modelo
1,6A / 200-240V
2,6A / 200-240V
4,0A / 200-240V
7,0A / 200-240V
7,3A / 200-240V
10A / 200-240V
16A / 200-240V
1,0A / 380-480V
1,6A / 380-480V
2,6A / 380-480V
2,7A / 380-480V
4,0A / 380-480V
4,3A / 380-480V
6,5A / 380-480V
10A / 380-480V
13A / 380-480V
16A / 380-480V
Largura
L
[mm]
75
75
75
75
115
115
115
75
75
75
115
75
115
115
115
143
143
Altura
H
[mm]
151
151
151
151
200
200
200
151
151
151
200
151
200
200
200
203
203
Profundidade
P
[mm]
131
131
131
131
150
150
150
131
131
131
150
131
150
150
150
165
165
A
[mm]
64
64
64
64
101
101
101
64
64
64
101
64
101
101
101
121
121
B
[mm]
129
129
129
129
177
177
177
129
129
129
177
129
177
177
177
180
180
C
[mm]
5
5
5
5
7
7
7
5
5
5
7
5
7
7
7
11
11
D
[mm]
6
6
6
6
5
5
5
6
6
6
5
6
5
5
5
10
10
Parafuso
para Fixação
M4
M4
M4
M4
M4
M4
M4
M4
M4
M4
M4
M4
M4
M4
M4
M5
M5
Peso
[kg]
1,0
1,0
1,0
1,0
2,0
2,0
2,0
1,0
1,0
1,0
2,0
1,0
2,0
2,0
2,0
2,5
2,5
Grau de
Proteção
IP20 / NEMA1
IP20 / NEMA1
IP20 / NEMA1
IP20 / NEMA1
IP20 / NEMA1
IP20 / NEMA1
IP20 / NEMA1
IP20 / NEMA1
IP20 / NEMA1
IP20 / NEMA1
IP20 / NEMA1
IP20 / NEMA1
IP20 / NEMA1
IP20 / NEMA1
IP20 / NEMA1
IP20 / NEMA1
IP20 / NEMA1
Dimensional Base de Fixação
Tabela 3.2 - Dados para instalação (dimensões em mm) - ver item 9.1.
3.2 INSTALAÇÃO ELÉTRICA
3.2.1Conexões de Potência e
Aterramento
PERIGO!
Equipamento para seccionamento da alimentação: prever um equipa-
mento para seccionamento da alimentação do inversor. Este deve
seccionar a rede de alimentação para o inversor quando necessário
(por ex.: durante trabalhos de manutenção).
Figura 3.3 - Procedimento de instalação do CFW-08
FLUXO DE AR
INSTALAÇÃO E CONEXÃO
31
(a) Modelos 1,6-2,6-4,0-7,0A / 200-240V e 1,0-1,6-2,6-4,0A / 380-480V
PE
R
S
T
Rede
Disjuntor (*)
PE
TQ1
R S T U V W
PE
Blindagem
PE W V U
PERIGO!
Este equipamento não pode ser utilizado como mecanismo para parada
de emergência.
PERIGO!
Certifique-se que a rede de alimentação esteja desconectada antes de
iniciar as ligações.
PERIGO!
As informações a seguir tem a intenção de servir como guia para se
obter uma instalação correta. Siga as normas de instalações elétricas apli-
cáveis.
ATENÇÃO!
Afastar os equipamentos e fiação sensíveis em 0,25m do inversor, ca-
bos entre inversor e motor. Exemplo: CLPs, controladores de tempera-
tura, cabos de termopar, etc.
32
INSTALAÇÃO E CONEXÃO
Figura 3.5 - Conexões de aterramento para mais de um inversor
BARRA DE ATERRAMENTO
INTERNA AO PAINEL
PERIGO!
Os inversores devem ser obrigatoriamente aterrados a um terra de proteção
(PE).
A conexão de aterramento deve seguir as normas locais. Utilize no mí-
nimo a fiação com a bitola indicada na Tabela 3.3. Conecte a uma
haste de aterramento específica ou ao ponto de aterramento geral (re-
sistência (10 ohms). Não compartilhe a fiação de aterramento com ou-
tros equipamentos que operem com altas correntes (ex.: motores de
alta potência, máquinas de solda, etc). Quando vários inversores forem
utilizados observar a Figura 3.5.
NOTA!
Não utilize o neutro para aterramento.
ATENÇÃO!
A rede que alimenta o inversor deve ter o neutro solidamente aterrado.
NOTA!
Não utilize o neutro para aterramento.
Figura 3.4 - Conexões de potência e aterramento
Nota: (*) No caso de alimentação monofásica com fase e neutro, somente passar a fase pelo disjuntor.
(b) Modelos 7,3-10-16A / 200-240V e 2,7-4,3-6,5-10-13-16A / 380-480V
PE
R
S
T
Rede
PE
TQ1
R S T U V W
PE
Blindagem
PE W V U-Ud BR +Ud
Resistor de
Frenagem
(ver item 8.17)
Disjuntor (*)
INSTALAÇÃO E CONEXÃO
33
O inversor possui proteção eletrônica de sobrecarga do motor, que
deve ser ajustada de acordo com o motor específico. Quando diversos
motores forem conectados ao mesmo inversor utilize relés de sobrecarga
individuais para cada motor.
Manter a continuidade elétrica da blindagem dos cabos do motor.
Se uma chave isoladora ou contator for inserido na alimentação do
motor nunca opere-os com o motor girando ou com o inversor
habilitado.Manteracontinuidadeelétricadablindagemdoscabosdomotor.
Utilizar no mínimo as bitolas de fiação e os disjuntores recomenda-
dos na tabela 3.3. O torque de aperto do conector é indicado na
tabela 3.4. Use somente fiação de cobre (70ºC).
Corrente
Nominal do
Inversor
[ A ]
1,0
1,6 (200-240V)
1,6 (380-480V)
2,6 (200-240V)
2,6 (380-480V)
2,7
4,0 (200-240V)
4,0 (380-480V)
4,3
6,5
7,0
7,3
10,0
13,0
16,0
Fiação de
Potência[ mm2
]
1,5
1,5
1,5
1,5
1,5
1,5
1,5
1,5
1,5
2,5
2,5
2,5
2,5
2,5
2,5
Fiação de
Aterramento
[ mm2
]
2,5
2,5
2,5
2,5
2,5
2,5
2,5
2,5
2,5
4,0
4,0
4,0
4,0
4,0
4,0
Corrente
4
10
4
10
6
6
15
10
10
15
10
20
30
30
35
Tabela 3.3 - Fiação e disjuntores recomendados - usar fiação de cobre (70ºC) somente
ATENÇÃO!
A rede que alimenta o inversor deve ter o neutro solidamente aterrado.
NOTA!
A tensão de rede deve ser compatível com a tensão nominal do
inversor.
A necessidade do uso de reatância de rede depende de vários fato-
res. Ver item 8.15.
Capacitores de correção do fator de potência não são necessários
na entrada (R, S e T) e não devem ser conectados na saída (U, V e
W).
Para os inversores com opção de frenagem reostática o resistor de
frenagem deve ser montado externamente. Ver como conectá-lo na
figura 8.21. Dimensionar de acordo com a aplicação respeitando a
corrente máxima do circuito de frenagem. Utilizar cabo trançado para
a conexão entre inversor-resistor. Separar este cabo dos cabos de
sinal e controle. Se o resistor de frenagem for montado dentro do pa-
inel, considerar o aquecimento provocado pelo mesmo no
dimensionamento da ventilação do painel.
Quando a interferência eletromagnética gerada pelo inversor for um
problema para outros equipamentos utilizar fiação blindada ou fia-
ção protegida por conduite metálico para a conexão saída do inver-
sor-motor. Conectar a blindagem em cada extremidade ao ponto de
aterramento do inversor e à carcaça do motor.
Sempre aterrar a carcaça do motor. Fazer o aterramento do motor
no painel onde o inversor está instalado, ou no próprio inversor. A
fiação de saída do inversor para o motor deve ser instalada separada
da fiação de entrada da rede bem como da fiação de controle e sinal.
Modelo
WEG
DMW25-4
DMW25-10
DMW25-4
DMW25-10
DMW25-6,3
DMW25-6,3
DMW25-16
DMW25-10
DMW25-10
DMW25-16
DMW25-10
DMW25-20
DW125H-32
DW125H-32
DW125H-40
Disjuntor
34
INSTALAÇÃO E CONEXÃO
NOTA!
Capacidade da rede de alimentação:
O CFW-08 é próprio para uso em um circuito capaz de fornecer não
mais de que 30.000Arms simétricos (240/480V).
3.2.2 Bornes da Potência Descrição dos bornes de conexão da potência:
R, S e T: Rede de alimentação CA
Os modelos da linha de tensão 200-240 V (exceto 7,0A e 16A) podem
operar em 2 fases (operação monofásica) sem redução da corrente
nominal. A tensão de alimentação CA neste caso pode ser conectada
em 2 quaisquer dos 3 terminais de entrada.
U, V e W: Conexão para o motor.
-UD: Pólo negativo da tensão do circuito intermediário (link CC).
Não disponível nos modelos 1,6-2,6-4,0-7,0A/200-240V e nos
modelos 1,0-1,6-2,6-4,0A/380-480V. É utilizado quando se deseja
alimentar o inversor com tensão CC (juntamente com o borne +UD).
Para evitar conexão incorreta do resistor de frenagem (montado
externamente ao inversor), o inversor sai de fábrica com uma borra-
cha nesse borne, a qual precisa ser retirada quando for neces-
sário utilizar o borne -UD.
BR: Conexão para resistor de frenagem.
Não disponível nos modelos 1,6-2,6-4,0-7,0A/200-240V e nos modelos
1,0-1,6-2,6-4,0A/380-480V.
+UD: Pólo positivo da tensão do circuito intermediário (link CC).
Não disponível nos modelos 1,6-2,6-4,0-7,0A/200-240V e nos modelos
1,0-1,6-2,6-4,0A/380-480V. É utilizado para conectar o resistor de
frenagem (juntamente com o borne BR) ou quando se deseja
alimentar o inversor com tensão CC (juntamente com o borne -UD).
NOTA!
Os valores das bitolas da Tabela 3.3 são apenas orientativos. Para o
correto dimensionamento da fiação levar em conta as condições de ins-
talação e a máxima queda de tensão permitida.
Modelo
1,6A / 200-240V
2,6A / 200-240V
4,0A / 200-240V
7,0A / 200-240V
7,3A / 200-240V
10,0A / 200-240V
16,0A / 200-240V
1,0A / 380-480V
1,6A / 380-480V
2,6A / 380-480V
2,7A / 380-480V
4,0A / 380-480V
4,3A / 380-480V
6,5A / 380-480V
10,0A / 380-480V
13,0A / 380-480V
16,0A / 380-480V
Fiação de Aterramento
N.m Lbf.in
0,4 3,5
0,4 3,5
0,4 3,5
0,4 3,5
0,4 3,5
0,4 3,5
0,4 3,5
0,4 3,5
0,4 3,5
0,4 3,5
0,4 3,5
0,4 3,5
0,4 3,5
0,4 3,5
0,4 3,5
0,4 3,5
0,4 3,5
Fiação de Potência
N.m Lbf.in
1,0 8,68
1,0 8,68
1,0 8,68
1,0 8,68
1,76 15,62
1,76 15,62
1,76 15,62
1,2 10,0
1,2 10,0
1,2 10,0
1,76 15,62
1,2 10,0
1,76 15,62
1,76 15,62
1,76 15,62
1,76 15,62
1,76 15,62
Tabela 3.4 - Torque de aperto recomendado para as conexões de potência e aterramento
INSTALAÇÃO E CONEXÃO
35
3.2.3 Localização das Conexões
de Potência, Aterramento
e Controle
(a) Modelos 1,6-2,6-4,0-7,0-7,3-10-16A/200-240V e 1,0-1,6-2,6-2,7-
4,0-4,3-6,5-10A/380-480V
Controle XC1
Potência
Aterramento
(a) modelos 1,6-2,6-4,0-7,0A/200-240V e 1,0-1,6-2,6-4,0A/380-480V
S T U V WR
(b) Modelos 7,3-10-16A/200-240V e 2,7-4,3-6,5-10A/200-240V
R S T U V W -Ud BR +Ud
Figura 3.6 - Bornes da potência
(c) Modelos 13-16A/380-480V
36
INSTALAÇÃO E CONEXÃO
3.2.4Conexões de Sinal e
Controle
Conector XC1
1 DI1
2 DI2
3 DI3
4 DI4
5 GND
6 AI1
7 +10V
8
9
10 NF
11 Comum
12 NA
Descrição
Função Padrão de Fábrica
Entrada Digital 1
Habilita Geral (remoto)
Entrada Digital 2
Sentido de Giro (remoto)
Entrada Digital 3
Reset
Entrada Digital 4
Gira/Pára (remoto)
Referência 0V
Entrada Analógica 1
Referência de freqüência (remoto)
Referência para o potenciômetro
Sem Função
Sem Função
Contato NF do Relé 1
Sem Erro
Ponto Comum do Relé 1
Contato NA do Relé 1
Sem Erro
Especificações
4 entradas digitais isoladas
Nível alto mínimo: 10Vcc
Nível alto máximo: 30Vcc
Nível baixo mínimo: 3Vcc
Corrente de Entrada: -11mA @ 0Vcc
Corrente de Entrada Máxima: -20mA
Não interligada com o PE
0 a 10Vcc ou 0(4) a 20mA (fig. 3.10).
Impedância:100k . Resolução: 7bits.
Tensão máxima de entrada: 30Vcc
+10Vcc, 5%, capacidade: 2mA
Capacidade dos contatos:
0,5A / 250Vac
Ω
±
Relé 1
CW
CCW
As conexões de sinal (entradas e saída analógicas) e controle (entra-
das digitais e saídas a relé) são feitas no conector XC1 do Cartão Ele-
trônico de Controle (ver posicionamento na figura 3.7, item 3.2.3).
Existem duas configurações para o Cartão de Controle, a versão
standard (linha CFW-08) e a versão Plus (linha CFW-08 Plus), ambas
são apresentadas a seguir:
Figura 3.8 - Descrição do conector XC1 do cartão de controle standard (CFW-08)
Figura 3.7 - Localização das conexões de potência, aterramento e controle
(b) Modelos 13-16A/380-480V
Controle XC1
Potência
Aterramento
≥5kΩ
10 12
11
INSTALAÇÃO E CONEXÃO
37
Conector XC1
1 DI1
2 DI2
3 DI3
4 DI4
5 GND
6 AI1
7 +10V
8 AI2
9 AO
10 NF
11 Comum
12 NA
Descrição
Função Padrão de Fábrica
Entrada Digital 1
Sem Função ou Habilita Geral
Entrada Digital 2
Sentido de Giro (remoto)
Entrada Digital 3
Reset
Entrada Digital 4
Sem Função ou Gira/Pára
Referência 0V
Entrada Analógica 1
Referência de Freqüência (remoto)
Referência para o potenciômetro
Entrada Analógica 2
Sem Função
Saída Analógica
Freqüência de Saída (Fs)
Contato NF do Relé 2
Fs>Fx
Ponto Comum dos Relés
Contato NA do Relé 1
Sem Erro
Especificações
4 entradas digitais isoladas
Nível alto mínimo: 10Vcc
Nível baixo mínimo: 3Vcc
Nível alto máximo: 30Vcc
Corrente de Entrada: -11mA @ 0Vcc
Corrente de entrada máxima: -20mA
Não Interligada com o PE
0 a 10Vcc ou 0(4) a 20mA (fig. 3.10).
Impedância: 100k . Resolução: 7bits
Tensão máxima de entrada: 30Vcc.
+10Vcc 5%, capacidade: 2mA
0 a 10Vcc ou 0(4) a 20mA (fig. 3.10).
Impedância: 100k . Resolução: 7bits
Tensão máxima de entrada: 30Vcc
0 a 10Vcc, RL 10k
Resolução: 8bits
Capacidade dos contatos:
0,5A / 250Vac
Ω
±
≥ Ω
Ω
CW
CCW
≥10kΩ
RPM
-
+
Figura 3.9 - Descrição do conector XC1 do cartão de controle 1 (CFW-08 Plus)
Figura 3.10 - Posição dos jumpers para seleção de entrada em tensão (0 a 10V)
ou corrente (4 a 20mA ou 0 a 20mA)
S1
2
1
OFF ON
Relé 1
11
Relé 2
12 10
CCW
CW
≥10kΩ
38
INSTALAÇÃO E CONEXÃO
Entrada Analógica
AI1
AI2
Ajuste de Fábrica
Referência de Freqüência
(modo remoto)
Sem Função
Elemento
de Ajuste
S1.1
S1.2
Seleção
OFF: 0 a 10V
ON: 4 a 20mA ou 0 a 20mA
OFF: 0 a 10V
ON: 4 a 20mA ou 0 a 20mA
Tabela 3.5 - Configuração dos jumpers de seleção de entrada em tensão ou corrente
(AI1 e AI2)
NOTA!
Os jumpers S1 saem de fábrica ajustados na posição OFF (sinal de
0 a 10V).
Se for utilizado entrada em corrente no padrão 4 a 20mA, lembrar de
ajustar também os parâmetros P235 e/ou P239, os quais definem o
tipo do sinal em AI1 e AI2 respectivamente.
Os parâmetros relacionados com as entradas analógicas são: P221,
P222, P234, P235, P236, P238, P239 e P240. Ver Capítulo 6 para
uma descrição mais detalhada.
Na instalação da fiação de sinal e controle deve-se ter os seguintes
cuidados:
1) Bitola dos cabos 0,5...1,5mm².
2) Torque máximo: 0,50 N.m (4,50 lbf.in).
3) As fiações em XC1 devem ser feitas com cabo blindado e separadas
das demais fiações (potência, comando em 110/220V, etc.) em no
mínimo 10cm para fiações de até 100m e, em no mínimo 25cm para
fiações acima de 100m de comprimento total. Caso o cruzamento
destes cabos com os demais seja inevitável o mesmo deve ser feito
de forma perpendicular entre eles, mantendo-se um afastamento
mínimo de 5 cm neste ponto.
Conectar blindagem conforme abaixo:
Figura 3.11 - Conexão da blindagem
Conectar ao Terra: parafusos localizados no disipador
Não Aterrar
Lado do
Inversor
Isolar com Fita
4) Para distâncias de fiação maiores que 50 metros é necessário o uso
de isoladores galvânicos para os sinais XC1:5...9.
INSTALAÇÃO E CONEXÃO
39
5) Relés, contatores, solenóides ou bobinas de freios eletromecânicos
instalados próximos aos inversores podem eventualmente gerar
interferências no circuito de controle. Para eliminar este efeito,
supressores RC devem ser conectados em paralelo com as bobinas
destes dispositivos, no caso de alimentação CA, e diodos de roda-
livre no caso de alimentação CC.
6) Quando da utilização de HMI externa (ver capítulo 8), deve-se ter o
cuidado de separar o cabo que conecta ela ao inversor dos demais
cabos existentes na instalação de uma distância mínima de 10 cm.
7) Quando utilizada referência analógica (AI1 ou AI2) e a frequência
oscilar (problema de interferência eletromagnética) interligar
XC1:5 ao dissipador do inversor.
3.2.5 Acionamentos Típicos Acionamento 1
Com a programação padrão de fábrica é possível a operação do in-
versor no modo local com as conexões mínimas da Figura 3.4 (Potên-
cia) e sem conexões no controle. Recomenda-se este modo de opera-
ção para usuários que estejam operando o inversor pela primeira vez,
como forma de aprendizado inicial. Note que não é necessária nenhu-
ma conexão nos bornes de controle.
Para colocação em funcionamento neste modo de operação seguir capítulo
4.
Acionamento 2
Válido para a programação padrão de fábrica e inversor operando no
modo remoto.
Para o padrão de fábrica, a seleção do modo de operação (local/remoto)
é feita pela tecla (default local).
S1: Horário/Anti-horário
S2: Reset
S3: Parar/Girar
R1: Potenciômetro
de ajuste de velocidade
Figura 3.12 – Conexão do Controle para Acionamento 2
DI1-SemFunçãoouHabilitaGeral
DI2-SentidodeGiro
DI3-Reset
COM
AI1
+10V
AI2
AO1
NF
Comum
NA
DI4-SemFunçãoouGira/Pára
S3S2S1
≥≥≥≥≥
1 2 3 4 5 6 7 8 9 10 11 12
5K
40
INSTALAÇÃO E CONEXÃO
Acionamento 3
Habilitação da função Liga / Desliga (comando a três fios):
Programar DI1 para Liga: P263=14
Programar DI2 para Desliga: P264=14
Programar P229=1 (comandos via bornes) no caso em que deseja-se o
comando a 3 fios no modo local.
Programar P230=1 (comandos via bornes) no caso em que deseja-se o
comando a 3 fios no modo remoto.
Sentido de Giro:
Programar P265=0 (DI3) ou P266=0 (DI4), de acordo com a entrada
digital (DI) escolhida.
Se P265 e P266 0, o sentido de giro é sempre horário.≠
Figura 3.13 – Conexão do Controle para Acionamento 3
NOTA!
A referência de freqüência pode ser via entrada analógica AI1 (como
mostrado na figura anterior), via HMI-CFW08-P, ou qualquer outra
fonte (ver descrição dos parâmetros P221 e P222).
Para este modo de acionamento, caso ocorrer uma falha da rede
com a chave S3 na posição “GIRAR”, no momento em que a rede
voltar o motor é habilitado automaticamente.
NOTA!
S1 e S2 são botoeiras pulsantes liga (contato NA) e desliga (contato NF)
respectivamente.
A referência de freqüência pode ser via entrada analógica AI1 (como
mostrado no Acionamento 2), via HMI-CFW08-P, ou qualquer outra
fonte (ver descrição dos parâmetros P221 e P222).
Para este modo de acionamento, caso ocorrer uma falha da rede
com o inversor habiltado (motor girando) e as chaves S1 e S2 esti-
verem na posição de descanso (S1 aberta e S2 fechada), no
momento em que a rede voltar, o inversor não será habili-
tado automaticamente. somente se a chave S1 for fechada
(pulso na entrada digital liga).
A função Liga/Desliga é descrita no Capítulo 6.
S1: Liga
S2: Desliga
S3: Sentido de Giro
DI1-Liga(Start)
DI2-Desliga(Stop)
DI3
COM
AI1
+10V
AI2
AO1
NF
Comum
NA
DI4-SentidodeGiro
S3S2
1 2 3 4 5 6 7 8 9 10 11 12
S1
INSTALAÇÃO E CONEXÃO
41
Acionamento 4
Habilitação da função Avanço/Retorno:
Programar DI1 para Avanço: P263 = 8
Programar DI2 para Retorno: P264 = 8
Fazer com que a fonte dos comandos do inversor seja via bornes, ou
seja, fazer P229=1 para o modo local ou P230=1 para o modo remoto.
Figura 3.14 – Conexão do Controle para Acionamento 4
S1 aberta: Parar
S1 fechada: Avanço
S2 aberta: Parar
S2 fechada: Retorno
NOTA!
A referência de freqüência pode ser via entrada analógica AI1 (como
mostrado no acionamento 2), via HMI-CFW08-P, ou qualquer outra
fonte (ver descrição dos parâmetros P221 e P222).
Para este modo de acionamento, caso ocorrer uma falha da rede
com a chave S1 ou S2 fechada, no momento em que a rede voltar o
motor é habilitado automaticamente.
DI1-Avanço
DI2-Retorno
DI3-Reset
COM
AI1
+10V
AI2
AO1
NF
Comum
NA
DI4-SemFunção/HabilitaRampa
S2S1
1 2 3 4 5 6 7 8 9 10 11 12
42
CAPÍTULO 4
4.1 PREPARAÇÃO PARA
ENERGIZAÇÃO
Este capítulo explica:
como verificar e preparar o inversor antes de energizar;
como energizar e verificar o sucesso da energização;
como operar o inversor quando estiver instalado segundo os
acionamentos típicos (ver Instalação Elétrica).
O inversor já deve ter sido instalado de acordo com o Capítulo 3 - Instala-
ção. Caso o projeto de acionamento seja diferente dos acionamentos
típicos sugeridos, os passos seguintes também podem ser seguidos.
PERIGO!
Sempre desconecte a alimentação geral antes de efetuar quaisquer co-
nexões.
1) Verifique todas as conexões
Verifique se as conexões de potência, aterramento e de controle es-
tão corretas e firmes.
2) Verifique o motor
Verifique as conexões do motor e se a corrente e tensão do motor
estão de acordo com o inversor.
4) Desacople mecanicamente o motor da carga
Se o motor não pode ser desacoplado, tenha certeza que o giro em
qualquer direção (horário/anti-horário) não cause danos à máquina
ou riscos pessoais.
4.2 ENERGIZAÇÃO Após a preparação para energização o inversor pode ser energizado:
1) Verifique a tensão de alimentação
Meça a tensão de rede e verifique se está dentro da faixa permitida
(tensão nominal + 10% / - 15%).
2) Energize a entrada
Feche a seccionadora de entrada.
3) Verifique o sucesso da energização
- Inversor com HMI-CFW08-P ou HMI-CFW08-S
O display da HMI indica:
Enquanto isso os quatro leds da HMI permanecem acesos.
O inversor executa algumas rotinas de auto-diagnose e se não existe
nenhum problema o display indica:
Isto significa que o inversor está pronto (rdy = ready) para ser operado.
- Inversor com tampa cega TCL-CFW08 ou TCR-CFW08.
Os leds ON (verde) e ERROR (vermelho) acendem.
O inversor executa algumas rotinas de auto-diagnose e se não existe
nenhum problema o led error (vermelho) apaga.
Isto significa que o inversor está pronto para ser operado.
ENERGIZAÇÃO/
COLOCAÇÃO EM FUNCIONAMENTO
43
ENERGIZAÇÃO / COLOCAÇÃO EM FUNCIONAMENTO
4.3 COLOCAÇÃO EM
FUNCIONAMENTO
Este item descreve a colocação em funcionamento, com operação pela
HMI. Dois tipos de controle serão considerados:
V/F e Vetorial.
O Controle V/F ou escalar é recomendado para os seguintes casos:
acionamento de vários motores com o mesmo inversor;
corrente nominal do motor é menor que 1/3 da corrente nominal do
inversor;
o inversor, para propósito de testes, é ligado sem motor.
O controle escalar também pode ser utilizado em aplicações que não
exijam resposta dinâmica rápida, precisão na regulação de velocidade
ou alto torque de partida (o erro de velocidade será função do
escorregamento do motor; caso se programe o parâmetro P138 -
escorregamento nominal - pode-se conseguir precisão de 1% na velo-
cidade com controle escalar e com variação de carga).
Para a maioria das aplicações recomenda-se a operação no modo de
controle VETORIAL, o qual permite uma maior precisão na regulação
de velocidade (típico 0,5%), maior torque de partida e melhor resposta dinâ-
mica.
Os ajustes necessários para o bom funcionamento do controle vetorial
são feitos automaticamente. Para isto deve-se ter o motor a ser usado
conectado ao CFW-08.
PERIGO!
Altas tensões podem estar presentes, mesmo após a desconexão da
alimentação. Aguarde pelo menos 10 minutos para a descarga completa.
A seqüência a seguir é válida para o caso Acionamento 1 (ver item
3.2.5). O inversor já deve ter sido instalado e energizado de acordo com
os capítulos 3 e 4.2.
4.3.1Colocação em
Funcionamento
- Operação pela HMI -
Tipo de Controle:
V/F linear (P202=0) Conexões de acordo com a figura 3.4.
AÇÃO DISPLAY HMI DESCRIÇÃO
Energizar Inversor
Pressionar
Pressionar e manter
até atingir 60 Hz
Pressionar
Pressionar
Pressionar e manter
Inversor pronto para operar
Motor acelera de 0Hz a 3Hz*
(freqüência mínima), no sentido horário (1)
* 90rpm para motor 4 pólos
Motor acelera até 60Hz* (2)
* 1800rpm para motor 4 pólos
Motor desacelera(3)
até a velocidade de 0
rpm e, então, troca o sentido de rotação
Horário⇒Anti-horário, voltando a acelerar
até 60Hz
Motor desacelera até parar
Motor acelera até a freqüência de JOG dada
por P122. Ex: P122 = 5,00Hz
Sentido de rotação Anti-horário
44
ENERGIZAÇÃO / COLOCAÇÃO EM FUNCIONAMENTO
NOTA!
O último valor de referência de freqüência (velocidade) ajustado pelas
teclas e é memorizado.
Caso se deseje alterar seu valor antes de habilitar o inversor, altere-o
através do parâmetro P121 - Referência Tecla.
OBSERVAÇÕES:
(1) Caso o sentido de rotação do motor esteja invertido, desenergizar o
inversor, esperar 10 minutos para a descarga completa dos
capacitores e trocar a ligação de dois fios quaisquer da saída para
o motor entre si.
(2) Caso a corrente na aceleração fique muito elevada, principalmente
em baixas freqüências é necessário o ajuste do boost de torque
manual (Compensação IxR) em P136.
Aumentar/diminuir o conteúdo de P136 de forma gradual até obter
uma operação com corrente aproximadamente constante em toda a
faixa de velocidade.
No caso acima, ver descrição do parâmetro no capítulo 6.
(3) Caso ocorra E01 na desaceleração é necessário aumentar o tempo
desta através de P101 / P103.
AÇÃO DISPLAY HMI DESCRIÇÃO
Liberar Motor desacelera até parar
45
ENERGIZAÇÃO / COLOCAÇÃO EM FUNCIONAMENTO
4.3.2Colocação em
Funcionamento
- Operação Via Bornes -
Tipo de Controle:
V/F linear (P202=0) Conexões de acordo com as figuras 3.4 e 3.12.
NOTAS!
(1) Caso o sentido de rotação do motor esteja invertido, desenergizar o
inversor, esperar 10 minutos para a descarga completa dos
capacitores e trocar a ligação de dois fios quaisquer da saída
para o motor entre si.
(2) Caso a corrente na aceleração fique muito elevada, principalmente
em baixas freqüências é necessário o ajuste - do boost de torque
manual (Compensação IxR) em P136.
Aumentar/diminuir o conteúdo de P136 de forma gradual até obter
uma operação com corrente aproximadamente constante em toda a
faixa de velocidade.
No caso acima, ver descrição do parâmetro no capítulo 6.
(3) Caso ocorra E01 na desaceleração é necessário aumentar o tempo
desta - nos parâmetros P101/P103.
AÇÃO DISPLAY HMI DESCRIÇÃO
Ver figura 3.12
Chave S1 (Anti-horário/Horário)=Aberta
Chave S2 (Reset)=Aberta
Chave S3 (Girar/Parar)=Aberta
Potenciômetro R1 (Ref.)=Totalmente
anti-horário
Energizar Inversor
Pressionar, .
Para inversores que saem de fábrica
sem HMI esta ação não é necessária
pois o mesmo já estará no modo
remoto automaticamente.
Fechar S3 – Girar / Parar
Girar potenciômetro no sentido
horário até o fim.
Fechar S1 – Anti-horário / Horário
Abrir S3 – Girar / Parar
Inversor pronto para operar.
Led LOCAL apaga e REMOTO acende.
Ocomandoeareferênciasãocomutadospara
a situação REMOTO (via bornes).
Para manter o inversor permanentemente na
situação REMOTO, deve-se fazer P220 = 1.
Motor acelera de 0Hz a 3Hz* (freqüência
mínima), no sentido horário (1)
* 90rpm para motor 4 pólos
A referência de freqüência passa a ser dada
pelo potenciômetro R1.
Motor acelera até a freqüência máxima
(P134 = 66Hz) (2)
Motor desacelera (3)
até chegar a 0Hz,
inverte o sentido de rotação (horário ⇒ anti-
horário) e reacelera até a freqüência máxima
(P134 = 66Hz).
O motor desacelera (3)
até parar.
46
ENERGIZAÇÃO / COLOCAÇÃO EM FUNCIONAMENTO
4.3.3Colocação em
Funcionamento
- Operação pela HMI -
Tipo de Controle:
Vetorial (P202=2)
A seqüência a seguir é baseada no seguinte exemplo de inversor e mo-
tor:
Inversor: CFW080040S2024PSZ
Motor: WEG-IP55
Potência: 0,75HP/0,55kW;
Carcaça: 71; RPM: 1720; Pólos: IV;
Fator de Potência (cos ϕ): 0,70;
Rendimento (η): 71%;
Corrente nominal em 220V: 2,90A;
Freqüência: 60Hz.NOTA!
As notas da tabela a seguir estão na página 49.
AÇÃO DISPLAY HMI DESCRIÇÃO
Energizar Inversor
Pressionar . Manter pressionada
a tecla até atingir P000. A tecla
também poderá ser utilizada
para se atingir o parâmetro P000.
Pressionar para entrar no modo
de programação de P000.
Usar as teclas e para
programar o valor de liberação do
acesso aos parâmetros (P000=5)
Pressionar para salvar a opção
escolhida e sair do modo de
programação de P000.
Pressionar a tecla até atingir P202.
A tecla também poderá ser
utilizada para se atingir o parâmetro P202.
Pressionar para entrar no modo
de programação de P202.
Usar as teclas e para progra-
mar o valor correto do tipo de controle
Pressionar para salvar a opção
escolhida e entrar na seqüência de
ajustes após alteração do modo de
controle para vetorial
Pressionar e usar as teclas e
para programar o valor correto do
rendimento do motor (neste caso 71%)
Inversor pronto para operar
P000=acesso a alteração de parâmetros
Entra no modo de programação
P000=5: libera a alteração dos parâmetros
Sai do modo de programação
Este parâmetro define o tipo de controle
0=V/F Linear
1=V/F Quadrática
2=Vetorial
Entra no modo de programação
P202=2: Vetorial
Rendimento do motor:
50 ... 99,9%
Rendimento do motor ajustado:
71%
47
ENERGIZAÇÃO / COLOCAÇÃO EM FUNCIONAMENTO
AÇÃO DISPLAY HMI DESCRIÇÃO
Pressionar para salvar a opção
escolhida e sair do modo de
programação
Pressionar para avançar para
o próximo parâmetro
Pressionar e usar as teclas
e para programar o valor correto
da tensão do motor.
Pressionar para salvar a opção
escolhida e sair do modo de
programação
Pressionar para avançar para o
próximo parâmetro
Pressionar e usar as teclas e
para programar o valor correto da
corrente do motor (neste caso 2,90A)
Pressionar para salvar a opção
escolhida e sair do modo de
programação
Pressionar para avançar para o
próximo parâmetro
Pressionar e usar as teclas e
para programar o valor correto da
velocidade do motor (neste caso 1720rpm)
Pressionar para salvar a opção
escolhida e sair do modo de
programação
Pressionar para avançar para o
próximo parâmetro
Pressionar e usar as teclas e
para programar o valor correto da
freqüência do motor.
Pressionar para salvar a opção
escolhida e sair do modo de
programação
Sai do modo de programação
Tensão nominal do motor:
0 ... 600V
Tensão nominal do motor ajustada:
220V (mantido o valor já existente) (2)
Sai do modo de programação
Corrente nominal do motor:
0,3 x Inom
... 1,3 x Inom
Corrente nominal do motor ajustada: 2,90A
Sai do modo de programação
Velocidade nominal do motor:
0 ... 9999 rpm
Velocidade nominal do motor ajustada:
1720rpm
Sai do modo de programação
Freqüência nominal do motor:
0...Fmáx
Freqüência nominal do motor ajustada:
60Hz (mantido o valor já existente) (2)
Sai do modo de programação
48
ENERGIZAÇÃO / COLOCAÇÃO EM FUNCIONAMENTO
AÇÃO DISPLAY HMI DESCRIÇÃO
Pressionar para avançar para o
próximo parâmetro
Pressionar e usar as teclas e
para programar o valor correto
da potência do motor.
Pressionar para salvar a opção
escolhida e sair do modo de
programação
Pressionar para avançar para o
próximo parâmetro
Pressionar e usar as teclas e
para programar o valor correto
do Fator de Potência do motor
(neste caso 0,70)
Pressionar para salvar a opção
escolhida e sair do modo de
programação
Pressionar para avançar para o
próximo parâmetro
Pressionar e usar as teclas e
para autorizar ou não o início da
estimação dos parâmetros.
Pressionar para iniciar a rotina de
Auto-Ajuste. O display indica “Auto”
enquanto o Auto-Ajuste é executado.
Após algum tempo (pode demorar até 2
minutos) o Auto-Ajuste estará concluído
e o display indicará “rdy” (ready) se os
parâmetros do motor foram adquiridos
com sucesso. Caso contrário indicará
“E14”. Neste último caso ver observa-
ção (1)
adiante.
Pressionar
Pressionar e manter até atingir
1980rpm
Potência nominal do motor:
0 ... 15 (cada valor representa uma
potência)
Potência nominal do motor ajustada:
4 = 0,75HP / 0.55kW
Sai do modo de programação
Fator de Potência do motor:
0.5 ... 0.99
Fator de Potência do motor ajustado:
0.70
Sai do modo de programação
Estimar Parâmetros?
0 = Não
1 = Sim
1 = Sim
Executando rotina de Auto-Ajuste
Inversor terminou o Auto Ajuste e está
pronto para operar
ou
Auto-Ajuste não foi executado
com sucesso (1)
Motor acelera até 90rpm para motor 4
pólos (velocidade mínima),
no sentido horário (3)
Motor acelera até 1980rpm para motor de
4 pólos (velocidade máxima)
OU
49
ENERGIZAÇÃO / COLOCAÇÃO EM FUNCIONAMENTO
NOTA!
O último valor de referência de velocidade ajustado pelas teclas e
é memorizado.
Caso se deseje alterar seu valor antes de habilitar o inversor, altere-o
através do parâmetro P121 - Referência Tecla;
A rotina de Auto-Ajuste pode ser cancelada pressionando-se a tecla .
OBSERVAÇÕES:
(1) Se o display indicar E14 durante o Auto-Ajuste significa que os parâmetros
do motor não foram adquiridos corretamente pelo inversor. A causa mais
comum para isto é o motor não estar conectado a saída do inversor. No
entanto motores com correntes muito menores que os respectivos inversores
ou a ligação errada do motor, também podem levar a ocorrência de E14.
Neste caso usar inversor no modo V/F (P202=0). No caso do motor não
estar conectado e ocorrer a indicação de E14 proceder da seguinte forma:
Desenergizar inversor e esperar 5 minutos para a descarga completa
dos capacitores.
Conectar motor à saída do inversor.
Energizar inversor.
Ajustar P000=5 e P408=1.
Seguir roteiro de colocação em funcionamento do ítem 4.3.3 à partir
deste ponto.
(2) Os parâmetros P399...P407 são ajustados automaticamente para o
motor nominal para cada modelo de inversor, considerando-se um motor
WEG standard, 4 pólos, 60Hz.
Para motores diferentes deve-se ajustar os parâmetros manualmente,
com base nos dados de placa do motor.
(3) Caso o sentido de rotação do motor esteja invertido, desenergizar o inversor,
esperar 5 minutos para a descarga completa dos capacitores e trocar a
ligação de dois fios quaisquer da saída para o motor entre si.
(4) Caso ocorra E01 na desaceleração é necessário aumentar o tempo desta
através de P101/P103.
AÇÃO DISPLAY HMI DESCRIÇÃO
Pressionar
Pressionar
Pressionar e manter
Liberar
Motor desacelera(4)
até 0rpm e, então,
troca o sentido de rotação
Horário⇒Anti-horário, voltando a acelerar
até 1980rpm
Motor desacelera até parar
Motor acelera de zero até velocidade de
JOG dada por P122.
Ex: P122 = 5,00Hz o que eqüivale a
150rpm para motor 4 pólos.
Sentido de rotação Anti-horário
Motor desacelera até parar
50
CAPÍTULO 5
USO DA HMI
Este capítulo descreve a Interface Homem-Máquina (HMI) standard do
inversor (HMI-CFW08-P) e a forma de usá-la, dando as seguintes infor-
mações:
descrição geral da HMI;
uso da HMI;
organização dos parâmetros do inversor;
modo de alteração dos parâmetros (programação);
descrição das indicações de status e das sinalizações.
5.1 DESCRIÇÃO DA
INTERFACE HOMEM -
MÁQUINA
A HMI standard do CFW-08 contém um display de leds com 4 dígitos de
7 segmentos, 4 leds de estado e 8 teclas. A figura 5.1 mostra uma vista
frontal da HMI e indica a localização do display e dos leds de estado.
Display de Leds
Led "Local"
Led "Remoto"
Led "Horário"
Led "Anti-horário"
Figura 5.1 - HMI do CFW-08
Funções do display de leds:
Mostra mensagens de erro e estado (ver Referência Rápida de
Parâmetros, Mensagens de Erro e Estado), o número do parâmetro ou
o seu conteúdo. O display unidade (mais à direita) indica a unidade de
algumas variáveis [U = Volts, A = Ampéres, o
= Graus Célsius (o
C)]
Funções dos leds “Local” e “Remoto”:
Inversor no modo Local:
Led verde aceso e led vermelho apagado.
Inversor no modo Remoto:
Led verde apagado e led vermelho aceso.
Funções dos leds de sentido de giro (horário e anti-horário).
Ver figura 5.2
51
USO DA HMI
Funções básicas das teclas:
Habilita o inversor via rampa de aceleração (partida).
Desabilita o inversor via rampa de desaceleração (parada).
Reseta o inversor após a ocorrência de erros.
Seleciona (comuta) display entre número do parâmetro e seu valor
(posição/conteúdo).
Aumenta a velocidade, número do parâmetro ou valor do parâmetro.
Diminui a velocidade, número do parâmetro ou valor do parâmetro.
Inverte o sentido de rotação do motor comutando entre horário e
anti-horário.
Seleciona a origem dos comandos/referência entre LOCAL ou REMO-
TO.
Quando pressionada realiza a função JOG [se a(s) entrada(s) digital(is)
programada(s) para GIRA/PÁRA (se houver) estiver(em) aberta(s) e
a(s) entrada(s) digital(is) programada(s) para HABILITA GERAL (se
houver) estiver(em) fechada(s)].
A HMI é uma interface simples que permite a operação e a programa-
ção do inversor. Ela apresenta as seguintes funções:
indicação do estado de operação do inversor, bem como das variá-
veis principais;
indicação das falhas
visualização e alteração dos parâmetros ajustáveis;
operação do inversor (teclas , , , e ) e
variação da referência da velocidade (teclas e ).
5.2 USO DA HMI
Figura 5.2 - Indicações dos leds de sentido de giro (horário e anti-horário)
apagado
aceso
piscante
Comando de Seleção
do Sentido de Giro
Sentido de Giro
Situação dos Leds na
HMI
Horário
Anti-Horário
Horário
t
t
t
52
USO DA HMI
5.2.1Uso da HMI para
Operação do Inversor
Todas as funções relacionadas à operação do inversor (Girar/Parar mo-
tor, Reversão, JOG, Incrementa/Decrementa, Referência de Velocida-
de, comutação entre situação LOCAL/REMOTO) podem ser executa-
dos através da HMI.
Para a programação standard de fábrica do inversor, todas as teclas da
HMI estão habilitadas quando o modo LOCAL estiver selecionado.
Estas funções podem ser também executadas por entradas digitais e
analógicas. Para tanto é necessária a programação dos parâmetros
relacionados a estas funções e às entradas correspondentes.
NOTA!
As teclas de comando , , e somente estarão habilitadas se:
P229=0 para funcionamento no modo LOCAL
P230=0 para funcionamento no modo REMOTO
Nocasodatecla estáirádependerdosparâmetrosacimaetambémse:
P231=2
Segue a descrição das teclas da HMI utilizadas para operação:
LOCAL/REMOTO: quando programado (P220 = 2 ou 3), seleciona a ori-
gem dos comandos e da referência de freqüência (velocidade), comutan-
do entre LOCAL e REMOTO.
“I”: quando pressionada o motor acelera segundo a rampa de acelera-
ção até a freqüência de referência. Função semelhante à executada por
entrada digital GIRA/PÁRA quando esta é fechada (ativada) e mantida.
“0”: desabilita o inversor via rampa (motor desacelera via rampa de
desaceleração e pára). Função semelhante À executada por entrada digi-
tal GIRA/PÁRA quando esta é aberta (desativada) e mantida.
JOG: quando pressionada acelera o motor segundo a rampa de acelera-
ção até a freqüência definida em P122.
Esta tecla só está habilitada quando o inversor estiver com a entrada
digital programada para GIRA/PÁRA (se houver) aberta e a entrada
digital programada para HABILITA GERAL (se houver) fechada.
Sentido de Giro: quando habilitada, inverte o sentido de rotação do motor
cada vez que é pressionada.
Ajuste da freqüência do motor (velocidade): estas teclas estão habilita-
das para variação da freqüência (velocidade) somente quando:
a fonte da referência de freqüência for o teclado (P221 = 0 para o
modo LOCAL e/ou P222 = 0 para o modo REMOTO);
o conteúdo dos seguintes parâmetros estiver sendo visualizado:
P002, P005 ou P121.
O parâmetro P121 armazena o valor de referência de freqüência (velocida-
de) ajustado pelas teclas.
Quando pressionada, incrementa a referência de freqüência (velocida-
de).
Quando pressionada, decrementa a referência de freqüência (velocida-
de).
53
USO DA HMI
Estados do inversor:
Inversor pronto (“READY”) para acionar o motor.
Inversor com tensão de rede insuficiente para opera-
ção.
Inversornasituaçãodeerro,eo códigodoerroaparece
piscante. No caso exemplificado temos a indicação de
E02 (ver capítulo Manutenção).
Inversor está aplicando corrente contínua no mo-
tor (frenagem CC) de acordo com valores progra-
mados em P300, P301 e P302 (ver capítulo 6).
Inversor está executando rotina de Auto-Ajuste para
identificação automática de parâmetros do motor.
Esta operação é comandada por P408 (ver capí-
tulo 6).
5.2.2Sinalizações/Indicações
no Display da HMI
5.2.3 Visualização/Alteração
de Parâmetros
NOTA!
O display também pisca nas seguintes situações, além da situação
de erro:
Tentativa de alteração de um parâmetro não permitido.
Inversor em sobrecarga (ver capítulo Manutenção).
Todos os ajustes no inversor são feitos através de parâmetros. Os
parâmetros são indicados no display através da letra P seguida de um
número:
Exemplo (P101):
101 = N° do Parâmetro
A cada parâmetro está associado um valor numérico (conteúdo do
parâmetro), que corresponde à opção selecionada dentre as disponí-
veis para aquele parâmetro.
Os valores dos parâmetros definem a programação do inversor ou o
valor de uma variável (ex.: corrente, freqüência, tensão). Para realizar a
programação do inversor deve-se alterar o conteúdo do(s) parâmetro(s).
Backup da Referência
O último valor da Referência de freqüência ajustado pelas teclas
e é memorizado quando o inversor é desabilitado ou
desenergizado,
desde que P120 = 1 (Backup da Referência Ativo ( padrão de fábrica).
Para alterar o valor da referência antes de habilitar o inversor deve-se
alterar o parâmetro P121.
54
USO DA HMI
NOTA!
(1) Para os parâmetros que podem ser alterados com motor girando, o
inversor passa a utilizar imediatamente o novo valor ajustado. Para
os parâmetros que só podem ser alterados com motor parado, o
inversor passa a utilizar o novo valor ajustado somente após
pressionar a tecla
.
(2) Pressionando a tecla após o ajuste, o último valor ajustado é
automaticamente gravado na memória não volátil do inversor, fican-
do retido até nova alteração.
(3) Caso o último valor ajustado no parâmetro o torne funcionalmente
incompatível com outro já ajustado, ocorre a indicação de E24 =
Erro de programação.
Exemplo de erro de programação:
Programar duas entradas digitais (DI) com a mesma função. Veja na
tabela 5.1 a lista de incompatibilidades de programação que podem
gerar o E24.
(4) Para alterar o valor de um parâmetro é necessário ajustar antes P000
=5. Caso contrário só será possível visualizar os parâmetros mas não
modificá-los. Para mais detalhes ver descrição de P000 no Capítulo
6.
AÇÃO DISPLAY HMI DESCRIÇÃO
Energizar Inversor
Pressione a tecla
Use as teclas e
Pressione a tecla
Use as teclas e
Pressione a tecla
Inversor pronto para operar
Localize o parâmetro desejado
Valor numérico associado ao
parâmetro (4)
Ajuste o novo valor desejado (1) (4)
(1) (2) (3)
55
USO DA HMI
P265=3 (JOG) e P263≠9 e P266≠8 ou 9
P266=3 (JOG) e P263≠9 e P265≠8 ou 9
Dois ou mais parâmetros entre P264, P265 e P266 iguais a 1 (LOC/REM)
P265=13 e P266=13 (desabilita flying start)
P265=10 e P266=10 (reset)
P263=14 e P264≠14 ou P263≠14 e P264=14 (liga/desliga)
Dois ou mais parâmetros entre P264, P265 e P266 iguais a 0 (sentido de giro)
P263=8 e P264≠8 e P264≠13
P263≠8 e P263≠13 e P264=8
P263=13 e P264≠8 e P264≠13
P263≠8 e P263≠13 e P264=13
P263=8 ou 13 e P263=8 ou 13 e P265=0 ou P266=0
P263=8 ou 13 e P263=8 ou 13 e P231≠2
P221=6 ou P222=6 e nenhum dos parâmetros entre P264, P265 e P266 for igual a 7 (multispeed)
P221≠6 ou P222≠6 e P264=7 ou P265=7 ou 14 ou P266=7
P265=14 e P221≠6 e P222≠6
P221=4 ou P222=4 e P265≠5 e P266≠5 (EP)
P221≠4 ou P222≠4 e P265=5 e P266=5
Inversor com alimentação: 200-240V e P295=300, 303, 305, 306 ou 310
Inversor com alimentação: 380-480V e P295=307 ou 308
P300≠0 e P310= 2 ou 3 (frenagem CC e ride-through ativos)
P203=1 (função especial PID) e P221 ou P222=1, 4, 5, 6, 7 ou 8
P265=6 e P266=6 (2a
rampa)
P221=2 ou 3 ou 7 ou 8 e inversor standard
P222=2 ou 3 ou 7 ou 8 e inversor standard
P265=13 e P266=13 (desabilita flying start)
Tabela 5.1 - Incompatibilidade entre parâmetros - E24
56
Este capítulo descreve detalhadamente todos os parâmetros e funções
do inversor.
6.1 SIMBOLOGIA UTILIZADA Segue abaixo algumas convenções utilizadas neste capítulo do manual:
AIx = Entrada analógica número x.
AO = Saída analógica.
DIx = Entrada digital número x.
F* = Referência de freqüência, este é o valor da freqüência (ou alterna-
tivamente, da velocidade) desejada na saída do inversor.
Fe
= Freqüência de entrada da rampa de aceleração e desaceleração.
Fmax
= Freqüência de saída máxima, definida em P134.
Fmin
= Freqüência de saída mínima, definida em P133.
Fs
= Freqüência de saída - freqüência aplicada ao motor.
Inom
= Corrente nominal de saída do inversor (valor eficaz), em ampères
(A). É definida pelo parâmetro P295.
Is
= Corrente de saída do inversor.
Ia
= Corrente ativa de saída do inversor, ou seja, é a componente da
corrente total do motor proporcional à potência elétrica ativa consumida
pelo motor.
RLx = Saída a relé número x.
Ud
= Tensão CC do circuito intermediário.
Neste item é feita uma descrição dos principais conceitos relacionados
ao inversor de freqüência CFW-08.
Conforme já comentado no item 2.3, o CFW-08 possui no mesmo pro-
duto um controle V/F (escalar) e um controle vetorial sensorless (VVC:
“voltage vector control”).
Cabe ao usuário decidir qual deles irá usar.
Apresentamos na seqüência uma descrição de cada um dos modos de
controle.
É baseado na curva V/F constante (P202=0 - Curva V/F linear). A sua
performance em baixas freqüências de saída é limitada, em função da
queda de tensão na resistência estatórica, que provoca uma redução
significativa no fluxo no entreferro do motor e conseqüentemente na
sua capacidade de torque. Tenta-se compensar essa deficiência com a
utilização das compensações IxR e IxR automática (boosts de torque),
as quais são ajustadas manualmente e dependem da experiência do
usuário.
Na maioria das aplicações (exemplos: acionamento de bombas centrí-
fugas e ventiladores), o ajuste dessas funções é suficiente para se ob-
ter a performance necessária porém, há aplicações que exigem um
controle mais sofisticado - neste caso recomenda-se o uso do controle
vetorial sensorless, o qual será comentado no próximo item.
No modo escalar, a regulação de velocidade que pode ser obtida ajus-
tando-se adequadamente a compensação de escorregamento é algo
em torno de 1 a 2% da rotação nominal. Por exemplo, para um motor de
IV pólos/60Hz, a mínima variação de velocidade entre a condição a
vazio e carga nominal fica entre 18 a 36rpm.
6.2 INTRODUÇÃO
6.2.1Modos de Controle
(Escalar/Vetorial)
6.2.2Controle V/F (Escalar)
DESCRIÇÃO DETALHADA DOS
PARÂMETROS
CAPÍTULO 6
57
DESCRIÇÃO DETALHADA DOS PARÂMETROS
Há ainda uma variação do controle V/F linear descrito anteriormente: o
controle V/F quadrático. Este controle é ideal para acionamento de car-
gas como bombas centrífugas e ventiladores (cargas com característi-
ca torque x velocidade quadrática), pois possibilita uma redução nas
perdas no motor, resultando em uma economia adicional de energia no
acionamento com inversor.
Na descrição dos parâmetros P136, P137, P138, P142 e P145 há mais
detalhes sobre a operação no modo V/F.
No controle vetorial sensorless disponível no CFW-08, a operação do
inversor é otimizada para o motor em uso obtendo-se um melhor de-
sempenho em termos de torque e regulação de velocidade. O controle
vetorial do CFW-08 é sensorless, ou seja, não necessita de um sinal de
realimentação de velocidade (sensor de velocidade como tacogerador
ou encoder no eixo do motor).
Para que o fluxo no entreferro do motor, e conseqüentemente, a sua
capacidade de torque, se mantenha constante durante toda a faixa de
variação de velocidade (de zero até o ponto de enfraquecimento de
campo) é utilizado um algoritmo sofisticado de controle que leva em
conta o modelo matemático do motor de indução.
Dessa forma, consegue-se manter o fluxo no entreferro do motor apro-
ximadamente constante para freqüências de até aproximadamente 1Hz.
Trabalhando no modo vetorial consegue-se uma regulação de veloci-
dade na ordem de 0.5% da rotação nominal. Por exemplo, para um
motor de IV pólos e 60Hz, obtém-se uma variação de velocidade na
faixa de 10rpm (!).
Outra grande vantagem do controle vetorial, é a sua inerente facilidade
de ajuste. Basta que o usuário entre com as informações relativas ao
motor utilizado (dados de placa) nos parâmetros P399 a P407 e rode a
rotina de auto-ajuste (fazendo P408=1), que o inversor se auto-configu-
ra para a aplicação em questão e está pronto para funcionar de maneira
otimizada.
Para maiores informações ver descrição dos parâmetros P178 e P399
a P409.
A referência de freqüência (ou seja, a freqüência desejada na saída, ou
alternativamente, a velocidade do motor) pode ser definida de várias
formas:
teclas - referência digital que pode ser alterada através da HMI utili-
zando-se as teclas e (ver P221, P222 e P121);
entrada analógica - pode ser utilizada a entrada analógica AI1 (XC1:6),
AI2 (XC1:8) ou ambas (ver P221, P222 e P234 a P240);
multispeed - até 8 referências digitais pré-fixadas (ver P221, P222 e
P124 a P131);
potenciômetro eletrônico (EP) - mais uma referência digital, onde o
seu valor é definido utilizando-se 2 entradas digitais (DI3 e DI4) - ver
P221, P222, P265 e P266;
via serial.
Na figura 6.1 apresenta-se uma representação esquemática da defini-
ção da referência de freqüência a ser utilizada pelo inversor.
O diagrama de blocos da figura 6.2 mostra o controle do inversor.
6.2.3Controle Vetorial (VVC)
6.2.4Fontes de Referência de
Freqüência
58
DESCRIÇÃO DETALHADA DOS PARÂMETROS
Figura 6.1 - Blocodiagrama da referência de freqüência
NOTA!
A AI2 somente está disponivel na versão CFW-08 Plus.
DIs ON (estado 1) quando ligadas ao 0V (XC1:5).
Quando F*<0 toma-se o módulo de F* e inverte-se o sentido de giro
(se isto for possível - P231=2 e comando selecionado não for avanço/
retorno).
RS-232
PC, CLP,
MIW-02
REFERÊNCIA
TECLA (P121)
HMI - CFW08-S
MCS-CFW-08
P124...P131
P264=7
P265=7
P266=7
MULTISPEED
Acel.
Habilita Função
P265=5
P266=5
Desacel.
Inversor
Desabilitado
POTÊNCIOMETRO ELETRÔNICO (EP)
AI2
AI1
DI4
DI3
DI2
1
2
3
4
5
6
7
8
9
10
11
12
XC1
AI1
P235
AI2
P239
P238 P134
P234 P134
P236
P240
2 ou 3 - AI2
7 - Soma AI>0
8 - Soma AI
1 - AI1
4 - EP
6 - Multispeed
5 - Serial
0 - Tecla
Seleção da Refência
de Freqüência
P221 ou P222
F*
Referências
Digitais
Referências
Analógicas
P131
P130
P129
P128
P127
P126
P125
P124
000 001 010 011 100 101 110 111
100%
P239=0
P239=1
0
2V/4mA 10V/20mA
100%
P235=0
P235=1
0
2V/4mA 10V/20mA
0V
Reset
HMI - CFW08-P
59
DESCRIÇÃO DETALHADA DOS PARÂMETROS
Figura 6.2 - Blocodiagrama do controle do inversor
Fe
Comando via
Entrada
Digital (DI)
2a
Rampa de
Aceleração e
Desaceleração
Rampa de
Aceleração e
Desaceleração
P102 P103
P100 P101
Regulação da
Tensão do
Circuito
Intermediário
P151
P151
Ud
P133 P134
Limites da
Referência de
Freqüência
P202 P295
Controle do
Inversor
(Escalar ou
Vetorial)
P136, P137,
P138, P142,
P145
Parâmetros
do Motor
(P399...P409)
P178
Vs
PWM
P169
I
s
P169
I
s
Limitação da
Corrente de
Saída
I
Vs
Ud
Rede
MI
3Ø
I
s
NOTA!
No modo de controle escalar (P202=0 ou 1), Fe=F* (ver fig. 6.1) se
P138=0 (compensação de escorregamento desabilitada). Se P138≠0
ver fig. 6.9 para relação entre Fe e F*
No modo de controle vetorial (P202), sempre Fe=F* (ver fig. 6.1).
60
DESCRIÇÃO DETALHADA DOS PARÂMETROS
6.2.5Comandos O inversor de freqüência possui os seguintes comandos: habilitação e
bloqueio dos pulsos PWM, definição do sentido de giro e JOG.
Da mesma forma que a referência de freqüência, os comandos do in-
versor também podem ser definidos de várias formas.
As principais fontes de comandos são as seguintes:
teclas das HMIs - teclas , , e ;
bornes de controle (XC1) - via entradas digitais;
via interface serial.
Os comandos de habilitação e bloqueio do inversor podem ser assim
definidos:
via teclas e das HMIs;
via serial;
gira/pára (bornes XC1 - DI(s) - ver P263 ... P266);
habilita geral (bornes XC1 - DI(s) - ver P263 ... P266);
avanço e retorno (bornes XC1 - DIs - ver P263 e P264) - define
também o sentido de giro;
liga/desliga (comando a 3 fios) (bornes XC1 - DIs - ver P263 e P264).
A definição do sentido de giro pode ser feita via:
tecla das HMIs;
serial;
entrada digital (DI) programada para sentido de giro (ver P264 ... P266);
entradas digitais programadas como avanço e retorno, que definem
tanto a habilitação ou bloqueio do inversor, quanto o sentido de giro
(ver P263 e P264);
entrada analógica - quando a referência de freqüência estiver via
entrada analógica e for programado um offset negativo (P236 ou
P240<0), a referência pode assumir valores negativos, invertendo o
sentido de giro do motor.
O usuário pode definir duas situações diferentes com relação à fonte
referência de freqüência e dos comandos do inversor: são os modos de
operação local e remoto.
Uma representação esquemática das situações de operação local e
remoto é apresentada na figura 6.3.
Para o ajuste de fábrica, no modo local é possível controlar o inversor
utilizando-se as teclas da HMI, enquanto que no modo remoto tudo é
feito via bornes (XC1) - definição da referência e comandos do inversor.
6.2.6Definição das Situações
de Operação Local/
Remoto
61
DESCRIÇÃO DETALHADA DOS PARÂMETROS
Parâmetros de Leitura variáveis que podem ser visualizadas
nos displays, mas não podem ser alte-
radas pelo usuário.
Parâmetros de Regulação são os valores ajustáveis a serem utili-
zados pelas funções do inversor.
Parâmetros de Configuração definem as características do inversor,
as funções a serem executadas, bem
como as funções das entradas/saídas
do cartão de controle.
Parâmetros do Motor são os dados do motor em uso: infor-
mações contidas nos dados de placa
do motor e aqueles obtidos pela rotina
de Auto-Ajuste.
Parâmetros das Funções inclui os parâmetros relacionados às
Especiais funções especiais.
Figura 6.3 - Blocodiagrama dos modos de operação local e remoto
LOCAL
Referência de
Freqüência
P221
Comandos
P229 (gira/pára,
sentido de giro
e JOG)
0 Teclas da
HMI-CFW08-P e
HMI-CFW08-S
1 AI1
2 ou 3 AI2
4 EP
5 Serial
6 Multispeed
7 Soma AI
8 Soma AI>0
0 Teclas
HMI-CFW08-P
1 Bornes XC1 (DIs)
2 Serial ou Teclas
HMI-CFW08-S
REMOTO
Referência de
Freqüência
P222
Comandos
P230 (gira/pára,
sentido de giro
e JOG)
0 Teclas da
HMI-CFW08-P e
HMI-CFW08-S
1 AI1
2 ou 3 AI2
4 EP
5 Serial
6 Multispeed
7 Soma AI
8 Soma AI>0
0 Teclas
HMI-CFW08-P
1 Bornes XC1 (DIs)
2 Serial ou Teclas
HMI-CFW08-S
REFERÊNCIA
COMANDOS
Seleção Local/Remoto (P220)
+
Comando Local/Remoto
( , DI, Serial, etc)
6.3 RELAÇÃO DOS
PARÂMETROS
Para facilitar a sua descrição, os parâmetros foram agrupados por tipos
conforme tabela a seguir:
F*
62
DESCRIÇÃO DETALHADA DOS PARÂMETROS
Faixa
[Ajuste fábrica]
Parâmetro Unidade Descrição / Observações
P000 0...999
Parâmetro de [ 0 ]
Acesso 1
6.3.1 Parâmetros de Acesso e de Leitura - P000 ... P099
P002 0...6553
Valor Proporcional à [ - ]
Freqüência 0.01 (<100.0);
0.1 (<1000);
1 (>999.9)
P003 0...1.5 x Inom
Corrente de Saída [ - ]
(Motor) 0.01A (<10.0A);
0.1A (>9.99A)
P004 0...862V
Tensão de Circuito [ - ]
Intermediário 1V
Libera o acesso para alteração do conteúdo dos parâmetros.
O valor da senha é 5.
O uso de senha está sempre ativo.
Indica o valor de P208 x P005.
Quando for utilizado o modo de controle vetorial (P202=2), P002
indica o valor da velocidade real em rpm.
Para diferentes escalas e unidades usar P208.
Indica o valor eficaz da corrente de saída do inversor, em ampè-
res (A).
Indica a tensão atual no circuito intermediário, de corrente contínua,
em volts (V).
P005 0...300Hz
Freqüência de [ - ]
Saída (Motor) 0.01Hz (<100.0Hz);
0.1Hz (>99.99Hz)
Valor da freqüência de saída do inversor, em hertz (Hz).
P007 0...600V
Tensão de Sáida [ - ]
1V
Indica o valor eficaz da tensão de linha na saída do inversor, em
volts (V).
P008 25...110o
C
Temperatura do [ - ]
Dissipador 1o
C
Indica a temperatura atual do dissipador de potência, em graus
Celsius (°C).
A proteção de sobretemperatura do dissipador (E04) atua quando
a temperatura no dissipador atinge:
Inversor
1.6-2.6-4.0-7.0A/200-240V
1.0-1.6-2.6-4.0A/380-480V
7.3-10-16A/200-240V
2.7-4.3-6.5-10A/380-480V
13-16A/380-480V
P008 [°C] @ E04
103
90
90
103
103
P009 0.0...150.0%
Torque no Motor [ - ]
0.1%
Indica o torque mecânico do motor, em valor percentual (%) com
relação ao torque nominal do motor ajustado.
O torque nominal do motor é definido pelos parâmetros P402 (ve
locidade do motor) e P404 (potência do motor). Ou seja:
onde Tnom
é dado em N.m, Pnom
é a potência nominal do motor
em watts (W) - P404, e nnom
é a velocidade nominal do motor
em rpm - P402.
Tnom
= 9.55 .
Pnom
nnom
P014 00...41
Último Erro Ocorrido [ - ]
-
Indica o código referente ao último erro ocorrido.
O item 7.1 apresenta uma listagem dos possíveis erros, seus códigos
e possíveis causas.
Este parâme-
tro só é visível no
modo vetorial
(P202=2)
63
DESCRIÇÃO DETALHADA DOS PARÂMETROS
Faixa
[Ajuste fábrica]
Parâmetro Unidade Descrição / Observações
Indica a versão de software do inversor contida na memória do
DSP localizado no cartão de controle.
Os parâmetros P040, P203, P520 a P528 somente estão disponíveis
a partir da versão de software V3.50.
Indica o valor da variável de processo utilizada como realimentação
do regulador PID, em percentual (%).
A função PID somente está disponível a partir da versão de
software V3.50.
A escala da unidade pode ser alterada através de P528.
Ver descrição detalhada do regulador PID no item 6.3.5 -
Parâmetros das Funções Especiais.
Este conjunto de parâmetros define os tempos para acelerar line
armente de 0 até a freqüência nominal e desacelerar linearmente
da freqüência nominal até 0.
A freqüência nominal é definida pelo parâmetro:
- P145 no modo escalar (P202=0 ou 1);
- P403 no modo vetorial (P202=2).
Para o ajuste de fábrica o inversor segue sempre os tempos defi-
nidos em P100 e P101.
Se for desejado utilizar a 2a
rampa, onde os tempos das rampas de
a celeração e desaceleração seguem os valores programados
em P102 e P103, utilizar uma entrada digital. Ver parâmetros P263 ...
P265.
Tempos de aceleração muito curtos podem provocar, dependendo
da carga acionada, bloqueio do inversor por sobrecorrente (E00).
Tempos de desaceleração muito curtos podem provocar, depen-
dendo da carga acionada, bloqueio do inversor por sobretensão
no circuito intermediário (E01). Ver P151 para maiores detalhes.
6.3.2 Parâmetros de Regulação - P100 ... P199
A rampa S reduz choques mecânicos durante acelerações e
desacelerações.
P104
0
1
2
Rampa S
Inativa
50%
100%
Freqüência de Saída
(Velocidade do Motor)
Linear
t (s)
taceleração
(P100/102)
tdesacelaração
(P101/103)
50% rampa S
100% rampa S
Figura 6.4 - Rampa S ou linear
É recomendável utilizar a rampa S com referências digitais de
freqüência (velocidade).
P023 x.yz
Versão de Software [ - ]
-
P040 0...P528
Variável de [ - ]
Processo (PID) 1
0.1...999s
[ 5.0s ]
0.1s (<100);
1s (>99.9)
0.1...999s
[ 10.0s ]
0.1s (<100);
1s (>99.9)
0.1...999s
[ 5.0s ]
0.1s (<100);
1s (>99.9)
0.1...999s
[ 10.0s ]
0.1s (<100);
1s (>99.9)
P104 0...2
Rampa S [ 0 - Inativa ]
-
P100
Tempo de
Aceleração
P101
Tempo de
Desaceleração
P102
Tempo de
Aceleração da
2a
Rampa
P103
Tempo de
Desaceleração da
2a
Rampa
64
DESCRIÇÃO DETALHADA DOS PARÂMETROS
Faixa
[Ajuste fábrica]
Parâmetro Unidade Descrição / Observações
P120 0...2
Backup da [ 1 - ativo ]
Referência Digital -
Define se o inversor deve ou não memorizar a última referência
digital utilizada.
P120
0
1
2
Backup da Referência
Inativo
Ativo
Ativo, mas sempre dado por P121,
independentemente da fonte de referência
Se o backup da referência digital estiver inativo (P120=0), sempre
que o inversor for habilitado a referência de freqüência (velocidade)
será igual à freqüência mínima, conforme o valor de P133.
Para P120=1, o inversor automaticamente armazena o valor da
referência digital (seja qual for a fonte de referência - tecla, EP ou
serial) sempre que ocorra o bloqueio do inversor, seja por condição
de desabilita (rampa ou geral), erro ou subtensão.
No caso de P120=2, sempre que o inversor for habilitado a sua
referência inicial é dada pelo parâmetro P121, a qual é memorizada,
independentemente da fonte de referência. Exemplo de aplicação:
referência via EP na qual o inversor é bloqueado via entrada digital
desacelera EP (o que leva a referência a 0). Porém, numa nova
habilitação, é desejável que o inversor volte para uma freqüência
diferente da freqüência mínima, a qual é armazenada em P121.
P121 P133...P134
Referência de [ 3.00Hz ]
Freqüência pelas 0.01Hz (<100.0);
teclas e
0.1Hz (>99.99)
Define o valor da referência tecla, a qual pode ser ajustada
utilizando-se as teclas e quando os parâmetros P002
ou P005 estiverem sendo mostrados no display das HMIs local e
remota.
As teclas e estão ativas se P221=0 (modo local) ou
P222=0 (modo remoto).O valor de P121 é mantido no último valor
ajustado mesmo desabilitando ou desenergizando o inversor, desde
que P120=1 ou 2 (backup ativo).
Tecla da HMI-CFW08-P
Tecla da HMI-CFW08-S
DI3
DI4
Serial
Define a referência de freqüência (velocidade) para a função JOG.
A ativação da função JOG pode ser feita de várias formas:
P122 P133...P134
Referência JOG [ 5.00Hz ]
0.01Hz (<100.0);
0.1Hz (>99.99)
P229=0 (modo local) ou
P230=0 (modo remoto)
P229=2 (modo local) ou
P230=2 (modo remoto)
P265=3 e P229=1 (local) ou
P230=1 (remoto)
P266=3 e P229=1 (local) ou
P230=1 (remoto)
P229=2 (modo local) ou
P230=2 (modo remoto)
O inversor deve estar desabilitado por rampa (motor parado) para
a função JOG funcionar. Portanto, se a fonte dos comandos for
via bornes, deve existir pelo menos uma entrada digital programada
para gira/pára (caso contrário ocorre E24), a qual deve
estar desligada para habilitar a função JOG via entrada digital.
O sentido de rotação é definido pelo parâmetro P231.
65
DESCRIÇÃO DETALHADA DOS PARÂMETROS
O multispeed é utilizado quando se deseja até 8 velocidades fixas
pré-programadas.
Permite o controle da velocidade de saída relacionando os valores
definidos pelos parâmetros P124...P131, confome a combinação
lógica das entradas digitais programadas para multispeed.
Ativação da função multispeed:
- fazer com que a fonte de referência seja dada pela função
multispeed, ou seja, fazer P221=6 para o modo local ou P222=6
para o modo remoto;
- programar uma ou mais entradas digitais para multispeed, con
forme tabela abaixo:
DI habilita Programação
DI2 P264 = 7
DI3 P265 = 7
DI4 P266 = 7
A referência de freqüência é definida pelo estado das entradas
digitais programadas para multispeed conforme mostrado na
tabela abaixo:
A função multispeed traz como vantagens a estabilidade das refe-
rências fixas pré-programadas, e a imunidade contra ruídos elétri-
cos (referências digitais e entradas digitais isoladas).
(1)
Esse parâmetro só pode ser alterado com o inversor desabilitado (motor parado).
Faixa
[Ajuste fábrica]
Parâmetro Unidade Descrição / Observações
P124(1)
P133...P134
Ref. 1 Multispeed [ 3.00Hz ]
0.01Hz (<100.0);
0.1Hz (>99.99)
P125(1)
P133...P134
Ref. 2 Multispeed [ 10.00Hz ]
0.01Hz (<100.0);
0.1Hz (>99.99)
P126(1)
P133...P134
Ref. 3 Multispeed [ 20.00Hz ]
0.01Hz (<100.0);
0.1Hz (>99.99)
P127(1)
P133...P134
Ref. 4 Multispeed [ 30.00Hz ]
0.01Hz (<100.0);
0.1Hz (>99.99)
P128(1)
P133...P134
Ref. 5 Multispeed [ 40.00Hz ]
0.01Hz (<100.0);
0.1Hz (>99.99)
P129(1)
P133...P134
Ref. 6 Multispeed [ 50.00Hz ]
0.01Hz (<100.0);
0.1Hz (>99.99)
P130(1)
P133...P134
Ref. 7 Multispeed [ 60.00Hz ]
0.01Hz (<100.0);
0.1Hz (>99.99)
P131(1)
P133...P134
Ref. 8 Multispeed [ 66.00Hz ]
0.01Hz (<100.0);
0.1Hz (>99.99)
DI2 DI3 DI4 Ref. de Freq.
Aberta Aberta Aberta P124
Aberta Aberta 0V P125
Aberta 0V Aberta P126
Aberta 0V 0V P127
0V Aberta Aberta P128
0V Aberta 0V P129
0V 0V Aberta P130
0V 0V 0V P131
8 velocidades
4 velocidades
2 velocidades
Figura 6.5 - Diagrama de tempo da função multispeed
Rampa de
aceleração
Tempo
0V
DI2
DI3
DI4
aberto
0V
aberto
0V
aberto
P124
P125
P126
P127
P128
P129
P130
P131Freqüência
de Saída
66
DESCRIÇÃO DETALHADA DOS PARÂMETROS
Faixa
[Ajuste fábrica]
Parâmetro Unidade Descrição / Observações
P133(1)
0.00...P134
Freqüência Mínima [ 3.00Hz ]
(Fmin
) 0.01Hz (<100.0);
0.1Hz (>99.99)
P134(1)
P133...300.0
Freqüência Máxima [ 66.00Hz ]
(Fmax
) 0.01Hz (<100.0);
0.1Hz (>99.99)
Define os valores mínimo e máximo da freqüência de saída (motor)
quando o inversor é habilitado.
É válido para qualquer tipo de referência.
O parâmetro P133 define uma zona morta na utilização das entra
das analógicas - ver parâmetros P234 ... P240.
P134 em conjunto com o ganho e offset da(s) entrada(s)
analógica(s) (P234, P236, P238 e P240) definem a escala e a
faixa de ajuste de velocidade via entrada(s) analógica(s). Para
maiores detalhes ver parâmetros P234 ... P240.
P136 0.0...30.0%
Boost de Torque [ 5.0% para
Manual 01.6-2.6-4.0-7.0A/
(Compensação IxR) 200-240V e
1.0-1.6-2.6-4.0A/
380-480V;
2.0% para
7.3-10-16A/
200-240V e
2.7-4.3-6.5-10A/
380-480V;
1.0% para
13-16A/380-480V ]
0.1%
Compensa a queda de tensão na resistência estatórica do motor.
Atua em baixas velocidades, aumentando a tensão de saída do
inversor para manter o torque constante, na operação V/F.
O ajuste ótimo é o menor valor de P136 que permite a partida do
motor satisfatoriamente. Valor maior que o necessário irá
incrementar demasiadamente a corrente do motor em baixas ve-
locidades, podendo forçar o inversor a uma condição de
sobrecorrente (E00 ou E05).
Este parâme-
tro só é visível no
modo escalar
(P202=0 ou 1)
Figura 6.6 - Curva V/F e detalhe do boost de torque manual (compensação IxR)
Tensão de Saída
(em % da tensão da entrada)
Tensão de Saída
(em % da tensão da entrada)
P142
P136xP142
0 P145
Freqüência
de Saída
P142
P136
0 P145
Freqüência
de Saída
(a) P202=0 (b) P202=1
P137 0.00...1.00%
Boost de Torque [ 0.00 ]
Automático -
(Compensação IxR
Automática)
Este parâme-
tro só é visível no
modo escalar
(P202=0 ou 1)
O boost de torque automático compensa a queda de tensão na
resistência estatórica em função da corrente ativa do motor.
Os critérios para o ajuste de P137 são os mesmos que os do
parâmetro P136.
(1)
Esse parâmetro só pode ser alterado com o inversor desabilitado (motor parado).
67
DESCRIÇÃO DETALHADA DOS PARÂMETROS
Faixa
[Ajuste fábrica]
Parâmetro Unidade Descrição / Observações
Figura 6.7 - Blocodiagrama da função boost de torque automático
Zona de
Compensação
Máxima
(P142)
Tensão de Saída
Freqüência
de Saída
Enfraquecimento
do Campo (P145)
4Hz
0
Figura 6.8 - Curva V/F com boost de torque automático
(IxR automático)
Referência
de Freqüênca (F*)
Corrente Ativa
de Saída (Ia
)
Filtro
IxR
Automático
P137
IxR
P136
P007
Tensão
Aplicada
ao Motor
P138 0.0...10.0%
Escorregamento [ 0.0 ]
Nominal 0.1%
Este parâme-
tro só é visível no
modo escalar
(P202=0 ou 1)
O parâmetro P138 é utilizado na função de compensação de
escorregamento do motor.
Esta função compensa a queda na rotação do motor devido à
aplicação de carga, característica essa inerente ao princípio de
funcionamento do motor de indução.
Essa queda de rotação é compensada com o aumento da fre-
qüência de saída (aplicada ao motor) em função do aumento da
corrente ativa do motor, conforme é mostrado no diagrama de
blocos e na curva V/F das figuras a seguir.
Compensação
de
Escorregamento
Corrente Ativa
de Saída (Ia
)
Referência
de Freqüênca (F*)
Freqüência de Entrada da
Rampa (Fe)
F
Filtro P138
Figura 6.9 - Blocodiagrama da função compensação de escorregamento
68
DESCRIÇÃO DETALHADA DOS PARÂMETROS
Faixa
[Ajuste fábrica]
Parâmetro Unidade Descrição / Observações
Figura 6.10 - Curva V/F com compensação de escorregamento
Tensão de Saída
(função da
carga no
motor)
Freqüência
de Saída
Para o ajuste do parâmetro P138 utilizar o seguinte procedimento:
- acionar o motor a vazio com aproximadamente metade da faixa de
velocidade de utilização;
- medir a velocidade do motor ou equipamento;
- aplicar carga nominal no equipamento;
- incrementar o parâmetro P138 até que a velocidade atinja o valor
a vazio.
P142(1)
0...100%
Tensão de Saída [ 100% ]
Máxima 1%
P145(1)
P133...P134
Freqüência de Início [ 60.00Hz ]
de Enfraquecimento 0.01Hz (<100.0)
de Campo 0.1Hz (>99.99)
(Freqüência Nominal)
Estes
parâme-tros só são
visíveis no modo
escalar (P202=0 ou
1)
Definem a curva V/F utilizada no controle escalar (P202=0 ou 1).
Permite a alteração das curvas V/F padrões definidas em P202 -
curva V/F ajustável.
O parâmetro P142 ajusta a máxima tensão de saída. O valor é
ajustado em percentual da tensão de alimentação do inversor.
O parâmetro P145 define a freqüência nominal do motor utilizado.
A curva V/F relaciona tensão e freqüência de saída do inversor
(aplicadas ao motor) e conseqüentemente, o fluxo de
magnetização do motor.
A curva V/F ajustável pode ser usada em aplicações especiais
nas quais os motores utilizados necessitam de tensão e/ou fre-
qüência nominal diferentes do padrão. Exemplos: motor de 220V/
400Hz e motor de 200V/60Hz.
O parâmetro P142 é bastante útil também em aplicações nas quais
a tensão nominal do motor é diferente da tensão de alimentação
do inversor. Exemplo: rede de 440V e motor de 380V.
Figura 6.11 - Curva V/F ajustável
Tensão de Saída
Freqüência
de SaídaP1450.1Hz
0
P142
(1)
Esse parâmetro só pode ser alterado com o inversor desabilitado (motor parado).
69
DESCRIÇÃO DETALHADA DOS PARÂMETROS
Faixa
[Ajuste fábrica]
Parâmetro Unidade Descrição / Observações
P151 325...410V
Nível de Atuação da (linha 200-240V)
Regulação da [ 380V ]
Tensão do 1V
Circuito Intermediário
564...820V
(linha 380-480V)
[ 780V ]
1V
A regulação da tensão do circuito intermediário (holding de rampa)
evita o bloqueio do inversor por erro relacionado a sobretensão
no circuito intermediário (E01), quando da desaceleração de cargas
com alta inércia ou com tempos de desaceleração pequenos.
Atua de forma a prolongar o tempo de desaceleração (conforme
a carga - inércia), de modo a evitar a atuação do E01.
E01 - Sobretensão
Limitação CI
Tensão CI
Ud (P004)
Tempo
Freqüência
de Saída
(Velocidade
do Motor)
Ud nominal
P151
Tempo
Figura 6.12 - Desaceleração com limitação (regulação) da
tensão do circuito intermediário
Consegue-se assim, um tempo de desaceleração otimizado
(mínimo) para a carga acionada.
Esta função é útil em aplicações de média inércia que exigem
rampas de desaceleração curtas.
Caso continue ocorrendo o bloqueio do inversor por sobretensão
(E01) durante a desaceleração, deve-se reduzir gradativamente
o valor de P151 ou aumentar o tempo da rampa de desaceleração
(P101 e/ou P103).
Caso a rede esteja permanentemente com sobretensão (Ud
>P151)
o inversor pode não desacelerar. Neste caso, reduza a tensão da
rede ou incremente P151.
Se, mesmo com esses ajustes, não for possível desacelerar o
motor no tempo necessário, resta as seguintes alternativas:
- utilizar frenagem reostática (ver item 8.10 Frenagem Reostática
para uma descrição mais detalhada);
- se estiver operando no modo escalar, aumentar o valor de P136;
- se estiver operando no modo vetorial, aumentar o valor de P178.
NOTA!
Quando utilizar a frenagem reostática programar P151 no va-
lor
máximo.
P156 0.2xPInom
...1.3xPInom
Corrente de [ 1.2xP401 ]
Sobrecarga do Motor 0.01A (<10.0A);
0.1A (>9.99A)
Utilizado para proteção de sobrecarga do motor (função Ixt - E05).
A corrente de sobrecarga do motor é o valor de corrente a partir
do qual o inversor entenderá que o motor está operando em
sobrecarga. Quanto maior a diferença entre a corrente do motor e
a corrente de sobrecarga, mais rápida será a atuação do E05.
Tensão do Circuito
Intermediário
70
DESCRIÇÃO DETALHADA DOS PARÂMETROS
Faixa
[Ajuste fábrica]
Parâmetro Unidade Descrição / Observações
Figura 6.13 - Função Ixt – detecção de sobrecarga
3,0
2,0
1,5
1,0
15 30 60 90
Tempo (seg.)
Corrente do motor (P003)
Corrente de sobrecarga
Visa evitar o tombamento (travamento) do motor durante sobre-
cargas. Se a carga no motor aumentar a sua corrente irá aumentar.
Se a corrente tentar ultrapassar o valor ajustado em P169, a rotação
do motor será reduzida seguindo a rampa de desaceleração até
que a corrente fique abaixo do valor ajustado em P169. Quando a
sobrecarga desaparecer a rotação voltará ao normal.
P169 0.2xPInom
...2.0xPInom
Corrente Máxima de [ 1.5xP295 ]
Saída 0.01A (<10.0A);
0.1A (>9.99A)
O parâmetro P156 deve ser ajustado num valor de 10% a 20%
acima da corrente nominal do motor utilizado (P401).
Sempre que P401 é alterado é feito um ajuste automático de P156.
Figura 6.14 – Atuação da limitação de corrente
Tempo
em regime
Tempo
Corrente do motor
desaceleração através rampa (P101/P103)
desacel.
através
rampa
acel.
através
rampa
durante
desaceleração
durante
aceleração
Aceleração
através
rampa
(P100/P102)
Velocidade
P169
A função de limitação de corrente é desabilitada programando-se
P169>1.5xP295.
P178 50.0...150.0%
Fluxo Nominal [ 100% ]
0.1% (<100%);
1% (>99.9%)Este parâme-
tro só é visível no
modo vetorial
(P202=2)
Define o fluxo no entreferro do motor no modo vetorial. É dado em
percentual (%) do fluxo nominal.
Em geral não é necessário modificar o valor de P178 do valor
default (100%). No entanto, em algumas situações específicas,
pode-se usar valores diferentes de 100% em P178. São elas:
- Para aumentar a capacidade de torque do inversor (P178>100%).
Exemplos:
1) para aumentar o torque de partida do motor de modo a permitir
partidas mais rápidas;
2) paraaumentarotorquedefrenagemdoinversordemodoapermitir
paradas mais rápidas, sem utilizar a frenagem reostática.
- Para reduzir o consumo de energia do inversor (P178<100%).
71
DESCRIÇÃO DETALHADA DOS PARÂMETROS
Faixa
[Ajuste fábrica]
Parâmetro Unidade Descrição / Observações
Define o modo de controle do inversor. O item 4.3 dá algumas
orientações com relação à escolha do tipo de controle.
P202(1)
0...2
Tipo de Controle [ 0 - V/F linear ]
-
Conforme apresentado na tabela acima, há 2 modos de controle
escalar:
- Controle V/F linear, no qual consegue-se manter o fluxo no
entreferro do motor aproximadamente constante desde em torno
de 3Hz até o ponto de enfraquecimento de campo (definido pelos
parâmetros P142 e P145). Consegue-se assim, nesta faixa de
variação de velocidade, uma capacidade de torque aproxima-
damente constante. É recomendado para aplicações em esteiras
transportadoras, extrusoras, etc.
- Controle V/F quadrático, no qual o fluxo no entreferro do motor é
proporcional à freqüência de saída até o ponto de enfraqueci-
mento de campo (também definido por P142 e P145). Dessa
forma, resulta uma capacidade de torque como uma função
quadrática da velocidade. A grande vantagem deste tipo de controle
é a capacidade de economia de energia no acionamento de cargas
de torque resistente variável, devido à redução das perdas do
motor (principalmente perdas no ferro deste, perdas magnéticas).
Exemplos de aplicações: bombas centrífugas, ventiladores,
acionamentos multimotores.
6.3.3 Parâmetros de Configuração - P200 ... P398
Tensão de Saída
P136=0
P142
0
P145
Freqüência
de Saída
Tensão de Saída
P136=0
P142
0
P145
Freqüência
de Saída
(a) V/F linear (b) V/F quadrático
Figura 6.15 - Modos de controle V/F (escalar)
(1)
Esse parâmetro só pode ser alterado com o inversor desabilitado (motor parado).
P202
0
1
2
Tipo de Controle
Controle V/F Linear (escalar)
Controle V/F Quadrática (escalar)
Controle Vetorial
72
DESCRIÇÃO DETALHADA DOS PARÂMETROS
Faixa
[Ajuste fábrica]
Parâmetro Unidade Descrição / Observações
Seleciona ou não a função especial Regulador PID.P203(1)
0...1
Seleção de Funções [ 0 - Nenhuma ]
Especiais -
P203
0
1
Função Especial
Nenhuma
Regulador PID
Para a função especial Regulador PID ver descrição detalhada
dos parâmetros relacionados (P520...P528).
Quando P203 é alterado para 1, P265 é alterado automaticamente
para 15 (DI3=manual/automático).
Reprograma todos os parâmetros para os valores do padrão de
fábrica, fazendo-se P204=5.
Os parâmetros P142 (tensão de saída máxima), P145 (freqüên-
cia nominal), P295 (corrente nominal), P308 (endereço do inver-
sor) e P399 a P407 (parâmetros do motor) não são alterados
quando da carga dos ajustes de fábrica através de P204=5.
P204(1)
0...5
Carrega Parâmetros [ 0 ]
com Padrão de -
Fábrica
Seleciona qual dos parâmetros de leitura listados abaixo será
mostrado no display, após a energização do inversor.
P205(1)
0...6
Seleção do [ 2 - P002 ]
Parâmetro de -
Leitura Indicado
P205
0
1
2
3
4, 5
6
Parâmetro de Leitura
P005 [Freqüência de Saída (Motor)]
P003 [Corrente de Saída (Motor)]
P002 (Valor Proporcional à Freqüência)
P007 [Tensão de Saída (Motor)]
Sem Função
P040 (Variável de Processo PID)
Quando ocorre um erro, exceto E14, E24 ou E41, o inversor po
derá gerar um reset automaticamente, após transcorrido o tempo
dado por P206.
Se P206 2 não ocorrerá o auto-reset.
Após ocorrido o auto-reset, se o mesmo erro voltar a ocorrer por
três vezes consecutivas, a função de auto-reset será inibida. Um
erro é considerado reincidente, se este mesmo erro voltar a ocorrer
até 30 segundos após ser executado o auto-reset. Portanto, se
um erro ocorrer quatro vezes consecutivas, este erro permanecerá
sendo indicado (e o inversor desabilitado) permanentemente.
P206 0...255s
Tempo de [ 0 ]
Auto-Reset 1s
≥
O controle vetorial permite um melhor desempenho em termos de
torque e regulação de velocidade. O controle vetorial do CFW-08
opera sem sensor de velocidade no motor (sensorless). Deve ser
utilizado quando for necessário:
- uma melhor dinâmica (acelerações e paradas rápidas);
- quando necessária uma maior precisão no controle de velocidade;
- operar com torques elevados em baixa rotação ( 5Hz).
Exemplos: acionamentos que exijam posicionamento como
movimentação de cargas, máquinas de empacotamento, bombas
dosadoras, etc.
Ocontrolevetorialnãopodeserutilizadoemaplicaçõesmultimotores.
A performance do controle vetorial utilizando-se freqüência de
chaveamento de 10kHz não é tão boa quanto com 5kHz ou 2.5kHz.
Não é possível utilizar o controle vetorial com freqüência de
chaveamento de 15kHz.
Para mais detalhes sobre o controle vetorial ver item 6.2.2.
≥
(1)
Esse parâmetro só pode ser alterado com o inversor desabilitado (motor parado).
73
DESCRIÇÃO DETALHADA DOS PARÂMETROS
Faixa
[Ajuste fábrica]
Parâmetro Unidade Descrição / Observações
Número de Pólos do Motor
II pólos
IV pólos
VI pólos
P208 para P002 indicar a
velocidade em rpm
60
30
20
Sempre que for passado para o modo vetorial (P202=2), o
parâmetro P208 é ajustado conforme o valor de P402 (velocidade
do motor), para indicar a velocidade em rpm.
P215(1)
0...2
Função Copy [ 0 - Sem Função ]
-
Este parâme-
tro somente está
disponível via
HMI-CFW08-S
A função copy é utilizada para transferir o conteúdo dos parâmetros
de um inversor para outro(s).
P215
0
1
2
Explicação
-
Transfere o conteúdo dos parâmetros atu-
ais do inversor para a memória não volátil
da HMI-CFW08-S (EEPROM).
Os parâmetros atuais do inversor
permanecem inalterados.
Transfere o conteúdo da memória não vo-
látil da HMI-CFW08-S (EEPROM) para os
parâmetros atuais do inversor.
Ação
Sem Função
Copy
(inversor → HMI)
Paste
(HMI → inversor)
(1)
Esse parâmetro só pode ser alterado com o inversor desabilitado (motor parado).
Procedimento a ser utilizado para copiar a parametrização do
inversor A para o inversor B:
1. Conectar a HMI-CFW08-S no inversor que se quer copiar os
parâmetros (Inversor A - inversor fonte).
2. Fazer P215=1 (copy) para transferir os parâmetros do Inversor
A
para a HMI-CFW08-S. Pressionar a tecla . Enquanto
estiver
sendo realizada a função copy o display mostra
P215 volta automaticamente para 0 (Inativa) quando a transferên-
cia estiver concluída.
3. Desligar a HMI-CFW08-S do inversor (A).
4. Conectar esta mesma HMI-CFW08-S no inversor para o qual
se deseja transferir os parâmetros (Inversor B - inversor
destino).
5. Fazer P215=2 (paste) para transferir o conteúdo da memória
não volátil da HMI (EEPROM - contendo os parâmetros
do inversor A)
para o Inversor B. Pressionar a tecla . Enquanto a
HMI-CFW08-S estiver realizando a função paste o display indi-
ca
uma abreviatura para paste. Quando P215
voltar para 0 a transferência dos parâmetros foi conclu-
Permite que o parâmetro de leitura P002 indique a velocidade do
motor em uma grandeza qualquer, por exemplo, rpm.
A indicação de P002 é igual ao valor da freqüência de saída (P005)
multiplicado pelo conteúdo de P208, ou seja, P002 = P208 x P005.
Se desejado, a conversão de Hz para rpm é feita em função do
número de pólos do motor utilizado:
P208 0.00...99.9
Fator de Escala [ 1.00 ]
da Referência 0.01 (<10.0)
0.1 (>9.99)
74
DESCRIÇÃO DETALHADA DOS PARÂMETROS
Faixa
[Ajuste fábrica]
Parâmetro Unidade Descrição / Observações
Parâmetros Parâmetros
EEPROMEEPROM
INVERSOR
B
INVERSOR
A
HMI→INV (paste)
P215 = 2
Pressionar
INV→HMI
(copy)
P215 = 1
Pressionar
HMI-CFW08-S
Figura 6.16 - Cópia da parametrização do inversor A para
o inversor B utilizando a função copy e HMI-CFW08-S
Enquanto a HMI estiver realizando a função copy (seja na leitura
ou escrita), não é possível operá-la.
NOTA!
A função copy só funciona quando os inversores forem do mesmo
modelo (tensão e corrente) e tiverem versões de software com-
patíveis. A versão de software é considerada compatível quando
os dígitos x e y (Vx.yz) forem iguais. Se forem diferentes, ocorrerá
E10 e os parâmetros não serão carregados no inversor destino.
P219(1)
0.00...25.00Hz
Ponto de Início da [ 6.00Hz ]
Redução da 0.01Hz
Freqüência de
Chaveamento
Define o ponto no qual há a comutação automática da freqüência
de chaveamento para 2.5kHz.
Isto melhora sensivelmente a medição da corrente de saída em
baixas freqüências e conseqüentemente, a performance do
inversor, principalmente em modo vetorial.
Recomenda-se que o valor de P219 seja ajustado em função da
freqüência de chaveamento escolhida conforme tabela abaixo:
P297 (Fsw
)
4 (5kHz)
6 (10kHz)
7 (15kHz)
P219 recomendado
6.00Hz
12.00Hz
18.00Hz
Em aplicações onde não for possível operar em 2.5kHz (por
questões de ruído acústico por exemplo) fazer P219=0.00.
(1)
Esse parâmetro só pode ser alterado com o inversor desabilitado (motor parado).
HMI-CFW08-S
Convém lembrar ainda:
- Se os inversores A e B acionarem motores diferentes
verificar os parâmetros do motor (P399 ...
P409) do inversor B.
- Para copiar o conteúdo dos parâmetros do Inversor A
para outro(s) inversor(es) repetir os passos 4 a
6 acima.
75
DESCRIÇÃO DETALHADA DOS PARÂMETROS
Faixa
[Ajuste fábrica]
Parâmetro Unidade Descrição / Observações
P220
0
1
2
3
4
5
6
Seleção Local/Remoto
Sempre situação local
Sempre situação remoto
Tecla da HMI-CFW08-P
Tecla da HMI-CFW08-P
DI2...DI4
Tecla da HMI-CFW08-S ou interface
serial
Tecla da HMI-CFW08-S ou interface
serial
Situação default (*)
-
-
Local
Remoto
-
Local
Remoto
Nota: (*) Quando o inversor é energizado (inicialização).
No ajuste padrão de fábrica, o inversor é inicializado na situação
local e a tecla da HMI-CFW08-P faz a seleção local/remoto.
Os inversores com tampa cega (sem HMI-CFW08-P) saem de
fábrica programados com P220=3.
Para maiores detalhes ver item 6.2.6.
P221(1)
0...8
Seleção da Referência [ 0 - Teclas ]
- Situação Local -
P222(1)
0...8
Seleção da Referência [ 1 - AI1 ]
- Situação Remoto -
Define a fonte da referência de freqüência nas situações local e
remoto.
P221/P222
0
1
2 ou 3
4
5
6
7
8
Fonte da Referência
Teclas e das HMIs (P121)
Entrada analógica AI1' (P234, P235 e P236)
Entrada analógica AI2' (P238, P239 e P240)
Potenciômetro eletrônico (EP)
Serial
Multispeed (P124...P131)
Soma Entradas Analógicas (AI1'+AI2') 0 (valores
negativos são zerados).
Soma Entradas Analógicas (AI1'+AI2')
≥
Para o padrão de fábrica, a referência local é via teclas e
da HMI e a referência remota é a entrada analógica AI1.
O valor ajustado pelas teclas e está contido no
parâmetro P121.
Ver funcionamento do potenciômetro eletrônico (EP) na figura 6.19.
Ao selecionar a opção 7 (EP), programar P265 e P266 em 5.
Ao selecionar a opção 8 (multispeed), programar P264 e/ou P265
e/ou P266 em 7.
Para maiores detalhes ver ítens 6.2.4 e 6.2.6.
(1)
Esse parâmetro só pode ser alterado com o inversor desabilitado (motor parado).
P220(1)
0...6
Seleção da Fonte [ 2 - Tecla
Local/Remoto HMI-CFW08-P ]
-
Define quem faz a seleção entre a situação local e a situação
remoto.
76
DESCRIÇÃO DETALHADA DOS PARÂMETROS
(1)
Esse parâmetro só pode ser alterado com o inversor desabilitado (motor parado).
Faixa
[Ajuste fábrica]
Parâmetro Unidade Descrição / Observações
P230(1)
0...2
Seleçãode Comandos [ 1 - Bornes ]
- Situação Remoto -
P229/P230
0
1
2
Origem dos Comandos
Teclas da HMI-CFW08-P
Bornes (XC1)
Teclas da HMI-CFW08-S
ou interface serial
O sentido de giro é o único comando de operação que depende
de outro parâmetro para funcionamento - P231.
Para maiores detalhes ver ítens 6.2.4, 6.2.5 e 6.2.6.
P231(1)
0...2
Seleçãodo Sentido [ 2 - Comandos ]
de Giro - Situação -
Local e Remoto
Define o sentido de giro
P231
0
1
2
Sentido de Giro
Sempre horário
Sempre anti-horário
Comandos, conforme
definido em P229 e P230
P234 0.00...9.99
Ganho da Entrada [ 1.00 ]
Analógica AI1 0.01
As entradas analógicas AI1 e AI2 definem a referência de
freqüência do inversor conforme a curva apresentada a seguir.
P134
P133
AI1/AI20
0 ..................... 100%
0 ........................ 10V (P235/P239=0)
0 ..................... 20mA (P235/P239=0)
4mA ................. 20mA (P235/P239=1)
Referência de Freqüência
Note que há uma zona morta no início da curva (freqüencia próxima
de zero), onde a referência de freqüência permanece no valor da
freqüência mínima (P133), mesmo com a variação do sinal de
entrada. Essa zona morta só é eliminada no caso de P133=0.00.
Figura 6.17 - Determinação da referência de freqüência a partir das
entradas analógicas AI1 e AI2
P229(1)
0...2
Seleção de Comandos [ 0 - Teclas ]
- Situação Local -
Definem a origem dos comandos de habilitação e desabilitação
do inversor, sentido de giro e JOG.
77
DESCRIÇÃO DETALHADA DOS PARÂMETROS
Faixa
[Ajuste fábrica]
Parâmetro Unidade Descrição / Observações
onde:
- x = 1, 2;
- AIx é dado em V ou mA, conforme o sinal utilizado (ver
parâmetros P235 e P239);
- GANHO é definido pelos parâmetros P234 e P238 para a AI1
e AI2 respectivamente;
- OFFSET é definido pelos parâmetros P236 e P240 para a AI1
e AI2 respectivamente.
Isto é representado esquematicamente na figura abaixo:
GANHO
P234, P238
AIx'
OFFSET
(P236,P240)
P235
P239
AIx
Figura 6.18 - Blocodiagrama das entradas analógicas AI1 e AI2
Seja por exemplo a seguinte situação: AI1 é entrada em tensão
(0-10V - P235=0), AI1=5V, P234=1.00 e P236=-70%. Logo:
Isto é, o motor irá girar no sentido contrário ao definido pelos
comandos (valor negativo) - se isto for possível (P231=2), com
uma referência em módulo igual 0.2 ou 20% da freqüência de saída
máxima (P134). Ou seja, se P134=66.00Hz então a referência de
freqüência é igual a 13,2Hz.
AI1' =
5
+
(-70) . 1 = -0.2 = -20%
10 100[ [
P235(1)
0...1
Sinal da Entrada [ 0 -
Analógica AI1 0...10V/0...20mA ]
Define o tipo do sinal das entradas analógicas, conforme tabela
abaixo:
P235/P239
0
1
Tipo/Excursão do Sinal
0...10V ou 0...20mA
4...20mA
Quando utilizar sinais em corrente alterar a posição das chaves
S1:1 e/ou S1:2 para a posição ON.
O valor interno AIx’ que define a referência de freqüência a ser
utilizada pelo inversor, é dado em percentual do fundo de escala e
éobtidoutilizando-seumadasseguintesequações(verP235eP239):
P235/P239
0
1
2
Sinal
0...10V
0...20mA
4...20mA
Equação
AIx'=
AIx
+
OFFSET
. GANHO
10 100
AIx'=
AIx
+
OFFSET
. GANHO
20 100
AIx'=
AIx-4
+
OFFSET
. GANHO
16 100
(
(
(
(
(
(
(1)
Esse parâmetro só pode ser alterado com o inversor desabilitado (motor parado).
78
DESCRIÇÃO DETALHADA DOS PARÂMETROS
Faixa
[Ajuste fábrica]
Parâmetro Unidade Descrição / Observações
(1)
Esse parâmetro só pode ser alterado com o inversor desabilitado (motor parado).
P236 -120...120%
Offset da Entrada [ 0.0 ]
Analógica AI1 0.1 (<100);
1 (>99.9)
P238 0.00...9.99
Ganho da Entrada [ 1.00 ]
Analógica AI2 0.01
P239(1)
0...1
Sinal da Entrada [ 0 -
Analógica AI2 0...10V/0...20mA]
Este parâme-
tro somente está
disponível na
versão CFW-08 Plus
Ver P234.
Ver P234.
Ver P235.
P251 0...9
Função da Saída [ 0 - fs
]
Analógica AO -
P252 0.00...9.99
Ganho da Saída [ 1.00 ]
Analógica AO 0.01
Essesparame-
tros somente estão
disponíveis na
versão CFW-08
Plus
P251 define a variável a ser indicada na saída analógica.
P251
0
1
2
3, 5 e 8
4
6
7
9
Função da AO
Freqüência de saída (Fs) - P005
Referência de freqüência ou freq. de entrada (Fe)
Corrente de saída - P003
Sem função
Torque - P009
Variável de processo - P040
Corrente ativa
Setpoint PID
NOTA!
-Aopção4somenteestádisponívelparaomododecontrolevetorial.
-Asopções6e9somenteestãodisponíveisapartirdaversãoV3.50.
Para valores padrão de fábrica, AO=10V quando a freqüência de
saída for igual à freqüência máxima (definida por P134), ou seja,
66Hz.
Escala das indicações nas saída analógicas (fundo de escala=10V):
P248 1 ... 200ms
Constante de tempo [ 200ms ]
para o filtro das AIs 1ms
Configura a constante de tempo do filtro das entradas analógicas
entre 0 (sem filtragem) e 200ms.
Com isto, a entrada analógica terá um tempo de resposta igual à
três constantes de tempo. Por exemplo, se a constante de tempo
for 200ms, e um degrau for aplicado à entrada analógica. Esta
estabilizará após passados 600ms.
P240 -120...120%
Offset da Entrada [ 0.0 ]
Analógica AI2 0.1 (<100);
1 (>99.9)
Este parâme-
tro somente está
disponível na
versão CFW-08 Plus
Este parâme-
tro somente está
disponível na
versão CFW-08 Plus
Ver P234.
P248 1 ... 200ms
Constante de tempo [ 200ms ]
para o filtro das AIs 1ms
79
DESCRIÇÃO DETALHADA DOS PARÂMETROS
(1)
Esse parâmetro só pode ser alterado com o inversor desabilitado (motor parado).
Faixa
[Ajuste fábrica]
Parâmetro Unidade Descrição / Observações
Variável
Freqüência (P251=0 ou 1)
Corrente (P251=2 ou 7)
Torque (P251=4)
Variável de Processo PID (P251=6)
Setpoint PID (P251=9)
Fundo de Escala
P134
1.5xInom
150%
P528
P528
P263(1)
0...14
Função da Entrada [ 0 - Sem Função
Digital DI1 ou Habilita Geral ]
-
P264(1)
0...14
Função da Entrada [ 0 - Sentido de Giro ]
Digital DI2 -
P265(1)
0...15
Função da Entrada [ 10 - Reset ]
Digital DI3 -
P266(1)
0...15
Função da Entrada [ 8 - Sem Função
Digital DI4 ou Gira/Pára ]
-
Verificar opções possíveis na tabela a seguir e detalhes sobre o
funcionamento das funções na figura 6.19.
DI Parâmetro DI1 DI2 DI3 DI4
Função (P263) (P264) (P265) (P266)
Habilita Geral
1...7 e
- 2 2
10...12
Gira/Pára 9 - 9 9
Sem Função ou Hab. Geral 0 - - -
Sem Função ou Gira/Pára - - 8 8
Avanço 8 - - -
Retorno - 8 - -
Avanço com 2a
Rampa 13 - - -
Retorno com 2a
Rampa - 13 - -
Liga 14 - - -
Desliga - 14 - -
Multispeed - 7 7 7
Multispeed com 2a
Rampa - - 14 -
Acelera EP - - 5 -
Desacelera EP - - - 5
Sentido de Giro - 0 0 0
Local/Remoto - 1 1 1
JOG - - 3 3
Sem Erro Externo - - 4 4
2a
Rampa - - 6 6
Reset - - 10 10
Desabilita Flying Start - - 13 13
Manual/Automático (PID) - - 15 -
Sem Função -
2...6 e
11 e 12
11, 12,
9...12 14 e 15
Funções ativadas com 0V na entrada digital.
80
DESCRIÇÃO DETALHADA DOS PARÂMETROS
Faixa
[Ajuste fábrica]
Parâmetro Unidade Descrição / Observações
NOTA!
1) Local/Remoto = aberta/0V na entrada digital respectivamen-
te.
2) P263=0 (sem função ou habilita geral) funciona da seguinte
forma:
- se a fonte dos comandos for os bornes, ou seja, se P229=1
para o modo local ou P230=1 para o modo remoto, a entrada
DI1 funciona como habilita geral;
- caso contrário, nenhuma função é atribuída à entrada DI1.
3) A programação P265 ou P266=8 (sem função ou gira/pára)
funciona de forma análoga, ou seja:
- se o inversor estiver operando no modo local e P229=1, a
entrada digital DI3/DI4 funciona como gira/pára;
- se o inversor estiver operando no modo remoto e P230=1,
a entrada digital DI3/DI4 funciona como gira/pára;
- caso contrário, nenhuma função estará associada à entrada
DI3/DI4.
4) A seleção P265=P266=5 (EP) necessita que se programe
P221 e/ou P222=4.
5) A seleção P264 e/ou P265 e/ou P266=7 (multispeed)
necessita que se programe P221 e/ou P222=6.
6) Sefordesejadotemposdeaceleraçãoedesaceleraçãodiferen-
tes para uma dada condição de operação (por exemplo, para
um jogo de freqüências ou para um sentido de giro) verificar a
possibilidade de utilizar as funções multispeed com 2a
rampa
e avanço/retorno com 2a
rampa.
7) Ver explicação sobre desabilita flying start em P310 e P311.
8) A opção manual/automático é explicada no item 6.3.5 -
Parâmetros das Funções Especiais (PID).
81
DESCRIÇÃO DETALHADA DOS PARÂMETROS
aberto
Freqüência
de Saída
(Velocidade do
Motor)
motor gira
livre
Tempo
Tempo
0V
rampa
aceleração
HABILITA GERAL
0V
Freqüência
de Saída
(Velocidade
do Motor)
rampa de
desaceleração
Tempo
Tempo
rampa de
aceleração
aberto
GIRA/
PÁRA
aberto
Tempo
0V
Tempo
Tempo
0V
abertoDI2 - Retorno
DI1 - Avanço
Freqüência
de Saída
(Velocidade
do Motor)
Horário
Anti - Horário
AVANÇO/RETORNO
Tempo
Tempo
0V
0V
aberto
DI2 - Desliga
LIGA/DESLIGA (START/STOP)
Tempo
Tempo
Freqüência
de Saída
(Velocidade
do Motor)
DI1 - Liga
aberto
Figura 6.19 - Diagramas de tempo do funcionamento das entradas digitais
D I D I
82
DESCRIÇÃO DETALHADA DOS PARÂMETROS
aberto
0V
Tempo
Tempo
Freqüência
de Saída
(Velocidade
do Motor)
DI - Sentido
de Giro
Horário
Anti-Horário
SENTIDO DE GIRO
aberto
aberto
0V
Tempo
0V
Tempo
P102
P100
DI - Gira/Pára
DI - 2a
rampa
2a
RAMPA
Freqüência
de Saída
(Velocidade
do Motor)
P103
P101
Tempo
Tempo
Freqüência
de Saída
(Velocidade
do Motor)
0V
aberto
DI - Gira/Pára
Freqüência
mínima
(P133)
Reset
DI4 - Desacelera
DI3 - Acelera
aberto
Tempo
Tempo
Tempo
0V
0V
POTENCIÔMETRO ELETRÔNICO (EP)
aberto
Figura 6.19 - Diagramas de tempo do funcionamento das entradas digitais (cont.)
Tempo
Freqüência
de Saída
(Velocidade
do Motor)
0V
0V
Gira/Pára
Freqüêcia JOG (P122)
Rampa de
desaceleração
0V
DI - JOG
Habilita Geral
aberto
aberto
aberto
Rampa de
aceleração
JOG
Tempo
Tempo
Tempo
83
DESCRIÇÃO DETALHADA DOS PARÂMETROS
DESABILITA FYING START
Tempo
Desabilitado
aberto
Habilitado
Estado do
Inversor
DI - Desabilita
Flying Start
Freqüência
de Saída
(Velocidade
do Motor)
aberto
0V
Tempo
Tempo
Freqüência de Saída
(Velocidade do Motor)
DI - Sem Erro Externo
SEM ERRO EXTERNO
motor gira
livre
Figura 6.19 - Diagramas de tempo do funcionamento das entradas digitais (cont.)
RESET
Com erro
Tempo
0V
Tempo
Tempo
0V
Sem erro
Reset
DI - Reset aberto
Estado do
Inversor (*)
(*) A condição que gerou o erro persiste
Tempo
Tempo
0V
84
DESCRIÇÃO DETALHADA DOS PARÂMETROS
Faixa
[Ajuste fábrica]
Parâmetro Unidade Descrição / Observações
P277(1)
0...7
Função da Saída [ 7 - Sem Erro ]
a Relé RL1 -
P279(1)
0...7
Função da Saída [ 0 - Fs > Fx ]
a Relé RL2 -
As possíveis opções são listadas na tabela e figura abaixo.
O parâmetro
P279 somente está
disponível na
versão CFW-08 Plus
Saída/Parâmetro
Função
Fs > Fx
Fe > Fx
Fs = Fe
Is > Ix
Sem função
Run (inversor habilitado)
Sem erro
P277
(RL1)
0
1
2
3
4 e 6
5
7
P279
(RL2)
0
1
2
3
4 e 6
5
7
Figura 6.20 - Detalhes do funcionamento das funções das saídas digitais
Fs > Fx
Fs
Fx (P288)
Tempo
OFFRelé
ON
Is > Ix
Is
Ix (P290)
Tempo
OFFRelé
ON
Fs = Fe
Fs
Tempo
OFFRelé
ON
Fe
Fx (P288)
Tempo
OFFRelé
ON
Fe > Fx
Run
Motor Parado ou
Girando por Inércia
Tempo
OFFRelé
ON
Motor Girando
Sem Erro
Tempo
OFF
Relé
c/ EOX
s/ EOX
(1)
Esse parâmetro só pode ser alterado com o inversor desabilitado (motor parado).
ON
85
DESCRIÇÃO DETALHADA DOS PARÂMETROS
Faixa
[Ajuste fábrica]
Parâmetro Unidade Descrição / Observações
Quando o definido no nome da função for verdadeiro a saída digital
estará ativada, isto é, o relé tem a sua bobina energizada.
Quando programada a opção ‘Sem função’, a(s) saída(s) a relé
ficarão no estado de repouso, ou seja, com a bobina não energizada.
No caso do CFW-08 Plus que possui 2 saídas a relé (um contato
NA e outro NF), se for desejado um relé com contato reversor,
basta programar P277=P279.
Definições dos símbolos usados nas funções:
- Fs = P005 - Freqüência de Saída (Motor)
- Fe = Referência de Freqüência (freqüência de entrada da rampa)
- Fx = P288 - Freqüência Fx
- Is = P003 - Corrente de Saída (Motor)
- Ix = P290 - Corrente Ix
P288 0.00...300.0Hz
Freqüência Fx [ 3.00Hz ]
0.01Hz (<100.0Hz);
0.1Hz (>99.99Hz)
P288 0...1.5xP295
Corrente Ix [ 1.0xP295 ]
0.01A (<10.0A);
0.1A (>9.99A)
Usados nas funções das saídas a relé Fs>Fx, Fe>Fx e Is>Ix
(ver P277 e P279).
P295(1)
300...311
Corrente Nominal [ De acordo com a
do Inversor corrente nominal
(Inom
) do inversor ]
-
P295
300
301
302
303
304
305
306
307
308
309
310
311
Corrente Nominal
do Inversor (Inom
)
1.0A
1.6A
2.6A
2.7A
4.0A
4.3A
6.5A
7.0A
7.3A
10A
13A
16A
(1)
Esse parâmetro só pode ser alterado com o inversor desabilitado (motor parado).
86
DESCRIÇÃO DETALHADA DOS PARÂMETROS
Faixa
[Ajuste fábrica]
Parâmetro Unidade Descrição / Observações
Assim, P297=4 (5kHz) zimplica em uma freqüência audível no mo-
tor correspondente a 10kHz. Isto se deve ao método de modula-
ção PWM utilizado.
A redução da freqüência de chaveamento também colabora na
redução dos problemas de instabilidade e ressonâncias que ocorrem
em determinadas condições de aplicação, bem como da emissão
de energia eletromagnética pelo inversor.
Também, a redução da freqüência de chaveamento reduz as
correntes de fuga para a terra, podendo evitar a atuação indevida
da proteção de falta à terra (E00).
A opção 15kHz (P297=7) não é válida para o controle vetorial.
Utilizar correntes conforme tabela abaixo:
Modelo do Inversor
CFW080016B2024PSZ
CFW080026B2024PSZ
CFW080040B2024PSZ
CFW080070T2024PSZ
CFW080073B2024PSZ
CFW080100B2024PSZ
CFW080160T2024PSZ
CFW080010T3848PSZ
CFW080016T3848PSZ
CFW080026T3848PSZ
CFW080027T3848PSZ
CFW080040T3848PSZ
CFW080043T3848PSZ
CFW080065T3848PSZ
CFW080100T3848PSZ
CFW080130T3848PSZ
CFW080160T3848PSZ
10kHz
(P297=6)
1,6A
2,6A
3,4A
6,1A
7,3A
10A
14A
1,0A
1,6A
2,6A
2,7A
3,6A
3,9A
6,5A
8,4A
11A
12A
15kHz
(P297=7)
1,6A
2,6A
2,9A
5,1A
7,3A
10A
12A
1,0A
1,6A
2,3A
2,7A
3,2A
3,0A
6,3A
6,4A
9A
10A
P297(1)
4...7
Freqüência de [ 4 - 5kHz ]
Chaveamento -
Define a freqüência de chaveamento dos IGBTs do inversor.
P297
4
5
6
7
Freqüência de
Chaveamento (fsw
)
5kHz
2.5kHz
10kHz
15kHz
A escolha da freqüência de chaveamento resulta num compromisso
entre o ruído acústico no motor e as perdas nos IGBTs do inversor
(aquecimento). Freqüências de chaveamento altas implicam em
menorruídoacústiconomotorporémaumentamasperdasnosIGBTs,
elevando a temperatura nos componentes e reduzindo sua vida útil.
A freqüência da harmônica predominante no motor é o dobro da
freqüência de chaveamento do inversor programada em P297.
(1)
Esse parâmetro só pode ser alterado com o inversor desabilitado (motor parado).
2,5kHz
(P297=5)
1,6A
2,6A
4,0A
7,0A
7,3A
10A
16A
1,0A
1,6A
2,6A
2,7A
4,0A
4,3A
6,5A
10A
13A
16A
5kHz
(P297=4)
1,6A
2,6A
4,0A
7,0A
7,3A
10A
16A
1,0A
1,6A
2,6A
2,7A
4,0A
4,3A
6,5A
10A
13A
16A
87
DESCRIÇÃO DETALHADA DOS PARÂMETROS
Faixa
[Ajuste fábrica]
Parâmetro Unidade Descrição / Observações
Antes de iniciar a frenagem por corrente contínua existe um “tempo
morto” (motor gira livre), necessário para a desmagnetização do
motor. Este tempo é função da velocidade do motor (freqüência
de saída) em que ocorre a frenagem CC.
Durante a frenagem CC o display de leds indica
piscante.
Caso o inversor seja habilitado durante o processo de frenagem
esta será abortada e o inversor passará a operar normalmente.
A frenagem CC pode continuar atuando mesmo que o motor já
tenha parado. Cuidar com o dimensionamento térmico do motor
para frenagens cíclicas de curto período.
Em aplicações com motor menor que o nominal do inversor e
cujo torque de frenagem não for suficiente, consultar a fábrica
para uma otimização dos ajustes.
P300 0.0...15.0s
Duração da [ 0.0 ]
Frenagem CC 0.1s
P301 0.00...25.00Hz
Freqüência de Início [ 1.00Hz ]
da Frenagem CC 0.01Hz
P302 0.0...130%
Corrente Aplicada [ 0.0% -
na Frenagem CC P295 (Inom
) ]
0.1%
A frenagem CC permite a parada rápida do motor através da
aplicação de corrente contínua no mesmo.
A corrente aplicada na frenagem CC, que é proporcional ao torque
de frenagem, pode ser ajustada em P302. É ajustada em percentual
(%) da corrente nominal do inversor.
As figuras a seguir mostram o funcionamento da frenagem CC
nas duas condições possíveis: bloqueio por rampa e bloqueio geral.
P301
P300
TEMPO
MORTO
aberto
Tempo
DI - Gira/Pára
0V
Freqüência
de Saída
(Velocidade
do Motor)
INJEÇÃO DE CORRENTE
CONTÍNUA
Figura 6.21 - Atuação da frenagem CC no bloqueio por rampa
(desabilitação por rampa)
P300
aberto
Tempo
TEMPO MORTO
INJEÇÃO DE CORRENTE
CONTÍNUA
DI- Habilita Geral
Figura 6.22 - Atuação da frenagem CC no bloqueio geral
(desabilitação geral)
Freqüência
de Saída
(Velocidade
do Motor)
0V
88
DESCRIÇÃO DETALHADA DOS PARÂMETROS
Faixa
[Ajuste fábrica]
Parâmetro Unidade Descrição / Observações
P304 P133...P134
Freqüência [ 30.00Hz ]
Evitada 2 0.01Hz (<100.0Hz);
0.1Hz (99.99Hz)
P306 0.00...25.00Hz
Faixa Evitada [ 0.00 ]
0.01Hz
Figura 6.23 - Curva de atuação da função freqüências evitadas
A passagem pela faixa de velocidade evitada (2xP306) é feita
através da rampa de aceleração e desaceleração seleciona-
da.
A função não opera de forma correta se duas faixas de freqüência
rejeitadas se sobrepuserem.
P308(1)
1...30
Endereço Serial (Serial WEG)
1 ... 247
(Modbus-RTU)
[1]
1
Ajusta o endereço do inversor para comunicação serial.
Para a serial WEG o valor máximo é 30 e no Modbus-RTU é 247.
Ver item 8.18 e 8.19.
A interface serial é um acessório opcional do inversor. Ver itens
8.9, 8.10 e 8.13.
2 x P306
P303
P304
P303
P304 2 x P306
Referência
de Freqüência
Freqüência
de Saída
P303 P133...P134
Freqüência [ 20.00Hz ]
Evitada 1 0.01Hz (<100.0Hz);
0.1Hz (99.99Hz)
Esta função (freqüências evitadas ou skip frequencies) evita que
o motor opere permanentemente nos valores de freqüência de
saída (velocidade) nos quais, por exemplo, o sistema mecânico
entra em ressonância causando vibração ou ruídos exagerados.
A habilitação dessa função é feita com P306 0.00.≠
P309 (1)
Protocolo da Interface
Serial
0 ... 9
[ 0 – WEG ]
1
Ajusta o tipo de protocolo para a comunicação serial.
A interface serial pode ser configurada para dois protocolos distin-
tos: WEG e Modbus-RTU.
O protocolo de comunicação WEG descrito no item 8.21 e é sele-
cionado fazendo-se P309=0.
Já o protocolo Modbus-RTU descrito no item 8.22 tem nove
formatos predefinidos conforme a tabela abaixo.
P309
1
2
3
4
5
6
7
8
9
Taxa (bps)
9600
9600
9600
19200
19200
19200
38400
38400
38400
Paridade
-
Ímpar
Par
-
Ímpar
Par
-
Ímpar
Par
(1)
Esse parâmetro só pode ser alterado com o inversor desabilitado (motor parado).
89
DESCRIÇÃO DETALHADA DOS PARÂMETROS
Faixa
[Ajuste fábrica]
Parâmetro Unidade Descrição / Observações
P310(1)
0...3
Flying Start e [ 0 - Inativas ]
Ride-Through -
P311 0.1...10.0s
Rampa de Tensão [ 5.0s ]
0.1s
O parâmetro P310 seleciona a(s) função(ões) ativa(s):
O parâmetro P311 ajusta o tempo necessário para a retomada do
motor, tanto na função flying start quanto na ride-through. Em ou-
tras palavras, define o tempo para que a tensão de saída parta de
0V e atinja o valor da tensão nominal.
Funcionamento da função flying start:
- Permite a partida do motor com o eixo girando. Esta função só
atua durante a habilitação do inversor. Na partida, o inversor impõe
a referência de freqüência instantaneamente e faz uma rampa
de tensão, com tempo definido em P311.
- É possível partir o motor da forma convencional, mesmo que a
função flying start esteja selecionada (P310=1 ou 2). Para isto,
basta programar uma das entradas digitais (DI3 ou DI4) com o
valor 13 (desabilita flying start) e acioná-la (0V) durante a partida
do motor.
(1)
Esse parâmetro só pode ser alterado com o inversor desabilitado (motor parado).
P310
0
1
2
3
Flying Start
Inativa
Ativa
Ativa
Inativa
Ride-Through
Inativa
Inativa
Ativa
Ativa
Figura 6.24 - Atuação da função Ride-through
P311tfalta
<2s
tdesab.
>tmorto
Habilitado
Desabilitado
Tensão no Circuito
Intermediário
Nível de Subtensão
(E02)
Pulsos de Saída
Tensão de Saída
0V
Freqüência de Saída
(Velocidade do Motor)
0Hz
Detalhes da função Ride-through:
- Permite a recuperação do inversor, sem bloqueio por E02
(subtensão), quando ocorrer uma queda momentânea da rede
de alimentação. O inversor somente será bloqueado por E02
quando a queda da rede durar mais que 2 segundos.
- Quando a função Ride-through estiver habilitada (P310=2 ou 3)
e
houver uma queda na rede, fazendo com que a tensão do
circuito intermediário fique abaixo do nível de subtensão, os pulsos
de saída são desabilitados (motor gira livre) e o inversor aguarda
o retorno da rede por até 2s. Se a rede voltar ao estado normal
antes desse tempo, o inversor volta a habilitar os pulsos PWM
impondo a referência de freqüência instantaneamente e fazendo
uma rampa de tensão com o tempo definido por P311.
- Antesdeiniciararampadetensãoexisteumtempomortonecessário
para desmagnetização do motor. Este tempo é proporcional à
freqüência de saída.
90
DESCRIÇÃO DETALHADA DOS PARÂMETROS
Faixa
[Ajuste fábrica]
Parâmetro Unidade Descrição / Observações
P313
Ação do Watchdog
da Serial
0 ... 3
[ 2 ]
1
Determina o tipo de ação realizada pelo watchdog.
Caso o inversor não receba nenhum telegrama válido no intervalo
programado em P314, esta ação é realizada e o erro E29 é
indicado.
Os tipos de ação são:
- P313=0 : desabilita o inversor via rampa de desaceleração;
- P313=1 : aciona o comando desabilita geral do inversor;
- P313=2 : somente indica E29;
- P313=3 : muda a referência de comandos para modo local.
Caso a comunicação se restabeleça o inversor para de indicar
E29 e permanece com seu estado inalterado.
P314
Tempo de atuação
do Watchdog da
Serial
0.0 ... 99.9
[ 0.0 – Função
Desabilitada]
0
Intervalo para atuação do Watchdog da Serial. Se o valor de P314
for 0 a função Watchdog da Serial é desabilitada. Caso contrário,
o conversor tomará a ação programada em P313, se o inversor
não receber um telegrama válido durante este intervalo.
91
DESCRIÇÃO DETALHADA DOS PARÂMETROS
Faixa
[Ajuste fábrica]
Parâmetro Unidade Descrição / Observações
P401 0.3xPInom
...1.3xPInom
Corrente Nominal [ De acordo
Motor com o modelo
do inversor ]
0.01A (<10.0A);
0.1A (>9.99A)
Corrente nominal do motor que consta na placa de identificação
deste. Trata-se do valor eficaz da corrente de linha nominal do motor.
Ajustar de acordo com os dados de placa do motor e a ligação
dos fios na caixa de ligação deste.
Este parâmetro é utilizado no controle escalar [funções compensação
de escorregamento e boost de torque automático (IxR automático)]
e no controle vetorial.
P402 0...9999rpm
Velocidade Nominal [ De acordo
Motor com o modelo
do inversor ]
1rpm
Ajustar de acordo com os dados de placa do motor.
É utilizado somente no controle vetorial.
Este parâme-
tro só é visível no
modo vetorial
(P202=2)
P403(1)
0.00...P134
Freqüência Nominal [ 60.00Hz ]
Motor 0.01Hz (<100.0Hz);
0.1Hz (>99.99Hz)
Este parâme-
tro só é visível no
modo vetorial
(P202=2)
Ajustar de acordo com os dados de placa do motor.
É utilizado somente no controle vetorial.
6.3.4 Parâmetros do Motor - P399 ... P499
P399(1)
50.0...99.9%
Rendimento Nominal [ De acordo
Motor com o modelo
do inversor ]
0.1%
Este parâme-
tro só é visível no
modo vetorial
(P202=2)
Ajustar de acordo os dados de placa do motor.
Se este valor não estiver disponível:
- Se for conhecido o fator de potência nominal do motor
(cos =P407), obter o rendimento a partir da seguinte equação:
onde P é a potência do motor em watts (W), V é a tensão de
linha nominal do motor em volts (V) - P400, e I é a corrente
nominal do motor em ampères (A) - P401. Para converter
de CV ou HP em W multiplicar por 750 (ex:
1CV=750W).
- Para uma aproximação, usar os valores da tabela da item 9.3.
É utilizado somente no controle vetorial.
∅
P399 = ηnom =
P
1.73 . V . I . cos∅
P400(1)
0...600V
Tensão Nominal [ 220V para os
do Motor modelos 200-240V;
380V para os
modelos 380-480V ]
1VEste parâme-
tro só é visível no
modo vetorial
(P202=2)
Tensão nominal do motor que consta na placa de identificação des-
te. Trata-se do valor eficaz da tensão de linha nominal do motor.
Ajustar de acordo com os dados de placa do motor e a ligação
dos fios na caixa de ligação deste.
É utilizado somente no controle vetorial.
(1)
Esse parâmetro só pode ser alterado com o inversor desabilitado (motor parado).
92
DESCRIÇÃO DETALHADA DOS PARÂMETROS
Faixa
[Ajuste fábrica]
Parâmetro Unidade Descrição / Observações
P407(1)
0.50...0.99
Fator de Potência [ De acordo
Nominal do Motor com o modelo
do inversor ]
0.01
Ajustar de acordo com os dados de placa do motor.
Se este valor não estiver disponível:
- Se for conhecido o rendimento nominal do motor (ηnom=P399),
obter o fator de potência a partir da seguinte equação:
P407 = cos =
P
1.73 . V . I . ηnom
∅
onde P é a potência do motor em watts (W), V é a tensão de
linha nominal do motor em volts (V) - P400, e I é a corrente
nominal do motor em ampères (A) - P401. Para converter
de CV ou HP em W multiplicar por 750 (ex:
1CV=750W).
- Para uma aproximação, usar os valores da tabela do item 9.3.
Este parâmetro é utilizado no controle escalar [funções compensa-
ção de escorregamento e boost de torque automático (IxR
automático)] e no controle vetorial.
Este parâme-
tro só é visível no
modo vetorial
(P202=2)
Através deste parâmetro é possível entrar na rotina de auto-ajuste
onde a resistência estatórica do motor em uso é estimada
automaticamente pelo inversor.
A rotina de auto-ajuste é executada com motor parado.
Fazendo P408=1 inicia-se a rotina de auto-ajuste.
Durante a execução do auto-ajuste o display indica
piscante.
Se for desejado interromper o auto-ajuste pressionar a tecla
Se o valor estimado da resistência estatórica do motor for muito
grande para o inversor em uso (exemplos: motor não conectado
ou motor muito pequeno para o inversor) o inversor indica E14. Só
é possível sair dessa condição desligando a alimentação do inver-
sor.
Este parâme-
tro só é visível no
modo vetorial
(P202=2)
Ajustar de acordo com os dados de placa do motor, conforme
tabela a seguir.
P404
0
1
2
3
4
5
6
7
8
9
10
11
12
13
14
15
CV
0.16
0.25
0.33
0.5
0.75
1
1.5
2
3
4
5
5.5
6
7.5
10
12.5
HP
0.16
0.25
0.33
0.5
0.75
1
1.5
2
3
4
5
5.5
6
7.5
10
12.5
kW
0.12
0.18
0.25
0.37
0.55
0.75
1.1
1.5
2.2
3.0
3.7
4.0
4.5
5.5
7.5
9.2
Potência Nominal do Motor
É utilizado somente no controle vetorial.
(1)
Esse parâmetro só pode ser alterado com o inversor desabilitado (motor parado).
P408(1)
0...1
Auto-Ajuste? [ 0 ]
-
P404(1)
0...15
Potência Nominal [ De acordo
Motor com o modelo
do inversor ]
-
93
DESCRIÇÃO DETALHADA DOS PARÂMETROS
Faixa
[Ajuste fábrica]
Parâmetro Unidade Descrição / Observações
P409 0.00...9.99
Resistência do [ De acordo
Estator com o modelo
do inversor ]
0.01
Este parâme-
tro só é visível no
modo vetorial
(P202=2)
Valor estimado pelo auto-ajuste.
A tabela do item 9.3 apresenta o valor da resistência
estatórica para motores standard.
Pode-se também entrar com o valor da resistência estatórica
diretamente em P409, se esse valor for conhecido.
NOTA!
P409 deve conter o valor equivalente da resistência estatórica
de uma fase, supondo-se que o motor esteja conectado em
estrela (Y).
NOTA!
Se o valor de P409 for muito alto poderá ocorrer o bloqueio do
inversor por sobrecorrente (E00).
94
DESCRIÇÃO DETALHADA DOS PARÂMETROS
6.3.5 Parâmetros das Funções Especiais - P500 ... P599
6.3.5.1 Introdução O CFW-08 dispõe da função regulador PID que pode ser usada para
fazer o controle de um processo em malha fechada. Essa função
faz o papel de um regulador proporcional, integral e derivativo
superposto ao controle normal de velocidade do inversor.
A velocidade será variada de modo a manter a variável de processo
(aquela que se deseja controlar - por exemplo: nível de água de um
reservatório) no valor desejado, ajustado na referência (setpoint).
Dado por exemplo, um inversor acionando uma motobomba que faz
circular um fluido numa dada tubulação. O próprio inversor pode
fazer o controle da vazão nessa tubulação utilizando o regulador
PID. Nesse caso, por exemplo, o setpoint (de vazão) poderia ser
dado pela entrada analógica AI2 ou via P525 (setpoint digital) e o
sinal de realimentação da vazão chegaria na entrada analógica AI1.
Outros exemplos de aplicação: controle de nível, temperatura,
dosagem, etc.
A figura 6.25 apresenta uma representação esquemática da função
regulador PID.
O sinal de realimentação deve chegar na entrada analógica AI1.
O setpoint é o valor da variável de processo no qual se deseja ope-
rar. Esse valor é entrado em percentual, o qual é definido pela
seguinte equação:
6.3.5.2 Descrição
setpoint (%) =
setpoint (UP) x P234 x 100%
fundo de escala do sensor utilizado (UP)
onde tanto o setpoint quanto o fundo de escala do sensor utilizado
são dados na unidade do processo (ou seja, °C, bar, etc).
Exemplo: Dado um transdutor (sensor) de pressão com saída 4 -
20mA e fundo de escala 25bar (ou seja, 4mA=0bar e 20mA=25bar)
e P234=2.00. Se for desejado controlar 10bar, deveríamos entrar
com o seguinte setpoint:
setpoint (%) =
10 x 2 x 100% = 80%
25
O setpoint pode ser definido via:
- Via teclas: setpoint digital, parâmetro P525.
- Entrada analógica AI2 (somente disponível no CFW-08 Plus): o
valor percentual é calculado com base em P238, P239 e P240
(ver equacionamento na descrição desses parâmetros).
OparâmetroP040indicaovalordavariáveldeprocesso(realimentação)
na escala selecionada em P528, o qual é ajustado conforme equação
abaixo:
P528 =
fundo de escala do sensor utilizado
P234
Exemplo: Sejam os dados do exemplo anterior (sensor de pressão
de 0-25bar e P234=2.00). P528 deve ser ajustado em 25/2=12.5.
O parâmetro P040 pode ser selecionado como variável de monitoração
fazendo-se P205=6.
95
DESCRIÇÃO DETALHADA DOS PARÂMETROS
Definiçãodo
Setpoint
(referênciadavariável
deprocesso)
AI2
P239
SinalAI2
P240
(OffsetAI2)
GanhoAI2
P525
2,3-AI2
0-Tecla
P221(Local)ou
P222(Remoto)
SetpointPID
(Tecla)
Setpoint
ReguladorPID
RampaPID
P526
FiltroVariável
deProcesso
P528
FatordeEscala
Variávelda
Processo
P235
SinalAI1
AI1
P236
(OffsetAI1)
GanhoAI1
P238
P234
Realimentação
(mediçãoda
variáveldeprocesso)
P522
Regulador
Diferencial
P520,P521
ReguladorPI
(Proporcional-Integral)
P134
P133
1-Reverso
0-Direto
TipodeAçãodo
ReguladorPID
DI3
(P265=15)
F*(Verfigura6.1)
P527
Manual
(DIaberta)
Referênciade
Freqüência
(Velocidade)
Automático
(DIfechada)
Habilita
Figura 6.25 - Blocodiagrama da função regulador PID
0.2s
Fe(Verfigura6.2)
96
DESCRIÇÃO DETALHADA DOS PARÂMETROS
A entrada digital DI3 é automaticamente setada para manual/auto-
mático (P265=15). Assim, com a DI3 aberta opera-se em modo ma-
nual (sem fechar a malha de controle - realimentação) e fechando-
se a DI3 o regulador PID começa a operar (controle em malha fecha-
da - modo automático).
Se a função dessa entrada digital (DI3) for alterada, a operação do
inversor será sempre no modo manual.
Se P221 ou P222 for igual a 1, 4, 5, 6, 7 ou 8 haverá a indicação de E24.
Ajuste P221 e P222 igual a 0 ou 2 conforme a necessidade.
As funções JOG e sentido de giro ficam desabilitadas. Os coman-
dos de habilitação e bloqueio do inversor continuam sendo defini-
dos por P229 e P230.
No modo manual a referência de freqüência é dada por F* conforme
figura 6.1.
Quando se altera de manual para automático, ajusta-se automati-
camente P525=P040 (no instante imediatamente anterior à comuta-
ção). Assim, se o setpoint for definido por P525 (P221 ou P222=0),
a comutação de manual para automático é suave (não há variação
brusca de velocidade).
A saída analógica pode ser programada para indicar a variável de
processo (P040) ou o setpoint do PID com P251=6 ou 4 respectiva-
mente.
A figura 6.26 a seguir apresenta um exemplo de aplicação de um
inversor controlando um processo em malha fechada (regulador PID).
6.3.5.3 Guia para Colocação
em Funcionamento
SegueabaixoumroteiroparacolocaçãoemoperaçãodoreguladorPID:
Definições Iniciais
1) Processo - Definir o tipo de ação do PID que o processo requer:
direto ou reverso. A ação de controle deve ser direta (P527=0)
quando é necessário que a velocidade do motor seja aumentada
para fazer com que a variável do processo seja incrementada.
Em caso contrário, selecionar reverso (P527=1).
Exemplos:
a) Direto: Bomba acionada por inversor fazendo o enchimento
de um reservatório com o PID regulando o nível do mesmo.
Para que o nível (variável de processo) aumente é necessário
queavazãoeconseqüentementeavelocidadedomotoraumente.
b) Reverso:Ventiladoracionadoporinversorfazendooresfriamento
deumatorrederefrigeração, comoPIDcontrolandoatemperatura
da mesma. Quando se quer aumentar a temperatura (variável
de processo) é necessário reduzir a ventilação reduzindo a
velocidade do motor.
2) Realimentação (medição da variável de processo): É sempre via
entrada analógica AI1.
Transdutor (sensor) a ser utilizado para realimentação da variá-
vel de controle: é recomendável utilizar um sensor com
fundo de escala de, no mínimo, 1.1 vezes o maior
valor da variável de processo que se deseja con-
trolar. Exemplo: Se for desejado controlar a
pressão em 20bar, escolher um sensor com fundo
de escala de, no mínimo, 22bar.
Tipo de sinal: ajustar P235 e a posição da chave S1 do cartão de
controle conforme o sinal do transdutor (4-20mA, 0-20mA ou 0-
10V).
NOTA!
Quando se habilita a função PID (P203=1):
97
DESCRIÇÃO DETALHADA DOS PARÂMETROS
AjustarP234eP236conformeafaixadevariaçãodosinalderealimenta-
ção utilizado (para maiores detalhes ver descrição dos
parâmetros P234 a P240).
Exemplo: Seja a seguinte aplicação:
- fundo de escala do transdutor (valor máximo na saída do
transdutor) = 25bar (FS=25);
- faixa de operação (faixa de interesse) = 0 a 15bar (FO=15).
Considerando-se uma folga de 10%, a faixa de medição da vari-
ável de processo deve ser ajustada em: 0 a 16.5bar.
Logo: FM=1.1xFS=16.5.
Portanto, o parâmetro P234 deve ser ajustado em:
Como a faixa de operação começa em zero, P236=0.
Assim, um setpoint de 100% representa 16.5bar, ou seja, a faixa de
operação, em percentual, fica: 0 a 90.9%.
NOTA!
Na maioria das aplicações não é necessário ajustar o ganho e o offset
(P234=1.00 e P236=0.0). Assim, o valor percentual do setpoint é equi-
valente ao valor percentual de fundo de escala do sensor utilizado. Po-
rém, se for desejado utilizar a máxima resolução da entrada analógica
AI1 (realimentação) ajustar P234 e P238 conforme explicação anterior.
Ajuste da indicação no display na unidade de medida da variável
de processo (P040): ajustar P528 conforme o fundo de escala
do transdutor (sensor) utilizado e P234 definido (ver descri-
ção do parâmetro P528 a seguir).
3) Referência (setpoint):
Modo local/remoto.
Fonte da referência: ajustar P221 ou P222 conforme definição anteri-
or.
4) Limites de Velocidade: ajustar P133 e P134 conforme aplicação.
5) Indicação:
Display (P040): pode-se mostrar P040 sempre que o inversor é
energizado fazendo-se P205=6.
Saída Analógica (AO): pode-se indicar a variável de processo
(reali- mentação) ou o setpoint do regulador PID na saída
analógica ajus- tando P251 em 6 ou 9 respectivamen-
te.
Colocação em Operação
1) Operação Manual (DI3 aberta):
Indicaçãododisplay(P040):conferirindicaçãocombaseemmedição
externa e valor do sinal de realimentação (transdutor) em AI1.
Indicação da variável de processo na saída analógica (AO) se for
o caso (P251=6).
Variar a referência de freqüência (F*) até atingir o valor desejado
da variável de processo.
Só então passar para o modo automático (o inversor
automaticamente irá setar P525=P040).
2) Operação Automática: fechar a DI3 e fazer o ajuste dinâmico do
regulador PID, ou seja, dos ganhos proporcional (P520), integral
(P521) e diferencial (P522).
P234 =
FS
=
25
= 1.52
FM 16.5
98
DESCRIÇÃO DETALHADA DOS PARÂMETROS
CFW-08
Conteúdo
de P040
O setpoint
pode ser
alterado
pelas teclas
X1
1 2 3 4 5 6
Rede
1
2
S1
off on
1 2 3 4 5 6 7 8 9 10 11 12
DI1-Hab.Geral
DI3-Manual/Auto
DI4-Gira/Pára
AI1-Realimentação
Transdutor
de
Pressão
4-20mA
0-25 bar
Processo
0-100%
(0-25bar)
5k≥ Setpoint via AI2 (somente
disponível no CFW-08 Plus)
P222=2
P238=1.00
P239=0
P240=0.00
Operação em modo remoto (P220=1)
Setpoint via teclas.
Parametrização do inversor:
P220=1 P520=1.000
P222=0 P521=1.000
P234=1.00 P522=0.000
P235=1 P525=0
P238=0.00 P526=0.1s
P203=1 P527=0
P205=6 P528=25
Figura 6.26 - Exemplo de aplicação de inversor com regulador PID
NOTA!
Para o bom funcionamento do regulador PID, a programação do inver-
sor deve estar correta. Certifique-se dos seguintes ajustes:
boosts de torque (P136 e P137) e compensação do escorregamento
(P138) no modo de controle V/F (P202=0 ou 1);
ter rodado o auto-ajuste se estiver no modo vetorial (P202=2);
rampas de aceleração e desaceleração (P100...P103);
limitação de corrente (P169).
99
USO DA HMI
Faixa
[Ajuste fábrica]
Parâmetro Unidade Descrição / Observações
P520 0.000...7.999
Ganho Proporcional [ 1.000 ]
PID 0.001
P521 0.000...9.999
Ganho Integral [ 1.000 ]
PID 0.001
P522 0.000...9.999
Ganho Diferencial [ 1.000 ]
PID 0.001
O ganho integral pode ser definido como sendo o tempo necessário
para que a saída do regulador PI varie de 0 até P134, o qual é
dado, em segundos, pela equação abaixo:
t =
16
P521.P525
nas seguintes condições:
- P040=P520=0;
- DI3 na posição automático.
P525 0.00...100.0%
Setpoint [ 0.00 ]
(Via Teclas) do 0.01%
Regulador PID
Fornece o setpoint (referência) do processo via teclas e
para o regulador PID desde que P221=0 (local) ou P222=0
(remoto) e esteja em modo automático. Caso esteja em modo
manual a referência por teclas é fornecida por P121.
Se P120=1 (backup ativo), o valor de P525 é mantido no último
valor ajustado (backup) mesmo desabilitando ou desenergizando
o inversor.
P526 0.01...10.00s
Filtro da Variável [ 0.10s ]
de Processo 0.01
Ajusta a constante de tempo do filtro da variável de processo.
É útil para se filtrar ruídos na entrada analógica AI1
(realimentação da variável de processo).
P527 0...1
Tipo de Ação do [ 0 ]
Regulador PID -
Define o tipo de ação de controle do PID.
P527
0
1
Tipo de Ação
Direto
Reverso
Selecione de acordo com a tabela abaixo:
Para isto a
velocidade do
motor deve
Aumentar
Aumentar
Necessidade da
variável de
processo
Aumentar
Diminuir
P527 a ser
utilizado
0 (Direto)
1 (Reverso)
P528 0.00...99.9
Fator de Escala da [ 1.00 ]
Variável de Processo 0.01(<10);
0.1 (>9.99)
Define a escala da variável de processo. Faz a conversão entre
valor percentual (utilizado internamente pelo inversor) e a unidade
da variável de processo.
P528 define como será mostrada a variável de processo em P040:
P040=valor % x P528.
Ajustar P528 em:
P528 =
fundo de escala do sensor utilizado (FM)
P234
100
CAPÍTULO 7
SOLUÇÃO E PREVENÇÃO DE FALHAS
Este capítulo auxilia o usuário a identificar e solucionar possíveis falhas
que possam ocorrer. Também são dadas instruções sobre as inspe-
ções periódicas necessárias e sobre limpeza do inversor.
Quando a maioria dos erros é detectada, o inversor é bloqueado
(desabilitado) e o erro é mostrado no display como EXX, sendo XX o
código do erro.
Para voltar a operar normalmente o inversor após a ocorrência de um
erro é preciso resetá-lo. De forma genérica isto pode ser feito através
das seguintes formas:
desligando a alimentação e ligando-a novamente (power-on reset);
pressionando a tecla (reset manual);
automaticamente através do ajuste de P206 (auto-reset);
via entrada digital: DI3 (P265 = 10) ou DI4 (P266 = 10).
Ver na tabela abaixo detalhes de reset para cada erro e prováveis causas.
NOTA!
Os erros E22, E23, E25, E26, E27e E29 estão relacionados à comuni-
cação serial e estão descritos no item 8.18.5.3.
7.1 ERROS E POSSÍVEIS
CAUSAS
ERRO RESET (1)
CAUSAS MAIS PROVÁVEIS
E00 Power-on Curto-circuito entre duas fases do motor.
Sobrecorrente Manual (tecla ) Curto para o terra em uma ou mais fases de saída.
na saída Auto-reset Capacitância dos cabos do motor para o terra
(entre fases ou DI muito elevada ocasionando picos de corrente na
fase e terra) saída (ver nota na próxima página).
Inércia de carga muito alta ou rampa de aceleração
muito rápida.
Ajuste de P169 muito alto.
Ajuste indevido de P136 e/ou P137 quando estiver no modo
V/F (P202=0 ou 1).
Ajuste indevido de P178 e/ou P409 quando estiver no modo
vetorial (P202=2).
Módulo de transistores IGBT em curto.
E01 Tensão de alimentação muito alta, ocasionando
Sobretensão no uma tensão no circuito intermediário acima do valor
circuito máximo
intermediário Ud>410V - Modelos 200-240V
“link CC” (Ud) Ud>820V - Modelos 380- 480V
Inércia da carga muito alta ou rampa de desaceleração
muita rápida.
Ajuste de P151 muito alto.
Inércia de carga muito alta e rampa de aceleração rápida
(modo vetorial - P202=2)
E02 Tensão de alimentação muito baixa, ocasionando tensão
Subtensão no no circuito intermediário abaixo do valor mínimo (ler o
circuito valor no Parâmetro P004):
intermediário Ud<200V - Modelos 200 - 240V
“link CC” (Ud) Ud<360V - Modelos 380V - 480V
SOLUÇÃO E PREVENÇÃO DE FALHAS
101
Obs.:
(1) No caso de atuação do erro E04 por sobretemperatura no inversor é
necessário esperar este esfriar um pouco antes de resetá-lo.
Nos modelos 10A/200-240 e 10A/380-480V equipados com Filtro
Supressor de RFI-Classe A interno, o E04 pode ser ocasionado
pela temperatura muito alta do ar interno. Verificar o ventilador inter-
no existente nestes modelos.
ERRO RESET (1)
CAUSAS MAIS PROVÁVEIS
E04 Power-on Temperatura ambiente alta (>40o
C) e/ou corrente de saída
Sobretemperatura Manual (tecla ) elevada.
no dissipador Auto-reset Ventilador bloqueado ou defeituoso.
de potência, no DI
ar interno do
inversor
E05 Ajuste de P156 muito baixo para o motor utilizado.
Sobrecarga na Carga no eixo muito alta.
saída, função
IxT
E06 Fiação nas entradas DI3 e/ou DI4 aberta [(não conectada a
Erro externo GND (pino 5 do conector de controle XC1)].
(aberturadaentrada
digital programada
parasem erroexterno)
E10 Power-on Mau contato no cabo da HMI-CFW08-S.
Erro da função Manual (tecla ) Ruído elétrico na istalação (interferência eletromagnética).
copy Auto-reset
DI
E14 Power-on Falta de motor conectado à saída do inversor.
Erro na rotina de Ligação incorreta do motor (tensão errada, falta uma
auto-ajuste fase).
O motor utilizado é muito pequeno para o inversor
(P401<0,3 x P295). Utilize controle escalar.
O valor de P409 (resistência estatórica) é muito grande
para o inversor utilizado.
Neste caso para resetar o erro é preciso reduzir
manualmente o valor de P409, pressionar a tecla
e então resetar o inverssor (tecla ou via DI).
E24 Desaparece automaticamente Tentativa de ajuste de um parâmetro incompatível com
Erro de quando forem alterados os os demais. Ver tabela 5.1.
Programação parâmetros incompatíveis
E31 Desaparece automaticamente Mau contato no cabo da HMI.
Falha na conexão quando a HMI voltar a Ruído elétrico na instalação (interferência
da IHM estabelecer comunicação eletromagnética).
normal com o inversor
E41 Consultar a Assistência Defeito no circuito de potência do inversor.
Erro de Técnica da Weg
auto-diagnose Automação (ítem 7.3)
102
SOLUÇÃO E PREVENÇÃO DE FALHAS
NOTA!
Forma de atuação dos erros:
E00 ... E06: desliga o relé que estiver programado para “sem erro”,
bloqueia os pulsos do PWM, indica o código do erro no display e no
LED “ERROR” na forma piscante.
Também são salvos alguns dados na memória EEPROM: referências
via HMI e EP (potenciômetro eletrônico) (caso a função “backup das
referências” em P120 esteja ativa), número do erro ocorrido, o estado
do integrador da função IxT (sobrecarga de corrente).
E24: Indica o código no display.
E31: O inversor continua a operar normalmente, mas não aceita os
comandos da HMI; indica o código do erro no display.
E41: Não permite a operação do inversor (não é possível habilitar o
inversor); indica o código do erro no display e no LED “ERROR”.
Indicação dos LEDs de estado do inversor:
7.2 SOLUÇÃO DOS PROBLEMAS MAIS FREQÜENTES
PROBLEMA
PONTO A SER
AÇÃO CORRETIVA
VERIFICADO
Motor não gira Fiação errada 1.Verificar todas as conexões de potência e comando. Por exem-
plo, as entradas digitais DIx programadas como gira/pára
ou habilita geral ou sem erro externo devem estar conectadas
ao GND (pino 5 do conector de controle XC1).
Referência analógica 1.Verificar se o sinal externo está conectado apropriadamente.
(se utilizada) 2.Verificar o estado do potenciômetro de controle (se utilizado).
Programação errada 1. Verificar se os parâmetros estão com os valores corretos para
aplicação
Erro 1.Verificar se o inversor não está bloqueado devido a uma condi-
ção de erro detectada (ver tabela anterior).
Motor tombado 1.Reduzir sobrecarga do motor.
(motor stall) 2.Aumentar P169 ou P136/P137.
Piscante
Inversor energizado e sem erro
Inversor em estado de erro.
O led ERROR pisca o número do
erro ocorrido. Exemplo: E04
0,2s 0,6s
LED
Power
LED Error Significado
NOTA!
Cabos de ligação do motor muito longos (mais de 50 metros) poderão
apresentar uma grande capacitância para o terra. Isto pode ocasionar a
ativação do circuito de falta à terra e, consequentemente, bloqueio por
erro E00 imediatamente após a liberação do inversor.
Solução:
Reduzir a freqüência de chaveamento (P297).
Ligação de reatância trifásica em série com a linha de alimentação
do motor. Ver ítem 8.16.
SOLUÇÃO E PREVENÇÃO DE FALHAS
103
PROBLEMA
PONTO A SER
AÇÃO CORRETIVA
VERIFICADO
Velocidade do motor Conexões frouxas 1.Bloquear inversor, desligar a alimentação e apertar todas as
varia (flutua) conexões.
Potenciômetro de 1.Substituir potenciômetro
referência com
defeito
Variação da referência 1.Identificar motivo da variação.
analógica externa
Velocidade do motor Programação errada 1.Verificar se os conteúdos de P133 (velocidade mínima)
muito alta ou muito (limites da referência) e P134 (velocidade máxima) estão de acordo com o motor e a
baixa aplicação.
Sinal de controle da 1.Verificar o nível do sinal de controle da referência.
referência 2.Verificar programação (ganhos e offset) em P234 a P240.
(se utilizada)
Dados de placa do 1.Verificar se o motor utilizado está de acordo com a aplicação.
motor
Display apagado Conexões da HMI 1.Verificar as conexões da HMI ao inversor.
Tensão de alimentação 1.Valores nominais devem estar dentro do seguinte:
Modelos 200-240V: - Min: 170V
- Máx: 264V
Modelos 380-480V: - Min: 323V
- Máx: 528V
NOTA!
Para consultas ou solicitação de serviços, é importante ter em mãos os
seguintes dados:
modelo do inversor;
número de série, data de fabricação e revisão de hardware constantes
na plaqueta de identificação do produto (ver ítem 2.4);
versão de software instalada (ver ítem 2.2);
dados da aplicação e da programação efetuada.
Para esclarecimentos, treinamento ou serviços, favor contatar a Assis-
tência Técnica:
WEG Automação
Tel.: (0800) 7010701
Fax: (047) 372-4200
e-mail: astec@weg.com.br
7.3 TELEFONE / FAX / E-MAIL PARA CONTATO (ASSISTÊNCIA TÉCNICA)
7.4 MANUTENÇÃO
PREVENTIVA
PERIGO!
Sempre desconecte a alimentação geral antes de tocar qualquer com-
ponente elétrico associado ao inversor.
Altas tensões podem estar presentes mesmo após a desconexão da
alimentação. Aguarde pelo menos 10 minutos para a descarga comple-
ta dos capacitores da potência. Sempre conecte a carcaça do equipa-
mento ao terra de proteção (PE) no ponto adequado para isto.
104
SOLUÇÃO E PREVENÇÃO DE FALHAS
ATENÇÃO!
Os cartões eletrônicos possuem componentes sensíveis a descargas
eletrostáticas.
Não toque diretamente sobre os componentes ou conectores. Caso ne-
cessário, toque antes na carcaça metálica aterrada ou utilize pulseira
de aterramento adequada.
Não execute nenhum ensaio de tensão aplicada ao inversor!
Caso seja necessário, consulte o fabricante.
Para evitar problemas de mau funcionamento ocasionados por condi-
ções ambientais desfavoráveis tais como alta temperatura, umidade,
sujeira, vibração ou devido ao envelhecimento dos componentes são
necessárias inspeções periódicas nos inversores e instalações.
COMPONENTE ANORMALIDADE AÇÃO CORRETIVA
Terminais, conectores
Parafusos frouxos Aperto (2)
Conectores frouxos
Ventiladores (1) / Sistema
Sujeira ventiladores Limpeza (2)
de ventilação
Ruído acústico anormal
Substituir ventiladorVentilador parado
Vibração anormal
Poeira nos filtros de ar Limpeza ou substituição (3)
Parte interna do produto
Acúmulo de poeira, óleo, umidade, etc. Limpeza (2) e/ou Substituição do produto
Odor Substituição do produto
Tabela 7.1 - Inspeções periódicas após colocação em funcionamento
Obs.:
(1) Recomenda-se substituir os ventiladores após 40.000 horas de operação.
(2) Cada 6 meses.
(3) Duas vezes por mês.
ATENÇÃO!
Quando o inversor for armazenado por longos períodos de tempo, reco-
menda-se energizá-lo por 1 hora, a cada intervalo de 1 ano.
Para todos os modelos (200-240V ou 380-480V) utilizar: tensão de ali-
mentação de aproximadamente 220V, entrada trifásica ou monofásica,
50 ou 60Hz, sem conectar o motor à sua saída. Após essa energização
manter o inversor em repouso durante 24 horas antes de utilizá-lo.
7.4.1 Instruções de Limpeza Quando necessário limpar o inversor siga as instruções:
a) Externamente:
Seccione a alimentação do inversor e espere 10 minutos.
Remova o pó depositado nas entradas de ventilação usando uma
escova plástica ou uma flanela.
Remova o pó acumulado sobre as aletas do dissipador e pás do
ventilador utilizando ar comprimido.
b) Internamente:
Seccione a alimentação do inversor e espere 10 minutos.
Desconecte todos os cabos do inversor, tomando o cuidado de marcar
cada um para reconectá-lo posteriormente.
Retire a IHM e a tampa plástica (Ver capítulo 3).
Remova o pó acumulado sobre os cartões utilizando uma escova
anti- estática e/ou pistola de ar comprimido ionizado (por exem-
plo: Charges Burtes Ion Gun (non nuclear) referência A6030-6
DESCO).
SOLUÇÃO E PREVENÇÃO DE FALHAS
105
7.5 TABELA DE MATERIAIS PARA REPOSIÇÃO
Alimentação em 200-240V
Nome
Ventiladores
ECC2.00
ECC2.01
HMI-CFW08-P
HMI-CFW08-S
INF3.00
INF3.01
INF3.02
INF3.03
SUP3.00
LOW1.00
LOW1.01
LOW1.02
MCS-CFW08
MIS-CFW08
FIL1.00
Cabos
Ítem de
estoque
5000.5240
5000.5372
5000.1270
S41511117
S41512632
417100868
417100869
S41512600
S41512601
S41512602
S41512603
S41512610
S41511907
S41511915
S41511923
417100882
417100872
S41511661
0307.0127
0307.6415
0307.6423
0307.6431
0307.6440
0307.6458
0307.6466
0307.7606
0307.7607
0307.7608
Especificação
Ventilador 12Vdc 40x40mm
Ventilador 24Vdc 60x60mm
Ventilador 12Vdc 25x25mm (quando do uso de FIL1)
Cartão de Controle CFW-08
Cartão de Controle CFW-08 Plus
Interface Homem x Máquina (Interna ou externa -
opcional: HMI-CFW08-P)
Interface Homem x Máquina (opcional)
Cartão de Potência 1.6A/200-240V
Cartão de Potência 2.6A/200-240V
Cartão de Potência 4.0A/200-240V
Cartão de Potência 7.0A/200-240V
Cartão de Fontes1.6 a 7.0A/200-240V
Cartão de Potência 7.3A/200-240V
Cartão de Potência 10A/200-240V
Cartão de Potência 16A/200-240V
Interface para comunicação serial RS-232 (opcional)
Interface para HMI serial (HMI-CFW08-S, opcional)
Cartão filtro supressor de RFI-Classe A - Alimentação
monofásica - 7.3 e 10A (opcional)
Cabo flexível FFC 20 vias
Cabo HMI Serial Remota - 1m (opcional)
Cabo HMI Serial Remota - 2m (opcional)
Cabo HMI Serial Remota - 3m (opcional)
Cabo HMI Serial Remota - 5m (opcional)
Cabo HMI Serial Remota - 7.5m (opcional)
Cabo HMI Serial Remota - 10m (opcional)
Cabo HMI Paralela Remota - 1m (opcional)
Cabo HMI Paralela Remota - 2m (opcional)
Cabo HMI Paralela Remota - 3m (opcional)
Modelos (Ampéres)
1.6 2.6 4.0 7.0 7.3 10 16
Quantidade por Inversor
1
1 1 1
1 1
1 1 1 1 1 1 1
1 1 1 1 1 1 1
1 1 1 1 1 1 1
1 1 1 1 1 1 1
1
1
1
1
1 1 1 1
1
1
1
1 1 1 1 1 1 1
1 1 1 1 1 1 1
1 1
1 1 1 1 1 1 1
1 1 1 1 1 1 1
1 1 1 1 1 1 1
1 1 1 1 1 1 1
1 1 1 1 1 1 1
1 1 1 1 1 1 1
1 1 1 1 1 1 1
1 1 1 1 1 1 1
1 1 1 1 1 1 1
1 1 1 1 1 1 1
106
SOLUÇÃO E PREVENÇÃO DE FALHAS
Alimentação em 380-480V
Nome
Ventiladores
ECC2.00
ECC2.01
HMI-CFW08-P
HMI-CFW08-S
INF3.04
INF3.05
INF3.06
INF3.07
SUP4.00
LOW2.00
LOW2.01
LOW2.02
LOW2.03
LOW4.00
LOW4.01
MCS-CFW08
MIS-CFW08
FIL2.00
FIL4.00
Cabos
Ítem de
estoque
5000.5240
5000.5291
5000.5372
5000.1270
S41511117
S41512632
417100868
417100869
S41512604
S41512605
S41512606
S41512607
S41512612
S41511931
S41511940
S41511958
S41511966
S41511982
S41511990
417100882
417100872
S41510994
S41512148
0337.0127
0307.6415
0307.6423
0307.6431
0307.6440
0307.6458
0307.6466
0307.7606
0307.7607
0307.7608
Especificação
Ventilador 12Vdc 40x40mm (externo)
Ventilador 12Vdc 40x40mm (interno)
Ventilador 24Vdc 60x60mm
Ventilador 12Vdc 25x25mm (quando do uso de FIL2)
Cartão de Controle CFW-08
Cartão de Controle CFW-08 Plus
Interface Homem x Máquina (Interna ou externa -
opcional: HMI-CFW08-P)
Interface Homem x Máquina serial (opcional)
Cartão de Potência 1.0A/380-480V
Cartão de Potência 1.6A/380-480V
Cartão de Potência 2.6A/380-480V
Cartão de Potência 4.0A/380-480V
Cartão de Fontes1.0 a 4.0A/380-480V
Cartão de Potência 2.7A/380-380V
Cartão de Potência 4.3A/380-480V
Cartão de Potência 6.5A/380-480V
Cartão de Potência 10A/380-480V
Cartão de Potência 13A/380-480V
Cartão de Potência 16A/380-480V
Interface para comunicação serial RS-232 (opcional)
Interface para HMI serial (HMI-CFW08-S, opcional)
Cartão filtro supressor de RFI-Classe A - 2.7 a 10A
(opcional)
Cartão filtro supressor de RFI-Classe A - 13 e 16A
(opcional)
Cabo flexível FFC 20 vias
Cabo HMI Serial Remota - 1m (opcional)
Cabo HMI Serial Remota - 2m (opcional)
Cabo HMI Serial Remota - 3m (opcional)
Cabo HMI Serial Remota - 5m (opcional)
Cabo HMI Serial Remota - 7.5m (opcional)
Cabo HMI Serial Remota - 10m (opcional)
Cabo HMI Paralela Remota - 1m (opcional)
Cabo HMI Paralela Remota - 2m (opcional)
Cabo HMI Paralela Remota - 3m (opcional)
Modelos (Ampéres)
1.0 1.6 2.6 4.0 2.7 4.3 6.5 10 13 16
Quantidade por Inversor
1 1
1 1
1 1 1 1
1
1 1 1 1 1 1 1 1 1 1
1 1 1 1 1 1 1 1 1 1
1 1 1 1 1 1 1 1 1 1
1 1 1 1 1 1 1 1 1 1
1
1
1
1
1 1 1 1
1
1
1
1
1
1
1 1 1 1 1 1 1 1 1 1
1 1 1 1 1 1 1 1 1 1
1 1 1 1
1 1
1 1 1 1 1 1 1 1 1 1
1 1 1 1 1 1 1 1 1 1
1 1 1 1 1 1 1 1 1 1
1 1 1 1 1 1 1 1 1 1
1 1 1 1 1 1 1 1 1 1
1 1 1 1 1 1 1 1 1 1
1 1 1 1 1 1 1 1 1 1
1 1 1 1 1 1 1 1 1 1
1 1 1 1 1 1 1 1 1 1
1 1 1 1 1 1 1 1 1 1
107
CAPÍTULO 8
DISPOSITIVOS OPCIONAIS
Este capítulo descreve os dispositivos opcionais que podem ser utiliza-
dos com o inversor interna ou externamente a este. A tabela 8.1 mostra
um resumo dos opcionais existentes, e os modelos a qual se aplicam.
Nos demais itens são dados mais detalhes sobre os dispositivos
opcionais e de sua utilização.
Nome
HMI-CFW08-P
TCL-CFW08
HMI-CFW08-S
HMI-CFW08-S-N4
KMR-CFW08-S
MIS-CFW08
CAB-HMI 08-S-1
CAB-HMI 08-S-2
CAB-HMI 08-S-3
CAB-HMI 08-S-5
CAB-HMI 08-S-7,5
CAB-HMI 08-S-10
TCR-CFW08
MCS-CFW08
KCS-CFW08
KMD-CFW08-M1
KN1-CFW08-M1
KN1-CFW08-M2
MIW-02
Função
HMI paralela
Tampa cega para colocar no lugar da HMI paralela (seja esta
montada no inversor ou remotamente com kit KMR-CFW08-P).
HMI serial externa
Para uso remoto com kit KMR-CFW08-S, interface MIS-CFW08
e cabo CAB-HMI08-S (até 10m). Maior que a HMI-CFW08-P.
Função Copy.
HMI serial externa com moldura e grau de proteção NEMA 4.
Para uso remoto com interface MIS-CFW08 e cabo CAB-HMI08-S
(até 10m).
Kit com moldura para montagem da HMI-CFW08-S (remota)
Interface para HMI serial externa (remota) HMI-CFW08-S
Cabo para HMI remota serial com 1m
Cabo para HMI remota serial com 2m
Cabo para HMI remota serial com 3m
Cabo para HMI remota serial com 5m
Cabo para HMI remota serial com 7,5m
Cabo para HMI remota serial com 10m
Tampa cega para KMR-CFW08-S.
Interface para comunicação serial RS-232 (PC, CLP, etc).
RS-485 possível com uso conjunto do módulo MIW-02.
Kit de comunicação RS-232 para PC: interface RS-232 (MCS-
CFW08), cabo 3m RJ-6 para DB9, software “SUPERDRIVE”.
Kit Trilho DIN EN 50.022
Kit NEMA 1/IP20 para conexão de eletroduto metálico.
Kit NEMA1/IP20 para conexão de eletroduto metálico.
Módulo externo para conversão de RS-232 para RS-485.
CFW-08 deve ter módulo MCS-CFW08.
Modelos a que
se aplica
Todos
1.6-2.6-4.0-7.0A/
200-240V
1.0-1.6-2.6-4.0A/
380-480V
1.6-2.6-4.0-7.0A/
200-240V
1.0-1.6-2.6-4.0A/
380-480V
7.3-10-16A/
200-240V
2.7-4.3-6.5-10A/
380-480V
Todos
Ítem de Estoque
WEG
417100868
417100881
417100869
417100870
417100874
417100872
0307.6415
0307.6423
0307.6431
0307.6440
0307.6458
0307.6466
417102034
417100882
417100875
417100879
417100877
417100880
417100543
108
DISPOSITIVOS OPCIONAIS
8.1.1 Instruções para Inserção
e Retirada da
HMI-CFW08-P
1. Posicione a HMI da maneira ilustrada.
2. Pressione.
(a) Inserção
Nome
FIL1
FIL2
FIL4
FS6007-16-06
FN3258-7-45
FS6007-25-08
FS6007-36-08
FN3258-16-45
FN3258-30-47
Função
Filtro supressor interno de RFI-Classe A - 7.3A/200-240V
Filtro supressor interno de RFI-Classe A - 2.7-4.3-6.5-10A/380-
480V
Filtro supressor interno de RFI-Classe A - 13-16A/380-480V
Filtro supressor externo de RFI-Classe B - 1.6-2.6-4.0A/200-
240V
Filtro supressor externo de RFI-Classe B - 1.0-1.6-2.6-2.7-4.0-
4.3A/380-480V
Filtro supressor externo de RFI-Classe B - 7.3A/200-240V
Filtro supressor externo de RFI-Classe B - 10A/200-240V
Filtro supressor externo de RFI-Classe B - 6.5-10-13A/380-480V
Filtro supressor externo de RFI-Classe B - 16A/380-480V
Modelos a que
se aplica
7.3-10A/200-240V
2.7-4.3-6.5-10A/
380-480V
13-16A/ 380-480V
1.6-2.6-4.0A/
200-240V
1.0-1.6-2.6-2.7-
4.0-4.3A/
380-480V
7.3A/200-240V
10A/200-240V
6.5-10-13A/
380-480V
16A/380-480V
ÍTem de Estoque
WEG
4151.2661
4151.0994
4151.2148
0208.2072
0208.2075
0208.2073
0208.2074
0208.2076
0208.2077
Tabela 8.1 - Opcionais Disponíveis para o CFW-08
8.1 HMI-CFW08-P HMI paralela: é a HMI que vem montada na parte frontal do inversor
standard.
Figura 8.1 - Dimensões da HMI paralela HMI-CFW08-P
57
43
21
13
DISPOSITIVOS OPCIONAIS
109
1. Utilize uma chave de fenda na posição indicada para destravar a HMI.
2. Retire a HMI utilizando os pegadores laterais.
(b) Retirada
Figura 8.2 - Instruções para inserção e retirada da HMI-CFW08-P
8.2 TCL-CFW08 Tampa cega para colocar no lugar da HMI paralela (HMI-CFW08-P).
Figura 8.3 - Dimensões da tampa cega TCL-CFW08 para a HMI paralela
8.3 HMI-CFW08-S HMI serial externa: é montada externamente aos inversores e deve
ser utilizada nos seguintes casos:
Quando for necessária uma HMI remota.
Para instalação da HMI em porta de painel ou mesa de comando.
Para uma melhor visualização do display e maior facilidade de
operação das teclas, em comparação à HMI paralela (HMI-CFW08-P).
Quando da utilização da função copy para transferir o conteúdo dos
parâmetros de um inversor para outro(s). Para uma descrição detalhada
do uso desta função ver descrição do parâmetro P215 no capítulo 6.
Funciona em conjunto com a interface MIS-CFW08 e o cabo
CAB-HMI08-S, o qual deve ter seu comprimento escolhido de acordo
com a necessidade (até 10m).
Opcionalmente pode-se usar ainda o módulo KMR-CFW08-S, (kit com
moldura para HMI-CFW08-S).
43
57
13
110
DISPOSITIVOS OPCIONAIS
Figura 8.4 -Dimensões da HMI-CFW08-S
8.3.1Instalação da
HMI-CFW08-S
A HMI-CFW08-S pode ser instalada diretamente sobre a porta do pai-
nel, conforme os desenhos a seguir (também pode ser usada a moldu-
ra KMR-CFW08-S):
65
113
23
19
Figura 8.5 - Instalação da HMI-CFW08-S
Vista Frontal Vista Posterior
Paraf.
M3x8 (2x)
torque
0,5Nm.
Dimensões do Rasgo para
Instalação do HMI em Painel
8.3.2Colocação em
Funcionamento da
HMI-CFW08-S
Após tudo instalado (inclusive o cabo de interligação), energize o inver-
sor.
A HMI-CFW08-S deverá indicar
A programação do inversor via HMI-CFW08-S é exatamente igual à
programação do inversor via HMI-CFW08-P (para programação ver
capítulo 5).
Para habilitar todas as teclas da HMI-CFW08-S e assim torná-la equi-
valente à HMI-CFW08-P tanto do ponto de vista de programação quan-
to de operação, é necessário configurar os seguintes parâmetros:
DISPOSITIVOS OPCIONAIS
111
Função via HMI-CFW08-S
Referência de Velocidade
Comandos (*)
Seleção do sentido de giro
Seleção do modo de operação
(Local/Remoto)
Modo Local
P221 = 0
P229 = 2
Modo Remoto
P222 = 0
P230 = 2
P231 = 2
P220 = 5 (default local) ou
P220 = 6 (default remoto)
Obs.:
Padrão de Fábrica
(*) Exceto sentido de giro que depende também do parâmetro P231.
Tabela 8.2 - Configuração de parâmetros para operação com
HMI-CFW08-S
8.3.3 Função Copy da
HMI-CFW08-S
A HMI-CFW08-S apresenta ainda uma função adicional: a função copy.
Esta função é utilizada quando há a necessidade de se transferir a pro-
gramação de um inversor para outro(s). Funciona da seguinte maneira:
os parâmetros de um inversor (“inversor origem”) são copiados para
uma memória não volátil da HMI-CFW08-S, podendo então ser salvos
em outro inversor (“inversor destino”) a partir desta HMI. As funções de
leitura dos parâmetros do inversor e transferência para outro são co-
mandadas pelo conteúdo do parâmetro P215.
Para maiores detalhes da função copy ver descrição do parâmetro P215
do capítulo 6.
8.4 HMI-CFW08-S-N4 HMI serial externa semelhante a HMI-CFW08-S só que com moldura e
grau de proteção NEMA 4. Necessita da interface MIS-CFW08 e o
cabo CAB-HMI08-S da mesma forma que a HMI-CFW08-S.
Figura 8.6 - Dimensões da HMI serial externa HMI-CFW08-S-N4 com
moldura e grau de proteção NEMA 4
111.5 42
174.5
24.5
112
DISPOSITIVOS OPCIONAIS
Kit com moldura a qual possibilita a montagem da HMI serial externa
(HMI-CFW08-S) em portas de painéis ou afins. Não inclui a HMI-CFW08-
S.
8.5 KMR-CFW08-S
Figura 8.7 - Dimensões da moldura KMR-CFW08-S para a HMI-CFW08-S
Figura 8.8 - Instalação da HMI-CFW08-S com moldura KMR-CFW08-S
111.8
174.5
24.5
17.6
Vista Frontal Vista Posterior
Paraf.
M3x8 (2x)
torque
0,5Nm.
Dimensões do Rasgo para
Instalação do HMI em Painel
8.6 MIS-CFW08 Interface serial usada exclusivamente para a conexão da HMI-CFW08-S
ao inversor.
O modo de fazer a inserção e retirada da MIS-CFW08 é semelhante ao
mostrado na figura 8.13 para o módulo MCS-CFW08.
Figura 8.9 - Dimensões do módulo de comunicação serial MIS-CFW08 para
HMI serial externa
57
43
21
20
DISPOSITIVOS OPCIONAIS
113
8.7 CAB-HMI08-S-1
CAB-HMI08-S-2
CAB-HMI08-S-3
CAB-HMI08-S-5
CAB-HMI08-S-7,5
CAB-HMI08-S-10
Cabos utilizados para interligar o inversor e a HMI serial externa
(HMI-CFW08-S). Existem 6 opções de cabos com comprimentos de 1 a
10m. Um destes deve ser utilizado pelo usuário de acordo com a aplica-
ção.
O cabo CAB-HMI08-S deve ser instalado separadamente das fiações
de potência, observando as mesmas recomendações para a fiação de
controle (ver ítem 3.2.4).
Figura 8.10 - Cabo CAB-HMI08-S para HMI-CFW08-S
Inversor
Conector RJ
HMI
Conector DB9
8.8 TCR-CFW08 Tampa cega para colocar no lugar da HMI serial externa (HMI-CFW08-S).
Não possui leds de monitoração (Power e Error).
Figura 8.11 - Dimensões da tampa cega TCR-CFW08 para a moldura
KMR-CFW08-S
113
65
8.9 MCS-CFW08 Módulo de comunicação serial RS-232: é colocado no lugar da HMI
paralela disponibilizando a conexão RS-232 (conector RJ-6).
A interface serial RS-232 permite conexão ponto a ponto (inversor-mes-
tre), é isolada galvanicamente da rede e possibilita o uso de cabos de
interligação com comprimentos de até 15m.
É possível comandar, parametrizar e supervisionar o CFW-08 através
desta interface serial RS-232. O protocolo de comunicação é baseado
no tipo pergunta/resposta (mestre/escravo) conforme normas ISO 1745,
ISO 646, com troca de caracteres do tipo ASCII entre o inversor (escra-
vo) e o mestre. O mestre pode ser um CLP, um microcomputador tipo
PC, etc. A taxa de transmissão máxima é de 38400 bps.
Para possibilitar o uso de comunicação serial RS-485, seja ela ponto-a-
ponto (um inversor e um mestre) ou multiponto (até 30 inversores e um
mestre) pode-se conectar o módulo MCS-CFW08 a um módulo externo
MIW-02 - para maiores detalhes ver item 8.13.
114
DISPOSITIVOS OPCIONAIS
8.9.1Instruções Para
Inserção e Retirada da
MCS-CFW08
-Conecte o cabo do módulo de
comunicação em XC5
- Posicione o módulo de comuni-
cação conforme mostrado acima.
- Pressione.
(a) Inserção
Figura 8.12 - Dimensões do módulo de comunicação serial RS-232
MCS-CFW08 e sinais do conector RJ(XC8)
57
43
21
20
DISPOSITIVOS OPCIONAIS
115
- Utilize uma chave de fenda para
destravar o módulo de comunicação.
- Retire o módulo utilizando os
pegadores laterais.
(b) Retirada
- Remova o cabo do conector XC5.
Figura 8.13 - Inserção e retirada do módulo de comunicação serial RS-232 MCS-CFW08
8.10 KCS-CFW08 Kit completo que possibilita a ligação do CFW-08 a um PC via RS-232.
É constituído de:
- Módulo de comunicação serial RS-232 (MCS-CFW08);
- Cabo de 3m RJ-6 para DB9;
- Software “SUPERDRIVE” para Windows 95/98, Windows NT
Workstation V4.0 (ou sistema operacional posterior), o qual permite
a programação, operação e monitoração do CFW-08.
Para a instalação do kit de Comunicação RS-232 para PC proceder da
seguinte forma:
- Retirar a HMI paralela (HMI-CFW08-P) do inversor.
- Instalar o módulo de comunicação serial RS-232 (MCS-CFW08) no
local da HMI.
- Instalar o software “SUPERDRIVE” no PC.
- Conectar o inversor ao PC através do cabo.
- Seguir as instruções do “SUPERDRIVE”.
8.11 KMD-CFW08-M1 Deve ser usado quando deseja-se fixar o inversor diretamente em trilho
35mm conforme DIN EN 50.022
Somente disponível para os modelos: 1.6-2.6-4.0-7.0A/ 200-240V e
1.0-1.6-2.6-4.0A/380-480V
116
DISPOSITIVOS OPCIONAIS
São utilizados quando se deseja que o inversor tenha grau de proteção
NEMA 1/IP20 e/ou quando deseja-se utilizar eletrodutos metálicos para
a fiação do inversor.
Modelos aos quais se aplicam:
KN1-CFW08-M1:
1.6-2.6- 4.0-7.0/220-240V; 1.0-1.6-2.6-4.0/380-480V
KN1-CFW08-M2:
7.3-10-16A/200-240V; 2.7-4.3-6.5-10A/380-480V
Nos modelos 13 e 16A/380-480V este opcional não existe, pois faz par-
te do produto standard.
8.12 KN1-CFW08-M1
KN1-CFW08-M2
Figura 8.14 - Inversor com kit trilho DIN (KMD-CFW-08-M1)
(a) KN1-CFW08-M1 (b) KN1-CFW08-M2
Figura 8.15 - dimensões dos kits NEMA1/IP20
Corte A-A
Vista Frontal Corte B-B
12
75
129
1404
64
B
B
A'A
9
68
75 89
106
115 86
DISPOSITIVOS OPCIONAIS
117
(a) Inversores 1.6-2.6- 4.0-7.0/220-240V;
1.0-1.6-2.6-4.0/380-480V com KN1-CFW08-M1
(b) Inversores 7.3-10-16A/200-240V;
2.7-4.3-6.5-10A/380-480V com KN1-CFW08-
M2
Figura 8.16 - Dimensões externas dos inversores com kit NEMA1/IP20
Módulo externo para conversão de RS-232 para RS-485:
permite a ligação do CFW-08, quando equipado com módulo serial
RS-232 (MCS-CFW08), em uma rede RS-485 padrão.
Desta forma, o conversor pode participar de uma rede multiponto de até
1000m sem a necessidade de transdutores.
Para maiores detalhes sobre esta conexão física veja item 8.18.7 e
"MANUAL DO USUÁRIO DO MIW-02".
Os protocolos de comunicação suportados por esta interface serial são
detalhados nos itens 8.18 WEG e 8.19 Modbus-RTU.
8.13 MIW-02
Figura 8.17 - Conexão do CFW-08 a uma rede de comunicação
no padrão RS-485
CFW-08
RS-485
RS-232
MIW-02
POW
SER
Rede WEG
RS-485
Vista Inferior
Vista Frontal Vista Lateral Direita
Vista Frontal
Vista Inferior
Vista Lateral Direita
68
38
∅18
141
172
10
45
22
119 115
120
118
DISPOSITIVOS OPCIONAIS
8.14 FILTROS SUPRESSORES
DE RFI
A utilização de inversores de freqüência exige certos cuidados na insta-
lação de forma a se evitar a ocorrência de Interferência Eletromagnéti-
ca (conhecida por EMI). Esta se caracteriza pelo distúrbio no funciona-
mento normal dos inversores ou de componentes próximos tais como
sensores eletrônicos, controladores programáveis, transdutores, equi-
pamentos de rádio, etc.
Para evitar estes inconvenientes é necessário seguir as instruções de
instalação contidas neste manual. Nestes casos evita-se a proximidade
de circuitos geradores de ruído eletromagnético (cabos de potência,
motor, etc.) com os “circuitos vítima” (cabos de sinal, comando, etc.).
Além disto, deve-se tomar cuidado com a interferência irradiada pro-
vendo-se a blindagem adequada de cabos e circuitos propensos a emi-
tir ondas eletromagnéticas que podem causar interferência.
De outro lado é possível o acoplamento da perturbação (ruído) via rede
de alimentação. Para minimizar este problema existem, internamente
aos inversores, filtros capacitivos que são suficientes para evitar este
tipo de interferência na grande maioria dos casos. No entanto, em algu-
mas situações, pode existir a necessidade do uso de filtros supressores,
principalmente em aplicações em ambientes residenciais. Estes filtros
podem ser instalados internamente (alguns modelos) ou externamente
aos inversores. O filtro classe B possui maior atenuação do que o clas-
se A conforme definido em normas de EMC sendo mais apropriado
para ambientes residenciais.
Os filtros existentes e os modelos de inversores aos quais se aplicam
estão mostrados na tabela 8.1 no início deste capítulo.
Os inversores com filtro Classe A internos possuem as mesmas dimen-
sões externas dos inversores sem filtro.
Os filtros externos Classe B devem ser instalados entre a rede de ali-
mentação e a entrada dos inversores, conforme figura 8.18 adiante. Os
filtros devem ser posicionados o mais perto possível dos inversores,
para que o comprimento dos cabos entre a saída dos filtros e a entrada
dos inversores sejam os menores possíveis. Recomenda-se também a
montagem dos cabos do motor individualmente dentro de eletroduto
metálico aterrado ou cabo blindado. O aterramento das carcaças dos
filtros e dos inversores deverá ser feito de forma a garantir uma baixa
impedância de ligação entre ambas carcaças. Normalmente usa-se a
chapa de montagem do painel para este fim.
Rede de
Alimentação
Terra de
Segurança
Filtro
CFW-08
Painel do Acionamento
Eletroduto ou
cabo blindado
Motor
Terra Motor
(carcaça)
PE PE
Figura 8.18 - Conexão do filtro supressor de RFI Classe B externo
8.15 REATÂNCIA DE REDE Devido a características do circuito de entrada, comum à maioria dos
inversores no mercado, constituído de um retificador a diodos e um
banco de capacitores de filtro, a sua corrente de entrada (drenada da
rede) possui uma forma de onda não-senoidal contendo harmônica da
freqüência fundamental (freqüência da rede elétrica - 60 ou 50Hz).
DISPOSITIVOS OPCIONAIS
119
8.15.1 Critérios de Uso De uma forma geral, os inversores da série CFW-08 podem ser ligados
diretamente à rede elétrica, sem reatância de rede. No entanto, verificar
o seguinte:
Para evitar danos ao inversor e garantir a vida útil esperada deve-se
ter uma impedância mínima de rede que proporcione uma queda de
tensão conforme a tabela 8.3, em função da carga do inversor. Se
a impedância de rede (devido aos transformadores e
cablagem) for inferior aos valores listados nessa tabela, re-
comenda-se utilizar uma reatância de rede.
Quando da utilização de reatância de rede é recomendável que a
que da de tensão percentual, incluindo a queda em impedância
de trans- formadores e cabos, fique em torno de 2 a 4%. Essa
prática resulta num bom compromisso entre a queda de ten-
são no motor, melhoria do fator de potência e redução da
distorção harmônica.
Usar reatância de rede sempre que houver capacitores para corre-
ção do fator de potência instalados na mesma rede e próximos
ao inversor.
A conexão da reatância de rede na entrada do inversor é apresenta-
da na figura 8.19.
Para o cálculo do valor da reatância de rede necessária para obter a
queda de tensão percentual desejada utilizar:
onde:
V - queda de rede desejada, em percentual (%);
Ve
-tensãodefasenaentradadoinversor(tensãoderede),dadaemvolts(V);
IS, nom
- corrente nominal de saída do inversor.
Essas correntes harmônicas circulando pelas impedâncias da rede de
alimentação provocam quedas de tensão harmônicas, distorcendo a ten-
são de alimentação do próprio inversor ou de outros consumidores. Como
efeito dessas distorções harmônicas de corrente e tensão podemos ter
o aumento de perdas elétricas nas instalações com sobreaquecimento
dos seus componentes (cabos, transformadores, bancos de capacitores,
motores, etc.) bem como um baixo fator de potência.
As harmônicas da corrente de entrada são dependentes dos valores
das impedâncias presentes no circuito de entrada.
A adição de uma reatância de rede reduz o conteúdo harmônico da
corrente proporcionando as seguintes vantagens:
aumento do fator de potência na entrada do inversor;
redução da corrente eficaz de entrada;
diminuição da distorção da tensão na rede de alimentação;
aumento da vida útil dos capacitores do circuito intermediário.
L = 26,5 . V .
Ve [µH]
IS, nom
∇
∇
120
DISPOSITIVOS OPCIONAIS
Modelo
1,6A / 200-240V
2,6A / 200-240V
4,0A / 200-240V
7,0A / 200-240V
7,3A / 200-240V
10A / 200-240V
16A / 200-240V
1,0A / 380-480V
1,6A / 380-480V
2,6A / 380-480V
2,7A / 380-480V
4,0A / 380-480V
4,3A / 380-480V
6,5A / 380-480V
10A / 380-480V
13A / 380-480V
16A / 380-480V
Carga Nominal na
saída do inversor
(IS
= IS, nom
)
0,25%
0,1%
1,0%
0,5%
1,0%
0,5%
1,0%
0,05%
0,05%
0,1%
0,25%
1,0%
1,0%
0,5%
0,5%
0,5%
1,0%
80% da Carga
Nominal
(IS
= 0,8 . IS, nom
)
0,1%
0,05%
0,5%
0,25%
0,25%
0,25%
0,5%
0,05%
0,05%
0,05%
0,1%
0,5%
0,5%
0,25%
0,25%
0,25%
0,5%
50% da Carga
Nominal
(IS
= 0,5 . IS, nom
)
0,05%
Impedância de rede mínima
Tabela 8.3 - Valores mínimos da impedância de rede para várias condições de carga
(a) Modelos com alimentação monofásica
BLINDAGEM
PE UVW
R
S
T
R
PE
S T U V W
PE
REDE
PE
REDE
L
N
PE
PER UVW
BLINDAGEM
PE
Q1
S T U V W
PE
Obs.: Estes valores garantem uma vida útil de 20.000hs para os capacitores do link DC, ou seja, 5 anos
para um regime de operação de 12h diárias.
(b) Modelos com alimentação trifásica
Figura 8.19 - Conexões de potência com reatância de rede na entrada
DISPOSITIVOS OPCIONAIS
121
Como critério alternativo, recomenda-se adicionar uma reatância de
rede sempre que o transformador que alimenta o inversor possuir
uma potência nominal maior que o indicado a seguir:
Modelo do Inversor
1,6A e 2,6A/200-240V
4A/200-240V
7A e 7,3A/200-240V
10A/200-240V
16A/200-240V
1A; 1,6A e 2,6A/380-480V
4,0 e 4,3A/380-480V
2,7A/380-480V
6,5A; 10A e 13A/380-480V
16A/380-480V
Potência do Transformador [kVA]
30 x potência aparente nominal do inversor [kVA]
6 x potência aparente nominal do inversor [kVA]
10 x potência aparente nominal do inversor [kVA]
7,5 x potência aparente nominal do inversor [kVA]
4 x potência aparente nominal do inversor [kVA]
30 x potência aparente nominal do inversor [kVA]
6 x potência aparente nominal do inversor [kVA]
15 x potência aparente nominal do inversor [kVA]
7,5 x potência aparente nominal do inversor [kVA]
4 x potência aparente nominal do inversor [kVA]
Obs.: O valor da potência aparente nominal pode ser obtido no item 9.1 deste manual.
Tabela 8.4 - Critério alternativo para uso de reatância de rede -
Valores máximos da potência do transformador
A utilização de uma reatância trifásica de carga, com queda de aproxi-
madamente 2%, adiciona uma indutância na saída do inversor para o
motor. Isto diminuirá o dV/dt (taxa de variação de tensão) dos pulsos
gerados na saída do inversor, e com isto os picos de sobretensão no
motor e a corrente de fuga que irão aparecer com distâncias grandes
entre o inversor e o motor (em função do efeito “linha de transmissão”)
serão praticamente eliminados.
Nos motores WEG até 460V não há necessidade do uso de uma
reatância de carga, uma vez que o isolamento do fio do motor suporta a
operação com o CFW-08.
Nas distâncias entre o inversor e o motor a partir de 100m a capacitância
dos cabos para o terra aumenta podendo atuar a proteção de
sobrecorrente (E00). Neste caso é recomendado o uso de reatância de
carga.
8.16 REATÂNCIA DE CARGA
Figura 8.20 - Conexão da reatância de carga
REDE
SECCIONADORA
R
S
T
PE PER S T U V W UVW
REATÂNCIA
DE CARGA
BLINDAGEM
PE
PE
122
DISPOSITIVOS OPCIONAIS
8.17 FRENAGEM
REOSTÁTICA
A frenagem reostática é utilizada nos casos em que se deseja tempos
curtos de desaceleração ou nos casos de cargas com elevada inércia.
Para o correto dimensionamento do resistor de frenagem deve-se levar
em conta os dados da aplicação como: tempo de desaceleração, inér-
cia da carga, freqüência da repetição da frenagem, etc.
Em qualquer caso, os valores de corrente eficaz e corrente de pico
máximas devem ser respeitados.
A corrente de pico máxima define o valor ôhmico mínimo permitido do
resistor. Consultar a Tabela 8.5.
Os níveis de tensão do link CC para a atuação da frenagem reostática
são os seguintes:
Inversores alimentados em 200...240V: 375Vcc
Inversores alimentados em 380...480V: 750Vcc
8.17.1 Dimensionamento O conjugado de frenagem que pode ser conseguido através da aplica-
ção de inversores de freqüência, sem usar o módulo de frenagem
reostática, varia de 10 a 35% do conjugado nominal do motor.
Durante a desaceleração, a energia cinética da carga é regenerada ao
link CC (circuito intermediário). Esta energia carrega os capacitores ele-
vando a tensão. Caso não seja dissipada poderá provocar sobretensão
(E01), desabilitando o inversor.
Para se obter conjugados frenantes maiores, utiliza-se a frenagem
reostática. Através da frenagem reostática a energia regenerada em
excesso é dissipada em um resistor montado externamente ao inversor.
A potência do resistor de frenagem é função do tempo de desaceleração,
da inércia da carga e do conjugado resistente. Para a maioria das apli-
cações pode-se utilizar um resistor com o valor ôhmico indicado na ta-
bela a seguir e a potência como sendo de 20% do valor do motor acio-
nado. Utilizar resistores do tipo FITA ou FIO em suporte cerâmico com
tensão de isolamento adequada e que suportem potências instantâne-
as elevadas em relação à potência nominal. Para aplicações críticas,
com tempos muito curtos de frenagem, cargas de elevada inércia (ex:
centrífugas) ou ciclos repetitivos de curta duração, consultar a fábrica
para dimensionamento do resistor.
Modelo do Inversor
1,6A / 220-240V
2,6A / 220-240V
4,0A / 220-240V
7,0A / 220-240V
7,3A / 220-240V
10,0A / 220-240V
16,0A / 220-240V
1,0A / 380-480V
1,6A / 380-480V
2,6A / 380-480V
2,7A / 380-480V
4,0A / 380-480V
4,3A / 380-480V
6,5A / 380-480V
10,0A / 380-480V
13,0A / 380-480V
16,0A / 380-480V
Corrente de
Frenagem Máxima [A]
10
15
20
6
6
8
16
24
24
Corrente Eficaz
de Frenagem [A] (*1)
Frenagem não disponível
Frenagem não disponível
Frenagem não disponível
Frenagem não disponível
5
7
10
Frenagem não disponível
Frenagem não disponível
Frenagem não disponível
3,5
Frenagem não disponível
3,5
4
10
14
14
Resistor
Recomendado [Ω]
39
27
22
127
127
100
47
33
33
Tabela 8.5 - Resistores de frenagem recomendados
Fiação
Recomendada [mm2
]
-
-
-
-
2,5
2,5
2,5
-
-
-
1,5
-
1,5
2,5
2,5
2,5
2,5
DISPOSITIVOS OPCIONAIS
123
(*1) A corrente eficaz pode ser calculada através de:
Ieficaz = Imax
.
tbr
[min]
5
onde tbr
corresponde à soma dos tempos de atuação da frenagem du-
rante o mais severo ciclo de 5 minutos.
8.17.2 Instalação Conectar o resistor de frenagem entre os bornes de potência +UD e BR
(Ver ítem 3.2.2).
Utilizar cabo trançado para conexão. Separar estes cabos da fiação
de sinal e controle. Dimensionar os cabos de acordo com a aplicação
respeitando as correntes máxima e eficaz.
Se o resistor de frenagem for montado internamente ao painel do
inversor, considerar o calor provocado pelo mesmo no
dimensionamento da ventilação do painel.
PERIGO!
O circuito interno de frenagem do inversor e o resistor podem sofrer
danos se este último não for devidamente dimensionado e / ou se a
tensão de rede exceder o máximo permitido. Para evitar a destruição
do resistor ou risco de fogo, o único método garantido é o da inclusão
de um relé térmico em série com o resistor e / ou um termostato em
contato com o corpo do mesmo, ligados de modo a desconectar a rede
de alimentação de entrada do inversor no caso de sobrecarga, como
mostrado a seguir:
Figura 8.21 - Conexão do resistor de frenagem
(só para os modelos 7.3-10-16A/200-240V e 2.7-4.3-6.5-10-13-16/380-480V)
MOTOR
REDE DE
ALIMENTAÇÃO
CONTATOR
ALIMENTAÇÃO
DE COMANDO
RELÉ
TÉRMICO
TERMOSTATO
RESISTOR DE
FRENAGEM
U
V
W
R
S
T
BR +UD
124
DISPOSITIVOS OPCIONAIS
8.18 COMUNICAÇÃO SERIAL
Mestre PC, CLP, etc.
Escravo 1
(Inversor)
Escravo 2
(Inversor)
Escravo n
(Inversor)
n <= 30
8.18.1 Introdução O objetivo básico da comunicação serial é a ligação física dos inverso-
res numa rede de equipamentos configurada da seguinte forma:
Os inversores possuem um software de controle da transmissão/recep-
ção de dados pela interface serial, de modo a possibilitar o recebimento
de dados enviados pelo mestre e o envio de dados solicitados pelo
mesmo. Este software comporta os protocolos WEG e nove modos para
o Modbus-RTU, selecionáveis via parâmetro P309.
Os itens abordados neste capítulo referem-se ao protocolo WEG, para
obter informações sobre o Modbus-RTU veja o item 8.19.
A taxa de transmissão é de 9600 bits/s, seguindo um protocolo de troca,
tipo pergunta/resposta utilizando caracteres ASCII.
O mestre terá condições de realizar as seguintes operações relaciona-
das a cada inversor:
- IDENTIFICAÇÃO
endereço na rede;
tipo de inversor (modelo);
versão de software.
- COMANDO
habilita/desabilita geral;
habilita/desabilita por rampa (gira/pára);
sentido de rotação;
referência de freqüência (velocidade);
local/remoto;
JOG;
RESET de erros.
- RECONHECIMENTO DO ESTADO
ready;
Sub;
run;
local/remoto;
erro;
JOG;
sentido de rotação.
- LEITURA DE PARÂMETROS
- ALTERAÇÃO DE PARÂMETROS
Exemplos típicos de utilização da rede:
PC (mestre) para parametrização de um ou vários inversores ao
mesmo tempo;
SDCD monitorando variáveis de inversores;
CLP controlando a operação de um ou mais inversores num proces-
so
industrial.
DISPOSITIVOS OPCIONAIS
125
8.18.2.1 RS-485 Permite interligar até 30 inversores em um mestre (PC, CLP, etc.), atri-
buindo a cada inversor um endereço (1 a 30) ajustado em cada um
deles. Além desses 30 endereços, mais dois endereços são fornecidos
para executar tarefas especiais:
Endereço 0: qualquer inversor da rede é consultado, indepen-
dentemente de seu endereço. Deve-se ter apenas um inversor
ligado a rede (ponto-a-ponto) para que não ocorram curto-circuitos
nas linhas de interface.
8.18.2 Descrição das Interfaces O meio físico de ligação entre os inversores e o mestre da rede segue
um dos padrões:
a. RS-232 (ponto-a-ponto até 10m);
b. RS-485 (multiponto, isolamento galvânico, até 1000m);
ENDEREÇO
(P308)
0
1
2
3
4
5
6
7
8
9
10
11
12
13
14
15
16
17
18
19
20
21
22
23
24
25
26
27
28
29
30
31
ASCII
CHAR DEC HEX
@ 64 40
A 65 41
B 66 42
C 67 43
D 68 44
E 69 45
F 70 46
G 71 47
H 72 48
I 73 49
J 74 4A
K 75 4B
L 76 4C
M 77 4D
N 78 4E
O 79 4F
P 80 50
Q 81 51
R 82 52
S 83 53
T 84 54
U 85 55
V 86 56
W 87 54
X 88 58
Y 89 59
Z 90 5A
] 91 5B
 92 5C
[ 93 5D
^ 94 5E
_ 95 5F
Endereço 31: um comando pode ser transmitido simultaneamente
para todos os inversores da rede, sem reconhecimento de aceita-
ção.
Lista de endereços e caracteres ASCII correspondentes
126
DISPOSITIVOS OPCIONAIS
ASCII
CODE DEC HEX
0 48 30
1 49 31
2 50 32
3 51 33
4 52 34
5 53 35
6 54 36
7 55 37
8 56 38
9 57 39
= 61 3D
STX 02 02
ETX 03 03
EOT 04 04
ENQ 05 05
ACK 06 06
NAK 21 15
Outros caracteres ASCII utilizados pelo protocolo
A ligação entre os participantes da rede dá-se através de um par de
fios. Os níveis de sinais estão de acordo com a EIA STANDARD RS-
485 com receptores e transmissores diferenciais. Deve-se utilizar o
módulo de comunicação serial MCS-CFW-08 (Ver ítem 8.9) conectado
ao módulo externo MIW-02 (Ver ítem 8.13 e/ou o manual do usuário
MIW-02 Cod. 0899.4435).
Caso o mestre possua apenas interface serial no padrão RS-232, deve-
se utilizar um módulo de conversão de níveis RS-232 para RS-485.
Neste caso temos a ligação de um mestre a um inversor (ponto-a-pon-
to). Podem ser trocados dados na forma bidirecional, porém não simul-
tânea (HALF DUPLEX).
Os níveis lógicos seguem a EIA STANDARD RS-232C, a qual determi-
na o uso de sinais não balanceados. No caso presente, utiliza-se um fio
para transmissão (TX), um para recepção (RX) e um retorno (0V). Esta
configuração trata-se, portanto, da configuração mínima a três fios (three
wire economy model).
Deve-se utilizar módulo RS-232 (MCS-CFW08) no inversor (ver item 8.9).
8.18.2.2 RS-232
8.18.3 Definições Os ítens deste capítulo descrevem o protocolo utilizado para comunica-
ção serial.
8.18.3.1 Termos Utilizados Parâmetros: são aqueles existentes nos inversores cuja
visualização ou alteração é possível através da HMI (interface homem x
máquina).
Variáveis: são valores que possuem funções específicas nos
inversores e podem ser lidos e, em alguns casos, modificados
pelo mestre.
Variáveis básicas: são aquelas que somente podem ser acessadas
através da serial.
ESQUEMATICAMENTE :
INVERSOR
VARIAÇÕES
BÁSICAS
PARÂMETROS
MESTRELIGAÇÃO SERIAL
VARIÁVEIS
DISPOSITIVOS OPCIONAIS
127
8.18.3.2 Resolução dos
Parâmetros/
Variáveis
1 start bit;
8 bits de informação [codificam caracteres de texto e caracteres de
transmissão, tirados do código de 7 bits, conforme ISO 646 e
complementadas para paridade par (oitavo bit)];
1 stop bit.
Após o start bit, segue o bit menos significativo:
8.18.3.3 Formato dos
Caracteres
TELEGRAMA DE LEITURA: para consulta do conteúdo das
variáveis dos inversores;
TELEGRAMA DE ESCRITA: para alterar o conteúdo das
variáveis ou enviar comandos para os inversores.
Obs.:
Não é possível uma transmissão entre dois inversores.
O mestre tem o controle do acesso ao barramento.
8.18.3.4.1 Telegrama de leitura Este telegrama permite que o mestre receba do inversor o conteúdo
correspondente ao código da solicitação. No telegrama de resposta o
inversor transmite os dados solicitados pelo mestre e este termina a
transmissão com EOT.
EOT ADR ENQ
CÓDIGO
1) Mestre:
START B1 B2 B3 B4 B5 B6 B7 B8 STOP
Start
bit
Stop
bit
8 bits de informação
8.18.3.4 Protocolo O protocolo de transmissão segue a norma ISO 1745 para transmissão
de dados em código.
São usadas somente seqüências de caracteres de texto sem cabeça-
lho. A monitoração dos erros é feita através de transmissão relaciona-
da à paridade dos caracteres individuais de 7 bits, conforme ISO 646. A
monitoração de paridade é feita conforme DIN 66219 (paridade par).
São usados dois tipos de mensagens (pelo mestre):
As variáveis e parâmetros tem um formato de 16 bits, ou seja, de -
32767 a +32768 para grandezas com sinal (signed) ou de 0 a 65535
para grandezas sem sinal (unsigned). Todas as grandezas são trata-
das com sinal, exceto as relacionadas com tempo (tempo, período,
frequência, ...).
Além disso, os valores máximo e mínimo devem respeitar o limite da
faixa de parâmetros.
A tabela abaixo mostra as principais grandezas e suas respectivas re-
soluções.
Grandeza
Freqüência
Corrente (CA ou CC)
Tensão (CA ou CC)
Tempo
Percentual
Ganho
RPM
Unidade
H
A
V
s
%
-
RPM
Resolução
0.01Hz/unid.
0.01A/unid.
1V/unid.
0.1s/unid.
0,01%/ unid.
0.01/unid
1RPM/unid
128
DISPOSITIVOS OPCIONAIS
Formato do telegrama de leitura:
EOT: caracter de controle End Of Transmission;
ADR: endereço do inversor (ASCII@, A, B, C, ...) (ADdRess);
CÓDIGO: endereço da variável de 5 dígitos codificados em ASCII;
ENQ: caracter de controle ENQuiry (solicitação);
Formato do telegrama de resposta do inversor:
ADR: 1 caracter - endereço do inversor;
STX: caracter de controle - Start of TeXt;
TEXTO: consiste em:
CÓDIGO: endereço da variável;
“ = “: caracter da separação;
VAL: valor em 4 dígitos HEXADECIMAIS;
3) Mestre:
EOT
Este telegrama envia dados para as variáveis dos inversores. O inver-
sor irá responder indicando se os dados foram aceitos ou não.
8.18.3.4.2 Telegrama de
Escrita
Formato do telegrama de escrita:
EOT: caracter de controle End Of Transmission;
ADR: endereço do inversor;
STX: caracter de controle Start of TeXt;
TEXTO: consiste em:
CÓDIGO: endereço da variável;
“ = “: caracter de separação;
VAL: valor composto de 4 dígitos HEXADECIMAIS;
ETX: caracter de controle End of TeXt;
BCC: Byte de CheCksum - EXCLUSIVE OR de todos os bytes entre
STX (excluído) e ETX (incluído).
ADR NAK ver item 8.18.3.5
ETX: caracter de controle - End of Text;
BCC: Byte de CheCksum - EXCLUSIVE OR de todos os bytes entre
STX (excluído) e ETX (incluído).
OBS:
Em alguns casos poderá haver uma resposta do inversor com:
1) Mestre:
EOT ADR STX = xH xH xH xH ETX BCC
CÓDIGO VAL
(HEXADECIMAL)
TEXTO
2) Inversor:
ADR NAK ADR ACKou
3) Mestre:
EOT
2) Inversor:
ADR STX = xH xH xH xH ETX BCC
CÓDIGO VAL
(HEXADECIMAL)
TEXTO
DISPOSITIVOS OPCIONAIS
129
Formato do telegrama de resposta do inversor:
Aceitação:
ADR: endereço do inversor;
ACK: caracter de controle ACKnowledge;
Não aceitação:
ADR: endereço do inversor;
NAK: caracter de controle Not AcKnowledge.
Isso significa que os dados não foram aceitos e a variável
endereçada permanece com o seu valor antigo.
Os inversores e o mestre testam a sintaxe do telegrama.
A seguir são definidas as respostas para as respectivas condições
encontradas:
Telegrama de leitura:
sem resposta: com estrutura do telegrama errada, caracteres de
controle recebidos errados ou endereço do inversor errado;
NAK: CÓDIGO correspondente à variável inexistente ou variável só
de escrita;
TEXTO: com telegramas válidos.
8.18.3.5 Execução e
Teste de
Telegrama
Telegrama de escrita:
sem resposta: com estrutura do telegrama errada, caracteres de
controle recebidos errados ou endereço do inversor errado;
NAK: com código correspondente à variável inexistente, BCC
(byte de checksum) errado, variável só de leitura, VAL fora da
faixa permitida para a variável em questão, parâmetro de
operação fora do modo de alteração destes;
ACK: com telegramas válidos;
O mestre deve manter entre duas transmissões de variáveis para o
mesmo inversor, um tempo de espera compatível com o inversor utili-
zado.
Nos inversores, os telegramas são processados a intervalos de tempo
determinados. Portanto, deve ser garantido, entre dois telegramas para
o mesmo inversor uma pausa de duração maior que a soma dos tem-
pos Tproc
+ Tdi
+ Ttxi
(ver item 8.18.6.).
8.18.3.6 Seqüência de
Telegramas
8.18.3.7 Códigos de Variáveis O campo denominado de CÓDIGO contém o endereço de parâmetros
e variáveis básicas composto de 5 dígitos (caracteres ASCII) de acordo
com o seguinte:
CÓDIGO X X X X X
Número da variável básica ou parâmetro
Número do equipamento:
"7" = CFW08
"9" = qualquer inversor
Especificador:
0 = variáveis básicas
1 = P000 a P099
2 = P100 a P199
3 = P200 a P299
4 = P300 a P399
5 = P400 a P499
6 = P500 a P599
7 = P600 a P699
Igual a zero (0)
130
DISPOSITIVOS OPCIONAIS
8.18.4 Exemplos de Telegramas Alteração da velocidade mínima (P133) para 6,00Hz no inversor 7.
2) Inversor:
G ACK
3) Mestre:
EOT
Leitura da corrente de saída do inversor 10
(supondo-se que a mesma estava em 7,8A no momento da consulta).
1) Mestre:
EOT J 0 1 7 0 3 ENQ
Código P003
end. 10
2) Inversor:
J STX 0 1 7 0 3 = 0H 3H 0H CH ETX BCC
Código P003 P003=30CH=780=7,8/0,01
end. 10
3) Mestre:
EOT
8.18.5 Variáveis e Erros
da Comunicação
Serial
8.18.5.1 Variáveis Básicas
8.18.5.1.1 V00 (código 00700) Indicação do modelo de inversor (variável de leitura).
A leitura desta variável permite identificar o tipo do inversor. Para o
CFW-08 este valor é 7, conforme definido em 8.21.3.7.
8.18.5.1.2 V02 (código 00702) Indicação do estado do inversor (variável de leitura)
estado lógico (byte-high)
código de erros (byte-low)
onde:
Estado Lógico:
EL15 EL14 EL13 EL12 EL11 EL10 EL9 EL8
1) Mestre:
EOT G STX 0 2 7 3 3 = 0H 2H 5H 8H ETX BCC
Código do Fmin Fmin
=258H=600=6,00/0,01
end. 7
DISPOSITIVOS OPCIONAIS
131
EL8: 0 = habilita por rampa (gira/pára) inativo
1 = habilita por rampa ativo
EL9: 0 = habilita geral inativo
1 = habilita geral ativo
EL10: 0 = sentido anti-horário
1 = sentido horário
EL11: 0 = JOG inativo
1 = JOG ativo
EL12: 0 = local
1 = remoto
EL13: 0 = sem subtensão
1 = com subtensão
EL14 : não utilizado
EL15: 0 = sem erro
1 = com erro
Inversor
liberado
EL8=EL9=1}
8.18.5.1.3 V03 (código 00703)
Código de erros: número do erro em hexadecimal
Ex.: E00 00H
E01 01H
E10 0AH
→
→
→
Seleção do comando lógico
Variável de escrita, cujos bits tem o seguinte significado:
BYTE HIGH : máscara da ação desejada. O bit correspondente deve
ser colocado em 1, para que a ação ocorra.
BYTE LOW: nível lógico da ação desejada.
CL8: 1 = habilita rampa (gira/pára)
CL9: 1 = habilita geral
CL10: 1 = sentido de rotação
CL11: 1 = JOG
CL12: 1 = local/remoto
CL13: não utilizado
CL14: não utilizado
CL15: 1 = “RESET” do inversor
CL15 CL14 CL13 CL12 CL11 CL10 CL9 CL8
MSB LSB
CL7 CL6 CL5 CL4 CL3 CL2 CL1 CL0
MSB LSB
CL0: 1 = habilita (gira)
0 = desabilita por rampa (pára)
CL1: 1 = habilita
0 = desabilita geral (pára por inércia)
CL2: 1 = sentido de rotação horário
0 = sentido de rotação anti-horário
CL3: 1 = JOG ativo
0 = JOG inativo
CL4: 1 = remoto
0 = local
132
DISPOSITIVOS OPCIONAIS
CL5: não utilizado
CL6: não utilizado
CL7: transição de 0 para 1 neste bit provoca o “RESET” do
inversor, caso o mesmo esteja em alguma condição de Erro.
Obs.:
Desabilita via DIx tem prioridade sobre estas desabilitações.
Para a habilitação do inversor via serial basta fazer CL0=CL1=CL8=
CL9=1, e que o desabilita externo (via DI por exemplo) esteja inati-
vo.
Se CL1=0 e CL9=1 ocorrerá desabilita geral.
Se CL0=0 e CL8=1 o inversor será desabilitado por rampa.
8.18.5.1.4 V04 (código 00704) Referência de Velocidade dada pela Serial (variável de leitura/escrita)
Permite enviar a referência de frequência (em Hz) para o inversor, des-
de que P221=5 para o modo local e P222=5 para o modo remoto. A
resolução desta variável é mostrada no item 8.18.3.2.
Habilitação do inversor (desde que P229=2 para LOC ou P230=2 para REM).
8.18.5.1.6 Exemplos de Telegra-
mas com Variáveis
Básicas
8.18.5.1.5 V05 (código 00705)
CHSL0: 1 - referência local pela serial
CHSL1: 1 - seleção do sentido de giro local, pela serial
CHSL2: 1 - liga, desliga local pela serial
CHSL3: 1 - JOG local pela serial
CHSL4: 1 - referência remota pela serial
CHSL5: 1 - seleção do sentido de giro remoto pela serial
CHSL6: 1 - liga, desliga remoto pela serial
CHSL7: 1 - JOG remoto pela serial
CHSH0: 1 - seleção de local/remoto pela serial.
CHSHCHSL CHSL CHSLCHSL CHSL CHSLCHSL CHSL
0 7 6 5 4 3 2 1 0
MSB LSB
Alteração do sentido de giro do inversor para anti-horário (desde que P229=2 para LOC ou
P230=2 para REM) se P231=2.
Comandos Habilitados para a Serial (variável de leitura)
1) Mestre:
EOT G STX 0 0 7 0 3 = 0H 3H 0H 3H ETX BCC
Código do C. L. hab. geral=1
hab. rampa=1
end. 7
2) Inversor:
G ACK
3) Mestre:
EOT
DISPOSITIVOS OPCIONAIS
133
8.18.5.2 Parâmetros
Relacionados à
Comunicação Serial
No
do parâmetro
P220
P221
P222
P229
P230
P231
P308
P309
P313
P314
Descrição do parâmetro
Seleção Local/Remoto
Seleção da Referência Local
Seleção da Referência Remota
Seleção Comandos Local
Seleção Comandos Remoto
Seleção Sentido de Giro
Endereço do inversor na rede de
comunicação serial (faixa de valores: 1 a 30)
Tipo de Protocolo da Interface Serial
Ação do Watchdog da Serial
Tempo de Estouro do Watchdog da Serial
Ativação do JOG (desde que P229=2 para LOC ou P230=2 para REM)
Reset de erros
1) Mestre:
EOT G STX 0 0 7 0 3 = 0H 4H 0H 0H ETXBCC
Código do C. L. anti-horário = 0
end. 7
3) Mestre:
EOT
2) Inversor:
G ACK
1) Mestre:
EOT G STX 0 0 7 0 3 = 8H 0H 8H 0H ETX BCC
Código do C. L. RESET=1
end. 7
3) Mestre:
EOT
2) Inversor:
G ACK
1) Mestre:
EOT G STX 0 0 7 0 3 = 0H 8H 0H 8H ETX BCC
Código do C. L. JOG ativo=1
end. 7
2) Inversor:
G ACK
3) Mestre:
EOT
134
DISPOSITIVOS OPCIONAIS
Para maiores detalhes sobre os parâmetros acima, consulte o
Capítulo 6 - Descrição Detalhada dos Parâmetros.
Operam da seguinte forma:
não provocam bloqueio do inversor;
não desativam relé de defeitos;
informam na palavra de estado lógico (V02).
Tipos de erros:
E22: erro de paridade longitudinal (BCC);
E24: erro de parametrização (quando ocorrer algumas das
situações indicadas no tabela 5.1 (incompatibilidade entre
parâmetros) ou quando houver tenta tiva de alteração de
parâmetro que não pode ser alterado com o motor girando);
E25: variável ou parâmetro inexistente;
E26: valor desejado fora dos limites permitidos;
E27: tentativa de escrita em variável só de leitura ou comando
lógico desabilitado;
E29: erro de estouro do watchdog da serial.
Obs.:
Caso seja detectado erro de paridade, na recepção de dados pelo in-
versor, o telegrama será ignorado. O mesmo acontecerá para
casos em que ocorram erros de sintaxe.
Ex.:
Valores do código diferentes dos números 0,...,9;
Caracter de separação diferente de “ = “, etc.
8.18.5.3 Erros Relacionados
à Comunicação
Serial
8.18.6 Tempos para Leitura/
Escrita de Tele-
gramas
MESTRE Tx: (dados)
RSND (request to send)
INVERSOR
TxD: (dados)
tproc
tdi
ttxi
Tempos (ms)
Tproc
Tdi
Ttxi
leitura
escrita
Típico
10
2
15
3
DISPOSITIVOS OPCIONAIS
135
Observações:
TERMINAÇÃO DA LINHA: Conectar os resistores de terminação nos
extremos da linha.
TERMINAÇÃO DE LINHA: incluir terminação da linha (120 )nos
extremos, e apenas nos extremos da rede.
ATERRAMENTO DA BLINDAGEM DOS CABOS: conectar as
mesmas à carcaça dos equipamentos (devidamente aterrada).
CABO RECOMENDADO: para balanceado blindado.
Ex.: Linha AFS, fabricante KMP.
A pinagem do conector XC8 do módulo MCS-CFW08-S é apresentado
na figura abaixo.
8.18.7 Conexão Física
RS-232 e RS-485
NOTA!
A fiação serial RS-232 deve estar separada dos demais cabos de po-
tência e comando em 110/220V.
NOTA!
Não é possível utilizar simultaneamente RS-232 e RS-485.
Figura 8.22 - Conexão do CFW-08 em rede RS-485
6
5
4
1
2
3
TX
0V
RX
+5V
RTS
0V
Figura 8.23 - Descrição sinais do conector XC8 (RJ-6)
Ω
Mestre da
rede
(PC, CLP)
RS-485
MIW-02
RS-232
RS-485
CFW-08
Blindagem
do cabo
A B
RS-485
XC29
A B
RS-485
XC29
MIW-02 MIW-02
RS-232
RS-485
RS-232
RS-485
CFW-08 CFW-08
136
DISPOSITIVOS OPCIONAIS
8.19 MODBUS-RTU
8.19.1 Introdução ao Protocolo
Modbus-RTU
O protocolo Modbus foi desenvolvido pela empresa Modicon, parte da
Schneider Automation. No protocolo estão definidos o formato das men-
sagens utilizado pelos os elementos que fazem parte da rede Modbus,
os serviços (ou funções) que podem ser disponibilizados via rede, e
também como estes elementos trocam dados na rede.
8.19.1.1 Modos de
Transmissão
Na especificação do protocolo estão definidos dois modos de transmis-
são: ASCII e RTU. Os modos definem a forma como são transmitidos
os bytes da mensagem. Não é permitido utilizar os dois modos de trans-
missão na mesma rede.
No modo RTU, cada palavra transmitida possui 1 start bit, oito bits de
dados, 1 bit de paridade (opcional) e 1 stop bit (2 stop bits caso não se
use bit de paridade). Desta forma, a seqüência de bits para transmissão
de um byte é a seguinte:
No modo RTU, cada byte de dados é transmitido como sendo uma úni-
ca palavra com seu valor diretamente em hexadecimal. O CFW-08 utili-
za somente este modo de transmissão para comunicação, não possuin-
do portanto, comunicação no modo ASCII.
Start B0 B1 B2 B3 B4 B5 B6 B7 Paridade ou Stop Stop
8.19.1.2 Estrutura das
mensagens no
modo RTU
A rede Modbus-RTU opera no sistema Mestre-Escravo, onde pode ha-
ver até 247 escravos, mas somente um mestre. Toda comunicação ini-
cia com o mestre fazendo uma solicitação a um escravo, e este respon-
de ao mestre o que foi solicitado. Em ambos os telegramas (pergunta e
resposta), a estrutura utilizada é a mesma: Endereço, Código da Fun-
ção, Dados e Checksum. Apenas o conteúdo dos dados possui tama-
nho variável.
Figura 8.24 - Estrutura das mensagens
Mensagem de pergunta do mestre
Endereço (1 byte)
Código da Função (1 byte)
Dados (n bytes)
CRC (2 bytes)
Endereço (1 byte)
Código da Função (1 byte)
Dados (n bytes)
CRC (2 bytes)
Mensagem de resposta do escravo
DISPOSITIVOS OPCIONAIS
137
8.19.1.2.1 Endereço O mestre inicia a comunicação enviando um byte com o endereço do
escravo para o qual se destina a mensagem. Ao enviar a resposta, o
escravo também inicia o telegrama com o seu próprio endereço, possi-
bilitando que o mestre saiba qual escravo está lhe enviando a reposta.
O mestre também pode enviar uma mensagem destinada ao endereço
0 (zero), o que significa que a mensagem é destinada a todos os escra-
vos da rede (broadcast). Neste caso, nenhum escravo irá responder ao
mestre.
8.19.1.2.2 Código da Função Este campo também contém um único byte, onde o mestre especifica o
tipo de serviço ou função solicitada ao escravo (leitura, escrita, etc.). De
acordo com o protocolo, cada função é utilizada para acessar um tipo
específico de dado. No CFW-08, todos os dados estão disponibilizados
como registradores do tipo holding (referenciados a partir do endereço
40000 ou ‘4x’), e portanto o inversor só aceita funções que manipulam
este tipo de registrador (ver item 8.19.2.3.1).
8.19.1.2.3 Campo de Dados Campo com tamanho variável. O formato e conteúdo deste campo de-
pendem da função utilizada e dos valores transmitidos. Este campo está
descrito juntamente com a descrição das funções (ver item 8.19.3).
8.19.1.2.4 CRC A última parte do telegrama é o campo para checagem de erros de
transmissão. O método utilizado é o CRC-16 (Cycling Redundancy
Check). Este campo é formado por dois bytes, onde primeiro é transmi-
tido o byte menos significativo (CRC-), e depois o mais significativo
(CRC+).
O cálculo do CRC é iniciado primeiramente carregando-se uma variável
de 16 bits (referenciado a partir de agora como variável CRC) com o
valor FFFFh. Depois executa-se os passos de acordo com a seguinte
rotina:
1. Submete-se o primeiro byte da mensagem (somente os bits de da-
dos - start bit , paridade e stop bit não são utilizados) a uma
lógica XOR (OU exclusivo) com os 8 bits menos significativos
da variável CRC, retornando o resultado na própria variável
CRC.
2. Então, a variável CRC é deslocada uma posição à direita, em dire-
ção ao bit menos significativo, e a posição do bit mais significa-
tivo é pre- enchida com 0 (zero).
3. Após este deslocamento, o bit de flag (bit que foi deslocado para
fora da variável CRC) é analisado, ocorrendo o seguinte:
Se o valor do bit for 0 (zero), nada é feito
Se o valor do bit for 1, o conteúdo da variável CRC é submetido a
uma lógica XOR com uma valor constante de A001h e o resulta-
do é retornado à variável CRC.
4. Repete-se os passos 2 e 3 até que oito deslocamentos tenham sido
feitos.
5. Repete-se os passos de 1 a 4, utilizando o próximo byte da mensa
gem, até que toda a mensagem tenha sido processada.
O conteúdo final da variável CRC é o valor do campo CRC que é trans-
mitido no final do telegrama. A parte menos significativa é transmitida
primeiro (CRC-) e em seguida a parte mais significativa (CRC+).
138
DISPOSITIVOS OPCIONAIS
8.19.1.3 Tempo entre
Mensagens
No modo RTU não existe um caracter específico que indique o início ou
o fim de um telegrama. Desta forma, o que indica quando uma nova
mensagem começa ou quando ela termina é a ausência de transmis-
são de dados na rede, por um tempo mínimo de 3,5 vezes o tempo de
transmissão de uma palavra de dados (11 bits). Sendo assim, caso um
telegrama tenha iniciado após a decorrência deste tempo mínimo sem
transmissão, os elementos da rede irão assumir que o caracter recebi-
do representa o início de um novo telegrama. E da mesma forma, os
elementos da rede irão assumir que o telegrama chegou ao fim após
decorrer este tempo novamente.
Se durante a transmissão de um telegrama, o tempo entre os bytes for
maior que este tempo mínimo, o telegrama será considerado inválido,
pois o inversor irá descartar os bytes já recebidos e montará um novo
telegrama com os bytes que estiverem sendo transmitidos.
A tabela a seguir nos mostra os tempos para três taxas de comunicação
diferentes.
Figura 8.25 - Tempos envolvidos durante a comunicação de um telegrama
T 11 bits
= Tempo para transmitir uma palavra do telegrama.
T entre bytes
= Tempo entre bytes (não pode ser maior que T 3,5x
).
T 3,5x
= Intervalo mínimo para indicar começo e fim de telegrama
(3,5 x T 11bits
).
Comunicação T 11 bits
T 3,5x
9600 kbits/seg 1,146 ms 4,010 ms
19200 kbits/seg 573 µs 2,005 ms
38400 kbits/seg 285 µs 1,003 ms
Sinal
Tempo T11 bits
T3,5 x Tentre bytes
T3,5 x
Telegrama
DISPOSITIVOS OPCIONAIS
139
8.19.2 Operação do CFW-08
na Rede Modbus-RTU
Os inversores de freqüência CFW-08 operam como escravos da rede
Modbus-RTU, sendo que toda a comunicação inicia com o mestre da
rede Modbus-RTU solicitando algum serviço para um endereço na rede.
Se o inversor estiver configurado para o endereço correspondente
(P308), ele então trata a o pedido e responde ao mestre o que foi solici-
tado.
8.19.2.1 Descrição das
Interfaces
Os inversores de freqüência CFW-08 utilizam uma interface serial para
se comunicar com a rede Modbus-RTU. Existem duas possibilidades
para a conexão física entre o mestre da rede e um CFW-08:
8.19.2.1.1 RS-232 Utilizada para conexão ponto-a-ponto (entre um único escravo e o
mestre).
Distância máxima: 10 metros.
Níveis de sinal seguem a EIA STANDARD RS-232C.
Três fios: transmissão (TX), recepção (RX) e retorno (0V).
Deve-se utilizar o módulo RS-232 (MCS-CFW-08), no inversor
(ver item 8.9).
8.19.2.1.2 RS-485 Utilizada para conexão multiponto (vários escravos e o mestre).
Distância máxima: 1000 metros (utiliza cabo com blindagem).
Níveis de sinal seguem a EIA STANDARD RS-485.
Deve-se utilizar o módulo RS-232 (MCS-CFW-08), no inversor
(ver item 8.9) conectado ao módulo externo MIW-02 de conversão
RS-232/RS-485 (ver item 8.16 e/ou manual do usuário MIW-02 -
código 0899.4435).
Obs.: ver item 8.18.7 que descreve como fazer a conexão física.
8.19.2.2 Configurações do
inversor na rede
Modbus-RTU
Para que o inversor possa se comunicar corretamente na rede, além da
conexão física, é necessário configurar o endereço do inversor na rede,
bem como a taxa de transmissão e o tipo de paridade existente.
8.19.2.2.1 Endereço do inver
sor na rede
Definido através do parâmetro P308.
Se o tipo comunicação serial (P309) estiver configurado para Modbus-
RTU, é possível selecionar endereços de 1 à 247.
Cada escravo na rede deve possuir um endereço diferente dos de-
mais.
O mestre da rede não possui endereço.
É necessário conhecer o endereço do escravo mesmo que a cone-
xão seja ponto-a-ponto.
8.19.2.2.2 Taxa de transmis-
são e paridade
Ambas as configurações são definidas através do parâmetro P309.
Taxa de transmissão: 9600, 19200 ou 38400 kbits/seg.
Paridade: Nenhuma, Paridade Ímpar ou Paridade Par.
Todos os escravos, e também o mestre da rede, devem estar utilizando
a mesma taxa de comunicação e mesma paridade.
140
DISPOSITIVOS OPCIONAIS
8.19.2.3 Acesso aos Dados
do Inversor
Através da rede, é possível acessar todos os parâmetros e variáveis
básicas disponíveis para o CFW-08:
Parâmetros: são aqueles existentes nos inversores cuja visualização
e alteração é possível através da IHM (Interface Homem - Máquina)
(ver item 8.18.5.2 - Parâmetros).
Variáveis Básicas: são variáveis internas do inversor, que somente
podem ser acessadas via serial. É através das variáveis básicas, por
exemplo, que é possível, via serial, ler o estado do inversor, habilitar,
desabilitar ou mudar o sentido de giro do motor, etc.
(ver item 8.18.5.1 - Variáveis Básicas).
Registrador: nomenclatura utilizada para representar tanto parâmetros
quanto variáveis básicas durante a transmissão de dados.
A tabela no item 8.18.3.2 define a resolução dos parâmetros e variáveis
transmitidos via serial.
8.19.2.3.1 Funções Disponí-
veis e Tempos de
Resposta
Na especificação do protocolo Modbus-RTU, são descritas diversas fun-
ções utilizadas para acessar diferentes tipos de registradores. No CFW-
08, tanto parâmetros quanto variáveis básicas foram definidos como sen-
do registradores do tipo holding (referenciados como 4x). Para acessar
estes registradores, foram disponibilizados os seguintes serviços (ou
funções) para os inversores de freqüência CFW-08:
Read Holding Registers
Descrição: Leitura de bloco de registradores do tipo holding.
Código da função: 03.
Broadcast: não suportado.
Tempo de resposta: 10 à 20 ms.
Preset Single Register
Descrição: Escrita em um único registrador do tipo holding.
Código da função: 06.
Broadcast: suportado.
Tempo de resposta: 10 à 50 ms.
Preset Multiple Registers
Descrição: Escrita em bloco de registradores do tipo holding.
Código da função: 16.
Broadcast: suportado.
Tempo de resposta: 10 à 400 ms.
OBS:
O tempo de resposta independe da taxa de comunicação utilizada.
Os escravos da rede Modbus-RTU são endereçados de 1 à 247. O en-
dereço 0 é utilizado pelo mestre para enviar uma mensagem comum
para todos os escravos (broadcast).
8.19.2.3.2 Endereçamento
dos Registrado-
res e Offset
O endereçamento dos registradores no CFW-08 é feito com offset igual
a zero, o que significa que o número do endereço equivale ao número
registrador. Os parâmetros são disponibilizados a partir do endereço
0000, enquanto que as variáveis básicas são disponibilizadas a partir
do endereço 5000. A tabela a ilustra o endereçamento de parâmetros e
variáveis básicas:
DISPOSITIVOS OPCIONAIS
141
...
...
...
...
...
...
...
...
...
...
...
...
VARIÁVEIS BÁSICAS
Endereço Modbus
Decimal Hexadecimal
V00 5000 1388h
V01 5001 1389h
V10 5010 1392h
Número da Variável
Básica
8.19.3 Descrição Detalhada
das Funções
Neste item é feita uma descrição detalhada das três funções disponí-
veis no CFW-08 para comunicação Modbus-RTU. Para a elaboração
dos telegramas, é importante observar o seguinte:
Os valores são sempre transmitidos em hexadecimal.
O endereço de um registrador, o número de registradores e o valor
de um registrador são sempre representados em 16 bits. Por isso, é
necessário transmitir estes campos utilizando dois bytes (high e low).
Nas funções 3 e 16, que permitem, respectivamente, leitura e altera
ção e um grupo de registradores, o número máximo de registrado-
res lidos ou alterados em um único telegrama é limitado em 8.
A resolução de cada parâmetro ou variável básica segue o que está
descrito no item 8.18.3.2.
8.19.3.1 Função 03 - Read
Holding
Register
Lê o conteúdo de um grupo de registradores que necessariamente de-
vem estar em seqüência numérica. Esta função possui a seguinte es-
trutura para os telegramas de leitura e resposta (os valores são sempre
hexadecimal, e cada campo representa um byte):
Pergunta (Mestre)
Endereço do escravo
Função
Endereço inicial do registrador (byte high)
Endereço inicial do registrador (byte low)
Número de registradores (byte high)
Número de registradores (byte low)
CRC-
CRC+
Pergunta (Mestre)
Endereço do escravo
Função
Endereço inicial do registrador (byte high)
Endereço inicial do registrador (byte low)
Número de registradores (byte high)
Número de registradores (byte low)
CRC-
CRC+
Obs.: Endereços relativos aos registradores do tipo holding
(referencia- dos a partir de 40000 ou 4x)
PARÂMETROS
Número do Parâmetro
Endereço Modbus
Decimal Hexadecimal
P000 0 0000h
P001 1 0001h
P100 100 0064h
142
DISPOSITIVOS OPCIONAIS
Resposta (Escravo)
Endereço do escravo
Função
Campo Byte Count (nº de bytes de dados)
Dado 1 (high)
Dado 1 (low)
Dado 2 (high)
Dado 2 (low)
etc...
CRC-
CRC+
8.19.3.2 Função 06 - Preset
Single Register
Esta função é utilizada para escrever um valor para um único registra-
dor. Possui a seguinte estrutura (os valores são sempre hexadecimal, e
cada campo representa um byte):
Exemplos:
Leitura do parâmetro 23 do CFW-08 no endereço 1:
Pergunta (Mestre):
01h 03h 00h 17h 00h 01h 34h 0Eh
Resposta (Inversor, para P023 = 3.50)
01h 03h 02h 01h 5Eh 38h 2Ch
Leitura dos parâmetros 100 e 101 do CFW-08 no endereço 50:
Pergunta (Mestre):
32h 03h 00h 64h 00h 02h 80h 17h
Resposta (Inversor para P100 = 5,0 e P101 = 10,0):
32h 03h 04h 00h 32h 00h 64h 59h 14h
Pergunta (Mestre)
Endereço do escravo
Função
Endereço do registrador (byte high)
Endereço do registrador (byte low)
Valor para o registrador (byte high)
Valor para o registrador (byte low)
CRC-
CRC+
DISPOSITIVOS OPCIONAIS
143
Resposta (Escravo)
Endereço do escravo
Função
Endereço do registrador (byte high)
Endereço do registrador (byte low)
Valor para o registrador (byte high)
Valor para o registrador (byte low)
CRC-
CRC+
Note que a resposta é uma cópia idêntica da solicitação feita pelo mes-
tre.
Exemplos:
Escrita do valor 5 no parâmetro P000 do CFW-08 no endereço 1:
8.19.3.3 Função 16 - Preset
Multiple Registers
Esta função permite escrever valores para um grupo de registradores,
que devem estar em seqüência numérica. Também pode ser usada para
escrever um único registrador (os valores são sempre hexadecimal, e
cada campo representa um byte).
Pergunta (Mestre):
Resposta (Inversor):
01h 06h 00h 00h 00h 05h D9h B4h
01h 06h 00h 00h 00h 05h D9h B4h
Escrita dos comandos Habilita Geral e Habilita Rampa na variável
básica 03 do CFW-08 no endereço 20:
Pergunta (Mestre):
14h 06h 13h 8Bh 03h 03h BFh 50h
Resposta (Inversor):
14h 06h 13h 8Bh 03h 03h BFh 50h
144
DISPOSITIVOS OPCIONAIS
Endereço do escravo
Função
Endereço inicial do registrador (byte high)
Endereço inicial do registrador (byte low)
Número de registradores (byte high)
Número de registradores (byte low)
CRC-
CRC+
Resposta(Escravo)
Endereço do escravo
Função
Endereço inicial do registrador (byte high)
Endereço inicial do registrador (byte low)
Número de registradores (byte high)
Número de registradores (byte low)
Campo Byte Count (nº de bytes de dados)
Dado 1 (high)
Dado 1 (low)
Dado 2 (high)
Dado 2 (low)
etc...
CRC-
CRC+
Pergunta (Mestre)
Exemplos:
Escrita dos valores 5,00 e 10,00 nos parâmetros de 124 e 125 para
o CFW-08 no endereço 1:
Pergunta (Mestre):
01h 10h 00h 7Ch 00h 02h 04h 01h F4h 03h E8h BAh 6Eh
Resposta (Inversor):
01h 10h 00h 7Ch 00h 02h 80h 10h
DISPOSITIVOS OPCIONAIS
145
Escrita da referência de velocidade igual a 3,00 (variável básica 04)
no CFW-08 no endereço 10:
Pergunta (Mestre):
0Ah 10h 03h ECh 00h 01h 02h 01h 2Ch F0h 81h
Resposta (Inversor):
0Ah 10h 03h ECh 00h 01h C1h 03h
8.19.4 Erros da Comunicação
Modbus-RTU
Os erros podem ocorrer na transmissão dos telegramas na rede, ou
então no conteúdo dos telegramas recebido. De acordo com o tipo de
erro, o inversor poderá ou não enviar resposta para o mestre:
Ao enviar uma mensagem para um endereço da rede onde está confi-
gurado inversor, este não irá responder ao mestre caso ocorra:
Erro no bit de paridade.
Erro no CRC.
Telegrama com estrutura errada.
Time out entre os bytes transmitidos (3,5 vezes o tempo de transmis-
são de uma palavra de 11 bits).
No caso de uma recepção com sucesso, durante o tratamento do tele-
grama, o inversor pode detectar problemas e enviar uma mensagem de
erro, indicando o tipo de problema encontrado:
Função inválida (código do erro = 1): a função solicitada não está
implementada para o inversor.
Registrador inválido (código do erro = 2): o número do registrador
não existe.
Valor de dado inválido (código do erro = 3): ocorre nas seguintes
situações:
· Valor está fora da faixa permitida.
· Escrita em registrador que não pode ser alterado (registrador so
mente leitura ou registrador que não permite alteração com o
conversor habilitado).
· Escrita em função do comando lógico que não está habilitada via
serial.
8.19.4.1 Mensagens de Erro Quando ocorre algum erro no conteúdo da mensagem (não na trans-
missão de dados), o escravo deve retornar uma mensagem que indica o
tipo de erro ocorrido. Os erros que podem ocorrer no tratamento de
mensagens para o CFW-08 são os erros de função inválida (código 01),
registrador inválido (código 02) e valor de dado inválido (código 03).
146
DISPOSITIVOS OPCIONAIS
As mensagens de erro enviadas pelo escravo possuem a seguinte es-
trutura:
Endereço do escravo
Código da função (com o bit mais significativo em 1)
Código do erro
CRC-
CRC+
Exemplos:
Mestre solicita para o escravo no endereço 1 a execução de uma
função 04 (função que não está implementada para o inversor):
Resposta (Inversor):
01h 84h 01h 82h C0h
Mestre solicita leitura de um registrador inexistente:
Resposta (Inversor):
01h 83h 02h C0h F1h
Mestre solicita escrita de valor fora da faixa:
Resposta (Inversor):
01h 86h 03h 02h 61h
Mensagem de Erro
147
CAPÍTULO 9
CARACTERÍSTICAS TÉCNICAS
Este capítulo descreve as características técnicas (elétricas e mecânicas)
da linha de inversores CFW-08.
9.1 DADOS DA POTÊNCIA Variações de rede permitidas:
tensão: + 10%, -15% (com perda de potência no motor);
freqüência: 50/60Hz (± 2 Hz);
desbalanceamento entre fases 3%;
sobretensões Categoria III (EN 61010/UL 508C);
tensões transientes de acordo com sobretensões Categoria III.
Impedância de rede mínima: variável de acordo com o modelo.
Ver item 8.15.
Conexões na rede: 10 conexões por hora no máximo.
9.1.1 REDE 200-240V
Modelo: Corrente/Tensão
Potência (kVA) (1)
Corrente nominal de saída (A) (2)
Corrente de saída máxima (A) (3)
Corrente nominal de entrada (A)
Freq. de chaveamento (kHz)
Motor máximo (cv) (5) (6)
Frenagem reostática
Filtro RFI interno (classe A)
Pot. dissipada nominal (W)
Dimensões A x L x P
1.6/
200-240
0,6
1,6
2,4
2,0/3,5 (4)
5
0,25
Não
Não
30
2.6/
200-240
1,0
2,6
3,9
3,1/5,7 (4)
5
0,5
Não
Não
35
4.0/
200-240
1,5
4,0
6,0
4,8/8,8 (4)
5
1
Não
Não
50
7.0/
200-240
2,7
7,0
10,5
8,1
5
2
Não
Não
75
7.3/
200-240
2,8
7,3
11
8,8/18,8 (4)
5
2
Sim
Sim
90
10/
200-240
3,8
10
15
12/25 (4)
5
3
Sim
Sim
100
16/
200-240
6,1
16
24
19,2
5
5
Sim
Não
150
151 x 75 x 131 mm 200 x 115 x 150 mm
9.1.2 REDE 380-480V
Modelo: Corrente/Tensão
Potência (kVA) (1)
Corrente nominal de saída (A) (2)
Corrente de saída máxima (A) (3)
Corrente nominal de entrada (A)
Freq. de chaveamento (kHz)
Motor máximo (cv) (5) (6)
Frenagem reostática
Filtro RFI interno (classe A)
Pot. dissipada nominal (W)
Dimensões A x L x P
1.0/
380-480
0,8
1,0
1,5
1,2
5
0,25
Não
Não
25
1.6/
380-480
1,2
1,6
2,4
1,9
5
0,5
Não
Não
30
2.6/
380-480
2,0
2,6
3,9
3,1
5
1,5
Não
Não
45
4.0/
380-480
3,0
4,0
6,0
4,7
5
2
Não
Não
55
2.7/
380-480
2,1
2,7
4,1
3,3
5
1,5
Sim
Sim
45
4.3/
380-480
3,3
4,3
6,5
5,2
5
2
Sim
Sim
55
6.5/
380-480
5,0
6,5
9,8
7,8
5
3
Sim
Sim
90
151 x 75 x 131 mm 200 x 115 x 150 mm
10/
380-480
7,6
10
15
12
5
5
Sim
Sim
140
≥
148
CARACTERÍSTICAS TÉCNICAS
Modelo: Corrente/Tensão
Potência (kVA) (1)
Corrente nominal de saída (A) (2)
Corrente de saída máxima (A) (3)
Corrente nominal de entrada (A)
Freq. de chaveamento (kHz)
Motor máximo (cv) (5) (6)
Frenagem reostática
Filtro RFI interno (classe A)
Pot. dissipada nominal (W)
Dimensões A x L x P
13/
380-480
9,9
13
19,5
15,6
5
7,5
Sim
Sim
150
16/
380-480
12,2
16
24
19,2
5
10
Sim
Sim
240
203 x 143 x 165 mm
NOTA!
(1) A potência em kVA é calculada pela seguinte expressão:
Os valores apresentados nas tabelas foram calculados consideran-
do a corrente nominal do inversor, tensão de 220V para a linha 200-
240V e 440V para a linha 380-480V.
(2) Corrente nominal nas condições seguintes:
Umidade relativa do ar: 5% a 90%, sem condensação;
Altitude : 1000m, até 4000m com redução de 10%/ 1000m na corren-
te nominal;
Temperatura ambiente - 0...40º C (até 50º com redução de 2%/ºC
na corrente nominal);
Os valores de correntes nominais são válidos para as freqüênci-
as
de chaveamento de 2,5kHz ou 5kHz (padrão de fábrica). Para
freqüências de chaveamento maiores, 10kHz e 15kHz, considerar
os
valores apresentados na descrição do parâmetro P297 (ver cap.6).
(3) Corrente de Saída Máxima :
O inversor suporta uma sobrecarga de 50% (corrente de saída máxi-
ma=1,5 x corrente de saída nominal) durante 1 minuto a cada 10
minutos de operação.
Para freqüências de chaveamento maiores, 10kHz e 15kHz, conside-
rar 1,5 vezes o valor apresentado na descrição do parâmetro P297
(ver cap. 6).
(4) Corrente nominal de entrada para operação monofásica.
Obs.: Os modelos 1,6A; 2,6A; 4,0A; 7,3A e 10A na tensão 200-240V
podem operar tanto com alimentação trifásica quanto monofásica,
sem redução da potência.
(5) As potências dos motores são apenas orientativas para motores de
4 pólos. O dimensionamento correto deve ser feito em função das cor-
rentes nominais dos motores utilizados.
(6) Os inversores saem de fábrica com os parâmetros ajustados para
motores WEG standard de IV pólos, freqüência de 60Hz, tensão de
220V para a linha 200-240V ou 380V para a linha 380-480V e com
potência de acordo com o indicado neste item. Na tabela do item 9.3
estão indicados os dados destes motores.
P(kVA)=
3 . Tensão(Volt) . Corrente (Amp)
1000
149
CARACTERÍSTICAS TÉCNICAS
9.2 DADOS DA ELETRÔNICA/GERAIS
Tensão imposta V/F (Escalar) ou
Controle vetorial sensorless (VVC: voltage vector control).
Modulação PWM SVM (Space Vector Modulation).
0 ... 300Hz, resolução de 0,01Hz.
Regulação de Velocidade: 1% da velocidade nominal.
Regulação de Velocidade: 0,5% da velocidade nominal.
CFW-08: 1 entrada isolada, resolução: 7 bits, 0 a +10V ou (0)4 a 20mA,
Impedância: 100k (0 a +10 V), 500 [(0) 4 a 20 mA], funções programáveis.
CFW-08 Plus: 2 entradas isoladas, resolução: 7 bits, 0 a +10V ou (0)4
a 20 mA, Impedância: 100k (0 a +10V),500 [(0) 4 a 20 mA], funções
programáveis.
4 entradas digitais isoladas, 12Vcc, funções programáveis
CFW-08 Plus: 1 saída isoladas, 0 a +10V, RL
10k (carga máx.), resolução:
8 bits, funções programáveis
CFW-08: 1 relé com contatos reversores, 240Vca, 0,5A, funções
programáveis
CFW-08 Plus: 2 relés, um com contato NA (NO) e outro com contato NF
(NC), podendo ser programados para operar como 1 relé reversor,
240Vca, 0,5A, funções programáveis
sobrecorrente/curto-circuito na saída
curto-circuito fase-terra na saída
sub./sobretensão na potência
sobretemperatura na potência
sobrecarga na saída (IxT)
defeito externo
erro de programação
erro no auto-ajuste
defeito no inversor
8 teclas: gira, pára, incrementa, decrementa, sentido de giro, JOG,
local/remoto e programação
Display de led’s (7 segmentos) com 4 dígitos
Led’s para indicação do sentido de giro e para indicação do modo de
operação (LOCAL/REMOTO)
Permite acesso/alteração de todos os parâmetros
Precisão das indicações:
- corrente: 10% da corrente nominal
- resolução velocidade: 1 rpm
- resolução de freqüência: 0,01Hz
Possibilidade de montagem externa utilizando acessórios. Ver capítulo 8.
Inversores a semicondutores
Power Conversion Equipment
Electronic equipment for use in power installations
Safety requirements for electrical equipment for measurement,
control and laboratory use
CONTROLE
MÉTODO
FREQÜÊNCIA
DE SAÍDA
PERFORMANCE
CONTROLE V/F
CONTROLE
VETORIAL
ENTRADAS ANALÓGICAS
(cartão ECC2)
DIGITAIS
SAÍDAS
ANALÓGICA
(cartão ECC2)
RELÉ
SEGURANÇA PROTEÇÃO
INTERFACE
HMI STANDARDHOMEM
MÁQUINA (HMI)
NORMAS
IEC 146
ATENDIDAS
UL 508 C
EN 50178
EN 61010
Ω
Ω
Ω
Ω
≥
150
CARACTERÍSTICAS TÉCNICAS
Os inversores saem de fábrica com os parâmetros ajustados para mo-
tores trifásicos WEG IP55 de IV pólos, freqüência de 60Hz, tensão de
220V para a linha 200-240V ou 380V para a linha 380-480V e com po-
tência de acordo com o indicado nas tabelas dos itens 9.1.1 e 9.1.2.
Os dados do motor utilizado na aplicação deverão ser programados em
P399 a P409 e o valor de P409 (resistência estatórica) obtido pelo Auto-
Ajuste (estimativa de parâmetros via P408).
Na tabela seguinte estão mostrados os dados dos motores WEG
standard para referência.
9.3 DADOS DOS MOTORES
WEG STANDARD IV
PÓLOS
NOTA!
(*)
O inversor considera o valor da resistência do estator como se o mo-
tor estivesse sempre conectado em Y, independentemente da co-
nexão feita na caixa de bornes deste.
O valor da resistência do estator é um valor médio por fase consideran-
do motores com sobreelevação de temperatura ( T) de 100o
C.
Potência [P404]
(CV) (kW)
0,16 0,12
0,25 0,18
0,33 0,25
0,5 0,37
0,75 0,55
1,0 0,75
1,5 1,10
2,0 1,50
3,0 2,20
4,0 3,00
5,0 3,70
6,0 4,50
0,16 0,12
0,25 0,18
0,33 0,25
0,5 0,37
0,75 0,55
1,0 0,75
1,5 1,10
2,0 1,50
3,0 2,20
4,0 3,00
5,0 3,70
6,0 4,50
7,5 5,50
10 7,50
12,5 9,20
Carcaça
63
63
63
71
71
80
80
90S
90L
100L
100L
112M
63
63
63
71
71
80
80
90S
90L
100L
100L
112M
112M
132S
132M
Corrente
[P401]
(Amps)
0,85
1,12
1,42
2,07
2,90
3,08
4,78
6,47
8,57
11,6
13,8
16,3
0,49
0,65
0,82
1,20
1,67
1,78
2,76
3,74
4,95
6,70
7,97
9,41
11,49
15,18
18,48
Velocidade
[P402]
(rpm)
1720
1720
1720
1720
1720
1730
1700
1720
1710
1730
1730
1730
1720
1720
1720
1720
1720
1730
1700
1720
1710
1730
1730
1730
1740
1760
1755
Rendimento a
100% da potência
nominal, η [P399]
(%)
56,0
64,0
67,0
68,0
71,0
78,0
72,7
80,0
79,3
82,7
84,6
84,2
56,0
64,0
67,0
68,0
71,0
78,0
72,7
80,0
79,3
82,7
84,6
84,2
88,5
89,0
87,7
Fator de Potência
a 100% da
potência nominal
cosϕ [P407]
0,66
0,66
0,69
0,69
0,70
0,82
0,83
0,76
0,85
0,82
0,83
0,86
0,66
0,66
0,69
0,69
0,70
0,82
0,83
0,76
0,85
0,82
0,83
0,86
0,82
0,84
0,86
Resistência
do Estator (*)
[P409]
(Ω)
21,77
14,87
10,63
7,37
3,97
4,13
2,78
1,55
0,99
0,65
0,49
0,38
65,30
44,60
31,90
22,10
11,90
12,40
8,35
4,65
2,97
1,96
1,47
1,15
0,82
0,68
0,47
Tensão
[P400]
(V)
220
380
Freqüên-
cia
[P403]
(Hz)
60
60
151
GARANTIA
A Weg Indústrias S.A - Automação , estabelecida na Av. Pref.
Waldemar Grubba, 3000 na cidade de Jaraguá do Sul – SC, oferece
garantia para defeitos de fabricação ou de materiais, nos Inversores
de Freqüência WEG, conforme a seguir:
1.0 É condição essencial para a validade desta garantia que a comprado-
ra examine minuciosamente o inversor adquirido imediatamente após
a sua entrega, observando atentamente as suas características e as
instruções de instalação, ajuste, operação e manutenção do mesmo.
Oinversor será considerado aceito e automaticamente aprovado pela
compradora, quando não ocorrer a manifestação por escrito da com-
pradora, no prazo máximo de cinco dias úteis após a data de entrega.
2.0 O prazo desta garantia é de doze meses contados da data de forneci-
mento da WEG ou distribuidor autorizado, comprovado através da
nota fiscal de compra do equipamento, limitado a vinte e quatro me-
ses a contar da data de fabricação do produto, data essa que consta
na etiqueta de características afixada no produto.
3.0 Em caso de não funcionamento ou funcionamento inadequado do in-
versor em garantia, os serviços em garantia poderão ser realizados a
critério da WAU, na sua matriz em Jaraguá do Sul - SC, ou em uma
Assistência Técnica Autorizada da Weg Automação , por esta indicada.
4.0 O produto, na ocorrência de uma anomalia deverá estar disponível
para o fornecedor, pelo período necessário para a identificação da
causa da anomalia e seus devidos reparos.
5.0 A Weg Automação ou uma Assistência Técnica Autorizada da Weg
Automação, examinará o inversor enviado, e, caso comprove a exis-
tência de defeito coberto pela garantia, reparará, modificará ou substi-
tuirá o inversor defeituoso, à seu critério, sem custos para a compra-
dora, exceto os mencionados no item 7.0.
6.0 A responsabilidade da presente garantia se limita exclusivamente ao
reparo, modificação ou substituição do Inversor fornecido, não se res-
ponsabilizando a Weg por danos a pessoas, a terceiros, a outros equi-
pamentos ou instalações, lucros cessantes ou quaisquer outros da-
nos emergentes ou conseqüentes.
7.0 Outras despesas como fretes, embalagens, custos de montagem/
desmontagem e parametrização, correrão por conta exclusiva da com-
pradora, inclusive todos os honorários e despesas de locomoção/es-
tadia do pessoal de assistência técnica, quando for necessário e/ou
solicitado um atendimento nas instalações do usuário.
8.0 A presente garantia não abrange o desgaste normal dos produtos ou
equipamentos, nem os danos decorrentes de operação indevida ou
negligente, parametrização incorreta, manutenção ou armazenagem
inadequada, operação anormal em desacordo com as especificações
técnicas, instalações de má qualidade ou influências de natureza quí-
mica, eletroquímica, elétrica, mecânica ou atmosférica.
CONDIÇÕES GERAIS DE
GARANTIA PARA
INVERSORES DE
FREQÜÊNCIA CFW-08
CAPÍTULO 10
152
GARANTIA
9.0 Ficam excluídas da responsabilidade por defeitos as partes ou
peças consideradas de consumo, tais como partes de borracha
ou plástico, bulbos incandescentes, fusíveis, etc.
10.0 A garantia extinguir-se-á, independente de qualquer aviso, se a
compradora sem prévia autorização por escrito da WEG, fizer ou
mandar fazer por terceiros, eventuais modificações ou reparos
no produto ou equipamento que vier a apresentar defeito.
11.0 Quaisquer reparos, modificações, substituições decorrentes de
defeitos de fabricação não interrompem nem prorrogam o prazo
desta garantia.
12.0 Toda e qualquer solicitação, reclamação, comunicação, etc., no
que se refere a produtos em garantia, assistência técnica, start-
up, deverão ser dirigidos por escrito, ao seguinte endereço: WEG
AUTOMAÇÃO A/C Departamento de Assistência Técnica, Av.
Pref. Waldemar Grubba, 3000, malote 190, CEP 89256-900,
Jaraguá do Sul – SC Brasil, Telefax 047-3724200, e-mail:
astec@weg.com.br.
13.0 A garantia oferecida pela Weg Automação está condicionada à
observância destas condições gerais, sendo este o único termo
de garantia válido.

Cfw08 manual

  • 1.
    Série: CFW-08 Software: versão3.6X 0899.4484 P/3 ATENÇÃO! É muito importante conferir se a versão de software do inversor é igual a indicada acima. 06/2002 MANUAL DO INVERSOR DE FREQÜÊNCIA
  • 2.
    Índice Referência Rápida dos Parâmetros,Mensagens de Erro e Estado 1 Parâmetros .................................................................................06 2 Mensagens de Erro ....................................................................14 3 Outras Mensagens .....................................................................14 CAPÍTULO 1 Instruções de Segurança 1.1 Avisos de Segurança no Manual ...........................................14 1.2 Aviso de Segurança no Produto ............................................14 1.3 Recomendações Preliminares ...............................................14 CAPÍTULO 2 Informações Gerais 2.1 Sobre o Manual .....................................................................16 2.2 Versão de Software ...............................................................16 2.3 Sobre o CFW-08 ...................................................................17 2.3.1 Diferenças entre o Antigo µline, e o Novo CFW-08 ......20 2.4 Etiqueta de Identificação do CFW-08 ....................................24 2.5 Recebimento e Armazenamento ...........................................26 CAPÍTULO 3 Instalação e Conexão 3.1 Instalação Mecânica..............................................................27 3.1.1 Ambiente ......................................................................27 3.1.2 Posicionamento/Fixação...............................................28 3.2 Instalação Elétrica .................................................................30 3.2.1 Conexões de Potência/Aterramento .............................30 3.2.2 Bornes de Potência ......................................................34 3.2.3 Localização das Conexões de Potência/Aterramento e Controle ........................................................................35 3.2.4 Conexões de Sinal e Controle ......................................38 3.2.5 Acionamentos Típicos ..................................................39 CAPÍTULO 4 Energização/Colocação em Funcionamento 4.1 Preparação para Energização ...............................................42 4.2 Primeira Energização ............................................................42 4.3 Colocação em Funcionamento ..............................................43 4.3.1 Colocação em Funcionamento - Operação pela HMI - Tipo de Controle: V/F Linear (P202=0) .........................43 4.3.2 Colocação em Funcionamento - Operação via Bornes - Tipo de Controle: V/F Linear (P202=0) .........................45 4.3.3 Colocação em Funcionamento - Operação pela HMI - Tipo de Controle: Vetorial (P202=2) ..............................46
  • 3.
    Índice CAPÍTULO 5 Uso daHMI 5.1 Descrição da Interface Homem-Máquina ................................ 50 5.2 Uso da HMI ............................................................................. 51 5.2.1 Uso da HMI para Operação do Inversor ......................... 52 5.2.2 Sinalizações/Indicações nos Displays da HMI ................ 53 5.2.3 Visualização/Alteração de Parâmetros ........................... 53 CAPÍTULO 6 Descrição Detalhada dos Parâmetros 6.1 Simbologia Utilizada ................................................................ 56 6.2 Introdução ............................................................................... 56 6.2.1 Modos de Controle ......................................................... 56 6.2.2 Controle V/F (Escalar) .................................................... 56 6.2.3 Controle Vetorial (VVC) .................................................. 57 6.2.4 Fontes de Referência de Freqüência .............................. 57 6.2.5 Comandos ...................................................................... 60 6.2.6 Definições das Situações de Operação Local/Remoto ... 60 6.3 Relação de Parâmetros ........................................................... 61 6.3.1 Parâmetros de Acesso e de Leitura - P000...P099 ......... 62 6.3.2 Parâmetros de Regulação - P100...P199 ....................... 63 6.3.3 Parâmetros de Configuração - P200...P398 ................... 71 6.3.4 Parâmetros do Motor - P399...P499 ....................................... 91 6.3.5 Parâmetros das Funções Especiais - P500...P699 ......... 94 6.3.5.1 Introdução ........................................................... 94 6.3.5.2 Descrição ............................................................ 94 6.3.5.3 Guia para Colocação em Funcionamento ........... 96 CAPÍTULO 7 Solução e Prevenção de Falhas 7.1 Erros e Possíveis Causas ..................................................... 100 7.2 Solução dos Problemas mais Freqüentes ............................. 102 7.3 Telefone/Fax/E-mail para Contato (Assistência Técnica) ...... 103 7.4 Manutenção Preventiva ......................................................... 103 7.4.1 Instruções de Limpeza ................................................. 104 7.5 Tabela de Material para Reposição ....................................... 105 CAPÍTULO 8 Dispositivos Opcionais 8.1 HMI CFW08P ........................................................................ 107 8.1.1 Instruções para Retirada da HMI-CFW08-P ................. 107 8.2 TCL - CFW08 ........................................................................ 109 8.3 HMI-CFW08-S ....................................................................... 110 8.3.1 Instalação-CFW08-S .................................................... 110 8.3.2 Colocação em Funcionamento da HMI-CFW08-S ........ 111 8.3.3 Função Copy da HMI-CFW08-S ................................... 111 8.4 HMI-CFW08-S-N4 ................................................................. 112 8.5 KMR-CFW08-S ..................................................................... 112 8.6 MIS-CFW08........................................................................... 113 8.7 CAB-HMI08-S-1, CAB-HMI08-S-2, CAB-HMI08-S-3 CAB-HMI08-S-5, CAB-HMI08-S-7,5, CAB-HMI08-S-10 .................................................................. 113
  • 4.
    Índice 8.8 TCR -CFW08 113 8.9 MCS - CFW08114 8.9.1 Instruções para Inserção e Retirada da MCS - CFW08 114 8.10 KCS - CFW08 115 8.11 KMD - CFW08 - M1 ............................................................... 115 8.12 KN1 - CFW08 - M1, KN1 - CFW08 - M2 ................................ 116 8.13 MIW-02 117 8.14 Filtros Supressores de RFI .................................................... 118 8.15 Reatância de Rede ................................................................ 118 8.15.1 Critérios de Uso .......................................................... 119 8.16 Reatância de Carga............................................................... 121 8.17 Frenagem Reostática ............................................................ 122 8.17.1 Dimensionamento....................................................... 122 8.17.2 Instalação ................................................................... 123 8.18 Comunicação Serial .............................................................. 124 8.18.1 Introdução .................................................................. 124 8.18.2 Descrição das Interfaces ............................................ 125 8.18.2.1 RS-485 .......................................................... 125 8.18.2.2 RS-232 .......................................................... 126 8.18.3 Definições................................................................... 126 8.18.3.1 Termos Utilizados .......................................... 126 8.18.3.2 Resolução dos Parâmetros/Variáveis ............ 127 8.18.3.3 Formato dos Caracteres ................................ 127 8.18.3.4 Protocolo ....................................................... 127 8.18.3.4.1 Telegrama de Leitura .................... 128 8.18.3.4.2 Telegrama de Escrita .................... 129 8.18.3.5 Execução e Teste de Telegrama ................... 130 8.18.3.6 Seqüência de Telegramas ............................. 130 8.18.3.7 Códigos de Variações ................................... 130 8.18.4 Exemplos de Telegramas ........................................... 131 8.18.5 Variáveis e Erros das Comunição Serial..................... 131 8.18.5.1 Variáveis Básicas .......................................... 131 8.18.5.1.1 V00 (código 00700) ....................... 131 8.18.5.1.2 V02 (código 00702) ....................... 131 8.18.5.1.3 V03 (código 00703) ....................... 132 8.18.5.1.4 V04 (código 00704) ....................... 133 8.18.5.1.5 V05 (código 00705) ....................... 133 8.18.5.1.6 Exemplos de Telegramas com Variáveis Básicas........................................... 134 8.18.5.2 Parâmetros Relacionados à Comunicação Serial 134 8.18.5.3 Erros Relacionados à Comunicação Serial.... 134 8.18.6 Tempos para Leitura/Escrita de Telegramas .............. 134 8.18.7 Conexão Física RS-232 - RS-485 .............................. 135 8.19 Modbus-RTU ..................................................................... .... 136 8.19.1Introdução ao Protocolo Modbus-RTU......................... 136 8.19.1.1 Modos de Transmissão................................. . 136 8.19.1.2 Estrutura das mensagens no modo RTU........ 137 8.19.1.2.1 Endereço ....................................... 137 8.19.1.2.2 Código da Função........................ . 137 8.19.1.2.3 Campo de Dados.......................... . 137 8.19.1.2.4 CRC............................................ ... 137 8.19.1.3 Tempo entre mensagens............................... 138 8.19.2 Operação do CFW-08 na Rede Modbus-RTU..............139 8.19.2.1 Descrição das Interfaces................................ 139 8.19.2.1.1 RS-232........................................... 139
  • 5.
    Índice CAPÍTULO 9 Características Técnicas 9.1Dados da Potência ................................................................ 147 9.1.1 Rede 200 - 240V .......................................................... 147 9.1.2 Rede 380 - 480V .......................................................... 147 9.2 Dados da Eletrônica/Gerais................................................... 149 9.3 Dados dos Motores WEG Standard IV Pólos ........................ 150 CAPÍTULO 10 Garantia Condições Gerais de Garantia para Inversores de Freqüência CFW-08 .................................................. 151 8.19.2.1.2 RS-485........................................... 139 8.19.2.2 Configurações do inversor na rede Modbus-RTU............................................... ... 139 8.19.2.2.1 Endereço do inversor na rede....... 139 8.19.2.2.2 Taxa de transmissão e paridade... 139 8.19.2.3Acesso aos dados do inversor................... ..... 140 8.19.2.3.1Funções Disponíveis e Tempos de Resposta........................................ 140 8.19.2.3.2Endereçamento dos Registradores e Offset ................... 140 8.19.3Descrição Detalhada das Funções............................ .. 141 8.19.3.1 Função 03 - Read Holding Register............... 141 8.19.3.2 Função 06 - Preset Single Register............... 142 8.19.3.3 Função 16 - Preset Multiple Registers........... 143 8.19.4Erros da Comunicação Modbus-RTU......................... 145 8.19.4.1 Mensagens de Erro..................................... ... 145
  • 6.
    6 CFW-08 - REFERÊNCIARÁPIDA DOS PARÂMETROS Software: V3.6X Aplicação: Modelo: N.o de série: Responsável: Data: / / . 1. Parâmetros Parâmetro Função Faixa de Valores Ajuste Ajuste Obervação Pág. de Fábrica do Usuário P000 Parâmetro de Acesso 0 ... 4, 6 ... 999 = Leitura 0 - 62 5 = Alteração PARÂMETROS DE LEITURA (P002 ... P099) P002 Valor Proporcional à Freqüência 0 ... 6553 - - 62 (P208xP005) P003 Corrente de Saída (Motor) 0 ... 1.5xInom - - 62 P004 Tensão do Circuito Intermediário 0 ... 862V - - 62 P005 Freqüência de Saída (Motor) 0.00 ... 99.99, 100.0 ... 300.0Hz - - 62 P007 Tensão de Saída (Motor) 0 ... 600V - - 62 P008 Temperatura do Dissipador 25 ... 110°C - - 62 P009 Torque do Motor 0.0 ... 150.0% - - Somente visível 62no modo vetorial (P202=2) P014 Último Erro Ocorrido 00 ... 41 - - 62 P023 Versão de Software x . y z - - 63 P040 Variável de Processo (PID) 0 ... 6553 - - 63 (Valor % x P528) PARÂMETROS DE REGULAÇÃO (P100 ... P199) Rampas P100 Tempo de Aceleração 0.1 ... 999s 5.0 63 P101 Tempo de Desaceleração 0.1 ... 999s 10.0 63 P102 Tempo Aceleração - 2a Rampa 0.1 ... 999s 5.0 63 P103 Tempo Desaceleração - 2a Rampa 0.1 ... 999s 10.0 63 P104 Rampa S 0 = Inativa 0 631 = 50% 2 = 100% Referência da Freqüência P120 Backup da Referência Digital 0 = Inativo 1 64 1= Ativo 2 = Backup por P121 (ou P525 - PID) P121 Referência de Freqüência P133 ... P134 3.00 64 pelas Teclas HMI P122 Referência JOG 0.00 ... P134 5.00 64 P124 Referência 1 Multispeed P133 ... P134 3.00 65 P125 Referência 2 Multispeed P133 ... P134 10.00 65 P126 Referência 3 Multispeed P133 ... P134 20.00 65 P127 Referência 4 Multispeed P133 ... P134 30.00 65 P128 Referência 5 Multispeed P133 ... P134 40.00 65 P129 Referência 6 Multispeed P133 ... P134 50.00 65 P130 Referência 7 Multispeed P133 ... P134 60.00 65 P131 Referência 8 Multispeed P133 ... P134 66.00 65 REFERÊNCIA RÁPIDA DOS PARÂMETROS, MENSAGENS DE ERRO E ESTADO
  • 7.
    7 CFW-08 - REFERÊNCIARÁPIDA DOS PARÂMETROS Limites de Freqüência P133 Freqüência Mínima (Fmin ) 0.00 ... P134 3.00 66 P134 Freqüência Máxima (Fmax ) P133 ... 300.0Hz 66.00 66 Controle V/F P136 Boost de Torque Manual 0.0 ... 30.0% 5.0 ou Somente visíveis 66 (Compensação IxR) 2.0 ou no modo de con- 1.0 (2) trole V/F (esca- P137 Boost de Torque Automático 0.00 ... 1.00 0.00 lar)-P202=0ou1. 66 (Compensação IxR Automática) P138 Escorregamento Nominal 0.0 ... 10.0% 0.0 67 P142 (1) Tensão de Saída Máxima 0.0 ... 100% 100 68 P145 (1) Freqüência de Início de P133 ... P134 60.00 68 Enfraquecimento de Campo (Fnom ) Regulação Tensão CC P151 Nível de Atuação da Regulação da Linha 200V: 325 ... 410V 380V 69 Tensão do Circuito Intermediário Linha 400V: 564 ... 820V 780V Corrente de Sobrecarga P156 Corrente de Sobrecarga do Motor 0.2xInom ... 1.3xInom 1.2xP401 69 Limitação de Corrente P169 Corrente Máxima de Saída 0.2xInom ... 2.0xInom 1.5xInom 70 Controle de Fluxo P178 Fluxo Nominal 50 .0 ... 150% 100% Somente visível 70 no modo vetorial (P202=2). PARÂMETROS DE CONFIGURAÇÃO (P200 ... P398) Parâmetros Genéricos P202 (1) Tipo de Controle 0 = Controle V/F Linear 0 71 (Escalar) 1 = Controle V/F Quadrático (Escalar) 2 = Controle Vetorial P203 (1) Seleção de Funções Especiais 0 = Nenhuma 0 72 1 = Regulador PID P204 (1) Carrega Parâmetros com 0 ... 4 = Sem Função 0 - 72 Padrão de Fábrica 5 = Carrega Padrão de Fábrica 0 = P005 72 1 = P003 P205 Seleção do Parâmetro 2 = P002 2 de Leitura Indicado 3 = P007 4, 5 = Sem Função 6 = P040 P206 Tempo de Auto-Reset 0 ... 255s 0 72 P208 Fator de Escala da Referência 0.00 ... 99.9 1.00 73 0 = Sem Função Somente 73P215 (1) Função Copy 1 = Copy (inversor -> HMI) 0 acessível via 2 = Paste (HMI -> inversor) HMI-CFW08-S. P219 (1) Ponto de Início da Redução da 0.00 ... 25.00Hz 6.00 74 Freqüência de Chaveamento (1) Esse parâmetro só pode ser alterado com o inversor desabilitado (motor parado). (2) O padrão de fábrica do parâmetro P136 depende do modelo do inversor conforme a seguir: - modelos 1.6-2.6-4.0-7.0A/200-240V ou 1.0-1.6-2.6-4.0A/380-480V: P136=5.0%; - modelos 7.3-10-16A/200-240V ou 2.7-4.3-6.5-10A/380-480V: P136=2.0%; - modelos 13-16A/380-480V: P136=1.0%.
  • 8.
    8 CFW-08 - REFERÊNCIARÁPIDA DOS PARÂMETROS (1) Esse parâmetro só pode ser alterado com o inversor desabilitado (motor parado). Definição Local/Remoto 0 = Sempre Local 75 1 = Sempre Remoto 2 = Tecla HMI-CFW08-P (default: local) P220 (1) Seleção da Fonte Local/Remoto 3 = Tecla HMI-CFW08-P (default: remoto) 2 4 = DI2 ... DI4 5 = Serial ou Tecla HMI-CFW08-S (default: local) 6 = Serial ou Tecla HMI-CFW08-S (default: remoto) 0 = Teclas e HMIs 75 1 = AI1 2, 3 = AI2 P221 (1) Seleção da Referência - 4 = E.P. 0 Situação Local 5 = Serial 6 = Multispeed 7 = Soma AI>=0 8 = Soma AI 0 = Teclas e HMIs 75 1 = AI1 2, 3 = AI2 P222 (1) Seleção da Referência - 4 = E.P. 1 Situação Remoto 5 = Serial 6 = Multispeed 7 = Soma AI>=0 8 = Soma AI 0 = Teclas HMI-CFW08-P 76P229 (1) Seleção de Comandos - 1 = Bornes 0 Situação Local 2 = Serial ou Teclas HMI-CFW08-S 0 = Teclas HMI-CFW08-P 76P230 (1) Seleção de Comandos - 1 = Bornes 1 Situação Remoto 2 = Serial ou Teclas HMI-CFW08-S P231 (1) Seleção do Sentido de Giro - 0 = Horário 76 Situação Local e Remoto 1 = Anti-horário 2 2 = Comandos Entrada(s) Analógica(s) P234Ganho da Entrada Analógica AI1 0.00 ... 9.99 1.00 76 P235 (1) Sinal da Entrada Analógica AI1 0 = 0-10V/0-20mA 0 77 1 = 4-20mA P236 Offset da Entrada Analógica AI1 -120 ... 120% 0.0 78 P238 Ganho da Entrada Analógica AI2 0.00 ... 9.99 1.00 78 P239 (1) Sinal da Entrada Analógica AI2 0 = 0-10V/0-20mA 0 78 1 = 4-20mA P240 Offset da Entrada Analógica AI2 -120 ... 120% 0.0 78 P248 Constante de Tempo do Filtro 1 ... 200 ms 200 78 das Entradas Analógicas (AIs) Somente existentes na versão CFW-08 Plus
  • 9.
    9 CFW-08 - REFERÊNCIARÁPIDA DOS PARÂMETROS Saída Analógica 0 = Freqüência de Saída (Fs) 78 1 = Freqüência de Entrada (Fe) 2 = Corrente de Saída (Is) 3, 5, 8 = Sem Função P251 Função da Saída 4 = Torque 0 Analógica AO 6 = Variável de Processo (PID) 7 = Corrente Ativa 9 = Setpoint PID P252 Ganho da Saída Analógica AO 0.00 ... 9.99 1.00 78 Entradas Digitais P263 (1) Função da Entrada Digital 0 = Sem função ou Habilita 0 79DI1 Geral 1 ... 7 e 10 ... 12 = Habilita Geral 8 = Avanço 9 = Gira/Pára 13 = Avanço com 2a rampa 14 = Liga P264 (1) Função da Entrada Digital 0 = Sentido de Giro 0 79DI2 1 = Local/Remoto 2 ... 6 e 9 ... 12 = Sem Função 7 = Multispeed (MS2) 8 = Retorno 13 = Retorno com 2a rampa 14 = Desliga P265 (1) Função da Entrada Digital 0 = Sentido de Giro 10 79 DI3 1 = Local/Remoto 2 = Habilita Geral 3 = JOG 4 = Sem Erro Externo 5 = Acelera E.P. 6 = 2a Rampa 7 = Multispeed (MS1) 8 = Sem Função ou Gira/Pára 9 = Gira/Pára 10 = Reset 11, 12 = Sem Função 13 = Desabilita Flying Start 14 = Multispeed (MS1) com 2a Rampa 15 = Manual/Automático (PID) P266 (1) Função da Entrada Digital 0 = Sentido de Giro 8 79DI4 1 = Local/Remoto 2 = Habilita Geral 3 = JOG 4 = Sem Erro Externo 5 = Desacelera E.P. 6 = 2a Rampa (1) Esse parâmetro só pode ser alterado com o inversor desabilitado (motor parado). Somente existentes na versão CFW-08 Plus.
  • 10.
    10 CFW-08 - REFERÊNCIARÁPIDA DOS PARÂMETROS De acordo com o modelo do inversor. Somente existente na versão CFW-08 Plus. No modo vetorial (P202=2) não é possível ajustar P297=7 (15kHz). 7 = Multispeed (MS0) 79 8 = Sem Função ou Gira/Pára 9 = Gira/Pára 10 = Reset 11, 12, 14 e 15 = Sem Função 13 = Desabilita Flying Start Saídas Digitais P277 (1) Função da Saída 0 = Fs>Fx 7 84a Relé RL1 1 = Fe>Fx 2 = Fs=Fe 3 = Is>Ix 4 e 6 = Sem Função 5 = Run 7 = Sem Erro P279 (1) Função da Saída 0 = Fs>Fx 0 84 1 = Fe>Fx 2 = Fs=Fe 2 Relé RL2 3 = Is>Ix 4 e 6 = Sem Função 5 = Run 7 = Sem Erro Fx e Ix P288 Freqüência Fx 0.00 ... P134 3.00 85 P290 Corrente Ix 0 ... 1.5xInom 1.0xInom 85 Dados do Inversor P295 (1) Corrente Nominal 300 = 1.0A 85 do Inversor (Inom ) 301 = 1.6A 302 = 2.6A 303 = 2.7A 304 = 4.0A 305 = 4.3A 306 = 6.5A 307 = 7.0A 308 = 7.3A 309 = 10A 310 = 13A 311 = 16A P297 (1) Freqüência de Chaveamento 4 = 5.0kHz 4 865 = 2.5kHz 6 = 10kHz 7 = 15kHz Frenagem CC P300 Duração da Frenagem CC 0.0 ... 15.0s 0.0 87 P301 Freqüência de Início da 0.00 ... 15.00Hz 1.00 87 Frenagem CC P302 Corrente Aplicada na 0.0 ... 130% 0.0 87 Frenagem CC Skip Frequencies P303 Freqüência Evitada 1 P133 ... P134 20.00 88 P304 Freqüência Evitada 2 P133 ... P134 30.00 88 P306 Faixa Evitada 0.00 ... 25.00Hz 0.00 88 (1) Esse parâmetro só pode ser alterado com o inversor desabilitado (motor parado).
  • 11.
    11 CFW-08 - REFERÊNCIARÁPIDA DOS PARÂMETROS Interface Serial P308 (1) Endereço Serial 1 ... 30 (Serial WEG) 1 88 1 ... 247 (Modbus-RTU) 0 = Serial WEG 1 = Modbus-RTU 9600 bps sem paridade 2 = Modbus-RTU 9600 bps com paridade impar 3 = Modbus-RTU 9600 bps com paridade par P309 (1) Protocolo da Interface Serial 4 = Modbus-RTU 19200 bps 0 88 sem paridade 5 = Modbus-RTU 19200 bps com paridade impar 6 = Modbus-RTU 19200 bps com paridade par 7 = Modbus-RTU 38400 bps sem paridade 8 = Modbus-RTU 38400 bps com paridade impar 9 = Modbus-RTU 38400 bps com paridade par Flying Start e Ride-Through P310 (1) Flying Start e Ride-through 0 = Inativas 0 891 = Flying start 2 = Flying start e Ride-through 3 = Ride-through P311 Rampa de Tensão 0.1 ... 10.0s 5.0 89 Watchdog da Serial 0 = Desabilita por rampa P313 Ação do Watchdog da 1 = Desabilita geral 2 90 Serial 2 = Somente indica E29 3 = Vai para modo local P314 Tempo do Watchdog da 0.0 = Desabilita a função 0.0 90 Serial 0.1 ...99.9s = Valor ajustado (1) Esse parâmetro só pode ser alterado com o inversor desabilitado (motor parado).
  • 12.
    12 CFW-08 - REFERÊNCIARÁPIDA DOS PARÂMETROS Somente visível no modo vetorial (P202=2). Conforme inversor Somente visível no modo vetorial (P202=2). Conforme inversor PARÂMETROS DO MOTOR (P399 ... P499) Parâmetros Nominais P399 (1) Rendimento Nominal do Motor 50.0 ... 99.9% 91 P400 (1) Tensão Nominal do Motor 0 ... 600V 91 P401 Corrente Nominal do Motor 0.3xInom ... 1.3xInom 91 P402 Velocidade Nominal do Motor 0 ... 9999rpm 91 P403 (1) Freqüência Nominal do Motor 0.00 ... P134 91 P404 (1) Potência Nominal do Motor 0 = 0.16CV 92 1 = 0.25CV 2 = 0.33CV 3 = 0.50CV 4 = 0.75CV 5 = 1CV 6 = 1.5CV 7 = 2CV 8 = 3CV 9 = 4CV 10 = 5CV 11 = 5.5CV 12 = 6CV 13 = 7.5CV 14 = 10CV 15 = 12.5CV P407 (1) Fator de Potência Nominal 0.50 ... 0.99 92 do Motor Parâmetros Medidos P408 (1) Auto-Ajuste ? 0 = Não 0 - 92 1 = Sim P409 Resistência do Estator 0.00 ... 99.99Ω 93 FUNÇÃO ESPECIAL (P500 ... P599) Regulador PID P520 Ganho Proporcional 0.000 ... 7.999 1.000 99 P521 Ganho Integral 0.000 ... 9.999 1.000 99 P522 Ganho Diferencial 0.000 ... 9.999 0.000 99 P525 Setpoint Via Teclas do 0.00 ... 100.0% 0.00 99 Regulador PID P526 Filtro da Variável de Processo 0.01 ... 10.00s 0.10 99 P527 Tipo de Ação do Regulador PID 0 = Direto 0 99 1 = Reverso P528 Fator de Escala da 0.00 ... 99.9 1.00 99 Variável Processo Somente visível no modo vetorial (P202=2). Somente visível no modo vetorial (P202=2). De acordo com o modelo do inversor (motor standard IV pólos 60Hz casado com inversor- conforme tabela do item 9.3) (1) Esse parâmetro só pode ser alterado com o inversor desabilitado (motor parado).
  • 13.
    13 CFW-08 - REFERÊNCIARÁPIDA DOS PARÂMETROS Indicação Significado Página E00 Sobrecorrente/Curto-circuito/Falta à terra na saída 100 E01 Sobretensão no circuito intermediário (link CC) 100 E02 Subtensão no circuito intermediário (link CC) 100 E04 Sobretemperatura no dissipador de potência 101 e/ou circuito interno do invesor E05 Sobrecarga na saída (função Ixt) 101 E06 Erro externo 101 E10 Erro da função copy 101 E14 Erro na rotina de auto-ajuste 101 (estimação dos parâmetros do motor) E22, E23, E25 Falha na comunicação serial 101 E26 e E27 E24 Erro de programação 101 E29 Erro de estouro do watchdog da serial 101 E31 Falha de conexão da HMI-CFW08-S 101 E41 Erro de auto-diagnose 101 2. Mensagens de Erro 3. Outras Mensagens Indicação Significado rdy Inversor pronto (ready) para ser habilitado Sub Inversor com tensão de rede insuficiente para operação (subtensão) dcbr Indicação durante atuação da frenagem CC auto Inversor executando rotina de auto-ajuste copy Função copy (somente diponível na HMI-CFW08-S) - cópia da programação do inversor para HMI past Função copy (somente diponível na HMI-CFW08-S) - cópia da programação da HMI para o inversor
  • 14.
    14 INSTRUÇÕES DE SEGURANÇA Estemanual contém as informações necessárias para o uso correto do inversor de freqüência CFW-08. Ele foi escrito para ser utilizado por pessoas com treinamento ou quali- ficação técnica adequados para operar este tipo de equipamento. No decorrer do texto serão utilizados os seguintes avisos de seguran- ça: PERIGO! A não consideração dos procedimentos recomendados neste aviso pode levar à morte, ferimento grave e danos materiais consideráveis. ATENÇÃO! A não consideração dos procedimentos recomendados neste aviso po- dem levar a danos materiais. NOTA! O texto objetiva fornecer informações importantes para correto enten- dimento e bom funcionamento do produto. Os seguintes símbolos podem estar afixados ao produto, servindo como aviso de segurança: Tensões elevadas presentes Componentes sensíveis a descarga eletrostáticas Não tocá-los. Conexão obrigatória ao terra de proteção (PE) Conexão da blindagem ao terra PERIGO! Somente pessoas com qualificação adequada e familiaridade com o inversor CFW-08 e equipamentos associados devem planejar ou implementar a instalação, partida, operação e manutenção deste equi- pamento. 1.3 RECOMENDAÇÕES PRELIMINARES 1.2 AVISOS DE SEGURANÇA NO PRODUTO 1.1 AVISOS DE SEGURANÇA NO MANUAL CAPÍTULO 1 PERIGO! O circuito de controle do inversor (ECC2,DSP) e a HMI-CFW08-P (conectada diretamente ao inversor) estão flutuando em alta tensão (tensão de entrada retificada).
  • 15.
    15 INSTRUÇÕES DE SEGURANÇA Estaspessoas devem seguir todas as instruções de segurança conti- das neste manual e/ou definidas por normas locais. Não seguir as instruções de segurança pode resultar em risco de vida e/ ou danos no equipamento. NOTA! Para os propósitos deste manual, pessoas qualificadas são aquelas trei- nadas de forma a estarem aptas para: 1. Instalar, aterrar, energizar e operar o CFW-09 de acordo com este manual e os procedimentos legais de segurança vigentes; 2. Usar os equipamentos de proteção de acordo com as normas estabelecidas; 3. Prestar serviços de primeiro socorro. PERIGO! Sempre desconecte a alimentação geral antes de tocar qualquer com- ponente elétrico associado ao inversor. Altas tensões e partes girantes (ventiladores) podem estar presentes mesmo após a desconexão da alimentação. Aguarde pelo menos 10 minutos para a descarga completa dos capacitores da potência e para- da dos ventiladores. Sempre conecte a carcaça do equipamento ao terra de proteção (PE) no ponto adequado para isto. ATENÇÃO! Os cartões eletrônicos possuem componentes sensíveis a descargas eletrostáticas. Não toque diretamente sobre componentes ou conectores. Caso necessário, toque antes na carcaça metálica aterrada ou utilize pulseira de aterramento adequada. NOTA! Inversores de freqüência podem interferir em outros equipamentos ele- trônicos. Siga os cuidados recomendados no capítulo 3 Instalação para minimizar estes efeitos. NOTA! Leia completamente este manual antes de instalar ou operar este inver- sor. Não execute nenhum ensaio de tensão aplicada ao inversor! Caso seja necessário consulte o fabricante.
  • 16.
    16 O capítulo 2fornece informações sobre o conteúdo deste manual e o seu propósito, descreve as principais características do inversor CFW-08 e como identificá-lo. Adicionalmente, informações sobre recebimento e armazenamento são fornecidas. Este manual tem 10 capítulos, que seguem uma seqüência lógica para o usuário receber, instalar, programar e operar o CFW-08: Cap. 1 - Informações sobre segurança. Cap. 2 - Informações gerais e recebimento do CFW-08. Cap. 3 - Informações sobre como instalar fisicamente o CFW-08, como conectá-lo eletricamente (circuito de potência e controle), como instalar os opcionais. Cap. 4 - Informações sobre a colocação em funcionamento, passos a serem seguidos. Cap. 5 - Informações sobre como usar a HMI (Interface Homem - Máqui- na/ teclado e display). Cap. 6 - Descrição detalhada de todos os parâmetros de programação do CFW-08. Cap. 7 - Informações sobre como resolver problemas, instruções sobre limpeza e manutenção preventiva. Cap. 8 - Descrição, características técnicas e instalação e instalação dos equipamentos opcionais do CFW-08. Cap. 9 - Tabelas e informações técnicas sobre a linha de potências do CFW-08. Cap. 10 - Informações sobre a garantia do CFW-08. O propósito deste manual é dar as informações mínimas necessárias para o bom uso do CFW-08. Devido a grande gama de funções deste produto, é possível aplicá-lo de formas diferentes às apresentadas aqui. Não é a intenção deste manual esgotar todas as possibilidades de apli- cação do CFW-08, nem a WEG pode assumir qualquer responsabilida- de pelo uso do CFW-08 baseado neste manual. É proibida a reprodução do conteúdo deste manual, no todo ou em partes, sem a permissão por escrito da WEG. A versão de software usada no CFW-08 é importante porque é o software que define as funções e os parâmetros de programação. Este manual refere-se à versão de software conforme indicado na contra-capa. Por exemplo, a versão 3.0X significa de 3.00 a 3.09, onde “X” são evolu- ções no software que não afetam o conteúdo deste manual. A versão de software pode ser lida no parâmetro P023. INFORMAÇÕES GERAIS 2.1 SOBRE O MANUAL 2.2 VERSÃO DE SOFTWARE CAPÍTULO 2
  • 17.
    INFORMAÇÕES GERAIS 17 O inversorde freqüência CFW-08 possui no mesmo produto um con- trole V/F (escalar) e um controle vetorial sensorless (VVC: voltage vector control) programáveis. O usuário pode optar por um ou outro método de controle de acordo com a aplicação. No modo vetorial a operação é otimizada para o motor em uso obten- do-se um melhor desempenho em termos de torque e regulação de velocidade. A função de “Auto-Ajuste”, disponível para o controle vetorial, permite o ajuste automático dos parâmetros do inversor a partir da iden- tificação (também automática) dos parâmetros do motor conectado à saída do inversor. O modo V/F (escalar) é recomendado para aplicações mais simples como o acionamento da maioria das bombas e ventiladores. Nestes casos é possível reduzir as perdas no motor e no inversor utilizando a opção “V/F Quadrática”, o que resulta em economia de energia. O modo V/F também é utilizado quando mais de um motor é acionado por um inversor simultaneamente (aplicações multimotores). Existem duas versões do CFW-08: a versão standard que possui car- tão de controle com conexões de sinal e controle com funções equiva- lentes à antiga linha µline, e a versão CFW-08 Plus que possui uma entrada analógica adicional (duas entradas analógicas no total), uma saída a relé adicional e uma saída analógica. A linha de potências e demais informações técnicas estão no Cap. 9. O blocodiagrama a seguir proporciona uma visão de conjunto do CFW- 08. 2.3 SOBRE O CFW-08
  • 18.
    18 INFORMAÇÕES GERAIS Figura 2.1- Diagrama de Blocos para os modelos: 1.6-2.6-4.0-7.0A/200-240V e 1.0-1.6-2.6-4.0A/380-480V Rede de Alimentação R S T PE HMI-CFW08-S + KMR-CFW08-S HMI-CFW08-S ou PC-Software SuperDrive ou RS-485 MIW-02 Entradas Analógicas (AI1 e AI2) Entradas Digitais (DI1 a DI4) Interface RS-232 MCS- CFW08 Interface MIS- CFW08 ou ou HMI-CFW08-P POTÊNCIA CONTROLE FONTES PARA ELETRÔNICA E INTERFACES ENTRE POTÊNCIA E CONTROLE "ECC2" CARTÃO DE CONTROLE COM DSP Saída Analógica (AO) Saídas a Relé (RL1 e RL2) Motor U V W Rsh2 Rsh1 NTC PE Filtro RFI
  • 19.
    INFORMAÇÕES GERAIS 19 Figura 2.2–Diagrama de Blocos para os modelos: 7.3-10-16A/200-240V e 2.7-4.3-6.5-10-13-16A/380-480V Obs.: O modelo 16A/200-240V não possui Filtro Supressor de RFI opcional. Rede de Alimentação R S T Filtro Supresor RFI (Opcional) HMI-CFW08-S + KMR-CFW08-S HMI-CFW08-S ou PC-Software SuperDrive ou RS-485 MIW-02 Entradas Analógicas (AI1 e AI2) Entradas Digitais (DI1 a DI4) Interface RS-232 MCS- CFW08 Interface MIS- CFW08 HMI-CFW08-P POTÊNCIA CONTROLE FONTES PARA ELETRÔNICA E INTERFACES ENTRE POTÊNCIA E CONTROLE "ECC2" CARTÃO DE CONTROLE COM DSP Saída Analógica (AO) Saídas a Relé (RL1 e RL2) Motor U V W Rsh2 Rsh1 RPC Pré-Carga Resistor de Frenagem (Opcional) BR+VD PE -UD Realimentação de Tensão PE ou ou FiltroRFI
  • 20.
    20 INFORMAÇÕES GERAIS Aparência doProduto Embora bem menos que a parte interna e eletrônica, a aparência do produto também sofreu algumas alterações. As principais são: - a tampografia frontal das tampas plásticas (antes: µline, agora: CFW-08 vector inverter); - logotipo WEG que agora aparece em todos os acessórios da linha CFW-08 (HMI, módulos de comunicação, etc). A figura a seguir faz uma comparação: 2.3.1Diferenças entre o Antigo µline, e o Novo CFW-08 (a) µline (b) CFW-08 Figura 2.3 - Comparativo entre a aparência das linhas µline e CFW-08 Versão de Software O novo CFW-08 inicia com a versão de software V3.00. Portanto, as versões de software V1.xx e V2.xx são exclusivas da linha µline. Além disso, o controle do inversor foi implementado em um DSP (Digital Signal Processor - processador digital de sinais), o que possibilita um controle bem mais sofisticado e um conjunto de parâmetros e funções maior. Acessórios Na migração realizada do microcontrolador de 16 bits do uline para o DSP do novo CFW-08, teve que ser modificada também, a alimentação dos circuitos eletrônicos de 5V para 3.3V. Portanto, os acessórios (HMIs, módulos de comunicação, etc) do antigo uline NÃO PODEM SER UTILIZADOS com a nova linha CFW-08. Como regra geral, somente utilize os acessórios que possuam a logomarca WEG, conforme comentado anteriormente. Este item tem por objetivo apresentar as principais diferenças existen- tes entre o novo CFW-08 e a antiga linha uline. As informações a seguir são destinadas aos usuários que já estavam acostumados com a linha µline. A tabela abaixo apresenta as equivalências para os principais acessóri- os da antiga linha µline e do novo CFW-08.Acessório HMI local (paralela) HMI remota serial Interface para HMI remota serial Interface para comunicação serial RS-232 Interface para comunicação serial RS-485 µline IHM-8P (417100258) IHM-8R (417100244) MIR-8R (417100259) MCW-01 (417100252) MCW-02 (417100253) CFW-08 HMI-CFW08-P (417100868) HMI-CFW08-S (417100869) MIS-CFW08 (417100872) MCS-CFW08 (417100882) MCS-CFW08 (417100882) + MIW-02 (417100543)
  • 21.
    INFORMAÇÕES GERAIS 21 Expansão dePotência da Linha A faixa de potência do antigo µline (0.25-2CV) foi ampliada para (0.25-10CV) com a nova linha CFW-08. Modos de Controle Somente a linha CFW-08 tem: - controle vetorial (VVC), o qual melhora sensivelmente a performance do inversor - deu origem aos parâmetros P178, P399, P400, P402, P403, P404, P407, P408 e P409; - a curva V/F quadrática, que possibilita uma economia de energia no acionamento de cargas com característica torque x velocidade quadrática - exemplos: bombas centrífugas e ventiladores. Resolução de Freqüência O novo CFW-08 tem uma resolução de freqüência 10 vezes maior que o antigo uline, ou seja, apresenta uma resolução de 0.01Hz para freqüências até 100.0Hz e 0.1Hz para freqüências maiores que 99.99Hz. Freqüência de Chaveamento de 10 e 15kHz Utilizando o novo CFW-08 pode-se ajustar a freqüência de chaveamento do inversor em 10 e 15kHz, o que permite um acionamento extremamente silencioso. O ruído acústico gerado pelo motor com freqüência de chaveamento de 10kHz é menor no CFW-08 quando comparado ao µline. Isto se deve à melhoria da modulação PWM no CFW-08. Entradas e Saídas (I/Os) A linha CFW-08 Plus possui mais I/Os que a antiga linha µline, enquanto a linha CFW-08 é equivalente a linha uline em termos de I/Os. Veja tabela a seguir: I/O Entradas Digitais Entrada(s) Analógica(s) Saída Analógica Saída a Relé µline 4 1 - 1 (contato rev) CFW-08 4 1 - 1 (contato rev) CFW-08 Plus 4 2 1 2 (1 contato NA, 1 contatoNF)
  • 22.
    22 INFORMAÇÕES GERAIS I/O Entrada DigitalDI1 Entrada Digital DI2 Entrada Digital DI3 Entrada Digital DI4 0V para entradas digitais +10V Entrada Analógica AI1 - sinal em tensão Entrada Analógica AI1 - sinal em corrente 0V para entrada(s) analógica(s) Entrada Analógica AI2 - sinal em tensão Entrada Analógica AI2 - sinal em corrente Saída Analógica AO Saída a Relé RL1 Saída a Relé RL2 µline 1 2 3 4 5 6 7 9 8 não disponível não disponível não disponível 10(NF), 11(C) e 12(NA) não disponível CFW-08 1 2 3 4 5 6 7 com chave S1:1 na posição OFF 7 com chave S1:1 na posição ON 5 não disponível não disponível não disponível 10(NF), 11(C) e 12(NA) não disponível CFW-08 Plus 1 2 3 4 5 6 7 com chave S1:1 na posição OFF 7 com chave S1:1 na posição ON 5 8 com chave S1:2 na posição OFF 8 com chave S1:2 na posição ON 9 11-12(NA) 10-11(NF) Parâmetros e Funções Parâmetros que já Existiam no uline e Sofreram Alterações a) P136 - Boost de Torque Manual (Compensação IxR) Além do nome do parâmetro, alterou-se também a maneira como o usuário entra com o valor da compensação IxR. No antigo uline o parâmetro P136 continha uma família de 10 curvas (faixa de valores: 0 a 9). No novo CFW-08 a compensação IxR é ajustada entrando-se com o valor percentual (relativo à tensão de entra- da) que define o valor da tensão de saída para freqüência de saída igual a zero. Consegue-se assim um maior conjunto de curvas e uma faixa de variação maior. Veja a tabela a seguir para uma equivalência entre o que era programado no antigo uline e o que deve ser programado no novo CFW-08 para se obter o mesmo resultado. P136 ajustado no µline 0 1 2 3 4 5 6 7 8 9 P136 a ser ajustado no CFW-08 0.0 2.5 5.0 7.5 10.0 12.5 15.0 17.5 20.0 22.5 Porém, as conexões de controle (bornes XC1) diferem da linha µline para a linha CFW-08. As diferenças da pinagem são apresentadas na tabela abaixo:
  • 23.
    INFORMAÇÕES GERAIS 23 b) Boostde Torque Automático (Compensação IxR Automática) e Com- pensação de Escorregamento Na linha uline, somente era usado o valor da corrente do motor (P401) nas funções de compensação IxR automática e de escorregamento. O fator de potência nominal do motor era considerado fixo e igual a 0,9. Agora no novo CFW-08, são utilizados os parâmetros P401 e P407 (fator de potência nominal do motor). Portanto: Exemplo: Dado uma aplicação com uline em que P401=3,8A. Se for usado o novo CFW-08, utilizar a seguinte programação: P401=3,8A e P407=0,9 ou P407=cos ∅ nominal do motor em uso e P401=3,8 . 0,9 P407 Parâmetros Existentes Somente em Versões Especiais de Software do uline a) Entradas Rápidas No novo CFW-08, o tempo de resposta das entradas digitais é de 10ms (máximo). Além disso, o mínimo tempo de aceleração e desaceleração passou de 0.2s (uline) para 0.1s (CFW-08). E ainda, pode-se interromper a frenagem CC antes de ser concluída, por exemplo, para uma nova habilitação. b) Outras Alterações P120=2 - backup da referência digital via P121 independentemente da fonte da referência. P265=14 - DI3: multispeed com 2a rampa. Novos Parâmetros e Funções A referência 1 do multispeed passa do parâmetro P121 (no uline) para P124 (no CFW-08). Nível da regulação da tensão do circuito intermediário (holding de rampa) programável via P151 - no antigo uline esse nível era fixo em 377V para a linha 200-240V e 747V para a linha 380-480V. A maneira de programar o parâmetro P302 mudou. No uline P302 referia-se à tensão aplicada na saída durante a frenagem CC e no novo CFW-08 P302 define a corrente da frenagem CC. Regulador PID. Resumindo, os novos parâmetros são: P009, P040, P124, P151, P178, P202, P203, P205, P219, P238, P239, P240, P251, P252, P279, P399, P400, P402, P403, P404, P407, P408, P409, P520, P521, P522, P525, P526, P527 e P528. P401 uline . 0,9 = P401 . P407 CFW-08
  • 24.
    24 INFORMAÇÕES GERAIS 2.4 ETIQUETASDE IDENTIFICAÇÃO DO CFW-08 Figura 2.4 - Descrição e localização das etiquetas de Identificação Versão de Software Revisão de Hardware Dados Nominais de Entrada (Tensão, Corrente, etc) Data de FabricaçãoÍtem de estoque WEGNúmero de Série Modelo (Código Inteligente do Inversor) Dados Nominais de Saída (Tensão, Freqüência) Etiqueta Lateral do CFW-08 Etiqueta Frontal do CFW-08 (sob a HMI) Obs.: Para retirar a HMI ver instruções no ítem 8.1.1 (figura 8.2). Ítem de estoque WEG Número de Série Modelo (Código Inteligente do Inversor) Data de Fabricação Revisão de Hardware Versão de Software
  • 25.
    INFORMAÇÕES GERAIS 25 CFW-080040B2024PO000000000000Z Software Especial: 00=nãotem Finaldo Código Filtro Supressor deRFI: 00=nãotem FA=filtro supressor deRFI- ClasseA Hardware Especial: 00=nãotem COMOESPECIFICAROMODELODOCFW-08: Corrente Nominalde Saídapara 220a240V: 0016=1.6A 0026=2.6A 0040=4.0A 0070=7.0A 0073=7.3A 0100=10A 0160=16A 380a480V: 0010=1.0A 0016=1.6A 0026=2.6A 0027=2.7A 0040=4.0A 0043=4.3A 0065=6.5A 0100=10A 0130=13A 0160=16A Númerode fasesna alimentação: S=monofásico T=trifásico B=monofásico outrifásico Línguado Manual: P=português E=inglês S=espanhol F=francês G=alemão Tensãode Alimentação: 2024= 200a240V 3848= 380a480V Opcionais: S=standard O=com opcionais Graude Proteção: 00=standard N1=Nema1 Interface Homem Máquina: 00=standard SI=sem interface Conversor deFreqüência WEGSérie08 Cartãode Controle: 00=controle padrão A1=controle1 (versãoPlus)
  • 26.
    26 INFORMAÇÕES GERAIS NOTA! O campoOpcionais (S ou O) define se o CFW-08 será na versão standard ou se terá opcionais. Se for standard, aqui termina o código. Colocar também sempre a letra Z no final. Por exemplo: CFW080040B2024PSZ = inversor CFW-08 standard de 4.0A, entra- da monofásica ou trifásica 200...240V com manual em portu- guês. O produto standard, para efeitos deste código, é assim concebido: - CFW-08 com cartão de controle padrão. - Grau de proteção: NEMA 1 nos modelos 13 e 16A/380-480V; IP20 nos demais modelos. Se tiver opcionais, deverão ser preenchidos os campos na seqüên- cia correta até o último opcional, quando então o código será finalizado com a letra Z. Para aqueles opcionais que forem standard ou não forem usados, não é necessário colocar no código os números 00. Por exemplo, se quisermos o produto do exemplo acima com grau de proteção NEMA 1: CFW080040B2024EON1Z = inversor CFW-08 standard de 4.0A, entrada monofásica ou trifásica 200...240V com manual em inglês e com kit para grau de proteção NEMA 1. O CFW-08 Plus é formado pelo inversor e cartão de controle 1. Exemplo: CFW080040B2024POA1Z Tensão de alimentação somente trifásica para os modelos de 7.0 e 16.0A/200-240V e para todos os modelos da linha 380-480V. O filtro supressor de RFI-classe A (opcional) é instalado internamente nos modelos 7.3 e 10A/200-240V e 2.7-4.3-6.5-10-13-16A/380-480V. Além disso, estão disponíveis filtros supressores de RFI classe B para todos os modelos da linha CFW-08: os quais são instalados externamente. A relação dos modelos existentes (tensão/corrente) é apresentada no item 9.1. O CFW-08 é fornecido embalado em caixa de papelão. Na parte externa desta embalagem existe uma etiqueta de identificação que é a mesma que está afixada na lateral do inversor. Favor verificar o conteúdo desta etiqueta com o pedido de compra. Verifique se: AetiquetadeidentificaçãodeCFW-08correspondeaomodelocomprado. Não ocorreram danos durante o transporte. Caso for detectado algum problema, contate imediatamente a transportadora. Se o CFW-08 não for logo instalado, armazene-o em um lugar limpo e seco (temperatura entre –25°C e 60°C) com uma cobertura para não sujar com pó. 2.5 Recebimento e Armazenamento
  • 27.
    27 CAPÍTULO 3 INSTALAÇÃO ECONEXÃO 3.1 INSTALAÇÃO MECÂNICA Este capítulo descreve os procedimentos de instalação elétrica e me- cânica do CFW-08. As orientações e sugestões devem ser seguidas visando o correto funcionamento do inversor. 3.1.1 Ambiente A localização dos inversores é fator determinante para a obtenção de um funcionamento correto e uma vida normal de seus componentes. O inversor deve ser montado em um ambiente livre de: exposição direta a raios solares, chuva, umidade excessiva ou maresia; gases ou líquidos explosivos e/ou corrosivos; vibração excessiva, poeira ou partículas metálicas/óleos suspensos no ar. Condições ambientais permitidas: Temperatura : 0 ... 40ºC - condições nominais. 0 ... 50ºC - redução da corrente de 2% para cada grau Celsius acima de 40ºC. Umidade relativa do ar : 5% a 90% sem condensação. Altitude máxima : 1000m - condições nominais. 1000 ... 4000m - redução da corrente de 10% para cada 1000m acima de 1000m. Grau de poluição: 2 (conforme EN50178 e UL508C) NOTA! Para inversores instalados dentro de painéis ou caixas metálicas fecha- das, prover exaustão adequada para que a temperatura fique dentro da faixa permitida. Ver potências dissipadas no item 9.1.
  • 28.
    28 INSTALAÇÃO E CONEXÃO Tabela3.1 - Espaços livres recomendados Instalar o inversor na posição vertical. Deixar no mínimo os espaços livres ao redor do inversor conforme Tabela 3.1. Não colocar componentes sensíveis ao calor logo acima do inver- sor. Se montar um inversor ao lado do outro, usar a distância mínima B. Se montar um inversor em cima do outro, usar a distância mínima A + C e desviar do inversor superior o ar quente que vem do inversor de baixo. Instalar em superfície razoavelmente plana. Dimensões externas, furos para fixação, etc, ver figura 3.2. Ver figura 3.3 para procedimento de instalação do CFW-08. Prever conduítes ou calhas independentes para a separação física dos condutores de sinal, controle e potência (ver instalação elétrica). Separar os cabos do motor dos demais cabos. Modelo CFW-08 1,6A / 200-240V 2,6A / 200-240V 4,0A / 200-240V 7,0A / 200-240V 1,0A / 380-480V 1,6A / 380-480V 2,6A / 380-480V 4,0A / 380-480V 7,3A / 200-240V 10A / 200-240V 16A / 200-240V 2,7A / 380-480V 4,3A / 380-480V 6,5A / 380-480V 10A / 380-480V 13A / 380-480V 16A / 380-480V A B C D 30 mm 1,18 in 5 mm 0,20 in 50 mm 2 in 50 mm 2 in 35 mm 1,38 in 15 mm 0,59 in 50 mm 2 in 50 mm 2 in 40 mm 1,57 in 30 mm 1,18 in 50 mm 2 in 50 mm 2 in 3.1.2 Posicionamento/Fixação Figura 3.1 - Espaços livres para ventilação
  • 29.
    INSTALAÇÃO E CONEXÃO 29 Figura3.2 - Dimensional do CFW-08 VISTA DA BASE FIXAÇÃO VISTA FRONTAL VISTA LATERAL
  • 30.
    30 INSTALAÇÃO E CONEXÃO Modelo 1,6A/ 200-240V 2,6A / 200-240V 4,0A / 200-240V 7,0A / 200-240V 7,3A / 200-240V 10A / 200-240V 16A / 200-240V 1,0A / 380-480V 1,6A / 380-480V 2,6A / 380-480V 2,7A / 380-480V 4,0A / 380-480V 4,3A / 380-480V 6,5A / 380-480V 10A / 380-480V 13A / 380-480V 16A / 380-480V Largura L [mm] 75 75 75 75 115 115 115 75 75 75 115 75 115 115 115 143 143 Altura H [mm] 151 151 151 151 200 200 200 151 151 151 200 151 200 200 200 203 203 Profundidade P [mm] 131 131 131 131 150 150 150 131 131 131 150 131 150 150 150 165 165 A [mm] 64 64 64 64 101 101 101 64 64 64 101 64 101 101 101 121 121 B [mm] 129 129 129 129 177 177 177 129 129 129 177 129 177 177 177 180 180 C [mm] 5 5 5 5 7 7 7 5 5 5 7 5 7 7 7 11 11 D [mm] 6 6 6 6 5 5 5 6 6 6 5 6 5 5 5 10 10 Parafuso para Fixação M4 M4 M4 M4 M4 M4 M4 M4 M4 M4 M4 M4 M4 M4 M4 M5 M5 Peso [kg] 1,0 1,0 1,0 1,0 2,0 2,0 2,0 1,0 1,0 1,0 2,0 1,0 2,0 2,0 2,0 2,5 2,5 Grau de Proteção IP20 / NEMA1 IP20 / NEMA1 IP20 / NEMA1 IP20 / NEMA1 IP20 / NEMA1 IP20 / NEMA1 IP20 / NEMA1 IP20 / NEMA1 IP20 / NEMA1 IP20 / NEMA1 IP20 / NEMA1 IP20 / NEMA1 IP20 / NEMA1 IP20 / NEMA1 IP20 / NEMA1 IP20 / NEMA1 IP20 / NEMA1 Dimensional Base de Fixação Tabela 3.2 - Dados para instalação (dimensões em mm) - ver item 9.1. 3.2 INSTALAÇÃO ELÉTRICA 3.2.1Conexões de Potência e Aterramento PERIGO! Equipamento para seccionamento da alimentação: prever um equipa- mento para seccionamento da alimentação do inversor. Este deve seccionar a rede de alimentação para o inversor quando necessário (por ex.: durante trabalhos de manutenção). Figura 3.3 - Procedimento de instalação do CFW-08 FLUXO DE AR
  • 31.
    INSTALAÇÃO E CONEXÃO 31 (a)Modelos 1,6-2,6-4,0-7,0A / 200-240V e 1,0-1,6-2,6-4,0A / 380-480V PE R S T Rede Disjuntor (*) PE TQ1 R S T U V W PE Blindagem PE W V U PERIGO! Este equipamento não pode ser utilizado como mecanismo para parada de emergência. PERIGO! Certifique-se que a rede de alimentação esteja desconectada antes de iniciar as ligações. PERIGO! As informações a seguir tem a intenção de servir como guia para se obter uma instalação correta. Siga as normas de instalações elétricas apli- cáveis. ATENÇÃO! Afastar os equipamentos e fiação sensíveis em 0,25m do inversor, ca- bos entre inversor e motor. Exemplo: CLPs, controladores de tempera- tura, cabos de termopar, etc.
  • 32.
    32 INSTALAÇÃO E CONEXÃO Figura3.5 - Conexões de aterramento para mais de um inversor BARRA DE ATERRAMENTO INTERNA AO PAINEL PERIGO! Os inversores devem ser obrigatoriamente aterrados a um terra de proteção (PE). A conexão de aterramento deve seguir as normas locais. Utilize no mí- nimo a fiação com a bitola indicada na Tabela 3.3. Conecte a uma haste de aterramento específica ou ao ponto de aterramento geral (re- sistência (10 ohms). Não compartilhe a fiação de aterramento com ou- tros equipamentos que operem com altas correntes (ex.: motores de alta potência, máquinas de solda, etc). Quando vários inversores forem utilizados observar a Figura 3.5. NOTA! Não utilize o neutro para aterramento. ATENÇÃO! A rede que alimenta o inversor deve ter o neutro solidamente aterrado. NOTA! Não utilize o neutro para aterramento. Figura 3.4 - Conexões de potência e aterramento Nota: (*) No caso de alimentação monofásica com fase e neutro, somente passar a fase pelo disjuntor. (b) Modelos 7,3-10-16A / 200-240V e 2,7-4,3-6,5-10-13-16A / 380-480V PE R S T Rede PE TQ1 R S T U V W PE Blindagem PE W V U-Ud BR +Ud Resistor de Frenagem (ver item 8.17) Disjuntor (*)
  • 33.
    INSTALAÇÃO E CONEXÃO 33 Oinversor possui proteção eletrônica de sobrecarga do motor, que deve ser ajustada de acordo com o motor específico. Quando diversos motores forem conectados ao mesmo inversor utilize relés de sobrecarga individuais para cada motor. Manter a continuidade elétrica da blindagem dos cabos do motor. Se uma chave isoladora ou contator for inserido na alimentação do motor nunca opere-os com o motor girando ou com o inversor habilitado.Manteracontinuidadeelétricadablindagemdoscabosdomotor. Utilizar no mínimo as bitolas de fiação e os disjuntores recomenda- dos na tabela 3.3. O torque de aperto do conector é indicado na tabela 3.4. Use somente fiação de cobre (70ºC). Corrente Nominal do Inversor [ A ] 1,0 1,6 (200-240V) 1,6 (380-480V) 2,6 (200-240V) 2,6 (380-480V) 2,7 4,0 (200-240V) 4,0 (380-480V) 4,3 6,5 7,0 7,3 10,0 13,0 16,0 Fiação de Potência[ mm2 ] 1,5 1,5 1,5 1,5 1,5 1,5 1,5 1,5 1,5 2,5 2,5 2,5 2,5 2,5 2,5 Fiação de Aterramento [ mm2 ] 2,5 2,5 2,5 2,5 2,5 2,5 2,5 2,5 2,5 4,0 4,0 4,0 4,0 4,0 4,0 Corrente 4 10 4 10 6 6 15 10 10 15 10 20 30 30 35 Tabela 3.3 - Fiação e disjuntores recomendados - usar fiação de cobre (70ºC) somente ATENÇÃO! A rede que alimenta o inversor deve ter o neutro solidamente aterrado. NOTA! A tensão de rede deve ser compatível com a tensão nominal do inversor. A necessidade do uso de reatância de rede depende de vários fato- res. Ver item 8.15. Capacitores de correção do fator de potência não são necessários na entrada (R, S e T) e não devem ser conectados na saída (U, V e W). Para os inversores com opção de frenagem reostática o resistor de frenagem deve ser montado externamente. Ver como conectá-lo na figura 8.21. Dimensionar de acordo com a aplicação respeitando a corrente máxima do circuito de frenagem. Utilizar cabo trançado para a conexão entre inversor-resistor. Separar este cabo dos cabos de sinal e controle. Se o resistor de frenagem for montado dentro do pa- inel, considerar o aquecimento provocado pelo mesmo no dimensionamento da ventilação do painel. Quando a interferência eletromagnética gerada pelo inversor for um problema para outros equipamentos utilizar fiação blindada ou fia- ção protegida por conduite metálico para a conexão saída do inver- sor-motor. Conectar a blindagem em cada extremidade ao ponto de aterramento do inversor e à carcaça do motor. Sempre aterrar a carcaça do motor. Fazer o aterramento do motor no painel onde o inversor está instalado, ou no próprio inversor. A fiação de saída do inversor para o motor deve ser instalada separada da fiação de entrada da rede bem como da fiação de controle e sinal. Modelo WEG DMW25-4 DMW25-10 DMW25-4 DMW25-10 DMW25-6,3 DMW25-6,3 DMW25-16 DMW25-10 DMW25-10 DMW25-16 DMW25-10 DMW25-20 DW125H-32 DW125H-32 DW125H-40 Disjuntor
  • 34.
    34 INSTALAÇÃO E CONEXÃO NOTA! Capacidadeda rede de alimentação: O CFW-08 é próprio para uso em um circuito capaz de fornecer não mais de que 30.000Arms simétricos (240/480V). 3.2.2 Bornes da Potência Descrição dos bornes de conexão da potência: R, S e T: Rede de alimentação CA Os modelos da linha de tensão 200-240 V (exceto 7,0A e 16A) podem operar em 2 fases (operação monofásica) sem redução da corrente nominal. A tensão de alimentação CA neste caso pode ser conectada em 2 quaisquer dos 3 terminais de entrada. U, V e W: Conexão para o motor. -UD: Pólo negativo da tensão do circuito intermediário (link CC). Não disponível nos modelos 1,6-2,6-4,0-7,0A/200-240V e nos modelos 1,0-1,6-2,6-4,0A/380-480V. É utilizado quando se deseja alimentar o inversor com tensão CC (juntamente com o borne +UD). Para evitar conexão incorreta do resistor de frenagem (montado externamente ao inversor), o inversor sai de fábrica com uma borra- cha nesse borne, a qual precisa ser retirada quando for neces- sário utilizar o borne -UD. BR: Conexão para resistor de frenagem. Não disponível nos modelos 1,6-2,6-4,0-7,0A/200-240V e nos modelos 1,0-1,6-2,6-4,0A/380-480V. +UD: Pólo positivo da tensão do circuito intermediário (link CC). Não disponível nos modelos 1,6-2,6-4,0-7,0A/200-240V e nos modelos 1,0-1,6-2,6-4,0A/380-480V. É utilizado para conectar o resistor de frenagem (juntamente com o borne BR) ou quando se deseja alimentar o inversor com tensão CC (juntamente com o borne -UD). NOTA! Os valores das bitolas da Tabela 3.3 são apenas orientativos. Para o correto dimensionamento da fiação levar em conta as condições de ins- talação e a máxima queda de tensão permitida. Modelo 1,6A / 200-240V 2,6A / 200-240V 4,0A / 200-240V 7,0A / 200-240V 7,3A / 200-240V 10,0A / 200-240V 16,0A / 200-240V 1,0A / 380-480V 1,6A / 380-480V 2,6A / 380-480V 2,7A / 380-480V 4,0A / 380-480V 4,3A / 380-480V 6,5A / 380-480V 10,0A / 380-480V 13,0A / 380-480V 16,0A / 380-480V Fiação de Aterramento N.m Lbf.in 0,4 3,5 0,4 3,5 0,4 3,5 0,4 3,5 0,4 3,5 0,4 3,5 0,4 3,5 0,4 3,5 0,4 3,5 0,4 3,5 0,4 3,5 0,4 3,5 0,4 3,5 0,4 3,5 0,4 3,5 0,4 3,5 0,4 3,5 Fiação de Potência N.m Lbf.in 1,0 8,68 1,0 8,68 1,0 8,68 1,0 8,68 1,76 15,62 1,76 15,62 1,76 15,62 1,2 10,0 1,2 10,0 1,2 10,0 1,76 15,62 1,2 10,0 1,76 15,62 1,76 15,62 1,76 15,62 1,76 15,62 1,76 15,62 Tabela 3.4 - Torque de aperto recomendado para as conexões de potência e aterramento
  • 35.
    INSTALAÇÃO E CONEXÃO 35 3.2.3Localização das Conexões de Potência, Aterramento e Controle (a) Modelos 1,6-2,6-4,0-7,0-7,3-10-16A/200-240V e 1,0-1,6-2,6-2,7- 4,0-4,3-6,5-10A/380-480V Controle XC1 Potência Aterramento (a) modelos 1,6-2,6-4,0-7,0A/200-240V e 1,0-1,6-2,6-4,0A/380-480V S T U V WR (b) Modelos 7,3-10-16A/200-240V e 2,7-4,3-6,5-10A/200-240V R S T U V W -Ud BR +Ud Figura 3.6 - Bornes da potência (c) Modelos 13-16A/380-480V
  • 36.
    36 INSTALAÇÃO E CONEXÃO 3.2.4Conexõesde Sinal e Controle Conector XC1 1 DI1 2 DI2 3 DI3 4 DI4 5 GND 6 AI1 7 +10V 8 9 10 NF 11 Comum 12 NA Descrição Função Padrão de Fábrica Entrada Digital 1 Habilita Geral (remoto) Entrada Digital 2 Sentido de Giro (remoto) Entrada Digital 3 Reset Entrada Digital 4 Gira/Pára (remoto) Referência 0V Entrada Analógica 1 Referência de freqüência (remoto) Referência para o potenciômetro Sem Função Sem Função Contato NF do Relé 1 Sem Erro Ponto Comum do Relé 1 Contato NA do Relé 1 Sem Erro Especificações 4 entradas digitais isoladas Nível alto mínimo: 10Vcc Nível alto máximo: 30Vcc Nível baixo mínimo: 3Vcc Corrente de Entrada: -11mA @ 0Vcc Corrente de Entrada Máxima: -20mA Não interligada com o PE 0 a 10Vcc ou 0(4) a 20mA (fig. 3.10). Impedância:100k . Resolução: 7bits. Tensão máxima de entrada: 30Vcc +10Vcc, 5%, capacidade: 2mA Capacidade dos contatos: 0,5A / 250Vac Ω ± Relé 1 CW CCW As conexões de sinal (entradas e saída analógicas) e controle (entra- das digitais e saídas a relé) são feitas no conector XC1 do Cartão Ele- trônico de Controle (ver posicionamento na figura 3.7, item 3.2.3). Existem duas configurações para o Cartão de Controle, a versão standard (linha CFW-08) e a versão Plus (linha CFW-08 Plus), ambas são apresentadas a seguir: Figura 3.8 - Descrição do conector XC1 do cartão de controle standard (CFW-08) Figura 3.7 - Localização das conexões de potência, aterramento e controle (b) Modelos 13-16A/380-480V Controle XC1 Potência Aterramento ≥5kΩ 10 12 11
  • 37.
    INSTALAÇÃO E CONEXÃO 37 ConectorXC1 1 DI1 2 DI2 3 DI3 4 DI4 5 GND 6 AI1 7 +10V 8 AI2 9 AO 10 NF 11 Comum 12 NA Descrição Função Padrão de Fábrica Entrada Digital 1 Sem Função ou Habilita Geral Entrada Digital 2 Sentido de Giro (remoto) Entrada Digital 3 Reset Entrada Digital 4 Sem Função ou Gira/Pára Referência 0V Entrada Analógica 1 Referência de Freqüência (remoto) Referência para o potenciômetro Entrada Analógica 2 Sem Função Saída Analógica Freqüência de Saída (Fs) Contato NF do Relé 2 Fs>Fx Ponto Comum dos Relés Contato NA do Relé 1 Sem Erro Especificações 4 entradas digitais isoladas Nível alto mínimo: 10Vcc Nível baixo mínimo: 3Vcc Nível alto máximo: 30Vcc Corrente de Entrada: -11mA @ 0Vcc Corrente de entrada máxima: -20mA Não Interligada com o PE 0 a 10Vcc ou 0(4) a 20mA (fig. 3.10). Impedância: 100k . Resolução: 7bits Tensão máxima de entrada: 30Vcc. +10Vcc 5%, capacidade: 2mA 0 a 10Vcc ou 0(4) a 20mA (fig. 3.10). Impedância: 100k . Resolução: 7bits Tensão máxima de entrada: 30Vcc 0 a 10Vcc, RL 10k Resolução: 8bits Capacidade dos contatos: 0,5A / 250Vac Ω ± ≥ Ω Ω CW CCW ≥10kΩ RPM - + Figura 3.9 - Descrição do conector XC1 do cartão de controle 1 (CFW-08 Plus) Figura 3.10 - Posição dos jumpers para seleção de entrada em tensão (0 a 10V) ou corrente (4 a 20mA ou 0 a 20mA) S1 2 1 OFF ON Relé 1 11 Relé 2 12 10 CCW CW ≥10kΩ
  • 38.
    38 INSTALAÇÃO E CONEXÃO EntradaAnalógica AI1 AI2 Ajuste de Fábrica Referência de Freqüência (modo remoto) Sem Função Elemento de Ajuste S1.1 S1.2 Seleção OFF: 0 a 10V ON: 4 a 20mA ou 0 a 20mA OFF: 0 a 10V ON: 4 a 20mA ou 0 a 20mA Tabela 3.5 - Configuração dos jumpers de seleção de entrada em tensão ou corrente (AI1 e AI2) NOTA! Os jumpers S1 saem de fábrica ajustados na posição OFF (sinal de 0 a 10V). Se for utilizado entrada em corrente no padrão 4 a 20mA, lembrar de ajustar também os parâmetros P235 e/ou P239, os quais definem o tipo do sinal em AI1 e AI2 respectivamente. Os parâmetros relacionados com as entradas analógicas são: P221, P222, P234, P235, P236, P238, P239 e P240. Ver Capítulo 6 para uma descrição mais detalhada. Na instalação da fiação de sinal e controle deve-se ter os seguintes cuidados: 1) Bitola dos cabos 0,5...1,5mm². 2) Torque máximo: 0,50 N.m (4,50 lbf.in). 3) As fiações em XC1 devem ser feitas com cabo blindado e separadas das demais fiações (potência, comando em 110/220V, etc.) em no mínimo 10cm para fiações de até 100m e, em no mínimo 25cm para fiações acima de 100m de comprimento total. Caso o cruzamento destes cabos com os demais seja inevitável o mesmo deve ser feito de forma perpendicular entre eles, mantendo-se um afastamento mínimo de 5 cm neste ponto. Conectar blindagem conforme abaixo: Figura 3.11 - Conexão da blindagem Conectar ao Terra: parafusos localizados no disipador Não Aterrar Lado do Inversor Isolar com Fita 4) Para distâncias de fiação maiores que 50 metros é necessário o uso de isoladores galvânicos para os sinais XC1:5...9.
  • 39.
    INSTALAÇÃO E CONEXÃO 39 5)Relés, contatores, solenóides ou bobinas de freios eletromecânicos instalados próximos aos inversores podem eventualmente gerar interferências no circuito de controle. Para eliminar este efeito, supressores RC devem ser conectados em paralelo com as bobinas destes dispositivos, no caso de alimentação CA, e diodos de roda- livre no caso de alimentação CC. 6) Quando da utilização de HMI externa (ver capítulo 8), deve-se ter o cuidado de separar o cabo que conecta ela ao inversor dos demais cabos existentes na instalação de uma distância mínima de 10 cm. 7) Quando utilizada referência analógica (AI1 ou AI2) e a frequência oscilar (problema de interferência eletromagnética) interligar XC1:5 ao dissipador do inversor. 3.2.5 Acionamentos Típicos Acionamento 1 Com a programação padrão de fábrica é possível a operação do in- versor no modo local com as conexões mínimas da Figura 3.4 (Potên- cia) e sem conexões no controle. Recomenda-se este modo de opera- ção para usuários que estejam operando o inversor pela primeira vez, como forma de aprendizado inicial. Note que não é necessária nenhu- ma conexão nos bornes de controle. Para colocação em funcionamento neste modo de operação seguir capítulo 4. Acionamento 2 Válido para a programação padrão de fábrica e inversor operando no modo remoto. Para o padrão de fábrica, a seleção do modo de operação (local/remoto) é feita pela tecla (default local). S1: Horário/Anti-horário S2: Reset S3: Parar/Girar R1: Potenciômetro de ajuste de velocidade Figura 3.12 – Conexão do Controle para Acionamento 2 DI1-SemFunçãoouHabilitaGeral DI2-SentidodeGiro DI3-Reset COM AI1 +10V AI2 AO1 NF Comum NA DI4-SemFunçãoouGira/Pára S3S2S1 ≥≥≥≥≥ 1 2 3 4 5 6 7 8 9 10 11 12 5K
  • 40.
    40 INSTALAÇÃO E CONEXÃO Acionamento3 Habilitação da função Liga / Desliga (comando a três fios): Programar DI1 para Liga: P263=14 Programar DI2 para Desliga: P264=14 Programar P229=1 (comandos via bornes) no caso em que deseja-se o comando a 3 fios no modo local. Programar P230=1 (comandos via bornes) no caso em que deseja-se o comando a 3 fios no modo remoto. Sentido de Giro: Programar P265=0 (DI3) ou P266=0 (DI4), de acordo com a entrada digital (DI) escolhida. Se P265 e P266 0, o sentido de giro é sempre horário.≠ Figura 3.13 – Conexão do Controle para Acionamento 3 NOTA! A referência de freqüência pode ser via entrada analógica AI1 (como mostrado na figura anterior), via HMI-CFW08-P, ou qualquer outra fonte (ver descrição dos parâmetros P221 e P222). Para este modo de acionamento, caso ocorrer uma falha da rede com a chave S3 na posição “GIRAR”, no momento em que a rede voltar o motor é habilitado automaticamente. NOTA! S1 e S2 são botoeiras pulsantes liga (contato NA) e desliga (contato NF) respectivamente. A referência de freqüência pode ser via entrada analógica AI1 (como mostrado no Acionamento 2), via HMI-CFW08-P, ou qualquer outra fonte (ver descrição dos parâmetros P221 e P222). Para este modo de acionamento, caso ocorrer uma falha da rede com o inversor habiltado (motor girando) e as chaves S1 e S2 esti- verem na posição de descanso (S1 aberta e S2 fechada), no momento em que a rede voltar, o inversor não será habili- tado automaticamente. somente se a chave S1 for fechada (pulso na entrada digital liga). A função Liga/Desliga é descrita no Capítulo 6. S1: Liga S2: Desliga S3: Sentido de Giro DI1-Liga(Start) DI2-Desliga(Stop) DI3 COM AI1 +10V AI2 AO1 NF Comum NA DI4-SentidodeGiro S3S2 1 2 3 4 5 6 7 8 9 10 11 12 S1
  • 41.
    INSTALAÇÃO E CONEXÃO 41 Acionamento4 Habilitação da função Avanço/Retorno: Programar DI1 para Avanço: P263 = 8 Programar DI2 para Retorno: P264 = 8 Fazer com que a fonte dos comandos do inversor seja via bornes, ou seja, fazer P229=1 para o modo local ou P230=1 para o modo remoto. Figura 3.14 – Conexão do Controle para Acionamento 4 S1 aberta: Parar S1 fechada: Avanço S2 aberta: Parar S2 fechada: Retorno NOTA! A referência de freqüência pode ser via entrada analógica AI1 (como mostrado no acionamento 2), via HMI-CFW08-P, ou qualquer outra fonte (ver descrição dos parâmetros P221 e P222). Para este modo de acionamento, caso ocorrer uma falha da rede com a chave S1 ou S2 fechada, no momento em que a rede voltar o motor é habilitado automaticamente. DI1-Avanço DI2-Retorno DI3-Reset COM AI1 +10V AI2 AO1 NF Comum NA DI4-SemFunção/HabilitaRampa S2S1 1 2 3 4 5 6 7 8 9 10 11 12
  • 42.
    42 CAPÍTULO 4 4.1 PREPARAÇÃOPARA ENERGIZAÇÃO Este capítulo explica: como verificar e preparar o inversor antes de energizar; como energizar e verificar o sucesso da energização; como operar o inversor quando estiver instalado segundo os acionamentos típicos (ver Instalação Elétrica). O inversor já deve ter sido instalado de acordo com o Capítulo 3 - Instala- ção. Caso o projeto de acionamento seja diferente dos acionamentos típicos sugeridos, os passos seguintes também podem ser seguidos. PERIGO! Sempre desconecte a alimentação geral antes de efetuar quaisquer co- nexões. 1) Verifique todas as conexões Verifique se as conexões de potência, aterramento e de controle es- tão corretas e firmes. 2) Verifique o motor Verifique as conexões do motor e se a corrente e tensão do motor estão de acordo com o inversor. 4) Desacople mecanicamente o motor da carga Se o motor não pode ser desacoplado, tenha certeza que o giro em qualquer direção (horário/anti-horário) não cause danos à máquina ou riscos pessoais. 4.2 ENERGIZAÇÃO Após a preparação para energização o inversor pode ser energizado: 1) Verifique a tensão de alimentação Meça a tensão de rede e verifique se está dentro da faixa permitida (tensão nominal + 10% / - 15%). 2) Energize a entrada Feche a seccionadora de entrada. 3) Verifique o sucesso da energização - Inversor com HMI-CFW08-P ou HMI-CFW08-S O display da HMI indica: Enquanto isso os quatro leds da HMI permanecem acesos. O inversor executa algumas rotinas de auto-diagnose e se não existe nenhum problema o display indica: Isto significa que o inversor está pronto (rdy = ready) para ser operado. - Inversor com tampa cega TCL-CFW08 ou TCR-CFW08. Os leds ON (verde) e ERROR (vermelho) acendem. O inversor executa algumas rotinas de auto-diagnose e se não existe nenhum problema o led error (vermelho) apaga. Isto significa que o inversor está pronto para ser operado. ENERGIZAÇÃO/ COLOCAÇÃO EM FUNCIONAMENTO
  • 43.
    43 ENERGIZAÇÃO / COLOCAÇÃOEM FUNCIONAMENTO 4.3 COLOCAÇÃO EM FUNCIONAMENTO Este item descreve a colocação em funcionamento, com operação pela HMI. Dois tipos de controle serão considerados: V/F e Vetorial. O Controle V/F ou escalar é recomendado para os seguintes casos: acionamento de vários motores com o mesmo inversor; corrente nominal do motor é menor que 1/3 da corrente nominal do inversor; o inversor, para propósito de testes, é ligado sem motor. O controle escalar também pode ser utilizado em aplicações que não exijam resposta dinâmica rápida, precisão na regulação de velocidade ou alto torque de partida (o erro de velocidade será função do escorregamento do motor; caso se programe o parâmetro P138 - escorregamento nominal - pode-se conseguir precisão de 1% na velo- cidade com controle escalar e com variação de carga). Para a maioria das aplicações recomenda-se a operação no modo de controle VETORIAL, o qual permite uma maior precisão na regulação de velocidade (típico 0,5%), maior torque de partida e melhor resposta dinâ- mica. Os ajustes necessários para o bom funcionamento do controle vetorial são feitos automaticamente. Para isto deve-se ter o motor a ser usado conectado ao CFW-08. PERIGO! Altas tensões podem estar presentes, mesmo após a desconexão da alimentação. Aguarde pelo menos 10 minutos para a descarga completa. A seqüência a seguir é válida para o caso Acionamento 1 (ver item 3.2.5). O inversor já deve ter sido instalado e energizado de acordo com os capítulos 3 e 4.2. 4.3.1Colocação em Funcionamento - Operação pela HMI - Tipo de Controle: V/F linear (P202=0) Conexões de acordo com a figura 3.4. AÇÃO DISPLAY HMI DESCRIÇÃO Energizar Inversor Pressionar Pressionar e manter até atingir 60 Hz Pressionar Pressionar Pressionar e manter Inversor pronto para operar Motor acelera de 0Hz a 3Hz* (freqüência mínima), no sentido horário (1) * 90rpm para motor 4 pólos Motor acelera até 60Hz* (2) * 1800rpm para motor 4 pólos Motor desacelera(3) até a velocidade de 0 rpm e, então, troca o sentido de rotação Horário⇒Anti-horário, voltando a acelerar até 60Hz Motor desacelera até parar Motor acelera até a freqüência de JOG dada por P122. Ex: P122 = 5,00Hz Sentido de rotação Anti-horário
  • 44.
    44 ENERGIZAÇÃO / COLOCAÇÃOEM FUNCIONAMENTO NOTA! O último valor de referência de freqüência (velocidade) ajustado pelas teclas e é memorizado. Caso se deseje alterar seu valor antes de habilitar o inversor, altere-o através do parâmetro P121 - Referência Tecla. OBSERVAÇÕES: (1) Caso o sentido de rotação do motor esteja invertido, desenergizar o inversor, esperar 10 minutos para a descarga completa dos capacitores e trocar a ligação de dois fios quaisquer da saída para o motor entre si. (2) Caso a corrente na aceleração fique muito elevada, principalmente em baixas freqüências é necessário o ajuste do boost de torque manual (Compensação IxR) em P136. Aumentar/diminuir o conteúdo de P136 de forma gradual até obter uma operação com corrente aproximadamente constante em toda a faixa de velocidade. No caso acima, ver descrição do parâmetro no capítulo 6. (3) Caso ocorra E01 na desaceleração é necessário aumentar o tempo desta através de P101 / P103. AÇÃO DISPLAY HMI DESCRIÇÃO Liberar Motor desacelera até parar
  • 45.
    45 ENERGIZAÇÃO / COLOCAÇÃOEM FUNCIONAMENTO 4.3.2Colocação em Funcionamento - Operação Via Bornes - Tipo de Controle: V/F linear (P202=0) Conexões de acordo com as figuras 3.4 e 3.12. NOTAS! (1) Caso o sentido de rotação do motor esteja invertido, desenergizar o inversor, esperar 10 minutos para a descarga completa dos capacitores e trocar a ligação de dois fios quaisquer da saída para o motor entre si. (2) Caso a corrente na aceleração fique muito elevada, principalmente em baixas freqüências é necessário o ajuste - do boost de torque manual (Compensação IxR) em P136. Aumentar/diminuir o conteúdo de P136 de forma gradual até obter uma operação com corrente aproximadamente constante em toda a faixa de velocidade. No caso acima, ver descrição do parâmetro no capítulo 6. (3) Caso ocorra E01 na desaceleração é necessário aumentar o tempo desta - nos parâmetros P101/P103. AÇÃO DISPLAY HMI DESCRIÇÃO Ver figura 3.12 Chave S1 (Anti-horário/Horário)=Aberta Chave S2 (Reset)=Aberta Chave S3 (Girar/Parar)=Aberta Potenciômetro R1 (Ref.)=Totalmente anti-horário Energizar Inversor Pressionar, . Para inversores que saem de fábrica sem HMI esta ação não é necessária pois o mesmo já estará no modo remoto automaticamente. Fechar S3 – Girar / Parar Girar potenciômetro no sentido horário até o fim. Fechar S1 – Anti-horário / Horário Abrir S3 – Girar / Parar Inversor pronto para operar. Led LOCAL apaga e REMOTO acende. Ocomandoeareferênciasãocomutadospara a situação REMOTO (via bornes). Para manter o inversor permanentemente na situação REMOTO, deve-se fazer P220 = 1. Motor acelera de 0Hz a 3Hz* (freqüência mínima), no sentido horário (1) * 90rpm para motor 4 pólos A referência de freqüência passa a ser dada pelo potenciômetro R1. Motor acelera até a freqüência máxima (P134 = 66Hz) (2) Motor desacelera (3) até chegar a 0Hz, inverte o sentido de rotação (horário ⇒ anti- horário) e reacelera até a freqüência máxima (P134 = 66Hz). O motor desacelera (3) até parar.
  • 46.
    46 ENERGIZAÇÃO / COLOCAÇÃOEM FUNCIONAMENTO 4.3.3Colocação em Funcionamento - Operação pela HMI - Tipo de Controle: Vetorial (P202=2) A seqüência a seguir é baseada no seguinte exemplo de inversor e mo- tor: Inversor: CFW080040S2024PSZ Motor: WEG-IP55 Potência: 0,75HP/0,55kW; Carcaça: 71; RPM: 1720; Pólos: IV; Fator de Potência (cos ϕ): 0,70; Rendimento (η): 71%; Corrente nominal em 220V: 2,90A; Freqüência: 60Hz.NOTA! As notas da tabela a seguir estão na página 49. AÇÃO DISPLAY HMI DESCRIÇÃO Energizar Inversor Pressionar . Manter pressionada a tecla até atingir P000. A tecla também poderá ser utilizada para se atingir o parâmetro P000. Pressionar para entrar no modo de programação de P000. Usar as teclas e para programar o valor de liberação do acesso aos parâmetros (P000=5) Pressionar para salvar a opção escolhida e sair do modo de programação de P000. Pressionar a tecla até atingir P202. A tecla também poderá ser utilizada para se atingir o parâmetro P202. Pressionar para entrar no modo de programação de P202. Usar as teclas e para progra- mar o valor correto do tipo de controle Pressionar para salvar a opção escolhida e entrar na seqüência de ajustes após alteração do modo de controle para vetorial Pressionar e usar as teclas e para programar o valor correto do rendimento do motor (neste caso 71%) Inversor pronto para operar P000=acesso a alteração de parâmetros Entra no modo de programação P000=5: libera a alteração dos parâmetros Sai do modo de programação Este parâmetro define o tipo de controle 0=V/F Linear 1=V/F Quadrática 2=Vetorial Entra no modo de programação P202=2: Vetorial Rendimento do motor: 50 ... 99,9% Rendimento do motor ajustado: 71%
  • 47.
    47 ENERGIZAÇÃO / COLOCAÇÃOEM FUNCIONAMENTO AÇÃO DISPLAY HMI DESCRIÇÃO Pressionar para salvar a opção escolhida e sair do modo de programação Pressionar para avançar para o próximo parâmetro Pressionar e usar as teclas e para programar o valor correto da tensão do motor. Pressionar para salvar a opção escolhida e sair do modo de programação Pressionar para avançar para o próximo parâmetro Pressionar e usar as teclas e para programar o valor correto da corrente do motor (neste caso 2,90A) Pressionar para salvar a opção escolhida e sair do modo de programação Pressionar para avançar para o próximo parâmetro Pressionar e usar as teclas e para programar o valor correto da velocidade do motor (neste caso 1720rpm) Pressionar para salvar a opção escolhida e sair do modo de programação Pressionar para avançar para o próximo parâmetro Pressionar e usar as teclas e para programar o valor correto da freqüência do motor. Pressionar para salvar a opção escolhida e sair do modo de programação Sai do modo de programação Tensão nominal do motor: 0 ... 600V Tensão nominal do motor ajustada: 220V (mantido o valor já existente) (2) Sai do modo de programação Corrente nominal do motor: 0,3 x Inom ... 1,3 x Inom Corrente nominal do motor ajustada: 2,90A Sai do modo de programação Velocidade nominal do motor: 0 ... 9999 rpm Velocidade nominal do motor ajustada: 1720rpm Sai do modo de programação Freqüência nominal do motor: 0...Fmáx Freqüência nominal do motor ajustada: 60Hz (mantido o valor já existente) (2) Sai do modo de programação
  • 48.
    48 ENERGIZAÇÃO / COLOCAÇÃOEM FUNCIONAMENTO AÇÃO DISPLAY HMI DESCRIÇÃO Pressionar para avançar para o próximo parâmetro Pressionar e usar as teclas e para programar o valor correto da potência do motor. Pressionar para salvar a opção escolhida e sair do modo de programação Pressionar para avançar para o próximo parâmetro Pressionar e usar as teclas e para programar o valor correto do Fator de Potência do motor (neste caso 0,70) Pressionar para salvar a opção escolhida e sair do modo de programação Pressionar para avançar para o próximo parâmetro Pressionar e usar as teclas e para autorizar ou não o início da estimação dos parâmetros. Pressionar para iniciar a rotina de Auto-Ajuste. O display indica “Auto” enquanto o Auto-Ajuste é executado. Após algum tempo (pode demorar até 2 minutos) o Auto-Ajuste estará concluído e o display indicará “rdy” (ready) se os parâmetros do motor foram adquiridos com sucesso. Caso contrário indicará “E14”. Neste último caso ver observa- ção (1) adiante. Pressionar Pressionar e manter até atingir 1980rpm Potência nominal do motor: 0 ... 15 (cada valor representa uma potência) Potência nominal do motor ajustada: 4 = 0,75HP / 0.55kW Sai do modo de programação Fator de Potência do motor: 0.5 ... 0.99 Fator de Potência do motor ajustado: 0.70 Sai do modo de programação Estimar Parâmetros? 0 = Não 1 = Sim 1 = Sim Executando rotina de Auto-Ajuste Inversor terminou o Auto Ajuste e está pronto para operar ou Auto-Ajuste não foi executado com sucesso (1) Motor acelera até 90rpm para motor 4 pólos (velocidade mínima), no sentido horário (3) Motor acelera até 1980rpm para motor de 4 pólos (velocidade máxima) OU
  • 49.
    49 ENERGIZAÇÃO / COLOCAÇÃOEM FUNCIONAMENTO NOTA! O último valor de referência de velocidade ajustado pelas teclas e é memorizado. Caso se deseje alterar seu valor antes de habilitar o inversor, altere-o através do parâmetro P121 - Referência Tecla; A rotina de Auto-Ajuste pode ser cancelada pressionando-se a tecla . OBSERVAÇÕES: (1) Se o display indicar E14 durante o Auto-Ajuste significa que os parâmetros do motor não foram adquiridos corretamente pelo inversor. A causa mais comum para isto é o motor não estar conectado a saída do inversor. No entanto motores com correntes muito menores que os respectivos inversores ou a ligação errada do motor, também podem levar a ocorrência de E14. Neste caso usar inversor no modo V/F (P202=0). No caso do motor não estar conectado e ocorrer a indicação de E14 proceder da seguinte forma: Desenergizar inversor e esperar 5 minutos para a descarga completa dos capacitores. Conectar motor à saída do inversor. Energizar inversor. Ajustar P000=5 e P408=1. Seguir roteiro de colocação em funcionamento do ítem 4.3.3 à partir deste ponto. (2) Os parâmetros P399...P407 são ajustados automaticamente para o motor nominal para cada modelo de inversor, considerando-se um motor WEG standard, 4 pólos, 60Hz. Para motores diferentes deve-se ajustar os parâmetros manualmente, com base nos dados de placa do motor. (3) Caso o sentido de rotação do motor esteja invertido, desenergizar o inversor, esperar 5 minutos para a descarga completa dos capacitores e trocar a ligação de dois fios quaisquer da saída para o motor entre si. (4) Caso ocorra E01 na desaceleração é necessário aumentar o tempo desta através de P101/P103. AÇÃO DISPLAY HMI DESCRIÇÃO Pressionar Pressionar Pressionar e manter Liberar Motor desacelera(4) até 0rpm e, então, troca o sentido de rotação Horário⇒Anti-horário, voltando a acelerar até 1980rpm Motor desacelera até parar Motor acelera de zero até velocidade de JOG dada por P122. Ex: P122 = 5,00Hz o que eqüivale a 150rpm para motor 4 pólos. Sentido de rotação Anti-horário Motor desacelera até parar
  • 50.
    50 CAPÍTULO 5 USO DAHMI Este capítulo descreve a Interface Homem-Máquina (HMI) standard do inversor (HMI-CFW08-P) e a forma de usá-la, dando as seguintes infor- mações: descrição geral da HMI; uso da HMI; organização dos parâmetros do inversor; modo de alteração dos parâmetros (programação); descrição das indicações de status e das sinalizações. 5.1 DESCRIÇÃO DA INTERFACE HOMEM - MÁQUINA A HMI standard do CFW-08 contém um display de leds com 4 dígitos de 7 segmentos, 4 leds de estado e 8 teclas. A figura 5.1 mostra uma vista frontal da HMI e indica a localização do display e dos leds de estado. Display de Leds Led "Local" Led "Remoto" Led "Horário" Led "Anti-horário" Figura 5.1 - HMI do CFW-08 Funções do display de leds: Mostra mensagens de erro e estado (ver Referência Rápida de Parâmetros, Mensagens de Erro e Estado), o número do parâmetro ou o seu conteúdo. O display unidade (mais à direita) indica a unidade de algumas variáveis [U = Volts, A = Ampéres, o = Graus Célsius (o C)] Funções dos leds “Local” e “Remoto”: Inversor no modo Local: Led verde aceso e led vermelho apagado. Inversor no modo Remoto: Led verde apagado e led vermelho aceso. Funções dos leds de sentido de giro (horário e anti-horário). Ver figura 5.2
  • 51.
    51 USO DA HMI Funçõesbásicas das teclas: Habilita o inversor via rampa de aceleração (partida). Desabilita o inversor via rampa de desaceleração (parada). Reseta o inversor após a ocorrência de erros. Seleciona (comuta) display entre número do parâmetro e seu valor (posição/conteúdo). Aumenta a velocidade, número do parâmetro ou valor do parâmetro. Diminui a velocidade, número do parâmetro ou valor do parâmetro. Inverte o sentido de rotação do motor comutando entre horário e anti-horário. Seleciona a origem dos comandos/referência entre LOCAL ou REMO- TO. Quando pressionada realiza a função JOG [se a(s) entrada(s) digital(is) programada(s) para GIRA/PÁRA (se houver) estiver(em) aberta(s) e a(s) entrada(s) digital(is) programada(s) para HABILITA GERAL (se houver) estiver(em) fechada(s)]. A HMI é uma interface simples que permite a operação e a programa- ção do inversor. Ela apresenta as seguintes funções: indicação do estado de operação do inversor, bem como das variá- veis principais; indicação das falhas visualização e alteração dos parâmetros ajustáveis; operação do inversor (teclas , , , e ) e variação da referência da velocidade (teclas e ). 5.2 USO DA HMI Figura 5.2 - Indicações dos leds de sentido de giro (horário e anti-horário) apagado aceso piscante Comando de Seleção do Sentido de Giro Sentido de Giro Situação dos Leds na HMI Horário Anti-Horário Horário t t t
  • 52.
    52 USO DA HMI 5.2.1Usoda HMI para Operação do Inversor Todas as funções relacionadas à operação do inversor (Girar/Parar mo- tor, Reversão, JOG, Incrementa/Decrementa, Referência de Velocida- de, comutação entre situação LOCAL/REMOTO) podem ser executa- dos através da HMI. Para a programação standard de fábrica do inversor, todas as teclas da HMI estão habilitadas quando o modo LOCAL estiver selecionado. Estas funções podem ser também executadas por entradas digitais e analógicas. Para tanto é necessária a programação dos parâmetros relacionados a estas funções e às entradas correspondentes. NOTA! As teclas de comando , , e somente estarão habilitadas se: P229=0 para funcionamento no modo LOCAL P230=0 para funcionamento no modo REMOTO Nocasodatecla estáirádependerdosparâmetrosacimaetambémse: P231=2 Segue a descrição das teclas da HMI utilizadas para operação: LOCAL/REMOTO: quando programado (P220 = 2 ou 3), seleciona a ori- gem dos comandos e da referência de freqüência (velocidade), comutan- do entre LOCAL e REMOTO. “I”: quando pressionada o motor acelera segundo a rampa de acelera- ção até a freqüência de referência. Função semelhante à executada por entrada digital GIRA/PÁRA quando esta é fechada (ativada) e mantida. “0”: desabilita o inversor via rampa (motor desacelera via rampa de desaceleração e pára). Função semelhante À executada por entrada digi- tal GIRA/PÁRA quando esta é aberta (desativada) e mantida. JOG: quando pressionada acelera o motor segundo a rampa de acelera- ção até a freqüência definida em P122. Esta tecla só está habilitada quando o inversor estiver com a entrada digital programada para GIRA/PÁRA (se houver) aberta e a entrada digital programada para HABILITA GERAL (se houver) fechada. Sentido de Giro: quando habilitada, inverte o sentido de rotação do motor cada vez que é pressionada. Ajuste da freqüência do motor (velocidade): estas teclas estão habilita- das para variação da freqüência (velocidade) somente quando: a fonte da referência de freqüência for o teclado (P221 = 0 para o modo LOCAL e/ou P222 = 0 para o modo REMOTO); o conteúdo dos seguintes parâmetros estiver sendo visualizado: P002, P005 ou P121. O parâmetro P121 armazena o valor de referência de freqüência (velocida- de) ajustado pelas teclas. Quando pressionada, incrementa a referência de freqüência (velocida- de). Quando pressionada, decrementa a referência de freqüência (velocida- de).
  • 53.
    53 USO DA HMI Estadosdo inversor: Inversor pronto (“READY”) para acionar o motor. Inversor com tensão de rede insuficiente para opera- ção. Inversornasituaçãodeerro,eo códigodoerroaparece piscante. No caso exemplificado temos a indicação de E02 (ver capítulo Manutenção). Inversor está aplicando corrente contínua no mo- tor (frenagem CC) de acordo com valores progra- mados em P300, P301 e P302 (ver capítulo 6). Inversor está executando rotina de Auto-Ajuste para identificação automática de parâmetros do motor. Esta operação é comandada por P408 (ver capí- tulo 6). 5.2.2Sinalizações/Indicações no Display da HMI 5.2.3 Visualização/Alteração de Parâmetros NOTA! O display também pisca nas seguintes situações, além da situação de erro: Tentativa de alteração de um parâmetro não permitido. Inversor em sobrecarga (ver capítulo Manutenção). Todos os ajustes no inversor são feitos através de parâmetros. Os parâmetros são indicados no display através da letra P seguida de um número: Exemplo (P101): 101 = N° do Parâmetro A cada parâmetro está associado um valor numérico (conteúdo do parâmetro), que corresponde à opção selecionada dentre as disponí- veis para aquele parâmetro. Os valores dos parâmetros definem a programação do inversor ou o valor de uma variável (ex.: corrente, freqüência, tensão). Para realizar a programação do inversor deve-se alterar o conteúdo do(s) parâmetro(s). Backup da Referência O último valor da Referência de freqüência ajustado pelas teclas e é memorizado quando o inversor é desabilitado ou desenergizado, desde que P120 = 1 (Backup da Referência Ativo ( padrão de fábrica). Para alterar o valor da referência antes de habilitar o inversor deve-se alterar o parâmetro P121.
  • 54.
    54 USO DA HMI NOTA! (1)Para os parâmetros que podem ser alterados com motor girando, o inversor passa a utilizar imediatamente o novo valor ajustado. Para os parâmetros que só podem ser alterados com motor parado, o inversor passa a utilizar o novo valor ajustado somente após pressionar a tecla . (2) Pressionando a tecla após o ajuste, o último valor ajustado é automaticamente gravado na memória não volátil do inversor, fican- do retido até nova alteração. (3) Caso o último valor ajustado no parâmetro o torne funcionalmente incompatível com outro já ajustado, ocorre a indicação de E24 = Erro de programação. Exemplo de erro de programação: Programar duas entradas digitais (DI) com a mesma função. Veja na tabela 5.1 a lista de incompatibilidades de programação que podem gerar o E24. (4) Para alterar o valor de um parâmetro é necessário ajustar antes P000 =5. Caso contrário só será possível visualizar os parâmetros mas não modificá-los. Para mais detalhes ver descrição de P000 no Capítulo 6. AÇÃO DISPLAY HMI DESCRIÇÃO Energizar Inversor Pressione a tecla Use as teclas e Pressione a tecla Use as teclas e Pressione a tecla Inversor pronto para operar Localize o parâmetro desejado Valor numérico associado ao parâmetro (4) Ajuste o novo valor desejado (1) (4) (1) (2) (3)
  • 55.
    55 USO DA HMI P265=3(JOG) e P263≠9 e P266≠8 ou 9 P266=3 (JOG) e P263≠9 e P265≠8 ou 9 Dois ou mais parâmetros entre P264, P265 e P266 iguais a 1 (LOC/REM) P265=13 e P266=13 (desabilita flying start) P265=10 e P266=10 (reset) P263=14 e P264≠14 ou P263≠14 e P264=14 (liga/desliga) Dois ou mais parâmetros entre P264, P265 e P266 iguais a 0 (sentido de giro) P263=8 e P264≠8 e P264≠13 P263≠8 e P263≠13 e P264=8 P263=13 e P264≠8 e P264≠13 P263≠8 e P263≠13 e P264=13 P263=8 ou 13 e P263=8 ou 13 e P265=0 ou P266=0 P263=8 ou 13 e P263=8 ou 13 e P231≠2 P221=6 ou P222=6 e nenhum dos parâmetros entre P264, P265 e P266 for igual a 7 (multispeed) P221≠6 ou P222≠6 e P264=7 ou P265=7 ou 14 ou P266=7 P265=14 e P221≠6 e P222≠6 P221=4 ou P222=4 e P265≠5 e P266≠5 (EP) P221≠4 ou P222≠4 e P265=5 e P266=5 Inversor com alimentação: 200-240V e P295=300, 303, 305, 306 ou 310 Inversor com alimentação: 380-480V e P295=307 ou 308 P300≠0 e P310= 2 ou 3 (frenagem CC e ride-through ativos) P203=1 (função especial PID) e P221 ou P222=1, 4, 5, 6, 7 ou 8 P265=6 e P266=6 (2a rampa) P221=2 ou 3 ou 7 ou 8 e inversor standard P222=2 ou 3 ou 7 ou 8 e inversor standard P265=13 e P266=13 (desabilita flying start) Tabela 5.1 - Incompatibilidade entre parâmetros - E24
  • 56.
    56 Este capítulo descrevedetalhadamente todos os parâmetros e funções do inversor. 6.1 SIMBOLOGIA UTILIZADA Segue abaixo algumas convenções utilizadas neste capítulo do manual: AIx = Entrada analógica número x. AO = Saída analógica. DIx = Entrada digital número x. F* = Referência de freqüência, este é o valor da freqüência (ou alterna- tivamente, da velocidade) desejada na saída do inversor. Fe = Freqüência de entrada da rampa de aceleração e desaceleração. Fmax = Freqüência de saída máxima, definida em P134. Fmin = Freqüência de saída mínima, definida em P133. Fs = Freqüência de saída - freqüência aplicada ao motor. Inom = Corrente nominal de saída do inversor (valor eficaz), em ampères (A). É definida pelo parâmetro P295. Is = Corrente de saída do inversor. Ia = Corrente ativa de saída do inversor, ou seja, é a componente da corrente total do motor proporcional à potência elétrica ativa consumida pelo motor. RLx = Saída a relé número x. Ud = Tensão CC do circuito intermediário. Neste item é feita uma descrição dos principais conceitos relacionados ao inversor de freqüência CFW-08. Conforme já comentado no item 2.3, o CFW-08 possui no mesmo pro- duto um controle V/F (escalar) e um controle vetorial sensorless (VVC: “voltage vector control”). Cabe ao usuário decidir qual deles irá usar. Apresentamos na seqüência uma descrição de cada um dos modos de controle. É baseado na curva V/F constante (P202=0 - Curva V/F linear). A sua performance em baixas freqüências de saída é limitada, em função da queda de tensão na resistência estatórica, que provoca uma redução significativa no fluxo no entreferro do motor e conseqüentemente na sua capacidade de torque. Tenta-se compensar essa deficiência com a utilização das compensações IxR e IxR automática (boosts de torque), as quais são ajustadas manualmente e dependem da experiência do usuário. Na maioria das aplicações (exemplos: acionamento de bombas centrí- fugas e ventiladores), o ajuste dessas funções é suficiente para se ob- ter a performance necessária porém, há aplicações que exigem um controle mais sofisticado - neste caso recomenda-se o uso do controle vetorial sensorless, o qual será comentado no próximo item. No modo escalar, a regulação de velocidade que pode ser obtida ajus- tando-se adequadamente a compensação de escorregamento é algo em torno de 1 a 2% da rotação nominal. Por exemplo, para um motor de IV pólos/60Hz, a mínima variação de velocidade entre a condição a vazio e carga nominal fica entre 18 a 36rpm. 6.2 INTRODUÇÃO 6.2.1Modos de Controle (Escalar/Vetorial) 6.2.2Controle V/F (Escalar) DESCRIÇÃO DETALHADA DOS PARÂMETROS CAPÍTULO 6
  • 57.
    57 DESCRIÇÃO DETALHADA DOSPARÂMETROS Há ainda uma variação do controle V/F linear descrito anteriormente: o controle V/F quadrático. Este controle é ideal para acionamento de car- gas como bombas centrífugas e ventiladores (cargas com característi- ca torque x velocidade quadrática), pois possibilita uma redução nas perdas no motor, resultando em uma economia adicional de energia no acionamento com inversor. Na descrição dos parâmetros P136, P137, P138, P142 e P145 há mais detalhes sobre a operação no modo V/F. No controle vetorial sensorless disponível no CFW-08, a operação do inversor é otimizada para o motor em uso obtendo-se um melhor de- sempenho em termos de torque e regulação de velocidade. O controle vetorial do CFW-08 é sensorless, ou seja, não necessita de um sinal de realimentação de velocidade (sensor de velocidade como tacogerador ou encoder no eixo do motor). Para que o fluxo no entreferro do motor, e conseqüentemente, a sua capacidade de torque, se mantenha constante durante toda a faixa de variação de velocidade (de zero até o ponto de enfraquecimento de campo) é utilizado um algoritmo sofisticado de controle que leva em conta o modelo matemático do motor de indução. Dessa forma, consegue-se manter o fluxo no entreferro do motor apro- ximadamente constante para freqüências de até aproximadamente 1Hz. Trabalhando no modo vetorial consegue-se uma regulação de veloci- dade na ordem de 0.5% da rotação nominal. Por exemplo, para um motor de IV pólos e 60Hz, obtém-se uma variação de velocidade na faixa de 10rpm (!). Outra grande vantagem do controle vetorial, é a sua inerente facilidade de ajuste. Basta que o usuário entre com as informações relativas ao motor utilizado (dados de placa) nos parâmetros P399 a P407 e rode a rotina de auto-ajuste (fazendo P408=1), que o inversor se auto-configu- ra para a aplicação em questão e está pronto para funcionar de maneira otimizada. Para maiores informações ver descrição dos parâmetros P178 e P399 a P409. A referência de freqüência (ou seja, a freqüência desejada na saída, ou alternativamente, a velocidade do motor) pode ser definida de várias formas: teclas - referência digital que pode ser alterada através da HMI utili- zando-se as teclas e (ver P221, P222 e P121); entrada analógica - pode ser utilizada a entrada analógica AI1 (XC1:6), AI2 (XC1:8) ou ambas (ver P221, P222 e P234 a P240); multispeed - até 8 referências digitais pré-fixadas (ver P221, P222 e P124 a P131); potenciômetro eletrônico (EP) - mais uma referência digital, onde o seu valor é definido utilizando-se 2 entradas digitais (DI3 e DI4) - ver P221, P222, P265 e P266; via serial. Na figura 6.1 apresenta-se uma representação esquemática da defini- ção da referência de freqüência a ser utilizada pelo inversor. O diagrama de blocos da figura 6.2 mostra o controle do inversor. 6.2.3Controle Vetorial (VVC) 6.2.4Fontes de Referência de Freqüência
  • 58.
    58 DESCRIÇÃO DETALHADA DOSPARÂMETROS Figura 6.1 - Blocodiagrama da referência de freqüência NOTA! A AI2 somente está disponivel na versão CFW-08 Plus. DIs ON (estado 1) quando ligadas ao 0V (XC1:5). Quando F*<0 toma-se o módulo de F* e inverte-se o sentido de giro (se isto for possível - P231=2 e comando selecionado não for avanço/ retorno). RS-232 PC, CLP, MIW-02 REFERÊNCIA TECLA (P121) HMI - CFW08-S MCS-CFW-08 P124...P131 P264=7 P265=7 P266=7 MULTISPEED Acel. Habilita Função P265=5 P266=5 Desacel. Inversor Desabilitado POTÊNCIOMETRO ELETRÔNICO (EP) AI2 AI1 DI4 DI3 DI2 1 2 3 4 5 6 7 8 9 10 11 12 XC1 AI1 P235 AI2 P239 P238 P134 P234 P134 P236 P240 2 ou 3 - AI2 7 - Soma AI>0 8 - Soma AI 1 - AI1 4 - EP 6 - Multispeed 5 - Serial 0 - Tecla Seleção da Refência de Freqüência P221 ou P222 F* Referências Digitais Referências Analógicas P131 P130 P129 P128 P127 P126 P125 P124 000 001 010 011 100 101 110 111 100% P239=0 P239=1 0 2V/4mA 10V/20mA 100% P235=0 P235=1 0 2V/4mA 10V/20mA 0V Reset HMI - CFW08-P
  • 59.
    59 DESCRIÇÃO DETALHADA DOSPARÂMETROS Figura 6.2 - Blocodiagrama do controle do inversor Fe Comando via Entrada Digital (DI) 2a Rampa de Aceleração e Desaceleração Rampa de Aceleração e Desaceleração P102 P103 P100 P101 Regulação da Tensão do Circuito Intermediário P151 P151 Ud P133 P134 Limites da Referência de Freqüência P202 P295 Controle do Inversor (Escalar ou Vetorial) P136, P137, P138, P142, P145 Parâmetros do Motor (P399...P409) P178 Vs PWM P169 I s P169 I s Limitação da Corrente de Saída I Vs Ud Rede MI 3Ø I s NOTA! No modo de controle escalar (P202=0 ou 1), Fe=F* (ver fig. 6.1) se P138=0 (compensação de escorregamento desabilitada). Se P138≠0 ver fig. 6.9 para relação entre Fe e F* No modo de controle vetorial (P202), sempre Fe=F* (ver fig. 6.1).
  • 60.
    60 DESCRIÇÃO DETALHADA DOSPARÂMETROS 6.2.5Comandos O inversor de freqüência possui os seguintes comandos: habilitação e bloqueio dos pulsos PWM, definição do sentido de giro e JOG. Da mesma forma que a referência de freqüência, os comandos do in- versor também podem ser definidos de várias formas. As principais fontes de comandos são as seguintes: teclas das HMIs - teclas , , e ; bornes de controle (XC1) - via entradas digitais; via interface serial. Os comandos de habilitação e bloqueio do inversor podem ser assim definidos: via teclas e das HMIs; via serial; gira/pára (bornes XC1 - DI(s) - ver P263 ... P266); habilita geral (bornes XC1 - DI(s) - ver P263 ... P266); avanço e retorno (bornes XC1 - DIs - ver P263 e P264) - define também o sentido de giro; liga/desliga (comando a 3 fios) (bornes XC1 - DIs - ver P263 e P264). A definição do sentido de giro pode ser feita via: tecla das HMIs; serial; entrada digital (DI) programada para sentido de giro (ver P264 ... P266); entradas digitais programadas como avanço e retorno, que definem tanto a habilitação ou bloqueio do inversor, quanto o sentido de giro (ver P263 e P264); entrada analógica - quando a referência de freqüência estiver via entrada analógica e for programado um offset negativo (P236 ou P240<0), a referência pode assumir valores negativos, invertendo o sentido de giro do motor. O usuário pode definir duas situações diferentes com relação à fonte referência de freqüência e dos comandos do inversor: são os modos de operação local e remoto. Uma representação esquemática das situações de operação local e remoto é apresentada na figura 6.3. Para o ajuste de fábrica, no modo local é possível controlar o inversor utilizando-se as teclas da HMI, enquanto que no modo remoto tudo é feito via bornes (XC1) - definição da referência e comandos do inversor. 6.2.6Definição das Situações de Operação Local/ Remoto
  • 61.
    61 DESCRIÇÃO DETALHADA DOSPARÂMETROS Parâmetros de Leitura variáveis que podem ser visualizadas nos displays, mas não podem ser alte- radas pelo usuário. Parâmetros de Regulação são os valores ajustáveis a serem utili- zados pelas funções do inversor. Parâmetros de Configuração definem as características do inversor, as funções a serem executadas, bem como as funções das entradas/saídas do cartão de controle. Parâmetros do Motor são os dados do motor em uso: infor- mações contidas nos dados de placa do motor e aqueles obtidos pela rotina de Auto-Ajuste. Parâmetros das Funções inclui os parâmetros relacionados às Especiais funções especiais. Figura 6.3 - Blocodiagrama dos modos de operação local e remoto LOCAL Referência de Freqüência P221 Comandos P229 (gira/pára, sentido de giro e JOG) 0 Teclas da HMI-CFW08-P e HMI-CFW08-S 1 AI1 2 ou 3 AI2 4 EP 5 Serial 6 Multispeed 7 Soma AI 8 Soma AI>0 0 Teclas HMI-CFW08-P 1 Bornes XC1 (DIs) 2 Serial ou Teclas HMI-CFW08-S REMOTO Referência de Freqüência P222 Comandos P230 (gira/pára, sentido de giro e JOG) 0 Teclas da HMI-CFW08-P e HMI-CFW08-S 1 AI1 2 ou 3 AI2 4 EP 5 Serial 6 Multispeed 7 Soma AI 8 Soma AI>0 0 Teclas HMI-CFW08-P 1 Bornes XC1 (DIs) 2 Serial ou Teclas HMI-CFW08-S REFERÊNCIA COMANDOS Seleção Local/Remoto (P220) + Comando Local/Remoto ( , DI, Serial, etc) 6.3 RELAÇÃO DOS PARÂMETROS Para facilitar a sua descrição, os parâmetros foram agrupados por tipos conforme tabela a seguir: F*
  • 62.
    62 DESCRIÇÃO DETALHADA DOSPARÂMETROS Faixa [Ajuste fábrica] Parâmetro Unidade Descrição / Observações P000 0...999 Parâmetro de [ 0 ] Acesso 1 6.3.1 Parâmetros de Acesso e de Leitura - P000 ... P099 P002 0...6553 Valor Proporcional à [ - ] Freqüência 0.01 (<100.0); 0.1 (<1000); 1 (>999.9) P003 0...1.5 x Inom Corrente de Saída [ - ] (Motor) 0.01A (<10.0A); 0.1A (>9.99A) P004 0...862V Tensão de Circuito [ - ] Intermediário 1V Libera o acesso para alteração do conteúdo dos parâmetros. O valor da senha é 5. O uso de senha está sempre ativo. Indica o valor de P208 x P005. Quando for utilizado o modo de controle vetorial (P202=2), P002 indica o valor da velocidade real em rpm. Para diferentes escalas e unidades usar P208. Indica o valor eficaz da corrente de saída do inversor, em ampè- res (A). Indica a tensão atual no circuito intermediário, de corrente contínua, em volts (V). P005 0...300Hz Freqüência de [ - ] Saída (Motor) 0.01Hz (<100.0Hz); 0.1Hz (>99.99Hz) Valor da freqüência de saída do inversor, em hertz (Hz). P007 0...600V Tensão de Sáida [ - ] 1V Indica o valor eficaz da tensão de linha na saída do inversor, em volts (V). P008 25...110o C Temperatura do [ - ] Dissipador 1o C Indica a temperatura atual do dissipador de potência, em graus Celsius (°C). A proteção de sobretemperatura do dissipador (E04) atua quando a temperatura no dissipador atinge: Inversor 1.6-2.6-4.0-7.0A/200-240V 1.0-1.6-2.6-4.0A/380-480V 7.3-10-16A/200-240V 2.7-4.3-6.5-10A/380-480V 13-16A/380-480V P008 [°C] @ E04 103 90 90 103 103 P009 0.0...150.0% Torque no Motor [ - ] 0.1% Indica o torque mecânico do motor, em valor percentual (%) com relação ao torque nominal do motor ajustado. O torque nominal do motor é definido pelos parâmetros P402 (ve locidade do motor) e P404 (potência do motor). Ou seja: onde Tnom é dado em N.m, Pnom é a potência nominal do motor em watts (W) - P404, e nnom é a velocidade nominal do motor em rpm - P402. Tnom = 9.55 . Pnom nnom P014 00...41 Último Erro Ocorrido [ - ] - Indica o código referente ao último erro ocorrido. O item 7.1 apresenta uma listagem dos possíveis erros, seus códigos e possíveis causas. Este parâme- tro só é visível no modo vetorial (P202=2)
  • 63.
    63 DESCRIÇÃO DETALHADA DOSPARÂMETROS Faixa [Ajuste fábrica] Parâmetro Unidade Descrição / Observações Indica a versão de software do inversor contida na memória do DSP localizado no cartão de controle. Os parâmetros P040, P203, P520 a P528 somente estão disponíveis a partir da versão de software V3.50. Indica o valor da variável de processo utilizada como realimentação do regulador PID, em percentual (%). A função PID somente está disponível a partir da versão de software V3.50. A escala da unidade pode ser alterada através de P528. Ver descrição detalhada do regulador PID no item 6.3.5 - Parâmetros das Funções Especiais. Este conjunto de parâmetros define os tempos para acelerar line armente de 0 até a freqüência nominal e desacelerar linearmente da freqüência nominal até 0. A freqüência nominal é definida pelo parâmetro: - P145 no modo escalar (P202=0 ou 1); - P403 no modo vetorial (P202=2). Para o ajuste de fábrica o inversor segue sempre os tempos defi- nidos em P100 e P101. Se for desejado utilizar a 2a rampa, onde os tempos das rampas de a celeração e desaceleração seguem os valores programados em P102 e P103, utilizar uma entrada digital. Ver parâmetros P263 ... P265. Tempos de aceleração muito curtos podem provocar, dependendo da carga acionada, bloqueio do inversor por sobrecorrente (E00). Tempos de desaceleração muito curtos podem provocar, depen- dendo da carga acionada, bloqueio do inversor por sobretensão no circuito intermediário (E01). Ver P151 para maiores detalhes. 6.3.2 Parâmetros de Regulação - P100 ... P199 A rampa S reduz choques mecânicos durante acelerações e desacelerações. P104 0 1 2 Rampa S Inativa 50% 100% Freqüência de Saída (Velocidade do Motor) Linear t (s) taceleração (P100/102) tdesacelaração (P101/103) 50% rampa S 100% rampa S Figura 6.4 - Rampa S ou linear É recomendável utilizar a rampa S com referências digitais de freqüência (velocidade). P023 x.yz Versão de Software [ - ] - P040 0...P528 Variável de [ - ] Processo (PID) 1 0.1...999s [ 5.0s ] 0.1s (<100); 1s (>99.9) 0.1...999s [ 10.0s ] 0.1s (<100); 1s (>99.9) 0.1...999s [ 5.0s ] 0.1s (<100); 1s (>99.9) 0.1...999s [ 10.0s ] 0.1s (<100); 1s (>99.9) P104 0...2 Rampa S [ 0 - Inativa ] - P100 Tempo de Aceleração P101 Tempo de Desaceleração P102 Tempo de Aceleração da 2a Rampa P103 Tempo de Desaceleração da 2a Rampa
  • 64.
    64 DESCRIÇÃO DETALHADA DOSPARÂMETROS Faixa [Ajuste fábrica] Parâmetro Unidade Descrição / Observações P120 0...2 Backup da [ 1 - ativo ] Referência Digital - Define se o inversor deve ou não memorizar a última referência digital utilizada. P120 0 1 2 Backup da Referência Inativo Ativo Ativo, mas sempre dado por P121, independentemente da fonte de referência Se o backup da referência digital estiver inativo (P120=0), sempre que o inversor for habilitado a referência de freqüência (velocidade) será igual à freqüência mínima, conforme o valor de P133. Para P120=1, o inversor automaticamente armazena o valor da referência digital (seja qual for a fonte de referência - tecla, EP ou serial) sempre que ocorra o bloqueio do inversor, seja por condição de desabilita (rampa ou geral), erro ou subtensão. No caso de P120=2, sempre que o inversor for habilitado a sua referência inicial é dada pelo parâmetro P121, a qual é memorizada, independentemente da fonte de referência. Exemplo de aplicação: referência via EP na qual o inversor é bloqueado via entrada digital desacelera EP (o que leva a referência a 0). Porém, numa nova habilitação, é desejável que o inversor volte para uma freqüência diferente da freqüência mínima, a qual é armazenada em P121. P121 P133...P134 Referência de [ 3.00Hz ] Freqüência pelas 0.01Hz (<100.0); teclas e 0.1Hz (>99.99) Define o valor da referência tecla, a qual pode ser ajustada utilizando-se as teclas e quando os parâmetros P002 ou P005 estiverem sendo mostrados no display das HMIs local e remota. As teclas e estão ativas se P221=0 (modo local) ou P222=0 (modo remoto).O valor de P121 é mantido no último valor ajustado mesmo desabilitando ou desenergizando o inversor, desde que P120=1 ou 2 (backup ativo). Tecla da HMI-CFW08-P Tecla da HMI-CFW08-S DI3 DI4 Serial Define a referência de freqüência (velocidade) para a função JOG. A ativação da função JOG pode ser feita de várias formas: P122 P133...P134 Referência JOG [ 5.00Hz ] 0.01Hz (<100.0); 0.1Hz (>99.99) P229=0 (modo local) ou P230=0 (modo remoto) P229=2 (modo local) ou P230=2 (modo remoto) P265=3 e P229=1 (local) ou P230=1 (remoto) P266=3 e P229=1 (local) ou P230=1 (remoto) P229=2 (modo local) ou P230=2 (modo remoto) O inversor deve estar desabilitado por rampa (motor parado) para a função JOG funcionar. Portanto, se a fonte dos comandos for via bornes, deve existir pelo menos uma entrada digital programada para gira/pára (caso contrário ocorre E24), a qual deve estar desligada para habilitar a função JOG via entrada digital. O sentido de rotação é definido pelo parâmetro P231.
  • 65.
    65 DESCRIÇÃO DETALHADA DOSPARÂMETROS O multispeed é utilizado quando se deseja até 8 velocidades fixas pré-programadas. Permite o controle da velocidade de saída relacionando os valores definidos pelos parâmetros P124...P131, confome a combinação lógica das entradas digitais programadas para multispeed. Ativação da função multispeed: - fazer com que a fonte de referência seja dada pela função multispeed, ou seja, fazer P221=6 para o modo local ou P222=6 para o modo remoto; - programar uma ou mais entradas digitais para multispeed, con forme tabela abaixo: DI habilita Programação DI2 P264 = 7 DI3 P265 = 7 DI4 P266 = 7 A referência de freqüência é definida pelo estado das entradas digitais programadas para multispeed conforme mostrado na tabela abaixo: A função multispeed traz como vantagens a estabilidade das refe- rências fixas pré-programadas, e a imunidade contra ruídos elétri- cos (referências digitais e entradas digitais isoladas). (1) Esse parâmetro só pode ser alterado com o inversor desabilitado (motor parado). Faixa [Ajuste fábrica] Parâmetro Unidade Descrição / Observações P124(1) P133...P134 Ref. 1 Multispeed [ 3.00Hz ] 0.01Hz (<100.0); 0.1Hz (>99.99) P125(1) P133...P134 Ref. 2 Multispeed [ 10.00Hz ] 0.01Hz (<100.0); 0.1Hz (>99.99) P126(1) P133...P134 Ref. 3 Multispeed [ 20.00Hz ] 0.01Hz (<100.0); 0.1Hz (>99.99) P127(1) P133...P134 Ref. 4 Multispeed [ 30.00Hz ] 0.01Hz (<100.0); 0.1Hz (>99.99) P128(1) P133...P134 Ref. 5 Multispeed [ 40.00Hz ] 0.01Hz (<100.0); 0.1Hz (>99.99) P129(1) P133...P134 Ref. 6 Multispeed [ 50.00Hz ] 0.01Hz (<100.0); 0.1Hz (>99.99) P130(1) P133...P134 Ref. 7 Multispeed [ 60.00Hz ] 0.01Hz (<100.0); 0.1Hz (>99.99) P131(1) P133...P134 Ref. 8 Multispeed [ 66.00Hz ] 0.01Hz (<100.0); 0.1Hz (>99.99) DI2 DI3 DI4 Ref. de Freq. Aberta Aberta Aberta P124 Aberta Aberta 0V P125 Aberta 0V Aberta P126 Aberta 0V 0V P127 0V Aberta Aberta P128 0V Aberta 0V P129 0V 0V Aberta P130 0V 0V 0V P131 8 velocidades 4 velocidades 2 velocidades Figura 6.5 - Diagrama de tempo da função multispeed Rampa de aceleração Tempo 0V DI2 DI3 DI4 aberto 0V aberto 0V aberto P124 P125 P126 P127 P128 P129 P130 P131Freqüência de Saída
  • 66.
    66 DESCRIÇÃO DETALHADA DOSPARÂMETROS Faixa [Ajuste fábrica] Parâmetro Unidade Descrição / Observações P133(1) 0.00...P134 Freqüência Mínima [ 3.00Hz ] (Fmin ) 0.01Hz (<100.0); 0.1Hz (>99.99) P134(1) P133...300.0 Freqüência Máxima [ 66.00Hz ] (Fmax ) 0.01Hz (<100.0); 0.1Hz (>99.99) Define os valores mínimo e máximo da freqüência de saída (motor) quando o inversor é habilitado. É válido para qualquer tipo de referência. O parâmetro P133 define uma zona morta na utilização das entra das analógicas - ver parâmetros P234 ... P240. P134 em conjunto com o ganho e offset da(s) entrada(s) analógica(s) (P234, P236, P238 e P240) definem a escala e a faixa de ajuste de velocidade via entrada(s) analógica(s). Para maiores detalhes ver parâmetros P234 ... P240. P136 0.0...30.0% Boost de Torque [ 5.0% para Manual 01.6-2.6-4.0-7.0A/ (Compensação IxR) 200-240V e 1.0-1.6-2.6-4.0A/ 380-480V; 2.0% para 7.3-10-16A/ 200-240V e 2.7-4.3-6.5-10A/ 380-480V; 1.0% para 13-16A/380-480V ] 0.1% Compensa a queda de tensão na resistência estatórica do motor. Atua em baixas velocidades, aumentando a tensão de saída do inversor para manter o torque constante, na operação V/F. O ajuste ótimo é o menor valor de P136 que permite a partida do motor satisfatoriamente. Valor maior que o necessário irá incrementar demasiadamente a corrente do motor em baixas ve- locidades, podendo forçar o inversor a uma condição de sobrecorrente (E00 ou E05). Este parâme- tro só é visível no modo escalar (P202=0 ou 1) Figura 6.6 - Curva V/F e detalhe do boost de torque manual (compensação IxR) Tensão de Saída (em % da tensão da entrada) Tensão de Saída (em % da tensão da entrada) P142 P136xP142 0 P145 Freqüência de Saída P142 P136 0 P145 Freqüência de Saída (a) P202=0 (b) P202=1 P137 0.00...1.00% Boost de Torque [ 0.00 ] Automático - (Compensação IxR Automática) Este parâme- tro só é visível no modo escalar (P202=0 ou 1) O boost de torque automático compensa a queda de tensão na resistência estatórica em função da corrente ativa do motor. Os critérios para o ajuste de P137 são os mesmos que os do parâmetro P136. (1) Esse parâmetro só pode ser alterado com o inversor desabilitado (motor parado).
  • 67.
    67 DESCRIÇÃO DETALHADA DOSPARÂMETROS Faixa [Ajuste fábrica] Parâmetro Unidade Descrição / Observações Figura 6.7 - Blocodiagrama da função boost de torque automático Zona de Compensação Máxima (P142) Tensão de Saída Freqüência de Saída Enfraquecimento do Campo (P145) 4Hz 0 Figura 6.8 - Curva V/F com boost de torque automático (IxR automático) Referência de Freqüênca (F*) Corrente Ativa de Saída (Ia ) Filtro IxR Automático P137 IxR P136 P007 Tensão Aplicada ao Motor P138 0.0...10.0% Escorregamento [ 0.0 ] Nominal 0.1% Este parâme- tro só é visível no modo escalar (P202=0 ou 1) O parâmetro P138 é utilizado na função de compensação de escorregamento do motor. Esta função compensa a queda na rotação do motor devido à aplicação de carga, característica essa inerente ao princípio de funcionamento do motor de indução. Essa queda de rotação é compensada com o aumento da fre- qüência de saída (aplicada ao motor) em função do aumento da corrente ativa do motor, conforme é mostrado no diagrama de blocos e na curva V/F das figuras a seguir. Compensação de Escorregamento Corrente Ativa de Saída (Ia ) Referência de Freqüênca (F*) Freqüência de Entrada da Rampa (Fe) F Filtro P138 Figura 6.9 - Blocodiagrama da função compensação de escorregamento
  • 68.
    68 DESCRIÇÃO DETALHADA DOSPARÂMETROS Faixa [Ajuste fábrica] Parâmetro Unidade Descrição / Observações Figura 6.10 - Curva V/F com compensação de escorregamento Tensão de Saída (função da carga no motor) Freqüência de Saída Para o ajuste do parâmetro P138 utilizar o seguinte procedimento: - acionar o motor a vazio com aproximadamente metade da faixa de velocidade de utilização; - medir a velocidade do motor ou equipamento; - aplicar carga nominal no equipamento; - incrementar o parâmetro P138 até que a velocidade atinja o valor a vazio. P142(1) 0...100% Tensão de Saída [ 100% ] Máxima 1% P145(1) P133...P134 Freqüência de Início [ 60.00Hz ] de Enfraquecimento 0.01Hz (<100.0) de Campo 0.1Hz (>99.99) (Freqüência Nominal) Estes parâme-tros só são visíveis no modo escalar (P202=0 ou 1) Definem a curva V/F utilizada no controle escalar (P202=0 ou 1). Permite a alteração das curvas V/F padrões definidas em P202 - curva V/F ajustável. O parâmetro P142 ajusta a máxima tensão de saída. O valor é ajustado em percentual da tensão de alimentação do inversor. O parâmetro P145 define a freqüência nominal do motor utilizado. A curva V/F relaciona tensão e freqüência de saída do inversor (aplicadas ao motor) e conseqüentemente, o fluxo de magnetização do motor. A curva V/F ajustável pode ser usada em aplicações especiais nas quais os motores utilizados necessitam de tensão e/ou fre- qüência nominal diferentes do padrão. Exemplos: motor de 220V/ 400Hz e motor de 200V/60Hz. O parâmetro P142 é bastante útil também em aplicações nas quais a tensão nominal do motor é diferente da tensão de alimentação do inversor. Exemplo: rede de 440V e motor de 380V. Figura 6.11 - Curva V/F ajustável Tensão de Saída Freqüência de SaídaP1450.1Hz 0 P142 (1) Esse parâmetro só pode ser alterado com o inversor desabilitado (motor parado).
  • 69.
    69 DESCRIÇÃO DETALHADA DOSPARÂMETROS Faixa [Ajuste fábrica] Parâmetro Unidade Descrição / Observações P151 325...410V Nível de Atuação da (linha 200-240V) Regulação da [ 380V ] Tensão do 1V Circuito Intermediário 564...820V (linha 380-480V) [ 780V ] 1V A regulação da tensão do circuito intermediário (holding de rampa) evita o bloqueio do inversor por erro relacionado a sobretensão no circuito intermediário (E01), quando da desaceleração de cargas com alta inércia ou com tempos de desaceleração pequenos. Atua de forma a prolongar o tempo de desaceleração (conforme a carga - inércia), de modo a evitar a atuação do E01. E01 - Sobretensão Limitação CI Tensão CI Ud (P004) Tempo Freqüência de Saída (Velocidade do Motor) Ud nominal P151 Tempo Figura 6.12 - Desaceleração com limitação (regulação) da tensão do circuito intermediário Consegue-se assim, um tempo de desaceleração otimizado (mínimo) para a carga acionada. Esta função é útil em aplicações de média inércia que exigem rampas de desaceleração curtas. Caso continue ocorrendo o bloqueio do inversor por sobretensão (E01) durante a desaceleração, deve-se reduzir gradativamente o valor de P151 ou aumentar o tempo da rampa de desaceleração (P101 e/ou P103). Caso a rede esteja permanentemente com sobretensão (Ud >P151) o inversor pode não desacelerar. Neste caso, reduza a tensão da rede ou incremente P151. Se, mesmo com esses ajustes, não for possível desacelerar o motor no tempo necessário, resta as seguintes alternativas: - utilizar frenagem reostática (ver item 8.10 Frenagem Reostática para uma descrição mais detalhada); - se estiver operando no modo escalar, aumentar o valor de P136; - se estiver operando no modo vetorial, aumentar o valor de P178. NOTA! Quando utilizar a frenagem reostática programar P151 no va- lor máximo. P156 0.2xPInom ...1.3xPInom Corrente de [ 1.2xP401 ] Sobrecarga do Motor 0.01A (<10.0A); 0.1A (>9.99A) Utilizado para proteção de sobrecarga do motor (função Ixt - E05). A corrente de sobrecarga do motor é o valor de corrente a partir do qual o inversor entenderá que o motor está operando em sobrecarga. Quanto maior a diferença entre a corrente do motor e a corrente de sobrecarga, mais rápida será a atuação do E05. Tensão do Circuito Intermediário
  • 70.
    70 DESCRIÇÃO DETALHADA DOSPARÂMETROS Faixa [Ajuste fábrica] Parâmetro Unidade Descrição / Observações Figura 6.13 - Função Ixt – detecção de sobrecarga 3,0 2,0 1,5 1,0 15 30 60 90 Tempo (seg.) Corrente do motor (P003) Corrente de sobrecarga Visa evitar o tombamento (travamento) do motor durante sobre- cargas. Se a carga no motor aumentar a sua corrente irá aumentar. Se a corrente tentar ultrapassar o valor ajustado em P169, a rotação do motor será reduzida seguindo a rampa de desaceleração até que a corrente fique abaixo do valor ajustado em P169. Quando a sobrecarga desaparecer a rotação voltará ao normal. P169 0.2xPInom ...2.0xPInom Corrente Máxima de [ 1.5xP295 ] Saída 0.01A (<10.0A); 0.1A (>9.99A) O parâmetro P156 deve ser ajustado num valor de 10% a 20% acima da corrente nominal do motor utilizado (P401). Sempre que P401 é alterado é feito um ajuste automático de P156. Figura 6.14 – Atuação da limitação de corrente Tempo em regime Tempo Corrente do motor desaceleração através rampa (P101/P103) desacel. através rampa acel. através rampa durante desaceleração durante aceleração Aceleração através rampa (P100/P102) Velocidade P169 A função de limitação de corrente é desabilitada programando-se P169>1.5xP295. P178 50.0...150.0% Fluxo Nominal [ 100% ] 0.1% (<100%); 1% (>99.9%)Este parâme- tro só é visível no modo vetorial (P202=2) Define o fluxo no entreferro do motor no modo vetorial. É dado em percentual (%) do fluxo nominal. Em geral não é necessário modificar o valor de P178 do valor default (100%). No entanto, em algumas situações específicas, pode-se usar valores diferentes de 100% em P178. São elas: - Para aumentar a capacidade de torque do inversor (P178>100%). Exemplos: 1) para aumentar o torque de partida do motor de modo a permitir partidas mais rápidas; 2) paraaumentarotorquedefrenagemdoinversordemodoapermitir paradas mais rápidas, sem utilizar a frenagem reostática. - Para reduzir o consumo de energia do inversor (P178<100%).
  • 71.
    71 DESCRIÇÃO DETALHADA DOSPARÂMETROS Faixa [Ajuste fábrica] Parâmetro Unidade Descrição / Observações Define o modo de controle do inversor. O item 4.3 dá algumas orientações com relação à escolha do tipo de controle. P202(1) 0...2 Tipo de Controle [ 0 - V/F linear ] - Conforme apresentado na tabela acima, há 2 modos de controle escalar: - Controle V/F linear, no qual consegue-se manter o fluxo no entreferro do motor aproximadamente constante desde em torno de 3Hz até o ponto de enfraquecimento de campo (definido pelos parâmetros P142 e P145). Consegue-se assim, nesta faixa de variação de velocidade, uma capacidade de torque aproxima- damente constante. É recomendado para aplicações em esteiras transportadoras, extrusoras, etc. - Controle V/F quadrático, no qual o fluxo no entreferro do motor é proporcional à freqüência de saída até o ponto de enfraqueci- mento de campo (também definido por P142 e P145). Dessa forma, resulta uma capacidade de torque como uma função quadrática da velocidade. A grande vantagem deste tipo de controle é a capacidade de economia de energia no acionamento de cargas de torque resistente variável, devido à redução das perdas do motor (principalmente perdas no ferro deste, perdas magnéticas). Exemplos de aplicações: bombas centrífugas, ventiladores, acionamentos multimotores. 6.3.3 Parâmetros de Configuração - P200 ... P398 Tensão de Saída P136=0 P142 0 P145 Freqüência de Saída Tensão de Saída P136=0 P142 0 P145 Freqüência de Saída (a) V/F linear (b) V/F quadrático Figura 6.15 - Modos de controle V/F (escalar) (1) Esse parâmetro só pode ser alterado com o inversor desabilitado (motor parado). P202 0 1 2 Tipo de Controle Controle V/F Linear (escalar) Controle V/F Quadrática (escalar) Controle Vetorial
  • 72.
    72 DESCRIÇÃO DETALHADA DOSPARÂMETROS Faixa [Ajuste fábrica] Parâmetro Unidade Descrição / Observações Seleciona ou não a função especial Regulador PID.P203(1) 0...1 Seleção de Funções [ 0 - Nenhuma ] Especiais - P203 0 1 Função Especial Nenhuma Regulador PID Para a função especial Regulador PID ver descrição detalhada dos parâmetros relacionados (P520...P528). Quando P203 é alterado para 1, P265 é alterado automaticamente para 15 (DI3=manual/automático). Reprograma todos os parâmetros para os valores do padrão de fábrica, fazendo-se P204=5. Os parâmetros P142 (tensão de saída máxima), P145 (freqüên- cia nominal), P295 (corrente nominal), P308 (endereço do inver- sor) e P399 a P407 (parâmetros do motor) não são alterados quando da carga dos ajustes de fábrica através de P204=5. P204(1) 0...5 Carrega Parâmetros [ 0 ] com Padrão de - Fábrica Seleciona qual dos parâmetros de leitura listados abaixo será mostrado no display, após a energização do inversor. P205(1) 0...6 Seleção do [ 2 - P002 ] Parâmetro de - Leitura Indicado P205 0 1 2 3 4, 5 6 Parâmetro de Leitura P005 [Freqüência de Saída (Motor)] P003 [Corrente de Saída (Motor)] P002 (Valor Proporcional à Freqüência) P007 [Tensão de Saída (Motor)] Sem Função P040 (Variável de Processo PID) Quando ocorre um erro, exceto E14, E24 ou E41, o inversor po derá gerar um reset automaticamente, após transcorrido o tempo dado por P206. Se P206 2 não ocorrerá o auto-reset. Após ocorrido o auto-reset, se o mesmo erro voltar a ocorrer por três vezes consecutivas, a função de auto-reset será inibida. Um erro é considerado reincidente, se este mesmo erro voltar a ocorrer até 30 segundos após ser executado o auto-reset. Portanto, se um erro ocorrer quatro vezes consecutivas, este erro permanecerá sendo indicado (e o inversor desabilitado) permanentemente. P206 0...255s Tempo de [ 0 ] Auto-Reset 1s ≥ O controle vetorial permite um melhor desempenho em termos de torque e regulação de velocidade. O controle vetorial do CFW-08 opera sem sensor de velocidade no motor (sensorless). Deve ser utilizado quando for necessário: - uma melhor dinâmica (acelerações e paradas rápidas); - quando necessária uma maior precisão no controle de velocidade; - operar com torques elevados em baixa rotação ( 5Hz). Exemplos: acionamentos que exijam posicionamento como movimentação de cargas, máquinas de empacotamento, bombas dosadoras, etc. Ocontrolevetorialnãopodeserutilizadoemaplicaçõesmultimotores. A performance do controle vetorial utilizando-se freqüência de chaveamento de 10kHz não é tão boa quanto com 5kHz ou 2.5kHz. Não é possível utilizar o controle vetorial com freqüência de chaveamento de 15kHz. Para mais detalhes sobre o controle vetorial ver item 6.2.2. ≥ (1) Esse parâmetro só pode ser alterado com o inversor desabilitado (motor parado).
  • 73.
    73 DESCRIÇÃO DETALHADA DOSPARÂMETROS Faixa [Ajuste fábrica] Parâmetro Unidade Descrição / Observações Número de Pólos do Motor II pólos IV pólos VI pólos P208 para P002 indicar a velocidade em rpm 60 30 20 Sempre que for passado para o modo vetorial (P202=2), o parâmetro P208 é ajustado conforme o valor de P402 (velocidade do motor), para indicar a velocidade em rpm. P215(1) 0...2 Função Copy [ 0 - Sem Função ] - Este parâme- tro somente está disponível via HMI-CFW08-S A função copy é utilizada para transferir o conteúdo dos parâmetros de um inversor para outro(s). P215 0 1 2 Explicação - Transfere o conteúdo dos parâmetros atu- ais do inversor para a memória não volátil da HMI-CFW08-S (EEPROM). Os parâmetros atuais do inversor permanecem inalterados. Transfere o conteúdo da memória não vo- látil da HMI-CFW08-S (EEPROM) para os parâmetros atuais do inversor. Ação Sem Função Copy (inversor → HMI) Paste (HMI → inversor) (1) Esse parâmetro só pode ser alterado com o inversor desabilitado (motor parado). Procedimento a ser utilizado para copiar a parametrização do inversor A para o inversor B: 1. Conectar a HMI-CFW08-S no inversor que se quer copiar os parâmetros (Inversor A - inversor fonte). 2. Fazer P215=1 (copy) para transferir os parâmetros do Inversor A para a HMI-CFW08-S. Pressionar a tecla . Enquanto estiver sendo realizada a função copy o display mostra P215 volta automaticamente para 0 (Inativa) quando a transferên- cia estiver concluída. 3. Desligar a HMI-CFW08-S do inversor (A). 4. Conectar esta mesma HMI-CFW08-S no inversor para o qual se deseja transferir os parâmetros (Inversor B - inversor destino). 5. Fazer P215=2 (paste) para transferir o conteúdo da memória não volátil da HMI (EEPROM - contendo os parâmetros do inversor A) para o Inversor B. Pressionar a tecla . Enquanto a HMI-CFW08-S estiver realizando a função paste o display indi- ca uma abreviatura para paste. Quando P215 voltar para 0 a transferência dos parâmetros foi conclu- Permite que o parâmetro de leitura P002 indique a velocidade do motor em uma grandeza qualquer, por exemplo, rpm. A indicação de P002 é igual ao valor da freqüência de saída (P005) multiplicado pelo conteúdo de P208, ou seja, P002 = P208 x P005. Se desejado, a conversão de Hz para rpm é feita em função do número de pólos do motor utilizado: P208 0.00...99.9 Fator de Escala [ 1.00 ] da Referência 0.01 (<10.0) 0.1 (>9.99)
  • 74.
    74 DESCRIÇÃO DETALHADA DOSPARÂMETROS Faixa [Ajuste fábrica] Parâmetro Unidade Descrição / Observações Parâmetros Parâmetros EEPROMEEPROM INVERSOR B INVERSOR A HMI→INV (paste) P215 = 2 Pressionar INV→HMI (copy) P215 = 1 Pressionar HMI-CFW08-S Figura 6.16 - Cópia da parametrização do inversor A para o inversor B utilizando a função copy e HMI-CFW08-S Enquanto a HMI estiver realizando a função copy (seja na leitura ou escrita), não é possível operá-la. NOTA! A função copy só funciona quando os inversores forem do mesmo modelo (tensão e corrente) e tiverem versões de software com- patíveis. A versão de software é considerada compatível quando os dígitos x e y (Vx.yz) forem iguais. Se forem diferentes, ocorrerá E10 e os parâmetros não serão carregados no inversor destino. P219(1) 0.00...25.00Hz Ponto de Início da [ 6.00Hz ] Redução da 0.01Hz Freqüência de Chaveamento Define o ponto no qual há a comutação automática da freqüência de chaveamento para 2.5kHz. Isto melhora sensivelmente a medição da corrente de saída em baixas freqüências e conseqüentemente, a performance do inversor, principalmente em modo vetorial. Recomenda-se que o valor de P219 seja ajustado em função da freqüência de chaveamento escolhida conforme tabela abaixo: P297 (Fsw ) 4 (5kHz) 6 (10kHz) 7 (15kHz) P219 recomendado 6.00Hz 12.00Hz 18.00Hz Em aplicações onde não for possível operar em 2.5kHz (por questões de ruído acústico por exemplo) fazer P219=0.00. (1) Esse parâmetro só pode ser alterado com o inversor desabilitado (motor parado). HMI-CFW08-S Convém lembrar ainda: - Se os inversores A e B acionarem motores diferentes verificar os parâmetros do motor (P399 ... P409) do inversor B. - Para copiar o conteúdo dos parâmetros do Inversor A para outro(s) inversor(es) repetir os passos 4 a 6 acima.
  • 75.
    75 DESCRIÇÃO DETALHADA DOSPARÂMETROS Faixa [Ajuste fábrica] Parâmetro Unidade Descrição / Observações P220 0 1 2 3 4 5 6 Seleção Local/Remoto Sempre situação local Sempre situação remoto Tecla da HMI-CFW08-P Tecla da HMI-CFW08-P DI2...DI4 Tecla da HMI-CFW08-S ou interface serial Tecla da HMI-CFW08-S ou interface serial Situação default (*) - - Local Remoto - Local Remoto Nota: (*) Quando o inversor é energizado (inicialização). No ajuste padrão de fábrica, o inversor é inicializado na situação local e a tecla da HMI-CFW08-P faz a seleção local/remoto. Os inversores com tampa cega (sem HMI-CFW08-P) saem de fábrica programados com P220=3. Para maiores detalhes ver item 6.2.6. P221(1) 0...8 Seleção da Referência [ 0 - Teclas ] - Situação Local - P222(1) 0...8 Seleção da Referência [ 1 - AI1 ] - Situação Remoto - Define a fonte da referência de freqüência nas situações local e remoto. P221/P222 0 1 2 ou 3 4 5 6 7 8 Fonte da Referência Teclas e das HMIs (P121) Entrada analógica AI1' (P234, P235 e P236) Entrada analógica AI2' (P238, P239 e P240) Potenciômetro eletrônico (EP) Serial Multispeed (P124...P131) Soma Entradas Analógicas (AI1'+AI2') 0 (valores negativos são zerados). Soma Entradas Analógicas (AI1'+AI2') ≥ Para o padrão de fábrica, a referência local é via teclas e da HMI e a referência remota é a entrada analógica AI1. O valor ajustado pelas teclas e está contido no parâmetro P121. Ver funcionamento do potenciômetro eletrônico (EP) na figura 6.19. Ao selecionar a opção 7 (EP), programar P265 e P266 em 5. Ao selecionar a opção 8 (multispeed), programar P264 e/ou P265 e/ou P266 em 7. Para maiores detalhes ver ítens 6.2.4 e 6.2.6. (1) Esse parâmetro só pode ser alterado com o inversor desabilitado (motor parado). P220(1) 0...6 Seleção da Fonte [ 2 - Tecla Local/Remoto HMI-CFW08-P ] - Define quem faz a seleção entre a situação local e a situação remoto.
  • 76.
    76 DESCRIÇÃO DETALHADA DOSPARÂMETROS (1) Esse parâmetro só pode ser alterado com o inversor desabilitado (motor parado). Faixa [Ajuste fábrica] Parâmetro Unidade Descrição / Observações P230(1) 0...2 Seleçãode Comandos [ 1 - Bornes ] - Situação Remoto - P229/P230 0 1 2 Origem dos Comandos Teclas da HMI-CFW08-P Bornes (XC1) Teclas da HMI-CFW08-S ou interface serial O sentido de giro é o único comando de operação que depende de outro parâmetro para funcionamento - P231. Para maiores detalhes ver ítens 6.2.4, 6.2.5 e 6.2.6. P231(1) 0...2 Seleçãodo Sentido [ 2 - Comandos ] de Giro - Situação - Local e Remoto Define o sentido de giro P231 0 1 2 Sentido de Giro Sempre horário Sempre anti-horário Comandos, conforme definido em P229 e P230 P234 0.00...9.99 Ganho da Entrada [ 1.00 ] Analógica AI1 0.01 As entradas analógicas AI1 e AI2 definem a referência de freqüência do inversor conforme a curva apresentada a seguir. P134 P133 AI1/AI20 0 ..................... 100% 0 ........................ 10V (P235/P239=0) 0 ..................... 20mA (P235/P239=0) 4mA ................. 20mA (P235/P239=1) Referência de Freqüência Note que há uma zona morta no início da curva (freqüencia próxima de zero), onde a referência de freqüência permanece no valor da freqüência mínima (P133), mesmo com a variação do sinal de entrada. Essa zona morta só é eliminada no caso de P133=0.00. Figura 6.17 - Determinação da referência de freqüência a partir das entradas analógicas AI1 e AI2 P229(1) 0...2 Seleção de Comandos [ 0 - Teclas ] - Situação Local - Definem a origem dos comandos de habilitação e desabilitação do inversor, sentido de giro e JOG.
  • 77.
    77 DESCRIÇÃO DETALHADA DOSPARÂMETROS Faixa [Ajuste fábrica] Parâmetro Unidade Descrição / Observações onde: - x = 1, 2; - AIx é dado em V ou mA, conforme o sinal utilizado (ver parâmetros P235 e P239); - GANHO é definido pelos parâmetros P234 e P238 para a AI1 e AI2 respectivamente; - OFFSET é definido pelos parâmetros P236 e P240 para a AI1 e AI2 respectivamente. Isto é representado esquematicamente na figura abaixo: GANHO P234, P238 AIx' OFFSET (P236,P240) P235 P239 AIx Figura 6.18 - Blocodiagrama das entradas analógicas AI1 e AI2 Seja por exemplo a seguinte situação: AI1 é entrada em tensão (0-10V - P235=0), AI1=5V, P234=1.00 e P236=-70%. Logo: Isto é, o motor irá girar no sentido contrário ao definido pelos comandos (valor negativo) - se isto for possível (P231=2), com uma referência em módulo igual 0.2 ou 20% da freqüência de saída máxima (P134). Ou seja, se P134=66.00Hz então a referência de freqüência é igual a 13,2Hz. AI1' = 5 + (-70) . 1 = -0.2 = -20% 10 100[ [ P235(1) 0...1 Sinal da Entrada [ 0 - Analógica AI1 0...10V/0...20mA ] Define o tipo do sinal das entradas analógicas, conforme tabela abaixo: P235/P239 0 1 Tipo/Excursão do Sinal 0...10V ou 0...20mA 4...20mA Quando utilizar sinais em corrente alterar a posição das chaves S1:1 e/ou S1:2 para a posição ON. O valor interno AIx’ que define a referência de freqüência a ser utilizada pelo inversor, é dado em percentual do fundo de escala e éobtidoutilizando-seumadasseguintesequações(verP235eP239): P235/P239 0 1 2 Sinal 0...10V 0...20mA 4...20mA Equação AIx'= AIx + OFFSET . GANHO 10 100 AIx'= AIx + OFFSET . GANHO 20 100 AIx'= AIx-4 + OFFSET . GANHO 16 100 ( ( ( ( ( ( (1) Esse parâmetro só pode ser alterado com o inversor desabilitado (motor parado).
  • 78.
    78 DESCRIÇÃO DETALHADA DOSPARÂMETROS Faixa [Ajuste fábrica] Parâmetro Unidade Descrição / Observações (1) Esse parâmetro só pode ser alterado com o inversor desabilitado (motor parado). P236 -120...120% Offset da Entrada [ 0.0 ] Analógica AI1 0.1 (<100); 1 (>99.9) P238 0.00...9.99 Ganho da Entrada [ 1.00 ] Analógica AI2 0.01 P239(1) 0...1 Sinal da Entrada [ 0 - Analógica AI2 0...10V/0...20mA] Este parâme- tro somente está disponível na versão CFW-08 Plus Ver P234. Ver P234. Ver P235. P251 0...9 Função da Saída [ 0 - fs ] Analógica AO - P252 0.00...9.99 Ganho da Saída [ 1.00 ] Analógica AO 0.01 Essesparame- tros somente estão disponíveis na versão CFW-08 Plus P251 define a variável a ser indicada na saída analógica. P251 0 1 2 3, 5 e 8 4 6 7 9 Função da AO Freqüência de saída (Fs) - P005 Referência de freqüência ou freq. de entrada (Fe) Corrente de saída - P003 Sem função Torque - P009 Variável de processo - P040 Corrente ativa Setpoint PID NOTA! -Aopção4somenteestádisponívelparaomododecontrolevetorial. -Asopções6e9somenteestãodisponíveisapartirdaversãoV3.50. Para valores padrão de fábrica, AO=10V quando a freqüência de saída for igual à freqüência máxima (definida por P134), ou seja, 66Hz. Escala das indicações nas saída analógicas (fundo de escala=10V): P248 1 ... 200ms Constante de tempo [ 200ms ] para o filtro das AIs 1ms Configura a constante de tempo do filtro das entradas analógicas entre 0 (sem filtragem) e 200ms. Com isto, a entrada analógica terá um tempo de resposta igual à três constantes de tempo. Por exemplo, se a constante de tempo for 200ms, e um degrau for aplicado à entrada analógica. Esta estabilizará após passados 600ms. P240 -120...120% Offset da Entrada [ 0.0 ] Analógica AI2 0.1 (<100); 1 (>99.9) Este parâme- tro somente está disponível na versão CFW-08 Plus Este parâme- tro somente está disponível na versão CFW-08 Plus Ver P234. P248 1 ... 200ms Constante de tempo [ 200ms ] para o filtro das AIs 1ms
  • 79.
    79 DESCRIÇÃO DETALHADA DOSPARÂMETROS (1) Esse parâmetro só pode ser alterado com o inversor desabilitado (motor parado). Faixa [Ajuste fábrica] Parâmetro Unidade Descrição / Observações Variável Freqüência (P251=0 ou 1) Corrente (P251=2 ou 7) Torque (P251=4) Variável de Processo PID (P251=6) Setpoint PID (P251=9) Fundo de Escala P134 1.5xInom 150% P528 P528 P263(1) 0...14 Função da Entrada [ 0 - Sem Função Digital DI1 ou Habilita Geral ] - P264(1) 0...14 Função da Entrada [ 0 - Sentido de Giro ] Digital DI2 - P265(1) 0...15 Função da Entrada [ 10 - Reset ] Digital DI3 - P266(1) 0...15 Função da Entrada [ 8 - Sem Função Digital DI4 ou Gira/Pára ] - Verificar opções possíveis na tabela a seguir e detalhes sobre o funcionamento das funções na figura 6.19. DI Parâmetro DI1 DI2 DI3 DI4 Função (P263) (P264) (P265) (P266) Habilita Geral 1...7 e - 2 2 10...12 Gira/Pára 9 - 9 9 Sem Função ou Hab. Geral 0 - - - Sem Função ou Gira/Pára - - 8 8 Avanço 8 - - - Retorno - 8 - - Avanço com 2a Rampa 13 - - - Retorno com 2a Rampa - 13 - - Liga 14 - - - Desliga - 14 - - Multispeed - 7 7 7 Multispeed com 2a Rampa - - 14 - Acelera EP - - 5 - Desacelera EP - - - 5 Sentido de Giro - 0 0 0 Local/Remoto - 1 1 1 JOG - - 3 3 Sem Erro Externo - - 4 4 2a Rampa - - 6 6 Reset - - 10 10 Desabilita Flying Start - - 13 13 Manual/Automático (PID) - - 15 - Sem Função - 2...6 e 11 e 12 11, 12, 9...12 14 e 15 Funções ativadas com 0V na entrada digital.
  • 80.
    80 DESCRIÇÃO DETALHADA DOSPARÂMETROS Faixa [Ajuste fábrica] Parâmetro Unidade Descrição / Observações NOTA! 1) Local/Remoto = aberta/0V na entrada digital respectivamen- te. 2) P263=0 (sem função ou habilita geral) funciona da seguinte forma: - se a fonte dos comandos for os bornes, ou seja, se P229=1 para o modo local ou P230=1 para o modo remoto, a entrada DI1 funciona como habilita geral; - caso contrário, nenhuma função é atribuída à entrada DI1. 3) A programação P265 ou P266=8 (sem função ou gira/pára) funciona de forma análoga, ou seja: - se o inversor estiver operando no modo local e P229=1, a entrada digital DI3/DI4 funciona como gira/pára; - se o inversor estiver operando no modo remoto e P230=1, a entrada digital DI3/DI4 funciona como gira/pára; - caso contrário, nenhuma função estará associada à entrada DI3/DI4. 4) A seleção P265=P266=5 (EP) necessita que se programe P221 e/ou P222=4. 5) A seleção P264 e/ou P265 e/ou P266=7 (multispeed) necessita que se programe P221 e/ou P222=6. 6) Sefordesejadotemposdeaceleraçãoedesaceleraçãodiferen- tes para uma dada condição de operação (por exemplo, para um jogo de freqüências ou para um sentido de giro) verificar a possibilidade de utilizar as funções multispeed com 2a rampa e avanço/retorno com 2a rampa. 7) Ver explicação sobre desabilita flying start em P310 e P311. 8) A opção manual/automático é explicada no item 6.3.5 - Parâmetros das Funções Especiais (PID).
  • 81.
    81 DESCRIÇÃO DETALHADA DOSPARÂMETROS aberto Freqüência de Saída (Velocidade do Motor) motor gira livre Tempo Tempo 0V rampa aceleração HABILITA GERAL 0V Freqüência de Saída (Velocidade do Motor) rampa de desaceleração Tempo Tempo rampa de aceleração aberto GIRA/ PÁRA aberto Tempo 0V Tempo Tempo 0V abertoDI2 - Retorno DI1 - Avanço Freqüência de Saída (Velocidade do Motor) Horário Anti - Horário AVANÇO/RETORNO Tempo Tempo 0V 0V aberto DI2 - Desliga LIGA/DESLIGA (START/STOP) Tempo Tempo Freqüência de Saída (Velocidade do Motor) DI1 - Liga aberto Figura 6.19 - Diagramas de tempo do funcionamento das entradas digitais D I D I
  • 82.
    82 DESCRIÇÃO DETALHADA DOSPARÂMETROS aberto 0V Tempo Tempo Freqüência de Saída (Velocidade do Motor) DI - Sentido de Giro Horário Anti-Horário SENTIDO DE GIRO aberto aberto 0V Tempo 0V Tempo P102 P100 DI - Gira/Pára DI - 2a rampa 2a RAMPA Freqüência de Saída (Velocidade do Motor) P103 P101 Tempo Tempo Freqüência de Saída (Velocidade do Motor) 0V aberto DI - Gira/Pára Freqüência mínima (P133) Reset DI4 - Desacelera DI3 - Acelera aberto Tempo Tempo Tempo 0V 0V POTENCIÔMETRO ELETRÔNICO (EP) aberto Figura 6.19 - Diagramas de tempo do funcionamento das entradas digitais (cont.) Tempo Freqüência de Saída (Velocidade do Motor) 0V 0V Gira/Pára Freqüêcia JOG (P122) Rampa de desaceleração 0V DI - JOG Habilita Geral aberto aberto aberto Rampa de aceleração JOG Tempo Tempo Tempo
  • 83.
    83 DESCRIÇÃO DETALHADA DOSPARÂMETROS DESABILITA FYING START Tempo Desabilitado aberto Habilitado Estado do Inversor DI - Desabilita Flying Start Freqüência de Saída (Velocidade do Motor) aberto 0V Tempo Tempo Freqüência de Saída (Velocidade do Motor) DI - Sem Erro Externo SEM ERRO EXTERNO motor gira livre Figura 6.19 - Diagramas de tempo do funcionamento das entradas digitais (cont.) RESET Com erro Tempo 0V Tempo Tempo 0V Sem erro Reset DI - Reset aberto Estado do Inversor (*) (*) A condição que gerou o erro persiste Tempo Tempo 0V
  • 84.
    84 DESCRIÇÃO DETALHADA DOSPARÂMETROS Faixa [Ajuste fábrica] Parâmetro Unidade Descrição / Observações P277(1) 0...7 Função da Saída [ 7 - Sem Erro ] a Relé RL1 - P279(1) 0...7 Função da Saída [ 0 - Fs > Fx ] a Relé RL2 - As possíveis opções são listadas na tabela e figura abaixo. O parâmetro P279 somente está disponível na versão CFW-08 Plus Saída/Parâmetro Função Fs > Fx Fe > Fx Fs = Fe Is > Ix Sem função Run (inversor habilitado) Sem erro P277 (RL1) 0 1 2 3 4 e 6 5 7 P279 (RL2) 0 1 2 3 4 e 6 5 7 Figura 6.20 - Detalhes do funcionamento das funções das saídas digitais Fs > Fx Fs Fx (P288) Tempo OFFRelé ON Is > Ix Is Ix (P290) Tempo OFFRelé ON Fs = Fe Fs Tempo OFFRelé ON Fe Fx (P288) Tempo OFFRelé ON Fe > Fx Run Motor Parado ou Girando por Inércia Tempo OFFRelé ON Motor Girando Sem Erro Tempo OFF Relé c/ EOX s/ EOX (1) Esse parâmetro só pode ser alterado com o inversor desabilitado (motor parado). ON
  • 85.
    85 DESCRIÇÃO DETALHADA DOSPARÂMETROS Faixa [Ajuste fábrica] Parâmetro Unidade Descrição / Observações Quando o definido no nome da função for verdadeiro a saída digital estará ativada, isto é, o relé tem a sua bobina energizada. Quando programada a opção ‘Sem função’, a(s) saída(s) a relé ficarão no estado de repouso, ou seja, com a bobina não energizada. No caso do CFW-08 Plus que possui 2 saídas a relé (um contato NA e outro NF), se for desejado um relé com contato reversor, basta programar P277=P279. Definições dos símbolos usados nas funções: - Fs = P005 - Freqüência de Saída (Motor) - Fe = Referência de Freqüência (freqüência de entrada da rampa) - Fx = P288 - Freqüência Fx - Is = P003 - Corrente de Saída (Motor) - Ix = P290 - Corrente Ix P288 0.00...300.0Hz Freqüência Fx [ 3.00Hz ] 0.01Hz (<100.0Hz); 0.1Hz (>99.99Hz) P288 0...1.5xP295 Corrente Ix [ 1.0xP295 ] 0.01A (<10.0A); 0.1A (>9.99A) Usados nas funções das saídas a relé Fs>Fx, Fe>Fx e Is>Ix (ver P277 e P279). P295(1) 300...311 Corrente Nominal [ De acordo com a do Inversor corrente nominal (Inom ) do inversor ] - P295 300 301 302 303 304 305 306 307 308 309 310 311 Corrente Nominal do Inversor (Inom ) 1.0A 1.6A 2.6A 2.7A 4.0A 4.3A 6.5A 7.0A 7.3A 10A 13A 16A (1) Esse parâmetro só pode ser alterado com o inversor desabilitado (motor parado).
  • 86.
    86 DESCRIÇÃO DETALHADA DOSPARÂMETROS Faixa [Ajuste fábrica] Parâmetro Unidade Descrição / Observações Assim, P297=4 (5kHz) zimplica em uma freqüência audível no mo- tor correspondente a 10kHz. Isto se deve ao método de modula- ção PWM utilizado. A redução da freqüência de chaveamento também colabora na redução dos problemas de instabilidade e ressonâncias que ocorrem em determinadas condições de aplicação, bem como da emissão de energia eletromagnética pelo inversor. Também, a redução da freqüência de chaveamento reduz as correntes de fuga para a terra, podendo evitar a atuação indevida da proteção de falta à terra (E00). A opção 15kHz (P297=7) não é válida para o controle vetorial. Utilizar correntes conforme tabela abaixo: Modelo do Inversor CFW080016B2024PSZ CFW080026B2024PSZ CFW080040B2024PSZ CFW080070T2024PSZ CFW080073B2024PSZ CFW080100B2024PSZ CFW080160T2024PSZ CFW080010T3848PSZ CFW080016T3848PSZ CFW080026T3848PSZ CFW080027T3848PSZ CFW080040T3848PSZ CFW080043T3848PSZ CFW080065T3848PSZ CFW080100T3848PSZ CFW080130T3848PSZ CFW080160T3848PSZ 10kHz (P297=6) 1,6A 2,6A 3,4A 6,1A 7,3A 10A 14A 1,0A 1,6A 2,6A 2,7A 3,6A 3,9A 6,5A 8,4A 11A 12A 15kHz (P297=7) 1,6A 2,6A 2,9A 5,1A 7,3A 10A 12A 1,0A 1,6A 2,3A 2,7A 3,2A 3,0A 6,3A 6,4A 9A 10A P297(1) 4...7 Freqüência de [ 4 - 5kHz ] Chaveamento - Define a freqüência de chaveamento dos IGBTs do inversor. P297 4 5 6 7 Freqüência de Chaveamento (fsw ) 5kHz 2.5kHz 10kHz 15kHz A escolha da freqüência de chaveamento resulta num compromisso entre o ruído acústico no motor e as perdas nos IGBTs do inversor (aquecimento). Freqüências de chaveamento altas implicam em menorruídoacústiconomotorporémaumentamasperdasnosIGBTs, elevando a temperatura nos componentes e reduzindo sua vida útil. A freqüência da harmônica predominante no motor é o dobro da freqüência de chaveamento do inversor programada em P297. (1) Esse parâmetro só pode ser alterado com o inversor desabilitado (motor parado). 2,5kHz (P297=5) 1,6A 2,6A 4,0A 7,0A 7,3A 10A 16A 1,0A 1,6A 2,6A 2,7A 4,0A 4,3A 6,5A 10A 13A 16A 5kHz (P297=4) 1,6A 2,6A 4,0A 7,0A 7,3A 10A 16A 1,0A 1,6A 2,6A 2,7A 4,0A 4,3A 6,5A 10A 13A 16A
  • 87.
    87 DESCRIÇÃO DETALHADA DOSPARÂMETROS Faixa [Ajuste fábrica] Parâmetro Unidade Descrição / Observações Antes de iniciar a frenagem por corrente contínua existe um “tempo morto” (motor gira livre), necessário para a desmagnetização do motor. Este tempo é função da velocidade do motor (freqüência de saída) em que ocorre a frenagem CC. Durante a frenagem CC o display de leds indica piscante. Caso o inversor seja habilitado durante o processo de frenagem esta será abortada e o inversor passará a operar normalmente. A frenagem CC pode continuar atuando mesmo que o motor já tenha parado. Cuidar com o dimensionamento térmico do motor para frenagens cíclicas de curto período. Em aplicações com motor menor que o nominal do inversor e cujo torque de frenagem não for suficiente, consultar a fábrica para uma otimização dos ajustes. P300 0.0...15.0s Duração da [ 0.0 ] Frenagem CC 0.1s P301 0.00...25.00Hz Freqüência de Início [ 1.00Hz ] da Frenagem CC 0.01Hz P302 0.0...130% Corrente Aplicada [ 0.0% - na Frenagem CC P295 (Inom ) ] 0.1% A frenagem CC permite a parada rápida do motor através da aplicação de corrente contínua no mesmo. A corrente aplicada na frenagem CC, que é proporcional ao torque de frenagem, pode ser ajustada em P302. É ajustada em percentual (%) da corrente nominal do inversor. As figuras a seguir mostram o funcionamento da frenagem CC nas duas condições possíveis: bloqueio por rampa e bloqueio geral. P301 P300 TEMPO MORTO aberto Tempo DI - Gira/Pára 0V Freqüência de Saída (Velocidade do Motor) INJEÇÃO DE CORRENTE CONTÍNUA Figura 6.21 - Atuação da frenagem CC no bloqueio por rampa (desabilitação por rampa) P300 aberto Tempo TEMPO MORTO INJEÇÃO DE CORRENTE CONTÍNUA DI- Habilita Geral Figura 6.22 - Atuação da frenagem CC no bloqueio geral (desabilitação geral) Freqüência de Saída (Velocidade do Motor) 0V
  • 88.
    88 DESCRIÇÃO DETALHADA DOSPARÂMETROS Faixa [Ajuste fábrica] Parâmetro Unidade Descrição / Observações P304 P133...P134 Freqüência [ 30.00Hz ] Evitada 2 0.01Hz (<100.0Hz); 0.1Hz (99.99Hz) P306 0.00...25.00Hz Faixa Evitada [ 0.00 ] 0.01Hz Figura 6.23 - Curva de atuação da função freqüências evitadas A passagem pela faixa de velocidade evitada (2xP306) é feita através da rampa de aceleração e desaceleração seleciona- da. A função não opera de forma correta se duas faixas de freqüência rejeitadas se sobrepuserem. P308(1) 1...30 Endereço Serial (Serial WEG) 1 ... 247 (Modbus-RTU) [1] 1 Ajusta o endereço do inversor para comunicação serial. Para a serial WEG o valor máximo é 30 e no Modbus-RTU é 247. Ver item 8.18 e 8.19. A interface serial é um acessório opcional do inversor. Ver itens 8.9, 8.10 e 8.13. 2 x P306 P303 P304 P303 P304 2 x P306 Referência de Freqüência Freqüência de Saída P303 P133...P134 Freqüência [ 20.00Hz ] Evitada 1 0.01Hz (<100.0Hz); 0.1Hz (99.99Hz) Esta função (freqüências evitadas ou skip frequencies) evita que o motor opere permanentemente nos valores de freqüência de saída (velocidade) nos quais, por exemplo, o sistema mecânico entra em ressonância causando vibração ou ruídos exagerados. A habilitação dessa função é feita com P306 0.00.≠ P309 (1) Protocolo da Interface Serial 0 ... 9 [ 0 – WEG ] 1 Ajusta o tipo de protocolo para a comunicação serial. A interface serial pode ser configurada para dois protocolos distin- tos: WEG e Modbus-RTU. O protocolo de comunicação WEG descrito no item 8.21 e é sele- cionado fazendo-se P309=0. Já o protocolo Modbus-RTU descrito no item 8.22 tem nove formatos predefinidos conforme a tabela abaixo. P309 1 2 3 4 5 6 7 8 9 Taxa (bps) 9600 9600 9600 19200 19200 19200 38400 38400 38400 Paridade - Ímpar Par - Ímpar Par - Ímpar Par (1) Esse parâmetro só pode ser alterado com o inversor desabilitado (motor parado).
  • 89.
    89 DESCRIÇÃO DETALHADA DOSPARÂMETROS Faixa [Ajuste fábrica] Parâmetro Unidade Descrição / Observações P310(1) 0...3 Flying Start e [ 0 - Inativas ] Ride-Through - P311 0.1...10.0s Rampa de Tensão [ 5.0s ] 0.1s O parâmetro P310 seleciona a(s) função(ões) ativa(s): O parâmetro P311 ajusta o tempo necessário para a retomada do motor, tanto na função flying start quanto na ride-through. Em ou- tras palavras, define o tempo para que a tensão de saída parta de 0V e atinja o valor da tensão nominal. Funcionamento da função flying start: - Permite a partida do motor com o eixo girando. Esta função só atua durante a habilitação do inversor. Na partida, o inversor impõe a referência de freqüência instantaneamente e faz uma rampa de tensão, com tempo definido em P311. - É possível partir o motor da forma convencional, mesmo que a função flying start esteja selecionada (P310=1 ou 2). Para isto, basta programar uma das entradas digitais (DI3 ou DI4) com o valor 13 (desabilita flying start) e acioná-la (0V) durante a partida do motor. (1) Esse parâmetro só pode ser alterado com o inversor desabilitado (motor parado). P310 0 1 2 3 Flying Start Inativa Ativa Ativa Inativa Ride-Through Inativa Inativa Ativa Ativa Figura 6.24 - Atuação da função Ride-through P311tfalta <2s tdesab. >tmorto Habilitado Desabilitado Tensão no Circuito Intermediário Nível de Subtensão (E02) Pulsos de Saída Tensão de Saída 0V Freqüência de Saída (Velocidade do Motor) 0Hz Detalhes da função Ride-through: - Permite a recuperação do inversor, sem bloqueio por E02 (subtensão), quando ocorrer uma queda momentânea da rede de alimentação. O inversor somente será bloqueado por E02 quando a queda da rede durar mais que 2 segundos. - Quando a função Ride-through estiver habilitada (P310=2 ou 3) e houver uma queda na rede, fazendo com que a tensão do circuito intermediário fique abaixo do nível de subtensão, os pulsos de saída são desabilitados (motor gira livre) e o inversor aguarda o retorno da rede por até 2s. Se a rede voltar ao estado normal antes desse tempo, o inversor volta a habilitar os pulsos PWM impondo a referência de freqüência instantaneamente e fazendo uma rampa de tensão com o tempo definido por P311. - Antesdeiniciararampadetensãoexisteumtempomortonecessário para desmagnetização do motor. Este tempo é proporcional à freqüência de saída.
  • 90.
    90 DESCRIÇÃO DETALHADA DOSPARÂMETROS Faixa [Ajuste fábrica] Parâmetro Unidade Descrição / Observações P313 Ação do Watchdog da Serial 0 ... 3 [ 2 ] 1 Determina o tipo de ação realizada pelo watchdog. Caso o inversor não receba nenhum telegrama válido no intervalo programado em P314, esta ação é realizada e o erro E29 é indicado. Os tipos de ação são: - P313=0 : desabilita o inversor via rampa de desaceleração; - P313=1 : aciona o comando desabilita geral do inversor; - P313=2 : somente indica E29; - P313=3 : muda a referência de comandos para modo local. Caso a comunicação se restabeleça o inversor para de indicar E29 e permanece com seu estado inalterado. P314 Tempo de atuação do Watchdog da Serial 0.0 ... 99.9 [ 0.0 – Função Desabilitada] 0 Intervalo para atuação do Watchdog da Serial. Se o valor de P314 for 0 a função Watchdog da Serial é desabilitada. Caso contrário, o conversor tomará a ação programada em P313, se o inversor não receber um telegrama válido durante este intervalo.
  • 91.
    91 DESCRIÇÃO DETALHADA DOSPARÂMETROS Faixa [Ajuste fábrica] Parâmetro Unidade Descrição / Observações P401 0.3xPInom ...1.3xPInom Corrente Nominal [ De acordo Motor com o modelo do inversor ] 0.01A (<10.0A); 0.1A (>9.99A) Corrente nominal do motor que consta na placa de identificação deste. Trata-se do valor eficaz da corrente de linha nominal do motor. Ajustar de acordo com os dados de placa do motor e a ligação dos fios na caixa de ligação deste. Este parâmetro é utilizado no controle escalar [funções compensação de escorregamento e boost de torque automático (IxR automático)] e no controle vetorial. P402 0...9999rpm Velocidade Nominal [ De acordo Motor com o modelo do inversor ] 1rpm Ajustar de acordo com os dados de placa do motor. É utilizado somente no controle vetorial. Este parâme- tro só é visível no modo vetorial (P202=2) P403(1) 0.00...P134 Freqüência Nominal [ 60.00Hz ] Motor 0.01Hz (<100.0Hz); 0.1Hz (>99.99Hz) Este parâme- tro só é visível no modo vetorial (P202=2) Ajustar de acordo com os dados de placa do motor. É utilizado somente no controle vetorial. 6.3.4 Parâmetros do Motor - P399 ... P499 P399(1) 50.0...99.9% Rendimento Nominal [ De acordo Motor com o modelo do inversor ] 0.1% Este parâme- tro só é visível no modo vetorial (P202=2) Ajustar de acordo os dados de placa do motor. Se este valor não estiver disponível: - Se for conhecido o fator de potência nominal do motor (cos =P407), obter o rendimento a partir da seguinte equação: onde P é a potência do motor em watts (W), V é a tensão de linha nominal do motor em volts (V) - P400, e I é a corrente nominal do motor em ampères (A) - P401. Para converter de CV ou HP em W multiplicar por 750 (ex: 1CV=750W). - Para uma aproximação, usar os valores da tabela da item 9.3. É utilizado somente no controle vetorial. ∅ P399 = ηnom = P 1.73 . V . I . cos∅ P400(1) 0...600V Tensão Nominal [ 220V para os do Motor modelos 200-240V; 380V para os modelos 380-480V ] 1VEste parâme- tro só é visível no modo vetorial (P202=2) Tensão nominal do motor que consta na placa de identificação des- te. Trata-se do valor eficaz da tensão de linha nominal do motor. Ajustar de acordo com os dados de placa do motor e a ligação dos fios na caixa de ligação deste. É utilizado somente no controle vetorial. (1) Esse parâmetro só pode ser alterado com o inversor desabilitado (motor parado).
  • 92.
    92 DESCRIÇÃO DETALHADA DOSPARÂMETROS Faixa [Ajuste fábrica] Parâmetro Unidade Descrição / Observações P407(1) 0.50...0.99 Fator de Potência [ De acordo Nominal do Motor com o modelo do inversor ] 0.01 Ajustar de acordo com os dados de placa do motor. Se este valor não estiver disponível: - Se for conhecido o rendimento nominal do motor (ηnom=P399), obter o fator de potência a partir da seguinte equação: P407 = cos = P 1.73 . V . I . ηnom ∅ onde P é a potência do motor em watts (W), V é a tensão de linha nominal do motor em volts (V) - P400, e I é a corrente nominal do motor em ampères (A) - P401. Para converter de CV ou HP em W multiplicar por 750 (ex: 1CV=750W). - Para uma aproximação, usar os valores da tabela do item 9.3. Este parâmetro é utilizado no controle escalar [funções compensa- ção de escorregamento e boost de torque automático (IxR automático)] e no controle vetorial. Este parâme- tro só é visível no modo vetorial (P202=2) Através deste parâmetro é possível entrar na rotina de auto-ajuste onde a resistência estatórica do motor em uso é estimada automaticamente pelo inversor. A rotina de auto-ajuste é executada com motor parado. Fazendo P408=1 inicia-se a rotina de auto-ajuste. Durante a execução do auto-ajuste o display indica piscante. Se for desejado interromper o auto-ajuste pressionar a tecla Se o valor estimado da resistência estatórica do motor for muito grande para o inversor em uso (exemplos: motor não conectado ou motor muito pequeno para o inversor) o inversor indica E14. Só é possível sair dessa condição desligando a alimentação do inver- sor. Este parâme- tro só é visível no modo vetorial (P202=2) Ajustar de acordo com os dados de placa do motor, conforme tabela a seguir. P404 0 1 2 3 4 5 6 7 8 9 10 11 12 13 14 15 CV 0.16 0.25 0.33 0.5 0.75 1 1.5 2 3 4 5 5.5 6 7.5 10 12.5 HP 0.16 0.25 0.33 0.5 0.75 1 1.5 2 3 4 5 5.5 6 7.5 10 12.5 kW 0.12 0.18 0.25 0.37 0.55 0.75 1.1 1.5 2.2 3.0 3.7 4.0 4.5 5.5 7.5 9.2 Potência Nominal do Motor É utilizado somente no controle vetorial. (1) Esse parâmetro só pode ser alterado com o inversor desabilitado (motor parado). P408(1) 0...1 Auto-Ajuste? [ 0 ] - P404(1) 0...15 Potência Nominal [ De acordo Motor com o modelo do inversor ] -
  • 93.
    93 DESCRIÇÃO DETALHADA DOSPARÂMETROS Faixa [Ajuste fábrica] Parâmetro Unidade Descrição / Observações P409 0.00...9.99 Resistência do [ De acordo Estator com o modelo do inversor ] 0.01 Este parâme- tro só é visível no modo vetorial (P202=2) Valor estimado pelo auto-ajuste. A tabela do item 9.3 apresenta o valor da resistência estatórica para motores standard. Pode-se também entrar com o valor da resistência estatórica diretamente em P409, se esse valor for conhecido. NOTA! P409 deve conter o valor equivalente da resistência estatórica de uma fase, supondo-se que o motor esteja conectado em estrela (Y). NOTA! Se o valor de P409 for muito alto poderá ocorrer o bloqueio do inversor por sobrecorrente (E00).
  • 94.
    94 DESCRIÇÃO DETALHADA DOSPARÂMETROS 6.3.5 Parâmetros das Funções Especiais - P500 ... P599 6.3.5.1 Introdução O CFW-08 dispõe da função regulador PID que pode ser usada para fazer o controle de um processo em malha fechada. Essa função faz o papel de um regulador proporcional, integral e derivativo superposto ao controle normal de velocidade do inversor. A velocidade será variada de modo a manter a variável de processo (aquela que se deseja controlar - por exemplo: nível de água de um reservatório) no valor desejado, ajustado na referência (setpoint). Dado por exemplo, um inversor acionando uma motobomba que faz circular um fluido numa dada tubulação. O próprio inversor pode fazer o controle da vazão nessa tubulação utilizando o regulador PID. Nesse caso, por exemplo, o setpoint (de vazão) poderia ser dado pela entrada analógica AI2 ou via P525 (setpoint digital) e o sinal de realimentação da vazão chegaria na entrada analógica AI1. Outros exemplos de aplicação: controle de nível, temperatura, dosagem, etc. A figura 6.25 apresenta uma representação esquemática da função regulador PID. O sinal de realimentação deve chegar na entrada analógica AI1. O setpoint é o valor da variável de processo no qual se deseja ope- rar. Esse valor é entrado em percentual, o qual é definido pela seguinte equação: 6.3.5.2 Descrição setpoint (%) = setpoint (UP) x P234 x 100% fundo de escala do sensor utilizado (UP) onde tanto o setpoint quanto o fundo de escala do sensor utilizado são dados na unidade do processo (ou seja, °C, bar, etc). Exemplo: Dado um transdutor (sensor) de pressão com saída 4 - 20mA e fundo de escala 25bar (ou seja, 4mA=0bar e 20mA=25bar) e P234=2.00. Se for desejado controlar 10bar, deveríamos entrar com o seguinte setpoint: setpoint (%) = 10 x 2 x 100% = 80% 25 O setpoint pode ser definido via: - Via teclas: setpoint digital, parâmetro P525. - Entrada analógica AI2 (somente disponível no CFW-08 Plus): o valor percentual é calculado com base em P238, P239 e P240 (ver equacionamento na descrição desses parâmetros). OparâmetroP040indicaovalordavariáveldeprocesso(realimentação) na escala selecionada em P528, o qual é ajustado conforme equação abaixo: P528 = fundo de escala do sensor utilizado P234 Exemplo: Sejam os dados do exemplo anterior (sensor de pressão de 0-25bar e P234=2.00). P528 deve ser ajustado em 25/2=12.5. O parâmetro P040 pode ser selecionado como variável de monitoração fazendo-se P205=6.
  • 95.
    95 DESCRIÇÃO DETALHADA DOSPARÂMETROS Definiçãodo Setpoint (referênciadavariável deprocesso) AI2 P239 SinalAI2 P240 (OffsetAI2) GanhoAI2 P525 2,3-AI2 0-Tecla P221(Local)ou P222(Remoto) SetpointPID (Tecla) Setpoint ReguladorPID RampaPID P526 FiltroVariável deProcesso P528 FatordeEscala Variávelda Processo P235 SinalAI1 AI1 P236 (OffsetAI1) GanhoAI1 P238 P234 Realimentação (mediçãoda variáveldeprocesso) P522 Regulador Diferencial P520,P521 ReguladorPI (Proporcional-Integral) P134 P133 1-Reverso 0-Direto TipodeAçãodo ReguladorPID DI3 (P265=15) F*(Verfigura6.1) P527 Manual (DIaberta) Referênciade Freqüência (Velocidade) Automático (DIfechada) Habilita Figura 6.25 - Blocodiagrama da função regulador PID 0.2s Fe(Verfigura6.2)
  • 96.
    96 DESCRIÇÃO DETALHADA DOSPARÂMETROS A entrada digital DI3 é automaticamente setada para manual/auto- mático (P265=15). Assim, com a DI3 aberta opera-se em modo ma- nual (sem fechar a malha de controle - realimentação) e fechando- se a DI3 o regulador PID começa a operar (controle em malha fecha- da - modo automático). Se a função dessa entrada digital (DI3) for alterada, a operação do inversor será sempre no modo manual. Se P221 ou P222 for igual a 1, 4, 5, 6, 7 ou 8 haverá a indicação de E24. Ajuste P221 e P222 igual a 0 ou 2 conforme a necessidade. As funções JOG e sentido de giro ficam desabilitadas. Os coman- dos de habilitação e bloqueio do inversor continuam sendo defini- dos por P229 e P230. No modo manual a referência de freqüência é dada por F* conforme figura 6.1. Quando se altera de manual para automático, ajusta-se automati- camente P525=P040 (no instante imediatamente anterior à comuta- ção). Assim, se o setpoint for definido por P525 (P221 ou P222=0), a comutação de manual para automático é suave (não há variação brusca de velocidade). A saída analógica pode ser programada para indicar a variável de processo (P040) ou o setpoint do PID com P251=6 ou 4 respectiva- mente. A figura 6.26 a seguir apresenta um exemplo de aplicação de um inversor controlando um processo em malha fechada (regulador PID). 6.3.5.3 Guia para Colocação em Funcionamento SegueabaixoumroteiroparacolocaçãoemoperaçãodoreguladorPID: Definições Iniciais 1) Processo - Definir o tipo de ação do PID que o processo requer: direto ou reverso. A ação de controle deve ser direta (P527=0) quando é necessário que a velocidade do motor seja aumentada para fazer com que a variável do processo seja incrementada. Em caso contrário, selecionar reverso (P527=1). Exemplos: a) Direto: Bomba acionada por inversor fazendo o enchimento de um reservatório com o PID regulando o nível do mesmo. Para que o nível (variável de processo) aumente é necessário queavazãoeconseqüentementeavelocidadedomotoraumente. b) Reverso:Ventiladoracionadoporinversorfazendooresfriamento deumatorrederefrigeração, comoPIDcontrolandoatemperatura da mesma. Quando se quer aumentar a temperatura (variável de processo) é necessário reduzir a ventilação reduzindo a velocidade do motor. 2) Realimentação (medição da variável de processo): É sempre via entrada analógica AI1. Transdutor (sensor) a ser utilizado para realimentação da variá- vel de controle: é recomendável utilizar um sensor com fundo de escala de, no mínimo, 1.1 vezes o maior valor da variável de processo que se deseja con- trolar. Exemplo: Se for desejado controlar a pressão em 20bar, escolher um sensor com fundo de escala de, no mínimo, 22bar. Tipo de sinal: ajustar P235 e a posição da chave S1 do cartão de controle conforme o sinal do transdutor (4-20mA, 0-20mA ou 0- 10V). NOTA! Quando se habilita a função PID (P203=1):
  • 97.
    97 DESCRIÇÃO DETALHADA DOSPARÂMETROS AjustarP234eP236conformeafaixadevariaçãodosinalderealimenta- ção utilizado (para maiores detalhes ver descrição dos parâmetros P234 a P240). Exemplo: Seja a seguinte aplicação: - fundo de escala do transdutor (valor máximo na saída do transdutor) = 25bar (FS=25); - faixa de operação (faixa de interesse) = 0 a 15bar (FO=15). Considerando-se uma folga de 10%, a faixa de medição da vari- ável de processo deve ser ajustada em: 0 a 16.5bar. Logo: FM=1.1xFS=16.5. Portanto, o parâmetro P234 deve ser ajustado em: Como a faixa de operação começa em zero, P236=0. Assim, um setpoint de 100% representa 16.5bar, ou seja, a faixa de operação, em percentual, fica: 0 a 90.9%. NOTA! Na maioria das aplicações não é necessário ajustar o ganho e o offset (P234=1.00 e P236=0.0). Assim, o valor percentual do setpoint é equi- valente ao valor percentual de fundo de escala do sensor utilizado. Po- rém, se for desejado utilizar a máxima resolução da entrada analógica AI1 (realimentação) ajustar P234 e P238 conforme explicação anterior. Ajuste da indicação no display na unidade de medida da variável de processo (P040): ajustar P528 conforme o fundo de escala do transdutor (sensor) utilizado e P234 definido (ver descri- ção do parâmetro P528 a seguir). 3) Referência (setpoint): Modo local/remoto. Fonte da referência: ajustar P221 ou P222 conforme definição anteri- or. 4) Limites de Velocidade: ajustar P133 e P134 conforme aplicação. 5) Indicação: Display (P040): pode-se mostrar P040 sempre que o inversor é energizado fazendo-se P205=6. Saída Analógica (AO): pode-se indicar a variável de processo (reali- mentação) ou o setpoint do regulador PID na saída analógica ajus- tando P251 em 6 ou 9 respectivamen- te. Colocação em Operação 1) Operação Manual (DI3 aberta): Indicaçãododisplay(P040):conferirindicaçãocombaseemmedição externa e valor do sinal de realimentação (transdutor) em AI1. Indicação da variável de processo na saída analógica (AO) se for o caso (P251=6). Variar a referência de freqüência (F*) até atingir o valor desejado da variável de processo. Só então passar para o modo automático (o inversor automaticamente irá setar P525=P040). 2) Operação Automática: fechar a DI3 e fazer o ajuste dinâmico do regulador PID, ou seja, dos ganhos proporcional (P520), integral (P521) e diferencial (P522). P234 = FS = 25 = 1.52 FM 16.5
  • 98.
    98 DESCRIÇÃO DETALHADA DOSPARÂMETROS CFW-08 Conteúdo de P040 O setpoint pode ser alterado pelas teclas X1 1 2 3 4 5 6 Rede 1 2 S1 off on 1 2 3 4 5 6 7 8 9 10 11 12 DI1-Hab.Geral DI3-Manual/Auto DI4-Gira/Pára AI1-Realimentação Transdutor de Pressão 4-20mA 0-25 bar Processo 0-100% (0-25bar) 5k≥ Setpoint via AI2 (somente disponível no CFW-08 Plus) P222=2 P238=1.00 P239=0 P240=0.00 Operação em modo remoto (P220=1) Setpoint via teclas. Parametrização do inversor: P220=1 P520=1.000 P222=0 P521=1.000 P234=1.00 P522=0.000 P235=1 P525=0 P238=0.00 P526=0.1s P203=1 P527=0 P205=6 P528=25 Figura 6.26 - Exemplo de aplicação de inversor com regulador PID NOTA! Para o bom funcionamento do regulador PID, a programação do inver- sor deve estar correta. Certifique-se dos seguintes ajustes: boosts de torque (P136 e P137) e compensação do escorregamento (P138) no modo de controle V/F (P202=0 ou 1); ter rodado o auto-ajuste se estiver no modo vetorial (P202=2); rampas de aceleração e desaceleração (P100...P103); limitação de corrente (P169).
  • 99.
    99 USO DA HMI Faixa [Ajustefábrica] Parâmetro Unidade Descrição / Observações P520 0.000...7.999 Ganho Proporcional [ 1.000 ] PID 0.001 P521 0.000...9.999 Ganho Integral [ 1.000 ] PID 0.001 P522 0.000...9.999 Ganho Diferencial [ 1.000 ] PID 0.001 O ganho integral pode ser definido como sendo o tempo necessário para que a saída do regulador PI varie de 0 até P134, o qual é dado, em segundos, pela equação abaixo: t = 16 P521.P525 nas seguintes condições: - P040=P520=0; - DI3 na posição automático. P525 0.00...100.0% Setpoint [ 0.00 ] (Via Teclas) do 0.01% Regulador PID Fornece o setpoint (referência) do processo via teclas e para o regulador PID desde que P221=0 (local) ou P222=0 (remoto) e esteja em modo automático. Caso esteja em modo manual a referência por teclas é fornecida por P121. Se P120=1 (backup ativo), o valor de P525 é mantido no último valor ajustado (backup) mesmo desabilitando ou desenergizando o inversor. P526 0.01...10.00s Filtro da Variável [ 0.10s ] de Processo 0.01 Ajusta a constante de tempo do filtro da variável de processo. É útil para se filtrar ruídos na entrada analógica AI1 (realimentação da variável de processo). P527 0...1 Tipo de Ação do [ 0 ] Regulador PID - Define o tipo de ação de controle do PID. P527 0 1 Tipo de Ação Direto Reverso Selecione de acordo com a tabela abaixo: Para isto a velocidade do motor deve Aumentar Aumentar Necessidade da variável de processo Aumentar Diminuir P527 a ser utilizado 0 (Direto) 1 (Reverso) P528 0.00...99.9 Fator de Escala da [ 1.00 ] Variável de Processo 0.01(<10); 0.1 (>9.99) Define a escala da variável de processo. Faz a conversão entre valor percentual (utilizado internamente pelo inversor) e a unidade da variável de processo. P528 define como será mostrada a variável de processo em P040: P040=valor % x P528. Ajustar P528 em: P528 = fundo de escala do sensor utilizado (FM) P234
  • 100.
    100 CAPÍTULO 7 SOLUÇÃO EPREVENÇÃO DE FALHAS Este capítulo auxilia o usuário a identificar e solucionar possíveis falhas que possam ocorrer. Também são dadas instruções sobre as inspe- ções periódicas necessárias e sobre limpeza do inversor. Quando a maioria dos erros é detectada, o inversor é bloqueado (desabilitado) e o erro é mostrado no display como EXX, sendo XX o código do erro. Para voltar a operar normalmente o inversor após a ocorrência de um erro é preciso resetá-lo. De forma genérica isto pode ser feito através das seguintes formas: desligando a alimentação e ligando-a novamente (power-on reset); pressionando a tecla (reset manual); automaticamente através do ajuste de P206 (auto-reset); via entrada digital: DI3 (P265 = 10) ou DI4 (P266 = 10). Ver na tabela abaixo detalhes de reset para cada erro e prováveis causas. NOTA! Os erros E22, E23, E25, E26, E27e E29 estão relacionados à comuni- cação serial e estão descritos no item 8.18.5.3. 7.1 ERROS E POSSÍVEIS CAUSAS ERRO RESET (1) CAUSAS MAIS PROVÁVEIS E00 Power-on Curto-circuito entre duas fases do motor. Sobrecorrente Manual (tecla ) Curto para o terra em uma ou mais fases de saída. na saída Auto-reset Capacitância dos cabos do motor para o terra (entre fases ou DI muito elevada ocasionando picos de corrente na fase e terra) saída (ver nota na próxima página). Inércia de carga muito alta ou rampa de aceleração muito rápida. Ajuste de P169 muito alto. Ajuste indevido de P136 e/ou P137 quando estiver no modo V/F (P202=0 ou 1). Ajuste indevido de P178 e/ou P409 quando estiver no modo vetorial (P202=2). Módulo de transistores IGBT em curto. E01 Tensão de alimentação muito alta, ocasionando Sobretensão no uma tensão no circuito intermediário acima do valor circuito máximo intermediário Ud>410V - Modelos 200-240V “link CC” (Ud) Ud>820V - Modelos 380- 480V Inércia da carga muito alta ou rampa de desaceleração muita rápida. Ajuste de P151 muito alto. Inércia de carga muito alta e rampa de aceleração rápida (modo vetorial - P202=2) E02 Tensão de alimentação muito baixa, ocasionando tensão Subtensão no no circuito intermediário abaixo do valor mínimo (ler o circuito valor no Parâmetro P004): intermediário Ud<200V - Modelos 200 - 240V “link CC” (Ud) Ud<360V - Modelos 380V - 480V
  • 101.
    SOLUÇÃO E PREVENÇÃODE FALHAS 101 Obs.: (1) No caso de atuação do erro E04 por sobretemperatura no inversor é necessário esperar este esfriar um pouco antes de resetá-lo. Nos modelos 10A/200-240 e 10A/380-480V equipados com Filtro Supressor de RFI-Classe A interno, o E04 pode ser ocasionado pela temperatura muito alta do ar interno. Verificar o ventilador inter- no existente nestes modelos. ERRO RESET (1) CAUSAS MAIS PROVÁVEIS E04 Power-on Temperatura ambiente alta (>40o C) e/ou corrente de saída Sobretemperatura Manual (tecla ) elevada. no dissipador Auto-reset Ventilador bloqueado ou defeituoso. de potência, no DI ar interno do inversor E05 Ajuste de P156 muito baixo para o motor utilizado. Sobrecarga na Carga no eixo muito alta. saída, função IxT E06 Fiação nas entradas DI3 e/ou DI4 aberta [(não conectada a Erro externo GND (pino 5 do conector de controle XC1)]. (aberturadaentrada digital programada parasem erroexterno) E10 Power-on Mau contato no cabo da HMI-CFW08-S. Erro da função Manual (tecla ) Ruído elétrico na istalação (interferência eletromagnética). copy Auto-reset DI E14 Power-on Falta de motor conectado à saída do inversor. Erro na rotina de Ligação incorreta do motor (tensão errada, falta uma auto-ajuste fase). O motor utilizado é muito pequeno para o inversor (P401<0,3 x P295). Utilize controle escalar. O valor de P409 (resistência estatórica) é muito grande para o inversor utilizado. Neste caso para resetar o erro é preciso reduzir manualmente o valor de P409, pressionar a tecla e então resetar o inverssor (tecla ou via DI). E24 Desaparece automaticamente Tentativa de ajuste de um parâmetro incompatível com Erro de quando forem alterados os os demais. Ver tabela 5.1. Programação parâmetros incompatíveis E31 Desaparece automaticamente Mau contato no cabo da HMI. Falha na conexão quando a HMI voltar a Ruído elétrico na instalação (interferência da IHM estabelecer comunicação eletromagnética). normal com o inversor E41 Consultar a Assistência Defeito no circuito de potência do inversor. Erro de Técnica da Weg auto-diagnose Automação (ítem 7.3)
  • 102.
    102 SOLUÇÃO E PREVENÇÃODE FALHAS NOTA! Forma de atuação dos erros: E00 ... E06: desliga o relé que estiver programado para “sem erro”, bloqueia os pulsos do PWM, indica o código do erro no display e no LED “ERROR” na forma piscante. Também são salvos alguns dados na memória EEPROM: referências via HMI e EP (potenciômetro eletrônico) (caso a função “backup das referências” em P120 esteja ativa), número do erro ocorrido, o estado do integrador da função IxT (sobrecarga de corrente). E24: Indica o código no display. E31: O inversor continua a operar normalmente, mas não aceita os comandos da HMI; indica o código do erro no display. E41: Não permite a operação do inversor (não é possível habilitar o inversor); indica o código do erro no display e no LED “ERROR”. Indicação dos LEDs de estado do inversor: 7.2 SOLUÇÃO DOS PROBLEMAS MAIS FREQÜENTES PROBLEMA PONTO A SER AÇÃO CORRETIVA VERIFICADO Motor não gira Fiação errada 1.Verificar todas as conexões de potência e comando. Por exem- plo, as entradas digitais DIx programadas como gira/pára ou habilita geral ou sem erro externo devem estar conectadas ao GND (pino 5 do conector de controle XC1). Referência analógica 1.Verificar se o sinal externo está conectado apropriadamente. (se utilizada) 2.Verificar o estado do potenciômetro de controle (se utilizado). Programação errada 1. Verificar se os parâmetros estão com os valores corretos para aplicação Erro 1.Verificar se o inversor não está bloqueado devido a uma condi- ção de erro detectada (ver tabela anterior). Motor tombado 1.Reduzir sobrecarga do motor. (motor stall) 2.Aumentar P169 ou P136/P137. Piscante Inversor energizado e sem erro Inversor em estado de erro. O led ERROR pisca o número do erro ocorrido. Exemplo: E04 0,2s 0,6s LED Power LED Error Significado NOTA! Cabos de ligação do motor muito longos (mais de 50 metros) poderão apresentar uma grande capacitância para o terra. Isto pode ocasionar a ativação do circuito de falta à terra e, consequentemente, bloqueio por erro E00 imediatamente após a liberação do inversor. Solução: Reduzir a freqüência de chaveamento (P297). Ligação de reatância trifásica em série com a linha de alimentação do motor. Ver ítem 8.16.
  • 103.
    SOLUÇÃO E PREVENÇÃODE FALHAS 103 PROBLEMA PONTO A SER AÇÃO CORRETIVA VERIFICADO Velocidade do motor Conexões frouxas 1.Bloquear inversor, desligar a alimentação e apertar todas as varia (flutua) conexões. Potenciômetro de 1.Substituir potenciômetro referência com defeito Variação da referência 1.Identificar motivo da variação. analógica externa Velocidade do motor Programação errada 1.Verificar se os conteúdos de P133 (velocidade mínima) muito alta ou muito (limites da referência) e P134 (velocidade máxima) estão de acordo com o motor e a baixa aplicação. Sinal de controle da 1.Verificar o nível do sinal de controle da referência. referência 2.Verificar programação (ganhos e offset) em P234 a P240. (se utilizada) Dados de placa do 1.Verificar se o motor utilizado está de acordo com a aplicação. motor Display apagado Conexões da HMI 1.Verificar as conexões da HMI ao inversor. Tensão de alimentação 1.Valores nominais devem estar dentro do seguinte: Modelos 200-240V: - Min: 170V - Máx: 264V Modelos 380-480V: - Min: 323V - Máx: 528V NOTA! Para consultas ou solicitação de serviços, é importante ter em mãos os seguintes dados: modelo do inversor; número de série, data de fabricação e revisão de hardware constantes na plaqueta de identificação do produto (ver ítem 2.4); versão de software instalada (ver ítem 2.2); dados da aplicação e da programação efetuada. Para esclarecimentos, treinamento ou serviços, favor contatar a Assis- tência Técnica: WEG Automação Tel.: (0800) 7010701 Fax: (047) 372-4200 e-mail: astec@weg.com.br 7.3 TELEFONE / FAX / E-MAIL PARA CONTATO (ASSISTÊNCIA TÉCNICA) 7.4 MANUTENÇÃO PREVENTIVA PERIGO! Sempre desconecte a alimentação geral antes de tocar qualquer com- ponente elétrico associado ao inversor. Altas tensões podem estar presentes mesmo após a desconexão da alimentação. Aguarde pelo menos 10 minutos para a descarga comple- ta dos capacitores da potência. Sempre conecte a carcaça do equipa- mento ao terra de proteção (PE) no ponto adequado para isto.
  • 104.
    104 SOLUÇÃO E PREVENÇÃODE FALHAS ATENÇÃO! Os cartões eletrônicos possuem componentes sensíveis a descargas eletrostáticas. Não toque diretamente sobre os componentes ou conectores. Caso ne- cessário, toque antes na carcaça metálica aterrada ou utilize pulseira de aterramento adequada. Não execute nenhum ensaio de tensão aplicada ao inversor! Caso seja necessário, consulte o fabricante. Para evitar problemas de mau funcionamento ocasionados por condi- ções ambientais desfavoráveis tais como alta temperatura, umidade, sujeira, vibração ou devido ao envelhecimento dos componentes são necessárias inspeções periódicas nos inversores e instalações. COMPONENTE ANORMALIDADE AÇÃO CORRETIVA Terminais, conectores Parafusos frouxos Aperto (2) Conectores frouxos Ventiladores (1) / Sistema Sujeira ventiladores Limpeza (2) de ventilação Ruído acústico anormal Substituir ventiladorVentilador parado Vibração anormal Poeira nos filtros de ar Limpeza ou substituição (3) Parte interna do produto Acúmulo de poeira, óleo, umidade, etc. Limpeza (2) e/ou Substituição do produto Odor Substituição do produto Tabela 7.1 - Inspeções periódicas após colocação em funcionamento Obs.: (1) Recomenda-se substituir os ventiladores após 40.000 horas de operação. (2) Cada 6 meses. (3) Duas vezes por mês. ATENÇÃO! Quando o inversor for armazenado por longos períodos de tempo, reco- menda-se energizá-lo por 1 hora, a cada intervalo de 1 ano. Para todos os modelos (200-240V ou 380-480V) utilizar: tensão de ali- mentação de aproximadamente 220V, entrada trifásica ou monofásica, 50 ou 60Hz, sem conectar o motor à sua saída. Após essa energização manter o inversor em repouso durante 24 horas antes de utilizá-lo. 7.4.1 Instruções de Limpeza Quando necessário limpar o inversor siga as instruções: a) Externamente: Seccione a alimentação do inversor e espere 10 minutos. Remova o pó depositado nas entradas de ventilação usando uma escova plástica ou uma flanela. Remova o pó acumulado sobre as aletas do dissipador e pás do ventilador utilizando ar comprimido. b) Internamente: Seccione a alimentação do inversor e espere 10 minutos. Desconecte todos os cabos do inversor, tomando o cuidado de marcar cada um para reconectá-lo posteriormente. Retire a IHM e a tampa plástica (Ver capítulo 3). Remova o pó acumulado sobre os cartões utilizando uma escova anti- estática e/ou pistola de ar comprimido ionizado (por exem- plo: Charges Burtes Ion Gun (non nuclear) referência A6030-6 DESCO).
  • 105.
    SOLUÇÃO E PREVENÇÃODE FALHAS 105 7.5 TABELA DE MATERIAIS PARA REPOSIÇÃO Alimentação em 200-240V Nome Ventiladores ECC2.00 ECC2.01 HMI-CFW08-P HMI-CFW08-S INF3.00 INF3.01 INF3.02 INF3.03 SUP3.00 LOW1.00 LOW1.01 LOW1.02 MCS-CFW08 MIS-CFW08 FIL1.00 Cabos Ítem de estoque 5000.5240 5000.5372 5000.1270 S41511117 S41512632 417100868 417100869 S41512600 S41512601 S41512602 S41512603 S41512610 S41511907 S41511915 S41511923 417100882 417100872 S41511661 0307.0127 0307.6415 0307.6423 0307.6431 0307.6440 0307.6458 0307.6466 0307.7606 0307.7607 0307.7608 Especificação Ventilador 12Vdc 40x40mm Ventilador 24Vdc 60x60mm Ventilador 12Vdc 25x25mm (quando do uso de FIL1) Cartão de Controle CFW-08 Cartão de Controle CFW-08 Plus Interface Homem x Máquina (Interna ou externa - opcional: HMI-CFW08-P) Interface Homem x Máquina (opcional) Cartão de Potência 1.6A/200-240V Cartão de Potência 2.6A/200-240V Cartão de Potência 4.0A/200-240V Cartão de Potência 7.0A/200-240V Cartão de Fontes1.6 a 7.0A/200-240V Cartão de Potência 7.3A/200-240V Cartão de Potência 10A/200-240V Cartão de Potência 16A/200-240V Interface para comunicação serial RS-232 (opcional) Interface para HMI serial (HMI-CFW08-S, opcional) Cartão filtro supressor de RFI-Classe A - Alimentação monofásica - 7.3 e 10A (opcional) Cabo flexível FFC 20 vias Cabo HMI Serial Remota - 1m (opcional) Cabo HMI Serial Remota - 2m (opcional) Cabo HMI Serial Remota - 3m (opcional) Cabo HMI Serial Remota - 5m (opcional) Cabo HMI Serial Remota - 7.5m (opcional) Cabo HMI Serial Remota - 10m (opcional) Cabo HMI Paralela Remota - 1m (opcional) Cabo HMI Paralela Remota - 2m (opcional) Cabo HMI Paralela Remota - 3m (opcional) Modelos (Ampéres) 1.6 2.6 4.0 7.0 7.3 10 16 Quantidade por Inversor 1 1 1 1 1 1 1 1 1 1 1 1 1 1 1 1 1 1 1 1 1 1 1 1 1 1 1 1 1 1 1 1 1 1 1 1 1 1 1 1 1 1 1 1 1 1 1 1 1 1 1 1 1 1 1 1 1 1 1 1 1 1 1 1 1 1 1 1 1 1 1 1 1 1 1 1 1 1 1 1 1 1 1 1 1 1 1 1 1 1 1 1 1 1 1 1 1 1 1 1 1 1 1 1 1 1 1 1 1 1 1 1 1 1 1 1 1 1 1 1 1 1 1 1 1 1 1 1 1 1 1
  • 106.
    106 SOLUÇÃO E PREVENÇÃODE FALHAS Alimentação em 380-480V Nome Ventiladores ECC2.00 ECC2.01 HMI-CFW08-P HMI-CFW08-S INF3.04 INF3.05 INF3.06 INF3.07 SUP4.00 LOW2.00 LOW2.01 LOW2.02 LOW2.03 LOW4.00 LOW4.01 MCS-CFW08 MIS-CFW08 FIL2.00 FIL4.00 Cabos Ítem de estoque 5000.5240 5000.5291 5000.5372 5000.1270 S41511117 S41512632 417100868 417100869 S41512604 S41512605 S41512606 S41512607 S41512612 S41511931 S41511940 S41511958 S41511966 S41511982 S41511990 417100882 417100872 S41510994 S41512148 0337.0127 0307.6415 0307.6423 0307.6431 0307.6440 0307.6458 0307.6466 0307.7606 0307.7607 0307.7608 Especificação Ventilador 12Vdc 40x40mm (externo) Ventilador 12Vdc 40x40mm (interno) Ventilador 24Vdc 60x60mm Ventilador 12Vdc 25x25mm (quando do uso de FIL2) Cartão de Controle CFW-08 Cartão de Controle CFW-08 Plus Interface Homem x Máquina (Interna ou externa - opcional: HMI-CFW08-P) Interface Homem x Máquina serial (opcional) Cartão de Potência 1.0A/380-480V Cartão de Potência 1.6A/380-480V Cartão de Potência 2.6A/380-480V Cartão de Potência 4.0A/380-480V Cartão de Fontes1.0 a 4.0A/380-480V Cartão de Potência 2.7A/380-380V Cartão de Potência 4.3A/380-480V Cartão de Potência 6.5A/380-480V Cartão de Potência 10A/380-480V Cartão de Potência 13A/380-480V Cartão de Potência 16A/380-480V Interface para comunicação serial RS-232 (opcional) Interface para HMI serial (HMI-CFW08-S, opcional) Cartão filtro supressor de RFI-Classe A - 2.7 a 10A (opcional) Cartão filtro supressor de RFI-Classe A - 13 e 16A (opcional) Cabo flexível FFC 20 vias Cabo HMI Serial Remota - 1m (opcional) Cabo HMI Serial Remota - 2m (opcional) Cabo HMI Serial Remota - 3m (opcional) Cabo HMI Serial Remota - 5m (opcional) Cabo HMI Serial Remota - 7.5m (opcional) Cabo HMI Serial Remota - 10m (opcional) Cabo HMI Paralela Remota - 1m (opcional) Cabo HMI Paralela Remota - 2m (opcional) Cabo HMI Paralela Remota - 3m (opcional) Modelos (Ampéres) 1.0 1.6 2.6 4.0 2.7 4.3 6.5 10 13 16 Quantidade por Inversor 1 1 1 1 1 1 1 1 1 1 1 1 1 1 1 1 1 1 1 1 1 1 1 1 1 1 1 1 1 1 1 1 1 1 1 1 1 1 1 1 1 1 1 1 1 1 1 1 1 1 1 1 1 1 1 1 1 1 1 1 1 1 1 1 1 1 1 1 1 1 1 1 1 1 1 1 1 1 1 1 1 1 1 1 1 1 1 1 1 1 1 1 1 1 1 1 1 1 1 1 1 1 1 1 1 1 1 1 1 1 1 1 1 1 1 1 1 1 1 1 1 1 1 1 1 1 1 1 1 1 1 1 1 1 1 1 1 1 1 1 1 1 1 1 1 1 1 1 1 1 1 1 1 1 1 1 1 1 1 1 1 1 1 1 1 1 1 1 1 1 1 1 1 1 1 1 1 1 1 1 1 1 1 1 1 1 1 1 1
  • 107.
    107 CAPÍTULO 8 DISPOSITIVOS OPCIONAIS Estecapítulo descreve os dispositivos opcionais que podem ser utiliza- dos com o inversor interna ou externamente a este. A tabela 8.1 mostra um resumo dos opcionais existentes, e os modelos a qual se aplicam. Nos demais itens são dados mais detalhes sobre os dispositivos opcionais e de sua utilização. Nome HMI-CFW08-P TCL-CFW08 HMI-CFW08-S HMI-CFW08-S-N4 KMR-CFW08-S MIS-CFW08 CAB-HMI 08-S-1 CAB-HMI 08-S-2 CAB-HMI 08-S-3 CAB-HMI 08-S-5 CAB-HMI 08-S-7,5 CAB-HMI 08-S-10 TCR-CFW08 MCS-CFW08 KCS-CFW08 KMD-CFW08-M1 KN1-CFW08-M1 KN1-CFW08-M2 MIW-02 Função HMI paralela Tampa cega para colocar no lugar da HMI paralela (seja esta montada no inversor ou remotamente com kit KMR-CFW08-P). HMI serial externa Para uso remoto com kit KMR-CFW08-S, interface MIS-CFW08 e cabo CAB-HMI08-S (até 10m). Maior que a HMI-CFW08-P. Função Copy. HMI serial externa com moldura e grau de proteção NEMA 4. Para uso remoto com interface MIS-CFW08 e cabo CAB-HMI08-S (até 10m). Kit com moldura para montagem da HMI-CFW08-S (remota) Interface para HMI serial externa (remota) HMI-CFW08-S Cabo para HMI remota serial com 1m Cabo para HMI remota serial com 2m Cabo para HMI remota serial com 3m Cabo para HMI remota serial com 5m Cabo para HMI remota serial com 7,5m Cabo para HMI remota serial com 10m Tampa cega para KMR-CFW08-S. Interface para comunicação serial RS-232 (PC, CLP, etc). RS-485 possível com uso conjunto do módulo MIW-02. Kit de comunicação RS-232 para PC: interface RS-232 (MCS- CFW08), cabo 3m RJ-6 para DB9, software “SUPERDRIVE”. Kit Trilho DIN EN 50.022 Kit NEMA 1/IP20 para conexão de eletroduto metálico. Kit NEMA1/IP20 para conexão de eletroduto metálico. Módulo externo para conversão de RS-232 para RS-485. CFW-08 deve ter módulo MCS-CFW08. Modelos a que se aplica Todos 1.6-2.6-4.0-7.0A/ 200-240V 1.0-1.6-2.6-4.0A/ 380-480V 1.6-2.6-4.0-7.0A/ 200-240V 1.0-1.6-2.6-4.0A/ 380-480V 7.3-10-16A/ 200-240V 2.7-4.3-6.5-10A/ 380-480V Todos Ítem de Estoque WEG 417100868 417100881 417100869 417100870 417100874 417100872 0307.6415 0307.6423 0307.6431 0307.6440 0307.6458 0307.6466 417102034 417100882 417100875 417100879 417100877 417100880 417100543
  • 108.
    108 DISPOSITIVOS OPCIONAIS 8.1.1 Instruçõespara Inserção e Retirada da HMI-CFW08-P 1. Posicione a HMI da maneira ilustrada. 2. Pressione. (a) Inserção Nome FIL1 FIL2 FIL4 FS6007-16-06 FN3258-7-45 FS6007-25-08 FS6007-36-08 FN3258-16-45 FN3258-30-47 Função Filtro supressor interno de RFI-Classe A - 7.3A/200-240V Filtro supressor interno de RFI-Classe A - 2.7-4.3-6.5-10A/380- 480V Filtro supressor interno de RFI-Classe A - 13-16A/380-480V Filtro supressor externo de RFI-Classe B - 1.6-2.6-4.0A/200- 240V Filtro supressor externo de RFI-Classe B - 1.0-1.6-2.6-2.7-4.0- 4.3A/380-480V Filtro supressor externo de RFI-Classe B - 7.3A/200-240V Filtro supressor externo de RFI-Classe B - 10A/200-240V Filtro supressor externo de RFI-Classe B - 6.5-10-13A/380-480V Filtro supressor externo de RFI-Classe B - 16A/380-480V Modelos a que se aplica 7.3-10A/200-240V 2.7-4.3-6.5-10A/ 380-480V 13-16A/ 380-480V 1.6-2.6-4.0A/ 200-240V 1.0-1.6-2.6-2.7- 4.0-4.3A/ 380-480V 7.3A/200-240V 10A/200-240V 6.5-10-13A/ 380-480V 16A/380-480V ÍTem de Estoque WEG 4151.2661 4151.0994 4151.2148 0208.2072 0208.2075 0208.2073 0208.2074 0208.2076 0208.2077 Tabela 8.1 - Opcionais Disponíveis para o CFW-08 8.1 HMI-CFW08-P HMI paralela: é a HMI que vem montada na parte frontal do inversor standard. Figura 8.1 - Dimensões da HMI paralela HMI-CFW08-P 57 43 21 13
  • 109.
    DISPOSITIVOS OPCIONAIS 109 1. Utilizeuma chave de fenda na posição indicada para destravar a HMI. 2. Retire a HMI utilizando os pegadores laterais. (b) Retirada Figura 8.2 - Instruções para inserção e retirada da HMI-CFW08-P 8.2 TCL-CFW08 Tampa cega para colocar no lugar da HMI paralela (HMI-CFW08-P). Figura 8.3 - Dimensões da tampa cega TCL-CFW08 para a HMI paralela 8.3 HMI-CFW08-S HMI serial externa: é montada externamente aos inversores e deve ser utilizada nos seguintes casos: Quando for necessária uma HMI remota. Para instalação da HMI em porta de painel ou mesa de comando. Para uma melhor visualização do display e maior facilidade de operação das teclas, em comparação à HMI paralela (HMI-CFW08-P). Quando da utilização da função copy para transferir o conteúdo dos parâmetros de um inversor para outro(s). Para uma descrição detalhada do uso desta função ver descrição do parâmetro P215 no capítulo 6. Funciona em conjunto com a interface MIS-CFW08 e o cabo CAB-HMI08-S, o qual deve ter seu comprimento escolhido de acordo com a necessidade (até 10m). Opcionalmente pode-se usar ainda o módulo KMR-CFW08-S, (kit com moldura para HMI-CFW08-S). 43 57 13
  • 110.
    110 DISPOSITIVOS OPCIONAIS Figura 8.4-Dimensões da HMI-CFW08-S 8.3.1Instalação da HMI-CFW08-S A HMI-CFW08-S pode ser instalada diretamente sobre a porta do pai- nel, conforme os desenhos a seguir (também pode ser usada a moldu- ra KMR-CFW08-S): 65 113 23 19 Figura 8.5 - Instalação da HMI-CFW08-S Vista Frontal Vista Posterior Paraf. M3x8 (2x) torque 0,5Nm. Dimensões do Rasgo para Instalação do HMI em Painel 8.3.2Colocação em Funcionamento da HMI-CFW08-S Após tudo instalado (inclusive o cabo de interligação), energize o inver- sor. A HMI-CFW08-S deverá indicar A programação do inversor via HMI-CFW08-S é exatamente igual à programação do inversor via HMI-CFW08-P (para programação ver capítulo 5). Para habilitar todas as teclas da HMI-CFW08-S e assim torná-la equi- valente à HMI-CFW08-P tanto do ponto de vista de programação quan- to de operação, é necessário configurar os seguintes parâmetros:
  • 111.
    DISPOSITIVOS OPCIONAIS 111 Função viaHMI-CFW08-S Referência de Velocidade Comandos (*) Seleção do sentido de giro Seleção do modo de operação (Local/Remoto) Modo Local P221 = 0 P229 = 2 Modo Remoto P222 = 0 P230 = 2 P231 = 2 P220 = 5 (default local) ou P220 = 6 (default remoto) Obs.: Padrão de Fábrica (*) Exceto sentido de giro que depende também do parâmetro P231. Tabela 8.2 - Configuração de parâmetros para operação com HMI-CFW08-S 8.3.3 Função Copy da HMI-CFW08-S A HMI-CFW08-S apresenta ainda uma função adicional: a função copy. Esta função é utilizada quando há a necessidade de se transferir a pro- gramação de um inversor para outro(s). Funciona da seguinte maneira: os parâmetros de um inversor (“inversor origem”) são copiados para uma memória não volátil da HMI-CFW08-S, podendo então ser salvos em outro inversor (“inversor destino”) a partir desta HMI. As funções de leitura dos parâmetros do inversor e transferência para outro são co- mandadas pelo conteúdo do parâmetro P215. Para maiores detalhes da função copy ver descrição do parâmetro P215 do capítulo 6. 8.4 HMI-CFW08-S-N4 HMI serial externa semelhante a HMI-CFW08-S só que com moldura e grau de proteção NEMA 4. Necessita da interface MIS-CFW08 e o cabo CAB-HMI08-S da mesma forma que a HMI-CFW08-S. Figura 8.6 - Dimensões da HMI serial externa HMI-CFW08-S-N4 com moldura e grau de proteção NEMA 4 111.5 42 174.5 24.5
  • 112.
    112 DISPOSITIVOS OPCIONAIS Kit commoldura a qual possibilita a montagem da HMI serial externa (HMI-CFW08-S) em portas de painéis ou afins. Não inclui a HMI-CFW08- S. 8.5 KMR-CFW08-S Figura 8.7 - Dimensões da moldura KMR-CFW08-S para a HMI-CFW08-S Figura 8.8 - Instalação da HMI-CFW08-S com moldura KMR-CFW08-S 111.8 174.5 24.5 17.6 Vista Frontal Vista Posterior Paraf. M3x8 (2x) torque 0,5Nm. Dimensões do Rasgo para Instalação do HMI em Painel 8.6 MIS-CFW08 Interface serial usada exclusivamente para a conexão da HMI-CFW08-S ao inversor. O modo de fazer a inserção e retirada da MIS-CFW08 é semelhante ao mostrado na figura 8.13 para o módulo MCS-CFW08. Figura 8.9 - Dimensões do módulo de comunicação serial MIS-CFW08 para HMI serial externa 57 43 21 20
  • 113.
    DISPOSITIVOS OPCIONAIS 113 8.7 CAB-HMI08-S-1 CAB-HMI08-S-2 CAB-HMI08-S-3 CAB-HMI08-S-5 CAB-HMI08-S-7,5 CAB-HMI08-S-10 Cabosutilizados para interligar o inversor e a HMI serial externa (HMI-CFW08-S). Existem 6 opções de cabos com comprimentos de 1 a 10m. Um destes deve ser utilizado pelo usuário de acordo com a aplica- ção. O cabo CAB-HMI08-S deve ser instalado separadamente das fiações de potência, observando as mesmas recomendações para a fiação de controle (ver ítem 3.2.4). Figura 8.10 - Cabo CAB-HMI08-S para HMI-CFW08-S Inversor Conector RJ HMI Conector DB9 8.8 TCR-CFW08 Tampa cega para colocar no lugar da HMI serial externa (HMI-CFW08-S). Não possui leds de monitoração (Power e Error). Figura 8.11 - Dimensões da tampa cega TCR-CFW08 para a moldura KMR-CFW08-S 113 65 8.9 MCS-CFW08 Módulo de comunicação serial RS-232: é colocado no lugar da HMI paralela disponibilizando a conexão RS-232 (conector RJ-6). A interface serial RS-232 permite conexão ponto a ponto (inversor-mes- tre), é isolada galvanicamente da rede e possibilita o uso de cabos de interligação com comprimentos de até 15m. É possível comandar, parametrizar e supervisionar o CFW-08 através desta interface serial RS-232. O protocolo de comunicação é baseado no tipo pergunta/resposta (mestre/escravo) conforme normas ISO 1745, ISO 646, com troca de caracteres do tipo ASCII entre o inversor (escra- vo) e o mestre. O mestre pode ser um CLP, um microcomputador tipo PC, etc. A taxa de transmissão máxima é de 38400 bps. Para possibilitar o uso de comunicação serial RS-485, seja ela ponto-a- ponto (um inversor e um mestre) ou multiponto (até 30 inversores e um mestre) pode-se conectar o módulo MCS-CFW08 a um módulo externo MIW-02 - para maiores detalhes ver item 8.13.
  • 114.
    114 DISPOSITIVOS OPCIONAIS 8.9.1Instruções Para Inserçãoe Retirada da MCS-CFW08 -Conecte o cabo do módulo de comunicação em XC5 - Posicione o módulo de comuni- cação conforme mostrado acima. - Pressione. (a) Inserção Figura 8.12 - Dimensões do módulo de comunicação serial RS-232 MCS-CFW08 e sinais do conector RJ(XC8) 57 43 21 20
  • 115.
    DISPOSITIVOS OPCIONAIS 115 - Utilizeuma chave de fenda para destravar o módulo de comunicação. - Retire o módulo utilizando os pegadores laterais. (b) Retirada - Remova o cabo do conector XC5. Figura 8.13 - Inserção e retirada do módulo de comunicação serial RS-232 MCS-CFW08 8.10 KCS-CFW08 Kit completo que possibilita a ligação do CFW-08 a um PC via RS-232. É constituído de: - Módulo de comunicação serial RS-232 (MCS-CFW08); - Cabo de 3m RJ-6 para DB9; - Software “SUPERDRIVE” para Windows 95/98, Windows NT Workstation V4.0 (ou sistema operacional posterior), o qual permite a programação, operação e monitoração do CFW-08. Para a instalação do kit de Comunicação RS-232 para PC proceder da seguinte forma: - Retirar a HMI paralela (HMI-CFW08-P) do inversor. - Instalar o módulo de comunicação serial RS-232 (MCS-CFW08) no local da HMI. - Instalar o software “SUPERDRIVE” no PC. - Conectar o inversor ao PC através do cabo. - Seguir as instruções do “SUPERDRIVE”. 8.11 KMD-CFW08-M1 Deve ser usado quando deseja-se fixar o inversor diretamente em trilho 35mm conforme DIN EN 50.022 Somente disponível para os modelos: 1.6-2.6-4.0-7.0A/ 200-240V e 1.0-1.6-2.6-4.0A/380-480V
  • 116.
    116 DISPOSITIVOS OPCIONAIS São utilizadosquando se deseja que o inversor tenha grau de proteção NEMA 1/IP20 e/ou quando deseja-se utilizar eletrodutos metálicos para a fiação do inversor. Modelos aos quais se aplicam: KN1-CFW08-M1: 1.6-2.6- 4.0-7.0/220-240V; 1.0-1.6-2.6-4.0/380-480V KN1-CFW08-M2: 7.3-10-16A/200-240V; 2.7-4.3-6.5-10A/380-480V Nos modelos 13 e 16A/380-480V este opcional não existe, pois faz par- te do produto standard. 8.12 KN1-CFW08-M1 KN1-CFW08-M2 Figura 8.14 - Inversor com kit trilho DIN (KMD-CFW-08-M1) (a) KN1-CFW08-M1 (b) KN1-CFW08-M2 Figura 8.15 - dimensões dos kits NEMA1/IP20 Corte A-A Vista Frontal Corte B-B 12 75 129 1404 64 B B A'A 9 68 75 89 106 115 86
  • 117.
    DISPOSITIVOS OPCIONAIS 117 (a) Inversores1.6-2.6- 4.0-7.0/220-240V; 1.0-1.6-2.6-4.0/380-480V com KN1-CFW08-M1 (b) Inversores 7.3-10-16A/200-240V; 2.7-4.3-6.5-10A/380-480V com KN1-CFW08- M2 Figura 8.16 - Dimensões externas dos inversores com kit NEMA1/IP20 Módulo externo para conversão de RS-232 para RS-485: permite a ligação do CFW-08, quando equipado com módulo serial RS-232 (MCS-CFW08), em uma rede RS-485 padrão. Desta forma, o conversor pode participar de uma rede multiponto de até 1000m sem a necessidade de transdutores. Para maiores detalhes sobre esta conexão física veja item 8.18.7 e "MANUAL DO USUÁRIO DO MIW-02". Os protocolos de comunicação suportados por esta interface serial são detalhados nos itens 8.18 WEG e 8.19 Modbus-RTU. 8.13 MIW-02 Figura 8.17 - Conexão do CFW-08 a uma rede de comunicação no padrão RS-485 CFW-08 RS-485 RS-232 MIW-02 POW SER Rede WEG RS-485 Vista Inferior Vista Frontal Vista Lateral Direita Vista Frontal Vista Inferior Vista Lateral Direita 68 38 ∅18 141 172 10 45 22 119 115 120
  • 118.
    118 DISPOSITIVOS OPCIONAIS 8.14 FILTROSSUPRESSORES DE RFI A utilização de inversores de freqüência exige certos cuidados na insta- lação de forma a se evitar a ocorrência de Interferência Eletromagnéti- ca (conhecida por EMI). Esta se caracteriza pelo distúrbio no funciona- mento normal dos inversores ou de componentes próximos tais como sensores eletrônicos, controladores programáveis, transdutores, equi- pamentos de rádio, etc. Para evitar estes inconvenientes é necessário seguir as instruções de instalação contidas neste manual. Nestes casos evita-se a proximidade de circuitos geradores de ruído eletromagnético (cabos de potência, motor, etc.) com os “circuitos vítima” (cabos de sinal, comando, etc.). Além disto, deve-se tomar cuidado com a interferência irradiada pro- vendo-se a blindagem adequada de cabos e circuitos propensos a emi- tir ondas eletromagnéticas que podem causar interferência. De outro lado é possível o acoplamento da perturbação (ruído) via rede de alimentação. Para minimizar este problema existem, internamente aos inversores, filtros capacitivos que são suficientes para evitar este tipo de interferência na grande maioria dos casos. No entanto, em algu- mas situações, pode existir a necessidade do uso de filtros supressores, principalmente em aplicações em ambientes residenciais. Estes filtros podem ser instalados internamente (alguns modelos) ou externamente aos inversores. O filtro classe B possui maior atenuação do que o clas- se A conforme definido em normas de EMC sendo mais apropriado para ambientes residenciais. Os filtros existentes e os modelos de inversores aos quais se aplicam estão mostrados na tabela 8.1 no início deste capítulo. Os inversores com filtro Classe A internos possuem as mesmas dimen- sões externas dos inversores sem filtro. Os filtros externos Classe B devem ser instalados entre a rede de ali- mentação e a entrada dos inversores, conforme figura 8.18 adiante. Os filtros devem ser posicionados o mais perto possível dos inversores, para que o comprimento dos cabos entre a saída dos filtros e a entrada dos inversores sejam os menores possíveis. Recomenda-se também a montagem dos cabos do motor individualmente dentro de eletroduto metálico aterrado ou cabo blindado. O aterramento das carcaças dos filtros e dos inversores deverá ser feito de forma a garantir uma baixa impedância de ligação entre ambas carcaças. Normalmente usa-se a chapa de montagem do painel para este fim. Rede de Alimentação Terra de Segurança Filtro CFW-08 Painel do Acionamento Eletroduto ou cabo blindado Motor Terra Motor (carcaça) PE PE Figura 8.18 - Conexão do filtro supressor de RFI Classe B externo 8.15 REATÂNCIA DE REDE Devido a características do circuito de entrada, comum à maioria dos inversores no mercado, constituído de um retificador a diodos e um banco de capacitores de filtro, a sua corrente de entrada (drenada da rede) possui uma forma de onda não-senoidal contendo harmônica da freqüência fundamental (freqüência da rede elétrica - 60 ou 50Hz).
  • 119.
    DISPOSITIVOS OPCIONAIS 119 8.15.1 Critériosde Uso De uma forma geral, os inversores da série CFW-08 podem ser ligados diretamente à rede elétrica, sem reatância de rede. No entanto, verificar o seguinte: Para evitar danos ao inversor e garantir a vida útil esperada deve-se ter uma impedância mínima de rede que proporcione uma queda de tensão conforme a tabela 8.3, em função da carga do inversor. Se a impedância de rede (devido aos transformadores e cablagem) for inferior aos valores listados nessa tabela, re- comenda-se utilizar uma reatância de rede. Quando da utilização de reatância de rede é recomendável que a que da de tensão percentual, incluindo a queda em impedância de trans- formadores e cabos, fique em torno de 2 a 4%. Essa prática resulta num bom compromisso entre a queda de ten- são no motor, melhoria do fator de potência e redução da distorção harmônica. Usar reatância de rede sempre que houver capacitores para corre- ção do fator de potência instalados na mesma rede e próximos ao inversor. A conexão da reatância de rede na entrada do inversor é apresenta- da na figura 8.19. Para o cálculo do valor da reatância de rede necessária para obter a queda de tensão percentual desejada utilizar: onde: V - queda de rede desejada, em percentual (%); Ve -tensãodefasenaentradadoinversor(tensãoderede),dadaemvolts(V); IS, nom - corrente nominal de saída do inversor. Essas correntes harmônicas circulando pelas impedâncias da rede de alimentação provocam quedas de tensão harmônicas, distorcendo a ten- são de alimentação do próprio inversor ou de outros consumidores. Como efeito dessas distorções harmônicas de corrente e tensão podemos ter o aumento de perdas elétricas nas instalações com sobreaquecimento dos seus componentes (cabos, transformadores, bancos de capacitores, motores, etc.) bem como um baixo fator de potência. As harmônicas da corrente de entrada são dependentes dos valores das impedâncias presentes no circuito de entrada. A adição de uma reatância de rede reduz o conteúdo harmônico da corrente proporcionando as seguintes vantagens: aumento do fator de potência na entrada do inversor; redução da corrente eficaz de entrada; diminuição da distorção da tensão na rede de alimentação; aumento da vida útil dos capacitores do circuito intermediário. L = 26,5 . V . Ve [µH] IS, nom ∇ ∇
  • 120.
    120 DISPOSITIVOS OPCIONAIS Modelo 1,6A /200-240V 2,6A / 200-240V 4,0A / 200-240V 7,0A / 200-240V 7,3A / 200-240V 10A / 200-240V 16A / 200-240V 1,0A / 380-480V 1,6A / 380-480V 2,6A / 380-480V 2,7A / 380-480V 4,0A / 380-480V 4,3A / 380-480V 6,5A / 380-480V 10A / 380-480V 13A / 380-480V 16A / 380-480V Carga Nominal na saída do inversor (IS = IS, nom ) 0,25% 0,1% 1,0% 0,5% 1,0% 0,5% 1,0% 0,05% 0,05% 0,1% 0,25% 1,0% 1,0% 0,5% 0,5% 0,5% 1,0% 80% da Carga Nominal (IS = 0,8 . IS, nom ) 0,1% 0,05% 0,5% 0,25% 0,25% 0,25% 0,5% 0,05% 0,05% 0,05% 0,1% 0,5% 0,5% 0,25% 0,25% 0,25% 0,5% 50% da Carga Nominal (IS = 0,5 . IS, nom ) 0,05% Impedância de rede mínima Tabela 8.3 - Valores mínimos da impedância de rede para várias condições de carga (a) Modelos com alimentação monofásica BLINDAGEM PE UVW R S T R PE S T U V W PE REDE PE REDE L N PE PER UVW BLINDAGEM PE Q1 S T U V W PE Obs.: Estes valores garantem uma vida útil de 20.000hs para os capacitores do link DC, ou seja, 5 anos para um regime de operação de 12h diárias. (b) Modelos com alimentação trifásica Figura 8.19 - Conexões de potência com reatância de rede na entrada
  • 121.
    DISPOSITIVOS OPCIONAIS 121 Como critérioalternativo, recomenda-se adicionar uma reatância de rede sempre que o transformador que alimenta o inversor possuir uma potência nominal maior que o indicado a seguir: Modelo do Inversor 1,6A e 2,6A/200-240V 4A/200-240V 7A e 7,3A/200-240V 10A/200-240V 16A/200-240V 1A; 1,6A e 2,6A/380-480V 4,0 e 4,3A/380-480V 2,7A/380-480V 6,5A; 10A e 13A/380-480V 16A/380-480V Potência do Transformador [kVA] 30 x potência aparente nominal do inversor [kVA] 6 x potência aparente nominal do inversor [kVA] 10 x potência aparente nominal do inversor [kVA] 7,5 x potência aparente nominal do inversor [kVA] 4 x potência aparente nominal do inversor [kVA] 30 x potência aparente nominal do inversor [kVA] 6 x potência aparente nominal do inversor [kVA] 15 x potência aparente nominal do inversor [kVA] 7,5 x potência aparente nominal do inversor [kVA] 4 x potência aparente nominal do inversor [kVA] Obs.: O valor da potência aparente nominal pode ser obtido no item 9.1 deste manual. Tabela 8.4 - Critério alternativo para uso de reatância de rede - Valores máximos da potência do transformador A utilização de uma reatância trifásica de carga, com queda de aproxi- madamente 2%, adiciona uma indutância na saída do inversor para o motor. Isto diminuirá o dV/dt (taxa de variação de tensão) dos pulsos gerados na saída do inversor, e com isto os picos de sobretensão no motor e a corrente de fuga que irão aparecer com distâncias grandes entre o inversor e o motor (em função do efeito “linha de transmissão”) serão praticamente eliminados. Nos motores WEG até 460V não há necessidade do uso de uma reatância de carga, uma vez que o isolamento do fio do motor suporta a operação com o CFW-08. Nas distâncias entre o inversor e o motor a partir de 100m a capacitância dos cabos para o terra aumenta podendo atuar a proteção de sobrecorrente (E00). Neste caso é recomendado o uso de reatância de carga. 8.16 REATÂNCIA DE CARGA Figura 8.20 - Conexão da reatância de carga REDE SECCIONADORA R S T PE PER S T U V W UVW REATÂNCIA DE CARGA BLINDAGEM PE PE
  • 122.
    122 DISPOSITIVOS OPCIONAIS 8.17 FRENAGEM REOSTÁTICA Afrenagem reostática é utilizada nos casos em que se deseja tempos curtos de desaceleração ou nos casos de cargas com elevada inércia. Para o correto dimensionamento do resistor de frenagem deve-se levar em conta os dados da aplicação como: tempo de desaceleração, inér- cia da carga, freqüência da repetição da frenagem, etc. Em qualquer caso, os valores de corrente eficaz e corrente de pico máximas devem ser respeitados. A corrente de pico máxima define o valor ôhmico mínimo permitido do resistor. Consultar a Tabela 8.5. Os níveis de tensão do link CC para a atuação da frenagem reostática são os seguintes: Inversores alimentados em 200...240V: 375Vcc Inversores alimentados em 380...480V: 750Vcc 8.17.1 Dimensionamento O conjugado de frenagem que pode ser conseguido através da aplica- ção de inversores de freqüência, sem usar o módulo de frenagem reostática, varia de 10 a 35% do conjugado nominal do motor. Durante a desaceleração, a energia cinética da carga é regenerada ao link CC (circuito intermediário). Esta energia carrega os capacitores ele- vando a tensão. Caso não seja dissipada poderá provocar sobretensão (E01), desabilitando o inversor. Para se obter conjugados frenantes maiores, utiliza-se a frenagem reostática. Através da frenagem reostática a energia regenerada em excesso é dissipada em um resistor montado externamente ao inversor. A potência do resistor de frenagem é função do tempo de desaceleração, da inércia da carga e do conjugado resistente. Para a maioria das apli- cações pode-se utilizar um resistor com o valor ôhmico indicado na ta- bela a seguir e a potência como sendo de 20% do valor do motor acio- nado. Utilizar resistores do tipo FITA ou FIO em suporte cerâmico com tensão de isolamento adequada e que suportem potências instantâne- as elevadas em relação à potência nominal. Para aplicações críticas, com tempos muito curtos de frenagem, cargas de elevada inércia (ex: centrífugas) ou ciclos repetitivos de curta duração, consultar a fábrica para dimensionamento do resistor. Modelo do Inversor 1,6A / 220-240V 2,6A / 220-240V 4,0A / 220-240V 7,0A / 220-240V 7,3A / 220-240V 10,0A / 220-240V 16,0A / 220-240V 1,0A / 380-480V 1,6A / 380-480V 2,6A / 380-480V 2,7A / 380-480V 4,0A / 380-480V 4,3A / 380-480V 6,5A / 380-480V 10,0A / 380-480V 13,0A / 380-480V 16,0A / 380-480V Corrente de Frenagem Máxima [A] 10 15 20 6 6 8 16 24 24 Corrente Eficaz de Frenagem [A] (*1) Frenagem não disponível Frenagem não disponível Frenagem não disponível Frenagem não disponível 5 7 10 Frenagem não disponível Frenagem não disponível Frenagem não disponível 3,5 Frenagem não disponível 3,5 4 10 14 14 Resistor Recomendado [Ω] 39 27 22 127 127 100 47 33 33 Tabela 8.5 - Resistores de frenagem recomendados Fiação Recomendada [mm2 ] - - - - 2,5 2,5 2,5 - - - 1,5 - 1,5 2,5 2,5 2,5 2,5
  • 123.
    DISPOSITIVOS OPCIONAIS 123 (*1) Acorrente eficaz pode ser calculada através de: Ieficaz = Imax . tbr [min] 5 onde tbr corresponde à soma dos tempos de atuação da frenagem du- rante o mais severo ciclo de 5 minutos. 8.17.2 Instalação Conectar o resistor de frenagem entre os bornes de potência +UD e BR (Ver ítem 3.2.2). Utilizar cabo trançado para conexão. Separar estes cabos da fiação de sinal e controle. Dimensionar os cabos de acordo com a aplicação respeitando as correntes máxima e eficaz. Se o resistor de frenagem for montado internamente ao painel do inversor, considerar o calor provocado pelo mesmo no dimensionamento da ventilação do painel. PERIGO! O circuito interno de frenagem do inversor e o resistor podem sofrer danos se este último não for devidamente dimensionado e / ou se a tensão de rede exceder o máximo permitido. Para evitar a destruição do resistor ou risco de fogo, o único método garantido é o da inclusão de um relé térmico em série com o resistor e / ou um termostato em contato com o corpo do mesmo, ligados de modo a desconectar a rede de alimentação de entrada do inversor no caso de sobrecarga, como mostrado a seguir: Figura 8.21 - Conexão do resistor de frenagem (só para os modelos 7.3-10-16A/200-240V e 2.7-4.3-6.5-10-13-16/380-480V) MOTOR REDE DE ALIMENTAÇÃO CONTATOR ALIMENTAÇÃO DE COMANDO RELÉ TÉRMICO TERMOSTATO RESISTOR DE FRENAGEM U V W R S T BR +UD
  • 124.
    124 DISPOSITIVOS OPCIONAIS 8.18 COMUNICAÇÃOSERIAL Mestre PC, CLP, etc. Escravo 1 (Inversor) Escravo 2 (Inversor) Escravo n (Inversor) n <= 30 8.18.1 Introdução O objetivo básico da comunicação serial é a ligação física dos inverso- res numa rede de equipamentos configurada da seguinte forma: Os inversores possuem um software de controle da transmissão/recep- ção de dados pela interface serial, de modo a possibilitar o recebimento de dados enviados pelo mestre e o envio de dados solicitados pelo mesmo. Este software comporta os protocolos WEG e nove modos para o Modbus-RTU, selecionáveis via parâmetro P309. Os itens abordados neste capítulo referem-se ao protocolo WEG, para obter informações sobre o Modbus-RTU veja o item 8.19. A taxa de transmissão é de 9600 bits/s, seguindo um protocolo de troca, tipo pergunta/resposta utilizando caracteres ASCII. O mestre terá condições de realizar as seguintes operações relaciona- das a cada inversor: - IDENTIFICAÇÃO endereço na rede; tipo de inversor (modelo); versão de software. - COMANDO habilita/desabilita geral; habilita/desabilita por rampa (gira/pára); sentido de rotação; referência de freqüência (velocidade); local/remoto; JOG; RESET de erros. - RECONHECIMENTO DO ESTADO ready; Sub; run; local/remoto; erro; JOG; sentido de rotação. - LEITURA DE PARÂMETROS - ALTERAÇÃO DE PARÂMETROS Exemplos típicos de utilização da rede: PC (mestre) para parametrização de um ou vários inversores ao mesmo tempo; SDCD monitorando variáveis de inversores; CLP controlando a operação de um ou mais inversores num proces- so industrial.
  • 125.
    DISPOSITIVOS OPCIONAIS 125 8.18.2.1 RS-485Permite interligar até 30 inversores em um mestre (PC, CLP, etc.), atri- buindo a cada inversor um endereço (1 a 30) ajustado em cada um deles. Além desses 30 endereços, mais dois endereços são fornecidos para executar tarefas especiais: Endereço 0: qualquer inversor da rede é consultado, indepen- dentemente de seu endereço. Deve-se ter apenas um inversor ligado a rede (ponto-a-ponto) para que não ocorram curto-circuitos nas linhas de interface. 8.18.2 Descrição das Interfaces O meio físico de ligação entre os inversores e o mestre da rede segue um dos padrões: a. RS-232 (ponto-a-ponto até 10m); b. RS-485 (multiponto, isolamento galvânico, até 1000m); ENDEREÇO (P308) 0 1 2 3 4 5 6 7 8 9 10 11 12 13 14 15 16 17 18 19 20 21 22 23 24 25 26 27 28 29 30 31 ASCII CHAR DEC HEX @ 64 40 A 65 41 B 66 42 C 67 43 D 68 44 E 69 45 F 70 46 G 71 47 H 72 48 I 73 49 J 74 4A K 75 4B L 76 4C M 77 4D N 78 4E O 79 4F P 80 50 Q 81 51 R 82 52 S 83 53 T 84 54 U 85 55 V 86 56 W 87 54 X 88 58 Y 89 59 Z 90 5A ] 91 5B 92 5C [ 93 5D ^ 94 5E _ 95 5F Endereço 31: um comando pode ser transmitido simultaneamente para todos os inversores da rede, sem reconhecimento de aceita- ção. Lista de endereços e caracteres ASCII correspondentes
  • 126.
    126 DISPOSITIVOS OPCIONAIS ASCII CODE DECHEX 0 48 30 1 49 31 2 50 32 3 51 33 4 52 34 5 53 35 6 54 36 7 55 37 8 56 38 9 57 39 = 61 3D STX 02 02 ETX 03 03 EOT 04 04 ENQ 05 05 ACK 06 06 NAK 21 15 Outros caracteres ASCII utilizados pelo protocolo A ligação entre os participantes da rede dá-se através de um par de fios. Os níveis de sinais estão de acordo com a EIA STANDARD RS- 485 com receptores e transmissores diferenciais. Deve-se utilizar o módulo de comunicação serial MCS-CFW-08 (Ver ítem 8.9) conectado ao módulo externo MIW-02 (Ver ítem 8.13 e/ou o manual do usuário MIW-02 Cod. 0899.4435). Caso o mestre possua apenas interface serial no padrão RS-232, deve- se utilizar um módulo de conversão de níveis RS-232 para RS-485. Neste caso temos a ligação de um mestre a um inversor (ponto-a-pon- to). Podem ser trocados dados na forma bidirecional, porém não simul- tânea (HALF DUPLEX). Os níveis lógicos seguem a EIA STANDARD RS-232C, a qual determi- na o uso de sinais não balanceados. No caso presente, utiliza-se um fio para transmissão (TX), um para recepção (RX) e um retorno (0V). Esta configuração trata-se, portanto, da configuração mínima a três fios (three wire economy model). Deve-se utilizar módulo RS-232 (MCS-CFW08) no inversor (ver item 8.9). 8.18.2.2 RS-232 8.18.3 Definições Os ítens deste capítulo descrevem o protocolo utilizado para comunica- ção serial. 8.18.3.1 Termos Utilizados Parâmetros: são aqueles existentes nos inversores cuja visualização ou alteração é possível através da HMI (interface homem x máquina). Variáveis: são valores que possuem funções específicas nos inversores e podem ser lidos e, em alguns casos, modificados pelo mestre. Variáveis básicas: são aquelas que somente podem ser acessadas através da serial. ESQUEMATICAMENTE : INVERSOR VARIAÇÕES BÁSICAS PARÂMETROS MESTRELIGAÇÃO SERIAL VARIÁVEIS
  • 127.
    DISPOSITIVOS OPCIONAIS 127 8.18.3.2 Resoluçãodos Parâmetros/ Variáveis 1 start bit; 8 bits de informação [codificam caracteres de texto e caracteres de transmissão, tirados do código de 7 bits, conforme ISO 646 e complementadas para paridade par (oitavo bit)]; 1 stop bit. Após o start bit, segue o bit menos significativo: 8.18.3.3 Formato dos Caracteres TELEGRAMA DE LEITURA: para consulta do conteúdo das variáveis dos inversores; TELEGRAMA DE ESCRITA: para alterar o conteúdo das variáveis ou enviar comandos para os inversores. Obs.: Não é possível uma transmissão entre dois inversores. O mestre tem o controle do acesso ao barramento. 8.18.3.4.1 Telegrama de leitura Este telegrama permite que o mestre receba do inversor o conteúdo correspondente ao código da solicitação. No telegrama de resposta o inversor transmite os dados solicitados pelo mestre e este termina a transmissão com EOT. EOT ADR ENQ CÓDIGO 1) Mestre: START B1 B2 B3 B4 B5 B6 B7 B8 STOP Start bit Stop bit 8 bits de informação 8.18.3.4 Protocolo O protocolo de transmissão segue a norma ISO 1745 para transmissão de dados em código. São usadas somente seqüências de caracteres de texto sem cabeça- lho. A monitoração dos erros é feita através de transmissão relaciona- da à paridade dos caracteres individuais de 7 bits, conforme ISO 646. A monitoração de paridade é feita conforme DIN 66219 (paridade par). São usados dois tipos de mensagens (pelo mestre): As variáveis e parâmetros tem um formato de 16 bits, ou seja, de - 32767 a +32768 para grandezas com sinal (signed) ou de 0 a 65535 para grandezas sem sinal (unsigned). Todas as grandezas são trata- das com sinal, exceto as relacionadas com tempo (tempo, período, frequência, ...). Além disso, os valores máximo e mínimo devem respeitar o limite da faixa de parâmetros. A tabela abaixo mostra as principais grandezas e suas respectivas re- soluções. Grandeza Freqüência Corrente (CA ou CC) Tensão (CA ou CC) Tempo Percentual Ganho RPM Unidade H A V s % - RPM Resolução 0.01Hz/unid. 0.01A/unid. 1V/unid. 0.1s/unid. 0,01%/ unid. 0.01/unid 1RPM/unid
  • 128.
    128 DISPOSITIVOS OPCIONAIS Formato dotelegrama de leitura: EOT: caracter de controle End Of Transmission; ADR: endereço do inversor (ASCII@, A, B, C, ...) (ADdRess); CÓDIGO: endereço da variável de 5 dígitos codificados em ASCII; ENQ: caracter de controle ENQuiry (solicitação); Formato do telegrama de resposta do inversor: ADR: 1 caracter - endereço do inversor; STX: caracter de controle - Start of TeXt; TEXTO: consiste em: CÓDIGO: endereço da variável; “ = “: caracter da separação; VAL: valor em 4 dígitos HEXADECIMAIS; 3) Mestre: EOT Este telegrama envia dados para as variáveis dos inversores. O inver- sor irá responder indicando se os dados foram aceitos ou não. 8.18.3.4.2 Telegrama de Escrita Formato do telegrama de escrita: EOT: caracter de controle End Of Transmission; ADR: endereço do inversor; STX: caracter de controle Start of TeXt; TEXTO: consiste em: CÓDIGO: endereço da variável; “ = “: caracter de separação; VAL: valor composto de 4 dígitos HEXADECIMAIS; ETX: caracter de controle End of TeXt; BCC: Byte de CheCksum - EXCLUSIVE OR de todos os bytes entre STX (excluído) e ETX (incluído). ADR NAK ver item 8.18.3.5 ETX: caracter de controle - End of Text; BCC: Byte de CheCksum - EXCLUSIVE OR de todos os bytes entre STX (excluído) e ETX (incluído). OBS: Em alguns casos poderá haver uma resposta do inversor com: 1) Mestre: EOT ADR STX = xH xH xH xH ETX BCC CÓDIGO VAL (HEXADECIMAL) TEXTO 2) Inversor: ADR NAK ADR ACKou 3) Mestre: EOT 2) Inversor: ADR STX = xH xH xH xH ETX BCC CÓDIGO VAL (HEXADECIMAL) TEXTO
  • 129.
    DISPOSITIVOS OPCIONAIS 129 Formato dotelegrama de resposta do inversor: Aceitação: ADR: endereço do inversor; ACK: caracter de controle ACKnowledge; Não aceitação: ADR: endereço do inversor; NAK: caracter de controle Not AcKnowledge. Isso significa que os dados não foram aceitos e a variável endereçada permanece com o seu valor antigo. Os inversores e o mestre testam a sintaxe do telegrama. A seguir são definidas as respostas para as respectivas condições encontradas: Telegrama de leitura: sem resposta: com estrutura do telegrama errada, caracteres de controle recebidos errados ou endereço do inversor errado; NAK: CÓDIGO correspondente à variável inexistente ou variável só de escrita; TEXTO: com telegramas válidos. 8.18.3.5 Execução e Teste de Telegrama Telegrama de escrita: sem resposta: com estrutura do telegrama errada, caracteres de controle recebidos errados ou endereço do inversor errado; NAK: com código correspondente à variável inexistente, BCC (byte de checksum) errado, variável só de leitura, VAL fora da faixa permitida para a variável em questão, parâmetro de operação fora do modo de alteração destes; ACK: com telegramas válidos; O mestre deve manter entre duas transmissões de variáveis para o mesmo inversor, um tempo de espera compatível com o inversor utili- zado. Nos inversores, os telegramas são processados a intervalos de tempo determinados. Portanto, deve ser garantido, entre dois telegramas para o mesmo inversor uma pausa de duração maior que a soma dos tem- pos Tproc + Tdi + Ttxi (ver item 8.18.6.). 8.18.3.6 Seqüência de Telegramas 8.18.3.7 Códigos de Variáveis O campo denominado de CÓDIGO contém o endereço de parâmetros e variáveis básicas composto de 5 dígitos (caracteres ASCII) de acordo com o seguinte: CÓDIGO X X X X X Número da variável básica ou parâmetro Número do equipamento: "7" = CFW08 "9" = qualquer inversor Especificador: 0 = variáveis básicas 1 = P000 a P099 2 = P100 a P199 3 = P200 a P299 4 = P300 a P399 5 = P400 a P499 6 = P500 a P599 7 = P600 a P699 Igual a zero (0)
  • 130.
    130 DISPOSITIVOS OPCIONAIS 8.18.4 Exemplosde Telegramas Alteração da velocidade mínima (P133) para 6,00Hz no inversor 7. 2) Inversor: G ACK 3) Mestre: EOT Leitura da corrente de saída do inversor 10 (supondo-se que a mesma estava em 7,8A no momento da consulta). 1) Mestre: EOT J 0 1 7 0 3 ENQ Código P003 end. 10 2) Inversor: J STX 0 1 7 0 3 = 0H 3H 0H CH ETX BCC Código P003 P003=30CH=780=7,8/0,01 end. 10 3) Mestre: EOT 8.18.5 Variáveis e Erros da Comunicação Serial 8.18.5.1 Variáveis Básicas 8.18.5.1.1 V00 (código 00700) Indicação do modelo de inversor (variável de leitura). A leitura desta variável permite identificar o tipo do inversor. Para o CFW-08 este valor é 7, conforme definido em 8.21.3.7. 8.18.5.1.2 V02 (código 00702) Indicação do estado do inversor (variável de leitura) estado lógico (byte-high) código de erros (byte-low) onde: Estado Lógico: EL15 EL14 EL13 EL12 EL11 EL10 EL9 EL8 1) Mestre: EOT G STX 0 2 7 3 3 = 0H 2H 5H 8H ETX BCC Código do Fmin Fmin =258H=600=6,00/0,01 end. 7
  • 131.
    DISPOSITIVOS OPCIONAIS 131 EL8: 0= habilita por rampa (gira/pára) inativo 1 = habilita por rampa ativo EL9: 0 = habilita geral inativo 1 = habilita geral ativo EL10: 0 = sentido anti-horário 1 = sentido horário EL11: 0 = JOG inativo 1 = JOG ativo EL12: 0 = local 1 = remoto EL13: 0 = sem subtensão 1 = com subtensão EL14 : não utilizado EL15: 0 = sem erro 1 = com erro Inversor liberado EL8=EL9=1} 8.18.5.1.3 V03 (código 00703) Código de erros: número do erro em hexadecimal Ex.: E00 00H E01 01H E10 0AH → → → Seleção do comando lógico Variável de escrita, cujos bits tem o seguinte significado: BYTE HIGH : máscara da ação desejada. O bit correspondente deve ser colocado em 1, para que a ação ocorra. BYTE LOW: nível lógico da ação desejada. CL8: 1 = habilita rampa (gira/pára) CL9: 1 = habilita geral CL10: 1 = sentido de rotação CL11: 1 = JOG CL12: 1 = local/remoto CL13: não utilizado CL14: não utilizado CL15: 1 = “RESET” do inversor CL15 CL14 CL13 CL12 CL11 CL10 CL9 CL8 MSB LSB CL7 CL6 CL5 CL4 CL3 CL2 CL1 CL0 MSB LSB CL0: 1 = habilita (gira) 0 = desabilita por rampa (pára) CL1: 1 = habilita 0 = desabilita geral (pára por inércia) CL2: 1 = sentido de rotação horário 0 = sentido de rotação anti-horário CL3: 1 = JOG ativo 0 = JOG inativo CL4: 1 = remoto 0 = local
  • 132.
    132 DISPOSITIVOS OPCIONAIS CL5: nãoutilizado CL6: não utilizado CL7: transição de 0 para 1 neste bit provoca o “RESET” do inversor, caso o mesmo esteja em alguma condição de Erro. Obs.: Desabilita via DIx tem prioridade sobre estas desabilitações. Para a habilitação do inversor via serial basta fazer CL0=CL1=CL8= CL9=1, e que o desabilita externo (via DI por exemplo) esteja inati- vo. Se CL1=0 e CL9=1 ocorrerá desabilita geral. Se CL0=0 e CL8=1 o inversor será desabilitado por rampa. 8.18.5.1.4 V04 (código 00704) Referência de Velocidade dada pela Serial (variável de leitura/escrita) Permite enviar a referência de frequência (em Hz) para o inversor, des- de que P221=5 para o modo local e P222=5 para o modo remoto. A resolução desta variável é mostrada no item 8.18.3.2. Habilitação do inversor (desde que P229=2 para LOC ou P230=2 para REM). 8.18.5.1.6 Exemplos de Telegra- mas com Variáveis Básicas 8.18.5.1.5 V05 (código 00705) CHSL0: 1 - referência local pela serial CHSL1: 1 - seleção do sentido de giro local, pela serial CHSL2: 1 - liga, desliga local pela serial CHSL3: 1 - JOG local pela serial CHSL4: 1 - referência remota pela serial CHSL5: 1 - seleção do sentido de giro remoto pela serial CHSL6: 1 - liga, desliga remoto pela serial CHSL7: 1 - JOG remoto pela serial CHSH0: 1 - seleção de local/remoto pela serial. CHSHCHSL CHSL CHSLCHSL CHSL CHSLCHSL CHSL 0 7 6 5 4 3 2 1 0 MSB LSB Alteração do sentido de giro do inversor para anti-horário (desde que P229=2 para LOC ou P230=2 para REM) se P231=2. Comandos Habilitados para a Serial (variável de leitura) 1) Mestre: EOT G STX 0 0 7 0 3 = 0H 3H 0H 3H ETX BCC Código do C. L. hab. geral=1 hab. rampa=1 end. 7 2) Inversor: G ACK 3) Mestre: EOT
  • 133.
    DISPOSITIVOS OPCIONAIS 133 8.18.5.2 Parâmetros Relacionadosà Comunicação Serial No do parâmetro P220 P221 P222 P229 P230 P231 P308 P309 P313 P314 Descrição do parâmetro Seleção Local/Remoto Seleção da Referência Local Seleção da Referência Remota Seleção Comandos Local Seleção Comandos Remoto Seleção Sentido de Giro Endereço do inversor na rede de comunicação serial (faixa de valores: 1 a 30) Tipo de Protocolo da Interface Serial Ação do Watchdog da Serial Tempo de Estouro do Watchdog da Serial Ativação do JOG (desde que P229=2 para LOC ou P230=2 para REM) Reset de erros 1) Mestre: EOT G STX 0 0 7 0 3 = 0H 4H 0H 0H ETXBCC Código do C. L. anti-horário = 0 end. 7 3) Mestre: EOT 2) Inversor: G ACK 1) Mestre: EOT G STX 0 0 7 0 3 = 8H 0H 8H 0H ETX BCC Código do C. L. RESET=1 end. 7 3) Mestre: EOT 2) Inversor: G ACK 1) Mestre: EOT G STX 0 0 7 0 3 = 0H 8H 0H 8H ETX BCC Código do C. L. JOG ativo=1 end. 7 2) Inversor: G ACK 3) Mestre: EOT
  • 134.
    134 DISPOSITIVOS OPCIONAIS Para maioresdetalhes sobre os parâmetros acima, consulte o Capítulo 6 - Descrição Detalhada dos Parâmetros. Operam da seguinte forma: não provocam bloqueio do inversor; não desativam relé de defeitos; informam na palavra de estado lógico (V02). Tipos de erros: E22: erro de paridade longitudinal (BCC); E24: erro de parametrização (quando ocorrer algumas das situações indicadas no tabela 5.1 (incompatibilidade entre parâmetros) ou quando houver tenta tiva de alteração de parâmetro que não pode ser alterado com o motor girando); E25: variável ou parâmetro inexistente; E26: valor desejado fora dos limites permitidos; E27: tentativa de escrita em variável só de leitura ou comando lógico desabilitado; E29: erro de estouro do watchdog da serial. Obs.: Caso seja detectado erro de paridade, na recepção de dados pelo in- versor, o telegrama será ignorado. O mesmo acontecerá para casos em que ocorram erros de sintaxe. Ex.: Valores do código diferentes dos números 0,...,9; Caracter de separação diferente de “ = “, etc. 8.18.5.3 Erros Relacionados à Comunicação Serial 8.18.6 Tempos para Leitura/ Escrita de Tele- gramas MESTRE Tx: (dados) RSND (request to send) INVERSOR TxD: (dados) tproc tdi ttxi Tempos (ms) Tproc Tdi Ttxi leitura escrita Típico 10 2 15 3
  • 135.
    DISPOSITIVOS OPCIONAIS 135 Observações: TERMINAÇÃO DALINHA: Conectar os resistores de terminação nos extremos da linha. TERMINAÇÃO DE LINHA: incluir terminação da linha (120 )nos extremos, e apenas nos extremos da rede. ATERRAMENTO DA BLINDAGEM DOS CABOS: conectar as mesmas à carcaça dos equipamentos (devidamente aterrada). CABO RECOMENDADO: para balanceado blindado. Ex.: Linha AFS, fabricante KMP. A pinagem do conector XC8 do módulo MCS-CFW08-S é apresentado na figura abaixo. 8.18.7 Conexão Física RS-232 e RS-485 NOTA! A fiação serial RS-232 deve estar separada dos demais cabos de po- tência e comando em 110/220V. NOTA! Não é possível utilizar simultaneamente RS-232 e RS-485. Figura 8.22 - Conexão do CFW-08 em rede RS-485 6 5 4 1 2 3 TX 0V RX +5V RTS 0V Figura 8.23 - Descrição sinais do conector XC8 (RJ-6) Ω Mestre da rede (PC, CLP) RS-485 MIW-02 RS-232 RS-485 CFW-08 Blindagem do cabo A B RS-485 XC29 A B RS-485 XC29 MIW-02 MIW-02 RS-232 RS-485 RS-232 RS-485 CFW-08 CFW-08
  • 136.
    136 DISPOSITIVOS OPCIONAIS 8.19 MODBUS-RTU 8.19.1Introdução ao Protocolo Modbus-RTU O protocolo Modbus foi desenvolvido pela empresa Modicon, parte da Schneider Automation. No protocolo estão definidos o formato das men- sagens utilizado pelos os elementos que fazem parte da rede Modbus, os serviços (ou funções) que podem ser disponibilizados via rede, e também como estes elementos trocam dados na rede. 8.19.1.1 Modos de Transmissão Na especificação do protocolo estão definidos dois modos de transmis- são: ASCII e RTU. Os modos definem a forma como são transmitidos os bytes da mensagem. Não é permitido utilizar os dois modos de trans- missão na mesma rede. No modo RTU, cada palavra transmitida possui 1 start bit, oito bits de dados, 1 bit de paridade (opcional) e 1 stop bit (2 stop bits caso não se use bit de paridade). Desta forma, a seqüência de bits para transmissão de um byte é a seguinte: No modo RTU, cada byte de dados é transmitido como sendo uma úni- ca palavra com seu valor diretamente em hexadecimal. O CFW-08 utili- za somente este modo de transmissão para comunicação, não possuin- do portanto, comunicação no modo ASCII. Start B0 B1 B2 B3 B4 B5 B6 B7 Paridade ou Stop Stop 8.19.1.2 Estrutura das mensagens no modo RTU A rede Modbus-RTU opera no sistema Mestre-Escravo, onde pode ha- ver até 247 escravos, mas somente um mestre. Toda comunicação ini- cia com o mestre fazendo uma solicitação a um escravo, e este respon- de ao mestre o que foi solicitado. Em ambos os telegramas (pergunta e resposta), a estrutura utilizada é a mesma: Endereço, Código da Fun- ção, Dados e Checksum. Apenas o conteúdo dos dados possui tama- nho variável. Figura 8.24 - Estrutura das mensagens Mensagem de pergunta do mestre Endereço (1 byte) Código da Função (1 byte) Dados (n bytes) CRC (2 bytes) Endereço (1 byte) Código da Função (1 byte) Dados (n bytes) CRC (2 bytes) Mensagem de resposta do escravo
  • 137.
    DISPOSITIVOS OPCIONAIS 137 8.19.1.2.1 EndereçoO mestre inicia a comunicação enviando um byte com o endereço do escravo para o qual se destina a mensagem. Ao enviar a resposta, o escravo também inicia o telegrama com o seu próprio endereço, possi- bilitando que o mestre saiba qual escravo está lhe enviando a reposta. O mestre também pode enviar uma mensagem destinada ao endereço 0 (zero), o que significa que a mensagem é destinada a todos os escra- vos da rede (broadcast). Neste caso, nenhum escravo irá responder ao mestre. 8.19.1.2.2 Código da Função Este campo também contém um único byte, onde o mestre especifica o tipo de serviço ou função solicitada ao escravo (leitura, escrita, etc.). De acordo com o protocolo, cada função é utilizada para acessar um tipo específico de dado. No CFW-08, todos os dados estão disponibilizados como registradores do tipo holding (referenciados a partir do endereço 40000 ou ‘4x’), e portanto o inversor só aceita funções que manipulam este tipo de registrador (ver item 8.19.2.3.1). 8.19.1.2.3 Campo de Dados Campo com tamanho variável. O formato e conteúdo deste campo de- pendem da função utilizada e dos valores transmitidos. Este campo está descrito juntamente com a descrição das funções (ver item 8.19.3). 8.19.1.2.4 CRC A última parte do telegrama é o campo para checagem de erros de transmissão. O método utilizado é o CRC-16 (Cycling Redundancy Check). Este campo é formado por dois bytes, onde primeiro é transmi- tido o byte menos significativo (CRC-), e depois o mais significativo (CRC+). O cálculo do CRC é iniciado primeiramente carregando-se uma variável de 16 bits (referenciado a partir de agora como variável CRC) com o valor FFFFh. Depois executa-se os passos de acordo com a seguinte rotina: 1. Submete-se o primeiro byte da mensagem (somente os bits de da- dos - start bit , paridade e stop bit não são utilizados) a uma lógica XOR (OU exclusivo) com os 8 bits menos significativos da variável CRC, retornando o resultado na própria variável CRC. 2. Então, a variável CRC é deslocada uma posição à direita, em dire- ção ao bit menos significativo, e a posição do bit mais significa- tivo é pre- enchida com 0 (zero). 3. Após este deslocamento, o bit de flag (bit que foi deslocado para fora da variável CRC) é analisado, ocorrendo o seguinte: Se o valor do bit for 0 (zero), nada é feito Se o valor do bit for 1, o conteúdo da variável CRC é submetido a uma lógica XOR com uma valor constante de A001h e o resulta- do é retornado à variável CRC. 4. Repete-se os passos 2 e 3 até que oito deslocamentos tenham sido feitos. 5. Repete-se os passos de 1 a 4, utilizando o próximo byte da mensa gem, até que toda a mensagem tenha sido processada. O conteúdo final da variável CRC é o valor do campo CRC que é trans- mitido no final do telegrama. A parte menos significativa é transmitida primeiro (CRC-) e em seguida a parte mais significativa (CRC+).
  • 138.
    138 DISPOSITIVOS OPCIONAIS 8.19.1.3 Tempoentre Mensagens No modo RTU não existe um caracter específico que indique o início ou o fim de um telegrama. Desta forma, o que indica quando uma nova mensagem começa ou quando ela termina é a ausência de transmis- são de dados na rede, por um tempo mínimo de 3,5 vezes o tempo de transmissão de uma palavra de dados (11 bits). Sendo assim, caso um telegrama tenha iniciado após a decorrência deste tempo mínimo sem transmissão, os elementos da rede irão assumir que o caracter recebi- do representa o início de um novo telegrama. E da mesma forma, os elementos da rede irão assumir que o telegrama chegou ao fim após decorrer este tempo novamente. Se durante a transmissão de um telegrama, o tempo entre os bytes for maior que este tempo mínimo, o telegrama será considerado inválido, pois o inversor irá descartar os bytes já recebidos e montará um novo telegrama com os bytes que estiverem sendo transmitidos. A tabela a seguir nos mostra os tempos para três taxas de comunicação diferentes. Figura 8.25 - Tempos envolvidos durante a comunicação de um telegrama T 11 bits = Tempo para transmitir uma palavra do telegrama. T entre bytes = Tempo entre bytes (não pode ser maior que T 3,5x ). T 3,5x = Intervalo mínimo para indicar começo e fim de telegrama (3,5 x T 11bits ). Comunicação T 11 bits T 3,5x 9600 kbits/seg 1,146 ms 4,010 ms 19200 kbits/seg 573 µs 2,005 ms 38400 kbits/seg 285 µs 1,003 ms Sinal Tempo T11 bits T3,5 x Tentre bytes T3,5 x Telegrama
  • 139.
    DISPOSITIVOS OPCIONAIS 139 8.19.2 Operaçãodo CFW-08 na Rede Modbus-RTU Os inversores de freqüência CFW-08 operam como escravos da rede Modbus-RTU, sendo que toda a comunicação inicia com o mestre da rede Modbus-RTU solicitando algum serviço para um endereço na rede. Se o inversor estiver configurado para o endereço correspondente (P308), ele então trata a o pedido e responde ao mestre o que foi solici- tado. 8.19.2.1 Descrição das Interfaces Os inversores de freqüência CFW-08 utilizam uma interface serial para se comunicar com a rede Modbus-RTU. Existem duas possibilidades para a conexão física entre o mestre da rede e um CFW-08: 8.19.2.1.1 RS-232 Utilizada para conexão ponto-a-ponto (entre um único escravo e o mestre). Distância máxima: 10 metros. Níveis de sinal seguem a EIA STANDARD RS-232C. Três fios: transmissão (TX), recepção (RX) e retorno (0V). Deve-se utilizar o módulo RS-232 (MCS-CFW-08), no inversor (ver item 8.9). 8.19.2.1.2 RS-485 Utilizada para conexão multiponto (vários escravos e o mestre). Distância máxima: 1000 metros (utiliza cabo com blindagem). Níveis de sinal seguem a EIA STANDARD RS-485. Deve-se utilizar o módulo RS-232 (MCS-CFW-08), no inversor (ver item 8.9) conectado ao módulo externo MIW-02 de conversão RS-232/RS-485 (ver item 8.16 e/ou manual do usuário MIW-02 - código 0899.4435). Obs.: ver item 8.18.7 que descreve como fazer a conexão física. 8.19.2.2 Configurações do inversor na rede Modbus-RTU Para que o inversor possa se comunicar corretamente na rede, além da conexão física, é necessário configurar o endereço do inversor na rede, bem como a taxa de transmissão e o tipo de paridade existente. 8.19.2.2.1 Endereço do inver sor na rede Definido através do parâmetro P308. Se o tipo comunicação serial (P309) estiver configurado para Modbus- RTU, é possível selecionar endereços de 1 à 247. Cada escravo na rede deve possuir um endereço diferente dos de- mais. O mestre da rede não possui endereço. É necessário conhecer o endereço do escravo mesmo que a cone- xão seja ponto-a-ponto. 8.19.2.2.2 Taxa de transmis- são e paridade Ambas as configurações são definidas através do parâmetro P309. Taxa de transmissão: 9600, 19200 ou 38400 kbits/seg. Paridade: Nenhuma, Paridade Ímpar ou Paridade Par. Todos os escravos, e também o mestre da rede, devem estar utilizando a mesma taxa de comunicação e mesma paridade.
  • 140.
    140 DISPOSITIVOS OPCIONAIS 8.19.2.3 Acessoaos Dados do Inversor Através da rede, é possível acessar todos os parâmetros e variáveis básicas disponíveis para o CFW-08: Parâmetros: são aqueles existentes nos inversores cuja visualização e alteração é possível através da IHM (Interface Homem - Máquina) (ver item 8.18.5.2 - Parâmetros). Variáveis Básicas: são variáveis internas do inversor, que somente podem ser acessadas via serial. É através das variáveis básicas, por exemplo, que é possível, via serial, ler o estado do inversor, habilitar, desabilitar ou mudar o sentido de giro do motor, etc. (ver item 8.18.5.1 - Variáveis Básicas). Registrador: nomenclatura utilizada para representar tanto parâmetros quanto variáveis básicas durante a transmissão de dados. A tabela no item 8.18.3.2 define a resolução dos parâmetros e variáveis transmitidos via serial. 8.19.2.3.1 Funções Disponí- veis e Tempos de Resposta Na especificação do protocolo Modbus-RTU, são descritas diversas fun- ções utilizadas para acessar diferentes tipos de registradores. No CFW- 08, tanto parâmetros quanto variáveis básicas foram definidos como sen- do registradores do tipo holding (referenciados como 4x). Para acessar estes registradores, foram disponibilizados os seguintes serviços (ou funções) para os inversores de freqüência CFW-08: Read Holding Registers Descrição: Leitura de bloco de registradores do tipo holding. Código da função: 03. Broadcast: não suportado. Tempo de resposta: 10 à 20 ms. Preset Single Register Descrição: Escrita em um único registrador do tipo holding. Código da função: 06. Broadcast: suportado. Tempo de resposta: 10 à 50 ms. Preset Multiple Registers Descrição: Escrita em bloco de registradores do tipo holding. Código da função: 16. Broadcast: suportado. Tempo de resposta: 10 à 400 ms. OBS: O tempo de resposta independe da taxa de comunicação utilizada. Os escravos da rede Modbus-RTU são endereçados de 1 à 247. O en- dereço 0 é utilizado pelo mestre para enviar uma mensagem comum para todos os escravos (broadcast). 8.19.2.3.2 Endereçamento dos Registrado- res e Offset O endereçamento dos registradores no CFW-08 é feito com offset igual a zero, o que significa que o número do endereço equivale ao número registrador. Os parâmetros são disponibilizados a partir do endereço 0000, enquanto que as variáveis básicas são disponibilizadas a partir do endereço 5000. A tabela a ilustra o endereçamento de parâmetros e variáveis básicas:
  • 141.
    DISPOSITIVOS OPCIONAIS 141 ... ... ... ... ... ... ... ... ... ... ... ... VARIÁVEIS BÁSICAS EndereçoModbus Decimal Hexadecimal V00 5000 1388h V01 5001 1389h V10 5010 1392h Número da Variável Básica 8.19.3 Descrição Detalhada das Funções Neste item é feita uma descrição detalhada das três funções disponí- veis no CFW-08 para comunicação Modbus-RTU. Para a elaboração dos telegramas, é importante observar o seguinte: Os valores são sempre transmitidos em hexadecimal. O endereço de um registrador, o número de registradores e o valor de um registrador são sempre representados em 16 bits. Por isso, é necessário transmitir estes campos utilizando dois bytes (high e low). Nas funções 3 e 16, que permitem, respectivamente, leitura e altera ção e um grupo de registradores, o número máximo de registrado- res lidos ou alterados em um único telegrama é limitado em 8. A resolução de cada parâmetro ou variável básica segue o que está descrito no item 8.18.3.2. 8.19.3.1 Função 03 - Read Holding Register Lê o conteúdo de um grupo de registradores que necessariamente de- vem estar em seqüência numérica. Esta função possui a seguinte es- trutura para os telegramas de leitura e resposta (os valores são sempre hexadecimal, e cada campo representa um byte): Pergunta (Mestre) Endereço do escravo Função Endereço inicial do registrador (byte high) Endereço inicial do registrador (byte low) Número de registradores (byte high) Número de registradores (byte low) CRC- CRC+ Pergunta (Mestre) Endereço do escravo Função Endereço inicial do registrador (byte high) Endereço inicial do registrador (byte low) Número de registradores (byte high) Número de registradores (byte low) CRC- CRC+ Obs.: Endereços relativos aos registradores do tipo holding (referencia- dos a partir de 40000 ou 4x) PARÂMETROS Número do Parâmetro Endereço Modbus Decimal Hexadecimal P000 0 0000h P001 1 0001h P100 100 0064h
  • 142.
    142 DISPOSITIVOS OPCIONAIS Resposta (Escravo) Endereçodo escravo Função Campo Byte Count (nº de bytes de dados) Dado 1 (high) Dado 1 (low) Dado 2 (high) Dado 2 (low) etc... CRC- CRC+ 8.19.3.2 Função 06 - Preset Single Register Esta função é utilizada para escrever um valor para um único registra- dor. Possui a seguinte estrutura (os valores são sempre hexadecimal, e cada campo representa um byte): Exemplos: Leitura do parâmetro 23 do CFW-08 no endereço 1: Pergunta (Mestre): 01h 03h 00h 17h 00h 01h 34h 0Eh Resposta (Inversor, para P023 = 3.50) 01h 03h 02h 01h 5Eh 38h 2Ch Leitura dos parâmetros 100 e 101 do CFW-08 no endereço 50: Pergunta (Mestre): 32h 03h 00h 64h 00h 02h 80h 17h Resposta (Inversor para P100 = 5,0 e P101 = 10,0): 32h 03h 04h 00h 32h 00h 64h 59h 14h Pergunta (Mestre) Endereço do escravo Função Endereço do registrador (byte high) Endereço do registrador (byte low) Valor para o registrador (byte high) Valor para o registrador (byte low) CRC- CRC+
  • 143.
    DISPOSITIVOS OPCIONAIS 143 Resposta (Escravo) Endereçodo escravo Função Endereço do registrador (byte high) Endereço do registrador (byte low) Valor para o registrador (byte high) Valor para o registrador (byte low) CRC- CRC+ Note que a resposta é uma cópia idêntica da solicitação feita pelo mes- tre. Exemplos: Escrita do valor 5 no parâmetro P000 do CFW-08 no endereço 1: 8.19.3.3 Função 16 - Preset Multiple Registers Esta função permite escrever valores para um grupo de registradores, que devem estar em seqüência numérica. Também pode ser usada para escrever um único registrador (os valores são sempre hexadecimal, e cada campo representa um byte). Pergunta (Mestre): Resposta (Inversor): 01h 06h 00h 00h 00h 05h D9h B4h 01h 06h 00h 00h 00h 05h D9h B4h Escrita dos comandos Habilita Geral e Habilita Rampa na variável básica 03 do CFW-08 no endereço 20: Pergunta (Mestre): 14h 06h 13h 8Bh 03h 03h BFh 50h Resposta (Inversor): 14h 06h 13h 8Bh 03h 03h BFh 50h
  • 144.
    144 DISPOSITIVOS OPCIONAIS Endereço doescravo Função Endereço inicial do registrador (byte high) Endereço inicial do registrador (byte low) Número de registradores (byte high) Número de registradores (byte low) CRC- CRC+ Resposta(Escravo) Endereço do escravo Função Endereço inicial do registrador (byte high) Endereço inicial do registrador (byte low) Número de registradores (byte high) Número de registradores (byte low) Campo Byte Count (nº de bytes de dados) Dado 1 (high) Dado 1 (low) Dado 2 (high) Dado 2 (low) etc... CRC- CRC+ Pergunta (Mestre) Exemplos: Escrita dos valores 5,00 e 10,00 nos parâmetros de 124 e 125 para o CFW-08 no endereço 1: Pergunta (Mestre): 01h 10h 00h 7Ch 00h 02h 04h 01h F4h 03h E8h BAh 6Eh Resposta (Inversor): 01h 10h 00h 7Ch 00h 02h 80h 10h
  • 145.
    DISPOSITIVOS OPCIONAIS 145 Escrita dareferência de velocidade igual a 3,00 (variável básica 04) no CFW-08 no endereço 10: Pergunta (Mestre): 0Ah 10h 03h ECh 00h 01h 02h 01h 2Ch F0h 81h Resposta (Inversor): 0Ah 10h 03h ECh 00h 01h C1h 03h 8.19.4 Erros da Comunicação Modbus-RTU Os erros podem ocorrer na transmissão dos telegramas na rede, ou então no conteúdo dos telegramas recebido. De acordo com o tipo de erro, o inversor poderá ou não enviar resposta para o mestre: Ao enviar uma mensagem para um endereço da rede onde está confi- gurado inversor, este não irá responder ao mestre caso ocorra: Erro no bit de paridade. Erro no CRC. Telegrama com estrutura errada. Time out entre os bytes transmitidos (3,5 vezes o tempo de transmis- são de uma palavra de 11 bits). No caso de uma recepção com sucesso, durante o tratamento do tele- grama, o inversor pode detectar problemas e enviar uma mensagem de erro, indicando o tipo de problema encontrado: Função inválida (código do erro = 1): a função solicitada não está implementada para o inversor. Registrador inválido (código do erro = 2): o número do registrador não existe. Valor de dado inválido (código do erro = 3): ocorre nas seguintes situações: · Valor está fora da faixa permitida. · Escrita em registrador que não pode ser alterado (registrador so mente leitura ou registrador que não permite alteração com o conversor habilitado). · Escrita em função do comando lógico que não está habilitada via serial. 8.19.4.1 Mensagens de Erro Quando ocorre algum erro no conteúdo da mensagem (não na trans- missão de dados), o escravo deve retornar uma mensagem que indica o tipo de erro ocorrido. Os erros que podem ocorrer no tratamento de mensagens para o CFW-08 são os erros de função inválida (código 01), registrador inválido (código 02) e valor de dado inválido (código 03).
  • 146.
    146 DISPOSITIVOS OPCIONAIS As mensagensde erro enviadas pelo escravo possuem a seguinte es- trutura: Endereço do escravo Código da função (com o bit mais significativo em 1) Código do erro CRC- CRC+ Exemplos: Mestre solicita para o escravo no endereço 1 a execução de uma função 04 (função que não está implementada para o inversor): Resposta (Inversor): 01h 84h 01h 82h C0h Mestre solicita leitura de um registrador inexistente: Resposta (Inversor): 01h 83h 02h C0h F1h Mestre solicita escrita de valor fora da faixa: Resposta (Inversor): 01h 86h 03h 02h 61h Mensagem de Erro
  • 147.
    147 CAPÍTULO 9 CARACTERÍSTICAS TÉCNICAS Estecapítulo descreve as características técnicas (elétricas e mecânicas) da linha de inversores CFW-08. 9.1 DADOS DA POTÊNCIA Variações de rede permitidas: tensão: + 10%, -15% (com perda de potência no motor); freqüência: 50/60Hz (± 2 Hz); desbalanceamento entre fases 3%; sobretensões Categoria III (EN 61010/UL 508C); tensões transientes de acordo com sobretensões Categoria III. Impedância de rede mínima: variável de acordo com o modelo. Ver item 8.15. Conexões na rede: 10 conexões por hora no máximo. 9.1.1 REDE 200-240V Modelo: Corrente/Tensão Potência (kVA) (1) Corrente nominal de saída (A) (2) Corrente de saída máxima (A) (3) Corrente nominal de entrada (A) Freq. de chaveamento (kHz) Motor máximo (cv) (5) (6) Frenagem reostática Filtro RFI interno (classe A) Pot. dissipada nominal (W) Dimensões A x L x P 1.6/ 200-240 0,6 1,6 2,4 2,0/3,5 (4) 5 0,25 Não Não 30 2.6/ 200-240 1,0 2,6 3,9 3,1/5,7 (4) 5 0,5 Não Não 35 4.0/ 200-240 1,5 4,0 6,0 4,8/8,8 (4) 5 1 Não Não 50 7.0/ 200-240 2,7 7,0 10,5 8,1 5 2 Não Não 75 7.3/ 200-240 2,8 7,3 11 8,8/18,8 (4) 5 2 Sim Sim 90 10/ 200-240 3,8 10 15 12/25 (4) 5 3 Sim Sim 100 16/ 200-240 6,1 16 24 19,2 5 5 Sim Não 150 151 x 75 x 131 mm 200 x 115 x 150 mm 9.1.2 REDE 380-480V Modelo: Corrente/Tensão Potência (kVA) (1) Corrente nominal de saída (A) (2) Corrente de saída máxima (A) (3) Corrente nominal de entrada (A) Freq. de chaveamento (kHz) Motor máximo (cv) (5) (6) Frenagem reostática Filtro RFI interno (classe A) Pot. dissipada nominal (W) Dimensões A x L x P 1.0/ 380-480 0,8 1,0 1,5 1,2 5 0,25 Não Não 25 1.6/ 380-480 1,2 1,6 2,4 1,9 5 0,5 Não Não 30 2.6/ 380-480 2,0 2,6 3,9 3,1 5 1,5 Não Não 45 4.0/ 380-480 3,0 4,0 6,0 4,7 5 2 Não Não 55 2.7/ 380-480 2,1 2,7 4,1 3,3 5 1,5 Sim Sim 45 4.3/ 380-480 3,3 4,3 6,5 5,2 5 2 Sim Sim 55 6.5/ 380-480 5,0 6,5 9,8 7,8 5 3 Sim Sim 90 151 x 75 x 131 mm 200 x 115 x 150 mm 10/ 380-480 7,6 10 15 12 5 5 Sim Sim 140 ≥
  • 148.
    148 CARACTERÍSTICAS TÉCNICAS Modelo: Corrente/Tensão Potência(kVA) (1) Corrente nominal de saída (A) (2) Corrente de saída máxima (A) (3) Corrente nominal de entrada (A) Freq. de chaveamento (kHz) Motor máximo (cv) (5) (6) Frenagem reostática Filtro RFI interno (classe A) Pot. dissipada nominal (W) Dimensões A x L x P 13/ 380-480 9,9 13 19,5 15,6 5 7,5 Sim Sim 150 16/ 380-480 12,2 16 24 19,2 5 10 Sim Sim 240 203 x 143 x 165 mm NOTA! (1) A potência em kVA é calculada pela seguinte expressão: Os valores apresentados nas tabelas foram calculados consideran- do a corrente nominal do inversor, tensão de 220V para a linha 200- 240V e 440V para a linha 380-480V. (2) Corrente nominal nas condições seguintes: Umidade relativa do ar: 5% a 90%, sem condensação; Altitude : 1000m, até 4000m com redução de 10%/ 1000m na corren- te nominal; Temperatura ambiente - 0...40º C (até 50º com redução de 2%/ºC na corrente nominal); Os valores de correntes nominais são válidos para as freqüênci- as de chaveamento de 2,5kHz ou 5kHz (padrão de fábrica). Para freqüências de chaveamento maiores, 10kHz e 15kHz, considerar os valores apresentados na descrição do parâmetro P297 (ver cap.6). (3) Corrente de Saída Máxima : O inversor suporta uma sobrecarga de 50% (corrente de saída máxi- ma=1,5 x corrente de saída nominal) durante 1 minuto a cada 10 minutos de operação. Para freqüências de chaveamento maiores, 10kHz e 15kHz, conside- rar 1,5 vezes o valor apresentado na descrição do parâmetro P297 (ver cap. 6). (4) Corrente nominal de entrada para operação monofásica. Obs.: Os modelos 1,6A; 2,6A; 4,0A; 7,3A e 10A na tensão 200-240V podem operar tanto com alimentação trifásica quanto monofásica, sem redução da potência. (5) As potências dos motores são apenas orientativas para motores de 4 pólos. O dimensionamento correto deve ser feito em função das cor- rentes nominais dos motores utilizados. (6) Os inversores saem de fábrica com os parâmetros ajustados para motores WEG standard de IV pólos, freqüência de 60Hz, tensão de 220V para a linha 200-240V ou 380V para a linha 380-480V e com potência de acordo com o indicado neste item. Na tabela do item 9.3 estão indicados os dados destes motores. P(kVA)= 3 . Tensão(Volt) . Corrente (Amp) 1000
  • 149.
    149 CARACTERÍSTICAS TÉCNICAS 9.2 DADOSDA ELETRÔNICA/GERAIS Tensão imposta V/F (Escalar) ou Controle vetorial sensorless (VVC: voltage vector control). Modulação PWM SVM (Space Vector Modulation). 0 ... 300Hz, resolução de 0,01Hz. Regulação de Velocidade: 1% da velocidade nominal. Regulação de Velocidade: 0,5% da velocidade nominal. CFW-08: 1 entrada isolada, resolução: 7 bits, 0 a +10V ou (0)4 a 20mA, Impedância: 100k (0 a +10 V), 500 [(0) 4 a 20 mA], funções programáveis. CFW-08 Plus: 2 entradas isoladas, resolução: 7 bits, 0 a +10V ou (0)4 a 20 mA, Impedância: 100k (0 a +10V),500 [(0) 4 a 20 mA], funções programáveis. 4 entradas digitais isoladas, 12Vcc, funções programáveis CFW-08 Plus: 1 saída isoladas, 0 a +10V, RL 10k (carga máx.), resolução: 8 bits, funções programáveis CFW-08: 1 relé com contatos reversores, 240Vca, 0,5A, funções programáveis CFW-08 Plus: 2 relés, um com contato NA (NO) e outro com contato NF (NC), podendo ser programados para operar como 1 relé reversor, 240Vca, 0,5A, funções programáveis sobrecorrente/curto-circuito na saída curto-circuito fase-terra na saída sub./sobretensão na potência sobretemperatura na potência sobrecarga na saída (IxT) defeito externo erro de programação erro no auto-ajuste defeito no inversor 8 teclas: gira, pára, incrementa, decrementa, sentido de giro, JOG, local/remoto e programação Display de led’s (7 segmentos) com 4 dígitos Led’s para indicação do sentido de giro e para indicação do modo de operação (LOCAL/REMOTO) Permite acesso/alteração de todos os parâmetros Precisão das indicações: - corrente: 10% da corrente nominal - resolução velocidade: 1 rpm - resolução de freqüência: 0,01Hz Possibilidade de montagem externa utilizando acessórios. Ver capítulo 8. Inversores a semicondutores Power Conversion Equipment Electronic equipment for use in power installations Safety requirements for electrical equipment for measurement, control and laboratory use CONTROLE MÉTODO FREQÜÊNCIA DE SAÍDA PERFORMANCE CONTROLE V/F CONTROLE VETORIAL ENTRADAS ANALÓGICAS (cartão ECC2) DIGITAIS SAÍDAS ANALÓGICA (cartão ECC2) RELÉ SEGURANÇA PROTEÇÃO INTERFACE HMI STANDARDHOMEM MÁQUINA (HMI) NORMAS IEC 146 ATENDIDAS UL 508 C EN 50178 EN 61010 Ω Ω Ω Ω ≥
  • 150.
    150 CARACTERÍSTICAS TÉCNICAS Os inversoressaem de fábrica com os parâmetros ajustados para mo- tores trifásicos WEG IP55 de IV pólos, freqüência de 60Hz, tensão de 220V para a linha 200-240V ou 380V para a linha 380-480V e com po- tência de acordo com o indicado nas tabelas dos itens 9.1.1 e 9.1.2. Os dados do motor utilizado na aplicação deverão ser programados em P399 a P409 e o valor de P409 (resistência estatórica) obtido pelo Auto- Ajuste (estimativa de parâmetros via P408). Na tabela seguinte estão mostrados os dados dos motores WEG standard para referência. 9.3 DADOS DOS MOTORES WEG STANDARD IV PÓLOS NOTA! (*) O inversor considera o valor da resistência do estator como se o mo- tor estivesse sempre conectado em Y, independentemente da co- nexão feita na caixa de bornes deste. O valor da resistência do estator é um valor médio por fase consideran- do motores com sobreelevação de temperatura ( T) de 100o C. Potência [P404] (CV) (kW) 0,16 0,12 0,25 0,18 0,33 0,25 0,5 0,37 0,75 0,55 1,0 0,75 1,5 1,10 2,0 1,50 3,0 2,20 4,0 3,00 5,0 3,70 6,0 4,50 0,16 0,12 0,25 0,18 0,33 0,25 0,5 0,37 0,75 0,55 1,0 0,75 1,5 1,10 2,0 1,50 3,0 2,20 4,0 3,00 5,0 3,70 6,0 4,50 7,5 5,50 10 7,50 12,5 9,20 Carcaça 63 63 63 71 71 80 80 90S 90L 100L 100L 112M 63 63 63 71 71 80 80 90S 90L 100L 100L 112M 112M 132S 132M Corrente [P401] (Amps) 0,85 1,12 1,42 2,07 2,90 3,08 4,78 6,47 8,57 11,6 13,8 16,3 0,49 0,65 0,82 1,20 1,67 1,78 2,76 3,74 4,95 6,70 7,97 9,41 11,49 15,18 18,48 Velocidade [P402] (rpm) 1720 1720 1720 1720 1720 1730 1700 1720 1710 1730 1730 1730 1720 1720 1720 1720 1720 1730 1700 1720 1710 1730 1730 1730 1740 1760 1755 Rendimento a 100% da potência nominal, η [P399] (%) 56,0 64,0 67,0 68,0 71,0 78,0 72,7 80,0 79,3 82,7 84,6 84,2 56,0 64,0 67,0 68,0 71,0 78,0 72,7 80,0 79,3 82,7 84,6 84,2 88,5 89,0 87,7 Fator de Potência a 100% da potência nominal cosϕ [P407] 0,66 0,66 0,69 0,69 0,70 0,82 0,83 0,76 0,85 0,82 0,83 0,86 0,66 0,66 0,69 0,69 0,70 0,82 0,83 0,76 0,85 0,82 0,83 0,86 0,82 0,84 0,86 Resistência do Estator (*) [P409] (Ω) 21,77 14,87 10,63 7,37 3,97 4,13 2,78 1,55 0,99 0,65 0,49 0,38 65,30 44,60 31,90 22,10 11,90 12,40 8,35 4,65 2,97 1,96 1,47 1,15 0,82 0,68 0,47 Tensão [P400] (V) 220 380 Freqüên- cia [P403] (Hz) 60 60
  • 151.
    151 GARANTIA A Weg IndústriasS.A - Automação , estabelecida na Av. Pref. Waldemar Grubba, 3000 na cidade de Jaraguá do Sul – SC, oferece garantia para defeitos de fabricação ou de materiais, nos Inversores de Freqüência WEG, conforme a seguir: 1.0 É condição essencial para a validade desta garantia que a comprado- ra examine minuciosamente o inversor adquirido imediatamente após a sua entrega, observando atentamente as suas características e as instruções de instalação, ajuste, operação e manutenção do mesmo. Oinversor será considerado aceito e automaticamente aprovado pela compradora, quando não ocorrer a manifestação por escrito da com- pradora, no prazo máximo de cinco dias úteis após a data de entrega. 2.0 O prazo desta garantia é de doze meses contados da data de forneci- mento da WEG ou distribuidor autorizado, comprovado através da nota fiscal de compra do equipamento, limitado a vinte e quatro me- ses a contar da data de fabricação do produto, data essa que consta na etiqueta de características afixada no produto. 3.0 Em caso de não funcionamento ou funcionamento inadequado do in- versor em garantia, os serviços em garantia poderão ser realizados a critério da WAU, na sua matriz em Jaraguá do Sul - SC, ou em uma Assistência Técnica Autorizada da Weg Automação , por esta indicada. 4.0 O produto, na ocorrência de uma anomalia deverá estar disponível para o fornecedor, pelo período necessário para a identificação da causa da anomalia e seus devidos reparos. 5.0 A Weg Automação ou uma Assistência Técnica Autorizada da Weg Automação, examinará o inversor enviado, e, caso comprove a exis- tência de defeito coberto pela garantia, reparará, modificará ou substi- tuirá o inversor defeituoso, à seu critério, sem custos para a compra- dora, exceto os mencionados no item 7.0. 6.0 A responsabilidade da presente garantia se limita exclusivamente ao reparo, modificação ou substituição do Inversor fornecido, não se res- ponsabilizando a Weg por danos a pessoas, a terceiros, a outros equi- pamentos ou instalações, lucros cessantes ou quaisquer outros da- nos emergentes ou conseqüentes. 7.0 Outras despesas como fretes, embalagens, custos de montagem/ desmontagem e parametrização, correrão por conta exclusiva da com- pradora, inclusive todos os honorários e despesas de locomoção/es- tadia do pessoal de assistência técnica, quando for necessário e/ou solicitado um atendimento nas instalações do usuário. 8.0 A presente garantia não abrange o desgaste normal dos produtos ou equipamentos, nem os danos decorrentes de operação indevida ou negligente, parametrização incorreta, manutenção ou armazenagem inadequada, operação anormal em desacordo com as especificações técnicas, instalações de má qualidade ou influências de natureza quí- mica, eletroquímica, elétrica, mecânica ou atmosférica. CONDIÇÕES GERAIS DE GARANTIA PARA INVERSORES DE FREQÜÊNCIA CFW-08 CAPÍTULO 10
  • 152.
    152 GARANTIA 9.0 Ficam excluídasda responsabilidade por defeitos as partes ou peças consideradas de consumo, tais como partes de borracha ou plástico, bulbos incandescentes, fusíveis, etc. 10.0 A garantia extinguir-se-á, independente de qualquer aviso, se a compradora sem prévia autorização por escrito da WEG, fizer ou mandar fazer por terceiros, eventuais modificações ou reparos no produto ou equipamento que vier a apresentar defeito. 11.0 Quaisquer reparos, modificações, substituições decorrentes de defeitos de fabricação não interrompem nem prorrogam o prazo desta garantia. 12.0 Toda e qualquer solicitação, reclamação, comunicação, etc., no que se refere a produtos em garantia, assistência técnica, start- up, deverão ser dirigidos por escrito, ao seguinte endereço: WEG AUTOMAÇÃO A/C Departamento de Assistência Técnica, Av. Pref. Waldemar Grubba, 3000, malote 190, CEP 89256-900, Jaraguá do Sul – SC Brasil, Telefax 047-3724200, e-mail: astec@weg.com.br. 13.0 A garantia oferecida pela Weg Automação está condicionada à observância destas condições gerais, sendo este o único termo de garantia válido.