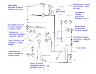
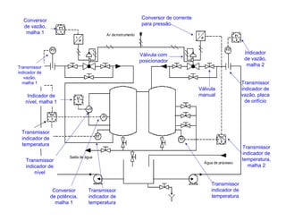
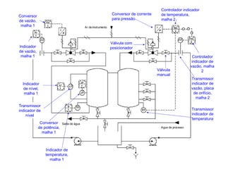
[1] O documento discute simbologia para instrumentação e controle, apresentando normas e aplicações de símbolos de instrumentação.
[2] É definido o formato de TAGs para identificação de instrumentos e equipamentos, assim como a estrutura hierárquica de uma planta industrial.
[3] São apresentadas definições de termos técnicos relacionados à instrumentação industrial, como instrumento, variável de processo, malha, identificação funcional e outras.