Descrição de
Funcionamento
Módulo FR
Global Training. 1
Fahr ( trajeto ) Regler ( regulador )
Unidade de controle do veículo
Global Training.
2
Global Training. 3
Sumário
UCV Geral................................................................................................................................... 4
Esquema elétrico da alimentação da FR .................................................................................... 6
Arranque do motor ..................................................................................................................... 8
GV grupo divisor de marcha ....................................................................................................... 9
GV esquema elétrico ( aplicado no 1938S ). ............................................................................ 10
Piloto automático ......................................................................................................................11
Piloto automático ( esquema elétrico aplicado ao O500R ) ..................................................... 13
Freio motor ............................................................................................................................... 14
Freio motor com retardador ( esquema elétrico O500R ) ........................................................ 16
Luz de freio............................................................................................................................... 17
Luz de ré...................................................................................................................... ............. 18
Temperatura externa. ............................................................................................................... 19
Nível de líqüido de arrefecimento............................................................................................. 19
Filtro de ar ( sensor indicador de saturação ). ......................................................................... 21
Filtro de ar ( interruptor indicador de saturação ). ................................................................... 22
D+ supervisão do sinal. ............................................................................................................ 23
Reguladores do motor .............................................................................................................. 24
Pedal do acelerador ................................................................................................................. 25
Faixa de variação do sinal ........................................................................................................ 26
Bloqueio de arranque do motor ( imobilizer ) ........................................................................... 27
Freio de estacionamento .......................................................................................................... 29
Mv valores atuais para FR ....................................................................................................... 30
Bv v valores binários para FR. .................................................................................................. 32
FR conectores .......................................................................................................................... 48
Tabela de siglas para unidades eletrônicas.............................................................................. 52
Global Training.
4
FR unidade de controle do veículo ( Introdução )
Compatibilidade com o ambiente de trabalho
A FR é uma unidade de comando eletrônico que deve ser instalada dentro da cabine do veículo,
pois não é totalmente protegida contra a penetração impurezas.
Tem suas saídas protegidas contra curto circuito ao massa ou ao pólo positivo da bateria.
Importante: normas determinam o quanto a unidade deve atender em cada uma das caracteríscas
citadas.
Tensão de alimentação para a FR
As entradas de alimentação são KL30 que está sempre conectada ao terminal positivo da bateria,
KL15 que está conectada ao terminal positivo da bateria quando a chave de contato está ligada e
Kl31 que está conectado diretamente ao terminal
negativo da bateria.
 
 
 
 
 
 
 
 
; ; ; ;
 
 
 
 
 
 
 
 
; ; ; ;
./
./
./
$FLPDGH9 ULVFRGHGDQRD89
99 FyGLJRGHVREUHWHQVmR
99 WHQVmRQRUPDOGHWUDEDOKR
99 FyGLJRGHVXEWHQVmR
99 QiRKiJDUDQWLDGHIXQFLRQDPHQWR
Global Training. 5
FR unidade de controle do veículo ( funções )
Com a chave de contato desligada.
Ø Memoriza os dados específicos do veículo onde está instalada.
Ø Memoriza os eventos de falhas.
Ø Memoriza o torque máximo do motor.
Com a chave de contato ligada em modo de serviço.
Ø Ativar a luz de freio no caso de interruptor de luz de freio ligado, freio motor ligado e
uma desaceleração entre 0,5m/s2
e 1ms/s2
.
Ø Tensão de alimentação de 24V para o pedal do acelerador.
Ø Tensão de alimentação de 5V para o sensores de líqüido de arrefecimento e de tempe-
ratura externa.
Ø Tensão de alimentação em onda de forma quadrada nas quatro saídas GSV1 - GSV4
para facilitar diagnóse de falhas na instalação de interruptores.
Ø Indentificar o torque máximo de retenção ( efeito freio motor ) para a regulagem do
motor.
Ø Não função de bloqueador de arranque, interpretar, memorizar e solicitar ao MR os
códigos transponder e solicitar ao WSO o estado do WSP.
Ø Controle contínuo de informações de sensores ou dos barrametos CAN para detecção
de falhas.
Ø Troca contínua de dados com a unidade de controle do motor MR no barramento CAN
de baixa velocidade.
Ø Ativar luzes de aviso em caso de falhas.
Com a chave de contato ligada em modo de diagnose ou parametrização.
Ø Memorização automática dos valores nos procedimentos de reprogramação.
Ø Ativar componentes para a comprovação de funcionamento.
Ø Preparar e modificar valores parametrizáveis.
Durante o arranque do motor.
Ø Préexcitação do alternador conectando um resistor de 300W entre o terminal D+ do
alternador e o borne positivo até que se identifique tensão normal de carga ou uma rota-
ção maior que 1000 i/min
.
Ø Solicita à unidade de controle do motor MR, via CAN de baixa velocidade, o arranque
do motor caso o sinal KL50 não esteja chegando à MR.
Ø Bloqueio do arranque do motor, no compartimento do motor, caso a transmissão não
esteja em Neutro.
Ø Limitar o torque do motor, com o motor frio, caso o parâmetro 35 esteja ajustado para
sim.
Funções especiais.
Ø Controle de piloto automático e limitador de velocidade.
Ø Aumento da rotação do motor desde rotação de marcha lenta até 750/min por meio
Global Training.
6
do interruptor tempomat.
Ø Desligamento do piloto automático em caso de falha na alavanca de controle ou de
uma desaceleração maior que 2m/s2
sem sinal de luz de freio.
Ø Colocar o piloto automático em modo de espera em caso de acionamento da embrea-
gem por um tempo menor que 5s.
Ø Converter os dados vindos do sistema de partida a frio no barramento CAN de baixa
velocidade para o CAN de alta velocidade.
Ø Inibir a comunicação do sistema de partida a frio em caso de alguma falha no barramento
CAN de baixa velocidade que faça com que haja comunicação em somente uma das
linhas.
Ø Executar a função MSS ( partida e parada rápida do motor para veículos de entrega ).
Esquema elétrico da alimentação da FR
F10 Fusível de KL 30
F22 Fusível do KL 15
K2 Relê do barramento KL 15
G1 Baterias
Q1 Chave de desligamento geral
U 35 Unidade de controle do veículo UCV
Global Training. 7
Global Training.
8
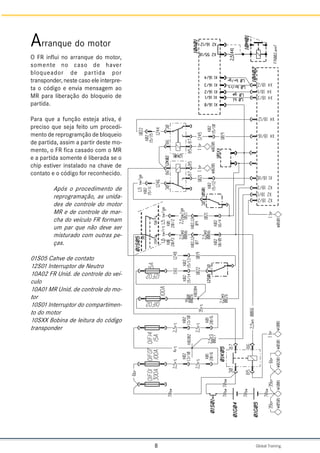
Arranque do motor
O FR influi no arranque do motor,
somente no caso de haver
bloqueador de partida por
transponder, neste caso ele interpre-
ta o código e envia mensagem ao
MR para liberação do bloqueio de
partida.
Para que a função esteja ativa, é
preciso que seja feito um procedi-
mento de reprogramção de bloqueio
de partida, assim a partir deste mo-
mento, o FR fica casado com o MR
e a partida somente é liberada se o
chip estiver instalado na chave de
contato e o código for reconhecido.
Após o procedimento de
reprogramação, as unida-
des de controle do motor
MR e de controle de mar-
cha do veículo FR formam
um par que não deve ser
misturado com outras pe-
ças.
01S05 Cahve de contato
12S01 Interruptor de Neutro
10A02 FR Unid. de controle do veí-
culo
10A01 MR Unid. de controle do mo-
tor
10S01 Interruptor do compartimen-
to do motor
10SXX Bobina de leitura do código
transponder
Global Training. 9
GVgrupo divisor de marcha
Para evitar trancos no mecanismo de mudança, a unidade de controle de marcha do veículo FR
atua nas válvulas do GV de forma proporcional . O sinal elétrico enviado ás válvulas é um sinal
do tipo PWM sendo que em uma delas e de forma alternativa sempre vai passar mais corrente
elétrica do que na outra o que faz com que o pistão mude de posição de forma suave.
Para que o sistema funcione perfeitamente é preciso que se faça a reprogramação
do GV. Para se fazer a reprogramação do GV é preciso que se tenha feito a
reprogramação da embreagem. Caso haja uma falha no sensor de rotação da
entrada da caixa de mudança procedimento de reprogramação não será conclu-
ído.
Importante: A saída que alimenta o ponto comum do interruptor GV, (X2 18/10 )
é um sinal pulsado que permite ao FR identificar possíveis curtos com a massa
ou com o positivo. A tensão normal desta saída é de 12V. Ao se diagnosticar
falhas nesta saída, deve se levar em consideração que ela alimenta outros inter-
ruptores.
V
G
a
m
e
t
s
i
s
o
d
e
s
ó
n
g
a
i
d
a
r
a
p
s
a
c
i
D
a
n
o
i
c
n
u
f
o
ã
n
V
G
m
e
g
a
e
r
b
m
e
e
d
r
o
s
n
e
s
o
d
o
s
r
u
c
o
e
m
a
r
g
o
r
p
e
R
.
V
G
o
e
o
d
n
a
d
u
m
á
t
s
e
V
G
o
d
r
o
t
p
u
r
r
e
t
n
i
o
e
s
e
u
q
i
f
i
r
e
V
s
é
v
a
r
t
a
R
F
o
d
3
W
B
s
e
r
o
l
a
v
s
o
a
j
e
v
,
o
ã
ç
i
s
o
p
e
d
.
s
o
t
n
e
m
u
r
t
s
n
i
e
d
l
e
n
i
a
p
o
d
,
m
e
g
a
e
r
b
m
e
e
d
r
o
s
n
e
s
o
d
o
s
r
u
c
o
e
u
q
i
f
i
r
e
V
o
o
d
n
a
u
q
o
ã
ç
i
s
o
p
e
d
a
d
u
m
V
G
O
.
8
1
W
M
a
j
e
v
.
o
t
n
e
m
a
c
o
l
s
e
d
e
d
%
0
8
e
d
o
m
i
x
ó
r
p
á
t
s
e
o
s
r
u
c
a
d
a
d
a
r
t
n
e
e
d
o
ã
ç
a
t
o
r
e
d
r
o
s
n
e
s
o
e
u
q
i
f
i
r
e
V
.
m
h
O
)
0
0
4
1
a
0
0
8
(
.
a
ç
n
a
d
u
m
e
d
a
x
i
a
c
.
a
c
i
t
á
m
u
e
n
p
o
ã
ç
a
l
a
t
s
n
i
a
e
u
q
i
f
i
r
e
V
)
0
6
e
t
n
e
m
a
d
a
m
i
x
o
r
p
a
(
s
a
l
u
c
l
á
v
s
a
e
u
q
i
f
i
r
e
V
.
m
h
O
e
d
a
d
u
m
V
G
o
e
u
q
a
m
a
l
c
e
r
a
t
s
i
r
o
t
o
M
a
x
i
a
b
o
t
i
u
m
m
e
g
a
e
r
b
m
e
a
m
o
c
o
ã
ç
i
s
o
p
,
m
e
g
a
e
r
b
m
e
e
d
r
o
s
n
e
s
o
d
o
s
r
u
c
o
e
u
q
i
f
i
r
e
V
o
o
d
n
a
u
q
o
ã
ç
i
s
o
p
e
d
a
d
u
m
V
G
O
.
8
1
W
M
a
j
e
v
.
o
t
n
e
m
a
c
o
l
s
e
d
e
d
%
0
8
e
d
o
m
i
x
ó
r
p
á
t
s
e
o
s
r
u
c
l
a
d
e
p
o
d
o
s
r
u
c
o
d
o
ã
ç
u
r
t
s
b
o
á
h
o
ã
n
e
s
a
j
e
V
.
s
a
r
i
e
g
u
s
u
o
s
e
t
e
p
a
T
.
r
o
d
a
r
e
l
e
c
a
o
d
l
b
t
.
1
0
0
R
F
Global Training.
10
B2 Sensor indutivo de posição da embreagem ( 75W ).
B3 Sensor de rotação da entrada da caixa de mudanças ( 800 W a 1400 W).
GVesquema elétrico ( aplicado no 1938S ).
Global Training. 11
Piloto automático
O piloto automático controla a velocidade do veículo acelerando ou retardando. A unidade de
controle de marcha pode variar o torque nominal solicitando à unidade de controle do motor MR,
aplicar o freio motor ou se for necessário freio motor e mais estágios do retardador, somente em
velocidades acima de 50km/h.
Para que o sistema funcione perfeitamente é preciso que o sensor de embrea-
gem, interruptor de neutro e de luz de freio estejam funcionando corretamente.
O sistema entra em modo de espera toda vez que a embreagem é acionada por
um tempo menor que 5s.
O sistema se desliga quando o acelerador é deslocado até a posição de kick
down, quando há uma falha no instalação dos componentes que fazem parte do
sistema ou quando se identifica uma desaceleração maior que 2m/s2
estando o
interruptor da luz de freio desligado.
o
c
i
t
á
m
o
t
u
a
o
t
o
l
i
p
o
d
e
s
ó
n
g
a
i
d
a
r
a
p
s
a
c
i
D
o
ã
n
o
c
i
t
á
m
o
t
u
a
o
t
o
l
i
P
a
n
o
i
c
n
u
f
.
m
e
g
a
e
r
b
m
e
e
d
r
o
s
n
e
s
o
d
o
s
r
u
c
o
e
m
a
r
g
o
r
p
e
R
o
ã
t
s
e
o
c
i
t
á
m
o
t
u
a
o
t
o
l
i
p
o
d
s
e
r
o
t
p
u
r
r
e
t
n
i
s
o
e
s
e
u
q
i
f
i
r
e
V
e
d
l
e
n
i
a
p
o
d
s
é
v
a
r
t
a
R
F
o
d
7
W
B
s
e
r
o
l
a
v
s
o
a
j
e
v
,
o
d
n
a
n
o
i
c
n
u
f
.
s
o
t
n
e
m
u
r
t
s
n
i
.
o
s
u
o
p
e
r
e
d
o
ã
ç
i
s
o
p
m
e
á
t
s
e
r
o
d
a
r
e
l
e
c
a
o
d
l
a
d
e
p
o
e
s
e
u
q
i
f
i
r
e
V
.
r
o
t
o
m
o
i
e
r
f
o
d
s
a
l
u
v
l
á
v
s
a
e
u
q
i
f
i
r
e
V
l
b
t
.
2
0
0
R
F
Global Training.
12
o
c
i
t
á
m
o
t
u
a
o
t
o
l
i
p
o
d
o
t
n
e
m
a
n
o
i
c
n
u
f
o
m
a
t
e
f
a
e
u
q
s
o
r
t
e
m
â
r
a
P
2
3
l
a
d
e
p
e
d
r
o
s
n
e
S
m
e
g
a
e
r
b
m
e R
F
o
,
o
d
a
t
s
u
j
a
e
t
n
e
m
a
t
e
r
r
o
c
r
e
v
i
t
s
e
o
ã
n
o
r
t
e
m
â
r
a
p
o
e
S
.
o
c
i
t
á
m
o
t
u
a
o
t
o
l
i
p
e
d
o
ã
ç
n
u
f
a
r
a
t
u
c
e
x
e
o
ã
n
e
d
o
p
3
3 m
e
g
a
e
r
b
m
e
e
d
r
o
t
p
u
r
r
e
t
n
I
7
4 t
a
m
o
p
m
e
T
o
ã
ç
n
u
F .
R
F
o
n
o
c
i
t
á
m
o
t
u
a
o
t
o
l
i
p
e
d
o
ã
ç
n
u
f
a
a
t
i
l
i
b
a
h
o
r
t
m
â
r
a
p
e
t
s
E
8
4 e
t
n
a
t
s
n
o
c
V
o
ã
ç
n
u
F
a
n
o
c
i
t
á
m
o
t
u
a
o
t
o
l
i
p
e
d
o
ã
ç
n
u
f
a
a
t
i
l
i
b
a
h
o
r
t
m
â
r
a
p
e
t
s
E
.
r
o
d
a
d
r
a
t
e
r
o
d
o
d
n
a
m
o
c
e
d
e
d
a
d
i
n
u
4
6
e
d
r
o
s
n
e
s
e
d
o
p
i
T
m
e
g
a
e
r
b
m
e
R
F
o
,
o
d
a
t
s
u
j
a
e
t
n
e
m
a
t
e
r
r
o
c
r
e
v
i
t
s
e
o
ã
n
o
r
t
e
m
â
r
a
p
o
e
S
.
o
c
i
t
á
m
o
t
u
a
o
t
o
l
i
p
e
d
o
ã
ç
n
u
f
a
r
a
t
u
c
e
x
e
o
ã
n
e
d
o
p
8
7
r
o
d
a
d
r
a
t
e
r
o
d
r
o
t
p
u
r
r
e
t
n
I
R
F
o
n
a
d
a
g
i
l
9
7
o
d
o
m
i
x
á
m
o
i
g
á
t
s
E
.
r
o
d
a
d
r
a
t
e
r
o
d
r
o
t
p
u
r
r
e
t
n
i
3
0
1
o
t
n
e
m
a
r
r
a
b
o
n
r
o
d
a
d
r
a
t
e
R
e
d
a
d
i
c
o
l
e
v
a
t
l
a
e
d
N
A
C
5
3
1
o
d
o
m
i
x
á
m
e
u
q
r
o
T
r
o
d
a
d
r
a
t
e
r
l
b
t
.
3
0
0
R
F
Global Training. 13
Piloto automático ( esquema elétrico aplicado ao O500R )
Global Training.
14
Freio motor
A unidade de controle de marcha FR aciona as válvulas de freio motor e de top brake. Quando
existe retardador instalado, interruptor tem vários estágios sendo que o primeiro aciona o freio
motor e os demais os estágios do retardador.
Para que o sistema funcione é preciso que o pedal do acelerador esteja em mar-
cha lenta e a rotação do motor acima de 900/min
.
A unidade de controle do motor MR, pode solicitar o acionamento automático do
freio motor em caso de sobre rotação do freio motor por marcha engrenada
errada.
o
c
i
t
á
m
o
t
u
a
o
t
o
l
i
p
o
d
e
s
ó
n
g
a
i
d
a
r
a
p
s
a
c
i
D
o
ã
n
o
c
i
t
á
m
o
t
u
a
o
t
o
l
i
P
a
n
o
i
c
n
u
f
.
m
e
g
a
e
r
b
m
e
e
d
r
o
s
n
e
s
o
d
o
s
r
u
c
o
e
m
a
r
g
o
r
p
e
R
o
ã
t
s
e
o
c
i
t
á
m
o
t
u
a
o
t
o
l
i
p
o
d
s
e
r
o
t
p
u
r
r
e
t
n
i
s
o
e
s
e
u
q
i
f
i
r
e
V
e
d
l
e
n
i
a
p
o
d
s
é
v
a
r
t
a
R
F
o
d
7
W
B
s
e
r
o
l
a
v
s
o
a
j
e
v
,
o
d
n
a
n
o
i
c
n
u
f
.
s
o
t
n
e
m
u
r
t
s
n
i
.
o
s
u
o
p
e
r
e
d
o
ã
ç
i
s
o
p
m
e
á
t
s
e
r
o
d
a
r
e
l
e
c
a
o
d
l
a
d
e
p
o
e
s
e
u
q
i
f
i
r
e
V
.
r
o
t
o
m
o
i
e
r
f
o
d
s
a
l
u
v
l
á
v
s
a
e
u
q
i
f
i
r
e
V
l
b
t
.
2
0
0
R
F
Global Training. 15
r
o
t
o
m
o
i
e
r
f
o
d
o
t
n
e
m
a
n
o
i
c
n
u
f
o
m
a
t
e
f
a
e
u
q
s
o
r
t
e
m
â
r
a
P
2
3
l
a
d
e
p
e
d
r
o
s
n
e
S
m
e
g
a
e
r
b
m
e R
F
o
,
o
d
a
t
s
u
j
a
e
t
n
e
m
a
t
e
r
r
o
c
r
e
v
i
t
s
e
o
ã
n
o
r
t
e
m
â
r
a
p
o
e
S
.
o
c
i
t
á
m
o
t
u
a
o
t
o
l
i
p
e
d
o
ã
ç
n
u
f
a
r
a
t
u
c
e
x
e
o
ã
n
e
d
o
p
3
3 m
e
g
a
e
r
b
m
e
e
d
r
o
t
p
u
r
r
e
t
n
I
7
4 t
a
m
o
p
m
e
T
o
ã
ç
n
u
F .
R
F
o
n
o
c
i
t
á
m
o
t
u
a
o
t
o
l
i
p
e
d
o
ã
ç
n
u
f
a
a
t
i
l
i
b
a
h
o
r
t
m
â
r
a
p
e
t
s
E
8
4 e
t
n
a
t
s
n
o
c
V
o
ã
ç
n
u
F
a
n
o
c
i
t
á
m
o
t
u
a
o
t
o
l
i
p
e
d
o
ã
ç
n
u
f
a
a
t
i
l
i
b
a
h
o
r
t
m
â
r
a
p
e
t
s
E
.
r
o
d
a
d
r
a
t
e
r
o
d
o
d
n
a
m
o
c
e
d
e
d
a
d
i
n
u
4
6
e
d
r
o
s
n
e
s
e
d
o
p
i
T
m
e
g
a
e
r
b
m
e
R
F
o
,
o
d
a
t
s
u
j
a
e
t
n
e
m
a
t
e
r
r
o
c
r
e
v
i
t
s
e
o
ã
n
o
r
t
e
m
â
r
a
p
o
e
S
.
o
c
i
t
á
m
o
t
u
a
o
t
o
l
i
p
e
d
o
ã
ç
n
u
f
a
r
a
t
u
c
e
x
e
o
ã
n
e
d
o
p
5
7
o
n
r
o
t
o
m
o
i
e
r
f
e
d
s
o
i
g
á
t
s
E
.
r
o
t
p
u
r
r
e
t
n
i
8
7
r
o
d
a
d
r
a
t
e
r
o
d
r
o
t
p
u
r
r
e
t
n
I
R
F
o
n
a
d
a
g
i
l
9
7
o
d
o
m
i
x
á
m
o
i
g
á
t
s
E
.
r
o
d
a
d
r
a
t
e
r
o
d
r
o
t
p
u
r
r
e
t
n
i
4
9
o
ã
ç
i
s
o
p
a
d
o
ã
s
i
v
r
e
p
u
S
o
i
e
r
f
o
d
r
o
t
u
r
r
e
t
n
i
o
d
o
r
e
z
.
r
o
t
o
m
3
0
1
o
t
n
e
m
a
r
r
a
b
o
n
r
o
d
a
d
r
a
t
e
R
e
d
a
d
i
c
o
l
e
v
a
t
l
a
e
d
N
A
C
5
3
1
o
d
o
m
i
x
á
m
e
u
q
r
o
T
r
o
d
a
d
r
a
t
e
r
l
b
t
.
5
0
0
R
F
Global Training.
16
Freio motor com retardador ( esquema elétrico O500R )
Global Training. 17
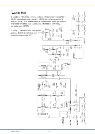
Luz de freio
É função do FR (10A02 ) ativar a saída do relê da luz de freio (30K02 ).
Ele faz isso toda vez que a saída X1 18/13 não estiver conectada à
entrada X1 18/11 ou a desaceleração do veículo for maior que 7 km/h.
O sinal de referência para a velocidade é tomado no termina B/7
do tacógrafo ( 60P02 ).
A saída X1 18/13 fornece uma tensão
pulsada de 24V. Uma leitura com
multímetro apresenta 12V.
Global Training.
18
Luz de ré
É função do FR ativar a saída do relê da luz de freio. Ele faz isso toda vez que a saída X4 18/12
estiver conectada à entrada X4 18/18.
A saída X4 18/12 fornece uma tensão pulsada de 24V. Uma leitura com multímetro apresenta
12V.
Global Training. 19
Temperatura externa.
O sensor de temperatura externa ( 10B04 ) está ligado à unidade de controle do veículo ( FR ), a
informação fica disponibilizada no barramento CAN para a utilização por outros sistemas.
Nível de líqüido de arrefecimento.
O sensor de nível de líqüido de arrefecimento ( 15B01 ) está ligado à unidade de controle do veículo
( FR ), a informação é disponibilizada no barramento CAN de acordo com a tabela abaixo.
Global Training.
20
o
t
n
e
m
i
c
e
f
e
r
r
a
e
d
o
d
i
ü
q
i
l
e
d
r
o
s
n
e
s
a
r
a
p
a
l
e
b
a
T
)
m
h
O
(
a
i
c
n
ê
t
s
i
s
e
R s
e
r
o
t
p
u
r
r
e
t
n
I V
C
U
a
d
o
ã
ç
a
e
R
5
2
-
0 o
d
a
g
i
L o
d
a
g
i
L o
v
i
t
a
o
r
o
n
o
s
e
m
r
a
l
a
,
l
a
n
i
f
a
t
r
e
l
A
5
7
-
5
2 o
d
a
g
i
l
s
e
d o
d
a
g
i
L
r
o
s
n
e
s
o
n
a
h
l
a
f
,
o
v
i
t
a
o
r
o
n
o
s
e
m
r
a
l
a
,
l
a
n
i
f
a
t
r
e
l
A
3
3
5
2
0
o
g
i
d
ó
C
5
2
1
-
5
7 o
d
a
g
i
L o
d
a
g
i
l
s
e
d )
a
d
a
g
i
l
a
d
a
p
m
â
l
(
o
s
i
v
a
é
r
P
0
0
3
-
5
2
1 o
d
a
g
i
l
s
e
d o
d
a
g
i
l
s
e
d l
a
m
r
o
n
l
e
v
í
N
0
0
3
e
u
q
r
o
i
a
m o
t
r
e
b
a
o
t
i
u
c
r
i
c 0
3
5
2
0
o
g
i
d
ó
C
l
e
v
í
n
o
p
s
i
d
o
ã
n
o
ã
ç
a
m
r
o
f
n
I
l
b
t
.
4
4
0
V
C
U
Global Training. 21
Filtro de ar ( sensor indicador de saturação ).
A unidade de controle do veículo ( FR ) monitora a entrada do sensor de saturação do filtro de ar e
e envia o valor à unidade de controle do motor ( MR ), como um valor de referência. A unidade de
controle do motor ( MR ), compara este valor de referência com o valor da pressão de admissão. É
considerado uma situação normal de funcioamento quando a pressão de admissão for maior que
a pressão do sensor de pressão de obstrução de filtro de ar desde que o motor esteja funcionando
e valores iguais para quando o motor está parado.
Caso seja indentifado uma obstrução do filtro de a, por mais de 1segundo, a unidade de controle
do veículo ( FR ), coloca no barramento CAN uma mensagem de alerta de filtro obstruído por um
tempo de 5 minutos
Global Training.
22
Filtro de ar ( interruptor indicador de saturação ).
O interruptor indicador de saturação deve estar aberto para pressões entre -80mbar e 0mbar.
Caso o interruptor se feche por mais de 1segundo, a unidade de controle do veículo ( FR ), coloca
no barramento CAN uma mensagem de alerta de filtro obstruído por um tempo de 5 minutos
Global Training. 23
D+ supervisão do sinal.
A unidade de controle préexcita o alternador através do terminal D+, colocando uma resistência
interna de 300W entre o terminal X4 18/11 e a tensão de alimentação positiva até que a tensão do
alternador atinja valores normais ou a rotação do motor atinja 1000 i/min
, entretanto este novo tipo
de alternador tem conexões diferentes, ou seja, o D+ é uma saída
que informa o estado do alternador
Adicionalmente é fornecido uma saída D+a
no terminal X218/4 para acionamento
de sistemas que somente devem
trabalhar com o motor em funcionamento.
O terminal BS do alternador serve
como referência para a
regulagem de tensão,por ser
tomada diretamente na
bateria,uma eventual
queda detensão nos cabos
é compensada.
Global Training.
24
Reguladores do motor
Para entender o que é regulação de um motor, vamos imaginar as seguintes situações:
1.0 Você está em movimento com um caminhão em uma estrada plana e para
manter uma determinada velocidade você engrena uma determinada marcha e
desloca o pedal do acelerador até um determinado ponto, a rotação do motor se
mantem constante pois o torque necessário é sempre constante. Imagine agora
que o veículo começa a subir uma ladeira, o motor perde rotação e o veículo
perde velocidade. Isso acontece por você não ter deslocado o pedal do acelera-
dor, ou seja você manteve o torque solicitado mas o torque necessário é maior.
2.0 Agora em uma situação similar, só que quando o veículo atinge a ladeira o
motor não perde rotação, o veículo não perde velocidade e você não precisou
deslocar o acelerador.
A diferença é que na primeira havia uma solicitação de torque e na segunda uma solicitação de
rotação, na primeira a rotação varia junto com o torque e na segunda a rotação é fixa. Estes são
dois tipos de regulação do motor.
Importante saber também que a variação da rotação em função da variação do torque do motor
depende da rotação momentânea do motor. Isso tudo faz com que a regulagem de um motor seja
um processo um tanto complicado, este processo é executado pela unidade de controle do motor
MR segundo solicitação da unidade de controle do veículo FR.
Regulagem de rotação ( RQV )
O MR busca manter a rotação do motor no mesmo valor da rotação nominal, isso quer dizer que
mesmo que a carga no motor varie, a rotação será mantida.
Regulagem de torque ( RQ )
O MR ajusta o início e ângulo de injeção, procurando manter o torque desejado, neste caso quando
houver uma variação de carga no motor a rotação sofrerá uma variação.
Global Training. 25
Pedal do acelerador
Trata se de um componente eletrônico capaz de converter a posição do pedal do acelerador em
um sinal elétrico do tipo PWM.
9
89
9
9
9 9
9
89
9
9
9 9
9
0DUFKD
OHQWD
3OHQD
FDUJD
9
9
6LQDODQDOyJLFR
7HQVmR
QRSRWHQFL{PHWUR
9
0DUFKD
OHQWD
3OHQD
FDUJD
9
6LQDO3:0
Circuito eletrônico
converte o sinal analócigco
em sinal PWM
Potenciômetro acionado pelo pedal do
acelerador gera um sinal analógico
UCV alimenta circuito eletrônico do
pedal do acelerador e interpreta sinal
PWM como posição do pedal do
aceleradodr
Global Training.
26
Na figura acima, temos a leitura do sinal de um pedal de acelerador. O aparelho de medição está
indicando um sinal de freqüência 205Hz, aproximadamente 20V de amplitude e 14,3% de ciclo. A
informação mais importante é a porcentagem de ciclo que diz que a largura L equivale a 14,3% do
ciclo P. L = 0,69ms e P = 4,87ms.
Faixa de variação do sinal
O sinal PWM do pedal do acelerador apresenta uma porcentagem próxima a 15% quando está em
repouso e 55% quando está acionado até o máximo.
Reconhecimento da faixa do sinal de um pedal do acelerador
Os valores dos limites da variação do sinal PWM varia de um pedal para outro, por isso é preciso
fazer com que o FR identifique esses limites sempre que um pedal é posto a funcionar pela primei-
ra vez. O fato de desconectar e reconectar um pedal de limites já reconhecidos, não exige que se
reconheça novamente. O FR não aceita qualquer valor de limites, por isso pode ser que haja pro-
blemas para reconhecer um pedal avariado, durante a reprogramação o FR aceita como faixa de
marcha lenta, uma relação de 10% a 30% e de 40% a 90% para plena carga.
Global Training. 27
Bloqueio de arranque do motor ( imobilizer )
O sistema de bloqueio de arranque do motor é composto dos componentes, chave de contato com
código transponder, bobina de leitura do código transponder, unidade de leitura do código
transponder ( WSP ) unidade de controle do veículo ( FR ) e unidade de controle do motor ( MR ),
cada unidade tem a seguinte função:
Chave de contato com código transponder
Carrega um chip que é um segredo eletrônico
Bobina de leitura do código transponder
É excitada pelo chip que está na chave de contato sempre que o kl15 está ligado, assim
emite um sinal digital bastante fraco que será transmitido via KL50 à unidade de contro e
do veículo ( FR ) à unidade de leitura do código transponder ( WSP ) e à unidade de
regulagem do motor ( MR ).
Unidade de leitura do código transponder ( WSP )
Importante: Em alguns veículos esta função está integrada a FR
Carrega um conjunto de parâmetros que serão casados com a unidade de controle do motor
( MR ) durante o procedimento de reprogramação do imobilizer.
Lê o código transponder no KL50, demodula, o amplifica, pois originalmente este é muito
débil e envia às unidades MR e FR.
Unidade de controle do veículo ( FR )
Memoriza o código transponder e se a unidade de controle do motor ( MR ) solicitar,
disponibiliza este código mais a parametrização da unidade de leitura do transponder
( WSP ), no barramento CAN. Isso faz com a função de imobilizer seja executada mesmo que
haja um tipo de falha no KL50.
Unidade de controle do motor ( MR )
Memoriza o código transponder da chave de contato durante o processo de reprogramação
da chave num máximo de 8 chaves e toda vez que a ignição é ligada, lê o código emitido
no KL50 compara com os códigos memorizados e libera o arranque do motor no caso de
códigos coincidentes. Caso o código não seja coincidente, o motor gira mas não pega.
Os códigos memorizados podem ser apagados, para isso é preciso acessar o Fdok para
conseguir um número aleatório e com este número aleatório apagar os códigos armazena
dos no MR o que permitirá gravar novos códigos.
Reposição das peças
Unidade de leitura ( WSP )
Trocar a peça e reconhecer as chaves, necessita de FDOK.
Unidade de comando do veículo ( FR )
Substituir e efetuar reprogramação para trabalhar com imobilizer.
Global Training.
28
Unidade de controle do motor ( MR )
Substituir desbloquear acesso para gravar os códigos transponder com número aleatório
conseguido do Fdok.
Procedimento para arranque do motor em veículos com transponder.
1.0 Ligar a chave de contato
2.0 Esperar a checagem dos instrumentos do painel que é um tempo compatível com o
tempo necessário para o MR ler e comparar o código da chave com os códigos memoriza
dos.
Caso a chave de contato seja girada muito rápido, não haverá a comparação e aparecerá a palavra
code no painel de instrumentos e o arranque do motor não será liberado antes de um determinado
tempo, a cada vez que o erro é cometido o tempo de desbloqueio aumenta.
Global Training. 29
Freio de estacionamento
A unidade de controle do veóiculo FR ( 10A02 ) monitóra o estado desta entrada e disponibiliza
esta informação no barramento CAN para outras unidades de controle tais como, painel de instru-
mentos ( INS ) e sistema de freio inteligente ( BS ) e também para ativar um regulador de rotação
parametrizado na para tomada de força
Global Training.
30
Mv valores atuais para FR
)
s
V
M
(
R
F
a
r
a
p
s
i
a
e
r
s
e
r
o
l
a
v
e
d
a
l
e
b
a
T
V
M o
d
a
c
i
f
i
n
g
i
S o
ã
ç
a
v
r
e
s
b
O
1
0
o
d
l
a
d
e
p
o
d
o
ã
ç
i
s
o
P
I
r
o
d
a
r
e
l
e
c
a
5
1
e
d
o
m
i
x
ó
r
p
r
a
t
s
e
e
v
e
d
o
d
a
c
i
d
n
i
r
o
l
a
V
a
g
r
a
c
a
n
e
l
p
m
e
5
5
e
a
t
n
e
l
a
h
c
r
a
m
a
n
2
0
o
d
l
a
d
e
p
o
d
o
ã
ç
i
s
o
P
I
I
r
o
d
a
r
e
l
e
c
a
5
1
e
d
o
m
i
x
ó
r
p
r
a
t
s
e
e
v
e
d
o
d
a
c
i
d
n
i
r
o
l
a
V
a
g
r
a
c
a
n
e
l
p
m
e
5
5
e
a
t
n
e
l
a
h
c
r
a
m
a
n
3
0
o
d
l
a
d
e
p
o
n
o
d
a
t
i
c
i
l
o
s
e
u
q
r
o
T
r
o
d
a
r
e
l
e
c
a
o
d
n
e
s
á
t
s
e
e
u
q
e
u
q
r
o
t
o
a
c
i
d
n
i
r
o
l
a
V
m
e
,
r
o
d
a
r
e
l
e
c
a
o
d
l
a
d
e
p
o
n
o
d
a
t
i
c
i
l
o
s
a
n
e
l
p
m
e
e
M
N
0
r
e
s
e
v
e
d
a
t
n
e
l
a
h
c
r
a
m
o
d
r
o
t
o
m
o
a
r
a
p
e
u
q
r
o
t
o
m
i
x
á
m
o
,
a
g
r
a
c
o
l
u
c
í
e
v
4
0 o
l
u
c
í
e
v
o
d
e
d
a
d
i
c
o
l
e
V
o
d
a
e
n
â
t
n
a
t
s
n
i
e
d
a
d
i
c
o
l
e
v
a
a
m
r
o
f
n
I
o
l
u
c
í
e
v
5
0 l
a
n
i
m
o
n
e
d
a
d
i
c
o
l
e
V
a
d
a
l
u
c
l
a
c
e
t
n
e
m
a
e
n
â
t
n
e
m
o
m
e
d
a
d
i
c
o
l
e
V
o
l
u
c
í
e
v
o
a
r
a
p
R
F
o
l
e
p
6
0 r
a
e
d
o
r
t
l
i
f
o
n
o
ã
s
s
e
r
p
e
D
r
e
s
e
v
e
d
a
t
n
e
l
a
h
c
r
a
m
m
e
r
o
t
o
m
o
m
o
C
a
,
o
ã
ç
a
r
e
l
e
c
a
m
e
r
o
t
o
m
o
m
o
c
,
r
a
b
0
o
m
i
x
á
m
o
n
r
i
g
n
i
t
a
e
v
e
d
o
ã
s
s
e
r
p
e
d
r
a
b
m
0
6
7
0 o
n
r
e
t
x
e
r
a
o
d
a
r
u
t
a
r
e
p
m
e
T
8
0
l
a
n
i
m
r
e
t
o
n
r
o
t
o
m
o
d
o
ã
ç
a
t
o
R
r
o
d
a
n
r
e
t
l
a
o
d
W
9
0
r
o
s
n
e
s
o
n
r
o
t
o
m
o
d
o
ã
ç
a
t
o
R
e
t
n
a
l
o
v
o
d
0
1 l
a
n
i
m
o
n
o
ã
ç
a
t
o
R
a
r
a
p
R
F
o
l
e
p
a
d
a
l
u
c
l
a
c
r
o
t
o
m
o
d
o
ã
ç
a
t
o
R
a
ç
r
o
f
e
d
a
d
a
m
o
t
e
d
o
ã
ç
a
c
i
l
p
a
a
m
u
1
1 r
o
d
a
l
u
g
e
r
e
d
o
p
i
T
a
a
r
a
p
r
o
t
o
m
o
d
r
o
d
a
l
u
g
e
r
e
d
o
p
i
T
a
d
a
c
i
l
p
a
a
ç
r
o
f
e
d
a
d
a
m
o
t
e
d
o
ã
ç
a
c
i
l
p
a
)
Q
R
=
5
1
V
Q
R
=
1
(
o
t
n
e
m
o
m
o
n
2
1 a
t
n
e
l
a
h
c
r
a
m
e
d
o
ã
ç
a
t
o
R
o
a
c
i
d
n
i
o
d
a
r
a
p
r
e
v
i
t
s
e
o
l
u
c
í
e
v
o
e
S
e
s
,
a
t
n
e
l
a
h
c
r
a
m
e
d
s
e
õ
ç
a
t
o
r
e
d
o
r
e
m
ú
n
a
c
i
d
n
i
,
o
t
n
e
m
i
e
v
o
m
m
e
r
e
v
i
t
s
e
o
l
u
c
í
e
v
o
o
ã
ç
a
c
i
l
p
a
a
m
u
a
r
a
p
o
ã
ç
a
t
o
r
e
d
o
r
e
m
ú
n
o
a
ç
r
o
f
e
d
a
d
a
m
o
t
e
d
3
1 a
t
n
e
l
a
h
c
r
a
m
e
d
o
ã
ç
a
t
o
R
r
o
t
o
m
o
d
e
n
â
t
n
e
m
o
m
o
ã
ç
a
t
o
r
a
a
c
i
d
n
I
o
d
e
l
o
r
t
n
o
c
e
d
e
d
a
d
i
n
u
a
l
e
p
a
d
a
c
i
l
p
a
R
M
r
o
t
o
m
4
1 r
o
t
o
m
o
d
l
a
n
i
m
o
n
e
u
q
r
o
T R
M
o
a
R
F
o
l
e
p
o
d
a
t
i
c
i
l
o
s
e
u
q
r
o
T
l
b
t
.
7
1
0
C
B
I
Global Training. 31
)
s
V
M
(
R
F
a
r
a
p
s
i
a
e
r
s
e
r
o
l
a
v
e
d
a
l
e
b
a
T
V
M o
d
a
c
i
f
i
n
g
i
S o
ã
ç
a
v
r
e
s
b
O
5
1 r
o
t
o
m
o
d
l
a
e
r
e
u
q
r
o
T
o
l
e
p
o
d
a
c
i
l
p
a
o
d
n
e
s
á
t
s
e
e
u
q
e
u
q
r
o
T
r
o
t
o
m
6
1 m
e
g
a
e
r
b
m
e
a
d
o
t
n
e
m
a
c
o
l
s
e
D
e
t
s
a
g
s
e
d
e
d
r
o
s
n
e
s
o
l
e
p
o
d
a
c
i
d
n
i
o
s
r
u
C
m
e
g
a
e
r
b
m
e
a
d
7
1
a
d
a
r
t
n
e
a
d
o
ã
ç
a
t
o
r
e
d
o
r
e
m
ú
N
o
i
b
m
â
c
o
d
o
d
o
ã
ç
a
t
o
r
e
d
r
o
s
n
e
s
o
n
a
d
i
l
o
ã
ç
a
t
o
R
o
i
b
m
â
c
8
1
a
d
i
a
s
a
d
o
ã
ç
a
t
o
r
e
d
o
r
e
m
ú
N
o
i
b
m
â
c
o
d
o
d
o
ã
ç
a
t
o
r
e
d
r
o
s
n
e
s
o
n
a
d
i
l
o
ã
ç
a
t
o
R
é
o
ã
n
)
S
P
E
a
r
a
p
e
t
n
e
m
ó
s
(
o
i
b
m
â
c
R
0
0
5
O
o
n
o
d
a
c
i
l
p
a
9
1 a
d
a
m
a
r
g
o
r
p
a
h
c
r
a
M
e
t
n
e
m
ó
s
(
a
d
a
m
a
r
g
o
r
p
a
h
c
r
a
m
a
a
c
i
d
n
I
R
0
0
5
O
o
n
o
d
a
c
i
l
p
a
é
o
ã
n
)
S
P
E
a
r
a
p
0
2
a
d
a
c
i
l
p
a
m
e
g
a
n
e
r
f
e
d
e
u
q
r
o
T
r
o
d
a
d
r
a
t
e
r
o
l
e
p
1
2 l
a
e
r
m
e
g
a
n
e
r
f
e
d
e
u
q
r
o
T
2
2 o
m
i
n
í
m
e
u
q
r
o
T
o
d
n
a
u
q
,
e
u
q
r
o
t
o
d
o
m
i
n
í
m
e
d
r
o
l
a
V
a
t
s
e
e
u
t
e
f
e
e
u
q
a
m
e
t
s
i
s
m
u
e
t
s
i
x
e
.
ç
t
e
B
P
E
.
S
B
,
R
S
A
:
o
ã
ç
a
t
i
m
i
l
4
2 R
F
o
d
0
3
e
n
r
o
b
o
n
o
ã
s
n
e
T
5
2 M
W
P
a
d
í
a
S
l
a
n
i
s
o
d
m
e
g
a
t
n
e
c
r
o
p
m
e
r
o
l
a
v
o
a
c
i
d
n
I
e
d
a
d
i
n
u
a
R
F
o
l
e
p
o
d
i
c
e
n
r
o
f
é
e
u
q
M
W
P
.
a
c
i
t
á
m
o
t
u
a
o
ã
s
s
i
m
s
n
a
r
t
a
d
o
d
n
a
m
o
c
e
d
)
R
0
0
5
O
o
n
o
d
a
c
i
l
p
a
o
ã
n
(
l
b
t
.
8
1
0
C
B
I
Global Training.
32
Bv v valores binários para FR.
)
s
V
B
(
R
F
a
r
a
p
s
o
i
r
á
n
i
b
s
e
r
o
l
a
v
e
d
a
l
e
b
a
T
V
B s
t
i
B o
ã
ç
a
v
r
e
s
b
O
1
0
6
7 4
5 2
3 0
1
0
0 3
/
8
1
2
X
m
e
o
d
n
a
g
e
h
c
á
t
s
e
o
ã
n
5
1
L
K
o
d
o
ã
s
n
e
T
1
0 3
/
8
1
2
X
m
e
o
d
n
a
g
e
h
c
á
t
s
e
5
1
L
K
o
d
o
ã
s
n
e
T
0
0 8
1
/
8
1
1
X
m
e
o
d
n
a
g
e
h
c
á
t
s
e
o
ã
n
0
5
l
K
e
d
l
a
n
i
S
1
0 8
1
/
8
1
1
X
m
e
o
d
n
a
g
e
h
c
á
t
s
e
0
5
l
K
e
d
l
a
n
i
S
0
0 3
1
/
8
1
4
X
m
e
o
d
n
a
g
e
h
c
á
t
s
e
o
ã
n
r
o
d
a
n
r
e
t
l
a
o
d
o
d
n
i
v
+
D
l
a
n
i
S
1
0 3
1
/
8
1
4
X
m
e
o
d
n
a
g
e
h
c
á
t
s
e
r
o
d
a
n
r
e
t
l
a
o
d
o
d
n
i
v
+
D
l
a
n
i
S
0
0 4
/
8
1
2
X
m
e
o
d
n
i
a
s
á
t
s
e
o
ã
n
+
D
l
a
n
i
S
1
0 4
/
8
1
2
X
m
e
o
d
n
i
a
s
á
t
s
e
+
D
l
a
n
i
S
2
0
0
0 1
1
/
8
1
1
X
m
e
o
d
n
a
g
e
h
c
á
t
s
e
o
ã
n
o
i
e
r
f
e
d
z
u
l
e
d
l
a
n
i
S
1
0 1
1
/
8
1
1
X
m
e
o
d
n
a
g
e
h
c
á
t
s
e
o
i
e
r
f
e
d
z
u
l
e
d
l
a
n
i
S
0
0 8
/
8
1
2
X
m
e
o
d
n
i
a
s
á
t
s
e
o
ã
n
o
i
e
r
f
e
d
z
u
l
e
d
l
a
n
i
S
1
0 8
/
8
1
2
X
m
e
o
d
n
i
a
s
á
t
s
e
o
i
e
r
f
e
d
z
u
l
e
d
l
a
n
i
S
0
0
m
e
o
d
n
a
g
e
h
c
á
t
s
e
o
ã
n
o
t
n
e
m
a
n
o
i
c
a
t
s
e
e
d
o
i
e
r
f
e
d
z
u
l
e
d
l
a
n
i
S
9
/
5
1
3
X
1
0
3
X
m
e
o
d
n
a
g
e
h
c
á
t
s
e
o
t
n
e
m
a
n
o
i
c
a
t
s
e
e
d
o
i
e
r
f
e
d
z
u
l
e
d
l
a
n
i
S
9
/
5
1
0
0 5
1
/
8
1
1
X
a
d
a
r
t
n
e
a
n
o
d
n
a
g
e
h
c
á
t
s
e
o
ã
n
t
e
s
o
p
m
e
t
e
d
l
a
n
i
S
1
0 5
1
/
8
1
1
X
a
d
a
r
t
n
e
a
n
o
d
n
a
g
e
h
c
á
t
s
e
t
e
s
o
p
m
e
t
e
d
l
a
n
i
S
3
0
0
0 6
1
/
8
1
1
X
a
d
a
r
t
n
e
a
n
o
d
n
a
g
e
h
c
á
t
s
e
o
ã
n
B
+
S
e
d
l
a
n
i
S
1
0 6
1
/
8
1
1
X
a
d
a
r
t
n
e
a
n
o
d
n
a
g
e
h
c
á
t
s
e
B
+
S
e
d
l
a
n
i
S
0
0 2
1
/
8
1
1
X
a
d
a
r
t
n
e
a
n
o
d
n
a
g
e
h
c
á
t
s
e
o
ã
n
B
-
S
e
d
l
a
n
i
S
1
0 2
1
/
8
1
1
X
a
d
a
r
t
n
e
a
n
o
d
n
a
g
e
h
c
á
t
s
e
B
-
S
e
d
l
a
n
i
S
0
0 4
1
/
8
1
1
X
a
d
a
r
t
n
e
a
n
o
d
n
a
g
e
h
c
á
t
s
e
o
ã
n
t
a
m
o
p
m
e
T
e
d
l
a
n
i
S
1
0 4
1
/
8
1
1
X
a
d
a
r
t
n
e
a
n
o
d
n
a
g
e
h
c
á
t
s
e
t
a
m
o
p
m
e
T
e
d
l
a
n
i
S
0
0 7
1
/
8
1
1
X
a
d
a
r
t
n
e
a
n
o
d
n
a
g
e
h
c
á
t
s
e
o
ã
n
t
i
u
Q
e
d
l
a
n
i
S
1
0 7
1
/
8
1
1
X
a
d
a
r
t
n
e
a
n
o
d
n
a
g
e
h
c
á
t
s
e
t
i
u
Q
e
d
l
a
n
i
S
l
b
t
.
9
1
0
C
B
I
Global Training. 33
)
s
V
B
(
R
F
a
r
a
p
s
o
i
r
á
n
i
b
s
e
r
o
l
a
v
e
d
a
l
e
b
a
T
V
B s
t
i
B o
ã
ç
a
v
r
e
s
b
O
4
0 6
7 4
5 2
3 0
1
0
0 3
1
/
8
1
2
X
m
e
o
d
n
a
g
e
h
c
á
t
s
e
o
ã
n
r
o
d
a
d
r
a
t
e
r
a
r
a
p

0

a
d
a
r
t
n
e
e
d
l
a
n
i
S
1
0 3
1
/
8
1
2
X
m
e
o
d
n
a
g
e
h
c
á
t
s
e
r
o
d
a
d
r
a
t
e
r
a
r
a
p

0

a
d
a
r
t
n
e
e
d
l
a
n
i
S
0
0 4
1
/
8
1
2
X
m
e
o
d
n
a
g
e
h
c
á
t
s
e
o
ã
n
r
o
d
a
d
r
a
t
e
r
a
r
a
p

1

a
d
a
r
t
n
e
e
d
l
a
n
i
S
1
0 4
1
/
8
1
2
X
m
e
o
d
n
a
g
e
h
c
á
t
s
e
r
o
d
a
d
r
a
t
e
r
a
r
a
p

1

a
d
a
r
t
n
e
e
d
l
a
n
i
S
0
0 5
1
/
8
1
2
X
m
e
o
d
n
a
g
e
h
c
á
t
s
e
o
ã
n
r
o
d
a
d
r
a
t
e
r
a
r
a
p

2

a
d
a
r
t
n
e
e
d
l
a
n
i
S
1
0 5
1
/
8
1
2
X
m
e
o
d
n
a
g
e
h
c
á
t
s
e
r
o
d
a
d
r
a
t
e
r
a
r
a
p

2

a
d
a
r
t
n
e
e
d
l
a
n
i
S
0
0 9
/
8
1
2
X
m
e
o
d
n
a
g
e
h
c
á
t
s
e
o
ã
n
r
o
d
a
d
r
a
t
e
r
a
r
a
p

3

a
d
a
r
t
n
e
e
d
l
a
n
i
S
1
0 9
/
8
1
2
X
m
e
o
d
n
a
g
e
h
c
á
t
s
e
r
o
d
a
d
r
a
t
e
r
a
r
a
p

3

a
d
a
r
t
n
e
e
d
l
a
n
i
S
5
0 0
0 a
d
a
v
i
t
a
á
t
s
e
o
ã
n
)
4
/
5
1
3
X
(
r
o
t
o
m
o
i
e
r
f
o
d
a
l
u
v
l
á
v
a
r
a
p
a
d
í
a
S
1
0 a
d
a
v
i
t
a
á
t
s
e
)
4
/
5
1
3
X
(
r
o
t
o
m
o
i
e
r
f
o
d
a
l
u
v
l
á
v
a
r
a
p
a
d
í
a
S
0
0 a
d
a
v
i
t
a
á
t
s
e
o
ã
n
)
7
/
5
1
3
X
(
e
k
a
r
b
p
o
t
o
d
a
l
u
v
l
á
v
a
r
a
p
a
d
í
a
S
1
0 a
d
a
v
i
t
a
á
t
s
e
)
7
/
5
1
3
X
(
e
k
a
r
b
p
o
t
o
d
a
l
u
v
l
á
v
a
r
a
p
a
d
í
a
S
0
0 r
o
t
o
m
o
i
e
r
f
e
e
k
a
r
b
p
o
t
o
d
s
a
l
u
v
l
á
v
a
r
a
p
a
s
s
a
m
a
d
í
a
S
a
d
a
t
c
e
n
o
c
á
t
s
e
o
ã
n
)
0
1
/
5
1
3
X
(
1
0 r
o
t
o
m
o
i
e
r
f
e
e
k
a
r
b
p
o
t
o
d
s
a
l
u
v
l
á
v
a
r
a
p
a
s
s
a
m
a
d
í
a
S
a
d
a
t
c
e
n
o
c
á
t
s
e
)
0
1
/
5
1
3
X
(
0
0 )
1
/
5
1
3
X
(
o
d
a
h
c
e
f
á
t
s
e
o
ã
n
r
a
e
d
o
r
t
l
i
f
o
d
r
o
t
p
u
r
r
e
t
n
I
1
0 )
1
/
5
1
3
X
(
o
d
a
h
c
e
f
á
t
s
e
r
a
e
d
o
r
t
l
i
f
o
d
r
o
t
p
u
r
r
e
t
n
I
6
0 0
0 6
1
/
8
1
4
X
a
d
a
r
t
n
e
a
n
o
d
n
a
g
e
h
c
á
t
s
e
o
ã
n
o
r
t
u
e
N
e
d
l
a
n
i
S
1
0 6
1
/
8
1
4
X
a
d
a
r
t
n
e
a
n
o
d
n
a
g
e
h
c
á
t
s
e
o
r
t
u
e
N
e
d
l
a
n
i
S
0
0 7
1
/
8
1
4
X
a
d
a
r
t
n
e
a
n
o
d
n
a
g
e
h
c
á
t
s
e
o
ã
n
P
G
e
d
l
a
n
i
S
1
0 7
1
/
8
1
4
X
a
d
a
r
t
n
e
a
n
o
d
n
a
g
e
h
c
á
t
s
e
P
G
e
d
l
a
n
i
S
0
0 8
1
/
8
1
4
X
a
d
a
r
t
n
e
a
n
o
d
n
a
g
e
h
c
á
t
s
e
o
ã
n
é
r
a
a
h
c
r
a
m
e
d
l
a
n
i
S
1
0 8
1
/
8
1
4
X
a
d
a
r
t
n
e
a
n
o
d
n
a
g
e
h
c
á
t
s
e
é
r
a
a
h
c
r
a
m
e
d
l
a
n
i
S
0
0 7
/
8
1
2
X
a
v
i
t
a
á
t
s
e
o
ã
n
é
r
e
d
é
l
e
r
a
r
a
p
a
d
í
a
S
1
0 7
/
8
1
2
X
a
v
i
t
a
á
t
s
e
é
r
e
d
é
l
e
r
a
r
a
p
a
d
í
a
S
l
b
t
.
9
1
0
C
B
I
Global Training.
34
)
s
V
B
(
R
F
a
r
a
p
s
o
i
r
á
n
i
b
s
e
r
o
l
a
v
e
d
a
l
e
b
a
T
V
B s
t
i
B o
ã
ç
a
v
r
e
s
b
O
7
0
6
7 4
5 2
3 0
1
0
0 á
t
s
e
o
ã
n
I
m
e
g
a
e
r
b
m
e
e
d
r
o
t
p
u
r
r
e
t
n
i
o
d
a
d
a
r
t
n
e
e
d
l
a
n
i
S
1
/
8
1
1
X
m
e
o
d
n
a
g
e
h
c
1
0 o
d
n
a
g
e
h
c
á
t
s
e
I
m
e
g
a
e
r
b
m
e
e
d
r
o
t
p
u
r
r
e
t
n
i
o
d
a
d
a
r
t
n
e
e
d
l
a
n
i
S
1
/
8
1
1
X
m
e
0
0 á
t
s
e
o
ã
n
I
I
m
e
g
a
e
r
b
m
e
e
d
r
o
t
p
u
r
r
e
t
n
i
o
d
a
d
a
r
t
n
e
e
d
l
a
n
i
S
2
/
8
1
1
X
m
e
o
d
n
a
g
e
h
c
1
0 o
d
n
a
g
e
h
c
á
t
s
e
I
I
m
e
g
a
e
r
b
m
e
e
d
r
o
t
p
u
r
r
e
t
n
i
o
d
a
d
a
r
t
n
e
e
d
l
a
n
i
S
2
/
8
1
1
X
m
e
0
0 o
d
n
a
g
e
h
c
á
t
s
e
o
ã
n
I
o
ã
ç
i
s
o
p
V
G
r
o
t
p
u
r
r
e
t
n
i
o
d
a
d
a
r
t
n
e
e
d
l
a
n
i
S
1
1
/
8
1
2
X
m
e
1
0 m
e
o
d
n
a
g
e
h
c
á
t
s
e
I
o
ã
ç
i
s
o
p
V
G
r
o
t
p
u
r
r
e
t
n
i
o
d
a
d
a
r
t
n
e
e
d
l
a
n
i
S
1
1
/
8
1
2
X
0
0 o
d
n
a
g
e
h
c
á
t
s
e
o
ã
n
I
I
o
ã
ç
i
s
o
p
V
G
r
o
t
p
u
r
r
e
t
n
i
o
d
a
d
a
r
t
n
e
e
d
l
a
n
i
S
2
1
/
8
1
2
X
m
e
1
0 m
e
o
d
n
a
g
e
h
c
á
t
s
e
I
I
o
ã
ç
i
s
o
p
V
G
r
o
t
p
u
r
r
e
t
n
i
o
d
a
d
a
r
t
n
e
e
d
l
a
n
i
S
2
1
/
8
1
2
X
l
b
t
.
9
1
0
C
B
I
Global Training. 35
Códigos de falhas para FR
1 01 10 - A mensagem do sistema ABS ou BS não está presente na linha CAN ou ela não não
está sendo entendida pelo FR.
1.0 Se outras unidades também indicam falha de mensagem com o ABS ou BS, verifique as
conexões para esta unidade, se tudo estiver bem, troque a unidade do ABS ou BS.
2.0 Se são indicadas falhas de mensagem com outras unidades, verifique conexões e o
ponto estrela.
3.0 Se as falhas aparecerem com freqüencia sómente no FR, e a instalação estiver bem,
troque a unidade de controle FR.
1 01 11 - A mensagem do sistema GS ou EPS não está presente na linha CAN ou ela não não
está sendo entendida pelo FR.
1.0 Se outras unidades também indicam falha de mensagem com o GS ou EPS, verifique as
conexões para esta unidade, se tudo estiver bem, troque a unidade do GS ou EPS.
2.0 Se são indicadas falhas de mensagem com outras unidades, verifique conexões e o
ponto estrela.
3.0 Se as falhas aparecerem com freqüencia sómente no FR, e a instalação estiver bem,
troque a unidade de controle FR.
1 01 12 - A mensagem do sistema KS não está presente na linha CAN ou ela não não está
sendo entendida pelo FR.
1.0 Se outras unidades também indicam falha de mensagem com o KS, verifique as
conexões para esta unidade, se tudo estiver bem, troque a unidade do KS.
2.0 Se são indicadas falhas de mensagem com outras unidades, verifique conexões e o
ponto estrela.
3.0 Se as falhas aparecerem com freqüencia sómente no FR, e a instalação estiver bem,
troque a unidade de controle FR.
1 01 13 - A mensagem do sistema RS ( Retardador ) não está presente na linha CAN ou ela
não não está sendo entendida pelo FR.
1.0 Se outras unidades também indicam falha de mensagem com o RS ( Retardador ), veri
fique as conexões para esta unidade, se tudo estiver bem, troque a unidade do RS (
Retardador ).
2.0 Se são indicadas falhas de mensagem com outras unidades, verifique conexões e o
Global Training.
36
ponto estrela.
3.0 Se as falhas aparecerem com freqüencia sómente no FR, e a instalação estiver bem,
troque a unidade de controle FR.
1 01 14 - A mensagem do sistema INS não está presente na linha CAN ou ela não não está
sendo entendida pelo FR.
1.0 Se outras unidades também indicam falha de mensagem com o INS, verifique as
conexões para esta unidade, se tudo estiver bem, troque a unidade do INS.
2.0 Se são indicadas falhas de mensagem com outras unidades, verifique conexões e o
ponto estrela.
3.0 Se as falhas aparecerem com freqüencia sómente no FR, e a instalação estiver bem,
troque a unidade de controle FR.
1 01 15 - A mensagem do sistema PSM não está presente na linha CAN ou ela não não está
sendo entendida pelo FR.
1.0 Se outras unidades também indicam falha de mensagem com o PSM, verifique as
conexões para esta unidade, se tudo estiver bem, troque a unidade do PSM.
2.0 Se são indicadas falhas de mensagem com outras unidades, verifique conexões e o
ponto estrela.
3.0 Se as falhas aparecerem com freqüencia sómente no FR, e a instalação estiver bem,
troque a unidade de controle FR.
1 01 17 - Valor de medição do sistema WSK ( conversor de torque ) não é plausível.
1 02 02 - A mensagem do sistema MR não está presente na linha CAN ou não está sendo
entendida pelo FR.
1.0 Verifique se a tensão de alimentação KL 15 está chegando no MR. Veja valor binário
BW03 Bit 1e0 para o MR.
2.0 Meça a tensão entre as linhas H e L da linha CAN que vai do MR até o FR, deve estar
entre aproximadamente 6V e 18V.
3.0 Se as falhas aparecerem com freqüencia sómente no FR, e a instalação estiver bem,
troque a unidade de controle FR ou a unidade de controle MR .
Global Training. 37
1 03 06 - Falha na linha CAN adicional para o sistema de partida a frio FLA
1.0 Verifique se a tensão de alimentação KL 15 está chegando no MR. Veja valor binário
BW03 Bit 1e0 para o MR.
2.0 Meça a tensão entre as linhas H e L da linha CAN que vai do MR até o FR, deve estar
entre aproximadamente 6V e 18V.
3.0 Se as falhas aparecerem com freqüencia sómente no FR, e a instalação estiver bem,
troque a unidade de controle FR ou a unidade de controle MR .
1 11 20 - Saída D+ está constantemente ligado ao positivo, ou o circuito está aberto.
1.0 Verifique todo o circuito que vai desde o termina D+ do alternador até a saída X4 18/
13 do FR.
2.0 A corrente de excitação inicialpara o alternador é aplicada pleo FR.
1 04 16 - Não há mensagem na linha CAN ou ela não não está sendo entendida pelo FR.
1.0 Se outras unidades também indicam falha de mensagem com o INS, verifique as
conexões para esta unidade, se tudo estiver bem, troque a unidade do INS.
2.0 Se são indicadas falhas de mensagem com outras unidades, verifique conexões e o
ponto estrela.
3.0 Se as falhas aparecerem com freqüencia sómente no FR, e a instalação estiver bem,
troque a unidade de controle FR.
1 04 18 - Não há mensagem na linha CAN ou ela não não está sendo entendida pelo FR.
1.0 Se outras unidades também indicam falha de mensagem com o INS, verifique as
conexões para esta unidade, se tudo estiver bem, troque a unidade do INS.
2.0 Se são indicadas falhas de mensagem com outras unidades, verifique conexões e o
ponto estrela.
3.0 Se as falhas aparecerem com freqüencia sómente no FR, e a instalação estiver bem,
troque a unidade de controle FR.
2.0 A corrente de excitação inicialpara o alternador é aplicada pleo FR.
1 11 25 - O FR está vendo valores elétricos para o D+ fora do esperado.
1.0 Verifique todo o circuito que vai desde o termina D+ do alternador até a entrada X4 18/
13 do FR.
Global Training.
38
2.0 A corrente de excitação inicial para o alternador é aplicada pleo FR.
3.0 Se o alternador estiver em funcionamento a tensão no D+ deve ser igual a tensão da
bateria, se estiver parado o D+ deve estar ligado ao massa.
1 12 23 - Ajuste incorreto para o interruptor I da embreagem.
1.0 Caso o veículo tenha sensor de embreagem, ajustar o parâmetro 32 para sim.
2.0 Verifique a ligação desde o interruptor de embreagem 1 até a entrada X1 18/1.
1 13 23 - Interruptor de freio de estacionamento, entrada tem uma tensão diferente da
esperada.
1.0 Verifique a tensão da entrada X3 15/9, deve ser próxima de 12V quando o freio de mão
estiver acionado.
2.0 Verifique a tensão de alimentação para os interruptores na saída X3 15/5, ela é uma
tensão pulsada que quando medida com multímetro apresenta 12V. Cuidado com curto
circuito nos cabos que estão ligados nesta saída.
1 14 21 - Interruptor da luz de freio ajustado de forma incorreta ou circuito aberto.
1.0 Verifique a tensão da entrada X1 18/11, deve ser próxima de 12V quando o freio de
serviço estiver acionado.
2.0 Verifique a tensão de alimentação para os interruptores na saída X1 18/13, ela é uma
tensão pulsada que quando medida com multímetro apresenta 12V. Cuidado com curto
circuito nos cabos que estão ligados nesta saída.
3.0 Verifique o rele de luz de freio.
1 14 23 - Interruptor da luz de freio, entrada não é plausível.
1.0 Verifique a tensão da entrada X1 18/11, deve ser próxima de 12V quando o freio de mão
estiver acionado.
2.0 Verifique a tensão de alimentação para os interruptores na saída X1 18/13, ela é uma
tensão pulsada que quando medida com multímetro apresenta 12V. Cuidado com curto
circuito nos cabos que estão ligados nesta saída.
Global Training. 39
1 15 23 - Circuito dos interruptores do piloto automático com problema.
1.0 Verifique os valores binários, BW03 para descobrir qual interruptor está com problemas.
2.0 Verifique a tensão de alimentação para os interruptores na saída X1 15/9, ela é uma
tensão pulsada que quando medida com multímetro apresenta 12V. Cuidado com curto
circuito nos cabos que estão ligados nesta saída.
1 15 24 - Circuito dos interruptores do piloto automático com problema.
1.0 Verifique os valores binários, BW03 para descobrir qual interruptor está com problemas.
2.0 Verifique a tensão de alimentação para os interruptores na saída X1 15/9, ela é uma
tensão pulsada que quando medida com multímetro apresenta 12V. Cuidado com curto
circuito nos cabos que estão ligados nesta saída.
1 16 23 - Circuito dos interruptores do pedal de embreagem ou interruptor colado.
1.0 Verifique as entradas X1 18/1, com o pedal de embreagem em repouso e na entrada
X1 18/2 com o pedal acionado, que deve ter uma tensão de 12V.
2.0 Verifique a tensão de alimentação para os interruptores na saída X2 18/10, ela é uma
tensão pulsada que quando medida com multímetro apresenta 12V. Cuidado com curto
circuito nos cabos que estão ligados nesta saída.
1 17 23 - Circuito do interruptor de neutro.
1.0 Verifique a entrada X4 18/16, que deve ter uma tensão de 12V quando a transmissão
estiver desengatada.
2.0 Verifique a tensão de alimentação para os interruptores na saída X4 18/12, ela é uma
tensão pulsada que quando medida com multímetro apresenta 12V. Cuidado com curto
circuito nos cabos que estão ligados nesta saída.
1 19 23 - Interruptor do GV
1.0 Verifique as entradas X2 18/11, com o interruptor em LOW e na entrada X2 18/12 com
o interruptor em High, que deve ter uma tensão de 12V.
2.0 Verifique a tensão de alimentação para os interruptores na saída X2 18/10, ela é uma
tensão pulsada que quando medida com multímetro apresenta 12V. Cuidado com curto
circuito nos cabos que estão ligados nesta saída.
Global Training.
40
1 20 23 - Interruptor do freio motor.
1.0 Verifique a entrada X2 18/14, com o interruptordo freio motor ligado, que deve ter uma
tensão de 12V.
2.0 Verifique a tensão de alimentação para os interruptores na saída X1 18/9, ela é uma
tensão pulsada que quando medida com multímetro apresenta 12V. Cuidado com curto
circuito nos cabos que estão ligados nesta saída.
1 21 20 - Alimentação para interruptores “ GSV 1 “ em curto com o positivo ou cabo rompi-
do.
1.0 Verifique a tensão de alimentação para os interruptores na saída X1 18/13, ela é uma
tensão pulsada que quando medida com multímetro apresenta 12V. Cuidado com curto
circuito nos cabos que estão ligados nesta saída.
1 21 22 - Alimentação para interruptores “ GSV 1 “ em curto com a massa.
1.0 Verifique a tensão de alimentação para os interruptores na saída X1 18/13, ela é uma
tensão pulsada que quando medida com multímetro apresenta 12V. Cuidado com curto
circuito nos cabos que estão ligados nesta saída.
1 22 20 - Alimentação para interruptores “ GSV 2 “ em curto com o positivo ou cabo rompi-
do.
1.0 Verifique a tensão de alimentação para os interruptores na saída X3 15/5, ela é uma
tensão pulsada que quando medida com multímetro apresenta 12V. Cuidado com curto
circuito nos cabos que estão ligados nesta saída.
1 22 22 - Alimentação para interruptores “ GSV 1 “ em curto com a massa.
1.0 Verifique a tensão de alimentação para os interruptores na saída X3 15/5, ela é uma
tensão pulsada que quando medida com multímetro apresenta 12V. Cuidado com curto
circuito nos cabos que estão ligados nesta saída.
1 23 20 - Alimentação para interruptores “ GSV 3 “ em curto com o positivo ou cabo rompi-
do.
1.0 Verifique a tensão de alimentação para os interruptores na saída X4 18/12, ela é uma
tensão pulsada que quando medida com multímetro apresenta 12V. Cuidado com curto
circuito nos cabos que estão ligados nesta saída.
Global Training. 41
1 23 22 - Alimentação para interruptores “ GSV 3 “ em curto com a massa.
1.0 Verifique a tensão de alimentação para os interruptores na saída X4 18/12, ela é uma
tensão pulsada que quando medida com multímetro apresenta 12V. Cuidado com curto
circuito nos cabos que estão ligados nesta saída.
1 24 20 - Alimentação para interruptores “ GSV 4 “ em curto com o positivo ou cabo rompi-
do.
1.0 Verifique a tensão de alimentação para os interruptores na saída X2 18/10, ela é uma
tensão pulsada que quando medida com multímetro apresenta 12V. Cuidado com curto
circuito nos cabos que estão ligados nesta saída.
1 24 22 - Alimentação para interruptores “ GSV 4 “ em curto com a massa.
1.0 Verifique a tensão de alimentação para os interruptores na saída X2 18/10, ela é uma
tensão pulsada que quando medida com multímetro apresenta 12V. Cuidado com curto
circuito nos cabos que estão ligados nesta saída.
1 25 20 - Alimentação para interruptores “ GSV 1 “ e “ GSV 4 “ em curto com o positivo ou
cabo rompido.
1.0 Verifique a tensão de alimentação para os interruptores na saída X1 18/13 e X1 18/
10, ela é uma tensão pulsada que quando medida com multímetro apresenta 12V.
Cuidado com curto circuito nos cabos que estão ligados nesta saída.
1 25 22 - Alimentação para interruptores “ GSV 1 “ e “ GSV 4 “ em curto com a massa.
1.0 Verifique a tensão de alimentação para os interruptores na saída X1 18/13 e X1 18/
10, ela é uma tensão pulsada que quando medida com multímetro apresenta 12V.
Cuidado com curto circuito nos cabos que estão ligados nesta saída.
1 27 20 - Alimentação para interruptores “ GSV 2 “ em curto com o positivo ou cabo rompi-
do.
1.0 Verifique a tensão de alimentação para os interruptores na saída X3 15/5 e X4 18/
12, ela é uma tensão pulsada que quando medida com multímetro apresenta 12V.
Cuidado com curto circuito nos cabos que estão ligados nesta saída.
1 27 21 - Código de falha desconhecido
Global Training.
42
1 30 21 - Sem tensão no KL 30 do FR.
1.0 Faça uma verificação do valor de tensão no valor MW07 do painel de instrumentos.
2.0 Verifique o regulador de tensão do alternador, tensão não pode ser maior que 28V.
3.0 Cuidado com ligações de 12V na junção entre duas baterias.
1 26 20 - Alimentação para interruptores “ GSV 2 “ e “ GSV 3 “ em curto com o positivo ou
cabo rompido.
1.0 Verifique a tensão de alimentação para os interruptores na saída X3 15/5 e X4 18/
12, ela é uma tensão pulsada que quando medida com multímetro apresenta 12V.
Cuidado com curto circuito nos cabos que estão ligados nesta saída.
1 26 22 - Alimentação para interruptores “ GSV 2 “ e “ GSV 3 “ em curto com o positivo ou
cabo rompido.
1.0 Verifique a tensão de alimentação para os interruptores na saída X3 15/5 e X4 18/
12, ela é uma tensão pulsada que quando medida com multímetro apresenta 12V.
Cuidado com curto circuito nos cabos que estão ligados nesta saída.
1 30 31 - Sobre tensão no KL 30 do FR.
1.0 Faça uma verificação do valor de tensão no valor MW07 do painel de instrumentos.
2.0 Verifique o regulador de tensão do alternador, tensão não pode ser maior que 28V.
3.0 Cuidado com ligações de 12V na junção entre duas baterias.
1 30 32 - Sub tensão no KL 30 do FR.
1.0 Faça uma verificação do valor de tensão no valor MW07 do painel de instrumentos.
2.0 Verifique o regulador de tensão do alternador, tensão não pode ser maior que 28V.
3.0 Cuidado com ligações de 12V na junção entre duas baterias.
1 31 30 - Falha no circuito do indicador de nível de líquido de arrefecimento
1.0 Desconecte o conector X3 e meça a resistência entre os terminais 03 e 11. A resistência
deve ser: Tanque cheio= 150W, Tanque incompleto= 100W, Tanque vazio= 0W.
1 32 33 - Falha no circuito do sensor de obstrução do filtro de ar.
1.0 Desconecte o conector X3 e meça a resistência entre os terminais 01 e 02. A resistência
deve ser = 0W com o interruptor ligado e infinita com o interruptor desligado.
Global Training. 43
1 33 30 - Falha no circuito do sensor de temperatura externa.
1.0 Desconecte o conector X4 e meça a resistência entre os terminais 09 e 06. A resistência
deve obedecer o gráfico abaixo.
1 35 33 - Falha no circuito do indicador de nível de líquido de arrefecimento
1.0 Desconecte o conector X3 e meça a resistência entre os terminais 03 e 11. A resistência
deve ser: Tanque cheio= 150W, Tanque incompleto= 100W, Tanque vazio= 0W.
1 40 41 - Sinal do terminal W não é plausível.
1.0 Meça a tensão do sinal W que é um conjunto de pulsos senoidais, o valor medido é de
12V AC ou DC entrada no terminal X4 18/11.
1 41 41 - Falha no circuito do sensor de rotação de entrada da caixa de câmbio.
1.0 Desconecte o conector X4 e meça a resistência entre os terminais 04 e 05. A resistên
cia deve ser entre 800W e 1200W. Caso não encontre este valor, verifique o circuito.
1 41 45 - Falha no circuito do sensor de rotação de entrada da caixa de câmbio.
1.0 Desconecte o conector X4 e meça a resistência entre os terminais 04 e 05. A resistên
cia deve ser entre 800W e 1200W. Caso não encontre este valor, verifique o circuito.
1 46 42 - O pedal do acelerador não atinge a posição de marcha lenta.
1.0 Leia oss valores MW01 e MW02, eles devem estar próximo de 15% estando o pedal na
posição de marcha lenta.
2.0 Reprograme o pedal do acelerador.
1 46 43 - O pedal do acelerador ultrapassa a posição de plena carga.
1.0 Leia oss valores MW01 e MW02, eles devem estar próximo de 55% estando o pedal na
posição de plena carga.
2.0 Reprograme o pedal do acelerador.
Global Training.
44
1 46 44 - Falha no sinal do pedal do acelerador.
1.0 Leia oss valores MW01 e MW02, eles devem estar próximo de 15% em marcha lenta e
55% estando o pedal na posição de plena carga.
2.0 Reprograme o pedal do acelerador.
1 59 51 - Saida do rele de abastecimento automático do óleo do motor.
1 59 52 - Saida do rele de abastecimento automático do óleo do motor.
1 59 53 - Saida do rele de abastecimento automático do óleo do motor.
1 59 54 - Saida do rele de abastecimento automático do óleo do motor.
1 61 61 - Falha interna na unidade de controle FR
1.0 Substitua a unidade de controle.
1 01 16 - Falha no barramento CAN de alta velocidade.
1.0 Meça a tensão na linha H e na linha L do barramento CAN, deve estar entre 1,5V e 3,5V.
2.0 Verifique o ponto estrela.
3.0 A resistência entre os terminais de cada conexão de unidades do ponto estrela deve ser
de 60W.
1 02 01 - Uma das linhas do barramento CAN de baixa velocidade está com problemas.
1.0 Meça a tensão na linha H e na linha L do barramento CAN, deve estar entre aproximada
mente 8V e 16V.
2.0 Verifique as conexões.
1 02 03 - O barramento CAN de baixa velocidade está com problemas.
1.0 Meça a tensão na linha H e na linha L do barramento CAN, deve estar entre aproximada
mente 8V e 16V.
2.0 Verifique as conexões.
3.0 Verifique a tensão de alimentação do MR utilize cheque BW03 Bit 1 e 0.
Global Training. 45
1 34 30 - Falha no circuito do sensor de embreagem
1.0 Desconecte o conecor IV e meça a resistência entre os terminais 14 e 15, de ser próximo
de 70W.
1 43 41 - Sinal de velocidade não é válido
1.0 Meça a tensão entre os terminais massa ( X2 18/2) e entrada de sinal de velocidade (
X1 18/10 ). A tensão deve estar próxima de 3V estando o veículo em movimento.
1 43 45 - Circuito do sinal de velocidade em curto ou aberto.
1.0 Cheque o cabo que vai desde a saída do tacógrafo B7 até a entrada do FR X1 18/10.
1 44 40 - Circuito do sinal PWM I do pedal do acelerador em curto ou rompido.
1.0 Verifique o cabo que vai desde o pedal do acelerador até a entrada X1 18/03 no FR.
2.0 Meça a tensão no terminal X1 18/03 que deve variar com o movimento do pedal do
acelerador, se não variar, procure por curto circuito na fiação ou troque o pedal do acelera
dor.
1 45 40 - Circuito do sinal PWM II do pedal do acelerador em curto ou rompido.
1.0 Verifique o cabo que vai desde o pedal do acelerador até a entrada X1 18/06 no FR.
2.0 Meça a tensão no terminal X1 18/06 que deve variar com o movimento do pedal do
acelerador, se não variar, procure por curto circuito na fiação ou troque o pedal do
acelerador.
1 46 41 - Falha no pedal do acelerador.
1.0 Verifque a tensão de alimentação fornecida ao pedal do acelerador pelo FR entre os
terminais ( X1 18/05 e X1 18/02 ) e ( X1 18/04 e X1 18/07 ) que deve ser próximo de
24V.
2.0 Verifique as ligações e conexões.
3.0 Troque o pedal do acelerador.
1 50 51, 1 50 52, 1 50 53, 1 50 54 - Falha no circuito da válvula do freio motor.
1.0 Desconecte o conector X3 e meça a resistência entre os terminais 04 e 10, deve ser de
60W,
1 51 51, 1 51 52, 1 51 53, 1 51 54 - Falha no circuito da válvula do top brake.
1.0 Desconecte o conector X3 e meça a resistência entre os terminais 07 e 10, deve ser de
40W.
Global Training.
46
1 52 52, 1 52 53 - Falha no circuito da válvula do top brake e do freio motor, lado massa
para as válvulas.
1.0 Verifique a fiação que vai desde a saída X3 18/10 do FR até as válvulas do Freio motor
e Top Brake.
1 53 51, 1 53 52, 1 53 53, 1 53 54 - Falha no circuito da válvula I do Split.
1.0 Desconecte o conector X4 e meça a resistência entre os terminais 07 e 08, deve ser de
40W.
1 54 51, 1 54 52, 1 54 53, 1 54 54 - Falha no circuito da válvula I do Split.
1.0 Desconecte o conector X4 e meça a resistência entre os terminais 07 e 10, deve ser de
40W.
1 55 52, 1 55 53 - Falha no circuito das válvulas do Split, lado massa para as válvulas.
1.0 Verifique a fiação que vai desde a saída X3 18/07 do FR até as válvulas do Split.
1 56 51, 1 56 52, 1 56 53, 1 56 54 - Falha no circuito de acionamento do rele de luz de
freio.
1.0 Verifique o circuito da saída X2 18/08.
2.0 Verifique o rele de luz de freio.
1 57 51, 1 57 52, 1 57 53, 1 57 54 - Falha no circuito de acionamento do rele de luz de
ré.
1.0 Verifique o circuito da saída X2 18/07.
2.0 Verifique o rele de luz de freio.
1 58 51, 1 58 52, 1 58 53, 1 58 54 - Falha no circuito de acionamento do rele D+a.
1.0 Verifique o circuito da saída X2 18/04.
2.0 Verifique o rele de luz de freio.
1 59 53, 1 59 54 - Falha no circuito de acionamento do rele de abastecimento de óleo.
1.0 Verifique o circuito da saída X3 15/06.
2.0 Verifique a parametrização deste sistema, já que ele não é aplicado em nossos veícu
los.
1 62 62 - Falha inerna no FR
1.0 Troque o FR
Global Training. 47
1 70 60 - Erro de parametrização ou falha desconhecida
1.0 Cheque parâmetros ou troque FR
1 70 64 - Falha interna no FR
1.0 Troque FR
1 70 70 - Falha na reprogramação do pedal do acelerador.
1.0 Reprograme o pedal do acelerador.
1 70 71 - Falha na reprogramação do GV ( Split ).
1.0 Reprograme curso do sensor de embreagem e depois reprograme o GV ( Split ).
1 70 72 - Falha na reprogramação do fator de desmultiplicação do sinal “W”.
1.0 Reprograme fator de desmultiplicação do sinal “W”.
1 70 73 - Falha na reprogramação do sensor de embreagem.
1.0 Verifique o estado da instalação do sensor.
2.0 Verifique o parâmetro 32 que deve ser “ sensor “.
3.0 Reprograme o curso do sensor de embreagem.
1 70 74 - Falha na reprogramação do ambiente CAN.
1.0 Reprograme o ambiente CAN do veículo.
Global Training.
48
1
X
R
F
e
d
a
d
i
v
a
C o
ã
ç
n
u
F
1
0 o
s
u
o
p
e
r
e
d
o
ã
ç
i
s
o
p
m
e
m
e
g
a
e
r
b
m
e
e
d
r
o
t
p
u
r
r
e
t
n
i
e
d
a
d
a
r
t
n
E
2
0 a
d
a
n
o
i
c
a
m
e
g
a
e
r
b
m
e
e
d
r
o
t
p
u
r
r
e
t
n
i
e
d
a
d
a
r
t
n
E
3
0 r
o
d
a
r
e
l
e
c
a
o
d
I
M
W
P
l
a
n
i
s
e
d
a
d
a
r
t
n
E
4
0 I
I
r
o
d
a
r
e
l
e
c
a
o
d
l
a
d
e
p
o
d
o
ã
ç
a
t
n
e
m
i
l
a
a
r
a
p
a
s
s
a
m
e
d
a
d
í
a
S
5
0 I
r
o
d
a
r
e
l
e
c
a
o
d
l
a
d
e
p
o
d
o
ã
ç
a
t
n
e
m
i
l
a
a
r
a
p
a
s
s
a
m
e
d
a
d
í
a
S
6
0 r
o
d
a
r
e
l
e
c
a
o
d
I
I
M
W
P
l
a
n
i
s
e
d
a
d
a
r
t
n
E
7
0 I
I
r
o
d
a
r
e
l
e
c
a
a
r
a
p
o
ã
ç
a
t
n
e
m
i
l
a
e
d
a
d
í
a
S
8
0 I
r
o
d
a
r
e
l
e
c
a
a
r
a
p
o
ã
ç
a
t
n
e
m
i
l
a
e
d
a
d
í
a
S
9
0
(
V
S
T
o
c
i
t
á
m
o
t
u
a
o
t
o
l
i
p
o
d
s
e
r
o
t
p
r
r
e
t
n
i
a
r
a
p
o
ã
ç
a
t
n
e
m
i
l
a
e
d
a
d
í
a
S
)
o
c
i
t
á
m
o
t
u
a
o
t
o
l
i
p
o
d
s
e
r
o
t
p
u
r
e
t
n
i
0
1 e
d
a
d
i
c
o
l
e
v
e
d
l
a
n
i
s
e
d
a
d
a
r
t
n
E
1
1 o
i
e
r
f
e
d
l
a
n
i
s
e
d
a
d
a
r
t
n
E
2
1 )
e
d
a
d
i
c
o
l
e
v
u
o
o
ã
ç
a
r
e
l
e
c
a
i
u
n
i
m
i
d
(
o
c
i
t
á
m
o
t
u
a
o
t
o
l
i
p
o
d
B
-
S
a
d
a
r
t
n
E
3
1 s
e
r
o
t
p
r
r
e
t
n
i
e
d
o
ã
ç
a
t
n
e
m
i
l
a
e
d
a
d
a
s
l
u
p
a
d
í
a
S
4
1 o
c
i
t
á
m
o
t
u
a
o
t
o
l
i
p
o
d
o
t
n
e
m
a
n
o
i
c
a
a
d
a
r
t
n
E
5
1 t
e
s
o
p
m
e
T
a
d
a
r
t
n
E
6
1 )
e
d
a
d
i
c
o
l
e
v
u
o
o
ã
ç
a
r
e
l
e
c
a
a
t
n
e
m
u
a
(
o
c
i
t
á
m
o
t
u
a
o
t
o
l
i
p
o
d
B
+
S
a
d
a
r
t
n
E
7
1 o
c
i
t
á
m
o
t
u
a
o
t
o
l
i
p
o
d
t
i
u
Q
a
d
a
r
t
n
s
E
8
1 )
a
d
i
t
r
a
p
e
d
l
a
n
i
s
(
0
5
l
K
e
d
a
d
a
r
t
n
E
l
b
t
.
2
2
0
C
B
I
FR conectores
Global Training. 49
2
X
R
F
e
d
a
d
i
v
a
C o
ã
ç
n
u
F
1
0 0
3
L
K
2
0 1
3
L
K
3
0 5
1
L
K
4
0 a
+
D
é
l
e
r
o
d
o
t
n
e
m
a
n
o
i
c
a
e
d
a
d
í
a
S
5
0 )
K
a
h
n
i
L
(
e
s
ó
n
g
a
i
d
a
r
a
p
a
d
í
a
S
6
0
o
d
a
c
i
t
á
m
o
t
u
a
a
d
a
r
a
p
e
a
d
i
t
r
a
p
(
S
S
M
a
m
e
t
s
i
s
o
d
o
ã
ç
e
l
e
s
e
d
a
d
a
r
t
n
E
)
r
o
t
o
m
7
0 é
r
e
d
z
u
l
e
d
e
l
e
r
a
r
a
p
a
d
í
a
S
8
0 o
i
e
r
f
e
d
z
u
l
e
d
e
l
e
r
a
r
a
p
a
d
í
a
S
9
0 r
o
t
o
m
o
i
e
r
f
e
d
3
a
d
a
r
t
n
E
0
1
e
a
d
i
t
r
a
p
e
d
r
o
t
p
u
r
r
e
t
n
i
(
4
S
G
s
e
r
o
t
p
u
r
r
e
t
n
i
e
d
o
ã
ç
a
t
n
e
m
i
l
a
a
r
a
p
a
d
í
a
S
.
)
m
e
g
a
r
b
m
e
e
d
e
t
i
l
p
s
,
r
o
t
o
m
o
i
e
r
f
,
r
o
t
o
m
o
d
a
d
a
r
a
p
1
1 o
d
i
z
u
d
e
r
o
p
u
r
g
t
i
l
p
S
e
d
l
a
n
i
s
e
d
a
d
a
r
t
n
E
2
1 l
a
m
r
o
n
o
p
u
r
g
t
i
l
p
S
e
d
l
a
n
i
s
e
d
a
d
a
r
t
n
E
3
1 r
o
t
o
m
o
i
e
r
f
o
d
a
c
n
a
v
a
l
a
a
d

0

o
ã
ç
i
s
o
p
e
d
a
d
a
r
t
n
E
4
1 r
o
t
o
m
o
i
e
r
f
e
d
1
a
d
a
r
t
n
E
5
1 r
o
t
o
m
o
i
e
r
f
e
d
2
a
d
a
r
t
n
E
6
1 L
a
h
n
i
L
e
d
a
d
i
c
o
l
e
v
a
t
l
a
e
d
N
A
C
7
1 a
s
s
a
m
e
d
a
d
i
c
o
l
e
v
a
t
l
a
e
d
N
A
C
8
1 H
a
h
n
i
L
e
d
a
d
i
c
o
l
e
v
a
t
l
a
e
d
N
A
C
l
b
t
.
2
2
0
C
B
I
Global Training.
50
3
X
R
F
e
d
a
d
i
v
a
C o
ã
ç
n
u
F
1
0 r
a
e
d
o
r
t
l
i
f
o
d
o
ã
ç
u
r
t
s
b
o
e
d
r
o
s
n
e
s
o
d
l
a
n
i
s
o
d
a
d
a
r
t
n
E
2
0 r
a
e
d
o
r
t
l
i
f
o
d
o
ã
ç
u
r
t
s
b
o
e
d
r
o
s
n
e
s
o
d
o
ã
ç
a
t
n
e
m
i
l
a
a
r
a
p
a
s
s
a
m
a
d
í
a
S
3
0 r
a
e
d
o
r
t
l
i
f
o
d
o
ã
ç
u
r
t
s
b
o
e
d
r
o
s
n
e
s
o
d
o
ã
ç
a
t
n
e
m
i
l
a
a
r
a
p
a
v
i
t
i
s
o
p
a
d
í
a
S
4
0 r
o
t
o
m
o
i
e
r
f
o
d
a
l
u
v
l
á
v
a
a
r
a
p
a
d
í
a
S
5
0
a
d
a
r
a
p
e
d
o
i
e
r
f
a
r
a
p
(
2
V
S
G
s
e
r
o
t
p
u
r
r
e
t
n
i
e
d
o
ã
ç
a
t
n
e
m
i
l
a
a
r
a
p
a
d
í
a
S
)
o
e
l
ó
e
d
l
e
v
í
n
e
d
r
o
t
p
u
r
r
e
t
n
i
e
a
d
i
p
á
r
6
0
o
d
o
e
l
ó
e
d
o
c
i
t
á
m
o
t
u
a
o
t
n
e
m
i
c
e
t
s
a
b
a
e
d
e
l
e
r
o
t
n
e
m
a
n
o
i
c
a
a
r
a
p
a
d
í
a
S
r
o
t
o
m
7
0 e
k
a
r
b
p
o
t
o
d
a
l
u
v
l
á
v
a
r
a
p
a
d
í
a
S
8
0 r
o
t
o
m
o
d
o
e
l
ó
e
d
o
c
i
t
á
m
o
t
u
a
o
t
n
e
m
i
c
e
t
s
a
b
a
e
d
e
l
e
r
a
r
a
p
a
s
s
a
m
a
d
í
a
S
9
0 2
R
D
A
u
o
a
d
i
p
á
r
a
d
a
r
a
p
e
d
o
i
e
r
f
e
d
a
d
a
r
t
n
E
0
1 e
k
a
r
b
p
o
t
e
r
o
t
o
m
o
i
e
r
f
o
d
s
a
l
u
v
l
á
v
a
r
a
p
a
s
s
a
m
a
d
í
a
S
1
1 o
t
n
e
m
i
c
e
f
e
r
r
a
e
d
o
d
i
ü
q
í
l
o
d
l
e
v
í
n
e
d
r
o
s
n
e
s
o
d
l
a
n
i
s
e
d
a
d
a
r
t
n
E
2
1 S
B
A
u
o
o
e
l
ó
e
d
l
e
v
í
n
e
d
r
o
s
n
e
s
e
d
l
a
n
i
s
e
d
a
d
a
r
t
n
E
3
1
4
1
5
1
l
b
t
.
3
2
0
C
B
I
Global Training. 51
4
X
R
F
e
d
a
d
i
v
a
C o
ã
ç
n
u
F
1
0 L
a
h
n
i
l
e
d
a
d
i
c
o
l
e
v
a
x
i
a
b
e
d
N
A
C
2
0 a
s
s
a
m
N
A
C
3
0 H
a
h
n
i
l
e
d
a
d
i
c
o
l
e
v
a
x
i
a
b
e
d
N
A
C
4
0 )
+
(
o
i
b
m
â
c
e
d
a
x
i
a
c
a
d
o
ã
ç
a
t
o
r
e
d
l
a
n
i
s
e
d
a
d
a
r
t
n
E
5
0 )
-
(
o
i
b
m
â
c
e
d
a
x
i
a
c
a
d
o
ã
ç
a
t
o
r
e
d
l
a
n
i
s
e
d
a
d
a
r
t
n
E
6
0 a
n
r
e
t
x
e
a
r
u
t
a
r
e
p
m
e
t
e
d
r
o
s
n
e
s
o
d
l
a
n
i
s
o
d
a
d
a
r
t
n
E
7
0 t
i
l
p
S
o
d
s
a
l
u
v
l
á
v
a
r
a
p
a
s
s
a
m
a
d
í
a
S
8
0 o
d
i
z
u
d
e
r
o
p
u
r
g
V
G
o
d
a
l
u
v
l
á
v
a
r
a
p
a
d
í
a
S
9
0 a
n
r
e
t
x
e
a
r
u
t
a
r
e
p
m
e
t
e
d
r
o
s
n
e
s
a
r
a
p
a
s
s
a
m
a
d
í
a
S
0
1 l
a
m
r
o
n
o
p
u
r
g
V
G
o
d
a
l
u
v
l
á
v
a
r
a
p
a
d
í
a
S
1
1 r
o
d
a
n
r
e
t
l
a
o
d
m
e
v
e
u
q
W
l
a
n
i
s
e
d
a
d
a
r
t
n
E
2
1
,
o
r
t
u
e
n
e
d
s
e
r
o
t
p
u
r
r
e
t
n
I
(
3
V
S
G
s
e
r
o
t
p
u
r
r
e
t
n
i
a
r
a
p
o
ã
ç
a
t
n
e
m
i
l
a
e
d
a
d
í
a
S
.
)
é
r
e
P
G
3
1 r
o
d
a
n
r
e
t
l
a
o
d
m
e
v
e
u
q
+
D
l
a
n
i
s
e
d
a
d
a
r
t
n
E
4
1 )
+
(
m
e
g
a
e
r
b
m
e
a
d
o
s
r
u
c
e
d
r
o
s
n
e
s
a
r
a
p
a
d
í
a
s
/
a
d
a
r
t
n
E
5
1 )
-
(
m
e
g
a
e
r
b
m
e
e
d
o
s
r
u
c
e
d
r
o
s
n
e
s
a
r
a
p
a
s
s
a
m
a
d
í
a
S
6
1 o
r
t
u
e
n
e
d
l
a
n
i
s
e
d
a
d
a
r
t
n
E
7
1 P
G
e
d
l
a
n
i
s
e
d
a
d
a
r
t
n
E
8
1 é
r
e
d
l
a
n
i
s
e
d
a
d
a
r
t
n
E
l
b
t
.
4
2
0
C
B
I
Global Training.
52
s
a
c
i
n
ô
r
t
e
l
e
s
e
d
a
d
i
n
u
e
d
s
a
l
g
i
s
e
d
a
l
e
b
a
T
o
g
i
d
ó
C o
ã
ç
a
v
r
e
s
b
O
S
B
A m
e
g
a
n
e
r
f
a
e
t
n
a
r
u
d
s
a
d
o
r
s
a
d
o
i
e
u
q
o
l
b
-
i
t
n
a
a
m
e
t
s
i
S
G
A
m
u
a
m
r
o
f
B
K
e
S
K
,
S
G
m
o
c
o
t
n
u
j
o
d
a
z
i
l
i
t
u
(
a
d
a
c
i
l
p
a
r
e
s
a
a
h
c
r
a
m
e
d
o
l
u
c
l
á
c
e
d
a
m
e
t
s
i
S
)
s
o
r
t
c
A
o
ã
h
n
i
m
a
c
o
n
e
t
n
e
m
l
a
u
t
a
o
d
a
d
c
i
l
p
a
é
e
u
q
o
c
i
t
á
m
o
t
u
a
o
i
b
b
m
â
c
N
G
A s
i
a
i
c
r
e
m
o
c
s
o
l
u
c
í
e
v
a
r
a
p
o
c
i
t
á
m
o
t
u
a
o
i
b
m
â
C
H
N
A a
t
e
r
r
a
c
e
d
o
p
i
t
e
d
o
ã
ç
a
c
i
f
i
t
n
e
d
i
e
d
a
m
e
t
s
i
S
F
U
A e
u
q
o
b
e
r
i
m
e
s
e
d
o
ã
ç
a
c
i
f
i
t
n
e
d
i
e
d
a
m
e
t
s
i
S
S
B
o
i
e
r
f
e
d
a
m
e
t
s
i
s
m
u
a
m
r
o
f
S
R
a
m
e
t
s
i
s
o
m
o
c
o
t
n
u
j
(
o
c
i
n
ô
r
t
e
l
e
o
i
e
r
f
e
d
a
m
e
t
s
i
S
)
e
t
n
e
g
i
l
e
t
n
i
B
A
E e
u
q
o
b
e
r
o
d
o
c
i
r
t
é
l
e
o
i
e
r
F
S
A
E o
ã
ç
a
r
t
e
d
o
c
i
n
o
r
t
e
l
e
e
l
o
r
t
n
o
C
W
D
E o
b
u
o
r
-
i
t
n
a
a
m
e
t
s
i
S
L
Z l
a
n
o
i
c
i
d
a
o
d
i
g
i
r
i
d
o
x
i
E
L
K
E e
t
n
e
m
a
c
i
n
ô
r
t
e
l
e
a
d
a
l
o
r
t
n
o
c
o
ã
ç
e
r
i
d
e
d
a
m
e
t
s
i
S
B
F
F s
a
t
r
o
p
e
d
a
r
u
t
r
e
b
a
a
r
a
p
o
t
o
m
e
r
e
l
o
r
t
n
o
c
e
d
r
o
t
p
e
c
e
R
A
L
F o
ã
s
s
i
m
d
a
e
d
r
a
o
d
o
t
n
e
m
i
c
e
u
q
a
r
o
p
o
i
r
f
a
a
d
i
t
r
a
p
e
d
a
m
e
t
s
i
S
R
F o
l
u
c
í
e
v
o
d
a
h
c
r
a
m
e
d
m
e
g
a
l
u
g
e
r
e
d
a
m
e
t
s
i
S
O
C
T
F o
n
a
l
p
o
f
a
r
g
ó
c
a
T
S
G
m
u
a
m
r
o
f
B
K
e
S
K
,
G
A
m
o
c
o
t
n
u
j
o
d
a
z
i
l
i
t
u
(
a
h
c
r
a
m
e
d
a
ç
n
a
d
u
m
e
d
o
c
i
n
ô
r
t
e
l
e
a
m
e
t
s
i
S
)
s
o
r
t
c
A
o
ã
h
n
i
m
a
c
o
n
e
t
n
e
m
l
a
u
t
a
o
d
a
d
c
i
l
p
a
é
e
u
q
o
c
i
t
á
m
o
t
u
a
o
i
b
b
m
â
c
R
Z
H o
ã
ç
a
f
e
l
a
c
a
d
e
l
o
r
t
n
o
c
e
d
a
m
e
t
s
i
S
S
N
I s
o
t
n
e
m
u
r
t
s
n
i
e
d
l
e
n
i
a
P
B
K
S
G
e
S
K
,
G
A
m
o
c
o
t
n
u
j
o
d
a
z
i
l
i
t
u
(
m
e
g
a
e
r
b
m
e
e
d
o
t
n
e
m
a
n
o
i
c
a
e
d
o
c
i
n
ô
r
t
e
l
e
a
m
e
t
s
i
S
)
s
o
r
t
c
A
o
ã
h
n
i
m
a
c
o
n
e
t
n
e
m
l
a
u
t
a
o
d
a
d
c
i
l
p
a
é
e
u
q
o
c
i
t
á
m
o
t
u
a
o
i
b
b
m
â
c
m
u
a
m
r
o
f
M
O
K
o
c
n
a
b
m
u
a
s
o
d
a
i
v
n
e
m
e
r
e
s
a
r
a
p
e
t
r
e
v
n
o
c
s
o
e
N
A
C
e
d
e
r
a
d
s
o
d
a
d
s
o
a
t
p
a
c
e
u
q
a
m
e
t
s
i
S
o
ã
h
n
i
m
a
c
o
n
o
d
a
l
a
t
s
n
i
r
a
l
u
l
e
c
e
n
o
f
e
l
e
t
m
u
e
d
o
i
e
m
r
o
p
s
o
d
a
d
e
d
A
S
K s
a
t
r
o
p
s
a
d
o
d
a
z
i
l
a
r
t
n
e
c
o
t
n
e
m
a
h
c
e
f
e
d
a
m
e
t
s
i
S
S
K
B
K
e
S
G
,
G
A
m
o
c
o
t
n
u
j
o
d
a
z
i
l
i
t
u
(
m
e
g
a
e
r
b
m
e
a
d
o
t
n
e
m
a
n
o
i
c
a
e
d
o
c
i
n
ô
r
t
e
l
e
a
m
e
t
s
i
S
)
s
o
r
t
c
A
o
ã
h
n
i
m
a
c
o
n
e
t
n
e
m
l
a
u
t
a
o
d
a
d
c
i
l
p
a
é
e
u
q
o
c
i
t
á
m
o
t
u
a
o
i
b
b
m
â
c
m
u
a
m
r
o
f
l
b
t
.
5
2
0
C
B
I
Tabela de siglas para unidades eletrônicas
Global Training. 53
s
a
c
i
n
ô
r
t
e
l
e
s
e
d
a
d
i
n
u
e
d
s
a
l
g
i
s
e
d
a
l
e
b
a
T
o
g
i
d
ó
C o
ã
ç
a
v
r
e
s
b
O
R
M r
o
t
o
m
o
d
m
e
g
a
l
u
g
e
r
e
d
a
m
e
t
s
i
S
R
K
M )
S
K
(
m
e
g
e
r
b
m
e
e
d
m
e
g
a
l
u
g
e
r
e
d
a
m
e
t
s
i
S
R
N o
ã
s
n
e
p
s
u
s
e
d
o
c
i
n
ô
r
t
e
l
e
a
m
e
t
s
i
S
A
F
P s
a
l
u
c
i
t
r
a
p
e
d
o
r
t
l
i
f
e
d
o
c
i
n
ô
r
t
e
l
e
a
m
e
t
s
i
S
M
S
P
e
d
a
ç
r
o
f
e
d
s
a
d
a
m
o
t
r
a
l
a
t
s
n
i
a
r
a
p
e
t
n
e
m
a
c
i
s
á
b
e
v
r
e
s
,
l
e
v
á
z
i
r
t
e
m
a
r
a
p
l
a
i
c
e
p
s
e
o
l
u
d
ó
M
R
F
m
o
c
s
o
d
a
l
a
t
s
n
i
s
o
l
u
c
í
e
v
m
e
o
d
a
c
i
l
p
m
o
c
s
i
a
m
o
t
n
e
m
a
n
o
i
c
a
S
R )
e
t
n
e
g
i
l
e
t
n
i
o
i
e
r
f
e
d
a
m
e
t
s
i
s
m
u
m
a
m
r
o
f
S
B
m
o
c
o
t
n
u
j
(
r
o
d
a
d
r
a
t
e
R
T
E
R r
o
d
a
d
r
a
t
e
R
L
I
S o
d
r
e
u
q
s
e
o
t
n
e
s
s
a
o
d
o
c
i
n
ô
r
t
e
l
e
a
m
e
t
s
i
S
R
I
S o
t
i
e
r
i
d
o
t
n
e
s
s
a
o
d
o
c
i
n
ô
r
t
e
l
e
a
m
e
t
s
i
S
B
R
S e
t
n
a
h
n
a
p
m
o
c
a
o
d
o
d
a
l
a
ç
n
a
r
u
g
e
s
e
d
o
t
n
i
c
o
d
e
l
o
r
t
n
o
c
e
d
a
m
e
t
s
i
S
S
R
S a
ç
n
a
r
u
g
e
s
e
d
o
t
n
i
c
o
d
e
l
o
r
t
n
o
c
e
d
a
m
e
t
s
i
S
R
W m
e
g
a
t
o
p
a
c
i
t
n
a
o
i
c
n
ô
t
e
l
e
a
m
e
t
s
i
S
S
W o
ã
ç
n
e
t
u
n
a
m
e
d
o
s
i
v
a
e
d
o
i
c
n
ô
t
e
l
e
a
m
e
t
s
i
S
K
S
W e
u
q
r
o
t
e
d
r
o
s
e
v
n
o
c
r
o
p
m
e
g
a
e
r
b
m
e
e
d
o
i
c
n
ô
t
e
l
e
a
m
e
t
s
i
S
P
S
W a
d
i
t
r
a
p
e
d
o
i
e
u
q
o
l
b
e
d
o
i
c
n
ô
t
e
l
e
a
m
e
t
s
i
S
E
H
Z o
ã
ç
a
f
e
l
a
c
e
d
m
e
g
a
l
u
g
e
r
e
d
a
m
e
t
s
i
S
V
Z s
a
t
r
o
p
e
d
o
d
a
z
i
l
a
r
t
n
e
c
o
t
n
e
m
a
v
a
r
T
E
G
A G
A
a
l
a
u
g
I
B
P
E S
B
a
l
a
u
g
I
Z
H
E L
Z
a
l
a
u
g
I
R
M
F R
F
a
l
a
u
g
I
S
P
E S
G
a
l
a
u
g
I
K
M
E B
K
a
l
a
u
g
I
R
K
M S
K
a
l
a
u
g
I
D
L
P R
M
a
l
a
u
g
I
T
E
R S
R
a
l
a
u
g
I
R
S
E )
s
e
r
o
d
e
c
e
t
r
o
m
a
e
d
a
c
i
n
ô
r
t
e
l
e
m
e
g
a
l
u
g
e
r
(
R
W
a
l
a
u
g
I
S
S
F S
W
a
l
a
u
g
I
l
b
t
.
5
2
0
C
B
I
167464917-Treinamento-Do-Modulo-FR-Cabine.pdf

167464917-Treinamento-Do-Modulo-FR-Cabine.pdf

  • 1.
  • 2.
    Global Training. 1 Fahr( trajeto ) Regler ( regulador ) Unidade de controle do veículo
  • 3.
  • 4.
    Global Training. 3 Sumário UCVGeral................................................................................................................................... 4 Esquema elétrico da alimentação da FR .................................................................................... 6 Arranque do motor ..................................................................................................................... 8 GV grupo divisor de marcha ....................................................................................................... 9 GV esquema elétrico ( aplicado no 1938S ). ............................................................................ 10 Piloto automático ......................................................................................................................11 Piloto automático ( esquema elétrico aplicado ao O500R ) ..................................................... 13 Freio motor ............................................................................................................................... 14 Freio motor com retardador ( esquema elétrico O500R ) ........................................................ 16 Luz de freio............................................................................................................................... 17 Luz de ré...................................................................................................................... ............. 18 Temperatura externa. ............................................................................................................... 19 Nível de líqüido de arrefecimento............................................................................................. 19 Filtro de ar ( sensor indicador de saturação ). ......................................................................... 21 Filtro de ar ( interruptor indicador de saturação ). ................................................................... 22 D+ supervisão do sinal. ............................................................................................................ 23 Reguladores do motor .............................................................................................................. 24 Pedal do acelerador ................................................................................................................. 25 Faixa de variação do sinal ........................................................................................................ 26 Bloqueio de arranque do motor ( imobilizer ) ........................................................................... 27 Freio de estacionamento .......................................................................................................... 29 Mv valores atuais para FR ....................................................................................................... 30 Bv v valores binários para FR. .................................................................................................. 32 FR conectores .......................................................................................................................... 48 Tabela de siglas para unidades eletrônicas.............................................................................. 52
  • 5.
    Global Training. 4 FR unidadede controle do veículo ( Introdução ) Compatibilidade com o ambiente de trabalho A FR é uma unidade de comando eletrônico que deve ser instalada dentro da cabine do veículo, pois não é totalmente protegida contra a penetração impurezas. Tem suas saídas protegidas contra curto circuito ao massa ou ao pólo positivo da bateria. Importante: normas determinam o quanto a unidade deve atender em cada uma das caracteríscas citadas. Tensão de alimentação para a FR As entradas de alimentação são KL30 que está sempre conectada ao terminal positivo da bateria, KL15 que está conectada ao terminal positivo da bateria quando a chave de contato está ligada e Kl31 que está conectado diretamente ao terminal negativo da bateria. ; ; ; ; ; ; ; ; ./ ./ ./ $FLPDGH9 ULVFRGHGDQRD89 99 FyGLJRGHVREUHWHQVmR 99 WHQVmRQRUPDOGHWUDEDOKR 99 FyGLJRGHVXEWHQVmR 99 QiRKiJDUDQWLDGHIXQFLRQDPHQWR
  • 6.
    Global Training. 5 FRunidade de controle do veículo ( funções ) Com a chave de contato desligada. Ø Memoriza os dados específicos do veículo onde está instalada. Ø Memoriza os eventos de falhas. Ø Memoriza o torque máximo do motor. Com a chave de contato ligada em modo de serviço. Ø Ativar a luz de freio no caso de interruptor de luz de freio ligado, freio motor ligado e uma desaceleração entre 0,5m/s2 e 1ms/s2 . Ø Tensão de alimentação de 24V para o pedal do acelerador. Ø Tensão de alimentação de 5V para o sensores de líqüido de arrefecimento e de tempe- ratura externa. Ø Tensão de alimentação em onda de forma quadrada nas quatro saídas GSV1 - GSV4 para facilitar diagnóse de falhas na instalação de interruptores. Ø Indentificar o torque máximo de retenção ( efeito freio motor ) para a regulagem do motor. Ø Não função de bloqueador de arranque, interpretar, memorizar e solicitar ao MR os códigos transponder e solicitar ao WSO o estado do WSP. Ø Controle contínuo de informações de sensores ou dos barrametos CAN para detecção de falhas. Ø Troca contínua de dados com a unidade de controle do motor MR no barramento CAN de baixa velocidade. Ø Ativar luzes de aviso em caso de falhas. Com a chave de contato ligada em modo de diagnose ou parametrização. Ø Memorização automática dos valores nos procedimentos de reprogramação. Ø Ativar componentes para a comprovação de funcionamento. Ø Preparar e modificar valores parametrizáveis. Durante o arranque do motor. Ø Préexcitação do alternador conectando um resistor de 300W entre o terminal D+ do alternador e o borne positivo até que se identifique tensão normal de carga ou uma rota- ção maior que 1000 i/min . Ø Solicita à unidade de controle do motor MR, via CAN de baixa velocidade, o arranque do motor caso o sinal KL50 não esteja chegando à MR. Ø Bloqueio do arranque do motor, no compartimento do motor, caso a transmissão não esteja em Neutro. Ø Limitar o torque do motor, com o motor frio, caso o parâmetro 35 esteja ajustado para sim. Funções especiais. Ø Controle de piloto automático e limitador de velocidade. Ø Aumento da rotação do motor desde rotação de marcha lenta até 750/min por meio
  • 7.
    Global Training. 6 do interruptortempomat. Ø Desligamento do piloto automático em caso de falha na alavanca de controle ou de uma desaceleração maior que 2m/s2 sem sinal de luz de freio. Ø Colocar o piloto automático em modo de espera em caso de acionamento da embrea- gem por um tempo menor que 5s. Ø Converter os dados vindos do sistema de partida a frio no barramento CAN de baixa velocidade para o CAN de alta velocidade. Ø Inibir a comunicação do sistema de partida a frio em caso de alguma falha no barramento CAN de baixa velocidade que faça com que haja comunicação em somente uma das linhas. Ø Executar a função MSS ( partida e parada rápida do motor para veículos de entrega ). Esquema elétrico da alimentação da FR F10 Fusível de KL 30 F22 Fusível do KL 15 K2 Relê do barramento KL 15 G1 Baterias Q1 Chave de desligamento geral U 35 Unidade de controle do veículo UCV
  • 8.
  • 9.
    Global Training. 8 Arranque domotor O FR influi no arranque do motor, somente no caso de haver bloqueador de partida por transponder, neste caso ele interpre- ta o código e envia mensagem ao MR para liberação do bloqueio de partida. Para que a função esteja ativa, é preciso que seja feito um procedi- mento de reprogramção de bloqueio de partida, assim a partir deste mo- mento, o FR fica casado com o MR e a partida somente é liberada se o chip estiver instalado na chave de contato e o código for reconhecido. Após o procedimento de reprogramação, as unida- des de controle do motor MR e de controle de mar- cha do veículo FR formam um par que não deve ser misturado com outras pe- ças. 01S05 Cahve de contato 12S01 Interruptor de Neutro 10A02 FR Unid. de controle do veí- culo 10A01 MR Unid. de controle do mo- tor 10S01 Interruptor do compartimen- to do motor 10SXX Bobina de leitura do código transponder
  • 10.
    Global Training. 9 GVgrupodivisor de marcha Para evitar trancos no mecanismo de mudança, a unidade de controle de marcha do veículo FR atua nas válvulas do GV de forma proporcional . O sinal elétrico enviado ás válvulas é um sinal do tipo PWM sendo que em uma delas e de forma alternativa sempre vai passar mais corrente elétrica do que na outra o que faz com que o pistão mude de posição de forma suave. Para que o sistema funcione perfeitamente é preciso que se faça a reprogramação do GV. Para se fazer a reprogramação do GV é preciso que se tenha feito a reprogramação da embreagem. Caso haja uma falha no sensor de rotação da entrada da caixa de mudança procedimento de reprogramação não será conclu- ído. Importante: A saída que alimenta o ponto comum do interruptor GV, (X2 18/10 ) é um sinal pulsado que permite ao FR identificar possíveis curtos com a massa ou com o positivo. A tensão normal desta saída é de 12V. Ao se diagnosticar falhas nesta saída, deve se levar em consideração que ela alimenta outros inter- ruptores. V G a m e t s i s o d e s ó n g a i d a r a p s a c i D a n o i c n u f o ã n V G m e g a e r b m e e d r o s n e s o d o s r u c o e m a r g o r p e R . V G o e o d n a d u m á t s e V G o d r o t p u r r e t n i o e s e u q i f i r e V s é v a r t a R F o d 3 W B s e r o l a v s o a j e v , o ã ç i s o p e d . s o t n e m u r t s n i e d l e n i a p o d , m e g a e r b m e e d r o s n e s o d o s r u c o e u q i f i r e V o o d n a u q o ã ç i s o p e d a d u m V G O . 8 1 W M a j e v . o t n e m a c o l s e d e d % 0 8 e d o m i x ó r p á t s e o s r u c a d a d a r t n e e d o ã ç a t o r e d r o s n e s o e u q i f i r e V . m h O ) 0 0 4 1 a 0 0 8 ( . a ç n a d u m e d a x i a c . a c i t á m u e n p o ã ç a l a t s n i a e u q i f i r e V ) 0 6 e t n e m a d a m i x o r p a ( s a l u c l á v s a e u q i f i r e V . m h O e d a d u m V G o e u q a m a l c e r a t s i r o t o M a x i a b o t i u m m e g a e r b m e a m o c o ã ç i s o p , m e g a e r b m e e d r o s n e s o d o s r u c o e u q i f i r e V o o d n a u q o ã ç i s o p e d a d u m V G O . 8 1 W M a j e v . o t n e m a c o l s e d e d % 0 8 e d o m i x ó r p á t s e o s r u c l a d e p o d o s r u c o d o ã ç u r t s b o á h o ã n e s a j e V . s a r i e g u s u o s e t e p a T . r o d a r e l e c a o d l b t . 1 0 0 R F
  • 11.
    Global Training. 10 B2 Sensorindutivo de posição da embreagem ( 75W ). B3 Sensor de rotação da entrada da caixa de mudanças ( 800 W a 1400 W). GVesquema elétrico ( aplicado no 1938S ).
  • 12.
    Global Training. 11 Pilotoautomático O piloto automático controla a velocidade do veículo acelerando ou retardando. A unidade de controle de marcha pode variar o torque nominal solicitando à unidade de controle do motor MR, aplicar o freio motor ou se for necessário freio motor e mais estágios do retardador, somente em velocidades acima de 50km/h. Para que o sistema funcione perfeitamente é preciso que o sensor de embrea- gem, interruptor de neutro e de luz de freio estejam funcionando corretamente. O sistema entra em modo de espera toda vez que a embreagem é acionada por um tempo menor que 5s. O sistema se desliga quando o acelerador é deslocado até a posição de kick down, quando há uma falha no instalação dos componentes que fazem parte do sistema ou quando se identifica uma desaceleração maior que 2m/s2 estando o interruptor da luz de freio desligado. o c i t á m o t u a o t o l i p o d e s ó n g a i d a r a p s a c i D o ã n o c i t á m o t u a o t o l i P a n o i c n u f . m e g a e r b m e e d r o s n e s o d o s r u c o e m a r g o r p e R o ã t s e o c i t á m o t u a o t o l i p o d s e r o t p u r r e t n i s o e s e u q i f i r e V e d l e n i a p o d s é v a r t a R F o d 7 W B s e r o l a v s o a j e v , o d n a n o i c n u f . s o t n e m u r t s n i . o s u o p e r e d o ã ç i s o p m e á t s e r o d a r e l e c a o d l a d e p o e s e u q i f i r e V . r o t o m o i e r f o d s a l u v l á v s a e u q i f i r e V l b t . 2 0 0 R F
  • 13.
    Global Training. 12 o c i t á m o t u a o t o l i p o d o t n e m a n o i c n u f o m a t e f a e u q s o r t e m â r a P 2 3 l a d e p e d r o s n e S m e g a e r b m e R F o , o d a t s u j a e t n e m a t e r r o c r e v i t s e o ã n o r t e m â r a p o e S . o c i t á m o t u a o t o l i p e d o ã ç n u f a r a t u c e x e o ã n e d o p 3 3m e g a e r b m e e d r o t p u r r e t n I 7 4 t a m o p m e T o ã ç n u F . R F o n o c i t á m o t u a o t o l i p e d o ã ç n u f a a t i l i b a h o r t m â r a p e t s E 8 4 e t n a t s n o c V o ã ç n u F a n o c i t á m o t u a o t o l i p e d o ã ç n u f a a t i l i b a h o r t m â r a p e t s E . r o d a d r a t e r o d o d n a m o c e d e d a d i n u 4 6 e d r o s n e s e d o p i T m e g a e r b m e R F o , o d a t s u j a e t n e m a t e r r o c r e v i t s e o ã n o r t e m â r a p o e S . o c i t á m o t u a o t o l i p e d o ã ç n u f a r a t u c e x e o ã n e d o p 8 7 r o d a d r a t e r o d r o t p u r r e t n I R F o n a d a g i l 9 7 o d o m i x á m o i g á t s E . r o d a d r a t e r o d r o t p u r r e t n i 3 0 1 o t n e m a r r a b o n r o d a d r a t e R e d a d i c o l e v a t l a e d N A C 5 3 1 o d o m i x á m e u q r o T r o d a d r a t e r l b t . 3 0 0 R F
  • 14.
    Global Training. 13 Pilotoautomático ( esquema elétrico aplicado ao O500R )
  • 15.
    Global Training. 14 Freio motor Aunidade de controle de marcha FR aciona as válvulas de freio motor e de top brake. Quando existe retardador instalado, interruptor tem vários estágios sendo que o primeiro aciona o freio motor e os demais os estágios do retardador. Para que o sistema funcione é preciso que o pedal do acelerador esteja em mar- cha lenta e a rotação do motor acima de 900/min . A unidade de controle do motor MR, pode solicitar o acionamento automático do freio motor em caso de sobre rotação do freio motor por marcha engrenada errada. o c i t á m o t u a o t o l i p o d e s ó n g a i d a r a p s a c i D o ã n o c i t á m o t u a o t o l i P a n o i c n u f . m e g a e r b m e e d r o s n e s o d o s r u c o e m a r g o r p e R o ã t s e o c i t á m o t u a o t o l i p o d s e r o t p u r r e t n i s o e s e u q i f i r e V e d l e n i a p o d s é v a r t a R F o d 7 W B s e r o l a v s o a j e v , o d n a n o i c n u f . s o t n e m u r t s n i . o s u o p e r e d o ã ç i s o p m e á t s e r o d a r e l e c a o d l a d e p o e s e u q i f i r e V . r o t o m o i e r f o d s a l u v l á v s a e u q i f i r e V l b t . 2 0 0 R F
  • 16.
    Global Training. 15 r o t o m o i e r f o d o t n e m a n o i c n u f o m a t e f a e u q s o r t e m â r a P 2 3 l a d e p e d r o s n e S m e g a e r b m eR F o , o d a t s u j a e t n e m a t e r r o c r e v i t s e o ã n o r t e m â r a p o e S . o c i t á m o t u a o t o l i p e d o ã ç n u f a r a t u c e x e o ã n e d o p 3 3 m e g a e r b m e e d r o t p u r r e t n I 7 4 t a m o p m e T o ã ç n u F . R F o n o c i t á m o t u a o t o l i p e d o ã ç n u f a a t i l i b a h o r t m â r a p e t s E 8 4 e t n a t s n o c V o ã ç n u F a n o c i t á m o t u a o t o l i p e d o ã ç n u f a a t i l i b a h o r t m â r a p e t s E . r o d a d r a t e r o d o d n a m o c e d e d a d i n u 4 6 e d r o s n e s e d o p i T m e g a e r b m e R F o , o d a t s u j a e t n e m a t e r r o c r e v i t s e o ã n o r t e m â r a p o e S . o c i t á m o t u a o t o l i p e d o ã ç n u f a r a t u c e x e o ã n e d o p 5 7 o n r o t o m o i e r f e d s o i g á t s E . r o t p u r r e t n i 8 7 r o d a d r a t e r o d r o t p u r r e t n I R F o n a d a g i l 9 7 o d o m i x á m o i g á t s E . r o d a d r a t e r o d r o t p u r r e t n i 4 9 o ã ç i s o p a d o ã s i v r e p u S o i e r f o d r o t u r r e t n i o d o r e z . r o t o m 3 0 1 o t n e m a r r a b o n r o d a d r a t e R e d a d i c o l e v a t l a e d N A C 5 3 1 o d o m i x á m e u q r o T r o d a d r a t e r l b t . 5 0 0 R F
  • 17.
    Global Training. 16 Freio motorcom retardador ( esquema elétrico O500R )
  • 18.
    Global Training. 17 Luzde freio É função do FR (10A02 ) ativar a saída do relê da luz de freio (30K02 ). Ele faz isso toda vez que a saída X1 18/13 não estiver conectada à entrada X1 18/11 ou a desaceleração do veículo for maior que 7 km/h. O sinal de referência para a velocidade é tomado no termina B/7 do tacógrafo ( 60P02 ). A saída X1 18/13 fornece uma tensão pulsada de 24V. Uma leitura com multímetro apresenta 12V.
  • 19.
    Global Training. 18 Luz deré É função do FR ativar a saída do relê da luz de freio. Ele faz isso toda vez que a saída X4 18/12 estiver conectada à entrada X4 18/18. A saída X4 18/12 fornece uma tensão pulsada de 24V. Uma leitura com multímetro apresenta 12V.
  • 20.
    Global Training. 19 Temperaturaexterna. O sensor de temperatura externa ( 10B04 ) está ligado à unidade de controle do veículo ( FR ), a informação fica disponibilizada no barramento CAN para a utilização por outros sistemas. Nível de líqüido de arrefecimento. O sensor de nível de líqüido de arrefecimento ( 15B01 ) está ligado à unidade de controle do veículo ( FR ), a informação é disponibilizada no barramento CAN de acordo com a tabela abaixo.
  • 21.
    Global Training. 20 o t n e m i c e f e r r a e d o d i ü q i l e d r o s n e s a r a p a l e b a T ) m h O ( a i c n ê t s i s e R s e r o t p u r r e t n IV C U a d o ã ç a e R 5 2 - 0 o d a g i L o d a g i L o v i t a o r o n o s e m r a l a , l a n i f a t r e l A 5 7 - 5 2 o d a g i l s e d o d a g i L r o s n e s o n a h l a f , o v i t a o r o n o s e m r a l a , l a n i f a t r e l A 3 3 5 2 0 o g i d ó C 5 2 1 - 5 7 o d a g i L o d a g i l s e d ) a d a g i l a d a p m â l ( o s i v a é r P 0 0 3 - 5 2 1 o d a g i l s e d o d a g i l s e d l a m r o n l e v í N 0 0 3 e u q r o i a m o t r e b a o t i u c r i c 0 3 5 2 0 o g i d ó C l e v í n o p s i d o ã n o ã ç a m r o f n I l b t . 4 4 0 V C U
  • 22.
    Global Training. 21 Filtrode ar ( sensor indicador de saturação ). A unidade de controle do veículo ( FR ) monitora a entrada do sensor de saturação do filtro de ar e e envia o valor à unidade de controle do motor ( MR ), como um valor de referência. A unidade de controle do motor ( MR ), compara este valor de referência com o valor da pressão de admissão. É considerado uma situação normal de funcioamento quando a pressão de admissão for maior que a pressão do sensor de pressão de obstrução de filtro de ar desde que o motor esteja funcionando e valores iguais para quando o motor está parado. Caso seja indentifado uma obstrução do filtro de a, por mais de 1segundo, a unidade de controle do veículo ( FR ), coloca no barramento CAN uma mensagem de alerta de filtro obstruído por um tempo de 5 minutos
  • 23.
    Global Training. 22 Filtro dear ( interruptor indicador de saturação ). O interruptor indicador de saturação deve estar aberto para pressões entre -80mbar e 0mbar. Caso o interruptor se feche por mais de 1segundo, a unidade de controle do veículo ( FR ), coloca no barramento CAN uma mensagem de alerta de filtro obstruído por um tempo de 5 minutos
  • 24.
    Global Training. 23 D+supervisão do sinal. A unidade de controle préexcita o alternador através do terminal D+, colocando uma resistência interna de 300W entre o terminal X4 18/11 e a tensão de alimentação positiva até que a tensão do alternador atinja valores normais ou a rotação do motor atinja 1000 i/min , entretanto este novo tipo de alternador tem conexões diferentes, ou seja, o D+ é uma saída que informa o estado do alternador Adicionalmente é fornecido uma saída D+a no terminal X218/4 para acionamento de sistemas que somente devem trabalhar com o motor em funcionamento. O terminal BS do alternador serve como referência para a regulagem de tensão,por ser tomada diretamente na bateria,uma eventual queda detensão nos cabos é compensada.
  • 25.
    Global Training. 24 Reguladores domotor Para entender o que é regulação de um motor, vamos imaginar as seguintes situações: 1.0 Você está em movimento com um caminhão em uma estrada plana e para manter uma determinada velocidade você engrena uma determinada marcha e desloca o pedal do acelerador até um determinado ponto, a rotação do motor se mantem constante pois o torque necessário é sempre constante. Imagine agora que o veículo começa a subir uma ladeira, o motor perde rotação e o veículo perde velocidade. Isso acontece por você não ter deslocado o pedal do acelera- dor, ou seja você manteve o torque solicitado mas o torque necessário é maior. 2.0 Agora em uma situação similar, só que quando o veículo atinge a ladeira o motor não perde rotação, o veículo não perde velocidade e você não precisou deslocar o acelerador. A diferença é que na primeira havia uma solicitação de torque e na segunda uma solicitação de rotação, na primeira a rotação varia junto com o torque e na segunda a rotação é fixa. Estes são dois tipos de regulação do motor. Importante saber também que a variação da rotação em função da variação do torque do motor depende da rotação momentânea do motor. Isso tudo faz com que a regulagem de um motor seja um processo um tanto complicado, este processo é executado pela unidade de controle do motor MR segundo solicitação da unidade de controle do veículo FR. Regulagem de rotação ( RQV ) O MR busca manter a rotação do motor no mesmo valor da rotação nominal, isso quer dizer que mesmo que a carga no motor varie, a rotação será mantida. Regulagem de torque ( RQ ) O MR ajusta o início e ângulo de injeção, procurando manter o torque desejado, neste caso quando houver uma variação de carga no motor a rotação sofrerá uma variação.
  • 26.
    Global Training. 25 Pedaldo acelerador Trata se de um componente eletrônico capaz de converter a posição do pedal do acelerador em um sinal elétrico do tipo PWM. 9 89 9 9 9 9 9 89 9 9 9 9 9 0DUFKD OHQWD 3OHQD FDUJD 9 9 6LQDODQDOyJLFR 7HQVmR QRSRWHQFL{PHWUR 9 0DUFKD OHQWD 3OHQD FDUJD 9 6LQDO3:0 Circuito eletrônico converte o sinal analócigco em sinal PWM Potenciômetro acionado pelo pedal do acelerador gera um sinal analógico UCV alimenta circuito eletrônico do pedal do acelerador e interpreta sinal PWM como posição do pedal do aceleradodr
  • 27.
    Global Training. 26 Na figuraacima, temos a leitura do sinal de um pedal de acelerador. O aparelho de medição está indicando um sinal de freqüência 205Hz, aproximadamente 20V de amplitude e 14,3% de ciclo. A informação mais importante é a porcentagem de ciclo que diz que a largura L equivale a 14,3% do ciclo P. L = 0,69ms e P = 4,87ms. Faixa de variação do sinal O sinal PWM do pedal do acelerador apresenta uma porcentagem próxima a 15% quando está em repouso e 55% quando está acionado até o máximo. Reconhecimento da faixa do sinal de um pedal do acelerador Os valores dos limites da variação do sinal PWM varia de um pedal para outro, por isso é preciso fazer com que o FR identifique esses limites sempre que um pedal é posto a funcionar pela primei- ra vez. O fato de desconectar e reconectar um pedal de limites já reconhecidos, não exige que se reconheça novamente. O FR não aceita qualquer valor de limites, por isso pode ser que haja pro- blemas para reconhecer um pedal avariado, durante a reprogramação o FR aceita como faixa de marcha lenta, uma relação de 10% a 30% e de 40% a 90% para plena carga.
  • 28.
    Global Training. 27 Bloqueiode arranque do motor ( imobilizer ) O sistema de bloqueio de arranque do motor é composto dos componentes, chave de contato com código transponder, bobina de leitura do código transponder, unidade de leitura do código transponder ( WSP ) unidade de controle do veículo ( FR ) e unidade de controle do motor ( MR ), cada unidade tem a seguinte função: Chave de contato com código transponder Carrega um chip que é um segredo eletrônico Bobina de leitura do código transponder É excitada pelo chip que está na chave de contato sempre que o kl15 está ligado, assim emite um sinal digital bastante fraco que será transmitido via KL50 à unidade de contro e do veículo ( FR ) à unidade de leitura do código transponder ( WSP ) e à unidade de regulagem do motor ( MR ). Unidade de leitura do código transponder ( WSP ) Importante: Em alguns veículos esta função está integrada a FR Carrega um conjunto de parâmetros que serão casados com a unidade de controle do motor ( MR ) durante o procedimento de reprogramação do imobilizer. Lê o código transponder no KL50, demodula, o amplifica, pois originalmente este é muito débil e envia às unidades MR e FR. Unidade de controle do veículo ( FR ) Memoriza o código transponder e se a unidade de controle do motor ( MR ) solicitar, disponibiliza este código mais a parametrização da unidade de leitura do transponder ( WSP ), no barramento CAN. Isso faz com a função de imobilizer seja executada mesmo que haja um tipo de falha no KL50. Unidade de controle do motor ( MR ) Memoriza o código transponder da chave de contato durante o processo de reprogramação da chave num máximo de 8 chaves e toda vez que a ignição é ligada, lê o código emitido no KL50 compara com os códigos memorizados e libera o arranque do motor no caso de códigos coincidentes. Caso o código não seja coincidente, o motor gira mas não pega. Os códigos memorizados podem ser apagados, para isso é preciso acessar o Fdok para conseguir um número aleatório e com este número aleatório apagar os códigos armazena dos no MR o que permitirá gravar novos códigos. Reposição das peças Unidade de leitura ( WSP ) Trocar a peça e reconhecer as chaves, necessita de FDOK. Unidade de comando do veículo ( FR ) Substituir e efetuar reprogramação para trabalhar com imobilizer.
  • 29.
    Global Training. 28 Unidade decontrole do motor ( MR ) Substituir desbloquear acesso para gravar os códigos transponder com número aleatório conseguido do Fdok. Procedimento para arranque do motor em veículos com transponder. 1.0 Ligar a chave de contato 2.0 Esperar a checagem dos instrumentos do painel que é um tempo compatível com o tempo necessário para o MR ler e comparar o código da chave com os códigos memoriza dos. Caso a chave de contato seja girada muito rápido, não haverá a comparação e aparecerá a palavra code no painel de instrumentos e o arranque do motor não será liberado antes de um determinado tempo, a cada vez que o erro é cometido o tempo de desbloqueio aumenta.
  • 30.
    Global Training. 29 Freiode estacionamento A unidade de controle do veóiculo FR ( 10A02 ) monitóra o estado desta entrada e disponibiliza esta informação no barramento CAN para outras unidades de controle tais como, painel de instru- mentos ( INS ) e sistema de freio inteligente ( BS ) e também para ativar um regulador de rotação parametrizado na para tomada de força
  • 31.
    Global Training. 30 Mv valoresatuais para FR ) s V M ( R F a r a p s i a e r s e r o l a v e d a l e b a T V M o d a c i f i n g i S o ã ç a v r e s b O 1 0 o d l a d e p o d o ã ç i s o P I r o d a r e l e c a 5 1 e d o m i x ó r p r a t s e e v e d o d a c i d n i r o l a V a g r a c a n e l p m e 5 5 e a t n e l a h c r a m a n 2 0 o d l a d e p o d o ã ç i s o P I I r o d a r e l e c a 5 1 e d o m i x ó r p r a t s e e v e d o d a c i d n i r o l a V a g r a c a n e l p m e 5 5 e a t n e l a h c r a m a n 3 0 o d l a d e p o n o d a t i c i l o s e u q r o T r o d a r e l e c a o d n e s á t s e e u q e u q r o t o a c i d n i r o l a V m e , r o d a r e l e c a o d l a d e p o n o d a t i c i l o s a n e l p m e e M N 0 r e s e v e d a t n e l a h c r a m o d r o t o m o a r a p e u q r o t o m i x á m o , a g r a c o l u c í e v 4 0 o l u c í e v o d e d a d i c o l e V o d a e n â t n a t s n i e d a d i c o l e v a a m r o f n I o l u c í e v 5 0 l a n i m o n e d a d i c o l e V a d a l u c l a c e t n e m a e n â t n e m o m e d a d i c o l e V o l u c í e v o a r a p R F o l e p 6 0 r a e d o r t l i f o n o ã s s e r p e D r e s e v e d a t n e l a h c r a m m e r o t o m o m o C a , o ã ç a r e l e c a m e r o t o m o m o c , r a b 0 o m i x á m o n r i g n i t a e v e d o ã s s e r p e d r a b m 0 6 7 0 o n r e t x e r a o d a r u t a r e p m e T 8 0 l a n i m r e t o n r o t o m o d o ã ç a t o R r o d a n r e t l a o d W 9 0 r o s n e s o n r o t o m o d o ã ç a t o R e t n a l o v o d 0 1 l a n i m o n o ã ç a t o R a r a p R F o l e p a d a l u c l a c r o t o m o d o ã ç a t o R a ç r o f e d a d a m o t e d o ã ç a c i l p a a m u 1 1 r o d a l u g e r e d o p i T a a r a p r o t o m o d r o d a l u g e r e d o p i T a d a c i l p a a ç r o f e d a d a m o t e d o ã ç a c i l p a ) Q R = 5 1 V Q R = 1 ( o t n e m o m o n 2 1 a t n e l a h c r a m e d o ã ç a t o R o a c i d n i o d a r a p r e v i t s e o l u c í e v o e S e s , a t n e l a h c r a m e d s e õ ç a t o r e d o r e m ú n a c i d n i , o t n e m i e v o m m e r e v i t s e o l u c í e v o o ã ç a c i l p a a m u a r a p o ã ç a t o r e d o r e m ú n o a ç r o f e d a d a m o t e d 3 1 a t n e l a h c r a m e d o ã ç a t o R r o t o m o d e n â t n e m o m o ã ç a t o r a a c i d n I o d e l o r t n o c e d e d a d i n u a l e p a d a c i l p a R M r o t o m 4 1 r o t o m o d l a n i m o n e u q r o T R M o a R F o l e p o d a t i c i l o s e u q r o T l b t . 7 1 0 C B I
  • 32.
    Global Training. 31 ) s V M ( R F a r a p s i a e r s e r o l a v e d a l e b a T V Mo d a c i f i n g i S o ã ç a v r e s b O 5 1 r o t o m o d l a e r e u q r o T o l e p o d a c i l p a o d n e s á t s e e u q e u q r o T r o t o m 6 1 m e g a e r b m e a d o t n e m a c o l s e D e t s a g s e d e d r o s n e s o l e p o d a c i d n i o s r u C m e g a e r b m e a d 7 1 a d a r t n e a d o ã ç a t o r e d o r e m ú N o i b m â c o d o d o ã ç a t o r e d r o s n e s o n a d i l o ã ç a t o R o i b m â c 8 1 a d i a s a d o ã ç a t o r e d o r e m ú N o i b m â c o d o d o ã ç a t o r e d r o s n e s o n a d i l o ã ç a t o R é o ã n ) S P E a r a p e t n e m ó s ( o i b m â c R 0 0 5 O o n o d a c i l p a 9 1 a d a m a r g o r p a h c r a M e t n e m ó s ( a d a m a r g o r p a h c r a m a a c i d n I R 0 0 5 O o n o d a c i l p a é o ã n ) S P E a r a p 0 2 a d a c i l p a m e g a n e r f e d e u q r o T r o d a d r a t e r o l e p 1 2 l a e r m e g a n e r f e d e u q r o T 2 2 o m i n í m e u q r o T o d n a u q , e u q r o t o d o m i n í m e d r o l a V a t s e e u t e f e e u q a m e t s i s m u e t s i x e . ç t e B P E . S B , R S A : o ã ç a t i m i l 4 2 R F o d 0 3 e n r o b o n o ã s n e T 5 2 M W P a d í a S l a n i s o d m e g a t n e c r o p m e r o l a v o a c i d n I e d a d i n u a R F o l e p o d i c e n r o f é e u q M W P . a c i t á m o t u a o ã s s i m s n a r t a d o d n a m o c e d ) R 0 0 5 O o n o d a c i l p a o ã n ( l b t . 8 1 0 C B I
  • 33.
    Global Training. 32 Bv vvalores binários para FR. ) s V B ( R F a r a p s o i r á n i b s e r o l a v e d a l e b a T V B s t i B o ã ç a v r e s b O 1 0 6 7 4 5 2 3 0 1 0 0 3 / 8 1 2 X m e o d n a g e h c á t s e o ã n 5 1 L K o d o ã s n e T 1 0 3 / 8 1 2 X m e o d n a g e h c á t s e 5 1 L K o d o ã s n e T 0 0 8 1 / 8 1 1 X m e o d n a g e h c á t s e o ã n 0 5 l K e d l a n i S 1 0 8 1 / 8 1 1 X m e o d n a g e h c á t s e 0 5 l K e d l a n i S 0 0 3 1 / 8 1 4 X m e o d n a g e h c á t s e o ã n r o d a n r e t l a o d o d n i v + D l a n i S 1 0 3 1 / 8 1 4 X m e o d n a g e h c á t s e r o d a n r e t l a o d o d n i v + D l a n i S 0 0 4 / 8 1 2 X m e o d n i a s á t s e o ã n + D l a n i S 1 0 4 / 8 1 2 X m e o d n i a s á t s e + D l a n i S 2 0 0 0 1 1 / 8 1 1 X m e o d n a g e h c á t s e o ã n o i e r f e d z u l e d l a n i S 1 0 1 1 / 8 1 1 X m e o d n a g e h c á t s e o i e r f e d z u l e d l a n i S 0 0 8 / 8 1 2 X m e o d n i a s á t s e o ã n o i e r f e d z u l e d l a n i S 1 0 8 / 8 1 2 X m e o d n i a s á t s e o i e r f e d z u l e d l a n i S 0 0 m e o d n a g e h c á t s e o ã n o t n e m a n o i c a t s e e d o i e r f e d z u l e d l a n i S 9 / 5 1 3 X 1 0 3 X m e o d n a g e h c á t s e o t n e m a n o i c a t s e e d o i e r f e d z u l e d l a n i S 9 / 5 1 0 0 5 1 / 8 1 1 X a d a r t n e a n o d n a g e h c á t s e o ã n t e s o p m e t e d l a n i S 1 0 5 1 / 8 1 1 X a d a r t n e a n o d n a g e h c á t s e t e s o p m e t e d l a n i S 3 0 0 0 6 1 / 8 1 1 X a d a r t n e a n o d n a g e h c á t s e o ã n B + S e d l a n i S 1 0 6 1 / 8 1 1 X a d a r t n e a n o d n a g e h c á t s e B + S e d l a n i S 0 0 2 1 / 8 1 1 X a d a r t n e a n o d n a g e h c á t s e o ã n B - S e d l a n i S 1 0 2 1 / 8 1 1 X a d a r t n e a n o d n a g e h c á t s e B - S e d l a n i S 0 0 4 1 / 8 1 1 X a d a r t n e a n o d n a g e h c á t s e o ã n t a m o p m e T e d l a n i S 1 0 4 1 / 8 1 1 X a d a r t n e a n o d n a g e h c á t s e t a m o p m e T e d l a n i S 0 0 7 1 / 8 1 1 X a d a r t n e a n o d n a g e h c á t s e o ã n t i u Q e d l a n i S 1 0 7 1 / 8 1 1 X a d a r t n e a n o d n a g e h c á t s e t i u Q e d l a n i S l b t . 9 1 0 C B I
  • 34.
    Global Training. 33 ) s V B ( R F a r a p s o i r á n i b s e r o l a v e d a l e b a T V Bs t i B o ã ç a v r e s b O 4 0 6 7 4 5 2 3 0 1 0 0 3 1 / 8 1 2 X m e o d n a g e h c á t s e o ã n r o d a d r a t e r a r a p 0 a d a r t n e e d l a n i S 1 0 3 1 / 8 1 2 X m e o d n a g e h c á t s e r o d a d r a t e r a r a p 0 a d a r t n e e d l a n i S 0 0 4 1 / 8 1 2 X m e o d n a g e h c á t s e o ã n r o d a d r a t e r a r a p 1 a d a r t n e e d l a n i S 1 0 4 1 / 8 1 2 X m e o d n a g e h c á t s e r o d a d r a t e r a r a p 1 a d a r t n e e d l a n i S 0 0 5 1 / 8 1 2 X m e o d n a g e h c á t s e o ã n r o d a d r a t e r a r a p 2 a d a r t n e e d l a n i S 1 0 5 1 / 8 1 2 X m e o d n a g e h c á t s e r o d a d r a t e r a r a p 2 a d a r t n e e d l a n i S 0 0 9 / 8 1 2 X m e o d n a g e h c á t s e o ã n r o d a d r a t e r a r a p 3 a d a r t n e e d l a n i S 1 0 9 / 8 1 2 X m e o d n a g e h c á t s e r o d a d r a t e r a r a p 3 a d a r t n e e d l a n i S 5 0 0 0 a d a v i t a á t s e o ã n ) 4 / 5 1 3 X ( r o t o m o i e r f o d a l u v l á v a r a p a d í a S 1 0 a d a v i t a á t s e ) 4 / 5 1 3 X ( r o t o m o i e r f o d a l u v l á v a r a p a d í a S 0 0 a d a v i t a á t s e o ã n ) 7 / 5 1 3 X ( e k a r b p o t o d a l u v l á v a r a p a d í a S 1 0 a d a v i t a á t s e ) 7 / 5 1 3 X ( e k a r b p o t o d a l u v l á v a r a p a d í a S 0 0 r o t o m o i e r f e e k a r b p o t o d s a l u v l á v a r a p a s s a m a d í a S a d a t c e n o c á t s e o ã n ) 0 1 / 5 1 3 X ( 1 0 r o t o m o i e r f e e k a r b p o t o d s a l u v l á v a r a p a s s a m a d í a S a d a t c e n o c á t s e ) 0 1 / 5 1 3 X ( 0 0 ) 1 / 5 1 3 X ( o d a h c e f á t s e o ã n r a e d o r t l i f o d r o t p u r r e t n I 1 0 ) 1 / 5 1 3 X ( o d a h c e f á t s e r a e d o r t l i f o d r o t p u r r e t n I 6 0 0 0 6 1 / 8 1 4 X a d a r t n e a n o d n a g e h c á t s e o ã n o r t u e N e d l a n i S 1 0 6 1 / 8 1 4 X a d a r t n e a n o d n a g e h c á t s e o r t u e N e d l a n i S 0 0 7 1 / 8 1 4 X a d a r t n e a n o d n a g e h c á t s e o ã n P G e d l a n i S 1 0 7 1 / 8 1 4 X a d a r t n e a n o d n a g e h c á t s e P G e d l a n i S 0 0 8 1 / 8 1 4 X a d a r t n e a n o d n a g e h c á t s e o ã n é r a a h c r a m e d l a n i S 1 0 8 1 / 8 1 4 X a d a r t n e a n o d n a g e h c á t s e é r a a h c r a m e d l a n i S 0 0 7 / 8 1 2 X a v i t a á t s e o ã n é r e d é l e r a r a p a d í a S 1 0 7 / 8 1 2 X a v i t a á t s e é r e d é l e r a r a p a d í a S l b t . 9 1 0 C B I
  • 35.
    Global Training. 34 ) s V B ( R F a r a p s o i r á n i b s e r o l a v e d a l e b a T V B s t i Bo ã ç a v r e s b O 7 0 6 7 4 5 2 3 0 1 0 0 á t s e o ã n I m e g a e r b m e e d r o t p u r r e t n i o d a d a r t n e e d l a n i S 1 / 8 1 1 X m e o d n a g e h c 1 0 o d n a g e h c á t s e I m e g a e r b m e e d r o t p u r r e t n i o d a d a r t n e e d l a n i S 1 / 8 1 1 X m e 0 0 á t s e o ã n I I m e g a e r b m e e d r o t p u r r e t n i o d a d a r t n e e d l a n i S 2 / 8 1 1 X m e o d n a g e h c 1 0 o d n a g e h c á t s e I I m e g a e r b m e e d r o t p u r r e t n i o d a d a r t n e e d l a n i S 2 / 8 1 1 X m e 0 0 o d n a g e h c á t s e o ã n I o ã ç i s o p V G r o t p u r r e t n i o d a d a r t n e e d l a n i S 1 1 / 8 1 2 X m e 1 0 m e o d n a g e h c á t s e I o ã ç i s o p V G r o t p u r r e t n i o d a d a r t n e e d l a n i S 1 1 / 8 1 2 X 0 0 o d n a g e h c á t s e o ã n I I o ã ç i s o p V G r o t p u r r e t n i o d a d a r t n e e d l a n i S 2 1 / 8 1 2 X m e 1 0 m e o d n a g e h c á t s e I I o ã ç i s o p V G r o t p u r r e t n i o d a d a r t n e e d l a n i S 2 1 / 8 1 2 X l b t . 9 1 0 C B I
  • 36.
    Global Training. 35 Códigosde falhas para FR 1 01 10 - A mensagem do sistema ABS ou BS não está presente na linha CAN ou ela não não está sendo entendida pelo FR. 1.0 Se outras unidades também indicam falha de mensagem com o ABS ou BS, verifique as conexões para esta unidade, se tudo estiver bem, troque a unidade do ABS ou BS. 2.0 Se são indicadas falhas de mensagem com outras unidades, verifique conexões e o ponto estrela. 3.0 Se as falhas aparecerem com freqüencia sómente no FR, e a instalação estiver bem, troque a unidade de controle FR. 1 01 11 - A mensagem do sistema GS ou EPS não está presente na linha CAN ou ela não não está sendo entendida pelo FR. 1.0 Se outras unidades também indicam falha de mensagem com o GS ou EPS, verifique as conexões para esta unidade, se tudo estiver bem, troque a unidade do GS ou EPS. 2.0 Se são indicadas falhas de mensagem com outras unidades, verifique conexões e o ponto estrela. 3.0 Se as falhas aparecerem com freqüencia sómente no FR, e a instalação estiver bem, troque a unidade de controle FR. 1 01 12 - A mensagem do sistema KS não está presente na linha CAN ou ela não não está sendo entendida pelo FR. 1.0 Se outras unidades também indicam falha de mensagem com o KS, verifique as conexões para esta unidade, se tudo estiver bem, troque a unidade do KS. 2.0 Se são indicadas falhas de mensagem com outras unidades, verifique conexões e o ponto estrela. 3.0 Se as falhas aparecerem com freqüencia sómente no FR, e a instalação estiver bem, troque a unidade de controle FR. 1 01 13 - A mensagem do sistema RS ( Retardador ) não está presente na linha CAN ou ela não não está sendo entendida pelo FR. 1.0 Se outras unidades também indicam falha de mensagem com o RS ( Retardador ), veri fique as conexões para esta unidade, se tudo estiver bem, troque a unidade do RS ( Retardador ). 2.0 Se são indicadas falhas de mensagem com outras unidades, verifique conexões e o
  • 37.
    Global Training. 36 ponto estrela. 3.0Se as falhas aparecerem com freqüencia sómente no FR, e a instalação estiver bem, troque a unidade de controle FR. 1 01 14 - A mensagem do sistema INS não está presente na linha CAN ou ela não não está sendo entendida pelo FR. 1.0 Se outras unidades também indicam falha de mensagem com o INS, verifique as conexões para esta unidade, se tudo estiver bem, troque a unidade do INS. 2.0 Se são indicadas falhas de mensagem com outras unidades, verifique conexões e o ponto estrela. 3.0 Se as falhas aparecerem com freqüencia sómente no FR, e a instalação estiver bem, troque a unidade de controle FR. 1 01 15 - A mensagem do sistema PSM não está presente na linha CAN ou ela não não está sendo entendida pelo FR. 1.0 Se outras unidades também indicam falha de mensagem com o PSM, verifique as conexões para esta unidade, se tudo estiver bem, troque a unidade do PSM. 2.0 Se são indicadas falhas de mensagem com outras unidades, verifique conexões e o ponto estrela. 3.0 Se as falhas aparecerem com freqüencia sómente no FR, e a instalação estiver bem, troque a unidade de controle FR. 1 01 17 - Valor de medição do sistema WSK ( conversor de torque ) não é plausível. 1 02 02 - A mensagem do sistema MR não está presente na linha CAN ou não está sendo entendida pelo FR. 1.0 Verifique se a tensão de alimentação KL 15 está chegando no MR. Veja valor binário BW03 Bit 1e0 para o MR. 2.0 Meça a tensão entre as linhas H e L da linha CAN que vai do MR até o FR, deve estar entre aproximadamente 6V e 18V. 3.0 Se as falhas aparecerem com freqüencia sómente no FR, e a instalação estiver bem, troque a unidade de controle FR ou a unidade de controle MR .
  • 38.
    Global Training. 37 103 06 - Falha na linha CAN adicional para o sistema de partida a frio FLA 1.0 Verifique se a tensão de alimentação KL 15 está chegando no MR. Veja valor binário BW03 Bit 1e0 para o MR. 2.0 Meça a tensão entre as linhas H e L da linha CAN que vai do MR até o FR, deve estar entre aproximadamente 6V e 18V. 3.0 Se as falhas aparecerem com freqüencia sómente no FR, e a instalação estiver bem, troque a unidade de controle FR ou a unidade de controle MR . 1 11 20 - Saída D+ está constantemente ligado ao positivo, ou o circuito está aberto. 1.0 Verifique todo o circuito que vai desde o termina D+ do alternador até a saída X4 18/ 13 do FR. 2.0 A corrente de excitação inicialpara o alternador é aplicada pleo FR. 1 04 16 - Não há mensagem na linha CAN ou ela não não está sendo entendida pelo FR. 1.0 Se outras unidades também indicam falha de mensagem com o INS, verifique as conexões para esta unidade, se tudo estiver bem, troque a unidade do INS. 2.0 Se são indicadas falhas de mensagem com outras unidades, verifique conexões e o ponto estrela. 3.0 Se as falhas aparecerem com freqüencia sómente no FR, e a instalação estiver bem, troque a unidade de controle FR. 1 04 18 - Não há mensagem na linha CAN ou ela não não está sendo entendida pelo FR. 1.0 Se outras unidades também indicam falha de mensagem com o INS, verifique as conexões para esta unidade, se tudo estiver bem, troque a unidade do INS. 2.0 Se são indicadas falhas de mensagem com outras unidades, verifique conexões e o ponto estrela. 3.0 Se as falhas aparecerem com freqüencia sómente no FR, e a instalação estiver bem, troque a unidade de controle FR. 2.0 A corrente de excitação inicialpara o alternador é aplicada pleo FR. 1 11 25 - O FR está vendo valores elétricos para o D+ fora do esperado. 1.0 Verifique todo o circuito que vai desde o termina D+ do alternador até a entrada X4 18/ 13 do FR.
  • 39.
    Global Training. 38 2.0 Acorrente de excitação inicial para o alternador é aplicada pleo FR. 3.0 Se o alternador estiver em funcionamento a tensão no D+ deve ser igual a tensão da bateria, se estiver parado o D+ deve estar ligado ao massa. 1 12 23 - Ajuste incorreto para o interruptor I da embreagem. 1.0 Caso o veículo tenha sensor de embreagem, ajustar o parâmetro 32 para sim. 2.0 Verifique a ligação desde o interruptor de embreagem 1 até a entrada X1 18/1. 1 13 23 - Interruptor de freio de estacionamento, entrada tem uma tensão diferente da esperada. 1.0 Verifique a tensão da entrada X3 15/9, deve ser próxima de 12V quando o freio de mão estiver acionado. 2.0 Verifique a tensão de alimentação para os interruptores na saída X3 15/5, ela é uma tensão pulsada que quando medida com multímetro apresenta 12V. Cuidado com curto circuito nos cabos que estão ligados nesta saída. 1 14 21 - Interruptor da luz de freio ajustado de forma incorreta ou circuito aberto. 1.0 Verifique a tensão da entrada X1 18/11, deve ser próxima de 12V quando o freio de serviço estiver acionado. 2.0 Verifique a tensão de alimentação para os interruptores na saída X1 18/13, ela é uma tensão pulsada que quando medida com multímetro apresenta 12V. Cuidado com curto circuito nos cabos que estão ligados nesta saída. 3.0 Verifique o rele de luz de freio. 1 14 23 - Interruptor da luz de freio, entrada não é plausível. 1.0 Verifique a tensão da entrada X1 18/11, deve ser próxima de 12V quando o freio de mão estiver acionado. 2.0 Verifique a tensão de alimentação para os interruptores na saída X1 18/13, ela é uma tensão pulsada que quando medida com multímetro apresenta 12V. Cuidado com curto circuito nos cabos que estão ligados nesta saída.
  • 40.
    Global Training. 39 115 23 - Circuito dos interruptores do piloto automático com problema. 1.0 Verifique os valores binários, BW03 para descobrir qual interruptor está com problemas. 2.0 Verifique a tensão de alimentação para os interruptores na saída X1 15/9, ela é uma tensão pulsada que quando medida com multímetro apresenta 12V. Cuidado com curto circuito nos cabos que estão ligados nesta saída. 1 15 24 - Circuito dos interruptores do piloto automático com problema. 1.0 Verifique os valores binários, BW03 para descobrir qual interruptor está com problemas. 2.0 Verifique a tensão de alimentação para os interruptores na saída X1 15/9, ela é uma tensão pulsada que quando medida com multímetro apresenta 12V. Cuidado com curto circuito nos cabos que estão ligados nesta saída. 1 16 23 - Circuito dos interruptores do pedal de embreagem ou interruptor colado. 1.0 Verifique as entradas X1 18/1, com o pedal de embreagem em repouso e na entrada X1 18/2 com o pedal acionado, que deve ter uma tensão de 12V. 2.0 Verifique a tensão de alimentação para os interruptores na saída X2 18/10, ela é uma tensão pulsada que quando medida com multímetro apresenta 12V. Cuidado com curto circuito nos cabos que estão ligados nesta saída. 1 17 23 - Circuito do interruptor de neutro. 1.0 Verifique a entrada X4 18/16, que deve ter uma tensão de 12V quando a transmissão estiver desengatada. 2.0 Verifique a tensão de alimentação para os interruptores na saída X4 18/12, ela é uma tensão pulsada que quando medida com multímetro apresenta 12V. Cuidado com curto circuito nos cabos que estão ligados nesta saída. 1 19 23 - Interruptor do GV 1.0 Verifique as entradas X2 18/11, com o interruptor em LOW e na entrada X2 18/12 com o interruptor em High, que deve ter uma tensão de 12V. 2.0 Verifique a tensão de alimentação para os interruptores na saída X2 18/10, ela é uma tensão pulsada que quando medida com multímetro apresenta 12V. Cuidado com curto circuito nos cabos que estão ligados nesta saída.
  • 41.
    Global Training. 40 1 2023 - Interruptor do freio motor. 1.0 Verifique a entrada X2 18/14, com o interruptordo freio motor ligado, que deve ter uma tensão de 12V. 2.0 Verifique a tensão de alimentação para os interruptores na saída X1 18/9, ela é uma tensão pulsada que quando medida com multímetro apresenta 12V. Cuidado com curto circuito nos cabos que estão ligados nesta saída. 1 21 20 - Alimentação para interruptores “ GSV 1 “ em curto com o positivo ou cabo rompi- do. 1.0 Verifique a tensão de alimentação para os interruptores na saída X1 18/13, ela é uma tensão pulsada que quando medida com multímetro apresenta 12V. Cuidado com curto circuito nos cabos que estão ligados nesta saída. 1 21 22 - Alimentação para interruptores “ GSV 1 “ em curto com a massa. 1.0 Verifique a tensão de alimentação para os interruptores na saída X1 18/13, ela é uma tensão pulsada que quando medida com multímetro apresenta 12V. Cuidado com curto circuito nos cabos que estão ligados nesta saída. 1 22 20 - Alimentação para interruptores “ GSV 2 “ em curto com o positivo ou cabo rompi- do. 1.0 Verifique a tensão de alimentação para os interruptores na saída X3 15/5, ela é uma tensão pulsada que quando medida com multímetro apresenta 12V. Cuidado com curto circuito nos cabos que estão ligados nesta saída. 1 22 22 - Alimentação para interruptores “ GSV 1 “ em curto com a massa. 1.0 Verifique a tensão de alimentação para os interruptores na saída X3 15/5, ela é uma tensão pulsada que quando medida com multímetro apresenta 12V. Cuidado com curto circuito nos cabos que estão ligados nesta saída. 1 23 20 - Alimentação para interruptores “ GSV 3 “ em curto com o positivo ou cabo rompi- do. 1.0 Verifique a tensão de alimentação para os interruptores na saída X4 18/12, ela é uma tensão pulsada que quando medida com multímetro apresenta 12V. Cuidado com curto circuito nos cabos que estão ligados nesta saída.
  • 42.
    Global Training. 41 123 22 - Alimentação para interruptores “ GSV 3 “ em curto com a massa. 1.0 Verifique a tensão de alimentação para os interruptores na saída X4 18/12, ela é uma tensão pulsada que quando medida com multímetro apresenta 12V. Cuidado com curto circuito nos cabos que estão ligados nesta saída. 1 24 20 - Alimentação para interruptores “ GSV 4 “ em curto com o positivo ou cabo rompi- do. 1.0 Verifique a tensão de alimentação para os interruptores na saída X2 18/10, ela é uma tensão pulsada que quando medida com multímetro apresenta 12V. Cuidado com curto circuito nos cabos que estão ligados nesta saída. 1 24 22 - Alimentação para interruptores “ GSV 4 “ em curto com a massa. 1.0 Verifique a tensão de alimentação para os interruptores na saída X2 18/10, ela é uma tensão pulsada que quando medida com multímetro apresenta 12V. Cuidado com curto circuito nos cabos que estão ligados nesta saída. 1 25 20 - Alimentação para interruptores “ GSV 1 “ e “ GSV 4 “ em curto com o positivo ou cabo rompido. 1.0 Verifique a tensão de alimentação para os interruptores na saída X1 18/13 e X1 18/ 10, ela é uma tensão pulsada que quando medida com multímetro apresenta 12V. Cuidado com curto circuito nos cabos que estão ligados nesta saída. 1 25 22 - Alimentação para interruptores “ GSV 1 “ e “ GSV 4 “ em curto com a massa. 1.0 Verifique a tensão de alimentação para os interruptores na saída X1 18/13 e X1 18/ 10, ela é uma tensão pulsada que quando medida com multímetro apresenta 12V. Cuidado com curto circuito nos cabos que estão ligados nesta saída. 1 27 20 - Alimentação para interruptores “ GSV 2 “ em curto com o positivo ou cabo rompi- do. 1.0 Verifique a tensão de alimentação para os interruptores na saída X3 15/5 e X4 18/ 12, ela é uma tensão pulsada que quando medida com multímetro apresenta 12V. Cuidado com curto circuito nos cabos que estão ligados nesta saída. 1 27 21 - Código de falha desconhecido
  • 43.
    Global Training. 42 1 3021 - Sem tensão no KL 30 do FR. 1.0 Faça uma verificação do valor de tensão no valor MW07 do painel de instrumentos. 2.0 Verifique o regulador de tensão do alternador, tensão não pode ser maior que 28V. 3.0 Cuidado com ligações de 12V na junção entre duas baterias. 1 26 20 - Alimentação para interruptores “ GSV 2 “ e “ GSV 3 “ em curto com o positivo ou cabo rompido. 1.0 Verifique a tensão de alimentação para os interruptores na saída X3 15/5 e X4 18/ 12, ela é uma tensão pulsada que quando medida com multímetro apresenta 12V. Cuidado com curto circuito nos cabos que estão ligados nesta saída. 1 26 22 - Alimentação para interruptores “ GSV 2 “ e “ GSV 3 “ em curto com o positivo ou cabo rompido. 1.0 Verifique a tensão de alimentação para os interruptores na saída X3 15/5 e X4 18/ 12, ela é uma tensão pulsada que quando medida com multímetro apresenta 12V. Cuidado com curto circuito nos cabos que estão ligados nesta saída. 1 30 31 - Sobre tensão no KL 30 do FR. 1.0 Faça uma verificação do valor de tensão no valor MW07 do painel de instrumentos. 2.0 Verifique o regulador de tensão do alternador, tensão não pode ser maior que 28V. 3.0 Cuidado com ligações de 12V na junção entre duas baterias. 1 30 32 - Sub tensão no KL 30 do FR. 1.0 Faça uma verificação do valor de tensão no valor MW07 do painel de instrumentos. 2.0 Verifique o regulador de tensão do alternador, tensão não pode ser maior que 28V. 3.0 Cuidado com ligações de 12V na junção entre duas baterias. 1 31 30 - Falha no circuito do indicador de nível de líquido de arrefecimento 1.0 Desconecte o conector X3 e meça a resistência entre os terminais 03 e 11. A resistência deve ser: Tanque cheio= 150W, Tanque incompleto= 100W, Tanque vazio= 0W. 1 32 33 - Falha no circuito do sensor de obstrução do filtro de ar. 1.0 Desconecte o conector X3 e meça a resistência entre os terminais 01 e 02. A resistência deve ser = 0W com o interruptor ligado e infinita com o interruptor desligado.
  • 44.
    Global Training. 43 133 30 - Falha no circuito do sensor de temperatura externa. 1.0 Desconecte o conector X4 e meça a resistência entre os terminais 09 e 06. A resistência deve obedecer o gráfico abaixo. 1 35 33 - Falha no circuito do indicador de nível de líquido de arrefecimento 1.0 Desconecte o conector X3 e meça a resistência entre os terminais 03 e 11. A resistência deve ser: Tanque cheio= 150W, Tanque incompleto= 100W, Tanque vazio= 0W. 1 40 41 - Sinal do terminal W não é plausível. 1.0 Meça a tensão do sinal W que é um conjunto de pulsos senoidais, o valor medido é de 12V AC ou DC entrada no terminal X4 18/11. 1 41 41 - Falha no circuito do sensor de rotação de entrada da caixa de câmbio. 1.0 Desconecte o conector X4 e meça a resistência entre os terminais 04 e 05. A resistên cia deve ser entre 800W e 1200W. Caso não encontre este valor, verifique o circuito. 1 41 45 - Falha no circuito do sensor de rotação de entrada da caixa de câmbio. 1.0 Desconecte o conector X4 e meça a resistência entre os terminais 04 e 05. A resistên cia deve ser entre 800W e 1200W. Caso não encontre este valor, verifique o circuito. 1 46 42 - O pedal do acelerador não atinge a posição de marcha lenta. 1.0 Leia oss valores MW01 e MW02, eles devem estar próximo de 15% estando o pedal na posição de marcha lenta. 2.0 Reprograme o pedal do acelerador. 1 46 43 - O pedal do acelerador ultrapassa a posição de plena carga. 1.0 Leia oss valores MW01 e MW02, eles devem estar próximo de 55% estando o pedal na posição de plena carga. 2.0 Reprograme o pedal do acelerador.
  • 45.
    Global Training. 44 1 4644 - Falha no sinal do pedal do acelerador. 1.0 Leia oss valores MW01 e MW02, eles devem estar próximo de 15% em marcha lenta e 55% estando o pedal na posição de plena carga. 2.0 Reprograme o pedal do acelerador. 1 59 51 - Saida do rele de abastecimento automático do óleo do motor. 1 59 52 - Saida do rele de abastecimento automático do óleo do motor. 1 59 53 - Saida do rele de abastecimento automático do óleo do motor. 1 59 54 - Saida do rele de abastecimento automático do óleo do motor. 1 61 61 - Falha interna na unidade de controle FR 1.0 Substitua a unidade de controle. 1 01 16 - Falha no barramento CAN de alta velocidade. 1.0 Meça a tensão na linha H e na linha L do barramento CAN, deve estar entre 1,5V e 3,5V. 2.0 Verifique o ponto estrela. 3.0 A resistência entre os terminais de cada conexão de unidades do ponto estrela deve ser de 60W. 1 02 01 - Uma das linhas do barramento CAN de baixa velocidade está com problemas. 1.0 Meça a tensão na linha H e na linha L do barramento CAN, deve estar entre aproximada mente 8V e 16V. 2.0 Verifique as conexões. 1 02 03 - O barramento CAN de baixa velocidade está com problemas. 1.0 Meça a tensão na linha H e na linha L do barramento CAN, deve estar entre aproximada mente 8V e 16V. 2.0 Verifique as conexões. 3.0 Verifique a tensão de alimentação do MR utilize cheque BW03 Bit 1 e 0.
  • 46.
    Global Training. 45 134 30 - Falha no circuito do sensor de embreagem 1.0 Desconecte o conecor IV e meça a resistência entre os terminais 14 e 15, de ser próximo de 70W. 1 43 41 - Sinal de velocidade não é válido 1.0 Meça a tensão entre os terminais massa ( X2 18/2) e entrada de sinal de velocidade ( X1 18/10 ). A tensão deve estar próxima de 3V estando o veículo em movimento. 1 43 45 - Circuito do sinal de velocidade em curto ou aberto. 1.0 Cheque o cabo que vai desde a saída do tacógrafo B7 até a entrada do FR X1 18/10. 1 44 40 - Circuito do sinal PWM I do pedal do acelerador em curto ou rompido. 1.0 Verifique o cabo que vai desde o pedal do acelerador até a entrada X1 18/03 no FR. 2.0 Meça a tensão no terminal X1 18/03 que deve variar com o movimento do pedal do acelerador, se não variar, procure por curto circuito na fiação ou troque o pedal do acelera dor. 1 45 40 - Circuito do sinal PWM II do pedal do acelerador em curto ou rompido. 1.0 Verifique o cabo que vai desde o pedal do acelerador até a entrada X1 18/06 no FR. 2.0 Meça a tensão no terminal X1 18/06 que deve variar com o movimento do pedal do acelerador, se não variar, procure por curto circuito na fiação ou troque o pedal do acelerador. 1 46 41 - Falha no pedal do acelerador. 1.0 Verifque a tensão de alimentação fornecida ao pedal do acelerador pelo FR entre os terminais ( X1 18/05 e X1 18/02 ) e ( X1 18/04 e X1 18/07 ) que deve ser próximo de 24V. 2.0 Verifique as ligações e conexões. 3.0 Troque o pedal do acelerador. 1 50 51, 1 50 52, 1 50 53, 1 50 54 - Falha no circuito da válvula do freio motor. 1.0 Desconecte o conector X3 e meça a resistência entre os terminais 04 e 10, deve ser de 60W, 1 51 51, 1 51 52, 1 51 53, 1 51 54 - Falha no circuito da válvula do top brake. 1.0 Desconecte o conector X3 e meça a resistência entre os terminais 07 e 10, deve ser de 40W.
  • 47.
    Global Training. 46 1 5252, 1 52 53 - Falha no circuito da válvula do top brake e do freio motor, lado massa para as válvulas. 1.0 Verifique a fiação que vai desde a saída X3 18/10 do FR até as válvulas do Freio motor e Top Brake. 1 53 51, 1 53 52, 1 53 53, 1 53 54 - Falha no circuito da válvula I do Split. 1.0 Desconecte o conector X4 e meça a resistência entre os terminais 07 e 08, deve ser de 40W. 1 54 51, 1 54 52, 1 54 53, 1 54 54 - Falha no circuito da válvula I do Split. 1.0 Desconecte o conector X4 e meça a resistência entre os terminais 07 e 10, deve ser de 40W. 1 55 52, 1 55 53 - Falha no circuito das válvulas do Split, lado massa para as válvulas. 1.0 Verifique a fiação que vai desde a saída X3 18/07 do FR até as válvulas do Split. 1 56 51, 1 56 52, 1 56 53, 1 56 54 - Falha no circuito de acionamento do rele de luz de freio. 1.0 Verifique o circuito da saída X2 18/08. 2.0 Verifique o rele de luz de freio. 1 57 51, 1 57 52, 1 57 53, 1 57 54 - Falha no circuito de acionamento do rele de luz de ré. 1.0 Verifique o circuito da saída X2 18/07. 2.0 Verifique o rele de luz de freio. 1 58 51, 1 58 52, 1 58 53, 1 58 54 - Falha no circuito de acionamento do rele D+a. 1.0 Verifique o circuito da saída X2 18/04. 2.0 Verifique o rele de luz de freio. 1 59 53, 1 59 54 - Falha no circuito de acionamento do rele de abastecimento de óleo. 1.0 Verifique o circuito da saída X3 15/06. 2.0 Verifique a parametrização deste sistema, já que ele não é aplicado em nossos veícu los. 1 62 62 - Falha inerna no FR 1.0 Troque o FR
  • 48.
    Global Training. 47 170 60 - Erro de parametrização ou falha desconhecida 1.0 Cheque parâmetros ou troque FR 1 70 64 - Falha interna no FR 1.0 Troque FR 1 70 70 - Falha na reprogramação do pedal do acelerador. 1.0 Reprograme o pedal do acelerador. 1 70 71 - Falha na reprogramação do GV ( Split ). 1.0 Reprograme curso do sensor de embreagem e depois reprograme o GV ( Split ). 1 70 72 - Falha na reprogramação do fator de desmultiplicação do sinal “W”. 1.0 Reprograme fator de desmultiplicação do sinal “W”. 1 70 73 - Falha na reprogramação do sensor de embreagem. 1.0 Verifique o estado da instalação do sensor. 2.0 Verifique o parâmetro 32 que deve ser “ sensor “. 3.0 Reprograme o curso do sensor de embreagem. 1 70 74 - Falha na reprogramação do ambiente CAN. 1.0 Reprograme o ambiente CAN do veículo.
  • 49.
    Global Training. 48 1 X R F e d a d i v a C o ã ç n u F 1 0o s u o p e r e d o ã ç i s o p m e m e g a e r b m e e d r o t p u r r e t n i e d a d a r t n E 2 0 a d a n o i c a m e g a e r b m e e d r o t p u r r e t n i e d a d a r t n E 3 0 r o d a r e l e c a o d I M W P l a n i s e d a d a r t n E 4 0 I I r o d a r e l e c a o d l a d e p o d o ã ç a t n e m i l a a r a p a s s a m e d a d í a S 5 0 I r o d a r e l e c a o d l a d e p o d o ã ç a t n e m i l a a r a p a s s a m e d a d í a S 6 0 r o d a r e l e c a o d I I M W P l a n i s e d a d a r t n E 7 0 I I r o d a r e l e c a a r a p o ã ç a t n e m i l a e d a d í a S 8 0 I r o d a r e l e c a a r a p o ã ç a t n e m i l a e d a d í a S 9 0 ( V S T o c i t á m o t u a o t o l i p o d s e r o t p r r e t n i a r a p o ã ç a t n e m i l a e d a d í a S ) o c i t á m o t u a o t o l i p o d s e r o t p u r e t n i 0 1 e d a d i c o l e v e d l a n i s e d a d a r t n E 1 1 o i e r f e d l a n i s e d a d a r t n E 2 1 ) e d a d i c o l e v u o o ã ç a r e l e c a i u n i m i d ( o c i t á m o t u a o t o l i p o d B - S a d a r t n E 3 1 s e r o t p r r e t n i e d o ã ç a t n e m i l a e d a d a s l u p a d í a S 4 1 o c i t á m o t u a o t o l i p o d o t n e m a n o i c a a d a r t n E 5 1 t e s o p m e T a d a r t n E 6 1 ) e d a d i c o l e v u o o ã ç a r e l e c a a t n e m u a ( o c i t á m o t u a o t o l i p o d B + S a d a r t n E 7 1 o c i t á m o t u a o t o l i p o d t i u Q a d a r t n s E 8 1 ) a d i t r a p e d l a n i s ( 0 5 l K e d a d a r t n E l b t . 2 2 0 C B I FR conectores
  • 50.
    Global Training. 49 2 X R F e d a d i v a Co ã ç n u F 1 0 0 3 L K 2 0 1 3 L K 3 0 5 1 L K 4 0 a + D é l e r o d o t n e m a n o i c a e d a d í a S 5 0 ) K a h n i L ( e s ó n g a i d a r a p a d í a S 6 0 o d a c i t á m o t u a a d a r a p e a d i t r a p ( S S M a m e t s i s o d o ã ç e l e s e d a d a r t n E ) r o t o m 7 0 é r e d z u l e d e l e r a r a p a d í a S 8 0 o i e r f e d z u l e d e l e r a r a p a d í a S 9 0 r o t o m o i e r f e d 3 a d a r t n E 0 1 e a d i t r a p e d r o t p u r r e t n i ( 4 S G s e r o t p u r r e t n i e d o ã ç a t n e m i l a a r a p a d í a S . ) m e g a r b m e e d e t i l p s , r o t o m o i e r f , r o t o m o d a d a r a p 1 1 o d i z u d e r o p u r g t i l p S e d l a n i s e d a d a r t n E 2 1 l a m r o n o p u r g t i l p S e d l a n i s e d a d a r t n E 3 1 r o t o m o i e r f o d a c n a v a l a a d 0 o ã ç i s o p e d a d a r t n E 4 1 r o t o m o i e r f e d 1 a d a r t n E 5 1 r o t o m o i e r f e d 2 a d a r t n E 6 1 L a h n i L e d a d i c o l e v a t l a e d N A C 7 1 a s s a m e d a d i c o l e v a t l a e d N A C 8 1 H a h n i L e d a d i c o l e v a t l a e d N A C l b t . 2 2 0 C B I
  • 51.
    Global Training. 50 3 X R F e d a d i v a C o ã ç n u F 1 0r a e d o r t l i f o d o ã ç u r t s b o e d r o s n e s o d l a n i s o d a d a r t n E 2 0 r a e d o r t l i f o d o ã ç u r t s b o e d r o s n e s o d o ã ç a t n e m i l a a r a p a s s a m a d í a S 3 0 r a e d o r t l i f o d o ã ç u r t s b o e d r o s n e s o d o ã ç a t n e m i l a a r a p a v i t i s o p a d í a S 4 0 r o t o m o i e r f o d a l u v l á v a a r a p a d í a S 5 0 a d a r a p e d o i e r f a r a p ( 2 V S G s e r o t p u r r e t n i e d o ã ç a t n e m i l a a r a p a d í a S ) o e l ó e d l e v í n e d r o t p u r r e t n i e a d i p á r 6 0 o d o e l ó e d o c i t á m o t u a o t n e m i c e t s a b a e d e l e r o t n e m a n o i c a a r a p a d í a S r o t o m 7 0 e k a r b p o t o d a l u v l á v a r a p a d í a S 8 0 r o t o m o d o e l ó e d o c i t á m o t u a o t n e m i c e t s a b a e d e l e r a r a p a s s a m a d í a S 9 0 2 R D A u o a d i p á r a d a r a p e d o i e r f e d a d a r t n E 0 1 e k a r b p o t e r o t o m o i e r f o d s a l u v l á v a r a p a s s a m a d í a S 1 1 o t n e m i c e f e r r a e d o d i ü q í l o d l e v í n e d r o s n e s o d l a n i s e d a d a r t n E 2 1 S B A u o o e l ó e d l e v í n e d r o s n e s e d l a n i s e d a d a r t n E 3 1 4 1 5 1 l b t . 3 2 0 C B I
  • 52.
    Global Training. 51 4 X R F e d a d i v a Co ã ç n u F 1 0 L a h n i l e d a d i c o l e v a x i a b e d N A C 2 0 a s s a m N A C 3 0 H a h n i l e d a d i c o l e v a x i a b e d N A C 4 0 ) + ( o i b m â c e d a x i a c a d o ã ç a t o r e d l a n i s e d a d a r t n E 5 0 ) - ( o i b m â c e d a x i a c a d o ã ç a t o r e d l a n i s e d a d a r t n E 6 0 a n r e t x e a r u t a r e p m e t e d r o s n e s o d l a n i s o d a d a r t n E 7 0 t i l p S o d s a l u v l á v a r a p a s s a m a d í a S 8 0 o d i z u d e r o p u r g V G o d a l u v l á v a r a p a d í a S 9 0 a n r e t x e a r u t a r e p m e t e d r o s n e s a r a p a s s a m a d í a S 0 1 l a m r o n o p u r g V G o d a l u v l á v a r a p a d í a S 1 1 r o d a n r e t l a o d m e v e u q W l a n i s e d a d a r t n E 2 1 , o r t u e n e d s e r o t p u r r e t n I ( 3 V S G s e r o t p u r r e t n i a r a p o ã ç a t n e m i l a e d a d í a S . ) é r e P G 3 1 r o d a n r e t l a o d m e v e u q + D l a n i s e d a d a r t n E 4 1 ) + ( m e g a e r b m e a d o s r u c e d r o s n e s a r a p a d í a s / a d a r t n E 5 1 ) - ( m e g a e r b m e e d o s r u c e d r o s n e s a r a p a s s a m a d í a S 6 1 o r t u e n e d l a n i s e d a d a r t n E 7 1 P G e d l a n i s e d a d a r t n E 8 1 é r e d l a n i s e d a d a r t n E l b t . 4 2 0 C B I
  • 53.
    Global Training. 52 s a c i n ô r t e l e s e d a d i n u e d s a l g i s e d a l e b a T o g i d ó C o ã ç a v r e s b O S B Am e g a n e r f a e t n a r u d s a d o r s a d o i e u q o l b - i t n a a m e t s i S G A m u a m r o f B K e S K , S G m o c o t n u j o d a z i l i t u ( a d a c i l p a r e s a a h c r a m e d o l u c l á c e d a m e t s i S ) s o r t c A o ã h n i m a c o n e t n e m l a u t a o d a d c i l p a é e u q o c i t á m o t u a o i b b m â c N G A s i a i c r e m o c s o l u c í e v a r a p o c i t á m o t u a o i b m â C H N A a t e r r a c e d o p i t e d o ã ç a c i f i t n e d i e d a m e t s i S F U A e u q o b e r i m e s e d o ã ç a c i f i t n e d i e d a m e t s i S S B o i e r f e d a m e t s i s m u a m r o f S R a m e t s i s o m o c o t n u j ( o c i n ô r t e l e o i e r f e d a m e t s i S ) e t n e g i l e t n i B A E e u q o b e r o d o c i r t é l e o i e r F S A E o ã ç a r t e d o c i n o r t e l e e l o r t n o C W D E o b u o r - i t n a a m e t s i S L Z l a n o i c i d a o d i g i r i d o x i E L K E e t n e m a c i n ô r t e l e a d a l o r t n o c o ã ç e r i d e d a m e t s i S B F F s a t r o p e d a r u t r e b a a r a p o t o m e r e l o r t n o c e d r o t p e c e R A L F o ã s s i m d a e d r a o d o t n e m i c e u q a r o p o i r f a a d i t r a p e d a m e t s i S R F o l u c í e v o d a h c r a m e d m e g a l u g e r e d a m e t s i S O C T F o n a l p o f a r g ó c a T S G m u a m r o f B K e S K , G A m o c o t n u j o d a z i l i t u ( a h c r a m e d a ç n a d u m e d o c i n ô r t e l e a m e t s i S ) s o r t c A o ã h n i m a c o n e t n e m l a u t a o d a d c i l p a é e u q o c i t á m o t u a o i b b m â c R Z H o ã ç a f e l a c a d e l o r t n o c e d a m e t s i S S N I s o t n e m u r t s n i e d l e n i a P B K S G e S K , G A m o c o t n u j o d a z i l i t u ( m e g a e r b m e e d o t n e m a n o i c a e d o c i n ô r t e l e a m e t s i S ) s o r t c A o ã h n i m a c o n e t n e m l a u t a o d a d c i l p a é e u q o c i t á m o t u a o i b b m â c m u a m r o f M O K o c n a b m u a s o d a i v n e m e r e s a r a p e t r e v n o c s o e N A C e d e r a d s o d a d s o a t p a c e u q a m e t s i S o ã h n i m a c o n o d a l a t s n i r a l u l e c e n o f e l e t m u e d o i e m r o p s o d a d e d A S K s a t r o p s a d o d a z i l a r t n e c o t n e m a h c e f e d a m e t s i S S K B K e S G , G A m o c o t n u j o d a z i l i t u ( m e g a e r b m e a d o t n e m a n o i c a e d o c i n ô r t e l e a m e t s i S ) s o r t c A o ã h n i m a c o n e t n e m l a u t a o d a d c i l p a é e u q o c i t á m o t u a o i b b m â c m u a m r o f l b t . 5 2 0 C B I Tabela de siglas para unidades eletrônicas
  • 54.
    Global Training. 53 s a c i n ô r t e l e s e d a d i n u e d s a l g i s e d a l e b a T o g i d ó Co ã ç a v r e s b O R M r o t o m o d m e g a l u g e r e d a m e t s i S R K M ) S K ( m e g e r b m e e d m e g a l u g e r e d a m e t s i S R N o ã s n e p s u s e d o c i n ô r t e l e a m e t s i S A F P s a l u c i t r a p e d o r t l i f e d o c i n ô r t e l e a m e t s i S M S P e d a ç r o f e d s a d a m o t r a l a t s n i a r a p e t n e m a c i s á b e v r e s , l e v á z i r t e m a r a p l a i c e p s e o l u d ó M R F m o c s o d a l a t s n i s o l u c í e v m e o d a c i l p m o c s i a m o t n e m a n o i c a S R ) e t n e g i l e t n i o i e r f e d a m e t s i s m u m a m r o f S B m o c o t n u j ( r o d a d r a t e R T E R r o d a d r a t e R L I S o d r e u q s e o t n e s s a o d o c i n ô r t e l e a m e t s i S R I S o t i e r i d o t n e s s a o d o c i n ô r t e l e a m e t s i S B R S e t n a h n a p m o c a o d o d a l a ç n a r u g e s e d o t n i c o d e l o r t n o c e d a m e t s i S S R S a ç n a r u g e s e d o t n i c o d e l o r t n o c e d a m e t s i S R W m e g a t o p a c i t n a o i c n ô t e l e a m e t s i S S W o ã ç n e t u n a m e d o s i v a e d o i c n ô t e l e a m e t s i S K S W e u q r o t e d r o s e v n o c r o p m e g a e r b m e e d o i c n ô t e l e a m e t s i S P S W a d i t r a p e d o i e u q o l b e d o i c n ô t e l e a m e t s i S E H Z o ã ç a f e l a c e d m e g a l u g e r e d a m e t s i S V Z s a t r o p e d o d a z i l a r t n e c o t n e m a v a r T E G A G A a l a u g I B P E S B a l a u g I Z H E L Z a l a u g I R M F R F a l a u g I S P E S G a l a u g I K M E B K a l a u g I R K M S K a l a u g I D L P R M a l a u g I T E R S R a l a u g I R S E ) s e r o d e c e t r o m a e d a c i n ô r t e l e m e g a l u g e r ( R W a l a u g I S S F S W a l a u g I l b t . 5 2 0 C B I