Slides Aulas de Eletrônica
Material didático auxiliar
Observação importante
Os slides aqui apresentados não refletem todo o
conteúdo abordado em sala de aula. Muitos
exercícios, demonstrações e detalhamento da
teoria, expostos na aula presencial, não estão
contemplados nestes slides. Portanto, considere-o
apenas como material de referência parcial a ser
complementado com o auxílio de livros, apostilas,
guias de laboratório e literatura correspondente.
Material auxiliar adicional encontra-se
disponibilizado no site da disciplina através de
textos e links.
Geradores de Sinais
Osciladores Senoidais
Oscilador Senoidal
• Um oscilador senoidal é um circuito capaz de produzir
um sinal senoidal sem a necessidade de aplicação de
um sinal externo.
CONVERSOR DC Æ AC
Realimentação Positiva
Critérios de Barkhausen
0
1
=
=
φ
βA
Realimentação Positiva
Realimentação Negativa
Realimentação Positiva
Oscilador Senoidal
• Deve possuir um dispositivo ativo (transistor,
amplificador operacional) capaz de proporcionar ganho
(amplificar);
• Dever possuir uma malha responsável pela estabilidade
em frequência;
• Deve possuir um sistema de controle de amplitude.
Condições de Barkhausen
Para que um circuito oscilador senoidal funcione é
preciso que duas condições sejam atendidas:
• 1) O ganho do circuito fechado deve ser igual a 1.
• 2) O deslocamento total da fase do sinal no circuito deve
ser de zero radianos.
• É criado um par de pólos complexos conjugados
exatamente colocados no eixo imaginário do plano
complexo para garantir a instabilidade do circuito e a
consequente oscilação.
Localização dos pólos
Funcionalidade
• A principal função de um oscilador é a de transformar energia
contínua em energia alternada sem necessitar de qualquer
excitação exterior.
• O espectro do seu sinal de saída deve conter apenas a frequência
fundamental, para a qual o circuito foi dimensionado.
• Ao ligar a fonte de alimentação do oscilador, apenas a frequência
fundamental, presente no ruído de entrada, é amplificada
originando o início das oscilações e o seu crescimento até
atingirem o limite imposto pelo circuito devido à sua não
linearidade.
Oscilador Senoidal por
Deslocamento de Fase
(Shift Phase)
• Oscilador por deslocamento de fase é o termo
destinado a uma classe de circuitos osciladores
cuja topologia usa uma rede RC na malha de
realimentação de um transistor ou amplificador
operacional para gerar a necessária mudança
de fase em uma frequência particular para
sustentar as oscilações.
• São moderadamente estáveis na frequência e
amplitude, e muito fácil de projetar e construir.
Oscilador Senoidal por deslocamento de fase
(Shift Phase Oscilattor)
Oscilador Senoidal
Deslocamento de Fase
(Shift Phase)
Oscilador Senoidal por deslocamento de fase
(Shift Phase)
Oscilador senoidal por deslocamento de fase
Oscilador Bubba
Oscilador em Quadratura
Capaz de produzir simultaneamente senos e cossenos de mesma frequência.
Oscilador Bubba
Oscilador por Deslocamento de Fase
Oscilador Bubba
Oscilador por Deslocamento de Fase
Oscilador por Deslocamento de Fase com Transistor
Oscilador por Deslocamento de Fase com Transistor
Oscilador Senoidal
-A
R
C C C
R R
v1 v2
3
3
3
2
2
2
1
2
C
jR
C
R
5
jRC
6
1
1
v
v
ω
−
ω
−
ω
+
=
RC
6
0 =
ω
29
A =
Oscilador Deslocamento de Fase
Shift Phase Oscillator
3
=
β
RC
o
1
=
ω
Defasador (Shift Phase)
)
(
2
1800
RC
arctg ω
φ −
=
Geração de sinal senoidal por
deslocamento de fase
4
)
(
π
ω =
RC
arctg
2
π
φ =
)
(
2
1800
RC
arctg ω
φ −
=
Oscilador senoidal por
deslocamento de fase
Oscilador Senoidal
1
3
)
( 2
2
2
+
+
=
sRC
C
R
s
sRC
s
H
RC
j
C
R
RC
j
j
H
ω
ω
ω
ω
3
)
1
(
)
( 2
2
2
+
−
=
Função de Transferência H(s)
Oscilador Ponte de Wien
Oscilador Senoidal
Ponte de Wien
Oscilador Senoidal
Ponte de Wien
Oscilador Senoidal
Ponte de Wien com controle de amplitude
Ponte de Wien
Possui uma realimentação positiva dependente da frequência
e uma realimentação negativa independente da frequência.
Oscilação inicial
• Quando inicialmente energizado, o único sinal no
circuito oscilador é o ruído.
• Como componente deste ruído, a freqüência que
satisfaz a condição de fase da oscilação, é propagada
em todo o ciclo com amplitude crescente.
• A amplitude continua a aumentar até que o ganho do
amplificador seja reduzido, quer por não-linearidades
dos elementos ativos ("auto-limitação") ou por algum
controle de nível automático.
Oscilador Senoidal LC
LC
o
1
=
ω
Osciladores LC
Para oscilações com frequências na faixa aproximada de 1MHz a 500 MHz
utilizam-se osciladores LC em vez de osciladores com ponte de Wien.
Oscilador LC
Osciladores LC
Oscilador Colpitts
Oscilador Colpitts
Oscilador a Cristal
R L1
L2
C
R
C1
C2
L
Hartley Oscillator Colpitts Oscillator
C
L
L
o
)
(
1
2
1 +
=
ω
T
o
LC
1
=
ω
2
1
2
1
C
C
C
C
CT
+
=
Oscilador Colpitts
• Oscilador Colpitts, em homenagem a seu
inventor, Edwin Henry Colpitts.
• Projetos para circuitos osciladores eletrônicos usando a
combinação de uma indutância (L) com dois
capacitores (C) para a determinação da freqüência,
também chamado de oscilador LC.
Oscilador Colpitts
Patente
Oscilador a cristal
3-34
1880 Piezoelectric effect discovered by Jacques and Pierre Curie
1905 First hydrothermal growth of quartz in a laboratory - by G. Spezia
1917 First application of piezoelectric effect, in sonar
1918 First use of piezoelectric crystal in an oscillator
1926 First quartz crystal controlled broadcast station
1927 First temperature compensated quartz cut discovered
1927 First quartz crystal clock built
1934 First practical temp. compensated cut, the AT-cut, developed
1949 Contoured, high-Q, high stability AT-cuts developed
1956 First commercially grown cultured quartz available
1956 First TCXO described
1972 Miniature quartz tuning fork developed; quartz watches available
1974 The SC-cut (and TS/TTC-cut) predicted; verified in 1976
1982 First MCXO with dual c-mode self-temperature sensing
Histórico
• Paul Langevin primeiro investigado ressonadores de
quartzo para uso em sonar durante a Primeira Guerra
Mundial I.
• O primeiro cristal oscilador controlado, utilizando um
cristal de sal de Rochelle, foi construído em 1917 e
patenteado em 1918 por Alexander M. Nicholson na
Bell Telephone Laboratories, embora sua prioridade
era disputado por Walter Guyton Cady.
• Cady construiu o primeiro oscilador de cristal de
quartzo em 1921.
Military & Aerospace
Communications
Navigation
IFF
Radar
Sensors
Guidance systems
Fuzes
Electronic warfare
Sonobouys
Research & Metrology
Atomic clocks
Instruments
Astronomy & geodesy
Space tracking
Celestial navigation
Industrial
Communications
Telecommunications
Mobile/cellular/portable
radio, telephone & pager
Aviation
Marine
Navigation
Instrumentation
Computers
Digital systems
CRT displays
Disk drives
Modems
Tagging/identification
Utilities
Sensors
Consumer
Watches & clocks
Cellular & cordless
phones, pagers
Radio & hi-fi equipment
TV & cable TV
Personal computers
Digital cameras
Video camera/recorder
CB & amateur radio
Toys & games
Pacemakers
Other medical devices
Other digital devices
Automotive
Engine control, stereo,
clock, yaw stability
control, trip computer,
GPS
1-1
Electronics Applications of Quartz Crystals
• Uma compreensão de como funciona um ressonador a cristal
de quartzo pode fornecer aos engenheiros projetistas um
melhor entendimento dos osciladores a cristais.
• Entender como o cristal de quartzo opera
fornece ao engenheiro de projeto uma compreensão de como
eles se comportam em um circuito oscilador.
Cristal de quartzo
• O cristal de quartzo é produto do fenômeno da
piezoeletricidade descoberto pelos irmãos Jacques e
Pierre Curie na França em 1880, quando constataram que
uma corrente elétrica surgia em certos cristais quando
submetidos a pressões.
• O cristal de quartzo é um componente indispensável na
tecnologia eletrônica moderna.
• O uso de cristais osciladores é indicado quando for
necessário alta estabilidade em freqüência.
• No aspecto macroscópico, o princípio é simples: certos cristais, como o
quartzo e também alguns materiais cerâmicos, geram um campo elétrico sob
ação de um esforço mecânico e o processo inverso também ocorre.
• O quartzo é um material piezoelétrico e quando um campo elétrico é aplicado
sobre ele, um deslocamento físico ocorre.
Funcionalidade
Piezoletricidade
• Quando uma mudança de estresse mecânico é aplicada
ao cristal, surge uma tensão na freqüência das vibrações
mecânicas.
• Inversamente, quando uma tensão alternada é aplicada ao
cristal, ele vibra na freqüência da tensão aplicada.
• A maior vibração ocorre na freqüência natural de
ressonância do cristal.
Piezoletricidade
Constituíção física
• Formado por um cristal de quartzo entre duas
superfícies metálicas que servem de eletrodos.
• A frequência de ressonância é inversamente
proporcional a espessura do cristal.
5-5
Si Si
Si Si
O
O
O
O
Si
109o
Z
Y
144.2o
Quartzo – Estrutura atômica interna
Quartzo & Cerâmica
• O material piezelétrico do elemento ressonante pode ser
quartzo ou cerâmica.
• O quartzo apresenta menor tolerância de freqüência,
menor variação com a temperatura e menor capacitância
própria e, por isso, é adequado para freqüências mais
altas.
• A cerâmica tem melhor resistência mecânica, menor
volume e menor custo e é usada em muitos aplicações,
onde as melhores características do quartzo não são
determinantes.
Frequência operacional
• A menor frequência fundamental disponíveis em um
cristal de quartzo é cerca de 1 MHz.
• A maior frequência fundamental é de cerca de 32
MHz, acima do qual, o cristal se torna muito fino e
delicado para ser manuseado.
• Em sobretom, ou seja, atuando com harmônicos pode
operar de 30 MHz a 250 MHz (3rd; 5th; 7th; 9th).
Características
• Os cristais de quartzo, têm características muito
desejáveis para o uso em circuitos osciladores
sintonizados.
• Suas frequências de oscilação natural são muito
estáveis.
• A ressonância tem um fator de qualidade muito alto (Q),
que vai de 10.000 a várias centenas de milhares.
• Boa estabilidade com a temperatura
Cs
Ls
Rs
Cp
Equivalente
Elétrico
XTAL
Símbolo
Equivalente Elétrico
3-21
C
L
R
Mola
Massa
Amortecedor
Circuito Equivalente
Modelo Matemático
Sistema mecânico
y
k
f
F
m
Define: input → F ,output → y. We have:
F
ky
dt
dy
f
dt
y
d
m
t
d
y
d
m
dt
dy
f
ky
F
=
+
+
⇓
=
−
−
2
2
2
2
F
k
y
dt
dy
T
dt
y
d
T
T
have
we
T
f
m
T
k
f
make
we
If
1
:
:
1
2
2
2
1
2
,
1
=
+
+
=
=
• C1 representa a elasticidade do quartzo, a espessura e forma da
pastilha de quartzo.
• Os valores de C1 intervalo em femtofarads (10-15 F).
• L1 representa a massa mecânica de vibração do quartzo em
movimento.
• R1 representa as perdas resistivas dentro do cristal.
• C0 representa a capacitância paralela. É resultado da soma das
capacitâncias devido aos eletrodos do cristal mais capacitâncias
parasitas devido ao gabinete que contém o cristal.
• Os valores de C0 situam-se na faixa de 3 a 7 pF.
• Um cristal de quartzo fornece uma frequência de
ressonância série e uma frequência ressonância
paralela.
• Um cristal tem duas freqüências ressonantes
caracterizada por uma mudança de fase zero.
d
A
C ε
0 ≅
ε - Permissividade dielétrica do quartzo
≈40 pF/m (média)
d - Distância entre eletrodos (espessura)
1
0
C
C
r ≡
r – razão de capacitâncias
Cristal - Curva de Impedância
3-24
0
+
-
Reatância
0
fC
2
1
π
Area usual de
operação em
um oscilador
Antiresonancia, fa
Frequência
Resonancia, fr
Reatância vs. Frequência
Frequência de ressonância série FS
• A frequência de ressonância série é determinada na
freqüência em que as reatâncias indutiva e capacitiva
são iguais e se cancelam, isto é, XL1 = XC1. Neste
caso o cristal comporta-se como um dispositivo
resistivo.
• Portanto, quando o cristal está operando na sua
freqüência de ressonância série Fs a sua impedância
será mínima e a corrente será máxima.
• Na ressonância, o valor de XC0 < <R1, como
resultado, aparece resistivo no circuito, com um valor
muito próximo R1.
Frequência de ressonância paralela Fa
• Quando um cristal está operando na sua freqüência
antiresonante Fa, a impedância será máxima e a sua
corrente estará em seu mínimo.
• Fs é inferior a Fa e a freqüência de um cristal é
normalmente especificada entre FS e Fa, na qual fs <
fXTAL <fa.
• Esta faixa de freqüências entre Fs e Fa é conhecida
como a “faixa de ressonância paralela" ou
simplesmente "ressonância paralela."
• Entre as freqüências fs e fa, a impedância do cristal é
indutivo, e nas freqüências menores que fs e nas freqüências
maiores do que fa a impedância do cristal é capacitivo.
Cristal como resistor
• A freqüência de oscilação é fortemente determinada
pelo cristal, uma vez que só em Fs faz o cristal não
acrescentar nenhuma mudança de fase, ou seja,
comporta-se como um RESISTOR.
• Desde que a resistência do cristal é muito pequena em
Fs, a energia do oscilador pode danificar o cristal.
• Por isso, cristais especiais precisam ser selecionados
para uso da ressonância série.
Resistência Série Equivalente (ESR)
• A Resistência Série Equivalente (ESR) é a
resistência do cristal na freqüência de
ressonância série (FS).
• Não deve ser confundida com a resistência
dinâmica (R1).
• ESR é normalmente especificada como um
valor máximo da resistência (em ohms).
Fator de qualidade Q
• Um cristal de ressonância é mecanicamente
• visto de seus eletrodos como ressonância elétrica.
• Assim, um cristal se comporta como um circuito
sintonizado e como um circuito sintonizado o cristal
pode armazenar energia.
• Nós podemos quantificar a quantidade de energia
armazenada, definindo um fator de qualidade (Q) para
o cristal.
• O fator de qualidade Q do cristal é definido como a
proporção de energia armazenada na componente
reativa (capacitor ou indutor) para a energia dissipada.
• Onde XL1 (ou XC1) é a reatância de L1 (ou C1) na freqüência
de operação do cristal.
• Não confundir a freqüência de operação com fa ou fs.
• A freqüência de operação pode ser em qualquer lugar entre fa
ou fs na faixa de ressonância paralela habitual.
ciclo
por
dissipada
Energia
ciclo
um
durante
armazenada
Energia
Q ≡
Operação do cristal em série
Oscilador senoidal a cristal
por deslocamento de fase
Ponte Meacham
• A primeira tentativa conhecida para eliminar o
dispositivo ativo em osciladores de cristal foi o
circuito de uma ponte estabilizada descrito por
Meacham, em 1938.
• No oscilador Ponte Meacham, o cristal substituiu
um dos resistores em uma ponte de Wheatstone.
Oscilador Ponte Meacham
Oscilador Ponte Meacham
Cs
Ls
Rs
Cp
Equivalente
Elétrico
XTAL
Símbolo
• Em freqüências ligeiramente superior a Fs a
impedância do cristal é indutiva.
A porção de ressonância paralela da curva de reatância
do cristal é extremamente íngreme e curta.
Oscilador Pierce
• Um cristal operando na região de ressonância paralela
apresenta-se ao circuito como um indutor e pode,
então, substituir a reatância indutiva no oscilador
Colpitts dando origem ao oscilador Pierce.
Projeto complet de oscilador senoidal.pdf
Projeto complet de oscilador senoidal.pdf
Projeto complet de oscilador senoidal.pdf
Projeto complet de oscilador senoidal.pdf
Projeto complet de oscilador senoidal.pdf
Projeto complet de oscilador senoidal.pdf
Projeto complet de oscilador senoidal.pdf
Projeto complet de oscilador senoidal.pdf

Projeto complet de oscilador senoidal.pdf

  • 1.
    Slides Aulas deEletrônica Material didático auxiliar Observação importante Os slides aqui apresentados não refletem todo o conteúdo abordado em sala de aula. Muitos exercícios, demonstrações e detalhamento da teoria, expostos na aula presencial, não estão contemplados nestes slides. Portanto, considere-o apenas como material de referência parcial a ser complementado com o auxílio de livros, apostilas, guias de laboratório e literatura correspondente. Material auxiliar adicional encontra-se disponibilizado no site da disciplina através de textos e links.
  • 3.
  • 4.
  • 5.
    Oscilador Senoidal • Umoscilador senoidal é um circuito capaz de produzir um sinal senoidal sem a necessidade de aplicação de um sinal externo.
  • 6.
  • 9.
    Realimentação Positiva Critérios deBarkhausen 0 1 = = φ βA
  • 10.
  • 11.
  • 12.
    Oscilador Senoidal • Devepossuir um dispositivo ativo (transistor, amplificador operacional) capaz de proporcionar ganho (amplificar); • Dever possuir uma malha responsável pela estabilidade em frequência; • Deve possuir um sistema de controle de amplitude.
  • 14.
    Condições de Barkhausen Paraque um circuito oscilador senoidal funcione é preciso que duas condições sejam atendidas: • 1) O ganho do circuito fechado deve ser igual a 1. • 2) O deslocamento total da fase do sinal no circuito deve ser de zero radianos.
  • 19.
    • É criadoum par de pólos complexos conjugados exatamente colocados no eixo imaginário do plano complexo para garantir a instabilidade do circuito e a consequente oscilação. Localização dos pólos
  • 20.
    Funcionalidade • A principalfunção de um oscilador é a de transformar energia contínua em energia alternada sem necessitar de qualquer excitação exterior. • O espectro do seu sinal de saída deve conter apenas a frequência fundamental, para a qual o circuito foi dimensionado. • Ao ligar a fonte de alimentação do oscilador, apenas a frequência fundamental, presente no ruído de entrada, é amplificada originando o início das oscilações e o seu crescimento até atingirem o limite imposto pelo circuito devido à sua não linearidade.
  • 21.
  • 22.
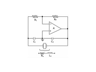
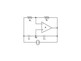
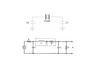
    • Oscilador pordeslocamento de fase é o termo destinado a uma classe de circuitos osciladores cuja topologia usa uma rede RC na malha de realimentação de um transistor ou amplificador operacional para gerar a necessária mudança de fase em uma frequência particular para sustentar as oscilações. • São moderadamente estáveis na frequência e amplitude, e muito fácil de projetar e construir. Oscilador Senoidal por deslocamento de fase (Shift Phase Oscilattor)
  • 23.
  • 24.
    Oscilador Senoidal pordeslocamento de fase (Shift Phase)
  • 25.
    Oscilador senoidal pordeslocamento de fase
  • 26.
    Oscilador Bubba Oscilador emQuadratura Capaz de produzir simultaneamente senos e cossenos de mesma frequência.
  • 27.
  • 28.
    Oscilador por Deslocamentode Fase Oscilador Bubba
  • 32.
  • 34.
    Oscilador por Deslocamentode Fase com Transistor
  • 35.
    Oscilador por Deslocamentode Fase com Transistor
  • 38.
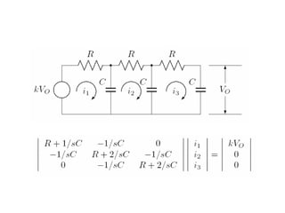
    Oscilador Senoidal -A R C CC R R v1 v2 3 3 3 2 2 2 1 2 C jR C R 5 jRC 6 1 1 v v ω − ω − ω + = RC 6 0 = ω 29 A =
  • 40.
    Oscilador Deslocamento deFase Shift Phase Oscillator 3 = β RC o 1 = ω
  • 41.
  • 42.
    Geração de sinalsenoidal por deslocamento de fase 4 ) ( π ω = RC arctg 2 π φ = ) ( 2 1800 RC arctg ω φ − =
  • 43.
  • 44.
  • 45.
  • 48.
  • 49.
  • 50.
  • 51.
    Oscilador Senoidal Ponte deWien com controle de amplitude
  • 52.
    Ponte de Wien Possuiuma realimentação positiva dependente da frequência e uma realimentação negativa independente da frequência.
  • 54.
    Oscilação inicial • Quandoinicialmente energizado, o único sinal no circuito oscilador é o ruído. • Como componente deste ruído, a freqüência que satisfaz a condição de fase da oscilação, é propagada em todo o ciclo com amplitude crescente. • A amplitude continua a aumentar até que o ganho do amplificador seja reduzido, quer por não-linearidades dos elementos ativos ("auto-limitação") ou por algum controle de nível automático.
  • 55.
  • 56.
    Osciladores LC Para oscilaçõescom frequências na faixa aproximada de 1MHz a 500 MHz utilizam-se osciladores LC em vez de osciladores com ponte de Wien.
  • 57.
  • 58.
  • 59.
  • 60.
  • 61.
  • 64.
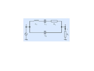
    R L1 L2 C R C1 C2 L Hartley OscillatorColpitts Oscillator C L L o ) ( 1 2 1 + = ω T o LC 1 = ω 2 1 2 1 C C C C CT + =
  • 65.
    Oscilador Colpitts • OsciladorColpitts, em homenagem a seu inventor, Edwin Henry Colpitts. • Projetos para circuitos osciladores eletrônicos usando a combinação de uma indutância (L) com dois capacitores (C) para a determinação da freqüência, também chamado de oscilador LC.
  • 66.
  • 67.
  • 68.
    3-34 1880 Piezoelectric effectdiscovered by Jacques and Pierre Curie 1905 First hydrothermal growth of quartz in a laboratory - by G. Spezia 1917 First application of piezoelectric effect, in sonar 1918 First use of piezoelectric crystal in an oscillator 1926 First quartz crystal controlled broadcast station 1927 First temperature compensated quartz cut discovered 1927 First quartz crystal clock built 1934 First practical temp. compensated cut, the AT-cut, developed 1949 Contoured, high-Q, high stability AT-cuts developed 1956 First commercially grown cultured quartz available 1956 First TCXO described 1972 Miniature quartz tuning fork developed; quartz watches available 1974 The SC-cut (and TS/TTC-cut) predicted; verified in 1976 1982 First MCXO with dual c-mode self-temperature sensing Histórico
  • 69.
    • Paul Langevinprimeiro investigado ressonadores de quartzo para uso em sonar durante a Primeira Guerra Mundial I. • O primeiro cristal oscilador controlado, utilizando um cristal de sal de Rochelle, foi construído em 1917 e patenteado em 1918 por Alexander M. Nicholson na Bell Telephone Laboratories, embora sua prioridade era disputado por Walter Guyton Cady. • Cady construiu o primeiro oscilador de cristal de quartzo em 1921.
  • 70.
    Military & Aerospace Communications Navigation IFF Radar Sensors Guidancesystems Fuzes Electronic warfare Sonobouys Research & Metrology Atomic clocks Instruments Astronomy & geodesy Space tracking Celestial navigation Industrial Communications Telecommunications Mobile/cellular/portable radio, telephone & pager Aviation Marine Navigation Instrumentation Computers Digital systems CRT displays Disk drives Modems Tagging/identification Utilities Sensors Consumer Watches & clocks Cellular & cordless phones, pagers Radio & hi-fi equipment TV & cable TV Personal computers Digital cameras Video camera/recorder CB & amateur radio Toys & games Pacemakers Other medical devices Other digital devices Automotive Engine control, stereo, clock, yaw stability control, trip computer, GPS 1-1 Electronics Applications of Quartz Crystals
  • 71.
    • Uma compreensãode como funciona um ressonador a cristal de quartzo pode fornecer aos engenheiros projetistas um melhor entendimento dos osciladores a cristais. • Entender como o cristal de quartzo opera fornece ao engenheiro de projeto uma compreensão de como eles se comportam em um circuito oscilador.
  • 72.
    Cristal de quartzo •O cristal de quartzo é produto do fenômeno da piezoeletricidade descoberto pelos irmãos Jacques e Pierre Curie na França em 1880, quando constataram que uma corrente elétrica surgia em certos cristais quando submetidos a pressões. • O cristal de quartzo é um componente indispensável na tecnologia eletrônica moderna. • O uso de cristais osciladores é indicado quando for necessário alta estabilidade em freqüência.
  • 73.
    • No aspectomacroscópico, o princípio é simples: certos cristais, como o quartzo e também alguns materiais cerâmicos, geram um campo elétrico sob ação de um esforço mecânico e o processo inverso também ocorre. • O quartzo é um material piezoelétrico e quando um campo elétrico é aplicado sobre ele, um deslocamento físico ocorre. Funcionalidade
  • 74.
    Piezoletricidade • Quando umamudança de estresse mecânico é aplicada ao cristal, surge uma tensão na freqüência das vibrações mecânicas. • Inversamente, quando uma tensão alternada é aplicada ao cristal, ele vibra na freqüência da tensão aplicada. • A maior vibração ocorre na freqüência natural de ressonância do cristal.
  • 75.
  • 79.
    Constituíção física • Formadopor um cristal de quartzo entre duas superfícies metálicas que servem de eletrodos. • A frequência de ressonância é inversamente proporcional a espessura do cristal.
  • 80.
  • 81.
    Quartzo & Cerâmica •O material piezelétrico do elemento ressonante pode ser quartzo ou cerâmica. • O quartzo apresenta menor tolerância de freqüência, menor variação com a temperatura e menor capacitância própria e, por isso, é adequado para freqüências mais altas. • A cerâmica tem melhor resistência mecânica, menor volume e menor custo e é usada em muitos aplicações, onde as melhores características do quartzo não são determinantes.
  • 82.
    Frequência operacional • Amenor frequência fundamental disponíveis em um cristal de quartzo é cerca de 1 MHz. • A maior frequência fundamental é de cerca de 32 MHz, acima do qual, o cristal se torna muito fino e delicado para ser manuseado. • Em sobretom, ou seja, atuando com harmônicos pode operar de 30 MHz a 250 MHz (3rd; 5th; 7th; 9th).
  • 83.
    Características • Os cristaisde quartzo, têm características muito desejáveis para o uso em circuitos osciladores sintonizados. • Suas frequências de oscilação natural são muito estáveis. • A ressonância tem um fator de qualidade muito alto (Q), que vai de 10.000 a várias centenas de milhares. • Boa estabilidade com a temperatura
  • 86.
  • 87.
  • 88.
    Modelo Matemático Sistema mecânico y k f F m Define:input → F ,output → y. We have: F ky dt dy f dt y d m t d y d m dt dy f ky F = + + ⇓ = − − 2 2 2 2 F k y dt dy T dt y d T T have we T f m T k f make we If 1 : : 1 2 2 2 1 2 , 1 = + + = =
  • 92.
    • C1 representaa elasticidade do quartzo, a espessura e forma da pastilha de quartzo. • Os valores de C1 intervalo em femtofarads (10-15 F). • L1 representa a massa mecânica de vibração do quartzo em movimento. • R1 representa as perdas resistivas dentro do cristal. • C0 representa a capacitância paralela. É resultado da soma das capacitâncias devido aos eletrodos do cristal mais capacitâncias parasitas devido ao gabinete que contém o cristal. • Os valores de C0 situam-se na faixa de 3 a 7 pF.
  • 93.
    • Um cristalde quartzo fornece uma frequência de ressonância série e uma frequência ressonância paralela. • Um cristal tem duas freqüências ressonantes caracterizada por uma mudança de fase zero.
  • 96.
    d A C ε 0 ≅ ε- Permissividade dielétrica do quartzo ≈40 pF/m (média) d - Distância entre eletrodos (espessura) 1 0 C C r ≡ r – razão de capacitâncias
  • 97.
    Cristal - Curvade Impedância
  • 98.
    3-24 0 + - Reatância 0 fC 2 1 π Area usual de operaçãoem um oscilador Antiresonancia, fa Frequência Resonancia, fr Reatância vs. Frequência
  • 101.
    Frequência de ressonânciasérie FS • A frequência de ressonância série é determinada na freqüência em que as reatâncias indutiva e capacitiva são iguais e se cancelam, isto é, XL1 = XC1. Neste caso o cristal comporta-se como um dispositivo resistivo. • Portanto, quando o cristal está operando na sua freqüência de ressonância série Fs a sua impedância será mínima e a corrente será máxima. • Na ressonância, o valor de XC0 < <R1, como resultado, aparece resistivo no circuito, com um valor muito próximo R1.
  • 102.
    Frequência de ressonânciaparalela Fa • Quando um cristal está operando na sua freqüência antiresonante Fa, a impedância será máxima e a sua corrente estará em seu mínimo. • Fs é inferior a Fa e a freqüência de um cristal é normalmente especificada entre FS e Fa, na qual fs < fXTAL <fa. • Esta faixa de freqüências entre Fs e Fa é conhecida como a “faixa de ressonância paralela" ou simplesmente "ressonância paralela."
  • 103.
    • Entre asfreqüências fs e fa, a impedância do cristal é indutivo, e nas freqüências menores que fs e nas freqüências maiores do que fa a impedância do cristal é capacitivo.
  • 104.
    Cristal como resistor •A freqüência de oscilação é fortemente determinada pelo cristal, uma vez que só em Fs faz o cristal não acrescentar nenhuma mudança de fase, ou seja, comporta-se como um RESISTOR. • Desde que a resistência do cristal é muito pequena em Fs, a energia do oscilador pode danificar o cristal. • Por isso, cristais especiais precisam ser selecionados para uso da ressonância série.
  • 105.
    Resistência Série Equivalente(ESR) • A Resistência Série Equivalente (ESR) é a resistência do cristal na freqüência de ressonância série (FS). • Não deve ser confundida com a resistência dinâmica (R1). • ESR é normalmente especificada como um valor máximo da resistência (em ohms).
  • 106.
    Fator de qualidadeQ • Um cristal de ressonância é mecanicamente • visto de seus eletrodos como ressonância elétrica. • Assim, um cristal se comporta como um circuito sintonizado e como um circuito sintonizado o cristal pode armazenar energia. • Nós podemos quantificar a quantidade de energia armazenada, definindo um fator de qualidade (Q) para o cristal. • O fator de qualidade Q do cristal é definido como a proporção de energia armazenada na componente reativa (capacitor ou indutor) para a energia dissipada.
  • 107.
    • Onde XL1(ou XC1) é a reatância de L1 (ou C1) na freqüência de operação do cristal. • Não confundir a freqüência de operação com fa ou fs. • A freqüência de operação pode ser em qualquer lugar entre fa ou fs na faixa de ressonância paralela habitual. ciclo por dissipada Energia ciclo um durante armazenada Energia Q ≡
  • 108.
  • 110.
    Oscilador senoidal acristal por deslocamento de fase
  • 111.
    Ponte Meacham • Aprimeira tentativa conhecida para eliminar o dispositivo ativo em osciladores de cristal foi o circuito de uma ponte estabilizada descrito por Meacham, em 1938. • No oscilador Ponte Meacham, o cristal substituiu um dos resistores em uma ponte de Wheatstone.
  • 112.
  • 113.
  • 114.
  • 118.
    • Em freqüênciasligeiramente superior a Fs a impedância do cristal é indutiva. A porção de ressonância paralela da curva de reatância do cristal é extremamente íngreme e curta.
  • 119.
    Oscilador Pierce • Umcristal operando na região de ressonância paralela apresenta-se ao circuito como um indutor e pode, então, substituir a reatância indutiva no oscilador Colpitts dando origem ao oscilador Pierce.