Universidade Federal de Juiz de Fora
Engenharia Elétrica
Programa de Formação de Recursos Humanos –
PRH-PB214
Equipamentos Elétricos
Industriais
Material Didático
Armando Lucio Bordignon
bordignon.armando@gmail.com
Pesquisador visitante UFJF
UFJF – Juiz de Fora - MG
2ª Edição
Abril de 2014
CAPÍTULO 1
SISTEMAS ELÉTRICOS INDUSTRIAIS TÍPICOS E PAINÉIS ELÉTRICOS
1. Normas de referência
NBR IEC 60439-1 – 2003 – Conjuntos de manobra e controle de baixa tensão.
Parte 1: Conjuntos com ensaio de tipo totalmente testados (TTA) e conjuntos
com ensaios de tipo parcialmente testados (PTTA).
IEC 61439 – 1 – 2011 – Low-Voltage Switchgear and Controlgear Assemblies –
General Rules.
NBR IEC 62271-200 – 2007 – Conjunto de manobra e controle de alta-tensão em
invólucro metálico para tensões acima de 1 kV até e inclusive 52 kV
NBR IEC 60694 – 2006 – Especificações comuns para normas de
equipamentos de manobra de alta tensão e mecanismos de comando.
IEC 62271-1 – 2011 – High-Voltage Switchgear and Controlgear – Common
Specifications.
Nota do autor:
A IEC 61439-1, publicada no início de 2009 e revisada em 2011, substituiu a
IEC 60439-1. A NBR IEC 60439-1 (2003), que continua em vigor no Brasil
nesta data, é uma tradução da IEC de mesmo número. Ou seja, a norma válida
no Brasil está baseada em uma norma que está superada na comunidade
internacional. E essa situação persistirá até que a ABNT se adeque à realidade
da normalização internacional.
É importante mencionar que existem diferenças relevantes e incompatibilidades
entre ambas, as quais serão tratadas adiante.
Da mesma forma, a NBR IEC 60694 – 2006, embora válida atualmente no
Brasil, é uma tradução de uma norma que está superada na comunidade da
IEC.
2. Sistemas elétricos industriais típicos
Comumente uma planta industrial grande, como uma grande refinaria de
petróleo ou uma grande usina siderúrgica por exemplo, tem uma carga elétrica
total que pode chegar a 100 MVA. Uma carga dessa magnitude geralmente é
atendida por geradores próprios e também através da concessionária de
energia elétrica local, geralmente em tensões de 138 ou 230 kV ou superiores.
É usual que os geradores, quando existentes, sejam de potências nominais de
algumas dezenas de MVA, como por exemplo, de 10 a 40 MVA.
Os geradores tem tensão nominal de 13,8 kV (a mais comum), podendo chegar
a 18 kV. Na grande maioria dos casos, são máquinas acionadas por turbinas a
vapor ou turbinas a gás.
O sistema elétrico típico e simplificado, na parte do suprimento de energia,
seria conforme a figura 1.
Figura 1
Na figura 1, os geradores e o suprimento externo pela concessionária estão
interligados diretamente a um único barramento de distribuição e as fontes
operam em paralelo. Em instalações industriais, este barramento e mais os
disjuntores de entrada e de saída compõe um painel elétrico denominado
“centro de distribuição de cargas” (CDC) principal.
O número e as potências nominais dos geradores e dos transformadores de
interligação com o suprimento externo são variáveis, de indústria para indústria,
e são uma função da carga instalada e da previsão de ampliação. Há indústrias
que privilegiam a geração própria, por já disporem do vapor em seu processo
industrial ou por disporem de suprimento de gás natural, e outras que
maximizam a compra de energia elétrica das concessionárias. Muitas nem
sequer tem geração própria.
Se a potência instalada for elevada e considerando que todas as fontes podem
operar em paralelo, é de se esperar que o nível de curto-circuito neste CDC
principal seja elevado, o que o encarece, especialmente os disjuntores, visto
que estes devem ter capacidade de interrupção compatível com o nível de
curto-circuito no ponto onde estão instalados.
Uma topologia alternativa, que visa reduzir o nível de curto-circuito e, por
conseguinte, baratear os equipamentos, seria paralelar as fontes através de um
barramento de sincronismo (BS) e reatores limitadores de curto-circuito (RLC),
como mostrado na figura 2 abaixo.
Figura 2
Nessa topologia, é possível dimensionar as indutâncias dos reatores de forma
a se ter uma redução significativa do nível de curto-circuito em cada CDC.
Quando comparada com a da figura 1, utiliza um número maior de disjuntores e
também os reatores limitadores de curto-circuito, mas permite que sejam
utilizados disjuntores com menor capacidade de interrupção de corrente. Se
não houver limitação de espaço e peso, como há em navios ou plataformas de
produção de petróleo, as duas configurações podem ser comparadas em
termos de custo, a fim de se buscar a mais atraente.
Há outras topologias adotadas pelas indústrias.
A tensão mais comumente utilizada para a distribuição industrial é 13,8 kV,
podendo ser utilizadas tensões ligeiramente maiores que 13,8 kV ou menores,
como 6,6 ou 4,16 kV.
Os alimentadores são compostos por cabos elétricos em instalação aérea ou
instalação subterrânea e tem a finalidade de levar a energia desde a
subestação principal até as subestações consumidoras. A instalação
subterrânea é a mais utilizada nas indústrias, por não restringir a
movimentação de equipamentos e bens (como guindastes, por exemplo), o que
acontece com a aérea. Geralmente são utilizados eletrodutos metálicos (o mais
utilizado) ou de material plástico. Os eletrodutos são agrupados em valas e
concretados externamente, a fim de oferecer proteção mecânica aos mesmos.
Outra alternativa mais barata e menos segura para a instalação dos
alimentadores seria aquela com cabos diretamente enterrados.
É comum em uma grande indústria que um par de alimentadores seja dedicado
exclusivamente a uma unidade do processo, se essa unidade for importante
para a continuidade operacional da planta. Um par aqui significa um reserva do
outro e partindo de barramentos distintos do(s) CDC(s) principais, ou seja, em
condição normal de operação, cada alimentador provém de uma fonte e supre
metade das cargas da unidade. Lembrem-se que uma planta industrial de
grande porte tem geralmente várias unidades de processo, algumas perto da
subestação principal e outras distantes, às vezes a alguns quilômetros. Cada
alimentador pode ter um ou mais condutores por fase, dependendo da carga e
de seu comprimento.
As cargas elétricas de uma planta industrial são aquelas compatíveis como
seus processos.
Por exemplo, em uma planta petroquímica ou uma refinaria de petróleo ou uma
planta de papel e celulose, a maioria das cargas são motores elétricos de
indução ou motores síncronos. Os principais equipamentos acionados são
bombas, ou compressores ou sopradores ou ventiladores, etc. Há também
cargas resistivas para aquecimento, iluminação, etc.
Em uma usina siderúrgica, além dos motores, há cargas elétricas de outra
natureza nos fornos e altos-fornos, bem como nos sistemas de lingotamento e
laminadores.
Em vários processos há cargas rotativas que necessitam velocidade de rotação
variável, o que no passado era atendido por motores de corrente contínua.
Hoje são utilizados conversores estáticos de frequência (variable speed drives)
associados a motores de indução para atender a essa demanda.
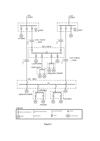
O par de alimentadores dedicado a uma unidade de processo alimenta a
subestação da unidade. Nela, a tensão de distribuição, geralmente 13,8 kV, é
utilizada para a alimentação dos grandes motores (geralmente acima de 5 MW)
e baixada para outros níveis de utilização, compatíveis com as cargas. Isso é
mostrado de forma simplificada no diagrama unifilar da figura 3.
Figura 3
Como pode ser observado, as cargas elétricas da unidade são distribuídas, de
acordo com suas potencias nominais, entre os vários níveis de tensão de
utilização. Cada indústria tem sua cultura particular nesse quesito, mas pode-
se dizer que quanto maior a carga, maior deve ser a tensão nominal do sistema
a partir do qual ela será alimentada. Isso é necessário para harmonizar a
queda de tensão em regime permanente ou durante a partida da carga, no
sistema todo. É obvio que essa decisão não é puramente técnica, mas leva em
conta também aspectos econômicos, como os decorrentes da padronização
das tensões nominais dos sistemas e das cargas.
As tensões nominais dos sistemas mais utilizadas são 13,8 kV, 6,6 ou 4,16 kV
e 480 V. Essas tensões, exceto o 6,6 kV, são sugeridas pela literatura e pela
normalização norte-americanas e foram adotadas pela maioria das indústrias
brasileiras. E as tensões nominais dos equipamentos seriam 13,2 kV, 4 kV e
460 ou 440 V.
A distribuição das cargas de diferentes potências de uma unidade de processo
entre os vários níveis de tensão é mostrada de forma aproximada na figura 3. É
importante insistir que esse critério tem bases técnicas fortes e também
econômicas (culturais) decorrentes da padronização, mas não pode ser
generalizado para outras indústrias.
Observem também que o sistema elétrico tenta retratar a redundância que
normalmente existe ou é exigido no processo. Ou seja, se para executar um
determinado bombeio, há duas bombas, sendo uma reserva da outra, é natural
que o sistema elétrico seja também projetado redundante, como o mostrado na
figura 3, onde há dois transformadores de média tensão e dois de baixa tensão.
Em tese, a unidade tem condição de continuar operando se houver um defeito
seguido de desligamento em um dos alimentadores ou em um dos
transformadores abaixadores. Para que a unidade continue a operar, basta que
os disjuntores de interligação dos CDCs, tanto de média quanto de baixa
tensão, marcados como NA (opera normalmente aberto), sejam fechados após
o trecho do circuito defeituoso ser isolado. E o sistema elétrico continua
disponível.
3. Tipos de Painéis - Classificação comumente encontrada nas indústrias
Tomando ainda por base a figura 3, temos:
3.1.Centro de Distribuição de Carga – CDC
O centro de distribuição de carga pode ser de “média tensão” (13.8 ou
4.16 kV) ou baixa tensão (480 V). Outras tensões diferentes destas
podem ser utilizadas. Lembrar que, pela definição da ABNT, qualquer
tensão abaixo de ou igual a 1 kV é chamada de baixa e qualquer tensão
acima de 1 kV é chamada de alta.
Em geral, na “média tensão”, este tipo de painel é formado por uma ou
mais colunas blindadas em invólucros metálicos. Cada coluna contém um
segmento do barramento principal e um conjunto de manobra, geralmente
um disjuntor em execução extraível, associado com controle, medição,
proteção e equipamento de regulação. Em princípio, o CDC principal da
planta é suprido por um ou mais geradores de energia elétrica e/ou um ou
mais transformadores de interligação com a concessionária, e tem a
finalidade de distribuir a energia às subestações consumidoras. Os CDCs
de média tensão de uma subestação de uma unidade de processo
alimentam diretamente os motores com potencias superiores a 1,5 MW
aproximadamente e também os centros de controle de motores (CCM) de
média tensão.
Na baixa tensão, o painel CDC é formado por colunas em invólucros
metálicos, sendo que uma coluna pode abrigar um ou mais disjuntores,
geralmente disjuntores abertos tipo força, em execução extraível. Cada
disjuntor pode ser associado a dispositivos de controle, medição e
proteção. O centro de distribuição de cargas de baixa tensão é suprido
por transformadores abaixadores ou por geradores. O CDC de baixa
tensão supre diretamente os motores de baixa tensão de maior potência
(geralmente compreendidos entre 75 e 200 CV) e os centros de controle
de motores.
Notem que, quando falamos de CDC, seja em baixa ou média tensão,
estamos nos referindo a painéis que tem disjuntores unicamente como
elementos de manobra.
3.2. Centro de controle de motores - CCM
Os centros de controle de motores podem ser de média ( 2.4 ou 4.16 kV )
ou baixa tensão (480 V).
O CCM é composto por um conjunto de cubículos, onde cada cubículo
contém dispositivos de seccionamento associados com controle, medição,
proteção e equipamento de regulação. É utilizado para o controle das
cargas elétricas, na maioria dos casos para a partida e parada dos
motores elétricos.
Na baixa tensão, os cubículos ou gavetas contém um dispositivo de
seccionamento, um dispositivo de proteção contra curto circuito, um
dispositivo de controle (um contator) e um dispositivo de proteção contra
sobrecarga. A função é comandar e proteger os motores com potências
nominais inferiores ou iguais a 75 CV.
Na média tensão, os cubículos contém os mesmos dispositivos que na
baixa tensão, porém a proteção geralmente é feita por fusíveis e mais um
relé multi-função específico para a proteção de motores. São
comandados os motores com potências nominais iguais ou superiores a
200 CV. O limite superior de potência dos motores é determinado pelas
características nominais do dispositivo de controle ou dos fusíveis. Os
CCMs de média tensão são para utilização em sistemas com tensões
nominais de até no máximo 7,2 kV, devido às tensões nominais dos
contatores disponíveis no mercado.
4. Características Ambientais
4.1.Instalação
O painel pode ser projetado para instalação “indoor” (abrigada) ou
“outdoor” (não abrigada).
Na maioria das instalações industriais, os painéis são instalados em salas
de painéis, ou seja, em instalação abrigada, protegida das condições
adversas do ambiente industrial.
4.2.Condições Ambientais
4.2.1. Condição de Serviço Normal
Se um painel for instalado em um ambiente que atenda a todos os
requisitos abaixo listados, é dito que ele atende às condições de serviço
normais.
4.2.1.1. Temperatura do ar ambiente para instalação abrigada.
A temperatura do ar ambiente não excede a + 40ºC e sua média sobre
um período de 24 horas não excede a + 35ºC.
A temperatura mínima limite do ar ambiente é -5ºC (para instalações no
Brasil), podendo ainda ser utilizada -15ºC ou -25ºC.
4.2.1.2. Condições atmosféricas para instalação abrigada
Para painéis de baixa tensão que atendem a NBR IEC 60439-1, o ar é
limpo e sua umidade relativa não excede 50% a uma temperatura
máxima de + 40ºC. Altas umidades relativas podem ser permitidas a
temperaturas baixas, por exemplo, 90% a + 20ºC.
Para painéis de média tensão que atendem a NBR IEC 60694, o ar é
limpo e sua umidade relativa não excede 95%, medida por um período
de 24 h ou não excede 90%, sob um período de um mês.
4.2.1.3. Altitude
A altitude do local de instalação não excede 1000 m, pela NBR IEC
60694, para painéis de média tensão, ou 2000 m para painel de baixa
tensão, de acordo com a NBR IEC 60439-1.
4.2.1.4. Radiação solar
A influência da radiação solar é insignificante e pode ser desprezada.
4.2.1.5. Vibração devida a causas externas
A influência é insignificante e pode ser desprezada.
4.2.1.6. Compatibilidade eletromagnética para painéis de média
tensão
A tensão não ultrapassa 1.6 kV em modo comum, para o grau de
severidade EMC normal, e 0.8 kV em modo comum, para o grau de
severidade EMC reduzida, nas interfaces do sistema secundário, como
resultado de chaveamentos no sistema de alta tensão.
4.2.2. Condições Especiais de Serviço
Quando uma ou mais das condições de serviço normais não for
atendida, o painel deve ser enquadrado nas condições especiais de
serviço e o requerimento particular deverá ser aplicado ou um acordo
especial deverá ser feito entre usuário e fabricante.
Condições especiais de serviço são, por exemplo:
a) Valores de temperatura, umidade relativa e/ou altitude diferentes das
especificadas anteriormente.
b) Poluição pesada do ar por sujeira, fumaça, partículas radioativas ou
corrosivas.
c) Exposição a campos elétricos e magnéticos fortes.
d) Exposição a pesadas vibrações e choques.
e) Instalação em áreas classificadas.
5. Características Elétricas
5.1. Tensão nominal
Um painel é definido pelas seguintes tensões nominais dos vários
circuitos.
5.2. Tensão nominal de operação
A tensão nominal do painel (Ur) deve ser igual ou superior ao maior valor
de tensão do sistema onde o painel será utilizado. Para circuitos
polifásicos, ela é a tensão entre fases. São as seguintes as tensões
nominais normalizadas (máxima tensão de operação), para painéis de
média tensão.
a) Série I:
3,6 - 7, 2 - 12 - 17,5 - 24 - 36 kV e outras superiores
b) Série II (valores praticados na América do Norte)
4,76 - 8,25 - 15 - 25,8 - 38 kV e outras superiores
5.3. Nível de isolamento nominal
O termo se refere aos valores de tensão que são aplicados nos testes
dielétricos : tensão de impulso nominal e tensão aplicada a freqüência
industrial nominal. São tabelados valores para ensaios entre fases e
entre fases e terra e também entre a distância de seccionamento, em
função da tensão nominal de operação.
5.4. Corrente nominal
É a corrente, expressa em valor eficaz, que pode ser conduzida
continuamente por um circuito, sem elevar a temperatura das várias
partes que o compõem a valores acima dos limites especificados.
Barramento
Os valores de correntes nominais normalizados para o circuito principal
são derivados da serie R10 e são os seguintes:
400 A – 500 A - 630 A – 800 A – 1000 A – 1250 A - 1600 A – 2000 A -
2500 A – 3150 A – 4000 A.
5.5. Corrente suportável nominal de curta duração
A corrente suportável de curta duração de um circuito é o valor r.m.s da
corrente que este circuito pode carregar durante um intervalo de tempo
curto e pré-definido.
O intervalo de tempo mais comumente utilizado é 1s, podendo, no
entanto, ser utilizados 0,5 ou 2 ou 3 s.
Barramento
Os valores normalizados de corrente suportável de curta duração para o
circuito principal são os seguintes
8 kA – 10 kA - 12,5 kA - 16 kA - 20 kA – 25 kA – 31,5 kA - 40 kA – 50
kA – 63 kA.
5.6. Valor de crista nominal da corrente suportável
É o valor instantâneo de pico associado ao primeiro semi-ciclo da corrente
suportável nominal de curta duração.
É igual a 2,6 vezes o valor eficaz da corrente suportável nominal de curta
duração. A NBRIEC admite, caso o sistema onde o painel for aplicado
requeira, solicitar do fabricante valores superiores a 2,6.
Para explicação sobre o fator 2,6, consulte o item 4.2.6 do capítulo 6.
5.7.Freqüência nominal
No Brasil 60 Hz. Há outras freqüências normalizadas.
6. Características Construtivas
6.1.Grau de proteção
O grau de proteção provido pelos invólucros ou carcaças contra contatos
com partes vivas e ingresso de sólidos e líquidos é indicado pela
designação IP........., seguida por dois algarismos, de acordo com a NBR
IEC 60529. O primeiro algarismo designa o grau de proteção contra a
penetração de corpos sólidos e o segundo o grau de proteção contra
ingresso d’água.
Para painéis em instalações abrigadas, onde não é requerida proteção
contra ingresso de água, o segundo algarismo é a letra X, e o grau de
proteção contra a penetração de corpos sólidos deve ser escolhido de
acordo com a tabela 6 da NBR IEC 60694.
Onde é requerido grau de proteção contra ingresso de água, o segundo
algarismo deve ser escolhido de acordo com a tabela 2 do anexo A.
6.2. Classificação dos tipos construtivos de painéis de média tensão, de
acordo com a ABNT.
O anexo C da NBR IEC 62271-200, cuja cópia vem a seguir, contém
notas explicativas sobre a citada classificação, comparando-a com a
antiga classificação, da IEC 60298.
A título de informação, lembro que as indústrias mais exigentes em
termos de segurança e continuidade operacional adotam as seguintes
exigências para painéis de média tensão:
 Os compartimentos com disjuntores devem ter classificação de
categoria de perda de continuidade de serviço LSC2B-PM, o que
significa que a unidade funcional (coluna) contém geralmente
quatro compartimentos distintos com partições metálicas e que há
continuidade de serviço para os outros compartimentos da
unidade funcional que contém o dispositivo de força principal
aberto.
 Os compartimentos com contatores de força devem ter
classificação LSC2A, sendo aceitável LSC2B. A categoria LSC2A
diz que não há continuidade de serviço da unidade funcional que
contém o dispositivo de força principal aberto.
 O painel deve ter classificação para arco interno
preferencialmente IAC BF (face frontal com categoria de
acessibilidade a público geral), podendo ser aceito painel com
classificação IAC AF (face frontal com categoria de acessibilidade
somente a pessoal autorizado). A escolha entre um ou outro
depende das características de acessibilidade ao local onde o
painel será instalado.
6.3. Classificação dos tipos construtivos de painéis de baixa tensão, de
acordo com a NBR IEC 60439-1.
A norma contempla dois tipos construtivos: o TTA e o PTTA. Abaixo
constam as descrições dos dois tipos e as listas de ensaios que
caracterizam um e outro.
RESUMO DA IEC 61439-1.
1. APLICAÇÃO
A norma é aplicável a conjuntos de manobra e controle de baixa tensão que
se enquadrem nas seguintes condições:
 Tensão nominal inferior a 1000 V AC ou 1500 V DC.
 Conjuntos estacionários ou móveis, com ou sem invólucro externo.
 Conjuntos projetados para serem conectados à geração,
transmissão, distribuição e conversão de energia elétrica, e para o
controle de equipamentos consumidores de energia elétrica.
 Cobre também conjuntos projetados para utilização em condições
especiais, como por exemplo, em navios, em trens ou metrô, em
atmosferas explosivas, como partes elétricas de máquinas, e para
aplicações domésticas. Para estes casos, os conjuntos podem ser
cobertos por outras normas IEC complementares.
A norma não é aplicável a componentes elétricos individuais. Para estes,
existem outras normas específicas.
2. MUDANÇAS EM RELACÃO À IEC 60439-1.
Os principais pontos de divergência com a antiga IEC 60439-1, que deu
origem à NBR IEC 60439-1, são:
2.1.A IEC 61439-1 acabou com a classificação dos painéis entre TTA
(conjunto com ensaios de tipo totalmente testado) ou PTTA (conjunto
com ensaios de tipo parcialmente testado). Introduziu três diferentes
tipos de verificação dos requisitos de projeto:
 Verificação por testes.
 Verificação por cálculos e medidas.
 Verificação por satisfazer as regras de projeto.
2.2.A IEC 61439-1 melhorou os requisitos acerca de elevação de
temperatura.
2.3.Na IEC 61439-1, o fator de diversidade nominal (RDF) foi explorado
com mais detalhes.
3. CARACTERÍSTICAS DAS INTERFACES
3.1.Geral
As características do conjunto devem assegurar compatibilidade com os
valores nominais dos circuitos aos quais o conjunto está conectado e as
condições da instalação. Essas características devem ser especificadas
pelo usuário e asseguradas pelo fabricante. São elas:
 Tensão nominal Un.
 Tensão nominal operacional Ue, que pode ser para todo o painel
ou para os circuitos individuais. Pode ou não ser igual a Un.
 Tensão nominal de isolamento Ui.
 Tensão nominal de impulso Uimp.
 Corrente nominal do painel Ina.
 Corrente nominal de um circuito Inc.
 Fator de diversidade nominal RDF, aplicável para o painel todo ou
para um grupo de circuitos.
 Corrente nominal de pico suportável Ipk.
 Corrente suportável nominal de curta duração Icw. Está sempre
associada a um intervalo de tempo, que pode ser p. ex. 0,2 ou 1
ou 3 s.
 Corrente nominal condicional de curto circuito Icc.
 Freqüência nominal fn.
3.2.Outras características
Devem ser declaradas pelo usuário e confirmadas pelo fabricante,
quando aplicável:
 Grau de poluição.
 Tipo de aterramento do sistema.
 Instalação abrigada ou desabrigada.
 Conjunto estacionário ou móvel.
 Grau de proteção IP.
 Concebido para uso por profissional habilitado ou não.
 Etc.
4. VERIFICAÇÃO DO PROJETO
4.1.O projeto do conjunto de manobra e controle de baixa tensão deve ser
enquadrado em um dos três diferentes tipos de verificação, de acordo
com a tabela abaixo.
7. Arco interno para painéis de média tensão
O método para o ensaio de arco devido à falta interna, que é um ensaio de
tipo, está descrito no anexo A da NBR IEC 62271-200. Deve-se lembrar
que, quando exigido, os parâmetros do ensaio devem ser objeto de acordo
entre o usuário e o fabricante, devendo o usuário especificar o valor da
corrente de arco e a duração.
Os objetivos principais do ensaio são: garantir que não há dano físico a
uma pessoa colocada próxima ao painel quando da ocorrência de arco
interno e também que o defeito não se propaga para os compartimentos
vizinhos.
ANEXO A
TABELA 2 – Grau de proteção indicada pelo segundo numeral característico
Segundo
Numeral
característico
Grau de proteção
Descrição sucinta Proteção dada
0 Não Protegido Nenhuma proteção especial
1
Protegido contra quedas
verticais de gotas d’água
As gotas d’água (caindo na vertical) não devem ter
efeitos prejudicais
2
Protegido contra queda de
gotas d’água para uma
inclinação máxima de 15º
A queda de gotas d’água vertical não deve ter efeitos
prejudiciais quando o invólucro estiver inclinado de
15º para qualquer lado de sua posição normal
3
Protegido contra água
aspergida
Água aspergida de um ângulo de 60º da vertical não
deve ter efeitos prejudiciais
4
Protegido contra projeções
d’água
Água projetada de qualquer direção contra o
invólucro, não deve ter efeitos prejudiciais
5
Protegido contra jatos
d’água
Água projetada de qualquer direção por um bico
contra o invólucro, não deve ter efeitos prejudiciais
6
Protegido contra ondas do
mar
Água proveniente de ondas ou projetada em jatos
potentes não deve penetrar no invólucro em
quantidade prejudiciais
7 Protegido contra imersão
Não deve ser possível a penetração de água, em
quantidades prejudiciais, no interior do invólucro
imerso em água, sob condições definidas de tempo
e pressão
8 Projeto contra submersão
O equipamento é adequado para submersão
contínua em água, nas condições especificadas pelo
fabricante.
Nota: Normalmente, isto significa que o equipamento
é hermeticamente selado, mas para certos tipos de
equipamentos, pode significar que a água pode
penetrar em quantidade que não provoque efeitos
prejudiciais
Nota: A descrição sucinta da coluna 2 não deve ser usada para
especificar a forma de proteção. Deve ser usada somente como
abreviação.
CAPÍTULO 2
CENTRO DE CONTROLE DE MOTORES DE BAIXA TENSÃO
NFPA 70 - NEC 2014– ARTIGO 430 – MOTORES E CIRCUITOS DE
MOTORES
Observação: as normas do NFPA (National Fire Protection Association),
dos EUA podem ou não ser usadas como guias no Brasil. Não há exigência
para que aqui elas sejam adotadas. Em se tratando da seleção dos
componentes para o controle e a proteção de motores elétricos de baixa
tensão, as regras do artigo 430 do NFPA 70 são bastante conhecidas, aceitas
e utilizadas tanto pelos usuários quanto pelos fabricantes de painéis de baixa
tensão, no Brasil. Não há no acervo da ABNT ou da IEC nenhuma norma que
contenha um conjunto de regras tão bem organizadas para a seleção dos
componentes elétricos citados. Por esse motivo, as regras do artigo 430 do
NFPA serão explicadas e adotadas nesta apostila para a seleção dos
componentes de uma gaveta de um CCM de baixa tensão.
1. Diagrama 430-1
2. Meio de desconexão
Deve ter capacidade de interromper a corrente de rotor bloqueado do motor.
Deve ter possibilidade de ser mecanicamente travado na posição “aberto”
quando for instalado “não à vista” do motor. Deve desconectar também a
tensão de controle do dispositivo de controle.
Tipos de componentes aceitáveis:
 Chave de ramal de motor dimensionada em HP.
 Disjuntor em caixa moldada.
 Chave seccionadora em caixa moldada.
Corrente Nominal
 Corrente nominal do meio de desconexão deve ser maior que ou
igual a 115% da corrente de plena carga do motor, quando o
dispositivo for dimensionado em amperes, ou
 Maior que ou igual a potencia nominal do motor, quando o
dispositivo for dimensionado em HP.
Cada motor deve ter seu meio de desconexão individual.
Exceções:
 Vários motores auxiliares de uma máquina principal.
 Um grupo de motores em uma sala.
 Vários motores menores que 1 HP.
3. Dispositivo de proteção contra curto circuito
Tipos de componentes aceitáveis: fusíveis ou disjuntores em caixa moldada
com o elemento magnético ajustável.
Deve permitir a partida do motor.
Corrente nominal máxima ou ajuste máximo do dispositivo de proteção:
Deve ser utilizada a tabela 430-52:
- Fusível máximo: 300% x In motor
- Disjuntores em caixa moldada (c/ elemento instantâneo ajustável)
máximo: 800% x In motor.
Exceções:
a) Podem ser utilizados fusíveis ou disjuntores em caixa moldada de
capacidades nominais normalizadas imediatamente superiores aos
limites acima estabelecidos.
b) Se o limite especificado para o disjuntor em caixa moldada na
tabela 430-52 não permitir a partida do motor, ele pode ser
aumentado, porém em nenhuma hipótese deve ultrapassar 1300% x
In motor. O ajuste da unidade instantânea do disjuntor em caixa
moldada para um valor entre 800 e 1300% da corrente nominal do
motor deve ser justificada por um memorial de cálculo.
Deve ter capacidade de interrupção superior ou igual à corrente de curto
circuito disponível no barramento do painel.
4. Dispositivo de proteção contra sobrecarga
Para motores trifásicos, é exigida uma unidade de proteção contra
sobrecarga em cada fase.
Em CCM’s B.T. são utilizados relés térmicos bimetálicos ou relés
eletrônicos, sensíveis à corrente de operação do motor, cuja função básica é
proteger o motor contra sobrecarga e contra rotor travado, bem como o
alimentador contra sobrecarga (Observação: lembrar que o que “queima” o
motor é sobretemperatura, a qual nem sempre está associada à sobrecorrente,
ou seja, medir a corrente é uma forma barata e algumas vezes eficiente de
proteger o motor contra sobrecarga, porém nem sempre eficiente).
O relé de sobrecarga deve ser selecionado de tal maneira que sua faixa de
calibração permita ajuste até o máximo indicado no artigo 430-32 (a) (1)
O ajuste do relé de sobrecarga não deverá ser superior à seguinte
percentagem da corrente nominal de placa do motor:
a) Motor c/ F.S  1.15............................................125%
b) Motor c/ elevação temperatura  40ºC..............125%
c) Outros motores..................................................115%
Se o ajuste prescrito acima não permitir a partida do motor, o NEC,
através do artigo 430-34, admite os seguintes valores máximos:
a) Motor c/ F.S.  1.15................................. 140%
b) Motor c/ elevação temperatura  40ºC.... 140%
c) Outros motores........................................ 130%
É recomendável que o valor superior da faixa de calibração do relé de
sobrecarga não seja maior que o ajuste máximo permitido pelo NEC.
Quando a corrente nominal da placa do motor não for conhecida, a tabela
430-250 do NEC pode ser usada como referência.
5. Controle
O dispositivo de controle deve ser capaz de partir e parar o motor.
Deve ser capaz de interromper a corrente de rotor bloqueado.
Em CCM’s B.T são utilizados contatores tripolares de força.
O contator, quando especificado em potência, não deve ter capacidade
inferior à potência nominal do motor.
Cada motor deve ter seu dispositivo de controle individual.
Exceções:
a) Grupo de motores auxiliares de um equipamento principal, como
p. ex. máquinas operatrizes, guindastes.
b) Grupo de motores em uma única sala, e “à vista” do dispositivo de
controle.
CAPÍTULO 3
DISJUNTORES DE BAIXA TENSÃO
1. Tipos construtivos básicos
1.1.Em caixa moldada (molded case circuit breaker).
1.2.Aberto tipo força (power air circuit breaker).
2. Caixa moldada
2.1.Em caixa de material isolante ( baquelite ou outros plásticos industriais).
2.2.Cobrem uma extensa gama de correntes nominais e capacidades de
interrupção. Correntes nominais desde 10 até 1600 A. Capacidades de
interrupção desde 5 kA até 65 kA, em 690 V, (sem bloco limitador de
corrente); ou até 200 kA, em 690 V, (com bloco limitador de corrente).
2.3.Existem os disjuntores tipo “limitadores de corrente”.
2.4.Utilizados para aplicações industriais, em painéis CCMs, e também
residenciais ou comerciais.
2.5.Geralmente tem unidades térmica e magnética. Alguns tipos têm
somente unidade magnética. Alguns tipos, como os utilizados em
aplicações residenciais, tem as unidades térmicas e magnéticas fixas
(não permitem ajuste), enquanto que os utilizados em aplicações
industriais podem ou não ter essas unidades ajustáveis.
2.6.Comando para abertura ou para fechamento é manual. Após uma
abertura por sobrecarga ou curto-circuito, devem ser manualmente
rearmados (resetados e fechados).
2.7.Geralmente mais baratos que os abertos tipo força.
3. Abertos tipo força
3.1.Utilizados para aplicação industriais, em painéis CDCs, em execução
fixa ou extraível.
3.2.Cobrem uma gama de correntes nominais elevadas, de 600 a 6300 A.
Cobrem uma gama de capacidades de interrupção também elevadas,
desde 22 kA em 440 V até 150 KA em 440 V.
3.3.Comando pode ser manual ou elétrico, podendo ser operado
remotamente.
3.4.Geralmente possuem bobinas de fechamento e de abertura.
Operam por ação de mola, que é liberada através da energização dos
solenóides de abertura ou de fechamento.
3.5.Geralmente possuem motor de carregamento de mola.
3.6.Geralmente mais caros que os “caixa moldada.”
3.7.Como eles têm bobina de abertura, podem ser atuados por relés de
proteção associados a transformadores de corrente ou por disparadores
eletrônicos incorporados aos próprios disjuntores.
4. NBR IEC 60947-2 / 2013 = Disjuntores de baixa tensão
4.1.Aplicação
Todos os disjuntores de tensão nominal de emprego igual ou inferior a
1000 VAC ou 1500 VDC, tipo caixa moldada ou tipo “força”.
4.2.Tensão nominal de utilização (Ue)
É o valor de tensão que, combinado com o valor da corrente nominal,
determina a aplicação do equipamento, e para o qual os testes
relevantes e a categoria de utilização são referidos.
Os valores são estabelecidos e declarados por cada fabricante.
Ue = tensão fase-fase. Ue deve ser superior ou igual à máxima tensão
de operação do sistema.
4.3.Tensão nominal de isolamento (Ui)
É o valor da tensão para o qual são referidos os testes dielétricos e as
distâncias superficiais de isolamento. Os valores são estabelecidos
pelos fabricantes.
4.4.Tensão nominal suportável de impulso (Uimp)
É o valor de pico de uma tensão de impulso e sua polaridade que o
equipamento é capaz de suportar sem falhar. Os valores são
estabelecidos por cada fabricante.
4.5.Corrente nominal (In)
É a máxima corrente que o disjuntor consegue conduzir
continuamente, no ar livre, sem exceder o limite de elevação de
temperatura especificado. Valores são estabelecidos e declarados
pelos fabricantes.
4.6.Freqüência nominal
60 Hz.
4.7.Categoria de emprego de seletividade
Duas categorias de seletividade, conforme definido na tabela 4.
4.8.Capacidade nominal de interrupção em curto circuito
A capacidade de interrupção nominal em curto circuito é composta por
dois valores:
 Um valor eficaz da componente periódica da corrente.
 Um valor mínimo de fator de potência associado à corrente, de
acordo com a tabela 11.
Duas são as capacidades nominais de interrupção de curto circuito:
4.8.1. Capacidade nominal de interrupção máxima (I cu)
Valor limite de corrente (valor eficaz da componente periódica)
que o disjuntor consegue interromper sem se danificar,
perfazendo a sequencia de operações “ O – t – CO “.
4.8.2. Capacidade nominal de interrupção em serviço (I cs)
Valor de corrente (valor eficaz da componente periódica ) que o
disjuntor consegue interromper sem se danificar, perfazendo a
sequência de operações “ O – t – CO – t – CO “.
É estabelecido como uma porcentagem da Icu, podendo ser
100% ou inferior.
A relação entre Ics e Icu deve ser escolhida pelos fabricantes dentre
os valores da tabela 1.
Os valores de Ics e Icu são estabelecidos pelos fabricantes. São
referidos à tensão de operação nominal (Ue) e à freqüência nominal, e
sob condições especificadas de fator de potência.
4.9.Corrente nominal admissível de curta duração (Icw)
É o valor máximo de corrente que o disjuntor consegue conduzir por
um pequeno intervalo de tempo, durante o qual a corrente é assumida
constante. É expresso em valor eficaz da componente AC e é
estabelecido pelo fabricante. Icw é definido somente para disjuntores
da categoria de seletividade B.
Os intervalos de tempo recomendados são:
0,05 ; 0,1 ; 0,25 ; 0,5 ; e 1.0 s
Valores não são normalizados, porém a tabela abaixo mostra valores
mínimos que devem ser atendidos pelos fabricantes.
Corrente nominal In (A) Icw mínimo(KA)
In  2500 12 In ou 5 KA, o que for maior
In  2500 30
4.10. Capacidade nominal de estabelecimento em curto circuito (Icm)
É o valor máximo de crista da corrente que o disjuntor consegue
estabelecer. Os valores são declarados pelos fabricantes. É referido à
tensão e à frequência nominais e válido para um fator de potência
especificado da corrente prospectiva.
Não deve ser menor que Icu multiplicado por um fator “n”, de acordo
com a tabela 2.
Lembrar que o fator “n” permite que se calcule o valor de pico máximo,
no primeiro semi-ciclo após a ocorrência do curto circuito, a partir do
valor r.m.s. da componente periódica da corrente de curto circuito no
instante da interrupção. O fator “n” depende da relação L/R e é
calculado através da fórmula:
n = (1+dc) x 2, onde
dc = exp (-2t) / (X/R), t = 0,5 ciclo
dc = exp (-) / (X/R).
Para a aplicação do disjuntor de baixa tensão é imprescindível que o
curto circuito máximo no ponto da aplicação e a relação X/R do circuito
equivalente de Thevenin sejam calculados. Se a relação X/R for maior
que os valores da tabela 2, a norma estabelece que o fabricante
deve ser formalmente consultado.
X/R
1.7
3.2
3.9
4.9
Tabela 4 - Categorias de seletividade
CAPÍTULO 4
COORDENAÇÃO DOS DEMARRADORES DE BAIXA TENSÃO
NBR IEC 60947-4-1/2008; Parágrafos 8.2.5 e 9.3.4.2.
1. Objetivo
Conhecer o desempenho do conjunto dos componentes de partida e
proteção dos motores de baixa tensão (demarradores) sob condições de
curto circuito.
O tipo de coordenação é especificado durante a fase de aquisição do painel
e permite ao usuário final estabelecer sua política de sobressalentes.
2. Tipos de coordenação, de acordo com o dano aceitável:
Tipo “1”: Os componentes do demarrador podem sofrer dano e ficar
imprestáveis para utilização posterior, podendo sofrer reparo ou substituição.
Tipo “2”: Os componentes não podem sofrer dano para posterior utilização,
exceto o contator que pode sofrer soldagem “leve” de seus contatos de força.
No caso de possibilidade de soldagem, o fabricante deve estabelecer as
instruções para manutenção do componente.
Em ambos os tipos de coordenação, nenhum dano às pessoas ou às
gavetas vizinhas é aceitável. Em ambos, o dispositivo de proteção contra
curto circuito (SCPD), fusível ou disjuntor em caixa moldada, deve
interromper adequadamente a corrente de defeito.
3. Ensaio para cada demarrador típico
O desempenho e, por conseguinte, o enquadramento de cada demarrador
típico em um dos dois tipos de coordenação somente pode ser
estabelecido através de ensaios, os quais estão abaixo descritos.
Com a corrente de curto circuito prospectiva (corrente de teste “r”), de
acordo com a tabela abaixo:
Corrente operacional nominal Ie
(A)
(categoria AC 3)
Corrente de teste “r” (KA) Fator de potência
de teste
0 < Ie  16 1 0.95
16 < Ie  63 3 0.90
63 < Ie  125 5 0.70
125 < Ie  315 10 0.50
315 < Ie  630 18 0.30
630 < Ie  1000
1000 < Ie  1600
30
42
0.25
0.25
Primeiro ensaio: Uma operação de abertura do SCPD, com todos os
componentes do demarrador previamente fechados. A fonte é
repentinamente aplicada.
Segundo ensaio: uma operação de abertura do SCPD, com o
contator estabelecendo o curto.
Com a corrente de curto circuito nominal condicional Iq, que é a corrente de
curto circuito máxima disponível para a qual o demarrador é especificado.
Esse ensaio é feito desde que Iq  Ir.
Primeiro ensaio: idem anterior
Segundo ensaio: idem anterior.
Terceiro ensaio: (a ser feito somente se a capacidade de
estabelecimento do disjuntor em caixa moldada ou da chave
seccionadora for menor que Iq) uma operação de abertura do SCPD,
com o disjuntor ou a seccionadora estabelecendo o curto.
4. Notas:
1. O curto circuito é feito na saída da gaveta.
2. Após cada ensaio: inspeção na gaveta.
3. Para a coordenação tipo 1, um novo conjunto de componentes da gaveta
pode ser usado a cada ensaio.
4. Para a coordenação tipo 2, uma amostra deve ser utilizada para os
ensaios com a corrente de teste “r” e outra amostra para os ensaios com a
corrente de teste “ Iq”.
5. Resultados que devem ser obtidos
a) Interrupção da corrente com sucesso pelo SCDP. Se disjuntor, ele
tem que ter condição de continuar sendo aberto e fechado
manualmente.
b) A porta da gaveta deve permanecer fechada. Nenhum dano pode ser
ocasionado às gavetas vizinhas.
c) Nenhum dano aos condutores ou terminais de condutores pode
ocorrer.
d) Não há perda de bases de materiais isolantes.
e) Não há perda da isolação (um teste de tensão aplicada é feito após
cada ensaio).
CAPÍTULO 5
TRANSFORMADORES PARA INSTRUMENTOS
1. Normalização aplicável
1.1.NBR 6856, 1992 -Transformador de corrente – Especificação
1.2.NBR 6855, 2009 - Transformadores de potencial indutivos
2. Valores orientativos de consumo de relés e medidores
As tabelas a seguir, extraídas da literatura, mostram o consumo “orientativo”
de medidores analógicos e relés eletromecânicos. Os consumos de medidores
ou relés digitais de proteção são bastante menores que os valores mostrados
abaixo, e podem ser obtidos nos catálogos dos fabricantes desses dispositivos.
3. Características para especificação de TPs e TCs.
4. Os textos das normas NBR 6855 (parcial) e NBR 6856 estão no capítulo
8 – Anexos.
CAPÍTULO 6
DISJUNTORES DE MÉDIA TENSÃO
1. Quatro tipos, quanto ao meio onde ocorre a interrupção
Considerando os disjuntores mais comuns em sistemas elétricos industriais,
com tensões nominais entre 1 e 17.5 kV, temos:
1.1.Seco (a ar)
Ex.: Magne-blast da GE. Há décadas não é mais fabricado, mas é muito
encontrado em instalações industriais de 30, 40 anos atrás.
1.2.Pequeno volume de óleo
Ex.: 3 AC da Siemens. Idem ao Magne-blast da GE.
1.3. A vácuo
Ex.: PowerVac da GE
3AH da Siemens.
Evolis da Schneider.
São os mais utilizados atualmente.
1.4.A SF6
Ex.: LF e SF da Schneider.
Estão disponibilizados atualmente, mas são menos utilizados que os a
vácuo.
Os disjuntores acima listados são geralmente utilizados em painéis elétricos
tipo CDC, em instalações abrigadas: em salas de painéis ou em “eletrocenters”,
que são contêineres metálicos que abrigam os painéis em seus interiores.
Para tensões acima de 17,5 kV e até 138 kV os disjuntores são geralmente
para uso externo e são a óleo ou a SF6. Acima de 138 kV são utilizados
disjuntores a SF6, uso externo.
2. Normalização
2.1.ABNT
NBR IEC 62271-100 / 2006 – Equipamentos de Alta Tensão – parte 100 -
Disjuntores de Alta Tensão de Corrente Alternada.
Foi cancelada recentemente e não foi substituída.
2.2.IEC
IEC 62271-100 / 2008 + Emenda A1/2012- High Voltage Switchgear and
Controlgear – part 100 - AC Circuit Breakers.
2.3.IEEE / ANSI
IEEE Std C37.010 - 1999 – rev. 2005 - Application Guide for AC High
Voltage Circuit Breakers Rated on a Symmetrical Current Basis.
3. Especificação de disjuntores de média tensão segundo a ANSI/IEEE
3.1.RESUMO
3.1.1. Se X/R  17 no ponto da falta, então o disjuntor é especificado
pela capacidade de interrupção simétrica.
3.1.2. Se X/R  17 no ponto da falta
então calcula-se S = 1+2 e -4t/x/r
onde S = fator de capabilidade do disjuntor e
t = tempo total até a separação dos contatos, em ciclos.
X/R = 17.
Calcula-se o fator multiplicativo FM = 1+2 e -4t/x/r
S
onde t = tempo total até a separação dos contatos, em ciclos.
X/R = relação real no ponto da falta.
E a capacidade de interrupção do disjuntor tem que ser superior ou igual
à corrente de curto simétrica calculada, corrigida pelo fator multiplicativo.
I interrupt disj  Icc sim interrupt x FM.
4. Especificação segundo a IEC 62271-100 / 2008 + Emenda A1/2012.
4.1.Aplicação
Disjuntores de corrente alternada, para interior e exterior, para sistemas
de tensões acima de 1000 V e frequência não superior a 60 Hz.
4.2.Características nominais para todos os disjuntores
a. Tensão nominal (Un)
b. Tensões nominais de isolamento
c. Freqüência nominal (fr)
d. Corrente nominal (In)
e. Corrente de interrupção nominal em curto circuito (Isc) e corrente
suportável nominal de curta duração (Ik).
f. Duração nominal do curto circuito (tk).
g. Tensão transitória de restabelecimento nominal
h. Corrente de estabelecimento nominal em curto circuito = valor de crista
nominal da corrente suportável (Ip).
i. Seqüência de operação nominal
j. Tensão nominal dos dispositivos de abertura e de fechamento e dos
circuitos auxiliares.
4.2.1. Tensão nominal (Un)
O valor normalizado da tensão nominal do disjuntor deve ser maior ou
igual à maior tensão do sistema, no local da instalação do disjuntor.
As tensões nominais abaixo de 245 kV são:
Série I : 3,6 ; 7,2 ; 12 ; 17,5; 24 ; 36 ; 52 ; 72,5 ; 100 ; 123 ; 145 ; 170 ;
245 kV ; ...... p/ 50 e 60 Hz.
Série II : 4,76 ; 8,25 ; 15 ; 25,8 ; 38 ; 48,3 ; 72,5 ; 100 ; 123 ; 145 ; 170 ;
245 kV ; ...... p/ 60Hz, EUA e Canadá.
Há outros valores normalizados acima de 245 kV, que não serão aqui
abordados.
4.2.2. Nível de isolamento nominal
As tensões devem ser selecionadas dentre os valores das tabelas
abaixo:
4.2.3. Freqüência Nominal
60 Hz.
4.2.4. Corrente Nominal
É a corrente que o disjuntor consegue conduzir continuamente sem que
os limites de elevação de temperatura especificados para as várias
partes sejam excedidos.
Os valores normalizados são os da série R10:
400, 500, 630, 800, 1000, 1250, 1600, 2000, 2500, 3150, 4000, 5000,
6300 A
A norma dá uma tabela com os valores máximos de elevação de
temperatura para as várias partes ou componentes do disjuntor.
4.2.5. Corrente de Interrupção Nominal em Curto Circuito
Definição: É o valor mais elevado de corrente de curto circuito que o
disjuntor consegue interromper em um circuito onde a tensão de
restabelecimento à freqüência industrial corresponde à tensão nominal
do disjuntor.
É expressa por dois valores:
a) O valor eficaz da componente alternada da corrente de curto circuito,
e
b) A porcentagem da componente contínua.
Os valores normalizados para o valor eficaz da componente alternada da
corrente são tirados da série R10:
8 – 10 – 12,5 – 16 – 20 – 25 – 31,5 – 40 – 50 – 63 – 80 – 100
KA
Para tensões iguais ou inferiores à tensão nominal, o disjuntor é capaz
de interromper correntes até no máximo sua capacidade de interrupção
nominal em curto circuito. Para tensões superiores à tensão nominal,
nenhuma capacidade de interrupção é garantida.
O valor da porcentagem da corrente contínua deve ser determinado
através das curvas das figuras 8 e 9. Para um disjuntor que é aberto
pela corrente de curto circuito sem a ajuda de uma forma qualquer de
energia auxiliar, a porcentagem da componente contínua deve
corresponder a um intervalo de tempo  igual ao tempo de abertura do
disjuntor. Para o disjuntor que é aberto por uma forma qualquer de
energia auxiliar, o intervalo de tempo  deve ser igual ao tempo de
abertura do disjuntor adicionado a meio período da freqüência nominal.
A curva em traços cheios da curva da figura 9 refere-se a um circuito
cujo fator de potência sob curto circuito é 0.0587, ou seja, X/R = 17, que
corresponde a uma constante de tempo da componente DC de 45 ms.
Essa é a curva normalmente utilizada para especificar disjuntores não
especiais.
Quando o local de aplicação do disjuntor está eletricamente distante de
máquinas girantes, a diminuição da componente alternada é desprezível,
sendo necessário apenas verificar se o fator de potência sob curto
circuito não é inferior à 0,0587 e se o retardo mínimo do dispositivo de
proteção não é inferior a ½ período. Nestas condições, é suficiente que a
capacidade de interrupção nominal em curto circuito do disjuntor seja
igual ou superior à corrente de falta simétrica inicial, no ponto onde o
disjuntor vai ser instalado.
Por outro lado, quando o disjuntor for instalado próximo a geradores ou
em um ponto onde a relação X/R sob curto circuito for superior a 17, a
porcentagem da corrente contínua pode ser superior ao indicado na
curva em traços cheios da figura 9. Neste caso, a solicitação do disjuntor
pode ser reduzida, por exemplo, retardando-se a sua abertura. Se não
se puder adotar os valores normalizados de porcentagem da
componente contínua correspondentes à constante de tempo de 45 ms,
a porcentagem desejada deve ser especificada pelo comprador, e os
ensaios, se necessários, devem constituir objeto de acordo entre o
fabricante e o comprador.
A norma admite ainda constantes de tempo especiais de 60 ms, para
disjuntores de 72,5 kV até 420 kV, 75 ms para disjuntores de 550 kV e
acima e 120 ms (X/R=45), para disjuntores até 52 kV, para aquelas
aplicações onde a relação X/R ultrapassa 17. Deve ser lembrado que
quaisquer dessas aplicações especiais devem ser informadas ao
fabricante, e o equipamento é bastante mais caro que os convencionais.
Existem poucos fabricantes desses disjuntores especiais.
4.2.6. Corrente de Estabelecimento Nominal em Curto Circuito
Deve ser superior ao maior valor de crista da corrente de falta.
A capacidade de estabelecimento nominal em curto circuito é igual a 2,6
vezes o valor eficaz da componente alternada da capacidade de
interrupção nominal.
Observação: lembrem-se que o fator 2,6 corresponde ao valor de crista
máximo, para 60 Hz, em um circuito onde X/R = 17, no instante
correspondente a meio ciclo após a ocorrência do curto-circuito.
dc = exp (-2t/X/R) = exp(-2x0,5/17) = 0,8313 (t em ciclos)
Ipico = 1 + dc = 1 + 0,8313 = 1,8313
I = 1,8313 Im= 1,8313x2 x Irms = 2,5898 Irms =~ 2,6 Irms.
4.2.7. Corrente Suportável Nominal de Curta Duração
É o valor máximo de corrente que o disjuntor consegue conduzir,
permanecendo fechado, durante um curto intervalo de tempo. A IEC
estabelece que o valor dessa corrente seja numericamente igual ao valor
eficaz da componente alternada da capacidade de interrupção nominal
em curto circuito, apesar dos conceitos serem totalmente distintos.
4.2.8. Duração Nominal da Corrente Suportável de Curta Duração
É o período de tempo durante o qual o disjuntor consegue conduzir,
quando fechado, uma corrente igual a sua corrente suportável nominal de
curta duração.
Valor nominal recomendado: 1s.
Outros valores podem ser escolhidos: 0,5 ou 2 ou 3s, se necessário.
4.2.9. Seqüência Nominal de Operações
a) Para disjuntores que não devem operar em religamento rápido:
CO – 15s – CO ou O – 3 minutos – CO – 3 min – CO.
b) Para disjuntores que devem operar em religamento automático
rápido:
O – 0,3s – CO – 15s – CO ou O – 0,3s – CO – 3 min – CO
(p/ tensão nom  72,5 kV)
4.2.10. Tensão de Restabelecimento Transitória Nominal (TRT)
A tensão de restabelecimento é a tensão que aparece entre os terminais
do pólo que interrompe a corrente. Nos primeiros instantes, essa tensão
pode atingir valores elevados, apresentando uma característica
transitória significativa. Tal tensão pode levar à reignição do arco e
conseqüentemente o disjuntor não interromper a corrente naquela
passagem por zero.
O cálculo da TRT não é simples. Geralmente é feito utilizando-se um
programa de cálculo de transitórios, como o ATP ou o EMTP. Há
necessidade de se pesquisar o ponto onde será simulado o curto
circuito, de tal forma que leve às piores condições de TRT, se nos
terminais do disjuntor ou se em um ponto remoto (falta quilométrica). Há
necessidade de se conhecer os parâmetros do circuito, como as
indutâncias e capacitâncias. E aqui reside a grande dificuldade para os
sistemas industriais: o conhecimento das capacitâncias entre fases e
entre fases e terra, na fase de projeto. Por isso esse assunto não será
aqui aprofundado.
A fim de permitir um conhecimento inicial acerca da TRT, recomenda-se
a leitura do capítulo 17 – Tensão de Restabelecimento Transitória de
Disjuntores – do livro “Transitórios Elétricos e Coordenação de
Isolamento”, publicado por Furnas Centrais Elétricas, que versa sobre a
matéria.
Para a seleção de disjuntores, as normas representam a TRT por sua
envoltória.
Em sistemas com tensão nominal igual a ou abaixo de 100 kV,
alimentados através de transformadores, a TRT se aproxima de uma
oscilação amortecida de freqüência única. Essa forma de onda pode ser
adequadamente representada por uma envoltória consistindo de dois
segmentos de reta, definidos por meio de dois parâmetros.
A representação por dois parâmetros é conforme a figura seguinte.
tensão
uc -----------

u ---------- 



o td t t3 tempo
Onde:
uc = tensão de referência, valor de pico da TRT, em kV.
t3 = tempo para atingir uc, em microsegundos.
td = tempo de retardo, em microsegundos. td = 0,15 t3.
u’ = tensão de referência, em kV. u’ = uc/3.
t’ = é deduzido pela figura, partindo-se de u’, uc/t3 e td.
Para ilustrar, a norma apresenta em tabelas, como abaixo, os valores
que constituem os limites da tensão de restabelecimento transitória do
circuito que o disjuntor deve interromper.
4.3.Valores Nominais para outras condições de Funcionamento. (Não serão
aqui abordadas).
4.3.1. Capacidade de interrupção nominal de linhas em vazio
4.3.2. Capacidade de interrupção nominal de cabos em vazio
4.3.3. Capacidade de interrupção nominal de banco de capacitores
4.3.4. Capacidade de interrupção nominal em discordância de fases
4.4.Tensão nominal dos dispositivos de abertura e de fechamento e dos
circuitos auxiliares.
Devem ser escolhidos dentre os valores das tabelas abaixo.
CAPÍTULO 7
DEMARRADORES DE MOTORES DE MÉDIA TENSÃO
CONJUNTO CONTATOR + FUSÍVEL
IEC 62271-106 / 2011 = H-V SWITCHGEAR AND CONTROLGEAR – A.C.
CONTACTORS AND CONTACTOR-BASED CONTROLLERS AND MOTOR-
STARTERS.
1. Escopo
Contatores de corrente alternada e/ou conjuntos contatores+ fusíveis para
partida de motores, para instalação interna, para freqüências até 60Hz, e
para aplicação em sistemas com tensão nominal entre 1 e 24 kV.
A norma é aplicável tanto para contatores ou conjuntos de partida com
tensão plena (direct-on-line starters), quanto para conjuntos de partida com
tensão reduzida, como por exemplo, partidas com autotrafos, reostatos ou
reatores de partida.
A norma não é aplicável para conjuntos de partida compostos por
disjuntores.
2. Características nominais
2.1.Tensão Nominal (Ur)
É a maior tensão do sistema no qual o contator será aplicado. Os valores
normalizados são:
2,5 – 3,6 – 5,0 – 7,2 – 12 – 15 – 17,5 e 24 kV rms.
2.2.Nível de isolamento nominal
De acordo com a tabela 1a. Os níveis de isolamento nominais para as
tensões nominais 2,5 e 5 kV correspondem aos das tensões nominais 3,6
e 7,2 kV, respectivamente.
2.3.Frequência Nominal (fn)
50 ou 60 Hz.
2.4.Corrente operacional nominal (Ie) ou potência operacional nominal
São valores limites de correntes operacionais, estabelecidos pelos
fabricantes, e que levam em consideração a tensão nominal, a frequencia
nominal, o ciclo de trabalho nominal, a categoria de utilização e o tipo de
invólucro (montagem). No caso de conjuntos de partida para partida de
um motor com tensão plena, Ie pode ser substituída pela potência
operacional nominal do motor.
2.5.Corrente Nominal Suportável de Curta Duração (Ik)
É a maior corrente rms que o contator consegue conduzir durante um
intervalo de tempo curto, suficiente para o dispositivo externo de proteção
contra curto circuito operar. Os valores são estabelecidos pelos
fabricantes.
2.6.Duração Nominal do Curto Circuito (tk)
É o intervalo de tempo suficiente para a operação do dispositivo de
proteção contra curto circuito. É associado ao Ik. Valor normalizado = 1 s,
podendo ser 0,5 , 2 ou 3 s.
2.7.Corrente Nominal Suportável de Pico (Ip)
É o valor máximo de crista, associado ao 1º semi-ciclo da corrente de
curto circuito, que o contator suporta. Para
fn = 50 Hz  Ip = 2,5 Ik.
fn = 60 Hz  Ip = 2,6 Ik.
2.8.Corrente Nominal de Interrupção de Curto Circuito (Isc)
Para a combinação fusível + contator, é a maior corrente de curto circuito
prospectiva que o conjunto é capaz de interromper. Um valor da série R10
deve ser selecionado pelo fabricante do conjunto contator + fusível :
1 ; 1,25 ; 1,6 ; 2 ; 2,5 ; 3,15 ; 4 ; 5 ; 6,3 ; 8 e seus múltiplos de 10.
Aqui também se aplica o conceito de coordenação entre o dispositivo de
partida e o SCPD, da mesma forma que na IEC 60947.4.1 é aplicado para
demarradores de baixa tensão. Os tipos de coordenação normalizados
são:
Tipo “a”; qualquer dano ao contator é permitido, porém não é permitido
nenhum dano ao invólucro externo do conjunto.
Tipo “b”; é permitido dano ao relé de proteção contra sobrecarga e danos
aos contatos principais do contator e/ou às câmaras de extinção de arco.
Tipo “c”; só podem ser danificados os contatos principais do contator,
podendo necessitar substituição destes.
Onde não for aceitável nenhum tipo de dano aos contatos principais do
contator, um acordo entre o usuário e o fabricante deve ser feito.
O tipo de coordenação ao qual o conjunto atende somente pode ser
determinado por meio de ensaios.
2.9.Corrente Nominal de Estabelecimento de Curto Circuito (Ima)
Para a combinação contator + fusível, é o maior valor de pico da corrente
de curto circuito prospectiva que o conjunto é capaz de estabelecer.
Aqui também é aplicável o conceito de coordenação.
2.10. Ciclos de trabalho nominais
2.10.1. Contínuo
Ciclo no qual os contatos de força principais permanecem
fechados e conduzindo uma corrente em regime, sem interrupção,
por um período de tempo suficiente para ser atingido o equilíbrio
térmico e sem exceder os limites de elevação de temperatura
estabelecidos.
2.10.2. Intermitente ou intermitente periódico
Ciclos nos quais os contatos de força principais permanecem
fechados e abertos durante períodos definidos, para os quais
pode ser estabelecida uma relação fixa entre os períodos de
carga e não-carga. Nesses períodos, o equilíbrio térmico não
chega a ser atingido. São eles:
Classe 1 : até um ciclo de operação por hora.
Classe 3 : até três ciclos de operação por hora.
Classes 12, 30, 120, 300 : idem acima, em número de operações
por hora.
2.10.3. Temporário
Semelhante ao intermitente, porém os períodos de não-carga são
suficientemente longos, de tal forma que o conjunto de partida
atinge a temperatura do meio externo ao redor do mesmo. Os
valores são: 10, 30, 60 e 90 min com os contatos principais
fechados.
2.11. Relação entre as capacidades de estabelecimento e de
interrupção nominais e a corrente nominal.
Deve ser seguida a tabela 10. Lembrar que categoria AC-3 é partida e
parada não intermitentes de motor de indução rotor em gaiola.
FUSÍVEIS DE MÉDIA TENSÃO
1. Normalização
1.1.ABNT
NBR 8669 / 1984 = Dispositivos Fusíveis Limitadores de Corrente
1.2.IEC
IEC 60282-1 / 2009 = High Voltage Fuses – Part 1: Current-Limiting fuses
2. Valores nominais
2.1.Tensão nominal da base ou do fusível
ABNT 3,2 4,16 6,6 13,8 23 34,5 43 69 kV
IEC SÉRIE I 3,6 7,2 12 17,5 24 36 40,5 52 72,5 kV
(utilizada na Europa)
IEC SÉRIE II 2,75 5,5 8,25 15 15,5 25,8 38 48,3 72,5 kV
(utilizada nos EUA e Candá)
2.2.Corrente Nominal da Base
ABNT: 10 25 63 100 200 400 600 A
IEC: 10 25 63 100 200 400 630 1000 A
2.3.Nível de Isolamento Nominal da Base
ABNT: tabela 3.
IEC: tabelas 4 e 5.
2.4.Corrente Nominal do Fusível
ABNT: a critério do fabricante.
IEC: série R10, preferencialmente, ou R20.
R10: 1 1,25 1,6 2 2,5 3,15 4 5 6,3 8 e seus múltiplos de 10.
R20: 1 1,12 1,25 1,40 1,60 1,80 2 2,24 2,5 2,8 3,15 3,55 4
4,5 5 5,6 6,3 7,1 8 9 e seus múltiplos de 10.
2.5.Capacidade de Interrupção Nominal do fusível
ABNT: a critério do fabricante.
IEC: a critério do fabricante porém deve ser tirada da série R10.
2.6.Freqüência Nominal
ABNT: 60 HZ
IEC: 50 ou 60 HZ
2.7.Corrente Mínima de Interrupção Nominal (somente para os fusíveis de
retaguarda)
ABNT: a critério do fabricante
IEC: a critério do fabricante
2.8.Tensão de Restabelecimento Transitória (TRT) Nominal
ABNT: a representação da TRT é feita de maneira idêntica à feita no caso
de disjuntores, e os valores padronizados estão na tabela 4.
IEC: idem, valores estão nas tabelas 9 e 10.
CAPÍTULO 8
EXERCÍCIOS
1. Considere um motor de indução trifásico rotor em gaiola acionando um
ventilador, alimentado a partir de um painel centro de controle de
motores (CCM), 480 V nominal, onde o nível máximo de curto circuito é
12 kA. Os dados de placa do motor são: 50 cv, 440 V nominal, 65 A
nominal, corrente de rotor travado 410 A, tempo máximo permitido com
rotor travado 15 s, fator de serviço 1,0. Considere o tempo de
aceleração 5 s.
Especificar todos os componentes da gaveta do CCM, considerando a
configuração: disjuntor em caixa moldada, contator e relé de sobrecarga
térmico. Use os requisitos da norma NFPA 70, artigo 430.
Escolha os componentes adequados para esse motor, consultando as
informações disponíveis nos websites dos fabricantes. Para a escolha
do disjuntor em caixa moldada sugerimos que consulte as informações
técnicas do modelo Sace Tmax Tgeneration no site da ABB :
http://www.abb.com/product/seitp329/b33882d222a164a4c1257a9b0036
a400.aspx?productLanguage=us&country=BR.
Para a escolha dos contatores e dos relés térmicos, sugerimos que
consulte as informações técnicas no site da Siemens:
http://www.industry.siemens.com.br/automation/br/pt/dispositivos-baixa-
tensao/Reles/reles-de-sobrecarga/3ru/Documents/01.pdf.
Ou no site da Schneider:
http://download.schneider-
electric.com/files?p_Reference=DIA1ED1080304EN&p_EnDocType=Bro
chure&p_File_Id=306642402&p_File_Name=DIA1ED1080304_BD.pdf.
http://download.schneider-
electric.com/files?p_File_Id=84729665&p_File_Name=DIA1ED2040401
EN_bd.pdf.
Plote as curvas dos componentes de proteção do motor em um gráfico
corrente x tempo, escalas logarítmicas nos dois eixos, mostrando a
adequabilidade dos componentes escolhidos.
2. Considere um centro de distribuição de cargas em 480 V, dois
disjuntores de entrada e um de interligação, o qual opera normalmente
aberto, suprido por dois transformadores 4160 V delta – 480 V estrela,
1000 kVA ONAN / 1150 kVA ONAF, impedância 5% na base da potência
com ventilação natural e X/R=6. O neutro do transformador é
solidamente aterrado. O nível de curto-circuito no primário dos trafos é
conhecido: 250 MVA.
Especificar completamente os disjuntores de entrada do CDC, de acordo
com os requisitos da NBR IEC 60947-2, mencionando se para algum
item da especificação o fabricante deve ser consultado. Lembrar que os
disjuntores são “aberto tipo força”. As cargas são de pequena potência e
podem ser desprezadas para o cálculo do curto-circuito.
Consulte os websites da ABNT e do fabricante Schneider Electric,
busque as características técnicas dos disjuntores Masterpact NT ou
NW e escolha o modelo mais adequado para essa aplicação.
http://download.schneider-
electric.com/files?p_File_Id=326079669&p_File_Name=LVPED208008E
N-%28web%29.pdf
3. Considere um centro de distribuição de cargas (CDC) na tensão de 4,16
kV, suprido por um transformador de 5 MVA, 69 kV delta – 4,16 kV
estrela, impedância 7%, X/R=15. O neutro do transformador é aterrado
através de um resistor de aterramento de 6 ohm. O nível de curto-
circuito no primário do transformador, em 69 kV, é conhecido: 2450 A
para o curto trifásico e 1250 A para o curto fase-terra. Na entrada do
CDC existem três transformadores de corrente (TC) para proteção, que
suprem três relés eletromecânicos de sobrecorrente temporizados, um
por fase. A carga que cada relé impõe ao secundário de cada TC é 36
VA, referida a 5 A.
Especifique completamente os TCs, de acordo com os requisitos da
ABNT NBR 6856. Escolha a opção técnica e econômica mais adequada.
Face à elevada impedância das entradas de corrente dos relés
eletromecânicos, a impedância dos cabos de interligação desde cada
TC até cada relé, bem como a resistência dos enrolamentos secundários
dos TCs podem ser desprezadas.
Veja quais são os requisitos para a especificação dos TCs, estudando o
texto da NBR 6856, no website da ABNT.
http://www.abntcolecao.com.br/java/viewnormajava.aspx?Q=56AE2EFC
68F28B4B2B34A8B0923177E50C21560FE234D19E&Req=
4. Considere o texto do exercício anterior. Na entrada do CDC de 4,16 kV
existe um disjuntor de média tensão, a vácuo. A interligação do
transformador ao CDC é através de cabos em eletrodutos metálicos
subterrâneos e a impedância desses cabos pode ser desprezada.
Especifique completamente o disjuntor, de acordo com a norma IEC
62271-100, a qual pode ser consultada através do website da ABNT ou
da IEC. Não dispomos de dados para o cálculo da TRV, mas explique o
que é isso.
Escolha o modelo de disjuntor mais adequado do fabricante Schneider,
modelo Evolis, pesquisando as características técnicas dos mesmos no
website daquele fabricante.
http://www.schneider-electric.com/products/br/bz/3100-disjuntores-
modulares-e-conatores-de-mt/3110-disjuntores-para-areas-internas/941-
evolis/
5. Considere um centro de distribuição de cargas (CDC) em 13,8 kV,
suprido por um transformador abaixador de 20 MVA, 115 kV delta - 13,8
kV estrela, impedância 8%, X/R=22. O neutro do transformador é
aterrado através de resistor de 20 ohm.
O nível de curto-circuito no primário do transformador, em 115 kV, é
conhecido: 5000 MVA, com X/R=8. A interligação do transformador ao
CDC é através de cabos em eletrodutos metálicos subterrâneos e a
impedância desses cabos pode ser desprezada.
Especifique completamente o disjuntor de entrada deste CDC, de acordo
com as exigências da IEC 62271-100, a qual pode ser consultada
através do website da ABNT ou da IEC. Não dispomos de dados para o
cálculo da TRV, mas explique o que é isso.
Escolha o modelo de disjuntor mais adequado do fabricante Siemens,
modelo 3AH, pesquisando as características técnicas dos mesmos no
website daquele fabricante.
http://w3.siemens.com/powerdistribution/global/SiteCollectionDocuments
/en/mv/indoor-devices/vacuum-circuit-breaker/3ah3/catalogue-vacuum-
circuit-breakers-3ah3_en.pdf
http://w3.siemens.com/powerdistribution/global/SiteCollectionDocuments
/en/mv/indoor-devices/vacuum-circuit-breaker/3ah5/catalog-vacuum-
circuit-breakers-3ah5_en.pdf
6. Considere um motor síncrono com os seguintes dados de placa: 4000 V,
1375 cv, 155 A nominal, 700 A de rotor travado, fator de serviço 1,0,
tempo max permitido com rotor travado partindo do estado frio 17 s,
tempo max permitido com rotor travado partindo do estado quente 13 s.
Considere o tempo de aceleração 6,0 s.
O motor é suprido a partir de um centro de controle de motores de 4,16
kV, onde o nível máximo de curto-circuito é 9,5 kA.
Selecione os fusíveis de força e o contator tripolar de força. Considere
os requisitos das normas IEC 62271-106 e IEC 60282-1, as quais
podem ser consultadas no site da ABNT ou da IEC.
Selecione qual seria o modelo mais adequado de fusível consultando o
website do fabricante CooperBussmann.
http://www1.cooperbussmann.com/pdf/68a3b44a-5c57-46e8-93b5-
663e314b2430.pdf
http://www.cooperindustries.com/content/dam/public/bussmann/Electrical
/Resources/product-datasheets-b/Bus_Ele_DS_6001_JCK_JCK-
A_JCL_JCL-A.pdf
Selecione qual seria o modelo de contator a vácuo mais adequando
consultando o site do fabricante Schneider.
http://download.schneider-
electric.com/files?p_File_Id=9850500&p_File_Name=AMTED302059EN
%28web%29.pdf
http://download.schneider-
electric.com/files?p_File_Id=3081709&p_File_Name=46032-700-02D.pdf
Apostila equipamento

Apostila equipamento

  • 1.
    Universidade Federal deJuiz de Fora Engenharia Elétrica Programa de Formação de Recursos Humanos – PRH-PB214 Equipamentos Elétricos Industriais Material Didático Armando Lucio Bordignon bordignon.armando@gmail.com Pesquisador visitante UFJF UFJF – Juiz de Fora - MG 2ª Edição Abril de 2014
  • 2.
    CAPÍTULO 1 SISTEMAS ELÉTRICOSINDUSTRIAIS TÍPICOS E PAINÉIS ELÉTRICOS 1. Normas de referência NBR IEC 60439-1 – 2003 – Conjuntos de manobra e controle de baixa tensão. Parte 1: Conjuntos com ensaio de tipo totalmente testados (TTA) e conjuntos com ensaios de tipo parcialmente testados (PTTA). IEC 61439 – 1 – 2011 – Low-Voltage Switchgear and Controlgear Assemblies – General Rules. NBR IEC 62271-200 – 2007 – Conjunto de manobra e controle de alta-tensão em invólucro metálico para tensões acima de 1 kV até e inclusive 52 kV NBR IEC 60694 – 2006 – Especificações comuns para normas de equipamentos de manobra de alta tensão e mecanismos de comando. IEC 62271-1 – 2011 – High-Voltage Switchgear and Controlgear – Common Specifications. Nota do autor: A IEC 61439-1, publicada no início de 2009 e revisada em 2011, substituiu a IEC 60439-1. A NBR IEC 60439-1 (2003), que continua em vigor no Brasil nesta data, é uma tradução da IEC de mesmo número. Ou seja, a norma válida no Brasil está baseada em uma norma que está superada na comunidade internacional. E essa situação persistirá até que a ABNT se adeque à realidade da normalização internacional. É importante mencionar que existem diferenças relevantes e incompatibilidades entre ambas, as quais serão tratadas adiante. Da mesma forma, a NBR IEC 60694 – 2006, embora válida atualmente no Brasil, é uma tradução de uma norma que está superada na comunidade da IEC. 2. Sistemas elétricos industriais típicos Comumente uma planta industrial grande, como uma grande refinaria de petróleo ou uma grande usina siderúrgica por exemplo, tem uma carga elétrica total que pode chegar a 100 MVA. Uma carga dessa magnitude geralmente é atendida por geradores próprios e também através da concessionária de energia elétrica local, geralmente em tensões de 138 ou 230 kV ou superiores.
  • 3.
    É usual queos geradores, quando existentes, sejam de potências nominais de algumas dezenas de MVA, como por exemplo, de 10 a 40 MVA. Os geradores tem tensão nominal de 13,8 kV (a mais comum), podendo chegar a 18 kV. Na grande maioria dos casos, são máquinas acionadas por turbinas a vapor ou turbinas a gás. O sistema elétrico típico e simplificado, na parte do suprimento de energia, seria conforme a figura 1. Figura 1 Na figura 1, os geradores e o suprimento externo pela concessionária estão interligados diretamente a um único barramento de distribuição e as fontes operam em paralelo. Em instalações industriais, este barramento e mais os disjuntores de entrada e de saída compõe um painel elétrico denominado “centro de distribuição de cargas” (CDC) principal. O número e as potências nominais dos geradores e dos transformadores de interligação com o suprimento externo são variáveis, de indústria para indústria, e são uma função da carga instalada e da previsão de ampliação. Há indústrias que privilegiam a geração própria, por já disporem do vapor em seu processo industrial ou por disporem de suprimento de gás natural, e outras que maximizam a compra de energia elétrica das concessionárias. Muitas nem sequer tem geração própria. Se a potência instalada for elevada e considerando que todas as fontes podem operar em paralelo, é de se esperar que o nível de curto-circuito neste CDC principal seja elevado, o que o encarece, especialmente os disjuntores, visto que estes devem ter capacidade de interrupção compatível com o nível de curto-circuito no ponto onde estão instalados. Uma topologia alternativa, que visa reduzir o nível de curto-circuito e, por conseguinte, baratear os equipamentos, seria paralelar as fontes através de um barramento de sincronismo (BS) e reatores limitadores de curto-circuito (RLC), como mostrado na figura 2 abaixo.
  • 4.
    Figura 2 Nessa topologia,é possível dimensionar as indutâncias dos reatores de forma a se ter uma redução significativa do nível de curto-circuito em cada CDC. Quando comparada com a da figura 1, utiliza um número maior de disjuntores e também os reatores limitadores de curto-circuito, mas permite que sejam utilizados disjuntores com menor capacidade de interrupção de corrente. Se não houver limitação de espaço e peso, como há em navios ou plataformas de produção de petróleo, as duas configurações podem ser comparadas em termos de custo, a fim de se buscar a mais atraente. Há outras topologias adotadas pelas indústrias. A tensão mais comumente utilizada para a distribuição industrial é 13,8 kV, podendo ser utilizadas tensões ligeiramente maiores que 13,8 kV ou menores, como 6,6 ou 4,16 kV. Os alimentadores são compostos por cabos elétricos em instalação aérea ou instalação subterrânea e tem a finalidade de levar a energia desde a subestação principal até as subestações consumidoras. A instalação subterrânea é a mais utilizada nas indústrias, por não restringir a movimentação de equipamentos e bens (como guindastes, por exemplo), o que acontece com a aérea. Geralmente são utilizados eletrodutos metálicos (o mais utilizado) ou de material plástico. Os eletrodutos são agrupados em valas e concretados externamente, a fim de oferecer proteção mecânica aos mesmos. Outra alternativa mais barata e menos segura para a instalação dos alimentadores seria aquela com cabos diretamente enterrados. É comum em uma grande indústria que um par de alimentadores seja dedicado exclusivamente a uma unidade do processo, se essa unidade for importante para a continuidade operacional da planta. Um par aqui significa um reserva do outro e partindo de barramentos distintos do(s) CDC(s) principais, ou seja, em condição normal de operação, cada alimentador provém de uma fonte e supre metade das cargas da unidade. Lembrem-se que uma planta industrial de grande porte tem geralmente várias unidades de processo, algumas perto da subestação principal e outras distantes, às vezes a alguns quilômetros. Cada alimentador pode ter um ou mais condutores por fase, dependendo da carga e de seu comprimento.
  • 5.
    As cargas elétricasde uma planta industrial são aquelas compatíveis como seus processos. Por exemplo, em uma planta petroquímica ou uma refinaria de petróleo ou uma planta de papel e celulose, a maioria das cargas são motores elétricos de indução ou motores síncronos. Os principais equipamentos acionados são bombas, ou compressores ou sopradores ou ventiladores, etc. Há também cargas resistivas para aquecimento, iluminação, etc. Em uma usina siderúrgica, além dos motores, há cargas elétricas de outra natureza nos fornos e altos-fornos, bem como nos sistemas de lingotamento e laminadores. Em vários processos há cargas rotativas que necessitam velocidade de rotação variável, o que no passado era atendido por motores de corrente contínua. Hoje são utilizados conversores estáticos de frequência (variable speed drives) associados a motores de indução para atender a essa demanda. O par de alimentadores dedicado a uma unidade de processo alimenta a subestação da unidade. Nela, a tensão de distribuição, geralmente 13,8 kV, é utilizada para a alimentação dos grandes motores (geralmente acima de 5 MW) e baixada para outros níveis de utilização, compatíveis com as cargas. Isso é mostrado de forma simplificada no diagrama unifilar da figura 3.
  • 6.
  • 7.
    Como pode serobservado, as cargas elétricas da unidade são distribuídas, de acordo com suas potencias nominais, entre os vários níveis de tensão de utilização. Cada indústria tem sua cultura particular nesse quesito, mas pode- se dizer que quanto maior a carga, maior deve ser a tensão nominal do sistema a partir do qual ela será alimentada. Isso é necessário para harmonizar a queda de tensão em regime permanente ou durante a partida da carga, no sistema todo. É obvio que essa decisão não é puramente técnica, mas leva em conta também aspectos econômicos, como os decorrentes da padronização das tensões nominais dos sistemas e das cargas. As tensões nominais dos sistemas mais utilizadas são 13,8 kV, 6,6 ou 4,16 kV e 480 V. Essas tensões, exceto o 6,6 kV, são sugeridas pela literatura e pela normalização norte-americanas e foram adotadas pela maioria das indústrias brasileiras. E as tensões nominais dos equipamentos seriam 13,2 kV, 4 kV e 460 ou 440 V. A distribuição das cargas de diferentes potências de uma unidade de processo entre os vários níveis de tensão é mostrada de forma aproximada na figura 3. É importante insistir que esse critério tem bases técnicas fortes e também econômicas (culturais) decorrentes da padronização, mas não pode ser generalizado para outras indústrias. Observem também que o sistema elétrico tenta retratar a redundância que normalmente existe ou é exigido no processo. Ou seja, se para executar um determinado bombeio, há duas bombas, sendo uma reserva da outra, é natural que o sistema elétrico seja também projetado redundante, como o mostrado na figura 3, onde há dois transformadores de média tensão e dois de baixa tensão. Em tese, a unidade tem condição de continuar operando se houver um defeito seguido de desligamento em um dos alimentadores ou em um dos transformadores abaixadores. Para que a unidade continue a operar, basta que os disjuntores de interligação dos CDCs, tanto de média quanto de baixa tensão, marcados como NA (opera normalmente aberto), sejam fechados após o trecho do circuito defeituoso ser isolado. E o sistema elétrico continua disponível. 3. Tipos de Painéis - Classificação comumente encontrada nas indústrias Tomando ainda por base a figura 3, temos: 3.1.Centro de Distribuição de Carga – CDC O centro de distribuição de carga pode ser de “média tensão” (13.8 ou 4.16 kV) ou baixa tensão (480 V). Outras tensões diferentes destas podem ser utilizadas. Lembrar que, pela definição da ABNT, qualquer tensão abaixo de ou igual a 1 kV é chamada de baixa e qualquer tensão acima de 1 kV é chamada de alta. Em geral, na “média tensão”, este tipo de painel é formado por uma ou mais colunas blindadas em invólucros metálicos. Cada coluna contém um
  • 8.
    segmento do barramentoprincipal e um conjunto de manobra, geralmente um disjuntor em execução extraível, associado com controle, medição, proteção e equipamento de regulação. Em princípio, o CDC principal da planta é suprido por um ou mais geradores de energia elétrica e/ou um ou mais transformadores de interligação com a concessionária, e tem a finalidade de distribuir a energia às subestações consumidoras. Os CDCs de média tensão de uma subestação de uma unidade de processo alimentam diretamente os motores com potencias superiores a 1,5 MW aproximadamente e também os centros de controle de motores (CCM) de média tensão. Na baixa tensão, o painel CDC é formado por colunas em invólucros metálicos, sendo que uma coluna pode abrigar um ou mais disjuntores, geralmente disjuntores abertos tipo força, em execução extraível. Cada disjuntor pode ser associado a dispositivos de controle, medição e proteção. O centro de distribuição de cargas de baixa tensão é suprido por transformadores abaixadores ou por geradores. O CDC de baixa tensão supre diretamente os motores de baixa tensão de maior potência (geralmente compreendidos entre 75 e 200 CV) e os centros de controle de motores. Notem que, quando falamos de CDC, seja em baixa ou média tensão, estamos nos referindo a painéis que tem disjuntores unicamente como elementos de manobra. 3.2. Centro de controle de motores - CCM Os centros de controle de motores podem ser de média ( 2.4 ou 4.16 kV ) ou baixa tensão (480 V). O CCM é composto por um conjunto de cubículos, onde cada cubículo contém dispositivos de seccionamento associados com controle, medição, proteção e equipamento de regulação. É utilizado para o controle das cargas elétricas, na maioria dos casos para a partida e parada dos motores elétricos. Na baixa tensão, os cubículos ou gavetas contém um dispositivo de seccionamento, um dispositivo de proteção contra curto circuito, um dispositivo de controle (um contator) e um dispositivo de proteção contra sobrecarga. A função é comandar e proteger os motores com potências nominais inferiores ou iguais a 75 CV. Na média tensão, os cubículos contém os mesmos dispositivos que na baixa tensão, porém a proteção geralmente é feita por fusíveis e mais um relé multi-função específico para a proteção de motores. São comandados os motores com potências nominais iguais ou superiores a 200 CV. O limite superior de potência dos motores é determinado pelas características nominais do dispositivo de controle ou dos fusíveis. Os CCMs de média tensão são para utilização em sistemas com tensões nominais de até no máximo 7,2 kV, devido às tensões nominais dos contatores disponíveis no mercado.
  • 9.
    4. Características Ambientais 4.1.Instalação Opainel pode ser projetado para instalação “indoor” (abrigada) ou “outdoor” (não abrigada). Na maioria das instalações industriais, os painéis são instalados em salas de painéis, ou seja, em instalação abrigada, protegida das condições adversas do ambiente industrial. 4.2.Condições Ambientais 4.2.1. Condição de Serviço Normal Se um painel for instalado em um ambiente que atenda a todos os requisitos abaixo listados, é dito que ele atende às condições de serviço normais. 4.2.1.1. Temperatura do ar ambiente para instalação abrigada. A temperatura do ar ambiente não excede a + 40ºC e sua média sobre um período de 24 horas não excede a + 35ºC. A temperatura mínima limite do ar ambiente é -5ºC (para instalações no Brasil), podendo ainda ser utilizada -15ºC ou -25ºC. 4.2.1.2. Condições atmosféricas para instalação abrigada Para painéis de baixa tensão que atendem a NBR IEC 60439-1, o ar é limpo e sua umidade relativa não excede 50% a uma temperatura máxima de + 40ºC. Altas umidades relativas podem ser permitidas a temperaturas baixas, por exemplo, 90% a + 20ºC. Para painéis de média tensão que atendem a NBR IEC 60694, o ar é limpo e sua umidade relativa não excede 95%, medida por um período de 24 h ou não excede 90%, sob um período de um mês. 4.2.1.3. Altitude A altitude do local de instalação não excede 1000 m, pela NBR IEC 60694, para painéis de média tensão, ou 2000 m para painel de baixa tensão, de acordo com a NBR IEC 60439-1. 4.2.1.4. Radiação solar A influência da radiação solar é insignificante e pode ser desprezada.
  • 10.
    4.2.1.5. Vibração devidaa causas externas A influência é insignificante e pode ser desprezada. 4.2.1.6. Compatibilidade eletromagnética para painéis de média tensão A tensão não ultrapassa 1.6 kV em modo comum, para o grau de severidade EMC normal, e 0.8 kV em modo comum, para o grau de severidade EMC reduzida, nas interfaces do sistema secundário, como resultado de chaveamentos no sistema de alta tensão. 4.2.2. Condições Especiais de Serviço Quando uma ou mais das condições de serviço normais não for atendida, o painel deve ser enquadrado nas condições especiais de serviço e o requerimento particular deverá ser aplicado ou um acordo especial deverá ser feito entre usuário e fabricante. Condições especiais de serviço são, por exemplo: a) Valores de temperatura, umidade relativa e/ou altitude diferentes das especificadas anteriormente. b) Poluição pesada do ar por sujeira, fumaça, partículas radioativas ou corrosivas. c) Exposição a campos elétricos e magnéticos fortes. d) Exposição a pesadas vibrações e choques. e) Instalação em áreas classificadas. 5. Características Elétricas 5.1. Tensão nominal Um painel é definido pelas seguintes tensões nominais dos vários circuitos. 5.2. Tensão nominal de operação A tensão nominal do painel (Ur) deve ser igual ou superior ao maior valor de tensão do sistema onde o painel será utilizado. Para circuitos polifásicos, ela é a tensão entre fases. São as seguintes as tensões nominais normalizadas (máxima tensão de operação), para painéis de média tensão. a) Série I: 3,6 - 7, 2 - 12 - 17,5 - 24 - 36 kV e outras superiores b) Série II (valores praticados na América do Norte) 4,76 - 8,25 - 15 - 25,8 - 38 kV e outras superiores
  • 11.
    5.3. Nível deisolamento nominal O termo se refere aos valores de tensão que são aplicados nos testes dielétricos : tensão de impulso nominal e tensão aplicada a freqüência industrial nominal. São tabelados valores para ensaios entre fases e entre fases e terra e também entre a distância de seccionamento, em função da tensão nominal de operação. 5.4. Corrente nominal
  • 12.
    É a corrente,expressa em valor eficaz, que pode ser conduzida continuamente por um circuito, sem elevar a temperatura das várias partes que o compõem a valores acima dos limites especificados. Barramento Os valores de correntes nominais normalizados para o circuito principal são derivados da serie R10 e são os seguintes: 400 A – 500 A - 630 A – 800 A – 1000 A – 1250 A - 1600 A – 2000 A - 2500 A – 3150 A – 4000 A. 5.5. Corrente suportável nominal de curta duração A corrente suportável de curta duração de um circuito é o valor r.m.s da corrente que este circuito pode carregar durante um intervalo de tempo curto e pré-definido. O intervalo de tempo mais comumente utilizado é 1s, podendo, no entanto, ser utilizados 0,5 ou 2 ou 3 s. Barramento Os valores normalizados de corrente suportável de curta duração para o circuito principal são os seguintes 8 kA – 10 kA - 12,5 kA - 16 kA - 20 kA – 25 kA – 31,5 kA - 40 kA – 50 kA – 63 kA. 5.6. Valor de crista nominal da corrente suportável É o valor instantâneo de pico associado ao primeiro semi-ciclo da corrente suportável nominal de curta duração. É igual a 2,6 vezes o valor eficaz da corrente suportável nominal de curta duração. A NBRIEC admite, caso o sistema onde o painel for aplicado requeira, solicitar do fabricante valores superiores a 2,6. Para explicação sobre o fator 2,6, consulte o item 4.2.6 do capítulo 6. 5.7.Freqüência nominal No Brasil 60 Hz. Há outras freqüências normalizadas. 6. Características Construtivas 6.1.Grau de proteção O grau de proteção provido pelos invólucros ou carcaças contra contatos com partes vivas e ingresso de sólidos e líquidos é indicado pela designação IP........., seguida por dois algarismos, de acordo com a NBR
  • 13.
    IEC 60529. Oprimeiro algarismo designa o grau de proteção contra a penetração de corpos sólidos e o segundo o grau de proteção contra ingresso d’água. Para painéis em instalações abrigadas, onde não é requerida proteção contra ingresso de água, o segundo algarismo é a letra X, e o grau de proteção contra a penetração de corpos sólidos deve ser escolhido de acordo com a tabela 6 da NBR IEC 60694. Onde é requerido grau de proteção contra ingresso de água, o segundo algarismo deve ser escolhido de acordo com a tabela 2 do anexo A. 6.2. Classificação dos tipos construtivos de painéis de média tensão, de acordo com a ABNT. O anexo C da NBR IEC 62271-200, cuja cópia vem a seguir, contém notas explicativas sobre a citada classificação, comparando-a com a antiga classificação, da IEC 60298. A título de informação, lembro que as indústrias mais exigentes em termos de segurança e continuidade operacional adotam as seguintes exigências para painéis de média tensão:  Os compartimentos com disjuntores devem ter classificação de categoria de perda de continuidade de serviço LSC2B-PM, o que significa que a unidade funcional (coluna) contém geralmente quatro compartimentos distintos com partições metálicas e que há continuidade de serviço para os outros compartimentos da
  • 14.
    unidade funcional quecontém o dispositivo de força principal aberto.  Os compartimentos com contatores de força devem ter classificação LSC2A, sendo aceitável LSC2B. A categoria LSC2A diz que não há continuidade de serviço da unidade funcional que contém o dispositivo de força principal aberto.  O painel deve ter classificação para arco interno preferencialmente IAC BF (face frontal com categoria de acessibilidade a público geral), podendo ser aceito painel com classificação IAC AF (face frontal com categoria de acessibilidade somente a pessoal autorizado). A escolha entre um ou outro depende das características de acessibilidade ao local onde o painel será instalado. 6.3. Classificação dos tipos construtivos de painéis de baixa tensão, de acordo com a NBR IEC 60439-1. A norma contempla dois tipos construtivos: o TTA e o PTTA. Abaixo constam as descrições dos dois tipos e as listas de ensaios que caracterizam um e outro.
  • 16.
    RESUMO DA IEC61439-1. 1. APLICAÇÃO A norma é aplicável a conjuntos de manobra e controle de baixa tensão que se enquadrem nas seguintes condições:  Tensão nominal inferior a 1000 V AC ou 1500 V DC.  Conjuntos estacionários ou móveis, com ou sem invólucro externo.  Conjuntos projetados para serem conectados à geração, transmissão, distribuição e conversão de energia elétrica, e para o controle de equipamentos consumidores de energia elétrica.  Cobre também conjuntos projetados para utilização em condições especiais, como por exemplo, em navios, em trens ou metrô, em atmosferas explosivas, como partes elétricas de máquinas, e para aplicações domésticas. Para estes casos, os conjuntos podem ser cobertos por outras normas IEC complementares. A norma não é aplicável a componentes elétricos individuais. Para estes, existem outras normas específicas. 2. MUDANÇAS EM RELACÃO À IEC 60439-1. Os principais pontos de divergência com a antiga IEC 60439-1, que deu origem à NBR IEC 60439-1, são:
  • 17.
    2.1.A IEC 61439-1acabou com a classificação dos painéis entre TTA (conjunto com ensaios de tipo totalmente testado) ou PTTA (conjunto com ensaios de tipo parcialmente testado). Introduziu três diferentes tipos de verificação dos requisitos de projeto:  Verificação por testes.  Verificação por cálculos e medidas.  Verificação por satisfazer as regras de projeto. 2.2.A IEC 61439-1 melhorou os requisitos acerca de elevação de temperatura. 2.3.Na IEC 61439-1, o fator de diversidade nominal (RDF) foi explorado com mais detalhes. 3. CARACTERÍSTICAS DAS INTERFACES 3.1.Geral As características do conjunto devem assegurar compatibilidade com os valores nominais dos circuitos aos quais o conjunto está conectado e as condições da instalação. Essas características devem ser especificadas pelo usuário e asseguradas pelo fabricante. São elas:  Tensão nominal Un.  Tensão nominal operacional Ue, que pode ser para todo o painel ou para os circuitos individuais. Pode ou não ser igual a Un.  Tensão nominal de isolamento Ui.  Tensão nominal de impulso Uimp.  Corrente nominal do painel Ina.  Corrente nominal de um circuito Inc.  Fator de diversidade nominal RDF, aplicável para o painel todo ou para um grupo de circuitos.  Corrente nominal de pico suportável Ipk.  Corrente suportável nominal de curta duração Icw. Está sempre associada a um intervalo de tempo, que pode ser p. ex. 0,2 ou 1 ou 3 s.  Corrente nominal condicional de curto circuito Icc.  Freqüência nominal fn.
  • 18.
    3.2.Outras características Devem serdeclaradas pelo usuário e confirmadas pelo fabricante, quando aplicável:  Grau de poluição.  Tipo de aterramento do sistema.  Instalação abrigada ou desabrigada.  Conjunto estacionário ou móvel.  Grau de proteção IP.  Concebido para uso por profissional habilitado ou não.  Etc. 4. VERIFICAÇÃO DO PROJETO 4.1.O projeto do conjunto de manobra e controle de baixa tensão deve ser enquadrado em um dos três diferentes tipos de verificação, de acordo com a tabela abaixo.
  • 19.
    7. Arco internopara painéis de média tensão O método para o ensaio de arco devido à falta interna, que é um ensaio de tipo, está descrito no anexo A da NBR IEC 62271-200. Deve-se lembrar que, quando exigido, os parâmetros do ensaio devem ser objeto de acordo entre o usuário e o fabricante, devendo o usuário especificar o valor da corrente de arco e a duração. Os objetivos principais do ensaio são: garantir que não há dano físico a uma pessoa colocada próxima ao painel quando da ocorrência de arco interno e também que o defeito não se propaga para os compartimentos vizinhos. ANEXO A TABELA 2 – Grau de proteção indicada pelo segundo numeral característico Segundo Numeral característico Grau de proteção Descrição sucinta Proteção dada 0 Não Protegido Nenhuma proteção especial 1 Protegido contra quedas verticais de gotas d’água As gotas d’água (caindo na vertical) não devem ter efeitos prejudicais 2 Protegido contra queda de gotas d’água para uma inclinação máxima de 15º A queda de gotas d’água vertical não deve ter efeitos prejudiciais quando o invólucro estiver inclinado de 15º para qualquer lado de sua posição normal 3 Protegido contra água aspergida Água aspergida de um ângulo de 60º da vertical não deve ter efeitos prejudiciais 4 Protegido contra projeções d’água Água projetada de qualquer direção contra o invólucro, não deve ter efeitos prejudiciais 5 Protegido contra jatos d’água Água projetada de qualquer direção por um bico contra o invólucro, não deve ter efeitos prejudiciais 6 Protegido contra ondas do mar Água proveniente de ondas ou projetada em jatos potentes não deve penetrar no invólucro em quantidade prejudiciais 7 Protegido contra imersão Não deve ser possível a penetração de água, em quantidades prejudiciais, no interior do invólucro imerso em água, sob condições definidas de tempo e pressão 8 Projeto contra submersão O equipamento é adequado para submersão contínua em água, nas condições especificadas pelo fabricante. Nota: Normalmente, isto significa que o equipamento é hermeticamente selado, mas para certos tipos de equipamentos, pode significar que a água pode penetrar em quantidade que não provoque efeitos prejudiciais
  • 20.
    Nota: A descriçãosucinta da coluna 2 não deve ser usada para especificar a forma de proteção. Deve ser usada somente como abreviação.
  • 26.
    CAPÍTULO 2 CENTRO DECONTROLE DE MOTORES DE BAIXA TENSÃO NFPA 70 - NEC 2014– ARTIGO 430 – MOTORES E CIRCUITOS DE MOTORES Observação: as normas do NFPA (National Fire Protection Association), dos EUA podem ou não ser usadas como guias no Brasil. Não há exigência para que aqui elas sejam adotadas. Em se tratando da seleção dos componentes para o controle e a proteção de motores elétricos de baixa tensão, as regras do artigo 430 do NFPA 70 são bastante conhecidas, aceitas e utilizadas tanto pelos usuários quanto pelos fabricantes de painéis de baixa tensão, no Brasil. Não há no acervo da ABNT ou da IEC nenhuma norma que contenha um conjunto de regras tão bem organizadas para a seleção dos componentes elétricos citados. Por esse motivo, as regras do artigo 430 do NFPA serão explicadas e adotadas nesta apostila para a seleção dos componentes de uma gaveta de um CCM de baixa tensão. 1. Diagrama 430-1
  • 27.
    2. Meio dedesconexão Deve ter capacidade de interromper a corrente de rotor bloqueado do motor. Deve ter possibilidade de ser mecanicamente travado na posição “aberto” quando for instalado “não à vista” do motor. Deve desconectar também a tensão de controle do dispositivo de controle. Tipos de componentes aceitáveis:  Chave de ramal de motor dimensionada em HP.  Disjuntor em caixa moldada.  Chave seccionadora em caixa moldada. Corrente Nominal  Corrente nominal do meio de desconexão deve ser maior que ou igual a 115% da corrente de plena carga do motor, quando o dispositivo for dimensionado em amperes, ou  Maior que ou igual a potencia nominal do motor, quando o dispositivo for dimensionado em HP. Cada motor deve ter seu meio de desconexão individual. Exceções:  Vários motores auxiliares de uma máquina principal.  Um grupo de motores em uma sala.  Vários motores menores que 1 HP. 3. Dispositivo de proteção contra curto circuito Tipos de componentes aceitáveis: fusíveis ou disjuntores em caixa moldada com o elemento magnético ajustável. Deve permitir a partida do motor. Corrente nominal máxima ou ajuste máximo do dispositivo de proteção: Deve ser utilizada a tabela 430-52: - Fusível máximo: 300% x In motor - Disjuntores em caixa moldada (c/ elemento instantâneo ajustável) máximo: 800% x In motor. Exceções: a) Podem ser utilizados fusíveis ou disjuntores em caixa moldada de capacidades nominais normalizadas imediatamente superiores aos limites acima estabelecidos. b) Se o limite especificado para o disjuntor em caixa moldada na tabela 430-52 não permitir a partida do motor, ele pode ser aumentado, porém em nenhuma hipótese deve ultrapassar 1300% x In motor. O ajuste da unidade instantânea do disjuntor em caixa moldada para um valor entre 800 e 1300% da corrente nominal do motor deve ser justificada por um memorial de cálculo.
  • 28.
    Deve ter capacidadede interrupção superior ou igual à corrente de curto circuito disponível no barramento do painel. 4. Dispositivo de proteção contra sobrecarga Para motores trifásicos, é exigida uma unidade de proteção contra sobrecarga em cada fase. Em CCM’s B.T. são utilizados relés térmicos bimetálicos ou relés eletrônicos, sensíveis à corrente de operação do motor, cuja função básica é proteger o motor contra sobrecarga e contra rotor travado, bem como o alimentador contra sobrecarga (Observação: lembrar que o que “queima” o motor é sobretemperatura, a qual nem sempre está associada à sobrecorrente, ou seja, medir a corrente é uma forma barata e algumas vezes eficiente de proteger o motor contra sobrecarga, porém nem sempre eficiente). O relé de sobrecarga deve ser selecionado de tal maneira que sua faixa de calibração permita ajuste até o máximo indicado no artigo 430-32 (a) (1) O ajuste do relé de sobrecarga não deverá ser superior à seguinte percentagem da corrente nominal de placa do motor: a) Motor c/ F.S  1.15............................................125% b) Motor c/ elevação temperatura  40ºC..............125% c) Outros motores..................................................115% Se o ajuste prescrito acima não permitir a partida do motor, o NEC, através do artigo 430-34, admite os seguintes valores máximos: a) Motor c/ F.S.  1.15................................. 140% b) Motor c/ elevação temperatura  40ºC.... 140% c) Outros motores........................................ 130% É recomendável que o valor superior da faixa de calibração do relé de sobrecarga não seja maior que o ajuste máximo permitido pelo NEC. Quando a corrente nominal da placa do motor não for conhecida, a tabela 430-250 do NEC pode ser usada como referência. 5. Controle O dispositivo de controle deve ser capaz de partir e parar o motor. Deve ser capaz de interromper a corrente de rotor bloqueado. Em CCM’s B.T são utilizados contatores tripolares de força. O contator, quando especificado em potência, não deve ter capacidade inferior à potência nominal do motor. Cada motor deve ter seu dispositivo de controle individual. Exceções: a) Grupo de motores auxiliares de um equipamento principal, como p. ex. máquinas operatrizes, guindastes.
  • 29.
    b) Grupo demotores em uma única sala, e “à vista” do dispositivo de controle.
  • 30.
    CAPÍTULO 3 DISJUNTORES DEBAIXA TENSÃO 1. Tipos construtivos básicos 1.1.Em caixa moldada (molded case circuit breaker). 1.2.Aberto tipo força (power air circuit breaker). 2. Caixa moldada 2.1.Em caixa de material isolante ( baquelite ou outros plásticos industriais). 2.2.Cobrem uma extensa gama de correntes nominais e capacidades de interrupção. Correntes nominais desde 10 até 1600 A. Capacidades de interrupção desde 5 kA até 65 kA, em 690 V, (sem bloco limitador de corrente); ou até 200 kA, em 690 V, (com bloco limitador de corrente). 2.3.Existem os disjuntores tipo “limitadores de corrente”. 2.4.Utilizados para aplicações industriais, em painéis CCMs, e também residenciais ou comerciais. 2.5.Geralmente tem unidades térmica e magnética. Alguns tipos têm somente unidade magnética. Alguns tipos, como os utilizados em aplicações residenciais, tem as unidades térmicas e magnéticas fixas (não permitem ajuste), enquanto que os utilizados em aplicações industriais podem ou não ter essas unidades ajustáveis. 2.6.Comando para abertura ou para fechamento é manual. Após uma abertura por sobrecarga ou curto-circuito, devem ser manualmente rearmados (resetados e fechados). 2.7.Geralmente mais baratos que os abertos tipo força. 3. Abertos tipo força 3.1.Utilizados para aplicação industriais, em painéis CDCs, em execução fixa ou extraível. 3.2.Cobrem uma gama de correntes nominais elevadas, de 600 a 6300 A. Cobrem uma gama de capacidades de interrupção também elevadas, desde 22 kA em 440 V até 150 KA em 440 V. 3.3.Comando pode ser manual ou elétrico, podendo ser operado remotamente. 3.4.Geralmente possuem bobinas de fechamento e de abertura. Operam por ação de mola, que é liberada através da energização dos solenóides de abertura ou de fechamento. 3.5.Geralmente possuem motor de carregamento de mola.
  • 31.
    3.6.Geralmente mais carosque os “caixa moldada.” 3.7.Como eles têm bobina de abertura, podem ser atuados por relés de proteção associados a transformadores de corrente ou por disparadores eletrônicos incorporados aos próprios disjuntores. 4. NBR IEC 60947-2 / 2013 = Disjuntores de baixa tensão 4.1.Aplicação Todos os disjuntores de tensão nominal de emprego igual ou inferior a 1000 VAC ou 1500 VDC, tipo caixa moldada ou tipo “força”. 4.2.Tensão nominal de utilização (Ue) É o valor de tensão que, combinado com o valor da corrente nominal, determina a aplicação do equipamento, e para o qual os testes relevantes e a categoria de utilização são referidos. Os valores são estabelecidos e declarados por cada fabricante. Ue = tensão fase-fase. Ue deve ser superior ou igual à máxima tensão de operação do sistema. 4.3.Tensão nominal de isolamento (Ui) É o valor da tensão para o qual são referidos os testes dielétricos e as distâncias superficiais de isolamento. Os valores são estabelecidos pelos fabricantes. 4.4.Tensão nominal suportável de impulso (Uimp) É o valor de pico de uma tensão de impulso e sua polaridade que o equipamento é capaz de suportar sem falhar. Os valores são estabelecidos por cada fabricante. 4.5.Corrente nominal (In) É a máxima corrente que o disjuntor consegue conduzir continuamente, no ar livre, sem exceder o limite de elevação de temperatura especificado. Valores são estabelecidos e declarados pelos fabricantes. 4.6.Freqüência nominal 60 Hz. 4.7.Categoria de emprego de seletividade Duas categorias de seletividade, conforme definido na tabela 4.
  • 32.
    4.8.Capacidade nominal deinterrupção em curto circuito A capacidade de interrupção nominal em curto circuito é composta por dois valores:  Um valor eficaz da componente periódica da corrente.  Um valor mínimo de fator de potência associado à corrente, de acordo com a tabela 11. Duas são as capacidades nominais de interrupção de curto circuito: 4.8.1. Capacidade nominal de interrupção máxima (I cu) Valor limite de corrente (valor eficaz da componente periódica) que o disjuntor consegue interromper sem se danificar, perfazendo a sequencia de operações “ O – t – CO “. 4.8.2. Capacidade nominal de interrupção em serviço (I cs) Valor de corrente (valor eficaz da componente periódica ) que o disjuntor consegue interromper sem se danificar, perfazendo a sequência de operações “ O – t – CO – t – CO “. É estabelecido como uma porcentagem da Icu, podendo ser 100% ou inferior. A relação entre Ics e Icu deve ser escolhida pelos fabricantes dentre os valores da tabela 1. Os valores de Ics e Icu são estabelecidos pelos fabricantes. São referidos à tensão de operação nominal (Ue) e à freqüência nominal, e sob condições especificadas de fator de potência. 4.9.Corrente nominal admissível de curta duração (Icw) É o valor máximo de corrente que o disjuntor consegue conduzir por um pequeno intervalo de tempo, durante o qual a corrente é assumida constante. É expresso em valor eficaz da componente AC e é estabelecido pelo fabricante. Icw é definido somente para disjuntores da categoria de seletividade B. Os intervalos de tempo recomendados são: 0,05 ; 0,1 ; 0,25 ; 0,5 ; e 1.0 s Valores não são normalizados, porém a tabela abaixo mostra valores mínimos que devem ser atendidos pelos fabricantes. Corrente nominal In (A) Icw mínimo(KA) In  2500 12 In ou 5 KA, o que for maior In  2500 30
  • 33.
    4.10. Capacidade nominalde estabelecimento em curto circuito (Icm) É o valor máximo de crista da corrente que o disjuntor consegue estabelecer. Os valores são declarados pelos fabricantes. É referido à tensão e à frequência nominais e válido para um fator de potência especificado da corrente prospectiva. Não deve ser menor que Icu multiplicado por um fator “n”, de acordo com a tabela 2. Lembrar que o fator “n” permite que se calcule o valor de pico máximo, no primeiro semi-ciclo após a ocorrência do curto circuito, a partir do valor r.m.s. da componente periódica da corrente de curto circuito no instante da interrupção. O fator “n” depende da relação L/R e é calculado através da fórmula: n = (1+dc) x 2, onde dc = exp (-2t) / (X/R), t = 0,5 ciclo dc = exp (-) / (X/R). Para a aplicação do disjuntor de baixa tensão é imprescindível que o curto circuito máximo no ponto da aplicação e a relação X/R do circuito equivalente de Thevenin sejam calculados. Se a relação X/R for maior que os valores da tabela 2, a norma estabelece que o fabricante deve ser formalmente consultado.
  • 34.
    X/R 1.7 3.2 3.9 4.9 Tabela 4 -Categorias de seletividade
  • 36.
    CAPÍTULO 4 COORDENAÇÃO DOSDEMARRADORES DE BAIXA TENSÃO NBR IEC 60947-4-1/2008; Parágrafos 8.2.5 e 9.3.4.2. 1. Objetivo Conhecer o desempenho do conjunto dos componentes de partida e proteção dos motores de baixa tensão (demarradores) sob condições de curto circuito. O tipo de coordenação é especificado durante a fase de aquisição do painel e permite ao usuário final estabelecer sua política de sobressalentes. 2. Tipos de coordenação, de acordo com o dano aceitável: Tipo “1”: Os componentes do demarrador podem sofrer dano e ficar imprestáveis para utilização posterior, podendo sofrer reparo ou substituição. Tipo “2”: Os componentes não podem sofrer dano para posterior utilização, exceto o contator que pode sofrer soldagem “leve” de seus contatos de força. No caso de possibilidade de soldagem, o fabricante deve estabelecer as instruções para manutenção do componente. Em ambos os tipos de coordenação, nenhum dano às pessoas ou às gavetas vizinhas é aceitável. Em ambos, o dispositivo de proteção contra curto circuito (SCPD), fusível ou disjuntor em caixa moldada, deve interromper adequadamente a corrente de defeito. 3. Ensaio para cada demarrador típico O desempenho e, por conseguinte, o enquadramento de cada demarrador típico em um dos dois tipos de coordenação somente pode ser estabelecido através de ensaios, os quais estão abaixo descritos. Com a corrente de curto circuito prospectiva (corrente de teste “r”), de acordo com a tabela abaixo: Corrente operacional nominal Ie (A) (categoria AC 3) Corrente de teste “r” (KA) Fator de potência de teste 0 < Ie  16 1 0.95 16 < Ie  63 3 0.90 63 < Ie  125 5 0.70 125 < Ie  315 10 0.50 315 < Ie  630 18 0.30 630 < Ie  1000 1000 < Ie  1600 30 42 0.25 0.25
  • 37.
    Primeiro ensaio: Umaoperação de abertura do SCPD, com todos os componentes do demarrador previamente fechados. A fonte é repentinamente aplicada. Segundo ensaio: uma operação de abertura do SCPD, com o contator estabelecendo o curto. Com a corrente de curto circuito nominal condicional Iq, que é a corrente de curto circuito máxima disponível para a qual o demarrador é especificado. Esse ensaio é feito desde que Iq  Ir. Primeiro ensaio: idem anterior Segundo ensaio: idem anterior. Terceiro ensaio: (a ser feito somente se a capacidade de estabelecimento do disjuntor em caixa moldada ou da chave seccionadora for menor que Iq) uma operação de abertura do SCPD, com o disjuntor ou a seccionadora estabelecendo o curto. 4. Notas: 1. O curto circuito é feito na saída da gaveta. 2. Após cada ensaio: inspeção na gaveta. 3. Para a coordenação tipo 1, um novo conjunto de componentes da gaveta pode ser usado a cada ensaio. 4. Para a coordenação tipo 2, uma amostra deve ser utilizada para os ensaios com a corrente de teste “r” e outra amostra para os ensaios com a corrente de teste “ Iq”. 5. Resultados que devem ser obtidos a) Interrupção da corrente com sucesso pelo SCDP. Se disjuntor, ele tem que ter condição de continuar sendo aberto e fechado manualmente. b) A porta da gaveta deve permanecer fechada. Nenhum dano pode ser ocasionado às gavetas vizinhas. c) Nenhum dano aos condutores ou terminais de condutores pode ocorrer. d) Não há perda de bases de materiais isolantes. e) Não há perda da isolação (um teste de tensão aplicada é feito após cada ensaio).
  • 38.
    CAPÍTULO 5 TRANSFORMADORES PARAINSTRUMENTOS 1. Normalização aplicável 1.1.NBR 6856, 1992 -Transformador de corrente – Especificação 1.2.NBR 6855, 2009 - Transformadores de potencial indutivos 2. Valores orientativos de consumo de relés e medidores As tabelas a seguir, extraídas da literatura, mostram o consumo “orientativo” de medidores analógicos e relés eletromecânicos. Os consumos de medidores ou relés digitais de proteção são bastante menores que os valores mostrados abaixo, e podem ser obtidos nos catálogos dos fabricantes desses dispositivos.
  • 40.
    3. Características paraespecificação de TPs e TCs. 4. Os textos das normas NBR 6855 (parcial) e NBR 6856 estão no capítulo 8 – Anexos.
  • 41.
    CAPÍTULO 6 DISJUNTORES DEMÉDIA TENSÃO 1. Quatro tipos, quanto ao meio onde ocorre a interrupção Considerando os disjuntores mais comuns em sistemas elétricos industriais, com tensões nominais entre 1 e 17.5 kV, temos: 1.1.Seco (a ar) Ex.: Magne-blast da GE. Há décadas não é mais fabricado, mas é muito encontrado em instalações industriais de 30, 40 anos atrás. 1.2.Pequeno volume de óleo Ex.: 3 AC da Siemens. Idem ao Magne-blast da GE. 1.3. A vácuo Ex.: PowerVac da GE 3AH da Siemens. Evolis da Schneider. São os mais utilizados atualmente. 1.4.A SF6 Ex.: LF e SF da Schneider. Estão disponibilizados atualmente, mas são menos utilizados que os a vácuo. Os disjuntores acima listados são geralmente utilizados em painéis elétricos tipo CDC, em instalações abrigadas: em salas de painéis ou em “eletrocenters”, que são contêineres metálicos que abrigam os painéis em seus interiores. Para tensões acima de 17,5 kV e até 138 kV os disjuntores são geralmente para uso externo e são a óleo ou a SF6. Acima de 138 kV são utilizados disjuntores a SF6, uso externo. 2. Normalização 2.1.ABNT NBR IEC 62271-100 / 2006 – Equipamentos de Alta Tensão – parte 100 - Disjuntores de Alta Tensão de Corrente Alternada. Foi cancelada recentemente e não foi substituída. 2.2.IEC IEC 62271-100 / 2008 + Emenda A1/2012- High Voltage Switchgear and Controlgear – part 100 - AC Circuit Breakers.
  • 42.
    2.3.IEEE / ANSI IEEEStd C37.010 - 1999 – rev. 2005 - Application Guide for AC High Voltage Circuit Breakers Rated on a Symmetrical Current Basis. 3. Especificação de disjuntores de média tensão segundo a ANSI/IEEE 3.1.RESUMO 3.1.1. Se X/R  17 no ponto da falta, então o disjuntor é especificado pela capacidade de interrupção simétrica. 3.1.2. Se X/R  17 no ponto da falta então calcula-se S = 1+2 e -4t/x/r onde S = fator de capabilidade do disjuntor e t = tempo total até a separação dos contatos, em ciclos. X/R = 17. Calcula-se o fator multiplicativo FM = 1+2 e -4t/x/r S onde t = tempo total até a separação dos contatos, em ciclos. X/R = relação real no ponto da falta. E a capacidade de interrupção do disjuntor tem que ser superior ou igual à corrente de curto simétrica calculada, corrigida pelo fator multiplicativo. I interrupt disj  Icc sim interrupt x FM. 4. Especificação segundo a IEC 62271-100 / 2008 + Emenda A1/2012. 4.1.Aplicação Disjuntores de corrente alternada, para interior e exterior, para sistemas de tensões acima de 1000 V e frequência não superior a 60 Hz. 4.2.Características nominais para todos os disjuntores a. Tensão nominal (Un)
  • 43.
    b. Tensões nominaisde isolamento c. Freqüência nominal (fr) d. Corrente nominal (In) e. Corrente de interrupção nominal em curto circuito (Isc) e corrente suportável nominal de curta duração (Ik). f. Duração nominal do curto circuito (tk). g. Tensão transitória de restabelecimento nominal h. Corrente de estabelecimento nominal em curto circuito = valor de crista nominal da corrente suportável (Ip). i. Seqüência de operação nominal j. Tensão nominal dos dispositivos de abertura e de fechamento e dos circuitos auxiliares. 4.2.1. Tensão nominal (Un) O valor normalizado da tensão nominal do disjuntor deve ser maior ou igual à maior tensão do sistema, no local da instalação do disjuntor. As tensões nominais abaixo de 245 kV são: Série I : 3,6 ; 7,2 ; 12 ; 17,5; 24 ; 36 ; 52 ; 72,5 ; 100 ; 123 ; 145 ; 170 ; 245 kV ; ...... p/ 50 e 60 Hz. Série II : 4,76 ; 8,25 ; 15 ; 25,8 ; 38 ; 48,3 ; 72,5 ; 100 ; 123 ; 145 ; 170 ; 245 kV ; ...... p/ 60Hz, EUA e Canadá. Há outros valores normalizados acima de 245 kV, que não serão aqui abordados. 4.2.2. Nível de isolamento nominal As tensões devem ser selecionadas dentre os valores das tabelas abaixo:
  • 45.
    4.2.3. Freqüência Nominal 60Hz. 4.2.4. Corrente Nominal É a corrente que o disjuntor consegue conduzir continuamente sem que os limites de elevação de temperatura especificados para as várias partes sejam excedidos. Os valores normalizados são os da série R10: 400, 500, 630, 800, 1000, 1250, 1600, 2000, 2500, 3150, 4000, 5000, 6300 A A norma dá uma tabela com os valores máximos de elevação de temperatura para as várias partes ou componentes do disjuntor.
  • 46.
    4.2.5. Corrente deInterrupção Nominal em Curto Circuito Definição: É o valor mais elevado de corrente de curto circuito que o disjuntor consegue interromper em um circuito onde a tensão de restabelecimento à freqüência industrial corresponde à tensão nominal do disjuntor. É expressa por dois valores: a) O valor eficaz da componente alternada da corrente de curto circuito, e b) A porcentagem da componente contínua. Os valores normalizados para o valor eficaz da componente alternada da corrente são tirados da série R10: 8 – 10 – 12,5 – 16 – 20 – 25 – 31,5 – 40 – 50 – 63 – 80 – 100 KA Para tensões iguais ou inferiores à tensão nominal, o disjuntor é capaz de interromper correntes até no máximo sua capacidade de interrupção nominal em curto circuito. Para tensões superiores à tensão nominal, nenhuma capacidade de interrupção é garantida. O valor da porcentagem da corrente contínua deve ser determinado através das curvas das figuras 8 e 9. Para um disjuntor que é aberto pela corrente de curto circuito sem a ajuda de uma forma qualquer de energia auxiliar, a porcentagem da componente contínua deve corresponder a um intervalo de tempo  igual ao tempo de abertura do disjuntor. Para o disjuntor que é aberto por uma forma qualquer de energia auxiliar, o intervalo de tempo  deve ser igual ao tempo de abertura do disjuntor adicionado a meio período da freqüência nominal. A curva em traços cheios da curva da figura 9 refere-se a um circuito cujo fator de potência sob curto circuito é 0.0587, ou seja, X/R = 17, que corresponde a uma constante de tempo da componente DC de 45 ms. Essa é a curva normalmente utilizada para especificar disjuntores não especiais. Quando o local de aplicação do disjuntor está eletricamente distante de máquinas girantes, a diminuição da componente alternada é desprezível, sendo necessário apenas verificar se o fator de potência sob curto circuito não é inferior à 0,0587 e se o retardo mínimo do dispositivo de proteção não é inferior a ½ período. Nestas condições, é suficiente que a capacidade de interrupção nominal em curto circuito do disjuntor seja igual ou superior à corrente de falta simétrica inicial, no ponto onde o disjuntor vai ser instalado. Por outro lado, quando o disjuntor for instalado próximo a geradores ou em um ponto onde a relação X/R sob curto circuito for superior a 17, a porcentagem da corrente contínua pode ser superior ao indicado na curva em traços cheios da figura 9. Neste caso, a solicitação do disjuntor pode ser reduzida, por exemplo, retardando-se a sua abertura. Se não se puder adotar os valores normalizados de porcentagem da componente contínua correspondentes à constante de tempo de 45 ms,
  • 47.
    a porcentagem desejadadeve ser especificada pelo comprador, e os ensaios, se necessários, devem constituir objeto de acordo entre o fabricante e o comprador. A norma admite ainda constantes de tempo especiais de 60 ms, para disjuntores de 72,5 kV até 420 kV, 75 ms para disjuntores de 550 kV e acima e 120 ms (X/R=45), para disjuntores até 52 kV, para aquelas aplicações onde a relação X/R ultrapassa 17. Deve ser lembrado que quaisquer dessas aplicações especiais devem ser informadas ao fabricante, e o equipamento é bastante mais caro que os convencionais. Existem poucos fabricantes desses disjuntores especiais.
  • 48.
    4.2.6. Corrente deEstabelecimento Nominal em Curto Circuito Deve ser superior ao maior valor de crista da corrente de falta. A capacidade de estabelecimento nominal em curto circuito é igual a 2,6 vezes o valor eficaz da componente alternada da capacidade de interrupção nominal. Observação: lembrem-se que o fator 2,6 corresponde ao valor de crista máximo, para 60 Hz, em um circuito onde X/R = 17, no instante correspondente a meio ciclo após a ocorrência do curto-circuito. dc = exp (-2t/X/R) = exp(-2x0,5/17) = 0,8313 (t em ciclos) Ipico = 1 + dc = 1 + 0,8313 = 1,8313 I = 1,8313 Im= 1,8313x2 x Irms = 2,5898 Irms =~ 2,6 Irms. 4.2.7. Corrente Suportável Nominal de Curta Duração É o valor máximo de corrente que o disjuntor consegue conduzir, permanecendo fechado, durante um curto intervalo de tempo. A IEC estabelece que o valor dessa corrente seja numericamente igual ao valor eficaz da componente alternada da capacidade de interrupção nominal em curto circuito, apesar dos conceitos serem totalmente distintos. 4.2.8. Duração Nominal da Corrente Suportável de Curta Duração É o período de tempo durante o qual o disjuntor consegue conduzir, quando fechado, uma corrente igual a sua corrente suportável nominal de curta duração.
  • 49.
    Valor nominal recomendado:1s. Outros valores podem ser escolhidos: 0,5 ou 2 ou 3s, se necessário. 4.2.9. Seqüência Nominal de Operações a) Para disjuntores que não devem operar em religamento rápido: CO – 15s – CO ou O – 3 minutos – CO – 3 min – CO. b) Para disjuntores que devem operar em religamento automático rápido: O – 0,3s – CO – 15s – CO ou O – 0,3s – CO – 3 min – CO (p/ tensão nom  72,5 kV) 4.2.10. Tensão de Restabelecimento Transitória Nominal (TRT) A tensão de restabelecimento é a tensão que aparece entre os terminais do pólo que interrompe a corrente. Nos primeiros instantes, essa tensão pode atingir valores elevados, apresentando uma característica transitória significativa. Tal tensão pode levar à reignição do arco e conseqüentemente o disjuntor não interromper a corrente naquela passagem por zero. O cálculo da TRT não é simples. Geralmente é feito utilizando-se um programa de cálculo de transitórios, como o ATP ou o EMTP. Há necessidade de se pesquisar o ponto onde será simulado o curto circuito, de tal forma que leve às piores condições de TRT, se nos terminais do disjuntor ou se em um ponto remoto (falta quilométrica). Há necessidade de se conhecer os parâmetros do circuito, como as indutâncias e capacitâncias. E aqui reside a grande dificuldade para os sistemas industriais: o conhecimento das capacitâncias entre fases e entre fases e terra, na fase de projeto. Por isso esse assunto não será aqui aprofundado. A fim de permitir um conhecimento inicial acerca da TRT, recomenda-se a leitura do capítulo 17 – Tensão de Restabelecimento Transitória de Disjuntores – do livro “Transitórios Elétricos e Coordenação de Isolamento”, publicado por Furnas Centrais Elétricas, que versa sobre a matéria. Para a seleção de disjuntores, as normas representam a TRT por sua envoltória. Em sistemas com tensão nominal igual a ou abaixo de 100 kV, alimentados através de transformadores, a TRT se aproxima de uma oscilação amortecida de freqüência única. Essa forma de onda pode ser adequadamente representada por uma envoltória consistindo de dois segmentos de reta, definidos por meio de dois parâmetros. A representação por dois parâmetros é conforme a figura seguinte.
  • 50.
    tensão uc -----------  u ----------    o td t t3 tempo Onde: uc = tensão de referência, valor de pico da TRT, em kV. t3 = tempo para atingir uc, em microsegundos. td = tempo de retardo, em microsegundos. td = 0,15 t3. u’ = tensão de referência, em kV. u’ = uc/3. t’ = é deduzido pela figura, partindo-se de u’, uc/t3 e td. Para ilustrar, a norma apresenta em tabelas, como abaixo, os valores que constituem os limites da tensão de restabelecimento transitória do circuito que o disjuntor deve interromper.
  • 51.
    4.3.Valores Nominais paraoutras condições de Funcionamento. (Não serão aqui abordadas). 4.3.1. Capacidade de interrupção nominal de linhas em vazio 4.3.2. Capacidade de interrupção nominal de cabos em vazio 4.3.3. Capacidade de interrupção nominal de banco de capacitores 4.3.4. Capacidade de interrupção nominal em discordância de fases 4.4.Tensão nominal dos dispositivos de abertura e de fechamento e dos circuitos auxiliares. Devem ser escolhidos dentre os valores das tabelas abaixo.
  • 52.
    CAPÍTULO 7 DEMARRADORES DEMOTORES DE MÉDIA TENSÃO CONJUNTO CONTATOR + FUSÍVEL IEC 62271-106 / 2011 = H-V SWITCHGEAR AND CONTROLGEAR – A.C. CONTACTORS AND CONTACTOR-BASED CONTROLLERS AND MOTOR- STARTERS. 1. Escopo Contatores de corrente alternada e/ou conjuntos contatores+ fusíveis para partida de motores, para instalação interna, para freqüências até 60Hz, e para aplicação em sistemas com tensão nominal entre 1 e 24 kV. A norma é aplicável tanto para contatores ou conjuntos de partida com tensão plena (direct-on-line starters), quanto para conjuntos de partida com tensão reduzida, como por exemplo, partidas com autotrafos, reostatos ou reatores de partida. A norma não é aplicável para conjuntos de partida compostos por disjuntores. 2. Características nominais 2.1.Tensão Nominal (Ur) É a maior tensão do sistema no qual o contator será aplicado. Os valores normalizados são: 2,5 – 3,6 – 5,0 – 7,2 – 12 – 15 – 17,5 e 24 kV rms. 2.2.Nível de isolamento nominal De acordo com a tabela 1a. Os níveis de isolamento nominais para as tensões nominais 2,5 e 5 kV correspondem aos das tensões nominais 3,6 e 7,2 kV, respectivamente. 2.3.Frequência Nominal (fn) 50 ou 60 Hz. 2.4.Corrente operacional nominal (Ie) ou potência operacional nominal São valores limites de correntes operacionais, estabelecidos pelos fabricantes, e que levam em consideração a tensão nominal, a frequencia nominal, o ciclo de trabalho nominal, a categoria de utilização e o tipo de invólucro (montagem). No caso de conjuntos de partida para partida de
  • 53.
    um motor comtensão plena, Ie pode ser substituída pela potência operacional nominal do motor. 2.5.Corrente Nominal Suportável de Curta Duração (Ik) É a maior corrente rms que o contator consegue conduzir durante um intervalo de tempo curto, suficiente para o dispositivo externo de proteção contra curto circuito operar. Os valores são estabelecidos pelos fabricantes. 2.6.Duração Nominal do Curto Circuito (tk) É o intervalo de tempo suficiente para a operação do dispositivo de proteção contra curto circuito. É associado ao Ik. Valor normalizado = 1 s, podendo ser 0,5 , 2 ou 3 s. 2.7.Corrente Nominal Suportável de Pico (Ip) É o valor máximo de crista, associado ao 1º semi-ciclo da corrente de curto circuito, que o contator suporta. Para fn = 50 Hz  Ip = 2,5 Ik. fn = 60 Hz  Ip = 2,6 Ik. 2.8.Corrente Nominal de Interrupção de Curto Circuito (Isc) Para a combinação fusível + contator, é a maior corrente de curto circuito prospectiva que o conjunto é capaz de interromper. Um valor da série R10 deve ser selecionado pelo fabricante do conjunto contator + fusível : 1 ; 1,25 ; 1,6 ; 2 ; 2,5 ; 3,15 ; 4 ; 5 ; 6,3 ; 8 e seus múltiplos de 10. Aqui também se aplica o conceito de coordenação entre o dispositivo de partida e o SCPD, da mesma forma que na IEC 60947.4.1 é aplicado para demarradores de baixa tensão. Os tipos de coordenação normalizados são: Tipo “a”; qualquer dano ao contator é permitido, porém não é permitido nenhum dano ao invólucro externo do conjunto. Tipo “b”; é permitido dano ao relé de proteção contra sobrecarga e danos aos contatos principais do contator e/ou às câmaras de extinção de arco. Tipo “c”; só podem ser danificados os contatos principais do contator, podendo necessitar substituição destes. Onde não for aceitável nenhum tipo de dano aos contatos principais do contator, um acordo entre o usuário e o fabricante deve ser feito. O tipo de coordenação ao qual o conjunto atende somente pode ser determinado por meio de ensaios. 2.9.Corrente Nominal de Estabelecimento de Curto Circuito (Ima)
  • 54.
    Para a combinaçãocontator + fusível, é o maior valor de pico da corrente de curto circuito prospectiva que o conjunto é capaz de estabelecer. Aqui também é aplicável o conceito de coordenação. 2.10. Ciclos de trabalho nominais 2.10.1. Contínuo Ciclo no qual os contatos de força principais permanecem fechados e conduzindo uma corrente em regime, sem interrupção, por um período de tempo suficiente para ser atingido o equilíbrio térmico e sem exceder os limites de elevação de temperatura estabelecidos. 2.10.2. Intermitente ou intermitente periódico Ciclos nos quais os contatos de força principais permanecem fechados e abertos durante períodos definidos, para os quais pode ser estabelecida uma relação fixa entre os períodos de carga e não-carga. Nesses períodos, o equilíbrio térmico não chega a ser atingido. São eles: Classe 1 : até um ciclo de operação por hora. Classe 3 : até três ciclos de operação por hora. Classes 12, 30, 120, 300 : idem acima, em número de operações por hora. 2.10.3. Temporário Semelhante ao intermitente, porém os períodos de não-carga são suficientemente longos, de tal forma que o conjunto de partida atinge a temperatura do meio externo ao redor do mesmo. Os valores são: 10, 30, 60 e 90 min com os contatos principais fechados. 2.11. Relação entre as capacidades de estabelecimento e de interrupção nominais e a corrente nominal. Deve ser seguida a tabela 10. Lembrar que categoria AC-3 é partida e parada não intermitentes de motor de indução rotor em gaiola.
  • 56.
    FUSÍVEIS DE MÉDIATENSÃO 1. Normalização 1.1.ABNT NBR 8669 / 1984 = Dispositivos Fusíveis Limitadores de Corrente 1.2.IEC IEC 60282-1 / 2009 = High Voltage Fuses – Part 1: Current-Limiting fuses 2. Valores nominais 2.1.Tensão nominal da base ou do fusível ABNT 3,2 4,16 6,6 13,8 23 34,5 43 69 kV IEC SÉRIE I 3,6 7,2 12 17,5 24 36 40,5 52 72,5 kV (utilizada na Europa) IEC SÉRIE II 2,75 5,5 8,25 15 15,5 25,8 38 48,3 72,5 kV (utilizada nos EUA e Candá) 2.2.Corrente Nominal da Base ABNT: 10 25 63 100 200 400 600 A IEC: 10 25 63 100 200 400 630 1000 A 2.3.Nível de Isolamento Nominal da Base ABNT: tabela 3. IEC: tabelas 4 e 5. 2.4.Corrente Nominal do Fusível ABNT: a critério do fabricante. IEC: série R10, preferencialmente, ou R20. R10: 1 1,25 1,6 2 2,5 3,15 4 5 6,3 8 e seus múltiplos de 10. R20: 1 1,12 1,25 1,40 1,60 1,80 2 2,24 2,5 2,8 3,15 3,55 4 4,5 5 5,6 6,3 7,1 8 9 e seus múltiplos de 10. 2.5.Capacidade de Interrupção Nominal do fusível ABNT: a critério do fabricante. IEC: a critério do fabricante porém deve ser tirada da série R10. 2.6.Freqüência Nominal ABNT: 60 HZ IEC: 50 ou 60 HZ 2.7.Corrente Mínima de Interrupção Nominal (somente para os fusíveis de retaguarda) ABNT: a critério do fabricante
  • 57.
    IEC: a critériodo fabricante 2.8.Tensão de Restabelecimento Transitória (TRT) Nominal ABNT: a representação da TRT é feita de maneira idêntica à feita no caso de disjuntores, e os valores padronizados estão na tabela 4. IEC: idem, valores estão nas tabelas 9 e 10.
  • 61.
    CAPÍTULO 8 EXERCÍCIOS 1. Considereum motor de indução trifásico rotor em gaiola acionando um ventilador, alimentado a partir de um painel centro de controle de motores (CCM), 480 V nominal, onde o nível máximo de curto circuito é 12 kA. Os dados de placa do motor são: 50 cv, 440 V nominal, 65 A nominal, corrente de rotor travado 410 A, tempo máximo permitido com rotor travado 15 s, fator de serviço 1,0. Considere o tempo de aceleração 5 s. Especificar todos os componentes da gaveta do CCM, considerando a configuração: disjuntor em caixa moldada, contator e relé de sobrecarga térmico. Use os requisitos da norma NFPA 70, artigo 430. Escolha os componentes adequados para esse motor, consultando as informações disponíveis nos websites dos fabricantes. Para a escolha do disjuntor em caixa moldada sugerimos que consulte as informações técnicas do modelo Sace Tmax Tgeneration no site da ABB : http://www.abb.com/product/seitp329/b33882d222a164a4c1257a9b0036 a400.aspx?productLanguage=us&country=BR. Para a escolha dos contatores e dos relés térmicos, sugerimos que consulte as informações técnicas no site da Siemens: http://www.industry.siemens.com.br/automation/br/pt/dispositivos-baixa- tensao/Reles/reles-de-sobrecarga/3ru/Documents/01.pdf. Ou no site da Schneider:
  • 62.
  • 63.
    2. Considere umcentro de distribuição de cargas em 480 V, dois disjuntores de entrada e um de interligação, o qual opera normalmente aberto, suprido por dois transformadores 4160 V delta – 480 V estrela,
  • 64.
    1000 kVA ONAN/ 1150 kVA ONAF, impedância 5% na base da potência com ventilação natural e X/R=6. O neutro do transformador é solidamente aterrado. O nível de curto-circuito no primário dos trafos é conhecido: 250 MVA. Especificar completamente os disjuntores de entrada do CDC, de acordo com os requisitos da NBR IEC 60947-2, mencionando se para algum item da especificação o fabricante deve ser consultado. Lembrar que os disjuntores são “aberto tipo força”. As cargas são de pequena potência e podem ser desprezadas para o cálculo do curto-circuito. Consulte os websites da ABNT e do fabricante Schneider Electric, busque as características técnicas dos disjuntores Masterpact NT ou NW e escolha o modelo mais adequado para essa aplicação. http://download.schneider- electric.com/files?p_File_Id=326079669&p_File_Name=LVPED208008E N-%28web%29.pdf 3. Considere um centro de distribuição de cargas (CDC) na tensão de 4,16 kV, suprido por um transformador de 5 MVA, 69 kV delta – 4,16 kV estrela, impedância 7%, X/R=15. O neutro do transformador é aterrado através de um resistor de aterramento de 6 ohm. O nível de curto- circuito no primário do transformador, em 69 kV, é conhecido: 2450 A para o curto trifásico e 1250 A para o curto fase-terra. Na entrada do CDC existem três transformadores de corrente (TC) para proteção, que suprem três relés eletromecânicos de sobrecorrente temporizados, um
  • 65.
    por fase. Acarga que cada relé impõe ao secundário de cada TC é 36 VA, referida a 5 A. Especifique completamente os TCs, de acordo com os requisitos da ABNT NBR 6856. Escolha a opção técnica e econômica mais adequada. Face à elevada impedância das entradas de corrente dos relés eletromecânicos, a impedância dos cabos de interligação desde cada TC até cada relé, bem como a resistência dos enrolamentos secundários dos TCs podem ser desprezadas. Veja quais são os requisitos para a especificação dos TCs, estudando o texto da NBR 6856, no website da ABNT. http://www.abntcolecao.com.br/java/viewnormajava.aspx?Q=56AE2EFC 68F28B4B2B34A8B0923177E50C21560FE234D19E&Req= 4. Considere o texto do exercício anterior. Na entrada do CDC de 4,16 kV existe um disjuntor de média tensão, a vácuo. A interligação do transformador ao CDC é através de cabos em eletrodutos metálicos subterrâneos e a impedância desses cabos pode ser desprezada. Especifique completamente o disjuntor, de acordo com a norma IEC 62271-100, a qual pode ser consultada através do website da ABNT ou da IEC. Não dispomos de dados para o cálculo da TRV, mas explique o que é isso. Escolha o modelo de disjuntor mais adequado do fabricante Schneider, modelo Evolis, pesquisando as características técnicas dos mesmos no website daquele fabricante.
  • 66.
    http://www.schneider-electric.com/products/br/bz/3100-disjuntores- modulares-e-conatores-de-mt/3110-disjuntores-para-areas-internas/941- evolis/ 5. Considere umcentro de distribuição de cargas (CDC) em 13,8 kV, suprido por um transformador abaixador de 20 MVA, 115 kV delta - 13,8 kV estrela, impedância 8%, X/R=22. O neutro do transformador é aterrado através de resistor de 20 ohm. O nível de curto-circuito no primário do transformador, em 115 kV, é conhecido: 5000 MVA, com X/R=8. A interligação do transformador ao CDC é através de cabos em eletrodutos metálicos subterrâneos e a impedância desses cabos pode ser desprezada. Especifique completamente o disjuntor de entrada deste CDC, de acordo com as exigências da IEC 62271-100, a qual pode ser consultada através do website da ABNT ou da IEC. Não dispomos de dados para o cálculo da TRV, mas explique o que é isso. Escolha o modelo de disjuntor mais adequado do fabricante Siemens, modelo 3AH, pesquisando as características técnicas dos mesmos no website daquele fabricante. http://w3.siemens.com/powerdistribution/global/SiteCollectionDocuments /en/mv/indoor-devices/vacuum-circuit-breaker/3ah3/catalogue-vacuum- circuit-breakers-3ah3_en.pdf http://w3.siemens.com/powerdistribution/global/SiteCollectionDocuments /en/mv/indoor-devices/vacuum-circuit-breaker/3ah5/catalog-vacuum- circuit-breakers-3ah5_en.pdf
  • 67.
    6. Considere ummotor síncrono com os seguintes dados de placa: 4000 V, 1375 cv, 155 A nominal, 700 A de rotor travado, fator de serviço 1,0, tempo max permitido com rotor travado partindo do estado frio 17 s, tempo max permitido com rotor travado partindo do estado quente 13 s. Considere o tempo de aceleração 6,0 s. O motor é suprido a partir de um centro de controle de motores de 4,16 kV, onde o nível máximo de curto-circuito é 9,5 kA. Selecione os fusíveis de força e o contator tripolar de força. Considere os requisitos das normas IEC 62271-106 e IEC 60282-1, as quais podem ser consultadas no site da ABNT ou da IEC. Selecione qual seria o modelo mais adequado de fusível consultando o website do fabricante CooperBussmann. http://www1.cooperbussmann.com/pdf/68a3b44a-5c57-46e8-93b5- 663e314b2430.pdf http://www.cooperindustries.com/content/dam/public/bussmann/Electrical /Resources/product-datasheets-b/Bus_Ele_DS_6001_JCK_JCK- A_JCL_JCL-A.pdf Selecione qual seria o modelo de contator a vácuo mais adequando consultando o site do fabricante Schneider. http://download.schneider- electric.com/files?p_File_Id=9850500&p_File_Name=AMTED302059EN %28web%29.pdf http://download.schneider- electric.com/files?p_File_Id=3081709&p_File_Name=46032-700-02D.pdf