Fenomenos de Transporte– Prova NP2 – UNIP - 2013
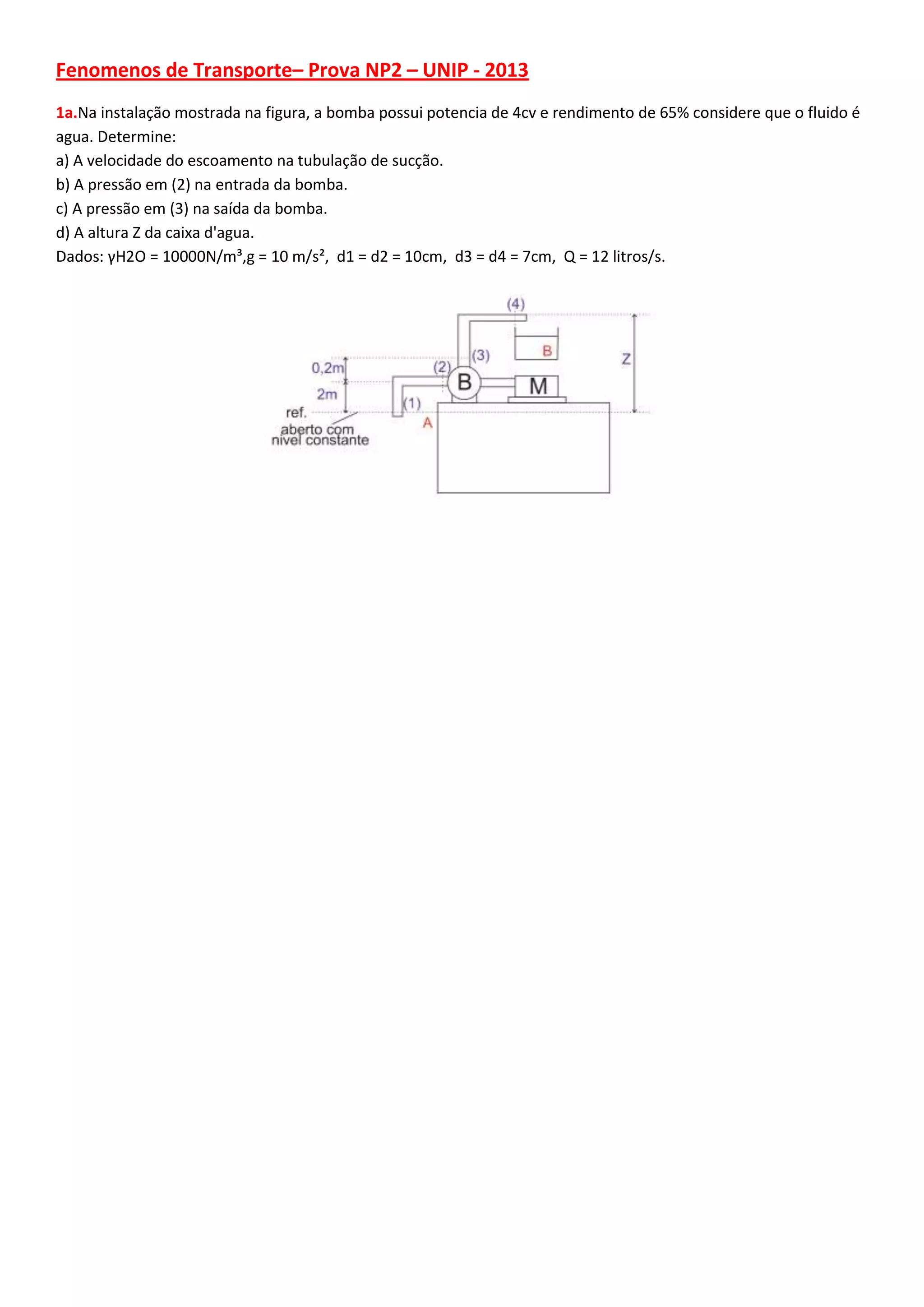
1a.Na instalação mostrada na figura, a bomba possui potencia de 4cv e rendimento de 65% considere que o fluido é
agua. Determine:
a) A velocidade do escoamento na tubulação de sucção.
b) A pressão em (2) na entrada da bomba.
c) A pressão em (3) na saída da bomba.
d) A altura Z da caixa d'agua.
Dados: γH2O = 10000N/m³,g = 10 m/s², d1 = d2 = 10cm, d3 = d4 = 7cm, Q = 12 litros/s.
2a.A Agua escoa através da instalação da figura. As canalizações, a montante e a jusante da maquina M, tem o
mesmo diâmetro D. Determinar:
a) A Potencia fornecida ao fluido pela maquina M, indicando se é uma bomba ou turbina.
b) A Potencia da maquina se o seu rendimento é de 65%.
Dados: 62,8 L/s,D = 10cm, Hp(1,2) = 10m, g = 10m/s².
3.Na figura abaixo, determinar se o pistão sobe ou desce e com que velocidade?
D1 = 8cm
V1 = 3m/s
Q2 = 20 L/s V4 = 5m/s
A3 = 20cm²Apist=50cm²
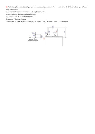
1b.Na instalação mostrada na figura, a bomba possui potencia de 7cv e rendimento de 55% considere que o fluido é
agua. Determine:
a) A velocidade do escoamento na tubulação de sucção.
b) A pressão em (2) na entrada da bomba.
c) A pressão em (3) na saída da bomba.
d) A altura Z da caixa d'agua.
Dados: γH2O = 10000N/m³,g = 10 m/s², d1 = d2 = 12cm, d3 = d4 = 7cm, Q = 10 litros/s.
2b.A Agua escoa através da instalação da figura. As canalizações, a montante e a jusante da maquina M, tem o
mesmo diâmetro D. Determinar:
a) A Potencia fornecida ao fluido pela maquina M, indicando se é uma bomba ou turbina.
b) A Potencia da maquina se o seu rendimento é de 55%.
Dados: 52,3 L/s, D = 12cm, Hp(1,2) = 12m, g = 10m/s².

Np2 Fenomenos de Transportes11

  • 1.
    Fenomenos de Transporte–Prova NP2 – UNIP - 2013 1a.Na instalação mostrada na figura, a bomba possui potencia de 4cv e rendimento de 65% considere que o fluido é agua. Determine: a) A velocidade do escoamento na tubulação de sucção. b) A pressão em (2) na entrada da bomba. c) A pressão em (3) na saída da bomba. d) A altura Z da caixa d'agua. Dados: γH2O = 10000N/m³,g = 10 m/s², d1 = d2 = 10cm, d3 = d4 = 7cm, Q = 12 litros/s.
  • 2.
    2a.A Agua escoaatravés da instalação da figura. As canalizações, a montante e a jusante da maquina M, tem o mesmo diâmetro D. Determinar: a) A Potencia fornecida ao fluido pela maquina M, indicando se é uma bomba ou turbina. b) A Potencia da maquina se o seu rendimento é de 65%. Dados: 62,8 L/s,D = 10cm, Hp(1,2) = 10m, g = 10m/s².
  • 3.
    3.Na figura abaixo,determinar se o pistão sobe ou desce e com que velocidade? D1 = 8cm V1 = 3m/s Q2 = 20 L/s V4 = 5m/s A3 = 20cm²Apist=50cm²
  • 4.
    1b.Na instalação mostradana figura, a bomba possui potencia de 7cv e rendimento de 55% considere que o fluido é agua. Determine: a) A velocidade do escoamento na tubulação de sucção. b) A pressão em (2) na entrada da bomba. c) A pressão em (3) na saída da bomba. d) A altura Z da caixa d'agua. Dados: γH2O = 10000N/m³,g = 10 m/s², d1 = d2 = 12cm, d3 = d4 = 7cm, Q = 10 litros/s.
  • 5.
    2b.A Agua escoaatravés da instalação da figura. As canalizações, a montante e a jusante da maquina M, tem o mesmo diâmetro D. Determinar: a) A Potencia fornecida ao fluido pela maquina M, indicando se é uma bomba ou turbina. b) A Potencia da maquina se o seu rendimento é de 55%. Dados: 52,3 L/s, D = 12cm, Hp(1,2) = 12m, g = 10m/s².