Manual Técnico
    Condicionadores de Ar
    Série KP G1 (KOMECO)



Versão: 13.12.07
QUADRO DE CARACTERÍSTICAS TÉCNICAS   1
KP 10 QC 110V G1   2
LISTA DE PEÇAS                                3
          Condicionador de Ar Portátil - KP10QC G1 -110V
NÚMEROS      CÓDIGOS                                           DESCRIÇÕES
  1          0200450001        PLACA DISPLAY
  2          0200450002        CONJ BOTOES COMANDO ESQ
  3          0200450003        CONJ BOTOES COMANDO DIR
  4          0200450004        TAMPA SUP PAINEL
  5          0200450005        ACAB PLACA DISPLAY
  6          0200450006        ACAB LEDS DISPLAY
  7          0200450007        ACAB DISPLAY
  8          0200450008        GRADE HOR
  9          0200450009        GUIA GRADES HOR
  10         0200450010        TAMPA FRONTAL
  11         0200450011        SUP MOTOR SWING
  12         0200450012        MOTOR SWING
  13         0200450013        EIXO AXIAL MOTOR SWING
  14         0200450014        GUIA GRADES VERTICAIS
  15         0200450015        GRADES VERT
  16         --------------    -----------------------------
  17         0200450016        ROLANTE MOVEL
  18         0200450017        CHASSIS
  19         0200450018        CALÇO DE BORRACHA
  20         0200450020        ARRUELA
  21         0200450022        MANTA TERMICA COMPRESSOR
  22         0200450023        VALV REVERSORA
  23         0200450024        TUBO ENTR CONDENSADOR
  24         0200450025        TUBO ENTR EVAPORADOR
  25         0200450026        TUBO SUCCAO
  26         0200450027        TUBO DESCARGA
  27         0200450028        TUBO CAPILAR
  28         0200450030        COMPRESSOR
  29         0200450032        BANDEJA COLETORA AGUA
  30         0200450033        BOIA DE NIVEL
  31         0200450034        SUP BOIA DE NIVEL
  32         0200450035        BOMBA DE AGUA
  33         0200450037        SUP FIX BOMBA DE AGUA
  34         0200450038        TAMPA LATERAL ESQ
  35         0200450039        TROCADOR DE CALOR COND
LISTA DE PEÇAS                      4
36   0200450040    CAPA SAIDA DE EXAUSTAO (ESQ)
37   0200450041    TURBINA INF KP10QCG1 110/220V
38   0200450042    CAPA SAIDA DE EXAUSTAO (DIR)
39   0200450043    MOTOR VENT CD
40   0200450045    CAP COMPRESSOR
41   0200450047    SUP CAPACITOR
42   0200450048    SUP CX DE CONTR ELETR
43   0200450049    TAMPA LATERAL DIR
44   0200450050    SUP TERRA LATERAL
45   0200450051    MANG DRENO (1)
46   0200450052    TAMPA SAIDA DRENO
47   0200450053    BANDEJA IRRIGADORA DE AGUA
48   0200450054    MANGUEIRA DRENO (2)
49   0200450055    COTOVELO SAIDA MANG DRENO
50   0200450056    TAMPA BANDEJA IRRIGADORA DE AGUA
51   0200450057    CX CONTR ELETR
52   0200450058    PCB
53   0200450059    CAP MOTOR VENT SUPERIOR
54   0200450061    BORNE DE LIGACAO ELETRICA
55   0200450062    CAP MOTOR VENT INFERIOR
56   0200450064    TRANSF
57   0200450066    TAMPA CX CONTR ELETR
58   0200450067    TROCADOR DE CALOR EVAP
59   0200450068    CHAPA FIX TROCADOR DE CALOR EVAP
60   0200450069    CAPA DUTO SAIDA INSUFLAMENTO SUP
61   0200450070    DUTO SAIDA INSUFLAMENTO ESQ
62   0200450071    MOTOR VENT AXIAL
63   0200450072    TURBINA SUP
64   0200450073    DUTO SAIDA INSUFLAMENTO DIR
65   0200450074    CAPA DUTO SAIDA INSUFLAMENTO INF
66   0200450075    CABO DE ALIMENTACAO
67   0200450077    TAMPA SAIDA CABO ALIMENTACAO
68   0200450078    TAMPA TRASEIRA
69   0200450079    FILTRO AR
70   0200450080    GRADE PROTECAO TRAS
71   0200450081    TRAVA GRADE PROTECAO TRAS
72   0200450082    CONECTOR FIXO SAIDA EXAUSTAO
73   0200450083    DUTO SAIDA DE EXAUSTAO
74   0200450084    CONECTOR DUTO SAIDA EXAUSTAO
75   0200450085    GRADE SAIDA DUTO INSUFLAMENTO
     0200450150    CONTR REMOTO
KP 10 QC 220V G1   5
LISTA DE PEÇAS                                 6
          Condicionador de Ar Portátil - KP10QC G1 - 220V
NÚMEROS      CÓDIGOS                                             DESCRIÇÕES
  1          0200450001         PLACA DISPLAY
  2          0200450002         CONJ BOTOES COMANDO ESQ
  3          0200450003         CONJ BOTOES COMANDO DIR
  4          0200450004         TAMPA SUP PAINEL
  5          0200450005         ACAB PLACA DISPLAY
  6          0200450006         ACAB LEDS DISPLAY
  7          0200450007         ACAB DISPLAY
  8          0200450008         GRADE HOR
  9          0200450009         GUIA GRADES HOR
  10         0200450010         TAMPA FRONTAL
  11         0200450011         SUP MOTOR SWING
  12         0200450012         MOTOR SWING
  13         0200450013         EIXO AXIAL MOTOR SWING
  14         0200450014         GUIA GRADES VERTICAIS
  15         0200450015         GRADES VERT
  16          --------------     -----------------------------
  17         0200450016         ROLANTE MOVEL
  18         0200450017         CHASSIS
  19         0200450019         CALÇO DE BORRACHA
  20         0200450021         ARRUELA
  21         0200450022         MANTA TERMICA COMPRESSOR
  22         0200450023         VALV REVERSORA
  23         0200450024         TUBO ENTR CONDENSADOR
  24         0200450025         TUBO ENTR EVAPORADOR
  25         0200450026         TUBO SUCCAO
  26         0200450027         TUBO DESCARGA
  27         0200450029         TUBO CAPILAR
  28         0200450031         COMPRESSOR
  29         0200450032         BANDEJA COLETORA AGUA
  30         0200450033         BOIA DE NIVEL
  31         0200450034         SUP BOIA DE NIVEL
  32         0200450036         BOMBA DE AGUA
  33         0200450037         SUP FIX BOMBA DE AGUA
  34         0200450038         TAMPA LATERAL ESQ
  35         0200450039         TROCADOR DE CALOR COND
LISTA DE PEÇAS                     7
36   0200450040   CAPA SAIDA DE EXAUSTAO (ESQ)
37   0200450041   TURBINA INF
38   0200450042   CAPA SAIDA DE EXAUSTAO (DIR)
39   0200450044   MOTOR VENT CD
40   0200450046   CAP COMPRESSOR
41   0200450047   SUP CAPACITOR
42   0200450048   SUP CX DE CONTR ELETR
43   0200450049   TAMPA LATERAL DIR
44   0200450050   SUP TERRA LATERAL
45   0200450051   MANG DRENO (1)
46   0200450052   TAMPA SAIDA DRENO
47   0200450053   BANDEJA IRRIGADORA DE AGUA
48   0200450054   MANGUEIRA DRENO (2)
49   0200450055   COTOVELO SAIDA MANG DRENO
50   0200450056   TAMPA BANDEJA IRRIGADORA DE AGUA
51   0200450057   CX CONTR ELETR
52   0200450058   PCB
53   0200450060   CAP MOTOR VENT SUPERIOR
54   0200450061   BORNE DE LIGACAO ELETRICA
55   0200450063   CAP MOTOR VENT INFERIOR
56   0200450065   TRANSF
57   0200450066   TAMPA CX CONTR ELETR
58   0200450067   TROCADOR DE CALOR EVAP
59   0200450068   CHAPA FIX TROCADOR DE CALOR EVAP
60   0200450069   CAPA DUTO SAIDA INSUFLAMENTO SUP
61   0200450070   DUTO SAIDA INSUFLAMENTO ESQ
62   0200450071   MOTOR VENT AXIAL
63   0200450072   TURBINA SUP
64   0200450073   DUTO SAIDA INSUFLAMENTO DIR
65   0200450074   CAPA DUTO SAIDA INSUFLAMENTO INF
66   0200450076   CABO DE ALIMENTACAO
67   0200450077   TAMPA SAIDA CABO ALIMENTACAO
68   0200450078   TAMPA TRASEIRA
69   0200450079   FILTRO AR
70   0200450080   GRADE PROTECAO TRAS
71   0200450081   TRAVA GRADE PROTECAO TRAS
72   0200450082   CONECTOR FIXO SAIDA EXAUSTAO
73   0200450083   DUTO SAIDA DE EXAUSTAO
74   0200450084   CONECTOR DUTO SAIDA EXAUSTAO
75   0200450085   GRADE SAIDA DUTO INSUFLAMENTO
     0200450150   CONTR REMOTO
KP 13 QC 110V G1   8
LISTA DE PEÇAS                              9
          Condicionador de Ar Portátil - KP13QC G1 - 110V
NÚMEROS       CÓDIGOS                                        DESCRIÇÕES
    1         0200450001       PLACA DISPLAY
    2         0200450002       CONJ BOTOES COMANDO ESQ
    3         0200450003       CONJ BOTOES COMANDO DIR
    4         0200450086       TAMPA SUP PAINEL
    5         0200450005       ACAB PLACA DISPLAY
    6         0200450006       ACAB LEDS DISPLAY
    7         0200450007       ACAB DISPLAY
    8         0200450087       GRADES HOR
    9         0200450088       GUIA GRADES HOR
   10         0200450089       TAMPA FRONTAL
   11        02004500011       SUP MOTOR SWING
   12         0200450012       MOTOR SWING
   13         0200450090       EIXO AXIAL MOTOR SWING
   14         0200450091       GUIA GRADES VERT
   15         0200450092       GRADES VERT
   16        --------------    -----------------------------
   17         0200450093       ROLANTE MOVEL
   18         0200450094       CHASSIS
   19         0200450095       CALCO DE BORRACHA
   20         0200450097       ARRUELA
   21         0200450099       MANTA TERMICA COMPRESSOR
   22         0200450023       VALV REVERSORA
   23         0200450100       TUBO ENTR CONDENSADOR
   24         0200450101       TUBO ENTR EVAP
   25         0200450102       TUBO SUCCAO
   26         0200450103       TUBO DESCARGA
   27         0200450104       TUBO CAPILAR
   28         0200450106       COMPRESSOR
   29         0200450108       BANDEJA COLETORA AGUA
   30         0200450033       BOIA DE NIVEL
   31         0200450034       SUP BOIA DE NIVEL
   32         0200450109       BOMBA DE AGUA
   33         0200450037       SUP FIX BOMBA DE AGUA
   34         0200450110       TAMPA LATERAL ESQ
   35         0200450111       TROCADOR DE CALOR COND
LISTA DE PEÇAS                     10
36   0200450112   CAPA SAIDA DE EXAUSTAO (ESQ)
37   0200450113   TURBINA INFERIOR
38   0200450114   CAPA SAIDA DE EXAUSTAO (DIR)
39   0200450115   MOTOR VENT CD
40   0200450117   CAP COMPRESSOR
41   0200450119   SUP CAPACITOR
42   0200450120   SUP CX CONTR ELETR
43   0200450121   TAMPA LATERAL DIR
44   0200450050   SUP TERRA LATERAL
45   0200450122   MANG DRENO (1)
46   0200450052   TAMPA SAIDA DRENO
47   0200450123   BANDEJA IRRIGADORA DE AGUA
48   0200450124   MANGUEIRA DRENO (2)
49   0200450125   COTOVELO SAIDA MANG DRENO
50   0200450126   TAMPA BANDEJA IRRIGADORA AGUA
51   0200450057   CX CONTR ELETR
52   0200450127   PCB
53   0200450128   CAP MOTOR VENT SUP
54   0200450130   BORNE DE LIGACAO ELETR
55   0200450131   CAP MOTOR VENT INF
56   0200450133   TRANSFORMADOR
57   0200450066   TAMPA CX CONTR ELETR
58   0200450135   TROCADOR DE CALOR EVAP
59   0200450136   CHAPA FIX TROCADOR DE CALOR EVAP
60   0200450137   CAPA DUTO SAIDA INSUFLAMENTO SUP
61   0200450138   DUTO SAIDA INSUFLAMENTO ESQ
62   0200450139   MOTOR VENT AXIAL
63   0200450141   TURBINA SUP
64   0200450142   DUTO SAIDA INSUFLAMENTO DIR
65   0200450143   CAPA DUTO SAIDA INSUFLAMENTO INF
66   0200450144   CABO ALIMENTACAO
67   0200450077   TAMPA SAIDA CABO ALIMENTACAO
68   0200450146   TAMPA TRASEIRA
69   0200450147   FILTRO AR
70   0200450148   GRADE PROTECAO TRAS
71   0200450081   TRAVA GRADE PROTECAO TRAS
72   0200450149   CONECTOR FIXO SAIDA EXAUSTAO
73   0200450083   DUTO SAIDA DE EXAUSTAO
74   0200450084   CONECTOR DUCTO SAIDA EXAUSTAO
75   0200450085   GRADE SAIDA DUTO INSUFLAMENTO
     0200450150   CONTR REMOTO
KP 13 QC 220V G1   11
LISTA DE PEÇAS                                12
          Condicionador de Ar Portátil - KP13QC G1 - 220V
NÚMEROS      CÓDIGOS                                           DESCRIÇÕES
  1          0200450001        PLACA DISPLAY
  2          0200450002        CONJ BOTOES COMANDO ESQ
  3          0200450003        CONJ BOTOES COMANDO DIR
  4          0200450086        TAMPA SUP PAINEL
  5          0200450005        ACAB PLACA DISPLAY
  6          0200450006        ACAB LEDS DISPLAY
  7          0200450007        ACAB DISPLAY
  8          0200450087        GRADES HOR
  9          0200450088        GUIA GRADES HOR
  10         0200450089        TAMPA FRONTAL
  11         02004500011       SUP MOTOR SWING
  12         0200450012        MOTOR SWING
  13         0200450090        EIXO AXIAL MOTOR SWING
  14         0200450091        GUIA GRADES VERT
  15         0200450092        GRADES VERT
  16         --------------    -----------------------------
  17         0200450093        ROLANTE MOVEL
  18         0200450094        CHASSIS
  19         0200450096        CALCO DE BORRACHA
  20         0200450098        ARRUELA
  21         0200450099        MANTA TERMICA COMPRESSOR
  22         0200450023        VALV REVERSORA
  23         0200450100        TUBO ENTR CONDENSADOR
  24         0200450101        TUBO ENTR EVAP
  25         0200450102        TUBO SUCCAO
  26         0200450103        TUBO DESCARGA
  27         0200450105        TUBO CAPILAR
  28         0200450107        COMPRESSOR
  29         0200450108        BANDEJA COLETORA AGUA
  30         0200450033        BOIA DE NIVEL
  31         0200450034        SUP BOIA DE NIVEL
  32         0200450109        BOMBA DE AGUA
  33         0200450037        SUP FIX BOMBA DE AGUA
  34         0200450110        TAMPA LATERAL ESQ
  35         0200450111        TROCADOR DE CALOR COND
LISTA DE PEÇAS                      13
36   0200450112    CAPA SAIDA DE EXAUSTAO (ESQ)
37   0200450113    TURBINA INFERIOR
38   0200450114    CAPA SAIDA DE EXAUSTAO (DIR)
39   0200450116    MOTOR VENT CD
40   0200450118    CAP COMPRESSOR
41   0200450119    SUP CAPACITOR
42   0200450120    SUP CX CONTR ELETR
43   0200450121    TAMPA LATERAL DIR
44   0200450050    SUP TERRA LATERAL
45   0200450122    MANG DRENO (1)
46   0200450052    TAMPA SAIDA DRENO
47   0200450123    BANDEJA IRRIGADORA DE AGUA
48   0200450124    MANGUEIRA DRENO (2)
49   0200450125    COTOVELO SAIDA MANG DRENO
50   0200450126    TAMPA BANDEJA IRRIGADORA AGUA
51   0200450057    CX CONTR ELETR
52   0200450127    PCB
53   0200450129    CAP MOTOR VENT SUP
54   0200450130    BORNE DE LIGACAO ELETR
55   0200450132    CAP MOTOR VENT INF
56   0200450134    TRANSFORMADOR
57   0200450066    TAMPA CX CONTR ELETR
58   0200450135    TROCADOR DE CALOR EVAP
59   0200450136    CHAPA FIX TROCADOR DE CALOR EVAP
60   0200450137    CAPA DUTO SAIDA INSUFLAMENTO SUP
61   0200450138    DUTO SAIDA INSUFLAMENTO ESQ
62   0200450140    MOTOR VENT AXIAL
63   0200450141    TURBINA SUP
64   0200450142    DUTO SAIDA INSUFLAMENTO DIR
65   0200450143    CAPA DUTO SAIDA INSUFLAMENTO INF
66   0200450145    CABO ALIMENTACAO
67   0200450077    TAMPA SAIDA CABO ALIMENTACAO
68   0200450146    TAMPA TRASEIRA
69   0200450147    FILTRO AR
70   0200450148    GRADE PROTECAO TRAS
71   0200450081    TRAVA GRADE PROTECAO TRAS
72   0200450149    CONECTOR FIXO SAIDA EXAUSTAO
73   0200450083    DUTO SAIDA DE EXAUSTAO
74   0200450084    CONECTOR DUCTO SAIDA EXAUSTAO
75   0200450085    GRADE SAIDA DUTO INSUFLAMENTO
     0200450150    CONTR REMOTO
DIAGRAMA ELÉTRICO
   LISTA DE PEÇAS   14
                    13
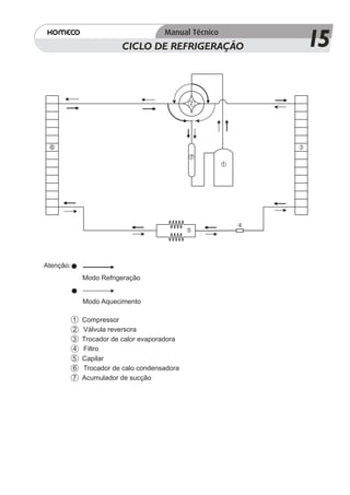
CICLO DE REFRIGERAÇÃO
                              LISTA DE PEÇAS                   15
                                                               14
                                                               13

                                               2




  6                                                        3
                                               7
                                                   1




                                                       4
                                               5




Atenção:
               Modo Refrigeração


               Modo Aquecimento

           1   Compressor
           2   Válvula reversora
           3   Trocador de calor evaporadora
           4   Filtro
           5   Capilar
           6   Trocador de calo condensadora
           7   Acumulador de sucção
PROBLEMAS, CAUSAS E SOLUÇÕES
                                     LISTA DE PEÇAS                                                                     16
                                                                                                                        14
                                                                                                                        13
PROBLEMAS                                   CAUSAS                                      SOLUÇÕES
                              Falta de energia:                              1. Conecte o plug na tomada corretamente.
                              1. Plug desconectado da tomada.                2. Substitua o plug ou a tomada.
A unidade não aciona.         2. Plug ou tomada danificados.                 3. Envie a unidade para uma assistência
                              3. Fusível ou cabo de alimentação              técnica.
                              danificados.                                   4. Verifique a tensão de saída do
                              4. Transformador interno em curto ou           transformador, ou conecte na placa
                              desconectado                                   eletrônica.

                              O TIMER está ajustado para esta função         Desligue a função TIMER ou aguarde para
A unidade não desliga
                              ou a temperatura do ambiente encontra-         que a unidade inicie o funcionamento.
automaticamente.
                              se abaixo da temperatura ajustada.


                              1. A temperatura do ambiente está abaixo       1. Diminua a temperatura de ajuste.
No modo de operação
                                                                             2. A unidade está no modo de degelo, e irá
Refrigeração, não há saída de da temperatura ajustada.
                              2. Há gelo sobre a superfície do               acionar novamente após o término da
ar frio.
                              evaporador.                                    operação de degelo.


No modo de operação           Retire o filtro de ar e verifique se há gelo   A unidade está no modo de degelo, e irá
Desumificação, não há saída   sobre a superfície do evaporador.              acionar novamente após o término da
de ar frio.                                                                  operação de degelo.


No modo de operação
                               A temperatura ambiente está acima da          Aumente a temperatura de ajuste.
Aquecimento, não há saída
                               temperatura ajustada.
de ar quente.


Código de erro “E-2” é        Falha no sensor temperatura ambiente.          Troque o sensor de temperatura
exibido no display digital.                                                  ambiente.


Código de erro “E-3” é        1. O duto de exaustão encontra-se
                              obstruído ou danificado.                       1. Desobstrua ou troque o duto de
exibido no display digital.                                                  exaustão.
                              2. Falha no sensor temperatura
                              evaporadora.                                   2. Troque o sensor de temperatura
                                                                             evaporadora.

Código de erro “E-4” é        O tanque (reservatório) de água está           Esvazie a água do tanque (reservatório).
exibido no display digital.   cheio.



                              1. Motor ventilador em curto ou sem            1. Verificar alimentação elétrica e se o
Código de erro “E-5” é        alimentação elétrica.                          motor ventilador encontra-se com
exibido no display digital.   2. Falha no sensor temperatura                 defeito.
                              condensadora.                                  2. Troque o sensor de temperatura da
                              3. Defeito da placa eletrônica.                condensadora.
                                                                             3. Troque a placa eletrônica.

Mt kp komeco_g1

  • 1.
    Manual Técnico Condicionadores de Ar Série KP G1 (KOMECO) Versão: 13.12.07
  • 2.
  • 3.
    KP 10 QC110V G1 2
  • 4.
    LISTA DE PEÇAS 3 Condicionador de Ar Portátil - KP10QC G1 -110V NÚMEROS CÓDIGOS DESCRIÇÕES 1 0200450001 PLACA DISPLAY 2 0200450002 CONJ BOTOES COMANDO ESQ 3 0200450003 CONJ BOTOES COMANDO DIR 4 0200450004 TAMPA SUP PAINEL 5 0200450005 ACAB PLACA DISPLAY 6 0200450006 ACAB LEDS DISPLAY 7 0200450007 ACAB DISPLAY 8 0200450008 GRADE HOR 9 0200450009 GUIA GRADES HOR 10 0200450010 TAMPA FRONTAL 11 0200450011 SUP MOTOR SWING 12 0200450012 MOTOR SWING 13 0200450013 EIXO AXIAL MOTOR SWING 14 0200450014 GUIA GRADES VERTICAIS 15 0200450015 GRADES VERT 16 -------------- ----------------------------- 17 0200450016 ROLANTE MOVEL 18 0200450017 CHASSIS 19 0200450018 CALÇO DE BORRACHA 20 0200450020 ARRUELA 21 0200450022 MANTA TERMICA COMPRESSOR 22 0200450023 VALV REVERSORA 23 0200450024 TUBO ENTR CONDENSADOR 24 0200450025 TUBO ENTR EVAPORADOR 25 0200450026 TUBO SUCCAO 26 0200450027 TUBO DESCARGA 27 0200450028 TUBO CAPILAR 28 0200450030 COMPRESSOR 29 0200450032 BANDEJA COLETORA AGUA 30 0200450033 BOIA DE NIVEL 31 0200450034 SUP BOIA DE NIVEL 32 0200450035 BOMBA DE AGUA 33 0200450037 SUP FIX BOMBA DE AGUA 34 0200450038 TAMPA LATERAL ESQ 35 0200450039 TROCADOR DE CALOR COND
  • 5.
    LISTA DE PEÇAS 4 36 0200450040 CAPA SAIDA DE EXAUSTAO (ESQ) 37 0200450041 TURBINA INF KP10QCG1 110/220V 38 0200450042 CAPA SAIDA DE EXAUSTAO (DIR) 39 0200450043 MOTOR VENT CD 40 0200450045 CAP COMPRESSOR 41 0200450047 SUP CAPACITOR 42 0200450048 SUP CX DE CONTR ELETR 43 0200450049 TAMPA LATERAL DIR 44 0200450050 SUP TERRA LATERAL 45 0200450051 MANG DRENO (1) 46 0200450052 TAMPA SAIDA DRENO 47 0200450053 BANDEJA IRRIGADORA DE AGUA 48 0200450054 MANGUEIRA DRENO (2) 49 0200450055 COTOVELO SAIDA MANG DRENO 50 0200450056 TAMPA BANDEJA IRRIGADORA DE AGUA 51 0200450057 CX CONTR ELETR 52 0200450058 PCB 53 0200450059 CAP MOTOR VENT SUPERIOR 54 0200450061 BORNE DE LIGACAO ELETRICA 55 0200450062 CAP MOTOR VENT INFERIOR 56 0200450064 TRANSF 57 0200450066 TAMPA CX CONTR ELETR 58 0200450067 TROCADOR DE CALOR EVAP 59 0200450068 CHAPA FIX TROCADOR DE CALOR EVAP 60 0200450069 CAPA DUTO SAIDA INSUFLAMENTO SUP 61 0200450070 DUTO SAIDA INSUFLAMENTO ESQ 62 0200450071 MOTOR VENT AXIAL 63 0200450072 TURBINA SUP 64 0200450073 DUTO SAIDA INSUFLAMENTO DIR 65 0200450074 CAPA DUTO SAIDA INSUFLAMENTO INF 66 0200450075 CABO DE ALIMENTACAO 67 0200450077 TAMPA SAIDA CABO ALIMENTACAO 68 0200450078 TAMPA TRASEIRA 69 0200450079 FILTRO AR 70 0200450080 GRADE PROTECAO TRAS 71 0200450081 TRAVA GRADE PROTECAO TRAS 72 0200450082 CONECTOR FIXO SAIDA EXAUSTAO 73 0200450083 DUTO SAIDA DE EXAUSTAO 74 0200450084 CONECTOR DUTO SAIDA EXAUSTAO 75 0200450085 GRADE SAIDA DUTO INSUFLAMENTO 0200450150 CONTR REMOTO
  • 6.
    KP 10 QC220V G1 5
  • 7.
    LISTA DE PEÇAS 6 Condicionador de Ar Portátil - KP10QC G1 - 220V NÚMEROS CÓDIGOS DESCRIÇÕES 1 0200450001 PLACA DISPLAY 2 0200450002 CONJ BOTOES COMANDO ESQ 3 0200450003 CONJ BOTOES COMANDO DIR 4 0200450004 TAMPA SUP PAINEL 5 0200450005 ACAB PLACA DISPLAY 6 0200450006 ACAB LEDS DISPLAY 7 0200450007 ACAB DISPLAY 8 0200450008 GRADE HOR 9 0200450009 GUIA GRADES HOR 10 0200450010 TAMPA FRONTAL 11 0200450011 SUP MOTOR SWING 12 0200450012 MOTOR SWING 13 0200450013 EIXO AXIAL MOTOR SWING 14 0200450014 GUIA GRADES VERTICAIS 15 0200450015 GRADES VERT 16 -------------- ----------------------------- 17 0200450016 ROLANTE MOVEL 18 0200450017 CHASSIS 19 0200450019 CALÇO DE BORRACHA 20 0200450021 ARRUELA 21 0200450022 MANTA TERMICA COMPRESSOR 22 0200450023 VALV REVERSORA 23 0200450024 TUBO ENTR CONDENSADOR 24 0200450025 TUBO ENTR EVAPORADOR 25 0200450026 TUBO SUCCAO 26 0200450027 TUBO DESCARGA 27 0200450029 TUBO CAPILAR 28 0200450031 COMPRESSOR 29 0200450032 BANDEJA COLETORA AGUA 30 0200450033 BOIA DE NIVEL 31 0200450034 SUP BOIA DE NIVEL 32 0200450036 BOMBA DE AGUA 33 0200450037 SUP FIX BOMBA DE AGUA 34 0200450038 TAMPA LATERAL ESQ 35 0200450039 TROCADOR DE CALOR COND
  • 8.
    LISTA DE PEÇAS 7 36 0200450040 CAPA SAIDA DE EXAUSTAO (ESQ) 37 0200450041 TURBINA INF 38 0200450042 CAPA SAIDA DE EXAUSTAO (DIR) 39 0200450044 MOTOR VENT CD 40 0200450046 CAP COMPRESSOR 41 0200450047 SUP CAPACITOR 42 0200450048 SUP CX DE CONTR ELETR 43 0200450049 TAMPA LATERAL DIR 44 0200450050 SUP TERRA LATERAL 45 0200450051 MANG DRENO (1) 46 0200450052 TAMPA SAIDA DRENO 47 0200450053 BANDEJA IRRIGADORA DE AGUA 48 0200450054 MANGUEIRA DRENO (2) 49 0200450055 COTOVELO SAIDA MANG DRENO 50 0200450056 TAMPA BANDEJA IRRIGADORA DE AGUA 51 0200450057 CX CONTR ELETR 52 0200450058 PCB 53 0200450060 CAP MOTOR VENT SUPERIOR 54 0200450061 BORNE DE LIGACAO ELETRICA 55 0200450063 CAP MOTOR VENT INFERIOR 56 0200450065 TRANSF 57 0200450066 TAMPA CX CONTR ELETR 58 0200450067 TROCADOR DE CALOR EVAP 59 0200450068 CHAPA FIX TROCADOR DE CALOR EVAP 60 0200450069 CAPA DUTO SAIDA INSUFLAMENTO SUP 61 0200450070 DUTO SAIDA INSUFLAMENTO ESQ 62 0200450071 MOTOR VENT AXIAL 63 0200450072 TURBINA SUP 64 0200450073 DUTO SAIDA INSUFLAMENTO DIR 65 0200450074 CAPA DUTO SAIDA INSUFLAMENTO INF 66 0200450076 CABO DE ALIMENTACAO 67 0200450077 TAMPA SAIDA CABO ALIMENTACAO 68 0200450078 TAMPA TRASEIRA 69 0200450079 FILTRO AR 70 0200450080 GRADE PROTECAO TRAS 71 0200450081 TRAVA GRADE PROTECAO TRAS 72 0200450082 CONECTOR FIXO SAIDA EXAUSTAO 73 0200450083 DUTO SAIDA DE EXAUSTAO 74 0200450084 CONECTOR DUTO SAIDA EXAUSTAO 75 0200450085 GRADE SAIDA DUTO INSUFLAMENTO 0200450150 CONTR REMOTO
  • 9.
    KP 13 QC110V G1 8
  • 10.
    LISTA DE PEÇAS 9 Condicionador de Ar Portátil - KP13QC G1 - 110V NÚMEROS CÓDIGOS DESCRIÇÕES 1 0200450001 PLACA DISPLAY 2 0200450002 CONJ BOTOES COMANDO ESQ 3 0200450003 CONJ BOTOES COMANDO DIR 4 0200450086 TAMPA SUP PAINEL 5 0200450005 ACAB PLACA DISPLAY 6 0200450006 ACAB LEDS DISPLAY 7 0200450007 ACAB DISPLAY 8 0200450087 GRADES HOR 9 0200450088 GUIA GRADES HOR 10 0200450089 TAMPA FRONTAL 11 02004500011 SUP MOTOR SWING 12 0200450012 MOTOR SWING 13 0200450090 EIXO AXIAL MOTOR SWING 14 0200450091 GUIA GRADES VERT 15 0200450092 GRADES VERT 16 -------------- ----------------------------- 17 0200450093 ROLANTE MOVEL 18 0200450094 CHASSIS 19 0200450095 CALCO DE BORRACHA 20 0200450097 ARRUELA 21 0200450099 MANTA TERMICA COMPRESSOR 22 0200450023 VALV REVERSORA 23 0200450100 TUBO ENTR CONDENSADOR 24 0200450101 TUBO ENTR EVAP 25 0200450102 TUBO SUCCAO 26 0200450103 TUBO DESCARGA 27 0200450104 TUBO CAPILAR 28 0200450106 COMPRESSOR 29 0200450108 BANDEJA COLETORA AGUA 30 0200450033 BOIA DE NIVEL 31 0200450034 SUP BOIA DE NIVEL 32 0200450109 BOMBA DE AGUA 33 0200450037 SUP FIX BOMBA DE AGUA 34 0200450110 TAMPA LATERAL ESQ 35 0200450111 TROCADOR DE CALOR COND
  • 11.
    LISTA DE PEÇAS 10 36 0200450112 CAPA SAIDA DE EXAUSTAO (ESQ) 37 0200450113 TURBINA INFERIOR 38 0200450114 CAPA SAIDA DE EXAUSTAO (DIR) 39 0200450115 MOTOR VENT CD 40 0200450117 CAP COMPRESSOR 41 0200450119 SUP CAPACITOR 42 0200450120 SUP CX CONTR ELETR 43 0200450121 TAMPA LATERAL DIR 44 0200450050 SUP TERRA LATERAL 45 0200450122 MANG DRENO (1) 46 0200450052 TAMPA SAIDA DRENO 47 0200450123 BANDEJA IRRIGADORA DE AGUA 48 0200450124 MANGUEIRA DRENO (2) 49 0200450125 COTOVELO SAIDA MANG DRENO 50 0200450126 TAMPA BANDEJA IRRIGADORA AGUA 51 0200450057 CX CONTR ELETR 52 0200450127 PCB 53 0200450128 CAP MOTOR VENT SUP 54 0200450130 BORNE DE LIGACAO ELETR 55 0200450131 CAP MOTOR VENT INF 56 0200450133 TRANSFORMADOR 57 0200450066 TAMPA CX CONTR ELETR 58 0200450135 TROCADOR DE CALOR EVAP 59 0200450136 CHAPA FIX TROCADOR DE CALOR EVAP 60 0200450137 CAPA DUTO SAIDA INSUFLAMENTO SUP 61 0200450138 DUTO SAIDA INSUFLAMENTO ESQ 62 0200450139 MOTOR VENT AXIAL 63 0200450141 TURBINA SUP 64 0200450142 DUTO SAIDA INSUFLAMENTO DIR 65 0200450143 CAPA DUTO SAIDA INSUFLAMENTO INF 66 0200450144 CABO ALIMENTACAO 67 0200450077 TAMPA SAIDA CABO ALIMENTACAO 68 0200450146 TAMPA TRASEIRA 69 0200450147 FILTRO AR 70 0200450148 GRADE PROTECAO TRAS 71 0200450081 TRAVA GRADE PROTECAO TRAS 72 0200450149 CONECTOR FIXO SAIDA EXAUSTAO 73 0200450083 DUTO SAIDA DE EXAUSTAO 74 0200450084 CONECTOR DUCTO SAIDA EXAUSTAO 75 0200450085 GRADE SAIDA DUTO INSUFLAMENTO 0200450150 CONTR REMOTO
  • 12.
    KP 13 QC220V G1 11
  • 13.
    LISTA DE PEÇAS 12 Condicionador de Ar Portátil - KP13QC G1 - 220V NÚMEROS CÓDIGOS DESCRIÇÕES 1 0200450001 PLACA DISPLAY 2 0200450002 CONJ BOTOES COMANDO ESQ 3 0200450003 CONJ BOTOES COMANDO DIR 4 0200450086 TAMPA SUP PAINEL 5 0200450005 ACAB PLACA DISPLAY 6 0200450006 ACAB LEDS DISPLAY 7 0200450007 ACAB DISPLAY 8 0200450087 GRADES HOR 9 0200450088 GUIA GRADES HOR 10 0200450089 TAMPA FRONTAL 11 02004500011 SUP MOTOR SWING 12 0200450012 MOTOR SWING 13 0200450090 EIXO AXIAL MOTOR SWING 14 0200450091 GUIA GRADES VERT 15 0200450092 GRADES VERT 16 -------------- ----------------------------- 17 0200450093 ROLANTE MOVEL 18 0200450094 CHASSIS 19 0200450096 CALCO DE BORRACHA 20 0200450098 ARRUELA 21 0200450099 MANTA TERMICA COMPRESSOR 22 0200450023 VALV REVERSORA 23 0200450100 TUBO ENTR CONDENSADOR 24 0200450101 TUBO ENTR EVAP 25 0200450102 TUBO SUCCAO 26 0200450103 TUBO DESCARGA 27 0200450105 TUBO CAPILAR 28 0200450107 COMPRESSOR 29 0200450108 BANDEJA COLETORA AGUA 30 0200450033 BOIA DE NIVEL 31 0200450034 SUP BOIA DE NIVEL 32 0200450109 BOMBA DE AGUA 33 0200450037 SUP FIX BOMBA DE AGUA 34 0200450110 TAMPA LATERAL ESQ 35 0200450111 TROCADOR DE CALOR COND
  • 14.
    LISTA DE PEÇAS 13 36 0200450112 CAPA SAIDA DE EXAUSTAO (ESQ) 37 0200450113 TURBINA INFERIOR 38 0200450114 CAPA SAIDA DE EXAUSTAO (DIR) 39 0200450116 MOTOR VENT CD 40 0200450118 CAP COMPRESSOR 41 0200450119 SUP CAPACITOR 42 0200450120 SUP CX CONTR ELETR 43 0200450121 TAMPA LATERAL DIR 44 0200450050 SUP TERRA LATERAL 45 0200450122 MANG DRENO (1) 46 0200450052 TAMPA SAIDA DRENO 47 0200450123 BANDEJA IRRIGADORA DE AGUA 48 0200450124 MANGUEIRA DRENO (2) 49 0200450125 COTOVELO SAIDA MANG DRENO 50 0200450126 TAMPA BANDEJA IRRIGADORA AGUA 51 0200450057 CX CONTR ELETR 52 0200450127 PCB 53 0200450129 CAP MOTOR VENT SUP 54 0200450130 BORNE DE LIGACAO ELETR 55 0200450132 CAP MOTOR VENT INF 56 0200450134 TRANSFORMADOR 57 0200450066 TAMPA CX CONTR ELETR 58 0200450135 TROCADOR DE CALOR EVAP 59 0200450136 CHAPA FIX TROCADOR DE CALOR EVAP 60 0200450137 CAPA DUTO SAIDA INSUFLAMENTO SUP 61 0200450138 DUTO SAIDA INSUFLAMENTO ESQ 62 0200450140 MOTOR VENT AXIAL 63 0200450141 TURBINA SUP 64 0200450142 DUTO SAIDA INSUFLAMENTO DIR 65 0200450143 CAPA DUTO SAIDA INSUFLAMENTO INF 66 0200450145 CABO ALIMENTACAO 67 0200450077 TAMPA SAIDA CABO ALIMENTACAO 68 0200450146 TAMPA TRASEIRA 69 0200450147 FILTRO AR 70 0200450148 GRADE PROTECAO TRAS 71 0200450081 TRAVA GRADE PROTECAO TRAS 72 0200450149 CONECTOR FIXO SAIDA EXAUSTAO 73 0200450083 DUTO SAIDA DE EXAUSTAO 74 0200450084 CONECTOR DUCTO SAIDA EXAUSTAO 75 0200450085 GRADE SAIDA DUTO INSUFLAMENTO 0200450150 CONTR REMOTO
  • 15.
    DIAGRAMA ELÉTRICO LISTA DE PEÇAS 14 13
  • 16.
    CICLO DE REFRIGERAÇÃO LISTA DE PEÇAS 15 14 13 2 6 3 7 1 4 5 Atenção: Modo Refrigeração Modo Aquecimento 1 Compressor 2 Válvula reversora 3 Trocador de calor evaporadora 4 Filtro 5 Capilar 6 Trocador de calo condensadora 7 Acumulador de sucção
  • 17.
    PROBLEMAS, CAUSAS ESOLUÇÕES LISTA DE PEÇAS 16 14 13 PROBLEMAS CAUSAS SOLUÇÕES Falta de energia: 1. Conecte o plug na tomada corretamente. 1. Plug desconectado da tomada. 2. Substitua o plug ou a tomada. A unidade não aciona. 2. Plug ou tomada danificados. 3. Envie a unidade para uma assistência 3. Fusível ou cabo de alimentação técnica. danificados. 4. Verifique a tensão de saída do 4. Transformador interno em curto ou transformador, ou conecte na placa desconectado eletrônica. O TIMER está ajustado para esta função Desligue a função TIMER ou aguarde para A unidade não desliga ou a temperatura do ambiente encontra- que a unidade inicie o funcionamento. automaticamente. se abaixo da temperatura ajustada. 1. A temperatura do ambiente está abaixo 1. Diminua a temperatura de ajuste. No modo de operação 2. A unidade está no modo de degelo, e irá Refrigeração, não há saída de da temperatura ajustada. 2. Há gelo sobre a superfície do acionar novamente após o término da ar frio. evaporador. operação de degelo. No modo de operação Retire o filtro de ar e verifique se há gelo A unidade está no modo de degelo, e irá Desumificação, não há saída sobre a superfície do evaporador. acionar novamente após o término da de ar frio. operação de degelo. No modo de operação A temperatura ambiente está acima da Aumente a temperatura de ajuste. Aquecimento, não há saída temperatura ajustada. de ar quente. Código de erro “E-2” é Falha no sensor temperatura ambiente. Troque o sensor de temperatura exibido no display digital. ambiente. Código de erro “E-3” é 1. O duto de exaustão encontra-se obstruído ou danificado. 1. Desobstrua ou troque o duto de exibido no display digital. exaustão. 2. Falha no sensor temperatura evaporadora. 2. Troque o sensor de temperatura evaporadora. Código de erro “E-4” é O tanque (reservatório) de água está Esvazie a água do tanque (reservatório). exibido no display digital. cheio. 1. Motor ventilador em curto ou sem 1. Verificar alimentação elétrica e se o Código de erro “E-5” é alimentação elétrica. motor ventilador encontra-se com exibido no display digital. 2. Falha no sensor temperatura defeito. condensadora. 2. Troque o sensor de temperatura da 3. Defeito da placa eletrônica. condensadora. 3. Troque a placa eletrônica.