Manual Técnico
 Condicionadores de Ar
Série KOM G1 (Multi Split)


                    VERSÃO 08.02.08
INTRODUÇÃO                                                  1

Prezado Assistente Técnico,




       Este manual foi desenvolvido com o objetivo de proporcionar a você, o maior número de
informações possíveis, buscando com isso elevar a qualidade no atendimento aos Clientes Komeco.



       No Manual Técnico Komeco você vai encontrar informações dos aparelhos condicionadores de
ar, como por exemplo: fichas técnicas, vista explodida, códigos de peças, descritivo do funcionamento
dos aparelhos, possíveis problemas e soluções, etc.. Ou seja, todo o material importante e necessário

para acompanhá-lo na assistência técnica dos aparelhos Komeco.


       Caso você necessite de outras informações, entre em contato com o Departamento de
Engenharia através do e-mail:



                                engenharia@komeco.com.br
FICHA TÉCNICA                                                                        2.1
                                                                                   KOM2S18FC G1 KOM2S24FC G1 KOM2S24QC G1 KOM3S27FC G1
                       Alimentação (Fase-V-Hz)                                     Mono / 220-230V / 60Hz     Mono / 220-230V / 60Hz Mono / 220-230V / 60Hz Mono / 220-230V / 60Hz
                       Capacidade (Btu/h)                                                  9000x2                     12000x2                    24000                     24000
                       Consumo (W)                                                          940x2                     1300x2                  1450+1110                 1450+1110
   FRIO




                       Corrente de Operação (A)                                             4,4x2                      5,8x2                    6,6/5,0                   6,6/5,0
                       EER (Btu/W.h)                                                         9,6                        9,2                       9,8                       9,8
                       Capacidade (Btu/h)                                                      -                          -                         -                         -
  QUENTE




                       Consumo (W)                                                             -                          -                         -                         -
                       Corrente de Operação (A)                                                -                          -                         -                         -
                       COP(Btu/W.h)                                                            -                          -                         -                         -
                       Desumidificação (L/h)                                                1,0x2                     1,25x2                   1,0x2/1,2                 1,0x2/1,2
                       Consumo Máximo (W)                                                  1300x2                     1550x2                     3200                      3200
                       Corrente Máxima (A)                                                  5,8x2                         -                       15,8                      15,8
                       Corrente de Partida (A)                                              24x2                       29x2                        45                        45
                       Modelo                                                      PH135X1CY-3DZDU2             PH180X1C-3DZU2           PH195X2C-3FTU1/           PH195X2C-3FTU1/
                                                                                                                                         PH160X1C-3DZDU2           PH160X1C-3DZDU2
                       Tipo                                                              ROTATIVO                   ROTATIVO                  ROTATIVO                  ROTATIVO
                       Marca                                                            GD TOSHIBA                        -                  GD TOSHIBA                GD TOSHIBA
   COMPRESSOR




                       Capacidade (Btu/h)                                                   9655                       12730                13600+11300               13600+11300
                       Consumo (W)                                                           920                       1260                   1295+1090                 1295+1090
                       Corrente de Operação - RLA (A)                                        4,45                       5,5                     6,2+5,3                   6,2+5,3
                       Corrente com Rotor Travado - LRA (A)                                   26                         29                         -                         -
                       Protetor Térmico                                               UP3QE0591-T51              UP3RE0591-T56                      -                         -
                       Capacitor (µF)                                                 35 µF/440-450V             35 µF/440-450V             40 µF/440-450V            40 µ F/440-450V
                       Óleo Lubrificante (ml)                                                400                        400                     480/480                   480/480
                       Modelo                                                              RPG13E                     RPG13E                 YDK13G-4B                 YDK13G-4B
VENTILADOR
 MOTOR DO




                       Marca                                                              WELLING                    WELLING                   WELLING                   WELLING
  INTERNO




                       Consumo (W)                                                     25W/1500RPM                25W/1500RPM                     31,2                      31,2
                       Capacitor (µF)                                                        1,5                        1,5                       1,2                       1,2
                       Velocidade (alta/médi/baixa) (RPM)                             1260/1160/1060             1260/1160/1060               1350 (Alta)               1350 (Alta)
                       Volume de ar unidade interna (Alta/Média/Baixa) (m³/h)             480 (Alta)               540/500/440             (550/500/460)x3           (550/500/460)x3
                       Nível de ruído unidade interna (Alta/Média/Baixa) (dB(A))          40 (Baixa)                 42/40/37                  48/38/34                  48/38/34
 UNIDADE




                       Dimensões (L x A x E) (mm)
 INTERNA




                                                                                        900x300x172                900x300x172               750x250x188               750x250x188
                       Embalagem (L x A x E) (mm)                                      1020x390x260               1020x390x260               830x336x280               830x336x280
                       Peso Líquido / Peso Bruto (kg)                                       10/13                      10/13                     8,5/10                    8,5/10
                       Modelo                                                            YDK24-6B                   YDK24-6B                   YDK51-6F                  YDK51-6F
VENTILADOR
 MOTOR DO




                       Marca
 EXTERNO




                                                                                          WELLING                    WELLING                   WELLING                   WELLING
                       Consumo (W)                                                            75                         75                       105                       105
                       Capacitor (µF)                                                    3,0 µ F/450V               3,0µ F/450V               3,0 µF/450V              3,0 µF/ 450V
                       Velocidade (RPM)                                                      940                        940                       750                       750
                       Vazão de ar unidade interna (m³/h)                                  1450x2                     1450x2                     2000                      2000
                       Nível de ruído unidade interna (dB(A))                                 56                         56                        60                        60
 EXTERNA
 UNIDADE




                       Dimensões (L x A x E) (mm)                                       860x830x330                860x830x330               895x655x345               895x655x345
                       Embalagem (L x A x E) (mm)                                       983x915x425                983x915x425              1045x715x470              1045x715x470
                       Peso Líquido / Peso Bruto (kg)                                       61/68                      70/77                     60/65                     60/65
                       Quantidade de Refrigerante R22 (g)                                    720                       980x2                  1000+680                  1000+680
                       Pressão Máxima Admissível da Tubulação (MPa)                          2,6                        2,6                       2,6                       2,6
         FRIGORÍGENA




                       Linha de Líquido / Linha de sucção (mm(pol))                 6,35 e 9,53 (1/4 e 3/8)    6,35 e 12,7 (1/4 e 1/2)   6,35 e 9,53 (1/4 e 3/8)   6,35 e 9,53 (1/4 e 3/8)
 LINHA




                       Comprimento máximo (m)                                                 10                         10                        10                        10
                       Desnível máximo entre as unidades (m)                                  5                          5                         5                         5
                       Temperatura de operação                                              17/30                      17/30                     17/30                     17/30
                       Temperatura externa                                                  18/45                      18/45                     18/45                     18/45
                       Área de aplicação (m²)                                              (14-2)x2                  (18-26)x2                 (14-21)x3                 (14-21)x3
VISTAS EXPLODIDAS                           2.3
          2.3.1                                  Unidade Interna
                                                 KOM2S18FCG2




                                   KOM 2S18FCG1 - UNIDADE INTERNA
NÚMERO            DESCRIÇAO         CODIGO    NÚMERO                  DESCRIÇAO     CODIGO
   1   PAINEL FRONTAL              0200321032    19   FIX PROT SENS TP AMB         0200320490
   2   FILTRO AR COM               0200321033    20   SENS TP AMB                  0200320958
       SUP FILT AR CARVAO          0200320544    21   SENS TP EVAP                 0200320957
   3   SUP FILT AR CARVAO TRAS     0200320545    22
       FILTRO AR CARVAO            0200320546    23   TAMPA MOLD DIR EVAP          0200320494
       MOLD PAINEL FR              0200321037    24   ACAB DISPLAY                 0200320495
   4
       ACAB PARAF PN FR            0200320548    25   TAMPA CON ELETR              0200320505
   5   EVAPORADOR                  0200320549    26   SUP CONTR REMOTO             0200321047
       ROL VENT AXIAL              0200321051    27   CONTR REMOTO SOMENTE FRIO    0200321046
   6
       SUP ROL AXIAL               0200320559    28   TAMPA CX PCB                 0200320983
   7   VENT AXIAL                  0200320560    29
   8   BANDEJA EV                  0200321054    30   TRANSF INTERNO               0200320986
   9   MANG DRENO                  0200321126    31   PCB                          0200320508
  10   CHASSIS EVAP                0200321068    32   INTERRUP MANUAL              0200320510
  11   PLACA DE INST               0200320573    33   CAIXA P/ PCB                 0200320998
  12   TAMPA CHAS DIR EVAP         0200320574    34   PROT FIOS EV/CD              0200320518
  13   MOTOR SWING                 0200320879    35   PROT FIOS ALIM ELETR         0200320112
  14   GRADE HOR SUP               0200321071    36   BORNES ELETR EVAP            0200320520
  15   GRADE HOR INF               0200320951    37   PLACA DISPLAY                0200320522
  16   FIX MOTOR VENT AXIAL SUP    0200320952    38   PROT DISPLAY                 0200321003
  17   MOTOR VENT AXIAL            0200320963    39   PORCA FLANGE 1/4             0200320481
  18   FIX MOTOR VENT AXIAL CHAS   0200320586    40   PORCA FLANGE 3/8             0200320480
VISTAS EXPLODIDAS                           2.3
          2.3.2                                        Unidade Externa
                                                       KOM2S18FCG2




                                        KOM 2S18FCG1 - UNIDADE EXTERNA
NÚMERO              DESCRIÇAO            CODIGO    NÚMERO                   DESCRIÇAO    CODIGO
   1     TELA FRONTAL                   0200320633    19   SUP CAPACITORES CD           0200320564
   2     TAMPA FRONTAL CD               0200320638    20   CAP VENT CD                  0200320565
   3     HELICE CD                      0200320639    21   BORNES ELETR CD              0200320566
   4     MOTOR VENT CD                  0200320640    22   FIX ENTR FIOS CD             0200321149
   5     SUP MOTOR VENT CD              0200320641    23   PLACA PROT COMP              0200320568
   6     PLACA FIX P/ SUP MOTOR VT CD   0200320642    24   TAMPA LATERAL DIR CD         0200320576
   7     CHASSIS CD                     0200320643    25   PUXAD GR CD                  0200320577
   8     CONDENSADOR PC UN. B           0200320539    26   SUP VALVULAS CD              0200320578
   9     MANG DRENO CD                  0200321126    27   VALV LIQUIDO CD UN. A/B      0200320579
  10     PLACA DE SEPAR HOR CD          0200320541    28   VALV SUCCAO CD UN. A/B       0200320581
  11     COLETOR DE AGUA                0200320542    29   VALV LIQUIDO CD UN. A/B      0200320579
  12     CONDENSADOR PC UN. A           0200320550    30   VALV SUCCAO CD UN. A/B       0200320581
  13     TAMPA SUPERIOR                 0200320551    31   COMPRESSOR                   0200320484
  14     PUXAD PQ CD                    0200320552    32   COXIM P/ COMPRESSOR          0200320336
  15     BARRA SUP ESQUERDA             0200320553    33   COMPRESSOR                   0200320484
  16     TELA TRASEIRA                  0200320554    34   COXIM P/ COMPRESSOR          0200320336
  17     FIX CAPACITOR CD               0200320555    35   PORCA FLANGE 1/4             0200320481
  18     CAP COMPRESSOR                 0200320563    36   PORCA FLANGE 3/8             0200320480
VISTAS EXPLODIDAS                           2.3
          2.3.1                                  Unidade Interna
                                                 KOM2S24FCG1




                                   KOM 2S24FCG1 - UNIDADE INTERNA
NÚMERO            DESCRIÇAO         CODIGO    NÚMERO                  DESCRIÇAO     CODIGO
   1   PAINEL FRONTAL              0200321032    19   SENS TP AMB                  0200320958
   2   FILTRO AR COM               0200321033    20   PROT SENS TP AMB             0200320491
       SUP FILT AR CARVAO          0200320544    21   FIX PROT SENS TP AMB         0200320492
   3   SUP FILT AR CARVAO          0200320545    22   SENS TP EVAP                 0200320957
       FILTRO AR CARVAO            0200320546    23   TAMPA MOLD DIR EVAP          0200320494
   4   MOLD PAINEL FR              0200321037    24   ACAB DISPLAY                 0200320981
   5   EVAPORADOR                  0200321050    25   TAMPA CON ELETR              0200320505
       ROL VENT AXIAL              0200321051    26   TAMPA CX PCB                 0200320983
   6
       SUP ROL AXIAL               0200320559    27   INTERRUP MANUAL              0200320510
   7   VENT AXIAL                  0200321053    28   PCB                          0200320509
   8   BANDEJA EV                  0200321054    29   TRANSF INTERNO               0200320986
   9   MANG DRENO                  0200321126    30   CAIXA P/ PCB                 0200320998
  10   CHASSIS EVAP                0200320643    31   PROT FIOS EV/CD              0200320518
  11   PLACA DE INST               0200320573    32   PROT FIOS ALIM ELETR         0200320112
  12   TAMPA CHAS DIR EVAP         0200320574    33   BORNES ELETR EVAP            0200321001
  13   MOTOR SWING                 0200320879    34   PLACA DISPLAY                0200320529
  14   GRADE HOR SUP               0200321071    35   PROT DISPLA                  0200321003
  15   GRADE HOR INF               0200320951    36   CONTR REMOTO SOMENTE FRIO    0200321046
  16   FIX MOTOR VENT AXIAL SUP    0200320952    37   SUP CONTR REMOTO             0200321047
  17   MOTOR VENT AXIAL            0200320963    38   PORCA FLANGE 1/4             0200320481
  18   FIX MOTOR VENT AXIAL CHAS   0200320586    39   PORCA FLANGE 1/2             0200320424
VISTAS EXPLODIDAS                              2.3
          2.3.2                                        Unidade Externa
                                                       KOM2S24FCG1




                                        KOM 2S24FCG1 - UNIDADE EXTERNA

NÚMERO             DESCRIÇAO             CODIGO      NÚMERO                   DESCRIÇAO     CODIGO
   1     TELA FRONTAL                   0200320959     19     SUP CAPACITORES CD           0200320564
   2     TAMPA FRONTAL CD               0200320638     20     CAP VENT CD                  0200320565
   3     HELICE CD                      0200320639     21     BORNES ELETR CD              0200320566
   4     MOTOR VENT CD                  0200320640     22     FIX ENTR FIOS CD             0200321149
   5     SUP MOTOR VENT CD              0200320641     23     PLACA PROT COMP              0200320568
   6     PLACA FIX P/ SUP MOTOR VT CD   0200320642     24     TAMPA LATERAL DIR CD         0200320576
   7     CHASSIS CD                     0200320643     25     PUXAD GR CD                  0200320577
   8     CONDENSADOR PC UN. B           0200320538     26     SUP VALVULAS CD              0200320578
   9     MANG DRENO CD                  0200321126     27     VALV LIQUIDO CD UN. A/B      0200320579
  10     PLACA DE SEPAR HOR CD          0200320541     28     VALV SUCCAO CD UN. A/B       0200320580
  11     COLETOR DE AGUA                0200320542     29     VALV LIQUIDO CD UN. A/B      0200320579
  12     CONDENSADOR PC UN. A           0200320543     30     VALV SUCCAO CD UN. A/B       0200320580
  13     TAMPA SUPERIOR                 0200320551     31     COMPRESSOR UN. A/B           0200320483
  14     PUXAD PQ CD                    0200320552     32     COXIM P/ COMPRESSOR          0200320337
  15     BARRA SUP ESQUERDA             0200320553     33     COMPRESSOR UN. A/B           0200320483
  16     TELA TRASEIRA                  0200320554     35     PORCA FLANGE 1/4             0200320481
  17     FIX CAPACITOR CD               0200320555     36     PORCA FLANGE 1/2             0200320424
  18     CAP COMPRESSOR                 0200320563
VISTAS EXPLODIDAS                             2.3
           2.3.1                                  Unidade Interna
                                                  KOM2S24QCG1




                                   KOM 2S24QCG1 - UNIDADE INTERNA

NÚMERO             DESCRIÇAO        CODIGO      NÚMERO                 DESCRIÇAO      CODIGO
   1     PAINEL FRONTAL            0200320292     21     VENT AXIAL                  0200320055
   2     FILTRO AR                 0200320293     22     CHASSIS EVAP                0200320063
   3     ACAB PARAF PN FR          0200321616     23     PLACA DE INST               0200320056
   4     MOD PAINEL FRONTAL        0200320294     24     GRAMPO COM TUBOS            0200320622
   5     FILTRO AR CARVAO          0200321112     25     MOTOR VENT AXIAL            0200320640
   6     ACAB DISPLAY              0200320309     26     FIX MOTOR VENT AXIAL        0200320058
   7                                              27     BORNES ELETR EVAP           0200320059
   8     PROT PLACA DISPLAY        0200320310     28     PROT FIOS EV/CD             0200320060
   9     GRADE HOR                 0200320311     29     PLACA DISPLAY               0200320061
  10     GRADE VERT                0200320312     30     PCB                         0200320064
  11     MOTOR SWING               0200320313     31     CAIXA P/ PCB                0200320065
  12     BANDEJA EVAP              0200320314     32     TRANSF INTERNO              0200320066
  13     GUIA GRADE VERT           0200320050     33     TAMPA CX PCB                0200320067
  14     DIRECIONADOR GUIA GRADE   0200320051     34     CONTR REMOTO FRIO/QUENTE    0200321143
  15                                              35     SUP CONTR REMOTO            0200321047
  16     MANG DRENO                0200321126     36     SENSOR TEMP EVAP            0200320958
  17     SUP ESQUERDA P/ EVAP      0200320052     37     SENSOR TEMP AMB             0200320957
  18     EVAPORADOR PC             0200320053     38     PORCA FLANGE 1/4            0200320481
  19                                              39     PORCA FLANGE 3/8            0200320424
  20     ROL VENT AXIAL            0200320054
VISTAS EXPLODIDAS                                      2.3
           2.3.2                                       Unidade Externa
                                                       KOM2S24QCG1




                                        KOM 2S24QCG1 - UNIDADE EXTERNA

NÚMERO             DESCRIÇAO             CODIGO      NÚMERO                 DESCRIÇAO                    CODIGO
   1     TELA FRONTAL                   0200320633     22     FIX ENTR FIOS CD                          0200321149
   2     TAMPA FRONTAL CD               0200320638     23     PLACA PROT COMP                           0200320568
   3     HELICE CD                      0200320639     24     TAMPA LATERAL DIR CD                      0200320576
   4     MOTOR VENT CD                  0200320640     25     PUXAD GR CD                               0200320577
   5     SUP MOTOR VENT                 0200320073     26     SUP VALVULAS CD KOM2S18FCG1/M2S24FCQCG1   0200320578
   6     PLACA FIX P/ SUP MOTOR VT CD   0200320642     27     VALV LIQUIDO CD UN. A/B                   0200320579
   7     CHASSIS CD                     0200320643     28     VALV SUCCAO CD UN. A/B                    0200320580
   8     CONDENSADOR PC UN. B           0200320074     29     VALV LIQUIDO CD UN. A/B                   0200320579
   9     MANG DRENO CD                  0200320075     30     VALV SUCCAO CD UN. A/B                    0200320580
  10     PLACA DE SEPAR HOR CD          0200320541     31     COMPRESSOR UN. A/B                        0200320483
  11     COLETOR DE AGUA                0200320542     32     COXIM P/ COMPRESSOR                       1200069031
  12     CONDENSADOR PC UN. A           0200320076     33     COMPRESSOR UN. A/B                        0200320483
  13     TAMPA SUPERIOR                 0200320551     34     COXIM P/ COMPRESSOR                       1200069031
  14     PUXAD PQ CD                    0200320552     35     TUBO SUCCAO                               0200320082
  15     BARRA SUP ESQUERDA             0200320553     36     TUB VALV REVERSORA                        0200320083
  16     TELA TRASEIRA                  0200320554     37     VALV REVERSORA                            0200320721
  17     FIX CAPACITOR CD               0200320555     38     TUBO CAPILAR UN.                          0200320085
  18     CAP COMPRESSOR                 0200320563     39     TUBO CAPILAR UN.                          0200320086
  19     SUP CAPACITORES CD             0200320564     40     PORCA FLANGE 1/4                          0200320481
  20     CAP VENT CD                    0200320565     41     PORCA FLANGE 1/2                          0200320424
  21     BORNES ELETR CD                0200320077
VISTAS EXPLODIDAS                             2.3
           2.3.1                                          Unidade Interna
                                                         KOM3S27FCG1




                                          KOM 3S27FCG1 - UNIDADE INTERNA

NÚMERO            DESCRIÇAO                CODIGO      NÚMERO                 DESCRIÇAO       CODIGO
   1     PAINEL FRONTAL KOM3S27FCG1       0200320537     21     VENT AXIAL                   0200320618
   2     FILTRO AR COM KOM3S27FCG1        0200320442     22     CHASSIS EVAP                 0200320619
   3     ACAB PARAF PN FR KOM3S27FCG1     0200320443     23     TAMPA TRAS P/ CHASSIS        0200320620
   4     MOLD PAINEL FR KOM3S27FCG1       0200320444     24     PLACA DE INST                0200320621
   5     FILTRO AR CARVAO KOM3S27FCG1     0200321112     25     GRAMPO CON TUBOS             0200320622
   6     SUP FILT AR CARVAO KOM3S27FCG1   0200321113     26     MOTOR VENT AX                0200320623
   7     TAMPA CON ELETR KOM3S27FCG1      0200320450     27     FIX MOTOR VENT AXIAL         0200320624
   8     ACAB DISPLAY KOM3S27FCG1         0200320451     28     TAMPA CX PCB                 0200320625
   9     GRADE HOR KOM3S27FCG1            0200320452     29     VISOR PLACA DISPLAY          0200320628
  10     GRADE VERT KOM3S27FCG1           0200320453     30     PLACA DISPLAY                0200320627
  11     BANDEJA EV KOM3S27FCG1           0200320454     31     PROT DISPLAY                 0200320626
  12     GUIA GRADE VERT KOM3S27FCG1      0200320610     32     PCB KOM3S27FCG1              0200320644
  13     DIRECIONADOR GUIA GRADE          1200069036     33     TRANSF INTERNO               0200320228
  14     MOTOR SWING                      0200320467     34     CAIXA P/ PCB                 0200320630
  15     MANG DRENO                       0200321126     35     PROT FIOS ALIM ELETR         0200320631
  16     SENS TP AMB                      0200320958     36     BORNES ELETR EVAP            0200320632
  17     SENS TP EVAP                     0200320957     37     CONTR REMOTO SOMENTE FRIO    0200321046
  18     SUP ESQUERDO P/ EVAPORADOR       0200320615     38     SUP CONTR REMOTO             0200321047
  19     EVAPORADOR                       0200320616     39     PORCA FLANGE 1/4             0200320481
  20     ROL VENT AXIAL                   0200320617     40     PORCA FLANGE 3/8             0200320480
VISTAS EXPLODIDAS                             2.3
           2.3.2                                    Unidade Externa
                                                    KOM3S27FCG1




                                     KOM 3S27FCG1 - UNIDADE EXTERNA

NÚMERO             DESCRIÇAO          CODIGO      NÚMERO                  DESCRIÇAO     CODIGO
   1     GRAMPO P/ TELA FRONTAL      0200320959     25     CAP COMPRESSOR              1201402350
   2     TELA FRONTAL                0200320486     26     FIX CAPACITOR CD            0200320555
   3     TAMPA FRONTAL CD            0200320487     27     PCB                         0200320645
   4     PUXAD PQ CD                 0200320488     28     VALV SOLENOIDE              0200320347
   5     BARRA SUP ESQ               0200320338     29     SUP CAPACITORES CD          0200320527
   6     GUIA DA HELICE CD           1204802335     30     CAP VENT CD                 0200320565
   7     HELICE CD                   0200320497     31     BORNES ELETR CD             0200320566
   8     CONDENSADOR PC              0200320498     32     FIX ENTR FIOS CD            0200321149
   9     TAMPA SUPERIOR              0200320499     33     FIX ENTR FIOS CD            1204402354
  10     MOTOR VENT CD               0200320500     34     SUP ENTR FIOS               0200321099
  11     SUP MOTOR VENT CD           0200320501     35     BORNES ELETR                0200320566
  12     VALV LIQUIDO 'ASSY' UN. A   0200320339     36     VALV LIQUIDO CD             0200320533
  13     VALV LIQUIDO 'ASSY' UN. B   0200320511     37     VALV SUCCAO CD              0200320534
  14     PLACA PROT COMPR            0200320512     38     VALV LIQUIDO CD             0200320533
  15     TELA TRASEIRA               0200320513     39     VALV SUCCAO CD              0200320534
  16     TAMPA LATERAL DIR CD        0200320514     40     COLETOR DE AGUA CD          0200320535
  17     PUXAD GR CD                 0200320577     41     VALV DE EXP ELETRICA        0200320536
  18     TAMPA SUP                   0200320340     42     VALV DE EXP ELETRICA        0200320536
  19     COMPRESSOR                  0200321229     43     FIACAO P/ EV                0200320446
  20     COMPRESSOR UN. B            0200320516     44     SENSOR TP CD                0200320447
  21     CHASSIS CD                  0200320523     45     TRANSF INTERNO              0200320448
  22     VALV BAIXA PRESSAO UN.      0200320524     46     PORCA FLANGE 1/4            0200320481
  23     VALV BAIXA PRESSAO UN. B    0200320525     47     PORCA FLANGE 3/8            0200320480
  24     CAP COMPRESSOR              0200320563
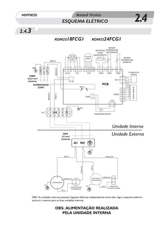
ESQUEMA ELÉTRICO                                                                                                        2.4
2.4.3
                                      KOM2S18FCG1                                               KOM2S24FCG1

                                                                                                                      SENSOR
                                                                                                         PROTETOR TEMPERATURA
                                                                                                           SUPER  EVAPORADOR
                                                                                                       AQUECIMENTO
                                                            MOTOR                      MOTOR
                                                          VENTILADOR                   SWING                                             SENSOR
                                                             AXIAL                                                                    TEMPERATURA
                                  PRETO
                                                                                                                                        AMBIENTE


        Y/G                                            1 3 5       3 2 1              1 2 3 4 5 6          1 2       2 1        2 1
                                      BRANCO




                  L N                                  1 3 5       3 2 1              1 2 3 4 5 6          1 2       2 1        2 1
                                                                                                                                                      INTERRUPTOR
                                                       CN10         CZ1                   CZ3              CN04      CN01      CN03
                                                                                                                                                        MANUAL
     CABO




                                                                                                                                      3
                                                                                                                                      3
   3x2,5 mm²
                                                                                                                             CN17




                                                                                                                                      2
                                                                                                                                      2
   (mínimo)                                                P1 P2




                                                                                                                                      1
                                                                                                                                      1
         ALIMENTAÇÃO                                                                                          PCB
                                                                        RELÊ




                                                                                                                                                          PLACA DISPLAY
             (220V)




                                                                                                                                      7 6 5 4 3 2 1
                                                                                                                                      7 6 5 4 3 2 1
                                                                           3             4
                         BRANCO


                                      PRETO




                                                                                                                            CN05A
                                                                                                3 1

                                                                                       CN02

                                                                                                                       CZ7
                                                                                                                       1 3
                                                                                                                       1 3
                                                                        Y/G

                 JX1         1 2(N) 3 4
                                                                                                       TRANSFORMADOR




                                                                                                                            Unidade Interna
                                                    FIOS
                                                   2,5 mm²
                                                                                                                            Unidade Externa
                                                  (mínimo)
                                                                   A1 N2

                                                                                              Y/G



                                                      PRETO                                                       VERMELHO
                                                                                               PRETO
                                                                           VERMELHO




                                           C                                                                   VERMELHO
                                                      VERMELHO                                  MOTOR DO
                                                  R                                            VENTILADOR
                                   COMPRESSOR
                   Y/G
                                                                                        Y/G                   AZUL     CAPACITOR
                                              S               CAPACITOR DO
                                                                                                                     DO VENTILADOR
                                                               COMPRESSOR
                                                  AZUL



        OBS: As unidades internas possuem ligações elétricas independentes entre elas, logo o esquema elétrico
        acima é o mesmo para as duas unidades internas.


                                      OBS: ALIMENTAÇÃO REALIZADA
                                         PELA UNIDADE INTERNA
ESQUEMA ELÉTRICO                                                                                                                2.4
2.4.3
                                                                                        KOM2S24QCG1

                                                                                                                                             MOTOR
                                                                                                                                3
                                                                                                                                           VENTILADOR
                                  PRETO                                                                                                       AXIAL                            MOTOR
                                                                         BRANCO                                                                                                SWING
                                                                                                                                                    3            5

          Y/G
                    L N                                                                                        CN1                        CN2     CN4          CN5
                                                                                                                                                                                  SENSOR
                                                                                                      CN12                                                                     TEMPERATURA
          CABO                                                                                                                                                                 EVAPORADORA
        3x2,5 mm²
        (mínimo)                                                                                                                                  CN9
                ALIMENTAÇÃO                                                                                                                                                       SENSOR
                    (220V)                                                                                                                                                     TEMPERATURA
                                                                                    3          4                                                                                 AMBIENTE
                                                                                                                                           CN11
                                                                                        RELÊ                             CN7


                                                                                                                                                         CN8
                                                                                          DETECTOR DE
                                                                                           CORRENTE                  2
                                                                                                                                                                                PLACA DISPLAY
                                                                                                                                                                     9
                       VERMELHO




                                                                                                                                           CN10
                                            AMARELO
                                   PRETO




                                                      VERDE




                                                                                                                                      2


                                                                                    Y/G

                                                                                                                     TRANSFORMADOR
                            1 2(N) 3 4




                                                                                                                                                         Unidade Interna
                                                        FIOS
                                                       2,5 mm²                                                                                           Unidade Externa
                                                      (mínimo)

                                                                              A1 N1 A3 A4


                                                                                                                               Y/G
                                                                                                   REVERSORA
                                                                                                    VÁLVULA




                                                                                                                                     AZUL


                                                                                                                          PRETO                           TERMINAL DE
                                                                                                                                                           CONEXÃO




                                                                                                                     VERMELHO
                                                                 PRETO




                                                                                                                                     VERMELHO


                                                                                                                                          PRETO


                                                                   C          VERMELHO
                                                                         R
                                                                                                                                     VERMELHO       MOTOR DO
                                                              COMPRESSOR
                                                                  A                                                                                VENTILADOR
                                           Y/G                                             CAPACITOR DO                                                                  Y/G
                                                                     S                      COMPRESSOR
                                                                                                                                                  AZUL
                                                                             AZUL                                        CAPACITOR DO
                                                                                                                          VENTILADOR


          OBS: As unidades internas possuem ligações elétricas independentes entre elas, logo o esquema elétrico
          acima é o mesmo para as duas unidades internas.


                                                      OBS: ALIMENTAÇÃO REALIZADA
                                                         PELA UNIDADE INTERNA
ESQUEMA ELÉTRICO                                                                                                                                                              2.4
  2.4.3
                                                                                                                                                                      KOM3S27FCG1

                                                                                                                 MOTOR
                                                                                                               VENTILADOR                                                                                       3
                                                                                                                  AXIAL                                         MOTOR
                                                                                                                                                                SWING
                                                                                                              3
                                    UNIDADE INTERNA A                                                                                                                   5
                                                                                                                                                                                                                                     SENSOR
                                                                                                                                                                                                                                  TEMPERATURA
                                                                                                                                                                                                                                    AMBIENTE
                                                                                                                                                                      CN5                                 CN4
                                                                                                                1                                                                                               CN8
                                                                                                              CN
                                                                                                                                CN2                                                                                                                                 SENSOR
                                                                                           CN12                                                                                                                 CN9                                              TEMPERATURA
                                                                                  AZUL                                                                                                                                                                           EVAPORADORA
                                                                                                                                                                                             PCB
                                                                                                                                                                                                                                        2




                                                                                                                                                                                                                                                PLACA DISPLAY
                                                                                                                                                                        CN7                                     CN14
                                                                                            RELÊ

                                                                                                                                                                                                                                        7
                                                                                                                      VERMELHO                                                                                  CN11
                                                                  PRETO




                                                                                                                                                                                                    CN10



                                                                                                                                        Y/G                                                                                         3


                                                   JX1               1 2(N) 3 4                                                                                                 TRANSFORMADOR




                                                                                                                                                                                                   P/ UNIDADE              P/ UNIDADE
                                                                                                                                                                                                   INTERNA B               INTERNA C



                                                                                                                                                                                                                                                                                      Unidade Interna
                                                                                                                                                                                                                                                                  FIOS
                                                                                                                                                                                                                                                                 2,5 mm²
                                                                                                                                                                                                                                                                                      Unidade Externa
                                      CABO                                                                                                                                                                                                                      (mínimo)
                                    3x2,5 mm²                                                                                                                                               XT2                     XT3
                                    (mínimo)
                                                    ALIMENTAÇÃO
                                                        (220V)                                                                                            Y/G           L     N         1
                                                                XT1                         L      N                                                                                               L      N     1           L       N       1                   XT4


        CAP3
                                                         BRANCO




                                                                                                                                   AZUL                                                     AZUL                    AZUL                                              CÓDIGO           NOME
                   BRANCO


                                            AZUL




                                                                                                                                 PRETO                                        PRETO                    PRETO                                                          CAP1             CAPACITOR DO COMPRESSOR A
                                                                                                                                                                                                                            VERMELHO                                  CAP2             CAPACITOR DO COMPRESSOR B
                                                                                PMV1                                                                                                                                                                                  CAP3             CAPACITOR DO MOTOR DO
                                                                                                                                                                                                                                                                                        VENTILADOR
               MOTOR DO                                                                      6                                                 6                                                                                                                      XT1-XT4          BORNES DE CONEXÃO
                                                                                                                                                                                                                           AZUL




              VENTILADOR                                                                                                                                                T1                                                                                            XT5              TERMINAL DE CONEXÃO
Y/G                                                                         PMV2                                                                                                                                                                                      TC1-TC2          SENSORES DE TEMPERATURA
                                                                                                                                                                                                                                                                      T1               TRANSFORMADOR
                            PRETO




                                                                                                                                                                                                                                                                      PMV1-PMV2        AJUSTE ELETRÔNICO
                                                                                       2   CN2               CN13                 CN14                     CN3                 CN4                                                                                    Y/G              FIO TERRA


                                                                          TC1
                                                                                                                                                                                            PCB
                                                                                       2   CN1
                                                                                                                                 CN11
                                                                                                              CN10




                                                                                                                                                   CN12




                                                                                                                                                                                  CN9




                                                                                                                                                                                                    CN5
                                                                                                                                                                                             CN6
                                                                                                                                                                CN7


                                                                                                                                                                        CN8




                                                                                                                                                                                                                                            PRETO
                                    PRETO




                                                                          TC2
                                                                                                                                        VERMELHO
                                                                                                                     VERMELHO
                                                                                                  VERMELHO




                                       C                                                                                                                                                                                                        C

                        COMPRESSOR                                                                                                                                                                                                  COMPRESSOR
  Y/G                       A                                                                                                                                                                                                           B                                       Y/G
                         S      R                                                                                                                                                                                                    R      S
                                                                                                                                                                                   AZUL
                                                                                                                                                                                                                                                                       BRANCO
          BRANCO




                                                           AZUL




                                                                                                                                  BRANCO
                                                                                                                                                                                                                             AZUL




                                                                                                                                                                                                              BRANCO
                                                           BRANCO
          CAP1                                                                                                                                                                                                                                                    CAP2
                                                                                                                                                          XT5
                                                                                                                                                                        AZUL




                                                                                           OBS: ALIMENTAÇÃO REALIZADA
                                                                                             PELA UNIDADE EXTERNA
AUTO-DIAGNÓSTICOS                                                    2.4
2.4.1                                                        Unidade Interna

                                                                          LEDS INDICADORES
      PROBLEMA                                                OPERATION        TIMER          AUTO       DEFROSTING*
 A) Sistema de proteção do compressor                         PISCANDO      PISCANDO        PISCANDO       PISCANDO
      atuou 4 vezes

 B) Sensor de temperatura ambiente em                         DESLIGADO     PISCANDO DESLIGADO DESLIGADO
      curto circuito ou desconectado

 C) Sensor de temperatura do evaporador                       PISCANDO      DESLIGADO DESLIGADO DESLIGADO
      em curto circuito ou desconectado

 D) Sensor de temperatura do condensador em                   DESLIGADO DESLIGADO DESLIGADO                PISCANDO
      curto circuito ou desconectado (somente frio/quente)

 E) PCB com defeito                                           DESLIGADO     PISCANDO       PISCANDO        DESLIGADO

 F) Sistema de proteção da unidade externa atuando            DESLIGADO DESLIGADO PISCANDO PISCANDO
                                                                               * somente aparelhos Frio/Quente



2.4.2                                                        Unidade Externa
          Os modelos KOP (Piso Teto) possuem uma placa de controle em sua unidade externa alimentada com três fases
(A, B e C) e um fio neutro (N). A ligação incorreta ou eventuais problemas que possam vir a ocorrer podem ser verificados
através da tabela de auto diagnósticos a seguir:


                                                                          LEDS INDICADORES
  PROBLEMA                                                        LED1              LED2                  LED3
 A) Sequência de fase trocada                                  PISCANDO           DESLIGADO             DESLIGADO
 B) Falta de fase (A, B)                                       PISCANDO           DESLIGADO             DESLIGADO
 C) Falta de fase (C)                                         DESLIGADO           DESLIGADO             DESLIGADO
 D) Proteção de corrente atuando                              DESLIGADO           DESLIGADO              PISCANDO
 E) Falha na comunicação                                       PISCANDO           DESLIGADO              PISCANDO

 F)   Sensor de temperatura do condensador                    DESLIGADO            PISCANDO              PISCANDO
       (T3) em curto circuito ou desconectado
 G) Sensor de temperatura ambiente em (T4)                    DESLIGADO            PISCANDO             DESLIGADO
       curto circuito ou desconectado

 H) Proteção de alta temperatura                               PISCANDO            PISCANDO              PISCANDO

Mt kom g1

  • 1.
    Manual Técnico Condicionadoresde Ar Série KOM G1 (Multi Split) VERSÃO 08.02.08
  • 2.
    INTRODUÇÃO 1 Prezado Assistente Técnico, Este manual foi desenvolvido com o objetivo de proporcionar a você, o maior número de informações possíveis, buscando com isso elevar a qualidade no atendimento aos Clientes Komeco. No Manual Técnico Komeco você vai encontrar informações dos aparelhos condicionadores de ar, como por exemplo: fichas técnicas, vista explodida, códigos de peças, descritivo do funcionamento dos aparelhos, possíveis problemas e soluções, etc.. Ou seja, todo o material importante e necessário para acompanhá-lo na assistência técnica dos aparelhos Komeco. Caso você necessite de outras informações, entre em contato com o Departamento de Engenharia através do e-mail: engenharia@komeco.com.br
  • 3.
    FICHA TÉCNICA 2.1 KOM2S18FC G1 KOM2S24FC G1 KOM2S24QC G1 KOM3S27FC G1 Alimentação (Fase-V-Hz) Mono / 220-230V / 60Hz Mono / 220-230V / 60Hz Mono / 220-230V / 60Hz Mono / 220-230V / 60Hz Capacidade (Btu/h) 9000x2 12000x2 24000 24000 Consumo (W) 940x2 1300x2 1450+1110 1450+1110 FRIO Corrente de Operação (A) 4,4x2 5,8x2 6,6/5,0 6,6/5,0 EER (Btu/W.h) 9,6 9,2 9,8 9,8 Capacidade (Btu/h) - - - - QUENTE Consumo (W) - - - - Corrente de Operação (A) - - - - COP(Btu/W.h) - - - - Desumidificação (L/h) 1,0x2 1,25x2 1,0x2/1,2 1,0x2/1,2 Consumo Máximo (W) 1300x2 1550x2 3200 3200 Corrente Máxima (A) 5,8x2 - 15,8 15,8 Corrente de Partida (A) 24x2 29x2 45 45 Modelo PH135X1CY-3DZDU2 PH180X1C-3DZU2 PH195X2C-3FTU1/ PH195X2C-3FTU1/ PH160X1C-3DZDU2 PH160X1C-3DZDU2 Tipo ROTATIVO ROTATIVO ROTATIVO ROTATIVO Marca GD TOSHIBA - GD TOSHIBA GD TOSHIBA COMPRESSOR Capacidade (Btu/h) 9655 12730 13600+11300 13600+11300 Consumo (W) 920 1260 1295+1090 1295+1090 Corrente de Operação - RLA (A) 4,45 5,5 6,2+5,3 6,2+5,3 Corrente com Rotor Travado - LRA (A) 26 29 - - Protetor Térmico UP3QE0591-T51 UP3RE0591-T56 - - Capacitor (µF) 35 µF/440-450V 35 µF/440-450V 40 µF/440-450V 40 µ F/440-450V Óleo Lubrificante (ml) 400 400 480/480 480/480 Modelo RPG13E RPG13E YDK13G-4B YDK13G-4B VENTILADOR MOTOR DO Marca WELLING WELLING WELLING WELLING INTERNO Consumo (W) 25W/1500RPM 25W/1500RPM 31,2 31,2 Capacitor (µF) 1,5 1,5 1,2 1,2 Velocidade (alta/médi/baixa) (RPM) 1260/1160/1060 1260/1160/1060 1350 (Alta) 1350 (Alta) Volume de ar unidade interna (Alta/Média/Baixa) (m³/h) 480 (Alta) 540/500/440 (550/500/460)x3 (550/500/460)x3 Nível de ruído unidade interna (Alta/Média/Baixa) (dB(A)) 40 (Baixa) 42/40/37 48/38/34 48/38/34 UNIDADE Dimensões (L x A x E) (mm) INTERNA 900x300x172 900x300x172 750x250x188 750x250x188 Embalagem (L x A x E) (mm) 1020x390x260 1020x390x260 830x336x280 830x336x280 Peso Líquido / Peso Bruto (kg) 10/13 10/13 8,5/10 8,5/10 Modelo YDK24-6B YDK24-6B YDK51-6F YDK51-6F VENTILADOR MOTOR DO Marca EXTERNO WELLING WELLING WELLING WELLING Consumo (W) 75 75 105 105 Capacitor (µF) 3,0 µ F/450V 3,0µ F/450V 3,0 µF/450V 3,0 µF/ 450V Velocidade (RPM) 940 940 750 750 Vazão de ar unidade interna (m³/h) 1450x2 1450x2 2000 2000 Nível de ruído unidade interna (dB(A)) 56 56 60 60 EXTERNA UNIDADE Dimensões (L x A x E) (mm) 860x830x330 860x830x330 895x655x345 895x655x345 Embalagem (L x A x E) (mm) 983x915x425 983x915x425 1045x715x470 1045x715x470 Peso Líquido / Peso Bruto (kg) 61/68 70/77 60/65 60/65 Quantidade de Refrigerante R22 (g) 720 980x2 1000+680 1000+680 Pressão Máxima Admissível da Tubulação (MPa) 2,6 2,6 2,6 2,6 FRIGORÍGENA Linha de Líquido / Linha de sucção (mm(pol)) 6,35 e 9,53 (1/4 e 3/8) 6,35 e 12,7 (1/4 e 1/2) 6,35 e 9,53 (1/4 e 3/8) 6,35 e 9,53 (1/4 e 3/8) LINHA Comprimento máximo (m) 10 10 10 10 Desnível máximo entre as unidades (m) 5 5 5 5 Temperatura de operação 17/30 17/30 17/30 17/30 Temperatura externa 18/45 18/45 18/45 18/45 Área de aplicação (m²) (14-2)x2 (18-26)x2 (14-21)x3 (14-21)x3
  • 4.
    VISTAS EXPLODIDAS 2.3 2.3.1 Unidade Interna KOM2S18FCG2 KOM 2S18FCG1 - UNIDADE INTERNA NÚMERO DESCRIÇAO CODIGO NÚMERO DESCRIÇAO CODIGO 1 PAINEL FRONTAL 0200321032 19 FIX PROT SENS TP AMB 0200320490 2 FILTRO AR COM 0200321033 20 SENS TP AMB 0200320958 SUP FILT AR CARVAO 0200320544 21 SENS TP EVAP 0200320957 3 SUP FILT AR CARVAO TRAS 0200320545 22 FILTRO AR CARVAO 0200320546 23 TAMPA MOLD DIR EVAP 0200320494 MOLD PAINEL FR 0200321037 24 ACAB DISPLAY 0200320495 4 ACAB PARAF PN FR 0200320548 25 TAMPA CON ELETR 0200320505 5 EVAPORADOR 0200320549 26 SUP CONTR REMOTO 0200321047 ROL VENT AXIAL 0200321051 27 CONTR REMOTO SOMENTE FRIO 0200321046 6 SUP ROL AXIAL 0200320559 28 TAMPA CX PCB 0200320983 7 VENT AXIAL 0200320560 29 8 BANDEJA EV 0200321054 30 TRANSF INTERNO 0200320986 9 MANG DRENO 0200321126 31 PCB 0200320508 10 CHASSIS EVAP 0200321068 32 INTERRUP MANUAL 0200320510 11 PLACA DE INST 0200320573 33 CAIXA P/ PCB 0200320998 12 TAMPA CHAS DIR EVAP 0200320574 34 PROT FIOS EV/CD 0200320518 13 MOTOR SWING 0200320879 35 PROT FIOS ALIM ELETR 0200320112 14 GRADE HOR SUP 0200321071 36 BORNES ELETR EVAP 0200320520 15 GRADE HOR INF 0200320951 37 PLACA DISPLAY 0200320522 16 FIX MOTOR VENT AXIAL SUP 0200320952 38 PROT DISPLAY 0200321003 17 MOTOR VENT AXIAL 0200320963 39 PORCA FLANGE 1/4 0200320481 18 FIX MOTOR VENT AXIAL CHAS 0200320586 40 PORCA FLANGE 3/8 0200320480
  • 5.
    VISTAS EXPLODIDAS 2.3 2.3.2 Unidade Externa KOM2S18FCG2 KOM 2S18FCG1 - UNIDADE EXTERNA NÚMERO DESCRIÇAO CODIGO NÚMERO DESCRIÇAO CODIGO 1 TELA FRONTAL 0200320633 19 SUP CAPACITORES CD 0200320564 2 TAMPA FRONTAL CD 0200320638 20 CAP VENT CD 0200320565 3 HELICE CD 0200320639 21 BORNES ELETR CD 0200320566 4 MOTOR VENT CD 0200320640 22 FIX ENTR FIOS CD 0200321149 5 SUP MOTOR VENT CD 0200320641 23 PLACA PROT COMP 0200320568 6 PLACA FIX P/ SUP MOTOR VT CD 0200320642 24 TAMPA LATERAL DIR CD 0200320576 7 CHASSIS CD 0200320643 25 PUXAD GR CD 0200320577 8 CONDENSADOR PC UN. B 0200320539 26 SUP VALVULAS CD 0200320578 9 MANG DRENO CD 0200321126 27 VALV LIQUIDO CD UN. A/B 0200320579 10 PLACA DE SEPAR HOR CD 0200320541 28 VALV SUCCAO CD UN. A/B 0200320581 11 COLETOR DE AGUA 0200320542 29 VALV LIQUIDO CD UN. A/B 0200320579 12 CONDENSADOR PC UN. A 0200320550 30 VALV SUCCAO CD UN. A/B 0200320581 13 TAMPA SUPERIOR 0200320551 31 COMPRESSOR 0200320484 14 PUXAD PQ CD 0200320552 32 COXIM P/ COMPRESSOR 0200320336 15 BARRA SUP ESQUERDA 0200320553 33 COMPRESSOR 0200320484 16 TELA TRASEIRA 0200320554 34 COXIM P/ COMPRESSOR 0200320336 17 FIX CAPACITOR CD 0200320555 35 PORCA FLANGE 1/4 0200320481 18 CAP COMPRESSOR 0200320563 36 PORCA FLANGE 3/8 0200320480
  • 6.
    VISTAS EXPLODIDAS 2.3 2.3.1 Unidade Interna KOM2S24FCG1 KOM 2S24FCG1 - UNIDADE INTERNA NÚMERO DESCRIÇAO CODIGO NÚMERO DESCRIÇAO CODIGO 1 PAINEL FRONTAL 0200321032 19 SENS TP AMB 0200320958 2 FILTRO AR COM 0200321033 20 PROT SENS TP AMB 0200320491 SUP FILT AR CARVAO 0200320544 21 FIX PROT SENS TP AMB 0200320492 3 SUP FILT AR CARVAO 0200320545 22 SENS TP EVAP 0200320957 FILTRO AR CARVAO 0200320546 23 TAMPA MOLD DIR EVAP 0200320494 4 MOLD PAINEL FR 0200321037 24 ACAB DISPLAY 0200320981 5 EVAPORADOR 0200321050 25 TAMPA CON ELETR 0200320505 ROL VENT AXIAL 0200321051 26 TAMPA CX PCB 0200320983 6 SUP ROL AXIAL 0200320559 27 INTERRUP MANUAL 0200320510 7 VENT AXIAL 0200321053 28 PCB 0200320509 8 BANDEJA EV 0200321054 29 TRANSF INTERNO 0200320986 9 MANG DRENO 0200321126 30 CAIXA P/ PCB 0200320998 10 CHASSIS EVAP 0200320643 31 PROT FIOS EV/CD 0200320518 11 PLACA DE INST 0200320573 32 PROT FIOS ALIM ELETR 0200320112 12 TAMPA CHAS DIR EVAP 0200320574 33 BORNES ELETR EVAP 0200321001 13 MOTOR SWING 0200320879 34 PLACA DISPLAY 0200320529 14 GRADE HOR SUP 0200321071 35 PROT DISPLA 0200321003 15 GRADE HOR INF 0200320951 36 CONTR REMOTO SOMENTE FRIO 0200321046 16 FIX MOTOR VENT AXIAL SUP 0200320952 37 SUP CONTR REMOTO 0200321047 17 MOTOR VENT AXIAL 0200320963 38 PORCA FLANGE 1/4 0200320481 18 FIX MOTOR VENT AXIAL CHAS 0200320586 39 PORCA FLANGE 1/2 0200320424
  • 7.
    VISTAS EXPLODIDAS 2.3 2.3.2 Unidade Externa KOM2S24FCG1 KOM 2S24FCG1 - UNIDADE EXTERNA NÚMERO DESCRIÇAO CODIGO NÚMERO DESCRIÇAO CODIGO 1 TELA FRONTAL 0200320959 19 SUP CAPACITORES CD 0200320564 2 TAMPA FRONTAL CD 0200320638 20 CAP VENT CD 0200320565 3 HELICE CD 0200320639 21 BORNES ELETR CD 0200320566 4 MOTOR VENT CD 0200320640 22 FIX ENTR FIOS CD 0200321149 5 SUP MOTOR VENT CD 0200320641 23 PLACA PROT COMP 0200320568 6 PLACA FIX P/ SUP MOTOR VT CD 0200320642 24 TAMPA LATERAL DIR CD 0200320576 7 CHASSIS CD 0200320643 25 PUXAD GR CD 0200320577 8 CONDENSADOR PC UN. B 0200320538 26 SUP VALVULAS CD 0200320578 9 MANG DRENO CD 0200321126 27 VALV LIQUIDO CD UN. A/B 0200320579 10 PLACA DE SEPAR HOR CD 0200320541 28 VALV SUCCAO CD UN. A/B 0200320580 11 COLETOR DE AGUA 0200320542 29 VALV LIQUIDO CD UN. A/B 0200320579 12 CONDENSADOR PC UN. A 0200320543 30 VALV SUCCAO CD UN. A/B 0200320580 13 TAMPA SUPERIOR 0200320551 31 COMPRESSOR UN. A/B 0200320483 14 PUXAD PQ CD 0200320552 32 COXIM P/ COMPRESSOR 0200320337 15 BARRA SUP ESQUERDA 0200320553 33 COMPRESSOR UN. A/B 0200320483 16 TELA TRASEIRA 0200320554 35 PORCA FLANGE 1/4 0200320481 17 FIX CAPACITOR CD 0200320555 36 PORCA FLANGE 1/2 0200320424 18 CAP COMPRESSOR 0200320563
  • 8.
    VISTAS EXPLODIDAS 2.3 2.3.1 Unidade Interna KOM2S24QCG1 KOM 2S24QCG1 - UNIDADE INTERNA NÚMERO DESCRIÇAO CODIGO NÚMERO DESCRIÇAO CODIGO 1 PAINEL FRONTAL 0200320292 21 VENT AXIAL 0200320055 2 FILTRO AR 0200320293 22 CHASSIS EVAP 0200320063 3 ACAB PARAF PN FR 0200321616 23 PLACA DE INST 0200320056 4 MOD PAINEL FRONTAL 0200320294 24 GRAMPO COM TUBOS 0200320622 5 FILTRO AR CARVAO 0200321112 25 MOTOR VENT AXIAL 0200320640 6 ACAB DISPLAY 0200320309 26 FIX MOTOR VENT AXIAL 0200320058 7 27 BORNES ELETR EVAP 0200320059 8 PROT PLACA DISPLAY 0200320310 28 PROT FIOS EV/CD 0200320060 9 GRADE HOR 0200320311 29 PLACA DISPLAY 0200320061 10 GRADE VERT 0200320312 30 PCB 0200320064 11 MOTOR SWING 0200320313 31 CAIXA P/ PCB 0200320065 12 BANDEJA EVAP 0200320314 32 TRANSF INTERNO 0200320066 13 GUIA GRADE VERT 0200320050 33 TAMPA CX PCB 0200320067 14 DIRECIONADOR GUIA GRADE 0200320051 34 CONTR REMOTO FRIO/QUENTE 0200321143 15 35 SUP CONTR REMOTO 0200321047 16 MANG DRENO 0200321126 36 SENSOR TEMP EVAP 0200320958 17 SUP ESQUERDA P/ EVAP 0200320052 37 SENSOR TEMP AMB 0200320957 18 EVAPORADOR PC 0200320053 38 PORCA FLANGE 1/4 0200320481 19 39 PORCA FLANGE 3/8 0200320424 20 ROL VENT AXIAL 0200320054
  • 9.
    VISTAS EXPLODIDAS 2.3 2.3.2 Unidade Externa KOM2S24QCG1 KOM 2S24QCG1 - UNIDADE EXTERNA NÚMERO DESCRIÇAO CODIGO NÚMERO DESCRIÇAO CODIGO 1 TELA FRONTAL 0200320633 22 FIX ENTR FIOS CD 0200321149 2 TAMPA FRONTAL CD 0200320638 23 PLACA PROT COMP 0200320568 3 HELICE CD 0200320639 24 TAMPA LATERAL DIR CD 0200320576 4 MOTOR VENT CD 0200320640 25 PUXAD GR CD 0200320577 5 SUP MOTOR VENT 0200320073 26 SUP VALVULAS CD KOM2S18FCG1/M2S24FCQCG1 0200320578 6 PLACA FIX P/ SUP MOTOR VT CD 0200320642 27 VALV LIQUIDO CD UN. A/B 0200320579 7 CHASSIS CD 0200320643 28 VALV SUCCAO CD UN. A/B 0200320580 8 CONDENSADOR PC UN. B 0200320074 29 VALV LIQUIDO CD UN. A/B 0200320579 9 MANG DRENO CD 0200320075 30 VALV SUCCAO CD UN. A/B 0200320580 10 PLACA DE SEPAR HOR CD 0200320541 31 COMPRESSOR UN. A/B 0200320483 11 COLETOR DE AGUA 0200320542 32 COXIM P/ COMPRESSOR 1200069031 12 CONDENSADOR PC UN. A 0200320076 33 COMPRESSOR UN. A/B 0200320483 13 TAMPA SUPERIOR 0200320551 34 COXIM P/ COMPRESSOR 1200069031 14 PUXAD PQ CD 0200320552 35 TUBO SUCCAO 0200320082 15 BARRA SUP ESQUERDA 0200320553 36 TUB VALV REVERSORA 0200320083 16 TELA TRASEIRA 0200320554 37 VALV REVERSORA 0200320721 17 FIX CAPACITOR CD 0200320555 38 TUBO CAPILAR UN. 0200320085 18 CAP COMPRESSOR 0200320563 39 TUBO CAPILAR UN. 0200320086 19 SUP CAPACITORES CD 0200320564 40 PORCA FLANGE 1/4 0200320481 20 CAP VENT CD 0200320565 41 PORCA FLANGE 1/2 0200320424 21 BORNES ELETR CD 0200320077
  • 10.
    VISTAS EXPLODIDAS 2.3 2.3.1 Unidade Interna KOM3S27FCG1 KOM 3S27FCG1 - UNIDADE INTERNA NÚMERO DESCRIÇAO CODIGO NÚMERO DESCRIÇAO CODIGO 1 PAINEL FRONTAL KOM3S27FCG1 0200320537 21 VENT AXIAL 0200320618 2 FILTRO AR COM KOM3S27FCG1 0200320442 22 CHASSIS EVAP 0200320619 3 ACAB PARAF PN FR KOM3S27FCG1 0200320443 23 TAMPA TRAS P/ CHASSIS 0200320620 4 MOLD PAINEL FR KOM3S27FCG1 0200320444 24 PLACA DE INST 0200320621 5 FILTRO AR CARVAO KOM3S27FCG1 0200321112 25 GRAMPO CON TUBOS 0200320622 6 SUP FILT AR CARVAO KOM3S27FCG1 0200321113 26 MOTOR VENT AX 0200320623 7 TAMPA CON ELETR KOM3S27FCG1 0200320450 27 FIX MOTOR VENT AXIAL 0200320624 8 ACAB DISPLAY KOM3S27FCG1 0200320451 28 TAMPA CX PCB 0200320625 9 GRADE HOR KOM3S27FCG1 0200320452 29 VISOR PLACA DISPLAY 0200320628 10 GRADE VERT KOM3S27FCG1 0200320453 30 PLACA DISPLAY 0200320627 11 BANDEJA EV KOM3S27FCG1 0200320454 31 PROT DISPLAY 0200320626 12 GUIA GRADE VERT KOM3S27FCG1 0200320610 32 PCB KOM3S27FCG1 0200320644 13 DIRECIONADOR GUIA GRADE 1200069036 33 TRANSF INTERNO 0200320228 14 MOTOR SWING 0200320467 34 CAIXA P/ PCB 0200320630 15 MANG DRENO 0200321126 35 PROT FIOS ALIM ELETR 0200320631 16 SENS TP AMB 0200320958 36 BORNES ELETR EVAP 0200320632 17 SENS TP EVAP 0200320957 37 CONTR REMOTO SOMENTE FRIO 0200321046 18 SUP ESQUERDO P/ EVAPORADOR 0200320615 38 SUP CONTR REMOTO 0200321047 19 EVAPORADOR 0200320616 39 PORCA FLANGE 1/4 0200320481 20 ROL VENT AXIAL 0200320617 40 PORCA FLANGE 3/8 0200320480
  • 11.
    VISTAS EXPLODIDAS 2.3 2.3.2 Unidade Externa KOM3S27FCG1 KOM 3S27FCG1 - UNIDADE EXTERNA NÚMERO DESCRIÇAO CODIGO NÚMERO DESCRIÇAO CODIGO 1 GRAMPO P/ TELA FRONTAL 0200320959 25 CAP COMPRESSOR 1201402350 2 TELA FRONTAL 0200320486 26 FIX CAPACITOR CD 0200320555 3 TAMPA FRONTAL CD 0200320487 27 PCB 0200320645 4 PUXAD PQ CD 0200320488 28 VALV SOLENOIDE 0200320347 5 BARRA SUP ESQ 0200320338 29 SUP CAPACITORES CD 0200320527 6 GUIA DA HELICE CD 1204802335 30 CAP VENT CD 0200320565 7 HELICE CD 0200320497 31 BORNES ELETR CD 0200320566 8 CONDENSADOR PC 0200320498 32 FIX ENTR FIOS CD 0200321149 9 TAMPA SUPERIOR 0200320499 33 FIX ENTR FIOS CD 1204402354 10 MOTOR VENT CD 0200320500 34 SUP ENTR FIOS 0200321099 11 SUP MOTOR VENT CD 0200320501 35 BORNES ELETR 0200320566 12 VALV LIQUIDO 'ASSY' UN. A 0200320339 36 VALV LIQUIDO CD 0200320533 13 VALV LIQUIDO 'ASSY' UN. B 0200320511 37 VALV SUCCAO CD 0200320534 14 PLACA PROT COMPR 0200320512 38 VALV LIQUIDO CD 0200320533 15 TELA TRASEIRA 0200320513 39 VALV SUCCAO CD 0200320534 16 TAMPA LATERAL DIR CD 0200320514 40 COLETOR DE AGUA CD 0200320535 17 PUXAD GR CD 0200320577 41 VALV DE EXP ELETRICA 0200320536 18 TAMPA SUP 0200320340 42 VALV DE EXP ELETRICA 0200320536 19 COMPRESSOR 0200321229 43 FIACAO P/ EV 0200320446 20 COMPRESSOR UN. B 0200320516 44 SENSOR TP CD 0200320447 21 CHASSIS CD 0200320523 45 TRANSF INTERNO 0200320448 22 VALV BAIXA PRESSAO UN. 0200320524 46 PORCA FLANGE 1/4 0200320481 23 VALV BAIXA PRESSAO UN. B 0200320525 47 PORCA FLANGE 3/8 0200320480 24 CAP COMPRESSOR 0200320563
  • 12.
    ESQUEMA ELÉTRICO 2.4 2.4.3 KOM2S18FCG1 KOM2S24FCG1 SENSOR PROTETOR TEMPERATURA SUPER EVAPORADOR AQUECIMENTO MOTOR MOTOR VENTILADOR SWING SENSOR AXIAL TEMPERATURA PRETO AMBIENTE Y/G 1 3 5 3 2 1 1 2 3 4 5 6 1 2 2 1 2 1 BRANCO L N 1 3 5 3 2 1 1 2 3 4 5 6 1 2 2 1 2 1 INTERRUPTOR CN10 CZ1 CZ3 CN04 CN01 CN03 MANUAL CABO 3 3 3x2,5 mm² CN17 2 2 (mínimo) P1 P2 1 1 ALIMENTAÇÃO PCB RELÊ PLACA DISPLAY (220V) 7 6 5 4 3 2 1 7 6 5 4 3 2 1 3 4 BRANCO PRETO CN05A 3 1 CN02 CZ7 1 3 1 3 Y/G JX1 1 2(N) 3 4 TRANSFORMADOR Unidade Interna FIOS 2,5 mm² Unidade Externa (mínimo) A1 N2 Y/G PRETO VERMELHO PRETO VERMELHO C VERMELHO VERMELHO MOTOR DO R VENTILADOR COMPRESSOR Y/G Y/G AZUL CAPACITOR S CAPACITOR DO DO VENTILADOR COMPRESSOR AZUL OBS: As unidades internas possuem ligações elétricas independentes entre elas, logo o esquema elétrico acima é o mesmo para as duas unidades internas. OBS: ALIMENTAÇÃO REALIZADA PELA UNIDADE INTERNA
  • 13.
    ESQUEMA ELÉTRICO 2.4 2.4.3 KOM2S24QCG1 MOTOR 3 VENTILADOR PRETO AXIAL MOTOR BRANCO SWING 3 5 Y/G L N CN1 CN2 CN4 CN5 SENSOR CN12 TEMPERATURA CABO EVAPORADORA 3x2,5 mm² (mínimo) CN9 ALIMENTAÇÃO SENSOR (220V) TEMPERATURA 3 4 AMBIENTE CN11 RELÊ CN7 CN8 DETECTOR DE CORRENTE 2 PLACA DISPLAY 9 VERMELHO CN10 AMARELO PRETO VERDE 2 Y/G TRANSFORMADOR 1 2(N) 3 4 Unidade Interna FIOS 2,5 mm² Unidade Externa (mínimo) A1 N1 A3 A4 Y/G REVERSORA VÁLVULA AZUL PRETO TERMINAL DE CONEXÃO VERMELHO PRETO VERMELHO PRETO C VERMELHO R VERMELHO MOTOR DO COMPRESSOR A VENTILADOR Y/G CAPACITOR DO Y/G S COMPRESSOR AZUL AZUL CAPACITOR DO VENTILADOR OBS: As unidades internas possuem ligações elétricas independentes entre elas, logo o esquema elétrico acima é o mesmo para as duas unidades internas. OBS: ALIMENTAÇÃO REALIZADA PELA UNIDADE INTERNA
  • 14.
    ESQUEMA ELÉTRICO 2.4 2.4.3 KOM3S27FCG1 MOTOR VENTILADOR 3 AXIAL MOTOR SWING 3 UNIDADE INTERNA A 5 SENSOR TEMPERATURA AMBIENTE CN5 CN4 1 CN8 CN CN2 SENSOR CN12 CN9 TEMPERATURA AZUL EVAPORADORA PCB 2 PLACA DISPLAY CN7 CN14 RELÊ 7 VERMELHO CN11 PRETO CN10 Y/G 3 JX1 1 2(N) 3 4 TRANSFORMADOR P/ UNIDADE P/ UNIDADE INTERNA B INTERNA C Unidade Interna FIOS 2,5 mm² Unidade Externa CABO (mínimo) 3x2,5 mm² XT2 XT3 (mínimo) ALIMENTAÇÃO (220V) Y/G L N 1 XT1 L N L N 1 L N 1 XT4 CAP3 BRANCO AZUL AZUL AZUL CÓDIGO NOME BRANCO AZUL PRETO PRETO PRETO CAP1 CAPACITOR DO COMPRESSOR A VERMELHO CAP2 CAPACITOR DO COMPRESSOR B PMV1 CAP3 CAPACITOR DO MOTOR DO VENTILADOR MOTOR DO 6 6 XT1-XT4 BORNES DE CONEXÃO AZUL VENTILADOR T1 XT5 TERMINAL DE CONEXÃO Y/G PMV2 TC1-TC2 SENSORES DE TEMPERATURA T1 TRANSFORMADOR PRETO PMV1-PMV2 AJUSTE ELETRÔNICO 2 CN2 CN13 CN14 CN3 CN4 Y/G FIO TERRA TC1 PCB 2 CN1 CN11 CN10 CN12 CN9 CN5 CN6 CN7 CN8 PRETO PRETO TC2 VERMELHO VERMELHO VERMELHO C C COMPRESSOR COMPRESSOR Y/G A B Y/G S R R S AZUL BRANCO BRANCO AZUL BRANCO AZUL BRANCO BRANCO CAP1 CAP2 XT5 AZUL OBS: ALIMENTAÇÃO REALIZADA PELA UNIDADE EXTERNA
  • 15.
    AUTO-DIAGNÓSTICOS 2.4 2.4.1 Unidade Interna LEDS INDICADORES PROBLEMA OPERATION TIMER AUTO DEFROSTING* A) Sistema de proteção do compressor PISCANDO PISCANDO PISCANDO PISCANDO atuou 4 vezes B) Sensor de temperatura ambiente em DESLIGADO PISCANDO DESLIGADO DESLIGADO curto circuito ou desconectado C) Sensor de temperatura do evaporador PISCANDO DESLIGADO DESLIGADO DESLIGADO em curto circuito ou desconectado D) Sensor de temperatura do condensador em DESLIGADO DESLIGADO DESLIGADO PISCANDO curto circuito ou desconectado (somente frio/quente) E) PCB com defeito DESLIGADO PISCANDO PISCANDO DESLIGADO F) Sistema de proteção da unidade externa atuando DESLIGADO DESLIGADO PISCANDO PISCANDO * somente aparelhos Frio/Quente 2.4.2 Unidade Externa Os modelos KOP (Piso Teto) possuem uma placa de controle em sua unidade externa alimentada com três fases (A, B e C) e um fio neutro (N). A ligação incorreta ou eventuais problemas que possam vir a ocorrer podem ser verificados através da tabela de auto diagnósticos a seguir: LEDS INDICADORES PROBLEMA LED1 LED2 LED3 A) Sequência de fase trocada PISCANDO DESLIGADO DESLIGADO B) Falta de fase (A, B) PISCANDO DESLIGADO DESLIGADO C) Falta de fase (C) DESLIGADO DESLIGADO DESLIGADO D) Proteção de corrente atuando DESLIGADO DESLIGADO PISCANDO E) Falha na comunicação PISCANDO DESLIGADO PISCANDO F) Sensor de temperatura do condensador DESLIGADO PISCANDO PISCANDO (T3) em curto circuito ou desconectado G) Sensor de temperatura ambiente em (T4) DESLIGADO PISCANDO DESLIGADO curto circuito ou desconectado H) Proteção de alta temperatura PISCANDO PISCANDO PISCANDO