4B4-F8197-P0
LANDER
XTZ250
MANUAL DE SERVIÇO
LANDER XTZ250LANDER XTZ250LANDER XTZ250LANDER XTZ250LANDER XTZ250
MANUAL DE SERMANUAL DE SERMANUAL DE SERMANUAL DE SERMANUAL DE SERVIÇOVIÇOVIÇOVIÇOVIÇO
©20©20©20©20©200606060606YYYYYamaha Motor daamaha Motor daamaha Motor daamaha Motor daamaha Motor da Amazônia Ltda.Amazônia Ltda.Amazônia Ltda.Amazônia Ltda.Amazônia Ltda.
1ª Edição, No1ª Edição, No1ª Edição, No1ª Edição, No1ª Edição, Novembro de 20vembro de 20vembro de 20vembro de 20vembro de 200606060606
TTTTTodos os direitos reservados.odos os direitos reservados.odos os direitos reservados.odos os direitos reservados.odos os direitos reservados.
É proibida a reimpressão ou o uso desteÉ proibida a reimpressão ou o uso desteÉ proibida a reimpressão ou o uso desteÉ proibida a reimpressão ou o uso desteÉ proibida a reimpressão ou o uso deste
material sem autorização por escrito damaterial sem autorização por escrito damaterial sem autorização por escrito damaterial sem autorização por escrito damaterial sem autorização por escrito da
YYYYYamaha Motor daamaha Motor daamaha Motor daamaha Motor daamaha Motor da Amazônia Ltda.Amazônia Ltda.Amazônia Ltda.Amazônia Ltda.Amazônia Ltda.
Impresso no BrasilImpresso no BrasilImpresso no BrasilImpresso no BrasilImpresso no Brasil
PREFÁCIO
Este manual foi elaborado pelaYAMAHA MOTOR DA AMAZÔNIA LTDA., exclusivamente para
uso dos concessionários autorizados Yamaha e seus mecânicos qualificados. Como não é
possível introduzir todas as informações de mecânica em um só manual, supõe-se que as
pessoas ao lerem este manual com a finalidade de executar manutenção e reparos das
motocicletasYamaha possuam o conhecimento básico das concepções e procedimentos de
mecânica inerentes à tecnologia de reparação de motocicletas. Sem estes conhecimentos,
qualquer tentativa de reparo ou serviço neste modelo poderá provocar dificuldades em seu
uso e/ou segurança.
AYAMAHA MOTOR DA AMAZÔNIA LTDA. esforça-se para melhorar continuamente todos os
produtos de sua linha. As alterações e modificações significativas das especificações ou
procedimentos serão informadas a todos os concessionáriosYAMAHA e aparecerão nos locais
correspondentes, nas futuras edições deste manual.
NONONONONOTTTTTA :A :A :A :A :
Os projetos e as especificações deste modelo estão sujeitos às modificações sem aviso
prévio.
INFORMAÇÕES IMPORTANTES SOBRE ESTE MANUAL
As informações particularmente importantes estão assinaladas neste manual com as seguintes
anotações:
O Símbolo “ATENÇÃO“ ao lado significa ALERTA! SUA
SEGURANÇA ESTÁ ENVOLVIDA!
O não cumprimento de uma instrução de “ADVERTÊNCIA”
poderá ocasionar acidente grave e até mesmo a morte ao
condutor do veículo, um observador ou alguém que esteja
examinando ou realizando um reparo.
Uma instrução de “CUIDADO” indica que precauções
especiais devem ser tomadas para evitar danos ao veículo.
NONONONONOTTTTTA:A:A:A:A: Uma “NOTA” fornece informações importantes tornando os
procedimentos mencionados mais claros ou facilitando-os.
V
V ADADADADADVERVERVERVERVERTÊNCIATÊNCIATÊNCIATÊNCIATÊNCIA
CUIDCUIDCUIDCUIDCUIDADO:ADO:ADO:ADO:ADO:
COMO UTILIZAR ESTE MANUAL
O objetivo deste manual é ser um livro de referência e estar sempre à mão, com uma leitura
fácil para o mecânico. Explicações compreensivas de todos os procedimentos de instalação,
remoção, desmontagem, montagem, consertos e verificações estão mostrados com os
respectivos passos individuais em ordem seqüencial.
1 O manual é dividido em capítulos. Uma abreviação e símbolo no canto superior direito de
cada página indica o capítulo atual.
2 Cada capítulo é dividido em seções. O título da seção atual é mostrado no topo de cada
página, exceto no capítulo 3 ("VERIFICAÇÕES EAJUSTES PERIÓDICOS"), onde o(s) título(s)
da subseção aparece(m).
3 Os títulos da subseção aparecem em impressão menor do que o da seção (título).
4 Para ajudar a identificar peças e esclarecer passos de procedimento, há diagramas
explodidos no início de cada seção de remoção e desmontagem.
5 Os números são fornecidos na ordem dos trabalhos no diagrama explodido. Um número
dentro de um círculo indica um passo de desmontagem.
6 Os símbolos indicam peças a serem lubrificadas ou substituídas.
Consulte "SÍMBOLOS".
7 Uma tabela de instrução de serviço acompanha o diagrama explodido, fornecendo o número
dos serviços, nomes de peças, anotações de serviços, etc.
8 Serviços que necessitem de mais informações (tais como ferramentas especiais e dados
técnicos) estão descritos seqüencialmente.
8
12 34
5
6
7
SÍMBOLOS
Os símbolos de 1 a 9 indicam o assunto de
cada capítulo.
1 Informações gerais
2 Especificações
3 Inspeções periódicas e ajustes
4 Chassi
5 Motor
6 Sistema de refrigeração
7 Sistema de injeção de combustível
8 Sistema elétrico
9 Localização de problemas
Os símbolos de 0 a G indicam o seguinte:
0 Pode ser reparado com o motor montado
A Completar com fluido
B Lubrificante
C Ferramenta especial
D Torque de aperto
E Limite de desgaste, folga
F Rotação do motor
G Dados de componentes elétricos
Os símbolos de H a M nos diagramas
explodidos indicam os tipos de lubrificantes e
os pontos de lubrificação.
H Óleo do motor
I Óleo de câmbio
J Óleo dissulfeto de molibdênio
K Graxa de rolamento de roda
L Graxa à base de sabão de lítio
M Graxa de dissulfeto de molibdênio
Os símbolos de N a O nos diagramas
explodidos indicam o seguinte.
N Aplicar agente de travamento
(LOCTITE®)
O Substituir a peça.
1 2
3 4
5 6
7 8
F G
K M
N O
H J
L
I
NoNoNoNoNovvvvvooooo
INFOINFOINFOINFOINFO
GERGERGERGERGER
ESPECESPECESPECESPECESPEC
INSPINSPINSPINSPINSP
AJUSAJUSAJUSAJUSAJUS
MOMOMOMOMOTTTTTOROROROROR
CHACHACHACHACHASSSSS
ELÉTELÉTELÉTELÉTELÉT
?PROBPROBPROBPROBPROB
E
DC
BA
REFRREFRREFRREFRREFR
FIFIFIFIFI
9 0
ÍNDICEÍNDICEÍNDICEÍNDICEÍNDICE
INFOINFOINFOINFOINFO
GERGERGERGERGER 11111INFORMAÇÕES GERAISINFORMAÇÕES GERAISINFORMAÇÕES GERAISINFORMAÇÕES GERAISINFORMAÇÕES GERAIS
?
88888
DIADIADIADIADIAGNÓSGNÓSGNÓSGNÓSGNÓSTICOS E SOLUÇÃOTICOS E SOLUÇÃOTICOS E SOLUÇÃOTICOS E SOLUÇÃOTICOS E SOLUÇÃO
DE PROBLEMADE PROBLEMADE PROBLEMADE PROBLEMADE PROBLEMASSSSS PROBPROBPROBPROBPROB
77777
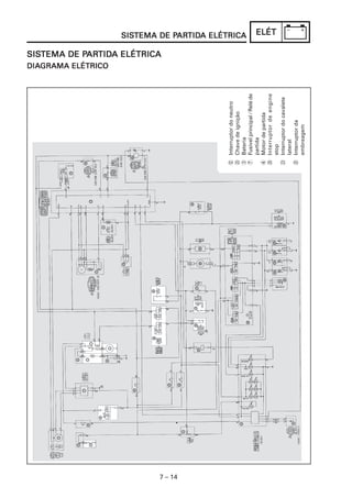
SISSISSISSISSISTEMA ELÉTRICOTEMA ELÉTRICOTEMA ELÉTRICOTEMA ELÉTRICOTEMA ELÉTRICO
ELÉTELÉTELÉTELÉTELÉT
55555MOMOMOMOMOTTTTTOROROROROR MOMOMOMOMOTTTTTOROROROROR
44444
CHACHACHACHACHASSISSISSISSISSI
CHACHACHACHACHASSSSS
SISSISSISSISSISTEMA DE INJEÇÃO DETEMA DE INJEÇÃO DETEMA DE INJEÇÃO DETEMA DE INJEÇÃO DETEMA DE INJEÇÃO DE
COMBUSCOMBUSCOMBUSCOMBUSCOMBUSTÍVELTÍVELTÍVELTÍVELTÍVEL FIFIFIFIFI
33333
INSPEÇÃO EINSPEÇÃO EINSPEÇÃO EINSPEÇÃO EINSPEÇÃO E AJUSAJUSAJUSAJUSAJUSTESTESTESTESTES
PERIÓDICOSPERIÓDICOSPERIÓDICOSPERIÓDICOSPERIÓDICOS
INSPINSPINSPINSPINSP
AJUSAJUSAJUSAJUSAJUS
22222
ESPECIFICAÇÕESESPECIFICAÇÕESESPECIFICAÇÕESESPECIFICAÇÕESESPECIFICAÇÕES
ESPECESPECESPECESPECESPEC
66666
CAPÍTULCAPÍTULCAPÍTULCAPÍTULCAPÍTULO 1O 1O 1O 1O 1
INFORMAÇÕES GERAISINFORMAÇÕES GERAISINFORMAÇÕES GERAISINFORMAÇÕES GERAISINFORMAÇÕES GERAIS
IDENIDENIDENIDENIDENTIFICAÇÃO DTIFICAÇÃO DTIFICAÇÃO DTIFICAÇÃO DTIFICAÇÃO DA MOA MOA MOA MOA MOTTTTTOCICLETOCICLETOCICLETOCICLETOCICLETAAAAA .................................................................................................................................................................................................................................................................................................................................................... 11111-1-1-1-1-1
NÚMERO DE SÉRIE DO CHASSI ........................................................................... 1-1
NÚMERO DE SÉRIE DO MOTOR ........................................................................... 1-1
CARACARACARACARACARACTERÍSCTERÍSCTERÍSCTERÍSCTERÍSTICATICATICATICATICASSSSS ...................................................................................................................................................................................................................................................................................................................................................................................................................................................................................... 11111-2-2-2-2-2
CARACTERÍSTICAS ................................................................................................ 1-2
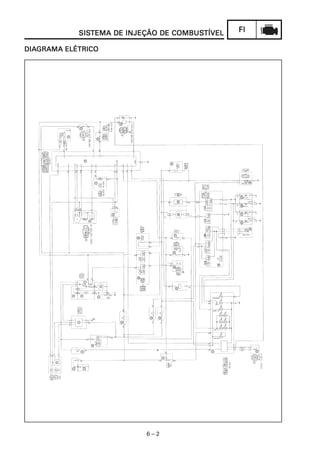
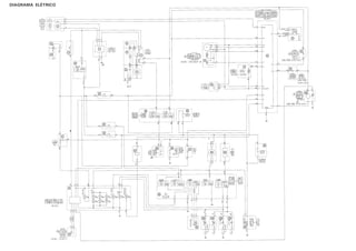
SISTEMA FI............................................................................................................. 1-3
FUNÇÕES DOS CONFUNÇÕES DOS CONFUNÇÕES DOS CONFUNÇÕES DOS CONFUNÇÕES DOS CONTROLES E INSTROLES E INSTROLES E INSTROLES E INSTROLES E INSTRUMENTRUMENTRUMENTRUMENTRUMENTTTTTOSOSOSOSOS........................................................................................................................................................................................................................................... 11111-4-4-4-4-4
VISOR MULTIFUNCIONAL..................................................................................... 1-4
INFORMAÇÕES IMPORINFORMAÇÕES IMPORINFORMAÇÕES IMPORINFORMAÇÕES IMPORINFORMAÇÕES IMPORTTTTTANANANANANTESTESTESTESTES .................................................................................................................................................................................................................................................................................................................................................................................. 11111-6-6-6-6-6
PREPARAÇÃO PARA REMOÇÃO E DESMONTAGEM .......................................... 1-6
PEÇAS DE SUBSTITUIÇÃO.................................................................................... 1-6
JUNTAS, RETENTORES E O-RINGS...................................................................... 1-6
ARRUELAS-TRAVA, CONTRAPORCAS E CUPILHAS ........................................... 1-7
ROLAMENTOS E RETENTORES ............................................................................ 1-7
ANÉIS-TRAVA ......................................................................................................... 1-7
INSPEÇÃO DINSPEÇÃO DINSPEÇÃO DINSPEÇÃO DINSPEÇÃO DAAAAAS CONEXÕESS CONEXÕESS CONEXÕESS CONEXÕESS CONEXÕES ........................................................................................................................................................................................................................................................................................................................................................................................................... 11111-8-8-8-8-8
FERRAMENFERRAMENFERRAMENFERRAMENFERRAMENTTTTTAAAAAS ESPECIAISS ESPECIAISS ESPECIAISS ESPECIAISS ESPECIAIS ..................................................................................................................................................................................................................................................................................................................................................................................................................... 11111-9-9-9-9-9
INFOINFOINFOINFOINFO
GERGERGERGERGER
1-1
X X X X X X X X X
1
IDENIDENIDENIDENIDENTIFICAÇÃO DTIFICAÇÃO DTIFICAÇÃO DTIFICAÇÃO DTIFICAÇÃO DAAAAA
MOMOMOMOMOTTTTTOCICLETOCICLETOCICLETOCICLETOCICLETAAAAA
NÚMERO DE SÉRIE DO CHANÚMERO DE SÉRIE DO CHANÚMERO DE SÉRIE DO CHANÚMERO DE SÉRIE DO CHANÚMERO DE SÉRIE DO CHASSISSISSISSISSI
O número de série do chassi 1 e o ano 2
está estampado no lado direito do tubo da
coluna de direção.
NÚMERO DE SÉRIE DO MONÚMERO DE SÉRIE DO MONÚMERO DE SÉRIE DO MONÚMERO DE SÉRIE DO MONÚMERO DE SÉRIE DO MOTTTTTOROROROROR
O número de série do motor está gravado
na carcaça do lado direito do motor.
IDENIDENIDENIDENIDENTIFICAÇÃO DTIFICAÇÃO DTIFICAÇÃO DTIFICAÇÃO DTIFICAÇÃO DA MOA MOA MOA MOA MOTTTTTOCICLETOCICLETOCICLETOCICLETOCICLETAAAAA
1
1-2
INFOINFOINFOINFOINFO
GERGERGERGERGER
CARACARACARACARACARACTERÍSCTERÍSCTERÍSCTERÍSCTERÍSTICATICATICATICATICASSSSS
A principal função de um sistema de fornecimento de combustível é abastecer a câmara de com-
bustão com a melhor proporção ar-combustível possível de acordo com as condições de opera-
ção do motor e da temperatura atmosférica. Em um sistema de carburador convencional, a pro-
porção ar-combustível da mistura que é fornecida à câmara de combustão é criada pelo volume
de entrada de ar e combustível dimensionado pelos giclês utilizados pela respectiva câmara.
Apesar do mesmo volume de entrada de ar, a necessidade de volume de combustível varia
conforme as condições de operação do motor, tais como aceleração, desaceleração, ou fun-
cionamento com carga pesada. Carburadores que dimensionam o combustível por meio da
utilização de giclês foram equipados com diversos dispositivos auxiliares, de modo que uma
proporção ar-combustível ideal possa ser alcançada para acomodar as mudanças constantes
nas condições de operação do motor.
Como aumenta a necessidade de motores com maior desempenho e gases de exaustão mais
limpos, torna-se necessário controlar a proporção de ar-combustível de uma maneira mais
precisa e mais refinada. Para atender a essa necessidade, este modelo é equipado com um
sistema de injeção de combustível (FI) controlado eletronicamente no lugar do sistema de
carburador convencional. Este sistema libera a proporção de ar-combustível ideal solicitada
pelo motor. Utiliza um microprocessador que regula o volume de combustível injetado de
acordo com as várias condições de operação do motor, tendo como referência os sinais ele-
trônicos monitorados por sensores na motocicleta.
A adoção do sistema FI resultou em um suprimento de combustível altamente preciso, res-
posta de aceleração superior, maior economia de combustível e redução de emissões de
gases.
CARACARACARACARACARACTERÍSCTERÍSCTERÍSCTERÍSCTERÍSTICATICATICATICATICASSSSS
1 Válvula de indução de ar A.I.S.
2 Luz de alerta de falha de motor
3 Tanque de combustível
4 Bomba de combustível (inclui o regulador
de pressão de combustível)
5 Mangueira de combustível
6 Injetor de combustível
7 Caixa do filtro de ar
8 Bateria
9 Catalisador
0 ECU
A Sensor de inclinação
B F.I.D.
C Sensor da posição do virabrequim
D Vela de ignição
E Bobina de ignição
F Sensor híbrido:
• T.P.S. posição do acelerador
• Temperatura de admissão
• Pressão de admissão
INFOINFOINFOINFOINFO
GERGERGERGERGER
1-3
1 Bomba de combustível
2 Injetor de combustível
3 Bobina de ignição
4 ECU
5 Catalisador
6 Sensor de temperatura
7 Sensor de posição do
virabrequim
8 Sensor de pressão do ar
de admissão
9 Corpo do acelerador
0 Sensor de temperatura do
ar de admissão
A Caixa do filtro de ar
B FID (afogador eletrônico)
C TPS (sensor de posição do
acelerador)
D Sensor híbrido =
8 + 0 + C
A Sistema de combustível
B Sistema de ar
C Sistema de controle
Ilustração apenas para referência
8 0 C
D
SISSISSISSISSISTEMA FITEMA FITEMA FITEMA FITEMA FI
A bomba de combustível envia combustível ao injetor via filtro de combustível. O regulador de
pressão mantém a pressão no combustível, que é aplicada ao injetor, em 36,3 psi (250 kPa). Desta
forma, quando o sinal da ECU energiza o injetor, a passagem de combustível é liberada, permitin-
do que o combustível seja injetado na entrada do coletor apenas durante o tempo que a passa-
gem permanece aberta. Portanto, quanto maior o período de tempo que o injetor permanecer
energizado (duração da injeção), maior será o volume de combustível fornecido. De maneira
contrária, quanto menor o período de tempo que o injetor permanecer energizado (duração da
injeção), menor será o volume de combustível fornecido.
A duração da injeção e o sincronismo da injeção são controladas pela ECU. Sinais enviados
do sensor de posição do acelerador, sensor de posição do virabrequim, sensor de pressão de
ar de admissão, e sensor de temperatura permitem a ECU determinar a duração da injeção. O
sincronismo da injeção é determinado pelo sinal do sensor de posição do virabrequim. Como
resultado, o volume ideal de combustível solicitado pelo motor, poderá ser fornecido satisfa-
toriamente, de acordo com as várias condições de direção.
CARACARACARACARACARACTERÍSCTERÍSCTERÍSCTERÍSCTERÍSTICATICATICATICATICASSSSS
1-4
INFOINFOINFOINFOINFO
GERGERGERGERGER
FUNÇÕES DOS CONFUNÇÕES DOS CONFUNÇÕES DOS CONFUNÇÕES DOS CONFUNÇÕES DOS CONTROLES ETROLES ETROLES ETROLES ETROLES E
INSINSINSINSINSTRUMENTRUMENTRUMENTRUMENTRUMENTTTTTOSOSOSOSOS
VISOR MULVISOR MULVISOR MULVISOR MULVISOR MULTIFUNCIONALTIFUNCIONALTIFUNCIONALTIFUNCIONALTIFUNCIONAL
O visor multifuncional está equipado com o
seguinte:
• Um velocímetro 1 (indica a velocida-
de de condução).
• Um tacômetro 2 (indica a rotação do
motor).
• Um medidor de combustível 3.
• Um hodômetro 4 (indica a distância to-
tal percorrida).
• Dois hodômetros parciais 4 (indicam
a distância percorrida desde que foram
zerados pela última vez).
• Um hodômetro parcial de reserva de
combustível 4 (indica a distância per-
corrida desde que a luz do nível de
combustível se acendeu).
• Um relógio 5.
Certifique-se de girar a chave para “ON” an-
tes de utilizar os botões “SELECT” 6 e
“RESET” 7.
Quando girar a chave para “ON”, o visor liga e
após a checagem mostra os medidores.
VVVVVelocímetroelocímetroelocímetroelocímetroelocímetro
O velocímetro mostra a velocidade de con-
dução.
TTTTTacômetroacômetroacômetroacômetroacômetro
O tacômetro permite ao condutor controlar
a rotação do motor e mantê-la dentro da fai-
xa de potência ideal.
Hodômetro e hodômetro parcialHodômetro e hodômetro parcialHodômetro e hodômetro parcialHodômetro e hodômetro parcialHodômetro e hodômetro parcial
Pressione “SELECT” para mudar o visor en-
tre o hodômetro “ODO”, hodômetro parcial
“TRIP 1” e “TRIP 2” na seguinte ordem:
ODO <RARR>TRIP 1 <RARR>TRIP 2 <RARR>
ODO
FUNÇÕES DOS CONFUNÇÕES DOS CONFUNÇÕES DOS CONFUNÇÕES DOS CONFUNÇÕES DOS CONTROLES E INSTROLES E INSTROLES E INSTROLES E INSTROLES E INSTRUMENTRUMENTRUMENTRUMENTRUMENTTTTTOSOSOSOSOS
INFOINFOINFOINFOINFO
GERGERGERGERGER
1-5
FUNÇÕES DOS CONFUNÇÕES DOS CONFUNÇÕES DOS CONFUNÇÕES DOS CONFUNÇÕES DOS CONTROLES E INSTROLES E INSTROLES E INSTROLES E INSTROLES E INSTRUMENTRUMENTRUMENTRUMENTRUMENTTTTTOSOSOSOSOS
Se a luz indicadora do nível de combustível
se acender, o visor do hodômetro mudará
automaticamente para o modo de hodômetro
parcial da reserva de combustível “F-TRIP” e
começará a contar a distância percorrida a
partir desse ponto. Nesse caso, a tecla
“SELECT” muda o visor entre os diversos
modos do hodômetro parcial e hodômetro na
seguinte ordem:
F-TRIP <RARR> TRIP 1 <RARR> TRIP 2
<RARR> ODO <RARR> F-TRIP
Para reiniciar um hodômetro parcial, pres-
sione a tecla “SELECT”, e depois a tecla
“RESET” durante pelo menos um segundo.
Se não reiniciar o hodômetro parcial da re-
serva de combustível manualmente, este
reiniciará automaticamente e o visor voltará
para o modo anterior após reabastecer e
percorrer 5 km.
Medidor de combustívelMedidor de combustívelMedidor de combustívelMedidor de combustívelMedidor de combustível
O medidor de combustível indica a quanti-
dade de combustível no tanque. As divisões
do mostrador do medidor de combustível de-
saparecem na direção “E” (Vazio) à medida
que o combustível diminui. Quando restar
apenas uma divisão próxima ao “E”, a luz
indicadora do nível de combustível e a últi-
ma divisão do medidor de combustível pis-
carão. Se isto ocorrer, abasteça o mais rápi-
do possível.
Não deixe que o tanque de combustível es-
vazie completamente.
RRRRRelógioelógioelógioelógioelógio
Para acertar o relógio:
1. Pressione simultaneamente os botões
“SELECT” e“RESET” por pelo menos dois
segundos.
2. Quando os dígitos da hora ficarem piscan-
do, pressione “RESET” para acertar a
hora.
3. Pressione “SELECT”, e os dígitos dos mi-
nutos ficarão piscando.
4. Pressione “RESET” para acertar os mi-
nutos.
5. Pressione “SELECT” para colocar o reló-
gio em funcionamento.
1-6
INFOINFOINFOINFOINFO
GERGERGERGERGERINFORMAÇÕES IMPORINFORMAÇÕES IMPORINFORMAÇÕES IMPORINFORMAÇÕES IMPORINFORMAÇÕES IMPORTTTTTANANANANANTESTESTESTESTES
INFORMAÇÕES IMPORINFORMAÇÕES IMPORINFORMAÇÕES IMPORINFORMAÇÕES IMPORINFORMAÇÕES IMPORTTTTTANANANANANTESTESTESTESTES
PREPPREPPREPPREPPREPARAÇÃO PARAÇÃO PARAÇÃO PARAÇÃO PARAÇÃO PARA REMOÇÃO EARA REMOÇÃO EARA REMOÇÃO EARA REMOÇÃO EARA REMOÇÃO E
DESMONDESMONDESMONDESMONDESMONTTTTTAAAAAGEMGEMGEMGEMGEM
1. Antes da remoção e desmontagem, lim-
pe toda a sujeira, lama, poeira e materiais
estranhos.
2. Utilize apenas as ferramentas apropriadas
e equipamentos limpos.
Consulte “FERRAMENTAS ESPECIAIS”
3. Ao desmontar, sempre mantenha juntas
as peças de um mesmo conjunto. Isso in-
clui engrenagens, cilindros, pistões e ou-
tras peças que trabalham “agrupadas”
pelo uso normal. As peças agrupadas
sempre devem ser reutilizadas ou substi-
tuídas em conjunto.
4. Durante a desmontagem, limpe todas as
peças e as coloque em bandejas na ordem
de desmontagem. Isso acelerará a mon-
tagem e permitirá a instalação correta de
todas as peças.
5. Mantenha todas as peças longe de qual-
quer fonte de fogo.
PEÇAPEÇAPEÇAPEÇAPEÇAS DE SUBSS DE SUBSS DE SUBSS DE SUBSS DE SUBSTITUIÇÃOTITUIÇÃOTITUIÇÃOTITUIÇÃOTITUIÇÃO
1. Utilize apenas peças genuínasYamaha em
todas as substituições. Utilize o óleo e a
graxa recomendados pela Yamaha para
todos os serviços de lubrificação. Outras
marcas podem ser similares na função e
aparência, mas inferiores na qualidade.
JUNJUNJUNJUNJUNTTTTTAAAAAS, RETENS, RETENS, RETENS, RETENS, RETENTTTTTORES E O-RINGSORES E O-RINGSORES E O-RINGSORES E O-RINGSORES E O-RINGS
1. Ao revisar o motor, substitua todas as jun-
tas, retentores e anéis O-rings. Todas as
superfícies das juntas, bordas de
retentores de óleo e anéis O-rings devem
ser limpos.
2. Durante a montagem, aplique o óleo es-
pecificado em todas as peças agrupadas,
rolamentos e lubrifique os lábios dos
retentores de óleo com graxa cuidadosa-
mente.
INFOINFOINFOINFOINFO
GERGERGERGERGER
1-7
INFORMAÇÕES IMPORINFORMAÇÕES IMPORINFORMAÇÕES IMPORINFORMAÇÕES IMPORINFORMAÇÕES IMPORTTTTTANANANANANTESTESTESTESTES
ROLAMENROLAMENROLAMENROLAMENROLAMENTTTTTOS E RETENOS E RETENOS E RETENOS E RETENOS E RETENTTTTTORESORESORESORESORES
1. Instale os rolamentos e os retentores de
maneira que a marca do fabricante ou nú-
meros fiquem visíveis. Ao instalar os
retentores, aplique óleo nas bordas dos
lábios ou uma cobertura fina de graxa à
base de sabão de lítio. Nos rolamentos,
aplique óleo, se for solicitado.
1 Retentor
ARRUELAARRUELAARRUELAARRUELAARRUELAS-TRAS-TRAS-TRAS-TRAS-TRAVVVVVA,A,A,A,A, CONCONCONCONCONTRAPORCATRAPORCATRAPORCATRAPORCATRAPORCASSSSS
E CUPILHAE CUPILHAE CUPILHAE CUPILHAE CUPILHASSSSS
1. Após a remoção, substitua todas as arrue-
las-trava 1 e cupilhas. Após o parafuso
ou porca ser fixado com o torque especi-
ficado, dobre as abas laterais contra a la-
teral do parafuso ou da porca.
ANÉIS-TRAANÉIS-TRAANÉIS-TRAANÉIS-TRAANÉIS-TRAVVVVVAAAAA
1. Antes da montagem, verifique cuidado-
samente todos os anéis-trava e substitua
os que estiverem danificados ou torcidos.
Sempre substitua os anéis-trava do pino
de pistão após uma utilização. Ao instalar
um anel-trava 1, certifique-se de que o
canto“vivo” 2 esteja posicionado no lado
oposto à força recebida pelo conjunto 3.
4 Eixo
Não gire o rolamento com ar comprimido,
pois isso danificará as superfícies das pistas
internas do rolamento.
CUIDCUIDCUIDCUIDCUIDADO:ADO:ADO:ADO:ADO:
1 Rolamento
1-8
INFOINFOINFOINFOINFO
GERGERGERGERGER
INSPEÇÃO DINSPEÇÃO DINSPEÇÃO DINSPEÇÃO DINSPEÇÃO DAAAAAS CONEXÕESS CONEXÕESS CONEXÕESS CONEXÕESS CONEXÕES
Verifique no chicote se há nos acopladores e
conectores, manchas, ferrugem, umidade, etc.
1. Desconecte:
• fio
• acoplador
• conector
2. Verifique
• fio
• acoplador
• conector
Umidade Seque com jato de ar
Ferrugem/manchas Conecte e
desconecte várias vezes.
3. Verifique:
• todas as conexões
Conexão solta Conecte adequada-
mente.
NONONONONOTTTTTA:A:A:A:A:
Se a trava 1 do terminal estiver amassada,
dobre-a para cima.
4. Conecte:
• fio
• acoplador
• conector
NONONONONOTTTTTA:A:A:A:A:
Certifique-se de que todas as conexões es-
tejam adequadamente fixadas.
INSPEÇÃO DINSPEÇÃO DINSPEÇÃO DINSPEÇÃO DINSPEÇÃO DAAAAAS CONEXÕESS CONEXÕESS CONEXÕESS CONEXÕESS CONEXÕES
5. Verifique:
• continuidade
(Utilize o multímetro)
NONONONONOTTTTTA:A:A:A:A:
• Se não houver continuidade, limpe os ter-
minais e refaça o teste.
• Ao verificar o chicote de fiação, execute
os passos de 1 até 3.
• Como solução rápida, utilize um spray
revitalizador de contatos, disponível na
maioria das lojas de peças.
Multímetro digitalMultímetro digitalMultímetro digitalMultímetro digitalMultímetro digital
90890-03190890-03190890-03190890-03190890-0317777744444
INFOINFOINFOINFOINFO
GERGERGERGERGER
1-9
FERRAMENFERRAMENFERRAMENFERRAMENFERRAMENTTTTTAAAAAS ESPECIAISS ESPECIAISS ESPECIAISS ESPECIAISS ESPECIAIS
FERRAMENFERRAMENFERRAMENFERRAMENFERRAMENTTTTTAAAAAS ESPECIAISS ESPECIAISS ESPECIAISS ESPECIAISS ESPECIAIS
As ferramentas especiais a seguir são necessárias para montagens e ajustes precisos. Utilize
apenas as ferramentas especiais adequadas; isso lhe ajudará a evitar danos causados pela
utilização de ferramentas inadequadas ou técnicas improvisadas. Ferramentas especiais, nú-
meros de peças ou ambos podem ser diferentes dependendo do país.
Ao fazer um pedido, consulte a lista abaixo para evitar contratempos.
CódigoCódigoCódigoCódigoCódigo IlustraçãoIlustraçãoIlustraçãoIlustraçãoIlustraçãoDenominação/Denominação/Denominação/Denominação/Denominação/ AplicaçãoAplicaçãoAplicaçãoAplicaçãoAplicação
90890-01084
90890-01083
90890-04019
90890-01243
90890-01268
1
2
90890-01135 Sacador do virabrequim
Utilizada para retirar o virabrequim
Martelo deslizante 1
Eixo 2
São utilizadas ao instalar ou remover os
eixos do balancim.
Compressor de mola de válvulas 1
Adaptador 2
Utilizada para instalar ou remover as válvulas.
Chave de porca-anel
Utilizada para soltar ou apertar as porcas-
anéis de direção, escape e amortecedor
90890-01311
Utilizada para ajuste da folga das válvulas.
Chave do parafuso de ajuste
90890-01326
90890-01460
3090-5
Utilizada para fixar ou extrair o parafuso
da haste da suspensão dianteira
ChaveT 1
Adaptador 2
Alongador (ferramenta universal)
90890-01862
Utilizado para extrair o rotor do magneto
de CA
Sacador do rotor do magneto
90890-408X2 Fixador da coroa de sincronismo/ engre-
nagem primária
Utilizada para fixar a engrenagem primária
do virabrequim e a coroa de sincronismo.
1
2
90890-01367-09
90890-01381-09
Utilizadas para instalar o retentor de óleo,
a bucha externa das bengalas do garfo
dianteiro e a vedação de poeira
Peso para instalar o retentor 1
Adaptador do instalador do retentor 2
1-10
INFOINFOINFOINFOINFO
GERGERGERGERGERFERRAMENFERRAMENFERRAMENFERRAMENFERRAMENTTTTTAAAAAS ESPECIAISS ESPECIAISS ESPECIAISS ESPECIAISS ESPECIAIS
CódigoCódigoCódigoCódigoCódigo IlustraçãoIlustraçãoIlustraçãoIlustraçãoIlustraçãoDenominação/Denominação/Denominação/Denominação/Denominação/ AplicaçãoAplicaçãoAplicaçãoAplicaçãoAplicação
90890-01701
90890-01403 Chave da porca de direção
Utilizada para fixar ou extrair as porcas-
anéis da direção
Fixador do rotor
Calibre de lâminas
Utilizado para verificar a folga da válvula.
90890-03081 Medidor de compressão
Utilizado para medir a compressão do motor
90890-03141
Utilizada para verificar o sincronismo da
ignição.
Lâmpada estroboscópica
90890-508XM
Utilizada para medir a pressão da bomba
do combustível.
Medidor de pressão de combustível
90890-03174
Utilizado para verificar o sistema elétrico
Multímetro digital
Utilizado para fixar o rotor do volante do
magneto.
90890-03079
90890-06754 Testador dinâmico de faísca (1)
Utilizado para verificar o comprimento da
faísca da vela de ignição.
90890-85505 ColaYamaha nº 1215
Utilizada para vedar superfícies (ex.: car-
caças do motor).
90890-06760 Tacômetro indutivo
Utilizado para verificar a rotação do motor.
INFOINFOINFOINFOINFO
GERGERGERGERGER
1-11
FERRAMENFERRAMENFERRAMENFERRAMENFERRAMENTTTTTAAAAAS ESPECIAISS ESPECIAISS ESPECIAISS ESPECIAISS ESPECIAIS
CódigoCódigoCódigoCódigoCódigo IlustraçãoIlustraçãoIlustraçãoIlustraçãoIlustraçãoDenominação/Denominação/Denominação/Denominação/Denominação/ AplicaçãoAplicaçãoAplicaçãoAplicaçãoAplicação
90890-04064 Extrator da guia de válvula
Instalador da guia de válvula
Utilizado para instalar as guias de válvulas.
90890-04066 Alargador da guia de válvula
Utilizado para retificar o furo das novas
guias de válvulas.
90890-04086
Utilizado para fixar o cubo da embreagem.
Fixador do cubo da embreagem
90890-04101
Utilizado para girar e brunir as válvulas.
Brunidor das válvulas
90890-01274
90890-01275
90890-01383
90890-22822
90890-22823
Utilizados para instalar o virabrequim
Instalador de virabrequim 1
Fuso de tração 2
Adaptador (10 mm) 3
Utilizado para extrair e instalar as guias
de válvulas.
90890-04065
Diagnóstico da injeção eletrônica FI90890-03182
Utilizado para ajuste do gás de exaustão.
Extrator e instalador da bucha da mesa
superior
Utilizado para instalar e remover as
buchas da mesa superior
Separador de virabrequim
Utilizado na desmontagem do
virabrequim
1-12
INFOINFOINFOINFOINFO
GERGERGERGERGER
CódigoCódigoCódigoCódigoCódigo IlustraçãoIlustraçãoIlustraçãoIlustraçãoIlustraçãoDenominação/Denominação/Denominação/Denominação/Denominação/ AplicaçãoAplicaçãoAplicaçãoAplicaçãoAplicação
90890-42828
90890-02809
90890-22819
90890-04058
90890-42W24
90890-24823
Instalador do rolamento da carcaça
Utilizado na instalação dos rolamentos
das carcaças do motor
Extrator de rolamento 1
Pinça do extrator 2
Utilizado na remoção dos rolamentos das
carcaças do motor.
Instalador do rolamento do comando 1
Bucha do instalador 2
Guia de 15 mm 3
Utilizado na instalação do rolamento in-
terno do cabeçote
FERRAMENFERRAMENFERRAMENFERRAMENFERRAMENTTTTTAAAAAS ESPECIAISS ESPECIAISS ESPECIAISS ESPECIAISS ESPECIAIS
CAPÍTULCAPÍTULCAPÍTULCAPÍTULCAPÍTULO 2O 2O 2O 2O 2
ESPECIFICAÇÕESESPECIFICAÇÕESESPECIFICAÇÕESESPECIFICAÇÕESESPECIFICAÇÕES
ESPECIFICAÇÕESESPECIFICAÇÕESESPECIFICAÇÕESESPECIFICAÇÕESESPECIFICAÇÕES ........................................................................................................................................................................................................................................................................................................................................................................................................................................................................................... 2-12-12-12-12-1
GERAIS .................................................................................................................. 2-1
MOTOR .................................................................................................................. 2-2
CHASSI ................................................................................................................ 2-10
ELÉTRICAS........................................................................................................... 2-13
TTTTTABELA DE CONVERSÃO/TABELA DE CONVERSÃO/TABELA DE CONVERSÃO/TABELA DE CONVERSÃO/TABELA DE CONVERSÃO/TORQORQORQORQORQUE DE FIXAÇÃOUE DE FIXAÇÃOUE DE FIXAÇÃOUE DE FIXAÇÃOUE DE FIXAÇÃO .................................................................................................................................................................................................................................2-12-12-12-12-155555
TTTTTABELA DE CONVERSÃOABELA DE CONVERSÃOABELA DE CONVERSÃOABELA DE CONVERSÃOABELA DE CONVERSÃO ..........................................................................................................................................................................................................................................................................................................................................................................................................................2-12-12-12-12-155555
ESPECIFICAÇÕES GERAIS DEESPECIFICAÇÕES GERAIS DEESPECIFICAÇÕES GERAIS DEESPECIFICAÇÕES GERAIS DEESPECIFICAÇÕES GERAIS DETTTTTORQORQORQORQORQUE DE FIXAÇÃOUE DE FIXAÇÃOUE DE FIXAÇÃOUE DE FIXAÇÃOUE DE FIXAÇÃO ..............................................................................................................................................................................................2-12-12-12-12-155555
TTTTTORQORQORQORQORQUE DE FIXAÇÃOUE DE FIXAÇÃOUE DE FIXAÇÃOUE DE FIXAÇÃOUE DE FIXAÇÃO ...................................................................................................................................................................................................................................................................................................................................................................................................................................................2-12-12-12-12-166666
MOTOR ................................................................................................................ 2-16
CHASSI ................................................................................................................ 2-18
PONPONPONPONPONTTTTTOS DE LUBRIFICAÇÃO EOS DE LUBRIFICAÇÃO EOS DE LUBRIFICAÇÃO EOS DE LUBRIFICAÇÃO EOS DE LUBRIFICAÇÃO E TIPOS DE LUBRIFICANTIPOS DE LUBRIFICANTIPOS DE LUBRIFICANTIPOS DE LUBRIFICANTIPOS DE LUBRIFICANTESTESTESTESTES ...................................................................................................................................................... 2-12-12-12-12-199999
MOTOR ................................................................................................................ 2-19
CHASSI ................................................................................................................ 2-20
DIADIADIADIADIAGRAMA DO SISGRAMA DO SISGRAMA DO SISGRAMA DO SISGRAMA DO SISTEMA DE REFRIGERAÇÃO DE ÓLEOTEMA DE REFRIGERAÇÃO DE ÓLEOTEMA DE REFRIGERAÇÃO DE ÓLEOTEMA DE REFRIGERAÇÃO DE ÓLEOTEMA DE REFRIGERAÇÃO DE ÓLEO .....................................................................................................................................................................2-212-212-212-212-21
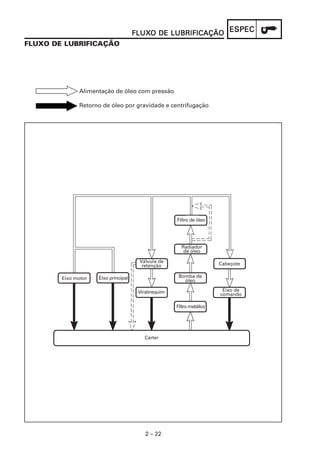
FLUXFLUXFLUXFLUXFLUXO DE LUBRIFICAÇÃOO DE LUBRIFICAÇÃOO DE LUBRIFICAÇÃOO DE LUBRIFICAÇÃOO DE LUBRIFICAÇÃO ................................................................................................................................................................................................................................................................................................................................................................................................................2-222-222-222-222-22
DIADIADIADIADIAGRAMAGRAMAGRAMAGRAMAGRAMAS DO SISS DO SISS DO SISS DO SISS DO SISTEMA DE LUBRIFICAÇÃOTEMA DE LUBRIFICAÇÃOTEMA DE LUBRIFICAÇÃOTEMA DE LUBRIFICAÇÃOTEMA DE LUBRIFICAÇÃO ................................................................................................................................................................................................................................................2-232-232-232-232-23
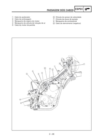
PPPPPAAAAASSSSSSSSSSAAAAAGEM DOS CABOSGEM DOS CABOSGEM DOS CABOSGEM DOS CABOSGEM DOS CABOS ...............................................................................................................................................................................................................................................................................................................................................................................................................................2-272-272-272-272-27
2 – 1
ESPECESPECESPECESPECESPECESPECIFICAÇÕESESPECIFICAÇÕESESPECIFICAÇÕESESPECIFICAÇÕESESPECIFICAÇÕES
ESPECIFICAÇÕES GERAISESPECIFICAÇÕES GERAISESPECIFICAÇÕES GERAISESPECIFICAÇÕES GERAISESPECIFICAÇÕES GERAIS
Item Padrão Limite
Código do modeloCódigo do modeloCódigo do modeloCódigo do modeloCódigo do modelo XTZ250: 4B41
DimensõesDimensõesDimensõesDimensõesDimensões
Comprimento total
Largura total
Altura total
Altura do assento
Distância entre eixos
Distância mínima do solo
Raio mínimo de giro
2.125 mm
830 mm
1.180 mm
875 mm
1.390 mm
245 mm
2.000 mm
PPPPPesoesoesoesoeso
Seco
Com óleo e combustível
Carga máxima (total da carga,
condutor, passageiro e
acessórios)
130,0 kg
----
----
----
----
----
----
----
----
169,0 kg
141,0 kg
----
----
----
2 – 2
ESPECESPECESPECESPECESPECESPECIFICAÇÕES DO MOESPECIFICAÇÕES DO MOESPECIFICAÇÕES DO MOESPECIFICAÇÕES DO MOESPECIFICAÇÕES DO MOTTTTTOROROROROR
ESPECIFICAÇÕES DO MOESPECIFICAÇÕES DO MOESPECIFICAÇÕES DO MOESPECIFICAÇÕES DO MOESPECIFICAÇÕES DO MOTTTTTOROROROROR
Item Padrão Limite
Óleo do motorÓleo do motorÓleo do motorÓleo do motorÓleo do motor
Sistema de lubrificação
Óleo recomendado
Quantidade
Quantidade total
Troca de óleo periódica
Com substituição de filtro de óleo
Filtro de óleoFiltro de óleoFiltro de óleoFiltro de óleoFiltro de óleo
Tipo de filtro de óleo
Local de verificação de pressão
Cárter úmido
Yamalube 4 tempos 20W50 API SH
JASO MAT903 ou superior
1,55 L
1,35 L
1,45 L
Papel
Parafuso de dreno no cabeçote
----
----
----
----
MotorMotorMotorMotorMotor
Tipo de motor
Cilindrada
Disposição do cilindro
Diâmetro x curso
Taxa de compressão
Rotação da marcha lenta
Refrigerado a ar, 4 tempos, SOHC
249,0 cm³
Um cilindro inclinado para frente
74,0 x 58,0 mm
9,8 : 1
1.300 ~ 1.500 rpm
----
----
----
----
CombustívelCombustívelCombustívelCombustívelCombustível
Combustível recomendado
Capacidade do tanque cheio
Total (incluindo a reserva)
Reserva
Gasolina Aditivada
11 L
4,3 L
----
----
Bomba de óleoBomba de óleoBomba de óleoBomba de óleoBomba de óleo
Tipo de bomba de óleo
Folga do rotor interno até o rotor
externo
Folga do rotor externo até a carcaça
da bomba de óleo
Folga da carcaça da bomba de óleo
até o rotor interno e rotor externo
Refrigeração do óleo
Trocoidal
0,15 mm
0,10 ~ 0,151 mm
0,04 ~ 0,09 mm
Radiador
0,20 mm
0,20 mm
0,15 mm
----
Injetor de combustívelInjetor de combustívelInjetor de combustívelInjetor de combustívelInjetor de combustível
Modelo/fabricante
Quantidade
VVVVVela de igniçãoela de igniçãoela de igniçãoela de igniçãoela de ignição
Modelo / fabricante x quantidade
Folga entre eletrodos
----
----
----
----
TTTTTipo de sistema de paripo de sistema de paripo de sistema de paripo de sistema de paripo de sistema de partidatidatidatidatida Partida elétrica
1100-87H50 / AISAN
1
DR8EA/NGK x 1
0,6~0,7 mm
----
2 – 3
ESPECESPECESPECESPECESPECESPECIFICAÇÕES DO MOESPECIFICAÇÕES DO MOESPECIFICAÇÕES DO MOESPECIFICAÇÕES DO MOESPECIFICAÇÕES DO MOTTTTTOROROROROR
Item Padrão Limite
CabeçoteCabeçoteCabeçoteCabeçoteCabeçote
Volume
Empenamento máximo *
20,50~21,50 cm3
----
----
0,03 mm
Medida A
Medida B
Dimensões do cames do eixo de
comando (exaustão)
Medida A
Medida B
Empenamento máximo do eixo de
comando
CorCorCorCorCorrente de comandorente de comandorente de comandorente de comandorente de comando
Modelo/número de elos
Sistema de tensionamento
BBBBBalancimalancimalancimalancimalancim/eix/eix/eix/eix/eixo do balano do balano do balano do balano do balancimcimcimcimcim
Diâmetro interno do balancim
Diâmetro externo do eixo
Folga do balancim ao eixo
EixEixEixEixEixo de comando de válvulaso de comando de válvulaso de comando de válvulaso de comando de válvulaso de comando de válvulas
Sistema de acionamento
Dimensões do cames do eixo de
comando (admissão)
Corrente de comando (direita)
36,890~36,990 mm
30,111~30,211 mm
36,891~36,991 mm
30,092~30,192 mm
----
DID SCR-0404 SV / 104
Automático
12,000~12,018 mm
11,981~11,991 mm
0,009~0,037 mm
0,030 mm
2 – 4
ESPECESPECESPECESPECESPECESPECIFICAÇÕES DO MOESPECIFICAÇÕES DO MOESPECIFICAÇÕES DO MOESPECIFICAÇÕES DO MOESPECIFICAÇÕES DO MOTTTTTOROROROROR
Item Padrão Limite
0,05~0,10 mm
0,08~0,13 mm
33,90~34,10 mm
28,40~28,60 mm
2,260 mm
2,260 mm
0,90~1,10 mm
0,90~1,10 mm
0,80~1,20 mm
0,80~1,20 mm
5,975~5,990 mm
5,960~5,975 mm
6,000~6,012 mm
6,000~6,012 mm
0,010~0,037 mm
0,025~0,052 mm
----
0,90~1,10 mm
0,90~1,10 mm
----
----
----
----
----
----
----
----
5,950 mm
5,935 mm
6,042 mm
6,042 mm
0,080 mm
0,100 mm
0,030 mm
1,7 mm
1,7 mm
Válvulas, sede de válvulas, guiasVálvulas, sede de válvulas, guiasVálvulas, sede de válvulas, guiasVálvulas, sede de válvulas, guiasVálvulas, sede de válvulas, guias
de válvulasde válvulasde válvulasde válvulasde válvulas
Folga da válvula (fria)
Admissão
Escape
Dimensões da válvula
Diâmetro A
Admissão
Escape
Largura da face B
Admissão
Escape
Largura do assento C
Admissão
Escape
Espessura da margem D
Admissão
Escape
Diâmetro da haste
Admissão
Escape
Diâmetro interno da guia de
válvula
Admissão
Escape
Folga da haste da válvula
Admissão
Escape
Limite e empenamento da haste da
válvula
Largura do assento da válvula
Admissão
Escape
Diâmetro Largura da face Largura do assento Espessura da margem
2 – 5
ESPECESPECESPECESPECESPECESPECIFICAÇÕES DO MOESPECIFICAÇÕES DO MOESPECIFICAÇÕES DO MOESPECIFICAÇÕES DO MOESPECIFICAÇÕES DO MOTTTTTOROROROROR
Molas das válvulasMolas das válvulasMolas das válvulasMolas das válvulasMolas das válvulas
Comprimento livre
( Interna ) Admissão
( Interna ) Escape
( Externa ) Admissão
( Externa ) Escape
Comprimento (válvula instalada)
( Interna ) Admissão
( Interna ) Escape
( Externa ) Admissão
( Externa ) Escape
Pressão de compressão (instalada)
( Interna ) Admissão
( Interna ) Escape
( Externa ) Admissão
( Externa ) Escape
Inclinação da mola
( Interna / Externa ) Admissão
( Interna / Externa ) Escape
Sentido das espirais (visão
superior)
( Interna ) Admissão / Escape
( Externa ) Admissão / Escape
Item Padrão Limite
36,17 mm
36,17 mm
36,63 mm
36,63 mm
30,50 mm
30,50 mm
32,00 mm
32,00 mm
7,50~9,10 kgf.m (75,00~91,00 N.m)
7,50~9,10 kgf.m (75,00~91,00 N.m)
12,80~15,70 kgf.m (128,00-157,00 N.m)
12,80~15,70 kgf.m (128,00-157,00 N.m)
34,47 mm
34,47 mm
34,63 mm
34,63 mm
----
----
----
----
----
----
----
----
----
----
2,5°/1,6 mm
2,5°/1,6 mm
----
----
Sentido anti-horário
Sentido horário
2 – 6
ESPECESPECESPECESPECESPECESPECIFICAÇÕES DO MOESPECIFICAÇÕES DO MOESPECIFICAÇÕES DO MOESPECIFICAÇÕES DO MOESPECIFICAÇÕES DO MOTTTTTOROROROROR
Um cilindro inclinado para frente
74,0 x 58,0 mm
9,80 :1
74,000 mm
----
----
0,010~0,025 mm
73,983~73,998 mm
5,0 mm
0,50 mm
Lado da admissão
17,002~17,013 mm
16,991~17,000 mm
Arredondado
0,90 x 2,75 mm
0,19~0,31 mm
0,030~0,065 mm
----
----
74,10 mm
0,10 mm
0,01 mm
0,15 mm
----
----
----
----
17,043 mm
16,970 mm
----
0,60 mm
0,10 mm
CilindroCilindroCilindroCilindroCilindro
Disposição do cilindro
Diâmetro interno x curso
Taxa de compressão
Diâmetro interno
Conicidade
Ovalização
PistãoPistãoPistãoPistãoPistão
Folga entre pistão e cilindro
Diâmetro D
Ponto de medição “H”
Offset
Direção do offset do pistão
Diâmetro do alojamento do pino no
pistão
Diâmetro externo do pino do pistão
Anéis do pistão
Anel de compressão
Tipo de anel
Dimensões (B xT)
Folga entre pontas (instalado)
Folga lateral (instalado)
Item Padrão Limite
2 – 7
ESPECESPECESPECESPECESPECESPECIFICAÇÕES DO MOESPECIFICAÇÕES DO MOESPECIFICAÇÕES DO MOESPECIFICAÇÕES DO MOESPECIFICAÇÕES DO MOTTTTTOROROROROR
Anel raspador
Tipo de anel
Dimensões (B xT)
Folga entre pontas (instalado)
Folga lateral (instalado)
Anel de óleo
Dimensões (B xT)
Folga entre pontas (instalado)
VVVVVirabrequimirabrequimirabrequimirabrequimirabrequim
Largura A
Desalinhamento máximo C
Folga inferior de biela D
BalanceiroBalanceiroBalanceiroBalanceiroBalanceiro
Método de balanceamento
Cônico
0,80 x 2,80 mm
0,30-0,45 mm
0,020-0,055 mm
1,50 x 2,60 mm
0,10-0,35 mm
69,25-69,30 mm
----
0,350 ~ 0,650 mm
Engrenagem
----
0,60 mm
0,10 mm
----
----
----
0,03 mm
----
Item Padrão Limite
2 – 8
ESPECESPECESPECESPECESPECESPECIFICAÇÕES DO MOESPECIFICAÇÕES DO MOESPECIFICAÇÕES DO MOESPECIFICAÇÕES DO MOESPECIFICAÇÕES DO MOTTTTTOROROROROR
Discos múltiplos em banho de óleo
Tração externa
Mão esquerda
10,0 ~ 15,0 mm
2,90 ~ 3,10 mm
6 peças (1 peça + 4 peças + 1 peça)
1,50 ~1,70 mm
5 peças
----
Engrenagem constante, 5-velocidades
Engrenagem
74/24 (3,083)
Acionamento por corrente
46/15 (3,066)
Pé esquerdo
36/14 (2,571)
32/19 (1,684)
28/22 (1,273)
26/25 (1,040)
23/27 (0,852)
----
----
2,80 mm
----
EmbreagemEmbreagemEmbreagemEmbreagemEmbreagem
Tipo de embreagem
Método de liberação da embreagem
Acionamento
Folga do cabo da embreagem
(do manete de embreagem)
Discos de fricção
Espessura
Quantidade de discos
Discos de embreagem
Espessura
Quantidade de discos
Empenamento máximo
Mola de embreagem
Comprimento livre
Quantidade de molas
Comprimento mínimo
TTTTTransmissãoransmissãoransmissãoransmissãoransmissão
Tipo de transmissão
Sistema de redução primária
Proporção de redução primária
Sistema de redução secundária
Proporção de redução secundária
Operação
Proporções das marchas
1ª marcha
2ª marcha
3ª marcha
4ª marcha
5ª marcha
Item Padrão Limite
Desalinhamento máximo do eixo
primário
Desalinhamento máximo do eixo
secundário
Mecanismo de mudançaMecanismo de mudançaMecanismo de mudançaMecanismo de mudançaMecanismo de mudança
Tipo do mecanismo de mudança
---- 0,08 mm
---- 0,08 mm
Trambulador de acionamento e barra de guia
0,20 mm
41,60 mm
4 peças
----
----
----
39,60 mm
----
----
----
----
----
----
----
2 – 9
ESPECESPECESPECESPECESPECESPECIFICAÇÕES DO MOESPECIFICAÇÕES DO MOESPECIFICAÇÕES DO MOESPECIFICAÇÕES DO MOESPECIFICAÇÕES DO MOTTTTTOROROROROR
Item Padrão Limite
TTTTTipo de filtro de aripo de filtro de aripo de filtro de aripo de filtro de aripo de filtro de ar
Bomba de combustívelBomba de combustívelBomba de combustívelBomba de combustívelBomba de combustível
Tipo de bomba
Pressão de saída
Corpo de aceleraçãoCorpo de aceleraçãoCorpo de aceleraçãoCorpo de aceleraçãoCorpo de aceleração
Modelo/fabricante x quantidade
Folga do cabo do acelerador
(na manopla do acelerador)
Marca de identificação
Elemento de papel revestido - óleo ----
Elétrica
250 kPa ----
MIKUNI / 33EHS-2/1
3,0 ~ 5,0 mm ----
4B4100
2 – 10
ESPECESPECESPECESPECESPECESPECIFICAÇÕES DO CHAESPECIFICAÇÕES DO CHAESPECIFICAÇÕES DO CHAESPECIFICAÇÕES DO CHAESPECIFICAÇÕES DO CHASSISSISSISSISSI
ESPECIFICAÇÕES DO CHAESPECIFICAÇÕES DO CHAESPECIFICAÇÕES DO CHAESPECIFICAÇÕES DO CHAESPECIFICAÇÕES DO CHASSISSISSISSISSI
Berço duplo em aço
26,5°
103,0 mm
Roda raiada
21 x 1,60
Aço
240 mm
----
----
Roda raiada
18 x 2,15
Aço
220,0 mm
----
----
----
----
----
----
----
1,00 mm
0,50 mm
----
----
----
1,00 mm
0,50 mm
QuadroQuadroQuadroQuadroQuadro
Tipo de quadro
Ângulo de cáster
Trail
RRRRRoda dianteiraoda dianteiraoda dianteiraoda dianteiraoda dianteira
Tipo de roda
Aro
Tamanho
Material
Curso da roda
Empenamento de aro
Empenamento radial máximo
Empenamento lateral máximo
RRRRRoda traseiraoda traseiraoda traseiraoda traseiraoda traseira
Tipo de roda
Aro
Tamanho
Material
Curso da roda
Empenamento
Empenamento radial máximo
Empenamento lateral máximo
Item Padrão Limite
Pneu dianteiroPneu dianteiroPneu dianteiroPneu dianteiroPneu dianteiro
Tipo de pneu
Tamanho
Modelo/fabricante
Pressão do pneu (frio)
0 ~ 90 kg
90 kg - Carga máxima*
Profundidade mínima dos sulcos
na banda de rodagem
Com câmara
80/90-21M/C 48S
ENDURO-3 / METZELER
125 kPa (1,25 kgf/cm2
, 18 psi)
150 kPa (1,50 kgf/cm2
, 22 psi)
*Carga máxima é o peso total da carga,
condutor, passageiro e acessórios.
----
----
----
----
0,80 mm
2 – 11
ESPECESPECESPECESPECESPECESPECIFICAÇÕES DO CHAESPECIFICAÇÕES DO CHAESPECIFICAÇÕES DO CHAESPECIFICAÇÕES DO CHAESPECIFICAÇÕES DO CHASSISSISSISSISSI
Pneu traseiroPneu traseiroPneu traseiroPneu traseiroPneu traseiro
Tipo de pneu
Tamanho
Modelo/fabricante
Pressão do pneu (frio)
0 ~ 90 kg
90 kg - Carga máxima*
Profundidade mínima dos sulcos
na banda de rodagem
Com câmara
120/80-18M/C 62S
ENDURO-3 / METZELER
150 kPa (1,50 kgf/cm2
, 22 psi)
175 kPa (1,75 kgf/cm2
, 25 psi)
*Carga máxima é o peso total da carga,
condutor, passageiro e acessórios.
----
----
----
----
0,80 mm
Item Padrão Limite
Hidráulico com disco
Mão direita
DOT 4
245 x 3,5 mm
----
----
5,2 mm
5,2 mm
11,0 mm
25,40 mm x 2
5,0 ~8,0 mm
Hidráulico com disco
Pé direito
DOT 4
203,0 mm x 4,5 mm
----
----
5,20 mm
5,20 mm
12,7 mm
30,23 mm
7,0 mm
5,0 ~12,0 mm
----
----
3,0 mm
0,15 mm
0,8 mm
0,8 mm
----
----
----
----
----
4,0 mm
0,15 mm
1,0 mm
1,0 mm
----
----
----
----
FFFFFreio dianteiroreio dianteiroreio dianteiroreio dianteiroreio dianteiro
Tipo de freio
Acionamento
Fluido recomendado
Disco de freio
Diâmetro x espessura
Espessura mínima
Deflexão máxima
Espessura da pastilha interna
Espessura da pastilha externa
Diâmetro interno do cilindro mestre
Diâmetro interno do cilindro da
pinça
Folga do manete do freio
FFFFFreioreioreioreioreio tttttraseiroraseiroraseiroraseiroraseiro
Tipo de freio
Acionamento
Fluido recomendado
Disco de freio
Diâmetro x espessura
Espessura mínima
Deflexão máxima
Espessura da pastilha interna
Espessura da pastilha externa
Diâmetro interno do cilindro mestre
Diâmetro interno do cilindro da
pinça
Posição do pedal do freio
Folga do pedal do freio
2 – 12
ESPECESPECESPECESPECESPECESPECIFICAÇÕES DO CHAESPECIFICAÇÕES DO CHAESPECIFICAÇÕES DO CHAESPECIFICAÇÕES DO CHAESPECIFICAÇÕES DO CHASSISSISSISSISSI
DireçãoDireçãoDireçãoDireçãoDireção
Tipo de rolamento da direção
Ângulo de batente (esquerdo)
Ângulo de batente (direito)
Suspensão dianteiraSuspensão dianteiraSuspensão dianteiraSuspensão dianteiraSuspensão dianteira
Tipo de suspensão
Tipo de garfo dianteiro
Curso do garfo dianteiro
Mola
Comprimento livre
Força da mola (K1)
(K2)
Curso da mola (K1)
(K2)
Mola opcional disponível
Óleo do garfo
Óleo recomendado
Quantidade (cada bengala
dianteira)
Nível (a partir do topo do tubo
interno, com o tubo totalmente
comprimido e sem a mola)
Rolamento de esferas
45°
45°
Garfo telescópico
Mola espiral/amortecedor a óleo
240,0 mm
611,7 mm
4,22 N/mm
4,50 N/mm
0 ~240,0 mm
104 ~180 mm
Não
Óleo de garfo 10W ou equivalente
541 cc
134,0 mm
----
----
----
599,5 mm
----
----
----
----
----
----
----
Item Padrão Limite
Braço oscilante (monocross)
Mola espiral/amortecedor a óleo e gás
68,0 mm
215,5 mm
198,8 mm
80,00 N/mm
90,0 N/mm
0 ~65 mm
65 ~84,5 mm
Não
----
----
428V / DAIDO
130
25,0 ~ 35,0 mm
191,5 mm
----
----
----
213,0 mm
----
----
----
----
----
1,00 mm
1,00 mm
----
----
----
----
SuspensãoSuspensãoSuspensãoSuspensãoSuspensão tttttraseiraraseiraraseiraraseiraraseira
Tipo de suspensão
Amortecedor traseiro
Curso do conjunto do amortecedor
Mola
Comprimento livre
Comprimento instalado
Força da mola (K1)
(K2)
Curso da mola (K1)
(K2)
Mola opcional disponível
Balança traseiraBalança traseiraBalança traseiraBalança traseiraBalança traseira
Folga da balança traseira
(na extremidade)
Radial
Axial
CorCorCorCorCorrente derente derente derente derente de transmissãotransmissãotransmissãotransmissãotransmissão
Tipo/fabricante
Quantidade de elos
Folga da corrente de transmissão
Seção de 15 elos máxima
2 – 13
ESPECESPECESPECESPECESPECESPECIFICAÇÕES ELÉTRICAESPECIFICAÇÕES ELÉTRICAESPECIFICAÇÕES ELÉTRICAESPECIFICAÇÕES ELÉTRICAESPECIFICAÇÕES ELÉTRICASSSSS
ESPECIFICAÇÕES ELÉTRICAESPECIFICAÇÕES ELÉTRICAESPECIFICAÇÕES ELÉTRICAESPECIFICAÇÕES ELÉTRICAESPECIFICAÇÕES ELÉTRICASSSSS
VVVVVoltagem do sistemaoltagem do sistemaoltagem do sistemaoltagem do sistemaoltagem do sistema
Sistema de igniçãoSistema de igniçãoSistema de igniçãoSistema de igniçãoSistema de ignição
Tipo do sistema de ignição
Ponto de ignição
Tipo de avanço
Resistência/cor bobina de pulso
Modelo/fabricante da ECU
Bobina de igniçãoBobina de igniçãoBobina de igniçãoBobina de igniçãoBobina de ignição
Modelo/fabricante
Faísca mínima na vela de ignição
Resistência enrolamento primário
Resistência enrolamento secundário
CacCacCacCacCachimbo da vela de igniçãohimbo da vela de igniçãohimbo da vela de igniçãohimbo da vela de igniçãohimbo da vela de ignição
Material
Resistência
Sistema de alimentaçãoSistema de alimentaçãoSistema de alimentaçãoSistema de alimentaçãoSistema de alimentação
Tipo de sistema
Modelo/fabricante
Saída nominal
Resistência/ cor da bobina de carga
RRRRRetificador/reguladoretificador/reguladoretificador/reguladoretificador/reguladoretificador/regulador
Tipo de regulador
Tensão regulada sem carga
Capacidade máxima admitida
Tensão
BateriaBateriaBateriaBateriaBateria
Fabricante
Tensão/capacidade da bateria
Taxa de amperagem de 10 horas
Tipo/modelo
Lâmpada de farolLâmpada de farolLâmpada de farolLâmpada de farolLâmpada de farol
LuzLuzLuzLuzLuzes de indicaçãoes de indicaçãoes de indicaçãoes de indicaçãoes de indicação
Luz do visor
Luz indicadora de neutro
Luz indicadora de farol alto
Luz indicadora do pisca
Luz indicadora de falha no motor
12V
Bobina de ignição transistorizada (digital)
10,0 graus / 1.400 r/min
Digital
240 ohm+-20 % a 20°C
Azul/amarelo - verde
TBDF35 / DENSO
2JN /YAMAHA
6,0 mm
2,40 ohm+-10 % a 20°C
10,8 K.ohm+-20 % a 20°C
Resina
5,0 k ohm a 20°C
Magneto de Corrente Alternada
LLZ79 / DENSO
14,0V 153W 5.000 r/min
0,42 ~ 0,62 ohm a 20°C
branco-branco
Semicondutor, tipo circuito fechado
13,7 ~ 14,7 V
20,0 A
200,0 V
YUASA
12 V, 6,0 Ah
0,60 A
Selada/YTX7L-BS
----
----
----
----
----
----
----
----
----
----
----
----
----
----
----
----
----
----
----
----
----
Item Padrão Limite
Lâmpada de bulbo halógeno
LED
LED
LED
LED
LED
LâmpadasLâmpadasLâmpadasLâmpadasLâmpadas
(tensão x potência x quantidade)(tensão x potência x quantidade)(tensão x potência x quantidade)(tensão x potência x quantidade)(tensão x potência x quantidade)
Farol
Luz de freio / lanterna traseira
Luzes do pisca dianteiras
Luzes do pisca traseiras
12 V x 35 W / 35 W x 1
12 V x 21 W / 5 W x 1
12 V x 10 W x 2
12 V x 10 W x 2
----
----
----
----
2 – 14
ESPECESPECESPECESPECESPECESPECIFICAÇÕES ELÉTRICAESPECIFICAÇÕES ELÉTRICAESPECIFICAÇÕES ELÉTRICAESPECIFICAÇÕES ELÉTRICAESPECIFICAÇÕES ELÉTRICASSSSS
Engrenamento constante
SM13/MITSUBA DO BRAZIL LTDA
0,65 kW
0,0012~0,0022 ohm a 20°C
12,5 mm
765~1.001 gf.m (7,65~10,01 N.m)
28,0 mm
0,70 mm
MS5F-721/JIDECO
20,0 A
4,40 ohm+-5 % a 20°C
Plana
LOCAL MADE x 1
3,5 A
105~115 dB/2 m
Totalmente transistorizado
05 0150 00 / KOSTAL
Não
85,0 ciclos/minuto
----
----
4,00 mm
----
27,00 mm
----
----
----
----
----
----
Sistema de parSistema de parSistema de parSistema de parSistema de partida elétricatida elétricatida elétricatida elétricatida elétrica
Tipo de sistema
Motor de partida
Modelo / fabricante
Potência de saída
Resistência da bobina da armadura
Escovas
Comprimento total
Força da mola
Diâmetro do induzido
Corte inferior da mica
RRRRRelé do motor deelé do motor deelé do motor deelé do motor deelé do motor de parparparparpartidatidatidatidatida
Modelo/fabricante
Amperagem máxima
Resistência da bobina
BuzinaBuzinaBuzinaBuzinaBuzina
Tipo de buzina
Fabricante x quantidade
Amperagem máxima
Desempenho
RRRRRelé das luzelé das luzelé das luzelé das luzelé das luzeseseseses de setade setade setade setade seta
Tipo de relé
Modelo/fabricante
Dispositivo autocancelante embutido
Freqüência
SSSSSensor de temperaturaensor de temperaturaensor de temperaturaensor de temperaturaensor de temperatura
Modelo / fabricante
Resistência a 80ºC
Resistência a 100ºC
Item Padrão Limite
1S4 / MIKUNI
1.569,0~1.945,0 ohm
902,5~1142,0 ohm
----
----
----
FFFFFusíveis (potência x quantidade)usíveis (potência x quantidade)usíveis (potência x quantidade)usíveis (potência x quantidade)usíveis (potência x quantidade)
Fusível principal
Fusível do sistema de sinalização
Fusível do farol
Fusível de ignição
Fusível de backup (painel)
Fusível reserva
Fusível reserva
20 A x 1
10 A x 1
10 A x 1
10 A x 1
10 A x 1
10 A x 1
20 A x 1
----
----
----
----
----
----
----
2 – 15
ESPECESPECESPECESPECESPECTTTTTABELA DE CONVERSÃO/TABELA DE CONVERSÃO/TABELA DE CONVERSÃO/TABELA DE CONVERSÃO/TABELA DE CONVERSÃO/TORQORQORQORQORQUE DE FIXAÇÃOUE DE FIXAÇÃOUE DE FIXAÇÃOUE DE FIXAÇÃOUE DE FIXAÇÃO
A tabela a seguir especifica torques para
elementos fixadores com rosca padrão ISO.
As especificações dos torques para
componentes ou conjuntos especiais são
fornecidas nos respectivos capítulos deste
manual.
Para evitar empenamentos, fixe os conjuntos
compostos por vários elementos fixadores
progressivamente e de forma cruzada ou
alternada até atingir o torque especificado.
Caso indicação em contrário, os torque
devem ser aplicados em roscas limpas e
secas. Os componentes deverão estar em
temperatura ambiente.
ESPECIFICAÇÕES GERAIS DEESPECIFICAÇÕES GERAIS DEESPECIFICAÇÕES GERAIS DEESPECIFICAÇÕES GERAIS DEESPECIFICAÇÕES GERAIS DE
TTTTTORQORQORQORQORQUE DE FIXAÇÃOUE DE FIXAÇÃOUE DE FIXAÇÃOUE DE FIXAÇÃOUE DE FIXAÇÃO
A: Distância entre as laterais planas
B: Diâmetro externo da rosca
10 mm 6 mm 6 0,6 4,3
12 mm 8 mm 15 1,5 11
14 mm 10 mm 30 3,0 22
17 mm 12 mm 55 5,5 40
19 mm 14 mm 85 8,5 61
22 mm 16 mm 130 13,0 94
N.mN.mN.mN.mN.m
Especificações geraisEspecificações geraisEspecificações geraisEspecificações geraisEspecificações gerais
de torquede torquede torquede torquede torqueAAAAA
(P(P(P(P(Porca)orca)orca)orca)orca)
BBBBB
(P(P(P(P(Parafuso)arafuso)arafuso)arafuso)arafuso)
kkkkkgfgfgfgfgf.m.m.m.m.m ffffft.lbt.lbt.lbt.lbt.lb
TTTTTABELA DE CONVERSÃOABELA DE CONVERSÃOABELA DE CONVERSÃOABELA DE CONVERSÃOABELA DE CONVERSÃO
Todas as especificações técnicas deste
manual estão listadas em SI e unidades
métricas.
Use esta tabela para converter as unidades.
Ex.
MÉTRICO MULTIPLICADOR IMPERIAL
** mm x 0,03937 = ** in
2 mm x 0,03937 = 0,08 in
TABELA DE CONVERSÃO
MÉTRICO PARA IMPERIAL
Unidade Aplicador Unidade
Métrica Imperial
Aperto m.kg 7,233 ft.lb
de m.kg 85,794 in.lb
torque cm.kg 0,0723 ft.lb
cm.kg 0,8679 in.lb
Peso kg 2,205 lb
g 0,03527 oz
Velocidade km/hr 0,6214 mph
km 0,6214 mi
m 3,281 ft
Distância m 1,094 yd
cm 0,3937 in
mm 0,03937 in
cc (cm3
) 0,03527 oz (IMP liq.)
Volume/ cc (cm3
) 0,06102 cu.in
Capacidade lt (litro) 0,8799 qt (IMP liq.)
lt (litro) 0,2199 gal (IMP liq.)
kg/mm 55,997 lb/in
Vários kg/cm2
14,2234 psi (lb/in2
)
Centígrados 9/5+32 Fahrenheit
(o
C) (o
F)
2 – 16
ESPECESPECESPECESPECESPECTTTTTORQORQORQORQORQUE DE FIXAÇÃOUE DE FIXAÇÃOUE DE FIXAÇÃOUE DE FIXAÇÃOUE DE FIXAÇÃO
TTTTTORQORQORQORQORQUE DE FIXAÇÃO DO MOUE DE FIXAÇÃO DO MOUE DE FIXAÇÃO DO MOUE DE FIXAÇÃO DO MOUE DE FIXAÇÃO DO MOTTTTTOROROROROR
Alavanca impulsora da embreagem Parafuso M8 1 1,2 12
Limitadora do seletor do trambulador Parafuso M6 1 1,0 10
Fixador do cabo da embreagem Parafuso M6 1 1,0 10
Interruptor de neutro Sensor M10 1 2,0 20
Parafuso do dreno de óleo do cárter Bujão M12 1 2,0 20
Sensor de velocidade Parafuso M6 1 1,0 10
Bomba de óleo Parafuso M6 3 0,7 7
Guia da corrente de comando Parafuso M6 2 0,8 8
Placa do rolamento do eixo secundário Parafuso M6 1 1,0 10
Ajustador da folga de válvula Porca M6 2 1,4 13,5
Tubo de distr. de óleo (lat. do cilindro) Parafuso M8 1 1,7 17
Tampa da coroa do eixo de comando Parafuso M6 2 1,0 10
Engrenagem de partida sentido único Parafuso M8 3 3,0 30
Conjunto estator Parafuso M6 3 1,0 10
Fixador de bobina de pulso Parafuso M5 2 0,7 7
Fixador do chicote do estator conjunto Parafuso M5 1 0,7 7
Eixo do virabrequim (visor sincronismo) Bujão M32 1 0,4 4
Rotor do magneto (visor sincronismo) Bujão M14 1 0,4 4
Mangueira de óleo ao radiador Parafuso M6 4 0,7 6,5
Suportes laterais do radiador Parafuso M6 2 0,7 6,5
Abraçadeira do corpo de injeção Parafuso M4 1 0,2 2
Placa de fixação do eixo de comando Parafuso M6 2 0,8 8
Sensor de temperatura Sensor M8 1 0,9 9
Junção do corpo de injeção Parafuso M6 2 1,0 10
Tubo do escape ao cabeçote Prisioneiro M8 2 1,5 15
Tubo A.I.S. Parafuso M6 2 1,0 10
Vela de ignição Parafuso M12 1 1,8 17,5
Molas / Placa de pressão da campana Parafuso M6 4 0,8 8
Engrenagem primária Porca M16 1 8,0 80
Engrenagem do balanceiro Porca M12 1 5,5 55
Parafuso do fluxo de óleo Parafuso M6 1 0,7 7
Cilindro (lateral do comando)
L = 65 mm Parafuso M6 2 1,0 10
Pinhão da corrente de transmissão Porca M18 1 11,0 110
Tampa lateral direita
L = 55 mm Parafuso M6 1 1,0 10
L = 50 mm Parafuso M7 3 1,0 10
L = 35 mm Parafuso M8 1 1,0 10
L = 25 mm Parafuso M9 8 1,0 10
Componente a ser fixadoComponente a ser fixadoComponente a ser fixadoComponente a ser fixadoComponente a ser fixado PPPPPeçaeçaeçaeçaeça RRRRRosca Qtde.osca Qtde.osca Qtde.osca Qtde.osca Qtde.
kkkkkgfgfgfgfgf.m.m.m.m.m N.mN.mN.mN.mN.m
ObservaçãoObservaçãoObservaçãoObservaçãoObservação
TTTTTorqueorqueorqueorqueorque
Use arruela
trava nova
Use arruela
trava nova
Use arruela
trava nova
2 – 17
ESPECESPECESPECESPECESPECTTTTTORQORQORQORQORQUE DE FIXAÇÃOUE DE FIXAÇÃOUE DE FIXAÇÃOUE DE FIXAÇÃOUE DE FIXAÇÃO
Tampa do filtro de óleo
L = 70 mm Parafuso M6 1 1,0 10
L = 20 mm Parafuso M6 2 1,0 10
Cabeçote (lateral do comando)
L = 45 mm Parafuso M8 2 2,0 20
L = 117 mm Parafuso M8 4 2,2 22
Motor de partida Parafuso M6 2 1,0 10
Rotor do magneto Parafuso M10 1 6,0 60
Tubo de distr. de óleo (carcaça direita) Parafuso M10 1 2,0 20
Coroa da corrente de sincronismo Parafuso M10 1 6,0 60
Esticador da corrente de comando Parafuso M6 2 1,0 10
Esticador da corrente de comando (int.) Parafuso M6 1 0,8 7,5
Tampa lateral esquerda
L = 50 mm Parafuso M6 1 1,0 10
L = 45 mm Parafuso M7 3 1,0 10
L = 30 mm Parafuso M8 5 1,0 10
Tampa da engrenagem (motor partida) Parafuso M6 3 1,0 10
Mangueira de óleo no motor Parafuso M6 2 1,0 10
Carcaças do motor
L = 60 mm Parafuso M6 2 1,0 10
L = 70 mm Parafuso M6 3 1,0 10
L = 45 mm Parafuso M6 4 1,0 10
L = 55 mm Parafuso M6 3 1,0 10
Tampa da caixa do filtro de ar Parafuso M6 4 2,1 21
Tubo de escape Porca M8 2 1,7 17
Escape e conexão central (estribo) Parafuso M10 2 2,0 20
Escape e suporte do estribo (posterior) Parafuso M10 1 4,0 40
Parafuso do protetor do escape Parafuso M6 5 0,8 8,0
Componente a ser fixadoComponente a ser fixadoComponente a ser fixadoComponente a ser fixadoComponente a ser fixado PPPPPeçaeçaeçaeçaeça RRRRRosca Qtde.osca Qtde.osca Qtde.osca Qtde.osca Qtde.
kkkkkgfgfgfgfgf.m.m.m.m.m N.mN.mN.mN.mN.m
ObservaçãoObservaçãoObservaçãoObservaçãoObservação
TTTTTorqueorqueorqueorqueorque
Seqüência de aperto do cabeçote do cilindro:
5
6
1
3
2
4
2 – 18
ESPECESPECESPECESPECESPECTTTTTORQORQORQORQORQUE DE FIXAÇÃOUE DE FIXAÇÃOUE DE FIXAÇÃOUE DE FIXAÇÃOUE DE FIXAÇÃO
TTTTTORQORQORQORQORQUE DE FIXAÇÃO DO CHAUE DE FIXAÇÃO DO CHAUE DE FIXAÇÃO DO CHAUE DE FIXAÇÃO DO CHAUE DE FIXAÇÃO DO CHASSISSISSISSISSI
Pára-lama dianteiro M6 4 0,7 7
Pára-lama traseiro e protetor da corrente M6 4 1,1 11
Porca do eixo da roda dianteira M14 1 8 80
Porca do eixo da roda traseira M16 1 8,5 8,5
Contra-porca da regulagem da folga da corrente M8 2 1,5 15
Parafuso do disco de freio da roda dianteira M8 6 1,3 13
Mesa inferior e garfo dianteiro M10 2 3,0 30
Mesa superior e garfo dianteiro M8 2 2,5 25
Fixador superior do guidão M8 4 2,3 23
Parafuso da coroa e cubo da embreagem M8 6 4,3 43
Amortecedor e chassi M12 1 5,7 57
Braço relé e chassi M12 1 5,7 57
Suporte da licença M6 4 1,1 11
Porca do guidão/ mesa M22 1 11,0 110
Porca mesa do guidão (inferior) 1º torque M25 1 3,7 37
Porca mesa do guidão (inferior) 2º torque M25 1 0,65 6,5
Bobina de ignição M10 2 0,7 7
Regulador/ retificador M6 2 0,7 7
Alça lateral M8 4 3,0 30
Porca do cavalete lateral M10 1 4,0 40
Suporte dianteiro do motor e quadro M8 3 3,3 33
Suporte dianteiro do motor e motor M8 3 3,3 33
Suporte do motor e quadro M8 1 3,8 38
Motor e quadro (atrás embaixo) M8 1 3,3 33
Eixo pivô e porca M12 1 8,0 80
Braço relé e balança M12 1 5,7 57
Haste e braço relé M10 1 5,7 57
Amortecedor e braço relé M10 1 5,7 57
Pinça de freio e garfo dianteiro M10 2 3,5 35
Pinça de freio e mangueiras de freio M10 2 2,7 27
Cilindro mestre e mangueira de freio dianteiro M10 1 2,7 27
Cilindro mestre traseiro e mangueira M8 2 4,7 47
Estribo traseiro LE e quadro M8 2 2,8 28
Estribo traseiro LD e quadro M8 2 2,8 28
Parafuso da lanterna de freio e porca M6 2 0,55 5,5
Parafuso do disco de freio traseiro da roda M8 3 2,8 28
PPPPPeça a ser apereça a ser apereça a ser apereça a ser apereça a ser apertadatadatadatadatada DimensãoDimensãoDimensãoDimensãoDimensão Qtde.Qtde.Qtde.Qtde.Qtde. TTTTTorque de aperorque de aperorque de aperorque de aperorque de apertototototo
KgfKgfKgfKgfKgf.m.m.m.m.m N.mN.mN.mN.mN.m
NONONONONOTTTTTA:A:A:A:A:
1. Primeiro, exerça um torque na porca-anel inferior da haste da coluna de direção de
3,73,73,73,73,7 kkkkkgfgfgfgfgf.m.m.m.m.m , utilizando para tal a ferramenta especial TTTTTorquímetroorquímetroorquímetroorquímetroorquímetro. Após este processo,
solte a porca-anel, que recebeu o torque, 1/4 de volta.
2. Reaperte a porca-anel inferior, utilizando o TTTTTorquímetroorquímetroorquímetroorquímetroorquímetro novamente, aplique o torque
definitivo de 0,65 k0,65 k0,65 k0,65 k0,65 kgfgfgfgfgf.m.m.m.m.m.
2 – 19
ESPECESPECESPECESPECESPEC
PONPONPONPONPONTTTTTOS DE LUBRIFICAÇÃO EOS DE LUBRIFICAÇÃO EOS DE LUBRIFICAÇÃO EOS DE LUBRIFICAÇÃO EOS DE LUBRIFICAÇÃO E
TIPOS DE LUBRIFICANTIPOS DE LUBRIFICANTIPOS DE LUBRIFICANTIPOS DE LUBRIFICANTIPOS DE LUBRIFICANTESTESTESTESTES
PONPONPONPONPONTTTTTOS DE LUBRIFICAÇÃO EOS DE LUBRIFICAÇÃO EOS DE LUBRIFICAÇÃO EOS DE LUBRIFICAÇÃO EOS DE LUBRIFICAÇÃO ETIPOS DE LUBRIFICANTIPOS DE LUBRIFICANTIPOS DE LUBRIFICANTIPOS DE LUBRIFICANTIPOS DE LUBRIFICANTESTESTESTESTES
MOMOMOMOMOTTTTTOROROROROR
Ponto de Lubrificação Símbolo
Lábios dos retentores
Anéis O-rings
Rolamentos
Parafusos de fixação do cabeçote do cilindro
Parafusos de fixação do cilindro
Pino do virabrequim
Superfície interna da corrente de comando
Biela (inferior)
Pino do pistão
Canal do anel no pistão
Porca de fixação do balanceiro
Parafuso de fixação do rotor do magneto AC
Hastes das válvulas (admissão e escape)
Extremidades das hastes (admissão e escape)
Eixo do balanceiro
Cames do eixo de comando
Rotor da bomba de óleo (interno e externo)
Eixo da bomba de óleo
Engrenagem da embreagem (interna e externa)
Conjunto de embreagem
Porca de fixação da engrenagem primária
Engrenagem primária
Porca de fixação do cubo da embreagem
Haste de acionamento
Engrenagens de transmissão (coroa e pinhão)
Eixo principal e de acionamento
Garfos de mudança
Trambulador
Eixo dos garfos
Sensor de velocidade (O-rings)
ColaYamaha
N° 1215
ColaYamaha
N° 1215
ColaYamaha
N° 1215
Superfície de contato das carcaças
Ilhó isolante do chicote do magneto AC (tampa do magneto de AC)
Parafuso de fixação do tubo de distribuição de óleo
2 – 20
ESPECESPECESPECESPECESPEC
PONPONPONPONPONTTTTTOS DE LUBRIFICAÇÃO EOS DE LUBRIFICAÇÃO EOS DE LUBRIFICAÇÃO EOS DE LUBRIFICAÇÃO EOS DE LUBRIFICAÇÃO E
TIPOS DE LUBRIFICANTIPOS DE LUBRIFICANTIPOS DE LUBRIFICANTIPOS DE LUBRIFICANTIPOS DE LUBRIFICANTESTESTESTESTES
CHACHACHACHACHASSISSISSISSISSI
Lábios dos retentores da roda dianteira (esquerdo e direito)
Lábios dos retentores da roda traseira (esquerdo e direito)
Superfície de contato do cubo da roda traseira
Eixo-pivô da balança e retentores
Superfície de guarda-pós
Parafuso da balança traseira e amortecedor
Lábios dos retentores da balança e amortecedor
Parafuso da balança traseira e braço relé
Lábios retentores da balança traseira e braço relé
Parafuso da balança traseira e haste conectora
Lábios retentores da balança traseira e haste conectora
Superfície externa do pedal de freio
Rolamentos da coluna de direção (superior e inferior)
Superfície interna da guia (do cabo do acelerador)
Superfície do parafuso do manete de embreagem
Superfície de contato do descanso lateral
Pivô da pedaleira principal
Extremidade da mola das pedaleiras
Superfície externa do eixo traseiro
Pivô da pedaleira do passageiro
Eixo da balança traseira
Ponto de Lubrificação Símbolo
2 – 21
ESPECESPECESPECESPECESPECDIADIADIADIADIAGRAMA DO SISGRAMA DO SISGRAMA DO SISGRAMA DO SISGRAMA DO SISTEMA DE REFRIGERAÇÃO DE ÓLEOTEMA DE REFRIGERAÇÃO DE ÓLEOTEMA DE REFRIGERAÇÃO DE ÓLEOTEMA DE REFRIGERAÇÃO DE ÓLEOTEMA DE REFRIGERAÇÃO DE ÓLEO
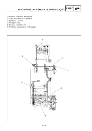
DIAGRAMA DO SISTEMA DE REFRIGERAÇÃO DE ÓLEO
1 Radiador
2 Mangueira de entrada de óleo no
radiador
3 Mangueira de saída de óleo no radiador
4 Anéis de vedação - “O-rings”
A Entrada de óleo quente
B Saída de óleo refrigerado
2 – 22
ESPECESPECESPECESPECESPECFLUXFLUXFLUXFLUXFLUXO DE LUBRIFICAÇÃOO DE LUBRIFICAÇÃOO DE LUBRIFICAÇÃOO DE LUBRIFICAÇÃOO DE LUBRIFICAÇÃO
FLUXO DE LUBRIFICAÇÃO
Alimentação de óleo com pressão
Retorno de óleo por gravidade e centrifugação
Cárter
Eixo motor
Filtro de óleo
Virabrequim
Eixo principal
Filtro metálico
CabeçoteVálvula de
retenção
Eixo de
comando
Bomba de
óleo
Radiador
de óleo
2 – 23
ESPECESPECESPECESPECESPECDIADIADIADIADIAGRAMAGRAMAGRAMAGRAMAGRAMAS DO SISS DO SISS DO SISS DO SISS DO SISTEMA DE LUBRIFICAÇÃOTEMA DE LUBRIFICAÇÃOTEMA DE LUBRIFICAÇÃOTEMA DE LUBRIFICAÇÃOTEMA DE LUBRIFICAÇÃO
DIADIADIADIADIAGRAMAGRAMAGRAMAGRAMAGRAMAS DO SISS DO SISS DO SISS DO SISS DO SISTEMA DE LUBRIFICAÇÃOTEMA DE LUBRIFICAÇÃOTEMA DE LUBRIFICAÇÃOTEMA DE LUBRIFICAÇÃOTEMA DE LUBRIFICAÇÃO
1 Bomba de óleo
2 Engrenagem de acionamento da bomba
3 Pescador (subfiltro de óleo)
4 Medidor do nível de óleo
4
1
2
3
2 – 24
ESPECESPECESPECESPECESPECDIADIADIADIADIAGRAMAGRAMAGRAMAGRAMAGRAMAS DO SISS DO SISS DO SISS DO SISS DO SISTEMA DE LUBRIFICAÇÃOTEMA DE LUBRIFICAÇÃOTEMA DE LUBRIFICAÇÃOTEMA DE LUBRIFICAÇÃOTEMA DE LUBRIFICAÇÃO
1 Mangueira de envio de óleo
2 Mangueira de retorno de óleo
3 Bomba de óleo
4 Pescador (subfiltro de óleo)
5 Filtro de óleo
1
2
3
4
5
2 – 25
ESPECESPECESPECESPECESPECDIADIADIADIADIAGRAMAGRAMAGRAMAGRAMAGRAMAS DO SISS DO SISS DO SISS DO SISS DO SISTEMA DE LUBRIFICAÇÃOTEMA DE LUBRIFICAÇÃOTEMA DE LUBRIFICAÇÃOTEMA DE LUBRIFICAÇÃOTEMA DE LUBRIFICAÇÃO
1 Pinos-guia
2 Anéis de vedação “O-rings”
3 Filtro de óleo
4 Rotor da bomba de óleo 1
5 Engrenagem de acionamento
da bomba de óleo
6 Tubo de distribuição de óleo
7 Alojamento do filtro de óleo
A A seta indica que vai para o radiador de
óleo
B A seta indica que vem do radiador de
óleo
1
2
3
4
5
6
7
A
B
2 – 26
ESPECESPECESPECESPECESPECDIADIADIADIADIAGRAMAGRAMAGRAMAGRAMAGRAMAS DO SISS DO SISS DO SISS DO SISS DO SISTEMA DE LUBRIFICAÇÃOTEMA DE LUBRIFICAÇÃOTEMA DE LUBRIFICAÇÃOTEMA DE LUBRIFICAÇÃOTEMA DE LUBRIFICAÇÃO
1 Eixo do comando de válvula
2 Tubo de distribuição de óleo
3 Parafuso - junção
4 Eixo principal
5 Eixo de acionamento
6 Haste da alavanca da embreagem
1
2
3
3
4
5
6
2 – 27
ESPECESPECESPECESPECESPECPPPPPAAAAASSSSSSSSSSAAAAAGEM DOS CABOSGEM DOS CABOSGEM DOS CABOSGEM DOS CABOSGEM DOS CABOS
PASSAGEM DOS CABOS
1 Chicote do interruptor de guidão
(lado esquerdo)
2 Chicote do interruptor da embreagem
3 Cabo da embreagem
4 Chicote do interruptor de freio dianteiro
5 Chicote do interruptor de guidão
(lado direito)
6 Cabo do acelerador
7 Chicote do farol
8 Chicote do painel de instrumentos
9 Chicote da chave de ignição
0 Chicote principal
A Chicote do pisca dianteiro esquerdo
B Chicote do pisca dianteiro direito
2 – 28
ESPECESPECESPECESPECESPEC
A Prenda os chicotes dos interruptores do guidão
LE e da embreagem com uma cinta plástica.
B Prenda o cabo do acelerador, os chicotes dos
interruptores do guidão LD e do freio dianteiro
com uma cinta plástica.
PPPPPAAAAASSSSSSSSSSAAAAAGEM DOS CABOSGEM DOS CABOSGEM DOS CABOSGEM DOS CABOSGEM DOS CABOS
2 – 29
ESPECESPECESPECESPECESPECPPPPPAAAAASSSSSSSSSSAAAAAGEM DOS CABOSGEM DOS CABOSGEM DOS CABOSGEM DOS CABOSGEM DOS CABOS
1 Cabo do acelerador
2 Cabo da embreagem
3 Mangueira de respiro do motor
4 Mangueira da válvula de indução de ar
5 Cabo do motor de partida
6 Chicote do sensor de velocidade
7 Chicote da chave de ignição
8 Mangueira de combustível
9 Cabo de aterramento (negativo)
2 – 30
ESPECESPECESPECESPECESPECPPPPPAAAAASSSSSSSSSSAAAAAGEM DOS CABOSGEM DOS CABOSGEM DOS CABOSGEM DOS CABOSGEM DOS CABOS
A Fixar a mangueira de indução de ar do respiro
do motor e de combustível, válvula de indução
de ar com uma cinta plástica.
B Fixar os cabos do acelerador e chicote principal
com uma cinta plástica.
C Passe o cabo da embreagem por cima dos
cabos do acelerador.
2 – 31
ESPECESPECESPECESPECESPEC
1 Cabo da embreagem
2 Chicote do interruptor da embreagem
3 Chicote do interruptor do guidão LE
4 Mangueira do freio dianteiro
5 Chicote da buzina
6 Chicote da bobina de ignição
7 Chicote do retificador regulador
8 Cabo da vela
9 Chicote do interruptor do neutro
: Cabo positivo
A Cabo negativo
B Chicote do interruptor do cavalete lateral
C Chicote do interruptor do freio traseiro
PPPPPAAAAASSSSSSSSSSAAAAAGEM DOS CABOSGEM DOS CABOSGEM DOS CABOSGEM DOS CABOSGEM DOS CABOS
2 – 32
ESPECESPECESPECESPECESPECPPPPPAAAAASSSSSSSSSSAAAAAGEM DOS CABOSGEM DOS CABOSGEM DOS CABOSGEM DOS CABOSGEM DOS CABOS
A Fixe o chicote na área da fita branca.
B Fixe o chicote e o cabo da vela.
C Área da fita branca.
D Fixe o chicote, o cabo negativo e positivo.
E 1. Após conectar os conectores, coloque-os
dentro da capa.
2. O cabo do motor de partida passa por fora
da capa.
3. Prenda o cabo no chassi com uma cinta.
2 – 33
ESPECESPECESPECESPECESPECPPPPPAAAAASSSSSSSSSSAAAAAGEM DOS CABOSGEM DOS CABOSGEM DOS CABOSGEM DOS CABOSGEM DOS CABOS
1 Chicote do pisca traseiro direito
2 Chicote da lanterna traseira
3 Chicote do pisca traseiro esquerdo
4 Chicote do relé do pisca
5 Cabo positivo
6 Cabo negativo
7 Chicote
8 Chicote do interruptor do freio traseiro
9 Chicote do interruptor do cavalete lateral
: Chicote do interruptor do freio dianteiro
A Chicote do interruptor do guidão LD
B Chicote da chave de ignição
C Cabo da embreagem
D Cabos do acelerador
A Cintas.
CAPÍTULCAPÍTULCAPÍTULCAPÍTULCAPÍTULO 3O 3O 3O 3O 3
INSPEÇÃO EINSPEÇÃO EINSPEÇÃO EINSPEÇÃO EINSPEÇÃO E AJUSAJUSAJUSAJUSAJUSTES PERIÓDICOSTES PERIÓDICOSTES PERIÓDICOSTES PERIÓDICOSTES PERIÓDICOS
INININININTRODUÇÃOTRODUÇÃOTRODUÇÃOTRODUÇÃOTRODUÇÃO ......................................................................................................................................................................................................................................................................................................................................................................................................................................................................................................................... 3-13-13-13-13-1
MANUTENÇÃO PERIÓDICA EMANUTENÇÃO PERIÓDICA EMANUTENÇÃO PERIÓDICA EMANUTENÇÃO PERIÓDICA EMANUTENÇÃO PERIÓDICA ETTTTTABELA DE LUBRIFICAÇÃOABELA DE LUBRIFICAÇÃOABELA DE LUBRIFICAÇÃOABELA DE LUBRIFICAÇÃOABELA DE LUBRIFICAÇÃO ........................................................................................................................................................... 3-13-13-13-13-1
CARENACARENACARENACARENACARENAGEM,GEM,GEM,GEM,GEM, TTTTTAMPAMPAMPAMPAMPAAAAAS ES ES ES ES E ABAABAABAABAABAS LAS LAS LAS LAS LATERAISTERAISTERAISTERAISTERAIS ........................................................................................................................................................................................................................................................................................ 3-33-33-33-33-3
REMOÇÃO ............................................................................................................. 3-3
INSTALAÇÃO ......................................................................................................... 3-7
TTTTTANQANQANQANQANQUE DE COMBUSUE DE COMBUSUE DE COMBUSUE DE COMBUSUE DE COMBUSTÍVELTÍVELTÍVELTÍVELTÍVEL...................................................................................................................................................................................................................................................................................................................................................................................................... 3-13-13-13-13-111111
REMOÇÃO ............................................................................................................3-11
INSTALAÇÃO ....................................................................................................... 3-12
MOMOMOMOMOTTTTTOROROROROR...........................................................................................................................................................................................................................................................................................................................................................................................................................................................................................................................................................................3-13-13-13-13-144444
AJUSTE DA FOLGA DE VÁLVULA ...................................................................... 3-14
AJUSTE DO VOLUME DO GÁS DE EXAUSTÃO ............................................... 3-17
AJUSTE DA MARCHA LENTA ............................................................................ 3-19
AJUSTE DA FOLGA DO CABO DO ACELERADOR ............................................ 3-19
INSPEÇÃO DA VELA DE IGNIÇÃO ..................................................................... 3-21
INSPEÇÃO DO PONTO DE IGNIÇÃO ................................................................. 3-22
INSPEÇÃO DA COMPRESSÃO ........................................................................... 3-23
INSPEÇÃO DO NÍVEL DE ÓLEO DO MOTOR..................................................... 3-25
TROCA DE ÓLEO DO MOTOR ............................................................................ 3-26
AJUSTE DA FOLGA DO CABO DA EMBREAGEM ............................................ 3-28
INSPEÇÃO DO ELEMENTO DO FILTRO DE AR.................................................. 3-28
INSPEÇÃO DA JUNÇÃO DO CORPO DE INJEÇÃO........................................... 3-30
INSPEÇÃO DA MANGUEIRA DE COMBUSTÍVEL ............................................. 3-30
INSPEÇÃO DA MANGUEIRA DE RESPIRO DO MOTOR ................................... 3-30
INSPEÇÃO DO SISTEMA DE ESCAPE ............................................................... 3-31
INSPEÇÃO DO RADIADOR DE ÓLEO................................................................. 3-31
CHACHACHACHACHASSISSISSISSISSI ....................................................................................................................................................................................................................................................................................................................................................................................................................................................................................................................3-323-323-323-323-32
INSPEÇÃO DO NÍVEL DE FLUIDO DE FREIO..................................................... 3-32
INSPEÇÃO DAS PASTILHAS DE FREIO DIANTEIRO ETRASEIRO .................... 3-33
SANGRIA DO SISTEMA DE FREIO HIDRÁULICO.............................................. 3-34
INSPEÇÃO DA MANGUEIRA DO FREIO DIANTEIRO ETRASEIRO .................. 3-36
AJUSTE DO INTERRUPTORTRASEIRO DO FREIO ........................................... 3-36
AJUSTE DO PEDAL DE CÂMBIO........................................................................ 3-37
AJUSTE DA FOLGA DA CORRENTE DETRANSMISSÃO ................................. 3-37
LUBRIFICAÇÃO DA CORRENTE ......................................................................... 3-39
INSPEÇÃO E AJUSTE DA COLUNA DE DIREÇÃO ............................................ 3-39
INSPEÇÃO DO GARFO DIANTEIRO ................................................................... 3-42
AJUSTE DO AMORTECEDOR ............................................................................. 3-42
INSPEÇÃO DOS PNEUS ..................................................................................... 3-44
INSPEÇÃO DAS RODAS ..................................................................................... 3-47
INSPEÇÃO E APERTO DOS RAIOS .................................................................... 3-47
INSPEÇÃO E LUBRIFICAÇÃO DOS CABOS....................................................... 3-48
LUBRIFICAÇÃO DOS MANETES E DO PEDAL DE FREIO ................................. 3-48
LUBRIFICAÇÃO DO CAVALETE LATERAL ......................................................... 3-48
LUBRIFICAÇÃO DA SUSPENSÃOTRASEIRA .................................................... 3-48
SISSISSISSISSISTEMA ELÉTRICOTEMA ELÉTRICOTEMA ELÉTRICOTEMA ELÉTRICOTEMA ELÉTRICO ..................................................................................................................................................................................................................................................................................................................................................................................................................................................................3-493-493-493-493-49
ATIVAÇÃO DA BATERIA...................................................................................... 3-49
INSPEÇÃO E CARGA DA BATERIA .................................................................... 3-50
INSPEÇÃO DOS FUSÍVEIS.................................................................................. 3-53
SUBSTITUIÇÃO DA LÂMPADA DO FAROL ....................................................... 3-55
AJUSTE DO FACHO DO FAROL ......................................................................... 3-56
AJUSTE DO RELÓGIO DIGITAL.......................................................................... 3-57
3 – 1
INSPINSPINSPINSPINSP
AJUSAJUSAJUSAJUSAJUS
INININININTRODUÇÃO/MANUTENÇÃO PERIÓDICA ETRODUÇÃO/MANUTENÇÃO PERIÓDICA ETRODUÇÃO/MANUTENÇÃO PERIÓDICA ETRODUÇÃO/MANUTENÇÃO PERIÓDICA ETRODUÇÃO/MANUTENÇÃO PERIÓDICA E
TTTTTABELA DE LUBRIFICAÇÃOABELA DE LUBRIFICAÇÃOABELA DE LUBRIFICAÇÃOABELA DE LUBRIFICAÇÃOABELA DE LUBRIFICAÇÃO
INSPEÇÃO EINSPEÇÃO EINSPEÇÃO EINSPEÇÃO EINSPEÇÃO E AJUSAJUSAJUSAJUSAJUSTES PERIÓDICOSTES PERIÓDICOSTES PERIÓDICOSTES PERIÓDICOSTES PERIÓDICOS
INININININTRODUÇÃOTRODUÇÃOTRODUÇÃOTRODUÇÃOTRODUÇÃO
Este capítulo abrange as informações necessárias para a execução das inspeções e ajustes
recomendados. Se seguidos, estes procedimentos assegurarão uma operação mais confiável
do veículo, uma vida útil maior e reduzirão a possibilidade de trabalho de recondicionamento
dispendioso. Estas informações aplicam-se a veículos já em operação e também a veículos
novos que estejam sendo preparados para a venda.Todos os técnicos de manutenção devem
estar familiarizados com este capítulo.
MANUTENÇÃO PERIÓDICA EMANUTENÇÃO PERIÓDICA EMANUTENÇÃO PERIÓDICA EMANUTENÇÃO PERIÓDICA EMANUTENÇÃO PERIÓDICA ETTTTTABELA DE LUBRIFICAÇÃOABELA DE LUBRIFICAÇÃOABELA DE LUBRIFICAÇÃOABELA DE LUBRIFICAÇÃOABELA DE LUBRIFICAÇÃO
1 *
2
3 *
4
5 *
6 *
7 *
8 *
9 *
10 *
11 *
Mangueira de
combustível
Vela de ignição
Válvulas
Elemento do filtro
de ar
Embreagem
Freio dianteiro
Freio traseiro
Mangueiras do freio
Rodas
Pneus
Rolamentos de roda
• Verificar se as mangueiras têm
vazamento ou danos
• Verificar a condição
• Limpe e corrija a folga do eletrodo
• Trocar
• Verificar a folga das válvulas
• Ajuste
• Limpar
• Substituir
• Verifique o funcionamento
• Ajuste
• Verifique o funcionamento, nível do
fluido e se existem vazamentos do
fluido na motocicleta
• Trocar as pastilhas de freio
• Verifique o funcionamento, nível do fluido
e se existem vazamentos na motocicleta
• Verificar o empenamento do disco
• Trocar as pastilhas de freio
• Verifique se apresentam rachaduras ou
danos
• Trocar
• Verificar aperto de raios e se há danos
• Apertar os raios se for necessário
• Verificar esvaziamento, a profundidade
dos sulcos e se existem danos
• Trocar se necessário
• Verifique a pressão do ar
• Corrija se necessário
• Verifique se os rolamentos estão soltos ou
se apresentam danos
LEITURA DO HODÔMETROLEITURA DO HODÔMETROLEITURA DO HODÔMETROLEITURA DO HODÔMETROLEITURA DO HODÔMETRO
(x 1(x 1(x 1(x 1(x 100000000000 km)0 km)0 km)0 km)0 km)
A cadaA cadaA cadaA cadaA cada
5.05.05.05.05.0000000 km0 km0 km0 km0 km
ou 6 mesesou 6 mesesou 6 mesesou 6 mesesou 6 meses11111 55555 1111100000
• • •
• •
•
• • •
• •
•
• • • •
• • • •
• • • •
• • •
• • •
• • •
• • •
ITEMITEMITEMITEMITEMNºNºNºNºNº
TRABALHO DETRABALHO DETRABALHO DETRABALHO DETRABALHO DE VERIFICAÇÃOVERIFICAÇÃOVERIFICAÇÃOVERIFICAÇÃOVERIFICAÇÃO
OU MANUTENÇÃOOU MANUTENÇÃOOU MANUTENÇÃOOU MANUTENÇÃOOU MANUTENÇÃO
Sempre que estiverem gastas até no limite
A cada 4 anos
Sempre que estiverem gastas até no limite
NONONONONOTTTTTA:A:A:A:A:
• A partir de 10.000 km, repita os intervalos de manutenção a cada 5.000 km.
• Os itens marcados com asteriscos devem ser executados por um concessionárioYamaha, pois
possuem ferramentas especiais, informações e habilidades técnicas.
3 – 2
INSPINSPINSPINSPINSP
AJUSAJUSAJUSAJUSAJUS
INININININTRODUÇÃO/MANUTENÇÃO PERIÓDICA ETRODUÇÃO/MANUTENÇÃO PERIÓDICA ETRODUÇÃO/MANUTENÇÃO PERIÓDICA ETRODUÇÃO/MANUTENÇÃO PERIÓDICA ETRODUÇÃO/MANUTENÇÃO PERIÓDICA E
TTTTTABELA DE LUBRIFICAÇÃOABELA DE LUBRIFICAÇÃOABELA DE LUBRIFICAÇÃOABELA DE LUBRIFICAÇÃOABELA DE LUBRIFICAÇÃO
LEITURA DO HODÔMETROLEITURA DO HODÔMETROLEITURA DO HODÔMETROLEITURA DO HODÔMETROLEITURA DO HODÔMETRO
(x 1(x 1(x 1(x 1(x 100000000000 km)0 km)0 km)0 km)0 km)
A cadaA cadaA cadaA cadaA cada
5.05.05.05.05.0000000 km0 km0 km0 km0 km
ou 6 mesesou 6 mesesou 6 mesesou 6 mesesou 6 meses11111 55555 1111100000
ITEMITEMITEMITEMITEMNºNºNºNºNº
TRABALHO DETRABALHO DETRABALHO DETRABALHO DETRABALHO DE VERIFICAÇÃOVERIFICAÇÃOVERIFICAÇÃOVERIFICAÇÃOVERIFICAÇÃO
OU MANUTENÇÃOOU MANUTENÇÃOOU MANUTENÇÃOOU MANUTENÇÃOOU MANUTENÇÃO
12 *
13
14 *
15 *
16
17 *
18 *
19 *
20 *
21 *
22 *
23
24 *
25
26 *
27 *
28 *
29 *
Braço oscilante
P
Corrente de
transmissão
Rolamentos da
direção
Fixações do chassi
Cavalete lateral
Interruptor do
cavalete lateral
Suspensão dianteira
Amortecedor traseiro
Pontos de articulação
do braço de conexão
e da balança da
suspensão traseira
Injeção eletrônica
Óleo do motor
Elemento do filtro de
óleo do motor
Interruptores dos
freios dianteiro e
traseiro
Cabos e peças
móveis
Manopla do
acelerador e cabo
Sistema de indução
de ar
Silenciador e tubo de
escape
Luzes, piscas e
interruptores
• Verifique o funcionamento e se há
folga excessiva
• Lubrificar com graxa à base de sabão de
lítio
• Ajuste da folga e lubrifique a corrente
comlubrificante especial para corrente
com O-rings
• Verifique a folga dos rolamentos e se
a direção está dura
• Lubrifique com graxa à base de sabão
de lítio
• Certifique-se de que todas as porcas,
cupilhas e parafusos estão devidamente
apertados
• Verifique o funcionamento
• Lubrifique
• Verifique o funcionamento
• Verificar o funcionamento e vazamentos
de óleo
• Verifique o funcionamento e vazamento
de óleo
• Verifique o funcionamento
• Lubrificar com graxa à base de sabão
de lítio
• Ajuste a marcha lenta do motor
• Troque
• Verifique o nível de óleo e se existem
vazamentos
• Troque
• Verifique o funcionamento
• Lubrifique
• Verifique o funcionamento e a folga
• Se necessário ajuste a folga do cabo
• Lubrifique a manopla do acelerador e o
cabo
• Verifique se a válvula de corte de ar, a
válvula da palheta, e a mangueira
apresentam danos
• Trocar as peças danificadas, se necessário
• Verificar a fixação do parafuso da
abraçadeira
• Verifique o funcionamento
• Ajuste o foco do farol dianteiro
• • •
• • •
• • • •
• • •
• • •
• • •
•
• • • •
• • • •
• •
• • • •
• • •
• • •
• • •
• • • •
• • • •
A cada 24.000 km
A cada 500 km e após lavagem da
motocicleta ou dirigindo na chuva
• • •
A cada 20000 km
• • • •
••••• Substituir o elemento de filtro de ar com maior freqüência se você estiver utilizando o veículo em
áreas anormalmente molhadas ou empoeiradas.
• Manutenção de freio hidráulico.
- Verifique regularmente e, se necessário, corrija o nível de fluido de freio.
-A cada dois anos substitua os componentes internos do cilindro mestre e, em conjunto, o fluido de freio.
- Substitua as mangueiras de freio a cada quatro anos ou se estiverem rachadas ou danificadas.
NONONONONOTTTTTA:A:A:A:A:
3 – 3
INSPINSPINSPINSPINSP
AJUSAJUSAJUSAJUSAJUSCARENACARENACARENACARENACARENAGEM,GEM,GEM,GEM,GEM, TTTTTAMPAMPAMPAMPAMPAAAAAS ES ES ES ES E ABAABAABAABAABAS LAS LAS LAS LAS LATERAISTERAISTERAISTERAISTERAIS
CARENACARENACARENACARENACARENAGEM,GEM,GEM,GEM,GEM,TTTTTAMPAMPAMPAMPAMPAAAAAS ES ES ES ES E ABAABAABAABAABASSSSS
LALALALALATERAISTERAISTERAISTERAISTERAIS
1. Coloque a motocicleta em uma superfície
plana.
REMOÇÃOREMOÇÃOREMOÇÃOREMOÇÃOREMOÇÃO
BancoBancoBancoBancoBanco
1. Remova:
• Os parafusos 1 de fixação do banco.
• O banco de seu alojamento.
Lateral direitaLateral direitaLateral direitaLateral direitaLateral direita
2. Remova:
• O parafuso de fixação 1 da lateral di-
reita.
• A lateral direita de seu alojamento, pu-
xando-a até desencaixar dos ilhós de
fixação.
Lateral esquerdaLateral esquerdaLateral esquerdaLateral esquerdaLateral esquerda
3. Remova:
• A lateral esquerda de seu alojamento,
utilizando a própria chave de ignição da
motocicleta e puxando-a até desencai-
xar dos ilhós de fixação.
RRRRRabetaabetaabetaabetaabeta
4. Remova:
• Os parafusos de fixação 1 da rabeta.
• A rabeta de seu alojamento, deslocan-
do-a para trás.
PPPPPosicione a motocicleta firmemente para queosicione a motocicleta firmemente para queosicione a motocicleta firmemente para queosicione a motocicleta firmemente para queosicione a motocicleta firmemente para que
não haja perigo de queda.não haja perigo de queda.não haja perigo de queda.não haja perigo de queda.não haja perigo de queda.
3 – 4
INSPINSPINSPINSPINSP
AJUSAJUSAJUSAJUSAJUSCARENACARENACARENACARENACARENAGEM,GEM,GEM,GEM,GEM, TTTTTAMPAMPAMPAMPAMPAAAAAS ES ES ES ES E ABAABAABAABAABAS LAS LAS LAS LAS LATERAISTERAISTERAISTERAISTERAIS
Aba esquerdaAba esquerdaAba esquerdaAba esquerdaAba esquerda
5. Remova:
• O parafuso 1 dianteiro superior da aba.
• O parafuso 2 lateral inferior da aba.
• O parafuso 3 traseiro superior da aba.
• A aba esquerda de seu alojamento, pu-
xando-a até desencaixar do ilhó de fi-
xação.
Aba direitaAba direitaAba direitaAba direitaAba direita
6. Remova:
• O parafuso 1 dianteiro superior da aba.
• O parafuso 2 lateral inferior da aba. O
parafuso 3 traseiro superior da aba. A
aba direita de seu alojamento, puxan-
do-a até desencaixar do ilhó de fixação.
Carenagem do farolCarenagem do farolCarenagem do farolCarenagem do farolCarenagem do farol
7. Remova:
• Os parafusos 1 de fixação do conjunto
do farol dianteiro de ambos os lados.
8. Desloque:
• O conjunto do farol dianteiro desencai-
xando dos pinos-guia 1.
9. Remova:
• O conector 1 da lâmpada do farol.
3 – 5
INSPINSPINSPINSPINSP
AJUSAJUSAJUSAJUSAJUSCARENACARENACARENACARENACARENAGEM,GEM,GEM,GEM,GEM, TTTTTAMPAMPAMPAMPAMPAAAAAS ES ES ES ES E ABAABAABAABAABAS LAS LAS LAS LAS LATERAISTERAISTERAISTERAISTERAIS
10. Remova
• A braçadeira 1 que fixa o chicote ao
suporte do painel.
11. Remova:
• O conector 2 de indicação de farol
alto do painel.
12. Remova:
• O conector do pisca de ambos os la-
dos.
13. Remova:
• O conector 1 do chicote do painel.
14. Remova:
• O conjunto do farol dianteiro.
3 – 6
INSPINSPINSPINSPINSP
AJUSAJUSAJUSAJUSAJUSCARENACARENACARENACARENACARENAGEM,GEM,GEM,GEM,GEM, TTTTTAMPAMPAMPAMPAMPAAAAAS ES ES ES ES E ABAABAABAABAABAS LAS LAS LAS LAS LATERAISTERAISTERAISTERAISTERAIS
15. Remova:
• Os parafusos de fixação 1 do supor-
te do painel ao conjunto da carena-
gem.
16. Remova:
• O parafuso de ajuste do foco do fa-
rol 2.
• Os parafusos inferiores 3 de fixação
do farol.
17. Remova:
• O suporte do painel do seu alojamen-
to.
18. Remova:
• A capa de proteção 1 de borracha.
19. Remova:
• Os parafusos superiores 1 de fixa-
ção do farol.
20. Remova:
• O farol da carenagem.
3 – 7
INSPINSPINSPINSPINSP
AJUSAJUSAJUSAJUSAJUSCARENACARENACARENACARENACARENAGEM,GEM,GEM,GEM,GEM, TTTTTAMPAMPAMPAMPAMPAAAAAS ES ES ES ES E ABAABAABAABAABAS LAS LAS LAS LAS LATERAISTERAISTERAISTERAISTERAIS
INSINSINSINSINSTTTTTALAÇÃOALAÇÃOALAÇÃOALAÇÃOALAÇÃO
Carenagem do farolCarenagem do farolCarenagem do farolCarenagem do farolCarenagem do farol
1. Instale:
• O farol em seu alojamento na care-
nagem.
2. Instale:
• Os parafusos superiores 1 de fixação
do farol.
3. Instale:
• A capa de proteção 1 de borracha.
4. Instale:
• O suporte do painel do seu alojamento.
5. Instale:
• O parafuso de ajuste do foco do farol
2.
• Os parafusos inferiores 3 de fixação do
farol.
6. Instale:
• Os parafusos de fixação 1 do suporte
do painel ao conjunto da carenagem.
PPPPParafusos superiores:arafusos superiores:arafusos superiores:arafusos superiores:arafusos superiores:
0,3 k0,3 k0,3 k0,3 k0,3 kgfgfgfgfgf.m (30 N.m).m (30 N.m).m (30 N.m).m (30 N.m).m (30 N.m)
PPPPParafusos inferiores:arafusos inferiores:arafusos inferiores:arafusos inferiores:arafusos inferiores:
0,3 k0,3 k0,3 k0,3 k0,3 kgfgfgfgfgf.m (30 N.m).m (30 N.m).m (30 N.m).m (30 N.m).m (30 N.m)
PPPPParafusos do suporarafusos do suporarafusos do suporarafusos do suporarafusos do suporte:te:te:te:te:
0,7 k0,7 k0,7 k0,7 k0,7 kgfgfgfgfgf.m (70 N.m).m (70 N.m).m (70 N.m).m (70 N.m).m (70 N.m)
3 – 8
INSPINSPINSPINSPINSP
AJUSAJUSAJUSAJUSAJUSCARENACARENACARENACARENACARENAGEM,GEM,GEM,GEM,GEM, TTTTTAMPAMPAMPAMPAMPAAAAAS ES ES ES ES E ABAABAABAABAABAS LAS LAS LAS LAS LATERAISTERAISTERAISTERAISTERAIS
7. Instale:
• O conector 1 do chicote do painel.
8. Instale:
• O conector do pisca de ambos os lados.
9. Instale:
• O conector 1 de indicação de farol alto
do painel.
10. Instale:
• A braçadeira plástica 2 que fixa o chi-
cote ao suporte do painel.
11. Instale:
• O conector 3 da lâmpada do farol.
3 – 9
INSPINSPINSPINSPINSP
AJUSAJUSAJUSAJUSAJUSCARENACARENACARENACARENACARENAGEM,GEM,GEM,GEM,GEM, TTTTTAMPAMPAMPAMPAMPAAAAAS ES ES ES ES E ABAABAABAABAABAS LAS LAS LAS LAS LATERAISTERAISTERAISTERAISTERAIS
12. Encaixe:
• O conjunto do farol dianteiro nos pi-
nos-guia 1 da coluna de direção.
13. Instale:
• Os parafusos 1 de fixação do con-
junto do farol dianteiro de ambos os
lados.
Aba direitaAba direitaAba direitaAba direitaAba direita
1. Instale:
• A aba direita em seu alojamento, empur-
rando-a até encaixar no ilhó de fixação.
2. Instale:
• O parafuso 1 dianteiro superior da aba.
• O parafuso 2 lateral inferior da aba.
• O parafuso 3 traseiro superior da aba.
Aba esquerdaAba esquerdaAba esquerdaAba esquerdaAba esquerda
1. Instale:
• A aba esquerda em seu alojamento, em-
purrando-a até encaixar no ilhó de fixa-
ção.
2. Instale:
• O parafuso 1 dianteiro superior da aba.
• O parafuso 2 lateral inferior da aba.
• O parafuso 3 traseiro superior da aba.
PPPPParafusos do conjunto do farol:arafusos do conjunto do farol:arafusos do conjunto do farol:arafusos do conjunto do farol:arafusos do conjunto do farol:
0,7 k0,7 k0,7 k0,7 k0,7 kgfgfgfgfgf.m (70 N.m).m (70 N.m).m (70 N.m).m (70 N.m).m (70 N.m)
PPPPParafuso dianteiro superior:arafuso dianteiro superior:arafuso dianteiro superior:arafuso dianteiro superior:arafuso dianteiro superior:
0,8 k0,8 k0,8 k0,8 k0,8 kgfgfgfgfgf.m (80 N.m).m (80 N.m).m (80 N.m).m (80 N.m).m (80 N.m)
PPPPParafuso dianteiro inferior:arafuso dianteiro inferior:arafuso dianteiro inferior:arafuso dianteiro inferior:arafuso dianteiro inferior:
0,8 k0,8 k0,8 k0,8 k0,8 kgfgfgfgfgf.m (80 N.m).m (80 N.m).m (80 N.m).m (80 N.m).m (80 N.m)
PPPPParafuso traseiro superior:arafuso traseiro superior:arafuso traseiro superior:arafuso traseiro superior:arafuso traseiro superior:
0,8 k0,8 k0,8 k0,8 k0,8 kgfgfgfgfgf.m (80 N.m).m (80 N.m).m (80 N.m).m (80 N.m).m (80 N.m)
PPPPParafuso dianteiro superior:arafuso dianteiro superior:arafuso dianteiro superior:arafuso dianteiro superior:arafuso dianteiro superior:
0,8 k0,8 k0,8 k0,8 k0,8 kgfgfgfgfgf.m (80 N.m).m (80 N.m).m (80 N.m).m (80 N.m).m (80 N.m)
PPPPParafuso dianteiro inferior:arafuso dianteiro inferior:arafuso dianteiro inferior:arafuso dianteiro inferior:arafuso dianteiro inferior:
0,8 k0,8 k0,8 k0,8 k0,8 kgfgfgfgfgf.m (80 N.m).m (80 N.m).m (80 N.m).m (80 N.m).m (80 N.m)
PPPPParafuso traseiro superior:arafuso traseiro superior:arafuso traseiro superior:arafuso traseiro superior:arafuso traseiro superior:
0,8 k0,8 k0,8 k0,8 k0,8 kgfgfgfgfgf.m (80 N.m).m (80 N.m).m (80 N.m).m (80 N.m).m (80 N.m)
3 – 10
INSPINSPINSPINSPINSP
AJUSAJUSAJUSAJUSAJUSCARENACARENACARENACARENACARENAGEM,GEM,GEM,GEM,GEM, TTTTTAMPAMPAMPAMPAMPAAAAAS ES ES ES ES E ABAABAABAABAABAS LAS LAS LAS LAS LATERAISTERAISTERAISTERAISTERAIS
RRRRRabetaabetaabetaabetaabeta
1. Instale:
• A rabeta em seu alojamento, empurran-
do-a para frente.
• Os parafusos de fixação 1 da rabeta.
Lateral esquerdaLateral esquerdaLateral esquerdaLateral esquerdaLateral esquerda
1. Instale:
• A lateral esquerda em seu alojamento,
empurrando-a até encaixar nos ilhós de
fixação e utilizando a própria chave de
ignição da motocicleta para travá-la.
Lateral direitaLateral direitaLateral direitaLateral direitaLateral direita
1. Instale:
• A lateral direita em seu alojamento,
empurrando-a até encaixar nos ilhós de
fixação.
• O parafuso de fixação 1 da lateral di-
reita.
INSINSINSINSINSTTTTTALAÇÃOALAÇÃOALAÇÃOALAÇÃOALAÇÃO
BancoBancoBancoBancoBanco
1. Instale:
• Os parafusos 1 de fixação do banco.
• O banco em seu alojamento.
PPPPParafusos da rabeta:arafusos da rabeta:arafusos da rabeta:arafusos da rabeta:arafusos da rabeta:
0,65 k0,65 k0,65 k0,65 k0,65 kgfgfgfgfgf.m (6,5 N.m).m (6,5 N.m).m (6,5 N.m).m (6,5 N.m).m (6,5 N.m)
PPPPParafuso lateral:arafuso lateral:arafuso lateral:arafuso lateral:arafuso lateral:
1,0 k1,0 k1,0 k1,0 k1,0 kgfgfgfgfgf.m (1.m (1.m (1.m (1.m (10 N.m)0 N.m)0 N.m)0 N.m)0 N.m)
PPPPParafusos do banco:arafusos do banco:arafusos do banco:arafusos do banco:arafusos do banco:
0,65 k0,65 k0,65 k0,65 k0,65 kgfgfgfgfgf.m (6,5 N.m).m (6,5 N.m).m (6,5 N.m).m (6,5 N.m).m (6,5 N.m)
3 – 11
INSPINSPINSPINSPINSP
AJUSAJUSAJUSAJUSAJUSTTTTTANQANQANQANQANQUE DE COMBUSUE DE COMBUSUE DE COMBUSUE DE COMBUSUE DE COMBUSTÍVELTÍVELTÍVELTÍVELTÍVEL
TTTTTANQANQANQANQANQUE DE COMBUSUE DE COMBUSUE DE COMBUSUE DE COMBUSUE DE COMBUSTÍVELTÍVELTÍVELTÍVELTÍVEL
REMOÇÃOREMOÇÃOREMOÇÃOREMOÇÃOREMOÇÃO
1. Coloque a motocicleta em uma superfície
plana.
NONONONONOTTTTTA:A:A:A:A:
Antes de remover o tanque de combustível,
drene o seu conteúdo com uma bomba ade-
quada pelo bocal de abastecimento.
1. Remova:
• Os parafusos 1 de fixação do banco.
• O banco de seu alojamento.
2. Remova:
• As abas laterais de ambos os lados.
Consulte “CARENAGEM ETAMPAS LATE-
RAIS” no capítulo 3.
3. Remova:
• Os parafusos de fixação 1 do tanque
de combustível.
4. Remova:
• A porca de fixação 1 do parafuso infe-
rior do tanque de combustível pelo lado
esquerdo da motocicleta.
• O parafuso de fixação inferior do tanque
de combustível pelo lado direito.
5. Desloque:
• O tanque de combustível de seu aloja-
mento.
PPPPPosicione a motocicleta firmemente para queosicione a motocicleta firmemente para queosicione a motocicleta firmemente para queosicione a motocicleta firmemente para queosicione a motocicleta firmemente para que
não haja perigo de queda.não haja perigo de queda.não haja perigo de queda.não haja perigo de queda.não haja perigo de queda.
3 – 12
INSPINSPINSPINSPINSP
AJUSAJUSAJUSAJUSAJUSTTTTTANQANQANQANQANQUE DE COMBUSUE DE COMBUSUE DE COMBUSUE DE COMBUSUE DE COMBUSTÍVELTÍVELTÍVELTÍVELTÍVEL
6. Remova:
• O conector da mangueira de combustí-
vel.
• A mangueira de combustível.
NNNNNOOOOOTTTTTA:A:A:A:A:
Para remover o conector da mangueira de
combustível, aperte as travas laterais 1 do
conector e desloque a capa 2 da extremida-
de da mangueira na direção indicada (seta).
Antes de remover a mangueira de seu aloja-
mento, posicione um pano sob o local para
evitar que o combustível vaze na motocicleta.
7. Remova:
• O conector da bomba de combustível
1 de seu alojamento.
EEEEEmbora o combustível tenha sido remombora o combustível tenha sido remombora o combustível tenha sido remombora o combustível tenha sido remombora o combustível tenha sido removi-vi-vi-vi-vi-
do, tenha cuidado ao remodo, tenha cuidado ao remodo, tenha cuidado ao remodo, tenha cuidado ao remodo, tenha cuidado ao remover a manguei-ver a manguei-ver a manguei-ver a manguei-ver a manguei-
ra, poderá ainda haver algum combustí-ra, poderá ainda haver algum combustí-ra, poderá ainda haver algum combustí-ra, poderá ainda haver algum combustí-ra, poderá ainda haver algum combustí-
vel no tanque.vel no tanque.vel no tanque.vel no tanque.vel no tanque.
8. Remova:
• O tanque de combustível de seu aloja-
mento.
NONONONONOTTTTTA:A:A:A:A:
• Não coloque o tanque de combustível de
modo que a superfície da bomba possa fi-
car comprometida.
• Certifique-sedeposicionarotanquede com-
bustível verticalmente.
INSINSINSINSINSTTTTTALAÇÃOALAÇÃOALAÇÃOALAÇÃOALAÇÃO
1. Instale:
• O conector da bomba de combustível
1 no seu alojamento.
2. Instale:
• O conector da mangueira de combustí-
vel.
NNNNNOOOOOTTTTTA:A:A:A:A:
Instale a mangueira de combustível no tubo
de injeção, deslizando a capa da extremida-
de da mangueira na direção da bomba de
combustível, bloqueando as travas.
3 – 13
INSPINSPINSPINSPINSP
AJUSAJUSAJUSAJUSAJUSTTTTTANQANQANQANQANQUE DE COMBUSUE DE COMBUSUE DE COMBUSUE DE COMBUSUE DE COMBUSTÍVELTÍVELTÍVELTÍVELTÍVEL
3. Instale:
• O tanque de combustível em seu aloja-
mento.
4. Instale:
• O parafuso de fixação inferior do tan-
que de combustível pelo lado direito.
• A porca de fixação 1 inferior do reser-
vatório de combustível pelo lado es-
querdo.
5. Instale:
• Os parafusos de fixação 1 do tanque de
combustível.
6. Instale:
• As abas laterais de ambos os lados.
Consulte “CARENAGEM E TAMPAS LA-
TERAIS” no capítulo 3.
PPPPParafuso de fixação inferiorarafuso de fixação inferiorarafuso de fixação inferiorarafuso de fixação inferiorarafuso de fixação inferior
1,0 k1,0 k1,0 k1,0 k1,0 kgfgfgfgfgf.m (1.m (1.m (1.m (1.m (10 N.m)0 N.m)0 N.m)0 N.m)0 N.m)
PPPPParafusos de fixaçãoarafusos de fixaçãoarafusos de fixaçãoarafusos de fixaçãoarafusos de fixação
1,6 k1,6 k1,6 k1,6 k1,6 kgfgfgfgfgf.m (1.m (1.m (1.m (1.m (16 N.m)6 N.m)6 N.m)6 N.m)6 N.m)
7. Instale:
• O banco em seu alojamento.
• Os parafusos de fixação do banco.
PPPPParafusos de fixação do bancoarafusos de fixação do bancoarafusos de fixação do bancoarafusos de fixação do bancoarafusos de fixação do banco
0,65 k0,65 k0,65 k0,65 k0,65 kgfgfgfgfgf.m (6,5 N.m).m (6,5 N.m).m (6,5 N.m).m (6,5 N.m).m (6,5 N.m)
3 – 14
INSPINSPINSPINSPINSP
AJUSAJUSAJUSAJUSAJUSAJUSAJUSAJUSAJUSAJUSTE DTE DTE DTE DTE DA FOLGA DEA FOLGA DEA FOLGA DEA FOLGA DEA FOLGA DE VÁLVÁLVÁLVÁLVÁLVULAVULAVULAVULAVULA
MOMOMOMOMOTTTTTOROROROROR
AJUSAJUSAJUSAJUSAJUSTE DTE DTE DTE DTE DA FOLGA DEA FOLGA DEA FOLGA DEA FOLGA DEA FOLGA DE VÁLVÁLVÁLVÁLVÁLVULAVULAVULAVULAVULA
Os procedimentos a seguir se aplicam a
todas as válvulas.
1. Remova:
• Tanque de combustível.
Consulte "TANQUE DE COMBUSTÍVEL".
2. Remova:
• Tampa da válvula de admissão 1.
• Tampa da válvula de escape 2.
• Tampa do pinhão do eixo do comando.
3. Desconecte:
• Cachimbo da vela de ignição.
4. Remova:
• Vela de ignição.
5. Remova:
• Parafuso de acesso à marca de sincro-
nismo 1.
• Parafuso de acesso ao virabrequim 2.
NONONONONOTTTTTA:A:A:A:A:
• Oajustedafolgadeválvuladeveserfeitocom
o motor frio, em temperatura ambiente.
• Quando a folga da válvula for ajustada ou
medida, o pistão deve estar no ponto morto
superior (PMS) no tempo de compressão.
2
1
1
2
3 – 15
INSPINSPINSPINSPINSP
AJUSAJUSAJUSAJUSAJUSAJUSAJUSAJUSAJUSAJUSTE DTE DTE DTE DTE DA FOLGA DEA FOLGA DEA FOLGA DEA FOLGA DEA FOLGA DE VÁLVÁLVÁLVÁLVÁLVULAVULAVULAVULAVULA
6. Meça:
• Folga da válvula.
Fora de especificação Ajustar.
*****************************************************************************************************************************************************************************************
a. Vire o virabrequim no sentido anti-ho-
rário.
b. Quando o pistão estiver no ponto morto
superior (PMS) no tempo de compressão,
alinhe a marca "I" a no rotor do magneto
A.C. com o ponto estacionário b na
tampa externa do magneto.
c. Meça a folga da válvula com calibre de
lâminas 1.
Fora de especificação Ajustar.
*****************************************************************************************************************************************************************************************
7. Ajuste:
• Folga da válvula.
*****************************************************************************************************************************************************************************************
a. Solte a porca-trava 1.
b. Insira o calibre de lâminas entre a extre-
midade do parafuso de ajuste e a ponta
da haste da válvula.
c. Gire o parafuso de ajuste 3 com a chave
2 em um dos sentidos abaixo para obter
a folga ideal.
NONONONONOTTTTTA:A:A:A:A:
Para posicionar o pistão no ponto morto su-
perior (PMS) no tempo de compressão, ali-
nhe a marca "I" c da coroa do comando de
válvulas com a marca d no cabeçote, con-
forme mostrado na ilustração.
a
b
d
c
1
2
3
FFFFFolgolgolgolgolga da válvula (fria)a da válvula (fria)a da válvula (fria)a da válvula (fria)a da válvula (fria)
Válvula de admissão:Válvula de admissão:Válvula de admissão:Válvula de admissão:Válvula de admissão:
0,05 ~ 0,10,05 ~ 0,10,05 ~ 0,10,05 ~ 0,10,05 ~ 0,10 mm0 mm0 mm0 mm0 mm
Válvula de exaustão:Válvula de exaustão:Válvula de exaustão:Válvula de exaustão:Válvula de exaustão:
0,08 ~ 0,00,08 ~ 0,00,08 ~ 0,00,08 ~ 0,00,08 ~ 0,0111113 mm3 mm3 mm3 mm3 mm
Calibre de lâminas:Calibre de lâminas:Calibre de lâminas:Calibre de lâminas:Calibre de lâminas:
90890-0307990890-0307990890-0307990890-0307990890-03079
HorárioHorárioHorárioHorárioHorário A folgA folgA folgA folgA folga diminuia diminuia diminuia diminuia diminui
Anti-horárioAnti-horárioAnti-horárioAnti-horárioAnti-horário A folgA folgA folgA folgA folga aumentaa aumentaa aumentaa aumentaa aumenta
Chave do parafuso de ajuste:Chave do parafuso de ajuste:Chave do parafuso de ajuste:Chave do parafuso de ajuste:Chave do parafuso de ajuste:
90890-090890-090890-090890-090890-011111313131313111111
3 – 16
INSPINSPINSPINSPINSP
AJUSAJUSAJUSAJUSAJUSAJUSAJUSAJUSAJUSAJUSTE DTE DTE DTE DTE DA FOLGA DEA FOLGA DEA FOLGA DEA FOLGA DEA FOLGA DE VÁLVÁLVÁLVÁLVÁLVULAVULAVULAVULAVULA
e. Meça a folga de válvula novamente.
f. Se a folga estiver fora da especificação,
repita os passos de ajuste de válvula até
que a folga especificada seja obtida.
*****************************************************************************************************************************************************************************************
8. Instale:
• O-ring.
• Parafuso de acesso à marca de sincro-
nismo.
• O-ring.
• Parafuso de acesso ao virabrequim.
9. Instale:
• Vela de ignição.
10. Conecte:
• Cachimbo da vela de ignição.
11. Instale:
• Tampa do pinhão do eixo de comando.
• Anéis O-rings 1.
• Tampa da válvula de admissão.
• Tampa da válvula de exaustão.
12. Instale:
• Mangueira da válvula de corte de ar.
Consulte "SISTEMA DE INDUÇÃO DE
AR" no capítulo 7.
• Radiador.
Consulte "RADIADOR" no capítulo 5.
• Tanque de combustível.
Consulte "TANQUE DE COMBUSTÍ-
VEL".
d. Evite que o parafuso se mova seguran-
do-o e aperte a porca-trava no torque es-
pecificado.
NoNoNoNoNovvvvvooooo
NoNoNoNoNovvvvvooooo
NoNoNoNoNovvvvvooooo
1
NoNoNoNoNovvvvvooooo
PPPPPorca-trava:orca-trava:orca-trava:orca-trava:orca-trava:
1,4 k1,4 k1,4 k1,4 k1,4 kgfgfgfgfgf.m (1.m (1.m (1.m (1.m (14 N.m)4 N.m)4 N.m)4 N.m)4 N.m)
VVVVVela de ignição:ela de ignição:ela de ignição:ela de ignição:ela de ignição:
1,8 k1,8 k1,8 k1,8 k1,8 kgfgfgfgfgf.m (1.m (1.m (1.m (1.m (18 N.m)8 N.m)8 N.m)8 N.m)8 N.m)
TTTTTampa do pinhão do eixampa do pinhão do eixampa do pinhão do eixampa do pinhão do eixampa do pinhão do eixo comandoo comandoo comandoo comandoo comando:::::
1,0 k1,0 k1,0 k1,0 k1,0 kgfgfgfgfgf.m (1.m (1.m (1.m (1.m (10 N.m)0 N.m)0 N.m)0 N.m)0 N.m)
TTTTTampa da válvula de admissão:ampa da válvula de admissão:ampa da válvula de admissão:ampa da válvula de admissão:ampa da válvula de admissão:
1,8 k1,8 k1,8 k1,8 k1,8 kgfgfgfgfgf.m (1.m (1.m (1.m (1.m (18 N.m)8 N.m)8 N.m)8 N.m)8 N.m)
TTTTTampa da válvula de exaustão:ampa da válvula de exaustão:ampa da válvula de exaustão:ampa da válvula de exaustão:ampa da válvula de exaustão:
1,8 k1,8 k1,8 k1,8 k1,8 kgfgfgfgfgf.m (1.m (1.m (1.m (1.m (18 N.m)8 N.m)8 N.m)8 N.m)8 N.m)
3 – 17
INSPINSPINSPINSPINSP
AJUSAJUSAJUSAJUSAJUSAJUSAJUSAJUSAJUSAJUSTE DOTE DOTE DOTE DOTE DO VVVVVOLUME DO GÁS DE EXAOLUME DO GÁS DE EXAOLUME DO GÁS DE EXAOLUME DO GÁS DE EXAOLUME DO GÁS DE EXAUSUSUSUSUSTÃOTÃOTÃOTÃOTÃO
1. Posicione a chave de ignição em “OFF” e
o interruptor de “engine stop” em “ON”.
2. Desconecte o terminal do sinal de “auto
diagnóstico” 1 e conecte o terminal do
diagnóstico da injeção 2.
3. Enquanto mantém o botão “MODE” 1
pressionado, mude a chave de ignição
para “ON”.
NONONONONOTTTTTA:A:A:A:A:
Certifique-se de ajustar o nível de densidade
de CO no padrão, então ajuste o volume do
gás de exaustão.
AJUSAJUSAJUSAJUSAJUSTE DOTE DOTE DOTE DOTE DO VVVVVOLUME DO GÁS DEOLUME DO GÁS DEOLUME DO GÁS DEOLUME DO GÁS DEOLUME DO GÁS DE
EXAEXAEXAEXAEXAUSUSUSUSUSTÃOTÃOTÃOTÃOTÃO
Diagnóstico de injeção:Diagnóstico de injeção:Diagnóstico de injeção:Diagnóstico de injeção:Diagnóstico de injeção:
90890-03190890-03190890-03190890-03190890-0318282828282
4. Pressione o botão “UP” 4 e selecione
“CO” para ajuste no modo “CO” ou
“DIAG” para modo de diagnóstico.
5. Após seleção de “CO”, posicione o botão
“MODE” 1.
6. Observe que “C1” aparecerá no display
então, pressione o botão “MODE” 1.
7. Ligue o motor.
NONONONONOTTTTTA:A:A:A:A:
"DlAG" aparece no display 2.
O led verde “POWER” 3 acende.
1
2
3
4
Execute os ajustes após cerExecute os ajustes após cerExecute os ajustes após cerExecute os ajustes após cerExecute os ajustes após certificartificartificartificartificar-se de que a-se de que a-se de que a-se de que a-se de que a
bateria apresenta cargbateria apresenta cargbateria apresenta cargbateria apresenta cargbateria apresenta carga total.a total.a total.a total.a total.
PPPPPara executar o ajuste do vara executar o ajuste do vara executar o ajuste do vara executar o ajuste do vara executar o ajuste do volume de gás deolume de gás deolume de gás deolume de gás deolume de gás de
exaustão é necessário:exaustão é necessário:exaustão é necessário:exaustão é necessário:exaustão é necessário:
••••• Analisador de gAnalisador de gAnalisador de gAnalisador de gAnalisador de gases;ases;ases;ases;ases;
••••• Utilizar ventilação forçada direcionada aoUtilizar ventilação forçada direcionada aoUtilizar ventilação forçada direcionada aoUtilizar ventilação forçada direcionada aoUtilizar ventilação forçada direcionada ao
momomomomotor da motocicleta enquantotor da motocicleta enquantotor da motocicleta enquantotor da motocicleta enquantotor da motocicleta enquanto estiestiestiestiestiververververver
ligligligligligado o motorado o motorado o motorado o motorado o motor.....
3 – 18
INSPINSPINSPINSPINSP
AJUSAJUSAJUSAJUSAJUSAJUSAJUSAJUSAJUSAJUSTE DOTE DOTE DOTE DOTE DO VVVVVOLUME DO GÁS DE EXAOLUME DO GÁS DE EXAOLUME DO GÁS DE EXAOLUME DO GÁS DE EXAOLUME DO GÁS DE EXAUSUSUSUSUSTÃOTÃOTÃOTÃOTÃO
8. Altere o ajuste do volume do CO, pres-
sionando os botões “UP” (sobe) e
“DOWN” (desce).
9. Execute o ajuste selecionado ao liberar o
botão pressionado (“UP” ou “DOWN”).
10. Mude a chave de ignição para “OFF”
para cancelar o modo de ajuste.
11. Desconecte o diagnóstico de injeção e
reconecte o terminal de sinal do auto
diagnóstico.
NONONONONOTTTTTA:A:A:A:A:
• O volume do CO ajustado e a rotação de
marcha lenta aparecem no display 1.
Para diminuir o volume de CO ajustado,
pressione “DOWN” 2.
Para aumentar o volume de CO ajustado,
pressione “UP” 3.
1
23
INSPINSPINSPINSPINSP
AJUSAJUSAJUSAJUSAJUS
3 – 19
AJUSAJUSAJUSAJUSAJUSTE DTE DTE DTE DTE DA MARCHA LENA MARCHA LENA MARCHA LENA MARCHA LENA MARCHA LENTTTTTAAAAA
1. Ligue o motor e deixe-o aquecer por al-
guns minutos.
2. Conecte:
• Tacômetro indutivo 3 ao cabo da vela.
3. Marcha lenta (padrão)
Fora de ajuste ajustar.
4. Ajuste:
• Marcha lenta do motor.
*****************************************************************************************************************************************************************************************
a. Vire o parafuso de regulagem 1 no
sentido a ou b obtendo a marcha lenta
especificada.
*****************************************************************************************************************************************************************************************
5. Ajuste:
• Folga do cabo do acelerador.
Consulte "AJUSTE DA FOLGA DO CABO
DO ACELERADOR".
AJUSAJUSAJUSAJUSAJUSTE DTE DTE DTE DTE DA FOLGA DO CABOA FOLGA DO CABOA FOLGA DO CABOA FOLGA DO CABOA FOLGA DO CABO
DODODODODO AAAAACELERADORCELERADORCELERADORCELERADORCELERADOR
NONONONONOTTTTTA:A:A:A:A:
Antes de ajustar a marcha lenta, a caixa do
filtro de ar deve ser limpa e o motor deve
estar com a compressão especificada.
NONONONONOTTTTTA:A:A:A:A:
Antes de ajustar a folga do cabo do acelera-
dor, a marcha lenta do motor deve estar ajus-
tada adequadamente.
AJUSAJUSAJUSAJUSAJUSTE DTE DTE DTE DTE DA MARCHA LENA MARCHA LENA MARCHA LENA MARCHA LENA MARCHA LENTTTTTA/A/A/A/A/
AJUSAJUSAJUSAJUSAJUSTE DTE DTE DTE DTE DA FOLGA DO CABO DOA FOLGA DO CABO DOA FOLGA DO CABO DOA FOLGA DO CABO DOA FOLGA DO CABO DO AAAAACELERADORCELERADORCELERADORCELERADORCELERADOR
1 a b
TTTTTacômetro indutiacômetro indutiacômetro indutiacômetro indutiacômetro indutivvvvvo:o:o:o:o:
90890-06790890-06790890-06790890-06790890-0676060606060
MarcMarcMarcMarcMarcha lenta do motor:ha lenta do motor:ha lenta do motor:ha lenta do motor:ha lenta do motor:
11111.30.30.30.30.300 ~ 10 ~ 10 ~ 10 ~ 10 ~ 1.50.50.50.50.500 rpm0 rpm0 rpm0 rpm0 rpm
SSSSSentidoentidoentidoentidoentido a MarcMarcMarcMarcMarcha lenta aumentaha lenta aumentaha lenta aumentaha lenta aumentaha lenta aumenta
SSSSSentidoentidoentidoentidoentido b MarcMarcMarcMarcMarcha lenta diminuiha lenta diminuiha lenta diminuiha lenta diminuiha lenta diminui
INSPINSPINSPINSPINSP
AJUSAJUSAJUSAJUSAJUS
3 – 20
2. Ajuste:
• Folga do cabo do acelerador.
*****************************************************************************************************************************************************************************************
Extremidade do corpo doExtremidade do corpo doExtremidade do corpo doExtremidade do corpo doExtremidade do corpo do
aceleradoraceleradoraceleradoraceleradoracelerador
a. Solte a porca-trava 2 do cabo do acele-
rador.
b. Vire a porca de ajuste 3 no sentido a ou
b até que a folga especificada seja obtida.
1. Verifique:
• Folga do cabo do acelerador a.
Fora de especificação Ajuste.
c. Fixe a porca-trava.
Extremidade do guidãoExtremidade do guidãoExtremidade do guidãoExtremidade do guidãoExtremidade do guidão
a. Solte a porca-trava 1.
b. Vire a porca de ajuste 2 no sentido a ou
b até que a folga especificada seja obtida.
c. Aperte a porca-trava.
NONONONONOTTTTTA:A:A:A:A:
Se a folga especificada não puder ser obtida
na extremidade do corpo do acelerador, ajus-
te a folga na extremidade do guidão, utili-
zando a porca de ajuste.
NONONONONOTTTTTAAAAA:::::
Quando o acelerador é aberto, o cabo do
acelerador 1 é puxado.
AJUSAJUSAJUSAJUSAJUSTE DTE DTE DTE DTE DA FOLGA DO CABO DOA FOLGA DO CABO DOA FOLGA DO CABO DOA FOLGA DO CABO DOA FOLGA DO CABO DO AAAAACELERADORCELERADORCELERADORCELERADORCELERADOR
FFFFFolgolgolgolgolga do cabo do acelerador (noa do cabo do acelerador (noa do cabo do acelerador (noa do cabo do acelerador (noa do cabo do acelerador (no
flange da manopla do acelerador):flange da manopla do acelerador):flange da manopla do acelerador):flange da manopla do acelerador):flange da manopla do acelerador):
3,0 ~ 5,0 mm3,0 ~ 5,0 mm3,0 ~ 5,0 mm3,0 ~ 5,0 mm3,0 ~ 5,0 mm
SSSSSentidoentidoentidoentidoentido a MarcMarcMarcMarcMarcha lenta aumentaha lenta aumentaha lenta aumentaha lenta aumentaha lenta aumenta
SSSSSentidoentidoentidoentidoentido b MarcMarcMarcMarcMarcha lenta diminuiha lenta diminuiha lenta diminuiha lenta diminuiha lenta diminui
SSSSSentidoentidoentidoentidoentido a MarcMarcMarcMarcMarcha lenta aumentaha lenta aumentaha lenta aumentaha lenta aumentaha lenta aumenta
SSSSSentidoentidoentidoentidoentido b MarcMarcMarcMarcMarcha lenta diminuiha lenta diminuiha lenta diminuiha lenta diminuiha lenta diminui
INSPINSPINSPINSPINSP
AJUSAJUSAJUSAJUSAJUS
3 – 21
*****************************************************************************************************************************************************************************************
INSPEÇÃO DINSPEÇÃO DINSPEÇÃO DINSPEÇÃO DINSPEÇÃO DAAAAA VELA DE IGNIÇÃOVELA DE IGNIÇÃOVELA DE IGNIÇÃOVELA DE IGNIÇÃOVELA DE IGNIÇÃO
1. Desconecte:
• Cachimbo da vela de ignição 1.
2. Remova:
• Vela de ignição 2.
3. Inspecione:
• Tipo de vela de ignição.
Incorreto Substitua.
4. Inspecione:
• Eletrodo lateral 1.
Danificado/gasto Substituir vela de
ignição.
• Isolador 2.
Cor anormal Substituir vela de ignição.
Cor normal é "castanho" de médio a leve.
5. Limpe:
• Vela de ignição
(use o limpador de vela ou escova de aço).
6. Inspecione:
• Abertura da vela de ignição a
(com um calibre de lâminas).
Fora de especificação Ajustar a
abertura.
V
AJUSAJUSAJUSAJUSAJUSTE DTE DTE DTE DTE DA FOLGA DO CABO DOA FOLGA DO CABO DOA FOLGA DO CABO DOA FOLGA DO CABO DOA FOLGA DO CABO DO AAAAACELERADOR/CELERADOR/CELERADOR/CELERADOR/CELERADOR/
INSPEÇÃO DINSPEÇÃO DINSPEÇÃO DINSPEÇÃO DINSPEÇÃO DAAAAA VELA DE IGNIÇÃOVELA DE IGNIÇÃOVELA DE IGNIÇÃOVELA DE IGNIÇÃOVELA DE IGNIÇÃO
1
2
a
Antes de remoAntes de remoAntes de remoAntes de remoAntes de remover a vela de ignição, eli-ver a vela de ignição, eli-ver a vela de ignição, eli-ver a vela de ignição, eli-ver a vela de ignição, eli-
mine com ar comprimido a sujeira acu-mine com ar comprimido a sujeira acu-mine com ar comprimido a sujeira acu-mine com ar comprimido a sujeira acu-mine com ar comprimido a sujeira acu-
mulada nos componentes, evitando quemulada nos componentes, evitando quemulada nos componentes, evitando quemulada nos componentes, evitando quemulada nos componentes, evitando que
caiam no cilindro.caiam no cilindro.caiam no cilindro.caiam no cilindro.caiam no cilindro.
V
TTTTTipo de vela de ignição (fabricanteipo de vela de ignição (fabricanteipo de vela de ignição (fabricanteipo de vela de ignição (fabricanteipo de vela de ignição (fabricante)))))
DR8EA (NGK)DR8EA (NGK)DR8EA (NGK)DR8EA (NGK)DR8EA (NGK)
V
AberAberAberAberAbertura da vela de ignição:tura da vela de ignição:tura da vela de ignição:tura da vela de ignição:tura da vela de ignição:
0,6 ~ 0,7 mm0,6 ~ 0,7 mm0,6 ~ 0,7 mm0,6 ~ 0,7 mm0,6 ~ 0,7 mm
Após o ajuste da folgApós o ajuste da folgApós o ajuste da folgApós o ajuste da folgApós o ajuste da folga do cabo do aceleradora do cabo do aceleradora do cabo do aceleradora do cabo do aceleradora do cabo do acelerador,,,,,
ligue o motor e vire o guidão para a direita eligue o motor e vire o guidão para a direita eligue o motor e vire o guidão para a direita eligue o motor e vire o guidão para a direita eligue o motor e vire o guidão para a direita e
esquerda, ceresquerda, ceresquerda, ceresquerda, ceresquerda, certificando-se de não protificando-se de não protificando-se de não protificando-se de não protificando-se de não provvvvvocar al-ocar al-ocar al-ocar al-ocar al-
terações na marcterações na marcterações na marcterações na marcterações na marcha lenta.ha lenta.ha lenta.ha lenta.ha lenta.
INSPINSPINSPINSPINSP
AJUSAJUSAJUSAJUSAJUS
3 – 22
7. Instale:
• Vela de ignição.
8. Conecte:
• Cachimbo da vela de ignição.
INSPEÇÃO DOINSPEÇÃO DOINSPEÇÃO DOINSPEÇÃO DOINSPEÇÃO DO PONPONPONPONPONTTTTTOOOOO DE IGNIÇÃODE IGNIÇÃODE IGNIÇÃODE IGNIÇÃODE IGNIÇÃO
1. Remova:
• Parafuso de acesso à marca de sincro-
nização 1.
2. Conecte:
• Lâmpada estroboscópica 2
(no cabo da vela de ignição).
• Tacômetro indutivo 3.
3. Verifique:
• Tempo de ignição.
**********************************************************************************************************************************************************************************************
a. Ligue o motor, aqueça-o por alguns
minutos e então deixe-o funcionar na
marcha lenta especificada.
b. Verifique se o ponteiro estacionário a
está dentro da faixa de ignição b no rotor
do magneto A.C.
Fora da faixa de ignição Verifique o
sistema de ignição.
**********************************************************************************************************************************************************************************************
NONONONONOTTTTTA:A:A:A:A:
Antes da instalação, limpe a vela de ignição e
a superfície da gaxeta.
NONONONONOTTTTTA:A:A:A:A:
Antes de verificar o ponto de ignição, verifi-
que as conexões da fiação do sistema de ig-
nição. Certifique-se de que todas as conexões
estejam fixadas e sem corrosão.
NONONONONOTTTTTA:A:A:A:A:
O ponto de ignição não é ajustável.
b
INSPEÇÃO DINSPEÇÃO DINSPEÇÃO DINSPEÇÃO DINSPEÇÃO DAAAAA VELA DE IGNIÇÃO/VELA DE IGNIÇÃO/VELA DE IGNIÇÃO/VELA DE IGNIÇÃO/VELA DE IGNIÇÃO/
INSPEÇÃO DO PONINSPEÇÃO DO PONINSPEÇÃO DO PONINSPEÇÃO DO PONINSPEÇÃO DO PONTTTTTO DE IGNIÇÃOO DE IGNIÇÃOO DE IGNIÇÃOO DE IGNIÇÃOO DE IGNIÇÃO
1
2
a
VVVVVela de ignição:ela de ignição:ela de ignição:ela de ignição:ela de ignição:
1,8 k1,8 k1,8 k1,8 k1,8 kgfgfgfgfgf.m (1.m (1.m (1.m (1.m (18 N.m)8 N.m)8 N.m)8 N.m)8 N.m)
Lâmpada estroboscópicaLâmpada estroboscópicaLâmpada estroboscópicaLâmpada estroboscópicaLâmpada estroboscópica 22222:::::
90890-03190890-03190890-03190890-03190890-0314141414141
TTTTTacômetro indutiacômetro indutiacômetro indutiacômetro indutiacômetro indutivvvvvooooo 33333:::::
90890-06790890-06790890-06790890-06790890-0676060606060
MarcMarcMarcMarcMarcha lenta do motor:ha lenta do motor:ha lenta do motor:ha lenta do motor:ha lenta do motor:
11111.30.30.30.30.300 ~ 10 ~ 10 ~ 10 ~ 10 ~ 1.50.50.50.50.500 rpm0 rpm0 rpm0 rpm0 rpm
INSPINSPINSPINSPINSP
AJUSAJUSAJUSAJUSAJUS
3 – 23
INSPEÇÃO DINSPEÇÃO DINSPEÇÃO DINSPEÇÃO DINSPEÇÃO DA COMPRESSÃOA COMPRESSÃOA COMPRESSÃOA COMPRESSÃOA COMPRESSÃO
1. Meça:
• Folga de válvula.
Fora de especificação Ajustar.
Consulte "AJUSTE DA FOLGA DE
VÁLVULA".
2. Ligue o motor, aqueça-o por alguns
minutos e desligue-o.
3. Desconecte:
• Cachimbo da vela de ignição.
4. Retire:
• Vela de ignição.
5. Instale:
• Medidor de compressão 1.
NONONONONOTTTTTA:A:A:A:A:
Pressão de compressão insuficiente resulta-
rá em perda no desempenho.
INSPEÇÃO DINSPEÇÃO DINSPEÇÃO DINSPEÇÃO DINSPEÇÃO DA COMPRESSÃOA COMPRESSÃOA COMPRESSÃOA COMPRESSÃOA COMPRESSÃO
1
Antes de remover a vela de ignição, elimine
com ar comprimido a sujeira acumulada nos
componentes, evitando que caiam no cilin-
dro.
Medidor de compressão:Medidor de compressão:Medidor de compressão:Medidor de compressão:Medidor de compressão:
90890-0308190890-0308190890-0308190890-0308190890-03081
6. Meça:
• Compressão.
Fora de especificação Consulte os
passos “c” e “d”.
Compressão (ao nível do mar)Compressão (ao nível do mar)Compressão (ao nível do mar)Compressão (ao nível do mar)Compressão (ao nível do mar):::::
PPPPPadrão 1adrão 1adrão 1adrão 1adrão 120202020200 kP0 kP0 kP0 kP0 kPaaaaa
(1(1(1(1(12 k2 k2 k2 k2 kg/cmg/cmg/cmg/cmg/cm22222
/30/30/30/30/300 r/min.)0 r/min.)0 r/min.)0 r/min.)0 r/min.)
Mínima 1Mínima 1Mínima 1Mínima 1Mínima 1050 kP050 kP050 kP050 kP050 kPaaaaa
(1(1(1(1(10,5 k0,5 k0,5 k0,5 k0,5 kg/cmg/cmg/cmg/cmg/cm22222
/30/30/30/30/300 r/min.)0 r/min.)0 r/min.)0 r/min.)0 r/min.)
Máxima 1Máxima 1Máxima 1Máxima 1Máxima 130303030300 kP0 kP0 kP0 kP0 kPaaaaa
(1(1(1(1(13,0 k3,0 k3,0 k3,0 k3,0 kg/cmg/cmg/cmg/cmg/cm22222
/30/30/30/30/300 r/min.)0 r/min.)0 r/min.)0 r/min.)0 r/min.)
INSPINSPINSPINSPINSP
AJUSAJUSAJUSAJUSAJUS
3 – 24
**********************************************************************************************************************************************************************************************
a. Coloque a chave de ignição na posição
"ON" e o interruptor “engine stop” em
“ ”.
b. Com o acelerador aberto, acione o motor
de partida até que a leitura do medidor
de compressão estabilize.
c. Se a compressão estiver acima da espe-
cificação máxima, verifique o cabeçote,
as superfícies das válvulas e a cabeça do
pistão.
Depósitos de carvão Eliminar.
d. Se a compressão estiver abaixo da
especificação mínima, coloque uma
colher de chá de óleo de motor no furo
da vela de ignição e meça novamente.
Consulte a tabela a seguir.
INSPEÇÃO DINSPEÇÃO DINSPEÇÃO DINSPEÇÃO DINSPEÇÃO DA COMPRESSÃOA COMPRESSÃOA COMPRESSÃOA COMPRESSÃOA COMPRESSÃO
CompressãoCompressãoCompressãoCompressãoCompressão
(com óleo aplicado dentro do cilindro(com óleo aplicado dentro do cilindro(com óleo aplicado dentro do cilindro(com óleo aplicado dentro do cilindro(com óleo aplicado dentro do cilindro
LLLLLeituraeituraeituraeituraeitura DiagnósticoDiagnósticoDiagnósticoDiagnósticoDiagnóstico
Maior queMaior queMaior queMaior queMaior que Os anéis do pistão estãoOs anéis do pistão estãoOs anéis do pistão estãoOs anéis do pistão estãoOs anéis do pistão estão
sem óleosem óleosem óleosem óleosem óleo gggggastos ou danificadosastos ou danificadosastos ou danificadosastos ou danificadosastos ou danificados
RRRRReparareparareparareparareparar
A mesmaA mesmaA mesmaA mesmaA mesma Pistão, válvulas, junta doPistão, válvulas, junta doPistão, válvulas, junta doPistão, válvulas, junta doPistão, válvulas, junta do
cabeçote possicabeçote possicabeçote possicabeçote possicabeçote possivelmentevelmentevelmentevelmentevelmente
estão com defeitoestão com defeitoestão com defeitoestão com defeitoestão com defeito
RRRRReparareparareparareparareparar
**********************************************************************************************************************************************************************************************
7. Instale:
• Vela de ignição.
8. Conecte:
• Cachimbo da vela de ignição.
PPPPPara evitar centelhamento, aterara evitar centelhamento, aterara evitar centelhamento, aterara evitar centelhamento, aterara evitar centelhamento, aterre o fio da velare o fio da velare o fio da velare o fio da velare o fio da vela
de ignição antes de acionar a parde ignição antes de acionar a parde ignição antes de acionar a parde ignição antes de acionar a parde ignição antes de acionar a partida do motortida do motortida do motortida do motortida do motor.....
VVVVVela de ignição:ela de ignição:ela de ignição:ela de ignição:ela de ignição:
1,8 k1,8 k1,8 k1,8 k1,8 kgfgfgfgfgf.m (1.m (1.m (1.m (1.m (18 N.m)8 N.m)8 N.m)8 N.m)8 N.m)
INSPINSPINSPINSPINSP
AJUSAJUSAJUSAJUSAJUS
3 – 25
INSPEÇÃO DO NÍVEL DE ÓLEOINSPEÇÃO DO NÍVEL DE ÓLEOINSPEÇÃO DO NÍVEL DE ÓLEOINSPEÇÃO DO NÍVEL DE ÓLEOINSPEÇÃO DO NÍVEL DE ÓLEO
DO MODO MODO MODO MODO MOTTTTTOROROROROR
1. Posicione a motocicleta em uma superfí-
cie plana.
2. Ligue o motor, aqueça-o durante 10 a 15
minutos e desligue-o.
3. Remova o medidor do nível de óleo 1 do
cárter.
4. Verifique:
• Nível do óleo do motor.
NONONONONOTTTTTA:A:A:A:A:
• Antes de verificar o nível, aguarde alguns
minutos até que o óleo tenha assentado.
• Não rosqueie o medidor de óleo 1 ao ve-
rificar o nível.
• O nível do óleo do motor deve estar entre
a marca de nível mínimo a e a marca de
nível máximo b.
• Abaixo do nível mínimo a, acrescente
óleo de motor recomendado até atingir o
nível especificado.
NONONONONOTTTTTA:A:A:A:A:
• Coloque a motocicleta em um suporte
adequado.
• Certifique-se de que a motocicleta esteja
na vertical.
1
b
a
INSPEÇÃO DO NÍVEL DE ÓLEO DO MOINSPEÇÃO DO NÍVEL DE ÓLEO DO MOINSPEÇÃO DO NÍVEL DE ÓLEO DO MOINSPEÇÃO DO NÍVEL DE ÓLEO DO MOINSPEÇÃO DO NÍVEL DE ÓLEO DO MOTTTTTOROROROROR
Óleo recomendadoÓleo recomendadoÓleo recomendadoÓleo recomendadoÓleo recomendado:::::
YYYYYamalube 4 Samalube 4 Samalube 4 Samalube 4 Samalube 4 SAE 20WAE 20WAE 20WAE 20WAE 20W-50-50-50-50-50 API SHAPI SHAPI SHAPI SHAPI SH
JJJJJAAAAASO MASO MASO MASO MASO MAT9 03 ou superiorT9 03 ou superiorT9 03 ou superiorT9 03 ou superiorT9 03 ou superior
O óleo do motor também lubrifica a em-O óleo do motor também lubrifica a em-O óleo do motor também lubrifica a em-O óleo do motor também lubrifica a em-O óleo do motor também lubrifica a em-
breagem.breagem.breagem.breagem.breagem. TTTTTipos inadequados de óleo deipos inadequados de óleo deipos inadequados de óleo deipos inadequados de óleo deipos inadequados de óleo de
motor ou aditimotor ou aditimotor ou aditimotor ou aditimotor ou aditivvvvvos podem fazos podem fazos podem fazos podem fazos podem fazer a embrea-er a embrea-er a embrea-er a embrea-er a embrea-
gem patinargem patinargem patinargem patinargem patinar. P. P. P. P. Pororororortanto, não adicione qual-tanto, não adicione qual-tanto, não adicione qual-tanto, não adicione qual-tanto, não adicione qual-
quer aditiquer aditiquer aditiquer aditiquer aditivvvvvo químico ou utilizo químico ou utilizo químico ou utilizo químico ou utilizo químico ou utilize óleo quee óleo quee óleo quee óleo quee óleo que
não sejam específicos para motocicletas.não sejam específicos para motocicletas.não sejam específicos para motocicletas.não sejam específicos para motocicletas.não sejam específicos para motocicletas.
Não permita que materiais estranhos en-Não permita que materiais estranhos en-Não permita que materiais estranhos en-Não permita que materiais estranhos en-Não permita que materiais estranhos en-
trem no motortrem no motortrem no motortrem no motortrem no motor.....
NONONONONOTTTTTA:A:A:A:A:
Antes de verificar o nível, espere alguns mi-
nutos até que o óleo tenha assentado.
5. Ligue o motor, aqueça-o por alguns mi-
nutos e desligue-o.
6. Verifique o nível do óleo novamente.
INSPINSPINSPINSPINSP
AJUSAJUSAJUSAJUSAJUS
3 – 26
TROCA DE ÓLEO DO MOTROCA DE ÓLEO DO MOTROCA DE ÓLEO DO MOTROCA DE ÓLEO DO MOTROCA DE ÓLEO DO MOTTTTTOROROROROR
1. Ligue o motor, aqueça-o por alguns mi-
nutos, e desligue-o.
2. Coloque um recipiente embaixo do motor.
3. Remova:
• Medidor do nível de óleo do motor.
• Bujão de dreno 1.
• Gaxeta.
4. Drene:
• Óleo do motor
(completamente do cárter).
TROCA DE ÓLEO DO MOTROCA DE ÓLEO DO MOTROCA DE ÓLEO DO MOTROCA DE ÓLEO DO MOTROCA DE ÓLEO DO MOTTTTTOROROROROR
NONONONONOTTTTTA:A:A:A:A:
No caso de substituição do filtro de óleo,
proceda da maneira a seguir:
• Remova a tampa do elemento de filtro de
óleo 1 e o elemento de filtro de óleo 2.
• Verifique os anéis O-ring 3 e substitua-os
se estiverem danificados.
• Instale o novo elemento de filtro de óleo
e a tampa do elemento de filtro de óleo.
PPPPParafuso da tampa do filtro dearafuso da tampa do filtro dearafuso da tampa do filtro dearafuso da tampa do filtro dearafuso da tampa do filtro de
óleo:óleo:óleo:óleo:óleo:
1 k1 k1 k1 k1 kgfgfgfgfgf.m (1.m (1.m (1.m (1.m (10 N.m)0 N.m)0 N.m)0 N.m)0 N.m)
5. Verifique:
• Gaxeta do parafuso de dreno de óleo
do motor 1.
• Parafuso de dreno do óleo
Danos Substitua.
6. Instale:
• Parafuso de dreno do óleo 2 (cárter)
(com a gaxeta).
PPPPParafuso de dreno do óleo (cárarafuso de dreno do óleo (cárarafuso de dreno do óleo (cárarafuso de dreno do óleo (cárarafuso de dreno do óleo (cárter):ter):ter):ter):ter):
2,0 k2,0 k2,0 k2,0 k2,0 kgfgfgfgfgf.m (20 N.m).m (20 N.m).m (20 N.m).m (20 N.m).m (20 N.m)
INSPINSPINSPINSPINSP
AJUSAJUSAJUSAJUSAJUS
3 – 27
TROCA DE ÓLEO DO MOTROCA DE ÓLEO DO MOTROCA DE ÓLEO DO MOTROCA DE ÓLEO DO MOTROCA DE ÓLEO DO MOTTTTTOROROROROR
7. Abasteça:
• Cárter
(com a quantidade especificada de óleo
recomendado).
QuantidadeQuantidadeQuantidadeQuantidadeQuantidade:::::
Quantidade totalQuantidade totalQuantidade totalQuantidade totalQuantidade total
1,550 L1,550 L1,550 L1,550 L1,550 L
SSSSSem substituição do filtro de óleoem substituição do filtro de óleoem substituição do filtro de óleoem substituição do filtro de óleoem substituição do filtro de óleo
1,350 L1,350 L1,350 L1,350 L1,350 L
Com substituição do filtro de óleoCom substituição do filtro de óleoCom substituição do filtro de óleoCom substituição do filtro de óleoCom substituição do filtro de óleo
1,450 L1,450 L1,450 L1,450 L1,450 L
8. Instale:
• Medidor do nível de óleo.
9. Ligue o motor, aqueça-o por alguns ins-
tantes e desligue-o.
10. Verifique:
• Motor
(vazamentos de óleo).
11. Verifique:
• Nível de óleo do motor
Consulte "INSPEÇÃO DO NÍVEL DO
ÓLEO DO MOTOR".
• Pressão do óleo do motor.
**********************************************************************************************************************************************************************************************
a. Coloque um pano sob o parafuso de
sangria.
b. Solte, sem retirar, o parafuso de san-
gria(1 cuidadosamente.
c. Ligue o motor e mantenha-o em marcha
lenta até que o óleo comece a escorrer.
Se não escorrer óleo após um minuto,
desligue o motor para que não ocorra
danos.
d. Verifique as passagens, o óleo do filtro de
óleo e a bomba de óleo. Consulte "BOMBA
DE ÓLEO" no capítulo 5.
e. Ligue o motor após corrigir o(s) pro-
blema(s) e verifique a pressão do óleo
novamente.
f. Fixe o parafuso de sangria com o torque
especificado.
**********************************************************************************************************************************************************************************************
PPPPParafuso de sangria:arafuso de sangria:arafuso de sangria:arafuso de sangria:arafuso de sangria:
0,7 k0,7 k0,7 k0,7 k0,7 kgfgfgfgfgf.m (7 N.m).m (7 N.m).m (7 N.m).m (7 N.m).m (7 N.m)
1
INSPINSPINSPINSPINSP
AJUSAJUSAJUSAJUSAJUS
3 – 28
AJUSAJUSAJUSAJUSAJUSTE DTE DTE DTE DTE DA FOLGA DO CABOA FOLGA DO CABOA FOLGA DO CABOA FOLGA DO CABOA FOLGA DO CABO
DDDDDA EMBREAA EMBREAA EMBREAA EMBREAA EMBREAGEMGEMGEMGEMGEM
1. Verifique:
• Folga do cabo da embreagem a.
Fora de especificação Ajuste.
2. Ajuste:
• Folga do cabo da embreagem.
**********************************************************************************************************************************************************************************************
Extremidade do guidãoExtremidade do guidãoExtremidade do guidãoExtremidade do guidãoExtremidade do guidão
a. Afaste a proteção de borracha 1.
b. Solte a porca-trava 2.
c. Gire o parafuso de ajuste 3 no sentido
b ou c até que a folga especificada seja
obtida.
d. Aperte a porca-trava.
e. Coloque a proteção de borracha no seu
lugar.
**********************************************************************************************************************************************************************************************
AJUSAJUSAJUSAJUSAJUSTE DTE DTE DTE DTE DA FOLGA DO CABO DA FOLGA DO CABO DA FOLGA DO CABO DA FOLGA DO CABO DA FOLGA DO CABO DA EMBREAA EMBREAA EMBREAA EMBREAA EMBREAGEM/GEM/GEM/GEM/GEM/
INSPEÇÃO DO ELEMENINSPEÇÃO DO ELEMENINSPEÇÃO DO ELEMENINSPEÇÃO DO ELEMENINSPEÇÃO DO ELEMENTTTTTO DO FILO DO FILO DO FILO DO FILO DO FILTRO DETRO DETRO DETRO DETRO DE ARARARARAR
FFFFFolgolgolgolgolga do cabo da embreagema do cabo da embreagema do cabo da embreagema do cabo da embreagema do cabo da embreagem
(na extremidade da alavanca)(na extremidade da alavanca)(na extremidade da alavanca)(na extremidade da alavanca)(na extremidade da alavanca)
111110 ~ 10 ~ 10 ~ 10 ~ 10 ~ 15 mm5 mm5 mm5 mm5 mm
SSSSSentidoentidoentidoentidoentido b A folgA folgA folgA folgA folga aumentaa aumentaa aumentaa aumentaa aumenta
SSSSSentidoentidoentidoentidoentido c A folgA folgA folgA folgA folga diminuia diminuia diminuia diminuia diminui
INSPEÇÃO DO ELEMENINSPEÇÃO DO ELEMENINSPEÇÃO DO ELEMENINSPEÇÃO DO ELEMENINSPEÇÃO DO ELEMENTTTTTO DOO DOO DOO DOO DO
FILFILFILFILFILTRO DETRO DETRO DETRO DETRO DE ARARARARAR
NONONONONOTTTTTA:A:A:A:A:
Há uma mangueira de inspeção 1 na base
da caixa do filtro de ar. Se poeira e/ou água
acumularem nessa mangueira, limpe o fil-
tro de ar e a caixa do filtro de ar.
1. Remova:
• Tampa lateral direita
Consulte "CARENAGEM,TAMPAS E ABAS
LATERAIS".
2. Retire:
• Parafusos 2 de fixação da tampa da
caixa do filtro de ar.
• Tampa da caixa do filtro de ar (direita) 1.
1
2
2
INSPINSPINSPINSPINSP
AJUSAJUSAJUSAJUSAJUS
3 – 29
3. Remova:
• Elemento do filtro de ar 1.
INSPEÇÃO DO ELEMENINSPEÇÃO DO ELEMENINSPEÇÃO DO ELEMENINSPEÇÃO DO ELEMENINSPEÇÃO DO ELEMENTTTTTO DO FILO DO FILO DO FILO DO FILO DO FILTRO DETRO DETRO DETRO DETRO DE AR/AR/AR/AR/AR/
INSPEÇÃO DINSPEÇÃO DINSPEÇÃO DINSPEÇÃO DINSPEÇÃO DA JUNÇÃO DO CORPO DE INJEÇÃOA JUNÇÃO DO CORPO DE INJEÇÃOA JUNÇÃO DO CORPO DE INJEÇÃOA JUNÇÃO DO CORPO DE INJEÇÃOA JUNÇÃO DO CORPO DE INJEÇÃO
Nunca opere o motor sem o elemento do fil-Nunca opere o motor sem o elemento do fil-Nunca opere o motor sem o elemento do fil-Nunca opere o motor sem o elemento do fil-Nunca opere o motor sem o elemento do fil-
tro de ar instalado. O ar não filtrado causarátro de ar instalado. O ar não filtrado causarátro de ar instalado. O ar não filtrado causarátro de ar instalado. O ar não filtrado causarátro de ar instalado. O ar não filtrado causará
desgdesgdesgdesgdesgaste rápido de peças do motor e poderáaste rápido de peças do motor e poderáaste rápido de peças do motor e poderáaste rápido de peças do motor e poderáaste rápido de peças do motor e poderá
danificá-lo. Operar o motor sem o elementodanificá-lo. Operar o motor sem o elementodanificá-lo. Operar o motor sem o elementodanificá-lo. Operar o motor sem o elementodanificá-lo. Operar o motor sem o elemento
do filtro de ar também afetará o ajuste dodo filtro de ar também afetará o ajuste dodo filtro de ar também afetará o ajuste dodo filtro de ar também afetará o ajuste dodo filtro de ar também afetará o ajuste do
carburadorcarburadorcarburadorcarburadorcarburador, resultando em perda de rendi-, resultando em perda de rendi-, resultando em perda de rendi-, resultando em perda de rendi-, resultando em perda de rendi-
mento e possível superaquecimento.mento e possível superaquecimento.mento e possível superaquecimento.mento e possível superaquecimento.mento e possível superaquecimento.
4. Verifique:
• Elemento do filtro de ar 2
Danos Troque.
• Guia do elemento do filtro de ar 3
Danos Troque.
5. Lave:
• Elemento do filtro de ar
Use querosene para lavar o elemento.
NONONONONOTTTTTA:A:A:A:A:
Após a limpeza, remova o querosene, aper-
tando o elemento.
6. Aplique o óleo recomendado em toda a
superfície do filtro e retire o excesso de
óleo, apertando o elemento. O elemento
deve ficar úmido, mas sem pingar.
Não torça o elemento ao aperNão torça o elemento ao aperNão torça o elemento ao aperNão torça o elemento ao aperNão torça o elemento ao apertá-lo.tá-lo.tá-lo.tá-lo.tá-lo.
Óleo recomendadoÓleo recomendadoÓleo recomendadoÓleo recomendadoÓleo recomendado:::::
YYYYYamalube 4 ou equiamalube 4 ou equiamalube 4 ou equiamalube 4 ou equiamalube 4 ou equivalente.valente.valente.valente.valente.
Nunca use gNunca use gNunca use gNunca use gNunca use gasolina, para limpar o elementoasolina, para limpar o elementoasolina, para limpar o elementoasolina, para limpar o elementoasolina, para limpar o elemento
do filtro de ardo filtro de ardo filtro de ardo filtro de ardo filtro de ar. Um solvente deste tipo pode. Um solvente deste tipo pode. Um solvente deste tipo pode. Um solvente deste tipo pode. Um solvente deste tipo pode
causar fogo ou explosão.causar fogo ou explosão.causar fogo ou explosão.causar fogo ou explosão.causar fogo ou explosão.
7. Instale:
• Elemento do filtro de ar.
• Tampa do elemento do filtro de ar.
PPPPParafuso da tampa do filtro de ar:arafuso da tampa do filtro de ar:arafuso da tampa do filtro de ar:arafuso da tampa do filtro de ar:arafuso da tampa do filtro de ar:
0,2 k0,2 k0,2 k0,2 k0,2 kgfgfgfgfgf.m (2 N.m).m (2 N.m).m (2 N.m).m (2 N.m).m (2 N.m)
8. Instale:
• Tampa lateral direita.
Consulte "CARENAGEM,TAMPAS EABAS
LATERAIS".
1
32
INSPINSPINSPINSPINSP
AJUSAJUSAJUSAJUSAJUS
3 – 30
INSPEÇÃO DINSPEÇÃO DINSPEÇÃO DINSPEÇÃO DINSPEÇÃO DA MANGUEIRA DEA MANGUEIRA DEA MANGUEIRA DEA MANGUEIRA DEA MANGUEIRA DE
COMBUSCOMBUSCOMBUSCOMBUSCOMBUSTÍVELTÍVELTÍVELTÍVELTÍVEL
1. Remova:
• Tanque de combustível/mangueira de
combustível.
Consulte “TANQUE DE COMBUSTÍVEL”.
2. Verifique:
• Mangueira de combustível 1.
Quebras/danos Substituir.
Conexão solta Conectar.
3. Instale:
• Tanque de combustível.
Consulte "TANQUE DE COMBUSTÍVEL".
INSPEÇÃO DINSPEÇÃO DINSPEÇÃO DINSPEÇÃO DINSPEÇÃO DA JUNÇÃO DO CORPO DE INJEÇÃO/A JUNÇÃO DO CORPO DE INJEÇÃO/A JUNÇÃO DO CORPO DE INJEÇÃO/A JUNÇÃO DO CORPO DE INJEÇÃO/A JUNÇÃO DO CORPO DE INJEÇÃO/
INSPEÇÃO DINSPEÇÃO DINSPEÇÃO DINSPEÇÃO DINSPEÇÃO DA MANGUEIRA DE COMBUSA MANGUEIRA DE COMBUSA MANGUEIRA DE COMBUSA MANGUEIRA DE COMBUSA MANGUEIRA DE COMBUSTÍVEL/TÍVEL/TÍVEL/TÍVEL/TÍVEL/
INSPEÇÃO DINSPEÇÃO DINSPEÇÃO DINSPEÇÃO DINSPEÇÃO DA MANGUEIRA DE RESPIRO DO MOA MANGUEIRA DE RESPIRO DO MOA MANGUEIRA DE RESPIRO DO MOA MANGUEIRA DE RESPIRO DO MOA MANGUEIRA DE RESPIRO DO MOTTTTTOROROROROR
INSPEÇÃO DINSPEÇÃO DINSPEÇÃO DINSPEÇÃO DINSPEÇÃO DA MANGUEIRA DEA MANGUEIRA DEA MANGUEIRA DEA MANGUEIRA DEA MANGUEIRA DE
RESPIRO DO MORESPIRO DO MORESPIRO DO MORESPIRO DO MORESPIRO DO MOTTTTTOROROROROR
1. Verifique:
• Mangueira de respiro do motor 1.
Cortes/danos Substituir.
CerCerCerCerCertifique-se de que a mangueira de res-tifique-se de que a mangueira de res-tifique-se de que a mangueira de res-tifique-se de que a mangueira de res-tifique-se de que a mangueira de res-
piro do motor esteja posicionada adequa-piro do motor esteja posicionada adequa-piro do motor esteja posicionada adequa-piro do motor esteja posicionada adequa-piro do motor esteja posicionada adequa-
damente.damente.damente.damente.damente.
1
INSPEÇÃO DINSPEÇÃO DINSPEÇÃO DINSPEÇÃO DINSPEÇÃO DA JUNÇÃO DOA JUNÇÃO DOA JUNÇÃO DOA JUNÇÃO DOA JUNÇÃO DO
CORPO DE INJEÇÃOCORPO DE INJEÇÃOCORPO DE INJEÇÃOCORPO DE INJEÇÃOCORPO DE INJEÇÃO
1. Verifique:
• Junção do corpo de injeção 1.
Quebras/danos Substituir.
Consulte "SISTEMA DE INJEÇÃO DE
COMBUSTÍVEL" no capítulo 6.
INSPINSPINSPINSPINSP
AJUSAJUSAJUSAJUSAJUS
3 – 31
INSPEÇÃO DO RADIADOR DEINSPEÇÃO DO RADIADOR DEINSPEÇÃO DO RADIADOR DEINSPEÇÃO DO RADIADOR DEINSPEÇÃO DO RADIADOR DE
ÓLEOÓLEOÓLEOÓLEOÓLEO
1. Remova:
• Assento.
• Tampas laterais do tanque.
Consulte “CARENAGENS, TAMPAS E
ABAS LATERAIS”.
2. Verifique:
• Radiador de óleo 1.
• Mangueira de saída do radiador 2.
• Mangueira de entrada do radiador 3.
Trincas/danos Substituir.
Consulte “RADIADOR” no capítulo 5.
INSPEÇÃO DO SISINSPEÇÃO DO SISINSPEÇÃO DO SISINSPEÇÃO DO SISINSPEÇÃO DO SISTEMA DE ESCAPE/TEMA DE ESCAPE/TEMA DE ESCAPE/TEMA DE ESCAPE/TEMA DE ESCAPE/
INSPEÇÃO DO RADIADOR DE ÓLEOINSPEÇÃO DO RADIADOR DE ÓLEOINSPEÇÃO DO RADIADOR DE ÓLEOINSPEÇÃO DO RADIADOR DE ÓLEOINSPEÇÃO DO RADIADOR DE ÓLEO
INSPEÇÃO DO SISINSPEÇÃO DO SISINSPEÇÃO DO SISINSPEÇÃO DO SISINSPEÇÃO DO SISTEMA DETEMA DETEMA DETEMA DETEMA DE
ESCAPEESCAPEESCAPEESCAPEESCAPE
O procedimento a seguir aplica-se a todo o
escapamento e gaxeta.
1. Verifique:
• Tubo de escape 1.
• Silencioso 2.
Quebras/danos Substituir.
• Gaxeta 3.
Vazamento de gases Substituir.
2. Verifique:
• Torques de aperto.
PPPPPorca do tubo de escape no cabe-orca do tubo de escape no cabe-orca do tubo de escape no cabe-orca do tubo de escape no cabe-orca do tubo de escape no cabe-
çote:çote:çote:çote:çote:
1,8 k1,8 k1,8 k1,8 k1,8 kgfgfgfgfgf.m (1.m (1.m (1.m (1.m (18 N.m)8 N.m)8 N.m)8 N.m)8 N.m)
PPPPParafuso de fixação central:arafuso de fixação central:arafuso de fixação central:arafuso de fixação central:arafuso de fixação central:
2,0 k2,0 k2,0 k2,0 k2,0 kgfgfgfgfgf.m (20 N.m).m (20 N.m).m (20 N.m).m (20 N.m).m (20 N.m)
PPPPParafuso superior do silencioso:arafuso superior do silencioso:arafuso superior do silencioso:arafuso superior do silencioso:arafuso superior do silencioso:
4,0 k4,0 k4,0 k4,0 k4,0 kgfgfgfgfgf.m (40 N.m).m (40 N.m).m (40 N.m).m (40 N.m).m (40 N.m)
PPPPParafuso inferior:arafuso inferior:arafuso inferior:arafuso inferior:arafuso inferior:
4,0 k4,0 k4,0 k4,0 k4,0 kgfgfgfgfgf.m (40 N.m).m (40 N.m).m (40 N.m).m (40 N.m).m (40 N.m)
INSPINSPINSPINSPINSP
AJUSAJUSAJUSAJUSAJUS
3 – 32
INSPEÇÃO DO NÍVEL DE FLUIDO DE FREIOINSPEÇÃO DO NÍVEL DE FLUIDO DE FREIOINSPEÇÃO DO NÍVEL DE FLUIDO DE FREIOINSPEÇÃO DO NÍVEL DE FLUIDO DE FREIOINSPEÇÃO DO NÍVEL DE FLUIDO DE FREIO
CHACHACHACHACHASSISSISSISSISSI
NÍVEL DO FLUIDO DE FREIONÍVEL DO FLUIDO DE FREIONÍVEL DO FLUIDO DE FREIONÍVEL DO FLUIDO DE FREIONÍVEL DO FLUIDO DE FREIO
Dianteiro
1. Verifique:
• Posicione a motocicleta em um local
plano.
NONONONONOTTTTTA:A:A:A:A:
• Posicione a motocicleta na vertical ao exa-
minar o nível do fluido de freio.
• Ao examinar o nível do fluido de freio, cer-
tifique-se de que o topo do cilindro-mes-
tre está na horizontal.
2. Verifique:
• Nível do fluido de freio.
• Nível do fluido de freio abaixo da linha
“LOWER” 1 – completar.
È Dianteiro
É Traseiro
••••• Use apenas o fluido de freio recomendado,Use apenas o fluido de freio recomendado,Use apenas o fluido de freio recomendado,Use apenas o fluido de freio recomendado,Use apenas o fluido de freio recomendado,
caso contrário, os retentores da borcaso contrário, os retentores da borcaso contrário, os retentores da borcaso contrário, os retentores da borcaso contrário, os retentores da borracracracracrachahahahaha
podem deteriorarpodem deteriorarpodem deteriorarpodem deteriorarpodem deteriorar, causando vazamentos e, causando vazamentos e, causando vazamentos e, causando vazamentos e, causando vazamentos e
perda de eficiência na frenagem.perda de eficiência na frenagem.perda de eficiência na frenagem.perda de eficiência na frenagem.perda de eficiência na frenagem.
••••• Complete com o mesmo tipo de fluido deComplete com o mesmo tipo de fluido deComplete com o mesmo tipo de fluido deComplete com o mesmo tipo de fluido deComplete com o mesmo tipo de fluido de
freio; a mistura de fluidos pode causar rea-freio; a mistura de fluidos pode causar rea-freio; a mistura de fluidos pode causar rea-freio; a mistura de fluidos pode causar rea-freio; a mistura de fluidos pode causar rea-
ção química dos componentes e levar a umção química dos componentes e levar a umção química dos componentes e levar a umção química dos componentes e levar a umção química dos componentes e levar a um
mau rendimento de frenagem.mau rendimento de frenagem.mau rendimento de frenagem.mau rendimento de frenagem.mau rendimento de frenagem.
••••• CerCerCerCerCertifitifitifitifitifiquequequequeque-se de que não entrará água no ci--se de que não entrará água no ci--se de que não entrará água no ci--se de que não entrará água no ci--se de que não entrará água no ci-
lindro-mestre ao completá-lo.lindro-mestre ao completá-lo.lindro-mestre ao completá-lo.lindro-mestre ao completá-lo.lindro-mestre ao completá-lo. A água abai-A água abai-A água abai-A água abai-A água abai-
xa significatixa significatixa significatixa significatixa significativamente o ponto de ebuliçãovamente o ponto de ebuliçãovamente o ponto de ebuliçãovamente o ponto de ebuliçãovamente o ponto de ebulição
do fludo fludo fludo fludo fluiiiiido e pode causar tamponamento.do e pode causar tamponamento.do e pode causar tamponamento.do e pode causar tamponamento.do e pode causar tamponamento.
O fluido de freio pode danificar superfí-O fluido de freio pode danificar superfí-O fluido de freio pode danificar superfí-O fluido de freio pode danificar superfí-O fluido de freio pode danificar superfí-
cies pintadas ou plásticas. Limpe imedia-cies pintadas ou plásticas. Limpe imedia-cies pintadas ou plásticas. Limpe imedia-cies pintadas ou plásticas. Limpe imedia-cies pintadas ou plásticas. Limpe imedia-
tamente fluido de freio respingtamente fluido de freio respingtamente fluido de freio respingtamente fluido de freio respingtamente fluido de freio respingado.ado.ado.ado.ado.
Fluido de freio recomendadoFluido de freio recomendadoFluido de freio recomendadoFluido de freio recomendadoFluido de freio recomendado:::::
DODODODODOT Nº 4T Nº 4T Nº 4T Nº 4T Nº 4
È
É
È
INSPINSPINSPINSPINSP
AJUSAJUSAJUSAJUSAJUS
3 – 33
INSPEÇÃO DO NÍVEL DE FLUIDO DE FREIO/INSPEÇÃO DO NÍVEL DE FLUIDO DE FREIO/INSPEÇÃO DO NÍVEL DE FLUIDO DE FREIO/INSPEÇÃO DO NÍVEL DE FLUIDO DE FREIO/INSPEÇÃO DO NÍVEL DE FLUIDO DE FREIO/
INSPEÇÃO DINSPEÇÃO DINSPEÇÃO DINSPEÇÃO DINSPEÇÃO DAAAAAS PS PS PS PS PAAAAASSSSSTILHATILHATILHATILHATILHAS DE FREIO DIANS DE FREIO DIANS DE FREIO DIANS DE FREIO DIANS DE FREIO DIANTEIROTEIROTEIROTEIROTEIRO
INSPEÇÃO DINSPEÇÃO DINSPEÇÃO DINSPEÇÃO DINSPEÇÃO DAAAAAS PS PS PS PS PAAAAASSSSSTILHATILHATILHATILHATILHAS DES DES DES DES DE
FREIO DIANFREIO DIANFREIO DIANFREIO DIANFREIO DIANTEIRO ETEIRO ETEIRO ETEIRO ETEIRO ETRATRATRATRATRASEIROSEIROSEIROSEIROSEIRO
O procedimento a seguir se aplica a todas as
pastilhas de freio.
1. Acione o freio dianteiro.
2. Acione o freio traseiro.
3. Verifique:
• Pastilhas de freio dianteiro È.
• Pastilhas de freio traseiro É.
Ranhuras indicadoras de desgaste 1 rasas
e/ou limite máximo de desgaste atingido 2
Substitua o jogo de pastilhas de freio.
Consulte "SUBSTITUIÇÃO DAS PASTI-
LHAS DE FREIO" no capítulo 4.
1
Limite dLimite dLimite dLimite dLimite de desge desge desge desge desgaste da pastilha deaste da pastilha deaste da pastilha deaste da pastilha deaste da pastilha de
freio dianteirofreio dianteirofreio dianteirofreio dianteirofreio dianteiro:::::
0,8 mm0,8 mm0,8 mm0,8 mm0,8 mm
Limite dLimite dLimite dLimite dLimite de desge desge desge desge desgaste da pastilha deaste da pastilha deaste da pastilha deaste da pastilha deaste da pastilha de
freio traseirofreio traseirofreio traseirofreio traseirofreio traseiro:::::
1,0 mm1,0 mm1,0 mm1,0 mm1,0 mm
È
É
INSPINSPINSPINSPINSP
AJUSAJUSAJUSAJUSAJUS
3 – 34
SSSSSANGRIA DO SISANGRIA DO SISANGRIA DO SISANGRIA DO SISANGRIA DO SISTEMA DE FREIO HIDRÁULICOTEMA DE FREIO HIDRÁULICOTEMA DE FREIO HIDRÁULICOTEMA DE FREIO HIDRÁULICOTEMA DE FREIO HIDRÁULICO
SSSSSANGRIA DO SISANGRIA DO SISANGRIA DO SISANGRIA DO SISANGRIA DO SISTEMA DETEMA DETEMA DETEMA DETEMA DE
FREIO HIDRÁULICOFREIO HIDRÁULICOFREIO HIDRÁULICOFREIO HIDRÁULICOFREIO HIDRÁULICO
1. Sangria:
• Sistema de freio hidráulico.
**********************************************************************************************************************************************************************************************
a. Encha o reservatório de fluido de freio até
o nível adequado com o fluido de freio
recomendado.
b. Instale o diafragma (reservatório do cilin-
dro de freio mestre ou reservatório de flui-
do de freio).
c. Conecte firmemente uma mangueira
plástica transparente 1 ao parafuso de
sangria 2.
• Dianteiro (A)
NONONONONOTTTTTA:A:A:A:A:
• Tome cuidado para não derramar fluido
de freio ou transbordar fluido do reserva-
tório do cilindro mestre.
• Ao fazer a sangria do sistema de freio hi-
dráulico, certifique-se de que sempre haja
fluido de freio suficiente antes de acionar
a alavanca. Se esta precaução não for con-
siderada, poderá ocorrer a entrada de ar
no sistema de freio hidráulico, aumentan-
do consideravelmente o tempo do proce-
dimento de sangria.
• Se a sangria estiver difícil, pode ser ne-
cessário deixar o fluido de freio assentar
durante algumas horas. Repita o procedi-
mento quando as pequenas bolhas de ar
tiverem desaparecido.
FFFFFaaaaaçaçaçaçaça a sangria do sistema de freio hidráulicoa sangria do sistema de freio hidráulicoa sangria do sistema de freio hidráulicoa sangria do sistema de freio hidráulicoa sangria do sistema de freio hidráulico
semsemsemsemsempre que:pre que:pre que:pre que:pre que:
••••• O sistema for desmontado.O sistema for desmontado.O sistema for desmontado.O sistema for desmontado.O sistema for desmontado.
••••• Uma mangueira de freio for desmontada,Uma mangueira de freio for desmontada,Uma mangueira de freio for desmontada,Uma mangueira de freio for desmontada,Uma mangueira de freio for desmontada,
desconectada ou substituída.desconectada ou substituída.desconectada ou substituída.desconectada ou substituída.desconectada ou substituída.
••••• O nível de fluido de freio estiO nível de fluido de freio estiO nível de fluido de freio estiO nível de fluido de freio estiO nível de fluido de freio estiver muitover muitover muitover muitover muito
baixbaixbaixbaixbaixo.o.o.o.o.
••••• A frenagem não estiA frenagem não estiA frenagem não estiA frenagem não estiA frenagem não estiver adequada.ver adequada.ver adequada.ver adequada.ver adequada.
INSPINSPINSPINSPINSP
AJUSAJUSAJUSAJUSAJUS
3 – 35
SSSSSANGRIA DO SISANGRIA DO SISANGRIA DO SISANGRIA DO SISANGRIA DO SISTEMA DE FREIO HIDRÁULICOTEMA DE FREIO HIDRÁULICOTEMA DE FREIO HIDRÁULICOTEMA DE FREIO HIDRÁULICOTEMA DE FREIO HIDRÁULICO
k. Abasteça o reservatório de fluido de freio
até o nível adequado com o fluido de freio
recomendado.
Consulte "NÍVEL DE FLUIDO DE FREIO" no
capítulo 3.
**********************************************************************************************************************************************************************************************
NONONONONOTTTTTA:A:A:A:A:
Ao soltar o parafuso de sangria, a pressão
será liberada e provocará o contato da ala-
vanca de freio com o acelerador ou o curso
completo do pedal de freio.
h. Aperte o parafuso de sangria, então solte
a alavanca ou pedal de freio.
i. Repita dos passos“e” ao“h” até que todas
as bolhas de ar tenham desaparecido do
fluido de freio na mangueira plástica.
j. Aperte o parafuso de sangria no torque
especificado.
PPPPParafuso de sangria:arafuso de sangria:arafuso de sangria:arafuso de sangria:arafuso de sangria:
1,4 k1,4 k1,4 k1,4 k1,4 kgfgfgfgfgf.m (1.m (1.m (1.m (1.m (14 N.m)4 N.m)4 N.m)4 N.m)4 N.m)
• Traseiro (B)
d. Coloque a outra ponta da mangueira 1
dentro de um recipiente.
e. Lentamente acione o freio diversas vezes.
f. Puxe a alavanca de freio totalmente ou
empurre o pedal de freio totalmente e
mantenha-o na posição.
g. Solte o parafuso de sangria 2.
Após fazApós fazApós fazApós fazApós fazer a sangria do sistema de freio hi-er a sangria do sistema de freio hi-er a sangria do sistema de freio hi-er a sangria do sistema de freio hi-er a sangria do sistema de freio hi-
dráulico, verifique o funcionamento do freio.dráulico, verifique o funcionamento do freio.dráulico, verifique o funcionamento do freio.dráulico, verifique o funcionamento do freio.dráulico, verifique o funcionamento do freio.
INSPINSPINSPINSPINSP
AJUSAJUSAJUSAJUSAJUS
3 – 36
INSPEÇÃO DINSPEÇÃO DINSPEÇÃO DINSPEÇÃO DINSPEÇÃO DA MANGUEIRA DO FREIO DIANA MANGUEIRA DO FREIO DIANA MANGUEIRA DO FREIO DIANA MANGUEIRA DO FREIO DIANA MANGUEIRA DO FREIO DIANTEIRO/TEIRO/TEIRO/TEIRO/TEIRO/
AJUSAJUSAJUSAJUSAJUSTE DO INTE DO INTE DO INTE DO INTE DO INTERRUPTTERRUPTTERRUPTTERRUPTTERRUPTOROROROROR TRATRATRATRATRASEIRO DO FREIOSEIRO DO FREIOSEIRO DO FREIOSEIRO DO FREIOSEIRO DO FREIO
INSPEÇÃO DINSPEÇÃO DINSPEÇÃO DINSPEÇÃO DINSPEÇÃO DA MANGUEIRA DOA MANGUEIRA DOA MANGUEIRA DOA MANGUEIRA DOA MANGUEIRA DO
FREIO DIANFREIO DIANFREIO DIANFREIO DIANFREIO DIANTEIRO ETEIRO ETEIRO ETEIRO ETEIRO E TRATRATRATRATRASEIROSEIROSEIROSEIROSEIRO
O procedimento a seguir aplica-se a todas
as mangueiras e abraçadeiras do sistema de
freios.
1. Verifique:
• Mangueira de freio dianteiro 1.
• Mangueira de freio traseiro 3.
Rachaduras/danos/desgaste Substituir.
2. Verifique:
• Fixadores das mangueiras de freio 2.
Soltos Apertar o parafuso da abraça-
deira.
3. Mantenha a motocicleta na vertical e
acione o freio diversas vezes.
4. Verifique:
• Mangueiras de freios.
Vazamento de fluido de freio Substituir
a mangueira danificada.
AJUSAJUSAJUSAJUSAJUSTE DO INTE DO INTE DO INTE DO INTE DO INTERRUPTTERRUPTTERRUPTTERRUPTTERRUPTOROROROROR
TRATRATRATRATRASEIRO DO FREIOSEIRO DO FREIOSEIRO DO FREIOSEIRO DO FREIOSEIRO DO FREIO
NONONONONOTTTTTA:A:A:A:A:
O interruptor traseiro de freio é acionado pelo
movimento do pedal de freio. O interruptor
traseiro da luz de freio está ajustado correta-
mente quando a luz se acende imediatamen-
te antes do início do efeito de frenagem.
1. Verifique:
• Operação da luz de freio.
Incorreta Ajustar.
2. Ajuste:
• Operação da luz do freio.
**********************************************************************************************************************************************************************************************
a. Segure o corpo principal 1 do interruptor
traseiro de freio e vire a porca de ajuste
2 no sentido a ou b até que a luz de
freio se acenda.
SSSSSentidoentidoentidoentidoentido a A luz de freio se acende antes.A luz de freio se acende antes.A luz de freio se acende antes.A luz de freio se acende antes.A luz de freio se acende antes.
SSSSSentidoentidoentidoentidoentido b A luz de freio se acende depois.A luz de freio se acende depois.A luz de freio se acende depois.A luz de freio se acende depois.A luz de freio se acende depois.
**********************************************************************************************************************************************************************************************
INSPINSPINSPINSPINSP
AJUSAJUSAJUSAJUSAJUS
3 – 37
AJUSAJUSAJUSAJUSAJUSTE DO PEDTE DO PEDTE DO PEDTE DO PEDTE DO PEDAL DE CÂMBIO/AL DE CÂMBIO/AL DE CÂMBIO/AL DE CÂMBIO/AL DE CÂMBIO/
AJUSAJUSAJUSAJUSAJUSTE DTE DTE DTE DTE DA FOLGA DA FOLGA DA FOLGA DA FOLGA DA FOLGA DA CORRENA CORRENA CORRENA CORRENA CORRENTE DETE DETE DETE DETE DE TRANSMISSÃOTRANSMISSÃOTRANSMISSÃOTRANSMISSÃOTRANSMISSÃO
AJUSAJUSAJUSAJUSAJUSTE DO PEDTE DO PEDTE DO PEDTE DO PEDTE DO PEDAL DE CÂMBIOAL DE CÂMBIOAL DE CÂMBIOAL DE CÂMBIOAL DE CÂMBIO
1. Verifique:
• Posição do pedal de câmbio a (distân-
cia a da pedaleira até o topo do pedal
de câmbio).
Fora de especificação Ajuste.
2. Ajuste:
• Posição do pedal de câmbio.
**********************************************************************************************************************************************************************************************
a. Remova o parafuso 1.
b. Remova o pedal de câmbio 2.
c. Coloque o pedal de câmbio na posição
correta.
d. Coloque o parafuso e aperte-o com o
torque especificado.
**********************************************************************************************************************************************************************************************
PPPPPosição do pedal de câmbio (daosição do pedal de câmbio (daosição do pedal de câmbio (daosição do pedal de câmbio (daosição do pedal de câmbio (da
pedaleira até o topo do pedal depedaleira até o topo do pedal depedaleira até o topo do pedal depedaleira até o topo do pedal depedaleira até o topo do pedal de
câmbio) 1,5 mmcâmbio) 1,5 mmcâmbio) 1,5 mmcâmbio) 1,5 mmcâmbio) 1,5 mm
PPPPParafuso do pedal de câmbio:arafuso do pedal de câmbio:arafuso do pedal de câmbio:arafuso do pedal de câmbio:arafuso do pedal de câmbio:
1,0 k1,0 k1,0 k1,0 k1,0 kgfgfgfgfgf.m (1.m (1.m (1.m (1.m (10 N.m)0 N.m)0 N.m)0 N.m)0 N.m)
NONONONONOTTTTTA:A:A:A:A:
A folga da corrente de transmissão deve ser
verificada no ponto de maior tensão.
AJUSAJUSAJUSAJUSAJUSTE DTE DTE DTE DTE DA FOLGA DA FOLGA DA FOLGA DA FOLGA DA FOLGA DAAAAA
CORRENCORRENCORRENCORRENCORRENTE DETE DETE DETE DETE DE TRANSMISSÃOTRANSMISSÃOTRANSMISSÃOTRANSMISSÃOTRANSMISSÃO
Uma corUma corUma corUma corUma corrente tenrente tenrente tenrente tenrente tensssssionada em excesso so-ionada em excesso so-ionada em excesso so-ionada em excesso so-ionada em excesso so-
brecarbrecarbrecarbrecarbrecarregregregregregará o motor e outras peças vitaisará o motor e outras peças vitaisará o motor e outras peças vitaisará o motor e outras peças vitaisará o motor e outras peças vitais
e uma core uma core uma core uma core uma corrente solta pode escapar e dani-rente solta pode escapar e dani-rente solta pode escapar e dani-rente solta pode escapar e dani-rente solta pode escapar e dani-
ficar a balança ou causar acidente. Pficar a balança ou causar acidente. Pficar a balança ou causar acidente. Pficar a balança ou causar acidente. Pficar a balança ou causar acidente. Pororororortan-tan-tan-tan-tan-
to, mantenha a tensão da corto, mantenha a tensão da corto, mantenha a tensão da corto, mantenha a tensão da corto, mantenha a tensão da corrente de trans-rente de trans-rente de trans-rente de trans-rente de trans-
missão dentro dos limites de especificação.missão dentro dos limites de especificação.missão dentro dos limites de especificação.missão dentro dos limites de especificação.missão dentro dos limites de especificação.
NONONONONOTTTTTA:A:A:A:A:
Coloque a motocicleta em um suporte ade-
quado de modo que a roda traseira fique
elevada.
1. Posicione a motocicleta em superfície
plana.
Apóie a motocicleta com segurança para queApóie a motocicleta com segurança para queApóie a motocicleta com segurança para queApóie a motocicleta com segurança para queApóie a motocicleta com segurança para que
não haja o risco de queda.não haja o risco de queda.não haja o risco de queda.não haja o risco de queda.não haja o risco de queda.
INSPINSPINSPINSPINSP
AJUSAJUSAJUSAJUSAJUS
3 – 38
2. Gire a roda traseira e encontre o ponto
com maior tensão na corrente de trans-
missão.
3. Verifique:
• Folga da corrente de transmissão a.
Fora de especificação Ajuste.
4. Ajuste:
• Folga da corrente de transmissão.
********************************************************************************************************************************************************************************************************
a. Solte a porca do eixo da roda 1.
b. Solte a contraporca 2 e a porca de ajuste
3.
c. Gire as porcas de ajuste 3 de ambos os
lados da motocicleta, em um dos senti-
dos até que seja obtida a tensão especifi-
cada.
d. Fixe ambas as contraporcas com o torque
especificado.
e. Fixe a porca do eixo da roda com o torque
especificado.
**********************************************************************************************************************************************************************************************
a
AJUSAJUSAJUSAJUSAJUSTE DTE DTE DTE DTE DA FOLGA DA FOLGA DA FOLGA DA FOLGA DA FOLGA DA CORRENA CORRENA CORRENA CORRENA CORRENTE DETE DETE DETE DETE DE TRANSMISSÃOTRANSMISSÃOTRANSMISSÃOTRANSMISSÃOTRANSMISSÃO
V
FFFFFolgolgolgolgolga da cora da cora da cora da cora da corrente de transmissão:rente de transmissão:rente de transmissão:rente de transmissão:rente de transmissão:
25 ~ 35 mm25 ~ 35 mm25 ~ 35 mm25 ~ 35 mm25 ~ 35 mm
NONONONONOTTTTTA:A:A:A:A:
Para manter o alinhamento adequado da
roda, ajuste ambos os lados simetricamen-
te, usando como referência as estrias da
balança 4.
SSSSSentidoentidoentidoentidoentido a A corA corA corA corA corrente é tensionadarente é tensionadarente é tensionadarente é tensionadarente é tensionada
SSSSSentidoentidoentidoentidoentido b A corA corA corA corA corrente é afrouxadarente é afrouxadarente é afrouxadarente é afrouxadarente é afrouxada
Contraporca:Contraporca:Contraporca:Contraporca:Contraporca:
1,6 k1,6 k1,6 k1,6 k1,6 kgfgfgfgfgf.m (1.m (1.m (1.m (1.m (16 N.m)6 N.m)6 N.m)6 N.m)6 N.m)
PPPPPorca do eixorca do eixorca do eixorca do eixorca do eixo da roda:o da roda:o da roda:o da roda:o da roda:
8,5 k8,5 k8,5 k8,5 k8,5 kgfgfgfgfgf.m (85 N.m).m (85 N.m).m (85 N.m).m (85 N.m).m (85 N.m)
INSPINSPINSPINSPINSP
AJUSAJUSAJUSAJUSAJUS
3 – 39
LUBRIFICAÇÃO DLUBRIFICAÇÃO DLUBRIFICAÇÃO DLUBRIFICAÇÃO DLUBRIFICAÇÃO DA CORRENA CORRENA CORRENA CORRENA CORRENTETETETETE
A corrente de transmissão consiste em mui-
tas peças que interagem entre si. Caso não
seja mantida adequadamente, a corrente
desgastará rapidamente. Portanto, sua ma-
nutenção deve ser feita especialmente quan-
do a motocicleta for utilizada em áreas de
muita poeira.
Esta motocicleta possui uma corrente com
anéis O-ring de borracha entre cada placa
lateral. Limpeza a vapor, lavagem com alta
pressão, determinados solventes e a utiliza-
ção de escovas ásperas podem danificar es-
ses anéis. Portanto, utilize apenas querose-
ne para a limpeza da corrente. Seque total-
mente e lubrifique-a por completo com óleo
de motor ou lubrificante de corrente aplicá-
vel a correntes com anéis O-ring. Não utilize
outro tipo de lubrificante na corrente de trans-
missão, pois podem conter solventes que
danificam os anéis O-ring.
LUBRIFICAÇÃO DLUBRIFICAÇÃO DLUBRIFICAÇÃO DLUBRIFICAÇÃO DLUBRIFICAÇÃO DA CORRENA CORRENA CORRENA CORRENA CORRENTE/TE/TE/TE/TE/
INSPEÇÃO EINSPEÇÃO EINSPEÇÃO EINSPEÇÃO EINSPEÇÃO E AJUSAJUSAJUSAJUSAJUSTE DTE DTE DTE DTE DA COLUNA DE DIREÇÃOA COLUNA DE DIREÇÃOA COLUNA DE DIREÇÃOA COLUNA DE DIREÇÃOA COLUNA DE DIREÇÃO
Lubrificante recomendadoLubrificante recomendadoLubrificante recomendadoLubrificante recomendadoLubrificante recomendado:::::
Óleo de motor ou lubrificanteÓleo de motor ou lubrificanteÓleo de motor ou lubrificanteÓleo de motor ou lubrificanteÓleo de motor ou lubrificante
de corde corde corde corde corrente com anéis O-rings.rente com anéis O-rings.rente com anéis O-rings.rente com anéis O-rings.rente com anéis O-rings.
NONONONONOTTTTTA:A:A:A:A:
Coloque a motocicleta em um suporte ade-
quado de modo que a roda dianteira fique
elevada.
INSPEÇÃO EINSPEÇÃO EINSPEÇÃO EINSPEÇÃO EINSPEÇÃO E AJUSAJUSAJUSAJUSAJUSTE DTE DTE DTE DTE DAAAAA
COLUNA DE DIREÇÃOCOLUNA DE DIREÇÃOCOLUNA DE DIREÇÃOCOLUNA DE DIREÇÃOCOLUNA DE DIREÇÃO
1. Posicione a motocicleta em uma superfí-
cie plana.
2. Verifique:
• Coluna de direção.
Segure a base das bengalas do garfo dian-
teiro e movimente o garfo suavemente.
Empenado/solto Ajuste a coluna de
direção.
Apóie a motocicleta com segurança para queApóie a motocicleta com segurança para queApóie a motocicleta com segurança para queApóie a motocicleta com segurança para queApóie a motocicleta com segurança para que
não haja o risco de queda.não haja o risco de queda.não haja o risco de queda.não haja o risco de queda.não haja o risco de queda.
INSPINSPINSPINSPINSP
AJUSAJUSAJUSAJUSAJUS
3 – 40
3. Remova:
• Parafusos dos fixadores do guidão 1.
• Fixadores do guidão 2.
• Guidão 3.
4. Solte:
• Parafusos de fixação da mesa 1.
5. Remova:
• Porca da haste de direção 2.
• Arruela
• Mesa superior 3.
6. Ajuste:
• Coluna de direção.
**********************************************************************************************************************************************************************************************
a. Remova a arruela-trava 1, a porca-anel
superior 2 e a arruela de borracha 3.
b. Solte a porca-anel inferior 4 e fixe-a com
o torque especificado com chave de porca
da coluna de direção 5.
INSPEÇÃO EINSPEÇÃO EINSPEÇÃO EINSPEÇÃO EINSPEÇÃO E AJUSAJUSAJUSAJUSAJUSTE DTE DTE DTE DTE DA COLUNA DE DIREÇÃOA COLUNA DE DIREÇÃOA COLUNA DE DIREÇÃOA COLUNA DE DIREÇÃOA COLUNA DE DIREÇÃO
NONONONONOTTTTTA:A:A:A:A:
Ajuste o torquímetro no ângulo adequado para
a chave da porca da coluna de direção.
Chave da porca de direção:Chave da porca de direção:Chave da porca de direção:Chave da porca de direção:Chave da porca de direção:
90890-090890-090890-090890-090890-011111403403403403403
PPPPPorca-anel inferior:orca-anel inferior:orca-anel inferior:orca-anel inferior:orca-anel inferior:
(torque de aper(torque de aper(torque de aper(torque de aper(torque de aperto inicial)to inicial)to inicial)to inicial)to inicial)
3,7 k3,7 k3,7 k3,7 k3,7 kgfgfgfgfgf.m (37 N.m).m (37 N.m).m (37 N.m).m (37 N.m).m (37 N.m)
1
2
3
4
5
INSPINSPINSPINSPINSP
AJUSAJUSAJUSAJUSAJUS
3 – 41
c. Solte1/4 de volta aporca-anelinferiorefixe-
a no torque especificado.
d. Verifique se há folga ou travamento na
coluna virando totalmente o garfo
dianteiro em ambas as direções. Se
houver travamento, retire as mesas e
verifique os rolamentos superiores e
inferiores.
Consulte "COLUNA DE DIREÇÃO" no
capítulo 4.
e. Instale a arruela de borracha 2.
f. Instale a porca-anel superior 3.
g. Aperte com o dedo a porca-anel supe-
rior 3 e alinhe as fendas de ambas as
porcas-anel. Se for necessário, segure
a porca-anel inferior e aperte a porca-
anel superior até que as fendas estejam
alinhadas.
h. Instale a trava 1.
1
3
b
2
a
NONONONONOTTTTTA:A:A:A:A:
Certifique-se de que a trava a assente corre-
tamente nas fendas das porcas-anel b.
PPPPPorca-anel inferior:orca-anel inferior:orca-anel inferior:orca-anel inferior:orca-anel inferior:
(torque de aper(torque de aper(torque de aper(torque de aper(torque de aperto final)to final)to final)to final)to final)
0,65 k0,65 k0,65 k0,65 k0,65 kgfgfgfgfgf.m (6,5 N.m).m (6,5 N.m).m (6,5 N.m).m (6,5 N.m).m (6,5 N.m)
7. Instale:
• Mesa superior.
• Arruela.
• Haste da coluna de direção.
8. Fixe:
• Parafusos laterais da mesa superior.
9. Instale:
• Guidão.
• Fixadores superiores do guidão.
PPPPPorca da coluna de direção:orca da coluna de direção:orca da coluna de direção:orca da coluna de direção:orca da coluna de direção:
111111,0 k1,0 k1,0 k1,0 k1,0 kgfgfgfgfgf.m (1.m (1.m (1.m (1.m (1111110 N.m)0 N.m)0 N.m)0 N.m)0 N.m)
PPPPParafuso lateral da mesa superior:arafuso lateral da mesa superior:arafuso lateral da mesa superior:arafuso lateral da mesa superior:arafuso lateral da mesa superior:
2,3 k2,3 k2,3 k2,3 k2,3 kgfgfgfgfgf.m (23 N.m).m (23 N.m).m (23 N.m).m (23 N.m).m (23 N.m)
Fixadores superiores do guidão:Fixadores superiores do guidão:Fixadores superiores do guidão:Fixadores superiores do guidão:Fixadores superiores do guidão:
2,3 k2,3 k2,3 k2,3 k2,3 kgfgfgfgfgf.m (23 N.m).m (23 N.m).m (23 N.m).m (23 N.m).m (23 N.m)
INSPEÇÃO EINSPEÇÃO EINSPEÇÃO EINSPEÇÃO EINSPEÇÃO E AJUSAJUSAJUSAJUSAJUSTE DTE DTE DTE DTE DA COLUNA DE DIREÇÃOA COLUNA DE DIREÇÃOA COLUNA DE DIREÇÃOA COLUNA DE DIREÇÃOA COLUNA DE DIREÇÃO
Não aperNão aperNão aperNão aperNão aperte demasiadamente a porca-anelte demasiadamente a porca-anelte demasiadamente a porca-anelte demasiadamente a porca-anelte demasiadamente a porca-anel
inferiorinferiorinferiorinferiorinferior.....
VVV
INSPINSPINSPINSPINSP
AJUSAJUSAJUSAJUSAJUS
3 – 42
INSPEÇÃO DO GARFO DIANINSPEÇÃO DO GARFO DIANINSPEÇÃO DO GARFO DIANINSPEÇÃO DO GARFO DIANINSPEÇÃO DO GARFO DIANTEIROTEIROTEIROTEIROTEIRO
1. Posicione a motocicleta em uma superfí-
cie plana.
2. Verifique:
• Tubos internos 1.
Danos/riscos Substitua.
• Retentores de óleo 2.
Vazamento de óleo Substitua.
3. Mantenha a motocicleta em posição
vertical e acione o freio dianteiro.
4. Verifique:
• Funcionamento do garfo dianteiro.
Empurre com força o guidão várias vezes
e verifique se o garfo dianteiro amortece
suavemente.
Movimento irregular Repare.
Consulte"GARFODIANTEIRO"nocapítulo4.
V
INSPEÇÃO DO GARFO DIANINSPEÇÃO DO GARFO DIANINSPEÇÃO DO GARFO DIANINSPEÇÃO DO GARFO DIANINSPEÇÃO DO GARFO DIANTEIRO/TEIRO/TEIRO/TEIRO/TEIRO/
AJUSAJUSAJUSAJUSAJUSTE DOTE DOTE DOTE DOTE DO AMORAMORAMORAMORAMORTECEDORTECEDORTECEDORTECEDORTECEDOR
AJUSAJUSAJUSAJUSAJUSTE DOTE DOTE DOTE DOTE DO AMORAMORAMORAMORAMORTECEDORTECEDORTECEDORTECEDORTECEDOR
PPPPPré-cargré-cargré-cargré-cargré-carga da mola:a da mola:a da mola:a da mola:a da mola:
Não exceda as posições de ajuste máxi-Não exceda as posições de ajuste máxi-Não exceda as posições de ajuste máxi-Não exceda as posições de ajuste máxi-Não exceda as posições de ajuste máxi-
mo ou mínimo.mo ou mínimo.mo ou mínimo.mo ou mínimo.mo ou mínimo.
Apóie a motocicleta com segurança para queApóie a motocicleta com segurança para queApóie a motocicleta com segurança para queApóie a motocicleta com segurança para queApóie a motocicleta com segurança para que
não haja o risco de queda.não haja o risco de queda.não haja o risco de queda.não haja o risco de queda.não haja o risco de queda.
Apóie a motocicleta com segurança, para queApóie a motocicleta com segurança, para queApóie a motocicleta com segurança, para queApóie a motocicleta com segurança, para queApóie a motocicleta com segurança, para que
não haja o risco de queda.não haja o risco de queda.não haja o risco de queda.não haja o risco de queda.não haja o risco de queda.
V
INSPINSPINSPINSPINSP
AJUSAJUSAJUSAJUSAJUS
3 – 43
1. Ajuste:
• Pré-carga da mola.
*****************************************************
a. Ajuste a pré-carga da mola com a chave
especial fornecida no kit de ferramentas
e uma chave catraca.
b. Gire o anel de ajuste 1 no sentido a ou
b.
c. Alinhe a posição desejada do anel de
ajuste com o limitador 2.
AJUSAJUSAJUSAJUSAJUSTE DOTE DOTE DOTE DOTE DO AMORAMORAMORAMORAMORTECEDOR/TECEDOR/TECEDOR/TECEDOR/TECEDOR/
INSPEÇÃO DOS PNEUSINSPEÇÃO DOS PNEUSINSPEÇÃO DOS PNEUSINSPEÇÃO DOS PNEUSINSPEÇÃO DOS PNEUS
SSSSSentidoentidoentidoentidoentido a A pré-cargA pré-cargA pré-cargA pré-cargA pré-carga aumentaa aumentaa aumentaa aumentaa aumenta
(suspensão mais dura)(suspensão mais dura)(suspensão mais dura)(suspensão mais dura)(suspensão mais dura)
SSSSSentidoentidoentidoentidoentido b A pré-cargA pré-cargA pré-cargA pré-cargA pré-carga diminuia diminuia diminuia diminuia diminui
(suspensão mais macia)(suspensão mais macia)(suspensão mais macia)(suspensão mais macia)(suspensão mais macia)
PPPPPosições de ajuste:osições de ajuste:osições de ajuste:osições de ajuste:osições de ajuste:
Mínimo:Mínimo:Mínimo:Mínimo:Mínimo: 11111
PPPPPadrão:adrão:adrão:adrão:adrão: 33333
Máximo:Máximo:Máximo:Máximo:Máximo: 55555
INSPINSPINSPINSPINSP
AJUSAJUSAJUSAJUSAJUS
3 – 44
INSPEÇÃO DOS PNEUSINSPEÇÃO DOS PNEUSINSPEÇÃO DOS PNEUSINSPEÇÃO DOS PNEUSINSPEÇÃO DOS PNEUS
INSPEÇÃOINSPEÇÃOINSPEÇÃOINSPEÇÃOINSPEÇÃO DOS PNEUSDOS PNEUSDOS PNEUSDOS PNEUSDOS PNEUS
1. Meça:
• Pressão dos pneus.
Fora de especificação Ajustar.
••••• A pressão deverá ser verificada eA pressão deverá ser verificada eA pressão deverá ser verificada eA pressão deverá ser verificada eA pressão deverá ser verificada e
corcorcorcorcorrigida quando a temperatura do pneurigida quando a temperatura do pneurigida quando a temperatura do pneurigida quando a temperatura do pneurigida quando a temperatura do pneu
igualarigualarigualarigualarigualar-se à temperatura ambiente.-se à temperatura ambiente.-se à temperatura ambiente.-se à temperatura ambiente.-se à temperatura ambiente. AAAAA
pressão deverá estar em concordânciapressão deverá estar em concordânciapressão deverá estar em concordânciapressão deverá estar em concordânciapressão deverá estar em concordância
com o peso total de cargcom o peso total de cargcom o peso total de cargcom o peso total de cargcom o peso total de carga, piloto, passa-a, piloto, passa-a, piloto, passa-a, piloto, passa-a, piloto, passa-
geiro e acessórios (carenagem, bolsasgeiro e acessórios (carenagem, bolsasgeiro e acessórios (carenagem, bolsasgeiro e acessórios (carenagem, bolsasgeiro e acessórios (carenagem, bolsas
laterais, etc., caso aprolaterais, etc., caso aprolaterais, etc., caso aprolaterais, etc., caso aprolaterais, etc., caso aprovados para estevados para estevados para estevados para estevados para este
modelo) e com a velocidade do veículo.modelo) e com a velocidade do veículo.modelo) e com a velocidade do veículo.modelo) e com a velocidade do veículo.modelo) e com a velocidade do veículo.
••••• A cargA cargA cargA cargA carga adequada é impora adequada é impora adequada é impora adequada é impora adequada é importante para atante para atante para atante para atante para a
dirigibilidade, frenagem e outras carac-dirigibilidade, frenagem e outras carac-dirigibilidade, frenagem e outras carac-dirigibilidade, frenagem e outras carac-dirigibilidade, frenagem e outras carac-
terísticas de desempenho e segurançaterísticas de desempenho e segurançaterísticas de desempenho e segurançaterísticas de desempenho e segurançaterísticas de desempenho e segurança
de sua motocicleta. Não transporde sua motocicleta. Não transporde sua motocicleta. Não transporde sua motocicleta. Não transporde sua motocicleta. Não transporte arte arte arte arte arti-ti-ti-ti-ti-
gos malgos malgos malgos malgos mal acondicionados que possamacondicionados que possamacondicionados que possamacondicionados que possamacondicionados que possam
deslocardeslocardeslocardeslocardeslocar-se.-se.-se.-se.-se. Acomode firmemente suaAcomode firmemente suaAcomode firmemente suaAcomode firmemente suaAcomode firmemente sua
cargcargcargcargcarga mais pesada junto ao centro daa mais pesada junto ao centro daa mais pesada junto ao centro daa mais pesada junto ao centro daa mais pesada junto ao centro da
motocicleta distribuindo o peso com uni-motocicleta distribuindo o peso com uni-motocicleta distribuindo o peso com uni-motocicleta distribuindo o peso com uni-motocicleta distribuindo o peso com uni-
formidade para ambos os lados.formidade para ambos os lados.formidade para ambos os lados.formidade para ambos os lados.formidade para ambos os lados. AjusteAjusteAjusteAjusteAjuste
adequadamente a suspensão para a caradequadamente a suspensão para a caradequadamente a suspensão para a caradequadamente a suspensão para a caradequadamente a suspensão para a car-----
ggggga e examine o estado e a pressão dosa e examine o estado e a pressão dosa e examine o estado e a pressão dosa e examine o estado e a pressão dosa e examine o estado e a pressão dos
pneus. NUNCA SOBRECARREpneus. NUNCA SOBRECARREpneus. NUNCA SOBRECARREpneus. NUNCA SOBRECARREpneus. NUNCA SOBRECARREGUE SUAGUE SUAGUE SUAGUE SUAGUE SUA
MOMOMOMOMOTTTTTOCICLETOCICLETOCICLETOCICLETOCICLETA. CerA. CerA. CerA. CerA. Certifique-se de que otifique-se de que otifique-se de que otifique-se de que otifique-se de que o
peso total da cargpeso total da cargpeso total da cargpeso total da cargpeso total da carga, piloto, carona e aces-a, piloto, carona e aces-a, piloto, carona e aces-a, piloto, carona e aces-a, piloto, carona e aces-
sórios (carenagem, bolsas laterais, etc.,sórios (carenagem, bolsas laterais, etc.,sórios (carenagem, bolsas laterais, etc.,sórios (carenagem, bolsas laterais, etc.,sórios (carenagem, bolsas laterais, etc.,
se aprose aprose aprose aprose aprovados para este modelo) não exvados para este modelo) não exvados para este modelo) não exvados para este modelo) não exvados para este modelo) não ex-----
ceda a cargceda a cargceda a cargceda a cargceda a carga máxima da motocicleta.a máxima da motocicleta.a máxima da motocicleta.a máxima da motocicleta.a máxima da motocicleta. AAAAA
utilização de uma motocicleta sobrecarutilização de uma motocicleta sobrecarutilização de uma motocicleta sobrecarutilização de uma motocicleta sobrecarutilização de uma motocicleta sobrecar-----
regregregregregada poderá causar danos aos pneusada poderá causar danos aos pneusada poderá causar danos aos pneusada poderá causar danos aos pneusada poderá causar danos aos pneus
e acidentes com ferimentos.e acidentes com ferimentos.e acidentes com ferimentos.e acidentes com ferimentos.e acidentes com ferimentos.
Peso básico: Com óleo e 141,0 kg
tanque de combustível vazio
Carga máxima * 169,0 kg
* Carga é o peso total do condutor, passa-
geiro, acessórios e bagagem.
Pressão dos pneus Dianteiro Traseiro
a frio
Até 90 kg 18 psi 22 psi
125 kPa 150 kPa
1,25 kgf/cm2
1,5 kgf/cm2
De 90 kg à carga 22 psi 25 psi
máxima 150 kPa 175 kPa
1,5 kgf/cm2
1,75 kgf/cm2
Condução em 22 psi 25 psi
alta velocidade 150 kPa 175 kPa
1,5 kgf/cm2
1,75 kgf/cm2
INSPINSPINSPINSPINSP
AJUSAJUSAJUSAJUSAJUS
3 – 45
INSPEÇÃO DOS PNEUSINSPEÇÃO DOS PNEUSINSPEÇÃO DOS PNEUSINSPEÇÃO DOS PNEUSINSPEÇÃO DOS PNEUS
2. Inspecione:
• Superfície dos pneus.
Desgaste/danos Trocar.
1 Profundidade do sulco.
2 Banda lateral.
3 Indicador de desgaste.
PPPPProfundidade mínimarofundidade mínimarofundidade mínimarofundidade mínimarofundidade mínima dedededede sulcosulcosulcosulcosulco
(dianteiro e traseiro):(dianteiro e traseiro):(dianteiro e traseiro):(dianteiro e traseiro):(dianteiro e traseiro):
1,0 mm1,0 mm1,0 mm1,0 mm1,0 mm
••••• É perigoso trafegÉ perigoso trafegÉ perigoso trafegÉ perigoso trafegÉ perigoso trafegar com pneus desgar com pneus desgar com pneus desgar com pneus desgar com pneus desgastados.astados.astados.astados.astados.
Quando os sulcos do pneu começarem aQuando os sulcos do pneu começarem aQuando os sulcos do pneu começarem aQuando os sulcos do pneu começarem aQuando os sulcos do pneu começarem a
exibir linhas, troque o pneu imediatamente.exibir linhas, troque o pneu imediatamente.exibir linhas, troque o pneu imediatamente.exibir linhas, troque o pneu imediatamente.exibir linhas, troque o pneu imediatamente.
••••• RRRRRemendar uma câmera de ar furada não é re-emendar uma câmera de ar furada não é re-emendar uma câmera de ar furada não é re-emendar uma câmera de ar furada não é re-emendar uma câmera de ar furada não é re-
comendável. Scomendável. Scomendável. Scomendável. Scomendável. Se for absolutamente necessárioe for absolutamente necessárioe for absolutamente necessárioe for absolutamente necessárioe for absolutamente necessário
fazê-lo, tome muito cuidado e troque a câmerafazê-lo, tome muito cuidado e troque a câmerafazê-lo, tome muito cuidado e troque a câmerafazê-lo, tome muito cuidado e troque a câmerafazê-lo, tome muito cuidado e troque a câmera
tão logo possível por outra de boa qualidade.tão logo possível por outra de boa qualidade.tão logo possível por outra de boa qualidade.tão logo possível por outra de boa qualidade.tão logo possível por outra de boa qualidade.
Dianteiro:
FFFFFabricanteabricanteabricanteabricanteabricante MedidaMedidaMedidaMedidaMedida TTTTTipoipoipoipoipo
METZELER 80/90 -21 485dp c/ câmera
Traseiro:
FFFFFabricanteabricanteabricanteabricanteabricante MedidaMedidaMedidaMedidaMedida TTTTTipoipoipoipoipo
METZELER 120/80 -18 625t c/ câmera
RRRRRoda com câmaraoda com câmaraoda com câmaraoda com câmaraoda com câmara Apenas, pneu comApenas, pneu comApenas, pneu comApenas, pneu comApenas, pneu com
câmaracâmaracâmaracâmaracâmara
RRRRRoda sem câmaraoda sem câmaraoda sem câmaraoda sem câmaraoda sem câmara Pneu com câmara ouPneu com câmara ouPneu com câmara ouPneu com câmara ouPneu com câmara ou
sem câmarasem câmarasem câmarasem câmarasem câmara
••••• Não utilizNão utilizNão utilizNão utilizNão utilize pneu sem câmara em uma rodae pneu sem câmara em uma rodae pneu sem câmara em uma rodae pneu sem câmara em uma rodae pneu sem câmara em uma roda
projetada apenas para pneus com câmara,projetada apenas para pneus com câmara,projetada apenas para pneus com câmara,projetada apenas para pneus com câmara,projetada apenas para pneus com câmara,
evitando falha e ferimentos no caso de umevitando falha e ferimentos no caso de umevitando falha e ferimentos no caso de umevitando falha e ferimentos no caso de umevitando falha e ferimentos no caso de um
esvaziamento repentino.esvaziamento repentino.esvaziamento repentino.esvaziamento repentino.esvaziamento repentino.
••••• Ao utilizar pneus com câmara, cerAo utilizar pneus com câmara, cerAo utilizar pneus com câmara, cerAo utilizar pneus com câmara, cerAo utilizar pneus com câmara, certifique-tifique-tifique-tifique-tifique-
se de instalar a câmara corse de instalar a câmara corse de instalar a câmara corse de instalar a câmara corse de instalar a câmara correta.reta.reta.reta.reta.
••••• SSSSSempre substitua o pneu e a câmara noempre substitua o pneu e a câmara noempre substitua o pneu e a câmara noempre substitua o pneu e a câmara noempre substitua o pneu e a câmara novvvvvososososos
em conjunto.em conjunto.em conjunto.em conjunto.em conjunto.
••••• PPPPPara evitar danos à câmara, cerara evitar danos à câmara, cerara evitar danos à câmara, cerara evitar danos à câmara, cerara evitar danos à câmara, certifique-se detifique-se detifique-se detifique-se detifique-se de
que o aro da roda e a câmara estejam mon-que o aro da roda e a câmara estejam mon-que o aro da roda e a câmara estejam mon-que o aro da roda e a câmara estejam mon-que o aro da roda e a câmara estejam mon-
tados cortados cortados cortados cortados corretamente.retamente.retamente.retamente.retamente.
INSPINSPINSPINSPINSP
AJUSAJUSAJUSAJUSAJUS
3 – 46
••••• Dirigir moderadamente após instalar umDirigir moderadamente após instalar umDirigir moderadamente após instalar umDirigir moderadamente após instalar umDirigir moderadamente após instalar um
pneu, para permitir que o pneu se assentepneu, para permitir que o pneu se assentepneu, para permitir que o pneu se assentepneu, para permitir que o pneu se assentepneu, para permitir que o pneu se assente
adequadamente sobre o aro. Caso contrá-adequadamente sobre o aro. Caso contrá-adequadamente sobre o aro. Caso contrá-adequadamente sobre o aro. Caso contrá-adequadamente sobre o aro. Caso contrá-
rio, pode acontecer um acidenterio, pode acontecer um acidenterio, pode acontecer um acidenterio, pode acontecer um acidenterio, pode acontecer um acidente,,,,, causandocausandocausandocausandocausando
danos à motodanos à motodanos à motodanos à motodanos à motocicletacicletacicletacicletacicleta e ao condutore ao condutore ao condutore ao condutore ao condutor.....
••••• Após um reparo ou troca de pneu, cerApós um reparo ou troca de pneu, cerApós um reparo ou troca de pneu, cerApós um reparo ou troca de pneu, cerApós um reparo ou troca de pneu, certifi-tifi-tifi-tifi-tifi-
que-se de aplicar torque corque-se de aplicar torque corque-se de aplicar torque corque-se de aplicar torque corque-se de aplicar torque correto àreto àreto àreto àreto à
contraporca da haste da válvulacontraporca da haste da válvulacontraporca da haste da válvulacontraporca da haste da válvulacontraporca da haste da válvula 11111.....
••••• Pneus noPneus noPneus noPneus noPneus novvvvvos possuem uma aderência relati-os possuem uma aderência relati-os possuem uma aderência relati-os possuem uma aderência relati-os possuem uma aderência relati-
vamente baixa até que tenha sido levementevamente baixa até que tenha sido levementevamente baixa até que tenha sido levementevamente baixa até que tenha sido levementevamente baixa até que tenha sido levemente
gggggastos. Pastos. Pastos. Pastos. Pastos. Pororororortanto, os 1tanto, os 1tanto, os 1tanto, os 1tanto, os 1000000 km iniciais, devem0 km iniciais, devem0 km iniciais, devem0 km iniciais, devem0 km iniciais, devem
ser rodados em uma velocidade moderada,ser rodados em uma velocidade moderada,ser rodados em uma velocidade moderada,ser rodados em uma velocidade moderada,ser rodados em uma velocidade moderada,
antes que alta velocidade seja utilizada.antes que alta velocidade seja utilizada.antes que alta velocidade seja utilizada.antes que alta velocidade seja utilizada.antes que alta velocidade seja utilizada.
Contraporca da haste da válvula:Contraporca da haste da válvula:Contraporca da haste da válvula:Contraporca da haste da válvula:Contraporca da haste da válvula:
0,10,10,10,10,15 k5 k5 k5 k5 kgfgfgfgfgf.m (1.m (1.m (1.m (1.m (1.5 N.m).5 N.m).5 N.m).5 N.m).5 N.m)1
2
NONONONONOTTTTTA:A:A:A:A:
Para pneus com marca no sentido rotação 1:
• Instale o pneu com a marca apontando
no sentido da rotação da roda.
• Alinhe a marca 2 com o ponto de insta-
lação da válvula.
INSPEÇÃO DOS PNEUSINSPEÇÃO DOS PNEUSINSPEÇÃO DOS PNEUSINSPEÇÃO DOS PNEUSINSPEÇÃO DOS PNEUS
INSPINSPINSPINSPINSP
AJUSAJUSAJUSAJUSAJUS
3 – 47
INSPEÇÃO DINSPEÇÃO DINSPEÇÃO DINSPEÇÃO DINSPEÇÃO DAAAAAS RODS RODS RODS RODS RODAAAAAS/S/S/S/S/
INSPEÇÃO EINSPEÇÃO EINSPEÇÃO EINSPEÇÃO EINSPEÇÃO E APERAPERAPERAPERAPERTTTTTO DOS RAIOS/O DOS RAIOS/O DOS RAIOS/O DOS RAIOS/O DOS RAIOS/
INSPEÇÃO E LUBRIFICAÇÃO DOS CABOSINSPEÇÃO E LUBRIFICAÇÃO DOS CABOSINSPEÇÃO E LUBRIFICAÇÃO DOS CABOSINSPEÇÃO E LUBRIFICAÇÃO DOS CABOSINSPEÇÃO E LUBRIFICAÇÃO DOS CABOS
INSPEÇÃO DINSPEÇÃO DINSPEÇÃO DINSPEÇÃO DINSPEÇÃO DAAAAAS RODS RODS RODS RODS RODAAAAASSSSS
1. Verifique:
• Rodas.
Danos/empenamentos Trocar.
INSPEÇÃO EINSPEÇÃO EINSPEÇÃO EINSPEÇÃO EINSPEÇÃO E APERAPERAPERAPERAPERTTTTTO DOS RAIOSO DOS RAIOSO DOS RAIOSO DOS RAIOSO DOS RAIOS
1. Verifique:
• Raios 1.
Torto/danificado Trocar.
Solto Reapertar.
2. Aperte:
• Chave de raio 2.
NONONONONOTTTTTA:A:A:A:A:
Certifique-se de apertar os raios antes e de-
pois da fase de amaciamento.
Nipple:Nipple:Nipple:Nipple:Nipple:
0,2 k0,2 k0,2 k0,2 k0,2 kgfgfgfgfgf.m (2 N.m).m (2 N.m).m (2 N.m).m (2 N.m).m (2 N.m)
Nunca tente fazNunca tente fazNunca tente fazNunca tente fazNunca tente fazererererer, nem mesmo pequenos re-, nem mesmo pequenos re-, nem mesmo pequenos re-, nem mesmo pequenos re-, nem mesmo pequenos re-
paros nas rodas.paros nas rodas.paros nas rodas.paros nas rodas.paros nas rodas.
INSPINSPINSPINSPINSP
AJUSAJUSAJUSAJUSAJUS
3 – 48
INSPEÇÃO E LUBRIFICAÇÃO DOS CABOS/INSPEÇÃO E LUBRIFICAÇÃO DOS CABOS/INSPEÇÃO E LUBRIFICAÇÃO DOS CABOS/INSPEÇÃO E LUBRIFICAÇÃO DOS CABOS/INSPEÇÃO E LUBRIFICAÇÃO DOS CABOS/
LUBRIFICAÇÃO DOS MANETES E DO PEDLUBRIFICAÇÃO DOS MANETES E DO PEDLUBRIFICAÇÃO DOS MANETES E DO PEDLUBRIFICAÇÃO DOS MANETES E DO PEDLUBRIFICAÇÃO DOS MANETES E DO PEDAL DE FREIO/AL DE FREIO/AL DE FREIO/AL DE FREIO/AL DE FREIO/
LUBRIFICAÇÃO DO CALUBRIFICAÇÃO DO CALUBRIFICAÇÃO DO CALUBRIFICAÇÃO DO CALUBRIFICAÇÃO DO CAVVVVVALETE LAALETE LAALETE LAALETE LAALETE LATERALTERALTERALTERALTERAL
NONONONONOTTTTTA:A:A:A:A:
Segure a extremidade do cabo ereta e apli-
que algumas gotas de lubrificante no reves-
timento do cabo, ou utilize um dispositivo
de lubrificação adequado.
INSPEÇÃO E LUBRIFICAÇÃOINSPEÇÃO E LUBRIFICAÇÃOINSPEÇÃO E LUBRIFICAÇÃOINSPEÇÃO E LUBRIFICAÇÃOINSPEÇÃO E LUBRIFICAÇÃO
DOS CABOSDOS CABOSDOS CABOSDOS CABOSDOS CABOS
O procedimento a seguir se aplica a todos
os cabos internos e externos.
1. Verifique:
• Conduíte do cabo.
Danificado Substitua.
2. Verifique:
• Funcionamento do cabo.
Movimento irregular Lubrifique.
LUBRIFICAÇÃO DOS MANETESLUBRIFICAÇÃO DOS MANETESLUBRIFICAÇÃO DOS MANETESLUBRIFICAÇÃO DOS MANETESLUBRIFICAÇÃO DOS MANETES
E DO PEDE DO PEDE DO PEDE DO PEDE DO PEDAL DE FREIOAL DE FREIOAL DE FREIOAL DE FREIOAL DE FREIO
Lubrifique o ponto de articulação e as peças
móveis dos manetes e do pedal de freio.
LUBRIFICAÇÃO DO CALUBRIFICAÇÃO DO CALUBRIFICAÇÃO DO CALUBRIFICAÇÃO DO CALUBRIFICAÇÃO DO CAVVVVVALETEALETEALETEALETEALETE
LALALALALATERALTERALTERALTERALTERAL
Lubrifique o ponto de articulação e as peças
móveis do cavalete lateral.
LUBRIFICAÇÃO DLUBRIFICAÇÃO DLUBRIFICAÇÃO DLUBRIFICAÇÃO DLUBRIFICAÇÃO DAAAAA
SUSPENSÃOSUSPENSÃOSUSPENSÃOSUSPENSÃOSUSPENSÃO TRATRATRATRATRASEIRASEIRASEIRASEIRASEIRA
Lubrifique a balança traseira e braços relé em
suas articulações.
V
Lubrificante recomendadoLubrificante recomendadoLubrificante recomendadoLubrificante recomendadoLubrificante recomendado:::::
Óleo de motor ou lubrificanteÓleo de motor ou lubrificanteÓleo de motor ou lubrificanteÓleo de motor ou lubrificanteÓleo de motor ou lubrificante
de cabo adequadode cabo adequadode cabo adequadode cabo adequadode cabo adequado
Lubrificante recomendadoLubrificante recomendadoLubrificante recomendadoLubrificante recomendadoLubrificante recomendado:::::
Graxa à base de lítioGraxa à base de lítioGraxa à base de lítioGraxa à base de lítioGraxa à base de lítio
Lubrificante recomendadoLubrificante recomendadoLubrificante recomendadoLubrificante recomendadoLubrificante recomendado:::::
Graxa à base de lítioGraxa à base de lítioGraxa à base de lítioGraxa à base de lítioGraxa à base de lítio
Cabos danificados podem proCabos danificados podem proCabos danificados podem proCabos danificados podem proCabos danificados podem provvvvvocar corocar corocar corocar corocar corrosãorosãorosãorosãorosão
e interferir no moe interferir no moe interferir no moe interferir no moe interferir no movimento. Substitua osvimento. Substitua osvimento. Substitua osvimento. Substitua osvimento. Substitua os
conduítes dos cabos e cabos internos assimconduítes dos cabos e cabos internos assimconduítes dos cabos e cabos internos assimconduítes dos cabos e cabos internos assimconduítes dos cabos e cabos internos assim
que possível.que possível.que possível.que possível.que possível.
Lubrificante recomendadoLubrificante recomendadoLubrificante recomendadoLubrificante recomendadoLubrificante recomendado:::::
Graxa à base de lítioGraxa à base de lítioGraxa à base de lítioGraxa à base de lítioGraxa à base de lítio
INSPINSPINSPINSPINSP
AJUSAJUSAJUSAJUSAJUS
3 – 49
SISSISSISSISSISTEMA ELÉTRICOTEMA ELÉTRICOTEMA ELÉTRICOTEMA ELÉTRICOTEMA ELÉTRICO
AAAAATIVTIVTIVTIVTIVAÇÃO DAÇÃO DAÇÃO DAÇÃO DAÇÃO DA BAA BAA BAA BAA BATERIATERIATERIATERIATERIA
1. Ativação da bateria:
• Procedimento.
a. Ao retirar a bateria da embalagem verifi-
que se está acompanhada por um con-
junto de bisnagas do eletrólito e se este é
compatível com a mesma.
b. Retire o lacre da bateria e remova o
conjunto de tampas do eletrólito, este
conjunto será utilizado posteriormente
para vedar a bateria.
c. Alinhe os bicos do jogo de bisnagas com
as células da bateria, pressione firmemen-
te para que o lacre dos recipientes sejam
rompidos e para que não haja vazamen-
tos.
d. Após alguns minutos todo o eletrólito terá
escoado para bateria.
e. Não deverá permanecer sobra de eletróli-
to nos frascos, pois o volume é preciso.
f. Utilizando o conjunto de tampas, vede a
bateria, pressionando suavemente com
as mãos, iniciando do centro para as
extremidades.
g. Aguarde 30 minutos para reação e com
um voltímetro, meça a voltagem da
bateria quando ela estiver fria.
h. Verifique a voltagem conforme a tabela
abaixo e se necessário, faça a ação cor-
retiva.
AAAAATIVTIVTIVTIVTIVAÇÃO DAÇÃO DAÇÃO DAÇÃO DAÇÃO DA BAA BAA BAA BAA BATERIATERIATERIATERIATERIA
Durante o período de carga não deixar a temperatura exceder os 55 graus C, e ao conferir
a voltagem, certifique-se de que a bateria não esteja aquecida.
Para período longo de carga é conveniente monitorar a voltagem da bateria e quando a
voltagem for alcançada, desligar o carregador para evitar possíveis aquecimentos.
VVVVVOLOLOLOLOLTTTTTAAAAAGEM DGEM DGEM DGEM DGEM DA BAA BAA BAA BAA BATERIATERIATERIATERIATERIA CONDIÇÃO DCONDIÇÃO DCONDIÇÃO DCONDIÇÃO DCONDIÇÃO DA BAA BAA BAA BAA BATERIA (%)TERIA (%)TERIA (%)TERIA (%)TERIA (%) AÇÃO CORRETIVAÇÃO CORRETIVAÇÃO CORRETIVAÇÃO CORRETIVAÇÃO CORRETIVAAAAA TEMPO DE CARGATEMPO DE CARGATEMPO DE CARGATEMPO DE CARGATEMPO DE CARGA
13,00 Volts 100% carregada Não requer carga
12,80 Volts 75% carregada Não requer carga
12,50 Volts 50% carregada Requer carga lenta 3 ~6 horas
12,20 Volts 25% carregada Requer carga lenta 5 ~11 horas
12,00 ~11,50 Volts descarregada Requer carga lenta 13 horas
abaixo de 11,50 Volts descarregada Requer carga lenta 20 horas
INSPINSPINSPINSPINSP
AJUSAJUSAJUSAJUSAJUS
3 – 50
INSPEÇÃO E CARGA DINSPEÇÃO E CARGA DINSPEÇÃO E CARGA DINSPEÇÃO E CARGA DINSPEÇÃO E CARGA DA BAA BAA BAA BAA BATERIATERIATERIATERIATERIA
••••• Esta é uma bateria lacrada. Nunca reti-Esta é uma bateria lacrada. Nunca reti-Esta é uma bateria lacrada. Nunca reti-Esta é uma bateria lacrada. Nunca reti-Esta é uma bateria lacrada. Nunca reti-
re as tampas de vedação porque o equi-re as tampas de vedação porque o equi-re as tampas de vedação porque o equi-re as tampas de vedação porque o equi-re as tampas de vedação porque o equi-
líbrio entre as células não será mantidolíbrio entre as células não será mantidolíbrio entre as células não será mantidolíbrio entre as células não será mantidolíbrio entre as células não será mantido
e o desempenho da bateria reduzirá.e o desempenho da bateria reduzirá.e o desempenho da bateria reduzirá.e o desempenho da bateria reduzirá.e o desempenho da bateria reduzirá.
••••• O tempo de cargO tempo de cargO tempo de cargO tempo de cargO tempo de carga, amperagem de carga, amperagem de carga, amperagem de carga, amperagem de carga, amperagem de cargaaaaa
e tensão de carge tensão de carge tensão de carge tensão de carge tensão de carga para uma bateria MFa para uma bateria MFa para uma bateria MFa para uma bateria MFa para uma bateria MF
são diferentes daqueles das baterias con-são diferentes daqueles das baterias con-são diferentes daqueles das baterias con-são diferentes daqueles das baterias con-são diferentes daqueles das baterias con-
vencionais.vencionais.vencionais.vencionais.vencionais. A bateria MF deve ser carA bateria MF deve ser carA bateria MF deve ser carA bateria MF deve ser carA bateria MF deve ser carre-re-re-re-re-
gggggada conforme mostrado nas ilustraçõesada conforme mostrado nas ilustraçõesada conforme mostrado nas ilustraçõesada conforme mostrado nas ilustraçõesada conforme mostrado nas ilustrações
de método de cargde método de cargde método de cargde método de cargde método de carga. Sa. Sa. Sa. Sa. Se a bateria estie a bateria estie a bateria estie a bateria estie a bateria estiververververver
sobrecarsobrecarsobrecarsobrecarsobrecarregregregregregada, o nível de eletrólito cai-ada, o nível de eletrólito cai-ada, o nível de eletrólito cai-ada, o nível de eletrólito cai-ada, o nível de eletrólito cai-
rá consideravelmente. Prá consideravelmente. Prá consideravelmente. Prá consideravelmente. Prá consideravelmente. Pororororortanto, tometanto, tometanto, tometanto, tometanto, tome
bastante cuidado ao carbastante cuidado ao carbastante cuidado ao carbastante cuidado ao carbastante cuidado ao carregregregregregar a bateria.ar a bateria.ar a bateria.ar a bateria.ar a bateria.
INSPEÇÃO E CARGA DINSPEÇÃO E CARGA DINSPEÇÃO E CARGA DINSPEÇÃO E CARGA DINSPEÇÃO E CARGA DA BAA BAA BAA BAA BATERIATERIATERIATERIATERIA
NONONONONOTTTTTA:A:A:A:A:
Por serem lacradas, as baterias MF não per-
mitem a verificação do estado da carga pela
medição da gravidade específica do
eletrólito. Portanto, a carga tem que ser
verificada pela tensão em seus terminais.
Baterias geram gás hidrogênio explosiBaterias geram gás hidrogênio explosiBaterias geram gás hidrogênio explosiBaterias geram gás hidrogênio explosiBaterias geram gás hidrogênio explosivvvvvo eo eo eo eo e
contém eletrólito feito de ácido sulfúrico ve-contém eletrólito feito de ácido sulfúrico ve-contém eletrólito feito de ácido sulfúrico ve-contém eletrólito feito de ácido sulfúrico ve-contém eletrólito feito de ácido sulfúrico ve-
nenoso e altamente cáustico. Pnenoso e altamente cáustico. Pnenoso e altamente cáustico. Pnenoso e altamente cáustico. Pnenoso e altamente cáustico. Pororororortanto, sigtanto, sigtanto, sigtanto, sigtanto, sigaaaaa
estas medidas preventiestas medidas preventiestas medidas preventiestas medidas preventiestas medidas preventivas:vas:vas:vas:vas:
••••• SSSSSempre utilizempre utilizempre utilizempre utilizempre utilize proteção para os olhos ao ma-e proteção para os olhos ao ma-e proteção para os olhos ao ma-e proteção para os olhos ao ma-e proteção para os olhos ao ma-
nusenusenusenusenusear ou trabalhar próximo de baterias.ar ou trabalhar próximo de baterias.ar ou trabalhar próximo de baterias.ar ou trabalhar próximo de baterias.ar ou trabalhar próximo de baterias.
••••• CarCarCarCarCarregue baterias em áreas bem ventiladas.regue baterias em áreas bem ventiladas.regue baterias em áreas bem ventiladas.regue baterias em áreas bem ventiladas.regue baterias em áreas bem ventiladas.
••••• Mantenha as baterias distante de fogo, faís-Mantenha as baterias distante de fogo, faís-Mantenha as baterias distante de fogo, faís-Mantenha as baterias distante de fogo, faís-Mantenha as baterias distante de fogo, faís-
cas ou ccas ou ccas ou ccas ou ccas ou chamas aberhamas aberhamas aberhamas aberhamas abertas (por exemplo, equipa-tas (por exemplo, equipa-tas (por exemplo, equipa-tas (por exemplo, equipa-tas (por exemplo, equipa-
mentos de soldagem, cigmentos de soldagem, cigmentos de soldagem, cigmentos de soldagem, cigmentos de soldagem, cigarararararros acesos, etc.).ros acesos, etc.).ros acesos, etc.).ros acesos, etc.).ros acesos, etc.).
••••• NÃO FUME ao carNÃO FUME ao carNÃO FUME ao carNÃO FUME ao carNÃO FUME ao carregregregregregar ou manusear ba-ar ou manusear ba-ar ou manusear ba-ar ou manusear ba-ar ou manusear ba-
terias.terias.terias.terias.terias.
••••• MANMANMANMANMANTENHA BATENHA BATENHA BATENHA BATENHA BATERIATERIATERIATERIATERIAS E SOLUÇÃO DE BA-S E SOLUÇÃO DE BA-S E SOLUÇÃO DE BA-S E SOLUÇÃO DE BA-S E SOLUÇÃO DE BA-
TERIA LTERIA LTERIA LTERIA LTERIA LONGE DOONGE DOONGE DOONGE DOONGE DO ALCANCE DE CRIANÇAALCANCE DE CRIANÇAALCANCE DE CRIANÇAALCANCE DE CRIANÇAALCANCE DE CRIANÇAS.S.S.S.S.
••••• Evite contato corporal com solução de ba-Evite contato corporal com solução de ba-Evite contato corporal com solução de ba-Evite contato corporal com solução de ba-Evite contato corporal com solução de ba-
teria, pode causar queimaduras graves outeria, pode causar queimaduras graves outeria, pode causar queimaduras graves outeria, pode causar queimaduras graves outeria, pode causar queimaduras graves ou
ferimentos permanentes na vista.ferimentos permanentes na vista.ferimentos permanentes na vista.ferimentos permanentes na vista.ferimentos permanentes na vista.
PRIMEIROS SOCORROS EM CAPRIMEIROS SOCORROS EM CAPRIMEIROS SOCORROS EM CAPRIMEIROS SOCORROS EM CAPRIMEIROS SOCORROS EM CASO DE CON-SO DE CON-SO DE CON-SO DE CON-SO DE CON-
TTTTTAAAAATTTTTO CORPORAL:O CORPORAL:O CORPORAL:O CORPORAL:O CORPORAL:
EXTERNO:EXTERNO:EXTERNO:EXTERNO:EXTERNO:
••••• PPPPPele – Lavar com água.ele – Lavar com água.ele – Lavar com água.ele – Lavar com água.ele – Lavar com água.
••••• Olhos – Enxaguar com água durante 1Olhos – Enxaguar com água durante 1Olhos – Enxaguar com água durante 1Olhos – Enxaguar com água durante 1Olhos – Enxaguar com água durante 15 mi-5 mi-5 mi-5 mi-5 mi-
nutos e procurar atendimento médico ime-nutos e procurar atendimento médico ime-nutos e procurar atendimento médico ime-nutos e procurar atendimento médico ime-nutos e procurar atendimento médico ime-
diatamente.diatamente.diatamente.diatamente.diatamente.
INININININTERNO:TERNO:TERNO:TERNO:TERNO:
••••• Beber grandes quantidades de água ou lei-Beber grandes quantidades de água ou lei-Beber grandes quantidades de água ou lei-Beber grandes quantidades de água ou lei-Beber grandes quantidades de água ou lei-
te, seguidos de leite de magnésia, ote, seguidos de leite de magnésia, ote, seguidos de leite de magnésia, ote, seguidos de leite de magnésia, ote, seguidos de leite de magnésia, ovvvvvos ba-os ba-os ba-os ba-os ba-
tidos ou óleo vegetal. Ptidos ou óleo vegetal. Ptidos ou óleo vegetal. Ptidos ou óleo vegetal. Ptidos ou óleo vegetal. Procurar atendimen-rocurar atendimen-rocurar atendimen-rocurar atendimen-rocurar atendimen-
to médico imediato.to médico imediato.to médico imediato.to médico imediato.to médico imediato.
INSPINSPINSPINSPINSP
AJUSAJUSAJUSAJUSAJUS
3 – 51
1. Remova:
• Banco.
Consulte "CARENAGEM,TAMPAS E ABAS
LATERAIS".
• Cinta.
2. Desconecte:
• Cabos da bateria
(dos terminais da bateria).
3. Remova:
• Bateria.
4. Verifique:
• Carga da bateria.
***************************************************************************************************************************************************************************************************
a. Conecte o multímetro aos terminais de
bateria.
NONONONONOTTTTTA:A:A:A:A:
• O estado da carga de uma bateria MF
pode ser verificado pela medição de seu
circuito aberto de tensão.
• Não é necessária a carga quando o circui-
to aberto de tensão for igual ou maior que
12,80 V.
12,80V
INSPEÇÃO E CARGA DINSPEÇÃO E CARGA DINSPEÇÃO E CARGA DINSPEÇÃO E CARGA DINSPEÇÃO E CARGA DA BAA BAA BAA BAA BATERIATERIATERIATERIATERIA
PPPPPrimeiro desconecte o cabo negrimeiro desconecte o cabo negrimeiro desconecte o cabo negrimeiro desconecte o cabo negrimeiro desconecte o cabo negatiatiatiatiativvvvvo dao dao dao dao da
bateriabateriabateriabateriabateria 11111, depois o cabo positi, depois o cabo positi, depois o cabo positi, depois o cabo positi, depois o cabo positivvvvvooooo 22222.....
PPPPPonta positionta positionta positionta positionta positivavavavava terminal posititerminal posititerminal posititerminal posititerminal positivvvvvooooo
PPPPPonta negonta negonta negonta negonta negatiatiatiatiativavavavava terminal negterminal negterminal negterminal negterminal negatiatiatiatiativvvvvooooo
b. Verifique a carga da bateria, conforme
mostrado nas tabelas e nos exemplos a
seguir.
**********************************************************************************************************************************************************************************************
SSSSSomente aplique cargomente aplique cargomente aplique cargomente aplique cargomente aplique carga lenta na bateria.a lenta na bateria.a lenta na bateria.a lenta na bateria.a lenta na bateria.
INSPINSPINSPINSPINSP
AJUSAJUSAJUSAJUSAJUS
3 – 52
INSPEÇÃO E CARGA DINSPEÇÃO E CARGA DINSPEÇÃO E CARGA DINSPEÇÃO E CARGA DINSPEÇÃO E CARGA DA BAA BAA BAA BAA BATERIATERIATERIATERIATERIA
••••• Nunca retire as tampas de vedação daNunca retire as tampas de vedação daNunca retire as tampas de vedação daNunca retire as tampas de vedação daNunca retire as tampas de vedação da
bateria MFbateria MFbateria MFbateria MFbateria MF.....
••••• Não utilizNão utilizNão utilizNão utilizNão utilize um care um care um care um care um carregregregregregador de bateria deador de bateria deador de bateria deador de bateria deador de bateria de
alta potência, porque força uma coralta potência, porque força uma coralta potência, porque força uma coralta potência, porque força uma coralta potência, porque força uma corren-ren-ren-ren-ren-
te de alta amperagem rapidamente, po-te de alta amperagem rapidamente, po-te de alta amperagem rapidamente, po-te de alta amperagem rapidamente, po-te de alta amperagem rapidamente, po-
dendo prodendo prodendo prodendo prodendo provvvvvocar um superaquecimentoocar um superaquecimentoocar um superaquecimentoocar um superaquecimentoocar um superaquecimento
da bateria e danos às placas.da bateria e danos às placas.da bateria e danos às placas.da bateria e danos às placas.da bateria e danos às placas.
••••• SSSSSe for impossível, regular a core for impossível, regular a core for impossível, regular a core for impossível, regular a core for impossível, regular a corrente derente derente derente derente de
cargcargcargcargcarga no cara no cara no cara no cara no carregregregregregadoradoradoradorador, cuidado para não, cuidado para não, cuidado para não, cuidado para não, cuidado para não
sobrecarsobrecarsobrecarsobrecarsobrecarregregregregregar a bateria.ar a bateria.ar a bateria.ar a bateria.ar a bateria.
••••• PPPPPara diminuir as cara diminuir as cara diminuir as cara diminuir as cara diminuir as chances de faíscas, nãohances de faíscas, nãohances de faíscas, nãohances de faíscas, nãohances de faíscas, não
conecte a tomadaconecte a tomadaconecte a tomadaconecte a tomadaconecte a tomada A.C. do carA.C. do carA.C. do carA.C. do carA.C. do carregregregregregador deador deador deador deador de
bateria até que as gbateria até que as gbateria até que as gbateria até que as gbateria até que as garararararras do carras do carras do carras do carras do carregregregregregadoradoradoradorador
estejam ligestejam ligestejam ligestejam ligestejam ligados à bateria.ados à bateria.ados à bateria.ados à bateria.ados à bateria.
••••• Antes de retirar as gAntes de retirar as gAntes de retirar as gAntes de retirar as gAntes de retirar as garararararras do cabo doras do cabo doras do cabo doras do cabo doras do cabo do
carcarcarcarcarregregregregregador de bateria dos terminais daador de bateria dos terminais daador de bateria dos terminais daador de bateria dos terminais daador de bateria dos terminais da
bateria, cerbateria, cerbateria, cerbateria, cerbateria, certifique-se de desligtifique-se de desligtifique-se de desligtifique-se de desligtifique-se de desligar o carar o carar o carar o carar o car-----
regregregregregadoradoradoradorador.....
••••• CerCerCerCerCertifique-se de que as gtifique-se de que as gtifique-se de que as gtifique-se de que as gtifique-se de que as garararararras do caboras do caboras do caboras do caboras do cabo
do cardo cardo cardo cardo carregregregregregador de bateria tenham con-ador de bateria tenham con-ador de bateria tenham con-ador de bateria tenham con-ador de bateria tenham con-
tato total com o terminal da bateria etato total com o terminal da bateria etato total com o terminal da bateria etato total com o terminal da bateria etato total com o terminal da bateria e
que não estejam em curque não estejam em curque não estejam em curque não estejam em curque não estejam em curto. Uma gto. Uma gto. Uma gto. Uma gto. Uma garararararrarararara
de carde carde carde carde carregregregregregador de bateria desgador de bateria desgador de bateria desgador de bateria desgador de bateria desgastadaastadaastadaastadaastada
pode gerar calor na área de contato epode gerar calor na área de contato epode gerar calor na área de contato epode gerar calor na área de contato epode gerar calor na área de contato e
uma mola de guma mola de guma mola de guma mola de guma mola de garararararra fraca pode prora fraca pode prora fraca pode prora fraca pode prora fraca pode provvvvvocarocarocarocarocar
faíscas.faíscas.faíscas.faíscas.faíscas.
••••• Uma bateria selada com 1Uma bateria selada com 1Uma bateria selada com 1Uma bateria selada com 1Uma bateria selada com 12,802,802,802,802,80 V não re-V não re-V não re-V não re-V não re-
quer cargquer cargquer cargquer cargquer carga.a.a.a.a.
••••• A bateria selada será danificada se forA bateria selada será danificada se forA bateria selada será danificada se forA bateria selada será danificada se forA bateria selada será danificada se for
remoremoremoremoremovida sua tampa.vida sua tampa.vida sua tampa.vida sua tampa.vida sua tampa.
••••• Não utilizNão utilizNão utilizNão utilizNão utilize eletrólito comum para ati-e eletrólito comum para ati-e eletrólito comum para ati-e eletrólito comum para ati-e eletrólito comum para ati-
var a bateria, somente o que a acompa-var a bateria, somente o que a acompa-var a bateria, somente o que a acompa-var a bateria, somente o que a acompa-var a bateria, somente o que a acompa-
nha.nha.nha.nha.nha.
••••• VVVVVerifique sempre a verifique sempre a verifique sempre a verifique sempre a verifique sempre a voltagem das baterioltagem das baterioltagem das baterioltagem das baterioltagem das bateriasasasasas
das nodas nodas nodas nodas novas motocicletas da concessio-vas motocicletas da concessio-vas motocicletas da concessio-vas motocicletas da concessio-vas motocicletas da concessio-
nária.nária.nária.nária.nária.
••••• A injeção eletrônica sofrerá alterações noA injeção eletrônica sofrerá alterações noA injeção eletrônica sofrerá alterações noA injeção eletrônica sofrerá alterações noA injeção eletrônica sofrerá alterações no
tempo de injeção e ignição, caso a bate-tempo de injeção e ignição, caso a bate-tempo de injeção e ignição, caso a bate-tempo de injeção e ignição, caso a bate-tempo de injeção e ignição, caso a bate-
ria esteja com a tensão inferior a 1ria esteja com a tensão inferior a 1ria esteja com a tensão inferior a 1ria esteja com a tensão inferior a 1ria esteja com a tensão inferior a 12,802,802,802,802,80 VVVVV.....
12,80V
Meça a vMeça a vMeça a vMeça a vMeça a voltagem da bateriaoltagem da bateriaoltagem da bateriaoltagem da bateriaoltagem da bateria
SIMSIMSIMSIMSIM
111112,802,802,802,802,80 VVVVV
OKOKOKOKOK
111112,702,702,702,702,70 VVVVV
dar cargdar cargdar cargdar cargdar cargaaaaa
NONONONONOTTTTTA:A:A:A:A:
Conforme a tabela:
10% da amperagem da bateria.
INSPINSPINSPINSPINSP
AJUSAJUSAJUSAJUSAJUS
3 – 53
5. Instale:
• Bateria.
6. Conecte:
• Cabos da bateria
(aos terminais da bateria).
7. Aperte:
8. Verifique:
• Terminais de bateria.
Sujos Limpe com uma escova de
(cerdas de) metal.
Conexão solta Fixe.
9. Lubrifique:
• Terminais da bateria.
10. Instale:
• Cinta da bateria.
• Assento.
Consulte "CARENAGEM, TAMPAS E
ABAS LATERAIS".
INSPEÇÃO E CARGA DINSPEÇÃO E CARGA DINSPEÇÃO E CARGA DINSPEÇÃO E CARGA DINSPEÇÃO E CARGA DA BAA BAA BAA BAA BATERIA/TERIA/TERIA/TERIA/TERIA/
INSPEÇÃO DOS FUSÍVEISINSPEÇÃO DOS FUSÍVEISINSPEÇÃO DOS FUSÍVEISINSPEÇÃO DOS FUSÍVEISINSPEÇÃO DOS FUSÍVEIS
PPPPPrimeiro conecte o cabo positirimeiro conecte o cabo positirimeiro conecte o cabo positirimeiro conecte o cabo positirimeiro conecte o cabo positivvvvvo da bate-o da bate-o da bate-o da bate-o da bate-
riariariariaria 11111, depois o cabo neg, depois o cabo neg, depois o cabo neg, depois o cabo neg, depois o cabo negatiatiatiatiativvvvvooooo 22222.....
Lubrificante recomendadoLubrificante recomendadoLubrificante recomendadoLubrificante recomendadoLubrificante recomendado:::::
Graxa dielétricaGraxa dielétricaGraxa dielétricaGraxa dielétricaGraxa dielétrica
Cabos da bateriaCabos da bateriaCabos da bateriaCabos da bateriaCabos da bateria:::::
0,4 k0,4 k0,4 k0,4 k0,4 kgfgfgfgfgf.m (4,0 N.m).m (4,0 N.m).m (4,0 N.m).m (4,0 N.m).m (4,0 N.m)
PPPPPara evitar um curara evitar um curara evitar um curara evitar um curara evitar um curto-circuito, sempre ajus-to-circuito, sempre ajus-to-circuito, sempre ajus-to-circuito, sempre ajus-to-circuito, sempre ajus-
te a cte a cte a cte a cte a chave de ignição na posição "OFF" aohave de ignição na posição "OFF" aohave de ignição na posição "OFF" aohave de ignição na posição "OFF" aohave de ignição na posição "OFF" ao
verificar ou substituir um fusível.verificar ou substituir um fusível.verificar ou substituir um fusível.verificar ou substituir um fusível.verificar ou substituir um fusível.
INSPEÇÃO DOS FUSÍVEISINSPEÇÃO DOS FUSÍVEISINSPEÇÃO DOS FUSÍVEISINSPEÇÃO DOS FUSÍVEISINSPEÇÃO DOS FUSÍVEIS
O procedimento a seguir se aplica a todos
os fusíveis.
1. Remova:
• Assento.
Consulte“CARENAGEM,TAMPAS EABAS
LATERAIS”.
• Lateral LE.
INSPINSPINSPINSPINSP
AJUSAJUSAJUSAJUSAJUS
3 – 54
2. Verifique:
• Caixa de fusível 1.
• Caixa de fusível 2.
**********************************************************************************************************************************************************************************************
a. Conecte o multímetro ao fusível e verifi-
que a continuidade.
b. Se o multímetro indicar “∞“, substitua o
fusível.
**********************************************************************************************************************************************************************************************
3. Substitua:
• Fusível queimado.
**********************************************************************************************************************************************************************************************
a. Ajuste a chave na posição "OFF".
b. Coloque um novo fusível com ampera-
gem idêntica.
c. Acione os interruptores para verificar se
o circuito elétrico está operacional.
d. Se o fusível queimar novamente, imedia-
tamente, verifique o circuito elétrico.
1 0
10
10
10
10
2
1
NONONONONOTTTTTA:A:A:A:A:
Ajuste o seletor do multímetro 1 para "Ω x 1".
INSPEÇÃO DOS FUSÍVEISINSPEÇÃO DOS FUSÍVEISINSPEÇÃO DOS FUSÍVEISINSPEÇÃO DOS FUSÍVEISINSPEÇÃO DOS FUSÍVEIS
Multímetro digital:Multímetro digital:Multímetro digital:Multímetro digital:Multímetro digital:
90890-03190890-03190890-03190890-03190890-0317777744444
Nunca utilizNunca utilizNunca utilizNunca utilizNunca utilize um fusível com amperagem di-e um fusível com amperagem di-e um fusível com amperagem di-e um fusível com amperagem di-e um fusível com amperagem di-
ferente da especificada.ferente da especificada.ferente da especificada.ferente da especificada.ferente da especificada. A utilização de umA utilização de umA utilização de umA utilização de umA utilização de um
fusível com a amperagem incorfusível com a amperagem incorfusível com a amperagem incorfusível com a amperagem incorfusível com a amperagem incorreta pode cau-reta pode cau-reta pode cau-reta pode cau-reta pode cau-
sar grandes danos ao sistema elétrico inclusi-sar grandes danos ao sistema elétrico inclusi-sar grandes danos ao sistema elétrico inclusi-sar grandes danos ao sistema elétrico inclusi-sar grandes danos ao sistema elétrico inclusi-
ve incêndio.ve incêndio.ve incêndio.ve incêndio.ve incêndio.
***************************************************************************************************************************************************************************************************
FFFFFusíveisusíveisusíveisusíveisusíveis AmperagemAmperagemAmperagemAmperagemAmperagem Qtde.Qtde.Qtde.Qtde.Qtde.
Principal 20A 1
Farol 10A 1
Sistema de 10A 1
sinalização
Ignição e injeção 10A 1
eletrônica
Backup do visor 10A 1
Reserva 20A 1
Reserva 10A 1
INSPINSPINSPINSPINSP
AJUSAJUSAJUSAJUSAJUS
3 – 55
SUBSSUBSSUBSSUBSSUBSTITUIÇÃO DTITUIÇÃO DTITUIÇÃO DTITUIÇÃO DTITUIÇÃO DA LÂMPA LÂMPA LÂMPA LÂMPA LÂMPADADADADADAAAAA
DO FDO FDO FDO FDO FAROLAROLAROLAROLAROL
1. Remova:
• Os parafusos a de fixação do conjunto
farol dianteiro de ambos os lados.
2. Remova:
• O conjunto do farol de seu alojamento.
3. Remova:
• O conector 1 da lâmpada do farol.
• A cobertura de borracha 2 da lâmpada
do farol.
4. Desencaixe:
• Suporte da lâmpada 1.
5. Remova:
• A lâmpada do farol de seu alojamento.
VADADADADADVERVERVERVERVERTÊNCIATÊNCIATÊNCIATÊNCIATÊNCIA
SUBSSUBSSUBSSUBSSUBSTITUIÇÃO DTITUIÇÃO DTITUIÇÃO DTITUIÇÃO DTITUIÇÃO DA LÂMPA LÂMPA LÂMPA LÂMPA LÂMPADADADADADA DO FA DO FA DO FA DO FA DO FAROLAROLAROLAROLAROL
Evite tocar a parEvite tocar a parEvite tocar a parEvite tocar a parEvite tocar a parte de vidro da lâmpadate de vidro da lâmpadate de vidro da lâmpadate de vidro da lâmpadate de vidro da lâmpada
para mantê-la limpa de oleosidade, casopara mantê-la limpa de oleosidade, casopara mantê-la limpa de oleosidade, casopara mantê-la limpa de oleosidade, casopara mantê-la limpa de oleosidade, caso
contrário a transparência do vidro, a vidacontrário a transparência do vidro, a vidacontrário a transparência do vidro, a vidacontrário a transparência do vidro, a vidacontrário a transparência do vidro, a vida
útil da lâmpada e o fluxútil da lâmpada e o fluxútil da lâmpada e o fluxútil da lâmpada e o fluxútil da lâmpada e o fluxo de luminosidadeo de luminosidadeo de luminosidadeo de luminosidadeo de luminosidade
serão afetados. Sserão afetados. Sserão afetados. Sserão afetados. Sserão afetados. Se a lâmpada do farol fi-e a lâmpada do farol fi-e a lâmpada do farol fi-e a lâmpada do farol fi-e a lâmpada do farol fi-
car manccar manccar manccar manccar manchada, limpe completamente comhada, limpe completamente comhada, limpe completamente comhada, limpe completamente comhada, limpe completamente com
um pano umedecido em álcool ou thinnerum pano umedecido em álcool ou thinnerum pano umedecido em álcool ou thinnerum pano umedecido em álcool ou thinnerum pano umedecido em álcool ou thinner.....
PPPPPoderá estar extremamente quente, mantenhaoderá estar extremamente quente, mantenhaoderá estar extremamente quente, mantenhaoderá estar extremamente quente, mantenhaoderá estar extremamente quente, mantenha
a lâmpada do farol distante de produtos infla-a lâmpada do farol distante de produtos infla-a lâmpada do farol distante de produtos infla-a lâmpada do farol distante de produtos infla-a lâmpada do farol distante de produtos infla-
máveis e não encoste as mãos até que tenhamáveis e não encoste as mãos até que tenhamáveis e não encoste as mãos até que tenhamáveis e não encoste as mãos até que tenhamáveis e não encoste as mãos até que tenha
esfriado.esfriado.esfriado.esfriado.esfriado.
INSPINSPINSPINSPINSP
AJUSAJUSAJUSAJUSAJUS
3 – 56
SUBSSUBSSUBSSUBSSUBSTITUIÇÃO DTITUIÇÃO DTITUIÇÃO DTITUIÇÃO DTITUIÇÃO DA LÂMPA LÂMPA LÂMPA LÂMPA LÂMPADADADADADA DO FA DO FA DO FA DO FA DO FAROL/AROL/AROL/AROL/AROL/
AJUSAJUSAJUSAJUSAJUSTE DO FTE DO FTE DO FTE DO FTE DO FAAAAACHO DO FCHO DO FCHO DO FCHO DO FCHO DO FAROLAROLAROLAROLAROL
6. Instale:
• Lâmpada do farol (observando seu corre-
to posicionamento no seu alojamento).
• O suporte.
7. Instale:
• A cobertura de 2 borracha da lâmpada
do farol.
• O conector 1 da lâmpada do farol.
8. Instale:
• O consumo do farol em seu alojamento.
• Os parafusos 1 de fixação do conjunto
do farol.
AJUSAJUSAJUSAJUSAJUSTE DO FTE DO FTE DO FTE DO FTE DO FAAAAACHO DO FCHO DO FCHO DO FCHO DO FCHO DO FAROLAROLAROLAROLAROL
1. Ajuste:
• Facho do farol (verticalmente).
• Ajuste o facho do farol pelo parafuso de
ajuste do facho na parte inferior do fa-
rol, girando-o no sentido a ou b.
SSSSSentidoentidoentidoentidoentido a O facO facO facO facO facho desceho desceho desceho desceho desce
SSSSSentidoentidoentidoentidoentido b O facO facO facO facO facho sobeho sobeho sobeho sobeho sobe
PPPPParafuso do conjunto do farol:arafuso do conjunto do farol:arafuso do conjunto do farol:arafuso do conjunto do farol:arafuso do conjunto do farol:
0,7 k0,7 k0,7 k0,7 k0,7 kgfgfgfgfgf.m (70 N.m).m (70 N.m).m (70 N.m).m (70 N.m).m (70 N.m)
INSPINSPINSPINSPINSP
AJUSAJUSAJUSAJUSAJUS
3 – 57
AJUSAJUSAJUSAJUSAJUSTE DO RELÓGIO DIGITTE DO RELÓGIO DIGITTE DO RELÓGIO DIGITTE DO RELÓGIO DIGITTE DO RELÓGIO DIGITALALALALAL
AJUSAJUSAJUSAJUSAJUSTE DO RELÓGIO DIGITTE DO RELÓGIO DIGITTE DO RELÓGIO DIGITTE DO RELÓGIO DIGITTE DO RELÓGIO DIGITALALALALAL
1. Pressione simultaneamente os botões
“SELECT” 2 e “RESET” 3 por pelo
menos dois segundos.
2. Quando os dígitos da hora ficarem
piscando, pressione “RESET” 3 para
acertar a hora.
3. Pressione “SELECT” 2, e os dígitos dos
minutos ficarão piscando.
4. Pressione “RESET” 3 para acertar os mi-
nutos.
5. Pressione “SELECT” 2 para colocar o
relógio 1 em funcionamento.
CAPÍTULO 4
CHACHACHACHACHASSISSISSISSISSI
RODRODRODRODRODA E DISCO DE FREIO DIANA E DISCO DE FREIO DIANA E DISCO DE FREIO DIANA E DISCO DE FREIO DIANA E DISCO DE FREIO DIANTEIROTEIROTEIROTEIROTEIRO ........................................................................................................................................................................................................................................................................................................................... 4-14-14-14-14-1
RODA DIANTEIRA ................................................................................................. 4-2
INSPEÇÃO ............................................................................................................. 4-3
INSPEÇÃO DO DISCO DE FREIO DIANTEIRO ..................................................... 4-5
AJUSTE DO BALANCEAMENTO ESTÁTICO DA RODA DIANTEIRA.................. 4-8
RODRODRODRODRODA, DISCO DE FREIO E COROA, DISCO DE FREIO E COROA, DISCO DE FREIO E COROA, DISCO DE FREIO E COROA, DISCO DE FREIO E COROAAAAA .................................................................................................................................................................................................................................................................................................................................................... 4-14-14-14-14-100000
RODATRASEIRA ................................................................................................. 4-10
DISCO DE FREIO E COROA..................................................................................4-11
INSPEÇÃO ........................................................................................................... 4-13
INSPEÇÃO DO DISCO DE FREIOTRASEIRO...................................................... 4-14
INSPEÇÃO DO CUBO.......................................................................................... 4-15
INSTALAÇÃO DA RODATRASEIRA ................................................................... 4-16
INSPEÇÃO E SUBSTITUIÇÃO DA COROA......................................................... 4-17
FREIO DIANFREIO DIANFREIO DIANFREIO DIANFREIO DIANTEIROTEIROTEIROTEIROTEIRO......................................................................................................................................................................................................................................................................................................................................................................................................................................................................................4-14-14-14-14-188888
SUBSTITUIÇÃO DAS PASTILHAS DO FREIO DIANTEIRO ................................ 4-19
CILINDRO MESCILINDRO MESCILINDRO MESCILINDRO MESCILINDRO MESTRE DIANTRE DIANTRE DIANTRE DIANTRE DIANTEIROTEIROTEIROTEIROTEIRO ........................................................................................................................................................................................................................................................................................................................................................................4-224-224-224-224-22
REMOÇÃO ........................................................................................................... 4-22
INSPEÇÃO ........................................................................................................... 4-23
MONTAGEM E INSTALAÇÃO ............................................................................. 4-24
PINÇA DE FREIO DIANPINÇA DE FREIO DIANPINÇA DE FREIO DIANPINÇA DE FREIO DIANPINÇA DE FREIO DIANTEIROTEIROTEIROTEIROTEIRO.................................................................................................................................................................................................................................................................................................................................................................................................4-274-274-274-274-27
REMOÇÃO ........................................................................................................... 4-28
INSPEÇÃO ........................................................................................................... 4-29
INSTALAÇÃO ....................................................................................................... 4-30
FREIOFREIOFREIOFREIOFREIO TRATRATRATRATRASEIROSEIROSEIROSEIROSEIRO ................................................................................................................................................................................................................................................................................................................................................................................................................................................................................................4-334-334-334-334-33
SUBSTITUIÇÃO DAS PASTILHAS DE FREIOTRASEIRO................................... 4-34
RESERRESERRESERRESERRESERVVVVVAAAAATÓRIO / CILINDRO MESTÓRIO / CILINDRO MESTÓRIO / CILINDRO MESTÓRIO / CILINDRO MESTÓRIO / CILINDRO MESTRETRETRETRETRE TRATRATRATRATRASEIROSEIROSEIROSEIROSEIRO .................................................................................................................................................................................................................................4-374-374-374-374-37
REMOÇÃO ........................................................................................................... 4-37
INSPEÇÃO ........................................................................................................... 4-38
MONTAGEM E INSTALAÇÃO ............................................................................. 4-39
INSTALAÇÃO DO RESERVATÓRIO DE FREIOTRASEIRO ................................. 4-41
PINÇA DE FREIOPINÇA DE FREIOPINÇA DE FREIOPINÇA DE FREIOPINÇA DE FREIOTRATRATRATRATRASEIROSEIROSEIROSEIROSEIRO...........................................................................................................................................................................................................................................................................................................................................................................................................4-424-424-424-424-42
REMOÇÃO ........................................................................................................... 4-43
INSPEÇÃO ........................................................................................................... 4-44
INSTALAÇÃO ....................................................................................................... 4-44
GUIDÃOGUIDÃOGUIDÃOGUIDÃOGUIDÃO .................................................................................................................................................................................................................................................................................................................................................................................................................................................................................................................................................................4-474-474-474-474-47
REMOÇÃO ........................................................................................................... 4-48
INSPEÇÃO DO GUIDÃO...................................................................................... 4-50
INSTALAÇÃO DO GUIDÃO ................................................................................. 4-51
COLUNA DE DIREÇÃOCOLUNA DE DIREÇÃOCOLUNA DE DIREÇÃOCOLUNA DE DIREÇÃOCOLUNA DE DIREÇÃO ...................................................................................................................................................................................................................................................................................................................................................................................................................................................4-544-544-544-544-54
MESA INFERIOR.................................................................................................. 4-54
INSPEÇÃO DA COLUNA DE DIREÇÃO .............................................................. 4-56
INSTALAÇÃO DA COLUNA DE DIREÇÃO.......................................................... 4-57
GARFO DIANGARFO DIANGARFO DIANGARFO DIANGARFO DIANTEIROTEIROTEIROTEIROTEIRO............................................................................................................................................................................................................................................................................................................................................................................................................................................................................4-604-604-604-604-60
REMOÇÃO DAS BENGALAS .............................................................................. 4-62
DESMONTAGEM DAS BENGALAS .................................................................... 4-63
INSPEÇÃO DAS BENGALAS .............................................................................. 4-65
MONTAGEM DA BENGALA DO GARFO DIANTEIRO ....................................... 4-67
INSTALAÇÃO DAS BENGALAS DO GARFO DIANTEIRO ................................. 4-71
CONJUNCONJUNCONJUNCONJUNCONJUNTTTTTO DOO DOO DOO DOO DO AMORAMORAMORAMORAMORTECEDORTECEDORTECEDORTECEDORTECEDOR TRATRATRATRATRASEIROSEIROSEIROSEIROSEIRO .........................................................................................................................................................................................................................................................................4-734-734-734-734-73
ELIMINAÇÃO DE UM AMORTECEDORTRASEIRO ........................................... 4-74
REMOÇÃO ........................................................................................................... 4-74
INSPEÇÃO DO CONJUNTO DO AMORTECEDORTRASEIRO........................... 4-76
INSTALAÇÃO ....................................................................................................... 4-77
BALANÇABALANÇABALANÇABALANÇABALANÇA TRATRATRATRATRASEIRA E CORRENSEIRA E CORRENSEIRA E CORRENSEIRA E CORRENSEIRA E CORRENTE DETE DETE DETE DETE DE TRANSMISSÃOTRANSMISSÃOTRANSMISSÃOTRANSMISSÃOTRANSMISSÃO ...............................................................................................................................................................................4-804-804-804-804-80
BALANÇATRASEIRA .......................................................................................... 4-81
REMOÇÃO ........................................................................................................... 4-81
REMOÇÃO DO PINHÃO E CORRENTE............................................................... 4-83
INSPEÇÃO DA BALANÇATRASEIRA ................................................................. 4-84
INSPEÇÃO DA CORRENTE ................................................................................. 4-85
INSPEÇÃO E SUBSTITUIÇÃO DO PINHÃO ....................................................... 4-87
INSTALAÇÃO DA CORRENTE E PINHÃO .......................................................... 4-87
INSTALAÇÃO DA BALANÇATRASEIRA ............................................................ 4-88
CHACHACHACHACHASSSSS
4 – 1
RODRODRODRODRODA E DISCO DE FREIO DIANA E DISCO DE FREIO DIANA E DISCO DE FREIO DIANA E DISCO DE FREIO DIANA E DISCO DE FREIO DIANTEIROSTEIROSTEIROSTEIROSTEIROS
RODRODRODRODRODA E DISCO DE FREIO DIANA E DISCO DE FREIO DIANA E DISCO DE FREIO DIANA E DISCO DE FREIO DIANA E DISCO DE FREIO DIANTEIROTEIROTEIROTEIROTEIRO
CHACHACHACHACHASSISSISSISSISSI
RRRRRemoção da roda e disco de freio dianteirosemoção da roda e disco de freio dianteirosemoção da roda e disco de freio dianteirosemoção da roda e disco de freio dianteirosemoção da roda e disco de freio dianteiros Remover as peças na ordem listada
1 Porca do eixo da roda dianteira 1 Consulte “REMOÇÃO DA
2 Eixo da roda dianteira 1 RODA DIANTEIRA” e
3 Roda dianteira 1 “INSTALAÇAO DA RODA
4 Espaçador (esquerdo) 1 DIANTEIRA”
5 Espaçador (direito) 1
6 Amortizador 1
7 Disco do freio dianteiro 1
Para instalação, reverter o
procedimento de remoção
Serviço/Peça Qtde. ObservaçãoOrdem
Coloque a motocicleta em um
suporte adequado para que a roda
dianteira fique suspensa.
NONONONONOTTTTTA:A:A:A:A:
CHACHACHACHACHASSSSS
4 – 2
RODRODRODRODRODA E DISCO DE FREIO DIANA E DISCO DE FREIO DIANA E DISCO DE FREIO DIANA E DISCO DE FREIO DIANA E DISCO DE FREIO DIANTEIROSTEIROSTEIROSTEIROSTEIROS
RODRODRODRODRODA DIANA DIANA DIANA DIANA DIANTEIRATEIRATEIRATEIRATEIRA
RRRRRemoemoemoemoemova a roda dianteirava a roda dianteirava a roda dianteirava a roda dianteirava a roda dianteira
Desmontagem da roda dianteiraDesmontagem da roda dianteiraDesmontagem da roda dianteiraDesmontagem da roda dianteiraDesmontagem da roda dianteira Remover as peças na ordem listada
1 Retentor 2 Consulte “REMOÇÃO DA RODA
2 Rolamento 2 DIANTEIRA” e “INSTALAÇAO
3 Espaçador 1 DA RODA DIANTEIRA”
Para montagem, reverter o
procedimento de desmontagem
Serviço/Peça Qtde. ObservaçãoOrdem
CHACHACHACHACHASSSSS
4 – 3
RODRODRODRODRODA E DISCO DE FREIO DIANA E DISCO DE FREIO DIANA E DISCO DE FREIO DIANA E DISCO DE FREIO DIANA E DISCO DE FREIO DIANTEIROSTEIROSTEIROSTEIROSTEIROS
INSPEÇÃOINSPEÇÃOINSPEÇÃOINSPEÇÃOINSPEÇÃO
1. Verifique:
• Eixo da roda.
Role o eixo em uma superfície plana.
Empenado → Substituir.
2. Verifique:
• Pneu.
Danos/desgastes → Substituir.
Empenado → Substituir.
Consulte “INSPEÇÃO DOS PNEUS” no
capítulo 3.
3. Verifique:
• Raios.
Empenado/danos → Substituir.
Solto → Aperte.
Bata levemente nos raios com uma cha-
ve de fenda.
NONONONONOTTTTTA:A:A:A:A:
Um raio correto emitirá um tom claro e
soante, um raio solto emitirá um tom “oco”.
Não tente corNão tente corNão tente corNão tente corNão tente corrigir um eixrigir um eixrigir um eixrigir um eixrigir um eixo de roda empenado.o de roda empenado.o de roda empenado.o de roda empenado.o de roda empenado.
4. Aperte:
• Raios 1.
(com uma chave para raios 2)
NONONONONOTTTTTA:A:A:A:A:
Após apertar os raios, meça o alinhamento
da roda dianteira.
Nipple:Nipple:Nipple:Nipple:Nipple:
0,3 k0,3 k0,3 k0,3 k0,3 kgfgfgfgfgf.m (3 N.m).m (3 N.m).m (3 N.m).m (3 N.m).m (3 N.m)
5. Meça:
• Empenamento da roda.
Fora de especificação Verificar a roda
e a folga do rolamento.
Limite de alinhamento radialLimite de alinhamento radialLimite de alinhamento radialLimite de alinhamento radialLimite de alinhamento radial 11111
1,0mm1,0mm1,0mm1,0mm1,0mm
Limite de alinhamento lateralLimite de alinhamento lateralLimite de alinhamento lateralLimite de alinhamento lateralLimite de alinhamento lateral 22222
0,5mm0,5mm0,5mm0,5mm0,5mm
1
2
CHACHACHACHACHASSSSS
4 – 4
RODRODRODRODRODA E DISCO DE FREIO DIANA E DISCO DE FREIO DIANA E DISCO DE FREIO DIANA E DISCO DE FREIO DIANA E DISCO DE FREIO DIANTEIROSTEIROSTEIROSTEIROSTEIROS
6. Verifique:
• Aros de roda.
Danos/desgaste Substituir.
Após montar um noApós montar um noApós montar um noApós montar um noApós montar um novvvvvo pneu, dirija com mo-o pneu, dirija com mo-o pneu, dirija com mo-o pneu, dirija com mo-o pneu, dirija com mo-
deração por um tempo para se acostumar àderação por um tempo para se acostumar àderação por um tempo para se acostumar àderação por um tempo para se acostumar àderação por um tempo para se acostumar à
"sensação" do no"sensação" do no"sensação" do no"sensação" do no"sensação" do novvvvvo pneu e permitir que as-o pneu e permitir que as-o pneu e permitir que as-o pneu e permitir que as-o pneu e permitir que as-
sente adequadamente no aro.sente adequadamente no aro.sente adequadamente no aro.sente adequadamente no aro.sente adequadamente no aro. A falha ao se-A falha ao se-A falha ao se-A falha ao se-A falha ao se-
guir essa instrução pode levar a um acidenteguir essa instrução pode levar a um acidenteguir essa instrução pode levar a um acidenteguir essa instrução pode levar a um acidenteguir essa instrução pode levar a um acidente
com possíveis ferimentos ao motociclista oucom possíveis ferimentos ao motociclista oucom possíveis ferimentos ao motociclista oucom possíveis ferimentos ao motociclista oucom possíveis ferimentos ao motociclista ou
danos à motocicleta.danos à motocicleta.danos à motocicleta.danos à motocicleta.danos à motocicleta.
7. Verifique:
• Rolamento da roda 1.
Ruídos anormais/folga/giro irregular
Trocar.
• Retentor 2.
Danos/desgaste Trocar.
a Folga.
• Planicidade do cubo.
(Base do disco).
8. Substitua:
• Retentor de óleo.
Rolamento da roda.
*****************************************************************************************************************************************************************************************
RRRRRetentor e rolamento de rodaetentor e rolamento de rodaetentor e rolamento de rodaetentor e rolamento de rodaetentor e rolamento de roda.
• Limpe o cubo da roda externamente.
• Remova o retentor 1, usando um extrator
de retentor 2.
Extrator do retentor da rodaExtrator do retentor da rodaExtrator do retentor da rodaExtrator do retentor da rodaExtrator do retentor da roda
90890-028090890-028090890-028090890-028090890-028011111
• Retire os rolamentos da roda 3 com um
sacador de rolamento universal.
• Instale os novos rolamentos da roda e
retentores de óleo na ordem inversa à
desmontagem.
CHACHACHACHACHASSSSS
4 – 5
RODRODRODRODRODA E DISCO DE FREIO DIANA E DISCO DE FREIO DIANA E DISCO DE FREIO DIANA E DISCO DE FREIO DIANA E DISCO DE FREIO DIANTEIROSTEIROSTEIROSTEIROSTEIROS
*********************************************************************************************************************************************************************
9. Verifique:
• Cubo da roda dianteira.
Rachaduras/danos Substituir.
NONONONONOTTTTTA:A:A:A:A:
Utilize um soquete 7 que coincida com o
diâmetro da pista externa do rolamento da
roda e dos retentores.
Não entre em contato com a pista internaNão entre em contato com a pista internaNão entre em contato com a pista internaNão entre em contato com a pista internaNão entre em contato com a pista interna
44444 ou esferasou esferasou esferasou esferasou esferas 55555 do rolamento da roda. Odo rolamento da roda. Odo rolamento da roda. Odo rolamento da roda. Odo rolamento da roda. O
contato deve ser feito apenas com a pistacontato deve ser feito apenas com a pistacontato deve ser feito apenas com a pistacontato deve ser feito apenas com a pistacontato deve ser feito apenas com a pista
externaexternaexternaexternaexterna 66666.....
INSPEÇÃO DO DISCO DE FREIOINSPEÇÃO DO DISCO DE FREIOINSPEÇÃO DO DISCO DE FREIOINSPEÇÃO DO DISCO DE FREIOINSPEÇÃO DO DISCO DE FREIO
DIANDIANDIANDIANDIANTEIROTEIROTEIROTEIROTEIRO
1. Verifique:
• Disco de freio.
Danificado/atrito Substituir.
2. Meça:
• Espessura do disco do freio.
Meça a espessura do disco do freio em
pontos diferentes.
Fora de especificação Substituir.
Limite de espessura (mínimo):Limite de espessura (mínimo):Limite de espessura (mínimo):Limite de espessura (mínimo):Limite de espessura (mínimo):
3,0 mm3,0 mm3,0 mm3,0 mm3,0 mm
CHACHACHACHACHASSSSS
4 – 6
RODRODRODRODRODA E DISCO DE FREIO DIANA E DISCO DE FREIO DIANA E DISCO DE FREIO DIANA E DISCO DE FREIO DIANA E DISCO DE FREIO DIANTEIROSTEIROSTEIROSTEIROSTEIROS
Limite de deflexão (máximo):Limite de deflexão (máximo):Limite de deflexão (máximo):Limite de deflexão (máximo):Limite de deflexão (máximo):
0,10,10,10,10,15 mm5 mm5 mm5 mm5 mm
**********************************************************************************************************************************************************************************************
a. Coloque a motocicleta em um suporte
adequado para que a roda dianteira fique
suspensa.
b. Antes de medir a deflexão do disco de
freio, vire o guidão para a esquerda ou
direita para garantir que a roda dianteira
esteja parada.
c. Remova a pinça do freio.
d. Mantenha o medidor em ângulo reto com
relação à superfície do disco do freio.
e. Meça a deflexão em 3,0 mm abaixo da
borda do disco do freio.
**********************************************************************************************************************************************************************************************
3. Meça:
• Deflexão do disco de freio.
Fora de especificação Corrija a
deflexão do disco de freio ou substitua.
4. Ajuste:
• Deflexão do disco de freio.
**********************************************************************************************************************************************************************************************
a. Remova o disco de freio.
b. Deslocar o disco de freio de um orifício
de parafuso para outro.
c. Instale o disco de freio.
d. Meça a deflexão do disco de freio.
e. Caso esteja fora da especificação, repita
as etapas de ajuste até que a deflexão do
disco de freio entre na especificação.
f. Se a deflexão do disco de freio não puder
ser colocada dentro da especificação,
substitua o disco.
PPPPParafuso do disco de freioarafuso do disco de freioarafuso do disco de freioarafuso do disco de freioarafuso do disco de freio
2,3 k2,3 k2,3 k2,3 k2,3 kgfgfgfgfgf.m ( 23 N.m ).m ( 23 N.m ).m ( 23 N.m ).m ( 23 N.m ).m ( 23 N.m )
LLLLLOCTITEOCTITEOCTITEOCTITEOCTITE R
NONONONONOTTTTTA:A:A:A:A:
Fixe os parafusos do disco de freio em fases
e padrão cruzado.
**********************************************************************************************************************************************************************************************
CHACHACHACHACHASSSSS
4 – 7
RODRODRODRODRODA E DISCO DE FREIO DIANA E DISCO DE FREIO DIANA E DISCO DE FREIO DIANA E DISCO DE FREIO DIANA E DISCO DE FREIO DIANTEIROSTEIROSTEIROSTEIROSTEIROS
5. Remova:
• O amortizador do disco de freio.
6. Verifique:
• O amortizador.
Danos/desgaste →Trocar.
7. Instale:
• O amortizador no cubo dianteiro com
os canais para os raios (para baixo).
• O disco de freio no cubo dianteiro.
NONONONONOTTTTTA:A:A:A:A:
Fixe os parafusos do disco de freio na ordem
especificada.
PPPPParafusos do disco de freio:arafusos do disco de freio:arafusos do disco de freio:arafusos do disco de freio:arafusos do disco de freio:
1,3 k1,3 k1,3 k1,3 k1,3 kgfgfgfgfgf.m (1.m (1.m (1.m (1.m (13 N.m)3 N.m)3 N.m)3 N.m)3 N.m)
LLLLLOCTITEOCTITEOCTITEOCTITEOCTITE R
8. Instale:
• A roda dianteira.
CHACHACHACHACHASSSSS
4 – 8
RODRODRODRODRODA E DISCO DE FREIO DIANA E DISCO DE FREIO DIANA E DISCO DE FREIO DIANA E DISCO DE FREIO DIANA E DISCO DE FREIO DIANTEIROSTEIROSTEIROSTEIROSTEIROS
1. Remova:
• Peso(s) de balanceamento antigo(s):
AJUSTE DO BALANCEAMENTO
ESTÁTICO DA RODA DIANTEIRA
NONONONONOTTTTTA:A:A:A:A:
• Após a substituição do pneu, roda ou
ambos o balanceamento estático da roda
dianteira deve ser executado.
• Ajuste o balanceamento estático da roda
dianteira com o disco do freio instalado.
1
2. Encontre:
• Ponto de peso “x” (desequilíbrio).
**********************************************************************************************************************************************************************************************
a. Gire a roda dianteira .
b. Quando a roda parar, coloque uma mar-
ca “x” na sua parte inferior encontrada.
c. Gire a roda dianteira 90º para que a marca
“x” fique posicionada como mostrado.
d. Solte a roda dianteira.
e. Quando a roda parar, coloque uma mar-
ca “x2
” na sua parte inferior.
f. Repita os passos (“d” até “f”) várias vezes
até que as marcas comecem a coincidir.
g. O ponto médio onde as marcas coinci-
diram é o ponto de peso “x” da roda
dianteira.
**********************************************************************************************************************************************************************************************
NONONONONOTTTTTA:A:A:A:A:
Coloque a roda dianteira sobre um suporte
adequado para balanceamento.
NONONONONOTTTTTA:A:A:A:A:
Comece com peso mais leve.
3. Ajuste:
• Balanceamento estático de roda
a. Instale um peso de balanceamento 1 na
roda no local exatamente oposto ao pon-
to de peso ”X”.
**********************************************************************************************************************************************************************************************
CHACHACHACHACHASSSSS
4 – 9
RODRODRODRODRODA E DISCO DE FREIO DIANA E DISCO DE FREIO DIANA E DISCO DE FREIO DIANA E DISCO DE FREIO DIANA E DISCO DE FREIO DIANTEIROSTEIROSTEIROSTEIROSTEIROS
4. Verifique:
• Balanceamento estático de roda.
**********************************************************************************************************************************************************************************************
a. Gire a roda e certifique-se de que fique
em cada posição mostrada.
b. Caso a roda não fique parada em todas
as posições, balanceie-a novamente.
**********************************************************************************************************************************************************************************************
b. Gire a roda 90º para que o ponto de peso
se posicione como mostrado.
c. Caso o ponto de peso não fique nessa po-
sição, instale um peso maior.
d. Repita os passos (“b” e“c”) até que a roda
dianteira esteja equilibrada.
**********************************************************************************************************************************************************************************************
CHACHACHACHACHASSSSS
4 – 10
RODRODRODRODRODAAAAA TRATRATRATRATRASEIRA, DISCO DE FREIO E COROSEIRA, DISCO DE FREIO E COROSEIRA, DISCO DE FREIO E COROSEIRA, DISCO DE FREIO E COROSEIRA, DISCO DE FREIO E COROAAAAA
RODRODRODRODRODA, DISCO DE FREIO E COROA, DISCO DE FREIO E COROA, DISCO DE FREIO E COROA, DISCO DE FREIO E COROA, DISCO DE FREIO E COROAAAAA
RODRODRODRODRODAAAAA TRATRATRATRATRASEIRASEIRASEIRASEIRASEIRA
SSSSSolteolteolteolteolte
1 Porcas e contraporcas dos esticadores da 2/2
corrente de transmissão
RRRRRemoção da roda traseira coroa e disco de freioemoção da roda traseira coroa e disco de freioemoção da roda traseira coroa e disco de freioemoção da roda traseira coroa e disco de freioemoção da roda traseira coroa e disco de freio Remover as peças na ordem listada
2 Porca e arruela do eixo da roda traseira 1/1
3 Eixo da roda traseira 1
4 Corrente de transmissão da coroa 1
5 Roda traseira 1
6 Espaçador esquerdo 1
7 Espaçador direito 1
8 Pinça do freio traseiro 1
Para instalação, reverter o
procedimento de remoção.
Serviço/Peça Qtde. ObservaçãoOrdem
CHACHACHACHACHASSSSS
4 – 11
RODRODRODRODRODAAAAA TRATRATRATRATRASEIRA, DISCO DE FREIO E COROSEIRA, DISCO DE FREIO E COROSEIRA, DISCO DE FREIO E COROSEIRA, DISCO DE FREIO E COROSEIRA, DISCO DE FREIO E COROAAAAA
RRRRRemoção demoção demoção demoção demoção do disco de freio eo disco de freio eo disco de freio eo disco de freio eo disco de freio e coroacoroacoroacoroacoroa Remover as peças na ordem listada
1 Disco de freio traseiro 1
2 Porcas 6
3 Coroa 1
4 Prisioneiros 6
Para instalação, reverter o
procedimento de remoção.
Serviço/Peça Qtde. ObservaçãoOrdem
DISCO DE FREIO E CORODISCO DE FREIO E CORODISCO DE FREIO E CORODISCO DE FREIO E CORODISCO DE FREIO E COROAAAAA
CHACHACHACHACHASSSSS
4 – 12
RODRODRODRODRODAAAAA TRATRATRATRATRASEIRA, DISCO DE FREIO E COROSEIRA, DISCO DE FREIO E COROSEIRA, DISCO DE FREIO E COROSEIRA, DISCO DE FREIO E COROSEIRA, DISCO DE FREIO E COROAAAAA
Desmontagem da roda traseiraDesmontagem da roda traseiraDesmontagem da roda traseiraDesmontagem da roda traseiraDesmontagem da roda traseira Remover as peças na ordem listada
1 Retentor 2
2 Rolamento 2
3 Espaçador 1
Para instalação, reverter o
procedimento de remoção.
Serviço/Peça Qtde. ObservaçãoOrdem
CHACHACHACHACHASSSSS
4 – 13
RODRODRODRODRODAAAAA TRATRATRATRATRASEIRA, DISCO DE FREIO E COROSEIRA, DISCO DE FREIO E COROSEIRA, DISCO DE FREIO E COROSEIRA, DISCO DE FREIO E COROSEIRA, DISCO DE FREIO E COROAAAAA
INSPEÇÃOINSPEÇÃOINSPEÇÃOINSPEÇÃOINSPEÇÃO
1. Verifique:
• Eixo da roda.
• Pneu.
• Raios.
• Aro da roda.
• Rolamentos.
• Retentores.
• Disco de freio.
Consulte “RODA E DISCO DE FREIO DIAN-
TEIRO” no capítulo 4.
2. Meça:
• Empenamento da roda.
Fora de especificação →Troque.
Consulte “RODA E DISCO DE FREIO DIAN-
TEIRO” no capítulo 4.
Limite deLimite deLimite deLimite deLimite de empenamentoempenamentoempenamentoempenamentoempenamento
VVVVVererererertical 1,0 mmtical 1,0 mmtical 1,0 mmtical 1,0 mmtical 1,0 mm
Lateral 0,5 mmLateral 0,5 mmLateral 0,5 mmLateral 0,5 mmLateral 0,5 mm
CHACHACHACHACHASSSSS
4 – 14
RODRODRODRODRODAAAAA TRATRATRATRATRASEIRA, DISCO DE FREIO E COROSEIRA, DISCO DE FREIO E COROSEIRA, DISCO DE FREIO E COROSEIRA, DISCO DE FREIO E COROSEIRA, DISCO DE FREIO E COROAAAAA
INSPEÇÃO DO DISCO DEINSPEÇÃO DO DISCO DEINSPEÇÃO DO DISCO DEINSPEÇÃO DO DISCO DEINSPEÇÃO DO DISCO DE
FREIOFREIOFREIOFREIOFREIO TRATRATRATRATRASEIROSEIROSEIROSEIROSEIRO
1. Verifique:
• Disco de freio.
Danificado/atrito → Substituir.
2. Meça:
• Espessura do disco de freio.
Meça a espessura do disco de freio em
pontos diferentes.
Fora de especificação → Substituir.
3. Meça:
• Deflexão do disco de freio.
Fora de especificação → Corrija a
deflexão do disco de freio ou substitua
o disco de freio.
**********************************************************************************************************************************************************************************************
a. Coloque a motocicleta em um suporte
adequado para que a roda traseira fique
suspensa.
b. Retire a pinça do freio.
c. Segure o medidor em ângulo reto com
relação à superfície do disco de freio.
d. Meça a deflexão 1,5 mm abaixo da borda
do disco de freio.
**********************************************************************************************************************************************************************************************
Limite de deflexãoLimite de deflexãoLimite de deflexãoLimite de deflexãoLimite de deflexão do disco de freiodo disco de freiodo disco de freiodo disco de freiodo disco de freio
(máximo)(máximo)(máximo)(máximo)(máximo)
0,10,10,10,10,15 mm5 mm5 mm5 mm5 mm
Limite deLimite deLimite deLimite deLimite de espessura do disco deespessura do disco deespessura do disco deespessura do disco deespessura do disco de
freiofreiofreiofreiofreio (m(m(m(m(míniíniíniíniínimo)mo)mo)mo)mo)
4,5 mm4,5 mm4,5 mm4,5 mm4,5 mm
CHACHACHACHACHASSSSS
4 – 15
RODRODRODRODRODAAAAA TRATRATRATRATRASEIRA, DISCO DE FREIO E COROSEIRA, DISCO DE FREIO E COROSEIRA, DISCO DE FREIO E COROSEIRA, DISCO DE FREIO E COROSEIRA, DISCO DE FREIO E COROAAAAA
INSPEÇÃO DO CUBOINSPEÇÃO DO CUBOINSPEÇÃO DO CUBOINSPEÇÃO DO CUBOINSPEÇÃO DO CUBO
1. Verifique:
• Cubo da roda traseira 1.
Rachaduras/danos → Substituir.
• Empeno da face de fixação do disco.
4. Ajuste:
• Deflexão do disco de freio.
**********************************************************************************************************************************************************************************************
a. Remova o disco de freio.
b. Desloque o disco de freio de um orifício
do parafuso para outro.
c. Instale o disco de freio.
d. Meça a deflexão do disco de freio.
e. Caso esteja fora da especificação, repita
as etapas de ajuste até que a deflexão fi-
que dentro da especificação.
f. Se a deflexão do disco de freio não puder
entrar na especificação, substitua o disco.
NONONONONOTTTTTA:A:A:A:A:
Fixe os parafusos do disco de freio em
padrão cruzado.
PPPPParafuso do disco de freio:arafuso do disco de freio:arafuso do disco de freio:arafuso do disco de freio:arafuso do disco de freio:
2,8 k2,8 k2,8 k2,8 k2,8 kgfgfgfgfgf.m (28 N.m).m (28 N.m).m (28 N.m).m (28 N.m).m (28 N.m)
LOCTITELOCTITELOCTITELOCTITELOCTITER
CHACHACHACHACHASSSSS
4 – 16
RODRODRODRODRODAAAAA TRATRATRATRATRASEIRA, DISCO DE FREIO E COROSEIRA, DISCO DE FREIO E COROSEIRA, DISCO DE FREIO E COROSEIRA, DISCO DE FREIO E COROSEIRA, DISCO DE FREIO E COROAAAAA
INSINSINSINSINSTTTTTALAÇÃO DALAÇÃO DALAÇÃO DALAÇÃO DALAÇÃO DA RODA RODA RODA RODA RODAAAAA TRATRATRATRATRASEIRASEIRASEIRASEIRASEIRA
1. Lubrifique:
• Eixo da roda.
• Lábios do retentor de óleo.
2. Instale:
• Os espaçadores 1 da roda traseira.
5. Ajuste:
• Folga da corrente.
6. Aperte:
• Porca do eixo.
PPPPPorca do eixorca do eixorca do eixorca do eixorca do eixo:o:o:o:o:
8,5 k8,5 k8,5 k8,5 k8,5 kgfgfgfgfgf.m (85 N.m).m (85 N.m).m (85 N.m).m (85 N.m).m (85 N.m)
FFFFFolgolgolgolgolga da cora da cora da cora da cora da corrente:rente:rente:rente:rente:
25 ~ 35 mm25 ~ 35 mm25 ~ 35 mm25 ~ 35 mm25 ~ 35 mm
Lubrificante recomendado:Lubrificante recomendado:Lubrificante recomendado:Lubrificante recomendado:Lubrificante recomendado:
Graxa à base de sabão de lítioGraxa à base de sabão de lítioGraxa à base de sabão de lítioGraxa à base de sabão de lítioGraxa à base de sabão de lítio
3. Instale:
• A roda traseira.
• A corrente de transmissão na coroa.
4. Instale:
• O eixo 1 da roda traseira com a arruela
2 do lado esquerdo.
• A arruela de controle da folga da
corrente do lado direito.
• A porca do eixo da roda traseira.
CHACHACHACHACHASSSSS
4 – 17
RODRODRODRODRODAAAAA TRATRATRATRATRASEIRA, DISCO DE FREIO E COROSEIRA, DISCO DE FREIO E COROSEIRA, DISCO DE FREIO E COROSEIRA, DISCO DE FREIO E COROSEIRA, DISCO DE FREIO E COROAAAAA
INSPEÇÃO E SUBSINSPEÇÃO E SUBSINSPEÇÃO E SUBSINSPEÇÃO E SUBSINSPEÇÃO E SUBSTITUIÇÃO DTITUIÇÃO DTITUIÇÃO DTITUIÇÃO DTITUIÇÃO DAAAAA
COROCOROCOROCOROCOROAAAAA
1. Verifique:
• Coroa.
Desgaste maior do que 1/4 de dente
1 Rolete da corrente de transmissão.
2 Coroa.
a →Trocar relação.
Dente inclinado →Trocar relação.
b Correto.
2. Substitua:
• Coroa.
NONONONONOTTTTTA:A:A:A:A:
Posicione a roda traseira com o lado da coroa
voltado para cima.
*****************************************************************************************************************************************************************************************
a. Remova as porcas autotravantes e a
coroa.
b. Limpe o cubo com um pano limpo, espe-
cialmente as superfícies que entram em
contato com a coroa.
c. Instale a nova coroa.
PPPPPorca autotravante:orca autotravante:orca autotravante:orca autotravante:orca autotravante:
4,25 k4,25 k4,25 k4,25 k4,25 kgfgfgfgfgf.m (42,5 N.m).m (42,5 N.m).m (42,5 N.m).m (42,5 N.m).m (42,5 N.m)
NONONONONOTTTTTA:A:A:A:A:
Fixe as porcas autotravantes em etapas e em
padrão cruzado.
*****************************************************************************************************************************************************************************************
CHACHACHACHACHASSSSS
4 – 18
FREIO DIANFREIO DIANFREIO DIANFREIO DIANFREIO DIANTEIROTEIROTEIROTEIROTEIRO
FREIO DIANFREIO DIANFREIO DIANFREIO DIANFREIO DIANTEIROTEIROTEIROTEIROTEIRO
RRRRRemoemoemoemoemova a roda dianteirava a roda dianteirava a roda dianteirava a roda dianteirava a roda dianteira Remover as peças na ordem listada
1 Parafuso de fixação da pinça do freio 2 Consulte “REMOÇÃO DA RODA
2 Pinça do freio dianteiro 1 DIANTEIRA” e “INSTALAÇAO DA
3 Parafuso de sangria 1 RODA DIANTEIRA”
4 Parafusos-guia 2
5 Pastilha de freio 2
6 Mola 1
7 Pistões 2
8 Retentores 4
9 Mangueira de freio 1
10 Interruptor de freio 1
11 Reservatório do fluido 1
12 Fixador do cilindro mestre 1
13 Kit do cilindro mestre 1
14 Manete do freio 1
15 Disco de freio 1
Para instalação, reverter o
procedimento de remoção
Serviço/Peça Qtde. ObservaçãoOrdem
Coloque a motocicleta em um
suporte adequado para que a roda
dianteira fique suspensa.
NONONONONOTTTTTA:A:A:A:A:
CHACHACHACHACHASSSSS
4 – 19
FREIO DIANFREIO DIANFREIO DIANFREIO DIANFREIO DIANTEIROTEIROTEIROTEIROTEIRO
Os componentes do disco de freio rara-Os componentes do disco de freio rara-Os componentes do disco de freio rara-Os componentes do disco de freio rara-Os componentes do disco de freio rara-
mente exigem desmontagem.mente exigem desmontagem.mente exigem desmontagem.mente exigem desmontagem.mente exigem desmontagem.
PPPPPororororortanto, sempre sigtanto, sempre sigtanto, sempre sigtanto, sempre sigtanto, sempre siga estas medidas pre-a estas medidas pre-a estas medidas pre-a estas medidas pre-a estas medidas pre-
ventiventiventiventiventivas:vas:vas:vas:vas:
••••• Não desmonte os componentes de freioNão desmonte os componentes de freioNão desmonte os componentes de freioNão desmonte os componentes de freioNão desmonte os componentes de freio
a não ser quando absolutamente neces-a não ser quando absolutamente neces-a não ser quando absolutamente neces-a não ser quando absolutamente neces-a não ser quando absolutamente neces-
sário.sário.sário.sário.sário.
••••• SSSSSe uma conexão do sistema de freio hi-e uma conexão do sistema de freio hi-e uma conexão do sistema de freio hi-e uma conexão do sistema de freio hi-e uma conexão do sistema de freio hi-
dráulico for desfeita, todo o sistema de-dráulico for desfeita, todo o sistema de-dráulico for desfeita, todo o sistema de-dráulico for desfeita, todo o sistema de-dráulico for desfeita, todo o sistema de-
verá ser desmontado, drenado, limpo,verá ser desmontado, drenado, limpo,verá ser desmontado, drenado, limpo,verá ser desmontado, drenado, limpo,verá ser desmontado, drenado, limpo,
abastecido adequadamente e sangradoabastecido adequadamente e sangradoabastecido adequadamente e sangradoabastecido adequadamente e sangradoabastecido adequadamente e sangrado
após a montagem.após a montagem.após a montagem.após a montagem.após a montagem.
••••• Nunca utilizNunca utilizNunca utilizNunca utilizNunca utilize solventes nos componen-e solventes nos componen-e solventes nos componen-e solventes nos componen-e solventes nos componen-
tes internos do freio.tes internos do freio.tes internos do freio.tes internos do freio.tes internos do freio.
••••• Use apenas fluido de freio limpo ou noUse apenas fluido de freio limpo ou noUse apenas fluido de freio limpo ou noUse apenas fluido de freio limpo ou noUse apenas fluido de freio limpo ou novvvvvooooo
para limpar os componentes.para limpar os componentes.para limpar os componentes.para limpar os componentes.para limpar os componentes.
••••• O fluido de freio pode danificar superfí-O fluido de freio pode danificar superfí-O fluido de freio pode danificar superfí-O fluido de freio pode danificar superfí-O fluido de freio pode danificar superfí-
cies pintadas e peças plásticas.cies pintadas e peças plásticas.cies pintadas e peças plásticas.cies pintadas e peças plásticas.cies pintadas e peças plásticas.
PPPPPororororortanto, sempre limpe o fluido de freiotanto, sempre limpe o fluido de freiotanto, sempre limpe o fluido de freiotanto, sempre limpe o fluido de freiotanto, sempre limpe o fluido de freio
respingrespingrespingrespingrespingado, imediatamente.ado, imediatamente.ado, imediatamente.ado, imediatamente.ado, imediatamente.
••••• Evite que o fluido de freio entre em con-Evite que o fluido de freio entre em con-Evite que o fluido de freio entre em con-Evite que o fluido de freio entre em con-Evite que o fluido de freio entre em con-
tato com os olhos, pois pode protato com os olhos, pois pode protato com os olhos, pois pode protato com os olhos, pois pode protato com os olhos, pois pode provvvvvocarocarocarocarocar
ferimentos graves.ferimentos graves.ferimentos graves.ferimentos graves.ferimentos graves.
Apóie firmemente a motocicleta de modo queApóie firmemente a motocicleta de modo queApóie firmemente a motocicleta de modo queApóie firmemente a motocicleta de modo queApóie firmemente a motocicleta de modo que
não haja risco de queda.não haja risco de queda.não haja risco de queda.não haja risco de queda.não haja risco de queda.
NONONONONOTTTTTA:A:A:A:A:
Não é necessária a desmontagem da pinça
e mangueira de freio para fazer a troca das
pastilhas.
1. Solte:
• Os parafusos-guia 1, sem removê-los.
2. Remova:
• O parafuso de fixação da pinça de freio
2.
SUBSSUBSSUBSSUBSSUBSTITUIÇÃO DTITUIÇÃO DTITUIÇÃO DTITUIÇÃO DTITUIÇÃO DAAAAAS PS PS PS PS PAAAAASSSSSTILHATILHATILHATILHATILHASSSSS
DO FREIO DIANDO FREIO DIANDO FREIO DIANDO FREIO DIANDO FREIO DIANTEIROTEIROTEIROTEIROTEIRO
CHACHACHACHACHASSSSS
4 – 20
FREIO DIANFREIO DIANFREIO DIANFREIO DIANFREIO DIANTEIROTEIROTEIROTEIROTEIRO
3. Remova:
• Pinça de freio.
• Os parafusos-guia.
• Pastilhas de freio 1.
• A mola.
5. Verifique:
• Parafusos-guia.
Danos/desgaste → Substituir.
4. Meça:
• Limite de desgaste das pastilhas do
freio a.
Fora da especificação → Substitua as
pastilhas de freio como um conjunto.
Limite de desgLimite de desgLimite de desgLimite de desgLimite de desgasteasteasteasteaste aaaaa:::::
0,8 mm0,8 mm0,8 mm0,8 mm0,8 mm
6. Instale:
• A mola.
• Pastilhas.
NONONONONOTTTTTA:A:A:A:A:
Sempre substitua a mola e as pastilhas de
freio como um conjunto.
**********************************************************************************************************************************************************************************************
a. Conecte firmemente uma mangueira trans-
parente de plástico 1 ao parafuso de san-
gria 2. Coloque a outra extremidade da
mangueira em um vasilhame aberto.
b. Solte o parafuso de sangria e empurre os
pistões dentro da pinça do freio com os
dedos.
c. Fixe o parafuso de sangria.
PPPPParafuso de sangria:arafuso de sangria:arafuso de sangria:arafuso de sangria:arafuso de sangria:
1,4 k1,4 k1,4 k1,4 k1,4 kgfgfgfgfgf.m (1.m (1.m (1.m (1.m (14 N.m)4 N.m)4 N.m)4 N.m)4 N.m)
d. Instale a nova mola e as pastilhas de freio.
Observe que existe apenas uma posiçãoObserve que existe apenas uma posiçãoObserve que existe apenas uma posiçãoObserve que existe apenas uma posiçãoObserve que existe apenas uma posição
1 de montagem da mola.de montagem da mola.de montagem da mola.de montagem da mola.de montagem da mola.
**********************************************************************************************************************************************************************************************
CHACHACHACHACHASSSSS
4 – 21
FREIO DIANFREIO DIANFREIO DIANFREIO DIANFREIO DIANTEIROTEIROTEIROTEIROTEIRO
7. Lubrifique:
• Parafuso de segurança (corpo da
pinça).
• Eixo-guia da pinça 1.
Lubrificante recomendado:Lubrificante recomendado:Lubrificante recomendado:Lubrificante recomendado:Lubrificante recomendado:
Graxa à base de sabão de lítio.Graxa à base de sabão de lítio.Graxa à base de sabão de lítio.Graxa à base de sabão de lítio.Graxa à base de sabão de lítio.
••••• Cuidado para não sujar as pastilhas comCuidado para não sujar as pastilhas comCuidado para não sujar as pastilhas comCuidado para não sujar as pastilhas comCuidado para não sujar as pastilhas com
graxa.graxa.graxa.graxa.graxa.
••••• Limpe as parLimpe as parLimpe as parLimpe as parLimpe as partes sujas de graxa.tes sujas de graxa.tes sujas de graxa.tes sujas de graxa.tes sujas de graxa.
8. Instale:
• Os parafusos-guia 1 das pastilhas sem
apertá-los.
• A pinça de freio.
• Os parafusos 2 de fixação da pinça na
bengala.
PPPPParafusos de fixação da pinça:arafusos de fixação da pinça:arafusos de fixação da pinça:arafusos de fixação da pinça:arafusos de fixação da pinça:
4,0 k4,0 k4,0 k4,0 k4,0 kgfgfgfgfgf.m (40 N.m).m (40 N.m).m (40 N.m).m (40 N.m).m (40 N.m)
9. Aperte:
• Os parafusos-guia.
PPPPParafuso-guia:arafuso-guia:arafuso-guia:arafuso-guia:arafuso-guia:
1,8 k1,8 k1,8 k1,8 k1,8 kgfgfgfgfgf.m (1.m (1.m (1.m (1.m (18 N.m)8 N.m)8 N.m)8 N.m)8 N.m)
10. Verifique:
• Nível do fluido de freio 1.
Consulte“VERIFICAÇÃO DO FLUIDO DE
FREIO” no capítulo 3.
11. Verifique:
• Funcionamento do manete de freio.
Uma sensação macia ou esponjosa →
Sangre o freio.
Consulte “SANGRIA DE AR” no capí-
tulo 3.
CHACHACHACHACHASSSSS
4 – 22
FREIO DIANFREIO DIANFREIO DIANFREIO DIANFREIO DIANTEIROTEIROTEIROTEIROTEIRO
CILINDRO MESCILINDRO MESCILINDRO MESCILINDRO MESCILINDRO MESTRE DIANTRE DIANTRE DIANTRE DIANTRE DIANTEIROTEIROTEIROTEIROTEIRO
REMOÇÃOREMOÇÃOREMOÇÃOREMOÇÃOREMOÇÃO
Apóie firmemente a motocicleta de modo queApóie firmemente a motocicleta de modo queApóie firmemente a motocicleta de modo queApóie firmemente a motocicleta de modo queApóie firmemente a motocicleta de modo que
não haja risco de queda.não haja risco de queda.não haja risco de queda.não haja risco de queda.não haja risco de queda.
NONONONONOTTTTTA:A:A:A:A:
Antes de desmontar o cilindro mestre, drenar
o fluido de freio.
1. Remova:
• Espelho (LD) 1.
• Porca 3 (manete de freio).
• Parafuso 4 (manete de freio).
• Manete de freio 2.
• Mola de retorno do manete de freio.
• Interruptor de freio 5.
NONONONONOTTTTTA:A:A:A:A:
Remova o interruptor 1 de freio,
empurrando o limitador (seta) para cima
conforme a figura.
2. Afrouxe:
• Parafuso de união 1.
NONONONONOTTTTTA:A:A:A:A:
Afrouxe apenas um pouco o parafuso de
união para que o fluido de freio não vaze.
3. Remova:
• Os parafusos 1 do fixador do cilindro
mestre.
• Cilindro mestre.
CHACHACHACHACHASSSSS
4 – 23
FREIO DIANFREIO DIANFREIO DIANFREIO DIANFREIO DIANTEIROTEIROTEIROTEIROTEIRO
4. Remova:
• Parafuso de união 1.
• Arruelas de cobre 2.
NONONONONOTTTTTA:A:A:A:A:
Posicione um vasilhame sob o cilindro
mestre para captar o restante do fluido de
freio.
NONONONONOTTTTTA:A:A:A:A:
Remova o anel-trava, usando um alicate de
anéis 1.
INSPEÇÃOINSPEÇÃOINSPEÇÃOINSPEÇÃOINSPEÇÃO
1. Verifique:
• Reservatório do cilindro mestre diantei-
ro 1.
Rachaduras/danos → Substituir.
• Diafragma do reservatório dianteiro 2.
Danos/desgastes → Substituir.
• Protetor de pó 3.
• Anel-trava 4.
• Kit do cilindro mestre 5.
TTTTTodas as peças internas devem ser limpas comodas as peças internas devem ser limpas comodas as peças internas devem ser limpas comodas as peças internas devem ser limpas comodas as peças internas devem ser limpas com
fluido de freio nofluido de freio nofluido de freio nofluido de freio nofluido de freio novvvvvo. Não usar solvente, poiso. Não usar solvente, poiso. Não usar solvente, poiso. Não usar solvente, poiso. Não usar solvente, pois
isto causará deformações.isto causará deformações.isto causará deformações.isto causará deformações.isto causará deformações.
2. Verifique:
• Cilindro mestre 2.
Desgaste/riscos → Troque conjunto
cilindro mestre.
• Passagem de fluido de freio 1 (cilindro
mestre).
Sopre com ar comprimido.
3. Verifique:
• Mangueira de freio.
Rachadura/danos/desgaste → Substituir.
CHACHACHACHACHASSSSS
4 – 24
FREIO DIANFREIO DIANFREIO DIANFREIO DIANFREIO DIANTEIROTEIROTEIROTEIROTEIRO
1. Instale:
• Reparo do cilindro mestre 1.
• Anel-trava 2.
• Protetor de pó 3.
2. Instale:
• Cilindro mestre 1.
• Fixador do cilindro mestre do freio 2
• Instale o fixador do cilindro mestre com
a marca "UP" a voltada para cima.
• Alinhe a borda do fixador do cilindro
mestre com a marca de punção b no
guidão.
• Primeiro aperte o parafuso superior,
depois o inferior.
PPPPParafuso fixador do cilindro mestre:arafuso fixador do cilindro mestre:arafuso fixador do cilindro mestre:arafuso fixador do cilindro mestre:arafuso fixador do cilindro mestre:
1,0 k1,0 k1,0 k1,0 k1,0 kgfgfgfgfgf.m (1.m (1.m (1.m (1.m (10 N.m)0 N.m)0 N.m)0 N.m)0 N.m)
MONMONMONMONMONTTTTTAAAAAGEM E INSGEM E INSGEM E INSGEM E INSGEM E INSTTTTTALAÇÃOALAÇÃOALAÇÃOALAÇÃOALAÇÃO
Antes da instalação, todos os componentesAntes da instalação, todos os componentesAntes da instalação, todos os componentesAntes da instalação, todos os componentesAntes da instalação, todos os componentes
internos do freio devem ser limpos e lubrifi-internos do freio devem ser limpos e lubrifi-internos do freio devem ser limpos e lubrifi-internos do freio devem ser limpos e lubrifi-internos do freio devem ser limpos e lubrifi-
cados com fluido de freio nocados com fluido de freio nocados com fluido de freio nocados com fluido de freio nocados com fluido de freio novvvvvo.o.o.o.o.
••••• Nunca use solventes em componentes in-Nunca use solventes em componentes in-Nunca use solventes em componentes in-Nunca use solventes em componentes in-Nunca use solventes em componentes in-
ternos do freio.ternos do freio.ternos do freio.ternos do freio.ternos do freio.
••••• SSSSSempre que o cilindro mestre for desmon-empre que o cilindro mestre for desmon-empre que o cilindro mestre for desmon-empre que o cilindro mestre for desmon-empre que o cilindro mestre for desmon-
tado, substitua as vedações do pistão e guartado, substitua as vedações do pistão e guartado, substitua as vedações do pistão e guartado, substitua as vedações do pistão e guartado, substitua as vedações do pistão e guar-----
da pó.da pó.da pó.da pó.da pó.
Fluido de freio recomendado:Fluido de freio recomendado:Fluido de freio recomendado:Fluido de freio recomendado:Fluido de freio recomendado:
DODODODODOT 4T 4T 4T 4T 4
CHACHACHACHACHASSSSS
4 – 25
FREIO DIANFREIO DIANFREIO DIANFREIO DIANFREIO DIANTEIROTEIROTEIROTEIROTEIRO
3. Instale:
• Arruelas de cobre 2.
• Mangueira de freio 3.
• Parafuso de união 1.
PPPPParafuso de união:arafuso de união:arafuso de união:arafuso de união:arafuso de união:
0,3 k0,3 k0,3 k0,3 k0,3 kgfgfgfgfgf.m (3 N.m).m (3 N.m).m (3 N.m).m (3 N.m).m (3 N.m)
••••• É necessário fazÉ necessário fazÉ necessário fazÉ necessário fazÉ necessário fazer a corer a corer a corer a corer a correta passagem dareta passagem dareta passagem dareta passagem dareta passagem da
mangueira para gmangueira para gmangueira para gmangueira para gmangueira para garantir uma conduçãoarantir uma conduçãoarantir uma conduçãoarantir uma conduçãoarantir uma condução
segura.segura.segura.segura.segura.
••••• Use sempre noUse sempre noUse sempre noUse sempre noUse sempre novas arvas arvas arvas arvas arruelas de cobre.ruelas de cobre.ruelas de cobre.ruelas de cobre.ruelas de cobre.
NONONONONOTTTTTA:A:A:A:A:
• Instale a mangueira do freio dentro do
limite mostrado.
• Vire o guidão para a esquerda e direita
para se certificar de que a mangueira do
freio não toca outras peças (ex.: chicote,
cabos, terminais). Corrija se necessário.
NoNoNoNoNovvvvvooooo
4. Instale:
• Espelho (LD) 1.
• Mola de retorno do manete de freio.
• Manete de freio 2.
• Parafuso 4 (manete de freio).
• Porca 3 (manete de freio).
• Interruptor de freio 5.
PPPPParafuso do manete de freio:arafuso do manete de freio:arafuso do manete de freio:arafuso do manete de freio:arafuso do manete de freio:
1,0 k1,0 k1,0 k1,0 k1,0 kgfgfgfgfgf.m (1.m (1.m (1.m (1.m (10 N.m)0 N.m)0 N.m)0 N.m)0 N.m)
NONONONONOTTTTTA:A:A:A:A:
Aplique graxa à base de sabão de lítio na
articulação do manete de freio.
CHACHACHACHACHASSSSS
4 – 26
FREIO DIANFREIO DIANFREIO DIANFREIO DIANFREIO DIANTEIROTEIROTEIROTEIROTEIRO
5. Abasteça:
• Fluido de freio.
Fluido de freio recomendado:Fluido de freio recomendado:Fluido de freio recomendado:Fluido de freio recomendado:Fluido de freio recomendado:
DODODODODOT4T4T4T4T4
••••• Use apenas o fluido de freio indicado.Use apenas o fluido de freio indicado.Use apenas o fluido de freio indicado.Use apenas o fluido de freio indicado.Use apenas o fluido de freio indicado.
••••• Outros fluidos podem causar deterioraçãoOutros fluidos podem causar deterioraçãoOutros fluidos podem causar deterioraçãoOutros fluidos podem causar deterioraçãoOutros fluidos podem causar deterioração
das vedações de bordas vedações de bordas vedações de bordas vedações de bordas vedações de borracracracracracha, proha, proha, proha, proha, provvvvvocando va-ocando va-ocando va-ocando va-ocando va-
zamentos e a queda de desempenho doszamentos e a queda de desempenho doszamentos e a queda de desempenho doszamentos e a queda de desempenho doszamentos e a queda de desempenho dos
freios.freios.freios.freios.freios.
••••• RRRRReabasteça com o mesmo tipo de fluido deeabasteça com o mesmo tipo de fluido deeabasteça com o mesmo tipo de fluido deeabasteça com o mesmo tipo de fluido deeabasteça com o mesmo tipo de fluido de
freio que já existe no sistema. Misturar flui-freio que já existe no sistema. Misturar flui-freio que já existe no sistema. Misturar flui-freio que já existe no sistema. Misturar flui-freio que já existe no sistema. Misturar flui-
dos pode resultar em reação química dano-dos pode resultar em reação química dano-dos pode resultar em reação química dano-dos pode resultar em reação química dano-dos pode resultar em reação química dano-
sa, levando a queda de desempenho dossa, levando a queda de desempenho dossa, levando a queda de desempenho dossa, levando a queda de desempenho dossa, levando a queda de desempenho dos
freios.freios.freios.freios.freios.
••••• Quando reabastecer tome cuidado para queQuando reabastecer tome cuidado para queQuando reabastecer tome cuidado para queQuando reabastecer tome cuidado para queQuando reabastecer tome cuidado para que
água não entre no reservatório do cilindroágua não entre no reservatório do cilindroágua não entre no reservatório do cilindroágua não entre no reservatório do cilindroágua não entre no reservatório do cilindro
mestre do freio.mestre do freio.mestre do freio.mestre do freio.mestre do freio. A água diminuirá considera-A água diminuirá considera-A água diminuirá considera-A água diminuirá considera-A água diminuirá considera-
velmente o ponto de ebulição do fluido develmente o ponto de ebulição do fluido develmente o ponto de ebulição do fluido develmente o ponto de ebulição do fluido develmente o ponto de ebulição do fluido de
freio, podendo profreio, podendo profreio, podendo profreio, podendo profreio, podendo provvvvvocar vaporocar vaporocar vaporocar vaporocar vapor.....
6. Sangria de ar:
• Sistema de freio.
Consulte “SANGRIA DO SISTEMA DE
FREIO HIDRÁULICO”.
7. Verifique:
• Nível do fluido de freio.
• Folga no manete do freio.
O fluido de freio pode danificar superfí-O fluido de freio pode danificar superfí-O fluido de freio pode danificar superfí-O fluido de freio pode danificar superfí-O fluido de freio pode danificar superfí-
cies pintadas e peças plásticas. Pcies pintadas e peças plásticas. Pcies pintadas e peças plásticas. Pcies pintadas e peças plásticas. Pcies pintadas e peças plásticas. Pororororortanto,tanto,tanto,tanto,tanto,
limpe qualquer respingo de fluido imedia-limpe qualquer respingo de fluido imedia-limpe qualquer respingo de fluido imedia-limpe qualquer respingo de fluido imedia-limpe qualquer respingo de fluido imedia-
tamentetamentetamentetamentetamente.....
CHACHACHACHACHASSSSS
4 – 27
FREIO DIANFREIO DIANFREIO DIANFREIO DIANFREIO DIANTEIROTEIROTEIROTEIROTEIRO
PINÇA DE FREIO DIANPINÇA DE FREIO DIANPINÇA DE FREIO DIANPINÇA DE FREIO DIANPINÇA DE FREIO DIANTEIROTEIROTEIROTEIROTEIRO
RRRRRemoção da pinça do freio dianteiroemoção da pinça do freio dianteiroemoção da pinça do freio dianteiroemoção da pinça do freio dianteiroemoção da pinça do freio dianteiro Remover as peças na ordem listada
Parafusos de fixação da pinça de freio Consulte “REMOÇÃO DA RODA
1 Pinça de freio 1 DIANTEIRA” e “INSTALAÇAO DA
RODA DIANTEIRA”
Para instalação, reverter o
procedimento de remoção
Serviço/Peça Qtde. ObservaçãoOrdem
Coloque a motocicleta em um
suporte adequado para que a roda
dianteira fique suspensa.
NONONONONOTTTTTA:A:A:A:A:
CHACHACHACHACHASSSSS
4 – 28
FREIO DIANFREIO DIANFREIO DIANFREIO DIANFREIO DIANTEIROTEIROTEIROTEIROTEIRO
NONONONONOTTTTTA:A:A:A:A:
Antes de desmontar a pinça de freio, drene
o fluido de freio.
Somente solte o parafuso de união, sem
retirá-lo, para que o fluido de freio não vaze.
REMOÇÃOREMOÇÃOREMOÇÃOREMOÇÃOREMOÇÃO
1. Remova:
• Parafuso de união 1 da pinça de freio.
• Arruelas de cobre 2.
2. Solte:
• Os parafusos-guia 3, sem removê-los.
3. Remova:
• Parafuso de fixação da pinça de freio 4.
NONONONONOTTTTTA:A:A:A:A:
Posicione um vasilhame sob a pinça para
coletar o restante do fluido de freio.
4. Remova:
• Pinça.
• Pastilhas.
• Mola.
Consulte “TROCA DAS PASTILHAS DE
FREIO”.
5. Remova:
• Pistão 1.
• Os retentores 2.
**********************************************************************************************************************************************************************************************
PPPPPassos de remoção:assos de remoção:assos de remoção:assos de remoção:assos de remoção:
• Sopre com ar comprimido pelo tubo de jun-
ção para forçar o pistão a sair da pinça.
••••• Nunca tente forçar a retirada do pistão.Nunca tente forçar a retirada do pistão.Nunca tente forçar a retirada do pistão.Nunca tente forçar a retirada do pistão.Nunca tente forçar a retirada do pistão.
••••• Cubra o pistão com um pano.Cubra o pistão com um pano.Cubra o pistão com um pano.Cubra o pistão com um pano.Cubra o pistão com um pano.TTTTTome cuidadoome cuidadoome cuidadoome cuidadoome cuidado
para que o pistão não se danifique ao serpara que o pistão não se danifique ao serpara que o pistão não se danifique ao serpara que o pistão não se danifique ao serpara que o pistão não se danifique ao ser
expelido da pinça.expelido da pinça.expelido da pinça.expelido da pinça.expelido da pinça.
**********************************************************************************************************************************************************************************************
RRRRRemoemoemoemoemova o retentor do pistão, empurva o retentor do pistão, empurva o retentor do pistão, empurva o retentor do pistão, empurva o retentor do pistão, empurran-ran-ran-ran-ran-
do-o com a mão. Não use cdo-o com a mão. Não use cdo-o com a mão. Não use cdo-o com a mão. Não use cdo-o com a mão. Não use chave de fenda.have de fenda.have de fenda.have de fenda.have de fenda.
CHACHACHACHACHASSSSS
4 – 29
FREIO DIANFREIO DIANFREIO DIANFREIO DIANFREIO DIANTEIROTEIROTEIROTEIROTEIRO
INSPEÇÃOINSPEÇÃOINSPEÇÃOINSPEÇÃOINSPEÇÃO
••••• TTTTTodas as peças internas devem ser limpasodas as peças internas devem ser limpasodas as peças internas devem ser limpasodas as peças internas devem ser limpasodas as peças internas devem ser limpas
com fluido de freio nocom fluido de freio nocom fluido de freio nocom fluido de freio nocom fluido de freio novvvvvo. Não use solvente,o. Não use solvente,o. Não use solvente,o. Não use solvente,o. Não use solvente,
pois isto causará deformações.pois isto causará deformações.pois isto causará deformações.pois isto causará deformações.pois isto causará deformações.
••••• As peças internas devem ser lubrificadasAs peças internas devem ser lubrificadasAs peças internas devem ser lubrificadasAs peças internas devem ser lubrificadasAs peças internas devem ser lubrificadas
com fluido de freio antes de seremcom fluido de freio antes de seremcom fluido de freio antes de seremcom fluido de freio antes de seremcom fluido de freio antes de serem
reinstaladas.reinstaladas.reinstaladas.reinstaladas.reinstaladas.
Fluido de freio recomendado:Fluido de freio recomendado:Fluido de freio recomendado:Fluido de freio recomendado:Fluido de freio recomendado:
DODODODODOT 4T 4T 4T 4T 4
Cronograma recomendado para reposição
de componentes de freio
Pastilhas de freio Se necessário
Mangueiras de freio A cada quatro anos
Fluido de freio A cada dois anos e
sempre que o freio
for desmontado
1. Verifique:
• Cilindro da pinça.
Desgastes/riscos →Trocar o conjunto da
pinça.
• Pistões da pinça 2.
Riscos/oxidação/desgaste → Trocar o
conjunto da pinça.
• Corpo da pinça 1.
Trincas/danos → Trocar o conjunto da
pinça.
• Retentores de borracha 3.
Danos/desgastes →Trocar.
• Protetores de pó.
Danos/desgastes →Trocar
• Passagens de óleo (corpo da pinça)
Bloqueios → Soprar com ar comprimido.
TTTTTroque o retentor dos pistões e protetores deroque o retentor dos pistões e protetores deroque o retentor dos pistões e protetores deroque o retentor dos pistões e protetores deroque o retentor dos pistões e protetores de
pó sempre que a pinça for desmontada.pó sempre que a pinça for desmontada.pó sempre que a pinça for desmontada.pó sempre que a pinça for desmontada.pó sempre que a pinça for desmontada.
CHACHACHACHACHASSSSS
4 – 30
FREIO DIANFREIO DIANFREIO DIANFREIO DIANFREIO DIANTEIROTEIROTEIROTEIROTEIRO
2. Verifique:
• Suporte da pinça.
Danos →Troque o conjunto da pinça.
INSINSINSINSINSTTTTTALAÇÃOALAÇÃOALAÇÃOALAÇÃOALAÇÃO
2. Instale:
• Protetores de pó 3.
• Retentores dos pistões 1.
• Pistão no corpo da pinça 2.
NONONONONOTTTTTA:A:A:A:A:
Primeiro, monte o retentor 1 do pistão e o
protetor de pó, depois monte o pistão.
2. Instale:
• Suporte da pinça dianteira.
NONONONONOTTTTTA:A:A:A:A:
Posicione o protetor de borracha firmemente
no canal do pino-guia 1 ao instalar a pinça
de freio.
3. Instale:
• Mola. 1
• Pastilhas de freio. 2
• Parafusos-guia 3 das pastilhas de freio
sem apertá-los.
Consulte “TROCA DAS PASTILHAS DE
FREIO” no capítulo 4.
CHACHACHACHACHASSSSS
4 – 31
FREIO DIANFREIO DIANFREIO DIANFREIO DIANFREIO DIANTEIROTEIROTEIROTEIROTEIRO
4. Fixe:
• Os parafusos-guia 1 das pastilhas.
PPPPParafusos-guia:arafusos-guia:arafusos-guia:arafusos-guia:arafusos-guia:
1,8 k1,8 k1,8 k1,8 k1,8 kgfgfgfgfgf.m (1.m (1.m (1.m (1.m (18 N.m)8 N.m)8 N.m)8 N.m)8 N.m)
• A pinça de freio.
• Os parafusos 2 de fixação da pinça de
freio na bengala.
PPPPParafusos de fixação da pinça:arafusos de fixação da pinça:arafusos de fixação da pinça:arafusos de fixação da pinça:arafusos de fixação da pinça:
4,0 k4,0 k4,0 k4,0 k4,0 kgfgfgfgfgf.m (40 N.m).m (40 N.m).m (40 N.m).m (40 N.m).m (40 N.m)
• Arruelas de cobre 3.
• Parafuso de união 4 da pinça de freio.
PPPPParafuso de união da pinça:arafuso de união da pinça:arafuso de união da pinça:arafuso de união da pinça:arafuso de união da pinça:
3,0 k3,0 k3,0 k3,0 k3,0 kgfgfgfgfgf.m (30 N.m).m (30 N.m).m (30 N.m).m (30 N.m).m (30 N.m)
O posicionamento adequado da manguei-O posicionamento adequado da manguei-O posicionamento adequado da manguei-O posicionamento adequado da manguei-O posicionamento adequado da manguei-
ra de freio é essencial para gra de freio é essencial para gra de freio é essencial para gra de freio é essencial para gra de freio é essencial para garantir a ope-arantir a ope-arantir a ope-arantir a ope-arantir a ope-
ração segura da motocicleta. Consulteração segura da motocicleta. Consulteração segura da motocicleta. Consulteração segura da motocicleta. Consulteração segura da motocicleta. Consulte
"P"P"P"P"PAAAAASSSSSSSSSSAAAAAGEM DE CABOS" no capítulo 2.GEM DE CABOS" no capítulo 2.GEM DE CABOS" no capítulo 2.GEM DE CABOS" no capítulo 2.GEM DE CABOS" no capítulo 2.
••••• Quando instalar a mangueira de freio naQuando instalar a mangueira de freio naQuando instalar a mangueira de freio naQuando instalar a mangueira de freio naQuando instalar a mangueira de freio na
pinçapinçapinçapinçapinça 1, cer, cer, cer, cer, certifique-se de que o tubo do tertifique-se de que o tubo do tertifique-se de que o tubo do tertifique-se de que o tubo do tertifique-se de que o tubo do ter-----
minal metálicominal metálicominal metálicominal metálicominal metálico a toca o corpo da pinça detoca o corpo da pinça detoca o corpo da pinça detoca o corpo da pinça detoca o corpo da pinça de
freiofreiofreiofreiofreio b.....
••••• É necessário fazÉ necessário fazÉ necessário fazÉ necessário fazÉ necessário fazer a corer a corer a corer a corer a correta passagem dareta passagem dareta passagem dareta passagem dareta passagem da
mangueira de freio para gmangueira de freio para gmangueira de freio para gmangueira de freio para gmangueira de freio para garantir uma con-arantir uma con-arantir uma con-arantir uma con-arantir uma con-
dução segura.dução segura.dução segura.dução segura.dução segura.
••••• Use sempre arUse sempre arUse sempre arUse sempre arUse sempre arruelas de cobre noruelas de cobre noruelas de cobre noruelas de cobre noruelas de cobre novas.vas.vas.vas.vas.
CHACHACHACHACHASSSSS
4 – 32
FREIO DIANFREIO DIANFREIO DIANFREIO DIANFREIO DIANTEIROTEIROTEIROTEIROTEIRO
5. Abasteça:
• Fluido de freio.
Fluido de freio pode causar danos a superfí-Fluido de freio pode causar danos a superfí-Fluido de freio pode causar danos a superfí-Fluido de freio pode causar danos a superfí-Fluido de freio pode causar danos a superfí-
cies plásticas ou pintadas.cies plásticas ou pintadas.cies plásticas ou pintadas.cies plásticas ou pintadas.cies plásticas ou pintadas.
Fluido de freio recomendado:Fluido de freio recomendado:Fluido de freio recomendado:Fluido de freio recomendado:Fluido de freio recomendado:
DODODODODOT 4T 4T 4T 4T 4
••••• UsUsUsUsUseeeee apenas o fluapenas o fluapenas o fluapenas o fluapenas o fluiiiiido de freio recomendado,do de freio recomendado,do de freio recomendado,do de freio recomendado,do de freio recomendado,
caso contrário, os retentores de borcaso contrário, os retentores de borcaso contrário, os retentores de borcaso contrário, os retentores de borcaso contrário, os retentores de borracracracracracha po-ha po-ha po-ha po-ha po-
dem deteriorardem deteriorardem deteriorardem deteriorardem deteriorar, causando vazamentos e per, causando vazamentos e per, causando vazamentos e per, causando vazamentos e per, causando vazamentos e per-----
da de performance do freio.da de performance do freio.da de performance do freio.da de performance do freio.da de performance do freio.
••••• AbasteAbasteAbasteAbasteAbasteçaçaçaçaça com o mesmo tipo de flucom o mesmo tipo de flucom o mesmo tipo de flucom o mesmo tipo de flucom o mesmo tipo de fluiiiiido dedo dedo dedo dedo de
freio.freio.freio.freio.freio. A mistura de fluA mistura de fluA mistura de fluA mistura de fluA mistura de fluiiiiidos pode resultar emdos pode resultar emdos pode resultar emdos pode resultar emdos pode resultar em
uma reação química indesejada e causauma reação química indesejada e causauma reação química indesejada e causauma reação química indesejada e causauma reação química indesejada e causa
perda de performance do freio.perda de performance do freio.perda de performance do freio.perda de performance do freio.perda de performance do freio.
Ao abastecer o cilindro mestre, cuida-Ao abastecer o cilindro mestre, cuida-Ao abastecer o cilindro mestre, cuida-Ao abastecer o cilindro mestre, cuida-Ao abastecer o cilindro mestre, cuida-
do para não deixar entrar água.do para não deixar entrar água.do para não deixar entrar água.do para não deixar entrar água.do para não deixar entrar água. A águaA águaA águaA águaA água
abaixará significatiabaixará significatiabaixará significatiabaixará significatiabaixará significativamente o ponto devamente o ponto devamente o ponto devamente o ponto devamente o ponto de
ebulição do fluido e pode causar tam-ebulição do fluido e pode causar tam-ebulição do fluido e pode causar tam-ebulição do fluido e pode causar tam-ebulição do fluido e pode causar tam-
ponamento.ponamento.ponamento.ponamento.ponamento.
6. Sangria de ar:
• Sistema de freio.
Consulte “SANGRIA DE AR” no capítulo 3.
7. Verifique:
• Nível do fluido de freio.
Consulte “INSPEÇÃO DO FLUIDO DE
FREIO” no capítulo 3.
CHACHACHACHACHASSSSS
4 – 33
FREIOFREIOFREIOFREIOFREIO TRATRATRATRATRASEIROSEIROSEIROSEIROSEIRO
FREIOFREIOFREIOFREIOFREIO TRATRATRATRATRASEIROSEIROSEIROSEIROSEIRO
RRRRRemoção da roda e disco de freio dianteirosemoção da roda e disco de freio dianteirosemoção da roda e disco de freio dianteirosemoção da roda e disco de freio dianteirosemoção da roda e disco de freio dianteiros Remover as peças na ordem listada
1 Protetor da pinça do freio traseiro 1 Consulte “REMOÇÃO DA RODA
Roda traseira 1 TRASEIRA” e “INSTALAÇAO DA
3 Pinça do freio traseiro 1 RODATRASEIRA”
4 Parafuso de sangria 1
5 Parafuso guia 1
6 Pastilhas 2
7 Mola 1
8 Pistão 1
9 Retentores 2
10 Disco de freio 1
11 Mangueira de freio 1
12 Suportes da mangueira de freio 2
13 Reservatório do fluido de freio 1
14 Cilindro mestre do freio traseiro 1
15 Kit do cilindro mestre 1
Para instalação, reverter o
procedimento de remoção
Serviço/Peça Qtde. ObservaçãoOrdem
Coloque a motocicleta em um
suporte adequado para que a roda
dianteira fique suspensa.
NONONONONOTTTTTA:A:A:A:A:
CHACHACHACHACHASSSSS
4 – 34
FREIOFREIOFREIOFREIOFREIO TRATRATRATRATRASEIROSEIROSEIROSEIROSEIRO
Apóie firmemente a motocicleta de modo queApóie firmemente a motocicleta de modo queApóie firmemente a motocicleta de modo queApóie firmemente a motocicleta de modo queApóie firmemente a motocicleta de modo que
não haja risco de cairnão haja risco de cairnão haja risco de cairnão haja risco de cairnão haja risco de cair.....
NONONONONOTTTTTA:A:A:A:A:
Não é necessária a desmontagem da pinça
e mangueira de freio para fazer a troca das
pastilhas.
1. Solte:
• Os parafusos-guia 1 sem removê-los.
2. Remova:
• A roda traseira.
Consulte “RODA TRASEIRA” no capítu-
lo 4.
3. Remova:
• A pinça do suporte da balança.
4. Remova:
• Os parafusos-guia das pastilhas.
5. Remova:
• As pastilhas de freio 1.
SUBSSUBSSUBSSUBSSUBSTITUIÇÃO DTITUIÇÃO DTITUIÇÃO DTITUIÇÃO DTITUIÇÃO DAAAAAS PAS PAS PAS PAS PASSSSSTILHATILHATILHATILHATILHASSSSS
DE FREIODE FREIODE FREIODE FREIODE FREIO TRATRATRATRATRASEIROSEIROSEIROSEIROSEIRO
6. Meça:
• Limite de desgaste a.
Fora de especificação → Substitua as
pastilhas de freio como um conjunto.
Limite de desgLimite de desgLimite de desgLimite de desgLimite de desgaste da pastilhaaste da pastilhaaste da pastilhaaste da pastilhaaste da pastilha:::::
1,0 mm1,0 mm1,0 mm1,0 mm1,0 mm
CHACHACHACHACHASSSSS
4 – 35
FREIOFREIOFREIOFREIOFREIO TRATRATRATRATRASEIROSEIROSEIROSEIROSEIRO
************************************************************************************************************************************************************************************
a. Conecte um tubo de plástico transparente
1 firmemente ao parafuso de sangria 2.
Então, coloque a outra extremidade do tubo
em um vasilhame.
b. Afrouxe o parafuso de sangria e empurre o
pistão contra a pinça com a mão.
c. Aperte o parafuso de sangria.
PPPPParafuso de sangria:arafuso de sangria:arafuso de sangria:arafuso de sangria:arafuso de sangria:
0,6 k0,6 k0,6 k0,6 k0,6 kgfgfgfgfgf.m (6 N.m).m (6 N.m).m (6 N.m).m (6 N.m).m (6 N.m)
NONONONONOTTTTTA:A:A:A:A:
Sempre substitua a mola e as pastilhas de
freio como um conjunto.
d. Instale a nova mola e as pastilhas de freio.
************************************************************************************************************************************************************************************
7. Instale:
• Mola 1 das pastilhas.
• Pastilhas.
8. Instale:
• O suporte da pinça.
• Parafusos-guia 1 das pastilhas sem
apertá-los.
• A roda traseira.
Consulte “RODATRASEIRA” no capítulo 4.
CHACHACHACHACHASSSSS
4 – 36
FREIOFREIOFREIOFREIOFREIO TRATRATRATRATRASEIROSEIROSEIROSEIROSEIRO
9. Aperte:
• Os parafusos-guia 1.
PPPPParafusos-guia:arafusos-guia:arafusos-guia:arafusos-guia:arafusos-guia:
1,8 k1,8 k1,8 k1,8 k1,8 kgfgfgfgfgf.m (1.m (1.m (1.m (1.m (18 N.m)8 N.m)8 N.m)8 N.m)8 N.m)
10. Instale:
• O protetor plástico da pinça traseira.
PPPPParafusos do protetor:arafusos do protetor:arafusos do protetor:arafusos do protetor:arafusos do protetor:
0,65 k0,65 k0,65 k0,65 k0,65 kgfgfgfgfgf.m (6,5 N.m).m (6,5 N.m).m (6,5 N.m).m (6,5 N.m).m (6,5 N.m)
11. Verifique:
• Nível do fluido de freio.
Abaixo da marca de nível mínimo a.
Acrescente o fluido de freio recomen-
dado até o nível adequado.
Consulte "INSPEÇÃO DO NÍVEL DE
FLUIDO DE FREIO" no capítulo 3.
12. Verifique:
• Operação do pedal de freio.
Sensação macia ou esponjosa → San-
gre o sistema de freios.
Consulte "SANGRIA DO SISTEMA DE
FREIO HIDRÁULICO" no capítulo 3.
13. Ajuste:
• O interruptor de freio.
CHACHACHACHACHASSSSS
4 – 37
FREIOFREIOFREIOFREIOFREIO TRATRATRATRATRASEIROSEIROSEIROSEIROSEIRO
Apóie firmemente a motocicleta de modo queApóie firmemente a motocicleta de modo queApóie firmemente a motocicleta de modo queApóie firmemente a motocicleta de modo queApóie firmemente a motocicleta de modo que
não haja risco de queda.não haja risco de queda.não haja risco de queda.não haja risco de queda.não haja risco de queda.
NONONONONOTTTTTA:A:A:A:A:
Antes de desmontar o cilindro mestre
traseiro, drene o fluido de freio.
RESERRESERRESERRESERRESERVVVVVAAAAATÓRIO /TÓRIO /TÓRIO /TÓRIO /TÓRIO /
CILINDRO MESCILINDRO MESCILINDRO MESCILINDRO MESCILINDRO MESTRETRETRETRETRE TRATRATRATRATRASEIROSEIROSEIROSEIROSEIRO
REMOÇÃOREMOÇÃOREMOÇÃOREMOÇÃOREMOÇÃO
3. Remova:
• Parafuso de união 1 do cilindro mestre
traseiro.
• Arruelas de cobre 2.
• A extremidade da mangueira 3 de
saída no cilindro mestre.
• Braçadeira e a mangueira 4 de entrada
de fluido de freio no cilindro traseiro.
• A cupilha 5 do pino da junção do
cilindro.
• Arruela 6 do pino.
• O pino de fixação 7 da junção do
cilindro.
• Os parafusos 8 de fixação do cilindro
mestre.
• O cilindro mestre.
1. Desconecte:
• A braçadeira a.
• Mangueira de freio no reservatório.
NONONONONOTTTTTA:A:A:A:A:
Posicione um vasilhame sob o reservatório
para coletar o restante do fluido de freio.
2. Desconecte:
• O parafuso 1 de fixação do reservatório
no suporte do estribo.
• O reservatório.
CHACHACHACHACHASSSSS
4 – 38
FREIOFREIOFREIOFREIOFREIO TRATRATRATRATRASEIROSEIROSEIROSEIROSEIRO
INSPEÇÃOINSPEÇÃOINSPEÇÃOINSPEÇÃOINSPEÇÃO
V ADADADADADVERVERVERVERVERTÊNCIATÊNCIATÊNCIATÊNCIATÊNCIA
Apóie firmemente a motocicleta de modo queApóie firmemente a motocicleta de modo queApóie firmemente a motocicleta de modo queApóie firmemente a motocicleta de modo queApóie firmemente a motocicleta de modo que
não haja risco de queda.não haja risco de queda.não haja risco de queda.não haja risco de queda.não haja risco de queda.
NONONONONOTTTTTA:A:A:A:A:
Antes de desmontar o reservatório de freio,
drene o fluido de freio.
2. Verifique:
• Cilindro mestre 1.
Danos/riscos/desgastes → Substituir.
• Passagens do fluido de freio (corpo do
cilindro mestre)
Obstrução → Sopre com ar comprimido.
• Kit do 2 cilindro mestre.
Danos/riscos/desgastes → Substitua
como um conjunto.
3. Verifique:
• Mangueira de freio.
Rachaduras/danos/desgaste→ Substituir.
1. Verifique:
• Reservatório de fluido do freio traseiro
1.
Rachaduras/danos → Substituir.
• Diafragma do reservatório traseiro 2.
Rachaduras/danos → Substituir.
• Fixador do diafragma do reservatório
traseiro 3.
Danificado/desgaste → Substituir.
CHACHACHACHACHASSSSS
4 – 39
FREIOFREIOFREIOFREIOFREIO TRATRATRATRATRASEIROSEIROSEIROSEIROSEIRO
PPPPParafuso de união do cilindro:arafuso de união do cilindro:arafuso de união do cilindro:arafuso de união do cilindro:arafuso de união do cilindro:
3,0 k3,0 k3,0 k3,0 k3,0 kgfgfgfgfgf.m (30 N.m).m (30 N.m).m (30 N.m).m (30 N.m).m (30 N.m)
2. Instale:
• Os parafusos 7 de fixação do cilindro
mestre.
PPPPParafusos de fixação do cilindro:arafusos de fixação do cilindro:arafusos de fixação do cilindro:arafusos de fixação do cilindro:arafusos de fixação do cilindro:
4,7 k4,7 k4,7 k4,7 k4,7 kgfgfgfgfgf.m (47 N.m).m (47 N.m).m (47 N.m).m (47 N.m).m (47 N.m)
• O pino de fixação 1 da junção do
cilindro.
• Arruela 2 do pino.
• A cupilha 3 do pino da junção do
cilindro.
NONONONONOTTTTTA:A:A:A:A:
Instale a cupilha e dobre as pontas como
mostrado.
• Braçadeira e a mangueira 4 de entrada
de fluido de freio no cilindro traseiro.
• A extremidade da mangueira 8 de saída
de fluido de freio do cilindro traseiro.
• Arruelas de cobre 5.
• Parafuso de união 6 do cilindro mestre
traseiro.
1. Instale:
• O kit do cilindro mestre.
• O cilindro mestre.
Antes da instalação, todos os componentesAntes da instalação, todos os componentesAntes da instalação, todos os componentesAntes da instalação, todos os componentesAntes da instalação, todos os componentes
internos do freio devem ser limpos e lubrifi-internos do freio devem ser limpos e lubrifi-internos do freio devem ser limpos e lubrifi-internos do freio devem ser limpos e lubrifi-internos do freio devem ser limpos e lubrifi-
cados com fluido de freio nocados com fluido de freio nocados com fluido de freio nocados com fluido de freio nocados com fluido de freio novvvvvo.o.o.o.o.
••••• Nunca use solventes em componentes in-Nunca use solventes em componentes in-Nunca use solventes em componentes in-Nunca use solventes em componentes in-Nunca use solventes em componentes in-
ternos do freio.ternos do freio.ternos do freio.ternos do freio.ternos do freio.
••••• SSSSSempre que o cilindro mestre for desmon-empre que o cilindro mestre for desmon-empre que o cilindro mestre for desmon-empre que o cilindro mestre for desmon-empre que o cilindro mestre for desmon-
tado, substitua as vedações do pistão e guartado, substitua as vedações do pistão e guartado, substitua as vedações do pistão e guartado, substitua as vedações do pistão e guartado, substitua as vedações do pistão e guar-----
da pó.da pó.da pó.da pó.da pó.
Fluido de freio recomendado:Fluido de freio recomendado:Fluido de freio recomendado:Fluido de freio recomendado:Fluido de freio recomendado:
DODODODODOT 4T 4T 4T 4T 4
MONMONMONMONMONTTTTTAAAAAGEM E INSGEM E INSGEM E INSGEM E INSGEM E INSTTTTTALAÇÃOALAÇÃOALAÇÃOALAÇÃOALAÇÃO
CHACHACHACHACHASSSSS
4 – 40
FREIOFREIOFREIOFREIOFREIO TRATRATRATRATRASEIROSEIROSEIROSEIROSEIRO
••••• Use apenas o fluido de freio indicado.Use apenas o fluido de freio indicado.Use apenas o fluido de freio indicado.Use apenas o fluido de freio indicado.Use apenas o fluido de freio indicado.
Outros fluidos podem causar deterioração dasOutros fluidos podem causar deterioração dasOutros fluidos podem causar deterioração dasOutros fluidos podem causar deterioração dasOutros fluidos podem causar deterioração das
vedações de borvedações de borvedações de borvedações de borvedações de borracracracracracha, proha, proha, proha, proha, provvvvvocando vazamen-ocando vazamen-ocando vazamen-ocando vazamen-ocando vazamen-
tos e a queda de desempenho dos freios.tos e a queda de desempenho dos freios.tos e a queda de desempenho dos freios.tos e a queda de desempenho dos freios.tos e a queda de desempenho dos freios.
••••• RRRRReabasteça com o mesmo tipo de fluido deeabasteça com o mesmo tipo de fluido deeabasteça com o mesmo tipo de fluido deeabasteça com o mesmo tipo de fluido deeabasteça com o mesmo tipo de fluido de
freio que já existe no sistema. Misturar flui-freio que já existe no sistema. Misturar flui-freio que já existe no sistema. Misturar flui-freio que já existe no sistema. Misturar flui-freio que já existe no sistema. Misturar flui-
dos pode resultar em reação química dano-dos pode resultar em reação química dano-dos pode resultar em reação química dano-dos pode resultar em reação química dano-dos pode resultar em reação química dano-
sa, levando a queda de desempenho dossa, levando a queda de desempenho dossa, levando a queda de desempenho dossa, levando a queda de desempenho dossa, levando a queda de desempenho dos
freios.freios.freios.freios.freios.
••••• Quando reabastecer tome cuidado para queQuando reabastecer tome cuidado para queQuando reabastecer tome cuidado para queQuando reabastecer tome cuidado para queQuando reabastecer tome cuidado para que
água não entre no reservatório do cilindroágua não entre no reservatório do cilindroágua não entre no reservatório do cilindroágua não entre no reservatório do cilindroágua não entre no reservatório do cilindro
mestre do freio.mestre do freio.mestre do freio.mestre do freio.mestre do freio. A água diminuirá conside-A água diminuirá conside-A água diminuirá conside-A água diminuirá conside-A água diminuirá conside-
ravelmente o ponto de ebulição do fluidoravelmente o ponto de ebulição do fluidoravelmente o ponto de ebulição do fluidoravelmente o ponto de ebulição do fluidoravelmente o ponto de ebulição do fluido
de freio, podendo prode freio, podendo prode freio, podendo prode freio, podendo prode freio, podendo provvvvvocar vaporocar vaporocar vaporocar vaporocar vapor.....
O fluido de freio pode danificar superfíciesO fluido de freio pode danificar superfíciesO fluido de freio pode danificar superfíciesO fluido de freio pode danificar superfíciesO fluido de freio pode danificar superfícies
pintadas e peças plásticas. Ppintadas e peças plásticas. Ppintadas e peças plásticas. Ppintadas e peças plásticas. Ppintadas e peças plásticas. Pororororortanto, limpetanto, limpetanto, limpetanto, limpetanto, limpe
qualquer respingo de fluido imediatamente.qualquer respingo de fluido imediatamente.qualquer respingo de fluido imediatamente.qualquer respingo de fluido imediatamente.qualquer respingo de fluido imediatamente.
5. Sangria de ar:
• Sistema de freio.
Consulte “SANGRIA DE AR” no capítulo 3.
6. Verifique:
• O nível do fluido de freio.
7. Ajuste:
• Interruptor da luz de freio.
Consulte “AJUSTE DO INTERRUPTOR DO
FREIOTRASEIRO” no capítulo 3.
3. Ajuste:
• Gire o parafuso de ajuste 2 até que a
folga livre a esteja dentro dos limites
especificados, ao final aperte a
contraporca 3.
NONONONONOTTTTTA:A:A:A:A:
Folga livre a 5 mm.
4. Abasteça:
• Fluido de freio.
Fluido de freio recomendado:Fluido de freio recomendado:Fluido de freio recomendado:Fluido de freio recomendado:Fluido de freio recomendado:
DODODODODOT 4T 4T 4T 4T 4
CHACHACHACHACHASSSSS
4 – 41
FREIOFREIOFREIOFREIOFREIO TRATRATRATRATRASEIROSEIROSEIROSEIROSEIRO
INSINSINSINSINSTTTTTALAÇÃO DO RESERALAÇÃO DO RESERALAÇÃO DO RESERALAÇÃO DO RESERALAÇÃO DO RESERVVVVVAAAAATÓRIO DETÓRIO DETÓRIO DETÓRIO DETÓRIO DE
FREIOFREIOFREIOFREIOFREIO TRATRATRATRATRASEIROSEIROSEIROSEIROSEIRO
1. Instale:
• O reservatório em seu alojamento.
• O parafuso de fixação 1 do reservatório
no suporte do estribo.
PPPPParafuso do reservatório:arafuso do reservatório:arafuso do reservatório:arafuso do reservatório:arafuso do reservatório:
0,4 k0,4 k0,4 k0,4 k0,4 kgfgfgfgfgf.m (4 N.m).m (4 N.m).m (4 N.m).m (4 N.m).m (4 N.m)
2. Instale:
• Mangueira de freio no reservatório
junto com a sua braçadeira.
••••• Use apenas o fluido de freio indicado.Use apenas o fluido de freio indicado.Use apenas o fluido de freio indicado.Use apenas o fluido de freio indicado.Use apenas o fluido de freio indicado.
Outros fluidos podem causar deterioração dasOutros fluidos podem causar deterioração dasOutros fluidos podem causar deterioração dasOutros fluidos podem causar deterioração dasOutros fluidos podem causar deterioração das
vedações de borvedações de borvedações de borvedações de borvedações de borracracracracracha, proha, proha, proha, proha, provvvvvocando vazamen-ocando vazamen-ocando vazamen-ocando vazamen-ocando vazamen-
tos e a queda de desempenho dos freios.tos e a queda de desempenho dos freios.tos e a queda de desempenho dos freios.tos e a queda de desempenho dos freios.tos e a queda de desempenho dos freios.
••••• RRRRReabasteça com o mesmo tipo de fluido deeabasteça com o mesmo tipo de fluido deeabasteça com o mesmo tipo de fluido deeabasteça com o mesmo tipo de fluido deeabasteça com o mesmo tipo de fluido de
freio que já existe no sistema. Misturar flui-freio que já existe no sistema. Misturar flui-freio que já existe no sistema. Misturar flui-freio que já existe no sistema. Misturar flui-freio que já existe no sistema. Misturar flui-
dos pode resultar em reação química dano-dos pode resultar em reação química dano-dos pode resultar em reação química dano-dos pode resultar em reação química dano-dos pode resultar em reação química dano-
sa, levando a queda de desempenho dossa, levando a queda de desempenho dossa, levando a queda de desempenho dossa, levando a queda de desempenho dossa, levando a queda de desempenho dos
freios.freios.freios.freios.freios.
••••• Quando reabastecer tome cuidado para queQuando reabastecer tome cuidado para queQuando reabastecer tome cuidado para queQuando reabastecer tome cuidado para queQuando reabastecer tome cuidado para que
água não entre no reservatório do cilindroágua não entre no reservatório do cilindroágua não entre no reservatório do cilindroágua não entre no reservatório do cilindroágua não entre no reservatório do cilindro
mestre do freio.mestre do freio.mestre do freio.mestre do freio.mestre do freio. A água diminuirá conside-A água diminuirá conside-A água diminuirá conside-A água diminuirá conside-A água diminuirá conside-
ravelmente o ponto de ebulição do fluido deravelmente o ponto de ebulição do fluido deravelmente o ponto de ebulição do fluido deravelmente o ponto de ebulição do fluido deravelmente o ponto de ebulição do fluido de
freio, podendo profreio, podendo profreio, podendo profreio, podendo profreio, podendo provvvvvocar vaporocar vaporocar vaporocar vaporocar vapor.....
O fluido de freio pode danificar superfíciesO fluido de freio pode danificar superfíciesO fluido de freio pode danificar superfíciesO fluido de freio pode danificar superfíciesO fluido de freio pode danificar superfícies
pintadas e peças plásticas. Ppintadas e peças plásticas. Ppintadas e peças plásticas. Ppintadas e peças plásticas. Ppintadas e peças plásticas. Pororororortanto, limpetanto, limpetanto, limpetanto, limpetanto, limpe
qualquer respingo de fluido imediatamente.qualquer respingo de fluido imediatamente.qualquer respingo de fluido imediatamente.qualquer respingo de fluido imediatamente.qualquer respingo de fluido imediatamente.
3. Abasteça:
• Fluido de freio.
Fluido de freio recomendado:Fluido de freio recomendado:Fluido de freio recomendado:Fluido de freio recomendado:Fluido de freio recomendado:
DODODODODOT 4T 4T 4T 4T 4
4. Sangria de ar:
• Sistema de freio.
Consulte “SANGRIA DE AR” no capítulo 3.
CHACHACHACHACHASSSSS
4 – 42
FREIOFREIOFREIOFREIOFREIO TRATRATRATRATRASEIROSEIROSEIROSEIROSEIRO
PINÇA DE FREIOPINÇA DE FREIOPINÇA DE FREIOPINÇA DE FREIOPINÇA DE FREIO TRATRATRATRATRASEIROSEIROSEIROSEIROSEIRO
RRRRRemoção da pinça do freio traseiroemoção da pinça do freio traseiroemoção da pinça do freio traseiroemoção da pinça do freio traseiroemoção da pinça do freio traseiro Remover as peças na ordem listada
RRRRRemoção da roda traseiraemoção da roda traseiraemoção da roda traseiraemoção da roda traseiraemoção da roda traseira
Consulte “REMOÇÃO DA RODA
1 Pinça de freio 1 DIANTEIRA” e “INSTALAÇAO DA
RODA DIANTEIRA”
Para instalação, reverter o
procedimento de remoção
Serviço/Peça Qtde. ObservaçãoOrdem
Coloque a motocicleta em um
suporte adequado para que a roda
dianteira fique suspensa.
NONONONONOTTTTTA:A:A:A:A:
CHACHACHACHACHASSSSS
4 – 43
FREIOFREIOFREIOFREIOFREIO TRATRATRATRATRASEIROSEIROSEIROSEIROSEIRO
REMOÇÃOREMOÇÃOREMOÇÃOREMOÇÃOREMOÇÃO
Apóie firmemente a motocicleta de modo queApóie firmemente a motocicleta de modo queApóie firmemente a motocicleta de modo queApóie firmemente a motocicleta de modo queApóie firmemente a motocicleta de modo que
não haja risco de queda.não haja risco de queda.não haja risco de queda.não haja risco de queda.não haja risco de queda.
NONONONONOTTTTTA:A:A:A:A:
Antes de desmontar a pinça de freio, drene
o fluido de freio.
1. Afrouxe:
• Parafuso de união da mangueira de
freio 1.
NONONONONOTTTTTA:A:A:A:A:
Afrouxe apenas um pouco o parafuso de
união para que o fluido de freio não vaze.
3. Remova:
• A pinça de freio e retire as pastilhas de
freio.
Consulte “PASTILHA DE FREIO TRASEI-
RO” no capítulo 4.
4. Remova:
• O parafuso de união 1 de fixação da
mangueira de freio na pinça.
• As arruelas de cobre 2.
• A mangueira 3.
NONONONONOTTTTTA:A:A:A:A:
Posicione um vasilhame sob a pinça de freio
para captar o restante do fluido de freio.
2. Remova:
• A roda traseira.
Consulte“RODATRASEIRA” no capítulo 4.
CHACHACHACHACHASSSSS
4 – 44
FREIOFREIOFREIOFREIOFREIO TRATRATRATRATRASEIROSEIROSEIROSEIROSEIRO
INSINSINSINSINSTTTTTALAÇÃOALAÇÃOALAÇÃOALAÇÃOALAÇÃO
1. Instale:
• As molas.
• As pastilhas e a pinça de freio.
Consulte “PASTILHAS DO FREIOTRASEI-
RO” no capítulo 4.
• A roda traseira.
Consulte“RODATRASEIRA” no capítulo 4.
NoNoNoNoNovvvvvooooo
INSPEÇÃOINSPEÇÃOINSPEÇÃOINSPEÇÃOINSPEÇÃO
Cronograma recomendado para reposição
de componentes de freio
Pastilhas de freio Se necessário
Mangueiras de freio A cada quatro anos
Fluido de freio A cada dois anos e
sempre que o freio
é desmontado
1. Verifique:
• Pistão da pinça de freio 1.
Ferrugem/riscos/desgastes → Substitua
a pinça do freio.
• Corpo da pinça do freio 2.
Rachaduras/danos → Substitua a pinça
do freio.
• Pinça do freio.
Vazamento do fluido de freio →
Substitua a pinça de freio.
2. Verifique:
• Suporte da pinça de freio.
Rachaduras/danos → Substituir.
2. Instale:
• Arruelas de cobre 1.
• Mangueira do freio 2.
• Parafuso de união 3 de fixação da
mangueira de freio.
PPPPParafuso de união:arafuso de união:arafuso de união:arafuso de união:arafuso de união:
3,0 k3,0 k3,0 k3,0 k3,0 kgfgfgfgfgf.m (30 N.m).m (30 N.m).m (30 N.m).m (30 N.m).m (30 N.m)
CHACHACHACHACHASSSSS
4 – 45
FREIOFREIOFREIOFREIOFREIO TRATRATRATRATRASEIROSEIROSEIROSEIROSEIRO
O posicionamento adequado da mangueira deO posicionamento adequado da mangueira deO posicionamento adequado da mangueira deO posicionamento adequado da mangueira deO posicionamento adequado da mangueira de
freio é essencial para gfreio é essencial para gfreio é essencial para gfreio é essencial para gfreio é essencial para garantir a operação se-arantir a operação se-arantir a operação se-arantir a operação se-arantir a operação se-
gura da motocicleta.gura da motocicleta.gura da motocicleta.gura da motocicleta.gura da motocicleta.
Consulte "PConsulte "PConsulte "PConsulte "PConsulte "PAAAAASSSSSSSSSSAAAAAGEM DE CABOS" no capítulo 2.GEM DE CABOS" no capítulo 2.GEM DE CABOS" no capítulo 2.GEM DE CABOS" no capítulo 2.GEM DE CABOS" no capítulo 2.
Quando instalar a mangueira na pinça doQuando instalar a mangueira na pinça doQuando instalar a mangueira na pinça doQuando instalar a mangueira na pinça doQuando instalar a mangueira na pinça do
freiofreiofreiofreiofreio 1, cer, cer, cer, cer, certifique-se de que o tubo do freiotifique-se de que o tubo do freiotifique-se de que o tubo do freiotifique-se de que o tubo do freiotifique-se de que o tubo do freio
2 forme um ânguloforme um ânguloforme um ânguloforme um ânguloforme um ângulo a de 35º ± 1de 35º ± 1de 35º ± 1de 35º ± 1de 35º ± 10º em0º em0º em0º em0º em
relação à balança traseira.relação à balança traseira.relação à balança traseira.relação à balança traseira.relação à balança traseira.
••••• Use sempre arUse sempre arUse sempre arUse sempre arUse sempre arruelas de cobre noruelas de cobre noruelas de cobre noruelas de cobre noruelas de cobre novas.vas.vas.vas.vas.
••••• Use apenas o fluido de freio indicado.Use apenas o fluido de freio indicado.Use apenas o fluido de freio indicado.Use apenas o fluido de freio indicado.Use apenas o fluido de freio indicado.
Outros fluidos podem causar deterioração dasOutros fluidos podem causar deterioração dasOutros fluidos podem causar deterioração dasOutros fluidos podem causar deterioração dasOutros fluidos podem causar deterioração das
vedações de borvedações de borvedações de borvedações de borvedações de borracracracracracha, proha, proha, proha, proha, provvvvvocando vazamen-ocando vazamen-ocando vazamen-ocando vazamen-ocando vazamen-
tos e a queda de desempenho dos freios.tos e a queda de desempenho dos freios.tos e a queda de desempenho dos freios.tos e a queda de desempenho dos freios.tos e a queda de desempenho dos freios.
••••• RRRRReabasteça com o mesmo tipo de fluido deeabasteça com o mesmo tipo de fluido deeabasteça com o mesmo tipo de fluido deeabasteça com o mesmo tipo de fluido deeabasteça com o mesmo tipo de fluido de
freio que já existe no sistema. Misturar flui-freio que já existe no sistema. Misturar flui-freio que já existe no sistema. Misturar flui-freio que já existe no sistema. Misturar flui-freio que já existe no sistema. Misturar flui-
dos pode resultar em reação química dano-dos pode resultar em reação química dano-dos pode resultar em reação química dano-dos pode resultar em reação química dano-dos pode resultar em reação química dano-
sa, levando a queda de desempenho dossa, levando a queda de desempenho dossa, levando a queda de desempenho dossa, levando a queda de desempenho dossa, levando a queda de desempenho dos
freios.freios.freios.freios.freios.
••••• Quando reabastecer tome cuidado para queQuando reabastecer tome cuidado para queQuando reabastecer tome cuidado para queQuando reabastecer tome cuidado para queQuando reabastecer tome cuidado para que
água não entre no reservatório do cilindroágua não entre no reservatório do cilindroágua não entre no reservatório do cilindroágua não entre no reservatório do cilindroágua não entre no reservatório do cilindro
mestre do freio.mestre do freio.mestre do freio.mestre do freio.mestre do freio. A água diminuirá conside-A água diminuirá conside-A água diminuirá conside-A água diminuirá conside-A água diminuirá conside-
ravelmente o ponto de ebulição do fluidoravelmente o ponto de ebulição do fluidoravelmente o ponto de ebulição do fluidoravelmente o ponto de ebulição do fluidoravelmente o ponto de ebulição do fluido
de freio, podendo prode freio, podendo prode freio, podendo prode freio, podendo prode freio, podendo provvvvvocar vaporocar vaporocar vaporocar vaporocar vapor.....
O fluido de freio pode danificar superfíciesO fluido de freio pode danificar superfíciesO fluido de freio pode danificar superfíciesO fluido de freio pode danificar superfíciesO fluido de freio pode danificar superfícies
pintadas e peças plásticas. Ppintadas e peças plásticas. Ppintadas e peças plásticas. Ppintadas e peças plásticas. Ppintadas e peças plásticas. Pororororortanto, limpetanto, limpetanto, limpetanto, limpetanto, limpe
qualquer respingo de fluido imediatamente.qualquer respingo de fluido imediatamente.qualquer respingo de fluido imediatamente.qualquer respingo de fluido imediatamente.qualquer respingo de fluido imediatamente.
3. Instale:
• O protetor plástico da pinça traseira.
PPPPParafusos do protetor:arafusos do protetor:arafusos do protetor:arafusos do protetor:arafusos do protetor:
0,65 k0,65 k0,65 k0,65 k0,65 kgfgfgfgfgf.m (6,5 N.m).m (6,5 N.m).m (6,5 N.m).m (6,5 N.m).m (6,5 N.m)
4. Abasteça:
• Fluido de freio.
Fluido de freio recomendado:Fluido de freio recomendado:Fluido de freio recomendado:Fluido de freio recomendado:Fluido de freio recomendado:
DODODODODOT 4T 4T 4T 4T 4
5. Sangria de ar:
• Sistema de freio.
Consulte “SANGRIA DE AR” no capítulo 3.
CHACHACHACHACHASSSSS
4 – 46
FREIOFREIOFREIOFREIOFREIO TRATRATRATRATRASEIROSEIROSEIROSEIROSEIRO
6. Verifique:
• Nível do fluido de freio.
Abaixo da marca de nível mínimo a.
Acrescente o fluido de freio recomen-
dado até o nível adequado.
Consulte "INSPEÇÃO DO NÍVEL DE FLUI-
DO DE FREIO" no capítulo 3.
7. Verifique:
• Operação do pedal de freio.
Sensação macia ou esponjosa →
Sangre o sistema de freios.
Consulte "SANGRIA DO SISTEMA DE
FREIO HIDRÁULICO" no capítulo 3.
8. Ajuste:
• O interruptor de freio.
CHACHACHACHACHASSSSS
4 – 47
GUIDÃOGUIDÃOGUIDÃOGUIDÃOGUIDÃO
GUIDÃOGUIDÃOGUIDÃOGUIDÃOGUIDÃO
RRRRRemoção do guidãoemoção do guidãoemoção do guidãoemoção do guidãoemoção do guidão Remover as peças na ordem listada.
1 Fixador do cilindro mestre dianteiro 1
2 Interruptores 2
3 Cilindro mestre do freio dianteiro 1
4 Fixador do manete da embreagem 1
5 Fixadores superiores do guidão 2
6 Conjunto da manopla do acelerador 1
7 Guidão 1
8 Manopla lado direito 1
Para instalação, reverter o
procedimento de remoção
Serviço/Peça Qtde. ObservaçãoOrdem
CHACHACHACHACHASSSSS
4 – 48
GUIDÃOGUIDÃOGUIDÃOGUIDÃOGUIDÃO
GUIDÃOGUIDÃOGUIDÃOGUIDÃOGUIDÃO
Posicione a motocicleta firmemente para que não
haja risco de queda.
REMOÇÃOREMOÇÃOREMOÇÃOREMOÇÃOREMOÇÃO
1. Coloque a motocicleta em uma superfí-
cie plana.
2. Remova:
• Os parafusos do fixador do manete de
embreagem 1.
• O manete de embreagem.
• O interruptor do manete da embreagem.
3. Remova:
• Os parafusos 2 do conjunto do inter-
ruptor do guidão LE.
• O conjunto do interruptor de guidão
(LE).
4. Remova:
• Manopla do guidão LE 1.
NONONONONOTTTTTA:A:A:A:A:
Injete ar comprimido entre o guidão e
manopla e empurre gradualmente a
manopla para fora do guidão.
5. Remova:
• Cinta plástica 1 do lado esquerdo.
CHACHACHACHACHASSSSS
4 – 49
GUIDÃOGUIDÃOGUIDÃOGUIDÃOGUIDÃO
6. Remova:
• Cinta plástica 1 do lado direito.
7. Remova:
• Os parafusos 1 do fixador do cilindro
mestre.
• Cilindro mestre.
8. Remova:
• Os parafusos 1 de fixação do interrup-
tor (LD).
• Interruptor de guidão (LD).
9. Solte:
• Os parafusos 1 de fixação 1 (manopla
do acelerador) (LD).
10. Remova:
• Os parafusos 1 dos fixadores supe-
riores do guidão.
CHACHACHACHACHASSSSS
4 – 50
GUIDÃOGUIDÃOGUIDÃOGUIDÃOGUIDÃO
PPPPPrimeiro remorimeiro remorimeiro remorimeiro remorimeiro remova os parafusos de trás dova os parafusos de trás dova os parafusos de trás dova os parafusos de trás dova os parafusos de trás do
fixador de guidão, e depois remofixador de guidão, e depois remofixador de guidão, e depois remofixador de guidão, e depois remofixador de guidão, e depois remova os pa-va os pa-va os pa-va os pa-va os pa-
rafusos da frente.rafusos da frente.rafusos da frente.rafusos da frente.rafusos da frente.
• Frente 1.
11. Remova:
• A manopla do acelerador.
12. Remova:
• O guidão.
INSPEÇÃO DO GUIDÃOINSPEÇÃO DO GUIDÃOINSPEÇÃO DO GUIDÃOINSPEÇÃO DO GUIDÃOINSPEÇÃO DO GUIDÃO
1. Verifique:
• Guidão 1.
Empenado/rachaduras/danos Subs-
tituir.
Não tente alinhar um guidão empenado, issoNão tente alinhar um guidão empenado, issoNão tente alinhar um guidão empenado, issoNão tente alinhar um guidão empenado, issoNão tente alinhar um guidão empenado, isso
pode enfraquecê-lo perigosamente.pode enfraquecê-lo perigosamente.pode enfraquecê-lo perigosamente.pode enfraquecê-lo perigosamente.pode enfraquecê-lo perigosamente.
CHACHACHACHACHASSSSS
4 – 51
GUIDÃOGUIDÃOGUIDÃOGUIDÃOGUIDÃO
INSINSINSINSINSTTTTTALAÇÃO DO GUIDÃOALAÇÃO DO GUIDÃOALAÇÃO DO GUIDÃOALAÇÃO DO GUIDÃOALAÇÃO DO GUIDÃO
1. Lubrifique:
• Guidão.
NONONONONOTTTTTA:A:A:A:A:
Antes de instalar a manopla do acelerador
no guidão, aplicar uma fina camada de graxa
à base de sabão de lítio à extremidade direita
do guidão.
2. Instale:
• A manopla LD do acelerador sem apertar
os seus parafusos de fixação.
3. Instale:
• O guidão.
4. Instale:
• Fixadores superiores do guidão.
• Os parafusos dos fixadores do guidão 1.
Graxa à base de sabão de lítioGraxa à base de sabão de lítioGraxa à base de sabão de lítioGraxa à base de sabão de lítioGraxa à base de sabão de lítio
NONONONONOTTTTTA:A:A:A:A:
Alinhe a marca 1 do guidão com a
extremidade superior do fixador inferior do
guidão.
NONONONONOTTTTTA:A:A:A:A:
O fixador superior do guidão deve ser
instalado com a marca de punção 1 voltada
para frente.
PPPPPrimeiro aperrimeiro aperrimeiro aperrimeiro aperrimeiro aperte os parafusos da frente dote os parafusos da frente dote os parafusos da frente dote os parafusos da frente dote os parafusos da frente do
fixador de guidão, e depois aperfixador de guidão, e depois aperfixador de guidão, e depois aperfixador de guidão, e depois aperfixador de guidão, e depois aperte os pa-te os pa-te os pa-te os pa-te os pa-
rafusos de trás.rafusos de trás.rafusos de trás.rafusos de trás.rafusos de trás.
• Frente 2.
PPPPParafusos dos fixadores superioresarafusos dos fixadores superioresarafusos dos fixadores superioresarafusos dos fixadores superioresarafusos dos fixadores superiores
do guidão:do guidão:do guidão:do guidão:do guidão:
2,3 k2,3 k2,3 k2,3 k2,3 kgfgfgfgfgf.m (23 N.m).m (23 N.m).m (23 N.m).m (23 N.m).m (23 N.m)
CHACHACHACHACHASSSSS
4 – 52
GUIDÃOGUIDÃOGUIDÃOGUIDÃOGUIDÃO
5. Instale:
• O conjunto do interruptor do lado direi-
to.
NONONONONOTTTTTA:A:A:A:A:
Alinhe a saliência a no interruptor do guidão
direito com o orifício b no guidão.
6. Instale:
• O manete de embreagem.
NONONONONOTTTTTA:A:A:A:A:
Alinhe as superfícies de contato do fixador
da alavanca de embreagem com a marca a
de punção no guidão.
PPPPParafusoarafusoarafusoarafusoarafusosssss de fixação dde fixação dde fixação dde fixação dde fixação do intero intero intero intero interruptorruptorruptorruptorruptor:::::
0,35 k0,35 k0,35 k0,35 k0,35 kgfgfgfgfgf.m (3,5 N.m).m (3,5 N.m).m (3,5 N.m).m (3,5 N.m).m (3,5 N.m)
7. Instale:
• Cilindro mestre de freio.
NONONONONOTTTTTA:A:A:A:A:
Instale o fixador do cilindro mestre com a
marca “UP” (seta) voltada para cima.
NONONONONOTTTTTA:A:A:A:A:
Alinhe as superfícies de contato do fixador
do cilindro mestre com a marca de punção
a no guidão.
CHACHACHACHACHASSSSS
4 – 53
GUIDÃOGUIDÃOGUIDÃOGUIDÃOGUIDÃO
NONONONONOTTTTTA:A:A:A:A:
• Aperte primeiro o parafuso superior do
fixador do cilindro mestre.
PPPPParafusoarafusoarafusoarafusoarafuso do fixador do cilindro
mestre:::::
1,0 k1,0 k1,0 k1,0 k1,0 kgfgfgfgfgf.m (1.m (1.m (1.m (1.m (10 N.m)0 N.m)0 N.m)0 N.m)0 N.m)
8. Instale:
• O interruptor do lado esquerdo.
NONONONONOTTTTTA:A:A:A:A:
Instale a saliência a do interruptor no furo
do guidão.
9. Instale:
• Cinta plástica do lado esquerdo 1.
10. Instale:
• Cinta plástica do lado direito 2.
PPPPParafusoarafusoarafusoarafusoarafuso de fixação do interruptor:::::
0,37 k0,37 k0,37 k0,37 k0,37 kgfgfgfgfgf.m (3,7 N.m).m (3,7 N.m).m (3,7 N.m).m (3,7 N.m).m (3,7 N.m)
CHACHACHACHACHASSSSS
4 – 54
COLUNA DE DIREÇÃOCOLUNA DE DIREÇÃOCOLUNA DE DIREÇÃOCOLUNA DE DIREÇÃOCOLUNA DE DIREÇÃO
COLUNA DE DIREÇÃOCOLUNA DE DIREÇÃOCOLUNA DE DIREÇÃOCOLUNA DE DIREÇÃOCOLUNA DE DIREÇÃO
MESMESMESMESMESA INFERIORA INFERIORA INFERIORA INFERIORA INFERIOR
RRRRRemoemoemoemoemovendo a mesa inferiorvendo a mesa inferiorvendo a mesa inferiorvendo a mesa inferiorvendo a mesa inferior Remova as peças na ordem listada.
Roda dianteira 1
Bengalas do garfo dianteiro 2
Conjunto do farol 1
1 Guidão 1
2 Mesa superior do guidão 1
3 Anel trava 1
4 Porca-castelo superior 1
Serviço/Peça Qtde. ObservaçãoOrdem
CHACHACHACHACHASSSSS
4 – 55
COLUNA DE DIREÇÃOCOLUNA DE DIREÇÃOCOLUNA DE DIREÇÃOCOLUNA DE DIREÇÃOCOLUNA DE DIREÇÃO
5 Arruela de borracha 1
6 Porca-castelo inferior 1
7 Capa do rolamento esférico 1
8 Rolamento esférico 1
9 Coluna de direção 1
10 Rolamento cônico 1
11 Retentor do rolamento cônico 1
Serviço/Peça Qtde. ObservaçãoOrdem
CHACHACHACHACHASSSSS
4 – 56
COLUNA DE DIREÇÃOCOLUNA DE DIREÇÃOCOLUNA DE DIREÇÃOCOLUNA DE DIREÇÃOCOLUNA DE DIREÇÃO
INSPEÇÃO DINSPEÇÃO DINSPEÇÃO DINSPEÇÃO DINSPEÇÃO DA COLUNA DE DIREÇÃOA COLUNA DE DIREÇÃOA COLUNA DE DIREÇÃOA COLUNA DE DIREÇÃOA COLUNA DE DIREÇÃO
1. Lave as esferas com querosene.
2. Inspecione:
• Esferas.
• Pistas de esferas.
Sulcos/danos →Troque.
3. Verifique:
• Rolamento cônico 1.
Danos/saliências/desgastes → Trocar o
conjunto.
• Pista do rolamento (externa) 2.
Danos/saliências/desgastes → Trocar o
conjunto.
**********************************************************************************************************************************************************************************************
PPPPPassos para substituir a pista do rolamentoassos para substituir a pista do rolamentoassos para substituir a pista do rolamentoassos para substituir a pista do rolamentoassos para substituir a pista do rolamento
e o rolamento cônico:e o rolamento cônico:e o rolamento cônico:e o rolamento cônico:e o rolamento cônico:
• A pista externa do rolamento da coluna
de direção com um extrator a de rola-
mentos da coluna de direção universal.
Extrator de rolamento de caixaExtrator de rolamento de caixaExtrator de rolamento de caixaExtrator de rolamento de caixaExtrator de rolamento de caixa
de direçãode direçãode direçãode direçãode direção
90890-0280990890-0280990890-0280990890-0280990890-02809
• O rolamento cônico junto com seu
retentor com um extrator de rolamento da
coluna de direção.
NONONONONOTTTTTA:A:A:A:A:
• Sempre substitua os rolamentos e suas
pistas como um conjunto.
• Troque o retentor do rolamento sempre
que desmontar a coluna de direção.
• Não bata nas esferas nem na face do
rolamento.
**********************************************************************************************************************************************************************************************
Extrator de rolamento da colunaExtrator de rolamento da colunaExtrator de rolamento da colunaExtrator de rolamento da colunaExtrator de rolamento da coluna
de direçãode direçãode direçãode direçãode direção
90890-0282890890-0282890890-0282890890-0282890890-02828
4. Verifique:
• Mesa superior.
• Mesa inferior.
Fissuras/danos →Trocar.
• Coluna de direção
Empenamentos/danos →Trocar conjunto
da mesa inferior.
Não tente desempenar a coluna de direção.Não tente desempenar a coluna de direção.Não tente desempenar a coluna de direção.Não tente desempenar a coluna de direção.Não tente desempenar a coluna de direção.
CHACHACHACHACHASSSSS
4 – 57
COLUNA DE DIREÇÃOCOLUNA DE DIREÇÃOCOLUNA DE DIREÇÃOCOLUNA DE DIREÇÃOCOLUNA DE DIREÇÃO
INSINSINSINSINSTTTTTALAÇÃO DALAÇÃO DALAÇÃO DALAÇÃO DALAÇÃO DA COLUNA DEA COLUNA DEA COLUNA DEA COLUNA DEA COLUNA DE
DIREÇÃODIREÇÃODIREÇÃODIREÇÃODIREÇÃO
1. Lubrifique:
• Rolamentos.
• Pistas de esferas.
2. Instale:
• O novo retentor 1 na coluna de direção.
3. Instale:
• O novo rolamento com o instalador 1
de rolamento cônico.
• A coluna de direção.
5. Instale:
• A capa do rolamento 1.
4. Instale:
• O rolamento de esfera 1.
• A pista interna do rolamento.
Instalador de rolamento cônicoInstalador de rolamento cônicoInstalador de rolamento cônicoInstalador de rolamento cônicoInstalador de rolamento cônico
da coluna de direçãoda coluna de direçãoda coluna de direçãoda coluna de direçãoda coluna de direção
90890-0282990890-0282990890-0282990890-0282990890-02829
Lubrificante recomendado:Lubrificante recomendado:Lubrificante recomendado:Lubrificante recomendado:Lubrificante recomendado:
Graxa à base de sabão de lítioGraxa à base de sabão de lítioGraxa à base de sabão de lítioGraxa à base de sabão de lítioGraxa à base de sabão de lítio
CHACHACHACHACHASSSSS
4 – 58
COLUNA DE DIREÇÃOCOLUNA DE DIREÇÃOCOLUNA DE DIREÇÃOCOLUNA DE DIREÇÃOCOLUNA DE DIREÇÃO
6. Instale:
• Porca-castelo inferior 1.
Consulte “INSPEÇÃO DE AJUSTE DA CO-
LUNA DE DIREÇÃO” no capítulo 3.
7. Aperte:
• Porca-castelo inferior 1.
************************************************************************************************************************************************************************************
PPPPPassos de aperassos de aperassos de aperassos de aperassos de aperto:to:to:to:to:
• Aperte a porca-castelo inferior com a
chave 2.
Chave da porca-castelo inferior:Chave da porca-castelo inferior:Chave da porca-castelo inferior:Chave da porca-castelo inferior:Chave da porca-castelo inferior:
90890-090890-090890-090890-090890-011111403403403403403
NONONONONOTTTTTA:A:A:A:A:
Conecteotorquímetroàchavedaporca-castelo
inferior de modo a formar um ângulo reto 90°.
PPPPPorca-castelo inferiororca-castelo inferiororca-castelo inferiororca-castelo inferiororca-castelo inferior
(aper(aper(aper(aper(aperto inicial):to inicial):to inicial):to inicial):to inicial):
3,7 k3,7 k3,7 k3,7 k3,7 kgfgfgfgfgf.m (37 N.m).m (37 N.m).m (37 N.m).m (37 N.m).m (37 N.m)
• Gire a mesa inferior para direita e para es-
querda, certificando-se de que não há irre-
gularidade no movimento, e então solte a
porca 1/4 de volta.
• Reaperte a porca-castelo inferior, usando
a chave para porca-castelo inferior.
PPPPPorca-castelo inferiororca-castelo inferiororca-castelo inferiororca-castelo inferiororca-castelo inferior
(aper(aper(aper(aper(aperto final):to final):to final):to final):to final):
0,65 k0,65 k0,65 k0,65 k0,65 kgfgfgfgfgf.m (6,5 N.m).m (6,5 N.m).m (6,5 N.m).m (6,5 N.m).m (6,5 N.m)
Evite aperEvite aperEvite aperEvite aperEvite aperto excessito excessito excessito excessito excessivvvvvo.o.o.o.o.
************************************************************************************************************************************************************************************
CHACHACHACHACHASSSSS
4 – 59
COLUNA DE DIREÇÃOCOLUNA DE DIREÇÃOCOLUNA DE DIREÇÃOCOLUNA DE DIREÇÃOCOLUNA DE DIREÇÃO
8. Instale:
• Amortizador de borracha 3.
• Porca-castelo superior 2 do eixo da
coluna de direção com o lado
arredondado para cima, alinhando os
canais das porcas.
• Arruela-trava 1.
NONONONONOTTTTTA:A:A:A:A:
• Verifique a coluna de direção girando-a de
um lado a outro, após o ajuste da coluna
de direção.
• Se a coluna de direção estiver pesada,
afrouxe a porca-castelo. Se a coluna de
direção estiver frouxa, repita os passos de
ajuste.
9. Instale:
• Mesa superior 1.
10. Instale:
• Guidão.
Consulte “GUIDÃO” no capítulo 4.
CHACHACHACHACHASSSSS
4 – 60
GARFO DIANGARFO DIANGARFO DIANGARFO DIANGARFO DIANTEIROTEIROTEIROTEIROTEIRO
GARFO DIANGARFO DIANGARFO DIANGARFO DIANGARFO DIANTEIROTEIROTEIROTEIROTEIRO
RRRRRemoção das bengemoção das bengemoção das bengemoção das bengemoção das bengalas do galas do galas do galas do galas do garfoarfoarfoarfoarfo Remova as peças na ordem listada.
dianteirodianteirodianteirodianteirodianteiro
Roda dianteira 1 Consulte “RODA E DISCO DE FREIO
DIANTEIROS”.
1 Tampa 1
2 Anel trava 1
3 Assento da mola 1
4 Mola do garfo 1
5 Retentor de poeira 1
6 Presilha 1
7 Retentor 1
8 Arruela espaçadora 1
Serviço/Peça Qtde. ObservaçãoOrdem
CHACHACHACHACHASSSSS
4 – 61
GARFO DIANGARFO DIANGARFO DIANGARFO DIANGARFO DIANTEIROTEIROTEIROTEIROTEIRO
Serviço/Peça Qtde. ObservaçãoOrdem
9 Bucha 1
10 Parafuso 1
11 Haste amortizadora 1
12 Mola de retorno 1
13 Tubo interno 1
14 Bloqueador de óleo 1
15 Tubo interno 1
16 Guarda pó 1
17 Abraçadeira 1
CHACHACHACHACHASSSSS
4 – 62
GARFO DIANGARFO DIANGARFO DIANGARFO DIANGARFO DIANTEIROTEIROTEIROTEIROTEIRO
GARFO DIANGARFO DIANGARFO DIANGARFO DIANGARFO DIANTEIROTEIROTEIROTEIROTEIRO
REMOÇÃO DREMOÇÃO DREMOÇÃO DREMOÇÃO DREMOÇÃO DAAAAAS BENGALAS BENGALAS BENGALAS BENGALAS BENGALASSSSS
O seguinte procedimento se aplica às duas
bengalas do garfo dianteiro.
1. Coloque a motocicleta em uma superfí-
cie plana.
Apóie a motocicleta firmemente para que nãoApóie a motocicleta firmemente para que nãoApóie a motocicleta firmemente para que nãoApóie a motocicleta firmemente para que nãoApóie a motocicleta firmemente para que não
haja risco de queda.haja risco de queda.haja risco de queda.haja risco de queda.haja risco de queda.
NONONONONOTTTTTAAAAA:
Coloque a motocicleta em um suporte
adequado para que a roda dianteira fique
elevada.
2. Remova:
• Roda dianteira
Consulte “REMOÇÃO – RODA DIANTEIRA”
no capítulo 4.
3. Remova:
• Parafusos 1 do fixador (mangueira de
freio).
• Fixador 2 da mangueira do freio dian-
teiro.
Antes de soltar os parafusos de fixação daAntes de soltar os parafusos de fixação daAntes de soltar os parafusos de fixação daAntes de soltar os parafusos de fixação daAntes de soltar os parafusos de fixação da
bengbengbengbengbengala às mesas superior e inferiorala às mesas superior e inferiorala às mesas superior e inferiorala às mesas superior e inferiorala às mesas superior e inferior, apóie as, apóie as, apóie as, apóie as, apóie as
bengbengbengbengbengalas do galas do galas do galas do galas do garfo dianteiro.arfo dianteiro.arfo dianteiro.arfo dianteiro.arfo dianteiro.
4. Solte:
• Parafusos 1 de fixação da bengala à
mesa superior.
• Parafusos 2 de fixação da bengala à
mesa inferior.
CHACHACHACHACHASSSSS
4 – 63
GARFO DIANGARFO DIANGARFO DIANGARFO DIANGARFO DIANTEIROTEIROTEIROTEIROTEIRO
5. Remova:
• Garfos dianteiros 1.
DESMONDESMONDESMONDESMONDESMONTTTTTAAAAAGEM DGEM DGEM DGEM DGEM DAAAAAS BENGALAS BENGALAS BENGALAS BENGALAS BENGALASSSSS
O seguinte procedimento se aplica às duas
bengalas do garfo dianteiro.
1. Remova:
• A braçadeira 1.
• Guarda-pó 2.
2. Remova:
• Tampa 1.
• Anel-trava 2.
• Assento da mola 3.
• Mola do garfo 4.
NONONONONOTTTTTA:A:A:A:A:
Pressione o assento da mola e remova o
anel-trava.
3. Drene:
• Óleo do garfo.
NONONONONOTTTTTA:A:A:A:A:
Movimente o tubo externo várias vezes
enquanto drena o óleo do garfo.
4. Remova:
• Retentor de poeira 1.
• Presilha do retentor de óleo 2 (com
uma chave de fenda de ponta chata).
Não arNão arNão arNão arNão arranhe o tubo interno.ranhe o tubo interno.ranhe o tubo interno.ranhe o tubo interno.ranhe o tubo interno.
CHACHACHACHACHASSSSS
4 – 64
GARFO DIANGARFO DIANGARFO DIANGARFO DIANGARFO DIANTEIROTEIROTEIROTEIROTEIRO
NONONONONOTTTTTA:A:A:A:A:
Enquanto segura o conjunto da haste do
amortizador com o adaptador 2, o alongador
4 e a chaveT 3, solte o parafuso da haste
do amortizador 1.
6. Remova:
• Haste do amortizador 1.
• Mola de retorno 2.
Adaptador da haste do amorAdaptador da haste do amorAdaptador da haste do amorAdaptador da haste do amorAdaptador da haste do amortttttizaizaizaizaizadordordordordor
90890-090890-090890-090890-090890-011111460460460460460
ChaveChaveChaveChaveChave TTTTT
90890-090890-090890-090890-090890-011111326326326326326
5. Remova:
• Parafuso 1 da haste do amortizador.
• Arruela de cobre.
7. Remova:
• Tubo interno.
***************************************************************************************************************************************************************************************************
a. Segure a bengala do garfo dianteiro na
posição horizontal.
b. Prenda com firmeza o suporte da pinça
do freio em uma morsa de bancada com
fixadores suaves.
c. Separe o tubo interno do externo, puxan-
do o tubo interno com força, mas cuida-
dosamente.
••••• O excesso de força danificará o retentorO excesso de força danificará o retentorO excesso de força danificará o retentorO excesso de força danificará o retentorO excesso de força danificará o retentor
de óleo e a bucde óleo e a bucde óleo e a bucde óleo e a bucde óleo e a bucha do tubo interno. Umha do tubo interno. Umha do tubo interno. Umha do tubo interno. Umha do tubo interno. Um
retentor de óleo ou bucretentor de óleo ou bucretentor de óleo ou bucretentor de óleo ou bucretentor de óleo ou bucha danificadaha danificadaha danificadaha danificadaha danificada
deve ser substituída.deve ser substituída.deve ser substituída.deve ser substituída.deve ser substituída.
••••• Evite levar o tubo interno até o fim deEvite levar o tubo interno até o fim deEvite levar o tubo interno até o fim deEvite levar o tubo interno até o fim deEvite levar o tubo interno até o fim de
curcurcurcurcurso, durante a remoção, pois poderáso, durante a remoção, pois poderáso, durante a remoção, pois poderáso, durante a remoção, pois poderáso, durante a remoção, pois poderá
danificar o bloqueador de óleo.danificar o bloqueador de óleo.danificar o bloqueador de óleo.danificar o bloqueador de óleo.danificar o bloqueador de óleo.
••••• Evite sustentar o tubo interno dentro doEvite sustentar o tubo interno dentro doEvite sustentar o tubo interno dentro doEvite sustentar o tubo interno dentro doEvite sustentar o tubo interno dentro do
externo durante o procedimento acima,externo durante o procedimento acima,externo durante o procedimento acima,externo durante o procedimento acima,externo durante o procedimento acima,
pois isso danificará a ponta de fluxpois isso danificará a ponta de fluxpois isso danificará a ponta de fluxpois isso danificará a ponta de fluxpois isso danificará a ponta de fluxo deo deo deo deo de
óleo.óleo.óleo.óleo.óleo.
***************************************************************************************************************************************************************************************************
CHACHACHACHACHASSSSS
4 – 65
GARFO DIANGARFO DIANGARFO DIANGARFO DIANGARFO DIANTEIROTEIROTEIROTEIROTEIRO
8. Remova:
• Retentor 1.
• Arruela espaçadora 2.
• Bucha-guia 3.
• Bloqueador de óleo 4.
INSPEÇÃO DINSPEÇÃO DINSPEÇÃO DINSPEÇÃO DINSPEÇÃO DAAAAAS BENGALAS BENGALAS BENGALAS BENGALAS BENGALASSSSS
O seguinte procedimento se aplica às duas
bengalas do garfo dianteiro.
1. Verifique:
• Tubo interno 1.
• Tubo externo 2.
Danos/riscos Substituir.
Não tente alinhar um tubo interno empenado,Não tente alinhar um tubo interno empenado,Não tente alinhar um tubo interno empenado,Não tente alinhar um tubo interno empenado,Não tente alinhar um tubo interno empenado,
isso poderá enfraquecê-lo perigosamente.isso poderá enfraquecê-lo perigosamente.isso poderá enfraquecê-lo perigosamente.isso poderá enfraquecê-lo perigosamente.isso poderá enfraquecê-lo perigosamente.
2. Meça:
• Comprimento a livre da mola.
Fora de especificação Substituir.
Comprimento liComprimento liComprimento liComprimento liComprimento livre da mola:vre da mola:vre da mola:vre da mola:vre da mola:
61616161611,7 mm1,7 mm1,7 mm1,7 mm1,7 mm
<Limite>: 599,5 mm<Limite>: 599,5 mm<Limite>: 599,5 mm<Limite>: 599,5 mm<Limite>: 599,5 mm
3. Verifique:
• Bloqueador de óleo 1.
Danos Substituir.
• Anel O-ring 2.
Danos Trocar.
CHACHACHACHACHASSSSS
4 – 66
GARFO DIANGARFO DIANGARFO DIANGARFO DIANGARFO DIANTEIROTEIROTEIROTEIROTEIRO
4. Verifique:
• Haste amortizadora 1.
Desgastes/empenos/danos Trocar.
Obstrução Limpe todas as passagens
de óleo com ar comprimido.
• O anel da haste 2.
• Mola de retorno.
Não tentar desempenar a haste do amorNão tentar desempenar a haste do amorNão tentar desempenar a haste do amorNão tentar desempenar a haste do amorNão tentar desempenar a haste do amortizadortizadortizadortizadortizador
ou isto poderá enfraquecer o tubo.ou isto poderá enfraquecer o tubo.ou isto poderá enfraquecer o tubo.ou isto poderá enfraquecer o tubo.ou isto poderá enfraquecer o tubo.
••••• A bengA bengA bengA bengA bengala do gala do gala do gala do gala do garfo dianteiro tem umaarfo dianteiro tem umaarfo dianteiro tem umaarfo dianteiro tem umaarfo dianteiro tem uma
haste embutida de ajuste do amorhaste embutida de ajuste do amorhaste embutida de ajuste do amorhaste embutida de ajuste do amorhaste embutida de ajuste do amortece-tece-tece-tece-tece-
dor e uma construção interna muito so-dor e uma construção interna muito so-dor e uma construção interna muito so-dor e uma construção interna muito so-dor e uma construção interna muito so-
fisticada, que são especialmente sensí-fisticada, que são especialmente sensí-fisticada, que são especialmente sensí-fisticada, que são especialmente sensí-fisticada, que são especialmente sensí-
veis a materiais estranhos.veis a materiais estranhos.veis a materiais estranhos.veis a materiais estranhos.veis a materiais estranhos.
••••• Quando desmontar e montar a bengQuando desmontar e montar a bengQuando desmontar e montar a bengQuando desmontar e montar a bengQuando desmontar e montar a bengala,ala,ala,ala,ala,
não permita que qualquer material es-não permita que qualquer material es-não permita que qualquer material es-não permita que qualquer material es-não permita que qualquer material es-
tranho entre no gtranho entre no gtranho entre no gtranho entre no gtranho entre no garfo dianteiro.arfo dianteiro.arfo dianteiro.arfo dianteiro.arfo dianteiro.
CHACHACHACHACHASSSSS
4 – 67
GARFO DIANGARFO DIANGARFO DIANGARFO DIANGARFO DIANTEIROTEIROTEIROTEIROTEIRO
MONMONMONMONMONTTTTTAAAAAGEM DGEM DGEM DGEM DGEM DA BENGALA DOA BENGALA DOA BENGALA DOA BENGALA DOA BENGALA DO
GARFO DIANGARFO DIANGARFO DIANGARFO DIANGARFO DIANTEIROTEIROTEIROTEIROTEIRO
3. Aperte:
• Parafuso da haste do amortizador 1.
O seguinte procedimento se aplica às duas
bengalas do garfo dianteiro.
••••• CerCerCerCerCertifique-se de que os níveis de óleo nas duastifique-se de que os níveis de óleo nas duastifique-se de que os níveis de óleo nas duastifique-se de que os níveis de óleo nas duastifique-se de que os níveis de óleo nas duas
bengbengbengbengbengalas do galas do galas do galas do galas do garfo dianteiro estão iguais.arfo dianteiro estão iguais.arfo dianteiro estão iguais.arfo dianteiro estão iguais.arfo dianteiro estão iguais.
••••• Níveis diferentes de óleo podem resultar emNíveis diferentes de óleo podem resultar emNíveis diferentes de óleo podem resultar emNíveis diferentes de óleo podem resultar emNíveis diferentes de óleo podem resultar em
dificuldade de manuseio e perda de estabi-dificuldade de manuseio e perda de estabi-dificuldade de manuseio e perda de estabi-dificuldade de manuseio e perda de estabi-dificuldade de manuseio e perda de estabi-
lidade.lidade.lidade.lidade.lidade.
V
1. Instale:
• Haste do amortecedor 1.
• Mola de recuo 2.
2. Lubrifique:
• Superfície externa do tubo interno.
Lubrificante recomendadoLubrificante recomendadoLubrificante recomendadoLubrificante recomendadoLubrificante recomendado
óleo para suspensão 1óleo para suspensão 1óleo para suspensão 1óleo para suspensão 1óleo para suspensão 100000 W ouW ouW ouW ouW ou
equiequiequiequiequivalentevalentevalentevalentevalente
NONONONONOTTTTTA:A:A:A:A:
• Quando montar a bengala do garfo
dianteiro, certifique-se de substituir as
seguintes peças:
- bucha do tubo interno;
- bucha do tubo externo;
- retentor;
- guarda-pó.
• Antes de montar a bengala do garfo
dianteiro, certifique-se de que os outros
componentes estão limpos.
FFFFFaça com que o conjunto da haste do amoraça com que o conjunto da haste do amoraça com que o conjunto da haste do amoraça com que o conjunto da haste do amoraça com que o conjunto da haste do amor-----
tecedor desliztecedor desliztecedor desliztecedor desliztecedor deslize lentamente para dentro doe lentamente para dentro doe lentamente para dentro doe lentamente para dentro doe lentamente para dentro do
tubo interno 3 até que apareça na partubo interno 3 até que apareça na partubo interno 3 até que apareça na partubo interno 3 até que apareça na partubo interno 3 até que apareça na partetetetete
inferior do tubo interno.inferior do tubo interno.inferior do tubo interno.inferior do tubo interno.inferior do tubo interno.TTTTTome cuidado paraome cuidado paraome cuidado paraome cuidado paraome cuidado para
não danificar o tubo interno.não danificar o tubo interno.não danificar o tubo interno.não danificar o tubo interno.não danificar o tubo interno.
CHACHACHACHACHASSSSS
4 – 68
GARFO DIANGARFO DIANGARFO DIANGARFO DIANGARFO DIANTEIROTEIROTEIROTEIROTEIRO
NONONONONOTTTTTA:A:A:A:A:
Enquanto segura a haste de amortecimento
com o adaptador 2, o alongador 4 e a
chave T 3, aperte o parafuso da haste do
amortizador 1.
Adaptador da haste amorAdaptador da haste amorAdaptador da haste amorAdaptador da haste amorAdaptador da haste amortttttizaizaizaizaizadordordordordoraaaaa
90890-090890-090890-090890-090890-011111460460460460460
ChaveChaveChaveChaveChave TTTTT
90890-090890-090890-090890-090890-011111326326326326326
PPPPParafuso (haste amorarafuso (haste amorarafuso (haste amorarafuso (haste amorarafuso (haste amortizadora):tizadora):tizadora):tizadora):tizadora):
2,0 k2,0 k2,0 k2,0 k2,0 kgfgfgfgfgf.m (20 N.m).m (20 N.m).m (20 N.m).m (20 N.m).m (20 N.m)
Usar LUsar LUsar LUsar LUsar LOCTITEOCTITEOCTITEOCTITEOCTITE®®®®®
4. Lubrifique:
• Tubo interno (superfície externa) 1.
5. Instale:
• Bucha de guia 3.
• Arruela espaçadora 2.
Óleo de suspensão 1Óleo de suspensão 1Óleo de suspensão 1Óleo de suspensão 1Óleo de suspensão 10W ou0W ou0W ou0W ou0W ou
equiequiequiequiequivalentevalentevalentevalentevalente
6. Instale:
• Retentor de óleo 1.
Use o martelo deslizante 2 e adapta-
dor 3.
NONONONONOTTTTTA:A:A:A:A:
Antes de instalar o retentor, aplique graxa à
base de sabão de lítio aos lábios do retentor.
CerCerCerCerCertifique-se de instalar o retentor com atifique-se de instalar o retentor com atifique-se de instalar o retentor com atifique-se de instalar o retentor com atifique-se de instalar o retentor com a
face que contém os números vface que contém os números vface que contém os números vface que contém os números vface que contém os números voltados paraoltados paraoltados paraoltados paraoltados para
cima.cima.cima.cima.cima.
MarMarMarMarMartelo deslizantetelo deslizantetelo deslizantetelo deslizantetelo deslizante
90890-090890-090890-090890-090890-011111367367367367367-09-09-09-09-09
Adaptador 41 mmAdaptador 41 mmAdaptador 41 mmAdaptador 41 mmAdaptador 41 mm
90890-090890-090890-090890-090890-011111381381381381381-09-09-09-09-09
CHACHACHACHACHASSSSS
4 – 69
GARFO DIANGARFO DIANGARFO DIANGARFO DIANGARFO DIANTEIROTEIROTEIROTEIROTEIRO
7. Instale:
• Anel-trava 1.
NONONONONOTTTTTA:A:A:A:A:
• Instale o anel-trava 1 corretamente no
canal 2 do tubo externo.
8. Instale:
• Protetor de pó 1.
Use o martelo deslizante 2 e adap-
tador 3.
MarMarMarMarMartelo deslizantetelo deslizantetelo deslizantetelo deslizantetelo deslizante
90890-090890-090890-090890-090890-011111367367367367367-09-09-09-09-09
Adaptador 41 mmAdaptador 41 mmAdaptador 41 mmAdaptador 41 mmAdaptador 41 mm
90890-090890-090890-090890-090890-011111381381381381381-09-09-09-09-09
9. Abasteça:
• Bengala do garfo dianteiro (com a quan-
tidade especificada do óleo para garfo
recomendado).
10. Meça:
• Nível de óleo da bengala a.
Fora de especificação Corrija.
Óleo recomendadoÓleo recomendadoÓleo recomendadoÓleo recomendadoÓleo recomendado
Óleo para suspensão 1Óleo para suspensão 1Óleo para suspensão 1Óleo para suspensão 1Óleo para suspensão 100000 W ouW ouW ouW ouW ou
equiequiequiequiequivalentevalentevalentevalentevalente
Cada gCada gCada gCada gCada garfo da bengarfo da bengarfo da bengarfo da bengarfo da bengala:ala:ala:ala:ala:
541cc541cc541cc541cc541cc
Após abastecerApós abastecerApós abastecerApós abastecerApós abastecer, bombeie vag, bombeie vag, bombeie vag, bombeie vag, bombeie vagaro-aro-aro-aro-aro-
samente o gsamente o gsamente o gsamente o gsamente o garfo para cima e paraarfo para cima e paraarfo para cima e paraarfo para cima e paraarfo para cima e para
baixbaixbaixbaixbaixo para distribuir o óleo.o para distribuir o óleo.o para distribuir o óleo.o para distribuir o óleo.o para distribuir o óleo.
Nível de óleoNível de óleoNível de óleoNível de óleoNível de óleo a:::::
1111134 mm34 mm34 mm34 mm34 mm
Do topo do tubo interno com oDo topo do tubo interno com oDo topo do tubo interno com oDo topo do tubo interno com oDo topo do tubo interno com o
tubo externo totalmente compri-tubo externo totalmente compri-tubo externo totalmente compri-tubo externo totalmente compri-tubo externo totalmente compri-
mido, sem a mola.mido, sem a mola.mido, sem a mola.mido, sem a mola.mido, sem a mola.
NONONONONOTTTTTA:A:A:A:A:
• Enquanto abastece a bengala do garfo
dianteiro, mantenha-a ereta.
CHACHACHACHACHASSSSS
4 – 70
GARFO DIANGARFO DIANGARFO DIANGARFO DIANGARFO DIANTEIROTEIROTEIROTEIROTEIRO
11. Instale:
• Mola do garfo 4.
• Assento da mola 3.
• Anel-trava 2.
• Tampa 1.
NONONONONOTTTTTA:A:A:A:A:
• Instale a mola com o passo maior 5 para
cima e passo menor 4 para baixo.
• Ante de instalar o assento da mola,
aplique graxa no anel O-ring.
• Comprima o assento da mola e instale o
anel-trava.
12. Instale:
• Guarda-pó 2.
• Braçadeira 1.
CHACHACHACHACHASSSSS
4 – 71
GARFO DIANGARFO DIANGARFO DIANGARFO DIANGARFO DIANTEIROTEIROTEIROTEIROTEIRO
INSINSINSINSINSTTTTTALAÇÃO DALAÇÃO DALAÇÃO DALAÇÃO DALAÇÃO DAAAAAS BENGALAS BENGALAS BENGALAS BENGALAS BENGALAS DOS DOS DOS DOS DO
GARFO DIANGARFO DIANGARFO DIANGARFO DIANGARFO DIANTEIROTEIROTEIROTEIROTEIRO
O seguinte procedimento se aplica às duas
bengalas do garfo dianteiro.
1. Instale:
• Bengala do garfo dianteiro
Aperte temporariamente os parafusos
de fixação da mesa inferior.
NONONONONOTTTTTA:A:A:A:A:
Para instalar a bengala do garfo dianteiro,
alinhe o tubo interno (a) de forma que fique
nivelado com o topo da mesa superior.
2. Fixe:
• Parafusos de fixação da mesa inferior 1.
PPPPParafusoarafusoarafusoarafusoarafusosssss de fixação da mesa inferior:de fixação da mesa inferior:de fixação da mesa inferior:de fixação da mesa inferior:de fixação da mesa inferior:
2,3 k2,3 k2,3 k2,3 k2,3 kgfgfgfgfgf.m (23 N.m).m (23 N.m).m (23 N.m).m (23 N.m).m (23 N.m)
3. Fixe:
• Parafusos de fixação da mesa superior 1.
CerCerCerCerCertifique-se de que a mangueira do freio es-tifique-se de que a mangueira do freio es-tifique-se de que a mangueira do freio es-tifique-se de que a mangueira do freio es-tifique-se de que a mangueira do freio es-
teja posicionada adequadamente.teja posicionada adequadamente.teja posicionada adequadamente.teja posicionada adequadamente.teja posicionada adequadamente.
PPPPParafusoarafusoarafusoarafusoarafusosssss defixaçãodamesasuperior:defixaçãodamesasuperior:defixaçãodamesasuperior:defixaçãodamesasuperior:defixaçãodamesasuperior:
2,3 k2,3 k2,3 k2,3 k2,3 kgfgfgfgfgf.m (23 N.m).m (23 N.m).m (23 N.m).m (23 N.m).m (23 N.m)
CHACHACHACHACHASSSSS
4 – 72
GARFO DIANGARFO DIANGARFO DIANGARFO DIANGARFO DIANTEIROTEIROTEIROTEIROTEIRO
4. Instale:
• Fixadores da mangueira de freio 2.
• Parafusos de fixação 1 da mangueira
do freio dianteiro.
NONONONONOTTTTTA:A:A:A:A:
Instale o fixador da mangueira do freio,
observando a medida a 5 mm.
PPPPParafusoarafusoarafusoarafusoarafusosssss de fixação da manguei-de fixação da manguei-de fixação da manguei-de fixação da manguei-de fixação da manguei-
ra de freio:ra de freio:ra de freio:ra de freio:ra de freio:
1,0 k1,0 k1,0 k1,0 k1,0 kgfgfgfgfgf.m (1.m (1.m (1.m (1.m (10 N.m)0 N.m)0 N.m)0 N.m)0 N.m)
O posicionamento adequado da mangueira deO posicionamento adequado da mangueira deO posicionamento adequado da mangueira deO posicionamento adequado da mangueira deO posicionamento adequado da mangueira de
freio é essencial para gfreio é essencial para gfreio é essencial para gfreio é essencial para gfreio é essencial para garantir a operação se-arantir a operação se-arantir a operação se-arantir a operação se-arantir a operação se-
gura da motocicleta. Consultegura da motocicleta. Consultegura da motocicleta. Consultegura da motocicleta. Consultegura da motocicleta. Consulte “P“P“P“P“PAAAAASSSSSSSSSSAAAAAGEM DEGEM DEGEM DEGEM DEGEM DE
CABOS” no capítulo 2.CABOS” no capítulo 2.CABOS” no capítulo 2.CABOS” no capítulo 2.CABOS” no capítulo 2.
5. Instale:
• Roda dianteira
Consulte“RODA DIANTEIRA” no capítulo 4.
CHACHACHACHACHASSSSS
4 – 73
CONJUNCONJUNCONJUNCONJUNCONJUNTTTTTO DOO DOO DOO DOO DO AMORAMORAMORAMORAMORTECEDORTECEDORTECEDORTECEDORTECEDOR TRATRATRATRATRASEIROSEIROSEIROSEIROSEIRO
CONJUNCONJUNCONJUNCONJUNCONJUNTTTTTO DOO DOO DOO DOO DO AMORAMORAMORAMORAMORTECEDORTECEDORTECEDORTECEDORTECEDOR TRATRATRATRATRASEIROSEIROSEIROSEIROSEIRO
RRRRRemoção do conjunto do amoremoção do conjunto do amoremoção do conjunto do amoremoção do conjunto do amoremoção do conjunto do amortecedortecedortecedortecedortecedor Remova as peças na ordem listada.
traseirotraseirotraseirotraseirotraseiro
Assento / tampas laterais / abas laterais Consulte “CARENAGEM /TAMPAS E ABAS
LATERAIS”
Tanque de combustível / bateria Consulte “TANQUE DE COMBUSTÍVEL”
Caixa de filtro de ar
Roda traseira Consulte “RODATRASEIRA”.
Pinça do freio traseiro Consulte “FREIOTRASEIRO”
1 Porca auto travante / arruela / parafuso 4/4/4 Consulte “CONJUNTO DO AMORTECEDOR
2 Braço de conexão 2 TRASEIRO”
3 Braço relê 1
4 Retentor / espaçador / bucha 2/2/2
5 Conjunto do amortecedor 1
Serviço/Peça Qtde. ObservaçãoOrdem
CHACHACHACHACHASSSSS
4 – 74
CONJUNCONJUNCONJUNCONJUNCONJUNTTTTTO DOO DOO DOO DOO DO AMORAMORAMORAMORAMORTECEDORTECEDORTECEDORTECEDORTECEDOR TRATRATRATRATRASEIROSEIROSEIROSEIROSEIRO
CONJUNCONJUNCONJUNCONJUNCONJUNTTTTTO DOO DOO DOO DOO DO
AMORAMORAMORAMORAMORTECEDORTECEDORTECEDORTECEDORTECEDORTRATRATRATRATRASEIROSEIROSEIROSEIROSEIRO
2. Remova:
• A roda traseira.
Consulte “RODATRASEIRA” no capítulo 4.
Este amorEste amorEste amorEste amorEste amortecedor traseiro contém gás nitro-tecedor traseiro contém gás nitro-tecedor traseiro contém gás nitro-tecedor traseiro contém gás nitro-tecedor traseiro contém gás nitro-
gênio altamente comprimido.gênio altamente comprimido.gênio altamente comprimido.gênio altamente comprimido.gênio altamente comprimido. Antes de manu-Antes de manu-Antes de manu-Antes de manu-Antes de manu-
sear o amorsear o amorsear o amorsear o amorsear o amortecedor traseiro, leia e certecedor traseiro, leia e certecedor traseiro, leia e certecedor traseiro, leia e certecedor traseiro, leia e certifique-tifique-tifique-tifique-tifique-
se de que entendeu as informações a seguirse de que entendeu as informações a seguirse de que entendeu as informações a seguirse de que entendeu as informações a seguirse de que entendeu as informações a seguir.....
O fabricante não se responsabilizará por da-O fabricante não se responsabilizará por da-O fabricante não se responsabilizará por da-O fabricante não se responsabilizará por da-O fabricante não se responsabilizará por da-
nos à propriedade ou ferimentos pessoais quenos à propriedade ou ferimentos pessoais quenos à propriedade ou ferimentos pessoais quenos à propriedade ou ferimentos pessoais quenos à propriedade ou ferimentos pessoais que
possam resultar do manuseio inadequado dopossam resultar do manuseio inadequado dopossam resultar do manuseio inadequado dopossam resultar do manuseio inadequado dopossam resultar do manuseio inadequado do
amoramoramoramoramortecedortecedortecedortecedortecedor.....
••••• Não modifique ou tente violar o amorNão modifique ou tente violar o amorNão modifique ou tente violar o amorNão modifique ou tente violar o amorNão modifique ou tente violar o amortece-tece-tece-tece-tece-
dor traseiro.dor traseiro.dor traseiro.dor traseiro.dor traseiro.
••••• Não sujeite o amorNão sujeite o amorNão sujeite o amorNão sujeite o amorNão sujeite o amortecedor traseiro à ctecedor traseiro à ctecedor traseiro à ctecedor traseiro à ctecedor traseiro à chamahamahamahamahama
aberaberaberaberaberta ou qualquer outra fonte de calorta ou qualquer outra fonte de calorta ou qualquer outra fonte de calorta ou qualquer outra fonte de calorta ou qualquer outra fonte de calor.....
Calor excessiCalor excessiCalor excessiCalor excessiCalor excessivvvvvo pode causar uma explosãoo pode causar uma explosãoo pode causar uma explosãoo pode causar uma explosãoo pode causar uma explosão
pela pressão excessipela pressão excessipela pressão excessipela pressão excessipela pressão excessiva de gás.va de gás.va de gás.va de gás.va de gás.
••••• Não deforme ou danifique o amorNão deforme ou danifique o amorNão deforme ou danifique o amorNão deforme ou danifique o amorNão deforme ou danifique o amortecedortecedortecedortecedortecedor
traseiro de qualquer maneira. Danos aotraseiro de qualquer maneira. Danos aotraseiro de qualquer maneira. Danos aotraseiro de qualquer maneira. Danos aotraseiro de qualquer maneira. Danos ao
amoramoramoramoramortecedor traseiro resultarão em quedatecedor traseiro resultarão em quedatecedor traseiro resultarão em quedatecedor traseiro resultarão em quedatecedor traseiro resultarão em queda
de desempenho do amaciamento.de desempenho do amaciamento.de desempenho do amaciamento.de desempenho do amaciamento.de desempenho do amaciamento.
NONONONONOTTTTTA:A:A:A:A:
Coloque a motocicleta em um suporte
adequado para que a roda traseira fique
suspensa.
REMOÇÃOREMOÇÃOREMOÇÃOREMOÇÃOREMOÇÃO
1. Coloque a motocicleta em uma superfície
plana.
ELIMINAÇÃO DE UMELIMINAÇÃO DE UMELIMINAÇÃO DE UMELIMINAÇÃO DE UMELIMINAÇÃO DE UM AMORAMORAMORAMORAMORTECEDORTECEDORTECEDORTECEDORTECEDOR
TRATRATRATRATRASEIROSEIROSEIROSEIROSEIRO
V
••••• A pressão do gás deve ser liberada antesA pressão do gás deve ser liberada antesA pressão do gás deve ser liberada antesA pressão do gás deve ser liberada antesA pressão do gás deve ser liberada antes
do descardo descardo descardo descardo descarte de um amorte de um amorte de um amorte de um amorte de um amortecedor traseiro.tecedor traseiro.tecedor traseiro.tecedor traseiro.tecedor traseiro.
PPPPPara liberar a pressão do gás, faça um orifí-ara liberar a pressão do gás, faça um orifí-ara liberar a pressão do gás, faça um orifí-ara liberar a pressão do gás, faça um orifí-ara liberar a pressão do gás, faça um orifí-
cio de 2 a 3 mm em um pontocio de 2 a 3 mm em um pontocio de 2 a 3 mm em um pontocio de 2 a 3 mm em um pontocio de 2 a 3 mm em um ponto a entre 30 aentre 30 aentre 30 aentre 30 aentre 30 a
60 mm distante de sua extremidade, como60 mm distante de sua extremidade, como60 mm distante de sua extremidade, como60 mm distante de sua extremidade, como60 mm distante de sua extremidade, como
mostrado.mostrado.mostrado.mostrado.mostrado.
••••• Use proteção para os olhos para evitar da-Use proteção para os olhos para evitar da-Use proteção para os olhos para evitar da-Use proteção para os olhos para evitar da-Use proteção para os olhos para evitar da-
nos causados pelo gás liberado ou parnos causados pelo gás liberado ou parnos causados pelo gás liberado ou parnos causados pelo gás liberado ou parnos causados pelo gás liberado ou partícu-tícu-tícu-tícu-tícu-
las de metal.las de metal.las de metal.las de metal.las de metal.
PPPPPosicione a motocicleta firmemente para queosicione a motocicleta firmemente para queosicione a motocicleta firmemente para queosicione a motocicleta firmemente para queosicione a motocicleta firmemente para que
não haja risco de queda.não haja risco de queda.não haja risco de queda.não haja risco de queda.não haja risco de queda.
CHACHACHACHACHASSSSS
4 – 75
CONJUNCONJUNCONJUNCONJUNCONJUNTTTTTO DOO DOO DOO DOO DO AMORAMORAMORAMORAMORTECEDORTECEDORTECEDORTECEDORTECEDOR TRATRATRATRATRASEIROSEIROSEIROSEIROSEIRO
3. Remova:
• Os pinos-travas 1 que fixam o pára-
barro na balança.
NOTA:
Para remoção dos pinos-trava é necessário
desarmá-lo, pressionando os pinos internos
para baixo.
4. Remova:
• Parafuso de fixação 1 da balança ao
suporte do braço do relé.
• Parafuso inferior do conjunto do
amortecedor traseiro 2.
NONONONONOTTTTTA:A:A:A:A:
• Enquanto o parafuso inferior do conjunto
do amortecedor traseiro é retirado, segure
a balança traseira para que esta não caia.
• Observe o correto posicionamento da
conexão do braço do relé.
5. Desencaixe:
• A ECU 1.
• O relé do pisca 2.
• A caixa de fusíveis 3.
• O conector do chicote do sensor de
inclinação 4.
• O relé de partida 5.
6. Remova:
• O silencioso traseiro.
7. Remova:
• O pára-lama traseiro.
CHACHACHACHACHASSSSS
4 – 76
CONJUNCONJUNCONJUNCONJUNCONJUNTTTTTO DOO DOO DOO DOO DO AMORAMORAMORAMORAMORTECEDORTECEDORTECEDORTECEDORTECEDOR TRATRATRATRATRASEIROSEIROSEIROSEIROSEIRO
8. Remova:
• A mangueira 1 do respiro do motor.
• A mangueira 2 de indução de ar do
motor.
9. Remova:
• O conjunto do filtro de ar.
10. Remova:
• Oparafusodefixaçãosuperiordoamor-
tecedor.
11. Remova:
• O amortecedor.
INSPEÇÃO DO CONJUNINSPEÇÃO DO CONJUNINSPEÇÃO DO CONJUNINSPEÇÃO DO CONJUNINSPEÇÃO DO CONJUNTTTTTO DOO DOO DOO DOO DO
AMORAMORAMORAMORAMORTECEDORTECEDORTECEDORTECEDORTECEDOR TRATRATRATRATRASEIROSEIROSEIROSEIROSEIRO
1. Verifique:
• Haste do amortecedor traseiro.
Empenado/danos → Substitua o
conjunto do amortecedor traseiro.
• Amortecedor traseiro.
Vazamentos de gás/óleo → Substitua o
conjunto do amortecedor traseiro.
• Mola.
Danos/desgastes → Substitua o
conjunto do amortecedor traseiro.
• Parafusos.
Empenado/danos/desgastes → Substituir.
CHACHACHACHACHASSSSS
4 – 77
CONJUNCONJUNCONJUNCONJUNCONJUNTTTTTO DOO DOO DOO DOO DO AMORAMORAMORAMORAMORTECEDORTECEDORTECEDORTECEDORTECEDOR TRATRATRATRATRASEIROSEIROSEIROSEIROSEIRO
Lubrificante recomendado:Lubrificante recomendado:Lubrificante recomendado:Lubrificante recomendado:Lubrificante recomendado:
Graxa à base de sabão de lítioGraxa à base de sabão de lítioGraxa à base de sabão de lítioGraxa à base de sabão de lítioGraxa à base de sabão de lítio
2. Instale:
• Conjunto do amortecedor traseiro.
3. Instale:
• O parafuso de fixação superior do
amortecedor.
NONONONONOTTTTTA:A:A:A:A:
O parafuso de fixação superior do
amortecedor deve ser montado da direita
para esquerda.
4. Fixe:
• Porca superior do conjunto do
amortecedor traseiro.
PPPPPorca superior:orca superior:orca superior:orca superior:orca superior:
4,2 k4,2 k4,2 k4,2 k4,2 kgfgfgfgfgf.m (42 N.m).m (42 N.m).m (42 N.m).m (42 N.m).m (42 N.m)
2. Verifique:
• Braços de conexão 1.
• Braço relé 2.
Danos/desgastes → Substituir.
3. Verifique:
• Espaçadores.
• Retentores.
• Rolamentos.
Danos/corrosão/riscos → Substituir.
INSINSINSINSINSTTTTTALAÇÃOALAÇÃOALAÇÃOALAÇÃOALAÇÃO
1. Lubrifique:
• Buchas.
• Parafusos.
5. Instale:
• Parafuso inferior do conjunto do
amortecedor traseiro 2.
• Porca inferior do conjunto do
amortecedor traseiro.
• O parafuso de fixação da balança ao
suporte do braço relé 1.
• A porca do suporte do braço relé a
balança traseira.
PPPPPorca do supororca do supororca do supororca do supororca do suporte do braço relé:te do braço relé:te do braço relé:te do braço relé:te do braço relé:
5,7 k5,7 k5,7 k5,7 k5,7 kgfgfgfgfgf.m (57 N.m).m (57 N.m).m (57 N.m).m (57 N.m).m (57 N.m)
PPPPPorca inferior do conjunto doorca inferior do conjunto doorca inferior do conjunto doorca inferior do conjunto doorca inferior do conjunto do
amoramoramoramoramortecedor traseiro:tecedor traseiro:tecedor traseiro:tecedor traseiro:tecedor traseiro:
5,7 k5,7 k5,7 k5,7 k5,7 kgfgfgfgfgf.m (57 N.m).m (57 N.m).m (57 N.m).m (57 N.m).m (57 N.m)
CHACHACHACHACHASSSSS
4 – 78
CONJUNCONJUNCONJUNCONJUNCONJUNTTTTTO DOO DOO DOO DOO DO AMORAMORAMORAMORAMORTECEDORTECEDORTECEDORTECEDORTECEDOR TRATRATRATRATRASEIROSEIROSEIROSEIROSEIRO
6. Instale:
• Braçadeira da junta do conjunto do fil-
tro de ar 1.
NONONONONOTTTTTA:A:A:A:A:
Para instalar a abraçadeira, alinhe a fenda a
com o ressalto do conjunto do filtro de ar.
7. Instale:
• O conjunto do filtro de ar, observando
o encaixe da mangueira de entrada de
ar no corpo de borboleta.
• Aperte a mangueira de entrada de ar no
corpo de borboleta.
PPPPParafuso da mangueira de entradaarafuso da mangueira de entradaarafuso da mangueira de entradaarafuso da mangueira de entradaarafuso da mangueira de entrada
de arde arde arde arde ar:::::
0,6 k0,6 k0,6 k0,6 k0,6 kgfgfgfgfgf.m (6 N.m).m (6 N.m).m (6 N.m).m (6 N.m).m (6 N.m)
NONONONONOTTTTTA:A:A:A:A:
• Quando instalar o conjunto do
amortecedor traseiro, levante a balança
traseira.
• Observe o correto posicionamento da
conexão do braço do relé.
8. Instale:
• A mangueira 1 do respiro do motor no
conjunto do filtro de ar.
• A mangueira 2 de indução de ar.
9. Instale:
• O pára-lama traseiro.
PPPPParafuso de fixaçãoarafuso de fixaçãoarafuso de fixaçãoarafuso de fixaçãoarafuso de fixação do pára-lamado pára-lamado pára-lamado pára-lamado pára-lama
traseirotraseirotraseirotraseirotraseiro:::::
0,65 k0,65 k0,65 k0,65 k0,65 kgfgfgfgfgf.m (6,5 N.m).m (6,5 N.m).m (6,5 N.m).m (6,5 N.m).m (6,5 N.m)
CHACHACHACHACHASSSSS
4 – 79
CONJUNCONJUNCONJUNCONJUNCONJUNTTTTTO DOO DOO DOO DOO DO AMORAMORAMORAMORAMORTECEDORTECEDORTECEDORTECEDORTECEDOR TRATRATRATRATRASEIROSEIROSEIROSEIROSEIRO
10. Instale:
• A ECU 1.
• O relé do pisca 2.
• A caixa de fusíveis 3.
• O conector do chicote do sensor de
inclinação 4.
• O relé de partida 5.
• A bateria.
11. Instale:
• O silencioso traseiro.
PPPPParafuso de fixaçãoarafuso de fixaçãoarafuso de fixaçãoarafuso de fixaçãoarafuso de fixação superior dosuperior dosuperior dosuperior dosuperior do
silenciososilenciososilenciososilenciososilencioso 11111 no cno cno cno cno chassihassihassihassihassi:::::
4 k4 k4 k4 k4 kgfgfgfgfgf.m (40 N.m).m (40 N.m).m (40 N.m).m (40 N.m).m (40 N.m)
PPPPParafuso de fixaçãoarafuso de fixaçãoarafuso de fixaçãoarafuso de fixaçãoarafuso de fixação inferior doinferior doinferior doinferior doinferior do
silenciososilenciososilenciososilenciososilencioso 22222 no cno cno cno cno chassihassihassihassihassi:::::
4 k4 k4 k4 k4 kgfgfgfgfgf.m (40 N.m).m (40 N.m).m (40 N.m).m (40 N.m).m (40 N.m)
PPPPParafusodefixaçãodaarafusodefixaçãodaarafusodefixaçãodaarafusodefixaçãodaarafusodefixaçãodabraçadeirabraçadeirabraçadeirabraçadeirabraçadeira 33333:::::
2 k2 k2 k2 k2 kgfgfgfgfgf.m (20 N.m).m (20 N.m).m (20 N.m).m (20 N.m).m (20 N.m)
CHACHACHACHACHASSSSS
4 – 80
BALANÇABALANÇABALANÇABALANÇABALANÇA TRATRATRATRATRASEIRA E CORRENSEIRA E CORRENSEIRA E CORRENSEIRA E CORRENSEIRA E CORRENTE DETE DETE DETE DETE DE TRANSMISSÃOTRANSMISSÃOTRANSMISSÃOTRANSMISSÃOTRANSMISSÃO
BALANÇABALANÇABALANÇABALANÇABALANÇATRATRATRATRATRASEIRA E CORRENSEIRA E CORRENSEIRA E CORRENSEIRA E CORRENSEIRA E CORRENTE DETE DETE DETE DETE DETRANSMISSÃOTRANSMISSÃOTRANSMISSÃOTRANSMISSÃOTRANSMISSÃO
RRRRRemoção da balança traseiraemoção da balança traseiraemoção da balança traseiraemoção da balança traseiraemoção da balança traseira Remova as peças na ordem listada.
Roda traseira 1 Consulte “RODATRASEIRA”.
Conjunto do freio traseiro
1 Parafuso / Porca / Arruela 2/2/2
2 Eixo de articulação / Porca / Arruela 1/1/1
3 Balança 1
4 Corrente de transmissão 1
5 Tampa da carcaça 1
6 Porca 1
7 Arruela-trava 1
8 Pinhão 1
9 Tampas 2
10 Bucha 2
11 Espaçador 1
12 Bico de graxa 1
13 Guia da corrente 1
14 Protetor da corrente 1
Serviço/Peça Qtde. ObservaçãoOrdem
CHACHACHACHACHASSSSS
4 – 81
BALANÇABALANÇABALANÇABALANÇABALANÇA TRATRATRATRATRASEIRA E CORRENSEIRA E CORRENSEIRA E CORRENSEIRA E CORRENSEIRA E CORRENTE DETE DETE DETE DETE DE TRANSMISSÃOTRANSMISSÃOTRANSMISSÃOTRANSMISSÃOTRANSMISSÃO
BALANÇABALANÇABALANÇABALANÇABALANÇA TRATRATRATRATRASEIRASEIRASEIRASEIRASEIRA
REMOÇÃOREMOÇÃOREMOÇÃOREMOÇÃOREMOÇÃO
1. Coloque a motocicleta em uma superfí-
cie plana.
PPPPPosicione a motocicleta firmemente para queosicione a motocicleta firmemente para queosicione a motocicleta firmemente para queosicione a motocicleta firmemente para queosicione a motocicleta firmemente para que
não haja risco de queda.não haja risco de queda.não haja risco de queda.não haja risco de queda.não haja risco de queda.
NONONONONOTTTTTA:A:A:A:A:
Coloque a motocicleta em um suporte
adequado para que a roda traseira fique
suspensa.
2. Meça:
• Folga lateral da balança traseira.
• Movimento vertical da balança traseira.
**********************************************************************************************************************************************************************************************
a. Meça o torque de aperto da porca do eixo
da balança.
PPPPPorca do eixorca do eixorca do eixorca do eixorca do eixo da balança:o da balança:o da balança:o da balança:o da balança:
8 k8 k8 k8 k8 kgfgfgfgfgf.m (80 N.m).m (80 N.m).m (80 N.m).m (80 N.m).m (80 N.m)
b. Meça a folga lateral da balança traseira
A, movendo a balança de um lado para
outro.
c. Caso a folga lateral da balança esteja fora
da especificação, verifique os espaçadores
e buchas. Verifique também as tampas.
d. Verifique o movimento vertical da balan-
ça traseira B, movendo a balança para
cima e para baixo.
• Se o movimento vertical da balança não
é suave ou há interferência, verifique os
espaçadores e buchas. Verifique tam-
bém as tampas.
**********************************************************************************************************************************************************************************************
FFFFFolgolgolgolgolga lateral da balança traseiraa lateral da balança traseiraa lateral da balança traseiraa lateral da balança traseiraa lateral da balança traseira
(na ponta da balança):(na ponta da balança):(na ponta da balança):(na ponta da balança):(na ponta da balança):
1 mm1 mm1 mm1 mm1 mm
CHACHACHACHACHASSSSS
4 – 82
BALANÇABALANÇABALANÇABALANÇABALANÇA TRATRATRATRATRASEIRA E CORRENSEIRA E CORRENSEIRA E CORRENSEIRA E CORRENSEIRA E CORRENTE DETE DETE DETE DETE DE TRANSMISSÃOTRANSMISSÃOTRANSMISSÃOTRANSMISSÃOTRANSMISSÃO
3. Remova:
• Os pinos travas 1 que fixam o para-
barro na balança.
4. Remova:
• O parafuso de fixação 1 do reservató-
rio no suporte do estribo traseiro.
5. Remova:
• Os parafusos de fixação 1 da manguei-
ra flexível do freio.
6. Remova:
• Os parafusos de fixação 1 do suporte
do freio traseiro.
• O conjunto do suporte do freio traseiro.
NONONONONOTTTTTA:A:A:A:A:
Para remoção dos pinos trava é necessário
desarmá-lo, pressionando os pinos internos
para baixo.
CHACHACHACHACHASSSSS
4 – 83
BALANÇABALANÇABALANÇABALANÇABALANÇA TRATRATRATRATRASEIRA E CORRENSEIRA E CORRENSEIRA E CORRENSEIRA E CORRENSEIRA E CORRENTE DETE DETE DETE DETE DE TRANSMISSÃOTRANSMISSÃOTRANSMISSÃOTRANSMISSÃOTRANSMISSÃO
7. Remova:
• O parafuso de fixação da balança 1 ao
suporte do braço do relé.
• O parafuso inferior do conjunto do
amortecedor traseiro 2.
NONONONONOTTTTTA:A:A:A:A:
• Enquanto o parafuso inferior do conjunto
do amortecedor traseiro é retirado, segure
a balança traseira para que esta não caia.
• Observe o correto posicionamento da
conexão do braço do relé.
8. Remova:
• O eixo de articulação da balança 1.
• A balança.
REMOÇÃO DO PINHÃO E CORRENREMOÇÃO DO PINHÃO E CORRENREMOÇÃO DO PINHÃO E CORRENREMOÇÃO DO PINHÃO E CORRENREMOÇÃO DO PINHÃO E CORRENTETETETETE
1. Remova:
• Pedal do câmbio 1.
• Os parafusos de fixação da tampa da
carcaça 2.
• Tampa da carcaça 3.
2. Remova:
• Desdobre as abas a da arruela-trava
do pinhão.
• Porca do pinhão 1.
• A arruela-trava 2.
• Pinhão 3.
NONONONONOTTTTTA:A:A:A:A:
Solte a porca do pinhão enquanto aplica o
freio traseiro.
3. Remova:
• A corrente de transmissão.
Apoie firmemente a motocicleta para que nãoApoie firmemente a motocicleta para que nãoApoie firmemente a motocicleta para que nãoApoie firmemente a motocicleta para que nãoApoie firmemente a motocicleta para que não
haja perigo dela cairhaja perigo dela cairhaja perigo dela cairhaja perigo dela cairhaja perigo dela cair.....
CHACHACHACHACHASSSSS
4 – 84
BALANÇABALANÇABALANÇABALANÇABALANÇA TRATRATRATRATRASEIRA E CORRENSEIRA E CORRENSEIRA E CORRENSEIRA E CORRENSEIRA E CORRENTE DETE DETE DETE DETE DE TRANSMISSÃOTRANSMISSÃOTRANSMISSÃOTRANSMISSÃOTRANSMISSÃO
INSPEÇÃO DINSPEÇÃO DINSPEÇÃO DINSPEÇÃO DINSPEÇÃO DA BALANÇAA BALANÇAA BALANÇAA BALANÇAA BALANÇATRATRATRATRATRASEIRASEIRASEIRASEIRASEIRA
1. Verifique:
• Balança traseira.
Empenos/rachaduras/danos Substi-
tuir.
2. Verifique:
• Eixo de articulação.
• Role o eixo de articulação da balança
em uma superfície plana.
Empenamento Substituir.
ADVERTÊNCIA
Não tente alinhar um eixNão tente alinhar um eixNão tente alinhar um eixNão tente alinhar um eixNão tente alinhar um eixo de aro de aro de aro de aro de articulação daticulação daticulação daticulação daticulação da
balança empenado.balança empenado.balança empenado.balança empenado.balança empenado.
3. Verifique:
• Braços de conexão 1.
• Braço relé 2.
Danos/desgastes Substituir.
4. Verifique:
• Espaçadores.
• Retentores.
• Buchas.
Danos/corrosão/riscos Substituir.
CHACHACHACHACHASSSSS
4 – 85
BALANÇABALANÇABALANÇABALANÇABALANÇA TRATRATRATRATRASEIRA E CORRENSEIRA E CORRENSEIRA E CORRENSEIRA E CORRENSEIRA E CORRENTE DETE DETE DETE DETE DE TRANSMISSÃOTRANSMISSÃOTRANSMISSÃOTRANSMISSÃOTRANSMISSÃO
INSPEÇÃO DINSPEÇÃO DINSPEÇÃO DINSPEÇÃO DINSPEÇÃO DA CORRENA CORRENA CORRENA CORRENA CORRENTETETETETE
1. Meça:
• Comprimento de 15 elos na parte
interna a e na parte externa b no rolete
e calcule o comprimento entre os
roletes centrais.
• Comprimento c entre roletes centrais
= (dimensão interna a + dimensão
externa b/2).
• Segmento de 15 elos da corrente de
transmissão.
Fora de especificação → Substitua a
corrente de transmissão, pinhão e coroa
como um conjunto.
Limite doLimite doLimite doLimite doLimite do segmentosegmentosegmentosegmentosegmento de 1de 1de 1de 1de 155555 elos:elos:elos:elos:elos:
1111191,5 mm91,5 mm91,5 mm91,5 mm91,5 mm
NONONONONOTTTTTA:A:A:A:A:
• Enquanto mede o segmento de 15 elos,
force a corrente de transmissão para baixo
para aumentar a tensão.
• Faça a medição em dois ou três pontos
diferentes.
2. Verifique:
• Engripamento dos elos da corrente de
transmissão, limpar e lubrificar ou
trocar.
3. Limpe:
• Corrente de transmissão.
Coloque a corrente em querosene e
escove-a, eliminando as sujeiras.
Depois seque a corrente.
CHACHACHACHACHASSSSS
4 – 86
BALANÇABALANÇABALANÇABALANÇABALANÇA TRATRATRATRATRASEIRA E CORRENSEIRA E CORRENSEIRA E CORRENSEIRA E CORRENSEIRA E CORRENTE DETE DETE DETE DETE DE TRANSMISSÃOTRANSMISSÃOTRANSMISSÃOTRANSMISSÃOTRANSMISSÃO
4. Verifique:
• Anéis O-rings 1.
Danos → Substitua a corrente de
transmissão.
• Roletes da corrente de transmissão 2.
Danos/Desgastes → Substitua a
corrente de transmissão.
• Placas laterais da corrente de
transmissão 3.
Rachaduras → Substitua a corrente de
transmissão e certifique-se de que a
mangueira de respiro da bateria esteja
posicionada adequadamente longe da
corrente de transmissão e abaixo da
balança traseira.
5. Lubrifique:
• Corrente de transmissão.
Lubrificante recomendado óleo de motor ouLubrificante recomendado óleo de motor ouLubrificante recomendado óleo de motor ouLubrificante recomendado óleo de motor ouLubrificante recomendado óleo de motor ou
lubrificante de corlubrificante de corlubrificante de corlubrificante de corlubrificante de corrente de transmissão ade-rente de transmissão ade-rente de transmissão ade-rente de transmissão ade-rente de transmissão ade-
quado para anéis O-rings.quado para anéis O-rings.quado para anéis O-rings.quado para anéis O-rings.quado para anéis O-rings.
TTTTTroque a corroque a corroque a corroque a corroque a corrente de transmissão, a coroarente de transmissão, a coroarente de transmissão, a coroarente de transmissão, a coroarente de transmissão, a coroa
e o pinhão como um conjunto.e o pinhão como um conjunto.e o pinhão como um conjunto.e o pinhão como um conjunto.e o pinhão como um conjunto.
Esta motocicleta possui uma corEsta motocicleta possui uma corEsta motocicleta possui uma corEsta motocicleta possui uma corEsta motocicleta possui uma corrente derente derente derente derente de
transmissão com pequenos anéis O-ringstransmissão com pequenos anéis O-ringstransmissão com pequenos anéis O-ringstransmissão com pequenos anéis O-ringstransmissão com pequenos anéis O-rings
de borde borde borde borde borracracracracracha entre as placas laterais. Nuncaha entre as placas laterais. Nuncaha entre as placas laterais. Nuncaha entre as placas laterais. Nuncaha entre as placas laterais. Nunca
use água ou ar de alta pressão, vaporuse água ou ar de alta pressão, vaporuse água ou ar de alta pressão, vaporuse água ou ar de alta pressão, vaporuse água ou ar de alta pressão, vapor,,,,,
gggggasolina, determinados solventes (ex.asolina, determinados solventes (ex.asolina, determinados solventes (ex.asolina, determinados solventes (ex.asolina, determinados solventes (ex.
benzina) ou escobenzina) ou escobenzina) ou escobenzina) ou escobenzina) ou escova áspera para limpar ava áspera para limpar ava áspera para limpar ava áspera para limpar ava áspera para limpar a
corcorcorcorcorrente. Métodos de alta pressão podemrente. Métodos de alta pressão podemrente. Métodos de alta pressão podemrente. Métodos de alta pressão podemrente. Métodos de alta pressão podem
levar sujeira ou água para dentro daslevar sujeira ou água para dentro daslevar sujeira ou água para dentro daslevar sujeira ou água para dentro daslevar sujeira ou água para dentro das
parparparparpartes internas dos elos e solventes irãotes internas dos elos e solventes irãotes internas dos elos e solventes irãotes internas dos elos e solventes irãotes internas dos elos e solventes irão
deteriorar os anéis O-rings. Escodeteriorar os anéis O-rings. Escodeteriorar os anéis O-rings. Escodeteriorar os anéis O-rings. Escodeteriorar os anéis O-rings. Escova ásperava ásperava ásperava ásperava áspera
pode danificar estes anéis. Ppode danificar estes anéis. Ppode danificar estes anéis. Ppode danificar estes anéis. Ppode danificar estes anéis. Pororororortanto, utiliztanto, utiliztanto, utiliztanto, utiliztanto, utilizeeeee
apenas querosene para limpar a corapenas querosene para limpar a corapenas querosene para limpar a corapenas querosene para limpar a corapenas querosene para limpar a correnterenterenterenterente
de transmissão.de transmissão.de transmissão.de transmissão.de transmissão.
Não mergulhe a corNão mergulhe a corNão mergulhe a corNão mergulhe a corNão mergulhe a corrente de transmissãorente de transmissãorente de transmissãorente de transmissãorente de transmissão
em querosene por mais de 1em querosene por mais de 1em querosene por mais de 1em querosene por mais de 1em querosene por mais de 10 minutos,0 minutos,0 minutos,0 minutos,0 minutos,
caso contrário os anéis O-rings podem sercaso contrário os anéis O-rings podem sercaso contrário os anéis O-rings podem sercaso contrário os anéis O-rings podem sercaso contrário os anéis O-rings podem ser
danificados.danificados.danificados.danificados.danificados.
CHACHACHACHACHASSSSS
4 – 87
BALANÇABALANÇABALANÇABALANÇABALANÇA TRATRATRATRATRASEIRA E CORRENSEIRA E CORRENSEIRA E CORRENSEIRA E CORRENSEIRA E CORRENTE DETE DETE DETE DETE DE TRANSMISSÃOTRANSMISSÃOTRANSMISSÃOTRANSMISSÃOTRANSMISSÃO
INSPEÇÃO E SUBSINSPEÇÃO E SUBSINSPEÇÃO E SUBSINSPEÇÃO E SUBSINSPEÇÃO E SUBSTITUIÇÃO DOTITUIÇÃO DOTITUIÇÃO DOTITUIÇÃO DOTITUIÇÃO DO
PINHÃOPINHÃOPINHÃOPINHÃOPINHÃO
1. Verifique:
• O pinhão.
Desgaste maior do que 1/4 de dente a
→Trocar relação.
2 Pinhão.
Dente inclinado →Trocar relação.
b Correto.
1 Rolete da corrente de transmissão.
2. Instale:
• Pinhão 3.
• Arruela-trava 2.
• Porca do pinhão 1.
PPPPPorca do pinhão:orca do pinhão:orca do pinhão:orca do pinhão:orca do pinhão:
111111,0 k1,0 k1,0 k1,0 k1,0 kgfgfgfgfgf.m (1.m (1.m (1.m (1.m (1111110 N.m)0 N.m)0 N.m)0 N.m)0 N.m)
NONONONONOTTTTTA:A:A:A:A:
• Aperte a porca (pinhão) enquanto aplica
o freio traseiro.
• Dobre as abas a da arruela depois de
apertada a porca.
INSINSINSINSINSTTTTTALAÇÃO DALAÇÃO DALAÇÃO DALAÇÃO DALAÇÃO DA CORRENA CORRENA CORRENA CORRENA CORRENTE ETE ETE ETE ETE E
PINHÃOPINHÃOPINHÃOPINHÃOPINHÃO
1. Instale:
• A corrente de transmissão.
3. Instale:
• Tampa da carcaça 3.
• Os parafusos de fixação da tampa da
carcaça 2.
PPPPParafusos de fixação da tampa daarafusos de fixação da tampa daarafusos de fixação da tampa daarafusos de fixação da tampa daarafusos de fixação da tampa da
carcaça:carcaça:carcaça:carcaça:carcaça:
1,0 k1,0 k1,0 k1,0 k1,0 kgfgfgfgfgf.m (1.m (1.m (1.m (1.m (10 N.m)0 N.m)0 N.m)0 N.m)0 N.m)
• Pedal de câmbio 1.
• O parafuso do pedal de câmbio 4.
PPPPParafuso do pedal de câmbio:arafuso do pedal de câmbio:arafuso do pedal de câmbio:arafuso do pedal de câmbio:arafuso do pedal de câmbio:
1,0 k1,0 k1,0 k1,0 k1,0 kgfgfgfgfgf.m (1.m (1.m (1.m (1.m (10 N.m)0 N.m)0 N.m)0 N.m)0 N.m)
4. Lubrifique:
• Corrente de transmissão.
Lubrificante da corLubrificante da corLubrificante da corLubrificante da corLubrificante da corrente de transmissão: Srente de transmissão: Srente de transmissão: Srente de transmissão: Srente de transmissão: SAEAEAEAEAE
20W40 óleo de motor20W40 óleo de motor20W40 óleo de motor20W40 óleo de motor20W40 óleo de motor.....
CHACHACHACHACHASSSSS
4 – 88
BALANÇABALANÇABALANÇABALANÇABALANÇA TRATRATRATRATRASEIRA E CORRENSEIRA E CORRENSEIRA E CORRENSEIRA E CORRENSEIRA E CORRENTE DETE DETE DETE DETE DE TRANSMISSÃOTRANSMISSÃOTRANSMISSÃOTRANSMISSÃOTRANSMISSÃO
INSINSINSINSINSTTTTTALAÇÃO DALAÇÃO DALAÇÃO DALAÇÃO DALAÇÃO DA BALANÇAA BALANÇAA BALANÇAA BALANÇAA BALANÇA
TRATRATRATRATRASEIRASEIRASEIRASEIRASEIRA
1. Lubrifique:
• Eixo de articulação da balança 1.
• Espaçador 2.
• Buchas.
2. Instale:
• Buchas.
• Espaçador 2 (na balança traseira).
• Tampa 3.
3. Instale:
• A balança traseira.
Lubrificante recomendado:Lubrificante recomendado:Lubrificante recomendado:Lubrificante recomendado:Lubrificante recomendado:
Graxa à base de sabão de lítioGraxa à base de sabão de lítioGraxa à base de sabão de lítioGraxa à base de sabão de lítioGraxa à base de sabão de lítio
4. Instale:
• O eixo de articulação da balança.
Porca do eixo da balança:::::
8 k8 k8 k8 k8 kgfgfgfgfgf.m (80 N.m).m (80 N.m).m (80 N.m).m (80 N.m).m (80 N.m)
5. Instale:
• Parafuso inferior do conjunto do amor-
tecedor traseiro 2.
• Porca inferior do conjunto do amorte-
cedor traseiro.
• O parafuso de fixação da balança ao
suporte do braço relé 1.
• A porca do suporte do braço relé à ba-
lança traseira.
NONONONONOTTTTTA:A:A:A:A:
• Quando instalar o conjunto do amortecedor
traseiro, levante a balança traseira.
• Observe o correto posicionamento da
conexão do braço do relé.
PPPPPorca inferior do conjunto doorca inferior do conjunto doorca inferior do conjunto doorca inferior do conjunto doorca inferior do conjunto do
amoramoramoramoramortecedor traseirotecedor traseirotecedor traseirotecedor traseirotecedor traseiro:::::
5,7 k5,7 k5,7 k5,7 k5,7 kgfgfgfgfgf.m (57 N.m).m (57 N.m).m (57 N.m).m (57 N.m).m (57 N.m)
PPPPPorca do supororca do supororca do supororca do supororca do suporte do braço reléte do braço reléte do braço reléte do braço reléte do braço relé:::::
5,7 k5,7 k5,7 k5,7 k5,7 kgfgfgfgfgf.m (57 N.m).m (57 N.m).m (57 N.m).m (57 N.m).m (57 N.m)
CHACHACHACHACHASSSSS
4 – 89
BALANÇABALANÇABALANÇABALANÇABALANÇA TRATRATRATRATRASEIRA E CORRENSEIRA E CORRENSEIRA E CORRENSEIRA E CORRENSEIRA E CORRENTE DETE DETE DETE DETE DE TRANSMISSÃOTRANSMISSÃOTRANSMISSÃOTRANSMISSÃOTRANSMISSÃO
PPPPParafusos de fixação do suporarafusos de fixação do suporarafusos de fixação do suporarafusos de fixação do suporarafusos de fixação do suportetetetete
do freio traseirodo freio traseirodo freio traseirodo freio traseirodo freio traseiro:::::
4,75 k4,75 k4,75 k4,75 k4,75 kgfgfgfgfgf.m (47.m (47.m (47.m (47.m (47,5 N.m),5 N.m),5 N.m),5 N.m),5 N.m)
8. Instale:
• O parafuso de fixação do reservatório
no suporte do estribo traseiro.
PPPPParafuso de fixação doarafuso de fixação doarafuso de fixação doarafuso de fixação doarafuso de fixação do
reservatório:reservatório:reservatório:reservatório:reservatório:
0,4 k0,4 k0,4 k0,4 k0,4 kgfgfgfgfgf.m (4 N.m).m (4 N.m).m (4 N.m).m (4 N.m).m (4 N.m)
6. Posicione:
• O conjunto do suporte do freio traseiro.
7. Instale:
• Os parafusos de fixação do suporte do
freio traseiro.
9. Posicione:
• A mangueira do flexível em seu aloja-
mento.
10. Instale:
• Os fixadores da mangueira de freio
na balança 1.
• Os parafusos dos fixadores da man-
gueira flexível do freio.
V
PPPPParafusos de fixação da man-arafusos de fixação da man-arafusos de fixação da man-arafusos de fixação da man-arafusos de fixação da man-
gueira flexível do freiogueira flexível do freiogueira flexível do freiogueira flexível do freiogueira flexível do freio:::::
0,65 k0,65 k0,65 k0,65 k0,65 kgfgfgfgfgf.m (6,5 N.m).m (6,5 N.m).m (6,5 N.m).m (6,5 N.m).m (6,5 N.m)
11. Instale:
• O interruptor do freio traseiro.
• A mola de retorno 1 do interruptor
de freio traseiro.
CHACHACHACHACHASSSSS
4 – 90
BALANÇABALANÇABALANÇABALANÇABALANÇA TRATRATRATRATRASEIRA E CORRENSEIRA E CORRENSEIRA E CORRENSEIRA E CORRENSEIRA E CORRENTE DETE DETE DETE DETE DE TRANSMISSÃOTRANSMISSÃOTRANSMISSÃOTRANSMISSÃOTRANSMISSÃO
12. Instale:
• O protetor da corrente.
• Os parafusos 1 de fixação do prote-
tor da corrente.
V
PPPPParafusos de fixação do protetorarafusos de fixação do protetorarafusos de fixação do protetorarafusos de fixação do protetorarafusos de fixação do protetor
da corda corda corda corda correnterenterenterenterente:::::
0,65 k0,65 k0,65 k0,65 k0,65 kgfgfgfgfgf.m (6,5 N.m).m (6,5 N.m).m (6,5 N.m).m (6,5 N.m).m (6,5 N.m)
Lubrifique o eixLubrifique o eixLubrifique o eixLubrifique o eixLubrifique o eixo da balança através dao da balança através dao da balança através dao da balança através dao da balança através da
engraxadeiraengraxadeiraengraxadeiraengraxadeiraengraxadeira 11111 localizada na parlocalizada na parlocalizada na parlocalizada na parlocalizada na parte inferior date inferior date inferior date inferior date inferior da
balança.balança.balança.balança.balança.
13. Instale:
• A roda traseira.
Consulte “RODA TRASEIRA” no capí-
tulo 4.
CAPÍTULCAPÍTULCAPÍTULCAPÍTULCAPÍTULOOOOO 55555
MOMOMOMOMOTTTTTOROROROROR
TUBO DE ESCAPE E SILENCIOSOTUBO DE ESCAPE E SILENCIOSOTUBO DE ESCAPE E SILENCIOSOTUBO DE ESCAPE E SILENCIOSOTUBO DE ESCAPE E SILENCIOSO.............................................................................................................................................................................................................................................................................................................................................................. 5-15-15-15-15-1
REMOÇÃO ............................................................................................................. 5-1
INSTALAÇÃO DOTUBO DE ESCAPE E SILENCIOSO ......................................... 5-2
FIAÇÃOFIAÇÃOFIAÇÃOFIAÇÃOFIAÇÃO, CABOS, MANGUEIRA, CABOS, MANGUEIRA, CABOS, MANGUEIRA, CABOS, MANGUEIRA, CABOS, MANGUEIRAS E BOBINA DE IGNIÇÃOS E BOBINA DE IGNIÇÃOS E BOBINA DE IGNIÇÃOS E BOBINA DE IGNIÇÃOS E BOBINA DE IGNIÇÃO ..................................................................................................................................................................... 5-35-35-35-35-3
REMOÇÃO DO MOTOR......................................................................................... 5-5
INSTALAÇÃO DO MOTOR .................................................................................. 5-10
CABEÇOCABEÇOCABEÇOCABEÇOCABEÇOTETETETETE .............................................................................................................................................................................................................................................................................................................................................................................................................................................................................................................................................5-15-15-15-15-166666
REMOÇÃO DO CABEÇOTE ................................................................................. 5-18
INSPEÇÃO DO CABEÇOTE ................................................................................. 5-19
INSPEÇÃO DASTAMPAS DE VÁLVULA E COROA DE COMANDO .................. 5-20
INSPEÇÃO DOTENSIONADOR DA CORRENTE DE COMANDO ...................... 5-20
INSPEÇÃO DA COROA DE COMANDO.............................................................. 5-20
INSTALAÇÃO DO CABEÇOTE............................................................................. 5-21
BALANCINS E EIXBALANCINS E EIXBALANCINS E EIXBALANCINS E EIXBALANCINS E EIXO DE COMANDOO DE COMANDOO DE COMANDOO DE COMANDOO DE COMANDO ..........................................................................................................................................................................................................................................................................................................................................5-245-245-245-245-24
REMOÇÃO DOS BALANCINS E EIXO DE COMANDO ...................................... 5-25
INSPEÇÃO DO EIXO DE COMANDO.................................................................. 5-26
INSPEÇÃO DOS BALANCINS E EIXO DOS BALANCINS ................................. 5-27
INSTALAÇÃO DO EIXO DE COMANDO E BALANCINS .................................... 5-28
VÁLVÁLVÁLVÁLVÁLVULAVULAVULAVULAVULAS E MOLAS DS E MOLAS DS E MOLAS DS E MOLAS DS E MOLAS DAAAAASSSSS VÁLVÁLVÁLVÁLVÁLVULAVULAVULAVULAVULASSSSS ......................................................................................................................................................................................................................................................................................................................5-305-305-305-305-30
REMOÇÃO DAS VÁLVULAS................................................................................ 5-32
INSPEÇÃO DAS VÁLVULAS E GUIAS DAS VÁLVULAS..................................... 5-33
INSPEÇÃO DO ASSENTO DA VÁLVULA ............................................................ 5-35
INSPEÇÃO DAS MOLAS DA VÁLVULA .............................................................. 5-37
INSTALAÇÃO DAS VÁLVULAS ........................................................................... 5-38
CILINDRO E PISCILINDRO E PISCILINDRO E PISCILINDRO E PISCILINDRO E PISTÃOTÃOTÃOTÃOTÃO ..................................................................................................................................................................................................................................................................................................................................................................................................................................................................5-405-405-405-405-40
REMOÇÃO DO CILINDRO E PISTÃO.................................................................. 5-41
INSPEÇÃO DO CILINDRO E PISTÃO .................................................................. 5-41
INSPEÇÃO DOS ANÉIS ....................................................................................... 5-43
INSPEÇÃO DO PINO DO PISTÃO ....................................................................... 5-44
INSTALAÇÃO DO PISTÃO E DO CILINDRO ....................................................... 5-45
EMBREAEMBREAEMBREAEMBREAEMBREAGEMGEMGEMGEMGEM .........................................................................................................................................................................................................................................................................................................................................................................................................................................................................................................................5-475-475-475-475-47
TAMPA DA EMBREAGEM ................................................................................... 5-47
EMBREAGEM ...................................................................................................... 5-48
ALAVANCA DE ACIONAMENTO......................................................................... 5-50
REMOÇÃO DA EMBREAGEM............................................................................. 5-51
INSPEÇÃO DA ENGRENAGEM PRIMÁRIA ........................................................ 5-52
INSPEÇÃO DOS DISCOS DE FRICÇÃO .............................................................. 5-52
INSPEÇÃO DOS DISCOS DE AÇO ...................................................................... 5-52
INSPEÇÃO DAS MOLAS DE EMBREAGEM ....................................................... 5-53
INSPEÇÃO DA CAMPANA .................................................................................. 5-53
INSPEÇÃO DA PLACA DE PRESSÃO ................................................................. 5-53
INSPEÇÃO DA ALAVANCA E DA HASTE DE ACIONAMENTO ......................... 5-54
INSPEÇÃO DA CAMPANA .................................................................................. 5-54
INSTALAÇÃO DA EMBREAGEM ........................................................................ 5-54
BOMBA DE ÓLEO E ENGRENABOMBA DE ÓLEO E ENGRENABOMBA DE ÓLEO E ENGRENABOMBA DE ÓLEO E ENGRENABOMBA DE ÓLEO E ENGRENAGEM DO BALANCEIROGEM DO BALANCEIROGEM DO BALANCEIROGEM DO BALANCEIROGEM DO BALANCEIRO ....................................................................................................................................................................................5-585-585-585-585-58
BOMBA DE ÓLEOBOMBA DE ÓLEOBOMBA DE ÓLEOBOMBA DE ÓLEOBOMBA DE ÓLEO ......................................................................................................................................................................................................................................................................................................................................................................................................................................................................................5-605-605-605-605-60
INSPEÇÃO DA BOMBA DE ÓLEO ...................................................................... 5-61
INSPEÇÃO DOSTUBOS E MANGUEIRAS DE FORNECIMENTO DE ÓLEO ..... 5-62
MONTAGEM DA BOMBA DE ÓLEO ................................................................... 5-62
INSTALAÇÃO DA BOMBA DE ÓLEO.................................................................. 5-63
RADIADOR DE ÓLEORADIADOR DE ÓLEORADIADOR DE ÓLEORADIADOR DE ÓLEORADIADOR DE ÓLEO .............................................................................................................................................................................................................................................................................................................................................................................................................................................................5-635-635-635-635-63
INSPEÇÃO DO RADIADOR ................................................................................. 5-64
MONTAGEM DO RADIADOR .............................................................................. 5-65
REMOÇÃO DA ENGRENAGEM DO BALANCEIRO............................................ 5-67
INSPEÇÃO DA ENGRENAGEM DO BALANCEIRO ............................................ 5-67
MONTAGEM DA ENGRENAGEM DO BALANCEIRO......................................... 5-68
SINCRONIZAÇÃO DA ENGRENAGEM DO BALANCEIRO COM A
ENGRENAGEM MOTORA ................................................................................... 5-68
EIXEIXEIXEIXEIXO DE MUDO DE MUDO DE MUDO DE MUDO DE MUDANÇAANÇAANÇAANÇAANÇA ..................................................................................................................................................................................................................................................................................................................................................................................................................................................................5-695-695-695-695-69
EIXO DE MUDANÇA E ALAVANCA DE POSIÇÃO ............................................. 5-69
DESMONTAGEM DO EIXO DE MUDANÇA ....................................................... 5-70
INSPEÇÃO DO EIXO DE MUDANÇA .................................................................. 5-70
INSPEÇÃO DA ALAVANCA DE POSIÇÃO .......................................................... 5-70
INSTALAÇÃO DO EIXO DE MUDANÇA ............................................................. 5-70
ENGRENAENGRENAENGRENAENGRENAENGRENAGEM DE PGEM DE PGEM DE PGEM DE PGEM DE PARARARARARTIDTIDTIDTIDTIDA E MAA E MAA E MAA E MAA E MAGNETGNETGNETGNETGNETOOOOO A.C.A.C.A.C.A.C.A.C. ................................................................................................................................................................................................................................................5-725-725-725-725-72
REMOÇÃO DO ROTOR DO MAGNETO A.C. ...................................................... 5-74
INSPEÇÃO DA ENGRENAGEM DE PARTIDA (SENTIDO ÚNICO)..................... 5-75
MONTAGEM DO ROTOR DO MAGNETO A.C. ................................................... 5-75
VIRABREQVIRABREQVIRABREQVIRABREQVIRABREQUIM E CARCAÇAUIM E CARCAÇAUIM E CARCAÇAUIM E CARCAÇAUIM E CARCAÇAS DO MOS DO MOS DO MOS DO MOS DO MOTTTTTOROROROROR ........................................................................................................................................................................................................................................................................................5-785-785-785-785-78
SEPARAÇÃO DAS CARCAÇAS ........................................................................... 5-80
REMOÇÃO DO CONJUNTO VIRABREQUIM E BALANCEIRO .......................... 5-81
INSPEÇÃO DO VIRABREQUIM ........................................................................... 5-81
INSPEÇÃO DAS CARCAÇAS DO MOTOR .......................................................... 5-82
INSPEÇÃO DA CORRENTE DE COMANDO E GUIAS ....................................... 5-82
MONTAGEM DO VIRABREQUIM ........................................................................ 5-84
ROLAMENTOS DO VIRABREQUIM .................................................................... 5-85
INSTALAÇÃO DO VIRABREQUIM....................................................................... 5-85
CARCAÇA (LADO DIREITO) ................................................................................ 5-86
TRANSMISSÃOTRANSMISSÃOTRANSMISSÃOTRANSMISSÃOTRANSMISSÃO..........................................................................................................................................................................................................................................................................................................................................................................................................................................................................................................5-885-885-885-885-88
EIXO PRIMÁRIO / EIXO SECUNDÁRIO .............................................................. 5-89
REMOÇÃO DATRANSMISSÃO .......................................................................... 5-91
INSPEÇÃO DOTRAMBULADOR CONJUNTO E GARFOS DE MUDANÇA ...... 5-91
INSPEÇÃO DATRANSMISSÃO .......................................................................... 5-92
INSTALAÇÃO DATRANSMISSÃO ..................................................................... 5-93
5 – 1
REMOÇÃO DO MOREMOÇÃO DO MOREMOÇÃO DO MOREMOÇÃO DO MOREMOÇÃO DO MOTTTTTOROROROROR MOMOMOMOMOTTTTTOROROROROR
TUBO DE ESCAPE ETUBO DE ESCAPE ETUBO DE ESCAPE ETUBO DE ESCAPE ETUBO DE ESCAPE E
SILENCIOSOSILENCIOSOSILENCIOSOSILENCIOSOSILENCIOSO
REMOÇÃOREMOÇÃOREMOÇÃOREMOÇÃOREMOÇÃO
1. Remova:
• A tampa lateral direita.
2. Remova:
• O parafuso de fixação 1 superior do si-
lencioso no chassi.
3. Remova:
• O parafuso de fixação 1 inferior do si-
lencioso no chassi.
4. Solte:
• O parafuso da braçadeira 2 de junção
do tubo de escape com o silencioso.
5. Remova:
• O silencioso.
6. Remova:
• As porcas de fixação 1 do tubo de es-
cape.
7. Remova:
• O tubo de escape.
8. Remova:
• A gaxeta 1.
5 – 2
REMOÇÃO DO MOREMOÇÃO DO MOREMOÇÃO DO MOREMOÇÃO DO MOREMOÇÃO DO MOTTTTTOROROROROR MOMOMOMOMOTTTTTOROROROROR
INSTALAÇÃO DO TUBO DE ESCAPE E
SILENCIOSO
1. Instale:
• A gaxeta 1.
2. Instale:
• O tubo de escape.
• As porcas de fixação 1.
3. Instale:
• O silencioso.
• O parafuso de fixação 1 inferior do si-
lencioso no chassi.
• O parafuso da braçadeira 2 de junção
do tubo de escape com o silencioso.
4. Instale:
• O parafuso de fixação 1 superior do
silencioso no chassi.
V
PPPPParafuso de fixação superior doarafuso de fixação superior doarafuso de fixação superior doarafuso de fixação superior doarafuso de fixação superior do
silencioso no csilencioso no csilencioso no csilencioso no csilencioso no chassihassihassihassihassi:::::
4 k4 k4 k4 k4 kgfgfgfgfgf.m (40 N.m).m (40 N.m).m (40 N.m).m (40 N.m).m (40 N.m)
5. Instale:
• A tampa lateral direita.
NoNoNoNoNovvvvvooooo
PPPPPorcasorcasorcasorcasorcas de fixação:de fixação:de fixação:de fixação:de fixação:
1,7 k1,7 k1,7 k1,7 k1,7 kgfgfgfgfgf.m (1.m (1.m (1.m (1.m (17 N.m)7 N.m)7 N.m)7 N.m)7 N.m)V
V
PPPPParafuso de fixação inferior doarafuso de fixação inferior doarafuso de fixação inferior doarafuso de fixação inferior doarafuso de fixação inferior do
silencioso no csilencioso no csilencioso no csilencioso no csilencioso no chassihassihassihassihassi:::::
4 k4 k4 k4 k4 kgfgfgfgfgf.m (40 N.m).m (40 N.m).m (40 N.m).m (40 N.m).m (40 N.m)
PPPPParafuso da braçadeiraarafuso da braçadeiraarafuso da braçadeiraarafuso da braçadeiraarafuso da braçadeira:::::
2 k2 k2 k2 k2 kgfgfgfgfgf.m (20 N.m).m (20 N.m).m (20 N.m).m (20 N.m).m (20 N.m)
5 – 3
REMOÇÃO DO MOREMOÇÃO DO MOREMOÇÃO DO MOREMOÇÃO DO MOREMOÇÃO DO MOTTTTTOROROROROR MOMOMOMOMOTTTTTOROROROROR
1,0 kgf.m (10 N.m)
8
9
0
C
4
A
5
6
7
1,0 kgf.m (10 N.m)
1
11,0 kgf.m (110 N.m)
NoNoNoNoNovvvvvooooo
B
3
2
FIAÇÃOFIAÇÃOFIAÇÃOFIAÇÃOFIAÇÃO, CABOS, MANGUEIRA, CABOS, MANGUEIRA, CABOS, MANGUEIRA, CABOS, MANGUEIRA, CABOS, MANGUEIRAS E BOBINA DE IGNIÇÃOS E BOBINA DE IGNIÇÃOS E BOBINA DE IGNIÇÃOS E BOBINA DE IGNIÇÃOS E BOBINA DE IGNIÇÃO
RRRRRemoção da fiação, cabos, mangueiras eemoção da fiação, cabos, mangueiras eemoção da fiação, cabos, mangueiras eemoção da fiação, cabos, mangueiras eemoção da fiação, cabos, mangueiras e Remover as peças na ordem listada
bobina de igniçãobobina de igniçãobobina de igniçãobobina de igniçãobobina de ignição
Óleo do motor/ radiador Drenar
Assento/tampas laterais (esquerda e direita) Consulte “CARENAGEM ETAMPAS
LATERAIS” no capítulo 3.
Abas laterais do tanque de combustível (direita e
esquerda)/tanque de combustível Consulte “TANQUE DE
COMBUSTÍVEL” no capítulo 3.
Corpo de injeção Consulte “CONJUNTO DO CORPO
DE INJEÇÃO” no capítulo 7.
1 Pedal de câmbio 1 Consulte “RELAÇÃO DA
TRANSMISSÃO” no capítulo 4.
2 Pinhão 1
Serviço/Peça Qtde. ObservaçãoOrdem
D
5 – 4
REMOÇÃO DO MOREMOÇÃO DO MOREMOÇÃO DO MOREMOÇÃO DO MOREMOÇÃO DO MOTTTTTOROROROROR MOMOMOMOMOTTTTTOROROROROR
3 Corrente de transmissão 1
4 Mangueira de respiro do motor 1 Desconectar
5 Cabo do motor de partida 1
6 Trava do cabo de embreagem 1
7 Cabo de embreagem 1
8 Conectores do chicote principal 5 Desconectar
9 Cachimbo da vela de ignição 1
10 Bobina de ignição 1
11 Mangueira de vácuo 1 Desconectar
12 Fio do interruptor do neutro 1 Desconectar
13 Chicote do sensor de velocidade 1 Desconectar
14 Mangueira de indução de ar no motor 1 Desconectar
Serviço/Peça Qtde. ObservaçãoOrdem
1,0 kgf.m (10 N.m)
8
9
0
C
4
A
5
6
7
1,0 kgf.m (10 N.m)
1
11,0 kgf.m (110 N.m)
NoNoNoNoNovvvvvooooo
B
3
2
D
5 – 5
REMOÇÃO DO MOREMOÇÃO DO MOREMOÇÃO DO MOREMOÇÃO DO MOREMOÇÃO DO MOTTTTTOROROROROR MOMOMOMOMOTTTTTOROROROROR
REMOÇÃO DO MOREMOÇÃO DO MOREMOÇÃO DO MOREMOÇÃO DO MOREMOÇÃO DO MOTTTTTOROROROROR
1. Coloque a motocicleta em uma superfí-
cie plana.
PPPPPosicione a motocicleta firmemente para queosicione a motocicleta firmemente para queosicione a motocicleta firmemente para queosicione a motocicleta firmemente para queosicione a motocicleta firmemente para que
não haja perigo de queda.não haja perigo de queda.não haja perigo de queda.não haja perigo de queda.não haja perigo de queda.
2. Remova:
• A mola de retorno 1 do interruptor de
freio traseiro.
• O interruptor do freio 2 traseiro.
3. Remova:
• Os parafusos 1 de fixação do suporte
do pedal do freio traseiro.
• O conjunto do suporte do freio traseiro.
4. Remova:
• A mangueira 1 do respiro do motor.
• A mangueira 2 de indução de ar do
motor na caixa do filtro de ar.
5. Remova:
• O cabo de embreagem na extremidade
do motor.
NONONONONOTTTTTA:A:A:A:A:
Antes de remover o cabo de embreagem,
levante a trava 1 da extremidade do cabo o
suficiente para poder removê-lo de seu
alojamento.
5 – 6
REMOÇÃO DO MOREMOÇÃO DO MOREMOÇÃO DO MOREMOÇÃO DO MOREMOÇÃO DO MOTTTTTOROROROROR MOMOMOMOMOTTTTTOROROROROR
6. Remova:
• O cabo positivo 1 do motor de partida.
7. Remova:
• O parafuso 1 de fixação do cabo de
aterramento.
• O cabo de aterramento 2 do motor.
• O suporte 3 do cabo de embreagem
de seu alojamento.
8. Remova:
• O conector 1 do sensor de temperatu-
ra do motor.
9. Remova:
• O conector 1 do sensor de velocidade.
10. Remova:
• A braçadeira da mangueira de vácuo.
• A mangueira de vácuo 1 no coletor
de admissão.
5 – 7
REMOÇÃO DO MOREMOÇÃO DO MOREMOÇÃO DO MOREMOÇÃO DO MOREMOÇÃO DO MOTTTTTOROROROROR MOMOMOMOMOTTTTTOROROROROR
11. Remova:
• O conector do interruptor 1 do cava-
lete lateral.
12. Remova:
• Os parafusos de fixação 1 do estri-
bo do lado esquerdo.
• O estribo do lado esquerdo.
13. Remova:
• O pinhão.
Consulte “RELAÇÃO DA TRANSMIS-
SÃO” no capítulo 4.
14. Remova:
• O conector 1 do interruptor de neutro.
15. Remova:
• O cachimbo 1 de vela.
16. Remova:
• Os conectores da bobina de carga 1
e do sensor de posição do virabre-
quim 2.
5 – 8
REMOÇÃO DO MOREMOÇÃO DO MOREMOÇÃO DO MOREMOÇÃO DO MOREMOÇÃO DO MOTTTTTOROROROROR MOMOMOMOMOTTTTTOROROROROR
17. Remova:
• Os parafusos de fixação das man-
gueiras de entrada 1 e saída 2 de
óleo do motor no radiador.
NONONONONOTTTTTA:A:A:A:A:
Posicionar um recipiente sob as mangueiras
para coletar o restante do óleo do motor.
18. Remova:
• Os parafusos de fixação 1 do radia-
dor no suporte do chassi.
• O radiador.
19. Remova:
• A braçadeira da mangueira de
indução de ar no motor.
• A mangueira de indução de ar.
20. Remova:
• As porcas e parafusos 1 do supor-
te dianteiro superior do motor ao
chassi.
21. Remova:
• As porcas e parafusos 1 do suporte
traseiro superior do motor ao chassi.
5 – 9
REMOÇÃO DO MOREMOÇÃO DO MOREMOÇÃO DO MOREMOÇÃO DO MOREMOÇÃO DO MOTTTTTOROROROROR MOMOMOMOMOTTTTTOROROROROR
22. Remova:
• A porca e parafuso 1 do suporte tra-
seiro inferior do motor ao chassi.
23. Remova:
• A porca e parafuso 1 do suporte dian-
teiro inferior do motor ao chassi.
24. Remova:
• O conjunto motor.
NONONONONOTTTTTA:A:A:A:A:
Remova o conjunto motor pelo lado direito
da motocicleta.
5 – 10
REMOÇÃO DO MOREMOÇÃO DO MOREMOÇÃO DO MOREMOÇÃO DO MOREMOÇÃO DO MOTTTTTOROROROROR MOMOMOMOMOTTTTTOROROROROR
INSINSINSINSINSTTTTTALAÇÃO DO MOALAÇÃO DO MOALAÇÃO DO MOALAÇÃO DO MOALAÇÃO DO MOTTTTTOROROROROR
1. Instale:
• O motor.
• Ao instalar o motor no chassi, inverta a
ordem dos procedimentos de remoção.
Monte os parafusos pelo lado esquerdo doMonte os parafusos pelo lado esquerdo doMonte os parafusos pelo lado esquerdo doMonte os parafusos pelo lado esquerdo doMonte os parafusos pelo lado esquerdo do
ccccchassi e as porcas do lado direito.hassi e as porcas do lado direito.hassi e as porcas do lado direito.hassi e as porcas do lado direito.hassi e as porcas do lado direito.
2. Instale:
• A porca e parafuso 1 do suporte dian-
teiro inferior do motor ao chassi.
PPPPPorca do porca do porca do porca do porca do parafuso de fixaçãoarafuso de fixaçãoarafuso de fixaçãoarafuso de fixaçãoarafuso de fixação dododododo
suporsuporsuporsuporsuportetetetete:::::
6,5 k6,5 k6,5 k6,5 k6,5 kgfgfgfgfgf.m (65 N.m).m (65 N.m).m (65 N.m).m (65 N.m).m (65 N.m)
V
3. Instale:
• A porca e parafuso 1 do suporte tra-
seiro inferior do motor ao chassi.
PPPPPorca do porca do porca do porca do porca do parafuso de fixaçãoarafuso de fixaçãoarafuso de fixaçãoarafuso de fixaçãoarafuso de fixação dododododo
suporsuporsuporsuporsuportetetetete:::::
6,5 k6,5 k6,5 k6,5 k6,5 kgfgfgfgfgf.m (65 N.m).m (65 N.m).m (65 N.m).m (65 N.m).m (65 N.m)
V
4. Instale:
• As porcas e parafusos 1 do suporte tra-
seiro superior do motor ao chassi.
PPPPPorcas do porcas do porcas do porcas do porcas do parafuso de fixaçãoarafuso de fixaçãoarafuso de fixaçãoarafuso de fixaçãoarafuso de fixação dododododo
suporsuporsuporsuporsuportetetetete:::::
6,5 k6,5 k6,5 k6,5 k6,5 kgfgfgfgfgf.m (65 N.m).m (65 N.m).m (65 N.m).m (65 N.m).m (65 N.m)
V
5. Instale:
• As porcas e parafusos 1 do suporte
dianteiro superior do motor ao chassi.
PPPPPorcas do porcas do porcas do porcas do porcas do parafuso de fixaçãoarafuso de fixaçãoarafuso de fixaçãoarafuso de fixaçãoarafuso de fixação dododododo
suporsuporsuporsuporsuportetetetete:::::
6,5 k6,5 k6,5 k6,5 k6,5 kgfgfgfgfgf.m (65 N.m).m (65 N.m).m (65 N.m).m (65 N.m).m (65 N.m)
V
5 – 11
REMOÇÃO DO MOREMOÇÃO DO MOREMOÇÃO DO MOREMOÇÃO DO MOREMOÇÃO DO MOTTTTTOROROROROR MOMOMOMOMOTTTTTOROROROROR
6. Instale:
• A mangueira de indução de ar no tubo.
• Abraçadeiradamangueiradeindução1.
7. Instale:
• O radiador.
• Os parafusos de fixação 1 do radiador
no suporte do chassi.
PPPPParafusoarafusoarafusoarafusoarafusosssss de fixaçãode fixaçãode fixaçãode fixaçãode fixação do supordo supordo supordo supordo suportetetetete:::::
1,0 k1,0 k1,0 k1,0 k1,0 kgfgfgfgfgf.m (1.m (1.m (1.m (1.m (10 N.m)0 N.m)0 N.m)0 N.m)0 N.m)
8. Instale:
• Anéis O-rings 1 no motor.
• Espaçadores 2 no motor.
• Mangueiras de óleo no motor.
NoNoNoNoNovvvvvooooo
9. Instale:
• As mangueiras de entrada 1 e saída 2
de óleo do motor no radiador.
• Os parafusos de fixação das manguei-
ras de entrada e saída de óleo do radia-
dor no motor.
V
PPPPParafusoarafusoarafusoarafusoarafusosssss de fixação das manguei-de fixação das manguei-de fixação das manguei-de fixação das manguei-de fixação das manguei-
ras de entrada e saída de óleoras de entrada e saída de óleoras de entrada e saída de óleoras de entrada e saída de óleoras de entrada e saída de óleo:::::
1,0 k1,0 k1,0 k1,0 k1,0 kgfgfgfgfgf.m (1.m (1.m (1.m (1.m (10 N.m)0 N.m)0 N.m)0 N.m)0 N.m)
10. Instale:
• Os conectores da bobina de carga 1
e do sensor de posição do virabre-
quim 2.
5 – 12
REMOÇÃO DO MOREMOÇÃO DO MOREMOÇÃO DO MOREMOÇÃO DO MOREMOÇÃO DO MOTTTTTOROROROROR MOMOMOMOMOTTTTTOROROROROR
11. Instale:
• O cachimbo 1 de vela.
12. Instale:
• O conector 1 do interruptor de
neutro.
13. Instale:
• O pinhão.
Consulte “RELAÇÃO DA TRANSMIS-
SÃO” no capítulo 4.
Conector do interConector do interConector do interConector do interConector do interruptor de neutroruptor de neutroruptor de neutroruptor de neutroruptor de neutro:::::
1,0 k1,0 k1,0 k1,0 k1,0 kgfgfgfgfgf.m (1.m (1.m (1.m (1.m (10 N.m)0 N.m)0 N.m)0 N.m)0 N.m)
14. Instale:
• Os parafusos 1 de fixação do estri-
bo do lado esquerdo.
PPPPParafusoarafusoarafusoarafusoarafusosssss de fixaçãode fixaçãode fixaçãode fixaçãode fixação do estribodo estribodo estribodo estribodo estribo:::::
6,3 k6,3 k6,3 k6,3 k6,3 kgfgfgfgfgf.m (63 N.m).m (63 N.m).m (63 N.m).m (63 N.m).m (63 N.m)
15. Instale:
• O conector 1 do interruptor do cava-
lete lateral.
16. Instale:
• A mangueira de vácuo 1 no coletor
de admissão.
• A braçadeira da mangueira de vácuo.
5 – 13
REMOÇÃO DO MOREMOÇÃO DO MOREMOÇÃO DO MOREMOÇÃO DO MOREMOÇÃO DO MOTTTTTOROROROROR MOMOMOMOMOTTTTTOROROROROR
17. Instale:
• O conector 1 do sensor de veloci-
dade.
18. Instale:
• O conector 1 do sensor de tempera-
tura do motor.
19. Instale:
• O suporte 1 do cabo de embreagem.
• O cabo de aterramento 2 do motor.
• O parafuso de fixação 3 do cabo de
aterramento.
20. Instale:
• O cabo positivo 1 do motor de par-
tida.
• A porca de fixação do cabo positivo.
PPPPPorcaorcaorcaorcaorca de fixação do cabode fixação do cabode fixação do cabode fixação do cabode fixação do cabo positipositipositipositipositivvvvvooooo:::::
1,0 k1,0 k1,0 k1,0 k1,0 kgfgfgfgfgf.m (1.m (1.m (1.m (1.m (10 N.m)0 N.m)0 N.m)0 N.m)0 N.m)
21. Instale:
• O cabo de embreagem na extremida-
de do motor.
NONONONONOTTTTTA:A:A:A:A:
Depois de instalar o cabo de embreagem,
abaixe a trava 1 da extremidade do cabo o
suficiente para poder travá-lo em seu aloja-
mento.
PPPPParafusoarafusoarafusoarafusoarafuso de fixação do cabode fixação do cabode fixação do cabode fixação do cabode fixação do cabo dedededede
aterateraterateraterramentoramentoramentoramentoramento:::::
1,0 k1,0 k1,0 k1,0 k1,0 kgfgfgfgfgf.m (1.m (1.m (1.m (1.m (10 N.m)0 N.m)0 N.m)0 N.m)0 N.m)
5 – 14
REMOÇÃO DO MOREMOÇÃO DO MOREMOÇÃO DO MOREMOÇÃO DO MOREMOÇÃO DO MOTTTTTOROROROROR MOMOMOMOMOTTTTTOROROROROR
22. Instale:
• A mangueira 1 do respiro do motor.
• A mangueira 2 de indução de ar do
motor na caixa do filtro de ar.
• As braçadeiras das mangueiras do
respiro e de indução de ar.
23. Posicione:
• O conjunto do suporte do freio tra-
seiro.
24. Instale:
• Os parafusos de fixação 1 do supor-
te do freio traseiro
V
PPPPParafusos de fixação do suporarafusos de fixação do suporarafusos de fixação do suporarafusos de fixação do suporarafusos de fixação do suportetetetete
do freio traseirodo freio traseirodo freio traseirodo freio traseirodo freio traseiro:::::
4,75 k4,75 k4,75 k4,75 k4,75 kgfgfgfgfgf.m (47.m (47.m (47.m (47.m (47,5 N.m),5 N.m),5 N.m),5 N.m),5 N.m)
25. Instale:
• O interruptor 2 do freio traseiro.
• A mola de retorno 1 do interruptor
do freio traseiro.
26. Ajuste:
• O interruptor do freio traseiro.
Consulte “AJUSTE DO INTERRUPTOR
DO FREIOTRASEIRO” no capítulo 3.
27. Instale:
• O corpo de injeção.
Consulte “CONJUNTO DO CORPO DE
INJEÇÃO” no capítulo 7.
5 – 15
REMOÇÃO DO MOREMOÇÃO DO MOREMOÇÃO DO MOREMOÇÃO DO MOREMOÇÃO DO MOTTTTTOROROROROR MOMOMOMOMOTTTTTOROROROROR
28. Instale:
• O tubo do escapamento e o silencioso.
Consulte “ESCAPAMENTO” no capí-
tulo 4.
29. Instale:
• A carenagem, tampas e abas laterais
de ambos os lados.
Consulte “CARENAGENS, TAMPAS E
ABAS LATERAIS” no capítulo 3.
30. Abasteça:
• Cárter (com a quantidade especifica-
da de óleo recomendado).
QuantidadeQuantidadeQuantidadeQuantidadeQuantidade:::::
Quantidade total:Quantidade total:Quantidade total:Quantidade total:Quantidade total:
1,550 L1,550 L1,550 L1,550 L1,550 L
SSSSSem substituição do filtro deem substituição do filtro deem substituição do filtro deem substituição do filtro deem substituição do filtro de
óleo:óleo:óleo:óleo:óleo:
1,350 L1,350 L1,350 L1,350 L1,350 L
Com substituição do filtro deCom substituição do filtro deCom substituição do filtro deCom substituição do filtro deCom substituição do filtro de
óleo:óleo:óleo:óleo:óleo:
1,450 L1,450 L1,450 L1,450 L1,450 L
5 – 16
CABEÇOCABEÇOCABEÇOCABEÇOCABEÇOTETETETETE MOMOMOMOMOTTTTTOROROROROR
CABEÇOCABEÇOCABEÇOCABEÇOCABEÇOTETETETETE
RRRRRemoção do cabeçoteemoção do cabeçoteemoção do cabeçoteemoção do cabeçoteemoção do cabeçote Remover as peças na ordem listada
Consulte “REMOÇÃO DO MOTOR”.
Consulte “SISTEMA DE
REFRIGERAÇÃO DE ÓLEO” no
capítulo 6.
1 Vela de ignição 1
2 Tampa da coroa de comando/ O-ring 1/1
3 Tampa de válvula/ anel O-ring (exaustão) 1/1
4 Tampa de válvula/ anel O-ring (admissão) 1/1 Consulte “REMOÇÃO DO
5 Mangueira de respiro 1 CABEÇOTE” e “INSTALAÇÃO DO
6 Bujão do eixo do virabrequim 1 CABEÇOTE”.
Serviço/Peça Qtde. ObservaçãoOrdem
D
E
C
G
F
1
3
NoNoNoNoNovvvvvooooo
6,0 kgf.m (60 N.m)
B
8
A
1,0 kgf.m (10 N.m)
NoNoNoNoNovvvvvooooo
NoNoNoNoNovvvvvooooo
2
1,0 kgf.m (10 N.m)
1,8 kgf.m (18 N.m)
4
0 9
1,0 kgf.m (10 N.m)
0,75 kgf.m (7,5 N.m)
NoNoNoNoNovvvvvooooo NoNoNoNoNovvvvvooooo
NoNoNoNoNovvvvvooooo
7
6
2,2 kgf.m (22 N.m)
NoNoNoNoNovvvvvooooo
2,0 kgf.m (20 N.m)
5
5 – 17
CABEÇOCABEÇOCABEÇOCABEÇOCABEÇOTETETETETE MOMOMOMOMOTTTTTOROROROROR
7 Bujão da verificação de sincronismo 1
8 Parafuso 1
9 Parafuso do tensionador de corrente 1
10 Tensionador de corrente/ gaxeta 1/1
11 Placa da coroa de comando 1
12 Coroa de comando/ pino-guia 1/1 Consulte “REMOÇÃO DO
13 Conjunto do cabeçote 1 CABEÇOTE” e “INSTALAÇÃO DO
14 Tubo de indução de ar no motor 1/1 CABEÇOTE.
15 Guia dianteiro da corrente 1
16 Pinos-guia 2
17 Junta do cabeçote 1
Para instalação, reverter o
procedimento de remoção
Serviço/Peça Qtde. ObservaçãoOrdem
D
E
C
G
F
1
3
NoNoNoNoNovvvvvooooo
6,0 kgf.m (60 N.m)
B
8
A
1,0 kgf.m (10 N.m)
NoNoNoNoNovvvvvooooo
NoNoNoNoNovvvvvooooo
2
1,0 kgf.m (10 N.m)
1,8 kgf.m (18 N.m)
4
0 9
1,0 kgf.m (10 N.m)
0,75 kgf.m (7,5 N.m)
NoNoNoNoNovvvvvooooo NoNoNoNoNovvvvvooooo
NoNoNoNoNovvvvvooooo
7
6
2,2 kgf.m (22 N.m)
NoNoNoNoNovvvvvooooo
2,0 kgf.m (20 N.m)
5
5 – 18
CABEÇOCABEÇOCABEÇOCABEÇOCABEÇOTETETETETE MOMOMOMOMOTTTTTOROROROROR
5
1
32
4
a
6
REMOÇÃO DO CABEÇOREMOÇÃO DO CABEÇOREMOÇÃO DO CABEÇOREMOÇÃO DO CABEÇOREMOÇÃO DO CABEÇOTETETETETE
1. Alinhe:
• Marca “I” a no rotor do magneto A.C.
(com o indicador estacionário b na
tampa do magneto A.C.).
*****************************************************************************************************************************************************************************************
a. Vire o virabrequim em sentido anti-horá-
rio.
b. Quando o pistão está no ponto morto su-
perior (PMS) no tempo de compressão,
alinhe a marca “I” c na coroa de coman-
do com o indicador estacionário d no
cabeçote.
*****************************************************************************************************************************************************************************************
2. Solte:
• Parafuso da coroa de comando.
NONONONONOTTTTTA:A:A:A:A:
• Fixe a coroa de comando com o fixador
da coroa 1.
• Remova o parafuso com o soquete 2.
Fixador da coroa de comandoFixador da coroa de comandoFixador da coroa de comandoFixador da coroa de comandoFixador da coroa de comando
90890-408X290890-408X290890-408X290890-408X290890-408X2
3. Solte:
• Parafusos do tensionador da corrente
de comando 1.
4. Remova:
• Tensionador da corrente de comando
(com a junta).
• Coroa de comando.
NONONONONOTTTTTA:A:A:A:A:
Para evitar que a corrente de comando caia
dentro do virabrequim, prenda-a com um
arame a.
5. Remova:
• Cabeçote.
NONONONONOTTTTTA:A:A:A:A:
• Solte os parafusos na seqüência correta,
como mostrado 1, 2, 3, 4, 5 e 6.
• Solte cada parafuso 1
/2
volta por vez.
Quando todos os parafusos forem
completamente soltos, remova-os.
1
d
c
b
a
1
2
5 – 19
CABEÇOCABEÇOCABEÇOCABEÇOCABEÇOTETETETETE MOMOMOMOMOTTTTTOROROROROR
INSPEÇÃO DO CABEÇOINSPEÇÃO DO CABEÇOINSPEÇÃO DO CABEÇOINSPEÇÃO DO CABEÇOINSPEÇÃO DO CABEÇOTETETETETE
1. Elimine:
• Depósitos de carbono da câmara de com-
bustão (com um raspador redondo).
NONONONONOTTTTTA:A:A:A:A:
Não utilize instrumento afiado, para evitar
danos ou arranhões em:
• roscas da vela de ignição
• bases da válvula.
2. Verifique:
• Cabeçote.
Danos/Riscos Substituir.
3. Meça:
• Empenamento do cabeçote.
Fora de especificação Retifique o
cabeçote.
Empenamento máximoEmpenamento máximoEmpenamento máximoEmpenamento máximoEmpenamento máximo
0,03 mm0,03 mm0,03 mm0,03 mm0,03 mm
*****************************************************************************************************************************************************************************************
a. Coloque uma régua 1 e um calibre de lâ-
minas 2 ao longo do cabeçote.
b. Meça o empenamento.
c. Se o limite for ultrapassado, retifique o
cilindro.
d. Com uma lixa fina (400 a 600 de
granulagem) aplicada à superfície do
cabeçote, execute a retífica, exercendo
movimentos em forma do numeral “8”.
NONONONONOTTTTTA:A:A:A:A:
Para garantir uma superfície nivelada, gire o
cabeçote várias vezes.
*****************************************************************************************************************************************************************************************
5 – 20
CABEÇOCABEÇOCABEÇOCABEÇOCABEÇOTETETETETE MOMOMOMOMOTTTTTOROROROROR
INSPEÇÃO DINSPEÇÃO DINSPEÇÃO DINSPEÇÃO DINSPEÇÃO DAAAAASSSSS TTTTTAMPAMPAMPAMPAMPAAAAAS DES DES DES DES DE
VÁLVÁLVÁLVÁLVÁLVULA E COROVULA E COROVULA E COROVULA E COROVULA E COROA DE COMANDOA DE COMANDOA DE COMANDOA DE COMANDOA DE COMANDO
1. Verifique:
• Tampas de válvulas.
• Tampa da coroa de comando.
• Anéis O-rings.
Danos/Desgaste Substitua.
INSPEÇÃO DOINSPEÇÃO DOINSPEÇÃO DOINSPEÇÃO DOINSPEÇÃO DOTENSIONADOR DTENSIONADOR DTENSIONADOR DTENSIONADOR DTENSIONADOR DAAAAA
CORRENCORRENCORRENCORRENCORRENTE DE COMANDOTE DE COMANDOTE DE COMANDOTE DE COMANDOTE DE COMANDO
1. Verifique:
• Tensionador da corrente de comando.
Rachaduras/Danos Substituir.
2. Verifique:
• Operação de sentido único do came.
Movimento difícil Substitua.
3. Verifique:
• Parafuso do tensionador da corrente de
comando.
• Junta.
• Haste do tensionador da corrente de co-
mando.
Danos/Desgaste Substitua.
4. Verifique:
• Operação de bloqueio e liberação.
Movimento difícil Substitua.
NoNoNoNoNovvvvvooooo
INSPEÇÃO DINSPEÇÃO DINSPEÇÃO DINSPEÇÃO DINSPEÇÃO DA COROA COROA COROA COROA COROA DEA DEA DEA DEA DE
COMANDOCOMANDOCOMANDOCOMANDOCOMANDO
1. Verifique:
• Coroa de comando.
Desgaste/Danos Substitua a coroa
e corrente de comando como um con-
junto.
1 Corrente de comando.
2 Coroa de comando.
1
2
2. Verifique:
• Guia da corrente de comando.
Danos/Desgaste Substitua.
5 – 21
CABEÇOCABEÇOCABEÇOCABEÇOCABEÇOTETETETETE MOMOMOMOMOTTTTTOROROROROR
INSINSINSINSINSTTTTTALAÇÃO DO CABEÇOALAÇÃO DO CABEÇOALAÇÃO DO CABEÇOALAÇÃO DO CABEÇOALAÇÃO DO CABEÇOTETETETETE
1. Instale:
• Pinos-guia.
• Junta do cabeçote.
2. Instale:
• Cabeçote.
• Arruelas.
• Parafusos do cabeçote.
NONONONONOTTTTTA:A:A:A:A:
• Lubrifique as roscas dos parafusos do
cabeçote e a superfície de contato com
óleo para motor.
• Instale as arruelas com sua superfície
arredondada voltada para a base do
parafuso.
NoNoNoNoNovvvvvooooo
NoNoNoNoNovvvvvooooo
3. Fixe:
• Parafusos do cabeçote l =45 mm 5 e 6.
• Parafusos do cabeçote l =117 mm 1,
2, 3 e 4.
NONONONONOTTTTTA:A:A:A:A:
Aperte os parafusos do cabeçote na
seqüência especificada como mostrado e
fixe-os em duas etapas.
5
6
1
4
3
2
4. Instale:
• Coroa de comando.
**********************************************************************************************************************************************************************************************
a. Vire o virabrequim no sentido anti-
horário.
b. Alinhe a marca“I” a no rotor do magneto
A.C. com o indicador estacionário b na
tampa do magneto A.C.
a
b
PPPPParafusos do cabeçotearafusos do cabeçotearafusos do cabeçotearafusos do cabeçotearafusos do cabeçote
2,0 k2,0 k2,0 k2,0 k2,0 kgfgfgfgfgf.m (20 N.m).m (20 N.m).m (20 N.m).m (20 N.m).m (20 N.m)
PPPPParafusos do cabeçotearafusos do cabeçotearafusos do cabeçotearafusos do cabeçotearafusos do cabeçote
2,2 k2,2 k2,2 k2,2 k2,2 kgfgfgfgfgf.m (22 N.m).m (22 N.m).m (22 N.m).m (22 N.m).m (22 N.m)
5 – 22
CABEÇOCABEÇOCABEÇOCABEÇOCABEÇOTETETETETE MOMOMOMOMOTTTTTOROROROROR
c. Instale a corrente de comando 1 na coroa
de comando, depois o pinhão no eixo de
comando, em seguida aperte o parafuso
manualmente.
d. Certifique-se de que a marca “I” c da
coroa de comando está alinhada com o
indicador estacionário d no cabeçote.
e. Remova o arame que impede a queda da
corrente de comando.
NONONONONOTTTTTA:A:A:A:A:
• Quando instalar a coroa de comando,
certifique-se de manter a corrente
tensionada.
• Alinhe o pino do eixo de comando com o
rasgo da coroa de comando.
Não gire o virabrequim quando instalar oNão gire o virabrequim quando instalar oNão gire o virabrequim quando instalar oNão gire o virabrequim quando instalar oNão gire o virabrequim quando instalar o
eixeixeixeixeixo de comando para evitar danos ou co-o de comando para evitar danos ou co-o de comando para evitar danos ou co-o de comando para evitar danos ou co-o de comando para evitar danos ou co-
mando incormando incormando incormando incormando incorreto das válvulas.reto das válvulas.reto das válvulas.reto das válvulas.reto das válvulas.
**********************************************************************************************************************************************************************************************
5. Instale:
• Tensionador da corrente de comando.
**********************************************************************************************************************************************************************************************
a. Remova o parafuso da tampa do
tensionador.
b. Enquanto pressiona levemente a haste do
tensionador com o dedo, use uma chave
de fenda 1 para girar o eixo completa-
mente, no sentido horário.
c. Com a haste totalmente recolhida, insta-
le a junta e o tensionador de corrente e
aperte os parafusos de fixação com o
torque especificado.
1
1
c
d
d. Libere o sistema, girando a chave de
fenda no sentido anti-horário. Certifique-
se de que a junta 1, está corretamente
posicionada e aperte os parafusos 2 com
o torque especificado.
**********************************************************************************************************************************************************************************************
PPPPParafusos (tensionador da corarafusos (tensionador da corarafusos (tensionador da corarafusos (tensionador da corarafusos (tensionador da correnterenterenterenterente
de comando):de comando):de comando):de comando):de comando):
1,0 k1,0 k1,0 k1,0 k1,0 kgfgfgfgfgf.m (1.m (1.m (1.m (1.m (10 N.m)0 N.m)0 N.m)0 N.m)0 N.m)
PPPPParafuso da tampa (tensionadorarafuso da tampa (tensionadorarafuso da tampa (tensionadorarafuso da tampa (tensionadorarafuso da tampa (tensionador
da corda corda corda corda corrente de comando):rente de comando):rente de comando):rente de comando):rente de comando):
0,75 k0,75 k0,75 k0,75 k0,75 kgfgfgfgfgf.m (7.m (7.m (7.m (7.m (7,5 N.m),5 N.m),5 N.m),5 N.m),5 N.m)
1
2
5 – 23
CABEÇOCABEÇOCABEÇOCABEÇOCABEÇOTETETETETE MOMOMOMOMOTTTTTOROROROROR
6. Vire:
• Virabrequim (diversas vezes no senti-
do anti-horário).
7. Verifique:
• Marca “I” a.
NONONONONOTTTTTA:A:A:A:A:
Verifique se a marca “I” a no rotor do
magneto A.C. está alinhada com o indicador
estacionário b na tampa do magneto A.C.
c
a
b
• Marca “I” c no cabeçote.
NONONONONOTTTTTA:A:A:A:A:
Verifique se a marca “I” na coroa de
comando está alinhada com o indicador d
no cabeçote.
Fora de alinhamento Corrija.
Repita os passos 4 a 7, se necessário.
8. Fixe:
• Parafuso da coroa de comando.
NONONONONOTTTTTA:A:A:A:A:
• Fixe a coroa de comando com a
ferramenta 1.
• Fixe o parafuso com o soquete 2.
Fixador da coroa de comandoFixador da coroa de comandoFixador da coroa de comandoFixador da coroa de comandoFixador da coroa de comando
90890-408X290890-408X290890-408X290890-408X290890-408X2
PPPPParafuso da coroa de comandoarafuso da coroa de comandoarafuso da coroa de comandoarafuso da coroa de comandoarafuso da coroa de comando
6,0 k6,0 k6,0 k6,0 k6,0 kgfgfgfgfgf.m (60 N.m).m (60 N.m).m (60 N.m).m (60 N.m).m (60 N.m)
1
2
9. Meça:
• Folga da válvula.
Fora de especificação Ajuste.
Consulte “AJUSTE DA FOLGA DEVÁLVU-
LA” no capítulo 3.
d
5 – 24
BALANCINS E EIXBALANCINS E EIXBALANCINS E EIXBALANCINS E EIXBALANCINS E EIXO DE COMANDOO DE COMANDOO DE COMANDOO DE COMANDOO DE COMANDO MOMOMOMOMOTTTTTOROROROROR
BALANCINS E EIXBALANCINS E EIXBALANCINS E EIXBALANCINS E EIXBALANCINS E EIXO DE COMANDOO DE COMANDOO DE COMANDOO DE COMANDOO DE COMANDO
Remoção dos balancins e eixo de comando Remover as peças na ordem listada
Cabeçote Consulte “CABEÇOTE”
1 Fixador do rolamento 1
2 Contraporca/ parafuso de ajuste 2/2
3 Eixo do comando 1
4 Eixo do balancim (admissão) 1
5 Balancim (admissão) 1
6 Eixo do balancim (exaustão) 1
7 Balancim (exaustão) 1
Para instalação, reverter o
procedimento de remoção
Serviço/Peça Qtde. ObservaçãoOrdem
CUIDCUIDCUIDCUIDCUIDADO:ADO:ADO:ADO:ADO:
Não desmonteNão desmonteNão desmonteNão desmonteNão desmonte
o conjunto doo conjunto doo conjunto doo conjunto doo conjunto do
eixeixeixeixeixo deo deo deo deo de
comando.comando.comando.comando.comando.
Consulte
“REMOÇÃO
DOS
BALANCINS E
EIXO DE
COMANDO” e
“INSTALAÇÃO
DO EIXO DE
COMANDO E
BALANCINS
3
1
NoNoNoNoNovvvvvooooo
6
7
4
5
2
1,0 kgf.m (10 N.m)
1,4 kgf.m (14 N.m)
5 – 25
BALANCINS E EIXBALANCINS E EIXBALANCINS E EIXBALANCINS E EIXBALANCINS E EIXO DE COMANDOO DE COMANDOO DE COMANDOO DE COMANDOO DE COMANDO MOMOMOMOMOTTTTTOROROROROR
1
2
3
REMOÇÃO DOS BALANCINS E EIXREMOÇÃO DOS BALANCINS E EIXREMOÇÃO DOS BALANCINS E EIXREMOÇÃO DOS BALANCINS E EIXREMOÇÃO DOS BALANCINS E EIXOOOOO
DE COMANDODE COMANDODE COMANDODE COMANDODE COMANDO
1. Solte:
• Contraporcas 1.
• Parafusos de ajuste de folga 2.
2. Remova:
• Fixador do rolamento 3.
4. Remova:
• Eixo do comando 1.
• Rolamento 2.
NONONONONOTTTTTA:A:A:A:A:
Utilize um parafuso com rosca de 10 mm
para sacar o eixo do comando.
1
2
3. Remova:
• Eixo do balancim de admissão.
• Eixo do balancim de exaustão.
• Balancim de admissão.
• Balancim de exaustão.
NONONONONOTTTTTA:A:A:A:A:
Remova os eixos do balancim com o martelo
deslizante 1 e o eixo 2.
1
2
MarMarMarMarMartelo deslizantetelo deslizantetelo deslizantetelo deslizantetelo deslizante
90890-090890-090890-090890-090890-011111084084084084084
EixEixEixEixEixooooo
90890-090890-090890-090890-090890-011111083083083083083
5. Remova:
• Rolamento interno.
Extrator de rolamentoExtrator de rolamentoExtrator de rolamentoExtrator de rolamentoExtrator de rolamento
90890-0280990890-0280990890-0280990890-0280990890-02809
Pinça do extrator de rolamentoPinça do extrator de rolamentoPinça do extrator de rolamentoPinça do extrator de rolamentoPinça do extrator de rolamento
90890-228190890-228190890-228190890-228190890-228199999
6. Remova:
• O rolamento do eixo de comando.
5 – 26
BALANCINS E EIXBALANCINS E EIXBALANCINS E EIXBALANCINS E EIXBALANCINS E EIXO DE COMANDOO DE COMANDOO DE COMANDOO DE COMANDOO DE COMANDO MOMOMOMOMOTTTTTOROROROROR
INSPEÇÃO DO EIXINSPEÇÃO DO EIXINSPEÇÃO DO EIXINSPEÇÃO DO EIXINSPEÇÃO DO EIXO DE COMANDOO DE COMANDOO DE COMANDOO DE COMANDOO DE COMANDO
1. Verifique:
• Cames do eixo de comando.
Coloração azul/Corrosão/Riscos
Substitua o eixo de comando e a coroa
de sincronismo.
2. Meça:
• Dimensões a e b do cames do eixo de
comando.
Fora de especificação Substitua o
eixo de comando
3. Meça:
• Empenamento do eixo de comando.
Fora de especificação Substituir.
Limite de empenamento do eixLimite de empenamento do eixLimite de empenamento do eixLimite de empenamento do eixLimite de empenamento do eixooooo
de comandode comandode comandode comandode comando
0,030 mm0,030 mm0,030 mm0,030 mm0,030 mm
a
b
Dimensões do cames do eixDimensões do cames do eixDimensões do cames do eixDimensões do cames do eixDimensões do cames do eixo deo deo deo deo de
comandocomandocomandocomandocomando
AdmissãoAdmissãoAdmissãoAdmissãoAdmissão
a 36,890 ~36,990 mm36,890 ~36,990 mm36,890 ~36,990 mm36,890 ~36,990 mm36,890 ~36,990 mm
b 30,130,130,130,130,1111111 ~ 30,211 ~ 30,211 ~ 30,211 ~ 30,211 ~ 30,211 mm1 mm1 mm1 mm1 mm
ExaustãoExaustãoExaustãoExaustãoExaustão
a 36,891 ~ 36,991 mm36,891 ~ 36,991 mm36,891 ~ 36,991 mm36,891 ~ 36,991 mm36,891 ~ 36,991 mm
b 30,092 ~ 30,130,092 ~ 30,130,092 ~ 30,130,092 ~ 30,130,092 ~ 30,192 mm92 mm92 mm92 mm92 mm
5 – 27
BALANCINS E EIXBALANCINS E EIXBALANCINS E EIXBALANCINS E EIXBALANCINS E EIXO DE COMANDOO DE COMANDOO DE COMANDOO DE COMANDOO DE COMANDO MOMOMOMOMOTTTTTOROROROROR
INSPEÇÃO DOS BALANCINS E EIXINSPEÇÃO DOS BALANCINS E EIXINSPEÇÃO DOS BALANCINS E EIXINSPEÇÃO DOS BALANCINS E EIXINSPEÇÃO DOS BALANCINS E EIXOOOOO
DOS BALANCINSDOS BALANCINSDOS BALANCINSDOS BALANCINSDOS BALANCINS
Os seguintes procedimentos se aplicam
aos balancins e aos eixos dos balancins.
1. Verifique:
• Superfície de contato dos ressaltos 1.
• Superfície de contato dos parafusos de
ajuste 2.
Danos/Desgaste Substituir.
2. Verifique:
• Eixo do balancim.
Coloração azul/Desgaste excessivo/Cor-
rosão/Riscos Substitua e verifique o
sistema de lubrificação
12
2
3. Meça:
• Diâmetro interno do balancim a.
Fora de especificação Substituir.
Diâmetro interno do balancimDiâmetro interno do balancimDiâmetro interno do balancimDiâmetro interno do balancimDiâmetro interno do balancim
111112,02,02,02,02,0000000 ~ 10 ~ 10 ~ 10 ~ 10 ~ 12,02,02,02,02,0111118 mm8 mm8 mm8 mm8 mm
<limite>: 1<limite>: 1<limite>: 1<limite>: 1<limite>: 12,036 mm2,036 mm2,036 mm2,036 mm2,036 mm
4. Meça:
• Diâmetro externo do eixo do balancim a.
Fora de especificação Substituir.
Diâmetro externo do eixDiâmetro externo do eixDiâmetro externo do eixDiâmetro externo do eixDiâmetro externo do eixo doo doo doo doo do
balancimbalancimbalancimbalancimbalancim
111111,981 ~ 11,981 ~ 11,981 ~ 11,981 ~ 11,981 ~ 11,991 mm1,991 mm1,991 mm1,991 mm1,991 mm
<limite>: 1<limite>: 1<limite>: 1<limite>: 1<limite>: 11,955 mm1,955 mm1,955 mm1,955 mm1,955 mm
a
a
5 – 28
BALANCINS E EIXBALANCINS E EIXBALANCINS E EIXBALANCINS E EIXBALANCINS E EIXO DE COMANDOO DE COMANDOO DE COMANDOO DE COMANDOO DE COMANDO MOMOMOMOMOTTTTTOROROROROR
INSINSINSINSINSTTTTTALAÇÃO DO EIXALAÇÃO DO EIXALAÇÃO DO EIXALAÇÃO DO EIXALAÇÃO DO EIXO DEO DEO DEO DEO DE
COMANDO E BALANCINSCOMANDO E BALANCINSCOMANDO E BALANCINSCOMANDO E BALANCINSCOMANDO E BALANCINS
1. Lubrifique:
• Eixo de comando.
• Rolamento.
Lubrificante recomendadoLubrificante recomendadoLubrificante recomendadoLubrificante recomendadoLubrificante recomendado
EixEixEixEixEixo de comandoo de comandoo de comandoo de comandoo de comando
Óleo de bissulfeto de molibdênioÓleo de bissulfeto de molibdênioÓleo de bissulfeto de molibdênioÓleo de bissulfeto de molibdênioÓleo de bissulfeto de molibdênio
RRRRRolamentoolamentoolamentoolamentoolamento
Óleo de motorÓleo de motorÓleo de motorÓleo de motorÓleo de motor
4. Instale:
• Balancim 1.
• Eixo do balancim 2.
NONONONONOTTTTTA:A:A:A:A:
Utilize o eixo do martelo deslizante 3 para
instalar o eixo do balancim.
2
1
3
2. Aplique:
• Óleo de bissulfeto de molibdênio (no
balancim e no eixo do balancim).
Lubrificante recomendadoLubrificante recomendadoLubrificante recomendadoLubrificante recomendadoLubrificante recomendado
Óleo de bissulfeto de molibdênioÓleo de bissulfeto de molibdênioÓleo de bissulfeto de molibdênioÓleo de bissulfeto de molibdênioÓleo de bissulfeto de molibdênio
3. Instale:
• Rolamento interno.
Instalador de rolamento doInstalador de rolamento doInstalador de rolamento doInstalador de rolamento doInstalador de rolamento do
comando:comando:comando:comando:comando:
90890-0405890890-0405890890-0405890890-0405890890-04058
BucBucBucBucBucha do instalador:ha do instalador:ha do instalador:ha do instalador:ha do instalador:
90890-42W2490890-42W2490890-42W2490890-42W2490890-42W24
Guia 1Guia 1Guia 1Guia 1Guia 15 mm:5 mm:5 mm:5 mm:5 mm:
90890-2482390890-2482390890-2482390890-2482390890-24823
EixEixEixEixEixooooo
90890-090890-090890-090890-090890-011111084084084084084
5 – 29
BALANCINS E EIXBALANCINS E EIXBALANCINS E EIXBALANCINS E EIXBALANCINS E EIXO DE COMANDOO DE COMANDOO DE COMANDOO DE COMANDOO DE COMANDO MOMOMOMOMOTTTTTOROROROROR
1
5. Instale:
• Eixo de comando 1.
• Rolamento 2.
NONONONONOTTTTTA:A:A:A:A:
• Posicione o furo do pino-guia para cima.
• Utilize um parafuso com rosca de 10 mm
para instalar o eixo de comando.
6. Aplique:
• Óleo de bissulfeto de molibdênio.
Lubrificante recomendadoLubrificante recomendadoLubrificante recomendadoLubrificante recomendadoLubrificante recomendado
Óleo de bissulfeto de molibdênioÓleo de bissulfeto de molibdênioÓleo de bissulfeto de molibdênioÓleo de bissulfeto de molibdênioÓleo de bissulfeto de molibdênio
7. Instale:
• Fixador do rolamento 1.
• Parafusos 2.
PPPPParafusos do fixadorarafusos do fixadorarafusos do fixadorarafusos do fixadorarafusos do fixador
1,0 k1,0 k1,0 k1,0 k1,0 kgfgfgfgfgf.m (1.m (1.m (1.m (1.m (10 N.m)0 N.m)0 N.m)0 N.m)0 N.m)
1
2
2
5 – 30
VÁLVÁLVÁLVÁLVÁLVULAVULAVULAVULAVULAS E MOLAS E MOLAS E MOLAS E MOLAS E MOLAS DS DS DS DS DAAAAASSSSS VÁLVÁLVÁLVÁLVÁLVULAVULAVULAVULAVULASSSSS MOMOMOMOMOTTTTTOROROROROR
VÁLVÁLVÁLVÁLVÁLVULAVULAVULAVULAVULAS E MOLAS DS E MOLAS DS E MOLAS DS E MOLAS DS E MOLAS DAAAAASSSSS VÁLVÁLVÁLVÁLVÁLVULAVULAVULAVULAVULASSSSS
Remoção das válvulas e molas das válvulas Remover as peças na ordem listada
Cabeçote Consulte “CABEÇOTE”
Balancins/ eixos dos balancins/ eixo de comando Consulte “BALANCINS E EIXO DE
COMANDO”
1 Travas 4
2 Retenção da mola 2 Consulte “REMOÇÃO DAS
3 Mola externa 2 VÁLVULAS” e “INSTALAÇÃO
4 Mola interna 2 DAS VÁLVULAS”
5 Válvula de admissão 1
Serviço/Peça Qtde. ObservaçãoOrdem
5
6
9
8
7
NoNoNoNoNovvvvvooooo
NoNoNoNoNovvvvvooooo
4
3
2
1
5 – 31
VÁLVÁLVÁLVÁLVÁLVULAVULAVULAVULAVULAS E MOLAS E MOLAS E MOLAS E MOLAS E MOLAS DS DS DS DS DAAAAASSSSS VÁLVÁLVÁLVÁLVÁLVULAVULAVULAVULAVULASSSSS MOMOMOMOMOTTTTTOROROROROR
Serviço/Peça Qtde. ObservaçãoOrdem
6 Válvula de escape 1
7 Retentor da haste 2 Consulte “REMOÇÃO DAS
8 Base da mola 2 VÁLVULAS” e “INSTALAÇÃO
9 Guia de válvula 2 DAS VÁLVULAS”
5
6
9
8
7
NoNoNoNoNovvvvvooooo
NoNoNoNoNovvvvvooooo
4
3
2
1
5 – 32
VÁLVÁLVÁLVÁLVÁLVULAVULAVULAVULAVULAS E MOLAS E MOLAS E MOLAS E MOLAS E MOLAS DS DS DS DS DAAAAASSSSS VÁLVÁLVÁLVÁLVÁLVULAVULAVULAVULAVULASSSSS MOMOMOMOMOTTTTTOROROROROR
REMOÇÃO DREMOÇÃO DREMOÇÃO DREMOÇÃO DREMOÇÃO DAAAAASSSSS VÁLVÁLVÁLVÁLVÁLVULAVULAVULAVULAVULASSSSS
O seguinte procedimento se aplica a válvulas
e componentes relacionados.
NONONONONOTTTTTA:A:A:A:A:
Antes de retirar as peças internas do
cabeçote do cilindro (ex.: válvulas, molas de
válvulas, bases de válvulas), certifique-se de
que as válvulas estejam vedadas
adequadamente.
1. Verifique:
• Vedação da válvula.
Vazamento na base da válvula Verifi-
que a face da válvula, a base da válvula
e a largura da base da válvula.
Consulte “INSPEÇÃO DA BASE DAVÁL-
VULA”.
**********************************************************************************************************************************************************************************************
a. Coloque um solvente limpo a nas entra-
das de admissão e exaustão.
b. Verifique se as válvulas estão vedadas
adequadamente.
NONONONONOTTTTTA:A:A:A:A:
Não deve haver vazamento no assento da
válvula 1.
**********************************************************************************************************************************************************************************************1 a
2. Retire:
• Trava da válvula.
NONONONONOTTTTTA:A:A:A:A:
Retire as travas da válvula 1, pressionando
a mola da válvula com o compressor e o
adaptador 2.
Compressor da mola da válvulaCompressor da mola da válvulaCompressor da mola da válvulaCompressor da mola da válvulaCompressor da mola da válvula
90890-04090890-04090890-04090890-04090890-0401111199999
AdaptadorAdaptadorAdaptadorAdaptadorAdaptador
90890-090890-090890-090890-090890-011111243243243243243
1
2
5 – 33
VÁLVÁLVÁLVÁLVÁLVULAVULAVULAVULAVULAS E MOLAS E MOLAS E MOLAS E MOLAS E MOLAS DS DS DS DS DAAAAASSSSS VÁLVÁLVÁLVÁLVÁLVULAVULAVULAVULAVULASSSSS MOMOMOMOMOTTTTTOROROROROR
3. Remova:
• Retenção da mola 1.
• Mola externa 2.
• Mola interna 3.
• Retentor da haste 4.
• Base da mola 5.
• Válvula 6.
NONONONONOTTTTTA:A:A:A:A:
Identifique a posição de cada peça
cuidadosamente, para que possa ser
instalada corretamente.
INSPEÇÃO DINSPEÇÃO DINSPEÇÃO DINSPEÇÃO DINSPEÇÃO DAAAAASSSSS VÁLVÁLVÁLVÁLVÁLVULAVULAVULAVULAVULAS E GUIAS E GUIAS E GUIAS E GUIAS E GUIASSSSS
DDDDDAAAAASSSSS VÁLVÁLVÁLVÁLVÁLVULAVULAVULAVULAVULASSSSS
O seguinte procedimento se aplica a todas
as válvulas e guias das válvulas.
1. Meça:
• Folga entre a haste e a guia da válvula
Fora de especificação Substitua o
guia da válvula.
FFFFFolgolgolgolgolga entre haste e guia da válvula = diâ-a entre haste e guia da válvula = diâ-a entre haste e guia da válvula = diâ-a entre haste e guia da válvula = diâ-a entre haste e guia da válvula = diâ-
metro interno do guia da válvulametro interno do guia da válvulametro interno do guia da válvulametro interno do guia da válvulametro interno do guia da válvula a ----- diâ-diâ-diâ-diâ-diâ-
metro externo da haste da válvulametro externo da haste da válvulametro externo da haste da válvulametro externo da haste da válvulametro externo da haste da válvula b.....
6
5
4
3
2
1
a
b
2. Substitua:
• Guia da válvula.
NONONONONOTTTTTA:A:A:A:A:
Para facilitar a remoção e a instalação da guia
da válvula e manter o ajuste correto, aqueça
o cabeçote a 100ºC em um forno.
**********************************************************************************************************************************************************************************************
a. Remova a guia da válvula com o extrator 1.
1
FFFFFolgolgolgolgolga entre haste e guiaa entre haste e guiaa entre haste e guiaa entre haste e guiaa entre haste e guia
AdmissãoAdmissãoAdmissãoAdmissãoAdmissão
0,00,00,00,00,0111110 ~ 0,037 mm0 ~ 0,037 mm0 ~ 0,037 mm0 ~ 0,037 mm0 ~ 0,037 mm
<limite>: 0,080 mm<limite>: 0,080 mm<limite>: 0,080 mm<limite>: 0,080 mm<limite>: 0,080 mm
ExaustãoExaustãoExaustãoExaustãoExaustão
0,025 ~ 0,052 mm0,025 ~ 0,052 mm0,025 ~ 0,052 mm0,025 ~ 0,052 mm0,025 ~ 0,052 mm
<limite>: 0,1<limite>: 0,1<limite>: 0,1<limite>: 0,1<limite>: 0,1000000 mm0 mm0 mm0 mm0 mm
5 – 34
VÁLVÁLVÁLVÁLVÁLVULAVULAVULAVULAVULAS E MOLAS E MOLAS E MOLAS E MOLAS E MOLAS DS DS DS DS DAAAAASSSSS VÁLVÁLVÁLVÁLVÁLVULAVULAVULAVULAVULASSSSS MOMOMOMOMOTTTTTOROROROROR
b. Instale a nova guia da válvula com o
instalador 2.
c. Após instalar a guia da válvula, retifique
a guia com o alargador da guia da válvula 3
para obter o espaço livre adequado entre a
guia e a haste da válvula.
NONONONONOTTTTTA:A:A:A:A:
Depois de substituir a guia da válvula, faceie
a base da válvula novamente.
**********************************************************************************************************************************************************************************************
3. Elimine:
• Depósito de carbono.
4. Verifique:
• Face da válvula.
Corrosão/Desgaste Retifique a face
da válvula.
• Ponta da haste da válvula.
Deformado ou diâmetro maior que a
haste Substitua a válvula.
5. Meça:
• Espessura da margem da válvula a.
Fora de especificação Substitua a
válvula.
Espessura da margem da válvulaEspessura da margem da válvulaEspessura da margem da válvulaEspessura da margem da válvulaEspessura da margem da válvula
0,80 ~ 1,20 mm0,80 ~ 1,20 mm0,80 ~ 1,20 mm0,80 ~ 1,20 mm0,80 ~ 1,20 mm
2
3
Extrator da guia da válvula (Ø6)Extrator da guia da válvula (Ø6)Extrator da guia da válvula (Ø6)Extrator da guia da válvula (Ø6)Extrator da guia da válvula (Ø6)
90890-0406490890-0406490890-0406490890-0406490890-04064
Instalador da guia da válvula (Ø6)Instalador da guia da válvula (Ø6)Instalador da guia da válvula (Ø6)Instalador da guia da válvula (Ø6)Instalador da guia da válvula (Ø6)
90890-0406590890-0406590890-0406590890-0406590890-04065
AlargAlargAlargAlargAlargador da guia da válvula (Ø6)ador da guia da válvula (Ø6)ador da guia da válvula (Ø6)ador da guia da válvula (Ø6)ador da guia da válvula (Ø6)
90890-0406690890-0406690890-0406690890-0406690890-04066
a
6. Meça:
• Empenamento da haste.
Fora de especificação Substitua a
válvula.
NONONONONOTTTTTA:A:A:A:A:
• Quando instalar uma nova válvula,
sempre substitua a guia da válvula.
• Se a válvula for retirada ou substituída,
troque o retentor da haste da válvula.
Limite de empenamentoLimite de empenamentoLimite de empenamentoLimite de empenamentoLimite de empenamento
0,030 mm0,030 mm0,030 mm0,030 mm0,030 mm
5 – 35
VÁLVÁLVÁLVÁLVÁLVULAVULAVULAVULAVULAS E MOLAS E MOLAS E MOLAS E MOLAS E MOLAS DS DS DS DS DAAAAASSSSS VÁLVÁLVÁLVÁLVÁLVULAVULAVULAVULAVULASSSSS MOMOMOMOMOTTTTTOROROROROR
INSPEÇÃO DOINSPEÇÃO DOINSPEÇÃO DOINSPEÇÃO DOINSPEÇÃO DO AAAAASSENSSENSSENSSENSSENTTTTTO DO DO DO DO DAAAAA
VÁLVÁLVÁLVÁLVÁLVULAVULAVULAVULAVULA
O seguinte procedimento se aplica a todas
as válvulas e assentos das válvulas.
1. Elimine:
• Depósitos de carbono.
2. Verifique:
• Assento da válvula.
Corrosão/Desgaste Substitua o
cabeçote.
3. Meça:
• Largura do assento da válvula a.
Fora de especificação Substitua o
cabeçote.
Largura do assento da válvulaLargura do assento da válvulaLargura do assento da válvulaLargura do assento da válvulaLargura do assento da válvula
AdmissãoAdmissãoAdmissãoAdmissãoAdmissão
0,90 ~ 1,10,90 ~ 1,10,90 ~ 1,10,90 ~ 1,10,90 ~ 1,10 mm0 mm0 mm0 mm0 mm
ExaustãoExaustãoExaustãoExaustãoExaustão
0,90 ~ 1,10,90 ~ 1,10,90 ~ 1,10,90 ~ 1,10,90 ~ 1,10 mm0 mm0 mm0 mm0 mm
**********************************************************************************************************************************************************************************************
a. Aplique corante azul b industrial na face
da válvula.
b. Instale a válvula no cabeçote.
c. Pressione a válvula através da guia em
direção ao assento para gerar uma impres-
são clara.
d. Meça a largura do assento da válvula.
NONONONONOTTTTTA:A:A:A:A:
Onde o assento e a face da válvula fazem
contato, a cor azul será removida.
**********************************************************************************************************************************************************************************************
a
b
5 – 36
VÁLVÁLVÁLVÁLVÁLVULAVULAVULAVULAVULAS E MOLAS E MOLAS E MOLAS E MOLAS E MOLAS DS DS DS DS DAAAAASSSSS VÁLVÁLVÁLVÁLVÁLVULAVULAVULAVULAVULASSSSS MOMOMOMOMOTTTTTOROROROROR
Brunidor de válvulaBrunidor de válvulaBrunidor de válvulaBrunidor de válvulaBrunidor de válvula 11111
90890-04190890-04190890-04190890-04190890-0410000011111
NONONONONOTTTTTA:A:A:A:A:
Para os melhores resultados de assentamen-
to, bata levemente na base da válvula para
frente e para trás, rotacionando-a entre suas
mãos.
e. Aplique um composto abrasivo para as-
sentamento fino na face da válvula e re-
pita os passos acima.
f. Após cada procedimento de assentamen-
to certifique-se de limpar o composto da
face e do assento da válvula.
g. Aplique corante azul industrial a na face
da válvula.
h. Instale a válvula no cabeçote.
i. Pressione a válvula através da guia e em
direção ao assento para gerar uma im-
pressão clara.
j. Meça a largura do assento da válvula nova-
mente. Se a largura do assentamento esti-
ver fora de especificação, execute o assen-
tamento da base da válvula novamente.
**********************************************************************************************************************************************************************************************
d. Rotacione a válvula até que a face e a base
estejam igualmente polidas, depois remo-
va todo o composto abrasivo.
a
1
a
**********************************************************************************************************************************************************************************************
a. Aplique um composto abrasivo para as-
sentamento a na face da válvula.
Não deixe que o composto penetre entreNão deixe que o composto penetre entreNão deixe que o composto penetre entreNão deixe que o composto penetre entreNão deixe que o composto penetre entre
a haste e a guia da válvula.a haste e a guia da válvula.a haste e a guia da válvula.a haste e a guia da válvula.a haste e a guia da válvula.
b. Aplique óleo de bissulfeto de molibdênio
na haste da válvula.
c. Instale a válvula no cabeçote.
4. Assentamento:
• Face da válvula.
• Assento da válvula.
NONONONONOTTTTTA:A:A:A:A:
Após substituição do cabeçote ou válvulas e
guias, deverá ser executado o assentamento
de válvulas.
5 – 37
VÁLVÁLVÁLVÁLVÁLVULAVULAVULAVULAVULAS E MOLAS E MOLAS E MOLAS E MOLAS E MOLAS DS DS DS DS DAAAAASSSSS VÁLVÁLVÁLVÁLVÁLVULAVULAVULAVULAVULASSSSS MOMOMOMOMOTTTTTOROROROROR
Comprimento liComprimento liComprimento liComprimento liComprimento livre da molavre da molavre da molavre da molavre da mola
Admissão (interna)Admissão (interna)Admissão (interna)Admissão (interna)Admissão (interna)
36,136,136,136,136,17 mm7 mm7 mm7 mm7 mm
<limite>: 34,47 mm<limite>: 34,47 mm<limite>: 34,47 mm<limite>: 34,47 mm<limite>: 34,47 mm
Exaustão (interna)Exaustão (interna)Exaustão (interna)Exaustão (interna)Exaustão (interna)
36,136,136,136,136,17 mm7 mm7 mm7 mm7 mm
<limite>: 34,47 mm<limite>: 34,47 mm<limite>: 34,47 mm<limite>: 34,47 mm<limite>: 34,47 mm
Admissão (externa)Admissão (externa)Admissão (externa)Admissão (externa)Admissão (externa)
36,63 mm36,63 mm36,63 mm36,63 mm36,63 mm
<limite>: 34,63 mm<limite>: 34,63 mm<limite>: 34,63 mm<limite>: 34,63 mm<limite>: 34,63 mm
Exaustão (externa)Exaustão (externa)Exaustão (externa)Exaustão (externa)Exaustão (externa)
36,63 mm36,63 mm36,63 mm36,63 mm36,63 mm
<limite>: 34,63 mm<limite>: 34,63 mm<limite>: 34,63 mm<limite>: 34,63 mm<limite>: 34,63 mm
INSPEÇÃO DINSPEÇÃO DINSPEÇÃO DINSPEÇÃO DINSPEÇÃO DAAAAAS MOLAS MOLAS MOLAS MOLAS MOLAS DS DS DS DS DAAAAA
VÁLVÁLVÁLVÁLVÁLVULAVULAVULAVULAVULA
O seguinte procedimento se aplica a todas
as molas da válvula.
1. Meça:
• Comprimento livre da mola a.
Fora de especificação Substitua.
2. Meça:
• Força da mola comprimida a.
Fora de especificação Substitua.
b Comprimento instalado
3. Meça:
• Inclinação da mola a.
Fora de especificação Substitua.
Limite de inclinação (todas)Limite de inclinação (todas)Limite de inclinação (todas)Limite de inclinação (todas)Limite de inclinação (todas)
2,5º/1,6 mm2,5º/1,6 mm2,5º/1,6 mm2,5º/1,6 mm2,5º/1,6 mm
a
b
a
FFFFForça da mola comprimidaorça da mola comprimidaorça da mola comprimidaorça da mola comprimidaorça da mola comprimida
InternasInternasInternasInternasInternas
77777,50 ~ 9,1,50 ~ 9,1,50 ~ 9,1,50 ~ 9,1,50 ~ 9,17 k7 k7 k7 k7 kgfgfgfgfgf.m a 30,5 mm.m a 30,5 mm.m a 30,5 mm.m a 30,5 mm.m a 30,5 mm
ExternasExternasExternasExternasExternas
111112,85 ~ 12,85 ~ 12,85 ~ 12,85 ~ 12,85 ~ 15,79 k5,79 k5,79 k5,79 k5,79 kgfgfgfgfgf.m a 32,0 mm.m a 32,0 mm.m a 32,0 mm.m a 32,0 mm.m a 32,0 mm
5 – 38
VÁLVÁLVÁLVÁLVÁLVULAVULAVULAVULAVULAS E MOLAS E MOLAS E MOLAS E MOLAS E MOLAS DS DS DS DS DAAAAASSSSS VÁLVÁLVÁLVÁLVÁLVULAVULAVULAVULAVULASSSSS MOMOMOMOMOTTTTTOROROROROR
3. Instale:
• Assento da mola 1.
• Retentor 2.
• Válvula 3.
• Mola externa 4.
• Mola interna 5.
• Retenção da mola 6 (dentro do
cabeçote).
NONONONONOTTTTTA:A:A:A:A:
Instale a mola com o passo maior a voltado
para cima.
• Passo menor b.
NoNoNoNoNovvvvvooooo
6
2
5
4
1
3 a
b
INSINSINSINSINSTTTTTALAÇÃO DALAÇÃO DALAÇÃO DALAÇÃO DALAÇÃO DAAAAASSSSS VÁLVÁLVÁLVÁLVÁLVULAVULAVULAVULAVULASSSSS
O seguinte procedimento se aplica a todas
as válvulas e aos componentes relacionados.
1. Desbaste:
• Ponta da haste da válvula (com uma pe-
dra de afiar lubrificada a óleo).
2. Lubrifique:
• Haste da válvula 1.
• Retentor da haste da válvula.
(com o lubrificante recomendado)
Lubrificante recomendadoLubrificante recomendadoLubrificante recomendadoLubrificante recomendadoLubrificante recomendado
Óleo de bissulfeto de molibdênioÓleo de bissulfeto de molibdênioÓleo de bissulfeto de molibdênioÓleo de bissulfeto de molibdênioÓleo de bissulfeto de molibdênio
1
NoNoNoNoNovvvvvooooo
5 – 39
VÁLVÁLVÁLVÁLVÁLVULAVULAVULAVULAVULAS E MOLAS E MOLAS E MOLAS E MOLAS E MOLAS DS DS DS DS DAAAAASSSSS VÁLVÁLVÁLVÁLVÁLVULAVULAVULAVULAVULASSSSS MOMOMOMOMOTTTTTOROROROROR
5. Para acomodar as travas na haste da vál-
vula, bata levemente na ponta da válvula
com um martelo de plástico.
Bater na ponta da válvula com excesso deBater na ponta da válvula com excesso deBater na ponta da válvula com excesso deBater na ponta da válvula com excesso deBater na ponta da válvula com excesso de
força pode danificar a válvula.força pode danificar a válvula.força pode danificar a válvula.força pode danificar a válvula.força pode danificar a válvula.
4. Instale:
• Travas da válvula.
NONONONONOTTTTTA:A:A:A:A:
Instale as travas da válvula, pressionando a
mola com o compressor 1 e o adaptador
do compressor 2.
Compressor da mola da válvulaCompressor da mola da válvulaCompressor da mola da válvulaCompressor da mola da válvulaCompressor da mola da válvula
90890-04090890-04090890-04090890-04090890-0401111199999
AdaptadorAdaptadorAdaptadorAdaptadorAdaptador
90890-090890-090890-090890-090890-011111243243243243243
1
2
5 – 40
CILINDRO E PISCILINDRO E PISCILINDRO E PISCILINDRO E PISCILINDRO E PISTÃOTÃOTÃOTÃOTÃO MOMOMOMOMOTTTTTOROROROROR
CILINDRO E PISCILINDRO E PISCILINDRO E PISCILINDRO E PISCILINDRO E PISTÃOTÃOTÃOTÃOTÃO
RRRRRemoemoemoemoemover o cilindro e pistãover o cilindro e pistãover o cilindro e pistãover o cilindro e pistãover o cilindro e pistão Remover as peças na ordem listada
1 Tubo de distribuição de óleo 1 Consulte “INSTALAÇÃO DO
2 Cilindro 1 PISTÃO E CILINDRO”
3 Pinos-guia 2
4 Junta do cilindro 1
5 Trava do pino do pistão 2 Consulte “REMOÇÃO DO
6 Pino do pistão 1 CILINDRO E PISTÃO” e
7 Pistão 1 “INSTALAÇÃO DO CILINDRO E
8 Jogo de anéis 1 PISTÃO”
Para instalação, reverter o
procedimento de remoção
Serviço/Peça Qtde. ObservaçãoOrdem
NoNoNoNoNovvvvvooooo
4
3
3
NoNoNoNoNovvvvvooooo
1
NoNoNoNoNovvvvvooooo
1,7 kgf.m (17 N.m)
2
1,0 kgf.m (10 N.m)
7
5
8
6
5
NoNoNoNoNovvvvvooooo
NoNoNoNoNovvvvvooooo
5 – 41
CILINDRO E PISCILINDRO E PISCILINDRO E PISCILINDRO E PISCILINDRO E PISTÃOTÃOTÃOTÃOTÃO MOMOMOMOMOTTTTTOROROROROR
REMOÇÃO DO CILINDRO E PISREMOÇÃO DO CILINDRO E PISREMOÇÃO DO CILINDRO E PISREMOÇÃO DO CILINDRO E PISREMOÇÃO DO CILINDRO E PISTÃOTÃOTÃOTÃOTÃO
1. Remova:
• Travas do pino do pistão 1.
• Pino do pistão 2.
• Pistão 3.
Não utilizNão utilizNão utilizNão utilizNão utilize mare mare mare mare martelo para retirar o pino dotelo para retirar o pino dotelo para retirar o pino dotelo para retirar o pino dotelo para retirar o pino do
pistão.pistão.pistão.pistão.pistão.
NONONONONOTTTTTA:A:A:A:A:
• Antes de retirar a trava do pino do pistão,
cubra a abertura da carcaça com um pano
limpo para evitar que caia dentro.
• Antes de retirar o pino do pistão, limpe o
canal da trava e o furo do pino do pistão.
Caso ainda apresente dificuldade para
retirar o pino do pistão, remova-o com o
sacador do pino do pistão 4.
SSSSSacador do pino do pistãoacador do pino do pistãoacador do pino do pistãoacador do pino do pistãoacador do pino do pistão
90890-090890-090890-090890-090890-011111304304304304304
2. Remova:
• Anel de compressão.
• Anel raspador.
• Anel de óleo.
NONONONONOTTTTTA:A:A:A:A:
Para remover um anel do pistão, abra o vão
da ponta com seus dedos e levante o lado
do anel sobre a coroa do pistão.
INSPEÇÃO DO CILINDRO E PISINSPEÇÃO DO CILINDRO E PISINSPEÇÃO DO CILINDRO E PISINSPEÇÃO DO CILINDRO E PISINSPEÇÃO DO CILINDRO E PISTÃOTÃOTÃOTÃOTÃO
1. Verifique:
• Parede do pistão.
• Parede do cilindro.
Riscos verticais Substitua o cilindro
e o pistão e anéis de pistão como um
conjunto.
2
3
1
4
23
5 – 42
CILINDRO E PISCILINDRO E PISCILINDRO E PISCILINDRO E PISCILINDRO E PISTÃOTÃOTÃOTÃOTÃO MOMOMOMOMOTTTTTOROROROROR
2. Meça:
• Folga entre pistão e cilindro.
*****************************************************************************************************************************************************************************************
a. Meça o diâmetro do cilindro “C” com um
súbito.
b. Caso esteja fora da especificação, substi-
tua o cilindro, o pistão e anéis como um
conjunto.
c. Meça o diâmetro da saia do pistão “P”
com o micrômetro.
a 5 mm a partir da borda inferior do pistão.
d. Caso esteja fora da especificação, substi-
tua o pistão e os anéis como um conjunto.
e. Calcule a folga entre pistão e cilindro com
a seguinte fórmula:
f. Caso esteja fora da especificação, substi-
tua o cilindro, o pistão e os anéis como
um conjunto.
*****************************************************************************************************************************************************************************************
DiâmetroDiâmetroDiâmetroDiâmetroDiâmetro TTTTTolerânciaolerânciaolerânciaolerânciaolerância
Cilindro “C” 74,000 ~
74,100 mm
-----
Conicidade “T” ----- 0,10 mm
Ovalização “R” ----- 0,010 mm
“C” = máximo de D1 ~ D6
“T” = (máximo de D1 ou D2) - (máximo de
D5 ou D6)
“R” = (máximo de D1, D3 ou D5) - (mínimo
de D2, D4 ou D6)
FFFFFolgolgolgolgolga entre pistão e cilindro = (diâmetroa entre pistão e cilindro = (diâmetroa entre pistão e cilindro = (diâmetroa entre pistão e cilindro = (diâmetroa entre pistão e cilindro = (diâmetro
do cilindrodo cilindrodo cilindrodo cilindrodo cilindro “C”) - (diâmetro da saia do pis-“C”) - (diâmetro da saia do pis-“C”) - (diâmetro da saia do pis-“C”) - (diâmetro da saia do pis-“C”) - (diâmetro da saia do pis-
tãotãotãotãotão “P”)“P”)“P”)“P”)“P”)
FFFFFolgolgolgolgolga entre pistão e cilindroa entre pistão e cilindroa entre pistão e cilindroa entre pistão e cilindroa entre pistão e cilindro
0,00,00,00,00,0111110 ~ 0,025 mm0 ~ 0,025 mm0 ~ 0,025 mm0 ~ 0,025 mm0 ~ 0,025 mm
<limite>: 0,1<limite>: 0,1<limite>: 0,1<limite>: 0,1<limite>: 0,15 mm5 mm5 mm5 mm5 mm
NONONONONOTTTTTA:A:A:A:A:
Meça o diâmetro do cilindro “C”, verificando
as medidas de lado a lado e de trás para
frente. Encontre a média das medições.
P
a Diâmetro da saia do pistãoDiâmetro da saia do pistãoDiâmetro da saia do pistãoDiâmetro da saia do pistãoDiâmetro da saia do pistão
73,983 ~ 73,998 mm73,983 ~ 73,998 mm73,983 ~ 73,998 mm73,983 ~ 73,998 mm73,983 ~ 73,998 mm
5 – 43
CILINDRO E PISCILINDRO E PISCILINDRO E PISCILINDRO E PISCILINDRO E PISTÃOTÃOTÃOTÃOTÃO MOMOMOMOMOTTTTTOROROROROR
INSPEÇÃO DOSINSPEÇÃO DOSINSPEÇÃO DOSINSPEÇÃO DOSINSPEÇÃO DOS ANÉISANÉISANÉISANÉISANÉIS
1. Meça:
• Folga lateral do anel.
Fora de especificação Substitua o pis-
tão e os anéis como um conjunto.
NONONONONOTTTTTA:A:A:A:A:
Antes de medir a folga lateral dos anéis,
elimine quaisquer depósitos de carbono dos
canais e dos próprios anéis.
FFFFFolgolgolgolgolga lateral dos anéisa lateral dos anéisa lateral dos anéisa lateral dos anéisa lateral dos anéis
Anel de compressãoAnel de compressãoAnel de compressãoAnel de compressãoAnel de compressão
0,030 ~ 0,065 mm0,030 ~ 0,065 mm0,030 ~ 0,065 mm0,030 ~ 0,065 mm0,030 ~ 0,065 mm
<limite>: 0,1<limite>: 0,1<limite>: 0,1<limite>: 0,1<limite>: 0,10 mm0 mm0 mm0 mm0 mm
Anel raspadorAnel raspadorAnel raspadorAnel raspadorAnel raspador
0,020 ~ 0,055 mm0,020 ~ 0,055 mm0,020 ~ 0,055 mm0,020 ~ 0,055 mm0,020 ~ 0,055 mm
<limite>:0,1<limite>:0,1<limite>:0,1<limite>:0,1<limite>:0,10 mm0 mm0 mm0 mm0 mm
2. Instale:
• Anel (dentro do cilindro).
NONONONONOTTTTTA:A:A:A:A:
Nivele o anel dentro do cilindro com a coroa
do pistão.
a 40 mm
3. Meça:
• Abertura na ponta do anel.
Fora de especificação Substitua.
NONONONONOTTTTTA:A:A:A:A:
A abertura do espaçador do anel de óleo não
pode ser medida. Caso a abertura do trilho
seja excessiva, substitua os três anéis como
um conjunto.
AberAberAberAberAbertura na ponta do aneltura na ponta do aneltura na ponta do aneltura na ponta do aneltura na ponta do anel
Anel de compressãoAnel de compressãoAnel de compressãoAnel de compressãoAnel de compressão
0,10,10,10,10,19 ~ 0,31 mm9 ~ 0,31 mm9 ~ 0,31 mm9 ~ 0,31 mm9 ~ 0,31 mm
<limite>: 0,60 mm<limite>: 0,60 mm<limite>: 0,60 mm<limite>: 0,60 mm<limite>: 0,60 mm
Anel raspadorAnel raspadorAnel raspadorAnel raspadorAnel raspador
0,30 ~ 0,45 mm0,30 ~ 0,45 mm0,30 ~ 0,45 mm0,30 ~ 0,45 mm0,30 ~ 0,45 mm
<<<<<limite>: 0,60 mmlimite>: 0,60 mmlimite>: 0,60 mmlimite>: 0,60 mmlimite>: 0,60 mm
Anel de óleoAnel de óleoAnel de óleoAnel de óleoAnel de óleo
0,10,10,10,10,10 ~ 0,35 mm0 ~ 0,35 mm0 ~ 0,35 mm0 ~ 0,35 mm0 ~ 0,35 mm
a
5 – 44
CILINDRO E PISCILINDRO E PISCILINDRO E PISCILINDRO E PISCILINDRO E PISTÃOTÃOTÃOTÃOTÃO MOMOMOMOMOTTTTTOROROROROR
INSPEÇÃO DO PINO DO PISINSPEÇÃO DO PINO DO PISINSPEÇÃO DO PINO DO PISINSPEÇÃO DO PINO DO PISINSPEÇÃO DO PINO DO PISTÃOTÃOTÃOTÃOTÃO
1. Verifique:
• Pino do pistão.
Coloração azul/Ranhuras Substitua o
pino e verifique o sistema de lubrifica-
ção.
FFFFFolgolgolgolgolga entre o pino e o pistãoa entre o pino e o pistãoa entre o pino e o pistãoa entre o pino e o pistãoa entre o pino e o pistão
0,00,00,00,00,0111110 ~ 0,025 mm0 ~ 0,025 mm0 ~ 0,025 mm0 ~ 0,025 mm0 ~ 0,025 mm
<Limite>: 0,0<Limite>: 0,0<Limite>: 0,0<Limite>: 0,0<Limite>: 0,0111115 mm5 mm5 mm5 mm5 mm
a
2. Meça:
• Diâmetro externo do pino do pistão a.
Fora de especificação Substitua.
b
3. Meça:
• Diâmetro interno b do orifício do pino.
Fora de especificação Substitua o pis-
tão.
4. Calcule:
• Folga entre orifício e o pino.
Fora de especificação Substitua o
pino e o pistão como um conjunto.
FFFFFolgolgolgolgolga entre orifício e pino = (diâmetro in-a entre orifício e pino = (diâmetro in-a entre orifício e pino = (diâmetro in-a entre orifício e pino = (diâmetro in-a entre orifício e pino = (diâmetro in-
terno do orifícioterno do orifícioterno do orifícioterno do orifícioterno do orifício b))))) ----- (diâmetro externo(diâmetro externo(diâmetro externo(diâmetro externo(diâmetro externo
do pinodo pinodo pinodo pinodo pino a)))))
Diâmetro externo do pinoDiâmetro externo do pinoDiâmetro externo do pinoDiâmetro externo do pinoDiâmetro externo do pino
111116,991 ~ 16,991 ~ 16,991 ~ 16,991 ~ 16,991 ~ 177777,0,0,0,0,0000000 mm0 mm0 mm0 mm0 mm
<Limite>: 1<Limite>: 1<Limite>: 1<Limite>: 1<Limite>: 16,970 mm6,970 mm6,970 mm6,970 mm6,970 mm
Diâmetro interno do orifício doDiâmetro interno do orifício doDiâmetro interno do orifício doDiâmetro interno do orifício doDiâmetro interno do orifício do
pinopinopinopinopino
1111177777,0,0,0,0,002 ~ 102 ~ 102 ~ 102 ~ 102 ~ 177777,0,0,0,0,0111113 mm3 mm3 mm3 mm3 mm
<Limite>: 1<Limite>: 1<Limite>: 1<Limite>: 1<Limite>: 177777,043 mm,043 mm,043 mm,043 mm,043 mm
5 – 45
CILINDRO E PISCILINDRO E PISCILINDRO E PISCILINDRO E PISCILINDRO E PISTÃOTÃOTÃOTÃOTÃO MOMOMOMOMOTTTTTOROROROROR
INSINSINSINSINSTTTTTALAÇÃO DO PISALAÇÃO DO PISALAÇÃO DO PISALAÇÃO DO PISALAÇÃO DO PISTÃO E DOTÃO E DOTÃO E DOTÃO E DOTÃO E DO
CILINDROCILINDROCILINDROCILINDROCILINDRO
1. Instale:
• Anel de compressão 1.
• Anel raspador 2.
• Espaçador do anel de óleo 3.
• Trilho do anel de óleo inferior 4.
• Trilho do anel de óleo superior 5.
NONONONONOTTTTTA:A:A:A:A:
Certifique-se de instalar os anéis de forma
que as marcas ou números do fabricante
fiquem voltados para cima.
NoNoNoNoNovvvvvooooo
1
2
5
3
4
NoNoNoNoNovvvvvooooo
2. Instale:
• Pistão 1.
• Pino do pistão 2.
• Travas do pino do pistão 3.
NONONONONOTTTTTA:A:A:A:A:
• Aplique óleo para motor no pino do
pistão.
• Certifique-se de que a marca a no pistão
aponte para o escape do motor.
• Antes de instalar as travas do pino, cubra
a abertura das carcaças com um pano lim-
po para evitar que caiam no interior do
motor.
3. Instale:
• Junta do cilindro.
• Pinos-guia.
4. Lubrifique:
• Pistão.
• Anéis.
• Cilindro (use o lubrificante recomen-
dado).
Lubrificante recomendadoLubrificante recomendadoLubrificante recomendadoLubrificante recomendadoLubrificante recomendado
Óleo para motorÓleo para motorÓleo para motorÓleo para motorÓleo para motor
NoNoNoNoNovvvvvooooo
1
3
2
a
•
5 – 46
CILINDRO E PISCILINDRO E PISCILINDRO E PISCILINDRO E PISCILINDRO E PISTÃOTÃOTÃOTÃOTÃO MOMOMOMOMOTTTTTOROROROROR
7. Instale:
• Anéis O-rings.
• Junta.
• Parafusos do cilindro.
NONONONONOTTTTTA:A:A:A:A:
• Lubrifique as roscas dos parafusos do
cilindro e a superfície de contato com óleo
para motor.
• Instale as arruelas com sua superfície
estampada voltada para cima.
5. Desloque:
• Aberturas na ponta do anel do pistão.
a Anel de compressão
b Trilho superior do anel de óleo
c Espaçador do anel de óleo
d Trilho inferior do anel de óleo
e Anel raspador
f 20 mm
È Lado de escape.
NoNoNoNoNovvvvvooooo
PPPPParafusos do cilindroarafusos do cilindroarafusos do cilindroarafusos do cilindroarafusos do cilindro
1,0 k1,0 k1,0 k1,0 k1,0 kgfgfgfgfgf.m (1.m (1.m (1.m (1.m (10 N.m)0 N.m)0 N.m)0 N.m)0 N.m)
NoNoNoNoNovvvvvooooo
1
NoNoNoNoNovvvvvooooo
e
6. Instale:
• Cilindro 1.
• Guia da corrente de comando (escape).
NOTA:
• Enquanto comprime os anéis com uma
mão, instale o cilindro com a outra.
• Passe a corrente de comando e sua guia
(lado de escape) através da cavidade da
corrente de comando.
5 – 47
EMBREAEMBREAEMBREAEMBREAEMBREAGEMGEMGEMGEMGEM MOMOMOMOMOTTTTTOROROROROR
TTTTTAMPAMPAMPAMPAMPA DA DA DA DA DA EMBREAA EMBREAA EMBREAA EMBREAA EMBREAGEMGEMGEMGEMGEM
EMBREAEMBREAEMBREAEMBREAEMBREAGEMGEMGEMGEMGEM
RRRRRemoção da embreagememoção da embreagememoção da embreagememoção da embreagememoção da embreagem Remover as peças na ordem listada
Óleo do motor Consulte “TROCA DE ÓLEO DO
MOTOR” no capítulo 3
Suporte do freio traseiro Consulte “AJUSTE DO FREIO
TRASEIRO” no capítulo 3
1
1 Tubo de distribuição de óleo 1
2 Mangueiras do radiador de óleo 2 Desconectar
3 Tampa da embreagem 1
4 Pinos-guia 2
5 Junta da tampa da embreagem 1
Para instalação, reverter o
procedimento de remoção
Serviço/Peça Qtde. ObservaçãoOrdem
3
NoNoNoNoNovvvvvooooo
1,0 kgf.m (10 N.m)
NoNoNoNoNovvvvvooooo
1,0 kgf.m (10 N.m)
2
5
NoNoNoNoNovvvvvooooo1
4
5 – 48
EMBREAEMBREAEMBREAEMBREAEMBREAGEMGEMGEMGEMGEM MOMOMOMOMOTTTTTOROROROROR
EMBREAEMBREAEMBREAEMBREAEMBREAGEMGEMGEMGEMGEM
54
B
6
7
A 3
0
C
F
NoNoNoNoNovvvvvooooo
NoNoNoNoNovvvvvooooo
8
7,5 kgf.m (75 N.m)
0,8 kgf.m (8 N.m)
1
2
E
D
9
Remoção da embreagem Remover as peças na ordem listada
1 Parafuso/ mola da embreagem 4/4
2 Placa de pressão 1
3 Porca da engrenagem primária 1
4 Discos de fricção 6
5 Discos de aço 5
6 Disco amortecedor 1 Consulte “INSTALAÇÃO DA
7 Base do disco amortecedor 1 EMBREAGEM”
8 Porca do cubo da embreagem 1
9 Cubo da embreagem 1
10 Arruela especial 1
11 Campana 1
Serviço/Peça Qtde. ObservaçãoOrdem
5 – 49
EMBREAEMBREAEMBREAEMBREAEMBREAGEMGEMGEMGEMGEM MOMOMOMOMOTTTTTOROROROROR
6
7
A 3
0
C
F
NoNoNoNoNovvvvvooooo
NoNoNoNoNovvvvvooooo
8
7,5 kgf.m (75 N.m)
0,8 kgf.m (8 N.m)
1
2
E
D
9
12 Arruela especial 1
13 Engrenagem primária 1 Consulte “REMOÇÃO DA
14 Contraporca 1 EMBREAGEM” e “INSTALAÇAO
15 Parafuso de ajuste 1 DA EMBREAGEM”
16 Haste/ esfera de acionamento 1/1
Para instalação, reverter o
procedimento de remoção
Serviço/Peça Qtde. ObservaçãoOrdem
5 – 50
EMBREAEMBREAEMBREAEMBREAEMBREAGEMGEMGEMGEMGEM MOMOMOMOMOTTTTTOROROROROR
ALAALAALAALAALAVVVVVANCA DEANCA DEANCA DEANCA DEANCA DE AAAAACIONAMENCIONAMENCIONAMENCIONAMENCIONAMENTTTTTOOOOO
RRRRRemoção da alavanca de acionamentoemoção da alavanca de acionamentoemoção da alavanca de acionamentoemoção da alavanca de acionamentoemoção da alavanca de acionamento Remover as peças na ordem listada
Pedal de câmbio Consulte “REMOÇÃO DO MOTOR”
Engrenagem louca da partida Consulte “MOTOR DE PARTIDA”
Fio do interruptor de neutro
Tampa esquerda do motor
1 Cabo da embreagem 1
2 Parafuso 1
3 Alavanca de acionamento 1
4 Mola 1 Desconectar
5 Anel-trava 1
6 Rolamento 1
7 Espaçador 1
Para instalação, reverter o
procedimento de remoção
Serviço/Peça Qtde. ObservaçãoOrdem
3
4
5
6
7
2
NoNoNoNoNovvvvvooooo
1
1,2 kgf.m (12 N.m)
NoNoNoNoNovvvvvooooo
5 – 51
EMBREAEMBREAEMBREAEMBREAEMBREAGEMGEMGEMGEMGEM MOMOMOMOMOTTTTTOROROROROR
REMOÇÃO DREMOÇÃO DREMOÇÃO DREMOÇÃO DREMOÇÃO DA EMBREAA EMBREAA EMBREAA EMBREAA EMBREAGEMGEMGEMGEMGEM
1. Remova:
• Parafusos 1.
NONONONONOTTTTTA:A:A:A:A:
Solte cada parafuso 1
/4
de volta por vez em
padrão cruzado. Depois que todos os
parafusos forem completamente soltos,
remova-os.
Fixador do cubo de embreagemFixador do cubo de embreagemFixador do cubo de embreagemFixador do cubo de embreagemFixador do cubo de embreagem
90890-0408690890-0408690890-0408690890-0408690890-04086
4. Remova:
• Porca 1.
• Arruela-trava 2.
• Arruela especial 4.
• Campana 5.
2
1
3
NONONONONOTTTTTA:A:A:A:A:
Solte a porca da engrenagem primária 1
com um soquete 3, enquanto fixa com a
ferramenta especial 2.
Fixador da engrenagem primáriaFixador da engrenagem primáriaFixador da engrenagem primáriaFixador da engrenagem primáriaFixador da engrenagem primária
90890-408X290890-408X290890-408X290890-408X290890-408X2
1
5
4
3
2
1
1
2
3
2. Endireite a aba da arruela-trava.
3. Solte:
• Porca do cubo da embreagem 1.
NONONONONOTTTTTA:A:A:A:A:
Enquanto segura o cubo da embreagem 2
com o fixador do cubo de embreagem 3,
solte a porca do cubo.
5 – 52
EMBREAEMBREAEMBREAEMBREAEMBREAGEMGEMGEMGEMGEM MOMOMOMOMOTTTTTOROROROROR
INSPEÇÃO DINSPEÇÃO DINSPEÇÃO DINSPEÇÃO DINSPEÇÃO DA ENGRENAA ENGRENAA ENGRENAA ENGRENAA ENGRENAGEMGEMGEMGEMGEM
PRIMÁRIAPRIMÁRIAPRIMÁRIAPRIMÁRIAPRIMÁRIA
• Porca da engrenagem primária 1.
• Arruela-trava 2.
• Arruela especial 3.
• Engrenagem primária 4.
Desgaste/Trincas Substitua.
1
12
3
4
INSPEÇÃO DOS DISCOS DEINSPEÇÃO DOS DISCOS DEINSPEÇÃO DOS DISCOS DEINSPEÇÃO DOS DISCOS DEINSPEÇÃO DOS DISCOS DE
FRICÇÃOFRICÇÃOFRICÇÃOFRICÇÃOFRICÇÃO
O seguinte procedimento se aplica a todos
os discos de fricção.
1. Verifique:
• Disco de fricção (estreito).
• Disco de fricção.
Danos/Desgaste Substitua os discos
de fricção como um conjunto.
2. Meça:
• Espessura do disco de fricção (estreito).
• Espessura do disco de fricção.
Danos/Desgaste Substitua os discos
de fricção como um conjunto.
NONONONONOTTTTTA:A:A:A:A:
Meça o disco de fricção em quatro pontos.
INSPEÇÃO DOS DISCOS DEINSPEÇÃO DOS DISCOS DEINSPEÇÃO DOS DISCOS DEINSPEÇÃO DOS DISCOS DEINSPEÇÃO DOS DISCOS DE AÇOAÇOAÇOAÇOAÇO
O seguinte procedimento se aplica a todos
os discos de aço.
1. Verifique:
• Discos de aço.
Danos Substitua os discos de aço
como um conjunto.
2. Meça:
• Empenamento do disco de aço (use o
cálibre de lâminas 1).
Fora de especificação Substitua os
discos de aço como um conjunto.
Espessura dos discos de fricçãoEspessura dos discos de fricçãoEspessura dos discos de fricçãoEspessura dos discos de fricçãoEspessura dos discos de fricção
3,13,13,13,13,10 ~ 2,90 mm0 ~ 2,90 mm0 ~ 2,90 mm0 ~ 2,90 mm0 ~ 2,90 mm
Limite de empeno do disco de açoLimite de empeno do disco de açoLimite de empeno do disco de açoLimite de empeno do disco de açoLimite de empeno do disco de aço
0,20 mm0,20 mm0,20 mm0,20 mm0,20 mm
5 – 53
EMBREAEMBREAEMBREAEMBREAEMBREAGEMGEMGEMGEMGEM MOMOMOMOMOTTTTTOROROROROR
INSPEÇÃO DINSPEÇÃO DINSPEÇÃO DINSPEÇÃO DINSPEÇÃO DAAAAAS MOLAS MOLAS MOLAS MOLAS MOLAS DES DES DES DES DE
EMBREAEMBREAEMBREAEMBREAEMBREAGEMGEMGEMGEMGEM
O seguinte procedimento se aplica a todas
as molas da embreagem.
1. Verifique:
• Mola da embreagem.
Danos Substitua as molas como um
conjunto.
2. Meça:
• Comprimento livre da mola a.
Fora de especificação Substitua as
molas de embreagem como um con-
junto.
a
Comprimento liComprimento liComprimento liComprimento liComprimento livre das molasvre das molasvre das molasvre das molasvre das molas
41,60 mm41,60 mm41,60 mm41,60 mm41,60 mm
<Limite>: 39,60 mm<Limite>: 39,60 mm<Limite>: 39,60 mm<Limite>: 39,60 mm<Limite>: 39,60 mm
INSPEÇÃO DINSPEÇÃO DINSPEÇÃO DINSPEÇÃO DINSPEÇÃO DA CAMPA CAMPA CAMPA CAMPA CAMPANAANAANAANAANA
1. Verifique:
• Garras da campana.
Danos/Corrosão/Desgaste Desbaste
as garras da campana ou substitua-a.
NONONONONOTTTTTA:A:A:A:A:
Desgaste nas garras da campana causará
operação incorreta da embreagem.
2. Verifique:
• Encaixes do cubo da embreagem.
Danos/Desgaste Desbaste os encai-
xes do cubo ou substitua-os.
INSPEÇÃO DINSPEÇÃO DINSPEÇÃO DINSPEÇÃO DINSPEÇÃO DA PLAA PLAA PLAA PLAA PLACA DE PRESSÃOCA DE PRESSÃOCA DE PRESSÃOCA DE PRESSÃOCA DE PRESSÃO
1. Verifique:
• Placa de pressão.
Rachaduras/Danos Substituir.
5 – 54
EMBREAEMBREAEMBREAEMBREAEMBREAGEMGEMGEMGEMGEM MOMOMOMOMOTTTTTOROROROROR
INSPEÇÃO DINSPEÇÃO DINSPEÇÃO DINSPEÇÃO DINSPEÇÃO DAAAAA ALAALAALAALAALAVVVVVANCA E DANCA E DANCA E DANCA E DANCA E DAAAAA
HAHAHAHAHASSSSSTE DETE DETE DETE DETE DE AAAAACIONAMENCIONAMENCIONAMENCIONAMENCIONAMENTTTTTOOOOO
1. Verifique:
• Cames da alavanca de acionamento 1.
Danos/Desgaste Substitua.
2. Verifique:
• Haste de acionamento 2.
• Esfera de aço 3.
Danos/Desgaste Substitua os com-
ponentes como um conjunto.
NoNoNoNoNovvvvvooooo
NoNoNoNoNovvvvvooooo
2
3
1
1
2
3
4
NoNoNoNoNovvvvvooooo
NoNoNoNoNovvvvvooooo
7
59
8
6
INSPEÇÃO DINSPEÇÃO DINSPEÇÃO DINSPEÇÃO DINSPEÇÃO DA CAMPA CAMPA CAMPA CAMPA CAMPANAANAANAANAANA
1. Verifique:
• Engrenagem movida.
Danos/Desgaste Substitua a engre-
nagem movida e campana como um
conjunto.
Ruído excessivo durante operação
Substitua a engrenagem movida e a
campana como um conjunto.
INSINSINSINSINSTTTTTALAÇÃO DALAÇÃO DALAÇÃO DALAÇÃO DALAÇÃO DA EMBREAA EMBREAA EMBREAA EMBREAA EMBREAGEMGEMGEMGEMGEM
1. Instale:
• Engrenagem primária 1.
• Arruela especial 2.
• Arruela-trava 3.
• Porca da engrenagem primária 4.
NONONONONOTTTTTA:A:A:A:A:
Fixe a porca, utilizando o fixador da
engrenagem primária e um soquete.
• Campana 5.
• Arruela especial 6.
• Cubo da embreagem 7.
• Arruela-trava 8.
• Porca 9.
5 – 55
EMBREAEMBREAEMBREAEMBREAEMBREAGEMGEMGEMGEMGEM MOMOMOMOMOTTTTTOROROROROR
2. Aperte:
• Porca do cubo da embreagem 1.
• Porca da engrenagem primária.
NONONONONOTTTTTA:A:A:A:A:
• Aperte a porca do cubo da embreagem 1
enquanto segura o cubo da embreagem
com o fixador do cubo de embreagem 2.
• Aperte a porca da engrenagem primária
com o fixador da engrenagem primária e
um soquete.
1
2
1
2
3
2
1
3
4
Fixador cubo da embreagemFixador cubo da embreagemFixador cubo da embreagemFixador cubo da embreagemFixador cubo da embreagem
90890-0408690890-0408690890-0408690890-0408690890-04086
Fixador da engrenagem primáriaFixador da engrenagem primáriaFixador da engrenagem primáriaFixador da engrenagem primáriaFixador da engrenagem primária
90890-408X290890-408X290890-408X290890-408X290890-408X2
PPPPPorca do cubo da embreagemorca do cubo da embreagemorca do cubo da embreagemorca do cubo da embreagemorca do cubo da embreagem
77777,5 k,5 k,5 k,5 k,5 kgfgfgfgfgf.m (75 N.m).m (75 N.m).m (75 N.m).m (75 N.m).m (75 N.m)
PPPPPorca da engrenagem primáriaorca da engrenagem primáriaorca da engrenagem primáriaorca da engrenagem primáriaorca da engrenagem primária
77777,5 k,5 k,5 k,5 k,5 kgfgfgfgfgf.m (75 N.m).m (75 N.m).m (75 N.m).m (75 N.m).m (75 N.m)
3. Dobre:
• Aba da arruela-trava.
(para lado plano da porca 1)
NONONONONOTTTTTA:A:A:A:A:
Fixe a porca, utilizando o fixador da engre-
nagem primária 2 e um soquete 3.
Fixador da engrenagem primáriaFixador da engrenagem primáriaFixador da engrenagem primáriaFixador da engrenagem primáriaFixador da engrenagem primária
90890-408X290890-408X290890-408X290890-408X290890-408X2
NONONONONOTTTTTA:A:A:A:A:
• O primeiro disco 1 é feito em cortiça, é
mais estreito. Serve para acomodar uma
arruela lisa 4 e uma mola de retorno 3.
• A mola deve ser montada com a extremi-
dade mais alta voltada para fora.
• Os quatro discos intermediários 5 são feitos
de papel e não possuem diferenças entre si.
• O último disco 6 é de cortiça, é mais es-
curo em relação aos demais.
• A diferença de material e número de
ressaltos de contato tem o objetivo de
reduzir o impacto no primeiro engate de
marcha, principalmente com o motor frio.
• Tome um cuidado especial na montagem,
pois não devemos inverter a ordem dos
discos. Observe também que a borda ar-
redondada dos discos separadores 2deve
ficar voltada para dentro.
• Os discos de embreagem devem ser
umedecidos em óleo de motor antes da
montagem.
6
5
5 – 56
EMBREAEMBREAEMBREAEMBREAEMBREAGEMGEMGEMGEMGEM MOMOMOMOMOTTTTTOROROROROR
4. Instale:
• Esfera.
5. Instale:
• Porca do parafuso de ajuste 1.
• Placa de pressão 2.
• Parafuso de ajuste 3.
• Arruela 4.
6. Instale:
• Molas da embreagem 1.
• Parafusos 2.
2
1
PPPPParafusos (mola da embreagem)arafusos (mola da embreagem)arafusos (mola da embreagem)arafusos (mola da embreagem)arafusos (mola da embreagem)
0,8 k0,8 k0,8 k0,8 k0,8 kgfgfgfgfgf.m (8 N.m).m (8 N.m).m (8 N.m).m (8 N.m).m (8 N.m)
NONONONONOTTTTTA:A:A:A:A:
Aperte os parafusos das molas por etapas e
em padrão cruzado.
a
b
c
7. Verifique:
• Posição da alavanca acionadora.
Empurre o conjunto da alavanca na dire-
ção da seta c e certifique-se de que as
marcas de alinhamento estejam alinhadas.
a Marca da alavanca
b Marca da carcaça
5 – 57
EMBREAEMBREAEMBREAEMBREAEMBREAGEMGEMGEMGEMGEM MOMOMOMOMOTTTTTOROROROROR
8. Ajuste:
• Posição da alavanca acionadora.
*******************************************************************************************************************************************************************************
PPPPPassos de ajuste:assos de ajuste:assos de ajuste:assos de ajuste:assos de ajuste:
a. Solte a contraporca 1.
b. Gire o ajustador 2 em sentido horário ou
anti-horário para alinhar as marcas.
c. Segure o ajustador para evitar que ele se
mova, e aperte a contraporca.
d. Aperte a contraporca 1.
TTTTTome cuidado para não aperome cuidado para não aperome cuidado para não aperome cuidado para não aperome cuidado para não apertar demais otar demais otar demais otar demais otar demais o
ajustadorajustadorajustadorajustadorajustador 22222 e remoe remoe remoe remoe remover a folgver a folgver a folgver a folgver a folga entre ambasa entre ambasa entre ambasa entre ambasa entre ambas
as hastes de acionamento.as hastes de acionamento.as hastes de acionamento.as hastes de acionamento.as hastes de acionamento.
1
2
*******************************************************************************************************************************************************************************
10. Instale:
• Pinos-guia.
• Junta da tampa.
• Tampa da carcaça (LD).
NoNoNoNoNovvvvvooooo
PPPPParafusos da tampa da carcaçaarafusos da tampa da carcaçaarafusos da tampa da carcaçaarafusos da tampa da carcaçaarafusos da tampa da carcaça
1,0 k1,0 k1,0 k1,0 k1,0 kgfgfgfgfgf.m (1.m (1.m (1.m (1.m (10 N.m)0 N.m)0 N.m)0 N.m)0 N.m)
ContraporcaContraporcaContraporcaContraporcaContraporca
0,8 k0,8 k0,8 k0,8 k0,8 kgfgfgfgfgf.m (8 N.m).m (8 N.m).m (8 N.m).m (8 N.m).m (8 N.m)
5 – 58
BOMBA DE ÓLEO E ENGRENABOMBA DE ÓLEO E ENGRENABOMBA DE ÓLEO E ENGRENABOMBA DE ÓLEO E ENGRENABOMBA DE ÓLEO E ENGRENAGEM DO BALANCEIROGEM DO BALANCEIROGEM DO BALANCEIROGEM DO BALANCEIROGEM DO BALANCEIRO MOMOMOMOMOTTTTTOROROROROR
BOMBA DE ÓLEO E ENGRENABOMBA DE ÓLEO E ENGRENABOMBA DE ÓLEO E ENGRENABOMBA DE ÓLEO E ENGRENABOMBA DE ÓLEO E ENGRENAGEM DO BALANCEIROGEM DO BALANCEIROGEM DO BALANCEIROGEM DO BALANCEIROGEM DO BALANCEIRO
RRRRRemoção da bomba de óleo e engrenagem doemoção da bomba de óleo e engrenagem doemoção da bomba de óleo e engrenagem doemoção da bomba de óleo e engrenagem doemoção da bomba de óleo e engrenagem do Remova as peças na ordem listada
balanceirobalanceirobalanceirobalanceirobalanceiro
Óleo do motor Drenar
Tampa da embreagem Consulte “TAMPA DE
EMBREAGEM”
Engrenagem primária Consulte “EMBREAGEM”
1 Porca 1
2 Arruela-trava 1
3 Engrenagem do balanceiro 1 Consulte “MONTAGEM DA
4 Chaveta 1 ENGRENAGEM DO BALANCEIRO”
5 Espaçador 1
Serviço/Peça Qtde. ObservaçãoOrdem
1
2
3
4
5
9
B
8
NoNoNoNoNovvvvvooooo
5,5 kgf.m (55 N.m)
0,7 kgf.m (7 N.m)
NoNoNoNoNovvvvvooooo
6
A
0
7
5 – 59
BOMBA DE ÓLEO E ENGRENABOMBA DE ÓLEO E ENGRENABOMBA DE ÓLEO E ENGRENABOMBA DE ÓLEO E ENGRENABOMBA DE ÓLEO E ENGRENAGEM DO BALANCEIROGEM DO BALANCEIROGEM DO BALANCEIROGEM DO BALANCEIROGEM DO BALANCEIRO MOMOMOMOMOTTTTTOROROROROR
1
2
3
4
5
9
B
8
NoNoNoNoNovvvvvooooo
5,5 kgf.m (55 N.m)
0,7 kgf.m (7 N.m)
NoNoNoNoNovvvvvooooo
6
A
0
7
6 Anel-trava 1
7 Engrenagem da bomba de óleo 1
8 Bomba de óleo 1
9 Junta da bomba de óleo 1 Consulte “MONTAGEM DA
10 Chaveta 1 BOMBA DE ÓLEO”
11 Engrenagem motora 1
12 Pescador (subfiltro de óleo) 1
Para instalação, reverter o
procedimento de remoção
Serviço/Peça Qtde. ObservaçãoOrdem
5 – 60
BOMBA DE ÓLEOBOMBA DE ÓLEOBOMBA DE ÓLEOBOMBA DE ÓLEOBOMBA DE ÓLEO MOMOMOMOMOTTTTTOROROROROR
1
6
5
4
3 2
2
7
NoNoNoNoNovvvvvooooo
0,7 kgf.m (7 N.m)
Desmontagem da bomba de óleoDesmontagem da bomba de óleoDesmontagem da bomba de óleoDesmontagem da bomba de óleoDesmontagem da bomba de óleo Remover as peças na ordem listada
1 Carcaça 1 1
2 Pino-guia 2
3 Rotor externo 1
4 Rotor interno 1
5 Pino-trava 1
6 Eixo 1
7 Carcaça 2 1
Para montagem, reverter o
procedimento da remoção
Serviço/Peça Qtde. ObservaçãoOrdem
BOMBA DE ÓLEOBOMBA DE ÓLEOBOMBA DE ÓLEOBOMBA DE ÓLEOBOMBA DE ÓLEO
5 – 61
BOMBA DE ÓLEOBOMBA DE ÓLEOBOMBA DE ÓLEOBOMBA DE ÓLEOBOMBA DE ÓLEO MOMOMOMOMOTTTTTOROROROROR
INSPEÇÃO DINSPEÇÃO DINSPEÇÃO DINSPEÇÃO DINSPEÇÃO DA BOMBA DE ÓLEOA BOMBA DE ÓLEOA BOMBA DE ÓLEOA BOMBA DE ÓLEOA BOMBA DE ÓLEO
1. Verifique:
• Engrenagem da bomba de óleo.
Rachaduras/Danos/Desgaste Substi-
tua a(s) peça(s) defeituosa(s).
FFFFFolgolgolgolgolga entre rotor externo e rotora entre rotor externo e rotora entre rotor externo e rotora entre rotor externo e rotora entre rotor externo e rotor
internointernointernointernointerno
0,10,10,10,10,15 mm5 mm5 mm5 mm5 mm
<Limite>: 0,2 mm<Limite>: 0,2 mm<Limite>: 0,2 mm<Limite>: 0,2 mm<Limite>: 0,2 mm
FFFFFolgolgolgolgolga entre o rotor externo e aa entre o rotor externo e aa entre o rotor externo e aa entre o rotor externo e aa entre o rotor externo e a
carcaça da bomba de óleocarcaça da bomba de óleocarcaça da bomba de óleocarcaça da bomba de óleocarcaça da bomba de óleo
0,10,10,10,10,10 ~ 0,10 ~ 0,10 ~ 0,10 ~ 0,10 ~ 0,15 mm5 mm5 mm5 mm5 mm
<Limite>: 0,20 mm<Limite>: 0,20 mm<Limite>: 0,20 mm<Limite>: 0,20 mm<Limite>: 0,20 mm
FFFFFolgolgolgolgolga entre a carcaça da bombaa entre a carcaça da bombaa entre a carcaça da bombaa entre a carcaça da bombaa entre a carcaça da bomba
de óleo e os rotores interno ede óleo e os rotores interno ede óleo e os rotores interno ede óleo e os rotores interno ede óleo e os rotores interno e
externoexternoexternoexternoexterno
0,04 ~ 0,09 mm0,04 ~ 0,09 mm0,04 ~ 0,09 mm0,04 ~ 0,09 mm0,04 ~ 0,09 mm
<Limite>: 0,1<Limite>: 0,1<Limite>: 0,1<Limite>: 0,1<Limite>: 0,15 mm5 mm5 mm5 mm5 mm
a
b
c
1
2
3
2. Meça:
• Folga a entre o rotor externo e o rotor
interno.
• Folga b entre o rotor externo e a carca-
ça da bomba de óleo.
• Folga c entre a carcaça da bomba de
óleo e os rotores interno e externo.
Fora de especificação Substitua a
bomba de óleo.
1 Rotor interno
2 Rotor externo
3 Carcaça da bomba de óleo
3. Verifique:
• Operação da bomba de óleo.
Movimento inadequado Repita os
passos 1 e 2 ou substitua a(s) peça(s)
defeituosa(s).
5 – 62
BOMBA DE ÓLEOBOMBA DE ÓLEOBOMBA DE ÓLEOBOMBA DE ÓLEOBOMBA DE ÓLEO MOMOMOMOMOTTTTTOROROROROR
INSPEÇÃO DOSINSPEÇÃO DOSINSPEÇÃO DOSINSPEÇÃO DOSINSPEÇÃO DOSTUBOS ETUBOS ETUBOS ETUBOS ETUBOS E
MANGUEIRAMANGUEIRAMANGUEIRAMANGUEIRAMANGUEIRAS DE FORNECIMENS DE FORNECIMENS DE FORNECIMENS DE FORNECIMENS DE FORNECIMENTTTTTOOOOO
DE ÓLEODE ÓLEODE ÓLEODE ÓLEODE ÓLEO
O seguinte procedimento se aplica a todos
os tubos e mangueiras de fornecimento de
óleo.
1. Verifique:
• Tubo de distribuição de óleo.
• Mangueira de fornecimento de óleo.
Danos Substituir.
Obstrução Lave e sopre com ar com-
primido.
Lubrificante recomendadoLubrificante recomendadoLubrificante recomendadoLubrificante recomendadoLubrificante recomendado
Óleo de motorÓleo de motorÓleo de motorÓleo de motorÓleo de motor
PPPPParafuso da carcaça da bombaarafuso da carcaça da bombaarafuso da carcaça da bombaarafuso da carcaça da bombaarafuso da carcaça da bomba
0,7 k0,7 k0,7 k0,7 k0,7 kgfgfgfgfgf.m (7 N.m).m (7 N.m).m (7 N.m).m (7 N.m).m (7 N.m)
NONONONONOTTTTTA:A:A:A:A:
• Instale o rotor interno da bomba de óleo
e o rotor externo com as marcas de
alinhamento voltadas para cima.
• Quando instalar o rotor interno, alinhe o
pino no eixo da bomba de óleo com a
ranhura no rotor interno.
MONMONMONMONMONTTTTTAAAAAGEM DGEM DGEM DGEM DGEM DA BOMBA DE ÓLEOA BOMBA DE ÓLEOA BOMBA DE ÓLEOA BOMBA DE ÓLEOA BOMBA DE ÓLEO
1. Lubrifique:
• Rotor interno da bomba de óleo.
• Rotor externo da bomba de óleo.
• Eixo da bomba de óleo.
(use lubrificante recomendado).
2. Instale:
• Rotor externo da bomba de óleo.
• Rotor interno da bomba de óleo.
(até a carcaça da bomba de óleo)
• Carcaça da bomba de óleo.
3. Verifique:
• Operação da bomba de óleo.
Consulte “INSPEÇÃO DA BOMBA DE
ÓLEO”.
5 – 63
BOMBA DE ÓLEOBOMBA DE ÓLEOBOMBA DE ÓLEOBOMBA DE ÓLEOBOMBA DE ÓLEO MOMOMOMOMOTTTTTOROROROROR
INSINSINSINSINSTTTTTALAÇÃO DALAÇÃO DALAÇÃO DALAÇÃO DALAÇÃO DA BOMBA DE ÓLEOA BOMBA DE ÓLEOA BOMBA DE ÓLEOA BOMBA DE ÓLEOA BOMBA DE ÓLEO
1. Instale:
• Junta da bomba de óleo.
• Bomba de óleo.
• Engrenagem da bomba de óleo.
• Anel-trava.
PPPPParafuso da carcaça da bombaarafuso da carcaça da bombaarafuso da carcaça da bombaarafuso da carcaça da bombaarafuso da carcaça da bomba
0,7 k0,7 k0,7 k0,7 k0,7 kgfgfgfgfgf.m (7 N.m).m (7 N.m).m (7 N.m).m (7 N.m).m (7 N.m)
NoNoNoNoNovvvvvooooo
Após fixar os parafusos, cerApós fixar os parafusos, cerApós fixar os parafusos, cerApós fixar os parafusos, cerApós fixar os parafusos, certifique-se detifique-se detifique-se detifique-se detifique-se de
que a bomba de óleo gira suavemente.que a bomba de óleo gira suavemente.que a bomba de óleo gira suavemente.que a bomba de óleo gira suavemente.que a bomba de óleo gira suavemente.
NONONONONOTTTTTA:A:A:A:A:
• Instale a engrenagem da bomba de óleo
com a marca do fabricante para cima.
• Instale o anel-trava com sua superfície
estampada voltada para o motor.
RADIADOR DE ÓLEORADIADOR DE ÓLEORADIADOR DE ÓLEORADIADOR DE ÓLEORADIADOR DE ÓLEO
1. Coloque a motocicleta em uma superfí-
cie plana.
Apóie a motocicleta firmemente para que nãoApóie a motocicleta firmemente para que nãoApóie a motocicleta firmemente para que nãoApóie a motocicleta firmemente para que nãoApóie a motocicleta firmemente para que não
haja perigo de queda.haja perigo de queda.haja perigo de queda.haja perigo de queda.haja perigo de queda.
2. Remova:
• A aba lateral direita.
Consulte“CARENAGEM,TAMPAS EABAS
LATERAIS” no capítulo 3.
NONONONONOTTTTTA:A:A:A:A:
Posicione um vasilhame sob o motor para
coletar o restante do óleo de motor.
3. Remova:
• Os parafusos de fixação das manguei-
ras de entrada 1 e saída 2 de óleo do
motor no radiador.
5 – 64
RADIADOR DE ÓLEORADIADOR DE ÓLEORADIADOR DE ÓLEORADIADOR DE ÓLEORADIADOR DE ÓLEO MOMOMOMOMOTTTTTOROROROROR
4. Remova:
• Os parafusos de fixação 1 da manguei-
ra inferior no radiador.
5. Remova:
• Os parafusos de fixação 1 da manguei-
ra superior no radiador.
• As mangueiras.
INSPEÇÃO DO RADIADORINSPEÇÃO DO RADIADORINSPEÇÃO DO RADIADORINSPEÇÃO DO RADIADORINSPEÇÃO DO RADIADOR
1. Remova:
• Espaçadores 1.
• Ilhós de borracha 2.
2. Verifique:
• Ilhós de borracha.
Danos/Desgaste Substitua.
6. Remova:
• Os parafusos 1 de fixação do radiador
no suporte do chassi.
• O radiador de óleo.
5 – 65
RADIADOR DE ÓLEORADIADOR DE ÓLEORADIADOR DE ÓLEORADIADOR DE ÓLEORADIADOR DE ÓLEO MOMOMOMOMOTTTTTOROROROROR
3. Verifique:
• Anéis O-rings 1.
• Mangueiras de entrada e saída de óleo
no radiador.
• Mangueira de óleo 2.
• Espaçadores 3.
Danos/Desgaste/Vazamentos Substi-
tua.
NONONONONOTTTTTA:A:A:A:A:
Observe a posição de montagem das man-
gueiras durante o processo de desmontagem
e inspeção.
4. Verifique:
• Aletas do radiador
Obstrução Limpe.
• Aplique ar comprimido na parte trasei-
ra do radiador.
Danos Repare ou substitua.
NoNoNoNoNovvvvvooooo
MONMONMONMONMONTTTTTAAAAAGEM DO RADIADORGEM DO RADIADORGEM DO RADIADORGEM DO RADIADORGEM DO RADIADOR
1. Instale:
• O radiador.
• Os parafusos de fixação a do radiador
no suporte do chassi.
PPPPParafuso de fixaçãoarafuso de fixaçãoarafuso de fixaçãoarafuso de fixaçãoarafuso de fixação do radiadordo radiadordo radiadordo radiadordo radiador:::::
1,0 k1,0 k1,0 k1,0 k1,0 kgfgfgfgfgf.m (1.m (1.m (1.m (1.m (10 N.m)0 N.m)0 N.m)0 N.m)0 N.m)
NONONONONOTTTTTA:A:A:A:A:
• Lubrifique os anéis O-rings com uma fina
camada de graxa à base de sabão de lítio.
• Certifique-se de que estão na mesma
posição observada no processo de
desmontagem e inspeção.
Lubrificante recomendado:Lubrificante recomendado:Lubrificante recomendado:Lubrificante recomendado:Lubrificante recomendado:
Graxa à base de sabão de lítioGraxa à base de sabão de lítioGraxa à base de sabão de lítioGraxa à base de sabão de lítioGraxa à base de sabão de lítio
5 – 66
RADIADOR DE ÓLEORADIADOR DE ÓLEORADIADOR DE ÓLEORADIADOR DE ÓLEORADIADOR DE ÓLEO MOMOMOMOMOTTTTTOROROROROR
4. Instale:
• Anéis O-rings 1 no motor.
• Espaçadores no motor 2.
• Mangueiras de óleo no motor.
5. Instale:
• Os parafusos de fixação das manguei-
ras de entrada 1 e saída 2 de óleo do
motor no radiador.
PPPPParafusoarafusoarafusoarafusoarafusosssss de fixaçãode fixaçãode fixaçãode fixaçãode fixação das manguei-das manguei-das manguei-das manguei-das manguei-
rasrasrasrasras de entrada e saídade entrada e saídade entrada e saídade entrada e saídade entrada e saída:::::
1,0 k1,0 k1,0 k1,0 k1,0 kgfgfgfgfgf.m (1.m (1.m (1.m (1.m (10 N.m)0 N.m)0 N.m)0 N.m)0 N.m)
V
6. Instale:
• A aba lateral direita.
Consulte“CARENAGEM,TAMPAS EABAS
LATERAIS” no capítulo 3.
7. Abasteça:
• Sistema de lubrificação (com a quan-
tidade especificada do óleo recomen-
dado).
Consulte “SUBSTITUIÇÃO DO ÓLEO” no
capítulo 3.
3. Instale:
• Anéis O-rings.
• A mangueira inferior no radiador.
• Os parafusos de fixação 1 da manguei-
ra inferior no radiador.
PPPPParafusoarafusoarafusoarafusoarafusosssss inferioresinferioresinferioresinferioresinferiores:::::
1,0 k1,0 k1,0 k1,0 k1,0 kgfgfgfgfgf.m (1.m (1.m (1.m (1.m (10 N.m)0 N.m)0 N.m)0 N.m)0 N.m)
NoNoNoNoNovvvvvooooo
2. Instale:
• Anéis O-rings.
• A mangueira superior no radiador.
• Os parafusos de fixação 1 da manguei-
ra superior no radiador.
NoNoNoNoNovvvvvooooo
PPPPParafusoarafusoarafusoarafusoarafusosssss superioressuperioressuperioressuperioressuperiores:::::
1,0 k1,0 k1,0 k1,0 k1,0 kgfgfgfgfgf.m (1.m (1.m (1.m (1.m (10 N.m)0 N.m)0 N.m)0 N.m)0 N.m)
5 – 67
ENGRENAENGRENAENGRENAENGRENAENGRENAGEM DO BALANCEIROGEM DO BALANCEIROGEM DO BALANCEIROGEM DO BALANCEIROGEM DO BALANCEIRO MOMOMOMOMOTTTTTOROROROROR
REMOÇÃO DREMOÇÃO DREMOÇÃO DREMOÇÃO DREMOÇÃO DAAAAA
ENGRENAENGRENAENGRENAENGRENAENGRENAGEM DOGEM DOGEM DOGEM DOGEM DO
BALANCEIROBALANCEIROBALANCEIROBALANCEIROBALANCEIRO
1. Endireite a aba da arruela-trava.
2. Solte:
• A porca da engrenagem do balanceiro.
• Engrenagem do balanceiro
3. Solte:
• Engrenagem primária.
Consulte “REMOÇÃO DA EMBREAGEM”.
INSPEÇÃO DINSPEÇÃO DINSPEÇÃO DINSPEÇÃO DINSPEÇÃO DA ENGRENAA ENGRENAA ENGRENAA ENGRENAA ENGRENAGEM DOGEM DOGEM DOGEM DOGEM DO
BALANCEIROBALANCEIROBALANCEIROBALANCEIROBALANCEIRO
1. Verifique:
• Roletes 1.
• Molas amortecedoras 2.
NONONONONOTTTTTA:A:A:A:A:
Utilize um local apropriado para não haver
perdas na desmontagem.
2. Verifique:
• Engrenagem do balanceiro.
Danos/Fissuras Substitua.
1
2
Fixador da engrenagem primáriaFixador da engrenagem primáriaFixador da engrenagem primáriaFixador da engrenagem primáriaFixador da engrenagem primária
90890-408X290890-408X290890-408X290890-408X290890-408X2
NONONONONOTTTTTA:A:A:A:A:
Fixe a porca da engrenagem do balanceiro
1 com um soquete 2, enquanto prende a
engrenagem primária com o fixador da
engrenagem primária 3.
5 – 68
ENGRENAENGRENAENGRENAENGRENAENGRENAGEM DO BALANCEIROGEM DO BALANCEIROGEM DO BALANCEIROGEM DO BALANCEIROGEM DO BALANCEIRO MOMOMOMOMOTTTTTOROROROROR
SINCRONIZAÇÃO DSINCRONIZAÇÃO DSINCRONIZAÇÃO DSINCRONIZAÇÃO DSINCRONIZAÇÃO DA ENGRENA-A ENGRENA-A ENGRENA-A ENGRENA-A ENGRENA-
GEM DO BALANCEIRO COMGEM DO BALANCEIRO COMGEM DO BALANCEIRO COMGEM DO BALANCEIRO COMGEM DO BALANCEIRO COM AAAAA
ENGRENAENGRENAENGRENAENGRENAENGRENAGEM MOGEM MOGEM MOGEM MOGEM MOTTTTTORAORAORAORAORA
1. Instale:
• Engrenagem do balanceiro.
NONONONONOTTTTTA:A:A:A:A:
Posicione o ponto de sincronismo da
engrenagem do balanceiro 1 em direção do
ponto de sincronismo da engrenagem
motora 2.
2. Instale:
• Arruela-trava.
• Porca.
NoNoNoNoNovvvvvooooo
PPPPPorca da engrenagem do balanceiroorca da engrenagem do balanceiroorca da engrenagem do balanceiroorca da engrenagem do balanceiroorca da engrenagem do balanceiro
5,5 k5,5 k5,5 k5,5 k5,5 kgfgfgfgfgf.m (55 N.m).m (55 N.m).m (55 N.m).m (55 N.m).m (55 N.m)
Fixador da engrenagem primáriaFixador da engrenagem primáriaFixador da engrenagem primáriaFixador da engrenagem primáriaFixador da engrenagem primária
90890-408X290890-408X290890-408X290890-408X290890-408X2
NONONONONOTTTTTA:A:A:A:A:
Fixe a porca da engrenagem do balanceiro
1 com um soquete 2, enquanto prende a
engrenagem primária com o fixador da
engrenagem primária 3.
1
2
MONMONMONMONMONTTTTTAAAAAGEM DGEM DGEM DGEM DGEM DA ENGRENAA ENGRENAA ENGRENAA ENGRENAA ENGRENAGEM DOGEM DOGEM DOGEM DOGEM DO
BALANCEIROBALANCEIROBALANCEIROBALANCEIROBALANCEIRO
1. Instale:
• Espaçador 1.
• Chaveta 2.
• Placa absorvedora 3.
• Engrenagem do balanceiro 4.
(com o ponto de sincronismo para cima)
• Cubo 5.
• Molas e pinos 6.
NONONONONOTTTTTA:A:A:A:A:
• Certifique-se de executar a montagem da
engrenagem do balanceiro corretamente.
• Alinhar o rasgo da chaveta com o ponto
de sincronismo da engrenagem do
balanceiro.
1
2
NoNoNoNoNovvvvvooooo 3
4
5
6
5 – 69
EIXEIXEIXEIXEIXO DE MUDO DE MUDO DE MUDO DE MUDO DE MUDANÇAANÇAANÇAANÇAANÇA MOMOMOMOMOTTTTTOROROROROR
EIXEIXEIXEIXEIXO DE MUDO DE MUDO DE MUDO DE MUDO DE MUDANÇA EANÇA EANÇA EANÇA EANÇA E ALAALAALAALAALAVVVVVANCA DE POSIÇÃOANCA DE POSIÇÃOANCA DE POSIÇÃOANCA DE POSIÇÃOANCA DE POSIÇÃO
EIXEIXEIXEIXEIXO DE MUDO DE MUDO DE MUDO DE MUDO DE MUDANÇAANÇAANÇAANÇAANÇA
3
2
1
1,0 kgf.m (10 N.m)
RRRRRemoção do eixemoção do eixemoção do eixemoção do eixemoção do eixo de mudança e alavancao de mudança e alavancao de mudança e alavancao de mudança e alavancao de mudança e alavanca Remover as peças na ordem listada
de posiçãode posiçãode posiçãode posiçãode posição
Óleo do motor Drenar
Tampa da embreagem Consulte “TAMPA DA
EMBREAGEM”
Articulação do pedal de câmbio
1 Eixo de mudança 1 Consulte “DESMONTAGEM DO
2 Alavanca de posição 1 EIXO DE MUDANÇA E
3 Mola da alavanca de posição 1 ALAVANCA DE POSIÇÃO”
Para instalação, reverter o
procedimento de remoção
Serviço/Peça Qtde. ObservaçãoOrdem
5 – 70
EIXEIXEIXEIXEIXO DE MUDO DE MUDO DE MUDO DE MUDO DE MUDANÇAANÇAANÇAANÇAANÇA MOMOMOMOMOTTTTTOROROROROR
DESMONDESMONDESMONDESMONDESMONTTTTTAAAAAGEM DO EIXGEM DO EIXGEM DO EIXGEM DO EIXGEM DO EIXO DEO DEO DEO DEO DE
MUDMUDMUDMUDMUDANÇAANÇAANÇAANÇAANÇA
1. Remova:
• Eixo de mudança.
• Parafuso 1.
• Alavanca de posição 2.
• Mola da alavanca de posição 3.
1
2
1
2
4
3
1
2
3
INSPEÇÃO DO EIXINSPEÇÃO DO EIXINSPEÇÃO DO EIXINSPEÇÃO DO EIXINSPEÇÃO DO EIXO DE MUDO DE MUDO DE MUDO DE MUDO DE MUDANÇAANÇAANÇAANÇAANÇA
1. Remova:
• Eixo de mudança 1.
• Gatilho do eixo 2.
Empenamento/Desgaste Substituir.
INSPEÇÃO DINSPEÇÃO DINSPEÇÃO DINSPEÇÃO DINSPEÇÃO DAAAAA ALAALAALAALAALAVVVVVANCA DEANCA DEANCA DEANCA DEANCA DE
POSIÇÃOPOSIÇÃOPOSIÇÃOPOSIÇÃOPOSIÇÃO
1. Verifique:
• Alavanca de posição.
Empenamento/Danos Substituir.
Rolete gira com dificuldade Substi-
tua a alavanca de posição.
INSINSINSINSINSTTTTTALAÇÃO DO EIXALAÇÃO DO EIXALAÇÃO DO EIXALAÇÃO DO EIXALAÇÃO DO EIXO DEO DEO DEO DEO DE
MUDMUDMUDMUDMUDANÇAANÇAANÇAANÇAANÇA
1. Instale:
• Alavanca de posição 1.
• Mola da alavanca de posição 2.
• Eixo de mudança 3.
NONONONONOTTTTTA:A:A:A:A:
• Posicione as pontas da mola na alavanca
de posição e no ressalto da carcaça.
• Engrene a alavanca de posição com o
conjunto do segmento do trambulador.
• Lubrifique a montagem do parafuso com
a alavanca de posição com graxa à base
de sabão de lítio.
• Posicione as pontas da mola do eixo de
mudança em seu limitador 4 , como
ilustrado.
5 – 71
EIXEIXEIXEIXEIXO DE MUDO DE MUDO DE MUDO DE MUDO DE MUDANÇAANÇAANÇAANÇAANÇA MOMOMOMOMOTTTTTOROROROROR
2. Verifique:
• Gatilho de acionamento 1.
• Segmento do trambulador 2.
Dificuldade no engate Ajuste.
NONONONONOTTTTTA:A:A:A:A:
As medidas a e b devem ser idênticas.
3. Instale:
• O pedal de câmbio.
Consulte “AJUSTE DO PEDAL DE CÂM-
BIO” no capítulo 3.
PPPPParafuso da ararafuso da ararafuso da ararafuso da ararafuso da articulação:ticulação:ticulação:ticulação:ticulação:
1,0 k1,0 k1,0 k1,0 k1,0 kgfgfgfgfgf.m (1.m (1.m (1.m (1.m (10 N.m)0 N.m)0 N.m)0 N.m)0 N.m)
1
2a
b
5 – 72
ENGRENAENGRENAENGRENAENGRENAENGRENAGEM DE PGEM DE PGEM DE PGEM DE PGEM DE PARARARARARTIDTIDTIDTIDTIDA E MAA E MAA E MAA E MAA E MAGNETGNETGNETGNETGNETOOOOO A.C.A.C.A.C.A.C.A.C. MOMOMOMOMOTTTTTOROROROROR
ENGRENAENGRENAENGRENAENGRENAENGRENAGEM DE PGEM DE PGEM DE PGEM DE PGEM DE PARARARARARTIDTIDTIDTIDTIDA E MAA E MAA E MAA E MAA E MAGNETGNETGNETGNETGNETOOOOO A.C.A.C.A.C.A.C.A.C.
4
1
2
5
6
NoNoNoNoNovvvvvooooo
NoNoNoNoNovvvvvooooo
NoNoNoNoNovvvvvooooo
1,0 kgf.m (10 N.m)
6,0 kgf.m (60 N.m)
1,0 kgf.m (10 N.m)
3
8
7
9
A
B
C
0
1,0 kgf.m (10 N.m)
0,7 kgf.m (7 N.m)
RRRRRemoção da engrenagem de paremoção da engrenagem de paremoção da engrenagem de paremoção da engrenagem de paremoção da engrenagem de partida etida etida etida etida e Remover as peças na ordem listada
magnetomagnetomagnetomagnetomagneto A.C.A.C.A.C.A.C.A.C.
Óleo do motor Drenar
Articulação do pedal de câmbio Consulte “BALANÇATRASEIRA”
Tampa do pinhão no capítulo 4
1 Tampa da engrenagem louca 1/ O-ring 1/1
2 Engrenagem louca 1/ eixo 1/1
3 Conectores do estator 2 Desconectar
4 Tampa do motor (esquerda) 1
5 Pinos-guia 2
6 Junta da tampa do motor 1
7 Conjunto estator/ bobina pulso 1/1
Serviço/Peça Qtde. ObservaçãoOrdem
5 – 73
ENGRENAENGRENAENGRENAENGRENAENGRENAGEM DE PGEM DE PGEM DE PGEM DE PGEM DE PARARARARARTIDTIDTIDTIDTIDA E MAA E MAA E MAA E MAA E MAGNETGNETGNETGNETGNETOOOOO A.C.A.C.A.C.A.C.A.C. MOMOMOMOMOTTTTTOROROROROR
4
1
2
5
6
NoNoNoNoNovvvvvooooo
NoNoNoNoNovvvvvooooo
NoNoNoNoNovvvvvooooo
1,0 kgf.m (10 N.m)
6,0 kgf.m (60 N.m)
1,0 kgf.m (10 N.m)
3
8
7
9
A
B
C
0
1,0 kgf.m (10 N.m)
0,7 kgf.m (7 N.m)
8 Engrenagem louca 2/ eixo 1/1
9 Rotor do magneto 1
10 Chaveta 1
11 Engrenagem da partida 1
12 Rolamento 1
13 Arruela 1
Para instalação, reverter o
procedimento de remoção
Serviço/Peça Qtde. ObservaçãoOrdem
5 – 74
ENGRENAENGRENAENGRENAENGRENAENGRENAGEM DE PGEM DE PGEM DE PGEM DE PGEM DE PARARARARARTIDTIDTIDTIDTIDA E MAA E MAA E MAA E MAA E MAGNETGNETGNETGNETGNETOOOOO A.C.A.C.A.C.A.C.A.C. MOMOMOMOMOTTTTTOROROROROR
REMOÇÃO DO ROREMOÇÃO DO ROREMOÇÃO DO ROREMOÇÃO DO ROREMOÇÃO DO ROTTTTTOR DOOR DOOR DOOR DOOR DO
MAMAMAMAMAGNETGNETGNETGNETGNETOOOOO A.C.A.C.A.C.A.C.A.C.
1. Remova:
• Parafuso do rotor.
• Arruela.
• Rotor do magneto A.C..
NONONONONOTTTTTA:A:A:A:A:
• Enquanto segura o rotor do magneto A.C.
1 com o fixador de rotor 2, solte o
parafuso do rotor 3.
• Não permita que o fixador de rotor toque
a saliência a no rotor do magneto A.C.
Fixador de rotorFixador de rotorFixador de rotorFixador de rotorFixador de rotor
90890-090890-090890-090890-090890-011111707070707011111
SSSSSacador do rotoracador do rotoracador do rotoracador do rotoracador do rotor
999990890-00890-00890-00890-00890-011111862862862862862
1
1
2
3
4
3
2
a
1
2
1
2. Remova:
• Rotor do magneto A.C. 1.
(com o sacador de rotor 2).
3. Remova:
• Chaveta 1.
4. Remova:
• Engrenagem louca 2 1.
• Engrenagem de partida 2.
• Rolamento 3.
• Arruela 4.
1
5 – 75
ENGRENAENGRENAENGRENAENGRENAENGRENAGEM DE PGEM DE PGEM DE PGEM DE PGEM DE PARARARARARTIDTIDTIDTIDTIDA E MAA E MAA E MAA E MAA E MAGNETGNETGNETGNETGNETOOOOO A.C.A.C.A.C.A.C.A.C. MOMOMOMOMOTTTTTOROROROROR
INSPEÇÃO DINSPEÇÃO DINSPEÇÃO DINSPEÇÃO DINSPEÇÃO DA ENGRENAA ENGRENAA ENGRENAA ENGRENAA ENGRENAGEM DEGEM DEGEM DEGEM DEGEM DE
PPPPPARARARARARTIDTIDTIDTIDTIDA (SENA (SENA (SENA (SENA (SENTIDO ÚNICO)TIDO ÚNICO)TIDO ÚNICO)TIDO ÚNICO)TIDO ÚNICO)
1. Verifique:
• Roletes da embreagem de partida 1.
Danos/Desgaste Substitua.
1
2
B
A
4
3
1
2
1
2
3
a
2. Verifique:
• Engrenagem louca 1 1.
• Engrenagem louca 2 2.
• Engrenagem de partida 3.
Rebarbas/Desgaste Substitua a(s)
peça(s) defeituosa(s).
3. Verifique:
• Superfícies de contato da engrenagem
de partida a.
Danos/Corrosão/Desgaste Substitua.
4. Verifique:
• Operação da engrenagem de partida
(sentido único).
*****************************************************************************************************************************************************************************************
a. Instale a engrenagem 1 no rotor 2 e se-
gure a engrenagem.
b. Quando girar a engrenagem no sentido
horário È, deve virar livremente, caso
contrário, a engrenagem está com defei-
to e deve ser trocada.
c. Quando girar a engrenagem no sentido
anti-horário É, a engrenagem e o rotor
devem se acoplar, caso contrário, a em-
breagem está com defeito e deve ser
trocada.
*****************************************************************************************************************************************************************************************
MONMONMONMONMONTTTTTAAAAAGEM DO ROGEM DO ROGEM DO ROGEM DO ROGEM DO ROTTTTTOR DOOR DOOR DOOR DOOR DO
MAMAMAMAMAGNETGNETGNETGNETGNETOOOOO A.C.A.C.A.C.A.C.A.C.
1. Instale:
• Arruela 1.
• Rolamento 2.
• Engrenagem de partida 3.
• Engrenagem louca 2 4.
5 – 76
ENGRENAENGRENAENGRENAENGRENAENGRENAGEM DE PGEM DE PGEM DE PGEM DE PGEM DE PARARARARARTIDTIDTIDTIDTIDA E MAA E MAA E MAA E MAA E MAGNETGNETGNETGNETGNETOOOOO A.C.A.C.A.C.A.C.A.C. MOMOMOMOMOTTTTTOROROROROR
2. Instale:
• Chaveta 1.
• Rotor 2.
• Arruela 3.
• Parafuso do rotor 4.
NONONONONOTTTTTA:A:A:A:A:
• Limpe a parte cônica do virabrequim e
cubo do rotor do magneto A.C..
• Quando instalar o rotor do magneto A.C.,
certifique-se de que a chaveta esteja
adequadamente instalada no rasgo do
virabrequim.
• Lubrifique a rosca da ponta do
virabrequim com óleo para motor.
PPPPParafuso do rotor:arafuso do rotor:arafuso do rotor:arafuso do rotor:arafuso do rotor:
6,0 k6,0 k6,0 k6,0 k6,0 kgfgfgfgfgf.m (60 N.m).m (60 N.m).m (60 N.m).m (60 N.m).m (60 N.m)
PPPPParafuso do sensor de posiçãoarafuso do sensor de posiçãoarafuso do sensor de posiçãoarafuso do sensor de posiçãoarafuso do sensor de posição:::::
0,7 k0,7 k0,7 k0,7 k0,7 kgfgfgfgfgf.m (7 N.m).m (7 N.m).m (7 N.m).m (7 N.m).m (7 N.m)
3
4
21
1
2
a
1
2
3. Instale:
• Parafuso do rotor 1.
4. Instale:
• Estator 1.
• Sensor de posição do virabrequim 2.
NONONONONOTTTTTA:A:A:A:A:
• Enquanto segura o rotor do magneto A.C.
com o fixador de rotor 2 , aperte o
parafuso do rotor 1.
• Não permita que o fixador de rotor toque
a saliência a do rotor do magneto A.C.
PPPPParafuso do estator:arafuso do estator:arafuso do estator:arafuso do estator:arafuso do estator:
1,0 k1,0 k1,0 k1,0 k1,0 kgfgfgfgfgf.m (1.m (1.m (1.m (1.m (10 N.m)0 N.m)0 N.m)0 N.m)0 N.m)
5 – 77
ENGRENAENGRENAENGRENAENGRENAENGRENAGEM DE PGEM DE PGEM DE PGEM DE PGEM DE PARARARARARTIDTIDTIDTIDTIDA E MAA E MAA E MAA E MAA E MAGNETGNETGNETGNETGNETOOOOO A.C.A.C.A.C.A.C.A.C. MOMOMOMOMOTTTTTOROROROROR
5. Instale:
• Junta.
• Tampa do magneto A.C..
NoNoNoNoNovvvvvooooo
PPPPParafuso da tampa do magnetoarafuso da tampa do magnetoarafuso da tampa do magnetoarafuso da tampa do magnetoarafuso da tampa do magnetoA.C.A.C.A.C.A.C.A.C.
1,0 k1,0 k1,0 k1,0 k1,0 kgfgfgfgfgf.m (1.m (1.m (1.m (1.m (10 N.m)0 N.m)0 N.m)0 N.m)0 N.m)
NONONONONOTTTTTA:A:A:A:A:
Aperte os parafusos da tampa do magneto
A.C. em etapas, utilizando o padrão cruzado.
PPPPParafusos M6 x 30 mm:arafusos M6 x 30 mm:arafusos M6 x 30 mm:arafusos M6 x 30 mm:arafusos M6 x 30 mm:
1,0 k1,0 k1,0 k1,0 k1,0 kgfgfgfgfgf.m (1.m (1.m (1.m (1.m (10 N.m)0 N.m)0 N.m)0 N.m)0 N.m)
PPPPParafuso M6 x 45 mm:arafuso M6 x 45 mm:arafuso M6 x 45 mm:arafuso M6 x 45 mm:arafuso M6 x 45 mm:
1,0 k1,0 k1,0 k1,0 k1,0 kgfgfgfgfgf.m (1.m (1.m (1.m (1.m (10 N.m)0 N.m)0 N.m)0 N.m)0 N.m)
PPPPParafusos M6 x 40 mm:arafusos M6 x 40 mm:arafusos M6 x 40 mm:arafusos M6 x 40 mm:arafusos M6 x 40 mm:
1,0 k1,0 k1,0 k1,0 k1,0 kgfgfgfgfgf.m (1.m (1.m (1.m (1.m (10 N.m)0 N.m)0 N.m)0 N.m)0 N.m)
PPPPParafuso do pedal de câmbio:arafuso do pedal de câmbio:arafuso do pedal de câmbio:arafuso do pedal de câmbio:arafuso do pedal de câmbio:
1,0 k1,0 k1,0 k1,0 k1,0 kgfgfgfgfgf.m (1.m (1.m (1.m (1.m (10 N.m)0 N.m)0 N.m)0 N.m)0 N.m)
NoNoNoNoNovvvvvooooo
PPPPParafusos da tampa:arafusos da tampa:arafusos da tampa:arafusos da tampa:arafusos da tampa:
1,0 k1,0 k1,0 k1,0 k1,0 kgfgfgfgfgf.m (1.m (1.m (1.m (1.m (10 N.m)0 N.m)0 N.m)0 N.m)0 N.m)
13
8
5
6
2
4 9
7
6. Instale:
• Fiação do interruptor neutro.
NONONONONOTTTTTA:A:A:A:A:
Posicione o terminal do interruptor neutro
de forma que o fio fique encaixado, consulte
“PASSAGEM DE CABOS” no capítulo 2.
• Parafusos M6 x 30 mm do 1 ao 5.
• Parafusos M6 x 45 mm do 6.
• Parafusos M6 x 40 mm do 7 ao 9.
7. Instale:
• Pedal de câmbio.
• Parafuso do pedal de câmbio 1.
8. Instale:
• Engrenagem louca 1.
• Anel O-ring.
• Tampa 2.
• Parafusos da tampa.
MOMOMOMOMOTTTTTOROROROROR
5 – 78
VIRABREQVIRABREQVIRABREQVIRABREQVIRABREQUIM E CARCAÇAUIM E CARCAÇAUIM E CARCAÇAUIM E CARCAÇAUIM E CARCAÇAS DO MOS DO MOS DO MOS DO MOS DO MOTTTTTOROROROROR
VIRABREQVIRABREQVIRABREQVIRABREQVIRABREQUIM E CARCAÇAUIM E CARCAÇAUIM E CARCAÇAUIM E CARCAÇAUIM E CARCAÇAS DO MOS DO MOS DO MOS DO MOS DO MOTTTTTOROROROROR
Separação das carcaças do motor e remoção do Remover as peças na ordem listada
virabrequim
Óleo do motor Drenar
Motor Consulte “REMOÇÃO DO MOTOR”
Cabeçote Consulte “CABEÇOTE”
Cilindro/Pistão Consulte “CILINDRO E PISTÃO”
Magneto A.C. Consulte “EMBREAGEM DE
PARTIDA E MAGNETO A.C.”
Embreagem Consulte “EMBREAGEM”
Engrenagem do balanceiro/ engrenagem motora Consulte “ENGRENAGEM MOVIDA
DO BALANCEIRO”
Bomba de óleo Consulte “BOMBA DE ÓLEO”
Eixo de mudança Consulte “EIXO DE MUDANÇA”
Rotor do magneto Consulte “ENGRENAGEM DE
Engrenagem de partida PARTIDA E MAGNETO A.C.”
Serviço/Peça Qtde. ObservaçãoOrdem
1,0 kgf.m (10 N.m)
1,0 kgf.m (10 N.m)
NoNoNoNoNovvvvvooooo
NoNoNoNoNovvvvvooooo
80
7
0
9
6
9
5
4
3
1
2
A
5
0,8 kgf.m (8 N.m)
1,0 kgf.m (10 N.m)
MOMOMOMOMOTTTTTOROROROROR
5 – 79
VIRABREQVIRABREQVIRABREQVIRABREQVIRABREQUIM E CARCAÇAUIM E CARCAÇAUIM E CARCAÇAUIM E CARCAÇAUIM E CARCAÇAS DO MOS DO MOS DO MOS DO MOS DO MOTTTTTOROROROROR
1 Guia da corrente de comando (lado de admissão) 1
2 Corrente de comando 1
3 Engrenagem motora de sincronismo 1
4 Carcaça (direita) 1
5 Pino-guia 2
6 Balanceiro 1
7 Virabrequim 1 Consulte “REMOÇÃO DO
CONJUNTO VIRABREQUIM E
BALANCEIRO”
8 Carcaça (esquerda) 1
9 Rolamento do balanceiro 2
10 Rolamento do virabrequim 2
11 Sensor de velocidade 1
Para instalação, reverter o
procedimento de remoção
Serviço/Peça Qtde. ObservaçãoOrdem
1,0 kgf.m (10 N.m)
1,0 kgf.m (10 N.m)
NoNoNoNoNovvvvvooooo
NoNoNoNoNovvvvvooooo
80
7
0
9
6
9
5
4
3
1
2
A
5
0,8 kgf.m (8 N.m)
1,0 kgf.m (10 N.m)
MOMOMOMOMOTTTTTOROROROROR
5 – 80
VIRABREQVIRABREQVIRABREQVIRABREQVIRABREQUIM E CARCAÇAUIM E CARCAÇAUIM E CARCAÇAUIM E CARCAÇAUIM E CARCAÇAS DO MOS DO MOS DO MOS DO MOS DO MOTTTTTOROROROROR
SEPSEPSEPSEPSEPARAÇÃO DARAÇÃO DARAÇÃO DARAÇÃO DARAÇÃO DAAAAAS CARCAÇAS CARCAÇAS CARCAÇAS CARCAÇAS CARCAÇASSSSS
1. Remova:
• Guia da corrente de comando 1.
• Corrente de comando 2.
• Engrenagem motora de sincronismo 3.
2. Remova:
• Fio do interruptor de neutro 1.
• Parafusos do motor.
• Arruelas de vedação nos parafusos 2,
3 e 4.
• Parafusos M6 x 70 mm do 2 ao 4.
• Parafusos M6 x 60 mm 5, 6.
• Parafusos M6 x 55 mm 7 ao 9.
• Parafusos M6 x 45 mm do 0 ao C.
3. Remova:
• Sensor de velocidade.
4. Remova:
• Carcaça (LD).
NONONONONOTTTTTA:A:A:A:A:
Coloque o motor com a carcaça (LE) voltada
para baixo e utilizando uma chave de fenda,
separe as carcaças.
••••• Use a cUse a cUse a cUse a cUse a chave de fenda no local adequado.have de fenda no local adequado.have de fenda no local adequado.have de fenda no local adequado.have de fenda no local adequado.
••••• A carcaça (LE) deve ficar por baixA carcaça (LE) deve ficar por baixA carcaça (LE) deve ficar por baixA carcaça (LE) deve ficar por baixA carcaça (LE) deve ficar por baixo.o.o.o.o.
5
0
A
1C7
8
6
9
2
3 4
B
3
2
1
NONONONONOTTTTTA:A:A:A:A:
• Solte cada parafuso 1
/4
de volta por vez e,
depois que todos estiverem soltos,
remova-os.
• Solte os parafusos em etapas, use o
padrão cruzado.
MOMOMOMOMOTTTTTOROROROROR
5 – 81
VIRABREQVIRABREQVIRABREQVIRABREQVIRABREQUIM E CARCAÇAUIM E CARCAÇAUIM E CARCAÇAUIM E CARCAÇAUIM E CARCAÇAS DO MOS DO MOS DO MOS DO MOS DO MOTTTTTOROROROROR
REMOÇÃO DO CONJUNREMOÇÃO DO CONJUNREMOÇÃO DO CONJUNREMOÇÃO DO CONJUNREMOÇÃO DO CONJUNTTTTTOOOOO
VIRABREQVIRABREQVIRABREQVIRABREQVIRABREQUIM E BALANCEIROUIM E BALANCEIROUIM E BALANCEIROUIM E BALANCEIROUIM E BALANCEIRO
1. Remova:
• Balanceiro
• Virabrequim conjunto 1.
INSPEÇÃO DO VIRABREQUIM
1. Verifique:
• Pino-trava 1.
• Mola de retorno 2.
• Pino de acionamento 3.
Danos/Desgaste/Travamento Substitua.
2. Meça:
• Alinhamento do virabrequim.
Fora de especificação Substitua o
virabrequim, o rolamento ou ambos.
Desalinhamento máximo doDesalinhamento máximo doDesalinhamento máximo doDesalinhamento máximo doDesalinhamento máximo do
virabrequimvirabrequimvirabrequimvirabrequimvirabrequim
0,03 mm0,03 mm0,03 mm0,03 mm0,03 mm
3. Meça:
• Folga lateral da biela D
Fora de especificação Substitua o rola-
mento da biela ou pino de virabrequim.
FFFFFolgolgolgolgolga lateral da bielaa lateral da bielaa lateral da bielaa lateral da bielaa lateral da biela
0,350 ~ 0,650 mm0,350 ~ 0,650 mm0,350 ~ 0,650 mm0,350 ~ 0,650 mm0,350 ~ 0,650 mm
4. Meça:
• Largura do virabrequim A
Fora de especificação Substitua o
virabrequim.
Largura do virabrequimLargura do virabrequimLargura do virabrequimLargura do virabrequimLargura do virabrequim
69,25 ~ 69,30 mm69,25 ~ 69,30 mm69,25 ~ 69,30 mm69,25 ~ 69,30 mm69,25 ~ 69,30 mm
1
2
1
3
2
A
D
NONONONONOTTTTTA:A:A:A:A:
• Remova o virabrequim com o extrator do
virabrequim 2.
• Aperte os parafusos do extrator do
virabrequim até o final.
• Certifique-se de que o eixo do extrator
esteja alinhado com o virabrequim.
NONONONONOTTTTTA:A:A:A:A:
Gire o virabrequim lentamente.
MOMOMOMOMOTTTTTOROROROROR
5 – 82
VIRABREQVIRABREQVIRABREQVIRABREQVIRABREQUIM E CARCAÇAUIM E CARCAÇAUIM E CARCAÇAUIM E CARCAÇAUIM E CARCAÇAS DO MOS DO MOS DO MOS DO MOS DO MOTTTTTOROROROROR
5. Verifique:
• Galerias de óleo do virabrequim.
Obstrução Sopre com ar comprimido.
INSPEÇÃO DINSPEÇÃO DINSPEÇÃO DINSPEÇÃO DINSPEÇÃO DAAAAAS CARCAÇAS CARCAÇAS CARCAÇAS CARCAÇAS CARCAÇAS DOS DOS DOS DOS DO
MOMOMOMOMOTTTTTOROROROROR
1. Verifique:
• Carcaça do motor (direita).
Empenamento/Trincas Substitua.
• Galerias de passagem de óleo.
Obstruído Sopre com ar comprimido.
2. Verifique:
• Carcaça do motor (esquerda).
Empenamento/Trincas Substitua.
• Galerias de passagem de óleo.
Obstruído Sopre com ar comprimido.
3. Limpe:
• Resíduos de cola.
• Resíduos de juntas.
4. Verifique:
• Rolamento.
Danos/Ruídos excessivos Substitua.
INSPEÇÃO DA CORRENTE DE
COMANDO E GUIAS
1. Verifique:
• Corrente de comando.
Danos/Rigidez Substitua a corrente de
comando e a coroa de sincronismo como
um conjunto.
2. Verifique:
• Engrenagem motora de sincronismo.
Desgaste superior a 1
/4
do dente Subs-
tituir componentes como um conjunto
(coroa de sincronismo, corrente e engre-
nagem motora de sincronismo).
b Correto.
1 Elo de corrente.
2 Engrenagem motora de sincronismo.
MOMOMOMOMOTTTTTOROROROROR
5 – 83
VIRABREQVIRABREQVIRABREQVIRABREQVIRABREQUIM E CARCAÇAUIM E CARCAÇAUIM E CARCAÇAUIM E CARCAÇAUIM E CARCAÇAS DO MOS DO MOS DO MOS DO MOS DO MOTTTTTOROROROROR
3. Verifique:
• Guia da corrente de comando.
(lado de admissão)
Danos/Desgaste Substituir.
DESMONDESMONDESMONDESMONDESMONTTTTTAAAAAGEM DOGEM DOGEM DOGEM DOGEM DO VIRABREQVIRABREQVIRABREQVIRABREQVIRABREQUIMUIMUIMUIMUIM
NONONONONOTTTTTAAAAA:
Faça marcas de posicionamento do pino com
o virabrequim, nos dois lados do virabre-
quim, para facilitar a montagem e o alinha-
mento do virabrequim.
• O pino do virabrequim, utilizando o
separador de virabrequim 1.
SSSSSeparador de virabrequimeparador de virabrequimeparador de virabrequimeparador de virabrequimeparador de virabrequim:::::
90890-2282390890-2282390890-2282390890-2282390890-22823
NONONONONOTTTTTAAAAA:
Observe o correto posicionamento do vira-
brequim com o separador de virabrequim.
MOMOMOMOMOTTTTTOROROROROR
5 – 84
VIRABREQVIRABREQVIRABREQVIRABREQVIRABREQUIM E CARCAÇAUIM E CARCAÇAUIM E CARCAÇAUIM E CARCAÇAUIM E CARCAÇAS DO MOS DO MOS DO MOS DO MOS DO MOTTTTTOROROROROR
MONMONMONMONMONTTTTTAAAAAGEM DOGEM DOGEM DOGEM DOGEM DO VIRABREQVIRABREQVIRABREQVIRABREQVIRABREQUIMUIMUIMUIMUIM
1. Coloque o lado direito do virabrequim
voltado para baixo na prensa 1.
2. Instale o pino da biela com o furo volta-
do para baixo 2, observando que o furo
de lubrificação do pino esteja posiciona-
do exatamente com o furo de lubrifica-
ção do virabrequim.
• Instale o pino até que fique paralelo
com a parte áspera do virabrequim, ve-
rificando as marcas feitas antes da des-
montagem.
3. Instale o rolamento da biela, e a biela 3
com a gravação“1S4” voltada para o lado
esquerdo do virabrequim 4, lubrifican-
do com um pouco de óleo de motor
Yamalube 4 20W50.
4. Coloque o lado esquerdo do virabrequim
4 apoiado na prensa, e segurando a bie-
la com uma das mãos, instale o conjunto
prensando o pino cuidadosamente até
que fique paralelo com a parte áspera do
virabrequim.
NONONONONOTTTTTAAAAA:
Observe as marcas feitas anteriormente an-
tes da desmontagem.
NONONONONOTTTTTAAAAA:
Caso haja necessidade da troca do pino da
biela, tome por base as marcações feitas no
pino retirado, observando sempre a posição
do furo de lubrificação.
5. Confira:
• Desalinhamento do virabrequim.
• Folga lateral.
• Largura do virabrequim.
• Passagem do óleo.
NONONONONOTTTTTAAAAA:
Para alinhar, bata levemente no virabrequim
1 com um martelo de cobre ou uma cunha
de cobre 2 (para não danificar o virabre-
quim) e repita o processo de verificação de
desalinhamento do virabrequim. Repita este
processo até que fique dentro das medidas
especificadas.
MOMOMOMOMOTTTTTOROROROROR
5 – 85
VIRABREQVIRABREQVIRABREQVIRABREQVIRABREQUIM E CARCAÇAUIM E CARCAÇAUIM E CARCAÇAUIM E CARCAÇAUIM E CARCAÇAS DO MOS DO MOS DO MOS DO MOS DO MOTTTTTOROROROROR
ROLAMENROLAMENROLAMENROLAMENROLAMENTTTTTOS DOOS DOOS DOOS DOOS DO VIRABREQVIRABREQVIRABREQVIRABREQVIRABREQUIMUIMUIMUIMUIM
1. Remova:
• Os rolamentos da carcaça de ambos os
lados, utilizando a ferramenta especial.
EEEEExtrator de rolamento:xtrator de rolamento:xtrator de rolamento:xtrator de rolamento:xtrator de rolamento:
90890-0280990890-0280990890-0280990890-0280990890-02809
2. Instale:
• Os rolamentos da carcaça de ambos os
lados, utilizando a ferramenta especial.
Instalador do rolamento daInstalador do rolamento daInstalador do rolamento daInstalador do rolamento daInstalador do rolamento da
carcaçacarcaçacarcaçacarcaçacarcaça:::::
90890-4282890890-4282890890-4282890890-4282890890-42828
2
3
1
4
INSINSINSINSINSTTTTTALAÇÃO DOALAÇÃO DOALAÇÃO DOALAÇÃO DOALAÇÃO DO VIRABREQVIRABREQVIRABREQVIRABREQVIRABREQUIMUIMUIMUIMUIM
1. Instale:
• Virabrequim 1.
Instalador do virabrequim:Instalador do virabrequim:Instalador do virabrequim:Instalador do virabrequim:Instalador do virabrequim: 22222
90890-090890-090890-090890-090890-011111272727272744444
FFFFFuso de traçãouso de traçãouso de traçãouso de traçãouso de tração 33333
90890-090890-090890-090890-090890-011111275275275275275
AdaptadorAdaptadorAdaptadorAdaptadorAdaptador 44444
90890-090890-090890-090890-090890-011111383383383383383
NONONONONOTTTTTA:A:A:A:A:
Instale o virabrequim com o conjunto
instalador do virabrequim.
PPPPPara evitar arara evitar arara evitar arara evitar arara evitar arranhar o virabrequim e faci-ranhar o virabrequim e faci-ranhar o virabrequim e faci-ranhar o virabrequim e faci-ranhar o virabrequim e faci-
litar o procedimento de instalação, lubri-litar o procedimento de instalação, lubri-litar o procedimento de instalação, lubri-litar o procedimento de instalação, lubri-litar o procedimento de instalação, lubri-
fique os lábios dos retentores com graxafique os lábios dos retentores com graxafique os lábios dos retentores com graxafique os lábios dos retentores com graxafique os lábios dos retentores com graxa
à base de sabão de lítio e os rolamentosà base de sabão de lítio e os rolamentosà base de sabão de lítio e os rolamentosà base de sabão de lítio e os rolamentosà base de sabão de lítio e os rolamentos
com óleo para motorcom óleo para motorcom óleo para motorcom óleo para motorcom óleo para motor.....
NONONONONOTTTTTA:A:A:A:A:
Segure a biela no ponto morto superior
(PMS) com uma mão, enquanto gira a porca
no parafuso do instalador do virabrequim
com a outra. Gire o parafuso do instalador
do virabrequim até que fique com a parte
inferior junto ao rolamento.
MOMOMOMOMOTTTTTOROROROROR
5 – 86
VIRABREQVIRABREQVIRABREQVIRABREQVIRABREQUIM E CARCAÇAUIM E CARCAÇAUIM E CARCAÇAUIM E CARCAÇAUIM E CARCAÇAS DO MOS DO MOS DO MOS DO MOS DO MOTTTTTOROROROROR
2. Instale:
• Pinos-guia 2.
CARCAÇA (LADO DIREITCARCAÇA (LADO DIREITCARCAÇA (LADO DIREITCARCAÇA (LADO DIREITCARCAÇA (LADO DIREITO)O)O)O)O)
1. Aplique:
• Cola 1.
(Nas superfícies de fechamento das car-
caças).
NONONONONOTTTTTA:A:A:A:A:
Não permita que a cola entre em contato com
as galerias de óleo.
Cola:Cola:Cola:Cola:Cola:
YYYYYamaha Bond nº 1amaha Bond nº 1amaha Bond nº 1amaha Bond nº 1amaha Bond nº 1212121212155555
90890-8550590890-8550590890-8550590890-8550590890-85505
1
2
5
0
A
1C7
8
6
9
2
3 4
B
3. Encaixe a carcaça direita com a esquerda
Bata levemente com um martelo de plásti-
co.
4. Instale:
• Fio do interruptor de neutro 1.
5. Aperte:
• Parafusos.
(Monte nos parafusos 2 , 3 e 4 as
gaxetas).
• Parafusos M6 x 70 mm do 2 ao 4.
NONONONONOTTTTTA:A:A:A:A:
Aperte os parafusos, começando pelo de
menor número.
• Parafusos M6 x 60 mm do 5, 6.
• Parafusos M6 x 55 mm do 7 ao 9.
• Parafusos M6 x 45 mm do 0 ao C.
PPPPParafusos M6 x 45 mm:arafusos M6 x 45 mm:arafusos M6 x 45 mm:arafusos M6 x 45 mm:arafusos M6 x 45 mm:
1,0 k1,0 k1,0 k1,0 k1,0 kgfgfgfgfgf.m (1.m (1.m (1.m (1.m (10 N.m)0 N.m)0 N.m)0 N.m)0 N.m)
PPPPParafusos M6 x 70 mm:arafusos M6 x 70 mm:arafusos M6 x 70 mm:arafusos M6 x 70 mm:arafusos M6 x 70 mm:
1,0 k1,0 k1,0 k1,0 k1,0 kgfgfgfgfgf.m (1.m (1.m (1.m (1.m (10 N.m)0 N.m)0 N.m)0 N.m)0 N.m)
PPPPParafusos M6 x 60 mm:arafusos M6 x 60 mm:arafusos M6 x 60 mm:arafusos M6 x 60 mm:arafusos M6 x 60 mm:
1,0 k1,0 k1,0 k1,0 k1,0 kgfgfgfgfgf.m (1.m (1.m (1.m (1.m (10 N.m)0 N.m)0 N.m)0 N.m)0 N.m)
PPPPParafusos M6 x 55 mm:arafusos M6 x 55 mm:arafusos M6 x 55 mm:arafusos M6 x 55 mm:arafusos M6 x 55 mm:
1,0 k1,0 k1,0 k1,0 k1,0 kgfgfgfgfgf.m (1.m (1.m (1.m (1.m (10 N.m)0 N.m)0 N.m)0 N.m)0 N.m)
MOMOMOMOMOTTTTTOROROROROR
5 – 87
VIRABREQVIRABREQVIRABREQVIRABREQVIRABREQUIM E CARCAÇAUIM E CARCAÇAUIM E CARCAÇAUIM E CARCAÇAUIM E CARCAÇAS DO MOS DO MOS DO MOS DO MOS DO MOTTTTTOROROROROR
6. Aplique:
• Óleo de motor 4T (aos rolamentos e ga-
lerias de óleo).
7. Verifique:
• Funcionamento do virabrequim e trans-
missão.
Funcionamento irregular Reparar.
8. Instale:
• Fio do interruptor de neutro.
10. Instale:
• Sensor de velocidade 1.
9. Instale:
• Engrenagem motora de sincronismo 1.
• Guia da corrente do comando 2.
• Corrente de comando 3.
PPPPParafuso do sensor de velocidade:arafuso do sensor de velocidade:arafuso do sensor de velocidade:arafuso do sensor de velocidade:arafuso do sensor de velocidade:
1,0 k1,0 k1,0 k1,0 k1,0 kgfgfgfgfgf.m (1.m (1.m (1.m (1.m (10 N.m)0 N.m)0 N.m)0 N.m)0 N.m)
1
3
2
1
MOMOMOMOMOTTTTTOROROROROR
5 – 88
TRANSMISSÃOTRANSMISSÃOTRANSMISSÃOTRANSMISSÃOTRANSMISSÃO
TRANSMISSÃOTRANSMISSÃOTRANSMISSÃOTRANSMISSÃOTRANSMISSÃO
RRRRRemoção da transmissão, trambulador e gemoção da transmissão, trambulador e gemoção da transmissão, trambulador e gemoção da transmissão, trambulador e gemoção da transmissão, trambulador e garfosarfosarfosarfosarfos Remover as peças na ordem listada
Carcaças Separar
Consulte “CARCAÇAS”
1 Eixo dos garfos 1
2 Trambulador conjunto 1
3 Garfo de mudança 3 (R) 1
4 Garfo de mudança 2 (C) 1
5 Garfo de mudança 1 (L) 1
6 Eixo primário conjunto 1
7 Eixo secundário conjunto 1
Para instalação, reverter o
procedimento de remoção
Ordem Serviço/Peça Qtde. Observações
2
1
6
5
4
3
7
MOMOMOMOMOTTTTTOROROROROR
5 – 89
TRANSMISSÃOTRANSMISSÃOTRANSMISSÃOTRANSMISSÃOTRANSMISSÃO
EIXEIXEIXEIXEIXO PRIMÁRIO / EIXO PRIMÁRIO / EIXO PRIMÁRIO / EIXO PRIMÁRIO / EIXO PRIMÁRIO / EIXO SECUNDÁRIOO SECUNDÁRIOO SECUNDÁRIOO SECUNDÁRIOO SECUNDÁRIO
Desmontagem do eixDesmontagem do eixDesmontagem do eixDesmontagem do eixDesmontagem do eixo principal e eixo principal e eixo principal e eixo principal e eixo principal e eixo secundárioo secundárioo secundárioo secundárioo secundário Remover as peças na ordem listada
1 Eixo primário e 1ª engrenagem motora 1
2 4ª engrenagem motora 1
3 Arruela 1
4 Anel-trava 1
5 3ª engrenagem motora 1
6 5ª engrenagem motora 1
7 2ª engrenagem motora 1
8 Rolamento 1
9 Rolamento 1
0 Eixo secundário 1
A 5ª engrenagem movida/arruela/anel-trava 1
Ordem Serviço/Peça Qtde. Observações
MOMOMOMOMOTTTTTOROROROROR
5 – 90
TRANSMISSÃOTRANSMISSÃOTRANSMISSÃOTRANSMISSÃOTRANSMISSÃO
B Arruela / anel-trava 1/1
C 2ª engrenagem movida 1
D Espaçador 1
E 3ª engrenagem movida 1
F Arruela / anel-trava 1/1
G 4ª engrenagem movida 1
H 1ª engrenagem movida 1
I Arruela / anel-trava 1/1
J Rolamento 1
K Trava do rolamento 1
Para montagem, reverter o
procedimento de desmontagem
Ordem Serviço/Peça Qtde. Observações
MOMOMOMOMOTTTTTOROROROROR
5 – 91
TRANSMISSÃOTRANSMISSÃOTRANSMISSÃOTRANSMISSÃOTRANSMISSÃO
NONONONONOTTTTTA:A:A:A:A:
Movimente as engrenagens para remover os
garfos com facilidade.
2. Inspecione:
• Seguidor de canal do garfo 1.
• Pinças do garfo de mudança 2.
Danos/Desgaste Substitua.
REMOÇÃO DREMOÇÃO DREMOÇÃO DREMOÇÃO DREMOÇÃO DAAAAA TRANSMISSÃOTRANSMISSÃOTRANSMISSÃOTRANSMISSÃOTRANSMISSÃO
1. Remova:
• Eixo dos garfos 1.
• Trambulador conjunto 2.
• Garfo de mudança 3 (R) 3.
• Garfo de mudança 2 (C) 4.
• Garfo de mudança 1 (L) 5.
INSPEÇÃO DOINSPEÇÃO DOINSPEÇÃO DOINSPEÇÃO DOINSPEÇÃO DOTRAMBULADORTRAMBULADORTRAMBULADORTRAMBULADORTRAMBULADOR
CONJUNCONJUNCONJUNCONJUNCONJUNTTTTTO E GARFOS DEO E GARFOS DEO E GARFOS DEO E GARFOS DEO E GARFOS DE
MUDMUDMUDMUDMUDANÇAANÇAANÇAANÇAANÇA
1. Verifique:
• Garfo de mudança 3 (R) 1.
• Garfo de mudança 2 (C) 2.
• Garfo de mudança 1 (L) 3.
• Eixo dos garfos 4.
• Trambulador conjunto 5.
• Seguidor de canal do garfo 6.
Movimento difícil Substitua os garfos
de mudança.
3. Inspecione:
• Trambulador conjunto
• Canais do trambulador 1.
Danos/Riscos/Desgaste Substitua.
• Segmento do trambulador 2.
Danos/Riscos/Desgaste Substitua.
• Rolamento do trambulador 3.
Danos/Corrosão Substitua.
2
1
5
3
3
4
12
6
5
1
2
1
2
3
4
MOMOMOMOMOTTTTTOROROROROR
5 – 92
TRANSMISSÃOTRANSMISSÃOTRANSMISSÃOTRANSMISSÃOTRANSMISSÃO
INSPEÇÃO DINSPEÇÃO DINSPEÇÃO DINSPEÇÃO DINSPEÇÃO DAAAAA TRANSMISSÃOTRANSMISSÃOTRANSMISSÃOTRANSMISSÃOTRANSMISSÃO
1. Meça:
• Alinhamento do eixo primário (use o
dispositivo de centralização e um reló-
gio apalpador 1).
Fora de especificação Substitua.
Limite de desalinhamentoLimite de desalinhamentoLimite de desalinhamentoLimite de desalinhamentoLimite de desalinhamento
0,08 mm.0,08 mm.0,08 mm.0,08 mm.0,08 mm.
2. Meça:
• Alinhamento do eixo secundário (use
o dispositivo de centralização e um re-
lógio apalpador 1).
Fora de especificação Substitua.
Limite de desalinhamentoLimite de desalinhamentoLimite de desalinhamentoLimite de desalinhamentoLimite de desalinhamento
0,08 mm.0,08 mm.0,08 mm.0,08 mm.0,08 mm.
3. Verifique:
• Engrenagens de transmissão.
Coloração azul/Corrosão/Desgaste
Substitua a(s) engrenagem(ns) defei-
tuosa(s).
• Garras da engrenagem de transmissão
Rachaduras/Danos/Bordas arredondadas
Substitua a(s) engrenagem(ns) defei-
tuosa(s).
1
1
Nunca tente alinhar um eixNunca tente alinhar um eixNunca tente alinhar um eixNunca tente alinhar um eixNunca tente alinhar um eixo de go de go de go de go de garfos em-arfos em-arfos em-arfos em-arfos em-
penado.penado.penado.penado.penado.
4. Inspecione:
• Eixo dos garfos 1.
Empenamento/Desgaste Substitua.
1
4. Verifique:
• Acoplamento da engrenagem de trans-
missão.
(Cada engrenagem com sua respectiva
engrenagem de acoplamento).
Incorreto Remonte o conjunto de trans-
missão.
NONONONONOTTTTTA:A:A:A:A:
Elimine travamentos e obstruções.
MOMOMOMOMOTTTTTOROROROROR
5 – 93
TRANSMISSÃOTRANSMISSÃOTRANSMISSÃOTRANSMISSÃOTRANSMISSÃO
5. Verifique:
• Anéis-trava
Empenos/Danos/Folga Substituir.
2. Instale:
• Câmbio conjunto 1.
• Garfo de mudança 1 (L) 2.
• Garfo de mudança 2 (C).
• Garfo de mudança 3 (R) 3.
• Trambulador conjunto 4.
• Eixos dos garfos 5.
• Conjunto da transmissão.
1
• Aplique óleo para motor em cada
engrenagem e rolamento.
• Antes de montar as carcaças, certifique-
se de que a transmissão está em posição
neutro e de que as engrenagens giram
livremente.
NONONONONOTTTTTA:A:A:A:A:
3. Verifique:
• Operação de troca de marcha
Operação não uniforme Repare.
Certifique-se de que o seguidor de came do
garfo de mudança está instalado
adequadamente no canal do trambulador.
NONONONONOTTTTTA:A:A:A:A:
5
3
2
4
INSTALAÇÃO DA
TRANSMISSÃO
1. Medir:
• Comprimento a do eixo do motor.V
Comprimento do eixComprimento do eixComprimento do eixComprimento do eixComprimento do eixo motoro motoro motoro motoro motor
1111102,2 ~ 102,2 ~ 102,2 ~ 102,2 ~ 102,2 ~ 102,4 mm (4.02 ~ 4.03 in)02,4 mm (4.02 ~ 4.03 in)02,4 mm (4.02 ~ 4.03 in)02,4 mm (4.02 ~ 4.03 in)02,4 mm (4.02 ~ 4.03 in)
FIFIFIFIFI
6 – 1
SISSISSISSISSISTEMA DE INJEÇÃO DE COMBUSTEMA DE INJEÇÃO DE COMBUSTEMA DE INJEÇÃO DE COMBUSTEMA DE INJEÇÃO DE COMBUSTEMA DE INJEÇÃO DE COMBUSTÍVELTÍVELTÍVELTÍVELTÍVEL
CAPÍTULCAPÍTULCAPÍTULCAPÍTULCAPÍTULO 6O 6O 6O 6O 6
SISSISSISSISSISTEMA DE INJEÇÃO DE COMBUSTEMA DE INJEÇÃO DE COMBUSTEMA DE INJEÇÃO DE COMBUSTEMA DE INJEÇÃO DE COMBUSTEMA DE INJEÇÃO DE COMBUSTÍVELTÍVELTÍVELTÍVELTÍVEL
SISSISSISSISSISTEMA DE INJEÇÃO DE COMBUSTEMA DE INJEÇÃO DE COMBUSTEMA DE INJEÇÃO DE COMBUSTEMA DE INJEÇÃO DE COMBUSTEMA DE INJEÇÃO DE COMBUSTÍVELTÍVELTÍVELTÍVELTÍVEL ........................................................................................................................................................................................................................................................................................ 6-16-16-16-16-1
DIADIADIADIADIAGRAMA ELÉTRICOGRAMA ELÉTRICOGRAMA ELÉTRICOGRAMA ELÉTRICOGRAMA ELÉTRICO ........................................................................................................................................................................................................................................................................................................................................................................................................................................................ 6-26-26-26-26-2
FUNÇÃO DOFUNÇÃO DOFUNÇÃO DOFUNÇÃO DOFUNÇÃO DO AAAAAUTUTUTUTUTODIAODIAODIAODIAODIAGNÓSGNÓSGNÓSGNÓSGNÓSTICO DTICO DTICO DTICO DTICO DA ECUA ECUA ECUA ECUA ECU ................................................................................................................................................................................................................................................................................... 6-46-46-46-46-4
INDICAÇÃO DINDICAÇÃO DINDICAÇÃO DINDICAÇÃO DINDICAÇÃO DA LUZ DEA LUZ DEA LUZ DEA LUZ DEA LUZ DE ALERALERALERALERALERTTTTTA DE FA DE FA DE FA DE FA DE FALHA E OPERAÇÃO DO SISALHA E OPERAÇÃO DO SISALHA E OPERAÇÃO DO SISALHA E OPERAÇÃO DO SISALHA E OPERAÇÃO DO SISTEMA DETEMA DETEMA DETEMA DETEMA DE
INJEÇÃO DE COMBUSINJEÇÃO DE COMBUSINJEÇÃO DE COMBUSINJEÇÃO DE COMBUSINJEÇÃO DE COMBUSTÍVEL FITÍVEL FITÍVEL FITÍVEL FITÍVEL FI .................................................................................................................................................................................................................................................................................................................................................................................. 6-46-46-46-46-4
INDICAÇÃO DINDICAÇÃO DINDICAÇÃO DINDICAÇÃO DINDICAÇÃO DA LUZ DEA LUZ DEA LUZ DEA LUZ DEA LUZ DE ALERALERALERALERALERTTTTTA DE FA DE FA DE FA DE FA DE FALHA E FUNCIONAMENALHA E FUNCIONAMENALHA E FUNCIONAMENALHA E FUNCIONAMENALHA E FUNCIONAMENTTTTTO DO SISO DO SISO DO SISO DO SISO DO SISTEMA FTEMA FTEMA FTEMA FTEMA F.I..I..I..I..I. 6-46-46-46-46-4
VERIFICANDOVERIFICANDOVERIFICANDOVERIFICANDOVERIFICANDO A OPERAÇÃO DA OPERAÇÃO DA OPERAÇÃO DA OPERAÇÃO DA OPERAÇÃO DA LUZ DEA LUZ DEA LUZ DEA LUZ DEA LUZ DE ALERALERALERALERALERTTTTTA DE FA DE FA DE FA DE FA DE FALHAALHAALHAALHAALHA ....................................................................................................................................... 6-56-56-56-56-5
FUNCIONAMENFUNCIONAMENFUNCIONAMENFUNCIONAMENFUNCIONAMENTTTTTO EM MODO DE SEO EM MODO DE SEO EM MODO DE SEO EM MODO DE SEO EM MODO DE SEGURANÇAGURANÇAGURANÇAGURANÇAGURANÇA ........................................................................................................................................................................................................................................... 6-56-56-56-56-5
TTTTTABELA DE LABELA DE LABELA DE LABELA DE LABELA DE LOCALIZAÇÃO E ELIMINAÇÃO DE FOCALIZAÇÃO E ELIMINAÇÃO DE FOCALIZAÇÃO E ELIMINAÇÃO DE FOCALIZAÇÃO E ELIMINAÇÃO DE FOCALIZAÇÃO E ELIMINAÇÃO DE FALHAALHAALHAALHAALHASSSSS ............................................................................................................................................................................... 6-76-76-76-76-7
UTILIZAÇÃO DUTILIZAÇÃO DUTILIZAÇÃO DUTILIZAÇÃO DUTILIZAÇÃO DA FERRAMENA FERRAMENA FERRAMENA FERRAMENA FERRAMENTTTTTA DE DIAA DE DIAA DE DIAA DE DIAA DE DIAGNÓSGNÓSGNÓSGNÓSGNÓSTICOTICOTICOTICOTICO ....................................................................................................................................................................................................................... 6-86-86-86-86-8
TABELA DE CÓDIGO DE FTABELA DE CÓDIGO DE FTABELA DE CÓDIGO DE FTABELA DE CÓDIGO DE FTABELA DE CÓDIGO DE FALHAALHAALHAALHAALHASSSSS .............................................................................................................................................................................................................................................................................................................................................................. 6-16-16-16-16-100000
TABELA DE MODO DE DIATABELA DE MODO DE DIATABELA DE MODO DE DIATABELA DE MODO DE DIATABELA DE MODO DE DIAGNÓSGNÓSGNÓSGNÓSGNÓSTICOSTICOSTICOSTICOSTICOS ....................................................................................................................................................................................................................................................................................................... 6-16-16-16-16-111111
INDICAÇÃO DE ERROS NA FERRAMENINDICAÇÃO DE ERROS NA FERRAMENINDICAÇÃO DE ERROS NA FERRAMENINDICAÇÃO DE ERROS NA FERRAMENINDICAÇÃO DE ERROS NA FERRAMENTTTTTA DE DIAA DE DIAA DE DIAA DE DIAA DE DIAGNÓSGNÓSGNÓSGNÓSGNÓSTICO DTICO DTICO DTICO DTICO DA INJEÇÃOA INJEÇÃOA INJEÇÃOA INJEÇÃOA INJEÇÃO ...............6-16-16-16-16-122222
DETDETDETDETDETALHES DE LALHES DE LALHES DE LALHES DE LALHES DE LOCALIZAÇÃO E ELIMINAÇÃO DE DEFEITOCALIZAÇÃO E ELIMINAÇÃO DE DEFEITOCALIZAÇÃO E ELIMINAÇÃO DE DEFEITOCALIZAÇÃO E ELIMINAÇÃO DE DEFEITOCALIZAÇÃO E ELIMINAÇÃO DE DEFEITOSOSOSOSOS ..................................................................................................................................6-16-16-16-16-133333
CORPO DE INJEÇÃOCORPO DE INJEÇÃOCORPO DE INJEÇÃOCORPO DE INJEÇÃOCORPO DE INJEÇÃO..................................................................................................................................................................................................................................................................................................................................................................................................................................................................6-236-236-236-236-23
REMOÇÃO DA MANGUEIRA DE COMBUSTÍVEL ............................................. 6-26
INSPEÇÃO DA BOMBA DE COMBUSTÍVEL ...................................................... 6-26
REMOÇÃO DA BOMBA DE COMBUSTÍVEL ...................................................... 6-27
INSTALAÇÃO DA BOMBA DE COMBUSTÍVEL.................................................. 6-28
INSPEÇÃO DO INJETOR DE COMBUSTÍVEL .................................................... 6-29
INSPEÇÃO DO CORPO DE INJEÇÃO ................................................................. 6-29
INSTALAÇÃO DO CORPO DE INJEÇÃO ............................................................ 6-29
INSTALAÇÃO DA MANGUEIRA DE COMBUSTÍVEL......................................... 6-30
INSTALAÇÃO DO SISTEMA F.I.D. (AFOGADOR ELETRÔNICO) ....................... 6-30
SISSISSISSISSISTEMA DE INDUÇÃO DETEMA DE INDUÇÃO DETEMA DE INDUÇÃO DETEMA DE INDUÇÃO DETEMA DE INDUÇÃO DE ARARARARAR ..................................................................................................................................................................................................................................................................................................................................................................................6-316-316-316-316-31
DIAGRAMA DO SISTEMA DE INDUÇÃO DE AR ............................................... 6-31
VÁLVULA DE CORTE DE AR ............................................................................... 6-32
INJEÇÃO DE AR .................................................................................................. 6-33
VÁLVULA DE CORTE DE AR ............................................................................... 6-33
INSPEÇÃO DO SISTEMA DE INDUÇÃO DE AR ................................................. 6-34
FIFIFIFIFI
6 – 1
SISSISSISSISSISTEMA DE INJEÇÃO DE COMBUSTEMA DE INJEÇÃO DE COMBUSTEMA DE INJEÇÃO DE COMBUSTEMA DE INJEÇÃO DE COMBUSTEMA DE INJEÇÃO DE COMBUSTÍVELTÍVELTÍVELTÍVELTÍVEL
1 Válvula de indução de ar A.I.S.
2 Luz de alerta de falha de motor
3 Tanque de combustível
4 Bomba de combustível (inclui o
regulador de pressão de combustível)
5 Mangueira de combustível
6 Injetor de combustível
7 Caixa do filtro de ar
8 Bateria
9 Catalisador
0 ECU
SISSISSISSISSISTEMA DE INJEÇÃO DE COMBUSTEMA DE INJEÇÃO DE COMBUSTEMA DE INJEÇÃO DE COMBUSTEMA DE INJEÇÃO DE COMBUSTEMA DE INJEÇÃO DE COMBUSTÍVELTÍVELTÍVELTÍVELTÍVEL
A Sensor de inclinação
B F.I.D.
C Sensor da posição do virabrequim
D Vela de ignição
E Bobina de ignição
F Sensor híbrido:
• T.P.S. posição do acelerador
• Temperatura de admissão
• Pressão de admissão
FIFIFIFIFI
6 – 2
SISSISSISSISSISTEMA DE INJEÇÃO DE COMBUSTEMA DE INJEÇÃO DE COMBUSTEMA DE INJEÇÃO DE COMBUSTEMA DE INJEÇÃO DE COMBUSTEMA DE INJEÇÃO DE COMBUSTÍVELTÍVELTÍVELTÍVELTÍVEL
DIADIADIADIADIAGRAMA ELÉTRICOGRAMA ELÉTRICOGRAMA ELÉTRICOGRAMA ELÉTRICOGRAMA ELÉTRICO
FIFIFIFIFI
6 – 3
SISSISSISSISSISTEMA DE INJEÇÃO DE COMBUSTEMA DE INJEÇÃO DE COMBUSTEMA DE INJEÇÃO DE COMBUSTEMA DE INJEÇÃO DE COMBUSTEMA DE INJEÇÃO DE COMBUSTÍVELTÍVELTÍVELTÍVELTÍVEL
Legenda do Diagrama Elétrico:
2 Sensor de posição do virabrequim
3 Bateria
9 Sensor híbrido:
• Temperatura do ar de admissão
• Posição do acelerador
• Pressão do ar de admissão
A Sensor de temperatura
B Interruptor de neutro
C ECU
D Bobina de ignição
E Sensor de inclinação
F F.I.D. (Fast idle)
H Injetor de combustível
J Chave de ignição
K Fusível de ignição
M Interruptor do cavalete lateral
P Interruptor de engine stop
Q Acoplamento da ferramenta de diagnóstico do sistema de injeção de combustível
[ Sensor de velocidade
 Bomba de combustível
d Painel multifunções
FIFIFIFIFI
6 – 4
SISSISSISSISSISTEMA DE INJEÇÃO DE COMBUSTEMA DE INJEÇÃO DE COMBUSTEMA DE INJEÇÃO DE COMBUSTEMA DE INJEÇÃO DE COMBUSTEMA DE INJEÇÃO DE COMBUSTÍVELTÍVELTÍVELTÍVELTÍVEL
FUNÇÃO DOFUNÇÃO DOFUNÇÃO DOFUNÇÃO DOFUNÇÃO DO AAAAAUTUTUTUTUTODIAODIAODIAODIAODIAGNÓSGNÓSGNÓSGNÓSGNÓSTICO DTICO DTICO DTICO DTICO DA ECUA ECUA ECUA ECUA ECU
A ECU foi equipada com função de autodiagnóstico assegurando a operação normal do sistema
de injeção de combustível. Se um defeito for detectado no sistema de injeção a função de
autodiagnóstico imediatamente permite que o motor funcione com instruções de operação
alternativas e a luz de alerta de falha se acende. Uma vez que o defeito foi detectado, seu
código de falha correspondente é armazenado na memória da ECU.
• Para alertar o condutor de que o sistema de injeção do combustível não está funcionando, a
luz de falha pisca quando o interruptor de partida for pressionado para acionar o motor.
• Se um defeito for detectado no sistema de injeção de combustível, a ECU fornece as
instruções apropriadas de operação alternativas necessárias para o motor e a luz de alerta
de falha se acende para alertar o condutor.
• Após o motor ter sido desligado, o mais baixo código de falha será exibido pela luz de alerta
de falha (ou no display da ferramenta de diagnóstico de F.I.). Uma vez que o código de
defeito foi exibido, permanece armazenado na memória da ECU até ser apagado.
INDICAÇÃO DINDICAÇÃO DINDICAÇÃO DINDICAÇÃO DINDICAÇÃO DA LUZ DEA LUZ DEA LUZ DEA LUZ DEA LUZ DE ALERALERALERALERALERTTTTTA DE FA DE FA DE FA DE FA DE FALHA E OPERAÇÃO DO SISALHA E OPERAÇÃO DO SISALHA E OPERAÇÃO DO SISALHA E OPERAÇÃO DO SISALHA E OPERAÇÃO DO SISTEMA DETEMA DETEMA DETEMA DETEMA DE
INJEÇÃO DE COMBUSINJEÇÃO DE COMBUSINJEÇÃO DE COMBUSINJEÇÃO DE COMBUSINJEÇÃO DE COMBUSTÍVEL FITÍVEL FITÍVEL FITÍVEL FITÍVEL FI
Luz de alerLuz de alerLuz de alerLuz de alerLuz de alerta de falhata de falhata de falhata de falhata de falha → Sistema de injeção de código de falhaSistema de injeção de código de falhaSistema de injeção de código de falhaSistema de injeção de código de falhaSistema de injeção de código de falha
Dígito da dezena: Ciclos de 1 segundo ON e 1,5 segundos OFF.
Dígito da unidade: Ciclos de 0,5 segundo ON e 0,5 segundo OFF.
<Exemplo>: Código de falha número 42.
INDICAÇÃO DINDICAÇÃO DINDICAÇÃO DINDICAÇÃO DINDICAÇÃO DA LUZ DEA LUZ DEA LUZ DEA LUZ DEA LUZ DE ALERALERALERALERALERTTTTTA DE FA DE FA DE FA DE FA DE FALHA E FUNCIONAMENALHA E FUNCIONAMENALHA E FUNCIONAMENALHA E FUNCIONAMENALHA E FUNCIONAMENTTTTTO DO SISO DO SISO DO SISO DO SISO DO SISTEMA FTEMA FTEMA FTEMA FTEMA F.I..I..I..I..I.
Condição do motorCondição do motorCondição do motorCondição do motorCondição do motor Indicação da luz de alerIndicação da luz de alerIndicação da luz de alerIndicação da luz de alerIndicação da luz de alertatatatata FFFFFuncionamento de Funcionamento de Funcionamento de Funcionamento de Funcionamento de F.I..I..I..I..I. FFFFFuncionamentouncionamentouncionamentouncionamentouncionamento
do veículodo veículodo veículodo veículodo veículo
Operação
Piscando
— Operaçãointerrompida Desabilitado
(partida elétrica)
Código: 13 e 14 Operação com
características
Habilitado
Permanece acesa “ON”
substitutas conforme
descrição da falha
Desligado
Piscando
(indicando o código de falha)
— —
Luz apagLuz apagLuz apagLuz apagLuz apagadaadaadaadaada
Luz acesaLuz acesaLuz acesaLuz acesaLuz acesa
FIFIFIFIFI
6 – 5
SISSISSISSISSISTEMA DE INJEÇÃO DE COMBUSTEMA DE INJEÇÃO DE COMBUSTEMA DE INJEÇÃO DE COMBUSTEMA DE INJEÇÃO DE COMBUSTEMA DE INJEÇÃO DE COMBUSTÍVELTÍVELTÍVELTÍVELTÍVEL
VERIFICANDOVERIFICANDOVERIFICANDOVERIFICANDOVERIFICANDO A OPERAÇÃO DA OPERAÇÃO DA OPERAÇÃO DA OPERAÇÃO DA OPERAÇÃO DA LUZ DEA LUZ DEA LUZ DEA LUZ DEA LUZ DE ALERALERALERALERALERTTTTTA DE FA DE FA DE FA DE FA DE FALHAALHAALHAALHAALHA
A luz de alerta de falha se acende por 3 segundos após a chave de ignição ser colocada em
“ON”, ou quando o interruptor de partida for pressionado. Se a luz de alerta não se acender
sob tais condições, pode estar com defeito.
FUNCIONAMENFUNCIONAMENFUNCIONAMENFUNCIONAMENFUNCIONAMENTTTTTO EM MODO DE SEO EM MODO DE SEO EM MODO DE SEO EM MODO DE SEO EM MODO DE SEGURANÇAGURANÇAGURANÇAGURANÇAGURANÇA
Se a ECU detectar um sinal anormal de um sensor enquanto a motocicleta estiver sendo
dirigida, a luz de alerta de falha se acende e fornece ao motor as instruções de operação
alternativa, de acordo com o defeito.
Quando o sinal anormal for recebido de um sensor, a ECU processa os valores especificados
que são programados para cada sensor, a fim de fornecer ao motor as instruções de operação
alternativas que permitem ao motor continuar funcionando ou parar de funcionar, dependendo
das condições.
A ECU aplica as ações de segurança contra falhas de duas maneiras: uma na qual cada saída
dos sensores é ajustada para um valor preestabelecido.
Os detalhes das ações de segurança contra falhas são fornecidos na tabela abaixo.
Chave de
Ignição
Chave de
Ignição
OFF ON
Luz de alerta
de falha do
motor
Luz
apagada
Luz acesa por
3 segundos
Luz
apagada
Inicializa
CódigoCódigoCódigoCódigoCódigo
ItemItemItemItemItem SintomaSintomaSintomaSintomaSintoma Ação (da E.C.UAção (da E.C.UAção (da E.C.UAção (da E.C.UAção (da E.C.U.).).).).)
PPPPPode ligode ligode ligode ligode ligararararar PPPPPodeodeodeodeode
de falhade falhade falhade falhade falha aaaaa moto?moto?moto?moto?moto? pilotar?pilotar?pilotar?pilotar?pilotar?
12 Sensor da posição do Não chega sinal do • Pára o motor (desligando Não Não
virabrequim sensor de posição do a injeção de combustível
virabrequim. e a ignição).
13 Sensor de pressão do • Sensor com circuito • Pára o motor (desligando Não Não
ar de admissão (circuito aberto ou em curto. a injeção de combustível
14 aberto ou em curto) • Defeito físico ou de e a ignição).
(coletor) vedação no coletor
de admissão.
15 Sensor de posição da • Circuito aberto ou • Fixar o sensor de posição
borboleta (TPS) em curto no chicote da borboleta totalmente
principal. aberto.
• TPS com defeito Sim Sim
ou instalado
incorretamente.
• Mau funcionamento
da ECU.
FIFIFIFIFI
6 – 6
SISSISSISSISSISTEMA DE INJEÇÃO DE COMBUSTEMA DE INJEÇÃO DE COMBUSTEMA DE INJEÇÃO DE COMBUSTEMA DE INJEÇÃO DE COMBUSTEMA DE INJEÇÃO DE COMBUSTÍVELTÍVELTÍVELTÍVELTÍVEL
CódigoCódigoCódigoCódigoCódigo
ItemItemItemItemItem SintomaSintomaSintomaSintomaSintoma Ação (da E.C.UAção (da E.C.UAção (da E.C.UAção (da E.C.UAção (da E.C.U.).).).).)
PPPPPode ligode ligode ligode ligode ligararararar PPPPPodeodeodeodeode
de falhade falhade falhade falhade falha aaaaa moto?moto?moto?moto?moto? pilotar?pilotar?pilotar?pilotar?pilotar?
16 Sensor de posição da • TPS está preso/
borboleta agarrado. — Sim Sim
• Mau funcionamento
da ECU.
22 Sensor de temperatura Sensor com circuito Fixa a temperatura Sim Sim
da admissão aberto ou em curto. em 30ºC.
28 Sensor de temperatura Sensor com mau Fixa a temperatura do Sim Sim
do motor contato na conexão, motor da seguinte forma:
circuito aberto ou • Até 10s depois da partida
em curto. do motor: 40ºC
• 10~20s após a partida:
40~100ºC
• Após 20s de
funcionamento: 100ºC
33 Ignição com problema Circuito aberto no • Pára o motor (desligando Não Não
enrolamento primário a injeção de combustível
da bobina da ignição. e a ignição).
39 Injetor Injetor com mau contato • Pára o motor (desligando Não Não
na conexão, circuito a injeção de combustível
aberto ou em curto. e a ignição).
30 Sensor de inclinação • O veículo tombou. • Pára o motor (desligando Não Não
41 (circuito aberto ou em • Circuito do sensor a injeção de combustível
curto) aberto, em curto ou e a ignição).
Inclinação superior a com mau contato na
45o
C detectada conexão.
44 Erro na leitura Ocorreu um erro na Sim Sim
da E2PROM leitura ou na gravação —
da E2PROM (valor de
ajuste do CO).
46 Fornecimento de força O fornecimento de
para o veículo (voltagem eletricidade para o — Sim Sim
do monitoramento) sistema FI não está
normal.
50 Falha interna da ECU Falha da memória da
(erro de checagem da ECU.
memória) Quando o tipo de falha
é detectado, o código Não Não
pode não aparecer na
luz de anomalia do
painel, nem na ferra-
menta de diagnóstico.
— Alerta de O relé não é ativado A luz de anomalia do motor Não Não
impossibilidade mesmo se o sinal do pisca quando o interruptor
de partida virabrequim é enviado de partida é girado para a
enquanto o botão da posição ON.
partida é pressionado.
O interruptor de partida
é pressionado quando
os códigos: 12, 13, 14,
30, 33, 39, 41 ou 50 são
exibidos para indicar
um erro.
FIFIFIFIFI
6 – 7
SISSISSISSISSISTEMA DE INJEÇÃO DE COMBUSTEMA DE INJEÇÃO DE COMBUSTEMA DE INJEÇÃO DE COMBUSTEMA DE INJEÇÃO DE COMBUSTEMA DE INJEÇÃO DE COMBUSTÍVELTÍVELTÍVELTÍVELTÍVEL
TTTTTABELA DE LABELA DE LABELA DE LABELA DE LABELA DE LOCALIZAÇÃO E ELIMINAÇÃO DE FOCALIZAÇÃO E ELIMINAÇÃO DE FOCALIZAÇÃO E ELIMINAÇÃO DE FOCALIZAÇÃO E ELIMINAÇÃO DE FOCALIZAÇÃO E ELIMINAÇÃO DE FALHAALHAALHAALHAALHASSSSS
Funcionamento do motor não é normal ou a luz de alerta de falha está acesa.
* A luz de alerta de falha do motor pode não se acender mesmo se o funcionamento do motor não estiver normal.
Verifique e repare a causa provável da falha.
O nº do código de
falhas é indicado
Verifique e repare.
Consulte os
"DETALHES DE
LOCALIZAÇÃO E
ELIMINAÇÃO DE
DEFEITOS". Monitore
a operação dos
sensores e os
atuadores no modo
diagnóstico. Consulte
a “Tabela do modo
diagnóstico”.
O nº do código de
falhas não é indicado
Verifique e repare.
Consulte a "TABELA
DE MODO DE
SEGURANÇA".
Execute a ação de restabelecimento da ECU.
Consulte os "DETALHES DE LOCALIZAÇÃO E
ELIMINAÇÃO DE DEFEITOS".
Código de falha não é exibido.
Reparos concluídos
Verifique o funcionamento dos seguintes
sensores e atuadores no modo diagnóstico.
Consulte a "Tabela do modo de diagnóstico".
30: Bobina de ignição
36: Injetor de combustível
OK NG
OK NG OK
Defeito do motor Defeito do sensor
ou atuador
Verifique ou repare
as peças internas
do motor. Consulte
o capítulo 5.
Verifique e repare o
sensor ou atuador
correspondente
Verifique a condição do motor
Código de falhas
exibido
OK
Gire a chave de ignição para "OFF", gire de novo
para “ON” e em seguida, verifique se o número do
código de falha continua sendo exibido no painel.
A luz de alerta de falha não se acende.A luz de alerta de falha se acende.
Verifique o número do código de falha exibido
na ferramenta de diagnóstico F.I.
Identifique o sistema com o defeito.
Consulte a "TABELA DE MODO DE SEGURANÇA".
Identifique a causa provável da falha.
Consulte a "TABELA DE CÓDIGO DE FALHA”.
– Apagar o histórico de falhas:*
– O histórico de falhas é armazenado mesmo se o interruptor principal está em “OFF”.
– O histórico de falhas deve ser apagado na ferramenta de diagnóstico F.I.. Consulte a “TABELA DO MODO
DIAGNÓSTICO” (código nº 62)
* Operação somente quando a luz de alerta de falha se acender.
FIFIFIFIFI
6 – 8
SISSISSISSISSISTEMA DE INJEÇÃO DE COMBUSTEMA DE INJEÇÃO DE COMBUSTEMA DE INJEÇÃO DE COMBUSTEMA DE INJEÇÃO DE COMBUSTEMA DE INJEÇÃO DE COMBUSTÍVELTÍVELTÍVELTÍVELTÍVEL
UTILIZAÇÃO DUTILIZAÇÃO DUTILIZAÇÃO DUTILIZAÇÃO DUTILIZAÇÃO DA FERRAMENA FERRAMENA FERRAMENA FERRAMENA FERRAMENTTTTTA DEA DEA DEA DEA DE
DIADIADIADIADIAGNÓSGNÓSGNÓSGNÓSGNÓSTICOTICOTICOTICOTICO
É possível monitorar os dados de saída dos
sensores ou ativação de atuadores,
conectando a ferramenta de diagnóstico F.I.
no modo normal ou no modo de diagnóstico.
FFFFFerererererramenta de diagnóstico Framenta de diagnóstico Framenta de diagnóstico Framenta de diagnóstico Framenta de diagnóstico F.I..I..I..I..I.
90890-03190890-03190890-03190890-03190890-0318282828282
1. Posicione a chave de ignição em "OFF" e
o interruptor de engine stop em “ON”.
2. Desconecte o conector do sinal de auto
diagnóstico 1 e conecte a ferramenta 2,
como ilustrado.
3. Posicione a chave de ignição em “ON” e
ligue o motor.
NONONONONOTTTTTA:A:A:A:A:
• A temperatura e a rotação aparecerão no
display.
• O LED “POWER” (verde) acende.
• Se uma falha for encontrada no sistema, o
LED “WARNING” (laranja) acende.Todavia,
o código da falha não aparecerá no display.
4. Desligue o motor.
NONONONONOTTTTTA:A:A:A:A:
Se uma falha for encontrada no sistema, o
código da falha aparecerá no display. O LED
“WARNING” (laranja) acenderá também.
5. Posicione a chave de ignição em “OFF”
para cancelar o modo normal.
6. Desconecte a ferramenta de diagnóstico
F.I. e restabeleça a conexão original.
Utilização em modo normalUtilização em modo normalUtilização em modo normalUtilização em modo normalUtilização em modo normal
NONONONONOTTTTTA:A:A:A:A:
A rotação, temperatura do motor e código
de falha, se detectados, podem ser
mostrados no display da ferramenta de
diagnóstico de F.I., quando conectado em
modo normal, ao veículo.
FIFIFIFIFI
6 – 9
SISSISSISSISSISTEMA DE INJEÇÃO DE COMBUSTEMA DE INJEÇÃO DE COMBUSTEMA DE INJEÇÃO DE COMBUSTEMA DE INJEÇÃO DE COMBUSTEMA DE INJEÇÃO DE COMBUSTÍVELTÍVELTÍVELTÍVELTÍVEL
Utilização em modo de diagnósticoUtilização em modo de diagnósticoUtilização em modo de diagnósticoUtilização em modo de diagnósticoUtilização em modo de diagnóstico
1. Posicione a chave de ignição para "OFF" e
posicione o interruptor de parada do mo-
tor para " " (ON).
2. Desconecte o conector de autodiagnóstico
1 e conecte a ferramenta de diagnóstico
2 como mostrado.
Desconecte o conector da bomba de combus-Desconecte o conector da bomba de combus-Desconecte o conector da bomba de combus-Desconecte o conector da bomba de combus-Desconecte o conector da bomba de combus-
tível para evitar queima de fusível.tível para evitar queima de fusível.tível para evitar queima de fusível.tível para evitar queima de fusível.tível para evitar queima de fusível.
3. Simultaneamente, pressione o botão
"MODE" e gire a chave de ignição para
"ON".
NONONONONOTTTTTA:A:A:A:A:
• "DIAG" aparece no display da ferramenta.
• O LED "POWER" (verde) acende.
4. Pressione o botão "UP" para selecionar o
modo de ajuste "CO" ou o modo de diag-
nóstico "DlAG".
5. Após selecionar "DlAG", pressione o botão
"MODE".
6. Selecione o número do código do diag-
nóstico que se aplica ao item que foi de-
tectado com o código de falhas, pressio-
nando os botões "UP" e "DOWN".
NONONONONOTTTTTA:A:A:A:A:
O número do código do diagnóstico aparece
no display (03 ~ 70).
• Para diminuir o número do código de
diagnóstico selecionado, pressione o bo-
tão "DOWN". Pressione o botão "DOWN"
por 1 segundo ou mais para diminuir au-
tomaticamente os números de código de
diagnóstico.
• Paraaumentaronúmerodocódigodediag-
nósticoselecionado,pressioneobotão"UP".
Pressione o botão "UP" por 1 segundo ou
mais para automaticamente aumentar os
números do código de diagnóstico.
7. Verifique a operação do sensor ou atuador.
• Operação do sensor
Os dados representando as condições de
operação do sensor aparecem no display.
• Operação do atuador: Pressione o bo-
tão "MODE" para acionar o atuador.
8. Coloque a chave de ignição em "OFF" para
cancelar o modo de diagnóstico.
9. Desconecte a ferramenta de diagnóstico
de F.I. e restitua a conexão original.
FIFIFIFIFI
6 – 10
SISSISSISSISSISTEMA DE INJEÇÃO DE COMBUSTEMA DE INJEÇÃO DE COMBUSTEMA DE INJEÇÃO DE COMBUSTEMA DE INJEÇÃO DE COMBUSTEMA DE INJEÇÃO DE COMBUSTÍVELTÍVELTÍVELTÍVELTÍVEL
TABELA DE CÓDIGO DE FTABELA DE CÓDIGO DE FTABELA DE CÓDIGO DE FTABELA DE CÓDIGO DE FTABELA DE CÓDIGO DE FALHAALHAALHAALHAALHASSSSS
CódigoCódigoCódigoCódigoCódigo
SintomaSintomaSintomaSintomaSintoma PPPPPrororororovável causa do mau funcionamentovável causa do mau funcionamentovável causa do mau funcionamentovável causa do mau funcionamentovável causa do mau funcionamento
Código doCódigo doCódigo doCódigo doCódigo do
de falhade falhade falhade falhade falha diagnósticodiagnósticodiagnósticodiagnósticodiagnóstico
12 Nenhum sinal recebido do • Circuito aberto ou em curto no chicote.
sensor de posição do • Sensor de posição do virabrequim defeituoso.
virabrequim • Mau funcionamento no rotor da bobina de pulso. —
• Mau funcionamento na ECU.
• Sensor instalado incorretamente.
13 Sensor da pressão do ar de • Mau contato na conexão.
admissão: • Circuito aberto ou curto-circuito no chicote principal. D03
circuito aberto ou curto- • Sensor da pressão do ar de admissão defeituoso.
circuito detectado • Mau funcionamento na ECU.
14 Sensor de pressão do ar de • Mau contato na conexão.
admissão defeituoso • Sensor está obstruído (entupido) ou mau instalado. D03
• Mau funcionamento na ECU.
• Problema de vedação.
15 Sensor de posição do • Mau contato na conexão.
acelerador (TPS) • Circuito aberto ou em curto no chicote principal.
(aberto ou curto-circuito) • TPS com defeito. D01
• Mau funcionamento na ECU.
• TPS mau instalado.
16 TPS está preso/agarrado • TPS está preso/agarrado. D01
• Mau funcionamento na ECU.
22 Sensor da temperatura do ar • Circuito aberto ou em curto-circuito no chicote
de admissão - circuito aberto • Sensor da temperatura do ar de admissão defeituoso. D05
ou curto-circuito detectado • Mau funcionamento na ECU.
• Sensor instalado incorretamente.
28 Sensor da temperatura do • Circuito aberto ou curto-circuito no chicote.
motor - circuito aberto ou • Sensor de temperatura do motor defeituoso. D11
curto-circuito detectado • Mau funcionamento na ECU.
• Sensor instalado incorretamente.
30 A motocicleta caiu • Inclinação superior a 65 graus (queda). D08
• Mau funcionamento na ECU.
33 Circuito aberto detectado no • Circuito aberto no chicote.
enrolamento primário da • Mau funcionamento na bobina de ignição.
bobina de ignição • Mau funcionamento na ECU. D30
• Mau funcionamento em um componente do
sistema de corta corrente.
39 Circuito aberto ou curto- • Circuito aberto, mau contato ou curto-circuito
circuito detectado no injetor no chicote. D36
de combustível • Injetor de combustível defeituoso (defeito elétrico).
• Mau funcionamento na ECU.
41 Sensor de inclinação com • Circuito aberto, mau contato ou em curto-circuito
circuito aberto ou curto-circuito no chicote. D08
• Sensor de inclinação defeituoso.
• Mau funcionamento na ECU.
44 Erro detectado durante a • Mau funcionamento na ECU (O valor de ajuste do CO
leitura ou a gravação da e valor de notificação da válvula de borboleta D60
E2PROM completamente fechada não são corretamente
gravados ou reconhecidos na memória interna).
46 Fornecimento de energia para • Mau funcionamento no sistema de carga. —
o sistema FI não está normal • Queda na tensão da bateria.
50 Memória da ECU defeituosa. • Mau funcionamento na ECU (O programa e os
Quando este mau funcionamento dados não são corretamente gravados ou lidos —
é detectado, o número do código da memória interna).
provavelmente não aparecerá
no medidor.
FIFIFIFIFI
6 – 11
SISSISSISSISSISTEMA DE INJEÇÃO DE COMBUSTEMA DE INJEÇÃO DE COMBUSTEMA DE INJEÇÃO DE COMBUSTEMA DE INJEÇÃO DE COMBUSTEMA DE INJEÇÃO DE COMBUSTÍVELTÍVELTÍVELTÍVELTÍVEL
TABELA DE MODO DE DIATABELA DE MODO DE DIATABELA DE MODO DE DIATABELA DE MODO DE DIATABELA DE MODO DE DIAGNÓSGNÓSGNÓSGNÓSGNÓSTICOSTICOSTICOSTICOSTICOS
Mude a tela de exibição do medidor: de modo regular para o modo diagnóstico. Para ligar a
tela de exibição, refira-se ao “MODO DE DIAGNÓSTICO”.
NONONONONOTTTTTA:A:A:A:A:
• Verifique a temperatura do ar de admissão o mais próximo possível do sensor de tempera-
tura do ar de admissão.
• Se não for possível a verificação da temperatura do ar de admissão, use a temperatura
ambiente como referência.
CódigoCódigoCódigoCódigoCódigo
ItemItemItemItemItem Descrição da aDescrição da aDescrição da aDescrição da aDescrição da açãoçãoçãoçãoção
Dados mostrados naDados mostrados naDados mostrados naDados mostrados naDados mostrados na
DiagnósticoDiagnósticoDiagnósticoDiagnósticoDiagnóstico
ferferferferferramenta de diagnóstico FIramenta de diagnóstico FIramenta de diagnóstico FIramenta de diagnóstico FIramenta de diagnóstico FI
(valor de referência)(valor de referência)(valor de referência)(valor de referência)(valor de referência)
D01 Sensor de posição do Mostra o ângulo de abertura da borboleta 0 ~ 125 graus
acelerador (TPS) de aceleração. Fechado: 15 ~18 graus
• Verifique com o acelerador totalmente Aberto: 94 ~ 99 graus
fechado.
• Verifique com o acelerador totalmente
aberto.
D03 Pressão do ar de Mostra a pressão do ar de admissão. Compare com os valores
admissão • Cheque a pressão no coletor de admissão. mostrados na ferramenta
de diagnóstico FI.
D05 Temperatura do ar de Mostra a temperatura do ar de admissão. Compare com os valores
admissão • Cheque a temperatura na caixa do filtro mostrados na ferramenta
de ar. de diagnóstico FI.
D08 Sensor de inclinação Mostra os valores apresentados pelo Posição correta (de pé):
sensor de inclinação. 0,4~1,4 V
Inclinada (caída): 3,8~4,2V
D09 Voltagem do sistema de Mostra a voltagem do sistema de 0 ~ 18,7 V
combustível (voltagem combustível (voltagem atual da bateria). Normalmente,
da bateria) aproximadamente 12,0 V
D11 Temperatura do motor Mostra a temperatura do motor. Compare com os valores
• Cheque a temperatura do motor. mostrados na ferramenta de
diagnóstico FI.
D30 Bobina de ignição Quando o botão “MODE” é pressionado, a A faísca de ignição deverá
bobina de ignição é acionada 5 vezes e o “pular” por 5 vezes em
LED de cor laranja “WARNING” conjunto com a luz
(“ADVERTÊNCIA”) acende. “WARNING” enquanto o
Conecte o testador de faísca. botão “MODE” é
pressionado.
D36 Injetor de combustível Quando o botão “MODE” é pressionado, Verifique o som do
o injetor de combustível é acionado 5 vezes funcionamento do bico
e o LED de cor laranja “WARNING” injetor 5 vezes em conjunto
(“ADVERTÊNCIA”) acende. com a luz “WARNING”
enquanto o botão “MODE”
é pressionado.
D54 FID (marcha lenta e Quando o botão “MODE” é pressionado, Verifique o som do
partida a frio) válvula o FID é acionado 5 vezes e o LED (laranja) funcionamento do FID 5
solenóide “WARNING” (“ADVERTÊNCIA”) liga. vezes em conjunto com a
luz “WARNING” enquanto
o botão “MODE” é
pressionado.
D60 Código de falha Transmite a parcela anormal dos dados do 01 - valores de ajuste de
mostrado no E2PROM E2PROM que foi detectado como código CO é detectado.
de falha 44 (CO eTPS). Se múltiplos mau 00 - mostra quando não há
funcionamentos foram detectados, mau funcionamento.
diferentes códigos serão mostrados em
uma seqüência e o processo é repetido.
FIFIFIFIFI
6 – 12
SISSISSISSISSISTEMA DE INJEÇÃO DE COMBUSTEMA DE INJEÇÃO DE COMBUSTEMA DE INJEÇÃO DE COMBUSTEMA DE INJEÇÃO DE COMBUSTEMA DE INJEÇÃO DE COMBUSTÍVELTÍVELTÍVELTÍVELTÍVEL
CódigoCódigoCódigoCódigoCódigo
ItemItemItemItemItem Descrição da aDescrição da aDescrição da aDescrição da aDescrição da açãoçãoçãoçãoção
Dados mostrados naDados mostrados naDados mostrados naDados mostrados naDados mostrados na
DiagnósticoDiagnósticoDiagnósticoDiagnósticoDiagnóstico
ferferferferferramenta de diagnóstico FIramenta de diagnóstico FIramenta de diagnóstico FIramenta de diagnóstico FIramenta de diagnóstico FI
(valor de referência)(valor de referência)(valor de referência)(valor de referência)(valor de referência)
D61 Mostra o histórico Mostra o histórico dos códigos de falha 12 ~ 50 - mostra código
do código de mau apresentados anteriormente pelo auto- de falha apresentados em
funcionamento diagnóstico (exemplo: um código de mau ordem crescente.
funcionamento que ocorreu uma vez e foi 00 - mostra que não houve
corrigido). mau funcionamento.
Se várias falhas foram detectadas, diferentes
códigos serão mostrados em um intervalo
de 2 segundos e o processo é repetido.
D62 Apagar códigos do Mostra o número total de códigos que estão 00 ~ 12 - número de
histórico de mau sendo detectados pelo autodiagnóstico e códigos registrados.
funcionamento os códigos de falhas do histórico passado. 00 - mostra que não há/
Apaga somente os códigos do histórico houve mau funcionamento.
quando o botão “MODE” é pressionado.
D70 Número de controle Mostra o número de controle do programa 00 ~ 254
(Mapeamento da E.C.U.).
INDICAÇÃO DE ERROS NA FERRAMENINDICAÇÃO DE ERROS NA FERRAMENINDICAÇÃO DE ERROS NA FERRAMENINDICAÇÃO DE ERROS NA FERRAMENINDICAÇÃO DE ERROS NA FERRAMENTTTTTA DE DIAA DE DIAA DE DIAA DE DIAA DE DIAGNÓSGNÓSGNÓSGNÓSGNÓSTICO DTICO DTICO DTICO DTICO DA INJEÇÃOA INJEÇÃOA INJEÇÃOA INJEÇÃOA INJEÇÃO
DisplayDisplayDisplayDisplayDisplay SintomaSintomaSintomaSintomaSintoma Causa proCausa proCausa proCausa proCausa provável da falhavável da falhavável da falhavável da falhavável da falha
Waiting for conection... Nenhum sinal recebido da ECU. • Conexão incorreta do chicote.
• A chave de ignição está em “OFF”.
• Defeito na ferramenta de diagnóstico da
injeção.
• Defeito da ECU.
Error 4 Comandos da ferramenta de • Posicione a chave de ignição para “OFF”
diagnóstico não são aceitos uma vez e então, troque de volta para o
pela ECU. modo de ajuste “CO” ou modo diagnóstico.
• Carga insuficiente na bateria.
• Defeito na ferramenta de diagnóstico de
injeção.
• Defeito da ECU.
FIFIFIFIFI
6 – 13
SISSISSISSISSISTEMA DE INJEÇÃO DE COMBUSTEMA DE INJEÇÃO DE COMBUSTEMA DE INJEÇÃO DE COMBUSTEMA DE INJEÇÃO DE COMBUSTEMA DE INJEÇÃO DE COMBUSTÍVELTÍVELTÍVELTÍVELTÍVEL
DETDETDETDETDETALHES DE LALHES DE LALHES DE LALHES DE LALHES DE LOCALIZAÇÃO E ELIMINAÇÃO DE DEFEITOCALIZAÇÃO E ELIMINAÇÃO DE DEFEITOCALIZAÇÃO E ELIMINAÇÃO DE DEFEITOCALIZAÇÃO E ELIMINAÇÃO DE DEFEITOCALIZAÇÃO E ELIMINAÇÃO DE DEFEITOSOSOSOSOS
Esta seção descreve as medidas corretivas para os códigos de falhas exibidos na ferramenta
de diagnóstico F.I.. Verifique e efetue a manutenção dos itens ou componentes que são a
causa provável do defeito, seguindo a ordem na "TABELA DE LOCALIZAÇÃO E ELIMINAÇÃO
DE FALHAS".
Após a verificação e manutenção da peça com defeito, apague o histórico de falhas da ferra-
menta de diagnóstico F.I. de acordo com o método de:
Nº do código de falha:Nº do código de falha:Nº do código de falha:Nº do código de falha:Nº do código de falha:
• O número do código de falha exibido na ferramenta de diagnóstico F.I. quando o motor
deixou de funcionar normalmente. Consulte a "TABELA DE CÓDIGO DE FALHAS".
Nº do código do diagnóstico:Nº do código do diagnóstico:Nº do código do diagnóstico:Nº do código do diagnóstico:Nº do código do diagnóstico:
• O número do código do diagnóstico a ser usado quando o modo de diagnóstico é opera-
do. Consulte o "MODO DE DIAGNÓSTICO".
CódigoCódigoCódigoCódigoCódigo dedededede 1111122222 SintomaSintomaSintomaSintomaSintoma Ausência de sinal do sensor de posição do virabrequimAusência de sinal do sensor de posição do virabrequimAusência de sinal do sensor de posição do virabrequimAusência de sinal do sensor de posição do virabrequimAusência de sinal do sensor de posição do virabrequim
FFFFFalha nalha nalha nalha nalha nº
Código de diagnóstico usado NCódigo de diagnóstico usado NCódigo de diagnóstico usado NCódigo de diagnóstico usado NCódigo de diagnóstico usado Nº _______________
OrdemOrdemOrdemOrdemOrdem InspeçãoInspeçãoInspeçãoInspeçãoInspeção VVVVVerificação ou Manutenção/erificação ou Manutenção/erificação ou Manutenção/erificação ou Manutenção/erificação ou Manutenção/ Método deMétodo deMétodo deMétodo deMétodo de
ComponentesComponentesComponentesComponentesComponentes restauraçãorestauraçãorestauraçãorestauraçãorestauração
1 Condição de instalação Verifique o sensor quanto à sua folga Restabelecido
ou aperto. ao colocar o
motor em
movimento.
2 Condição de conectores Se houver mau contato, repare e
• Verifique o contato e se há pinos certifique-se da conexão correta.
desconectados. Sensor de posição do virabrequim,
• Verifique a união do conector. chicote principal e conector da ECU.
NONONONONOTTTTTA:A:A:A:A:
Posicione a chave de ignição em
“OFF” antes desta operação.
3 Circuito aberto ou em curto Repare ou substitua se houver um
no chicote circuito aberto ou em curto no chicote
entre os conectores da ECU e do sensor
Azul/ Amarelo – Preto/ Azul.
4 Sensor da posição do virabrequim Substitua o sensor se estiver com defeito.
com defeito Consulte o “SISTEMA DE IGNIÇÃO”,
no capítulo 8.
FIFIFIFIFI
6 – 14
SISSISSISSISSISTEMA DE INJEÇÃO DE COMBUSTEMA DE INJEÇÃO DE COMBUSTEMA DE INJEÇÃO DE COMBUSTEMA DE INJEÇÃO DE COMBUSTEMA DE INJEÇÃO DE COMBUSTÍVELTÍVELTÍVELTÍVELTÍVEL
CódigoCódigoCódigoCódigoCódigo dedededede 1111133333 SintomaSintomaSintomaSintomaSintoma Circuito aberCircuito aberCircuito aberCircuito aberCircuito aberto ou em curto ou em curto ou em curto ou em curto ou em curto foi detectado no sensor deto foi detectado no sensor deto foi detectado no sensor deto foi detectado no sensor deto foi detectado no sensor de
FFFFFalha nºalha nºalha nºalha nºalha nº pressão de admissãopressão de admissãopressão de admissãopressão de admissãopressão de admissão
Código de diagnóstico usado NCódigo de diagnóstico usado NCódigo de diagnóstico usado NCódigo de diagnóstico usado NCódigo de diagnóstico usado Nº D03 (sensor de pressão de admissão)D03 (sensor de pressão de admissão)D03 (sensor de pressão de admissão)D03 (sensor de pressão de admissão)D03 (sensor de pressão de admissão)
OrdemOrdemOrdemOrdemOrdem InspeçãoInspeçãoInspeçãoInspeçãoInspeção VVVVVerificação ou Manutençãoerificação ou Manutençãoerificação ou Manutençãoerificação ou Manutençãoerificação ou Manutenção Método deMétodo deMétodo deMétodo deMétodo de
restauraçãorestauraçãorestauraçãorestauraçãorestauração
1 Condição de conectores Se necessário, repare o conector Restabelecido ao
• Verifique o contato e se há pinos ou conecte-o firmemente. posicionar a chave
desconectados. • Sensor de pressão de admissão; de ignição em
• Verifique a união do conector. • Conector; “ON”.
NONONONONOTTTTTA:A:A:A:A: • Chicote inferior.
Posicione a chave de ignição em
“OFF” antes desta operação.
2 Circuito aberto no chicote Verifique a continuidade da fiação
entre os conectores do sensor e da ECU
Preto/Azul – Preto/Azul
Rosa/Branco – Rosa/Branco
Azul – Azul
3 Sensor de pressão de admissão Execute o modo de diagnóstico.
com defeito (Código nº D03).
Substitua o sensor se estiver com
defeito.
1. Conecte o multímetro (DC de 20V) no
conector do sensor de pressão de
admissão (na extremidade do chicote)
como mostrado.
PPPPPonta positionta positionta positionta positionta positivavavavava → rosa/brancorosa/brancorosa/brancorosa/brancorosa/branco 1
PPPPPonta negonta negonta negonta negonta negatiatiatiatiativavavavava → preto/azulpreto/azulpreto/azulpreto/azulpreto/azul 2
2. Coloque a chave de ignição em “ON”.
3. Verifique a voltagem.
1
2
VVVVVoltagem de saída do sensoroltagem de saída do sensoroltagem de saída do sensoroltagem de saída do sensoroltagem de saída do sensor
de pressão de admissãode pressão de admissãode pressão de admissãode pressão de admissãode pressão de admissão
3,4~4,3V3,4~4,3V3,4~4,3V3,4~4,3V3,4~4,3V
FIFIFIFIFI
6 – 15
SISSISSISSISSISTEMA DE INJEÇÃO DE COMBUSTEMA DE INJEÇÃO DE COMBUSTEMA DE INJEÇÃO DE COMBUSTEMA DE INJEÇÃO DE COMBUSTEMA DE INJEÇÃO DE COMBUSTÍVELTÍVELTÍVELTÍVELTÍVEL
CódigoCódigoCódigoCódigoCódigo dedededede 1111144444 SintomaSintomaSintomaSintomaSintoma Mangueira do sensor de pressão de admissãoMangueira do sensor de pressão de admissãoMangueira do sensor de pressão de admissãoMangueira do sensor de pressão de admissãoMangueira do sensor de pressão de admissão
FFFFFalha nalha nalha nalha nalha nº (desconectada ou obstruída)(desconectada ou obstruída)(desconectada ou obstruída)(desconectada ou obstruída)(desconectada ou obstruída)
Código de diagnóstico usado NCódigo de diagnóstico usado NCódigo de diagnóstico usado NCódigo de diagnóstico usado NCódigo de diagnóstico usado Nº D03 (sensor de pressão de admissão) SD03 (sensor de pressão de admissão) SD03 (sensor de pressão de admissão) SD03 (sensor de pressão de admissão) SD03 (sensor de pressão de admissão) Sensor híbridoensor híbridoensor híbridoensor híbridoensor híbrido
OrdemOrdemOrdemOrdemOrdem InspeçãoInspeçãoInspeçãoInspeçãoInspeção VVVVVerificação ou Manutençãoerificação ou Manutençãoerificação ou Manutençãoerificação ou Manutençãoerificação ou Manutenção Método deMétodo deMétodo deMétodo deMétodo de
restauraçãorestauraçãorestauraçãorestauraçãorestauração
1 Mangueira do sensor de pressão Repare ou substitua a mangueira. Restabelecido
de admissão desconectada, ao colocar o
dobrada ou prensada. Verifique e repare a conexão. motor em
Defeito do sensor de pressão de movimento e
admissão no potencial elétrico Substitua o sensor se estiver com deixando-o
intermediário. defeito. funcionar em
marcha lenta.
2 Condição do conector de pressão Verifique se alguns pinos dos conectores
de admissão possam estar fora de posição.
(Conector do chicote para ECU) Verifique se os acopladores estão
conectados firmemente.
Se necessário, repare o conector ou
conecte-o firmemente.
3 Sensor de pressão de admissão Execute o modo de diagnóstico
com defeito. (Código nº D03).
Substitua o sensor se estiver com
defeito.
Consulte o “Código de falha nº 13”.
FIFIFIFIFI
6 – 16
SISSISSISSISSISTEMA DE INJEÇÃO DE COMBUSTEMA DE INJEÇÃO DE COMBUSTEMA DE INJEÇÃO DE COMBUSTEMA DE INJEÇÃO DE COMBUSTEMA DE INJEÇÃO DE COMBUSTÍVELTÍVELTÍVELTÍVELTÍVEL
CódigoCódigoCódigoCódigoCódigo dedededede 1111155555 SintomaSintomaSintomaSintomaSintoma Circuito aberCircuito aberCircuito aberCircuito aberCircuito aberto ou em curto ou em curto ou em curto ou em curto ou em curto foi detectado no sensor dato foi detectado no sensor dato foi detectado no sensor dato foi detectado no sensor dato foi detectado no sensor da
FFFFFalha nalha nalha nalha nalha nº posição do aceleradorposição do aceleradorposição do aceleradorposição do aceleradorposição do acelerador
Código de diagnóstico usado NCódigo de diagnóstico usado NCódigo de diagnóstico usado NCódigo de diagnóstico usado NCódigo de diagnóstico usado Nº D0D0D0D0D01 (sensor de pressão do acelerador) S1 (sensor de pressão do acelerador) S1 (sensor de pressão do acelerador) S1 (sensor de pressão do acelerador) S1 (sensor de pressão do acelerador) Sensor híbridoensor híbridoensor híbridoensor híbridoensor híbrido
OrdemOrdemOrdemOrdemOrdem InspeçãoInspeçãoInspeçãoInspeçãoInspeção VVVVVerificação ou Manutençãoerificação ou Manutençãoerificação ou Manutençãoerificação ou Manutençãoerificação ou Manutenção Método deMétodo deMétodo deMétodo deMétodo de
restauraçãorestauraçãorestauraçãorestauraçãorestauração
1 Instalação do sensor de Verifique o sensor quanto a folga na Restabelecido
posição do acelerador fixação. ao posicionar a
Verifique se o sensor está instalado na chave de ignição
posição especificada. em “ON”.
Consulte “Corpo de injeção e injetor”.
2 Condição do conector Verifique se os conectores estão
Verifique as conexões dos conectados firmemente.
conectores.
Se necessário, repare o conector ou
conecte-o firmemente.
Sensor de posição do acelerador
(conector do chicote para ECU).
3 Circuito aberto no chicote Verifique a continuidade da fiação entre
os conectores do sensor e da ECU.
Preto/Azul – Preto/Azul
Amarelo/Azul – Amarelo/Azul
Azul-Azul
4 Sensor de posição do acelerador Execute o modo de diagnóstico.
(Código nº D01).
Substitua o sensor se estiver com
defeito. Consulte “Corpo de injeção e
injetor”.
CódigoCódigoCódigoCódigoCódigo dedededede 1111166666 SintomaSintomaSintomaSintomaSintoma Circuito aberCircuito aberCircuito aberCircuito aberCircuito aberto ou em curto ou em curto ou em curto ou em curto ou em curto foi detectado no sensor dato foi detectado no sensor dato foi detectado no sensor dato foi detectado no sensor dato foi detectado no sensor da
FFFFFalha nalha nalha nalha nalha nº posição do aceleradorposição do aceleradorposição do aceleradorposição do aceleradorposição do acelerador
Código de diagnóstico usado NCódigo de diagnóstico usado NCódigo de diagnóstico usado NCódigo de diagnóstico usado NCódigo de diagnóstico usado Nº D0D0D0D0D01 (sensor de pressão do acelerador) S1 (sensor de pressão do acelerador) S1 (sensor de pressão do acelerador) S1 (sensor de pressão do acelerador) S1 (sensor de pressão do acelerador) Sensor híbridoensor híbridoensor híbridoensor híbridoensor híbrido
OrdemOrdemOrdemOrdemOrdem InspeçãoInspeçãoInspeçãoInspeçãoInspeção VVVVVerificação ou Manutençãoerificação ou Manutençãoerificação ou Manutençãoerificação ou Manutençãoerificação ou Manutenção Método deMétodo deMétodo deMétodo deMétodo de
restauraçãorestauraçãorestauraçãorestauraçãorestauração
1 Condição de instalação do sensor Verifique a conexão do conector. Restabelecido
de posição do acelerador Consulte “Corpo de injeção e injetor”. ao ligar o motor,
operando em
marcha lenta e
em seguida,
acelerando-o.
2 Sensor de posição do acelerador Execute o modo de diagnóstico
com defeito. (Código nº D01).
Substitua o sensor se estiver com defeito.
Verifique se o sensor está instalado na
posição especificada.
Consulte “Corpo de injeção e injetor”.
3 Quando o código de falha nº15 Consulte “Código de falha nº 15”.
é detectado.
FIFIFIFIFI
6 – 17
SISSISSISSISSISTEMA DE INJEÇÃO DE COMBUSTEMA DE INJEÇÃO DE COMBUSTEMA DE INJEÇÃO DE COMBUSTEMA DE INJEÇÃO DE COMBUSTEMA DE INJEÇÃO DE COMBUSTÍVELTÍVELTÍVELTÍVELTÍVEL
CódigoCódigoCódigoCódigoCódigo dedededede 2222222222 SintomaSintomaSintomaSintomaSintoma Circuito aberCircuito aberCircuito aberCircuito aberCircuito aberto foi detectado no sensor deto foi detectado no sensor deto foi detectado no sensor deto foi detectado no sensor deto foi detectado no sensor de
FFFFFalha nºalha nºalha nºalha nºalha nº temperatura de admissãotemperatura de admissãotemperatura de admissãotemperatura de admissãotemperatura de admissão
Código de diagnóstico usado NCódigo de diagnóstico usado NCódigo de diagnóstico usado NCódigo de diagnóstico usado NCódigo de diagnóstico usado Nº D05 (sensor de temperatura de admissão) SD05 (sensor de temperatura de admissão) SD05 (sensor de temperatura de admissão) SD05 (sensor de temperatura de admissão) SD05 (sensor de temperatura de admissão) Sensor híbridoensor híbridoensor híbridoensor híbridoensor híbrido
OrdemOrdemOrdemOrdemOrdem InspeçãoInspeçãoInspeçãoInspeçãoInspeção VVVVVerificação ou Manutençãoerificação ou Manutençãoerificação ou Manutençãoerificação ou Manutençãoerificação ou Manutenção Método deMétodo deMétodo deMétodo deMétodo de
restauraçãorestauraçãorestauraçãorestauraçãorestauração
1 Condição de instalação Verifique o sensor quanto a folgas de Restabelecido ao
fixação. posicionar a chave
de ignição em
“ON”
2 Condição dos conectores Se necessário, repare o conector ou
Verifique se os pinos dos conecte-o firmemente.
conectores estão fora do lugar. Sensor de temperatura da admissão
Verifique se os conectores estão (conector do chicote para ECU).
conectados firmemente.
3 Circuito aberto no chicote Verifique a continuidade da fiação entre
os conectores do sensor e da ECU.
Preto/Azul – Preto/Azul
Marrom/Branco – Marrom/Branco
4 Sensor de temperatura de Execute o modo de diagnóstico.
admissão com defeito. (Código nº D05).
Substitua o sensor se estiver com
defeito.
1. Remova o sensor de temperatura
de admissão (híbrido).
2. Conecte o multímetro ao terminal do
sensor de temperatura de admissão,
como mostrado.
PPPPPonta positionta positionta positionta positionta positivavavavava → marmarmarmarmarrom/brancorom/brancorom/brancorom/brancorom/branco 1
PPPPPonta negonta negonta negonta negonta negatiatiatiatiativavavavava → preto/azulpreto/azulpreto/azulpreto/azulpreto/azul 2
3. Meça a resistência do sensor de
temperatura de admissão.
1
2
RRRRResistência do sensor deesistência do sensor deesistência do sensor deesistência do sensor deesistência do sensor de
temperatura de admissãotemperatura de admissãotemperatura de admissãotemperatura de admissãotemperatura de admissão
220~280220~280220~280220~280220~280Ω (em 20(em 20(em 20(em 20(em 20ooooo
C)C)C)C)C)
• Manuseie o sensor de temperatura de
admissão com cuidado especial.
• Nunca submeta o sensor de tempera-
tura de admissão a fortes impactos.
Se o sensor de temperatura de admis-
são cair, substitua-o.
FIFIFIFIFI
6 – 18
SISSISSISSISSISTEMA DE INJEÇÃO DE COMBUSTEMA DE INJEÇÃO DE COMBUSTEMA DE INJEÇÃO DE COMBUSTEMA DE INJEÇÃO DE COMBUSTEMA DE INJEÇÃO DE COMBUSTÍVELTÍVELTÍVELTÍVELTÍVEL
CódigoCódigoCódigoCódigoCódigo dedededede 2828282828 SintomaSintomaSintomaSintomaSintoma Detectado sensor de temperatura do motor aberDetectado sensor de temperatura do motor aberDetectado sensor de temperatura do motor aberDetectado sensor de temperatura do motor aberDetectado sensor de temperatura do motor abertototototo
FFFFFalha nºalha nºalha nºalha nºalha nº ou em curou em curou em curou em curou em curto-circuitoto-circuitoto-circuitoto-circuitoto-circuito
Código de diagnóstico usado NCódigo de diagnóstico usado NCódigo de diagnóstico usado NCódigo de diagnóstico usado NCódigo de diagnóstico usado Nº D1D1D1D1D11 (sensor de temperatura do motor)1 (sensor de temperatura do motor)1 (sensor de temperatura do motor)1 (sensor de temperatura do motor)1 (sensor de temperatura do motor)
OrdemOrdemOrdemOrdemOrdem InspeçãoInspeçãoInspeçãoInspeçãoInspeção VVVVVerificação ou Manutençãoerificação ou Manutençãoerificação ou Manutençãoerificação ou Manutençãoerificação ou Manutenção Método deMétodo deMétodo deMétodo deMétodo de
restauraçãorestauraçãorestauraçãorestauraçãorestauração
1 Condição de instalação Verifique o sensor quanto a folgas de Restabelecido ao
fixação. posicionar a chave
de ignição em
“ON”
2 Condição dos conectores Se necessário, repare o conector ou
Verifique se os pinos dos conecte-o firmemente.
conectores estão fora do lugar. Sensor de temperatura do motor
Verifique se os conectores estão (conector da ECU do chicote).
conectados firmemente.
3 Circuito aberto no chicote. Verifique a continuidade da fiação entre
os conectores do sensor e da ECU.
Preto/Azul – Preto/Azul
Verde/Vermelho – Verde/Vermelho
4 Sensor de temperatura de Execute o modo de diagnóstico.
admissão com defeito. (Código nº D11).
Substitua o sensor se estiver com
defeito.
1. Remova o sensor de temperatura
do motor do cilindro.
2. Conecte o multímetro ao terminal do
sensor de temperatura do motor,
como mostrado.
PPPPPonta positionta positionta positionta positionta positivavavavava → verde/vermelhoverde/vermelhoverde/vermelhoverde/vermelhoverde/vermelho 1
PPPPPonta negonta negonta negonta negonta negatiatiatiatiativavavavava → preto/azulpreto/azulpreto/azulpreto/azulpreto/azul 2
3. Meça a resistência do sensor de
temperatura do motor.
1 2
RRRRResistência do sensor deesistência do sensor deesistência do sensor deesistência do sensor deesistência do sensor de
temperatura de admissãotemperatura de admissãotemperatura de admissãotemperatura de admissãotemperatura de admissão
111111~11~11~11~11~13K3K3K3K3KΩ (em 20(em 20(em 20(em 20(em 20ooooo
C)C)C)C)C)
• Manuseie o sensor de temperatura de
admissão com cuidado especial.
• Nunca submeta o sensor de tempera-
tura de admissão a fortes impactos.
Se o sensor de temperatura de admis-
são cair, substitua-o.
FIFIFIFIFI
6 – 19
SISSISSISSISSISTEMA DE INJEÇÃO DE COMBUSTEMA DE INJEÇÃO DE COMBUSTEMA DE INJEÇÃO DE COMBUSTEMA DE INJEÇÃO DE COMBUSTEMA DE INJEÇÃO DE COMBUSTÍVELTÍVELTÍVELTÍVELTÍVEL
CódigoCódigoCódigoCódigoCódigo dedededede 3030303030 SintomaSintomaSintomaSintomaSintoma A motocicleta tombouA motocicleta tombouA motocicleta tombouA motocicleta tombouA motocicleta tombou
FFFFFalha nºalha nºalha nºalha nºalha nº
Código de diagnóstico usado NCódigo de diagnóstico usado NCódigo de diagnóstico usado NCódigo de diagnóstico usado NCódigo de diagnóstico usado Nº D08 (sensor de inclinação)D08 (sensor de inclinação)D08 (sensor de inclinação)D08 (sensor de inclinação)D08 (sensor de inclinação)
OrdemOrdemOrdemOrdemOrdem InspeçãoInspeçãoInspeçãoInspeçãoInspeção VVVVVerificação ou Manutençãoerificação ou Manutençãoerificação ou Manutençãoerificação ou Manutençãoerificação ou Manutenção Método deMétodo deMétodo deMétodo deMétodo de
restauraçãorestauraçãorestauraçãorestauraçãorestauração
1 A motocicleta tombou. Levante a motocicleta. Restabelecido ao
2 Condição de instalação Verifique o interruptor para folgas ou
posicionar a chave
aperto.
de ignição em
“ON” (não pode
ser dada a partida
no motor a menos
3 Condição dos conectores Se necessário, repare o conector ou
que a chave de
Verifique se os pinos dos conecte-o firmemente.
ignição tenha sido
conectores não estão fora do lugar. Sensor de inclinação
posicionada em
Verifique se os conectores estão (conector do chicote para ECU).
“OFF” primeiro).
conectados firmemente.
4 Sensor de inclinação com defeito Execute o modo de diagnóstico.
(Código nº D08).
Substitua o sensor se estiver com
defeito.
Consulte o “Sistema de ignição” no
capítulo 8.
1. Remova o sensor de inclinação do
veículo.
2. Conecte o sensor de inclinação ao
chicote.
3. Conecte o multímetro (DC 20V) aos
terminais do interruptor, como
mostrado.
PPPPPonta positionta positionta positionta positionta positivavavavava → amarelo/verdeamarelo/verdeamarelo/verdeamarelo/verdeamarelo/verde 1
PPPPPonta negonta negonta negonta negonta negatiatiatiatiativavavavava → preto/azulpreto/azulpreto/azulpreto/azulpreto/azul 2
4. Virar o sensor e verificar se há
mudança na leitura do multímetro
de 0,9V para 4,1V quando o
ângulo atinge 45o
.
5. O sensor de inclinação está ok?
1 2
FIFIFIFIFI
6 – 20
SISSISSISSISSISTEMA DE INJEÇÃO DE COMBUSTEMA DE INJEÇÃO DE COMBUSTEMA DE INJEÇÃO DE COMBUSTEMA DE INJEÇÃO DE COMBUSTEMA DE INJEÇÃO DE COMBUSTÍVELTÍVELTÍVELTÍVELTÍVEL
CódigoCódigoCódigoCódigoCódigo dedededede 3333333333 SintomaSintomaSintomaSintomaSintoma Circuito aberCircuito aberCircuito aberCircuito aberCircuito aberto detectado no enrolamento primário dato detectado no enrolamento primário dato detectado no enrolamento primário dato detectado no enrolamento primário dato detectado no enrolamento primário da
FFFFFalha nalha nalha nalha nalha nº bobina de igniçãobobina de igniçãobobina de igniçãobobina de igniçãobobina de ignição
Código de diagnóstico usado NCódigo de diagnóstico usado NCódigo de diagnóstico usado NCódigo de diagnóstico usado NCódigo de diagnóstico usado Nº D30 (bobina de ignição)D30 (bobina de ignição)D30 (bobina de ignição)D30 (bobina de ignição)D30 (bobina de ignição)
OrdemOrdemOrdemOrdemOrdem InspeçãoInspeçãoInspeçãoInspeçãoInspeção VVVVVerificação ou Manutençãoerificação ou Manutençãoerificação ou Manutençãoerificação ou Manutençãoerificação ou Manutenção Método deMétodo deMétodo deMétodo deMétodo de
restauraçãorestauraçãorestauraçãorestauraçãorestauração
1 Condição dos conectores Se necessário, repare o terminal ou Restabelecido ao
Verifique os pinos e o conector conecte-o firmemente. ligar o motor e
que podem ter se soltados. Primário da bobina de ignição (laranja) deixando-o operar
Verifique se o conector e o (conector do chicote para ECU). em marcha lenta.
terminal estão firmemente.
2 Circuito aberto ou em curto Repare ou substitua se houver um
no chicote. circuito aberto ou em curto entre o
terminal da bobina e o conector da
ECU no chicote.
Laranja – Laranja
3 Bobina de ignição com defeito. Execute o modo de diagnóstico.
Teste a continuidade dos (Código nº D30).
enrolamentos primário e Substitua a bobina se estiver com
secundário. defeito. Consulte “Sistema de ignição”
no capítulo 8.
CódigoCódigoCódigoCódigoCódigo dedededede 3939393939 SintomaSintomaSintomaSintomaSintoma Circuito aberCircuito aberCircuito aberCircuito aberCircuito aberto ou em curto ou em curto ou em curto ou em curto ou em curto detectado no injetorto detectado no injetorto detectado no injetorto detectado no injetorto detectado no injetor
FFFFFalha nºalha nºalha nºalha nºalha nº
Código de diagnóstico usado NCódigo de diagnóstico usado NCódigo de diagnóstico usado NCódigo de diagnóstico usado NCódigo de diagnóstico usado Nº D36 (injetor)D36 (injetor)D36 (injetor)D36 (injetor)D36 (injetor)
OrdemOrdemOrdemOrdemOrdem InspeçãoInspeçãoInspeçãoInspeçãoInspeção VVVVVerificação ou Manutençãoerificação ou Manutençãoerificação ou Manutençãoerificação ou Manutençãoerificação ou Manutenção Método deMétodo deMétodo deMétodo deMétodo de
restauraçãorestauraçãorestauraçãorestauraçãorestauração
1 Condição dos conectores Se necessário, repare o terminal ou Restabelecido ao
Verifique os pinos e o conector conecte-o firmemente. ligar o motor e
que podem ter se soltados. Conector do injetor – Laranja/Preto deixando-o operar
Verifique se o conector e o Conector da ECU no chicote em marcha lenta.
terminal estão firmemente
conectados.
2 Circuito aberto no chicote Repare ou substitua se houver um
circuito aberto entre o conector
intermediário do injetor a e o conector
da ECU no chicote.
Conector da ECU no chicote
Marrom/Vermelho – Vermelho/Azul 1
Laranja/Preto – Laranja/Preto 2
3 Injetor defeituoso Execute o modo de diagnóstico.
(Código nº 36).
Substitua-o se estiver defeituoso.
INJETOR
ECU
2
R/L
Or/B Or/B
Br/R
1
2
1
a
FIFIFIFIFI
6 – 21
SISSISSISSISSISTEMA DE INJEÇÃO DE COMBUSTEMA DE INJEÇÃO DE COMBUSTEMA DE INJEÇÃO DE COMBUSTEMA DE INJEÇÃO DE COMBUSTEMA DE INJEÇÃO DE COMBUSTÍVELTÍVELTÍVELTÍVELTÍVEL
CódigoCódigoCódigoCódigoCódigo dedededede 4141414141 SintomaSintomaSintomaSintomaSintoma Circuito aberCircuito aberCircuito aberCircuito aberCircuito aberto ou em curto ou em curto ou em curto ou em curto ou em curto detectado no sensorto detectado no sensorto detectado no sensorto detectado no sensorto detectado no sensor
FFFFFalha nºalha nºalha nºalha nºalha nº de inclinaçãode inclinaçãode inclinaçãode inclinaçãode inclinação
Código de diagnóstico usado NCódigo de diagnóstico usado NCódigo de diagnóstico usado NCódigo de diagnóstico usado NCódigo de diagnóstico usado Nº D08 (sensor de inclinação)D08 (sensor de inclinação)D08 (sensor de inclinação)D08 (sensor de inclinação)D08 (sensor de inclinação)
OrdemOrdemOrdemOrdemOrdem InspeçãoInspeçãoInspeçãoInspeçãoInspeção VVVVVerificação ou Manutençãoerificação ou Manutençãoerificação ou Manutençãoerificação ou Manutençãoerificação ou Manutenção Método deMétodo deMétodo deMétodo deMétodo de
restauraçãorestauraçãorestauraçãorestauraçãorestauração
1 Verifique se os pinos dos Se necessário, repare o conector ou Restabelecido ao
conectores podem ter se soltados. conecte-o firmemente. posicionar a chave
Verifique se os conectores estão Conectores do sensor de inclinação. de ignição em
conectados firmemente. Conector do chicote para ECU. “ON”
2 Circuito aberto no chicote Verifique a continuidade da fiação entre
os conectores do interruptor e da ECU.
Preto/Azul – Preto/Azul
Amarelo/Verde – Amarelo/Verde
Azul – Azul
3 Sensor de inclinação com defeito Execute o modo de diagnóstico.
(Código nº D08).
Substitua-o se estiver defeituoso.
Consulte o “Código de falha nº 30”.
CódigoCódigoCódigoCódigoCódigo dedededede 4444444444 SintomaSintomaSintomaSintomaSintoma O erO erO erO erO erro foi detectado durante a leitura ou gravação noro foi detectado durante a leitura ou gravação noro foi detectado durante a leitura ou gravação noro foi detectado durante a leitura ou gravação noro foi detectado durante a leitura ou gravação no
FFFFFalha nºalha nºalha nºalha nºalha nº E2PROM (valores do sensor de posição do acelerador)E2PROM (valores do sensor de posição do acelerador)E2PROM (valores do sensor de posição do acelerador)E2PROM (valores do sensor de posição do acelerador)E2PROM (valores do sensor de posição do acelerador)
Código de diagnóstico usado NCódigo de diagnóstico usado NCódigo de diagnóstico usado NCódigo de diagnóstico usado NCódigo de diagnóstico usado Nº D60D60D60D60D60
OrdemOrdemOrdemOrdemOrdem InspeçãoInspeçãoInspeçãoInspeçãoInspeção VVVVVerificação ou Manutençãoerificação ou Manutençãoerificação ou Manutençãoerificação ou Manutençãoerificação ou Manutenção Método deMétodo deMétodo deMétodo deMétodo de
restauraçãorestauraçãorestauraçãorestauraçãorestauração
1 Defeito na ECU Execute o modo de diagnóstico. Restabelecido ao
(Código nº 60). posicionar a chave
• Reajuste o CO do cilindro exibido. de ignição em
Consulte “Ajuste do volume do gás “ON”
de exaustão”, no capítulo 3.
• Substitua a ECU se estiver com defeito.
FIFIFIFIFI
6 – 22
SISSISSISSISSISTEMA DE INJEÇÃO DE COMBUSTEMA DE INJEÇÃO DE COMBUSTEMA DE INJEÇÃO DE COMBUSTEMA DE INJEÇÃO DE COMBUSTEMA DE INJEÇÃO DE COMBUSTÍVELTÍVELTÍVELTÍVELTÍVEL
CódigoCódigoCódigoCódigoCódigo dedededede 4646464646 SintomaSintomaSintomaSintomaSintoma Alimentação de energia anormal no sistema FIAlimentação de energia anormal no sistema FIAlimentação de energia anormal no sistema FIAlimentação de energia anormal no sistema FIAlimentação de energia anormal no sistema FI
FFFFFalha nºalha nºalha nºalha nºalha nº
Código de diagnóstico usado NCódigo de diagnóstico usado NCódigo de diagnóstico usado NCódigo de diagnóstico usado NCódigo de diagnóstico usado Nº --------------------
OrdemOrdemOrdemOrdemOrdem InspeçãoInspeçãoInspeçãoInspeçãoInspeção VVVVVerificação ou Manutençãoerificação ou Manutençãoerificação ou Manutençãoerificação ou Manutençãoerificação ou Manutenção Método deMétodo deMétodo deMétodo deMétodo de
restauraçãorestauraçãorestauraçãorestauraçãorestauração
1 Condição dos conectores Se necessário, repare o terminal ou Restabelecido ao
Verifique os pinos e o conector conecte-o firmemente. ligar o motor e
que podem ter se soltados. Conector da ECU. deixando-o operar
Verifique se o conector e o terminal em marcha lenta.
estão firmemente conectados.
2 Bateria deficiente Substitua ou recarregue a bateria.
Consulte “Inspeção e carga da bateria”
no capítulo 3.
3 Circuito aberto ou em curto Reparar ou substituir se existir um
no chicote. circuito aberto ou em curto.
• Entre bateria e chave de ignição
Vermelho – Vermelho
• Entre chave de ignição e fusível
(ignição)
Marrom/Azul – Marrom/Azul
• Entre fusível (ignição) e ECU
• Vermelho/Branco – Vermelho/Branco
Código deCódigo deCódigo deCódigo deCódigo de 5050505050 SintomaSintomaSintomaSintomaSintoma FFFFFalha na memória da ECUalha na memória da ECUalha na memória da ECUalha na memória da ECUalha na memória da ECU. (Quando detectado, o código de. (Quando detectado, o código de. (Quando detectado, o código de. (Quando detectado, o código de. (Quando detectado, o código de
FFFFFalha nºalha nºalha nºalha nºalha nº falha pode não aparecer no display da ferfalha pode não aparecer no display da ferfalha pode não aparecer no display da ferfalha pode não aparecer no display da ferfalha pode não aparecer no display da ferramenta deramenta deramenta deramenta deramenta de
diagnóstico FI.)diagnóstico FI.)diagnóstico FI.)diagnóstico FI.)diagnóstico FI.)
Código de diagnóstico usado NCódigo de diagnóstico usado NCódigo de diagnóstico usado NCódigo de diagnóstico usado NCódigo de diagnóstico usado Nº --------------------
OrdemOrdemOrdemOrdemOrdem InspeçãoInspeçãoInspeçãoInspeçãoInspeção VVVVVerificação ou Manutençãoerificação ou Manutençãoerificação ou Manutençãoerificação ou Manutençãoerificação ou Manutenção Método deMétodo deMétodo deMétodo deMétodo de
restauraçãorestauraçãorestauraçãorestauraçãorestauração
1 ECU defeituosa Substitua a ECU. Restabelecido ao
posicionar a
chave de ignição
em “ON”
FIFIFIFIFI
6 – 23
CORPO DE INJEÇÃOCORPO DE INJEÇÃOCORPO DE INJEÇÃOCORPO DE INJEÇÃOCORPO DE INJEÇÃO
CORPO DE INJEÇÃOCORPO DE INJEÇÃOCORPO DE INJEÇÃOCORPO DE INJEÇÃOCORPO DE INJEÇÃO
Ordem Serviço/Peça Qtde. Observações
RRRRRemoção do corpo de injeçãoemoção do corpo de injeçãoemoção do corpo de injeçãoemoção do corpo de injeçãoemoção do corpo de injeção Remover as peças na ordem listada.
Assento Consulte “TAMPAS LATERAIS E
CARENAGEM” no capítulo 3.
Tanque de combustível Consulte “TANQUE DE
COMBUSTÍVEL” no capítulo 3.
1 Conector do injetor 1 Desconecte
2 Conector do sensor híbrido 1 Desconecte
3 Conector do FDI 1 Desconecte
4 Cabos do acelerador 2 Desconecte
Consulte “INSTALAÇÃO DO
CORPO DE INJEÇÃO”.
5 Mangueira de vácuo 1 Desconecte
FIFIFIFIFI
6 – 24
CORPO DE INJEÇÃOCORPO DE INJEÇÃOCORPO DE INJEÇÃOCORPO DE INJEÇÃOCORPO DE INJEÇÃO
Ordem Serviço/Peça Qtde. Observações
6 Abraçadeira
7 Parafuso das abraçadeiras 2 Solte
8 Corpo de injeção
1 Consulte “INSTALAÇÃO DO
2 CORPO DE INJEÇÃO”.
9 Abraçadeiras
Para instalação, reverter o
procedimento de remoção.
FIFIFIFIFI
6 – 25
CORPO DE INJEÇÃOCORPO DE INJEÇÃOCORPO DE INJEÇÃOCORPO DE INJEÇÃOCORPO DE INJEÇÃO
Ordem Serviço/Peça Qtde. Observações
Desmontagem do conjunto do corpo de injeçãoDesmontagem do conjunto do corpo de injeçãoDesmontagem do conjunto do corpo de injeçãoDesmontagem do conjunto do corpo de injeçãoDesmontagem do conjunto do corpo de injeção Remover as peças na ordem listada.
1 Conjunto do injetor 1
2 FDI 1
3 Parafuso de ajuste da marcha lenta 1
Para montagem, reverter o
procedimento de desmontagem.
FIFIFIFIFI
6 – 26
CORPO DE INJEÇÃOCORPO DE INJEÇÃOCORPO DE INJEÇÃOCORPO DE INJEÇÃOCORPO DE INJEÇÃO
REMOÇÃO DREMOÇÃO DREMOÇÃO DREMOÇÃO DREMOÇÃO DA MANGUEIRA DEA MANGUEIRA DEA MANGUEIRA DEA MANGUEIRA DEA MANGUEIRA DE
COMBUSCOMBUSCOMBUSCOMBUSCOMBUSTÍVELTÍVELTÍVELTÍVELTÍVEL
1. Drene o combustível do tanque através de
uma bomba.
2. Remova:
• Abraçadeira e mangueira 1 de com-
bustível no corpo de injeção.
3. Remova:
• Conector da mangueira 2 no tanque de
combustível.
(Aperte e puxe a trava para baixo).
4. Desconecte:
• Mangueira de combustível.
Apesar do combustível ter sido remoApesar do combustível ter sido remoApesar do combustível ter sido remoApesar do combustível ter sido remoApesar do combustível ter sido removidovidovidovidovido
do tanque, cuidado durante a remoção dado tanque, cuidado durante a remoção dado tanque, cuidado durante a remoção dado tanque, cuidado durante a remoção dado tanque, cuidado durante a remoção da
mangueira, pois poderá ainda haver com-mangueira, pois poderá ainda haver com-mangueira, pois poderá ainda haver com-mangueira, pois poderá ainda haver com-mangueira, pois poderá ainda haver com-
bustível internamente.bustível internamente.bustível internamente.bustível internamente.bustível internamente.
5. Remova:
• Tanque de combustível.
NONONONONOTTTTTA:A:A:A:A:
Antes de remover a mangueira, coloque
panos no local, abaixo da mangueira.
INSPEÇÃO DINSPEÇÃO DINSPEÇÃO DINSPEÇÃO DINSPEÇÃO DA BOMBA DEA BOMBA DEA BOMBA DEA BOMBA DEA BOMBA DE
COMBUSCOMBUSCOMBUSCOMBUSCOMBUSTÍVELTÍVELTÍVELTÍVELTÍVEL
2
A gA gA gA gA gasolina é extremamente inflamável e sobasolina é extremamente inflamável e sobasolina é extremamente inflamável e sobasolina é extremamente inflamável e sobasolina é extremamente inflamável e sob
cercercercercertas circunstâncias pode ocasionar explo-tas circunstâncias pode ocasionar explo-tas circunstâncias pode ocasionar explo-tas circunstâncias pode ocasionar explo-tas circunstâncias pode ocasionar explo-
são ou fogo.são ou fogo.são ou fogo.são ou fogo.são ou fogo.TTTTTome o máximo cuidado e obserome o máximo cuidado e obserome o máximo cuidado e obserome o máximo cuidado e obserome o máximo cuidado e obser-----
ve os seguintes pontos:ve os seguintes pontos:ve os seguintes pontos:ve os seguintes pontos:ve os seguintes pontos:
••••• Desligue o motor antes de reabastecerDesligue o motor antes de reabastecerDesligue o motor antes de reabastecerDesligue o motor antes de reabastecerDesligue o motor antes de reabastecer.....
••••• Não fume, e mantenha-se distante de cNão fume, e mantenha-se distante de cNão fume, e mantenha-se distante de cNão fume, e mantenha-se distante de cNão fume, e mantenha-se distante de cha-ha-ha-ha-ha-
mas abermas abermas abermas abermas abertas, faíscas, ou qualquer outra fon-tas, faíscas, ou qualquer outra fon-tas, faíscas, ou qualquer outra fon-tas, faíscas, ou qualquer outra fon-tas, faíscas, ou qualquer outra fon-
te de fogo.te de fogo.te de fogo.te de fogo.te de fogo.
••••• SSSSSe acidentalmente dere acidentalmente dere acidentalmente dere acidentalmente dere acidentalmente derramar gramar gramar gramar gramar gasolina, lim-asolina, lim-asolina, lim-asolina, lim-asolina, lim-
pe imediatamente com um pano seco.pe imediatamente com um pano seco.pe imediatamente com um pano seco.pe imediatamente com um pano seco.pe imediatamente com um pano seco.
••••• SSSSSe a ge a ge a ge a ge a gasolina tocar o motor quando estiasolina tocar o motor quando estiasolina tocar o motor quando estiasolina tocar o motor quando estiasolina tocar o motor quando estiververververver
quente, poderá ocorquente, poderá ocorquente, poderá ocorquente, poderá ocorquente, poderá ocorrer incêndio. Prer incêndio. Prer incêndio. Prer incêndio. Prer incêndio. Pororororortanto,tanto,tanto,tanto,tanto,
cercercercercertifique-se de que o motor esteja completa-tifique-se de que o motor esteja completa-tifique-se de que o motor esteja completa-tifique-se de que o motor esteja completa-tifique-se de que o motor esteja completa-
mente frio antes de realizar o seguinte teste:mente frio antes de realizar o seguinte teste:mente frio antes de realizar o seguinte teste:mente frio antes de realizar o seguinte teste:mente frio antes de realizar o seguinte teste:
FIFIFIFIFI
6 – 27
CORPO DE INJEÇÃOCORPO DE INJEÇÃOCORPO DE INJEÇÃOCORPO DE INJEÇÃOCORPO DE INJEÇÃO
REMOÇÃO DREMOÇÃO DREMOÇÃO DREMOÇÃO DREMOÇÃO DA BOMBA DEA BOMBA DEA BOMBA DEA BOMBA DEA BOMBA DE
COMBUSCOMBUSCOMBUSCOMBUSCOMBUSTÍVELTÍVELTÍVELTÍVELTÍVEL
1. Coloque a motocicleta em uma superfí-
cie plana.
PPPPPosicione a motocicleta firmemente para queosicione a motocicleta firmemente para queosicione a motocicleta firmemente para queosicione a motocicleta firmemente para queosicione a motocicleta firmemente para que
não haja perigo de queda.não haja perigo de queda.não haja perigo de queda.não haja perigo de queda.não haja perigo de queda.
c. Conecte a mangueira da bomba de com-
bustível na mangueira e adaptador de
entrada 2 do medidor.
d. Conecte a mangueira e o adaptador de
saída do medidor 3 à linha de combustí-
vel do corpo de injeção.
e. Coloque a chave de ignição em “ON” e o
interruptor de parada do motor em “ “.
f. Ligue o motor.
g. Meça a pressão do combustível.
Fora da especificação → Substitua a bom-
ba da gasolina.
**********************************************************************************************************************************************************************************************
Antes de desconectar as mangueiras doAntes de desconectar as mangueiras doAntes de desconectar as mangueiras doAntes de desconectar as mangueiras doAntes de desconectar as mangueiras do
medidormedidormedidormedidormedidor, drene o combustível pressuriza-, drene o combustível pressuriza-, drene o combustível pressuriza-, drene o combustível pressuriza-, drene o combustível pressuriza-
do no sistema, rosqueando a mangueirado no sistema, rosqueando a mangueirado no sistema, rosqueando a mangueirado no sistema, rosqueando a mangueirado no sistema, rosqueando a mangueira
11111 no corpo da ferno corpo da ferno corpo da ferno corpo da ferno corpo da ferramentaramentaramentaramentaramenta 22222.....
2
1
PPPPPressão do combustível:ressão do combustível:ressão do combustível:ressão do combustível:ressão do combustível:
2,5 k2,5 k2,5 k2,5 k2,5 kg.mg.mg.mg.mg.m22222
(250 kP(250 kP(250 kP(250 kP(250 kPa)a)a)a)a)
1. Verifique:
• Pressão do combustível.
*****************************************************************************************************************************************************************************************
a. Desconecte a mangueira de combustível
do corpo de injeção. Consulte “TANQUE
DE COMBUSTÍVEL” no capítulo 3.
NONONONONOTTTTTA:A:A:A:A:
Embora o combustível tenha sido removido,
tenha cuidado ao remover a mangueira, pois
poderá ainda haver combustível pressuriza-
do no circuito.
b. Conecte o medidor de pressão de com-
bustível 1.
Medidor de pressão de combustível:Medidor de pressão de combustível:Medidor de pressão de combustível:Medidor de pressão de combustível:Medidor de pressão de combustível:
90890-508XM90890-508XM90890-508XM90890-508XM90890-508XM
FIFIFIFIFI
6 – 28
CORPO DE INJEÇÃOCORPO DE INJEÇÃOCORPO DE INJEÇÃOCORPO DE INJEÇÃOCORPO DE INJEÇÃO
3. Remova:
• A bomba de combustível de seu aloja-
mento.
NONONONONOTTTTTA:A:A:A:A:
• Não deixe que a bomba de combustível
caia ou sofra qualquer impacto forte.
• Não desmonte a bomba de combustível.
• Não toque a seção da base do medidor
de combustível.
4. Inspecione:
• Bomba de combustível.
Danos, desgaste, rachaduras → Substitua
a bomba de combustível.
• Junta da bomba de combustível.
Sempre que remover a bomba de com-
bustível, troque a junta da mesma.
5. Verifique:
• Medidor de nível de combustível.
Empenamento, desgaste, mau funciona-
mento → Substitua.
2. Instale:
• Os parafusos de fixação da bomba de
combustível, conforme seqüência indi-
cada na ilustração.
3. Instale:
• Tanque de combustível, consulte “TAN-
QUE DE COMBUSTÍVEL”, capítulo 3.
PPPPParafuso da bomba de combustível:arafuso da bomba de combustível:arafuso da bomba de combustível:arafuso da bomba de combustível:arafuso da bomba de combustível:
0,4 k0,4 k0,4 k0,4 k0,4 kgfgfgfgfgf.m (4 N.m).m (4 N.m).m (4 N.m).m (4 N.m).m (4 N.m)
NoNoNoNoNovvvvvooooo
INSINSINSINSINSTTTTTALAÇÃO DALAÇÃO DALAÇÃO DALAÇÃO DALAÇÃO DA BOMBA DEA BOMBA DEA BOMBA DEA BOMBA DEA BOMBA DE
COMBUSCOMBUSCOMBUSCOMBUSCOMBUSTÍVELTÍVELTÍVELTÍVELTÍVEL
1. Posicione a bomba de combustível em seu
alojamento.
NONONONONOTTTTTA:A:A:A:A:
• Não danifique as superfícies de instalação
do tanque ao instalar a bomba de com-
bustível.
• Sempre utilize uma junta de bomba de
combustível nova.
• Alinhe a projeção a na bomba de
combustível com a fenda no suporte.
2. Remova:
• Otanque de combustível,consulte“TAN-
QUE DE COMBUSTÍVEL”, capítulo 3.
• Os parafusos de fixação na seqüência
indicada.
FIFIFIFIFI
6 – 29
CORPO DE INJEÇÃOCORPO DE INJEÇÃOCORPO DE INJEÇÃOCORPO DE INJEÇÃOCORPO DE INJEÇÃO
INSPEÇÃO DO INJETINSPEÇÃO DO INJETINSPEÇÃO DO INJETINSPEÇÃO DO INJETINSPEÇÃO DO INJETOR DEOR DEOR DEOR DEOR DE
COMBUSCOMBUSCOMBUSCOMBUSCOMBUSTÍVELTÍVELTÍVELTÍVELTÍVEL
1. Verifique:
• Injetor de combustível.
Danos → Substitua.
INSPEÇÃO DO CORPO DE INJEÇÃOINSPEÇÃO DO CORPO DE INJEÇÃOINSPEÇÃO DO CORPO DE INJEÇÃOINSPEÇÃO DO CORPO DE INJEÇÃOINSPEÇÃO DO CORPO DE INJEÇÃO
1. Verifique:
• Corpo do acelerador.
Rachaduras/danos → Substitua o
corpo do acelerador.
2. Instale:
• Corpo de injeção.
NONONONONOTTTTTA:A:A:A:A:
Alinhe a projeção c do conjunto do corpo
de injeção com o encaixe da junção do
coletor de admissão.
3. Instale:
• Cabo do acelerador.
4. Ajuste:
• A folga da manopla do acelerador.
Consulte o“AJUSTE DA FOLGA DO CABO
DOACELERADOR” no capítulo 3.
5. Ajuste:
• Marcha lenta do motor.
Consulte o “AJUSTE DA MARCHA LEN-
TA DO MOTOR” no capítulo 3.
INSINSINSINSINSTTTTTALAÇÃO DO CORPO DEALAÇÃO DO CORPO DEALAÇÃO DO CORPO DEALAÇÃO DO CORPO DEALAÇÃO DO CORPO DE
INJEÇÃOINJEÇÃOINJEÇÃOINJEÇÃOINJEÇÃO
1. Instale:
• Abraçadeiras da junção do corpo do
acelerador.
NONONONONOTTTTTA:A:A:A:A:
Alinhe a projeção a da junção com a ranhura
b na abraçadeira do corpo de injeção.
a
b b
a
C
FIFIFIFIFI
6 – 30
CORPO DE INJEÇÃOCORPO DE INJEÇÃOCORPO DE INJEÇÃOCORPO DE INJEÇÃOCORPO DE INJEÇÃO
INSINSINSINSINSTTTTTALAÇÃO DA MANGUEIRA DEALAÇÃO DA MANGUEIRA DEALAÇÃO DA MANGUEIRA DEALAÇÃO DA MANGUEIRA DEALAÇÃO DA MANGUEIRA DE
COMBUSCOMBUSCOMBUSCOMBUSCOMBUSTÍVELTÍVELTÍVELTÍVELTÍVEL
1. Instale:
• Mangueira de combustível.
• Conector da mangueira de combustível
1.
(Aperte e empurre a trava para cima.)
CerCerCerCerCertifique-se de conectar a mangueira se-tifique-se de conectar a mangueira se-tifique-se de conectar a mangueira se-tifique-se de conectar a mangueira se-tifique-se de conectar a mangueira se-
guramente.guramente.guramente.guramente.guramente.
Instale o conector na posição corInstale o conector na posição corInstale o conector na posição corInstale o conector na posição corInstale o conector na posição correta, casoreta, casoreta, casoreta, casoreta, caso
contrário, a mangueira não estará instala-contrário, a mangueira não estará instala-contrário, a mangueira não estará instala-contrário, a mangueira não estará instala-contrário, a mangueira não estará instala-
da corda corda corda corda corretamente.retamente.retamente.retamente.retamente.
INSINSINSINSINSTTTTTALAÇÃO DO SISALAÇÃO DO SISALAÇÃO DO SISALAÇÃO DO SISALAÇÃO DO SISTEMA FTEMA FTEMA FTEMA FTEMA F.I.D..I.D..I.D..I.D..I.D.
(AFOGADOR ELETRÔNICO)(AFOGADOR ELETRÔNICO)(AFOGADOR ELETRÔNICO)(AFOGADOR ELETRÔNICO)(AFOGADOR ELETRÔNICO)
1. Verifique:
• Ligue o motor.
a. Desconecte do chicote, o conector do sis-
tema FID.
b. Conecte o multímetro aos terminais do
conector FID 1.
PPPPPonta positionta positionta positionta positionta positivavavavava →→→→→ vermelho/brancovermelho/brancovermelho/brancovermelho/brancovermelho/branco
PPPPPonta negonta negonta negonta negonta negatiatiatiatiativavavavava →→→→→ amarelo/vermelhoamarelo/vermelhoamarelo/vermelhoamarelo/vermelhoamarelo/vermelho
Multímetro digital:Multímetro digital:Multímetro digital:Multímetro digital:Multímetro digital:
90890-03190890-03190890-03190890-03190890-0317777744444
c. Meça a resistência do sistema FID.
Fora de especificação → Substitua.
RRRRResistência do sistema FIDesistência do sistema FIDesistência do sistema FIDesistência do sistema FIDesistência do sistema FID
30 ~ 4030 ~ 4030 ~ 4030 ~ 4030 ~ 40 ΩΩΩΩΩ em 20ºCem 20ºCem 20ºCem 20ºCem 20ºC
FIFIFIFIFI
6 – 31
SISSISSISSISSISTEMA DE INDUÇÃO DETEMA DE INDUÇÃO DETEMA DE INDUÇÃO DETEMA DE INDUÇÃO DETEMA DE INDUÇÃO DE ARARARARAR
SISSISSISSISSISTEMA DE INDUÇÃO DETEMA DE INDUÇÃO DETEMA DE INDUÇÃO DETEMA DE INDUÇÃO DETEMA DE INDUÇÃO DE ARARARARAR
DIADIADIADIADIAGRAMA DO SISGRAMA DO SISGRAMA DO SISGRAMA DO SISGRAMA DO SISTEMA DE INDUÇÃO DETEMA DE INDUÇÃO DETEMA DE INDUÇÃO DETEMA DE INDUÇÃO DETEMA DE INDUÇÃO DE ARARARARAR
1 Mangueira 1 (caixa do filtro de ar para
válvula de corte de ar)
2 Válvula de corte de ar
3 Mangueira 2 (válvula de corte de ar para
tubo do sistema de indução)
4 Mangueira de controle de vácuo
5 Caixa do filtro de ar
6 Tubo do sistema de indução
A Ar
B Vácuo
FIFIFIFIFI
6 – 32
SISSISSISSISSISTEMA DE INDUÇÃO DETEMA DE INDUÇÃO DETEMA DE INDUÇÃO DETEMA DE INDUÇÃO DETEMA DE INDUÇÃO DE ARARARARAR
VÁLVÁLVÁLVÁLVÁLVULA DE CORVULA DE CORVULA DE CORVULA DE CORVULA DE CORTE DETE DETE DETE DETE DE ARARARARAR
Ordem Serviço/Peça Qtde. Observações
RRRRRemoção da válvula de coremoção da válvula de coremoção da válvula de coremoção da válvula de coremoção da válvula de corte de arte de arte de arte de arte de ar Remover as peças na ordem listada.
Assento Consulte “TAMPAS LATERAIS E
CARENAGEM” no capítulo 3.
Tanque de combustível Consulte “TANQUE DE
COMBUSTÍVEL” no capítulo 3.
1 Mangueira de saída da válvula 1 Desconecte
2 Mangueira de entrada da válvula 1 Desconecte
3 Mangueira de controle 1 Desconecte
4 Válvula de corte de ar 1
Para instalação, reverter o
procedimento de remoção.
FIFIFIFIFI
6 – 33
SISSISSISSISSISTEMA DE INDUÇÃO DETEMA DE INDUÇÃO DETEMA DE INDUÇÃO DETEMA DE INDUÇÃO DETEMA DE INDUÇÃO DE ARARARARAR
INJEÇÃO DEINJEÇÃO DEINJEÇÃO DEINJEÇÃO DEINJEÇÃO DE ARARARARAR
O sistema de indução de ar queima os gases
não queimados do escapamento injetando ar
fresco (ar secundário) no escape, reduzindo a
emissão de hidrocarbonetos.
Quando houver uma pressão negativa no
escape, a válvula de palheta abre, permitindo
que o ar secundário flua para dentro do
escape. A temperatura exigida para queimar
os gases não queimados do escapamento é
de aproximadamente 600 a 700ºC.
Ao receber baixa pressão na entrada a, a
válvula de corte de ar abre-se em conjunto
com a palheta, permitindo o fluxo de ar do
filtro e eliminando o gás do escape.
VÁLVÁLVÁLVÁLVÁLVULA DE CORVULA DE CORVULA DE CORVULA DE CORVULA DE CORTE DETE DETE DETE DETE DE ARARARARAR
A válvula de corte de ar, evita o retrocesso de
ar da saída de exaustão para o filtro de ar.
O sistema é controlado pelo vácuo gerado
no coletor de admissão.
Operação:
Durante a frenagem prolongada ou quando
o acelerador é solto repentinamente, o vácuo
gerado no venturi torna-se extremamente
alto. Desta forma, acontece a combustão
ineficiente.
A válvula de corte de ar evita este processo,
fechando a palheta ao receber a pressão alta
enviada.
FIFIFIFIFI
6 – 34
SISSISSISSISSISTEMA DE INDUÇÃO DETEMA DE INDUÇÃO DETEMA DE INDUÇÃO DETEMA DE INDUÇÃO DETEMA DE INDUÇÃO DE ARARARARAR
INSPEÇÃO DO SISINSPEÇÃO DO SISINSPEÇÃO DO SISINSPEÇÃO DO SISINSPEÇÃO DO SISTEMA DETEMA DETEMA DETEMA DETEMA DE
INDUÇÃO DEINDUÇÃO DEINDUÇÃO DEINDUÇÃO DEINDUÇÃO DE ARARARARAR
1. Verifique:
• Mangueiras
Desconectadas → Conecte corretamente.
Trincas/danos → Substitua.
• Tubo
Trincas/danos → Substitua.
2. Verifique:
• Válvula de palheta interna.
• Limitador da válvula de palheta
Trincas/danos → Substitua a válvula de
palheta.
3. Verifique:
• Válvula de corte de ar.
Trincas/danos → Substitua.
CAPÍTULCAPÍTULCAPÍTULCAPÍTULCAPÍTULO 7O 7O 7O 7O 7
SISSISSISSISSISTEMA ELÉTRICOTEMA ELÉTRICOTEMA ELÉTRICOTEMA ELÉTRICOTEMA ELÉTRICO
COMPONENCOMPONENCOMPONENCOMPONENCOMPONENTES ELÉTRICOSTES ELÉTRICOSTES ELÉTRICOSTES ELÉTRICOSTES ELÉTRICOS ........................................................................................................................................................................................................................................................................................................................................................................................................... 77777-1-1-1-1-1
SISTEMA ELÉTRICO.............................................................................................. 7-1
INSPEÇÃO DINSPEÇÃO DINSPEÇÃO DINSPEÇÃO DINSPEÇÃO DA CONA CONA CONA CONA CONTINUIDTINUIDTINUIDTINUIDTINUIDADE DE INADE DE INADE DE INADE DE INADE DE INTERRUPTTERRUPTTERRUPTTERRUPTTERRUPTORESORESORESORESORES ................................................................................................................................................................................................... 77777-3-3-3-3-3
INSPEÇÃO DA CONTINUIDADE DE UM INTERRUPTOR .................................... 7-3
INSPEÇÃO DOS ININSPEÇÃO DOS ININSPEÇÃO DOS ININSPEÇÃO DOS ININSPEÇÃO DOS INTERRUPTTERRUPTTERRUPTTERRUPTTERRUPTORESORESORESORESORES .............................................................................................................................................................................................................................................................................................................................................................. 77777-4-4-4-4-4
INSPEÇÃO DINSPEÇÃO DINSPEÇÃO DINSPEÇÃO DINSPEÇÃO DAAAAAS LÂMPS LÂMPS LÂMPS LÂMPS LÂMPADADADADADAAAAAS E SOQS E SOQS E SOQS E SOQS E SOQUETESUETESUETESUETESUETES ............................................................................................................................................................................................................................................................................................. 77777-5-5-5-5-5
TIPOS DE LÂMPADAS........................................................................................... 7-5
INSPEÇÃO DA CONDIÇÃO DAS LÂMPADAS ...................................................... 7-6
INSPEÇÃO DA CONDIÇÃO DOS SOQUETES DAS LÂMPADAS ........................ 7-7
INSPEÇÃO DOS LEDS........................................................................................... 7-7
SISSISSISSISSISTEMA DE IGNIÇÃOTEMA DE IGNIÇÃOTEMA DE IGNIÇÃOTEMA DE IGNIÇÃOTEMA DE IGNIÇÃO............................................................................................................................................................................................................................................................................................................................................................................................................................................................. 77777-9-9-9-9-9
DIAGRAMA ELÉTRICO .......................................................................................... 7-9
DIAGNÓSTICO E SOLUÇÃO DE PROBLEMAS ...................................................7-10
SISSISSISSISSISTEMA DE PTEMA DE PTEMA DE PTEMA DE PTEMA DE PARARARARARTIDTIDTIDTIDTIDA ELÉTRICAA ELÉTRICAA ELÉTRICAA ELÉTRICAA ELÉTRICA.............................................................................................................................................................................................................................................................................................................................................................. 77777-1-1-1-1-144444
DIAGRAMA ELÉTRICO ........................................................................................ 7-14
CIRCUITO DE PARTIDA E SISTEMA DE CORTE DE IGNIÇÃO .......................... 7-15
OPERAÇÃO .......................................................................................................... 7-15
DIAGNÓSTICO E SOLUÇÃO DE PROBLEMAS .................................................. 7-16
MOMOMOMOMOTTTTTOR DE POR DE POR DE POR DE POR DE PARARARARARTIDTIDTIDTIDTIDAAAAA .................................................................................................................................................................................................................................................................................................................................................................................................................................................................. 77777-1-1-1-1-199999
INSPEÇÃO DO MOTOR DE PARTIDA ................................................................. 7-21
MONTAGEM DO MOTOR DE PARTIDA.............................................................. 7-23
SISSISSISSISSISTEMA DE CARGATEMA DE CARGATEMA DE CARGATEMA DE CARGATEMA DE CARGA ............................................................................................................................................................................................................................................................................................................................................................................................................................................................. 77777-24-24-24-24-24
DIAGRAMA ELÉTRICO ........................................................................................ 7-24
DIAGNÓSTICO E SOLUÇÃO DE PROBLEMAS .................................................. 7-25
SISSISSISSISSISTEMA DE ILUMINAÇÃOTEMA DE ILUMINAÇÃOTEMA DE ILUMINAÇÃOTEMA DE ILUMINAÇÃOTEMA DE ILUMINAÇÃO ........................................................................................................................................................................................................................................................................................................................................................................................................... 77777-27-27-27-27-27
DIAGRAMA ELÉTRICO ........................................................................................ 7-27
DIAGNÓSTICO E SOLUÇÃO DE PROBLEMAS .................................................. 7-28
INSPEÇÃO DO SISTEMA DE ILUMINAÇÃO ...................................................... 7-30
SISSISSISSISSISTEMA DE SINALIZAÇÃOTEMA DE SINALIZAÇÃOTEMA DE SINALIZAÇÃOTEMA DE SINALIZAÇÃOTEMA DE SINALIZAÇÃO ...................................................................................................................................................................................................................................................................................................................................................................................................... 77777-32-32-32-32-32
DIAGRAMA ELÉTRICO ........................................................................................ 7-32
DIAGNÓSTICO E SOLUÇÃO DE PROBLEMAS .................................................. 7-33
INSPEÇÃO DO SISTEMA DE SINALIZAÇÃO ..................................................... 7-34
7 – 1
ELÉTELÉTELÉTELÉTELÉT
1 Vela de ignição
2 Cachimbo da vela de ignição
3 Bobina de ignição
4 Interruptor dianteiro do freio
5 Interruptor do guidão direito
6 Chave de ignição
7 Bomba de combustível
8 Interruptor da embreagem
9 Interruptor do guidão esquerdo
0 Sensor híbrido:
• TPS
• Temperatura de admissão
• Pressão de admissão
A Injetor de combustível
B Sensor de inclinação
C Relé de seta
SISSISSISSISSISTEMA ELÉTRICOTEMA ELÉTRICOTEMA ELÉTRICOTEMA ELÉTRICOTEMA ELÉTRICO
COMPONENCOMPONENCOMPONENCOMPONENCOMPONENTES ELÉTRICOSTES ELÉTRICOSTES ELÉTRICOSTES ELÉTRICOSTES ELÉTRICOS
COMPONENCOMPONENCOMPONENCOMPONENCOMPONENTES ELÉTRICOSTES ELÉTRICOSTES ELÉTRICOSTES ELÉTRICOSTES ELÉTRICOS
7 – 2
ELÉTELÉTELÉTELÉTELÉT
D Bateria
E Caixa de fusíveis 1
F Relé de partida
G Fusível principal
H Retificador/regulador
I ECU
J Interruptor do cavalete lateral
K Interruptor do neutro
L Sensor de posição do virabrequim
M Bobina do estator
N Interruptor traseiro do freio
O Sensor de velocidade
P Motor de partida
Q Buzina
R Válvula A.I.S.
S F.I.D.
COMPONENCOMPONENCOMPONENCOMPONENCOMPONENTES ELÉTRICOSTES ELÉTRICOSTES ELÉTRICOSTES ELÉTRICOSTES ELÉTRICOS
7 – 3
ELÉTELÉTELÉTELÉTELÉT
INSPEÇÃO DINSPEÇÃO DINSPEÇÃO DINSPEÇÃO DINSPEÇÃO DA CONA CONA CONA CONA CONTINUIDTINUIDTINUIDTINUIDTINUIDADEADEADEADEADE
DE UM INDE UM INDE UM INDE UM INDE UM INTERRUPTTERRUPTTERRUPTTERRUPTTERRUPTOROROROROR
Verifique a continuidade de cada interrup-
tor com o multímetro. Se a leitura da conti-
nuidade estiver incorreta, verifique as co-
nexões dos fios e, se necessário, troque o
interruptor.
INSPEÇÃO DINSPEÇÃO DINSPEÇÃO DINSPEÇÃO DINSPEÇÃO DA CONA CONA CONA CONA CONTINUIDTINUIDTINUIDTINUIDTINUIDADE DE INADE DE INADE DE INADE DE INADE DE INTERRUPTTERRUPTTERRUPTTERRUPTTERRUPTORESORESORESORESORES
1
A ilustração do exemplo à esquerda mostra
que:
Há continuidade entre os fios vermelho e
branco/vermelho e preto quando o interrup-
tor está na posição "LIGA" (ON).
Nunca insira as pontas do aparelho de tes-Nunca insira as pontas do aparelho de tes-Nunca insira as pontas do aparelho de tes-Nunca insira as pontas do aparelho de tes-Nunca insira as pontas do aparelho de tes-
te nos encaixes terminais do conectorte nos encaixes terminais do conectorte nos encaixes terminais do conectorte nos encaixes terminais do conectorte nos encaixes terminais do conector 11111.....
SSSSSempre insira as pontas no lado oposto doempre insira as pontas no lado oposto doempre insira as pontas no lado oposto doempre insira as pontas no lado oposto doempre insira as pontas no lado oposto do
conectorconectorconectorconectorconector, tendo o cuidado para não afrou-, tendo o cuidado para não afrou-, tendo o cuidado para não afrou-, tendo o cuidado para não afrou-, tendo o cuidado para não afrou-
xar ou danificar os cabos condutores.xar ou danificar os cabos condutores.xar ou danificar os cabos condutores.xar ou danificar os cabos condutores.xar ou danificar os cabos condutores.
Multímetro digital:Multímetro digital:Multímetro digital:Multímetro digital:Multímetro digital:
90890-03190890-03190890-03190890-03190890-0317777744444
Como exemplo, as conexões dos terminais
para os interruptores (ex., chave de ignição,
interruptor de engine stop) são mostradas na
ilustração ao lado.
As posições do interruptor a são exibidas
na primeira coluna da esquerda e as cores
dos cabos b são mostradas na linha supe-
rior da ilustração do interruptor.
NONONONONOTTTTTA:A:A:A:A:
" " indica uma continuidade de ele-
tricidade entre os terminais do interruptor
(ou seja, um circuito fechado na respectiva
posição do interruptor).
7 – 4
ELÉTELÉTELÉTELÉTELÉT
1 Chave de ignição
2 Botão da buzina
3 Interruptor de passagem
4 Interruptor do farol alto/baixo
5 Interruptor da seta
6 Interruptor da embreagem
7 Interruptor de engine stop
INSPEÇÃO DOS ININSPEÇÃO DOS ININSPEÇÃO DOS ININSPEÇÃO DOS ININSPEÇÃO DOS INTERRUPTTERRUPTTERRUPTTERRUPTTERRUPTORESORESORESORESORES
Verifique se os interruptores estão danificados ou desgastados, se as conexões estão corretas
e se há continuidade entre os terminais. Consulte "INSPEÇÃO DA CONTINUIDADE DE
INTERRUPTORES".
Danos/desgaste Consertar ou substituir.
Conexão incorreta Conectar corretamente.
Leitura de continuidade incorreta Substituir.
8 Interruptor de partida
9 Interruptor do freio dianteiro
0 Interruptor do cavalete lateral
A Interruptor do neutro
B Interruptor do freio traseiro
C Fusíveis
INSPEÇÃO DOS ININSPEÇÃO DOS ININSPEÇÃO DOS ININSPEÇÃO DOS ININSPEÇÃO DOS INTERRUPTTERRUPTTERRUPTTERRUPTTERRUPTORESORESORESORESORES
7 – 5
ELÉTELÉTELÉTELÉTELÉT
INSPEÇÃO DINSPEÇÃO DINSPEÇÃO DINSPEÇÃO DINSPEÇÃO DAAAAAS LÂMPS LÂMPS LÂMPS LÂMPS LÂMPADADADADADAAAAAS ES ES ES ES E
SOQSOQSOQSOQSOQUETESUETESUETESUETESUETES
Verifique se lâmpadas e soquetes estão
danificados ou desgastados, se as conexões
estão corretas e se há continuidade entre os
terminais.
Danos/desgaste Consertar ou substituir
a lâmpada, o soquete ou ambos.
Conexão incorreta Reparar.
Sem continuidade Reparar ou substi-
tuir a lâmpada, o soquete ou ambos.
TIPOS DE LÂMPTIPOS DE LÂMPTIPOS DE LÂMPTIPOS DE LÂMPTIPOS DE LÂMPADADADADADAAAAASSSSS
As lâmpadas usadas nesta motocicleta são
mostradas na ilustração à esquerda.
• As lâmpadas A e B são usadas para os
faróis e normalmente usam um fixador de
lâmpadas que deve ser retirado antes de
sua remoção. A maior parte desses tipos
de lâmpadas pode ser retirada de seu res-
pectivo soquete, girando-as em sentido
anti-horário.
• A lâmpada C é usada para a seta e luzes
de freio/traseiro e pode ser retirada do
soquete ao empurrá-la e girá-la em senti-
do anti-horário.
• As lâmpadas D e E são usadas para as lu-
zes do indicador e do medidor e podem ser
retiradas de seus respectivos soquetes ao
serem puxadas com cuidado.
INSPEÇÃO DINSPEÇÃO DINSPEÇÃO DINSPEÇÃO DINSPEÇÃO DAAAAAS LÂMPS LÂMPS LÂMPS LÂMPS LÂMPADADADADADAAAAAS E SOQS E SOQS E SOQS E SOQS E SOQUETESUETESUETESUETESUETES
7 – 6
ELÉTELÉTELÉTELÉTELÉT
2. Verificar:
• Lâmpada (continuidade)
(com o multímetro).
Sem continuidade Substituir.
INSPEÇÃO DINSPEÇÃO DINSPEÇÃO DINSPEÇÃO DINSPEÇÃO DAAAAAS LÂMPS LÂMPS LÂMPS LÂMPS LÂMPADADADADADAAAAAS E SOQS E SOQS E SOQS E SOQS E SOQUETESUETESUETESUETESUETES
Como a lâmpada do farol alcança altas tem-Como a lâmpada do farol alcança altas tem-Como a lâmpada do farol alcança altas tem-Como a lâmpada do farol alcança altas tem-Como a lâmpada do farol alcança altas tem-
peraturas, mantenha produtos inflamáveis eperaturas, mantenha produtos inflamáveis eperaturas, mantenha produtos inflamáveis eperaturas, mantenha produtos inflamáveis eperaturas, mantenha produtos inflamáveis e
suas mãos longe até que tenha esfriado.suas mãos longe até que tenha esfriado.suas mãos longe até que tenha esfriado.suas mãos longe até que tenha esfriado.suas mãos longe até que tenha esfriado.
••••• Não se esqueça de segurar o soqueteNão se esqueça de segurar o soqueteNão se esqueça de segurar o soqueteNão se esqueça de segurar o soqueteNão se esqueça de segurar o soquete
firmemente quando retirar a lâmpada.firmemente quando retirar a lâmpada.firmemente quando retirar a lâmpada.firmemente quando retirar a lâmpada.firmemente quando retirar a lâmpada.
Nunca puxe o fio condutorNunca puxe o fio condutorNunca puxe o fio condutorNunca puxe o fio condutorNunca puxe o fio condutor, pois pode-, pois pode-, pois pode-, pois pode-, pois pode-
rá ser retirado do terminal no conectorrá ser retirado do terminal no conectorrá ser retirado do terminal no conectorrá ser retirado do terminal no conectorrá ser retirado do terminal no conector.....
••••• Evite tocar a parEvite tocar a parEvite tocar a parEvite tocar a parEvite tocar a parte de vidro da lâmpadate de vidro da lâmpadate de vidro da lâmpadate de vidro da lâmpadate de vidro da lâmpada
do farol para mantê-la lido farol para mantê-la lido farol para mantê-la lido farol para mantê-la lido farol para mantê-la livre de óleo ouvre de óleo ouvre de óleo ouvre de óleo ouvre de óleo ou
a redução da transparência do vidro,a redução da transparência do vidro,a redução da transparência do vidro,a redução da transparência do vidro,a redução da transparência do vidro,
caso contrário, a vida útil da lâmpada ecaso contrário, a vida útil da lâmpada ecaso contrário, a vida útil da lâmpada ecaso contrário, a vida útil da lâmpada ecaso contrário, a vida útil da lâmpada e
o fluxo fluxo fluxo fluxo fluxo luminoso serão afetados nego luminoso serão afetados nego luminoso serão afetados nego luminoso serão afetados nego luminoso serão afetados nega-a-a-a-a-
tititititivamente. Svamente. Svamente. Svamente. Svamente. Se a lâmpada do farol ficare a lâmpada do farol ficare a lâmpada do farol ficare a lâmpada do farol ficare a lâmpada do farol ficar
suja, limpe-a com um pano umedecidosuja, limpe-a com um pano umedecidosuja, limpe-a com um pano umedecidosuja, limpe-a com um pano umedecidosuja, limpe-a com um pano umedecido
com álcool ou thinnercom álcool ou thinnercom álcool ou thinnercom álcool ou thinnercom álcool ou thinner.....
Multímetro digital:Multímetro digital:Multímetro digital:Multímetro digital:Multímetro digital:
90890-03190890-03190890-03190890-03190890-0317777744444
INSPEÇÃO DINSPEÇÃO DINSPEÇÃO DINSPEÇÃO DINSPEÇÃO DA CONDIÇÃO DA CONDIÇÃO DA CONDIÇÃO DA CONDIÇÃO DA CONDIÇÃO DAAAAASSSSS
LÂMPLÂMPLÂMPLÂMPLÂMPADADADADADAAAAASSSSS
O seguinte procedimento se aplica a todas
as lâmpadas.
1. Remover:
• Lâmpada.
*****************************************************************************************************************************************************************************************
a. Conecte a ponta positiva do multímetro
ao terminal 1 e a ponta negativa ao ter-
minal 2 e verifique a continuidade.
b. Conecte a ponta positiva do multímetro
ao terminal 1 e a ponta negativa ao ter-
minal 3 e verifique a continuidade.
c. Se alguma das leituras indicar a falta de
continuidade, substitua a lâmpada.
*****************************************************************************************************************************************************************************************
7 – 7
ELÉTELÉTELÉTELÉTELÉT
INSPEÇÃO DINSPEÇÃO DINSPEÇÃO DINSPEÇÃO DINSPEÇÃO DA CONDIÇÃO DOSA CONDIÇÃO DOSA CONDIÇÃO DOSA CONDIÇÃO DOSA CONDIÇÃO DOS
SOQSOQSOQSOQSOQUETES DUETES DUETES DUETES DUETES DAAAAAS LÂMPS LÂMPS LÂMPS LÂMPS LÂMPADADADADADAAAAASSSSS
O procedimento a seguir se aplica a todos
os soquetes.
1. Verificar:
• Soquete da lâmpada (continuidade)
(com o multímetro).
Sem continuidade Substituir.
INSPEÇÃO DINSPEÇÃO DINSPEÇÃO DINSPEÇÃO DINSPEÇÃO DAAAAAS LÂMPS LÂMPS LÂMPS LÂMPS LÂMPADADADADADAAAAAS E SOQS E SOQS E SOQS E SOQS E SOQUETESUETESUETESUETESUETES
*****************************************************************************************************************************************************************************************
a. Coloque uma lâmpada em boas condições
no soquete.
b. Conecte as pontas do multímetro às res-
pectivas fiações do soquete.
c. Verifique a continuidade do soquete. Se
alguma das leituras indicar a falta de con-
tinuidade, substitua o soquete.
*****************************************************************************************************************************************************************************************
Multímetro digital:Multímetro digital:Multímetro digital:Multímetro digital:Multímetro digital:
90890-03190890-03190890-03190890-03190890-0317777744444
NONONONONOTTTTTA:A:A:A:A:
Verifique a continuidade de cada soquete da
mesma forma descrita na seção de lâmpa-
das; no entanto, observe o seguinte.
INSPEÇÃO DOS LEDSINSPEÇÃO DOS LEDSINSPEÇÃO DOS LEDSINSPEÇÃO DOS LEDSINSPEÇÃO DOS LEDS
Os procedimentos a seguir se aplicam a to-
dos os LEDs.
1. Verificar:
• LED (para funcionamento adequado)
Funcionamento inadequado Substituir.
*****************************************************************************************************************************************************************************************
a. Desconecte o conector do painel
(extremidade da montagem do painel).
7 – 8
ELÉTELÉTELÉTELÉTELÉT
b. Conecte dois cabos jumper 1 dos termi-
nais da bateria ao respectivo terminal do
conector, como indicado.
Luz indicadora deLuz indicadora deLuz indicadora deLuz indicadora deLuz indicadora de TTTTTerminal positierminal positierminal positierminal positierminal positivvvvvo dao dao dao dao da
seta (esquerda/seta (esquerda/seta (esquerda/seta (esquerda/seta (esquerda/ bateriabateriabateriabateriabateria ccccchocolatehocolatehocolatehocolatehocolate
direita)direita)direita)direita)direita) TTTTTerminal negerminal negerminal negerminal negerminal negatiatiatiatiativvvvvo dao dao dao dao da
bateriabateriabateriabateriabateria preto/brancopreto/brancopreto/brancopreto/brancopreto/branco
Luz indicadora deLuz indicadora deLuz indicadora deLuz indicadora deLuz indicadora de TTTTTerminal positierminal positierminal positierminal positierminal positivvvvvo dao dao dao dao da
farol altofarol altofarol altofarol altofarol alto bateriabateriabateriabateriabateria vermelho/vermelho/vermelho/vermelho/vermelho/
branco ou amarelobranco ou amarelobranco ou amarelobranco ou amarelobranco ou amarelo
TTTTTerminal negerminal negerminal negerminal negerminal negatiatiatiatiativvvvvo dao dao dao dao da
bateriabateriabateriabateriabateria preto/brancopreto/brancopreto/brancopreto/brancopreto/branco
Luz indicadora deLuz indicadora deLuz indicadora deLuz indicadora deLuz indicadora de TTTTTerminal positierminal positierminal positierminal positierminal positivvvvvo dao dao dao dao da
ponto morponto morponto morponto morponto mortototototo bateriabateriabateriabateriabateria vermelho/vermelho/vermelho/vermelho/vermelho/
brancobrancobrancobrancobranco TTTTTerminalerminalerminalerminalerminal
negnegnegnegnegatiatiatiatiativvvvvo da bateriao da bateriao da bateriao da bateriao da bateria
preto/branco ou verdepreto/branco ou verdepreto/branco ou verdepreto/branco ou verdepreto/branco ou verde
claroclaroclaroclaroclaro
Luz de aviso deLuz de aviso deLuz de aviso deLuz de aviso deLuz de aviso de TTTTTerminal positierminal positierminal positierminal positierminal positivvvvvo dao dao dao dao da
problemas no motorproblemas no motorproblemas no motorproblemas no motorproblemas no motor bateriabateriabateriabateriabateria vermelho/vermelho/vermelho/vermelho/vermelho/
brancobrancobrancobrancobranco
TTTTTerminal negerminal negerminal negerminal negerminal negatiatiatiatiativvvvvo dao dao dao dao da
bateriabateriabateriabateriabateria preto/brancopreto/brancopreto/brancopreto/brancopreto/branco
INSPEÇÃO DOS LEDSINSPEÇÃO DOS LEDSINSPEÇÃO DOS LEDSINSPEÇÃO DOS LEDSINSPEÇÃO DOS LEDS
••••• Um fio usado como cabo jumper deve ter aUm fio usado como cabo jumper deve ter aUm fio usado como cabo jumper deve ter aUm fio usado como cabo jumper deve ter aUm fio usado como cabo jumper deve ter a
mesma capacidade que o cabo condutormesma capacidade que o cabo condutormesma capacidade que o cabo condutormesma capacidade que o cabo condutormesma capacidade que o cabo condutor
original ou pode queimaroriginal ou pode queimaroriginal ou pode queimaroriginal ou pode queimaroriginal ou pode queimar.....
••••• É proÉ proÉ proÉ proÉ provável que esta verificação produza cen-vável que esta verificação produza cen-vável que esta verificação produza cen-vável que esta verificação produza cen-vável que esta verificação produza cen-
telhas, então lembre-se de não deixar gástelhas, então lembre-se de não deixar gástelhas, então lembre-se de não deixar gástelhas, então lembre-se de não deixar gástelhas, então lembre-se de não deixar gás
ou fluidos inflamáveis em áreas próximas.ou fluidos inflamáveis em áreas próximas.ou fluidos inflamáveis em áreas próximas.ou fluidos inflamáveis em áreas próximas.ou fluidos inflamáveis em áreas próximas.
c. Quando os cabos jumper forem conecta-
dos aos terminais, o LED respectivo deve
acender.
Não acende Substitua o painel
*****************************************************************************************************************************************************************************************
7 – 9
ELÉTELÉTELÉTELÉTELÉT
SISSISSISSISSISTEMA DE IGNIÇÃOTEMA DE IGNIÇÃOTEMA DE IGNIÇÃOTEMA DE IGNIÇÃOTEMA DE IGNIÇÃO
DIADIADIADIADIAGRAMA ELÉTRICOGRAMA ELÉTRICOGRAMA ELÉTRICOGRAMA ELÉTRICOGRAMA ELÉTRICO
SISSISSISSISSISTEMA DE IGNIÇÃOTEMA DE IGNIÇÃOTEMA DE IGNIÇÃOTEMA DE IGNIÇÃOTEMA DE IGNIÇÃO
2Sensordeposiçãodo
virabrequim/Magneto
JChavedeignição
3Bateria
7Fusívelprincipal/Relé
departida
PInterruptordeengine
stop
CECU
DBobinadeignição/
Vela
EInterruptorde
inclinação
KFusíveldeignição
7 – 10
ELÉTELÉTELÉTELÉTELÉT
1. Verificar:
• Fusíveis principal e de ignição.
• Bateria.
• Vela de ignição.
• Faísca.
• Resistência do cachimbo da vela de ig-
nição.
• Resistência da bobina de ignição.
• Resistência do sensor de posição do
virabrequim.
• Chave de ignição.
• Interruptor de engine stop.
• Sensor de inclinação.
• Conexões da fiação (de todo o sistema
de ignição).
DIADIADIADIADIAGNÓSGNÓSGNÓSGNÓSGNÓSTICO E SOLUÇÃO DE PROBLEMATICO E SOLUÇÃO DE PROBLEMATICO E SOLUÇÃO DE PROBLEMATICO E SOLUÇÃO DE PROBLEMATICO E SOLUÇÃO DE PROBLEMASSSSS
SISSISSISSISSISTEMA DE IGNIÇÃOTEMA DE IGNIÇÃOTEMA DE IGNIÇÃOTEMA DE IGNIÇÃOTEMA DE IGNIÇÃO
O sistema de ignição não funcionaO sistema de ignição não funcionaO sistema de ignição não funcionaO sistema de ignição não funcionaO sistema de ignição não funciona
(sem faísca ou faísca intermitente).(sem faísca ou faísca intermitente).(sem faísca ou faísca intermitente).(sem faísca ou faísca intermitente).(sem faísca ou faísca intermitente).
NONONONONOTTTTTA:A:A:A:A:
Antes de fazer o diagnóstico e solução de
problemas, remova as seguintes peças:
• Assento.
• Tampas laterais (esquerda e direita).
• Tampas laterais (esquerda e direita) do
tanque de combustível.
• Tanque de combustível.
Faça o diagnóstico e solução de problemas
com as seguintes ferramentas especiais:
Multímetro digital:Multímetro digital:Multímetro digital:Multímetro digital:Multímetro digital:
90890-03190890-03190890-03190890-03190890-0317777744444
TTTTTestador dinâmico de faísca:estador dinâmico de faísca:estador dinâmico de faísca:estador dinâmico de faísca:estador dinâmico de faísca:
90890-0675490890-0675490890-0675490890-0675490890-06754
2. Bateria
• Verifique a condição da bateria.
Consulte "INSPEÇÃO E CARGA DA BA-
TERIA" no capítulo 3.
• A bateria está OK?
TTTTTensão mínima em circuito aberensão mínima em circuito aberensão mínima em circuito aberensão mínima em circuito aberensão mínima em circuito aberto:to:to:to:to:
111112,82,82,82,82,8 V ou a mais a 20V ou a mais a 20V ou a mais a 20V ou a mais a 20V ou a mais a 20ooooo
CCCCC
SIM NÃO
• Limpe os terminais
da bateria.
• Recarregue ou
troque a bateria.
1. Fusíveis principal e de ignição
• Verifique a continuidade dos fusíveis
principal e de ignição.
Consulte "VERIFICAÇÃO DOS FUSÍVEIS"
no capítulo 3.
• Os fusíveis principal e de ignição estão
OK?
Troque o(s) fusível(is).
SIM NÃO
3. Vela de ignição
• Verifique a condição da vela de ignição.
• Verifique o tipo da vela de ignição.
• Meça a folga da vela de ignição.
Consulte "INSPEÇÃO DA VELA DE IG-
NIÇÃO” no capítulo 3.
• A vela de ignição está em boas condi-
ções, é do tipo certo e sua folga está
dentro da especificação?
SIM NÃO
Corrija ou troque a
vela de ignição.
VVVVVela de igniçãoela de igniçãoela de igniçãoela de igniçãoela de ignição:::::
DR8EA (NGK)DR8EA (NGK)DR8EA (NGK)DR8EA (NGK)DR8EA (NGK)
FFFFFolgolgolgolgolga da vela de igniçãoa da vela de igniçãoa da vela de igniçãoa da vela de igniçãoa da vela de ignição:::::
0,6 ~ 0,7 mm0,6 ~ 0,7 mm0,6 ~ 0,7 mm0,6 ~ 0,7 mm0,6 ~ 0,7 mm
7 – 11
ELÉTELÉTELÉTELÉTELÉTSISSISSISSISSISTEMA DE IGNIÇÃOTEMA DE IGNIÇÃOTEMA DE IGNIÇÃOTEMA DE IGNIÇÃOTEMA DE IGNIÇÃO
4. Folga da faísca
• Desconecte o cachimbo 1 da vela de
ignição.
• Conecte o testador dinâmico de faísca
2 como indicado.
• Coloque a chave de ignição na posição
"ON".
• Meça a folga entre os eletrodos a.
• Acione o motor, acionando o interrup-
tor de partida e aumente gradualmente
o espaçamento até ocorrer uma falha
na faísca.
• Há faísca e a folga está dentro da espe-
cificação?
O sistema de ignição
está OK.
FFFFFolgolgolgolgolga mínima:a mínima:a mínima:a mínima:a mínima:
6,0 mm6,0 mm6,0 mm6,0 mm6,0 mm
SIM NÃO
5. Resistência do cachimbo da vela de ig-
nição
• Remova o cachimbo da vela do cabo.
• Conecte o multímetro ao cachimbo da
vela, como indicado.
• Meça a resistência do cachimbo da vela
de ignição.
• O cachimbo da vela está OK?
Troque o cachimbo
da vela.
RRRRResistência do cacesistência do cacesistência do cacesistência do cacesistência do cachimbo da vela:himbo da vela:himbo da vela:himbo da vela:himbo da vela:
5,0 k5,0 k5,0 k5,0 k5,0 kΩΩΩΩΩ a 20a 20a 20a 20a 20ooooo
CCCCC
SIM NÃO
7 – 12
ELÉTELÉTELÉTELÉTELÉTSISSISSISSISSISTEMA DE IGNIÇÃOTEMA DE IGNIÇÃOTEMA DE IGNIÇÃOTEMA DE IGNIÇÃOTEMA DE IGNIÇÃO
6. Resistência da bobina de ignição
• Desconecte os conectores da bobina de
ignição dos terminais.
• Conecte o multímetro à bobina de igni-
ção, como indicado.
PPPPPonta positionta positionta positionta positionta positiva do multímetrova do multímetrova do multímetrova do multímetrova do multímetro
marmarmarmarmarrom/vermelhorom/vermelhorom/vermelhorom/vermelhorom/vermelho
PPPPPonta negonta negonta negonta negonta negatiatiatiatiativa do multímetrova do multímetrova do multímetrova do multímetrova do multímetro
laranjalaranjalaranjalaranjalaranja
• Meça a resistência da bobina primária.
• Conecte o multímetro à bobina de igni-
ção, como indicado.
PPPPPonta negonta negonta negonta negonta negatiatiatiatiativa do multímetrova do multímetrova do multímetrova do multímetrova do multímetro
cabo condutorcabo condutorcabo condutorcabo condutorcabo condutor 11111
PPPPPonta positionta positionta positionta positionta positiva do multímetrova do multímetrova do multímetrova do multímetrova do multímetro
marmarmarmarmarrom/vermelhorom/vermelhorom/vermelhorom/vermelhorom/vermelho 22222
• Meça a resistência da bobina secundária.
• A bobina de ignição está OK?
RRRRResistência da bobina primária:esistência da bobina primária:esistência da bobina primária:esistência da bobina primária:esistência da bobina primária:
2,1 ~ 2,62,1 ~ 2,62,1 ~ 2,62,1 ~ 2,62,1 ~ 2,6 ΩΩΩΩΩ a 20a 20a 20a 20a 20ooooo
CCCCC
RRRRResistência da bobina secundária:esistência da bobina secundária:esistência da bobina secundária:esistência da bobina secundária:esistência da bobina secundária:
77777,2 ~ 1,2 ~ 1,2 ~ 1,2 ~ 1,2 ~ 14,4k4,4k4,4k4,4k4,4k ΩΩΩΩΩ a 20a 20a 20a 20a 20ooooo
CCCCC
SIM NÃO
Substitua a bobina
de ignição.
8. Chave de ignição
• Verifique a continuidade da ignição.
Consulte "INSPEÇÃO DOS INTERRUP-
TORES".
• A ignição está OK?
Substitua a chave
ignição.
SIM NÃO
7. Resistência do sensor de posição do
virabrequim
• Desconecte o conector do sensor de po-
sição do virabrequim do chicote.
• Conecte o multímetro (Ω x 100) ao ter-
minal do sensor como indicado.
PPPPPonta positionta positionta positionta positionta positiva do multímetrova do multímetrova do multímetrova do multímetrova do multímetro
azul/amareloazul/amareloazul/amareloazul/amareloazul/amarelo 11111
PPPPPonta negonta negonta negonta negonta negatiatiatiatiativa do multímetrova do multímetrova do multímetrova do multímetrova do multímetro
verdeverdeverdeverdeverde 22222
• Meça a resistência do sensor de posi-
ção do virabrequim.
• O sensor de posição do virabrequim
está OK?
G LY
RRRRResistência do sensor de posiçãoesistência do sensor de posiçãoesistência do sensor de posiçãoesistência do sensor de posiçãoesistência do sensor de posição
do virabrequimdo virabrequimdo virabrequimdo virabrequimdo virabrequim:::::
1111192 ~ 28892 ~ 28892 ~ 28892 ~ 28892 ~ 288 Ω a 20a 20a 20a 20a 20ooooo
C:C:C:C:C:
(entre preto/azul e azul/amarelo)(entre preto/azul e azul/amarelo)(entre preto/azul e azul/amarelo)(entre preto/azul e azul/amarelo)(entre preto/azul e azul/amarelo)
SIM NÃO
Substitua o sensor
de posição do
virabrequim.
7 – 13
ELÉTELÉTELÉTELÉTELÉTSISSISSISSISSISTEMA DE IGNIÇÃOTEMA DE IGNIÇÃOTEMA DE IGNIÇÃOTEMA DE IGNIÇÃOTEMA DE IGNIÇÃO
9. Interruptor de engine stop
• Verifique a continuidade do interruptor
de parada do motor.
Consulte "INSPEÇÃO DOS INTERRUP-
TORES".
• O interruptor de parada do motor está
OK?
Substitua o
interruptor do
guidão direito.
SIM NÃO
11. Fiação
• Verifique toda a fiação do sistema de
ignição.
Consulte o "DIAGRAMA DO CIRCUITO".
• A fiação do sistema de ignição está co-
nectada corretamente e sem defeitos?
Conecte ou repare a
fiação do sistema de
ignição.
Substitua a ECU.
SIM NÃO
10. Sensor de inclinação
• Conecte o multímetro (CC 20 V) aos ter-
minais do interruptor como indicado.
PPPPPonta positionta positionta positionta positionta positiva do multímetrova do multímetrova do multímetrova do multímetrova do multímetro
amarelo/verdeamarelo/verdeamarelo/verdeamarelo/verdeamarelo/verde 1
PPPPPonta negonta negonta negonta negonta negatiatiatiatiativa do multímetrova do multímetrova do multímetrova do multímetrova do multímetro
preto/azulpreto/azulpreto/azulpreto/azulpreto/azul 2
• O sensor de inclinação está OK?
Substitua o sensor de
inclinação.
TTTTTensãoensãoensãoensãoensão do sensor de inclinação:do sensor de inclinação:do sensor de inclinação:do sensor de inclinação:do sensor de inclinação:
Menos que 45Menos que 45Menos que 45Menos que 45Menos que 45ooooo
CCCCC a 0,4 ~ 1,40,4 ~ 1,40,4 ~ 1,40,4 ~ 1,40,4 ~ 1,4 VVVVV
Mais que 45Mais que 45Mais que 45Mais que 45Mais que 45ooooo
CCCCC a 3,7 ~ 4,43,7 ~ 4,43,7 ~ 4,43,7 ~ 4,43,7 ~ 4,4 VVVVV
SIM NÃO
7 – 14
ELÉTELÉTELÉTELÉTELÉT
SISSISSISSISSISTEMA DE PTEMA DE PTEMA DE PTEMA DE PTEMA DE PARARARARARTIDTIDTIDTIDTIDA ELÉTRICAA ELÉTRICAA ELÉTRICAA ELÉTRICAA ELÉTRICA
DIADIADIADIADIAGRAMA ELÉTRICOGRAMA ELÉTRICOGRAMA ELÉTRICOGRAMA ELÉTRICOGRAMA ELÉTRICO
SISSISSISSISSISTEMA DE PTEMA DE PTEMA DE PTEMA DE PTEMA DE PARARARARARTIDTIDTIDTIDTIDA ELÉTRICAA ELÉTRICAA ELÉTRICAA ELÉTRICAA ELÉTRICA
BInterruptordoneutro
JChavedeignição
3Bateria
7Fusívelprincipal/Reléde
partida
4Motordepartida
PInterruptordeengine
stop
MInterruptordocavalete
lateral
OInterruptorda
embreagem
7 – 15
ELÉTELÉTELÉTELÉTELÉT
CIRCUITCIRCUITCIRCUITCIRCUITCIRCUITO DE PO DE PO DE PO DE PO DE PARARARARARTIDTIDTIDTIDTIDA EA EA EA EA E
SISSISSISSISSISTEMA DE CORTEMA DE CORTEMA DE CORTEMA DE CORTEMA DE CORTE DE IGNIÇÃOTE DE IGNIÇÃOTE DE IGNIÇÃOTE DE IGNIÇÃOTE DE IGNIÇÃO
OPERAÇÃOOPERAÇÃOOPERAÇÃOOPERAÇÃOOPERAÇÃO
Se o interruptor de parada do motor está
posicionado em " " e a chave de ignição
está posicionada em "ON" (ambos os inter-
ruptores estão fechados), o motor de partida
poderá operar se uma das condições a se-
guir for atendida:
• A transmissão estiver em ponto morto (o
interruptor de ponto morto está fechado).
• A alavanca da embreagem estiver puxa-
da (o interruptor da embreagem está fe-
chado) e o cavalete lateral estiver para
cima (o interruptor do cavalete lateral está
fechado).
O sistema de corte de ignição, evita que o
motor de partida funcione quando nenhuma
das condições acima for atendida. Neste
caso, o circuito de partida é aberto, então a
corrente não consegue chegar até o motor
de partida. Quando pelo menos uma das con-
dições acima for atendida, o circuito de par-
tida é fechado e pode-se dar partida no mo-
tor ao apertar o interruptor de partida.
QUANDO A TRANSMISSÃO
ESTIVER EM PONTO MORTO.
QUANDO O CAVALETE LATE-
RAL ESTIVER PARA CIMA E A
ALAVANCA DA EMBREAGEM
FOR PUXADA.
1 Bateria
2 Fusível principal
3 Chave de ignição
4 Fusível de ignição
5 Interruptor de engine stop
6 Relé
7 Diodos
8 Interruptor da embreagem
9 Interruptor do cavalete lateral
0 Interruptor do neutro
A Interruptor de partida
B Relé de partida
C Motor de partida
SISSISSISSISSISTEMA DE PTEMA DE PTEMA DE PTEMA DE PTEMA DE PARARARARARTIDTIDTIDTIDTIDA ELÉTRICAA ELÉTRICAA ELÉTRICAA ELÉTRICAA ELÉTRICA
7 – 16
ELÉTELÉTELÉTELÉTELÉT
O motor de parO motor de parO motor de parO motor de parO motor de partida não funciona.tida não funciona.tida não funciona.tida não funciona.tida não funciona.
1. Verificar:
• Fusíveis principal e de ignição.
• Bateria.
• Motor de partida.
• Relé de partida.
• Chave de ignição.
• Interruptor de engine stop.
• Interruptor do neutro.
• Interruptor do cavalete lateral.
• Interruptor da embreagem.
• Interruptor de partida.
• Conexões da fiação (sistema de parti-
da).
DIADIADIADIADIAGNÓSGNÓSGNÓSGNÓSGNÓSTICO E SOLUÇÃO DE PROBLEMATICO E SOLUÇÃO DE PROBLEMATICO E SOLUÇÃO DE PROBLEMATICO E SOLUÇÃO DE PROBLEMATICO E SOLUÇÃO DE PROBLEMASSSSS
SISSISSISSISSISTEMA DE PTEMA DE PTEMA DE PTEMA DE PTEMA DE PARARARARARTIDTIDTIDTIDTIDA ELÉTRICAA ELÉTRICAA ELÉTRICAA ELÉTRICAA ELÉTRICA
NONONONONOTTTTTA:A:A:A:A:
Antes de fazer o diagnóstico e solução de
problemas, remova as seguintes peças:
• Assento.
• Tampas laterais (esquerda e direita).
• Tampas laterais (esquerda e direita) do
tanque de combustível.
• Tanque de combustível.
Faça o diagnóstico e solução de problemas
com as seguintes ferramentas especiais:
Multímetro digital:Multímetro digital:Multímetro digital:Multímetro digital:Multímetro digital:
90890-03190890-03190890-03190890-03190890-0317777744444
1. Fusíveis principal e de ignição
• Verifique a continuidade dos fusíveis
principal e de ignição.
Consulte "VERIFICAÇÃO DOS FUSÍVEIS"
no capítulo 3.
• Os fusíveis principal e de ignição estão
OK?
Troque o(s) fusível(is).
SIM NÃO
3. Motor de partida
• Conecte o terminal positivo da bateria
1 e o cabo do motor de partida 2 com
um cabo jumper 3.
2. Bateria
• Verifique a condição da bateria.
Consulte "INSPEÇÃO E CARGA DA BA-
TERIA" no capítulo 3.
• A bateria está OK?
TTTTTensão mínima em circuito aberensão mínima em circuito aberensão mínima em circuito aberensão mínima em circuito aberensão mínima em circuito aberto:to:to:to:to:
111112,82,82,82,82,8 V ou a mais a 20V ou a mais a 20V ou a mais a 20V ou a mais a 20V ou a mais a 20ooooo
CCCCC
SIM NÃO
• Limpe os terminais
da bateria.
• Recarregue ou
troque a bateria.
Repare ou
substitua o motor.
SIM NÃO
••••• Um fio usado como cabo jumper deve ter aUm fio usado como cabo jumper deve ter aUm fio usado como cabo jumper deve ter aUm fio usado como cabo jumper deve ter aUm fio usado como cabo jumper deve ter a
mesma capacidade que o cabo original oumesma capacidade que o cabo original oumesma capacidade que o cabo original oumesma capacidade que o cabo original oumesma capacidade que o cabo original ou
pode queimarpode queimarpode queimarpode queimarpode queimar.....
••••• É proÉ proÉ proÉ proÉ provável que esta verificação produzavável que esta verificação produzavável que esta verificação produzavável que esta verificação produzavável que esta verificação produza
faíscas, então não deixe gás ou fluidos in-faíscas, então não deixe gás ou fluidos in-faíscas, então não deixe gás ou fluidos in-faíscas, então não deixe gás ou fluidos in-faíscas, então não deixe gás ou fluidos in-
flamáveis em áreas próximas.flamáveis em áreas próximas.flamáveis em áreas próximas.flamáveis em áreas próximas.flamáveis em áreas próximas.
• O motor de partida funciona?
7 – 17
ELÉTELÉTELÉTELÉTELÉTSISSISSISSISSISTEMA DE PTEMA DE PTEMA DE PTEMA DE PTEMA DE PARARARARARTIDTIDTIDTIDTIDA ELÉTRICAA ELÉTRICAA ELÉTRICAA ELÉTRICAA ELÉTRICA
5. Chave de ignição
• Verifique a continuidade da chave de ig-
nição.
Consulte "INSPEÇÃO DOS INTERRUP-
TORES".
• A chave de ignição está OK?
Substitua a chave
de ignição.
SIM NÃO
6. Interruptor de engine stop
• Verifique a continuidade do interruptor
de engine stop.
Consulte "INSPEÇÃO DOS INTERRUP-
TORES".
• O interruptor de parada do motor está
OK?
Substitua o
interruptor do
guidão direito.
SIM NÃO
7. Interruptor do neutro
• Verifique a continuidade do interruptor
do neutro.
Consulte "INSPEÇÃO DOS INTERRUP-
TORES".
• O interruptor do neutro está OK?
Substitua o
interruptor do
neutro.
SIM NÃO
8. Interruptor do cavalete lateral
• Verifique a continuidade do interruptor
do cavalete lateral.
Consulte "INSPEÇÃO DOS INTERRUP-
TORES".
• O interruptor do cavalete lateral está OK?
Substitua o
interruptor do
cavalete lateral.
SIM NÃO
4. Relé de partida
• Desconecte o conector do relé de partida.
• Conecte o multímetro (Ω x 1) e a bate-
ria (12 V) ao conector do relé de parti-
da, como indicado.
Fio positiFio positiFio positiFio positiFio positivvvvvo da bateriao da bateriao da bateriao da bateriao da bateria azul/pretoazul/pretoazul/pretoazul/pretoazul/preto 11111
Fio negFio negFio negFio negFio negatiatiatiatiativvvvvo da bateriao da bateriao da bateriao da bateriao da bateria
cinza/amarelocinza/amarelocinza/amarelocinza/amarelocinza/amarelo 22222
PPPPPonta positionta positionta positionta positionta positiva do multímetrova do multímetrova do multímetrova do multímetrova do multímetro
vermelhovermelhovermelhovermelhovermelho 33333
PPPPPonta negonta negonta negonta negonta negatiatiatiatiativa do multímetrova do multímetrova do multímetrova do multímetrova do multímetro
pretopretopretopretopreto 44444
• O relé de partida possui continuidade
entre vermelho e preto?
GY LB
R R
Substitua o relé
de partida.
SIM NÃO
7 – 18
ELÉTELÉTELÉTELÉTELÉTSISSISSISSISSISTEMA DE PTEMA DE PTEMA DE PTEMA DE PTEMA DE PARARARARARTIDTIDTIDTIDTIDA ELÉTRICAA ELÉTRICAA ELÉTRICAA ELÉTRICAA ELÉTRICA
9. Interruptor da embreagem
• Verifique a continuidade do interruptor
da embreagem.
Consulte "INSPEÇÃO DOS INTERRUP-
TORES".
• O interruptor da embreagem está OK?
Substitua o
interruptor da
embreagem.
SIM NÃO
10. Interruptor de partida
• Verifique a continuidade do interruptor
de partida.
Consulte "INSPEÇÃO DOS INTERRUP-
TORES".
• O interruptor de partida está OK?
Substitua o
interruptor de
partida.
SIM NÃO
11. Fiação
• Verifique toda a fiação do sistema de
partida.
Consulte o "DIAGRAMA DO CIRCUITO".
• A fiação do sistema de ignição está co-
nectada corretamente e sem falhas?
Substitua, conecte ou
repare a fiação do
sistema de partida.
SIM NÃO
O sistema de
partida está OK.
7 – 19
ELÉTELÉTELÉTELÉTELÉT
MOMOMOMOMOTTTTTOR DE POR DE POR DE POR DE POR DE PARARARARARTIDTIDTIDTIDTIDAAAAA
MOMOMOMOMOTTTTTOR DE POR DE POR DE POR DE POR DE PARARARARARTIDTIDTIDTIDTIDAAAAA
1,0kgf.m (10N.m)
1,0kgf.m (10N.m)
OrdemOrdemOrdemOrdemOrdem SSSSServiço/Perviço/Perviço/Perviço/Perviço/Peçaeçaeçaeçaeça ObservaçõesObservaçõesObservaçõesObservaçõesObservaçõesQtde.Qtde.Qtde.Qtde.Qtde.
RRRRRemoção do motor de paremoção do motor de paremoção do motor de paremoção do motor de paremoção do motor de partidatidatidatidatida Remover as peças na ordem
listada
1 Cabo positivo da bateria 1 Desconectar
2 Parafusos 2
3 Motor de partida 1
Para instalação, reverter o
procedimento de remoção
7 – 20
ELÉTELÉTELÉTELÉTELÉTMOMOMOMOMOTTTTTOR DE POR DE POR DE POR DE POR DE PARARARARARTIDTIDTIDTIDTIDAAAAA
2
1
5
4
6
4
7
3
8
Desmontagem do motor de parDesmontagem do motor de parDesmontagem do motor de parDesmontagem do motor de parDesmontagem do motor de partidatidatidatidatida Remover as peças na ordem
listada
1 Suporte dianteiro 1
2 O-ring 1
3 Suporte traseiro 1
4 Arruela de encosto 5
5 Conjunto do estator 1
6 Armadura externa 1
7 Conjunto das escovas 1
8 Cabo do motor de partida 1
Para montagem, reverter o
procedimento de desmontagem
OrdemOrdemOrdemOrdemOrdem SSSSServiço/Perviço/Perviço/Perviço/Perviço/Peçaeçaeçaeçaeça ObservaçõesObservaçõesObservaçõesObservaçõesObservaçõesQtde.Qtde.Qtde.Qtde.Qtde.
7 – 21
ELÉTELÉTELÉTELÉTELÉT
INSPEÇÃO DO MOINSPEÇÃO DO MOINSPEÇÃO DO MOINSPEÇÃO DO MOINSPEÇÃO DO MOTTTTTOR DEOR DEOR DEOR DEOR DE
PPPPPARARARARARTIDTIDTIDTIDTIDAAAAA
1. Verifique:
• Comutador do induzido.
Sujo Limpar com lixa de granulação 600.
2. Medir:
• Diâmetro do comutador a.
Fora da especificação Substitua.
3. Medir:
• Rebaixamento da mica a.
Fora de especificação Raspe a mica com
uma serra de arco para metais até a me-
dida correta.
4. Medir:
• Resistências das bobinas (comutador e
isolamento).
Fora da especificação Substitua.
MOMOMOMOMOTTTTTOR DE POR DE POR DE POR DE POR DE PARARARARARTIDTIDTIDTIDTIDAAAAA
a
V
Limite dLimite dLimite dLimite dLimite do diâmetro:o diâmetro:o diâmetro:o diâmetro:o diâmetro:
28,0 mm28,0 mm28,0 mm28,0 mm28,0 mm
a
V
RRRRRebaixamento da mica:ebaixamento da mica:ebaixamento da mica:ebaixamento da mica:ebaixamento da mica:
0,70 mm0,70 mm0,70 mm0,70 mm0,70 mm
NONONONONOTTTTTA:A:A:A:A:
A mica do comutador deve ser rebaixada
para garantir o funcionamento adequado do
comutador.
7 – 22
ELÉTELÉTELÉTELÉTELÉT
**********************************************************************************************************************************************************************************************
a. Meça as resistências com o multímetro.
b. Se a resistência estiver fora das especifi-
cações, substitua o motor de partida.
**********************************************************************************************************************************************************************************************
5. Medir:
• Comprimento da escova a.
Fora da especificação Substitua as es-
covas como um conjunto.
6. Medir:
• Força da mola da escova.
Fora da especificação Substitua as
molas da escova como um conjunto.
7. Verifique:
• Estrias do eixo do induzido.
Danificados/desgastados Substitua o
motor de partida.
8. Verifique:
• Rolamento.
• Retentor.
Danificados/desgastados Substitua as
peças com defeito.
MOMOMOMOMOTTTTTOR DE POR DE POR DE POR DE POR DE PARARARARARTIDTIDTIDTIDTIDAAAAA
a
Multímetro digital:Multímetro digital:Multímetro digital:Multímetro digital:Multímetro digital:
90890-03190890-03190890-03190890-03190890-0317777744444
Bobina do induzidoBobina do induzidoBobina do induzidoBobina do induzidoBobina do induzido:::::
RRRRResistência do comutadoresistência do comutadoresistência do comutadoresistência do comutadoresistência do comutador
0,00,00,00,00,000000111112 ~ 0,02 ~ 0,02 ~ 0,02 ~ 0,02 ~ 0,0022022022022022 ΩΩΩΩΩ à 20à 20à 20à 20à 20ooooo
CCCCC
RRRRResistência do isolamentoesistência do isolamentoesistência do isolamentoesistência do isolamentoesistência do isolamento
acima de 1 Macima de 1 Macima de 1 Macima de 1 Macima de 1 MΩΩΩΩΩ a 20a 20a 20a 20a 20ooooo
CCCCC
V
Limite de deLimite de deLimite de deLimite de deLimite de desgsgsgsgsgaste:aste:aste:aste:aste:
4,0 mm4,0 mm4,0 mm4,0 mm4,0 mm
V
FFFFForça da mola da escoorça da mola da escoorça da mola da escoorça da mola da escoorça da mola da escova:va:va:va:va:
7777765 ~ 1,065 ~ 1,065 ~ 1,065 ~ 1,065 ~ 1,0000001 gf (71 gf (71 gf (71 gf (71 gf (7,65 ~ 1,65 ~ 1,65 ~ 1,65 ~ 1,65 ~ 10,00,00,00,00,01 N)1 N)1 N)1 N)1 N)
7 – 23
ELÉTELÉTELÉTELÉTELÉT
MONMONMONMONMONTTTTTAGEM DO MOAGEM DO MOAGEM DO MOAGEM DO MOAGEM DO MOTTTTTOR DEOR DEOR DEOR DEOR DE
PPPPPARARARARARTIDTIDTIDTIDTIDAAAAA
1. Instale:
• Suporte das escovas 1.
• Escovas 2.
2. Instale:
• Induzido 1.
3. Instale:
• Suporte traseiro.
4. Instale:
• Arruela de encosto 1.
• Suporte dianteiro/ rolamento/ retentor 2.
• O-ring externo 3.
• Parafusos.
NoNoNoNoNovvvvvooooo
3
1
2
NoNoNoNoNovvvvvooooo
ab
MOMOMOMOMOTTTTTOR DE POR DE POR DE POR DE POR DE PARARARARARTIDTIDTIDTIDTIDAAAAA
1
2
2
1
1
a
PPPPParafusos do suporarafusos do suporarafusos do suporarafusos do suporarafusos do suporte dianteiro:te dianteiro:te dianteiro:te dianteiro:te dianteiro:
0,5 k0,5 k0,5 k0,5 k0,5 kgfgfgfgfgf.m (5 N.m).m (5 N.m).m (5 N.m).m (5 N.m).m (5 N.m)
NONONONONOTTTTTA:A:A:A:A:
Alinhe as marcas a na armadura do motor
de partida às marcas b nos suportes dian-
teiro e traseiro.
NONONONONOTTTTTA:A:A:A:A:
Alinhe a marca a no suporte traseiro com a
marca da armadura 1.
NONONONONOTTTTTA:A:A:A:A:
• Fixe o suporte traseiro para facilitar a ope-
ração.
• Utilizando uma chave de fenda, trave uma
das escovas.
7 – 24
ELÉTELÉTELÉTELÉTELÉT
SISSISSISSISSISTEMA DE CARGATEMA DE CARGATEMA DE CARGATEMA DE CARGATEMA DE CARGA
DIADIADIADIADIAGRAMA ELÉTRICOGRAMA ELÉTRICOGRAMA ELÉTRICOGRAMA ELÉTRICOGRAMA ELÉTRICO
SISSISSISSISSISTEMA DE CARGATEMA DE CARGATEMA DE CARGATEMA DE CARGATEMA DE CARGA
1Retificador/regulador
2MagnetoA.C.
3Bateria
7Fusívelprincipal/Reléde
partida
7 – 25
ELÉTELÉTELÉTELÉTELÉT
A bateria não está carA bateria não está carA bateria não está carA bateria não está carA bateria não está carregregregregregandoandoandoandoando
1. Verificar:
• Fusível principal.
• Bateria.
• Voltagem de carga.
• Resistência da bobina do estator.
• Conexões de fiação (de todo o sistema de
carga).
DIADIADIADIADIAGNÓSGNÓSGNÓSGNÓSGNÓSTICO E SOLUÇÃO DE PROBLEMATICO E SOLUÇÃO DE PROBLEMATICO E SOLUÇÃO DE PROBLEMATICO E SOLUÇÃO DE PROBLEMATICO E SOLUÇÃO DE PROBLEMASSSSS
SISSISSISSISSISTEMA DE CARGATEMA DE CARGATEMA DE CARGATEMA DE CARGATEMA DE CARGA
Multímetro digital:Multímetro digital:Multímetro digital:Multímetro digital:Multímetro digital:
90890-03190890-03190890-03190890-03190890-0317777744444
NONONONONOTTTTTA:A:A:A:A:
Antes de fazer o diagnóstico e solução de
problemas, retire as seguintes peças:
• Assento.
• Tampa lateral esquerda.
Faça o diagnóstico e solução de problemas
com as seguintes ferramentas especiais:
1. Fusíveis principal
• Verifique a continuidade do fusível prin-
cipal.
Consulte "VERIFICAÇÃO DOS FUSÍVEIS"
no capítulo 3.
• O fusível principal está OK?
Substitua o fusível.
SIM NÃO
2. Bateria
• Verifique a condição da bateria.
Consulte "INSPEÇÃO E CARGA DA BA-
TERIA" no capítulo 3.
• A bateria está OK?
TTTTTensão mínima em circuito aberensão mínima em circuito aberensão mínima em circuito aberensão mínima em circuito aberensão mínima em circuito aberto:to:to:to:to:
111112,82,82,82,82,8 V ou a mais a 20V ou a mais a 20V ou a mais a 20V ou a mais a 20V ou a mais a 20ooooo
CCCCC
SIM NÃO
• Limpe os terminais
da bateria.
• Recarregue ou
troque a bateria.
7 – 26
ELÉTELÉTELÉTELÉTELÉTSISSISSISSISSISTEMA DE CARGATEMA DE CARGATEMA DE CARGATEMA DE CARGATEMA DE CARGA
3. Voltagem de carga
• Conecte o multímetro (CC 20 V) à bate-
ria, como indicado.
PPPPPonta positionta positionta positionta positionta positivavavavava terminal posititerminal posititerminal posititerminal posititerminal positivvvvvo dao dao dao dao da
bateriabateriabateriabateriabateria
PPPPPonta negonta negonta negonta negonta negatiatiatiatiativavavavava terminal negterminal negterminal negterminal negterminal negatiatiatiatiativvvvvo dao dao dao dao da
bateriabateriabateriabateriabateria
• Ligue o motor e deixe-o funcionando a
aproximadamente 5.000 rpm.
• Meça a voltagem de carga.
VVVVVoltagem de cargoltagem de cargoltagem de cargoltagem de cargoltagem de carga:a:a:a:a:
111114,04,04,04,04,0 V a 5.0V a 5.0V a 5.0V a 5.0V a 5.0000000 rpm0 rpm0 rpm0 rpm0 rpm
SIM NÃO
NONONONONOTTTTTA:A:A:A:A:
Certifique-se de que a bateria esteja total-
mente carregada.
• A voltagem de carga está dentro da
especificação?
O circuito de carga
está OK.
Se a voltagem de
carga estiver maior
que a determinada,
troque o retificado
(regulador).
Se a voltagem de
carga estiver menor
que a determinada,
verifique a
resistência da
bobina do estator.
4. Resistência da bobina do estator
• Desconecte o conector do magnetoA.C.
do chicote.
• Conecte o multímetro (Ω x 1) às bobi-
nas de carga, como indicado.
PPPPPonta positionta positionta positionta positionta positivavavavava vermelhovermelhovermelhovermelhovermelho 11111
PPPPPonta negonta negonta negonta negonta negatiatiatiatiativavavavava brancobrancobrancobrancobranco 22222
PPPPPonta positionta positionta positionta positionta positivavavavava vermelhovermelhovermelhovermelhovermelho 11111
PPPPPonta negonta negonta negonta negonta negatiatiatiatiativavavavava brancobrancobrancobrancobranco 33333
• Meça a resistência do sensor de posi-
ção do virabrequim.
• A bobina do estator está OK?
RRRRResistência da bobina do estatoresistência da bobina do estatoresistência da bobina do estatoresistência da bobina do estatoresistência da bobina do estator:::::
0,42 ~ 0,620,42 ~ 0,620,42 ~ 0,620,42 ~ 0,620,42 ~ 0,62 Ω à 20à 20à 20à 20à 20ooooo
C:C:C:C:C:
(entre branco e branco)(entre branco e branco)(entre branco e branco)(entre branco e branco)(entre branco e branco)
SIM NÃO
Substitua o estator.
5. Fiação
• Verifique a fiação do sistema de carga.
Consulte "DIAGRAMA DO CIRCUITO".
• A fiação do sistema de carga está cor-
retamente conectada e sem defeitos?
Conecte ou repare a
fiação do sistema
de carga.
SIM NÃO
Substitua o
retificador/
regulador.
7 – 27
ELÉTELÉTELÉTELÉTELÉT
SISSISSISSISSISTEMA DE ILUMINAÇÃOTEMA DE ILUMINAÇÃOTEMA DE ILUMINAÇÃOTEMA DE ILUMINAÇÃOTEMA DE ILUMINAÇÃO
DIADIADIADIADIAGRAMA ELÉTRICOGRAMA ELÉTRICOGRAMA ELÉTRICOGRAMA ELÉTRICOGRAMA ELÉTRICO
SISSISSISSISSISTEMA DE ILUMINAÇÃOTEMA DE ILUMINAÇÃOTEMA DE ILUMINAÇÃOTEMA DE ILUMINAÇÃOTEMA DE ILUMINAÇÃO
JChavedeignição
3Bateria
7Fusívelprincipal/Reléde
partida
CECU
TInterruptordofarolalto/
baixo
^Farol
ZLuzdefreio
LFusíveldofarol
7 – 28
ELÉTELÉTELÉTELÉTELÉT
Qualquer uma das seguintes luzQualquer uma das seguintes luzQualquer uma das seguintes luzQualquer uma das seguintes luzQualquer uma das seguintes luzes nãoes nãoes nãoes nãoes não
se acende: farol, luz indicadora de farolse acende: farol, luz indicadora de farolse acende: farol, luz indicadora de farolse acende: farol, luz indicadora de farolse acende: farol, luz indicadora de farol
alto, lanterna traseira e/ou painel.alto, lanterna traseira e/ou painel.alto, lanterna traseira e/ou painel.alto, lanterna traseira e/ou painel.alto, lanterna traseira e/ou painel.
1. Verificar:
• Fusíveis principal e do farol.
• Bateria.
• Chave de ignição.
• Interruptor do farol alto/baixo.
• Interruptor de passagem.
• Conexões da fiação (de todo o sistema
de iluminação).
DIADIADIADIADIAGNÓSGNÓSGNÓSGNÓSGNÓSTICO E SOLUÇÃO DE PROBLEMATICO E SOLUÇÃO DE PROBLEMATICO E SOLUÇÃO DE PROBLEMATICO E SOLUÇÃO DE PROBLEMATICO E SOLUÇÃO DE PROBLEMASSSSS
SISSISSISSISSISTEMA DE ILUMINAÇÃOTEMA DE ILUMINAÇÃOTEMA DE ILUMINAÇÃOTEMA DE ILUMINAÇÃOTEMA DE ILUMINAÇÃO
NONONONONOTTTTTA:A:A:A:A:
Antes de fazer o diagnóstico e solução de
problemas, remova as seguintes peças:
• Assento.
• Tampas laterais (esquerda e direita).
• Tampas laterais (esquerda e direita) do
tanque de combustível.
• Tanque de combustível.
• Conjunto do farol.
Faça o diagnóstico e solução de problemas
com as seguintes ferramentas especiais:
Multímetro digital:Multímetro digital:Multímetro digital:Multímetro digital:Multímetro digital:
90890-03190890-03190890-03190890-03190890-0317777744444
3. Chave de ignição
• Verifique a continuidade da ignição.
Consulte "INSPEÇÃO DOS INTERRUP-
TORES".
• A chave de ignição está OK?
Substitua a chave
de ignição.
SIM NÃO
2. Bateria
• Verifique a condição da bateria.
Consulte "INSPEÇÃO E CARGA DA BA-
TERIA" no capítulo 3.
• A bateria está OK?
TTTTTensão mínima em circuito aberensão mínima em circuito aberensão mínima em circuito aberensão mínima em circuito aberensão mínima em circuito aberto:to:to:to:to:
111112,82,82,82,82,8 V ou a mais a 20V ou a mais a 20V ou a mais a 20V ou a mais a 20V ou a mais a 20ooooo
CCCCC
SIM NÃO
• Limpe os terminais
da bateria.
• Recarregue ou
troque a bateria.
1. Fusíveis da chave de ignição e do farol
• Verifique a continuidade dos fusíveis
principal e do farol.
Consulte "INSPEÇÃO DOS FUSÍVEIS" no
capítulo 3.
• Os fusíveis principal e do farol estão OK?
Substitua o(s) fusível(is).
SIM NÃO
7 – 29
ELÉTELÉTELÉTELÉTELÉTSISSISSISSISSISTEMA DE ILUMINAÇÃOTEMA DE ILUMINAÇÃOTEMA DE ILUMINAÇÃOTEMA DE ILUMINAÇÃOTEMA DE ILUMINAÇÃO
4. Interruptor do farol alto/baixo
• Verifique a continuidade do interruptor
do farol alto/baixo.
Consulte "INSPEÇÃO DOS INTERRUP-
TORES".
• O interruptor do farol alto/baixo está OK?
SIM NÃO
Substitua o interruptor
do guidão esquerdo.
6. Interruptor de iluminação
• Verifique a continuidade do interruptor
de iluminação.
Consulte "INSPEÇÃO DOS INTERRUP-
TORES".
• O interruptor de iluminação está OK?
SIM NÃO
Substitua o interruptor
do guidão esquerdo.
5. Interruptor de passagem
• Verifique a continuidade do interruptor
de passagem.
Consulte "INSPEÇÃO DOS INTERRUP-
TORES".
• O interruptor de passagem está OK?
SIM NÃO
Substitua o interruptor
do guidão esquerdo.
7. Fiação
• Verifiqueafiaçãodosistemadeiluminação.
Consulte "DIAGRAMA ELÉTRICO".
• A fiação do sistema de iluminação está
corretamente conectada e sem defeitos?
SIM NÃO
Conecte ou repare
corretamente a
fiação do sistema
de iluminação.
Verifique a condição de
cada circuito do
sistema de iluminação.
Consulte “INSPEÇÃO
DO SISTEMA DE
ILUMINAÇÃO”.
7 – 30
ELÉTELÉTELÉTELÉTELÉT
INSPEÇÃO DO SISINSPEÇÃO DO SISINSPEÇÃO DO SISINSPEÇÃO DO SISINSPEÇÃO DO SISTEMA DE ILUMINAÇÃOTEMA DE ILUMINAÇÃOTEMA DE ILUMINAÇÃOTEMA DE ILUMINAÇÃOTEMA DE ILUMINAÇÃO
SISSISSISSISSISTEMA DE ILUMINAÇÃOTEMA DE ILUMINAÇÃOTEMA DE ILUMINAÇÃOTEMA DE ILUMINAÇÃOTEMA DE ILUMINAÇÃO
1. O farol e a luz indicadora de farol alto não
se acendem.
1. Lâmpada e soquete do farol
• Verifique a continuidade da lâmpada e
do soquete do farol.
Consulte "INSPEÇÃO DAS LÂMPADAS
E SOQUETES".
• Alâmpada e o soquete do farol estão OK?
SIM NÃO
Substitua a lâmpada
ou o soquete do farol
ou ambos.
2. Luz indicadora de farol alto (LED)
• Verifique o LED da luz indicadora de
farol alto.
Consulte "INSPEÇÃO DOS LEDS".
• O LED da luz indicadora de farol alto
está OK?
SIM NÃO
Substitua o painel.
3. Tensão
• Conecte o multímetro (DC 20 V) aos
conectores do farol e do painel, como
indicado.
A Quando o interruptor estiver em “ “
B Quando o interruptor estiver em “ “
Conectores do farol (chicote)
A fiação da chave de
ignição ao conector do
farol ou painel está
com defeito e deve ser
reparada.
Farol
PPPPPonta positionta positionta positionta positionta positivavavavava amareloamareloamareloamareloamarelo 11111 ou verdeou verdeou verdeou verdeou verde 22222
PPPPPonta negonta negonta negonta negonta negatiatiatiatiativavavavava pretopretopretopretopreto 33333
Luz indicadora de farol alto (LED)
PPPPPonta positionta positionta positionta positionta positivavavavava amareloamareloamareloamareloamarelo 44444
PPPPPonta negonta negonta negonta negonta negatiatiatiatiativavavavava pretopretopretopretopreto 55555
Conectores do painel (chicote)
• Coloque a chave de ignição em "ON".
• Ligue o motor.
• Coloque o interruptor em ou .
• Meça a tensão (DC 12 V) do amarelo 1
ou verde 2 no conector do farol (chico-
te) e amarelo 4 no conector do painel
(chicote).
• A tensão está dentro da especificação?
SIM NÃO
7 – 31
ELÉTELÉTELÉTELÉTELÉTSISSISSISSISSISTEMA DE ILUMINAÇÃOTEMA DE ILUMINAÇÃOTEMA DE ILUMINAÇÃOTEMA DE ILUMINAÇÃOTEMA DE ILUMINAÇÃO
2. A lanterna traseira não acende.
1. Lâmpada e soquete da lanterna traseira
• Verifique a continuidade da lâmpada e
do soquete da lanterna traseira.
Consulte "INSPEÇÃO DAS LÂMPADAS
E SOQUETES".
• A lâmpada e o soquete da lanterna tra-
seira estão OK?
SIM NÃO
Substitua a lâmpada
ou o soquete da
lanterna traseira ou
ambos.
2. Tensão
• Conecte o multímetro (DC 20 V) ao
conector da lanterna traseira (chicote),
como indicado.
PPPPPonta positionta positionta positionta positionta positivavavavava aaaaazulzulzulzulzul 11111
PPPPPonta negonta negonta negonta negonta negatiatiatiatiativavavavava pretopretopretopretopreto 22222
• Coloque a chave de ignição em "ON".
• Meça a tensão (DC 12 V) do azul 1 no
conector da luz de freio (chicote).
• A tensão está dentro da especificação?
A fiação da chave de
ignição ao conector da
lanterna traseira está
com defeito e deve ser
reparada.
O circuito
está OK.
SIM NÃO
7 – 32
ELÉTELÉTELÉTELÉTELÉT
[Sensordevelocidade
ASensordetemperatura
CECU
MInterruptordocavaletelateral
NFusíveldasinalização
OInterruptordeembreagem
RBuzina
SRelédeseta
XInterruptordofreiotraseiro
YInterruptordofreiodianteiro
Sensordeníveldecombustível
dPainel
SISSISSISSISSISTEMA DE SINALIZAÇÃOTEMA DE SINALIZAÇÃOTEMA DE SINALIZAÇÃOTEMA DE SINALIZAÇÃOTEMA DE SINALIZAÇÃO
DIADIADIADIADIAGRAMA ELÉTRICOGRAMA ELÉTRICOGRAMA ELÉTRICOGRAMA ELÉTRICOGRAMA ELÉTRICO
SISSISSISSISSISTEMA DE SINALIZAÇÃOTEMA DE SINALIZAÇÃOTEMA DE SINALIZAÇÃOTEMA DE SINALIZAÇÃOTEMA DE SINALIZAÇÃO
7 – 33
ELÉTELÉTELÉTELÉTELÉT
• Uma das seguintes luzUma das seguintes luzUma das seguintes luzUma das seguintes luzUma das seguintes luzes não se acen-es não se acen-es não se acen-es não se acen-es não se acen-
de: luz do pisca, luz indicadora do pis-de: luz do pisca, luz indicadora do pis-de: luz do pisca, luz indicadora do pis-de: luz do pisca, luz indicadora do pis-de: luz do pisca, luz indicadora do pis-
ca ou luz de freio.ca ou luz de freio.ca ou luz de freio.ca ou luz de freio.ca ou luz de freio.
••••• A buzina não emite som.A buzina não emite som.A buzina não emite som.A buzina não emite som.A buzina não emite som.
1. Verificar:
• Fusíveis de ignição e do sistema de si-
nalização.
• Bateria.
• Chave de ignição
• Conexões da fiação (de todo o sistema
de sinalização).
SISSISSISSISSISTEMA DE SINALIZAÇÃOTEMA DE SINALIZAÇÃOTEMA DE SINALIZAÇÃOTEMA DE SINALIZAÇÃOTEMA DE SINALIZAÇÃO
DIADIADIADIADIAGNÓSGNÓSGNÓSGNÓSGNÓSTICO E SOLUÇÃO DE PROBLEMATICO E SOLUÇÃO DE PROBLEMATICO E SOLUÇÃO DE PROBLEMATICO E SOLUÇÃO DE PROBLEMATICO E SOLUÇÃO DE PROBLEMASSSSS
Multímetro digital:Multímetro digital:Multímetro digital:Multímetro digital:Multímetro digital:
90890-03190890-03190890-03190890-03190890-0317777744444
NONONONONOTTTTTA:A:A:A:A:
Antes de fazer o diagnóstico e solução de
problemas, remova as seguintes peças:
• Assento.
• Tampas laterais (esquerda e direita).
• Tampas laterais (esquerda e direita) do
tanque de combustível.
• Tanque de combustível.
• Conjunto do farol.
Faça o diagnóstico e solução de problemas
com as seguintes ferramentas especiais:
1. Fusíveis de ignição e do sistema de si-
nalização
• Verifique a continuidade dos fusíveis de
ignição e do sistema de sinalização.
Consulte "VERIFICAÇÃO DOS FUSÍVEIS"
no capítulo 3.
• Os fusíveis de ignição e do sistema de
sinalização estão OK?
Troque o(s) fusível(is).
SIM NÃO
2. Bateria
• Verifique a condição da bateria.
Consulte "INSPEÇÃO E CARGA DA BA-
TERIA" no capítulo 3.
• A bateria está OK?
TTTTTensão mínima em circuito aberensão mínima em circuito aberensão mínima em circuito aberensão mínima em circuito aberensão mínima em circuito abertototototo
igual a:igual a:igual a:igual a:igual a:
111112,82,82,82,82,8 V ou a mais a 20V ou a mais a 20V ou a mais a 20V ou a mais a 20V ou a mais a 20ooooo
CCCCC
SIM NÃO
• Limpe os terminais
da bateria.
• Recarregue ou
substitua a bateria.
4. Fiação
• Verifique a fiação do sistema de sina-
lização.
Consulte "DIAGRAMA ELÉTRICO".
• A fiação do sistema de sinalização está
corretamente conectada e sem defeitos?
SIM NÃO
Conecte ou repare a
fiação do sistema
de sinalização.
Verifique a condição de
cada circuito do
sistema de sinalização.
Consulte “INSPEÇÃO
DO SISTEMA DE
SINALIZAÇÃO”.
3. Chave de ignição
• Verifique a continuidade da chave de
ignição.
Consulte "INSPEÇÃO DOS INTERRUP-
TORES".
• A ignição está OK?
Substitua a chave
de ignição.
SIM NÃO
7 – 34
ELÉTELÉTELÉTELÉTELÉT
INSPEÇÃO DO SISINSPEÇÃO DO SISINSPEÇÃO DO SISINSPEÇÃO DO SISINSPEÇÃO DO SISTEMA DE SINALIZAÇÃOTEMA DE SINALIZAÇÃOTEMA DE SINALIZAÇÃOTEMA DE SINALIZAÇÃOTEMA DE SINALIZAÇÃO
SISSISSISSISSISTEMA DE SINALIZAÇÃOTEMA DE SINALIZAÇÃOTEMA DE SINALIZAÇÃOTEMA DE SINALIZAÇÃOTEMA DE SINALIZAÇÃO
1. A buzina não emite som
1. Botão da buzina
• Verifique a continuidade do botão da
buzina.
Consulte "INSPEÇÃO DOS INTERRUP-
TORES".
• O botão da buzina está OK?
Substitua o
interruptor do
guidão esquerdo.
SIM NÃO
2. Tensão
• Conecte o multímetro (DC 20 V) ao
conector da buzina, como indicado.
PPPPPonta positionta positionta positionta positionta positivavavavava marmarmarmarmarromromromromrom 22222
PPPPPonta negonta negonta negonta negonta negatiatiatiatiativavavavava rosarosarosarosarosa 11111
• Coloque a chave da ignição em "ON".
• Aperte o botão da buzina.
• Meça a tensão (DC 12 V) do marrom 2
no terminal de buzina.
• A tensão está dentro da especificação?
A fiação da chave de
ignição ao conector
da buzina está com
defeito e deve ser
reparada.
SIM NÃO
12
3. Buzina
• Desconecte o conector rosa do termi-
nal da buzina.
• Conecte o cabo jumper 1 ao terminal
da buzina.
• Aperte o botão da buzina.
• A buzina emite som?
A buzina está OK.
SIM NÃO
1
Br
P
Substitua a buzina.
7 – 35
ELÉTELÉTELÉTELÉTELÉT
2. A luz de freio não se acende.
SISSISSISSISSISTEMA DE SINALIZAÇÃOTEMA DE SINALIZAÇÃOTEMA DE SINALIZAÇÃOTEMA DE SINALIZAÇÃOTEMA DE SINALIZAÇÃO
1. Lâmpada e soquete da luz de freio
• Verifique a continuidade da lâmpada e
do soquete da luz de freio.
Consulte "INSPEÇÃO DAS LÂMPADAS
E SOQUETES".
• A lâmpada e o soquete da luz de freio
estão OK?
SIM NÃO
Substitua a lâmpada
ou o soquete da luz
de freio ou ambos.
2. Interruptores da luz de freio
• Verifique a continuidade dos interrup-
tores da luz de freio.
Consulte "INSPEÇÃO DOS INTERRUP-
TORES".
• O interruptor da luz de freio está OK?
Substitua o
interruptor da
luz de freio.
SIM NÃO
3. Tensão
• Conecte multímetro (DC 20 V) ao
conector da luz de freio (chicote), como
indicado.
PPPPPonta positionta positionta positionta positionta positivavavavava aaaaamarelomarelomarelomarelomarelo 11111
PPPPPonta negonta negonta negonta negonta negatiatiatiatiativavavavava pretopretopretopretopreto 22222
• Coloque a chave da ignição em "ON".
• Aperte o manete de freio ou pise no pe-
dal de freio.
• Meça a tensão (DC 12 V) do amarelo 1
no conector da luz de freio (chicote).
• A tensão está dentro da especificação?
A fiação da chave de
ignição ao conector do
freio está com defeito
e deve ser reparada.
O circuito
está OK.
SIM NÃO
7 – 36
ELÉTELÉTELÉTELÉTELÉT
3. A luz do pisca, a luz indicadora do pisca
ou ambas não piscam.
SISSISSISSISSISTEMA DE SINALIZAÇÃOTEMA DE SINALIZAÇÃOTEMA DE SINALIZAÇÃOTEMA DE SINALIZAÇÃOTEMA DE SINALIZAÇÃO
2. Luz indicadora do pisca (LED)
• Verifique o LED da luz indicadora do pisca.
Consulte "INSPEÇÃO DOS LEDS".
• O LED da luz indicadora do pisca está OK?
Substitua o
painel.
SIM NÃO
3. Interruptor do pisca
• Verifique a continuidade do interruptor
do pisca.
Consulte "INSPEÇÃO DOS INTERRUP-
TORES".
• O interruptor do pisca está OK?
Substitua o
interruptor do
guidão esquerdo.
SIM NÃO
4. Tensão
• Conecte o multímetro (DC 20 V) ao
conector do relé do pisca (chicote),
como indicado.
PPPPPonta positionta positionta positionta positionta positivavavavava marmarmarmarmarromromromromrom 11111
PPPPPonta negonta negonta negonta negonta negatiatiatiatiativavavavava terterterterterrarararara
• Coloque a chave de ignição em "ON".
• Meça a tensão (DC 12 V) do marrom 1
no conector do relé do pisca (chicote).
• A tensão está dentro da especificação?
A fiação da chave de
ignição ao conector
do relé do pisca está
com defeito e deve
ser reparada.
SIM NÃO
ChW
Br
1
1. Lâmpada e soquete da luz do pisca
• Verifique a continuidade da lâmpada e
do soquete do pisca.
Consulte "INSPEÇÃO DAS LÂMPADAS
E SOQUETES".
• AlâmpadaeosoquetedopiscaestãoOK?
SIM NÃO
Substitua a lâmpada
ou o soquete do
pisca ou ambos.
7 – 37
ELÉTELÉTELÉTELÉTELÉTSISSISSISSISSISTEMA DE SINALIZAÇÃOTEMA DE SINALIZAÇÃOTEMA DE SINALIZAÇÃOTEMA DE SINALIZAÇÃOTEMA DE SINALIZAÇÃO
5. Tensão de saída
• Conecte multímetro (DC 20 V) ao
conector do relé do pisca (chicote),
como indicado.
PPPPPonta positionta positionta positionta positionta positivavavavava marmarmarmarmarrom/brancorom/brancorom/brancorom/brancorom/branco 11111
PPPPPonta negonta negonta negonta negonta negatiatiatiatiativavavavava terterterterterrarararara
• Coloque a chave de ignição em "ON".
• Coloque o interruptor do pisca ou .
• Meça a tensão (DC 12 V) do marrom/
branco 1 no conector do relé do pisca
(chicote).
• A tensão está dentro da especificação?
A fiação da chave de
ignição ao conector do
relé do pisca está com
defeito e deve ser re-
parada.
SIM NÃO 2
B
B G B Ch
1
6. Tensão
• Conecte multímetro (DC 20 V) ao
conector do pisca ou ao conector do
painel (chicote), como indicado.
A Luzes do pisca direita
B Luzes do pisca esquerda
C Luz indicadora do pisca (LED)
Luz do pisca esquerdoLuz do pisca esquerdoLuz do pisca esquerdoLuz do pisca esquerdoLuz do pisca esquerdo
PPPPPonta positionta positionta positionta positionta positivavavavava ccccchocolatehocolatehocolatehocolatehocolate 11111
PPPPPonta negonta negonta negonta negonta negatiatiatiatiativavavavava pretopretopretopretopreto
Luz do pisca direitoLuz do pisca direitoLuz do pisca direitoLuz do pisca direitoLuz do pisca direito
PPPPPonta positionta positionta positionta positionta positivavavavava verdeverdeverdeverdeverde 22222
PPPPPonta negonta negonta negonta negonta negatiatiatiatiativavavavava pretopretopretopretopreto
A fiação da chave de
ignição aos conecto-
res da luz do pisca ou
conector do painel
está com defeito e
deve ser reparada.
O circuito
está OK.
SIM NÃO
• Coloque a chave da ignição em "ON".
• Coloque o interruptor do pisca ou .
• Meça a tensão (DC 12V) do chocolate 1 e
do verde escuro 2 nos conectores da luz
do pisca ounoconectordopainel (chicote).
• A tensão está dentro da especificação?
A
C
W
Br
1
7 – 38
ELÉTELÉTELÉTELÉTELÉT
4. A luz indicadora do neutro não se acende.
SISSISSISSISSISTEMA DE SINALIZAÇÃOTEMA DE SINALIZAÇÃOTEMA DE SINALIZAÇÃOTEMA DE SINALIZAÇÃOTEMA DE SINALIZAÇÃO
1. Luz indicadora do neutro (LED)
• VerifiqueoLEDdaluzindicadoradoneutro.
Consulte "INSPEÇÃO DOS LEDS".
• O LED da luz indicadora do neutro está
OK?
Substitua o
painel.
SIM NÃO
2. Interruptor do neutro
• Verifique a continuidade do interruptor
do neutro.
Consulte "INSPEÇÃO DOS INTERRUP-
TORES".
• O interruptor do neutro está OK?
Substitua o
interruptor do
neutro.
SIM NÃO
3. Tensão
• Conecte o multímetro (DC 20V) ao conec-
tor do painel (chicote), como indicado.
PPPPPonta positionta positionta positionta positionta positivavavavava marmarmarmarmarromromromromrom 11111
PPPPPonta negonta negonta negonta negonta negatiatiatiatiativavavavava azul claro/brancazul claro/brancazul claro/brancazul claro/brancazul claro/brancooooo 22222
• Coloque a chave de ignição em "ON".
• Coloque a transmissão em neutro.
• Meça a tensão (DC 12 V) do azul claro/
branco 1 para o marrom 2 no conector
do painel (chicote).
A fiação da chave de
ignição ao conector da
lanterna traseira está
com defeito e deve ser
reparada.
O circuito
está OK.
SIM NÃO
7 – 39
ELÉTELÉTELÉTELÉTELÉT
5. O medidor de combustível não funciona.
SISSISSISSISSISTEMA DE SINALIZAÇÃOTEMA DE SINALIZAÇÃOTEMA DE SINALIZAÇÃOTEMA DE SINALIZAÇÃOTEMA DE SINALIZAÇÃO
2. Tensão
• Conecte o multímetro (DC 20V) ao conec-
tor do painel (chicote), como indicado.
PPPPPonta positionta positionta positionta positionta positivavavavava verdeverdeverdeverdeverde 11111
PPPPPonta negonta negonta negonta negonta negatiatiatiatiativavavavava pretopretopretopretopreto 22222
• Coloque a chave de ignição em "ON".
• Meça a tensão (DC 12 V) do verde 1 e
do preto 2 no conector do painel (chi-
cote).
• A tensão está dentro da especificação?
A fiação da chave de
ignição ao conector
do painel está com
defeito e deve ser re-
parada.
O circuito
está OK.
SIM NÃO
1. Medidor de combustível
• Desconecte o conector do medidor de
combustível da bomba de combustível.
• Conecte o multímetro (KΩ x 1) ao me-
didor de combustível, como indicado.
PPPPPonta positionta positionta positionta positionta positiva do multímetrova do multímetrova do multímetrova do multímetrova do multímetro verdeverdeverdeverdeverde 11111
PPPPPonta negonta negonta negonta negonta negatiatiatiatiativavavavava pretopretopretopretopreto 22222
• Verifique a continuidade do medidor de
combustível.
• O medidor de combustível está OK?
SIM NÃO
Substitua a bomba
de combustível.
G B
Br
R Y
B
G
1
2
7 – 40
ELÉTELÉTELÉTELÉTELÉT
6. O velocímetro não funciona.
SISSISSISSISSISTEMA DE SINALIZAÇÃOTEMA DE SINALIZAÇÃOTEMA DE SINALIZAÇÃOTEMA DE SINALIZAÇÃOTEMA DE SINALIZAÇÃO
1. Tensão
• Conecte o multímetro (DC 20 V) ao co-
nectordo painel (chicote), como indicado.
PPPPPonta positionta positionta positionta positionta positivavavavava azul/amareloazul/amareloazul/amareloazul/amareloazul/amarelo 11111
PPPPPonta negonta negonta negonta negonta negatiatiatiatiativavavavava azul/pretoazul/pretoazul/pretoazul/pretoazul/preto 22222
• Coloque a chave de ignição em "ON".
• Eleve a roda traseira e gire-a lentamente.
• Meça a tensão (DC 5V) do azul/amarelo
1 no conector do painel (chicote).
• A tensão está dentro da especificação?
Substitua o painel.
SIM NÃO
2. Sensor de velocidade
• Conecte o multímetro (DC 20 V) ao
sensor de velocidade, como indicado.
PPPPPonta positionta positionta positionta positionta positivavavavava aaaaazul/amarelozul/amarelozul/amarelozul/amarelozul/amarelo 11111
PPPPPonta negonta negonta negonta negonta negatiatiatiatiativavavavava azul/azul/azul/azul/azul/pretopretopretopretopreto 22222
• Coloque a chave de ignição em "ON".
• Eleve a roda traseira e gire-a lentamente.
• Meça a tensão (DC 5V) a cada giro com-
pleto da roda traseira, a leitura da ten-
são deve oscilar nos níveis de 0,6 V a
4,8 V a 0,6 V a 4,8 V.
• A leitura de tensão passa corretamente
pelos ciclos?
Substitua o sensor de
velocidade
O circuito
está OK.
SIM NÃO
7 – 41
ELÉTELÉTELÉTELÉTELÉTSISSISSISSISSISTEMA DE SINALIZAÇÃOTEMA DE SINALIZAÇÃOTEMA DE SINALIZAÇÃOTEMA DE SINALIZAÇÃOTEMA DE SINALIZAÇÃO
7. A luz indicadora do motor não se acende
e a temperatura está alta.
1. Luz indicadora do motor
• Verifique o LED da luz indicadora do
motor.
Consulte "INSPEÇÃO DOS LEDS".
• O LED da luz indicadora do motor está
ok?
Substitua o painel.
SIM NÃO
• Coloque um termômetro 3 no óleo.
• Aqueça lentamente até a temperatura es-
pecificada na tabela.
• Verifique a continuidade do sensor na
temperatura indicada na tabela.
3. Sensor de temperatura
• Retire o sensor de temperatura do
motor.
• Conecte o multímetro ao sensor de tem-
peratura 1, como indicado.
• Mergulhe o sensor de temperatura em
um recipiente com óleo de motor 2.
NONONONONOTTTTTA:A:A:A:A:
Certifique-se de que os terminais do sensor
não fiquem umedecidos.
TEMPERATEMPERATEMPERATEMPERATEMPERATURATURATURATURATURA RESISRESISRESISRESISRESISTÊNCIATÊNCIATÊNCIATÊNCIATÊNCIA
80°C 1.570 ~ 1945 Ω
100°C 902,5 ~ 1142 Ω
2. Tensão
• Conecte o multímetro (DC 20V) ao conec-
tor do painel (chicote), como indicado.
PPPPPonta positionta positionta positionta positionta positivavavavava marmarmarmarmarromromromromrom 11111
PPPPPonta negonta negonta negonta negonta negatiatiatiatiativavavavava verde claroverde claroverde claroverde claroverde claro 22222
• Coloque a chave de ignição em "ON".
• Coloque a transmissão em neutro.
• Meça a tensão (DC 12V) do verde claro 2
para o marrom 1 no conector do painel
(chicote).
A fiação da chave de
ignição ao conector da
lanterna traseira está
com defeito e deve ser
reparada.
O circuito
está OK.
SIM NÃO
7 – 42
ELÉTELÉTELÉTELÉTELÉT
4. Fiação
• Verifique a fiação do sistema elétrico.
Consulte "DIAGRAMA DO CIRCUITO".
• A fiação está corretamente conectada e
sem defeitos?
Conecte ou repare a
fiação do sistema de
ignição.
Substitua a ECU.
SIM NÃO
Conecte corretamen-
te ou repare a fiação.
Substitua a ECU.
SIM NÃO
• O sensor de temperatura funciona cor-
retamente?
••••• Manuseie o sensor de temperatura comManuseie o sensor de temperatura comManuseie o sensor de temperatura comManuseie o sensor de temperatura comManuseie o sensor de temperatura com
muito cuidado.muito cuidado.muito cuidado.muito cuidado.muito cuidado.
••••• Nunca submeta o sensor de temperatura aNunca submeta o sensor de temperatura aNunca submeta o sensor de temperatura aNunca submeta o sensor de temperatura aNunca submeta o sensor de temperatura a
forforforforfortes ctes ctes ctes ctes choques. Shoques. Shoques. Shoques. Shoques. Se o sensor de temperatu-e o sensor de temperatu-e o sensor de temperatu-e o sensor de temperatu-e o sensor de temperatu-
ra cairra cairra cairra cairra cair, substitua-o., substitua-o., substitua-o., substitua-o., substitua-o.
SISSISSISSISSISTEMA DE SINALIZAÇÃOTEMA DE SINALIZAÇÃOTEMA DE SINALIZAÇÃOTEMA DE SINALIZAÇÃOTEMA DE SINALIZAÇÃO
CAPÍTULCAPÍTULCAPÍTULCAPÍTULCAPÍTULO 8O 8O 8O 8O 8
DIADIADIADIADIAGNÓSGNÓSGNÓSGNÓSGNÓSTICOS E SOLUÇÃO DE PROBLEMATICOS E SOLUÇÃO DE PROBLEMATICOS E SOLUÇÃO DE PROBLEMATICOS E SOLUÇÃO DE PROBLEMATICOS E SOLUÇÃO DE PROBLEMASSSSS
FFFFFALHAALHAALHAALHAALHAS NA PS NA PS NA PS NA PS NA PARARARARARTIDTIDTIDTIDTIDAAAAA ............................................................................................................................................................................................................................................................................................................................................................................................................................................................. 8-18-18-18-18-1
MARCHA LENMARCHA LENMARCHA LENMARCHA LENMARCHA LENTTTTTA INCORRETA INCORRETA INCORRETA INCORRETA INCORRETAAAAA................................................................................................................................................................................................................................................................................................................................................................................................. 8-28-28-28-28-2
DESEMPENHO INSUFICIENDESEMPENHO INSUFICIENDESEMPENHO INSUFICIENDESEMPENHO INSUFICIENDESEMPENHO INSUFICIENTE EM MÉDIA ETE EM MÉDIA ETE EM MÉDIA ETE EM MÉDIA ETE EM MÉDIA E ALALALALALTTTTTAAAAA................................................................................................................................................................................................................................. 8-28-28-28-28-2
TROCA DE MARCHATROCA DE MARCHATROCA DE MARCHATROCA DE MARCHATROCA DE MARCHAS INCORRETS INCORRETS INCORRETS INCORRETS INCORRETAAAAA .................................................................................................................................................................................................................................................................................................................................................... 8-28-28-28-28-2
EMBREAEMBREAEMBREAEMBREAEMBREAGEM DEFEITUOSGEM DEFEITUOSGEM DEFEITUOSGEM DEFEITUOSGEM DEFEITUOSAAAAA ........................................................................................................................................................................................................................................................................................................................................................................................................... 8-38-38-38-38-3
SUPERASUPERASUPERASUPERASUPERAQQQQQUECIMENUECIMENUECIMENUECIMENUECIMENTTTTTOOOOO ................................................................................................................................................................................................................................................................................................................................................................................................................................................... 8-38-38-38-38-3
FREIOS INEFICIENFREIOS INEFICIENFREIOS INEFICIENFREIOS INEFICIENFREIOS INEFICIENTESTESTESTESTES ........................................................................................................................................................................................................................................................................................................................................................................................................................................................ 8-48-48-48-48-4
BENGALABENGALABENGALABENGALABENGALAS DEFEITUOSS DEFEITUOSS DEFEITUOSS DEFEITUOSS DEFEITUOSAAAAASSSSS..................................................................................................................................................................................................................................................................................................................................................................................................................... 8-48-48-48-48-4
DIREÇÃO INSDIREÇÃO INSDIREÇÃO INSDIREÇÃO INSDIREÇÃO INSTÁVELTÁVELTÁVELTÁVELTÁVEL ....................................................................................................................................................................................................................................................................................................................................................................................................................................................................... 8-48-48-48-48-4
SISSISSISSISSISTEMA DE SINALIZAÇÃO OU ILUMINAÇÃO DEFEITUOSOTEMA DE SINALIZAÇÃO OU ILUMINAÇÃO DEFEITUOSOTEMA DE SINALIZAÇÃO OU ILUMINAÇÃO DEFEITUOSOTEMA DE SINALIZAÇÃO OU ILUMINAÇÃO DEFEITUOSOTEMA DE SINALIZAÇÃO OU ILUMINAÇÃO DEFEITUOSO .................................................................................................................................. 8-58-58-58-58-5
DIADIADIADIADIAGRAMA ELÉTRICO / CÓDIGO DE CORESGRAMA ELÉTRICO / CÓDIGO DE CORESGRAMA ELÉTRICO / CÓDIGO DE CORESGRAMA ELÉTRICO / CÓDIGO DE CORESGRAMA ELÉTRICO / CÓDIGO DE CORES ......................................................................................................................................................................................................................................................................... 8-68-68-68-68-6
DIADIADIADIADIAGRAMA ELÉTRICOGRAMA ELÉTRICOGRAMA ELÉTRICOGRAMA ELÉTRICOGRAMA ELÉTRICO ........................................................................................................................................................................................................................................................................................................................................................................................................................................................ 8-78-78-78-78-7
8 - 1
VERIF
PROB ?FALHAS NA PARTIDA
DIAGNÓSTICO E SOLUÇÃO DE PROBLEMAS
NOTA:
O seguinte guia de diagnóstico e solução de problemas não cobre todas as possíveis causas.
Deve ser útil, no entanto, como um guia para diagnóstico básico. Consulte o procedimento
específico neste manual para verificações, ajustes e substituição de peças.
MOTOR
Cilindro e cabeçote
• Vela de ignição solta.
• Cabeçote ou cilindro soltos.
• Junta do cabeçote danificada.
• Junta do cilindro danificada.
• Cilindro desgastado ou danificado.
Folga da válvula incorreta.
• Válvula vedada inadequadamente.
• Assentamento incorreto da válvula.
• Sincronismo da válvula incorreta.
• Mola da válvula defeituosa.
• Válvula travada.
Pistão e anéis
• Anel instalado inadequadamente.
• Anel danificado, desgastado ou fatigado.
• Anel travado.
• Pistão danificado ou travado.
Filtro de ar
• Filtro de ar instalado inadequadamente.
• Elemento filtrante obstruído.
Carcaça e virabrequim
• Montagem incorreta.
• Virabrequim travado.
SISTEMA DE COMBUSTÍVEL
Tanque de combustível
• Tanque de combustível vazio.
• Mangueira do tanque de combustível
obstruída.
• Combustível deteriorado ou contaminado.
Bomba de combustível
• Bomba de combustível defeituosa.
Corpo de injeção
• Combustível contaminado ou deteriorado.
• Entrada de ar falso.
SISTEMAS ELÉTRICOS
Bateria
• Bateria descarregada.
• Bateria defeituosa.
Fusível(is)
• Fusível incorreto, danificado ou queimado.
• Fusível instalado inadequadamente.
Vela de ignição
• Tipo incorreto da vela de ignição.
• Faixa de temperatura incorreta.
• Vela de ignição enferrujada.
• Eletrodo danificado ou desgastado.
• Isolador danificado ou desgastado.
• Cachimbo da vela de ignição defeituoso.
Bobina de ignição
• Corpo da bobina de ignição rachado
ou quebrado.
• Bobina primária ou secundária quebra-
das ou em curto.
• Fiação defeituosa.
FALHAS NA PARTIDA
Sistema de injeção
• ECU defeituosa.
• Sensor de posição do virabrequim de-
feituoso.
• Chaveta do rotor quebrada.
Interruptores e fiação
• Ignição defeituosa.
• Interruptor de engine stop defeituoso.
• Fiação quebrada ou em curto.
• Interruptor do neutro defeituoso.
• Interruptor de partida defeituoso.
• Interruptor do cavalete lateral defei-
tuoso.
• Interruptor da embreagem defeituoso.
• Circuito aterrado inadequadamente.
• Conexões soltas.
Sistema de arranque
• Motor de partida defeituoso.
• Relé de partida defeituoso.
• Embreagem de partida defeituosa.
8 - 2
VERIF
PROB ?MARCHA LENTA INCORRETA / DESEMPENHO INSUFICIENTE
EM MÉDIA E ALTA / TROCA DE MARCHAS INCORRETA
MARCHA LENTA INCORRETA
MOTOR
Cilindro e cabeçote
• Folga da válvula incorreta.
• Componentes danificados no sistema
da válvula.
Filtro de ar
• Elemento filtrante obstruído.
SISTEMA DE COMBUSTÍVEL
Corpo de injeção
• Junção do corpo de injeção solta ou
danificada.
• Rotação de marcha lenta ajustada ina-
dequadamente.
• Folga do cabo do acelerador inadequada.
• Corpo de injeção defeituoso.
• Sistema de indução de ar defeituoso.
SISTEMAS ELÉTRICOS
Bateria
• Bateria descarregada.
• Bateria defeituosa.
Vela de ignição
• Folga incorreta.
• Faixa de temperatura incorreta.
• Vela de ignição com fuligem.
• Eletrodo danificado ou desgastado.
• Isolador danificado ou desgastado.
• Cachimbo defeituoso.
Bobina de ignição
• Bobina primária ou secundária quebra-
das ou em curto.
• Fiação defeituosa.
• Bobina de ignição quebrada ou rachada.
Sistema de ignição
• ECU defeituosa.
• Sensor de posição do virabrequim de-
feituoso.
• Chaveta do rotor quebrada.
DESEMPENHO INSUFICIENTE EM
MÉDIA E ALTA
Consulte “FALHAS NA PARTIDA”.
TROCA DE MARCHAS INCORRETA
DIFÍCIL TROCAR MARCHAS
Consulte “A EMBREAGEM NÃO DESENGATA”.
O PEDAL DE CÂMBIO NÃO SE MOVE
Eixo de câmbio
• Articulação ajustada inadequadamente.
• Eixo de câmbio empenado.
Trambulador e garfos
• Objeto estranho em um canal do
trambulador do câmbio.
• Garfo travado.
• Eixo-guia empenado.
Transmissão
• Marcha travada.
• Objeto estranho entre marchas.
• Transmissão montada inadequadamente.
O CÂMBIO DESENGATA
Eixo de câmbio
• Posição incorreta do pedal de câmbio.
• Retorno inadequado da alavanca de
acionamento.
Garfos do câmbio
• Garfo do câmbio desgastado.
Trambulador do câmbio
• Folga na direção axial incorreta.
• Canal desgastado.
Transmissão
• Dente da engrenagem desgastado.
SISTEMA DE COMBUSTÍVEL
Bomba de combustível
• Bomba de combustível defeituosa.
• Travada.
• Danificada.
• Fiação defeituosa.
8 - 3
VERIF
PROB ?EMBREAGEM DEFEITUOSA / SUPERAQUECIMENTO
EMBREAGEM DEFEITUOSA
A EMBREAGEM PATINA
Embreagem
• Embreagem montada inadequadamente.
• Cabo da embreagem ajustado inade-
quadamente.
• Mola da embreagem solta ou fatigada.
• Disco de aço desgastado.
• Disco de embreagem desgastada.
Óleo do motor
• Nível de óleo incorreto.
• Viscosidade incorreta (baixa).
• Óleo deteriorado.
A EMBREAGEM NÃO DESENGATA
Embreagem
• Molas da embreagem tensionadas de
forma não uniforme.
• Disco de aço empenado.
• Placa de pressão da embreagem empe-
nado.
• Disco de fricção inchado.
• Vareta impulsora da embreagem em-
penada.
• Cubo da embreagem quebrado.
• Bucha da engrenagem queimada.
Óleo do motor
• Nível de óleo incorreto.
• Viscosidade incorreta (alta) do óleo.
• Óleo deteriorado.
SISTEMA DE COMBUSTÍVEL
Corpo de injeção
• Corpo de injeção defeituoso.
• Junção do corpo de injeção danificada
ou solta.
Filtro de ar
• Elemento filtrante obstruído.
CHASSI
Freio(s)
• Freio enroscando.
SISTEMAS ELÉTRICOS
Vela de injeção
• Folga incorreta.
• Faixa de temperatura incorreta.
Sistema de ignição
• ECU defeituosa.
SUPERAQUECIMENTO
MOTOR
Óleo do motor
• Nível de óleo incorreto.
• Viscosidade incorreta do óleo.
• Qualidade inferior do óleo.
SISTEMA DE REFRIGERAÇÃO
Radiador de óleo
• Danificado ou com vazamento.
• Nível de óleo incorreto.
• Aleta danificada ou curvada.
8 - 4
VERIF
PROB ?FREIOS INEFICIENTES / BENGALAS DEFEITUOSAS /
DIREÇÃO INSTÁVEL
FREIOS INEFICIENTES
• Pastilha de freio desgastada.
• Disco de freio desgastado.
• Ar no sistema de freio hidráulico.
• Vazamento do fluido de freio.
• Retentor da pinça do freio com defeito.
• Parafuso solto.
• Mangueira do freio danificada.
• Óleo ou graxa no disco de freio.
• Óleo ou graxa na pastilha de freio.
• Nível incorreto de fluido de freio.
BENGALAS DEFEITUOSAS
VAZAMENTO DE ÓLEO
• Tubo interno empenado, danificado ou
enferrujado.
• Tubo externo danificado ou fissurado.
• Nível de óleo incorreto (alto).
• Parafuso da haste do amortecedor solto.
• Arruela de cobre do parafuso da haste
do amortecedor danificada.
• Anel de vedação do parafuso da tampa
danificado ou rachado.
• Lábio do retentor danificado.
OPERAÇÃO INCORRETA
• Tubo interno danificado ou empenado.
• Tubo externo danificado ou empe-
nado.
• Mola do garfo danificada.
• Bucha do tubo externo danificada ou
desgastada.
• Haste do amortecedor danificada ou
empenada.
• Viscosidade do óleo incorreta.
• Nível do óleo incorreto.
DIREÇÃO INSTÁVEL
Guidão
• Guidão empenado ou instalado
inadequadamente.
Componentes da coluna de direção
• Mesa superior instalada inadequada-
mente.
• Mesa inferior instalada inadequadamente
(porca-anel apertada inadequadamente).
• Coluna da direção empenada.
• Rolamento de esferas ou pista de rola-
mento danificada.
Bengalas do garfo dianteiro
• Níveis de óleo diferentes.
• Mola do garfo tensionada diferente.
• Mola do garfo quebrada.
• Tubo interno danificado ou empenado.
• Tubo externo danificado ou empenado.
Balança traseira
• Bucha ou rolamento danificado.
• Balança traseira danificada ou empe-
nado.
Montagem do amortecedor traseiro
• Mola do amortecedor traseiro defei-
tuosa.
• Vazamento de óleo ou gás.
Pneu(s)
• Pneus de marcas diferentes.
• Pressão incorreta dos pneus.
• Desgaste não uniforme dos pneus.
Roda(s)
• Alinhamento incorreto dos raios.
• Balanceamento incorreto das rodas.
• Trava solta ou quebrada.
• Rolamento da roda danificado.
• Eixo empenado ou solto.
• Desgaste excessivo da roda.
Chassi
• Chassi empenado.
• Tubo da coluna de direção danificado.
• Pista de rolamento instalada inadequa-
damente.
8 - 5
VERIF
PROB ?
O FAROL NÃO ACENDE
• Lâmpada incorreta do farol.
• Muitos acessórios elétricos.
• Carregamento difícil.
• Conexão incorreta.
• Circuito aterrado inadequadamente.
• Mau contato (chave de ignição).
• Lâmpada do farol queimada.
• ECU defeituosa.
LÂMPADA DO FAROL QUEIMADA
• Lâmpada do farol incorreta.
• Bateria defeituosa.
• Regulador/retificador defeituoso.
• Circuito aterrado inadequadamente.
• Chave de ignição defeituosa.
• Término da vida útil da lâmpada do
farol.
A LUZ DE FREIO NÃO SE ACENDE
• Lâmpada incorreta.
• Muitos acessórios elétricos.
• Conexão incorreta.
• Lâmpada queimada.
LÂMPADA DA LUZ DE FREIO QUEIMADA
• Lâmpada incorreta.
• Bateria defeituosa.
• Interruptor da luz de freio ajustado in-
corretamente.
• Fim da vida útil da lâmpada.
A LUZ DE SETA NÃO SE ACENDE
• Interruptor de seta defeituoso.
• Relé de seta defeituoso.
• Lâmpada da seta queimada.
• Conexão incorreta.
• Chicote danificado ou defeituoso.
• Circuito aterrado inadequadamente.
• Bateria defeituosa.
• Fusível incorreto, danificado ou quei-
mado.
A LUZ DE SETA PISCA LENTAMENTE
• Relé de seta defeituoso.
• Chave de ignição defeituosa.
• Interruptor de seta defeituoso.
• Lâmpada da seta incorreta.
SISTEMA DE SINALIZAÇÃO OU ILUMINAÇÃO DEFEITUOSO
A LUZ DE SETA PERMANECE ACESA
• Relé de seta defeituoso.
• Lâmpada da luz de seta queimada.
A LUZ DE SETA PISCA RAPIDAMENTE
• Lâmpada da seta incorreta.
• Relé de seta defeituoso.
• Lâmpada da seta queimada.
A BUZINA NÃO EMITE SOM
• Buzina ajustada inadequadamente.
• Buzina defeituosa ou danificada.
• Chave de ignição defeituosa.
• Interruptor da buzina defeituoso.
• Bateria defeituosa.
• Fusível incorreto, danificado ou quei-
mado.
• Chicote defeituoso.
SISTEMA DE SINALIZAÇÃO OU ILUMINAÇÃO DEFEITUOSO
8 - 6
VERIF
PROB ?
1 Retificador/ regulador
2 Magneto AC/Sensor de posição do
virabrequim
3 Bateria
4 Motor de partida
5 Cabo positivo
6 Diodo B
7 Fusível principal/Relé de partida
8 Cabo negativo
9 Sensor híbrido
0 Fusível de informações do visor
A Sensor de temperatura
B Interruptor do neutro
C ECU
D Bobina de ignição/Vela de ignição
E Sensor de inclinação
F FID
G Diodo A
H Injetor de combustível
I Terminal
J Chave de ignição
K Fusível de ignição
L Fusível do farol
M Interruptor do cavalete lateral
N Fusível de sinalização
O Interruptor da embreagem
P Interruptor do guidão lado direito
Q Acoplamento da ferramenta de
diagnóstico do sistema de injeção de
combustível
R Buzina
S Relé de seta
T Interruptor do guidão lado esquerdo
X Interruptor de freio traseiro
Y Interruptor de freio dianteiro
Z Luz da lanterna
[ Sensor de velocidade
 Bomba de combustível/Sensor de nível
de combustível
^ Farol
b Luz de seta dianteira (esquerda)
c Luz de seta dianteira (direita)
d Painel
e Luz de seta traseira (esquerda)
f Luz de seta traseira (direita)
DIAGRAMA ELÉTRICO / CÓDIGO DE CORES
CÓDIGO DE CORES
B ................ Preto
Br ............... Marrom
Ch .............. Chocolate
Dg .............. Verde escuro
G ................ Verde
Gy .............. Cinza
L................. Azul
Lg ............... Verde claro
O ................ Laranja
P ................ Rosa
R ................ Vermelho
Sb .............. Azul celeste
W ............... Branco
Y ................ Amarelo
B/L .............. Preto/Azul
B/R ............. Preto/Vermelho
B/W ............ Preto/Branco
B/Y ............. Preto/Amarelo
Br/L ............. Marrom/Azul
Br/R ............ Marrom/Vermelho
Br/W ........... Marrom/Branco
G/L ............. Verde/Azul
G/R ............. Verde/Vermelho
G/W ............ Verde/Branco
G/Y ............. Verde/Amarelo
L/B .............. Azul/Preto
L/G ............. Azul/Verde
L/R ............. Azul/Vermelho
L/W ............ Azul/Branco
L/Y ............. Azul/Amarelo
O/R ............. Laranja/Vermelho
O/B ............. Laranja/Preto
P/W ............ Rosa/Branco
R/B ............. Vermelho/Preto
R/G ............. Vermelho/Verde
R/L ............. Vermelho/Azul
R/W ............ Vermelho/Branco
R/Y ............. Vermelho/Amarelo
Y/B ............. Amarelo/Preto
Y/G ............. Amarelo/Verde
Y/L ............. Amarelo/Azul
Y/R ............. Amarelo/Vermelho
Ch/B ........... Chocolate/Preto
G/B ............. Verde/Preto
DIAGRAMA ELÉTRICO
YAMAHA MOTOR DA AMAZÔNIA LTDA
2006/11, P
IMPRESSO NO BRASIL

Ms 2006-xtz250lander-4b4-p0-130327220957-phpapp01

  • 1.
  • 3.
    LANDER XTZ250LANDER XTZ250LANDERXTZ250LANDER XTZ250LANDER XTZ250 MANUAL DE SERMANUAL DE SERMANUAL DE SERMANUAL DE SERMANUAL DE SERVIÇOVIÇOVIÇOVIÇOVIÇO ©20©20©20©20©200606060606YYYYYamaha Motor daamaha Motor daamaha Motor daamaha Motor daamaha Motor da Amazônia Ltda.Amazônia Ltda.Amazônia Ltda.Amazônia Ltda.Amazônia Ltda. 1ª Edição, No1ª Edição, No1ª Edição, No1ª Edição, No1ª Edição, Novembro de 20vembro de 20vembro de 20vembro de 20vembro de 200606060606 TTTTTodos os direitos reservados.odos os direitos reservados.odos os direitos reservados.odos os direitos reservados.odos os direitos reservados. É proibida a reimpressão ou o uso desteÉ proibida a reimpressão ou o uso desteÉ proibida a reimpressão ou o uso desteÉ proibida a reimpressão ou o uso desteÉ proibida a reimpressão ou o uso deste material sem autorização por escrito damaterial sem autorização por escrito damaterial sem autorização por escrito damaterial sem autorização por escrito damaterial sem autorização por escrito da YYYYYamaha Motor daamaha Motor daamaha Motor daamaha Motor daamaha Motor da Amazônia Ltda.Amazônia Ltda.Amazônia Ltda.Amazônia Ltda.Amazônia Ltda. Impresso no BrasilImpresso no BrasilImpresso no BrasilImpresso no BrasilImpresso no Brasil
  • 4.
    PREFÁCIO Este manual foielaborado pelaYAMAHA MOTOR DA AMAZÔNIA LTDA., exclusivamente para uso dos concessionários autorizados Yamaha e seus mecânicos qualificados. Como não é possível introduzir todas as informações de mecânica em um só manual, supõe-se que as pessoas ao lerem este manual com a finalidade de executar manutenção e reparos das motocicletasYamaha possuam o conhecimento básico das concepções e procedimentos de mecânica inerentes à tecnologia de reparação de motocicletas. Sem estes conhecimentos, qualquer tentativa de reparo ou serviço neste modelo poderá provocar dificuldades em seu uso e/ou segurança. AYAMAHA MOTOR DA AMAZÔNIA LTDA. esforça-se para melhorar continuamente todos os produtos de sua linha. As alterações e modificações significativas das especificações ou procedimentos serão informadas a todos os concessionáriosYAMAHA e aparecerão nos locais correspondentes, nas futuras edições deste manual. NONONONONOTTTTTA :A :A :A :A : Os projetos e as especificações deste modelo estão sujeitos às modificações sem aviso prévio. INFORMAÇÕES IMPORTANTES SOBRE ESTE MANUAL As informações particularmente importantes estão assinaladas neste manual com as seguintes anotações: O Símbolo “ATENÇÃO“ ao lado significa ALERTA! SUA SEGURANÇA ESTÁ ENVOLVIDA! O não cumprimento de uma instrução de “ADVERTÊNCIA” poderá ocasionar acidente grave e até mesmo a morte ao condutor do veículo, um observador ou alguém que esteja examinando ou realizando um reparo. Uma instrução de “CUIDADO” indica que precauções especiais devem ser tomadas para evitar danos ao veículo. NONONONONOTTTTTA:A:A:A:A: Uma “NOTA” fornece informações importantes tornando os procedimentos mencionados mais claros ou facilitando-os. V V ADADADADADVERVERVERVERVERTÊNCIATÊNCIATÊNCIATÊNCIATÊNCIA CUIDCUIDCUIDCUIDCUIDADO:ADO:ADO:ADO:ADO:
  • 5.
    COMO UTILIZAR ESTEMANUAL O objetivo deste manual é ser um livro de referência e estar sempre à mão, com uma leitura fácil para o mecânico. Explicações compreensivas de todos os procedimentos de instalação, remoção, desmontagem, montagem, consertos e verificações estão mostrados com os respectivos passos individuais em ordem seqüencial. 1 O manual é dividido em capítulos. Uma abreviação e símbolo no canto superior direito de cada página indica o capítulo atual. 2 Cada capítulo é dividido em seções. O título da seção atual é mostrado no topo de cada página, exceto no capítulo 3 ("VERIFICAÇÕES EAJUSTES PERIÓDICOS"), onde o(s) título(s) da subseção aparece(m). 3 Os títulos da subseção aparecem em impressão menor do que o da seção (título). 4 Para ajudar a identificar peças e esclarecer passos de procedimento, há diagramas explodidos no início de cada seção de remoção e desmontagem. 5 Os números são fornecidos na ordem dos trabalhos no diagrama explodido. Um número dentro de um círculo indica um passo de desmontagem. 6 Os símbolos indicam peças a serem lubrificadas ou substituídas. Consulte "SÍMBOLOS". 7 Uma tabela de instrução de serviço acompanha o diagrama explodido, fornecendo o número dos serviços, nomes de peças, anotações de serviços, etc. 8 Serviços que necessitem de mais informações (tais como ferramentas especiais e dados técnicos) estão descritos seqüencialmente. 8 12 34 5 6 7
  • 6.
    SÍMBOLOS Os símbolos de1 a 9 indicam o assunto de cada capítulo. 1 Informações gerais 2 Especificações 3 Inspeções periódicas e ajustes 4 Chassi 5 Motor 6 Sistema de refrigeração 7 Sistema de injeção de combustível 8 Sistema elétrico 9 Localização de problemas Os símbolos de 0 a G indicam o seguinte: 0 Pode ser reparado com o motor montado A Completar com fluido B Lubrificante C Ferramenta especial D Torque de aperto E Limite de desgaste, folga F Rotação do motor G Dados de componentes elétricos Os símbolos de H a M nos diagramas explodidos indicam os tipos de lubrificantes e os pontos de lubrificação. H Óleo do motor I Óleo de câmbio J Óleo dissulfeto de molibdênio K Graxa de rolamento de roda L Graxa à base de sabão de lítio M Graxa de dissulfeto de molibdênio Os símbolos de N a O nos diagramas explodidos indicam o seguinte. N Aplicar agente de travamento (LOCTITE®) O Substituir a peça. 1 2 3 4 5 6 7 8 F G K M N O H J L I NoNoNoNoNovvvvvooooo INFOINFOINFOINFOINFO GERGERGERGERGER ESPECESPECESPECESPECESPEC INSPINSPINSPINSPINSP AJUSAJUSAJUSAJUSAJUS MOMOMOMOMOTTTTTOROROROROR CHACHACHACHACHASSSSS ELÉTELÉTELÉTELÉTELÉT ?PROBPROBPROBPROBPROB E DC BA REFRREFRREFRREFRREFR FIFIFIFIFI 9 0
  • 7.
    ÍNDICEÍNDICEÍNDICEÍNDICEÍNDICE INFOINFOINFOINFOINFO GERGERGERGERGER 11111INFORMAÇÕES GERAISINFORMAÇÕESGERAISINFORMAÇÕES GERAISINFORMAÇÕES GERAISINFORMAÇÕES GERAIS ? 88888 DIADIADIADIADIAGNÓSGNÓSGNÓSGNÓSGNÓSTICOS E SOLUÇÃOTICOS E SOLUÇÃOTICOS E SOLUÇÃOTICOS E SOLUÇÃOTICOS E SOLUÇÃO DE PROBLEMADE PROBLEMADE PROBLEMADE PROBLEMADE PROBLEMASSSSS PROBPROBPROBPROBPROB 77777 SISSISSISSISSISTEMA ELÉTRICOTEMA ELÉTRICOTEMA ELÉTRICOTEMA ELÉTRICOTEMA ELÉTRICO ELÉTELÉTELÉTELÉTELÉT 55555MOMOMOMOMOTTTTTOROROROROR MOMOMOMOMOTTTTTOROROROROR 44444 CHACHACHACHACHASSISSISSISSISSI CHACHACHACHACHASSSSS SISSISSISSISSISTEMA DE INJEÇÃO DETEMA DE INJEÇÃO DETEMA DE INJEÇÃO DETEMA DE INJEÇÃO DETEMA DE INJEÇÃO DE COMBUSCOMBUSCOMBUSCOMBUSCOMBUSTÍVELTÍVELTÍVELTÍVELTÍVEL FIFIFIFIFI 33333 INSPEÇÃO EINSPEÇÃO EINSPEÇÃO EINSPEÇÃO EINSPEÇÃO E AJUSAJUSAJUSAJUSAJUSTESTESTESTESTES PERIÓDICOSPERIÓDICOSPERIÓDICOSPERIÓDICOSPERIÓDICOS INSPINSPINSPINSPINSP AJUSAJUSAJUSAJUSAJUS 22222 ESPECIFICAÇÕESESPECIFICAÇÕESESPECIFICAÇÕESESPECIFICAÇÕESESPECIFICAÇÕES ESPECESPECESPECESPECESPEC 66666
  • 8.
    CAPÍTULCAPÍTULCAPÍTULCAPÍTULCAPÍTULO 1O 1O1O 1O 1 INFORMAÇÕES GERAISINFORMAÇÕES GERAISINFORMAÇÕES GERAISINFORMAÇÕES GERAISINFORMAÇÕES GERAIS IDENIDENIDENIDENIDENTIFICAÇÃO DTIFICAÇÃO DTIFICAÇÃO DTIFICAÇÃO DTIFICAÇÃO DA MOA MOA MOA MOA MOTTTTTOCICLETOCICLETOCICLETOCICLETOCICLETAAAAA .................................................................................................................................................................................................................................................................................................................................................... 11111-1-1-1-1-1 NÚMERO DE SÉRIE DO CHASSI ........................................................................... 1-1 NÚMERO DE SÉRIE DO MOTOR ........................................................................... 1-1 CARACARACARACARACARACTERÍSCTERÍSCTERÍSCTERÍSCTERÍSTICATICATICATICATICASSSSS ...................................................................................................................................................................................................................................................................................................................................................................................................................................................................................... 11111-2-2-2-2-2 CARACTERÍSTICAS ................................................................................................ 1-2 SISTEMA FI............................................................................................................. 1-3 FUNÇÕES DOS CONFUNÇÕES DOS CONFUNÇÕES DOS CONFUNÇÕES DOS CONFUNÇÕES DOS CONTROLES E INSTROLES E INSTROLES E INSTROLES E INSTROLES E INSTRUMENTRUMENTRUMENTRUMENTRUMENTTTTTOSOSOSOSOS........................................................................................................................................................................................................................................... 11111-4-4-4-4-4 VISOR MULTIFUNCIONAL..................................................................................... 1-4 INFORMAÇÕES IMPORINFORMAÇÕES IMPORINFORMAÇÕES IMPORINFORMAÇÕES IMPORINFORMAÇÕES IMPORTTTTTANANANANANTESTESTESTESTES .................................................................................................................................................................................................................................................................................................................................................................................. 11111-6-6-6-6-6 PREPARAÇÃO PARA REMOÇÃO E DESMONTAGEM .......................................... 1-6 PEÇAS DE SUBSTITUIÇÃO.................................................................................... 1-6 JUNTAS, RETENTORES E O-RINGS...................................................................... 1-6 ARRUELAS-TRAVA, CONTRAPORCAS E CUPILHAS ........................................... 1-7 ROLAMENTOS E RETENTORES ............................................................................ 1-7 ANÉIS-TRAVA ......................................................................................................... 1-7 INSPEÇÃO DINSPEÇÃO DINSPEÇÃO DINSPEÇÃO DINSPEÇÃO DAAAAAS CONEXÕESS CONEXÕESS CONEXÕESS CONEXÕESS CONEXÕES ........................................................................................................................................................................................................................................................................................................................................................................................................... 11111-8-8-8-8-8 FERRAMENFERRAMENFERRAMENFERRAMENFERRAMENTTTTTAAAAAS ESPECIAISS ESPECIAISS ESPECIAISS ESPECIAISS ESPECIAIS ..................................................................................................................................................................................................................................................................................................................................................................................................................... 11111-9-9-9-9-9
  • 9.
    INFOINFOINFOINFOINFO GERGERGERGERGER 1-1 X X XX X X X X X 1 IDENIDENIDENIDENIDENTIFICAÇÃO DTIFICAÇÃO DTIFICAÇÃO DTIFICAÇÃO DTIFICAÇÃO DAAAAA MOMOMOMOMOTTTTTOCICLETOCICLETOCICLETOCICLETOCICLETAAAAA NÚMERO DE SÉRIE DO CHANÚMERO DE SÉRIE DO CHANÚMERO DE SÉRIE DO CHANÚMERO DE SÉRIE DO CHANÚMERO DE SÉRIE DO CHASSISSISSISSISSI O número de série do chassi 1 e o ano 2 está estampado no lado direito do tubo da coluna de direção. NÚMERO DE SÉRIE DO MONÚMERO DE SÉRIE DO MONÚMERO DE SÉRIE DO MONÚMERO DE SÉRIE DO MONÚMERO DE SÉRIE DO MOTTTTTOROROROROR O número de série do motor está gravado na carcaça do lado direito do motor. IDENIDENIDENIDENIDENTIFICAÇÃO DTIFICAÇÃO DTIFICAÇÃO DTIFICAÇÃO DTIFICAÇÃO DA MOA MOA MOA MOA MOTTTTTOCICLETOCICLETOCICLETOCICLETOCICLETAAAAA 1
  • 10.
    1-2 INFOINFOINFOINFOINFO GERGERGERGERGER CARACARACARACARACARACTERÍSCTERÍSCTERÍSCTERÍSCTERÍSTICATICATICATICATICASSSSS A principal funçãode um sistema de fornecimento de combustível é abastecer a câmara de com- bustão com a melhor proporção ar-combustível possível de acordo com as condições de opera- ção do motor e da temperatura atmosférica. Em um sistema de carburador convencional, a pro- porção ar-combustível da mistura que é fornecida à câmara de combustão é criada pelo volume de entrada de ar e combustível dimensionado pelos giclês utilizados pela respectiva câmara. Apesar do mesmo volume de entrada de ar, a necessidade de volume de combustível varia conforme as condições de operação do motor, tais como aceleração, desaceleração, ou fun- cionamento com carga pesada. Carburadores que dimensionam o combustível por meio da utilização de giclês foram equipados com diversos dispositivos auxiliares, de modo que uma proporção ar-combustível ideal possa ser alcançada para acomodar as mudanças constantes nas condições de operação do motor. Como aumenta a necessidade de motores com maior desempenho e gases de exaustão mais limpos, torna-se necessário controlar a proporção de ar-combustível de uma maneira mais precisa e mais refinada. Para atender a essa necessidade, este modelo é equipado com um sistema de injeção de combustível (FI) controlado eletronicamente no lugar do sistema de carburador convencional. Este sistema libera a proporção de ar-combustível ideal solicitada pelo motor. Utiliza um microprocessador que regula o volume de combustível injetado de acordo com as várias condições de operação do motor, tendo como referência os sinais ele- trônicos monitorados por sensores na motocicleta. A adoção do sistema FI resultou em um suprimento de combustível altamente preciso, res- posta de aceleração superior, maior economia de combustível e redução de emissões de gases. CARACARACARACARACARACTERÍSCTERÍSCTERÍSCTERÍSCTERÍSTICATICATICATICATICASSSSS 1 Válvula de indução de ar A.I.S. 2 Luz de alerta de falha de motor 3 Tanque de combustível 4 Bomba de combustível (inclui o regulador de pressão de combustível) 5 Mangueira de combustível 6 Injetor de combustível 7 Caixa do filtro de ar 8 Bateria 9 Catalisador 0 ECU A Sensor de inclinação B F.I.D. C Sensor da posição do virabrequim D Vela de ignição E Bobina de ignição F Sensor híbrido: • T.P.S. posição do acelerador • Temperatura de admissão • Pressão de admissão
  • 11.
    INFOINFOINFOINFOINFO GERGERGERGERGER 1-3 1 Bomba decombustível 2 Injetor de combustível 3 Bobina de ignição 4 ECU 5 Catalisador 6 Sensor de temperatura 7 Sensor de posição do virabrequim 8 Sensor de pressão do ar de admissão 9 Corpo do acelerador 0 Sensor de temperatura do ar de admissão A Caixa do filtro de ar B FID (afogador eletrônico) C TPS (sensor de posição do acelerador) D Sensor híbrido = 8 + 0 + C A Sistema de combustível B Sistema de ar C Sistema de controle Ilustração apenas para referência 8 0 C D SISSISSISSISSISTEMA FITEMA FITEMA FITEMA FITEMA FI A bomba de combustível envia combustível ao injetor via filtro de combustível. O regulador de pressão mantém a pressão no combustível, que é aplicada ao injetor, em 36,3 psi (250 kPa). Desta forma, quando o sinal da ECU energiza o injetor, a passagem de combustível é liberada, permitin- do que o combustível seja injetado na entrada do coletor apenas durante o tempo que a passa- gem permanece aberta. Portanto, quanto maior o período de tempo que o injetor permanecer energizado (duração da injeção), maior será o volume de combustível fornecido. De maneira contrária, quanto menor o período de tempo que o injetor permanecer energizado (duração da injeção), menor será o volume de combustível fornecido. A duração da injeção e o sincronismo da injeção são controladas pela ECU. Sinais enviados do sensor de posição do acelerador, sensor de posição do virabrequim, sensor de pressão de ar de admissão, e sensor de temperatura permitem a ECU determinar a duração da injeção. O sincronismo da injeção é determinado pelo sinal do sensor de posição do virabrequim. Como resultado, o volume ideal de combustível solicitado pelo motor, poderá ser fornecido satisfa- toriamente, de acordo com as várias condições de direção. CARACARACARACARACARACTERÍSCTERÍSCTERÍSCTERÍSCTERÍSTICATICATICATICATICASSSSS
  • 12.
    1-4 INFOINFOINFOINFOINFO GERGERGERGERGER FUNÇÕES DOS CONFUNÇÕESDOS CONFUNÇÕES DOS CONFUNÇÕES DOS CONFUNÇÕES DOS CONTROLES ETROLES ETROLES ETROLES ETROLES E INSINSINSINSINSTRUMENTRUMENTRUMENTRUMENTRUMENTTTTTOSOSOSOSOS VISOR MULVISOR MULVISOR MULVISOR MULVISOR MULTIFUNCIONALTIFUNCIONALTIFUNCIONALTIFUNCIONALTIFUNCIONAL O visor multifuncional está equipado com o seguinte: • Um velocímetro 1 (indica a velocida- de de condução). • Um tacômetro 2 (indica a rotação do motor). • Um medidor de combustível 3. • Um hodômetro 4 (indica a distância to- tal percorrida). • Dois hodômetros parciais 4 (indicam a distância percorrida desde que foram zerados pela última vez). • Um hodômetro parcial de reserva de combustível 4 (indica a distância per- corrida desde que a luz do nível de combustível se acendeu). • Um relógio 5. Certifique-se de girar a chave para “ON” an- tes de utilizar os botões “SELECT” 6 e “RESET” 7. Quando girar a chave para “ON”, o visor liga e após a checagem mostra os medidores. VVVVVelocímetroelocímetroelocímetroelocímetroelocímetro O velocímetro mostra a velocidade de con- dução. TTTTTacômetroacômetroacômetroacômetroacômetro O tacômetro permite ao condutor controlar a rotação do motor e mantê-la dentro da fai- xa de potência ideal. Hodômetro e hodômetro parcialHodômetro e hodômetro parcialHodômetro e hodômetro parcialHodômetro e hodômetro parcialHodômetro e hodômetro parcial Pressione “SELECT” para mudar o visor en- tre o hodômetro “ODO”, hodômetro parcial “TRIP 1” e “TRIP 2” na seguinte ordem: ODO <RARR>TRIP 1 <RARR>TRIP 2 <RARR> ODO FUNÇÕES DOS CONFUNÇÕES DOS CONFUNÇÕES DOS CONFUNÇÕES DOS CONFUNÇÕES DOS CONTROLES E INSTROLES E INSTROLES E INSTROLES E INSTROLES E INSTRUMENTRUMENTRUMENTRUMENTRUMENTTTTTOSOSOSOSOS
  • 13.
    INFOINFOINFOINFOINFO GERGERGERGERGER 1-5 FUNÇÕES DOS CONFUNÇÕESDOS CONFUNÇÕES DOS CONFUNÇÕES DOS CONFUNÇÕES DOS CONTROLES E INSTROLES E INSTROLES E INSTROLES E INSTROLES E INSTRUMENTRUMENTRUMENTRUMENTRUMENTTTTTOSOSOSOSOS Se a luz indicadora do nível de combustível se acender, o visor do hodômetro mudará automaticamente para o modo de hodômetro parcial da reserva de combustível “F-TRIP” e começará a contar a distância percorrida a partir desse ponto. Nesse caso, a tecla “SELECT” muda o visor entre os diversos modos do hodômetro parcial e hodômetro na seguinte ordem: F-TRIP <RARR> TRIP 1 <RARR> TRIP 2 <RARR> ODO <RARR> F-TRIP Para reiniciar um hodômetro parcial, pres- sione a tecla “SELECT”, e depois a tecla “RESET” durante pelo menos um segundo. Se não reiniciar o hodômetro parcial da re- serva de combustível manualmente, este reiniciará automaticamente e o visor voltará para o modo anterior após reabastecer e percorrer 5 km. Medidor de combustívelMedidor de combustívelMedidor de combustívelMedidor de combustívelMedidor de combustível O medidor de combustível indica a quanti- dade de combustível no tanque. As divisões do mostrador do medidor de combustível de- saparecem na direção “E” (Vazio) à medida que o combustível diminui. Quando restar apenas uma divisão próxima ao “E”, a luz indicadora do nível de combustível e a últi- ma divisão do medidor de combustível pis- carão. Se isto ocorrer, abasteça o mais rápi- do possível. Não deixe que o tanque de combustível es- vazie completamente. RRRRRelógioelógioelógioelógioelógio Para acertar o relógio: 1. Pressione simultaneamente os botões “SELECT” e“RESET” por pelo menos dois segundos. 2. Quando os dígitos da hora ficarem piscan- do, pressione “RESET” para acertar a hora. 3. Pressione “SELECT”, e os dígitos dos mi- nutos ficarão piscando. 4. Pressione “RESET” para acertar os mi- nutos. 5. Pressione “SELECT” para colocar o reló- gio em funcionamento.
  • 14.
    1-6 INFOINFOINFOINFOINFO GERGERGERGERGERINFORMAÇÕES IMPORINFORMAÇÕES IMPORINFORMAÇÕESIMPORINFORMAÇÕES IMPORINFORMAÇÕES IMPORTTTTTANANANANANTESTESTESTESTES INFORMAÇÕES IMPORINFORMAÇÕES IMPORINFORMAÇÕES IMPORINFORMAÇÕES IMPORINFORMAÇÕES IMPORTTTTTANANANANANTESTESTESTESTES PREPPREPPREPPREPPREPARAÇÃO PARAÇÃO PARAÇÃO PARAÇÃO PARAÇÃO PARA REMOÇÃO EARA REMOÇÃO EARA REMOÇÃO EARA REMOÇÃO EARA REMOÇÃO E DESMONDESMONDESMONDESMONDESMONTTTTTAAAAAGEMGEMGEMGEMGEM 1. Antes da remoção e desmontagem, lim- pe toda a sujeira, lama, poeira e materiais estranhos. 2. Utilize apenas as ferramentas apropriadas e equipamentos limpos. Consulte “FERRAMENTAS ESPECIAIS” 3. Ao desmontar, sempre mantenha juntas as peças de um mesmo conjunto. Isso in- clui engrenagens, cilindros, pistões e ou- tras peças que trabalham “agrupadas” pelo uso normal. As peças agrupadas sempre devem ser reutilizadas ou substi- tuídas em conjunto. 4. Durante a desmontagem, limpe todas as peças e as coloque em bandejas na ordem de desmontagem. Isso acelerará a mon- tagem e permitirá a instalação correta de todas as peças. 5. Mantenha todas as peças longe de qual- quer fonte de fogo. PEÇAPEÇAPEÇAPEÇAPEÇAS DE SUBSS DE SUBSS DE SUBSS DE SUBSS DE SUBSTITUIÇÃOTITUIÇÃOTITUIÇÃOTITUIÇÃOTITUIÇÃO 1. Utilize apenas peças genuínasYamaha em todas as substituições. Utilize o óleo e a graxa recomendados pela Yamaha para todos os serviços de lubrificação. Outras marcas podem ser similares na função e aparência, mas inferiores na qualidade. JUNJUNJUNJUNJUNTTTTTAAAAAS, RETENS, RETENS, RETENS, RETENS, RETENTTTTTORES E O-RINGSORES E O-RINGSORES E O-RINGSORES E O-RINGSORES E O-RINGS 1. Ao revisar o motor, substitua todas as jun- tas, retentores e anéis O-rings. Todas as superfícies das juntas, bordas de retentores de óleo e anéis O-rings devem ser limpos. 2. Durante a montagem, aplique o óleo es- pecificado em todas as peças agrupadas, rolamentos e lubrifique os lábios dos retentores de óleo com graxa cuidadosa- mente.
  • 15.
    INFOINFOINFOINFOINFO GERGERGERGERGER 1-7 INFORMAÇÕES IMPORINFORMAÇÕES IMPORINFORMAÇÕESIMPORINFORMAÇÕES IMPORINFORMAÇÕES IMPORTTTTTANANANANANTESTESTESTESTES ROLAMENROLAMENROLAMENROLAMENROLAMENTTTTTOS E RETENOS E RETENOS E RETENOS E RETENOS E RETENTTTTTORESORESORESORESORES 1. Instale os rolamentos e os retentores de maneira que a marca do fabricante ou nú- meros fiquem visíveis. Ao instalar os retentores, aplique óleo nas bordas dos lábios ou uma cobertura fina de graxa à base de sabão de lítio. Nos rolamentos, aplique óleo, se for solicitado. 1 Retentor ARRUELAARRUELAARRUELAARRUELAARRUELAS-TRAS-TRAS-TRAS-TRAS-TRAVVVVVA,A,A,A,A, CONCONCONCONCONTRAPORCATRAPORCATRAPORCATRAPORCATRAPORCASSSSS E CUPILHAE CUPILHAE CUPILHAE CUPILHAE CUPILHASSSSS 1. Após a remoção, substitua todas as arrue- las-trava 1 e cupilhas. Após o parafuso ou porca ser fixado com o torque especi- ficado, dobre as abas laterais contra a la- teral do parafuso ou da porca. ANÉIS-TRAANÉIS-TRAANÉIS-TRAANÉIS-TRAANÉIS-TRAVVVVVAAAAA 1. Antes da montagem, verifique cuidado- samente todos os anéis-trava e substitua os que estiverem danificados ou torcidos. Sempre substitua os anéis-trava do pino de pistão após uma utilização. Ao instalar um anel-trava 1, certifique-se de que o canto“vivo” 2 esteja posicionado no lado oposto à força recebida pelo conjunto 3. 4 Eixo Não gire o rolamento com ar comprimido, pois isso danificará as superfícies das pistas internas do rolamento. CUIDCUIDCUIDCUIDCUIDADO:ADO:ADO:ADO:ADO: 1 Rolamento
  • 16.
    1-8 INFOINFOINFOINFOINFO GERGERGERGERGER INSPEÇÃO DINSPEÇÃO DINSPEÇÃODINSPEÇÃO DINSPEÇÃO DAAAAAS CONEXÕESS CONEXÕESS CONEXÕESS CONEXÕESS CONEXÕES Verifique no chicote se há nos acopladores e conectores, manchas, ferrugem, umidade, etc. 1. Desconecte: • fio • acoplador • conector 2. Verifique • fio • acoplador • conector Umidade Seque com jato de ar Ferrugem/manchas Conecte e desconecte várias vezes. 3. Verifique: • todas as conexões Conexão solta Conecte adequada- mente. NONONONONOTTTTTA:A:A:A:A: Se a trava 1 do terminal estiver amassada, dobre-a para cima. 4. Conecte: • fio • acoplador • conector NONONONONOTTTTTA:A:A:A:A: Certifique-se de que todas as conexões es- tejam adequadamente fixadas. INSPEÇÃO DINSPEÇÃO DINSPEÇÃO DINSPEÇÃO DINSPEÇÃO DAAAAAS CONEXÕESS CONEXÕESS CONEXÕESS CONEXÕESS CONEXÕES 5. Verifique: • continuidade (Utilize o multímetro) NONONONONOTTTTTA:A:A:A:A: • Se não houver continuidade, limpe os ter- minais e refaça o teste. • Ao verificar o chicote de fiação, execute os passos de 1 até 3. • Como solução rápida, utilize um spray revitalizador de contatos, disponível na maioria das lojas de peças. Multímetro digitalMultímetro digitalMultímetro digitalMultímetro digitalMultímetro digital 90890-03190890-03190890-03190890-03190890-0317777744444
  • 17.
    INFOINFOINFOINFOINFO GERGERGERGERGER 1-9 FERRAMENFERRAMENFERRAMENFERRAMENFERRAMENTTTTTAAAAAS ESPECIAISS ESPECIAISSESPECIAISS ESPECIAISS ESPECIAIS FERRAMENFERRAMENFERRAMENFERRAMENFERRAMENTTTTTAAAAAS ESPECIAISS ESPECIAISS ESPECIAISS ESPECIAISS ESPECIAIS As ferramentas especiais a seguir são necessárias para montagens e ajustes precisos. Utilize apenas as ferramentas especiais adequadas; isso lhe ajudará a evitar danos causados pela utilização de ferramentas inadequadas ou técnicas improvisadas. Ferramentas especiais, nú- meros de peças ou ambos podem ser diferentes dependendo do país. Ao fazer um pedido, consulte a lista abaixo para evitar contratempos. CódigoCódigoCódigoCódigoCódigo IlustraçãoIlustraçãoIlustraçãoIlustraçãoIlustraçãoDenominação/Denominação/Denominação/Denominação/Denominação/ AplicaçãoAplicaçãoAplicaçãoAplicaçãoAplicação 90890-01084 90890-01083 90890-04019 90890-01243 90890-01268 1 2 90890-01135 Sacador do virabrequim Utilizada para retirar o virabrequim Martelo deslizante 1 Eixo 2 São utilizadas ao instalar ou remover os eixos do balancim. Compressor de mola de válvulas 1 Adaptador 2 Utilizada para instalar ou remover as válvulas. Chave de porca-anel Utilizada para soltar ou apertar as porcas- anéis de direção, escape e amortecedor 90890-01311 Utilizada para ajuste da folga das válvulas. Chave do parafuso de ajuste 90890-01326 90890-01460 3090-5 Utilizada para fixar ou extrair o parafuso da haste da suspensão dianteira ChaveT 1 Adaptador 2 Alongador (ferramenta universal) 90890-01862 Utilizado para extrair o rotor do magneto de CA Sacador do rotor do magneto 90890-408X2 Fixador da coroa de sincronismo/ engre- nagem primária Utilizada para fixar a engrenagem primária do virabrequim e a coroa de sincronismo. 1 2 90890-01367-09 90890-01381-09 Utilizadas para instalar o retentor de óleo, a bucha externa das bengalas do garfo dianteiro e a vedação de poeira Peso para instalar o retentor 1 Adaptador do instalador do retentor 2
  • 18.
    1-10 INFOINFOINFOINFOINFO GERGERGERGERGERFERRAMENFERRAMENFERRAMENFERRAMENFERRAMENTTTTTAAAAAS ESPECIAISS ESPECIAISSESPECIAISS ESPECIAISS ESPECIAIS CódigoCódigoCódigoCódigoCódigo IlustraçãoIlustraçãoIlustraçãoIlustraçãoIlustraçãoDenominação/Denominação/Denominação/Denominação/Denominação/ AplicaçãoAplicaçãoAplicaçãoAplicaçãoAplicação 90890-01701 90890-01403 Chave da porca de direção Utilizada para fixar ou extrair as porcas- anéis da direção Fixador do rotor Calibre de lâminas Utilizado para verificar a folga da válvula. 90890-03081 Medidor de compressão Utilizado para medir a compressão do motor 90890-03141 Utilizada para verificar o sincronismo da ignição. Lâmpada estroboscópica 90890-508XM Utilizada para medir a pressão da bomba do combustível. Medidor de pressão de combustível 90890-03174 Utilizado para verificar o sistema elétrico Multímetro digital Utilizado para fixar o rotor do volante do magneto. 90890-03079 90890-06754 Testador dinâmico de faísca (1) Utilizado para verificar o comprimento da faísca da vela de ignição. 90890-85505 ColaYamaha nº 1215 Utilizada para vedar superfícies (ex.: car- caças do motor). 90890-06760 Tacômetro indutivo Utilizado para verificar a rotação do motor.
  • 19.
    INFOINFOINFOINFOINFO GERGERGERGERGER 1-11 FERRAMENFERRAMENFERRAMENFERRAMENFERRAMENTTTTTAAAAAS ESPECIAISS ESPECIAISSESPECIAISS ESPECIAISS ESPECIAIS CódigoCódigoCódigoCódigoCódigo IlustraçãoIlustraçãoIlustraçãoIlustraçãoIlustraçãoDenominação/Denominação/Denominação/Denominação/Denominação/ AplicaçãoAplicaçãoAplicaçãoAplicaçãoAplicação 90890-04064 Extrator da guia de válvula Instalador da guia de válvula Utilizado para instalar as guias de válvulas. 90890-04066 Alargador da guia de válvula Utilizado para retificar o furo das novas guias de válvulas. 90890-04086 Utilizado para fixar o cubo da embreagem. Fixador do cubo da embreagem 90890-04101 Utilizado para girar e brunir as válvulas. Brunidor das válvulas 90890-01274 90890-01275 90890-01383 90890-22822 90890-22823 Utilizados para instalar o virabrequim Instalador de virabrequim 1 Fuso de tração 2 Adaptador (10 mm) 3 Utilizado para extrair e instalar as guias de válvulas. 90890-04065 Diagnóstico da injeção eletrônica FI90890-03182 Utilizado para ajuste do gás de exaustão. Extrator e instalador da bucha da mesa superior Utilizado para instalar e remover as buchas da mesa superior Separador de virabrequim Utilizado na desmontagem do virabrequim
  • 20.
    1-12 INFOINFOINFOINFOINFO GERGERGERGERGER CódigoCódigoCódigoCódigoCódigo IlustraçãoIlustraçãoIlustraçãoIlustraçãoIlustraçãoDenominação/Denominação/Denominação/Denominação/Denominação/ AplicaçãoAplicaçãoAplicaçãoAplicaçãoAplicação 90890-42828 90890-02809 90890-22819 90890-04058 90890-42W24 90890-24823 Instaladordo rolamento da carcaça Utilizado na instalação dos rolamentos das carcaças do motor Extrator de rolamento 1 Pinça do extrator 2 Utilizado na remoção dos rolamentos das carcaças do motor. Instalador do rolamento do comando 1 Bucha do instalador 2 Guia de 15 mm 3 Utilizado na instalação do rolamento in- terno do cabeçote FERRAMENFERRAMENFERRAMENFERRAMENFERRAMENTTTTTAAAAAS ESPECIAISS ESPECIAISS ESPECIAISS ESPECIAISS ESPECIAIS
  • 21.
    CAPÍTULCAPÍTULCAPÍTULCAPÍTULCAPÍTULO 2O 2O2O 2O 2 ESPECIFICAÇÕESESPECIFICAÇÕESESPECIFICAÇÕESESPECIFICAÇÕESESPECIFICAÇÕES ESPECIFICAÇÕESESPECIFICAÇÕESESPECIFICAÇÕESESPECIFICAÇÕESESPECIFICAÇÕES ........................................................................................................................................................................................................................................................................................................................................................................................................................................................................................... 2-12-12-12-12-1 GERAIS .................................................................................................................. 2-1 MOTOR .................................................................................................................. 2-2 CHASSI ................................................................................................................ 2-10 ELÉTRICAS........................................................................................................... 2-13 TTTTTABELA DE CONVERSÃO/TABELA DE CONVERSÃO/TABELA DE CONVERSÃO/TABELA DE CONVERSÃO/TABELA DE CONVERSÃO/TORQORQORQORQORQUE DE FIXAÇÃOUE DE FIXAÇÃOUE DE FIXAÇÃOUE DE FIXAÇÃOUE DE FIXAÇÃO .................................................................................................................................................................................................................................2-12-12-12-12-155555 TTTTTABELA DE CONVERSÃOABELA DE CONVERSÃOABELA DE CONVERSÃOABELA DE CONVERSÃOABELA DE CONVERSÃO ..........................................................................................................................................................................................................................................................................................................................................................................................................................2-12-12-12-12-155555 ESPECIFICAÇÕES GERAIS DEESPECIFICAÇÕES GERAIS DEESPECIFICAÇÕES GERAIS DEESPECIFICAÇÕES GERAIS DEESPECIFICAÇÕES GERAIS DETTTTTORQORQORQORQORQUE DE FIXAÇÃOUE DE FIXAÇÃOUE DE FIXAÇÃOUE DE FIXAÇÃOUE DE FIXAÇÃO ..............................................................................................................................................................................................2-12-12-12-12-155555 TTTTTORQORQORQORQORQUE DE FIXAÇÃOUE DE FIXAÇÃOUE DE FIXAÇÃOUE DE FIXAÇÃOUE DE FIXAÇÃO ...................................................................................................................................................................................................................................................................................................................................................................................................................................................2-12-12-12-12-166666 MOTOR ................................................................................................................ 2-16 CHASSI ................................................................................................................ 2-18 PONPONPONPONPONTTTTTOS DE LUBRIFICAÇÃO EOS DE LUBRIFICAÇÃO EOS DE LUBRIFICAÇÃO EOS DE LUBRIFICAÇÃO EOS DE LUBRIFICAÇÃO E TIPOS DE LUBRIFICANTIPOS DE LUBRIFICANTIPOS DE LUBRIFICANTIPOS DE LUBRIFICANTIPOS DE LUBRIFICANTESTESTESTESTES ...................................................................................................................................................... 2-12-12-12-12-199999 MOTOR ................................................................................................................ 2-19 CHASSI ................................................................................................................ 2-20 DIADIADIADIADIAGRAMA DO SISGRAMA DO SISGRAMA DO SISGRAMA DO SISGRAMA DO SISTEMA DE REFRIGERAÇÃO DE ÓLEOTEMA DE REFRIGERAÇÃO DE ÓLEOTEMA DE REFRIGERAÇÃO DE ÓLEOTEMA DE REFRIGERAÇÃO DE ÓLEOTEMA DE REFRIGERAÇÃO DE ÓLEO .....................................................................................................................................................................2-212-212-212-212-21 FLUXFLUXFLUXFLUXFLUXO DE LUBRIFICAÇÃOO DE LUBRIFICAÇÃOO DE LUBRIFICAÇÃOO DE LUBRIFICAÇÃOO DE LUBRIFICAÇÃO ................................................................................................................................................................................................................................................................................................................................................................................................................2-222-222-222-222-22 DIADIADIADIADIAGRAMAGRAMAGRAMAGRAMAGRAMAS DO SISS DO SISS DO SISS DO SISS DO SISTEMA DE LUBRIFICAÇÃOTEMA DE LUBRIFICAÇÃOTEMA DE LUBRIFICAÇÃOTEMA DE LUBRIFICAÇÃOTEMA DE LUBRIFICAÇÃO ................................................................................................................................................................................................................................................2-232-232-232-232-23 PPPPPAAAAASSSSSSSSSSAAAAAGEM DOS CABOSGEM DOS CABOSGEM DOS CABOSGEM DOS CABOSGEM DOS CABOS ...............................................................................................................................................................................................................................................................................................................................................................................................................................2-272-272-272-272-27
  • 22.
    2 – 1 ESPECESPECESPECESPECESPECESPECIFICAÇÕESESPECIFICAÇÕESESPECIFICAÇÕESESPECIFICAÇÕESESPECIFICAÇÕES ESPECIFICAÇÕESGERAISESPECIFICAÇÕES GERAISESPECIFICAÇÕES GERAISESPECIFICAÇÕES GERAISESPECIFICAÇÕES GERAIS Item Padrão Limite Código do modeloCódigo do modeloCódigo do modeloCódigo do modeloCódigo do modelo XTZ250: 4B41 DimensõesDimensõesDimensõesDimensõesDimensões Comprimento total Largura total Altura total Altura do assento Distância entre eixos Distância mínima do solo Raio mínimo de giro 2.125 mm 830 mm 1.180 mm 875 mm 1.390 mm 245 mm 2.000 mm PPPPPesoesoesoesoeso Seco Com óleo e combustível Carga máxima (total da carga, condutor, passageiro e acessórios) 130,0 kg ---- ---- ---- ---- ---- ---- ---- ---- 169,0 kg 141,0 kg ---- ---- ----
  • 23.
    2 – 2 ESPECESPECESPECESPECESPECESPECIFICAÇÕESDO MOESPECIFICAÇÕES DO MOESPECIFICAÇÕES DO MOESPECIFICAÇÕES DO MOESPECIFICAÇÕES DO MOTTTTTOROROROROR ESPECIFICAÇÕES DO MOESPECIFICAÇÕES DO MOESPECIFICAÇÕES DO MOESPECIFICAÇÕES DO MOESPECIFICAÇÕES DO MOTTTTTOROROROROR Item Padrão Limite Óleo do motorÓleo do motorÓleo do motorÓleo do motorÓleo do motor Sistema de lubrificação Óleo recomendado Quantidade Quantidade total Troca de óleo periódica Com substituição de filtro de óleo Filtro de óleoFiltro de óleoFiltro de óleoFiltro de óleoFiltro de óleo Tipo de filtro de óleo Local de verificação de pressão Cárter úmido Yamalube 4 tempos 20W50 API SH JASO MAT903 ou superior 1,55 L 1,35 L 1,45 L Papel Parafuso de dreno no cabeçote ---- ---- ---- ---- MotorMotorMotorMotorMotor Tipo de motor Cilindrada Disposição do cilindro Diâmetro x curso Taxa de compressão Rotação da marcha lenta Refrigerado a ar, 4 tempos, SOHC 249,0 cm³ Um cilindro inclinado para frente 74,0 x 58,0 mm 9,8 : 1 1.300 ~ 1.500 rpm ---- ---- ---- ---- CombustívelCombustívelCombustívelCombustívelCombustível Combustível recomendado Capacidade do tanque cheio Total (incluindo a reserva) Reserva Gasolina Aditivada 11 L 4,3 L ---- ---- Bomba de óleoBomba de óleoBomba de óleoBomba de óleoBomba de óleo Tipo de bomba de óleo Folga do rotor interno até o rotor externo Folga do rotor externo até a carcaça da bomba de óleo Folga da carcaça da bomba de óleo até o rotor interno e rotor externo Refrigeração do óleo Trocoidal 0,15 mm 0,10 ~ 0,151 mm 0,04 ~ 0,09 mm Radiador 0,20 mm 0,20 mm 0,15 mm ---- Injetor de combustívelInjetor de combustívelInjetor de combustívelInjetor de combustívelInjetor de combustível Modelo/fabricante Quantidade VVVVVela de igniçãoela de igniçãoela de igniçãoela de igniçãoela de ignição Modelo / fabricante x quantidade Folga entre eletrodos ---- ---- ---- ---- TTTTTipo de sistema de paripo de sistema de paripo de sistema de paripo de sistema de paripo de sistema de partidatidatidatidatida Partida elétrica 1100-87H50 / AISAN 1 DR8EA/NGK x 1 0,6~0,7 mm ----
  • 24.
    2 – 3 ESPECESPECESPECESPECESPECESPECIFICAÇÕESDO MOESPECIFICAÇÕES DO MOESPECIFICAÇÕES DO MOESPECIFICAÇÕES DO MOESPECIFICAÇÕES DO MOTTTTTOROROROROR Item Padrão Limite CabeçoteCabeçoteCabeçoteCabeçoteCabeçote Volume Empenamento máximo * 20,50~21,50 cm3 ---- ---- 0,03 mm Medida A Medida B Dimensões do cames do eixo de comando (exaustão) Medida A Medida B Empenamento máximo do eixo de comando CorCorCorCorCorrente de comandorente de comandorente de comandorente de comandorente de comando Modelo/número de elos Sistema de tensionamento BBBBBalancimalancimalancimalancimalancim/eix/eix/eix/eix/eixo do balano do balano do balano do balano do balancimcimcimcimcim Diâmetro interno do balancim Diâmetro externo do eixo Folga do balancim ao eixo EixEixEixEixEixo de comando de válvulaso de comando de válvulaso de comando de válvulaso de comando de válvulaso de comando de válvulas Sistema de acionamento Dimensões do cames do eixo de comando (admissão) Corrente de comando (direita) 36,890~36,990 mm 30,111~30,211 mm 36,891~36,991 mm 30,092~30,192 mm ---- DID SCR-0404 SV / 104 Automático 12,000~12,018 mm 11,981~11,991 mm 0,009~0,037 mm 0,030 mm
  • 25.
    2 – 4 ESPECESPECESPECESPECESPECESPECIFICAÇÕESDO MOESPECIFICAÇÕES DO MOESPECIFICAÇÕES DO MOESPECIFICAÇÕES DO MOESPECIFICAÇÕES DO MOTTTTTOROROROROR Item Padrão Limite 0,05~0,10 mm 0,08~0,13 mm 33,90~34,10 mm 28,40~28,60 mm 2,260 mm 2,260 mm 0,90~1,10 mm 0,90~1,10 mm 0,80~1,20 mm 0,80~1,20 mm 5,975~5,990 mm 5,960~5,975 mm 6,000~6,012 mm 6,000~6,012 mm 0,010~0,037 mm 0,025~0,052 mm ---- 0,90~1,10 mm 0,90~1,10 mm ---- ---- ---- ---- ---- ---- ---- ---- 5,950 mm 5,935 mm 6,042 mm 6,042 mm 0,080 mm 0,100 mm 0,030 mm 1,7 mm 1,7 mm Válvulas, sede de válvulas, guiasVálvulas, sede de válvulas, guiasVálvulas, sede de válvulas, guiasVálvulas, sede de válvulas, guiasVálvulas, sede de válvulas, guias de válvulasde válvulasde válvulasde válvulasde válvulas Folga da válvula (fria) Admissão Escape Dimensões da válvula Diâmetro A Admissão Escape Largura da face B Admissão Escape Largura do assento C Admissão Escape Espessura da margem D Admissão Escape Diâmetro da haste Admissão Escape Diâmetro interno da guia de válvula Admissão Escape Folga da haste da válvula Admissão Escape Limite e empenamento da haste da válvula Largura do assento da válvula Admissão Escape Diâmetro Largura da face Largura do assento Espessura da margem
  • 26.
    2 – 5 ESPECESPECESPECESPECESPECESPECIFICAÇÕESDO MOESPECIFICAÇÕES DO MOESPECIFICAÇÕES DO MOESPECIFICAÇÕES DO MOESPECIFICAÇÕES DO MOTTTTTOROROROROR Molas das válvulasMolas das válvulasMolas das válvulasMolas das válvulasMolas das válvulas Comprimento livre ( Interna ) Admissão ( Interna ) Escape ( Externa ) Admissão ( Externa ) Escape Comprimento (válvula instalada) ( Interna ) Admissão ( Interna ) Escape ( Externa ) Admissão ( Externa ) Escape Pressão de compressão (instalada) ( Interna ) Admissão ( Interna ) Escape ( Externa ) Admissão ( Externa ) Escape Inclinação da mola ( Interna / Externa ) Admissão ( Interna / Externa ) Escape Sentido das espirais (visão superior) ( Interna ) Admissão / Escape ( Externa ) Admissão / Escape Item Padrão Limite 36,17 mm 36,17 mm 36,63 mm 36,63 mm 30,50 mm 30,50 mm 32,00 mm 32,00 mm 7,50~9,10 kgf.m (75,00~91,00 N.m) 7,50~9,10 kgf.m (75,00~91,00 N.m) 12,80~15,70 kgf.m (128,00-157,00 N.m) 12,80~15,70 kgf.m (128,00-157,00 N.m) 34,47 mm 34,47 mm 34,63 mm 34,63 mm ---- ---- ---- ---- ---- ---- ---- ---- ---- ---- 2,5°/1,6 mm 2,5°/1,6 mm ---- ---- Sentido anti-horário Sentido horário
  • 27.
    2 – 6 ESPECESPECESPECESPECESPECESPECIFICAÇÕESDO MOESPECIFICAÇÕES DO MOESPECIFICAÇÕES DO MOESPECIFICAÇÕES DO MOESPECIFICAÇÕES DO MOTTTTTOROROROROR Um cilindro inclinado para frente 74,0 x 58,0 mm 9,80 :1 74,000 mm ---- ---- 0,010~0,025 mm 73,983~73,998 mm 5,0 mm 0,50 mm Lado da admissão 17,002~17,013 mm 16,991~17,000 mm Arredondado 0,90 x 2,75 mm 0,19~0,31 mm 0,030~0,065 mm ---- ---- 74,10 mm 0,10 mm 0,01 mm 0,15 mm ---- ---- ---- ---- 17,043 mm 16,970 mm ---- 0,60 mm 0,10 mm CilindroCilindroCilindroCilindroCilindro Disposição do cilindro Diâmetro interno x curso Taxa de compressão Diâmetro interno Conicidade Ovalização PistãoPistãoPistãoPistãoPistão Folga entre pistão e cilindro Diâmetro D Ponto de medição “H” Offset Direção do offset do pistão Diâmetro do alojamento do pino no pistão Diâmetro externo do pino do pistão Anéis do pistão Anel de compressão Tipo de anel Dimensões (B xT) Folga entre pontas (instalado) Folga lateral (instalado) Item Padrão Limite
  • 28.
    2 – 7 ESPECESPECESPECESPECESPECESPECIFICAÇÕESDO MOESPECIFICAÇÕES DO MOESPECIFICAÇÕES DO MOESPECIFICAÇÕES DO MOESPECIFICAÇÕES DO MOTTTTTOROROROROR Anel raspador Tipo de anel Dimensões (B xT) Folga entre pontas (instalado) Folga lateral (instalado) Anel de óleo Dimensões (B xT) Folga entre pontas (instalado) VVVVVirabrequimirabrequimirabrequimirabrequimirabrequim Largura A Desalinhamento máximo C Folga inferior de biela D BalanceiroBalanceiroBalanceiroBalanceiroBalanceiro Método de balanceamento Cônico 0,80 x 2,80 mm 0,30-0,45 mm 0,020-0,055 mm 1,50 x 2,60 mm 0,10-0,35 mm 69,25-69,30 mm ---- 0,350 ~ 0,650 mm Engrenagem ---- 0,60 mm 0,10 mm ---- ---- ---- 0,03 mm ---- Item Padrão Limite
  • 29.
    2 – 8 ESPECESPECESPECESPECESPECESPECIFICAÇÕESDO MOESPECIFICAÇÕES DO MOESPECIFICAÇÕES DO MOESPECIFICAÇÕES DO MOESPECIFICAÇÕES DO MOTTTTTOROROROROR Discos múltiplos em banho de óleo Tração externa Mão esquerda 10,0 ~ 15,0 mm 2,90 ~ 3,10 mm 6 peças (1 peça + 4 peças + 1 peça) 1,50 ~1,70 mm 5 peças ---- Engrenagem constante, 5-velocidades Engrenagem 74/24 (3,083) Acionamento por corrente 46/15 (3,066) Pé esquerdo 36/14 (2,571) 32/19 (1,684) 28/22 (1,273) 26/25 (1,040) 23/27 (0,852) ---- ---- 2,80 mm ---- EmbreagemEmbreagemEmbreagemEmbreagemEmbreagem Tipo de embreagem Método de liberação da embreagem Acionamento Folga do cabo da embreagem (do manete de embreagem) Discos de fricção Espessura Quantidade de discos Discos de embreagem Espessura Quantidade de discos Empenamento máximo Mola de embreagem Comprimento livre Quantidade de molas Comprimento mínimo TTTTTransmissãoransmissãoransmissãoransmissãoransmissão Tipo de transmissão Sistema de redução primária Proporção de redução primária Sistema de redução secundária Proporção de redução secundária Operação Proporções das marchas 1ª marcha 2ª marcha 3ª marcha 4ª marcha 5ª marcha Item Padrão Limite Desalinhamento máximo do eixo primário Desalinhamento máximo do eixo secundário Mecanismo de mudançaMecanismo de mudançaMecanismo de mudançaMecanismo de mudançaMecanismo de mudança Tipo do mecanismo de mudança ---- 0,08 mm ---- 0,08 mm Trambulador de acionamento e barra de guia 0,20 mm 41,60 mm 4 peças ---- ---- ---- 39,60 mm ---- ---- ---- ---- ---- ---- ----
  • 30.
    2 – 9 ESPECESPECESPECESPECESPECESPECIFICAÇÕESDO MOESPECIFICAÇÕES DO MOESPECIFICAÇÕES DO MOESPECIFICAÇÕES DO MOESPECIFICAÇÕES DO MOTTTTTOROROROROR Item Padrão Limite TTTTTipo de filtro de aripo de filtro de aripo de filtro de aripo de filtro de aripo de filtro de ar Bomba de combustívelBomba de combustívelBomba de combustívelBomba de combustívelBomba de combustível Tipo de bomba Pressão de saída Corpo de aceleraçãoCorpo de aceleraçãoCorpo de aceleraçãoCorpo de aceleraçãoCorpo de aceleração Modelo/fabricante x quantidade Folga do cabo do acelerador (na manopla do acelerador) Marca de identificação Elemento de papel revestido - óleo ---- Elétrica 250 kPa ---- MIKUNI / 33EHS-2/1 3,0 ~ 5,0 mm ---- 4B4100
  • 31.
    2 – 10 ESPECESPECESPECESPECESPECESPECIFICAÇÕESDO CHAESPECIFICAÇÕES DO CHAESPECIFICAÇÕES DO CHAESPECIFICAÇÕES DO CHAESPECIFICAÇÕES DO CHASSISSISSISSISSI ESPECIFICAÇÕES DO CHAESPECIFICAÇÕES DO CHAESPECIFICAÇÕES DO CHAESPECIFICAÇÕES DO CHAESPECIFICAÇÕES DO CHASSISSISSISSISSI Berço duplo em aço 26,5° 103,0 mm Roda raiada 21 x 1,60 Aço 240 mm ---- ---- Roda raiada 18 x 2,15 Aço 220,0 mm ---- ---- ---- ---- ---- ---- ---- 1,00 mm 0,50 mm ---- ---- ---- 1,00 mm 0,50 mm QuadroQuadroQuadroQuadroQuadro Tipo de quadro Ângulo de cáster Trail RRRRRoda dianteiraoda dianteiraoda dianteiraoda dianteiraoda dianteira Tipo de roda Aro Tamanho Material Curso da roda Empenamento de aro Empenamento radial máximo Empenamento lateral máximo RRRRRoda traseiraoda traseiraoda traseiraoda traseiraoda traseira Tipo de roda Aro Tamanho Material Curso da roda Empenamento Empenamento radial máximo Empenamento lateral máximo Item Padrão Limite Pneu dianteiroPneu dianteiroPneu dianteiroPneu dianteiroPneu dianteiro Tipo de pneu Tamanho Modelo/fabricante Pressão do pneu (frio) 0 ~ 90 kg 90 kg - Carga máxima* Profundidade mínima dos sulcos na banda de rodagem Com câmara 80/90-21M/C 48S ENDURO-3 / METZELER 125 kPa (1,25 kgf/cm2 , 18 psi) 150 kPa (1,50 kgf/cm2 , 22 psi) *Carga máxima é o peso total da carga, condutor, passageiro e acessórios. ---- ---- ---- ---- 0,80 mm
  • 32.
    2 – 11 ESPECESPECESPECESPECESPECESPECIFICAÇÕESDO CHAESPECIFICAÇÕES DO CHAESPECIFICAÇÕES DO CHAESPECIFICAÇÕES DO CHAESPECIFICAÇÕES DO CHASSISSISSISSISSI Pneu traseiroPneu traseiroPneu traseiroPneu traseiroPneu traseiro Tipo de pneu Tamanho Modelo/fabricante Pressão do pneu (frio) 0 ~ 90 kg 90 kg - Carga máxima* Profundidade mínima dos sulcos na banda de rodagem Com câmara 120/80-18M/C 62S ENDURO-3 / METZELER 150 kPa (1,50 kgf/cm2 , 22 psi) 175 kPa (1,75 kgf/cm2 , 25 psi) *Carga máxima é o peso total da carga, condutor, passageiro e acessórios. ---- ---- ---- ---- 0,80 mm Item Padrão Limite Hidráulico com disco Mão direita DOT 4 245 x 3,5 mm ---- ---- 5,2 mm 5,2 mm 11,0 mm 25,40 mm x 2 5,0 ~8,0 mm Hidráulico com disco Pé direito DOT 4 203,0 mm x 4,5 mm ---- ---- 5,20 mm 5,20 mm 12,7 mm 30,23 mm 7,0 mm 5,0 ~12,0 mm ---- ---- 3,0 mm 0,15 mm 0,8 mm 0,8 mm ---- ---- ---- ---- ---- 4,0 mm 0,15 mm 1,0 mm 1,0 mm ---- ---- ---- ---- FFFFFreio dianteiroreio dianteiroreio dianteiroreio dianteiroreio dianteiro Tipo de freio Acionamento Fluido recomendado Disco de freio Diâmetro x espessura Espessura mínima Deflexão máxima Espessura da pastilha interna Espessura da pastilha externa Diâmetro interno do cilindro mestre Diâmetro interno do cilindro da pinça Folga do manete do freio FFFFFreioreioreioreioreio tttttraseiroraseiroraseiroraseiroraseiro Tipo de freio Acionamento Fluido recomendado Disco de freio Diâmetro x espessura Espessura mínima Deflexão máxima Espessura da pastilha interna Espessura da pastilha externa Diâmetro interno do cilindro mestre Diâmetro interno do cilindro da pinça Posição do pedal do freio Folga do pedal do freio
  • 33.
    2 – 12 ESPECESPECESPECESPECESPECESPECIFICAÇÕESDO CHAESPECIFICAÇÕES DO CHAESPECIFICAÇÕES DO CHAESPECIFICAÇÕES DO CHAESPECIFICAÇÕES DO CHASSISSISSISSISSI DireçãoDireçãoDireçãoDireçãoDireção Tipo de rolamento da direção Ângulo de batente (esquerdo) Ângulo de batente (direito) Suspensão dianteiraSuspensão dianteiraSuspensão dianteiraSuspensão dianteiraSuspensão dianteira Tipo de suspensão Tipo de garfo dianteiro Curso do garfo dianteiro Mola Comprimento livre Força da mola (K1) (K2) Curso da mola (K1) (K2) Mola opcional disponível Óleo do garfo Óleo recomendado Quantidade (cada bengala dianteira) Nível (a partir do topo do tubo interno, com o tubo totalmente comprimido e sem a mola) Rolamento de esferas 45° 45° Garfo telescópico Mola espiral/amortecedor a óleo 240,0 mm 611,7 mm 4,22 N/mm 4,50 N/mm 0 ~240,0 mm 104 ~180 mm Não Óleo de garfo 10W ou equivalente 541 cc 134,0 mm ---- ---- ---- 599,5 mm ---- ---- ---- ---- ---- ---- ---- Item Padrão Limite Braço oscilante (monocross) Mola espiral/amortecedor a óleo e gás 68,0 mm 215,5 mm 198,8 mm 80,00 N/mm 90,0 N/mm 0 ~65 mm 65 ~84,5 mm Não ---- ---- 428V / DAIDO 130 25,0 ~ 35,0 mm 191,5 mm ---- ---- ---- 213,0 mm ---- ---- ---- ---- ---- 1,00 mm 1,00 mm ---- ---- ---- ---- SuspensãoSuspensãoSuspensãoSuspensãoSuspensão tttttraseiraraseiraraseiraraseiraraseira Tipo de suspensão Amortecedor traseiro Curso do conjunto do amortecedor Mola Comprimento livre Comprimento instalado Força da mola (K1) (K2) Curso da mola (K1) (K2) Mola opcional disponível Balança traseiraBalança traseiraBalança traseiraBalança traseiraBalança traseira Folga da balança traseira (na extremidade) Radial Axial CorCorCorCorCorrente derente derente derente derente de transmissãotransmissãotransmissãotransmissãotransmissão Tipo/fabricante Quantidade de elos Folga da corrente de transmissão Seção de 15 elos máxima
  • 34.
    2 – 13 ESPECESPECESPECESPECESPECESPECIFICAÇÕESELÉTRICAESPECIFICAÇÕES ELÉTRICAESPECIFICAÇÕES ELÉTRICAESPECIFICAÇÕES ELÉTRICAESPECIFICAÇÕES ELÉTRICASSSSS ESPECIFICAÇÕES ELÉTRICAESPECIFICAÇÕES ELÉTRICAESPECIFICAÇÕES ELÉTRICAESPECIFICAÇÕES ELÉTRICAESPECIFICAÇÕES ELÉTRICASSSSS VVVVVoltagem do sistemaoltagem do sistemaoltagem do sistemaoltagem do sistemaoltagem do sistema Sistema de igniçãoSistema de igniçãoSistema de igniçãoSistema de igniçãoSistema de ignição Tipo do sistema de ignição Ponto de ignição Tipo de avanço Resistência/cor bobina de pulso Modelo/fabricante da ECU Bobina de igniçãoBobina de igniçãoBobina de igniçãoBobina de igniçãoBobina de ignição Modelo/fabricante Faísca mínima na vela de ignição Resistência enrolamento primário Resistência enrolamento secundário CacCacCacCacCachimbo da vela de igniçãohimbo da vela de igniçãohimbo da vela de igniçãohimbo da vela de igniçãohimbo da vela de ignição Material Resistência Sistema de alimentaçãoSistema de alimentaçãoSistema de alimentaçãoSistema de alimentaçãoSistema de alimentação Tipo de sistema Modelo/fabricante Saída nominal Resistência/ cor da bobina de carga RRRRRetificador/reguladoretificador/reguladoretificador/reguladoretificador/reguladoretificador/regulador Tipo de regulador Tensão regulada sem carga Capacidade máxima admitida Tensão BateriaBateriaBateriaBateriaBateria Fabricante Tensão/capacidade da bateria Taxa de amperagem de 10 horas Tipo/modelo Lâmpada de farolLâmpada de farolLâmpada de farolLâmpada de farolLâmpada de farol LuzLuzLuzLuzLuzes de indicaçãoes de indicaçãoes de indicaçãoes de indicaçãoes de indicação Luz do visor Luz indicadora de neutro Luz indicadora de farol alto Luz indicadora do pisca Luz indicadora de falha no motor 12V Bobina de ignição transistorizada (digital) 10,0 graus / 1.400 r/min Digital 240 ohm+-20 % a 20°C Azul/amarelo - verde TBDF35 / DENSO 2JN /YAMAHA 6,0 mm 2,40 ohm+-10 % a 20°C 10,8 K.ohm+-20 % a 20°C Resina 5,0 k ohm a 20°C Magneto de Corrente Alternada LLZ79 / DENSO 14,0V 153W 5.000 r/min 0,42 ~ 0,62 ohm a 20°C branco-branco Semicondutor, tipo circuito fechado 13,7 ~ 14,7 V 20,0 A 200,0 V YUASA 12 V, 6,0 Ah 0,60 A Selada/YTX7L-BS ---- ---- ---- ---- ---- ---- ---- ---- ---- ---- ---- ---- ---- ---- ---- ---- ---- ---- ---- ---- ---- Item Padrão Limite Lâmpada de bulbo halógeno LED LED LED LED LED LâmpadasLâmpadasLâmpadasLâmpadasLâmpadas (tensão x potência x quantidade)(tensão x potência x quantidade)(tensão x potência x quantidade)(tensão x potência x quantidade)(tensão x potência x quantidade) Farol Luz de freio / lanterna traseira Luzes do pisca dianteiras Luzes do pisca traseiras 12 V x 35 W / 35 W x 1 12 V x 21 W / 5 W x 1 12 V x 10 W x 2 12 V x 10 W x 2 ---- ---- ---- ----
  • 35.
    2 – 14 ESPECESPECESPECESPECESPECESPECIFICAÇÕESELÉTRICAESPECIFICAÇÕES ELÉTRICAESPECIFICAÇÕES ELÉTRICAESPECIFICAÇÕES ELÉTRICAESPECIFICAÇÕES ELÉTRICASSSSS Engrenamento constante SM13/MITSUBA DO BRAZIL LTDA 0,65 kW 0,0012~0,0022 ohm a 20°C 12,5 mm 765~1.001 gf.m (7,65~10,01 N.m) 28,0 mm 0,70 mm MS5F-721/JIDECO 20,0 A 4,40 ohm+-5 % a 20°C Plana LOCAL MADE x 1 3,5 A 105~115 dB/2 m Totalmente transistorizado 05 0150 00 / KOSTAL Não 85,0 ciclos/minuto ---- ---- 4,00 mm ---- 27,00 mm ---- ---- ---- ---- ---- ---- Sistema de parSistema de parSistema de parSistema de parSistema de partida elétricatida elétricatida elétricatida elétricatida elétrica Tipo de sistema Motor de partida Modelo / fabricante Potência de saída Resistência da bobina da armadura Escovas Comprimento total Força da mola Diâmetro do induzido Corte inferior da mica RRRRRelé do motor deelé do motor deelé do motor deelé do motor deelé do motor de parparparparpartidatidatidatidatida Modelo/fabricante Amperagem máxima Resistência da bobina BuzinaBuzinaBuzinaBuzinaBuzina Tipo de buzina Fabricante x quantidade Amperagem máxima Desempenho RRRRRelé das luzelé das luzelé das luzelé das luzelé das luzeseseseses de setade setade setade setade seta Tipo de relé Modelo/fabricante Dispositivo autocancelante embutido Freqüência SSSSSensor de temperaturaensor de temperaturaensor de temperaturaensor de temperaturaensor de temperatura Modelo / fabricante Resistência a 80ºC Resistência a 100ºC Item Padrão Limite 1S4 / MIKUNI 1.569,0~1.945,0 ohm 902,5~1142,0 ohm ---- ---- ---- FFFFFusíveis (potência x quantidade)usíveis (potência x quantidade)usíveis (potência x quantidade)usíveis (potência x quantidade)usíveis (potência x quantidade) Fusível principal Fusível do sistema de sinalização Fusível do farol Fusível de ignição Fusível de backup (painel) Fusível reserva Fusível reserva 20 A x 1 10 A x 1 10 A x 1 10 A x 1 10 A x 1 10 A x 1 20 A x 1 ---- ---- ---- ---- ---- ---- ----
  • 36.
    2 – 15 ESPECESPECESPECESPECESPECTTTTTABELADE CONVERSÃO/TABELA DE CONVERSÃO/TABELA DE CONVERSÃO/TABELA DE CONVERSÃO/TABELA DE CONVERSÃO/TORQORQORQORQORQUE DE FIXAÇÃOUE DE FIXAÇÃOUE DE FIXAÇÃOUE DE FIXAÇÃOUE DE FIXAÇÃO A tabela a seguir especifica torques para elementos fixadores com rosca padrão ISO. As especificações dos torques para componentes ou conjuntos especiais são fornecidas nos respectivos capítulos deste manual. Para evitar empenamentos, fixe os conjuntos compostos por vários elementos fixadores progressivamente e de forma cruzada ou alternada até atingir o torque especificado. Caso indicação em contrário, os torque devem ser aplicados em roscas limpas e secas. Os componentes deverão estar em temperatura ambiente. ESPECIFICAÇÕES GERAIS DEESPECIFICAÇÕES GERAIS DEESPECIFICAÇÕES GERAIS DEESPECIFICAÇÕES GERAIS DEESPECIFICAÇÕES GERAIS DE TTTTTORQORQORQORQORQUE DE FIXAÇÃOUE DE FIXAÇÃOUE DE FIXAÇÃOUE DE FIXAÇÃOUE DE FIXAÇÃO A: Distância entre as laterais planas B: Diâmetro externo da rosca 10 mm 6 mm 6 0,6 4,3 12 mm 8 mm 15 1,5 11 14 mm 10 mm 30 3,0 22 17 mm 12 mm 55 5,5 40 19 mm 14 mm 85 8,5 61 22 mm 16 mm 130 13,0 94 N.mN.mN.mN.mN.m Especificações geraisEspecificações geraisEspecificações geraisEspecificações geraisEspecificações gerais de torquede torquede torquede torquede torqueAAAAA (P(P(P(P(Porca)orca)orca)orca)orca) BBBBB (P(P(P(P(Parafuso)arafuso)arafuso)arafuso)arafuso) kkkkkgfgfgfgfgf.m.m.m.m.m ffffft.lbt.lbt.lbt.lbt.lb TTTTTABELA DE CONVERSÃOABELA DE CONVERSÃOABELA DE CONVERSÃOABELA DE CONVERSÃOABELA DE CONVERSÃO Todas as especificações técnicas deste manual estão listadas em SI e unidades métricas. Use esta tabela para converter as unidades. Ex. MÉTRICO MULTIPLICADOR IMPERIAL ** mm x 0,03937 = ** in 2 mm x 0,03937 = 0,08 in TABELA DE CONVERSÃO MÉTRICO PARA IMPERIAL Unidade Aplicador Unidade Métrica Imperial Aperto m.kg 7,233 ft.lb de m.kg 85,794 in.lb torque cm.kg 0,0723 ft.lb cm.kg 0,8679 in.lb Peso kg 2,205 lb g 0,03527 oz Velocidade km/hr 0,6214 mph km 0,6214 mi m 3,281 ft Distância m 1,094 yd cm 0,3937 in mm 0,03937 in cc (cm3 ) 0,03527 oz (IMP liq.) Volume/ cc (cm3 ) 0,06102 cu.in Capacidade lt (litro) 0,8799 qt (IMP liq.) lt (litro) 0,2199 gal (IMP liq.) kg/mm 55,997 lb/in Vários kg/cm2 14,2234 psi (lb/in2 ) Centígrados 9/5+32 Fahrenheit (o C) (o F)
  • 37.
    2 – 16 ESPECESPECESPECESPECESPECTTTTTORQORQORQORQORQUEDE FIXAÇÃOUE DE FIXAÇÃOUE DE FIXAÇÃOUE DE FIXAÇÃOUE DE FIXAÇÃO TTTTTORQORQORQORQORQUE DE FIXAÇÃO DO MOUE DE FIXAÇÃO DO MOUE DE FIXAÇÃO DO MOUE DE FIXAÇÃO DO MOUE DE FIXAÇÃO DO MOTTTTTOROROROROR Alavanca impulsora da embreagem Parafuso M8 1 1,2 12 Limitadora do seletor do trambulador Parafuso M6 1 1,0 10 Fixador do cabo da embreagem Parafuso M6 1 1,0 10 Interruptor de neutro Sensor M10 1 2,0 20 Parafuso do dreno de óleo do cárter Bujão M12 1 2,0 20 Sensor de velocidade Parafuso M6 1 1,0 10 Bomba de óleo Parafuso M6 3 0,7 7 Guia da corrente de comando Parafuso M6 2 0,8 8 Placa do rolamento do eixo secundário Parafuso M6 1 1,0 10 Ajustador da folga de válvula Porca M6 2 1,4 13,5 Tubo de distr. de óleo (lat. do cilindro) Parafuso M8 1 1,7 17 Tampa da coroa do eixo de comando Parafuso M6 2 1,0 10 Engrenagem de partida sentido único Parafuso M8 3 3,0 30 Conjunto estator Parafuso M6 3 1,0 10 Fixador de bobina de pulso Parafuso M5 2 0,7 7 Fixador do chicote do estator conjunto Parafuso M5 1 0,7 7 Eixo do virabrequim (visor sincronismo) Bujão M32 1 0,4 4 Rotor do magneto (visor sincronismo) Bujão M14 1 0,4 4 Mangueira de óleo ao radiador Parafuso M6 4 0,7 6,5 Suportes laterais do radiador Parafuso M6 2 0,7 6,5 Abraçadeira do corpo de injeção Parafuso M4 1 0,2 2 Placa de fixação do eixo de comando Parafuso M6 2 0,8 8 Sensor de temperatura Sensor M8 1 0,9 9 Junção do corpo de injeção Parafuso M6 2 1,0 10 Tubo do escape ao cabeçote Prisioneiro M8 2 1,5 15 Tubo A.I.S. Parafuso M6 2 1,0 10 Vela de ignição Parafuso M12 1 1,8 17,5 Molas / Placa de pressão da campana Parafuso M6 4 0,8 8 Engrenagem primária Porca M16 1 8,0 80 Engrenagem do balanceiro Porca M12 1 5,5 55 Parafuso do fluxo de óleo Parafuso M6 1 0,7 7 Cilindro (lateral do comando) L = 65 mm Parafuso M6 2 1,0 10 Pinhão da corrente de transmissão Porca M18 1 11,0 110 Tampa lateral direita L = 55 mm Parafuso M6 1 1,0 10 L = 50 mm Parafuso M7 3 1,0 10 L = 35 mm Parafuso M8 1 1,0 10 L = 25 mm Parafuso M9 8 1,0 10 Componente a ser fixadoComponente a ser fixadoComponente a ser fixadoComponente a ser fixadoComponente a ser fixado PPPPPeçaeçaeçaeçaeça RRRRRosca Qtde.osca Qtde.osca Qtde.osca Qtde.osca Qtde. kkkkkgfgfgfgfgf.m.m.m.m.m N.mN.mN.mN.mN.m ObservaçãoObservaçãoObservaçãoObservaçãoObservação TTTTTorqueorqueorqueorqueorque Use arruela trava nova Use arruela trava nova Use arruela trava nova
  • 38.
    2 – 17 ESPECESPECESPECESPECESPECTTTTTORQORQORQORQORQUEDE FIXAÇÃOUE DE FIXAÇÃOUE DE FIXAÇÃOUE DE FIXAÇÃOUE DE FIXAÇÃO Tampa do filtro de óleo L = 70 mm Parafuso M6 1 1,0 10 L = 20 mm Parafuso M6 2 1,0 10 Cabeçote (lateral do comando) L = 45 mm Parafuso M8 2 2,0 20 L = 117 mm Parafuso M8 4 2,2 22 Motor de partida Parafuso M6 2 1,0 10 Rotor do magneto Parafuso M10 1 6,0 60 Tubo de distr. de óleo (carcaça direita) Parafuso M10 1 2,0 20 Coroa da corrente de sincronismo Parafuso M10 1 6,0 60 Esticador da corrente de comando Parafuso M6 2 1,0 10 Esticador da corrente de comando (int.) Parafuso M6 1 0,8 7,5 Tampa lateral esquerda L = 50 mm Parafuso M6 1 1,0 10 L = 45 mm Parafuso M7 3 1,0 10 L = 30 mm Parafuso M8 5 1,0 10 Tampa da engrenagem (motor partida) Parafuso M6 3 1,0 10 Mangueira de óleo no motor Parafuso M6 2 1,0 10 Carcaças do motor L = 60 mm Parafuso M6 2 1,0 10 L = 70 mm Parafuso M6 3 1,0 10 L = 45 mm Parafuso M6 4 1,0 10 L = 55 mm Parafuso M6 3 1,0 10 Tampa da caixa do filtro de ar Parafuso M6 4 2,1 21 Tubo de escape Porca M8 2 1,7 17 Escape e conexão central (estribo) Parafuso M10 2 2,0 20 Escape e suporte do estribo (posterior) Parafuso M10 1 4,0 40 Parafuso do protetor do escape Parafuso M6 5 0,8 8,0 Componente a ser fixadoComponente a ser fixadoComponente a ser fixadoComponente a ser fixadoComponente a ser fixado PPPPPeçaeçaeçaeçaeça RRRRRosca Qtde.osca Qtde.osca Qtde.osca Qtde.osca Qtde. kkkkkgfgfgfgfgf.m.m.m.m.m N.mN.mN.mN.mN.m ObservaçãoObservaçãoObservaçãoObservaçãoObservação TTTTTorqueorqueorqueorqueorque Seqüência de aperto do cabeçote do cilindro: 5 6 1 3 2 4
  • 39.
    2 – 18 ESPECESPECESPECESPECESPECTTTTTORQORQORQORQORQUEDE FIXAÇÃOUE DE FIXAÇÃOUE DE FIXAÇÃOUE DE FIXAÇÃOUE DE FIXAÇÃO TTTTTORQORQORQORQORQUE DE FIXAÇÃO DO CHAUE DE FIXAÇÃO DO CHAUE DE FIXAÇÃO DO CHAUE DE FIXAÇÃO DO CHAUE DE FIXAÇÃO DO CHASSISSISSISSISSI Pára-lama dianteiro M6 4 0,7 7 Pára-lama traseiro e protetor da corrente M6 4 1,1 11 Porca do eixo da roda dianteira M14 1 8 80 Porca do eixo da roda traseira M16 1 8,5 8,5 Contra-porca da regulagem da folga da corrente M8 2 1,5 15 Parafuso do disco de freio da roda dianteira M8 6 1,3 13 Mesa inferior e garfo dianteiro M10 2 3,0 30 Mesa superior e garfo dianteiro M8 2 2,5 25 Fixador superior do guidão M8 4 2,3 23 Parafuso da coroa e cubo da embreagem M8 6 4,3 43 Amortecedor e chassi M12 1 5,7 57 Braço relé e chassi M12 1 5,7 57 Suporte da licença M6 4 1,1 11 Porca do guidão/ mesa M22 1 11,0 110 Porca mesa do guidão (inferior) 1º torque M25 1 3,7 37 Porca mesa do guidão (inferior) 2º torque M25 1 0,65 6,5 Bobina de ignição M10 2 0,7 7 Regulador/ retificador M6 2 0,7 7 Alça lateral M8 4 3,0 30 Porca do cavalete lateral M10 1 4,0 40 Suporte dianteiro do motor e quadro M8 3 3,3 33 Suporte dianteiro do motor e motor M8 3 3,3 33 Suporte do motor e quadro M8 1 3,8 38 Motor e quadro (atrás embaixo) M8 1 3,3 33 Eixo pivô e porca M12 1 8,0 80 Braço relé e balança M12 1 5,7 57 Haste e braço relé M10 1 5,7 57 Amortecedor e braço relé M10 1 5,7 57 Pinça de freio e garfo dianteiro M10 2 3,5 35 Pinça de freio e mangueiras de freio M10 2 2,7 27 Cilindro mestre e mangueira de freio dianteiro M10 1 2,7 27 Cilindro mestre traseiro e mangueira M8 2 4,7 47 Estribo traseiro LE e quadro M8 2 2,8 28 Estribo traseiro LD e quadro M8 2 2,8 28 Parafuso da lanterna de freio e porca M6 2 0,55 5,5 Parafuso do disco de freio traseiro da roda M8 3 2,8 28 PPPPPeça a ser apereça a ser apereça a ser apereça a ser apereça a ser apertadatadatadatadatada DimensãoDimensãoDimensãoDimensãoDimensão Qtde.Qtde.Qtde.Qtde.Qtde. TTTTTorque de aperorque de aperorque de aperorque de aperorque de apertototototo KgfKgfKgfKgfKgf.m.m.m.m.m N.mN.mN.mN.mN.m NONONONONOTTTTTA:A:A:A:A: 1. Primeiro, exerça um torque na porca-anel inferior da haste da coluna de direção de 3,73,73,73,73,7 kkkkkgfgfgfgfgf.m.m.m.m.m , utilizando para tal a ferramenta especial TTTTTorquímetroorquímetroorquímetroorquímetroorquímetro. Após este processo, solte a porca-anel, que recebeu o torque, 1/4 de volta. 2. Reaperte a porca-anel inferior, utilizando o TTTTTorquímetroorquímetroorquímetroorquímetroorquímetro novamente, aplique o torque definitivo de 0,65 k0,65 k0,65 k0,65 k0,65 kgfgfgfgfgf.m.m.m.m.m.
  • 40.
    2 – 19 ESPECESPECESPECESPECESPEC PONPONPONPONPONTTTTTOSDE LUBRIFICAÇÃO EOS DE LUBRIFICAÇÃO EOS DE LUBRIFICAÇÃO EOS DE LUBRIFICAÇÃO EOS DE LUBRIFICAÇÃO E TIPOS DE LUBRIFICANTIPOS DE LUBRIFICANTIPOS DE LUBRIFICANTIPOS DE LUBRIFICANTIPOS DE LUBRIFICANTESTESTESTESTES PONPONPONPONPONTTTTTOS DE LUBRIFICAÇÃO EOS DE LUBRIFICAÇÃO EOS DE LUBRIFICAÇÃO EOS DE LUBRIFICAÇÃO EOS DE LUBRIFICAÇÃO ETIPOS DE LUBRIFICANTIPOS DE LUBRIFICANTIPOS DE LUBRIFICANTIPOS DE LUBRIFICANTIPOS DE LUBRIFICANTESTESTESTESTES MOMOMOMOMOTTTTTOROROROROR Ponto de Lubrificação Símbolo Lábios dos retentores Anéis O-rings Rolamentos Parafusos de fixação do cabeçote do cilindro Parafusos de fixação do cilindro Pino do virabrequim Superfície interna da corrente de comando Biela (inferior) Pino do pistão Canal do anel no pistão Porca de fixação do balanceiro Parafuso de fixação do rotor do magneto AC Hastes das válvulas (admissão e escape) Extremidades das hastes (admissão e escape) Eixo do balanceiro Cames do eixo de comando Rotor da bomba de óleo (interno e externo) Eixo da bomba de óleo Engrenagem da embreagem (interna e externa) Conjunto de embreagem Porca de fixação da engrenagem primária Engrenagem primária Porca de fixação do cubo da embreagem Haste de acionamento Engrenagens de transmissão (coroa e pinhão) Eixo principal e de acionamento Garfos de mudança Trambulador Eixo dos garfos Sensor de velocidade (O-rings) ColaYamaha N° 1215 ColaYamaha N° 1215 ColaYamaha N° 1215 Superfície de contato das carcaças Ilhó isolante do chicote do magneto AC (tampa do magneto de AC) Parafuso de fixação do tubo de distribuição de óleo
  • 41.
    2 – 20 ESPECESPECESPECESPECESPEC PONPONPONPONPONTTTTTOSDE LUBRIFICAÇÃO EOS DE LUBRIFICAÇÃO EOS DE LUBRIFICAÇÃO EOS DE LUBRIFICAÇÃO EOS DE LUBRIFICAÇÃO E TIPOS DE LUBRIFICANTIPOS DE LUBRIFICANTIPOS DE LUBRIFICANTIPOS DE LUBRIFICANTIPOS DE LUBRIFICANTESTESTESTESTES CHACHACHACHACHASSISSISSISSISSI Lábios dos retentores da roda dianteira (esquerdo e direito) Lábios dos retentores da roda traseira (esquerdo e direito) Superfície de contato do cubo da roda traseira Eixo-pivô da balança e retentores Superfície de guarda-pós Parafuso da balança traseira e amortecedor Lábios dos retentores da balança e amortecedor Parafuso da balança traseira e braço relé Lábios retentores da balança traseira e braço relé Parafuso da balança traseira e haste conectora Lábios retentores da balança traseira e haste conectora Superfície externa do pedal de freio Rolamentos da coluna de direção (superior e inferior) Superfície interna da guia (do cabo do acelerador) Superfície do parafuso do manete de embreagem Superfície de contato do descanso lateral Pivô da pedaleira principal Extremidade da mola das pedaleiras Superfície externa do eixo traseiro Pivô da pedaleira do passageiro Eixo da balança traseira Ponto de Lubrificação Símbolo
  • 42.
    2 – 21 ESPECESPECESPECESPECESPECDIADIADIADIADIAGRAMADO SISGRAMA DO SISGRAMA DO SISGRAMA DO SISGRAMA DO SISTEMA DE REFRIGERAÇÃO DE ÓLEOTEMA DE REFRIGERAÇÃO DE ÓLEOTEMA DE REFRIGERAÇÃO DE ÓLEOTEMA DE REFRIGERAÇÃO DE ÓLEOTEMA DE REFRIGERAÇÃO DE ÓLEO DIAGRAMA DO SISTEMA DE REFRIGERAÇÃO DE ÓLEO 1 Radiador 2 Mangueira de entrada de óleo no radiador 3 Mangueira de saída de óleo no radiador 4 Anéis de vedação - “O-rings” A Entrada de óleo quente B Saída de óleo refrigerado
  • 43.
    2 – 22 ESPECESPECESPECESPECESPECFLUXFLUXFLUXFLUXFLUXODE LUBRIFICAÇÃOO DE LUBRIFICAÇÃOO DE LUBRIFICAÇÃOO DE LUBRIFICAÇÃOO DE LUBRIFICAÇÃO FLUXO DE LUBRIFICAÇÃO Alimentação de óleo com pressão Retorno de óleo por gravidade e centrifugação Cárter Eixo motor Filtro de óleo Virabrequim Eixo principal Filtro metálico CabeçoteVálvula de retenção Eixo de comando Bomba de óleo Radiador de óleo
  • 44.
    2 – 23 ESPECESPECESPECESPECESPECDIADIADIADIADIAGRAMAGRAMAGRAMAGRAMAGRAMASDO SISS DO SISS DO SISS DO SISS DO SISTEMA DE LUBRIFICAÇÃOTEMA DE LUBRIFICAÇÃOTEMA DE LUBRIFICAÇÃOTEMA DE LUBRIFICAÇÃOTEMA DE LUBRIFICAÇÃO DIADIADIADIADIAGRAMAGRAMAGRAMAGRAMAGRAMAS DO SISS DO SISS DO SISS DO SISS DO SISTEMA DE LUBRIFICAÇÃOTEMA DE LUBRIFICAÇÃOTEMA DE LUBRIFICAÇÃOTEMA DE LUBRIFICAÇÃOTEMA DE LUBRIFICAÇÃO 1 Bomba de óleo 2 Engrenagem de acionamento da bomba 3 Pescador (subfiltro de óleo) 4 Medidor do nível de óleo 4 1 2 3
  • 45.
    2 – 24 ESPECESPECESPECESPECESPECDIADIADIADIADIAGRAMAGRAMAGRAMAGRAMAGRAMASDO SISS DO SISS DO SISS DO SISS DO SISTEMA DE LUBRIFICAÇÃOTEMA DE LUBRIFICAÇÃOTEMA DE LUBRIFICAÇÃOTEMA DE LUBRIFICAÇÃOTEMA DE LUBRIFICAÇÃO 1 Mangueira de envio de óleo 2 Mangueira de retorno de óleo 3 Bomba de óleo 4 Pescador (subfiltro de óleo) 5 Filtro de óleo 1 2 3 4 5
  • 46.
    2 – 25 ESPECESPECESPECESPECESPECDIADIADIADIADIAGRAMAGRAMAGRAMAGRAMAGRAMASDO SISS DO SISS DO SISS DO SISS DO SISTEMA DE LUBRIFICAÇÃOTEMA DE LUBRIFICAÇÃOTEMA DE LUBRIFICAÇÃOTEMA DE LUBRIFICAÇÃOTEMA DE LUBRIFICAÇÃO 1 Pinos-guia 2 Anéis de vedação “O-rings” 3 Filtro de óleo 4 Rotor da bomba de óleo 1 5 Engrenagem de acionamento da bomba de óleo 6 Tubo de distribuição de óleo 7 Alojamento do filtro de óleo A A seta indica que vai para o radiador de óleo B A seta indica que vem do radiador de óleo 1 2 3 4 5 6 7 A B
  • 47.
    2 – 26 ESPECESPECESPECESPECESPECDIADIADIADIADIAGRAMAGRAMAGRAMAGRAMAGRAMASDO SISS DO SISS DO SISS DO SISS DO SISTEMA DE LUBRIFICAÇÃOTEMA DE LUBRIFICAÇÃOTEMA DE LUBRIFICAÇÃOTEMA DE LUBRIFICAÇÃOTEMA DE LUBRIFICAÇÃO 1 Eixo do comando de válvula 2 Tubo de distribuição de óleo 3 Parafuso - junção 4 Eixo principal 5 Eixo de acionamento 6 Haste da alavanca da embreagem 1 2 3 3 4 5 6
  • 48.
    2 – 27 ESPECESPECESPECESPECESPECPPPPPAAAAASSSSSSSSSSAAAAAGEMDOS CABOSGEM DOS CABOSGEM DOS CABOSGEM DOS CABOSGEM DOS CABOS PASSAGEM DOS CABOS 1 Chicote do interruptor de guidão (lado esquerdo) 2 Chicote do interruptor da embreagem 3 Cabo da embreagem 4 Chicote do interruptor de freio dianteiro 5 Chicote do interruptor de guidão (lado direito) 6 Cabo do acelerador 7 Chicote do farol 8 Chicote do painel de instrumentos 9 Chicote da chave de ignição 0 Chicote principal A Chicote do pisca dianteiro esquerdo B Chicote do pisca dianteiro direito
  • 49.
    2 – 28 ESPECESPECESPECESPECESPEC APrenda os chicotes dos interruptores do guidão LE e da embreagem com uma cinta plástica. B Prenda o cabo do acelerador, os chicotes dos interruptores do guidão LD e do freio dianteiro com uma cinta plástica. PPPPPAAAAASSSSSSSSSSAAAAAGEM DOS CABOSGEM DOS CABOSGEM DOS CABOSGEM DOS CABOSGEM DOS CABOS
  • 50.
    2 – 29 ESPECESPECESPECESPECESPECPPPPPAAAAASSSSSSSSSSAAAAAGEMDOS CABOSGEM DOS CABOSGEM DOS CABOSGEM DOS CABOSGEM DOS CABOS 1 Cabo do acelerador 2 Cabo da embreagem 3 Mangueira de respiro do motor 4 Mangueira da válvula de indução de ar 5 Cabo do motor de partida 6 Chicote do sensor de velocidade 7 Chicote da chave de ignição 8 Mangueira de combustível 9 Cabo de aterramento (negativo)
  • 51.
    2 – 30 ESPECESPECESPECESPECESPECPPPPPAAAAASSSSSSSSSSAAAAAGEMDOS CABOSGEM DOS CABOSGEM DOS CABOSGEM DOS CABOSGEM DOS CABOS A Fixar a mangueira de indução de ar do respiro do motor e de combustível, válvula de indução de ar com uma cinta plástica. B Fixar os cabos do acelerador e chicote principal com uma cinta plástica. C Passe o cabo da embreagem por cima dos cabos do acelerador.
  • 52.
    2 – 31 ESPECESPECESPECESPECESPEC 1Cabo da embreagem 2 Chicote do interruptor da embreagem 3 Chicote do interruptor do guidão LE 4 Mangueira do freio dianteiro 5 Chicote da buzina 6 Chicote da bobina de ignição 7 Chicote do retificador regulador 8 Cabo da vela 9 Chicote do interruptor do neutro : Cabo positivo A Cabo negativo B Chicote do interruptor do cavalete lateral C Chicote do interruptor do freio traseiro PPPPPAAAAASSSSSSSSSSAAAAAGEM DOS CABOSGEM DOS CABOSGEM DOS CABOSGEM DOS CABOSGEM DOS CABOS
  • 53.
    2 – 32 ESPECESPECESPECESPECESPECPPPPPAAAAASSSSSSSSSSAAAAAGEMDOS CABOSGEM DOS CABOSGEM DOS CABOSGEM DOS CABOSGEM DOS CABOS A Fixe o chicote na área da fita branca. B Fixe o chicote e o cabo da vela. C Área da fita branca. D Fixe o chicote, o cabo negativo e positivo. E 1. Após conectar os conectores, coloque-os dentro da capa. 2. O cabo do motor de partida passa por fora da capa. 3. Prenda o cabo no chassi com uma cinta.
  • 54.
    2 – 33 ESPECESPECESPECESPECESPECPPPPPAAAAASSSSSSSSSSAAAAAGEMDOS CABOSGEM DOS CABOSGEM DOS CABOSGEM DOS CABOSGEM DOS CABOS 1 Chicote do pisca traseiro direito 2 Chicote da lanterna traseira 3 Chicote do pisca traseiro esquerdo 4 Chicote do relé do pisca 5 Cabo positivo 6 Cabo negativo 7 Chicote 8 Chicote do interruptor do freio traseiro 9 Chicote do interruptor do cavalete lateral : Chicote do interruptor do freio dianteiro A Chicote do interruptor do guidão LD B Chicote da chave de ignição C Cabo da embreagem D Cabos do acelerador A Cintas.
  • 55.
    CAPÍTULCAPÍTULCAPÍTULCAPÍTULCAPÍTULO 3O 3O3O 3O 3 INSPEÇÃO EINSPEÇÃO EINSPEÇÃO EINSPEÇÃO EINSPEÇÃO E AJUSAJUSAJUSAJUSAJUSTES PERIÓDICOSTES PERIÓDICOSTES PERIÓDICOSTES PERIÓDICOSTES PERIÓDICOS INININININTRODUÇÃOTRODUÇÃOTRODUÇÃOTRODUÇÃOTRODUÇÃO ......................................................................................................................................................................................................................................................................................................................................................................................................................................................................................................................... 3-13-13-13-13-1 MANUTENÇÃO PERIÓDICA EMANUTENÇÃO PERIÓDICA EMANUTENÇÃO PERIÓDICA EMANUTENÇÃO PERIÓDICA EMANUTENÇÃO PERIÓDICA ETTTTTABELA DE LUBRIFICAÇÃOABELA DE LUBRIFICAÇÃOABELA DE LUBRIFICAÇÃOABELA DE LUBRIFICAÇÃOABELA DE LUBRIFICAÇÃO ........................................................................................................................................................... 3-13-13-13-13-1 CARENACARENACARENACARENACARENAGEM,GEM,GEM,GEM,GEM, TTTTTAMPAMPAMPAMPAMPAAAAAS ES ES ES ES E ABAABAABAABAABAS LAS LAS LAS LAS LATERAISTERAISTERAISTERAISTERAIS ........................................................................................................................................................................................................................................................................................ 3-33-33-33-33-3 REMOÇÃO ............................................................................................................. 3-3 INSTALAÇÃO ......................................................................................................... 3-7 TTTTTANQANQANQANQANQUE DE COMBUSUE DE COMBUSUE DE COMBUSUE DE COMBUSUE DE COMBUSTÍVELTÍVELTÍVELTÍVELTÍVEL...................................................................................................................................................................................................................................................................................................................................................................................................... 3-13-13-13-13-111111 REMOÇÃO ............................................................................................................3-11 INSTALAÇÃO ....................................................................................................... 3-12 MOMOMOMOMOTTTTTOROROROROR...........................................................................................................................................................................................................................................................................................................................................................................................................................................................................................................................................................................3-13-13-13-13-144444 AJUSTE DA FOLGA DE VÁLVULA ...................................................................... 3-14 AJUSTE DO VOLUME DO GÁS DE EXAUSTÃO ............................................... 3-17 AJUSTE DA MARCHA LENTA ............................................................................ 3-19 AJUSTE DA FOLGA DO CABO DO ACELERADOR ............................................ 3-19 INSPEÇÃO DA VELA DE IGNIÇÃO ..................................................................... 3-21 INSPEÇÃO DO PONTO DE IGNIÇÃO ................................................................. 3-22 INSPEÇÃO DA COMPRESSÃO ........................................................................... 3-23 INSPEÇÃO DO NÍVEL DE ÓLEO DO MOTOR..................................................... 3-25 TROCA DE ÓLEO DO MOTOR ............................................................................ 3-26 AJUSTE DA FOLGA DO CABO DA EMBREAGEM ............................................ 3-28 INSPEÇÃO DO ELEMENTO DO FILTRO DE AR.................................................. 3-28 INSPEÇÃO DA JUNÇÃO DO CORPO DE INJEÇÃO........................................... 3-30 INSPEÇÃO DA MANGUEIRA DE COMBUSTÍVEL ............................................. 3-30 INSPEÇÃO DA MANGUEIRA DE RESPIRO DO MOTOR ................................... 3-30 INSPEÇÃO DO SISTEMA DE ESCAPE ............................................................... 3-31 INSPEÇÃO DO RADIADOR DE ÓLEO................................................................. 3-31 CHACHACHACHACHASSISSISSISSISSI ....................................................................................................................................................................................................................................................................................................................................................................................................................................................................................................................3-323-323-323-323-32 INSPEÇÃO DO NÍVEL DE FLUIDO DE FREIO..................................................... 3-32 INSPEÇÃO DAS PASTILHAS DE FREIO DIANTEIRO ETRASEIRO .................... 3-33 SANGRIA DO SISTEMA DE FREIO HIDRÁULICO.............................................. 3-34 INSPEÇÃO DA MANGUEIRA DO FREIO DIANTEIRO ETRASEIRO .................. 3-36 AJUSTE DO INTERRUPTORTRASEIRO DO FREIO ........................................... 3-36 AJUSTE DO PEDAL DE CÂMBIO........................................................................ 3-37 AJUSTE DA FOLGA DA CORRENTE DETRANSMISSÃO ................................. 3-37 LUBRIFICAÇÃO DA CORRENTE ......................................................................... 3-39 INSPEÇÃO E AJUSTE DA COLUNA DE DIREÇÃO ............................................ 3-39 INSPEÇÃO DO GARFO DIANTEIRO ................................................................... 3-42 AJUSTE DO AMORTECEDOR ............................................................................. 3-42 INSPEÇÃO DOS PNEUS ..................................................................................... 3-44 INSPEÇÃO DAS RODAS ..................................................................................... 3-47
  • 56.
    INSPEÇÃO E APERTODOS RAIOS .................................................................... 3-47 INSPEÇÃO E LUBRIFICAÇÃO DOS CABOS....................................................... 3-48 LUBRIFICAÇÃO DOS MANETES E DO PEDAL DE FREIO ................................. 3-48 LUBRIFICAÇÃO DO CAVALETE LATERAL ......................................................... 3-48 LUBRIFICAÇÃO DA SUSPENSÃOTRASEIRA .................................................... 3-48 SISSISSISSISSISTEMA ELÉTRICOTEMA ELÉTRICOTEMA ELÉTRICOTEMA ELÉTRICOTEMA ELÉTRICO ..................................................................................................................................................................................................................................................................................................................................................................................................................................................................3-493-493-493-493-49 ATIVAÇÃO DA BATERIA...................................................................................... 3-49 INSPEÇÃO E CARGA DA BATERIA .................................................................... 3-50 INSPEÇÃO DOS FUSÍVEIS.................................................................................. 3-53 SUBSTITUIÇÃO DA LÂMPADA DO FAROL ....................................................... 3-55 AJUSTE DO FACHO DO FAROL ......................................................................... 3-56 AJUSTE DO RELÓGIO DIGITAL.......................................................................... 3-57
  • 57.
    3 – 1 INSPINSPINSPINSPINSP AJUSAJUSAJUSAJUSAJUS INININININTRODUÇÃO/MANUTENÇÃOPERIÓDICA ETRODUÇÃO/MANUTENÇÃO PERIÓDICA ETRODUÇÃO/MANUTENÇÃO PERIÓDICA ETRODUÇÃO/MANUTENÇÃO PERIÓDICA ETRODUÇÃO/MANUTENÇÃO PERIÓDICA E TTTTTABELA DE LUBRIFICAÇÃOABELA DE LUBRIFICAÇÃOABELA DE LUBRIFICAÇÃOABELA DE LUBRIFICAÇÃOABELA DE LUBRIFICAÇÃO INSPEÇÃO EINSPEÇÃO EINSPEÇÃO EINSPEÇÃO EINSPEÇÃO E AJUSAJUSAJUSAJUSAJUSTES PERIÓDICOSTES PERIÓDICOSTES PERIÓDICOSTES PERIÓDICOSTES PERIÓDICOS INININININTRODUÇÃOTRODUÇÃOTRODUÇÃOTRODUÇÃOTRODUÇÃO Este capítulo abrange as informações necessárias para a execução das inspeções e ajustes recomendados. Se seguidos, estes procedimentos assegurarão uma operação mais confiável do veículo, uma vida útil maior e reduzirão a possibilidade de trabalho de recondicionamento dispendioso. Estas informações aplicam-se a veículos já em operação e também a veículos novos que estejam sendo preparados para a venda.Todos os técnicos de manutenção devem estar familiarizados com este capítulo. MANUTENÇÃO PERIÓDICA EMANUTENÇÃO PERIÓDICA EMANUTENÇÃO PERIÓDICA EMANUTENÇÃO PERIÓDICA EMANUTENÇÃO PERIÓDICA ETTTTTABELA DE LUBRIFICAÇÃOABELA DE LUBRIFICAÇÃOABELA DE LUBRIFICAÇÃOABELA DE LUBRIFICAÇÃOABELA DE LUBRIFICAÇÃO 1 * 2 3 * 4 5 * 6 * 7 * 8 * 9 * 10 * 11 * Mangueira de combustível Vela de ignição Válvulas Elemento do filtro de ar Embreagem Freio dianteiro Freio traseiro Mangueiras do freio Rodas Pneus Rolamentos de roda • Verificar se as mangueiras têm vazamento ou danos • Verificar a condição • Limpe e corrija a folga do eletrodo • Trocar • Verificar a folga das válvulas • Ajuste • Limpar • Substituir • Verifique o funcionamento • Ajuste • Verifique o funcionamento, nível do fluido e se existem vazamentos do fluido na motocicleta • Trocar as pastilhas de freio • Verifique o funcionamento, nível do fluido e se existem vazamentos na motocicleta • Verificar o empenamento do disco • Trocar as pastilhas de freio • Verifique se apresentam rachaduras ou danos • Trocar • Verificar aperto de raios e se há danos • Apertar os raios se for necessário • Verificar esvaziamento, a profundidade dos sulcos e se existem danos • Trocar se necessário • Verifique a pressão do ar • Corrija se necessário • Verifique se os rolamentos estão soltos ou se apresentam danos LEITURA DO HODÔMETROLEITURA DO HODÔMETROLEITURA DO HODÔMETROLEITURA DO HODÔMETROLEITURA DO HODÔMETRO (x 1(x 1(x 1(x 1(x 100000000000 km)0 km)0 km)0 km)0 km) A cadaA cadaA cadaA cadaA cada 5.05.05.05.05.0000000 km0 km0 km0 km0 km ou 6 mesesou 6 mesesou 6 mesesou 6 mesesou 6 meses11111 55555 1111100000 • • • • • • • • • • • • • • • • • • • • • • • • • • • • • • • • • • • • ITEMITEMITEMITEMITEMNºNºNºNºNº TRABALHO DETRABALHO DETRABALHO DETRABALHO DETRABALHO DE VERIFICAÇÃOVERIFICAÇÃOVERIFICAÇÃOVERIFICAÇÃOVERIFICAÇÃO OU MANUTENÇÃOOU MANUTENÇÃOOU MANUTENÇÃOOU MANUTENÇÃOOU MANUTENÇÃO Sempre que estiverem gastas até no limite A cada 4 anos Sempre que estiverem gastas até no limite NONONONONOTTTTTA:A:A:A:A: • A partir de 10.000 km, repita os intervalos de manutenção a cada 5.000 km. • Os itens marcados com asteriscos devem ser executados por um concessionárioYamaha, pois possuem ferramentas especiais, informações e habilidades técnicas.
  • 58.
    3 – 2 INSPINSPINSPINSPINSP AJUSAJUSAJUSAJUSAJUS INININININTRODUÇÃO/MANUTENÇÃOPERIÓDICA ETRODUÇÃO/MANUTENÇÃO PERIÓDICA ETRODUÇÃO/MANUTENÇÃO PERIÓDICA ETRODUÇÃO/MANUTENÇÃO PERIÓDICA ETRODUÇÃO/MANUTENÇÃO PERIÓDICA E TTTTTABELA DE LUBRIFICAÇÃOABELA DE LUBRIFICAÇÃOABELA DE LUBRIFICAÇÃOABELA DE LUBRIFICAÇÃOABELA DE LUBRIFICAÇÃO LEITURA DO HODÔMETROLEITURA DO HODÔMETROLEITURA DO HODÔMETROLEITURA DO HODÔMETROLEITURA DO HODÔMETRO (x 1(x 1(x 1(x 1(x 100000000000 km)0 km)0 km)0 km)0 km) A cadaA cadaA cadaA cadaA cada 5.05.05.05.05.0000000 km0 km0 km0 km0 km ou 6 mesesou 6 mesesou 6 mesesou 6 mesesou 6 meses11111 55555 1111100000 ITEMITEMITEMITEMITEMNºNºNºNºNº TRABALHO DETRABALHO DETRABALHO DETRABALHO DETRABALHO DE VERIFICAÇÃOVERIFICAÇÃOVERIFICAÇÃOVERIFICAÇÃOVERIFICAÇÃO OU MANUTENÇÃOOU MANUTENÇÃOOU MANUTENÇÃOOU MANUTENÇÃOOU MANUTENÇÃO 12 * 13 14 * 15 * 16 17 * 18 * 19 * 20 * 21 * 22 * 23 24 * 25 26 * 27 * 28 * 29 * Braço oscilante P Corrente de transmissão Rolamentos da direção Fixações do chassi Cavalete lateral Interruptor do cavalete lateral Suspensão dianteira Amortecedor traseiro Pontos de articulação do braço de conexão e da balança da suspensão traseira Injeção eletrônica Óleo do motor Elemento do filtro de óleo do motor Interruptores dos freios dianteiro e traseiro Cabos e peças móveis Manopla do acelerador e cabo Sistema de indução de ar Silenciador e tubo de escape Luzes, piscas e interruptores • Verifique o funcionamento e se há folga excessiva • Lubrificar com graxa à base de sabão de lítio • Ajuste da folga e lubrifique a corrente comlubrificante especial para corrente com O-rings • Verifique a folga dos rolamentos e se a direção está dura • Lubrifique com graxa à base de sabão de lítio • Certifique-se de que todas as porcas, cupilhas e parafusos estão devidamente apertados • Verifique o funcionamento • Lubrifique • Verifique o funcionamento • Verificar o funcionamento e vazamentos de óleo • Verifique o funcionamento e vazamento de óleo • Verifique o funcionamento • Lubrificar com graxa à base de sabão de lítio • Ajuste a marcha lenta do motor • Troque • Verifique o nível de óleo e se existem vazamentos • Troque • Verifique o funcionamento • Lubrifique • Verifique o funcionamento e a folga • Se necessário ajuste a folga do cabo • Lubrifique a manopla do acelerador e o cabo • Verifique se a válvula de corte de ar, a válvula da palheta, e a mangueira apresentam danos • Trocar as peças danificadas, se necessário • Verificar a fixação do parafuso da abraçadeira • Verifique o funcionamento • Ajuste o foco do farol dianteiro • • • • • • • • • • • • • • • • • • • • • • • • • • • • • • • • • • • • • • • • • • • • • • • • • • • A cada 24.000 km A cada 500 km e após lavagem da motocicleta ou dirigindo na chuva • • • A cada 20000 km • • • • ••••• Substituir o elemento de filtro de ar com maior freqüência se você estiver utilizando o veículo em áreas anormalmente molhadas ou empoeiradas. • Manutenção de freio hidráulico. - Verifique regularmente e, se necessário, corrija o nível de fluido de freio. -A cada dois anos substitua os componentes internos do cilindro mestre e, em conjunto, o fluido de freio. - Substitua as mangueiras de freio a cada quatro anos ou se estiverem rachadas ou danificadas. NONONONONOTTTTTA:A:A:A:A:
  • 59.
    3 – 3 INSPINSPINSPINSPINSP AJUSAJUSAJUSAJUSAJUSCARENACARENACARENACARENACARENAGEM,GEM,GEM,GEM,GEM,TTTTTAMPAMPAMPAMPAMPAAAAAS ES ES ES ES E ABAABAABAABAABAS LAS LAS LAS LAS LATERAISTERAISTERAISTERAISTERAIS CARENACARENACARENACARENACARENAGEM,GEM,GEM,GEM,GEM,TTTTTAMPAMPAMPAMPAMPAAAAAS ES ES ES ES E ABAABAABAABAABASSSSS LALALALALATERAISTERAISTERAISTERAISTERAIS 1. Coloque a motocicleta em uma superfície plana. REMOÇÃOREMOÇÃOREMOÇÃOREMOÇÃOREMOÇÃO BancoBancoBancoBancoBanco 1. Remova: • Os parafusos 1 de fixação do banco. • O banco de seu alojamento. Lateral direitaLateral direitaLateral direitaLateral direitaLateral direita 2. Remova: • O parafuso de fixação 1 da lateral di- reita. • A lateral direita de seu alojamento, pu- xando-a até desencaixar dos ilhós de fixação. Lateral esquerdaLateral esquerdaLateral esquerdaLateral esquerdaLateral esquerda 3. Remova: • A lateral esquerda de seu alojamento, utilizando a própria chave de ignição da motocicleta e puxando-a até desencai- xar dos ilhós de fixação. RRRRRabetaabetaabetaabetaabeta 4. Remova: • Os parafusos de fixação 1 da rabeta. • A rabeta de seu alojamento, deslocan- do-a para trás. PPPPPosicione a motocicleta firmemente para queosicione a motocicleta firmemente para queosicione a motocicleta firmemente para queosicione a motocicleta firmemente para queosicione a motocicleta firmemente para que não haja perigo de queda.não haja perigo de queda.não haja perigo de queda.não haja perigo de queda.não haja perigo de queda.
  • 60.
    3 – 4 INSPINSPINSPINSPINSP AJUSAJUSAJUSAJUSAJUSCARENACARENACARENACARENACARENAGEM,GEM,GEM,GEM,GEM,TTTTTAMPAMPAMPAMPAMPAAAAAS ES ES ES ES E ABAABAABAABAABAS LAS LAS LAS LAS LATERAISTERAISTERAISTERAISTERAIS Aba esquerdaAba esquerdaAba esquerdaAba esquerdaAba esquerda 5. Remova: • O parafuso 1 dianteiro superior da aba. • O parafuso 2 lateral inferior da aba. • O parafuso 3 traseiro superior da aba. • A aba esquerda de seu alojamento, pu- xando-a até desencaixar do ilhó de fi- xação. Aba direitaAba direitaAba direitaAba direitaAba direita 6. Remova: • O parafuso 1 dianteiro superior da aba. • O parafuso 2 lateral inferior da aba. O parafuso 3 traseiro superior da aba. A aba direita de seu alojamento, puxan- do-a até desencaixar do ilhó de fixação. Carenagem do farolCarenagem do farolCarenagem do farolCarenagem do farolCarenagem do farol 7. Remova: • Os parafusos 1 de fixação do conjunto do farol dianteiro de ambos os lados. 8. Desloque: • O conjunto do farol dianteiro desencai- xando dos pinos-guia 1. 9. Remova: • O conector 1 da lâmpada do farol.
  • 61.
    3 – 5 INSPINSPINSPINSPINSP AJUSAJUSAJUSAJUSAJUSCARENACARENACARENACARENACARENAGEM,GEM,GEM,GEM,GEM,TTTTTAMPAMPAMPAMPAMPAAAAAS ES ES ES ES E ABAABAABAABAABAS LAS LAS LAS LAS LATERAISTERAISTERAISTERAISTERAIS 10. Remova • A braçadeira 1 que fixa o chicote ao suporte do painel. 11. Remova: • O conector 2 de indicação de farol alto do painel. 12. Remova: • O conector do pisca de ambos os la- dos. 13. Remova: • O conector 1 do chicote do painel. 14. Remova: • O conjunto do farol dianteiro.
  • 62.
    3 – 6 INSPINSPINSPINSPINSP AJUSAJUSAJUSAJUSAJUSCARENACARENACARENACARENACARENAGEM,GEM,GEM,GEM,GEM,TTTTTAMPAMPAMPAMPAMPAAAAAS ES ES ES ES E ABAABAABAABAABAS LAS LAS LAS LAS LATERAISTERAISTERAISTERAISTERAIS 15. Remova: • Os parafusos de fixação 1 do supor- te do painel ao conjunto da carena- gem. 16. Remova: • O parafuso de ajuste do foco do fa- rol 2. • Os parafusos inferiores 3 de fixação do farol. 17. Remova: • O suporte do painel do seu alojamen- to. 18. Remova: • A capa de proteção 1 de borracha. 19. Remova: • Os parafusos superiores 1 de fixa- ção do farol. 20. Remova: • O farol da carenagem.
  • 63.
    3 – 7 INSPINSPINSPINSPINSP AJUSAJUSAJUSAJUSAJUSCARENACARENACARENACARENACARENAGEM,GEM,GEM,GEM,GEM,TTTTTAMPAMPAMPAMPAMPAAAAAS ES ES ES ES E ABAABAABAABAABAS LAS LAS LAS LAS LATERAISTERAISTERAISTERAISTERAIS INSINSINSINSINSTTTTTALAÇÃOALAÇÃOALAÇÃOALAÇÃOALAÇÃO Carenagem do farolCarenagem do farolCarenagem do farolCarenagem do farolCarenagem do farol 1. Instale: • O farol em seu alojamento na care- nagem. 2. Instale: • Os parafusos superiores 1 de fixação do farol. 3. Instale: • A capa de proteção 1 de borracha. 4. Instale: • O suporte do painel do seu alojamento. 5. Instale: • O parafuso de ajuste do foco do farol 2. • Os parafusos inferiores 3 de fixação do farol. 6. Instale: • Os parafusos de fixação 1 do suporte do painel ao conjunto da carenagem. PPPPParafusos superiores:arafusos superiores:arafusos superiores:arafusos superiores:arafusos superiores: 0,3 k0,3 k0,3 k0,3 k0,3 kgfgfgfgfgf.m (30 N.m).m (30 N.m).m (30 N.m).m (30 N.m).m (30 N.m) PPPPParafusos inferiores:arafusos inferiores:arafusos inferiores:arafusos inferiores:arafusos inferiores: 0,3 k0,3 k0,3 k0,3 k0,3 kgfgfgfgfgf.m (30 N.m).m (30 N.m).m (30 N.m).m (30 N.m).m (30 N.m) PPPPParafusos do suporarafusos do suporarafusos do suporarafusos do suporarafusos do suporte:te:te:te:te: 0,7 k0,7 k0,7 k0,7 k0,7 kgfgfgfgfgf.m (70 N.m).m (70 N.m).m (70 N.m).m (70 N.m).m (70 N.m)
  • 64.
    3 – 8 INSPINSPINSPINSPINSP AJUSAJUSAJUSAJUSAJUSCARENACARENACARENACARENACARENAGEM,GEM,GEM,GEM,GEM,TTTTTAMPAMPAMPAMPAMPAAAAAS ES ES ES ES E ABAABAABAABAABAS LAS LAS LAS LAS LATERAISTERAISTERAISTERAISTERAIS 7. Instale: • O conector 1 do chicote do painel. 8. Instale: • O conector do pisca de ambos os lados. 9. Instale: • O conector 1 de indicação de farol alto do painel. 10. Instale: • A braçadeira plástica 2 que fixa o chi- cote ao suporte do painel. 11. Instale: • O conector 3 da lâmpada do farol.
  • 65.
    3 – 9 INSPINSPINSPINSPINSP AJUSAJUSAJUSAJUSAJUSCARENACARENACARENACARENACARENAGEM,GEM,GEM,GEM,GEM,TTTTTAMPAMPAMPAMPAMPAAAAAS ES ES ES ES E ABAABAABAABAABAS LAS LAS LAS LAS LATERAISTERAISTERAISTERAISTERAIS 12. Encaixe: • O conjunto do farol dianteiro nos pi- nos-guia 1 da coluna de direção. 13. Instale: • Os parafusos 1 de fixação do con- junto do farol dianteiro de ambos os lados. Aba direitaAba direitaAba direitaAba direitaAba direita 1. Instale: • A aba direita em seu alojamento, empur- rando-a até encaixar no ilhó de fixação. 2. Instale: • O parafuso 1 dianteiro superior da aba. • O parafuso 2 lateral inferior da aba. • O parafuso 3 traseiro superior da aba. Aba esquerdaAba esquerdaAba esquerdaAba esquerdaAba esquerda 1. Instale: • A aba esquerda em seu alojamento, em- purrando-a até encaixar no ilhó de fixa- ção. 2. Instale: • O parafuso 1 dianteiro superior da aba. • O parafuso 2 lateral inferior da aba. • O parafuso 3 traseiro superior da aba. PPPPParafusos do conjunto do farol:arafusos do conjunto do farol:arafusos do conjunto do farol:arafusos do conjunto do farol:arafusos do conjunto do farol: 0,7 k0,7 k0,7 k0,7 k0,7 kgfgfgfgfgf.m (70 N.m).m (70 N.m).m (70 N.m).m (70 N.m).m (70 N.m) PPPPParafuso dianteiro superior:arafuso dianteiro superior:arafuso dianteiro superior:arafuso dianteiro superior:arafuso dianteiro superior: 0,8 k0,8 k0,8 k0,8 k0,8 kgfgfgfgfgf.m (80 N.m).m (80 N.m).m (80 N.m).m (80 N.m).m (80 N.m) PPPPParafuso dianteiro inferior:arafuso dianteiro inferior:arafuso dianteiro inferior:arafuso dianteiro inferior:arafuso dianteiro inferior: 0,8 k0,8 k0,8 k0,8 k0,8 kgfgfgfgfgf.m (80 N.m).m (80 N.m).m (80 N.m).m (80 N.m).m (80 N.m) PPPPParafuso traseiro superior:arafuso traseiro superior:arafuso traseiro superior:arafuso traseiro superior:arafuso traseiro superior: 0,8 k0,8 k0,8 k0,8 k0,8 kgfgfgfgfgf.m (80 N.m).m (80 N.m).m (80 N.m).m (80 N.m).m (80 N.m) PPPPParafuso dianteiro superior:arafuso dianteiro superior:arafuso dianteiro superior:arafuso dianteiro superior:arafuso dianteiro superior: 0,8 k0,8 k0,8 k0,8 k0,8 kgfgfgfgfgf.m (80 N.m).m (80 N.m).m (80 N.m).m (80 N.m).m (80 N.m) PPPPParafuso dianteiro inferior:arafuso dianteiro inferior:arafuso dianteiro inferior:arafuso dianteiro inferior:arafuso dianteiro inferior: 0,8 k0,8 k0,8 k0,8 k0,8 kgfgfgfgfgf.m (80 N.m).m (80 N.m).m (80 N.m).m (80 N.m).m (80 N.m) PPPPParafuso traseiro superior:arafuso traseiro superior:arafuso traseiro superior:arafuso traseiro superior:arafuso traseiro superior: 0,8 k0,8 k0,8 k0,8 k0,8 kgfgfgfgfgf.m (80 N.m).m (80 N.m).m (80 N.m).m (80 N.m).m (80 N.m)
  • 66.
    3 – 10 INSPINSPINSPINSPINSP AJUSAJUSAJUSAJUSAJUSCARENACARENACARENACARENACARENAGEM,GEM,GEM,GEM,GEM,TTTTTAMPAMPAMPAMPAMPAAAAAS ES ES ES ES E ABAABAABAABAABAS LAS LAS LAS LAS LATERAISTERAISTERAISTERAISTERAIS RRRRRabetaabetaabetaabetaabeta 1. Instale: • A rabeta em seu alojamento, empurran- do-a para frente. • Os parafusos de fixação 1 da rabeta. Lateral esquerdaLateral esquerdaLateral esquerdaLateral esquerdaLateral esquerda 1. Instale: • A lateral esquerda em seu alojamento, empurrando-a até encaixar nos ilhós de fixação e utilizando a própria chave de ignição da motocicleta para travá-la. Lateral direitaLateral direitaLateral direitaLateral direitaLateral direita 1. Instale: • A lateral direita em seu alojamento, empurrando-a até encaixar nos ilhós de fixação. • O parafuso de fixação 1 da lateral di- reita. INSINSINSINSINSTTTTTALAÇÃOALAÇÃOALAÇÃOALAÇÃOALAÇÃO BancoBancoBancoBancoBanco 1. Instale: • Os parafusos 1 de fixação do banco. • O banco em seu alojamento. PPPPParafusos da rabeta:arafusos da rabeta:arafusos da rabeta:arafusos da rabeta:arafusos da rabeta: 0,65 k0,65 k0,65 k0,65 k0,65 kgfgfgfgfgf.m (6,5 N.m).m (6,5 N.m).m (6,5 N.m).m (6,5 N.m).m (6,5 N.m) PPPPParafuso lateral:arafuso lateral:arafuso lateral:arafuso lateral:arafuso lateral: 1,0 k1,0 k1,0 k1,0 k1,0 kgfgfgfgfgf.m (1.m (1.m (1.m (1.m (10 N.m)0 N.m)0 N.m)0 N.m)0 N.m) PPPPParafusos do banco:arafusos do banco:arafusos do banco:arafusos do banco:arafusos do banco: 0,65 k0,65 k0,65 k0,65 k0,65 kgfgfgfgfgf.m (6,5 N.m).m (6,5 N.m).m (6,5 N.m).m (6,5 N.m).m (6,5 N.m)
  • 67.
    3 – 11 INSPINSPINSPINSPINSP AJUSAJUSAJUSAJUSAJUSTTTTTANQANQANQANQANQUEDE COMBUSUE DE COMBUSUE DE COMBUSUE DE COMBUSUE DE COMBUSTÍVELTÍVELTÍVELTÍVELTÍVEL TTTTTANQANQANQANQANQUE DE COMBUSUE DE COMBUSUE DE COMBUSUE DE COMBUSUE DE COMBUSTÍVELTÍVELTÍVELTÍVELTÍVEL REMOÇÃOREMOÇÃOREMOÇÃOREMOÇÃOREMOÇÃO 1. Coloque a motocicleta em uma superfície plana. NONONONONOTTTTTA:A:A:A:A: Antes de remover o tanque de combustível, drene o seu conteúdo com uma bomba ade- quada pelo bocal de abastecimento. 1. Remova: • Os parafusos 1 de fixação do banco. • O banco de seu alojamento. 2. Remova: • As abas laterais de ambos os lados. Consulte “CARENAGEM ETAMPAS LATE- RAIS” no capítulo 3. 3. Remova: • Os parafusos de fixação 1 do tanque de combustível. 4. Remova: • A porca de fixação 1 do parafuso infe- rior do tanque de combustível pelo lado esquerdo da motocicleta. • O parafuso de fixação inferior do tanque de combustível pelo lado direito. 5. Desloque: • O tanque de combustível de seu aloja- mento. PPPPPosicione a motocicleta firmemente para queosicione a motocicleta firmemente para queosicione a motocicleta firmemente para queosicione a motocicleta firmemente para queosicione a motocicleta firmemente para que não haja perigo de queda.não haja perigo de queda.não haja perigo de queda.não haja perigo de queda.não haja perigo de queda.
  • 68.
    3 – 12 INSPINSPINSPINSPINSP AJUSAJUSAJUSAJUSAJUSTTTTTANQANQANQANQANQUEDE COMBUSUE DE COMBUSUE DE COMBUSUE DE COMBUSUE DE COMBUSTÍVELTÍVELTÍVELTÍVELTÍVEL 6. Remova: • O conector da mangueira de combustí- vel. • A mangueira de combustível. NNNNNOOOOOTTTTTA:A:A:A:A: Para remover o conector da mangueira de combustível, aperte as travas laterais 1 do conector e desloque a capa 2 da extremida- de da mangueira na direção indicada (seta). Antes de remover a mangueira de seu aloja- mento, posicione um pano sob o local para evitar que o combustível vaze na motocicleta. 7. Remova: • O conector da bomba de combustível 1 de seu alojamento. EEEEEmbora o combustível tenha sido remombora o combustível tenha sido remombora o combustível tenha sido remombora o combustível tenha sido remombora o combustível tenha sido removi-vi-vi-vi-vi- do, tenha cuidado ao remodo, tenha cuidado ao remodo, tenha cuidado ao remodo, tenha cuidado ao remodo, tenha cuidado ao remover a manguei-ver a manguei-ver a manguei-ver a manguei-ver a manguei- ra, poderá ainda haver algum combustí-ra, poderá ainda haver algum combustí-ra, poderá ainda haver algum combustí-ra, poderá ainda haver algum combustí-ra, poderá ainda haver algum combustí- vel no tanque.vel no tanque.vel no tanque.vel no tanque.vel no tanque. 8. Remova: • O tanque de combustível de seu aloja- mento. NONONONONOTTTTTA:A:A:A:A: • Não coloque o tanque de combustível de modo que a superfície da bomba possa fi- car comprometida. • Certifique-sedeposicionarotanquede com- bustível verticalmente. INSINSINSINSINSTTTTTALAÇÃOALAÇÃOALAÇÃOALAÇÃOALAÇÃO 1. Instale: • O conector da bomba de combustível 1 no seu alojamento. 2. Instale: • O conector da mangueira de combustí- vel. NNNNNOOOOOTTTTTA:A:A:A:A: Instale a mangueira de combustível no tubo de injeção, deslizando a capa da extremida- de da mangueira na direção da bomba de combustível, bloqueando as travas.
  • 69.
    3 – 13 INSPINSPINSPINSPINSP AJUSAJUSAJUSAJUSAJUSTTTTTANQANQANQANQANQUEDE COMBUSUE DE COMBUSUE DE COMBUSUE DE COMBUSUE DE COMBUSTÍVELTÍVELTÍVELTÍVELTÍVEL 3. Instale: • O tanque de combustível em seu aloja- mento. 4. Instale: • O parafuso de fixação inferior do tan- que de combustível pelo lado direito. • A porca de fixação 1 inferior do reser- vatório de combustível pelo lado es- querdo. 5. Instale: • Os parafusos de fixação 1 do tanque de combustível. 6. Instale: • As abas laterais de ambos os lados. Consulte “CARENAGEM E TAMPAS LA- TERAIS” no capítulo 3. PPPPParafuso de fixação inferiorarafuso de fixação inferiorarafuso de fixação inferiorarafuso de fixação inferiorarafuso de fixação inferior 1,0 k1,0 k1,0 k1,0 k1,0 kgfgfgfgfgf.m (1.m (1.m (1.m (1.m (10 N.m)0 N.m)0 N.m)0 N.m)0 N.m) PPPPParafusos de fixaçãoarafusos de fixaçãoarafusos de fixaçãoarafusos de fixaçãoarafusos de fixação 1,6 k1,6 k1,6 k1,6 k1,6 kgfgfgfgfgf.m (1.m (1.m (1.m (1.m (16 N.m)6 N.m)6 N.m)6 N.m)6 N.m) 7. Instale: • O banco em seu alojamento. • Os parafusos de fixação do banco. PPPPParafusos de fixação do bancoarafusos de fixação do bancoarafusos de fixação do bancoarafusos de fixação do bancoarafusos de fixação do banco 0,65 k0,65 k0,65 k0,65 k0,65 kgfgfgfgfgf.m (6,5 N.m).m (6,5 N.m).m (6,5 N.m).m (6,5 N.m).m (6,5 N.m)
  • 70.
    3 – 14 INSPINSPINSPINSPINSP AJUSAJUSAJUSAJUSAJUSAJUSAJUSAJUSAJUSAJUSTEDTE DTE DTE DTE DA FOLGA DEA FOLGA DEA FOLGA DEA FOLGA DEA FOLGA DE VÁLVÁLVÁLVÁLVÁLVULAVULAVULAVULAVULA MOMOMOMOMOTTTTTOROROROROR AJUSAJUSAJUSAJUSAJUSTE DTE DTE DTE DTE DA FOLGA DEA FOLGA DEA FOLGA DEA FOLGA DEA FOLGA DE VÁLVÁLVÁLVÁLVÁLVULAVULAVULAVULAVULA Os procedimentos a seguir se aplicam a todas as válvulas. 1. Remova: • Tanque de combustível. Consulte "TANQUE DE COMBUSTÍVEL". 2. Remova: • Tampa da válvula de admissão 1. • Tampa da válvula de escape 2. • Tampa do pinhão do eixo do comando. 3. Desconecte: • Cachimbo da vela de ignição. 4. Remova: • Vela de ignição. 5. Remova: • Parafuso de acesso à marca de sincro- nismo 1. • Parafuso de acesso ao virabrequim 2. NONONONONOTTTTTA:A:A:A:A: • Oajustedafolgadeválvuladeveserfeitocom o motor frio, em temperatura ambiente. • Quando a folga da válvula for ajustada ou medida, o pistão deve estar no ponto morto superior (PMS) no tempo de compressão. 2 1 1 2
  • 71.
    3 – 15 INSPINSPINSPINSPINSP AJUSAJUSAJUSAJUSAJUSAJUSAJUSAJUSAJUSAJUSTEDTE DTE DTE DTE DA FOLGA DEA FOLGA DEA FOLGA DEA FOLGA DEA FOLGA DE VÁLVÁLVÁLVÁLVÁLVULAVULAVULAVULAVULA 6. Meça: • Folga da válvula. Fora de especificação Ajustar. ***************************************************************************************************************************************************************************************** a. Vire o virabrequim no sentido anti-ho- rário. b. Quando o pistão estiver no ponto morto superior (PMS) no tempo de compressão, alinhe a marca "I" a no rotor do magneto A.C. com o ponto estacionário b na tampa externa do magneto. c. Meça a folga da válvula com calibre de lâminas 1. Fora de especificação Ajustar. ***************************************************************************************************************************************************************************************** 7. Ajuste: • Folga da válvula. ***************************************************************************************************************************************************************************************** a. Solte a porca-trava 1. b. Insira o calibre de lâminas entre a extre- midade do parafuso de ajuste e a ponta da haste da válvula. c. Gire o parafuso de ajuste 3 com a chave 2 em um dos sentidos abaixo para obter a folga ideal. NONONONONOTTTTTA:A:A:A:A: Para posicionar o pistão no ponto morto su- perior (PMS) no tempo de compressão, ali- nhe a marca "I" c da coroa do comando de válvulas com a marca d no cabeçote, con- forme mostrado na ilustração. a b d c 1 2 3 FFFFFolgolgolgolgolga da válvula (fria)a da válvula (fria)a da válvula (fria)a da válvula (fria)a da válvula (fria) Válvula de admissão:Válvula de admissão:Válvula de admissão:Válvula de admissão:Válvula de admissão: 0,05 ~ 0,10,05 ~ 0,10,05 ~ 0,10,05 ~ 0,10,05 ~ 0,10 mm0 mm0 mm0 mm0 mm Válvula de exaustão:Válvula de exaustão:Válvula de exaustão:Válvula de exaustão:Válvula de exaustão: 0,08 ~ 0,00,08 ~ 0,00,08 ~ 0,00,08 ~ 0,00,08 ~ 0,0111113 mm3 mm3 mm3 mm3 mm Calibre de lâminas:Calibre de lâminas:Calibre de lâminas:Calibre de lâminas:Calibre de lâminas: 90890-0307990890-0307990890-0307990890-0307990890-03079 HorárioHorárioHorárioHorárioHorário A folgA folgA folgA folgA folga diminuia diminuia diminuia diminuia diminui Anti-horárioAnti-horárioAnti-horárioAnti-horárioAnti-horário A folgA folgA folgA folgA folga aumentaa aumentaa aumentaa aumentaa aumenta Chave do parafuso de ajuste:Chave do parafuso de ajuste:Chave do parafuso de ajuste:Chave do parafuso de ajuste:Chave do parafuso de ajuste: 90890-090890-090890-090890-090890-011111313131313111111
  • 72.
    3 – 16 INSPINSPINSPINSPINSP AJUSAJUSAJUSAJUSAJUSAJUSAJUSAJUSAJUSAJUSTEDTE DTE DTE DTE DA FOLGA DEA FOLGA DEA FOLGA DEA FOLGA DEA FOLGA DE VÁLVÁLVÁLVÁLVÁLVULAVULAVULAVULAVULA e. Meça a folga de válvula novamente. f. Se a folga estiver fora da especificação, repita os passos de ajuste de válvula até que a folga especificada seja obtida. ***************************************************************************************************************************************************************************************** 8. Instale: • O-ring. • Parafuso de acesso à marca de sincro- nismo. • O-ring. • Parafuso de acesso ao virabrequim. 9. Instale: • Vela de ignição. 10. Conecte: • Cachimbo da vela de ignição. 11. Instale: • Tampa do pinhão do eixo de comando. • Anéis O-rings 1. • Tampa da válvula de admissão. • Tampa da válvula de exaustão. 12. Instale: • Mangueira da válvula de corte de ar. Consulte "SISTEMA DE INDUÇÃO DE AR" no capítulo 7. • Radiador. Consulte "RADIADOR" no capítulo 5. • Tanque de combustível. Consulte "TANQUE DE COMBUSTÍ- VEL". d. Evite que o parafuso se mova seguran- do-o e aperte a porca-trava no torque es- pecificado. NoNoNoNoNovvvvvooooo NoNoNoNoNovvvvvooooo NoNoNoNoNovvvvvooooo 1 NoNoNoNoNovvvvvooooo PPPPPorca-trava:orca-trava:orca-trava:orca-trava:orca-trava: 1,4 k1,4 k1,4 k1,4 k1,4 kgfgfgfgfgf.m (1.m (1.m (1.m (1.m (14 N.m)4 N.m)4 N.m)4 N.m)4 N.m) VVVVVela de ignição:ela de ignição:ela de ignição:ela de ignição:ela de ignição: 1,8 k1,8 k1,8 k1,8 k1,8 kgfgfgfgfgf.m (1.m (1.m (1.m (1.m (18 N.m)8 N.m)8 N.m)8 N.m)8 N.m) TTTTTampa do pinhão do eixampa do pinhão do eixampa do pinhão do eixampa do pinhão do eixampa do pinhão do eixo comandoo comandoo comandoo comandoo comando::::: 1,0 k1,0 k1,0 k1,0 k1,0 kgfgfgfgfgf.m (1.m (1.m (1.m (1.m (10 N.m)0 N.m)0 N.m)0 N.m)0 N.m) TTTTTampa da válvula de admissão:ampa da válvula de admissão:ampa da válvula de admissão:ampa da válvula de admissão:ampa da válvula de admissão: 1,8 k1,8 k1,8 k1,8 k1,8 kgfgfgfgfgf.m (1.m (1.m (1.m (1.m (18 N.m)8 N.m)8 N.m)8 N.m)8 N.m) TTTTTampa da válvula de exaustão:ampa da válvula de exaustão:ampa da válvula de exaustão:ampa da válvula de exaustão:ampa da válvula de exaustão: 1,8 k1,8 k1,8 k1,8 k1,8 kgfgfgfgfgf.m (1.m (1.m (1.m (1.m (18 N.m)8 N.m)8 N.m)8 N.m)8 N.m)
  • 73.
    3 – 17 INSPINSPINSPINSPINSP AJUSAJUSAJUSAJUSAJUSAJUSAJUSAJUSAJUSAJUSTEDOTE DOTE DOTE DOTE DO VVVVVOLUME DO GÁS DE EXAOLUME DO GÁS DE EXAOLUME DO GÁS DE EXAOLUME DO GÁS DE EXAOLUME DO GÁS DE EXAUSUSUSUSUSTÃOTÃOTÃOTÃOTÃO 1. Posicione a chave de ignição em “OFF” e o interruptor de “engine stop” em “ON”. 2. Desconecte o terminal do sinal de “auto diagnóstico” 1 e conecte o terminal do diagnóstico da injeção 2. 3. Enquanto mantém o botão “MODE” 1 pressionado, mude a chave de ignição para “ON”. NONONONONOTTTTTA:A:A:A:A: Certifique-se de ajustar o nível de densidade de CO no padrão, então ajuste o volume do gás de exaustão. AJUSAJUSAJUSAJUSAJUSTE DOTE DOTE DOTE DOTE DO VVVVVOLUME DO GÁS DEOLUME DO GÁS DEOLUME DO GÁS DEOLUME DO GÁS DEOLUME DO GÁS DE EXAEXAEXAEXAEXAUSUSUSUSUSTÃOTÃOTÃOTÃOTÃO Diagnóstico de injeção:Diagnóstico de injeção:Diagnóstico de injeção:Diagnóstico de injeção:Diagnóstico de injeção: 90890-03190890-03190890-03190890-03190890-0318282828282 4. Pressione o botão “UP” 4 e selecione “CO” para ajuste no modo “CO” ou “DIAG” para modo de diagnóstico. 5. Após seleção de “CO”, posicione o botão “MODE” 1. 6. Observe que “C1” aparecerá no display então, pressione o botão “MODE” 1. 7. Ligue o motor. NONONONONOTTTTTA:A:A:A:A: "DlAG" aparece no display 2. O led verde “POWER” 3 acende. 1 2 3 4 Execute os ajustes após cerExecute os ajustes após cerExecute os ajustes após cerExecute os ajustes após cerExecute os ajustes após certificartificartificartificartificar-se de que a-se de que a-se de que a-se de que a-se de que a bateria apresenta cargbateria apresenta cargbateria apresenta cargbateria apresenta cargbateria apresenta carga total.a total.a total.a total.a total. PPPPPara executar o ajuste do vara executar o ajuste do vara executar o ajuste do vara executar o ajuste do vara executar o ajuste do volume de gás deolume de gás deolume de gás deolume de gás deolume de gás de exaustão é necessário:exaustão é necessário:exaustão é necessário:exaustão é necessário:exaustão é necessário: ••••• Analisador de gAnalisador de gAnalisador de gAnalisador de gAnalisador de gases;ases;ases;ases;ases; ••••• Utilizar ventilação forçada direcionada aoUtilizar ventilação forçada direcionada aoUtilizar ventilação forçada direcionada aoUtilizar ventilação forçada direcionada aoUtilizar ventilação forçada direcionada ao momomomomotor da motocicleta enquantotor da motocicleta enquantotor da motocicleta enquantotor da motocicleta enquantotor da motocicleta enquanto estiestiestiestiestiververververver ligligligligligado o motorado o motorado o motorado o motorado o motor.....
  • 74.
    3 – 18 INSPINSPINSPINSPINSP AJUSAJUSAJUSAJUSAJUSAJUSAJUSAJUSAJUSAJUSTEDOTE DOTE DOTE DOTE DO VVVVVOLUME DO GÁS DE EXAOLUME DO GÁS DE EXAOLUME DO GÁS DE EXAOLUME DO GÁS DE EXAOLUME DO GÁS DE EXAUSUSUSUSUSTÃOTÃOTÃOTÃOTÃO 8. Altere o ajuste do volume do CO, pres- sionando os botões “UP” (sobe) e “DOWN” (desce). 9. Execute o ajuste selecionado ao liberar o botão pressionado (“UP” ou “DOWN”). 10. Mude a chave de ignição para “OFF” para cancelar o modo de ajuste. 11. Desconecte o diagnóstico de injeção e reconecte o terminal de sinal do auto diagnóstico. NONONONONOTTTTTA:A:A:A:A: • O volume do CO ajustado e a rotação de marcha lenta aparecem no display 1. Para diminuir o volume de CO ajustado, pressione “DOWN” 2. Para aumentar o volume de CO ajustado, pressione “UP” 3. 1 23
  • 75.
    INSPINSPINSPINSPINSP AJUSAJUSAJUSAJUSAJUS 3 – 19 AJUSAJUSAJUSAJUSAJUSTEDTE DTE DTE DTE DA MARCHA LENA MARCHA LENA MARCHA LENA MARCHA LENA MARCHA LENTTTTTAAAAA 1. Ligue o motor e deixe-o aquecer por al- guns minutos. 2. Conecte: • Tacômetro indutivo 3 ao cabo da vela. 3. Marcha lenta (padrão) Fora de ajuste ajustar. 4. Ajuste: • Marcha lenta do motor. ***************************************************************************************************************************************************************************************** a. Vire o parafuso de regulagem 1 no sentido a ou b obtendo a marcha lenta especificada. ***************************************************************************************************************************************************************************************** 5. Ajuste: • Folga do cabo do acelerador. Consulte "AJUSTE DA FOLGA DO CABO DO ACELERADOR". AJUSAJUSAJUSAJUSAJUSTE DTE DTE DTE DTE DA FOLGA DO CABOA FOLGA DO CABOA FOLGA DO CABOA FOLGA DO CABOA FOLGA DO CABO DODODODODO AAAAACELERADORCELERADORCELERADORCELERADORCELERADOR NONONONONOTTTTTA:A:A:A:A: Antes de ajustar a marcha lenta, a caixa do filtro de ar deve ser limpa e o motor deve estar com a compressão especificada. NONONONONOTTTTTA:A:A:A:A: Antes de ajustar a folga do cabo do acelera- dor, a marcha lenta do motor deve estar ajus- tada adequadamente. AJUSAJUSAJUSAJUSAJUSTE DTE DTE DTE DTE DA MARCHA LENA MARCHA LENA MARCHA LENA MARCHA LENA MARCHA LENTTTTTA/A/A/A/A/ AJUSAJUSAJUSAJUSAJUSTE DTE DTE DTE DTE DA FOLGA DO CABO DOA FOLGA DO CABO DOA FOLGA DO CABO DOA FOLGA DO CABO DOA FOLGA DO CABO DO AAAAACELERADORCELERADORCELERADORCELERADORCELERADOR 1 a b TTTTTacômetro indutiacômetro indutiacômetro indutiacômetro indutiacômetro indutivvvvvo:o:o:o:o: 90890-06790890-06790890-06790890-06790890-0676060606060 MarcMarcMarcMarcMarcha lenta do motor:ha lenta do motor:ha lenta do motor:ha lenta do motor:ha lenta do motor: 11111.30.30.30.30.300 ~ 10 ~ 10 ~ 10 ~ 10 ~ 1.50.50.50.50.500 rpm0 rpm0 rpm0 rpm0 rpm SSSSSentidoentidoentidoentidoentido a MarcMarcMarcMarcMarcha lenta aumentaha lenta aumentaha lenta aumentaha lenta aumentaha lenta aumenta SSSSSentidoentidoentidoentidoentido b MarcMarcMarcMarcMarcha lenta diminuiha lenta diminuiha lenta diminuiha lenta diminuiha lenta diminui
  • 76.
    INSPINSPINSPINSPINSP AJUSAJUSAJUSAJUSAJUS 3 – 20 2.Ajuste: • Folga do cabo do acelerador. ***************************************************************************************************************************************************************************************** Extremidade do corpo doExtremidade do corpo doExtremidade do corpo doExtremidade do corpo doExtremidade do corpo do aceleradoraceleradoraceleradoraceleradoracelerador a. Solte a porca-trava 2 do cabo do acele- rador. b. Vire a porca de ajuste 3 no sentido a ou b até que a folga especificada seja obtida. 1. Verifique: • Folga do cabo do acelerador a. Fora de especificação Ajuste. c. Fixe a porca-trava. Extremidade do guidãoExtremidade do guidãoExtremidade do guidãoExtremidade do guidãoExtremidade do guidão a. Solte a porca-trava 1. b. Vire a porca de ajuste 2 no sentido a ou b até que a folga especificada seja obtida. c. Aperte a porca-trava. NONONONONOTTTTTA:A:A:A:A: Se a folga especificada não puder ser obtida na extremidade do corpo do acelerador, ajus- te a folga na extremidade do guidão, utili- zando a porca de ajuste. NONONONONOTTTTTAAAAA::::: Quando o acelerador é aberto, o cabo do acelerador 1 é puxado. AJUSAJUSAJUSAJUSAJUSTE DTE DTE DTE DTE DA FOLGA DO CABO DOA FOLGA DO CABO DOA FOLGA DO CABO DOA FOLGA DO CABO DOA FOLGA DO CABO DO AAAAACELERADORCELERADORCELERADORCELERADORCELERADOR FFFFFolgolgolgolgolga do cabo do acelerador (noa do cabo do acelerador (noa do cabo do acelerador (noa do cabo do acelerador (noa do cabo do acelerador (no flange da manopla do acelerador):flange da manopla do acelerador):flange da manopla do acelerador):flange da manopla do acelerador):flange da manopla do acelerador): 3,0 ~ 5,0 mm3,0 ~ 5,0 mm3,0 ~ 5,0 mm3,0 ~ 5,0 mm3,0 ~ 5,0 mm SSSSSentidoentidoentidoentidoentido a MarcMarcMarcMarcMarcha lenta aumentaha lenta aumentaha lenta aumentaha lenta aumentaha lenta aumenta SSSSSentidoentidoentidoentidoentido b MarcMarcMarcMarcMarcha lenta diminuiha lenta diminuiha lenta diminuiha lenta diminuiha lenta diminui SSSSSentidoentidoentidoentidoentido a MarcMarcMarcMarcMarcha lenta aumentaha lenta aumentaha lenta aumentaha lenta aumentaha lenta aumenta SSSSSentidoentidoentidoentidoentido b MarcMarcMarcMarcMarcha lenta diminuiha lenta diminuiha lenta diminuiha lenta diminuiha lenta diminui
  • 77.
    INSPINSPINSPINSPINSP AJUSAJUSAJUSAJUSAJUS 3 – 21 ***************************************************************************************************************************************************************************************** INSPEÇÃODINSPEÇÃO DINSPEÇÃO DINSPEÇÃO DINSPEÇÃO DAAAAA VELA DE IGNIÇÃOVELA DE IGNIÇÃOVELA DE IGNIÇÃOVELA DE IGNIÇÃOVELA DE IGNIÇÃO 1. Desconecte: • Cachimbo da vela de ignição 1. 2. Remova: • Vela de ignição 2. 3. Inspecione: • Tipo de vela de ignição. Incorreto Substitua. 4. Inspecione: • Eletrodo lateral 1. Danificado/gasto Substituir vela de ignição. • Isolador 2. Cor anormal Substituir vela de ignição. Cor normal é "castanho" de médio a leve. 5. Limpe: • Vela de ignição (use o limpador de vela ou escova de aço). 6. Inspecione: • Abertura da vela de ignição a (com um calibre de lâminas). Fora de especificação Ajustar a abertura. V AJUSAJUSAJUSAJUSAJUSTE DTE DTE DTE DTE DA FOLGA DO CABO DOA FOLGA DO CABO DOA FOLGA DO CABO DOA FOLGA DO CABO DOA FOLGA DO CABO DO AAAAACELERADOR/CELERADOR/CELERADOR/CELERADOR/CELERADOR/ INSPEÇÃO DINSPEÇÃO DINSPEÇÃO DINSPEÇÃO DINSPEÇÃO DAAAAA VELA DE IGNIÇÃOVELA DE IGNIÇÃOVELA DE IGNIÇÃOVELA DE IGNIÇÃOVELA DE IGNIÇÃO 1 2 a Antes de remoAntes de remoAntes de remoAntes de remoAntes de remover a vela de ignição, eli-ver a vela de ignição, eli-ver a vela de ignição, eli-ver a vela de ignição, eli-ver a vela de ignição, eli- mine com ar comprimido a sujeira acu-mine com ar comprimido a sujeira acu-mine com ar comprimido a sujeira acu-mine com ar comprimido a sujeira acu-mine com ar comprimido a sujeira acu- mulada nos componentes, evitando quemulada nos componentes, evitando quemulada nos componentes, evitando quemulada nos componentes, evitando quemulada nos componentes, evitando que caiam no cilindro.caiam no cilindro.caiam no cilindro.caiam no cilindro.caiam no cilindro. V TTTTTipo de vela de ignição (fabricanteipo de vela de ignição (fabricanteipo de vela de ignição (fabricanteipo de vela de ignição (fabricanteipo de vela de ignição (fabricante))))) DR8EA (NGK)DR8EA (NGK)DR8EA (NGK)DR8EA (NGK)DR8EA (NGK) V AberAberAberAberAbertura da vela de ignição:tura da vela de ignição:tura da vela de ignição:tura da vela de ignição:tura da vela de ignição: 0,6 ~ 0,7 mm0,6 ~ 0,7 mm0,6 ~ 0,7 mm0,6 ~ 0,7 mm0,6 ~ 0,7 mm Após o ajuste da folgApós o ajuste da folgApós o ajuste da folgApós o ajuste da folgApós o ajuste da folga do cabo do aceleradora do cabo do aceleradora do cabo do aceleradora do cabo do aceleradora do cabo do acelerador,,,,, ligue o motor e vire o guidão para a direita eligue o motor e vire o guidão para a direita eligue o motor e vire o guidão para a direita eligue o motor e vire o guidão para a direita eligue o motor e vire o guidão para a direita e esquerda, ceresquerda, ceresquerda, ceresquerda, ceresquerda, certificando-se de não protificando-se de não protificando-se de não protificando-se de não protificando-se de não provvvvvocar al-ocar al-ocar al-ocar al-ocar al- terações na marcterações na marcterações na marcterações na marcterações na marcha lenta.ha lenta.ha lenta.ha lenta.ha lenta.
  • 78.
    INSPINSPINSPINSPINSP AJUSAJUSAJUSAJUSAJUS 3 – 22 7.Instale: • Vela de ignição. 8. Conecte: • Cachimbo da vela de ignição. INSPEÇÃO DOINSPEÇÃO DOINSPEÇÃO DOINSPEÇÃO DOINSPEÇÃO DO PONPONPONPONPONTTTTTOOOOO DE IGNIÇÃODE IGNIÇÃODE IGNIÇÃODE IGNIÇÃODE IGNIÇÃO 1. Remova: • Parafuso de acesso à marca de sincro- nização 1. 2. Conecte: • Lâmpada estroboscópica 2 (no cabo da vela de ignição). • Tacômetro indutivo 3. 3. Verifique: • Tempo de ignição. ********************************************************************************************************************************************************************************************** a. Ligue o motor, aqueça-o por alguns minutos e então deixe-o funcionar na marcha lenta especificada. b. Verifique se o ponteiro estacionário a está dentro da faixa de ignição b no rotor do magneto A.C. Fora da faixa de ignição Verifique o sistema de ignição. ********************************************************************************************************************************************************************************************** NONONONONOTTTTTA:A:A:A:A: Antes da instalação, limpe a vela de ignição e a superfície da gaxeta. NONONONONOTTTTTA:A:A:A:A: Antes de verificar o ponto de ignição, verifi- que as conexões da fiação do sistema de ig- nição. Certifique-se de que todas as conexões estejam fixadas e sem corrosão. NONONONONOTTTTTA:A:A:A:A: O ponto de ignição não é ajustável. b INSPEÇÃO DINSPEÇÃO DINSPEÇÃO DINSPEÇÃO DINSPEÇÃO DAAAAA VELA DE IGNIÇÃO/VELA DE IGNIÇÃO/VELA DE IGNIÇÃO/VELA DE IGNIÇÃO/VELA DE IGNIÇÃO/ INSPEÇÃO DO PONINSPEÇÃO DO PONINSPEÇÃO DO PONINSPEÇÃO DO PONINSPEÇÃO DO PONTTTTTO DE IGNIÇÃOO DE IGNIÇÃOO DE IGNIÇÃOO DE IGNIÇÃOO DE IGNIÇÃO 1 2 a VVVVVela de ignição:ela de ignição:ela de ignição:ela de ignição:ela de ignição: 1,8 k1,8 k1,8 k1,8 k1,8 kgfgfgfgfgf.m (1.m (1.m (1.m (1.m (18 N.m)8 N.m)8 N.m)8 N.m)8 N.m) Lâmpada estroboscópicaLâmpada estroboscópicaLâmpada estroboscópicaLâmpada estroboscópicaLâmpada estroboscópica 22222::::: 90890-03190890-03190890-03190890-03190890-0314141414141 TTTTTacômetro indutiacômetro indutiacômetro indutiacômetro indutiacômetro indutivvvvvooooo 33333::::: 90890-06790890-06790890-06790890-06790890-0676060606060 MarcMarcMarcMarcMarcha lenta do motor:ha lenta do motor:ha lenta do motor:ha lenta do motor:ha lenta do motor: 11111.30.30.30.30.300 ~ 10 ~ 10 ~ 10 ~ 10 ~ 1.50.50.50.50.500 rpm0 rpm0 rpm0 rpm0 rpm
  • 79.
    INSPINSPINSPINSPINSP AJUSAJUSAJUSAJUSAJUS 3 – 23 INSPEÇÃODINSPEÇÃO DINSPEÇÃO DINSPEÇÃO DINSPEÇÃO DA COMPRESSÃOA COMPRESSÃOA COMPRESSÃOA COMPRESSÃOA COMPRESSÃO 1. Meça: • Folga de válvula. Fora de especificação Ajustar. Consulte "AJUSTE DA FOLGA DE VÁLVULA". 2. Ligue o motor, aqueça-o por alguns minutos e desligue-o. 3. Desconecte: • Cachimbo da vela de ignição. 4. Retire: • Vela de ignição. 5. Instale: • Medidor de compressão 1. NONONONONOTTTTTA:A:A:A:A: Pressão de compressão insuficiente resulta- rá em perda no desempenho. INSPEÇÃO DINSPEÇÃO DINSPEÇÃO DINSPEÇÃO DINSPEÇÃO DA COMPRESSÃOA COMPRESSÃOA COMPRESSÃOA COMPRESSÃOA COMPRESSÃO 1 Antes de remover a vela de ignição, elimine com ar comprimido a sujeira acumulada nos componentes, evitando que caiam no cilin- dro. Medidor de compressão:Medidor de compressão:Medidor de compressão:Medidor de compressão:Medidor de compressão: 90890-0308190890-0308190890-0308190890-0308190890-03081 6. Meça: • Compressão. Fora de especificação Consulte os passos “c” e “d”. Compressão (ao nível do mar)Compressão (ao nível do mar)Compressão (ao nível do mar)Compressão (ao nível do mar)Compressão (ao nível do mar)::::: PPPPPadrão 1adrão 1adrão 1adrão 1adrão 120202020200 kP0 kP0 kP0 kP0 kPaaaaa (1(1(1(1(12 k2 k2 k2 k2 kg/cmg/cmg/cmg/cmg/cm22222 /30/30/30/30/300 r/min.)0 r/min.)0 r/min.)0 r/min.)0 r/min.) Mínima 1Mínima 1Mínima 1Mínima 1Mínima 1050 kP050 kP050 kP050 kP050 kPaaaaa (1(1(1(1(10,5 k0,5 k0,5 k0,5 k0,5 kg/cmg/cmg/cmg/cmg/cm22222 /30/30/30/30/300 r/min.)0 r/min.)0 r/min.)0 r/min.)0 r/min.) Máxima 1Máxima 1Máxima 1Máxima 1Máxima 130303030300 kP0 kP0 kP0 kP0 kPaaaaa (1(1(1(1(13,0 k3,0 k3,0 k3,0 k3,0 kg/cmg/cmg/cmg/cmg/cm22222 /30/30/30/30/300 r/min.)0 r/min.)0 r/min.)0 r/min.)0 r/min.)
  • 80.
    INSPINSPINSPINSPINSP AJUSAJUSAJUSAJUSAJUS 3 – 24 ********************************************************************************************************************************************************************************************** a.Coloque a chave de ignição na posição "ON" e o interruptor “engine stop” em “ ”. b. Com o acelerador aberto, acione o motor de partida até que a leitura do medidor de compressão estabilize. c. Se a compressão estiver acima da espe- cificação máxima, verifique o cabeçote, as superfícies das válvulas e a cabeça do pistão. Depósitos de carvão Eliminar. d. Se a compressão estiver abaixo da especificação mínima, coloque uma colher de chá de óleo de motor no furo da vela de ignição e meça novamente. Consulte a tabela a seguir. INSPEÇÃO DINSPEÇÃO DINSPEÇÃO DINSPEÇÃO DINSPEÇÃO DA COMPRESSÃOA COMPRESSÃOA COMPRESSÃOA COMPRESSÃOA COMPRESSÃO CompressãoCompressãoCompressãoCompressãoCompressão (com óleo aplicado dentro do cilindro(com óleo aplicado dentro do cilindro(com óleo aplicado dentro do cilindro(com óleo aplicado dentro do cilindro(com óleo aplicado dentro do cilindro LLLLLeituraeituraeituraeituraeitura DiagnósticoDiagnósticoDiagnósticoDiagnósticoDiagnóstico Maior queMaior queMaior queMaior queMaior que Os anéis do pistão estãoOs anéis do pistão estãoOs anéis do pistão estãoOs anéis do pistão estãoOs anéis do pistão estão sem óleosem óleosem óleosem óleosem óleo gggggastos ou danificadosastos ou danificadosastos ou danificadosastos ou danificadosastos ou danificados RRRRReparareparareparareparareparar A mesmaA mesmaA mesmaA mesmaA mesma Pistão, válvulas, junta doPistão, válvulas, junta doPistão, válvulas, junta doPistão, válvulas, junta doPistão, válvulas, junta do cabeçote possicabeçote possicabeçote possicabeçote possicabeçote possivelmentevelmentevelmentevelmentevelmente estão com defeitoestão com defeitoestão com defeitoestão com defeitoestão com defeito RRRRReparareparareparareparareparar ********************************************************************************************************************************************************************************************** 7. Instale: • Vela de ignição. 8. Conecte: • Cachimbo da vela de ignição. PPPPPara evitar centelhamento, aterara evitar centelhamento, aterara evitar centelhamento, aterara evitar centelhamento, aterara evitar centelhamento, aterre o fio da velare o fio da velare o fio da velare o fio da velare o fio da vela de ignição antes de acionar a parde ignição antes de acionar a parde ignição antes de acionar a parde ignição antes de acionar a parde ignição antes de acionar a partida do motortida do motortida do motortida do motortida do motor..... VVVVVela de ignição:ela de ignição:ela de ignição:ela de ignição:ela de ignição: 1,8 k1,8 k1,8 k1,8 k1,8 kgfgfgfgfgf.m (1.m (1.m (1.m (1.m (18 N.m)8 N.m)8 N.m)8 N.m)8 N.m)
  • 81.
    INSPINSPINSPINSPINSP AJUSAJUSAJUSAJUSAJUS 3 – 25 INSPEÇÃODO NÍVEL DE ÓLEOINSPEÇÃO DO NÍVEL DE ÓLEOINSPEÇÃO DO NÍVEL DE ÓLEOINSPEÇÃO DO NÍVEL DE ÓLEOINSPEÇÃO DO NÍVEL DE ÓLEO DO MODO MODO MODO MODO MOTTTTTOROROROROR 1. Posicione a motocicleta em uma superfí- cie plana. 2. Ligue o motor, aqueça-o durante 10 a 15 minutos e desligue-o. 3. Remova o medidor do nível de óleo 1 do cárter. 4. Verifique: • Nível do óleo do motor. NONONONONOTTTTTA:A:A:A:A: • Antes de verificar o nível, aguarde alguns minutos até que o óleo tenha assentado. • Não rosqueie o medidor de óleo 1 ao ve- rificar o nível. • O nível do óleo do motor deve estar entre a marca de nível mínimo a e a marca de nível máximo b. • Abaixo do nível mínimo a, acrescente óleo de motor recomendado até atingir o nível especificado. NONONONONOTTTTTA:A:A:A:A: • Coloque a motocicleta em um suporte adequado. • Certifique-se de que a motocicleta esteja na vertical. 1 b a INSPEÇÃO DO NÍVEL DE ÓLEO DO MOINSPEÇÃO DO NÍVEL DE ÓLEO DO MOINSPEÇÃO DO NÍVEL DE ÓLEO DO MOINSPEÇÃO DO NÍVEL DE ÓLEO DO MOINSPEÇÃO DO NÍVEL DE ÓLEO DO MOTTTTTOROROROROR Óleo recomendadoÓleo recomendadoÓleo recomendadoÓleo recomendadoÓleo recomendado::::: YYYYYamalube 4 Samalube 4 Samalube 4 Samalube 4 Samalube 4 SAE 20WAE 20WAE 20WAE 20WAE 20W-50-50-50-50-50 API SHAPI SHAPI SHAPI SHAPI SH JJJJJAAAAASO MASO MASO MASO MASO MAT9 03 ou superiorT9 03 ou superiorT9 03 ou superiorT9 03 ou superiorT9 03 ou superior O óleo do motor também lubrifica a em-O óleo do motor também lubrifica a em-O óleo do motor também lubrifica a em-O óleo do motor também lubrifica a em-O óleo do motor também lubrifica a em- breagem.breagem.breagem.breagem.breagem. TTTTTipos inadequados de óleo deipos inadequados de óleo deipos inadequados de óleo deipos inadequados de óleo deipos inadequados de óleo de motor ou aditimotor ou aditimotor ou aditimotor ou aditimotor ou aditivvvvvos podem fazos podem fazos podem fazos podem fazos podem fazer a embrea-er a embrea-er a embrea-er a embrea-er a embrea- gem patinargem patinargem patinargem patinargem patinar. P. P. P. P. Pororororortanto, não adicione qual-tanto, não adicione qual-tanto, não adicione qual-tanto, não adicione qual-tanto, não adicione qual- quer aditiquer aditiquer aditiquer aditiquer aditivvvvvo químico ou utilizo químico ou utilizo químico ou utilizo químico ou utilizo químico ou utilize óleo quee óleo quee óleo quee óleo quee óleo que não sejam específicos para motocicletas.não sejam específicos para motocicletas.não sejam específicos para motocicletas.não sejam específicos para motocicletas.não sejam específicos para motocicletas. Não permita que materiais estranhos en-Não permita que materiais estranhos en-Não permita que materiais estranhos en-Não permita que materiais estranhos en-Não permita que materiais estranhos en- trem no motortrem no motortrem no motortrem no motortrem no motor..... NONONONONOTTTTTA:A:A:A:A: Antes de verificar o nível, espere alguns mi- nutos até que o óleo tenha assentado. 5. Ligue o motor, aqueça-o por alguns mi- nutos e desligue-o. 6. Verifique o nível do óleo novamente.
  • 82.
    INSPINSPINSPINSPINSP AJUSAJUSAJUSAJUSAJUS 3 – 26 TROCADE ÓLEO DO MOTROCA DE ÓLEO DO MOTROCA DE ÓLEO DO MOTROCA DE ÓLEO DO MOTROCA DE ÓLEO DO MOTTTTTOROROROROR 1. Ligue o motor, aqueça-o por alguns mi- nutos, e desligue-o. 2. Coloque um recipiente embaixo do motor. 3. Remova: • Medidor do nível de óleo do motor. • Bujão de dreno 1. • Gaxeta. 4. Drene: • Óleo do motor (completamente do cárter). TROCA DE ÓLEO DO MOTROCA DE ÓLEO DO MOTROCA DE ÓLEO DO MOTROCA DE ÓLEO DO MOTROCA DE ÓLEO DO MOTTTTTOROROROROR NONONONONOTTTTTA:A:A:A:A: No caso de substituição do filtro de óleo, proceda da maneira a seguir: • Remova a tampa do elemento de filtro de óleo 1 e o elemento de filtro de óleo 2. • Verifique os anéis O-ring 3 e substitua-os se estiverem danificados. • Instale o novo elemento de filtro de óleo e a tampa do elemento de filtro de óleo. PPPPParafuso da tampa do filtro dearafuso da tampa do filtro dearafuso da tampa do filtro dearafuso da tampa do filtro dearafuso da tampa do filtro de óleo:óleo:óleo:óleo:óleo: 1 k1 k1 k1 k1 kgfgfgfgfgf.m (1.m (1.m (1.m (1.m (10 N.m)0 N.m)0 N.m)0 N.m)0 N.m) 5. Verifique: • Gaxeta do parafuso de dreno de óleo do motor 1. • Parafuso de dreno do óleo Danos Substitua. 6. Instale: • Parafuso de dreno do óleo 2 (cárter) (com a gaxeta). PPPPParafuso de dreno do óleo (cárarafuso de dreno do óleo (cárarafuso de dreno do óleo (cárarafuso de dreno do óleo (cárarafuso de dreno do óleo (cárter):ter):ter):ter):ter): 2,0 k2,0 k2,0 k2,0 k2,0 kgfgfgfgfgf.m (20 N.m).m (20 N.m).m (20 N.m).m (20 N.m).m (20 N.m)
  • 83.
    INSPINSPINSPINSPINSP AJUSAJUSAJUSAJUSAJUS 3 – 27 TROCADE ÓLEO DO MOTROCA DE ÓLEO DO MOTROCA DE ÓLEO DO MOTROCA DE ÓLEO DO MOTROCA DE ÓLEO DO MOTTTTTOROROROROR 7. Abasteça: • Cárter (com a quantidade especificada de óleo recomendado). QuantidadeQuantidadeQuantidadeQuantidadeQuantidade::::: Quantidade totalQuantidade totalQuantidade totalQuantidade totalQuantidade total 1,550 L1,550 L1,550 L1,550 L1,550 L SSSSSem substituição do filtro de óleoem substituição do filtro de óleoem substituição do filtro de óleoem substituição do filtro de óleoem substituição do filtro de óleo 1,350 L1,350 L1,350 L1,350 L1,350 L Com substituição do filtro de óleoCom substituição do filtro de óleoCom substituição do filtro de óleoCom substituição do filtro de óleoCom substituição do filtro de óleo 1,450 L1,450 L1,450 L1,450 L1,450 L 8. Instale: • Medidor do nível de óleo. 9. Ligue o motor, aqueça-o por alguns ins- tantes e desligue-o. 10. Verifique: • Motor (vazamentos de óleo). 11. Verifique: • Nível de óleo do motor Consulte "INSPEÇÃO DO NÍVEL DO ÓLEO DO MOTOR". • Pressão do óleo do motor. ********************************************************************************************************************************************************************************************** a. Coloque um pano sob o parafuso de sangria. b. Solte, sem retirar, o parafuso de san- gria(1 cuidadosamente. c. Ligue o motor e mantenha-o em marcha lenta até que o óleo comece a escorrer. Se não escorrer óleo após um minuto, desligue o motor para que não ocorra danos. d. Verifique as passagens, o óleo do filtro de óleo e a bomba de óleo. Consulte "BOMBA DE ÓLEO" no capítulo 5. e. Ligue o motor após corrigir o(s) pro- blema(s) e verifique a pressão do óleo novamente. f. Fixe o parafuso de sangria com o torque especificado. ********************************************************************************************************************************************************************************************** PPPPParafuso de sangria:arafuso de sangria:arafuso de sangria:arafuso de sangria:arafuso de sangria: 0,7 k0,7 k0,7 k0,7 k0,7 kgfgfgfgfgf.m (7 N.m).m (7 N.m).m (7 N.m).m (7 N.m).m (7 N.m) 1
  • 84.
    INSPINSPINSPINSPINSP AJUSAJUSAJUSAJUSAJUS 3 – 28 AJUSAJUSAJUSAJUSAJUSTEDTE DTE DTE DTE DA FOLGA DO CABOA FOLGA DO CABOA FOLGA DO CABOA FOLGA DO CABOA FOLGA DO CABO DDDDDA EMBREAA EMBREAA EMBREAA EMBREAA EMBREAGEMGEMGEMGEMGEM 1. Verifique: • Folga do cabo da embreagem a. Fora de especificação Ajuste. 2. Ajuste: • Folga do cabo da embreagem. ********************************************************************************************************************************************************************************************** Extremidade do guidãoExtremidade do guidãoExtremidade do guidãoExtremidade do guidãoExtremidade do guidão a. Afaste a proteção de borracha 1. b. Solte a porca-trava 2. c. Gire o parafuso de ajuste 3 no sentido b ou c até que a folga especificada seja obtida. d. Aperte a porca-trava. e. Coloque a proteção de borracha no seu lugar. ********************************************************************************************************************************************************************************************** AJUSAJUSAJUSAJUSAJUSTE DTE DTE DTE DTE DA FOLGA DO CABO DA FOLGA DO CABO DA FOLGA DO CABO DA FOLGA DO CABO DA FOLGA DO CABO DA EMBREAA EMBREAA EMBREAA EMBREAA EMBREAGEM/GEM/GEM/GEM/GEM/ INSPEÇÃO DO ELEMENINSPEÇÃO DO ELEMENINSPEÇÃO DO ELEMENINSPEÇÃO DO ELEMENINSPEÇÃO DO ELEMENTTTTTO DO FILO DO FILO DO FILO DO FILO DO FILTRO DETRO DETRO DETRO DETRO DE ARARARARAR FFFFFolgolgolgolgolga do cabo da embreagema do cabo da embreagema do cabo da embreagema do cabo da embreagema do cabo da embreagem (na extremidade da alavanca)(na extremidade da alavanca)(na extremidade da alavanca)(na extremidade da alavanca)(na extremidade da alavanca) 111110 ~ 10 ~ 10 ~ 10 ~ 10 ~ 15 mm5 mm5 mm5 mm5 mm SSSSSentidoentidoentidoentidoentido b A folgA folgA folgA folgA folga aumentaa aumentaa aumentaa aumentaa aumenta SSSSSentidoentidoentidoentidoentido c A folgA folgA folgA folgA folga diminuia diminuia diminuia diminuia diminui INSPEÇÃO DO ELEMENINSPEÇÃO DO ELEMENINSPEÇÃO DO ELEMENINSPEÇÃO DO ELEMENINSPEÇÃO DO ELEMENTTTTTO DOO DOO DOO DOO DO FILFILFILFILFILTRO DETRO DETRO DETRO DETRO DE ARARARARAR NONONONONOTTTTTA:A:A:A:A: Há uma mangueira de inspeção 1 na base da caixa do filtro de ar. Se poeira e/ou água acumularem nessa mangueira, limpe o fil- tro de ar e a caixa do filtro de ar. 1. Remova: • Tampa lateral direita Consulte "CARENAGEM,TAMPAS E ABAS LATERAIS". 2. Retire: • Parafusos 2 de fixação da tampa da caixa do filtro de ar. • Tampa da caixa do filtro de ar (direita) 1. 1 2 2
  • 85.
    INSPINSPINSPINSPINSP AJUSAJUSAJUSAJUSAJUS 3 – 29 3.Remova: • Elemento do filtro de ar 1. INSPEÇÃO DO ELEMENINSPEÇÃO DO ELEMENINSPEÇÃO DO ELEMENINSPEÇÃO DO ELEMENINSPEÇÃO DO ELEMENTTTTTO DO FILO DO FILO DO FILO DO FILO DO FILTRO DETRO DETRO DETRO DETRO DE AR/AR/AR/AR/AR/ INSPEÇÃO DINSPEÇÃO DINSPEÇÃO DINSPEÇÃO DINSPEÇÃO DA JUNÇÃO DO CORPO DE INJEÇÃOA JUNÇÃO DO CORPO DE INJEÇÃOA JUNÇÃO DO CORPO DE INJEÇÃOA JUNÇÃO DO CORPO DE INJEÇÃOA JUNÇÃO DO CORPO DE INJEÇÃO Nunca opere o motor sem o elemento do fil-Nunca opere o motor sem o elemento do fil-Nunca opere o motor sem o elemento do fil-Nunca opere o motor sem o elemento do fil-Nunca opere o motor sem o elemento do fil- tro de ar instalado. O ar não filtrado causarátro de ar instalado. O ar não filtrado causarátro de ar instalado. O ar não filtrado causarátro de ar instalado. O ar não filtrado causarátro de ar instalado. O ar não filtrado causará desgdesgdesgdesgdesgaste rápido de peças do motor e poderáaste rápido de peças do motor e poderáaste rápido de peças do motor e poderáaste rápido de peças do motor e poderáaste rápido de peças do motor e poderá danificá-lo. Operar o motor sem o elementodanificá-lo. Operar o motor sem o elementodanificá-lo. Operar o motor sem o elementodanificá-lo. Operar o motor sem o elementodanificá-lo. Operar o motor sem o elemento do filtro de ar também afetará o ajuste dodo filtro de ar também afetará o ajuste dodo filtro de ar também afetará o ajuste dodo filtro de ar também afetará o ajuste dodo filtro de ar também afetará o ajuste do carburadorcarburadorcarburadorcarburadorcarburador, resultando em perda de rendi-, resultando em perda de rendi-, resultando em perda de rendi-, resultando em perda de rendi-, resultando em perda de rendi- mento e possível superaquecimento.mento e possível superaquecimento.mento e possível superaquecimento.mento e possível superaquecimento.mento e possível superaquecimento. 4. Verifique: • Elemento do filtro de ar 2 Danos Troque. • Guia do elemento do filtro de ar 3 Danos Troque. 5. Lave: • Elemento do filtro de ar Use querosene para lavar o elemento. NONONONONOTTTTTA:A:A:A:A: Após a limpeza, remova o querosene, aper- tando o elemento. 6. Aplique o óleo recomendado em toda a superfície do filtro e retire o excesso de óleo, apertando o elemento. O elemento deve ficar úmido, mas sem pingar. Não torça o elemento ao aperNão torça o elemento ao aperNão torça o elemento ao aperNão torça o elemento ao aperNão torça o elemento ao apertá-lo.tá-lo.tá-lo.tá-lo.tá-lo. Óleo recomendadoÓleo recomendadoÓleo recomendadoÓleo recomendadoÓleo recomendado::::: YYYYYamalube 4 ou equiamalube 4 ou equiamalube 4 ou equiamalube 4 ou equiamalube 4 ou equivalente.valente.valente.valente.valente. Nunca use gNunca use gNunca use gNunca use gNunca use gasolina, para limpar o elementoasolina, para limpar o elementoasolina, para limpar o elementoasolina, para limpar o elementoasolina, para limpar o elemento do filtro de ardo filtro de ardo filtro de ardo filtro de ardo filtro de ar. Um solvente deste tipo pode. Um solvente deste tipo pode. Um solvente deste tipo pode. Um solvente deste tipo pode. Um solvente deste tipo pode causar fogo ou explosão.causar fogo ou explosão.causar fogo ou explosão.causar fogo ou explosão.causar fogo ou explosão. 7. Instale: • Elemento do filtro de ar. • Tampa do elemento do filtro de ar. PPPPParafuso da tampa do filtro de ar:arafuso da tampa do filtro de ar:arafuso da tampa do filtro de ar:arafuso da tampa do filtro de ar:arafuso da tampa do filtro de ar: 0,2 k0,2 k0,2 k0,2 k0,2 kgfgfgfgfgf.m (2 N.m).m (2 N.m).m (2 N.m).m (2 N.m).m (2 N.m) 8. Instale: • Tampa lateral direita. Consulte "CARENAGEM,TAMPAS EABAS LATERAIS". 1 32
  • 86.
    INSPINSPINSPINSPINSP AJUSAJUSAJUSAJUSAJUS 3 – 30 INSPEÇÃODINSPEÇÃO DINSPEÇÃO DINSPEÇÃO DINSPEÇÃO DA MANGUEIRA DEA MANGUEIRA DEA MANGUEIRA DEA MANGUEIRA DEA MANGUEIRA DE COMBUSCOMBUSCOMBUSCOMBUSCOMBUSTÍVELTÍVELTÍVELTÍVELTÍVEL 1. Remova: • Tanque de combustível/mangueira de combustível. Consulte “TANQUE DE COMBUSTÍVEL”. 2. Verifique: • Mangueira de combustível 1. Quebras/danos Substituir. Conexão solta Conectar. 3. Instale: • Tanque de combustível. Consulte "TANQUE DE COMBUSTÍVEL". INSPEÇÃO DINSPEÇÃO DINSPEÇÃO DINSPEÇÃO DINSPEÇÃO DA JUNÇÃO DO CORPO DE INJEÇÃO/A JUNÇÃO DO CORPO DE INJEÇÃO/A JUNÇÃO DO CORPO DE INJEÇÃO/A JUNÇÃO DO CORPO DE INJEÇÃO/A JUNÇÃO DO CORPO DE INJEÇÃO/ INSPEÇÃO DINSPEÇÃO DINSPEÇÃO DINSPEÇÃO DINSPEÇÃO DA MANGUEIRA DE COMBUSA MANGUEIRA DE COMBUSA MANGUEIRA DE COMBUSA MANGUEIRA DE COMBUSA MANGUEIRA DE COMBUSTÍVEL/TÍVEL/TÍVEL/TÍVEL/TÍVEL/ INSPEÇÃO DINSPEÇÃO DINSPEÇÃO DINSPEÇÃO DINSPEÇÃO DA MANGUEIRA DE RESPIRO DO MOA MANGUEIRA DE RESPIRO DO MOA MANGUEIRA DE RESPIRO DO MOA MANGUEIRA DE RESPIRO DO MOA MANGUEIRA DE RESPIRO DO MOTTTTTOROROROROR INSPEÇÃO DINSPEÇÃO DINSPEÇÃO DINSPEÇÃO DINSPEÇÃO DA MANGUEIRA DEA MANGUEIRA DEA MANGUEIRA DEA MANGUEIRA DEA MANGUEIRA DE RESPIRO DO MORESPIRO DO MORESPIRO DO MORESPIRO DO MORESPIRO DO MOTTTTTOROROROROR 1. Verifique: • Mangueira de respiro do motor 1. Cortes/danos Substituir. CerCerCerCerCertifique-se de que a mangueira de res-tifique-se de que a mangueira de res-tifique-se de que a mangueira de res-tifique-se de que a mangueira de res-tifique-se de que a mangueira de res- piro do motor esteja posicionada adequa-piro do motor esteja posicionada adequa-piro do motor esteja posicionada adequa-piro do motor esteja posicionada adequa-piro do motor esteja posicionada adequa- damente.damente.damente.damente.damente. 1 INSPEÇÃO DINSPEÇÃO DINSPEÇÃO DINSPEÇÃO DINSPEÇÃO DA JUNÇÃO DOA JUNÇÃO DOA JUNÇÃO DOA JUNÇÃO DOA JUNÇÃO DO CORPO DE INJEÇÃOCORPO DE INJEÇÃOCORPO DE INJEÇÃOCORPO DE INJEÇÃOCORPO DE INJEÇÃO 1. Verifique: • Junção do corpo de injeção 1. Quebras/danos Substituir. Consulte "SISTEMA DE INJEÇÃO DE COMBUSTÍVEL" no capítulo 6.
  • 87.
    INSPINSPINSPINSPINSP AJUSAJUSAJUSAJUSAJUS 3 – 31 INSPEÇÃODO RADIADOR DEINSPEÇÃO DO RADIADOR DEINSPEÇÃO DO RADIADOR DEINSPEÇÃO DO RADIADOR DEINSPEÇÃO DO RADIADOR DE ÓLEOÓLEOÓLEOÓLEOÓLEO 1. Remova: • Assento. • Tampas laterais do tanque. Consulte “CARENAGENS, TAMPAS E ABAS LATERAIS”. 2. Verifique: • Radiador de óleo 1. • Mangueira de saída do radiador 2. • Mangueira de entrada do radiador 3. Trincas/danos Substituir. Consulte “RADIADOR” no capítulo 5. INSPEÇÃO DO SISINSPEÇÃO DO SISINSPEÇÃO DO SISINSPEÇÃO DO SISINSPEÇÃO DO SISTEMA DE ESCAPE/TEMA DE ESCAPE/TEMA DE ESCAPE/TEMA DE ESCAPE/TEMA DE ESCAPE/ INSPEÇÃO DO RADIADOR DE ÓLEOINSPEÇÃO DO RADIADOR DE ÓLEOINSPEÇÃO DO RADIADOR DE ÓLEOINSPEÇÃO DO RADIADOR DE ÓLEOINSPEÇÃO DO RADIADOR DE ÓLEO INSPEÇÃO DO SISINSPEÇÃO DO SISINSPEÇÃO DO SISINSPEÇÃO DO SISINSPEÇÃO DO SISTEMA DETEMA DETEMA DETEMA DETEMA DE ESCAPEESCAPEESCAPEESCAPEESCAPE O procedimento a seguir aplica-se a todo o escapamento e gaxeta. 1. Verifique: • Tubo de escape 1. • Silencioso 2. Quebras/danos Substituir. • Gaxeta 3. Vazamento de gases Substituir. 2. Verifique: • Torques de aperto. PPPPPorca do tubo de escape no cabe-orca do tubo de escape no cabe-orca do tubo de escape no cabe-orca do tubo de escape no cabe-orca do tubo de escape no cabe- çote:çote:çote:çote:çote: 1,8 k1,8 k1,8 k1,8 k1,8 kgfgfgfgfgf.m (1.m (1.m (1.m (1.m (18 N.m)8 N.m)8 N.m)8 N.m)8 N.m) PPPPParafuso de fixação central:arafuso de fixação central:arafuso de fixação central:arafuso de fixação central:arafuso de fixação central: 2,0 k2,0 k2,0 k2,0 k2,0 kgfgfgfgfgf.m (20 N.m).m (20 N.m).m (20 N.m).m (20 N.m).m (20 N.m) PPPPParafuso superior do silencioso:arafuso superior do silencioso:arafuso superior do silencioso:arafuso superior do silencioso:arafuso superior do silencioso: 4,0 k4,0 k4,0 k4,0 k4,0 kgfgfgfgfgf.m (40 N.m).m (40 N.m).m (40 N.m).m (40 N.m).m (40 N.m) PPPPParafuso inferior:arafuso inferior:arafuso inferior:arafuso inferior:arafuso inferior: 4,0 k4,0 k4,0 k4,0 k4,0 kgfgfgfgfgf.m (40 N.m).m (40 N.m).m (40 N.m).m (40 N.m).m (40 N.m)
  • 88.
    INSPINSPINSPINSPINSP AJUSAJUSAJUSAJUSAJUS 3 – 32 INSPEÇÃODO NÍVEL DE FLUIDO DE FREIOINSPEÇÃO DO NÍVEL DE FLUIDO DE FREIOINSPEÇÃO DO NÍVEL DE FLUIDO DE FREIOINSPEÇÃO DO NÍVEL DE FLUIDO DE FREIOINSPEÇÃO DO NÍVEL DE FLUIDO DE FREIO CHACHACHACHACHASSISSISSISSISSI NÍVEL DO FLUIDO DE FREIONÍVEL DO FLUIDO DE FREIONÍVEL DO FLUIDO DE FREIONÍVEL DO FLUIDO DE FREIONÍVEL DO FLUIDO DE FREIO Dianteiro 1. Verifique: • Posicione a motocicleta em um local plano. NONONONONOTTTTTA:A:A:A:A: • Posicione a motocicleta na vertical ao exa- minar o nível do fluido de freio. • Ao examinar o nível do fluido de freio, cer- tifique-se de que o topo do cilindro-mes- tre está na horizontal. 2. Verifique: • Nível do fluido de freio. • Nível do fluido de freio abaixo da linha “LOWER” 1 – completar. È Dianteiro É Traseiro ••••• Use apenas o fluido de freio recomendado,Use apenas o fluido de freio recomendado,Use apenas o fluido de freio recomendado,Use apenas o fluido de freio recomendado,Use apenas o fluido de freio recomendado, caso contrário, os retentores da borcaso contrário, os retentores da borcaso contrário, os retentores da borcaso contrário, os retentores da borcaso contrário, os retentores da borracracracracrachahahahaha podem deteriorarpodem deteriorarpodem deteriorarpodem deteriorarpodem deteriorar, causando vazamentos e, causando vazamentos e, causando vazamentos e, causando vazamentos e, causando vazamentos e perda de eficiência na frenagem.perda de eficiência na frenagem.perda de eficiência na frenagem.perda de eficiência na frenagem.perda de eficiência na frenagem. ••••• Complete com o mesmo tipo de fluido deComplete com o mesmo tipo de fluido deComplete com o mesmo tipo de fluido deComplete com o mesmo tipo de fluido deComplete com o mesmo tipo de fluido de freio; a mistura de fluidos pode causar rea-freio; a mistura de fluidos pode causar rea-freio; a mistura de fluidos pode causar rea-freio; a mistura de fluidos pode causar rea-freio; a mistura de fluidos pode causar rea- ção química dos componentes e levar a umção química dos componentes e levar a umção química dos componentes e levar a umção química dos componentes e levar a umção química dos componentes e levar a um mau rendimento de frenagem.mau rendimento de frenagem.mau rendimento de frenagem.mau rendimento de frenagem.mau rendimento de frenagem. ••••• CerCerCerCerCertifitifitifitifitifiquequequequeque-se de que não entrará água no ci--se de que não entrará água no ci--se de que não entrará água no ci--se de que não entrará água no ci--se de que não entrará água no ci- lindro-mestre ao completá-lo.lindro-mestre ao completá-lo.lindro-mestre ao completá-lo.lindro-mestre ao completá-lo.lindro-mestre ao completá-lo. A água abai-A água abai-A água abai-A água abai-A água abai- xa significatixa significatixa significatixa significatixa significativamente o ponto de ebuliçãovamente o ponto de ebuliçãovamente o ponto de ebuliçãovamente o ponto de ebuliçãovamente o ponto de ebulição do fludo fludo fludo fludo fluiiiiido e pode causar tamponamento.do e pode causar tamponamento.do e pode causar tamponamento.do e pode causar tamponamento.do e pode causar tamponamento. O fluido de freio pode danificar superfí-O fluido de freio pode danificar superfí-O fluido de freio pode danificar superfí-O fluido de freio pode danificar superfí-O fluido de freio pode danificar superfí- cies pintadas ou plásticas. Limpe imedia-cies pintadas ou plásticas. Limpe imedia-cies pintadas ou plásticas. Limpe imedia-cies pintadas ou plásticas. Limpe imedia-cies pintadas ou plásticas. Limpe imedia- tamente fluido de freio respingtamente fluido de freio respingtamente fluido de freio respingtamente fluido de freio respingtamente fluido de freio respingado.ado.ado.ado.ado. Fluido de freio recomendadoFluido de freio recomendadoFluido de freio recomendadoFluido de freio recomendadoFluido de freio recomendado::::: DODODODODOT Nº 4T Nº 4T Nº 4T Nº 4T Nº 4 È É È
  • 89.
    INSPINSPINSPINSPINSP AJUSAJUSAJUSAJUSAJUS 3 – 33 INSPEÇÃODO NÍVEL DE FLUIDO DE FREIO/INSPEÇÃO DO NÍVEL DE FLUIDO DE FREIO/INSPEÇÃO DO NÍVEL DE FLUIDO DE FREIO/INSPEÇÃO DO NÍVEL DE FLUIDO DE FREIO/INSPEÇÃO DO NÍVEL DE FLUIDO DE FREIO/ INSPEÇÃO DINSPEÇÃO DINSPEÇÃO DINSPEÇÃO DINSPEÇÃO DAAAAAS PS PS PS PS PAAAAASSSSSTILHATILHATILHATILHATILHAS DE FREIO DIANS DE FREIO DIANS DE FREIO DIANS DE FREIO DIANS DE FREIO DIANTEIROTEIROTEIROTEIROTEIRO INSPEÇÃO DINSPEÇÃO DINSPEÇÃO DINSPEÇÃO DINSPEÇÃO DAAAAAS PS PS PS PS PAAAAASSSSSTILHATILHATILHATILHATILHAS DES DES DES DES DE FREIO DIANFREIO DIANFREIO DIANFREIO DIANFREIO DIANTEIRO ETEIRO ETEIRO ETEIRO ETEIRO ETRATRATRATRATRASEIROSEIROSEIROSEIROSEIRO O procedimento a seguir se aplica a todas as pastilhas de freio. 1. Acione o freio dianteiro. 2. Acione o freio traseiro. 3. Verifique: • Pastilhas de freio dianteiro È. • Pastilhas de freio traseiro É. Ranhuras indicadoras de desgaste 1 rasas e/ou limite máximo de desgaste atingido 2 Substitua o jogo de pastilhas de freio. Consulte "SUBSTITUIÇÃO DAS PASTI- LHAS DE FREIO" no capítulo 4. 1 Limite dLimite dLimite dLimite dLimite de desge desge desge desge desgaste da pastilha deaste da pastilha deaste da pastilha deaste da pastilha deaste da pastilha de freio dianteirofreio dianteirofreio dianteirofreio dianteirofreio dianteiro::::: 0,8 mm0,8 mm0,8 mm0,8 mm0,8 mm Limite dLimite dLimite dLimite dLimite de desge desge desge desge desgaste da pastilha deaste da pastilha deaste da pastilha deaste da pastilha deaste da pastilha de freio traseirofreio traseirofreio traseirofreio traseirofreio traseiro::::: 1,0 mm1,0 mm1,0 mm1,0 mm1,0 mm È É
  • 90.
    INSPINSPINSPINSPINSP AJUSAJUSAJUSAJUSAJUS 3 – 34 SSSSSANGRIADO SISANGRIA DO SISANGRIA DO SISANGRIA DO SISANGRIA DO SISTEMA DE FREIO HIDRÁULICOTEMA DE FREIO HIDRÁULICOTEMA DE FREIO HIDRÁULICOTEMA DE FREIO HIDRÁULICOTEMA DE FREIO HIDRÁULICO SSSSSANGRIA DO SISANGRIA DO SISANGRIA DO SISANGRIA DO SISANGRIA DO SISTEMA DETEMA DETEMA DETEMA DETEMA DE FREIO HIDRÁULICOFREIO HIDRÁULICOFREIO HIDRÁULICOFREIO HIDRÁULICOFREIO HIDRÁULICO 1. Sangria: • Sistema de freio hidráulico. ********************************************************************************************************************************************************************************************** a. Encha o reservatório de fluido de freio até o nível adequado com o fluido de freio recomendado. b. Instale o diafragma (reservatório do cilin- dro de freio mestre ou reservatório de flui- do de freio). c. Conecte firmemente uma mangueira plástica transparente 1 ao parafuso de sangria 2. • Dianteiro (A) NONONONONOTTTTTA:A:A:A:A: • Tome cuidado para não derramar fluido de freio ou transbordar fluido do reserva- tório do cilindro mestre. • Ao fazer a sangria do sistema de freio hi- dráulico, certifique-se de que sempre haja fluido de freio suficiente antes de acionar a alavanca. Se esta precaução não for con- siderada, poderá ocorrer a entrada de ar no sistema de freio hidráulico, aumentan- do consideravelmente o tempo do proce- dimento de sangria. • Se a sangria estiver difícil, pode ser ne- cessário deixar o fluido de freio assentar durante algumas horas. Repita o procedi- mento quando as pequenas bolhas de ar tiverem desaparecido. FFFFFaaaaaçaçaçaçaça a sangria do sistema de freio hidráulicoa sangria do sistema de freio hidráulicoa sangria do sistema de freio hidráulicoa sangria do sistema de freio hidráulicoa sangria do sistema de freio hidráulico semsemsemsemsempre que:pre que:pre que:pre que:pre que: ••••• O sistema for desmontado.O sistema for desmontado.O sistema for desmontado.O sistema for desmontado.O sistema for desmontado. ••••• Uma mangueira de freio for desmontada,Uma mangueira de freio for desmontada,Uma mangueira de freio for desmontada,Uma mangueira de freio for desmontada,Uma mangueira de freio for desmontada, desconectada ou substituída.desconectada ou substituída.desconectada ou substituída.desconectada ou substituída.desconectada ou substituída. ••••• O nível de fluido de freio estiO nível de fluido de freio estiO nível de fluido de freio estiO nível de fluido de freio estiO nível de fluido de freio estiver muitover muitover muitover muitover muito baixbaixbaixbaixbaixo.o.o.o.o. ••••• A frenagem não estiA frenagem não estiA frenagem não estiA frenagem não estiA frenagem não estiver adequada.ver adequada.ver adequada.ver adequada.ver adequada.
  • 91.
    INSPINSPINSPINSPINSP AJUSAJUSAJUSAJUSAJUS 3 – 35 SSSSSANGRIADO SISANGRIA DO SISANGRIA DO SISANGRIA DO SISANGRIA DO SISTEMA DE FREIO HIDRÁULICOTEMA DE FREIO HIDRÁULICOTEMA DE FREIO HIDRÁULICOTEMA DE FREIO HIDRÁULICOTEMA DE FREIO HIDRÁULICO k. Abasteça o reservatório de fluido de freio até o nível adequado com o fluido de freio recomendado. Consulte "NÍVEL DE FLUIDO DE FREIO" no capítulo 3. ********************************************************************************************************************************************************************************************** NONONONONOTTTTTA:A:A:A:A: Ao soltar o parafuso de sangria, a pressão será liberada e provocará o contato da ala- vanca de freio com o acelerador ou o curso completo do pedal de freio. h. Aperte o parafuso de sangria, então solte a alavanca ou pedal de freio. i. Repita dos passos“e” ao“h” até que todas as bolhas de ar tenham desaparecido do fluido de freio na mangueira plástica. j. Aperte o parafuso de sangria no torque especificado. PPPPParafuso de sangria:arafuso de sangria:arafuso de sangria:arafuso de sangria:arafuso de sangria: 1,4 k1,4 k1,4 k1,4 k1,4 kgfgfgfgfgf.m (1.m (1.m (1.m (1.m (14 N.m)4 N.m)4 N.m)4 N.m)4 N.m) • Traseiro (B) d. Coloque a outra ponta da mangueira 1 dentro de um recipiente. e. Lentamente acione o freio diversas vezes. f. Puxe a alavanca de freio totalmente ou empurre o pedal de freio totalmente e mantenha-o na posição. g. Solte o parafuso de sangria 2. Após fazApós fazApós fazApós fazApós fazer a sangria do sistema de freio hi-er a sangria do sistema de freio hi-er a sangria do sistema de freio hi-er a sangria do sistema de freio hi-er a sangria do sistema de freio hi- dráulico, verifique o funcionamento do freio.dráulico, verifique o funcionamento do freio.dráulico, verifique o funcionamento do freio.dráulico, verifique o funcionamento do freio.dráulico, verifique o funcionamento do freio.
  • 92.
    INSPINSPINSPINSPINSP AJUSAJUSAJUSAJUSAJUS 3 – 36 INSPEÇÃODINSPEÇÃO DINSPEÇÃO DINSPEÇÃO DINSPEÇÃO DA MANGUEIRA DO FREIO DIANA MANGUEIRA DO FREIO DIANA MANGUEIRA DO FREIO DIANA MANGUEIRA DO FREIO DIANA MANGUEIRA DO FREIO DIANTEIRO/TEIRO/TEIRO/TEIRO/TEIRO/ AJUSAJUSAJUSAJUSAJUSTE DO INTE DO INTE DO INTE DO INTE DO INTERRUPTTERRUPTTERRUPTTERRUPTTERRUPTOROROROROR TRATRATRATRATRASEIRO DO FREIOSEIRO DO FREIOSEIRO DO FREIOSEIRO DO FREIOSEIRO DO FREIO INSPEÇÃO DINSPEÇÃO DINSPEÇÃO DINSPEÇÃO DINSPEÇÃO DA MANGUEIRA DOA MANGUEIRA DOA MANGUEIRA DOA MANGUEIRA DOA MANGUEIRA DO FREIO DIANFREIO DIANFREIO DIANFREIO DIANFREIO DIANTEIRO ETEIRO ETEIRO ETEIRO ETEIRO E TRATRATRATRATRASEIROSEIROSEIROSEIROSEIRO O procedimento a seguir aplica-se a todas as mangueiras e abraçadeiras do sistema de freios. 1. Verifique: • Mangueira de freio dianteiro 1. • Mangueira de freio traseiro 3. Rachaduras/danos/desgaste Substituir. 2. Verifique: • Fixadores das mangueiras de freio 2. Soltos Apertar o parafuso da abraça- deira. 3. Mantenha a motocicleta na vertical e acione o freio diversas vezes. 4. Verifique: • Mangueiras de freios. Vazamento de fluido de freio Substituir a mangueira danificada. AJUSAJUSAJUSAJUSAJUSTE DO INTE DO INTE DO INTE DO INTE DO INTERRUPTTERRUPTTERRUPTTERRUPTTERRUPTOROROROROR TRATRATRATRATRASEIRO DO FREIOSEIRO DO FREIOSEIRO DO FREIOSEIRO DO FREIOSEIRO DO FREIO NONONONONOTTTTTA:A:A:A:A: O interruptor traseiro de freio é acionado pelo movimento do pedal de freio. O interruptor traseiro da luz de freio está ajustado correta- mente quando a luz se acende imediatamen- te antes do início do efeito de frenagem. 1. Verifique: • Operação da luz de freio. Incorreta Ajustar. 2. Ajuste: • Operação da luz do freio. ********************************************************************************************************************************************************************************************** a. Segure o corpo principal 1 do interruptor traseiro de freio e vire a porca de ajuste 2 no sentido a ou b até que a luz de freio se acenda. SSSSSentidoentidoentidoentidoentido a A luz de freio se acende antes.A luz de freio se acende antes.A luz de freio se acende antes.A luz de freio se acende antes.A luz de freio se acende antes. SSSSSentidoentidoentidoentidoentido b A luz de freio se acende depois.A luz de freio se acende depois.A luz de freio se acende depois.A luz de freio se acende depois.A luz de freio se acende depois. **********************************************************************************************************************************************************************************************
  • 93.
    INSPINSPINSPINSPINSP AJUSAJUSAJUSAJUSAJUS 3 – 37 AJUSAJUSAJUSAJUSAJUSTEDO PEDTE DO PEDTE DO PEDTE DO PEDTE DO PEDAL DE CÂMBIO/AL DE CÂMBIO/AL DE CÂMBIO/AL DE CÂMBIO/AL DE CÂMBIO/ AJUSAJUSAJUSAJUSAJUSTE DTE DTE DTE DTE DA FOLGA DA FOLGA DA FOLGA DA FOLGA DA FOLGA DA CORRENA CORRENA CORRENA CORRENA CORRENTE DETE DETE DETE DETE DE TRANSMISSÃOTRANSMISSÃOTRANSMISSÃOTRANSMISSÃOTRANSMISSÃO AJUSAJUSAJUSAJUSAJUSTE DO PEDTE DO PEDTE DO PEDTE DO PEDTE DO PEDAL DE CÂMBIOAL DE CÂMBIOAL DE CÂMBIOAL DE CÂMBIOAL DE CÂMBIO 1. Verifique: • Posição do pedal de câmbio a (distân- cia a da pedaleira até o topo do pedal de câmbio). Fora de especificação Ajuste. 2. Ajuste: • Posição do pedal de câmbio. ********************************************************************************************************************************************************************************************** a. Remova o parafuso 1. b. Remova o pedal de câmbio 2. c. Coloque o pedal de câmbio na posição correta. d. Coloque o parafuso e aperte-o com o torque especificado. ********************************************************************************************************************************************************************************************** PPPPPosição do pedal de câmbio (daosição do pedal de câmbio (daosição do pedal de câmbio (daosição do pedal de câmbio (daosição do pedal de câmbio (da pedaleira até o topo do pedal depedaleira até o topo do pedal depedaleira até o topo do pedal depedaleira até o topo do pedal depedaleira até o topo do pedal de câmbio) 1,5 mmcâmbio) 1,5 mmcâmbio) 1,5 mmcâmbio) 1,5 mmcâmbio) 1,5 mm PPPPParafuso do pedal de câmbio:arafuso do pedal de câmbio:arafuso do pedal de câmbio:arafuso do pedal de câmbio:arafuso do pedal de câmbio: 1,0 k1,0 k1,0 k1,0 k1,0 kgfgfgfgfgf.m (1.m (1.m (1.m (1.m (10 N.m)0 N.m)0 N.m)0 N.m)0 N.m) NONONONONOTTTTTA:A:A:A:A: A folga da corrente de transmissão deve ser verificada no ponto de maior tensão. AJUSAJUSAJUSAJUSAJUSTE DTE DTE DTE DTE DA FOLGA DA FOLGA DA FOLGA DA FOLGA DA FOLGA DAAAAA CORRENCORRENCORRENCORRENCORRENTE DETE DETE DETE DETE DE TRANSMISSÃOTRANSMISSÃOTRANSMISSÃOTRANSMISSÃOTRANSMISSÃO Uma corUma corUma corUma corUma corrente tenrente tenrente tenrente tenrente tensssssionada em excesso so-ionada em excesso so-ionada em excesso so-ionada em excesso so-ionada em excesso so- brecarbrecarbrecarbrecarbrecarregregregregregará o motor e outras peças vitaisará o motor e outras peças vitaisará o motor e outras peças vitaisará o motor e outras peças vitaisará o motor e outras peças vitais e uma core uma core uma core uma core uma corrente solta pode escapar e dani-rente solta pode escapar e dani-rente solta pode escapar e dani-rente solta pode escapar e dani-rente solta pode escapar e dani- ficar a balança ou causar acidente. Pficar a balança ou causar acidente. Pficar a balança ou causar acidente. Pficar a balança ou causar acidente. Pficar a balança ou causar acidente. Pororororortan-tan-tan-tan-tan- to, mantenha a tensão da corto, mantenha a tensão da corto, mantenha a tensão da corto, mantenha a tensão da corto, mantenha a tensão da corrente de trans-rente de trans-rente de trans-rente de trans-rente de trans- missão dentro dos limites de especificação.missão dentro dos limites de especificação.missão dentro dos limites de especificação.missão dentro dos limites de especificação.missão dentro dos limites de especificação. NONONONONOTTTTTA:A:A:A:A: Coloque a motocicleta em um suporte ade- quado de modo que a roda traseira fique elevada. 1. Posicione a motocicleta em superfície plana. Apóie a motocicleta com segurança para queApóie a motocicleta com segurança para queApóie a motocicleta com segurança para queApóie a motocicleta com segurança para queApóie a motocicleta com segurança para que não haja o risco de queda.não haja o risco de queda.não haja o risco de queda.não haja o risco de queda.não haja o risco de queda.
  • 94.
    INSPINSPINSPINSPINSP AJUSAJUSAJUSAJUSAJUS 3 – 38 2.Gire a roda traseira e encontre o ponto com maior tensão na corrente de trans- missão. 3. Verifique: • Folga da corrente de transmissão a. Fora de especificação Ajuste. 4. Ajuste: • Folga da corrente de transmissão. ******************************************************************************************************************************************************************************************************** a. Solte a porca do eixo da roda 1. b. Solte a contraporca 2 e a porca de ajuste 3. c. Gire as porcas de ajuste 3 de ambos os lados da motocicleta, em um dos senti- dos até que seja obtida a tensão especifi- cada. d. Fixe ambas as contraporcas com o torque especificado. e. Fixe a porca do eixo da roda com o torque especificado. ********************************************************************************************************************************************************************************************** a AJUSAJUSAJUSAJUSAJUSTE DTE DTE DTE DTE DA FOLGA DA FOLGA DA FOLGA DA FOLGA DA FOLGA DA CORRENA CORRENA CORRENA CORRENA CORRENTE DETE DETE DETE DETE DE TRANSMISSÃOTRANSMISSÃOTRANSMISSÃOTRANSMISSÃOTRANSMISSÃO V FFFFFolgolgolgolgolga da cora da cora da cora da cora da corrente de transmissão:rente de transmissão:rente de transmissão:rente de transmissão:rente de transmissão: 25 ~ 35 mm25 ~ 35 mm25 ~ 35 mm25 ~ 35 mm25 ~ 35 mm NONONONONOTTTTTA:A:A:A:A: Para manter o alinhamento adequado da roda, ajuste ambos os lados simetricamen- te, usando como referência as estrias da balança 4. SSSSSentidoentidoentidoentidoentido a A corA corA corA corA corrente é tensionadarente é tensionadarente é tensionadarente é tensionadarente é tensionada SSSSSentidoentidoentidoentidoentido b A corA corA corA corA corrente é afrouxadarente é afrouxadarente é afrouxadarente é afrouxadarente é afrouxada Contraporca:Contraporca:Contraporca:Contraporca:Contraporca: 1,6 k1,6 k1,6 k1,6 k1,6 kgfgfgfgfgf.m (1.m (1.m (1.m (1.m (16 N.m)6 N.m)6 N.m)6 N.m)6 N.m) PPPPPorca do eixorca do eixorca do eixorca do eixorca do eixo da roda:o da roda:o da roda:o da roda:o da roda: 8,5 k8,5 k8,5 k8,5 k8,5 kgfgfgfgfgf.m (85 N.m).m (85 N.m).m (85 N.m).m (85 N.m).m (85 N.m)
  • 95.
    INSPINSPINSPINSPINSP AJUSAJUSAJUSAJUSAJUS 3 – 39 LUBRIFICAÇÃODLUBRIFICAÇÃO DLUBRIFICAÇÃO DLUBRIFICAÇÃO DLUBRIFICAÇÃO DA CORRENA CORRENA CORRENA CORRENA CORRENTETETETETE A corrente de transmissão consiste em mui- tas peças que interagem entre si. Caso não seja mantida adequadamente, a corrente desgastará rapidamente. Portanto, sua ma- nutenção deve ser feita especialmente quan- do a motocicleta for utilizada em áreas de muita poeira. Esta motocicleta possui uma corrente com anéis O-ring de borracha entre cada placa lateral. Limpeza a vapor, lavagem com alta pressão, determinados solventes e a utiliza- ção de escovas ásperas podem danificar es- ses anéis. Portanto, utilize apenas querose- ne para a limpeza da corrente. Seque total- mente e lubrifique-a por completo com óleo de motor ou lubrificante de corrente aplicá- vel a correntes com anéis O-ring. Não utilize outro tipo de lubrificante na corrente de trans- missão, pois podem conter solventes que danificam os anéis O-ring. LUBRIFICAÇÃO DLUBRIFICAÇÃO DLUBRIFICAÇÃO DLUBRIFICAÇÃO DLUBRIFICAÇÃO DA CORRENA CORRENA CORRENA CORRENA CORRENTE/TE/TE/TE/TE/ INSPEÇÃO EINSPEÇÃO EINSPEÇÃO EINSPEÇÃO EINSPEÇÃO E AJUSAJUSAJUSAJUSAJUSTE DTE DTE DTE DTE DA COLUNA DE DIREÇÃOA COLUNA DE DIREÇÃOA COLUNA DE DIREÇÃOA COLUNA DE DIREÇÃOA COLUNA DE DIREÇÃO Lubrificante recomendadoLubrificante recomendadoLubrificante recomendadoLubrificante recomendadoLubrificante recomendado::::: Óleo de motor ou lubrificanteÓleo de motor ou lubrificanteÓleo de motor ou lubrificanteÓleo de motor ou lubrificanteÓleo de motor ou lubrificante de corde corde corde corde corrente com anéis O-rings.rente com anéis O-rings.rente com anéis O-rings.rente com anéis O-rings.rente com anéis O-rings. NONONONONOTTTTTA:A:A:A:A: Coloque a motocicleta em um suporte ade- quado de modo que a roda dianteira fique elevada. INSPEÇÃO EINSPEÇÃO EINSPEÇÃO EINSPEÇÃO EINSPEÇÃO E AJUSAJUSAJUSAJUSAJUSTE DTE DTE DTE DTE DAAAAA COLUNA DE DIREÇÃOCOLUNA DE DIREÇÃOCOLUNA DE DIREÇÃOCOLUNA DE DIREÇÃOCOLUNA DE DIREÇÃO 1. Posicione a motocicleta em uma superfí- cie plana. 2. Verifique: • Coluna de direção. Segure a base das bengalas do garfo dian- teiro e movimente o garfo suavemente. Empenado/solto Ajuste a coluna de direção. Apóie a motocicleta com segurança para queApóie a motocicleta com segurança para queApóie a motocicleta com segurança para queApóie a motocicleta com segurança para queApóie a motocicleta com segurança para que não haja o risco de queda.não haja o risco de queda.não haja o risco de queda.não haja o risco de queda.não haja o risco de queda.
  • 96.
    INSPINSPINSPINSPINSP AJUSAJUSAJUSAJUSAJUS 3 – 40 3.Remova: • Parafusos dos fixadores do guidão 1. • Fixadores do guidão 2. • Guidão 3. 4. Solte: • Parafusos de fixação da mesa 1. 5. Remova: • Porca da haste de direção 2. • Arruela • Mesa superior 3. 6. Ajuste: • Coluna de direção. ********************************************************************************************************************************************************************************************** a. Remova a arruela-trava 1, a porca-anel superior 2 e a arruela de borracha 3. b. Solte a porca-anel inferior 4 e fixe-a com o torque especificado com chave de porca da coluna de direção 5. INSPEÇÃO EINSPEÇÃO EINSPEÇÃO EINSPEÇÃO EINSPEÇÃO E AJUSAJUSAJUSAJUSAJUSTE DTE DTE DTE DTE DA COLUNA DE DIREÇÃOA COLUNA DE DIREÇÃOA COLUNA DE DIREÇÃOA COLUNA DE DIREÇÃOA COLUNA DE DIREÇÃO NONONONONOTTTTTA:A:A:A:A: Ajuste o torquímetro no ângulo adequado para a chave da porca da coluna de direção. Chave da porca de direção:Chave da porca de direção:Chave da porca de direção:Chave da porca de direção:Chave da porca de direção: 90890-090890-090890-090890-090890-011111403403403403403 PPPPPorca-anel inferior:orca-anel inferior:orca-anel inferior:orca-anel inferior:orca-anel inferior: (torque de aper(torque de aper(torque de aper(torque de aper(torque de aperto inicial)to inicial)to inicial)to inicial)to inicial) 3,7 k3,7 k3,7 k3,7 k3,7 kgfgfgfgfgf.m (37 N.m).m (37 N.m).m (37 N.m).m (37 N.m).m (37 N.m) 1 2 3 4 5
  • 97.
    INSPINSPINSPINSPINSP AJUSAJUSAJUSAJUSAJUS 3 – 41 c.Solte1/4 de volta aporca-anelinferiorefixe- a no torque especificado. d. Verifique se há folga ou travamento na coluna virando totalmente o garfo dianteiro em ambas as direções. Se houver travamento, retire as mesas e verifique os rolamentos superiores e inferiores. Consulte "COLUNA DE DIREÇÃO" no capítulo 4. e. Instale a arruela de borracha 2. f. Instale a porca-anel superior 3. g. Aperte com o dedo a porca-anel supe- rior 3 e alinhe as fendas de ambas as porcas-anel. Se for necessário, segure a porca-anel inferior e aperte a porca- anel superior até que as fendas estejam alinhadas. h. Instale a trava 1. 1 3 b 2 a NONONONONOTTTTTA:A:A:A:A: Certifique-se de que a trava a assente corre- tamente nas fendas das porcas-anel b. PPPPPorca-anel inferior:orca-anel inferior:orca-anel inferior:orca-anel inferior:orca-anel inferior: (torque de aper(torque de aper(torque de aper(torque de aper(torque de aperto final)to final)to final)to final)to final) 0,65 k0,65 k0,65 k0,65 k0,65 kgfgfgfgfgf.m (6,5 N.m).m (6,5 N.m).m (6,5 N.m).m (6,5 N.m).m (6,5 N.m) 7. Instale: • Mesa superior. • Arruela. • Haste da coluna de direção. 8. Fixe: • Parafusos laterais da mesa superior. 9. Instale: • Guidão. • Fixadores superiores do guidão. PPPPPorca da coluna de direção:orca da coluna de direção:orca da coluna de direção:orca da coluna de direção:orca da coluna de direção: 111111,0 k1,0 k1,0 k1,0 k1,0 kgfgfgfgfgf.m (1.m (1.m (1.m (1.m (1111110 N.m)0 N.m)0 N.m)0 N.m)0 N.m) PPPPParafuso lateral da mesa superior:arafuso lateral da mesa superior:arafuso lateral da mesa superior:arafuso lateral da mesa superior:arafuso lateral da mesa superior: 2,3 k2,3 k2,3 k2,3 k2,3 kgfgfgfgfgf.m (23 N.m).m (23 N.m).m (23 N.m).m (23 N.m).m (23 N.m) Fixadores superiores do guidão:Fixadores superiores do guidão:Fixadores superiores do guidão:Fixadores superiores do guidão:Fixadores superiores do guidão: 2,3 k2,3 k2,3 k2,3 k2,3 kgfgfgfgfgf.m (23 N.m).m (23 N.m).m (23 N.m).m (23 N.m).m (23 N.m) INSPEÇÃO EINSPEÇÃO EINSPEÇÃO EINSPEÇÃO EINSPEÇÃO E AJUSAJUSAJUSAJUSAJUSTE DTE DTE DTE DTE DA COLUNA DE DIREÇÃOA COLUNA DE DIREÇÃOA COLUNA DE DIREÇÃOA COLUNA DE DIREÇÃOA COLUNA DE DIREÇÃO Não aperNão aperNão aperNão aperNão aperte demasiadamente a porca-anelte demasiadamente a porca-anelte demasiadamente a porca-anelte demasiadamente a porca-anelte demasiadamente a porca-anel inferiorinferiorinferiorinferiorinferior..... VVV
  • 98.
    INSPINSPINSPINSPINSP AJUSAJUSAJUSAJUSAJUS 3 – 42 INSPEÇÃODO GARFO DIANINSPEÇÃO DO GARFO DIANINSPEÇÃO DO GARFO DIANINSPEÇÃO DO GARFO DIANINSPEÇÃO DO GARFO DIANTEIROTEIROTEIROTEIROTEIRO 1. Posicione a motocicleta em uma superfí- cie plana. 2. Verifique: • Tubos internos 1. Danos/riscos Substitua. • Retentores de óleo 2. Vazamento de óleo Substitua. 3. Mantenha a motocicleta em posição vertical e acione o freio dianteiro. 4. Verifique: • Funcionamento do garfo dianteiro. Empurre com força o guidão várias vezes e verifique se o garfo dianteiro amortece suavemente. Movimento irregular Repare. Consulte"GARFODIANTEIRO"nocapítulo4. V INSPEÇÃO DO GARFO DIANINSPEÇÃO DO GARFO DIANINSPEÇÃO DO GARFO DIANINSPEÇÃO DO GARFO DIANINSPEÇÃO DO GARFO DIANTEIRO/TEIRO/TEIRO/TEIRO/TEIRO/ AJUSAJUSAJUSAJUSAJUSTE DOTE DOTE DOTE DOTE DO AMORAMORAMORAMORAMORTECEDORTECEDORTECEDORTECEDORTECEDOR AJUSAJUSAJUSAJUSAJUSTE DOTE DOTE DOTE DOTE DO AMORAMORAMORAMORAMORTECEDORTECEDORTECEDORTECEDORTECEDOR PPPPPré-cargré-cargré-cargré-cargré-carga da mola:a da mola:a da mola:a da mola:a da mola: Não exceda as posições de ajuste máxi-Não exceda as posições de ajuste máxi-Não exceda as posições de ajuste máxi-Não exceda as posições de ajuste máxi-Não exceda as posições de ajuste máxi- mo ou mínimo.mo ou mínimo.mo ou mínimo.mo ou mínimo.mo ou mínimo. Apóie a motocicleta com segurança para queApóie a motocicleta com segurança para queApóie a motocicleta com segurança para queApóie a motocicleta com segurança para queApóie a motocicleta com segurança para que não haja o risco de queda.não haja o risco de queda.não haja o risco de queda.não haja o risco de queda.não haja o risco de queda. Apóie a motocicleta com segurança, para queApóie a motocicleta com segurança, para queApóie a motocicleta com segurança, para queApóie a motocicleta com segurança, para queApóie a motocicleta com segurança, para que não haja o risco de queda.não haja o risco de queda.não haja o risco de queda.não haja o risco de queda.não haja o risco de queda. V
  • 99.
    INSPINSPINSPINSPINSP AJUSAJUSAJUSAJUSAJUS 3 – 43 1.Ajuste: • Pré-carga da mola. ***************************************************** a. Ajuste a pré-carga da mola com a chave especial fornecida no kit de ferramentas e uma chave catraca. b. Gire o anel de ajuste 1 no sentido a ou b. c. Alinhe a posição desejada do anel de ajuste com o limitador 2. AJUSAJUSAJUSAJUSAJUSTE DOTE DOTE DOTE DOTE DO AMORAMORAMORAMORAMORTECEDOR/TECEDOR/TECEDOR/TECEDOR/TECEDOR/ INSPEÇÃO DOS PNEUSINSPEÇÃO DOS PNEUSINSPEÇÃO DOS PNEUSINSPEÇÃO DOS PNEUSINSPEÇÃO DOS PNEUS SSSSSentidoentidoentidoentidoentido a A pré-cargA pré-cargA pré-cargA pré-cargA pré-carga aumentaa aumentaa aumentaa aumentaa aumenta (suspensão mais dura)(suspensão mais dura)(suspensão mais dura)(suspensão mais dura)(suspensão mais dura) SSSSSentidoentidoentidoentidoentido b A pré-cargA pré-cargA pré-cargA pré-cargA pré-carga diminuia diminuia diminuia diminuia diminui (suspensão mais macia)(suspensão mais macia)(suspensão mais macia)(suspensão mais macia)(suspensão mais macia) PPPPPosições de ajuste:osições de ajuste:osições de ajuste:osições de ajuste:osições de ajuste: Mínimo:Mínimo:Mínimo:Mínimo:Mínimo: 11111 PPPPPadrão:adrão:adrão:adrão:adrão: 33333 Máximo:Máximo:Máximo:Máximo:Máximo: 55555
  • 100.
    INSPINSPINSPINSPINSP AJUSAJUSAJUSAJUSAJUS 3 – 44 INSPEÇÃODOS PNEUSINSPEÇÃO DOS PNEUSINSPEÇÃO DOS PNEUSINSPEÇÃO DOS PNEUSINSPEÇÃO DOS PNEUS INSPEÇÃOINSPEÇÃOINSPEÇÃOINSPEÇÃOINSPEÇÃO DOS PNEUSDOS PNEUSDOS PNEUSDOS PNEUSDOS PNEUS 1. Meça: • Pressão dos pneus. Fora de especificação Ajustar. ••••• A pressão deverá ser verificada eA pressão deverá ser verificada eA pressão deverá ser verificada eA pressão deverá ser verificada eA pressão deverá ser verificada e corcorcorcorcorrigida quando a temperatura do pneurigida quando a temperatura do pneurigida quando a temperatura do pneurigida quando a temperatura do pneurigida quando a temperatura do pneu igualarigualarigualarigualarigualar-se à temperatura ambiente.-se à temperatura ambiente.-se à temperatura ambiente.-se à temperatura ambiente.-se à temperatura ambiente. AAAAA pressão deverá estar em concordânciapressão deverá estar em concordânciapressão deverá estar em concordânciapressão deverá estar em concordânciapressão deverá estar em concordância com o peso total de cargcom o peso total de cargcom o peso total de cargcom o peso total de cargcom o peso total de carga, piloto, passa-a, piloto, passa-a, piloto, passa-a, piloto, passa-a, piloto, passa- geiro e acessórios (carenagem, bolsasgeiro e acessórios (carenagem, bolsasgeiro e acessórios (carenagem, bolsasgeiro e acessórios (carenagem, bolsasgeiro e acessórios (carenagem, bolsas laterais, etc., caso aprolaterais, etc., caso aprolaterais, etc., caso aprolaterais, etc., caso aprolaterais, etc., caso aprovados para estevados para estevados para estevados para estevados para este modelo) e com a velocidade do veículo.modelo) e com a velocidade do veículo.modelo) e com a velocidade do veículo.modelo) e com a velocidade do veículo.modelo) e com a velocidade do veículo. ••••• A cargA cargA cargA cargA carga adequada é impora adequada é impora adequada é impora adequada é impora adequada é importante para atante para atante para atante para atante para a dirigibilidade, frenagem e outras carac-dirigibilidade, frenagem e outras carac-dirigibilidade, frenagem e outras carac-dirigibilidade, frenagem e outras carac-dirigibilidade, frenagem e outras carac- terísticas de desempenho e segurançaterísticas de desempenho e segurançaterísticas de desempenho e segurançaterísticas de desempenho e segurançaterísticas de desempenho e segurança de sua motocicleta. Não transporde sua motocicleta. Não transporde sua motocicleta. Não transporde sua motocicleta. Não transporde sua motocicleta. Não transporte arte arte arte arte arti-ti-ti-ti-ti- gos malgos malgos malgos malgos mal acondicionados que possamacondicionados que possamacondicionados que possamacondicionados que possamacondicionados que possam deslocardeslocardeslocardeslocardeslocar-se.-se.-se.-se.-se. Acomode firmemente suaAcomode firmemente suaAcomode firmemente suaAcomode firmemente suaAcomode firmemente sua cargcargcargcargcarga mais pesada junto ao centro daa mais pesada junto ao centro daa mais pesada junto ao centro daa mais pesada junto ao centro daa mais pesada junto ao centro da motocicleta distribuindo o peso com uni-motocicleta distribuindo o peso com uni-motocicleta distribuindo o peso com uni-motocicleta distribuindo o peso com uni-motocicleta distribuindo o peso com uni- formidade para ambos os lados.formidade para ambos os lados.formidade para ambos os lados.formidade para ambos os lados.formidade para ambos os lados. AjusteAjusteAjusteAjusteAjuste adequadamente a suspensão para a caradequadamente a suspensão para a caradequadamente a suspensão para a caradequadamente a suspensão para a caradequadamente a suspensão para a car----- ggggga e examine o estado e a pressão dosa e examine o estado e a pressão dosa e examine o estado e a pressão dosa e examine o estado e a pressão dosa e examine o estado e a pressão dos pneus. NUNCA SOBRECARREpneus. NUNCA SOBRECARREpneus. NUNCA SOBRECARREpneus. NUNCA SOBRECARREpneus. NUNCA SOBRECARREGUE SUAGUE SUAGUE SUAGUE SUAGUE SUA MOMOMOMOMOTTTTTOCICLETOCICLETOCICLETOCICLETOCICLETA. CerA. CerA. CerA. CerA. Certifique-se de que otifique-se de que otifique-se de que otifique-se de que otifique-se de que o peso total da cargpeso total da cargpeso total da cargpeso total da cargpeso total da carga, piloto, carona e aces-a, piloto, carona e aces-a, piloto, carona e aces-a, piloto, carona e aces-a, piloto, carona e aces- sórios (carenagem, bolsas laterais, etc.,sórios (carenagem, bolsas laterais, etc.,sórios (carenagem, bolsas laterais, etc.,sórios (carenagem, bolsas laterais, etc.,sórios (carenagem, bolsas laterais, etc., se aprose aprose aprose aprose aprovados para este modelo) não exvados para este modelo) não exvados para este modelo) não exvados para este modelo) não exvados para este modelo) não ex----- ceda a cargceda a cargceda a cargceda a cargceda a carga máxima da motocicleta.a máxima da motocicleta.a máxima da motocicleta.a máxima da motocicleta.a máxima da motocicleta. AAAAA utilização de uma motocicleta sobrecarutilização de uma motocicleta sobrecarutilização de uma motocicleta sobrecarutilização de uma motocicleta sobrecarutilização de uma motocicleta sobrecar----- regregregregregada poderá causar danos aos pneusada poderá causar danos aos pneusada poderá causar danos aos pneusada poderá causar danos aos pneusada poderá causar danos aos pneus e acidentes com ferimentos.e acidentes com ferimentos.e acidentes com ferimentos.e acidentes com ferimentos.e acidentes com ferimentos. Peso básico: Com óleo e 141,0 kg tanque de combustível vazio Carga máxima * 169,0 kg * Carga é o peso total do condutor, passa- geiro, acessórios e bagagem. Pressão dos pneus Dianteiro Traseiro a frio Até 90 kg 18 psi 22 psi 125 kPa 150 kPa 1,25 kgf/cm2 1,5 kgf/cm2 De 90 kg à carga 22 psi 25 psi máxima 150 kPa 175 kPa 1,5 kgf/cm2 1,75 kgf/cm2 Condução em 22 psi 25 psi alta velocidade 150 kPa 175 kPa 1,5 kgf/cm2 1,75 kgf/cm2
  • 101.
    INSPINSPINSPINSPINSP AJUSAJUSAJUSAJUSAJUS 3 – 45 INSPEÇÃODOS PNEUSINSPEÇÃO DOS PNEUSINSPEÇÃO DOS PNEUSINSPEÇÃO DOS PNEUSINSPEÇÃO DOS PNEUS 2. Inspecione: • Superfície dos pneus. Desgaste/danos Trocar. 1 Profundidade do sulco. 2 Banda lateral. 3 Indicador de desgaste. PPPPProfundidade mínimarofundidade mínimarofundidade mínimarofundidade mínimarofundidade mínima dedededede sulcosulcosulcosulcosulco (dianteiro e traseiro):(dianteiro e traseiro):(dianteiro e traseiro):(dianteiro e traseiro):(dianteiro e traseiro): 1,0 mm1,0 mm1,0 mm1,0 mm1,0 mm ••••• É perigoso trafegÉ perigoso trafegÉ perigoso trafegÉ perigoso trafegÉ perigoso trafegar com pneus desgar com pneus desgar com pneus desgar com pneus desgar com pneus desgastados.astados.astados.astados.astados. Quando os sulcos do pneu começarem aQuando os sulcos do pneu começarem aQuando os sulcos do pneu começarem aQuando os sulcos do pneu começarem aQuando os sulcos do pneu começarem a exibir linhas, troque o pneu imediatamente.exibir linhas, troque o pneu imediatamente.exibir linhas, troque o pneu imediatamente.exibir linhas, troque o pneu imediatamente.exibir linhas, troque o pneu imediatamente. ••••• RRRRRemendar uma câmera de ar furada não é re-emendar uma câmera de ar furada não é re-emendar uma câmera de ar furada não é re-emendar uma câmera de ar furada não é re-emendar uma câmera de ar furada não é re- comendável. Scomendável. Scomendável. Scomendável. Scomendável. Se for absolutamente necessárioe for absolutamente necessárioe for absolutamente necessárioe for absolutamente necessárioe for absolutamente necessário fazê-lo, tome muito cuidado e troque a câmerafazê-lo, tome muito cuidado e troque a câmerafazê-lo, tome muito cuidado e troque a câmerafazê-lo, tome muito cuidado e troque a câmerafazê-lo, tome muito cuidado e troque a câmera tão logo possível por outra de boa qualidade.tão logo possível por outra de boa qualidade.tão logo possível por outra de boa qualidade.tão logo possível por outra de boa qualidade.tão logo possível por outra de boa qualidade. Dianteiro: FFFFFabricanteabricanteabricanteabricanteabricante MedidaMedidaMedidaMedidaMedida TTTTTipoipoipoipoipo METZELER 80/90 -21 485dp c/ câmera Traseiro: FFFFFabricanteabricanteabricanteabricanteabricante MedidaMedidaMedidaMedidaMedida TTTTTipoipoipoipoipo METZELER 120/80 -18 625t c/ câmera RRRRRoda com câmaraoda com câmaraoda com câmaraoda com câmaraoda com câmara Apenas, pneu comApenas, pneu comApenas, pneu comApenas, pneu comApenas, pneu com câmaracâmaracâmaracâmaracâmara RRRRRoda sem câmaraoda sem câmaraoda sem câmaraoda sem câmaraoda sem câmara Pneu com câmara ouPneu com câmara ouPneu com câmara ouPneu com câmara ouPneu com câmara ou sem câmarasem câmarasem câmarasem câmarasem câmara ••••• Não utilizNão utilizNão utilizNão utilizNão utilize pneu sem câmara em uma rodae pneu sem câmara em uma rodae pneu sem câmara em uma rodae pneu sem câmara em uma rodae pneu sem câmara em uma roda projetada apenas para pneus com câmara,projetada apenas para pneus com câmara,projetada apenas para pneus com câmara,projetada apenas para pneus com câmara,projetada apenas para pneus com câmara, evitando falha e ferimentos no caso de umevitando falha e ferimentos no caso de umevitando falha e ferimentos no caso de umevitando falha e ferimentos no caso de umevitando falha e ferimentos no caso de um esvaziamento repentino.esvaziamento repentino.esvaziamento repentino.esvaziamento repentino.esvaziamento repentino. ••••• Ao utilizar pneus com câmara, cerAo utilizar pneus com câmara, cerAo utilizar pneus com câmara, cerAo utilizar pneus com câmara, cerAo utilizar pneus com câmara, certifique-tifique-tifique-tifique-tifique- se de instalar a câmara corse de instalar a câmara corse de instalar a câmara corse de instalar a câmara corse de instalar a câmara correta.reta.reta.reta.reta. ••••• SSSSSempre substitua o pneu e a câmara noempre substitua o pneu e a câmara noempre substitua o pneu e a câmara noempre substitua o pneu e a câmara noempre substitua o pneu e a câmara novvvvvososososos em conjunto.em conjunto.em conjunto.em conjunto.em conjunto. ••••• PPPPPara evitar danos à câmara, cerara evitar danos à câmara, cerara evitar danos à câmara, cerara evitar danos à câmara, cerara evitar danos à câmara, certifique-se detifique-se detifique-se detifique-se detifique-se de que o aro da roda e a câmara estejam mon-que o aro da roda e a câmara estejam mon-que o aro da roda e a câmara estejam mon-que o aro da roda e a câmara estejam mon-que o aro da roda e a câmara estejam mon- tados cortados cortados cortados cortados corretamente.retamente.retamente.retamente.retamente.
  • 102.
    INSPINSPINSPINSPINSP AJUSAJUSAJUSAJUSAJUS 3 – 46 •••••Dirigir moderadamente após instalar umDirigir moderadamente após instalar umDirigir moderadamente após instalar umDirigir moderadamente após instalar umDirigir moderadamente após instalar um pneu, para permitir que o pneu se assentepneu, para permitir que o pneu se assentepneu, para permitir que o pneu se assentepneu, para permitir que o pneu se assentepneu, para permitir que o pneu se assente adequadamente sobre o aro. Caso contrá-adequadamente sobre o aro. Caso contrá-adequadamente sobre o aro. Caso contrá-adequadamente sobre o aro. Caso contrá-adequadamente sobre o aro. Caso contrá- rio, pode acontecer um acidenterio, pode acontecer um acidenterio, pode acontecer um acidenterio, pode acontecer um acidenterio, pode acontecer um acidente,,,,, causandocausandocausandocausandocausando danos à motodanos à motodanos à motodanos à motodanos à motocicletacicletacicletacicletacicleta e ao condutore ao condutore ao condutore ao condutore ao condutor..... ••••• Após um reparo ou troca de pneu, cerApós um reparo ou troca de pneu, cerApós um reparo ou troca de pneu, cerApós um reparo ou troca de pneu, cerApós um reparo ou troca de pneu, certifi-tifi-tifi-tifi-tifi- que-se de aplicar torque corque-se de aplicar torque corque-se de aplicar torque corque-se de aplicar torque corque-se de aplicar torque correto àreto àreto àreto àreto à contraporca da haste da válvulacontraporca da haste da válvulacontraporca da haste da válvulacontraporca da haste da válvulacontraporca da haste da válvula 11111..... ••••• Pneus noPneus noPneus noPneus noPneus novvvvvos possuem uma aderência relati-os possuem uma aderência relati-os possuem uma aderência relati-os possuem uma aderência relati-os possuem uma aderência relati- vamente baixa até que tenha sido levementevamente baixa até que tenha sido levementevamente baixa até que tenha sido levementevamente baixa até que tenha sido levementevamente baixa até que tenha sido levemente gggggastos. Pastos. Pastos. Pastos. Pastos. Pororororortanto, os 1tanto, os 1tanto, os 1tanto, os 1tanto, os 1000000 km iniciais, devem0 km iniciais, devem0 km iniciais, devem0 km iniciais, devem0 km iniciais, devem ser rodados em uma velocidade moderada,ser rodados em uma velocidade moderada,ser rodados em uma velocidade moderada,ser rodados em uma velocidade moderada,ser rodados em uma velocidade moderada, antes que alta velocidade seja utilizada.antes que alta velocidade seja utilizada.antes que alta velocidade seja utilizada.antes que alta velocidade seja utilizada.antes que alta velocidade seja utilizada. Contraporca da haste da válvula:Contraporca da haste da válvula:Contraporca da haste da válvula:Contraporca da haste da válvula:Contraporca da haste da válvula: 0,10,10,10,10,15 k5 k5 k5 k5 kgfgfgfgfgf.m (1.m (1.m (1.m (1.m (1.5 N.m).5 N.m).5 N.m).5 N.m).5 N.m)1 2 NONONONONOTTTTTA:A:A:A:A: Para pneus com marca no sentido rotação 1: • Instale o pneu com a marca apontando no sentido da rotação da roda. • Alinhe a marca 2 com o ponto de insta- lação da válvula. INSPEÇÃO DOS PNEUSINSPEÇÃO DOS PNEUSINSPEÇÃO DOS PNEUSINSPEÇÃO DOS PNEUSINSPEÇÃO DOS PNEUS
  • 103.
    INSPINSPINSPINSPINSP AJUSAJUSAJUSAJUSAJUS 3 – 47 INSPEÇÃODINSPEÇÃO DINSPEÇÃO DINSPEÇÃO DINSPEÇÃO DAAAAAS RODS RODS RODS RODS RODAAAAAS/S/S/S/S/ INSPEÇÃO EINSPEÇÃO EINSPEÇÃO EINSPEÇÃO EINSPEÇÃO E APERAPERAPERAPERAPERTTTTTO DOS RAIOS/O DOS RAIOS/O DOS RAIOS/O DOS RAIOS/O DOS RAIOS/ INSPEÇÃO E LUBRIFICAÇÃO DOS CABOSINSPEÇÃO E LUBRIFICAÇÃO DOS CABOSINSPEÇÃO E LUBRIFICAÇÃO DOS CABOSINSPEÇÃO E LUBRIFICAÇÃO DOS CABOSINSPEÇÃO E LUBRIFICAÇÃO DOS CABOS INSPEÇÃO DINSPEÇÃO DINSPEÇÃO DINSPEÇÃO DINSPEÇÃO DAAAAAS RODS RODS RODS RODS RODAAAAASSSSS 1. Verifique: • Rodas. Danos/empenamentos Trocar. INSPEÇÃO EINSPEÇÃO EINSPEÇÃO EINSPEÇÃO EINSPEÇÃO E APERAPERAPERAPERAPERTTTTTO DOS RAIOSO DOS RAIOSO DOS RAIOSO DOS RAIOSO DOS RAIOS 1. Verifique: • Raios 1. Torto/danificado Trocar. Solto Reapertar. 2. Aperte: • Chave de raio 2. NONONONONOTTTTTA:A:A:A:A: Certifique-se de apertar os raios antes e de- pois da fase de amaciamento. Nipple:Nipple:Nipple:Nipple:Nipple: 0,2 k0,2 k0,2 k0,2 k0,2 kgfgfgfgfgf.m (2 N.m).m (2 N.m).m (2 N.m).m (2 N.m).m (2 N.m) Nunca tente fazNunca tente fazNunca tente fazNunca tente fazNunca tente fazererererer, nem mesmo pequenos re-, nem mesmo pequenos re-, nem mesmo pequenos re-, nem mesmo pequenos re-, nem mesmo pequenos re- paros nas rodas.paros nas rodas.paros nas rodas.paros nas rodas.paros nas rodas.
  • 104.
    INSPINSPINSPINSPINSP AJUSAJUSAJUSAJUSAJUS 3 – 48 INSPEÇÃOE LUBRIFICAÇÃO DOS CABOS/INSPEÇÃO E LUBRIFICAÇÃO DOS CABOS/INSPEÇÃO E LUBRIFICAÇÃO DOS CABOS/INSPEÇÃO E LUBRIFICAÇÃO DOS CABOS/INSPEÇÃO E LUBRIFICAÇÃO DOS CABOS/ LUBRIFICAÇÃO DOS MANETES E DO PEDLUBRIFICAÇÃO DOS MANETES E DO PEDLUBRIFICAÇÃO DOS MANETES E DO PEDLUBRIFICAÇÃO DOS MANETES E DO PEDLUBRIFICAÇÃO DOS MANETES E DO PEDAL DE FREIO/AL DE FREIO/AL DE FREIO/AL DE FREIO/AL DE FREIO/ LUBRIFICAÇÃO DO CALUBRIFICAÇÃO DO CALUBRIFICAÇÃO DO CALUBRIFICAÇÃO DO CALUBRIFICAÇÃO DO CAVVVVVALETE LAALETE LAALETE LAALETE LAALETE LATERALTERALTERALTERALTERAL NONONONONOTTTTTA:A:A:A:A: Segure a extremidade do cabo ereta e apli- que algumas gotas de lubrificante no reves- timento do cabo, ou utilize um dispositivo de lubrificação adequado. INSPEÇÃO E LUBRIFICAÇÃOINSPEÇÃO E LUBRIFICAÇÃOINSPEÇÃO E LUBRIFICAÇÃOINSPEÇÃO E LUBRIFICAÇÃOINSPEÇÃO E LUBRIFICAÇÃO DOS CABOSDOS CABOSDOS CABOSDOS CABOSDOS CABOS O procedimento a seguir se aplica a todos os cabos internos e externos. 1. Verifique: • Conduíte do cabo. Danificado Substitua. 2. Verifique: • Funcionamento do cabo. Movimento irregular Lubrifique. LUBRIFICAÇÃO DOS MANETESLUBRIFICAÇÃO DOS MANETESLUBRIFICAÇÃO DOS MANETESLUBRIFICAÇÃO DOS MANETESLUBRIFICAÇÃO DOS MANETES E DO PEDE DO PEDE DO PEDE DO PEDE DO PEDAL DE FREIOAL DE FREIOAL DE FREIOAL DE FREIOAL DE FREIO Lubrifique o ponto de articulação e as peças móveis dos manetes e do pedal de freio. LUBRIFICAÇÃO DO CALUBRIFICAÇÃO DO CALUBRIFICAÇÃO DO CALUBRIFICAÇÃO DO CALUBRIFICAÇÃO DO CAVVVVVALETEALETEALETEALETEALETE LALALALALATERALTERALTERALTERALTERAL Lubrifique o ponto de articulação e as peças móveis do cavalete lateral. LUBRIFICAÇÃO DLUBRIFICAÇÃO DLUBRIFICAÇÃO DLUBRIFICAÇÃO DLUBRIFICAÇÃO DAAAAA SUSPENSÃOSUSPENSÃOSUSPENSÃOSUSPENSÃOSUSPENSÃO TRATRATRATRATRASEIRASEIRASEIRASEIRASEIRA Lubrifique a balança traseira e braços relé em suas articulações. V Lubrificante recomendadoLubrificante recomendadoLubrificante recomendadoLubrificante recomendadoLubrificante recomendado::::: Óleo de motor ou lubrificanteÓleo de motor ou lubrificanteÓleo de motor ou lubrificanteÓleo de motor ou lubrificanteÓleo de motor ou lubrificante de cabo adequadode cabo adequadode cabo adequadode cabo adequadode cabo adequado Lubrificante recomendadoLubrificante recomendadoLubrificante recomendadoLubrificante recomendadoLubrificante recomendado::::: Graxa à base de lítioGraxa à base de lítioGraxa à base de lítioGraxa à base de lítioGraxa à base de lítio Lubrificante recomendadoLubrificante recomendadoLubrificante recomendadoLubrificante recomendadoLubrificante recomendado::::: Graxa à base de lítioGraxa à base de lítioGraxa à base de lítioGraxa à base de lítioGraxa à base de lítio Cabos danificados podem proCabos danificados podem proCabos danificados podem proCabos danificados podem proCabos danificados podem provvvvvocar corocar corocar corocar corocar corrosãorosãorosãorosãorosão e interferir no moe interferir no moe interferir no moe interferir no moe interferir no movimento. Substitua osvimento. Substitua osvimento. Substitua osvimento. Substitua osvimento. Substitua os conduítes dos cabos e cabos internos assimconduítes dos cabos e cabos internos assimconduítes dos cabos e cabos internos assimconduítes dos cabos e cabos internos assimconduítes dos cabos e cabos internos assim que possível.que possível.que possível.que possível.que possível. Lubrificante recomendadoLubrificante recomendadoLubrificante recomendadoLubrificante recomendadoLubrificante recomendado::::: Graxa à base de lítioGraxa à base de lítioGraxa à base de lítioGraxa à base de lítioGraxa à base de lítio
  • 105.
    INSPINSPINSPINSPINSP AJUSAJUSAJUSAJUSAJUS 3 – 49 SISSISSISSISSISTEMAELÉTRICOTEMA ELÉTRICOTEMA ELÉTRICOTEMA ELÉTRICOTEMA ELÉTRICO AAAAATIVTIVTIVTIVTIVAÇÃO DAÇÃO DAÇÃO DAÇÃO DAÇÃO DA BAA BAA BAA BAA BATERIATERIATERIATERIATERIA 1. Ativação da bateria: • Procedimento. a. Ao retirar a bateria da embalagem verifi- que se está acompanhada por um con- junto de bisnagas do eletrólito e se este é compatível com a mesma. b. Retire o lacre da bateria e remova o conjunto de tampas do eletrólito, este conjunto será utilizado posteriormente para vedar a bateria. c. Alinhe os bicos do jogo de bisnagas com as células da bateria, pressione firmemen- te para que o lacre dos recipientes sejam rompidos e para que não haja vazamen- tos. d. Após alguns minutos todo o eletrólito terá escoado para bateria. e. Não deverá permanecer sobra de eletróli- to nos frascos, pois o volume é preciso. f. Utilizando o conjunto de tampas, vede a bateria, pressionando suavemente com as mãos, iniciando do centro para as extremidades. g. Aguarde 30 minutos para reação e com um voltímetro, meça a voltagem da bateria quando ela estiver fria. h. Verifique a voltagem conforme a tabela abaixo e se necessário, faça a ação cor- retiva. AAAAATIVTIVTIVTIVTIVAÇÃO DAÇÃO DAÇÃO DAÇÃO DAÇÃO DA BAA BAA BAA BAA BATERIATERIATERIATERIATERIA Durante o período de carga não deixar a temperatura exceder os 55 graus C, e ao conferir a voltagem, certifique-se de que a bateria não esteja aquecida. Para período longo de carga é conveniente monitorar a voltagem da bateria e quando a voltagem for alcançada, desligar o carregador para evitar possíveis aquecimentos. VVVVVOLOLOLOLOLTTTTTAAAAAGEM DGEM DGEM DGEM DGEM DA BAA BAA BAA BAA BATERIATERIATERIATERIATERIA CONDIÇÃO DCONDIÇÃO DCONDIÇÃO DCONDIÇÃO DCONDIÇÃO DA BAA BAA BAA BAA BATERIA (%)TERIA (%)TERIA (%)TERIA (%)TERIA (%) AÇÃO CORRETIVAÇÃO CORRETIVAÇÃO CORRETIVAÇÃO CORRETIVAÇÃO CORRETIVAAAAA TEMPO DE CARGATEMPO DE CARGATEMPO DE CARGATEMPO DE CARGATEMPO DE CARGA 13,00 Volts 100% carregada Não requer carga 12,80 Volts 75% carregada Não requer carga 12,50 Volts 50% carregada Requer carga lenta 3 ~6 horas 12,20 Volts 25% carregada Requer carga lenta 5 ~11 horas 12,00 ~11,50 Volts descarregada Requer carga lenta 13 horas abaixo de 11,50 Volts descarregada Requer carga lenta 20 horas
  • 106.
    INSPINSPINSPINSPINSP AJUSAJUSAJUSAJUSAJUS 3 – 50 INSPEÇÃOE CARGA DINSPEÇÃO E CARGA DINSPEÇÃO E CARGA DINSPEÇÃO E CARGA DINSPEÇÃO E CARGA DA BAA BAA BAA BAA BATERIATERIATERIATERIATERIA ••••• Esta é uma bateria lacrada. Nunca reti-Esta é uma bateria lacrada. Nunca reti-Esta é uma bateria lacrada. Nunca reti-Esta é uma bateria lacrada. Nunca reti-Esta é uma bateria lacrada. Nunca reti- re as tampas de vedação porque o equi-re as tampas de vedação porque o equi-re as tampas de vedação porque o equi-re as tampas de vedação porque o equi-re as tampas de vedação porque o equi- líbrio entre as células não será mantidolíbrio entre as células não será mantidolíbrio entre as células não será mantidolíbrio entre as células não será mantidolíbrio entre as células não será mantido e o desempenho da bateria reduzirá.e o desempenho da bateria reduzirá.e o desempenho da bateria reduzirá.e o desempenho da bateria reduzirá.e o desempenho da bateria reduzirá. ••••• O tempo de cargO tempo de cargO tempo de cargO tempo de cargO tempo de carga, amperagem de carga, amperagem de carga, amperagem de carga, amperagem de carga, amperagem de cargaaaaa e tensão de carge tensão de carge tensão de carge tensão de carge tensão de carga para uma bateria MFa para uma bateria MFa para uma bateria MFa para uma bateria MFa para uma bateria MF são diferentes daqueles das baterias con-são diferentes daqueles das baterias con-são diferentes daqueles das baterias con-são diferentes daqueles das baterias con-são diferentes daqueles das baterias con- vencionais.vencionais.vencionais.vencionais.vencionais. A bateria MF deve ser carA bateria MF deve ser carA bateria MF deve ser carA bateria MF deve ser carA bateria MF deve ser carre-re-re-re-re- gggggada conforme mostrado nas ilustraçõesada conforme mostrado nas ilustraçõesada conforme mostrado nas ilustraçõesada conforme mostrado nas ilustraçõesada conforme mostrado nas ilustrações de método de cargde método de cargde método de cargde método de cargde método de carga. Sa. Sa. Sa. Sa. Se a bateria estie a bateria estie a bateria estie a bateria estie a bateria estiververververver sobrecarsobrecarsobrecarsobrecarsobrecarregregregregregada, o nível de eletrólito cai-ada, o nível de eletrólito cai-ada, o nível de eletrólito cai-ada, o nível de eletrólito cai-ada, o nível de eletrólito cai- rá consideravelmente. Prá consideravelmente. Prá consideravelmente. Prá consideravelmente. Prá consideravelmente. Pororororortanto, tometanto, tometanto, tometanto, tometanto, tome bastante cuidado ao carbastante cuidado ao carbastante cuidado ao carbastante cuidado ao carbastante cuidado ao carregregregregregar a bateria.ar a bateria.ar a bateria.ar a bateria.ar a bateria. INSPEÇÃO E CARGA DINSPEÇÃO E CARGA DINSPEÇÃO E CARGA DINSPEÇÃO E CARGA DINSPEÇÃO E CARGA DA BAA BAA BAA BAA BATERIATERIATERIATERIATERIA NONONONONOTTTTTA:A:A:A:A: Por serem lacradas, as baterias MF não per- mitem a verificação do estado da carga pela medição da gravidade específica do eletrólito. Portanto, a carga tem que ser verificada pela tensão em seus terminais. Baterias geram gás hidrogênio explosiBaterias geram gás hidrogênio explosiBaterias geram gás hidrogênio explosiBaterias geram gás hidrogênio explosiBaterias geram gás hidrogênio explosivvvvvo eo eo eo eo e contém eletrólito feito de ácido sulfúrico ve-contém eletrólito feito de ácido sulfúrico ve-contém eletrólito feito de ácido sulfúrico ve-contém eletrólito feito de ácido sulfúrico ve-contém eletrólito feito de ácido sulfúrico ve- nenoso e altamente cáustico. Pnenoso e altamente cáustico. Pnenoso e altamente cáustico. Pnenoso e altamente cáustico. Pnenoso e altamente cáustico. Pororororortanto, sigtanto, sigtanto, sigtanto, sigtanto, sigaaaaa estas medidas preventiestas medidas preventiestas medidas preventiestas medidas preventiestas medidas preventivas:vas:vas:vas:vas: ••••• SSSSSempre utilizempre utilizempre utilizempre utilizempre utilize proteção para os olhos ao ma-e proteção para os olhos ao ma-e proteção para os olhos ao ma-e proteção para os olhos ao ma-e proteção para os olhos ao ma- nusenusenusenusenusear ou trabalhar próximo de baterias.ar ou trabalhar próximo de baterias.ar ou trabalhar próximo de baterias.ar ou trabalhar próximo de baterias.ar ou trabalhar próximo de baterias. ••••• CarCarCarCarCarregue baterias em áreas bem ventiladas.regue baterias em áreas bem ventiladas.regue baterias em áreas bem ventiladas.regue baterias em áreas bem ventiladas.regue baterias em áreas bem ventiladas. ••••• Mantenha as baterias distante de fogo, faís-Mantenha as baterias distante de fogo, faís-Mantenha as baterias distante de fogo, faís-Mantenha as baterias distante de fogo, faís-Mantenha as baterias distante de fogo, faís- cas ou ccas ou ccas ou ccas ou ccas ou chamas aberhamas aberhamas aberhamas aberhamas abertas (por exemplo, equipa-tas (por exemplo, equipa-tas (por exemplo, equipa-tas (por exemplo, equipa-tas (por exemplo, equipa- mentos de soldagem, cigmentos de soldagem, cigmentos de soldagem, cigmentos de soldagem, cigmentos de soldagem, cigarararararros acesos, etc.).ros acesos, etc.).ros acesos, etc.).ros acesos, etc.).ros acesos, etc.). ••••• NÃO FUME ao carNÃO FUME ao carNÃO FUME ao carNÃO FUME ao carNÃO FUME ao carregregregregregar ou manusear ba-ar ou manusear ba-ar ou manusear ba-ar ou manusear ba-ar ou manusear ba- terias.terias.terias.terias.terias. ••••• MANMANMANMANMANTENHA BATENHA BATENHA BATENHA BATENHA BATERIATERIATERIATERIATERIAS E SOLUÇÃO DE BA-S E SOLUÇÃO DE BA-S E SOLUÇÃO DE BA-S E SOLUÇÃO DE BA-S E SOLUÇÃO DE BA- TERIA LTERIA LTERIA LTERIA LTERIA LONGE DOONGE DOONGE DOONGE DOONGE DO ALCANCE DE CRIANÇAALCANCE DE CRIANÇAALCANCE DE CRIANÇAALCANCE DE CRIANÇAALCANCE DE CRIANÇAS.S.S.S.S. ••••• Evite contato corporal com solução de ba-Evite contato corporal com solução de ba-Evite contato corporal com solução de ba-Evite contato corporal com solução de ba-Evite contato corporal com solução de ba- teria, pode causar queimaduras graves outeria, pode causar queimaduras graves outeria, pode causar queimaduras graves outeria, pode causar queimaduras graves outeria, pode causar queimaduras graves ou ferimentos permanentes na vista.ferimentos permanentes na vista.ferimentos permanentes na vista.ferimentos permanentes na vista.ferimentos permanentes na vista. PRIMEIROS SOCORROS EM CAPRIMEIROS SOCORROS EM CAPRIMEIROS SOCORROS EM CAPRIMEIROS SOCORROS EM CAPRIMEIROS SOCORROS EM CASO DE CON-SO DE CON-SO DE CON-SO DE CON-SO DE CON- TTTTTAAAAATTTTTO CORPORAL:O CORPORAL:O CORPORAL:O CORPORAL:O CORPORAL: EXTERNO:EXTERNO:EXTERNO:EXTERNO:EXTERNO: ••••• PPPPPele – Lavar com água.ele – Lavar com água.ele – Lavar com água.ele – Lavar com água.ele – Lavar com água. ••••• Olhos – Enxaguar com água durante 1Olhos – Enxaguar com água durante 1Olhos – Enxaguar com água durante 1Olhos – Enxaguar com água durante 1Olhos – Enxaguar com água durante 15 mi-5 mi-5 mi-5 mi-5 mi- nutos e procurar atendimento médico ime-nutos e procurar atendimento médico ime-nutos e procurar atendimento médico ime-nutos e procurar atendimento médico ime-nutos e procurar atendimento médico ime- diatamente.diatamente.diatamente.diatamente.diatamente. INININININTERNO:TERNO:TERNO:TERNO:TERNO: ••••• Beber grandes quantidades de água ou lei-Beber grandes quantidades de água ou lei-Beber grandes quantidades de água ou lei-Beber grandes quantidades de água ou lei-Beber grandes quantidades de água ou lei- te, seguidos de leite de magnésia, ote, seguidos de leite de magnésia, ote, seguidos de leite de magnésia, ote, seguidos de leite de magnésia, ote, seguidos de leite de magnésia, ovvvvvos ba-os ba-os ba-os ba-os ba- tidos ou óleo vegetal. Ptidos ou óleo vegetal. Ptidos ou óleo vegetal. Ptidos ou óleo vegetal. Ptidos ou óleo vegetal. Procurar atendimen-rocurar atendimen-rocurar atendimen-rocurar atendimen-rocurar atendimen- to médico imediato.to médico imediato.to médico imediato.to médico imediato.to médico imediato.
  • 107.
    INSPINSPINSPINSPINSP AJUSAJUSAJUSAJUSAJUS 3 – 51 1.Remova: • Banco. Consulte "CARENAGEM,TAMPAS E ABAS LATERAIS". • Cinta. 2. Desconecte: • Cabos da bateria (dos terminais da bateria). 3. Remova: • Bateria. 4. Verifique: • Carga da bateria. *************************************************************************************************************************************************************************************************** a. Conecte o multímetro aos terminais de bateria. NONONONONOTTTTTA:A:A:A:A: • O estado da carga de uma bateria MF pode ser verificado pela medição de seu circuito aberto de tensão. • Não é necessária a carga quando o circui- to aberto de tensão for igual ou maior que 12,80 V. 12,80V INSPEÇÃO E CARGA DINSPEÇÃO E CARGA DINSPEÇÃO E CARGA DINSPEÇÃO E CARGA DINSPEÇÃO E CARGA DA BAA BAA BAA BAA BATERIATERIATERIATERIATERIA PPPPPrimeiro desconecte o cabo negrimeiro desconecte o cabo negrimeiro desconecte o cabo negrimeiro desconecte o cabo negrimeiro desconecte o cabo negatiatiatiatiativvvvvo dao dao dao dao da bateriabateriabateriabateriabateria 11111, depois o cabo positi, depois o cabo positi, depois o cabo positi, depois o cabo positi, depois o cabo positivvvvvooooo 22222..... PPPPPonta positionta positionta positionta positionta positivavavavava terminal posititerminal posititerminal posititerminal posititerminal positivvvvvooooo PPPPPonta negonta negonta negonta negonta negatiatiatiatiativavavavava terminal negterminal negterminal negterminal negterminal negatiatiatiatiativvvvvooooo b. Verifique a carga da bateria, conforme mostrado nas tabelas e nos exemplos a seguir. ********************************************************************************************************************************************************************************************** SSSSSomente aplique cargomente aplique cargomente aplique cargomente aplique cargomente aplique carga lenta na bateria.a lenta na bateria.a lenta na bateria.a lenta na bateria.a lenta na bateria.
  • 108.
    INSPINSPINSPINSPINSP AJUSAJUSAJUSAJUSAJUS 3 – 52 INSPEÇÃOE CARGA DINSPEÇÃO E CARGA DINSPEÇÃO E CARGA DINSPEÇÃO E CARGA DINSPEÇÃO E CARGA DA BAA BAA BAA BAA BATERIATERIATERIATERIATERIA ••••• Nunca retire as tampas de vedação daNunca retire as tampas de vedação daNunca retire as tampas de vedação daNunca retire as tampas de vedação daNunca retire as tampas de vedação da bateria MFbateria MFbateria MFbateria MFbateria MF..... ••••• Não utilizNão utilizNão utilizNão utilizNão utilize um care um care um care um care um carregregregregregador de bateria deador de bateria deador de bateria deador de bateria deador de bateria de alta potência, porque força uma coralta potência, porque força uma coralta potência, porque força uma coralta potência, porque força uma coralta potência, porque força uma corren-ren-ren-ren-ren- te de alta amperagem rapidamente, po-te de alta amperagem rapidamente, po-te de alta amperagem rapidamente, po-te de alta amperagem rapidamente, po-te de alta amperagem rapidamente, po- dendo prodendo prodendo prodendo prodendo provvvvvocar um superaquecimentoocar um superaquecimentoocar um superaquecimentoocar um superaquecimentoocar um superaquecimento da bateria e danos às placas.da bateria e danos às placas.da bateria e danos às placas.da bateria e danos às placas.da bateria e danos às placas. ••••• SSSSSe for impossível, regular a core for impossível, regular a core for impossível, regular a core for impossível, regular a core for impossível, regular a corrente derente derente derente derente de cargcargcargcargcarga no cara no cara no cara no cara no carregregregregregadoradoradoradorador, cuidado para não, cuidado para não, cuidado para não, cuidado para não, cuidado para não sobrecarsobrecarsobrecarsobrecarsobrecarregregregregregar a bateria.ar a bateria.ar a bateria.ar a bateria.ar a bateria. ••••• PPPPPara diminuir as cara diminuir as cara diminuir as cara diminuir as cara diminuir as chances de faíscas, nãohances de faíscas, nãohances de faíscas, nãohances de faíscas, nãohances de faíscas, não conecte a tomadaconecte a tomadaconecte a tomadaconecte a tomadaconecte a tomada A.C. do carA.C. do carA.C. do carA.C. do carA.C. do carregregregregregador deador deador deador deador de bateria até que as gbateria até que as gbateria até que as gbateria até que as gbateria até que as garararararras do carras do carras do carras do carras do carregregregregregadoradoradoradorador estejam ligestejam ligestejam ligestejam ligestejam ligados à bateria.ados à bateria.ados à bateria.ados à bateria.ados à bateria. ••••• Antes de retirar as gAntes de retirar as gAntes de retirar as gAntes de retirar as gAntes de retirar as garararararras do cabo doras do cabo doras do cabo doras do cabo doras do cabo do carcarcarcarcarregregregregregador de bateria dos terminais daador de bateria dos terminais daador de bateria dos terminais daador de bateria dos terminais daador de bateria dos terminais da bateria, cerbateria, cerbateria, cerbateria, cerbateria, certifique-se de desligtifique-se de desligtifique-se de desligtifique-se de desligtifique-se de desligar o carar o carar o carar o carar o car----- regregregregregadoradoradoradorador..... ••••• CerCerCerCerCertifique-se de que as gtifique-se de que as gtifique-se de que as gtifique-se de que as gtifique-se de que as garararararras do caboras do caboras do caboras do caboras do cabo do cardo cardo cardo cardo carregregregregregador de bateria tenham con-ador de bateria tenham con-ador de bateria tenham con-ador de bateria tenham con-ador de bateria tenham con- tato total com o terminal da bateria etato total com o terminal da bateria etato total com o terminal da bateria etato total com o terminal da bateria etato total com o terminal da bateria e que não estejam em curque não estejam em curque não estejam em curque não estejam em curque não estejam em curto. Uma gto. Uma gto. Uma gto. Uma gto. Uma garararararrarararara de carde carde carde carde carregregregregregador de bateria desgador de bateria desgador de bateria desgador de bateria desgador de bateria desgastadaastadaastadaastadaastada pode gerar calor na área de contato epode gerar calor na área de contato epode gerar calor na área de contato epode gerar calor na área de contato epode gerar calor na área de contato e uma mola de guma mola de guma mola de guma mola de guma mola de garararararra fraca pode prora fraca pode prora fraca pode prora fraca pode prora fraca pode provvvvvocarocarocarocarocar faíscas.faíscas.faíscas.faíscas.faíscas. ••••• Uma bateria selada com 1Uma bateria selada com 1Uma bateria selada com 1Uma bateria selada com 1Uma bateria selada com 12,802,802,802,802,80 V não re-V não re-V não re-V não re-V não re- quer cargquer cargquer cargquer cargquer carga.a.a.a.a. ••••• A bateria selada será danificada se forA bateria selada será danificada se forA bateria selada será danificada se forA bateria selada será danificada se forA bateria selada será danificada se for remoremoremoremoremovida sua tampa.vida sua tampa.vida sua tampa.vida sua tampa.vida sua tampa. ••••• Não utilizNão utilizNão utilizNão utilizNão utilize eletrólito comum para ati-e eletrólito comum para ati-e eletrólito comum para ati-e eletrólito comum para ati-e eletrólito comum para ati- var a bateria, somente o que a acompa-var a bateria, somente o que a acompa-var a bateria, somente o que a acompa-var a bateria, somente o que a acompa-var a bateria, somente o que a acompa- nha.nha.nha.nha.nha. ••••• VVVVVerifique sempre a verifique sempre a verifique sempre a verifique sempre a verifique sempre a voltagem das baterioltagem das baterioltagem das baterioltagem das baterioltagem das bateriasasasasas das nodas nodas nodas nodas novas motocicletas da concessio-vas motocicletas da concessio-vas motocicletas da concessio-vas motocicletas da concessio-vas motocicletas da concessio- nária.nária.nária.nária.nária. ••••• A injeção eletrônica sofrerá alterações noA injeção eletrônica sofrerá alterações noA injeção eletrônica sofrerá alterações noA injeção eletrônica sofrerá alterações noA injeção eletrônica sofrerá alterações no tempo de injeção e ignição, caso a bate-tempo de injeção e ignição, caso a bate-tempo de injeção e ignição, caso a bate-tempo de injeção e ignição, caso a bate-tempo de injeção e ignição, caso a bate- ria esteja com a tensão inferior a 1ria esteja com a tensão inferior a 1ria esteja com a tensão inferior a 1ria esteja com a tensão inferior a 1ria esteja com a tensão inferior a 12,802,802,802,802,80 VVVVV..... 12,80V Meça a vMeça a vMeça a vMeça a vMeça a voltagem da bateriaoltagem da bateriaoltagem da bateriaoltagem da bateriaoltagem da bateria SIMSIMSIMSIMSIM 111112,802,802,802,802,80 VVVVV OKOKOKOKOK 111112,702,702,702,702,70 VVVVV dar cargdar cargdar cargdar cargdar cargaaaaa NONONONONOTTTTTA:A:A:A:A: Conforme a tabela: 10% da amperagem da bateria.
  • 109.
    INSPINSPINSPINSPINSP AJUSAJUSAJUSAJUSAJUS 3 – 53 5.Instale: • Bateria. 6. Conecte: • Cabos da bateria (aos terminais da bateria). 7. Aperte: 8. Verifique: • Terminais de bateria. Sujos Limpe com uma escova de (cerdas de) metal. Conexão solta Fixe. 9. Lubrifique: • Terminais da bateria. 10. Instale: • Cinta da bateria. • Assento. Consulte "CARENAGEM, TAMPAS E ABAS LATERAIS". INSPEÇÃO E CARGA DINSPEÇÃO E CARGA DINSPEÇÃO E CARGA DINSPEÇÃO E CARGA DINSPEÇÃO E CARGA DA BAA BAA BAA BAA BATERIA/TERIA/TERIA/TERIA/TERIA/ INSPEÇÃO DOS FUSÍVEISINSPEÇÃO DOS FUSÍVEISINSPEÇÃO DOS FUSÍVEISINSPEÇÃO DOS FUSÍVEISINSPEÇÃO DOS FUSÍVEIS PPPPPrimeiro conecte o cabo positirimeiro conecte o cabo positirimeiro conecte o cabo positirimeiro conecte o cabo positirimeiro conecte o cabo positivvvvvo da bate-o da bate-o da bate-o da bate-o da bate- riariariariaria 11111, depois o cabo neg, depois o cabo neg, depois o cabo neg, depois o cabo neg, depois o cabo negatiatiatiatiativvvvvooooo 22222..... Lubrificante recomendadoLubrificante recomendadoLubrificante recomendadoLubrificante recomendadoLubrificante recomendado::::: Graxa dielétricaGraxa dielétricaGraxa dielétricaGraxa dielétricaGraxa dielétrica Cabos da bateriaCabos da bateriaCabos da bateriaCabos da bateriaCabos da bateria::::: 0,4 k0,4 k0,4 k0,4 k0,4 kgfgfgfgfgf.m (4,0 N.m).m (4,0 N.m).m (4,0 N.m).m (4,0 N.m).m (4,0 N.m) PPPPPara evitar um curara evitar um curara evitar um curara evitar um curara evitar um curto-circuito, sempre ajus-to-circuito, sempre ajus-to-circuito, sempre ajus-to-circuito, sempre ajus-to-circuito, sempre ajus- te a cte a cte a cte a cte a chave de ignição na posição "OFF" aohave de ignição na posição "OFF" aohave de ignição na posição "OFF" aohave de ignição na posição "OFF" aohave de ignição na posição "OFF" ao verificar ou substituir um fusível.verificar ou substituir um fusível.verificar ou substituir um fusível.verificar ou substituir um fusível.verificar ou substituir um fusível. INSPEÇÃO DOS FUSÍVEISINSPEÇÃO DOS FUSÍVEISINSPEÇÃO DOS FUSÍVEISINSPEÇÃO DOS FUSÍVEISINSPEÇÃO DOS FUSÍVEIS O procedimento a seguir se aplica a todos os fusíveis. 1. Remova: • Assento. Consulte“CARENAGEM,TAMPAS EABAS LATERAIS”. • Lateral LE.
  • 110.
    INSPINSPINSPINSPINSP AJUSAJUSAJUSAJUSAJUS 3 – 54 2.Verifique: • Caixa de fusível 1. • Caixa de fusível 2. ********************************************************************************************************************************************************************************************** a. Conecte o multímetro ao fusível e verifi- que a continuidade. b. Se o multímetro indicar “∞“, substitua o fusível. ********************************************************************************************************************************************************************************************** 3. Substitua: • Fusível queimado. ********************************************************************************************************************************************************************************************** a. Ajuste a chave na posição "OFF". b. Coloque um novo fusível com ampera- gem idêntica. c. Acione os interruptores para verificar se o circuito elétrico está operacional. d. Se o fusível queimar novamente, imedia- tamente, verifique o circuito elétrico. 1 0 10 10 10 10 2 1 NONONONONOTTTTTA:A:A:A:A: Ajuste o seletor do multímetro 1 para "Ω x 1". INSPEÇÃO DOS FUSÍVEISINSPEÇÃO DOS FUSÍVEISINSPEÇÃO DOS FUSÍVEISINSPEÇÃO DOS FUSÍVEISINSPEÇÃO DOS FUSÍVEIS Multímetro digital:Multímetro digital:Multímetro digital:Multímetro digital:Multímetro digital: 90890-03190890-03190890-03190890-03190890-0317777744444 Nunca utilizNunca utilizNunca utilizNunca utilizNunca utilize um fusível com amperagem di-e um fusível com amperagem di-e um fusível com amperagem di-e um fusível com amperagem di-e um fusível com amperagem di- ferente da especificada.ferente da especificada.ferente da especificada.ferente da especificada.ferente da especificada. A utilização de umA utilização de umA utilização de umA utilização de umA utilização de um fusível com a amperagem incorfusível com a amperagem incorfusível com a amperagem incorfusível com a amperagem incorfusível com a amperagem incorreta pode cau-reta pode cau-reta pode cau-reta pode cau-reta pode cau- sar grandes danos ao sistema elétrico inclusi-sar grandes danos ao sistema elétrico inclusi-sar grandes danos ao sistema elétrico inclusi-sar grandes danos ao sistema elétrico inclusi-sar grandes danos ao sistema elétrico inclusi- ve incêndio.ve incêndio.ve incêndio.ve incêndio.ve incêndio. *************************************************************************************************************************************************************************************************** FFFFFusíveisusíveisusíveisusíveisusíveis AmperagemAmperagemAmperagemAmperagemAmperagem Qtde.Qtde.Qtde.Qtde.Qtde. Principal 20A 1 Farol 10A 1 Sistema de 10A 1 sinalização Ignição e injeção 10A 1 eletrônica Backup do visor 10A 1 Reserva 20A 1 Reserva 10A 1
  • 111.
    INSPINSPINSPINSPINSP AJUSAJUSAJUSAJUSAJUS 3 – 55 SUBSSUBSSUBSSUBSSUBSTITUIÇÃODTITUIÇÃO DTITUIÇÃO DTITUIÇÃO DTITUIÇÃO DA LÂMPA LÂMPA LÂMPA LÂMPA LÂMPADADADADADAAAAA DO FDO FDO FDO FDO FAROLAROLAROLAROLAROL 1. Remova: • Os parafusos a de fixação do conjunto farol dianteiro de ambos os lados. 2. Remova: • O conjunto do farol de seu alojamento. 3. Remova: • O conector 1 da lâmpada do farol. • A cobertura de borracha 2 da lâmpada do farol. 4. Desencaixe: • Suporte da lâmpada 1. 5. Remova: • A lâmpada do farol de seu alojamento. VADADADADADVERVERVERVERVERTÊNCIATÊNCIATÊNCIATÊNCIATÊNCIA SUBSSUBSSUBSSUBSSUBSTITUIÇÃO DTITUIÇÃO DTITUIÇÃO DTITUIÇÃO DTITUIÇÃO DA LÂMPA LÂMPA LÂMPA LÂMPA LÂMPADADADADADA DO FA DO FA DO FA DO FA DO FAROLAROLAROLAROLAROL Evite tocar a parEvite tocar a parEvite tocar a parEvite tocar a parEvite tocar a parte de vidro da lâmpadate de vidro da lâmpadate de vidro da lâmpadate de vidro da lâmpadate de vidro da lâmpada para mantê-la limpa de oleosidade, casopara mantê-la limpa de oleosidade, casopara mantê-la limpa de oleosidade, casopara mantê-la limpa de oleosidade, casopara mantê-la limpa de oleosidade, caso contrário a transparência do vidro, a vidacontrário a transparência do vidro, a vidacontrário a transparência do vidro, a vidacontrário a transparência do vidro, a vidacontrário a transparência do vidro, a vida útil da lâmpada e o fluxútil da lâmpada e o fluxútil da lâmpada e o fluxútil da lâmpada e o fluxútil da lâmpada e o fluxo de luminosidadeo de luminosidadeo de luminosidadeo de luminosidadeo de luminosidade serão afetados. Sserão afetados. Sserão afetados. Sserão afetados. Sserão afetados. Se a lâmpada do farol fi-e a lâmpada do farol fi-e a lâmpada do farol fi-e a lâmpada do farol fi-e a lâmpada do farol fi- car manccar manccar manccar manccar manchada, limpe completamente comhada, limpe completamente comhada, limpe completamente comhada, limpe completamente comhada, limpe completamente com um pano umedecido em álcool ou thinnerum pano umedecido em álcool ou thinnerum pano umedecido em álcool ou thinnerum pano umedecido em álcool ou thinnerum pano umedecido em álcool ou thinner..... PPPPPoderá estar extremamente quente, mantenhaoderá estar extremamente quente, mantenhaoderá estar extremamente quente, mantenhaoderá estar extremamente quente, mantenhaoderá estar extremamente quente, mantenha a lâmpada do farol distante de produtos infla-a lâmpada do farol distante de produtos infla-a lâmpada do farol distante de produtos infla-a lâmpada do farol distante de produtos infla-a lâmpada do farol distante de produtos infla- máveis e não encoste as mãos até que tenhamáveis e não encoste as mãos até que tenhamáveis e não encoste as mãos até que tenhamáveis e não encoste as mãos até que tenhamáveis e não encoste as mãos até que tenha esfriado.esfriado.esfriado.esfriado.esfriado.
  • 112.
    INSPINSPINSPINSPINSP AJUSAJUSAJUSAJUSAJUS 3 – 56 SUBSSUBSSUBSSUBSSUBSTITUIÇÃODTITUIÇÃO DTITUIÇÃO DTITUIÇÃO DTITUIÇÃO DA LÂMPA LÂMPA LÂMPA LÂMPA LÂMPADADADADADA DO FA DO FA DO FA DO FA DO FAROL/AROL/AROL/AROL/AROL/ AJUSAJUSAJUSAJUSAJUSTE DO FTE DO FTE DO FTE DO FTE DO FAAAAACHO DO FCHO DO FCHO DO FCHO DO FCHO DO FAROLAROLAROLAROLAROL 6. Instale: • Lâmpada do farol (observando seu corre- to posicionamento no seu alojamento). • O suporte. 7. Instale: • A cobertura de 2 borracha da lâmpada do farol. • O conector 1 da lâmpada do farol. 8. Instale: • O consumo do farol em seu alojamento. • Os parafusos 1 de fixação do conjunto do farol. AJUSAJUSAJUSAJUSAJUSTE DO FTE DO FTE DO FTE DO FTE DO FAAAAACHO DO FCHO DO FCHO DO FCHO DO FCHO DO FAROLAROLAROLAROLAROL 1. Ajuste: • Facho do farol (verticalmente). • Ajuste o facho do farol pelo parafuso de ajuste do facho na parte inferior do fa- rol, girando-o no sentido a ou b. SSSSSentidoentidoentidoentidoentido a O facO facO facO facO facho desceho desceho desceho desceho desce SSSSSentidoentidoentidoentidoentido b O facO facO facO facO facho sobeho sobeho sobeho sobeho sobe PPPPParafuso do conjunto do farol:arafuso do conjunto do farol:arafuso do conjunto do farol:arafuso do conjunto do farol:arafuso do conjunto do farol: 0,7 k0,7 k0,7 k0,7 k0,7 kgfgfgfgfgf.m (70 N.m).m (70 N.m).m (70 N.m).m (70 N.m).m (70 N.m)
  • 113.
    INSPINSPINSPINSPINSP AJUSAJUSAJUSAJUSAJUS 3 – 57 AJUSAJUSAJUSAJUSAJUSTEDO RELÓGIO DIGITTE DO RELÓGIO DIGITTE DO RELÓGIO DIGITTE DO RELÓGIO DIGITTE DO RELÓGIO DIGITALALALALAL AJUSAJUSAJUSAJUSAJUSTE DO RELÓGIO DIGITTE DO RELÓGIO DIGITTE DO RELÓGIO DIGITTE DO RELÓGIO DIGITTE DO RELÓGIO DIGITALALALALAL 1. Pressione simultaneamente os botões “SELECT” 2 e “RESET” 3 por pelo menos dois segundos. 2. Quando os dígitos da hora ficarem piscando, pressione “RESET” 3 para acertar a hora. 3. Pressione “SELECT” 2, e os dígitos dos minutos ficarão piscando. 4. Pressione “RESET” 3 para acertar os mi- nutos. 5. Pressione “SELECT” 2 para colocar o relógio 1 em funcionamento.
  • 114.
    CAPÍTULO 4 CHACHACHACHACHASSISSISSISSISSI RODRODRODRODRODA EDISCO DE FREIO DIANA E DISCO DE FREIO DIANA E DISCO DE FREIO DIANA E DISCO DE FREIO DIANA E DISCO DE FREIO DIANTEIROTEIROTEIROTEIROTEIRO ........................................................................................................................................................................................................................................................................................................................... 4-14-14-14-14-1 RODA DIANTEIRA ................................................................................................. 4-2 INSPEÇÃO ............................................................................................................. 4-3 INSPEÇÃO DO DISCO DE FREIO DIANTEIRO ..................................................... 4-5 AJUSTE DO BALANCEAMENTO ESTÁTICO DA RODA DIANTEIRA.................. 4-8 RODRODRODRODRODA, DISCO DE FREIO E COROA, DISCO DE FREIO E COROA, DISCO DE FREIO E COROA, DISCO DE FREIO E COROA, DISCO DE FREIO E COROAAAAA .................................................................................................................................................................................................................................................................................................................................................... 4-14-14-14-14-100000 RODATRASEIRA ................................................................................................. 4-10 DISCO DE FREIO E COROA..................................................................................4-11 INSPEÇÃO ........................................................................................................... 4-13 INSPEÇÃO DO DISCO DE FREIOTRASEIRO...................................................... 4-14 INSPEÇÃO DO CUBO.......................................................................................... 4-15 INSTALAÇÃO DA RODATRASEIRA ................................................................... 4-16 INSPEÇÃO E SUBSTITUIÇÃO DA COROA......................................................... 4-17 FREIO DIANFREIO DIANFREIO DIANFREIO DIANFREIO DIANTEIROTEIROTEIROTEIROTEIRO......................................................................................................................................................................................................................................................................................................................................................................................................................................................................................4-14-14-14-14-188888 SUBSTITUIÇÃO DAS PASTILHAS DO FREIO DIANTEIRO ................................ 4-19 CILINDRO MESCILINDRO MESCILINDRO MESCILINDRO MESCILINDRO MESTRE DIANTRE DIANTRE DIANTRE DIANTRE DIANTEIROTEIROTEIROTEIROTEIRO ........................................................................................................................................................................................................................................................................................................................................................................4-224-224-224-224-22 REMOÇÃO ........................................................................................................... 4-22 INSPEÇÃO ........................................................................................................... 4-23 MONTAGEM E INSTALAÇÃO ............................................................................. 4-24 PINÇA DE FREIO DIANPINÇA DE FREIO DIANPINÇA DE FREIO DIANPINÇA DE FREIO DIANPINÇA DE FREIO DIANTEIROTEIROTEIROTEIROTEIRO.................................................................................................................................................................................................................................................................................................................................................................................................4-274-274-274-274-27 REMOÇÃO ........................................................................................................... 4-28 INSPEÇÃO ........................................................................................................... 4-29 INSTALAÇÃO ....................................................................................................... 4-30 FREIOFREIOFREIOFREIOFREIO TRATRATRATRATRASEIROSEIROSEIROSEIROSEIRO ................................................................................................................................................................................................................................................................................................................................................................................................................................................................................................4-334-334-334-334-33 SUBSTITUIÇÃO DAS PASTILHAS DE FREIOTRASEIRO................................... 4-34 RESERRESERRESERRESERRESERVVVVVAAAAATÓRIO / CILINDRO MESTÓRIO / CILINDRO MESTÓRIO / CILINDRO MESTÓRIO / CILINDRO MESTÓRIO / CILINDRO MESTRETRETRETRETRE TRATRATRATRATRASEIROSEIROSEIROSEIROSEIRO .................................................................................................................................................................................................................................4-374-374-374-374-37 REMOÇÃO ........................................................................................................... 4-37 INSPEÇÃO ........................................................................................................... 4-38 MONTAGEM E INSTALAÇÃO ............................................................................. 4-39 INSTALAÇÃO DO RESERVATÓRIO DE FREIOTRASEIRO ................................. 4-41 PINÇA DE FREIOPINÇA DE FREIOPINÇA DE FREIOPINÇA DE FREIOPINÇA DE FREIOTRATRATRATRATRASEIROSEIROSEIROSEIROSEIRO...........................................................................................................................................................................................................................................................................................................................................................................................................4-424-424-424-424-42 REMOÇÃO ........................................................................................................... 4-43 INSPEÇÃO ........................................................................................................... 4-44 INSTALAÇÃO ....................................................................................................... 4-44 GUIDÃOGUIDÃOGUIDÃOGUIDÃOGUIDÃO .................................................................................................................................................................................................................................................................................................................................................................................................................................................................................................................................................................4-474-474-474-474-47 REMOÇÃO ........................................................................................................... 4-48 INSPEÇÃO DO GUIDÃO...................................................................................... 4-50 INSTALAÇÃO DO GUIDÃO ................................................................................. 4-51
  • 115.
    COLUNA DE DIREÇÃOCOLUNADE DIREÇÃOCOLUNA DE DIREÇÃOCOLUNA DE DIREÇÃOCOLUNA DE DIREÇÃO ...................................................................................................................................................................................................................................................................................................................................................................................................................................................4-544-544-544-544-54 MESA INFERIOR.................................................................................................. 4-54 INSPEÇÃO DA COLUNA DE DIREÇÃO .............................................................. 4-56 INSTALAÇÃO DA COLUNA DE DIREÇÃO.......................................................... 4-57 GARFO DIANGARFO DIANGARFO DIANGARFO DIANGARFO DIANTEIROTEIROTEIROTEIROTEIRO............................................................................................................................................................................................................................................................................................................................................................................................................................................................................4-604-604-604-604-60 REMOÇÃO DAS BENGALAS .............................................................................. 4-62 DESMONTAGEM DAS BENGALAS .................................................................... 4-63 INSPEÇÃO DAS BENGALAS .............................................................................. 4-65 MONTAGEM DA BENGALA DO GARFO DIANTEIRO ....................................... 4-67 INSTALAÇÃO DAS BENGALAS DO GARFO DIANTEIRO ................................. 4-71 CONJUNCONJUNCONJUNCONJUNCONJUNTTTTTO DOO DOO DOO DOO DO AMORAMORAMORAMORAMORTECEDORTECEDORTECEDORTECEDORTECEDOR TRATRATRATRATRASEIROSEIROSEIROSEIROSEIRO .........................................................................................................................................................................................................................................................................4-734-734-734-734-73 ELIMINAÇÃO DE UM AMORTECEDORTRASEIRO ........................................... 4-74 REMOÇÃO ........................................................................................................... 4-74 INSPEÇÃO DO CONJUNTO DO AMORTECEDORTRASEIRO........................... 4-76 INSTALAÇÃO ....................................................................................................... 4-77 BALANÇABALANÇABALANÇABALANÇABALANÇA TRATRATRATRATRASEIRA E CORRENSEIRA E CORRENSEIRA E CORRENSEIRA E CORRENSEIRA E CORRENTE DETE DETE DETE DETE DE TRANSMISSÃOTRANSMISSÃOTRANSMISSÃOTRANSMISSÃOTRANSMISSÃO ...............................................................................................................................................................................4-804-804-804-804-80 BALANÇATRASEIRA .......................................................................................... 4-81 REMOÇÃO ........................................................................................................... 4-81 REMOÇÃO DO PINHÃO E CORRENTE............................................................... 4-83 INSPEÇÃO DA BALANÇATRASEIRA ................................................................. 4-84 INSPEÇÃO DA CORRENTE ................................................................................. 4-85 INSPEÇÃO E SUBSTITUIÇÃO DO PINHÃO ....................................................... 4-87 INSTALAÇÃO DA CORRENTE E PINHÃO .......................................................... 4-87 INSTALAÇÃO DA BALANÇATRASEIRA ............................................................ 4-88
  • 116.
    CHACHACHACHACHASSSSS 4 – 1 RODRODRODRODRODAE DISCO DE FREIO DIANA E DISCO DE FREIO DIANA E DISCO DE FREIO DIANA E DISCO DE FREIO DIANA E DISCO DE FREIO DIANTEIROSTEIROSTEIROSTEIROSTEIROS RODRODRODRODRODA E DISCO DE FREIO DIANA E DISCO DE FREIO DIANA E DISCO DE FREIO DIANA E DISCO DE FREIO DIANA E DISCO DE FREIO DIANTEIROTEIROTEIROTEIROTEIRO CHACHACHACHACHASSISSISSISSISSI RRRRRemoção da roda e disco de freio dianteirosemoção da roda e disco de freio dianteirosemoção da roda e disco de freio dianteirosemoção da roda e disco de freio dianteirosemoção da roda e disco de freio dianteiros Remover as peças na ordem listada 1 Porca do eixo da roda dianteira 1 Consulte “REMOÇÃO DA 2 Eixo da roda dianteira 1 RODA DIANTEIRA” e 3 Roda dianteira 1 “INSTALAÇAO DA RODA 4 Espaçador (esquerdo) 1 DIANTEIRA” 5 Espaçador (direito) 1 6 Amortizador 1 7 Disco do freio dianteiro 1 Para instalação, reverter o procedimento de remoção Serviço/Peça Qtde. ObservaçãoOrdem Coloque a motocicleta em um suporte adequado para que a roda dianteira fique suspensa. NONONONONOTTTTTA:A:A:A:A:
  • 117.
    CHACHACHACHACHASSSSS 4 – 2 RODRODRODRODRODAE DISCO DE FREIO DIANA E DISCO DE FREIO DIANA E DISCO DE FREIO DIANA E DISCO DE FREIO DIANA E DISCO DE FREIO DIANTEIROSTEIROSTEIROSTEIROSTEIROS RODRODRODRODRODA DIANA DIANA DIANA DIANA DIANTEIRATEIRATEIRATEIRATEIRA RRRRRemoemoemoemoemova a roda dianteirava a roda dianteirava a roda dianteirava a roda dianteirava a roda dianteira Desmontagem da roda dianteiraDesmontagem da roda dianteiraDesmontagem da roda dianteiraDesmontagem da roda dianteiraDesmontagem da roda dianteira Remover as peças na ordem listada 1 Retentor 2 Consulte “REMOÇÃO DA RODA 2 Rolamento 2 DIANTEIRA” e “INSTALAÇAO 3 Espaçador 1 DA RODA DIANTEIRA” Para montagem, reverter o procedimento de desmontagem Serviço/Peça Qtde. ObservaçãoOrdem
  • 118.
    CHACHACHACHACHASSSSS 4 – 3 RODRODRODRODRODAE DISCO DE FREIO DIANA E DISCO DE FREIO DIANA E DISCO DE FREIO DIANA E DISCO DE FREIO DIANA E DISCO DE FREIO DIANTEIROSTEIROSTEIROSTEIROSTEIROS INSPEÇÃOINSPEÇÃOINSPEÇÃOINSPEÇÃOINSPEÇÃO 1. Verifique: • Eixo da roda. Role o eixo em uma superfície plana. Empenado → Substituir. 2. Verifique: • Pneu. Danos/desgastes → Substituir. Empenado → Substituir. Consulte “INSPEÇÃO DOS PNEUS” no capítulo 3. 3. Verifique: • Raios. Empenado/danos → Substituir. Solto → Aperte. Bata levemente nos raios com uma cha- ve de fenda. NONONONONOTTTTTA:A:A:A:A: Um raio correto emitirá um tom claro e soante, um raio solto emitirá um tom “oco”. Não tente corNão tente corNão tente corNão tente corNão tente corrigir um eixrigir um eixrigir um eixrigir um eixrigir um eixo de roda empenado.o de roda empenado.o de roda empenado.o de roda empenado.o de roda empenado. 4. Aperte: • Raios 1. (com uma chave para raios 2) NONONONONOTTTTTA:A:A:A:A: Após apertar os raios, meça o alinhamento da roda dianteira. Nipple:Nipple:Nipple:Nipple:Nipple: 0,3 k0,3 k0,3 k0,3 k0,3 kgfgfgfgfgf.m (3 N.m).m (3 N.m).m (3 N.m).m (3 N.m).m (3 N.m) 5. Meça: • Empenamento da roda. Fora de especificação Verificar a roda e a folga do rolamento. Limite de alinhamento radialLimite de alinhamento radialLimite de alinhamento radialLimite de alinhamento radialLimite de alinhamento radial 11111 1,0mm1,0mm1,0mm1,0mm1,0mm Limite de alinhamento lateralLimite de alinhamento lateralLimite de alinhamento lateralLimite de alinhamento lateralLimite de alinhamento lateral 22222 0,5mm0,5mm0,5mm0,5mm0,5mm 1 2
  • 119.
    CHACHACHACHACHASSSSS 4 – 4 RODRODRODRODRODAE DISCO DE FREIO DIANA E DISCO DE FREIO DIANA E DISCO DE FREIO DIANA E DISCO DE FREIO DIANA E DISCO DE FREIO DIANTEIROSTEIROSTEIROSTEIROSTEIROS 6. Verifique: • Aros de roda. Danos/desgaste Substituir. Após montar um noApós montar um noApós montar um noApós montar um noApós montar um novvvvvo pneu, dirija com mo-o pneu, dirija com mo-o pneu, dirija com mo-o pneu, dirija com mo-o pneu, dirija com mo- deração por um tempo para se acostumar àderação por um tempo para se acostumar àderação por um tempo para se acostumar àderação por um tempo para se acostumar àderação por um tempo para se acostumar à "sensação" do no"sensação" do no"sensação" do no"sensação" do no"sensação" do novvvvvo pneu e permitir que as-o pneu e permitir que as-o pneu e permitir que as-o pneu e permitir que as-o pneu e permitir que as- sente adequadamente no aro.sente adequadamente no aro.sente adequadamente no aro.sente adequadamente no aro.sente adequadamente no aro. A falha ao se-A falha ao se-A falha ao se-A falha ao se-A falha ao se- guir essa instrução pode levar a um acidenteguir essa instrução pode levar a um acidenteguir essa instrução pode levar a um acidenteguir essa instrução pode levar a um acidenteguir essa instrução pode levar a um acidente com possíveis ferimentos ao motociclista oucom possíveis ferimentos ao motociclista oucom possíveis ferimentos ao motociclista oucom possíveis ferimentos ao motociclista oucom possíveis ferimentos ao motociclista ou danos à motocicleta.danos à motocicleta.danos à motocicleta.danos à motocicleta.danos à motocicleta. 7. Verifique: • Rolamento da roda 1. Ruídos anormais/folga/giro irregular Trocar. • Retentor 2. Danos/desgaste Trocar. a Folga. • Planicidade do cubo. (Base do disco). 8. Substitua: • Retentor de óleo. Rolamento da roda. ***************************************************************************************************************************************************************************************** RRRRRetentor e rolamento de rodaetentor e rolamento de rodaetentor e rolamento de rodaetentor e rolamento de rodaetentor e rolamento de roda. • Limpe o cubo da roda externamente. • Remova o retentor 1, usando um extrator de retentor 2. Extrator do retentor da rodaExtrator do retentor da rodaExtrator do retentor da rodaExtrator do retentor da rodaExtrator do retentor da roda 90890-028090890-028090890-028090890-028090890-028011111 • Retire os rolamentos da roda 3 com um sacador de rolamento universal. • Instale os novos rolamentos da roda e retentores de óleo na ordem inversa à desmontagem.
  • 120.
    CHACHACHACHACHASSSSS 4 – 5 RODRODRODRODRODAE DISCO DE FREIO DIANA E DISCO DE FREIO DIANA E DISCO DE FREIO DIANA E DISCO DE FREIO DIANA E DISCO DE FREIO DIANTEIROSTEIROSTEIROSTEIROSTEIROS ********************************************************************************************************************************************************************* 9. Verifique: • Cubo da roda dianteira. Rachaduras/danos Substituir. NONONONONOTTTTTA:A:A:A:A: Utilize um soquete 7 que coincida com o diâmetro da pista externa do rolamento da roda e dos retentores. Não entre em contato com a pista internaNão entre em contato com a pista internaNão entre em contato com a pista internaNão entre em contato com a pista internaNão entre em contato com a pista interna 44444 ou esferasou esferasou esferasou esferasou esferas 55555 do rolamento da roda. Odo rolamento da roda. Odo rolamento da roda. Odo rolamento da roda. Odo rolamento da roda. O contato deve ser feito apenas com a pistacontato deve ser feito apenas com a pistacontato deve ser feito apenas com a pistacontato deve ser feito apenas com a pistacontato deve ser feito apenas com a pista externaexternaexternaexternaexterna 66666..... INSPEÇÃO DO DISCO DE FREIOINSPEÇÃO DO DISCO DE FREIOINSPEÇÃO DO DISCO DE FREIOINSPEÇÃO DO DISCO DE FREIOINSPEÇÃO DO DISCO DE FREIO DIANDIANDIANDIANDIANTEIROTEIROTEIROTEIROTEIRO 1. Verifique: • Disco de freio. Danificado/atrito Substituir. 2. Meça: • Espessura do disco do freio. Meça a espessura do disco do freio em pontos diferentes. Fora de especificação Substituir. Limite de espessura (mínimo):Limite de espessura (mínimo):Limite de espessura (mínimo):Limite de espessura (mínimo):Limite de espessura (mínimo): 3,0 mm3,0 mm3,0 mm3,0 mm3,0 mm
  • 121.
    CHACHACHACHACHASSSSS 4 – 6 RODRODRODRODRODAE DISCO DE FREIO DIANA E DISCO DE FREIO DIANA E DISCO DE FREIO DIANA E DISCO DE FREIO DIANA E DISCO DE FREIO DIANTEIROSTEIROSTEIROSTEIROSTEIROS Limite de deflexão (máximo):Limite de deflexão (máximo):Limite de deflexão (máximo):Limite de deflexão (máximo):Limite de deflexão (máximo): 0,10,10,10,10,15 mm5 mm5 mm5 mm5 mm ********************************************************************************************************************************************************************************************** a. Coloque a motocicleta em um suporte adequado para que a roda dianteira fique suspensa. b. Antes de medir a deflexão do disco de freio, vire o guidão para a esquerda ou direita para garantir que a roda dianteira esteja parada. c. Remova a pinça do freio. d. Mantenha o medidor em ângulo reto com relação à superfície do disco do freio. e. Meça a deflexão em 3,0 mm abaixo da borda do disco do freio. ********************************************************************************************************************************************************************************************** 3. Meça: • Deflexão do disco de freio. Fora de especificação Corrija a deflexão do disco de freio ou substitua. 4. Ajuste: • Deflexão do disco de freio. ********************************************************************************************************************************************************************************************** a. Remova o disco de freio. b. Deslocar o disco de freio de um orifício de parafuso para outro. c. Instale o disco de freio. d. Meça a deflexão do disco de freio. e. Caso esteja fora da especificação, repita as etapas de ajuste até que a deflexão do disco de freio entre na especificação. f. Se a deflexão do disco de freio não puder ser colocada dentro da especificação, substitua o disco. PPPPParafuso do disco de freioarafuso do disco de freioarafuso do disco de freioarafuso do disco de freioarafuso do disco de freio 2,3 k2,3 k2,3 k2,3 k2,3 kgfgfgfgfgf.m ( 23 N.m ).m ( 23 N.m ).m ( 23 N.m ).m ( 23 N.m ).m ( 23 N.m ) LLLLLOCTITEOCTITEOCTITEOCTITEOCTITE R NONONONONOTTTTTA:A:A:A:A: Fixe os parafusos do disco de freio em fases e padrão cruzado. **********************************************************************************************************************************************************************************************
  • 122.
    CHACHACHACHACHASSSSS 4 – 7 RODRODRODRODRODAE DISCO DE FREIO DIANA E DISCO DE FREIO DIANA E DISCO DE FREIO DIANA E DISCO DE FREIO DIANA E DISCO DE FREIO DIANTEIROSTEIROSTEIROSTEIROSTEIROS 5. Remova: • O amortizador do disco de freio. 6. Verifique: • O amortizador. Danos/desgaste →Trocar. 7. Instale: • O amortizador no cubo dianteiro com os canais para os raios (para baixo). • O disco de freio no cubo dianteiro. NONONONONOTTTTTA:A:A:A:A: Fixe os parafusos do disco de freio na ordem especificada. PPPPParafusos do disco de freio:arafusos do disco de freio:arafusos do disco de freio:arafusos do disco de freio:arafusos do disco de freio: 1,3 k1,3 k1,3 k1,3 k1,3 kgfgfgfgfgf.m (1.m (1.m (1.m (1.m (13 N.m)3 N.m)3 N.m)3 N.m)3 N.m) LLLLLOCTITEOCTITEOCTITEOCTITEOCTITE R 8. Instale: • A roda dianteira.
  • 123.
    CHACHACHACHACHASSSSS 4 – 8 RODRODRODRODRODAE DISCO DE FREIO DIANA E DISCO DE FREIO DIANA E DISCO DE FREIO DIANA E DISCO DE FREIO DIANA E DISCO DE FREIO DIANTEIROSTEIROSTEIROSTEIROSTEIROS 1. Remova: • Peso(s) de balanceamento antigo(s): AJUSTE DO BALANCEAMENTO ESTÁTICO DA RODA DIANTEIRA NONONONONOTTTTTA:A:A:A:A: • Após a substituição do pneu, roda ou ambos o balanceamento estático da roda dianteira deve ser executado. • Ajuste o balanceamento estático da roda dianteira com o disco do freio instalado. 1 2. Encontre: • Ponto de peso “x” (desequilíbrio). ********************************************************************************************************************************************************************************************** a. Gire a roda dianteira . b. Quando a roda parar, coloque uma mar- ca “x” na sua parte inferior encontrada. c. Gire a roda dianteira 90º para que a marca “x” fique posicionada como mostrado. d. Solte a roda dianteira. e. Quando a roda parar, coloque uma mar- ca “x2 ” na sua parte inferior. f. Repita os passos (“d” até “f”) várias vezes até que as marcas comecem a coincidir. g. O ponto médio onde as marcas coinci- diram é o ponto de peso “x” da roda dianteira. ********************************************************************************************************************************************************************************************** NONONONONOTTTTTA:A:A:A:A: Coloque a roda dianteira sobre um suporte adequado para balanceamento. NONONONONOTTTTTA:A:A:A:A: Comece com peso mais leve. 3. Ajuste: • Balanceamento estático de roda a. Instale um peso de balanceamento 1 na roda no local exatamente oposto ao pon- to de peso ”X”. **********************************************************************************************************************************************************************************************
  • 124.
    CHACHACHACHACHASSSSS 4 – 9 RODRODRODRODRODAE DISCO DE FREIO DIANA E DISCO DE FREIO DIANA E DISCO DE FREIO DIANA E DISCO DE FREIO DIANA E DISCO DE FREIO DIANTEIROSTEIROSTEIROSTEIROSTEIROS 4. Verifique: • Balanceamento estático de roda. ********************************************************************************************************************************************************************************************** a. Gire a roda e certifique-se de que fique em cada posição mostrada. b. Caso a roda não fique parada em todas as posições, balanceie-a novamente. ********************************************************************************************************************************************************************************************** b. Gire a roda 90º para que o ponto de peso se posicione como mostrado. c. Caso o ponto de peso não fique nessa po- sição, instale um peso maior. d. Repita os passos (“b” e“c”) até que a roda dianteira esteja equilibrada. **********************************************************************************************************************************************************************************************
  • 125.
    CHACHACHACHACHASSSSS 4 – 10 RODRODRODRODRODAAAAATRATRATRATRATRASEIRA, DISCO DE FREIO E COROSEIRA, DISCO DE FREIO E COROSEIRA, DISCO DE FREIO E COROSEIRA, DISCO DE FREIO E COROSEIRA, DISCO DE FREIO E COROAAAAA RODRODRODRODRODA, DISCO DE FREIO E COROA, DISCO DE FREIO E COROA, DISCO DE FREIO E COROA, DISCO DE FREIO E COROA, DISCO DE FREIO E COROAAAAA RODRODRODRODRODAAAAA TRATRATRATRATRASEIRASEIRASEIRASEIRASEIRA SSSSSolteolteolteolteolte 1 Porcas e contraporcas dos esticadores da 2/2 corrente de transmissão RRRRRemoção da roda traseira coroa e disco de freioemoção da roda traseira coroa e disco de freioemoção da roda traseira coroa e disco de freioemoção da roda traseira coroa e disco de freioemoção da roda traseira coroa e disco de freio Remover as peças na ordem listada 2 Porca e arruela do eixo da roda traseira 1/1 3 Eixo da roda traseira 1 4 Corrente de transmissão da coroa 1 5 Roda traseira 1 6 Espaçador esquerdo 1 7 Espaçador direito 1 8 Pinça do freio traseiro 1 Para instalação, reverter o procedimento de remoção. Serviço/Peça Qtde. ObservaçãoOrdem
  • 126.
    CHACHACHACHACHASSSSS 4 – 11 RODRODRODRODRODAAAAATRATRATRATRATRASEIRA, DISCO DE FREIO E COROSEIRA, DISCO DE FREIO E COROSEIRA, DISCO DE FREIO E COROSEIRA, DISCO DE FREIO E COROSEIRA, DISCO DE FREIO E COROAAAAA RRRRRemoção demoção demoção demoção demoção do disco de freio eo disco de freio eo disco de freio eo disco de freio eo disco de freio e coroacoroacoroacoroacoroa Remover as peças na ordem listada 1 Disco de freio traseiro 1 2 Porcas 6 3 Coroa 1 4 Prisioneiros 6 Para instalação, reverter o procedimento de remoção. Serviço/Peça Qtde. ObservaçãoOrdem DISCO DE FREIO E CORODISCO DE FREIO E CORODISCO DE FREIO E CORODISCO DE FREIO E CORODISCO DE FREIO E COROAAAAA
  • 127.
    CHACHACHACHACHASSSSS 4 – 12 RODRODRODRODRODAAAAATRATRATRATRATRASEIRA, DISCO DE FREIO E COROSEIRA, DISCO DE FREIO E COROSEIRA, DISCO DE FREIO E COROSEIRA, DISCO DE FREIO E COROSEIRA, DISCO DE FREIO E COROAAAAA Desmontagem da roda traseiraDesmontagem da roda traseiraDesmontagem da roda traseiraDesmontagem da roda traseiraDesmontagem da roda traseira Remover as peças na ordem listada 1 Retentor 2 2 Rolamento 2 3 Espaçador 1 Para instalação, reverter o procedimento de remoção. Serviço/Peça Qtde. ObservaçãoOrdem
  • 128.
    CHACHACHACHACHASSSSS 4 – 13 RODRODRODRODRODAAAAATRATRATRATRATRASEIRA, DISCO DE FREIO E COROSEIRA, DISCO DE FREIO E COROSEIRA, DISCO DE FREIO E COROSEIRA, DISCO DE FREIO E COROSEIRA, DISCO DE FREIO E COROAAAAA INSPEÇÃOINSPEÇÃOINSPEÇÃOINSPEÇÃOINSPEÇÃO 1. Verifique: • Eixo da roda. • Pneu. • Raios. • Aro da roda. • Rolamentos. • Retentores. • Disco de freio. Consulte “RODA E DISCO DE FREIO DIAN- TEIRO” no capítulo 4. 2. Meça: • Empenamento da roda. Fora de especificação →Troque. Consulte “RODA E DISCO DE FREIO DIAN- TEIRO” no capítulo 4. Limite deLimite deLimite deLimite deLimite de empenamentoempenamentoempenamentoempenamentoempenamento VVVVVererererertical 1,0 mmtical 1,0 mmtical 1,0 mmtical 1,0 mmtical 1,0 mm Lateral 0,5 mmLateral 0,5 mmLateral 0,5 mmLateral 0,5 mmLateral 0,5 mm
  • 129.
    CHACHACHACHACHASSSSS 4 – 14 RODRODRODRODRODAAAAATRATRATRATRATRASEIRA, DISCO DE FREIO E COROSEIRA, DISCO DE FREIO E COROSEIRA, DISCO DE FREIO E COROSEIRA, DISCO DE FREIO E COROSEIRA, DISCO DE FREIO E COROAAAAA INSPEÇÃO DO DISCO DEINSPEÇÃO DO DISCO DEINSPEÇÃO DO DISCO DEINSPEÇÃO DO DISCO DEINSPEÇÃO DO DISCO DE FREIOFREIOFREIOFREIOFREIO TRATRATRATRATRASEIROSEIROSEIROSEIROSEIRO 1. Verifique: • Disco de freio. Danificado/atrito → Substituir. 2. Meça: • Espessura do disco de freio. Meça a espessura do disco de freio em pontos diferentes. Fora de especificação → Substituir. 3. Meça: • Deflexão do disco de freio. Fora de especificação → Corrija a deflexão do disco de freio ou substitua o disco de freio. ********************************************************************************************************************************************************************************************** a. Coloque a motocicleta em um suporte adequado para que a roda traseira fique suspensa. b. Retire a pinça do freio. c. Segure o medidor em ângulo reto com relação à superfície do disco de freio. d. Meça a deflexão 1,5 mm abaixo da borda do disco de freio. ********************************************************************************************************************************************************************************************** Limite de deflexãoLimite de deflexãoLimite de deflexãoLimite de deflexãoLimite de deflexão do disco de freiodo disco de freiodo disco de freiodo disco de freiodo disco de freio (máximo)(máximo)(máximo)(máximo)(máximo) 0,10,10,10,10,15 mm5 mm5 mm5 mm5 mm Limite deLimite deLimite deLimite deLimite de espessura do disco deespessura do disco deespessura do disco deespessura do disco deespessura do disco de freiofreiofreiofreiofreio (m(m(m(m(míniíniíniíniínimo)mo)mo)mo)mo) 4,5 mm4,5 mm4,5 mm4,5 mm4,5 mm
  • 130.
    CHACHACHACHACHASSSSS 4 – 15 RODRODRODRODRODAAAAATRATRATRATRATRASEIRA, DISCO DE FREIO E COROSEIRA, DISCO DE FREIO E COROSEIRA, DISCO DE FREIO E COROSEIRA, DISCO DE FREIO E COROSEIRA, DISCO DE FREIO E COROAAAAA INSPEÇÃO DO CUBOINSPEÇÃO DO CUBOINSPEÇÃO DO CUBOINSPEÇÃO DO CUBOINSPEÇÃO DO CUBO 1. Verifique: • Cubo da roda traseira 1. Rachaduras/danos → Substituir. • Empeno da face de fixação do disco. 4. Ajuste: • Deflexão do disco de freio. ********************************************************************************************************************************************************************************************** a. Remova o disco de freio. b. Desloque o disco de freio de um orifício do parafuso para outro. c. Instale o disco de freio. d. Meça a deflexão do disco de freio. e. Caso esteja fora da especificação, repita as etapas de ajuste até que a deflexão fi- que dentro da especificação. f. Se a deflexão do disco de freio não puder entrar na especificação, substitua o disco. NONONONONOTTTTTA:A:A:A:A: Fixe os parafusos do disco de freio em padrão cruzado. PPPPParafuso do disco de freio:arafuso do disco de freio:arafuso do disco de freio:arafuso do disco de freio:arafuso do disco de freio: 2,8 k2,8 k2,8 k2,8 k2,8 kgfgfgfgfgf.m (28 N.m).m (28 N.m).m (28 N.m).m (28 N.m).m (28 N.m) LOCTITELOCTITELOCTITELOCTITELOCTITER
  • 131.
    CHACHACHACHACHASSSSS 4 – 16 RODRODRODRODRODAAAAATRATRATRATRATRASEIRA, DISCO DE FREIO E COROSEIRA, DISCO DE FREIO E COROSEIRA, DISCO DE FREIO E COROSEIRA, DISCO DE FREIO E COROSEIRA, DISCO DE FREIO E COROAAAAA INSINSINSINSINSTTTTTALAÇÃO DALAÇÃO DALAÇÃO DALAÇÃO DALAÇÃO DA RODA RODA RODA RODA RODAAAAA TRATRATRATRATRASEIRASEIRASEIRASEIRASEIRA 1. Lubrifique: • Eixo da roda. • Lábios do retentor de óleo. 2. Instale: • Os espaçadores 1 da roda traseira. 5. Ajuste: • Folga da corrente. 6. Aperte: • Porca do eixo. PPPPPorca do eixorca do eixorca do eixorca do eixorca do eixo:o:o:o:o: 8,5 k8,5 k8,5 k8,5 k8,5 kgfgfgfgfgf.m (85 N.m).m (85 N.m).m (85 N.m).m (85 N.m).m (85 N.m) FFFFFolgolgolgolgolga da cora da cora da cora da cora da corrente:rente:rente:rente:rente: 25 ~ 35 mm25 ~ 35 mm25 ~ 35 mm25 ~ 35 mm25 ~ 35 mm Lubrificante recomendado:Lubrificante recomendado:Lubrificante recomendado:Lubrificante recomendado:Lubrificante recomendado: Graxa à base de sabão de lítioGraxa à base de sabão de lítioGraxa à base de sabão de lítioGraxa à base de sabão de lítioGraxa à base de sabão de lítio 3. Instale: • A roda traseira. • A corrente de transmissão na coroa. 4. Instale: • O eixo 1 da roda traseira com a arruela 2 do lado esquerdo. • A arruela de controle da folga da corrente do lado direito. • A porca do eixo da roda traseira.
  • 132.
    CHACHACHACHACHASSSSS 4 – 17 RODRODRODRODRODAAAAATRATRATRATRATRASEIRA, DISCO DE FREIO E COROSEIRA, DISCO DE FREIO E COROSEIRA, DISCO DE FREIO E COROSEIRA, DISCO DE FREIO E COROSEIRA, DISCO DE FREIO E COROAAAAA INSPEÇÃO E SUBSINSPEÇÃO E SUBSINSPEÇÃO E SUBSINSPEÇÃO E SUBSINSPEÇÃO E SUBSTITUIÇÃO DTITUIÇÃO DTITUIÇÃO DTITUIÇÃO DTITUIÇÃO DAAAAA COROCOROCOROCOROCOROAAAAA 1. Verifique: • Coroa. Desgaste maior do que 1/4 de dente 1 Rolete da corrente de transmissão. 2 Coroa. a →Trocar relação. Dente inclinado →Trocar relação. b Correto. 2. Substitua: • Coroa. NONONONONOTTTTTA:A:A:A:A: Posicione a roda traseira com o lado da coroa voltado para cima. ***************************************************************************************************************************************************************************************** a. Remova as porcas autotravantes e a coroa. b. Limpe o cubo com um pano limpo, espe- cialmente as superfícies que entram em contato com a coroa. c. Instale a nova coroa. PPPPPorca autotravante:orca autotravante:orca autotravante:orca autotravante:orca autotravante: 4,25 k4,25 k4,25 k4,25 k4,25 kgfgfgfgfgf.m (42,5 N.m).m (42,5 N.m).m (42,5 N.m).m (42,5 N.m).m (42,5 N.m) NONONONONOTTTTTA:A:A:A:A: Fixe as porcas autotravantes em etapas e em padrão cruzado. *****************************************************************************************************************************************************************************************
  • 133.
    CHACHACHACHACHASSSSS 4 – 18 FREIODIANFREIO DIANFREIO DIANFREIO DIANFREIO DIANTEIROTEIROTEIROTEIROTEIRO FREIO DIANFREIO DIANFREIO DIANFREIO DIANFREIO DIANTEIROTEIROTEIROTEIROTEIRO RRRRRemoemoemoemoemova a roda dianteirava a roda dianteirava a roda dianteirava a roda dianteirava a roda dianteira Remover as peças na ordem listada 1 Parafuso de fixação da pinça do freio 2 Consulte “REMOÇÃO DA RODA 2 Pinça do freio dianteiro 1 DIANTEIRA” e “INSTALAÇAO DA 3 Parafuso de sangria 1 RODA DIANTEIRA” 4 Parafusos-guia 2 5 Pastilha de freio 2 6 Mola 1 7 Pistões 2 8 Retentores 4 9 Mangueira de freio 1 10 Interruptor de freio 1 11 Reservatório do fluido 1 12 Fixador do cilindro mestre 1 13 Kit do cilindro mestre 1 14 Manete do freio 1 15 Disco de freio 1 Para instalação, reverter o procedimento de remoção Serviço/Peça Qtde. ObservaçãoOrdem Coloque a motocicleta em um suporte adequado para que a roda dianteira fique suspensa. NONONONONOTTTTTA:A:A:A:A:
  • 134.
    CHACHACHACHACHASSSSS 4 – 19 FREIODIANFREIO DIANFREIO DIANFREIO DIANFREIO DIANTEIROTEIROTEIROTEIROTEIRO Os componentes do disco de freio rara-Os componentes do disco de freio rara-Os componentes do disco de freio rara-Os componentes do disco de freio rara-Os componentes do disco de freio rara- mente exigem desmontagem.mente exigem desmontagem.mente exigem desmontagem.mente exigem desmontagem.mente exigem desmontagem. PPPPPororororortanto, sempre sigtanto, sempre sigtanto, sempre sigtanto, sempre sigtanto, sempre siga estas medidas pre-a estas medidas pre-a estas medidas pre-a estas medidas pre-a estas medidas pre- ventiventiventiventiventivas:vas:vas:vas:vas: ••••• Não desmonte os componentes de freioNão desmonte os componentes de freioNão desmonte os componentes de freioNão desmonte os componentes de freioNão desmonte os componentes de freio a não ser quando absolutamente neces-a não ser quando absolutamente neces-a não ser quando absolutamente neces-a não ser quando absolutamente neces-a não ser quando absolutamente neces- sário.sário.sário.sário.sário. ••••• SSSSSe uma conexão do sistema de freio hi-e uma conexão do sistema de freio hi-e uma conexão do sistema de freio hi-e uma conexão do sistema de freio hi-e uma conexão do sistema de freio hi- dráulico for desfeita, todo o sistema de-dráulico for desfeita, todo o sistema de-dráulico for desfeita, todo o sistema de-dráulico for desfeita, todo o sistema de-dráulico for desfeita, todo o sistema de- verá ser desmontado, drenado, limpo,verá ser desmontado, drenado, limpo,verá ser desmontado, drenado, limpo,verá ser desmontado, drenado, limpo,verá ser desmontado, drenado, limpo, abastecido adequadamente e sangradoabastecido adequadamente e sangradoabastecido adequadamente e sangradoabastecido adequadamente e sangradoabastecido adequadamente e sangrado após a montagem.após a montagem.após a montagem.após a montagem.após a montagem. ••••• Nunca utilizNunca utilizNunca utilizNunca utilizNunca utilize solventes nos componen-e solventes nos componen-e solventes nos componen-e solventes nos componen-e solventes nos componen- tes internos do freio.tes internos do freio.tes internos do freio.tes internos do freio.tes internos do freio. ••••• Use apenas fluido de freio limpo ou noUse apenas fluido de freio limpo ou noUse apenas fluido de freio limpo ou noUse apenas fluido de freio limpo ou noUse apenas fluido de freio limpo ou novvvvvooooo para limpar os componentes.para limpar os componentes.para limpar os componentes.para limpar os componentes.para limpar os componentes. ••••• O fluido de freio pode danificar superfí-O fluido de freio pode danificar superfí-O fluido de freio pode danificar superfí-O fluido de freio pode danificar superfí-O fluido de freio pode danificar superfí- cies pintadas e peças plásticas.cies pintadas e peças plásticas.cies pintadas e peças plásticas.cies pintadas e peças plásticas.cies pintadas e peças plásticas. PPPPPororororortanto, sempre limpe o fluido de freiotanto, sempre limpe o fluido de freiotanto, sempre limpe o fluido de freiotanto, sempre limpe o fluido de freiotanto, sempre limpe o fluido de freio respingrespingrespingrespingrespingado, imediatamente.ado, imediatamente.ado, imediatamente.ado, imediatamente.ado, imediatamente. ••••• Evite que o fluido de freio entre em con-Evite que o fluido de freio entre em con-Evite que o fluido de freio entre em con-Evite que o fluido de freio entre em con-Evite que o fluido de freio entre em con- tato com os olhos, pois pode protato com os olhos, pois pode protato com os olhos, pois pode protato com os olhos, pois pode protato com os olhos, pois pode provvvvvocarocarocarocarocar ferimentos graves.ferimentos graves.ferimentos graves.ferimentos graves.ferimentos graves. Apóie firmemente a motocicleta de modo queApóie firmemente a motocicleta de modo queApóie firmemente a motocicleta de modo queApóie firmemente a motocicleta de modo queApóie firmemente a motocicleta de modo que não haja risco de queda.não haja risco de queda.não haja risco de queda.não haja risco de queda.não haja risco de queda. NONONONONOTTTTTA:A:A:A:A: Não é necessária a desmontagem da pinça e mangueira de freio para fazer a troca das pastilhas. 1. Solte: • Os parafusos-guia 1, sem removê-los. 2. Remova: • O parafuso de fixação da pinça de freio 2. SUBSSUBSSUBSSUBSSUBSTITUIÇÃO DTITUIÇÃO DTITUIÇÃO DTITUIÇÃO DTITUIÇÃO DAAAAAS PS PS PS PS PAAAAASSSSSTILHATILHATILHATILHATILHASSSSS DO FREIO DIANDO FREIO DIANDO FREIO DIANDO FREIO DIANDO FREIO DIANTEIROTEIROTEIROTEIROTEIRO
  • 135.
    CHACHACHACHACHASSSSS 4 – 20 FREIODIANFREIO DIANFREIO DIANFREIO DIANFREIO DIANTEIROTEIROTEIROTEIROTEIRO 3. Remova: • Pinça de freio. • Os parafusos-guia. • Pastilhas de freio 1. • A mola. 5. Verifique: • Parafusos-guia. Danos/desgaste → Substituir. 4. Meça: • Limite de desgaste das pastilhas do freio a. Fora da especificação → Substitua as pastilhas de freio como um conjunto. Limite de desgLimite de desgLimite de desgLimite de desgLimite de desgasteasteasteasteaste aaaaa::::: 0,8 mm0,8 mm0,8 mm0,8 mm0,8 mm 6. Instale: • A mola. • Pastilhas. NONONONONOTTTTTA:A:A:A:A: Sempre substitua a mola e as pastilhas de freio como um conjunto. ********************************************************************************************************************************************************************************************** a. Conecte firmemente uma mangueira trans- parente de plástico 1 ao parafuso de san- gria 2. Coloque a outra extremidade da mangueira em um vasilhame aberto. b. Solte o parafuso de sangria e empurre os pistões dentro da pinça do freio com os dedos. c. Fixe o parafuso de sangria. PPPPParafuso de sangria:arafuso de sangria:arafuso de sangria:arafuso de sangria:arafuso de sangria: 1,4 k1,4 k1,4 k1,4 k1,4 kgfgfgfgfgf.m (1.m (1.m (1.m (1.m (14 N.m)4 N.m)4 N.m)4 N.m)4 N.m) d. Instale a nova mola e as pastilhas de freio. Observe que existe apenas uma posiçãoObserve que existe apenas uma posiçãoObserve que existe apenas uma posiçãoObserve que existe apenas uma posiçãoObserve que existe apenas uma posição 1 de montagem da mola.de montagem da mola.de montagem da mola.de montagem da mola.de montagem da mola. **********************************************************************************************************************************************************************************************
  • 136.
    CHACHACHACHACHASSSSS 4 – 21 FREIODIANFREIO DIANFREIO DIANFREIO DIANFREIO DIANTEIROTEIROTEIROTEIROTEIRO 7. Lubrifique: • Parafuso de segurança (corpo da pinça). • Eixo-guia da pinça 1. Lubrificante recomendado:Lubrificante recomendado:Lubrificante recomendado:Lubrificante recomendado:Lubrificante recomendado: Graxa à base de sabão de lítio.Graxa à base de sabão de lítio.Graxa à base de sabão de lítio.Graxa à base de sabão de lítio.Graxa à base de sabão de lítio. ••••• Cuidado para não sujar as pastilhas comCuidado para não sujar as pastilhas comCuidado para não sujar as pastilhas comCuidado para não sujar as pastilhas comCuidado para não sujar as pastilhas com graxa.graxa.graxa.graxa.graxa. ••••• Limpe as parLimpe as parLimpe as parLimpe as parLimpe as partes sujas de graxa.tes sujas de graxa.tes sujas de graxa.tes sujas de graxa.tes sujas de graxa. 8. Instale: • Os parafusos-guia 1 das pastilhas sem apertá-los. • A pinça de freio. • Os parafusos 2 de fixação da pinça na bengala. PPPPParafusos de fixação da pinça:arafusos de fixação da pinça:arafusos de fixação da pinça:arafusos de fixação da pinça:arafusos de fixação da pinça: 4,0 k4,0 k4,0 k4,0 k4,0 kgfgfgfgfgf.m (40 N.m).m (40 N.m).m (40 N.m).m (40 N.m).m (40 N.m) 9. Aperte: • Os parafusos-guia. PPPPParafuso-guia:arafuso-guia:arafuso-guia:arafuso-guia:arafuso-guia: 1,8 k1,8 k1,8 k1,8 k1,8 kgfgfgfgfgf.m (1.m (1.m (1.m (1.m (18 N.m)8 N.m)8 N.m)8 N.m)8 N.m) 10. Verifique: • Nível do fluido de freio 1. Consulte“VERIFICAÇÃO DO FLUIDO DE FREIO” no capítulo 3. 11. Verifique: • Funcionamento do manete de freio. Uma sensação macia ou esponjosa → Sangre o freio. Consulte “SANGRIA DE AR” no capí- tulo 3.
  • 137.
    CHACHACHACHACHASSSSS 4 – 22 FREIODIANFREIO DIANFREIO DIANFREIO DIANFREIO DIANTEIROTEIROTEIROTEIROTEIRO CILINDRO MESCILINDRO MESCILINDRO MESCILINDRO MESCILINDRO MESTRE DIANTRE DIANTRE DIANTRE DIANTRE DIANTEIROTEIROTEIROTEIROTEIRO REMOÇÃOREMOÇÃOREMOÇÃOREMOÇÃOREMOÇÃO Apóie firmemente a motocicleta de modo queApóie firmemente a motocicleta de modo queApóie firmemente a motocicleta de modo queApóie firmemente a motocicleta de modo queApóie firmemente a motocicleta de modo que não haja risco de queda.não haja risco de queda.não haja risco de queda.não haja risco de queda.não haja risco de queda. NONONONONOTTTTTA:A:A:A:A: Antes de desmontar o cilindro mestre, drenar o fluido de freio. 1. Remova: • Espelho (LD) 1. • Porca 3 (manete de freio). • Parafuso 4 (manete de freio). • Manete de freio 2. • Mola de retorno do manete de freio. • Interruptor de freio 5. NONONONONOTTTTTA:A:A:A:A: Remova o interruptor 1 de freio, empurrando o limitador (seta) para cima conforme a figura. 2. Afrouxe: • Parafuso de união 1. NONONONONOTTTTTA:A:A:A:A: Afrouxe apenas um pouco o parafuso de união para que o fluido de freio não vaze. 3. Remova: • Os parafusos 1 do fixador do cilindro mestre. • Cilindro mestre.
  • 138.
    CHACHACHACHACHASSSSS 4 – 23 FREIODIANFREIO DIANFREIO DIANFREIO DIANFREIO DIANTEIROTEIROTEIROTEIROTEIRO 4. Remova: • Parafuso de união 1. • Arruelas de cobre 2. NONONONONOTTTTTA:A:A:A:A: Posicione um vasilhame sob o cilindro mestre para captar o restante do fluido de freio. NONONONONOTTTTTA:A:A:A:A: Remova o anel-trava, usando um alicate de anéis 1. INSPEÇÃOINSPEÇÃOINSPEÇÃOINSPEÇÃOINSPEÇÃO 1. Verifique: • Reservatório do cilindro mestre diantei- ro 1. Rachaduras/danos → Substituir. • Diafragma do reservatório dianteiro 2. Danos/desgastes → Substituir. • Protetor de pó 3. • Anel-trava 4. • Kit do cilindro mestre 5. TTTTTodas as peças internas devem ser limpas comodas as peças internas devem ser limpas comodas as peças internas devem ser limpas comodas as peças internas devem ser limpas comodas as peças internas devem ser limpas com fluido de freio nofluido de freio nofluido de freio nofluido de freio nofluido de freio novvvvvo. Não usar solvente, poiso. Não usar solvente, poiso. Não usar solvente, poiso. Não usar solvente, poiso. Não usar solvente, pois isto causará deformações.isto causará deformações.isto causará deformações.isto causará deformações.isto causará deformações. 2. Verifique: • Cilindro mestre 2. Desgaste/riscos → Troque conjunto cilindro mestre. • Passagem de fluido de freio 1 (cilindro mestre). Sopre com ar comprimido. 3. Verifique: • Mangueira de freio. Rachadura/danos/desgaste → Substituir.
  • 139.
    CHACHACHACHACHASSSSS 4 – 24 FREIODIANFREIO DIANFREIO DIANFREIO DIANFREIO DIANTEIROTEIROTEIROTEIROTEIRO 1. Instale: • Reparo do cilindro mestre 1. • Anel-trava 2. • Protetor de pó 3. 2. Instale: • Cilindro mestre 1. • Fixador do cilindro mestre do freio 2 • Instale o fixador do cilindro mestre com a marca "UP" a voltada para cima. • Alinhe a borda do fixador do cilindro mestre com a marca de punção b no guidão. • Primeiro aperte o parafuso superior, depois o inferior. PPPPParafuso fixador do cilindro mestre:arafuso fixador do cilindro mestre:arafuso fixador do cilindro mestre:arafuso fixador do cilindro mestre:arafuso fixador do cilindro mestre: 1,0 k1,0 k1,0 k1,0 k1,0 kgfgfgfgfgf.m (1.m (1.m (1.m (1.m (10 N.m)0 N.m)0 N.m)0 N.m)0 N.m) MONMONMONMONMONTTTTTAAAAAGEM E INSGEM E INSGEM E INSGEM E INSGEM E INSTTTTTALAÇÃOALAÇÃOALAÇÃOALAÇÃOALAÇÃO Antes da instalação, todos os componentesAntes da instalação, todos os componentesAntes da instalação, todos os componentesAntes da instalação, todos os componentesAntes da instalação, todos os componentes internos do freio devem ser limpos e lubrifi-internos do freio devem ser limpos e lubrifi-internos do freio devem ser limpos e lubrifi-internos do freio devem ser limpos e lubrifi-internos do freio devem ser limpos e lubrifi- cados com fluido de freio nocados com fluido de freio nocados com fluido de freio nocados com fluido de freio nocados com fluido de freio novvvvvo.o.o.o.o. ••••• Nunca use solventes em componentes in-Nunca use solventes em componentes in-Nunca use solventes em componentes in-Nunca use solventes em componentes in-Nunca use solventes em componentes in- ternos do freio.ternos do freio.ternos do freio.ternos do freio.ternos do freio. ••••• SSSSSempre que o cilindro mestre for desmon-empre que o cilindro mestre for desmon-empre que o cilindro mestre for desmon-empre que o cilindro mestre for desmon-empre que o cilindro mestre for desmon- tado, substitua as vedações do pistão e guartado, substitua as vedações do pistão e guartado, substitua as vedações do pistão e guartado, substitua as vedações do pistão e guartado, substitua as vedações do pistão e guar----- da pó.da pó.da pó.da pó.da pó. Fluido de freio recomendado:Fluido de freio recomendado:Fluido de freio recomendado:Fluido de freio recomendado:Fluido de freio recomendado: DODODODODOT 4T 4T 4T 4T 4
  • 140.
    CHACHACHACHACHASSSSS 4 – 25 FREIODIANFREIO DIANFREIO DIANFREIO DIANFREIO DIANTEIROTEIROTEIROTEIROTEIRO 3. Instale: • Arruelas de cobre 2. • Mangueira de freio 3. • Parafuso de união 1. PPPPParafuso de união:arafuso de união:arafuso de união:arafuso de união:arafuso de união: 0,3 k0,3 k0,3 k0,3 k0,3 kgfgfgfgfgf.m (3 N.m).m (3 N.m).m (3 N.m).m (3 N.m).m (3 N.m) ••••• É necessário fazÉ necessário fazÉ necessário fazÉ necessário fazÉ necessário fazer a corer a corer a corer a corer a correta passagem dareta passagem dareta passagem dareta passagem dareta passagem da mangueira para gmangueira para gmangueira para gmangueira para gmangueira para garantir uma conduçãoarantir uma conduçãoarantir uma conduçãoarantir uma conduçãoarantir uma condução segura.segura.segura.segura.segura. ••••• Use sempre noUse sempre noUse sempre noUse sempre noUse sempre novas arvas arvas arvas arvas arruelas de cobre.ruelas de cobre.ruelas de cobre.ruelas de cobre.ruelas de cobre. NONONONONOTTTTTA:A:A:A:A: • Instale a mangueira do freio dentro do limite mostrado. • Vire o guidão para a esquerda e direita para se certificar de que a mangueira do freio não toca outras peças (ex.: chicote, cabos, terminais). Corrija se necessário. NoNoNoNoNovvvvvooooo 4. Instale: • Espelho (LD) 1. • Mola de retorno do manete de freio. • Manete de freio 2. • Parafuso 4 (manete de freio). • Porca 3 (manete de freio). • Interruptor de freio 5. PPPPParafuso do manete de freio:arafuso do manete de freio:arafuso do manete de freio:arafuso do manete de freio:arafuso do manete de freio: 1,0 k1,0 k1,0 k1,0 k1,0 kgfgfgfgfgf.m (1.m (1.m (1.m (1.m (10 N.m)0 N.m)0 N.m)0 N.m)0 N.m) NONONONONOTTTTTA:A:A:A:A: Aplique graxa à base de sabão de lítio na articulação do manete de freio.
  • 141.
    CHACHACHACHACHASSSSS 4 – 26 FREIODIANFREIO DIANFREIO DIANFREIO DIANFREIO DIANTEIROTEIROTEIROTEIROTEIRO 5. Abasteça: • Fluido de freio. Fluido de freio recomendado:Fluido de freio recomendado:Fluido de freio recomendado:Fluido de freio recomendado:Fluido de freio recomendado: DODODODODOT4T4T4T4T4 ••••• Use apenas o fluido de freio indicado.Use apenas o fluido de freio indicado.Use apenas o fluido de freio indicado.Use apenas o fluido de freio indicado.Use apenas o fluido de freio indicado. ••••• Outros fluidos podem causar deterioraçãoOutros fluidos podem causar deterioraçãoOutros fluidos podem causar deterioraçãoOutros fluidos podem causar deterioraçãoOutros fluidos podem causar deterioração das vedações de bordas vedações de bordas vedações de bordas vedações de bordas vedações de borracracracracracha, proha, proha, proha, proha, provvvvvocando va-ocando va-ocando va-ocando va-ocando va- zamentos e a queda de desempenho doszamentos e a queda de desempenho doszamentos e a queda de desempenho doszamentos e a queda de desempenho doszamentos e a queda de desempenho dos freios.freios.freios.freios.freios. ••••• RRRRReabasteça com o mesmo tipo de fluido deeabasteça com o mesmo tipo de fluido deeabasteça com o mesmo tipo de fluido deeabasteça com o mesmo tipo de fluido deeabasteça com o mesmo tipo de fluido de freio que já existe no sistema. Misturar flui-freio que já existe no sistema. Misturar flui-freio que já existe no sistema. Misturar flui-freio que já existe no sistema. Misturar flui-freio que já existe no sistema. Misturar flui- dos pode resultar em reação química dano-dos pode resultar em reação química dano-dos pode resultar em reação química dano-dos pode resultar em reação química dano-dos pode resultar em reação química dano- sa, levando a queda de desempenho dossa, levando a queda de desempenho dossa, levando a queda de desempenho dossa, levando a queda de desempenho dossa, levando a queda de desempenho dos freios.freios.freios.freios.freios. ••••• Quando reabastecer tome cuidado para queQuando reabastecer tome cuidado para queQuando reabastecer tome cuidado para queQuando reabastecer tome cuidado para queQuando reabastecer tome cuidado para que água não entre no reservatório do cilindroágua não entre no reservatório do cilindroágua não entre no reservatório do cilindroágua não entre no reservatório do cilindroágua não entre no reservatório do cilindro mestre do freio.mestre do freio.mestre do freio.mestre do freio.mestre do freio. A água diminuirá considera-A água diminuirá considera-A água diminuirá considera-A água diminuirá considera-A água diminuirá considera- velmente o ponto de ebulição do fluido develmente o ponto de ebulição do fluido develmente o ponto de ebulição do fluido develmente o ponto de ebulição do fluido develmente o ponto de ebulição do fluido de freio, podendo profreio, podendo profreio, podendo profreio, podendo profreio, podendo provvvvvocar vaporocar vaporocar vaporocar vaporocar vapor..... 6. Sangria de ar: • Sistema de freio. Consulte “SANGRIA DO SISTEMA DE FREIO HIDRÁULICO”. 7. Verifique: • Nível do fluido de freio. • Folga no manete do freio. O fluido de freio pode danificar superfí-O fluido de freio pode danificar superfí-O fluido de freio pode danificar superfí-O fluido de freio pode danificar superfí-O fluido de freio pode danificar superfí- cies pintadas e peças plásticas. Pcies pintadas e peças plásticas. Pcies pintadas e peças plásticas. Pcies pintadas e peças plásticas. Pcies pintadas e peças plásticas. Pororororortanto,tanto,tanto,tanto,tanto, limpe qualquer respingo de fluido imedia-limpe qualquer respingo de fluido imedia-limpe qualquer respingo de fluido imedia-limpe qualquer respingo de fluido imedia-limpe qualquer respingo de fluido imedia- tamentetamentetamentetamentetamente.....
  • 142.
    CHACHACHACHACHASSSSS 4 – 27 FREIODIANFREIO DIANFREIO DIANFREIO DIANFREIO DIANTEIROTEIROTEIROTEIROTEIRO PINÇA DE FREIO DIANPINÇA DE FREIO DIANPINÇA DE FREIO DIANPINÇA DE FREIO DIANPINÇA DE FREIO DIANTEIROTEIROTEIROTEIROTEIRO RRRRRemoção da pinça do freio dianteiroemoção da pinça do freio dianteiroemoção da pinça do freio dianteiroemoção da pinça do freio dianteiroemoção da pinça do freio dianteiro Remover as peças na ordem listada Parafusos de fixação da pinça de freio Consulte “REMOÇÃO DA RODA 1 Pinça de freio 1 DIANTEIRA” e “INSTALAÇAO DA RODA DIANTEIRA” Para instalação, reverter o procedimento de remoção Serviço/Peça Qtde. ObservaçãoOrdem Coloque a motocicleta em um suporte adequado para que a roda dianteira fique suspensa. NONONONONOTTTTTA:A:A:A:A:
  • 143.
    CHACHACHACHACHASSSSS 4 – 28 FREIODIANFREIO DIANFREIO DIANFREIO DIANFREIO DIANTEIROTEIROTEIROTEIROTEIRO NONONONONOTTTTTA:A:A:A:A: Antes de desmontar a pinça de freio, drene o fluido de freio. Somente solte o parafuso de união, sem retirá-lo, para que o fluido de freio não vaze. REMOÇÃOREMOÇÃOREMOÇÃOREMOÇÃOREMOÇÃO 1. Remova: • Parafuso de união 1 da pinça de freio. • Arruelas de cobre 2. 2. Solte: • Os parafusos-guia 3, sem removê-los. 3. Remova: • Parafuso de fixação da pinça de freio 4. NONONONONOTTTTTA:A:A:A:A: Posicione um vasilhame sob a pinça para coletar o restante do fluido de freio. 4. Remova: • Pinça. • Pastilhas. • Mola. Consulte “TROCA DAS PASTILHAS DE FREIO”. 5. Remova: • Pistão 1. • Os retentores 2. ********************************************************************************************************************************************************************************************** PPPPPassos de remoção:assos de remoção:assos de remoção:assos de remoção:assos de remoção: • Sopre com ar comprimido pelo tubo de jun- ção para forçar o pistão a sair da pinça. ••••• Nunca tente forçar a retirada do pistão.Nunca tente forçar a retirada do pistão.Nunca tente forçar a retirada do pistão.Nunca tente forçar a retirada do pistão.Nunca tente forçar a retirada do pistão. ••••• Cubra o pistão com um pano.Cubra o pistão com um pano.Cubra o pistão com um pano.Cubra o pistão com um pano.Cubra o pistão com um pano.TTTTTome cuidadoome cuidadoome cuidadoome cuidadoome cuidado para que o pistão não se danifique ao serpara que o pistão não se danifique ao serpara que o pistão não se danifique ao serpara que o pistão não se danifique ao serpara que o pistão não se danifique ao ser expelido da pinça.expelido da pinça.expelido da pinça.expelido da pinça.expelido da pinça. ********************************************************************************************************************************************************************************************** RRRRRemoemoemoemoemova o retentor do pistão, empurva o retentor do pistão, empurva o retentor do pistão, empurva o retentor do pistão, empurva o retentor do pistão, empurran-ran-ran-ran-ran- do-o com a mão. Não use cdo-o com a mão. Não use cdo-o com a mão. Não use cdo-o com a mão. Não use cdo-o com a mão. Não use chave de fenda.have de fenda.have de fenda.have de fenda.have de fenda.
  • 144.
    CHACHACHACHACHASSSSS 4 – 29 FREIODIANFREIO DIANFREIO DIANFREIO DIANFREIO DIANTEIROTEIROTEIROTEIROTEIRO INSPEÇÃOINSPEÇÃOINSPEÇÃOINSPEÇÃOINSPEÇÃO ••••• TTTTTodas as peças internas devem ser limpasodas as peças internas devem ser limpasodas as peças internas devem ser limpasodas as peças internas devem ser limpasodas as peças internas devem ser limpas com fluido de freio nocom fluido de freio nocom fluido de freio nocom fluido de freio nocom fluido de freio novvvvvo. Não use solvente,o. Não use solvente,o. Não use solvente,o. Não use solvente,o. Não use solvente, pois isto causará deformações.pois isto causará deformações.pois isto causará deformações.pois isto causará deformações.pois isto causará deformações. ••••• As peças internas devem ser lubrificadasAs peças internas devem ser lubrificadasAs peças internas devem ser lubrificadasAs peças internas devem ser lubrificadasAs peças internas devem ser lubrificadas com fluido de freio antes de seremcom fluido de freio antes de seremcom fluido de freio antes de seremcom fluido de freio antes de seremcom fluido de freio antes de serem reinstaladas.reinstaladas.reinstaladas.reinstaladas.reinstaladas. Fluido de freio recomendado:Fluido de freio recomendado:Fluido de freio recomendado:Fluido de freio recomendado:Fluido de freio recomendado: DODODODODOT 4T 4T 4T 4T 4 Cronograma recomendado para reposição de componentes de freio Pastilhas de freio Se necessário Mangueiras de freio A cada quatro anos Fluido de freio A cada dois anos e sempre que o freio for desmontado 1. Verifique: • Cilindro da pinça. Desgastes/riscos →Trocar o conjunto da pinça. • Pistões da pinça 2. Riscos/oxidação/desgaste → Trocar o conjunto da pinça. • Corpo da pinça 1. Trincas/danos → Trocar o conjunto da pinça. • Retentores de borracha 3. Danos/desgastes →Trocar. • Protetores de pó. Danos/desgastes →Trocar • Passagens de óleo (corpo da pinça) Bloqueios → Soprar com ar comprimido. TTTTTroque o retentor dos pistões e protetores deroque o retentor dos pistões e protetores deroque o retentor dos pistões e protetores deroque o retentor dos pistões e protetores deroque o retentor dos pistões e protetores de pó sempre que a pinça for desmontada.pó sempre que a pinça for desmontada.pó sempre que a pinça for desmontada.pó sempre que a pinça for desmontada.pó sempre que a pinça for desmontada.
  • 145.
    CHACHACHACHACHASSSSS 4 – 30 FREIODIANFREIO DIANFREIO DIANFREIO DIANFREIO DIANTEIROTEIROTEIROTEIROTEIRO 2. Verifique: • Suporte da pinça. Danos →Troque o conjunto da pinça. INSINSINSINSINSTTTTTALAÇÃOALAÇÃOALAÇÃOALAÇÃOALAÇÃO 2. Instale: • Protetores de pó 3. • Retentores dos pistões 1. • Pistão no corpo da pinça 2. NONONONONOTTTTTA:A:A:A:A: Primeiro, monte o retentor 1 do pistão e o protetor de pó, depois monte o pistão. 2. Instale: • Suporte da pinça dianteira. NONONONONOTTTTTA:A:A:A:A: Posicione o protetor de borracha firmemente no canal do pino-guia 1 ao instalar a pinça de freio. 3. Instale: • Mola. 1 • Pastilhas de freio. 2 • Parafusos-guia 3 das pastilhas de freio sem apertá-los. Consulte “TROCA DAS PASTILHAS DE FREIO” no capítulo 4.
  • 146.
    CHACHACHACHACHASSSSS 4 – 31 FREIODIANFREIO DIANFREIO DIANFREIO DIANFREIO DIANTEIROTEIROTEIROTEIROTEIRO 4. Fixe: • Os parafusos-guia 1 das pastilhas. PPPPParafusos-guia:arafusos-guia:arafusos-guia:arafusos-guia:arafusos-guia: 1,8 k1,8 k1,8 k1,8 k1,8 kgfgfgfgfgf.m (1.m (1.m (1.m (1.m (18 N.m)8 N.m)8 N.m)8 N.m)8 N.m) • A pinça de freio. • Os parafusos 2 de fixação da pinça de freio na bengala. PPPPParafusos de fixação da pinça:arafusos de fixação da pinça:arafusos de fixação da pinça:arafusos de fixação da pinça:arafusos de fixação da pinça: 4,0 k4,0 k4,0 k4,0 k4,0 kgfgfgfgfgf.m (40 N.m).m (40 N.m).m (40 N.m).m (40 N.m).m (40 N.m) • Arruelas de cobre 3. • Parafuso de união 4 da pinça de freio. PPPPParafuso de união da pinça:arafuso de união da pinça:arafuso de união da pinça:arafuso de união da pinça:arafuso de união da pinça: 3,0 k3,0 k3,0 k3,0 k3,0 kgfgfgfgfgf.m (30 N.m).m (30 N.m).m (30 N.m).m (30 N.m).m (30 N.m) O posicionamento adequado da manguei-O posicionamento adequado da manguei-O posicionamento adequado da manguei-O posicionamento adequado da manguei-O posicionamento adequado da manguei- ra de freio é essencial para gra de freio é essencial para gra de freio é essencial para gra de freio é essencial para gra de freio é essencial para garantir a ope-arantir a ope-arantir a ope-arantir a ope-arantir a ope- ração segura da motocicleta. Consulteração segura da motocicleta. Consulteração segura da motocicleta. Consulteração segura da motocicleta. Consulteração segura da motocicleta. Consulte "P"P"P"P"PAAAAASSSSSSSSSSAAAAAGEM DE CABOS" no capítulo 2.GEM DE CABOS" no capítulo 2.GEM DE CABOS" no capítulo 2.GEM DE CABOS" no capítulo 2.GEM DE CABOS" no capítulo 2. ••••• Quando instalar a mangueira de freio naQuando instalar a mangueira de freio naQuando instalar a mangueira de freio naQuando instalar a mangueira de freio naQuando instalar a mangueira de freio na pinçapinçapinçapinçapinça 1, cer, cer, cer, cer, certifique-se de que o tubo do tertifique-se de que o tubo do tertifique-se de que o tubo do tertifique-se de que o tubo do tertifique-se de que o tubo do ter----- minal metálicominal metálicominal metálicominal metálicominal metálico a toca o corpo da pinça detoca o corpo da pinça detoca o corpo da pinça detoca o corpo da pinça detoca o corpo da pinça de freiofreiofreiofreiofreio b..... ••••• É necessário fazÉ necessário fazÉ necessário fazÉ necessário fazÉ necessário fazer a corer a corer a corer a corer a correta passagem dareta passagem dareta passagem dareta passagem dareta passagem da mangueira de freio para gmangueira de freio para gmangueira de freio para gmangueira de freio para gmangueira de freio para garantir uma con-arantir uma con-arantir uma con-arantir uma con-arantir uma con- dução segura.dução segura.dução segura.dução segura.dução segura. ••••• Use sempre arUse sempre arUse sempre arUse sempre arUse sempre arruelas de cobre noruelas de cobre noruelas de cobre noruelas de cobre noruelas de cobre novas.vas.vas.vas.vas.
  • 147.
    CHACHACHACHACHASSSSS 4 – 32 FREIODIANFREIO DIANFREIO DIANFREIO DIANFREIO DIANTEIROTEIROTEIROTEIROTEIRO 5. Abasteça: • Fluido de freio. Fluido de freio pode causar danos a superfí-Fluido de freio pode causar danos a superfí-Fluido de freio pode causar danos a superfí-Fluido de freio pode causar danos a superfí-Fluido de freio pode causar danos a superfí- cies plásticas ou pintadas.cies plásticas ou pintadas.cies plásticas ou pintadas.cies plásticas ou pintadas.cies plásticas ou pintadas. Fluido de freio recomendado:Fluido de freio recomendado:Fluido de freio recomendado:Fluido de freio recomendado:Fluido de freio recomendado: DODODODODOT 4T 4T 4T 4T 4 ••••• UsUsUsUsUseeeee apenas o fluapenas o fluapenas o fluapenas o fluapenas o fluiiiiido de freio recomendado,do de freio recomendado,do de freio recomendado,do de freio recomendado,do de freio recomendado, caso contrário, os retentores de borcaso contrário, os retentores de borcaso contrário, os retentores de borcaso contrário, os retentores de borcaso contrário, os retentores de borracracracracracha po-ha po-ha po-ha po-ha po- dem deteriorardem deteriorardem deteriorardem deteriorardem deteriorar, causando vazamentos e per, causando vazamentos e per, causando vazamentos e per, causando vazamentos e per, causando vazamentos e per----- da de performance do freio.da de performance do freio.da de performance do freio.da de performance do freio.da de performance do freio. ••••• AbasteAbasteAbasteAbasteAbasteçaçaçaçaça com o mesmo tipo de flucom o mesmo tipo de flucom o mesmo tipo de flucom o mesmo tipo de flucom o mesmo tipo de fluiiiiido dedo dedo dedo dedo de freio.freio.freio.freio.freio. A mistura de fluA mistura de fluA mistura de fluA mistura de fluA mistura de fluiiiiidos pode resultar emdos pode resultar emdos pode resultar emdos pode resultar emdos pode resultar em uma reação química indesejada e causauma reação química indesejada e causauma reação química indesejada e causauma reação química indesejada e causauma reação química indesejada e causa perda de performance do freio.perda de performance do freio.perda de performance do freio.perda de performance do freio.perda de performance do freio. Ao abastecer o cilindro mestre, cuida-Ao abastecer o cilindro mestre, cuida-Ao abastecer o cilindro mestre, cuida-Ao abastecer o cilindro mestre, cuida-Ao abastecer o cilindro mestre, cuida- do para não deixar entrar água.do para não deixar entrar água.do para não deixar entrar água.do para não deixar entrar água.do para não deixar entrar água. A águaA águaA águaA águaA água abaixará significatiabaixará significatiabaixará significatiabaixará significatiabaixará significativamente o ponto devamente o ponto devamente o ponto devamente o ponto devamente o ponto de ebulição do fluido e pode causar tam-ebulição do fluido e pode causar tam-ebulição do fluido e pode causar tam-ebulição do fluido e pode causar tam-ebulição do fluido e pode causar tam- ponamento.ponamento.ponamento.ponamento.ponamento. 6. Sangria de ar: • Sistema de freio. Consulte “SANGRIA DE AR” no capítulo 3. 7. Verifique: • Nível do fluido de freio. Consulte “INSPEÇÃO DO FLUIDO DE FREIO” no capítulo 3.
  • 148.
    CHACHACHACHACHASSSSS 4 – 33 FREIOFREIOFREIOFREIOFREIOTRATRATRATRATRASEIROSEIROSEIROSEIROSEIRO FREIOFREIOFREIOFREIOFREIO TRATRATRATRATRASEIROSEIROSEIROSEIROSEIRO RRRRRemoção da roda e disco de freio dianteirosemoção da roda e disco de freio dianteirosemoção da roda e disco de freio dianteirosemoção da roda e disco de freio dianteirosemoção da roda e disco de freio dianteiros Remover as peças na ordem listada 1 Protetor da pinça do freio traseiro 1 Consulte “REMOÇÃO DA RODA Roda traseira 1 TRASEIRA” e “INSTALAÇAO DA 3 Pinça do freio traseiro 1 RODATRASEIRA” 4 Parafuso de sangria 1 5 Parafuso guia 1 6 Pastilhas 2 7 Mola 1 8 Pistão 1 9 Retentores 2 10 Disco de freio 1 11 Mangueira de freio 1 12 Suportes da mangueira de freio 2 13 Reservatório do fluido de freio 1 14 Cilindro mestre do freio traseiro 1 15 Kit do cilindro mestre 1 Para instalação, reverter o procedimento de remoção Serviço/Peça Qtde. ObservaçãoOrdem Coloque a motocicleta em um suporte adequado para que a roda dianteira fique suspensa. NONONONONOTTTTTA:A:A:A:A:
  • 149.
    CHACHACHACHACHASSSSS 4 – 34 FREIOFREIOFREIOFREIOFREIOTRATRATRATRATRASEIROSEIROSEIROSEIROSEIRO Apóie firmemente a motocicleta de modo queApóie firmemente a motocicleta de modo queApóie firmemente a motocicleta de modo queApóie firmemente a motocicleta de modo queApóie firmemente a motocicleta de modo que não haja risco de cairnão haja risco de cairnão haja risco de cairnão haja risco de cairnão haja risco de cair..... NONONONONOTTTTTA:A:A:A:A: Não é necessária a desmontagem da pinça e mangueira de freio para fazer a troca das pastilhas. 1. Solte: • Os parafusos-guia 1 sem removê-los. 2. Remova: • A roda traseira. Consulte “RODA TRASEIRA” no capítu- lo 4. 3. Remova: • A pinça do suporte da balança. 4. Remova: • Os parafusos-guia das pastilhas. 5. Remova: • As pastilhas de freio 1. SUBSSUBSSUBSSUBSSUBSTITUIÇÃO DTITUIÇÃO DTITUIÇÃO DTITUIÇÃO DTITUIÇÃO DAAAAAS PAS PAS PAS PAS PASSSSSTILHATILHATILHATILHATILHASSSSS DE FREIODE FREIODE FREIODE FREIODE FREIO TRATRATRATRATRASEIROSEIROSEIROSEIROSEIRO 6. Meça: • Limite de desgaste a. Fora de especificação → Substitua as pastilhas de freio como um conjunto. Limite de desgLimite de desgLimite de desgLimite de desgLimite de desgaste da pastilhaaste da pastilhaaste da pastilhaaste da pastilhaaste da pastilha::::: 1,0 mm1,0 mm1,0 mm1,0 mm1,0 mm
  • 150.
    CHACHACHACHACHASSSSS 4 – 35 FREIOFREIOFREIOFREIOFREIOTRATRATRATRATRASEIROSEIROSEIROSEIROSEIRO ************************************************************************************************************************************************************************************ a. Conecte um tubo de plástico transparente 1 firmemente ao parafuso de sangria 2. Então, coloque a outra extremidade do tubo em um vasilhame. b. Afrouxe o parafuso de sangria e empurre o pistão contra a pinça com a mão. c. Aperte o parafuso de sangria. PPPPParafuso de sangria:arafuso de sangria:arafuso de sangria:arafuso de sangria:arafuso de sangria: 0,6 k0,6 k0,6 k0,6 k0,6 kgfgfgfgfgf.m (6 N.m).m (6 N.m).m (6 N.m).m (6 N.m).m (6 N.m) NONONONONOTTTTTA:A:A:A:A: Sempre substitua a mola e as pastilhas de freio como um conjunto. d. Instale a nova mola e as pastilhas de freio. ************************************************************************************************************************************************************************************ 7. Instale: • Mola 1 das pastilhas. • Pastilhas. 8. Instale: • O suporte da pinça. • Parafusos-guia 1 das pastilhas sem apertá-los. • A roda traseira. Consulte “RODATRASEIRA” no capítulo 4.
  • 151.
    CHACHACHACHACHASSSSS 4 – 36 FREIOFREIOFREIOFREIOFREIOTRATRATRATRATRASEIROSEIROSEIROSEIROSEIRO 9. Aperte: • Os parafusos-guia 1. PPPPParafusos-guia:arafusos-guia:arafusos-guia:arafusos-guia:arafusos-guia: 1,8 k1,8 k1,8 k1,8 k1,8 kgfgfgfgfgf.m (1.m (1.m (1.m (1.m (18 N.m)8 N.m)8 N.m)8 N.m)8 N.m) 10. Instale: • O protetor plástico da pinça traseira. PPPPParafusos do protetor:arafusos do protetor:arafusos do protetor:arafusos do protetor:arafusos do protetor: 0,65 k0,65 k0,65 k0,65 k0,65 kgfgfgfgfgf.m (6,5 N.m).m (6,5 N.m).m (6,5 N.m).m (6,5 N.m).m (6,5 N.m) 11. Verifique: • Nível do fluido de freio. Abaixo da marca de nível mínimo a. Acrescente o fluido de freio recomen- dado até o nível adequado. Consulte "INSPEÇÃO DO NÍVEL DE FLUIDO DE FREIO" no capítulo 3. 12. Verifique: • Operação do pedal de freio. Sensação macia ou esponjosa → San- gre o sistema de freios. Consulte "SANGRIA DO SISTEMA DE FREIO HIDRÁULICO" no capítulo 3. 13. Ajuste: • O interruptor de freio.
  • 152.
    CHACHACHACHACHASSSSS 4 – 37 FREIOFREIOFREIOFREIOFREIOTRATRATRATRATRASEIROSEIROSEIROSEIROSEIRO Apóie firmemente a motocicleta de modo queApóie firmemente a motocicleta de modo queApóie firmemente a motocicleta de modo queApóie firmemente a motocicleta de modo queApóie firmemente a motocicleta de modo que não haja risco de queda.não haja risco de queda.não haja risco de queda.não haja risco de queda.não haja risco de queda. NONONONONOTTTTTA:A:A:A:A: Antes de desmontar o cilindro mestre traseiro, drene o fluido de freio. RESERRESERRESERRESERRESERVVVVVAAAAATÓRIO /TÓRIO /TÓRIO /TÓRIO /TÓRIO / CILINDRO MESCILINDRO MESCILINDRO MESCILINDRO MESCILINDRO MESTRETRETRETRETRE TRATRATRATRATRASEIROSEIROSEIROSEIROSEIRO REMOÇÃOREMOÇÃOREMOÇÃOREMOÇÃOREMOÇÃO 3. Remova: • Parafuso de união 1 do cilindro mestre traseiro. • Arruelas de cobre 2. • A extremidade da mangueira 3 de saída no cilindro mestre. • Braçadeira e a mangueira 4 de entrada de fluido de freio no cilindro traseiro. • A cupilha 5 do pino da junção do cilindro. • Arruela 6 do pino. • O pino de fixação 7 da junção do cilindro. • Os parafusos 8 de fixação do cilindro mestre. • O cilindro mestre. 1. Desconecte: • A braçadeira a. • Mangueira de freio no reservatório. NONONONONOTTTTTA:A:A:A:A: Posicione um vasilhame sob o reservatório para coletar o restante do fluido de freio. 2. Desconecte: • O parafuso 1 de fixação do reservatório no suporte do estribo. • O reservatório.
  • 153.
    CHACHACHACHACHASSSSS 4 – 38 FREIOFREIOFREIOFREIOFREIOTRATRATRATRATRASEIROSEIROSEIROSEIROSEIRO INSPEÇÃOINSPEÇÃOINSPEÇÃOINSPEÇÃOINSPEÇÃO V ADADADADADVERVERVERVERVERTÊNCIATÊNCIATÊNCIATÊNCIATÊNCIA Apóie firmemente a motocicleta de modo queApóie firmemente a motocicleta de modo queApóie firmemente a motocicleta de modo queApóie firmemente a motocicleta de modo queApóie firmemente a motocicleta de modo que não haja risco de queda.não haja risco de queda.não haja risco de queda.não haja risco de queda.não haja risco de queda. NONONONONOTTTTTA:A:A:A:A: Antes de desmontar o reservatório de freio, drene o fluido de freio. 2. Verifique: • Cilindro mestre 1. Danos/riscos/desgastes → Substituir. • Passagens do fluido de freio (corpo do cilindro mestre) Obstrução → Sopre com ar comprimido. • Kit do 2 cilindro mestre. Danos/riscos/desgastes → Substitua como um conjunto. 3. Verifique: • Mangueira de freio. Rachaduras/danos/desgaste→ Substituir. 1. Verifique: • Reservatório de fluido do freio traseiro 1. Rachaduras/danos → Substituir. • Diafragma do reservatório traseiro 2. Rachaduras/danos → Substituir. • Fixador do diafragma do reservatório traseiro 3. Danificado/desgaste → Substituir.
  • 154.
    CHACHACHACHACHASSSSS 4 – 39 FREIOFREIOFREIOFREIOFREIOTRATRATRATRATRASEIROSEIROSEIROSEIROSEIRO PPPPParafuso de união do cilindro:arafuso de união do cilindro:arafuso de união do cilindro:arafuso de união do cilindro:arafuso de união do cilindro: 3,0 k3,0 k3,0 k3,0 k3,0 kgfgfgfgfgf.m (30 N.m).m (30 N.m).m (30 N.m).m (30 N.m).m (30 N.m) 2. Instale: • Os parafusos 7 de fixação do cilindro mestre. PPPPParafusos de fixação do cilindro:arafusos de fixação do cilindro:arafusos de fixação do cilindro:arafusos de fixação do cilindro:arafusos de fixação do cilindro: 4,7 k4,7 k4,7 k4,7 k4,7 kgfgfgfgfgf.m (47 N.m).m (47 N.m).m (47 N.m).m (47 N.m).m (47 N.m) • O pino de fixação 1 da junção do cilindro. • Arruela 2 do pino. • A cupilha 3 do pino da junção do cilindro. NONONONONOTTTTTA:A:A:A:A: Instale a cupilha e dobre as pontas como mostrado. • Braçadeira e a mangueira 4 de entrada de fluido de freio no cilindro traseiro. • A extremidade da mangueira 8 de saída de fluido de freio do cilindro traseiro. • Arruelas de cobre 5. • Parafuso de união 6 do cilindro mestre traseiro. 1. Instale: • O kit do cilindro mestre. • O cilindro mestre. Antes da instalação, todos os componentesAntes da instalação, todos os componentesAntes da instalação, todos os componentesAntes da instalação, todos os componentesAntes da instalação, todos os componentes internos do freio devem ser limpos e lubrifi-internos do freio devem ser limpos e lubrifi-internos do freio devem ser limpos e lubrifi-internos do freio devem ser limpos e lubrifi-internos do freio devem ser limpos e lubrifi- cados com fluido de freio nocados com fluido de freio nocados com fluido de freio nocados com fluido de freio nocados com fluido de freio novvvvvo.o.o.o.o. ••••• Nunca use solventes em componentes in-Nunca use solventes em componentes in-Nunca use solventes em componentes in-Nunca use solventes em componentes in-Nunca use solventes em componentes in- ternos do freio.ternos do freio.ternos do freio.ternos do freio.ternos do freio. ••••• SSSSSempre que o cilindro mestre for desmon-empre que o cilindro mestre for desmon-empre que o cilindro mestre for desmon-empre que o cilindro mestre for desmon-empre que o cilindro mestre for desmon- tado, substitua as vedações do pistão e guartado, substitua as vedações do pistão e guartado, substitua as vedações do pistão e guartado, substitua as vedações do pistão e guartado, substitua as vedações do pistão e guar----- da pó.da pó.da pó.da pó.da pó. Fluido de freio recomendado:Fluido de freio recomendado:Fluido de freio recomendado:Fluido de freio recomendado:Fluido de freio recomendado: DODODODODOT 4T 4T 4T 4T 4 MONMONMONMONMONTTTTTAAAAAGEM E INSGEM E INSGEM E INSGEM E INSGEM E INSTTTTTALAÇÃOALAÇÃOALAÇÃOALAÇÃOALAÇÃO
  • 155.
    CHACHACHACHACHASSSSS 4 – 40 FREIOFREIOFREIOFREIOFREIOTRATRATRATRATRASEIROSEIROSEIROSEIROSEIRO ••••• Use apenas o fluido de freio indicado.Use apenas o fluido de freio indicado.Use apenas o fluido de freio indicado.Use apenas o fluido de freio indicado.Use apenas o fluido de freio indicado. Outros fluidos podem causar deterioração dasOutros fluidos podem causar deterioração dasOutros fluidos podem causar deterioração dasOutros fluidos podem causar deterioração dasOutros fluidos podem causar deterioração das vedações de borvedações de borvedações de borvedações de borvedações de borracracracracracha, proha, proha, proha, proha, provvvvvocando vazamen-ocando vazamen-ocando vazamen-ocando vazamen-ocando vazamen- tos e a queda de desempenho dos freios.tos e a queda de desempenho dos freios.tos e a queda de desempenho dos freios.tos e a queda de desempenho dos freios.tos e a queda de desempenho dos freios. ••••• RRRRReabasteça com o mesmo tipo de fluido deeabasteça com o mesmo tipo de fluido deeabasteça com o mesmo tipo de fluido deeabasteça com o mesmo tipo de fluido deeabasteça com o mesmo tipo de fluido de freio que já existe no sistema. Misturar flui-freio que já existe no sistema. Misturar flui-freio que já existe no sistema. Misturar flui-freio que já existe no sistema. Misturar flui-freio que já existe no sistema. Misturar flui- dos pode resultar em reação química dano-dos pode resultar em reação química dano-dos pode resultar em reação química dano-dos pode resultar em reação química dano-dos pode resultar em reação química dano- sa, levando a queda de desempenho dossa, levando a queda de desempenho dossa, levando a queda de desempenho dossa, levando a queda de desempenho dossa, levando a queda de desempenho dos freios.freios.freios.freios.freios. ••••• Quando reabastecer tome cuidado para queQuando reabastecer tome cuidado para queQuando reabastecer tome cuidado para queQuando reabastecer tome cuidado para queQuando reabastecer tome cuidado para que água não entre no reservatório do cilindroágua não entre no reservatório do cilindroágua não entre no reservatório do cilindroágua não entre no reservatório do cilindroágua não entre no reservatório do cilindro mestre do freio.mestre do freio.mestre do freio.mestre do freio.mestre do freio. A água diminuirá conside-A água diminuirá conside-A água diminuirá conside-A água diminuirá conside-A água diminuirá conside- ravelmente o ponto de ebulição do fluidoravelmente o ponto de ebulição do fluidoravelmente o ponto de ebulição do fluidoravelmente o ponto de ebulição do fluidoravelmente o ponto de ebulição do fluido de freio, podendo prode freio, podendo prode freio, podendo prode freio, podendo prode freio, podendo provvvvvocar vaporocar vaporocar vaporocar vaporocar vapor..... O fluido de freio pode danificar superfíciesO fluido de freio pode danificar superfíciesO fluido de freio pode danificar superfíciesO fluido de freio pode danificar superfíciesO fluido de freio pode danificar superfícies pintadas e peças plásticas. Ppintadas e peças plásticas. Ppintadas e peças plásticas. Ppintadas e peças plásticas. Ppintadas e peças plásticas. Pororororortanto, limpetanto, limpetanto, limpetanto, limpetanto, limpe qualquer respingo de fluido imediatamente.qualquer respingo de fluido imediatamente.qualquer respingo de fluido imediatamente.qualquer respingo de fluido imediatamente.qualquer respingo de fluido imediatamente. 5. Sangria de ar: • Sistema de freio. Consulte “SANGRIA DE AR” no capítulo 3. 6. Verifique: • O nível do fluido de freio. 7. Ajuste: • Interruptor da luz de freio. Consulte “AJUSTE DO INTERRUPTOR DO FREIOTRASEIRO” no capítulo 3. 3. Ajuste: • Gire o parafuso de ajuste 2 até que a folga livre a esteja dentro dos limites especificados, ao final aperte a contraporca 3. NONONONONOTTTTTA:A:A:A:A: Folga livre a 5 mm. 4. Abasteça: • Fluido de freio. Fluido de freio recomendado:Fluido de freio recomendado:Fluido de freio recomendado:Fluido de freio recomendado:Fluido de freio recomendado: DODODODODOT 4T 4T 4T 4T 4
  • 156.
    CHACHACHACHACHASSSSS 4 – 41 FREIOFREIOFREIOFREIOFREIOTRATRATRATRATRASEIROSEIROSEIROSEIROSEIRO INSINSINSINSINSTTTTTALAÇÃO DO RESERALAÇÃO DO RESERALAÇÃO DO RESERALAÇÃO DO RESERALAÇÃO DO RESERVVVVVAAAAATÓRIO DETÓRIO DETÓRIO DETÓRIO DETÓRIO DE FREIOFREIOFREIOFREIOFREIO TRATRATRATRATRASEIROSEIROSEIROSEIROSEIRO 1. Instale: • O reservatório em seu alojamento. • O parafuso de fixação 1 do reservatório no suporte do estribo. PPPPParafuso do reservatório:arafuso do reservatório:arafuso do reservatório:arafuso do reservatório:arafuso do reservatório: 0,4 k0,4 k0,4 k0,4 k0,4 kgfgfgfgfgf.m (4 N.m).m (4 N.m).m (4 N.m).m (4 N.m).m (4 N.m) 2. Instale: • Mangueira de freio no reservatório junto com a sua braçadeira. ••••• Use apenas o fluido de freio indicado.Use apenas o fluido de freio indicado.Use apenas o fluido de freio indicado.Use apenas o fluido de freio indicado.Use apenas o fluido de freio indicado. Outros fluidos podem causar deterioração dasOutros fluidos podem causar deterioração dasOutros fluidos podem causar deterioração dasOutros fluidos podem causar deterioração dasOutros fluidos podem causar deterioração das vedações de borvedações de borvedações de borvedações de borvedações de borracracracracracha, proha, proha, proha, proha, provvvvvocando vazamen-ocando vazamen-ocando vazamen-ocando vazamen-ocando vazamen- tos e a queda de desempenho dos freios.tos e a queda de desempenho dos freios.tos e a queda de desempenho dos freios.tos e a queda de desempenho dos freios.tos e a queda de desempenho dos freios. ••••• RRRRReabasteça com o mesmo tipo de fluido deeabasteça com o mesmo tipo de fluido deeabasteça com o mesmo tipo de fluido deeabasteça com o mesmo tipo de fluido deeabasteça com o mesmo tipo de fluido de freio que já existe no sistema. Misturar flui-freio que já existe no sistema. Misturar flui-freio que já existe no sistema. Misturar flui-freio que já existe no sistema. Misturar flui-freio que já existe no sistema. Misturar flui- dos pode resultar em reação química dano-dos pode resultar em reação química dano-dos pode resultar em reação química dano-dos pode resultar em reação química dano-dos pode resultar em reação química dano- sa, levando a queda de desempenho dossa, levando a queda de desempenho dossa, levando a queda de desempenho dossa, levando a queda de desempenho dossa, levando a queda de desempenho dos freios.freios.freios.freios.freios. ••••• Quando reabastecer tome cuidado para queQuando reabastecer tome cuidado para queQuando reabastecer tome cuidado para queQuando reabastecer tome cuidado para queQuando reabastecer tome cuidado para que água não entre no reservatório do cilindroágua não entre no reservatório do cilindroágua não entre no reservatório do cilindroágua não entre no reservatório do cilindroágua não entre no reservatório do cilindro mestre do freio.mestre do freio.mestre do freio.mestre do freio.mestre do freio. A água diminuirá conside-A água diminuirá conside-A água diminuirá conside-A água diminuirá conside-A água diminuirá conside- ravelmente o ponto de ebulição do fluido deravelmente o ponto de ebulição do fluido deravelmente o ponto de ebulição do fluido deravelmente o ponto de ebulição do fluido deravelmente o ponto de ebulição do fluido de freio, podendo profreio, podendo profreio, podendo profreio, podendo profreio, podendo provvvvvocar vaporocar vaporocar vaporocar vaporocar vapor..... O fluido de freio pode danificar superfíciesO fluido de freio pode danificar superfíciesO fluido de freio pode danificar superfíciesO fluido de freio pode danificar superfíciesO fluido de freio pode danificar superfícies pintadas e peças plásticas. Ppintadas e peças plásticas. Ppintadas e peças plásticas. Ppintadas e peças plásticas. Ppintadas e peças plásticas. Pororororortanto, limpetanto, limpetanto, limpetanto, limpetanto, limpe qualquer respingo de fluido imediatamente.qualquer respingo de fluido imediatamente.qualquer respingo de fluido imediatamente.qualquer respingo de fluido imediatamente.qualquer respingo de fluido imediatamente. 3. Abasteça: • Fluido de freio. Fluido de freio recomendado:Fluido de freio recomendado:Fluido de freio recomendado:Fluido de freio recomendado:Fluido de freio recomendado: DODODODODOT 4T 4T 4T 4T 4 4. Sangria de ar: • Sistema de freio. Consulte “SANGRIA DE AR” no capítulo 3.
  • 157.
    CHACHACHACHACHASSSSS 4 – 42 FREIOFREIOFREIOFREIOFREIOTRATRATRATRATRASEIROSEIROSEIROSEIROSEIRO PINÇA DE FREIOPINÇA DE FREIOPINÇA DE FREIOPINÇA DE FREIOPINÇA DE FREIO TRATRATRATRATRASEIROSEIROSEIROSEIROSEIRO RRRRRemoção da pinça do freio traseiroemoção da pinça do freio traseiroemoção da pinça do freio traseiroemoção da pinça do freio traseiroemoção da pinça do freio traseiro Remover as peças na ordem listada RRRRRemoção da roda traseiraemoção da roda traseiraemoção da roda traseiraemoção da roda traseiraemoção da roda traseira Consulte “REMOÇÃO DA RODA 1 Pinça de freio 1 DIANTEIRA” e “INSTALAÇAO DA RODA DIANTEIRA” Para instalação, reverter o procedimento de remoção Serviço/Peça Qtde. ObservaçãoOrdem Coloque a motocicleta em um suporte adequado para que a roda dianteira fique suspensa. NONONONONOTTTTTA:A:A:A:A:
  • 158.
    CHACHACHACHACHASSSSS 4 – 43 FREIOFREIOFREIOFREIOFREIOTRATRATRATRATRASEIROSEIROSEIROSEIROSEIRO REMOÇÃOREMOÇÃOREMOÇÃOREMOÇÃOREMOÇÃO Apóie firmemente a motocicleta de modo queApóie firmemente a motocicleta de modo queApóie firmemente a motocicleta de modo queApóie firmemente a motocicleta de modo queApóie firmemente a motocicleta de modo que não haja risco de queda.não haja risco de queda.não haja risco de queda.não haja risco de queda.não haja risco de queda. NONONONONOTTTTTA:A:A:A:A: Antes de desmontar a pinça de freio, drene o fluido de freio. 1. Afrouxe: • Parafuso de união da mangueira de freio 1. NONONONONOTTTTTA:A:A:A:A: Afrouxe apenas um pouco o parafuso de união para que o fluido de freio não vaze. 3. Remova: • A pinça de freio e retire as pastilhas de freio. Consulte “PASTILHA DE FREIO TRASEI- RO” no capítulo 4. 4. Remova: • O parafuso de união 1 de fixação da mangueira de freio na pinça. • As arruelas de cobre 2. • A mangueira 3. NONONONONOTTTTTA:A:A:A:A: Posicione um vasilhame sob a pinça de freio para captar o restante do fluido de freio. 2. Remova: • A roda traseira. Consulte“RODATRASEIRA” no capítulo 4.
  • 159.
    CHACHACHACHACHASSSSS 4 – 44 FREIOFREIOFREIOFREIOFREIOTRATRATRATRATRASEIROSEIROSEIROSEIROSEIRO INSINSINSINSINSTTTTTALAÇÃOALAÇÃOALAÇÃOALAÇÃOALAÇÃO 1. Instale: • As molas. • As pastilhas e a pinça de freio. Consulte “PASTILHAS DO FREIOTRASEI- RO” no capítulo 4. • A roda traseira. Consulte“RODATRASEIRA” no capítulo 4. NoNoNoNoNovvvvvooooo INSPEÇÃOINSPEÇÃOINSPEÇÃOINSPEÇÃOINSPEÇÃO Cronograma recomendado para reposição de componentes de freio Pastilhas de freio Se necessário Mangueiras de freio A cada quatro anos Fluido de freio A cada dois anos e sempre que o freio é desmontado 1. Verifique: • Pistão da pinça de freio 1. Ferrugem/riscos/desgastes → Substitua a pinça do freio. • Corpo da pinça do freio 2. Rachaduras/danos → Substitua a pinça do freio. • Pinça do freio. Vazamento do fluido de freio → Substitua a pinça de freio. 2. Verifique: • Suporte da pinça de freio. Rachaduras/danos → Substituir. 2. Instale: • Arruelas de cobre 1. • Mangueira do freio 2. • Parafuso de união 3 de fixação da mangueira de freio. PPPPParafuso de união:arafuso de união:arafuso de união:arafuso de união:arafuso de união: 3,0 k3,0 k3,0 k3,0 k3,0 kgfgfgfgfgf.m (30 N.m).m (30 N.m).m (30 N.m).m (30 N.m).m (30 N.m)
  • 160.
    CHACHACHACHACHASSSSS 4 – 45 FREIOFREIOFREIOFREIOFREIOTRATRATRATRATRASEIROSEIROSEIROSEIROSEIRO O posicionamento adequado da mangueira deO posicionamento adequado da mangueira deO posicionamento adequado da mangueira deO posicionamento adequado da mangueira deO posicionamento adequado da mangueira de freio é essencial para gfreio é essencial para gfreio é essencial para gfreio é essencial para gfreio é essencial para garantir a operação se-arantir a operação se-arantir a operação se-arantir a operação se-arantir a operação se- gura da motocicleta.gura da motocicleta.gura da motocicleta.gura da motocicleta.gura da motocicleta. Consulte "PConsulte "PConsulte "PConsulte "PConsulte "PAAAAASSSSSSSSSSAAAAAGEM DE CABOS" no capítulo 2.GEM DE CABOS" no capítulo 2.GEM DE CABOS" no capítulo 2.GEM DE CABOS" no capítulo 2.GEM DE CABOS" no capítulo 2. Quando instalar a mangueira na pinça doQuando instalar a mangueira na pinça doQuando instalar a mangueira na pinça doQuando instalar a mangueira na pinça doQuando instalar a mangueira na pinça do freiofreiofreiofreiofreio 1, cer, cer, cer, cer, certifique-se de que o tubo do freiotifique-se de que o tubo do freiotifique-se de que o tubo do freiotifique-se de que o tubo do freiotifique-se de que o tubo do freio 2 forme um ânguloforme um ânguloforme um ânguloforme um ânguloforme um ângulo a de 35º ± 1de 35º ± 1de 35º ± 1de 35º ± 1de 35º ± 10º em0º em0º em0º em0º em relação à balança traseira.relação à balança traseira.relação à balança traseira.relação à balança traseira.relação à balança traseira. ••••• Use sempre arUse sempre arUse sempre arUse sempre arUse sempre arruelas de cobre noruelas de cobre noruelas de cobre noruelas de cobre noruelas de cobre novas.vas.vas.vas.vas. ••••• Use apenas o fluido de freio indicado.Use apenas o fluido de freio indicado.Use apenas o fluido de freio indicado.Use apenas o fluido de freio indicado.Use apenas o fluido de freio indicado. Outros fluidos podem causar deterioração dasOutros fluidos podem causar deterioração dasOutros fluidos podem causar deterioração dasOutros fluidos podem causar deterioração dasOutros fluidos podem causar deterioração das vedações de borvedações de borvedações de borvedações de borvedações de borracracracracracha, proha, proha, proha, proha, provvvvvocando vazamen-ocando vazamen-ocando vazamen-ocando vazamen-ocando vazamen- tos e a queda de desempenho dos freios.tos e a queda de desempenho dos freios.tos e a queda de desempenho dos freios.tos e a queda de desempenho dos freios.tos e a queda de desempenho dos freios. ••••• RRRRReabasteça com o mesmo tipo de fluido deeabasteça com o mesmo tipo de fluido deeabasteça com o mesmo tipo de fluido deeabasteça com o mesmo tipo de fluido deeabasteça com o mesmo tipo de fluido de freio que já existe no sistema. Misturar flui-freio que já existe no sistema. Misturar flui-freio que já existe no sistema. Misturar flui-freio que já existe no sistema. Misturar flui-freio que já existe no sistema. Misturar flui- dos pode resultar em reação química dano-dos pode resultar em reação química dano-dos pode resultar em reação química dano-dos pode resultar em reação química dano-dos pode resultar em reação química dano- sa, levando a queda de desempenho dossa, levando a queda de desempenho dossa, levando a queda de desempenho dossa, levando a queda de desempenho dossa, levando a queda de desempenho dos freios.freios.freios.freios.freios. ••••• Quando reabastecer tome cuidado para queQuando reabastecer tome cuidado para queQuando reabastecer tome cuidado para queQuando reabastecer tome cuidado para queQuando reabastecer tome cuidado para que água não entre no reservatório do cilindroágua não entre no reservatório do cilindroágua não entre no reservatório do cilindroágua não entre no reservatório do cilindroágua não entre no reservatório do cilindro mestre do freio.mestre do freio.mestre do freio.mestre do freio.mestre do freio. A água diminuirá conside-A água diminuirá conside-A água diminuirá conside-A água diminuirá conside-A água diminuirá conside- ravelmente o ponto de ebulição do fluidoravelmente o ponto de ebulição do fluidoravelmente o ponto de ebulição do fluidoravelmente o ponto de ebulição do fluidoravelmente o ponto de ebulição do fluido de freio, podendo prode freio, podendo prode freio, podendo prode freio, podendo prode freio, podendo provvvvvocar vaporocar vaporocar vaporocar vaporocar vapor..... O fluido de freio pode danificar superfíciesO fluido de freio pode danificar superfíciesO fluido de freio pode danificar superfíciesO fluido de freio pode danificar superfíciesO fluido de freio pode danificar superfícies pintadas e peças plásticas. Ppintadas e peças plásticas. Ppintadas e peças plásticas. Ppintadas e peças plásticas. Ppintadas e peças plásticas. Pororororortanto, limpetanto, limpetanto, limpetanto, limpetanto, limpe qualquer respingo de fluido imediatamente.qualquer respingo de fluido imediatamente.qualquer respingo de fluido imediatamente.qualquer respingo de fluido imediatamente.qualquer respingo de fluido imediatamente. 3. Instale: • O protetor plástico da pinça traseira. PPPPParafusos do protetor:arafusos do protetor:arafusos do protetor:arafusos do protetor:arafusos do protetor: 0,65 k0,65 k0,65 k0,65 k0,65 kgfgfgfgfgf.m (6,5 N.m).m (6,5 N.m).m (6,5 N.m).m (6,5 N.m).m (6,5 N.m) 4. Abasteça: • Fluido de freio. Fluido de freio recomendado:Fluido de freio recomendado:Fluido de freio recomendado:Fluido de freio recomendado:Fluido de freio recomendado: DODODODODOT 4T 4T 4T 4T 4 5. Sangria de ar: • Sistema de freio. Consulte “SANGRIA DE AR” no capítulo 3.
  • 161.
    CHACHACHACHACHASSSSS 4 – 46 FREIOFREIOFREIOFREIOFREIOTRATRATRATRATRASEIROSEIROSEIROSEIROSEIRO 6. Verifique: • Nível do fluido de freio. Abaixo da marca de nível mínimo a. Acrescente o fluido de freio recomen- dado até o nível adequado. Consulte "INSPEÇÃO DO NÍVEL DE FLUI- DO DE FREIO" no capítulo 3. 7. Verifique: • Operação do pedal de freio. Sensação macia ou esponjosa → Sangre o sistema de freios. Consulte "SANGRIA DO SISTEMA DE FREIO HIDRÁULICO" no capítulo 3. 8. Ajuste: • O interruptor de freio.
  • 162.
    CHACHACHACHACHASSSSS 4 – 47 GUIDÃOGUIDÃOGUIDÃOGUIDÃOGUIDÃO GUIDÃOGUIDÃOGUIDÃOGUIDÃOGUIDÃO RRRRRemoçãodo guidãoemoção do guidãoemoção do guidãoemoção do guidãoemoção do guidão Remover as peças na ordem listada. 1 Fixador do cilindro mestre dianteiro 1 2 Interruptores 2 3 Cilindro mestre do freio dianteiro 1 4 Fixador do manete da embreagem 1 5 Fixadores superiores do guidão 2 6 Conjunto da manopla do acelerador 1 7 Guidão 1 8 Manopla lado direito 1 Para instalação, reverter o procedimento de remoção Serviço/Peça Qtde. ObservaçãoOrdem
  • 163.
    CHACHACHACHACHASSSSS 4 – 48 GUIDÃOGUIDÃOGUIDÃOGUIDÃOGUIDÃO GUIDÃOGUIDÃOGUIDÃOGUIDÃOGUIDÃO Posicionea motocicleta firmemente para que não haja risco de queda. REMOÇÃOREMOÇÃOREMOÇÃOREMOÇÃOREMOÇÃO 1. Coloque a motocicleta em uma superfí- cie plana. 2. Remova: • Os parafusos do fixador do manete de embreagem 1. • O manete de embreagem. • O interruptor do manete da embreagem. 3. Remova: • Os parafusos 2 do conjunto do inter- ruptor do guidão LE. • O conjunto do interruptor de guidão (LE). 4. Remova: • Manopla do guidão LE 1. NONONONONOTTTTTA:A:A:A:A: Injete ar comprimido entre o guidão e manopla e empurre gradualmente a manopla para fora do guidão. 5. Remova: • Cinta plástica 1 do lado esquerdo.
  • 164.
    CHACHACHACHACHASSSSS 4 – 49 GUIDÃOGUIDÃOGUIDÃOGUIDÃOGUIDÃO 6.Remova: • Cinta plástica 1 do lado direito. 7. Remova: • Os parafusos 1 do fixador do cilindro mestre. • Cilindro mestre. 8. Remova: • Os parafusos 1 de fixação do interrup- tor (LD). • Interruptor de guidão (LD). 9. Solte: • Os parafusos 1 de fixação 1 (manopla do acelerador) (LD). 10. Remova: • Os parafusos 1 dos fixadores supe- riores do guidão.
  • 165.
    CHACHACHACHACHASSSSS 4 – 50 GUIDÃOGUIDÃOGUIDÃOGUIDÃOGUIDÃO PPPPPrimeiroremorimeiro remorimeiro remorimeiro remorimeiro remova os parafusos de trás dova os parafusos de trás dova os parafusos de trás dova os parafusos de trás dova os parafusos de trás do fixador de guidão, e depois remofixador de guidão, e depois remofixador de guidão, e depois remofixador de guidão, e depois remofixador de guidão, e depois remova os pa-va os pa-va os pa-va os pa-va os pa- rafusos da frente.rafusos da frente.rafusos da frente.rafusos da frente.rafusos da frente. • Frente 1. 11. Remova: • A manopla do acelerador. 12. Remova: • O guidão. INSPEÇÃO DO GUIDÃOINSPEÇÃO DO GUIDÃOINSPEÇÃO DO GUIDÃOINSPEÇÃO DO GUIDÃOINSPEÇÃO DO GUIDÃO 1. Verifique: • Guidão 1. Empenado/rachaduras/danos Subs- tituir. Não tente alinhar um guidão empenado, issoNão tente alinhar um guidão empenado, issoNão tente alinhar um guidão empenado, issoNão tente alinhar um guidão empenado, issoNão tente alinhar um guidão empenado, isso pode enfraquecê-lo perigosamente.pode enfraquecê-lo perigosamente.pode enfraquecê-lo perigosamente.pode enfraquecê-lo perigosamente.pode enfraquecê-lo perigosamente.
  • 166.
    CHACHACHACHACHASSSSS 4 – 51 GUIDÃOGUIDÃOGUIDÃOGUIDÃOGUIDÃO INSINSINSINSINSTTTTTALAÇÃODO GUIDÃOALAÇÃO DO GUIDÃOALAÇÃO DO GUIDÃOALAÇÃO DO GUIDÃOALAÇÃO DO GUIDÃO 1. Lubrifique: • Guidão. NONONONONOTTTTTA:A:A:A:A: Antes de instalar a manopla do acelerador no guidão, aplicar uma fina camada de graxa à base de sabão de lítio à extremidade direita do guidão. 2. Instale: • A manopla LD do acelerador sem apertar os seus parafusos de fixação. 3. Instale: • O guidão. 4. Instale: • Fixadores superiores do guidão. • Os parafusos dos fixadores do guidão 1. Graxa à base de sabão de lítioGraxa à base de sabão de lítioGraxa à base de sabão de lítioGraxa à base de sabão de lítioGraxa à base de sabão de lítio NONONONONOTTTTTA:A:A:A:A: Alinhe a marca 1 do guidão com a extremidade superior do fixador inferior do guidão. NONONONONOTTTTTA:A:A:A:A: O fixador superior do guidão deve ser instalado com a marca de punção 1 voltada para frente. PPPPPrimeiro aperrimeiro aperrimeiro aperrimeiro aperrimeiro aperte os parafusos da frente dote os parafusos da frente dote os parafusos da frente dote os parafusos da frente dote os parafusos da frente do fixador de guidão, e depois aperfixador de guidão, e depois aperfixador de guidão, e depois aperfixador de guidão, e depois aperfixador de guidão, e depois aperte os pa-te os pa-te os pa-te os pa-te os pa- rafusos de trás.rafusos de trás.rafusos de trás.rafusos de trás.rafusos de trás. • Frente 2. PPPPParafusos dos fixadores superioresarafusos dos fixadores superioresarafusos dos fixadores superioresarafusos dos fixadores superioresarafusos dos fixadores superiores do guidão:do guidão:do guidão:do guidão:do guidão: 2,3 k2,3 k2,3 k2,3 k2,3 kgfgfgfgfgf.m (23 N.m).m (23 N.m).m (23 N.m).m (23 N.m).m (23 N.m)
  • 167.
    CHACHACHACHACHASSSSS 4 – 52 GUIDÃOGUIDÃOGUIDÃOGUIDÃOGUIDÃO 5.Instale: • O conjunto do interruptor do lado direi- to. NONONONONOTTTTTA:A:A:A:A: Alinhe a saliência a no interruptor do guidão direito com o orifício b no guidão. 6. Instale: • O manete de embreagem. NONONONONOTTTTTA:A:A:A:A: Alinhe as superfícies de contato do fixador da alavanca de embreagem com a marca a de punção no guidão. PPPPParafusoarafusoarafusoarafusoarafusosssss de fixação dde fixação dde fixação dde fixação dde fixação do intero intero intero intero interruptorruptorruptorruptorruptor::::: 0,35 k0,35 k0,35 k0,35 k0,35 kgfgfgfgfgf.m (3,5 N.m).m (3,5 N.m).m (3,5 N.m).m (3,5 N.m).m (3,5 N.m) 7. Instale: • Cilindro mestre de freio. NONONONONOTTTTTA:A:A:A:A: Instale o fixador do cilindro mestre com a marca “UP” (seta) voltada para cima. NONONONONOTTTTTA:A:A:A:A: Alinhe as superfícies de contato do fixador do cilindro mestre com a marca de punção a no guidão.
  • 168.
    CHACHACHACHACHASSSSS 4 – 53 GUIDÃOGUIDÃOGUIDÃOGUIDÃOGUIDÃO NONONONONOTTTTTA:A:A:A:A: •Aperte primeiro o parafuso superior do fixador do cilindro mestre. PPPPParafusoarafusoarafusoarafusoarafuso do fixador do cilindro mestre::::: 1,0 k1,0 k1,0 k1,0 k1,0 kgfgfgfgfgf.m (1.m (1.m (1.m (1.m (10 N.m)0 N.m)0 N.m)0 N.m)0 N.m) 8. Instale: • O interruptor do lado esquerdo. NONONONONOTTTTTA:A:A:A:A: Instale a saliência a do interruptor no furo do guidão. 9. Instale: • Cinta plástica do lado esquerdo 1. 10. Instale: • Cinta plástica do lado direito 2. PPPPParafusoarafusoarafusoarafusoarafuso de fixação do interruptor::::: 0,37 k0,37 k0,37 k0,37 k0,37 kgfgfgfgfgf.m (3,7 N.m).m (3,7 N.m).m (3,7 N.m).m (3,7 N.m).m (3,7 N.m)
  • 169.
    CHACHACHACHACHASSSSS 4 – 54 COLUNADE DIREÇÃOCOLUNA DE DIREÇÃOCOLUNA DE DIREÇÃOCOLUNA DE DIREÇÃOCOLUNA DE DIREÇÃO COLUNA DE DIREÇÃOCOLUNA DE DIREÇÃOCOLUNA DE DIREÇÃOCOLUNA DE DIREÇÃOCOLUNA DE DIREÇÃO MESMESMESMESMESA INFERIORA INFERIORA INFERIORA INFERIORA INFERIOR RRRRRemoemoemoemoemovendo a mesa inferiorvendo a mesa inferiorvendo a mesa inferiorvendo a mesa inferiorvendo a mesa inferior Remova as peças na ordem listada. Roda dianteira 1 Bengalas do garfo dianteiro 2 Conjunto do farol 1 1 Guidão 1 2 Mesa superior do guidão 1 3 Anel trava 1 4 Porca-castelo superior 1 Serviço/Peça Qtde. ObservaçãoOrdem
  • 170.
    CHACHACHACHACHASSSSS 4 – 55 COLUNADE DIREÇÃOCOLUNA DE DIREÇÃOCOLUNA DE DIREÇÃOCOLUNA DE DIREÇÃOCOLUNA DE DIREÇÃO 5 Arruela de borracha 1 6 Porca-castelo inferior 1 7 Capa do rolamento esférico 1 8 Rolamento esférico 1 9 Coluna de direção 1 10 Rolamento cônico 1 11 Retentor do rolamento cônico 1 Serviço/Peça Qtde. ObservaçãoOrdem
  • 171.
    CHACHACHACHACHASSSSS 4 – 56 COLUNADE DIREÇÃOCOLUNA DE DIREÇÃOCOLUNA DE DIREÇÃOCOLUNA DE DIREÇÃOCOLUNA DE DIREÇÃO INSPEÇÃO DINSPEÇÃO DINSPEÇÃO DINSPEÇÃO DINSPEÇÃO DA COLUNA DE DIREÇÃOA COLUNA DE DIREÇÃOA COLUNA DE DIREÇÃOA COLUNA DE DIREÇÃOA COLUNA DE DIREÇÃO 1. Lave as esferas com querosene. 2. Inspecione: • Esferas. • Pistas de esferas. Sulcos/danos →Troque. 3. Verifique: • Rolamento cônico 1. Danos/saliências/desgastes → Trocar o conjunto. • Pista do rolamento (externa) 2. Danos/saliências/desgastes → Trocar o conjunto. ********************************************************************************************************************************************************************************************** PPPPPassos para substituir a pista do rolamentoassos para substituir a pista do rolamentoassos para substituir a pista do rolamentoassos para substituir a pista do rolamentoassos para substituir a pista do rolamento e o rolamento cônico:e o rolamento cônico:e o rolamento cônico:e o rolamento cônico:e o rolamento cônico: • A pista externa do rolamento da coluna de direção com um extrator a de rola- mentos da coluna de direção universal. Extrator de rolamento de caixaExtrator de rolamento de caixaExtrator de rolamento de caixaExtrator de rolamento de caixaExtrator de rolamento de caixa de direçãode direçãode direçãode direçãode direção 90890-0280990890-0280990890-0280990890-0280990890-02809 • O rolamento cônico junto com seu retentor com um extrator de rolamento da coluna de direção. NONONONONOTTTTTA:A:A:A:A: • Sempre substitua os rolamentos e suas pistas como um conjunto. • Troque o retentor do rolamento sempre que desmontar a coluna de direção. • Não bata nas esferas nem na face do rolamento. ********************************************************************************************************************************************************************************************** Extrator de rolamento da colunaExtrator de rolamento da colunaExtrator de rolamento da colunaExtrator de rolamento da colunaExtrator de rolamento da coluna de direçãode direçãode direçãode direçãode direção 90890-0282890890-0282890890-0282890890-0282890890-02828 4. Verifique: • Mesa superior. • Mesa inferior. Fissuras/danos →Trocar. • Coluna de direção Empenamentos/danos →Trocar conjunto da mesa inferior. Não tente desempenar a coluna de direção.Não tente desempenar a coluna de direção.Não tente desempenar a coluna de direção.Não tente desempenar a coluna de direção.Não tente desempenar a coluna de direção.
  • 172.
    CHACHACHACHACHASSSSS 4 – 57 COLUNADE DIREÇÃOCOLUNA DE DIREÇÃOCOLUNA DE DIREÇÃOCOLUNA DE DIREÇÃOCOLUNA DE DIREÇÃO INSINSINSINSINSTTTTTALAÇÃO DALAÇÃO DALAÇÃO DALAÇÃO DALAÇÃO DA COLUNA DEA COLUNA DEA COLUNA DEA COLUNA DEA COLUNA DE DIREÇÃODIREÇÃODIREÇÃODIREÇÃODIREÇÃO 1. Lubrifique: • Rolamentos. • Pistas de esferas. 2. Instale: • O novo retentor 1 na coluna de direção. 3. Instale: • O novo rolamento com o instalador 1 de rolamento cônico. • A coluna de direção. 5. Instale: • A capa do rolamento 1. 4. Instale: • O rolamento de esfera 1. • A pista interna do rolamento. Instalador de rolamento cônicoInstalador de rolamento cônicoInstalador de rolamento cônicoInstalador de rolamento cônicoInstalador de rolamento cônico da coluna de direçãoda coluna de direçãoda coluna de direçãoda coluna de direçãoda coluna de direção 90890-0282990890-0282990890-0282990890-0282990890-02829 Lubrificante recomendado:Lubrificante recomendado:Lubrificante recomendado:Lubrificante recomendado:Lubrificante recomendado: Graxa à base de sabão de lítioGraxa à base de sabão de lítioGraxa à base de sabão de lítioGraxa à base de sabão de lítioGraxa à base de sabão de lítio
  • 173.
    CHACHACHACHACHASSSSS 4 – 58 COLUNADE DIREÇÃOCOLUNA DE DIREÇÃOCOLUNA DE DIREÇÃOCOLUNA DE DIREÇÃOCOLUNA DE DIREÇÃO 6. Instale: • Porca-castelo inferior 1. Consulte “INSPEÇÃO DE AJUSTE DA CO- LUNA DE DIREÇÃO” no capítulo 3. 7. Aperte: • Porca-castelo inferior 1. ************************************************************************************************************************************************************************************ PPPPPassos de aperassos de aperassos de aperassos de aperassos de aperto:to:to:to:to: • Aperte a porca-castelo inferior com a chave 2. Chave da porca-castelo inferior:Chave da porca-castelo inferior:Chave da porca-castelo inferior:Chave da porca-castelo inferior:Chave da porca-castelo inferior: 90890-090890-090890-090890-090890-011111403403403403403 NONONONONOTTTTTA:A:A:A:A: Conecteotorquímetroàchavedaporca-castelo inferior de modo a formar um ângulo reto 90°. PPPPPorca-castelo inferiororca-castelo inferiororca-castelo inferiororca-castelo inferiororca-castelo inferior (aper(aper(aper(aper(aperto inicial):to inicial):to inicial):to inicial):to inicial): 3,7 k3,7 k3,7 k3,7 k3,7 kgfgfgfgfgf.m (37 N.m).m (37 N.m).m (37 N.m).m (37 N.m).m (37 N.m) • Gire a mesa inferior para direita e para es- querda, certificando-se de que não há irre- gularidade no movimento, e então solte a porca 1/4 de volta. • Reaperte a porca-castelo inferior, usando a chave para porca-castelo inferior. PPPPPorca-castelo inferiororca-castelo inferiororca-castelo inferiororca-castelo inferiororca-castelo inferior (aper(aper(aper(aper(aperto final):to final):to final):to final):to final): 0,65 k0,65 k0,65 k0,65 k0,65 kgfgfgfgfgf.m (6,5 N.m).m (6,5 N.m).m (6,5 N.m).m (6,5 N.m).m (6,5 N.m) Evite aperEvite aperEvite aperEvite aperEvite aperto excessito excessito excessito excessito excessivvvvvo.o.o.o.o. ************************************************************************************************************************************************************************************
  • 174.
    CHACHACHACHACHASSSSS 4 – 59 COLUNADE DIREÇÃOCOLUNA DE DIREÇÃOCOLUNA DE DIREÇÃOCOLUNA DE DIREÇÃOCOLUNA DE DIREÇÃO 8. Instale: • Amortizador de borracha 3. • Porca-castelo superior 2 do eixo da coluna de direção com o lado arredondado para cima, alinhando os canais das porcas. • Arruela-trava 1. NONONONONOTTTTTA:A:A:A:A: • Verifique a coluna de direção girando-a de um lado a outro, após o ajuste da coluna de direção. • Se a coluna de direção estiver pesada, afrouxe a porca-castelo. Se a coluna de direção estiver frouxa, repita os passos de ajuste. 9. Instale: • Mesa superior 1. 10. Instale: • Guidão. Consulte “GUIDÃO” no capítulo 4.
  • 175.
    CHACHACHACHACHASSSSS 4 – 60 GARFODIANGARFO DIANGARFO DIANGARFO DIANGARFO DIANTEIROTEIROTEIROTEIROTEIRO GARFO DIANGARFO DIANGARFO DIANGARFO DIANGARFO DIANTEIROTEIROTEIROTEIROTEIRO RRRRRemoção das bengemoção das bengemoção das bengemoção das bengemoção das bengalas do galas do galas do galas do galas do garfoarfoarfoarfoarfo Remova as peças na ordem listada. dianteirodianteirodianteirodianteirodianteiro Roda dianteira 1 Consulte “RODA E DISCO DE FREIO DIANTEIROS”. 1 Tampa 1 2 Anel trava 1 3 Assento da mola 1 4 Mola do garfo 1 5 Retentor de poeira 1 6 Presilha 1 7 Retentor 1 8 Arruela espaçadora 1 Serviço/Peça Qtde. ObservaçãoOrdem
  • 176.
    CHACHACHACHACHASSSSS 4 – 61 GARFODIANGARFO DIANGARFO DIANGARFO DIANGARFO DIANTEIROTEIROTEIROTEIROTEIRO Serviço/Peça Qtde. ObservaçãoOrdem 9 Bucha 1 10 Parafuso 1 11 Haste amortizadora 1 12 Mola de retorno 1 13 Tubo interno 1 14 Bloqueador de óleo 1 15 Tubo interno 1 16 Guarda pó 1 17 Abraçadeira 1
  • 177.
    CHACHACHACHACHASSSSS 4 – 62 GARFODIANGARFO DIANGARFO DIANGARFO DIANGARFO DIANTEIROTEIROTEIROTEIROTEIRO GARFO DIANGARFO DIANGARFO DIANGARFO DIANGARFO DIANTEIROTEIROTEIROTEIROTEIRO REMOÇÃO DREMOÇÃO DREMOÇÃO DREMOÇÃO DREMOÇÃO DAAAAAS BENGALAS BENGALAS BENGALAS BENGALAS BENGALASSSSS O seguinte procedimento se aplica às duas bengalas do garfo dianteiro. 1. Coloque a motocicleta em uma superfí- cie plana. Apóie a motocicleta firmemente para que nãoApóie a motocicleta firmemente para que nãoApóie a motocicleta firmemente para que nãoApóie a motocicleta firmemente para que nãoApóie a motocicleta firmemente para que não haja risco de queda.haja risco de queda.haja risco de queda.haja risco de queda.haja risco de queda. NONONONONOTTTTTAAAAA: Coloque a motocicleta em um suporte adequado para que a roda dianteira fique elevada. 2. Remova: • Roda dianteira Consulte “REMOÇÃO – RODA DIANTEIRA” no capítulo 4. 3. Remova: • Parafusos 1 do fixador (mangueira de freio). • Fixador 2 da mangueira do freio dian- teiro. Antes de soltar os parafusos de fixação daAntes de soltar os parafusos de fixação daAntes de soltar os parafusos de fixação daAntes de soltar os parafusos de fixação daAntes de soltar os parafusos de fixação da bengbengbengbengbengala às mesas superior e inferiorala às mesas superior e inferiorala às mesas superior e inferiorala às mesas superior e inferiorala às mesas superior e inferior, apóie as, apóie as, apóie as, apóie as, apóie as bengbengbengbengbengalas do galas do galas do galas do galas do garfo dianteiro.arfo dianteiro.arfo dianteiro.arfo dianteiro.arfo dianteiro. 4. Solte: • Parafusos 1 de fixação da bengala à mesa superior. • Parafusos 2 de fixação da bengala à mesa inferior.
  • 178.
    CHACHACHACHACHASSSSS 4 – 63 GARFODIANGARFO DIANGARFO DIANGARFO DIANGARFO DIANTEIROTEIROTEIROTEIROTEIRO 5. Remova: • Garfos dianteiros 1. DESMONDESMONDESMONDESMONDESMONTTTTTAAAAAGEM DGEM DGEM DGEM DGEM DAAAAAS BENGALAS BENGALAS BENGALAS BENGALAS BENGALASSSSS O seguinte procedimento se aplica às duas bengalas do garfo dianteiro. 1. Remova: • A braçadeira 1. • Guarda-pó 2. 2. Remova: • Tampa 1. • Anel-trava 2. • Assento da mola 3. • Mola do garfo 4. NONONONONOTTTTTA:A:A:A:A: Pressione o assento da mola e remova o anel-trava. 3. Drene: • Óleo do garfo. NONONONONOTTTTTA:A:A:A:A: Movimente o tubo externo várias vezes enquanto drena o óleo do garfo. 4. Remova: • Retentor de poeira 1. • Presilha do retentor de óleo 2 (com uma chave de fenda de ponta chata). Não arNão arNão arNão arNão arranhe o tubo interno.ranhe o tubo interno.ranhe o tubo interno.ranhe o tubo interno.ranhe o tubo interno.
  • 179.
    CHACHACHACHACHASSSSS 4 – 64 GARFODIANGARFO DIANGARFO DIANGARFO DIANGARFO DIANTEIROTEIROTEIROTEIROTEIRO NONONONONOTTTTTA:A:A:A:A: Enquanto segura o conjunto da haste do amortizador com o adaptador 2, o alongador 4 e a chaveT 3, solte o parafuso da haste do amortizador 1. 6. Remova: • Haste do amortizador 1. • Mola de retorno 2. Adaptador da haste do amorAdaptador da haste do amorAdaptador da haste do amorAdaptador da haste do amorAdaptador da haste do amortttttizaizaizaizaizadordordordordor 90890-090890-090890-090890-090890-011111460460460460460 ChaveChaveChaveChaveChave TTTTT 90890-090890-090890-090890-090890-011111326326326326326 5. Remova: • Parafuso 1 da haste do amortizador. • Arruela de cobre. 7. Remova: • Tubo interno. *************************************************************************************************************************************************************************************************** a. Segure a bengala do garfo dianteiro na posição horizontal. b. Prenda com firmeza o suporte da pinça do freio em uma morsa de bancada com fixadores suaves. c. Separe o tubo interno do externo, puxan- do o tubo interno com força, mas cuida- dosamente. ••••• O excesso de força danificará o retentorO excesso de força danificará o retentorO excesso de força danificará o retentorO excesso de força danificará o retentorO excesso de força danificará o retentor de óleo e a bucde óleo e a bucde óleo e a bucde óleo e a bucde óleo e a bucha do tubo interno. Umha do tubo interno. Umha do tubo interno. Umha do tubo interno. Umha do tubo interno. Um retentor de óleo ou bucretentor de óleo ou bucretentor de óleo ou bucretentor de óleo ou bucretentor de óleo ou bucha danificadaha danificadaha danificadaha danificadaha danificada deve ser substituída.deve ser substituída.deve ser substituída.deve ser substituída.deve ser substituída. ••••• Evite levar o tubo interno até o fim deEvite levar o tubo interno até o fim deEvite levar o tubo interno até o fim deEvite levar o tubo interno até o fim deEvite levar o tubo interno até o fim de curcurcurcurcurso, durante a remoção, pois poderáso, durante a remoção, pois poderáso, durante a remoção, pois poderáso, durante a remoção, pois poderáso, durante a remoção, pois poderá danificar o bloqueador de óleo.danificar o bloqueador de óleo.danificar o bloqueador de óleo.danificar o bloqueador de óleo.danificar o bloqueador de óleo. ••••• Evite sustentar o tubo interno dentro doEvite sustentar o tubo interno dentro doEvite sustentar o tubo interno dentro doEvite sustentar o tubo interno dentro doEvite sustentar o tubo interno dentro do externo durante o procedimento acima,externo durante o procedimento acima,externo durante o procedimento acima,externo durante o procedimento acima,externo durante o procedimento acima, pois isso danificará a ponta de fluxpois isso danificará a ponta de fluxpois isso danificará a ponta de fluxpois isso danificará a ponta de fluxpois isso danificará a ponta de fluxo deo deo deo deo de óleo.óleo.óleo.óleo.óleo. ***************************************************************************************************************************************************************************************************
  • 180.
    CHACHACHACHACHASSSSS 4 – 65 GARFODIANGARFO DIANGARFO DIANGARFO DIANGARFO DIANTEIROTEIROTEIROTEIROTEIRO 8. Remova: • Retentor 1. • Arruela espaçadora 2. • Bucha-guia 3. • Bloqueador de óleo 4. INSPEÇÃO DINSPEÇÃO DINSPEÇÃO DINSPEÇÃO DINSPEÇÃO DAAAAAS BENGALAS BENGALAS BENGALAS BENGALAS BENGALASSSSS O seguinte procedimento se aplica às duas bengalas do garfo dianteiro. 1. Verifique: • Tubo interno 1. • Tubo externo 2. Danos/riscos Substituir. Não tente alinhar um tubo interno empenado,Não tente alinhar um tubo interno empenado,Não tente alinhar um tubo interno empenado,Não tente alinhar um tubo interno empenado,Não tente alinhar um tubo interno empenado, isso poderá enfraquecê-lo perigosamente.isso poderá enfraquecê-lo perigosamente.isso poderá enfraquecê-lo perigosamente.isso poderá enfraquecê-lo perigosamente.isso poderá enfraquecê-lo perigosamente. 2. Meça: • Comprimento a livre da mola. Fora de especificação Substituir. Comprimento liComprimento liComprimento liComprimento liComprimento livre da mola:vre da mola:vre da mola:vre da mola:vre da mola: 61616161611,7 mm1,7 mm1,7 mm1,7 mm1,7 mm <Limite>: 599,5 mm<Limite>: 599,5 mm<Limite>: 599,5 mm<Limite>: 599,5 mm<Limite>: 599,5 mm 3. Verifique: • Bloqueador de óleo 1. Danos Substituir. • Anel O-ring 2. Danos Trocar.
  • 181.
    CHACHACHACHACHASSSSS 4 – 66 GARFODIANGARFO DIANGARFO DIANGARFO DIANGARFO DIANTEIROTEIROTEIROTEIROTEIRO 4. Verifique: • Haste amortizadora 1. Desgastes/empenos/danos Trocar. Obstrução Limpe todas as passagens de óleo com ar comprimido. • O anel da haste 2. • Mola de retorno. Não tentar desempenar a haste do amorNão tentar desempenar a haste do amorNão tentar desempenar a haste do amorNão tentar desempenar a haste do amorNão tentar desempenar a haste do amortizadortizadortizadortizadortizador ou isto poderá enfraquecer o tubo.ou isto poderá enfraquecer o tubo.ou isto poderá enfraquecer o tubo.ou isto poderá enfraquecer o tubo.ou isto poderá enfraquecer o tubo. ••••• A bengA bengA bengA bengA bengala do gala do gala do gala do gala do garfo dianteiro tem umaarfo dianteiro tem umaarfo dianteiro tem umaarfo dianteiro tem umaarfo dianteiro tem uma haste embutida de ajuste do amorhaste embutida de ajuste do amorhaste embutida de ajuste do amorhaste embutida de ajuste do amorhaste embutida de ajuste do amortece-tece-tece-tece-tece- dor e uma construção interna muito so-dor e uma construção interna muito so-dor e uma construção interna muito so-dor e uma construção interna muito so-dor e uma construção interna muito so- fisticada, que são especialmente sensí-fisticada, que são especialmente sensí-fisticada, que são especialmente sensí-fisticada, que são especialmente sensí-fisticada, que são especialmente sensí- veis a materiais estranhos.veis a materiais estranhos.veis a materiais estranhos.veis a materiais estranhos.veis a materiais estranhos. ••••• Quando desmontar e montar a bengQuando desmontar e montar a bengQuando desmontar e montar a bengQuando desmontar e montar a bengQuando desmontar e montar a bengala,ala,ala,ala,ala, não permita que qualquer material es-não permita que qualquer material es-não permita que qualquer material es-não permita que qualquer material es-não permita que qualquer material es- tranho entre no gtranho entre no gtranho entre no gtranho entre no gtranho entre no garfo dianteiro.arfo dianteiro.arfo dianteiro.arfo dianteiro.arfo dianteiro.
  • 182.
    CHACHACHACHACHASSSSS 4 – 67 GARFODIANGARFO DIANGARFO DIANGARFO DIANGARFO DIANTEIROTEIROTEIROTEIROTEIRO MONMONMONMONMONTTTTTAAAAAGEM DGEM DGEM DGEM DGEM DA BENGALA DOA BENGALA DOA BENGALA DOA BENGALA DOA BENGALA DO GARFO DIANGARFO DIANGARFO DIANGARFO DIANGARFO DIANTEIROTEIROTEIROTEIROTEIRO 3. Aperte: • Parafuso da haste do amortizador 1. O seguinte procedimento se aplica às duas bengalas do garfo dianteiro. ••••• CerCerCerCerCertifique-se de que os níveis de óleo nas duastifique-se de que os níveis de óleo nas duastifique-se de que os níveis de óleo nas duastifique-se de que os níveis de óleo nas duastifique-se de que os níveis de óleo nas duas bengbengbengbengbengalas do galas do galas do galas do galas do garfo dianteiro estão iguais.arfo dianteiro estão iguais.arfo dianteiro estão iguais.arfo dianteiro estão iguais.arfo dianteiro estão iguais. ••••• Níveis diferentes de óleo podem resultar emNíveis diferentes de óleo podem resultar emNíveis diferentes de óleo podem resultar emNíveis diferentes de óleo podem resultar emNíveis diferentes de óleo podem resultar em dificuldade de manuseio e perda de estabi-dificuldade de manuseio e perda de estabi-dificuldade de manuseio e perda de estabi-dificuldade de manuseio e perda de estabi-dificuldade de manuseio e perda de estabi- lidade.lidade.lidade.lidade.lidade. V 1. Instale: • Haste do amortecedor 1. • Mola de recuo 2. 2. Lubrifique: • Superfície externa do tubo interno. Lubrificante recomendadoLubrificante recomendadoLubrificante recomendadoLubrificante recomendadoLubrificante recomendado óleo para suspensão 1óleo para suspensão 1óleo para suspensão 1óleo para suspensão 1óleo para suspensão 100000 W ouW ouW ouW ouW ou equiequiequiequiequivalentevalentevalentevalentevalente NONONONONOTTTTTA:A:A:A:A: • Quando montar a bengala do garfo dianteiro, certifique-se de substituir as seguintes peças: - bucha do tubo interno; - bucha do tubo externo; - retentor; - guarda-pó. • Antes de montar a bengala do garfo dianteiro, certifique-se de que os outros componentes estão limpos. FFFFFaça com que o conjunto da haste do amoraça com que o conjunto da haste do amoraça com que o conjunto da haste do amoraça com que o conjunto da haste do amoraça com que o conjunto da haste do amor----- tecedor desliztecedor desliztecedor desliztecedor desliztecedor deslize lentamente para dentro doe lentamente para dentro doe lentamente para dentro doe lentamente para dentro doe lentamente para dentro do tubo interno 3 até que apareça na partubo interno 3 até que apareça na partubo interno 3 até que apareça na partubo interno 3 até que apareça na partubo interno 3 até que apareça na partetetetete inferior do tubo interno.inferior do tubo interno.inferior do tubo interno.inferior do tubo interno.inferior do tubo interno.TTTTTome cuidado paraome cuidado paraome cuidado paraome cuidado paraome cuidado para não danificar o tubo interno.não danificar o tubo interno.não danificar o tubo interno.não danificar o tubo interno.não danificar o tubo interno.
  • 183.
    CHACHACHACHACHASSSSS 4 – 68 GARFODIANGARFO DIANGARFO DIANGARFO DIANGARFO DIANTEIROTEIROTEIROTEIROTEIRO NONONONONOTTTTTA:A:A:A:A: Enquanto segura a haste de amortecimento com o adaptador 2, o alongador 4 e a chave T 3, aperte o parafuso da haste do amortizador 1. Adaptador da haste amorAdaptador da haste amorAdaptador da haste amorAdaptador da haste amorAdaptador da haste amortttttizaizaizaizaizadordordordordoraaaaa 90890-090890-090890-090890-090890-011111460460460460460 ChaveChaveChaveChaveChave TTTTT 90890-090890-090890-090890-090890-011111326326326326326 PPPPParafuso (haste amorarafuso (haste amorarafuso (haste amorarafuso (haste amorarafuso (haste amortizadora):tizadora):tizadora):tizadora):tizadora): 2,0 k2,0 k2,0 k2,0 k2,0 kgfgfgfgfgf.m (20 N.m).m (20 N.m).m (20 N.m).m (20 N.m).m (20 N.m) Usar LUsar LUsar LUsar LUsar LOCTITEOCTITEOCTITEOCTITEOCTITE®®®®® 4. Lubrifique: • Tubo interno (superfície externa) 1. 5. Instale: • Bucha de guia 3. • Arruela espaçadora 2. Óleo de suspensão 1Óleo de suspensão 1Óleo de suspensão 1Óleo de suspensão 1Óleo de suspensão 10W ou0W ou0W ou0W ou0W ou equiequiequiequiequivalentevalentevalentevalentevalente 6. Instale: • Retentor de óleo 1. Use o martelo deslizante 2 e adapta- dor 3. NONONONONOTTTTTA:A:A:A:A: Antes de instalar o retentor, aplique graxa à base de sabão de lítio aos lábios do retentor. CerCerCerCerCertifique-se de instalar o retentor com atifique-se de instalar o retentor com atifique-se de instalar o retentor com atifique-se de instalar o retentor com atifique-se de instalar o retentor com a face que contém os números vface que contém os números vface que contém os números vface que contém os números vface que contém os números voltados paraoltados paraoltados paraoltados paraoltados para cima.cima.cima.cima.cima. MarMarMarMarMartelo deslizantetelo deslizantetelo deslizantetelo deslizantetelo deslizante 90890-090890-090890-090890-090890-011111367367367367367-09-09-09-09-09 Adaptador 41 mmAdaptador 41 mmAdaptador 41 mmAdaptador 41 mmAdaptador 41 mm 90890-090890-090890-090890-090890-011111381381381381381-09-09-09-09-09
  • 184.
    CHACHACHACHACHASSSSS 4 – 69 GARFODIANGARFO DIANGARFO DIANGARFO DIANGARFO DIANTEIROTEIROTEIROTEIROTEIRO 7. Instale: • Anel-trava 1. NONONONONOTTTTTA:A:A:A:A: • Instale o anel-trava 1 corretamente no canal 2 do tubo externo. 8. Instale: • Protetor de pó 1. Use o martelo deslizante 2 e adap- tador 3. MarMarMarMarMartelo deslizantetelo deslizantetelo deslizantetelo deslizantetelo deslizante 90890-090890-090890-090890-090890-011111367367367367367-09-09-09-09-09 Adaptador 41 mmAdaptador 41 mmAdaptador 41 mmAdaptador 41 mmAdaptador 41 mm 90890-090890-090890-090890-090890-011111381381381381381-09-09-09-09-09 9. Abasteça: • Bengala do garfo dianteiro (com a quan- tidade especificada do óleo para garfo recomendado). 10. Meça: • Nível de óleo da bengala a. Fora de especificação Corrija. Óleo recomendadoÓleo recomendadoÓleo recomendadoÓleo recomendadoÓleo recomendado Óleo para suspensão 1Óleo para suspensão 1Óleo para suspensão 1Óleo para suspensão 1Óleo para suspensão 100000 W ouW ouW ouW ouW ou equiequiequiequiequivalentevalentevalentevalentevalente Cada gCada gCada gCada gCada garfo da bengarfo da bengarfo da bengarfo da bengarfo da bengala:ala:ala:ala:ala: 541cc541cc541cc541cc541cc Após abastecerApós abastecerApós abastecerApós abastecerApós abastecer, bombeie vag, bombeie vag, bombeie vag, bombeie vag, bombeie vagaro-aro-aro-aro-aro- samente o gsamente o gsamente o gsamente o gsamente o garfo para cima e paraarfo para cima e paraarfo para cima e paraarfo para cima e paraarfo para cima e para baixbaixbaixbaixbaixo para distribuir o óleo.o para distribuir o óleo.o para distribuir o óleo.o para distribuir o óleo.o para distribuir o óleo. Nível de óleoNível de óleoNível de óleoNível de óleoNível de óleo a::::: 1111134 mm34 mm34 mm34 mm34 mm Do topo do tubo interno com oDo topo do tubo interno com oDo topo do tubo interno com oDo topo do tubo interno com oDo topo do tubo interno com o tubo externo totalmente compri-tubo externo totalmente compri-tubo externo totalmente compri-tubo externo totalmente compri-tubo externo totalmente compri- mido, sem a mola.mido, sem a mola.mido, sem a mola.mido, sem a mola.mido, sem a mola. NONONONONOTTTTTA:A:A:A:A: • Enquanto abastece a bengala do garfo dianteiro, mantenha-a ereta.
  • 185.
    CHACHACHACHACHASSSSS 4 – 70 GARFODIANGARFO DIANGARFO DIANGARFO DIANGARFO DIANTEIROTEIROTEIROTEIROTEIRO 11. Instale: • Mola do garfo 4. • Assento da mola 3. • Anel-trava 2. • Tampa 1. NONONONONOTTTTTA:A:A:A:A: • Instale a mola com o passo maior 5 para cima e passo menor 4 para baixo. • Ante de instalar o assento da mola, aplique graxa no anel O-ring. • Comprima o assento da mola e instale o anel-trava. 12. Instale: • Guarda-pó 2. • Braçadeira 1.
  • 186.
    CHACHACHACHACHASSSSS 4 – 71 GARFODIANGARFO DIANGARFO DIANGARFO DIANGARFO DIANTEIROTEIROTEIROTEIROTEIRO INSINSINSINSINSTTTTTALAÇÃO DALAÇÃO DALAÇÃO DALAÇÃO DALAÇÃO DAAAAAS BENGALAS BENGALAS BENGALAS BENGALAS BENGALAS DOS DOS DOS DOS DO GARFO DIANGARFO DIANGARFO DIANGARFO DIANGARFO DIANTEIROTEIROTEIROTEIROTEIRO O seguinte procedimento se aplica às duas bengalas do garfo dianteiro. 1. Instale: • Bengala do garfo dianteiro Aperte temporariamente os parafusos de fixação da mesa inferior. NONONONONOTTTTTA:A:A:A:A: Para instalar a bengala do garfo dianteiro, alinhe o tubo interno (a) de forma que fique nivelado com o topo da mesa superior. 2. Fixe: • Parafusos de fixação da mesa inferior 1. PPPPParafusoarafusoarafusoarafusoarafusosssss de fixação da mesa inferior:de fixação da mesa inferior:de fixação da mesa inferior:de fixação da mesa inferior:de fixação da mesa inferior: 2,3 k2,3 k2,3 k2,3 k2,3 kgfgfgfgfgf.m (23 N.m).m (23 N.m).m (23 N.m).m (23 N.m).m (23 N.m) 3. Fixe: • Parafusos de fixação da mesa superior 1. CerCerCerCerCertifique-se de que a mangueira do freio es-tifique-se de que a mangueira do freio es-tifique-se de que a mangueira do freio es-tifique-se de que a mangueira do freio es-tifique-se de que a mangueira do freio es- teja posicionada adequadamente.teja posicionada adequadamente.teja posicionada adequadamente.teja posicionada adequadamente.teja posicionada adequadamente. PPPPParafusoarafusoarafusoarafusoarafusosssss defixaçãodamesasuperior:defixaçãodamesasuperior:defixaçãodamesasuperior:defixaçãodamesasuperior:defixaçãodamesasuperior: 2,3 k2,3 k2,3 k2,3 k2,3 kgfgfgfgfgf.m (23 N.m).m (23 N.m).m (23 N.m).m (23 N.m).m (23 N.m)
  • 187.
    CHACHACHACHACHASSSSS 4 – 72 GARFODIANGARFO DIANGARFO DIANGARFO DIANGARFO DIANTEIROTEIROTEIROTEIROTEIRO 4. Instale: • Fixadores da mangueira de freio 2. • Parafusos de fixação 1 da mangueira do freio dianteiro. NONONONONOTTTTTA:A:A:A:A: Instale o fixador da mangueira do freio, observando a medida a 5 mm. PPPPParafusoarafusoarafusoarafusoarafusosssss de fixação da manguei-de fixação da manguei-de fixação da manguei-de fixação da manguei-de fixação da manguei- ra de freio:ra de freio:ra de freio:ra de freio:ra de freio: 1,0 k1,0 k1,0 k1,0 k1,0 kgfgfgfgfgf.m (1.m (1.m (1.m (1.m (10 N.m)0 N.m)0 N.m)0 N.m)0 N.m) O posicionamento adequado da mangueira deO posicionamento adequado da mangueira deO posicionamento adequado da mangueira deO posicionamento adequado da mangueira deO posicionamento adequado da mangueira de freio é essencial para gfreio é essencial para gfreio é essencial para gfreio é essencial para gfreio é essencial para garantir a operação se-arantir a operação se-arantir a operação se-arantir a operação se-arantir a operação se- gura da motocicleta. Consultegura da motocicleta. Consultegura da motocicleta. Consultegura da motocicleta. Consultegura da motocicleta. Consulte “P“P“P“P“PAAAAASSSSSSSSSSAAAAAGEM DEGEM DEGEM DEGEM DEGEM DE CABOS” no capítulo 2.CABOS” no capítulo 2.CABOS” no capítulo 2.CABOS” no capítulo 2.CABOS” no capítulo 2. 5. Instale: • Roda dianteira Consulte“RODA DIANTEIRA” no capítulo 4.
  • 188.
    CHACHACHACHACHASSSSS 4 – 73 CONJUNCONJUNCONJUNCONJUNCONJUNTTTTTODOO DOO DOO DOO DO AMORAMORAMORAMORAMORTECEDORTECEDORTECEDORTECEDORTECEDOR TRATRATRATRATRASEIROSEIROSEIROSEIROSEIRO CONJUNCONJUNCONJUNCONJUNCONJUNTTTTTO DOO DOO DOO DOO DO AMORAMORAMORAMORAMORTECEDORTECEDORTECEDORTECEDORTECEDOR TRATRATRATRATRASEIROSEIROSEIROSEIROSEIRO RRRRRemoção do conjunto do amoremoção do conjunto do amoremoção do conjunto do amoremoção do conjunto do amoremoção do conjunto do amortecedortecedortecedortecedortecedor Remova as peças na ordem listada. traseirotraseirotraseirotraseirotraseiro Assento / tampas laterais / abas laterais Consulte “CARENAGEM /TAMPAS E ABAS LATERAIS” Tanque de combustível / bateria Consulte “TANQUE DE COMBUSTÍVEL” Caixa de filtro de ar Roda traseira Consulte “RODATRASEIRA”. Pinça do freio traseiro Consulte “FREIOTRASEIRO” 1 Porca auto travante / arruela / parafuso 4/4/4 Consulte “CONJUNTO DO AMORTECEDOR 2 Braço de conexão 2 TRASEIRO” 3 Braço relê 1 4 Retentor / espaçador / bucha 2/2/2 5 Conjunto do amortecedor 1 Serviço/Peça Qtde. ObservaçãoOrdem
  • 189.
    CHACHACHACHACHASSSSS 4 – 74 CONJUNCONJUNCONJUNCONJUNCONJUNTTTTTODOO DOO DOO DOO DO AMORAMORAMORAMORAMORTECEDORTECEDORTECEDORTECEDORTECEDOR TRATRATRATRATRASEIROSEIROSEIROSEIROSEIRO CONJUNCONJUNCONJUNCONJUNCONJUNTTTTTO DOO DOO DOO DOO DO AMORAMORAMORAMORAMORTECEDORTECEDORTECEDORTECEDORTECEDORTRATRATRATRATRASEIROSEIROSEIROSEIROSEIRO 2. Remova: • A roda traseira. Consulte “RODATRASEIRA” no capítulo 4. Este amorEste amorEste amorEste amorEste amortecedor traseiro contém gás nitro-tecedor traseiro contém gás nitro-tecedor traseiro contém gás nitro-tecedor traseiro contém gás nitro-tecedor traseiro contém gás nitro- gênio altamente comprimido.gênio altamente comprimido.gênio altamente comprimido.gênio altamente comprimido.gênio altamente comprimido. Antes de manu-Antes de manu-Antes de manu-Antes de manu-Antes de manu- sear o amorsear o amorsear o amorsear o amorsear o amortecedor traseiro, leia e certecedor traseiro, leia e certecedor traseiro, leia e certecedor traseiro, leia e certecedor traseiro, leia e certifique-tifique-tifique-tifique-tifique- se de que entendeu as informações a seguirse de que entendeu as informações a seguirse de que entendeu as informações a seguirse de que entendeu as informações a seguirse de que entendeu as informações a seguir..... O fabricante não se responsabilizará por da-O fabricante não se responsabilizará por da-O fabricante não se responsabilizará por da-O fabricante não se responsabilizará por da-O fabricante não se responsabilizará por da- nos à propriedade ou ferimentos pessoais quenos à propriedade ou ferimentos pessoais quenos à propriedade ou ferimentos pessoais quenos à propriedade ou ferimentos pessoais quenos à propriedade ou ferimentos pessoais que possam resultar do manuseio inadequado dopossam resultar do manuseio inadequado dopossam resultar do manuseio inadequado dopossam resultar do manuseio inadequado dopossam resultar do manuseio inadequado do amoramoramoramoramortecedortecedortecedortecedortecedor..... ••••• Não modifique ou tente violar o amorNão modifique ou tente violar o amorNão modifique ou tente violar o amorNão modifique ou tente violar o amorNão modifique ou tente violar o amortece-tece-tece-tece-tece- dor traseiro.dor traseiro.dor traseiro.dor traseiro.dor traseiro. ••••• Não sujeite o amorNão sujeite o amorNão sujeite o amorNão sujeite o amorNão sujeite o amortecedor traseiro à ctecedor traseiro à ctecedor traseiro à ctecedor traseiro à ctecedor traseiro à chamahamahamahamahama aberaberaberaberaberta ou qualquer outra fonte de calorta ou qualquer outra fonte de calorta ou qualquer outra fonte de calorta ou qualquer outra fonte de calorta ou qualquer outra fonte de calor..... Calor excessiCalor excessiCalor excessiCalor excessiCalor excessivvvvvo pode causar uma explosãoo pode causar uma explosãoo pode causar uma explosãoo pode causar uma explosãoo pode causar uma explosão pela pressão excessipela pressão excessipela pressão excessipela pressão excessipela pressão excessiva de gás.va de gás.va de gás.va de gás.va de gás. ••••• Não deforme ou danifique o amorNão deforme ou danifique o amorNão deforme ou danifique o amorNão deforme ou danifique o amorNão deforme ou danifique o amortecedortecedortecedortecedortecedor traseiro de qualquer maneira. Danos aotraseiro de qualquer maneira. Danos aotraseiro de qualquer maneira. Danos aotraseiro de qualquer maneira. Danos aotraseiro de qualquer maneira. Danos ao amoramoramoramoramortecedor traseiro resultarão em quedatecedor traseiro resultarão em quedatecedor traseiro resultarão em quedatecedor traseiro resultarão em quedatecedor traseiro resultarão em queda de desempenho do amaciamento.de desempenho do amaciamento.de desempenho do amaciamento.de desempenho do amaciamento.de desempenho do amaciamento. NONONONONOTTTTTA:A:A:A:A: Coloque a motocicleta em um suporte adequado para que a roda traseira fique suspensa. REMOÇÃOREMOÇÃOREMOÇÃOREMOÇÃOREMOÇÃO 1. Coloque a motocicleta em uma superfície plana. ELIMINAÇÃO DE UMELIMINAÇÃO DE UMELIMINAÇÃO DE UMELIMINAÇÃO DE UMELIMINAÇÃO DE UM AMORAMORAMORAMORAMORTECEDORTECEDORTECEDORTECEDORTECEDOR TRATRATRATRATRASEIROSEIROSEIROSEIROSEIRO V ••••• A pressão do gás deve ser liberada antesA pressão do gás deve ser liberada antesA pressão do gás deve ser liberada antesA pressão do gás deve ser liberada antesA pressão do gás deve ser liberada antes do descardo descardo descardo descardo descarte de um amorte de um amorte de um amorte de um amorte de um amortecedor traseiro.tecedor traseiro.tecedor traseiro.tecedor traseiro.tecedor traseiro. PPPPPara liberar a pressão do gás, faça um orifí-ara liberar a pressão do gás, faça um orifí-ara liberar a pressão do gás, faça um orifí-ara liberar a pressão do gás, faça um orifí-ara liberar a pressão do gás, faça um orifí- cio de 2 a 3 mm em um pontocio de 2 a 3 mm em um pontocio de 2 a 3 mm em um pontocio de 2 a 3 mm em um pontocio de 2 a 3 mm em um ponto a entre 30 aentre 30 aentre 30 aentre 30 aentre 30 a 60 mm distante de sua extremidade, como60 mm distante de sua extremidade, como60 mm distante de sua extremidade, como60 mm distante de sua extremidade, como60 mm distante de sua extremidade, como mostrado.mostrado.mostrado.mostrado.mostrado. ••••• Use proteção para os olhos para evitar da-Use proteção para os olhos para evitar da-Use proteção para os olhos para evitar da-Use proteção para os olhos para evitar da-Use proteção para os olhos para evitar da- nos causados pelo gás liberado ou parnos causados pelo gás liberado ou parnos causados pelo gás liberado ou parnos causados pelo gás liberado ou parnos causados pelo gás liberado ou partícu-tícu-tícu-tícu-tícu- las de metal.las de metal.las de metal.las de metal.las de metal. PPPPPosicione a motocicleta firmemente para queosicione a motocicleta firmemente para queosicione a motocicleta firmemente para queosicione a motocicleta firmemente para queosicione a motocicleta firmemente para que não haja risco de queda.não haja risco de queda.não haja risco de queda.não haja risco de queda.não haja risco de queda.
  • 190.
    CHACHACHACHACHASSSSS 4 – 75 CONJUNCONJUNCONJUNCONJUNCONJUNTTTTTODOO DOO DOO DOO DO AMORAMORAMORAMORAMORTECEDORTECEDORTECEDORTECEDORTECEDOR TRATRATRATRATRASEIROSEIROSEIROSEIROSEIRO 3. Remova: • Os pinos-travas 1 que fixam o pára- barro na balança. NOTA: Para remoção dos pinos-trava é necessário desarmá-lo, pressionando os pinos internos para baixo. 4. Remova: • Parafuso de fixação 1 da balança ao suporte do braço do relé. • Parafuso inferior do conjunto do amortecedor traseiro 2. NONONONONOTTTTTA:A:A:A:A: • Enquanto o parafuso inferior do conjunto do amortecedor traseiro é retirado, segure a balança traseira para que esta não caia. • Observe o correto posicionamento da conexão do braço do relé. 5. Desencaixe: • A ECU 1. • O relé do pisca 2. • A caixa de fusíveis 3. • O conector do chicote do sensor de inclinação 4. • O relé de partida 5. 6. Remova: • O silencioso traseiro. 7. Remova: • O pára-lama traseiro.
  • 191.
    CHACHACHACHACHASSSSS 4 – 76 CONJUNCONJUNCONJUNCONJUNCONJUNTTTTTODOO DOO DOO DOO DO AMORAMORAMORAMORAMORTECEDORTECEDORTECEDORTECEDORTECEDOR TRATRATRATRATRASEIROSEIROSEIROSEIROSEIRO 8. Remova: • A mangueira 1 do respiro do motor. • A mangueira 2 de indução de ar do motor. 9. Remova: • O conjunto do filtro de ar. 10. Remova: • Oparafusodefixaçãosuperiordoamor- tecedor. 11. Remova: • O amortecedor. INSPEÇÃO DO CONJUNINSPEÇÃO DO CONJUNINSPEÇÃO DO CONJUNINSPEÇÃO DO CONJUNINSPEÇÃO DO CONJUNTTTTTO DOO DOO DOO DOO DO AMORAMORAMORAMORAMORTECEDORTECEDORTECEDORTECEDORTECEDOR TRATRATRATRATRASEIROSEIROSEIROSEIROSEIRO 1. Verifique: • Haste do amortecedor traseiro. Empenado/danos → Substitua o conjunto do amortecedor traseiro. • Amortecedor traseiro. Vazamentos de gás/óleo → Substitua o conjunto do amortecedor traseiro. • Mola. Danos/desgastes → Substitua o conjunto do amortecedor traseiro. • Parafusos. Empenado/danos/desgastes → Substituir.
  • 192.
    CHACHACHACHACHASSSSS 4 – 77 CONJUNCONJUNCONJUNCONJUNCONJUNTTTTTODOO DOO DOO DOO DO AMORAMORAMORAMORAMORTECEDORTECEDORTECEDORTECEDORTECEDOR TRATRATRATRATRASEIROSEIROSEIROSEIROSEIRO Lubrificante recomendado:Lubrificante recomendado:Lubrificante recomendado:Lubrificante recomendado:Lubrificante recomendado: Graxa à base de sabão de lítioGraxa à base de sabão de lítioGraxa à base de sabão de lítioGraxa à base de sabão de lítioGraxa à base de sabão de lítio 2. Instale: • Conjunto do amortecedor traseiro. 3. Instale: • O parafuso de fixação superior do amortecedor. NONONONONOTTTTTA:A:A:A:A: O parafuso de fixação superior do amortecedor deve ser montado da direita para esquerda. 4. Fixe: • Porca superior do conjunto do amortecedor traseiro. PPPPPorca superior:orca superior:orca superior:orca superior:orca superior: 4,2 k4,2 k4,2 k4,2 k4,2 kgfgfgfgfgf.m (42 N.m).m (42 N.m).m (42 N.m).m (42 N.m).m (42 N.m) 2. Verifique: • Braços de conexão 1. • Braço relé 2. Danos/desgastes → Substituir. 3. Verifique: • Espaçadores. • Retentores. • Rolamentos. Danos/corrosão/riscos → Substituir. INSINSINSINSINSTTTTTALAÇÃOALAÇÃOALAÇÃOALAÇÃOALAÇÃO 1. Lubrifique: • Buchas. • Parafusos. 5. Instale: • Parafuso inferior do conjunto do amortecedor traseiro 2. • Porca inferior do conjunto do amortecedor traseiro. • O parafuso de fixação da balança ao suporte do braço relé 1. • A porca do suporte do braço relé a balança traseira. PPPPPorca do supororca do supororca do supororca do supororca do suporte do braço relé:te do braço relé:te do braço relé:te do braço relé:te do braço relé: 5,7 k5,7 k5,7 k5,7 k5,7 kgfgfgfgfgf.m (57 N.m).m (57 N.m).m (57 N.m).m (57 N.m).m (57 N.m) PPPPPorca inferior do conjunto doorca inferior do conjunto doorca inferior do conjunto doorca inferior do conjunto doorca inferior do conjunto do amoramoramoramoramortecedor traseiro:tecedor traseiro:tecedor traseiro:tecedor traseiro:tecedor traseiro: 5,7 k5,7 k5,7 k5,7 k5,7 kgfgfgfgfgf.m (57 N.m).m (57 N.m).m (57 N.m).m (57 N.m).m (57 N.m)
  • 193.
    CHACHACHACHACHASSSSS 4 – 78 CONJUNCONJUNCONJUNCONJUNCONJUNTTTTTODOO DOO DOO DOO DO AMORAMORAMORAMORAMORTECEDORTECEDORTECEDORTECEDORTECEDOR TRATRATRATRATRASEIROSEIROSEIROSEIROSEIRO 6. Instale: • Braçadeira da junta do conjunto do fil- tro de ar 1. NONONONONOTTTTTA:A:A:A:A: Para instalar a abraçadeira, alinhe a fenda a com o ressalto do conjunto do filtro de ar. 7. Instale: • O conjunto do filtro de ar, observando o encaixe da mangueira de entrada de ar no corpo de borboleta. • Aperte a mangueira de entrada de ar no corpo de borboleta. PPPPParafuso da mangueira de entradaarafuso da mangueira de entradaarafuso da mangueira de entradaarafuso da mangueira de entradaarafuso da mangueira de entrada de arde arde arde arde ar::::: 0,6 k0,6 k0,6 k0,6 k0,6 kgfgfgfgfgf.m (6 N.m).m (6 N.m).m (6 N.m).m (6 N.m).m (6 N.m) NONONONONOTTTTTA:A:A:A:A: • Quando instalar o conjunto do amortecedor traseiro, levante a balança traseira. • Observe o correto posicionamento da conexão do braço do relé. 8. Instale: • A mangueira 1 do respiro do motor no conjunto do filtro de ar. • A mangueira 2 de indução de ar. 9. Instale: • O pára-lama traseiro. PPPPParafuso de fixaçãoarafuso de fixaçãoarafuso de fixaçãoarafuso de fixaçãoarafuso de fixação do pára-lamado pára-lamado pára-lamado pára-lamado pára-lama traseirotraseirotraseirotraseirotraseiro::::: 0,65 k0,65 k0,65 k0,65 k0,65 kgfgfgfgfgf.m (6,5 N.m).m (6,5 N.m).m (6,5 N.m).m (6,5 N.m).m (6,5 N.m)
  • 194.
    CHACHACHACHACHASSSSS 4 – 79 CONJUNCONJUNCONJUNCONJUNCONJUNTTTTTODOO DOO DOO DOO DO AMORAMORAMORAMORAMORTECEDORTECEDORTECEDORTECEDORTECEDOR TRATRATRATRATRASEIROSEIROSEIROSEIROSEIRO 10. Instale: • A ECU 1. • O relé do pisca 2. • A caixa de fusíveis 3. • O conector do chicote do sensor de inclinação 4. • O relé de partida 5. • A bateria. 11. Instale: • O silencioso traseiro. PPPPParafuso de fixaçãoarafuso de fixaçãoarafuso de fixaçãoarafuso de fixaçãoarafuso de fixação superior dosuperior dosuperior dosuperior dosuperior do silenciososilenciososilenciososilenciososilencioso 11111 no cno cno cno cno chassihassihassihassihassi::::: 4 k4 k4 k4 k4 kgfgfgfgfgf.m (40 N.m).m (40 N.m).m (40 N.m).m (40 N.m).m (40 N.m) PPPPParafuso de fixaçãoarafuso de fixaçãoarafuso de fixaçãoarafuso de fixaçãoarafuso de fixação inferior doinferior doinferior doinferior doinferior do silenciososilenciososilenciososilenciososilencioso 22222 no cno cno cno cno chassihassihassihassihassi::::: 4 k4 k4 k4 k4 kgfgfgfgfgf.m (40 N.m).m (40 N.m).m (40 N.m).m (40 N.m).m (40 N.m) PPPPParafusodefixaçãodaarafusodefixaçãodaarafusodefixaçãodaarafusodefixaçãodaarafusodefixaçãodabraçadeirabraçadeirabraçadeirabraçadeirabraçadeira 33333::::: 2 k2 k2 k2 k2 kgfgfgfgfgf.m (20 N.m).m (20 N.m).m (20 N.m).m (20 N.m).m (20 N.m)
  • 195.
    CHACHACHACHACHASSSSS 4 – 80 BALANÇABALANÇABALANÇABALANÇABALANÇATRATRATRATRATRASEIRA E CORRENSEIRA E CORRENSEIRA E CORRENSEIRA E CORRENSEIRA E CORRENTE DETE DETE DETE DETE DE TRANSMISSÃOTRANSMISSÃOTRANSMISSÃOTRANSMISSÃOTRANSMISSÃO BALANÇABALANÇABALANÇABALANÇABALANÇATRATRATRATRATRASEIRA E CORRENSEIRA E CORRENSEIRA E CORRENSEIRA E CORRENSEIRA E CORRENTE DETE DETE DETE DETE DETRANSMISSÃOTRANSMISSÃOTRANSMISSÃOTRANSMISSÃOTRANSMISSÃO RRRRRemoção da balança traseiraemoção da balança traseiraemoção da balança traseiraemoção da balança traseiraemoção da balança traseira Remova as peças na ordem listada. Roda traseira 1 Consulte “RODATRASEIRA”. Conjunto do freio traseiro 1 Parafuso / Porca / Arruela 2/2/2 2 Eixo de articulação / Porca / Arruela 1/1/1 3 Balança 1 4 Corrente de transmissão 1 5 Tampa da carcaça 1 6 Porca 1 7 Arruela-trava 1 8 Pinhão 1 9 Tampas 2 10 Bucha 2 11 Espaçador 1 12 Bico de graxa 1 13 Guia da corrente 1 14 Protetor da corrente 1 Serviço/Peça Qtde. ObservaçãoOrdem
  • 196.
    CHACHACHACHACHASSSSS 4 – 81 BALANÇABALANÇABALANÇABALANÇABALANÇATRATRATRATRATRASEIRA E CORRENSEIRA E CORRENSEIRA E CORRENSEIRA E CORRENSEIRA E CORRENTE DETE DETE DETE DETE DE TRANSMISSÃOTRANSMISSÃOTRANSMISSÃOTRANSMISSÃOTRANSMISSÃO BALANÇABALANÇABALANÇABALANÇABALANÇA TRATRATRATRATRASEIRASEIRASEIRASEIRASEIRA REMOÇÃOREMOÇÃOREMOÇÃOREMOÇÃOREMOÇÃO 1. Coloque a motocicleta em uma superfí- cie plana. PPPPPosicione a motocicleta firmemente para queosicione a motocicleta firmemente para queosicione a motocicleta firmemente para queosicione a motocicleta firmemente para queosicione a motocicleta firmemente para que não haja risco de queda.não haja risco de queda.não haja risco de queda.não haja risco de queda.não haja risco de queda. NONONONONOTTTTTA:A:A:A:A: Coloque a motocicleta em um suporte adequado para que a roda traseira fique suspensa. 2. Meça: • Folga lateral da balança traseira. • Movimento vertical da balança traseira. ********************************************************************************************************************************************************************************************** a. Meça o torque de aperto da porca do eixo da balança. PPPPPorca do eixorca do eixorca do eixorca do eixorca do eixo da balança:o da balança:o da balança:o da balança:o da balança: 8 k8 k8 k8 k8 kgfgfgfgfgf.m (80 N.m).m (80 N.m).m (80 N.m).m (80 N.m).m (80 N.m) b. Meça a folga lateral da balança traseira A, movendo a balança de um lado para outro. c. Caso a folga lateral da balança esteja fora da especificação, verifique os espaçadores e buchas. Verifique também as tampas. d. Verifique o movimento vertical da balan- ça traseira B, movendo a balança para cima e para baixo. • Se o movimento vertical da balança não é suave ou há interferência, verifique os espaçadores e buchas. Verifique tam- bém as tampas. ********************************************************************************************************************************************************************************************** FFFFFolgolgolgolgolga lateral da balança traseiraa lateral da balança traseiraa lateral da balança traseiraa lateral da balança traseiraa lateral da balança traseira (na ponta da balança):(na ponta da balança):(na ponta da balança):(na ponta da balança):(na ponta da balança): 1 mm1 mm1 mm1 mm1 mm
  • 197.
    CHACHACHACHACHASSSSS 4 – 82 BALANÇABALANÇABALANÇABALANÇABALANÇATRATRATRATRATRASEIRA E CORRENSEIRA E CORRENSEIRA E CORRENSEIRA E CORRENSEIRA E CORRENTE DETE DETE DETE DETE DE TRANSMISSÃOTRANSMISSÃOTRANSMISSÃOTRANSMISSÃOTRANSMISSÃO 3. Remova: • Os pinos travas 1 que fixam o para- barro na balança. 4. Remova: • O parafuso de fixação 1 do reservató- rio no suporte do estribo traseiro. 5. Remova: • Os parafusos de fixação 1 da manguei- ra flexível do freio. 6. Remova: • Os parafusos de fixação 1 do suporte do freio traseiro. • O conjunto do suporte do freio traseiro. NONONONONOTTTTTA:A:A:A:A: Para remoção dos pinos trava é necessário desarmá-lo, pressionando os pinos internos para baixo.
  • 198.
    CHACHACHACHACHASSSSS 4 – 83 BALANÇABALANÇABALANÇABALANÇABALANÇATRATRATRATRATRASEIRA E CORRENSEIRA E CORRENSEIRA E CORRENSEIRA E CORRENSEIRA E CORRENTE DETE DETE DETE DETE DE TRANSMISSÃOTRANSMISSÃOTRANSMISSÃOTRANSMISSÃOTRANSMISSÃO 7. Remova: • O parafuso de fixação da balança 1 ao suporte do braço do relé. • O parafuso inferior do conjunto do amortecedor traseiro 2. NONONONONOTTTTTA:A:A:A:A: • Enquanto o parafuso inferior do conjunto do amortecedor traseiro é retirado, segure a balança traseira para que esta não caia. • Observe o correto posicionamento da conexão do braço do relé. 8. Remova: • O eixo de articulação da balança 1. • A balança. REMOÇÃO DO PINHÃO E CORRENREMOÇÃO DO PINHÃO E CORRENREMOÇÃO DO PINHÃO E CORRENREMOÇÃO DO PINHÃO E CORRENREMOÇÃO DO PINHÃO E CORRENTETETETETE 1. Remova: • Pedal do câmbio 1. • Os parafusos de fixação da tampa da carcaça 2. • Tampa da carcaça 3. 2. Remova: • Desdobre as abas a da arruela-trava do pinhão. • Porca do pinhão 1. • A arruela-trava 2. • Pinhão 3. NONONONONOTTTTTA:A:A:A:A: Solte a porca do pinhão enquanto aplica o freio traseiro. 3. Remova: • A corrente de transmissão. Apoie firmemente a motocicleta para que nãoApoie firmemente a motocicleta para que nãoApoie firmemente a motocicleta para que nãoApoie firmemente a motocicleta para que nãoApoie firmemente a motocicleta para que não haja perigo dela cairhaja perigo dela cairhaja perigo dela cairhaja perigo dela cairhaja perigo dela cair.....
  • 199.
    CHACHACHACHACHASSSSS 4 – 84 BALANÇABALANÇABALANÇABALANÇABALANÇATRATRATRATRATRASEIRA E CORRENSEIRA E CORRENSEIRA E CORRENSEIRA E CORRENSEIRA E CORRENTE DETE DETE DETE DETE DE TRANSMISSÃOTRANSMISSÃOTRANSMISSÃOTRANSMISSÃOTRANSMISSÃO INSPEÇÃO DINSPEÇÃO DINSPEÇÃO DINSPEÇÃO DINSPEÇÃO DA BALANÇAA BALANÇAA BALANÇAA BALANÇAA BALANÇATRATRATRATRATRASEIRASEIRASEIRASEIRASEIRA 1. Verifique: • Balança traseira. Empenos/rachaduras/danos Substi- tuir. 2. Verifique: • Eixo de articulação. • Role o eixo de articulação da balança em uma superfície plana. Empenamento Substituir. ADVERTÊNCIA Não tente alinhar um eixNão tente alinhar um eixNão tente alinhar um eixNão tente alinhar um eixNão tente alinhar um eixo de aro de aro de aro de aro de articulação daticulação daticulação daticulação daticulação da balança empenado.balança empenado.balança empenado.balança empenado.balança empenado. 3. Verifique: • Braços de conexão 1. • Braço relé 2. Danos/desgastes Substituir. 4. Verifique: • Espaçadores. • Retentores. • Buchas. Danos/corrosão/riscos Substituir.
  • 200.
    CHACHACHACHACHASSSSS 4 – 85 BALANÇABALANÇABALANÇABALANÇABALANÇATRATRATRATRATRASEIRA E CORRENSEIRA E CORRENSEIRA E CORRENSEIRA E CORRENSEIRA E CORRENTE DETE DETE DETE DETE DE TRANSMISSÃOTRANSMISSÃOTRANSMISSÃOTRANSMISSÃOTRANSMISSÃO INSPEÇÃO DINSPEÇÃO DINSPEÇÃO DINSPEÇÃO DINSPEÇÃO DA CORRENA CORRENA CORRENA CORRENA CORRENTETETETETE 1. Meça: • Comprimento de 15 elos na parte interna a e na parte externa b no rolete e calcule o comprimento entre os roletes centrais. • Comprimento c entre roletes centrais = (dimensão interna a + dimensão externa b/2). • Segmento de 15 elos da corrente de transmissão. Fora de especificação → Substitua a corrente de transmissão, pinhão e coroa como um conjunto. Limite doLimite doLimite doLimite doLimite do segmentosegmentosegmentosegmentosegmento de 1de 1de 1de 1de 155555 elos:elos:elos:elos:elos: 1111191,5 mm91,5 mm91,5 mm91,5 mm91,5 mm NONONONONOTTTTTA:A:A:A:A: • Enquanto mede o segmento de 15 elos, force a corrente de transmissão para baixo para aumentar a tensão. • Faça a medição em dois ou três pontos diferentes. 2. Verifique: • Engripamento dos elos da corrente de transmissão, limpar e lubrificar ou trocar. 3. Limpe: • Corrente de transmissão. Coloque a corrente em querosene e escove-a, eliminando as sujeiras. Depois seque a corrente.
  • 201.
    CHACHACHACHACHASSSSS 4 – 86 BALANÇABALANÇABALANÇABALANÇABALANÇATRATRATRATRATRASEIRA E CORRENSEIRA E CORRENSEIRA E CORRENSEIRA E CORRENSEIRA E CORRENTE DETE DETE DETE DETE DE TRANSMISSÃOTRANSMISSÃOTRANSMISSÃOTRANSMISSÃOTRANSMISSÃO 4. Verifique: • Anéis O-rings 1. Danos → Substitua a corrente de transmissão. • Roletes da corrente de transmissão 2. Danos/Desgastes → Substitua a corrente de transmissão. • Placas laterais da corrente de transmissão 3. Rachaduras → Substitua a corrente de transmissão e certifique-se de que a mangueira de respiro da bateria esteja posicionada adequadamente longe da corrente de transmissão e abaixo da balança traseira. 5. Lubrifique: • Corrente de transmissão. Lubrificante recomendado óleo de motor ouLubrificante recomendado óleo de motor ouLubrificante recomendado óleo de motor ouLubrificante recomendado óleo de motor ouLubrificante recomendado óleo de motor ou lubrificante de corlubrificante de corlubrificante de corlubrificante de corlubrificante de corrente de transmissão ade-rente de transmissão ade-rente de transmissão ade-rente de transmissão ade-rente de transmissão ade- quado para anéis O-rings.quado para anéis O-rings.quado para anéis O-rings.quado para anéis O-rings.quado para anéis O-rings. TTTTTroque a corroque a corroque a corroque a corroque a corrente de transmissão, a coroarente de transmissão, a coroarente de transmissão, a coroarente de transmissão, a coroarente de transmissão, a coroa e o pinhão como um conjunto.e o pinhão como um conjunto.e o pinhão como um conjunto.e o pinhão como um conjunto.e o pinhão como um conjunto. Esta motocicleta possui uma corEsta motocicleta possui uma corEsta motocicleta possui uma corEsta motocicleta possui uma corEsta motocicleta possui uma corrente derente derente derente derente de transmissão com pequenos anéis O-ringstransmissão com pequenos anéis O-ringstransmissão com pequenos anéis O-ringstransmissão com pequenos anéis O-ringstransmissão com pequenos anéis O-rings de borde borde borde borde borracracracracracha entre as placas laterais. Nuncaha entre as placas laterais. Nuncaha entre as placas laterais. Nuncaha entre as placas laterais. Nuncaha entre as placas laterais. Nunca use água ou ar de alta pressão, vaporuse água ou ar de alta pressão, vaporuse água ou ar de alta pressão, vaporuse água ou ar de alta pressão, vaporuse água ou ar de alta pressão, vapor,,,,, gggggasolina, determinados solventes (ex.asolina, determinados solventes (ex.asolina, determinados solventes (ex.asolina, determinados solventes (ex.asolina, determinados solventes (ex. benzina) ou escobenzina) ou escobenzina) ou escobenzina) ou escobenzina) ou escova áspera para limpar ava áspera para limpar ava áspera para limpar ava áspera para limpar ava áspera para limpar a corcorcorcorcorrente. Métodos de alta pressão podemrente. Métodos de alta pressão podemrente. Métodos de alta pressão podemrente. Métodos de alta pressão podemrente. Métodos de alta pressão podem levar sujeira ou água para dentro daslevar sujeira ou água para dentro daslevar sujeira ou água para dentro daslevar sujeira ou água para dentro daslevar sujeira ou água para dentro das parparparparpartes internas dos elos e solventes irãotes internas dos elos e solventes irãotes internas dos elos e solventes irãotes internas dos elos e solventes irãotes internas dos elos e solventes irão deteriorar os anéis O-rings. Escodeteriorar os anéis O-rings. Escodeteriorar os anéis O-rings. Escodeteriorar os anéis O-rings. Escodeteriorar os anéis O-rings. Escova ásperava ásperava ásperava ásperava áspera pode danificar estes anéis. Ppode danificar estes anéis. Ppode danificar estes anéis. Ppode danificar estes anéis. Ppode danificar estes anéis. Pororororortanto, utiliztanto, utiliztanto, utiliztanto, utiliztanto, utilizeeeee apenas querosene para limpar a corapenas querosene para limpar a corapenas querosene para limpar a corapenas querosene para limpar a corapenas querosene para limpar a correnterenterenterenterente de transmissão.de transmissão.de transmissão.de transmissão.de transmissão. Não mergulhe a corNão mergulhe a corNão mergulhe a corNão mergulhe a corNão mergulhe a corrente de transmissãorente de transmissãorente de transmissãorente de transmissãorente de transmissão em querosene por mais de 1em querosene por mais de 1em querosene por mais de 1em querosene por mais de 1em querosene por mais de 10 minutos,0 minutos,0 minutos,0 minutos,0 minutos, caso contrário os anéis O-rings podem sercaso contrário os anéis O-rings podem sercaso contrário os anéis O-rings podem sercaso contrário os anéis O-rings podem sercaso contrário os anéis O-rings podem ser danificados.danificados.danificados.danificados.danificados.
  • 202.
    CHACHACHACHACHASSSSS 4 – 87 BALANÇABALANÇABALANÇABALANÇABALANÇATRATRATRATRATRASEIRA E CORRENSEIRA E CORRENSEIRA E CORRENSEIRA E CORRENSEIRA E CORRENTE DETE DETE DETE DETE DE TRANSMISSÃOTRANSMISSÃOTRANSMISSÃOTRANSMISSÃOTRANSMISSÃO INSPEÇÃO E SUBSINSPEÇÃO E SUBSINSPEÇÃO E SUBSINSPEÇÃO E SUBSINSPEÇÃO E SUBSTITUIÇÃO DOTITUIÇÃO DOTITUIÇÃO DOTITUIÇÃO DOTITUIÇÃO DO PINHÃOPINHÃOPINHÃOPINHÃOPINHÃO 1. Verifique: • O pinhão. Desgaste maior do que 1/4 de dente a →Trocar relação. 2 Pinhão. Dente inclinado →Trocar relação. b Correto. 1 Rolete da corrente de transmissão. 2. Instale: • Pinhão 3. • Arruela-trava 2. • Porca do pinhão 1. PPPPPorca do pinhão:orca do pinhão:orca do pinhão:orca do pinhão:orca do pinhão: 111111,0 k1,0 k1,0 k1,0 k1,0 kgfgfgfgfgf.m (1.m (1.m (1.m (1.m (1111110 N.m)0 N.m)0 N.m)0 N.m)0 N.m) NONONONONOTTTTTA:A:A:A:A: • Aperte a porca (pinhão) enquanto aplica o freio traseiro. • Dobre as abas a da arruela depois de apertada a porca. INSINSINSINSINSTTTTTALAÇÃO DALAÇÃO DALAÇÃO DALAÇÃO DALAÇÃO DA CORRENA CORRENA CORRENA CORRENA CORRENTE ETE ETE ETE ETE E PINHÃOPINHÃOPINHÃOPINHÃOPINHÃO 1. Instale: • A corrente de transmissão. 3. Instale: • Tampa da carcaça 3. • Os parafusos de fixação da tampa da carcaça 2. PPPPParafusos de fixação da tampa daarafusos de fixação da tampa daarafusos de fixação da tampa daarafusos de fixação da tampa daarafusos de fixação da tampa da carcaça:carcaça:carcaça:carcaça:carcaça: 1,0 k1,0 k1,0 k1,0 k1,0 kgfgfgfgfgf.m (1.m (1.m (1.m (1.m (10 N.m)0 N.m)0 N.m)0 N.m)0 N.m) • Pedal de câmbio 1. • O parafuso do pedal de câmbio 4. PPPPParafuso do pedal de câmbio:arafuso do pedal de câmbio:arafuso do pedal de câmbio:arafuso do pedal de câmbio:arafuso do pedal de câmbio: 1,0 k1,0 k1,0 k1,0 k1,0 kgfgfgfgfgf.m (1.m (1.m (1.m (1.m (10 N.m)0 N.m)0 N.m)0 N.m)0 N.m) 4. Lubrifique: • Corrente de transmissão. Lubrificante da corLubrificante da corLubrificante da corLubrificante da corLubrificante da corrente de transmissão: Srente de transmissão: Srente de transmissão: Srente de transmissão: Srente de transmissão: SAEAEAEAEAE 20W40 óleo de motor20W40 óleo de motor20W40 óleo de motor20W40 óleo de motor20W40 óleo de motor.....
  • 203.
    CHACHACHACHACHASSSSS 4 – 88 BALANÇABALANÇABALANÇABALANÇABALANÇATRATRATRATRATRASEIRA E CORRENSEIRA E CORRENSEIRA E CORRENSEIRA E CORRENSEIRA E CORRENTE DETE DETE DETE DETE DE TRANSMISSÃOTRANSMISSÃOTRANSMISSÃOTRANSMISSÃOTRANSMISSÃO INSINSINSINSINSTTTTTALAÇÃO DALAÇÃO DALAÇÃO DALAÇÃO DALAÇÃO DA BALANÇAA BALANÇAA BALANÇAA BALANÇAA BALANÇA TRATRATRATRATRASEIRASEIRASEIRASEIRASEIRA 1. Lubrifique: • Eixo de articulação da balança 1. • Espaçador 2. • Buchas. 2. Instale: • Buchas. • Espaçador 2 (na balança traseira). • Tampa 3. 3. Instale: • A balança traseira. Lubrificante recomendado:Lubrificante recomendado:Lubrificante recomendado:Lubrificante recomendado:Lubrificante recomendado: Graxa à base de sabão de lítioGraxa à base de sabão de lítioGraxa à base de sabão de lítioGraxa à base de sabão de lítioGraxa à base de sabão de lítio 4. Instale: • O eixo de articulação da balança. Porca do eixo da balança::::: 8 k8 k8 k8 k8 kgfgfgfgfgf.m (80 N.m).m (80 N.m).m (80 N.m).m (80 N.m).m (80 N.m) 5. Instale: • Parafuso inferior do conjunto do amor- tecedor traseiro 2. • Porca inferior do conjunto do amorte- cedor traseiro. • O parafuso de fixação da balança ao suporte do braço relé 1. • A porca do suporte do braço relé à ba- lança traseira. NONONONONOTTTTTA:A:A:A:A: • Quando instalar o conjunto do amortecedor traseiro, levante a balança traseira. • Observe o correto posicionamento da conexão do braço do relé. PPPPPorca inferior do conjunto doorca inferior do conjunto doorca inferior do conjunto doorca inferior do conjunto doorca inferior do conjunto do amoramoramoramoramortecedor traseirotecedor traseirotecedor traseirotecedor traseirotecedor traseiro::::: 5,7 k5,7 k5,7 k5,7 k5,7 kgfgfgfgfgf.m (57 N.m).m (57 N.m).m (57 N.m).m (57 N.m).m (57 N.m) PPPPPorca do supororca do supororca do supororca do supororca do suporte do braço reléte do braço reléte do braço reléte do braço reléte do braço relé::::: 5,7 k5,7 k5,7 k5,7 k5,7 kgfgfgfgfgf.m (57 N.m).m (57 N.m).m (57 N.m).m (57 N.m).m (57 N.m)
  • 204.
    CHACHACHACHACHASSSSS 4 – 89 BALANÇABALANÇABALANÇABALANÇABALANÇATRATRATRATRATRASEIRA E CORRENSEIRA E CORRENSEIRA E CORRENSEIRA E CORRENSEIRA E CORRENTE DETE DETE DETE DETE DE TRANSMISSÃOTRANSMISSÃOTRANSMISSÃOTRANSMISSÃOTRANSMISSÃO PPPPParafusos de fixação do suporarafusos de fixação do suporarafusos de fixação do suporarafusos de fixação do suporarafusos de fixação do suportetetetete do freio traseirodo freio traseirodo freio traseirodo freio traseirodo freio traseiro::::: 4,75 k4,75 k4,75 k4,75 k4,75 kgfgfgfgfgf.m (47.m (47.m (47.m (47.m (47,5 N.m),5 N.m),5 N.m),5 N.m),5 N.m) 8. Instale: • O parafuso de fixação do reservatório no suporte do estribo traseiro. PPPPParafuso de fixação doarafuso de fixação doarafuso de fixação doarafuso de fixação doarafuso de fixação do reservatório:reservatório:reservatório:reservatório:reservatório: 0,4 k0,4 k0,4 k0,4 k0,4 kgfgfgfgfgf.m (4 N.m).m (4 N.m).m (4 N.m).m (4 N.m).m (4 N.m) 6. Posicione: • O conjunto do suporte do freio traseiro. 7. Instale: • Os parafusos de fixação do suporte do freio traseiro. 9. Posicione: • A mangueira do flexível em seu aloja- mento. 10. Instale: • Os fixadores da mangueira de freio na balança 1. • Os parafusos dos fixadores da man- gueira flexível do freio. V PPPPParafusos de fixação da man-arafusos de fixação da man-arafusos de fixação da man-arafusos de fixação da man-arafusos de fixação da man- gueira flexível do freiogueira flexível do freiogueira flexível do freiogueira flexível do freiogueira flexível do freio::::: 0,65 k0,65 k0,65 k0,65 k0,65 kgfgfgfgfgf.m (6,5 N.m).m (6,5 N.m).m (6,5 N.m).m (6,5 N.m).m (6,5 N.m) 11. Instale: • O interruptor do freio traseiro. • A mola de retorno 1 do interruptor de freio traseiro.
  • 205.
    CHACHACHACHACHASSSSS 4 – 90 BALANÇABALANÇABALANÇABALANÇABALANÇATRATRATRATRATRASEIRA E CORRENSEIRA E CORRENSEIRA E CORRENSEIRA E CORRENSEIRA E CORRENTE DETE DETE DETE DETE DE TRANSMISSÃOTRANSMISSÃOTRANSMISSÃOTRANSMISSÃOTRANSMISSÃO 12. Instale: • O protetor da corrente. • Os parafusos 1 de fixação do prote- tor da corrente. V PPPPParafusos de fixação do protetorarafusos de fixação do protetorarafusos de fixação do protetorarafusos de fixação do protetorarafusos de fixação do protetor da corda corda corda corda correnterenterenterenterente::::: 0,65 k0,65 k0,65 k0,65 k0,65 kgfgfgfgfgf.m (6,5 N.m).m (6,5 N.m).m (6,5 N.m).m (6,5 N.m).m (6,5 N.m) Lubrifique o eixLubrifique o eixLubrifique o eixLubrifique o eixLubrifique o eixo da balança através dao da balança através dao da balança através dao da balança através dao da balança através da engraxadeiraengraxadeiraengraxadeiraengraxadeiraengraxadeira 11111 localizada na parlocalizada na parlocalizada na parlocalizada na parlocalizada na parte inferior date inferior date inferior date inferior date inferior da balança.balança.balança.balança.balança. 13. Instale: • A roda traseira. Consulte “RODA TRASEIRA” no capí- tulo 4.
  • 206.
    CAPÍTULCAPÍTULCAPÍTULCAPÍTULCAPÍTULOOOOO 55555 MOMOMOMOMOTTTTTOROROROROR TUBO DEESCAPE E SILENCIOSOTUBO DE ESCAPE E SILENCIOSOTUBO DE ESCAPE E SILENCIOSOTUBO DE ESCAPE E SILENCIOSOTUBO DE ESCAPE E SILENCIOSO.............................................................................................................................................................................................................................................................................................................................................................. 5-15-15-15-15-1 REMOÇÃO ............................................................................................................. 5-1 INSTALAÇÃO DOTUBO DE ESCAPE E SILENCIOSO ......................................... 5-2 FIAÇÃOFIAÇÃOFIAÇÃOFIAÇÃOFIAÇÃO, CABOS, MANGUEIRA, CABOS, MANGUEIRA, CABOS, MANGUEIRA, CABOS, MANGUEIRA, CABOS, MANGUEIRAS E BOBINA DE IGNIÇÃOS E BOBINA DE IGNIÇÃOS E BOBINA DE IGNIÇÃOS E BOBINA DE IGNIÇÃOS E BOBINA DE IGNIÇÃO ..................................................................................................................................................................... 5-35-35-35-35-3 REMOÇÃO DO MOTOR......................................................................................... 5-5 INSTALAÇÃO DO MOTOR .................................................................................. 5-10 CABEÇOCABEÇOCABEÇOCABEÇOCABEÇOTETETETETE .............................................................................................................................................................................................................................................................................................................................................................................................................................................................................................................................................5-15-15-15-15-166666 REMOÇÃO DO CABEÇOTE ................................................................................. 5-18 INSPEÇÃO DO CABEÇOTE ................................................................................. 5-19 INSPEÇÃO DASTAMPAS DE VÁLVULA E COROA DE COMANDO .................. 5-20 INSPEÇÃO DOTENSIONADOR DA CORRENTE DE COMANDO ...................... 5-20 INSPEÇÃO DA COROA DE COMANDO.............................................................. 5-20 INSTALAÇÃO DO CABEÇOTE............................................................................. 5-21 BALANCINS E EIXBALANCINS E EIXBALANCINS E EIXBALANCINS E EIXBALANCINS E EIXO DE COMANDOO DE COMANDOO DE COMANDOO DE COMANDOO DE COMANDO ..........................................................................................................................................................................................................................................................................................................................................5-245-245-245-245-24 REMOÇÃO DOS BALANCINS E EIXO DE COMANDO ...................................... 5-25 INSPEÇÃO DO EIXO DE COMANDO.................................................................. 5-26 INSPEÇÃO DOS BALANCINS E EIXO DOS BALANCINS ................................. 5-27 INSTALAÇÃO DO EIXO DE COMANDO E BALANCINS .................................... 5-28 VÁLVÁLVÁLVÁLVÁLVULAVULAVULAVULAVULAS E MOLAS DS E MOLAS DS E MOLAS DS E MOLAS DS E MOLAS DAAAAASSSSS VÁLVÁLVÁLVÁLVÁLVULAVULAVULAVULAVULASSSSS ......................................................................................................................................................................................................................................................................................................................5-305-305-305-305-30 REMOÇÃO DAS VÁLVULAS................................................................................ 5-32 INSPEÇÃO DAS VÁLVULAS E GUIAS DAS VÁLVULAS..................................... 5-33 INSPEÇÃO DO ASSENTO DA VÁLVULA ............................................................ 5-35 INSPEÇÃO DAS MOLAS DA VÁLVULA .............................................................. 5-37 INSTALAÇÃO DAS VÁLVULAS ........................................................................... 5-38 CILINDRO E PISCILINDRO E PISCILINDRO E PISCILINDRO E PISCILINDRO E PISTÃOTÃOTÃOTÃOTÃO ..................................................................................................................................................................................................................................................................................................................................................................................................................................................................5-405-405-405-405-40 REMOÇÃO DO CILINDRO E PISTÃO.................................................................. 5-41 INSPEÇÃO DO CILINDRO E PISTÃO .................................................................. 5-41 INSPEÇÃO DOS ANÉIS ....................................................................................... 5-43 INSPEÇÃO DO PINO DO PISTÃO ....................................................................... 5-44 INSTALAÇÃO DO PISTÃO E DO CILINDRO ....................................................... 5-45 EMBREAEMBREAEMBREAEMBREAEMBREAGEMGEMGEMGEMGEM .........................................................................................................................................................................................................................................................................................................................................................................................................................................................................................................................5-475-475-475-475-47 TAMPA DA EMBREAGEM ................................................................................... 5-47 EMBREAGEM ...................................................................................................... 5-48 ALAVANCA DE ACIONAMENTO......................................................................... 5-50 REMOÇÃO DA EMBREAGEM............................................................................. 5-51 INSPEÇÃO DA ENGRENAGEM PRIMÁRIA ........................................................ 5-52 INSPEÇÃO DOS DISCOS DE FRICÇÃO .............................................................. 5-52 INSPEÇÃO DOS DISCOS DE AÇO ...................................................................... 5-52 INSPEÇÃO DAS MOLAS DE EMBREAGEM ....................................................... 5-53
  • 207.
    INSPEÇÃO DA CAMPANA.................................................................................. 5-53 INSPEÇÃO DA PLACA DE PRESSÃO ................................................................. 5-53 INSPEÇÃO DA ALAVANCA E DA HASTE DE ACIONAMENTO ......................... 5-54 INSPEÇÃO DA CAMPANA .................................................................................. 5-54 INSTALAÇÃO DA EMBREAGEM ........................................................................ 5-54 BOMBA DE ÓLEO E ENGRENABOMBA DE ÓLEO E ENGRENABOMBA DE ÓLEO E ENGRENABOMBA DE ÓLEO E ENGRENABOMBA DE ÓLEO E ENGRENAGEM DO BALANCEIROGEM DO BALANCEIROGEM DO BALANCEIROGEM DO BALANCEIROGEM DO BALANCEIRO ....................................................................................................................................................................................5-585-585-585-585-58 BOMBA DE ÓLEOBOMBA DE ÓLEOBOMBA DE ÓLEOBOMBA DE ÓLEOBOMBA DE ÓLEO ......................................................................................................................................................................................................................................................................................................................................................................................................................................................................................5-605-605-605-605-60 INSPEÇÃO DA BOMBA DE ÓLEO ...................................................................... 5-61 INSPEÇÃO DOSTUBOS E MANGUEIRAS DE FORNECIMENTO DE ÓLEO ..... 5-62 MONTAGEM DA BOMBA DE ÓLEO ................................................................... 5-62 INSTALAÇÃO DA BOMBA DE ÓLEO.................................................................. 5-63 RADIADOR DE ÓLEORADIADOR DE ÓLEORADIADOR DE ÓLEORADIADOR DE ÓLEORADIADOR DE ÓLEO .............................................................................................................................................................................................................................................................................................................................................................................................................................................................5-635-635-635-635-63 INSPEÇÃO DO RADIADOR ................................................................................. 5-64 MONTAGEM DO RADIADOR .............................................................................. 5-65 REMOÇÃO DA ENGRENAGEM DO BALANCEIRO............................................ 5-67 INSPEÇÃO DA ENGRENAGEM DO BALANCEIRO ............................................ 5-67 MONTAGEM DA ENGRENAGEM DO BALANCEIRO......................................... 5-68 SINCRONIZAÇÃO DA ENGRENAGEM DO BALANCEIRO COM A ENGRENAGEM MOTORA ................................................................................... 5-68 EIXEIXEIXEIXEIXO DE MUDO DE MUDO DE MUDO DE MUDO DE MUDANÇAANÇAANÇAANÇAANÇA ..................................................................................................................................................................................................................................................................................................................................................................................................................................................................5-695-695-695-695-69 EIXO DE MUDANÇA E ALAVANCA DE POSIÇÃO ............................................. 5-69 DESMONTAGEM DO EIXO DE MUDANÇA ....................................................... 5-70 INSPEÇÃO DO EIXO DE MUDANÇA .................................................................. 5-70 INSPEÇÃO DA ALAVANCA DE POSIÇÃO .......................................................... 5-70 INSTALAÇÃO DO EIXO DE MUDANÇA ............................................................. 5-70 ENGRENAENGRENAENGRENAENGRENAENGRENAGEM DE PGEM DE PGEM DE PGEM DE PGEM DE PARARARARARTIDTIDTIDTIDTIDA E MAA E MAA E MAA E MAA E MAGNETGNETGNETGNETGNETOOOOO A.C.A.C.A.C.A.C.A.C. ................................................................................................................................................................................................................................................5-725-725-725-725-72 REMOÇÃO DO ROTOR DO MAGNETO A.C. ...................................................... 5-74 INSPEÇÃO DA ENGRENAGEM DE PARTIDA (SENTIDO ÚNICO)..................... 5-75 MONTAGEM DO ROTOR DO MAGNETO A.C. ................................................... 5-75 VIRABREQVIRABREQVIRABREQVIRABREQVIRABREQUIM E CARCAÇAUIM E CARCAÇAUIM E CARCAÇAUIM E CARCAÇAUIM E CARCAÇAS DO MOS DO MOS DO MOS DO MOS DO MOTTTTTOROROROROR ........................................................................................................................................................................................................................................................................................5-785-785-785-785-78 SEPARAÇÃO DAS CARCAÇAS ........................................................................... 5-80 REMOÇÃO DO CONJUNTO VIRABREQUIM E BALANCEIRO .......................... 5-81 INSPEÇÃO DO VIRABREQUIM ........................................................................... 5-81 INSPEÇÃO DAS CARCAÇAS DO MOTOR .......................................................... 5-82 INSPEÇÃO DA CORRENTE DE COMANDO E GUIAS ....................................... 5-82 MONTAGEM DO VIRABREQUIM ........................................................................ 5-84 ROLAMENTOS DO VIRABREQUIM .................................................................... 5-85 INSTALAÇÃO DO VIRABREQUIM....................................................................... 5-85 CARCAÇA (LADO DIREITO) ................................................................................ 5-86 TRANSMISSÃOTRANSMISSÃOTRANSMISSÃOTRANSMISSÃOTRANSMISSÃO..........................................................................................................................................................................................................................................................................................................................................................................................................................................................................................................5-885-885-885-885-88 EIXO PRIMÁRIO / EIXO SECUNDÁRIO .............................................................. 5-89 REMOÇÃO DATRANSMISSÃO .......................................................................... 5-91 INSPEÇÃO DOTRAMBULADOR CONJUNTO E GARFOS DE MUDANÇA ...... 5-91 INSPEÇÃO DATRANSMISSÃO .......................................................................... 5-92 INSTALAÇÃO DATRANSMISSÃO ..................................................................... 5-93
  • 208.
    5 – 1 REMOÇÃODO MOREMOÇÃO DO MOREMOÇÃO DO MOREMOÇÃO DO MOREMOÇÃO DO MOTTTTTOROROROROR MOMOMOMOMOTTTTTOROROROROR TUBO DE ESCAPE ETUBO DE ESCAPE ETUBO DE ESCAPE ETUBO DE ESCAPE ETUBO DE ESCAPE E SILENCIOSOSILENCIOSOSILENCIOSOSILENCIOSOSILENCIOSO REMOÇÃOREMOÇÃOREMOÇÃOREMOÇÃOREMOÇÃO 1. Remova: • A tampa lateral direita. 2. Remova: • O parafuso de fixação 1 superior do si- lencioso no chassi. 3. Remova: • O parafuso de fixação 1 inferior do si- lencioso no chassi. 4. Solte: • O parafuso da braçadeira 2 de junção do tubo de escape com o silencioso. 5. Remova: • O silencioso. 6. Remova: • As porcas de fixação 1 do tubo de es- cape. 7. Remova: • O tubo de escape. 8. Remova: • A gaxeta 1.
  • 209.
    5 – 2 REMOÇÃODO MOREMOÇÃO DO MOREMOÇÃO DO MOREMOÇÃO DO MOREMOÇÃO DO MOTTTTTOROROROROR MOMOMOMOMOTTTTTOROROROROR INSTALAÇÃO DO TUBO DE ESCAPE E SILENCIOSO 1. Instale: • A gaxeta 1. 2. Instale: • O tubo de escape. • As porcas de fixação 1. 3. Instale: • O silencioso. • O parafuso de fixação 1 inferior do si- lencioso no chassi. • O parafuso da braçadeira 2 de junção do tubo de escape com o silencioso. 4. Instale: • O parafuso de fixação 1 superior do silencioso no chassi. V PPPPParafuso de fixação superior doarafuso de fixação superior doarafuso de fixação superior doarafuso de fixação superior doarafuso de fixação superior do silencioso no csilencioso no csilencioso no csilencioso no csilencioso no chassihassihassihassihassi::::: 4 k4 k4 k4 k4 kgfgfgfgfgf.m (40 N.m).m (40 N.m).m (40 N.m).m (40 N.m).m (40 N.m) 5. Instale: • A tampa lateral direita. NoNoNoNoNovvvvvooooo PPPPPorcasorcasorcasorcasorcas de fixação:de fixação:de fixação:de fixação:de fixação: 1,7 k1,7 k1,7 k1,7 k1,7 kgfgfgfgfgf.m (1.m (1.m (1.m (1.m (17 N.m)7 N.m)7 N.m)7 N.m)7 N.m)V V PPPPParafuso de fixação inferior doarafuso de fixação inferior doarafuso de fixação inferior doarafuso de fixação inferior doarafuso de fixação inferior do silencioso no csilencioso no csilencioso no csilencioso no csilencioso no chassihassihassihassihassi::::: 4 k4 k4 k4 k4 kgfgfgfgfgf.m (40 N.m).m (40 N.m).m (40 N.m).m (40 N.m).m (40 N.m) PPPPParafuso da braçadeiraarafuso da braçadeiraarafuso da braçadeiraarafuso da braçadeiraarafuso da braçadeira::::: 2 k2 k2 k2 k2 kgfgfgfgfgf.m (20 N.m).m (20 N.m).m (20 N.m).m (20 N.m).m (20 N.m)
  • 210.
    5 – 3 REMOÇÃODO MOREMOÇÃO DO MOREMOÇÃO DO MOREMOÇÃO DO MOREMOÇÃO DO MOTTTTTOROROROROR MOMOMOMOMOTTTTTOROROROROR 1,0 kgf.m (10 N.m) 8 9 0 C 4 A 5 6 7 1,0 kgf.m (10 N.m) 1 11,0 kgf.m (110 N.m) NoNoNoNoNovvvvvooooo B 3 2 FIAÇÃOFIAÇÃOFIAÇÃOFIAÇÃOFIAÇÃO, CABOS, MANGUEIRA, CABOS, MANGUEIRA, CABOS, MANGUEIRA, CABOS, MANGUEIRA, CABOS, MANGUEIRAS E BOBINA DE IGNIÇÃOS E BOBINA DE IGNIÇÃOS E BOBINA DE IGNIÇÃOS E BOBINA DE IGNIÇÃOS E BOBINA DE IGNIÇÃO RRRRRemoção da fiação, cabos, mangueiras eemoção da fiação, cabos, mangueiras eemoção da fiação, cabos, mangueiras eemoção da fiação, cabos, mangueiras eemoção da fiação, cabos, mangueiras e Remover as peças na ordem listada bobina de igniçãobobina de igniçãobobina de igniçãobobina de igniçãobobina de ignição Óleo do motor/ radiador Drenar Assento/tampas laterais (esquerda e direita) Consulte “CARENAGEM ETAMPAS LATERAIS” no capítulo 3. Abas laterais do tanque de combustível (direita e esquerda)/tanque de combustível Consulte “TANQUE DE COMBUSTÍVEL” no capítulo 3. Corpo de injeção Consulte “CONJUNTO DO CORPO DE INJEÇÃO” no capítulo 7. 1 Pedal de câmbio 1 Consulte “RELAÇÃO DA TRANSMISSÃO” no capítulo 4. 2 Pinhão 1 Serviço/Peça Qtde. ObservaçãoOrdem D
  • 211.
    5 – 4 REMOÇÃODO MOREMOÇÃO DO MOREMOÇÃO DO MOREMOÇÃO DO MOREMOÇÃO DO MOTTTTTOROROROROR MOMOMOMOMOTTTTTOROROROROR 3 Corrente de transmissão 1 4 Mangueira de respiro do motor 1 Desconectar 5 Cabo do motor de partida 1 6 Trava do cabo de embreagem 1 7 Cabo de embreagem 1 8 Conectores do chicote principal 5 Desconectar 9 Cachimbo da vela de ignição 1 10 Bobina de ignição 1 11 Mangueira de vácuo 1 Desconectar 12 Fio do interruptor do neutro 1 Desconectar 13 Chicote do sensor de velocidade 1 Desconectar 14 Mangueira de indução de ar no motor 1 Desconectar Serviço/Peça Qtde. ObservaçãoOrdem 1,0 kgf.m (10 N.m) 8 9 0 C 4 A 5 6 7 1,0 kgf.m (10 N.m) 1 11,0 kgf.m (110 N.m) NoNoNoNoNovvvvvooooo B 3 2 D
  • 212.
    5 – 5 REMOÇÃODO MOREMOÇÃO DO MOREMOÇÃO DO MOREMOÇÃO DO MOREMOÇÃO DO MOTTTTTOROROROROR MOMOMOMOMOTTTTTOROROROROR REMOÇÃO DO MOREMOÇÃO DO MOREMOÇÃO DO MOREMOÇÃO DO MOREMOÇÃO DO MOTTTTTOROROROROR 1. Coloque a motocicleta em uma superfí- cie plana. PPPPPosicione a motocicleta firmemente para queosicione a motocicleta firmemente para queosicione a motocicleta firmemente para queosicione a motocicleta firmemente para queosicione a motocicleta firmemente para que não haja perigo de queda.não haja perigo de queda.não haja perigo de queda.não haja perigo de queda.não haja perigo de queda. 2. Remova: • A mola de retorno 1 do interruptor de freio traseiro. • O interruptor do freio 2 traseiro. 3. Remova: • Os parafusos 1 de fixação do suporte do pedal do freio traseiro. • O conjunto do suporte do freio traseiro. 4. Remova: • A mangueira 1 do respiro do motor. • A mangueira 2 de indução de ar do motor na caixa do filtro de ar. 5. Remova: • O cabo de embreagem na extremidade do motor. NONONONONOTTTTTA:A:A:A:A: Antes de remover o cabo de embreagem, levante a trava 1 da extremidade do cabo o suficiente para poder removê-lo de seu alojamento.
  • 213.
    5 – 6 REMOÇÃODO MOREMOÇÃO DO MOREMOÇÃO DO MOREMOÇÃO DO MOREMOÇÃO DO MOTTTTTOROROROROR MOMOMOMOMOTTTTTOROROROROR 6. Remova: • O cabo positivo 1 do motor de partida. 7. Remova: • O parafuso 1 de fixação do cabo de aterramento. • O cabo de aterramento 2 do motor. • O suporte 3 do cabo de embreagem de seu alojamento. 8. Remova: • O conector 1 do sensor de temperatu- ra do motor. 9. Remova: • O conector 1 do sensor de velocidade. 10. Remova: • A braçadeira da mangueira de vácuo. • A mangueira de vácuo 1 no coletor de admissão.
  • 214.
    5 – 7 REMOÇÃODO MOREMOÇÃO DO MOREMOÇÃO DO MOREMOÇÃO DO MOREMOÇÃO DO MOTTTTTOROROROROR MOMOMOMOMOTTTTTOROROROROR 11. Remova: • O conector do interruptor 1 do cava- lete lateral. 12. Remova: • Os parafusos de fixação 1 do estri- bo do lado esquerdo. • O estribo do lado esquerdo. 13. Remova: • O pinhão. Consulte “RELAÇÃO DA TRANSMIS- SÃO” no capítulo 4. 14. Remova: • O conector 1 do interruptor de neutro. 15. Remova: • O cachimbo 1 de vela. 16. Remova: • Os conectores da bobina de carga 1 e do sensor de posição do virabre- quim 2.
  • 215.
    5 – 8 REMOÇÃODO MOREMOÇÃO DO MOREMOÇÃO DO MOREMOÇÃO DO MOREMOÇÃO DO MOTTTTTOROROROROR MOMOMOMOMOTTTTTOROROROROR 17. Remova: • Os parafusos de fixação das man- gueiras de entrada 1 e saída 2 de óleo do motor no radiador. NONONONONOTTTTTA:A:A:A:A: Posicionar um recipiente sob as mangueiras para coletar o restante do óleo do motor. 18. Remova: • Os parafusos de fixação 1 do radia- dor no suporte do chassi. • O radiador. 19. Remova: • A braçadeira da mangueira de indução de ar no motor. • A mangueira de indução de ar. 20. Remova: • As porcas e parafusos 1 do supor- te dianteiro superior do motor ao chassi. 21. Remova: • As porcas e parafusos 1 do suporte traseiro superior do motor ao chassi.
  • 216.
    5 – 9 REMOÇÃODO MOREMOÇÃO DO MOREMOÇÃO DO MOREMOÇÃO DO MOREMOÇÃO DO MOTTTTTOROROROROR MOMOMOMOMOTTTTTOROROROROR 22. Remova: • A porca e parafuso 1 do suporte tra- seiro inferior do motor ao chassi. 23. Remova: • A porca e parafuso 1 do suporte dian- teiro inferior do motor ao chassi. 24. Remova: • O conjunto motor. NONONONONOTTTTTA:A:A:A:A: Remova o conjunto motor pelo lado direito da motocicleta.
  • 217.
    5 – 10 REMOÇÃODO MOREMOÇÃO DO MOREMOÇÃO DO MOREMOÇÃO DO MOREMOÇÃO DO MOTTTTTOROROROROR MOMOMOMOMOTTTTTOROROROROR INSINSINSINSINSTTTTTALAÇÃO DO MOALAÇÃO DO MOALAÇÃO DO MOALAÇÃO DO MOALAÇÃO DO MOTTTTTOROROROROR 1. Instale: • O motor. • Ao instalar o motor no chassi, inverta a ordem dos procedimentos de remoção. Monte os parafusos pelo lado esquerdo doMonte os parafusos pelo lado esquerdo doMonte os parafusos pelo lado esquerdo doMonte os parafusos pelo lado esquerdo doMonte os parafusos pelo lado esquerdo do ccccchassi e as porcas do lado direito.hassi e as porcas do lado direito.hassi e as porcas do lado direito.hassi e as porcas do lado direito.hassi e as porcas do lado direito. 2. Instale: • A porca e parafuso 1 do suporte dian- teiro inferior do motor ao chassi. PPPPPorca do porca do porca do porca do porca do parafuso de fixaçãoarafuso de fixaçãoarafuso de fixaçãoarafuso de fixaçãoarafuso de fixação dododododo suporsuporsuporsuporsuportetetetete::::: 6,5 k6,5 k6,5 k6,5 k6,5 kgfgfgfgfgf.m (65 N.m).m (65 N.m).m (65 N.m).m (65 N.m).m (65 N.m) V 3. Instale: • A porca e parafuso 1 do suporte tra- seiro inferior do motor ao chassi. PPPPPorca do porca do porca do porca do porca do parafuso de fixaçãoarafuso de fixaçãoarafuso de fixaçãoarafuso de fixaçãoarafuso de fixação dododododo suporsuporsuporsuporsuportetetetete::::: 6,5 k6,5 k6,5 k6,5 k6,5 kgfgfgfgfgf.m (65 N.m).m (65 N.m).m (65 N.m).m (65 N.m).m (65 N.m) V 4. Instale: • As porcas e parafusos 1 do suporte tra- seiro superior do motor ao chassi. PPPPPorcas do porcas do porcas do porcas do porcas do parafuso de fixaçãoarafuso de fixaçãoarafuso de fixaçãoarafuso de fixaçãoarafuso de fixação dododododo suporsuporsuporsuporsuportetetetete::::: 6,5 k6,5 k6,5 k6,5 k6,5 kgfgfgfgfgf.m (65 N.m).m (65 N.m).m (65 N.m).m (65 N.m).m (65 N.m) V 5. Instale: • As porcas e parafusos 1 do suporte dianteiro superior do motor ao chassi. PPPPPorcas do porcas do porcas do porcas do porcas do parafuso de fixaçãoarafuso de fixaçãoarafuso de fixaçãoarafuso de fixaçãoarafuso de fixação dododododo suporsuporsuporsuporsuportetetetete::::: 6,5 k6,5 k6,5 k6,5 k6,5 kgfgfgfgfgf.m (65 N.m).m (65 N.m).m (65 N.m).m (65 N.m).m (65 N.m) V
  • 218.
    5 – 11 REMOÇÃODO MOREMOÇÃO DO MOREMOÇÃO DO MOREMOÇÃO DO MOREMOÇÃO DO MOTTTTTOROROROROR MOMOMOMOMOTTTTTOROROROROR 6. Instale: • A mangueira de indução de ar no tubo. • Abraçadeiradamangueiradeindução1. 7. Instale: • O radiador. • Os parafusos de fixação 1 do radiador no suporte do chassi. PPPPParafusoarafusoarafusoarafusoarafusosssss de fixaçãode fixaçãode fixaçãode fixaçãode fixação do supordo supordo supordo supordo suportetetetete::::: 1,0 k1,0 k1,0 k1,0 k1,0 kgfgfgfgfgf.m (1.m (1.m (1.m (1.m (10 N.m)0 N.m)0 N.m)0 N.m)0 N.m) 8. Instale: • Anéis O-rings 1 no motor. • Espaçadores 2 no motor. • Mangueiras de óleo no motor. NoNoNoNoNovvvvvooooo 9. Instale: • As mangueiras de entrada 1 e saída 2 de óleo do motor no radiador. • Os parafusos de fixação das manguei- ras de entrada e saída de óleo do radia- dor no motor. V PPPPParafusoarafusoarafusoarafusoarafusosssss de fixação das manguei-de fixação das manguei-de fixação das manguei-de fixação das manguei-de fixação das manguei- ras de entrada e saída de óleoras de entrada e saída de óleoras de entrada e saída de óleoras de entrada e saída de óleoras de entrada e saída de óleo::::: 1,0 k1,0 k1,0 k1,0 k1,0 kgfgfgfgfgf.m (1.m (1.m (1.m (1.m (10 N.m)0 N.m)0 N.m)0 N.m)0 N.m) 10. Instale: • Os conectores da bobina de carga 1 e do sensor de posição do virabre- quim 2.
  • 219.
    5 – 12 REMOÇÃODO MOREMOÇÃO DO MOREMOÇÃO DO MOREMOÇÃO DO MOREMOÇÃO DO MOTTTTTOROROROROR MOMOMOMOMOTTTTTOROROROROR 11. Instale: • O cachimbo 1 de vela. 12. Instale: • O conector 1 do interruptor de neutro. 13. Instale: • O pinhão. Consulte “RELAÇÃO DA TRANSMIS- SÃO” no capítulo 4. Conector do interConector do interConector do interConector do interConector do interruptor de neutroruptor de neutroruptor de neutroruptor de neutroruptor de neutro::::: 1,0 k1,0 k1,0 k1,0 k1,0 kgfgfgfgfgf.m (1.m (1.m (1.m (1.m (10 N.m)0 N.m)0 N.m)0 N.m)0 N.m) 14. Instale: • Os parafusos 1 de fixação do estri- bo do lado esquerdo. PPPPParafusoarafusoarafusoarafusoarafusosssss de fixaçãode fixaçãode fixaçãode fixaçãode fixação do estribodo estribodo estribodo estribodo estribo::::: 6,3 k6,3 k6,3 k6,3 k6,3 kgfgfgfgfgf.m (63 N.m).m (63 N.m).m (63 N.m).m (63 N.m).m (63 N.m) 15. Instale: • O conector 1 do interruptor do cava- lete lateral. 16. Instale: • A mangueira de vácuo 1 no coletor de admissão. • A braçadeira da mangueira de vácuo.
  • 220.
    5 – 13 REMOÇÃODO MOREMOÇÃO DO MOREMOÇÃO DO MOREMOÇÃO DO MOREMOÇÃO DO MOTTTTTOROROROROR MOMOMOMOMOTTTTTOROROROROR 17. Instale: • O conector 1 do sensor de veloci- dade. 18. Instale: • O conector 1 do sensor de tempera- tura do motor. 19. Instale: • O suporte 1 do cabo de embreagem. • O cabo de aterramento 2 do motor. • O parafuso de fixação 3 do cabo de aterramento. 20. Instale: • O cabo positivo 1 do motor de par- tida. • A porca de fixação do cabo positivo. PPPPPorcaorcaorcaorcaorca de fixação do cabode fixação do cabode fixação do cabode fixação do cabode fixação do cabo positipositipositipositipositivvvvvooooo::::: 1,0 k1,0 k1,0 k1,0 k1,0 kgfgfgfgfgf.m (1.m (1.m (1.m (1.m (10 N.m)0 N.m)0 N.m)0 N.m)0 N.m) 21. Instale: • O cabo de embreagem na extremida- de do motor. NONONONONOTTTTTA:A:A:A:A: Depois de instalar o cabo de embreagem, abaixe a trava 1 da extremidade do cabo o suficiente para poder travá-lo em seu aloja- mento. PPPPParafusoarafusoarafusoarafusoarafuso de fixação do cabode fixação do cabode fixação do cabode fixação do cabode fixação do cabo dedededede aterateraterateraterramentoramentoramentoramentoramento::::: 1,0 k1,0 k1,0 k1,0 k1,0 kgfgfgfgfgf.m (1.m (1.m (1.m (1.m (10 N.m)0 N.m)0 N.m)0 N.m)0 N.m)
  • 221.
    5 – 14 REMOÇÃODO MOREMOÇÃO DO MOREMOÇÃO DO MOREMOÇÃO DO MOREMOÇÃO DO MOTTTTTOROROROROR MOMOMOMOMOTTTTTOROROROROR 22. Instale: • A mangueira 1 do respiro do motor. • A mangueira 2 de indução de ar do motor na caixa do filtro de ar. • As braçadeiras das mangueiras do respiro e de indução de ar. 23. Posicione: • O conjunto do suporte do freio tra- seiro. 24. Instale: • Os parafusos de fixação 1 do supor- te do freio traseiro V PPPPParafusos de fixação do suporarafusos de fixação do suporarafusos de fixação do suporarafusos de fixação do suporarafusos de fixação do suportetetetete do freio traseirodo freio traseirodo freio traseirodo freio traseirodo freio traseiro::::: 4,75 k4,75 k4,75 k4,75 k4,75 kgfgfgfgfgf.m (47.m (47.m (47.m (47.m (47,5 N.m),5 N.m),5 N.m),5 N.m),5 N.m) 25. Instale: • O interruptor 2 do freio traseiro. • A mola de retorno 1 do interruptor do freio traseiro. 26. Ajuste: • O interruptor do freio traseiro. Consulte “AJUSTE DO INTERRUPTOR DO FREIOTRASEIRO” no capítulo 3. 27. Instale: • O corpo de injeção. Consulte “CONJUNTO DO CORPO DE INJEÇÃO” no capítulo 7.
  • 222.
    5 – 15 REMOÇÃODO MOREMOÇÃO DO MOREMOÇÃO DO MOREMOÇÃO DO MOREMOÇÃO DO MOTTTTTOROROROROR MOMOMOMOMOTTTTTOROROROROR 28. Instale: • O tubo do escapamento e o silencioso. Consulte “ESCAPAMENTO” no capí- tulo 4. 29. Instale: • A carenagem, tampas e abas laterais de ambos os lados. Consulte “CARENAGENS, TAMPAS E ABAS LATERAIS” no capítulo 3. 30. Abasteça: • Cárter (com a quantidade especifica- da de óleo recomendado). QuantidadeQuantidadeQuantidadeQuantidadeQuantidade::::: Quantidade total:Quantidade total:Quantidade total:Quantidade total:Quantidade total: 1,550 L1,550 L1,550 L1,550 L1,550 L SSSSSem substituição do filtro deem substituição do filtro deem substituição do filtro deem substituição do filtro deem substituição do filtro de óleo:óleo:óleo:óleo:óleo: 1,350 L1,350 L1,350 L1,350 L1,350 L Com substituição do filtro deCom substituição do filtro deCom substituição do filtro deCom substituição do filtro deCom substituição do filtro de óleo:óleo:óleo:óleo:óleo: 1,450 L1,450 L1,450 L1,450 L1,450 L
  • 223.
    5 – 16 CABEÇOCABEÇOCABEÇOCABEÇOCABEÇOTETETETETEMOMOMOMOMOTTTTTOROROROROR CABEÇOCABEÇOCABEÇOCABEÇOCABEÇOTETETETETE RRRRRemoção do cabeçoteemoção do cabeçoteemoção do cabeçoteemoção do cabeçoteemoção do cabeçote Remover as peças na ordem listada Consulte “REMOÇÃO DO MOTOR”. Consulte “SISTEMA DE REFRIGERAÇÃO DE ÓLEO” no capítulo 6. 1 Vela de ignição 1 2 Tampa da coroa de comando/ O-ring 1/1 3 Tampa de válvula/ anel O-ring (exaustão) 1/1 4 Tampa de válvula/ anel O-ring (admissão) 1/1 Consulte “REMOÇÃO DO 5 Mangueira de respiro 1 CABEÇOTE” e “INSTALAÇÃO DO 6 Bujão do eixo do virabrequim 1 CABEÇOTE”. Serviço/Peça Qtde. ObservaçãoOrdem D E C G F 1 3 NoNoNoNoNovvvvvooooo 6,0 kgf.m (60 N.m) B 8 A 1,0 kgf.m (10 N.m) NoNoNoNoNovvvvvooooo NoNoNoNoNovvvvvooooo 2 1,0 kgf.m (10 N.m) 1,8 kgf.m (18 N.m) 4 0 9 1,0 kgf.m (10 N.m) 0,75 kgf.m (7,5 N.m) NoNoNoNoNovvvvvooooo NoNoNoNoNovvvvvooooo NoNoNoNoNovvvvvooooo 7 6 2,2 kgf.m (22 N.m) NoNoNoNoNovvvvvooooo 2,0 kgf.m (20 N.m) 5
  • 224.
    5 – 17 CABEÇOCABEÇOCABEÇOCABEÇOCABEÇOTETETETETEMOMOMOMOMOTTTTTOROROROROR 7 Bujão da verificação de sincronismo 1 8 Parafuso 1 9 Parafuso do tensionador de corrente 1 10 Tensionador de corrente/ gaxeta 1/1 11 Placa da coroa de comando 1 12 Coroa de comando/ pino-guia 1/1 Consulte “REMOÇÃO DO 13 Conjunto do cabeçote 1 CABEÇOTE” e “INSTALAÇÃO DO 14 Tubo de indução de ar no motor 1/1 CABEÇOTE. 15 Guia dianteiro da corrente 1 16 Pinos-guia 2 17 Junta do cabeçote 1 Para instalação, reverter o procedimento de remoção Serviço/Peça Qtde. ObservaçãoOrdem D E C G F 1 3 NoNoNoNoNovvvvvooooo 6,0 kgf.m (60 N.m) B 8 A 1,0 kgf.m (10 N.m) NoNoNoNoNovvvvvooooo NoNoNoNoNovvvvvooooo 2 1,0 kgf.m (10 N.m) 1,8 kgf.m (18 N.m) 4 0 9 1,0 kgf.m (10 N.m) 0,75 kgf.m (7,5 N.m) NoNoNoNoNovvvvvooooo NoNoNoNoNovvvvvooooo NoNoNoNoNovvvvvooooo 7 6 2,2 kgf.m (22 N.m) NoNoNoNoNovvvvvooooo 2,0 kgf.m (20 N.m) 5
  • 225.
    5 – 18 CABEÇOCABEÇOCABEÇOCABEÇOCABEÇOTETETETETEMOMOMOMOMOTTTTTOROROROROR 5 1 32 4 a 6 REMOÇÃO DO CABEÇOREMOÇÃO DO CABEÇOREMOÇÃO DO CABEÇOREMOÇÃO DO CABEÇOREMOÇÃO DO CABEÇOTETETETETE 1. Alinhe: • Marca “I” a no rotor do magneto A.C. (com o indicador estacionário b na tampa do magneto A.C.). ***************************************************************************************************************************************************************************************** a. Vire o virabrequim em sentido anti-horá- rio. b. Quando o pistão está no ponto morto su- perior (PMS) no tempo de compressão, alinhe a marca “I” c na coroa de coman- do com o indicador estacionário d no cabeçote. ***************************************************************************************************************************************************************************************** 2. Solte: • Parafuso da coroa de comando. NONONONONOTTTTTA:A:A:A:A: • Fixe a coroa de comando com o fixador da coroa 1. • Remova o parafuso com o soquete 2. Fixador da coroa de comandoFixador da coroa de comandoFixador da coroa de comandoFixador da coroa de comandoFixador da coroa de comando 90890-408X290890-408X290890-408X290890-408X290890-408X2 3. Solte: • Parafusos do tensionador da corrente de comando 1. 4. Remova: • Tensionador da corrente de comando (com a junta). • Coroa de comando. NONONONONOTTTTTA:A:A:A:A: Para evitar que a corrente de comando caia dentro do virabrequim, prenda-a com um arame a. 5. Remova: • Cabeçote. NONONONONOTTTTTA:A:A:A:A: • Solte os parafusos na seqüência correta, como mostrado 1, 2, 3, 4, 5 e 6. • Solte cada parafuso 1 /2 volta por vez. Quando todos os parafusos forem completamente soltos, remova-os. 1 d c b a 1 2
  • 226.
    5 – 19 CABEÇOCABEÇOCABEÇOCABEÇOCABEÇOTETETETETEMOMOMOMOMOTTTTTOROROROROR INSPEÇÃO DO CABEÇOINSPEÇÃO DO CABEÇOINSPEÇÃO DO CABEÇOINSPEÇÃO DO CABEÇOINSPEÇÃO DO CABEÇOTETETETETE 1. Elimine: • Depósitos de carbono da câmara de com- bustão (com um raspador redondo). NONONONONOTTTTTA:A:A:A:A: Não utilize instrumento afiado, para evitar danos ou arranhões em: • roscas da vela de ignição • bases da válvula. 2. Verifique: • Cabeçote. Danos/Riscos Substituir. 3. Meça: • Empenamento do cabeçote. Fora de especificação Retifique o cabeçote. Empenamento máximoEmpenamento máximoEmpenamento máximoEmpenamento máximoEmpenamento máximo 0,03 mm0,03 mm0,03 mm0,03 mm0,03 mm ***************************************************************************************************************************************************************************************** a. Coloque uma régua 1 e um calibre de lâ- minas 2 ao longo do cabeçote. b. Meça o empenamento. c. Se o limite for ultrapassado, retifique o cilindro. d. Com uma lixa fina (400 a 600 de granulagem) aplicada à superfície do cabeçote, execute a retífica, exercendo movimentos em forma do numeral “8”. NONONONONOTTTTTA:A:A:A:A: Para garantir uma superfície nivelada, gire o cabeçote várias vezes. *****************************************************************************************************************************************************************************************
  • 227.
    5 – 20 CABEÇOCABEÇOCABEÇOCABEÇOCABEÇOTETETETETEMOMOMOMOMOTTTTTOROROROROR INSPEÇÃO DINSPEÇÃO DINSPEÇÃO DINSPEÇÃO DINSPEÇÃO DAAAAASSSSS TTTTTAMPAMPAMPAMPAMPAAAAAS DES DES DES DES DE VÁLVÁLVÁLVÁLVÁLVULA E COROVULA E COROVULA E COROVULA E COROVULA E COROA DE COMANDOA DE COMANDOA DE COMANDOA DE COMANDOA DE COMANDO 1. Verifique: • Tampas de válvulas. • Tampa da coroa de comando. • Anéis O-rings. Danos/Desgaste Substitua. INSPEÇÃO DOINSPEÇÃO DOINSPEÇÃO DOINSPEÇÃO DOINSPEÇÃO DOTENSIONADOR DTENSIONADOR DTENSIONADOR DTENSIONADOR DTENSIONADOR DAAAAA CORRENCORRENCORRENCORRENCORRENTE DE COMANDOTE DE COMANDOTE DE COMANDOTE DE COMANDOTE DE COMANDO 1. Verifique: • Tensionador da corrente de comando. Rachaduras/Danos Substituir. 2. Verifique: • Operação de sentido único do came. Movimento difícil Substitua. 3. Verifique: • Parafuso do tensionador da corrente de comando. • Junta. • Haste do tensionador da corrente de co- mando. Danos/Desgaste Substitua. 4. Verifique: • Operação de bloqueio e liberação. Movimento difícil Substitua. NoNoNoNoNovvvvvooooo INSPEÇÃO DINSPEÇÃO DINSPEÇÃO DINSPEÇÃO DINSPEÇÃO DA COROA COROA COROA COROA COROA DEA DEA DEA DEA DE COMANDOCOMANDOCOMANDOCOMANDOCOMANDO 1. Verifique: • Coroa de comando. Desgaste/Danos Substitua a coroa e corrente de comando como um con- junto. 1 Corrente de comando. 2 Coroa de comando. 1 2 2. Verifique: • Guia da corrente de comando. Danos/Desgaste Substitua.
  • 228.
    5 – 21 CABEÇOCABEÇOCABEÇOCABEÇOCABEÇOTETETETETEMOMOMOMOMOTTTTTOROROROROR INSINSINSINSINSTTTTTALAÇÃO DO CABEÇOALAÇÃO DO CABEÇOALAÇÃO DO CABEÇOALAÇÃO DO CABEÇOALAÇÃO DO CABEÇOTETETETETE 1. Instale: • Pinos-guia. • Junta do cabeçote. 2. Instale: • Cabeçote. • Arruelas. • Parafusos do cabeçote. NONONONONOTTTTTA:A:A:A:A: • Lubrifique as roscas dos parafusos do cabeçote e a superfície de contato com óleo para motor. • Instale as arruelas com sua superfície arredondada voltada para a base do parafuso. NoNoNoNoNovvvvvooooo NoNoNoNoNovvvvvooooo 3. Fixe: • Parafusos do cabeçote l =45 mm 5 e 6. • Parafusos do cabeçote l =117 mm 1, 2, 3 e 4. NONONONONOTTTTTA:A:A:A:A: Aperte os parafusos do cabeçote na seqüência especificada como mostrado e fixe-os em duas etapas. 5 6 1 4 3 2 4. Instale: • Coroa de comando. ********************************************************************************************************************************************************************************************** a. Vire o virabrequim no sentido anti- horário. b. Alinhe a marca“I” a no rotor do magneto A.C. com o indicador estacionário b na tampa do magneto A.C. a b PPPPParafusos do cabeçotearafusos do cabeçotearafusos do cabeçotearafusos do cabeçotearafusos do cabeçote 2,0 k2,0 k2,0 k2,0 k2,0 kgfgfgfgfgf.m (20 N.m).m (20 N.m).m (20 N.m).m (20 N.m).m (20 N.m) PPPPParafusos do cabeçotearafusos do cabeçotearafusos do cabeçotearafusos do cabeçotearafusos do cabeçote 2,2 k2,2 k2,2 k2,2 k2,2 kgfgfgfgfgf.m (22 N.m).m (22 N.m).m (22 N.m).m (22 N.m).m (22 N.m)
  • 229.
    5 – 22 CABEÇOCABEÇOCABEÇOCABEÇOCABEÇOTETETETETEMOMOMOMOMOTTTTTOROROROROR c. Instale a corrente de comando 1 na coroa de comando, depois o pinhão no eixo de comando, em seguida aperte o parafuso manualmente. d. Certifique-se de que a marca “I” c da coroa de comando está alinhada com o indicador estacionário d no cabeçote. e. Remova o arame que impede a queda da corrente de comando. NONONONONOTTTTTA:A:A:A:A: • Quando instalar a coroa de comando, certifique-se de manter a corrente tensionada. • Alinhe o pino do eixo de comando com o rasgo da coroa de comando. Não gire o virabrequim quando instalar oNão gire o virabrequim quando instalar oNão gire o virabrequim quando instalar oNão gire o virabrequim quando instalar oNão gire o virabrequim quando instalar o eixeixeixeixeixo de comando para evitar danos ou co-o de comando para evitar danos ou co-o de comando para evitar danos ou co-o de comando para evitar danos ou co-o de comando para evitar danos ou co- mando incormando incormando incormando incormando incorreto das válvulas.reto das válvulas.reto das válvulas.reto das válvulas.reto das válvulas. ********************************************************************************************************************************************************************************************** 5. Instale: • Tensionador da corrente de comando. ********************************************************************************************************************************************************************************************** a. Remova o parafuso da tampa do tensionador. b. Enquanto pressiona levemente a haste do tensionador com o dedo, use uma chave de fenda 1 para girar o eixo completa- mente, no sentido horário. c. Com a haste totalmente recolhida, insta- le a junta e o tensionador de corrente e aperte os parafusos de fixação com o torque especificado. 1 1 c d d. Libere o sistema, girando a chave de fenda no sentido anti-horário. Certifique- se de que a junta 1, está corretamente posicionada e aperte os parafusos 2 com o torque especificado. ********************************************************************************************************************************************************************************************** PPPPParafusos (tensionador da corarafusos (tensionador da corarafusos (tensionador da corarafusos (tensionador da corarafusos (tensionador da correnterenterenterenterente de comando):de comando):de comando):de comando):de comando): 1,0 k1,0 k1,0 k1,0 k1,0 kgfgfgfgfgf.m (1.m (1.m (1.m (1.m (10 N.m)0 N.m)0 N.m)0 N.m)0 N.m) PPPPParafuso da tampa (tensionadorarafuso da tampa (tensionadorarafuso da tampa (tensionadorarafuso da tampa (tensionadorarafuso da tampa (tensionador da corda corda corda corda corrente de comando):rente de comando):rente de comando):rente de comando):rente de comando): 0,75 k0,75 k0,75 k0,75 k0,75 kgfgfgfgfgf.m (7.m (7.m (7.m (7.m (7,5 N.m),5 N.m),5 N.m),5 N.m),5 N.m) 1 2
  • 230.
    5 – 23 CABEÇOCABEÇOCABEÇOCABEÇOCABEÇOTETETETETEMOMOMOMOMOTTTTTOROROROROR 6. Vire: • Virabrequim (diversas vezes no senti- do anti-horário). 7. Verifique: • Marca “I” a. NONONONONOTTTTTA:A:A:A:A: Verifique se a marca “I” a no rotor do magneto A.C. está alinhada com o indicador estacionário b na tampa do magneto A.C. c a b • Marca “I” c no cabeçote. NONONONONOTTTTTA:A:A:A:A: Verifique se a marca “I” na coroa de comando está alinhada com o indicador d no cabeçote. Fora de alinhamento Corrija. Repita os passos 4 a 7, se necessário. 8. Fixe: • Parafuso da coroa de comando. NONONONONOTTTTTA:A:A:A:A: • Fixe a coroa de comando com a ferramenta 1. • Fixe o parafuso com o soquete 2. Fixador da coroa de comandoFixador da coroa de comandoFixador da coroa de comandoFixador da coroa de comandoFixador da coroa de comando 90890-408X290890-408X290890-408X290890-408X290890-408X2 PPPPParafuso da coroa de comandoarafuso da coroa de comandoarafuso da coroa de comandoarafuso da coroa de comandoarafuso da coroa de comando 6,0 k6,0 k6,0 k6,0 k6,0 kgfgfgfgfgf.m (60 N.m).m (60 N.m).m (60 N.m).m (60 N.m).m (60 N.m) 1 2 9. Meça: • Folga da válvula. Fora de especificação Ajuste. Consulte “AJUSTE DA FOLGA DEVÁLVU- LA” no capítulo 3. d
  • 231.
    5 – 24 BALANCINSE EIXBALANCINS E EIXBALANCINS E EIXBALANCINS E EIXBALANCINS E EIXO DE COMANDOO DE COMANDOO DE COMANDOO DE COMANDOO DE COMANDO MOMOMOMOMOTTTTTOROROROROR BALANCINS E EIXBALANCINS E EIXBALANCINS E EIXBALANCINS E EIXBALANCINS E EIXO DE COMANDOO DE COMANDOO DE COMANDOO DE COMANDOO DE COMANDO Remoção dos balancins e eixo de comando Remover as peças na ordem listada Cabeçote Consulte “CABEÇOTE” 1 Fixador do rolamento 1 2 Contraporca/ parafuso de ajuste 2/2 3 Eixo do comando 1 4 Eixo do balancim (admissão) 1 5 Balancim (admissão) 1 6 Eixo do balancim (exaustão) 1 7 Balancim (exaustão) 1 Para instalação, reverter o procedimento de remoção Serviço/Peça Qtde. ObservaçãoOrdem CUIDCUIDCUIDCUIDCUIDADO:ADO:ADO:ADO:ADO: Não desmonteNão desmonteNão desmonteNão desmonteNão desmonte o conjunto doo conjunto doo conjunto doo conjunto doo conjunto do eixeixeixeixeixo deo deo deo deo de comando.comando.comando.comando.comando. Consulte “REMOÇÃO DOS BALANCINS E EIXO DE COMANDO” e “INSTALAÇÃO DO EIXO DE COMANDO E BALANCINS 3 1 NoNoNoNoNovvvvvooooo 6 7 4 5 2 1,0 kgf.m (10 N.m) 1,4 kgf.m (14 N.m)
  • 232.
    5 – 25 BALANCINSE EIXBALANCINS E EIXBALANCINS E EIXBALANCINS E EIXBALANCINS E EIXO DE COMANDOO DE COMANDOO DE COMANDOO DE COMANDOO DE COMANDO MOMOMOMOMOTTTTTOROROROROR 1 2 3 REMOÇÃO DOS BALANCINS E EIXREMOÇÃO DOS BALANCINS E EIXREMOÇÃO DOS BALANCINS E EIXREMOÇÃO DOS BALANCINS E EIXREMOÇÃO DOS BALANCINS E EIXOOOOO DE COMANDODE COMANDODE COMANDODE COMANDODE COMANDO 1. Solte: • Contraporcas 1. • Parafusos de ajuste de folga 2. 2. Remova: • Fixador do rolamento 3. 4. Remova: • Eixo do comando 1. • Rolamento 2. NONONONONOTTTTTA:A:A:A:A: Utilize um parafuso com rosca de 10 mm para sacar o eixo do comando. 1 2 3. Remova: • Eixo do balancim de admissão. • Eixo do balancim de exaustão. • Balancim de admissão. • Balancim de exaustão. NONONONONOTTTTTA:A:A:A:A: Remova os eixos do balancim com o martelo deslizante 1 e o eixo 2. 1 2 MarMarMarMarMartelo deslizantetelo deslizantetelo deslizantetelo deslizantetelo deslizante 90890-090890-090890-090890-090890-011111084084084084084 EixEixEixEixEixooooo 90890-090890-090890-090890-090890-011111083083083083083 5. Remova: • Rolamento interno. Extrator de rolamentoExtrator de rolamentoExtrator de rolamentoExtrator de rolamentoExtrator de rolamento 90890-0280990890-0280990890-0280990890-0280990890-02809 Pinça do extrator de rolamentoPinça do extrator de rolamentoPinça do extrator de rolamentoPinça do extrator de rolamentoPinça do extrator de rolamento 90890-228190890-228190890-228190890-228190890-228199999 6. Remova: • O rolamento do eixo de comando.
  • 233.
    5 – 26 BALANCINSE EIXBALANCINS E EIXBALANCINS E EIXBALANCINS E EIXBALANCINS E EIXO DE COMANDOO DE COMANDOO DE COMANDOO DE COMANDOO DE COMANDO MOMOMOMOMOTTTTTOROROROROR INSPEÇÃO DO EIXINSPEÇÃO DO EIXINSPEÇÃO DO EIXINSPEÇÃO DO EIXINSPEÇÃO DO EIXO DE COMANDOO DE COMANDOO DE COMANDOO DE COMANDOO DE COMANDO 1. Verifique: • Cames do eixo de comando. Coloração azul/Corrosão/Riscos Substitua o eixo de comando e a coroa de sincronismo. 2. Meça: • Dimensões a e b do cames do eixo de comando. Fora de especificação Substitua o eixo de comando 3. Meça: • Empenamento do eixo de comando. Fora de especificação Substituir. Limite de empenamento do eixLimite de empenamento do eixLimite de empenamento do eixLimite de empenamento do eixLimite de empenamento do eixooooo de comandode comandode comandode comandode comando 0,030 mm0,030 mm0,030 mm0,030 mm0,030 mm a b Dimensões do cames do eixDimensões do cames do eixDimensões do cames do eixDimensões do cames do eixDimensões do cames do eixo deo deo deo deo de comandocomandocomandocomandocomando AdmissãoAdmissãoAdmissãoAdmissãoAdmissão a 36,890 ~36,990 mm36,890 ~36,990 mm36,890 ~36,990 mm36,890 ~36,990 mm36,890 ~36,990 mm b 30,130,130,130,130,1111111 ~ 30,211 ~ 30,211 ~ 30,211 ~ 30,211 ~ 30,211 mm1 mm1 mm1 mm1 mm ExaustãoExaustãoExaustãoExaustãoExaustão a 36,891 ~ 36,991 mm36,891 ~ 36,991 mm36,891 ~ 36,991 mm36,891 ~ 36,991 mm36,891 ~ 36,991 mm b 30,092 ~ 30,130,092 ~ 30,130,092 ~ 30,130,092 ~ 30,130,092 ~ 30,192 mm92 mm92 mm92 mm92 mm
  • 234.
    5 – 27 BALANCINSE EIXBALANCINS E EIXBALANCINS E EIXBALANCINS E EIXBALANCINS E EIXO DE COMANDOO DE COMANDOO DE COMANDOO DE COMANDOO DE COMANDO MOMOMOMOMOTTTTTOROROROROR INSPEÇÃO DOS BALANCINS E EIXINSPEÇÃO DOS BALANCINS E EIXINSPEÇÃO DOS BALANCINS E EIXINSPEÇÃO DOS BALANCINS E EIXINSPEÇÃO DOS BALANCINS E EIXOOOOO DOS BALANCINSDOS BALANCINSDOS BALANCINSDOS BALANCINSDOS BALANCINS Os seguintes procedimentos se aplicam aos balancins e aos eixos dos balancins. 1. Verifique: • Superfície de contato dos ressaltos 1. • Superfície de contato dos parafusos de ajuste 2. Danos/Desgaste Substituir. 2. Verifique: • Eixo do balancim. Coloração azul/Desgaste excessivo/Cor- rosão/Riscos Substitua e verifique o sistema de lubrificação 12 2 3. Meça: • Diâmetro interno do balancim a. Fora de especificação Substituir. Diâmetro interno do balancimDiâmetro interno do balancimDiâmetro interno do balancimDiâmetro interno do balancimDiâmetro interno do balancim 111112,02,02,02,02,0000000 ~ 10 ~ 10 ~ 10 ~ 10 ~ 12,02,02,02,02,0111118 mm8 mm8 mm8 mm8 mm <limite>: 1<limite>: 1<limite>: 1<limite>: 1<limite>: 12,036 mm2,036 mm2,036 mm2,036 mm2,036 mm 4. Meça: • Diâmetro externo do eixo do balancim a. Fora de especificação Substituir. Diâmetro externo do eixDiâmetro externo do eixDiâmetro externo do eixDiâmetro externo do eixDiâmetro externo do eixo doo doo doo doo do balancimbalancimbalancimbalancimbalancim 111111,981 ~ 11,981 ~ 11,981 ~ 11,981 ~ 11,981 ~ 11,991 mm1,991 mm1,991 mm1,991 mm1,991 mm <limite>: 1<limite>: 1<limite>: 1<limite>: 1<limite>: 11,955 mm1,955 mm1,955 mm1,955 mm1,955 mm a a
  • 235.
    5 – 28 BALANCINSE EIXBALANCINS E EIXBALANCINS E EIXBALANCINS E EIXBALANCINS E EIXO DE COMANDOO DE COMANDOO DE COMANDOO DE COMANDOO DE COMANDO MOMOMOMOMOTTTTTOROROROROR INSINSINSINSINSTTTTTALAÇÃO DO EIXALAÇÃO DO EIXALAÇÃO DO EIXALAÇÃO DO EIXALAÇÃO DO EIXO DEO DEO DEO DEO DE COMANDO E BALANCINSCOMANDO E BALANCINSCOMANDO E BALANCINSCOMANDO E BALANCINSCOMANDO E BALANCINS 1. Lubrifique: • Eixo de comando. • Rolamento. Lubrificante recomendadoLubrificante recomendadoLubrificante recomendadoLubrificante recomendadoLubrificante recomendado EixEixEixEixEixo de comandoo de comandoo de comandoo de comandoo de comando Óleo de bissulfeto de molibdênioÓleo de bissulfeto de molibdênioÓleo de bissulfeto de molibdênioÓleo de bissulfeto de molibdênioÓleo de bissulfeto de molibdênio RRRRRolamentoolamentoolamentoolamentoolamento Óleo de motorÓleo de motorÓleo de motorÓleo de motorÓleo de motor 4. Instale: • Balancim 1. • Eixo do balancim 2. NONONONONOTTTTTA:A:A:A:A: Utilize o eixo do martelo deslizante 3 para instalar o eixo do balancim. 2 1 3 2. Aplique: • Óleo de bissulfeto de molibdênio (no balancim e no eixo do balancim). Lubrificante recomendadoLubrificante recomendadoLubrificante recomendadoLubrificante recomendadoLubrificante recomendado Óleo de bissulfeto de molibdênioÓleo de bissulfeto de molibdênioÓleo de bissulfeto de molibdênioÓleo de bissulfeto de molibdênioÓleo de bissulfeto de molibdênio 3. Instale: • Rolamento interno. Instalador de rolamento doInstalador de rolamento doInstalador de rolamento doInstalador de rolamento doInstalador de rolamento do comando:comando:comando:comando:comando: 90890-0405890890-0405890890-0405890890-0405890890-04058 BucBucBucBucBucha do instalador:ha do instalador:ha do instalador:ha do instalador:ha do instalador: 90890-42W2490890-42W2490890-42W2490890-42W2490890-42W24 Guia 1Guia 1Guia 1Guia 1Guia 15 mm:5 mm:5 mm:5 mm:5 mm: 90890-2482390890-2482390890-2482390890-2482390890-24823 EixEixEixEixEixooooo 90890-090890-090890-090890-090890-011111084084084084084
  • 236.
    5 – 29 BALANCINSE EIXBALANCINS E EIXBALANCINS E EIXBALANCINS E EIXBALANCINS E EIXO DE COMANDOO DE COMANDOO DE COMANDOO DE COMANDOO DE COMANDO MOMOMOMOMOTTTTTOROROROROR 1 5. Instale: • Eixo de comando 1. • Rolamento 2. NONONONONOTTTTTA:A:A:A:A: • Posicione o furo do pino-guia para cima. • Utilize um parafuso com rosca de 10 mm para instalar o eixo de comando. 6. Aplique: • Óleo de bissulfeto de molibdênio. Lubrificante recomendadoLubrificante recomendadoLubrificante recomendadoLubrificante recomendadoLubrificante recomendado Óleo de bissulfeto de molibdênioÓleo de bissulfeto de molibdênioÓleo de bissulfeto de molibdênioÓleo de bissulfeto de molibdênioÓleo de bissulfeto de molibdênio 7. Instale: • Fixador do rolamento 1. • Parafusos 2. PPPPParafusos do fixadorarafusos do fixadorarafusos do fixadorarafusos do fixadorarafusos do fixador 1,0 k1,0 k1,0 k1,0 k1,0 kgfgfgfgfgf.m (1.m (1.m (1.m (1.m (10 N.m)0 N.m)0 N.m)0 N.m)0 N.m) 1 2 2
  • 237.
    5 – 30 VÁLVÁLVÁLVÁLVÁLVULAVULAVULAVULAVULASE MOLAS E MOLAS E MOLAS E MOLAS E MOLAS DS DS DS DS DAAAAASSSSS VÁLVÁLVÁLVÁLVÁLVULAVULAVULAVULAVULASSSSS MOMOMOMOMOTTTTTOROROROROR VÁLVÁLVÁLVÁLVÁLVULAVULAVULAVULAVULAS E MOLAS DS E MOLAS DS E MOLAS DS E MOLAS DS E MOLAS DAAAAASSSSS VÁLVÁLVÁLVÁLVÁLVULAVULAVULAVULAVULASSSSS Remoção das válvulas e molas das válvulas Remover as peças na ordem listada Cabeçote Consulte “CABEÇOTE” Balancins/ eixos dos balancins/ eixo de comando Consulte “BALANCINS E EIXO DE COMANDO” 1 Travas 4 2 Retenção da mola 2 Consulte “REMOÇÃO DAS 3 Mola externa 2 VÁLVULAS” e “INSTALAÇÃO 4 Mola interna 2 DAS VÁLVULAS” 5 Válvula de admissão 1 Serviço/Peça Qtde. ObservaçãoOrdem 5 6 9 8 7 NoNoNoNoNovvvvvooooo NoNoNoNoNovvvvvooooo 4 3 2 1
  • 238.
    5 – 31 VÁLVÁLVÁLVÁLVÁLVULAVULAVULAVULAVULASE MOLAS E MOLAS E MOLAS E MOLAS E MOLAS DS DS DS DS DAAAAASSSSS VÁLVÁLVÁLVÁLVÁLVULAVULAVULAVULAVULASSSSS MOMOMOMOMOTTTTTOROROROROR Serviço/Peça Qtde. ObservaçãoOrdem 6 Válvula de escape 1 7 Retentor da haste 2 Consulte “REMOÇÃO DAS 8 Base da mola 2 VÁLVULAS” e “INSTALAÇÃO 9 Guia de válvula 2 DAS VÁLVULAS” 5 6 9 8 7 NoNoNoNoNovvvvvooooo NoNoNoNoNovvvvvooooo 4 3 2 1
  • 239.
    5 – 32 VÁLVÁLVÁLVÁLVÁLVULAVULAVULAVULAVULASE MOLAS E MOLAS E MOLAS E MOLAS E MOLAS DS DS DS DS DAAAAASSSSS VÁLVÁLVÁLVÁLVÁLVULAVULAVULAVULAVULASSSSS MOMOMOMOMOTTTTTOROROROROR REMOÇÃO DREMOÇÃO DREMOÇÃO DREMOÇÃO DREMOÇÃO DAAAAASSSSS VÁLVÁLVÁLVÁLVÁLVULAVULAVULAVULAVULASSSSS O seguinte procedimento se aplica a válvulas e componentes relacionados. NONONONONOTTTTTA:A:A:A:A: Antes de retirar as peças internas do cabeçote do cilindro (ex.: válvulas, molas de válvulas, bases de válvulas), certifique-se de que as válvulas estejam vedadas adequadamente. 1. Verifique: • Vedação da válvula. Vazamento na base da válvula Verifi- que a face da válvula, a base da válvula e a largura da base da válvula. Consulte “INSPEÇÃO DA BASE DAVÁL- VULA”. ********************************************************************************************************************************************************************************************** a. Coloque um solvente limpo a nas entra- das de admissão e exaustão. b. Verifique se as válvulas estão vedadas adequadamente. NONONONONOTTTTTA:A:A:A:A: Não deve haver vazamento no assento da válvula 1. **********************************************************************************************************************************************************************************************1 a 2. Retire: • Trava da válvula. NONONONONOTTTTTA:A:A:A:A: Retire as travas da válvula 1, pressionando a mola da válvula com o compressor e o adaptador 2. Compressor da mola da válvulaCompressor da mola da válvulaCompressor da mola da válvulaCompressor da mola da válvulaCompressor da mola da válvula 90890-04090890-04090890-04090890-04090890-0401111199999 AdaptadorAdaptadorAdaptadorAdaptadorAdaptador 90890-090890-090890-090890-090890-011111243243243243243 1 2
  • 240.
    5 – 33 VÁLVÁLVÁLVÁLVÁLVULAVULAVULAVULAVULASE MOLAS E MOLAS E MOLAS E MOLAS E MOLAS DS DS DS DS DAAAAASSSSS VÁLVÁLVÁLVÁLVÁLVULAVULAVULAVULAVULASSSSS MOMOMOMOMOTTTTTOROROROROR 3. Remova: • Retenção da mola 1. • Mola externa 2. • Mola interna 3. • Retentor da haste 4. • Base da mola 5. • Válvula 6. NONONONONOTTTTTA:A:A:A:A: Identifique a posição de cada peça cuidadosamente, para que possa ser instalada corretamente. INSPEÇÃO DINSPEÇÃO DINSPEÇÃO DINSPEÇÃO DINSPEÇÃO DAAAAASSSSS VÁLVÁLVÁLVÁLVÁLVULAVULAVULAVULAVULAS E GUIAS E GUIAS E GUIAS E GUIAS E GUIASSSSS DDDDDAAAAASSSSS VÁLVÁLVÁLVÁLVÁLVULAVULAVULAVULAVULASSSSS O seguinte procedimento se aplica a todas as válvulas e guias das válvulas. 1. Meça: • Folga entre a haste e a guia da válvula Fora de especificação Substitua o guia da válvula. FFFFFolgolgolgolgolga entre haste e guia da válvula = diâ-a entre haste e guia da válvula = diâ-a entre haste e guia da válvula = diâ-a entre haste e guia da válvula = diâ-a entre haste e guia da válvula = diâ- metro interno do guia da válvulametro interno do guia da válvulametro interno do guia da válvulametro interno do guia da válvulametro interno do guia da válvula a ----- diâ-diâ-diâ-diâ-diâ- metro externo da haste da válvulametro externo da haste da válvulametro externo da haste da válvulametro externo da haste da válvulametro externo da haste da válvula b..... 6 5 4 3 2 1 a b 2. Substitua: • Guia da válvula. NONONONONOTTTTTA:A:A:A:A: Para facilitar a remoção e a instalação da guia da válvula e manter o ajuste correto, aqueça o cabeçote a 100ºC em um forno. ********************************************************************************************************************************************************************************************** a. Remova a guia da válvula com o extrator 1. 1 FFFFFolgolgolgolgolga entre haste e guiaa entre haste e guiaa entre haste e guiaa entre haste e guiaa entre haste e guia AdmissãoAdmissãoAdmissãoAdmissãoAdmissão 0,00,00,00,00,0111110 ~ 0,037 mm0 ~ 0,037 mm0 ~ 0,037 mm0 ~ 0,037 mm0 ~ 0,037 mm <limite>: 0,080 mm<limite>: 0,080 mm<limite>: 0,080 mm<limite>: 0,080 mm<limite>: 0,080 mm ExaustãoExaustãoExaustãoExaustãoExaustão 0,025 ~ 0,052 mm0,025 ~ 0,052 mm0,025 ~ 0,052 mm0,025 ~ 0,052 mm0,025 ~ 0,052 mm <limite>: 0,1<limite>: 0,1<limite>: 0,1<limite>: 0,1<limite>: 0,1000000 mm0 mm0 mm0 mm0 mm
  • 241.
    5 – 34 VÁLVÁLVÁLVÁLVÁLVULAVULAVULAVULAVULASE MOLAS E MOLAS E MOLAS E MOLAS E MOLAS DS DS DS DS DAAAAASSSSS VÁLVÁLVÁLVÁLVÁLVULAVULAVULAVULAVULASSSSS MOMOMOMOMOTTTTTOROROROROR b. Instale a nova guia da válvula com o instalador 2. c. Após instalar a guia da válvula, retifique a guia com o alargador da guia da válvula 3 para obter o espaço livre adequado entre a guia e a haste da válvula. NONONONONOTTTTTA:A:A:A:A: Depois de substituir a guia da válvula, faceie a base da válvula novamente. ********************************************************************************************************************************************************************************************** 3. Elimine: • Depósito de carbono. 4. Verifique: • Face da válvula. Corrosão/Desgaste Retifique a face da válvula. • Ponta da haste da válvula. Deformado ou diâmetro maior que a haste Substitua a válvula. 5. Meça: • Espessura da margem da válvula a. Fora de especificação Substitua a válvula. Espessura da margem da válvulaEspessura da margem da válvulaEspessura da margem da válvulaEspessura da margem da válvulaEspessura da margem da válvula 0,80 ~ 1,20 mm0,80 ~ 1,20 mm0,80 ~ 1,20 mm0,80 ~ 1,20 mm0,80 ~ 1,20 mm 2 3 Extrator da guia da válvula (Ø6)Extrator da guia da válvula (Ø6)Extrator da guia da válvula (Ø6)Extrator da guia da válvula (Ø6)Extrator da guia da válvula (Ø6) 90890-0406490890-0406490890-0406490890-0406490890-04064 Instalador da guia da válvula (Ø6)Instalador da guia da válvula (Ø6)Instalador da guia da válvula (Ø6)Instalador da guia da válvula (Ø6)Instalador da guia da válvula (Ø6) 90890-0406590890-0406590890-0406590890-0406590890-04065 AlargAlargAlargAlargAlargador da guia da válvula (Ø6)ador da guia da válvula (Ø6)ador da guia da válvula (Ø6)ador da guia da válvula (Ø6)ador da guia da válvula (Ø6) 90890-0406690890-0406690890-0406690890-0406690890-04066 a 6. Meça: • Empenamento da haste. Fora de especificação Substitua a válvula. NONONONONOTTTTTA:A:A:A:A: • Quando instalar uma nova válvula, sempre substitua a guia da válvula. • Se a válvula for retirada ou substituída, troque o retentor da haste da válvula. Limite de empenamentoLimite de empenamentoLimite de empenamentoLimite de empenamentoLimite de empenamento 0,030 mm0,030 mm0,030 mm0,030 mm0,030 mm
  • 242.
    5 – 35 VÁLVÁLVÁLVÁLVÁLVULAVULAVULAVULAVULASE MOLAS E MOLAS E MOLAS E MOLAS E MOLAS DS DS DS DS DAAAAASSSSS VÁLVÁLVÁLVÁLVÁLVULAVULAVULAVULAVULASSSSS MOMOMOMOMOTTTTTOROROROROR INSPEÇÃO DOINSPEÇÃO DOINSPEÇÃO DOINSPEÇÃO DOINSPEÇÃO DO AAAAASSENSSENSSENSSENSSENTTTTTO DO DO DO DO DAAAAA VÁLVÁLVÁLVÁLVÁLVULAVULAVULAVULAVULA O seguinte procedimento se aplica a todas as válvulas e assentos das válvulas. 1. Elimine: • Depósitos de carbono. 2. Verifique: • Assento da válvula. Corrosão/Desgaste Substitua o cabeçote. 3. Meça: • Largura do assento da válvula a. Fora de especificação Substitua o cabeçote. Largura do assento da válvulaLargura do assento da válvulaLargura do assento da válvulaLargura do assento da válvulaLargura do assento da válvula AdmissãoAdmissãoAdmissãoAdmissãoAdmissão 0,90 ~ 1,10,90 ~ 1,10,90 ~ 1,10,90 ~ 1,10,90 ~ 1,10 mm0 mm0 mm0 mm0 mm ExaustãoExaustãoExaustãoExaustãoExaustão 0,90 ~ 1,10,90 ~ 1,10,90 ~ 1,10,90 ~ 1,10,90 ~ 1,10 mm0 mm0 mm0 mm0 mm ********************************************************************************************************************************************************************************************** a. Aplique corante azul b industrial na face da válvula. b. Instale a válvula no cabeçote. c. Pressione a válvula através da guia em direção ao assento para gerar uma impres- são clara. d. Meça a largura do assento da válvula. NONONONONOTTTTTA:A:A:A:A: Onde o assento e a face da válvula fazem contato, a cor azul será removida. ********************************************************************************************************************************************************************************************** a b
  • 243.
    5 – 36 VÁLVÁLVÁLVÁLVÁLVULAVULAVULAVULAVULASE MOLAS E MOLAS E MOLAS E MOLAS E MOLAS DS DS DS DS DAAAAASSSSS VÁLVÁLVÁLVÁLVÁLVULAVULAVULAVULAVULASSSSS MOMOMOMOMOTTTTTOROROROROR Brunidor de válvulaBrunidor de válvulaBrunidor de válvulaBrunidor de válvulaBrunidor de válvula 11111 90890-04190890-04190890-04190890-04190890-0410000011111 NONONONONOTTTTTA:A:A:A:A: Para os melhores resultados de assentamen- to, bata levemente na base da válvula para frente e para trás, rotacionando-a entre suas mãos. e. Aplique um composto abrasivo para as- sentamento fino na face da válvula e re- pita os passos acima. f. Após cada procedimento de assentamen- to certifique-se de limpar o composto da face e do assento da válvula. g. Aplique corante azul industrial a na face da válvula. h. Instale a válvula no cabeçote. i. Pressione a válvula através da guia e em direção ao assento para gerar uma im- pressão clara. j. Meça a largura do assento da válvula nova- mente. Se a largura do assentamento esti- ver fora de especificação, execute o assen- tamento da base da válvula novamente. ********************************************************************************************************************************************************************************************** d. Rotacione a válvula até que a face e a base estejam igualmente polidas, depois remo- va todo o composto abrasivo. a 1 a ********************************************************************************************************************************************************************************************** a. Aplique um composto abrasivo para as- sentamento a na face da válvula. Não deixe que o composto penetre entreNão deixe que o composto penetre entreNão deixe que o composto penetre entreNão deixe que o composto penetre entreNão deixe que o composto penetre entre a haste e a guia da válvula.a haste e a guia da válvula.a haste e a guia da válvula.a haste e a guia da válvula.a haste e a guia da válvula. b. Aplique óleo de bissulfeto de molibdênio na haste da válvula. c. Instale a válvula no cabeçote. 4. Assentamento: • Face da válvula. • Assento da válvula. NONONONONOTTTTTA:A:A:A:A: Após substituição do cabeçote ou válvulas e guias, deverá ser executado o assentamento de válvulas.
  • 244.
    5 – 37 VÁLVÁLVÁLVÁLVÁLVULAVULAVULAVULAVULASE MOLAS E MOLAS E MOLAS E MOLAS E MOLAS DS DS DS DS DAAAAASSSSS VÁLVÁLVÁLVÁLVÁLVULAVULAVULAVULAVULASSSSS MOMOMOMOMOTTTTTOROROROROR Comprimento liComprimento liComprimento liComprimento liComprimento livre da molavre da molavre da molavre da molavre da mola Admissão (interna)Admissão (interna)Admissão (interna)Admissão (interna)Admissão (interna) 36,136,136,136,136,17 mm7 mm7 mm7 mm7 mm <limite>: 34,47 mm<limite>: 34,47 mm<limite>: 34,47 mm<limite>: 34,47 mm<limite>: 34,47 mm Exaustão (interna)Exaustão (interna)Exaustão (interna)Exaustão (interna)Exaustão (interna) 36,136,136,136,136,17 mm7 mm7 mm7 mm7 mm <limite>: 34,47 mm<limite>: 34,47 mm<limite>: 34,47 mm<limite>: 34,47 mm<limite>: 34,47 mm Admissão (externa)Admissão (externa)Admissão (externa)Admissão (externa)Admissão (externa) 36,63 mm36,63 mm36,63 mm36,63 mm36,63 mm <limite>: 34,63 mm<limite>: 34,63 mm<limite>: 34,63 mm<limite>: 34,63 mm<limite>: 34,63 mm Exaustão (externa)Exaustão (externa)Exaustão (externa)Exaustão (externa)Exaustão (externa) 36,63 mm36,63 mm36,63 mm36,63 mm36,63 mm <limite>: 34,63 mm<limite>: 34,63 mm<limite>: 34,63 mm<limite>: 34,63 mm<limite>: 34,63 mm INSPEÇÃO DINSPEÇÃO DINSPEÇÃO DINSPEÇÃO DINSPEÇÃO DAAAAAS MOLAS MOLAS MOLAS MOLAS MOLAS DS DS DS DS DAAAAA VÁLVÁLVÁLVÁLVÁLVULAVULAVULAVULAVULA O seguinte procedimento se aplica a todas as molas da válvula. 1. Meça: • Comprimento livre da mola a. Fora de especificação Substitua. 2. Meça: • Força da mola comprimida a. Fora de especificação Substitua. b Comprimento instalado 3. Meça: • Inclinação da mola a. Fora de especificação Substitua. Limite de inclinação (todas)Limite de inclinação (todas)Limite de inclinação (todas)Limite de inclinação (todas)Limite de inclinação (todas) 2,5º/1,6 mm2,5º/1,6 mm2,5º/1,6 mm2,5º/1,6 mm2,5º/1,6 mm a b a FFFFForça da mola comprimidaorça da mola comprimidaorça da mola comprimidaorça da mola comprimidaorça da mola comprimida InternasInternasInternasInternasInternas 77777,50 ~ 9,1,50 ~ 9,1,50 ~ 9,1,50 ~ 9,1,50 ~ 9,17 k7 k7 k7 k7 kgfgfgfgfgf.m a 30,5 mm.m a 30,5 mm.m a 30,5 mm.m a 30,5 mm.m a 30,5 mm ExternasExternasExternasExternasExternas 111112,85 ~ 12,85 ~ 12,85 ~ 12,85 ~ 12,85 ~ 15,79 k5,79 k5,79 k5,79 k5,79 kgfgfgfgfgf.m a 32,0 mm.m a 32,0 mm.m a 32,0 mm.m a 32,0 mm.m a 32,0 mm
  • 245.
    5 – 38 VÁLVÁLVÁLVÁLVÁLVULAVULAVULAVULAVULASE MOLAS E MOLAS E MOLAS E MOLAS E MOLAS DS DS DS DS DAAAAASSSSS VÁLVÁLVÁLVÁLVÁLVULAVULAVULAVULAVULASSSSS MOMOMOMOMOTTTTTOROROROROR 3. Instale: • Assento da mola 1. • Retentor 2. • Válvula 3. • Mola externa 4. • Mola interna 5. • Retenção da mola 6 (dentro do cabeçote). NONONONONOTTTTTA:A:A:A:A: Instale a mola com o passo maior a voltado para cima. • Passo menor b. NoNoNoNoNovvvvvooooo 6 2 5 4 1 3 a b INSINSINSINSINSTTTTTALAÇÃO DALAÇÃO DALAÇÃO DALAÇÃO DALAÇÃO DAAAAASSSSS VÁLVÁLVÁLVÁLVÁLVULAVULAVULAVULAVULASSSSS O seguinte procedimento se aplica a todas as válvulas e aos componentes relacionados. 1. Desbaste: • Ponta da haste da válvula (com uma pe- dra de afiar lubrificada a óleo). 2. Lubrifique: • Haste da válvula 1. • Retentor da haste da válvula. (com o lubrificante recomendado) Lubrificante recomendadoLubrificante recomendadoLubrificante recomendadoLubrificante recomendadoLubrificante recomendado Óleo de bissulfeto de molibdênioÓleo de bissulfeto de molibdênioÓleo de bissulfeto de molibdênioÓleo de bissulfeto de molibdênioÓleo de bissulfeto de molibdênio 1 NoNoNoNoNovvvvvooooo
  • 246.
    5 – 39 VÁLVÁLVÁLVÁLVÁLVULAVULAVULAVULAVULASE MOLAS E MOLAS E MOLAS E MOLAS E MOLAS DS DS DS DS DAAAAASSSSS VÁLVÁLVÁLVÁLVÁLVULAVULAVULAVULAVULASSSSS MOMOMOMOMOTTTTTOROROROROR 5. Para acomodar as travas na haste da vál- vula, bata levemente na ponta da válvula com um martelo de plástico. Bater na ponta da válvula com excesso deBater na ponta da válvula com excesso deBater na ponta da válvula com excesso deBater na ponta da válvula com excesso deBater na ponta da válvula com excesso de força pode danificar a válvula.força pode danificar a válvula.força pode danificar a válvula.força pode danificar a válvula.força pode danificar a válvula. 4. Instale: • Travas da válvula. NONONONONOTTTTTA:A:A:A:A: Instale as travas da válvula, pressionando a mola com o compressor 1 e o adaptador do compressor 2. Compressor da mola da válvulaCompressor da mola da válvulaCompressor da mola da válvulaCompressor da mola da válvulaCompressor da mola da válvula 90890-04090890-04090890-04090890-04090890-0401111199999 AdaptadorAdaptadorAdaptadorAdaptadorAdaptador 90890-090890-090890-090890-090890-011111243243243243243 1 2
  • 247.
    5 – 40 CILINDROE PISCILINDRO E PISCILINDRO E PISCILINDRO E PISCILINDRO E PISTÃOTÃOTÃOTÃOTÃO MOMOMOMOMOTTTTTOROROROROR CILINDRO E PISCILINDRO E PISCILINDRO E PISCILINDRO E PISCILINDRO E PISTÃOTÃOTÃOTÃOTÃO RRRRRemoemoemoemoemover o cilindro e pistãover o cilindro e pistãover o cilindro e pistãover o cilindro e pistãover o cilindro e pistão Remover as peças na ordem listada 1 Tubo de distribuição de óleo 1 Consulte “INSTALAÇÃO DO 2 Cilindro 1 PISTÃO E CILINDRO” 3 Pinos-guia 2 4 Junta do cilindro 1 5 Trava do pino do pistão 2 Consulte “REMOÇÃO DO 6 Pino do pistão 1 CILINDRO E PISTÃO” e 7 Pistão 1 “INSTALAÇÃO DO CILINDRO E 8 Jogo de anéis 1 PISTÃO” Para instalação, reverter o procedimento de remoção Serviço/Peça Qtde. ObservaçãoOrdem NoNoNoNoNovvvvvooooo 4 3 3 NoNoNoNoNovvvvvooooo 1 NoNoNoNoNovvvvvooooo 1,7 kgf.m (17 N.m) 2 1,0 kgf.m (10 N.m) 7 5 8 6 5 NoNoNoNoNovvvvvooooo NoNoNoNoNovvvvvooooo
  • 248.
    5 – 41 CILINDROE PISCILINDRO E PISCILINDRO E PISCILINDRO E PISCILINDRO E PISTÃOTÃOTÃOTÃOTÃO MOMOMOMOMOTTTTTOROROROROR REMOÇÃO DO CILINDRO E PISREMOÇÃO DO CILINDRO E PISREMOÇÃO DO CILINDRO E PISREMOÇÃO DO CILINDRO E PISREMOÇÃO DO CILINDRO E PISTÃOTÃOTÃOTÃOTÃO 1. Remova: • Travas do pino do pistão 1. • Pino do pistão 2. • Pistão 3. Não utilizNão utilizNão utilizNão utilizNão utilize mare mare mare mare martelo para retirar o pino dotelo para retirar o pino dotelo para retirar o pino dotelo para retirar o pino dotelo para retirar o pino do pistão.pistão.pistão.pistão.pistão. NONONONONOTTTTTA:A:A:A:A: • Antes de retirar a trava do pino do pistão, cubra a abertura da carcaça com um pano limpo para evitar que caia dentro. • Antes de retirar o pino do pistão, limpe o canal da trava e o furo do pino do pistão. Caso ainda apresente dificuldade para retirar o pino do pistão, remova-o com o sacador do pino do pistão 4. SSSSSacador do pino do pistãoacador do pino do pistãoacador do pino do pistãoacador do pino do pistãoacador do pino do pistão 90890-090890-090890-090890-090890-011111304304304304304 2. Remova: • Anel de compressão. • Anel raspador. • Anel de óleo. NONONONONOTTTTTA:A:A:A:A: Para remover um anel do pistão, abra o vão da ponta com seus dedos e levante o lado do anel sobre a coroa do pistão. INSPEÇÃO DO CILINDRO E PISINSPEÇÃO DO CILINDRO E PISINSPEÇÃO DO CILINDRO E PISINSPEÇÃO DO CILINDRO E PISINSPEÇÃO DO CILINDRO E PISTÃOTÃOTÃOTÃOTÃO 1. Verifique: • Parede do pistão. • Parede do cilindro. Riscos verticais Substitua o cilindro e o pistão e anéis de pistão como um conjunto. 2 3 1 4 23
  • 249.
    5 – 42 CILINDROE PISCILINDRO E PISCILINDRO E PISCILINDRO E PISCILINDRO E PISTÃOTÃOTÃOTÃOTÃO MOMOMOMOMOTTTTTOROROROROR 2. Meça: • Folga entre pistão e cilindro. ***************************************************************************************************************************************************************************************** a. Meça o diâmetro do cilindro “C” com um súbito. b. Caso esteja fora da especificação, substi- tua o cilindro, o pistão e anéis como um conjunto. c. Meça o diâmetro da saia do pistão “P” com o micrômetro. a 5 mm a partir da borda inferior do pistão. d. Caso esteja fora da especificação, substi- tua o pistão e os anéis como um conjunto. e. Calcule a folga entre pistão e cilindro com a seguinte fórmula: f. Caso esteja fora da especificação, substi- tua o cilindro, o pistão e os anéis como um conjunto. ***************************************************************************************************************************************************************************************** DiâmetroDiâmetroDiâmetroDiâmetroDiâmetro TTTTTolerânciaolerânciaolerânciaolerânciaolerância Cilindro “C” 74,000 ~ 74,100 mm ----- Conicidade “T” ----- 0,10 mm Ovalização “R” ----- 0,010 mm “C” = máximo de D1 ~ D6 “T” = (máximo de D1 ou D2) - (máximo de D5 ou D6) “R” = (máximo de D1, D3 ou D5) - (mínimo de D2, D4 ou D6) FFFFFolgolgolgolgolga entre pistão e cilindro = (diâmetroa entre pistão e cilindro = (diâmetroa entre pistão e cilindro = (diâmetroa entre pistão e cilindro = (diâmetroa entre pistão e cilindro = (diâmetro do cilindrodo cilindrodo cilindrodo cilindrodo cilindro “C”) - (diâmetro da saia do pis-“C”) - (diâmetro da saia do pis-“C”) - (diâmetro da saia do pis-“C”) - (diâmetro da saia do pis-“C”) - (diâmetro da saia do pis- tãotãotãotãotão “P”)“P”)“P”)“P”)“P”) FFFFFolgolgolgolgolga entre pistão e cilindroa entre pistão e cilindroa entre pistão e cilindroa entre pistão e cilindroa entre pistão e cilindro 0,00,00,00,00,0111110 ~ 0,025 mm0 ~ 0,025 mm0 ~ 0,025 mm0 ~ 0,025 mm0 ~ 0,025 mm <limite>: 0,1<limite>: 0,1<limite>: 0,1<limite>: 0,1<limite>: 0,15 mm5 mm5 mm5 mm5 mm NONONONONOTTTTTA:A:A:A:A: Meça o diâmetro do cilindro “C”, verificando as medidas de lado a lado e de trás para frente. Encontre a média das medições. P a Diâmetro da saia do pistãoDiâmetro da saia do pistãoDiâmetro da saia do pistãoDiâmetro da saia do pistãoDiâmetro da saia do pistão 73,983 ~ 73,998 mm73,983 ~ 73,998 mm73,983 ~ 73,998 mm73,983 ~ 73,998 mm73,983 ~ 73,998 mm
  • 250.
    5 – 43 CILINDROE PISCILINDRO E PISCILINDRO E PISCILINDRO E PISCILINDRO E PISTÃOTÃOTÃOTÃOTÃO MOMOMOMOMOTTTTTOROROROROR INSPEÇÃO DOSINSPEÇÃO DOSINSPEÇÃO DOSINSPEÇÃO DOSINSPEÇÃO DOS ANÉISANÉISANÉISANÉISANÉIS 1. Meça: • Folga lateral do anel. Fora de especificação Substitua o pis- tão e os anéis como um conjunto. NONONONONOTTTTTA:A:A:A:A: Antes de medir a folga lateral dos anéis, elimine quaisquer depósitos de carbono dos canais e dos próprios anéis. FFFFFolgolgolgolgolga lateral dos anéisa lateral dos anéisa lateral dos anéisa lateral dos anéisa lateral dos anéis Anel de compressãoAnel de compressãoAnel de compressãoAnel de compressãoAnel de compressão 0,030 ~ 0,065 mm0,030 ~ 0,065 mm0,030 ~ 0,065 mm0,030 ~ 0,065 mm0,030 ~ 0,065 mm <limite>: 0,1<limite>: 0,1<limite>: 0,1<limite>: 0,1<limite>: 0,10 mm0 mm0 mm0 mm0 mm Anel raspadorAnel raspadorAnel raspadorAnel raspadorAnel raspador 0,020 ~ 0,055 mm0,020 ~ 0,055 mm0,020 ~ 0,055 mm0,020 ~ 0,055 mm0,020 ~ 0,055 mm <limite>:0,1<limite>:0,1<limite>:0,1<limite>:0,1<limite>:0,10 mm0 mm0 mm0 mm0 mm 2. Instale: • Anel (dentro do cilindro). NONONONONOTTTTTA:A:A:A:A: Nivele o anel dentro do cilindro com a coroa do pistão. a 40 mm 3. Meça: • Abertura na ponta do anel. Fora de especificação Substitua. NONONONONOTTTTTA:A:A:A:A: A abertura do espaçador do anel de óleo não pode ser medida. Caso a abertura do trilho seja excessiva, substitua os três anéis como um conjunto. AberAberAberAberAbertura na ponta do aneltura na ponta do aneltura na ponta do aneltura na ponta do aneltura na ponta do anel Anel de compressãoAnel de compressãoAnel de compressãoAnel de compressãoAnel de compressão 0,10,10,10,10,19 ~ 0,31 mm9 ~ 0,31 mm9 ~ 0,31 mm9 ~ 0,31 mm9 ~ 0,31 mm <limite>: 0,60 mm<limite>: 0,60 mm<limite>: 0,60 mm<limite>: 0,60 mm<limite>: 0,60 mm Anel raspadorAnel raspadorAnel raspadorAnel raspadorAnel raspador 0,30 ~ 0,45 mm0,30 ~ 0,45 mm0,30 ~ 0,45 mm0,30 ~ 0,45 mm0,30 ~ 0,45 mm <<<<<limite>: 0,60 mmlimite>: 0,60 mmlimite>: 0,60 mmlimite>: 0,60 mmlimite>: 0,60 mm Anel de óleoAnel de óleoAnel de óleoAnel de óleoAnel de óleo 0,10,10,10,10,10 ~ 0,35 mm0 ~ 0,35 mm0 ~ 0,35 mm0 ~ 0,35 mm0 ~ 0,35 mm a
  • 251.
    5 – 44 CILINDROE PISCILINDRO E PISCILINDRO E PISCILINDRO E PISCILINDRO E PISTÃOTÃOTÃOTÃOTÃO MOMOMOMOMOTTTTTOROROROROR INSPEÇÃO DO PINO DO PISINSPEÇÃO DO PINO DO PISINSPEÇÃO DO PINO DO PISINSPEÇÃO DO PINO DO PISINSPEÇÃO DO PINO DO PISTÃOTÃOTÃOTÃOTÃO 1. Verifique: • Pino do pistão. Coloração azul/Ranhuras Substitua o pino e verifique o sistema de lubrifica- ção. FFFFFolgolgolgolgolga entre o pino e o pistãoa entre o pino e o pistãoa entre o pino e o pistãoa entre o pino e o pistãoa entre o pino e o pistão 0,00,00,00,00,0111110 ~ 0,025 mm0 ~ 0,025 mm0 ~ 0,025 mm0 ~ 0,025 mm0 ~ 0,025 mm <Limite>: 0,0<Limite>: 0,0<Limite>: 0,0<Limite>: 0,0<Limite>: 0,0111115 mm5 mm5 mm5 mm5 mm a 2. Meça: • Diâmetro externo do pino do pistão a. Fora de especificação Substitua. b 3. Meça: • Diâmetro interno b do orifício do pino. Fora de especificação Substitua o pis- tão. 4. Calcule: • Folga entre orifício e o pino. Fora de especificação Substitua o pino e o pistão como um conjunto. FFFFFolgolgolgolgolga entre orifício e pino = (diâmetro in-a entre orifício e pino = (diâmetro in-a entre orifício e pino = (diâmetro in-a entre orifício e pino = (diâmetro in-a entre orifício e pino = (diâmetro in- terno do orifícioterno do orifícioterno do orifícioterno do orifícioterno do orifício b))))) ----- (diâmetro externo(diâmetro externo(diâmetro externo(diâmetro externo(diâmetro externo do pinodo pinodo pinodo pinodo pino a))))) Diâmetro externo do pinoDiâmetro externo do pinoDiâmetro externo do pinoDiâmetro externo do pinoDiâmetro externo do pino 111116,991 ~ 16,991 ~ 16,991 ~ 16,991 ~ 16,991 ~ 177777,0,0,0,0,0000000 mm0 mm0 mm0 mm0 mm <Limite>: 1<Limite>: 1<Limite>: 1<Limite>: 1<Limite>: 16,970 mm6,970 mm6,970 mm6,970 mm6,970 mm Diâmetro interno do orifício doDiâmetro interno do orifício doDiâmetro interno do orifício doDiâmetro interno do orifício doDiâmetro interno do orifício do pinopinopinopinopino 1111177777,0,0,0,0,002 ~ 102 ~ 102 ~ 102 ~ 102 ~ 177777,0,0,0,0,0111113 mm3 mm3 mm3 mm3 mm <Limite>: 1<Limite>: 1<Limite>: 1<Limite>: 1<Limite>: 177777,043 mm,043 mm,043 mm,043 mm,043 mm
  • 252.
    5 – 45 CILINDROE PISCILINDRO E PISCILINDRO E PISCILINDRO E PISCILINDRO E PISTÃOTÃOTÃOTÃOTÃO MOMOMOMOMOTTTTTOROROROROR INSINSINSINSINSTTTTTALAÇÃO DO PISALAÇÃO DO PISALAÇÃO DO PISALAÇÃO DO PISALAÇÃO DO PISTÃO E DOTÃO E DOTÃO E DOTÃO E DOTÃO E DO CILINDROCILINDROCILINDROCILINDROCILINDRO 1. Instale: • Anel de compressão 1. • Anel raspador 2. • Espaçador do anel de óleo 3. • Trilho do anel de óleo inferior 4. • Trilho do anel de óleo superior 5. NONONONONOTTTTTA:A:A:A:A: Certifique-se de instalar os anéis de forma que as marcas ou números do fabricante fiquem voltados para cima. NoNoNoNoNovvvvvooooo 1 2 5 3 4 NoNoNoNoNovvvvvooooo 2. Instale: • Pistão 1. • Pino do pistão 2. • Travas do pino do pistão 3. NONONONONOTTTTTA:A:A:A:A: • Aplique óleo para motor no pino do pistão. • Certifique-se de que a marca a no pistão aponte para o escape do motor. • Antes de instalar as travas do pino, cubra a abertura das carcaças com um pano lim- po para evitar que caiam no interior do motor. 3. Instale: • Junta do cilindro. • Pinos-guia. 4. Lubrifique: • Pistão. • Anéis. • Cilindro (use o lubrificante recomen- dado). Lubrificante recomendadoLubrificante recomendadoLubrificante recomendadoLubrificante recomendadoLubrificante recomendado Óleo para motorÓleo para motorÓleo para motorÓleo para motorÓleo para motor NoNoNoNoNovvvvvooooo 1 3 2 a •
  • 253.
    5 – 46 CILINDROE PISCILINDRO E PISCILINDRO E PISCILINDRO E PISCILINDRO E PISTÃOTÃOTÃOTÃOTÃO MOMOMOMOMOTTTTTOROROROROR 7. Instale: • Anéis O-rings. • Junta. • Parafusos do cilindro. NONONONONOTTTTTA:A:A:A:A: • Lubrifique as roscas dos parafusos do cilindro e a superfície de contato com óleo para motor. • Instale as arruelas com sua superfície estampada voltada para cima. 5. Desloque: • Aberturas na ponta do anel do pistão. a Anel de compressão b Trilho superior do anel de óleo c Espaçador do anel de óleo d Trilho inferior do anel de óleo e Anel raspador f 20 mm È Lado de escape. NoNoNoNoNovvvvvooooo PPPPParafusos do cilindroarafusos do cilindroarafusos do cilindroarafusos do cilindroarafusos do cilindro 1,0 k1,0 k1,0 k1,0 k1,0 kgfgfgfgfgf.m (1.m (1.m (1.m (1.m (10 N.m)0 N.m)0 N.m)0 N.m)0 N.m) NoNoNoNoNovvvvvooooo 1 NoNoNoNoNovvvvvooooo e 6. Instale: • Cilindro 1. • Guia da corrente de comando (escape). NOTA: • Enquanto comprime os anéis com uma mão, instale o cilindro com a outra. • Passe a corrente de comando e sua guia (lado de escape) através da cavidade da corrente de comando.
  • 254.
    5 – 47 EMBREAEMBREAEMBREAEMBREAEMBREAGEMGEMGEMGEMGEMMOMOMOMOMOTTTTTOROROROROR TTTTTAMPAMPAMPAMPAMPA DA DA DA DA DA EMBREAA EMBREAA EMBREAA EMBREAA EMBREAGEMGEMGEMGEMGEM EMBREAEMBREAEMBREAEMBREAEMBREAGEMGEMGEMGEMGEM RRRRRemoção da embreagememoção da embreagememoção da embreagememoção da embreagememoção da embreagem Remover as peças na ordem listada Óleo do motor Consulte “TROCA DE ÓLEO DO MOTOR” no capítulo 3 Suporte do freio traseiro Consulte “AJUSTE DO FREIO TRASEIRO” no capítulo 3 1 1 Tubo de distribuição de óleo 1 2 Mangueiras do radiador de óleo 2 Desconectar 3 Tampa da embreagem 1 4 Pinos-guia 2 5 Junta da tampa da embreagem 1 Para instalação, reverter o procedimento de remoção Serviço/Peça Qtde. ObservaçãoOrdem 3 NoNoNoNoNovvvvvooooo 1,0 kgf.m (10 N.m) NoNoNoNoNovvvvvooooo 1,0 kgf.m (10 N.m) 2 5 NoNoNoNoNovvvvvooooo1 4
  • 255.
    5 – 48 EMBREAEMBREAEMBREAEMBREAEMBREAGEMGEMGEMGEMGEMMOMOMOMOMOTTTTTOROROROROR EMBREAEMBREAEMBREAEMBREAEMBREAGEMGEMGEMGEMGEM 54 B 6 7 A 3 0 C F NoNoNoNoNovvvvvooooo NoNoNoNoNovvvvvooooo 8 7,5 kgf.m (75 N.m) 0,8 kgf.m (8 N.m) 1 2 E D 9 Remoção da embreagem Remover as peças na ordem listada 1 Parafuso/ mola da embreagem 4/4 2 Placa de pressão 1 3 Porca da engrenagem primária 1 4 Discos de fricção 6 5 Discos de aço 5 6 Disco amortecedor 1 Consulte “INSTALAÇÃO DA 7 Base do disco amortecedor 1 EMBREAGEM” 8 Porca do cubo da embreagem 1 9 Cubo da embreagem 1 10 Arruela especial 1 11 Campana 1 Serviço/Peça Qtde. ObservaçãoOrdem
  • 256.
    5 – 49 EMBREAEMBREAEMBREAEMBREAEMBREAGEMGEMGEMGEMGEMMOMOMOMOMOTTTTTOROROROROR 6 7 A 3 0 C F NoNoNoNoNovvvvvooooo NoNoNoNoNovvvvvooooo 8 7,5 kgf.m (75 N.m) 0,8 kgf.m (8 N.m) 1 2 E D 9 12 Arruela especial 1 13 Engrenagem primária 1 Consulte “REMOÇÃO DA 14 Contraporca 1 EMBREAGEM” e “INSTALAÇAO 15 Parafuso de ajuste 1 DA EMBREAGEM” 16 Haste/ esfera de acionamento 1/1 Para instalação, reverter o procedimento de remoção Serviço/Peça Qtde. ObservaçãoOrdem
  • 257.
    5 – 50 EMBREAEMBREAEMBREAEMBREAEMBREAGEMGEMGEMGEMGEMMOMOMOMOMOTTTTTOROROROROR ALAALAALAALAALAVVVVVANCA DEANCA DEANCA DEANCA DEANCA DE AAAAACIONAMENCIONAMENCIONAMENCIONAMENCIONAMENTTTTTOOOOO RRRRRemoção da alavanca de acionamentoemoção da alavanca de acionamentoemoção da alavanca de acionamentoemoção da alavanca de acionamentoemoção da alavanca de acionamento Remover as peças na ordem listada Pedal de câmbio Consulte “REMOÇÃO DO MOTOR” Engrenagem louca da partida Consulte “MOTOR DE PARTIDA” Fio do interruptor de neutro Tampa esquerda do motor 1 Cabo da embreagem 1 2 Parafuso 1 3 Alavanca de acionamento 1 4 Mola 1 Desconectar 5 Anel-trava 1 6 Rolamento 1 7 Espaçador 1 Para instalação, reverter o procedimento de remoção Serviço/Peça Qtde. ObservaçãoOrdem 3 4 5 6 7 2 NoNoNoNoNovvvvvooooo 1 1,2 kgf.m (12 N.m) NoNoNoNoNovvvvvooooo
  • 258.
    5 – 51 EMBREAEMBREAEMBREAEMBREAEMBREAGEMGEMGEMGEMGEMMOMOMOMOMOTTTTTOROROROROR REMOÇÃO DREMOÇÃO DREMOÇÃO DREMOÇÃO DREMOÇÃO DA EMBREAA EMBREAA EMBREAA EMBREAA EMBREAGEMGEMGEMGEMGEM 1. Remova: • Parafusos 1. NONONONONOTTTTTA:A:A:A:A: Solte cada parafuso 1 /4 de volta por vez em padrão cruzado. Depois que todos os parafusos forem completamente soltos, remova-os. Fixador do cubo de embreagemFixador do cubo de embreagemFixador do cubo de embreagemFixador do cubo de embreagemFixador do cubo de embreagem 90890-0408690890-0408690890-0408690890-0408690890-04086 4. Remova: • Porca 1. • Arruela-trava 2. • Arruela especial 4. • Campana 5. 2 1 3 NONONONONOTTTTTA:A:A:A:A: Solte a porca da engrenagem primária 1 com um soquete 3, enquanto fixa com a ferramenta especial 2. Fixador da engrenagem primáriaFixador da engrenagem primáriaFixador da engrenagem primáriaFixador da engrenagem primáriaFixador da engrenagem primária 90890-408X290890-408X290890-408X290890-408X290890-408X2 1 5 4 3 2 1 1 2 3 2. Endireite a aba da arruela-trava. 3. Solte: • Porca do cubo da embreagem 1. NONONONONOTTTTTA:A:A:A:A: Enquanto segura o cubo da embreagem 2 com o fixador do cubo de embreagem 3, solte a porca do cubo.
  • 259.
    5 – 52 EMBREAEMBREAEMBREAEMBREAEMBREAGEMGEMGEMGEMGEMMOMOMOMOMOTTTTTOROROROROR INSPEÇÃO DINSPEÇÃO DINSPEÇÃO DINSPEÇÃO DINSPEÇÃO DA ENGRENAA ENGRENAA ENGRENAA ENGRENAA ENGRENAGEMGEMGEMGEMGEM PRIMÁRIAPRIMÁRIAPRIMÁRIAPRIMÁRIAPRIMÁRIA • Porca da engrenagem primária 1. • Arruela-trava 2. • Arruela especial 3. • Engrenagem primária 4. Desgaste/Trincas Substitua. 1 12 3 4 INSPEÇÃO DOS DISCOS DEINSPEÇÃO DOS DISCOS DEINSPEÇÃO DOS DISCOS DEINSPEÇÃO DOS DISCOS DEINSPEÇÃO DOS DISCOS DE FRICÇÃOFRICÇÃOFRICÇÃOFRICÇÃOFRICÇÃO O seguinte procedimento se aplica a todos os discos de fricção. 1. Verifique: • Disco de fricção (estreito). • Disco de fricção. Danos/Desgaste Substitua os discos de fricção como um conjunto. 2. Meça: • Espessura do disco de fricção (estreito). • Espessura do disco de fricção. Danos/Desgaste Substitua os discos de fricção como um conjunto. NONONONONOTTTTTA:A:A:A:A: Meça o disco de fricção em quatro pontos. INSPEÇÃO DOS DISCOS DEINSPEÇÃO DOS DISCOS DEINSPEÇÃO DOS DISCOS DEINSPEÇÃO DOS DISCOS DEINSPEÇÃO DOS DISCOS DE AÇOAÇOAÇOAÇOAÇO O seguinte procedimento se aplica a todos os discos de aço. 1. Verifique: • Discos de aço. Danos Substitua os discos de aço como um conjunto. 2. Meça: • Empenamento do disco de aço (use o cálibre de lâminas 1). Fora de especificação Substitua os discos de aço como um conjunto. Espessura dos discos de fricçãoEspessura dos discos de fricçãoEspessura dos discos de fricçãoEspessura dos discos de fricçãoEspessura dos discos de fricção 3,13,13,13,13,10 ~ 2,90 mm0 ~ 2,90 mm0 ~ 2,90 mm0 ~ 2,90 mm0 ~ 2,90 mm Limite de empeno do disco de açoLimite de empeno do disco de açoLimite de empeno do disco de açoLimite de empeno do disco de açoLimite de empeno do disco de aço 0,20 mm0,20 mm0,20 mm0,20 mm0,20 mm
  • 260.
    5 – 53 EMBREAEMBREAEMBREAEMBREAEMBREAGEMGEMGEMGEMGEMMOMOMOMOMOTTTTTOROROROROR INSPEÇÃO DINSPEÇÃO DINSPEÇÃO DINSPEÇÃO DINSPEÇÃO DAAAAAS MOLAS MOLAS MOLAS MOLAS MOLAS DES DES DES DES DE EMBREAEMBREAEMBREAEMBREAEMBREAGEMGEMGEMGEMGEM O seguinte procedimento se aplica a todas as molas da embreagem. 1. Verifique: • Mola da embreagem. Danos Substitua as molas como um conjunto. 2. Meça: • Comprimento livre da mola a. Fora de especificação Substitua as molas de embreagem como um con- junto. a Comprimento liComprimento liComprimento liComprimento liComprimento livre das molasvre das molasvre das molasvre das molasvre das molas 41,60 mm41,60 mm41,60 mm41,60 mm41,60 mm <Limite>: 39,60 mm<Limite>: 39,60 mm<Limite>: 39,60 mm<Limite>: 39,60 mm<Limite>: 39,60 mm INSPEÇÃO DINSPEÇÃO DINSPEÇÃO DINSPEÇÃO DINSPEÇÃO DA CAMPA CAMPA CAMPA CAMPA CAMPANAANAANAANAANA 1. Verifique: • Garras da campana. Danos/Corrosão/Desgaste Desbaste as garras da campana ou substitua-a. NONONONONOTTTTTA:A:A:A:A: Desgaste nas garras da campana causará operação incorreta da embreagem. 2. Verifique: • Encaixes do cubo da embreagem. Danos/Desgaste Desbaste os encai- xes do cubo ou substitua-os. INSPEÇÃO DINSPEÇÃO DINSPEÇÃO DINSPEÇÃO DINSPEÇÃO DA PLAA PLAA PLAA PLAA PLACA DE PRESSÃOCA DE PRESSÃOCA DE PRESSÃOCA DE PRESSÃOCA DE PRESSÃO 1. Verifique: • Placa de pressão. Rachaduras/Danos Substituir.
  • 261.
    5 – 54 EMBREAEMBREAEMBREAEMBREAEMBREAGEMGEMGEMGEMGEMMOMOMOMOMOTTTTTOROROROROR INSPEÇÃO DINSPEÇÃO DINSPEÇÃO DINSPEÇÃO DINSPEÇÃO DAAAAA ALAALAALAALAALAVVVVVANCA E DANCA E DANCA E DANCA E DANCA E DAAAAA HAHAHAHAHASSSSSTE DETE DETE DETE DETE DE AAAAACIONAMENCIONAMENCIONAMENCIONAMENCIONAMENTTTTTOOOOO 1. Verifique: • Cames da alavanca de acionamento 1. Danos/Desgaste Substitua. 2. Verifique: • Haste de acionamento 2. • Esfera de aço 3. Danos/Desgaste Substitua os com- ponentes como um conjunto. NoNoNoNoNovvvvvooooo NoNoNoNoNovvvvvooooo 2 3 1 1 2 3 4 NoNoNoNoNovvvvvooooo NoNoNoNoNovvvvvooooo 7 59 8 6 INSPEÇÃO DINSPEÇÃO DINSPEÇÃO DINSPEÇÃO DINSPEÇÃO DA CAMPA CAMPA CAMPA CAMPA CAMPANAANAANAANAANA 1. Verifique: • Engrenagem movida. Danos/Desgaste Substitua a engre- nagem movida e campana como um conjunto. Ruído excessivo durante operação Substitua a engrenagem movida e a campana como um conjunto. INSINSINSINSINSTTTTTALAÇÃO DALAÇÃO DALAÇÃO DALAÇÃO DALAÇÃO DA EMBREAA EMBREAA EMBREAA EMBREAA EMBREAGEMGEMGEMGEMGEM 1. Instale: • Engrenagem primária 1. • Arruela especial 2. • Arruela-trava 3. • Porca da engrenagem primária 4. NONONONONOTTTTTA:A:A:A:A: Fixe a porca, utilizando o fixador da engrenagem primária e um soquete. • Campana 5. • Arruela especial 6. • Cubo da embreagem 7. • Arruela-trava 8. • Porca 9.
  • 262.
    5 – 55 EMBREAEMBREAEMBREAEMBREAEMBREAGEMGEMGEMGEMGEMMOMOMOMOMOTTTTTOROROROROR 2. Aperte: • Porca do cubo da embreagem 1. • Porca da engrenagem primária. NONONONONOTTTTTA:A:A:A:A: • Aperte a porca do cubo da embreagem 1 enquanto segura o cubo da embreagem com o fixador do cubo de embreagem 2. • Aperte a porca da engrenagem primária com o fixador da engrenagem primária e um soquete. 1 2 1 2 3 2 1 3 4 Fixador cubo da embreagemFixador cubo da embreagemFixador cubo da embreagemFixador cubo da embreagemFixador cubo da embreagem 90890-0408690890-0408690890-0408690890-0408690890-04086 Fixador da engrenagem primáriaFixador da engrenagem primáriaFixador da engrenagem primáriaFixador da engrenagem primáriaFixador da engrenagem primária 90890-408X290890-408X290890-408X290890-408X290890-408X2 PPPPPorca do cubo da embreagemorca do cubo da embreagemorca do cubo da embreagemorca do cubo da embreagemorca do cubo da embreagem 77777,5 k,5 k,5 k,5 k,5 kgfgfgfgfgf.m (75 N.m).m (75 N.m).m (75 N.m).m (75 N.m).m (75 N.m) PPPPPorca da engrenagem primáriaorca da engrenagem primáriaorca da engrenagem primáriaorca da engrenagem primáriaorca da engrenagem primária 77777,5 k,5 k,5 k,5 k,5 kgfgfgfgfgf.m (75 N.m).m (75 N.m).m (75 N.m).m (75 N.m).m (75 N.m) 3. Dobre: • Aba da arruela-trava. (para lado plano da porca 1) NONONONONOTTTTTA:A:A:A:A: Fixe a porca, utilizando o fixador da engre- nagem primária 2 e um soquete 3. Fixador da engrenagem primáriaFixador da engrenagem primáriaFixador da engrenagem primáriaFixador da engrenagem primáriaFixador da engrenagem primária 90890-408X290890-408X290890-408X290890-408X290890-408X2 NONONONONOTTTTTA:A:A:A:A: • O primeiro disco 1 é feito em cortiça, é mais estreito. Serve para acomodar uma arruela lisa 4 e uma mola de retorno 3. • A mola deve ser montada com a extremi- dade mais alta voltada para fora. • Os quatro discos intermediários 5 são feitos de papel e não possuem diferenças entre si. • O último disco 6 é de cortiça, é mais es- curo em relação aos demais. • A diferença de material e número de ressaltos de contato tem o objetivo de reduzir o impacto no primeiro engate de marcha, principalmente com o motor frio. • Tome um cuidado especial na montagem, pois não devemos inverter a ordem dos discos. Observe também que a borda ar- redondada dos discos separadores 2deve ficar voltada para dentro. • Os discos de embreagem devem ser umedecidos em óleo de motor antes da montagem. 6 5
  • 263.
    5 – 56 EMBREAEMBREAEMBREAEMBREAEMBREAGEMGEMGEMGEMGEMMOMOMOMOMOTTTTTOROROROROR 4. Instale: • Esfera. 5. Instale: • Porca do parafuso de ajuste 1. • Placa de pressão 2. • Parafuso de ajuste 3. • Arruela 4. 6. Instale: • Molas da embreagem 1. • Parafusos 2. 2 1 PPPPParafusos (mola da embreagem)arafusos (mola da embreagem)arafusos (mola da embreagem)arafusos (mola da embreagem)arafusos (mola da embreagem) 0,8 k0,8 k0,8 k0,8 k0,8 kgfgfgfgfgf.m (8 N.m).m (8 N.m).m (8 N.m).m (8 N.m).m (8 N.m) NONONONONOTTTTTA:A:A:A:A: Aperte os parafusos das molas por etapas e em padrão cruzado. a b c 7. Verifique: • Posição da alavanca acionadora. Empurre o conjunto da alavanca na dire- ção da seta c e certifique-se de que as marcas de alinhamento estejam alinhadas. a Marca da alavanca b Marca da carcaça
  • 264.
    5 – 57 EMBREAEMBREAEMBREAEMBREAEMBREAGEMGEMGEMGEMGEMMOMOMOMOMOTTTTTOROROROROR 8. Ajuste: • Posição da alavanca acionadora. ******************************************************************************************************************************************************************************* PPPPPassos de ajuste:assos de ajuste:assos de ajuste:assos de ajuste:assos de ajuste: a. Solte a contraporca 1. b. Gire o ajustador 2 em sentido horário ou anti-horário para alinhar as marcas. c. Segure o ajustador para evitar que ele se mova, e aperte a contraporca. d. Aperte a contraporca 1. TTTTTome cuidado para não aperome cuidado para não aperome cuidado para não aperome cuidado para não aperome cuidado para não apertar demais otar demais otar demais otar demais otar demais o ajustadorajustadorajustadorajustadorajustador 22222 e remoe remoe remoe remoe remover a folgver a folgver a folgver a folgver a folga entre ambasa entre ambasa entre ambasa entre ambasa entre ambas as hastes de acionamento.as hastes de acionamento.as hastes de acionamento.as hastes de acionamento.as hastes de acionamento. 1 2 ******************************************************************************************************************************************************************************* 10. Instale: • Pinos-guia. • Junta da tampa. • Tampa da carcaça (LD). NoNoNoNoNovvvvvooooo PPPPParafusos da tampa da carcaçaarafusos da tampa da carcaçaarafusos da tampa da carcaçaarafusos da tampa da carcaçaarafusos da tampa da carcaça 1,0 k1,0 k1,0 k1,0 k1,0 kgfgfgfgfgf.m (1.m (1.m (1.m (1.m (10 N.m)0 N.m)0 N.m)0 N.m)0 N.m) ContraporcaContraporcaContraporcaContraporcaContraporca 0,8 k0,8 k0,8 k0,8 k0,8 kgfgfgfgfgf.m (8 N.m).m (8 N.m).m (8 N.m).m (8 N.m).m (8 N.m)
  • 265.
    5 – 58 BOMBADE ÓLEO E ENGRENABOMBA DE ÓLEO E ENGRENABOMBA DE ÓLEO E ENGRENABOMBA DE ÓLEO E ENGRENABOMBA DE ÓLEO E ENGRENAGEM DO BALANCEIROGEM DO BALANCEIROGEM DO BALANCEIROGEM DO BALANCEIROGEM DO BALANCEIRO MOMOMOMOMOTTTTTOROROROROR BOMBA DE ÓLEO E ENGRENABOMBA DE ÓLEO E ENGRENABOMBA DE ÓLEO E ENGRENABOMBA DE ÓLEO E ENGRENABOMBA DE ÓLEO E ENGRENAGEM DO BALANCEIROGEM DO BALANCEIROGEM DO BALANCEIROGEM DO BALANCEIROGEM DO BALANCEIRO RRRRRemoção da bomba de óleo e engrenagem doemoção da bomba de óleo e engrenagem doemoção da bomba de óleo e engrenagem doemoção da bomba de óleo e engrenagem doemoção da bomba de óleo e engrenagem do Remova as peças na ordem listada balanceirobalanceirobalanceirobalanceirobalanceiro Óleo do motor Drenar Tampa da embreagem Consulte “TAMPA DE EMBREAGEM” Engrenagem primária Consulte “EMBREAGEM” 1 Porca 1 2 Arruela-trava 1 3 Engrenagem do balanceiro 1 Consulte “MONTAGEM DA 4 Chaveta 1 ENGRENAGEM DO BALANCEIRO” 5 Espaçador 1 Serviço/Peça Qtde. ObservaçãoOrdem 1 2 3 4 5 9 B 8 NoNoNoNoNovvvvvooooo 5,5 kgf.m (55 N.m) 0,7 kgf.m (7 N.m) NoNoNoNoNovvvvvooooo 6 A 0 7
  • 266.
    5 – 59 BOMBADE ÓLEO E ENGRENABOMBA DE ÓLEO E ENGRENABOMBA DE ÓLEO E ENGRENABOMBA DE ÓLEO E ENGRENABOMBA DE ÓLEO E ENGRENAGEM DO BALANCEIROGEM DO BALANCEIROGEM DO BALANCEIROGEM DO BALANCEIROGEM DO BALANCEIRO MOMOMOMOMOTTTTTOROROROROR 1 2 3 4 5 9 B 8 NoNoNoNoNovvvvvooooo 5,5 kgf.m (55 N.m) 0,7 kgf.m (7 N.m) NoNoNoNoNovvvvvooooo 6 A 0 7 6 Anel-trava 1 7 Engrenagem da bomba de óleo 1 8 Bomba de óleo 1 9 Junta da bomba de óleo 1 Consulte “MONTAGEM DA 10 Chaveta 1 BOMBA DE ÓLEO” 11 Engrenagem motora 1 12 Pescador (subfiltro de óleo) 1 Para instalação, reverter o procedimento de remoção Serviço/Peça Qtde. ObservaçãoOrdem
  • 267.
    5 – 60 BOMBADE ÓLEOBOMBA DE ÓLEOBOMBA DE ÓLEOBOMBA DE ÓLEOBOMBA DE ÓLEO MOMOMOMOMOTTTTTOROROROROR 1 6 5 4 3 2 2 7 NoNoNoNoNovvvvvooooo 0,7 kgf.m (7 N.m) Desmontagem da bomba de óleoDesmontagem da bomba de óleoDesmontagem da bomba de óleoDesmontagem da bomba de óleoDesmontagem da bomba de óleo Remover as peças na ordem listada 1 Carcaça 1 1 2 Pino-guia 2 3 Rotor externo 1 4 Rotor interno 1 5 Pino-trava 1 6 Eixo 1 7 Carcaça 2 1 Para montagem, reverter o procedimento da remoção Serviço/Peça Qtde. ObservaçãoOrdem BOMBA DE ÓLEOBOMBA DE ÓLEOBOMBA DE ÓLEOBOMBA DE ÓLEOBOMBA DE ÓLEO
  • 268.
    5 – 61 BOMBADE ÓLEOBOMBA DE ÓLEOBOMBA DE ÓLEOBOMBA DE ÓLEOBOMBA DE ÓLEO MOMOMOMOMOTTTTTOROROROROR INSPEÇÃO DINSPEÇÃO DINSPEÇÃO DINSPEÇÃO DINSPEÇÃO DA BOMBA DE ÓLEOA BOMBA DE ÓLEOA BOMBA DE ÓLEOA BOMBA DE ÓLEOA BOMBA DE ÓLEO 1. Verifique: • Engrenagem da bomba de óleo. Rachaduras/Danos/Desgaste Substi- tua a(s) peça(s) defeituosa(s). FFFFFolgolgolgolgolga entre rotor externo e rotora entre rotor externo e rotora entre rotor externo e rotora entre rotor externo e rotora entre rotor externo e rotor internointernointernointernointerno 0,10,10,10,10,15 mm5 mm5 mm5 mm5 mm <Limite>: 0,2 mm<Limite>: 0,2 mm<Limite>: 0,2 mm<Limite>: 0,2 mm<Limite>: 0,2 mm FFFFFolgolgolgolgolga entre o rotor externo e aa entre o rotor externo e aa entre o rotor externo e aa entre o rotor externo e aa entre o rotor externo e a carcaça da bomba de óleocarcaça da bomba de óleocarcaça da bomba de óleocarcaça da bomba de óleocarcaça da bomba de óleo 0,10,10,10,10,10 ~ 0,10 ~ 0,10 ~ 0,10 ~ 0,10 ~ 0,15 mm5 mm5 mm5 mm5 mm <Limite>: 0,20 mm<Limite>: 0,20 mm<Limite>: 0,20 mm<Limite>: 0,20 mm<Limite>: 0,20 mm FFFFFolgolgolgolgolga entre a carcaça da bombaa entre a carcaça da bombaa entre a carcaça da bombaa entre a carcaça da bombaa entre a carcaça da bomba de óleo e os rotores interno ede óleo e os rotores interno ede óleo e os rotores interno ede óleo e os rotores interno ede óleo e os rotores interno e externoexternoexternoexternoexterno 0,04 ~ 0,09 mm0,04 ~ 0,09 mm0,04 ~ 0,09 mm0,04 ~ 0,09 mm0,04 ~ 0,09 mm <Limite>: 0,1<Limite>: 0,1<Limite>: 0,1<Limite>: 0,1<Limite>: 0,15 mm5 mm5 mm5 mm5 mm a b c 1 2 3 2. Meça: • Folga a entre o rotor externo e o rotor interno. • Folga b entre o rotor externo e a carca- ça da bomba de óleo. • Folga c entre a carcaça da bomba de óleo e os rotores interno e externo. Fora de especificação Substitua a bomba de óleo. 1 Rotor interno 2 Rotor externo 3 Carcaça da bomba de óleo 3. Verifique: • Operação da bomba de óleo. Movimento inadequado Repita os passos 1 e 2 ou substitua a(s) peça(s) defeituosa(s).
  • 269.
    5 – 62 BOMBADE ÓLEOBOMBA DE ÓLEOBOMBA DE ÓLEOBOMBA DE ÓLEOBOMBA DE ÓLEO MOMOMOMOMOTTTTTOROROROROR INSPEÇÃO DOSINSPEÇÃO DOSINSPEÇÃO DOSINSPEÇÃO DOSINSPEÇÃO DOSTUBOS ETUBOS ETUBOS ETUBOS ETUBOS E MANGUEIRAMANGUEIRAMANGUEIRAMANGUEIRAMANGUEIRAS DE FORNECIMENS DE FORNECIMENS DE FORNECIMENS DE FORNECIMENS DE FORNECIMENTTTTTOOOOO DE ÓLEODE ÓLEODE ÓLEODE ÓLEODE ÓLEO O seguinte procedimento se aplica a todos os tubos e mangueiras de fornecimento de óleo. 1. Verifique: • Tubo de distribuição de óleo. • Mangueira de fornecimento de óleo. Danos Substituir. Obstrução Lave e sopre com ar com- primido. Lubrificante recomendadoLubrificante recomendadoLubrificante recomendadoLubrificante recomendadoLubrificante recomendado Óleo de motorÓleo de motorÓleo de motorÓleo de motorÓleo de motor PPPPParafuso da carcaça da bombaarafuso da carcaça da bombaarafuso da carcaça da bombaarafuso da carcaça da bombaarafuso da carcaça da bomba 0,7 k0,7 k0,7 k0,7 k0,7 kgfgfgfgfgf.m (7 N.m).m (7 N.m).m (7 N.m).m (7 N.m).m (7 N.m) NONONONONOTTTTTA:A:A:A:A: • Instale o rotor interno da bomba de óleo e o rotor externo com as marcas de alinhamento voltadas para cima. • Quando instalar o rotor interno, alinhe o pino no eixo da bomba de óleo com a ranhura no rotor interno. MONMONMONMONMONTTTTTAAAAAGEM DGEM DGEM DGEM DGEM DA BOMBA DE ÓLEOA BOMBA DE ÓLEOA BOMBA DE ÓLEOA BOMBA DE ÓLEOA BOMBA DE ÓLEO 1. Lubrifique: • Rotor interno da bomba de óleo. • Rotor externo da bomba de óleo. • Eixo da bomba de óleo. (use lubrificante recomendado). 2. Instale: • Rotor externo da bomba de óleo. • Rotor interno da bomba de óleo. (até a carcaça da bomba de óleo) • Carcaça da bomba de óleo. 3. Verifique: • Operação da bomba de óleo. Consulte “INSPEÇÃO DA BOMBA DE ÓLEO”.
  • 270.
    5 – 63 BOMBADE ÓLEOBOMBA DE ÓLEOBOMBA DE ÓLEOBOMBA DE ÓLEOBOMBA DE ÓLEO MOMOMOMOMOTTTTTOROROROROR INSINSINSINSINSTTTTTALAÇÃO DALAÇÃO DALAÇÃO DALAÇÃO DALAÇÃO DA BOMBA DE ÓLEOA BOMBA DE ÓLEOA BOMBA DE ÓLEOA BOMBA DE ÓLEOA BOMBA DE ÓLEO 1. Instale: • Junta da bomba de óleo. • Bomba de óleo. • Engrenagem da bomba de óleo. • Anel-trava. PPPPParafuso da carcaça da bombaarafuso da carcaça da bombaarafuso da carcaça da bombaarafuso da carcaça da bombaarafuso da carcaça da bomba 0,7 k0,7 k0,7 k0,7 k0,7 kgfgfgfgfgf.m (7 N.m).m (7 N.m).m (7 N.m).m (7 N.m).m (7 N.m) NoNoNoNoNovvvvvooooo Após fixar os parafusos, cerApós fixar os parafusos, cerApós fixar os parafusos, cerApós fixar os parafusos, cerApós fixar os parafusos, certifique-se detifique-se detifique-se detifique-se detifique-se de que a bomba de óleo gira suavemente.que a bomba de óleo gira suavemente.que a bomba de óleo gira suavemente.que a bomba de óleo gira suavemente.que a bomba de óleo gira suavemente. NONONONONOTTTTTA:A:A:A:A: • Instale a engrenagem da bomba de óleo com a marca do fabricante para cima. • Instale o anel-trava com sua superfície estampada voltada para o motor. RADIADOR DE ÓLEORADIADOR DE ÓLEORADIADOR DE ÓLEORADIADOR DE ÓLEORADIADOR DE ÓLEO 1. Coloque a motocicleta em uma superfí- cie plana. Apóie a motocicleta firmemente para que nãoApóie a motocicleta firmemente para que nãoApóie a motocicleta firmemente para que nãoApóie a motocicleta firmemente para que nãoApóie a motocicleta firmemente para que não haja perigo de queda.haja perigo de queda.haja perigo de queda.haja perigo de queda.haja perigo de queda. 2. Remova: • A aba lateral direita. Consulte“CARENAGEM,TAMPAS EABAS LATERAIS” no capítulo 3. NONONONONOTTTTTA:A:A:A:A: Posicione um vasilhame sob o motor para coletar o restante do óleo de motor. 3. Remova: • Os parafusos de fixação das manguei- ras de entrada 1 e saída 2 de óleo do motor no radiador.
  • 271.
    5 – 64 RADIADORDE ÓLEORADIADOR DE ÓLEORADIADOR DE ÓLEORADIADOR DE ÓLEORADIADOR DE ÓLEO MOMOMOMOMOTTTTTOROROROROR 4. Remova: • Os parafusos de fixação 1 da manguei- ra inferior no radiador. 5. Remova: • Os parafusos de fixação 1 da manguei- ra superior no radiador. • As mangueiras. INSPEÇÃO DO RADIADORINSPEÇÃO DO RADIADORINSPEÇÃO DO RADIADORINSPEÇÃO DO RADIADORINSPEÇÃO DO RADIADOR 1. Remova: • Espaçadores 1. • Ilhós de borracha 2. 2. Verifique: • Ilhós de borracha. Danos/Desgaste Substitua. 6. Remova: • Os parafusos 1 de fixação do radiador no suporte do chassi. • O radiador de óleo.
  • 272.
    5 – 65 RADIADORDE ÓLEORADIADOR DE ÓLEORADIADOR DE ÓLEORADIADOR DE ÓLEORADIADOR DE ÓLEO MOMOMOMOMOTTTTTOROROROROR 3. Verifique: • Anéis O-rings 1. • Mangueiras de entrada e saída de óleo no radiador. • Mangueira de óleo 2. • Espaçadores 3. Danos/Desgaste/Vazamentos Substi- tua. NONONONONOTTTTTA:A:A:A:A: Observe a posição de montagem das man- gueiras durante o processo de desmontagem e inspeção. 4. Verifique: • Aletas do radiador Obstrução Limpe. • Aplique ar comprimido na parte trasei- ra do radiador. Danos Repare ou substitua. NoNoNoNoNovvvvvooooo MONMONMONMONMONTTTTTAAAAAGEM DO RADIADORGEM DO RADIADORGEM DO RADIADORGEM DO RADIADORGEM DO RADIADOR 1. Instale: • O radiador. • Os parafusos de fixação a do radiador no suporte do chassi. PPPPParafuso de fixaçãoarafuso de fixaçãoarafuso de fixaçãoarafuso de fixaçãoarafuso de fixação do radiadordo radiadordo radiadordo radiadordo radiador::::: 1,0 k1,0 k1,0 k1,0 k1,0 kgfgfgfgfgf.m (1.m (1.m (1.m (1.m (10 N.m)0 N.m)0 N.m)0 N.m)0 N.m) NONONONONOTTTTTA:A:A:A:A: • Lubrifique os anéis O-rings com uma fina camada de graxa à base de sabão de lítio. • Certifique-se de que estão na mesma posição observada no processo de desmontagem e inspeção. Lubrificante recomendado:Lubrificante recomendado:Lubrificante recomendado:Lubrificante recomendado:Lubrificante recomendado: Graxa à base de sabão de lítioGraxa à base de sabão de lítioGraxa à base de sabão de lítioGraxa à base de sabão de lítioGraxa à base de sabão de lítio
  • 273.
    5 – 66 RADIADORDE ÓLEORADIADOR DE ÓLEORADIADOR DE ÓLEORADIADOR DE ÓLEORADIADOR DE ÓLEO MOMOMOMOMOTTTTTOROROROROR 4. Instale: • Anéis O-rings 1 no motor. • Espaçadores no motor 2. • Mangueiras de óleo no motor. 5. Instale: • Os parafusos de fixação das manguei- ras de entrada 1 e saída 2 de óleo do motor no radiador. PPPPParafusoarafusoarafusoarafusoarafusosssss de fixaçãode fixaçãode fixaçãode fixaçãode fixação das manguei-das manguei-das manguei-das manguei-das manguei- rasrasrasrasras de entrada e saídade entrada e saídade entrada e saídade entrada e saídade entrada e saída::::: 1,0 k1,0 k1,0 k1,0 k1,0 kgfgfgfgfgf.m (1.m (1.m (1.m (1.m (10 N.m)0 N.m)0 N.m)0 N.m)0 N.m) V 6. Instale: • A aba lateral direita. Consulte“CARENAGEM,TAMPAS EABAS LATERAIS” no capítulo 3. 7. Abasteça: • Sistema de lubrificação (com a quan- tidade especificada do óleo recomen- dado). Consulte “SUBSTITUIÇÃO DO ÓLEO” no capítulo 3. 3. Instale: • Anéis O-rings. • A mangueira inferior no radiador. • Os parafusos de fixação 1 da manguei- ra inferior no radiador. PPPPParafusoarafusoarafusoarafusoarafusosssss inferioresinferioresinferioresinferioresinferiores::::: 1,0 k1,0 k1,0 k1,0 k1,0 kgfgfgfgfgf.m (1.m (1.m (1.m (1.m (10 N.m)0 N.m)0 N.m)0 N.m)0 N.m) NoNoNoNoNovvvvvooooo 2. Instale: • Anéis O-rings. • A mangueira superior no radiador. • Os parafusos de fixação 1 da manguei- ra superior no radiador. NoNoNoNoNovvvvvooooo PPPPParafusoarafusoarafusoarafusoarafusosssss superioressuperioressuperioressuperioressuperiores::::: 1,0 k1,0 k1,0 k1,0 k1,0 kgfgfgfgfgf.m (1.m (1.m (1.m (1.m (10 N.m)0 N.m)0 N.m)0 N.m)0 N.m)
  • 274.
    5 – 67 ENGRENAENGRENAENGRENAENGRENAENGRENAGEMDO BALANCEIROGEM DO BALANCEIROGEM DO BALANCEIROGEM DO BALANCEIROGEM DO BALANCEIRO MOMOMOMOMOTTTTTOROROROROR REMOÇÃO DREMOÇÃO DREMOÇÃO DREMOÇÃO DREMOÇÃO DAAAAA ENGRENAENGRENAENGRENAENGRENAENGRENAGEM DOGEM DOGEM DOGEM DOGEM DO BALANCEIROBALANCEIROBALANCEIROBALANCEIROBALANCEIRO 1. Endireite a aba da arruela-trava. 2. Solte: • A porca da engrenagem do balanceiro. • Engrenagem do balanceiro 3. Solte: • Engrenagem primária. Consulte “REMOÇÃO DA EMBREAGEM”. INSPEÇÃO DINSPEÇÃO DINSPEÇÃO DINSPEÇÃO DINSPEÇÃO DA ENGRENAA ENGRENAA ENGRENAA ENGRENAA ENGRENAGEM DOGEM DOGEM DOGEM DOGEM DO BALANCEIROBALANCEIROBALANCEIROBALANCEIROBALANCEIRO 1. Verifique: • Roletes 1. • Molas amortecedoras 2. NONONONONOTTTTTA:A:A:A:A: Utilize um local apropriado para não haver perdas na desmontagem. 2. Verifique: • Engrenagem do balanceiro. Danos/Fissuras Substitua. 1 2 Fixador da engrenagem primáriaFixador da engrenagem primáriaFixador da engrenagem primáriaFixador da engrenagem primáriaFixador da engrenagem primária 90890-408X290890-408X290890-408X290890-408X290890-408X2 NONONONONOTTTTTA:A:A:A:A: Fixe a porca da engrenagem do balanceiro 1 com um soquete 2, enquanto prende a engrenagem primária com o fixador da engrenagem primária 3.
  • 275.
    5 – 68 ENGRENAENGRENAENGRENAENGRENAENGRENAGEMDO BALANCEIROGEM DO BALANCEIROGEM DO BALANCEIROGEM DO BALANCEIROGEM DO BALANCEIRO MOMOMOMOMOTTTTTOROROROROR SINCRONIZAÇÃO DSINCRONIZAÇÃO DSINCRONIZAÇÃO DSINCRONIZAÇÃO DSINCRONIZAÇÃO DA ENGRENA-A ENGRENA-A ENGRENA-A ENGRENA-A ENGRENA- GEM DO BALANCEIRO COMGEM DO BALANCEIRO COMGEM DO BALANCEIRO COMGEM DO BALANCEIRO COMGEM DO BALANCEIRO COM AAAAA ENGRENAENGRENAENGRENAENGRENAENGRENAGEM MOGEM MOGEM MOGEM MOGEM MOTTTTTORAORAORAORAORA 1. Instale: • Engrenagem do balanceiro. NONONONONOTTTTTA:A:A:A:A: Posicione o ponto de sincronismo da engrenagem do balanceiro 1 em direção do ponto de sincronismo da engrenagem motora 2. 2. Instale: • Arruela-trava. • Porca. NoNoNoNoNovvvvvooooo PPPPPorca da engrenagem do balanceiroorca da engrenagem do balanceiroorca da engrenagem do balanceiroorca da engrenagem do balanceiroorca da engrenagem do balanceiro 5,5 k5,5 k5,5 k5,5 k5,5 kgfgfgfgfgf.m (55 N.m).m (55 N.m).m (55 N.m).m (55 N.m).m (55 N.m) Fixador da engrenagem primáriaFixador da engrenagem primáriaFixador da engrenagem primáriaFixador da engrenagem primáriaFixador da engrenagem primária 90890-408X290890-408X290890-408X290890-408X290890-408X2 NONONONONOTTTTTA:A:A:A:A: Fixe a porca da engrenagem do balanceiro 1 com um soquete 2, enquanto prende a engrenagem primária com o fixador da engrenagem primária 3. 1 2 MONMONMONMONMONTTTTTAAAAAGEM DGEM DGEM DGEM DGEM DA ENGRENAA ENGRENAA ENGRENAA ENGRENAA ENGRENAGEM DOGEM DOGEM DOGEM DOGEM DO BALANCEIROBALANCEIROBALANCEIROBALANCEIROBALANCEIRO 1. Instale: • Espaçador 1. • Chaveta 2. • Placa absorvedora 3. • Engrenagem do balanceiro 4. (com o ponto de sincronismo para cima) • Cubo 5. • Molas e pinos 6. NONONONONOTTTTTA:A:A:A:A: • Certifique-se de executar a montagem da engrenagem do balanceiro corretamente. • Alinhar o rasgo da chaveta com o ponto de sincronismo da engrenagem do balanceiro. 1 2 NoNoNoNoNovvvvvooooo 3 4 5 6
  • 276.
    5 – 69 EIXEIXEIXEIXEIXODE MUDO DE MUDO DE MUDO DE MUDO DE MUDANÇAANÇAANÇAANÇAANÇA MOMOMOMOMOTTTTTOROROROROR EIXEIXEIXEIXEIXO DE MUDO DE MUDO DE MUDO DE MUDO DE MUDANÇA EANÇA EANÇA EANÇA EANÇA E ALAALAALAALAALAVVVVVANCA DE POSIÇÃOANCA DE POSIÇÃOANCA DE POSIÇÃOANCA DE POSIÇÃOANCA DE POSIÇÃO EIXEIXEIXEIXEIXO DE MUDO DE MUDO DE MUDO DE MUDO DE MUDANÇAANÇAANÇAANÇAANÇA 3 2 1 1,0 kgf.m (10 N.m) RRRRRemoção do eixemoção do eixemoção do eixemoção do eixemoção do eixo de mudança e alavancao de mudança e alavancao de mudança e alavancao de mudança e alavancao de mudança e alavanca Remover as peças na ordem listada de posiçãode posiçãode posiçãode posiçãode posição Óleo do motor Drenar Tampa da embreagem Consulte “TAMPA DA EMBREAGEM” Articulação do pedal de câmbio 1 Eixo de mudança 1 Consulte “DESMONTAGEM DO 2 Alavanca de posição 1 EIXO DE MUDANÇA E 3 Mola da alavanca de posição 1 ALAVANCA DE POSIÇÃO” Para instalação, reverter o procedimento de remoção Serviço/Peça Qtde. ObservaçãoOrdem
  • 277.
    5 – 70 EIXEIXEIXEIXEIXODE MUDO DE MUDO DE MUDO DE MUDO DE MUDANÇAANÇAANÇAANÇAANÇA MOMOMOMOMOTTTTTOROROROROR DESMONDESMONDESMONDESMONDESMONTTTTTAAAAAGEM DO EIXGEM DO EIXGEM DO EIXGEM DO EIXGEM DO EIXO DEO DEO DEO DEO DE MUDMUDMUDMUDMUDANÇAANÇAANÇAANÇAANÇA 1. Remova: • Eixo de mudança. • Parafuso 1. • Alavanca de posição 2. • Mola da alavanca de posição 3. 1 2 1 2 4 3 1 2 3 INSPEÇÃO DO EIXINSPEÇÃO DO EIXINSPEÇÃO DO EIXINSPEÇÃO DO EIXINSPEÇÃO DO EIXO DE MUDO DE MUDO DE MUDO DE MUDO DE MUDANÇAANÇAANÇAANÇAANÇA 1. Remova: • Eixo de mudança 1. • Gatilho do eixo 2. Empenamento/Desgaste Substituir. INSPEÇÃO DINSPEÇÃO DINSPEÇÃO DINSPEÇÃO DINSPEÇÃO DAAAAA ALAALAALAALAALAVVVVVANCA DEANCA DEANCA DEANCA DEANCA DE POSIÇÃOPOSIÇÃOPOSIÇÃOPOSIÇÃOPOSIÇÃO 1. Verifique: • Alavanca de posição. Empenamento/Danos Substituir. Rolete gira com dificuldade Substi- tua a alavanca de posição. INSINSINSINSINSTTTTTALAÇÃO DO EIXALAÇÃO DO EIXALAÇÃO DO EIXALAÇÃO DO EIXALAÇÃO DO EIXO DEO DEO DEO DEO DE MUDMUDMUDMUDMUDANÇAANÇAANÇAANÇAANÇA 1. Instale: • Alavanca de posição 1. • Mola da alavanca de posição 2. • Eixo de mudança 3. NONONONONOTTTTTA:A:A:A:A: • Posicione as pontas da mola na alavanca de posição e no ressalto da carcaça. • Engrene a alavanca de posição com o conjunto do segmento do trambulador. • Lubrifique a montagem do parafuso com a alavanca de posição com graxa à base de sabão de lítio. • Posicione as pontas da mola do eixo de mudança em seu limitador 4 , como ilustrado.
  • 278.
    5 – 71 EIXEIXEIXEIXEIXODE MUDO DE MUDO DE MUDO DE MUDO DE MUDANÇAANÇAANÇAANÇAANÇA MOMOMOMOMOTTTTTOROROROROR 2. Verifique: • Gatilho de acionamento 1. • Segmento do trambulador 2. Dificuldade no engate Ajuste. NONONONONOTTTTTA:A:A:A:A: As medidas a e b devem ser idênticas. 3. Instale: • O pedal de câmbio. Consulte “AJUSTE DO PEDAL DE CÂM- BIO” no capítulo 3. PPPPParafuso da ararafuso da ararafuso da ararafuso da ararafuso da articulação:ticulação:ticulação:ticulação:ticulação: 1,0 k1,0 k1,0 k1,0 k1,0 kgfgfgfgfgf.m (1.m (1.m (1.m (1.m (10 N.m)0 N.m)0 N.m)0 N.m)0 N.m) 1 2a b
  • 279.
    5 – 72 ENGRENAENGRENAENGRENAENGRENAENGRENAGEMDE PGEM DE PGEM DE PGEM DE PGEM DE PARARARARARTIDTIDTIDTIDTIDA E MAA E MAA E MAA E MAA E MAGNETGNETGNETGNETGNETOOOOO A.C.A.C.A.C.A.C.A.C. MOMOMOMOMOTTTTTOROROROROR ENGRENAENGRENAENGRENAENGRENAENGRENAGEM DE PGEM DE PGEM DE PGEM DE PGEM DE PARARARARARTIDTIDTIDTIDTIDA E MAA E MAA E MAA E MAA E MAGNETGNETGNETGNETGNETOOOOO A.C.A.C.A.C.A.C.A.C. 4 1 2 5 6 NoNoNoNoNovvvvvooooo NoNoNoNoNovvvvvooooo NoNoNoNoNovvvvvooooo 1,0 kgf.m (10 N.m) 6,0 kgf.m (60 N.m) 1,0 kgf.m (10 N.m) 3 8 7 9 A B C 0 1,0 kgf.m (10 N.m) 0,7 kgf.m (7 N.m) RRRRRemoção da engrenagem de paremoção da engrenagem de paremoção da engrenagem de paremoção da engrenagem de paremoção da engrenagem de partida etida etida etida etida e Remover as peças na ordem listada magnetomagnetomagnetomagnetomagneto A.C.A.C.A.C.A.C.A.C. Óleo do motor Drenar Articulação do pedal de câmbio Consulte “BALANÇATRASEIRA” Tampa do pinhão no capítulo 4 1 Tampa da engrenagem louca 1/ O-ring 1/1 2 Engrenagem louca 1/ eixo 1/1 3 Conectores do estator 2 Desconectar 4 Tampa do motor (esquerda) 1 5 Pinos-guia 2 6 Junta da tampa do motor 1 7 Conjunto estator/ bobina pulso 1/1 Serviço/Peça Qtde. ObservaçãoOrdem
  • 280.
    5 – 73 ENGRENAENGRENAENGRENAENGRENAENGRENAGEMDE PGEM DE PGEM DE PGEM DE PGEM DE PARARARARARTIDTIDTIDTIDTIDA E MAA E MAA E MAA E MAA E MAGNETGNETGNETGNETGNETOOOOO A.C.A.C.A.C.A.C.A.C. MOMOMOMOMOTTTTTOROROROROR 4 1 2 5 6 NoNoNoNoNovvvvvooooo NoNoNoNoNovvvvvooooo NoNoNoNoNovvvvvooooo 1,0 kgf.m (10 N.m) 6,0 kgf.m (60 N.m) 1,0 kgf.m (10 N.m) 3 8 7 9 A B C 0 1,0 kgf.m (10 N.m) 0,7 kgf.m (7 N.m) 8 Engrenagem louca 2/ eixo 1/1 9 Rotor do magneto 1 10 Chaveta 1 11 Engrenagem da partida 1 12 Rolamento 1 13 Arruela 1 Para instalação, reverter o procedimento de remoção Serviço/Peça Qtde. ObservaçãoOrdem
  • 281.
    5 – 74 ENGRENAENGRENAENGRENAENGRENAENGRENAGEMDE PGEM DE PGEM DE PGEM DE PGEM DE PARARARARARTIDTIDTIDTIDTIDA E MAA E MAA E MAA E MAA E MAGNETGNETGNETGNETGNETOOOOO A.C.A.C.A.C.A.C.A.C. MOMOMOMOMOTTTTTOROROROROR REMOÇÃO DO ROREMOÇÃO DO ROREMOÇÃO DO ROREMOÇÃO DO ROREMOÇÃO DO ROTTTTTOR DOOR DOOR DOOR DOOR DO MAMAMAMAMAGNETGNETGNETGNETGNETOOOOO A.C.A.C.A.C.A.C.A.C. 1. Remova: • Parafuso do rotor. • Arruela. • Rotor do magneto A.C.. NONONONONOTTTTTA:A:A:A:A: • Enquanto segura o rotor do magneto A.C. 1 com o fixador de rotor 2, solte o parafuso do rotor 3. • Não permita que o fixador de rotor toque a saliência a no rotor do magneto A.C. Fixador de rotorFixador de rotorFixador de rotorFixador de rotorFixador de rotor 90890-090890-090890-090890-090890-011111707070707011111 SSSSSacador do rotoracador do rotoracador do rotoracador do rotoracador do rotor 999990890-00890-00890-00890-00890-011111862862862862862 1 1 2 3 4 3 2 a 1 2 1 2. Remova: • Rotor do magneto A.C. 1. (com o sacador de rotor 2). 3. Remova: • Chaveta 1. 4. Remova: • Engrenagem louca 2 1. • Engrenagem de partida 2. • Rolamento 3. • Arruela 4. 1
  • 282.
    5 – 75 ENGRENAENGRENAENGRENAENGRENAENGRENAGEMDE PGEM DE PGEM DE PGEM DE PGEM DE PARARARARARTIDTIDTIDTIDTIDA E MAA E MAA E MAA E MAA E MAGNETGNETGNETGNETGNETOOOOO A.C.A.C.A.C.A.C.A.C. MOMOMOMOMOTTTTTOROROROROR INSPEÇÃO DINSPEÇÃO DINSPEÇÃO DINSPEÇÃO DINSPEÇÃO DA ENGRENAA ENGRENAA ENGRENAA ENGRENAA ENGRENAGEM DEGEM DEGEM DEGEM DEGEM DE PPPPPARARARARARTIDTIDTIDTIDTIDA (SENA (SENA (SENA (SENA (SENTIDO ÚNICO)TIDO ÚNICO)TIDO ÚNICO)TIDO ÚNICO)TIDO ÚNICO) 1. Verifique: • Roletes da embreagem de partida 1. Danos/Desgaste Substitua. 1 2 B A 4 3 1 2 1 2 3 a 2. Verifique: • Engrenagem louca 1 1. • Engrenagem louca 2 2. • Engrenagem de partida 3. Rebarbas/Desgaste Substitua a(s) peça(s) defeituosa(s). 3. Verifique: • Superfícies de contato da engrenagem de partida a. Danos/Corrosão/Desgaste Substitua. 4. Verifique: • Operação da engrenagem de partida (sentido único). ***************************************************************************************************************************************************************************************** a. Instale a engrenagem 1 no rotor 2 e se- gure a engrenagem. b. Quando girar a engrenagem no sentido horário È, deve virar livremente, caso contrário, a engrenagem está com defei- to e deve ser trocada. c. Quando girar a engrenagem no sentido anti-horário É, a engrenagem e o rotor devem se acoplar, caso contrário, a em- breagem está com defeito e deve ser trocada. ***************************************************************************************************************************************************************************************** MONMONMONMONMONTTTTTAAAAAGEM DO ROGEM DO ROGEM DO ROGEM DO ROGEM DO ROTTTTTOR DOOR DOOR DOOR DOOR DO MAMAMAMAMAGNETGNETGNETGNETGNETOOOOO A.C.A.C.A.C.A.C.A.C. 1. Instale: • Arruela 1. • Rolamento 2. • Engrenagem de partida 3. • Engrenagem louca 2 4.
  • 283.
    5 – 76 ENGRENAENGRENAENGRENAENGRENAENGRENAGEMDE PGEM DE PGEM DE PGEM DE PGEM DE PARARARARARTIDTIDTIDTIDTIDA E MAA E MAA E MAA E MAA E MAGNETGNETGNETGNETGNETOOOOO A.C.A.C.A.C.A.C.A.C. MOMOMOMOMOTTTTTOROROROROR 2. Instale: • Chaveta 1. • Rotor 2. • Arruela 3. • Parafuso do rotor 4. NONONONONOTTTTTA:A:A:A:A: • Limpe a parte cônica do virabrequim e cubo do rotor do magneto A.C.. • Quando instalar o rotor do magneto A.C., certifique-se de que a chaveta esteja adequadamente instalada no rasgo do virabrequim. • Lubrifique a rosca da ponta do virabrequim com óleo para motor. PPPPParafuso do rotor:arafuso do rotor:arafuso do rotor:arafuso do rotor:arafuso do rotor: 6,0 k6,0 k6,0 k6,0 k6,0 kgfgfgfgfgf.m (60 N.m).m (60 N.m).m (60 N.m).m (60 N.m).m (60 N.m) PPPPParafuso do sensor de posiçãoarafuso do sensor de posiçãoarafuso do sensor de posiçãoarafuso do sensor de posiçãoarafuso do sensor de posição::::: 0,7 k0,7 k0,7 k0,7 k0,7 kgfgfgfgfgf.m (7 N.m).m (7 N.m).m (7 N.m).m (7 N.m).m (7 N.m) 3 4 21 1 2 a 1 2 3. Instale: • Parafuso do rotor 1. 4. Instale: • Estator 1. • Sensor de posição do virabrequim 2. NONONONONOTTTTTA:A:A:A:A: • Enquanto segura o rotor do magneto A.C. com o fixador de rotor 2 , aperte o parafuso do rotor 1. • Não permita que o fixador de rotor toque a saliência a do rotor do magneto A.C. PPPPParafuso do estator:arafuso do estator:arafuso do estator:arafuso do estator:arafuso do estator: 1,0 k1,0 k1,0 k1,0 k1,0 kgfgfgfgfgf.m (1.m (1.m (1.m (1.m (10 N.m)0 N.m)0 N.m)0 N.m)0 N.m)
  • 284.
    5 – 77 ENGRENAENGRENAENGRENAENGRENAENGRENAGEMDE PGEM DE PGEM DE PGEM DE PGEM DE PARARARARARTIDTIDTIDTIDTIDA E MAA E MAA E MAA E MAA E MAGNETGNETGNETGNETGNETOOOOO A.C.A.C.A.C.A.C.A.C. MOMOMOMOMOTTTTTOROROROROR 5. Instale: • Junta. • Tampa do magneto A.C.. NoNoNoNoNovvvvvooooo PPPPParafuso da tampa do magnetoarafuso da tampa do magnetoarafuso da tampa do magnetoarafuso da tampa do magnetoarafuso da tampa do magnetoA.C.A.C.A.C.A.C.A.C. 1,0 k1,0 k1,0 k1,0 k1,0 kgfgfgfgfgf.m (1.m (1.m (1.m (1.m (10 N.m)0 N.m)0 N.m)0 N.m)0 N.m) NONONONONOTTTTTA:A:A:A:A: Aperte os parafusos da tampa do magneto A.C. em etapas, utilizando o padrão cruzado. PPPPParafusos M6 x 30 mm:arafusos M6 x 30 mm:arafusos M6 x 30 mm:arafusos M6 x 30 mm:arafusos M6 x 30 mm: 1,0 k1,0 k1,0 k1,0 k1,0 kgfgfgfgfgf.m (1.m (1.m (1.m (1.m (10 N.m)0 N.m)0 N.m)0 N.m)0 N.m) PPPPParafuso M6 x 45 mm:arafuso M6 x 45 mm:arafuso M6 x 45 mm:arafuso M6 x 45 mm:arafuso M6 x 45 mm: 1,0 k1,0 k1,0 k1,0 k1,0 kgfgfgfgfgf.m (1.m (1.m (1.m (1.m (10 N.m)0 N.m)0 N.m)0 N.m)0 N.m) PPPPParafusos M6 x 40 mm:arafusos M6 x 40 mm:arafusos M6 x 40 mm:arafusos M6 x 40 mm:arafusos M6 x 40 mm: 1,0 k1,0 k1,0 k1,0 k1,0 kgfgfgfgfgf.m (1.m (1.m (1.m (1.m (10 N.m)0 N.m)0 N.m)0 N.m)0 N.m) PPPPParafuso do pedal de câmbio:arafuso do pedal de câmbio:arafuso do pedal de câmbio:arafuso do pedal de câmbio:arafuso do pedal de câmbio: 1,0 k1,0 k1,0 k1,0 k1,0 kgfgfgfgfgf.m (1.m (1.m (1.m (1.m (10 N.m)0 N.m)0 N.m)0 N.m)0 N.m) NoNoNoNoNovvvvvooooo PPPPParafusos da tampa:arafusos da tampa:arafusos da tampa:arafusos da tampa:arafusos da tampa: 1,0 k1,0 k1,0 k1,0 k1,0 kgfgfgfgfgf.m (1.m (1.m (1.m (1.m (10 N.m)0 N.m)0 N.m)0 N.m)0 N.m) 13 8 5 6 2 4 9 7 6. Instale: • Fiação do interruptor neutro. NONONONONOTTTTTA:A:A:A:A: Posicione o terminal do interruptor neutro de forma que o fio fique encaixado, consulte “PASSAGEM DE CABOS” no capítulo 2. • Parafusos M6 x 30 mm do 1 ao 5. • Parafusos M6 x 45 mm do 6. • Parafusos M6 x 40 mm do 7 ao 9. 7. Instale: • Pedal de câmbio. • Parafuso do pedal de câmbio 1. 8. Instale: • Engrenagem louca 1. • Anel O-ring. • Tampa 2. • Parafusos da tampa.
  • 285.
    MOMOMOMOMOTTTTTOROROROROR 5 – 78 VIRABREQVIRABREQVIRABREQVIRABREQVIRABREQUIME CARCAÇAUIM E CARCAÇAUIM E CARCAÇAUIM E CARCAÇAUIM E CARCAÇAS DO MOS DO MOS DO MOS DO MOS DO MOTTTTTOROROROROR VIRABREQVIRABREQVIRABREQVIRABREQVIRABREQUIM E CARCAÇAUIM E CARCAÇAUIM E CARCAÇAUIM E CARCAÇAUIM E CARCAÇAS DO MOS DO MOS DO MOS DO MOS DO MOTTTTTOROROROROR Separação das carcaças do motor e remoção do Remover as peças na ordem listada virabrequim Óleo do motor Drenar Motor Consulte “REMOÇÃO DO MOTOR” Cabeçote Consulte “CABEÇOTE” Cilindro/Pistão Consulte “CILINDRO E PISTÃO” Magneto A.C. Consulte “EMBREAGEM DE PARTIDA E MAGNETO A.C.” Embreagem Consulte “EMBREAGEM” Engrenagem do balanceiro/ engrenagem motora Consulte “ENGRENAGEM MOVIDA DO BALANCEIRO” Bomba de óleo Consulte “BOMBA DE ÓLEO” Eixo de mudança Consulte “EIXO DE MUDANÇA” Rotor do magneto Consulte “ENGRENAGEM DE Engrenagem de partida PARTIDA E MAGNETO A.C.” Serviço/Peça Qtde. ObservaçãoOrdem 1,0 kgf.m (10 N.m) 1,0 kgf.m (10 N.m) NoNoNoNoNovvvvvooooo NoNoNoNoNovvvvvooooo 80 7 0 9 6 9 5 4 3 1 2 A 5 0,8 kgf.m (8 N.m) 1,0 kgf.m (10 N.m)
  • 286.
    MOMOMOMOMOTTTTTOROROROROR 5 – 79 VIRABREQVIRABREQVIRABREQVIRABREQVIRABREQUIME CARCAÇAUIM E CARCAÇAUIM E CARCAÇAUIM E CARCAÇAUIM E CARCAÇAS DO MOS DO MOS DO MOS DO MOS DO MOTTTTTOROROROROR 1 Guia da corrente de comando (lado de admissão) 1 2 Corrente de comando 1 3 Engrenagem motora de sincronismo 1 4 Carcaça (direita) 1 5 Pino-guia 2 6 Balanceiro 1 7 Virabrequim 1 Consulte “REMOÇÃO DO CONJUNTO VIRABREQUIM E BALANCEIRO” 8 Carcaça (esquerda) 1 9 Rolamento do balanceiro 2 10 Rolamento do virabrequim 2 11 Sensor de velocidade 1 Para instalação, reverter o procedimento de remoção Serviço/Peça Qtde. ObservaçãoOrdem 1,0 kgf.m (10 N.m) 1,0 kgf.m (10 N.m) NoNoNoNoNovvvvvooooo NoNoNoNoNovvvvvooooo 80 7 0 9 6 9 5 4 3 1 2 A 5 0,8 kgf.m (8 N.m) 1,0 kgf.m (10 N.m)
  • 287.
    MOMOMOMOMOTTTTTOROROROROR 5 – 80 VIRABREQVIRABREQVIRABREQVIRABREQVIRABREQUIME CARCAÇAUIM E CARCAÇAUIM E CARCAÇAUIM E CARCAÇAUIM E CARCAÇAS DO MOS DO MOS DO MOS DO MOS DO MOTTTTTOROROROROR SEPSEPSEPSEPSEPARAÇÃO DARAÇÃO DARAÇÃO DARAÇÃO DARAÇÃO DAAAAAS CARCAÇAS CARCAÇAS CARCAÇAS CARCAÇAS CARCAÇASSSSS 1. Remova: • Guia da corrente de comando 1. • Corrente de comando 2. • Engrenagem motora de sincronismo 3. 2. Remova: • Fio do interruptor de neutro 1. • Parafusos do motor. • Arruelas de vedação nos parafusos 2, 3 e 4. • Parafusos M6 x 70 mm do 2 ao 4. • Parafusos M6 x 60 mm 5, 6. • Parafusos M6 x 55 mm 7 ao 9. • Parafusos M6 x 45 mm do 0 ao C. 3. Remova: • Sensor de velocidade. 4. Remova: • Carcaça (LD). NONONONONOTTTTTA:A:A:A:A: Coloque o motor com a carcaça (LE) voltada para baixo e utilizando uma chave de fenda, separe as carcaças. ••••• Use a cUse a cUse a cUse a cUse a chave de fenda no local adequado.have de fenda no local adequado.have de fenda no local adequado.have de fenda no local adequado.have de fenda no local adequado. ••••• A carcaça (LE) deve ficar por baixA carcaça (LE) deve ficar por baixA carcaça (LE) deve ficar por baixA carcaça (LE) deve ficar por baixA carcaça (LE) deve ficar por baixo.o.o.o.o. 5 0 A 1C7 8 6 9 2 3 4 B 3 2 1 NONONONONOTTTTTA:A:A:A:A: • Solte cada parafuso 1 /4 de volta por vez e, depois que todos estiverem soltos, remova-os. • Solte os parafusos em etapas, use o padrão cruzado.
  • 288.
    MOMOMOMOMOTTTTTOROROROROR 5 – 81 VIRABREQVIRABREQVIRABREQVIRABREQVIRABREQUIME CARCAÇAUIM E CARCAÇAUIM E CARCAÇAUIM E CARCAÇAUIM E CARCAÇAS DO MOS DO MOS DO MOS DO MOS DO MOTTTTTOROROROROR REMOÇÃO DO CONJUNREMOÇÃO DO CONJUNREMOÇÃO DO CONJUNREMOÇÃO DO CONJUNREMOÇÃO DO CONJUNTTTTTOOOOO VIRABREQVIRABREQVIRABREQVIRABREQVIRABREQUIM E BALANCEIROUIM E BALANCEIROUIM E BALANCEIROUIM E BALANCEIROUIM E BALANCEIRO 1. Remova: • Balanceiro • Virabrequim conjunto 1. INSPEÇÃO DO VIRABREQUIM 1. Verifique: • Pino-trava 1. • Mola de retorno 2. • Pino de acionamento 3. Danos/Desgaste/Travamento Substitua. 2. Meça: • Alinhamento do virabrequim. Fora de especificação Substitua o virabrequim, o rolamento ou ambos. Desalinhamento máximo doDesalinhamento máximo doDesalinhamento máximo doDesalinhamento máximo doDesalinhamento máximo do virabrequimvirabrequimvirabrequimvirabrequimvirabrequim 0,03 mm0,03 mm0,03 mm0,03 mm0,03 mm 3. Meça: • Folga lateral da biela D Fora de especificação Substitua o rola- mento da biela ou pino de virabrequim. FFFFFolgolgolgolgolga lateral da bielaa lateral da bielaa lateral da bielaa lateral da bielaa lateral da biela 0,350 ~ 0,650 mm0,350 ~ 0,650 mm0,350 ~ 0,650 mm0,350 ~ 0,650 mm0,350 ~ 0,650 mm 4. Meça: • Largura do virabrequim A Fora de especificação Substitua o virabrequim. Largura do virabrequimLargura do virabrequimLargura do virabrequimLargura do virabrequimLargura do virabrequim 69,25 ~ 69,30 mm69,25 ~ 69,30 mm69,25 ~ 69,30 mm69,25 ~ 69,30 mm69,25 ~ 69,30 mm 1 2 1 3 2 A D NONONONONOTTTTTA:A:A:A:A: • Remova o virabrequim com o extrator do virabrequim 2. • Aperte os parafusos do extrator do virabrequim até o final. • Certifique-se de que o eixo do extrator esteja alinhado com o virabrequim. NONONONONOTTTTTA:A:A:A:A: Gire o virabrequim lentamente.
  • 289.
    MOMOMOMOMOTTTTTOROROROROR 5 – 82 VIRABREQVIRABREQVIRABREQVIRABREQVIRABREQUIME CARCAÇAUIM E CARCAÇAUIM E CARCAÇAUIM E CARCAÇAUIM E CARCAÇAS DO MOS DO MOS DO MOS DO MOS DO MOTTTTTOROROROROR 5. Verifique: • Galerias de óleo do virabrequim. Obstrução Sopre com ar comprimido. INSPEÇÃO DINSPEÇÃO DINSPEÇÃO DINSPEÇÃO DINSPEÇÃO DAAAAAS CARCAÇAS CARCAÇAS CARCAÇAS CARCAÇAS CARCAÇAS DOS DOS DOS DOS DO MOMOMOMOMOTTTTTOROROROROR 1. Verifique: • Carcaça do motor (direita). Empenamento/Trincas Substitua. • Galerias de passagem de óleo. Obstruído Sopre com ar comprimido. 2. Verifique: • Carcaça do motor (esquerda). Empenamento/Trincas Substitua. • Galerias de passagem de óleo. Obstruído Sopre com ar comprimido. 3. Limpe: • Resíduos de cola. • Resíduos de juntas. 4. Verifique: • Rolamento. Danos/Ruídos excessivos Substitua. INSPEÇÃO DA CORRENTE DE COMANDO E GUIAS 1. Verifique: • Corrente de comando. Danos/Rigidez Substitua a corrente de comando e a coroa de sincronismo como um conjunto. 2. Verifique: • Engrenagem motora de sincronismo. Desgaste superior a 1 /4 do dente Subs- tituir componentes como um conjunto (coroa de sincronismo, corrente e engre- nagem motora de sincronismo). b Correto. 1 Elo de corrente. 2 Engrenagem motora de sincronismo.
  • 290.
    MOMOMOMOMOTTTTTOROROROROR 5 – 83 VIRABREQVIRABREQVIRABREQVIRABREQVIRABREQUIME CARCAÇAUIM E CARCAÇAUIM E CARCAÇAUIM E CARCAÇAUIM E CARCAÇAS DO MOS DO MOS DO MOS DO MOS DO MOTTTTTOROROROROR 3. Verifique: • Guia da corrente de comando. (lado de admissão) Danos/Desgaste Substituir. DESMONDESMONDESMONDESMONDESMONTTTTTAAAAAGEM DOGEM DOGEM DOGEM DOGEM DO VIRABREQVIRABREQVIRABREQVIRABREQVIRABREQUIMUIMUIMUIMUIM NONONONONOTTTTTAAAAA: Faça marcas de posicionamento do pino com o virabrequim, nos dois lados do virabre- quim, para facilitar a montagem e o alinha- mento do virabrequim. • O pino do virabrequim, utilizando o separador de virabrequim 1. SSSSSeparador de virabrequimeparador de virabrequimeparador de virabrequimeparador de virabrequimeparador de virabrequim::::: 90890-2282390890-2282390890-2282390890-2282390890-22823 NONONONONOTTTTTAAAAA: Observe o correto posicionamento do vira- brequim com o separador de virabrequim.
  • 291.
    MOMOMOMOMOTTTTTOROROROROR 5 – 84 VIRABREQVIRABREQVIRABREQVIRABREQVIRABREQUIME CARCAÇAUIM E CARCAÇAUIM E CARCAÇAUIM E CARCAÇAUIM E CARCAÇAS DO MOS DO MOS DO MOS DO MOS DO MOTTTTTOROROROROR MONMONMONMONMONTTTTTAAAAAGEM DOGEM DOGEM DOGEM DOGEM DO VIRABREQVIRABREQVIRABREQVIRABREQVIRABREQUIMUIMUIMUIMUIM 1. Coloque o lado direito do virabrequim voltado para baixo na prensa 1. 2. Instale o pino da biela com o furo volta- do para baixo 2, observando que o furo de lubrificação do pino esteja posiciona- do exatamente com o furo de lubrifica- ção do virabrequim. • Instale o pino até que fique paralelo com a parte áspera do virabrequim, ve- rificando as marcas feitas antes da des- montagem. 3. Instale o rolamento da biela, e a biela 3 com a gravação“1S4” voltada para o lado esquerdo do virabrequim 4, lubrifican- do com um pouco de óleo de motor Yamalube 4 20W50. 4. Coloque o lado esquerdo do virabrequim 4 apoiado na prensa, e segurando a bie- la com uma das mãos, instale o conjunto prensando o pino cuidadosamente até que fique paralelo com a parte áspera do virabrequim. NONONONONOTTTTTAAAAA: Observe as marcas feitas anteriormente an- tes da desmontagem. NONONONONOTTTTTAAAAA: Caso haja necessidade da troca do pino da biela, tome por base as marcações feitas no pino retirado, observando sempre a posição do furo de lubrificação. 5. Confira: • Desalinhamento do virabrequim. • Folga lateral. • Largura do virabrequim. • Passagem do óleo. NONONONONOTTTTTAAAAA: Para alinhar, bata levemente no virabrequim 1 com um martelo de cobre ou uma cunha de cobre 2 (para não danificar o virabre- quim) e repita o processo de verificação de desalinhamento do virabrequim. Repita este processo até que fique dentro das medidas especificadas.
  • 292.
    MOMOMOMOMOTTTTTOROROROROR 5 – 85 VIRABREQVIRABREQVIRABREQVIRABREQVIRABREQUIME CARCAÇAUIM E CARCAÇAUIM E CARCAÇAUIM E CARCAÇAUIM E CARCAÇAS DO MOS DO MOS DO MOS DO MOS DO MOTTTTTOROROROROR ROLAMENROLAMENROLAMENROLAMENROLAMENTTTTTOS DOOS DOOS DOOS DOOS DO VIRABREQVIRABREQVIRABREQVIRABREQVIRABREQUIMUIMUIMUIMUIM 1. Remova: • Os rolamentos da carcaça de ambos os lados, utilizando a ferramenta especial. EEEEExtrator de rolamento:xtrator de rolamento:xtrator de rolamento:xtrator de rolamento:xtrator de rolamento: 90890-0280990890-0280990890-0280990890-0280990890-02809 2. Instale: • Os rolamentos da carcaça de ambos os lados, utilizando a ferramenta especial. Instalador do rolamento daInstalador do rolamento daInstalador do rolamento daInstalador do rolamento daInstalador do rolamento da carcaçacarcaçacarcaçacarcaçacarcaça::::: 90890-4282890890-4282890890-4282890890-4282890890-42828 2 3 1 4 INSINSINSINSINSTTTTTALAÇÃO DOALAÇÃO DOALAÇÃO DOALAÇÃO DOALAÇÃO DO VIRABREQVIRABREQVIRABREQVIRABREQVIRABREQUIMUIMUIMUIMUIM 1. Instale: • Virabrequim 1. Instalador do virabrequim:Instalador do virabrequim:Instalador do virabrequim:Instalador do virabrequim:Instalador do virabrequim: 22222 90890-090890-090890-090890-090890-011111272727272744444 FFFFFuso de traçãouso de traçãouso de traçãouso de traçãouso de tração 33333 90890-090890-090890-090890-090890-011111275275275275275 AdaptadorAdaptadorAdaptadorAdaptadorAdaptador 44444 90890-090890-090890-090890-090890-011111383383383383383 NONONONONOTTTTTA:A:A:A:A: Instale o virabrequim com o conjunto instalador do virabrequim. PPPPPara evitar arara evitar arara evitar arara evitar arara evitar arranhar o virabrequim e faci-ranhar o virabrequim e faci-ranhar o virabrequim e faci-ranhar o virabrequim e faci-ranhar o virabrequim e faci- litar o procedimento de instalação, lubri-litar o procedimento de instalação, lubri-litar o procedimento de instalação, lubri-litar o procedimento de instalação, lubri-litar o procedimento de instalação, lubri- fique os lábios dos retentores com graxafique os lábios dos retentores com graxafique os lábios dos retentores com graxafique os lábios dos retentores com graxafique os lábios dos retentores com graxa à base de sabão de lítio e os rolamentosà base de sabão de lítio e os rolamentosà base de sabão de lítio e os rolamentosà base de sabão de lítio e os rolamentosà base de sabão de lítio e os rolamentos com óleo para motorcom óleo para motorcom óleo para motorcom óleo para motorcom óleo para motor..... NONONONONOTTTTTA:A:A:A:A: Segure a biela no ponto morto superior (PMS) com uma mão, enquanto gira a porca no parafuso do instalador do virabrequim com a outra. Gire o parafuso do instalador do virabrequim até que fique com a parte inferior junto ao rolamento.
  • 293.
    MOMOMOMOMOTTTTTOROROROROR 5 – 86 VIRABREQVIRABREQVIRABREQVIRABREQVIRABREQUIME CARCAÇAUIM E CARCAÇAUIM E CARCAÇAUIM E CARCAÇAUIM E CARCAÇAS DO MOS DO MOS DO MOS DO MOS DO MOTTTTTOROROROROR 2. Instale: • Pinos-guia 2. CARCAÇA (LADO DIREITCARCAÇA (LADO DIREITCARCAÇA (LADO DIREITCARCAÇA (LADO DIREITCARCAÇA (LADO DIREITO)O)O)O)O) 1. Aplique: • Cola 1. (Nas superfícies de fechamento das car- caças). NONONONONOTTTTTA:A:A:A:A: Não permita que a cola entre em contato com as galerias de óleo. Cola:Cola:Cola:Cola:Cola: YYYYYamaha Bond nº 1amaha Bond nº 1amaha Bond nº 1amaha Bond nº 1amaha Bond nº 1212121212155555 90890-8550590890-8550590890-8550590890-8550590890-85505 1 2 5 0 A 1C7 8 6 9 2 3 4 B 3. Encaixe a carcaça direita com a esquerda Bata levemente com um martelo de plásti- co. 4. Instale: • Fio do interruptor de neutro 1. 5. Aperte: • Parafusos. (Monte nos parafusos 2 , 3 e 4 as gaxetas). • Parafusos M6 x 70 mm do 2 ao 4. NONONONONOTTTTTA:A:A:A:A: Aperte os parafusos, começando pelo de menor número. • Parafusos M6 x 60 mm do 5, 6. • Parafusos M6 x 55 mm do 7 ao 9. • Parafusos M6 x 45 mm do 0 ao C. PPPPParafusos M6 x 45 mm:arafusos M6 x 45 mm:arafusos M6 x 45 mm:arafusos M6 x 45 mm:arafusos M6 x 45 mm: 1,0 k1,0 k1,0 k1,0 k1,0 kgfgfgfgfgf.m (1.m (1.m (1.m (1.m (10 N.m)0 N.m)0 N.m)0 N.m)0 N.m) PPPPParafusos M6 x 70 mm:arafusos M6 x 70 mm:arafusos M6 x 70 mm:arafusos M6 x 70 mm:arafusos M6 x 70 mm: 1,0 k1,0 k1,0 k1,0 k1,0 kgfgfgfgfgf.m (1.m (1.m (1.m (1.m (10 N.m)0 N.m)0 N.m)0 N.m)0 N.m) PPPPParafusos M6 x 60 mm:arafusos M6 x 60 mm:arafusos M6 x 60 mm:arafusos M6 x 60 mm:arafusos M6 x 60 mm: 1,0 k1,0 k1,0 k1,0 k1,0 kgfgfgfgfgf.m (1.m (1.m (1.m (1.m (10 N.m)0 N.m)0 N.m)0 N.m)0 N.m) PPPPParafusos M6 x 55 mm:arafusos M6 x 55 mm:arafusos M6 x 55 mm:arafusos M6 x 55 mm:arafusos M6 x 55 mm: 1,0 k1,0 k1,0 k1,0 k1,0 kgfgfgfgfgf.m (1.m (1.m (1.m (1.m (10 N.m)0 N.m)0 N.m)0 N.m)0 N.m)
  • 294.
    MOMOMOMOMOTTTTTOROROROROR 5 – 87 VIRABREQVIRABREQVIRABREQVIRABREQVIRABREQUIME CARCAÇAUIM E CARCAÇAUIM E CARCAÇAUIM E CARCAÇAUIM E CARCAÇAS DO MOS DO MOS DO MOS DO MOS DO MOTTTTTOROROROROR 6. Aplique: • Óleo de motor 4T (aos rolamentos e ga- lerias de óleo). 7. Verifique: • Funcionamento do virabrequim e trans- missão. Funcionamento irregular Reparar. 8. Instale: • Fio do interruptor de neutro. 10. Instale: • Sensor de velocidade 1. 9. Instale: • Engrenagem motora de sincronismo 1. • Guia da corrente do comando 2. • Corrente de comando 3. PPPPParafuso do sensor de velocidade:arafuso do sensor de velocidade:arafuso do sensor de velocidade:arafuso do sensor de velocidade:arafuso do sensor de velocidade: 1,0 k1,0 k1,0 k1,0 k1,0 kgfgfgfgfgf.m (1.m (1.m (1.m (1.m (10 N.m)0 N.m)0 N.m)0 N.m)0 N.m) 1 3 2 1
  • 295.
    MOMOMOMOMOTTTTTOROROROROR 5 – 88 TRANSMISSÃOTRANSMISSÃOTRANSMISSÃOTRANSMISSÃOTRANSMISSÃO TRANSMISSÃOTRANSMISSÃOTRANSMISSÃOTRANSMISSÃOTRANSMISSÃO RRRRRemoçãoda transmissão, trambulador e gemoção da transmissão, trambulador e gemoção da transmissão, trambulador e gemoção da transmissão, trambulador e gemoção da transmissão, trambulador e garfosarfosarfosarfosarfos Remover as peças na ordem listada Carcaças Separar Consulte “CARCAÇAS” 1 Eixo dos garfos 1 2 Trambulador conjunto 1 3 Garfo de mudança 3 (R) 1 4 Garfo de mudança 2 (C) 1 5 Garfo de mudança 1 (L) 1 6 Eixo primário conjunto 1 7 Eixo secundário conjunto 1 Para instalação, reverter o procedimento de remoção Ordem Serviço/Peça Qtde. Observações 2 1 6 5 4 3 7
  • 296.
    MOMOMOMOMOTTTTTOROROROROR 5 – 89 TRANSMISSÃOTRANSMISSÃOTRANSMISSÃOTRANSMISSÃOTRANSMISSÃO EIXEIXEIXEIXEIXOPRIMÁRIO / EIXO PRIMÁRIO / EIXO PRIMÁRIO / EIXO PRIMÁRIO / EIXO PRIMÁRIO / EIXO SECUNDÁRIOO SECUNDÁRIOO SECUNDÁRIOO SECUNDÁRIOO SECUNDÁRIO Desmontagem do eixDesmontagem do eixDesmontagem do eixDesmontagem do eixDesmontagem do eixo principal e eixo principal e eixo principal e eixo principal e eixo principal e eixo secundárioo secundárioo secundárioo secundárioo secundário Remover as peças na ordem listada 1 Eixo primário e 1ª engrenagem motora 1 2 4ª engrenagem motora 1 3 Arruela 1 4 Anel-trava 1 5 3ª engrenagem motora 1 6 5ª engrenagem motora 1 7 2ª engrenagem motora 1 8 Rolamento 1 9 Rolamento 1 0 Eixo secundário 1 A 5ª engrenagem movida/arruela/anel-trava 1 Ordem Serviço/Peça Qtde. Observações
  • 297.
    MOMOMOMOMOTTTTTOROROROROR 5 – 90 TRANSMISSÃOTRANSMISSÃOTRANSMISSÃOTRANSMISSÃOTRANSMISSÃO BArruela / anel-trava 1/1 C 2ª engrenagem movida 1 D Espaçador 1 E 3ª engrenagem movida 1 F Arruela / anel-trava 1/1 G 4ª engrenagem movida 1 H 1ª engrenagem movida 1 I Arruela / anel-trava 1/1 J Rolamento 1 K Trava do rolamento 1 Para montagem, reverter o procedimento de desmontagem Ordem Serviço/Peça Qtde. Observações
  • 298.
    MOMOMOMOMOTTTTTOROROROROR 5 – 91 TRANSMISSÃOTRANSMISSÃOTRANSMISSÃOTRANSMISSÃOTRANSMISSÃO NONONONONOTTTTTA:A:A:A:A: Movimenteas engrenagens para remover os garfos com facilidade. 2. Inspecione: • Seguidor de canal do garfo 1. • Pinças do garfo de mudança 2. Danos/Desgaste Substitua. REMOÇÃO DREMOÇÃO DREMOÇÃO DREMOÇÃO DREMOÇÃO DAAAAA TRANSMISSÃOTRANSMISSÃOTRANSMISSÃOTRANSMISSÃOTRANSMISSÃO 1. Remova: • Eixo dos garfos 1. • Trambulador conjunto 2. • Garfo de mudança 3 (R) 3. • Garfo de mudança 2 (C) 4. • Garfo de mudança 1 (L) 5. INSPEÇÃO DOINSPEÇÃO DOINSPEÇÃO DOINSPEÇÃO DOINSPEÇÃO DOTRAMBULADORTRAMBULADORTRAMBULADORTRAMBULADORTRAMBULADOR CONJUNCONJUNCONJUNCONJUNCONJUNTTTTTO E GARFOS DEO E GARFOS DEO E GARFOS DEO E GARFOS DEO E GARFOS DE MUDMUDMUDMUDMUDANÇAANÇAANÇAANÇAANÇA 1. Verifique: • Garfo de mudança 3 (R) 1. • Garfo de mudança 2 (C) 2. • Garfo de mudança 1 (L) 3. • Eixo dos garfos 4. • Trambulador conjunto 5. • Seguidor de canal do garfo 6. Movimento difícil Substitua os garfos de mudança. 3. Inspecione: • Trambulador conjunto • Canais do trambulador 1. Danos/Riscos/Desgaste Substitua. • Segmento do trambulador 2. Danos/Riscos/Desgaste Substitua. • Rolamento do trambulador 3. Danos/Corrosão Substitua. 2 1 5 3 3 4 12 6 5 1 2 1 2 3 4
  • 299.
    MOMOMOMOMOTTTTTOROROROROR 5 – 92 TRANSMISSÃOTRANSMISSÃOTRANSMISSÃOTRANSMISSÃOTRANSMISSÃO INSPEÇÃODINSPEÇÃO DINSPEÇÃO DINSPEÇÃO DINSPEÇÃO DAAAAA TRANSMISSÃOTRANSMISSÃOTRANSMISSÃOTRANSMISSÃOTRANSMISSÃO 1. Meça: • Alinhamento do eixo primário (use o dispositivo de centralização e um reló- gio apalpador 1). Fora de especificação Substitua. Limite de desalinhamentoLimite de desalinhamentoLimite de desalinhamentoLimite de desalinhamentoLimite de desalinhamento 0,08 mm.0,08 mm.0,08 mm.0,08 mm.0,08 mm. 2. Meça: • Alinhamento do eixo secundário (use o dispositivo de centralização e um re- lógio apalpador 1). Fora de especificação Substitua. Limite de desalinhamentoLimite de desalinhamentoLimite de desalinhamentoLimite de desalinhamentoLimite de desalinhamento 0,08 mm.0,08 mm.0,08 mm.0,08 mm.0,08 mm. 3. Verifique: • Engrenagens de transmissão. Coloração azul/Corrosão/Desgaste Substitua a(s) engrenagem(ns) defei- tuosa(s). • Garras da engrenagem de transmissão Rachaduras/Danos/Bordas arredondadas Substitua a(s) engrenagem(ns) defei- tuosa(s). 1 1 Nunca tente alinhar um eixNunca tente alinhar um eixNunca tente alinhar um eixNunca tente alinhar um eixNunca tente alinhar um eixo de go de go de go de go de garfos em-arfos em-arfos em-arfos em-arfos em- penado.penado.penado.penado.penado. 4. Inspecione: • Eixo dos garfos 1. Empenamento/Desgaste Substitua. 1 4. Verifique: • Acoplamento da engrenagem de trans- missão. (Cada engrenagem com sua respectiva engrenagem de acoplamento). Incorreto Remonte o conjunto de trans- missão. NONONONONOTTTTTA:A:A:A:A: Elimine travamentos e obstruções.
  • 300.
    MOMOMOMOMOTTTTTOROROROROR 5 – 93 TRANSMISSÃOTRANSMISSÃOTRANSMISSÃOTRANSMISSÃOTRANSMISSÃO 5.Verifique: • Anéis-trava Empenos/Danos/Folga Substituir. 2. Instale: • Câmbio conjunto 1. • Garfo de mudança 1 (L) 2. • Garfo de mudança 2 (C). • Garfo de mudança 3 (R) 3. • Trambulador conjunto 4. • Eixos dos garfos 5. • Conjunto da transmissão. 1 • Aplique óleo para motor em cada engrenagem e rolamento. • Antes de montar as carcaças, certifique- se de que a transmissão está em posição neutro e de que as engrenagens giram livremente. NONONONONOTTTTTA:A:A:A:A: 3. Verifique: • Operação de troca de marcha Operação não uniforme Repare. Certifique-se de que o seguidor de came do garfo de mudança está instalado adequadamente no canal do trambulador. NONONONONOTTTTTA:A:A:A:A: 5 3 2 4 INSTALAÇÃO DA TRANSMISSÃO 1. Medir: • Comprimento a do eixo do motor.V Comprimento do eixComprimento do eixComprimento do eixComprimento do eixComprimento do eixo motoro motoro motoro motoro motor 1111102,2 ~ 102,2 ~ 102,2 ~ 102,2 ~ 102,2 ~ 102,4 mm (4.02 ~ 4.03 in)02,4 mm (4.02 ~ 4.03 in)02,4 mm (4.02 ~ 4.03 in)02,4 mm (4.02 ~ 4.03 in)02,4 mm (4.02 ~ 4.03 in)
  • 301.
    FIFIFIFIFI 6 – 1 SISSISSISSISSISTEMADE INJEÇÃO DE COMBUSTEMA DE INJEÇÃO DE COMBUSTEMA DE INJEÇÃO DE COMBUSTEMA DE INJEÇÃO DE COMBUSTEMA DE INJEÇÃO DE COMBUSTÍVELTÍVELTÍVELTÍVELTÍVEL CAPÍTULCAPÍTULCAPÍTULCAPÍTULCAPÍTULO 6O 6O 6O 6O 6 SISSISSISSISSISTEMA DE INJEÇÃO DE COMBUSTEMA DE INJEÇÃO DE COMBUSTEMA DE INJEÇÃO DE COMBUSTEMA DE INJEÇÃO DE COMBUSTEMA DE INJEÇÃO DE COMBUSTÍVELTÍVELTÍVELTÍVELTÍVEL SISSISSISSISSISTEMA DE INJEÇÃO DE COMBUSTEMA DE INJEÇÃO DE COMBUSTEMA DE INJEÇÃO DE COMBUSTEMA DE INJEÇÃO DE COMBUSTEMA DE INJEÇÃO DE COMBUSTÍVELTÍVELTÍVELTÍVELTÍVEL ........................................................................................................................................................................................................................................................................................ 6-16-16-16-16-1 DIADIADIADIADIAGRAMA ELÉTRICOGRAMA ELÉTRICOGRAMA ELÉTRICOGRAMA ELÉTRICOGRAMA ELÉTRICO ........................................................................................................................................................................................................................................................................................................................................................................................................................................................ 6-26-26-26-26-2 FUNÇÃO DOFUNÇÃO DOFUNÇÃO DOFUNÇÃO DOFUNÇÃO DO AAAAAUTUTUTUTUTODIAODIAODIAODIAODIAGNÓSGNÓSGNÓSGNÓSGNÓSTICO DTICO DTICO DTICO DTICO DA ECUA ECUA ECUA ECUA ECU ................................................................................................................................................................................................................................................................................... 6-46-46-46-46-4 INDICAÇÃO DINDICAÇÃO DINDICAÇÃO DINDICAÇÃO DINDICAÇÃO DA LUZ DEA LUZ DEA LUZ DEA LUZ DEA LUZ DE ALERALERALERALERALERTTTTTA DE FA DE FA DE FA DE FA DE FALHA E OPERAÇÃO DO SISALHA E OPERAÇÃO DO SISALHA E OPERAÇÃO DO SISALHA E OPERAÇÃO DO SISALHA E OPERAÇÃO DO SISTEMA DETEMA DETEMA DETEMA DETEMA DE INJEÇÃO DE COMBUSINJEÇÃO DE COMBUSINJEÇÃO DE COMBUSINJEÇÃO DE COMBUSINJEÇÃO DE COMBUSTÍVEL FITÍVEL FITÍVEL FITÍVEL FITÍVEL FI .................................................................................................................................................................................................................................................................................................................................................................................. 6-46-46-46-46-4 INDICAÇÃO DINDICAÇÃO DINDICAÇÃO DINDICAÇÃO DINDICAÇÃO DA LUZ DEA LUZ DEA LUZ DEA LUZ DEA LUZ DE ALERALERALERALERALERTTTTTA DE FA DE FA DE FA DE FA DE FALHA E FUNCIONAMENALHA E FUNCIONAMENALHA E FUNCIONAMENALHA E FUNCIONAMENALHA E FUNCIONAMENTTTTTO DO SISO DO SISO DO SISO DO SISO DO SISTEMA FTEMA FTEMA FTEMA FTEMA F.I..I..I..I..I. 6-46-46-46-46-4 VERIFICANDOVERIFICANDOVERIFICANDOVERIFICANDOVERIFICANDO A OPERAÇÃO DA OPERAÇÃO DA OPERAÇÃO DA OPERAÇÃO DA OPERAÇÃO DA LUZ DEA LUZ DEA LUZ DEA LUZ DEA LUZ DE ALERALERALERALERALERTTTTTA DE FA DE FA DE FA DE FA DE FALHAALHAALHAALHAALHA ....................................................................................................................................... 6-56-56-56-56-5 FUNCIONAMENFUNCIONAMENFUNCIONAMENFUNCIONAMENFUNCIONAMENTTTTTO EM MODO DE SEO EM MODO DE SEO EM MODO DE SEO EM MODO DE SEO EM MODO DE SEGURANÇAGURANÇAGURANÇAGURANÇAGURANÇA ........................................................................................................................................................................................................................................... 6-56-56-56-56-5 TTTTTABELA DE LABELA DE LABELA DE LABELA DE LABELA DE LOCALIZAÇÃO E ELIMINAÇÃO DE FOCALIZAÇÃO E ELIMINAÇÃO DE FOCALIZAÇÃO E ELIMINAÇÃO DE FOCALIZAÇÃO E ELIMINAÇÃO DE FOCALIZAÇÃO E ELIMINAÇÃO DE FALHAALHAALHAALHAALHASSSSS ............................................................................................................................................................................... 6-76-76-76-76-7 UTILIZAÇÃO DUTILIZAÇÃO DUTILIZAÇÃO DUTILIZAÇÃO DUTILIZAÇÃO DA FERRAMENA FERRAMENA FERRAMENA FERRAMENA FERRAMENTTTTTA DE DIAA DE DIAA DE DIAA DE DIAA DE DIAGNÓSGNÓSGNÓSGNÓSGNÓSTICOTICOTICOTICOTICO ....................................................................................................................................................................................................................... 6-86-86-86-86-8 TABELA DE CÓDIGO DE FTABELA DE CÓDIGO DE FTABELA DE CÓDIGO DE FTABELA DE CÓDIGO DE FTABELA DE CÓDIGO DE FALHAALHAALHAALHAALHASSSSS .............................................................................................................................................................................................................................................................................................................................................................. 6-16-16-16-16-100000 TABELA DE MODO DE DIATABELA DE MODO DE DIATABELA DE MODO DE DIATABELA DE MODO DE DIATABELA DE MODO DE DIAGNÓSGNÓSGNÓSGNÓSGNÓSTICOSTICOSTICOSTICOSTICOS ....................................................................................................................................................................................................................................................................................................... 6-16-16-16-16-111111 INDICAÇÃO DE ERROS NA FERRAMENINDICAÇÃO DE ERROS NA FERRAMENINDICAÇÃO DE ERROS NA FERRAMENINDICAÇÃO DE ERROS NA FERRAMENINDICAÇÃO DE ERROS NA FERRAMENTTTTTA DE DIAA DE DIAA DE DIAA DE DIAA DE DIAGNÓSGNÓSGNÓSGNÓSGNÓSTICO DTICO DTICO DTICO DTICO DA INJEÇÃOA INJEÇÃOA INJEÇÃOA INJEÇÃOA INJEÇÃO ...............6-16-16-16-16-122222 DETDETDETDETDETALHES DE LALHES DE LALHES DE LALHES DE LALHES DE LOCALIZAÇÃO E ELIMINAÇÃO DE DEFEITOCALIZAÇÃO E ELIMINAÇÃO DE DEFEITOCALIZAÇÃO E ELIMINAÇÃO DE DEFEITOCALIZAÇÃO E ELIMINAÇÃO DE DEFEITOCALIZAÇÃO E ELIMINAÇÃO DE DEFEITOSOSOSOSOS ..................................................................................................................................6-16-16-16-16-133333 CORPO DE INJEÇÃOCORPO DE INJEÇÃOCORPO DE INJEÇÃOCORPO DE INJEÇÃOCORPO DE INJEÇÃO..................................................................................................................................................................................................................................................................................................................................................................................................................................................................6-236-236-236-236-23 REMOÇÃO DA MANGUEIRA DE COMBUSTÍVEL ............................................. 6-26 INSPEÇÃO DA BOMBA DE COMBUSTÍVEL ...................................................... 6-26 REMOÇÃO DA BOMBA DE COMBUSTÍVEL ...................................................... 6-27 INSTALAÇÃO DA BOMBA DE COMBUSTÍVEL.................................................. 6-28 INSPEÇÃO DO INJETOR DE COMBUSTÍVEL .................................................... 6-29 INSPEÇÃO DO CORPO DE INJEÇÃO ................................................................. 6-29 INSTALAÇÃO DO CORPO DE INJEÇÃO ............................................................ 6-29 INSTALAÇÃO DA MANGUEIRA DE COMBUSTÍVEL......................................... 6-30 INSTALAÇÃO DO SISTEMA F.I.D. (AFOGADOR ELETRÔNICO) ....................... 6-30 SISSISSISSISSISTEMA DE INDUÇÃO DETEMA DE INDUÇÃO DETEMA DE INDUÇÃO DETEMA DE INDUÇÃO DETEMA DE INDUÇÃO DE ARARARARAR ..................................................................................................................................................................................................................................................................................................................................................................................6-316-316-316-316-31 DIAGRAMA DO SISTEMA DE INDUÇÃO DE AR ............................................... 6-31 VÁLVULA DE CORTE DE AR ............................................................................... 6-32 INJEÇÃO DE AR .................................................................................................. 6-33 VÁLVULA DE CORTE DE AR ............................................................................... 6-33 INSPEÇÃO DO SISTEMA DE INDUÇÃO DE AR ................................................. 6-34
  • 302.
    FIFIFIFIFI 6 – 1 SISSISSISSISSISTEMADE INJEÇÃO DE COMBUSTEMA DE INJEÇÃO DE COMBUSTEMA DE INJEÇÃO DE COMBUSTEMA DE INJEÇÃO DE COMBUSTEMA DE INJEÇÃO DE COMBUSTÍVELTÍVELTÍVELTÍVELTÍVEL 1 Válvula de indução de ar A.I.S. 2 Luz de alerta de falha de motor 3 Tanque de combustível 4 Bomba de combustível (inclui o regulador de pressão de combustível) 5 Mangueira de combustível 6 Injetor de combustível 7 Caixa do filtro de ar 8 Bateria 9 Catalisador 0 ECU SISSISSISSISSISTEMA DE INJEÇÃO DE COMBUSTEMA DE INJEÇÃO DE COMBUSTEMA DE INJEÇÃO DE COMBUSTEMA DE INJEÇÃO DE COMBUSTEMA DE INJEÇÃO DE COMBUSTÍVELTÍVELTÍVELTÍVELTÍVEL A Sensor de inclinação B F.I.D. C Sensor da posição do virabrequim D Vela de ignição E Bobina de ignição F Sensor híbrido: • T.P.S. posição do acelerador • Temperatura de admissão • Pressão de admissão
  • 303.
    FIFIFIFIFI 6 – 2 SISSISSISSISSISTEMADE INJEÇÃO DE COMBUSTEMA DE INJEÇÃO DE COMBUSTEMA DE INJEÇÃO DE COMBUSTEMA DE INJEÇÃO DE COMBUSTEMA DE INJEÇÃO DE COMBUSTÍVELTÍVELTÍVELTÍVELTÍVEL DIADIADIADIADIAGRAMA ELÉTRICOGRAMA ELÉTRICOGRAMA ELÉTRICOGRAMA ELÉTRICOGRAMA ELÉTRICO
  • 304.
    FIFIFIFIFI 6 – 3 SISSISSISSISSISTEMADE INJEÇÃO DE COMBUSTEMA DE INJEÇÃO DE COMBUSTEMA DE INJEÇÃO DE COMBUSTEMA DE INJEÇÃO DE COMBUSTEMA DE INJEÇÃO DE COMBUSTÍVELTÍVELTÍVELTÍVELTÍVEL Legenda do Diagrama Elétrico: 2 Sensor de posição do virabrequim 3 Bateria 9 Sensor híbrido: • Temperatura do ar de admissão • Posição do acelerador • Pressão do ar de admissão A Sensor de temperatura B Interruptor de neutro C ECU D Bobina de ignição E Sensor de inclinação F F.I.D. (Fast idle) H Injetor de combustível J Chave de ignição K Fusível de ignição M Interruptor do cavalete lateral P Interruptor de engine stop Q Acoplamento da ferramenta de diagnóstico do sistema de injeção de combustível [ Sensor de velocidade Bomba de combustível d Painel multifunções
  • 305.
    FIFIFIFIFI 6 – 4 SISSISSISSISSISTEMADE INJEÇÃO DE COMBUSTEMA DE INJEÇÃO DE COMBUSTEMA DE INJEÇÃO DE COMBUSTEMA DE INJEÇÃO DE COMBUSTEMA DE INJEÇÃO DE COMBUSTÍVELTÍVELTÍVELTÍVELTÍVEL FUNÇÃO DOFUNÇÃO DOFUNÇÃO DOFUNÇÃO DOFUNÇÃO DO AAAAAUTUTUTUTUTODIAODIAODIAODIAODIAGNÓSGNÓSGNÓSGNÓSGNÓSTICO DTICO DTICO DTICO DTICO DA ECUA ECUA ECUA ECUA ECU A ECU foi equipada com função de autodiagnóstico assegurando a operação normal do sistema de injeção de combustível. Se um defeito for detectado no sistema de injeção a função de autodiagnóstico imediatamente permite que o motor funcione com instruções de operação alternativas e a luz de alerta de falha se acende. Uma vez que o defeito foi detectado, seu código de falha correspondente é armazenado na memória da ECU. • Para alertar o condutor de que o sistema de injeção do combustível não está funcionando, a luz de falha pisca quando o interruptor de partida for pressionado para acionar o motor. • Se um defeito for detectado no sistema de injeção de combustível, a ECU fornece as instruções apropriadas de operação alternativas necessárias para o motor e a luz de alerta de falha se acende para alertar o condutor. • Após o motor ter sido desligado, o mais baixo código de falha será exibido pela luz de alerta de falha (ou no display da ferramenta de diagnóstico de F.I.). Uma vez que o código de defeito foi exibido, permanece armazenado na memória da ECU até ser apagado. INDICAÇÃO DINDICAÇÃO DINDICAÇÃO DINDICAÇÃO DINDICAÇÃO DA LUZ DEA LUZ DEA LUZ DEA LUZ DEA LUZ DE ALERALERALERALERALERTTTTTA DE FA DE FA DE FA DE FA DE FALHA E OPERAÇÃO DO SISALHA E OPERAÇÃO DO SISALHA E OPERAÇÃO DO SISALHA E OPERAÇÃO DO SISALHA E OPERAÇÃO DO SISTEMA DETEMA DETEMA DETEMA DETEMA DE INJEÇÃO DE COMBUSINJEÇÃO DE COMBUSINJEÇÃO DE COMBUSINJEÇÃO DE COMBUSINJEÇÃO DE COMBUSTÍVEL FITÍVEL FITÍVEL FITÍVEL FITÍVEL FI Luz de alerLuz de alerLuz de alerLuz de alerLuz de alerta de falhata de falhata de falhata de falhata de falha → Sistema de injeção de código de falhaSistema de injeção de código de falhaSistema de injeção de código de falhaSistema de injeção de código de falhaSistema de injeção de código de falha Dígito da dezena: Ciclos de 1 segundo ON e 1,5 segundos OFF. Dígito da unidade: Ciclos de 0,5 segundo ON e 0,5 segundo OFF. <Exemplo>: Código de falha número 42. INDICAÇÃO DINDICAÇÃO DINDICAÇÃO DINDICAÇÃO DINDICAÇÃO DA LUZ DEA LUZ DEA LUZ DEA LUZ DEA LUZ DE ALERALERALERALERALERTTTTTA DE FA DE FA DE FA DE FA DE FALHA E FUNCIONAMENALHA E FUNCIONAMENALHA E FUNCIONAMENALHA E FUNCIONAMENALHA E FUNCIONAMENTTTTTO DO SISO DO SISO DO SISO DO SISO DO SISTEMA FTEMA FTEMA FTEMA FTEMA F.I..I..I..I..I. Condição do motorCondição do motorCondição do motorCondição do motorCondição do motor Indicação da luz de alerIndicação da luz de alerIndicação da luz de alerIndicação da luz de alerIndicação da luz de alertatatatata FFFFFuncionamento de Funcionamento de Funcionamento de Funcionamento de Funcionamento de F.I..I..I..I..I. FFFFFuncionamentouncionamentouncionamentouncionamentouncionamento do veículodo veículodo veículodo veículodo veículo Operação Piscando — Operaçãointerrompida Desabilitado (partida elétrica) Código: 13 e 14 Operação com características Habilitado Permanece acesa “ON” substitutas conforme descrição da falha Desligado Piscando (indicando o código de falha) — — Luz apagLuz apagLuz apagLuz apagLuz apagadaadaadaadaada Luz acesaLuz acesaLuz acesaLuz acesaLuz acesa
  • 306.
    FIFIFIFIFI 6 – 5 SISSISSISSISSISTEMADE INJEÇÃO DE COMBUSTEMA DE INJEÇÃO DE COMBUSTEMA DE INJEÇÃO DE COMBUSTEMA DE INJEÇÃO DE COMBUSTEMA DE INJEÇÃO DE COMBUSTÍVELTÍVELTÍVELTÍVELTÍVEL VERIFICANDOVERIFICANDOVERIFICANDOVERIFICANDOVERIFICANDO A OPERAÇÃO DA OPERAÇÃO DA OPERAÇÃO DA OPERAÇÃO DA OPERAÇÃO DA LUZ DEA LUZ DEA LUZ DEA LUZ DEA LUZ DE ALERALERALERALERALERTTTTTA DE FA DE FA DE FA DE FA DE FALHAALHAALHAALHAALHA A luz de alerta de falha se acende por 3 segundos após a chave de ignição ser colocada em “ON”, ou quando o interruptor de partida for pressionado. Se a luz de alerta não se acender sob tais condições, pode estar com defeito. FUNCIONAMENFUNCIONAMENFUNCIONAMENFUNCIONAMENFUNCIONAMENTTTTTO EM MODO DE SEO EM MODO DE SEO EM MODO DE SEO EM MODO DE SEO EM MODO DE SEGURANÇAGURANÇAGURANÇAGURANÇAGURANÇA Se a ECU detectar um sinal anormal de um sensor enquanto a motocicleta estiver sendo dirigida, a luz de alerta de falha se acende e fornece ao motor as instruções de operação alternativa, de acordo com o defeito. Quando o sinal anormal for recebido de um sensor, a ECU processa os valores especificados que são programados para cada sensor, a fim de fornecer ao motor as instruções de operação alternativas que permitem ao motor continuar funcionando ou parar de funcionar, dependendo das condições. A ECU aplica as ações de segurança contra falhas de duas maneiras: uma na qual cada saída dos sensores é ajustada para um valor preestabelecido. Os detalhes das ações de segurança contra falhas são fornecidos na tabela abaixo. Chave de Ignição Chave de Ignição OFF ON Luz de alerta de falha do motor Luz apagada Luz acesa por 3 segundos Luz apagada Inicializa CódigoCódigoCódigoCódigoCódigo ItemItemItemItemItem SintomaSintomaSintomaSintomaSintoma Ação (da E.C.UAção (da E.C.UAção (da E.C.UAção (da E.C.UAção (da E.C.U.).).).).) PPPPPode ligode ligode ligode ligode ligararararar PPPPPodeodeodeodeode de falhade falhade falhade falhade falha aaaaa moto?moto?moto?moto?moto? pilotar?pilotar?pilotar?pilotar?pilotar? 12 Sensor da posição do Não chega sinal do • Pára o motor (desligando Não Não virabrequim sensor de posição do a injeção de combustível virabrequim. e a ignição). 13 Sensor de pressão do • Sensor com circuito • Pára o motor (desligando Não Não ar de admissão (circuito aberto ou em curto. a injeção de combustível 14 aberto ou em curto) • Defeito físico ou de e a ignição). (coletor) vedação no coletor de admissão. 15 Sensor de posição da • Circuito aberto ou • Fixar o sensor de posição borboleta (TPS) em curto no chicote da borboleta totalmente principal. aberto. • TPS com defeito Sim Sim ou instalado incorretamente. • Mau funcionamento da ECU.
  • 307.
    FIFIFIFIFI 6 – 6 SISSISSISSISSISTEMADE INJEÇÃO DE COMBUSTEMA DE INJEÇÃO DE COMBUSTEMA DE INJEÇÃO DE COMBUSTEMA DE INJEÇÃO DE COMBUSTEMA DE INJEÇÃO DE COMBUSTÍVELTÍVELTÍVELTÍVELTÍVEL CódigoCódigoCódigoCódigoCódigo ItemItemItemItemItem SintomaSintomaSintomaSintomaSintoma Ação (da E.C.UAção (da E.C.UAção (da E.C.UAção (da E.C.UAção (da E.C.U.).).).).) PPPPPode ligode ligode ligode ligode ligararararar PPPPPodeodeodeodeode de falhade falhade falhade falhade falha aaaaa moto?moto?moto?moto?moto? pilotar?pilotar?pilotar?pilotar?pilotar? 16 Sensor de posição da • TPS está preso/ borboleta agarrado. — Sim Sim • Mau funcionamento da ECU. 22 Sensor de temperatura Sensor com circuito Fixa a temperatura Sim Sim da admissão aberto ou em curto. em 30ºC. 28 Sensor de temperatura Sensor com mau Fixa a temperatura do Sim Sim do motor contato na conexão, motor da seguinte forma: circuito aberto ou • Até 10s depois da partida em curto. do motor: 40ºC • 10~20s após a partida: 40~100ºC • Após 20s de funcionamento: 100ºC 33 Ignição com problema Circuito aberto no • Pára o motor (desligando Não Não enrolamento primário a injeção de combustível da bobina da ignição. e a ignição). 39 Injetor Injetor com mau contato • Pára o motor (desligando Não Não na conexão, circuito a injeção de combustível aberto ou em curto. e a ignição). 30 Sensor de inclinação • O veículo tombou. • Pára o motor (desligando Não Não 41 (circuito aberto ou em • Circuito do sensor a injeção de combustível curto) aberto, em curto ou e a ignição). Inclinação superior a com mau contato na 45o C detectada conexão. 44 Erro na leitura Ocorreu um erro na Sim Sim da E2PROM leitura ou na gravação — da E2PROM (valor de ajuste do CO). 46 Fornecimento de força O fornecimento de para o veículo (voltagem eletricidade para o — Sim Sim do monitoramento) sistema FI não está normal. 50 Falha interna da ECU Falha da memória da (erro de checagem da ECU. memória) Quando o tipo de falha é detectado, o código Não Não pode não aparecer na luz de anomalia do painel, nem na ferra- menta de diagnóstico. — Alerta de O relé não é ativado A luz de anomalia do motor Não Não impossibilidade mesmo se o sinal do pisca quando o interruptor de partida virabrequim é enviado de partida é girado para a enquanto o botão da posição ON. partida é pressionado. O interruptor de partida é pressionado quando os códigos: 12, 13, 14, 30, 33, 39, 41 ou 50 são exibidos para indicar um erro.
  • 308.
    FIFIFIFIFI 6 – 7 SISSISSISSISSISTEMADE INJEÇÃO DE COMBUSTEMA DE INJEÇÃO DE COMBUSTEMA DE INJEÇÃO DE COMBUSTEMA DE INJEÇÃO DE COMBUSTEMA DE INJEÇÃO DE COMBUSTÍVELTÍVELTÍVELTÍVELTÍVEL TTTTTABELA DE LABELA DE LABELA DE LABELA DE LABELA DE LOCALIZAÇÃO E ELIMINAÇÃO DE FOCALIZAÇÃO E ELIMINAÇÃO DE FOCALIZAÇÃO E ELIMINAÇÃO DE FOCALIZAÇÃO E ELIMINAÇÃO DE FOCALIZAÇÃO E ELIMINAÇÃO DE FALHAALHAALHAALHAALHASSSSS Funcionamento do motor não é normal ou a luz de alerta de falha está acesa. * A luz de alerta de falha do motor pode não se acender mesmo se o funcionamento do motor não estiver normal. Verifique e repare a causa provável da falha. O nº do código de falhas é indicado Verifique e repare. Consulte os "DETALHES DE LOCALIZAÇÃO E ELIMINAÇÃO DE DEFEITOS". Monitore a operação dos sensores e os atuadores no modo diagnóstico. Consulte a “Tabela do modo diagnóstico”. O nº do código de falhas não é indicado Verifique e repare. Consulte a "TABELA DE MODO DE SEGURANÇA". Execute a ação de restabelecimento da ECU. Consulte os "DETALHES DE LOCALIZAÇÃO E ELIMINAÇÃO DE DEFEITOS". Código de falha não é exibido. Reparos concluídos Verifique o funcionamento dos seguintes sensores e atuadores no modo diagnóstico. Consulte a "Tabela do modo de diagnóstico". 30: Bobina de ignição 36: Injetor de combustível OK NG OK NG OK Defeito do motor Defeito do sensor ou atuador Verifique ou repare as peças internas do motor. Consulte o capítulo 5. Verifique e repare o sensor ou atuador correspondente Verifique a condição do motor Código de falhas exibido OK Gire a chave de ignição para "OFF", gire de novo para “ON” e em seguida, verifique se o número do código de falha continua sendo exibido no painel. A luz de alerta de falha não se acende.A luz de alerta de falha se acende. Verifique o número do código de falha exibido na ferramenta de diagnóstico F.I. Identifique o sistema com o defeito. Consulte a "TABELA DE MODO DE SEGURANÇA". Identifique a causa provável da falha. Consulte a "TABELA DE CÓDIGO DE FALHA”. – Apagar o histórico de falhas:* – O histórico de falhas é armazenado mesmo se o interruptor principal está em “OFF”. – O histórico de falhas deve ser apagado na ferramenta de diagnóstico F.I.. Consulte a “TABELA DO MODO DIAGNÓSTICO” (código nº 62) * Operação somente quando a luz de alerta de falha se acender.
  • 309.
    FIFIFIFIFI 6 – 8 SISSISSISSISSISTEMADE INJEÇÃO DE COMBUSTEMA DE INJEÇÃO DE COMBUSTEMA DE INJEÇÃO DE COMBUSTEMA DE INJEÇÃO DE COMBUSTEMA DE INJEÇÃO DE COMBUSTÍVELTÍVELTÍVELTÍVELTÍVEL UTILIZAÇÃO DUTILIZAÇÃO DUTILIZAÇÃO DUTILIZAÇÃO DUTILIZAÇÃO DA FERRAMENA FERRAMENA FERRAMENA FERRAMENA FERRAMENTTTTTA DEA DEA DEA DEA DE DIADIADIADIADIAGNÓSGNÓSGNÓSGNÓSGNÓSTICOTICOTICOTICOTICO É possível monitorar os dados de saída dos sensores ou ativação de atuadores, conectando a ferramenta de diagnóstico F.I. no modo normal ou no modo de diagnóstico. FFFFFerererererramenta de diagnóstico Framenta de diagnóstico Framenta de diagnóstico Framenta de diagnóstico Framenta de diagnóstico F.I..I..I..I..I. 90890-03190890-03190890-03190890-03190890-0318282828282 1. Posicione a chave de ignição em "OFF" e o interruptor de engine stop em “ON”. 2. Desconecte o conector do sinal de auto diagnóstico 1 e conecte a ferramenta 2, como ilustrado. 3. Posicione a chave de ignição em “ON” e ligue o motor. NONONONONOTTTTTA:A:A:A:A: • A temperatura e a rotação aparecerão no display. • O LED “POWER” (verde) acende. • Se uma falha for encontrada no sistema, o LED “WARNING” (laranja) acende.Todavia, o código da falha não aparecerá no display. 4. Desligue o motor. NONONONONOTTTTTA:A:A:A:A: Se uma falha for encontrada no sistema, o código da falha aparecerá no display. O LED “WARNING” (laranja) acenderá também. 5. Posicione a chave de ignição em “OFF” para cancelar o modo normal. 6. Desconecte a ferramenta de diagnóstico F.I. e restabeleça a conexão original. Utilização em modo normalUtilização em modo normalUtilização em modo normalUtilização em modo normalUtilização em modo normal NONONONONOTTTTTA:A:A:A:A: A rotação, temperatura do motor e código de falha, se detectados, podem ser mostrados no display da ferramenta de diagnóstico de F.I., quando conectado em modo normal, ao veículo.
  • 310.
    FIFIFIFIFI 6 – 9 SISSISSISSISSISTEMADE INJEÇÃO DE COMBUSTEMA DE INJEÇÃO DE COMBUSTEMA DE INJEÇÃO DE COMBUSTEMA DE INJEÇÃO DE COMBUSTEMA DE INJEÇÃO DE COMBUSTÍVELTÍVELTÍVELTÍVELTÍVEL Utilização em modo de diagnósticoUtilização em modo de diagnósticoUtilização em modo de diagnósticoUtilização em modo de diagnósticoUtilização em modo de diagnóstico 1. Posicione a chave de ignição para "OFF" e posicione o interruptor de parada do mo- tor para " " (ON). 2. Desconecte o conector de autodiagnóstico 1 e conecte a ferramenta de diagnóstico 2 como mostrado. Desconecte o conector da bomba de combus-Desconecte o conector da bomba de combus-Desconecte o conector da bomba de combus-Desconecte o conector da bomba de combus-Desconecte o conector da bomba de combus- tível para evitar queima de fusível.tível para evitar queima de fusível.tível para evitar queima de fusível.tível para evitar queima de fusível.tível para evitar queima de fusível. 3. Simultaneamente, pressione o botão "MODE" e gire a chave de ignição para "ON". NONONONONOTTTTTA:A:A:A:A: • "DIAG" aparece no display da ferramenta. • O LED "POWER" (verde) acende. 4. Pressione o botão "UP" para selecionar o modo de ajuste "CO" ou o modo de diag- nóstico "DlAG". 5. Após selecionar "DlAG", pressione o botão "MODE". 6. Selecione o número do código do diag- nóstico que se aplica ao item que foi de- tectado com o código de falhas, pressio- nando os botões "UP" e "DOWN". NONONONONOTTTTTA:A:A:A:A: O número do código do diagnóstico aparece no display (03 ~ 70). • Para diminuir o número do código de diagnóstico selecionado, pressione o bo- tão "DOWN". Pressione o botão "DOWN" por 1 segundo ou mais para diminuir au- tomaticamente os números de código de diagnóstico. • Paraaumentaronúmerodocódigodediag- nósticoselecionado,pressioneobotão"UP". Pressione o botão "UP" por 1 segundo ou mais para automaticamente aumentar os números do código de diagnóstico. 7. Verifique a operação do sensor ou atuador. • Operação do sensor Os dados representando as condições de operação do sensor aparecem no display. • Operação do atuador: Pressione o bo- tão "MODE" para acionar o atuador. 8. Coloque a chave de ignição em "OFF" para cancelar o modo de diagnóstico. 9. Desconecte a ferramenta de diagnóstico de F.I. e restitua a conexão original.
  • 311.
    FIFIFIFIFI 6 – 10 SISSISSISSISSISTEMADE INJEÇÃO DE COMBUSTEMA DE INJEÇÃO DE COMBUSTEMA DE INJEÇÃO DE COMBUSTEMA DE INJEÇÃO DE COMBUSTEMA DE INJEÇÃO DE COMBUSTÍVELTÍVELTÍVELTÍVELTÍVEL TABELA DE CÓDIGO DE FTABELA DE CÓDIGO DE FTABELA DE CÓDIGO DE FTABELA DE CÓDIGO DE FTABELA DE CÓDIGO DE FALHAALHAALHAALHAALHASSSSS CódigoCódigoCódigoCódigoCódigo SintomaSintomaSintomaSintomaSintoma PPPPPrororororovável causa do mau funcionamentovável causa do mau funcionamentovável causa do mau funcionamentovável causa do mau funcionamentovável causa do mau funcionamento Código doCódigo doCódigo doCódigo doCódigo do de falhade falhade falhade falhade falha diagnósticodiagnósticodiagnósticodiagnósticodiagnóstico 12 Nenhum sinal recebido do • Circuito aberto ou em curto no chicote. sensor de posição do • Sensor de posição do virabrequim defeituoso. virabrequim • Mau funcionamento no rotor da bobina de pulso. — • Mau funcionamento na ECU. • Sensor instalado incorretamente. 13 Sensor da pressão do ar de • Mau contato na conexão. admissão: • Circuito aberto ou curto-circuito no chicote principal. D03 circuito aberto ou curto- • Sensor da pressão do ar de admissão defeituoso. circuito detectado • Mau funcionamento na ECU. 14 Sensor de pressão do ar de • Mau contato na conexão. admissão defeituoso • Sensor está obstruído (entupido) ou mau instalado. D03 • Mau funcionamento na ECU. • Problema de vedação. 15 Sensor de posição do • Mau contato na conexão. acelerador (TPS) • Circuito aberto ou em curto no chicote principal. (aberto ou curto-circuito) • TPS com defeito. D01 • Mau funcionamento na ECU. • TPS mau instalado. 16 TPS está preso/agarrado • TPS está preso/agarrado. D01 • Mau funcionamento na ECU. 22 Sensor da temperatura do ar • Circuito aberto ou em curto-circuito no chicote de admissão - circuito aberto • Sensor da temperatura do ar de admissão defeituoso. D05 ou curto-circuito detectado • Mau funcionamento na ECU. • Sensor instalado incorretamente. 28 Sensor da temperatura do • Circuito aberto ou curto-circuito no chicote. motor - circuito aberto ou • Sensor de temperatura do motor defeituoso. D11 curto-circuito detectado • Mau funcionamento na ECU. • Sensor instalado incorretamente. 30 A motocicleta caiu • Inclinação superior a 65 graus (queda). D08 • Mau funcionamento na ECU. 33 Circuito aberto detectado no • Circuito aberto no chicote. enrolamento primário da • Mau funcionamento na bobina de ignição. bobina de ignição • Mau funcionamento na ECU. D30 • Mau funcionamento em um componente do sistema de corta corrente. 39 Circuito aberto ou curto- • Circuito aberto, mau contato ou curto-circuito circuito detectado no injetor no chicote. D36 de combustível • Injetor de combustível defeituoso (defeito elétrico). • Mau funcionamento na ECU. 41 Sensor de inclinação com • Circuito aberto, mau contato ou em curto-circuito circuito aberto ou curto-circuito no chicote. D08 • Sensor de inclinação defeituoso. • Mau funcionamento na ECU. 44 Erro detectado durante a • Mau funcionamento na ECU (O valor de ajuste do CO leitura ou a gravação da e valor de notificação da válvula de borboleta D60 E2PROM completamente fechada não são corretamente gravados ou reconhecidos na memória interna). 46 Fornecimento de energia para • Mau funcionamento no sistema de carga. — o sistema FI não está normal • Queda na tensão da bateria. 50 Memória da ECU defeituosa. • Mau funcionamento na ECU (O programa e os Quando este mau funcionamento dados não são corretamente gravados ou lidos — é detectado, o número do código da memória interna). provavelmente não aparecerá no medidor.
  • 312.
    FIFIFIFIFI 6 – 11 SISSISSISSISSISTEMADE INJEÇÃO DE COMBUSTEMA DE INJEÇÃO DE COMBUSTEMA DE INJEÇÃO DE COMBUSTEMA DE INJEÇÃO DE COMBUSTEMA DE INJEÇÃO DE COMBUSTÍVELTÍVELTÍVELTÍVELTÍVEL TABELA DE MODO DE DIATABELA DE MODO DE DIATABELA DE MODO DE DIATABELA DE MODO DE DIATABELA DE MODO DE DIAGNÓSGNÓSGNÓSGNÓSGNÓSTICOSTICOSTICOSTICOSTICOS Mude a tela de exibição do medidor: de modo regular para o modo diagnóstico. Para ligar a tela de exibição, refira-se ao “MODO DE DIAGNÓSTICO”. NONONONONOTTTTTA:A:A:A:A: • Verifique a temperatura do ar de admissão o mais próximo possível do sensor de tempera- tura do ar de admissão. • Se não for possível a verificação da temperatura do ar de admissão, use a temperatura ambiente como referência. CódigoCódigoCódigoCódigoCódigo ItemItemItemItemItem Descrição da aDescrição da aDescrição da aDescrição da aDescrição da açãoçãoçãoçãoção Dados mostrados naDados mostrados naDados mostrados naDados mostrados naDados mostrados na DiagnósticoDiagnósticoDiagnósticoDiagnósticoDiagnóstico ferferferferferramenta de diagnóstico FIramenta de diagnóstico FIramenta de diagnóstico FIramenta de diagnóstico FIramenta de diagnóstico FI (valor de referência)(valor de referência)(valor de referência)(valor de referência)(valor de referência) D01 Sensor de posição do Mostra o ângulo de abertura da borboleta 0 ~ 125 graus acelerador (TPS) de aceleração. Fechado: 15 ~18 graus • Verifique com o acelerador totalmente Aberto: 94 ~ 99 graus fechado. • Verifique com o acelerador totalmente aberto. D03 Pressão do ar de Mostra a pressão do ar de admissão. Compare com os valores admissão • Cheque a pressão no coletor de admissão. mostrados na ferramenta de diagnóstico FI. D05 Temperatura do ar de Mostra a temperatura do ar de admissão. Compare com os valores admissão • Cheque a temperatura na caixa do filtro mostrados na ferramenta de ar. de diagnóstico FI. D08 Sensor de inclinação Mostra os valores apresentados pelo Posição correta (de pé): sensor de inclinação. 0,4~1,4 V Inclinada (caída): 3,8~4,2V D09 Voltagem do sistema de Mostra a voltagem do sistema de 0 ~ 18,7 V combustível (voltagem combustível (voltagem atual da bateria). Normalmente, da bateria) aproximadamente 12,0 V D11 Temperatura do motor Mostra a temperatura do motor. Compare com os valores • Cheque a temperatura do motor. mostrados na ferramenta de diagnóstico FI. D30 Bobina de ignição Quando o botão “MODE” é pressionado, a A faísca de ignição deverá bobina de ignição é acionada 5 vezes e o “pular” por 5 vezes em LED de cor laranja “WARNING” conjunto com a luz (“ADVERTÊNCIA”) acende. “WARNING” enquanto o Conecte o testador de faísca. botão “MODE” é pressionado. D36 Injetor de combustível Quando o botão “MODE” é pressionado, Verifique o som do o injetor de combustível é acionado 5 vezes funcionamento do bico e o LED de cor laranja “WARNING” injetor 5 vezes em conjunto (“ADVERTÊNCIA”) acende. com a luz “WARNING” enquanto o botão “MODE” é pressionado. D54 FID (marcha lenta e Quando o botão “MODE” é pressionado, Verifique o som do partida a frio) válvula o FID é acionado 5 vezes e o LED (laranja) funcionamento do FID 5 solenóide “WARNING” (“ADVERTÊNCIA”) liga. vezes em conjunto com a luz “WARNING” enquanto o botão “MODE” é pressionado. D60 Código de falha Transmite a parcela anormal dos dados do 01 - valores de ajuste de mostrado no E2PROM E2PROM que foi detectado como código CO é detectado. de falha 44 (CO eTPS). Se múltiplos mau 00 - mostra quando não há funcionamentos foram detectados, mau funcionamento. diferentes códigos serão mostrados em uma seqüência e o processo é repetido.
  • 313.
    FIFIFIFIFI 6 – 12 SISSISSISSISSISTEMADE INJEÇÃO DE COMBUSTEMA DE INJEÇÃO DE COMBUSTEMA DE INJEÇÃO DE COMBUSTEMA DE INJEÇÃO DE COMBUSTEMA DE INJEÇÃO DE COMBUSTÍVELTÍVELTÍVELTÍVELTÍVEL CódigoCódigoCódigoCódigoCódigo ItemItemItemItemItem Descrição da aDescrição da aDescrição da aDescrição da aDescrição da açãoçãoçãoçãoção Dados mostrados naDados mostrados naDados mostrados naDados mostrados naDados mostrados na DiagnósticoDiagnósticoDiagnósticoDiagnósticoDiagnóstico ferferferferferramenta de diagnóstico FIramenta de diagnóstico FIramenta de diagnóstico FIramenta de diagnóstico FIramenta de diagnóstico FI (valor de referência)(valor de referência)(valor de referência)(valor de referência)(valor de referência) D61 Mostra o histórico Mostra o histórico dos códigos de falha 12 ~ 50 - mostra código do código de mau apresentados anteriormente pelo auto- de falha apresentados em funcionamento diagnóstico (exemplo: um código de mau ordem crescente. funcionamento que ocorreu uma vez e foi 00 - mostra que não houve corrigido). mau funcionamento. Se várias falhas foram detectadas, diferentes códigos serão mostrados em um intervalo de 2 segundos e o processo é repetido. D62 Apagar códigos do Mostra o número total de códigos que estão 00 ~ 12 - número de histórico de mau sendo detectados pelo autodiagnóstico e códigos registrados. funcionamento os códigos de falhas do histórico passado. 00 - mostra que não há/ Apaga somente os códigos do histórico houve mau funcionamento. quando o botão “MODE” é pressionado. D70 Número de controle Mostra o número de controle do programa 00 ~ 254 (Mapeamento da E.C.U.). INDICAÇÃO DE ERROS NA FERRAMENINDICAÇÃO DE ERROS NA FERRAMENINDICAÇÃO DE ERROS NA FERRAMENINDICAÇÃO DE ERROS NA FERRAMENINDICAÇÃO DE ERROS NA FERRAMENTTTTTA DE DIAA DE DIAA DE DIAA DE DIAA DE DIAGNÓSGNÓSGNÓSGNÓSGNÓSTICO DTICO DTICO DTICO DTICO DA INJEÇÃOA INJEÇÃOA INJEÇÃOA INJEÇÃOA INJEÇÃO DisplayDisplayDisplayDisplayDisplay SintomaSintomaSintomaSintomaSintoma Causa proCausa proCausa proCausa proCausa provável da falhavável da falhavável da falhavável da falhavável da falha Waiting for conection... Nenhum sinal recebido da ECU. • Conexão incorreta do chicote. • A chave de ignição está em “OFF”. • Defeito na ferramenta de diagnóstico da injeção. • Defeito da ECU. Error 4 Comandos da ferramenta de • Posicione a chave de ignição para “OFF” diagnóstico não são aceitos uma vez e então, troque de volta para o pela ECU. modo de ajuste “CO” ou modo diagnóstico. • Carga insuficiente na bateria. • Defeito na ferramenta de diagnóstico de injeção. • Defeito da ECU.
  • 314.
    FIFIFIFIFI 6 – 13 SISSISSISSISSISTEMADE INJEÇÃO DE COMBUSTEMA DE INJEÇÃO DE COMBUSTEMA DE INJEÇÃO DE COMBUSTEMA DE INJEÇÃO DE COMBUSTEMA DE INJEÇÃO DE COMBUSTÍVELTÍVELTÍVELTÍVELTÍVEL DETDETDETDETDETALHES DE LALHES DE LALHES DE LALHES DE LALHES DE LOCALIZAÇÃO E ELIMINAÇÃO DE DEFEITOCALIZAÇÃO E ELIMINAÇÃO DE DEFEITOCALIZAÇÃO E ELIMINAÇÃO DE DEFEITOCALIZAÇÃO E ELIMINAÇÃO DE DEFEITOCALIZAÇÃO E ELIMINAÇÃO DE DEFEITOSOSOSOSOS Esta seção descreve as medidas corretivas para os códigos de falhas exibidos na ferramenta de diagnóstico F.I.. Verifique e efetue a manutenção dos itens ou componentes que são a causa provável do defeito, seguindo a ordem na "TABELA DE LOCALIZAÇÃO E ELIMINAÇÃO DE FALHAS". Após a verificação e manutenção da peça com defeito, apague o histórico de falhas da ferra- menta de diagnóstico F.I. de acordo com o método de: Nº do código de falha:Nº do código de falha:Nº do código de falha:Nº do código de falha:Nº do código de falha: • O número do código de falha exibido na ferramenta de diagnóstico F.I. quando o motor deixou de funcionar normalmente. Consulte a "TABELA DE CÓDIGO DE FALHAS". Nº do código do diagnóstico:Nº do código do diagnóstico:Nº do código do diagnóstico:Nº do código do diagnóstico:Nº do código do diagnóstico: • O número do código do diagnóstico a ser usado quando o modo de diagnóstico é opera- do. Consulte o "MODO DE DIAGNÓSTICO". CódigoCódigoCódigoCódigoCódigo dedededede 1111122222 SintomaSintomaSintomaSintomaSintoma Ausência de sinal do sensor de posição do virabrequimAusência de sinal do sensor de posição do virabrequimAusência de sinal do sensor de posição do virabrequimAusência de sinal do sensor de posição do virabrequimAusência de sinal do sensor de posição do virabrequim FFFFFalha nalha nalha nalha nalha nº Código de diagnóstico usado NCódigo de diagnóstico usado NCódigo de diagnóstico usado NCódigo de diagnóstico usado NCódigo de diagnóstico usado Nº _______________ OrdemOrdemOrdemOrdemOrdem InspeçãoInspeçãoInspeçãoInspeçãoInspeção VVVVVerificação ou Manutenção/erificação ou Manutenção/erificação ou Manutenção/erificação ou Manutenção/erificação ou Manutenção/ Método deMétodo deMétodo deMétodo deMétodo de ComponentesComponentesComponentesComponentesComponentes restauraçãorestauraçãorestauraçãorestauraçãorestauração 1 Condição de instalação Verifique o sensor quanto à sua folga Restabelecido ou aperto. ao colocar o motor em movimento. 2 Condição de conectores Se houver mau contato, repare e • Verifique o contato e se há pinos certifique-se da conexão correta. desconectados. Sensor de posição do virabrequim, • Verifique a união do conector. chicote principal e conector da ECU. NONONONONOTTTTTA:A:A:A:A: Posicione a chave de ignição em “OFF” antes desta operação. 3 Circuito aberto ou em curto Repare ou substitua se houver um no chicote circuito aberto ou em curto no chicote entre os conectores da ECU e do sensor Azul/ Amarelo – Preto/ Azul. 4 Sensor da posição do virabrequim Substitua o sensor se estiver com defeito. com defeito Consulte o “SISTEMA DE IGNIÇÃO”, no capítulo 8.
  • 315.
    FIFIFIFIFI 6 – 14 SISSISSISSISSISTEMADE INJEÇÃO DE COMBUSTEMA DE INJEÇÃO DE COMBUSTEMA DE INJEÇÃO DE COMBUSTEMA DE INJEÇÃO DE COMBUSTEMA DE INJEÇÃO DE COMBUSTÍVELTÍVELTÍVELTÍVELTÍVEL CódigoCódigoCódigoCódigoCódigo dedededede 1111133333 SintomaSintomaSintomaSintomaSintoma Circuito aberCircuito aberCircuito aberCircuito aberCircuito aberto ou em curto ou em curto ou em curto ou em curto ou em curto foi detectado no sensor deto foi detectado no sensor deto foi detectado no sensor deto foi detectado no sensor deto foi detectado no sensor de FFFFFalha nºalha nºalha nºalha nºalha nº pressão de admissãopressão de admissãopressão de admissãopressão de admissãopressão de admissão Código de diagnóstico usado NCódigo de diagnóstico usado NCódigo de diagnóstico usado NCódigo de diagnóstico usado NCódigo de diagnóstico usado Nº D03 (sensor de pressão de admissão)D03 (sensor de pressão de admissão)D03 (sensor de pressão de admissão)D03 (sensor de pressão de admissão)D03 (sensor de pressão de admissão) OrdemOrdemOrdemOrdemOrdem InspeçãoInspeçãoInspeçãoInspeçãoInspeção VVVVVerificação ou Manutençãoerificação ou Manutençãoerificação ou Manutençãoerificação ou Manutençãoerificação ou Manutenção Método deMétodo deMétodo deMétodo deMétodo de restauraçãorestauraçãorestauraçãorestauraçãorestauração 1 Condição de conectores Se necessário, repare o conector Restabelecido ao • Verifique o contato e se há pinos ou conecte-o firmemente. posicionar a chave desconectados. • Sensor de pressão de admissão; de ignição em • Verifique a união do conector. • Conector; “ON”. NONONONONOTTTTTA:A:A:A:A: • Chicote inferior. Posicione a chave de ignição em “OFF” antes desta operação. 2 Circuito aberto no chicote Verifique a continuidade da fiação entre os conectores do sensor e da ECU Preto/Azul – Preto/Azul Rosa/Branco – Rosa/Branco Azul – Azul 3 Sensor de pressão de admissão Execute o modo de diagnóstico. com defeito (Código nº D03). Substitua o sensor se estiver com defeito. 1. Conecte o multímetro (DC de 20V) no conector do sensor de pressão de admissão (na extremidade do chicote) como mostrado. PPPPPonta positionta positionta positionta positionta positivavavavava → rosa/brancorosa/brancorosa/brancorosa/brancorosa/branco 1 PPPPPonta negonta negonta negonta negonta negatiatiatiatiativavavavava → preto/azulpreto/azulpreto/azulpreto/azulpreto/azul 2 2. Coloque a chave de ignição em “ON”. 3. Verifique a voltagem. 1 2 VVVVVoltagem de saída do sensoroltagem de saída do sensoroltagem de saída do sensoroltagem de saída do sensoroltagem de saída do sensor de pressão de admissãode pressão de admissãode pressão de admissãode pressão de admissãode pressão de admissão 3,4~4,3V3,4~4,3V3,4~4,3V3,4~4,3V3,4~4,3V
  • 316.
    FIFIFIFIFI 6 – 15 SISSISSISSISSISTEMADE INJEÇÃO DE COMBUSTEMA DE INJEÇÃO DE COMBUSTEMA DE INJEÇÃO DE COMBUSTEMA DE INJEÇÃO DE COMBUSTEMA DE INJEÇÃO DE COMBUSTÍVELTÍVELTÍVELTÍVELTÍVEL CódigoCódigoCódigoCódigoCódigo dedededede 1111144444 SintomaSintomaSintomaSintomaSintoma Mangueira do sensor de pressão de admissãoMangueira do sensor de pressão de admissãoMangueira do sensor de pressão de admissãoMangueira do sensor de pressão de admissãoMangueira do sensor de pressão de admissão FFFFFalha nalha nalha nalha nalha nº (desconectada ou obstruída)(desconectada ou obstruída)(desconectada ou obstruída)(desconectada ou obstruída)(desconectada ou obstruída) Código de diagnóstico usado NCódigo de diagnóstico usado NCódigo de diagnóstico usado NCódigo de diagnóstico usado NCódigo de diagnóstico usado Nº D03 (sensor de pressão de admissão) SD03 (sensor de pressão de admissão) SD03 (sensor de pressão de admissão) SD03 (sensor de pressão de admissão) SD03 (sensor de pressão de admissão) Sensor híbridoensor híbridoensor híbridoensor híbridoensor híbrido OrdemOrdemOrdemOrdemOrdem InspeçãoInspeçãoInspeçãoInspeçãoInspeção VVVVVerificação ou Manutençãoerificação ou Manutençãoerificação ou Manutençãoerificação ou Manutençãoerificação ou Manutenção Método deMétodo deMétodo deMétodo deMétodo de restauraçãorestauraçãorestauraçãorestauraçãorestauração 1 Mangueira do sensor de pressão Repare ou substitua a mangueira. Restabelecido de admissão desconectada, ao colocar o dobrada ou prensada. Verifique e repare a conexão. motor em Defeito do sensor de pressão de movimento e admissão no potencial elétrico Substitua o sensor se estiver com deixando-o intermediário. defeito. funcionar em marcha lenta. 2 Condição do conector de pressão Verifique se alguns pinos dos conectores de admissão possam estar fora de posição. (Conector do chicote para ECU) Verifique se os acopladores estão conectados firmemente. Se necessário, repare o conector ou conecte-o firmemente. 3 Sensor de pressão de admissão Execute o modo de diagnóstico com defeito. (Código nº D03). Substitua o sensor se estiver com defeito. Consulte o “Código de falha nº 13”.
  • 317.
    FIFIFIFIFI 6 – 16 SISSISSISSISSISTEMADE INJEÇÃO DE COMBUSTEMA DE INJEÇÃO DE COMBUSTEMA DE INJEÇÃO DE COMBUSTEMA DE INJEÇÃO DE COMBUSTEMA DE INJEÇÃO DE COMBUSTÍVELTÍVELTÍVELTÍVELTÍVEL CódigoCódigoCódigoCódigoCódigo dedededede 1111155555 SintomaSintomaSintomaSintomaSintoma Circuito aberCircuito aberCircuito aberCircuito aberCircuito aberto ou em curto ou em curto ou em curto ou em curto ou em curto foi detectado no sensor dato foi detectado no sensor dato foi detectado no sensor dato foi detectado no sensor dato foi detectado no sensor da FFFFFalha nalha nalha nalha nalha nº posição do aceleradorposição do aceleradorposição do aceleradorposição do aceleradorposição do acelerador Código de diagnóstico usado NCódigo de diagnóstico usado NCódigo de diagnóstico usado NCódigo de diagnóstico usado NCódigo de diagnóstico usado Nº D0D0D0D0D01 (sensor de pressão do acelerador) S1 (sensor de pressão do acelerador) S1 (sensor de pressão do acelerador) S1 (sensor de pressão do acelerador) S1 (sensor de pressão do acelerador) Sensor híbridoensor híbridoensor híbridoensor híbridoensor híbrido OrdemOrdemOrdemOrdemOrdem InspeçãoInspeçãoInspeçãoInspeçãoInspeção VVVVVerificação ou Manutençãoerificação ou Manutençãoerificação ou Manutençãoerificação ou Manutençãoerificação ou Manutenção Método deMétodo deMétodo deMétodo deMétodo de restauraçãorestauraçãorestauraçãorestauraçãorestauração 1 Instalação do sensor de Verifique o sensor quanto a folga na Restabelecido posição do acelerador fixação. ao posicionar a Verifique se o sensor está instalado na chave de ignição posição especificada. em “ON”. Consulte “Corpo de injeção e injetor”. 2 Condição do conector Verifique se os conectores estão Verifique as conexões dos conectados firmemente. conectores. Se necessário, repare o conector ou conecte-o firmemente. Sensor de posição do acelerador (conector do chicote para ECU). 3 Circuito aberto no chicote Verifique a continuidade da fiação entre os conectores do sensor e da ECU. Preto/Azul – Preto/Azul Amarelo/Azul – Amarelo/Azul Azul-Azul 4 Sensor de posição do acelerador Execute o modo de diagnóstico. (Código nº D01). Substitua o sensor se estiver com defeito. Consulte “Corpo de injeção e injetor”. CódigoCódigoCódigoCódigoCódigo dedededede 1111166666 SintomaSintomaSintomaSintomaSintoma Circuito aberCircuito aberCircuito aberCircuito aberCircuito aberto ou em curto ou em curto ou em curto ou em curto ou em curto foi detectado no sensor dato foi detectado no sensor dato foi detectado no sensor dato foi detectado no sensor dato foi detectado no sensor da FFFFFalha nalha nalha nalha nalha nº posição do aceleradorposição do aceleradorposição do aceleradorposição do aceleradorposição do acelerador Código de diagnóstico usado NCódigo de diagnóstico usado NCódigo de diagnóstico usado NCódigo de diagnóstico usado NCódigo de diagnóstico usado Nº D0D0D0D0D01 (sensor de pressão do acelerador) S1 (sensor de pressão do acelerador) S1 (sensor de pressão do acelerador) S1 (sensor de pressão do acelerador) S1 (sensor de pressão do acelerador) Sensor híbridoensor híbridoensor híbridoensor híbridoensor híbrido OrdemOrdemOrdemOrdemOrdem InspeçãoInspeçãoInspeçãoInspeçãoInspeção VVVVVerificação ou Manutençãoerificação ou Manutençãoerificação ou Manutençãoerificação ou Manutençãoerificação ou Manutenção Método deMétodo deMétodo deMétodo deMétodo de restauraçãorestauraçãorestauraçãorestauraçãorestauração 1 Condição de instalação do sensor Verifique a conexão do conector. Restabelecido de posição do acelerador Consulte “Corpo de injeção e injetor”. ao ligar o motor, operando em marcha lenta e em seguida, acelerando-o. 2 Sensor de posição do acelerador Execute o modo de diagnóstico com defeito. (Código nº D01). Substitua o sensor se estiver com defeito. Verifique se o sensor está instalado na posição especificada. Consulte “Corpo de injeção e injetor”. 3 Quando o código de falha nº15 Consulte “Código de falha nº 15”. é detectado.
  • 318.
    FIFIFIFIFI 6 – 17 SISSISSISSISSISTEMADE INJEÇÃO DE COMBUSTEMA DE INJEÇÃO DE COMBUSTEMA DE INJEÇÃO DE COMBUSTEMA DE INJEÇÃO DE COMBUSTEMA DE INJEÇÃO DE COMBUSTÍVELTÍVELTÍVELTÍVELTÍVEL CódigoCódigoCódigoCódigoCódigo dedededede 2222222222 SintomaSintomaSintomaSintomaSintoma Circuito aberCircuito aberCircuito aberCircuito aberCircuito aberto foi detectado no sensor deto foi detectado no sensor deto foi detectado no sensor deto foi detectado no sensor deto foi detectado no sensor de FFFFFalha nºalha nºalha nºalha nºalha nº temperatura de admissãotemperatura de admissãotemperatura de admissãotemperatura de admissãotemperatura de admissão Código de diagnóstico usado NCódigo de diagnóstico usado NCódigo de diagnóstico usado NCódigo de diagnóstico usado NCódigo de diagnóstico usado Nº D05 (sensor de temperatura de admissão) SD05 (sensor de temperatura de admissão) SD05 (sensor de temperatura de admissão) SD05 (sensor de temperatura de admissão) SD05 (sensor de temperatura de admissão) Sensor híbridoensor híbridoensor híbridoensor híbridoensor híbrido OrdemOrdemOrdemOrdemOrdem InspeçãoInspeçãoInspeçãoInspeçãoInspeção VVVVVerificação ou Manutençãoerificação ou Manutençãoerificação ou Manutençãoerificação ou Manutençãoerificação ou Manutenção Método deMétodo deMétodo deMétodo deMétodo de restauraçãorestauraçãorestauraçãorestauraçãorestauração 1 Condição de instalação Verifique o sensor quanto a folgas de Restabelecido ao fixação. posicionar a chave de ignição em “ON” 2 Condição dos conectores Se necessário, repare o conector ou Verifique se os pinos dos conecte-o firmemente. conectores estão fora do lugar. Sensor de temperatura da admissão Verifique se os conectores estão (conector do chicote para ECU). conectados firmemente. 3 Circuito aberto no chicote Verifique a continuidade da fiação entre os conectores do sensor e da ECU. Preto/Azul – Preto/Azul Marrom/Branco – Marrom/Branco 4 Sensor de temperatura de Execute o modo de diagnóstico. admissão com defeito. (Código nº D05). Substitua o sensor se estiver com defeito. 1. Remova o sensor de temperatura de admissão (híbrido). 2. Conecte o multímetro ao terminal do sensor de temperatura de admissão, como mostrado. PPPPPonta positionta positionta positionta positionta positivavavavava → marmarmarmarmarrom/brancorom/brancorom/brancorom/brancorom/branco 1 PPPPPonta negonta negonta negonta negonta negatiatiatiatiativavavavava → preto/azulpreto/azulpreto/azulpreto/azulpreto/azul 2 3. Meça a resistência do sensor de temperatura de admissão. 1 2 RRRRResistência do sensor deesistência do sensor deesistência do sensor deesistência do sensor deesistência do sensor de temperatura de admissãotemperatura de admissãotemperatura de admissãotemperatura de admissãotemperatura de admissão 220~280220~280220~280220~280220~280Ω (em 20(em 20(em 20(em 20(em 20ooooo C)C)C)C)C) • Manuseie o sensor de temperatura de admissão com cuidado especial. • Nunca submeta o sensor de tempera- tura de admissão a fortes impactos. Se o sensor de temperatura de admis- são cair, substitua-o.
  • 319.
    FIFIFIFIFI 6 – 18 SISSISSISSISSISTEMADE INJEÇÃO DE COMBUSTEMA DE INJEÇÃO DE COMBUSTEMA DE INJEÇÃO DE COMBUSTEMA DE INJEÇÃO DE COMBUSTEMA DE INJEÇÃO DE COMBUSTÍVELTÍVELTÍVELTÍVELTÍVEL CódigoCódigoCódigoCódigoCódigo dedededede 2828282828 SintomaSintomaSintomaSintomaSintoma Detectado sensor de temperatura do motor aberDetectado sensor de temperatura do motor aberDetectado sensor de temperatura do motor aberDetectado sensor de temperatura do motor aberDetectado sensor de temperatura do motor abertototototo FFFFFalha nºalha nºalha nºalha nºalha nº ou em curou em curou em curou em curou em curto-circuitoto-circuitoto-circuitoto-circuitoto-circuito Código de diagnóstico usado NCódigo de diagnóstico usado NCódigo de diagnóstico usado NCódigo de diagnóstico usado NCódigo de diagnóstico usado Nº D1D1D1D1D11 (sensor de temperatura do motor)1 (sensor de temperatura do motor)1 (sensor de temperatura do motor)1 (sensor de temperatura do motor)1 (sensor de temperatura do motor) OrdemOrdemOrdemOrdemOrdem InspeçãoInspeçãoInspeçãoInspeçãoInspeção VVVVVerificação ou Manutençãoerificação ou Manutençãoerificação ou Manutençãoerificação ou Manutençãoerificação ou Manutenção Método deMétodo deMétodo deMétodo deMétodo de restauraçãorestauraçãorestauraçãorestauraçãorestauração 1 Condição de instalação Verifique o sensor quanto a folgas de Restabelecido ao fixação. posicionar a chave de ignição em “ON” 2 Condição dos conectores Se necessário, repare o conector ou Verifique se os pinos dos conecte-o firmemente. conectores estão fora do lugar. Sensor de temperatura do motor Verifique se os conectores estão (conector da ECU do chicote). conectados firmemente. 3 Circuito aberto no chicote. Verifique a continuidade da fiação entre os conectores do sensor e da ECU. Preto/Azul – Preto/Azul Verde/Vermelho – Verde/Vermelho 4 Sensor de temperatura de Execute o modo de diagnóstico. admissão com defeito. (Código nº D11). Substitua o sensor se estiver com defeito. 1. Remova o sensor de temperatura do motor do cilindro. 2. Conecte o multímetro ao terminal do sensor de temperatura do motor, como mostrado. PPPPPonta positionta positionta positionta positionta positivavavavava → verde/vermelhoverde/vermelhoverde/vermelhoverde/vermelhoverde/vermelho 1 PPPPPonta negonta negonta negonta negonta negatiatiatiatiativavavavava → preto/azulpreto/azulpreto/azulpreto/azulpreto/azul 2 3. Meça a resistência do sensor de temperatura do motor. 1 2 RRRRResistência do sensor deesistência do sensor deesistência do sensor deesistência do sensor deesistência do sensor de temperatura de admissãotemperatura de admissãotemperatura de admissãotemperatura de admissãotemperatura de admissão 111111~11~11~11~11~13K3K3K3K3KΩ (em 20(em 20(em 20(em 20(em 20ooooo C)C)C)C)C) • Manuseie o sensor de temperatura de admissão com cuidado especial. • Nunca submeta o sensor de tempera- tura de admissão a fortes impactos. Se o sensor de temperatura de admis- são cair, substitua-o.
  • 320.
    FIFIFIFIFI 6 – 19 SISSISSISSISSISTEMADE INJEÇÃO DE COMBUSTEMA DE INJEÇÃO DE COMBUSTEMA DE INJEÇÃO DE COMBUSTEMA DE INJEÇÃO DE COMBUSTEMA DE INJEÇÃO DE COMBUSTÍVELTÍVELTÍVELTÍVELTÍVEL CódigoCódigoCódigoCódigoCódigo dedededede 3030303030 SintomaSintomaSintomaSintomaSintoma A motocicleta tombouA motocicleta tombouA motocicleta tombouA motocicleta tombouA motocicleta tombou FFFFFalha nºalha nºalha nºalha nºalha nº Código de diagnóstico usado NCódigo de diagnóstico usado NCódigo de diagnóstico usado NCódigo de diagnóstico usado NCódigo de diagnóstico usado Nº D08 (sensor de inclinação)D08 (sensor de inclinação)D08 (sensor de inclinação)D08 (sensor de inclinação)D08 (sensor de inclinação) OrdemOrdemOrdemOrdemOrdem InspeçãoInspeçãoInspeçãoInspeçãoInspeção VVVVVerificação ou Manutençãoerificação ou Manutençãoerificação ou Manutençãoerificação ou Manutençãoerificação ou Manutenção Método deMétodo deMétodo deMétodo deMétodo de restauraçãorestauraçãorestauraçãorestauraçãorestauração 1 A motocicleta tombou. Levante a motocicleta. Restabelecido ao 2 Condição de instalação Verifique o interruptor para folgas ou posicionar a chave aperto. de ignição em “ON” (não pode ser dada a partida no motor a menos 3 Condição dos conectores Se necessário, repare o conector ou que a chave de Verifique se os pinos dos conecte-o firmemente. ignição tenha sido conectores não estão fora do lugar. Sensor de inclinação posicionada em Verifique se os conectores estão (conector do chicote para ECU). “OFF” primeiro). conectados firmemente. 4 Sensor de inclinação com defeito Execute o modo de diagnóstico. (Código nº D08). Substitua o sensor se estiver com defeito. Consulte o “Sistema de ignição” no capítulo 8. 1. Remova o sensor de inclinação do veículo. 2. Conecte o sensor de inclinação ao chicote. 3. Conecte o multímetro (DC 20V) aos terminais do interruptor, como mostrado. PPPPPonta positionta positionta positionta positionta positivavavavava → amarelo/verdeamarelo/verdeamarelo/verdeamarelo/verdeamarelo/verde 1 PPPPPonta negonta negonta negonta negonta negatiatiatiatiativavavavava → preto/azulpreto/azulpreto/azulpreto/azulpreto/azul 2 4. Virar o sensor e verificar se há mudança na leitura do multímetro de 0,9V para 4,1V quando o ângulo atinge 45o . 5. O sensor de inclinação está ok? 1 2
  • 321.
    FIFIFIFIFI 6 – 20 SISSISSISSISSISTEMADE INJEÇÃO DE COMBUSTEMA DE INJEÇÃO DE COMBUSTEMA DE INJEÇÃO DE COMBUSTEMA DE INJEÇÃO DE COMBUSTEMA DE INJEÇÃO DE COMBUSTÍVELTÍVELTÍVELTÍVELTÍVEL CódigoCódigoCódigoCódigoCódigo dedededede 3333333333 SintomaSintomaSintomaSintomaSintoma Circuito aberCircuito aberCircuito aberCircuito aberCircuito aberto detectado no enrolamento primário dato detectado no enrolamento primário dato detectado no enrolamento primário dato detectado no enrolamento primário dato detectado no enrolamento primário da FFFFFalha nalha nalha nalha nalha nº bobina de igniçãobobina de igniçãobobina de igniçãobobina de igniçãobobina de ignição Código de diagnóstico usado NCódigo de diagnóstico usado NCódigo de diagnóstico usado NCódigo de diagnóstico usado NCódigo de diagnóstico usado Nº D30 (bobina de ignição)D30 (bobina de ignição)D30 (bobina de ignição)D30 (bobina de ignição)D30 (bobina de ignição) OrdemOrdemOrdemOrdemOrdem InspeçãoInspeçãoInspeçãoInspeçãoInspeção VVVVVerificação ou Manutençãoerificação ou Manutençãoerificação ou Manutençãoerificação ou Manutençãoerificação ou Manutenção Método deMétodo deMétodo deMétodo deMétodo de restauraçãorestauraçãorestauraçãorestauraçãorestauração 1 Condição dos conectores Se necessário, repare o terminal ou Restabelecido ao Verifique os pinos e o conector conecte-o firmemente. ligar o motor e que podem ter se soltados. Primário da bobina de ignição (laranja) deixando-o operar Verifique se o conector e o (conector do chicote para ECU). em marcha lenta. terminal estão firmemente. 2 Circuito aberto ou em curto Repare ou substitua se houver um no chicote. circuito aberto ou em curto entre o terminal da bobina e o conector da ECU no chicote. Laranja – Laranja 3 Bobina de ignição com defeito. Execute o modo de diagnóstico. Teste a continuidade dos (Código nº D30). enrolamentos primário e Substitua a bobina se estiver com secundário. defeito. Consulte “Sistema de ignição” no capítulo 8. CódigoCódigoCódigoCódigoCódigo dedededede 3939393939 SintomaSintomaSintomaSintomaSintoma Circuito aberCircuito aberCircuito aberCircuito aberCircuito aberto ou em curto ou em curto ou em curto ou em curto ou em curto detectado no injetorto detectado no injetorto detectado no injetorto detectado no injetorto detectado no injetor FFFFFalha nºalha nºalha nºalha nºalha nº Código de diagnóstico usado NCódigo de diagnóstico usado NCódigo de diagnóstico usado NCódigo de diagnóstico usado NCódigo de diagnóstico usado Nº D36 (injetor)D36 (injetor)D36 (injetor)D36 (injetor)D36 (injetor) OrdemOrdemOrdemOrdemOrdem InspeçãoInspeçãoInspeçãoInspeçãoInspeção VVVVVerificação ou Manutençãoerificação ou Manutençãoerificação ou Manutençãoerificação ou Manutençãoerificação ou Manutenção Método deMétodo deMétodo deMétodo deMétodo de restauraçãorestauraçãorestauraçãorestauraçãorestauração 1 Condição dos conectores Se necessário, repare o terminal ou Restabelecido ao Verifique os pinos e o conector conecte-o firmemente. ligar o motor e que podem ter se soltados. Conector do injetor – Laranja/Preto deixando-o operar Verifique se o conector e o Conector da ECU no chicote em marcha lenta. terminal estão firmemente conectados. 2 Circuito aberto no chicote Repare ou substitua se houver um circuito aberto entre o conector intermediário do injetor a e o conector da ECU no chicote. Conector da ECU no chicote Marrom/Vermelho – Vermelho/Azul 1 Laranja/Preto – Laranja/Preto 2 3 Injetor defeituoso Execute o modo de diagnóstico. (Código nº 36). Substitua-o se estiver defeituoso. INJETOR ECU 2 R/L Or/B Or/B Br/R 1 2 1 a
  • 322.
    FIFIFIFIFI 6 – 21 SISSISSISSISSISTEMADE INJEÇÃO DE COMBUSTEMA DE INJEÇÃO DE COMBUSTEMA DE INJEÇÃO DE COMBUSTEMA DE INJEÇÃO DE COMBUSTEMA DE INJEÇÃO DE COMBUSTÍVELTÍVELTÍVELTÍVELTÍVEL CódigoCódigoCódigoCódigoCódigo dedededede 4141414141 SintomaSintomaSintomaSintomaSintoma Circuito aberCircuito aberCircuito aberCircuito aberCircuito aberto ou em curto ou em curto ou em curto ou em curto ou em curto detectado no sensorto detectado no sensorto detectado no sensorto detectado no sensorto detectado no sensor FFFFFalha nºalha nºalha nºalha nºalha nº de inclinaçãode inclinaçãode inclinaçãode inclinaçãode inclinação Código de diagnóstico usado NCódigo de diagnóstico usado NCódigo de diagnóstico usado NCódigo de diagnóstico usado NCódigo de diagnóstico usado Nº D08 (sensor de inclinação)D08 (sensor de inclinação)D08 (sensor de inclinação)D08 (sensor de inclinação)D08 (sensor de inclinação) OrdemOrdemOrdemOrdemOrdem InspeçãoInspeçãoInspeçãoInspeçãoInspeção VVVVVerificação ou Manutençãoerificação ou Manutençãoerificação ou Manutençãoerificação ou Manutençãoerificação ou Manutenção Método deMétodo deMétodo deMétodo deMétodo de restauraçãorestauraçãorestauraçãorestauraçãorestauração 1 Verifique se os pinos dos Se necessário, repare o conector ou Restabelecido ao conectores podem ter se soltados. conecte-o firmemente. posicionar a chave Verifique se os conectores estão Conectores do sensor de inclinação. de ignição em conectados firmemente. Conector do chicote para ECU. “ON” 2 Circuito aberto no chicote Verifique a continuidade da fiação entre os conectores do interruptor e da ECU. Preto/Azul – Preto/Azul Amarelo/Verde – Amarelo/Verde Azul – Azul 3 Sensor de inclinação com defeito Execute o modo de diagnóstico. (Código nº D08). Substitua-o se estiver defeituoso. Consulte o “Código de falha nº 30”. CódigoCódigoCódigoCódigoCódigo dedededede 4444444444 SintomaSintomaSintomaSintomaSintoma O erO erO erO erO erro foi detectado durante a leitura ou gravação noro foi detectado durante a leitura ou gravação noro foi detectado durante a leitura ou gravação noro foi detectado durante a leitura ou gravação noro foi detectado durante a leitura ou gravação no FFFFFalha nºalha nºalha nºalha nºalha nº E2PROM (valores do sensor de posição do acelerador)E2PROM (valores do sensor de posição do acelerador)E2PROM (valores do sensor de posição do acelerador)E2PROM (valores do sensor de posição do acelerador)E2PROM (valores do sensor de posição do acelerador) Código de diagnóstico usado NCódigo de diagnóstico usado NCódigo de diagnóstico usado NCódigo de diagnóstico usado NCódigo de diagnóstico usado Nº D60D60D60D60D60 OrdemOrdemOrdemOrdemOrdem InspeçãoInspeçãoInspeçãoInspeçãoInspeção VVVVVerificação ou Manutençãoerificação ou Manutençãoerificação ou Manutençãoerificação ou Manutençãoerificação ou Manutenção Método deMétodo deMétodo deMétodo deMétodo de restauraçãorestauraçãorestauraçãorestauraçãorestauração 1 Defeito na ECU Execute o modo de diagnóstico. Restabelecido ao (Código nº 60). posicionar a chave • Reajuste o CO do cilindro exibido. de ignição em Consulte “Ajuste do volume do gás “ON” de exaustão”, no capítulo 3. • Substitua a ECU se estiver com defeito.
  • 323.
    FIFIFIFIFI 6 – 22 SISSISSISSISSISTEMADE INJEÇÃO DE COMBUSTEMA DE INJEÇÃO DE COMBUSTEMA DE INJEÇÃO DE COMBUSTEMA DE INJEÇÃO DE COMBUSTEMA DE INJEÇÃO DE COMBUSTÍVELTÍVELTÍVELTÍVELTÍVEL CódigoCódigoCódigoCódigoCódigo dedededede 4646464646 SintomaSintomaSintomaSintomaSintoma Alimentação de energia anormal no sistema FIAlimentação de energia anormal no sistema FIAlimentação de energia anormal no sistema FIAlimentação de energia anormal no sistema FIAlimentação de energia anormal no sistema FI FFFFFalha nºalha nºalha nºalha nºalha nº Código de diagnóstico usado NCódigo de diagnóstico usado NCódigo de diagnóstico usado NCódigo de diagnóstico usado NCódigo de diagnóstico usado Nº -------------------- OrdemOrdemOrdemOrdemOrdem InspeçãoInspeçãoInspeçãoInspeçãoInspeção VVVVVerificação ou Manutençãoerificação ou Manutençãoerificação ou Manutençãoerificação ou Manutençãoerificação ou Manutenção Método deMétodo deMétodo deMétodo deMétodo de restauraçãorestauraçãorestauraçãorestauraçãorestauração 1 Condição dos conectores Se necessário, repare o terminal ou Restabelecido ao Verifique os pinos e o conector conecte-o firmemente. ligar o motor e que podem ter se soltados. Conector da ECU. deixando-o operar Verifique se o conector e o terminal em marcha lenta. estão firmemente conectados. 2 Bateria deficiente Substitua ou recarregue a bateria. Consulte “Inspeção e carga da bateria” no capítulo 3. 3 Circuito aberto ou em curto Reparar ou substituir se existir um no chicote. circuito aberto ou em curto. • Entre bateria e chave de ignição Vermelho – Vermelho • Entre chave de ignição e fusível (ignição) Marrom/Azul – Marrom/Azul • Entre fusível (ignição) e ECU • Vermelho/Branco – Vermelho/Branco Código deCódigo deCódigo deCódigo deCódigo de 5050505050 SintomaSintomaSintomaSintomaSintoma FFFFFalha na memória da ECUalha na memória da ECUalha na memória da ECUalha na memória da ECUalha na memória da ECU. (Quando detectado, o código de. (Quando detectado, o código de. (Quando detectado, o código de. (Quando detectado, o código de. (Quando detectado, o código de FFFFFalha nºalha nºalha nºalha nºalha nº falha pode não aparecer no display da ferfalha pode não aparecer no display da ferfalha pode não aparecer no display da ferfalha pode não aparecer no display da ferfalha pode não aparecer no display da ferramenta deramenta deramenta deramenta deramenta de diagnóstico FI.)diagnóstico FI.)diagnóstico FI.)diagnóstico FI.)diagnóstico FI.) Código de diagnóstico usado NCódigo de diagnóstico usado NCódigo de diagnóstico usado NCódigo de diagnóstico usado NCódigo de diagnóstico usado Nº -------------------- OrdemOrdemOrdemOrdemOrdem InspeçãoInspeçãoInspeçãoInspeçãoInspeção VVVVVerificação ou Manutençãoerificação ou Manutençãoerificação ou Manutençãoerificação ou Manutençãoerificação ou Manutenção Método deMétodo deMétodo deMétodo deMétodo de restauraçãorestauraçãorestauraçãorestauraçãorestauração 1 ECU defeituosa Substitua a ECU. Restabelecido ao posicionar a chave de ignição em “ON”
  • 324.
    FIFIFIFIFI 6 – 23 CORPODE INJEÇÃOCORPO DE INJEÇÃOCORPO DE INJEÇÃOCORPO DE INJEÇÃOCORPO DE INJEÇÃO CORPO DE INJEÇÃOCORPO DE INJEÇÃOCORPO DE INJEÇÃOCORPO DE INJEÇÃOCORPO DE INJEÇÃO Ordem Serviço/Peça Qtde. Observações RRRRRemoção do corpo de injeçãoemoção do corpo de injeçãoemoção do corpo de injeçãoemoção do corpo de injeçãoemoção do corpo de injeção Remover as peças na ordem listada. Assento Consulte “TAMPAS LATERAIS E CARENAGEM” no capítulo 3. Tanque de combustível Consulte “TANQUE DE COMBUSTÍVEL” no capítulo 3. 1 Conector do injetor 1 Desconecte 2 Conector do sensor híbrido 1 Desconecte 3 Conector do FDI 1 Desconecte 4 Cabos do acelerador 2 Desconecte Consulte “INSTALAÇÃO DO CORPO DE INJEÇÃO”. 5 Mangueira de vácuo 1 Desconecte
  • 325.
    FIFIFIFIFI 6 – 24 CORPODE INJEÇÃOCORPO DE INJEÇÃOCORPO DE INJEÇÃOCORPO DE INJEÇÃOCORPO DE INJEÇÃO Ordem Serviço/Peça Qtde. Observações 6 Abraçadeira 7 Parafuso das abraçadeiras 2 Solte 8 Corpo de injeção 1 Consulte “INSTALAÇÃO DO 2 CORPO DE INJEÇÃO”. 9 Abraçadeiras Para instalação, reverter o procedimento de remoção.
  • 326.
    FIFIFIFIFI 6 – 25 CORPODE INJEÇÃOCORPO DE INJEÇÃOCORPO DE INJEÇÃOCORPO DE INJEÇÃOCORPO DE INJEÇÃO Ordem Serviço/Peça Qtde. Observações Desmontagem do conjunto do corpo de injeçãoDesmontagem do conjunto do corpo de injeçãoDesmontagem do conjunto do corpo de injeçãoDesmontagem do conjunto do corpo de injeçãoDesmontagem do conjunto do corpo de injeção Remover as peças na ordem listada. 1 Conjunto do injetor 1 2 FDI 1 3 Parafuso de ajuste da marcha lenta 1 Para montagem, reverter o procedimento de desmontagem.
  • 327.
    FIFIFIFIFI 6 – 26 CORPODE INJEÇÃOCORPO DE INJEÇÃOCORPO DE INJEÇÃOCORPO DE INJEÇÃOCORPO DE INJEÇÃO REMOÇÃO DREMOÇÃO DREMOÇÃO DREMOÇÃO DREMOÇÃO DA MANGUEIRA DEA MANGUEIRA DEA MANGUEIRA DEA MANGUEIRA DEA MANGUEIRA DE COMBUSCOMBUSCOMBUSCOMBUSCOMBUSTÍVELTÍVELTÍVELTÍVELTÍVEL 1. Drene o combustível do tanque através de uma bomba. 2. Remova: • Abraçadeira e mangueira 1 de com- bustível no corpo de injeção. 3. Remova: • Conector da mangueira 2 no tanque de combustível. (Aperte e puxe a trava para baixo). 4. Desconecte: • Mangueira de combustível. Apesar do combustível ter sido remoApesar do combustível ter sido remoApesar do combustível ter sido remoApesar do combustível ter sido remoApesar do combustível ter sido removidovidovidovidovido do tanque, cuidado durante a remoção dado tanque, cuidado durante a remoção dado tanque, cuidado durante a remoção dado tanque, cuidado durante a remoção dado tanque, cuidado durante a remoção da mangueira, pois poderá ainda haver com-mangueira, pois poderá ainda haver com-mangueira, pois poderá ainda haver com-mangueira, pois poderá ainda haver com-mangueira, pois poderá ainda haver com- bustível internamente.bustível internamente.bustível internamente.bustível internamente.bustível internamente. 5. Remova: • Tanque de combustível. NONONONONOTTTTTA:A:A:A:A: Antes de remover a mangueira, coloque panos no local, abaixo da mangueira. INSPEÇÃO DINSPEÇÃO DINSPEÇÃO DINSPEÇÃO DINSPEÇÃO DA BOMBA DEA BOMBA DEA BOMBA DEA BOMBA DEA BOMBA DE COMBUSCOMBUSCOMBUSCOMBUSCOMBUSTÍVELTÍVELTÍVELTÍVELTÍVEL 2 A gA gA gA gA gasolina é extremamente inflamável e sobasolina é extremamente inflamável e sobasolina é extremamente inflamável e sobasolina é extremamente inflamável e sobasolina é extremamente inflamável e sob cercercercercertas circunstâncias pode ocasionar explo-tas circunstâncias pode ocasionar explo-tas circunstâncias pode ocasionar explo-tas circunstâncias pode ocasionar explo-tas circunstâncias pode ocasionar explo- são ou fogo.são ou fogo.são ou fogo.são ou fogo.são ou fogo.TTTTTome o máximo cuidado e obserome o máximo cuidado e obserome o máximo cuidado e obserome o máximo cuidado e obserome o máximo cuidado e obser----- ve os seguintes pontos:ve os seguintes pontos:ve os seguintes pontos:ve os seguintes pontos:ve os seguintes pontos: ••••• Desligue o motor antes de reabastecerDesligue o motor antes de reabastecerDesligue o motor antes de reabastecerDesligue o motor antes de reabastecerDesligue o motor antes de reabastecer..... ••••• Não fume, e mantenha-se distante de cNão fume, e mantenha-se distante de cNão fume, e mantenha-se distante de cNão fume, e mantenha-se distante de cNão fume, e mantenha-se distante de cha-ha-ha-ha-ha- mas abermas abermas abermas abermas abertas, faíscas, ou qualquer outra fon-tas, faíscas, ou qualquer outra fon-tas, faíscas, ou qualquer outra fon-tas, faíscas, ou qualquer outra fon-tas, faíscas, ou qualquer outra fon- te de fogo.te de fogo.te de fogo.te de fogo.te de fogo. ••••• SSSSSe acidentalmente dere acidentalmente dere acidentalmente dere acidentalmente dere acidentalmente derramar gramar gramar gramar gramar gasolina, lim-asolina, lim-asolina, lim-asolina, lim-asolina, lim- pe imediatamente com um pano seco.pe imediatamente com um pano seco.pe imediatamente com um pano seco.pe imediatamente com um pano seco.pe imediatamente com um pano seco. ••••• SSSSSe a ge a ge a ge a ge a gasolina tocar o motor quando estiasolina tocar o motor quando estiasolina tocar o motor quando estiasolina tocar o motor quando estiasolina tocar o motor quando estiververververver quente, poderá ocorquente, poderá ocorquente, poderá ocorquente, poderá ocorquente, poderá ocorrer incêndio. Prer incêndio. Prer incêndio. Prer incêndio. Prer incêndio. Pororororortanto,tanto,tanto,tanto,tanto, cercercercercertifique-se de que o motor esteja completa-tifique-se de que o motor esteja completa-tifique-se de que o motor esteja completa-tifique-se de que o motor esteja completa-tifique-se de que o motor esteja completa- mente frio antes de realizar o seguinte teste:mente frio antes de realizar o seguinte teste:mente frio antes de realizar o seguinte teste:mente frio antes de realizar o seguinte teste:mente frio antes de realizar o seguinte teste:
  • 328.
    FIFIFIFIFI 6 – 27 CORPODE INJEÇÃOCORPO DE INJEÇÃOCORPO DE INJEÇÃOCORPO DE INJEÇÃOCORPO DE INJEÇÃO REMOÇÃO DREMOÇÃO DREMOÇÃO DREMOÇÃO DREMOÇÃO DA BOMBA DEA BOMBA DEA BOMBA DEA BOMBA DEA BOMBA DE COMBUSCOMBUSCOMBUSCOMBUSCOMBUSTÍVELTÍVELTÍVELTÍVELTÍVEL 1. Coloque a motocicleta em uma superfí- cie plana. PPPPPosicione a motocicleta firmemente para queosicione a motocicleta firmemente para queosicione a motocicleta firmemente para queosicione a motocicleta firmemente para queosicione a motocicleta firmemente para que não haja perigo de queda.não haja perigo de queda.não haja perigo de queda.não haja perigo de queda.não haja perigo de queda. c. Conecte a mangueira da bomba de com- bustível na mangueira e adaptador de entrada 2 do medidor. d. Conecte a mangueira e o adaptador de saída do medidor 3 à linha de combustí- vel do corpo de injeção. e. Coloque a chave de ignição em “ON” e o interruptor de parada do motor em “ “. f. Ligue o motor. g. Meça a pressão do combustível. Fora da especificação → Substitua a bom- ba da gasolina. ********************************************************************************************************************************************************************************************** Antes de desconectar as mangueiras doAntes de desconectar as mangueiras doAntes de desconectar as mangueiras doAntes de desconectar as mangueiras doAntes de desconectar as mangueiras do medidormedidormedidormedidormedidor, drene o combustível pressuriza-, drene o combustível pressuriza-, drene o combustível pressuriza-, drene o combustível pressuriza-, drene o combustível pressuriza- do no sistema, rosqueando a mangueirado no sistema, rosqueando a mangueirado no sistema, rosqueando a mangueirado no sistema, rosqueando a mangueirado no sistema, rosqueando a mangueira 11111 no corpo da ferno corpo da ferno corpo da ferno corpo da ferno corpo da ferramentaramentaramentaramentaramenta 22222..... 2 1 PPPPPressão do combustível:ressão do combustível:ressão do combustível:ressão do combustível:ressão do combustível: 2,5 k2,5 k2,5 k2,5 k2,5 kg.mg.mg.mg.mg.m22222 (250 kP(250 kP(250 kP(250 kP(250 kPa)a)a)a)a) 1. Verifique: • Pressão do combustível. ***************************************************************************************************************************************************************************************** a. Desconecte a mangueira de combustível do corpo de injeção. Consulte “TANQUE DE COMBUSTÍVEL” no capítulo 3. NONONONONOTTTTTA:A:A:A:A: Embora o combustível tenha sido removido, tenha cuidado ao remover a mangueira, pois poderá ainda haver combustível pressuriza- do no circuito. b. Conecte o medidor de pressão de com- bustível 1. Medidor de pressão de combustível:Medidor de pressão de combustível:Medidor de pressão de combustível:Medidor de pressão de combustível:Medidor de pressão de combustível: 90890-508XM90890-508XM90890-508XM90890-508XM90890-508XM
  • 329.
    FIFIFIFIFI 6 – 28 CORPODE INJEÇÃOCORPO DE INJEÇÃOCORPO DE INJEÇÃOCORPO DE INJEÇÃOCORPO DE INJEÇÃO 3. Remova: • A bomba de combustível de seu aloja- mento. NONONONONOTTTTTA:A:A:A:A: • Não deixe que a bomba de combustível caia ou sofra qualquer impacto forte. • Não desmonte a bomba de combustível. • Não toque a seção da base do medidor de combustível. 4. Inspecione: • Bomba de combustível. Danos, desgaste, rachaduras → Substitua a bomba de combustível. • Junta da bomba de combustível. Sempre que remover a bomba de com- bustível, troque a junta da mesma. 5. Verifique: • Medidor de nível de combustível. Empenamento, desgaste, mau funciona- mento → Substitua. 2. Instale: • Os parafusos de fixação da bomba de combustível, conforme seqüência indi- cada na ilustração. 3. Instale: • Tanque de combustível, consulte “TAN- QUE DE COMBUSTÍVEL”, capítulo 3. PPPPParafuso da bomba de combustível:arafuso da bomba de combustível:arafuso da bomba de combustível:arafuso da bomba de combustível:arafuso da bomba de combustível: 0,4 k0,4 k0,4 k0,4 k0,4 kgfgfgfgfgf.m (4 N.m).m (4 N.m).m (4 N.m).m (4 N.m).m (4 N.m) NoNoNoNoNovvvvvooooo INSINSINSINSINSTTTTTALAÇÃO DALAÇÃO DALAÇÃO DALAÇÃO DALAÇÃO DA BOMBA DEA BOMBA DEA BOMBA DEA BOMBA DEA BOMBA DE COMBUSCOMBUSCOMBUSCOMBUSCOMBUSTÍVELTÍVELTÍVELTÍVELTÍVEL 1. Posicione a bomba de combustível em seu alojamento. NONONONONOTTTTTA:A:A:A:A: • Não danifique as superfícies de instalação do tanque ao instalar a bomba de com- bustível. • Sempre utilize uma junta de bomba de combustível nova. • Alinhe a projeção a na bomba de combustível com a fenda no suporte. 2. Remova: • Otanque de combustível,consulte“TAN- QUE DE COMBUSTÍVEL”, capítulo 3. • Os parafusos de fixação na seqüência indicada.
  • 330.
    FIFIFIFIFI 6 – 29 CORPODE INJEÇÃOCORPO DE INJEÇÃOCORPO DE INJEÇÃOCORPO DE INJEÇÃOCORPO DE INJEÇÃO INSPEÇÃO DO INJETINSPEÇÃO DO INJETINSPEÇÃO DO INJETINSPEÇÃO DO INJETINSPEÇÃO DO INJETOR DEOR DEOR DEOR DEOR DE COMBUSCOMBUSCOMBUSCOMBUSCOMBUSTÍVELTÍVELTÍVELTÍVELTÍVEL 1. Verifique: • Injetor de combustível. Danos → Substitua. INSPEÇÃO DO CORPO DE INJEÇÃOINSPEÇÃO DO CORPO DE INJEÇÃOINSPEÇÃO DO CORPO DE INJEÇÃOINSPEÇÃO DO CORPO DE INJEÇÃOINSPEÇÃO DO CORPO DE INJEÇÃO 1. Verifique: • Corpo do acelerador. Rachaduras/danos → Substitua o corpo do acelerador. 2. Instale: • Corpo de injeção. NONONONONOTTTTTA:A:A:A:A: Alinhe a projeção c do conjunto do corpo de injeção com o encaixe da junção do coletor de admissão. 3. Instale: • Cabo do acelerador. 4. Ajuste: • A folga da manopla do acelerador. Consulte o“AJUSTE DA FOLGA DO CABO DOACELERADOR” no capítulo 3. 5. Ajuste: • Marcha lenta do motor. Consulte o “AJUSTE DA MARCHA LEN- TA DO MOTOR” no capítulo 3. INSINSINSINSINSTTTTTALAÇÃO DO CORPO DEALAÇÃO DO CORPO DEALAÇÃO DO CORPO DEALAÇÃO DO CORPO DEALAÇÃO DO CORPO DE INJEÇÃOINJEÇÃOINJEÇÃOINJEÇÃOINJEÇÃO 1. Instale: • Abraçadeiras da junção do corpo do acelerador. NONONONONOTTTTTA:A:A:A:A: Alinhe a projeção a da junção com a ranhura b na abraçadeira do corpo de injeção. a b b a C
  • 331.
    FIFIFIFIFI 6 – 30 CORPODE INJEÇÃOCORPO DE INJEÇÃOCORPO DE INJEÇÃOCORPO DE INJEÇÃOCORPO DE INJEÇÃO INSINSINSINSINSTTTTTALAÇÃO DA MANGUEIRA DEALAÇÃO DA MANGUEIRA DEALAÇÃO DA MANGUEIRA DEALAÇÃO DA MANGUEIRA DEALAÇÃO DA MANGUEIRA DE COMBUSCOMBUSCOMBUSCOMBUSCOMBUSTÍVELTÍVELTÍVELTÍVELTÍVEL 1. Instale: • Mangueira de combustível. • Conector da mangueira de combustível 1. (Aperte e empurre a trava para cima.) CerCerCerCerCertifique-se de conectar a mangueira se-tifique-se de conectar a mangueira se-tifique-se de conectar a mangueira se-tifique-se de conectar a mangueira se-tifique-se de conectar a mangueira se- guramente.guramente.guramente.guramente.guramente. Instale o conector na posição corInstale o conector na posição corInstale o conector na posição corInstale o conector na posição corInstale o conector na posição correta, casoreta, casoreta, casoreta, casoreta, caso contrário, a mangueira não estará instala-contrário, a mangueira não estará instala-contrário, a mangueira não estará instala-contrário, a mangueira não estará instala-contrário, a mangueira não estará instala- da corda corda corda corda corretamente.retamente.retamente.retamente.retamente. INSINSINSINSINSTTTTTALAÇÃO DO SISALAÇÃO DO SISALAÇÃO DO SISALAÇÃO DO SISALAÇÃO DO SISTEMA FTEMA FTEMA FTEMA FTEMA F.I.D..I.D..I.D..I.D..I.D. (AFOGADOR ELETRÔNICO)(AFOGADOR ELETRÔNICO)(AFOGADOR ELETRÔNICO)(AFOGADOR ELETRÔNICO)(AFOGADOR ELETRÔNICO) 1. Verifique: • Ligue o motor. a. Desconecte do chicote, o conector do sis- tema FID. b. Conecte o multímetro aos terminais do conector FID 1. PPPPPonta positionta positionta positionta positionta positivavavavava →→→→→ vermelho/brancovermelho/brancovermelho/brancovermelho/brancovermelho/branco PPPPPonta negonta negonta negonta negonta negatiatiatiatiativavavavava →→→→→ amarelo/vermelhoamarelo/vermelhoamarelo/vermelhoamarelo/vermelhoamarelo/vermelho Multímetro digital:Multímetro digital:Multímetro digital:Multímetro digital:Multímetro digital: 90890-03190890-03190890-03190890-03190890-0317777744444 c. Meça a resistência do sistema FID. Fora de especificação → Substitua. RRRRResistência do sistema FIDesistência do sistema FIDesistência do sistema FIDesistência do sistema FIDesistência do sistema FID 30 ~ 4030 ~ 4030 ~ 4030 ~ 4030 ~ 40 ΩΩΩΩΩ em 20ºCem 20ºCem 20ºCem 20ºCem 20ºC
  • 332.
    FIFIFIFIFI 6 – 31 SISSISSISSISSISTEMADE INDUÇÃO DETEMA DE INDUÇÃO DETEMA DE INDUÇÃO DETEMA DE INDUÇÃO DETEMA DE INDUÇÃO DE ARARARARAR SISSISSISSISSISTEMA DE INDUÇÃO DETEMA DE INDUÇÃO DETEMA DE INDUÇÃO DETEMA DE INDUÇÃO DETEMA DE INDUÇÃO DE ARARARARAR DIADIADIADIADIAGRAMA DO SISGRAMA DO SISGRAMA DO SISGRAMA DO SISGRAMA DO SISTEMA DE INDUÇÃO DETEMA DE INDUÇÃO DETEMA DE INDUÇÃO DETEMA DE INDUÇÃO DETEMA DE INDUÇÃO DE ARARARARAR 1 Mangueira 1 (caixa do filtro de ar para válvula de corte de ar) 2 Válvula de corte de ar 3 Mangueira 2 (válvula de corte de ar para tubo do sistema de indução) 4 Mangueira de controle de vácuo 5 Caixa do filtro de ar 6 Tubo do sistema de indução A Ar B Vácuo
  • 333.
    FIFIFIFIFI 6 – 32 SISSISSISSISSISTEMADE INDUÇÃO DETEMA DE INDUÇÃO DETEMA DE INDUÇÃO DETEMA DE INDUÇÃO DETEMA DE INDUÇÃO DE ARARARARAR VÁLVÁLVÁLVÁLVÁLVULA DE CORVULA DE CORVULA DE CORVULA DE CORVULA DE CORTE DETE DETE DETE DETE DE ARARARARAR Ordem Serviço/Peça Qtde. Observações RRRRRemoção da válvula de coremoção da válvula de coremoção da válvula de coremoção da válvula de coremoção da válvula de corte de arte de arte de arte de arte de ar Remover as peças na ordem listada. Assento Consulte “TAMPAS LATERAIS E CARENAGEM” no capítulo 3. Tanque de combustível Consulte “TANQUE DE COMBUSTÍVEL” no capítulo 3. 1 Mangueira de saída da válvula 1 Desconecte 2 Mangueira de entrada da válvula 1 Desconecte 3 Mangueira de controle 1 Desconecte 4 Válvula de corte de ar 1 Para instalação, reverter o procedimento de remoção.
  • 334.
    FIFIFIFIFI 6 – 33 SISSISSISSISSISTEMADE INDUÇÃO DETEMA DE INDUÇÃO DETEMA DE INDUÇÃO DETEMA DE INDUÇÃO DETEMA DE INDUÇÃO DE ARARARARAR INJEÇÃO DEINJEÇÃO DEINJEÇÃO DEINJEÇÃO DEINJEÇÃO DE ARARARARAR O sistema de indução de ar queima os gases não queimados do escapamento injetando ar fresco (ar secundário) no escape, reduzindo a emissão de hidrocarbonetos. Quando houver uma pressão negativa no escape, a válvula de palheta abre, permitindo que o ar secundário flua para dentro do escape. A temperatura exigida para queimar os gases não queimados do escapamento é de aproximadamente 600 a 700ºC. Ao receber baixa pressão na entrada a, a válvula de corte de ar abre-se em conjunto com a palheta, permitindo o fluxo de ar do filtro e eliminando o gás do escape. VÁLVÁLVÁLVÁLVÁLVULA DE CORVULA DE CORVULA DE CORVULA DE CORVULA DE CORTE DETE DETE DETE DETE DE ARARARARAR A válvula de corte de ar, evita o retrocesso de ar da saída de exaustão para o filtro de ar. O sistema é controlado pelo vácuo gerado no coletor de admissão. Operação: Durante a frenagem prolongada ou quando o acelerador é solto repentinamente, o vácuo gerado no venturi torna-se extremamente alto. Desta forma, acontece a combustão ineficiente. A válvula de corte de ar evita este processo, fechando a palheta ao receber a pressão alta enviada.
  • 335.
    FIFIFIFIFI 6 – 34 SISSISSISSISSISTEMADE INDUÇÃO DETEMA DE INDUÇÃO DETEMA DE INDUÇÃO DETEMA DE INDUÇÃO DETEMA DE INDUÇÃO DE ARARARARAR INSPEÇÃO DO SISINSPEÇÃO DO SISINSPEÇÃO DO SISINSPEÇÃO DO SISINSPEÇÃO DO SISTEMA DETEMA DETEMA DETEMA DETEMA DE INDUÇÃO DEINDUÇÃO DEINDUÇÃO DEINDUÇÃO DEINDUÇÃO DE ARARARARAR 1. Verifique: • Mangueiras Desconectadas → Conecte corretamente. Trincas/danos → Substitua. • Tubo Trincas/danos → Substitua. 2. Verifique: • Válvula de palheta interna. • Limitador da válvula de palheta Trincas/danos → Substitua a válvula de palheta. 3. Verifique: • Válvula de corte de ar. Trincas/danos → Substitua.
  • 336.
    CAPÍTULCAPÍTULCAPÍTULCAPÍTULCAPÍTULO 7O 7O7O 7O 7 SISSISSISSISSISTEMA ELÉTRICOTEMA ELÉTRICOTEMA ELÉTRICOTEMA ELÉTRICOTEMA ELÉTRICO COMPONENCOMPONENCOMPONENCOMPONENCOMPONENTES ELÉTRICOSTES ELÉTRICOSTES ELÉTRICOSTES ELÉTRICOSTES ELÉTRICOS ........................................................................................................................................................................................................................................................................................................................................................................................................... 77777-1-1-1-1-1 SISTEMA ELÉTRICO.............................................................................................. 7-1 INSPEÇÃO DINSPEÇÃO DINSPEÇÃO DINSPEÇÃO DINSPEÇÃO DA CONA CONA CONA CONA CONTINUIDTINUIDTINUIDTINUIDTINUIDADE DE INADE DE INADE DE INADE DE INADE DE INTERRUPTTERRUPTTERRUPTTERRUPTTERRUPTORESORESORESORESORES ................................................................................................................................................................................................... 77777-3-3-3-3-3 INSPEÇÃO DA CONTINUIDADE DE UM INTERRUPTOR .................................... 7-3 INSPEÇÃO DOS ININSPEÇÃO DOS ININSPEÇÃO DOS ININSPEÇÃO DOS ININSPEÇÃO DOS INTERRUPTTERRUPTTERRUPTTERRUPTTERRUPTORESORESORESORESORES .............................................................................................................................................................................................................................................................................................................................................................. 77777-4-4-4-4-4 INSPEÇÃO DINSPEÇÃO DINSPEÇÃO DINSPEÇÃO DINSPEÇÃO DAAAAAS LÂMPS LÂMPS LÂMPS LÂMPS LÂMPADADADADADAAAAAS E SOQS E SOQS E SOQS E SOQS E SOQUETESUETESUETESUETESUETES ............................................................................................................................................................................................................................................................................................. 77777-5-5-5-5-5 TIPOS DE LÂMPADAS........................................................................................... 7-5 INSPEÇÃO DA CONDIÇÃO DAS LÂMPADAS ...................................................... 7-6 INSPEÇÃO DA CONDIÇÃO DOS SOQUETES DAS LÂMPADAS ........................ 7-7 INSPEÇÃO DOS LEDS........................................................................................... 7-7 SISSISSISSISSISTEMA DE IGNIÇÃOTEMA DE IGNIÇÃOTEMA DE IGNIÇÃOTEMA DE IGNIÇÃOTEMA DE IGNIÇÃO............................................................................................................................................................................................................................................................................................................................................................................................................................................................. 77777-9-9-9-9-9 DIAGRAMA ELÉTRICO .......................................................................................... 7-9 DIAGNÓSTICO E SOLUÇÃO DE PROBLEMAS ...................................................7-10 SISSISSISSISSISTEMA DE PTEMA DE PTEMA DE PTEMA DE PTEMA DE PARARARARARTIDTIDTIDTIDTIDA ELÉTRICAA ELÉTRICAA ELÉTRICAA ELÉTRICAA ELÉTRICA.............................................................................................................................................................................................................................................................................................................................................................. 77777-1-1-1-1-144444 DIAGRAMA ELÉTRICO ........................................................................................ 7-14 CIRCUITO DE PARTIDA E SISTEMA DE CORTE DE IGNIÇÃO .......................... 7-15 OPERAÇÃO .......................................................................................................... 7-15 DIAGNÓSTICO E SOLUÇÃO DE PROBLEMAS .................................................. 7-16 MOMOMOMOMOTTTTTOR DE POR DE POR DE POR DE POR DE PARARARARARTIDTIDTIDTIDTIDAAAAA .................................................................................................................................................................................................................................................................................................................................................................................................................................................................. 77777-1-1-1-1-199999 INSPEÇÃO DO MOTOR DE PARTIDA ................................................................. 7-21 MONTAGEM DO MOTOR DE PARTIDA.............................................................. 7-23 SISSISSISSISSISTEMA DE CARGATEMA DE CARGATEMA DE CARGATEMA DE CARGATEMA DE CARGA ............................................................................................................................................................................................................................................................................................................................................................................................................................................................. 77777-24-24-24-24-24 DIAGRAMA ELÉTRICO ........................................................................................ 7-24 DIAGNÓSTICO E SOLUÇÃO DE PROBLEMAS .................................................. 7-25 SISSISSISSISSISTEMA DE ILUMINAÇÃOTEMA DE ILUMINAÇÃOTEMA DE ILUMINAÇÃOTEMA DE ILUMINAÇÃOTEMA DE ILUMINAÇÃO ........................................................................................................................................................................................................................................................................................................................................................................................................... 77777-27-27-27-27-27 DIAGRAMA ELÉTRICO ........................................................................................ 7-27 DIAGNÓSTICO E SOLUÇÃO DE PROBLEMAS .................................................. 7-28 INSPEÇÃO DO SISTEMA DE ILUMINAÇÃO ...................................................... 7-30 SISSISSISSISSISTEMA DE SINALIZAÇÃOTEMA DE SINALIZAÇÃOTEMA DE SINALIZAÇÃOTEMA DE SINALIZAÇÃOTEMA DE SINALIZAÇÃO ...................................................................................................................................................................................................................................................................................................................................................................................................... 77777-32-32-32-32-32 DIAGRAMA ELÉTRICO ........................................................................................ 7-32 DIAGNÓSTICO E SOLUÇÃO DE PROBLEMAS .................................................. 7-33 INSPEÇÃO DO SISTEMA DE SINALIZAÇÃO ..................................................... 7-34
  • 337.
    7 – 1 ELÉTELÉTELÉTELÉTELÉT 1Vela de ignição 2 Cachimbo da vela de ignição 3 Bobina de ignição 4 Interruptor dianteiro do freio 5 Interruptor do guidão direito 6 Chave de ignição 7 Bomba de combustível 8 Interruptor da embreagem 9 Interruptor do guidão esquerdo 0 Sensor híbrido: • TPS • Temperatura de admissão • Pressão de admissão A Injetor de combustível B Sensor de inclinação C Relé de seta SISSISSISSISSISTEMA ELÉTRICOTEMA ELÉTRICOTEMA ELÉTRICOTEMA ELÉTRICOTEMA ELÉTRICO COMPONENCOMPONENCOMPONENCOMPONENCOMPONENTES ELÉTRICOSTES ELÉTRICOSTES ELÉTRICOSTES ELÉTRICOSTES ELÉTRICOS COMPONENCOMPONENCOMPONENCOMPONENCOMPONENTES ELÉTRICOSTES ELÉTRICOSTES ELÉTRICOSTES ELÉTRICOSTES ELÉTRICOS
  • 338.
    7 – 2 ELÉTELÉTELÉTELÉTELÉT DBateria E Caixa de fusíveis 1 F Relé de partida G Fusível principal H Retificador/regulador I ECU J Interruptor do cavalete lateral K Interruptor do neutro L Sensor de posição do virabrequim M Bobina do estator N Interruptor traseiro do freio O Sensor de velocidade P Motor de partida Q Buzina R Válvula A.I.S. S F.I.D. COMPONENCOMPONENCOMPONENCOMPONENCOMPONENTES ELÉTRICOSTES ELÉTRICOSTES ELÉTRICOSTES ELÉTRICOSTES ELÉTRICOS
  • 339.
    7 – 3 ELÉTELÉTELÉTELÉTELÉT INSPEÇÃODINSPEÇÃO DINSPEÇÃO DINSPEÇÃO DINSPEÇÃO DA CONA CONA CONA CONA CONTINUIDTINUIDTINUIDTINUIDTINUIDADEADEADEADEADE DE UM INDE UM INDE UM INDE UM INDE UM INTERRUPTTERRUPTTERRUPTTERRUPTTERRUPTOROROROROR Verifique a continuidade de cada interrup- tor com o multímetro. Se a leitura da conti- nuidade estiver incorreta, verifique as co- nexões dos fios e, se necessário, troque o interruptor. INSPEÇÃO DINSPEÇÃO DINSPEÇÃO DINSPEÇÃO DINSPEÇÃO DA CONA CONA CONA CONA CONTINUIDTINUIDTINUIDTINUIDTINUIDADE DE INADE DE INADE DE INADE DE INADE DE INTERRUPTTERRUPTTERRUPTTERRUPTTERRUPTORESORESORESORESORES 1 A ilustração do exemplo à esquerda mostra que: Há continuidade entre os fios vermelho e branco/vermelho e preto quando o interrup- tor está na posição "LIGA" (ON). Nunca insira as pontas do aparelho de tes-Nunca insira as pontas do aparelho de tes-Nunca insira as pontas do aparelho de tes-Nunca insira as pontas do aparelho de tes-Nunca insira as pontas do aparelho de tes- te nos encaixes terminais do conectorte nos encaixes terminais do conectorte nos encaixes terminais do conectorte nos encaixes terminais do conectorte nos encaixes terminais do conector 11111..... SSSSSempre insira as pontas no lado oposto doempre insira as pontas no lado oposto doempre insira as pontas no lado oposto doempre insira as pontas no lado oposto doempre insira as pontas no lado oposto do conectorconectorconectorconectorconector, tendo o cuidado para não afrou-, tendo o cuidado para não afrou-, tendo o cuidado para não afrou-, tendo o cuidado para não afrou-, tendo o cuidado para não afrou- xar ou danificar os cabos condutores.xar ou danificar os cabos condutores.xar ou danificar os cabos condutores.xar ou danificar os cabos condutores.xar ou danificar os cabos condutores. Multímetro digital:Multímetro digital:Multímetro digital:Multímetro digital:Multímetro digital: 90890-03190890-03190890-03190890-03190890-0317777744444 Como exemplo, as conexões dos terminais para os interruptores (ex., chave de ignição, interruptor de engine stop) são mostradas na ilustração ao lado. As posições do interruptor a são exibidas na primeira coluna da esquerda e as cores dos cabos b são mostradas na linha supe- rior da ilustração do interruptor. NONONONONOTTTTTA:A:A:A:A: " " indica uma continuidade de ele- tricidade entre os terminais do interruptor (ou seja, um circuito fechado na respectiva posição do interruptor).
  • 340.
    7 – 4 ELÉTELÉTELÉTELÉTELÉT 1Chave de ignição 2 Botão da buzina 3 Interruptor de passagem 4 Interruptor do farol alto/baixo 5 Interruptor da seta 6 Interruptor da embreagem 7 Interruptor de engine stop INSPEÇÃO DOS ININSPEÇÃO DOS ININSPEÇÃO DOS ININSPEÇÃO DOS ININSPEÇÃO DOS INTERRUPTTERRUPTTERRUPTTERRUPTTERRUPTORESORESORESORESORES Verifique se os interruptores estão danificados ou desgastados, se as conexões estão corretas e se há continuidade entre os terminais. Consulte "INSPEÇÃO DA CONTINUIDADE DE INTERRUPTORES". Danos/desgaste Consertar ou substituir. Conexão incorreta Conectar corretamente. Leitura de continuidade incorreta Substituir. 8 Interruptor de partida 9 Interruptor do freio dianteiro 0 Interruptor do cavalete lateral A Interruptor do neutro B Interruptor do freio traseiro C Fusíveis INSPEÇÃO DOS ININSPEÇÃO DOS ININSPEÇÃO DOS ININSPEÇÃO DOS ININSPEÇÃO DOS INTERRUPTTERRUPTTERRUPTTERRUPTTERRUPTORESORESORESORESORES
  • 341.
    7 – 5 ELÉTELÉTELÉTELÉTELÉT INSPEÇÃODINSPEÇÃO DINSPEÇÃO DINSPEÇÃO DINSPEÇÃO DAAAAAS LÂMPS LÂMPS LÂMPS LÂMPS LÂMPADADADADADAAAAAS ES ES ES ES E SOQSOQSOQSOQSOQUETESUETESUETESUETESUETES Verifique se lâmpadas e soquetes estão danificados ou desgastados, se as conexões estão corretas e se há continuidade entre os terminais. Danos/desgaste Consertar ou substituir a lâmpada, o soquete ou ambos. Conexão incorreta Reparar. Sem continuidade Reparar ou substi- tuir a lâmpada, o soquete ou ambos. TIPOS DE LÂMPTIPOS DE LÂMPTIPOS DE LÂMPTIPOS DE LÂMPTIPOS DE LÂMPADADADADADAAAAASSSSS As lâmpadas usadas nesta motocicleta são mostradas na ilustração à esquerda. • As lâmpadas A e B são usadas para os faróis e normalmente usam um fixador de lâmpadas que deve ser retirado antes de sua remoção. A maior parte desses tipos de lâmpadas pode ser retirada de seu res- pectivo soquete, girando-as em sentido anti-horário. • A lâmpada C é usada para a seta e luzes de freio/traseiro e pode ser retirada do soquete ao empurrá-la e girá-la em senti- do anti-horário. • As lâmpadas D e E são usadas para as lu- zes do indicador e do medidor e podem ser retiradas de seus respectivos soquetes ao serem puxadas com cuidado. INSPEÇÃO DINSPEÇÃO DINSPEÇÃO DINSPEÇÃO DINSPEÇÃO DAAAAAS LÂMPS LÂMPS LÂMPS LÂMPS LÂMPADADADADADAAAAAS E SOQS E SOQS E SOQS E SOQS E SOQUETESUETESUETESUETESUETES
  • 342.
    7 – 6 ELÉTELÉTELÉTELÉTELÉT 2.Verificar: • Lâmpada (continuidade) (com o multímetro). Sem continuidade Substituir. INSPEÇÃO DINSPEÇÃO DINSPEÇÃO DINSPEÇÃO DINSPEÇÃO DAAAAAS LÂMPS LÂMPS LÂMPS LÂMPS LÂMPADADADADADAAAAAS E SOQS E SOQS E SOQS E SOQS E SOQUETESUETESUETESUETESUETES Como a lâmpada do farol alcança altas tem-Como a lâmpada do farol alcança altas tem-Como a lâmpada do farol alcança altas tem-Como a lâmpada do farol alcança altas tem-Como a lâmpada do farol alcança altas tem- peraturas, mantenha produtos inflamáveis eperaturas, mantenha produtos inflamáveis eperaturas, mantenha produtos inflamáveis eperaturas, mantenha produtos inflamáveis eperaturas, mantenha produtos inflamáveis e suas mãos longe até que tenha esfriado.suas mãos longe até que tenha esfriado.suas mãos longe até que tenha esfriado.suas mãos longe até que tenha esfriado.suas mãos longe até que tenha esfriado. ••••• Não se esqueça de segurar o soqueteNão se esqueça de segurar o soqueteNão se esqueça de segurar o soqueteNão se esqueça de segurar o soqueteNão se esqueça de segurar o soquete firmemente quando retirar a lâmpada.firmemente quando retirar a lâmpada.firmemente quando retirar a lâmpada.firmemente quando retirar a lâmpada.firmemente quando retirar a lâmpada. Nunca puxe o fio condutorNunca puxe o fio condutorNunca puxe o fio condutorNunca puxe o fio condutorNunca puxe o fio condutor, pois pode-, pois pode-, pois pode-, pois pode-, pois pode- rá ser retirado do terminal no conectorrá ser retirado do terminal no conectorrá ser retirado do terminal no conectorrá ser retirado do terminal no conectorrá ser retirado do terminal no conector..... ••••• Evite tocar a parEvite tocar a parEvite tocar a parEvite tocar a parEvite tocar a parte de vidro da lâmpadate de vidro da lâmpadate de vidro da lâmpadate de vidro da lâmpadate de vidro da lâmpada do farol para mantê-la lido farol para mantê-la lido farol para mantê-la lido farol para mantê-la lido farol para mantê-la livre de óleo ouvre de óleo ouvre de óleo ouvre de óleo ouvre de óleo ou a redução da transparência do vidro,a redução da transparência do vidro,a redução da transparência do vidro,a redução da transparência do vidro,a redução da transparência do vidro, caso contrário, a vida útil da lâmpada ecaso contrário, a vida útil da lâmpada ecaso contrário, a vida útil da lâmpada ecaso contrário, a vida útil da lâmpada ecaso contrário, a vida útil da lâmpada e o fluxo fluxo fluxo fluxo fluxo luminoso serão afetados nego luminoso serão afetados nego luminoso serão afetados nego luminoso serão afetados nego luminoso serão afetados nega-a-a-a-a- tititititivamente. Svamente. Svamente. Svamente. Svamente. Se a lâmpada do farol ficare a lâmpada do farol ficare a lâmpada do farol ficare a lâmpada do farol ficare a lâmpada do farol ficar suja, limpe-a com um pano umedecidosuja, limpe-a com um pano umedecidosuja, limpe-a com um pano umedecidosuja, limpe-a com um pano umedecidosuja, limpe-a com um pano umedecido com álcool ou thinnercom álcool ou thinnercom álcool ou thinnercom álcool ou thinnercom álcool ou thinner..... Multímetro digital:Multímetro digital:Multímetro digital:Multímetro digital:Multímetro digital: 90890-03190890-03190890-03190890-03190890-0317777744444 INSPEÇÃO DINSPEÇÃO DINSPEÇÃO DINSPEÇÃO DINSPEÇÃO DA CONDIÇÃO DA CONDIÇÃO DA CONDIÇÃO DA CONDIÇÃO DA CONDIÇÃO DAAAAASSSSS LÂMPLÂMPLÂMPLÂMPLÂMPADADADADADAAAAASSSSS O seguinte procedimento se aplica a todas as lâmpadas. 1. Remover: • Lâmpada. ***************************************************************************************************************************************************************************************** a. Conecte a ponta positiva do multímetro ao terminal 1 e a ponta negativa ao ter- minal 2 e verifique a continuidade. b. Conecte a ponta positiva do multímetro ao terminal 1 e a ponta negativa ao ter- minal 3 e verifique a continuidade. c. Se alguma das leituras indicar a falta de continuidade, substitua a lâmpada. *****************************************************************************************************************************************************************************************
  • 343.
    7 – 7 ELÉTELÉTELÉTELÉTELÉT INSPEÇÃODINSPEÇÃO DINSPEÇÃO DINSPEÇÃO DINSPEÇÃO DA CONDIÇÃO DOSA CONDIÇÃO DOSA CONDIÇÃO DOSA CONDIÇÃO DOSA CONDIÇÃO DOS SOQSOQSOQSOQSOQUETES DUETES DUETES DUETES DUETES DAAAAAS LÂMPS LÂMPS LÂMPS LÂMPS LÂMPADADADADADAAAAASSSSS O procedimento a seguir se aplica a todos os soquetes. 1. Verificar: • Soquete da lâmpada (continuidade) (com o multímetro). Sem continuidade Substituir. INSPEÇÃO DINSPEÇÃO DINSPEÇÃO DINSPEÇÃO DINSPEÇÃO DAAAAAS LÂMPS LÂMPS LÂMPS LÂMPS LÂMPADADADADADAAAAAS E SOQS E SOQS E SOQS E SOQS E SOQUETESUETESUETESUETESUETES ***************************************************************************************************************************************************************************************** a. Coloque uma lâmpada em boas condições no soquete. b. Conecte as pontas do multímetro às res- pectivas fiações do soquete. c. Verifique a continuidade do soquete. Se alguma das leituras indicar a falta de con- tinuidade, substitua o soquete. ***************************************************************************************************************************************************************************************** Multímetro digital:Multímetro digital:Multímetro digital:Multímetro digital:Multímetro digital: 90890-03190890-03190890-03190890-03190890-0317777744444 NONONONONOTTTTTA:A:A:A:A: Verifique a continuidade de cada soquete da mesma forma descrita na seção de lâmpa- das; no entanto, observe o seguinte. INSPEÇÃO DOS LEDSINSPEÇÃO DOS LEDSINSPEÇÃO DOS LEDSINSPEÇÃO DOS LEDSINSPEÇÃO DOS LEDS Os procedimentos a seguir se aplicam a to- dos os LEDs. 1. Verificar: • LED (para funcionamento adequado) Funcionamento inadequado Substituir. ***************************************************************************************************************************************************************************************** a. Desconecte o conector do painel (extremidade da montagem do painel).
  • 344.
    7 – 8 ELÉTELÉTELÉTELÉTELÉT b.Conecte dois cabos jumper 1 dos termi- nais da bateria ao respectivo terminal do conector, como indicado. Luz indicadora deLuz indicadora deLuz indicadora deLuz indicadora deLuz indicadora de TTTTTerminal positierminal positierminal positierminal positierminal positivvvvvo dao dao dao dao da seta (esquerda/seta (esquerda/seta (esquerda/seta (esquerda/seta (esquerda/ bateriabateriabateriabateriabateria ccccchocolatehocolatehocolatehocolatehocolate direita)direita)direita)direita)direita) TTTTTerminal negerminal negerminal negerminal negerminal negatiatiatiatiativvvvvo dao dao dao dao da bateriabateriabateriabateriabateria preto/brancopreto/brancopreto/brancopreto/brancopreto/branco Luz indicadora deLuz indicadora deLuz indicadora deLuz indicadora deLuz indicadora de TTTTTerminal positierminal positierminal positierminal positierminal positivvvvvo dao dao dao dao da farol altofarol altofarol altofarol altofarol alto bateriabateriabateriabateriabateria vermelho/vermelho/vermelho/vermelho/vermelho/ branco ou amarelobranco ou amarelobranco ou amarelobranco ou amarelobranco ou amarelo TTTTTerminal negerminal negerminal negerminal negerminal negatiatiatiatiativvvvvo dao dao dao dao da bateriabateriabateriabateriabateria preto/brancopreto/brancopreto/brancopreto/brancopreto/branco Luz indicadora deLuz indicadora deLuz indicadora deLuz indicadora deLuz indicadora de TTTTTerminal positierminal positierminal positierminal positierminal positivvvvvo dao dao dao dao da ponto morponto morponto morponto morponto mortototototo bateriabateriabateriabateriabateria vermelho/vermelho/vermelho/vermelho/vermelho/ brancobrancobrancobrancobranco TTTTTerminalerminalerminalerminalerminal negnegnegnegnegatiatiatiatiativvvvvo da bateriao da bateriao da bateriao da bateriao da bateria preto/branco ou verdepreto/branco ou verdepreto/branco ou verdepreto/branco ou verdepreto/branco ou verde claroclaroclaroclaroclaro Luz de aviso deLuz de aviso deLuz de aviso deLuz de aviso deLuz de aviso de TTTTTerminal positierminal positierminal positierminal positierminal positivvvvvo dao dao dao dao da problemas no motorproblemas no motorproblemas no motorproblemas no motorproblemas no motor bateriabateriabateriabateriabateria vermelho/vermelho/vermelho/vermelho/vermelho/ brancobrancobrancobrancobranco TTTTTerminal negerminal negerminal negerminal negerminal negatiatiatiatiativvvvvo dao dao dao dao da bateriabateriabateriabateriabateria preto/brancopreto/brancopreto/brancopreto/brancopreto/branco INSPEÇÃO DOS LEDSINSPEÇÃO DOS LEDSINSPEÇÃO DOS LEDSINSPEÇÃO DOS LEDSINSPEÇÃO DOS LEDS ••••• Um fio usado como cabo jumper deve ter aUm fio usado como cabo jumper deve ter aUm fio usado como cabo jumper deve ter aUm fio usado como cabo jumper deve ter aUm fio usado como cabo jumper deve ter a mesma capacidade que o cabo condutormesma capacidade que o cabo condutormesma capacidade que o cabo condutormesma capacidade que o cabo condutormesma capacidade que o cabo condutor original ou pode queimaroriginal ou pode queimaroriginal ou pode queimaroriginal ou pode queimaroriginal ou pode queimar..... ••••• É proÉ proÉ proÉ proÉ provável que esta verificação produza cen-vável que esta verificação produza cen-vável que esta verificação produza cen-vável que esta verificação produza cen-vável que esta verificação produza cen- telhas, então lembre-se de não deixar gástelhas, então lembre-se de não deixar gástelhas, então lembre-se de não deixar gástelhas, então lembre-se de não deixar gástelhas, então lembre-se de não deixar gás ou fluidos inflamáveis em áreas próximas.ou fluidos inflamáveis em áreas próximas.ou fluidos inflamáveis em áreas próximas.ou fluidos inflamáveis em áreas próximas.ou fluidos inflamáveis em áreas próximas. c. Quando os cabos jumper forem conecta- dos aos terminais, o LED respectivo deve acender. Não acende Substitua o painel *****************************************************************************************************************************************************************************************
  • 345.
    7 – 9 ELÉTELÉTELÉTELÉTELÉT SISSISSISSISSISTEMADE IGNIÇÃOTEMA DE IGNIÇÃOTEMA DE IGNIÇÃOTEMA DE IGNIÇÃOTEMA DE IGNIÇÃO DIADIADIADIADIAGRAMA ELÉTRICOGRAMA ELÉTRICOGRAMA ELÉTRICOGRAMA ELÉTRICOGRAMA ELÉTRICO SISSISSISSISSISTEMA DE IGNIÇÃOTEMA DE IGNIÇÃOTEMA DE IGNIÇÃOTEMA DE IGNIÇÃOTEMA DE IGNIÇÃO 2Sensordeposiçãodo virabrequim/Magneto JChavedeignição 3Bateria 7Fusívelprincipal/Relé departida PInterruptordeengine stop CECU DBobinadeignição/ Vela EInterruptorde inclinação KFusíveldeignição
  • 346.
    7 – 10 ELÉTELÉTELÉTELÉTELÉT 1.Verificar: • Fusíveis principal e de ignição. • Bateria. • Vela de ignição. • Faísca. • Resistência do cachimbo da vela de ig- nição. • Resistência da bobina de ignição. • Resistência do sensor de posição do virabrequim. • Chave de ignição. • Interruptor de engine stop. • Sensor de inclinação. • Conexões da fiação (de todo o sistema de ignição). DIADIADIADIADIAGNÓSGNÓSGNÓSGNÓSGNÓSTICO E SOLUÇÃO DE PROBLEMATICO E SOLUÇÃO DE PROBLEMATICO E SOLUÇÃO DE PROBLEMATICO E SOLUÇÃO DE PROBLEMATICO E SOLUÇÃO DE PROBLEMASSSSS SISSISSISSISSISTEMA DE IGNIÇÃOTEMA DE IGNIÇÃOTEMA DE IGNIÇÃOTEMA DE IGNIÇÃOTEMA DE IGNIÇÃO O sistema de ignição não funcionaO sistema de ignição não funcionaO sistema de ignição não funcionaO sistema de ignição não funcionaO sistema de ignição não funciona (sem faísca ou faísca intermitente).(sem faísca ou faísca intermitente).(sem faísca ou faísca intermitente).(sem faísca ou faísca intermitente).(sem faísca ou faísca intermitente). NONONONONOTTTTTA:A:A:A:A: Antes de fazer o diagnóstico e solução de problemas, remova as seguintes peças: • Assento. • Tampas laterais (esquerda e direita). • Tampas laterais (esquerda e direita) do tanque de combustível. • Tanque de combustível. Faça o diagnóstico e solução de problemas com as seguintes ferramentas especiais: Multímetro digital:Multímetro digital:Multímetro digital:Multímetro digital:Multímetro digital: 90890-03190890-03190890-03190890-03190890-0317777744444 TTTTTestador dinâmico de faísca:estador dinâmico de faísca:estador dinâmico de faísca:estador dinâmico de faísca:estador dinâmico de faísca: 90890-0675490890-0675490890-0675490890-0675490890-06754 2. Bateria • Verifique a condição da bateria. Consulte "INSPEÇÃO E CARGA DA BA- TERIA" no capítulo 3. • A bateria está OK? TTTTTensão mínima em circuito aberensão mínima em circuito aberensão mínima em circuito aberensão mínima em circuito aberensão mínima em circuito aberto:to:to:to:to: 111112,82,82,82,82,8 V ou a mais a 20V ou a mais a 20V ou a mais a 20V ou a mais a 20V ou a mais a 20ooooo CCCCC SIM NÃO • Limpe os terminais da bateria. • Recarregue ou troque a bateria. 1. Fusíveis principal e de ignição • Verifique a continuidade dos fusíveis principal e de ignição. Consulte "VERIFICAÇÃO DOS FUSÍVEIS" no capítulo 3. • Os fusíveis principal e de ignição estão OK? Troque o(s) fusível(is). SIM NÃO 3. Vela de ignição • Verifique a condição da vela de ignição. • Verifique o tipo da vela de ignição. • Meça a folga da vela de ignição. Consulte "INSPEÇÃO DA VELA DE IG- NIÇÃO” no capítulo 3. • A vela de ignição está em boas condi- ções, é do tipo certo e sua folga está dentro da especificação? SIM NÃO Corrija ou troque a vela de ignição. VVVVVela de igniçãoela de igniçãoela de igniçãoela de igniçãoela de ignição::::: DR8EA (NGK)DR8EA (NGK)DR8EA (NGK)DR8EA (NGK)DR8EA (NGK) FFFFFolgolgolgolgolga da vela de igniçãoa da vela de igniçãoa da vela de igniçãoa da vela de igniçãoa da vela de ignição::::: 0,6 ~ 0,7 mm0,6 ~ 0,7 mm0,6 ~ 0,7 mm0,6 ~ 0,7 mm0,6 ~ 0,7 mm
  • 347.
    7 – 11 ELÉTELÉTELÉTELÉTELÉTSISSISSISSISSISTEMADE IGNIÇÃOTEMA DE IGNIÇÃOTEMA DE IGNIÇÃOTEMA DE IGNIÇÃOTEMA DE IGNIÇÃO 4. Folga da faísca • Desconecte o cachimbo 1 da vela de ignição. • Conecte o testador dinâmico de faísca 2 como indicado. • Coloque a chave de ignição na posição "ON". • Meça a folga entre os eletrodos a. • Acione o motor, acionando o interrup- tor de partida e aumente gradualmente o espaçamento até ocorrer uma falha na faísca. • Há faísca e a folga está dentro da espe- cificação? O sistema de ignição está OK. FFFFFolgolgolgolgolga mínima:a mínima:a mínima:a mínima:a mínima: 6,0 mm6,0 mm6,0 mm6,0 mm6,0 mm SIM NÃO 5. Resistência do cachimbo da vela de ig- nição • Remova o cachimbo da vela do cabo. • Conecte o multímetro ao cachimbo da vela, como indicado. • Meça a resistência do cachimbo da vela de ignição. • O cachimbo da vela está OK? Troque o cachimbo da vela. RRRRResistência do cacesistência do cacesistência do cacesistência do cacesistência do cachimbo da vela:himbo da vela:himbo da vela:himbo da vela:himbo da vela: 5,0 k5,0 k5,0 k5,0 k5,0 kΩΩΩΩΩ a 20a 20a 20a 20a 20ooooo CCCCC SIM NÃO
  • 348.
    7 – 12 ELÉTELÉTELÉTELÉTELÉTSISSISSISSISSISTEMADE IGNIÇÃOTEMA DE IGNIÇÃOTEMA DE IGNIÇÃOTEMA DE IGNIÇÃOTEMA DE IGNIÇÃO 6. Resistência da bobina de ignição • Desconecte os conectores da bobina de ignição dos terminais. • Conecte o multímetro à bobina de igni- ção, como indicado. PPPPPonta positionta positionta positionta positionta positiva do multímetrova do multímetrova do multímetrova do multímetrova do multímetro marmarmarmarmarrom/vermelhorom/vermelhorom/vermelhorom/vermelhorom/vermelho PPPPPonta negonta negonta negonta negonta negatiatiatiatiativa do multímetrova do multímetrova do multímetrova do multímetrova do multímetro laranjalaranjalaranjalaranjalaranja • Meça a resistência da bobina primária. • Conecte o multímetro à bobina de igni- ção, como indicado. PPPPPonta negonta negonta negonta negonta negatiatiatiatiativa do multímetrova do multímetrova do multímetrova do multímetrova do multímetro cabo condutorcabo condutorcabo condutorcabo condutorcabo condutor 11111 PPPPPonta positionta positionta positionta positionta positiva do multímetrova do multímetrova do multímetrova do multímetrova do multímetro marmarmarmarmarrom/vermelhorom/vermelhorom/vermelhorom/vermelhorom/vermelho 22222 • Meça a resistência da bobina secundária. • A bobina de ignição está OK? RRRRResistência da bobina primária:esistência da bobina primária:esistência da bobina primária:esistência da bobina primária:esistência da bobina primária: 2,1 ~ 2,62,1 ~ 2,62,1 ~ 2,62,1 ~ 2,62,1 ~ 2,6 ΩΩΩΩΩ a 20a 20a 20a 20a 20ooooo CCCCC RRRRResistência da bobina secundária:esistência da bobina secundária:esistência da bobina secundária:esistência da bobina secundária:esistência da bobina secundária: 77777,2 ~ 1,2 ~ 1,2 ~ 1,2 ~ 1,2 ~ 14,4k4,4k4,4k4,4k4,4k ΩΩΩΩΩ a 20a 20a 20a 20a 20ooooo CCCCC SIM NÃO Substitua a bobina de ignição. 8. Chave de ignição • Verifique a continuidade da ignição. Consulte "INSPEÇÃO DOS INTERRUP- TORES". • A ignição está OK? Substitua a chave ignição. SIM NÃO 7. Resistência do sensor de posição do virabrequim • Desconecte o conector do sensor de po- sição do virabrequim do chicote. • Conecte o multímetro (Ω x 100) ao ter- minal do sensor como indicado. PPPPPonta positionta positionta positionta positionta positiva do multímetrova do multímetrova do multímetrova do multímetrova do multímetro azul/amareloazul/amareloazul/amareloazul/amareloazul/amarelo 11111 PPPPPonta negonta negonta negonta negonta negatiatiatiatiativa do multímetrova do multímetrova do multímetrova do multímetrova do multímetro verdeverdeverdeverdeverde 22222 • Meça a resistência do sensor de posi- ção do virabrequim. • O sensor de posição do virabrequim está OK? G LY RRRRResistência do sensor de posiçãoesistência do sensor de posiçãoesistência do sensor de posiçãoesistência do sensor de posiçãoesistência do sensor de posição do virabrequimdo virabrequimdo virabrequimdo virabrequimdo virabrequim::::: 1111192 ~ 28892 ~ 28892 ~ 28892 ~ 28892 ~ 288 Ω a 20a 20a 20a 20a 20ooooo C:C:C:C:C: (entre preto/azul e azul/amarelo)(entre preto/azul e azul/amarelo)(entre preto/azul e azul/amarelo)(entre preto/azul e azul/amarelo)(entre preto/azul e azul/amarelo) SIM NÃO Substitua o sensor de posição do virabrequim.
  • 349.
    7 – 13 ELÉTELÉTELÉTELÉTELÉTSISSISSISSISSISTEMADE IGNIÇÃOTEMA DE IGNIÇÃOTEMA DE IGNIÇÃOTEMA DE IGNIÇÃOTEMA DE IGNIÇÃO 9. Interruptor de engine stop • Verifique a continuidade do interruptor de parada do motor. Consulte "INSPEÇÃO DOS INTERRUP- TORES". • O interruptor de parada do motor está OK? Substitua o interruptor do guidão direito. SIM NÃO 11. Fiação • Verifique toda a fiação do sistema de ignição. Consulte o "DIAGRAMA DO CIRCUITO". • A fiação do sistema de ignição está co- nectada corretamente e sem defeitos? Conecte ou repare a fiação do sistema de ignição. Substitua a ECU. SIM NÃO 10. Sensor de inclinação • Conecte o multímetro (CC 20 V) aos ter- minais do interruptor como indicado. PPPPPonta positionta positionta positionta positionta positiva do multímetrova do multímetrova do multímetrova do multímetrova do multímetro amarelo/verdeamarelo/verdeamarelo/verdeamarelo/verdeamarelo/verde 1 PPPPPonta negonta negonta negonta negonta negatiatiatiatiativa do multímetrova do multímetrova do multímetrova do multímetrova do multímetro preto/azulpreto/azulpreto/azulpreto/azulpreto/azul 2 • O sensor de inclinação está OK? Substitua o sensor de inclinação. TTTTTensãoensãoensãoensãoensão do sensor de inclinação:do sensor de inclinação:do sensor de inclinação:do sensor de inclinação:do sensor de inclinação: Menos que 45Menos que 45Menos que 45Menos que 45Menos que 45ooooo CCCCC a 0,4 ~ 1,40,4 ~ 1,40,4 ~ 1,40,4 ~ 1,40,4 ~ 1,4 VVVVV Mais que 45Mais que 45Mais que 45Mais que 45Mais que 45ooooo CCCCC a 3,7 ~ 4,43,7 ~ 4,43,7 ~ 4,43,7 ~ 4,43,7 ~ 4,4 VVVVV SIM NÃO
  • 350.
    7 – 14 ELÉTELÉTELÉTELÉTELÉT SISSISSISSISSISTEMADE PTEMA DE PTEMA DE PTEMA DE PTEMA DE PARARARARARTIDTIDTIDTIDTIDA ELÉTRICAA ELÉTRICAA ELÉTRICAA ELÉTRICAA ELÉTRICA DIADIADIADIADIAGRAMA ELÉTRICOGRAMA ELÉTRICOGRAMA ELÉTRICOGRAMA ELÉTRICOGRAMA ELÉTRICO SISSISSISSISSISTEMA DE PTEMA DE PTEMA DE PTEMA DE PTEMA DE PARARARARARTIDTIDTIDTIDTIDA ELÉTRICAA ELÉTRICAA ELÉTRICAA ELÉTRICAA ELÉTRICA BInterruptordoneutro JChavedeignição 3Bateria 7Fusívelprincipal/Reléde partida 4Motordepartida PInterruptordeengine stop MInterruptordocavalete lateral OInterruptorda embreagem
  • 351.
    7 – 15 ELÉTELÉTELÉTELÉTELÉT CIRCUITCIRCUITCIRCUITCIRCUITCIRCUITODE PO DE PO DE PO DE PO DE PARARARARARTIDTIDTIDTIDTIDA EA EA EA EA E SISSISSISSISSISTEMA DE CORTEMA DE CORTEMA DE CORTEMA DE CORTEMA DE CORTE DE IGNIÇÃOTE DE IGNIÇÃOTE DE IGNIÇÃOTE DE IGNIÇÃOTE DE IGNIÇÃO OPERAÇÃOOPERAÇÃOOPERAÇÃOOPERAÇÃOOPERAÇÃO Se o interruptor de parada do motor está posicionado em " " e a chave de ignição está posicionada em "ON" (ambos os inter- ruptores estão fechados), o motor de partida poderá operar se uma das condições a se- guir for atendida: • A transmissão estiver em ponto morto (o interruptor de ponto morto está fechado). • A alavanca da embreagem estiver puxa- da (o interruptor da embreagem está fe- chado) e o cavalete lateral estiver para cima (o interruptor do cavalete lateral está fechado). O sistema de corte de ignição, evita que o motor de partida funcione quando nenhuma das condições acima for atendida. Neste caso, o circuito de partida é aberto, então a corrente não consegue chegar até o motor de partida. Quando pelo menos uma das con- dições acima for atendida, o circuito de par- tida é fechado e pode-se dar partida no mo- tor ao apertar o interruptor de partida. QUANDO A TRANSMISSÃO ESTIVER EM PONTO MORTO. QUANDO O CAVALETE LATE- RAL ESTIVER PARA CIMA E A ALAVANCA DA EMBREAGEM FOR PUXADA. 1 Bateria 2 Fusível principal 3 Chave de ignição 4 Fusível de ignição 5 Interruptor de engine stop 6 Relé 7 Diodos 8 Interruptor da embreagem 9 Interruptor do cavalete lateral 0 Interruptor do neutro A Interruptor de partida B Relé de partida C Motor de partida SISSISSISSISSISTEMA DE PTEMA DE PTEMA DE PTEMA DE PTEMA DE PARARARARARTIDTIDTIDTIDTIDA ELÉTRICAA ELÉTRICAA ELÉTRICAA ELÉTRICAA ELÉTRICA
  • 352.
    7 – 16 ELÉTELÉTELÉTELÉTELÉT Omotor de parO motor de parO motor de parO motor de parO motor de partida não funciona.tida não funciona.tida não funciona.tida não funciona.tida não funciona. 1. Verificar: • Fusíveis principal e de ignição. • Bateria. • Motor de partida. • Relé de partida. • Chave de ignição. • Interruptor de engine stop. • Interruptor do neutro. • Interruptor do cavalete lateral. • Interruptor da embreagem. • Interruptor de partida. • Conexões da fiação (sistema de parti- da). DIADIADIADIADIAGNÓSGNÓSGNÓSGNÓSGNÓSTICO E SOLUÇÃO DE PROBLEMATICO E SOLUÇÃO DE PROBLEMATICO E SOLUÇÃO DE PROBLEMATICO E SOLUÇÃO DE PROBLEMATICO E SOLUÇÃO DE PROBLEMASSSSS SISSISSISSISSISTEMA DE PTEMA DE PTEMA DE PTEMA DE PTEMA DE PARARARARARTIDTIDTIDTIDTIDA ELÉTRICAA ELÉTRICAA ELÉTRICAA ELÉTRICAA ELÉTRICA NONONONONOTTTTTA:A:A:A:A: Antes de fazer o diagnóstico e solução de problemas, remova as seguintes peças: • Assento. • Tampas laterais (esquerda e direita). • Tampas laterais (esquerda e direita) do tanque de combustível. • Tanque de combustível. Faça o diagnóstico e solução de problemas com as seguintes ferramentas especiais: Multímetro digital:Multímetro digital:Multímetro digital:Multímetro digital:Multímetro digital: 90890-03190890-03190890-03190890-03190890-0317777744444 1. Fusíveis principal e de ignição • Verifique a continuidade dos fusíveis principal e de ignição. Consulte "VERIFICAÇÃO DOS FUSÍVEIS" no capítulo 3. • Os fusíveis principal e de ignição estão OK? Troque o(s) fusível(is). SIM NÃO 3. Motor de partida • Conecte o terminal positivo da bateria 1 e o cabo do motor de partida 2 com um cabo jumper 3. 2. Bateria • Verifique a condição da bateria. Consulte "INSPEÇÃO E CARGA DA BA- TERIA" no capítulo 3. • A bateria está OK? TTTTTensão mínima em circuito aberensão mínima em circuito aberensão mínima em circuito aberensão mínima em circuito aberensão mínima em circuito aberto:to:to:to:to: 111112,82,82,82,82,8 V ou a mais a 20V ou a mais a 20V ou a mais a 20V ou a mais a 20V ou a mais a 20ooooo CCCCC SIM NÃO • Limpe os terminais da bateria. • Recarregue ou troque a bateria. Repare ou substitua o motor. SIM NÃO ••••• Um fio usado como cabo jumper deve ter aUm fio usado como cabo jumper deve ter aUm fio usado como cabo jumper deve ter aUm fio usado como cabo jumper deve ter aUm fio usado como cabo jumper deve ter a mesma capacidade que o cabo original oumesma capacidade que o cabo original oumesma capacidade que o cabo original oumesma capacidade que o cabo original oumesma capacidade que o cabo original ou pode queimarpode queimarpode queimarpode queimarpode queimar..... ••••• É proÉ proÉ proÉ proÉ provável que esta verificação produzavável que esta verificação produzavável que esta verificação produzavável que esta verificação produzavável que esta verificação produza faíscas, então não deixe gás ou fluidos in-faíscas, então não deixe gás ou fluidos in-faíscas, então não deixe gás ou fluidos in-faíscas, então não deixe gás ou fluidos in-faíscas, então não deixe gás ou fluidos in- flamáveis em áreas próximas.flamáveis em áreas próximas.flamáveis em áreas próximas.flamáveis em áreas próximas.flamáveis em áreas próximas. • O motor de partida funciona?
  • 353.
    7 – 17 ELÉTELÉTELÉTELÉTELÉTSISSISSISSISSISTEMADE PTEMA DE PTEMA DE PTEMA DE PTEMA DE PARARARARARTIDTIDTIDTIDTIDA ELÉTRICAA ELÉTRICAA ELÉTRICAA ELÉTRICAA ELÉTRICA 5. Chave de ignição • Verifique a continuidade da chave de ig- nição. Consulte "INSPEÇÃO DOS INTERRUP- TORES". • A chave de ignição está OK? Substitua a chave de ignição. SIM NÃO 6. Interruptor de engine stop • Verifique a continuidade do interruptor de engine stop. Consulte "INSPEÇÃO DOS INTERRUP- TORES". • O interruptor de parada do motor está OK? Substitua o interruptor do guidão direito. SIM NÃO 7. Interruptor do neutro • Verifique a continuidade do interruptor do neutro. Consulte "INSPEÇÃO DOS INTERRUP- TORES". • O interruptor do neutro está OK? Substitua o interruptor do neutro. SIM NÃO 8. Interruptor do cavalete lateral • Verifique a continuidade do interruptor do cavalete lateral. Consulte "INSPEÇÃO DOS INTERRUP- TORES". • O interruptor do cavalete lateral está OK? Substitua o interruptor do cavalete lateral. SIM NÃO 4. Relé de partida • Desconecte o conector do relé de partida. • Conecte o multímetro (Ω x 1) e a bate- ria (12 V) ao conector do relé de parti- da, como indicado. Fio positiFio positiFio positiFio positiFio positivvvvvo da bateriao da bateriao da bateriao da bateriao da bateria azul/pretoazul/pretoazul/pretoazul/pretoazul/preto 11111 Fio negFio negFio negFio negFio negatiatiatiatiativvvvvo da bateriao da bateriao da bateriao da bateriao da bateria cinza/amarelocinza/amarelocinza/amarelocinza/amarelocinza/amarelo 22222 PPPPPonta positionta positionta positionta positionta positiva do multímetrova do multímetrova do multímetrova do multímetrova do multímetro vermelhovermelhovermelhovermelhovermelho 33333 PPPPPonta negonta negonta negonta negonta negatiatiatiatiativa do multímetrova do multímetrova do multímetrova do multímetrova do multímetro pretopretopretopretopreto 44444 • O relé de partida possui continuidade entre vermelho e preto? GY LB R R Substitua o relé de partida. SIM NÃO
  • 354.
    7 – 18 ELÉTELÉTELÉTELÉTELÉTSISSISSISSISSISTEMADE PTEMA DE PTEMA DE PTEMA DE PTEMA DE PARARARARARTIDTIDTIDTIDTIDA ELÉTRICAA ELÉTRICAA ELÉTRICAA ELÉTRICAA ELÉTRICA 9. Interruptor da embreagem • Verifique a continuidade do interruptor da embreagem. Consulte "INSPEÇÃO DOS INTERRUP- TORES". • O interruptor da embreagem está OK? Substitua o interruptor da embreagem. SIM NÃO 10. Interruptor de partida • Verifique a continuidade do interruptor de partida. Consulte "INSPEÇÃO DOS INTERRUP- TORES". • O interruptor de partida está OK? Substitua o interruptor de partida. SIM NÃO 11. Fiação • Verifique toda a fiação do sistema de partida. Consulte o "DIAGRAMA DO CIRCUITO". • A fiação do sistema de ignição está co- nectada corretamente e sem falhas? Substitua, conecte ou repare a fiação do sistema de partida. SIM NÃO O sistema de partida está OK.
  • 355.
    7 – 19 ELÉTELÉTELÉTELÉTELÉT MOMOMOMOMOTTTTTORDE POR DE POR DE POR DE POR DE PARARARARARTIDTIDTIDTIDTIDAAAAA MOMOMOMOMOTTTTTOR DE POR DE POR DE POR DE POR DE PARARARARARTIDTIDTIDTIDTIDAAAAA 1,0kgf.m (10N.m) 1,0kgf.m (10N.m) OrdemOrdemOrdemOrdemOrdem SSSSServiço/Perviço/Perviço/Perviço/Perviço/Peçaeçaeçaeçaeça ObservaçõesObservaçõesObservaçõesObservaçõesObservaçõesQtde.Qtde.Qtde.Qtde.Qtde. RRRRRemoção do motor de paremoção do motor de paremoção do motor de paremoção do motor de paremoção do motor de partidatidatidatidatida Remover as peças na ordem listada 1 Cabo positivo da bateria 1 Desconectar 2 Parafusos 2 3 Motor de partida 1 Para instalação, reverter o procedimento de remoção
  • 356.
    7 – 20 ELÉTELÉTELÉTELÉTELÉTMOMOMOMOMOTTTTTORDE POR DE POR DE POR DE POR DE PARARARARARTIDTIDTIDTIDTIDAAAAA 2 1 5 4 6 4 7 3 8 Desmontagem do motor de parDesmontagem do motor de parDesmontagem do motor de parDesmontagem do motor de parDesmontagem do motor de partidatidatidatidatida Remover as peças na ordem listada 1 Suporte dianteiro 1 2 O-ring 1 3 Suporte traseiro 1 4 Arruela de encosto 5 5 Conjunto do estator 1 6 Armadura externa 1 7 Conjunto das escovas 1 8 Cabo do motor de partida 1 Para montagem, reverter o procedimento de desmontagem OrdemOrdemOrdemOrdemOrdem SSSSServiço/Perviço/Perviço/Perviço/Perviço/Peçaeçaeçaeçaeça ObservaçõesObservaçõesObservaçõesObservaçõesObservaçõesQtde.Qtde.Qtde.Qtde.Qtde.
  • 357.
    7 – 21 ELÉTELÉTELÉTELÉTELÉT INSPEÇÃODO MOINSPEÇÃO DO MOINSPEÇÃO DO MOINSPEÇÃO DO MOINSPEÇÃO DO MOTTTTTOR DEOR DEOR DEOR DEOR DE PPPPPARARARARARTIDTIDTIDTIDTIDAAAAA 1. Verifique: • Comutador do induzido. Sujo Limpar com lixa de granulação 600. 2. Medir: • Diâmetro do comutador a. Fora da especificação Substitua. 3. Medir: • Rebaixamento da mica a. Fora de especificação Raspe a mica com uma serra de arco para metais até a me- dida correta. 4. Medir: • Resistências das bobinas (comutador e isolamento). Fora da especificação Substitua. MOMOMOMOMOTTTTTOR DE POR DE POR DE POR DE POR DE PARARARARARTIDTIDTIDTIDTIDAAAAA a V Limite dLimite dLimite dLimite dLimite do diâmetro:o diâmetro:o diâmetro:o diâmetro:o diâmetro: 28,0 mm28,0 mm28,0 mm28,0 mm28,0 mm a V RRRRRebaixamento da mica:ebaixamento da mica:ebaixamento da mica:ebaixamento da mica:ebaixamento da mica: 0,70 mm0,70 mm0,70 mm0,70 mm0,70 mm NONONONONOTTTTTA:A:A:A:A: A mica do comutador deve ser rebaixada para garantir o funcionamento adequado do comutador.
  • 358.
    7 – 22 ELÉTELÉTELÉTELÉTELÉT ********************************************************************************************************************************************************************************************** a.Meça as resistências com o multímetro. b. Se a resistência estiver fora das especifi- cações, substitua o motor de partida. ********************************************************************************************************************************************************************************************** 5. Medir: • Comprimento da escova a. Fora da especificação Substitua as es- covas como um conjunto. 6. Medir: • Força da mola da escova. Fora da especificação Substitua as molas da escova como um conjunto. 7. Verifique: • Estrias do eixo do induzido. Danificados/desgastados Substitua o motor de partida. 8. Verifique: • Rolamento. • Retentor. Danificados/desgastados Substitua as peças com defeito. MOMOMOMOMOTTTTTOR DE POR DE POR DE POR DE POR DE PARARARARARTIDTIDTIDTIDTIDAAAAA a Multímetro digital:Multímetro digital:Multímetro digital:Multímetro digital:Multímetro digital: 90890-03190890-03190890-03190890-03190890-0317777744444 Bobina do induzidoBobina do induzidoBobina do induzidoBobina do induzidoBobina do induzido::::: RRRRResistência do comutadoresistência do comutadoresistência do comutadoresistência do comutadoresistência do comutador 0,00,00,00,00,000000111112 ~ 0,02 ~ 0,02 ~ 0,02 ~ 0,02 ~ 0,0022022022022022 ΩΩΩΩΩ à 20à 20à 20à 20à 20ooooo CCCCC RRRRResistência do isolamentoesistência do isolamentoesistência do isolamentoesistência do isolamentoesistência do isolamento acima de 1 Macima de 1 Macima de 1 Macima de 1 Macima de 1 MΩΩΩΩΩ a 20a 20a 20a 20a 20ooooo CCCCC V Limite de deLimite de deLimite de deLimite de deLimite de desgsgsgsgsgaste:aste:aste:aste:aste: 4,0 mm4,0 mm4,0 mm4,0 mm4,0 mm V FFFFForça da mola da escoorça da mola da escoorça da mola da escoorça da mola da escoorça da mola da escova:va:va:va:va: 7777765 ~ 1,065 ~ 1,065 ~ 1,065 ~ 1,065 ~ 1,0000001 gf (71 gf (71 gf (71 gf (71 gf (7,65 ~ 1,65 ~ 1,65 ~ 1,65 ~ 1,65 ~ 10,00,00,00,00,01 N)1 N)1 N)1 N)1 N)
  • 359.
    7 – 23 ELÉTELÉTELÉTELÉTELÉT MONMONMONMONMONTTTTTAGEMDO MOAGEM DO MOAGEM DO MOAGEM DO MOAGEM DO MOTTTTTOR DEOR DEOR DEOR DEOR DE PPPPPARARARARARTIDTIDTIDTIDTIDAAAAA 1. Instale: • Suporte das escovas 1. • Escovas 2. 2. Instale: • Induzido 1. 3. Instale: • Suporte traseiro. 4. Instale: • Arruela de encosto 1. • Suporte dianteiro/ rolamento/ retentor 2. • O-ring externo 3. • Parafusos. NoNoNoNoNovvvvvooooo 3 1 2 NoNoNoNoNovvvvvooooo ab MOMOMOMOMOTTTTTOR DE POR DE POR DE POR DE POR DE PARARARARARTIDTIDTIDTIDTIDAAAAA 1 2 2 1 1 a PPPPParafusos do suporarafusos do suporarafusos do suporarafusos do suporarafusos do suporte dianteiro:te dianteiro:te dianteiro:te dianteiro:te dianteiro: 0,5 k0,5 k0,5 k0,5 k0,5 kgfgfgfgfgf.m (5 N.m).m (5 N.m).m (5 N.m).m (5 N.m).m (5 N.m) NONONONONOTTTTTA:A:A:A:A: Alinhe as marcas a na armadura do motor de partida às marcas b nos suportes dian- teiro e traseiro. NONONONONOTTTTTA:A:A:A:A: Alinhe a marca a no suporte traseiro com a marca da armadura 1. NONONONONOTTTTTA:A:A:A:A: • Fixe o suporte traseiro para facilitar a ope- ração. • Utilizando uma chave de fenda, trave uma das escovas.
  • 360.
    7 – 24 ELÉTELÉTELÉTELÉTELÉT SISSISSISSISSISTEMADE CARGATEMA DE CARGATEMA DE CARGATEMA DE CARGATEMA DE CARGA DIADIADIADIADIAGRAMA ELÉTRICOGRAMA ELÉTRICOGRAMA ELÉTRICOGRAMA ELÉTRICOGRAMA ELÉTRICO SISSISSISSISSISTEMA DE CARGATEMA DE CARGATEMA DE CARGATEMA DE CARGATEMA DE CARGA 1Retificador/regulador 2MagnetoA.C. 3Bateria 7Fusívelprincipal/Reléde partida
  • 361.
    7 – 25 ELÉTELÉTELÉTELÉTELÉT Abateria não está carA bateria não está carA bateria não está carA bateria não está carA bateria não está carregregregregregandoandoandoandoando 1. Verificar: • Fusível principal. • Bateria. • Voltagem de carga. • Resistência da bobina do estator. • Conexões de fiação (de todo o sistema de carga). DIADIADIADIADIAGNÓSGNÓSGNÓSGNÓSGNÓSTICO E SOLUÇÃO DE PROBLEMATICO E SOLUÇÃO DE PROBLEMATICO E SOLUÇÃO DE PROBLEMATICO E SOLUÇÃO DE PROBLEMATICO E SOLUÇÃO DE PROBLEMASSSSS SISSISSISSISSISTEMA DE CARGATEMA DE CARGATEMA DE CARGATEMA DE CARGATEMA DE CARGA Multímetro digital:Multímetro digital:Multímetro digital:Multímetro digital:Multímetro digital: 90890-03190890-03190890-03190890-03190890-0317777744444 NONONONONOTTTTTA:A:A:A:A: Antes de fazer o diagnóstico e solução de problemas, retire as seguintes peças: • Assento. • Tampa lateral esquerda. Faça o diagnóstico e solução de problemas com as seguintes ferramentas especiais: 1. Fusíveis principal • Verifique a continuidade do fusível prin- cipal. Consulte "VERIFICAÇÃO DOS FUSÍVEIS" no capítulo 3. • O fusível principal está OK? Substitua o fusível. SIM NÃO 2. Bateria • Verifique a condição da bateria. Consulte "INSPEÇÃO E CARGA DA BA- TERIA" no capítulo 3. • A bateria está OK? TTTTTensão mínima em circuito aberensão mínima em circuito aberensão mínima em circuito aberensão mínima em circuito aberensão mínima em circuito aberto:to:to:to:to: 111112,82,82,82,82,8 V ou a mais a 20V ou a mais a 20V ou a mais a 20V ou a mais a 20V ou a mais a 20ooooo CCCCC SIM NÃO • Limpe os terminais da bateria. • Recarregue ou troque a bateria.
  • 362.
    7 – 26 ELÉTELÉTELÉTELÉTELÉTSISSISSISSISSISTEMADE CARGATEMA DE CARGATEMA DE CARGATEMA DE CARGATEMA DE CARGA 3. Voltagem de carga • Conecte o multímetro (CC 20 V) à bate- ria, como indicado. PPPPPonta positionta positionta positionta positionta positivavavavava terminal posititerminal posititerminal posititerminal posititerminal positivvvvvo dao dao dao dao da bateriabateriabateriabateriabateria PPPPPonta negonta negonta negonta negonta negatiatiatiatiativavavavava terminal negterminal negterminal negterminal negterminal negatiatiatiatiativvvvvo dao dao dao dao da bateriabateriabateriabateriabateria • Ligue o motor e deixe-o funcionando a aproximadamente 5.000 rpm. • Meça a voltagem de carga. VVVVVoltagem de cargoltagem de cargoltagem de cargoltagem de cargoltagem de carga:a:a:a:a: 111114,04,04,04,04,0 V a 5.0V a 5.0V a 5.0V a 5.0V a 5.0000000 rpm0 rpm0 rpm0 rpm0 rpm SIM NÃO NONONONONOTTTTTA:A:A:A:A: Certifique-se de que a bateria esteja total- mente carregada. • A voltagem de carga está dentro da especificação? O circuito de carga está OK. Se a voltagem de carga estiver maior que a determinada, troque o retificado (regulador). Se a voltagem de carga estiver menor que a determinada, verifique a resistência da bobina do estator. 4. Resistência da bobina do estator • Desconecte o conector do magnetoA.C. do chicote. • Conecte o multímetro (Ω x 1) às bobi- nas de carga, como indicado. PPPPPonta positionta positionta positionta positionta positivavavavava vermelhovermelhovermelhovermelhovermelho 11111 PPPPPonta negonta negonta negonta negonta negatiatiatiatiativavavavava brancobrancobrancobrancobranco 22222 PPPPPonta positionta positionta positionta positionta positivavavavava vermelhovermelhovermelhovermelhovermelho 11111 PPPPPonta negonta negonta negonta negonta negatiatiatiatiativavavavava brancobrancobrancobrancobranco 33333 • Meça a resistência do sensor de posi- ção do virabrequim. • A bobina do estator está OK? RRRRResistência da bobina do estatoresistência da bobina do estatoresistência da bobina do estatoresistência da bobina do estatoresistência da bobina do estator::::: 0,42 ~ 0,620,42 ~ 0,620,42 ~ 0,620,42 ~ 0,620,42 ~ 0,62 Ω à 20à 20à 20à 20à 20ooooo C:C:C:C:C: (entre branco e branco)(entre branco e branco)(entre branco e branco)(entre branco e branco)(entre branco e branco) SIM NÃO Substitua o estator. 5. Fiação • Verifique a fiação do sistema de carga. Consulte "DIAGRAMA DO CIRCUITO". • A fiação do sistema de carga está cor- retamente conectada e sem defeitos? Conecte ou repare a fiação do sistema de carga. SIM NÃO Substitua o retificador/ regulador.
  • 363.
    7 – 27 ELÉTELÉTELÉTELÉTELÉT SISSISSISSISSISTEMADE ILUMINAÇÃOTEMA DE ILUMINAÇÃOTEMA DE ILUMINAÇÃOTEMA DE ILUMINAÇÃOTEMA DE ILUMINAÇÃO DIADIADIADIADIAGRAMA ELÉTRICOGRAMA ELÉTRICOGRAMA ELÉTRICOGRAMA ELÉTRICOGRAMA ELÉTRICO SISSISSISSISSISTEMA DE ILUMINAÇÃOTEMA DE ILUMINAÇÃOTEMA DE ILUMINAÇÃOTEMA DE ILUMINAÇÃOTEMA DE ILUMINAÇÃO JChavedeignição 3Bateria 7Fusívelprincipal/Reléde partida CECU TInterruptordofarolalto/ baixo ^Farol ZLuzdefreio LFusíveldofarol
  • 364.
    7 – 28 ELÉTELÉTELÉTELÉTELÉT Qualqueruma das seguintes luzQualquer uma das seguintes luzQualquer uma das seguintes luzQualquer uma das seguintes luzQualquer uma das seguintes luzes nãoes nãoes nãoes nãoes não se acende: farol, luz indicadora de farolse acende: farol, luz indicadora de farolse acende: farol, luz indicadora de farolse acende: farol, luz indicadora de farolse acende: farol, luz indicadora de farol alto, lanterna traseira e/ou painel.alto, lanterna traseira e/ou painel.alto, lanterna traseira e/ou painel.alto, lanterna traseira e/ou painel.alto, lanterna traseira e/ou painel. 1. Verificar: • Fusíveis principal e do farol. • Bateria. • Chave de ignição. • Interruptor do farol alto/baixo. • Interruptor de passagem. • Conexões da fiação (de todo o sistema de iluminação). DIADIADIADIADIAGNÓSGNÓSGNÓSGNÓSGNÓSTICO E SOLUÇÃO DE PROBLEMATICO E SOLUÇÃO DE PROBLEMATICO E SOLUÇÃO DE PROBLEMATICO E SOLUÇÃO DE PROBLEMATICO E SOLUÇÃO DE PROBLEMASSSSS SISSISSISSISSISTEMA DE ILUMINAÇÃOTEMA DE ILUMINAÇÃOTEMA DE ILUMINAÇÃOTEMA DE ILUMINAÇÃOTEMA DE ILUMINAÇÃO NONONONONOTTTTTA:A:A:A:A: Antes de fazer o diagnóstico e solução de problemas, remova as seguintes peças: • Assento. • Tampas laterais (esquerda e direita). • Tampas laterais (esquerda e direita) do tanque de combustível. • Tanque de combustível. • Conjunto do farol. Faça o diagnóstico e solução de problemas com as seguintes ferramentas especiais: Multímetro digital:Multímetro digital:Multímetro digital:Multímetro digital:Multímetro digital: 90890-03190890-03190890-03190890-03190890-0317777744444 3. Chave de ignição • Verifique a continuidade da ignição. Consulte "INSPEÇÃO DOS INTERRUP- TORES". • A chave de ignição está OK? Substitua a chave de ignição. SIM NÃO 2. Bateria • Verifique a condição da bateria. Consulte "INSPEÇÃO E CARGA DA BA- TERIA" no capítulo 3. • A bateria está OK? TTTTTensão mínima em circuito aberensão mínima em circuito aberensão mínima em circuito aberensão mínima em circuito aberensão mínima em circuito aberto:to:to:to:to: 111112,82,82,82,82,8 V ou a mais a 20V ou a mais a 20V ou a mais a 20V ou a mais a 20V ou a mais a 20ooooo CCCCC SIM NÃO • Limpe os terminais da bateria. • Recarregue ou troque a bateria. 1. Fusíveis da chave de ignição e do farol • Verifique a continuidade dos fusíveis principal e do farol. Consulte "INSPEÇÃO DOS FUSÍVEIS" no capítulo 3. • Os fusíveis principal e do farol estão OK? Substitua o(s) fusível(is). SIM NÃO
  • 365.
    7 – 29 ELÉTELÉTELÉTELÉTELÉTSISSISSISSISSISTEMADE ILUMINAÇÃOTEMA DE ILUMINAÇÃOTEMA DE ILUMINAÇÃOTEMA DE ILUMINAÇÃOTEMA DE ILUMINAÇÃO 4. Interruptor do farol alto/baixo • Verifique a continuidade do interruptor do farol alto/baixo. Consulte "INSPEÇÃO DOS INTERRUP- TORES". • O interruptor do farol alto/baixo está OK? SIM NÃO Substitua o interruptor do guidão esquerdo. 6. Interruptor de iluminação • Verifique a continuidade do interruptor de iluminação. Consulte "INSPEÇÃO DOS INTERRUP- TORES". • O interruptor de iluminação está OK? SIM NÃO Substitua o interruptor do guidão esquerdo. 5. Interruptor de passagem • Verifique a continuidade do interruptor de passagem. Consulte "INSPEÇÃO DOS INTERRUP- TORES". • O interruptor de passagem está OK? SIM NÃO Substitua o interruptor do guidão esquerdo. 7. Fiação • Verifiqueafiaçãodosistemadeiluminação. Consulte "DIAGRAMA ELÉTRICO". • A fiação do sistema de iluminação está corretamente conectada e sem defeitos? SIM NÃO Conecte ou repare corretamente a fiação do sistema de iluminação. Verifique a condição de cada circuito do sistema de iluminação. Consulte “INSPEÇÃO DO SISTEMA DE ILUMINAÇÃO”.
  • 366.
    7 – 30 ELÉTELÉTELÉTELÉTELÉT INSPEÇÃODO SISINSPEÇÃO DO SISINSPEÇÃO DO SISINSPEÇÃO DO SISINSPEÇÃO DO SISTEMA DE ILUMINAÇÃOTEMA DE ILUMINAÇÃOTEMA DE ILUMINAÇÃOTEMA DE ILUMINAÇÃOTEMA DE ILUMINAÇÃO SISSISSISSISSISTEMA DE ILUMINAÇÃOTEMA DE ILUMINAÇÃOTEMA DE ILUMINAÇÃOTEMA DE ILUMINAÇÃOTEMA DE ILUMINAÇÃO 1. O farol e a luz indicadora de farol alto não se acendem. 1. Lâmpada e soquete do farol • Verifique a continuidade da lâmpada e do soquete do farol. Consulte "INSPEÇÃO DAS LÂMPADAS E SOQUETES". • Alâmpada e o soquete do farol estão OK? SIM NÃO Substitua a lâmpada ou o soquete do farol ou ambos. 2. Luz indicadora de farol alto (LED) • Verifique o LED da luz indicadora de farol alto. Consulte "INSPEÇÃO DOS LEDS". • O LED da luz indicadora de farol alto está OK? SIM NÃO Substitua o painel. 3. Tensão • Conecte o multímetro (DC 20 V) aos conectores do farol e do painel, como indicado. A Quando o interruptor estiver em “ “ B Quando o interruptor estiver em “ “ Conectores do farol (chicote) A fiação da chave de ignição ao conector do farol ou painel está com defeito e deve ser reparada. Farol PPPPPonta positionta positionta positionta positionta positivavavavava amareloamareloamareloamareloamarelo 11111 ou verdeou verdeou verdeou verdeou verde 22222 PPPPPonta negonta negonta negonta negonta negatiatiatiatiativavavavava pretopretopretopretopreto 33333 Luz indicadora de farol alto (LED) PPPPPonta positionta positionta positionta positionta positivavavavava amareloamareloamareloamareloamarelo 44444 PPPPPonta negonta negonta negonta negonta negatiatiatiatiativavavavava pretopretopretopretopreto 55555 Conectores do painel (chicote) • Coloque a chave de ignição em "ON". • Ligue o motor. • Coloque o interruptor em ou . • Meça a tensão (DC 12 V) do amarelo 1 ou verde 2 no conector do farol (chico- te) e amarelo 4 no conector do painel (chicote). • A tensão está dentro da especificação? SIM NÃO
  • 367.
    7 – 31 ELÉTELÉTELÉTELÉTELÉTSISSISSISSISSISTEMADE ILUMINAÇÃOTEMA DE ILUMINAÇÃOTEMA DE ILUMINAÇÃOTEMA DE ILUMINAÇÃOTEMA DE ILUMINAÇÃO 2. A lanterna traseira não acende. 1. Lâmpada e soquete da lanterna traseira • Verifique a continuidade da lâmpada e do soquete da lanterna traseira. Consulte "INSPEÇÃO DAS LÂMPADAS E SOQUETES". • A lâmpada e o soquete da lanterna tra- seira estão OK? SIM NÃO Substitua a lâmpada ou o soquete da lanterna traseira ou ambos. 2. Tensão • Conecte o multímetro (DC 20 V) ao conector da lanterna traseira (chicote), como indicado. PPPPPonta positionta positionta positionta positionta positivavavavava aaaaazulzulzulzulzul 11111 PPPPPonta negonta negonta negonta negonta negatiatiatiatiativavavavava pretopretopretopretopreto 22222 • Coloque a chave de ignição em "ON". • Meça a tensão (DC 12 V) do azul 1 no conector da luz de freio (chicote). • A tensão está dentro da especificação? A fiação da chave de ignição ao conector da lanterna traseira está com defeito e deve ser reparada. O circuito está OK. SIM NÃO
  • 368.
    7 – 32 ELÉTELÉTELÉTELÉTELÉT [Sensordevelocidade ASensordetemperatura CECU MInterruptordocavaletelateral NFusíveldasinalização OInterruptordeembreagem RBuzina SRelédeseta XInterruptordofreiotraseiro YInterruptordofreiodianteiro Sensordeníveldecombustível dPainel SISSISSISSISSISTEMADE SINALIZAÇÃOTEMA DE SINALIZAÇÃOTEMA DE SINALIZAÇÃOTEMA DE SINALIZAÇÃOTEMA DE SINALIZAÇÃO DIADIADIADIADIAGRAMA ELÉTRICOGRAMA ELÉTRICOGRAMA ELÉTRICOGRAMA ELÉTRICOGRAMA ELÉTRICO SISSISSISSISSISTEMA DE SINALIZAÇÃOTEMA DE SINALIZAÇÃOTEMA DE SINALIZAÇÃOTEMA DE SINALIZAÇÃOTEMA DE SINALIZAÇÃO
  • 369.
    7 – 33 ELÉTELÉTELÉTELÉTELÉT •Uma das seguintes luzUma das seguintes luzUma das seguintes luzUma das seguintes luzUma das seguintes luzes não se acen-es não se acen-es não se acen-es não se acen-es não se acen- de: luz do pisca, luz indicadora do pis-de: luz do pisca, luz indicadora do pis-de: luz do pisca, luz indicadora do pis-de: luz do pisca, luz indicadora do pis-de: luz do pisca, luz indicadora do pis- ca ou luz de freio.ca ou luz de freio.ca ou luz de freio.ca ou luz de freio.ca ou luz de freio. ••••• A buzina não emite som.A buzina não emite som.A buzina não emite som.A buzina não emite som.A buzina não emite som. 1. Verificar: • Fusíveis de ignição e do sistema de si- nalização. • Bateria. • Chave de ignição • Conexões da fiação (de todo o sistema de sinalização). SISSISSISSISSISTEMA DE SINALIZAÇÃOTEMA DE SINALIZAÇÃOTEMA DE SINALIZAÇÃOTEMA DE SINALIZAÇÃOTEMA DE SINALIZAÇÃO DIADIADIADIADIAGNÓSGNÓSGNÓSGNÓSGNÓSTICO E SOLUÇÃO DE PROBLEMATICO E SOLUÇÃO DE PROBLEMATICO E SOLUÇÃO DE PROBLEMATICO E SOLUÇÃO DE PROBLEMATICO E SOLUÇÃO DE PROBLEMASSSSS Multímetro digital:Multímetro digital:Multímetro digital:Multímetro digital:Multímetro digital: 90890-03190890-03190890-03190890-03190890-0317777744444 NONONONONOTTTTTA:A:A:A:A: Antes de fazer o diagnóstico e solução de problemas, remova as seguintes peças: • Assento. • Tampas laterais (esquerda e direita). • Tampas laterais (esquerda e direita) do tanque de combustível. • Tanque de combustível. • Conjunto do farol. Faça o diagnóstico e solução de problemas com as seguintes ferramentas especiais: 1. Fusíveis de ignição e do sistema de si- nalização • Verifique a continuidade dos fusíveis de ignição e do sistema de sinalização. Consulte "VERIFICAÇÃO DOS FUSÍVEIS" no capítulo 3. • Os fusíveis de ignição e do sistema de sinalização estão OK? Troque o(s) fusível(is). SIM NÃO 2. Bateria • Verifique a condição da bateria. Consulte "INSPEÇÃO E CARGA DA BA- TERIA" no capítulo 3. • A bateria está OK? TTTTTensão mínima em circuito aberensão mínima em circuito aberensão mínima em circuito aberensão mínima em circuito aberensão mínima em circuito abertototototo igual a:igual a:igual a:igual a:igual a: 111112,82,82,82,82,8 V ou a mais a 20V ou a mais a 20V ou a mais a 20V ou a mais a 20V ou a mais a 20ooooo CCCCC SIM NÃO • Limpe os terminais da bateria. • Recarregue ou substitua a bateria. 4. Fiação • Verifique a fiação do sistema de sina- lização. Consulte "DIAGRAMA ELÉTRICO". • A fiação do sistema de sinalização está corretamente conectada e sem defeitos? SIM NÃO Conecte ou repare a fiação do sistema de sinalização. Verifique a condição de cada circuito do sistema de sinalização. Consulte “INSPEÇÃO DO SISTEMA DE SINALIZAÇÃO”. 3. Chave de ignição • Verifique a continuidade da chave de ignição. Consulte "INSPEÇÃO DOS INTERRUP- TORES". • A ignição está OK? Substitua a chave de ignição. SIM NÃO
  • 370.
    7 – 34 ELÉTELÉTELÉTELÉTELÉT INSPEÇÃODO SISINSPEÇÃO DO SISINSPEÇÃO DO SISINSPEÇÃO DO SISINSPEÇÃO DO SISTEMA DE SINALIZAÇÃOTEMA DE SINALIZAÇÃOTEMA DE SINALIZAÇÃOTEMA DE SINALIZAÇÃOTEMA DE SINALIZAÇÃO SISSISSISSISSISTEMA DE SINALIZAÇÃOTEMA DE SINALIZAÇÃOTEMA DE SINALIZAÇÃOTEMA DE SINALIZAÇÃOTEMA DE SINALIZAÇÃO 1. A buzina não emite som 1. Botão da buzina • Verifique a continuidade do botão da buzina. Consulte "INSPEÇÃO DOS INTERRUP- TORES". • O botão da buzina está OK? Substitua o interruptor do guidão esquerdo. SIM NÃO 2. Tensão • Conecte o multímetro (DC 20 V) ao conector da buzina, como indicado. PPPPPonta positionta positionta positionta positionta positivavavavava marmarmarmarmarromromromromrom 22222 PPPPPonta negonta negonta negonta negonta negatiatiatiatiativavavavava rosarosarosarosarosa 11111 • Coloque a chave da ignição em "ON". • Aperte o botão da buzina. • Meça a tensão (DC 12 V) do marrom 2 no terminal de buzina. • A tensão está dentro da especificação? A fiação da chave de ignição ao conector da buzina está com defeito e deve ser reparada. SIM NÃO 12 3. Buzina • Desconecte o conector rosa do termi- nal da buzina. • Conecte o cabo jumper 1 ao terminal da buzina. • Aperte o botão da buzina. • A buzina emite som? A buzina está OK. SIM NÃO 1 Br P Substitua a buzina.
  • 371.
    7 – 35 ELÉTELÉTELÉTELÉTELÉT 2.A luz de freio não se acende. SISSISSISSISSISTEMA DE SINALIZAÇÃOTEMA DE SINALIZAÇÃOTEMA DE SINALIZAÇÃOTEMA DE SINALIZAÇÃOTEMA DE SINALIZAÇÃO 1. Lâmpada e soquete da luz de freio • Verifique a continuidade da lâmpada e do soquete da luz de freio. Consulte "INSPEÇÃO DAS LÂMPADAS E SOQUETES". • A lâmpada e o soquete da luz de freio estão OK? SIM NÃO Substitua a lâmpada ou o soquete da luz de freio ou ambos. 2. Interruptores da luz de freio • Verifique a continuidade dos interrup- tores da luz de freio. Consulte "INSPEÇÃO DOS INTERRUP- TORES". • O interruptor da luz de freio está OK? Substitua o interruptor da luz de freio. SIM NÃO 3. Tensão • Conecte multímetro (DC 20 V) ao conector da luz de freio (chicote), como indicado. PPPPPonta positionta positionta positionta positionta positivavavavava aaaaamarelomarelomarelomarelomarelo 11111 PPPPPonta negonta negonta negonta negonta negatiatiatiatiativavavavava pretopretopretopretopreto 22222 • Coloque a chave da ignição em "ON". • Aperte o manete de freio ou pise no pe- dal de freio. • Meça a tensão (DC 12 V) do amarelo 1 no conector da luz de freio (chicote). • A tensão está dentro da especificação? A fiação da chave de ignição ao conector do freio está com defeito e deve ser reparada. O circuito está OK. SIM NÃO
  • 372.
    7 – 36 ELÉTELÉTELÉTELÉTELÉT 3.A luz do pisca, a luz indicadora do pisca ou ambas não piscam. SISSISSISSISSISTEMA DE SINALIZAÇÃOTEMA DE SINALIZAÇÃOTEMA DE SINALIZAÇÃOTEMA DE SINALIZAÇÃOTEMA DE SINALIZAÇÃO 2. Luz indicadora do pisca (LED) • Verifique o LED da luz indicadora do pisca. Consulte "INSPEÇÃO DOS LEDS". • O LED da luz indicadora do pisca está OK? Substitua o painel. SIM NÃO 3. Interruptor do pisca • Verifique a continuidade do interruptor do pisca. Consulte "INSPEÇÃO DOS INTERRUP- TORES". • O interruptor do pisca está OK? Substitua o interruptor do guidão esquerdo. SIM NÃO 4. Tensão • Conecte o multímetro (DC 20 V) ao conector do relé do pisca (chicote), como indicado. PPPPPonta positionta positionta positionta positionta positivavavavava marmarmarmarmarromromromromrom 11111 PPPPPonta negonta negonta negonta negonta negatiatiatiatiativavavavava terterterterterrarararara • Coloque a chave de ignição em "ON". • Meça a tensão (DC 12 V) do marrom 1 no conector do relé do pisca (chicote). • A tensão está dentro da especificação? A fiação da chave de ignição ao conector do relé do pisca está com defeito e deve ser reparada. SIM NÃO ChW Br 1 1. Lâmpada e soquete da luz do pisca • Verifique a continuidade da lâmpada e do soquete do pisca. Consulte "INSPEÇÃO DAS LÂMPADAS E SOQUETES". • AlâmpadaeosoquetedopiscaestãoOK? SIM NÃO Substitua a lâmpada ou o soquete do pisca ou ambos.
  • 373.
    7 – 37 ELÉTELÉTELÉTELÉTELÉTSISSISSISSISSISTEMADE SINALIZAÇÃOTEMA DE SINALIZAÇÃOTEMA DE SINALIZAÇÃOTEMA DE SINALIZAÇÃOTEMA DE SINALIZAÇÃO 5. Tensão de saída • Conecte multímetro (DC 20 V) ao conector do relé do pisca (chicote), como indicado. PPPPPonta positionta positionta positionta positionta positivavavavava marmarmarmarmarrom/brancorom/brancorom/brancorom/brancorom/branco 11111 PPPPPonta negonta negonta negonta negonta negatiatiatiatiativavavavava terterterterterrarararara • Coloque a chave de ignição em "ON". • Coloque o interruptor do pisca ou . • Meça a tensão (DC 12 V) do marrom/ branco 1 no conector do relé do pisca (chicote). • A tensão está dentro da especificação? A fiação da chave de ignição ao conector do relé do pisca está com defeito e deve ser re- parada. SIM NÃO 2 B B G B Ch 1 6. Tensão • Conecte multímetro (DC 20 V) ao conector do pisca ou ao conector do painel (chicote), como indicado. A Luzes do pisca direita B Luzes do pisca esquerda C Luz indicadora do pisca (LED) Luz do pisca esquerdoLuz do pisca esquerdoLuz do pisca esquerdoLuz do pisca esquerdoLuz do pisca esquerdo PPPPPonta positionta positionta positionta positionta positivavavavava ccccchocolatehocolatehocolatehocolatehocolate 11111 PPPPPonta negonta negonta negonta negonta negatiatiatiatiativavavavava pretopretopretopretopreto Luz do pisca direitoLuz do pisca direitoLuz do pisca direitoLuz do pisca direitoLuz do pisca direito PPPPPonta positionta positionta positionta positionta positivavavavava verdeverdeverdeverdeverde 22222 PPPPPonta negonta negonta negonta negonta negatiatiatiatiativavavavava pretopretopretopretopreto A fiação da chave de ignição aos conecto- res da luz do pisca ou conector do painel está com defeito e deve ser reparada. O circuito está OK. SIM NÃO • Coloque a chave da ignição em "ON". • Coloque o interruptor do pisca ou . • Meça a tensão (DC 12V) do chocolate 1 e do verde escuro 2 nos conectores da luz do pisca ounoconectordopainel (chicote). • A tensão está dentro da especificação? A C W Br 1
  • 374.
    7 – 38 ELÉTELÉTELÉTELÉTELÉT 4.A luz indicadora do neutro não se acende. SISSISSISSISSISTEMA DE SINALIZAÇÃOTEMA DE SINALIZAÇÃOTEMA DE SINALIZAÇÃOTEMA DE SINALIZAÇÃOTEMA DE SINALIZAÇÃO 1. Luz indicadora do neutro (LED) • VerifiqueoLEDdaluzindicadoradoneutro. Consulte "INSPEÇÃO DOS LEDS". • O LED da luz indicadora do neutro está OK? Substitua o painel. SIM NÃO 2. Interruptor do neutro • Verifique a continuidade do interruptor do neutro. Consulte "INSPEÇÃO DOS INTERRUP- TORES". • O interruptor do neutro está OK? Substitua o interruptor do neutro. SIM NÃO 3. Tensão • Conecte o multímetro (DC 20V) ao conec- tor do painel (chicote), como indicado. PPPPPonta positionta positionta positionta positionta positivavavavava marmarmarmarmarromromromromrom 11111 PPPPPonta negonta negonta negonta negonta negatiatiatiatiativavavavava azul claro/brancazul claro/brancazul claro/brancazul claro/brancazul claro/brancooooo 22222 • Coloque a chave de ignição em "ON". • Coloque a transmissão em neutro. • Meça a tensão (DC 12 V) do azul claro/ branco 1 para o marrom 2 no conector do painel (chicote). A fiação da chave de ignição ao conector da lanterna traseira está com defeito e deve ser reparada. O circuito está OK. SIM NÃO
  • 375.
    7 – 39 ELÉTELÉTELÉTELÉTELÉT 5.O medidor de combustível não funciona. SISSISSISSISSISTEMA DE SINALIZAÇÃOTEMA DE SINALIZAÇÃOTEMA DE SINALIZAÇÃOTEMA DE SINALIZAÇÃOTEMA DE SINALIZAÇÃO 2. Tensão • Conecte o multímetro (DC 20V) ao conec- tor do painel (chicote), como indicado. PPPPPonta positionta positionta positionta positionta positivavavavava verdeverdeverdeverdeverde 11111 PPPPPonta negonta negonta negonta negonta negatiatiatiatiativavavavava pretopretopretopretopreto 22222 • Coloque a chave de ignição em "ON". • Meça a tensão (DC 12 V) do verde 1 e do preto 2 no conector do painel (chi- cote). • A tensão está dentro da especificação? A fiação da chave de ignição ao conector do painel está com defeito e deve ser re- parada. O circuito está OK. SIM NÃO 1. Medidor de combustível • Desconecte o conector do medidor de combustível da bomba de combustível. • Conecte o multímetro (KΩ x 1) ao me- didor de combustível, como indicado. PPPPPonta positionta positionta positionta positionta positiva do multímetrova do multímetrova do multímetrova do multímetrova do multímetro verdeverdeverdeverdeverde 11111 PPPPPonta negonta negonta negonta negonta negatiatiatiatiativavavavava pretopretopretopretopreto 22222 • Verifique a continuidade do medidor de combustível. • O medidor de combustível está OK? SIM NÃO Substitua a bomba de combustível. G B Br R Y B G 1 2
  • 376.
    7 – 40 ELÉTELÉTELÉTELÉTELÉT 6.O velocímetro não funciona. SISSISSISSISSISTEMA DE SINALIZAÇÃOTEMA DE SINALIZAÇÃOTEMA DE SINALIZAÇÃOTEMA DE SINALIZAÇÃOTEMA DE SINALIZAÇÃO 1. Tensão • Conecte o multímetro (DC 20 V) ao co- nectordo painel (chicote), como indicado. PPPPPonta positionta positionta positionta positionta positivavavavava azul/amareloazul/amareloazul/amareloazul/amareloazul/amarelo 11111 PPPPPonta negonta negonta negonta negonta negatiatiatiatiativavavavava azul/pretoazul/pretoazul/pretoazul/pretoazul/preto 22222 • Coloque a chave de ignição em "ON". • Eleve a roda traseira e gire-a lentamente. • Meça a tensão (DC 5V) do azul/amarelo 1 no conector do painel (chicote). • A tensão está dentro da especificação? Substitua o painel. SIM NÃO 2. Sensor de velocidade • Conecte o multímetro (DC 20 V) ao sensor de velocidade, como indicado. PPPPPonta positionta positionta positionta positionta positivavavavava aaaaazul/amarelozul/amarelozul/amarelozul/amarelozul/amarelo 11111 PPPPPonta negonta negonta negonta negonta negatiatiatiatiativavavavava azul/azul/azul/azul/azul/pretopretopretopretopreto 22222 • Coloque a chave de ignição em "ON". • Eleve a roda traseira e gire-a lentamente. • Meça a tensão (DC 5V) a cada giro com- pleto da roda traseira, a leitura da ten- são deve oscilar nos níveis de 0,6 V a 4,8 V a 0,6 V a 4,8 V. • A leitura de tensão passa corretamente pelos ciclos? Substitua o sensor de velocidade O circuito está OK. SIM NÃO
  • 377.
    7 – 41 ELÉTELÉTELÉTELÉTELÉTSISSISSISSISSISTEMADE SINALIZAÇÃOTEMA DE SINALIZAÇÃOTEMA DE SINALIZAÇÃOTEMA DE SINALIZAÇÃOTEMA DE SINALIZAÇÃO 7. A luz indicadora do motor não se acende e a temperatura está alta. 1. Luz indicadora do motor • Verifique o LED da luz indicadora do motor. Consulte "INSPEÇÃO DOS LEDS". • O LED da luz indicadora do motor está ok? Substitua o painel. SIM NÃO • Coloque um termômetro 3 no óleo. • Aqueça lentamente até a temperatura es- pecificada na tabela. • Verifique a continuidade do sensor na temperatura indicada na tabela. 3. Sensor de temperatura • Retire o sensor de temperatura do motor. • Conecte o multímetro ao sensor de tem- peratura 1, como indicado. • Mergulhe o sensor de temperatura em um recipiente com óleo de motor 2. NONONONONOTTTTTA:A:A:A:A: Certifique-se de que os terminais do sensor não fiquem umedecidos. TEMPERATEMPERATEMPERATEMPERATEMPERATURATURATURATURATURA RESISRESISRESISRESISRESISTÊNCIATÊNCIATÊNCIATÊNCIATÊNCIA 80°C 1.570 ~ 1945 Ω 100°C 902,5 ~ 1142 Ω 2. Tensão • Conecte o multímetro (DC 20V) ao conec- tor do painel (chicote), como indicado. PPPPPonta positionta positionta positionta positionta positivavavavava marmarmarmarmarromromromromrom 11111 PPPPPonta negonta negonta negonta negonta negatiatiatiatiativavavavava verde claroverde claroverde claroverde claroverde claro 22222 • Coloque a chave de ignição em "ON". • Coloque a transmissão em neutro. • Meça a tensão (DC 12V) do verde claro 2 para o marrom 1 no conector do painel (chicote). A fiação da chave de ignição ao conector da lanterna traseira está com defeito e deve ser reparada. O circuito está OK. SIM NÃO
  • 378.
    7 – 42 ELÉTELÉTELÉTELÉTELÉT 4.Fiação • Verifique a fiação do sistema elétrico. Consulte "DIAGRAMA DO CIRCUITO". • A fiação está corretamente conectada e sem defeitos? Conecte ou repare a fiação do sistema de ignição. Substitua a ECU. SIM NÃO Conecte corretamen- te ou repare a fiação. Substitua a ECU. SIM NÃO • O sensor de temperatura funciona cor- retamente? ••••• Manuseie o sensor de temperatura comManuseie o sensor de temperatura comManuseie o sensor de temperatura comManuseie o sensor de temperatura comManuseie o sensor de temperatura com muito cuidado.muito cuidado.muito cuidado.muito cuidado.muito cuidado. ••••• Nunca submeta o sensor de temperatura aNunca submeta o sensor de temperatura aNunca submeta o sensor de temperatura aNunca submeta o sensor de temperatura aNunca submeta o sensor de temperatura a forforforforfortes ctes ctes ctes ctes choques. Shoques. Shoques. Shoques. Shoques. Se o sensor de temperatu-e o sensor de temperatu-e o sensor de temperatu-e o sensor de temperatu-e o sensor de temperatu- ra cairra cairra cairra cairra cair, substitua-o., substitua-o., substitua-o., substitua-o., substitua-o. SISSISSISSISSISTEMA DE SINALIZAÇÃOTEMA DE SINALIZAÇÃOTEMA DE SINALIZAÇÃOTEMA DE SINALIZAÇÃOTEMA DE SINALIZAÇÃO
  • 379.
    CAPÍTULCAPÍTULCAPÍTULCAPÍTULCAPÍTULO 8O 8O8O 8O 8 DIADIADIADIADIAGNÓSGNÓSGNÓSGNÓSGNÓSTICOS E SOLUÇÃO DE PROBLEMATICOS E SOLUÇÃO DE PROBLEMATICOS E SOLUÇÃO DE PROBLEMATICOS E SOLUÇÃO DE PROBLEMATICOS E SOLUÇÃO DE PROBLEMASSSSS FFFFFALHAALHAALHAALHAALHAS NA PS NA PS NA PS NA PS NA PARARARARARTIDTIDTIDTIDTIDAAAAA ............................................................................................................................................................................................................................................................................................................................................................................................................................................................. 8-18-18-18-18-1 MARCHA LENMARCHA LENMARCHA LENMARCHA LENMARCHA LENTTTTTA INCORRETA INCORRETA INCORRETA INCORRETA INCORRETAAAAA................................................................................................................................................................................................................................................................................................................................................................................................. 8-28-28-28-28-2 DESEMPENHO INSUFICIENDESEMPENHO INSUFICIENDESEMPENHO INSUFICIENDESEMPENHO INSUFICIENDESEMPENHO INSUFICIENTE EM MÉDIA ETE EM MÉDIA ETE EM MÉDIA ETE EM MÉDIA ETE EM MÉDIA E ALALALALALTTTTTAAAAA................................................................................................................................................................................................................................. 8-28-28-28-28-2 TROCA DE MARCHATROCA DE MARCHATROCA DE MARCHATROCA DE MARCHATROCA DE MARCHAS INCORRETS INCORRETS INCORRETS INCORRETS INCORRETAAAAA .................................................................................................................................................................................................................................................................................................................................................... 8-28-28-28-28-2 EMBREAEMBREAEMBREAEMBREAEMBREAGEM DEFEITUOSGEM DEFEITUOSGEM DEFEITUOSGEM DEFEITUOSGEM DEFEITUOSAAAAA ........................................................................................................................................................................................................................................................................................................................................................................................................... 8-38-38-38-38-3 SUPERASUPERASUPERASUPERASUPERAQQQQQUECIMENUECIMENUECIMENUECIMENUECIMENTTTTTOOOOO ................................................................................................................................................................................................................................................................................................................................................................................................................................................... 8-38-38-38-38-3 FREIOS INEFICIENFREIOS INEFICIENFREIOS INEFICIENFREIOS INEFICIENFREIOS INEFICIENTESTESTESTESTES ........................................................................................................................................................................................................................................................................................................................................................................................................................................................ 8-48-48-48-48-4 BENGALABENGALABENGALABENGALABENGALAS DEFEITUOSS DEFEITUOSS DEFEITUOSS DEFEITUOSS DEFEITUOSAAAAASSSSS..................................................................................................................................................................................................................................................................................................................................................................................................................... 8-48-48-48-48-4 DIREÇÃO INSDIREÇÃO INSDIREÇÃO INSDIREÇÃO INSDIREÇÃO INSTÁVELTÁVELTÁVELTÁVELTÁVEL ....................................................................................................................................................................................................................................................................................................................................................................................................................................................................... 8-48-48-48-48-4 SISSISSISSISSISTEMA DE SINALIZAÇÃO OU ILUMINAÇÃO DEFEITUOSOTEMA DE SINALIZAÇÃO OU ILUMINAÇÃO DEFEITUOSOTEMA DE SINALIZAÇÃO OU ILUMINAÇÃO DEFEITUOSOTEMA DE SINALIZAÇÃO OU ILUMINAÇÃO DEFEITUOSOTEMA DE SINALIZAÇÃO OU ILUMINAÇÃO DEFEITUOSO .................................................................................................................................. 8-58-58-58-58-5 DIADIADIADIADIAGRAMA ELÉTRICO / CÓDIGO DE CORESGRAMA ELÉTRICO / CÓDIGO DE CORESGRAMA ELÉTRICO / CÓDIGO DE CORESGRAMA ELÉTRICO / CÓDIGO DE CORESGRAMA ELÉTRICO / CÓDIGO DE CORES ......................................................................................................................................................................................................................................................................... 8-68-68-68-68-6 DIADIADIADIADIAGRAMA ELÉTRICOGRAMA ELÉTRICOGRAMA ELÉTRICOGRAMA ELÉTRICOGRAMA ELÉTRICO ........................................................................................................................................................................................................................................................................................................................................................................................................................................................ 8-78-78-78-78-7
  • 380.
    8 - 1 VERIF PROB?FALHAS NA PARTIDA DIAGNÓSTICO E SOLUÇÃO DE PROBLEMAS NOTA: O seguinte guia de diagnóstico e solução de problemas não cobre todas as possíveis causas. Deve ser útil, no entanto, como um guia para diagnóstico básico. Consulte o procedimento específico neste manual para verificações, ajustes e substituição de peças. MOTOR Cilindro e cabeçote • Vela de ignição solta. • Cabeçote ou cilindro soltos. • Junta do cabeçote danificada. • Junta do cilindro danificada. • Cilindro desgastado ou danificado. Folga da válvula incorreta. • Válvula vedada inadequadamente. • Assentamento incorreto da válvula. • Sincronismo da válvula incorreta. • Mola da válvula defeituosa. • Válvula travada. Pistão e anéis • Anel instalado inadequadamente. • Anel danificado, desgastado ou fatigado. • Anel travado. • Pistão danificado ou travado. Filtro de ar • Filtro de ar instalado inadequadamente. • Elemento filtrante obstruído. Carcaça e virabrequim • Montagem incorreta. • Virabrequim travado. SISTEMA DE COMBUSTÍVEL Tanque de combustível • Tanque de combustível vazio. • Mangueira do tanque de combustível obstruída. • Combustível deteriorado ou contaminado. Bomba de combustível • Bomba de combustível defeituosa. Corpo de injeção • Combustível contaminado ou deteriorado. • Entrada de ar falso. SISTEMAS ELÉTRICOS Bateria • Bateria descarregada. • Bateria defeituosa. Fusível(is) • Fusível incorreto, danificado ou queimado. • Fusível instalado inadequadamente. Vela de ignição • Tipo incorreto da vela de ignição. • Faixa de temperatura incorreta. • Vela de ignição enferrujada. • Eletrodo danificado ou desgastado. • Isolador danificado ou desgastado. • Cachimbo da vela de ignição defeituoso. Bobina de ignição • Corpo da bobina de ignição rachado ou quebrado. • Bobina primária ou secundária quebra- das ou em curto. • Fiação defeituosa. FALHAS NA PARTIDA Sistema de injeção • ECU defeituosa. • Sensor de posição do virabrequim de- feituoso. • Chaveta do rotor quebrada. Interruptores e fiação • Ignição defeituosa. • Interruptor de engine stop defeituoso. • Fiação quebrada ou em curto. • Interruptor do neutro defeituoso. • Interruptor de partida defeituoso. • Interruptor do cavalete lateral defei- tuoso. • Interruptor da embreagem defeituoso. • Circuito aterrado inadequadamente. • Conexões soltas. Sistema de arranque • Motor de partida defeituoso. • Relé de partida defeituoso. • Embreagem de partida defeituosa.
  • 381.
    8 - 2 VERIF PROB?MARCHA LENTA INCORRETA / DESEMPENHO INSUFICIENTE EM MÉDIA E ALTA / TROCA DE MARCHAS INCORRETA MARCHA LENTA INCORRETA MOTOR Cilindro e cabeçote • Folga da válvula incorreta. • Componentes danificados no sistema da válvula. Filtro de ar • Elemento filtrante obstruído. SISTEMA DE COMBUSTÍVEL Corpo de injeção • Junção do corpo de injeção solta ou danificada. • Rotação de marcha lenta ajustada ina- dequadamente. • Folga do cabo do acelerador inadequada. • Corpo de injeção defeituoso. • Sistema de indução de ar defeituoso. SISTEMAS ELÉTRICOS Bateria • Bateria descarregada. • Bateria defeituosa. Vela de ignição • Folga incorreta. • Faixa de temperatura incorreta. • Vela de ignição com fuligem. • Eletrodo danificado ou desgastado. • Isolador danificado ou desgastado. • Cachimbo defeituoso. Bobina de ignição • Bobina primária ou secundária quebra- das ou em curto. • Fiação defeituosa. • Bobina de ignição quebrada ou rachada. Sistema de ignição • ECU defeituosa. • Sensor de posição do virabrequim de- feituoso. • Chaveta do rotor quebrada. DESEMPENHO INSUFICIENTE EM MÉDIA E ALTA Consulte “FALHAS NA PARTIDA”. TROCA DE MARCHAS INCORRETA DIFÍCIL TROCAR MARCHAS Consulte “A EMBREAGEM NÃO DESENGATA”. O PEDAL DE CÂMBIO NÃO SE MOVE Eixo de câmbio • Articulação ajustada inadequadamente. • Eixo de câmbio empenado. Trambulador e garfos • Objeto estranho em um canal do trambulador do câmbio. • Garfo travado. • Eixo-guia empenado. Transmissão • Marcha travada. • Objeto estranho entre marchas. • Transmissão montada inadequadamente. O CÂMBIO DESENGATA Eixo de câmbio • Posição incorreta do pedal de câmbio. • Retorno inadequado da alavanca de acionamento. Garfos do câmbio • Garfo do câmbio desgastado. Trambulador do câmbio • Folga na direção axial incorreta. • Canal desgastado. Transmissão • Dente da engrenagem desgastado. SISTEMA DE COMBUSTÍVEL Bomba de combustível • Bomba de combustível defeituosa. • Travada. • Danificada. • Fiação defeituosa.
  • 382.
    8 - 3 VERIF PROB?EMBREAGEM DEFEITUOSA / SUPERAQUECIMENTO EMBREAGEM DEFEITUOSA A EMBREAGEM PATINA Embreagem • Embreagem montada inadequadamente. • Cabo da embreagem ajustado inade- quadamente. • Mola da embreagem solta ou fatigada. • Disco de aço desgastado. • Disco de embreagem desgastada. Óleo do motor • Nível de óleo incorreto. • Viscosidade incorreta (baixa). • Óleo deteriorado. A EMBREAGEM NÃO DESENGATA Embreagem • Molas da embreagem tensionadas de forma não uniforme. • Disco de aço empenado. • Placa de pressão da embreagem empe- nado. • Disco de fricção inchado. • Vareta impulsora da embreagem em- penada. • Cubo da embreagem quebrado. • Bucha da engrenagem queimada. Óleo do motor • Nível de óleo incorreto. • Viscosidade incorreta (alta) do óleo. • Óleo deteriorado. SISTEMA DE COMBUSTÍVEL Corpo de injeção • Corpo de injeção defeituoso. • Junção do corpo de injeção danificada ou solta. Filtro de ar • Elemento filtrante obstruído. CHASSI Freio(s) • Freio enroscando. SISTEMAS ELÉTRICOS Vela de injeção • Folga incorreta. • Faixa de temperatura incorreta. Sistema de ignição • ECU defeituosa. SUPERAQUECIMENTO MOTOR Óleo do motor • Nível de óleo incorreto. • Viscosidade incorreta do óleo. • Qualidade inferior do óleo. SISTEMA DE REFRIGERAÇÃO Radiador de óleo • Danificado ou com vazamento. • Nível de óleo incorreto. • Aleta danificada ou curvada.
  • 383.
    8 - 4 VERIF PROB?FREIOS INEFICIENTES / BENGALAS DEFEITUOSAS / DIREÇÃO INSTÁVEL FREIOS INEFICIENTES • Pastilha de freio desgastada. • Disco de freio desgastado. • Ar no sistema de freio hidráulico. • Vazamento do fluido de freio. • Retentor da pinça do freio com defeito. • Parafuso solto. • Mangueira do freio danificada. • Óleo ou graxa no disco de freio. • Óleo ou graxa na pastilha de freio. • Nível incorreto de fluido de freio. BENGALAS DEFEITUOSAS VAZAMENTO DE ÓLEO • Tubo interno empenado, danificado ou enferrujado. • Tubo externo danificado ou fissurado. • Nível de óleo incorreto (alto). • Parafuso da haste do amortecedor solto. • Arruela de cobre do parafuso da haste do amortecedor danificada. • Anel de vedação do parafuso da tampa danificado ou rachado. • Lábio do retentor danificado. OPERAÇÃO INCORRETA • Tubo interno danificado ou empenado. • Tubo externo danificado ou empe- nado. • Mola do garfo danificada. • Bucha do tubo externo danificada ou desgastada. • Haste do amortecedor danificada ou empenada. • Viscosidade do óleo incorreta. • Nível do óleo incorreto. DIREÇÃO INSTÁVEL Guidão • Guidão empenado ou instalado inadequadamente. Componentes da coluna de direção • Mesa superior instalada inadequada- mente. • Mesa inferior instalada inadequadamente (porca-anel apertada inadequadamente). • Coluna da direção empenada. • Rolamento de esferas ou pista de rola- mento danificada. Bengalas do garfo dianteiro • Níveis de óleo diferentes. • Mola do garfo tensionada diferente. • Mola do garfo quebrada. • Tubo interno danificado ou empenado. • Tubo externo danificado ou empenado. Balança traseira • Bucha ou rolamento danificado. • Balança traseira danificada ou empe- nado. Montagem do amortecedor traseiro • Mola do amortecedor traseiro defei- tuosa. • Vazamento de óleo ou gás. Pneu(s) • Pneus de marcas diferentes. • Pressão incorreta dos pneus. • Desgaste não uniforme dos pneus. Roda(s) • Alinhamento incorreto dos raios. • Balanceamento incorreto das rodas. • Trava solta ou quebrada. • Rolamento da roda danificado. • Eixo empenado ou solto. • Desgaste excessivo da roda. Chassi • Chassi empenado. • Tubo da coluna de direção danificado. • Pista de rolamento instalada inadequa- damente.
  • 384.
    8 - 5 VERIF PROB? O FAROL NÃO ACENDE • Lâmpada incorreta do farol. • Muitos acessórios elétricos. • Carregamento difícil. • Conexão incorreta. • Circuito aterrado inadequadamente. • Mau contato (chave de ignição). • Lâmpada do farol queimada. • ECU defeituosa. LÂMPADA DO FAROL QUEIMADA • Lâmpada do farol incorreta. • Bateria defeituosa. • Regulador/retificador defeituoso. • Circuito aterrado inadequadamente. • Chave de ignição defeituosa. • Término da vida útil da lâmpada do farol. A LUZ DE FREIO NÃO SE ACENDE • Lâmpada incorreta. • Muitos acessórios elétricos. • Conexão incorreta. • Lâmpada queimada. LÂMPADA DA LUZ DE FREIO QUEIMADA • Lâmpada incorreta. • Bateria defeituosa. • Interruptor da luz de freio ajustado in- corretamente. • Fim da vida útil da lâmpada. A LUZ DE SETA NÃO SE ACENDE • Interruptor de seta defeituoso. • Relé de seta defeituoso. • Lâmpada da seta queimada. • Conexão incorreta. • Chicote danificado ou defeituoso. • Circuito aterrado inadequadamente. • Bateria defeituosa. • Fusível incorreto, danificado ou quei- mado. A LUZ DE SETA PISCA LENTAMENTE • Relé de seta defeituoso. • Chave de ignição defeituosa. • Interruptor de seta defeituoso. • Lâmpada da seta incorreta. SISTEMA DE SINALIZAÇÃO OU ILUMINAÇÃO DEFEITUOSO A LUZ DE SETA PERMANECE ACESA • Relé de seta defeituoso. • Lâmpada da luz de seta queimada. A LUZ DE SETA PISCA RAPIDAMENTE • Lâmpada da seta incorreta. • Relé de seta defeituoso. • Lâmpada da seta queimada. A BUZINA NÃO EMITE SOM • Buzina ajustada inadequadamente. • Buzina defeituosa ou danificada. • Chave de ignição defeituosa. • Interruptor da buzina defeituoso. • Bateria defeituosa. • Fusível incorreto, danificado ou quei- mado. • Chicote defeituoso. SISTEMA DE SINALIZAÇÃO OU ILUMINAÇÃO DEFEITUOSO
  • 385.
    8 - 6 VERIF PROB? 1 Retificador/ regulador 2 Magneto AC/Sensor de posição do virabrequim 3 Bateria 4 Motor de partida 5 Cabo positivo 6 Diodo B 7 Fusível principal/Relé de partida 8 Cabo negativo 9 Sensor híbrido 0 Fusível de informações do visor A Sensor de temperatura B Interruptor do neutro C ECU D Bobina de ignição/Vela de ignição E Sensor de inclinação F FID G Diodo A H Injetor de combustível I Terminal J Chave de ignição K Fusível de ignição L Fusível do farol M Interruptor do cavalete lateral N Fusível de sinalização O Interruptor da embreagem P Interruptor do guidão lado direito Q Acoplamento da ferramenta de diagnóstico do sistema de injeção de combustível R Buzina S Relé de seta T Interruptor do guidão lado esquerdo X Interruptor de freio traseiro Y Interruptor de freio dianteiro Z Luz da lanterna [ Sensor de velocidade Bomba de combustível/Sensor de nível de combustível ^ Farol b Luz de seta dianteira (esquerda) c Luz de seta dianteira (direita) d Painel e Luz de seta traseira (esquerda) f Luz de seta traseira (direita) DIAGRAMA ELÉTRICO / CÓDIGO DE CORES CÓDIGO DE CORES B ................ Preto Br ............... Marrom Ch .............. Chocolate Dg .............. Verde escuro G ................ Verde Gy .............. Cinza L................. Azul Lg ............... Verde claro O ................ Laranja P ................ Rosa R ................ Vermelho Sb .............. Azul celeste W ............... Branco Y ................ Amarelo B/L .............. Preto/Azul B/R ............. Preto/Vermelho B/W ............ Preto/Branco B/Y ............. Preto/Amarelo Br/L ............. Marrom/Azul Br/R ............ Marrom/Vermelho Br/W ........... Marrom/Branco G/L ............. Verde/Azul G/R ............. Verde/Vermelho G/W ............ Verde/Branco G/Y ............. Verde/Amarelo L/B .............. Azul/Preto L/G ............. Azul/Verde L/R ............. Azul/Vermelho L/W ............ Azul/Branco L/Y ............. Azul/Amarelo O/R ............. Laranja/Vermelho O/B ............. Laranja/Preto P/W ............ Rosa/Branco R/B ............. Vermelho/Preto R/G ............. Vermelho/Verde R/L ............. Vermelho/Azul R/W ............ Vermelho/Branco R/Y ............. Vermelho/Amarelo Y/B ............. Amarelo/Preto Y/G ............. Amarelo/Verde Y/L ............. Amarelo/Azul Y/R ............. Amarelo/Vermelho Ch/B ........... Chocolate/Preto G/B ............. Verde/Preto
  • 386.
  • 387.
    YAMAHA MOTOR DAAMAZÔNIA LTDA 2006/11, P IMPRESSO NO BRASIL