COTAGEM DE FORMAS
Educação Visual -10ª Classe
Escola da Hidroeléctrica de Cahora Bassa 2017
Professor: Vanduna B. Roia
PROJECÇÕES ORTOGONAIS (revisão)
PROJECÇÕES ORTOGONAIS
DEFINIÇÃO
A cotagem é a inscrição de medidas (cotas) e outros
elementos nos desenhos
IMPORTÂNCIA
A cotagem é importante porque nos dá informações sobre
as dimensões que pretendemos construir.
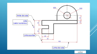
ELEMENTOS DE COTAGEM
 Os elementos da cotagem são:
 Linha de cota: traços contínuos paralelos ao desenho que contêm as cotas.
 Linha de chamada: traços contínuos perpendiculares às linhas de cotas.
 Limite de cota : traços ou pontos ou ainda setas marcam o início e o fim da
dimensão a ser cotada.
 As cotas: números que correspondem às dimensões.
ver exemplo
SIMBOLOGIA USADA NA COTAGEM
 Os símbolos mais comuns na cotagem são:
 Φ-diâmetro: Usado para cotar objectos cilindricos;
 R – Raio: usado na cotagem de elementos com raio;
 ESF R – usado para cotar raios das superficies esféricas;
 ESF Φ – usado para cotar diâmetros das superficies
esféricas.
Ver exemplo
REGRAS DE COTAGEM
Não deve haver
cruzamento entre a
linha de cota e as
linhas auxiliares.
REGRAS DE COTAGEM
 Os limites da linha de cota
podem ser de traços
oblíquos, setas ou ponto,
mas só um destes pode ser
utilizado num mesmo
desenho.
REGRAS DE COTAGEM
 As cotas devem ser lidas da
base da folha de papel,
mantendo a legenda no
canto inferior direito.
 As cotas devem ser
localizadas acima e
paralelamente às suas linhas
de cotas e preferivelmente no
centro e devem estar
posicionadas a esquerda da
linha de cota em caso de
cotas verticais.
REGRAS DE COTAGEM
 As linhas de cota podem
ser interrompidas para
inscrever a cota e podem
estar inscritas
horizontalmente (a) ou
alinhadas com a linha de
cota (b)
a
b
COTAGEM EM PERSPECTIVA
 Na cotagem em
perspectiva as linhas de
cota são orientado de
acordo com a
perspectiva axonométrica
usada.
ESBOÇO COTADO
 Consiste na observação de um objecto e esboça-lo em
perspectiva, as suas vistas principais e cotá-las
CORTES E SECÇÕES
 É a representação de objectos com
uma configuração complexa de
compreender na representação.
 Consiste em seccionar um objecto
por um plano por partes escolhidas e
favoráveis a representação
pretendida.
CORTE E SECÇÕES
 Os cortes permite a visualização
interna dos objectos assim entender
as suas formas.
 Os cortes são assinaladas por linhas e
identificadas por letras e setas nas
extremidades das linhas.
 As setas indicam a direcção e o
sentido de observação do corte.
CORTES E SECÇÕES  Representação do corte em
projecções ortogonais e em
perspectiva
 As zonas que sofrem o corte devem
ser representadas por um tracejado
através de uma linha mais fina que a
do contorno da figura.
 O tracejado deve ter uma inclinação
de 45º em relação ao traço do
contorno e equidistante.
CORTES E SECÇÕES
(representação)
CORTES E SECÇÕES (TIPOS)
 Os cortes podem ser:
 Parciais: quando o plano
de corte atravessa
parcialmente a figura;
 Meio corte: quando
representa apenas
metade da peca
deixando a outra metade;
 Cortes totais: quando o
corte atravessa a peça na
totalidade.
voltar
Cotagem de diâmetro
cilíndrico
Cotagem de raio
esférico
Cotagem de diâmetro
esférico
Cotagem de raio

Educação Visual: Aula de Projecções Ortogonais e Cotagem

  • 1.
    COTAGEM DE FORMAS EducaçãoVisual -10ª Classe Escola da Hidroeléctrica de Cahora Bassa 2017 Professor: Vanduna B. Roia
  • 2.
  • 3.
  • 4.
    DEFINIÇÃO A cotagem éa inscrição de medidas (cotas) e outros elementos nos desenhos
  • 5.
    IMPORTÂNCIA A cotagem éimportante porque nos dá informações sobre as dimensões que pretendemos construir.
  • 6.
    ELEMENTOS DE COTAGEM Os elementos da cotagem são:  Linha de cota: traços contínuos paralelos ao desenho que contêm as cotas.  Linha de chamada: traços contínuos perpendiculares às linhas de cotas.  Limite de cota : traços ou pontos ou ainda setas marcam o início e o fim da dimensão a ser cotada.  As cotas: números que correspondem às dimensões. ver exemplo
  • 7.
    SIMBOLOGIA USADA NACOTAGEM  Os símbolos mais comuns na cotagem são:  Φ-diâmetro: Usado para cotar objectos cilindricos;  R – Raio: usado na cotagem de elementos com raio;  ESF R – usado para cotar raios das superficies esféricas;  ESF Φ – usado para cotar diâmetros das superficies esféricas. Ver exemplo
  • 8.
    REGRAS DE COTAGEM Nãodeve haver cruzamento entre a linha de cota e as linhas auxiliares.
  • 9.
    REGRAS DE COTAGEM Os limites da linha de cota podem ser de traços oblíquos, setas ou ponto, mas só um destes pode ser utilizado num mesmo desenho.
  • 10.
    REGRAS DE COTAGEM As cotas devem ser lidas da base da folha de papel, mantendo a legenda no canto inferior direito.  As cotas devem ser localizadas acima e paralelamente às suas linhas de cotas e preferivelmente no centro e devem estar posicionadas a esquerda da linha de cota em caso de cotas verticais.
  • 11.
    REGRAS DE COTAGEM As linhas de cota podem ser interrompidas para inscrever a cota e podem estar inscritas horizontalmente (a) ou alinhadas com a linha de cota (b) a b
  • 12.
    COTAGEM EM PERSPECTIVA Na cotagem em perspectiva as linhas de cota são orientado de acordo com a perspectiva axonométrica usada.
  • 13.
    ESBOÇO COTADO  Consistena observação de um objecto e esboça-lo em perspectiva, as suas vistas principais e cotá-las
  • 14.
    CORTES E SECÇÕES É a representação de objectos com uma configuração complexa de compreender na representação.  Consiste em seccionar um objecto por um plano por partes escolhidas e favoráveis a representação pretendida.
  • 15.
    CORTE E SECÇÕES Os cortes permite a visualização interna dos objectos assim entender as suas formas.  Os cortes são assinaladas por linhas e identificadas por letras e setas nas extremidades das linhas.  As setas indicam a direcção e o sentido de observação do corte.
  • 16.
    CORTES E SECÇÕES Representação do corte em projecções ortogonais e em perspectiva  As zonas que sofrem o corte devem ser representadas por um tracejado através de uma linha mais fina que a do contorno da figura.  O tracejado deve ter uma inclinação de 45º em relação ao traço do contorno e equidistante.
  • 17.
  • 18.
    CORTES E SECÇÕES(TIPOS)  Os cortes podem ser:  Parciais: quando o plano de corte atravessa parcialmente a figura;  Meio corte: quando representa apenas metade da peca deixando a outra metade;  Cortes totais: quando o corte atravessa a peça na totalidade.
  • 19.
  • 20.
    Cotagem de diâmetro cilíndrico Cotagemde raio esférico Cotagem de diâmetro esférico Cotagem de raio