2 x R4            4                        1 3 4                          1 3




                      3
                                                                                          R4




                                              10




                                                                                                       10
                                                                                            2x     3




                      18




                                                                     0°




                                                                                                       4
                                                                   12
                                      R4                                              4
              3                                         19                      9
         12

                                                                   34
                                                                  15        2 x R3




                                                             10


                                                   27


                           Desenha.                                                          Instituto Superior
                           Copiado                 Bernardo Salvador                               Técnico
                           Verific.                 Memec / 67747
                           Visto                                                     Departamento de Engenharia Mecânica - LEMAC
                           Escalas

                            2:1
                           Toleran.
                                           20AE - 18
                                           BSRM - 91                                 Substitui o des. n.º
                                                                                     Substituido por:
10
         14
        10       A
        8


    4                            4




                                     7
                                                                              2x     3
B                                        B




                                                                                         14
                                                                                         5°
                                                                          166
                                             28




                                                                              °
                                                  134
                                                     °
                                                                                R2




                                                                                         5
                                                                                         6
                                                                         R2
                                                                          3
                                                                21

                 A
                                                             CORTE A-A



                     20
                                 3
                                 1




    3                            3




                                                  Desenha.                                                 Instituto Superior
6




                                     6




                                                  Copiado
                                                  Verific.
                                                                                                                 Técnico
    3                            3
                                                  Visto                                            Departamento de Engenharia Mecânica - LEMAC
                                                  Escalas
                     3
                                                   2:1                                                   BSRM-91
                                                  Toleran.
                                                                                         AE17-23
                     CORTE B-B
                                                                                                   Substitui o des. n.º
                                                                                                   Substituido por:
2x     3            3x   2




                                                                                      R3
                                                                                   4x
                 4




                                                                                           2
                      4       10              4             2xR3                   3


                                                                                                      8
                                                                           9

                                                                   °
                                                              135




                                                       8




                                                                                        7
            8
     2xR3                                                              2




                                                                                                              6
11                                                                             6




            41




                 12




                                                                                               13
                                                                               6




                                                                                                              5
                          7




                                                                                                              10
            8




                                                               3
                                                             R2
                                         14




                                         52



                                         33
                      4              2x       3




                                                                                       R3
                                                                                   4x

                                                                                           2
                 4                                     46




                          Desenha.                                                                          Instituto Superior
                          Copiado
                          Verific.
                                                                                                                  Técnico
                          Visto                                                                     Departamento de Engenharia Mecânica - LEMAC
                          Escalas

                           1:1                                                                            BSRM-91
                          Toleran.
                                                                       AE20B - 14
                                                                                                    Substitui o des. n.º
                                                                                                    Substituido por:
7                              6                        R2
                                         A


1




                                                                                            2
                                                 5




                  10

                       5




                                                                                            11

                                                                                                     12
1
                                             2


                                         A
                                 4                             2x       3
        8
                                             123
                                                 °
    CORTE A-A




                                                         3




                                                                    R3
                                                                                    3

                                                         15




                                                                    10



                       R4


                                                     5




                                                                                                 3
                  5




                                                                    12




       Desenha.                                                             Instituto Superior
       Copiado               Bernardo Salvador                                    Técnico
       Verific.             MeMec 0105 / 67747
       Visto                                                  Departamento de Engenharia Mecânica - LEMAC
       Escalas

        5:1                                                              BSRM-91
       Toleran.
                  AE30 - 18
                                                              Substitui o des. n.º
                                                              Substituido por:
2




                                                                                          3
3




                               2
2x        8




                                                                                          4
2x        6
                                        2x   3




                                   18                    30           18




                                                    74

                  4                                                            4
     4




                                                                                      4

                                                                                          11
     2x       4       2x   2
                                   3




                                                                 3
                                                 Desenha.                                             Instituto Superior
                                                 Copiado          Bernardo Salvador                         Técnico
                                                 Verific.        MeMec 0105 / 67747
                                                 Visto                                         Departamento de Engenharia Mecânica - LEMAC
                                                 Escalas

                                                  2:1                                               BSRM-91
                                                 Toleran.
                                                              AE31 - 89
                                                                                           Substitui o des. n.º
                                                                                           Substituido por:
A

                                °                               4                3
                             191




                                                  5




                                                                                     8
                                    10
2




                  45                                                     A

               CORTE A-A




                                                                    10




                                                                                     3
                                         4x   3




                                                                                     5x7=(28)
                                                                                     3




                                                           1    4            1




    Desenha.                                                   Instituto Superior
    Copiado
    Verific.
                                                                     Técnico
    Visto                                             Departamento de Engenharia Mecânica - LEMAC
    Escalas

     2:1                                                    BSRM-91
    Toleran.
                       AE31 - 90
                                                      Substitui o des. n.º
                                                      Substituido por:
7                 47

                                           2x8=(16)           5




                                                                                   4




                                                                                       10
                                                165


                                                                      32
                             7x   7             A
               48                                                          8                                    2    2
                                                                  B                                                      50°
                                                                                                                                                      4x4
                                                                                                                                                         5°
          31
                         5




                                                                                                        16
                                                                                       10
                                                                                   5




                                                                                                   37
11




                                      4x    9




                                                                                                                                   11
                                                                                                                               7
                                                                                                                                               CORTE B-B
                    39            5
                                                                                                                 2
                                                A                      B

                                                                                                             CORTE A-A




     14              39                             60
                                                                               9




                                                         7x   3

                                                                                        Desenha.                                                  Instituto Superior
                                                                               7




                                                                                        Copiado                       Bernardo Salvador                 Técnico
6




                                                                                        Verific.                     MeMec 0105 / 67747
7




                                                                                        Visto                                             Departamento de Engenharia Mecânica - LEMAC
                                                                                        Escalas

                                                                                                                                             BSRM-91
                                                    45                32

                                                                                            1:2
                                                                                                             AE32 - 88
                                                    60



                                                                                        Toleran.

                                                                                                                                          Substitui o des. n.º
                                                                                                                                          Substituido por:
10
                                                         4            4




                                                         2            2




                                                             3

                                                             4




                  28

2          5       8       2    8
                                                  2xR3            A            2xR5
                                       2




                                                                  A
               CORTE A-A




    Desenha.                                                              Instituto Superior
    Copiado                          Bernardo Salvador                          Técnico
    Verific.                        MeMec 0105 / 67747
    Visto                                                         Departamento de Engenharia Mecânica - LEMAC
    Escalas

     2:1                                                                  BSRM-91
    Toleran.
                               AE35 - 25
                                                                  Substitui o des. n.º
                                                                  Substituido por:
5                              A          14x       3     2xR9
     18

                                                                4x   6




                            10
                      25




                                                                                                                16
                            11
13




                                                                              3
                  3
                                                                              A




                                       4




                                                                                                                2x19°
                                           2       5   11

            4

      CORTE A-A



                                                                         57




                                                                                                       1
                                                   8   12                17       12       8




                                                                         20




                                                                                                         R2
                                                                                                       2x
                                                                                  R2
                                 10




                                                                                  R3                     3

                                                                                                              12
                                 7




                                                                                                         10



                                                                                                                        14
                                 1 3




                                                                                               2
                                               11       6   5




     Desenha.                                                                             Instituto Superior
     Copiado                            Bernardo Salvador                                       Técnico
     Verific.                          MeMec 0105 / 67747
     Visto                                                                        Departamento de Engenharia Mecânica - LEMAC
     Escalas

          1:1                                                                           BSRM-91
     Toleran.
                           AG11B - 17
                                                                                  Substitui o des. n.º
                                                                                  Substituido por:
2x   3            28                2xR4                   3
                 B

     A                                 A




                                                                          4
                                           19°




                                                                          2
                 B


         3            28       3                               8
                                                        SECTION B-B




                 42




                                                 7
                                       5
                      14


               CORTE A-A




             Desenha.                                                  Instituto Superior
             Copiado                Bernardo Salvador                        Técnico
             Verific.              MeMec 0105 / 67747
             Visto                                              Departamento de Engenharia Mecânica - LEMAC
             Escalas

              2:1                                                     BSRM-91
             Toleran.
                           Base_Distribuicao
                                                               Substitui o des. n.º
                                                               Substituido por:
A

                                                     5x1         4x3
                                                                            0,5
 4x       5                                                                   6 x 50

4x    3
                                                         1

                    2 x 7,5




                                                    13
                                                    11
                              15
                                   28
                                        38
                      R4
                    x
                    2
              R12


                                                                18,5

                A                                            CORTE A-A


                                                               Boleados e concordâncias 0,2 mm

                                   Desenha.                                       Instituto Superior
                                   Copiado           Ricardo Martins                    Técnico
                                   Verific.         MEMec 0105/67869
                                   Visto                                  Departamento de Engenharia Mecânica - LEMAC
                                   Escalas

                                    2:1
                                   Toleran.
                                              Cabeça do motor
                                   ± 0,1      Projecto BSRM-91            Substitui o des. n.º
                                                                          Substituido por:
2 x 170°
4x       3                                 60
2 x R3                                                                                                                                0
                                                27,8                  103,2




                               18,5
                                                                                                                                      6
                                                                                                                                     10




                   3,5
             1,5                                                                                                                     17




                                                       20,8
                                                                                               70                                    23
             0,7                                                                                    °




                                       41,6
                   3,5
                                                                                                                                     30
                          30 222°                                                                                                    34




                                                                                                                              89,3
                                                                                                                                     40




                                                                              10




                                                                                                         20

                                                                                                                  30
             11,2
             15,7
                0
              5,2


                     25


                              45




                                                              2
                                                 2x 4




                                      40




                                                                                        27
                                                                                               7
                                                2 x R3                                                  24
                                                                                                             °




                                                                                                                  20
                                                                               4°


                                                                                         °
                                                                                       86
                                                  °
                                                48
                                                              131,4




                                                       219
     2,4




                          3




                                                                                                             38
                                                                                    Desenha.                                                        Instituto Superior
                                                                                    Copiado                              Ricardo Martins                  Técnico
                                                                                    Verific.                           MEMec 0105 / 67869
                                                                                    Visto                                                   Departamento de Engenharia Mecânica - LEMAC
                                                                                    Escalas

                                                                                     1:2
                                                                                    Toleran.
                                                                                                              Caixa da bateria
                                                                                    ± 0,2                    Projecto BSRM-91               Substitui o des. n.º
                                                                                                                                            Substituido por:
A

                                                   4
                 °      10                                 8,3    14
              12




                                         3
                        4
         x1
     2




                                             7,5
                      2x3                                                            2 x 45




                                         6
                                                                                1

                     20                                7         25
          A                                                           53

                                                            CORTE A-A




                     2 x R3
                      5,7




                              Desenha.                                                               Instituto Superior
                              Copiado                              Ricardo Martins                         Técnico
                              Verific.                            MEMec 0105/67869
                              Visto                                                           Departamento de Engenharia Mecânica - LEMAC
                              Escalas

                               1:1
                              Toleran.
                                                   Cambota
:1                            ± 0,5           Projecto BSRM-91                            Substitui o des. n.º
                                                                                          Substituido por:
B
                               22                                         4
        6                                                            2                               4 x R1
3                                                                             5
5                              18



                6
A                                              A




                                          20
                2x   3                                                   2 10
9




                                                   40
2x




        6                                                                                               2 x R1
                     4
                     R4             16                                                                 2
6




                                                                                                        2
    B                                                                                 40               2
                                                                                                       3
                          55
        7,5               40
                                                                                  CORTE B-B
                                     10




            2

                                                        Desenha.                                                     Instituto Superior
                                                        Copiado                    Ricardo Martins                         Técnico
                                4




                                                        Verific.                  MEMec 0105/67869
                                                        Visto                                                 Departamento de Engenharia Mecânica - LEMAC
                                                        Escalas

                                                         1:1
                    CORTE A-A
                                                        Toleran.
                                                                        Depósito
                                                        ± 0,01     Projecto BSRM-91                        Substitui o des. n.º
                                                                                                           Substituido por:
A



                           5


                                                  R11




    11
         13
                      1




                               CORTE A-A
A



          Desenha.                                          Instituto Superior
          Copiado               Ricardo Martins                   Técnico
          Verific.             MEMec 0105/67869
          Visto                                     Departamento de Engenharia Mecânica - LEMAC
          Escalas

              5:1
          Toleran.
                           Piston
          ± 0,01     Projecto BSRM-91               Substitui o des. n.º
                                                    Substituido por:
12

                                                                           8

                                                                           4
                                                                           2
                                                                           0
                                                40                    B




                                                                                                       0,2
                                                                                    0,2
                                      CORTE A-A
                                                                                        VISTA B
                     4 x R2             4x       2                                    VISTA 10 : 1
               4x 6
               4x 2
              4 x R5
                                      2 x 8,5
         25




                                                 6




                                                                                   14
                                                                                          20
                                                                                                 35
                A                                    2 x 8,5                     A
2 x 20




                            10                                 106°

                                 15
                                                                      8
                                                     °
                                                 23




                                                     15




                Desenha.                                                          Instituto Superior
                Copiado                          Ricardo Martins                        Técnico
                Verific.                        MEMec 0105/67869
                Visto                                                     Departamento de Engenharia Mecânica - LEMAC
                Escalas

                    1:1         Placa Frontal -
                 Toleran.     Arrancador Manual
                              Projecto BSRM-91                            Substitui o des. n.º
                                                                          Substituido por:
A


                                          5        5




                            31
                            18




                                                                23
          12
               15
                    33
6 x 7,5
                                      1
                                              4 x R1
                                                       1

A




                                 0
                                     3




                                                           16
                                     CORTE A-A



                Desenha.                                                     Instituto Superior
                Copiado                   Ricardo Martins                          Técnico
                Verific.                 MEMec 0105/67869
                Visto                                                Departamento de Engenharia Mecânica - LEMAC
                Escalas

                    2:1
                Toleran.
                           Suporte para corda
                ± 0,5      Projecto BSRM-91                          Substitui o des. n.º
                                                                     Substituido por:

Drawing

  • 1.
    2 x R4 4 1 3 4 1 3 3 R4 10 10 2x 3 18 0° 4 12 R4 4 3 19 9 12 34 15 2 x R3 10 27 Desenha. Instituto Superior Copiado Bernardo Salvador Técnico Verific. Memec / 67747 Visto Departamento de Engenharia Mecânica - LEMAC Escalas 2:1 Toleran. 20AE - 18 BSRM - 91 Substitui o des. n.º Substituido por:
  • 2.
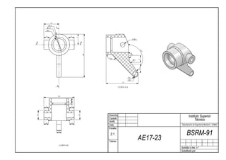
    10 14 10 A 8 4 4 7 2x 3 B B 14 5° 166 28 ° 134 ° R2 5 6 R2 3 21 A CORTE A-A 20 3 1 3 3 Desenha. Instituto Superior 6 6 Copiado Verific. Técnico 3 3 Visto Departamento de Engenharia Mecânica - LEMAC Escalas 3 2:1 BSRM-91 Toleran. AE17-23 CORTE B-B Substitui o des. n.º Substituido por:
  • 3.
    2x 3 3x 2 R3 4x 4 2 4 10 4 2xR3 3 8 9 ° 135 8 7 8 2xR3 2 6 11 6 41 12 13 6 5 7 10 8 3 R2 14 52 33 4 2x 3 R3 4x 2 4 46 Desenha. Instituto Superior Copiado Verific. Técnico Visto Departamento de Engenharia Mecânica - LEMAC Escalas 1:1 BSRM-91 Toleran. AE20B - 14 Substitui o des. n.º Substituido por:
  • 4.
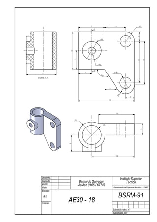
    7 6 R2 A 1 2 5 10 5 11 12 1 2 A 4 2x 3 8 123 ° CORTE A-A 3 R3 3 15 10 R4 5 3 5 12 Desenha. Instituto Superior Copiado Bernardo Salvador Técnico Verific. MeMec 0105 / 67747 Visto Departamento de Engenharia Mecânica - LEMAC Escalas 5:1 BSRM-91 Toleran. AE30 - 18 Substitui o des. n.º Substituido por:
  • 5.
    2 3 3 2 2x 8 4 2x 6 2x 3 18 30 18 74 4 4 4 4 11 2x 4 2x 2 3 3 Desenha. Instituto Superior Copiado Bernardo Salvador Técnico Verific. MeMec 0105 / 67747 Visto Departamento de Engenharia Mecânica - LEMAC Escalas 2:1 BSRM-91 Toleran. AE31 - 89 Substitui o des. n.º Substituido por:
  • 6.
    A ° 4 3 191 5 8 10 2 45 A CORTE A-A 10 3 4x 3 5x7=(28) 3 1 4 1 Desenha. Instituto Superior Copiado Verific. Técnico Visto Departamento de Engenharia Mecânica - LEMAC Escalas 2:1 BSRM-91 Toleran. AE31 - 90 Substitui o des. n.º Substituido por:
  • 7.
    7 47 2x8=(16) 5 4 10 165 32 7x 7 A 48 8 2 2 B 50° 4x4 5° 31 5 16 10 5 37 11 4x 9 11 7 CORTE B-B 39 5 2 A B CORTE A-A 14 39 60 9 7x 3 Desenha. Instituto Superior 7 Copiado Bernardo Salvador Técnico 6 Verific. MeMec 0105 / 67747 7 Visto Departamento de Engenharia Mecânica - LEMAC Escalas BSRM-91 45 32 1:2 AE32 - 88 60 Toleran. Substitui o des. n.º Substituido por:
  • 8.
    10 4 4 2 2 3 4 28 2 5 8 2 8 2xR3 A 2xR5 2 A CORTE A-A Desenha. Instituto Superior Copiado Bernardo Salvador Técnico Verific. MeMec 0105 / 67747 Visto Departamento de Engenharia Mecânica - LEMAC Escalas 2:1 BSRM-91 Toleran. AE35 - 25 Substitui o des. n.º Substituido por:
  • 9.
    5 A 14x 3 2xR9 18 4x 6 10 25 16 11 13 3 3 A 4 2x19° 2 5 11 4 CORTE A-A 57 1 8 12 17 12 8 20 R2 2x R2 10 R3 3 12 7 10 14 1 3 2 11 6 5 Desenha. Instituto Superior Copiado Bernardo Salvador Técnico Verific. MeMec 0105 / 67747 Visto Departamento de Engenharia Mecânica - LEMAC Escalas 1:1 BSRM-91 Toleran. AG11B - 17 Substitui o des. n.º Substituido por:
  • 10.
    2x 3 28 2xR4 3 B A A 4 19° 2 B 3 28 3 8 SECTION B-B 42 7 5 14 CORTE A-A Desenha. Instituto Superior Copiado Bernardo Salvador Técnico Verific. MeMec 0105 / 67747 Visto Departamento de Engenharia Mecânica - LEMAC Escalas 2:1 BSRM-91 Toleran. Base_Distribuicao Substitui o des. n.º Substituido por:
  • 11.
    A 5x1 4x3 0,5 4x 5 6 x 50 4x 3 1 2 x 7,5 13 11 15 28 38 R4 x 2 R12 18,5 A CORTE A-A Boleados e concordâncias 0,2 mm Desenha. Instituto Superior Copiado Ricardo Martins Técnico Verific. MEMec 0105/67869 Visto Departamento de Engenharia Mecânica - LEMAC Escalas 2:1 Toleran. Cabeça do motor ± 0,1 Projecto BSRM-91 Substitui o des. n.º Substituido por:
  • 12.
    2 x 170° 4x 3 60 2 x R3 0 27,8 103,2 18,5 6 10 3,5 1,5 17 20,8 70 23 0,7 ° 41,6 3,5 30 30 222° 34 89,3 40 10 20 30 11,2 15,7 0 5,2 25 45 2 2x 4 40 27 7 2 x R3 24 ° 20 4° ° 86 ° 48 131,4 219 2,4 3 38 Desenha. Instituto Superior Copiado Ricardo Martins Técnico Verific. MEMec 0105 / 67869 Visto Departamento de Engenharia Mecânica - LEMAC Escalas 1:2 Toleran. Caixa da bateria ± 0,2 Projecto BSRM-91 Substitui o des. n.º Substituido por:
  • 13.
    A 4 ° 10 8,3 14 12 3 4 x1 2 7,5 2x3 2 x 45 6 1 20 7 25 A 53 CORTE A-A 2 x R3 5,7 Desenha. Instituto Superior Copiado Ricardo Martins Técnico Verific. MEMec 0105/67869 Visto Departamento de Engenharia Mecânica - LEMAC Escalas 1:1 Toleran. Cambota :1 ± 0,5 Projecto BSRM-91 Substitui o des. n.º Substituido por:
  • 14.
    B 22 4 6 2 4 x R1 3 5 5 18 6 A A 20 2x 3 2 10 9 40 2x 6 2 x R1 4 R4 16 2 6 2 B 40 2 3 55 7,5 40 CORTE B-B 10 2 Desenha. Instituto Superior Copiado Ricardo Martins Técnico 4 Verific. MEMec 0105/67869 Visto Departamento de Engenharia Mecânica - LEMAC Escalas 1:1 CORTE A-A Toleran. Depósito ± 0,01 Projecto BSRM-91 Substitui o des. n.º Substituido por:
  • 15.
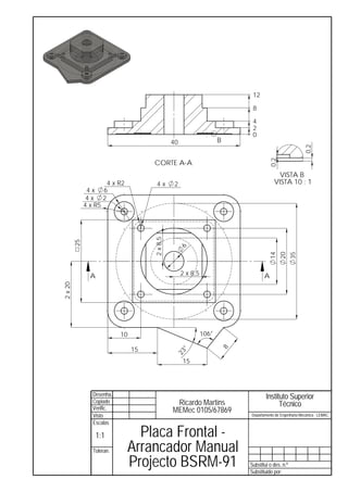
    A 5 R11 11 13 1 CORTE A-A A Desenha. Instituto Superior Copiado Ricardo Martins Técnico Verific. MEMec 0105/67869 Visto Departamento de Engenharia Mecânica - LEMAC Escalas 5:1 Toleran. Piston ± 0,01 Projecto BSRM-91 Substitui o des. n.º Substituido por:
  • 16.
    12 8 4 2 0 40 B 0,2 0,2 CORTE A-A VISTA B 4 x R2 4x 2 VISTA 10 : 1 4x 6 4x 2 4 x R5 2 x 8,5 25 6 14 20 35 A 2 x 8,5 A 2 x 20 10 106° 15 8 ° 23 15 Desenha. Instituto Superior Copiado Ricardo Martins Técnico Verific. MEMec 0105/67869 Visto Departamento de Engenharia Mecânica - LEMAC Escalas 1:1 Placa Frontal - Toleran. Arrancador Manual Projecto BSRM-91 Substitui o des. n.º Substituido por:
  • 17.
    A 5 5 31 18 23 12 15 33 6 x 7,5 1 4 x R1 1 A 0 3 16 CORTE A-A Desenha. Instituto Superior Copiado Ricardo Martins Técnico Verific. MEMec 0105/67869 Visto Departamento de Engenharia Mecânica - LEMAC Escalas 2:1 Toleran. Suporte para corda ± 0,5 Projecto BSRM-91 Substitui o des. n.º Substituido por: