INSTRUMENTAÇÃO INDUSTRIAL
SIMBOLOGIA
Simbologia para
Instrumentação e
Controle
INSTRUMENTAÇÃO INDUSTRIAL
SIMBOLOGIA
Normas
• Instrument Society of America (ISA):
ISA 5.1 - Instrumentation Symbols and
Identification (1984, revisão em 1992)
• Associação Brasileira de Normas
Técnicas (ABNT): NBR 8190 –
Simbologia de Instrumentação (1983)
INSTRUMENTAÇÃO INDUSTRIAL
SIMBOLOGIA
Aplicações
Os símbolos de instrumentação são encontrados em:
• fluxogramas de processo e de engenharia,
• diagramas de controle de processos, conhecidos
como diagrama P&I,
• desenhos de detalhamento de instrumentação,
instalação, diagramas de ligação, plantas de
localização, diagramas lógicos de controle, listagem
de instrumentos,
• painéis sinópticos e semigráficos na sala de
controle,
• diagramas de telas de vídeo de estações de
controle.
INSTRUMENTAÇÃO INDUSTRIAL
SIMBOLOGIA
Definições
• Alarme – Sistema que indica a existência de uma
situação anormal por meio de um sinal sonoro, visual ou
ambos.
• Alcance (Span) - É a diferença algébrica entre o valor
superior e inferior da faixa de medida do instrumento.
Exemplo: Um instrumento com range de 100 - 5000C seu
Span é de 4000C.
• Acessível (Accessible) - Termo aplicado a um dispositivo
ou função programada que poderá ser visto ou utilizado
pelo operador com o propósito de acompanhamento do
processo ou atuação em ações de controle.
• Atrás do Painel (Behind the panel) - Termo aplicado a
instrumentos inacessíveis ao operador e que
normalmente estão localizados no interior do painel ou
em armários separados.
INSTRUMENTAÇÃO INDUSTRIAL
SIMBOLOGIA
Definições
• Chave – Dispositivo que conecta, desconecta ou transfere um
ou mais circuitos e que não seja designado como controlador,
relé ou válvula de controle.
• Círculo ou Balão – Símbolo usado para representar ou
identificar um instrumento.
• Configurável – Seleção através de comandos do teclado da
estrutura básica do algoritmo de controle, do formato da leitura
e das terminações de entrada e saída.
• Compartilhado – Um único instrumento executa a mesma
função, geralmente indicação, registro ou controle, de um
grande número de variáveis simultaneamente.
• Controlador – Dispositivo que tem um sinal de saída que pode
ser variado para manter a variável controlada dentro de um
limite específico ou para alterá-la de um valor previamente
estabelecido.
• Conversor – Dispositivo que recebe uma informação na forma
de um sinal, altera a forma da informação e o emite como um
sinal de saída.
INSTRUMENTAÇÃO INDUSTRIAL
SIMBOLOGIA
Definições
• Elemento primário – Parte de uma malha ou de um
instrumento que primeiro sente o valor da variável de
processo e que assume uma correspondência
predeterminada de estado ou sinal de saída. O elemento
primário é também conhecido como detetor ou sensor.
• Elemento final de controle – Dispositivo que altera
diretamente o valor da variável manipulada de uma malha
de controle.
• Estação de controle – Sistema provido de uma chave de
transferência de controle manual para automático e vice-
versa. É também conhecida como estação automanual.
• Faixa de Medida (Range) - Conjunto de valores da variável
medida que estão compreendidos dentro do limite superior e
inferior da capacidade de medida ou de transmissão do
instrumento. Se expressa determinando os valores
extremos. Exemplo: 100 a 500oC.
• Função – Objetivo ou ação desenvolvida por um
instrumento ou dispositivo.
INSTRUMENTAÇÃO INDUSTRIAL
SIMBOLOGIA
Definições
• Instrumento – Dispositivo usado direta ou indiretamente
para medir ou controlar uma variável, ou ambos.
• Instrumento indicador - Instrumento que dispõe de um
ponteiro e de uma escala graduada na qual podemos ler
o valor da variável. Existem também indicadores digitais
que indicam a variável em forma numérica com dígitos ou
barras gráficas.
• Instrumento registrador - Instrumento que registra a(s)
variável(s) através de um traço contínuo ou pontos em
um gráfico.
• Instrumento transmissor – Dispositivo que detecta uma
variável de processo por meio de um elemento primário e
que tem uma saída cujo valor é proporcional ao valor da
variável de processo.
INSTRUMENTAÇÃO INDUSTRIAL
SIMBOLOGIA
Definições
• Lâmpada piloto – Lâmpada que indica a existência de uma
determinada condição normal de um sistema ou
equipamento.
• Local – Localização de um instrumento que não está no
painel ou atrás do painel. Os instrumentos locais estão
comumente próximos aos elementos primários ou finais de
controle.
• Malha – combinação de instrumentos interligados para
medir ou controlar uma variável de processos.
• Medição – Determinação da existência ou magnitude de
uma variável.
• Painel local – Painel que não seja central ou principal.
Painéis locais estão comumente próximos dos
equipamentos.
• Ponto de teste – Tomada de uma variável do processo onde
normalmente se instala um instrumento em caráter
temporário ou intermitente.
INSTRUMENTAÇÃO INDUSTRIAL
SIMBOLOGIA
Definições
• Processo – Qualquer operação ou seqüência de operações
envolvendo uma mudança de estado, de composição, de
dimensão ou outras propriedades que possam ser definidas
relativamente a um padrão.
• Relé – Dispositivo atuado por um sinal elétrico que conecta,
desconecta ou transfere um ou mais circuitos.
• Relé de computação – Dispositivo que recebe informações na
forma de um ou mais sinais provenientes de outros
instrumentos, modifica estas informações e emite um ou mais
sinais de saída resultantes.
• Sistema de Controle Distribuído (Distributed Control System) -
Sistema que embora funcionalmente integrado, consiste de
subsistemas que poderão estar fisicamente separados e
montados remotamente um do outro, obedecendo a uma
hierarquia configurável.
• Telemetria – Transmissão e recepção a distância da medida
de uma variável para indicação ou outros usos.
INSTRUMENTAÇÃO INDUSTRIAL
SIMBOLOGIA
Definições
• Transdutor: Instrumento que recebe informações na forma
de uma ou mais quantidades físicas, modifica caso
necessário as informações e fornece um sinal de saída
resultante.
• Válvula de controle – Dispositivo, que não a válvula comum
de atuação manual, que regula diretamente a vazão de uma
ou mais correntes do processo com a finalidade de se obter
uma determinada variável controlada.
• Variável de processo – Qualquer propriedade variável de
um processo (exemplo: temperatura, pressão, nível, vazão
etc).
• Varredura - Função que consiste em amostrar,
intermitentemente, de uma maneira pré-determinada cada
uma das variáveis de um grupo. Normalmente, a finalidade
de dispositivos com varredura é indicar o estado ou valor de
variáveis, porém poderão estar associados a outras funções
tais como registro e alarme.
INSTRUMENTAÇÃO INDUSTRIAL
SIMBOLOGIA
Estrutura Hierárquica de uma Planta
• Planta - O termo Planta define por si só a implantação como um
todo.
• Área - A área define dentro da região um setor específico, que será
tomada como uma identidade e submetida à subdivisões que
permitam de forma lógica uma divisão que procura contemplar a
execução de atividades específicas do processo.
• Setor - O Setor divide dentro da área locais específicos de
execução de urna fase do processo.
• Grupo - O grupo define o menor conjunto do processo que possui
em geral a característica de executar urna tarefa definida.
• Instrumentos/Equipamentos - São os componentes físicos que
estão contidos no Processo, compondo todas as suas partes
funcionais.
– Equipamentos - Bombas, vasos, tanques, vibradores,
misturadores, pasteurizadores, silos, motores, clarificadoras,
máquinas diversas e muitos outros.
– Instrumentos - Indicadores, controladores, registradores,
sensores, variadores, aturadores, transmissores, conversores,
válvulas de controle e etc.
INSTRUMENTAÇÃO INDUSTRIAL
SIMBOLOGIA
Tagname
• O Tagname ou Tag é um código
alfanumérico, cuja finalidade é a de
identificar equipamentos ou instrumentos,
dentro de uma planta de processos.
• O Tagname também é a identificação física
de um instrumento ou equipamento. Por
meio deste podemos localizar onde o
instrumento/equipamento está instalado.
INSTRUMENTAÇÃO INDUSTRIAL
SIMBOLOGIA
Formato do TAG
INSTRUMENTAÇÃO INDUSTRIAL
SIMBOLOGIA
Exemplo de identificação de
instrumento
• P - Variável medida - Pressão
• R - Função passiva ou de informação - Registrador
• C - Função ativa ou de saída - Controlador
• 001 - Área de atividade, onde o instrumento atua
• 02 - Número seqüencial da malha
• A - Sufixo
Identificação do Instrumento
Sufixo
No do
Instrumento
Área da
Atividade
Função
Letras
Subsequentes
Variável
Identificação
Funcional
P RC 001 02 A
INSTRUMENTAÇÃO INDUSTRIAL
SIMBOLOGIA
Exemplo
Letras subsequentes
(função do instrumento na malha)
IC
Primeira letra (variável da malha)T
Identificação funcional
Controlador Indicador de Temperatura
TIC
Número da malha103
Identificação da malha (malha de temperatura,
número 103)
T 103
Identificação do instrumento ou tag do
instrumento
TIC 103
INSTRUMENTAÇÃO INDUSTRIAL
SIMBOLOGIA
Identificação funcional
• A identificação funcional do instrumento ou seu
equivalente funcional consiste de letras.
• A primeira letra é a variável do processo medida ou de
inicialização.
• A primeira letra pode ter um modificador opcional. Por
exemplo, PT é o transmissor de pressão e PDT é o
transmissor de pressão diferencial.
• As letras subsequentes identificam as funções do
instrumento ou ainda fazem o papel de letras
modificadoras.
• Por exemplo, um TE tem sua primeira letra identificando a
variável temperatura e a segunda letra E, chamada de
subsequente, no caso um elemento primário que pode ser
um sensor de temperatura, seja PT-100 ou termopar, ou
outro princípio de medição de temperatura
INSTRUMENTAÇÃO INDUSTRIAL
SIMBOLOGIA
Identificação funcional
• A identificação funcional do instrumento é feita de
acordo com sua função e não com a sua
construção.
• Por exemplo, um registrador de pressão diferencial
usado para registro de vazão deve ser identificado
por FR.
• Outro exemplo, um indicador de pressão e um
pressostato conectado na saída de um transmissor
de nível devem ser identificados como LI e LS,
respectivamente.
INSTRUMENTAÇÃO INDUSTRIAL
SIMBOLOGIA
Identificação funcional
• A primeira letra da identificação funcional é
selecionada de acordo com a variável medida e não a
variável manipulada.
• A variável manipulada é a variável controlada pela
variável medida.
• Logo uma válvula de controle que varia a vazão para
controlar um nível, comandada por um controlador de
nível, é identificada como LV e não FV
INSTRUMENTAÇÃO INDUSTRIAL
SIMBOLOGIA
Identificação funcional
As letras subsequentes identificam as funções do
instrumento, podendo ser:
• Funções passivas - elemento primário, orifício de
restrição, poço;
• Funções de informação - indicador, registrador,
visor;
• Funções ativas ou de saída - controlador,
transmissor, chave e outros;
• Funções modificadoras - alarmes ou indicação de
instrumento multifunção.
INSTRUMENTAÇÃO INDUSTRIAL
SIMBOLOGIA
Identificação funcional
A seqüência de formação da identificação intencional de um
instrumento é a seguinte:
– A primeira letra deve sempre indicar a variável medida ou
inicial. A primeira letra pode possuir função modificada.
– As letras subsequentes (segundo grupo de letras) indicam
as funções do instrumento na seguinte ordem:
• letras que designam funções passivas ou de informação.
• letras que designam funções ativas ou saídas.
• letras que modificam a função do instrumento ou que
funcionam como complemento de explicação de função.
Se houver letras modificadoras, estas devem ser colocadas
imediatamente após a letra que modificam.
Todas as letras da identificação funcional devem ser maiúsculas.
INSTRUMENTAÇÃO INDUSTRIAL
SIMBOLOGIA
Identificação da malha
• A identificação da malha geralmente é feita por um
número, colocado ao final da identificação funcional
do instrumento associado a uma variável de
processo.
• A numeração pode ser serial ou paralela.
• Numeração paralela começa de 0 para cada nova
variável, por exemplo, TIC-100, FIC-100, LIC-100 e
AI-100.
• Numeração serial usa uma única seqüência de
números para um projeto ou seção grande de um
projeto, de modo que se tem TIC-100, FIC-101, LIC-
102 e AI-103. A numeração pode começar de 1 ou
qualquer outro número conveniente, como 101,
1001, 1201.
INSTRUMENTAÇÃO INDUSTRIAL
SIMBOLOGIA
Tabela 1 - Letras de Identificação
• 5. A letra A (análise) cobre todas as análises não descritas como uma
escolha do usuário. O tipo de análise deve ser especificado fora do
circulo de identificação. Por exemplo, análise de pH, análise de O2.
Análise é variável de processo e não função de instrumento, como
muitos pensam principalmente por causa do uso inadequado do termo
analisador.
• 19. A primeira letra V, vibração ou análise mecânica, destina-se a
executar as tarefas em monitoração de máquinas que a letra A executa
em uma análise mais geral. Exceto para vibração, é esperado que a
variável de interesse seja definida fora das letras de tag.
Alarme
Analisador
(5,19)
A
Modifi
cador
Função de
saída (final)
Função de
informação ou
passiva
Modifi
cador
Variável
medida ou
inicial
Segundo Grupo de LetrasPrimeiro Grupo de Letras
INSTRUMENTAÇÃO INDUSTRIAL
SIMBOLOGIA
Tabela 1 - Letras de Identificação
• 1. Uma letra de escolha do usuário tem o objetivo de cobrir significado
não listado que é necessário em uma determinada aplicação. Se
usada, a letra pode ter um significado como de primeira letra ou de
letras subsequentes. O significado precisa ser definido uma única vez
em uma legenda. Por exemplo, a letra N pode ser definida como
módulo de elasticidade como uma primeira letra ou como osciloscópio
como letra subsequente.
Escolha (1)Escolha (1)Escolha (1)
Chama de
queimador
(burner)
B
Modifi
cador
Função de
saída (final)
Função de
informação ou
passiva
Modifi
cador
Variável
medida ou
inicial
Segundo Grupo de LetrasPrimeiro Grupo de Letras
INSTRUMENTAÇÃO INDUSTRIAL
SIMBOLOGIA
Tabela 1 - Letras de Identificação
• 13. Um dispositivo que liga, desliga ou transfere um ou mais circuitos pode ser uma
chave, um relé, um controlador liga-desliga ou uma válvula de controle,
dependendo da aplicação. Se o equipamento manipula uma vazão de fluido do
processo e não é uma válvula manual de bloqueio liga-desliga, ela é projetada
como válvula de controle. É incorreto usar o tag CV para qualquer coisa que não
seja uma válvula de controle auto atuada. Para todas as aplicações que não
tenham vazão de fluido de processo, o equipamento é projetado como:
a) Chave, se for atuada manualmente.
b) Chave ou controlador liga-desliga, se for automático e for o primeiro dispositivo na
malha. O termo chave é geralmente usado se o dispositivo é aplicado para alarme,
lâmpada piloto, seleção, intertravamento ou segurança. O termo controlador é
usado se o dispositivo é aplicado para o controle de operação normal.
c) Relé, se for automático e não for o primeiro dispositivo na malha, mas atuado por
uma chave ou por um controlador liga-desliga.
Controlador (13)Escolha (1)C
Modifica
dor
Função de saída
(final)
Função de
informação ou
passiva
Modifica
dor
Variável
medida ou
inicial
Segundo Grupo de LetrasPrimeiro Grupo de Letras
INSTRUMENTAÇÃO INDUSTRIAL
SIMBOLOGIA
Tabela 1 - Letras de Identificação
• 4. Qualquer primeira letra combinada com as letras modificadoras D
(diferencial), F (relação), M (momentâneo), K (tempo de alteração) e Q
(integração ou totalização) representa uma variável nova e separada e
a combinação é tratada como uma entidade de primeira letra. Assim,
os instrumentos TDI e TI indicam duas variáveis diferentes: diferença
de temperatura e temperatura. As letras modificadoras são usadas
quando aplicável.
• Segundo a NBR 8190 no Primeiro Grupo de Letras a Variável Medida
ou Inicial:
C – representa condutividade elétrica
D – representa densidade ou massa específica (density)
Diferencial (4)Escolha (1)D
Modifica
dor
Função de
saída (final)
Função de
informação
ou passiva
Modifica
dor
Variável
medida ou
inicial
Segundo Grupo de LetrasPrimeiro Grupo de Letras
INSTRUMENTAÇÃO INDUSTRIAL
SIMBOLOGIA
Tabela 1 - Letras de Identificação
Elemento
Sensor
Tensão
(voltage)
E
Modifica
dor
Função de
saída (final)
Função de
informação
ou passiva
Modifica
dor
Variável
medida ou
inicial
Segundo Grupo de LetrasPrimeiro Grupo de Letras
INSTRUMENTAÇÃO INDUSTRIAL
SIMBOLOGIA
Tabela 1 - Letras de Identificação
 4. Qualquer primeira letra combinada com as letras modificadoras D
(diferencial), F (relação), M (momentâneo), K (tempo de alteração) e Q
(integração ou totalização) representa uma variável nova e separada e
a combinação é tratada como uma entidade de primeira letra. Assim,
os instrumentos TDI e TI indicam duas variáveis diferentes: diferença
de temperatura e temperatura. As letras modificadoras são usadas
quando aplicável.
Fração ou
relação (4)
Vazão (flow)F
Modifica
dor
Função de
saída (final)
Função de
informação
ou passiva
Modifica
dor
Variável
medida ou
inicial
Segundo Grupo de LetrasPrimeiro Grupo de Letras
INSTRUMENTAÇÃO INDUSTRIAL
SIMBOLOGIA
Tabela 1 - Letras de Identificação
• 9. A função passiva G se aplica a instrumentos ou equipamentos que
fornecem uma indicação não calibrada, como visor de vidro ou monitor
de televisão. Costuma-se aplicar TG para termômetro e PG para
manômetro, o que não é previsto por esta norma.
• Segundo a NBR 8190 no Primeiro Grupo de Letras a Variável Medida
ou Inicial:
G – representa medida dimensional
Visor ou indicador
local (9)
Escolha (1)G
Modifica
dor
Função de
saída (final)
Função de
informação ou
passiva
Modifica
dor
Variável
medida ou
inicial
Segundo Grupo de LetrasPrimeiro Grupo de Letras
INSTRUMENTAÇÃO INDUSTRIAL
SIMBOLOGIA
Tabela 1 - Letras de Identificação
• 7. O uso dos termos modificadores alto (H), baixo (L), médio (M) e varredura
(J) é opcional.
• 15. Os termos modificadores alto, baixo, médio ou intermediário correspondem
aos valores da variável medida e não aos valores do sinal. Por exemplo, um
alarme de nível alto proveniente de um transmissor de nível com ação inversa
deve ser LAH, mesmo que fisicamente o alarme seja atuado quando o sinal
atinge um valor mínimo crítico.
• 16. Os termos alto e baixo quando aplicados a posições de válvulas e outros
dispositivos de abrir e fechar são assim definidos:
a) alto significa que a válvula está totalmente aberta
b) baixo significa que a válvula está totalmente fechada
Alto
(7, 15, 16)
Comando
manual (hand)
H
Modifica
dor
Função de
saída (final)
Função de
informação
ou passiva
Modifica
dor
Variável
medida ou
inicial
Segundo Grupo de LetrasPrimeiro Grupo de Letras
INSTRUMENTAÇÃO INDUSTRIAL
SIMBOLOGIA
Tabela 1 - Letras de Identificação
• 10. A indicação normalmente se aplica a displays analógicos ou
digitais de uma medição instantânea. No caso de uma estação manual,
a indicação pode ser usada para o dial ou indicador do ajuste.
Indicador (10)
Corrente
elétrica
I
Modifica
dor
Função de
saída (final)
Função de
informação ou
passiva
Modifica
dor
Variável
medida ou
inicial
Segundo Grupo de LetrasPrimeiro Grupo de Letras
INSTRUMENTAÇÃO INDUSTRIAL
SIMBOLOGIA
Tabela 1 - Letras de Identificação
7. O uso dos termos modificadores alto (H), baixo (L), médio (M) e
varredura (J) é opcional.
Varredura
(scan) (7)
PotênciaJ
Modifica
dor
Função de
saída (final)
Função de
informação ou
passiva
Modifica
dor
Variável
medida ou
inicial
Segundo Grupo de LetrasPrimeiro Grupo de Letras
INSTRUMENTAÇÃO INDUSTRIAL
SIMBOLOGIA
Tabela 1 - Letras de Identificação
 4. Qualquer primeira letra combinada com as letras modificadoras D
(diferencial), F (relação), M (momentâneo), K (tempo de alteração) e Q
(integração ou totalização) representa uma variável nova e separada e
a combinação é tratada como uma entidade de primeira letra. Assim,
os instrumentos TDI e TI indicam duas variáveis diferentes: diferença
de temperatura e temperatura. As letras modificadoras são usadas
quando aplicável.
Estação de
controle (22)
Tempo de
mudança (4, 21)
TempoK
Modifica
dor
Função de
saída (final)
Função de
informação
ou passiva
Modificador
Variável
medida ou
inicial
Segundo Grupo de LetrasPrimeiro Grupo de Letras
INSTRUMENTAÇÃO INDUSTRIAL
SIMBOLOGIA
Tabela 1 - Letras de Identificação
• 21. A letra modificadora K, em combinação com uma primeira letra
como L, T ou W, significa uma variação de taxa de tempo da
quantidade medida ou de inicialização. A variável WKIC, por exemplo,
pode representar um controlador de taxa de perda de peso.
• 22. A letra K como modificador é uma opção do usuário para designar
uma estação de controle, enquanto a letra C seguinte é usada para
descrever controlador automático ou manual.
Estação de
controle (22)
Tempo de
mudança (4, 21)
TempoK
Modifica
dor
Função de
saída (final)
Função de
informação
ou passiva
Modificador
Variável
medida ou
inicial
Segundo Grupo de LetrasPrimeiro Grupo de Letras
INSTRUMENTAÇÃO INDUSTRIAL
SIMBOLOGIA
Tabela 1 - Letras de Identificação
• 11. Uma lâmpada piloto que é parte de uma malha de instrumento
deve ser designada por uma primeira letra seguida pela letra
subsequente L. Por exemplo, uma lâmpada piloto que indica o tempo
expirado deve ter o tag KQL (lâmpada de totalização de tempo). A
lâmpada para indicar o funcionamento de um motor tem o tag EL
(lâmpada de voltagem), pois a voltagem é a variável medida
conveniente para indicar a operação do motor ou YL (lâmpada de
evento) assumindo que o estado de operação está sendo monitorado.
Não se deve usar a letra genérica X, como XL.
Baixo (7, 15,
16)
Lâmpada piloto
(11)
Nível (level)L
Modifica
dor
Função de
saída (final)
Função de
informação ou
passiva
Modifica
dor
Variável
medida ou
inicial
Segundo Grupo de LetrasPrimeiro Grupo de Letras
INSTRUMENTAÇÃO INDUSTRIAL
SIMBOLOGIA
Tabela 1 - Letras de Identificação
• 7. O uso dos termos modificadores alto (H), baixo (L), médio (M) e varredura
(J) é opcional.
• 15. Os termos modificadores alto, baixo, médio ou intermediário correspondem
aos valores da variável medida e não aos valores do sinal. Por exemplo, um
alarme de nível alto proveniente de um transmissor de nível com ação inversa
deve ser LAH, mesmo que fisicamente o alarme seja atuado quando o sinal
atinge um valor mínimo crítico.
• 16. Os termos alto e baixo quando aplicados a posições de válvulas e outros
dispositivos de abrir e fechar são assim definidos:
a) alto significa que a válvula está totalmente aberta
b) baixo significa que a válvula está totalmente fechada
Baixo (7, 15,
16)
Lâmpada piloto
(11)
Nível (level)L
Modificador
Função de
saída (final)
Função de
informação ou
passiva
Modificador
Variável
medida ou
inicial
Segundo Grupo de LetrasPrimeiro Grupo de Letras
INSTRUMENTAÇÃO INDUSTRIAL
SIMBOLOGIA
Tabela 1 - Letras de Identificação
• 7. O uso dos termos modificadores alto (H), baixo (L), médio (M) e
varredura (J) é opcional.
• 15. Os termos modificadores alto, baixo, médio ou intermediário
correspondem aos valores da variável medida e não aos valores do sinal.
Por exemplo, um alarme de nível alto proveniente de um transmissor de
nível com ação inversa deve ser LAH, mesmo que fisicamente o alarme
seja atuado quando o sinal atinge um valor mínimo crítico.
• Segundo a NBR 8190 no Primeiro Grupo de Letras a Variável Medida ou
Inicial:
M – representa umidade (moisture)
Médio ou
intermediário (7, 15)
Momentâ
neo
Escolha (1)M
Modificador
Função
de saída
(final)
Função de
informação
ou passiva
Modificador
Variável
medida ou
inicial
Segundo Grupo de LetrasPrimeiro Grupo de Letras
INSTRUMENTAÇÃO INDUSTRIAL
SIMBOLOGIA
Tabela 1 - Letras de Identificação
Escolha (1)Escolha (1)Escolha (1)Escolha (1)N
Modifica
dor
Função de
saída
(final)
Função de
informação
ou passiva
Modificador
Variável
medida
ou inicial
Segundo Grupo de LetrasPrimeiro Grupo de Letras
INSTRUMENTAÇÃO INDUSTRIAL
SIMBOLOGIA
Tabela 1 - Letras de Identificação
Orifício ou
restrição
Escolha (1)O
Modifica
dor
Função de
saída (final)
Função de
informação ou
passiva
Modifica
dor
Variável
medida ou
inicial
Segundo Grupo de LetrasPrimeiro Grupo de Letras
INSTRUMENTAÇÃO INDUSTRIAL
SIMBOLOGIA
Tabela 1 - Letras de Identificação
Ponto de
teste
Pressão, vácuoP
Modifica
dor
Função de
saída (final)
Função de
informação
ou passiva
Modifica
dor
Variável
medida ou
inicial
Segundo Grupo de LetrasPrimeiro Grupo de Letras
INSTRUMENTAÇÃO INDUSTRIAL
SIMBOLOGIA
Tabela 1 - Letras de Identificação
 4. Qualquer primeira letra combinada com as letras modificadoras D
(diferencial), F (relação), M (momentâneo), K (tempo de alteração) e Q
(integração ou totalização) representa uma variável nova e separada e
a combinação é tratada como uma entidade de primeira letra. Assim,
os instrumentos TDI e TI indicam duas variáveis diferentes: diferença
de temperatura e temperatura. As letras modificadoras são usadas
quando aplicável.
Integrador ou
totalizador (4)
QuantidadeQ
Modifica
dor
Função de
saída (final)
Função de
informação
ou passiva
Modifica
dor
Variável
medida ou
inicial
Segundo Grupo de LetrasPrimeiro Grupo de Letras
INSTRUMENTAÇÃO INDUSTRIAL
SIMBOLOGIA
Tabela 1 - Letras de Identificação
• 17. O termo registrador se aplica a qualquer forma de armazenar
permanentemente a informação que permita a sua recuperação por
qualquer modo.
Registrador (17)
Radiação
(radioatividade)
R
Modificador
Função de
saída (final)
Função de
informação ou
passiva
Modifica
dor
Variável
medida ou
inicial
Segundo Grupo de LetrasPrimeiro Grupo de Letras
INSTRUMENTAÇÃO INDUSTRIAL
SIMBOLOGIA
Tabela 1 - Letras de Identificação
• 8. O termo segurança se aplica a elementos primários e finais de proteção de
emergência. Assim, uma válvula auto atuada que evita a operação de um
sistema de fluido atingir valores elevados, aliviando o fluido do sistema tem um
tag PCV (válvula controladora de pressão). Porém, o tag desta válvula deve
ser PSV (válvula de segurança de pressão) se ela protege o sistema contra
condições de emergência, ou seja, condições que são perigosas para o
pessoal ou o equipamento e que são raras de aparecer. A designação PSV se
aplica a todas as válvulas de proteção contra condições de alta pressão de
emergência, independente de sua construção, modo de operação, local de
montagem, categoria de segurança, válvula de alívio ou de segurança. Um
disco de ruptura tem o tag PSE (elemento de segurança de pressão).
Chave (13)Segurança (8)
Velocidade ou
frequência
S
Modifica
dor
Função de
saída (final)
Função de
informação
ou passiva
Modifica
dor
Variável
medida ou
inicial
Segundo Grupo de LetrasPrimeiro Grupo de Letras
INSTRUMENTAÇÃO INDUSTRIAL
SIMBOLOGIA
Tabela 1 - Letras de Identificação
• 13. Um dispositivo que liga, desliga ou transfere um ou mais circuitos pode ser uma
chave, um relé, um controlador liga-desliga ou uma válvula de controle,
dependendo da aplicação. Se o equipamento manipula uma vazão de fluido do
processo e não é uma válvula manual de bloqueio liga-desliga, ela é projetada
como válvula de controle. É incorreto usar o tag CV para qualquer coisa que não
seja uma válvula de controle auto atuada. Para todas as aplicações que não
tenham vazão de fluido de processo, o equipamento é projetado como:
a) Chave, se for atuada manualmente.
b) Chave ou controlador liga-desliga, se for automático e for o primeiro dispositivo na
malha. O termo chave é geralmente usado se o dispositivo é aplicado para alarme,
lâmpada piloto, seleção, intertravamento ou segurança. O termo controlador é
usado se o dispositivo é aplicado para o controle de operação normal.
c) Relé, se for automático e não for o primeiro dispositivo na malha, mas atuado por
uma chave ou por um controlador liga-desliga.
Chave (13)Segurança (8)
Velocidade ou
frequência
S
Modifica
dor
Função de
saída (final)
Função de
informação
ou passiva
Modifica
dor
Variável
medida ou
inicial
Segundo Grupo de LetrasPrimeiro Grupo de Letras
INSTRUMENTAÇÃO INDUSTRIAL
SIMBOLOGIA
Tabela 1 - Letras de Identificação
• 18. Elemento sensor, transdutor, transmissor e conversor são
dispositivos com funções diferentes, conforme ISA S37.1.
Transmissor
(18)
TemperaturaT
Modifica
dor
Função de
saída (final)
Função de
informação
ou passiva
Modifica
dor
Variável
medida ou
inicial
Segundo Grupo de LetrasPrimeiro Grupo de Letras
INSTRUMENTAÇÃO INDUSTRIAL
SIMBOLOGIA
Tabela 1 - Letras de Identificação
• 6. O uso de U como primeira letra para multivariável em lugar de uma
combinação de outras primeiras letras é opcional. É recomendável usar as
primeiras letras especificas em lugar da letra U, que deve ser usada apenas
quando o número de letras for muito grande. Por exemplo, é preferível usar
PR/TR para indicar um registrador de pressão e temperatura em vez de UR.
Porém, quando se tem um registrador multiponto, com 24 pontos e muitas
variáveis diferentes, deve-se usar UR.
• 12. O uso da letra U para multifunção, vem vez da combinação de outras letras
funcionais é opcional. Este designador não específico deve ser usado
raramente.
Multifunção
(12)
Multifunção
(12)
Multifunção (12)
Multivariável
(6)
U
Modificador
Função de
saída (final)
Função de
informação ou
passiva
Modificador
Variável
medida ou
inicial
Segundo Grupo de LetrasPrimeiro Grupo de Letras
INSTRUMENTAÇÃO INDUSTRIAL
SIMBOLOGIA
Tabela 1 - Letras de Identificação
• 13. Um dispositivo que liga, desliga ou transfere um ou mais circuitos pode ser uma
chave, um relé, um controlador liga-desliga ou uma válvula de controle,
dependendo da aplicação. Se o equipamento manipula uma vazão de fluido do
processo e não é uma válvula manual de bloqueio liga-desliga, ela é projetada
como válvula de controle. É incorreto usar o tag CV para qualquer coisa que não
seja uma válvula de controle auto atuada. Para todas as aplicações que não
tenham vazão de fluido de processo, o equipamento é projetado como:
a) Chave, se for atuada manualmente.
b) Chave ou controlador liga-desliga, se for automático e for o primeiro dispositivo na
malha. O termo chave é geralmente usado se o dispositivo é aplicado para alarme,
lâmpada piloto, seleção, intertravamento ou segurança. O termo controlador é
usado se o dispositivo é aplicado para o controle de operação normal.
c) Relé, se for automático e não for o primeiro dispositivo na malha, mas atuado por
uma chave ou por um controlador liga-desliga.
Válvula,
damper (13)
Vibração, análise
mecânica
V
Modifica
dor
Função de
saída (final)
Função de
informação
ou passiva
Modifica
dor
Variável medida
ou inicial
Segundo Grupo de LetrasPrimeiro Grupo de Letras
INSTRUMENTAÇÃO INDUSTRIAL
SIMBOLOGIA
Tabela 1 - Letras de Identificação
Poço (well)Peso, forçaW
Modificador
Função de
saída (final)
Função de
informação ou
passiva
Modificador
Variável
medida ou
inicial
Segundo Grupo de LetrasPrimeiro Grupo de Letras
INSTRUMENTAÇÃO INDUSTRIAL
SIMBOLOGIA
Tabela 1 - Letras de Identificação
• 2. A letra X não classificada tem o objetivo de cobrir significado não
listado que será usado somente uma vez ou usado em um significado
limitado. Se usada, a letra pode ter qualquer número de significados
como primeira letra ou como letra subsequente. O significado da letra
X deve ser definido do lado de fora do círculo do diagrama. Por
exemplo, XR pode ser registrador de consistência e XX pode ser um
osciloscópio de consistência.
Não
classificado
(2)
Não
classificado
(2)
Não
classificado (2)
Eixo X
Não
classificado (2)
X
Modifica
dor
Função de
saída (final)
Função de
informação ou
passiva
Modifica
dor
Variável
medida ou
inicial
Segundo Grupo de LetrasPrimeiro Grupo de Letras
INSTRUMENTAÇÃO INDUSTRIAL
SIMBOLOGIA
Tabela 1 - Letras de Identificação
• 20. A primeira letra Y se destina ao uso quando as respostas de controle ou
monitoração são acionadas por evento e não acionadas pelo tempo. A letra Y,
nesta posição, pode também significar presença ou estado.
• 14. As funções associadas com o uso de letras subsequentes Y devem ser
definidas do lado de fora do circulo de identificação. Por exemplo, FY pode ser
o extrator de raiz quadrada na malha de vazão; TY pode ser o conversor
corrente para pneumático em uma malha de controle de temperatura. Quando
a função é evidente como para uma válvula solenóide ou um conversor
corrente para pneumático ou pneumático para corrente a definição pode não
ser obrigatória.
• 18. Elemento sensor, transdutor, transmissor e conversor são dispositivos com
funções diferentes, conforme ISA S37.1.
Relé, conversor
(13, 14, 18)
Eixo Y
Evento, estado
ou presença
(20)
Y
Modifica
dor
Função de
saída (final)
Função de
informação ou
passiva
Modifica
dor
Variável
medida ou
inicial
Segundo Grupo de LetrasPrimeiro Grupo de Letras
INSTRUMENTAÇÃO INDUSTRIAL
SIMBOLOGIA
Tabela 1 - Letras de Identificação
• 13. Um dispositivo que liga, desliga ou transfere um ou mais circuitos pode ser uma
chave, um relé, um controlador liga-desliga ou uma válvula de controle, dependendo da
aplicação. Se o equipamento manipula uma vazão de fluido do processo e não é uma
válvula manual de bloqueio liga-desliga, ela é projetada como válvula de controle. É
incorreto usar o tag CV para qualquer coisa que não seja uma válvula de controle auto
atuada. Para todas as aplicações que não tenham vazão de fluido de processo, o
equipamento é projetado como:
a) Chave, se for atuada manualmente.
b) Chave ou controlador liga-desliga, se for automático e for o primeiro dispositivo na malha.
O termo chave é geralmente usado se o dispositivo é aplicado para alarme, lâmpada
piloto, seleção, intertravamento ou segurança. O termo controlador é usado se o
dispositivo é aplicado para o controle de operação normal.
c) Relé, se for automático e não for o primeiro dispositivo na malha, mas atuado por uma
chave ou por um controlador liga-desliga.
Relé, conversor
(13, 14, 18)
Eixo Y
Evento, estado
ou presença
(20)
Y
Modifica
dor
Função de
saída (final)
Função de
informação ou
passiva
Modifica
dor
Variável
medida ou
inicial
Segundo Grupo de LetrasPrimeiro Grupo de Letras
INSTRUMENTAÇÃO INDUSTRIAL
SIMBOLOGIA
Tabela 1 - Letras de Identificação
Elemento final
de controle não
classificado
Eixo Z
Posição ou
dimensão
Z
Modifica
dor
Função de
saída (final)
Função de
informação
ou passiva
Modifica
dor
Variável
medida ou
inicial
Segundo Grupo de LetrasPrimeiro Grupo de Letras
INSTRUMENTAÇÃO INDUSTRIAL
SIMBOLOGIA
Exemplos
• PI = Indicador de pressão
“P" é a variável medida (Pressão)
“I“ é a função de informação ou passiva.
Neste caso pode-se ter vários tipos de instrumentos. Desde um
manômetro mecânico à instrumentos eletrônicos sofisticados.
Note que ao indicar PI em um fluxograma a intenção é descrever
que naquele determinado ponto deseja-se somente indicar a
pressão, independentemente do tipo de instrumento utilizado.
• TI = Indicador de Temperatura
• LI = Indicador de Nível
• SI = Indicador de Velocidade
• RI = Indicador de Radioatividade
• MI = Indicador de Umidade
• AI = Indicador de Condutividade, ou pH, ou 02 etc.
• VI = Indicador de Viscosidade
INSTRUMENTAÇÃO INDUSTRIAL
SIMBOLOGIA
Exemplos
• PIC = Indicador Controlador de Pressão
Neste caso a função final é o controle de uma malha,
portanto, a letra "C" da coluna “função final". A letra "I” é
somente uma função passiva mencionando que o
instrumento também esta indicando de alguma forma a
variável "P" pressão.
• TIC = Indicador Controlador de Temperatura
• LIC = Indicador Controlador de Nível
• FIC = Indicador Controlador de Vazão
• JIC = Indicador Controlador de Potência
• SIC = Indicador Controlador de Velocidade
• BIC = Indicador Controlador de Queima ou Combustão
(queimadores de caldeiras ou fomos ou outros)
INSTRUMENTAÇÃO INDUSTRIAL
SIMBOLOGIA
Exemplos
• LAH = Alarme de Nível Alto
Neste exemplo a letra "A" define a função de
informação, indicando que o instrumento está sendo
utilizado para um alarme. A letra modificadora "H“
complementa esta informação indicando o
parâmetro do alarme, no caso nível alto.
• TAH = Alarme de Temperatura Alta
• SAL = Alarme de Baixa Velocidade
• WAL = Alarme de Peso Baixo
INSTRUMENTAÇÃO INDUSTRIAL
SIMBOLOGIA
Exemplos
• HV = Válvula de controle manual
A letra “V“ indica a função final e a letra “H“ indica a
variável inicial.
• LCV = Válvula de controle de nível auto-operada
Neste exemplo a letra “C" pode estar indicando que
a válvula é auto-operada.
• LV = Válvula de nível
Geralmente esta notação determina que se trata de
uma válvula de controle proporcional.
INSTRUMENTAÇÃO INDUSTRIAL
SIMBOLOGIA
Combinação de Letras Típicas
INSTRUMENTAÇÃO INDUSTRIAL
SIMBOLOGIA
INSTRUMENTAÇÃO INDUSTRIAL
SIMBOLOGIA
Combinação de Letras Típicas
INSTRUMENTAÇÃO INDUSTRIAL
SIMBOLOGIA
Combinação de Letras Típicas
INSTRUMENTAÇÃO INDUSTRIAL
SIMBOLOGIA
Tabela 2 - Símbolos e Funções de
Processamento de Sinais
INSTRUMENTAÇÃO INDUSTRIAL
SIMBOLOGIA
Símbolos
A simbologia correta da instrumentação deve conter os
seguintes parâmetros:
• Identificação das linhas de interligação dos instrumentos,
por exemplo, eletrônica física, eletrônica por configuração,
pneumática.
• Determinação do local de instalação dos instrumentos,
acessível ou não acessível ao operador de processo.
• Filosofia da instrumentação, quanto ao instrumento ser
dedicado a cada malha ou compartilhado por um conjunto
de malhas de processo
• Identificação (tag) do instrumento, envolvendo a variável
do processo, a função do instrumento e o numero da
malha do processo.
• Outras informações adicionais.
INSTRUMENTAÇÃO INDUSTRIAL
SIMBOLOGIA
Símbolo de Linhas de Instrumentos
INSTRUMENTAÇÃO INDUSTRIAL
SIMBOLOGIA
Símbolo de Linhas de Instrumentos
Observações:
1- A linha de suprimento ou impulso representa a conexão do
processo, elo mecânico ou alimentação do instrumento.
Sugerimos as seguintes abreviaturas para denotar os tipos de
alimentação. Essas designações podem ser também aplicadas
para suprimento de fluidos.
AS - suprimento de ar
Opções: IA - ar do instrumento
PA - ar da planta
ES - alimentação elétrica
GS - alimentação de gás
HS - suprimento hidráulico
NS - suprimento de nitrogênio
SS - suprimento de vapor
WS - suprimento de água
INSTRUMENTAÇÃO INDUSTRIAL
SIMBOLOGIA
Símbolo de Linhas de Instrumentos
Observações:
2- O símbolo do sinal pneumático aplica-se para um sinal
usando qualquer gás como veículo. Se io gás não for o ar,
deve ser identificado qual o gás usando através de uma nota
nos símbolos ou em outro local apropriado.
3- Fenômeno eletromagnético inclui calor, ondas de rádio,
radiação nuclear e luz.
INSTRUMENTAÇÃO INDUSTRIAL
SIMBOLOGIA
Círculo ou Balão do Instrumento
INSTRUMENTAÇÃO INDUSTRIAL
SIMBOLOGIA
Instrumento com tag longo
Lâmpada piloto
Terminais de conexão montados
no painel (ex terminal 12)
Purga ou dispositivo de
purga
Rearme para atuador
tipo auto-retenção
Diafragma de selagem
Intertravamento lógico de
sistema indefinido ou complexo
Círculo ou Balão do Instrumento
INSTRUMENTAÇÃO INDUSTRIAL
SIMBOLOGIA
INSTRUMENTAÇÃO INDUSTRIAL
SIMBOLOGIA
Exemplos
INSTRUMENTAÇÃO INDUSTRIAL
SIMBOLOGIA
Exemplos
INSTRUMENTAÇÃO INDUSTRIAL
SIMBOLOGIA
INSTRUMENTAÇÃO INDUSTRIAL
SIMBOLOGIA
Exemplos
LAHH
100
LAL
102
LAH
101
LALL
103
Alarmes independentes de níveis anormais
LAHH – muito alto, malha 100
LAH – alto, malha 101
LAL – baixo, malha 102
LALL – muito baixo, malha 103
Todos instalados na sala
de controle acessível ao
operador
Sinal binário
elétrico
INSTRUMENTAÇÃO INDUSTRIAL
SIMBOLOGIA
Controlador indicador de temperatura
TIC
101
TT
Transmissor de
temperatura, instalado no
campo
Controlador indicador de
temperatura, instalado na sala
de controle acessível ao
operador, malha 101
Válvula com atuador
pneumático
Sinal
pneumático
Tubo
capilar
INSTRUMENTAÇÃO INDUSTRIAL
SIMBOLOGIA
Controle em cascata – o controlador de vazão tem o seu
ponto de controle fixado por um controlador de nível
LC
104
FT
FC
104
SP
Válvula
angular
Controlador de vazão, instalado no
campo, transmissão pneumática,
malha 104
Controlador de nível,
instalado no campo, malha
104
Transmissor de vazão, instalado no
campo
Sinal
pneumático
INSTRUMENTAÇÃO INDUSTRIAL
SIMBOLOGIA
Indicador diferencial de temperatura
TDI
103
TT
A
TT
B
Transmissor de
temperatura,
equipamento B,
montado no campo
Transmissor de
temperatura,
equipamento A,
montado no campo
Indicador diferencial de temperatura,
instrumento compartilhado, instalado
na sala de controle acessível ao
operador, malha 103
Sinal elétrico
Tubo
capilar
INSTRUMENTAÇÃO INDUSTRIAL
SIMBOLOGIA
LC
107
LSHL
105
LC
106
START
LAH LAL LLH
LLL
STOP
BOMBA
Controle diferencial de nível do poço através de partidas e paradas
da bomba pelo LC-107 e LC-106 que também acionam as
lâmpadas pilotos de nível alto e baixo. Os alarmes de nível alto e
baixo são atuados por LSHL-105
Lâmpada piloto
de nível alto,
instalado na
sala de controle
acessível ao
operador
Intertravamento lógico
Lâmpada piloto de nível
baixo, instalado na sala
de controle acessível ao
operador
Controlador de
nível, instalado
no campo, malha
107
Controlador de
nível, instalado no
campo, malha
106
Alarme de
nível alto,
instalado na
sala de
controle
acessível ao
operador
Alarme de
nível baixo,
instalado na
sala de
controle
acessível ao
operador
Chave de nível alto e baixo,
instalado no campo, malha
105
Sinal binário
elétrico
INSTRUMENTAÇÃO INDUSTRIAL
SIMBOLOGIA
Sinal de corrente elétrica que aciona válvula de controle
pneumática através de um conversor eletro-pneumático
montado separadamente
TC
114
TY
I
P
Controlador de
temperatura,
instalado no campo,
malha 114
Conversor eletro-
pneumático
Válvula de controle
pneumática
Sinal elétrico
Sinal pneumático
INSTRUMENTAÇÃO INDUSTRIAL
SIMBOLOGIA
Instrumento combinado: controlador, indicador de nível e
transmissor, comandando válvula de controle, com indicador no
painel e transmissão pneumática.
LT
301
LIC
301
LCV-301
LI
301
Instrumento combinado:
Controlador indicador de nível e
transmissor de nível, instalados
no campo, malha 301
Indicador de nível, instalado na
sala de controle acessível ao
operador, malha 301
Válvula de controle
comandada por nível,
malha 301
Sinal
pneumático
INSTRUMENTAÇÃO INDUSTRIAL
SIMBOLOGIA
Registrador de vazão com registrador de pressão. Registradores
no painel e transmissores locais com transmissão pneumática
FT
402
PT
403
FR
402
PR
403
Transmissor de vazão,
instalado no campo, malha 402
Transmissor de
pressão,
instalado no
campo, malha
403
Registrador de vazão, instalado
no painel, malha 402,
instrumento compartilhado
Placa de orifício
Registrador de
pressão, instalado
no painel, malha
403, instrumento
compartilhado
Sinal pneumático
INSTRUMENTAÇÃO INDUSTRIAL
SIMBOLOGIA
Instrumento combinado de registro e controle de nível,
comandando válvula de controle, com transmissão pneumática.
Instrumento no painel e transmissores no local.
LT
103
LCV-103
LCR
103
LCT
104
LT
104
Registrador controlador de nível,
instalado na sala de controle acessível
ao operador, malha 103, instrumento
compartilhado
Transmissor controlador de nível,
instalado na sala de controle acessível ao
operador, malha 104, instrumento
compartilhado
Transmissor de
nível, instalado
no campo,
malha 104
Transmissor de
nível, instalado
no campo,
malha 103
Válvula de controle
comandada por nível,
malha 103
Sinal
pneumático
INSTRUMENTAÇÃO INDUSTRIAL
SIMBOLOGIA
Controle seletivo
Transmissor de
vazão, instalado no
campo, transmissão
elétrica
Extrator de raiz
quadrada, instalado
atrás do painel,
transmissão elétrica,
malha de vazão
Transmissor de pressão,
instalado no campo,
transmissão elétrica
Controlador indicador de
pressão, instalado no
painel, transmissão
elétrica
Seletor de sinal baixo,
instalado atrás do painel,
transmissão elétrica
Controlador indicador de vazão com
ponto de ajuste (SP), instalado no
painel, transmissão elétrica
Conversor de
corrente elétrica
para pressão,
instalado no campo
Válvula de controle
acionada
pneumaticamente
INSTRUMENTAÇÃO INDUSTRIAL
SIMBOLOGIA
Controle de temperatura
Transmissor de
temperatura,
instalado no
campo
Controlador
registrador de
temperatura,
instalado na
sala de controle
acessível ao
operador
Conversor de
corrente elétrica
para pressão,
instalado no
campo
Válvula de controle acionada
pneumaticamente
Sinal elétrico
INSTRUMENTAÇÃO INDUSTRIAL
SIMBOLOGIA
Controle de temperatura
Transmissor de
temperatura,
instalado no campo,
transmissão elétrica
Transmissor de
vazão,
instalado no
campo,
transmissão
elétrica
Controlador registrador
de temperatura,
instalado na sala de
controle acessível ao
operador, transmissão
elétrica
Controlador indicador
de vazão, instalado
na sala de controle
acessível ao
operador,
transmissão elétrica
Conversor de
corrente elétrica
para pressão,
instalado no campoVálvula de controle
acionada pneumaticamente
INSTRUMENTAÇÃO INDUSTRIAL
SIMBOLOGIA
Controle de temperatura
Válvula de controle
acionada pneumaticamente
Conversor de
corrente elétrica
para pressão,
instalado no campo
Transmissor de
vazão, instalado no
campo, transmissão
elétrica
Extrator de raiz quadrada,
instalado na sala de controle
não acessível ao operador,
transmissão elétrica, malha de
vazão
Função não-linear, instalado
na sala de controle não
acessível ao operador,
transmissão elétrica
Controlador indicador
manual, instalado na sala
de controle acessível ao
operador, transmissão
elétrica
INSTRUMENTAÇÃO INDUSTRIAL
SIMBOLOGIA
Instrumentação
para um
sistema de
destilação
INSTRUMENTAÇÃO INDUSTRIAL
SIMBOLOGIA
Indicador de temperatura,
instalado no campo, malha 9,
instrumento 3
Válvula borboleta com atuador
pneumático, malha de pressão 11,
falha aberta
Alarme de temperatura alta,
instalado na sala de controle
acessível ao operador, malha 8,
instrumento 2
Cálculo de função
no tempo,
instalado na sala
de controle não
acessível ao
operador, malha
3, instrumento A
Instrumento
compartilhado: chave
com varredura de
nível alto de
temperatura e
registrador com
varredura de
temperatura,
instalado na sala de
controle acessível ao
operador, malha 8,
instrumento 2
Alarme de
temperatura alta,
instalado na sala
de controle
acessível ao
operador, malha
8, instrumento 3
Instrumento
compartilhado: chave
com varredura de
nível alto de
temperatura e
registrador com
varredura de
temperatura,
instalado na sala de
controle acessível ao
operador, malha 8,
instrumento 3
Transmissor de
vazão, instalado no
campo, malha 4
Controlador
registrador de
vazão, instalado no
painel, malha 4
Válvula com
atuador
pneumático, falha
fechada, malha 4
Registrador com
varredura de temperatura,
instalado no painel, malha
8, instrumento 1
INSTRUMENTAÇÃO INDUSTRIAL
SIMBOLOGIA
Alarme de nível alto e baixo,
instalado no painel, malha 9
Transmissor de pressão, instalado
no campo, malha 11
Controlador registrador de pressão,
instalado na sala de controle
acessível ao operador, malha 11
Registrador de
vazão, instalado na
sala de controle
acessível ao
operador, malha 3
Transmissor de
vazão, instalado
no campo, malha 3
Chave de nível
alto e baixo,
instalado na sala
de controle
acessível ao
operador, malha 9
Transmissor de nível,
instalado no campo,
malha 7
Placa de orifício com
flange na linha de
processo, malha 4
Controlador
indicador de nível,
instalado no painel,
malha 7
Válvula com atuador
pneumático, falha
aberta, malha de
nível 7
Ganho ou atenuação,
malha de vazão, instalado
atrás do painel, malha 3,
instrumento B
Registrador com
varredura de
temperatura,
instalado na sala de
controle acessível ao
operador, malha 8,
instrumento 4
Placa de orifício
com flange na
linha de
processo, malha
3
INSTRUMENTAÇÃO INDUSTRIAL
SIMBOLOGIA Divisor
multivariável,
instalado atrás do
painel, malha 6
Analisador,
controlador e
registrador,
instalado no
painel, malha 5
Transmissor de
nível, instalado
no campo, malha
2
Analisador e
transmissor,
instalado no
campo, malha 5
Visor de nível,
instalado no
campo, malha
10
Registrador com varredura
de temperatura, instalado
no painel, malha 8,
instrumento 6
Controlador
registrador de
vazão, instalado
no painel, malha
1
Indicador de
temperatura,
instalado no
painel, malha 9,
instrumento 2
Alarme de
temperatura
baixa, instalado
no painel, malha
8, instrumento 5
Instrumento compartilhado: chave com
varredura de nível baixo de temperatura e
registrador com varredura de temperatura,
instalado na sala de controle acessível ao
operador, malha 8, instrumento 5
Válvula com atuador
pneumático, falha
fechada, malha de nível 2
Controlador indicador de
nível, instalado no painel,
malha 2
INSTRUMENTAÇÃO INDUSTRIAL
SIMBOLOGIA
Alarme de valor
baixo do
analisador,
instalado no
painel, malha 5
Chave de valor alto e
baixo do analisador,
instalado atrás do
painel, malha 5
Alarme de valor alto
do analisador,
instalado no painel,
malha 5Indicador de temperatura,
instalado no painel, malha
9, instrumento 1
Transmissor
de vazão,
instalado no
campo, malha
1
Placa de orifício
com flange na
linha de processo,
malha 1
Válvula com
atuador
pneumático,
falha fechada,
malha de vazão 2
Sinal elétrico
Sinal pneumático
INSTRUMENTAÇÃO INDUSTRIAL
SIMBOLOGIA Alarme de nível
alto e baixo,
instalado no
painel, malha 2
Controlador
indicador de nível,
instalado no painel,
malha 2
Instrumento
compartilhado:
registrador de
temperatura e
densidade,
instalado no painel,
malha 4 e 24
Transmissor de
nível, instalado
no campo, malha
2
Transmissor de
temperatura,
instalado no
painel, entrada em
resistência e saída
em corrente,
malha 24
Sensor de
temperatura,
instalado no
campo, malha 24
Dispositivo de
purga de água
Transmissor de
densidade,
instalado no
campo, malha 4
Chave de densidade,
instalado no painel,
malha 4
Controlador indicador
de densidade,
instalado no painel,
malha 4
Alarme de valor alto e
baixo de densidade,
instalado no painel,
malha 4
Relé de densidade,
instalado no painel,
malha 4
Chave de nível,
instalado no
painel, malha 2
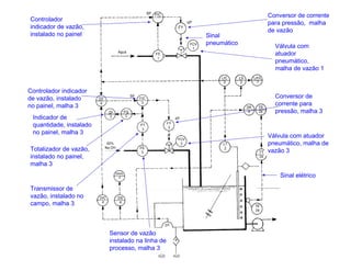
INSTRUMENTAÇÃO INDUSTRIAL
SIMBOLOGIA
Válvula com
atuador
pneumático,
malha de vazão 1
Controlador
indicador de vazão,
instalado no painel
Conversor de corrente
para pressão, malha
de vazão
Válvula com atuador
pneumático, malha de
vazão 3
Conversor de
corrente para
pressão, malha 3
Sensor de vazão
instalado na linha de
processo, malha 3
Transmissor de
vazão, instalado no
campo, malha 3
Totalizador de vazão,
instalado no painel,
malha 3
Indicador de
quantidade, instalado
no painel, malha 3
Controlador indicador
de vazão, instalado
no painel, malha 3
Sinal elétrico
Sinal
pneumático
INSTRUMENTAÇÃO INDUSTRIAL
SIMBOLOGIA
INSTRUMENTAÇÃO INDUSTRIAL
SIMBOLOGIA
INSTRUMENTAÇÃO INDUSTRIAL
SIMBOLOGIA
Exemplos
As figuras abaixo ilustram um diagrama de
blocos de uma fábrica de pasta termomecânica
(indústria de papel) e um diagrama de
instrumentação para seu processo. A tabela
identifica cada ciclo, os seus instrumentos e as
suas funções no processo. Nota-se que em todos
os pontos vitais do processo há, conforme a
necessidade, medidores, indicadores, alarmes,
registradores, controladores e válvulas.
INSTRUMENTAÇÃO INDUSTRIAL
SIMBOLOGIA
INSTRUMENTAÇÃO INDUSTRIAL
SIMBOLOGIA
INSTRUMENTAÇÃO INDUSTRIAL
SIMBOLOGIA
INSTRUMENTAÇÃO INDUSTRIAL
SIMBOLOGIA
INSTRUMENTAÇÃO INDUSTRIAL
SIMBOLOGIA
Planta PD3 da Smar
INSTRUMENTAÇÃO INDUSTRIAL
SIMBOLOGIA
Tela de sinótico
INSTRUMENTAÇÃO INDUSTRIAL
SIMBOLOGIA
Tanque de aquecimento
INSTRUMENTAÇÃO INDUSTRIAL
SIMBOLOGIA
Transmissor e válvula de controle de vazão
INSTRUMENTAÇÃO INDUSTRIAL
SIMBOLOGIA
Bomba para alimentação do tanque de aquecimento
INSTRUMENTAÇÃO INDUSTRIAL
SIMBOLOGIA
Reservatório de água
INSTRUMENTAÇÃO INDUSTRIAL
SIMBOLOGIA
Bomba para alimentação do tanque de mistura
INSTRUMENTAÇÃO INDUSTRIAL
SIMBOLOGIA
Transmissor e válvula de controle de vazão
INSTRUMENTAÇÃO INDUSTRIAL
SIMBOLOGIA
Tanque de mistura, água quente e fria
INSTRUMENTAÇÃO INDUSTRIAL
SIMBOLOGIA
Malha 31 Malha 32
INSTRUMENTAÇÃO INDUSTRIAL
SIMBOLOGIAVálvulas manuais
INSTRUMENTAÇÃO INDUSTRIAL
SIMBOLOGIA
Chave de nível e termostato
A chave de nível acusa nível baixo quando a capacidade do tanque for
inferior a 90% de sua capacidade.
O termostato acusa temperatura alta no tanque.
INSTRUMENTAÇÃO INDUSTRIAL
SIMBOLOGIA
Vazão
A planta didática possui 2 transmissores Fieldbus LD302
acoplados com orifícios integrais para medição da vazão
instantânea de água na tubulação.
INSTRUMENTAÇÃO INDUSTRIAL
SIMBOLOGIA
Nível do Tanque de Água Quente
Um Transmissor fieldbus LD302 diferencial é responsável pela
medição do nível do tanque de água quente.
INSTRUMENTAÇÃO INDUSTRIAL
SIMBOLOGIA
Temperatura do Tanque de Água Quente
A temperatura do tanque de água quente é medida através
de um Transmissor de Temperatura Fieldbus TT-302 que
recebe um sinal de uma termoresistência PT-100.
INSTRUMENTAÇÃO INDUSTRIAL
SIMBOLOGIA
Temperatura do Tanque de Mistura
A temperatura do tanque de mistura é medida através de um
Transmissor de Temperatura Fieldbus TT-302 que recebe um
sinal de um termopar tipo J.
INSTRUMENTAÇÃO INDUSTRIAL
SIMBOLOGIA
Conversor Estático
A planta didática possui um conversor resistivo que converte corrente
em resistência elétrica. Estas resistências estão dentro do tanque de
água quente e servem para aquecer a água deste tanque. Nesta planta
está sendo utilizado um conversor de sinal Fieldbus para 4 a 20 mA FI-
302 (Tag TY-31)
INSTRUMENTAÇÃO INDUSTRIAL
SIMBOLOGIA
Válvula de Entrada de Água no Tanque de Água Quente
A planta possui também uma válvula que regula a entrada de
água no tanque de água quente.
INSTRUMENTAÇÃO INDUSTRIAL
SIMBOLOGIA
Válvula de Entrada de Água no Tanque de Mistura
A planta possui também uma válvula que regula a entrada de água
no tanque de mistura, onde será misturada água quente com água
fria.
INSTRUMENTAÇÃO INDUSTRIAL
SIMBOLOGIA
Controle em Cascata
(Temperatura com vazão de água fria)
No tanque de mistura, a água quente proveniente do
tanque de aquecimento é misturada com água fria
para que esta se aqueça. A finalidade deste controle
é manter a temperatura da água no tanque de
mistura respondendo às variações de temperatura da
água do tanque de aquecimento. A malha de vazão
de água fria recebe como set-point, a saída do
controle de temperatura do tanque de mistura
provocando assim, a ação da válvula de água fria
quando a temperatura for diferente da solicitada.
INSTRUMENTAÇÃO INDUSTRIAL
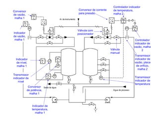
SIMBOLOGIA
INSTRUMENTAÇÃO INDUSTRIAL
SIMBOLOGIA
TIC
2
FY
1
FI
1
LI
1
JY
1
TI
1
FIT
LIT
JY
TIT
TIT
I
PI
P
FIT
Ar de instrumento
Saída de água
Água de processo
FIC
2
Conversor de corrente
para pressão
Controlador indicador
de temperatura,
malha 2
Controlador
indicador de
vazão, malha
2
Transmissor
indicador de
vazão, placa
de orifício,
malha 2
Válvula
manual
Válvula com
posicionador
Transmissor
indicador de
temperatura
Indicador de
temperatura,
malha 1
Conversor
de potência,
malha 1
Transmissor
indicador de
nível
Indicador
de nível,
malha 1
Indicador
de vazão,
malha 1
Conversor
de vazão,
malha 1
INSTRUMENTAÇÃO INDUSTRIAL
SIMBOLOGIA
Malha de Temperatura TIC-32
A malha de temperatura faz um controle PID onde sua
saída servirá como setpoint para a malha de vazão.
INSTRUMENTAÇÃO INDUSTRIAL
SIMBOLOGIA
Malha de Vazão de Água Fria FIC-32
Esta malha utiliza como setpoint a saída do controle de
temperatura sendo assim o seu valor não podendo ser
alterado pelo operador.
INSTRUMENTAÇÃO INDUSTRIAL
SIMBOLOGIA
Controle por Realimentação Negativa
(Temperatura com vazão de água fria)
A finalidade deste controle é manter a temperatura do
tanque de aquecimento em um valor fixo. Um conversor
de potência é o elemento final de controle. Ele é o
responsável por enviar energia para um grupo de
resistências elétricas para aquecer a água deste
tanque. A malha principal é a de temperatura, que após
efetuar o controle recebe um ganho proveniente da
vazão de água para acelerar a demanda de potência
necessária para manter a temperatura constante. Esta
estratégia garante que variações provocadas pela
entrada de água no tanque de aquecimento tenham
respostas rápidas.
INSTRUMENTAÇÃO INDUSTRIAL
SIMBOLOGIA
INSTRUMENTAÇÃO INDUSTRIAL
SIMBOLOGIA
TIC
2
FY
1
FI
2
LI
1
TIC
1
FIT
LIT
JY
TIT
TIT
I
PI
P
FIT
Ar de instrumento
Saída de água
Água de processo
Conversor de corrente
para pressão
Válvula
manual
Válvula com
posicionador
Transmissor
indicador de
temperatura
Conversor
de potência,
malha 1
Transmissor
indicador de
temperatura
Indicador de
nível, malha 1
Transmissor
indicador de
vazão,
malha 1
Conversor
de vazão,
malha 1
Indicador
de vazão,
malha 2
Transmissor
indicador de
temperatura,
malha 2
Transmissor
indicador de
temperatura
Transmissor
indicador de
nível
Transmissor
indicador de
vazão, placa
de orifício
INSTRUMENTAÇÃO INDUSTRIAL
SIMBOLOGIA
Malha de Temperatura TIC-31
A malha de temperatura faz um
controle PID simples.
Malha de Temperatura TIC-32
A malha de temperatura faz um
controle PID simples.
INSTRUMENTAÇÃO INDUSTRIAL
SIMBOLOGIA
CHEMICAL FLARE
SP
SP
SP
SP
SP
SOUR WATER DRUM
STATIC MIXER
H2S STRIPPER
CONDENSER
NH3 RICH GAS
HEATER
NH3 STRIPPER
OVERHEAD DRUM
NH3 STRIPPER
REFLUX PUMP
NH3 STRIPPER
SECOND REBOILER
STRIPPED WATER
PUMP
NH3 STRIPPER
FIRST REBOILER
NH3 STRIPPER
FEED FILTER
H2S STRIPPER
PRE-HEATER
H2S STRIPPER
COLUMN
CAUSTIC SOLUTION
PUMPCAUSTIC SOLUTION
DRUM
H2S STRIPPER
OVERHEAD DRUM
H2S STRIPPER
REBOILER
H2S STRIPPER
CONDENSATE POT
CAUSTIC SOLUTION
MP STEAM
MP CONDENSATE
LOW CONDENSATE
LOW STEAM
MP CONDENSATE
CHEMICAL FLARE
MP STEAM
MP CONDENSATE
MP STEAM
0.013 m3/h x 3.9 kgf/cm2
NOTE 2
T-2702
NH3 STRIPPER
COLUMN
U-2100
SP
LEGEND
2 - NORMAL FLOW AND DIFFERENTIAL PRESSURE.
OPERATING PRESSURE (kgf/cm2 gauge)
STREAM NUMBER
OPERATING TEMPERATURE ( C )
1 - DIMENSIONS IN MILIMETERS UNLESS OTHERWISE INDICATED.
FUEL GAS
SOUR WATER
FROM TQ- 4107/08
V-2701
B-2701A/B
V-2706 B-2705
T-2701
P-2703
V-2704
P-2702A/B
B-2702A/B
P-2708
V-2702
P-2701A/B
P-2706
MT-2701
FT-2701A/B
P-2704
NH3 STRIPPER
FIRST CONDENSER
P-2705
NH3 STRIPPER
SECOND CONDENSER
V-2703
B-2703A/B
P-2707
B-2704A/B
P-2709
H2S RICH GAS TO U-2900
RESIDUAL OIL TO TQ-4108
NH3 RICH
GAS TO U-2900
GAS FROM
HYDROGEN GENERATING UNIT
STRIPPED WATER TO U-2100
V-2705
SOUR WATER PUMP
80.8 m3/h x 13.1 kgf/cm2
NOTE 2
11.2 m3/h x 5.7 kgf/cm2
NOTE 2
88.0 m3/h x 9.3 kgf/cm2
NOTE 2
NH3 STRIPPER
CONDENSATE POT
STRIPPED WATER TO U-2600
FUEL GAS
6
DUTY 10 (kcal/h)
CHEMICAL
FLARE
A1 - 594 X 841
A
B
C
D
E
F
G H I J MK L
REFERENCE DOCUMENTS
N
GENERAL NOTES
SCALE:
DESIGN
DATE
JOB:
TÍTLE:
AREA:
REV.
CLIENT:
UN-REPAR
DRAWN
No
CHECK
SHEET
APPROV.
01 of
851.2.020.01.1
BR CONTRACT No
ENGENHARIA
APPROV.EXEC.DATEDESCRIPTION CHECK
IESA No
FILE No
P
CANCELED
AND REPLACED
CANCELED
SOUR WATER TREATING UNIT (U-2700)
DIESEL HIDRODESULFURIZATION UNIT
INFORMATION
PRELIMINARY
FORM STANDARTIZED BY STANDARD PETROBRAS N-381 - REV.E.
NOT BE USED FOR PURPOSES OTHER THAN THOSE SPECIFICALLY INDICATED HEREIN.
THE INFORMATION CONTAINED IN THIS DOCUMENT IS PETROBRAS PROPERTY AND MAY
(PR)
PURPOSE
(P)
(PI) FOR
(CC)AS BUILT (CA)FOR APPROVAL(PA) (PC)FOR INQUIRY
DELIVERED FOR
CONSTRUCTIONAPPROVED(AP)
(LE)
CERTIFIED(CE)
(CS)
PROCESS FLOWSHEET
INEPAR LPM MAL MT
01
16/07/01
DE-295-INP-2700-1-20-0001
I-DE-5295.00-5126-943-INP-001
DD-2700-P.10-001
DE-295-INP-2700-1-20-001_REV4.DWG
UNIDADE DE HIDRODESSULFURIZAUNIDADE DE HIDRODESSULFURIZAÇÇÃO DE DIESELÃO DE DIESEL -- HDS/REPARHDS/REPAR
Retificação de Águas Ácidas (UTAA) - FLUXOGRAMA DE PROCESSO
INSTRUMENTAÇÃO INDUSTRIAL
SIMBOLOGIA
Exercício: Planta de Recuperação de Solvente

3 1 simbologia (1)

  • 1.
  • 2.
    INSTRUMENTAÇÃO INDUSTRIAL SIMBOLOGIA Normas • InstrumentSociety of America (ISA): ISA 5.1 - Instrumentation Symbols and Identification (1984, revisão em 1992) • Associação Brasileira de Normas Técnicas (ABNT): NBR 8190 – Simbologia de Instrumentação (1983)
  • 3.
    INSTRUMENTAÇÃO INDUSTRIAL SIMBOLOGIA Aplicações Os símbolosde instrumentação são encontrados em: • fluxogramas de processo e de engenharia, • diagramas de controle de processos, conhecidos como diagrama P&I, • desenhos de detalhamento de instrumentação, instalação, diagramas de ligação, plantas de localização, diagramas lógicos de controle, listagem de instrumentos, • painéis sinópticos e semigráficos na sala de controle, • diagramas de telas de vídeo de estações de controle.
  • 4.
    INSTRUMENTAÇÃO INDUSTRIAL SIMBOLOGIA Definições • Alarme– Sistema que indica a existência de uma situação anormal por meio de um sinal sonoro, visual ou ambos. • Alcance (Span) - É a diferença algébrica entre o valor superior e inferior da faixa de medida do instrumento. Exemplo: Um instrumento com range de 100 - 5000C seu Span é de 4000C. • Acessível (Accessible) - Termo aplicado a um dispositivo ou função programada que poderá ser visto ou utilizado pelo operador com o propósito de acompanhamento do processo ou atuação em ações de controle. • Atrás do Painel (Behind the panel) - Termo aplicado a instrumentos inacessíveis ao operador e que normalmente estão localizados no interior do painel ou em armários separados.
  • 5.
    INSTRUMENTAÇÃO INDUSTRIAL SIMBOLOGIA Definições • Chave– Dispositivo que conecta, desconecta ou transfere um ou mais circuitos e que não seja designado como controlador, relé ou válvula de controle. • Círculo ou Balão – Símbolo usado para representar ou identificar um instrumento. • Configurável – Seleção através de comandos do teclado da estrutura básica do algoritmo de controle, do formato da leitura e das terminações de entrada e saída. • Compartilhado – Um único instrumento executa a mesma função, geralmente indicação, registro ou controle, de um grande número de variáveis simultaneamente. • Controlador – Dispositivo que tem um sinal de saída que pode ser variado para manter a variável controlada dentro de um limite específico ou para alterá-la de um valor previamente estabelecido. • Conversor – Dispositivo que recebe uma informação na forma de um sinal, altera a forma da informação e o emite como um sinal de saída.
  • 6.
    INSTRUMENTAÇÃO INDUSTRIAL SIMBOLOGIA Definições • Elementoprimário – Parte de uma malha ou de um instrumento que primeiro sente o valor da variável de processo e que assume uma correspondência predeterminada de estado ou sinal de saída. O elemento primário é também conhecido como detetor ou sensor. • Elemento final de controle – Dispositivo que altera diretamente o valor da variável manipulada de uma malha de controle. • Estação de controle – Sistema provido de uma chave de transferência de controle manual para automático e vice- versa. É também conhecida como estação automanual. • Faixa de Medida (Range) - Conjunto de valores da variável medida que estão compreendidos dentro do limite superior e inferior da capacidade de medida ou de transmissão do instrumento. Se expressa determinando os valores extremos. Exemplo: 100 a 500oC. • Função – Objetivo ou ação desenvolvida por um instrumento ou dispositivo.
  • 7.
    INSTRUMENTAÇÃO INDUSTRIAL SIMBOLOGIA Definições • Instrumento– Dispositivo usado direta ou indiretamente para medir ou controlar uma variável, ou ambos. • Instrumento indicador - Instrumento que dispõe de um ponteiro e de uma escala graduada na qual podemos ler o valor da variável. Existem também indicadores digitais que indicam a variável em forma numérica com dígitos ou barras gráficas. • Instrumento registrador - Instrumento que registra a(s) variável(s) através de um traço contínuo ou pontos em um gráfico. • Instrumento transmissor – Dispositivo que detecta uma variável de processo por meio de um elemento primário e que tem uma saída cujo valor é proporcional ao valor da variável de processo.
  • 8.
    INSTRUMENTAÇÃO INDUSTRIAL SIMBOLOGIA Definições • Lâmpadapiloto – Lâmpada que indica a existência de uma determinada condição normal de um sistema ou equipamento. • Local – Localização de um instrumento que não está no painel ou atrás do painel. Os instrumentos locais estão comumente próximos aos elementos primários ou finais de controle. • Malha – combinação de instrumentos interligados para medir ou controlar uma variável de processos. • Medição – Determinação da existência ou magnitude de uma variável. • Painel local – Painel que não seja central ou principal. Painéis locais estão comumente próximos dos equipamentos. • Ponto de teste – Tomada de uma variável do processo onde normalmente se instala um instrumento em caráter temporário ou intermitente.
  • 9.
    INSTRUMENTAÇÃO INDUSTRIAL SIMBOLOGIA Definições • Processo– Qualquer operação ou seqüência de operações envolvendo uma mudança de estado, de composição, de dimensão ou outras propriedades que possam ser definidas relativamente a um padrão. • Relé – Dispositivo atuado por um sinal elétrico que conecta, desconecta ou transfere um ou mais circuitos. • Relé de computação – Dispositivo que recebe informações na forma de um ou mais sinais provenientes de outros instrumentos, modifica estas informações e emite um ou mais sinais de saída resultantes. • Sistema de Controle Distribuído (Distributed Control System) - Sistema que embora funcionalmente integrado, consiste de subsistemas que poderão estar fisicamente separados e montados remotamente um do outro, obedecendo a uma hierarquia configurável. • Telemetria – Transmissão e recepção a distância da medida de uma variável para indicação ou outros usos.
  • 10.
    INSTRUMENTAÇÃO INDUSTRIAL SIMBOLOGIA Definições • Transdutor:Instrumento que recebe informações na forma de uma ou mais quantidades físicas, modifica caso necessário as informações e fornece um sinal de saída resultante. • Válvula de controle – Dispositivo, que não a válvula comum de atuação manual, que regula diretamente a vazão de uma ou mais correntes do processo com a finalidade de se obter uma determinada variável controlada. • Variável de processo – Qualquer propriedade variável de um processo (exemplo: temperatura, pressão, nível, vazão etc). • Varredura - Função que consiste em amostrar, intermitentemente, de uma maneira pré-determinada cada uma das variáveis de um grupo. Normalmente, a finalidade de dispositivos com varredura é indicar o estado ou valor de variáveis, porém poderão estar associados a outras funções tais como registro e alarme.
  • 11.
    INSTRUMENTAÇÃO INDUSTRIAL SIMBOLOGIA Estrutura Hierárquicade uma Planta • Planta - O termo Planta define por si só a implantação como um todo. • Área - A área define dentro da região um setor específico, que será tomada como uma identidade e submetida à subdivisões que permitam de forma lógica uma divisão que procura contemplar a execução de atividades específicas do processo. • Setor - O Setor divide dentro da área locais específicos de execução de urna fase do processo. • Grupo - O grupo define o menor conjunto do processo que possui em geral a característica de executar urna tarefa definida. • Instrumentos/Equipamentos - São os componentes físicos que estão contidos no Processo, compondo todas as suas partes funcionais. – Equipamentos - Bombas, vasos, tanques, vibradores, misturadores, pasteurizadores, silos, motores, clarificadoras, máquinas diversas e muitos outros. – Instrumentos - Indicadores, controladores, registradores, sensores, variadores, aturadores, transmissores, conversores, válvulas de controle e etc.
  • 12.
    INSTRUMENTAÇÃO INDUSTRIAL SIMBOLOGIA Tagname • OTagname ou Tag é um código alfanumérico, cuja finalidade é a de identificar equipamentos ou instrumentos, dentro de uma planta de processos. • O Tagname também é a identificação física de um instrumento ou equipamento. Por meio deste podemos localizar onde o instrumento/equipamento está instalado.
  • 13.
  • 14.
    INSTRUMENTAÇÃO INDUSTRIAL SIMBOLOGIA Exemplo deidentificação de instrumento • P - Variável medida - Pressão • R - Função passiva ou de informação - Registrador • C - Função ativa ou de saída - Controlador • 001 - Área de atividade, onde o instrumento atua • 02 - Número seqüencial da malha • A - Sufixo Identificação do Instrumento Sufixo No do Instrumento Área da Atividade Função Letras Subsequentes Variável Identificação Funcional P RC 001 02 A
  • 15.
    INSTRUMENTAÇÃO INDUSTRIAL SIMBOLOGIA Exemplo Letras subsequentes (funçãodo instrumento na malha) IC Primeira letra (variável da malha)T Identificação funcional Controlador Indicador de Temperatura TIC Número da malha103 Identificação da malha (malha de temperatura, número 103) T 103 Identificação do instrumento ou tag do instrumento TIC 103
  • 16.
    INSTRUMENTAÇÃO INDUSTRIAL SIMBOLOGIA Identificação funcional •A identificação funcional do instrumento ou seu equivalente funcional consiste de letras. • A primeira letra é a variável do processo medida ou de inicialização. • A primeira letra pode ter um modificador opcional. Por exemplo, PT é o transmissor de pressão e PDT é o transmissor de pressão diferencial. • As letras subsequentes identificam as funções do instrumento ou ainda fazem o papel de letras modificadoras. • Por exemplo, um TE tem sua primeira letra identificando a variável temperatura e a segunda letra E, chamada de subsequente, no caso um elemento primário que pode ser um sensor de temperatura, seja PT-100 ou termopar, ou outro princípio de medição de temperatura
  • 17.
    INSTRUMENTAÇÃO INDUSTRIAL SIMBOLOGIA Identificação funcional •A identificação funcional do instrumento é feita de acordo com sua função e não com a sua construção. • Por exemplo, um registrador de pressão diferencial usado para registro de vazão deve ser identificado por FR. • Outro exemplo, um indicador de pressão e um pressostato conectado na saída de um transmissor de nível devem ser identificados como LI e LS, respectivamente.
  • 18.
    INSTRUMENTAÇÃO INDUSTRIAL SIMBOLOGIA Identificação funcional •A primeira letra da identificação funcional é selecionada de acordo com a variável medida e não a variável manipulada. • A variável manipulada é a variável controlada pela variável medida. • Logo uma válvula de controle que varia a vazão para controlar um nível, comandada por um controlador de nível, é identificada como LV e não FV
  • 19.
    INSTRUMENTAÇÃO INDUSTRIAL SIMBOLOGIA Identificação funcional Asletras subsequentes identificam as funções do instrumento, podendo ser: • Funções passivas - elemento primário, orifício de restrição, poço; • Funções de informação - indicador, registrador, visor; • Funções ativas ou de saída - controlador, transmissor, chave e outros; • Funções modificadoras - alarmes ou indicação de instrumento multifunção.
  • 20.
    INSTRUMENTAÇÃO INDUSTRIAL SIMBOLOGIA Identificação funcional Aseqüência de formação da identificação intencional de um instrumento é a seguinte: – A primeira letra deve sempre indicar a variável medida ou inicial. A primeira letra pode possuir função modificada. – As letras subsequentes (segundo grupo de letras) indicam as funções do instrumento na seguinte ordem: • letras que designam funções passivas ou de informação. • letras que designam funções ativas ou saídas. • letras que modificam a função do instrumento ou que funcionam como complemento de explicação de função. Se houver letras modificadoras, estas devem ser colocadas imediatamente após a letra que modificam. Todas as letras da identificação funcional devem ser maiúsculas.
  • 21.
    INSTRUMENTAÇÃO INDUSTRIAL SIMBOLOGIA Identificação damalha • A identificação da malha geralmente é feita por um número, colocado ao final da identificação funcional do instrumento associado a uma variável de processo. • A numeração pode ser serial ou paralela. • Numeração paralela começa de 0 para cada nova variável, por exemplo, TIC-100, FIC-100, LIC-100 e AI-100. • Numeração serial usa uma única seqüência de números para um projeto ou seção grande de um projeto, de modo que se tem TIC-100, FIC-101, LIC- 102 e AI-103. A numeração pode começar de 1 ou qualquer outro número conveniente, como 101, 1001, 1201.
  • 22.
    INSTRUMENTAÇÃO INDUSTRIAL SIMBOLOGIA Tabela 1- Letras de Identificação • 5. A letra A (análise) cobre todas as análises não descritas como uma escolha do usuário. O tipo de análise deve ser especificado fora do circulo de identificação. Por exemplo, análise de pH, análise de O2. Análise é variável de processo e não função de instrumento, como muitos pensam principalmente por causa do uso inadequado do termo analisador. • 19. A primeira letra V, vibração ou análise mecânica, destina-se a executar as tarefas em monitoração de máquinas que a letra A executa em uma análise mais geral. Exceto para vibração, é esperado que a variável de interesse seja definida fora das letras de tag. Alarme Analisador (5,19) A Modifi cador Função de saída (final) Função de informação ou passiva Modifi cador Variável medida ou inicial Segundo Grupo de LetrasPrimeiro Grupo de Letras
  • 23.
    INSTRUMENTAÇÃO INDUSTRIAL SIMBOLOGIA Tabela 1- Letras de Identificação • 1. Uma letra de escolha do usuário tem o objetivo de cobrir significado não listado que é necessário em uma determinada aplicação. Se usada, a letra pode ter um significado como de primeira letra ou de letras subsequentes. O significado precisa ser definido uma única vez em uma legenda. Por exemplo, a letra N pode ser definida como módulo de elasticidade como uma primeira letra ou como osciloscópio como letra subsequente. Escolha (1)Escolha (1)Escolha (1) Chama de queimador (burner) B Modifi cador Função de saída (final) Função de informação ou passiva Modifi cador Variável medida ou inicial Segundo Grupo de LetrasPrimeiro Grupo de Letras
  • 24.
    INSTRUMENTAÇÃO INDUSTRIAL SIMBOLOGIA Tabela 1- Letras de Identificação • 13. Um dispositivo que liga, desliga ou transfere um ou mais circuitos pode ser uma chave, um relé, um controlador liga-desliga ou uma válvula de controle, dependendo da aplicação. Se o equipamento manipula uma vazão de fluido do processo e não é uma válvula manual de bloqueio liga-desliga, ela é projetada como válvula de controle. É incorreto usar o tag CV para qualquer coisa que não seja uma válvula de controle auto atuada. Para todas as aplicações que não tenham vazão de fluido de processo, o equipamento é projetado como: a) Chave, se for atuada manualmente. b) Chave ou controlador liga-desliga, se for automático e for o primeiro dispositivo na malha. O termo chave é geralmente usado se o dispositivo é aplicado para alarme, lâmpada piloto, seleção, intertravamento ou segurança. O termo controlador é usado se o dispositivo é aplicado para o controle de operação normal. c) Relé, se for automático e não for o primeiro dispositivo na malha, mas atuado por uma chave ou por um controlador liga-desliga. Controlador (13)Escolha (1)C Modifica dor Função de saída (final) Função de informação ou passiva Modifica dor Variável medida ou inicial Segundo Grupo de LetrasPrimeiro Grupo de Letras
  • 25.
    INSTRUMENTAÇÃO INDUSTRIAL SIMBOLOGIA Tabela 1- Letras de Identificação • 4. Qualquer primeira letra combinada com as letras modificadoras D (diferencial), F (relação), M (momentâneo), K (tempo de alteração) e Q (integração ou totalização) representa uma variável nova e separada e a combinação é tratada como uma entidade de primeira letra. Assim, os instrumentos TDI e TI indicam duas variáveis diferentes: diferença de temperatura e temperatura. As letras modificadoras são usadas quando aplicável. • Segundo a NBR 8190 no Primeiro Grupo de Letras a Variável Medida ou Inicial: C – representa condutividade elétrica D – representa densidade ou massa específica (density) Diferencial (4)Escolha (1)D Modifica dor Função de saída (final) Função de informação ou passiva Modifica dor Variável medida ou inicial Segundo Grupo de LetrasPrimeiro Grupo de Letras
  • 26.
    INSTRUMENTAÇÃO INDUSTRIAL SIMBOLOGIA Tabela 1- Letras de Identificação Elemento Sensor Tensão (voltage) E Modifica dor Função de saída (final) Função de informação ou passiva Modifica dor Variável medida ou inicial Segundo Grupo de LetrasPrimeiro Grupo de Letras
  • 27.
    INSTRUMENTAÇÃO INDUSTRIAL SIMBOLOGIA Tabela 1- Letras de Identificação  4. Qualquer primeira letra combinada com as letras modificadoras D (diferencial), F (relação), M (momentâneo), K (tempo de alteração) e Q (integração ou totalização) representa uma variável nova e separada e a combinação é tratada como uma entidade de primeira letra. Assim, os instrumentos TDI e TI indicam duas variáveis diferentes: diferença de temperatura e temperatura. As letras modificadoras são usadas quando aplicável. Fração ou relação (4) Vazão (flow)F Modifica dor Função de saída (final) Função de informação ou passiva Modifica dor Variável medida ou inicial Segundo Grupo de LetrasPrimeiro Grupo de Letras
  • 28.
    INSTRUMENTAÇÃO INDUSTRIAL SIMBOLOGIA Tabela 1- Letras de Identificação • 9. A função passiva G se aplica a instrumentos ou equipamentos que fornecem uma indicação não calibrada, como visor de vidro ou monitor de televisão. Costuma-se aplicar TG para termômetro e PG para manômetro, o que não é previsto por esta norma. • Segundo a NBR 8190 no Primeiro Grupo de Letras a Variável Medida ou Inicial: G – representa medida dimensional Visor ou indicador local (9) Escolha (1)G Modifica dor Função de saída (final) Função de informação ou passiva Modifica dor Variável medida ou inicial Segundo Grupo de LetrasPrimeiro Grupo de Letras
  • 29.
    INSTRUMENTAÇÃO INDUSTRIAL SIMBOLOGIA Tabela 1- Letras de Identificação • 7. O uso dos termos modificadores alto (H), baixo (L), médio (M) e varredura (J) é opcional. • 15. Os termos modificadores alto, baixo, médio ou intermediário correspondem aos valores da variável medida e não aos valores do sinal. Por exemplo, um alarme de nível alto proveniente de um transmissor de nível com ação inversa deve ser LAH, mesmo que fisicamente o alarme seja atuado quando o sinal atinge um valor mínimo crítico. • 16. Os termos alto e baixo quando aplicados a posições de válvulas e outros dispositivos de abrir e fechar são assim definidos: a) alto significa que a válvula está totalmente aberta b) baixo significa que a válvula está totalmente fechada Alto (7, 15, 16) Comando manual (hand) H Modifica dor Função de saída (final) Função de informação ou passiva Modifica dor Variável medida ou inicial Segundo Grupo de LetrasPrimeiro Grupo de Letras
  • 30.
    INSTRUMENTAÇÃO INDUSTRIAL SIMBOLOGIA Tabela 1- Letras de Identificação • 10. A indicação normalmente se aplica a displays analógicos ou digitais de uma medição instantânea. No caso de uma estação manual, a indicação pode ser usada para o dial ou indicador do ajuste. Indicador (10) Corrente elétrica I Modifica dor Função de saída (final) Função de informação ou passiva Modifica dor Variável medida ou inicial Segundo Grupo de LetrasPrimeiro Grupo de Letras
  • 31.
    INSTRUMENTAÇÃO INDUSTRIAL SIMBOLOGIA Tabela 1- Letras de Identificação 7. O uso dos termos modificadores alto (H), baixo (L), médio (M) e varredura (J) é opcional. Varredura (scan) (7) PotênciaJ Modifica dor Função de saída (final) Função de informação ou passiva Modifica dor Variável medida ou inicial Segundo Grupo de LetrasPrimeiro Grupo de Letras
  • 32.
    INSTRUMENTAÇÃO INDUSTRIAL SIMBOLOGIA Tabela 1- Letras de Identificação  4. Qualquer primeira letra combinada com as letras modificadoras D (diferencial), F (relação), M (momentâneo), K (tempo de alteração) e Q (integração ou totalização) representa uma variável nova e separada e a combinação é tratada como uma entidade de primeira letra. Assim, os instrumentos TDI e TI indicam duas variáveis diferentes: diferença de temperatura e temperatura. As letras modificadoras são usadas quando aplicável. Estação de controle (22) Tempo de mudança (4, 21) TempoK Modifica dor Função de saída (final) Função de informação ou passiva Modificador Variável medida ou inicial Segundo Grupo de LetrasPrimeiro Grupo de Letras
  • 33.
    INSTRUMENTAÇÃO INDUSTRIAL SIMBOLOGIA Tabela 1- Letras de Identificação • 21. A letra modificadora K, em combinação com uma primeira letra como L, T ou W, significa uma variação de taxa de tempo da quantidade medida ou de inicialização. A variável WKIC, por exemplo, pode representar um controlador de taxa de perda de peso. • 22. A letra K como modificador é uma opção do usuário para designar uma estação de controle, enquanto a letra C seguinte é usada para descrever controlador automático ou manual. Estação de controle (22) Tempo de mudança (4, 21) TempoK Modifica dor Função de saída (final) Função de informação ou passiva Modificador Variável medida ou inicial Segundo Grupo de LetrasPrimeiro Grupo de Letras
  • 34.
    INSTRUMENTAÇÃO INDUSTRIAL SIMBOLOGIA Tabela 1- Letras de Identificação • 11. Uma lâmpada piloto que é parte de uma malha de instrumento deve ser designada por uma primeira letra seguida pela letra subsequente L. Por exemplo, uma lâmpada piloto que indica o tempo expirado deve ter o tag KQL (lâmpada de totalização de tempo). A lâmpada para indicar o funcionamento de um motor tem o tag EL (lâmpada de voltagem), pois a voltagem é a variável medida conveniente para indicar a operação do motor ou YL (lâmpada de evento) assumindo que o estado de operação está sendo monitorado. Não se deve usar a letra genérica X, como XL. Baixo (7, 15, 16) Lâmpada piloto (11) Nível (level)L Modifica dor Função de saída (final) Função de informação ou passiva Modifica dor Variável medida ou inicial Segundo Grupo de LetrasPrimeiro Grupo de Letras
  • 35.
    INSTRUMENTAÇÃO INDUSTRIAL SIMBOLOGIA Tabela 1- Letras de Identificação • 7. O uso dos termos modificadores alto (H), baixo (L), médio (M) e varredura (J) é opcional. • 15. Os termos modificadores alto, baixo, médio ou intermediário correspondem aos valores da variável medida e não aos valores do sinal. Por exemplo, um alarme de nível alto proveniente de um transmissor de nível com ação inversa deve ser LAH, mesmo que fisicamente o alarme seja atuado quando o sinal atinge um valor mínimo crítico. • 16. Os termos alto e baixo quando aplicados a posições de válvulas e outros dispositivos de abrir e fechar são assim definidos: a) alto significa que a válvula está totalmente aberta b) baixo significa que a válvula está totalmente fechada Baixo (7, 15, 16) Lâmpada piloto (11) Nível (level)L Modificador Função de saída (final) Função de informação ou passiva Modificador Variável medida ou inicial Segundo Grupo de LetrasPrimeiro Grupo de Letras
  • 36.
    INSTRUMENTAÇÃO INDUSTRIAL SIMBOLOGIA Tabela 1- Letras de Identificação • 7. O uso dos termos modificadores alto (H), baixo (L), médio (M) e varredura (J) é opcional. • 15. Os termos modificadores alto, baixo, médio ou intermediário correspondem aos valores da variável medida e não aos valores do sinal. Por exemplo, um alarme de nível alto proveniente de um transmissor de nível com ação inversa deve ser LAH, mesmo que fisicamente o alarme seja atuado quando o sinal atinge um valor mínimo crítico. • Segundo a NBR 8190 no Primeiro Grupo de Letras a Variável Medida ou Inicial: M – representa umidade (moisture) Médio ou intermediário (7, 15) Momentâ neo Escolha (1)M Modificador Função de saída (final) Função de informação ou passiva Modificador Variável medida ou inicial Segundo Grupo de LetrasPrimeiro Grupo de Letras
  • 37.
    INSTRUMENTAÇÃO INDUSTRIAL SIMBOLOGIA Tabela 1- Letras de Identificação Escolha (1)Escolha (1)Escolha (1)Escolha (1)N Modifica dor Função de saída (final) Função de informação ou passiva Modificador Variável medida ou inicial Segundo Grupo de LetrasPrimeiro Grupo de Letras
  • 38.
    INSTRUMENTAÇÃO INDUSTRIAL SIMBOLOGIA Tabela 1- Letras de Identificação Orifício ou restrição Escolha (1)O Modifica dor Função de saída (final) Função de informação ou passiva Modifica dor Variável medida ou inicial Segundo Grupo de LetrasPrimeiro Grupo de Letras
  • 39.
    INSTRUMENTAÇÃO INDUSTRIAL SIMBOLOGIA Tabela 1- Letras de Identificação Ponto de teste Pressão, vácuoP Modifica dor Função de saída (final) Função de informação ou passiva Modifica dor Variável medida ou inicial Segundo Grupo de LetrasPrimeiro Grupo de Letras
  • 40.
    INSTRUMENTAÇÃO INDUSTRIAL SIMBOLOGIA Tabela 1- Letras de Identificação  4. Qualquer primeira letra combinada com as letras modificadoras D (diferencial), F (relação), M (momentâneo), K (tempo de alteração) e Q (integração ou totalização) representa uma variável nova e separada e a combinação é tratada como uma entidade de primeira letra. Assim, os instrumentos TDI e TI indicam duas variáveis diferentes: diferença de temperatura e temperatura. As letras modificadoras são usadas quando aplicável. Integrador ou totalizador (4) QuantidadeQ Modifica dor Função de saída (final) Função de informação ou passiva Modifica dor Variável medida ou inicial Segundo Grupo de LetrasPrimeiro Grupo de Letras
  • 41.
    INSTRUMENTAÇÃO INDUSTRIAL SIMBOLOGIA Tabela 1- Letras de Identificação • 17. O termo registrador se aplica a qualquer forma de armazenar permanentemente a informação que permita a sua recuperação por qualquer modo. Registrador (17) Radiação (radioatividade) R Modificador Função de saída (final) Função de informação ou passiva Modifica dor Variável medida ou inicial Segundo Grupo de LetrasPrimeiro Grupo de Letras
  • 42.
    INSTRUMENTAÇÃO INDUSTRIAL SIMBOLOGIA Tabela 1- Letras de Identificação • 8. O termo segurança se aplica a elementos primários e finais de proteção de emergência. Assim, uma válvula auto atuada que evita a operação de um sistema de fluido atingir valores elevados, aliviando o fluido do sistema tem um tag PCV (válvula controladora de pressão). Porém, o tag desta válvula deve ser PSV (válvula de segurança de pressão) se ela protege o sistema contra condições de emergência, ou seja, condições que são perigosas para o pessoal ou o equipamento e que são raras de aparecer. A designação PSV se aplica a todas as válvulas de proteção contra condições de alta pressão de emergência, independente de sua construção, modo de operação, local de montagem, categoria de segurança, válvula de alívio ou de segurança. Um disco de ruptura tem o tag PSE (elemento de segurança de pressão). Chave (13)Segurança (8) Velocidade ou frequência S Modifica dor Função de saída (final) Função de informação ou passiva Modifica dor Variável medida ou inicial Segundo Grupo de LetrasPrimeiro Grupo de Letras
  • 43.
    INSTRUMENTAÇÃO INDUSTRIAL SIMBOLOGIA Tabela 1- Letras de Identificação • 13. Um dispositivo que liga, desliga ou transfere um ou mais circuitos pode ser uma chave, um relé, um controlador liga-desliga ou uma válvula de controle, dependendo da aplicação. Se o equipamento manipula uma vazão de fluido do processo e não é uma válvula manual de bloqueio liga-desliga, ela é projetada como válvula de controle. É incorreto usar o tag CV para qualquer coisa que não seja uma válvula de controle auto atuada. Para todas as aplicações que não tenham vazão de fluido de processo, o equipamento é projetado como: a) Chave, se for atuada manualmente. b) Chave ou controlador liga-desliga, se for automático e for o primeiro dispositivo na malha. O termo chave é geralmente usado se o dispositivo é aplicado para alarme, lâmpada piloto, seleção, intertravamento ou segurança. O termo controlador é usado se o dispositivo é aplicado para o controle de operação normal. c) Relé, se for automático e não for o primeiro dispositivo na malha, mas atuado por uma chave ou por um controlador liga-desliga. Chave (13)Segurança (8) Velocidade ou frequência S Modifica dor Função de saída (final) Função de informação ou passiva Modifica dor Variável medida ou inicial Segundo Grupo de LetrasPrimeiro Grupo de Letras
  • 44.
    INSTRUMENTAÇÃO INDUSTRIAL SIMBOLOGIA Tabela 1- Letras de Identificação • 18. Elemento sensor, transdutor, transmissor e conversor são dispositivos com funções diferentes, conforme ISA S37.1. Transmissor (18) TemperaturaT Modifica dor Função de saída (final) Função de informação ou passiva Modifica dor Variável medida ou inicial Segundo Grupo de LetrasPrimeiro Grupo de Letras
  • 45.
    INSTRUMENTAÇÃO INDUSTRIAL SIMBOLOGIA Tabela 1- Letras de Identificação • 6. O uso de U como primeira letra para multivariável em lugar de uma combinação de outras primeiras letras é opcional. É recomendável usar as primeiras letras especificas em lugar da letra U, que deve ser usada apenas quando o número de letras for muito grande. Por exemplo, é preferível usar PR/TR para indicar um registrador de pressão e temperatura em vez de UR. Porém, quando se tem um registrador multiponto, com 24 pontos e muitas variáveis diferentes, deve-se usar UR. • 12. O uso da letra U para multifunção, vem vez da combinação de outras letras funcionais é opcional. Este designador não específico deve ser usado raramente. Multifunção (12) Multifunção (12) Multifunção (12) Multivariável (6) U Modificador Função de saída (final) Função de informação ou passiva Modificador Variável medida ou inicial Segundo Grupo de LetrasPrimeiro Grupo de Letras
  • 46.
    INSTRUMENTAÇÃO INDUSTRIAL SIMBOLOGIA Tabela 1- Letras de Identificação • 13. Um dispositivo que liga, desliga ou transfere um ou mais circuitos pode ser uma chave, um relé, um controlador liga-desliga ou uma válvula de controle, dependendo da aplicação. Se o equipamento manipula uma vazão de fluido do processo e não é uma válvula manual de bloqueio liga-desliga, ela é projetada como válvula de controle. É incorreto usar o tag CV para qualquer coisa que não seja uma válvula de controle auto atuada. Para todas as aplicações que não tenham vazão de fluido de processo, o equipamento é projetado como: a) Chave, se for atuada manualmente. b) Chave ou controlador liga-desliga, se for automático e for o primeiro dispositivo na malha. O termo chave é geralmente usado se o dispositivo é aplicado para alarme, lâmpada piloto, seleção, intertravamento ou segurança. O termo controlador é usado se o dispositivo é aplicado para o controle de operação normal. c) Relé, se for automático e não for o primeiro dispositivo na malha, mas atuado por uma chave ou por um controlador liga-desliga. Válvula, damper (13) Vibração, análise mecânica V Modifica dor Função de saída (final) Função de informação ou passiva Modifica dor Variável medida ou inicial Segundo Grupo de LetrasPrimeiro Grupo de Letras
  • 47.
    INSTRUMENTAÇÃO INDUSTRIAL SIMBOLOGIA Tabela 1- Letras de Identificação Poço (well)Peso, forçaW Modificador Função de saída (final) Função de informação ou passiva Modificador Variável medida ou inicial Segundo Grupo de LetrasPrimeiro Grupo de Letras
  • 48.
    INSTRUMENTAÇÃO INDUSTRIAL SIMBOLOGIA Tabela 1- Letras de Identificação • 2. A letra X não classificada tem o objetivo de cobrir significado não listado que será usado somente uma vez ou usado em um significado limitado. Se usada, a letra pode ter qualquer número de significados como primeira letra ou como letra subsequente. O significado da letra X deve ser definido do lado de fora do círculo do diagrama. Por exemplo, XR pode ser registrador de consistência e XX pode ser um osciloscópio de consistência. Não classificado (2) Não classificado (2) Não classificado (2) Eixo X Não classificado (2) X Modifica dor Função de saída (final) Função de informação ou passiva Modifica dor Variável medida ou inicial Segundo Grupo de LetrasPrimeiro Grupo de Letras
  • 49.
    INSTRUMENTAÇÃO INDUSTRIAL SIMBOLOGIA Tabela 1- Letras de Identificação • 20. A primeira letra Y se destina ao uso quando as respostas de controle ou monitoração são acionadas por evento e não acionadas pelo tempo. A letra Y, nesta posição, pode também significar presença ou estado. • 14. As funções associadas com o uso de letras subsequentes Y devem ser definidas do lado de fora do circulo de identificação. Por exemplo, FY pode ser o extrator de raiz quadrada na malha de vazão; TY pode ser o conversor corrente para pneumático em uma malha de controle de temperatura. Quando a função é evidente como para uma válvula solenóide ou um conversor corrente para pneumático ou pneumático para corrente a definição pode não ser obrigatória. • 18. Elemento sensor, transdutor, transmissor e conversor são dispositivos com funções diferentes, conforme ISA S37.1. Relé, conversor (13, 14, 18) Eixo Y Evento, estado ou presença (20) Y Modifica dor Função de saída (final) Função de informação ou passiva Modifica dor Variável medida ou inicial Segundo Grupo de LetrasPrimeiro Grupo de Letras
  • 50.
    INSTRUMENTAÇÃO INDUSTRIAL SIMBOLOGIA Tabela 1- Letras de Identificação • 13. Um dispositivo que liga, desliga ou transfere um ou mais circuitos pode ser uma chave, um relé, um controlador liga-desliga ou uma válvula de controle, dependendo da aplicação. Se o equipamento manipula uma vazão de fluido do processo e não é uma válvula manual de bloqueio liga-desliga, ela é projetada como válvula de controle. É incorreto usar o tag CV para qualquer coisa que não seja uma válvula de controle auto atuada. Para todas as aplicações que não tenham vazão de fluido de processo, o equipamento é projetado como: a) Chave, se for atuada manualmente. b) Chave ou controlador liga-desliga, se for automático e for o primeiro dispositivo na malha. O termo chave é geralmente usado se o dispositivo é aplicado para alarme, lâmpada piloto, seleção, intertravamento ou segurança. O termo controlador é usado se o dispositivo é aplicado para o controle de operação normal. c) Relé, se for automático e não for o primeiro dispositivo na malha, mas atuado por uma chave ou por um controlador liga-desliga. Relé, conversor (13, 14, 18) Eixo Y Evento, estado ou presença (20) Y Modifica dor Função de saída (final) Função de informação ou passiva Modifica dor Variável medida ou inicial Segundo Grupo de LetrasPrimeiro Grupo de Letras
  • 51.
    INSTRUMENTAÇÃO INDUSTRIAL SIMBOLOGIA Tabela 1- Letras de Identificação Elemento final de controle não classificado Eixo Z Posição ou dimensão Z Modifica dor Função de saída (final) Função de informação ou passiva Modifica dor Variável medida ou inicial Segundo Grupo de LetrasPrimeiro Grupo de Letras
  • 52.
    INSTRUMENTAÇÃO INDUSTRIAL SIMBOLOGIA Exemplos • PI= Indicador de pressão “P" é a variável medida (Pressão) “I“ é a função de informação ou passiva. Neste caso pode-se ter vários tipos de instrumentos. Desde um manômetro mecânico à instrumentos eletrônicos sofisticados. Note que ao indicar PI em um fluxograma a intenção é descrever que naquele determinado ponto deseja-se somente indicar a pressão, independentemente do tipo de instrumento utilizado. • TI = Indicador de Temperatura • LI = Indicador de Nível • SI = Indicador de Velocidade • RI = Indicador de Radioatividade • MI = Indicador de Umidade • AI = Indicador de Condutividade, ou pH, ou 02 etc. • VI = Indicador de Viscosidade
  • 53.
    INSTRUMENTAÇÃO INDUSTRIAL SIMBOLOGIA Exemplos • PIC= Indicador Controlador de Pressão Neste caso a função final é o controle de uma malha, portanto, a letra "C" da coluna “função final". A letra "I” é somente uma função passiva mencionando que o instrumento também esta indicando de alguma forma a variável "P" pressão. • TIC = Indicador Controlador de Temperatura • LIC = Indicador Controlador de Nível • FIC = Indicador Controlador de Vazão • JIC = Indicador Controlador de Potência • SIC = Indicador Controlador de Velocidade • BIC = Indicador Controlador de Queima ou Combustão (queimadores de caldeiras ou fomos ou outros)
  • 54.
    INSTRUMENTAÇÃO INDUSTRIAL SIMBOLOGIA Exemplos • LAH= Alarme de Nível Alto Neste exemplo a letra "A" define a função de informação, indicando que o instrumento está sendo utilizado para um alarme. A letra modificadora "H“ complementa esta informação indicando o parâmetro do alarme, no caso nível alto. • TAH = Alarme de Temperatura Alta • SAL = Alarme de Baixa Velocidade • WAL = Alarme de Peso Baixo
  • 55.
    INSTRUMENTAÇÃO INDUSTRIAL SIMBOLOGIA Exemplos • HV= Válvula de controle manual A letra “V“ indica a função final e a letra “H“ indica a variável inicial. • LCV = Válvula de controle de nível auto-operada Neste exemplo a letra “C" pode estar indicando que a válvula é auto-operada. • LV = Válvula de nível Geralmente esta notação determina que se trata de uma válvula de controle proporcional.
  • 56.
  • 57.
  • 58.
  • 59.
  • 60.
    INSTRUMENTAÇÃO INDUSTRIAL SIMBOLOGIA Tabela 2- Símbolos e Funções de Processamento de Sinais
  • 61.
    INSTRUMENTAÇÃO INDUSTRIAL SIMBOLOGIA Símbolos A simbologiacorreta da instrumentação deve conter os seguintes parâmetros: • Identificação das linhas de interligação dos instrumentos, por exemplo, eletrônica física, eletrônica por configuração, pneumática. • Determinação do local de instalação dos instrumentos, acessível ou não acessível ao operador de processo. • Filosofia da instrumentação, quanto ao instrumento ser dedicado a cada malha ou compartilhado por um conjunto de malhas de processo • Identificação (tag) do instrumento, envolvendo a variável do processo, a função do instrumento e o numero da malha do processo. • Outras informações adicionais.
  • 62.
  • 63.
    INSTRUMENTAÇÃO INDUSTRIAL SIMBOLOGIA Símbolo deLinhas de Instrumentos Observações: 1- A linha de suprimento ou impulso representa a conexão do processo, elo mecânico ou alimentação do instrumento. Sugerimos as seguintes abreviaturas para denotar os tipos de alimentação. Essas designações podem ser também aplicadas para suprimento de fluidos. AS - suprimento de ar Opções: IA - ar do instrumento PA - ar da planta ES - alimentação elétrica GS - alimentação de gás HS - suprimento hidráulico NS - suprimento de nitrogênio SS - suprimento de vapor WS - suprimento de água
  • 64.
    INSTRUMENTAÇÃO INDUSTRIAL SIMBOLOGIA Símbolo deLinhas de Instrumentos Observações: 2- O símbolo do sinal pneumático aplica-se para um sinal usando qualquer gás como veículo. Se io gás não for o ar, deve ser identificado qual o gás usando através de uma nota nos símbolos ou em outro local apropriado. 3- Fenômeno eletromagnético inclui calor, ondas de rádio, radiação nuclear e luz.
  • 65.
  • 66.
    INSTRUMENTAÇÃO INDUSTRIAL SIMBOLOGIA Instrumento comtag longo Lâmpada piloto Terminais de conexão montados no painel (ex terminal 12) Purga ou dispositivo de purga Rearme para atuador tipo auto-retenção Diafragma de selagem Intertravamento lógico de sistema indefinido ou complexo Círculo ou Balão do Instrumento
  • 67.
  • 68.
  • 69.
  • 70.
  • 71.
    INSTRUMENTAÇÃO INDUSTRIAL SIMBOLOGIA Exemplos LAHH 100 LAL 102 LAH 101 LALL 103 Alarmes independentesde níveis anormais LAHH – muito alto, malha 100 LAH – alto, malha 101 LAL – baixo, malha 102 LALL – muito baixo, malha 103 Todos instalados na sala de controle acessível ao operador Sinal binário elétrico
  • 72.
    INSTRUMENTAÇÃO INDUSTRIAL SIMBOLOGIA Controlador indicadorde temperatura TIC 101 TT Transmissor de temperatura, instalado no campo Controlador indicador de temperatura, instalado na sala de controle acessível ao operador, malha 101 Válvula com atuador pneumático Sinal pneumático Tubo capilar
  • 73.
    INSTRUMENTAÇÃO INDUSTRIAL SIMBOLOGIA Controle emcascata – o controlador de vazão tem o seu ponto de controle fixado por um controlador de nível LC 104 FT FC 104 SP Válvula angular Controlador de vazão, instalado no campo, transmissão pneumática, malha 104 Controlador de nível, instalado no campo, malha 104 Transmissor de vazão, instalado no campo Sinal pneumático
  • 74.
    INSTRUMENTAÇÃO INDUSTRIAL SIMBOLOGIA Indicador diferencialde temperatura TDI 103 TT A TT B Transmissor de temperatura, equipamento B, montado no campo Transmissor de temperatura, equipamento A, montado no campo Indicador diferencial de temperatura, instrumento compartilhado, instalado na sala de controle acessível ao operador, malha 103 Sinal elétrico Tubo capilar
  • 75.
    INSTRUMENTAÇÃO INDUSTRIAL SIMBOLOGIA LC 107 LSHL 105 LC 106 START LAH LALLLH LLL STOP BOMBA Controle diferencial de nível do poço através de partidas e paradas da bomba pelo LC-107 e LC-106 que também acionam as lâmpadas pilotos de nível alto e baixo. Os alarmes de nível alto e baixo são atuados por LSHL-105 Lâmpada piloto de nível alto, instalado na sala de controle acessível ao operador Intertravamento lógico Lâmpada piloto de nível baixo, instalado na sala de controle acessível ao operador Controlador de nível, instalado no campo, malha 107 Controlador de nível, instalado no campo, malha 106 Alarme de nível alto, instalado na sala de controle acessível ao operador Alarme de nível baixo, instalado na sala de controle acessível ao operador Chave de nível alto e baixo, instalado no campo, malha 105 Sinal binário elétrico
  • 76.
    INSTRUMENTAÇÃO INDUSTRIAL SIMBOLOGIA Sinal decorrente elétrica que aciona válvula de controle pneumática através de um conversor eletro-pneumático montado separadamente TC 114 TY I P Controlador de temperatura, instalado no campo, malha 114 Conversor eletro- pneumático Válvula de controle pneumática Sinal elétrico Sinal pneumático
  • 77.
    INSTRUMENTAÇÃO INDUSTRIAL SIMBOLOGIA Instrumento combinado:controlador, indicador de nível e transmissor, comandando válvula de controle, com indicador no painel e transmissão pneumática. LT 301 LIC 301 LCV-301 LI 301 Instrumento combinado: Controlador indicador de nível e transmissor de nível, instalados no campo, malha 301 Indicador de nível, instalado na sala de controle acessível ao operador, malha 301 Válvula de controle comandada por nível, malha 301 Sinal pneumático
  • 78.
    INSTRUMENTAÇÃO INDUSTRIAL SIMBOLOGIA Registrador devazão com registrador de pressão. Registradores no painel e transmissores locais com transmissão pneumática FT 402 PT 403 FR 402 PR 403 Transmissor de vazão, instalado no campo, malha 402 Transmissor de pressão, instalado no campo, malha 403 Registrador de vazão, instalado no painel, malha 402, instrumento compartilhado Placa de orifício Registrador de pressão, instalado no painel, malha 403, instrumento compartilhado Sinal pneumático
  • 79.
    INSTRUMENTAÇÃO INDUSTRIAL SIMBOLOGIA Instrumento combinadode registro e controle de nível, comandando válvula de controle, com transmissão pneumática. Instrumento no painel e transmissores no local. LT 103 LCV-103 LCR 103 LCT 104 LT 104 Registrador controlador de nível, instalado na sala de controle acessível ao operador, malha 103, instrumento compartilhado Transmissor controlador de nível, instalado na sala de controle acessível ao operador, malha 104, instrumento compartilhado Transmissor de nível, instalado no campo, malha 104 Transmissor de nível, instalado no campo, malha 103 Válvula de controle comandada por nível, malha 103 Sinal pneumático
  • 80.
    INSTRUMENTAÇÃO INDUSTRIAL SIMBOLOGIA Controle seletivo Transmissorde vazão, instalado no campo, transmissão elétrica Extrator de raiz quadrada, instalado atrás do painel, transmissão elétrica, malha de vazão Transmissor de pressão, instalado no campo, transmissão elétrica Controlador indicador de pressão, instalado no painel, transmissão elétrica Seletor de sinal baixo, instalado atrás do painel, transmissão elétrica Controlador indicador de vazão com ponto de ajuste (SP), instalado no painel, transmissão elétrica Conversor de corrente elétrica para pressão, instalado no campo Válvula de controle acionada pneumaticamente
  • 81.
    INSTRUMENTAÇÃO INDUSTRIAL SIMBOLOGIA Controle detemperatura Transmissor de temperatura, instalado no campo Controlador registrador de temperatura, instalado na sala de controle acessível ao operador Conversor de corrente elétrica para pressão, instalado no campo Válvula de controle acionada pneumaticamente Sinal elétrico
  • 82.
    INSTRUMENTAÇÃO INDUSTRIAL SIMBOLOGIA Controle detemperatura Transmissor de temperatura, instalado no campo, transmissão elétrica Transmissor de vazão, instalado no campo, transmissão elétrica Controlador registrador de temperatura, instalado na sala de controle acessível ao operador, transmissão elétrica Controlador indicador de vazão, instalado na sala de controle acessível ao operador, transmissão elétrica Conversor de corrente elétrica para pressão, instalado no campoVálvula de controle acionada pneumaticamente
  • 83.
    INSTRUMENTAÇÃO INDUSTRIAL SIMBOLOGIA Controle detemperatura Válvula de controle acionada pneumaticamente Conversor de corrente elétrica para pressão, instalado no campo Transmissor de vazão, instalado no campo, transmissão elétrica Extrator de raiz quadrada, instalado na sala de controle não acessível ao operador, transmissão elétrica, malha de vazão Função não-linear, instalado na sala de controle não acessível ao operador, transmissão elétrica Controlador indicador manual, instalado na sala de controle acessível ao operador, transmissão elétrica
  • 84.
  • 85.
    INSTRUMENTAÇÃO INDUSTRIAL SIMBOLOGIA Indicador detemperatura, instalado no campo, malha 9, instrumento 3 Válvula borboleta com atuador pneumático, malha de pressão 11, falha aberta Alarme de temperatura alta, instalado na sala de controle acessível ao operador, malha 8, instrumento 2 Cálculo de função no tempo, instalado na sala de controle não acessível ao operador, malha 3, instrumento A Instrumento compartilhado: chave com varredura de nível alto de temperatura e registrador com varredura de temperatura, instalado na sala de controle acessível ao operador, malha 8, instrumento 2 Alarme de temperatura alta, instalado na sala de controle acessível ao operador, malha 8, instrumento 3 Instrumento compartilhado: chave com varredura de nível alto de temperatura e registrador com varredura de temperatura, instalado na sala de controle acessível ao operador, malha 8, instrumento 3 Transmissor de vazão, instalado no campo, malha 4 Controlador registrador de vazão, instalado no painel, malha 4 Válvula com atuador pneumático, falha fechada, malha 4 Registrador com varredura de temperatura, instalado no painel, malha 8, instrumento 1
  • 86.
    INSTRUMENTAÇÃO INDUSTRIAL SIMBOLOGIA Alarme denível alto e baixo, instalado no painel, malha 9 Transmissor de pressão, instalado no campo, malha 11 Controlador registrador de pressão, instalado na sala de controle acessível ao operador, malha 11 Registrador de vazão, instalado na sala de controle acessível ao operador, malha 3 Transmissor de vazão, instalado no campo, malha 3 Chave de nível alto e baixo, instalado na sala de controle acessível ao operador, malha 9 Transmissor de nível, instalado no campo, malha 7 Placa de orifício com flange na linha de processo, malha 4 Controlador indicador de nível, instalado no painel, malha 7 Válvula com atuador pneumático, falha aberta, malha de nível 7 Ganho ou atenuação, malha de vazão, instalado atrás do painel, malha 3, instrumento B Registrador com varredura de temperatura, instalado na sala de controle acessível ao operador, malha 8, instrumento 4 Placa de orifício com flange na linha de processo, malha 3
  • 87.
    INSTRUMENTAÇÃO INDUSTRIAL SIMBOLOGIA Divisor multivariável, instaladoatrás do painel, malha 6 Analisador, controlador e registrador, instalado no painel, malha 5 Transmissor de nível, instalado no campo, malha 2 Analisador e transmissor, instalado no campo, malha 5 Visor de nível, instalado no campo, malha 10 Registrador com varredura de temperatura, instalado no painel, malha 8, instrumento 6 Controlador registrador de vazão, instalado no painel, malha 1 Indicador de temperatura, instalado no painel, malha 9, instrumento 2 Alarme de temperatura baixa, instalado no painel, malha 8, instrumento 5 Instrumento compartilhado: chave com varredura de nível baixo de temperatura e registrador com varredura de temperatura, instalado na sala de controle acessível ao operador, malha 8, instrumento 5 Válvula com atuador pneumático, falha fechada, malha de nível 2 Controlador indicador de nível, instalado no painel, malha 2
  • 88.
    INSTRUMENTAÇÃO INDUSTRIAL SIMBOLOGIA Alarme devalor baixo do analisador, instalado no painel, malha 5 Chave de valor alto e baixo do analisador, instalado atrás do painel, malha 5 Alarme de valor alto do analisador, instalado no painel, malha 5Indicador de temperatura, instalado no painel, malha 9, instrumento 1 Transmissor de vazão, instalado no campo, malha 1 Placa de orifício com flange na linha de processo, malha 1 Válvula com atuador pneumático, falha fechada, malha de vazão 2 Sinal elétrico Sinal pneumático
  • 89.
    INSTRUMENTAÇÃO INDUSTRIAL SIMBOLOGIA Alarmede nível alto e baixo, instalado no painel, malha 2 Controlador indicador de nível, instalado no painel, malha 2 Instrumento compartilhado: registrador de temperatura e densidade, instalado no painel, malha 4 e 24 Transmissor de nível, instalado no campo, malha 2 Transmissor de temperatura, instalado no painel, entrada em resistência e saída em corrente, malha 24 Sensor de temperatura, instalado no campo, malha 24 Dispositivo de purga de água Transmissor de densidade, instalado no campo, malha 4 Chave de densidade, instalado no painel, malha 4 Controlador indicador de densidade, instalado no painel, malha 4 Alarme de valor alto e baixo de densidade, instalado no painel, malha 4 Relé de densidade, instalado no painel, malha 4 Chave de nível, instalado no painel, malha 2
  • 90.
    INSTRUMENTAÇÃO INDUSTRIAL SIMBOLOGIA Válvula com atuador pneumático, malhade vazão 1 Controlador indicador de vazão, instalado no painel Conversor de corrente para pressão, malha de vazão Válvula com atuador pneumático, malha de vazão 3 Conversor de corrente para pressão, malha 3 Sensor de vazão instalado na linha de processo, malha 3 Transmissor de vazão, instalado no campo, malha 3 Totalizador de vazão, instalado no painel, malha 3 Indicador de quantidade, instalado no painel, malha 3 Controlador indicador de vazão, instalado no painel, malha 3 Sinal elétrico Sinal pneumático
  • 91.
  • 92.
  • 93.
    INSTRUMENTAÇÃO INDUSTRIAL SIMBOLOGIA Exemplos As figurasabaixo ilustram um diagrama de blocos de uma fábrica de pasta termomecânica (indústria de papel) e um diagrama de instrumentação para seu processo. A tabela identifica cada ciclo, os seus instrumentos e as suas funções no processo. Nota-se que em todos os pontos vitais do processo há, conforme a necessidade, medidores, indicadores, alarmes, registradores, controladores e válvulas.
  • 94.
  • 95.
  • 96.
  • 97.
  • 98.
  • 99.
  • 100.
  • 101.
  • 102.
    INSTRUMENTAÇÃO INDUSTRIAL SIMBOLOGIA Bomba paraalimentação do tanque de aquecimento
  • 103.
  • 104.
    INSTRUMENTAÇÃO INDUSTRIAL SIMBOLOGIA Bomba paraalimentação do tanque de mistura
  • 105.
  • 106.
  • 107.
  • 108.
  • 109.
    INSTRUMENTAÇÃO INDUSTRIAL SIMBOLOGIA Chave denível e termostato A chave de nível acusa nível baixo quando a capacidade do tanque for inferior a 90% de sua capacidade. O termostato acusa temperatura alta no tanque.
  • 110.
    INSTRUMENTAÇÃO INDUSTRIAL SIMBOLOGIA Vazão A plantadidática possui 2 transmissores Fieldbus LD302 acoplados com orifícios integrais para medição da vazão instantânea de água na tubulação.
  • 111.
    INSTRUMENTAÇÃO INDUSTRIAL SIMBOLOGIA Nível doTanque de Água Quente Um Transmissor fieldbus LD302 diferencial é responsável pela medição do nível do tanque de água quente.
  • 112.
    INSTRUMENTAÇÃO INDUSTRIAL SIMBOLOGIA Temperatura doTanque de Água Quente A temperatura do tanque de água quente é medida através de um Transmissor de Temperatura Fieldbus TT-302 que recebe um sinal de uma termoresistência PT-100.
  • 113.
    INSTRUMENTAÇÃO INDUSTRIAL SIMBOLOGIA Temperatura doTanque de Mistura A temperatura do tanque de mistura é medida através de um Transmissor de Temperatura Fieldbus TT-302 que recebe um sinal de um termopar tipo J.
  • 114.
    INSTRUMENTAÇÃO INDUSTRIAL SIMBOLOGIA Conversor Estático Aplanta didática possui um conversor resistivo que converte corrente em resistência elétrica. Estas resistências estão dentro do tanque de água quente e servem para aquecer a água deste tanque. Nesta planta está sendo utilizado um conversor de sinal Fieldbus para 4 a 20 mA FI- 302 (Tag TY-31)
  • 115.
    INSTRUMENTAÇÃO INDUSTRIAL SIMBOLOGIA Válvula deEntrada de Água no Tanque de Água Quente A planta possui também uma válvula que regula a entrada de água no tanque de água quente.
  • 116.
    INSTRUMENTAÇÃO INDUSTRIAL SIMBOLOGIA Válvula deEntrada de Água no Tanque de Mistura A planta possui também uma válvula que regula a entrada de água no tanque de mistura, onde será misturada água quente com água fria.
  • 117.
    INSTRUMENTAÇÃO INDUSTRIAL SIMBOLOGIA Controle emCascata (Temperatura com vazão de água fria) No tanque de mistura, a água quente proveniente do tanque de aquecimento é misturada com água fria para que esta se aqueça. A finalidade deste controle é manter a temperatura da água no tanque de mistura respondendo às variações de temperatura da água do tanque de aquecimento. A malha de vazão de água fria recebe como set-point, a saída do controle de temperatura do tanque de mistura provocando assim, a ação da válvula de água fria quando a temperatura for diferente da solicitada.
  • 118.
  • 119.
    INSTRUMENTAÇÃO INDUSTRIAL SIMBOLOGIA TIC 2 FY 1 FI 1 LI 1 JY 1 TI 1 FIT LIT JY TIT TIT I PI P FIT Ar deinstrumento Saída de água Água de processo FIC 2 Conversor de corrente para pressão Controlador indicador de temperatura, malha 2 Controlador indicador de vazão, malha 2 Transmissor indicador de vazão, placa de orifício, malha 2 Válvula manual Válvula com posicionador Transmissor indicador de temperatura Indicador de temperatura, malha 1 Conversor de potência, malha 1 Transmissor indicador de nível Indicador de nível, malha 1 Indicador de vazão, malha 1 Conversor de vazão, malha 1
  • 120.
    INSTRUMENTAÇÃO INDUSTRIAL SIMBOLOGIA Malha deTemperatura TIC-32 A malha de temperatura faz um controle PID onde sua saída servirá como setpoint para a malha de vazão.
  • 121.
    INSTRUMENTAÇÃO INDUSTRIAL SIMBOLOGIA Malha deVazão de Água Fria FIC-32 Esta malha utiliza como setpoint a saída do controle de temperatura sendo assim o seu valor não podendo ser alterado pelo operador.
  • 122.
    INSTRUMENTAÇÃO INDUSTRIAL SIMBOLOGIA Controle porRealimentação Negativa (Temperatura com vazão de água fria) A finalidade deste controle é manter a temperatura do tanque de aquecimento em um valor fixo. Um conversor de potência é o elemento final de controle. Ele é o responsável por enviar energia para um grupo de resistências elétricas para aquecer a água deste tanque. A malha principal é a de temperatura, que após efetuar o controle recebe um ganho proveniente da vazão de água para acelerar a demanda de potência necessária para manter a temperatura constante. Esta estratégia garante que variações provocadas pela entrada de água no tanque de aquecimento tenham respostas rápidas.
  • 123.
  • 124.
    INSTRUMENTAÇÃO INDUSTRIAL SIMBOLOGIA TIC 2 FY 1 FI 2 LI 1 TIC 1 FIT LIT JY TIT TIT I PI P FIT Ar deinstrumento Saída de água Água de processo Conversor de corrente para pressão Válvula manual Válvula com posicionador Transmissor indicador de temperatura Conversor de potência, malha 1 Transmissor indicador de temperatura Indicador de nível, malha 1 Transmissor indicador de vazão, malha 1 Conversor de vazão, malha 1 Indicador de vazão, malha 2 Transmissor indicador de temperatura, malha 2 Transmissor indicador de temperatura Transmissor indicador de nível Transmissor indicador de vazão, placa de orifício
  • 125.
    INSTRUMENTAÇÃO INDUSTRIAL SIMBOLOGIA Malha deTemperatura TIC-31 A malha de temperatura faz um controle PID simples. Malha de Temperatura TIC-32 A malha de temperatura faz um controle PID simples.
  • 126.
    INSTRUMENTAÇÃO INDUSTRIAL SIMBOLOGIA CHEMICAL FLARE SP SP SP SP SP SOURWATER DRUM STATIC MIXER H2S STRIPPER CONDENSER NH3 RICH GAS HEATER NH3 STRIPPER OVERHEAD DRUM NH3 STRIPPER REFLUX PUMP NH3 STRIPPER SECOND REBOILER STRIPPED WATER PUMP NH3 STRIPPER FIRST REBOILER NH3 STRIPPER FEED FILTER H2S STRIPPER PRE-HEATER H2S STRIPPER COLUMN CAUSTIC SOLUTION PUMPCAUSTIC SOLUTION DRUM H2S STRIPPER OVERHEAD DRUM H2S STRIPPER REBOILER H2S STRIPPER CONDENSATE POT CAUSTIC SOLUTION MP STEAM MP CONDENSATE LOW CONDENSATE LOW STEAM MP CONDENSATE CHEMICAL FLARE MP STEAM MP CONDENSATE MP STEAM 0.013 m3/h x 3.9 kgf/cm2 NOTE 2 T-2702 NH3 STRIPPER COLUMN U-2100 SP LEGEND 2 - NORMAL FLOW AND DIFFERENTIAL PRESSURE. OPERATING PRESSURE (kgf/cm2 gauge) STREAM NUMBER OPERATING TEMPERATURE ( C ) 1 - DIMENSIONS IN MILIMETERS UNLESS OTHERWISE INDICATED. FUEL GAS SOUR WATER FROM TQ- 4107/08 V-2701 B-2701A/B V-2706 B-2705 T-2701 P-2703 V-2704 P-2702A/B B-2702A/B P-2708 V-2702 P-2701A/B P-2706 MT-2701 FT-2701A/B P-2704 NH3 STRIPPER FIRST CONDENSER P-2705 NH3 STRIPPER SECOND CONDENSER V-2703 B-2703A/B P-2707 B-2704A/B P-2709 H2S RICH GAS TO U-2900 RESIDUAL OIL TO TQ-4108 NH3 RICH GAS TO U-2900 GAS FROM HYDROGEN GENERATING UNIT STRIPPED WATER TO U-2100 V-2705 SOUR WATER PUMP 80.8 m3/h x 13.1 kgf/cm2 NOTE 2 11.2 m3/h x 5.7 kgf/cm2 NOTE 2 88.0 m3/h x 9.3 kgf/cm2 NOTE 2 NH3 STRIPPER CONDENSATE POT STRIPPED WATER TO U-2600 FUEL GAS 6 DUTY 10 (kcal/h) CHEMICAL FLARE A1 - 594 X 841 A B C D E F G H I J MK L REFERENCE DOCUMENTS N GENERAL NOTES SCALE: DESIGN DATE JOB: TÍTLE: AREA: REV. CLIENT: UN-REPAR DRAWN No CHECK SHEET APPROV. 01 of 851.2.020.01.1 BR CONTRACT No ENGENHARIA APPROV.EXEC.DATEDESCRIPTION CHECK IESA No FILE No P CANCELED AND REPLACED CANCELED SOUR WATER TREATING UNIT (U-2700) DIESEL HIDRODESULFURIZATION UNIT INFORMATION PRELIMINARY FORM STANDARTIZED BY STANDARD PETROBRAS N-381 - REV.E. NOT BE USED FOR PURPOSES OTHER THAN THOSE SPECIFICALLY INDICATED HEREIN. THE INFORMATION CONTAINED IN THIS DOCUMENT IS PETROBRAS PROPERTY AND MAY (PR) PURPOSE (P) (PI) FOR (CC)AS BUILT (CA)FOR APPROVAL(PA) (PC)FOR INQUIRY DELIVERED FOR CONSTRUCTIONAPPROVED(AP) (LE) CERTIFIED(CE) (CS) PROCESS FLOWSHEET INEPAR LPM MAL MT 01 16/07/01 DE-295-INP-2700-1-20-0001 I-DE-5295.00-5126-943-INP-001 DD-2700-P.10-001 DE-295-INP-2700-1-20-001_REV4.DWG UNIDADE DE HIDRODESSULFURIZAUNIDADE DE HIDRODESSULFURIZAÇÇÃO DE DIESELÃO DE DIESEL -- HDS/REPARHDS/REPAR Retificação de Águas Ácidas (UTAA) - FLUXOGRAMA DE PROCESSO
  • 127.