ANÁLISE QUÍMICA INSTRUMENTAL
CURSO: TÉCNICO EM QUÍMICA
ANÁLISE QUÍMICA INSTRUMENTAL
PRESSÃO
INSTRUMENTAÇÃO E CONTROLE
OBSERVAÇÃO IMPORTANTE!
Devido a complexidade de manter sempre os instrumentos de medida
estáveis (set-point), costuma-se utilizar uma faixa aceitável, ou seja, um
conjunto de valores da variável medida que estão compreendidos dentro do
limite superior e inferior da capacidade de medida ou de transmissão do
instrumento.
Exemplo: 100 a 500m3 ; 0 a 20psi
MEDIÇÃO DE PRESSÃO
PRESSÃO:DEFINIÇÃO
Unidades: - mmHg
- psi (libras por polegada quadrada)
- Pa = N/m2
- kgf/cm2
- bar (105 N/m2)
- mmH20 (mCA)
A pressão significa “força por unidade de área” que atua
sobre uma superfície.
A unidade SI
O pascal é uma unidade muito pequena, que equivale à pressão
exercida por uma coluna d'água de altura de 0,1 mm (pressão de
uma cédula de dinheiro sobre uma superfície plana).
Na prática, usa-se o kilopascal (kPa) e o megapascal (MPa).
Observação!
Pascal não depende da aceleração da gravidade do local e da
densidade do liquido!
PRESSÃO
PRESSÃO
Medição de pressão com o manômetro
MEDIÇÃO DE PRESSÃO
MEDIÇÃO DE PRESSÃO
 TIPOS DE PRESSÃO
I. ATMOSFÉRICA
II. MANOMÉTRICA
III. ABSOLUTA
I. DIFERENCIAL
II. ESTÁTICA
III. DINÂMICA
IV. TOTAL
QUANTO A REFERÊNCIA
UTILIZADA (ZERO NA ESCALA)
QUANTO A CIRCULAÇÃO DO
FLUIDO
QUANTO A REFERÊNCIA UTILIZADA
MEDIÇÃO DE PRESSÃO
 PRESSÃO ATMOSFÉRICA (BAROMÉTRICA)
 É a pressão exercida pela camada de ar sobre a superfície terrestre, que é medida
em um barômetro. Ao nível do mar esta pressão é aproximadamente de 760 mmHg.
MEDIÇÃO DE PRESSÃO
 Denominam-se manômetros e vacuômetros os instrumentos utilizados para medir
pressão acima e abaixo da pressão ambiente atmosférica local, respectivamente.
PRESSÃO ATMOSFÉRICA
MEDIÇÃO DE PRESSÃO
MEDIÇÃO DE PRESSÃO
1643 - Torricelli inventou o barômetro
 PRESSÃO RELATIVA (MANOMÉTRICA)
É a pressão medida em relação à pressão atmosférica existente no local, podendo
ser positiva ou negativa. Geralmente se coloca a letra “G” após a unidade para
representá-la.
Exemplo: 3 psig = 3 psi
Quando se fala em uma pressão negativa, em relação à pressão atmosférica
chamamos pressão de vácuo.
• Medida em relação à pressão atmosférica.
• Pode ser POSITIVA ou NEGATIVA.
MEDIÇÃO DE PRESSÃO
 PRESSÃO RELATIVA POSITIVA
É quando um sistema tem pressão relativa maior que a pressão atmosférica.
MEDIÇÃO DE PRESSÃO
 PRESSÃO RELATIVA NEGATIVA OU VÁCUO
É quando um sistema tem pressão relativa menor que a pressão atmosférica.
MEDIÇÃO DE PRESSÃO
 PRESSÃO ABSOLUTA
É a soma da pressão MANOMÉTRICA (relativa) e ATMOSFÉRICA, também se diz que é medida a partir
do vácuo absoluto.
Pabs = Prel + Patm
Importante: Ao se exprimir um valor de pressão, determinar se a pressão é relativa ou absoluta.
3 kgf/cm2 ABS ou 3 kgf/cm2 A - Pressão Absoluta
4 kgf/cm2 - Pressão Relativa
MEDIÇÃO DE PRESSÃO
-Pressão Relativa (Manométrica)
-Pressão Absoluta
(ou Zero Absoluto ou Vácuo Perfeito)
Pabs = Prel + Patm
MEDIÇÃO DE PRESSÃO
QUANTO A CIRCULAÇÃO DO FLUIDO
MEDIÇÃO DE PRESSÃO
 Pressão Diferencial
 Diferença de pressão entre dois pontos (P).
MEDIÇÃO DE PRESSÃO
 Quando um sensor mede a diferença entre duas pressões
desconhecidas, sendo que nenhuma delas a pressão
atmosférica, então essa pressão é conhecida como pressão
diferencial.
 Essa diferença de pressão pode ser utilizada para medir
indiretamente outras grandezas como vazão, nível e outras
grandezas.
 Em outras palavras, é a pressão medida em qualquer ponto,
menos no ponto zero de referência da pressão atmosférica.
 Pressão Estática (Hidrostática)
É o peso exercido por uma coluna líquida em repouso ou que esteja fluindo
perpendicularmente a tomada de impulso. A pressão estática do processo é a
pressão transmitida pelo fluido nas paredes da tubulação ou do vaso.
MEDIÇÃO DE PRESSÃO
 Pressão Dinâmica (Cinemática)
Pressão exercida por fluido em movimento ou tomada de impulso no sentido do
impacto do fluxo (paralelo a sua corrente). A pressão dinâmica da tubulação é a
pressão devida a velocidade do fluido.
Exemplo de Medição de Pressão Estática e Dinâmica
MEDIÇÃO DE PRESSÃO
MEDIÇÃO DE PRESSÃO
 Pressão Total
É a pressão resultante da somatória das pressões ESTÁTICAS e DINÂMICAS exercidas por
um fluido que se encontra em movimento.
TABELA DE CONVERSÃO
Exemplo:
1 mmHg = 0,5354 polH2O = 0,00133 Bars
97 mmHg = 97 x (0,5354)
MEDIÇÃO DE PRESSÃO
Unidades mais utilizadas:
1 atm = 760 mmHg (0°C) = 762,4 mmHg (20°C) = 14,696 psi =
101,325 kpa (N/m²) = 1,01325 bar
INSTRUMENTOS DE
MEDIÇÃO DE PRESSÃO
 Composição dos Medidores de Pressão
Os medidores de pressão de um modo geral podem ser divididos em três partes ou até mesmo incorporado a
conversores e transmissores de pressão.
 Elemento de recepção:
Aquele que recebe a pressão a ser medida e a transforma em deslocamento ou força (ex: Bourbon, fole,
diafragma).
 Elemento de transferência:
Aquele que amplia o deslocamento ou a força do elemento de recepção ou que transforma o mesmo em um
sinal único de transmissão do tipo elétrica ou pneumática, que é enviada ao elemento de indicação (ex: links
mecânicos, relé piloto, amplificadores operacionais).
 Elemento de indicação:
Aquele que recebe o sinal do elemento de transferência e indica ou registra a pressão medida (ex: ponteiros,
displays).
MEDIÇÃO DE PRESSÃO
2
1
3
4
5 6 7
8
9
10
11
12
 Medidores por elementos elásticos
 Medidores especiais
MEDIDORES DE PRESSÃO
 Medidores por coluna líquida
MEDIDORES POR ELEMENTOS ELÁSTICOS
 Manômetro
É o instrumento que se baseia na medição da pressão por
deformação elástica.
I. Tubo de Bourdon
II. Diafragma (metálico e não metálico)
III. Fole
 Composição dos Medidores de Pressão
MEDIÇÃO DE PRESSÃO
MEDIDORES: ELEMENTOS ELÁSTICOS
Seu princípio de medição baseia-se na lei de Hooke (1678). Ele constatou que uma série de materiais,
quando submetidos a uma força externa, sofrem variações na sua dimensão linear inicial, assim como a
sua área e secção transversal inicial.
Resumindo, a lei de Hooke determina que o módulo da força aplicada em um corpo é proporcional à
deformação provocada.
Δl = alongamento da peça (m)
σ = Tensão normal (Pa)
F = carga nominal aplicada (N)
A = área da secção transversal (m²)
E = módulo de elasticidade do material (Pa)
L = comprimento inicial da peça
MEDIDORES: ELEMENTOS ELÁSTICOS
 A deformação pode ser dividida em elástica (material retorna ao seu tamanho normal ao
cessar a força sobre ele, até o limite de elasticidade do material), plástica ou permanente
(material deforma e não retorna ao seu estado normal mesmo retirada a força) e ruptura (o
material cede e rompe).
 Esses medidores podem ser classificados em dois tipos:
I. Conversão da deformação do elemento de recepção de pressão em sinal elétrico ou
pneumático. (TRANSDUTOR)
II. Indicação ou amplificação da deformação do elemento de recepção através da conversão de
deslocamento linear em ângulos, com o uso de dispositivos mecânicos. (TRANSMISSOR)
 Funcionamento dos medidores
O medidor tipo elástico é aquele que seu elemento de recepção mede pressão através da
deformação elástica, sendo que quanto maior a pressão, maior será a deformação. Essas
deformações são medidas através de dispositivos mecânicos, elétricos ou eletrônicas.
P
Consiste geralmente de um tubo com seção oval, disposto na forma de arco de circunferência tendo
uma extremidade fechada, estando a outra aberta à pressão a ser medida. Com a pressão agindo em
seu interior, o tubo tende a tomar uma seção circular resultando um movimento em sua extremidade
fechada. Esse movimento através da engrenagem é transmitido a um ponteiro que vai indicar uma
medida de pressão.
P
a) Tipo C
P
c) Tipo Helicoidal
b) Tipo Espiral
TUBOS DE BOURDON
TUBOS DE BOURDON
TUBOS DE BOURDON
 Manômetro tubo de Bourdon
 Ainda é o mais utilizado na indústria.
 É um tubo de secção transversal oval, fechada em uma ponta e a outra aberta para receber
a pressão que pode estar disposto em forma de “C”, espiral ou helicoidal.
TUBOS DE BOURDON
 Tipos construtivos
Temos vários tipos construtivos de manômetros, alguns serão
relacionados abaixo:
TUBOS DE BOURDON
I. Manômetro fechado (Simples)
II. Diferencial
III.Duplo
IV.Com selagem líquida
MANÔMETRO DE BOURDON
O manômetro de Bourdon é
um medidor totalmente mecânico de
pressão.
A articulação e a engrenagem em setor transmitem
a deformação do tubo de Bourdon à engrenagem central
através de um movimento giratório de pequena dimensão.
O tubo de Bourdon é o
elemento sensor primário e o
elemento conversor de variável,
uma vez que é neste elemento que
a pressão do fluido é convertida em
uma deformação
A) Tubo de Bourdon simples
O medidor tipo tubo de
Bourdon é universalmente
utilizado na faixa de 0 a 1 atm
até 3.000 atm
Sua precisão depende do
processo de fabricação chegando
0,1% ou 0,5% da escala.
Alguns desses medidores são ainda incrementados
com compensadores térmicos, normalmente uma barra
bimetálica integrada ao sistema do ponteiro para minimizar o
distúrbio de temperatura.
A engrenagem central amplifica o movimento giratório
movimentando o ponteiro, e a escala relaciona a posição do
ponteiro com a pressão manométrica.
MANÔMETRO DE BOURDON
O medidor de tubo helicoidal pode indicar uma maior
deformação sem o uso de engrenagens, possuindo esta
vantagem sobre a configuração em C.
O tubo de Bourdon mais comum é formado por um
tubo de secção elíptica que se deforma com a aplicação de
uma pressão interna.
O tubo de Bourdon pode ser curvado em várias formas
constituindo o elemento sensor de diversos medidores.
Existem configurações na forma de C, helicoidal,
espiral e torcida.
MANÔMETRO DE BOURDON
B) Manômetro de Pressão Diferencial
É composto de dois tubos de Bourdon dispostos em
oposição e interligados por articulações mecânicas.
MANÔMETRO DE BOURDON
Este tipo construtivo, é adequado para medir a diferença
de pressão entre dois pontos quaisquer do processo.
A vantagem desta configuração está no fato de
utilizar uma única caixa e um único mostrador.
C) Manômetro de Bourdon Duplo
São manômetros com dois tubos de Bourdons e
mecanismos independentes e utilizados para medir duas
pressões distintas, porém com mesma faixa de trabalho.
MANÔMETRO DE BOURDON
D) Manômetro com Selagem líquida
Quando desejamos calibrar um manômetro, na maioria das vezes, utilizamos a
Máquina de Teste que funciona pelo Princípio de Pascal diz que: A pressão
exercida em qualquer ponto de um líquido em forma estática, se transmite
integralmente em todas as direções e produz a mesma força em áreas iguais.
Devido serem os fluidos praticamente incompressíveis, a força mecânica
desenvolvida em um fluido sob pressão pode ser transmitida.
MANÔMETRO DE BOURDON
 CALIBRAÇÃO!!!
 Limitações
Em processos industriais que manipulam fluidos corrosivos,
viscosos, tóxicos, sujeitos à alta temperatura e/ou radioativos, a medição
de pressão com manômetro tipo elástico se torna impraticável pois o
Bourdon não é adequado para essa aplicação, seja em função dos
efeitos da deformação proveniente da temperatura, seja pela dificuldade
de escoamento de fluidos viscosos ou seja pelo ataque químico de
fluidos corrosivos
TUBOS DE BOURDON
TUBOS DE BOURDON
É constituído por um disco de material
elástico (metálico ou não), fixo pela borda. Uma
haste fixa ao centro do disco está ligada a um
mecanismo de indicação. Quando uma pressão é
aplicada, a membrana se desloca e esse
deslocamento é proporcional à pressão aplicada.
ESCALA
MOLA
PONTEIRO
CONEXÃO
DE PRESSÃO
DIAFRAGMA
3
2
1
5 6
4
7
8
9
10
11
12
PRESSAO DIAFRAGMA
MANÔMETRO: SENSOR TIPO DIAFRAGMA
MANÔMETRO TIPO DIAFRAGMA
Já os não metálicos podem ser feitos
em couro, neoprene, polietileno e teflon.
p x
Os diafragmas podem ser metálicos
ou não metálicos.
Os primeiros são em geral feitos de
latão, bronze fosforoso, cobre - berílio,
monel e aço inoxidável.
A pressão aplicada produzirá a flexão do material
enquanto seu retorno à posição de repouso será garantido
por uma mola auxiliar no caso dos não metálicos ou pela
elasticidade do metal que os compõe nos caso dos metálicos.
L - http://paginapessoal.utfpr.edu.br/camaral
Fole é um dispositivo que possui ruga no círculo exterior que tem a possibilidade de
expandir-se e contrair-se em função de pressões aplicadas no sentido do eixo. Como a
resistência à pressão é limitada, é usado para baixa pressão.
Fole
Pressão
Mola
3
2
1
4
5 6 7
8
FOLE
PROCESSO
9
10
11
1
1
2
2
MANÔMETRO TIPO FOLE
MANÔMETRO TIPO FOLE
Se a pressão interna diminui em relação à externa
então o fole retorna à condição de repouso seja por ação de
mola auxiliar ou pela elasticidade do próprio material do fole.
p x
Figuras de manômetro tipo fole
MANÔMETROS
- Manômetro de peso morto
- Manômetros-transdutores de pressão
AINDA TEMOS...
MANÔMETRO DE PESO MORTO
Utiliza-se o manômetro de peso morto na calibração
de outros medidores de pressão devido a sua precisão.
Para uma determinada
força-peso sobre o êmbolo
pode-se calcular a pressão
exercida.
A pressão é obtida
pela colocação de massas
padronizadas sobre um
êmbolo de área também
conhecida.
Figuras de manômetros de peso morto
MEDIDORES POR COLUNA LÍQUIDA
 Manômetro
I. Tubos em U
II. Coluna reta
III. Coluna inclinada
MANÔMETROS DE COLUNA LÍQUIDA
Os manômetros de coluna líquida, outrora
largamente utilizados, estão sendo progressivamente
abandonados, principal-mente devido ao fato de
normalmente necessitar de um líquido manométrico mais
denso que a água, como é o caso do mercúrio metálico.
Outro problema é a grande dificuldade de adaptar
sistemas de leitura remota e saídas para registradores e
processadores.
Este líquido pode vazar para o interior da
tubulação, provocando contaminações.
Entretanto, os manômetros de coluna possuem uma
grande vantagem: não necessitam calibração, desde que
possa se garantir a densidade do liquido manométrico e a
exatidão da escala que mede a altura da coluna.
As faixas de medição de pressão podem ser
bastante extensas uma vez que o fluido manométrico
(mercúrio, óleo ou água) pode ser mudado de acordo com
a pressão ou depressão a serem medidas.
Ainda hoje os manômetros de coluna líquida são
utilizados como padrões práticos para calibração de
transdutores de pressão.
MANÔMETROS DE COLUNA LÍQUIDA
Em termos práticos, a altura de coluna máxima
disponível no mercado é de 2 metros e assim a pressão
máxima medida é de 2 mH2O , caso se utilize água
destilada, e 2 mHg com utilização do mercúrio.
Em função do peso específico do líquido manométrico e
também da fragilidade do tubo de vidro que limita seu
tamanho, esse instrumento é utilizado somente para
medição de baixas pressões.
A princípio qualquer líquido com baixa viscosidade, e
não volátil nas condições de medição, pode ser utilizado
como líquido manométrico. Entretanto, na prática, a água
destilada e o mercúrio são os líquidos mais utilizados nesses
manômetros.
MANÔMETROS DE COLUNA LÍQUIDA
patm pa
pb

h
pa=pbgh
O desnível h se relaciona
com a diferença pa - pb por :
TUBO EM U
Na figura abaixo está esquematizado um tubo em U
no qual se aplica somente um valor de pressão em cada um
dos ramos (ramo a e ramo b).
pa - pb = gh
Na figura da direita a
pressão no ramo a é maior,
provocando a elevação do
líquido no ramo b.
TUBO EM U
TUBO ME U: Colunas de áreas diferentes
É constituída por dois vasos comunicantes, sendo um
deles de diâmetro menor (um tubo) que o outro, no qual se
faz a leitura da pressão pelo nível através de uma régua
montada aplica pela altura da coluna líquida, como se vê na
figura abaixo.
Chamando as áreas do ramo reto e do ramo de maior área de “a” e
“A”, respectivamente, e aplicando pressões P1 e P2 em suas extremidades
teremos pela equação manométrica:
P1  P2 h2 h1 
Como o volume deslocado é o mesmo, teremos:
A.h1  a .h2
Substituindo o valor de h1 na equação manométrica, teremos:
A
1 2 2
P - P  .h (1
a
)
Como “A” é muito maior que “a”, a equação anterior pode ser
simplificada e reescrita. Assim teremos a seguinte equação utilizada para
cálculo da pressão:
P1- P2.h2
TUBO ME U: Colunas de áreas diferentes
Figuras de manômetro
de coluna líquida
Manômetro de Betz
(áreas diferentes)
Coluna reta
A aplicação é igual à do manômetro de coluna em “U”. Esse manômetro
tem as áreas de tomada de pressão alta e baixa diferentes, sendo a que a
tomada de pressão alta é aplicada na maior área.
Coluna inclinada
Se a coluna de menor área é posicionada em um ângulo  com o
plano horizontal, o comprimento preenchido pelo líquido será maior, para
uma mesma diferença de pressão, melhorando a sensibilidade de medição.
Coluna inclinada
LEITURA: MENISCO
Neste tipo de medidor, a tensão superficial dos líquidos é evidente, ou seja, neste tipo
de medidor devido a força de coesão e adesão entre as moléculas do vidro do líquido,
aparece o que chamamos de menisco. Em tubos de pequenos diâmetros, a superfície
do líquido deverá ser uma curva. No caso de líquidos como a água e o álcool, a qual
tem uma tensão superficial baixa, a superfície será côncava. No caso do mercúrio, a
qual tem uma tensão superficial alta, o menisco será convexo. Para evitar o erro de
paralaxe quando fizermos a leitura de pressão, esta deve ser feita na direção horizontal
no ápice do menisco.
MANÔMETROS ESPECIAIS
TRANSDUTORES DE PRESSÃO
Os manômetros transdutores de pressão convertem as
medidas de pressão em grandezas elétricas que são usadas,
local ou remotamente, para monitoramento, medições ou
controle de processos.
MANÔMETRO DE PISTÃO COM MOLA
O movimento do êmbolo
é transmitido a um ponteiro,
posicionado sobre uma escala.
Neste tipo, o pistão é mantido
em uma das extremidades do
cilindro por ação de uma mola e é
forçado à outra extremidade por
ação da pressão a ser medida.
TRANSDUTORES DE PRESSÃO POR DEFORMAÇÃO
Escala de 0,001 a 1.400 MPa.
O transdutor de deformação usa um sensor tipo "strain
gage" para indicar a deformação do diafragma (ou placa
metálica) provocada pela pressão.
Precisão até aproximadamente 0,25% do fundo de escala.
Existem modelos
disponíveis para as mais
diversas faixas de
pressões, inclusive para
medições de pressão
diferencial
TRANSDUTORES DE PRESSÃO POTENCIOMÉTRICOS
O mecanismo produz desvios inerentes e têm sensibilidade
a variações de temperatura. Como incoveniente neste tipo de
medidor, há também o desgaste natural do potenciômetro.
Neste tipo de transdutor, um fole
(ou tubo de Bourdon) aciona um
potenciômetro, convertendo os
valores de pressão em valores de
diferença de potencial elétrico.
Escalas de pressões de 0,035 a 70 MPa.
Precisão na faixa de 0,5 a 1% do fundo de escala sem
considerar as variações de temperatura.
TRANSDUTORES DE PRESSÃO CAPACITIVOS
O deslocamento do diafragma
devido à variação de pressão resulta
em aumento da capacitância de um e
diminuição de outro.
Um circuito oscilador externo pode detectar essa
variação, transformando-a em variação de tensão.
Usados para pressões desde vácuo até cerca de 70
MPa. Pode medir diferenças de pressão a partir de
aproximadamente 2,5 Pa .
. Precisão de até 0,01 % do fundo de escala.
Nos transdutores capacitivos o
diafragma funciona como placa
comum de dois capacitores em série.
TRANSDUTORES DE PRESSÃO PIEZOELÉTRICOS
Se o circuito processa apenas a
tensão gerada devido ao efeito
piezelétrico, o dispositivo registra
apenas variações de pressão, pois a
tensão cai rapidamente em
condições estáticas.
São sensíveis a variações de temperatura.
Utilizam o efeito piezelétrico para
gerar o sinal elétrico.
Isso pode ser muito útil em algumas aplicações. Mas há
circuitos que detectam a freqüência de ressonância do cristal
e, portanto, podem medir pressões estáticas.
CALIBRAÇÃO DE MANÔMETROS
Esta câmara também é ligada por um cilindro-pistão
vertical sobre o qual vários pesos padrões podem ser colocados.
No interior da câmara, a pressão cresce lentamente
até que o pistão com o peso "flutue" e, neste momento a
medida do instrumento deve ser igual ao peso suportado
pelo pistão dividido por sua área.
Neste tipo de processo, o
manômetro a ser calibrado é ligado a
uma câmara cheia de fluido cuja
pressão pode ser elevada por meio de
algum tipo de bomba ou pistão de
acionamento manual (ver figura) e
aliviada através de válvula de sangria.
Cilindro / Pistão para comparação de manômetros
ASPECTOS OPERACIONAIS E DE MONTAGEM
- Instalação com selagem líquida
- Atenuação de oscilações
- Montagem de tomadas de pressão
Neste item serão mostrados os seguintes
aspectos ligados a operação e montagem de
manômetros, dentre outros:
INSTALAÇÃO COM SELAGEM LÍQUIDA
- Efeitos da deformação proveniente da temperatura;
- Dificuldade de escoamento de fluidos viscosos;
- Ataque químico de fluidos corrosivos.
Em processos industriais que manipulam fluidos
corrosivos, viscosos, tóxicos, sujeitos à alta temperatura
e/ou radioativos, a medição de pressão com manômetro
tipo elástico se torna impraticável, pois este não é
adequado para essa aplicação, devido a:
Pode-se empregar um fluido líquido inerte em contato
com o manômetro e que não se mistura com o fluido do
processo em um pote de selagem, como na figura.
Na configuração da esquerda o líquido de selagem é
mais denso que o fluido do processo, e na direita o líquido
de selagem é mais leve que o do processo.
O fluido de selagem mais utilizado por ser inerte a
quase todos os fluidos é a glicerina.
Alguns fabricantes fornecem manômetros com fluido
interno e pote de selagem / diafragma para medição de
pressão, sendo este tipo de montagem muito utilizada.
ATENUAÇÃO DE OSCILAÇÕES
Para evitar oscilações na medição, quando existe
flutuações na linha de pressão, pode-se utilizar um
estrangulamento entre a fonte de pressão e o manômetro
(com uma válvula de agulha, por exemplo).
A relação entre a amplitude do sinal de saída e a
amplitude do sinal de entrada (po/pi) em função da
freqüência da oscilação é indicada na figura abaixo.
ps
pe
ps
pe
t
ps
pe
tempo
ps
pe
ps
pe
t
ps
pe
tempo
O estrangulamento pode ser alterado, por exemplo,
por uma válvula de agulha, permitindo o ajuste do efeito de
filtragem.
Pressões de entrada constantes ou em baixa
frequência de oscilação podem ser medidas normalmente,
enquanto que flutuações de alta freqüência são atenuadas.
TOMADA DE PRESSÃO
BARÔMETROS
Barômetros de mercúrio
Usa-se freqüentemente, como
líquido, o mercúrio, por sua grande massa
específica (menores valores de h).
patm= pv + gh.
Sabe-se que uma coluna líquida
de altura h, de massa específica , em
um local onde a aceleração da gravidade
é g, exerce na sua base uma pressão
que equilibra a pressão atmosférica patm,
de onde se conclui pela relação:
Esse procedimento é a síntese da
experiência de Torricelli.
BARÔMETROS DE MERCÚRIO
A) Barômetro de cuba
Barômetro de cuba
patm= pv + gh.
Conhecendo a massa específica do
mercúrio,  e a aceleração da gravidade
no local, g, determina-se a pressão
atmosférica ambiente.
BARÔMETROS DE MERCÚRIO
Compõe-se de um tubo em forma de J,
com cerca de 80 cm de altura e 2 cm de
diâmetro, fixo a um suporte que permite mantê-lo
na vertical. A leitura é feita por meio de uma
escala adaptada a ele e próxima ao tubo.
Barômetro
Normal
Para maior precisão deve-se utilizar
um termômetro para corrigir o efeito da
temperatura sobre os comprimentos medidos
e massa específica do mercúrio.
B) Barômetro Normal
Com o objetivo de se evitar o efeito da
capilaridade, o tubo tem suas extremidades,
onde se realizam as leituras de nível,
alargadas em relação ao restante do tubo.
Figuras de barômetros de mercúrio
Iluminação
Fatores de imprecisão de leitura em
barômetros de mercúrio
Alinhamento vertical do barômetro
Temperatura: Para manter a imprecisão dentro de uma
faixa de 0,01% (0,1 mmHg) a temperatura do mercúrio
deve ser mantida dentro de uma faixa de +/- 1o C.
Efeitos capilares – A qualidade do barômetro é função do
diâmetro do tubo utilizado.
BARÔMETROS METÁLICOS
Caracterizam-se por não possuírem coluna barométrica.
Podem ser portáteis, embora de menor precisão.
O dispositivo sensível à pressão é um tubo fechado,
metálico, de paredes muito delgadas; constitui uma superfície
toroidal desprovida de ar internamente (sob vácuo).
F F
f
AB
Barômetro aneróide
Como S > s, resulta F > f. S e s são as
áreas das faces externa e interna do toróide, elemento
sensor do barômetro aneróide.
F F
f
AB
Da figura observa-se que, um aumento de pressão
provoca um acréscimo da força externa F = p.S em
direção ao centro e um acréscimo f = p.s em direção
oposta do toróide.
BARÔMETROS METÁLICOS
Como resultado, um aumento de pressão
aproxima os extremos A e B e uma diminuição os afasta.
Considerando uma relação linear, K, entre a variação da
distância AB, AB , e diferença de forças, F - f , tem-se:
)
s
S
(
p
K
f
F
K
AB








portanto, AB é inversamente
proporcional a p.
Uma engrenagem leve e um
ponteiro ampliam as variações AB,
que podem ser medidas em uma
escala (expressa em unidades de
pressão).
BARÔMETROS METÁLICOS
BARÔMETRO DE VIDI
O
Ponteiro
Vácuo
Mola
Um ponteiro amplia as deformações e percorre uma escala.
Mede a pressão atmosférica tomando como referência
as deformações produzidas sobre uma caixa metálica,
hermeticamente fechada na parte superior por uma lámina
metálica ondulada e flexível, em cujo interior é feito vácuo.
Figuras de barômetro metálicos
Figuras de barômetro metálicos
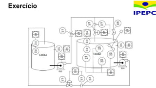
Exercício
E X E R C Í C I O 1
1. No diagrama P&I acima identifique todos os instrumentos:
Classe de equipamento Exemplo 1 Exemplo 2
Bombas
Válvulas de controle
Válvula solenóide
Placas de orifício
Medidores de vazão
Válvula manual
Termopares
Transmissores de temperatura
Indicadores de temperatura
Transmissores de nível
Indicadores de nível
Controladores PID
Malhas de controle
Aquecedores
2. Quais as medições efetuadas no Tanque 1 ?
TANK1 TANK2
TC
201
LT LI
102 102
TE
201
TT
201
TI
201
LT LI
203 203
HS
204
P204
HS
103
P103
TE
101
TT
101
TI
101
SV
104
HS
104
HS
204
HTR
201C
HTR
201A
HTR
201B
HTR
201D
FC
202
FV
202
FT
202
FT
205
FC
205
FV
205
FE
205
HV
206

PRESSÃO.pptx

  • 1.
  • 2.
  • 3.
    INSTRUMENTAÇÃO E CONTROLE OBSERVAÇÃOIMPORTANTE! Devido a complexidade de manter sempre os instrumentos de medida estáveis (set-point), costuma-se utilizar uma faixa aceitável, ou seja, um conjunto de valores da variável medida que estão compreendidos dentro do limite superior e inferior da capacidade de medida ou de transmissão do instrumento. Exemplo: 100 a 500m3 ; 0 a 20psi
  • 4.
  • 5.
    PRESSÃO:DEFINIÇÃO Unidades: - mmHg -psi (libras por polegada quadrada) - Pa = N/m2 - kgf/cm2 - bar (105 N/m2) - mmH20 (mCA) A pressão significa “força por unidade de área” que atua sobre uma superfície.
  • 6.
    A unidade SI Opascal é uma unidade muito pequena, que equivale à pressão exercida por uma coluna d'água de altura de 0,1 mm (pressão de uma cédula de dinheiro sobre uma superfície plana). Na prática, usa-se o kilopascal (kPa) e o megapascal (MPa). Observação! Pascal não depende da aceleração da gravidade do local e da densidade do liquido! PRESSÃO
  • 7.
  • 8.
    Medição de pressãocom o manômetro MEDIÇÃO DE PRESSÃO
  • 9.
    MEDIÇÃO DE PRESSÃO TIPOS DE PRESSÃO I. ATMOSFÉRICA II. MANOMÉTRICA III. ABSOLUTA I. DIFERENCIAL II. ESTÁTICA III. DINÂMICA IV. TOTAL QUANTO A REFERÊNCIA UTILIZADA (ZERO NA ESCALA) QUANTO A CIRCULAÇÃO DO FLUIDO
  • 10.
    QUANTO A REFERÊNCIAUTILIZADA MEDIÇÃO DE PRESSÃO
  • 11.
     PRESSÃO ATMOSFÉRICA(BAROMÉTRICA)  É a pressão exercida pela camada de ar sobre a superfície terrestre, que é medida em um barômetro. Ao nível do mar esta pressão é aproximadamente de 760 mmHg. MEDIÇÃO DE PRESSÃO  Denominam-se manômetros e vacuômetros os instrumentos utilizados para medir pressão acima e abaixo da pressão ambiente atmosférica local, respectivamente.
  • 12.
  • 13.
    MEDIÇÃO DE PRESSÃO 1643- Torricelli inventou o barômetro
  • 14.
     PRESSÃO RELATIVA(MANOMÉTRICA) É a pressão medida em relação à pressão atmosférica existente no local, podendo ser positiva ou negativa. Geralmente se coloca a letra “G” após a unidade para representá-la. Exemplo: 3 psig = 3 psi Quando se fala em uma pressão negativa, em relação à pressão atmosférica chamamos pressão de vácuo. • Medida em relação à pressão atmosférica. • Pode ser POSITIVA ou NEGATIVA. MEDIÇÃO DE PRESSÃO
  • 15.
     PRESSÃO RELATIVAPOSITIVA É quando um sistema tem pressão relativa maior que a pressão atmosférica. MEDIÇÃO DE PRESSÃO
  • 16.
     PRESSÃO RELATIVANEGATIVA OU VÁCUO É quando um sistema tem pressão relativa menor que a pressão atmosférica. MEDIÇÃO DE PRESSÃO
  • 17.
     PRESSÃO ABSOLUTA Éa soma da pressão MANOMÉTRICA (relativa) e ATMOSFÉRICA, também se diz que é medida a partir do vácuo absoluto. Pabs = Prel + Patm Importante: Ao se exprimir um valor de pressão, determinar se a pressão é relativa ou absoluta. 3 kgf/cm2 ABS ou 3 kgf/cm2 A - Pressão Absoluta 4 kgf/cm2 - Pressão Relativa MEDIÇÃO DE PRESSÃO
  • 18.
    -Pressão Relativa (Manométrica) -PressãoAbsoluta (ou Zero Absoluto ou Vácuo Perfeito) Pabs = Prel + Patm MEDIÇÃO DE PRESSÃO
  • 19.
    QUANTO A CIRCULAÇÃODO FLUIDO MEDIÇÃO DE PRESSÃO
  • 20.
     Pressão Diferencial Diferença de pressão entre dois pontos (P). MEDIÇÃO DE PRESSÃO  Quando um sensor mede a diferença entre duas pressões desconhecidas, sendo que nenhuma delas a pressão atmosférica, então essa pressão é conhecida como pressão diferencial.  Essa diferença de pressão pode ser utilizada para medir indiretamente outras grandezas como vazão, nível e outras grandezas.  Em outras palavras, é a pressão medida em qualquer ponto, menos no ponto zero de referência da pressão atmosférica.
  • 21.
     Pressão Estática(Hidrostática) É o peso exercido por uma coluna líquida em repouso ou que esteja fluindo perpendicularmente a tomada de impulso. A pressão estática do processo é a pressão transmitida pelo fluido nas paredes da tubulação ou do vaso. MEDIÇÃO DE PRESSÃO
  • 22.
     Pressão Dinâmica(Cinemática) Pressão exercida por fluido em movimento ou tomada de impulso no sentido do impacto do fluxo (paralelo a sua corrente). A pressão dinâmica da tubulação é a pressão devida a velocidade do fluido. Exemplo de Medição de Pressão Estática e Dinâmica MEDIÇÃO DE PRESSÃO
  • 23.
    MEDIÇÃO DE PRESSÃO Pressão Total É a pressão resultante da somatória das pressões ESTÁTICAS e DINÂMICAS exercidas por um fluido que se encontra em movimento.
  • 24.
    TABELA DE CONVERSÃO Exemplo: 1mmHg = 0,5354 polH2O = 0,00133 Bars 97 mmHg = 97 x (0,5354) MEDIÇÃO DE PRESSÃO Unidades mais utilizadas: 1 atm = 760 mmHg (0°C) = 762,4 mmHg (20°C) = 14,696 psi = 101,325 kpa (N/m²) = 1,01325 bar
  • 25.
  • 26.
     Composição dosMedidores de Pressão Os medidores de pressão de um modo geral podem ser divididos em três partes ou até mesmo incorporado a conversores e transmissores de pressão.  Elemento de recepção: Aquele que recebe a pressão a ser medida e a transforma em deslocamento ou força (ex: Bourbon, fole, diafragma).  Elemento de transferência: Aquele que amplia o deslocamento ou a força do elemento de recepção ou que transforma o mesmo em um sinal único de transmissão do tipo elétrica ou pneumática, que é enviada ao elemento de indicação (ex: links mecânicos, relé piloto, amplificadores operacionais).  Elemento de indicação: Aquele que recebe o sinal do elemento de transferência e indica ou registra a pressão medida (ex: ponteiros, displays). MEDIÇÃO DE PRESSÃO
  • 27.
    2 1 3 4 5 6 7 8 9 10 11 12 Medidores por elementos elásticos  Medidores especiais MEDIDORES DE PRESSÃO  Medidores por coluna líquida
  • 28.
    MEDIDORES POR ELEMENTOSELÁSTICOS  Manômetro É o instrumento que se baseia na medição da pressão por deformação elástica. I. Tubo de Bourdon II. Diafragma (metálico e não metálico) III. Fole
  • 29.
     Composição dosMedidores de Pressão MEDIÇÃO DE PRESSÃO
  • 30.
    MEDIDORES: ELEMENTOS ELÁSTICOS Seuprincípio de medição baseia-se na lei de Hooke (1678). Ele constatou que uma série de materiais, quando submetidos a uma força externa, sofrem variações na sua dimensão linear inicial, assim como a sua área e secção transversal inicial. Resumindo, a lei de Hooke determina que o módulo da força aplicada em um corpo é proporcional à deformação provocada. Δl = alongamento da peça (m) σ = Tensão normal (Pa) F = carga nominal aplicada (N) A = área da secção transversal (m²) E = módulo de elasticidade do material (Pa) L = comprimento inicial da peça
  • 31.
    MEDIDORES: ELEMENTOS ELÁSTICOS A deformação pode ser dividida em elástica (material retorna ao seu tamanho normal ao cessar a força sobre ele, até o limite de elasticidade do material), plástica ou permanente (material deforma e não retorna ao seu estado normal mesmo retirada a força) e ruptura (o material cede e rompe).  Esses medidores podem ser classificados em dois tipos: I. Conversão da deformação do elemento de recepção de pressão em sinal elétrico ou pneumático. (TRANSDUTOR) II. Indicação ou amplificação da deformação do elemento de recepção através da conversão de deslocamento linear em ângulos, com o uso de dispositivos mecânicos. (TRANSMISSOR)  Funcionamento dos medidores O medidor tipo elástico é aquele que seu elemento de recepção mede pressão através da deformação elástica, sendo que quanto maior a pressão, maior será a deformação. Essas deformações são medidas através de dispositivos mecânicos, elétricos ou eletrônicas.
  • 32.
    P Consiste geralmente deum tubo com seção oval, disposto na forma de arco de circunferência tendo uma extremidade fechada, estando a outra aberta à pressão a ser medida. Com a pressão agindo em seu interior, o tubo tende a tomar uma seção circular resultando um movimento em sua extremidade fechada. Esse movimento através da engrenagem é transmitido a um ponteiro que vai indicar uma medida de pressão. P a) Tipo C P c) Tipo Helicoidal b) Tipo Espiral TUBOS DE BOURDON
  • 33.
  • 34.
    TUBOS DE BOURDON Manômetro tubo de Bourdon  Ainda é o mais utilizado na indústria.  É um tubo de secção transversal oval, fechada em uma ponta e a outra aberta para receber a pressão que pode estar disposto em forma de “C”, espiral ou helicoidal.
  • 35.
  • 36.
     Tipos construtivos Temosvários tipos construtivos de manômetros, alguns serão relacionados abaixo: TUBOS DE BOURDON I. Manômetro fechado (Simples) II. Diferencial III.Duplo IV.Com selagem líquida
  • 37.
    MANÔMETRO DE BOURDON Omanômetro de Bourdon é um medidor totalmente mecânico de pressão. A articulação e a engrenagem em setor transmitem a deformação do tubo de Bourdon à engrenagem central através de um movimento giratório de pequena dimensão. O tubo de Bourdon é o elemento sensor primário e o elemento conversor de variável, uma vez que é neste elemento que a pressão do fluido é convertida em uma deformação A) Tubo de Bourdon simples
  • 38.
    O medidor tipotubo de Bourdon é universalmente utilizado na faixa de 0 a 1 atm até 3.000 atm Sua precisão depende do processo de fabricação chegando 0,1% ou 0,5% da escala. Alguns desses medidores são ainda incrementados com compensadores térmicos, normalmente uma barra bimetálica integrada ao sistema do ponteiro para minimizar o distúrbio de temperatura. A engrenagem central amplifica o movimento giratório movimentando o ponteiro, e a escala relaciona a posição do ponteiro com a pressão manométrica. MANÔMETRO DE BOURDON
  • 39.
    O medidor detubo helicoidal pode indicar uma maior deformação sem o uso de engrenagens, possuindo esta vantagem sobre a configuração em C. O tubo de Bourdon mais comum é formado por um tubo de secção elíptica que se deforma com a aplicação de uma pressão interna. O tubo de Bourdon pode ser curvado em várias formas constituindo o elemento sensor de diversos medidores. Existem configurações na forma de C, helicoidal, espiral e torcida. MANÔMETRO DE BOURDON
  • 40.
    B) Manômetro dePressão Diferencial É composto de dois tubos de Bourdon dispostos em oposição e interligados por articulações mecânicas. MANÔMETRO DE BOURDON Este tipo construtivo, é adequado para medir a diferença de pressão entre dois pontos quaisquer do processo.
  • 41.
    A vantagem destaconfiguração está no fato de utilizar uma única caixa e um único mostrador. C) Manômetro de Bourdon Duplo São manômetros com dois tubos de Bourdons e mecanismos independentes e utilizados para medir duas pressões distintas, porém com mesma faixa de trabalho. MANÔMETRO DE BOURDON
  • 42.
    D) Manômetro comSelagem líquida Quando desejamos calibrar um manômetro, na maioria das vezes, utilizamos a Máquina de Teste que funciona pelo Princípio de Pascal diz que: A pressão exercida em qualquer ponto de um líquido em forma estática, se transmite integralmente em todas as direções e produz a mesma força em áreas iguais. Devido serem os fluidos praticamente incompressíveis, a força mecânica desenvolvida em um fluido sob pressão pode ser transmitida. MANÔMETRO DE BOURDON  CALIBRAÇÃO!!!
  • 43.
     Limitações Em processosindustriais que manipulam fluidos corrosivos, viscosos, tóxicos, sujeitos à alta temperatura e/ou radioativos, a medição de pressão com manômetro tipo elástico se torna impraticável pois o Bourdon não é adequado para essa aplicação, seja em função dos efeitos da deformação proveniente da temperatura, seja pela dificuldade de escoamento de fluidos viscosos ou seja pelo ataque químico de fluidos corrosivos TUBOS DE BOURDON
  • 44.
  • 45.
    É constituído porum disco de material elástico (metálico ou não), fixo pela borda. Uma haste fixa ao centro do disco está ligada a um mecanismo de indicação. Quando uma pressão é aplicada, a membrana se desloca e esse deslocamento é proporcional à pressão aplicada. ESCALA MOLA PONTEIRO CONEXÃO DE PRESSÃO DIAFRAGMA 3 2 1 5 6 4 7 8 9 10 11 12 PRESSAO DIAFRAGMA MANÔMETRO: SENSOR TIPO DIAFRAGMA
  • 46.
    MANÔMETRO TIPO DIAFRAGMA Jáos não metálicos podem ser feitos em couro, neoprene, polietileno e teflon. p x Os diafragmas podem ser metálicos ou não metálicos. Os primeiros são em geral feitos de latão, bronze fosforoso, cobre - berílio, monel e aço inoxidável. A pressão aplicada produzirá a flexão do material enquanto seu retorno à posição de repouso será garantido por uma mola auxiliar no caso dos não metálicos ou pela elasticidade do metal que os compõe nos caso dos metálicos.
  • 47.
    L - http://paginapessoal.utfpr.edu.br/camaral Foleé um dispositivo que possui ruga no círculo exterior que tem a possibilidade de expandir-se e contrair-se em função de pressões aplicadas no sentido do eixo. Como a resistência à pressão é limitada, é usado para baixa pressão. Fole Pressão Mola 3 2 1 4 5 6 7 8 FOLE PROCESSO 9 10 11 1 1 2 2 MANÔMETRO TIPO FOLE
  • 48.
    MANÔMETRO TIPO FOLE Sea pressão interna diminui em relação à externa então o fole retorna à condição de repouso seja por ação de mola auxiliar ou pela elasticidade do próprio material do fole. p x
  • 49.
  • 50.
    MANÔMETROS - Manômetro depeso morto - Manômetros-transdutores de pressão AINDA TEMOS...
  • 51.
    MANÔMETRO DE PESOMORTO Utiliza-se o manômetro de peso morto na calibração de outros medidores de pressão devido a sua precisão. Para uma determinada força-peso sobre o êmbolo pode-se calcular a pressão exercida. A pressão é obtida pela colocação de massas padronizadas sobre um êmbolo de área também conhecida.
  • 52.
  • 53.
    MEDIDORES POR COLUNALÍQUIDA  Manômetro I. Tubos em U II. Coluna reta III. Coluna inclinada
  • 54.
    MANÔMETROS DE COLUNALÍQUIDA Os manômetros de coluna líquida, outrora largamente utilizados, estão sendo progressivamente abandonados, principal-mente devido ao fato de normalmente necessitar de um líquido manométrico mais denso que a água, como é o caso do mercúrio metálico. Outro problema é a grande dificuldade de adaptar sistemas de leitura remota e saídas para registradores e processadores. Este líquido pode vazar para o interior da tubulação, provocando contaminações.
  • 55.
    Entretanto, os manômetrosde coluna possuem uma grande vantagem: não necessitam calibração, desde que possa se garantir a densidade do liquido manométrico e a exatidão da escala que mede a altura da coluna. As faixas de medição de pressão podem ser bastante extensas uma vez que o fluido manométrico (mercúrio, óleo ou água) pode ser mudado de acordo com a pressão ou depressão a serem medidas. Ainda hoje os manômetros de coluna líquida são utilizados como padrões práticos para calibração de transdutores de pressão. MANÔMETROS DE COLUNA LÍQUIDA
  • 56.
    Em termos práticos,a altura de coluna máxima disponível no mercado é de 2 metros e assim a pressão máxima medida é de 2 mH2O , caso se utilize água destilada, e 2 mHg com utilização do mercúrio. Em função do peso específico do líquido manométrico e também da fragilidade do tubo de vidro que limita seu tamanho, esse instrumento é utilizado somente para medição de baixas pressões. A princípio qualquer líquido com baixa viscosidade, e não volátil nas condições de medição, pode ser utilizado como líquido manométrico. Entretanto, na prática, a água destilada e o mercúrio são os líquidos mais utilizados nesses manômetros. MANÔMETROS DE COLUNA LÍQUIDA
  • 57.
    patm pa pb  h pa=pbgh O desnívelh se relaciona com a diferença pa - pb por : TUBO EM U Na figura abaixo está esquematizado um tubo em U no qual se aplica somente um valor de pressão em cada um dos ramos (ramo a e ramo b). pa - pb = gh Na figura da direita a pressão no ramo a é maior, provocando a elevação do líquido no ramo b.
  • 58.
  • 59.
    TUBO ME U:Colunas de áreas diferentes É constituída por dois vasos comunicantes, sendo um deles de diâmetro menor (um tubo) que o outro, no qual se faz a leitura da pressão pelo nível através de uma régua montada aplica pela altura da coluna líquida, como se vê na figura abaixo.
  • 60.
    Chamando as áreasdo ramo reto e do ramo de maior área de “a” e “A”, respectivamente, e aplicando pressões P1 e P2 em suas extremidades teremos pela equação manométrica: P1  P2 h2 h1  Como o volume deslocado é o mesmo, teremos: A.h1  a .h2 Substituindo o valor de h1 na equação manométrica, teremos: A 1 2 2 P - P  .h (1 a ) Como “A” é muito maior que “a”, a equação anterior pode ser simplificada e reescrita. Assim teremos a seguinte equação utilizada para cálculo da pressão: P1- P2.h2 TUBO ME U: Colunas de áreas diferentes
  • 61.
    Figuras de manômetro decoluna líquida Manômetro de Betz (áreas diferentes)
  • 62.
    Coluna reta A aplicaçãoé igual à do manômetro de coluna em “U”. Esse manômetro tem as áreas de tomada de pressão alta e baixa diferentes, sendo a que a tomada de pressão alta é aplicada na maior área.
  • 63.
    Coluna inclinada Se acoluna de menor área é posicionada em um ângulo  com o plano horizontal, o comprimento preenchido pelo líquido será maior, para uma mesma diferença de pressão, melhorando a sensibilidade de medição.
  • 64.
  • 65.
    LEITURA: MENISCO Neste tipode medidor, a tensão superficial dos líquidos é evidente, ou seja, neste tipo de medidor devido a força de coesão e adesão entre as moléculas do vidro do líquido, aparece o que chamamos de menisco. Em tubos de pequenos diâmetros, a superfície do líquido deverá ser uma curva. No caso de líquidos como a água e o álcool, a qual tem uma tensão superficial baixa, a superfície será côncava. No caso do mercúrio, a qual tem uma tensão superficial alta, o menisco será convexo. Para evitar o erro de paralaxe quando fizermos a leitura de pressão, esta deve ser feita na direção horizontal no ápice do menisco.
  • 66.
    MANÔMETROS ESPECIAIS TRANSDUTORES DEPRESSÃO Os manômetros transdutores de pressão convertem as medidas de pressão em grandezas elétricas que são usadas, local ou remotamente, para monitoramento, medições ou controle de processos.
  • 67.
    MANÔMETRO DE PISTÃOCOM MOLA O movimento do êmbolo é transmitido a um ponteiro, posicionado sobre uma escala. Neste tipo, o pistão é mantido em uma das extremidades do cilindro por ação de uma mola e é forçado à outra extremidade por ação da pressão a ser medida.
  • 68.
    TRANSDUTORES DE PRESSÃOPOR DEFORMAÇÃO Escala de 0,001 a 1.400 MPa. O transdutor de deformação usa um sensor tipo "strain gage" para indicar a deformação do diafragma (ou placa metálica) provocada pela pressão. Precisão até aproximadamente 0,25% do fundo de escala. Existem modelos disponíveis para as mais diversas faixas de pressões, inclusive para medições de pressão diferencial
  • 69.
    TRANSDUTORES DE PRESSÃOPOTENCIOMÉTRICOS O mecanismo produz desvios inerentes e têm sensibilidade a variações de temperatura. Como incoveniente neste tipo de medidor, há também o desgaste natural do potenciômetro. Neste tipo de transdutor, um fole (ou tubo de Bourdon) aciona um potenciômetro, convertendo os valores de pressão em valores de diferença de potencial elétrico. Escalas de pressões de 0,035 a 70 MPa. Precisão na faixa de 0,5 a 1% do fundo de escala sem considerar as variações de temperatura.
  • 70.
    TRANSDUTORES DE PRESSÃOCAPACITIVOS O deslocamento do diafragma devido à variação de pressão resulta em aumento da capacitância de um e diminuição de outro. Um circuito oscilador externo pode detectar essa variação, transformando-a em variação de tensão. Usados para pressões desde vácuo até cerca de 70 MPa. Pode medir diferenças de pressão a partir de aproximadamente 2,5 Pa . . Precisão de até 0,01 % do fundo de escala. Nos transdutores capacitivos o diafragma funciona como placa comum de dois capacitores em série.
  • 71.
    TRANSDUTORES DE PRESSÃOPIEZOELÉTRICOS Se o circuito processa apenas a tensão gerada devido ao efeito piezelétrico, o dispositivo registra apenas variações de pressão, pois a tensão cai rapidamente em condições estáticas. São sensíveis a variações de temperatura. Utilizam o efeito piezelétrico para gerar o sinal elétrico. Isso pode ser muito útil em algumas aplicações. Mas há circuitos que detectam a freqüência de ressonância do cristal e, portanto, podem medir pressões estáticas.
  • 72.
    CALIBRAÇÃO DE MANÔMETROS Estacâmara também é ligada por um cilindro-pistão vertical sobre o qual vários pesos padrões podem ser colocados. No interior da câmara, a pressão cresce lentamente até que o pistão com o peso "flutue" e, neste momento a medida do instrumento deve ser igual ao peso suportado pelo pistão dividido por sua área. Neste tipo de processo, o manômetro a ser calibrado é ligado a uma câmara cheia de fluido cuja pressão pode ser elevada por meio de algum tipo de bomba ou pistão de acionamento manual (ver figura) e aliviada através de válvula de sangria.
  • 73.
    Cilindro / Pistãopara comparação de manômetros
  • 74.
    ASPECTOS OPERACIONAIS EDE MONTAGEM - Instalação com selagem líquida - Atenuação de oscilações - Montagem de tomadas de pressão Neste item serão mostrados os seguintes aspectos ligados a operação e montagem de manômetros, dentre outros:
  • 75.
    INSTALAÇÃO COM SELAGEMLÍQUIDA - Efeitos da deformação proveniente da temperatura; - Dificuldade de escoamento de fluidos viscosos; - Ataque químico de fluidos corrosivos. Em processos industriais que manipulam fluidos corrosivos, viscosos, tóxicos, sujeitos à alta temperatura e/ou radioativos, a medição de pressão com manômetro tipo elástico se torna impraticável, pois este não é adequado para essa aplicação, devido a:
  • 76.
    Pode-se empregar umfluido líquido inerte em contato com o manômetro e que não se mistura com o fluido do processo em um pote de selagem, como na figura. Na configuração da esquerda o líquido de selagem é mais denso que o fluido do processo, e na direita o líquido de selagem é mais leve que o do processo.
  • 77.
    O fluido deselagem mais utilizado por ser inerte a quase todos os fluidos é a glicerina. Alguns fabricantes fornecem manômetros com fluido interno e pote de selagem / diafragma para medição de pressão, sendo este tipo de montagem muito utilizada.
  • 78.
    ATENUAÇÃO DE OSCILAÇÕES Paraevitar oscilações na medição, quando existe flutuações na linha de pressão, pode-se utilizar um estrangulamento entre a fonte de pressão e o manômetro (com uma válvula de agulha, por exemplo). A relação entre a amplitude do sinal de saída e a amplitude do sinal de entrada (po/pi) em função da freqüência da oscilação é indicada na figura abaixo. ps pe ps pe t ps pe tempo
  • 79.
    ps pe ps pe t ps pe tempo O estrangulamento podeser alterado, por exemplo, por uma válvula de agulha, permitindo o ajuste do efeito de filtragem. Pressões de entrada constantes ou em baixa frequência de oscilação podem ser medidas normalmente, enquanto que flutuações de alta freqüência são atenuadas.
  • 80.
  • 82.
    BARÔMETROS Barômetros de mercúrio Usa-sefreqüentemente, como líquido, o mercúrio, por sua grande massa específica (menores valores de h). patm= pv + gh. Sabe-se que uma coluna líquida de altura h, de massa específica , em um local onde a aceleração da gravidade é g, exerce na sua base uma pressão que equilibra a pressão atmosférica patm, de onde se conclui pela relação:
  • 83.
    Esse procedimento éa síntese da experiência de Torricelli. BARÔMETROS DE MERCÚRIO A) Barômetro de cuba Barômetro de cuba patm= pv + gh. Conhecendo a massa específica do mercúrio,  e a aceleração da gravidade no local, g, determina-se a pressão atmosférica ambiente.
  • 84.
    BARÔMETROS DE MERCÚRIO Compõe-sede um tubo em forma de J, com cerca de 80 cm de altura e 2 cm de diâmetro, fixo a um suporte que permite mantê-lo na vertical. A leitura é feita por meio de uma escala adaptada a ele e próxima ao tubo. Barômetro Normal Para maior precisão deve-se utilizar um termômetro para corrigir o efeito da temperatura sobre os comprimentos medidos e massa específica do mercúrio. B) Barômetro Normal Com o objetivo de se evitar o efeito da capilaridade, o tubo tem suas extremidades, onde se realizam as leituras de nível, alargadas em relação ao restante do tubo.
  • 85.
  • 86.
    Iluminação Fatores de imprecisãode leitura em barômetros de mercúrio Alinhamento vertical do barômetro Temperatura: Para manter a imprecisão dentro de uma faixa de 0,01% (0,1 mmHg) a temperatura do mercúrio deve ser mantida dentro de uma faixa de +/- 1o C. Efeitos capilares – A qualidade do barômetro é função do diâmetro do tubo utilizado.
  • 87.
    BARÔMETROS METÁLICOS Caracterizam-se pornão possuírem coluna barométrica. Podem ser portáteis, embora de menor precisão. O dispositivo sensível à pressão é um tubo fechado, metálico, de paredes muito delgadas; constitui uma superfície toroidal desprovida de ar internamente (sob vácuo). F F f AB Barômetro aneróide
  • 88.
    Como S >s, resulta F > f. S e s são as áreas das faces externa e interna do toróide, elemento sensor do barômetro aneróide. F F f AB Da figura observa-se que, um aumento de pressão provoca um acréscimo da força externa F = p.S em direção ao centro e um acréscimo f = p.s em direção oposta do toróide. BARÔMETROS METÁLICOS
  • 89.
    Como resultado, umaumento de pressão aproxima os extremos A e B e uma diminuição os afasta. Considerando uma relação linear, K, entre a variação da distância AB, AB , e diferença de forças, F - f , tem-se: ) s S ( p K f F K AB         portanto, AB é inversamente proporcional a p. Uma engrenagem leve e um ponteiro ampliam as variações AB, que podem ser medidas em uma escala (expressa em unidades de pressão). BARÔMETROS METÁLICOS
  • 90.
    BARÔMETRO DE VIDI O Ponteiro Vácuo Mola Umponteiro amplia as deformações e percorre uma escala. Mede a pressão atmosférica tomando como referência as deformações produzidas sobre uma caixa metálica, hermeticamente fechada na parte superior por uma lámina metálica ondulada e flexível, em cujo interior é feito vácuo.
  • 91.
  • 92.
  • 93.
  • 94.
    E X ER C Í C I O 1 1. No diagrama P&I acima identifique todos os instrumentos: Classe de equipamento Exemplo 1 Exemplo 2 Bombas Válvulas de controle Válvula solenóide Placas de orifício Medidores de vazão Válvula manual Termopares Transmissores de temperatura Indicadores de temperatura Transmissores de nível Indicadores de nível Controladores PID Malhas de controle Aquecedores 2. Quais as medições efetuadas no Tanque 1 ? TANK1 TANK2 TC 201 LT LI 102 102 TE 201 TT 201 TI 201 LT LI 203 203 HS 204 P204 HS 103 P103 TE 101 TT 101 TI 101 SV 104 HS 104 HS 204 HTR 201C HTR 201A HTR 201B HTR 201D FC 202 FV 202 FT 202 FT 205 FC 205 FV 205 FE 205 HV 206