MAPA SISTEMAS HIDRÁULICOS E PNEUMÁTICOS
DOMINANDO A PNEUMÁTICA: COMPRESSORES, COMPONENTES E
DIAGRAMAS
Olá, estudante!
Tudo bem? Seja bem-vindo(a) a nossa atividade M.A.P.A. da disciplina
Sistemas Hidráulicos e Pneumáticos. A atividade tem como tema “Dominando
a Pneumática: Compressores, Componentes e Diagramas”, e está dividida em
três etapas, abordando os conteúdos que serão estudados ao longo de toda a
disciplina Sistemas Hidráulicos e Pneumáticos.
As suas principais tarefas nesse M.A.P.A. serão:
- Pesquisar sobre compressores de ar.
- Identificar e descrever os componentes pneumáticos em um diagrama.
- Montar um projeto para automação de uma guilhotina.
Bom trabalho!
Prof. Plínio de Andrade Vieira
VOCÊ ESTÁ PREPARADO(A)?
Nas próximas páginas, você será DESAFIADO(A)! Como futuro(a) profissional
da área de tecnologia, queremos que você desenvolva habilidades essenciais
para a sua jornada, como: analisar, sistematizar, refletir e tomar decisão. Uma
aprendizagem ativa relevante é relacionada a nossa vida, aos nossos projetos
e expectativas. E nisso o aprendizado em Sistemas Hidráulicos e Pneumáticos
é excelente! Analisar e interpretar os desafios da vida real para a tomada de
decisão, transformando-os em um objeto de estudo que permita a aplicação de
conceitos de tecnologia na vivência prática de concepção de projetos.
O objetivo deste desafio é provocar o seu senso de interpretação, buscando os
fundamentos necessários à explicação e compreensão das questões
propostas, conectando o conteúdo de Sistemas Hidráulicos e Pneumáticos à
realidade de uma determinada indústria. Além disso, este desafio proporciona
autonomia para que você seja capaz de organizar suas atividades mentais, de
modo a desenvolver não somente o que compete as suas atribuições como
estudante, mas também como futuros profissionais.
Nossa atividade está dividida em três etapas que deverão ser feitas
individualmente. Você será desafiado(a) primeiramente a realizar uma
pesquisa sobre compressores de ar; em seguida, descreverá os componentes
presentes em um circuito pneumático; e, ao final, montará um projeto
pneumático de acordo com a descrição do problema. Assim, seus
conhecimentos serão colocados à prova! Você está preparado(a)? Vamos lá!
A influência da pneumática na vida moderna
A utilização da pneumática, a tecnologia que lida com o uso do ar comprimido
para realizar trabalho mecânico, tem uma história fascinante que remonta a
milênios. A relação entre o homem e a pneumática começou de forma modesta,
mas com o tempo essa tecnologia se tornou um pilar essencial da vida
moderna, desempenhando um papel crucial em inúmeras indústrias e sistemas
automatizados.
A história da pneumática remonta à Grécia Antiga, quando o filósofo grego
Ctesíbio de Alexandria inventou a primeira bomba de ar, conhecida como
"clepsidra", por volta do século III a.C. Essa invenção foi inicialmente usada
para medir o tempo com precisão, mas logo se tornou uma ferramenta versátil
para uma variedade de aplicações, incluindo o acionamento de órgãos
mecânicos em teatros e templos.
No entanto, a verdadeira revolução pneumática ocorreu durante a Revolução
Industrial, no século XVIII. O advento de máquinas a vapor e motores a vapor
trouxe consigo a necessidade de controlar o fluxo de ar e vapor, levando ao
desenvolvimento de válvulas e atuadores pneumáticos. A pneumática se
espalhou rapidamente para fábricas, minas e sistemas de transporte,
melhorando significativamente a eficiência e a produtividade.
Hoje, a pneumática desempenha um papel vital em diversas indústrias,
incluindo manufatura, automobilística, aeroespacial e muitas outras. Ela é
responsável por alimentar robôs industriais, máquinas de produção,
ferramentas pneumáticas e sistemas de controle automatizados em toda a linha
de produção. A pneumática também é amplamente utilizada em sistemas de
transporte, como trens e ônibus, para controlar freios e suspensões.
Além disso, a pneumática é uma parte essencial da automação industrial, onde
sistemas complexos são controlados por válvulas pneumáticas, cilindros e
lógica pneumática. A confiabilidade, precisão e facilidade de controle da
pneumática a tornam uma escolha popular para aplicações que exigem
movimento controlado, como robótica e automação de processos.
ETAPA 1: compreendendo o funcionamento dos compressores
Os compressores de ar, em sua essência, são máquinas fascinantes que
desempenham um papel crucial em várias aplicações industriais e cotidianas.
Eles têm a capacidade notável de transformar o ar ambiente, que nos rodeia
em nossa atmosfera, em uma poderosa fonte de energia. Isso é possível
através de um processo engenhoso que envolve a compressão do ar, tornando-
o útil para uma ampla gama de tarefas e operações.
Em seu funcionamento básico, os compressores de ar aspiram o ar circundante
e o comprimem em um espaço confinado. Esse processo aumenta a pressão
do ar, reduzindo seu volume e, assim, aumentando sua densidade. Como
resultado, o ar se torna uma fonte rica de energia, capaz de executar uma
variedade de tarefas, desde inflar pneus até alimentar sistemas industriais
complexos.
O ar comprimido resultante pode ser armazenado em tanques ou diretamente
fornecido às aplicações que o requerem. Ele é usado em uma variedade de
setores, incluindo automobilismo, construção, indústria alimentícia, química e
muito mais. Além disso, os compressores de ar desempenham um papel
fundamental na automação industrial, alimentando máquinas e sistemas
pneumáticos que controlam processos complexos.
Atividade da ETAPA 1: transformando ar em energia
Nesta etapa da nossa jornada na pneumática, você terá a oportunidade de
escolher um dos tipos de compressores de ar listados a seguir, de acordo com
o quinto dígito do seu número de registro acadêmico (RA). Cada tipo de
compressor possui um funcionamento distinto e é amplamente utilizado em
diversas aplicações. Após selecionar seu compressor, sua tarefa é explicar
detalhadamente como ele opera e suas principais características.
Aqui estão as opções disponíveis, correspondentes ao quinto dígito do seu RA:
5º dígito do R.A. Compressor a ser escolhido
0 Compressor de Pistão
1 Compressor de Parafuso
2 Compressor Centrífugo
3 Compressor de Lóbulos
4 Compressor de Palhetas
5 Compressor Scroll
6 Compressor Axial
7 Compressor de Diafragma
8 Compressor Centrífugo de Alta Velocidade
9 Compressor de Alternância
Cada um desses compressores possui características únicas e é adequado
para diferentes aplicações. Portanto, utilize fontes de pesquisa confiáveis na
hora de escrever suas explicações e não esqueça de citá-las de acordo com
as normas técnicas. Forneça uma explicação abrangente sobre como o
compressor selecionado funciona, destacando seu princípio de operação,
componentes-chave e aplicações comuns. Esta etapa o levará a uma
compreensão mais profunda da pneumática e de seu impacto nas indústrias
modernas.
ETAPA 2: Controlando o fluxo de ar com precisão
Na jornada pela compreensão dos sistemas pneumáticos, chegamos a um
componente crucial: as válvulas pneumáticas. Esses dispositivos
desempenham um papel essencial na regulação e no controle do fluxo de ar
comprimido, permitindo que máquinas e sistemas realizem uma variedade de
tarefas com precisão e eficiência.
As válvulas pneumáticas são projetadas para direcionar o fluxo de ar de acordo
com comandos específicos. Elas operam em princípios simples, mas sua
importância é inestimável na automação industrial e em várias outras
aplicações. Vejamos algumas das características e aplicações das válvulas
pneumáticas:
Vias e Posições: as válvulas pneumáticas podem ter várias vias (caminhos
para o fluxo de ar) e posições (estados em que a válvula pode estar). As vias
determinam quantas direções o ar pode seguir, enquanto as posições definem
os estados da válvula, como aberto, fechado ou parcialmente aberto.
Válvulas Lógicas: além das válvulas tradicionais, existem as chamadas
válvulas lógicas, que funcionam com base em comandos lógicos pneumáticos.
Isso permite a criação de sequências complexas de operações controladas por
sistemas de automação.
Aplicações Diversas: as válvulas pneumáticas são usadas em uma ampla
gama de aplicações, desde operações de linha de montagem em fábricas até
sistemas de controle de tráfego em cidades. Elas estão presentes em máquinas
industriais, sistemas de transporte pneumático, sistemas de embalagem,
sistemas de freio pneumático em veículos pesados e muito mais.
Precisão e Rapidez: uma das principais vantagens das válvulas pneumáticas
é sua capacidade de oferecer controle preciso e resposta rápida. Isso as torna
ideais para aplicações que exigem movimentos precisos e repetitivos.
Confiabilidade e Durabilidade: as válvulas pneumáticas são conhecidas por
sua confiabilidade e durabilidade. Elas são capazes de operar em ambientes
adversos e sob condições severas, tornando-as uma escolha sólida para
ambientes industriais.
Integração com Automação: as válvulas são frequentemente integradas a
sistemas de automação industrial, permitindo o controle preciso e a
monitorização em tempo real de processos complexos.
Atividade da ETAPA 2: identificação e caracterização das componentes
pneumáticos
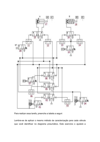
Aqui está o diagrama pneumático para sua análise:
Para realizar essa tarefa, preencha a tabela a seguir:
Lembre-se de aplicar o mesmo método de caracterização para cada válvula
que você identificar no diagrama pneumático. Este exercício o ajudará a
compreender as diferentes funções das válvulas pneumáticas em um contexto
real de automação industrial e sistemas pneumáticos. Boa exploração!
ETAPA 3: automação industrial com sistemas pneumáticos e
eletropneumáticos
A automação industrial é uma revolução silenciosa que está moldando o mundo
da manufatura e da produção. Em seu núcleo, a automação visa melhorar a
eficiência, a precisão e a confiabilidade dos processos industriais por meio da
substituição de tarefas manuais por sistemas controlados por máquinas. Nesse
cenário, os sistemas pneumáticos e eletropneumáticos desempenham papéis
vitais.
Sistemas Pneumáticos na Automação Industrial
Os sistemas pneumáticos utilizam ar comprimido como meio de energia para
realizar trabalho. Eles são amplamente empregados na automação industrial
devido a várias vantagens:
- Eficiência Energética: os sistemas pneumáticos são conhecidos por sua
eficiência energética. Eles podem ser ligados e desligados rapidamente,
permitindo ciclos de trabalho precisos e rápidos.
- Flexibilidade: os componentes pneumáticos são modulares e podem ser
facilmente adaptados para diferentes aplicações. Isso torna os sistemas
pneumáticos versáteis e econômicos.
- Ambiente Amigável: o ar comprimido é um recurso limpo e seguro, o que o
torna adequado para ambientes industriais variados.
- Custos Iniciais Baixos: comparados a sistemas hidráulicos ou elétricos, os
sistemas pneumáticos frequentemente têm custos iniciais mais baixos.
Exemplos de aplicações pneumáticas na automação industrial incluem
máquinas de embalagem, robótica, máquinas-ferramenta e sistemas de
transporte.
Sistemas Eletropneumáticos na Automação Industrial
Os sistemas eletropneumáticos combinam elementos pneumáticos com
eletrônicos para controle preciso. Aqui estão algumas características-chave:
- Controle Preciso: a combinação de eletrônica permite um controle altamente
preciso sobre as ações pneumáticas. Isso é essencial em aplicações que
exigem movimentos exatos.
- Programação Flexível: os sistemas eletropneumáticos podem ser
programados para executar sequências complexas de operações, tornando-os
ideais para automação avançada.
- Integração com Eletrônica: eles podem se integrar facilmente a sistemas de
controle de automação maiores, permitindo a coordenação com outros
componentes elétricos e eletrônicos.
Exemplos de aplicações eletropneumáticas incluem sistemas de
posicionamento de peças em linhas de montagem, sistemas de embalagem e
máquinas de usinagem de alta precisão.
Atividade da ETAPA 3: projetando um diagrama pneumático
Neste cenário, vamos explorar um processo industrial de corte utilizando uma
guilhotina controlada por um sistema pneumático com acionamento bimanual.
Esse processo é comum em indústrias que precisam cortar materiais diversos,
como papel, metal, plástico, entre outros.
Descrição do Processo:
Posicionamento Inicial: o operador inicia o processo com as mãos nos botões
de acionamento bimanual, que estão localizados em ambos os lados da
guilhotina. A peça a ser cortada é posicionada sob a lâmina da guilhotina.
Acionamento Bimanual: o operador pressiona simultaneamente os botões de
acionamento bimanual, um com cada mão. Esse acionamento bimanual é uma
medida de segurança importante, pois garante que o operador tenha controle
total sobre o início do ciclo de corte e evita acidentes.
Atuador A - Fixação da Peça: quando os botões de acionamento bimanual
são pressionados, o atuador pneumático A é ativado. O atuador A exerce
pressão para baixo, fixando firmemente a peça a ser cortada, impedindo que
ela se mova durante o processo de corte.
Atuador B - Descida da Faca de Corte: Com a peça devidamente fixada, o
atuador pneumático B é acionado. O atuador B controla a descida da lâmina
da guilhotina de forma controlada e precisa. A lâmina corta o material conforme
desce.
Retorno e Liberação: após a lâmina da guilhotina atingir o final do corte, o
atuador B retorna à sua posição inicial. Em seguida, o atuador A é desativado,
liberando a peça cortada.
Retorno à Posição Inicial: a guilhotina retorna a sua posição inicial, pronta
para o próximo ciclo de corte. O operador pode então remover a peça cortada
e repetir o processo conforme necessário.
Agora que você compreende o processo industrial de corte com guilhotina
controlada por um sistema pneumático com acionamento bimanual, é hora de
assumir o desafio de projetar o diagrama pneumático que tornará esse sistema
funcional. Seu diagrama pneumático deve representar claramente como os
componentes pneumáticos estão interconectados e como eles realizam as
ações descritas no processo.
Obs.: diagrama pneumático deve ser realizado no FluidSim. Para a
entrega da atividade, colocar a imagem no documento da resposta.
FINALIZAÇÃO
É com grande satisfação que parabenizamos você por concluir com sucesso
esta atividade abrangente de automação industrial. Durante esse percurso,
você mergulhou profundamente no mundo da pneumática, desde a pesquisa
detalhada sobre compressores de ar até a identificação dos componentes
pneumáticos em um sistema complexo, culminando com a criação de um
diagrama pneumático. Essa jornada de aprendizado é uma prova notável de
seu comprometimento com sua formação acadêmica e seu desenvolvimento
profissional.
Compreender os princípios dos compressores de ar é essencial na automação
industrial, e sua pesquisa dedicada sobre esses dispositivos demonstra seu
compromisso em adquirir conhecimento prático e aplicável. A pneumática é
uma das pedras angulares da automação industrial, e sua capacidade de
explicar o funcionamento dos compressores agora é uma ferramenta valiosa
em seu kit de habilidades.
A identificação de componentes pneumáticos em um sistema complexo é uma
habilidade essencial para um futuro engenheiro de controle e automação. A
clareza que você demonstrou ao descrever esses componentes e suas funções
é fundamental para o entendimento do funcionamento de sistemas
pneumáticos em ambientes industriais reais.
Por fim, o projeto do diagrama pneumático demonstra sua capacidade de
traduzir seu conhecimento teórico em uma representação prática e visual de
um sistema pneumático. Essa habilidade é inestimável para sua futura carreira,
onde projetos de automação e controle desempenharão um papel central.
Esteja ciente de que a jornada de aprendizado é contínua, e cada desafio
superado o prepara ainda mais para os desafios futuros. O mercado de trabalho
em engenharia de controle e automação valoriza profissionais que podem
aplicar teoria na prática, e você está no caminho certo para se destacar nesse
campo competitivo.
Continue explorando, aprendendo e desafiando-se, pois, sua dedicação ao
aprendizado é o trampolim para um futuro de sucesso profissional. Parabéns
novamente por seu desempenho brilhante nesta atividade.
Um forte abraço!
Prof. Plínio de Andrade Vieira
Obs.: entregar a atividade no formato PDF.

MAPA - SISTEMAS HIDRÁULICOS E PNEUMÁTICOS UNICESUMAR 54/2023

  • 1.
    MAPA SISTEMAS HIDRÁULICOSE PNEUMÁTICOS DOMINANDO A PNEUMÁTICA: COMPRESSORES, COMPONENTES E DIAGRAMAS Olá, estudante! Tudo bem? Seja bem-vindo(a) a nossa atividade M.A.P.A. da disciplina Sistemas Hidráulicos e Pneumáticos. A atividade tem como tema “Dominando a Pneumática: Compressores, Componentes e Diagramas”, e está dividida em três etapas, abordando os conteúdos que serão estudados ao longo de toda a disciplina Sistemas Hidráulicos e Pneumáticos.
  • 2.
    As suas principaistarefas nesse M.A.P.A. serão: - Pesquisar sobre compressores de ar. - Identificar e descrever os componentes pneumáticos em um diagrama. - Montar um projeto para automação de uma guilhotina. Bom trabalho! Prof. Plínio de Andrade Vieira VOCÊ ESTÁ PREPARADO(A)? Nas próximas páginas, você será DESAFIADO(A)! Como futuro(a) profissional da área de tecnologia, queremos que você desenvolva habilidades essenciais para a sua jornada, como: analisar, sistematizar, refletir e tomar decisão. Uma aprendizagem ativa relevante é relacionada a nossa vida, aos nossos projetos e expectativas. E nisso o aprendizado em Sistemas Hidráulicos e Pneumáticos é excelente! Analisar e interpretar os desafios da vida real para a tomada de decisão, transformando-os em um objeto de estudo que permita a aplicação de conceitos de tecnologia na vivência prática de concepção de projetos. O objetivo deste desafio é provocar o seu senso de interpretação, buscando os fundamentos necessários à explicação e compreensão das questões propostas, conectando o conteúdo de Sistemas Hidráulicos e Pneumáticos à realidade de uma determinada indústria. Além disso, este desafio proporciona autonomia para que você seja capaz de organizar suas atividades mentais, de modo a desenvolver não somente o que compete as suas atribuições como estudante, mas também como futuros profissionais. Nossa atividade está dividida em três etapas que deverão ser feitas individualmente. Você será desafiado(a) primeiramente a realizar uma pesquisa sobre compressores de ar; em seguida, descreverá os componentes presentes em um circuito pneumático; e, ao final, montará um projeto pneumático de acordo com a descrição do problema. Assim, seus
  • 3.
    conhecimentos serão colocadosà prova! Você está preparado(a)? Vamos lá! A influência da pneumática na vida moderna A utilização da pneumática, a tecnologia que lida com o uso do ar comprimido para realizar trabalho mecânico, tem uma história fascinante que remonta a milênios. A relação entre o homem e a pneumática começou de forma modesta, mas com o tempo essa tecnologia se tornou um pilar essencial da vida moderna, desempenhando um papel crucial em inúmeras indústrias e sistemas automatizados. A história da pneumática remonta à Grécia Antiga, quando o filósofo grego Ctesíbio de Alexandria inventou a primeira bomba de ar, conhecida como "clepsidra", por volta do século III a.C. Essa invenção foi inicialmente usada para medir o tempo com precisão, mas logo se tornou uma ferramenta versátil para uma variedade de aplicações, incluindo o acionamento de órgãos mecânicos em teatros e templos. No entanto, a verdadeira revolução pneumática ocorreu durante a Revolução Industrial, no século XVIII. O advento de máquinas a vapor e motores a vapor trouxe consigo a necessidade de controlar o fluxo de ar e vapor, levando ao desenvolvimento de válvulas e atuadores pneumáticos. A pneumática se espalhou rapidamente para fábricas, minas e sistemas de transporte, melhorando significativamente a eficiência e a produtividade. Hoje, a pneumática desempenha um papel vital em diversas indústrias, incluindo manufatura, automobilística, aeroespacial e muitas outras. Ela é responsável por alimentar robôs industriais, máquinas de produção, ferramentas pneumáticas e sistemas de controle automatizados em toda a linha de produção. A pneumática também é amplamente utilizada em sistemas de transporte, como trens e ônibus, para controlar freios e suspensões. Além disso, a pneumática é uma parte essencial da automação industrial, onde sistemas complexos são controlados por válvulas pneumáticas, cilindros e
  • 4.
    lógica pneumática. Aconfiabilidade, precisão e facilidade de controle da pneumática a tornam uma escolha popular para aplicações que exigem movimento controlado, como robótica e automação de processos. ETAPA 1: compreendendo o funcionamento dos compressores Os compressores de ar, em sua essência, são máquinas fascinantes que desempenham um papel crucial em várias aplicações industriais e cotidianas. Eles têm a capacidade notável de transformar o ar ambiente, que nos rodeia em nossa atmosfera, em uma poderosa fonte de energia. Isso é possível através de um processo engenhoso que envolve a compressão do ar, tornando- o útil para uma ampla gama de tarefas e operações. Em seu funcionamento básico, os compressores de ar aspiram o ar circundante e o comprimem em um espaço confinado. Esse processo aumenta a pressão do ar, reduzindo seu volume e, assim, aumentando sua densidade. Como resultado, o ar se torna uma fonte rica de energia, capaz de executar uma variedade de tarefas, desde inflar pneus até alimentar sistemas industriais complexos. O ar comprimido resultante pode ser armazenado em tanques ou diretamente fornecido às aplicações que o requerem. Ele é usado em uma variedade de setores, incluindo automobilismo, construção, indústria alimentícia, química e muito mais. Além disso, os compressores de ar desempenham um papel fundamental na automação industrial, alimentando máquinas e sistemas pneumáticos que controlam processos complexos. Atividade da ETAPA 1: transformando ar em energia Nesta etapa da nossa jornada na pneumática, você terá a oportunidade de escolher um dos tipos de compressores de ar listados a seguir, de acordo com o quinto dígito do seu número de registro acadêmico (RA). Cada tipo de compressor possui um funcionamento distinto e é amplamente utilizado em
  • 5.
    diversas aplicações. Apósselecionar seu compressor, sua tarefa é explicar detalhadamente como ele opera e suas principais características. Aqui estão as opções disponíveis, correspondentes ao quinto dígito do seu RA: 5º dígito do R.A. Compressor a ser escolhido 0 Compressor de Pistão 1 Compressor de Parafuso 2 Compressor Centrífugo 3 Compressor de Lóbulos 4 Compressor de Palhetas 5 Compressor Scroll 6 Compressor Axial 7 Compressor de Diafragma 8 Compressor Centrífugo de Alta Velocidade 9 Compressor de Alternância Cada um desses compressores possui características únicas e é adequado para diferentes aplicações. Portanto, utilize fontes de pesquisa confiáveis na hora de escrever suas explicações e não esqueça de citá-las de acordo com as normas técnicas. Forneça uma explicação abrangente sobre como o compressor selecionado funciona, destacando seu princípio de operação, componentes-chave e aplicações comuns. Esta etapa o levará a uma compreensão mais profunda da pneumática e de seu impacto nas indústrias modernas. ETAPA 2: Controlando o fluxo de ar com precisão Na jornada pela compreensão dos sistemas pneumáticos, chegamos a um componente crucial: as válvulas pneumáticas. Esses dispositivos
  • 6.
    desempenham um papelessencial na regulação e no controle do fluxo de ar comprimido, permitindo que máquinas e sistemas realizem uma variedade de tarefas com precisão e eficiência. As válvulas pneumáticas são projetadas para direcionar o fluxo de ar de acordo com comandos específicos. Elas operam em princípios simples, mas sua importância é inestimável na automação industrial e em várias outras aplicações. Vejamos algumas das características e aplicações das válvulas pneumáticas: Vias e Posições: as válvulas pneumáticas podem ter várias vias (caminhos para o fluxo de ar) e posições (estados em que a válvula pode estar). As vias determinam quantas direções o ar pode seguir, enquanto as posições definem os estados da válvula, como aberto, fechado ou parcialmente aberto. Válvulas Lógicas: além das válvulas tradicionais, existem as chamadas válvulas lógicas, que funcionam com base em comandos lógicos pneumáticos. Isso permite a criação de sequências complexas de operações controladas por sistemas de automação. Aplicações Diversas: as válvulas pneumáticas são usadas em uma ampla gama de aplicações, desde operações de linha de montagem em fábricas até sistemas de controle de tráfego em cidades. Elas estão presentes em máquinas industriais, sistemas de transporte pneumático, sistemas de embalagem, sistemas de freio pneumático em veículos pesados e muito mais. Precisão e Rapidez: uma das principais vantagens das válvulas pneumáticas é sua capacidade de oferecer controle preciso e resposta rápida. Isso as torna ideais para aplicações que exigem movimentos precisos e repetitivos. Confiabilidade e Durabilidade: as válvulas pneumáticas são conhecidas por sua confiabilidade e durabilidade. Elas são capazes de operar em ambientes adversos e sob condições severas, tornando-as uma escolha sólida para ambientes industriais.
  • 7.
    Integração com Automação:as válvulas são frequentemente integradas a sistemas de automação industrial, permitindo o controle preciso e a monitorização em tempo real de processos complexos. Atividade da ETAPA 2: identificação e caracterização das componentes pneumáticos Aqui está o diagrama pneumático para sua análise:
  • 8.
    Para realizar essatarefa, preencha a tabela a seguir: Lembre-se de aplicar o mesmo método de caracterização para cada válvula que você identificar no diagrama pneumático. Este exercício o ajudará a
  • 9.
    compreender as diferentesfunções das válvulas pneumáticas em um contexto real de automação industrial e sistemas pneumáticos. Boa exploração! ETAPA 3: automação industrial com sistemas pneumáticos e eletropneumáticos A automação industrial é uma revolução silenciosa que está moldando o mundo da manufatura e da produção. Em seu núcleo, a automação visa melhorar a eficiência, a precisão e a confiabilidade dos processos industriais por meio da substituição de tarefas manuais por sistemas controlados por máquinas. Nesse cenário, os sistemas pneumáticos e eletropneumáticos desempenham papéis vitais. Sistemas Pneumáticos na Automação Industrial Os sistemas pneumáticos utilizam ar comprimido como meio de energia para realizar trabalho. Eles são amplamente empregados na automação industrial devido a várias vantagens: - Eficiência Energética: os sistemas pneumáticos são conhecidos por sua eficiência energética. Eles podem ser ligados e desligados rapidamente, permitindo ciclos de trabalho precisos e rápidos. - Flexibilidade: os componentes pneumáticos são modulares e podem ser facilmente adaptados para diferentes aplicações. Isso torna os sistemas pneumáticos versáteis e econômicos. - Ambiente Amigável: o ar comprimido é um recurso limpo e seguro, o que o torna adequado para ambientes industriais variados. - Custos Iniciais Baixos: comparados a sistemas hidráulicos ou elétricos, os sistemas pneumáticos frequentemente têm custos iniciais mais baixos.
  • 10.
    Exemplos de aplicaçõespneumáticas na automação industrial incluem máquinas de embalagem, robótica, máquinas-ferramenta e sistemas de transporte. Sistemas Eletropneumáticos na Automação Industrial Os sistemas eletropneumáticos combinam elementos pneumáticos com eletrônicos para controle preciso. Aqui estão algumas características-chave: - Controle Preciso: a combinação de eletrônica permite um controle altamente preciso sobre as ações pneumáticas. Isso é essencial em aplicações que exigem movimentos exatos. - Programação Flexível: os sistemas eletropneumáticos podem ser programados para executar sequências complexas de operações, tornando-os ideais para automação avançada. - Integração com Eletrônica: eles podem se integrar facilmente a sistemas de controle de automação maiores, permitindo a coordenação com outros componentes elétricos e eletrônicos. Exemplos de aplicações eletropneumáticas incluem sistemas de posicionamento de peças em linhas de montagem, sistemas de embalagem e máquinas de usinagem de alta precisão. Atividade da ETAPA 3: projetando um diagrama pneumático Neste cenário, vamos explorar um processo industrial de corte utilizando uma guilhotina controlada por um sistema pneumático com acionamento bimanual. Esse processo é comum em indústrias que precisam cortar materiais diversos, como papel, metal, plástico, entre outros.
  • 11.
    Descrição do Processo: PosicionamentoInicial: o operador inicia o processo com as mãos nos botões de acionamento bimanual, que estão localizados em ambos os lados da guilhotina. A peça a ser cortada é posicionada sob a lâmina da guilhotina. Acionamento Bimanual: o operador pressiona simultaneamente os botões de acionamento bimanual, um com cada mão. Esse acionamento bimanual é uma medida de segurança importante, pois garante que o operador tenha controle total sobre o início do ciclo de corte e evita acidentes. Atuador A - Fixação da Peça: quando os botões de acionamento bimanual são pressionados, o atuador pneumático A é ativado. O atuador A exerce pressão para baixo, fixando firmemente a peça a ser cortada, impedindo que ela se mova durante o processo de corte. Atuador B - Descida da Faca de Corte: Com a peça devidamente fixada, o atuador pneumático B é acionado. O atuador B controla a descida da lâmina da guilhotina de forma controlada e precisa. A lâmina corta o material conforme desce. Retorno e Liberação: após a lâmina da guilhotina atingir o final do corte, o atuador B retorna à sua posição inicial. Em seguida, o atuador A é desativado, liberando a peça cortada. Retorno à Posição Inicial: a guilhotina retorna a sua posição inicial, pronta para o próximo ciclo de corte. O operador pode então remover a peça cortada e repetir o processo conforme necessário. Agora que você compreende o processo industrial de corte com guilhotina
  • 12.
    controlada por umsistema pneumático com acionamento bimanual, é hora de assumir o desafio de projetar o diagrama pneumático que tornará esse sistema funcional. Seu diagrama pneumático deve representar claramente como os componentes pneumáticos estão interconectados e como eles realizam as ações descritas no processo. Obs.: diagrama pneumático deve ser realizado no FluidSim. Para a entrega da atividade, colocar a imagem no documento da resposta. FINALIZAÇÃO É com grande satisfação que parabenizamos você por concluir com sucesso esta atividade abrangente de automação industrial. Durante esse percurso, você mergulhou profundamente no mundo da pneumática, desde a pesquisa detalhada sobre compressores de ar até a identificação dos componentes pneumáticos em um sistema complexo, culminando com a criação de um diagrama pneumático. Essa jornada de aprendizado é uma prova notável de seu comprometimento com sua formação acadêmica e seu desenvolvimento profissional. Compreender os princípios dos compressores de ar é essencial na automação industrial, e sua pesquisa dedicada sobre esses dispositivos demonstra seu compromisso em adquirir conhecimento prático e aplicável. A pneumática é uma das pedras angulares da automação industrial, e sua capacidade de explicar o funcionamento dos compressores agora é uma ferramenta valiosa em seu kit de habilidades. A identificação de componentes pneumáticos em um sistema complexo é uma habilidade essencial para um futuro engenheiro de controle e automação. A clareza que você demonstrou ao descrever esses componentes e suas funções é fundamental para o entendimento do funcionamento de sistemas pneumáticos em ambientes industriais reais. Por fim, o projeto do diagrama pneumático demonstra sua capacidade de traduzir seu conhecimento teórico em uma representação prática e visual de um sistema pneumático. Essa habilidade é inestimável para sua futura carreira, onde projetos de automação e controle desempenharão um papel central. Esteja ciente de que a jornada de aprendizado é contínua, e cada desafio
  • 13.
    superado o preparaainda mais para os desafios futuros. O mercado de trabalho em engenharia de controle e automação valoriza profissionais que podem aplicar teoria na prática, e você está no caminho certo para se destacar nesse campo competitivo. Continue explorando, aprendendo e desafiando-se, pois, sua dedicação ao aprendizado é o trampolim para um futuro de sucesso profissional. Parabéns novamente por seu desempenho brilhante nesta atividade. Um forte abraço! Prof. Plínio de Andrade Vieira Obs.: entregar a atividade no formato PDF.