125 TURUNA
COMO USAR ESTE MANUAL
Este manual contém todas as informações necessárias
para a manutenção e reparos da HONDA 125 TURUNA.
Os capítulos de 1 a 3 referem-se à motocicleta em geral
enquanto que de 4 a 15 se referem a partes da
motocicleta agrupadas de acordo com a localização.
Localize o capítulo que você pretende nesta página e vire
para a página 1 desse capítulo.
A maioria dos capítulos começam com o conjunto ou
ilustração, informações e diagnose de defeitos para esse
capítulo; as páginas seguintes detalham os
procedimentos.
Se você não conseguir localizar a origem do defeito,
verifique o capítulo 16 “DIAGNOSE DE DEFEITOS” para
ajuda adicional.
Nenhuma parte deste manual pode ser reproduzida sem
autorização por escrito.
HONDA MOTOR DO BRASIL LTDA.
Depto. Assistência Técnica
Todas as informações, ilustrações, orientações e
especificações inclusas neste manual foram baseadas
nas mais recentes pesquisas de produtos a disposição,
na data de aprovação para impressão, a Honda Motor
do Brasil Ltda, reserva-se o direito de alterar as
especificações em qualquer época sem incorrer em
obrigações posteriores.
ÍNDICE GERAL
INFORMAÇÕES GERAIS
LUBRIFICAÇÃO
MANUTENÇÃO
SISTEMA DE ALIMENTAÇÃO
REMOÇÃO/INSTALAÇÃO DO MOTOR
CABEÇOTE/VÁLVULAS
CILINDRO/PISTÃO
EMBREAGEM/BOMBA DE ÓLEO/
MECANISMO SELETOR DE MARCHAS
ALTERNADOR
CARCAÇA DO MOTOR/ÁRVORE DE
MANIVELAS/TRANSMISSÃO/SISTEMA
DE PARTIDA
SISTEMA DE DIREÇÃO/RODA
DIANTEIRA/FREIO/SUSPENSÃO
RODA TRASEIRA/FREIO/SUSPENSÃO
BATERIA/SISTEMA DE CARGA
SISTEMA DE IGNIÇÃO
INTERRUPTORES/BUZINA
DIAGNOSE DE DEFEITOS
PARTE
ELÉTRICA
CHASSIMOTOR
1
2
3
4
5
6
7
8
9
10
11
12
13
14
15
16
1. INFORMAÇÕES GERAIS
PRECAUÇÕES DE SERVIÇO 1-1
ESPECIFICAÇÕES 1-2
TORQUES DE APERTO 1-3
FERRAMENTAS 1-4
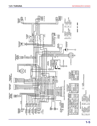
DIAGRAMA ELÉTRICO 1-5
PASSAGEM DOS FIOS 1-7
TABELA DE MANUTENÇÃO 1-9
PRECAUÇÕES DE SERVIÇO
1-1
125 TURUNA
SIMBOLOGIA
Estes símbolos são utilizados neste manual para dar destaque especial à seqüência de operação, cuidados especiais, etc.
ÓLEO
GRAXA
Aplicar óleo.
NOTA:
Informações importantes para um serviço
seguro e perfeito.
Indica a possibilidade de danos pessoais além
de danos ao veículo.
Indica a possibilidade de danos ao veículo.a
cAplicar graxa.
Substitua sempre durante a montagem Após a desmontagem, limpe as peças com solvente e
lubrifique as superfícies de atrito.
Engraxe cuidadosamente as peças, sempre que for
recomendado.
Após a montagem, verifique a correta instalação e
movimentação das peças (sempre que possível).
Os serviços realizados em dupla devem ser
verificados com especial atenção e cuidado.
Os parafusos e porcas cuja seqüência de aperto não
tenha sido especificada, devem ser apertados em
seqüência diagonal e cruzada até o torque de aperto
ideal.
Utilize somente peças e lubrificantes originais, ou
então os recomendados pela Honda.
Utilize ferramentas especiais sempre que for
recomendado.
Óleo
ANÉIS DE VEDAÇÃO
JUNTAS
CUPILHAS
Solvente
INFORMAÇÕES GERAIS
1-2
125 TURUNA
ITEM
DIMENSÕES COMPRIMENTO 1.900 mm
LARGURA 735 mm
ALTURA 990 mm
DISTÂNCIA ENTRE EIXOS 1.200 mm
PESO (SECO) 98,7 kg
CHASSI TIPO DIAMOND FRAME
SUSPENSÃO DIANTEIRA E CURSO TELESCÓPICA 115 mm
SUSPENSÃO TRASEIRA E CURSO BRAÇO OSCILANTE 63 mm
PNEU DIANTEIRO: MEDIDA E PRESSÃO 2.50 - 18 1,75 kg/cm2
(25 psi)
PNEU TRASEIRO: MEDIDA E PRESSÃO 2.75 - 18 2,0 kg/cm2
(28 psi) 1 pessoa
2,25 kg/cm2
(32 psi) 2 pessoas
FREIO DIANTEIRO A DISCO (ACIONAMENTO MECÂNICO)
FREIO TRASEIRO SAPATAS DE EXPANSÃO INTERNA
CAPACIDADE DO TANQUE DE GASOLINA 11,6 litros RESERVA: 3,4 litros
CASTER 640
TRAIL 87 mm
CAPACIDADE DE ÓLEO
(SUSPENSÃO DIANTEIRA) 80 cc
MOTOR TIPO 4 TEMPOS, REFRIGERADO A AR, OHC,
DISPOSIÇÃO DO CILINDRO MONOCILINDRICO INCLINADO 150
EM
RELAÇÃO À VERTICAL
DIÂMETRO X CURSO 56,5 X 49,5 mm
CILINDRADA 124 cc
RELAÇÃO DE COMPRESSÃO 9,2:1
CAPACIDADE DE ÓLEO 1,0 L
DIAGRAMA DAS VÁLVULAS ADMISSÃO ABRE 50
APMS
FECHA 350
DPMI
ESCAPE ABRE 300
APMI
FECHA 50
DPMS
FOLGA DAS VÁLVULAS ADMISSÃO E ESCAPE: 0.05 mm
ROTAÇÃO DE MARCHA LENTA 1.400 RPM
TRANSMISSÃO EMBREAGEM MULTIDISCO EM BANHO DE ÓLEO
TRANSMISSÃO 5 VELOCIDADES CONSTANTEMENTE
ENGRENADAS
REDUÇÃO PRIMÁRIA I 4,055
REDUÇÃO DA II 2,846
III 1,882
IV 1,400
V 1,130
FINAL 0,960
2,533 (PINHÃO 15 D, COROA 38 D)
PARTE ELÉTRICA SISTEMA DE IGNIÇÃO MAGNETO
PONTO DE IGNIÇÃO MARCA “F” 100
APMS A 1.400 RPM
AVANÇO MÁXIMO 320
± 20
APMS A 3.850 (150 RPM)
SISTEMA DE PARTIDA A PEDAL
ALTERNADOR GERADOR A.C. 76 W / 5000 RPM
BATERIA 6V - 6AH
FUSÍVEL 10 AMP.
VELA DE IGNIÇÃO (NGK) D8ES-L / ND X 24 ES
FOLGA DOS ELETRODOS 0,6 - 0,7 mm
ESPECIFICAÇÕES - CG 125
INFORMAÇÕES GERAIS
1-3
125 TURUNA
ITEM QT DIÂM. DA ROSCA (mm) TORQUE kg.m
Porca Cega do Cabeçote 4 8 1,8-2,0
Parafuso do Cabeçote, Sextavado Interno 4 6 1,0-1,4
Engrenagem do Comando 2 6 0,8-1,2
Parafuso do Cilindro (6 mm) 1 6 1,0-1,4
Rotor do Alternador 1 8 2,6-3,2
Rotor do Filtro de Óleo Centrífugo 1 16 4,0-5,0
Tampa da Tela do Filtro de Óleo 1 36 1,0-2,0
Parafuso do Tambor Seletor de Marchas 1 6 0,8-1,2
Parafuso do Selecionador de Marchas 1 6 0,8-1,2
Parafuso de Drenagem do Óleo 1 17 2,0-3,0
ITEM QT DIÂM. DA ROSCA (mm) TORQUE kg.m
Porca do Eixo Dianteiro 1 14 4,0-5,0
Porca do Eixo Traseiro 1 14 4,0-5,0
Porca do Eixo do Garfo Traseiro 1 12 3,5-4,5
Parafuso, Suporte do Motor 10 8 2,0-3,0
Parafuso Fixador do Guidão 4 6 0,9-1,1
Porca da Coluna de Direção 1 22 6,0-7,0
Parafuso do Amortecedor Dianteiro 2 22 4,0-5,0
Porca do Amortecedor 4 8 3,0-4,0
Parafuso do Braço de Ancoragem 1 8 2,0-2,5
Parafuso, Mesa Superior 2 7 1,0-1,4
Parafuso, Mesa Inferior 2 8 2,0-2,5
Coroa 4 8 2,0-2,5
Porca, Pino da Pinça do Freio 1 8 1,5-2,5
Parafuso, Capa da Pinça 3 6 0,8-1,4
Freio a Disco 2 6 0,8-1,4
TORQUES DE APERTO
MOTOR
CHASSI
TIPO TORQUE Kg.m TIPO TORQUE Kg.m
Parafuso c/Porca 5 mm 0,45-0,6 Parafuso 5 mm 0,35-0,5
Parafuso c/Porca 6 mm 0,8-1,2 Parafuso 6 mm 0,7-1,1
Parafuso c/Porca 8 mm 1,8-2,5 Parafuso c/Flange 6 mm 1,0-1,4
Parafuso c/Porca 10 mm 3,0-4,0 Parafuso c/Flange 8 mm 2,4-3,0
Parafuso c/Porca 12 mm 5,0-6,0 Parafuso c/Flange 10 mm 3,0-4,0
TORQUES DE APERTO NORMALIZADOS
Deve-se tomar especial atenção no aperto correto dos ítens acima.
INFORMAÇÕES GERAIS
1-4
125 TURUNA
NOME NÚMERO PÁGINA
Chave Allen “T” 6 mm 07917-3230000 11-19
Fixador da Embreagem 07923-1070001 8-3, 8-7
Removedor da Pista de Esferas 07944-1150001 11-24
Alargador da Guia de Válvula 07984-0980000 6-9
NOME NÚMERO PÁGINA
Medidor do Nível da Bóia 07401-0010000 4-6
Chave de Raio 07701-0020200 3-16
Chave Porca Cilíndrica 46 mm 07702-0010000 11-24, 11-26
Chave Estrela 10x12 00708-0030400 3-5
Ajustador de Válvulas 07708-0030400 3-5
Chave de Boca 20x24 07716-0020100 8-3, 8-7
Chave de Boca 30x32 07716-0020400 11-24, 11,17
Extensão 07716-0020500 11-24, 11-17, 8-3, 8-7
Extrator do Rotor 07733-0010000 8-3
Removedor de Guia de Válvula 5,5 07742-0010100 6-9
Instalador de Guia de Válvula (B) 07742-0020200 6-9
Guia de Rolamento 32x35 07746-0010100 12-6
Guia de Rolamento 37x40 07746-0010200 11-8
Guia 12 07746-0040200 11-8
Guia 15 07746-0040300 12-6
Cabo da Guia 07749-0010000 11-8, 12-6
Guia do Retentor 07747-0010100 11-22
Acessório da Guia do Retentor 07747-0010300 11-22
Compressor de Mola de Válvula 07757-0010000 6-6, 6-14
Compressor do Amortecedor Traseiro 07959-3290001 12-12
FERRAMENTAS
FERRAMENTAS ESPECIAIS
NOME NÚMERO PÁGINA
Fresa da Sede de Admissão 07780-0000000 6-11
Fresa da Sede de Escape 07780-0000000 6-11
Fresa 60º ADM/ESC 07780-0000000 6-11
Cabo da Fresa 07780-0000000 6-11
RETIFICADORA DA SEDE DE VÁLVULA
FERRAMENTAS COMUNS
INFORMAÇÕES GERAIS
1-5
125 TURUNA
INFORMAÇÕES GERAIS
1-7
125 TURUNA
CABO DO
VELOCÍMETRO
PASSAGEM DOS CABOS
CABO DA EMBREAGEM
CABO DO FREIO DIANTEIRO
CABO DO FREIO DIANTEIRO
CABO DA EMBREAGEM
CABO DA EMBREAGEM
CABO DO FREIO DIANTEIRO
CABO DO
TACÔMETRO
CABO DO
VELOCÍMETRO
CABO DO
TACÔMETRO
INFORMAÇÕES GERAIS
1-8
125 TURUNA
RETIFICADOR
BATERIA
FIAÇÃO DO ALTERNADOR
SINALEIRA ESQUERDA
LANTERNA
SINALEIRA DIREITA
INFORMAÇÕES GERAIS
1-9
125 TURUNA
TABELA DE MANUTENÇÃO PERIÓDICA
Esta tabela é baseada em condições normais de utilização. As motocicletas submetidas a condições mais severas ou
incomuns deverão ter seu período de manutenção abreviado.
I: Inspecionar, limpar, ajustar, ou trocar se necessário
L: Limpar
A: Ajustar
S: Substituir
FREQÜÊNCIA O QUE QUILOMETRAGEM (OBS. 2)
OCORRER 500 km 3.000 km 6.000 km 9.000 km
PRIMEIRO
ITEM A CADA 1ª REVISÃO 2ª REVISÃO
ÓLEO DO MOTOR ANO S SUBSTITUIR A CADA 1.500 Km
• ROTOR DO FILTRO DE ÓLEO L
• TELA DO FILTRO DE ÓLEO L L L L
FILTRO DE AR OBS. 1 L L L
• TUBULAÇÕES DE GASOLINA I I I
VELA DE IGNIÇÃO I I I
• FOLGA DE VÁLVULAS I I I I
• PLATINADO I I I I
• PONTO DE IGNIÇÃO I I I I
• CORRENTE DE COMANDO A A A A
• ACELERADOR I I I I
• CARBURADOR I I I I
CORRENTE DE TRANSMISSÃO OBS. 3 I A CADA 1.000 Km
SOLUÇÃO DA BATERIA MÊS I I I I
• SAPATAS DO FREIO/PASTILHAS I I I
FOLGA DOS FREIOS I I I I
• INTERRUPTORES DA LUZ DE FREIO I I I I
FOLGA DA EMBREAGEM I I I I
• CAVALETE LATERAL I I I
• SUSPENSÃO I I I I
• PORCAS, PARAFUSOS, ETC. I I I I
•• AROS, RAIOS I I I I
•• COLUNA DE DIREÇÃO I I
•• Para maior segurança, recomendamos que estes ítens sejam revisados apenas em revendedores
autorizados ou centros de serviço Honda.
• Devem ser revisados em revendedores autorizados ou centros de serviços Honda, a menos que o
proprietário tenha ferramentas adequadas e seja mecânico qualificado.
OBS. (1) Sob condições de muita poeira, limpar com mais freqüência.
(2) Para quilometragens superiores às indicadas na tabela, repetir a manutenção de acordo com os intervalos
estabelecidos.
(3)1ª Revisão: 500 Km.
125 TURUNA
COMO USAR ESTE MANUAL
Este manual contém todas as informações necessárias
para a manutenção e reparos da HONDA 125 TURUNA.
Os capítulos de 1 a 3 referem-se à motocicleta em geral
enquanto que de 4 a 15 se referem a partes da
motocicleta agrupadas de acordo com a localização.
Localize o capítulo que você pretende nesta página e vire
para a página 1 desse capítulo.
A maioria dos capítulos começam com o conjunto ou
ilustração, informações e diagnose de defeitos para esse
capítulo; as páginas seguintes detalham os
procedimentos.
Se você não conseguir localizar a origem do defeito,
verifique o capítulo 16 “DIAGNOSE DE DEFEITOS” para
ajuda adicional.
Nenhuma parte deste manual pode ser reproduzida sem
autorização por escrito.
HONDA MOTOR DO BRASIL LTDA.
Depto. Assistência Técnica
Todas as informações, ilustrações, orientações e
especificações inclusas neste manual foram baseadas
nas mais recentes pesquisas de produtos a disposição,
na data de aprovação para impressão, a Honda Motor
do Brasil Ltda, reserva-se o direito de alterar as
especificações em qualquer época sem incorrer em
obrigações posteriores.
ÍNDICE GERAL
INFORMAÇÕES GERAIS
LUBRIFICAÇÃO
MANUTENÇÃO
SISTEMA DE ALIMENTAÇÃO
REMOÇÃO/INSTALAÇÃO DO MOTOR
CABEÇOTE/VÁLVULAS
CILINDRO/PISTÃO
EMBREAGEM/BOMBA DE ÓLEO/
MECANISMO SELETOR DE MARCHAS
ALTERNADOR
CARCAÇA DO MOTOR/ÁRVORE DE
MANIVELAS/TRANSMISSÃO/SISTEMA
DE PARTIDA
SISTEMA DE DIREÇÃO/RODA
DIANTEIRA/FREIO/SUSPENSÃO
RODA TRASEIRA/FREIO/SUSPENSÃO
BATERIA/SISTEMA DE CARGA
SISTEMA DE IGNIÇÃO
INTERRUPTORES/BUZINA
DIAGNOSE DE DEFEITOS
PARTE
ELÉTRICA
CHASSIMOTOR
1
2
3
4
5
6
7
8
9
10
11
12
13
14
15
16

Manual de serviço turuna (1979) informac

  • 1.
    125 TURUNA COMO USARESTE MANUAL Este manual contém todas as informações necessárias para a manutenção e reparos da HONDA 125 TURUNA. Os capítulos de 1 a 3 referem-se à motocicleta em geral enquanto que de 4 a 15 se referem a partes da motocicleta agrupadas de acordo com a localização. Localize o capítulo que você pretende nesta página e vire para a página 1 desse capítulo. A maioria dos capítulos começam com o conjunto ou ilustração, informações e diagnose de defeitos para esse capítulo; as páginas seguintes detalham os procedimentos. Se você não conseguir localizar a origem do defeito, verifique o capítulo 16 “DIAGNOSE DE DEFEITOS” para ajuda adicional. Nenhuma parte deste manual pode ser reproduzida sem autorização por escrito. HONDA MOTOR DO BRASIL LTDA. Depto. Assistência Técnica Todas as informações, ilustrações, orientações e especificações inclusas neste manual foram baseadas nas mais recentes pesquisas de produtos a disposição, na data de aprovação para impressão, a Honda Motor do Brasil Ltda, reserva-se o direito de alterar as especificações em qualquer época sem incorrer em obrigações posteriores. ÍNDICE GERAL INFORMAÇÕES GERAIS LUBRIFICAÇÃO MANUTENÇÃO SISTEMA DE ALIMENTAÇÃO REMOÇÃO/INSTALAÇÃO DO MOTOR CABEÇOTE/VÁLVULAS CILINDRO/PISTÃO EMBREAGEM/BOMBA DE ÓLEO/ MECANISMO SELETOR DE MARCHAS ALTERNADOR CARCAÇA DO MOTOR/ÁRVORE DE MANIVELAS/TRANSMISSÃO/SISTEMA DE PARTIDA SISTEMA DE DIREÇÃO/RODA DIANTEIRA/FREIO/SUSPENSÃO RODA TRASEIRA/FREIO/SUSPENSÃO BATERIA/SISTEMA DE CARGA SISTEMA DE IGNIÇÃO INTERRUPTORES/BUZINA DIAGNOSE DE DEFEITOS PARTE ELÉTRICA CHASSIMOTOR 1 2 3 4 5 6 7 8 9 10 11 12 13 14 15 16
  • 2.
    1. INFORMAÇÕES GERAIS PRECAUÇÕESDE SERVIÇO 1-1 ESPECIFICAÇÕES 1-2 TORQUES DE APERTO 1-3 FERRAMENTAS 1-4 DIAGRAMA ELÉTRICO 1-5 PASSAGEM DOS FIOS 1-7 TABELA DE MANUTENÇÃO 1-9 PRECAUÇÕES DE SERVIÇO 1-1 125 TURUNA SIMBOLOGIA Estes símbolos são utilizados neste manual para dar destaque especial à seqüência de operação, cuidados especiais, etc. ÓLEO GRAXA Aplicar óleo. NOTA: Informações importantes para um serviço seguro e perfeito. Indica a possibilidade de danos pessoais além de danos ao veículo. Indica a possibilidade de danos ao veículo.a cAplicar graxa. Substitua sempre durante a montagem Após a desmontagem, limpe as peças com solvente e lubrifique as superfícies de atrito. Engraxe cuidadosamente as peças, sempre que for recomendado. Após a montagem, verifique a correta instalação e movimentação das peças (sempre que possível). Os serviços realizados em dupla devem ser verificados com especial atenção e cuidado. Os parafusos e porcas cuja seqüência de aperto não tenha sido especificada, devem ser apertados em seqüência diagonal e cruzada até o torque de aperto ideal. Utilize somente peças e lubrificantes originais, ou então os recomendados pela Honda. Utilize ferramentas especiais sempre que for recomendado. Óleo ANÉIS DE VEDAÇÃO JUNTAS CUPILHAS Solvente
  • 3.
    INFORMAÇÕES GERAIS 1-2 125 TURUNA ITEM DIMENSÕESCOMPRIMENTO 1.900 mm LARGURA 735 mm ALTURA 990 mm DISTÂNCIA ENTRE EIXOS 1.200 mm PESO (SECO) 98,7 kg CHASSI TIPO DIAMOND FRAME SUSPENSÃO DIANTEIRA E CURSO TELESCÓPICA 115 mm SUSPENSÃO TRASEIRA E CURSO BRAÇO OSCILANTE 63 mm PNEU DIANTEIRO: MEDIDA E PRESSÃO 2.50 - 18 1,75 kg/cm2 (25 psi) PNEU TRASEIRO: MEDIDA E PRESSÃO 2.75 - 18 2,0 kg/cm2 (28 psi) 1 pessoa 2,25 kg/cm2 (32 psi) 2 pessoas FREIO DIANTEIRO A DISCO (ACIONAMENTO MECÂNICO) FREIO TRASEIRO SAPATAS DE EXPANSÃO INTERNA CAPACIDADE DO TANQUE DE GASOLINA 11,6 litros RESERVA: 3,4 litros CASTER 640 TRAIL 87 mm CAPACIDADE DE ÓLEO (SUSPENSÃO DIANTEIRA) 80 cc MOTOR TIPO 4 TEMPOS, REFRIGERADO A AR, OHC, DISPOSIÇÃO DO CILINDRO MONOCILINDRICO INCLINADO 150 EM RELAÇÃO À VERTICAL DIÂMETRO X CURSO 56,5 X 49,5 mm CILINDRADA 124 cc RELAÇÃO DE COMPRESSÃO 9,2:1 CAPACIDADE DE ÓLEO 1,0 L DIAGRAMA DAS VÁLVULAS ADMISSÃO ABRE 50 APMS FECHA 350 DPMI ESCAPE ABRE 300 APMI FECHA 50 DPMS FOLGA DAS VÁLVULAS ADMISSÃO E ESCAPE: 0.05 mm ROTAÇÃO DE MARCHA LENTA 1.400 RPM TRANSMISSÃO EMBREAGEM MULTIDISCO EM BANHO DE ÓLEO TRANSMISSÃO 5 VELOCIDADES CONSTANTEMENTE ENGRENADAS REDUÇÃO PRIMÁRIA I 4,055 REDUÇÃO DA II 2,846 III 1,882 IV 1,400 V 1,130 FINAL 0,960 2,533 (PINHÃO 15 D, COROA 38 D) PARTE ELÉTRICA SISTEMA DE IGNIÇÃO MAGNETO PONTO DE IGNIÇÃO MARCA “F” 100 APMS A 1.400 RPM AVANÇO MÁXIMO 320 ± 20 APMS A 3.850 (150 RPM) SISTEMA DE PARTIDA A PEDAL ALTERNADOR GERADOR A.C. 76 W / 5000 RPM BATERIA 6V - 6AH FUSÍVEL 10 AMP. VELA DE IGNIÇÃO (NGK) D8ES-L / ND X 24 ES FOLGA DOS ELETRODOS 0,6 - 0,7 mm ESPECIFICAÇÕES - CG 125
  • 4.
    INFORMAÇÕES GERAIS 1-3 125 TURUNA ITEMQT DIÂM. DA ROSCA (mm) TORQUE kg.m Porca Cega do Cabeçote 4 8 1,8-2,0 Parafuso do Cabeçote, Sextavado Interno 4 6 1,0-1,4 Engrenagem do Comando 2 6 0,8-1,2 Parafuso do Cilindro (6 mm) 1 6 1,0-1,4 Rotor do Alternador 1 8 2,6-3,2 Rotor do Filtro de Óleo Centrífugo 1 16 4,0-5,0 Tampa da Tela do Filtro de Óleo 1 36 1,0-2,0 Parafuso do Tambor Seletor de Marchas 1 6 0,8-1,2 Parafuso do Selecionador de Marchas 1 6 0,8-1,2 Parafuso de Drenagem do Óleo 1 17 2,0-3,0 ITEM QT DIÂM. DA ROSCA (mm) TORQUE kg.m Porca do Eixo Dianteiro 1 14 4,0-5,0 Porca do Eixo Traseiro 1 14 4,0-5,0 Porca do Eixo do Garfo Traseiro 1 12 3,5-4,5 Parafuso, Suporte do Motor 10 8 2,0-3,0 Parafuso Fixador do Guidão 4 6 0,9-1,1 Porca da Coluna de Direção 1 22 6,0-7,0 Parafuso do Amortecedor Dianteiro 2 22 4,0-5,0 Porca do Amortecedor 4 8 3,0-4,0 Parafuso do Braço de Ancoragem 1 8 2,0-2,5 Parafuso, Mesa Superior 2 7 1,0-1,4 Parafuso, Mesa Inferior 2 8 2,0-2,5 Coroa 4 8 2,0-2,5 Porca, Pino da Pinça do Freio 1 8 1,5-2,5 Parafuso, Capa da Pinça 3 6 0,8-1,4 Freio a Disco 2 6 0,8-1,4 TORQUES DE APERTO MOTOR CHASSI TIPO TORQUE Kg.m TIPO TORQUE Kg.m Parafuso c/Porca 5 mm 0,45-0,6 Parafuso 5 mm 0,35-0,5 Parafuso c/Porca 6 mm 0,8-1,2 Parafuso 6 mm 0,7-1,1 Parafuso c/Porca 8 mm 1,8-2,5 Parafuso c/Flange 6 mm 1,0-1,4 Parafuso c/Porca 10 mm 3,0-4,0 Parafuso c/Flange 8 mm 2,4-3,0 Parafuso c/Porca 12 mm 5,0-6,0 Parafuso c/Flange 10 mm 3,0-4,0 TORQUES DE APERTO NORMALIZADOS Deve-se tomar especial atenção no aperto correto dos ítens acima.
  • 5.
    INFORMAÇÕES GERAIS 1-4 125 TURUNA NOMENÚMERO PÁGINA Chave Allen “T” 6 mm 07917-3230000 11-19 Fixador da Embreagem 07923-1070001 8-3, 8-7 Removedor da Pista de Esferas 07944-1150001 11-24 Alargador da Guia de Válvula 07984-0980000 6-9 NOME NÚMERO PÁGINA Medidor do Nível da Bóia 07401-0010000 4-6 Chave de Raio 07701-0020200 3-16 Chave Porca Cilíndrica 46 mm 07702-0010000 11-24, 11-26 Chave Estrela 10x12 00708-0030400 3-5 Ajustador de Válvulas 07708-0030400 3-5 Chave de Boca 20x24 07716-0020100 8-3, 8-7 Chave de Boca 30x32 07716-0020400 11-24, 11,17 Extensão 07716-0020500 11-24, 11-17, 8-3, 8-7 Extrator do Rotor 07733-0010000 8-3 Removedor de Guia de Válvula 5,5 07742-0010100 6-9 Instalador de Guia de Válvula (B) 07742-0020200 6-9 Guia de Rolamento 32x35 07746-0010100 12-6 Guia de Rolamento 37x40 07746-0010200 11-8 Guia 12 07746-0040200 11-8 Guia 15 07746-0040300 12-6 Cabo da Guia 07749-0010000 11-8, 12-6 Guia do Retentor 07747-0010100 11-22 Acessório da Guia do Retentor 07747-0010300 11-22 Compressor de Mola de Válvula 07757-0010000 6-6, 6-14 Compressor do Amortecedor Traseiro 07959-3290001 12-12 FERRAMENTAS FERRAMENTAS ESPECIAIS NOME NÚMERO PÁGINA Fresa da Sede de Admissão 07780-0000000 6-11 Fresa da Sede de Escape 07780-0000000 6-11 Fresa 60º ADM/ESC 07780-0000000 6-11 Cabo da Fresa 07780-0000000 6-11 RETIFICADORA DA SEDE DE VÁLVULA FERRAMENTAS COMUNS
  • 6.
  • 7.
    INFORMAÇÕES GERAIS 1-7 125 TURUNA CABODO VELOCÍMETRO PASSAGEM DOS CABOS CABO DA EMBREAGEM CABO DO FREIO DIANTEIRO CABO DO FREIO DIANTEIRO CABO DA EMBREAGEM CABO DA EMBREAGEM CABO DO FREIO DIANTEIRO CABO DO TACÔMETRO CABO DO VELOCÍMETRO CABO DO TACÔMETRO
  • 8.
    INFORMAÇÕES GERAIS 1-8 125 TURUNA RETIFICADOR BATERIA FIAÇÃODO ALTERNADOR SINALEIRA ESQUERDA LANTERNA SINALEIRA DIREITA
  • 9.
    INFORMAÇÕES GERAIS 1-9 125 TURUNA TABELADE MANUTENÇÃO PERIÓDICA Esta tabela é baseada em condições normais de utilização. As motocicletas submetidas a condições mais severas ou incomuns deverão ter seu período de manutenção abreviado. I: Inspecionar, limpar, ajustar, ou trocar se necessário L: Limpar A: Ajustar S: Substituir FREQÜÊNCIA O QUE QUILOMETRAGEM (OBS. 2) OCORRER 500 km 3.000 km 6.000 km 9.000 km PRIMEIRO ITEM A CADA 1ª REVISÃO 2ª REVISÃO ÓLEO DO MOTOR ANO S SUBSTITUIR A CADA 1.500 Km • ROTOR DO FILTRO DE ÓLEO L • TELA DO FILTRO DE ÓLEO L L L L FILTRO DE AR OBS. 1 L L L • TUBULAÇÕES DE GASOLINA I I I VELA DE IGNIÇÃO I I I • FOLGA DE VÁLVULAS I I I I • PLATINADO I I I I • PONTO DE IGNIÇÃO I I I I • CORRENTE DE COMANDO A A A A • ACELERADOR I I I I • CARBURADOR I I I I CORRENTE DE TRANSMISSÃO OBS. 3 I A CADA 1.000 Km SOLUÇÃO DA BATERIA MÊS I I I I • SAPATAS DO FREIO/PASTILHAS I I I FOLGA DOS FREIOS I I I I • INTERRUPTORES DA LUZ DE FREIO I I I I FOLGA DA EMBREAGEM I I I I • CAVALETE LATERAL I I I • SUSPENSÃO I I I I • PORCAS, PARAFUSOS, ETC. I I I I •• AROS, RAIOS I I I I •• COLUNA DE DIREÇÃO I I •• Para maior segurança, recomendamos que estes ítens sejam revisados apenas em revendedores autorizados ou centros de serviço Honda. • Devem ser revisados em revendedores autorizados ou centros de serviços Honda, a menos que o proprietário tenha ferramentas adequadas e seja mecânico qualificado. OBS. (1) Sob condições de muita poeira, limpar com mais freqüência. (2) Para quilometragens superiores às indicadas na tabela, repetir a manutenção de acordo com os intervalos estabelecidos. (3)1ª Revisão: 500 Km.
  • 10.
    125 TURUNA COMO USARESTE MANUAL Este manual contém todas as informações necessárias para a manutenção e reparos da HONDA 125 TURUNA. Os capítulos de 1 a 3 referem-se à motocicleta em geral enquanto que de 4 a 15 se referem a partes da motocicleta agrupadas de acordo com a localização. Localize o capítulo que você pretende nesta página e vire para a página 1 desse capítulo. A maioria dos capítulos começam com o conjunto ou ilustração, informações e diagnose de defeitos para esse capítulo; as páginas seguintes detalham os procedimentos. Se você não conseguir localizar a origem do defeito, verifique o capítulo 16 “DIAGNOSE DE DEFEITOS” para ajuda adicional. Nenhuma parte deste manual pode ser reproduzida sem autorização por escrito. HONDA MOTOR DO BRASIL LTDA. Depto. Assistência Técnica Todas as informações, ilustrações, orientações e especificações inclusas neste manual foram baseadas nas mais recentes pesquisas de produtos a disposição, na data de aprovação para impressão, a Honda Motor do Brasil Ltda, reserva-se o direito de alterar as especificações em qualquer época sem incorrer em obrigações posteriores. ÍNDICE GERAL INFORMAÇÕES GERAIS LUBRIFICAÇÃO MANUTENÇÃO SISTEMA DE ALIMENTAÇÃO REMOÇÃO/INSTALAÇÃO DO MOTOR CABEÇOTE/VÁLVULAS CILINDRO/PISTÃO EMBREAGEM/BOMBA DE ÓLEO/ MECANISMO SELETOR DE MARCHAS ALTERNADOR CARCAÇA DO MOTOR/ÁRVORE DE MANIVELAS/TRANSMISSÃO/SISTEMA DE PARTIDA SISTEMA DE DIREÇÃO/RODA DIANTEIRA/FREIO/SUSPENSÃO RODA TRASEIRA/FREIO/SUSPENSÃO BATERIA/SISTEMA DE CARGA SISTEMA DE IGNIÇÃO INTERRUPTORES/BUZINA DIAGNOSE DE DEFEITOS PARTE ELÉTRICA CHASSIMOTOR 1 2 3 4 5 6 7 8 9 10 11 12 13 14 15 16