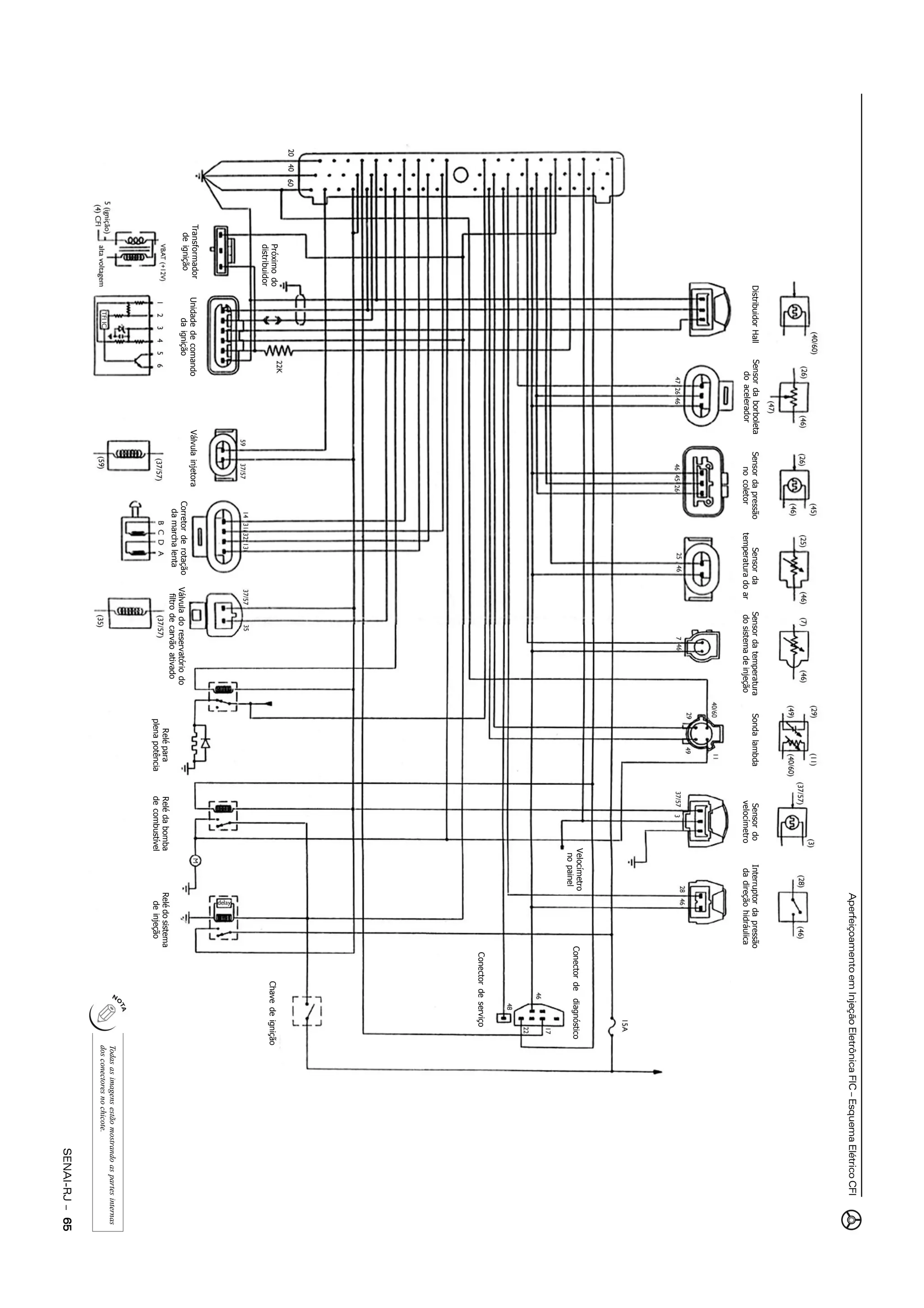
AperfeiçoamentoemInjeçãoEletrônicaFIC–EsquemaElétricoCFI
DistribuidorHallSensordaborboleta
doacelerador
Sensordapressão
nocoletor
Sensorda
temperaturadoar
Sensordatemperatura
dosistemadeinjeção
SondalambdaSensordo
velocímetro
Interruptordapressão
dadireçãohidráulica
Velocímetro
nopainel
Conectordediagnóstico
Conectordeserviço
Próximodo
distribuidor
Transformador
deignição
Unidadedecomando
daignição
Válvulainjetora
Corretorderotação
damarchalenta
Válvuladoreservatóriodo
filtrodecarvãoativado
Relépara
plenapotência
Relédabomba
decombustível
Relédosistema
deinjeção
Chavedeignição
Todasasimagensestãomostrandoaspartesinternas
dosconectoresnochicote.
SENAI-RJ–6565656565
AperfeiçoamentoemInjeçãoEletrônicaFIC–DiagramaEsquemáticodoSistemaCFI
1.Bombadecombustível
2.Filtrodecombustível
3.Relédabombadecombustível
4.Reguladordapressãodecombustível
5.Filtrodecarvãoativado
6.Válvuladofiltrodecarvãoativado
7.Bateria
8.Sensordatemperaturadoar
9.Válvulainjetora
10.Sensordaborboletadoacelerador
11.Sensordapressãonocoletor
12.Corretorderotaçãodamarchalenta
13.Filtrodear
14.Sensordatemperaturadosistemadeinjeção
15.Sondalambda
16.Unidadedecomandodaignição
17.Transformadordaignição
18.Distribuidor
19.Relédosistemadeinjeção
20.Conectordeserviço
21.Conectordediagnóstico
22.Sensordovelocímetro
23.Interruptordapressãodadireçãohidráulica
24.Chavedeignição
25.UnidadedecomandoCFI
SENAI-RJ–6969696969