EuroTech / Fichas de Circuito MR 14 2002-07-30
Ficha de Circuito 1
17 / 139
EuroTech
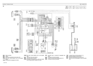
PARTIDA NO POSTO
DE CONDUÇÃO
EuroTech / Fichas de Circuito MR 14 2002-07-30
18 / 139
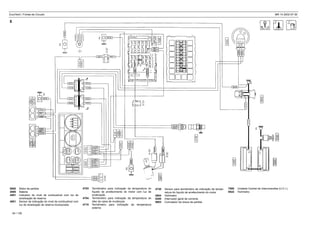
0800 Motor de partida
2000 Bateria
2510 Relé para partida (E1)
5603 Comutador da chave de partida
7500 Unidade Central de Interconexões (U.C.I.)
7886 Eletroválvula de parada do motor
2592 Relé para consentimento da partida no comparti-
mento do motor (cabina destravada) e no posto
de condução (cabina travada) (E15)
5280 Interruptor geral de corrente
9508 Relé com desativação atrasada para aciona-
mento da eletroválvula de parada do motor
9684 Relé para desacionamento da eletroválvula de
parada do motor com acendimento acionado
1
EuroTech / Fichas de Circuito MR 14 2002-07-30
EuroTech
19 / 139
1
EuroTech / Fichas de Circuito MR 14 2002-07-30
NOTA
EuroTech
20 / 139
1
EuroTech / Fichas de Circuito MR 14 2002-07-30
Ficha de Circuito 2
21 / 139
EuroTech
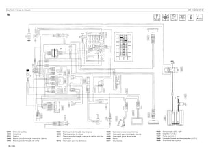
PARTIDA NO COMPARTIMENTO
DO MOTOR
EuroTech / Fichas de Circuito MR 14 2002-07-30
22 / 139
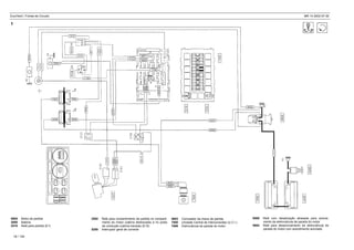
5258 Sensor de proteção antipartida com marchas
engatadas
5277 Sensor de proteção antipartida com o freio de
estacionamento desaplicado
5280 Interruptor geral de corrente
5300 Interruptor de teste das lâmpadas-piloto de sinalização
5331 Pulsador para partida no compartimento do motor
0800 Motor de partida
2000 Bateria
2510 Relé para partida (E1)
2592 Relé para consentimento da partida no comparti-
mento do motor (cabina destravada) e no posto
de condução (cabina travada) (E15)
5253 Sensor de indicação da cabina destravada
9508 Relé com desativação atrasada para aciona-
mento da eletroválvula de parada do motor
9684 Relé para desacionamento da eletroválvula de
parada do motor com acendimento acionado
5603 Comutador da chave de partida
5803 Quadro de controle das lâmpadas-piloto (10)
5878 Luz-piloto indicadora da cabina destravada
6109 Contentor porta 3 diodos 1A (2 com + comum)
(E8)
7500 Unidade Central de Interconexões (U.C.I.)
7886 Eletroválvula de parada do motor
2
EuroTech / Fichas de Circuito MR 14 2002-07-30
EuroTech
23 / 139
2
EuroTech / Fichas de Circuito MR 14 2002-07-30
24 / 139
NOTA
EuroTech
2
EuroTech / Fichas de Circuito MR 14 2002-07-30
Ficha de Circuito 3
25 / 139
SISTEMA DE PARTIDA A FRIO
EuroTech
EuroTech / Fichas de Circuito MR 14 2002-07-30
26 / 139
5603 Comutador da chave de partida
5803 Quadro de controle das lâmpadas-piloto (10)
5822 Luz-piloto indicadora do sistema de partida a frio
0800 Motor de partida
2000 Bateria
5280 Interruptor geral de corrente
7836 Sistema de partida a frio
8515 Central eletrônica do sistema de partida a frio
9296 Sensor para o acionamento do pré-aquecimento
7004 Porta-fusíveis 6
7500 Unidade Central de Interconexões (U.C.I.)
7807 Eletroválvula para conexão com atmosfera desde
o reservatório de combustível para sistema de
partida a frio
3
EuroTech / Fichas de Circuito MR 14 2002-07-30
27 / 139
EuroTech
3
EuroTech / Fichas de Circuito MR 14 2002-07-30
28 / 139
NOTA
EuroTech
3
EuroTech / Fichas de Circuito MR 14 2002-07-30
Ficha de Circuito 4
29 / 139
RECARGA
EuroTech
EuroTech / Fichas de Circuito MR 14 2002-07-30
30 / 139
0302 Alternador com regulador de tensão incorporado
0800 Motor de partida
2000 Bateria
5821 Luz-piloto indicadora de falha na recarga da bateria
6146 Resistência para auto-excitação do alternador
7500 Unidade Central de Interconexões (U.C.I.)
5280 Interruptor geral de corrente
5603 Comutador da chave de partida
5803 Quadro de controle das lâmpadas-piloto (10)
4
EuroTech / Fichas de Circuito MR 14 2002-07-30
31 / 139
EuroTech
4
EuroTech / Fichas de Circuito MR 14 2002-07-30
32 / 139
NOTA
EuroTech
4
EuroTech / Fichas de Circuito MR 14 2002-07-30
Ficha de Circuito 5
33 / 139
INSTRUMENTOS
(NÍVEL DE COMBUSTÍVEL
E TEMPERATURA DO
LÍQUIDO DE ARREFECIMENTO
DO MOTOR)
EuroTech
EuroTech / Fichas de Circuito MR 14 2002-07-30
34 / 139
4703 Termômetro para indicação da temperatura do
líquido de arrefecimento do motor com luz de
sinalização
4704 Termômetro para indicação da temperatura do
óleo da caixa de mudanças
4710 Termômetro para indicação da temperatura
externa
0800 Motor de partida
2000 Bateria
4401 Indicador do nível de combustível com luz de
sinalização de reserva
4501 Sensor de indicação do nível de combustível com
luz de sinalização de reserva incorporada
7500 Unidade Central de Interconexões (U.C.I.)
8522 Horímetro
4730 Sensor para termômetro de indicação da tempe-
ratura do líquido de arrefecimento do motor
4904 Voltímetro
5280 Interruptor geral de corrente
5603 Comutador da chave de partida
5
EuroTech / Fichas de Circuito MR 14 2002-07-30
35 / 139
EuroTech
5
EuroTech / Fichas de Circuito MR 14 2002-07-30
36 / 139
NOTA
EuroTech
5
EuroTech / Fichas de Circuito MR 14 2002-07-30
Ficha de Circuito 6
37/ 139
INSTRUMENTOS
(PRESSÃO ÓLEO E
AR DOS FREIOS)
EuroTech
EuroTech / Fichas de Circuito MR 14 2002-07-30
38 / 139
0800 Motor de partida
2000 Bateria
4202 Manômetro de indicação da pressão do óleo do motor com luz de
sinalização
4205 Manômetro de indicação da pressão de ar dos freios dianteiros e tra-
seiros
5804 Quadro de controle das lâmpadas-piloto (10) para veículos com limi-
tador de velocidade e sem ABS
5828 Luz-piloto indicadora de falhas no sistema de freio
7500 Unidade Central de Interconexões (U.C.I.)
4232 Sensor para o manômetro de pressão de óleo do motor
5232 Sensor de indicação da baixa pressão de óleo do motor
5280 Interruptor geral de corrente
5300 Interruptor de teste das lâmpadas-piloto de sinalização
5603 Comutador da chave de partida
6
EuroTech / Fichas de Circuito MR 14 2002-07-30
39 / 139
EuroTech
6
EuroTech / Fichas de Circuito MR 14 2002-07-30
40 / 139
NOTA
EuroTech
6
EuroTech / Fichas de Circuito MR 14 2002-07-30
41 / 139
Ficha de Circuito 7
EuroTech
INSTRUMENTOS
(TACÓGRAFO E TACÔMETRO
(CONTA-GIROS))
EuroTech / Fichas de Circuito MR 14 2002-07-30
42 / 139
7
0800 Motor de partida
2000 Bateria
4013 Tacógrafo eletrônico
4031 Sensor do velocímetro e tacógrafo
4040 Amplificador de sinal
4835 Transmissor de impulsos da árvore de manivelas (para diagnose)
5280 Interruptor geral de corrente
5603 Comutador da chave de partida
7500 Unidade Central de Interconexões (U.C.I.)
4806 Tacômetro (conta-giros eletrônico)
4831 Sensor para indicação do ponto morto superior
4834 Transmissor de impulsos do volante do motor (para diagnose)
EuroTech / Fichas de Circuito MR 14 2002-07-30
43 / 139
EuroTech
7
EuroTech / Fichas de Circuito MR 14 2002-07-30
44 / 139
NOTA
EuroTech
7
EuroTech / Fichas de Circuito MR 14 2002-07-30
45 / 139
Ficha de Circuito 8
INDICADORES ÓTICOS
EuroTech
EuroTech / Fichas de Circuito MR 14 2002-07-30
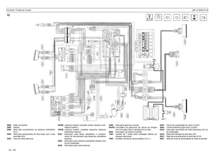
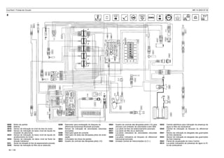
5259 Desviador para sinalização do bloqueio do
diferencial transversal Rockwell acionado
5264 Sensor de indicação de velocidades reduzidas
acionadas
5280 Interruptor geral de corrente
5300 Interruptor de teste das lâmpadas-piloto de sinali-
zação
5603 Comutador da chave de partida
5803 Quadro de controle das lâmpadas-piloto (10)
0800 Motor de partida
2000 Bateria
4510 Sensor de indicação do nível de óleo do motor
4522 Sensor de indicação do baixo nível de líquido do
limpador do pára-brisa
4523 Sensor de indicação do baixo nível de líquido de
arrefecimento do motor
4524 Sensor de indicação do baixo nível de fluido da
direção hidráulica
5233 Sensor de indicação do freio de estacionamento acionado
5240 Sensor de indicação do filtro de ar obstruído
8532 Central eletrônica para indicação da presença de
água no filtro de combustível
8540 Central de indicação do bloqueio do diferencial
(E7)
8541 Sensor de indicação do desgaste das guarnições
de freio dianteiras
8542 Sensor de indicação do desgaste das guarnições
de freio traseiras
8543 Painel de visualização do Iveco Control
9014 Luz-piloto indicadora da presença de água no fil-
tro de combustível
5804 Quadro de controle das lâmpadas-piloto (10) para
veículos com limitador de velocidade e sem ABS
5829 Luz-piloto do freio de estacionamento acionado
5831 Luz-piloto do filtro de ar obstruído
5895 Luz-piloto indicadora de velocidades reduzidas
acionadas
5899 Luz-piloto indicadora do bloqueio do diferencial
transversal acionado
7500 Unidade Central de Interconexões (U.C.I.)
46 / 139
8
EuroTech / Fichas de Circuito MR 14 2002-07-30
EuroTech
47 / 139
8
EuroTech / Fichas de Circuito MR 14 2002-07-30
48 / 139
NOTA
EuroTech
8
EuroTech / Fichas de Circuito MR 14 2002-07-30
Ficha de Circuito 9
49 / 139
LUZES DE POSIÇÃO
CABINA
EuroTech
EuroTech / Fichas de Circuito MR 14 2002-07-30
4704 Termômetro de indicação da temperatura de óleo
da caixa de mudanças
4710 Termômetro de indicação da temperatura externa
4806 Tacômetro (conta-giros eletrônico)
4904 Voltímetro
5202 Interruptor para espelho retrovisor térmico
5203 Interruptor para faróis antineblina e consentimento do
acionamento das lanternas antineblina traseiras
5204 Interruptor para lanterna antineblina traseira com
luz de sinalização
5205 Interruptor para iluminação da 5ª roda com luz de
sinalização
5226 Interruptor para luzes externas
5280 Interruptor geral de corrente
0800 Motor de partida
2000 Bateria
3907 Iluminação do cinzeiro
4013 Tacógrafo eletrônico
4202 Manômetro de indicação da pressão do óleo do
motor com luz de sinalização
4205 Manômetro de indicação da pressão de ar dos
freios dianteiros e traseiros
4401 Indicador do nível de combustível com luz de
sinalização de reserva
4703 Termômetro para indicação da temperatura do
líquido de arrefecimento do motor com luz de
sinalização
8004 Comando do grupo de eletroaquecimento do
pára-brisa
8522 Horímetro
8539 Interruptor para espelho retrovisor
8543 Painel de visualização do Iveco Control
9225 Interruptor para faróis de milha adicionais com luz
de sinalização
9392 Interruptor para desacionamento do ASR
9393 Interruptor para desacionamento do ABS
5300 Interruptor de teste das lâmpadas-piloto de
sinalização
5322 Interruptor duplo para o teto solar
5500 Comutador para buzina elétrica ou pneumática
5515 Interruptor para luzes de emergência com luz de
sinalização
5523 Interruptor para o comando da regulagem dos
faróis
5603 Comutador da chave de partida
5803 Quadro de controle das lâmpadas-piloto (10)
5832 Luz-piloto indicadora da iluminação geral acionada
7500 Unidade Central de Interconexões (U.C.I.)
7846 Acendedor de cigarros
50 / 139
9
EuroTech / Fichas de Circuito MR 14 2002-07-30
51 / 139
EuroTech
9
EuroTech / Fichas de Circuito MR 14 2002-07-30
52 / 139
NOTA
EuroTech
9
EuroTech / Fichas de Circuito MR 14 2002-07-30
Ficha de Circuito 10
53 / 139
LUZES DE POSIÇÃO
CHASSI
EuroTech
EuroTech / Fichas de Circuito MR 14 2002-07-30
3421 Farol de iluminação da 5ª roda
3701 Lanterna demarcadora de largura dianteira
3702 Lanterna demarcadora de largura traseira
5205 Interruptor para farol de iluminação da 5ª roda
com luz de sinalização
5226 Interruptor para luzes externas
5280 Interruptor geral de corrente
0800 Motor de partida
2000 Bateria
3004C Farol alto e baixo dianteiro com luz de posição
3403A Lanterna traseira completa (luz de posição) lado
direito
3404A Lanterna traseira completa (luz de posição) lado
esquerdo
3404F Lanterna traseira completa (placa de licença)
7500 Unidade Central de Interconexões (U.C.I.)
8543 Painel de visualização do Iveco Control
8544 Central eletrônica para Iveco Control
5603 Comutador da chave de partida
5803 Quadro de controle das lâmpadas-piloto (10)
5832 Luz-piloto indicadora da iluminação geral acio-
nada
7201 Tomada de 7 pólos para instalação elétrica do
reboque
7202 Tomada de 7 pólos adicional para instalação elé-
trica do reboque
54 / 139
10
EuroTech / Fichas de Circuito MR 14 2002-07-30
55 / 139
EuroTech
10
EuroTech / Fichas de Circuito MR 14 2002-07-30
56 / 139
NOTA
EuroTech
10
EuroTech / Fichas de Circuito MR 14 2002-07-30
Ficha de Circuito 11
57 / 139
EuroTech
LUZES BAIXAS E ALTAS
EuroTech / Fichas de Circuito MR 14 2002-07-30
3004B Farol alto e baixo dianteiro com luz de posição
(alto)
5226 Interruptor para luzes externas
5280 Interruptor geral de corrente
5423B Comutador de alavancas da coluna de direção
com 6 funções (faróis, lampejo da luz alta)
0800 Motor de partida
2000 Bateria
2553 Relé para acionamento do farol baixo (E2)
3004A Farol alto e baixo dianteiro com luz de posição
(baixo)
3004E Acionamento da regulagem dos faróis
7500 Unidade Central de Interconexões (U.C.I.)
9516 Relé para lampejo do farol alto (E4)
9572 Relé para acionamento do farol alto (E10)
9637 Relé de corte da alimentação em fase de partida
(E3)
5523 Interruptor para o comando da regulagem dos
faróis
5603 Comutador da chave de partida
5803 Quadro de controle das lâmpadas-piloto (10)
5846 Luz-piloto do farol alto acionada
58 / 139
11
EuroTech / Fichas de Circuito MR 14 2002-07-30
59 / 139
EuroTech
11
EuroTech / Fichas de Circuito MR 14 2002-07-30
60 / 139
NOTA
EuroTech
11
EuroTech / Fichas de Circuito MR 14 2002-07-30
Ficha de Circuito 12
61 / 139
EuroTech
ILUMINAÇÃO ADICIONAL
(FARÓIS ANTINEBLINA,
FARÓIS DE MILHA E
LANTERNA ANTINEBLINA)
EuroTech / Fichas de Circuito MR 14 2002-07-30
3403B Lanterna traseira completa direita (lanterna anti-
neblina traseira)
3404B Lanterna traseira completa esquerda (lanterna
antineblina traseira)
5203 Interruptor para faróis antineblina e consenti-
mento do acionamento das lanternas antineblina
traseiras
5204 Interruptor para lanterna antineblina traseira com
luz de sinalização
5226 Interruptor para luzes externas
0800 Motor de partida
2000 Bateria
2550 Relé para acionamento da lanterna antineblina
(E11)
2553 Relé para acionamento do farol baixo com o alto
acionado (E2)
3033 Farol de milha adicional
8543 Painel de visualização do Iveco Control
8544 Central eletrônica para Iveco Control
9225 Interruptor para faróis de milha adicionais com luz
de sinalização
9516 Relé para lampejo do farol alto (E4)
9572 Relé para acionamento do farol alto (E10)
9637 Relé de corte da alimentação em fase de partida
5280 Interruptor geral de corrente
5423B Comutador de alavancas da coluna de direção
com 6 funções (farol e lampejo da luz alta)
5603 Comutador da chave de partida
7202 Tomada de 7 pólos para instalação elétrica do
reboque (adicional)
7500 Unidade Central de Interconexões (U.C.I.)
62 / 139
12
EuroTech / Fichas de Circuito MR 14 2002-07-30
63 / 139
EuroTech
12
EuroTech / Fichas de Circuito MR 14 2002-07-30
64 / 139
NOTA
EuroTech
12
EuroTech / Fichas de Circuito MR 14 2002-07-30
Ficha de Circuito 13
65 / 139
EuroTech
LUZES INDICADORAS DE
DIREÇÃO E DE EMERGÊNCIA
EuroTech / Fichas de Circuito MR 14 2002-07-30
3404C Lanterna traseira completa direita (indicador de
direção)
5280 Interruptor geral de corrente
5423A Comutador de alavancas da coluna de direção
com 6 funções (indicador de direção e buzinas)
5515 Interruptor para luzes de emergência com luz de
sinalização
0800 Motor de partida
2000 Bateria
3004D Lanterna indicadora de direção dianteira
3301 Lanterna indicadora de direção lateral
3403C Lanterna traseira completa esquerda (indicador
de direção)
5836 Luz-piloto indicadora de emergência
5901 Relé eletrônico para indicação da direção e emer-
gência (carga dupla)
7201 Tomada de 7 pólos para instalação elétrica do
reboque
7500 Unidade Central de Interconexões (U.C.I.)
5603 Comutador da chave de partida
5803 Quadro de controle das lâmpadas-piloto (10)
5834 Luz-piloto indicadora de direção do caminhão
5835 Luz-piloto indicadora de direção do reboque
66 / 139
13
EuroTech / Fichas de Circuito MR 14 2002-07-30
67 / 139
EuroTech
13
EuroTech / Fichas de Circuito MR 14 2002-07-30
68 / 139
NOTA
EuroTech
13
EuroTech / Fichas de Circuito MR 14 2002-07-30
Ficha de Circuito 14
LUZES DE FREIO,
LUZES DE MARCHA-À-RÉ
E BUZINA
69 / 139
EuroTech
EuroTech / Fichas de Circuito MR 14 2002-07-30
5250 Interruptor da luz de marcha-à-ré
5256 Interruptor da luz de freio
5280 Interruptor geral de corrente
5423A Comutador de alavancas da coluna de direção
com 6 funções (indicador de direção e buzinas)
5500 Comutador da buzina elétrica ou pneumática
5603 Comutador da chave de partida
0800 Motor de partida
2000 Bateria
2200 Buzina
3403D Lanterna traseira completa direita (luz de freio)
3403E Lanterna traseira completa direita (luz de marcha-
à-ré)
3404D Lanterna traseira completa esquerda (luz de freio)
3404E Lanterna traseira completa esquerda (luz de mar-
cha-à-ré)
8544 Central eletrônica para Iveco Control
9513 Relé de acionamento das luzes de freio (E6)
9546 Relé para acionamento da buzina (E12)
9666 Relé para acionamento do módulo de informação
do ABS e luzes de freio do reboque
8543 Painel de visualização do Iveco Control
7201 Tomada de 7 pólos para instalação elétrica do
reboque
7202 Tomada de 7 pólos para instalação elétrica do
reboque (adicional)
7500 Unidade Central de Interconexões (U.C.I.)
7814 Eletroválvula para buzina pneumática
70 / 139
14
EuroTech / Fichas de Circuito MR 14 2002-07-30
71 / 139
EuroTech
14
EuroTech / Fichas de Circuito MR 14 2002-07-30
72 / 139
NOTA
EuroTech
14
EuroTech / Fichas de Circuito MR 14 2002-07-30
Ficha de Circuito 15
EuroTech
LIMPADOR E DESEMBAÇADOR
DO PÁRA-BRISA
LAVADOR DOS FARÓIS
73 / 139
EuroTech / Fichas de Circuito MR 14 2002-07-30
5423C Comutador de alavancas da coluna de direção
com 6 funções (limpador do pára-brisa e motor do
lavador)
5603 Comutador da chave de partida
5930 Relé eletrônico para o limpador do pára-brisa (E9)
6400 Eletrobomba do lavador do pára-brisa
0800 Motor de partida
2000 Bateria
2532 Interruptor para o limpador dos faróis com luz de
sinalização
5280 Interruptor geral de corrente
7500 Unidade Central de Interconexões (U.C.I.)
8004 Desembaçador do pára-brisa
9599 Relé para aquecimento do eletroventilador
9637 Relé de corte da alimentação em fase de partida
(E3)
6401 Eletrobomba do lavador dos faróis
6501 Motor do limpador do pára-brisa
6502 Motor do limpador dos faróis
7006 Porta-fusíveis 6
74 / 139
15
EuroTech / Fichas de Circuito MR 14 2002-07-30
75 / 139
EuroTech
15
EuroTech / Fichas de Circuito MR 14 2002-07-30
76 / 139
NOTA
EuroTech
15
EuroTech / Fichas de Circuito MR 14 2002-07-30
Ficha de Circuito 16
EuroTech
ILUMINAÇÃO INTERNA
E ACESSÓRIOS
77 / 139
EuroTech / Fichas de Circuito MR 14 2002-07-30
3603 Plafon para iluminação dos degraus
3609 Plafon para luz de leitura
3617 Plafon para iluminação interna da cabina com luz
orientável
5218 Interruptor para luz de leitura
0800 Motor de partida
1205 Geladeira
2000 Bateria
3600 Plafon para iluminação interna da cabina
3602 Plafon para iluminação da cama
6806 Alimentação 24V - 12V
6830 City Band (C.B.)
7007 Porta-fusíveis 6
7500 Unidade Central de Interconexões (U.C.I.)
7846 Acendedor de cigarros
5229 Comutador para luzes internas
5257 Interruptor para iluminação interna
5280 Interruptor geral de corrente
6800 Rádio
6801 Alto-falante
78 / 139
16
EuroTech / Fichas de Circuito MR 14 2002-07-30
79 / 139
EuroTech
16
EuroTech / Fichas de Circuito MR 14 2002-07-30
80 / 139
NOTA
EuroTech
16

Esquema-Eletrico de serviço iveco-eurotech.pdf

  • 1.
    EuroTech / Fichasde Circuito MR 14 2002-07-30 Ficha de Circuito 1 17 / 139 EuroTech PARTIDA NO POSTO DE CONDUÇÃO
  • 2.
    EuroTech / Fichasde Circuito MR 14 2002-07-30 18 / 139 0800 Motor de partida 2000 Bateria 2510 Relé para partida (E1) 5603 Comutador da chave de partida 7500 Unidade Central de Interconexões (U.C.I.) 7886 Eletroválvula de parada do motor 2592 Relé para consentimento da partida no comparti- mento do motor (cabina destravada) e no posto de condução (cabina travada) (E15) 5280 Interruptor geral de corrente 9508 Relé com desativação atrasada para aciona- mento da eletroválvula de parada do motor 9684 Relé para desacionamento da eletroválvula de parada do motor com acendimento acionado 1
  • 3.
    EuroTech / Fichasde Circuito MR 14 2002-07-30 EuroTech 19 / 139 1
  • 4.
    EuroTech / Fichasde Circuito MR 14 2002-07-30 NOTA EuroTech 20 / 139 1
  • 5.
    EuroTech / Fichasde Circuito MR 14 2002-07-30 Ficha de Circuito 2 21 / 139 EuroTech PARTIDA NO COMPARTIMENTO DO MOTOR
  • 6.
    EuroTech / Fichasde Circuito MR 14 2002-07-30 22 / 139 5258 Sensor de proteção antipartida com marchas engatadas 5277 Sensor de proteção antipartida com o freio de estacionamento desaplicado 5280 Interruptor geral de corrente 5300 Interruptor de teste das lâmpadas-piloto de sinalização 5331 Pulsador para partida no compartimento do motor 0800 Motor de partida 2000 Bateria 2510 Relé para partida (E1) 2592 Relé para consentimento da partida no comparti- mento do motor (cabina destravada) e no posto de condução (cabina travada) (E15) 5253 Sensor de indicação da cabina destravada 9508 Relé com desativação atrasada para aciona- mento da eletroválvula de parada do motor 9684 Relé para desacionamento da eletroválvula de parada do motor com acendimento acionado 5603 Comutador da chave de partida 5803 Quadro de controle das lâmpadas-piloto (10) 5878 Luz-piloto indicadora da cabina destravada 6109 Contentor porta 3 diodos 1A (2 com + comum) (E8) 7500 Unidade Central de Interconexões (U.C.I.) 7886 Eletroválvula de parada do motor 2
  • 7.
    EuroTech / Fichasde Circuito MR 14 2002-07-30 EuroTech 23 / 139 2
  • 8.
    EuroTech / Fichasde Circuito MR 14 2002-07-30 24 / 139 NOTA EuroTech 2
  • 9.
    EuroTech / Fichasde Circuito MR 14 2002-07-30 Ficha de Circuito 3 25 / 139 SISTEMA DE PARTIDA A FRIO EuroTech
  • 10.
    EuroTech / Fichasde Circuito MR 14 2002-07-30 26 / 139 5603 Comutador da chave de partida 5803 Quadro de controle das lâmpadas-piloto (10) 5822 Luz-piloto indicadora do sistema de partida a frio 0800 Motor de partida 2000 Bateria 5280 Interruptor geral de corrente 7836 Sistema de partida a frio 8515 Central eletrônica do sistema de partida a frio 9296 Sensor para o acionamento do pré-aquecimento 7004 Porta-fusíveis 6 7500 Unidade Central de Interconexões (U.C.I.) 7807 Eletroválvula para conexão com atmosfera desde o reservatório de combustível para sistema de partida a frio 3
  • 11.
    EuroTech / Fichasde Circuito MR 14 2002-07-30 27 / 139 EuroTech 3
  • 12.
    EuroTech / Fichasde Circuito MR 14 2002-07-30 28 / 139 NOTA EuroTech 3
  • 13.
    EuroTech / Fichasde Circuito MR 14 2002-07-30 Ficha de Circuito 4 29 / 139 RECARGA EuroTech
  • 14.
    EuroTech / Fichasde Circuito MR 14 2002-07-30 30 / 139 0302 Alternador com regulador de tensão incorporado 0800 Motor de partida 2000 Bateria 5821 Luz-piloto indicadora de falha na recarga da bateria 6146 Resistência para auto-excitação do alternador 7500 Unidade Central de Interconexões (U.C.I.) 5280 Interruptor geral de corrente 5603 Comutador da chave de partida 5803 Quadro de controle das lâmpadas-piloto (10) 4
  • 15.
    EuroTech / Fichasde Circuito MR 14 2002-07-30 31 / 139 EuroTech 4
  • 16.
    EuroTech / Fichasde Circuito MR 14 2002-07-30 32 / 139 NOTA EuroTech 4
  • 17.
    EuroTech / Fichasde Circuito MR 14 2002-07-30 Ficha de Circuito 5 33 / 139 INSTRUMENTOS (NÍVEL DE COMBUSTÍVEL E TEMPERATURA DO LÍQUIDO DE ARREFECIMENTO DO MOTOR) EuroTech
  • 18.
    EuroTech / Fichasde Circuito MR 14 2002-07-30 34 / 139 4703 Termômetro para indicação da temperatura do líquido de arrefecimento do motor com luz de sinalização 4704 Termômetro para indicação da temperatura do óleo da caixa de mudanças 4710 Termômetro para indicação da temperatura externa 0800 Motor de partida 2000 Bateria 4401 Indicador do nível de combustível com luz de sinalização de reserva 4501 Sensor de indicação do nível de combustível com luz de sinalização de reserva incorporada 7500 Unidade Central de Interconexões (U.C.I.) 8522 Horímetro 4730 Sensor para termômetro de indicação da tempe- ratura do líquido de arrefecimento do motor 4904 Voltímetro 5280 Interruptor geral de corrente 5603 Comutador da chave de partida 5
  • 19.
    EuroTech / Fichasde Circuito MR 14 2002-07-30 35 / 139 EuroTech 5
  • 20.
    EuroTech / Fichasde Circuito MR 14 2002-07-30 36 / 139 NOTA EuroTech 5
  • 21.
    EuroTech / Fichasde Circuito MR 14 2002-07-30 Ficha de Circuito 6 37/ 139 INSTRUMENTOS (PRESSÃO ÓLEO E AR DOS FREIOS) EuroTech
  • 22.
    EuroTech / Fichasde Circuito MR 14 2002-07-30 38 / 139 0800 Motor de partida 2000 Bateria 4202 Manômetro de indicação da pressão do óleo do motor com luz de sinalização 4205 Manômetro de indicação da pressão de ar dos freios dianteiros e tra- seiros 5804 Quadro de controle das lâmpadas-piloto (10) para veículos com limi- tador de velocidade e sem ABS 5828 Luz-piloto indicadora de falhas no sistema de freio 7500 Unidade Central de Interconexões (U.C.I.) 4232 Sensor para o manômetro de pressão de óleo do motor 5232 Sensor de indicação da baixa pressão de óleo do motor 5280 Interruptor geral de corrente 5300 Interruptor de teste das lâmpadas-piloto de sinalização 5603 Comutador da chave de partida 6
  • 23.
    EuroTech / Fichasde Circuito MR 14 2002-07-30 39 / 139 EuroTech 6
  • 24.
    EuroTech / Fichasde Circuito MR 14 2002-07-30 40 / 139 NOTA EuroTech 6
  • 25.
    EuroTech / Fichasde Circuito MR 14 2002-07-30 41 / 139 Ficha de Circuito 7 EuroTech INSTRUMENTOS (TACÓGRAFO E TACÔMETRO (CONTA-GIROS))
  • 26.
    EuroTech / Fichasde Circuito MR 14 2002-07-30 42 / 139 7 0800 Motor de partida 2000 Bateria 4013 Tacógrafo eletrônico 4031 Sensor do velocímetro e tacógrafo 4040 Amplificador de sinal 4835 Transmissor de impulsos da árvore de manivelas (para diagnose) 5280 Interruptor geral de corrente 5603 Comutador da chave de partida 7500 Unidade Central de Interconexões (U.C.I.) 4806 Tacômetro (conta-giros eletrônico) 4831 Sensor para indicação do ponto morto superior 4834 Transmissor de impulsos do volante do motor (para diagnose)
  • 27.
    EuroTech / Fichasde Circuito MR 14 2002-07-30 43 / 139 EuroTech 7
  • 28.
    EuroTech / Fichasde Circuito MR 14 2002-07-30 44 / 139 NOTA EuroTech 7
  • 29.
    EuroTech / Fichasde Circuito MR 14 2002-07-30 45 / 139 Ficha de Circuito 8 INDICADORES ÓTICOS EuroTech
  • 30.
    EuroTech / Fichasde Circuito MR 14 2002-07-30 5259 Desviador para sinalização do bloqueio do diferencial transversal Rockwell acionado 5264 Sensor de indicação de velocidades reduzidas acionadas 5280 Interruptor geral de corrente 5300 Interruptor de teste das lâmpadas-piloto de sinali- zação 5603 Comutador da chave de partida 5803 Quadro de controle das lâmpadas-piloto (10) 0800 Motor de partida 2000 Bateria 4510 Sensor de indicação do nível de óleo do motor 4522 Sensor de indicação do baixo nível de líquido do limpador do pára-brisa 4523 Sensor de indicação do baixo nível de líquido de arrefecimento do motor 4524 Sensor de indicação do baixo nível de fluido da direção hidráulica 5233 Sensor de indicação do freio de estacionamento acionado 5240 Sensor de indicação do filtro de ar obstruído 8532 Central eletrônica para indicação da presença de água no filtro de combustível 8540 Central de indicação do bloqueio do diferencial (E7) 8541 Sensor de indicação do desgaste das guarnições de freio dianteiras 8542 Sensor de indicação do desgaste das guarnições de freio traseiras 8543 Painel de visualização do Iveco Control 9014 Luz-piloto indicadora da presença de água no fil- tro de combustível 5804 Quadro de controle das lâmpadas-piloto (10) para veículos com limitador de velocidade e sem ABS 5829 Luz-piloto do freio de estacionamento acionado 5831 Luz-piloto do filtro de ar obstruído 5895 Luz-piloto indicadora de velocidades reduzidas acionadas 5899 Luz-piloto indicadora do bloqueio do diferencial transversal acionado 7500 Unidade Central de Interconexões (U.C.I.) 46 / 139 8
  • 31.
    EuroTech / Fichasde Circuito MR 14 2002-07-30 EuroTech 47 / 139 8
  • 32.
    EuroTech / Fichasde Circuito MR 14 2002-07-30 48 / 139 NOTA EuroTech 8
  • 33.
    EuroTech / Fichasde Circuito MR 14 2002-07-30 Ficha de Circuito 9 49 / 139 LUZES DE POSIÇÃO CABINA EuroTech
  • 34.
    EuroTech / Fichasde Circuito MR 14 2002-07-30 4704 Termômetro de indicação da temperatura de óleo da caixa de mudanças 4710 Termômetro de indicação da temperatura externa 4806 Tacômetro (conta-giros eletrônico) 4904 Voltímetro 5202 Interruptor para espelho retrovisor térmico 5203 Interruptor para faróis antineblina e consentimento do acionamento das lanternas antineblina traseiras 5204 Interruptor para lanterna antineblina traseira com luz de sinalização 5205 Interruptor para iluminação da 5ª roda com luz de sinalização 5226 Interruptor para luzes externas 5280 Interruptor geral de corrente 0800 Motor de partida 2000 Bateria 3907 Iluminação do cinzeiro 4013 Tacógrafo eletrônico 4202 Manômetro de indicação da pressão do óleo do motor com luz de sinalização 4205 Manômetro de indicação da pressão de ar dos freios dianteiros e traseiros 4401 Indicador do nível de combustível com luz de sinalização de reserva 4703 Termômetro para indicação da temperatura do líquido de arrefecimento do motor com luz de sinalização 8004 Comando do grupo de eletroaquecimento do pára-brisa 8522 Horímetro 8539 Interruptor para espelho retrovisor 8543 Painel de visualização do Iveco Control 9225 Interruptor para faróis de milha adicionais com luz de sinalização 9392 Interruptor para desacionamento do ASR 9393 Interruptor para desacionamento do ABS 5300 Interruptor de teste das lâmpadas-piloto de sinalização 5322 Interruptor duplo para o teto solar 5500 Comutador para buzina elétrica ou pneumática 5515 Interruptor para luzes de emergência com luz de sinalização 5523 Interruptor para o comando da regulagem dos faróis 5603 Comutador da chave de partida 5803 Quadro de controle das lâmpadas-piloto (10) 5832 Luz-piloto indicadora da iluminação geral acionada 7500 Unidade Central de Interconexões (U.C.I.) 7846 Acendedor de cigarros 50 / 139 9
  • 35.
    EuroTech / Fichasde Circuito MR 14 2002-07-30 51 / 139 EuroTech 9
  • 36.
    EuroTech / Fichasde Circuito MR 14 2002-07-30 52 / 139 NOTA EuroTech 9
  • 37.
    EuroTech / Fichasde Circuito MR 14 2002-07-30 Ficha de Circuito 10 53 / 139 LUZES DE POSIÇÃO CHASSI EuroTech
  • 38.
    EuroTech / Fichasde Circuito MR 14 2002-07-30 3421 Farol de iluminação da 5ª roda 3701 Lanterna demarcadora de largura dianteira 3702 Lanterna demarcadora de largura traseira 5205 Interruptor para farol de iluminação da 5ª roda com luz de sinalização 5226 Interruptor para luzes externas 5280 Interruptor geral de corrente 0800 Motor de partida 2000 Bateria 3004C Farol alto e baixo dianteiro com luz de posição 3403A Lanterna traseira completa (luz de posição) lado direito 3404A Lanterna traseira completa (luz de posição) lado esquerdo 3404F Lanterna traseira completa (placa de licença) 7500 Unidade Central de Interconexões (U.C.I.) 8543 Painel de visualização do Iveco Control 8544 Central eletrônica para Iveco Control 5603 Comutador da chave de partida 5803 Quadro de controle das lâmpadas-piloto (10) 5832 Luz-piloto indicadora da iluminação geral acio- nada 7201 Tomada de 7 pólos para instalação elétrica do reboque 7202 Tomada de 7 pólos adicional para instalação elé- trica do reboque 54 / 139 10
  • 39.
    EuroTech / Fichasde Circuito MR 14 2002-07-30 55 / 139 EuroTech 10
  • 40.
    EuroTech / Fichasde Circuito MR 14 2002-07-30 56 / 139 NOTA EuroTech 10
  • 41.
    EuroTech / Fichasde Circuito MR 14 2002-07-30 Ficha de Circuito 11 57 / 139 EuroTech LUZES BAIXAS E ALTAS
  • 42.
    EuroTech / Fichasde Circuito MR 14 2002-07-30 3004B Farol alto e baixo dianteiro com luz de posição (alto) 5226 Interruptor para luzes externas 5280 Interruptor geral de corrente 5423B Comutador de alavancas da coluna de direção com 6 funções (faróis, lampejo da luz alta) 0800 Motor de partida 2000 Bateria 2553 Relé para acionamento do farol baixo (E2) 3004A Farol alto e baixo dianteiro com luz de posição (baixo) 3004E Acionamento da regulagem dos faróis 7500 Unidade Central de Interconexões (U.C.I.) 9516 Relé para lampejo do farol alto (E4) 9572 Relé para acionamento do farol alto (E10) 9637 Relé de corte da alimentação em fase de partida (E3) 5523 Interruptor para o comando da regulagem dos faróis 5603 Comutador da chave de partida 5803 Quadro de controle das lâmpadas-piloto (10) 5846 Luz-piloto do farol alto acionada 58 / 139 11
  • 43.
    EuroTech / Fichasde Circuito MR 14 2002-07-30 59 / 139 EuroTech 11
  • 44.
    EuroTech / Fichasde Circuito MR 14 2002-07-30 60 / 139 NOTA EuroTech 11
  • 45.
    EuroTech / Fichasde Circuito MR 14 2002-07-30 Ficha de Circuito 12 61 / 139 EuroTech ILUMINAÇÃO ADICIONAL (FARÓIS ANTINEBLINA, FARÓIS DE MILHA E LANTERNA ANTINEBLINA)
  • 46.
    EuroTech / Fichasde Circuito MR 14 2002-07-30 3403B Lanterna traseira completa direita (lanterna anti- neblina traseira) 3404B Lanterna traseira completa esquerda (lanterna antineblina traseira) 5203 Interruptor para faróis antineblina e consenti- mento do acionamento das lanternas antineblina traseiras 5204 Interruptor para lanterna antineblina traseira com luz de sinalização 5226 Interruptor para luzes externas 0800 Motor de partida 2000 Bateria 2550 Relé para acionamento da lanterna antineblina (E11) 2553 Relé para acionamento do farol baixo com o alto acionado (E2) 3033 Farol de milha adicional 8543 Painel de visualização do Iveco Control 8544 Central eletrônica para Iveco Control 9225 Interruptor para faróis de milha adicionais com luz de sinalização 9516 Relé para lampejo do farol alto (E4) 9572 Relé para acionamento do farol alto (E10) 9637 Relé de corte da alimentação em fase de partida 5280 Interruptor geral de corrente 5423B Comutador de alavancas da coluna de direção com 6 funções (farol e lampejo da luz alta) 5603 Comutador da chave de partida 7202 Tomada de 7 pólos para instalação elétrica do reboque (adicional) 7500 Unidade Central de Interconexões (U.C.I.) 62 / 139 12
  • 47.
    EuroTech / Fichasde Circuito MR 14 2002-07-30 63 / 139 EuroTech 12
  • 48.
    EuroTech / Fichasde Circuito MR 14 2002-07-30 64 / 139 NOTA EuroTech 12
  • 49.
    EuroTech / Fichasde Circuito MR 14 2002-07-30 Ficha de Circuito 13 65 / 139 EuroTech LUZES INDICADORAS DE DIREÇÃO E DE EMERGÊNCIA
  • 50.
    EuroTech / Fichasde Circuito MR 14 2002-07-30 3404C Lanterna traseira completa direita (indicador de direção) 5280 Interruptor geral de corrente 5423A Comutador de alavancas da coluna de direção com 6 funções (indicador de direção e buzinas) 5515 Interruptor para luzes de emergência com luz de sinalização 0800 Motor de partida 2000 Bateria 3004D Lanterna indicadora de direção dianteira 3301 Lanterna indicadora de direção lateral 3403C Lanterna traseira completa esquerda (indicador de direção) 5836 Luz-piloto indicadora de emergência 5901 Relé eletrônico para indicação da direção e emer- gência (carga dupla) 7201 Tomada de 7 pólos para instalação elétrica do reboque 7500 Unidade Central de Interconexões (U.C.I.) 5603 Comutador da chave de partida 5803 Quadro de controle das lâmpadas-piloto (10) 5834 Luz-piloto indicadora de direção do caminhão 5835 Luz-piloto indicadora de direção do reboque 66 / 139 13
  • 51.
    EuroTech / Fichasde Circuito MR 14 2002-07-30 67 / 139 EuroTech 13
  • 52.
    EuroTech / Fichasde Circuito MR 14 2002-07-30 68 / 139 NOTA EuroTech 13
  • 53.
    EuroTech / Fichasde Circuito MR 14 2002-07-30 Ficha de Circuito 14 LUZES DE FREIO, LUZES DE MARCHA-À-RÉ E BUZINA 69 / 139 EuroTech
  • 54.
    EuroTech / Fichasde Circuito MR 14 2002-07-30 5250 Interruptor da luz de marcha-à-ré 5256 Interruptor da luz de freio 5280 Interruptor geral de corrente 5423A Comutador de alavancas da coluna de direção com 6 funções (indicador de direção e buzinas) 5500 Comutador da buzina elétrica ou pneumática 5603 Comutador da chave de partida 0800 Motor de partida 2000 Bateria 2200 Buzina 3403D Lanterna traseira completa direita (luz de freio) 3403E Lanterna traseira completa direita (luz de marcha- à-ré) 3404D Lanterna traseira completa esquerda (luz de freio) 3404E Lanterna traseira completa esquerda (luz de mar- cha-à-ré) 8544 Central eletrônica para Iveco Control 9513 Relé de acionamento das luzes de freio (E6) 9546 Relé para acionamento da buzina (E12) 9666 Relé para acionamento do módulo de informação do ABS e luzes de freio do reboque 8543 Painel de visualização do Iveco Control 7201 Tomada de 7 pólos para instalação elétrica do reboque 7202 Tomada de 7 pólos para instalação elétrica do reboque (adicional) 7500 Unidade Central de Interconexões (U.C.I.) 7814 Eletroválvula para buzina pneumática 70 / 139 14
  • 55.
    EuroTech / Fichasde Circuito MR 14 2002-07-30 71 / 139 EuroTech 14
  • 56.
    EuroTech / Fichasde Circuito MR 14 2002-07-30 72 / 139 NOTA EuroTech 14
  • 57.
    EuroTech / Fichasde Circuito MR 14 2002-07-30 Ficha de Circuito 15 EuroTech LIMPADOR E DESEMBAÇADOR DO PÁRA-BRISA LAVADOR DOS FARÓIS 73 / 139
  • 58.
    EuroTech / Fichasde Circuito MR 14 2002-07-30 5423C Comutador de alavancas da coluna de direção com 6 funções (limpador do pára-brisa e motor do lavador) 5603 Comutador da chave de partida 5930 Relé eletrônico para o limpador do pára-brisa (E9) 6400 Eletrobomba do lavador do pára-brisa 0800 Motor de partida 2000 Bateria 2532 Interruptor para o limpador dos faróis com luz de sinalização 5280 Interruptor geral de corrente 7500 Unidade Central de Interconexões (U.C.I.) 8004 Desembaçador do pára-brisa 9599 Relé para aquecimento do eletroventilador 9637 Relé de corte da alimentação em fase de partida (E3) 6401 Eletrobomba do lavador dos faróis 6501 Motor do limpador do pára-brisa 6502 Motor do limpador dos faróis 7006 Porta-fusíveis 6 74 / 139 15
  • 59.
    EuroTech / Fichasde Circuito MR 14 2002-07-30 75 / 139 EuroTech 15
  • 60.
    EuroTech / Fichasde Circuito MR 14 2002-07-30 76 / 139 NOTA EuroTech 15
  • 61.
    EuroTech / Fichasde Circuito MR 14 2002-07-30 Ficha de Circuito 16 EuroTech ILUMINAÇÃO INTERNA E ACESSÓRIOS 77 / 139
  • 62.
    EuroTech / Fichasde Circuito MR 14 2002-07-30 3603 Plafon para iluminação dos degraus 3609 Plafon para luz de leitura 3617 Plafon para iluminação interna da cabina com luz orientável 5218 Interruptor para luz de leitura 0800 Motor de partida 1205 Geladeira 2000 Bateria 3600 Plafon para iluminação interna da cabina 3602 Plafon para iluminação da cama 6806 Alimentação 24V - 12V 6830 City Band (C.B.) 7007 Porta-fusíveis 6 7500 Unidade Central de Interconexões (U.C.I.) 7846 Acendedor de cigarros 5229 Comutador para luzes internas 5257 Interruptor para iluminação interna 5280 Interruptor geral de corrente 6800 Rádio 6801 Alto-falante 78 / 139 16
  • 63.
    EuroTech / Fichasde Circuito MR 14 2002-07-30 79 / 139 EuroTech 16
  • 64.
    EuroTech / Fichasde Circuito MR 14 2002-07-30 80 / 139 NOTA EuroTech 16