W1
A
X67
237
B
X62
23
68
237
C
B
022 022
19
X63
237
022
310
914
426
911
53
26
46 1
G2
B-
A8
E
A10
015
44
C 905
905
W
G
905
21
F
X 904
904
904
B
42
910
R 11 R 12
D
310
905
904
310
237
237
A D C B
X64
310
W4 W9
A C
B
B 32
C
D
H
I
J
K L
M
B
A
E
G
F
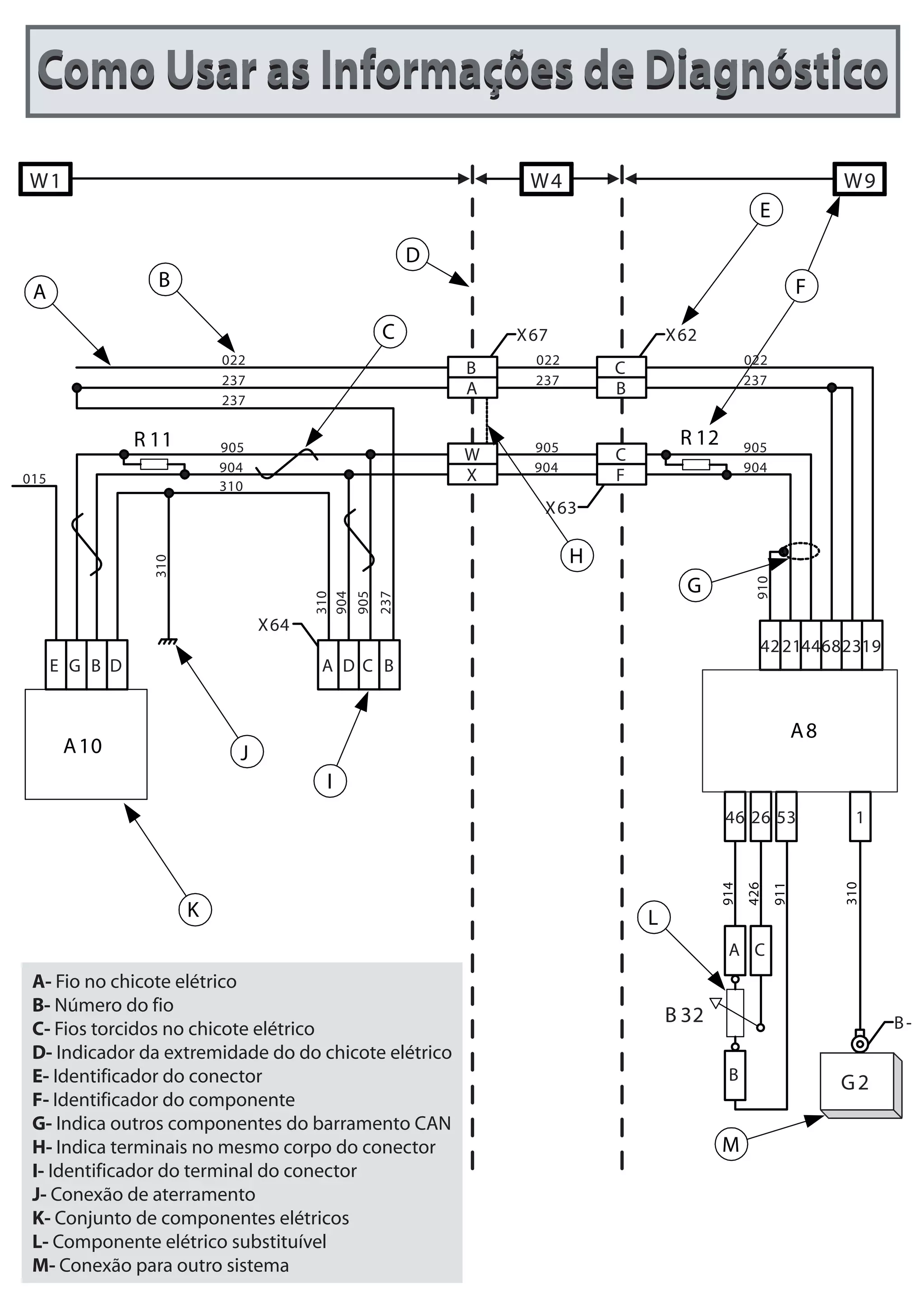
Como Usar as Informações de Diagnóstico
Como Usar as Informações de Diagnóstico
A- Fio no chicote elétrico
B- Número do fio
C- Fios torcidos no chicote elétrico
D- Indicador da extremidade do do chicote elétrico
E- Identificador do conector
F- Identificador do componente
G- Indica outros componentes do barramento CAN
H- Indica terminais no mesmo corpo do conector
I- Identificador do terminal do conector
J- Conexão de aterramento
K- Conjunto de componentes elétricos
L- Componente elétrico substituível
M- Conexão para outro sistema

Como entender um diagrama

  • 1.
    W1 A X67 237 B X62 23 68 237 C B 022 022 19 X63 237 022 310 914 426 911 53 26 46 1 G2 B- A8 E A10 015 44 C905 905 W G 905 21 F X 904 904 904 B 42 910 R 11 R 12 D 310 905 904 310 237 237 A D C B X64 310 W4 W9 A C B B 32 C D H I J K L M B A E G F Como Usar as Informações de Diagnóstico Como Usar as Informações de Diagnóstico A- Fio no chicote elétrico B- Número do fio C- Fios torcidos no chicote elétrico D- Indicador da extremidade do do chicote elétrico E- Identificador do conector F- Identificador do componente G- Indica outros componentes do barramento CAN H- Indica terminais no mesmo corpo do conector I- Identificador do terminal do conector J- Conexão de aterramento K- Conjunto de componentes elétricos L- Componente elétrico substituível M- Conexão para outro sistema