CIRCUITOS EM CORRENTE ALTERNADA
1. GERADOR DE TENSÃO ALTERNADA.
v(t) = Vmáx . sen(ω.t + α)
i(t) = Imáx . sen(ω.t +
β)
2. RECEPTORES
Em corrente alternada, utilizaremos os seguintes receptores:
a) RESISTOR: O resistor tem como principal característica a
de oferecer resistência à passagem de corrente elétrica.
Este dispositivo converte energia elétrica em calor.
Equação característica:
vR(t) = R . iR(t)
b) INDUTOR: O indutor é um bipolo passivo capaz de
armazenar pequenas quantidades de energia no campo
magnético. Quando a corrente alternada passa no indutor, o
fluxo magnético gerado no indutor também é alternado (varia
no tempo). Esta variação de fluxo magnético ocasiona a
indução de uma tensão. Esta voltagem induzida é proporcional
à razão de variação da corrente geradora do campo magnético
com o tempo.
Equação
característica:
H = henry
c) CAPACITOR: O capacitor é um bipolo passivo também capaz
de armazenar pequenas quantidades de energia no campo
elétrico. Fisicamente um capacitor é constituído em duas
placas condutoras, onde as cargas são armazenadas e essas
placas são separadas por um material isolante.
F = farad
Equação característica:
3. IMPEDÂNCIA COMPLEXA
Pode-se demonstrar que as operações matemáticas de integral e
derivada em grandezas que variam harmonicamente no tempo,
com velocidade angular ω, podem ser escritas na forma
complexa (j):
A impedância complexa pode
ser indicada como sendo a
relação entre a tensão
complexa e a corrente
complexa nos receptores:
Lei de Ohm em
corrente alternada:
a) Impedância resistiva :
🢡
🢡
b) Impedância indutiva :
🢡
🢡
c) Impedância capacitiva :
🢡
🢡
4. RELAÇÃO ENTRE TENSÃO E CORRENTE.
a) Na impedância resistiva :
Diagrama fasorial:
No resistor a tensão e
a corrente estão em
fase
∙ Gráfico de vR(t) e iR(t):
b) Na impedância indutiva :
Diagrama fasorial:
No indutor a corrente
está atrasada de 90° em
relação à tensão.
∙ Gráfico de vL(t) e iL(t):
c) Na impedância capacitiva :
Diagrama fasorial:
No capacitor a corrente
está adiantada de 90°
em relação à tensão.
∙ Gráfico de vC(t) e iC(t):
5. RESOLUÇÃO DE CIRCUITOS EM CORRENTE ALTERNADA (CA).
São aplicadas as Leis de Ohm e as Leis de Kirchhoff:
a) Lei de Ohm:
b) 1ª Lei de Kirchhoff: (Lei dos nós ou das correntes):
c) 2ª Lei de Kirchhoff: (Lei das malhas ou das tensões):
6. ASSOCIAÇÃO DE IMPEDÂNCIAS.
a) Associação série:
b) Associação paralela:
c) Duas impedâncias em paralelo:
=
Exemplo – Para o circuito a seguir, pede-se determinar as tensões e
correntes indicadas e esboçar o diagrama fasorial:
a) Transformar o circuito para forma complexa:
∙ Forma complexa: 🢡
∙ Impedância dos resistores:
R1 = 10Ω 🢡
R2 =R3 = 20Ω 🢡
∙ Impedância do indutor:
L1 = 53,1 mH 🢡
∙ Da expressão vG(t), temos: VG = 382 V
α = 0°
∙ Tensão no gerador:
∙ Impedância dos capacitores:
C1 = 88,41 μF 🢡 🢡
C2 = 132,6 μF 🢡 🢡
∙ Circuito na forma complexa:
figura 1
b) Simplificar o circuito efetuando associações série ou
paralela de impedâncias:
figura 1
figura 2
figura 3
figura 4
c) A partir da última figura, calcular a tensão ou corrente incógnit
∙ Na figura 4: 🢡
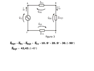
∙ Na figura 3:
figura 3
🢡
🢡
🢡
∙ Na figura 2:
figura 2
🢡
🢡
∙ Na figura 1:
figura 1
🢡
🢡
🢡
🢡
d) Diagrama fasorial:
Circuitos CA.pps.pdf engenharia eletrica

Circuitos CA.pps.pdf engenharia eletrica

  • 1.
    CIRCUITOS EM CORRENTEALTERNADA 1. GERADOR DE TENSÃO ALTERNADA.
  • 2.
    v(t) = Vmáx. sen(ω.t + α) i(t) = Imáx . sen(ω.t + β)
  • 3.
    2. RECEPTORES Em correntealternada, utilizaremos os seguintes receptores: a) RESISTOR: O resistor tem como principal característica a de oferecer resistência à passagem de corrente elétrica. Este dispositivo converte energia elétrica em calor. Equação característica: vR(t) = R . iR(t)
  • 4.
    b) INDUTOR: Oindutor é um bipolo passivo capaz de armazenar pequenas quantidades de energia no campo magnético. Quando a corrente alternada passa no indutor, o fluxo magnético gerado no indutor também é alternado (varia no tempo). Esta variação de fluxo magnético ocasiona a indução de uma tensão. Esta voltagem induzida é proporcional à razão de variação da corrente geradora do campo magnético com o tempo. Equação característica: H = henry
  • 5.
    c) CAPACITOR: Ocapacitor é um bipolo passivo também capaz de armazenar pequenas quantidades de energia no campo elétrico. Fisicamente um capacitor é constituído em duas placas condutoras, onde as cargas são armazenadas e essas placas são separadas por um material isolante. F = farad Equação característica:
  • 6.
    3. IMPEDÂNCIA COMPLEXA Pode-sedemonstrar que as operações matemáticas de integral e derivada em grandezas que variam harmonicamente no tempo, com velocidade angular ω, podem ser escritas na forma complexa (j): A impedância complexa pode ser indicada como sendo a relação entre a tensão complexa e a corrente complexa nos receptores: Lei de Ohm em corrente alternada:
  • 7.
    a) Impedância resistiva: 🢡 🢡 b) Impedância indutiva : 🢡 🢡 c) Impedância capacitiva : 🢡 🢡
  • 8.
    4. RELAÇÃO ENTRETENSÃO E CORRENTE. a) Na impedância resistiva : Diagrama fasorial: No resistor a tensão e a corrente estão em fase
  • 9.
    ∙ Gráfico devR(t) e iR(t):
  • 10.
    b) Na impedânciaindutiva : Diagrama fasorial: No indutor a corrente está atrasada de 90° em relação à tensão.
  • 11.
    ∙ Gráfico devL(t) e iL(t):
  • 12.
    c) Na impedânciacapacitiva : Diagrama fasorial: No capacitor a corrente está adiantada de 90° em relação à tensão.
  • 13.
    ∙ Gráfico devC(t) e iC(t):
  • 14.
    5. RESOLUÇÃO DECIRCUITOS EM CORRENTE ALTERNADA (CA). São aplicadas as Leis de Ohm e as Leis de Kirchhoff: a) Lei de Ohm: b) 1ª Lei de Kirchhoff: (Lei dos nós ou das correntes): c) 2ª Lei de Kirchhoff: (Lei das malhas ou das tensões):
  • 15.
    6. ASSOCIAÇÃO DEIMPEDÂNCIAS. a) Associação série: b) Associação paralela:
  • 16.
    c) Duas impedânciasem paralelo: = Exemplo – Para o circuito a seguir, pede-se determinar as tensões e correntes indicadas e esboçar o diagrama fasorial:
  • 17.
    a) Transformar ocircuito para forma complexa: ∙ Forma complexa: 🢡 ∙ Impedância dos resistores: R1 = 10Ω 🢡 R2 =R3 = 20Ω 🢡 ∙ Impedância do indutor: L1 = 53,1 mH 🢡 ∙ Da expressão vG(t), temos: VG = 382 V α = 0° ∙ Tensão no gerador:
  • 18.
    ∙ Impedância doscapacitores: C1 = 88,41 μF 🢡 🢡 C2 = 132,6 μF 🢡 🢡 ∙ Circuito na forma complexa: figura 1
  • 19.
    b) Simplificar ocircuito efetuando associações série ou paralela de impedâncias: figura 1
  • 20.
  • 21.
  • 22.
    figura 4 c) Apartir da última figura, calcular a tensão ou corrente incógnit ∙ Na figura 4: 🢡
  • 23.
    ∙ Na figura3: figura 3 🢡 🢡 🢡
  • 24.
    ∙ Na figura2: figura 2 🢡 🢡
  • 25.
    ∙ Na figura1: figura 1 🢡 🢡 🢡 🢡
  • 26.