03
04
05
0606
07
Sumário
Introdução
08
Apresentação das Normas
09
Choque Elétrico
10
Redes de Distribuição Elétricas
16
Aterramento Elétrico
25
Prevenção de Choque Elétrico
35
Regras Básicas de Segurança em Instalações Elétricas
40
Primeiros Socorros
44
Anexo
46
08
Introdução
Os riscos de choque elétrico existe em vários ramos
de atividades por ser a energia elétrica essencial para
a manutenção da vida, para o desenvolvimento e cres-
cimento de uma nação, para o entretenimento e lazer,
para o conforto, bem estar e qualidade de vida do ser
humano.
O choque elétrico é sempre grave podendo causar
distúrbios na circulação sanguínea e, em casos extre-
mos, levar à parada cardio-respiratória. O seu maior risco
ocorre quando se tem um contato direto com alguma
parte energizada de uma instalação, provocando a pas-
sagem de corrente elétrica através do corpo humano
que é condutor elétrico. Diferente de outros riscos físicos
como: calor, frio e ruído, o choque elétrico só é sentido
pelo organismo quando o mesmo está submetido a seu
efeito.
A intenção deste manual é esclarecer, de forma resu-
mida, como ocorre o choque elétrico e seus efeitos, as
formas de prevenção, como agir perante uma situação
de choque elétrico, normas pertinentes e noções de pri-
meiros socorros.
09
Apresentação das
Normas
Este manual foi baseado nas seguintes Normas:
	 NBR 9153 – Conceituação e Diretrizes
de Segurança de Equipamento Elétri-
co Utilizado na Prática Médica/Aspec-
tos Básicos, ABNT, 1985;
	 NBN6533–EstabelecimentodeSegu-
rança aos Efeitos da Corrente Elétrica
Percorrendo o Corpo Humano, ABNT,
1981;
	 NBR 5410 – Instalações Elétricas em
Baixa Tensão, ABNT, 2004;
	 Lei 6.514, de 1977, Regulamentada
pela Portaria do Ministério do Traba-
lho N0
3.214/78;
	 NR – 10 da Portaria 3.214 do Ministé-
rio do Trabalho.
10
Choque Elétrico
Muito antes do homem ter conhecimento da eletri-
cidade, ele já era vítima do choque elétrico proveniente
das descargas atmosféricas( raios) sendo, por motivo do
desconhecido, atribuído a vingança dos deuses este fe-
nômeno da natureza.
Hoje, com o domínio da ciência, o homem utiliza a
eletricidade para uma infinidade de aplicações em seu
próprio benefício.
“O choque elétrico é uma perturbação que sofre o cor-
po humano quando percorrido por uma corrente elétrica”.
As perturbações que sofre o corpo humano à passa-
gem de corrente elétrica variam e dependem de:
	 Percurso da corrente elétrica pelo corpo;
	 Intensidade da corrente elétrica;
	 Tempo de duração do choque elétrico;
	 Frequência da corrente elétrica;
	 Tensão elétrica;
	 Resistência elétrica do corpo humano.
Os efeitos da passagem da corrente pelo corpo hu-
mano podem se manifestar das seguintes formas:
	 Contração involuntária dos músculos;
	 Inibição dos centros nervosos, inclusive das que
comandam a respiração provocando parada res-
piratória;
11
	 Alteração do rítmo cardíaco e consequente para-
da cardíaca;
	 Queimaduras;
	 Alterações no sangue provocadas por efeito tér-
mico e eletrolítico da corrente elétrica.
Compreender o efeito da passagem da corrente elé-
trica pelo corpo humano é de fundamental importância
para a prevenção e combate aos riscos provenientes do
choque elétrico pois, a corrente elétrica é invisível, ino-
dora e incolor.
Para ocorrer o choque elétrico é necessário que a
pessoa toque simultaneamente em um objeto colocado
sob tensão e um outro elemento que se encontre num
potencial diferente. Quando ocorre esta simultaneidade
tem-se a tensão de contato.
O perigo para uma pessoa não está simplesmente em
tocar num objeto sob tensão, mas sim, em tocar simul-
taneamente um outro objeto que esteja num potencial
diferente em relação ao primeiro.
O corpo humano apresenta resistência à passagem
de corrente elétrica, variável de indivíduo para indivíduo
e o próprio apresenta variações de resistência em função
de: umidade da pele, peso, sexo,etc. São consideradas
pela norma brasileira NBR5410 quatro situações, no que
concerne ao estado de umidade da pele:
BB1 – pele seca( nenhuma umidade, nem mesmo
suor);
BB2 – pele úmida;
12
BB3 – pele molhada;
BB4 – pele imersa na água.
A mesma norma adota para as condições BB1 e BB2
a tensão limite de 50V para o corpo humano não
sentir os efeitos da passagem da corrente elétrica, e
também define dois tipos de exposição ao choque
elétrico:
1.	 Contatos diretos – são contatos de pessoas
ou animais com partes“vivas”da instalação.
2.	 Contatos indiretos – são contatos de pessoas
ou animais com massas submetidas à tensão
por falha de isolamento.
Os contatos diretos, em sua maior parte, são causa-
dos devidos a desconhecimento, negligência ou impru-
dência das pessoas e, por isso, são relativamente raros.
Os contatos indiretos, por sua vez, são mais frequentes e
representam um perigo maior.
A proteção contra choques elétricos provocados por
contatos indiretos é normalmente realizado pelo aterra-
mento das massas.
O choque elétrico por contato indireto ocorre quan-
do o(s) fio(s) fase perde sua isolação por problemas rela-
tivos à: envelhecimento, temperatura elevada, decapa-
gem por vibração/atrito. As falhas de isolação dos fios
energizam a carcaça metálica do aparelho/equipamento
elétrico.
A tensão da rede elétrica no Brasil é do tipo alterna-
da( alteração de polaridade) e senoidal com frequên-
13
cia de 60Hz. Para a forma de tensão do tipo alternada
e senoidal, o corpo humano apresenta uma oposição à
passagem de corrente alternada( impedância) com pre-
dominância de reatância capacitiva:
Z = R - jXC
, onde:
Z – impedância em ohms;
R – resistência em ohms;
XC
– reatância capacitica.
A reatância capacitiva( XC
) é inversamente proporcional
à frequencia e a capacitância:
Desta forma um aumento da frequência provoca uma
diminuição da reatância capacitiva XC
e por consequência
também diminuição da impedância Z. Uma diminuição
na frequência provoca um aumento da reatância XC
e por
consequência também um aumento da impedância ZC
.
Podemos concluir que para tensão CC( frequência zero), o
corpo humano apresenta maior oposição à passagem de
corrente elétrica.
O gráfico, a seguir, mostra o comportamento da con-
tração muscular humana para a passagem de corrente
elétrica alternada de mesma intensidade com frequên-
cia variável.
14
Figura 1 – Contração muscular x frequência da corrente
A análise do gráfico da figura 1 mostra uma atenua-
ção na contração muscular para choques com corrente
elétrica de altas frequências. Justifica-se a atenuação da
contração muscular em altas frequências pelo fenôme-
no chamado de “Efeito Skin” ou “Efeito Pelicular” onde
em frequências elevadas a corrente elétrica percorre a
região externa do condutor elétrico( corpo humano). No
interior do corpo humano não circula corrente elétrica,
livrando músculos e orgãos, e concentra-se na pele( der-
me/epiderme).
Os efeitos da corrente elétrica que percorre o corpo
humano na faixa de frequência de 5 a 200Hz é resumido
na tabela a seguir:
15
CORRENTE EFEITO
1-5mA perceptível
5-12mA doloroso
13-15mA
limiar de contração muscular
involuntária( valor limite) após o qual é
físicamente impossível se soltar
20-50mA
dor forte e perda de consciência,
embora o coração e pulmão continuem
funcionando
50-75mA
tetania( paralisia) sem pulsação nem
respiração, quando o fluxo sanguíneo
para o cérebro cessa( geralmente após 5
minutos) o dano é irreparável
100-1500mA
fibrilação ventricular, perturbação no
ritmo natural do coração com morte
quase instantânea
acima
15000mA
contração dos músculos do coração,
mas não necessariamente fibrilação; o
sistema respiratório pode, ou não, ser
paralisado
Tabela 1 – Corrente elétrica e seus efeitos no corpo humano
16
Redes de Distribuição
Elétrica
As redes aéreas de distribuição de energia elétrica
em nossa região apresentam, normalmente, os seguin-
tes níveis de tensão:
Tensão primária: 13,8kV
Tensão secundária: 380/220V
Figura 2 – Rede aérea de distribuição de energia
A transformação da tensão primária para a tensão
secundária é realizada por transformador com ligação
∆( delta), no primário, e Υ no secundário. O centro da
ligação Υ( estrêla) na baixa tensão é aterrado.
Grandes prédios e indústrias são alimentados a par-
tir de linhas de distribuição primária, em média tensão.
17
Pequenos prédios, residencias, pequenas industrias etc.
são alimentadas a partir de linhas de distribuição secun-
dária, em baixa tensão.
Os circuitos de uma instalação podem ser classifica-
dos em dois tipos: circuitos de distribuição e circuitos
terminais.
Circuito de distribuição: circuito que alimenta um ou
mais quadros de distribuição.
Circuito terminal: circuito que alimenta diretamen-
te os equipamentos de utilização e/ou as tomadas de
corrente.
Figura 3 – Classificação dos circuitos de instalações
As redes de distribuição de energia elétrica no Brasil
e em vários outros países, apresentam aterramento fun-
cional que consiste em aterrar um condutor do sistema(
neutro) com objetivo de garantir a utilização correta e
confiável da instalação. Observe o esquema de ligação
do sistema secundário de distribuição com secundário
em Υ( estrêla) com centro aterrado no figura 4.
18
Figura 4 – Rede de distribuição secundária com aterramento funcional
No contato de duas partes vivas de uma instalação
elétrica, atua a tensão da rede sobre a pessoa. O aterra-
mento funcional torna “a terra” parte do circuito. Quem
está em contato com a terra precisa, portanto, apenas
entrar em contato com uma das partes vivas do circuito(
condutores fase) para ficar submetido a tensão da rede.
19
Figura 5 – Choque elétrico por contato direto com a rede
Quando ocorrem defeitos de isolação em instalações
elétricas, partes que não pertencem ao circuito condu-
tor desta instalação( por exemplo: a carcaça de motores
elétricos ou partes metálicas de uma geladeira) podem
se tornar condutoras, aparecendo assim tensão e cor-
rente acidental. Corrente acidental flui, portanto, devido
a falhas de isolação. A tensão acidental é a tensão que
aparece entre as partes em que se apresenta o defeito
da isolação dos quais uma é a rede elétrica e a outra não
pertence ao circuito condutor.
20
Figura 6 – Choque elétrico por contato acidental indireto
As tensões de contato são mais perigosas entre mãos
e pés. Se estivermos apoiado na “ terra”e tocarmos com
as mãos partes que se tornam condutores, circula uma
corrente através das artérias e veias do corpo e desta for-
ma passará pelo coração. Corrente pelo corpo acima de
50mA provocam irregularidades no trabalho dos mús-
culos do coração, induzindo fornecimento irregular de
sangue ao celebro e as conseqüências podem ser fatais.
Podemos evitar o choque elétrico por contatos dire-
tos ou indiretos com o uso de transformador isolador(
com função de provocar isolamento entre o terra fun-
cional do sistema e os circuitos de distribuição ou ter-
minal). O transformador isolador evita o contato entre
21
partes com isolação defeituosa, que ficam sob tensão, e
que não pertecem ao circuito principal de corrente.
Figura 7 – Transformador isolador
A proteção por aterramento é realizada pela ligação
de todas as partes que não fazem parte do circuito da
isolação( partes metálicas) com a“terra”.
O aterramento destas partes tem a função de evitar
que um defeito de isolação desenvolva uma tensão de
contato elevada, nas partes que têm capacidade condu-
tora( carcaça metálica dos equipamentos). Esta medida
preventiva é obtida por meio de curto-circuito da tensão
22
de contato, efetuando uma ligação condutora de baixo
valor resistivo entre a parte da instalação( carcaça dos
equipamentos) e a“terra”.
Decisivo para a eficiência do sistema de aterramento
é um baixo valor da resistência ôhmica do aterramento.
Figura 8 – Proteção por aterramento
Os esquemas de aterramento são classificados pela
norma Brasileira NBR 5410 que estabelece a ligação à
terra da fonte de alimentação e as massas dos equipa-
mentos com simbologia constituída por 2, 3 ou 4 letras:
23
1a
	letra – indica a situação da alimentação em rela-
ção à
terra.
T – um ponto diretamente aterrado,
I – isolação de todas as partes vivas ou aterramen-
to através de impedância;
2a
letra – indica a situação das massas em relação à
terra.
T – massas diretamente aterradas, independen-
temente do aterramento eventual de um ponta
da alimentação.
N – massas ligadas diretamente ao ponto de ali-
mentação aterrado, geralmente o ponto neutro.
Outras letras( eventuais) – disposição do condutor
neutro e do condutor de proteção:
S – funções de neutro e de proteção assegura-
das por condutores distintos;
C – funções de neutro e de proteção combina-
dos em único condutor (condutor PEN).
24
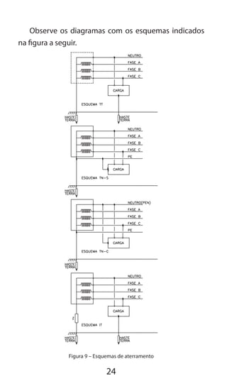
Observe os diagramas com os esquemas indicados
na figura a seguir.
Figura 9 – Esquemas de aterramento
25
Aterramento Elétrico
O aterramento elétrico das partes metálicas dos
equipamentos, tem por finalidade, proteger as pesso-
as contra o choque elétrico efetuando o desligamento
dos dispositivos de proteção, limitando os potenciais de
toque e passo para que sejam menores que os limites
de fibrilação ventricular do coração, como também, es-
coar as cargas estáticas, equalizando os potenciais, pois,
as cargas estáticas produzem riscos de choque e faísca
elétrica.
Para que o aterramento cumpra suas funções é ne-
cessário que possua baixa resistência ôhmica. Para ocor-
rer baixa resistência ôhmica é necessário:
1.	Excelente conexão entre a carcaça do equipa-
mento e o condutor de aterramento;
2.	Condutor de aterramento com seção transversal
adequada ( tabela a seguir);
CONDUTOR FASE CONDUTOR PROTEÇÃO(PE)
S ≤ 16mm2
SPE
= S
16mm2
<� S ≤ 35mm2
SPE
= 16mm2
S ��>� 35mm2
SPE
= S/2
Tabela 2 – Seção dos condutores de proteção
3.	Excelente conexão entre o condutor de aterra-
mento e a haste;
26
4.	Excelente condução elétrica entre a haste( eletro-
do) e o solo.
Após a instalação do sistema de aterramento, o mes-
mo deve passar por ensaios antes de ligação definitiva
realizando-se a medição da resistência de terra com ins-
trumento apropriado.
As principais configurações para os sistemas de ater-
ramento são:
	 Uma simples haste cravada no solo;
	 Hastes alinhadas;
	 Hastes em triângulo;
	 Hastes em quadrado;
	 Hastes em círculos.
A distância mínima entre hastes de um sistema de
aterramento deve ser igual ao comprimento linear da
haste.
As hastes de terra que compõem o sistema de ater-
ramento são interligadas por fios ou cabos nús( sem
isolamento) enterrados no solo. A conexão entre haste
x cabo é realizada por solda ou uso de conectores haste
x cabo.
As melhores hastes são do tipo cobreadas por sofre-
rem pouca corrosão, apresentar boa resistência mecâni-
ca, ser bom condutor elétrico e podem ser do tipo:
HASTE COPPERWELD - barra de aço de seção circu-
lar onde o cobre é fundido sobre o mesmo.
27
HASTE CADWELD - o cobre é depositado eletroliti-
camente sobre a alma de aço.
Figura 10 – Geometrias para sistemas de aterramento
Em termos de segurança, devem ser aterradas to-
das as partes metálicas que possam eventualmente ter
28
contato com partes energizadas. Assim, um contato aci-
dental de uma parte energizada com a massa metálica
aterrada, estabelecerá um curto-circuito, provocando a
atuação da proteção e interrompendo a ligação do cir-
cuito energizado com a massa.
Portanto, a partir do sistema de aterramento, deve-
se providenciar uma sólida ligação às partes metálicas
dos equipamentos. Por exemplo: devem ser aterrados os
seguintes equipamentos; condicionador de ar, chuveiro
elétrico, fogão, quadro de medição e distribuição, lava-
dora e secadora de roupa, torneira elétrica, lava-louça,
refrigerador e freezer, forno elétrico, tubulação metálica,
tubulação de cobre dos aquecedores, cercas metáilicas
longas, estruturas metálicas em geral, postes metálicos e
projetores luminosos de fácil acesso.
Nos equipamentos individuais, uma análise apurada e
crítica deve ser feita nos equipamentos a serem aterrados,
para se obter a melhor segurança possível.
O acidente mais comum a que estão submetidas
as pessoas, principalmente aquelas que trabalham
em instalações elétricas e desempenham tarefa de
manutenção e operação é o toque acidental em par-
tes metálicas energizadas, ficando o corpo ligado
elétricamente sob tensão entre fase e terra.
Num sistema de aterramento, o valor ôhmico da re-
sistência de terra é influenciada por três fatores:
1.	A resistência relativa às conexões existentes en-
tre os eletrodos de terra( hastes e cabos);
29
2.	A resist6encia relativa ao contato entre os eletro-
dos de terra e a superfície do terreno em torno
dos mesmos;
3.	A resistência relativa ao terreno nas imediações
das hastes( eletrodos), denominada de resistência
de dispersão.
O fator relativo a resistência ôhmica das conexões
pode ser considerado desprezível perante os demais. A
resistência relativa ao eletrodo em contato com o solo
pode ser alterada para um menor valor ôhmico com o
aumento do número de hastes e o aumento da distância
entre elas. Deve-se ressaltar que a distância mínima en-
tre eletrodos contíguos deve corresponder ao compri-
mento efetivo da haste. Este procedimento deve-se ao
fato de que dois eletrodos demasiadamente próximos,
quando percorridos por uma elevada corrente de falta,
dispersa por ambos, provocando um aumento na impe-
dância mútua.
A resistência dos eletrodos em pararelo, na prática,
exige que o terreno tenha certas dimensões, muitas vezes
não disponíveis na área da edificação. A aplicação de mui-
tas hastes em terrenos de pequenas dimensões, redunda,
essencialmente, num notável desperdício de material com
resultados pouco compensadores.
O terceiro componente que influencia no valor ôhmi-
co da resistência do aterramento está relacionado com
as características do solo no que diz respeito à homoge-
neidade de sua constituição.
30
Os solos, na sua grande maioria, não são homogene-
os, mas formados por diversas camadas de resistividade
e profundidades diferentes. Essas camadas, devido à for-
mação geológica, são em geral horizontais e paralelas à
superfície do solo. Existem casos em que as camadas, se
apresentam inclinadas e até verticais, devido a alguma
falha geológica. Entretanto, os estudos apresentados
para pesquisa do perfil do solo as consideram aproxima-
damente horizontais, uma vez que outros casos( verti-
cais) são menos típicos.
Para o projeto de um sistema de aterramento é pri-
mordial o conhecimento prévio das características do
solo, principalmente no que diz respeito à homogeinei-
dade de sua constituição.
Existem tabelas que fornecem a resistividade de dife-
rentes naturezas de solo que podem ser usadas na ele-
boração de projeto de malha de terra. Porém, para cálcu-
los precisos de resistividade do solo é necessário realizar
medições com instrumento do tipo Megger de terra.
31
Natureza dos Solos
Resistividade Ω.m
Mínima Máxima
Solos alagadiços e pantanosos - 30
Lodo 20 100
Húmus 10 150
Argila plástica - 50
Argila compacta 100 200
Areia argilosa 50 500
Areia silicosa 200 3000
Solo pedregoso nu 1500 3000
Solo pedregoso coberto de relva 300 500
Calcários moles 100 400
Calcários compactos 1000 5000
Calcários fissurados 500 1000
Xisto 50 300
Micaxisto - 800
Granito e arenito 100 10000
Tabela 3 – Resistividade do solo NBR-5410
obs: As camadas mais profundas do solo são, pro-
vavelmente, as mais condutores devido a presença
de umidade. Portanto, quanto maior for o compri-
mento da haste de terra, mais provavelmente se tem
menor resistência do aterramento.
Para medição do valor ôhmico de uma malha de terra
utiliza-se o instrumento chamado: terrômetro, teluríme-
tro ou megger de terra. Este instrumento, para realizar
medição, utiliza-se de dois eletrodos auxiliares ou de pro-
va( um eletrodo de corrente e outro de potencial/tensão),
normalmentedotipocopperweldfincadoscercade70cm
32
no solo e postos em linha reta. O terceiro elemento que
compõe o sistema de medição é um dos eletrodos( has-
te) do aterramento sob ensaio. Entre o eletrodo auxiliar
de corrente e o eletrodo de aterramento é injetada uma
corrente, que pode ser contínua ou alternada( na prática é
preferida a corrente alternada para evitar a possibilidade
de eletrólise do solo e a polarização dos eletrodos duran-
te o ensaio, e consequentemente um resultado falso na
medição por influência destes efeitos na indicação do ins-
trumento). Entre o eletrodo auxiliar de potencial/tensão
e o eletrodo da malha, ao ser injetada uma corrente pelo
eletrodo auxiliar de corrente, é medida uma tensão. O ins-
trumento indica no seu display o valor ôhmico relativo ao
resultado da operação de divisão entre o valor da tensão
medida internamente no eletrodo de potencial e o valor
da corrente injetada no eletrodo de corrente em relação a
haste do aterramento sob teste( R = U/I, lei de Ohm).
Figura 11 – Medição de resistência de aterramento
33
Por medidas de segurança e confiabilidade as medi-
das de resistência de aterramento, devido a potenciais
perigosos que podem aparecer próximos a sistemas de
aterramento ou estruturas metálicas aterradas, devem
ser tomadas as seguintes medidas, visando evitar aci-
dentes durante a execução da medição:
1.	Desconectar do terra a ser medido os cabos de
aterramento de transformadores e neutro do
transformador;
2.	Evitar medições sob condições atmosféricas ad-
versas( descargas atmosféricas);
3.	Utilizar calçados apropriados e luvas;
4.	Não tocar nos fios do instrumento e eletrodos au-
xiliares;
5.	Evitar a presença de animais e pessoas alheias ao
serviço;
6.	A medição deverá ser efetuada em dia no qual o
solo se apresenta seco, tendo-se assim a situação
mais desfavorável para o aterramento;
7.	A instalação deve estar desenergizada por ocasião
da medição;
8.	Verificar o estado do instrumento( terrômetro), in-
clusive a carga da bateria;
9.	É recomendável que o operador tenha conheci-
mento correto do instrumento que está utilizando.
obs: O múltímetro não é um instrumento ade-
quado para medição da resistência da malha
de aterramento.
34
Na falta de um instrumento de medição para resis-
tência de aterramento pode-se utilizar de uma medida
bastante simples e prática para se ter uma orientação
em relação ao valor ôhmico do aterramento.
Amediçãoconsisteemobservaraluminosidadedeuma
lâmpada incandescente com potência mínima de 200W
quando ligada entre fase-neutro e fase-terra. Se a lumino-
sidade da lâmpada diminuir quando sob tensão fase-terra
é sinal que houve queda de tensão no percurso de corrente
pela terra indicando, desta forma, que o sistema de aterra-
mento apresenta resistência elevada. Se a luminosidade
permanecer a mesma, é sinal de baixa resistência ôhmica
da malha de terra. Quanto maior for a potência da lâmpada,
maior será a corrente que percorre a resistência da malha e
por consequência mais fiel será a indicação da medição.
Figura 12 – Teste prático de verificação da resistência de malha de terra
35
Prevenção
do Choque Elétrico
As possibiliaddes de risco e acidentes com choques
elétricos são múltiplas devido a diversos fatores tais
como: instalação inadequada, material de baixa qualida-
de, projetos inadequados,acidentes mecânicos, etc...Os
acidentes com choque elétrico são de alta periculosida-
de e os riscos são grandes. Todo choque elétrico é peri-
goso. É necessário um trabalho em conjunto com toda a
equipe de profissionais da obra no sentido de minimizar
os riscos e evitar o choque elétrico.
Todo trabalhador ou usuário deve ter conhecimen-
to e treinamento edequado para manusear, operar ou
consertar equipamentos elétricos em condições segu-
ras. Usar as ferramentas e os equipamentos de proteção
individual( EPI) apropriados, são condições primordiais
para executar o trabalho sem correr riscos e nem com-
prometer a segurança do trabalhador. A negligência, a
rotina e o excesso de auto-confiança são os maiores cau-
sadores de acidentes.
Nos canteiros de obras, as instalações são provisórias
e, por este motivo, devem ser baratas, leves e removíveis.
As instalações elétricas são geralmente executadas às
pressas, com objetivos funcionais, sem levar em consi-
deração rígidos critérios de segurança. A própria carac-
36
terística do canteiro de obra leva a diversas situações de
riscos devido principalmente a:
	 Serem instalações provisórias;
	 Material empregado de baixa qualidade;
	 Materiais reutilizados;
	 Instalações removíveis;
	 Circulação interna de pessoas;
	 Muita rotatividade de trabalhadores;
	 Trabalhadores sem qualificação;
	 Muita movimentação de material;
	 Muita rotatividade e movimento de equipa-
mentos;
	 Muito pó e umidade;
	 Espaços restritos e apertados;
	 Etc...
Um dos equipamentos mais vulnerável ao choque
elétrico no canteiro de obra é a betoneira. O trabalho
intenso e pesado desenvolvido pela betoneira, junta-
mente com água e cimento, propicia o risco de choque
elétrico. Devido a estas características, sempre haverá
danos na fiação elétrica, produzindo riscos imediato ou
a posteriori.
Durante toda a construção, a mesma está sem prote-
ção contra raios. O pára-raios e o sistema de proteção só
é instalado quando a obra está concluída.
Todo equipamento elétrico é perigoso. Deve-se ana-
lisar todos os riscos e tentar neutralizá-los.
37
As instalações elétricas apresentam sinais caracte-
rísticos que indicam irregularidades que podem afetar
a segurança da edificação, de equipamentos e mesmo
de pessoas. Alguns desses sinais aparecem da seguin-
te forma:
	 Queda de tensão excessiva quando algum equi-
pamento é ligado;
	 Queima frequente de fusíveis;
	 Desarme frequente de disjuntores;
	 Aquecimento excessivo de condutores;
	 Aquecimento de paineis;
	 Queima frequente de lâmpadas;
	 Defeitos frequentes em auxiliares de lâmpadas de
descarga( starter, reatores, etc...);
	 Funcionamento irregular de aparelhos de ar con-
dicionado;
	 Funcionamento irregular de motores elétricos;
	 Funcionamento irregular de microcomputadores;
	 Sensação de choque elétrico ao tocar em partes
metálicas de equipamentos/aparelhos ou alvena-
rias;
	 Aumento do consumo de energia.
O aparecimento desses sinais devem ser levados a
uma análise criteriosa e não podem passar desaperce-
bidas. O reparo dessas irregularidades está relacionado
com a prevenção de acidentes.
Podemos citar algumas regras básicas a serem obser-
vadas para as instalações elétricas nos canteiros de obra:
38
1.	Rede aérea de alta tensão devem ser instalada com
altura e posição conveniente nas áreas de tráfego de
veículos, de equipamentos e de pessoal;
2.	As subestações e transformadores deverão ser
instalados em local apropriado, isolado, dificul-
tando-se o acesso de pessoal não qualificado.
3.	As instalações elétricas deverão ser executadas
e mantidas por pessoal habilitado, empregan-
do-se material de boa qualidade e de boa dura-
bilidade.
4.	Toda fiação de iluminação e força deverá ser fixa-
da de modo a dar segurança e fácil acesso.
5.	Todo circuito elétrico deverá ser protegido contra
qualquer tipo de acidente.
6.	Devem ser instalados disjuntores ou chaves que
possam ser acionadas com facilidade e rapidez
nas ligações com equipamentos elétricos.
7.	O nível de iluminamento deverá ser sufuciente e
com condições de segurança, visando o trabalho
normal do pessoal, deslocamento de equipamen-
tos e tráfego de veículos.
8.	Dispositivos apropriados de bloqueio e etiqueta-
mento de disjuntores, chaves e interruptores.
9.	Utilização adequada de condutores elétricos para a
tensão desejada e segurança da instalação.
10.	 Instalação adequada de chaves elétricas, princi-
palmente nas frentes de trabalho onde serão utili-
zadas ferramentas do tipo leve.
39
11.	 Todos os equipamentos e ferramentas que tra-
balhem com tensões superiores a 50 Volts devem
ter a sua massa ligada à terra.
12.	 Considerar que para tensões superiores a 600V,
os condutores deverão ter isolamento adequado.
13.	 Normalmente as instalações provisórias de um
canteiro de obras do tipo simples deve ter uma
chave geral da concessionária, outra no quadro
de distribuição, uma individual para cada circuito
de derivação, quadros de tomadas ou chaves blin-
dadas e disjuntores para os diversos equipamen-
tos.
14.	 Não é permitido realizar trabalhos em redes
energizadas.
15.	 Os circuitos elétricos devem ser protegidos con-
tra impactos mecânicos, umidade e corrosão.
16.	 Utilizar dispositivos de abertura e fechamento
de ciruitos com atuação sob carga.
17.	 Só podem ser ligadas as máquinas ou equi-
pamentos elétricos por intermédio de conjunto
plug/tomada.
18.	 Usar sempre o EPI e a sinalização adequada.
19.	 Somente os eletricistas qualificados devem fa-
zer instalações e manutenção em equipamentos
elétricos.
20.	 Utilizar placas de advertência nos circuitos elé-
tricos( exemplo: “não ligar o disjuntor”, “equipa-
mento em manutenção”).
40
Regras Básicas de
Segurança em Instalações
1.Instalação de lâmpadas em soquete E-27 ou E-40
As instalações de lâmpadas é uma das mais simples e
muito usada no canteiro de obra. Observe nas figuras, a
seguir, as formas corretas e incorretas de sua instalação:
a)Instalação incorreta
b)Instalação incorreta
41
c)Instalação correta
2.Tomadas simples
Deve-se instalar as tomadas monofásicas adotando
um posicionamento único, em toda à instalação, para os
fios fase e neutro. Por exemplo: tomada na posição ho-
rizontal colocar a fase no lado direito e o neutro no lado
esquerdo e tomadas na posição vertical a fase colocada
naposição superior e o neutro na posição inferior.
3.Plug( macho) para tomadas
Para se obter a posição padronizada para os fios fase
e neutro, o plug deve permitir uma única posição de en-
caixe com a tomada.
42
4.Tomada 2P+T
A tomada 2 pólos e terra( 2P+T) possibilita somen-
te uma posição de encaixe para o plug, desta forma fica
mais fácil a padronização da posição do fio fase e neutro
como também, fica determinado a utilização do terceiro
condutor( terra) para proteção contra o choque elétrico.
5.Fios e cabos.
a)Adotar o código de cores estabelecido pela norma
Brasileira NBR-5410:
Cor para Fase- vermelho, preto e branco.
Cor para Neutro- azul.
Cor para Terra- verde.
b)	 Utilizar para extensões elétricas cabo multipo-
lar composto por: condutor, isolamento e capa
de proteção.
6.Interruptor por corrente de fuga
Os interruptores por corrente de fuga( FI) ou inter-
ruptores diferenciais utilizam internamente um transfor-
mador de corrente( TC) de núcleo toroidal onde o centro
do núcleo é o trajeto para passagem dos condutores
fase e neutro( circuito monofásico) ou as três fases e o
neutro( circuito trifásico). Um desequilíbrio de corrente
pelos condutores do circuito( por exemplo: num circuito
monofásico a corrente de fase ficar diferenre da corrente
de neutro) produz um campo magnético no núcleo do
toróide, induzindo tensão no enrolamento de saída do
43
transformador fazendo atuar o dispositivo disparador
que desliga instataneamente os contatos do interruptor.
Os interruptores de fuga são também providos interna-
mente de dispositivo de teste e são importantes na des-
ligamento de circuitos quando ocorrer fuga de corrente
ou curto-circuito. Devem ser bastante utilizados para a
prevenção de acidentes.
Figura 13 – Interruptor de fuga monofásico
44
Primeiros Socorros
De uma maneira geral, podemos dizer que é de gran-
de impotância o primeiro socorro que se presta às víti-
mas de um acidente. Quando a providência é acertada
ela consegue seu objetivo, que é salvar uma vida. Sem-
pre em presença de acidente deve-se conservar a calma
e, rápido e cuidadosamente, procurar reconhecer a natu-
reza ou extensão da lesão.
Em casos graves chame com urgência o médico.
As instruções que se seguem devem ser obedecidas
à risca, mesmo em casos que a vítima pareça morta.
COMO AGIR:
	 Interromper imediatamente o contato da vítima
com a corrente elétrica, desligando a chave geral,
quando não possível a identificação e localização
da chave geral utilizar madeira seca, como cabo
de vassoura, caibro, etc. para isolar a vítima do
contato elétrico;
	 Não encoste na vítima, se não conseguir desligar a
corrente elétrica;
	 Controle possível hemorragia;
	 Desobstrua o canal respiratório, colocando uma
das mãos sob o pescoço da vítima e, com a outra
mão na testa, incline sua cabeça para trás;
45
	 Examine a boca e a garganta removendo objetos
estranhos, tais como dentaduras, balas, etc. Desen-
role a língua, desobstruindo as vias respiratórias. Se
a boca da vítima estiver fortemente cerrada, deixe
esse exame para depois. Afrouxe as roupas do pa-
ciente rápidamente, principalmente no pescoço
	 Iniciar respiração boca-a-boca e massagem car-
díaca, para reanimar a vítima, em caso de parada
cardíaca ou respiratória;
	 A respiração artificial deve ser continuada sem in-
terrupção até que a respiração natural seja resta-
belecida;
	 Deve-se manter a vítima bem agasalhada. Não
administrar nenhum líquido à vítima, antes de re-
cuperar os sentidos;
	 Protegerasáreasdequeimaduras,cobrindoaslesões
com um lençol limpo para diminuir a contaminação;
	 Não deixar a vítima se levantar logo que recupe-
re os sentidos. Mantenha-a deitada em repouso e
confortavelmente, tanto quando possível;
	 Ao recuperar-se completamente, pode-se adminis-
trar à vítima um estimulante, tal como chá, café, etc.;
	 Durante a reanimação da vítima, os movimentos
devem obedecer sempre em rítmo regular, mes-
mo tendo que se trocar de socorrente;
	 Em caso de insucesso remover imediatamente a
vítima para o hospital, observando os movimen-
tos respiratórios e batimentos cardíacos.
46
Anexo
PREVENÇÃO DE ACIDENTES ELÉTRICOS NA
INDÚSTRIA DA CONSTRUÇÃO
A prevenção de acidentes elétricos, assim como a ges-
tão de qualquer risco, envolve alguns princípios gerais apli-
cáveis a todas as situações.
1.	 Antecipação dos riscos que podem surgir em decor-
rência de uma determinada atividade laboral;
2.	Designação de um supervisor da equipe envolvida
em atividade de risco;
3.	Designação de trabalhadores em condições físicas,
mentais e profissionais, adequadas às suas tarefas
4.	Treinamento do supervisor e dos trabalhadores de-
signados para atividade de risco, abrangendo a exe-
cução correta do trabalho e as práticas de segurança
correspondentes;
5.	Adoção de procedimentos de segurança por escrito;
6.	Emprego de sinalização de segurança;
7.	Emprego de tecnologias capazes de viabilizar as ta-
refas com o máximo de segurança e mínimo de des-
gaste para os trabalhadores;
8.	Proibição de quaisquer improvisações.
I - ANTECIPAÇÃO DE RISCOS
A antecipação dos riscos deve levar em conta os
seguintes princípios:
1.	Reuniões preparatórias com os eventuais envolvidos;
47
2.	Dar voz a todos os participantes;
3.	Conhecimento das dificuldades a enfrentar;
4.	Fornecimento de autorizações para execução de ta-
refas e procedimentos de segurança por escrito;
5.	Indicação das necessidades de instalações elétricas
provisórias;
6.	Número de trabalhadores envolvidos;
7.	Freqüência de realização das atividades;
8.	Tempo despendido em cada tarefa;
9.	Descrição geral do ambiente de trabalho, destacan-
do possíveis pontos de exposição a riscos;
10.	Simulações e análises que apontem possibilidades
de auto-recuperação e necessidades de resgate;
11. Identificação de condições ambientais desfavoráveis.
EXEMPLOS DE SITUAÇÕES DE RISCO:
•	 Trabalhoseminstalaçõeselétricasexecutadasportraba-
lhador sem treinamento, autorização ou capacitação;
•	 Emendas de fios sem isolamento;
•	 Equipamentos sem aterramento;
•	 Aterramento improvisado;
•	 Fiação nas proximidades de locais com umidade;
•	 Improvisações de instalações e equipamentos
(disjuntores como interruptores, equipamentos de
soldagem, vibrador, “makita”, ciaxas de disjuntores
em madeira,etc);
•	 Alteração das caracterísiticas originais do equipa-
mento;
•	 Circuitos não identificados;
•	 Uso de“T”(“benjamim)”
48
II – O SUPERVISOR
O supervisor deve ter preencher os seguintes requisitos:
1.	Possuir treinamento específico para a supervisão de
uma determinada atividade;
2.	Ser investido de autoridade para interromper de
forma imediata atividades que ponham em risco a
segurança de sua equipe e/ou terceiros;
3.	Gozar do respeito de seus pares;
4.	Ser avaliado regularmente por seus subordinados e
superiores;
III – A EQUIPE DE TRABALHO
A equipe de trabalho deve preencher os seguintes
requisitos:
1.	Possuir treinamento específico para a execução
competente e segura das atividades de risco;
2.	Ter liberdade para apresentar reivindicações de se-
gurança ao supervisor e/ou superiores deste;
3.	Ser avaliada regularmente pelo supervisor e pelos
próprios pares;
4.	Passar por avaliação médica especifica para as situa-
ções de risco a serem enfrentadas;
SELEÇÃO DE PESSOAL
A seleção de pessoal para atividades com eletricidade
deve levar em conta o seguinte:
1.	Restrição de pessoas com baixa acuidade visual;
2.	 Restriçãodepessoassobmedicaçãodeusocontinuado;
3.	Verificação do histórico pessoal de trabalho com ins-
talações elétricas;
49
4.	Disposição para se envolver no planejamento da uti-
lização de EPI durante o trabalho e para dar aos seus
companheiros um exemplo de segurança;
IV - O TREINAMENTO
O treinamento deve ser uma forma de compartilhar e
expandir o bom senso. Nem sempre é possível apresentar
um vídeo periodicamente e esperar que os trabalhadores
aprendam e sigam as práticas sugeridas. Sem comunicação
em duas mãos, o treinamento está comprometido. Progra-
mas interativos são um passo na direção certa, mas o com-
promisso tem de ser ensinado através do exemplo pessoal e
da repetição controlada de princípios. A eficácia do progra-
ma de treinamento deve considerar os seguintes pontos:
1.	Apesar de ser assunto extremamente sério, o treina-
mento deve ser divertido;
2.	Aos participantes deve ser garantida liberdade de
manifestação durante as atividades de aprendizado;
3.	A competência da equipe de treinamento deve ser
pesquisada junto a outros clientes;
4.	Treinamento é do interesse da empresa, portanto,
deve ter um compromisso de qualidade afirmado
pela alta administração;
5.	O treinamento deve ser contextualizado, levando
em conta as características do público-alvo e as par-
ticularidades de cada tarefa;
6.	Treinamento fora do expediente normal é contra-
producente e enseja o pagamento de hora-extra;
7.	É essencial conhecer as exigências contidas na parte
da Norma Regulamentadora nº 18 (NR 18) dedicada
50
a instalações elétricas (item 18.21) e todo o conteú-
do da Norma Rwegulamentadora nº 10 (NR 10)
V – PROCEDIMENTOS ESCRITOS
Seguindo o ensinamento latino de que as palavras
voam, mas o escrito permanece, é fundamental para a im-
plantação de um programa de segurança a manutenção de
registros e informações prontamente recuperáveis por tra-
balhadores, supervisores e auditorias.
Devem ser evitadas as comunicações orais em favor
mensagens por escrito, claras e objetivas.
Todos os trabalhadores devem receber materiais escri-
tos recordando suas principais obrigações, rotinas de segu-
rança, regras de convivência no local de trabalho, mecanis-
mos e canais para a resolução de problemas.
VI - SINALIZAÇÃO DE SEGURANÇA
A promoção da conscientização sobre os riscos exige
esforços contínuos e iniciativas criativas. O local de trabalho
deve contar com avisos , cartazes, barreiras e outros recur-
sos visuais.
CARTAZES – SUGESTÕES DE MENSAGENS
•	 A SEGURANÇA CONTRA OS RISCOS ELÉTRICOS É
PARA TODOS.
•	 A PERDA DE UM ENTE QUERIDO É MUITO PARA LA-
MENTAR. POR FAVOR, FAÇA SUA PARTE EM FAVOR
DA SEGURANÇA DO TRABALHO.
•	 COM SEGURANÇA, O TRABALHO EM EQUIPE SE DES-
TACA (FIGURA DE UMA ESQUADRILHA DA FUMAÇA)
51
•	 TRABALHO EM EQUIPE E SEGURANÇA CAMINHAM
JUNTOS.
•	 VOCÊ NÃO TEM SETE VIDAS.
•	 COM ELETRICIDADE NÃO SE BRINCA.
•	 ALGUMAS VEZES, UM POUCO DE PLANEJAMENO
PODE / TER UM ENORME IMPACTO NA SUA VIDA/FA-
ZER UMA ENORME DIFERENÇA.
•	 A CONSCIENTIZAÇÃOTEM IMPACTO SOBRE ASVIDAS.
•	 CONSCIENTIZAÇÃO É ANALISAR A SITUAÇÃO ANTES
DE ENFRENTAR AS POSSÍVEIS CONSEQÜÊNCIAS DELA.
•	 SE DEPENDER DE VOCÊ, FAÇA CERTO LOGO NA PRI-
MEIRA VEZ.
•	 O ESTRESSE LEVA A ACIDENTES.
•	 QUANDOVOCÊ NÃO OLHA ONDE PISA, O RISCO NÃO
AVISA.
VII - RECURSOS TECNOLÓGICOS
É essencial coibir todo tipo de improvisação na execu-
ção de trabalhos com riscos de quedas. A proteção indivi-
dual deve ser associada à proteção coletiva e práticas ge-
renciais especializadas. Como exemplos de práticas a serem
implementadas citamos:
1.	Substituição das caixas de disjuntores improvisadas
por outras de material que resista a intempéries, iso-
le completamente as partes vivas e facilite a manu-
tenção;
2.	 Substituição dos aterramentos improvisados por aterra-
mento projetado e segundo as normas da ABNT;
3.	Utilização de equipamentos e ferramentas elétricas
com duplo isolamento”;
52
4.	Manutenção de um cadastro de locadores e fornece-
dores de equipamentos adequados.
VIII – IMPROVISAÇÕES
Improvisações representam formas de reduzir custos
capazes de gerar imensos prejuízos na forma de acidentes
e atrasos na execução dos serviços contratados.
O planejamento adequado das atividades e a devida
qualificação do pessoal e dos equipamentos a utilizar contri-
buirão para reduzir a possibilidade de improvisações.
A constatação de improvisações deve produzir a devida
investigação e relatório escrito. Mais importante do que en-
contrar culpados, é analisar a cadeia de circunstâncias que
levaram a uma determinada improvisação.
Improvisações podem ser causadas por: deficiências no
treinamento, falta de supervisão, canais de comunicação
deficientes, pressão por metas e resultados, falta de mate-
rial adequado no almoxarifado, dentre outros fatores.
E PARA CONCLUIR, CABE REFORÇAR ALGUMAS
CONSIDERAÇÕES:
1.	O trabalhador deve ser reconhecido como o recurso
mais importante da empresa, sem o qual é impossí-
vel qualidade do produto final, produtividade e boa
imagem corporativa;
2.	A legislação de segurança e saúde do trabalhador
deve ser vista como o mínimo a ser assegurado;
3.	As iniciativas de promoção da saúde e da segurança
do trabalhador devem ser objeto de planejamento;
4.	 A segurança e a saúde do trabalhador devem ser trata-
53
dascomofunçõesadministrativasdamesmarelevância
que vendas,“marketing”, relações com os clientes, etc;
5.	O trabalho deve ser adaptado ao homem, não o con-
trário;
6.	Acidentes e doenças não devem ser vistos como
fatalidades inerentes ao processo produtivo, mas
como ocorrências evitáveis através de um programa
adequado de gerenciamento de riscos;
7.	Os riscos devem ser evitados e/ou combatidos na
origem;
8.	As improvisações devem ser eliminadas em favor de
soluções de acordo com a melhor técnica disponível,
sempre respeitando a legislação pertinente;
9.	Não se faz prevenção sem evolução tecnológica que
assegure máquinas, equipamentos e métodos de
trabalho capazes de reduzir o esforço físico e a expo-
sição aos riscos;
10. Todos os trabalhadores devem receber instruções
adequadas sobre as tarefas a executar e os riscos en-
volvidos nas mesmas;
11. Os programas de treinamento devem almejar infor-
mação continuada, beneficiando os trabalhadores
já na admissão;
12. O treinamento deve ser complementado por super-
visão adequada das atividades de risco.
ELIMINE OS RISCOS! NÃO CULPE OS TRABALHADORES!
NÃO GASTE COM ACIDENTES E DOENÇAS!
INVISTA EM SAÚDE E SEGURANÇA!
Colaboração: Dorelland Ponte Lima
54
Bibliografia
1.G. Kindermann. Choque Elétrico.Porto Alegre-R.S.:Edi-
tora SAGRA-D.C. LUZZATTO, 1a edição, 1995.
2.G. Kindermann. Descargas Atmosféricas.Porto Alegre-
R.S.:Editora SAGRA-D.C. LUZZATTO, 1a edição, 1992.
3.J. Mamede Filho. Instalações Elétricas Industriais.Rio de
Janeiro-RJ. Livros Técnicos e Científicos, 2a edição1987.
4.NBR-5410 – Instalações Elétricas em Baixa Tensão,
ABNT, 2004.
55
Artigo mb

Artigo mb

  • 3.
  • 4.
  • 5.
  • 6.
  • 7.
    07 Sumário Introdução 08 Apresentação das Normas 09 ChoqueElétrico 10 Redes de Distribuição Elétricas 16 Aterramento Elétrico 25 Prevenção de Choque Elétrico 35 Regras Básicas de Segurança em Instalações Elétricas 40 Primeiros Socorros 44 Anexo 46
  • 8.
    08 Introdução Os riscos dechoque elétrico existe em vários ramos de atividades por ser a energia elétrica essencial para a manutenção da vida, para o desenvolvimento e cres- cimento de uma nação, para o entretenimento e lazer, para o conforto, bem estar e qualidade de vida do ser humano. O choque elétrico é sempre grave podendo causar distúrbios na circulação sanguínea e, em casos extre- mos, levar à parada cardio-respiratória. O seu maior risco ocorre quando se tem um contato direto com alguma parte energizada de uma instalação, provocando a pas- sagem de corrente elétrica através do corpo humano que é condutor elétrico. Diferente de outros riscos físicos como: calor, frio e ruído, o choque elétrico só é sentido pelo organismo quando o mesmo está submetido a seu efeito. A intenção deste manual é esclarecer, de forma resu- mida, como ocorre o choque elétrico e seus efeitos, as formas de prevenção, como agir perante uma situação de choque elétrico, normas pertinentes e noções de pri- meiros socorros.
  • 9.
    09 Apresentação das Normas Este manualfoi baseado nas seguintes Normas: NBR 9153 – Conceituação e Diretrizes de Segurança de Equipamento Elétri- co Utilizado na Prática Médica/Aspec- tos Básicos, ABNT, 1985; NBN6533–EstabelecimentodeSegu- rança aos Efeitos da Corrente Elétrica Percorrendo o Corpo Humano, ABNT, 1981; NBR 5410 – Instalações Elétricas em Baixa Tensão, ABNT, 2004; Lei 6.514, de 1977, Regulamentada pela Portaria do Ministério do Traba- lho N0 3.214/78; NR – 10 da Portaria 3.214 do Ministé- rio do Trabalho.
  • 10.
    10 Choque Elétrico Muito antesdo homem ter conhecimento da eletri- cidade, ele já era vítima do choque elétrico proveniente das descargas atmosféricas( raios) sendo, por motivo do desconhecido, atribuído a vingança dos deuses este fe- nômeno da natureza. Hoje, com o domínio da ciência, o homem utiliza a eletricidade para uma infinidade de aplicações em seu próprio benefício. “O choque elétrico é uma perturbação que sofre o cor- po humano quando percorrido por uma corrente elétrica”. As perturbações que sofre o corpo humano à passa- gem de corrente elétrica variam e dependem de: Percurso da corrente elétrica pelo corpo; Intensidade da corrente elétrica; Tempo de duração do choque elétrico; Frequência da corrente elétrica; Tensão elétrica; Resistência elétrica do corpo humano. Os efeitos da passagem da corrente pelo corpo hu- mano podem se manifestar das seguintes formas: Contração involuntária dos músculos; Inibição dos centros nervosos, inclusive das que comandam a respiração provocando parada res- piratória;
  • 11.
    11 Alteração dorítmo cardíaco e consequente para- da cardíaca; Queimaduras; Alterações no sangue provocadas por efeito tér- mico e eletrolítico da corrente elétrica. Compreender o efeito da passagem da corrente elé- trica pelo corpo humano é de fundamental importância para a prevenção e combate aos riscos provenientes do choque elétrico pois, a corrente elétrica é invisível, ino- dora e incolor. Para ocorrer o choque elétrico é necessário que a pessoa toque simultaneamente em um objeto colocado sob tensão e um outro elemento que se encontre num potencial diferente. Quando ocorre esta simultaneidade tem-se a tensão de contato. O perigo para uma pessoa não está simplesmente em tocar num objeto sob tensão, mas sim, em tocar simul- taneamente um outro objeto que esteja num potencial diferente em relação ao primeiro. O corpo humano apresenta resistência à passagem de corrente elétrica, variável de indivíduo para indivíduo e o próprio apresenta variações de resistência em função de: umidade da pele, peso, sexo,etc. São consideradas pela norma brasileira NBR5410 quatro situações, no que concerne ao estado de umidade da pele: BB1 – pele seca( nenhuma umidade, nem mesmo suor); BB2 – pele úmida;
  • 12.
    12 BB3 – pelemolhada; BB4 – pele imersa na água. A mesma norma adota para as condições BB1 e BB2 a tensão limite de 50V para o corpo humano não sentir os efeitos da passagem da corrente elétrica, e também define dois tipos de exposição ao choque elétrico: 1. Contatos diretos – são contatos de pessoas ou animais com partes“vivas”da instalação. 2. Contatos indiretos – são contatos de pessoas ou animais com massas submetidas à tensão por falha de isolamento. Os contatos diretos, em sua maior parte, são causa- dos devidos a desconhecimento, negligência ou impru- dência das pessoas e, por isso, são relativamente raros. Os contatos indiretos, por sua vez, são mais frequentes e representam um perigo maior. A proteção contra choques elétricos provocados por contatos indiretos é normalmente realizado pelo aterra- mento das massas. O choque elétrico por contato indireto ocorre quan- do o(s) fio(s) fase perde sua isolação por problemas rela- tivos à: envelhecimento, temperatura elevada, decapa- gem por vibração/atrito. As falhas de isolação dos fios energizam a carcaça metálica do aparelho/equipamento elétrico. A tensão da rede elétrica no Brasil é do tipo alterna- da( alteração de polaridade) e senoidal com frequên-
  • 13.
    13 cia de 60Hz.Para a forma de tensão do tipo alternada e senoidal, o corpo humano apresenta uma oposição à passagem de corrente alternada( impedância) com pre- dominância de reatância capacitiva: Z = R - jXC , onde: Z – impedância em ohms; R – resistência em ohms; XC – reatância capacitica. A reatância capacitiva( XC ) é inversamente proporcional à frequencia e a capacitância: Desta forma um aumento da frequência provoca uma diminuição da reatância capacitiva XC e por consequência também diminuição da impedância Z. Uma diminuição na frequência provoca um aumento da reatância XC e por consequência também um aumento da impedância ZC . Podemos concluir que para tensão CC( frequência zero), o corpo humano apresenta maior oposição à passagem de corrente elétrica. O gráfico, a seguir, mostra o comportamento da con- tração muscular humana para a passagem de corrente elétrica alternada de mesma intensidade com frequên- cia variável.
  • 14.
    14 Figura 1 –Contração muscular x frequência da corrente A análise do gráfico da figura 1 mostra uma atenua- ção na contração muscular para choques com corrente elétrica de altas frequências. Justifica-se a atenuação da contração muscular em altas frequências pelo fenôme- no chamado de “Efeito Skin” ou “Efeito Pelicular” onde em frequências elevadas a corrente elétrica percorre a região externa do condutor elétrico( corpo humano). No interior do corpo humano não circula corrente elétrica, livrando músculos e orgãos, e concentra-se na pele( der- me/epiderme). Os efeitos da corrente elétrica que percorre o corpo humano na faixa de frequência de 5 a 200Hz é resumido na tabela a seguir:
  • 15.
    15 CORRENTE EFEITO 1-5mA perceptível 5-12mAdoloroso 13-15mA limiar de contração muscular involuntária( valor limite) após o qual é físicamente impossível se soltar 20-50mA dor forte e perda de consciência, embora o coração e pulmão continuem funcionando 50-75mA tetania( paralisia) sem pulsação nem respiração, quando o fluxo sanguíneo para o cérebro cessa( geralmente após 5 minutos) o dano é irreparável 100-1500mA fibrilação ventricular, perturbação no ritmo natural do coração com morte quase instantânea acima 15000mA contração dos músculos do coração, mas não necessariamente fibrilação; o sistema respiratório pode, ou não, ser paralisado Tabela 1 – Corrente elétrica e seus efeitos no corpo humano
  • 16.
    16 Redes de Distribuição Elétrica Asredes aéreas de distribuição de energia elétrica em nossa região apresentam, normalmente, os seguin- tes níveis de tensão: Tensão primária: 13,8kV Tensão secundária: 380/220V Figura 2 – Rede aérea de distribuição de energia A transformação da tensão primária para a tensão secundária é realizada por transformador com ligação ∆( delta), no primário, e Υ no secundário. O centro da ligação Υ( estrêla) na baixa tensão é aterrado. Grandes prédios e indústrias são alimentados a par- tir de linhas de distribuição primária, em média tensão.
  • 17.
    17 Pequenos prédios, residencias,pequenas industrias etc. são alimentadas a partir de linhas de distribuição secun- dária, em baixa tensão. Os circuitos de uma instalação podem ser classifica- dos em dois tipos: circuitos de distribuição e circuitos terminais. Circuito de distribuição: circuito que alimenta um ou mais quadros de distribuição. Circuito terminal: circuito que alimenta diretamen- te os equipamentos de utilização e/ou as tomadas de corrente. Figura 3 – Classificação dos circuitos de instalações As redes de distribuição de energia elétrica no Brasil e em vários outros países, apresentam aterramento fun- cional que consiste em aterrar um condutor do sistema( neutro) com objetivo de garantir a utilização correta e confiável da instalação. Observe o esquema de ligação do sistema secundário de distribuição com secundário em Υ( estrêla) com centro aterrado no figura 4.
  • 18.
    18 Figura 4 –Rede de distribuição secundária com aterramento funcional No contato de duas partes vivas de uma instalação elétrica, atua a tensão da rede sobre a pessoa. O aterra- mento funcional torna “a terra” parte do circuito. Quem está em contato com a terra precisa, portanto, apenas entrar em contato com uma das partes vivas do circuito( condutores fase) para ficar submetido a tensão da rede.
  • 19.
    19 Figura 5 –Choque elétrico por contato direto com a rede Quando ocorrem defeitos de isolação em instalações elétricas, partes que não pertencem ao circuito condu- tor desta instalação( por exemplo: a carcaça de motores elétricos ou partes metálicas de uma geladeira) podem se tornar condutoras, aparecendo assim tensão e cor- rente acidental. Corrente acidental flui, portanto, devido a falhas de isolação. A tensão acidental é a tensão que aparece entre as partes em que se apresenta o defeito da isolação dos quais uma é a rede elétrica e a outra não pertence ao circuito condutor.
  • 20.
    20 Figura 6 –Choque elétrico por contato acidental indireto As tensões de contato são mais perigosas entre mãos e pés. Se estivermos apoiado na “ terra”e tocarmos com as mãos partes que se tornam condutores, circula uma corrente através das artérias e veias do corpo e desta for- ma passará pelo coração. Corrente pelo corpo acima de 50mA provocam irregularidades no trabalho dos mús- culos do coração, induzindo fornecimento irregular de sangue ao celebro e as conseqüências podem ser fatais. Podemos evitar o choque elétrico por contatos dire- tos ou indiretos com o uso de transformador isolador( com função de provocar isolamento entre o terra fun- cional do sistema e os circuitos de distribuição ou ter- minal). O transformador isolador evita o contato entre
  • 21.
    21 partes com isolaçãodefeituosa, que ficam sob tensão, e que não pertecem ao circuito principal de corrente. Figura 7 – Transformador isolador A proteção por aterramento é realizada pela ligação de todas as partes que não fazem parte do circuito da isolação( partes metálicas) com a“terra”. O aterramento destas partes tem a função de evitar que um defeito de isolação desenvolva uma tensão de contato elevada, nas partes que têm capacidade condu- tora( carcaça metálica dos equipamentos). Esta medida preventiva é obtida por meio de curto-circuito da tensão
  • 22.
    22 de contato, efetuandouma ligação condutora de baixo valor resistivo entre a parte da instalação( carcaça dos equipamentos) e a“terra”. Decisivo para a eficiência do sistema de aterramento é um baixo valor da resistência ôhmica do aterramento. Figura 8 – Proteção por aterramento Os esquemas de aterramento são classificados pela norma Brasileira NBR 5410 que estabelece a ligação à terra da fonte de alimentação e as massas dos equipa- mentos com simbologia constituída por 2, 3 ou 4 letras:
  • 23.
    23 1a letra – indicaa situação da alimentação em rela- ção à terra. T – um ponto diretamente aterrado, I – isolação de todas as partes vivas ou aterramen- to através de impedância; 2a letra – indica a situação das massas em relação à terra. T – massas diretamente aterradas, independen- temente do aterramento eventual de um ponta da alimentação. N – massas ligadas diretamente ao ponto de ali- mentação aterrado, geralmente o ponto neutro. Outras letras( eventuais) – disposição do condutor neutro e do condutor de proteção: S – funções de neutro e de proteção assegura- das por condutores distintos; C – funções de neutro e de proteção combina- dos em único condutor (condutor PEN).
  • 24.
    24 Observe os diagramascom os esquemas indicados na figura a seguir. Figura 9 – Esquemas de aterramento
  • 25.
    25 Aterramento Elétrico O aterramentoelétrico das partes metálicas dos equipamentos, tem por finalidade, proteger as pesso- as contra o choque elétrico efetuando o desligamento dos dispositivos de proteção, limitando os potenciais de toque e passo para que sejam menores que os limites de fibrilação ventricular do coração, como também, es- coar as cargas estáticas, equalizando os potenciais, pois, as cargas estáticas produzem riscos de choque e faísca elétrica. Para que o aterramento cumpra suas funções é ne- cessário que possua baixa resistência ôhmica. Para ocor- rer baixa resistência ôhmica é necessário: 1. Excelente conexão entre a carcaça do equipa- mento e o condutor de aterramento; 2. Condutor de aterramento com seção transversal adequada ( tabela a seguir); CONDUTOR FASE CONDUTOR PROTEÇÃO(PE) S ≤ 16mm2 SPE = S 16mm2 <� S ≤ 35mm2 SPE = 16mm2 S ��>� 35mm2 SPE = S/2 Tabela 2 – Seção dos condutores de proteção 3. Excelente conexão entre o condutor de aterra- mento e a haste;
  • 26.
    26 4. Excelente condução elétricaentre a haste( eletro- do) e o solo. Após a instalação do sistema de aterramento, o mes- mo deve passar por ensaios antes de ligação definitiva realizando-se a medição da resistência de terra com ins- trumento apropriado. As principais configurações para os sistemas de ater- ramento são: Uma simples haste cravada no solo; Hastes alinhadas; Hastes em triângulo; Hastes em quadrado; Hastes em círculos. A distância mínima entre hastes de um sistema de aterramento deve ser igual ao comprimento linear da haste. As hastes de terra que compõem o sistema de ater- ramento são interligadas por fios ou cabos nús( sem isolamento) enterrados no solo. A conexão entre haste x cabo é realizada por solda ou uso de conectores haste x cabo. As melhores hastes são do tipo cobreadas por sofre- rem pouca corrosão, apresentar boa resistência mecâni- ca, ser bom condutor elétrico e podem ser do tipo: HASTE COPPERWELD - barra de aço de seção circu- lar onde o cobre é fundido sobre o mesmo.
  • 27.
    27 HASTE CADWELD -o cobre é depositado eletroliti- camente sobre a alma de aço. Figura 10 – Geometrias para sistemas de aterramento Em termos de segurança, devem ser aterradas to- das as partes metálicas que possam eventualmente ter
  • 28.
    28 contato com partesenergizadas. Assim, um contato aci- dental de uma parte energizada com a massa metálica aterrada, estabelecerá um curto-circuito, provocando a atuação da proteção e interrompendo a ligação do cir- cuito energizado com a massa. Portanto, a partir do sistema de aterramento, deve- se providenciar uma sólida ligação às partes metálicas dos equipamentos. Por exemplo: devem ser aterrados os seguintes equipamentos; condicionador de ar, chuveiro elétrico, fogão, quadro de medição e distribuição, lava- dora e secadora de roupa, torneira elétrica, lava-louça, refrigerador e freezer, forno elétrico, tubulação metálica, tubulação de cobre dos aquecedores, cercas metáilicas longas, estruturas metálicas em geral, postes metálicos e projetores luminosos de fácil acesso. Nos equipamentos individuais, uma análise apurada e crítica deve ser feita nos equipamentos a serem aterrados, para se obter a melhor segurança possível. O acidente mais comum a que estão submetidas as pessoas, principalmente aquelas que trabalham em instalações elétricas e desempenham tarefa de manutenção e operação é o toque acidental em par- tes metálicas energizadas, ficando o corpo ligado elétricamente sob tensão entre fase e terra. Num sistema de aterramento, o valor ôhmico da re- sistência de terra é influenciada por três fatores: 1. A resistência relativa às conexões existentes en- tre os eletrodos de terra( hastes e cabos);
  • 29.
    29 2. A resist6encia relativaao contato entre os eletro- dos de terra e a superfície do terreno em torno dos mesmos; 3. A resistência relativa ao terreno nas imediações das hastes( eletrodos), denominada de resistência de dispersão. O fator relativo a resistência ôhmica das conexões pode ser considerado desprezível perante os demais. A resistência relativa ao eletrodo em contato com o solo pode ser alterada para um menor valor ôhmico com o aumento do número de hastes e o aumento da distância entre elas. Deve-se ressaltar que a distância mínima en- tre eletrodos contíguos deve corresponder ao compri- mento efetivo da haste. Este procedimento deve-se ao fato de que dois eletrodos demasiadamente próximos, quando percorridos por uma elevada corrente de falta, dispersa por ambos, provocando um aumento na impe- dância mútua. A resistência dos eletrodos em pararelo, na prática, exige que o terreno tenha certas dimensões, muitas vezes não disponíveis na área da edificação. A aplicação de mui- tas hastes em terrenos de pequenas dimensões, redunda, essencialmente, num notável desperdício de material com resultados pouco compensadores. O terceiro componente que influencia no valor ôhmi- co da resistência do aterramento está relacionado com as características do solo no que diz respeito à homoge- neidade de sua constituição.
  • 30.
    30 Os solos, nasua grande maioria, não são homogene- os, mas formados por diversas camadas de resistividade e profundidades diferentes. Essas camadas, devido à for- mação geológica, são em geral horizontais e paralelas à superfície do solo. Existem casos em que as camadas, se apresentam inclinadas e até verticais, devido a alguma falha geológica. Entretanto, os estudos apresentados para pesquisa do perfil do solo as consideram aproxima- damente horizontais, uma vez que outros casos( verti- cais) são menos típicos. Para o projeto de um sistema de aterramento é pri- mordial o conhecimento prévio das características do solo, principalmente no que diz respeito à homogeinei- dade de sua constituição. Existem tabelas que fornecem a resistividade de dife- rentes naturezas de solo que podem ser usadas na ele- boração de projeto de malha de terra. Porém, para cálcu- los precisos de resistividade do solo é necessário realizar medições com instrumento do tipo Megger de terra.
  • 31.
    31 Natureza dos Solos ResistividadeΩ.m Mínima Máxima Solos alagadiços e pantanosos - 30 Lodo 20 100 Húmus 10 150 Argila plástica - 50 Argila compacta 100 200 Areia argilosa 50 500 Areia silicosa 200 3000 Solo pedregoso nu 1500 3000 Solo pedregoso coberto de relva 300 500 Calcários moles 100 400 Calcários compactos 1000 5000 Calcários fissurados 500 1000 Xisto 50 300 Micaxisto - 800 Granito e arenito 100 10000 Tabela 3 – Resistividade do solo NBR-5410 obs: As camadas mais profundas do solo são, pro- vavelmente, as mais condutores devido a presença de umidade. Portanto, quanto maior for o compri- mento da haste de terra, mais provavelmente se tem menor resistência do aterramento. Para medição do valor ôhmico de uma malha de terra utiliza-se o instrumento chamado: terrômetro, teluríme- tro ou megger de terra. Este instrumento, para realizar medição, utiliza-se de dois eletrodos auxiliares ou de pro- va( um eletrodo de corrente e outro de potencial/tensão), normalmentedotipocopperweldfincadoscercade70cm
  • 32.
    32 no solo epostos em linha reta. O terceiro elemento que compõe o sistema de medição é um dos eletrodos( has- te) do aterramento sob ensaio. Entre o eletrodo auxiliar de corrente e o eletrodo de aterramento é injetada uma corrente, que pode ser contínua ou alternada( na prática é preferida a corrente alternada para evitar a possibilidade de eletrólise do solo e a polarização dos eletrodos duran- te o ensaio, e consequentemente um resultado falso na medição por influência destes efeitos na indicação do ins- trumento). Entre o eletrodo auxiliar de potencial/tensão e o eletrodo da malha, ao ser injetada uma corrente pelo eletrodo auxiliar de corrente, é medida uma tensão. O ins- trumento indica no seu display o valor ôhmico relativo ao resultado da operação de divisão entre o valor da tensão medida internamente no eletrodo de potencial e o valor da corrente injetada no eletrodo de corrente em relação a haste do aterramento sob teste( R = U/I, lei de Ohm). Figura 11 – Medição de resistência de aterramento
  • 33.
    33 Por medidas desegurança e confiabilidade as medi- das de resistência de aterramento, devido a potenciais perigosos que podem aparecer próximos a sistemas de aterramento ou estruturas metálicas aterradas, devem ser tomadas as seguintes medidas, visando evitar aci- dentes durante a execução da medição: 1. Desconectar do terra a ser medido os cabos de aterramento de transformadores e neutro do transformador; 2. Evitar medições sob condições atmosféricas ad- versas( descargas atmosféricas); 3. Utilizar calçados apropriados e luvas; 4. Não tocar nos fios do instrumento e eletrodos au- xiliares; 5. Evitar a presença de animais e pessoas alheias ao serviço; 6. A medição deverá ser efetuada em dia no qual o solo se apresenta seco, tendo-se assim a situação mais desfavorável para o aterramento; 7. A instalação deve estar desenergizada por ocasião da medição; 8. Verificar o estado do instrumento( terrômetro), in- clusive a carga da bateria; 9. É recomendável que o operador tenha conheci- mento correto do instrumento que está utilizando. obs: O múltímetro não é um instrumento ade- quado para medição da resistência da malha de aterramento.
  • 34.
    34 Na falta deum instrumento de medição para resis- tência de aterramento pode-se utilizar de uma medida bastante simples e prática para se ter uma orientação em relação ao valor ôhmico do aterramento. Amediçãoconsisteemobservaraluminosidadedeuma lâmpada incandescente com potência mínima de 200W quando ligada entre fase-neutro e fase-terra. Se a lumino- sidade da lâmpada diminuir quando sob tensão fase-terra é sinal que houve queda de tensão no percurso de corrente pela terra indicando, desta forma, que o sistema de aterra- mento apresenta resistência elevada. Se a luminosidade permanecer a mesma, é sinal de baixa resistência ôhmica da malha de terra. Quanto maior for a potência da lâmpada, maior será a corrente que percorre a resistência da malha e por consequência mais fiel será a indicação da medição. Figura 12 – Teste prático de verificação da resistência de malha de terra
  • 35.
    35 Prevenção do Choque Elétrico Aspossibiliaddes de risco e acidentes com choques elétricos são múltiplas devido a diversos fatores tais como: instalação inadequada, material de baixa qualida- de, projetos inadequados,acidentes mecânicos, etc...Os acidentes com choque elétrico são de alta periculosida- de e os riscos são grandes. Todo choque elétrico é peri- goso. É necessário um trabalho em conjunto com toda a equipe de profissionais da obra no sentido de minimizar os riscos e evitar o choque elétrico. Todo trabalhador ou usuário deve ter conhecimen- to e treinamento edequado para manusear, operar ou consertar equipamentos elétricos em condições segu- ras. Usar as ferramentas e os equipamentos de proteção individual( EPI) apropriados, são condições primordiais para executar o trabalho sem correr riscos e nem com- prometer a segurança do trabalhador. A negligência, a rotina e o excesso de auto-confiança são os maiores cau- sadores de acidentes. Nos canteiros de obras, as instalações são provisórias e, por este motivo, devem ser baratas, leves e removíveis. As instalações elétricas são geralmente executadas às pressas, com objetivos funcionais, sem levar em consi- deração rígidos critérios de segurança. A própria carac-
  • 36.
    36 terística do canteirode obra leva a diversas situações de riscos devido principalmente a: Serem instalações provisórias; Material empregado de baixa qualidade; Materiais reutilizados; Instalações removíveis; Circulação interna de pessoas; Muita rotatividade de trabalhadores; Trabalhadores sem qualificação; Muita movimentação de material; Muita rotatividade e movimento de equipa- mentos; Muito pó e umidade; Espaços restritos e apertados; Etc... Um dos equipamentos mais vulnerável ao choque elétrico no canteiro de obra é a betoneira. O trabalho intenso e pesado desenvolvido pela betoneira, junta- mente com água e cimento, propicia o risco de choque elétrico. Devido a estas características, sempre haverá danos na fiação elétrica, produzindo riscos imediato ou a posteriori. Durante toda a construção, a mesma está sem prote- ção contra raios. O pára-raios e o sistema de proteção só é instalado quando a obra está concluída. Todo equipamento elétrico é perigoso. Deve-se ana- lisar todos os riscos e tentar neutralizá-los.
  • 37.
    37 As instalações elétricasapresentam sinais caracte- rísticos que indicam irregularidades que podem afetar a segurança da edificação, de equipamentos e mesmo de pessoas. Alguns desses sinais aparecem da seguin- te forma: Queda de tensão excessiva quando algum equi- pamento é ligado; Queima frequente de fusíveis; Desarme frequente de disjuntores; Aquecimento excessivo de condutores; Aquecimento de paineis; Queima frequente de lâmpadas; Defeitos frequentes em auxiliares de lâmpadas de descarga( starter, reatores, etc...); Funcionamento irregular de aparelhos de ar con- dicionado; Funcionamento irregular de motores elétricos; Funcionamento irregular de microcomputadores; Sensação de choque elétrico ao tocar em partes metálicas de equipamentos/aparelhos ou alvena- rias; Aumento do consumo de energia. O aparecimento desses sinais devem ser levados a uma análise criteriosa e não podem passar desaperce- bidas. O reparo dessas irregularidades está relacionado com a prevenção de acidentes. Podemos citar algumas regras básicas a serem obser- vadas para as instalações elétricas nos canteiros de obra:
  • 38.
    38 1. Rede aérea dealta tensão devem ser instalada com altura e posição conveniente nas áreas de tráfego de veículos, de equipamentos e de pessoal; 2. As subestações e transformadores deverão ser instalados em local apropriado, isolado, dificul- tando-se o acesso de pessoal não qualificado. 3. As instalações elétricas deverão ser executadas e mantidas por pessoal habilitado, empregan- do-se material de boa qualidade e de boa dura- bilidade. 4. Toda fiação de iluminação e força deverá ser fixa- da de modo a dar segurança e fácil acesso. 5. Todo circuito elétrico deverá ser protegido contra qualquer tipo de acidente. 6. Devem ser instalados disjuntores ou chaves que possam ser acionadas com facilidade e rapidez nas ligações com equipamentos elétricos. 7. O nível de iluminamento deverá ser sufuciente e com condições de segurança, visando o trabalho normal do pessoal, deslocamento de equipamen- tos e tráfego de veículos. 8. Dispositivos apropriados de bloqueio e etiqueta- mento de disjuntores, chaves e interruptores. 9. Utilização adequada de condutores elétricos para a tensão desejada e segurança da instalação. 10. Instalação adequada de chaves elétricas, princi- palmente nas frentes de trabalho onde serão utili- zadas ferramentas do tipo leve.
  • 39.
    39 11. Todos osequipamentos e ferramentas que tra- balhem com tensões superiores a 50 Volts devem ter a sua massa ligada à terra. 12. Considerar que para tensões superiores a 600V, os condutores deverão ter isolamento adequado. 13. Normalmente as instalações provisórias de um canteiro de obras do tipo simples deve ter uma chave geral da concessionária, outra no quadro de distribuição, uma individual para cada circuito de derivação, quadros de tomadas ou chaves blin- dadas e disjuntores para os diversos equipamen- tos. 14. Não é permitido realizar trabalhos em redes energizadas. 15. Os circuitos elétricos devem ser protegidos con- tra impactos mecânicos, umidade e corrosão. 16. Utilizar dispositivos de abertura e fechamento de ciruitos com atuação sob carga. 17. Só podem ser ligadas as máquinas ou equi- pamentos elétricos por intermédio de conjunto plug/tomada. 18. Usar sempre o EPI e a sinalização adequada. 19. Somente os eletricistas qualificados devem fa- zer instalações e manutenção em equipamentos elétricos. 20. Utilizar placas de advertência nos circuitos elé- tricos( exemplo: “não ligar o disjuntor”, “equipa- mento em manutenção”).
  • 40.
    40 Regras Básicas de Segurançaem Instalações 1.Instalação de lâmpadas em soquete E-27 ou E-40 As instalações de lâmpadas é uma das mais simples e muito usada no canteiro de obra. Observe nas figuras, a seguir, as formas corretas e incorretas de sua instalação: a)Instalação incorreta b)Instalação incorreta
  • 41.
    41 c)Instalação correta 2.Tomadas simples Deve-seinstalar as tomadas monofásicas adotando um posicionamento único, em toda à instalação, para os fios fase e neutro. Por exemplo: tomada na posição ho- rizontal colocar a fase no lado direito e o neutro no lado esquerdo e tomadas na posição vertical a fase colocada naposição superior e o neutro na posição inferior. 3.Plug( macho) para tomadas Para se obter a posição padronizada para os fios fase e neutro, o plug deve permitir uma única posição de en- caixe com a tomada.
  • 42.
    42 4.Tomada 2P+T A tomada2 pólos e terra( 2P+T) possibilita somen- te uma posição de encaixe para o plug, desta forma fica mais fácil a padronização da posição do fio fase e neutro como também, fica determinado a utilização do terceiro condutor( terra) para proteção contra o choque elétrico. 5.Fios e cabos. a)Adotar o código de cores estabelecido pela norma Brasileira NBR-5410: Cor para Fase- vermelho, preto e branco. Cor para Neutro- azul. Cor para Terra- verde. b) Utilizar para extensões elétricas cabo multipo- lar composto por: condutor, isolamento e capa de proteção. 6.Interruptor por corrente de fuga Os interruptores por corrente de fuga( FI) ou inter- ruptores diferenciais utilizam internamente um transfor- mador de corrente( TC) de núcleo toroidal onde o centro do núcleo é o trajeto para passagem dos condutores fase e neutro( circuito monofásico) ou as três fases e o neutro( circuito trifásico). Um desequilíbrio de corrente pelos condutores do circuito( por exemplo: num circuito monofásico a corrente de fase ficar diferenre da corrente de neutro) produz um campo magnético no núcleo do toróide, induzindo tensão no enrolamento de saída do
  • 43.
    43 transformador fazendo atuaro dispositivo disparador que desliga instataneamente os contatos do interruptor. Os interruptores de fuga são também providos interna- mente de dispositivo de teste e são importantes na des- ligamento de circuitos quando ocorrer fuga de corrente ou curto-circuito. Devem ser bastante utilizados para a prevenção de acidentes. Figura 13 – Interruptor de fuga monofásico
  • 44.
    44 Primeiros Socorros De umamaneira geral, podemos dizer que é de gran- de impotância o primeiro socorro que se presta às víti- mas de um acidente. Quando a providência é acertada ela consegue seu objetivo, que é salvar uma vida. Sem- pre em presença de acidente deve-se conservar a calma e, rápido e cuidadosamente, procurar reconhecer a natu- reza ou extensão da lesão. Em casos graves chame com urgência o médico. As instruções que se seguem devem ser obedecidas à risca, mesmo em casos que a vítima pareça morta. COMO AGIR: Interromper imediatamente o contato da vítima com a corrente elétrica, desligando a chave geral, quando não possível a identificação e localização da chave geral utilizar madeira seca, como cabo de vassoura, caibro, etc. para isolar a vítima do contato elétrico; Não encoste na vítima, se não conseguir desligar a corrente elétrica; Controle possível hemorragia; Desobstrua o canal respiratório, colocando uma das mãos sob o pescoço da vítima e, com a outra mão na testa, incline sua cabeça para trás;
  • 45.
    45 Examine aboca e a garganta removendo objetos estranhos, tais como dentaduras, balas, etc. Desen- role a língua, desobstruindo as vias respiratórias. Se a boca da vítima estiver fortemente cerrada, deixe esse exame para depois. Afrouxe as roupas do pa- ciente rápidamente, principalmente no pescoço Iniciar respiração boca-a-boca e massagem car- díaca, para reanimar a vítima, em caso de parada cardíaca ou respiratória; A respiração artificial deve ser continuada sem in- terrupção até que a respiração natural seja resta- belecida; Deve-se manter a vítima bem agasalhada. Não administrar nenhum líquido à vítima, antes de re- cuperar os sentidos; Protegerasáreasdequeimaduras,cobrindoaslesões com um lençol limpo para diminuir a contaminação; Não deixar a vítima se levantar logo que recupe- re os sentidos. Mantenha-a deitada em repouso e confortavelmente, tanto quando possível; Ao recuperar-se completamente, pode-se adminis- trar à vítima um estimulante, tal como chá, café, etc.; Durante a reanimação da vítima, os movimentos devem obedecer sempre em rítmo regular, mes- mo tendo que se trocar de socorrente; Em caso de insucesso remover imediatamente a vítima para o hospital, observando os movimen- tos respiratórios e batimentos cardíacos.
  • 46.
    46 Anexo PREVENÇÃO DE ACIDENTESELÉTRICOS NA INDÚSTRIA DA CONSTRUÇÃO A prevenção de acidentes elétricos, assim como a ges- tão de qualquer risco, envolve alguns princípios gerais apli- cáveis a todas as situações. 1. Antecipação dos riscos que podem surgir em decor- rência de uma determinada atividade laboral; 2. Designação de um supervisor da equipe envolvida em atividade de risco; 3. Designação de trabalhadores em condições físicas, mentais e profissionais, adequadas às suas tarefas 4. Treinamento do supervisor e dos trabalhadores de- signados para atividade de risco, abrangendo a exe- cução correta do trabalho e as práticas de segurança correspondentes; 5. Adoção de procedimentos de segurança por escrito; 6. Emprego de sinalização de segurança; 7. Emprego de tecnologias capazes de viabilizar as ta- refas com o máximo de segurança e mínimo de des- gaste para os trabalhadores; 8. Proibição de quaisquer improvisações. I - ANTECIPAÇÃO DE RISCOS A antecipação dos riscos deve levar em conta os seguintes princípios: 1. Reuniões preparatórias com os eventuais envolvidos;
  • 47.
    47 2. Dar voz atodos os participantes; 3. Conhecimento das dificuldades a enfrentar; 4. Fornecimento de autorizações para execução de ta- refas e procedimentos de segurança por escrito; 5. Indicação das necessidades de instalações elétricas provisórias; 6. Número de trabalhadores envolvidos; 7. Freqüência de realização das atividades; 8. Tempo despendido em cada tarefa; 9. Descrição geral do ambiente de trabalho, destacan- do possíveis pontos de exposição a riscos; 10. Simulações e análises que apontem possibilidades de auto-recuperação e necessidades de resgate; 11. Identificação de condições ambientais desfavoráveis. EXEMPLOS DE SITUAÇÕES DE RISCO: • Trabalhoseminstalaçõeselétricasexecutadasportraba- lhador sem treinamento, autorização ou capacitação; • Emendas de fios sem isolamento; • Equipamentos sem aterramento; • Aterramento improvisado; • Fiação nas proximidades de locais com umidade; • Improvisações de instalações e equipamentos (disjuntores como interruptores, equipamentos de soldagem, vibrador, “makita”, ciaxas de disjuntores em madeira,etc); • Alteração das caracterísiticas originais do equipa- mento; • Circuitos não identificados; • Uso de“T”(“benjamim)”
  • 48.
    48 II – OSUPERVISOR O supervisor deve ter preencher os seguintes requisitos: 1. Possuir treinamento específico para a supervisão de uma determinada atividade; 2. Ser investido de autoridade para interromper de forma imediata atividades que ponham em risco a segurança de sua equipe e/ou terceiros; 3. Gozar do respeito de seus pares; 4. Ser avaliado regularmente por seus subordinados e superiores; III – A EQUIPE DE TRABALHO A equipe de trabalho deve preencher os seguintes requisitos: 1. Possuir treinamento específico para a execução competente e segura das atividades de risco; 2. Ter liberdade para apresentar reivindicações de se- gurança ao supervisor e/ou superiores deste; 3. Ser avaliada regularmente pelo supervisor e pelos próprios pares; 4. Passar por avaliação médica especifica para as situa- ções de risco a serem enfrentadas; SELEÇÃO DE PESSOAL A seleção de pessoal para atividades com eletricidade deve levar em conta o seguinte: 1. Restrição de pessoas com baixa acuidade visual; 2. Restriçãodepessoassobmedicaçãodeusocontinuado; 3. Verificação do histórico pessoal de trabalho com ins- talações elétricas;
  • 49.
    49 4. Disposição para seenvolver no planejamento da uti- lização de EPI durante o trabalho e para dar aos seus companheiros um exemplo de segurança; IV - O TREINAMENTO O treinamento deve ser uma forma de compartilhar e expandir o bom senso. Nem sempre é possível apresentar um vídeo periodicamente e esperar que os trabalhadores aprendam e sigam as práticas sugeridas. Sem comunicação em duas mãos, o treinamento está comprometido. Progra- mas interativos são um passo na direção certa, mas o com- promisso tem de ser ensinado através do exemplo pessoal e da repetição controlada de princípios. A eficácia do progra- ma de treinamento deve considerar os seguintes pontos: 1. Apesar de ser assunto extremamente sério, o treina- mento deve ser divertido; 2. Aos participantes deve ser garantida liberdade de manifestação durante as atividades de aprendizado; 3. A competência da equipe de treinamento deve ser pesquisada junto a outros clientes; 4. Treinamento é do interesse da empresa, portanto, deve ter um compromisso de qualidade afirmado pela alta administração; 5. O treinamento deve ser contextualizado, levando em conta as características do público-alvo e as par- ticularidades de cada tarefa; 6. Treinamento fora do expediente normal é contra- producente e enseja o pagamento de hora-extra; 7. É essencial conhecer as exigências contidas na parte da Norma Regulamentadora nº 18 (NR 18) dedicada
  • 50.
    50 a instalações elétricas(item 18.21) e todo o conteú- do da Norma Rwegulamentadora nº 10 (NR 10) V – PROCEDIMENTOS ESCRITOS Seguindo o ensinamento latino de que as palavras voam, mas o escrito permanece, é fundamental para a im- plantação de um programa de segurança a manutenção de registros e informações prontamente recuperáveis por tra- balhadores, supervisores e auditorias. Devem ser evitadas as comunicações orais em favor mensagens por escrito, claras e objetivas. Todos os trabalhadores devem receber materiais escri- tos recordando suas principais obrigações, rotinas de segu- rança, regras de convivência no local de trabalho, mecanis- mos e canais para a resolução de problemas. VI - SINALIZAÇÃO DE SEGURANÇA A promoção da conscientização sobre os riscos exige esforços contínuos e iniciativas criativas. O local de trabalho deve contar com avisos , cartazes, barreiras e outros recur- sos visuais. CARTAZES – SUGESTÕES DE MENSAGENS • A SEGURANÇA CONTRA OS RISCOS ELÉTRICOS É PARA TODOS. • A PERDA DE UM ENTE QUERIDO É MUITO PARA LA- MENTAR. POR FAVOR, FAÇA SUA PARTE EM FAVOR DA SEGURANÇA DO TRABALHO. • COM SEGURANÇA, O TRABALHO EM EQUIPE SE DES- TACA (FIGURA DE UMA ESQUADRILHA DA FUMAÇA)
  • 51.
    51 • TRABALHO EMEQUIPE E SEGURANÇA CAMINHAM JUNTOS. • VOCÊ NÃO TEM SETE VIDAS. • COM ELETRICIDADE NÃO SE BRINCA. • ALGUMAS VEZES, UM POUCO DE PLANEJAMENO PODE / TER UM ENORME IMPACTO NA SUA VIDA/FA- ZER UMA ENORME DIFERENÇA. • A CONSCIENTIZAÇÃOTEM IMPACTO SOBRE ASVIDAS. • CONSCIENTIZAÇÃO É ANALISAR A SITUAÇÃO ANTES DE ENFRENTAR AS POSSÍVEIS CONSEQÜÊNCIAS DELA. • SE DEPENDER DE VOCÊ, FAÇA CERTO LOGO NA PRI- MEIRA VEZ. • O ESTRESSE LEVA A ACIDENTES. • QUANDOVOCÊ NÃO OLHA ONDE PISA, O RISCO NÃO AVISA. VII - RECURSOS TECNOLÓGICOS É essencial coibir todo tipo de improvisação na execu- ção de trabalhos com riscos de quedas. A proteção indivi- dual deve ser associada à proteção coletiva e práticas ge- renciais especializadas. Como exemplos de práticas a serem implementadas citamos: 1. Substituição das caixas de disjuntores improvisadas por outras de material que resista a intempéries, iso- le completamente as partes vivas e facilite a manu- tenção; 2. Substituição dos aterramentos improvisados por aterra- mento projetado e segundo as normas da ABNT; 3. Utilização de equipamentos e ferramentas elétricas com duplo isolamento”;
  • 52.
    52 4. Manutenção de umcadastro de locadores e fornece- dores de equipamentos adequados. VIII – IMPROVISAÇÕES Improvisações representam formas de reduzir custos capazes de gerar imensos prejuízos na forma de acidentes e atrasos na execução dos serviços contratados. O planejamento adequado das atividades e a devida qualificação do pessoal e dos equipamentos a utilizar contri- buirão para reduzir a possibilidade de improvisações. A constatação de improvisações deve produzir a devida investigação e relatório escrito. Mais importante do que en- contrar culpados, é analisar a cadeia de circunstâncias que levaram a uma determinada improvisação. Improvisações podem ser causadas por: deficiências no treinamento, falta de supervisão, canais de comunicação deficientes, pressão por metas e resultados, falta de mate- rial adequado no almoxarifado, dentre outros fatores. E PARA CONCLUIR, CABE REFORÇAR ALGUMAS CONSIDERAÇÕES: 1. O trabalhador deve ser reconhecido como o recurso mais importante da empresa, sem o qual é impossí- vel qualidade do produto final, produtividade e boa imagem corporativa; 2. A legislação de segurança e saúde do trabalhador deve ser vista como o mínimo a ser assegurado; 3. As iniciativas de promoção da saúde e da segurança do trabalhador devem ser objeto de planejamento; 4. A segurança e a saúde do trabalhador devem ser trata-
  • 53.
    53 dascomofunçõesadministrativasdamesmarelevância que vendas,“marketing”, relaçõescom os clientes, etc; 5. O trabalho deve ser adaptado ao homem, não o con- trário; 6. Acidentes e doenças não devem ser vistos como fatalidades inerentes ao processo produtivo, mas como ocorrências evitáveis através de um programa adequado de gerenciamento de riscos; 7. Os riscos devem ser evitados e/ou combatidos na origem; 8. As improvisações devem ser eliminadas em favor de soluções de acordo com a melhor técnica disponível, sempre respeitando a legislação pertinente; 9. Não se faz prevenção sem evolução tecnológica que assegure máquinas, equipamentos e métodos de trabalho capazes de reduzir o esforço físico e a expo- sição aos riscos; 10. Todos os trabalhadores devem receber instruções adequadas sobre as tarefas a executar e os riscos en- volvidos nas mesmas; 11. Os programas de treinamento devem almejar infor- mação continuada, beneficiando os trabalhadores já na admissão; 12. O treinamento deve ser complementado por super- visão adequada das atividades de risco. ELIMINE OS RISCOS! NÃO CULPE OS TRABALHADORES! NÃO GASTE COM ACIDENTES E DOENÇAS! INVISTA EM SAÚDE E SEGURANÇA! Colaboração: Dorelland Ponte Lima
  • 54.
    54 Bibliografia 1.G. Kindermann. ChoqueElétrico.Porto Alegre-R.S.:Edi- tora SAGRA-D.C. LUZZATTO, 1a edição, 1995. 2.G. Kindermann. Descargas Atmosféricas.Porto Alegre- R.S.:Editora SAGRA-D.C. LUZZATTO, 1a edição, 1992. 3.J. Mamede Filho. Instalações Elétricas Industriais.Rio de Janeiro-RJ. Livros Técnicos e Científicos, 2a edição1987. 4.NBR-5410 – Instalações Elétricas em Baixa Tensão, ABNT, 2004.
  • 55.