e James Clcrk Maxwell dcmm continuidadeus fJC$quisas
neaSsaárc-.a e dcscnvolvenun mui1os dos c.onccitos básicos
do clclromagnetismo - efeito,; magnéticos induzidos
por fluxo de carga ou por corrente,
No espaço cm tomo de um lmil pennanemc, existe
umcampomagnéticoquepodeserrepresentadopor11.nhas
de campo rnagnéUco scmclh11n1cs us linhas de campo
elétrico. Emrew.n10, aslinhasdecampo magnéticonão1êm
pontos de origem e tcnninoçào como as linhas de campo
elétrico, mas fonnam turvas fechadas, como podemos
ver nã Figura 11.1.
As linhas de campo magnético se dirigem do polo
norte para o polo sul. rctornondoO.<> polo none atravé-s da
borra mctí11ica. Observe na Figura 11.1 que as linhas de
campo estão iguolmcme espaçadas no interior dt1 barra
e distribuídas simetricamente oo seu exterior. Essas são
propriedades adicionais exibidos pelas linhas magnéticas
de campo cm materiais homogêneos (ou seja. cm mate•
riais cujacomposição é uuifont1c,).Também é impbrlnntc::
entender que us linhas de campo mâgnético proturam
ocupar a menor área possível, ls."MJ resulw cm linhas de
cnmpo magnêticocom um mínimo de comprimento entre
polos de aipos difc.rcntcs, como mostro n Figurt, 11.2. A
intensidade do cnmJ>O magnético cm uma dada região é
diretmncnte proporcional à dcnsidnde de línhlls de cnmpo
ncsso região. Na Figura 11.1. por exemplo,• intensidade
ém ,1 é duas vezes a intensidade cm b, pois o numero de
linhos de campo que otrovessam umn área perpendicular
a essas linhas cm " é o dobro do numero de linhas que
n1rovcwun uma área scmclhame cm b. Caso 1cnh11 ícito
experiências com imàs- quando criança, você deve se
Me:sm114�11
?a:
J, -----�Unhasdie�mpo
--�---- --
"" --·---- -�...,
l :-.:-- --.; ' 
�--g--------a-�
','
,,,..... cc:':::.EE.:E::S::N ::::-
/ I ( :l.---------• ),',
1 �--- -� / J
....... -- ___,._____� _;,., .,,
---:======:-�--_..A
Figura 11.1 Llnhnsde c-ampo magnético porJ um lm:1
pcmumcntc.
--------·-------­
,,....---------·-
-
--------....,
I /
·------·-------·----..'-. 
1 Í."
i-- ,1 /
,....' ---·--= -- ------ .,.,..1
�]N----�-f----sf-
1,; --====- =.:. _':,':,':._":._ -.......
t , ...
_
__,_ --- -=---- >', 1
 '-. ____
.___________,,...
/ I
'........---------·--------_.,..�
--------·--------
Figura 11.2 Linhas de c�mpO mognético paro 1Jnl sís1c1nn
de dois imi1s com flÓIO!i opos-tos tidjacc.nlcs.
Capítulo 11 lndu1orel 389
lembmr de que a força dos ímãs pcnnancntcs C maior no
proximid11de dos p0los.
Se nproximan110, os 1>010s opostos de dois lmiis
pcnnanentes.elesse utrainio. e adistribuiçãode linhasele
campo sen', como ilustra a Figum 11.2. Seaproximannos
polos do mesmo tipo,eles se repelirão,e a distribuição de
linhas de campo será como mostro• Figuro ll.3.
Se colocannos um ma1crial não magn�tlco como
vidro ou cobre. nas prox.imidades de um lmà permanente.
a distribuição de linhas de campo sofrerá uma alteração
qüãSé impêrtcplivcl (veja n Pigiirà 11.4). Entrélfiíllo. se
um mn1crial magnético. como o ferro doe-e. for c,olocado
nas proximidades do imã. -ns línhas de cumpo passarão
pelo ferro. cm vez de pelo ar, porque J>assam com nmis
focilidode por materiais magnéticos do que pelo ar. Esse
principio é usado na pnltic11 pnro const.ruir blindagens
nrngnéticasJ>•raprotegercomp0ncntcs e lns1rumcntoselé·
tricos scnsivcis da ação de campos magnéticos presemos
no ambiente (veja a Figuro 11.5).
E,,(istcumcampomagnético(rcproscnrildoporliulms
de campo circulares concêntricas, como mostm a Figuro
11.6) cm tomo de qualquer fio percorrido por umu cor­
rente. P:iru dctcnninar n direçilo e o scn1ido das linhas de
campo. bastn colocar o JlOlcgar dn mão ,limita ao longo
do sentido co11v,wcio11al da corrente e observar a1>osiçào
dos outros dedos (esse método é nonnulmentc cbamodo
___.._
/�
-, .,..---·--
/ ------ ' ,/'
-....
/ ,....
-,  I ,..,,...--- ,
t' �---- 1 / ----- 
1�'.,!I' --- �)
'' .. . ('__ --
: / �1-:.:.--:.-�N
r,
' .,.. N--=-·s· .,
�::--___,,'f1(1---=:..:.·,,},'i
' ,..., II  ----- 1
._ _____,,/  ,...,
.,.." I
,.._
___.- I
__,.___,,, '-...,
.,...,
---·--"
Figura 11.3 Linhr1tde c�rnpo ,nng.né-til.::op:iru um i;isttma
dtdois imâs c.-<m, Polo� ig1.u1is.
..,-----�
Lit'lh.4&d�C:al1lpó
��.:=--
-
- --
,_,··--·-- - ..... '
- '
�----�
.... ' 
1 �=:;; r..,,,.. do« ', ' ,
''1i ' ')t
,__ ----- .. .
(,--_;"E:=::::=====:::==t,/
' •.• === --==-=,:.-::.--=s _;
'----
....;;---
·-....
", ........._ --·-·-·
---.' '
....__
----
--�
-
_..
,  1
--- -----
-
--- / J
_____
VJ.d... -- , ,;
,,
Figura 11.4 Efeito de umn amostro de m:11crinl
fcrrom11gnê1jcosobre us linhasde campo de um fm�
pcrmo.ncnlc.
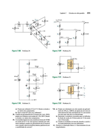
Seção 26.4 Os ganhos de corrente A., e A,, e o ganho
de potência Ac
12. Dado o �isu:mn ,•iSIQ nil Figum 26.62:
a) Cnleulc A,• 1/1,.
b) Colculc A0• 1/11.
e) Compare os resulrn<losdos itens (n) e(b) e expliqueas
difef'('n<,'11.S cmrc eles,
13. Considerando o !ii$tCmtl da Figum 26.62:
a) Oe1enninc-A!) u.sondô:t Equação 26.13ccoin1>:.1recc:u11
o rcsuhadoobrido u,,.;1mdo a Equatílo 26.14.
b) Dc:1ennineA"1 u
..
�mdo .i Equiu;ão 26.16 ecomparecom
o rcsullado obtido usando n l;quação 26.17,
14. Co�idcmndo o sistcm:1 du Figuro 26.64:
u) Dctcnninc o módulo de A,• ljl,,
b) l)e1<mnine o g:nnho de lk>lêncinAar• P,lP,..
Seçio 26.S Sistema @m cascata
1S. Considcrnndoosis1cm.1dedoises1�&,iosvistonnFigura.26.65:
a) Detemlhlc o g.'nho de tensão torai A.,
,
,. Vt,IE,.
b) Occc-nnine o gnnho de oom:me 101nl A,1• 1/1,.
e:) Oc1C:nninco ganhodeC0rr('ntcdccadoest�gio.Aae An,
d) Ocrenninc o gnnho de corrcn1c 10mlu
..
�:mdOôS resulta­
dos do it�m (e) e c;omp;trel'!Qm orcsulu1dódo i1cm (b).
•16, O:,dó o sis1cmn vis10 nn Figurt, 26.66:
a) Oc1<:nnine A"?, se A.-,""-6912.
b) Oc1<:nnine Z1o �partir das iníormnç-õçs disPQnivd1t
e) l)ctem1inc A� e- 1
1
a partir dasinfom111çõcs disponf·
vei!> na Fisura 26.68,
+
P., ""· • -30
,.. -
-
Capítofo 26 AnáUse de si,·temas: umaintrodi�o 927
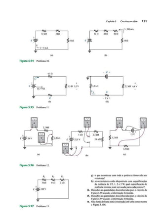
Seção 26.6 Parãmetros de impedãnda (?)
17, u) Oe1crmlne o� parjmc1ros de impedóntiu (1.) pum o
drcuho nvi:-.10 nu Figuro 26.67,
b) Dcsenhe,,·cfrcuito cquivulcntc com par.1me1rosz(us.c
uma dnsfomK,s:mos1md.as na r:igurn 26..l.S).
18. a) Dctennine os �1túinétros de hnped{lntfo (z) pum ú
circuito-� visto níl figur:1 26.68.
b) Oc�nhc o clN:uito equlvnkmecom p;1rfünc1tos 7.(use
umn dt'1$ fom1B$ "i�ta$ na figum 26.JS).
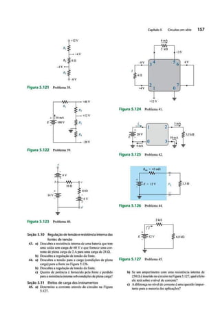
Seç!o 26.7 P•rãmetros de admitAncia (y)
19. a) Oc1crmine os 1>arãmc1ros de impcdiincia (y) pom o
c:irçui10Tvis10 nn Fiyum 26.69.
b) Oescnh<: o circuito cqui�lcmceom 1xui1mc1ros y(use
�1m;idlS fornl3S ,1istas: n11 Figura 26.47).
20. il) Octerminc osp11rlmc1ro.s de mlmítfincia (Y) pam o cir•
cuito visto na Fisuru 26.70.
b) Desenheocircuito cquiv.-ilentecom pm-ãmc:H'OSy(use
1uUJ1 das fonnos '�tas r,i, Figum 26.47).
Seção 26.8 Parâmetros hlbridos (h)
21. u) Oeccrminc os panimctros h pnrn o circuito visto m,
Figum 26.67,
21. b) Desenhe o cirçuitoC(luivt1len1el)llirido.
a) D.ctcrminc os P3l'âmc1ros h 1>arn o drcuito visto n::i
Figur.1 26.68.
b) Desenhe o circui10 cquívolcnic híbrido,
23. 1�) l)ctemlinc O$ p.'ln'imc1rM h l>!ln o circuito visto 1111
l'igum 26.69.
b) Oe�nhc o c!rtuho cqulv11le111e híbtido.
+
A.: ....
,o
R�
.
-
z., • 1 t..O '/,
,,• ?kO
Figura 26.65 Prublenm 15,
-
+
.,,
"-
•
• --12
"'• ...
1�1
.111:n
-
Figura 26.66 Probknm 16.
...!.!,_
+
t:,
Figura 26.67 Problcmo.< 17 e 21.
A..,.'!
A.1: • 26
�l .?
1,
+
f
�
-+
A,.) • -32
Ai
>
•? f:.,> R1
, :
z,,. 2k0
-
R,
...
i R1
... R,
. ...
+
•:, .
R,1 •
�
Figura 26.68 Problcm°" 13 o 22.
+
1-::
928 lntroduc;Ao à nn.Ali$C de c:irc:vil0$
24. a) Oe1crminc O$ par�metros h parn o cire:uito viSIQ nu
1
=igum26.70.
b) Desenhe o circuhu cquhmlentc hlbrido,
2-S. Dadoo circuito cquivatcmc híbrido lis:10 na Flgum26.71:
a) l)c1�nninc o g11nho de corrc.ntc A1• I/J1•
b) Detenuinc o ganho de tensilo A., • t:;E1,
Seçlio 26.9 Impedâncias deentrada e de saída
26. Pi1ra o circ;uito equi,•olc1ne híbrido vis10 nu Fig:um 16.71:
il) D�umninc tt i1npcdU11cfa de entroda.
b) Ocu�nninc: n hnpcdl.'inci:1 de s..·ddi1,
21. OC'tcnnlnc a_,; impcd:lncias de cmmdac desolda do ciroui10
cquivolc111c com parúmctros :t vis1os na figura26.
72.
28. Oct�nninc ns cxprc..�:; Jh'lfll as impcdilnci:as de cnlmdu
e de$.'lida de 1.1111 c.irtuho equivalente com pi,riimetro..:. )',
Seção 26.10 Convers.lo ent.r<, parâmetros
29. Oetcm,inec,$ panimctros h correspondentesaosseguinies.
p:1rúmc1rosx:
i11 •4
!
k0
7!,:•2.kíl
Z11 • 3,kO
1.::•4'.1.:0
l
� 5J
1
o
+
f:, 1 Y, 1
Figura 26.69 l'roblcma.s19e23 .
...!i..
..
z,
E,
Figura 26.71 Problemas25 "26.
Rx�Jll:0
h1
1 kll
.!.t._
-o-
+
F.1
�
Figura 26.72 Problcin:is27, :2eJ4.
�
•
f::
(iu)
lk!l
JO. a) Determineos p.1nmetros zoorrespondenics aossesuin,
1cs par{imc:-1ros h:
h11 •1kO
hu•2XJ0-.I
h,, •100
h,.-20•1o•s
b) Dc1cnninc os pru-f11nt1ro� ycorrespondcnldtto!> p11râ-
mc1ros híbridosdo i1c1n (a).
Seção 26.11 Análise ,omputacional
PSplce ou Elttlronlcs Workbrnth
31. Para t:1 -4VL30°
.dctcnnine E:com um:icurgo resisti'tl
de2kOconcc.uulanos. 1cm,in:,is2 e2'docircuito visto nn
Fígurn26.37,
32. P1m1 E.•2V.C:::0º
.dctcnnineE, nocirtuito vistana1
:igum
26.72.
JJ. De1cnninc z, p:1.r.1 o cin:uilo vis.to na Piguru26.37 com
um:, enrgarcsis1iw, de2kO emre os 1cm1in.1is2c2'.
J4. Dch:m,inc Z; no cin:ui10 vi:,'lono Figura26. 72,
.,
l
�
o
1
+
e, � � &,
Figura 26.70 Problcn10.s20c24.
bit,
so1,
1,
��
+
1
r.: �
4()k!l fo
(•,,)1( +
2k0 .akO +
E,
z
..
R1• � 2 tJ)
R'- kll:0
Analise_de_Circuitos_Robert_L_Boylestad.pdf
Analise_de_Circuitos_Robert_L_Boylestad.pdf
Analise_de_Circuitos_Robert_L_Boylestad.pdf
Analise_de_Circuitos_Robert_L_Boylestad.pdf
Analise_de_Circuitos_Robert_L_Boylestad.pdf
Analise_de_Circuitos_Robert_L_Boylestad.pdf
Analise_de_Circuitos_Robert_L_Boylestad.pdf
Analise_de_Circuitos_Robert_L_Boylestad.pdf
Analise_de_Circuitos_Robert_L_Boylestad.pdf
Analise_de_Circuitos_Robert_L_Boylestad.pdf
Analise_de_Circuitos_Robert_L_Boylestad.pdf
Analise_de_Circuitos_Robert_L_Boylestad.pdf
Analise_de_Circuitos_Robert_L_Boylestad.pdf
Analise_de_Circuitos_Robert_L_Boylestad.pdf
Analise_de_Circuitos_Robert_L_Boylestad.pdf
Analise_de_Circuitos_Robert_L_Boylestad.pdf
Analise_de_Circuitos_Robert_L_Boylestad.pdf
Analise_de_Circuitos_Robert_L_Boylestad.pdf
Analise_de_Circuitos_Robert_L_Boylestad.pdf
Analise_de_Circuitos_Robert_L_Boylestad.pdf
Analise_de_Circuitos_Robert_L_Boylestad.pdf
Analise_de_Circuitos_Robert_L_Boylestad.pdf
Analise_de_Circuitos_Robert_L_Boylestad.pdf
Analise_de_Circuitos_Robert_L_Boylestad.pdf
Analise_de_Circuitos_Robert_L_Boylestad.pdf
Analise_de_Circuitos_Robert_L_Boylestad.pdf
Analise_de_Circuitos_Robert_L_Boylestad.pdf
Analise_de_Circuitos_Robert_L_Boylestad.pdf
Analise_de_Circuitos_Robert_L_Boylestad.pdf
Analise_de_Circuitos_Robert_L_Boylestad.pdf
Analise_de_Circuitos_Robert_L_Boylestad.pdf
Analise_de_Circuitos_Robert_L_Boylestad.pdf
Analise_de_Circuitos_Robert_L_Boylestad.pdf
Analise_de_Circuitos_Robert_L_Boylestad.pdf
Analise_de_Circuitos_Robert_L_Boylestad.pdf
Analise_de_Circuitos_Robert_L_Boylestad.pdf

Analise_de_Circuitos_Robert_L_Boylestad.pdf

  • 400.
    e James ClcrkMaxwell dcmm continuidadeus fJC$quisas neaSsaárc-.a e dcscnvolvenun mui1os dos c.onccitos básicos do clclromagnetismo - efeito,; magnéticos induzidos por fluxo de carga ou por corrente, No espaço cm tomo de um lmil pennanemc, existe umcampomagnéticoquepodeserrepresentadopor11.nhas de campo rnagnéUco scmclh11n1cs us linhas de campo elétrico. Emrew.n10, aslinhasdecampo magnéticonão1êm pontos de origem e tcnninoçào como as linhas de campo elétrico, mas fonnam turvas fechadas, como podemos ver nã Figura 11.1. As linhas de campo magnético se dirigem do polo norte para o polo sul. rctornondoO.<> polo none atravé-s da borra mctí11ica. Observe na Figura 11.1 que as linhas de campo estão iguolmcme espaçadas no interior dt1 barra e distribuídas simetricamente oo seu exterior. Essas são propriedades adicionais exibidos pelas linhas magnéticas de campo cm materiais homogêneos (ou seja. cm mate• riais cujacomposição é uuifont1c,).Também é impbrlnntc:: entender que us linhas de campo mâgnético proturam ocupar a menor área possível, ls."MJ resulw cm linhas de cnmpo magnêticocom um mínimo de comprimento entre polos de aipos difc.rcntcs, como mostro n Figurt, 11.2. A intensidade do cnmJ>O magnético cm uma dada região é diretmncnte proporcional à dcnsidnde de línhlls de cnmpo ncsso região. Na Figura 11.1. por exemplo,• intensidade ém ,1 é duas vezes a intensidade cm b, pois o numero de linhos de campo que otrovessam umn área perpendicular a essas linhas cm " é o dobro do numero de linhas que n1rovcwun uma área scmclhame cm b. Caso 1cnh11 ícito experiências com imàs- quando criança, você deve se Me:sm114�11 ?a: J, -----�Unhasdie�mpo --�---- -- "" --·---- -�..., l :-.:-- --.; ' �--g--------a-� ',' ,,,..... cc:':::.EE.:E::S::N ::::- / I ( :l.---------• ),', 1 �--- -� / J ....... -- ___,._____� _;,., .,, ---:======:-�--_..A Figura 11.1 Llnhnsde c-ampo magnético porJ um lm:1 pcmumcntc. --------·-------­ ,,....---------·- - --------...., I / ·------·-------·----..'-. 1 Í." i-- ,1 / ,....' ---·--= -- ------ .,.,..1 �]N----�-f----sf- 1,; --====- =.:. _':,':,':._":._ -....... t , ... _ __,_ --- -=---- >', 1 '-. ____ .___________,,... / I '........---------·--------_.,..� --------·-------- Figura 11.2 Linhas de c�mpO mognético paro 1Jnl sís1c1nn de dois imi1s com flÓIO!i opos-tos tidjacc.nlcs. Capítulo 11 lndu1orel 389 lembmr de que a força dos ímãs pcnnancntcs C maior no proximid11de dos p0los. Se nproximan110, os 1>010s opostos de dois lmiis pcnnanentes.elesse utrainio. e adistribuiçãode linhasele campo sen', como ilustra a Figum 11.2. Seaproximannos polos do mesmo tipo,eles se repelirão,e a distribuição de linhas de campo será como mostro• Figuro ll.3. Se colocannos um ma1crial não magn�tlco como vidro ou cobre. nas prox.imidades de um lmà permanente. a distribuição de linhas de campo sofrerá uma alteração qüãSé impêrtcplivcl (veja n Pigiirà 11.4). Entrélfiíllo. se um mn1crial magnético. como o ferro doe-e. for c,olocado nas proximidades do imã. -ns línhas de cumpo passarão pelo ferro. cm vez de pelo ar, porque J>assam com nmis focilidode por materiais magnéticos do que pelo ar. Esse principio é usado na pnltic11 pnro const.ruir blindagens nrngnéticasJ>•raprotegercomp0ncntcs e lns1rumcntoselé· tricos scnsivcis da ação de campos magnéticos presemos no ambiente (veja a Figuro 11.5). E,,(istcumcampomagnético(rcproscnrildoporliulms de campo circulares concêntricas, como mostm a Figuro 11.6) cm tomo de qualquer fio percorrido por umu cor­ rente. P:iru dctcnninar n direçilo e o scn1ido das linhas de campo. bastn colocar o JlOlcgar dn mão ,limita ao longo do sentido co11v,wcio11al da corrente e observar a1>osiçào dos outros dedos (esse método é nonnulmentc cbamodo ___.._ /� -, .,..---·-- / ------ ' ,/' -.... / ,.... -, I ,..,,...--- , t' �---- 1 / ----- 1�'.,!I' --- �) '' .. . ('__ -- : / �1-:.:.--:.-�N r, ' .,.. N--=-·s· ., �::--___,,'f1(1---=:..:.·,,},'i ' ,..., II ----- 1 ._ _____,,/ ,..., .,.." I ,.._ ___.- I __,.___,,, '-..., .,..., ---·--" Figura 11.3 Linhr1tde c�rnpo ,nng.né-til.::op:iru um i;isttma dtdois imâs c.-<m, Polo� ig1.u1is. ..,-----� Lit'lh.4&d�C:al1lpó ��.:=-- - - -- ,_,··--·-- - ..... ' - ' �----� .... ' 1 �=:;; r..,,,.. do« ', ' , ''1i ' ')t ,__ ----- .. . (,--_;"E:=::::=====:::==t,/ ' •.• === --==-=,:.-::.--=s _; '---- ....;;--- ·-.... ", ........._ --·-·-· ---.' ' ....__ ---- --� - _.. , 1 --- ----- - --- / J _____ VJ.d... -- , ,; ,, Figura 11.4 Efeito de umn amostro de m:11crinl fcrrom11gnê1jcosobre us linhasde campo de um fm� pcrmo.ncnlc.
  • 938.
    Seção 26.4 Osganhos de corrente A., e A,, e o ganho de potência Ac 12. Dado o �isu:mn ,•iSIQ nil Figum 26.62: a) Cnleulc A,• 1/1,. b) Colculc A0• 1/11. e) Compare os resulrn<losdos itens (n) e(b) e expliqueas difef'('n<,'11.S cmrc eles, 13. Considerando o !ii$tCmtl da Figum 26.62: a) Oe1enninc-A!) u.sondô:t Equação 26.13ccoin1>:.1recc:u11 o rcsuhadoobrido u,,.;1mdo a Equatílo 26.14. b) Dc:1ennineA"1 u .. �mdo .i Equiu;ão 26.16 ecomparecom o rcsullado obtido usando n l;quação 26.17, 14. Co�idcmndo o sistcm:1 du Figuro 26.64: u) Dctcnninc o módulo de A,• ljl,, b) l)e1<mnine o g:nnho de lk>lêncinAar• P,lP,.. Seçio 26.S Sistema @m cascata 1S. Considcrnndoosis1cm.1dedoises1�&,iosvistonnFigura.26.65: a) Detemlhlc o g.'nho de tensão torai A., , ,. Vt,IE,. b) Occc-nnine o gnnho de oom:me 101nl A,1• 1/1,. e:) Oc1C:nninco ganhodeC0rr('ntcdccadoest�gio.Aae An, d) Ocrenninc o gnnho de corrcn1c 10mlu .. �:mdOôS resulta­ dos do it�m (e) e c;omp;trel'!Qm orcsulu1dódo i1cm (b). •16, O:,dó o sis1cmn vis10 nn Figurt, 26.66: a) Oc1<:nnine A"?, se A.-,""-6912. b) Oc1<:nnine Z1o �partir das iníormnç-õçs disPQnivd1t e) l)ctem1inc A� e- 1 1 a partir dasinfom111çõcs disponf· vei!> na Fisura 26.68, + P., ""· • -30 ,.. - - Capítofo 26 AnáUse de si,·temas: umaintrodi�o 927 Seção 26.6 Parãmetros de impedãnda (?) 17, u) Oe1crmlne o� parjmc1ros de impedóntiu (1.) pum o drcuho nvi:-.10 nu Figuro 26.67, b) Dcsenhe,,·cfrcuito cquivulcntc com par.1me1rosz(us.c uma dnsfomK,s:mos1md.as na r:igurn 26..l.S). 18. a) Dctennine os �1túinétros de hnped{lntfo (z) pum ú circuito-� visto níl figur:1 26.68. b) Oc�nhc o clN:uito equlvnkmecom p;1rfünc1tos 7.(use umn dt'1$ fom1B$ "i�ta$ na figum 26.JS). Seç!o 26.7 P•rãmetros de admitAncia (y) 19. a) Oc1crmine os 1>arãmc1ros de impcdiincia (y) pom o c:irçui10Tvis10 nn Fiyum 26.69. b) Oescnh<: o circuito cqui�lcmceom 1xui1mc1ros y(use �1m;idlS fornl3S ,1istas: n11 Figura 26.47). 20. il) Octerminc osp11rlmc1ro.s de mlmítfincia (Y) pam o cir• cuito visto na Fisuru 26.70. b) Desenheocircuito cquiv.-ilentecom pm-ãmc:H'OSy(use 1uUJ1 das fonnos 'Í�tas r,i, Figum 26.47). Seção 26.8 Parâmetros hlbridos (h) 21. u) Oeccrminc os panimctros h pnrn o circuito visto m, Figum 26.67, 21. b) Desenhe o cirçuitoC(luivt1len1el)llirido. a) D.ctcrminc os P3l'âmc1ros h 1>arn o drcuito visto n::i Figur.1 26.68. b) Desenhe o circui10 cquívolcnic híbrido, 23. 1�) l)ctemlinc O$ p.'ln'imc1rM h l>!ln o circuito visto 1111 l'igum 26.69. b) Oe�nhc o c!rtuho cqulv11le111e híbtido. + A.: .... ,o R� . - z., • 1 t..O '/, ,,• ?kO Figura 26.65 Prublenm 15, - + .,, "- • • --12 "'• ... 1�1 .111:n - Figura 26.66 Probknm 16. ...!.!,_ + t:, Figura 26.67 Problcmo.< 17 e 21. A..,.'! A.1: • 26 �l .? 1, + f � -+ A,.) • -32 Ai > •? f:.,> R1 , : z,,. 2k0 - R, ... i R1 ... R, . ... + •:, . R,1 • � Figura 26.68 Problcm°" 13 o 22. + 1-::
  • 939.
    928 lntroduc;Ao ànn.Ali$C de c:irc:vil0$ 24. a) Oe1crminc O$ par�metros h parn o cire:uito viSIQ nu 1 =igum26.70. b) Desenhe o circuhu cquhmlentc hlbrido, 2-S. Dadoo circuito cquivatcmc híbrido lis:10 na Flgum26.71: a) l)c1�nninc o g11nho de corrc.ntc A1• I/J1• b) Detenuinc o ganho de tensilo A., • t:;E1, Seçlio 26.9 Impedâncias deentrada e de saída 26. Pi1ra o circ;uito equi,•olc1ne híbrido vis10 nu Fig:um 16.71: il) D�umninc tt i1npcdU11cfa de entroda. b) Ocu�nninc: n hnpcdl.'inci:1 de s..·ddi1, 21. OC'tcnnlnc a_,; impcd:lncias de cmmdac desolda do ciroui10 cquivolc111c com parúmctros :t vis1os na figura26. 72. 28. Oct�nninc ns cxprc..�:; Jh'lfll as impcdilnci:as de cnlmdu e de$.'lida de 1.1111 c.irtuho equivalente com pi,riimetro..:. )', Seção 26.10 Convers.lo ent.r<, parâmetros 29. Oetcm,inec,$ panimctros h correspondentesaosseguinies. p:1rúmc1rosx: i11 •4 ! k0 7!,:•2.kíl Z11 • 3,kO 1.::•4'.1.:0 l � 5J 1 o + f:, 1 Y, 1 Figura 26.69 l'roblcma.s19e23 . ...!i.. .. z, E, Figura 26.71 Problemas25 "26. Rx�Jll:0 h1 1 kll .!.t._ -o- + F.1 � Figura 26.72 Problcin:is27, :2eJ4. � • f:: (iu) lk!l JO. a) Determineos p.1nmetros zoorrespondenics aossesuin, 1cs par{imc:-1ros h: h11 •1kO hu•2XJ0-.I h,, •100 h,.-20•1o•s b) Dc1cnninc os pru-f11nt1ro� ycorrespondcnldtto!> p11râ- mc1ros híbridosdo i1c1n (a). Seção 26.11 Análise ,omputacional PSplce ou Elttlronlcs Workbrnth 31. Para t:1 -4VL30° .dctcnnine E:com um:icurgo resisti'tl de2kOconcc.uulanos. 1cm,in:,is2 e2'docircuito visto nn Fígurn26.37, 32. P1m1 E.•2V.C:::0º .dctcnnineE, nocirtuito vistana1 :igum 26.72. JJ. De1cnninc z, p:1.r.1 o cin:uilo vis.to na Piguru26.37 com um:, enrgarcsis1iw, de2kO emre os 1cm1in.1is2c2'. J4. Dch:m,inc Z; no cin:ui10 vi:,'lono Figura26. 72, ., l � o 1 + e, � � &, Figura 26.70 Problcn10.s20c24. bit, so1, 1, �� + 1 r.: � 4()k!l fo (•,,)1( + 2k0 .akO + E, z .. R1• � 2 tJ) R'- kll:0