Impresso no Brasil Sujeito a Modificações Todos os Direitos Reservados 4806 727 17272
Colour Television Chassis
L03.1L
AA
CL 36532044_000.eps
020603
07/2003
CONTEÚDO PÁGINA
1 Especificações Técnicas, Conexões e Vista
Geral do Chassis 2
2 Precauções de Segurança e Manutenção
Instruções, Avisos e Notas 4
3 Instruções de Uso 6
4 Instruções Mecânicas 16
5 Modos de Serviço, Códigos de Erro e
Descoberta de Falhas 17
6 Diagrama em Blocos, Pontos de teste, I2C e
Diagrama em Blocos 21
Vista Geral da Tensão de Alimentação 22
Vista Geral dos Pontos de Teste 23
7 Esquemas e Painéis Diagr. Painel
Fonte de Alimentação (Diagrama A1) 24 33-39
Deflexão (Diagrama A2) 25 33-39
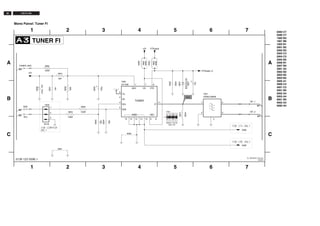
Tuner I/F (Diagrama A3) 26 33-39
Processamento de Vídeo (Diagrama A4) 27 33-39
Proces. de Áudio (Stereo + SAP) (Diagrama A5) 28 33-39
Amp. Áudio + Proc. Som Mono(Diagrama A6) 29 33-39
E/S Frontal + Controle + Headphone (Diagrama A7)30 33-39
E/S Traseiro (Diagrama A8) 31 33-39
Tabela de Diversidade 32 33-39
Alimentação DVD Opcional (Diagrama A9) 32 33-39
Painel CRT (Diagrama B1) 40 41-42
Painel Controle Superior (Diagrama E) 42 42
8 Ajustes 43
9 Descrição do Circuito 51
Lista de Abreviações 54
Data Sheets dos CIs 56
10 Listas de Material
Lista de Material 14PT3131/78R 57
Lista de Material 20PT3331/78R 61
Lista de Material 14PT4131/78R 65
Lista de Material 20PT4331/78R 69
14PT3131/78R
14PT4131/78R
20PT3331/78R
20PT4331/78R
ç
Volta ao Menu
2 L03.1L AA
1.2.2 Conexões Traseiras
Monitor Out
1 - Vídeo 1 Vpp / 75 ohm kq
2 - Áudio L (0.5 Vrms / 1 kohm) kq
3 - Áudio R (0.5 Vrms / 1 kohm) kq
AV1 In (YUV)
1 - Y 0.7 Vpp / 75 ohm jq
2 - U 0.7 Vpp / 75 ohm jq
3 - V 0.7 Vpp / 75 ohm jq
AV1 In
4 - Vídeo 1 Vpp / 75 ohm jq
5 - Áudio L (0.5 Vrms / 10 kohm) jq
6 - Áudio R (0.5 V rms / 10 kohm) jq
1.1 Especificações Técnicas
1.1.1 Recepção
Sistema de sintonia : PLL
Sistemas de cor : NTSC M
: PAL M
: PAL N
:PAL-BG Playback
Sistemas de áudio : Mono, ou
: BTSC com SAP
Seleções de canais : 181 Canais
: Cabo Completo
Frequência FI : 45.75 MHz
Entrada de antena : 75 ohm (tipo F), Coaxial
1.1.2 Miscelânia
Saída de Áudio : Mono: 3 W rms
: Stereo: 2 x 3 W rms
Tensão de Rede : 90 - 276 V (± 10 %)
Frequência de Rede : 50 / 60 Hz (± 5 %)
Temperatura Ambiente : + 5 to + 45 deg. C
Pressão do ar mínima : 60 kPa (=600 mBar)
Umidade Máxima : 90 %
Consumo : 36 W (14”) to
: 50 W (21”)
Consumo de energia Standby : < 3 W
1.2 Conexões
1.2.1 Conexões Frontais e Controle Frontal/Superior
Headphone
1 - Headphone,
3.5 mm 8 - 600 Ω / 4 mW rt
Audio / Video In
2 - Vídeo 1 Vpp / 75 ohm jq
3 - Áudio Mono 0.2 V rms / 10 kohm jq
Figura 1-1 Conexões Frontais.
INSTALL MENU
- VOLUME +
LED IR LED
VIDEO
AUDIO
- VOLUME +
CHANNEL
INSTALL/MENU
CONTROLE SUPERIOR
V+V-
P-
P+
Figura 1-2 Conexões traseiras
MONITOR
OUT
AV1
IN
AV1 INCVIAVout
V
L
R
Y
U
V
V
L
R
75 Ohm ANT.
1. Especificações Técnicas, Conexões, e Vista Geral do Chassis
3L03.1L AA
1.3 Vista Geral do Chassis
Figura 1-3 Vista Geral do Chassis
B1
PAINEL
PRINCIPAL
A1
E
A2
A3
A4
A8
FONTE
PAINEL CONTROLE SUPERIOR
DEFLEXÃO HORIZONTAL
A5
AUDIO AMP + MONO SOUND PROC.
TUNER IF
PROCESSAMENTO DE VÍDEO
E/S FRONTAL+ CONTROLE FRONTAL
+ HEADPHONE
PROCESSAM. ÁUDIO (STEREO +SAP)
I/O TRASEIRO CINCH
ALIMENTAÇÃODODVD
A9
CL 36532044_021.eps
020603
PAINEL CRT
A6
A7
4 L03.1L AA
2.3 Avisos
• Para prevenir danos aos CIs e transistores, evitar qualquer
faísca ou alta tensão. Para previnir danos ao tubo, use o método
mostrado na Fig. 2-1, para descarregar o tubo. Use uma ponta de
alta tensão e um multímetro (posição Vdc). Descarregue até que a
leitura do multímetro esteja 0 V (depois de aprox. 30 s).
Figura 2-1 Descarga do tubo de imagem
• Todos os CIs e outros semicondutores são suscetíveis à descarga
eletrostática (ESD w). Falta de cuidado no manuseio durante
reparo pode reduzir drasticamente a vida do componente. Quando
reparando, certifique-se que você está conectado com o mesmo
potencial de terra do aparelho por uma pulseira com resistência.
Mantenha componentes e ferramentas também neste potencial.
• Equipamentos de Proteção ESD disponíveis :
- kit Completo ESD3 (mesa de trabalho, pulseira, caixa de cone
xão, cabo de extensão, e cabo de aterramento).
- Testador de Pulseira.
A unidade de deflexão e qualquer unidade multi-polo, tubos planos
formam uma unidade integrada. A deflexão e as unidades multi-
polo são otimizadas em fábrica.
• Adaptação desta unidade durante reparo não é recomendada.
• Cuidado durante medições na parte de alta tensão e no tubo.
• Nunca troque módulos ou outros componentes enquanto a uni-
dade está ligada.
• Para ajustar o aparelho, use ferramentas de plástico em vez das
de metal. Assim, prevenimos quaisquer curtos e o perigo de um
circuito tornar-se instável.
2.4 Notas
• Meça as tensões e formas de onda considerando o chassis
(= tuner) terra ( H ), ou terra quente ( I ), dependendo da área do
circuito a ser testado.
• As tensões e formas de onda mostradas nos diagramas são
indicativas. Meça-as no Modo de Default de Serviço (ver seção
Modos de Serviços, Códigos de Erro...) com sinal barras coloridas
e som estéreo (L:3 kHz, R: 1 kHz a menos que declarado de outro
modo) e portadora de figura em 475.25 MHz (PAL) ou 61.25 MHz
(NTSC/PAL-M canal 3).
• Onde necessário, meça a forma de onda e as tensões com ( D )
e sem ( E ) sinal. Meça o voltages na seção de alimentação em
ambas operações: normal ( G ) e standby ( F ). Esses valores são
indicados por símbolos apropriados.
Índice deste capítulo
1. Instruções de Segurança para os Reparos
2. Instruções de Manutenção
3. Avisos
4. Notas
2.1 Instruções de Segurança para Reparos
Normas de Segurança requeridas durante um reparo:
Devido as partes ‘quentes’ deste chassis, o conjunto deve ser
conectado a energia AC via transformador de isolação.
• Componentes de Segurança, indicados pelo símbolo h, deverão
ser repostos por componentes idênticos aos originais.
• Quando trocar o CRT, utilizar óculos de segurança.
Instruções de Segurança requerem que depois um reparo, o conjunto
deve voltar a sua condição original. Atenção aos seguintes pontos:
• Instrução de reparo Geral: como uma precaução extra, recomen-
damos resoldar as conexões de solda onde a corrente do deflexão
horizontal está fluindo em particular:
- todos os pinos do transformador de saída de linha (LOT)
- capacitor(es) do fly-back
- capacitor(es) da correção S
- transistor de saída de linha
- pinos do conector com os fios da bobina de deflexão
- outros componentes que suportam a corrente de deflexão.
Nota: Esta resoldagem é indicada para prevenir más conexões causa-
das pela fadiga de metal em pontos de solda e é unicamente necessá-
ria para televisores com mais de 2 anos.
• Roteie os fios e cabos do EHT corretamente e prenda-os com as
travas de cabo.
• Cheque a isolação do cabo de alimentação AC de danos externos.
• Cheque o alívio de esforço do cabo de alimentação AC, preve-
nindo que o cabo toque o CRT, componentes quentes, ou fontes
de calor.
• Cheque a resistência elétrica DC entre o plug AC e o lado secun-
dário (unicamente em aparelhos com fontes isoladas). Faça da
seguintes forma:
1. Desligue o cabo AC e conecte um fio entre dois pinos do plug.
2. Ligue o interruptor principal ( com o cabo AC desconectado!).
3. Meça o valor da resistência entre os pinos do plug e a blinda-
gem do tuner na conexão de antena do aparelho. A leitura
deverá estar entre 4.5 M e12 M.
4. Desligue o interruptor e remova o fio entre os dois pinos do plug
AC.
• Cheque defeitos do gabinete, prevenindo que o cliente toque qual-
quer peça interna.
2.2 Instruções de Manutenção
É recomendado que a inspeção de manutenção seja realizada por
pessoal qualificado. O intervalo de inspeção depende das condições
de uso:
• Quando o equipamento é utilizado sob circunstâncias normais, por
exemplo, em uma sala de estar, o intervalo recomendado é de três
a cinco anos.
• Quando o equipamento é utilizado em um ambiente com presença
de poeira, gordura ou altos níveis de umidade, por exemplo em
uma cozinha, o intervalo recomendado é um ano.
• A inspeção de manutenção inclui as seguintes ações:
1. Realizar a ‘ instrução de reparo geral’ descrita acima.
2. Limpe a fonte de alimentação e circuito de deflexão no chassis.
3. Limpe o painel e o pescoço do tubo.
2. Instruções de Segurança e de Manutenção, Avisos e Notas
•
V
5L03.1L AA
• O painel do tubo tem impresso espaçamentos para faiscamento.
Cada espaço de faiscamento é conectado entre um eletrodo do
tubo e o revestimento Aquadag.
• Os semicondutores indicados no diagrama do circuito e nas listas
de partes e peças são completamente permutáveis com os semi-
condutores na unidade independente da indicação de tipo neles.
2.4.2 Notas sobre o esquema
• Todos os valores dos resistores são dados em Ohms e o valor
multiplicador é geralmente usado no local do ponto decimal (ex:
2K2 indica 2,2 KOhms).
• Valores de resistores sem multiplicador podem ser indicados tanto
por “E” ou “R” (ex: 220E ou 220R indicam 220 Ohm)
• Todos os valores dos capacitores são dados em Micro-Farads
(u=x10-6), (Nano-Farads (n=x10-9), ou Pico-Farads (p=x10-12).
• Os valores dos capacitores podem também usar o multiplicador
como indicação do local do ponto decimal (ex: 2p2 indica 2,2 pF).
• Um asterisco (*) indica variação no uso do componentes. Verifique
a tabela de diversidades para saber os valores corretos.
• O valor correto do componente estão listados na lista de mate-
rias. Portanto, a lista deve ser consultado quando houver alguma
dúvida.
2.4.3 Precauções Práticas de Serviço
• Evite se expor a Choques Elétricos.
Enquanto algumas fontes são reconhecidamente causadoras de
impactos perigosos, outras de potencial tão perigoso quanto, ficam
desapercebidas.
• Sempre Respeite as Tensões. Enquanto algumas delas possam
não ser perigosas, elas podem causar reações inexperadas e
que devem ser evitadas. Antes de manusear um TV alimentado,
é aconselhável fazer o teste de isolação de alta tensão. Ele é fácil
de fazer e é uma boa precaução.
• Antes de ligar o TV sem a tampa traseira, prenda um terminal
no terra do CRT DAG e na ponta de uma chave de fenda com uma
boa isolação. Após o TV ser ligado aproxime a chave do anodo,
começando pela carcaça do fly-back. Passe a chave a 2 polega-
das do conector do cinescópio. Se um arco voltaico for formado
você achou uma fuga sem se machucar! Se o arco aparecer,
troque o componente que causou o problema, o fly-back ou o
terminal.
6 L03.1L AA
3. Instruções de Uso
PARABÉNSPORTERADQUIRIDOESTEPRODUTO...
EBEM-VINDOÀFAMÍLIAPHILIPS.
AgradecemossuaconfiançanaPhilipsetemoscertezadequeseutelevisorlhetrará
muitosmomentosagradáveis,poiseleéumprodutodetecnologiamodernaecom
muitosrecursos.Parausufruirdetodoseupotencial,bastaleratentamenteeste
manualeseguirasorientaçõesdadas.Seapósleromanualaindarestaralgumadúvida,
faleconoscoatravésdonossoCIC(CentrodeInformaçõesaoConsumidor).
CIC,tel.08007010203(discagemdiretagratuita),desegundaasexta,das8:00às
20:00h.Aossábados,das8:00às13:00h.
Atenciosamente,
PhilipsdaAmazôniaInd.Elet.Ltda.
INFORMAÇÃOAMBIENTAL
Embalagem:
Todoomaterialdesnecessáriofoiretiradodaembalagemdoproduto.Nós
procuramos,acadaprojeto,fazerembalagenscujaspartessejamdefácilseparação,
bemcomodemateriaisrecicláveis,sendo:calçodeisopor,caixadepapelãoesacos
plásticos.Procurefazerodescartedaembalagemdemaneiraconsciente,
preferencialmentedestinandoarecicladores.
Produto:
Oprodutoadquiridoconsistedemateriaisquepodemserrecicladosereutilizadosse
desmontadosporcompanhiasespecializadas.
Bateriasepilhas:
AspilhasebateriasfornecidascomosprodutosPhilipsnãocausamdanosaomeio
ambiente,poisestãodentrodoslimitesespecificadosnaresoluçãoCONAMANo.
257de30/06/99,podendodestaformaseremdescartadasjuntocomolixo
doméstico.
Descarte:
Solicitamosobservaralegislaçãoexistenteemsuaregião,comrelaçãoàdestinação
doprodutonoseufinaldevida,disposiçãodoscomponentesdaembalagemedas
pilhasebaterias.
Emcasodedúvidaouconsulta,favorligarparaoCentrodeInformaçõesao
Consumidor-08007010203(ligaçãodiretagratuita)ouparaaLinhaVerde
(0+XX+92)652-2525.
APhilipsdaAmazôniaIndústriaEletrônicaLtda.eoMeioAmbienteagradecemsua
colaboração.
ÍNDICE
DiretivadeReciclagem–SeuTVutilizamateriaisquesãoreutilizáveisouquepodemser
reciclados.Paraminimizaraquantidadedematerialdescartadonomeioambiente,companhias
especializadasrecuperamaparelhosusadosparadesmonteecoletadosmateriaisreutilizáveis
OperandooTV
InformaçõesdeSegurança....................................................................................................................................4
DicasÚteis...............................................................................................................................................................4
InstalaçãoBásicadoControleRemoto.............................................................................................................4
InstalaçãoBásicadoTV.........................................................................................................................................5
FunçõesdosControlesdoTV.............................................................................................................................5
ConectandoaEquipamentosPeriféricos(Reprodução)...............................................................................6
ConectandoaEquipamentosPeriféricos(Gravação)....................................................................................6
FunçõesdoControleRemoto............................................................................................................................7
AcessandooMenuPrincipaleosSub-Menus.................................................................................................8
VisãoGeraldoMenuPrincipaleSub-Menus...................................................................................................8
SelecionandooMenuInstalação...................................................................................................................9-10
ComoAjustaraImagemdoTV.........................................................................................................................11
UtilizandooControleSmartPicture...............................................................................................................11
ComoAjustaroSomdoTV......................................................................................................................................12
UtilizandooControleSmartSound................................................................................................................12
UtilizandooTimer...............................................................................................................................................13
UtilizandooActiveControl...............................................................................................................................13
UtilizandooClosedCaption.............................................................................................................................14
UtilizandooLimitadordeVolume....................................................................................................................14
UtilizandoaFunçãoNíveldeSinal...................................................................................................................14
UtilizandooSleeptimer......................................................................................................................................15
UtilizandooControleSurf.................................................................................................................................15
AntesdeChamaroServiçoTécnico...............................................................................................................16
ListadeServiçosAutorizados.....................................................................................................................17-18
EspecificaçõesTécnicas.......................................................................................................................................19
Garantia..................................................................................................................................................................20
7L03.1L AA
INFORMAÇÕESDESEGURANÇA
•Desconecteocaboderedequando:
–aluzverdeabaixodateladoTVestiverpiscandocontinuamente.
–umalinhabrancaluminosaaparecernatela.
–duranteumatempestadederaios.
–oaparelhonãoforutilizadoporumperíodoprolongadodetempo.
•AolimparateladoTV,nuncauseagentesdelimpezaabrasivos.Useumpanomacioumedecido.
•Nenhumafontedechama,comovelasacesas,devesercolocadaemcimadoTVounasimediações.
•NãocoloqueseuTVsobluzdiretadosoloucalor.
•Deixeumespaçodenomínimo10cmaoredordotelevisorparapermitirumaadequadaventilação,
evitandoaquecimentoexcessivo.Nãocubraotelevisorquandoestiveremuso.
•Evitecolocarseuaparelhoondeelepossaserexpostoachuvaouumidade(próximoàjanela,porexemplo).
•Nenhumobjetocontendolíquidodevesercolocadosobreotelevisor,paraevitarquelíquidosgotejem
ouespirremnoaparelho.
•Quandoseuaparelhoutilizarantenainternaearecepçãoestiverruim,nãoutilizepalhadeaçoou
outrosprodutosnaantena,poiselespodemdanificaroseutelevisor.
•Nuncatenterepararumaparelhodefeituoso.Consultesempretécnicosouoficinasautorizadas,evitando
assimaperdadagarantiaeriscosàsuasaúde.
1m
mín.
INSTALAÇÃOBÁSICADOCONTROLEREMOTO
+
–
•TroqueaspilhasdocontroleremotoassimqueoTVpassaranão
reagiraosseuscomandos.
•Pressioneaextremidadedatampaepuxe-aparateracessoao
compartimentodepilhas.
•Observeapolaridadedaspilhas(+e-).
•Usesomentepilhas"AA"enuncamisturepilhasnovascomusadas
oualcalinascomcomuns.
DICASÚTEIS
•Nãomovimenteougireoseuaparelhoquandoeleestiverligado.Imagenscomcoresnãouniformes
poderãoserapresentadasnatela.
•Limpecuidadosamenteassuperfíciesdogabinetecomumtecidolimpo.Nuncautilizesolventes,lustra
móveis,spraysinseticidasououtrosprodutosquímicosnogabineteouemáreaspróximas,poiseles
podemdanificarpermanentementeoacabamentodogabinete.
INSTALAÇÃOBÁSICADOTV
751
g
1
10cm
10cm10cm
234
1PosicionamentodoaparelhodeTV
•ColoqueoTVemumabasesólida(rack,estante,etc.)
•Deixepelomenos10cmdeespaçoaoredordoaparelhoparaventilação,evitandoaquecimentoexcessivo.
•Nãocoloqueoaparelhopertodeumaquecedorououtrasfontesdecalor.
•NãocoloqueoTVondeelepossaserexpostoàchuvaouumidadeexcessiva.
2Conectandoaantena
•Conecteaantenaaorespectivoconectornapartetraseiradoaparelho.
3Conectandoàrede
•Oaparelhoestápreparadoparatensõesde90a255Volts(automático).
Nota:Odiagramamostradonãoérepresentativodoplugetomadasderedereais.
4LigandooAparelho
•Pressioneobotão3POWERparaligar/desligaroTV.Seoaparelhoestánomodostand-by(desligado
pelocontroleremoto),pressioneateclaPOWERouCH+/–nocontroleremotoouatecla
CHANNELdoaparelhoparaligá-lo.
FUNÇÕESDOSCONTROLESDOTV
&PowerLigaoudesligaotelevisor.
éIndicaçãodeStandbyLedverdeacendequandooTVestiveremmodostandby
(desligadopelocontroleremoto).
“SensordeControleRemotoAponteoControleRemotoaosensorquandoestiver
operandooTV.
‘Volume+/–Aumentaoudiminuiovolume.
(Channel3/4Selecionacanaisemordemcrescente/decrescente.
Nota:
Nocasodeperdaouquebradocontroleremoto,oscontrolesdoTVpoderãoserfeitoscomasteclasdo
televisor.
•Pressionesimultaneamenteasteclasdevolume+e–paramostrar/cancelaromenuprincipal.
•PressioneasteclasChannel3ou4paraselecionarositensdomenu.
•PressioneasteclasVolume+ou–paraacessarossubmenuseajustaroscontroles.
é
&
“
‘(
3
8 L03.1L AA
ConexãoAVTraseiraouFrontal
Equipamentos,taiscomo:DVD,VCR,LaserDiscPlayer,
VCD,etc.podemserligadosàsentradasdeÁUDIOe
VÍDEO(AV),localizadasnapartetraseiraoufrontal
deseuTV.DesligueoTVeosequipamentosaserem
conectadosantesderealizarquaisquerconexões.
•Conecteassaídas(OUT)deÁUDIOeVÍDEOdos
equipamentosaosconectoresdeentrada(IN)doTV.
•Paravisualizarprogramas,selecioneocanaldeAV,
atravésdateclaAVdocontroleremoto.
Nota:Seoseuaparelhopossuiasduasconexõesde
entrada(traseiroefrontal),apenasumaconexãopoderáser
vistaporvez.Nestecasoaconexãofrontaltemprioridade,
ouseja,paravisualizaroprogramatransmitidoviaconexão
traseiraénecessáriodesconectaraconexãofrontal.
ConexãoVídeoComponente
VocêpodeassistirreproduçõesdediscosDVD
utilizandoosconectoresdeentradaVÍDEO
COMPONENTE,localizadosnatraseiradoTV.
•Conecteasentradas“Y”,“Pb”e“Pr”(Component
VideoInput)doTVàssaídas“Y”,“Pb”e“Pr”(ou
“Y”,“Cb”e“Cr”)doseuaparelhoDVDpara
reproduzirdiscosDVD.
•ConecteassaídasdeAUDIOLeRdeseuDVDàs
entradasAUDIOAV1-inLeRnatraseiradoTV.
•Paravisualizarprogramas,selecioneocanaldeCVI,
atravésdateclaAVdocontroleremoto.
Nota:Seoseuaparelhopossuiconexãofrontalea
mesmaestáligada,énecessáriodesconectaroáudioda
conexãofrontal,parareproduziraconexãoVídeo
Componentecorretamente.
CONECTANDOAEQUIPAMENTOSPERIFÉRICOS(REPRODUÇÃO)
Paraidentificarquaisasconexõesdisponíveisnoseutelevisor,videtabeladeEspecificaçõesTécnicasnapág.19.
Nota:ParaosaparelhosMono,apenasaentradadeAUDIOLestádisponível.
*Desenhoilustrativo(20PT4331)
DVDequipado
comsaídas“Y”,
“Pb”e“Pr”
TraseiradoDVD
OUTOUT
AUDIORL
AV1inAVoutCVI
L
R
VIDEO
AUDIO
YPbPr
ConectoresAVnatraseiradoTV*
VCRequipado
comsaídasde
ÁUDIOeVÍDEO
TraseiradoVCR
ConectoresAVnatraseiradoTV*
ANTENNA
OUT
IN
OUT
IN
AUDIORL
VIDEO
OUT
IN
AV1inAVoutCVI
L
R
VIDEO
AUDIO
ConexãoaEquipamentosdeÁudio
ParamelhorarosomdeseuTV,conecteassaídas
(OUT)AUDIOLeRaumequipamentodesom,
emvezdoVCR.Paraequipamentosmono,conecte
apenasasaída(OUT)AUDIOL.
AV1inAVoutCVI
L
R
VIDEO
AUDIO
ConectoresAVnatraseiradoTV*
GravandodeumcanaldeTV
•Conecteasentradas(IN)AUDIOeVIDEOdoVCR
àscorrespondentessaídasOUT(MONITOR
OUT)natraseiradoTV.
CONECTANDOAEQUIPAMENTOSPERIFÉRICOS(GRAVAÇÃO)
VCRequipadocom
saídasdeÁUDIOe
VÍDEO
TraseiradoVCR
ANTENNA
OUT
IN
OUT
IN
AUDIORL
VIDEO
OUT
IN
AV1inAVoutCVI
L
R
VIDEO
AUDIO
ConectoresAVnatraseiradoTV*
FUNÇÕESDOCONTROLEREMOTO
1Power
-PressioneestateclaparaligaroudesligaroTV.
-SeoTVestiveremmodostandby,pressioneCanal+/-,
asTeclasNuméricas(0-9)ouateclaPower.
2TeclasdeDVD
5Rewind-retornar9Stop-parardisco
2Play-reproduzir6Forward-avançar
3Timer
Permitedigitarumhorárioespecíficoparaqueo
TVmudeparaoutroprograma.Essafunçãotambém
servecomoalarmeparaacordá-loemumhorário
específico,quandooaparelhoestiveremstand-by,
etambémparadesligaroTVnohoráriodesejado.
4Stereo(teclasemfunçãoparaaparelhosMono)
Pressionerepetidamenteparaselecionarentreos
modosdesomMono,StereoeSAP,quando
disponível.Seatransmissãonãoforestéreo,apenasa
indicaçãoMONOapareceránatela.
5SmartSound(teclasemfunçãoparaaparelhosMono)
PressioneateclaSmartSoundrepetidamentepara
acessaros4tiposdiferentesdeajustesdesome
escolheroajustequeformaisconveniente.
6Surf
Permiteselecionarummáximode8canaisever
rapidamenteoscanaisselecionados.
7Menu
MostraoMenuprincipal.TambémretiraoMenudatela.
8cursorPARAAESQUERDA
Permiteselecionarossubmenuseajustaroscontroles.
9cursorPARABAIXO
Permiteselecionaropróximoitemnomenu.
10Volume+/–
Permiteaumentar(+)oudiminuir(–)ovolume.
11TecladoNumérico(0-9)
Pressioneparaselecionarumcanal.Paraumnúmerode
canalcomdoisdígitos,pressioneoprimeiroe
imediatamenteosegundo.Damesmaforma,paraum
canalcomtrêsdígitos(TVaCabo),pressioneo
primeiroseguidopelosoutrosdois.
12Sleep
Permiteselecionarumperíododetempoapósoqualo
aparelhoserácolocadonacondiçãodestand-by(desligado).
13IncredibleSurround(teclasemfunçãopara
aparelhosMono)
PermiteselecionarStereoouIncredibleSurround
quandoatransmissãoforemestéreo,eEspacialou
Monoquandoatransmissãoformono.
14AV
Pressioneestateclarepetidamenteparaselecionaras
entradasdeAV(conexões).
15SmartPicture
PressioneateclaSmartPicturerepetidamentepara
acessaros5diferentestiposdeajustesdeimageme
escolheroajustequeformaisagradável.
16OSD
Apresentanatelaonúmerodocanal,orelógio(se
disponível),ostatusdomodoSLEEPe,tambémretirao
menudatela.Paraqueonúmerodocanalfiquefixona
tela,pressioneateclapor5segundos.Onúmeroirá
piscarindicandoqueafunçãofoiativada.Pararemover
datela,pressioneateclanovamente.
17cursorPARACIMA
PermiteselecionaroitemanteriordoMenu.
18cursorPARAADIREITA
Permiteacessarossubmenuseajustaros
controles.
19vFormato
Permiteselecionarosdiferentesmodosde
formatodetela:4:3eExpande4:3.
(Vejaaseção"ComoAjustaraImagemdoTV")
20Canal+/–
Permiteselecionarcanaisemordemcrescente
(+)oudecrescente(–).
21Mute
Interrompeosom.Pararestaurá-lo,pressionea
teclanovamenteouateclaVolume+.
22CC(ClosedCaption)
Permiteleroconteúdofaladodeprogramas
detelevisão.Vocêpodeescolher3modos:
CC1,CC2eCCMudo.
9L03.1L AA
ACESSANDOOMENUPRINCIPALEOSSUB-MENUS
Omenuprincipalpermiteacessarossub-menusImagem,Som,FunçõeseInstalação.
Comoacionaromenuprincipal
•PressioneateclaMENUMENUparaativaromenuprincipal.
•Asquatroteclasdocontroleremoto,cursorPARACIMA
,PARABAIXO,PARAAESQUERDAe
PARAADIREITA,permitemselecionaroitemdesejado
domenu,fazerajustese,acessarossub-menus.
•PressioneateclaOSDOSDparasairdomenu.Quandoomenu
nãoestánatela,ateclaOSDapresentaváriasinformaçõesúteisaousuário.
VISÃOGERALDOMENUPRINCIPALESUB-MENUS
Imagem
Brilho
Cor
Contraste
Nitidez
Matiz
TomDeCor
Contraste+
Formato
Menuprincipal
Imagem
Som
Funções
Instalação
Instalação
Idioma
SistemaCor
Modo
AutoSeleção
SintoniaFina
Seleção
Funções
Timer
ActiveControl
ClosedCaption
Limit.Volume
NívelSinal
Menuo
✔ImagemÉBrilho
■SomCor
■FunçõesContraste
■InstalaçãoNitidez
Matiz
Próximo...
œ
OSDMENU
Som
(paraaparelhosEstéreo)
Agudos
Graves
Balanço
NivelarVol.
Incr.Surround
UltraBass
Som
Som
(paraaparelhosMono)
NivelarVol.
SELECIONANDOOMENUINSTALAÇÃO
Idioma:AfunçãoIdiomapermiteajustaromenuparasermostradonoidiomadesejado.
PressioneatecladecursorPARAADIREITAouPARAAESQUERDA
repetidamenteparaselecionaroidiomapreferido(Português,Españolou
English).
SistemaCor:SelecioneosistemadecorNTSC,PAL-MouPAL-N.QuandoaopçãoAutoestá
selecionada,osistematransmitidoédetectadoeselecionadoautomaticamente.
SelecioneosistemaapropriadosearecepçãoforruimnomodoAuto.Paraasentradas
AV,osistemadecoréautomático,poristoquandoumadasentradasAVestiver
selecionada,esteitemnãoapareceránestemenu.
PressioneatecladecursorPARAADIREITAouPARAAESQUERDA
repetidamenteparaselecionarosistemaapropriado.
Modo:Escolhaotipodesintonia:Antena(canal2ao69),Cabo(canal1ao125)ouAuto.Use
omodoCabosomenteseessesistemafordisponívelemsuaresidência.NomodoAuto,
otipodesintoniaédetectadoeselecionadoautomaticamente.
PressioneatecladecursorPARAADIREITAouPARAAESQUERDA
repetidamenteparaselecionaromododesejado.
AutoSeleção:Fazasintoniaautomáticadoscanaisdisponíveisoucomsinal,“saltando”oscanaisque
nãoestãosendotransmitidos.Naautoseleçãoocorremoscilaçõesdeimagem.Aimagem
voltaráaseestabilizaraotérminodaoperação.
Dica:Antesdefazeraseleçãodecanais,certifique-sedequeaantenaoucaboestejaconectado.
PressioneatecladecursorPARAADIREITAouPARAAESQUERDApara
iniciaraautoseleção.
AteclaOSDpodeserutilizadaparainterromperestaoperação.
Apósaautoseleção,apenasoscanaisselecionadosserãoapresentadosaosepressionar
asteclasCH(canal)3ou4,entretantotodososcanaispodemseracessadosatravésdo
tecladonuméricodocontroleremoto.
OSD
PressioneMENU,pressioneasetaouatéoitemInstalaçãoepressione.
OSDMENU
Instalaçãoo
✔IdiomaPortuguêsÉ
■SistemaCor
■Modo
■AutoSeleção
■SintoniaFina
■Seleção
œ
10 L03.1L AA
SELECIONANDOOMENUINSTALAÇÃO(CONT.)
PressioneMENU,pressioneasetaouatéoitemInstalaçãoepressione.
SintoniaFina:Usadanasrarassituaçõesemqueénecessáriofazerumpequenoajustenasintoniafina
doTV,paramelhorararecepçãodeimagemoudesom.Quandoovalordasintoniafina
estánocentrodaescala,asintoniaéautomática.
PressioneatecladecursorPARAA
DIREITAparaativaromenuSintonia
Fina.
Selecioneocanaldesejadoatravésdas
teclasnuméricasdocontroleremoto.
PressioneatecladecursorPARAA
DIREITAouPARAAESQUERDAatéobteroajustedesejado.
Quandoatingirasintoniadesejada,pressioneatecladecursorPARABAIXO
paraselecionarMemorizar.
PressioneatecladecursorPARAADIREITAparagravaroajusteefetuado.
PressioneateclaMENUpararetornaraomenuInstalação.
Seleção:Algumasvezespodesernecessárioainclusãodealgunscanais,comonocasodosvídeos
cassetesligadospelaantenaoucanaisfracos(comchuviscos),ouaexclusãodealguns
canaisindesejados.
Nota:Umavezqueocanalécancelado,nãoépossívelacessarestecanalusandoateclade
CH+ou-.Sóserápossívelselecioná-loatravésdasteclasnuméricas(0-9).
PressioneatecladecursorPARAA
DIREITAparaativaromenuSeleção.
Selecioneocanaldesejadoatravésdas
teclasnuméricasdocontroleremoto.
PressioneatecladecursorPARABAIXO
paraselecionarCancelado.
PressioneatecladecursorPARAADIREITAeselecioneSimparaeliminaro
canalouNãoparaadicionarocanal.
PressioneateclaOSDparasairdomenu.
MENU
OSD
5
132
46
798
0
OSDMENU
Instalaçãoo
✔IdiomaPortuguêsÉ
■SistemaCor
■Modo
■AutoSeleção
■SintoniaFina
■Seleção
œ
SintoniaFinao
✔AjusteÑ❘❘❘❘❘❘❘❘❘❘❘❘❘❘❘❘❘❘❘❘❘❘❘❘π
■Memorizar
œ
Seleçãoo
■Canal
✔CanceladoSim
œ
5
132
46
798
0
COMOAJUSTARAIMAGEMDOTV
PressioneMENU,pressioneasetaouatéoitemImagemepressione.
ItemdomenuAtividade
BrilhoEscureceouclareaaimagem.
CorAumentaoudiminuioníveldecor(saturação)daimagem.
ContrasteAumentaoudiminuioníveldecontraste.
NitidezSuavizaaimagemouatornamaisnítida.
MatizTornaaimagemmaisesverdeadaouavermelhada.Estafunçãoéaplicávelsomente
nastransmissõesemNTSC.
TomdeCorPermiteumaescolhade3ajustesdetonalidadedecor:Normal,QuenteouFrio.
Contraste+SelecionandoaopçãoSim,ocontrastetotalseráotimizado,realçandoaimagem.
FormatoPermiteselecionardiferentesformatosdetelaparaseuprazervisual,quesão:4:3e
Expande4:3.
ModoExpande4:3:Expandeasimagensdefilmes
gravadosnoformatodecaixadetextos(letterbox16:9).
Comesteformatoselecionado,asbarrashorizontais
negrasexistentesnotopoenaparteinferiordas
imagenssãoremovidasoureduzidas.
Nota:Quandoomenunãoestivernatela,vocêpodeselecionaroformatodetela(q)
diretamenteatravésdasteclasdecursorPARACIMAePARABAIXO.
UtilizeatecladecursorPARACIMAouPARABAIXOparaselecionarositensno
submenu.FaçaosajustesouaativaçãodorecursocomatecladecursorPARAADIREITAou
PARAAESQUERDA.PressioneateclaOSDOSDparasairdomenu.
OSDMENUImagemo
✔Brilhop❘❘❘❘❘❘❘❘❘❘❘❘❘❘❘❘❘❘❘❘❘❘❘59π
■Cor
■Contraste
■Nitidez
■Matiz
■TomDeCor
œ
Imagemo
✔Matizp❘❘❘❘❘❘❘❘❘❘❘❘❘❘❘❘❘❘❘❘❘❘❘59π
■TomDeCor
■Contraste+
■Formato
œ
UTILIZANDOOCONTROLESMARTPICTURE
Independentedevocêestarassistindoumfilmeoujogandovídeogame,seuTVtemumcontroleautomático
deajustesdeimagemqueéidealparaoprogramaoufontequevocêestáutilizando.CadaopçãodoSmart
Pictureépré-ajustadanafábricaparaselecionarautomaticamenteosníveisdebrilho,cor,contrasteenitidez.
PressioneateclaSMARTPICTURErepetidamenteparacircularatravésdos5
ajustesdeimagem:Pessoal,Vibrante,Natural,SuaveeGames.
DefiniçãodosajustedeImagem
Pessoal:Opçãoquepodeserajustadapelousuário.
Vibrante:Reforçacoresmaisvibrantes.(ApropriadoparamodoAVemambientesmaisluminosos)
Natural:Reforçacoresoriginais.
Suave:Reforçacores“suaves”.(Apropriadoparasinaisfracoseruidosos)
Games:Reforçacores“quentes”.(Apropriadoparajogosdecomputadores,vídeogames,etc.)
SMARTPICTURE
11L03.1L AA
PressioneMENU,pressioneasetaouatéoitemSomepressione.
UtilizeatecladecursorPARACIMAouPARABAIXOparaselecionarositensno
submenu.FaçaosajustesouaativaçãodorecursocomatecladecursorPARAADIREITAou
PARAAESQUERDA.PressioneateclaOSDOSDparasairdomenu.
OSDMENUSomo
✔Agudosp❘❘❘❘❘❘❘❘❘❘❘❘❘❘❘❘❘❘❘❘❘❘❘2π
■Graves
■Balanço
■NivelarVol.
■Incr.Surround
■UltraBass
œ
Somo
✔BalançopL❘❘❘❘❘❘❘❘❘❘❘❘❘❘❘❘❘❘❘❘Rπ
■NivelarVol.
■Incr.Surround
■UltraBass
■Som
œ
COMOAJUSTAROSOMDOTV
ItemdomenuAtividade
AgudosAumentaoudiminuioníveldealtasfreqüências(sonsagudos)nosom.
GravesAumentaoudiminuioníveldebaixasfreqüências(sonsgraves)nosom.
BalançoDistribuiosompelosalto-falantesdireitoeesquerdo.
NivelarVolumeComovariaçõesnascondiçõesdosinalpodemresultarnumasúbitaalteraçãono
volumeduranteintervaloscomerciaisoutrocasdecanal,selecionandoaopção
Sim,ovolumeirápermanecernumnívelpadrão.
IncredibleProporcionaasensaçãodeumsommaisenvolvente.Quandoatransmissãoforestéreo,
SurroundpermiteselecionarIncr.SurroundouStereo,quandoformono,EspacialouMono.
UltraBassSelecioneaopçãoSimparaapreciarumreforçodegravesnasaídadesom.
SomPermiteaseleçãoentreStereo,MonoeSAP.SAPpermiteouvirosom
originalemtransmissãosimultânea.Seoprogramatransmitidonãocontéma
informaçãoSAP,aopçãoSAPnãoestarádisponívelnomenu.Aoassistirum
programaemmodoSAPemudarparaoutrocanal,aopçãoSAPserádesligada
quandoretornaraocanalanterior(comSAP).Énecessáriorefazeraseleçãoda
opçãoSAPnorecursoSOM.
Nota:Seatransmissãonãoforestéreo,apenasaindicaçãoMonoapareceránatela.
aparelhos
Estéreo
UTILIZANDOOCONTROLESMARTSOUND
(somenteparaaparelhosEstéreo)
Independentedevocêestarassistindoumfilmeoujogandovídeogame,seuTVtemumcontroleautomático
deajustesdesomqueéidealparaoprogramaoufontequevocêestáutilizando.CadaopçãodoSmart
Soundépré-ajustadanafábrica,paraselecionarautomaticamenteosníveisdegraveseagudos.
PressioneateclaSMARTSOUNDrepetidamenteparacircularatravésdos4
ajustesdesom:Pessoal,Voz,MúsicaeTeatro.
DefiniçãodosajustesdeSom
Pessoal:Opçãoquepodeserajustadapelousuário.
Voz:Reforçatonsdealtafreqüência.(agudosreforçados)
Música:Reforçatonsdebaixafreqüência.(gravesreforçados)
Teatro:Reforçasensaçõesemprogramasdeação.(graveseagudosreforçados).
SMARTSOUND
aparelhos
Mono
ItemdomenuAtividade
NivelarVolumeComovariaçõesnascondiçõesdosinalpodemresultarnumasúbitaalteraçãono
volumeduranteintervaloscomerciaisoutrocasdecanal,selecionandoaopção
Sim,ovolumeirápermanecernumnívelpadrão.
UTILIZANDOOTIMER
PressioneMENU,pressioneasetaouatéoitemFunçõesepressione.
OSDMENU
Funçõeso
✔TimerÉRelógio
■ActiveControlLigarÀs
■ClosedCaptionDesligarÀs
■Limit.VolumeCanal
■NívelSinalAtivar
MostrarHora
œ
Esterecursopermitedigitarumhorárioemostrá-lonatelapressionandoateclaOSD.Permite,também,digitaro
horárioquevocêdesejaqueoaparelhomudeparaoutroprograma,desligueoTVou,ainda,funcionarcomoumalarme
paraacordá-loemhoráriosespecíficos,quandooaparelhoestivernomodostand-by(desligadopelocontroleremoto).
PressioneatecladecursorPARAADIREITAparaativaro
menuTimer.
Relógio:Utilizeasteclasnuméricas(0-9)paradigitaro
horárioatual.
Ligaràs:Utilizeasteclasnuméricas(0-9)paradigitaro
horárioquevocêdesejaqueoprogramasejaativado.
Desligaràs:Utilizeasteclasnuméricas(0-9)paradigitar
ohorárioquevocêdesejadesligaroaparelho.
Canal:Utilizeasteclasnuméricas(0-9)paradigitaronúmerodocanal.
Ativar:UseatecladecursorPARAADIREITAouPARAAESQUERDAparaselecionar
entreosmodosUmavezeTododia.
MostrarHora:UseatecladecursorPARAADIREITAouPARAAESQUERDApara
selecionarSimemostrarohoráriocorrentenatela.
Dica:Pode-seacessardiretamenteomenuTimeratravésdateclaTimerdocontroleremoto.
5
132
46
798
0
5
132
46
798
0
5
132
46
798
0
5
132
46
798
0
Timero
✔Relógioπ08:30
■LigarÀs
■DesligarÀs
■Canal
■Ativar
■MostrarHora
œ
Esterecursoajustaautomaticamenteaqualidadedaimagem,dependendodosinalrecebidopelaantena.
UseatecladecursorPARAADIREITAou
PARAAESQUERDAparaselecionarSim,
ExibirouNão.
Nota:QuandoEXIBIRestiverselecionado,os
ajustesdeBrilho,Contraste,Nitideze
Contraste+serãomostradosnatelaaomudar
decanal.
Nota:EstafunçãonãoatuanasconexõesAVeCVI(sedisponível).
UTILIZANDOOACTIVECONTROL
Funçõeso
■Timer
✔ActiveControlSim
■ClosedCaption
■Limit.Volume
■NívelSinal
œ
12 L03.1L AA
14
Funçõeso
■Timer
■ActiveControl
■ClosedCaption
✔Limit.VolumeSim
■NívelSinal
œ
Limit.VolumeAtivado
Volume............18
OClosedCaption(CC)permiteleroconteúdofaladodosprogramasnateladoTV.Esterecursoutiliza
“caixasdetexto”paramostrarosdiálogoseconversasenquantooprogramaestásendoapresentado.
NemtodososprogramasecomerciaisdeTVsãoproduzidoscomClosedCaption.AsopçõesCC1eCC2
dependemdastransmissõesdasemissoras.AsestaçõesdeTVpodemfreqüentementeutilizarabreviações
daspalavras,símboloseoutrasreduçõesgramaticaisdeformaamanterodiálogosincronizadocomaação.
Istovariadeacordocomafontedomaterialqueestásendotransformadoemtextoenãoindicaa
existênciadeproblemasnatelevisão.
PressioneatecladecursorPARAA
DIREITAouPARAAESQUERDApara
selecionaraopçãodeClosedCaption
desejada(CC1,CC2,CCMudoeCCNão).
Nota:CCMudoacionaomodoCC1somente
quandoafunçãoMudoestiverativada.
Dica:Pode-seacessarosdiversosmodosdeClosed
CaptionatravésdateclaCCnocontroleremoto.
UTILIZANDOOCLOSEDCAPTION
Permiteconfigurarovolumemáximodesejadoparatodososcanais.
PressioneateclaVOL+/–paraajustaro
volumedesejado.
PressioneatecladecursorPARAADIREITAou
PARAAESQUERDAeselecioneSimparaativar
aopçãoLimit.Volume.SelecioneNãocasoqueira
desativarafunçãoLimit.Volume.
Nota:DepoisqueaopçãoSimforselecionada,a
mensagemLimit.VolumeAtivadojuntocom
nívelmáximodesejadodoVolumevãoaparecer
natelasemprequeateclaVolume+for
pressionadaparaaumentarovolume.
VOL
UTILIZANDOOLIMITADORDEVOLUME
Funçõeso
■Timer
■ActiveControl
✔ClosedCaptionCC1
■Limit.Volume
■NívelSinal
œ
EsterecursopermiteveroníveldosinalquandoaopçãoSimestiverselecionada.Oníveldosinalserá
mostradonaparteinferiordatelasemprequeforfeitaumatrocadecanal.Quantomaispróximodovalor
0,maisfracoéoníveldesinaldaTV.
PressioneatecladecursorPARAA
DIREITAparaselecionarSimouNão.
Nota:Quandooníveldosinalforfraco,épossível
acessaraopçãoActiveControlnomenuFunçõese
selecionaraopçãoSim,queiráajustar
automaticamenteaqualidadedaimagem.(Vejaa
seção"UtilizandooActiveControl")
Dica:MantendoafunçãoNíveldeSinalativadae
selecionadadentrodomenu,épossívelajustara
direçãodesuaantenaeescolheraposiçãoquelhe
proporcioneomaiornível,ousejaomelhorsinal.
UTILIZANDOAFUNÇÃONÍVELDESINAL
Funçõeso
■Timer
■ActiveControl
■ClosedCaption
■Limit.Volume
✔NívelSinalSim
œ
NívelSinal.....................80
UTILIZANDOOSLEEPTIMER
OrecursoSleeptimerpermiteselecionarumperíododetempoapósoqualoaparelhoiráautomaticamente
paraomodoStand-by.Vocêpodeselecionarotemporizadordeumperíodoinicialde15minutosatéum
máximode240minutos.
PressioneateclaSLEEPparaativarumperíododetempo.
PressioneateclaSLEEPrepetidamenteparacircularatravésdasopçõesde
períodosdetempodisponíveiseselecioneodesejado.
Notas:
•DuranteoúltimominutodeumcomandoSleep,umacontagemregressivaseráapresentadanatela.
•Pressionandoqualquertecladocontroleremotoduranteacontagemregressiva,oSleeptimerserácancelado.
•Nosúltimos10segundosdacontagemregressiva,amensagemAtélogo...serámostradanatela.
SLEEP
SLEEP
ComesterecursovocêpodefacilmentenavegarpelosdiferentesprogramasdeTVqueointeressam.
Esterecursopermitecolocaratéoitocanaisemsualistadevisualização.
ComoadicionarcanaisàlistaSurf
•SelecioneumcanalparaseradicionadoàlistaSurf.
•PressioneateclaSURF
SURF
paraativaralistaSurf.
•Atelaaoladoapareceráperguntandosevocêdesejaincluiro
canalselecionado.
•PressioneatecladecursorPARAADIREITApara
adicionarocanalàlistaSurf.ParaadicionarmaiscanaisàlistaSurf,
repitaospassosanteriores.
Nota:Umavezadicionadoumcanal,aopçãoCancelar?aparece,
indicandoqueestecanalpoderásercancelado.
Comoremovercanaisdalistasurf
•PressioneateclaSURF
SURF
paraativaralistaSurf.
•UseasteclasdecursorPARACIMAouPARABAIXO
paracircularatravésdoscanaisdalistaSurfeselecioneo
canalaserremovido.
•Atelaaoladoapareceráperguntandosevocêdesejacancelaro
canalselecionado.
•PressioneatecladecursorPARAADIREITApara
removerocanaldalistaSurf.
Nota:Umavezeliminadoumcanal,aopçãoIncluir?aparece,
indicandoqueestecanalpoderávoltaraseradicionado,seestiver
apenasumcanalnalista.Casocontrário,aTVsintonizaráocanal
anteriorqueestáarmazenadonalistaSURF.
Comovisualizaroscanaisselecionadosnalistasurf
•PressioneateclaSURF
SURF
paraativaralistaSurf.
•UseasteclasdecursorPARACIMAouPARABAIXOparacircularatravésdos
canaisdalistaSurf.
UTILIZANDOOCONTROLESURF
8
Surf
8Cancelar?
8
Surf
8Incluir?
13L03.1L AA
AbaixoéapresentadaumalistadesintomasocorridosfreqüentementecomoTV.AntesdechamaroServiço
Técnico,façaestasverificaçõessimples.Algunsdestessintomaspodemsercorrigidosfacilmentecomaajuda
dasinformaçõesabaixo.
Sintoma
Manchanascores
Nãoliga
Semimagem
Imagemboa,massem
som
Sombom,mascorpobre
ousemimagem
Imagemesomruidosos
Linhaspontilhadas
horizontais
Imagensduplasou
imagens“Fantasma”
TVnãorespondeao
controleremoto
Oquefazer
•Desligueotelevisorpelachavederede.Aguarde20minutosantesdeligaroaparelho
novamente.
•Verifiqueseoaparelhonãoestácolocadomuitopróximodealto-falantesouobjetos
magnéticos.
•Verifiqueseocaboderedeestáconectadonatomada.Seoaparelhoaindanãoligar,
desligue-odatomada,espere60segundoseentãoreinsiraoplugnatomadaderede.
Pressioneobotãoliga/desliganovamente.
•Verifiqueaconexãodaantenanapartetraseiradoaparelho.
•PossívelproblemanaestaçãodeTV.Tenteoutrocanal.
•VerifiqueosajustesdomenuIMAGEMoupressioneateclaSMARTPICTURE.
•Tenteaumentarovolume.
•VerifiqueseafunçãoLIMITADORDEVOLUMEestáativada.
•Tenteaumentarosajustesdecontraste,brilhoecor.
•TenteoutraregulagemdeSMARTPICTUREviacontroleremoto.
•VerifiqueaconexãodeantenanapartetraseiradoTV.
•Emalgunscasos,somenteautilizaçãodeumaantenaexternapoderámelhoraraimagem.
•Tenteajustarasintoniafina.
•Possívelinterferênciaelétricaporex.:secadordecabelos,aspiradordepó,etc.
Desligueoseletrodomésticos.
•Possívelmauposicionamentodaantena.Autilizaçãodeumaantenamaisdirecional
podemelhorararecepção.
•Verifiqueasbateriasdocontroleremoto.
•Dirijaocontroleremotodiretamenteàlentedosensordecontroleremoto.
ANTESDECHAMAROSERVIÇOTÉCNICOLISTADESERVIÇOSAUTORIZADOS
ACRE
RIOBRANCO68-2249116
ALAGOAS
ARAPIRACA82-5222367
MACEIO82-2417237
PALMEIRADOSINDIOS82-4213452
UNIAODOSPALMARES82-2811305
AMAZONAS
MANAUS92-6333035
MANAUS92-6633366
AMAPÁ
MACAPA96-2234869
MACAPA96-2175934
SANTANA96-2830406
BAHIA
ALAGOINHAS75-4211128
BARREIRAS77-6117592
BOMJESUSDALAPA77-4814335
BRUMADO77-4412381
CAETITE77-4541183
CAMACARI71-6218288
CATU71-6411982
CICERODANTAS75-2781169
CRUZDASALMAS75-6212839
CRUZDASALMAS75-6212839
ESPLANADA75-4271454
EUNAPOLIS73-2815181
FEIRADESANTANA75-2232882
GANDU73-2541664
ILHEUS73-2315995
IPIAU73-5311219
IRECE74-6411248
ITABERABA75-2512358
ITABUNA73-6137777
ITAPETINGA77-2613003
JACOBINA74-6213451
JEQUIE73-5254141
JUAZEIRO74-6116456
JUAZEIRO74-6111002
MURITIBA75-4241908
PAULOAFONSO75-2811349
POCOES77-4311523
RIBEIRADOPOMBAL75-2761853
SALVADOR71-2473659
SALVADOR71-2072791
SALVADOR71-3356233
SANTOAMARO75-2413330
SENHORDOBONFIM74-5413143
SERRINHA75-2611794
STOANTONIOJESUS75-6314470
VALENCA75-6413710
VITORIADACONQUISTA77-4241183
CEARÁ
BREJOSANTO88-5310133
FORTALEZA85-2573155
IBIAPINA88-6531223
IGUATU88-5810512
JUAZEIRODONORTE88-5112667
OROS88-5841271
SOBRAL88-6110605
DISTRITOFEDERAL
BRASILIA61-2269898
GAMA61-5564840
TAGUATINGA61-3526655
ESPÍRITOSANTO
ALEGRE28-5526349
ARACRUZ27-32561251
BAIXOGUANDU27-37321142
BARRASFRANCISCO27-37562245
CACHDOITAPEMIRIM28-35219372
CASTELO28-5421811
COLATINA27-37222288
GUARAPARI27-3614355
LINHARES27-33710148
NOVAVENECIA27-37521729
PINHEIROS27-7651303
SAODOMINGODONORTE27-7421237
SAOGABRIELDAPALHA27-7271153
SAOMATEUS27-7631366
VILAVELHA27-32891233
VITORIA27-32233899
GOIÁS
ANAPOLIS62-3243562
CACU62-6561811
CATALAO64-4412786
GOIANESIA62-3531302
GOIANIA62-2919095
GOIANIA62-2292908
GOIATUBA64-4952401
INHUMAS62-5111840
IPAMERI62-4511184
ITAPURANGA62-3551484
ITUMBIARA64-4310837
JATAI64-6314819
JATAM64-6367458
JUSSARA62-3731806
PIRESDORIO64-4611133
PORANGATU62-3671799
RIALMA62-3971320
RIOVERDE64-6210173
TRINDADE62-5051505
URUACU62-3571285
MARANHÃO
ACAILANDIA99-5381889
BACABAL99-6216370
BALSAS99-5410113
CAROLINA98-7311335
CHAPADINHA98-4711364
CAXIAS99-5212377
CODO99-6611277
COELHONETO98-4731351
IMPERATRIZ99-5244969
PRES.DUTRA99-6631815
SAOJOSEDERIBAMAR98-2241581
SAOLUIS98-2323236
MATOGROSSO
ALTAFLORESTA66-5212460
ALTOARAGUAIA66-4811726
BARRADOGARÇAS66-4011438
CACERES65-2234760
CUIABA65-6230421
LUCASDORIOVERDE65-5491333
MIRASSOLD'OESTE65-2411716
PONTESELACERDA65-2662326
PRIMAVERADOLESTE66-4981682
RONDONOPOLIS66-4233888
SINOP66-5311473
SORRISO66-5441443
TANGARADASERRA65-3261431
MATOGROSSODOSUL
AMAMBAI67-4811543
CAMPOGRANDE67-3242804
CORUMBA67-2313923
DOURADOS67-4217117
IVINHEMA67-4421244
NAVIRAI67-4612486
NOVAANDRADINA67-4413851
PONTAPORA67-4314313
RIOBRILHANTE67-4527950
TRESLAGOAS67-5212007
MINASGERAIS
ALFENAS35-32923911
ALMENARA33-7211234
ANDRADAS35-37312970
ARAXA34-36611132
ARAXA34-36691869
ARCOS37-33513455
BAMBUI34-34311473
BARBACENA32-33310283
BELOHORIZONTE31-32257262
BELOHORIZONTE31-32254066
BELOHORIZONTE31-34420944
BELOHORIZONTE31-32733777
BETIM31-35322088
BOMDESPACHO37-35212906
BOMDESPACHO37-5222511
CARANGOLA32-37412017
CARATINGA33-33212379
CASSIA35-35412293
CATAGUASES32-34215321
CAXAMBU35-33413661
CONGONHAS31-37311683
CONSLAFAIETE31-37612871
CONTAGEM31-33912994
CONTAGEM31-3953461
CORONELFABRICIANO31-38411804
CURVELO38-37213009
DIVINOPOLIS37-32212353
FORMIGA37-33212868
FRUTAL34-34235279
GOVVALADARES33-32716650
GUAXUPE35-35513891
GUAXUPE35-5514124
IPATINGA31-8222332
ITABIRA31-38316218
ITAJUBA35-36211315
ITAPECERICA37-3411326
ITAUNA37-32412468
ITUIUTABA34-32682131
JANAUBA38-38211605
JOÃOMONLEVADE31-38512909
JOÃOMONLEVADE31-8521112
JOÃOPINHEIRO38-35611327
JUIZDEFORA32-32151514
LAGOADAPRATA37-2611908
LAGOASANTA31-6812311
LAVRAS35-38219188
MANHUACU33-3314735
MONTECARMELO34-38422082
MONTESANTODEMINAS35-35911888
MONTESCLAROS38-32218925
MURIAE32-7224334
MUZAMBINHO35-5712419
NANUQUE33-36212165
NOVALIMA31-35412026
OLIVEIRA37-33314444
PARADEMINAS37-32316369
PARACATU38-36711250
PASSOS35-35214342
PATOSDEMINAS34-38222588
PATROCINIO34-38311531
PIRAPORA38-37414197
PITANGUI37-32714101
PIUNHI37-33714632
POÇOSDECALDAS35-37222531
POÇOSDECALDAS35-37224448
POUSOALEGRE35-34212120
SANTOSDUMONT32-2514820
SAOJOÃODELREI32-33718306
SAOSEBASTIAOPARAISO35-5313094
SAOSEBASTIAOPARAISO35-35312054
SETELAGOAS31-7713307
STOANTONIOMONTE37-32811258
TIMOTEO31-38482728
TRESCORACOES35-32312493
UBA32-35323626
UBERABA34-33332520
UBERLANDIA34-32123636
VARGINHA35-32227889
VAZANTE34-8131420
VIÇOSA31-38918000
PARÁ
ABAETETUBA91-37512272
BELEM91-2690400
BELEM91-2462100
CAPANEMA91-4621100
CASTANHAL91-37215052
ITAITUBA93-5181545
MARABA94-3211891
OBIDOS93-5471621
PARAGOMINAS91-7293356
PARAUAPEBAS94-3461137
PORTOTROMBETAS91-5491606
REDENCAO94-4240351
SANTAREM93-5235322
PARAÍBA
CAMPINAGRANDE83-3212128
ESPERANCA83-3612273
GUARABIRA83-2711159
IGUATU88-5810512
JOAOPESSOA83-2467043
NOVAFLORESTA83-3741014
PATOS83-4232172
SAPE83-2832479
SOLANEA83-3633937
PARANÁ
AMPERE46-5471605
ANTONINA41-4321404
APUCARANA43-4225306
ARAPONGAS43-2522882
ASSISCHATEAUBRIAND44-5285181
ASTORGA44-2341213
BANDEIRANTES43-5421711
CAMPOMOURAO44-5238970
CASCAVEL45-2254005
CIANORTE44-6292842
CURITIBA41-3334764
CURITIBA41-2648791
DOISVIZINHOS46-5361490
FOZDOIGUACU45-5233029
FOZDOIGUACU45-5234115
FRANCISCOBELTRAO46-5233230
GOIO-ERE44-5221446
GUARAPUAVA42-6235325
IBAITI43-5461162
IBIPORA43-2581863
IRATI42-4221337
LAPA41-6222410
LOANDA44-4252053
LONDRINA43-33241002
MALCANDIDORONDON45-2541949
MANDAGUARI44-2331335
MARINGA44-2264620
MEDIANEIRA45-2642580
NOVAESPERANCA44-2524705
NOVALONDRINA44-4322991
PALMEIRA42-522455
PALMEIRA42-2523006
PALOTINA446-495131
PARANAGUA41-4225804
PARANAVAI44-4234711
PATOBRANCO46-2242786
PEROLA44-6361419
PONTAGROSSA42-2226590
ROLANDIA43-2561947
SANTAFE44-2471147
SAOJORGED'OESTE46-5341305
SAOJOSEDOSAOPINHAIS41-2822522
SAOMIGUELDOIGUACU45-5651429
STOANTONIOPLATINA43-5341809
TOLEDO45-2522471
UMUARAMA44-6231233
WENCESLAUBRAZ43-8223066
14 L03.1L AA
LISTADESERVIÇOSAUTORIZADOS
PERNAMBUCO
BELOJARDIM81-37261918
CABOSTOAGOSTINHO81-35211823
CAMARAGIBE81-34581246
CARUARU81-37220235
FLORESTA81-8771274
GARANHUNS87-37611090
PAULISTA81-34331142
RECIFE81-32313399
RECIFE81-34452111
RECIFE81-34656042
SALGUEIRO87-38716309
SERRATALHADA87-38311401
PIAUÍ
CAMPOMAIOR86-2521376
FLORIANO86-5221154
OEIRAS89-4621066
PARNAIBA86-3222877
PICOS89-4221444
PICOS89-4155135
PIRIPIRI86-2761092
TERESINA86-2230825
RIODEJANEIRO
ARARUAMA22-26656286
BJESUSITABAPOANA24-38312216
BELFORDROXO21-27616060
CABOFRIO22-26451819
CAMPOSGOITACAZES22-7221499
CANTAGALO22-5555303
DUQUEDECAXIAS21-37711508
ITABORAI21-26351738
ITAOCARA22-38612740
ITAPERUNA22-38220605
MACAE22-27626235
MAGE21-26330605
MARICA21-26340069
NITEROI21-26220157
NOVAFRIBURGO22-5227692
NOVAIGUACU21-26675663
PETROPOLIS24-2312737
RIODEJANEIRO21-33940202
RIODEJANEIRO21-22779300
RIODEJANEIRO21-25900577
RIODEJANEIRO21-25894622
RIODEJANEIRO21-25892030
RIODEJANEIRO21-25097136
RIODEJANEIRO21-24457239
RIODEJANEIRO21-24315426
TERESOPOLIS21-27420036
TRESRIOS24-2555687
TRESRIOS242-2521388
VOLTAREDONDA24-33420806
RIOGRANDEDONORTE
ASSU84-3311116
CAICO84-4173132
MOSSORO84-3217745
NATAL84-2234722
NATAL84-2132345
PAUDOSFERROS84-3512334
RIOGRANDEDOSUL
CAPAODACANOA51-6652638
CARAZINHO54-3302292
CATUIPE55-3361008
CAXIASDOSUL54-2148011
CERROLARGO55-3591973
CORONELBICACO55-5571397
DOISIRMAOS51-5641286
ENCANTADO51-37511654
ERECHIM54-3211933
ESTANCIAVELHA51-5612142
FAXINALDOSOTURNO55-2632064
FREDERICOWESTPHALEN55-37441850
GETULIOVARGAS54-3411888
GIRUA55-3611764
GRAVATAI51-4882830
HORIZONTINA55-35371817
HORIZONTINA55-35371680
IBIRAIARAS54-3551359
IJUI55-33327766
ITAQUI55-4331305
JAGUARAO53-2612264
LAJEADO51-37145155
LIBERATOSALZANO55-7551236
MONTENEGRO51-6324187
NONOAI54-3621126
NOVAPRATA54-2421328
NOVOHAMBURGO51-5823191
OSORIO51-6632524
PALMEIRAMISSOES55-37421407
PANAMBI55-3753488
PASSOFUNDO54-3111104
PELOTAS53-2223633
PORTOALEGRE51-32226941
PORTOALEGRE54-33256653
RIOGRANDE53-2323211
RIOPARDO51-7312072
ROSARIODOSUL55-2311264
SANTLIVRAMENTO55-2422741
SANTAMARIA55-2222235
SANTAROSA55-35121991
SANTOAUGUSTO55-7811511
SAOBORJA55-4311850
SAOFCODEPAULA54-2441466
SAOGABRIEL55-2325833
SAOJOSEDOOURO54-3521216
SAOLOURENCOSUL53-2513225
SAOLUIZGONZAGA55-33521365
SAOMARCOS54-2911462
SAOSEPE55-2331691
SOLEDADE54-3812036
STACRUZDOSUL51-37153048
STAVITORIAPALMAR532-631284
TAPEJARA54-3442353
TAPERA54-3851160
TAQUARI51-6531291
TORRES51-6641940
TRESDEMAIO55-5352101
URUGUAIANA55-4112730
VACARIA54-2311396
VENANCIOAIRES51-7411443
VERACRUZ51-7181350
RONDÔNIA
CACOAL69-4415171
GUAJARA-MIRIM69-5414430
JARU69-5211302
JI-PARANA69-4235512
JI-PARANA69-4215589
PIMENTABUENO69-4512934
PORTOVELHO69-2221298
PORTOVELHO69-2216671
PORTOVELHO69-2221298
ROLIMDEMOURA69-4421178
VILHENA69-3223321
RORAIMA
BOAVISTA95-2249605
SANTACATARINA
ARARANGUA48-5220229
BLUMENAU47-3227742
CACADOR49-5630858
CANOINHAS47-6223157
CAPINZAL49-5552266
CHAPECO49-3223304
CHAPECO49-3221144
CONCORDIA494-423704
CRICIUMA48-4375155
CUNHAPORA49-630043
CURITIBANOS49-2410851
DESCANSO49-6230245
FLORIANOPOLIS48-2254149
IBIRAMA473-572567
INDAIAL47-3330361
IPORADOOESTE498-341289
ITAIOPOLIS476-522282
ITAJAI47-3444777
JARAGUADOSUL47-3722050
JOACABA49-5220418
JOINVILLE47-4331146
LAGES49-2232355
LAGES49-2244414
LAGUNA48-6461221
LAUROMULLER484-643202
MARAVILHA49-8640052
ORLEANS48-4660674
PINHALZINHO497-661014
PORTOUNIAO42-5232839
RIODOSUL47-5211920
SANTAROSADOSUL48-5331225
SAOMIGUELD'OESTE49-6220026
SEARA49-4521034
SOMBRIO48-5330017
TAIO478-620576
TUBARAO48-6224448
TUBARAO48-6261651
TURVO48-5250373
URUSSANGA484-651137
XANXERE49-4333026
SÃOPAULO
AGUASDELINDOIA19-38241524
AMERICANA19-34067180
AMERICANA19-34062914
AMPARO19-38072674
ARACATUBA18-6218775
ARARAQUARA16-2368710
ASSIS18-3228937
AVARE14-37322142
BARRETOS17-33222742
BATATAIS16-37614455
BAURU14-2239551
BIRIGUI18-6424011
BOTUCATU14-68221081
BOTUCATU14-68215044
BRAGANCAPAULISTA11-40341333
CAMPINAS19-37372500
CAMPINAS19-32369199
CAMPINAS19-32544819
CAMPINAS19-32336498
CAMPOSDOJORDAO12-2622142
CAPIVARI19-34911610
CASABRANCA19-36712771
CATANDUVA17-5232686
CERQUILHO152-842121
CRUZEIRO12-5433859
DIADEMA11-40574387
DRACENA18-58212479
FERNANDOPOLIS17-34423921
FRANCA16-37223898
FRANCODAROCHA11-4322608
GUARUJA13-33582942
GUARULHOS11-64227555
IGARAPAVA16-31724600
INDAIATUBA19-38753808
ITAPETININGA15-2710936
ITAPIRA19-38633802
ITAQUAQUECETUBA11-46420695
ITARARE15-5322743
ITU11-40230188
ITUVERAVA16-7293365
JABOTICABAL16-32021580
JAU14-6222117
JUNDIAI11-45862182
LEME19-5713528
LIMEIRA19-34413179
MARILIA14-4332375
MARILIA14-4247437
MATAO16-2821046
MAUA11-45145233
MOGIDASCRUZES11-47277025
MOGI-MIRIM19-38624401
MOJI-GUACU19-38311811
OLIMPIA17-2812184
OSASCO11-36837343
OURINHOS14-33225457
PIRACICABA19-34340454
PIRASSUNUNGA19-5614091
PORTOFERREIRA19-5812441
PRES.EPITACIO18-2814184
PRES.PRUDENTE18-2225168
PROMISSAO14-5411696
RIBEIRAOPRETO16-6106989
RIBEIRAOPRETO16-6368156
RIOCLARO19-5348543
SALTO11-40296563
SANTOANDRE11-49905288
SANTOS13-32272947
SANTOS13-32847339
SAOBERNARDOCAMPO11-41257000
SAOBERNARDOCAMPO11-43681788
SAOCAETANODOSUL11-42214334
SAOCARLOS16-2614913
SAOJOAODABOAVISTA19-36232990
SAOJOSEDORIOPARDO19-36085760
SAOJOSEDOSAOCAMPOS12-39216082
SAOJOSERIOPRETO17-2341209
SAOPAULO11-69791184
SAOPAULO11-38659897
SAOPAULO11-62156667
SAOPAULO11-69545517
SAOPAULO11-36726766
SAOPAULO11-69667101
SAOPAULO11-32077111
SAOPAULO11-39757996
SAOPAULO11-62976464
SAOPAULO11-55735583
SAOPAULO11-55321515
SAOPAULO11-56679695
SAOPAULO11-36173031
SAOPAULO11-66472819
SAOPAULO11-37714709
SAOPAULO11-5770899
SAOPAULO11-2222311
SAOROQUE11-4255635
SAOSEBASTIAO12-38924291
SOROCABA15-2241170
STABARBARAD'OESTE19-34631211
TAQUARITINGA16-32524039
TATUI15-2514922
TAUBATE12-2219080
TUPA144-422596
VINHEDO19-38765310
VOTUPORANGA17-4215726
SERJIPE
ARACAJU79-2411567
ARACAJU79-2119764
ARACAJU79-2464143
ESTANCIA79-5222325
ITABAIANA79-4313023
TOCANTINS
ARAGUAINA63-4212857
GUARAI63-4641590
GURUPI63-3511038
PALMAS63-2144502
PARAISOTOCANTINS63-6022695
SUJEITOAALTERAÇÕES
OSDADOSDESTEMANUALESTÃOSUJEITOSAALTERAÇÕES
Nota:ParaaTensãodeOperação,Freqüência,ConsumoeNúmerodeVersão,consulteonúmerodetiponapartetraseiradoaparelho.
ESPECIFICAÇÕESTÉCNICAS
Sistema
AUTO
PAL-M
PAL-N
NTSC
PAL-BGPlayback
Alimentação
90a255VAutomático
50/60Hz
Consumoaprox.
ConsumoemStand-by(220V)
TubodeImagem
FlatSquare
TamanhodoTubo
Diagonalvisualaprox.
Recepçãodecanais
VHF/UHF(2ao69)
TVaCabo(1ao125)
Conexõestraseiras
Entradas
ÁudioeVídeo
ComponentedeVídeo(CVI)
Antena75OhmsviatomadaF
Saídas
ÁudioeVídeo
ConexõesFrontais
Entradas
ÁudioeVídeo
SaídaFonedeouvidos
IndicadordeStand-by
Luzverdenopainelfrontal
SaídadeÁudio
Dimensõesaprox.LxAxP(cm)
Pesoaprox.(Kg)
Gabinete
Acessórios
ControleRemoto
PilhastipoAA
Adaptador75/300Ohms
AntenaTelescópica
•
•
•
•
•
•
•
46W
<3W
20"
51cm
48cm
•
•
1x(mono)
•
•
1x3W
49x47x48
17Kg
Plástico
•
•
•
20PT3331
•
•
•
•
•
•
•
38W
<3W
14"
36cm
33cm
•
•
•
1x(estéreo)
•
•
2x3W
45x35x38
10Kg
Plástico
•
•
•
•
14PT413114PT3131
•
•
•
•
•
•
•
36W
<3W
14"
36cm
33cm
•
•
1x(mono)
•
•
1x3W
36x36x37
9Kg
Plástico
•
•
•
•
•
•
•
•
•
•
•
48W
<3W
20"
51cm
48cm
•
•
1x(estéreo)
•
•
1x(estéreo)
•
2x3W
59x45x48
17Kg
Plástico
•
•
•
20PT4331
15L03.1L AA
310610527942JUN/03OSDADOSDESTEMANUALESTÃOSUJEITOSAALTERAÇÕES.
CERTIFICADODEGARANTIAINTERNACIONAL
ESTEAPARELHOÉGARANTIDOPELAPHILIPSDAAMAZÔNIAINDÚSTRIAELETRÔNICALTDA.,PORUMPERÍODO
SUPERIORAOESTABELECIDOPORLEI.PORÉM,PARAQUEAGARANTIATENHAVALIDADE,ÉIMPRESCINDÍVELQUE,
ALÉMDESTECERTIFICADO,SEJAAPRESENTADAANOTAFISCALDECOMPRADOPRODUTO.
1)APHILIPSDAAMAZÔNIAINDÚSTRIAELETRÔNICALTDA.ASSEGURAAOPROPRIETÁRIOCONSUMIDORDESTE
APARELHOAGARANTIADE365DIAS(90DIASLEGALMAIS275ADICIONAL)CONTADOSAPARTIRDADATA
DEENTREGADOPRODUTO,CONFORMEEXPRESSONANOTAFISCALDECOMPRA,QUEPASSAAFAZER
PARTEDESTECERTIFICADO.
2)ESTAGARANTIAPERDERÁSUAVALIDADESE:
A)ODEFEITOAPRESENTADOFOROCASIONADOPORUSOINDEVIDOOUEMDESACORDOCOMOSEUMANUALDE
INSTRUÇÕES.
B)OPRODUTOFORALTERADO,VIOLADOOUCONSERTADOPORPESSOANÃOAUTORIZADAPELAPHILIPS.
C)OPRODUTOFORLIGADOAFONTEDEENERGIA(REDEELÉTRICA,PILHAS,BATERIA,ETC.)DECARACTERÍSTICAS
DIFERENTESDASRECOMENDADASNOMANUALDEINSTRUÇÕESE/OUNOPRODUTO.
D)ONÚMERODESÉRIEQUEIDENTIFICAOPRODUTOESTIVERDEALGUMAFORMAADULTERADOOURASURADO.
3)ESTÃOEXCLUÍDOSDESTAGARANTIADEFEITOSDECORRENTESDODESCUMPRIMENTODOMANUALDE
INSTRUÇÕESDOPRODUTO,DECASOSFORTUITOSOUDEFORÇAMAIOR,BEMCOMOAQUELESCAUSADOSPOR
AGENTESDANATUREZAEACIDENTES.
4)EXCLUEM-SEIGUALMENTEDESTAGARANTIAOSDEFEITOSDECORRENTESDOUSODOSPRODUTOSEM
SERVIÇOSNÃODOMÉSTICO/RESIDENCIALREGULAROUEMDESACORDOCOMOUSORECOMENDADO.
5)NOSMUNICÍPIOSONDENÃOEXISTAOFICINAAUTORIZADADESERVIÇOPHILIPS,ASDESPESASDETRANSPORTE
DOAPARELHOE/OUDOTÉCNICOAUTORIZADOCORREMPORCONTADOSR.CONSUMIDORREQUERENTEDO
SERVIÇO.
6)ESTEPRODUTOTEMGARANTIAINTERNACIONAL.OSERVIÇOTÉCNICO(DURANTEOUAPÓSAGARANTIA)É
DISPONÍVELEMTODOSOSPAÍSESONDEESTEPRODUTOÉOFICIALMENTEDISTRIBUÍDOPELAPHILIPS.NOS
PAÍSESONDEAPHILIPSNÃODISTRIBUIESTEPRODUTO,OSERVIÇOTÉCNICODAPHILIPSLOCALPODERÁPRESTAR
TALSERVIÇO,CONTUDOPODERÁOCORRERALGUMATRASONOPRAZODEATENDIMENTOSEADEVIDAPEÇADE
REPOSIÇÃOEOMANUALTÉCNICONÃOFOREMPRONTAMENTEDISPONÍVEIS.
7)AGARANTIANÃOSERÁVÁLIDASEOPRODUTONECESSITARDEMODIFICAÇÕESOUADAPTAÇÕESPARA
HABILITÁ-LOAOPERAREMQUALQUEROUTROPAÍSQUENÃOAQUELEPARAOQUALFOIDESIGNADO,
FABRICADO,APROVADOE/OUAUTORIZADO,OUTERSOFRIDOQUALQUERDANODECORRENTEDESTETIPODE
MODIFICAÇÃO.
PHILIPSDAAMAZÔNIAINDÚSTRIAELETRÔNICALTDA.
DentrodoBrasil,parainformaçõesadicionaissobreoprodutooupara
eventualnecessidadedeutilizaçãodarededeoficinasautorizadas,liguepara
oCentrodeInformaçõesaoConsumidortel.08007010203(discagemdireta
gratuita)ouescrevaparaRuaVerboDivino,1400-5°andar-CEP04719-002
ChácaraSantoAntônio-SãoPaulo-SP
ouenvieume-mailpara:cic@philips.com.br
Horáriodeatendimento:
desegundaàsexta-feira,das08:00às20:00h;aossábadosdas08:00às13:00h.
ParaatendimentoforadoBrasilcontateaPhilipslocaloua:
PhilipsConsumerService
Beukenlaan2
5651CDEindhoven
TheNetherlands
16 L03.1L AA
4. Instruções Mecânicas
Índice deste Capítulo:
1. Remoção da tampa traseira
2. Posição de Serviço do Painel Principal
3. Montagem da tampa traseira
4.1 Remoção da tampa traseira
1. Remova todos parafusos de fixação da tampa traseira.
2. Agora puxe a tampa traseira para trás para removê-la.
4.2 Posição de Serviço do Painel Principal
1. Desconecte o passa-fio do cabo de alimentação.
2. Remova o painel principal, empurrando as duas travas do
centro para fora [1]. Ao mesmo tempo puxe o painel do CRT
[2].
3. Se necessário desconecte a bobina desmagnetizadora remo
vendo o cabo (vermelho) do conector 0212.
4. Mova o painel um pouco para a esquerda e gire-o 90 graus [3],
com os componentes na direção do CRT.
4.3 Montagem da tampa traseira
Antes de montar a tampa traseira, faça as seguintes checagens:
1. Cheque se o cabo de força está montado corretamente em
seus suportes e guias.
2. Re-coloque o passa-fio do cabo de força no gabinete.
3. Cheque se todos os cabos estão posicionados em sua posição
original.
Figura 4-1 Posição de Serviço
A
B
1
2
1
3
17L03.1L AA
Índice:
1. Pontos de teste.
2. Modos de Serviço.
3. Problemas e Dicas de Solução (relativo ao CSM).
4. ComPair.
5. O Procedimento do LED Piscando.
6. Proteções.
7. Dicas de Reparo.
5.1 Pontos de teste
O chassis é equipado com pontos de teste impressos na PCI.
Nos esquemas elétricos os pontos de teste são identificados com
uma caixa retangular ao redor das indicações Fxxx ou Ixxx.
Tabela 5-1 Visão Geral dos pontos de teste
Realize as medições sob as seguintes condições:
• Modo Padrão de Ajuste de Serviço.
• Vídeo: Sinal de barras colorido.
• Áudio: 3 kHz esquerdo, 1 kHz direito.
5.2 Modos de Serviço
Modo Padrão de Serviço de Ajuste (SDAM) oferece vários
recursos ao técnico de serviço.
Existe também a opção de uso do ComPair, uma interface de
hardware entre o PC (veja requerimentos) e o chassis do TV. Ele
oferece a habilidade de um troubleshooting estruturado, leitura dos
códigos de erro e da versão do software para todos os chassis.
Requerimentos: Para rodar o ComPair, a configuração mínima é,
processador 486, windows 3.1 e drive de CD-ROM. Um proces-
sador Pentium e Windows 95/98 são preferíveis (veja também
paragrafo 5.4).
Tabela 5-2 Grupo SW ( Software)
5.2.1 Modo Padrão de Ajuste de Serviço (SDAM)
Propósito
• Mudar opções de Configuração.
• Criar um valor pré-definido para obter os mesmos resultados de
medição como neste manual.
• Mostrar/ Limpar o buffer de Código de Erro.
• Para sobrepor proteções SW.
• Realizar ajustes.
• Iniciar o procedimento de LED piscando.
Especificações
• Frequência de Sintonia : 61.25 MHz (Canal 3) para aparelhos
NTSC/PAL-M (LATAM).
• Sistema de Cores:PAL-M para LATAM BI/TRI/QUADRI-NORMA.
• Todos valores de imagem em 50 % (brilho, contraste,cor, matiz).
• Grave, agudo e balanço em 50 %; volume em 25 %.
• Todos os serviços em modo não-amigável (se presente) estão
desabilitados, como:
- (sleep) timer,
- trava para pais/filhos,
- tela azul,
- modo hotel/hospitaleiro
- desligamento automático (quando nenhum sinal de vídeo
‘IDENT’ é recebido para 15 minutos),
- skip / blank para os pré-ajustes não favoritos/ canais,
- auto salvamento de pré-ajustes pessoais,
- time-out do menu automático do usuário.
• Contador de horas de operação.
• Versão do Software.
• Configuração de Opções.
• Leitura e apagamento do buffer de erro.
• Ajustes de Software.
Como entrar no SDAM
Use um dos seguintes métodos:
• Use um controle remoto comum do usuário e digite o código
‘062596’ diretamente seguido pelo botão ‘M’ (menu) ou
• Temporariamente curto circuite o jumper 9257 e o pino 4 de
7200 na portadora mono (veja Fig.8-1) e ligue a alimentação
AC. Então pressione o botão de liga (remova o curto depois da
inicialização).
• Cuidado: Entrando no SDAM por curto-circuito no jumper 9257
e o pino 4 de 7200 sobrecarregaremos a proteção +8V. Faça isto
apenas durante um período curto. Quando executando esta tarefa
o técnico deve saber exatamente que está fazendo, porque esta
ação poderá danificar o aparelho.
• Ou via ComPair.
Após entrar no SDAM, a seguinte tela estará visível, com o S no
canto superior direito para identificação.
5. Modos de Serviço, Códigos de Erro e Localização de Falhas
SW Cluster Nome do
Software
Tipo UOC Variação
UOC
Caract.
especiais
L3SLM1 L03LM1 x.y TDA9370 Tamanho
55K ROM
Trinorma
mono
L3SLM1 L03LM1 x.y TDA9377 Tamanho
55K ROM
NTSC mono
L3SLM1 L03LS1 x.y TDA9370 Tamanho
55K ROM
Trinorma
BTSC SAP
Stereo
L3SLM1 L03LS1 x.y TDA9377 Tamanho
55K ROM
NTSC BTSC
SAP Stereo
Abreviações nos nomes dos softwares: L = Latam, M = Mono, N =
Stereo não-dBx and S = Stereo dBx.
Figura 5-1 Menu SDAM
L L L L A A A B C D X . Y S
E R R X X X X X X X X X X
X X X X X X X X X X X X X X X X X X X X X
C L E A R C L E A R ?
O P
O P
T I O N S >
>A K B
T U N E R >
W H I T E T O N E >
G E O M E T R Y >
A U D I O >
Ponto de Teste CIRCUITO
Fxxx, Ixxx POWER SUPPLY A1
Fxxx, Ixxx Deflection A2
Fxxx, Ixxx TUNER & IF A3
Fxxx, Ixxx VIDEO PROCESSING A4
Fxxx, Ixxx AUDIO PROCESSING A5
Fxxx, Ixxx AUDIO AMPLIFIER +
MONO SOUND
PROCESSING
A6
Fxxx, Ixxx FRONT IO + FRONT
CONTROL + HEAD-
PHONE
A7
Fxxx, Ixxx DVD POWER SUPPLY A9
Fxxx, Ixxx CRT PANEL B1
DIAGRAMA
18 L03.1L AA
• LLLL. Este é o contador de horas de operação. Conta as horas
de operação normais, e não as horas do standby.
• AAABCD-X.Y. Este é o software de identificação do microcon-
trolador principal:
- A = nome do projeto (L03).
- B = região: E = Europa, Uma = Ásia Pacífica, U = NAFTA, L =
LATAM.
- C = Característicase diversidade de software: N = stereo non-
DBX, S = stereo dBx, M = mono, D = DVD
- D = Idioma e número de grupo.
- X = número da versão de software principal.
- Y = número da versão de sub-software.
• S Indicação do modo atual. S= SDAM= Modo Padrão de Ajuste
de Serviço.
• ERR. Buffer de erro. Cinco erros possíveis.
• Bytes de opção. Sete códigos possíveis.
• CLEAR. Limpa o conteúdo do Buffer de Erro. Selecione o item
de menu Clear e aperte a tecla direita do cursor. O conteúdo do
Buffer de Erro será limpo.
• Opções. Para atribuir os Bytes de Opção. Veja capítulo 8.3.1
para uma descrição detalhada.
• AKB. Loop de Corrente de Preto: Desabilitado (0) ou habilitado
(1) (AKB = Auto Kine Bias).
• Tuner. Para ajustar o Tuner. Veja capítulo 8.3.2 para descrição
detalhada.
• Balanço de branco. Para ajustar o balanço de branco. Veja
capítulo 8.3.3 para descrição detalhada.
• Geometria. Para alinhar a geometria de conjunto. Veja capítulo
8.3.4 para uma descrição detalhada.
• Áudio. Nenhum ajuste de áudio é necessário neste aparelho.
Como navegar
• No modo SDAM, selecione itens de menu com a tecla CIMA/
BAIXO do cursor no controle remoto. O item selecionado será
realçado. Quando todos itens de menu não encaixam na tela,
mova a tecla CIMA/BAIXO do cursor para exibir o próximo
/prévio menu.
• Com as teclas DIREITA/ESQUERDA do cursor, é possível:
- Ativar o item do menu selecionado.
- Mudar o valor do item do menu selecionado.
- Ativar o submenu selecionado.
• Quando você pressiona o botão de MENU, o aparelho irá para
o menu normal do usuário (com o modo SDAM ainda ativo no
fundo). Para retornar ao menu SDAM pressione o botão OSD /
STATUS.
• Quando você pressiona o botão de MENU num submenu,você
voltará ao menu anterior.
Como armazenar as configurações
Para salvar as configurações, deixe o SDAM apertando a tecla
StandBy do controle remoto.
Como sair
Coloque o aparelho em STANDBY pressionando o botão power
no controle remoto (removendo o cabo de alimentação, o aparelho
voltará no SDAM quando energia for re-aplicada). O buffer de erro
não estará limpo.
5.3 Dicas para resolução de Problemas
5.3.1 Problemas de Imagem
Nota: Os problemas descritos a seguir estão todos relacionados
com configurações do TV. Os procedimentos para alterar os
valores (ou Status) das diferentes configurações serão descritos.
Sem cores/ ruído na imagem
Cheque linha do CSM 5. Instalado o sistema do cor errado. Para
mudar o valor:
1. Pressione o botão MENU no controle remoto.
2. Selecione o sub menu INSTALLATION.
3. Selecione e altere o ajuste de sistema até que imagem e o
som estejam corretos.
4. Selecione o Item de Menu STORE.
Cores erradas/ imagem instável
Cheque linha do CSM 5. Sistema de cor Errado instalado.Para
mudar o valor:
1. Pressione o botão de MENU no controle remoto.
2. Selecione o sub menu INSTALLATION.
3. Selecione e mude o valor de SYSTEM até que a imagem e
som estejam corrigidos.
4. Selecione STORE no menu.
Imagem muito escura ou muito brilhante
Aumentar / diminuir o BRILHO e /ou o valor do CONTRASTE
quando:
• A imagem melhora depois de ter pressionado o botão de ‘ Smart
Picture’ no controle remoto.
• A imagem melhora depois de ter ligado Modo de Serviço de
Cliente - CSM
O novo valor de preferência ‘Pessoal’ é automaticamente armaze-
nado.
Linha Branca ao redor de elementos de imagem e texto
Diminua valor SHARPNESS quando:
• A imagem melhora depois de ter pressionado o botão de "Smart
Picture" no controle remoto.
O novo valor de preferência ‘Pessoal’ é automaticamente armaze-
nado.
Imagem chuviscada
• Ausência ou sinal de antena ruim. Conecte um sinal de antena
apropriado.
• Antena não conectada. Conecte a antena.
• Nenhum canal / pré-ajustado está armazenado neste número
de programa. Vá ao menu INSTALL e armazene um canal apro
priado neste número de programa.
• O tuner está com defeito (neste caso a linha de CÓDIGOS con-
terá o número de erro 10). Cheque o tuner e o reponha / repare
se necessário.
Imagem chuviscada e/ou instável
• Está recebendo um sinal decodificado ou embaralhado.
Imagem preto e branco
Aumente o valor de COR quando:
• A imagem melhora depois você tem pressionado o botão "Smart
Picture" no controle remoto.
O novo valor de preferência ‘Pessoal’ é automaticamente armaze-
nado.
Texto de Menu não bastante definido
Diminua o valor de CONTRASTE quando:
A imagem melhora depois de ter pressionado o botão "Smart
Picture" no controle remoto.
O novo valor de preferência ‘Pessoal’ é automaticamente armaze-
nado.
5.3.2 Problemas do Som
Nenhum som ou som muito alto (depois mudança de canal /
enquanto muda canal)
Aumente / diminua o nível de VOLUME até quando o volume
estiver OK depois de ter ligado CSM. O novo valor de preferência
‘Pessoal’ é automaticamente armazenado.
19L03.1L AA
5.4 ComPair
5.4.1 Introdução
ComPair (Reparo Auxiliado por Computador ) é uma ferramenta de
serviço para produtos Eletrônicos Philips. ComPair é um desenvol-
vimento do DST Europeu (controle remoto de serviço), que permite
diagnosticar mais precisa e rapidamente. ComPair tem três gran-
des vantagens :
• ComPair ajuda para que se possa realizar o reparo no chassis
rapidamente e guiar sistematicamente o técnico através dos
procedimentos de reparo.
• ComPair permite um diagnóstico muito detalhado (no nível I2C)
e está portanto capaz de indicar com exatidão áreas de
problema. O operador não precisa saber nada sobre comandos
I2C porque ComPair se encarrega disto.
• ComPair acelera o tempo de reparo uma vez que pode se
comunicar automatiamente com o chassis (quando o micro
processador está trabalhando) e toda informação de reparo está
diretamente disponível. Quando ComPair é instalado
juntamente com o “ Searchman “ do chassis defeituoso,
esquemas e PWBs podem ser acessados por um simples clique
de mouse.
5.4.2 Especificações
ComPair consiste de um programa baseado no Windows e uma
interface entre PC e o produto (defeituoso). A interface do ComPair
é conectada ao PC via cabo serial ou RS232.
No caso do chassis L03, a interface do ComPair e a TV se
comunicam via cabo bi-direcional de serviço via conector de
serviço (localizado no painel Principal, veja também figura 8-1D).
O programa de encontrar falhas do ComPair é capaz de deter-
minar o problema do televisor defeituoso. ComPair pode juntar
informação do diagnóstio em dois caminhos:
• Automático (por comunicação com o televisor): ComPair
pode automaticamente ler todo o conteúdo do buffer de erro.
Diagnóstico é feito no nível de I2C. ComPair pode enviar e
receber comandos I2C ao microcontrolador do televisor. Desta
Forma, é possível ao ComPair comunicar-se (leitura e escrita)
com dispositivos no barramento I2C da TV.
• Manualmente (ao perguntar a você): Diagnóstico Automático
é unicamente possível se o microcontrolador do televisor está
trabalhando corretamente e para uma certa extensão. Quando
não é o caso, ComPair guiará você através da árvore de falhas
e perguntas (ex. A tela apresenta imagem? Selecione a resposta
correta: YES / NO) e mostrando exemplos (ex. Meça ponto-
teste F001 e selecione a onda que o osciloscópio apresenta).
A resposta será um link (ex. texto ou uma forma de onda) que
o levará para próximo estágio do processo de identificação de
falhas. Por uma combinação de diagnóstico automático e uma
questão interativa / procedimento de resposta, ComPair indicará
a solução da maioria dos problemas num caminho efetivo e
rápido.
Além da descoberta de falha, ComPair fornece alguns recursos
adicionais como:
• Up ou downloading de pré-ajustes.
• Administração de listas de pré-ajustes.
• Emulação da Ferramenta de Serviço do revendedor (DST).
• Se ambos ComPair e SearchMan (Manual de Serviço Eletrô-
nico) estão instalados, todos os esquemas e o PWBs do apare-
lho estão disponíveis no hyperlink apropriado.
Exemplo: Meça a tensão DC no capacitor C2568 (esquema/
Painel) no mono Painel.
- Pressione no hyperlink ‘Painel’ para automaticamente mostrar o
PWB com um capacitor C2568 realçado.
- Pressione no hyperlink ’Esquemático’ para mostrar a posição do
capacitor realçado.
5.4.3 Como conectar o ComPair
1. Primeiramente instale o software de navegador do ComPair
(veja o Cartão de Referência Rápido para instruções de insta-
lação).
2. Conecte o cabo de interface RS232 entre porta serial (COM)
de seu PC e o conector de PC (marcado com ‘PC’) da inter-
face do ComPair.
3. Conecte o cabo de alimentação ao conector de alimentação
(marcado com ‘POWER 9V DC’) na interface do ComPair.
4. Desligue a interface ComPair.
5. Desligue a televisor (remova cabo).
6. Conecte o cabo de interface do ComPair entre o conector
traseiro da interface do ComPair (marcada com ‘I2C’) e conec
tor ComPair na portadora mono (veja figura 8-1 sufixo D).
7. Ligue o adaptador de força AC na saída ligue a interface.
Os LEDs verde e vermelho acendem ao mesmo tempo. O LED
vermelho apaga depois aprox. 1 segundo enquanto o LED
verde aceso.
8. Comece o programa ComPair e leia o capítulo de ‘introdução’.
Figura 5-2 Conexão ComPair
5.4.4 Componentes do ComPair
• kit de Início ComPair + software do SearchMan32 e interface do
ComPair32 (excluindo transformador);
• Interface ComPair (excluindo transformador);
• Kit com software de inicialização ComPair32 (versão de regis-
tro);
• Kit com software de inicialização SearchMan32;
• CD ComPair32 (atualizado);
• CD SearchMan32 (atualizado);
• Cabo de interface ComPair;
5.4.5 Buffer de Erro
O buffer de códigos de erro contém todos os erros detectados
desde de a última vez que buffer foi apagado. O buffer é escrito de
esquerda para direita. Quando um erro ocorre que não está ainda
no código de erro do buffer, é escrito no lado esquerdo e todos
outros erros se movem uma posição à direita.
5.4.6 Como ler o Buffer de Erros
Você pode ler o Buffer de erros de 3 formas:
• Na tela via o SDAM (unicamente se você tem imagem).
Exemplos:
- ERROR: 0 0 0 0 0 : Nenhum erro detectado
- ERROR: 6 0 0 0 0 : Código de Erro 6 é o último e único erro
detectado
- ERROR: 9 6 0 0 0 : Código de Erro 6 foi primeiro
detectado e código de erro 9 é o último (o mais novo) erro
detectado
• Via procedimento de LED piscando (quando não existe
PC VCR I2CPower
9V DC
20 L03.1L AA
imagem). Veja próximo parágrafo.
• Via ComPair.
5.4.7 Como limpar Buffer de Erro
O buffer de código de erro é limpo nos seguintes casos:
• Ativando CLEAR no menu SDAM :
• Se o conteúdo do buffer de erro não for mudado em 50 horas,
ele se reseta automaticamente.
Nota: quando saindo do SDAM desconectando da tomada, o
buffer de erro não é limpo.
5.4.8 Códigos de Erro
Em caso de falhas não-intermitentes, limpe o buffer de erro antes
de começar o reparo. Assim, asseguramos que códigos de erro
antigos não estarão presentes.
Se possível, cheque o conteúdo do buffer de erro. Em algumas
situações, um código de erro é o resultado de outro código de erro
e não uma causa real (ex. uma falha na detecção do circuito de
proteção pode também conduzir para uma falha de proteção).
Tabela 5.3 - Tabela de Códigos de Erros
Erro Dispositivo Descrição
do erro
Verifique
item
Diagrama
0 Não Aplicável Sem erro - -
1 Não Aplicável Proteção Raio-X
(USA)
- -
2 Não Aplicável Proteção
Horizontal
7421, 7422, 7423, A2
3 Não Aplicável Proteção
Vertical
7461,7462,7463,
7464,7465,7466
A2
4 AN5891K &
AN5829S
Ident. de erro
I2C do Controle
de tom e proces-
sador de áudio
7821 (IC Tom),
7841
A5
5 TDA93XX POR3.3V / 8V
Proteção
7200, 7541, 7491,
7493,7496
A4, A1
6 I2C Bus Erro geral no
I2C Bus
7200, 36024, 3605 A4
7 Não Aplicável - - -
8 Não Aplicável Proteção E/W
(Tela grande)
- -
9 M24C16 NVM erro de
identificação I2C
7641, 3641,
3642, 3643
A4
10 Tuner Tuner I2C - Erro
de identificação
1000, 3003,3004 A3
11 Não Aplicável Proteção "Black
current loop"
3313,7307,7308,73
09,7310,7311,7312,
7313,7314,7315,73
16,7317,7318,CRT
B1
12 Não Aplicável MAPI2C erro de
identificação (USA)
- -
13 Não Aplicável VC I2C erro de
identificação
(Eu)
- -
14 Não Aplicável DVD I2C erro de
identificação
- -
5.5 Procedimento do LED Piscando
Por este procedimento, pode-se visualizar conteúdo do buffer de
erro pelo LED frontal. Isto é especialmente útil quando não há
imagem.
Quando entra-se no SDAM, o led piscara o conteúdo do buffer de
erro.
• n piscadas curtas (n = 1 - 14), o quando todos os códigos de erro
são exibidos, a seqüência termina com uma piscada de 3 seg.
do LED, o a seqüência começa outra vez.
Exemplo de buffer de erro: 12 9 6 0 0
Depois de entrar no SDAM:
• 12 piscadas curtas seguidos de uma pausa de 3 s,
• 9 piscadas curtas seguidos de uma pausa de 3 s,
• 6 piscadas curtas seguidos de uma pausa de 3 s,
• 1 piscada longa de 3 s para finalizar a sequência,
• a seqüência começa outra vez.
5.6 Proteções
Se uma situação de falha é detectada um código de erro será
gerado e se necessário o aparelho entrará em modo de proteção.
O LED vermelho piscará em uma frequência de 3 Hz indicando o
modo de proteção. Em alguns casos de erro, o microprocessador
não coloca o aparelho no modo de proteção. Os códigos de erro
do buffer de erro podem ser lidos via o menu de serviço (SDAM)
ou procedimento de LED piscando ou via ComPair.
Para obter um diagnóstico rápido, o chassis tem um modo de
serviço implementado:
• O Modo Padrão de Ajuste de Serviço (SDAM). Início e ajuste
de uma forma pré-definida e ajuste do aparelho via menu e
com a ajuda de padrões de teste.
5.7 Dicas de Reparo
Seguem alguns sintomas de falha, seguidos por uma dica de
reparo.
• Aparelho está apagado com um som intermitente.
‘Alimentação’ está disponível. Som intermitente para quando
dessoldando L5563, significando que problema está na linha
‘MainSupply’. Nenhuma tensão de saída do LOT, nenhuma
deflexão horizontal. Razão: transistor de linha 7421 está defeitu
oso.
• Aparelho está apagado e sem som. Cheque a alimentação
IC 7520. Resultado: tensão nos pinos 2, 6, 7, 9 e 11 estão acima
de 180 V e pino 14 está em 0 V. A razão porque a tensão nestes
pinos está tão alta é que o driver de saída (pino 11) tem uma
carga aberta. Por isso o MOSFET 7521 não é capaz de chavear.
Razão: resistor de retorno 3523 está defeituoso. Atenção: cui-
dado com a medição na porta 7521; a impedância ohmica é
muito alta e pode facilmente ser danificada! (primeiro conecte o
terra do equipamento de medição, e então a porta).
• O aparelho está em um modo intermitente e desliga após
8s. LED piscando (aparelho no modo do SDAM) indica erro 5. É
improvável que as proteções ‘POR’ e ‘+8V apareçam ao
mesmo tempo, então, meça primeiramente o ‘+8V’. Se esta
tensão não existe, cheque os transistores 7491 e 7496.
• Aparelho funciona de forma intermitente. Aparelho está em
modo de sobre-corrente; cheque o secundário (opto coupler
7515) e a tensão ‘MainSupply’. Sinal ‘Stdby_con’ deve ser de
lógica baixa sob condições de operação normais e vai para alto
(3.3 V) no standby e em condições de falha.
• Aparelho liga, mas sem imagem nem som. A tela está com
chuviscos, mas o OSD e outros menus estã o ok. Procedimento
de LED piscando indica erro 11, assim problema é esperado no
tuner (pos. 1000). Cheque presença de tensão de alimentação.
Como ‘Vlotaux+5V’ nos pinos 5 e 7 estão ok, ‘VT_supply no
pino 9 é que falha. Conclusão: resistores 3449 e 3450 estão
defeituosos.
21L03.1L AA
6. Diagrama em Blocos, I2C, Tensões de Alimentação, e Vista Geral dos Pontos de Teste
Diagrama em Blocos
POWER SUPPLY 0212
43
2
1
2
8
9
12
13
3
6
2 5
6
1
3504
CL 36532044_030.eps
190603
F510
I505
F567
F568
I533
I848 I830
I847 I836
0211
0231 (NOT USA)
MAINS
SWITCH
3543
5562
3544
6522
2528
A1
Degaussing
Coil
t
1515
5520
7580
7520
TEA1506
7200-D
TDA93XX
DRAIN
DRIVER
SENSE
DEMAG
CONTROL
IC
CTRL
Vcc
ENERGIZING
CIRCUIT
(optional)
AC
DC
65045500
10
1
2
4
3
1500
T4E
2503 6562
6563
6561 MAIN SUPPLY
-12V
5563
5560 6560
F542
F540
I553
Vaux/Vaudio
PW-ADJ
DVD-SUPPLY
3549
A4
A4
A9
A2
Std_Con
HOT GROUND COLD GROUND
7540, 6540
REFERENCE
CIRCUIT
7541
+3V3B
STANDBY
CIRCUIT
7515
TCET1103
3527
3525
3523
3526
752114
11
9
3522
7
D
S
G
F566
I514
6520
3528
7523
3506
5570 6570
(OPTIONAL)
1185 1124
1184 1121
DVD POWER SUPPLY
(optional)
A9
1
3
5
1572
1
4
1571
A1
A3
FRONT I/OA7
V
L
AUDIO PROCESSING (STEREO + SAP)
(FOR STEREO SETS ONLY)
A5REAR I/OA8
MONO
V
L
6
1
4
2
1
3
2
1
3
6
1
4
V
L
L1_IN
R1_IN
R
R
STEREO
F905
AUDIO AMPLIFIERA6
A4
7901 AN7522N (STEREO)
7902 AN7523N (MONO)
6 2 L+
L
8
9VOLUME
1
0280
F906
4 L-
F907
10 R-
F908
12 R+
R
4
5
1
2Vaux/Vaudio
A5 A4
A5
A8
A5
A5
A4
A4
A4
V
L
MONITOR
OUTPUT
YUV
INPUT
AV1
FRAME
LINE
R
L-OUT
SEL_AV1_AV2
SY_CVBS_IN
L1_IN
7841
AN5829S
7821
AN5891K
R1_IN
7161,
7162
CVBS_TER_OUT
7101
R-OUT
V
L
R
G-SC1_IN_Y_IN
B-SC1_IN_U_IN
R-SC1_IN_V_IN
A4
A4
A4
A5
A5
C-IN
L2-IN
R2-IN
V
L
R
4
6
5
1
5
4
32
SVHS
AV2
(OPT.)
STATUS2
MATRIX
SWITCH
10
9
11
A8
A8
A4
A8
R2_IN
24
21
22
3
22
12
15
L_OUT
Main_OutR
Main_OutL
R_OUT
L_OUT
R_OUT
23
2
3
14
19
3842
3843
SDA
SCL
3828
3827
L_OUT
MONO
L2_IN
SWITCH
STEREO
+
SAP
DEMODULATOR
ERR
4
SURR
TONE
ERR
4
18
14
13
7451
3549
EHT
7570
SI2306D
7571
L4978
3 2
1
3571VTsupply-A
DVD_SUPPLY
MAINSUPPLY
5571 5572
5575
5574
5573
Vcc
4
1
CONTROL
OUT
5
6571
+12V-DVD
+8V-DVD
DEFLECTIONA2SYNC.A4
A1
I461
F461
F422
F449
F448
A2
A1
F425
I462
I462
I468
-12V
7421
BUT11APX
5461
F407
3424
0221
1
2
HOR.
DEFL.
COIL
0222
1
2
VERT.
DEFL.
COIL
5445
1
V
H
7
2
36
FOCUS VG2
EHT
10
EHT
A4EHT 0
A4
A4
A3
A4
A2
BEAM-
LIMIT
3447
9
33
22
34
21
20
6446
8
5
4
6463
3445
3446
3475
VT_SUPPLY
6447
+160V
-12V
FILAMENT
3448
3459
6452
6451
F446
6444
3443
3444
FRAME OUT
6422
2423
6408
6407
2406
5401 3402
3403
7423
7422
3425
6423
Vaux/Vaudio
FILAMENT
A2
EHT 0
H-DRIVE
Hflybk
H-DRIVE
2nd LOOP
H-SHIFT
V-DRVE
+
GEOMETRY
VIDEO
INTERNAL
EW
+
GEOMETRY
H/V SYNC
SEPERATOR
H-OSC
+PLL
TO MPEG
CARD
(optional)
TO DVD
ENGINE
(optional)
3463
3465
3464
7463
7461
7465
7462
-12V
V-DRIVE -
N.C.
V-DRIVE +
3470
7466
7464
3474
3451
2455
HEADPHONEA7
L+
L-
R-
R+
L+
L-
R-
R+
F642
F643
5602
36423643
3605
3604
56035601
A3
A1
A5
FRONT CONTROLA7
E TOP
CONTROL
CONTROLA4 +3.3V
WP
36013602
+3V3
+3.3V
F691
57
1621
12MHz58
1
KEYBOARD
LOCAL
KEYBOARD
LOCAL
KEYBOARD
CHANNEL + / -
VOLUME + / -
CHANNEL + / -
VOLUME + / -
7200-B
TDA93XX
VST
PWM-
DAC
ROM
RAM
CPU
IIC
BUS
I/O
PORTS
11 7
3
2
5
8
6
5
54 61 56
IR 67
LED 11
8
7641
M24C04
EEPROM
(NVM)
SDA
SCL
Pvv_ADJ
7
63
64
ITV_POR
A4
6
ITV_CLOCK
A1
A4
1
Std_Con
A8STATUS 2
A8SEL_AV1_AV2
60
A4POR
(ITV)
A6
4
VOLUME
SDA
N.C.
N.C.
N.C.
SCLOR
9257
SDAM
1/10
PAGES
MEMORY
TELE
TEXT/CC
+
OSD
CVBS SYNC
ERR
9
ERR
6
6692
TSOP1836
+3V3
IR
LED
6691
OR
0239
1010
2
SPEAKER
2 X 5W 16 Ohm
2 X 3W 8 Ohm
2 X 1W 8 Ohm
CRTB1
1300
1
2
3
5
6
7
8
3305
3309
3301
F301
F302
F303
F309
F310
4
R
G
B
R
G
B CRT
(9P)
25kV
FOCUS
EHT
EHT
VG2
VG2
7
9
3
4 5 6 8
7313
7314
R
7317
7318
B
7315
7316
G
0165
AQUADAG
6318
3418
+160V
3313
+160 V
A8
A8
A8
A8
5201
IF, VIDEOA4
VIF_1
VIF_2
TUNER_AGC
(MONO)
+8V
+8VD
23
38
7202
3203
3205
7201
44
24
27
L1_IN
35
AUDIO CARRIER
FILTER
7200-A
TDA93XX
VIDEO
IF
AGC
VIDEO
PLL
DEMOD.
VIDEO
AMPLIFIER
SOUND
FM-DEMOD.
DE-EMPH.
AUDIO
SWITCH
SOUND
AMPL.
+ AVL
F603
A8CVBS_TER_OUT
AM_FM_MONO
40
1201
4.5MHz
C-IN
43
SY-CVBS-IN
42
7200-C
TDA93XX
I/O
SWITCHING
Y-DELAY
R-Y
B-Y
U
V
R
G
B
RED
GREEN
BLUE
51
52
53
49
Y
VIDEO
FILTERS
RGB
MATRIX
RGB
INSERT
BLACK
STRETCH
WHITE
STRETCH
RGB
CONTROL
OSD/TEXT/CC
INSERT
BLUE
STRETCH
WHITE-P.
ADJ
VIDEO
IDENT
1622
PAL/NTSC
DECODER
BASE
BAND
DELAY
3620
3619
3621
R_SC1_IN_V_IN
G_SC1_IN_Y_IN
B_SC1_IN_U_IN
FBL_SC1_IN
4746 48 45 50
F604
F605
1
2
3
4
5
6
7
8
OSD
A2BEAM-LIMIT
A2
FRAME_OUT
+160 V
A2
A2
FILAMENT
F003
1003
SDA
SCL
COMPAIR
CONNECTOR
5002
TV TUNER
3003
SDA
SCL
3004
6001
BZX79-C33
TUNER IFA3
A4
A4
A2
1000
UV1336
6, 7 9
1
2
1
+5V
VT_SUPPLY_AVT_SUPPLY
VT
AGC
5 4
IF
2
3
11
1001
ERR
10
9282
DVD EJECT
POWER (USA only)
22 L03.1L AA
I2C e Vista Geral das Tensões de Alimentação
POWER SUPPLY 0212
43
2
1
2
8
12
10
13
3
6
2 5
6
1
3504
F510
I505
I533
3543
5562
3544
6520
2528
A1
Degaussing
Coil
t
1515
5520
7580
7520
TEA1507
DRAIN
DRIVER
SENSE
DEMAG
VCC
CONTROL
IC
CTRL
Vcc
ENERGIZING
CIRCUIT
(optional)
AC
DC
65045500
9
1
2
4
3
2503 6562
6563
6561
MAIN SUPPLY
-12V
5563
5560 6560
F542
F540
I553
Vaux/Vaudio
2 x
1 x
DVD-SUPPLY
3549
Std_Con
HOT GROUND
COLD GROUND
7540, 6540
REFERENCE
CIRCUIT
7541
+3V3B
STANDBY
CIRCUIT
7515
TCET1103
3527
3525
3523
3526
752114
11
9
3522
7
D
S
G
I514
6520
3528
7523
3506
5570 6570
(OPTIONAL)
FRAME
LINE
3549
7451
EHT
PW_ADJ
DEFLECTIONA2
A1
F461
F422
F449
F448
H DRIVE
A4
F425
-12V
7421
BUT11APX
5461
3424
0221
1
2
HOR.
DEFL.
COIL
0222
1
2
VERT.
DEFL.
COIL
5441
1
7
2
FOCUS VG2
EHT
10
EHT
A4EHT 0
A4BEAM-
LIMIT
3447
9
6446
8
5
4
6463
3445
3446
VT_SUPPLY
6447
+160V
-12V
1x
2x
2x
2x
2x
3448
3459
6452
6451
F446
6444
3443
3444
FILAMENT
6422
2423
6408
6407
2406
5401 3402
3403
7423
7422
3425
6463
Vaux/Vaudio
FILAMENT
3463
3465
3464
7463
7461
7465
7462
-12V
3470
7466
7464
3474
3451
2455
TUNER IFA3
FOCUS
EHT
VG2
CONTROLA7 TUNER IFA3
3605
7641
M24C04
EEPROM
(NVM)
3604
3643
3642
65
3
2
11 WP 7
ERR
9
7200-B
SET
PROCESSOR
PART OF
VIDEO-
PROCESSOR
TDA9370
ERR
6
SDA
SCL
SCL
SDA
3602
+3.3V
3644
+3.3V
3601
+3.3V
1000
TUNER
UV1336
3003
3004
45
ERR
10
1
2
1003
3
AUDIO PROCESSING
(only for stereo sets)
A5
7821
AN5891K
AUDIO
PROC.
3828
3827
1314
ERR
4
7841
AN5829S
AUDIO
DECODER
3842
3843
4119
ERR
4
SCL
SDA
FOR
COMPAIR
ONLY
I2C BUS INTERCONNECTION DIAGRAM
ERROR CODE LIST
A4
A4
A2
+ 5 V
+ 5 V
+ 5 V
+ 8V
1300
7
8
9282
VT supply
VT supply
VT supply-A
VT Supply-A
CRTB1
VIDEO PROCESSINGB1A4
EHT
FOCUS
FILAMENT
160 V
VG2
AUDIO PROCESSINGA5
7 - 7841
5841
5821
23 - 7821
+ 5V
AUDIO AMPLIFIERA6
1 - 7901
or
1 - 7902
+ 5V
FILAMENT
FILAMENT
+ 3V3A
+ 3V3B
AUDIO FRONT I/OA7
+3V3B
4698
3693
3 - 6692
+ 8 V
REAR I/O CINCHA8
+8V
4163
+8VA
Vaux/Vaudio
Vaux/VaudioFILA-
MENT
160VD
FILAMENT
4379
3493
7
1622
8
7493
3494
3
A1
A2
In
1
3495
5482
4491
+3V3
+5V
+8V
1x
1x
1x
+8VD
+3V3A
6491
7494
6492
3496
3497
7496
7491
3492
3491
VTSupply-A
-12V,
FILAMENT,
Vaux/Vaudio
VT supply-A,
VT supply,
FILAMENT
A4
V DRIVE-
V DRIVE-
1x
1x
2x
Error Device Error description Check item Diagram
0 Not applicable No Error - -
1 Not applicable X-Ray Protection (USA) - -
2 Not applicable Horizontal Protection 7421, 7422, 7423 A2
3 Not applicable Vertical Protection 7461, 7462, 7463, 7464,
7465, 7466
A2
4 AN5891K &
AN5829S
Tone control & Audio
processor I2C identification
error
7821 (tone IC), 7841
(Stereo/Sap)
A5
5 TDA93XX POR 3.3V / 8V Protection 7200, 7541, 7491, 7493,
7496
A4, A1
6 I2C bus General I2C bus error 7200, 3604, 3605 A4
7 Not applicable - - -
8 Not applicable E/W Protection (Large Screen) - -
9 M24C16 NVM I2C identification error 7641, 3641, 3642, 3643 A4
10 Tuner Tuner I2C identification error 1000, 3003, 3004 A3
11 Not applicable Black current loop protection 3313, 7307, 7308, 7309,
7310, 7311, 7312, 7313,
7314, 7315, 7316, 7317,
7318, CRT
B1
12 Not applicable MAP I2C identification error
(USA)
- -
13 Not applicable VC I2C identification error (Eu) - -
14 Not applicable DVD I2C identification error - -
0211
0231 (NOT USA)
MAINS
SWITCH
1500
T4E
F567
F568
F566
DVD POWER SUPPLY
(optional)
A9
1
3
5
1572
1
4
1571
7570
SI2306D
7571
L4978
3 2
1
3571VTsupply-A
DVD_SUPPLY 5571 5572
5575
5574
5573
Vcc
4
1
CONTROL
OUT
5
6571
+12V-DVD
+8V-DVD
+8V-DVD TO MPEG
CARD
(optional)
TO DVD
ENGINE
(optional)
Vaux/Vaudio
23L03.1L AA
Vista Geral dos Pontos de Teste
CL 36532044_031.eps
200603
Mains
Switch
COLD
IRRCR
HOT LIVE PART
Supply
Control
Supply
Output
Line
Output
Power Trafo 5520
7
7 6 5 3
7421
6447
5441
LOT
6570
6560
0246
39033905
7496
3643
In
Out
7901
7902
6562 2405
6446
7464
7465
7463
0222
6444
74617462
D
C
B E
SG
2
1 10
9
8
5
B
E
C
B
B EE
C
C
4
3
2
6
7
1
8
1
B
C
E
112
2413
2 1
5
12
1
14
5 8
32
3364 44
18
9 10 12 13
12
8 14
COLDHOT
F407
F510
I847
I848
I462
F481
F643
I553
I542
F603
F604
F605
I540
I533I505
F425
I514
I836
I830
F449
F448
F446
I461
I465
7520
+ F422
F461
1
6692
F691
F907
F908
F909
F906
F903 F901
C
B
F
1
11 1
1 3
Audio
Output
Video Processor
Tuner
Compair conn.
NVM
Audio
Processor
Audio
Demodulator
Frame Output
7841
3488
1622
7200 1000
1003
2413
112
15
7821
F491
F494
F492
F493
F494
I211
F642
F003
3
45
6
7
8
8
9 10
11
12
1302
1300 CRT
Socket
F310 B
F308 R
F309 G
F301
F302
F303
23 1
CRT TRACK SIDE VIEWMONO CARRIER TRACK SIDE VIEW
F003
200mV / div AC
20µs / div.
F308
50V / div DC
20µs / div.
F309
50V / div DC
20µs / div.
F310
50V / div DC
20µs / div.
F407
100V / div DC
20µs/div.
7641
7493
6491
7494
F425
5V / div AC
20µs / div.
F446
2V / div DC
20µs / div.
F448
10V / div DC
20µs / div.
F449
50V / div DC
20µs / div.
F461
20V / div DC
5ms / div.
F481
0,5V / div DC
20µs / div.
F491
2V / div DC
20µs / div.
F492
2V / div DC
20µms / div.
F493
2V / div DC
20µs / div.
F494
2V / div DC
20µs / div.
F510
50V / div DC
5µs / div.
F603
1V / div DC
20µs / div.
F604
1V / div DC
20µs / div.
F605
1V / div DC
20µs / div.
F301
1V / div DC
20µs / div.
F302
1V / div DC
20µs / div.
F303
1V / div DC
20µs / div.
F642
0.5V / div DC
20µs / div.
F643
0,5V / div DC
20µs / div.
F691
1V / div AC
2ms / div.
F901
0.5V / div AC
1ms / div.
0.5V / div AC
1ms / div.
F903
F905
0,5V / div AC
1ms / div.
F906
0,5V / div AC
1ms / div.
F907
0.5V / div AC
1ms / div.
F908
0.5V / div AC
1ms / div.
I211
1V / div DC
1ms / div.
I461
0.5V / div DC
5ms / div.
I462
0.5V / div DC
5ms / div.
I465
1V / div AC
5ms / div.
I533
2V / div DC
5µs / div.
I830
1V / div DC
1ms / div.
I836
1V / div DC
1ms / div.
I847
0.5V / div DC
1ms / div.
I848
0.5V / div DC
1ms / div.
I514
100V / div DC
5µs / div.
F422 97V DC
F540 97V DC
F542 13V5 DC
I505 =17V8 DC
3642
A2 A1
K
21 22
E B
C
E B
C
24 L03.1L AA
7. Esquemas Elétricos e Layouts dos Painéis
Mono Painel: Alimentação
V
START-UP
CURRENT SOURCE
VALLEY
START-UP
CURRENT SOURCE
CURRENT
SENSING
OUTPUT
DRIVER
OVER
POWER
LOGIC
CONTROL
CIRCUIT
MAXIMUM
ON-TIME
PROTECTION
VOLTAGE
CONTRLLED
OSCILLATOR
OVER
TEMPERATURE
PROTECTIOM
POWER-ON
RESET
SUPPLY
MANAGEMENT
FREQUENCY Demag
Driver
PROTECTION
CONTROL
INPUT
CONTROL
CIRCUIT
BURST
DETECTOR
Drain
Sense
Vcc
Gnd
Ctrl
t
+t
Rs
Rp
+t
G
A
B
C
D
E
F
G
0211 C1
0212 B1
0213 C5
0231 C2
1500 B2
1501 B3
1508 E7
1509 E7
1515 A7
1516 E7
1520 B7
1560 D7
2503
1 2 3 4 5 6 7 8 9 10 11
1 2 3 4 5 6 7 8 9 10 11
A
B
1N4148
6521
C
D
E
F
I505
1570 C8
2452 F11
2453 F10
2500 C3
2501 B5
2502 B5
2503 B6
2504 B6
2505 B2
2507 B6
2515 C7
2520 G2
2521 E2
2522 D6
2523 E6
2524 E5
2525 F5
2526 E2
2527 F1
2528 G6
2540 F9
2541 G9
2542 G7
2543 F6
2560 D8
2561 D9
2562 D9
2564 D10
2570 C9
2571 C8
2580 B7
2584 C6
2585 E6
3452 F11
3453 F10
3454 F9
3456 F11
3500 C2
3501 D2
3502 C4
3503 B4
3504 B4
3505 C4
3506 D4
3507 D2
3508 B4
3509 C3
3510 D3
3519 F6
1508
DVD_Gnd
3520 G2
3521 F2
3522 E5
3523 E5
3524 E5
3525 E5
3526 E6
3527 D5
3528 F1
3541 F8
3542 E9
3543 E10
3544 F9
3545 G8
3546 F11
3547 F9
3548 F9
3549 E9
3550 E10
3580 A7
3581 F6
3582 D10
4560 D8
5500 B4
5501 C4
5502 D4
5506 C7
5509 G4
5515 E5
5520 C7
5521 D6
5560 D8
5562 C9
5563 C10
5570 C7
6500 B5
6501 B5
6502 B5
6503 B5
6504 B5
6505 D2
6520 E2
6521 E6
6522 F6
6540 F8
6541 E9
6560 D8
6561 D9
2n2
2501
6562 C9
6563 C9
6570 C8
6580 A8
2585
1n
7451 F10
7515 F7
7520 D2
7521 E6
7522 F6
7523 F1
7540 F9
7541 G8
7580 A7
9500 B2
9501 C2
9502 C4
1570
9503 A6
9506 C7
9509 G4
9515 E5
9520 D6
9560 D7
3526
1n0
2543
400V
5521
1K0
3548
15K
2K2
3527
16V
150u
2504
3
6
7
8
9
4560
3541
470R
PDTC114ET
7541
4n7
2453
11
12
132
3
5
6
7 8
9
330K
3522
1 4
2
5501
9509
3542
1K5
2542
470n
2520
47K
3456
3543
5560
0212
1
2
6K8
3544
6561
6560
SB340
5570
2
0211
1
3506
2580
47u
9501
BC857B
7451
10
11
142
7520
3503
1
2
S
56p
7521
*
90 - 276 V FULL RANGE
6561
3V3
100u/400V
STP7NK80ZFP
- -
5520
-
-
1W/0R151W/0R18
9500
6V2
(..V..) Standy Mode
0V
*
*
0V
*
*
2V9
*
*
220V AC 309V (317V)
*
MAINS
0V
22V60V
*
1n5
T2.5AE 250V
*
MAINS SWITCH
A4
D
*
820K
T4E.250V
82n
TEA1506T
SS28010-06
BZX79-C9V1
3V3
G
RES
RES
17V8
RES
JUMP
*
-
-
22K330K330K330K330K3547
21RF
3M3
*
RES
HOT GROUND
LATAM
*
3V3
*
9V3
*
-
For ITV
2503
0231
Size
8V3
3523
*
*
For Relay Cct.
302V
6K8
9501
330K
-
ALIMENTAÇÃO
NAFTALATAMITEM
STP7NK80ZFP
A2
STP5NK80ZFP
"$"
STP5NK90ZFP
S359B4-09SS28010-06
1W/0R15
BYW76-RAS15/10
6V8
10R-PTC
RES
15RF/20"/21"Mexico14"MEXICO15RF/20"/21"
JUMPJUMP
2V6
14"
NFR25 68R
150u/400V
SWITCH
100u/400V
Region
*
SWITCH
3526
*
S359B4-09
-
(13V8)
BYW76-RAS15/10
1V3
JUMP
150u/400V
NFR25 68R
FOR ITV ONLY
NFR25 47RNFR25 47R
JUMP
COLD GROUND
330K
1W/0R18
FOR MAINS 120V AC 170V (177V)
-
..V.. Normal Operation in " SERVICE MODE " A4
RES
*
7V7
T1.8AE 250V
4V9
150 - 276 V SINGLE RANGE
2V6
RES
1515
G5P
23
14
2502
2n2
4V6
HOT
303V
302V
ONLY
COLD
2505
3503
3504
5500
9503
5502
Relay Cct.
YES
NO
YES
DMF2820
YES
NO
NO
NO
YES
NO
C914
NO
YES
YES
RES
RES
RES
DEGAUSSING COIL
3M3
"$"
*
*
5509
RES
RES
-
-
-
-
-
-
-
7523
BC857B
BC547B
7540
3510
DSP
50V22u
2528
3521
F510
7521
1N5062 (COL)
6503
7580
BC847B
220p
2584
2505
2n2
2n2
2560
9520
6562
BYW76
1N5062 (COL)
6501
F540
1N5062 (COL)
6502
6500
1N5062 (COL)
1
2
3
2525
3504
470p
3582
1n0
2526
3581
1K0
3453
100K
10n
2541
3520
1K2
2527
6580
1M5
3508
1N4148
27u
5563
BZX384-C22
6505
3507 33K
3500
BYW29EX
6563
3580
47K
2515
2500
470n
22u
2521
BYD33D
6522
15n
2540
5506
7522
PDTC143ZT
9506
2523
1n8
220R
3549
2507
2522
470p
PFC5000
1501
9560
47u
15209500
2564
I553
2n2
2562
I533
3547
3m3
2570
100n
2524
3502
3528
10K
1560
6541
3519
10K
3454
3K3
TCET1103(G)
7515
14
3 2
C914
5502
31
46
3452
3505
5520
1
10
5562
3545
2K2
2452
6520
BYD33D
9503
4
2 3
BZX79-B6V8
6540
5500
DMF-2820
1
9515
3
DVD_Gnd
5515
0213
1516
10n
2571
3509
220R
16V2m2
2561
1500
PFC5000
82K
1509
STPS10L60D
65701
2
56
3
4
3523
ESB92
0231
10n
3501
9502
35253524
47K
3550
10K
3546
I514
F542
6504
GBU8K
PW_ADJ
DVD_Supply
(OPTIONAL)
Vaux/Vaudio
ITV_Vbatt
EHT
L_GND
-12V
Std_Con
MainSupply
+3V3B
AudioSupplyGnd_A
3139 123 5596.1 CL 36532044_001.eps
200603
F540 97V DC
F542 13V5 DC
I505 17V8 DC
F510
50V / div DC
5µs / div
I533
2V / div DC
5µs / div
I514
100V / div DC
5µs / div
25L03.1L AA
Mono Painel: Deflexão
VG2
EHT
FOCUS
G
A
B
C
D
E
F
G
0221 B4
0222 F6
1462 F6
1463 E7
2405 D3
2406 D4
2407 C4
2408 D4
2420 B2
2421 B2
2423 A4
2424 A4
2426 B1
2427 B1
2428 C1
2429 B1
2441 C9
2444 D8
2446 D8
2447 D7
2455 C8
2457 D7
2460 E5
1 2 3 4 5 6 7 8 9 10
1 2 3 4 5 6 7 8 9 10
A
B
C
D
E
F
9505
2461 E1
2462 E3
2426
1n
2463 E3
2464 F3
2465 E5
2470 F5
0221
VH
1
4
2471 B1
2472 G4
2473 C7
3402 D4
3403 D3
3422 A3
3424 A1
3425 C1
3426 B3
33K
3449
3428 B2
3430 C2
3432 C2
3439 C8
3440 C8
3441 C7
3442 C7
3443 C6
3444 D6
3445 B6
3446 D6
3447 B8
3448 D6
3449 B8
3450 B8
3451 C8
3455 C9
3459 C7
3460 C9
3461 F1
3462 F1
3463 E2
3464 G2
3465 F2
3466 F2
3468 E3
3469 E4
3470 F4
3471 F4
3472 F4
3473 G5
3474 G5
3475 F5
3476 F5
3477 G4
3478 F5
4405 D3
5401 D4
5402 D4
5421 B3
5441 A5
5505 F8
6407 D4
6408 D4
6421 A4
6422 A3
6423 C1
6426 B2
3474
3R3
6444 D7
6445 C7
6446 D7
6447 D7
6451 C9
6452 C8
6453 C8
6460 E3
6461 E5
6462 E5
6463 E5
6464 E3
7421 A3
7422 B2
7423 C2
7440 C8
7461 F2
220R
7462 F2
7463 F3
7464 E4
7465 F4
7466 F3
9402 D4
9445
9407 C4
9445 B6
9446 E6
9448 D6
9505 F8
3446
1R
2R2
2455
10u16V
9446
82R
3425
MainSupply
HDRIVE
-12V
VDrive-
Frame_FB
VDrive+
VTSupply
MainSupplyGND
-12V
-12V
Vaudio
Filament
-12V
160VD
FILAMENT
Beam_Limit
Hflybk
Frame_OUT
EHTO
FILAMENT
EHT
2460
56n
2406
470n
3403
1K
3460
100K
9402
RGP10D
6447
I461
I462
6421
BYW76
3463
2K2
RGP10D
6463
68R
3469
6461
RGP10D
6460
3468
330R
1K
3432
9448
3428
68R
I465
160V10u
2465
6422
BYD33M
2444
470u
BAS316
8K2
3451
2K2
3464
BC857B
7461
HORIZONTAL
22n 100n
2453 - -
0V4
12V212V8
RES
12V2
0V6
0V9
120K
A4
5V7
0V
94V4
TO PICTURE TUBE
TO CRT PANEL
DEFLEXÃO
3V3
0V3
0V9
1V5
A4
3V3
12V2
0V8
12V8
100K
150K
-
68u/LHL08
10K
NFR25H 2K2
1n5/2KV
3456
2K22K2470R
3R3-
47K 47K
- 680n/250V 560n/250V
2423
5401
COIL
DEFLECTION
5V4
A4
Frame Deflection
120K
0V9
4R73474
A4
VERTICAL
0V
20V6
3R33R93R9
A4
A4
A2
2K2
8K2
Line Deflection
0V5
5441
47K
3450
33K
47K -
3460 100K
3451
220K
150K150K
100K220K3447
Tube
2406
LINE DEFLECTION
LPDLPDCPT
3455
8K21K8680R
LPD CPT
3442
3R3- 360n/250V -
JF0501-19255
15n/1K6V15n/1K6V13n/1K6V13n/1K6V
33u/LHL08 -
2424 1n/2KV -
-
-
-
00425/82u
47K
15n 33n
2452 - 10n
3441
15n
2408 560n/250V
22n
- 470p/500V
1n/2Kv
3646
JF0501-19276
-
JF0501-19255
LPD
21"FSQ20"
10K 56K
LATAMRegion
Size
00511/33u--5402
14" 15RF
1M 1M -
JF0501-19255
LINE DEFLECTION
LPDLPD
Size
0V
RES
A4
COIL
A1
A4
15RF14"
Tube
3473
470p
2457
2441
DEFLECTION
LOT
A2
RES
RES
RES
RES
RES
2n2 -
2457 -
LATAMRegion
3402 - - NFR25H 2K2
20" 21"FSQ
100K
4R7 2R2
3441
3465
1K
1n
2461
F448
F449
1N4004
6423
F446
BC817-25
7422
BAV21
6408
3439
3R3
100K
3447
2471
22n
2472
2470
15n
3473
3R3
6451
2427
100n
BAS316
3440
33K
F461
6452
BAS316
3444
1R
1R0
3478
F425
3470
3455
2K2
3471
BC807-25
7423
470p
2464
2423
10n
2447
10u
F422
3402
2K2
RGP10D
6446DC12
5402
6444
EGP20DL
BAS316
6426
5505
2420
100n
3422
330K
6407
BAV21
2428
47u
220R
3472
9407
1
10
2
3
4
5
6
7
8
9
F407
1142
5441
BZX79-C33
6453
33u
5401
150K
3459
470u
2446
BD135
7464
3476
8K2
3424
22R
BF423
7440
1R
3445
2463
100u50V
33n2441
6462
RGP10D
1K
3466
3430
1K0
2407
100p
1R
3448
7465
BD136
6445
BAS316
PSD10-204B
1
3
5
65421
6464
BAS316
1R
3443
3426
47R
100n
2421
7463
1462
BC546B
2408
12n
2424
820p
BUT11APX
7421
2473
470p
2429
220n
1M
3461
2K2
1n
2462
3462
3477
3R3
2405
47u
1463
3475
10K
3442
7462
BC857B
4405
1
2
7466
BC847B
VH
0222
3139 123 5596.1 CL 36532044_002.eps
200603
F407 F422 97VDC F449
50V / div DC
20µs / div
F461
20V / div DC
5ms / div
100V / div DC
20µs/div
F448
10V / div DC
20µs / div
F446
2V / div DC
20µs / div
F425
5V / div AC
20µs / div
I461
0.5V / div DC
5ms / div
I462
0.5V / div DC
5ms / div
I465
1V / div AC
5ms / div
26 L03.1L AA
Mono Painel: Tuner FI
GND NC
A
B
C
0283 C7
0285 C7
1000 B3
1001 B6
1003 B1
2001 B2
2002 B3
2003 C3
2004 C3
2005 B5
1 2 3 4 5 6 7
1 2 3 4 5 6 7
A
B
C
2006 B1
2007 B5
3001 A2
3002 B2
3003 B2
3004 B2
3005 A1
4000 C4
4001 C2
5001 B5
5002 A4
5003 A4
6001 B5
9002 A4
100u
2002
9282 A4
2005
220n
10u
2007
4001
1000
TUNER
UV1336
3002
RES
TUNER FI
A4
RES
A4
A4
A4
A4
F003
22K
100R
3003
0285
0283
BZX79-C33
6001
3004
100R
22p
2003
3001
4K7
2004
22p
5001
820n
2
3
4
5
9002
2001
10n
OFWG1984M
1001
1
9282
5002
5003
EH-B
1003
1
2
3
VS
9
VTS
4000
1
AGC
3
AS
10
11
IF
12 13 14 15 6 8
4
SCL
5
SDA
2
TU
7
3005
100R
10V470u
2006
+5V
SCL
SDA
VIF_1
VIF_2
TUNER_AGC
+5V
VTSupply_A
VTSupply
3139 123 5596.1
CL 36532044_003.eps
200603
F003
200mV / div AC
20µs / div
27L03.1L AA
Mono Painel: Processamento de Vídeo
H-OSC + PLL
AGC CIRCUIT
NARROW BAND
PLL
DEMODULATOR
VIDEO SWITCH
VIDEO IDENT.
VIDEO FILTERS
VISION-IF
ALIGNMT-FREE
PLL DEMOD
AGC/AFC
VIDEO AMP
DEEMPHASIS
AUDIO SWITCH
VOL CONTR
RGB/YUV INSERT
RGB/YUV MATRIX
SATURATION
YUV/RGB/MATRIX
CPU
I2C-BUS
VST PWM-DAC
I/O PORTS
ROM/RAM
TELETEXT
CLOSED CAPTION
ACQUISITION
1/10 PAGE
MEMORY
TXT/OSD/CC
DISPLAY
EW GEOMETRY
V-DRIVE +
GEOMETRY
H-DRIVE
2nd LOOP
H-SHIFT
H/V SYNC SEP.
G
A
B
C
D
E
F
G
0217 C10
0240 F2
1201 B2
1202 D1
1621 B4
1622 E10
2201 A2
2202 A3
2203 A2
2204 B2
2205 B3
2206 B4
2207 B2
2208 C2
2209 C2
5u65601
1 2 3 4 5 6 7 8 9 10 11
1 2 3 4 5 6 7 8 9 10 11
A
B
C
D
E
F
2210 D2
2211 D1
2212 D2
2231 F6
2232 F6
2233 F7
2481 F3
2482 F2
2483 F2
2484 F2
2485 F3
2486 F3
2487 F4
2488 F5
2489 F5
2490 F6
2491 E1
2492 B9
2493 A9
1u0
2494 B7
2495 G1
2496 G4
2497 G5
2498 F2
2601 B4
2602 B5
2603 B5
2604 A5
2605 C7
2606 C7
2607 C7
2608 C8
2609 A6
2612 D8
2615 E7
2616 E8
2641 B11
2642 B10
2643 F2
3201 A3
3202 A2
3203 A4
3204 B2
3205 B3
3206 B3
3207 B3
3208 C2
3209 C2
3210 D2
3231 F7
3232 F8
3233 F8
3410 G5
3479 B8
3480 F4
4661
F604
3481 F3
3482 G3
3483 F4
3484 F5
3485 G5
3486 G5
3487 G6
3488 G4
3489 G6
3490 G4
3491 A7
3492 B7
3493 B8
3494 A8
3495 A9
3496 A10
3497 A10
3498 G3
3499 G3
3601 A5
3602 A5
3603 A5
3604 B5
3605 B5
3606 A5
3607 B6
3608 B6
3609 B7
3618 A5
3619 D7
3620 D8
3621 D7
3624 E9
3631 A7
3632 B7
3633 A7
3634 C8
3641 A11
3642 C10
3643 B11
3644 A10
3645 C9
3646 F2
4491 A9
4602 A7
4603 A7
4604 A6
4606 A4
NC
6
SCL
5
SDA
M24C04
7641
2
E1
3
E2
1
4661 C9
5201 B2
5482 E1
5601 B8
5602 C8
5603 C8
3634
1K0
6481 G3
6491 B9
6492 A10
6624 E9
6625 D10
6626 D8
6627 D8
6628 D8
6681 E8
7200 C2
7201 B3
7202 A4
7491 A7
7493 B9
7494 A10
7495 G2
7496 A8
7601 D9
33p
7641 A10
9201 A3
9240 G1
9286 A6
9410 G5
9604 A6
F605
A4
A8
3481
18K
2492
22u25V
I211
33K
3487
2602
33p2485
1u
10V
F493
3498
10K
100R
3631
0217
1
2
3
4
5
6
7
8K2
3632
2K2
3602
3491
56K
2612
220u
100R
3604
F481
3643
100R
3488
100R
6626
BAS316
470R
3621
2K2
3601
3607
100R
1n
2641
100n2605
2608
1u
2231
22n
9201
22K
3492
A2
1V
2V3
SDAM
3V2
A4
9257
3V6
A2
A4
A2
4V
0V
3V8
1V6
1V6
2V7
0V
1V3
1V4
3V2
0V
0V
100p
3V4
A2
Stereo
To 1300
4n7
A3,A5
A4
12V
A1
A4,A6
6V7
A3
A3
A4
A4
A4
6V3
3V3
3V3
3V4
8V
2V3
8V
5V
3V2
2V3
FOR ITV ONLY
3V8
0V8
3V4
3V9
3V8
1V9
A8
1N
ITEM #
A5
A1
A7
10R
3V3
2206
A8
3V6
4V
2V6
2V7
RES
A8
A4
A8
2V7
A5
A4
A7
2V7
8V
A6
A7
A4
4M5
A4
10R
A8
A3,A5
A1
A4
A4
A4
A4
13V4
9V3
8V7
A8
4V A2
3V4
3V3
A8
A8
0V
2V4
0V2
1V5
3V4
NVM
1V9
1V9
3V3
4V
0V
0V
3V3
3V3
0V2
0V2
3V3
3V3
0V2
3V3
7V7
3V1
3V2
0V
3V7
0V2
0V4
1V
Mono
A4
3V3
3V3
5V
6V3
A2
PROCESS. VÍDEO
A4
A4
A8
A2
A2
A2
5V7
of CRT PANEL
3V3
A3
6V3
39K
3480
3618
2K2
3V3
0V
1V1
1V9
A2
4603
4604
2u22498
6624
BAS316
TPS
1201
2G
1
I
3
O
12M
1621
1K
3206
3232
1K0
3231
560R
1K0
3645
3202
100R
2604
10u16V
348439K
F494
BC847B
7202
7601
PDTA114ET
6625
3205
270R
BZX79-C8V2
1M03646
2212
220n
4K7
3644
3482
3K3
100R
3641
2210
220n
7201
BC847B
9604
470u
2491
2207
100n
1n
2211
100n
2208
4606
4u7
5201
F491
680R
3494
BAS316
6481
3603
2K2
2490
4u7
2202
820p
1n0
2496
2603
BZX384-C5V6
6492
4491
3497
390R
470R
3619
2495
22u25V
3496
10R
100n
2488
100n
2203
3207
390R
2201
4n7
2489
100n
6681
BAS316
1K0
3633
2606
1202
100n
2486
4n7
6628
BAS316
7491
BC847B
16V
470R
3209
3499
27K
3489
1M
3483
5u65603
10K
5602 5u6
2483
360610K
22n
2232
4u7
2482
2205
10u
220n
2209
2
3
4
5
6
7
8
2487
2n2
1622
1
100n2484
5482
10u
F642
F643
F603
2607100n
22n
2233
BAS316
6627
3605
100R
25V220u
2494
3201
2K7
34851K0
8
VCC
4
VSS
7
WC_
26091n0
7494
BC337-25
3495
33R
100p
2481
6
4602
EH-B
0240
1
2
3
4
5
9286
3486
1K0
3493
10V
1n0
2615
2493
470u
1n0
2497
2616
10u16V
100R
3210
LE50CZ
7495
GND INOUT
F492
82R
3204
1K0
3624
7496
BD135
660 616263 647 8 9
3620
470R
5
50
51
52
53
5455 56575859
40
41
42
43
44
4546 47 48
49
31
32
3334
35
36
37 38
39
4
2122
23
24
25 26
27 2829 3
30
11 12
13
14
15
1617
18
19
2
20
7200
TDA93XX
110
3K3
3490
220p2643
2206
4n7
L78L33
7493
2
GND
1
IN
3
OUT
470n
2601
BAV70
6491
3208
470R
100K
3608
10K
3609
1n0
2642
3479
100R
3642
3410
68K
9240
2204
56p
3233
100R
1K0
3203
9410
TV_BUZZER
ITV_PORT
ITV_MSG
TV_BUZZER
AM_FM_MONO
+5V
+8V
+8VD
GREEN
RED
BLUE
+3V3
FILAMENT
Vaudio
(Vaux)
VDrive+
EHTO
+8V
+3V3
+5V
Frame_OUT
+8V
Hflybk
Beam_Limit
Frame_OUT
SEL_AV1_AV2
Std_Con
PW_ADJ
ITV_DATA_OUT
STATUS2
RESERVED_B
RESERVED_A
BLK_IN
FILAMENT
160VDITV_CLOCK
ITV_PORT
VDrive-
ITV_CLOCK
FILAMENT
+8V
VTSupply_A
SY_CVBS_IN
C_IN
+8VD
WP
KEYBOARD
L1_IN
+5VS
Vaux
+5V
+3V3A
+8V
G_SC1_IN_Y_IN
ITV_DATA_IN
POR
WP
ITV_DATA_IN
POR
ITV_DATA_OUT
B_SC1_IN_U_IN
R_SC1_IN_V_IN
FBL_SC1_IN
CVBS_TER_OUT
+8V
SDA
SCL
SANDCASTLE
SANDCASTLE
VOLUME
+3V3
LED
VIF_1
VIF_2
TUNER_AGC
HDRIVE
SCL
SDA
+3V3
+8VD
IR
+3V3
REFO
3139 123 5596.1 CL 36532044_004.eps
200603
LUMA DELAY
PEAKING
BLACK STRETCH
PAL/SEC/NTSC
DECODER
BASE-BAND
DELAY LINE
CONTR/BRIGHTN
OSD/TXT INSERT
CCC
WHITE-P ADJ
Y
Y
H
V
R
R
G
B
G B
R G B
BL
U
V
F481
0,5V / div DC
20µs / div
I211
1V / div DC
1ms / div
F494
2V / div DC
20µs / div
F603
1V / div DC
20µs / div
F493
2V / div DC
20µs / div
F643
0,5V / div DC
20µs / div
F492
2V / div DC
20µms / div
F642
0.5V / div DC
20µs / div
F604
1V / div DC
20µs / div
F491
2V / div DC
20µs / div
F605
1V / div DC
20µs / div
28 L03.1L AA
Mono Painel: Processamento de Áudio (Stereo + SAP)
PLL
PILOT
DET
MPX
IN
SAP
DET
AGC
AUXL1
AUXR1
OFFCAN1
OFFCAN2
WB
TIME
Vcc
WB
DET
SPEC
FIL
SPEC
TIME
SPEC
DET
NOISE
DET
AUXL2
AUXR2
Rout
Lout
PE
SDA
SCL
GND
SUPER
BAS
BAL
BAL
VCA
10 11
A
B
C
D
E
F
A
B
C
D
E
F
1821 A1
2821 A4
2822 B4
2823 D2
2824 D3
2825 B4
2826 A4
2827 B5
2828 E3
2829 E3
1 2 3 4 5 6 7 8 9 10 11
1 2 3 4 5 6 7 8 9
2830 F7
2831 E3
2832 C3
2833 B5
2834 A2
2835 C3
2836 C3
2837 B2
2838 E7
2839 D6
2841 C8
2842 B10
2843 B10
2844 C8
2845 D8
2846 D8
2847 D7
2848 D8
2849 D8
2850 E8
2851 E8
2852 E8
2855 C9
2856 C9
2857 D9
2858 E9
2859 E9
2860 E9
2861 B5
2862 A4
2863 D7
3822 D2
3823 D2
2K2
3824
3824 C2
3825 B2
3826 C2
3827 E5
3828 E5
3841 C8
3842 D9
3843 D9
3852 E8
4821 B8
4822 B8
4841 E10
4842 E10
4843 C10
4844 C10
4845 D10
4847 A3
4848 A3
4849 B2
4850 C2
4851 C3
5821 A4
5841 D10
7821 B3
7841 C8
9821 F11
100n
2860
100u
3825
2K2
35V
10n
282810u
2831
2846
10u 16V
4844
4847
330n
2848
2834
15n
2826
4848
I830
I836
I847
3842
100R
JMP
JMP
JMP
---
2V7
2V1
4V1
4V1
3V
2V1
8V
4V1
4V1
1V1
0V5
4V1
4V1
3V3
3V3
1u
RES
PROCESS. ÁUDIO (STEREO + SAP )
A8
AN5829S
3V4
2V3
2V3
5V
0V6
1V
2V2
2V2
2V2
2V2
2V2
2V3
0V7
A4
A4
ITEM MONO BTSC STEREO
4841 ---
A8
A8
A4 , A8
A8
A8
A6
1u
180K
3841
47n
2857
21VREF
4V1
4V1
4V1
4V1
4V1
4V1
4V1
4V1
A6
A4
A4
A4
3V2
2V2
3V5
3V2
3V3
3V3
2V2
2V2
2V2RES
RES
RES
4842
4845
---
RIN22 ROUT 15
RT18
SCL13
14SDA
TD 16
VCC23
VD 11
12
LT8
MODE24
1PF1
PF24
5PF3
PF46
RB19
AGC2
BB20
BD 10
BLD 17
7GND
LB9
LIN3 LOUT
AN5891K
7821
LEVEL SENSE
VOL
TONE
CONTROL
AGC
SURR
AGC
TONE
VOL
IIC BLOCK
10u
10u
2838
2832
1u
2856
2850 2858
2852
100n
4842
100u
2847
14
15
16
17
18
19
2
20
21
22
23
24
3
4
5
6
7
8
9
AudioSupplyGnd
7841
1
10
11
12 13
3843
100R
220p
2861
2K2
3826
33n
2822
1
2
3
470n
2837
1821
4841
10u
2824
3828
100R
2829
100n
10u
39n
2825
1u
2859
1u0
1u0
2842
2843
10u
2833
2839
10u16V
220p
2863
4843
2821
2830
10u
2855
1u
3827
100R
100n
2851
10u
5821
3823
2K2
50V2u2
2844
4845
10u
5841
4821
100n
2836
4849
2841
4u7
3852
2M2
2823
10u
22n
2849
33n
2827
2845
4u7
10n
2835
2862
220p
4822
4850
9821
4851
+5V
R_OUT
L_OUT
I848
3822
220K
L1_IN
R2_IN
SCL
SDA
+8V
SDA
SCL
R1_IN
L2_IN
Main_OutL
Main_OutR
AM_FM_MONO
3139 123 5596.1
CL 36532044_005.eps
200603
AUDIO SOUND PROCESSOR SOUND MULTIPLEX DECODER
I836
1V / div DC
1ms / div
I847 I848
0.5V / div DC
1ms / div
0.5V / div DC
1ms / div
I830
1V / div DC
1ms / div
29L03.1L AA
Mono Painel: Amplificador de Áudio + Processamento de Som Mono
F905
10
A
B
C
D
E
F
A
B
C
D
E
F
0246 B10
0251 F2
1n
2905
1 2 3 4 5 6 7 8 9 10
1 2 3 4 5 6 7 8 9
2901 A6
2903 A5
2904 B4
2905 B4
2906 C4
2907 C4
2908 C2
2909 D4
2947 C8
2948 C9
2949 C9
2950 C9
2951 B5
2952 C5
3551 F2
3901 A4
3902 A4
3903 B3
3904 B4
3905 C3
3906 C4
3907 D4
3908 B2
3909 B3
3910 B3
3911 C3
4921 A3
4922 C8
6565 F2
6908 D2
6909 D3
7901 B6
7902 D6
9565 F2
9901 B8
9902 B8
9903 B3
4922
9905 C3
9921 A3
9921
330K
3908
100p
2949
15K
3903
6909
1N4148
3906
F906
10K
3904
9902
0246
1
2
3
4
5
9903
A7
5V2
SPEAKER
AmpOutR_Pos
A7
A7
RES
A4
A7
*
1V4
RES
RES
2 X 1W
2 X 5W
8 ohm
5V2
AmpOutL_Pos
RES
RES
RES
RES
3906
YES
NO
7901
A4
-
8 ohm
0V3
2 X 3W
5V2
6V
13V5
AN7523N
FOR ITV ONLY
-
7902
*
6V
16 ohm
*
*
1u
1V4
5V2
3V8
1V4
0V4
A4
MONO OUTPUT
STEREO OUTPUT
MONO
*
AUDIO_AMPLIFIER + MONO_SOUND_PROCESSING
11V8
3V7
2901
F903
0246
3 Pin
5 PinAN7522N
A4
STEREO
1u
2904
CH1+
2
CH1-
4
CH1-IN6
CH2+ 12
CH2- 10
CH2-IN8
GNDCH1
3
GNDCH2
11
GNDINP
7
STB
5
VCC
1
VOL9
7901
AN7522N
9901
1N4148
6565
1
2
3
4
3551
10K
2948
100p
0251
EH-B
3907
3K3
BZX384-C2V7
6908
330K
3909
3K3
3902
4921
2952
820p820p
2951
2903
100p
2947
2908
10u16V
2909
10u
F907
F908
F901
100K
3911
5
VCC
1
VOL9
7902
AN7523N
CH1+
2
CH1-
4
CH1-IN6
GNDCH1
3
GNDINP
7 8
NC
STB
3901
1K
2950
100p
1u
2906
9565
330K
3910
9905
1n
2907
15K
3905
Main_OutL
AmpOutL_Neg
AmpOutL+
TV_BUZZER
FILAMENT
Vaudio
(Vaux)
ITV_Vbatt
+5V
Vaux
Vaudio (Vaux)
VOLUME
+5V
AmpOutR_Pos
AmpOutR+
AmpOutR_Neg
Main_OutR
AmpOutL_Pos
3139 123 5596.1
CL 36532044_006.eps
200603
L
R
F901
0.5V / div AC
1ms / div
0.5V / div AC
1ms / div
F903 F908F907
0.5V / div AC
1ms / div
0.5V / div AC
1ms / div
F905
0,5V / div AC
1ms / div
F906
0,5V / div AC
1ms / div
30 L03.1L AA
Mono Painel: E/S Frontal + Controle Frontal + Headphone
B
C
D
E
F
A
B
C
D
E
F
0218-A C1
0218-B B1
0218-C B1
0232 E4
0239 B6
0259 E8
0277-A B1
0277-B B1
1181 A2
1182 B2
1183 C2
1184 A4
1185 B4
1603
1 2 3 4 5 6 7 8 9
1 2 3 4 5 6 7 8 9
A
4692
1600 B9
1601 B9
1602 B8
1603 B8
1604 B8
1606 B7
1681 E9
1981 E3
1982 F3
2181 A3
2182 B3
2183 C3
2185 B2
2186 C2
2691 D9
2693 F7
2694 F7
2695 F8
2696 F8
1182
2981 E2
2982 E3
2983 F2
2984 F3
3181 A2
3182 A2
3183 B2
3184 B3
3185 C2
3186 C3
3681 A9
3682 B9
3683 A7
3684 A7
3685 A8
3686 A8
3687 A9
3688 B9
3689 B6
3691 D8
3692 D7
3693 D9
3694 D8
3695 C7
3981 E2
3982 F2
4692 D7
4694 F6
4695 C8
4698 C8
4699 C9
4981 E2
4982 E2
4983 F2
4984 F2
6181 A3
6691 D7
6692 D8
9181 B3
9683 A7
9694 D7
9982 E2
3687
2K2
3186
47K
F691
3692
3
4
5
RES
A6
DVD Eject
2
3
3691
330R
0232
3183
150R
2696
200R
3688
5
100u
2983
1604
3
0239
1
2
47K
3184
7
8
9
4698
1184
1
6691
LTL-10224WHCR
RES
HEADPHONE
TO 1121
*
SOCKET
YES
NO
RES
R
A4
FRONT CINCH
OF
0R
* FOR ITV ONLY
OF
A4
*
TO 1124
FRONT CONTROL
ONLY
volume+
TO
A6
A6
A6
ITEM
INTERF.
FOR MTV
YES
TO
volume-
RES
FRONT
0218
0277
MONO STEREO
NO
channel+
PANEL
HEADPHONE
POWER channel-
RES
RES
RES
L
*
FOR ITV ONLY
MONO SET
A4
*
USA
*
RES
E/S FRONTAL + CONTROLE FRONTAL + FONE
RES
For Engg Purpose Only
RES
RES
TS
RES
V
*
1010 OF
RES
RES
1681
1
2
0218-C
1
2
3
1600
3682
2695
1181
2694
2185
220R
3693
3689
2183
330p
BZX79-C6V8
6181
4984
4983
9683
9694
1982
2982
470p
0218-A
0218-B
4
5
6
9982
2984
470p
1
2
3
4
5
6
7
8
9
1981
3181
75R
1606
2691
100u
2693
3185
150R
3685
200R
1185
1
2
3
4
5
6
0259
1
2
3
4
1183
4981
4982
4699*
3684
3K3
4695
4694
TSOP1836
6692
2
GND
1
OUT
3
VS
3182
100R
1602
22p
2181
120R
3981
3695
9181
3681
1K0
3694
4K7
2981
100u
120R
3982
330p
2182
2186
3686
430R
3683
120R
16010277-B
IR_OUT
IR
IR
+3V3B
0277-A
+5VS
AmpOutL+
AmpOutR+
LED
LED_OUT
KEYBOARD
AmpOutL_Pos
AmpOutR_Pos
+3V3A
3139 123 5596.1
CL 36532044_007.eps
200603
F691
1V / div AC
2ms / div
31L03.1L AA
Mono Painel: E/S Traseira
E
F
G
A
B
C
D
E
F
G
0223-A A10
0223-B E1
0223-C C1
0223-D A1
0224 A6
0225-A D10
0225-B D10
0229 F9
0242 E2
0262 G5
1101 A2
1102 B2
1103 B2
1104 C2
1105 C2
1106 D2
1107 F1
1108 F1
1109 G1
1 2 3 4 5 6 7 8 9 10
1 2 3 4 5 6 7 8 9 10
A
B
C
D
1110 A9
1111 B9
1112 B9
1113 C9
1114 D9
1115 E9
1116 C3
1117 C3
1118 D3
1119 A2
1121 E3
1122 F4
1124 F3
1125 E2
1126 F3
1127 G3
2101 A3
2102 A3
2103 B3
22p
2121
2104 B3
2105 B4
2106 B4
2107 B2
2108 B2
2111 C4
2112 C4
2113 D4
2121 F2
7161
BC847B
2122 F2
2123 F5
2124 G2
2125 F5
2127 F2
2128 G2
2131 B8
2132 B7
2133 B8
2134 B7
2135 C8
2136 D8
2137 B9
2138 B9
2141 E9
2161 D6
2163 D8
3101 A3
2127
3102 A3
3103 B3
3104 B3
3105 B3
3106 B3
3111 C2
3112 C4
3113 C2
3114 C4
3115 D2
3116 D4
3121 F2
3122 E2
3123 F2
3124 F2
3125 F2
3126 G2
3131 B8
3132 B8
3133 B8
3134 B8
330p
2122
3135 C9
3136 C8
3137 D9
3138 D8
3141 E9
3151 C4
3152 C4
3153 D4
3154 A4
3155 B4
3156 B5
3157 B5
3158 B4
3159 B5
3161 D7
3162 D7
3163 D7
4126
3164 D7
4101 B1
4102 B2
3153
4104 B1
4105 B1
4112 C4
4114 C4
4116 D4
4121 C9
4122 F3
4123 F3
4124 G3
4126 F5
4127 F5
4128 E5
4129 E2
4131 C9
4132 E5
4133 A7
4151 B4
4152 B5
4161 E7
4162 E8
4163 G2
4164 G2
6127 F3
6151 A4
6152 A5
6161 D8
7101 A4
7151 A5
7152 B4
7161 D7
7162 D7
3151
9101 D2
9102 C2
9103 C2
9121 F1
9125 F5
9126 E5
1109
1
2
3
EH-B
0224
3116
100R
75R
3135
L_OUT
R_OUT
+8VA
+8VA
+8VA
+8V +8VA
+8V
3111
75R
4133
2161
1u0
9101
4116
BC848B
7152
4114
4124
3136
3121
75R
1107
3106
220K
1117
4128
For ITV Only
Y For ITV Only
To 1126
1V8
FOR ITV ONLY
(FOR SETS WITH 9 +3 P CINCH)
U
For ITV Only
RES
A4
A4
A4
A5
A5
FOR 1184
OF
FOR 1185
OF
RES
To 1127
For ITV Only
FOR ITV ONLY
R
RES
SET
RES
RES
R
2V4
V
AV1
YUV INPUT
V
L
For ITV Only
(FOR SETS WITH AV1 & SVHS ONLY)
AV2 INPUT
INPUT
V
FOR ITV ONLY
For ITV Only
To 1116
*
RES
MONITOR OUTPUT
*
L
OUT
*
E/S TRASEIRA
SVHS INPUT
VIDEO
L
WITH
To SPLS Panel
To 1125
To 1117
For ITV Only
To 1118
RES
A4
A4
A4
A4
A4
A5
A4
A4
A5 A5
A5
RES
SET W/O SVHS
FOR ITV ONLY
R
SET WITH VIDEO OUT
RES
1
2
3
3141
1K0
4162
8V
V
RES
FOR ITV ONLY
RES
4131
0225-A
2
7
3
8
1
1113
5
10
4
9
6
11
0225-B
1127
1126
150R
3105
100p
2137
4
5
6
3123
150R
2u2
2123
2u2
2125
1119
4132
1101
1118
4129
10K
3154
3158
10K
1125
1116
47K
3126
1108
BZX384-C5V6
6151
3137
75R
3152
2103
330p
100R
3122
7101
BC847B
6152
BZX384-C5V6
22p
2102
100p
2138
11121111
2
4
1
1110
0223-A
3
9103
1115
1104
3103
150R
3112
100R
3155
216310K
1u0
BC848B
7151
4152
BZX384-C6V8
6127
22p
21352133
330p330p
2131
4101
22p
2112
0242
1
2
3
4
5
6
7
5K6
3164
7162
BC847B
4105
2128
3138
100R
4102
10u
4104
2105
4123
EH-B
1122
1
2
3
4
150R
3125
1105
3132
47K
4112
100K
3156
3157
10K
2u2
2134
2u2
2132
9126
4127
9121
0229
3115
75R
3124
47K 3133
150R
3
150R
3131
0262
67
89
1
2
4161
2108
9102
100R
2113
22p
4164
16
13
470n
2101
0223-D
15
14
1103
2141
330p
47K
3134
10K
3162
33K
3161
1114
9125
2136
22p
2111
22p
BZX384-C6V8
6161
330p
2104
2107
3163
1K0
7
6
8
5
2124
330p
0223-B
0223-C
11
10
12
9
2106
10u
4121
4
5
6
75R
3113
1
2
3
1124
1
2
3
3114
1121
100R
4122
3159
100K
4151
4163
1K
3102
1106
3101
68R
1102
220K
3104
G_SC1_IN_Y_IN
B_SC1_IN_U_IN
R_SC1_IN_V_IN
STATUS2
SY_CVBS_IN
R2_IN
SEL_AV1_AV2
R1_IN
L2_IN
L1_IN
C_IN
+8V
GND
FBL_SC1_IN
CVBS_TER_OUT
ITV_MSG
3139 123 5596 .1 CL 36532044_008.eps
200603
**
**
** AV2 and SVHS inputs NOT for LATAM
32 L03.1L AA
Mono Painel: Tabela de diversidades para E/S Traseira
-
BC847B
BZX384-C6V8
-
JMP
-
-
JMP
-
JMP
JMP
JMP
JMP
75R
100R
JMP
150R
47K
-
-
-
-
-
-
ITEM
-
1 2 3 4 5
1
-
JMP
-
2 3 4 5
A
B
C
D
E
F
A
B
C
D
E
F
-
-
22P
330P
1U
-
-
-
-
-
-
-
220N
1N
22N
JMP
22N
-
JMP
68R
1K
150R
220K
-
-
-
-
-
-
-
150R
-
JMP
4133 JMP
JMP
JMP
JMP
JMP
JMP
JMP
JMP
JMP
JMP
JMP
JMP
1K
-
-
47K
-
100R
560R
1K
-
JMP
-
JMP
-
-
-
-
100R
-
-
-
-
-
-
-
-
JMP
-
-
-
-
-
BZX79-C6V8
-
-
-
-
-
-
JMP
-
470N
22P
330P
10U
-
-
-
22P
330P
220N
-
-
-
-
-
-
-
-
-
-
-
-
22N
-
-
-
-
-
-
-
-
-
-
-
-
75R
100R
JMP
47K
JMP
JMP
-
-
BZX79-C6V8
-
-
-
JMP
-
-
-
-
JMP
-
JMP
-
-
-
-
-
-
-
-
-
1U
-
-
-
-
75R
-
75R
100R
75R
100R
150R
-
150R
47K
-
-
-
-
100R
560K
-
-
-
JMP
JMP
JMP
-
JMP
BZX79-C6V8
BC847B
JMP
-
-
1U
-
47K
470N
JMP
330P
330P
10U
10U
22P
22P
22P
22P
330P
1U
1U
1U
1U
330P
-
-
-
220N
1N
22N
22N
22N
JMP
JMP
68R
1K
150R
220K
150R
220K
-
100R
JMP
-
-
-
75R
100R
150R
47K
-
-
100R
-
-
JMP
- -
-
-
JMP
JMP
-
-
-
JMP
JMP
-
-
BZX79-C6V8
BC847B
-
-
22P
-
1U
-
-
-
-
22P
330P
-
220N
-
-
-
-
-
-
-
JMP
68R
1K
150R
220K
-
-
-
-
-
-
-
-
-
JMP
-
-
2113 22P
2122 -
JMP
JMP
JMP
JMP
JMP
JMP
JMP
-
-
BC847B
JMP
JMP
JMP
JMP
-
-
-
470N
22P
330P
-
10U
-
330P
-
1N
22N
22N
22N
-
-
-
-
-
-
-
-
-
-
-
-
-
-
-
-
-
-
75R
100R
150R
47K
150R
100R
560R
1K
100R
-
JMP
-
75R
100R
150R
47K
150R
47K
100R
560R
1K
-
-
-
-
BZX79-C6V8
-
-
-
-
-
-
-
-
-
1U
1U
1U
22P
330P
330P
220N
10U
22P
22P
-
-
-
1U
1U
1U
22P
330P
330P
220N
1N
22N
-
22N
JMP
JMP
68R
1K
150R
220K
150R
220K
75R
100R
75R
100R
75R
4101
-
4104
4122
4123
4124
4126
4127
4129
4132
4151
4152
4161
6127
6181
7101
9101
-
9103
9125
CN-F.11-ST-
LA/NA
L03S
CN-F.11-MN-
LA
CN-R.11/10-
MN-LA
470N
22P
330P
2231
10U
2233
2842
2843
3101
3102
3103
3104
3105
3106
3111
3112
3113
3114
3115
3116
22N
3122
3123
3124
3125
3126
3181
3182
3183
3184
3185
3186
3210
3231
3232
3121
4102
CN-R.11/10-
YUV-F.11-ST-
LA/NA
CN-R.11/10-
F.11-MN-LA
L03S
CN-R.11/10-
YUV-ST-
LA/NA L03S
2101
2102
2103
2104
2105
Diversity Table For
9102
2106
2111
2112
2121
2123
2124
2125
2132
2134
2181
2182
2183
2210
2211
Rear IO Cinch
2232
3139 123 5596.1
CL 36532044_009.eps
200603
Mono Painel: Alimentação DVD (Opcional)
VCC
OSC
SS_INH
COMP GND BOOT
OUT
FB
1 2 3 4 5 6
1 2 3 4 5 6
A
B
A
B
1571 B6
1572 A6
2572 A2
1572
2573 A2
2574 B2
2575 B2
2576 B3
2577 B3
2578 B4
2579 B4
2581 A6
2582 A6
2583 B6
3570 B1
3571 A1
3572 A2
3573 B3
3574 A5
3575 B5
5571 A1
5572 A4
5573 A6
5574 A6
5575 B6
DVD_Gnd
DVD_Gnd
6571 B4
7570 A1
7571 A3
9570 A1DVD_Gnd
F566
SI2306DS
7570
3
1
2
DVD_Gnd
DVD_Gnd
1n0
2578
ALIMENTAÇÃO DVD (OPCIONAL)
RES
ToDVDEngine
10u
DVD_Gnd
10u
10u
ToMPEGCard
10u
2K7
VTSupply_A +5V_DVD
+12V_DVD
DVD_Supply
16V
DVD_Gnd
1m0
2579
25V100u
2572
100n
2577
5571
22n
2576
F568
DVD_Gnd
8K2
3573
DVD_Gnd
DVD_Gnd
5574
100n
1571
1
2
3
4
2575
2n2
2574
22K
3572
4K7
DVD_Gnd
3574
3575
5572
47u
6571
SB340
10V470u
2583
DVD_Gnd
5573
33K
3571
33K
3570
2582
470u 10V
10V470u
2581
5575
F567
9570
220n
2573
DVD_Gnd
DVD_Gnd
DVD_Gnd
1
2
3
4
5
6
7571
L4978
1
2
3 4
5
67
8
3139 123 5596.1 CL 36532044_010.eps
200603
33L03.1L AA
Layout Mono Painel: Lado Componentes
34 L03.1L AA
Mapeamento Mono Painel: Lado Componentes
0211 A2
0212 B2
0213 B3
0217 D4
0218 C1
0221 A5
0222 C6
0223 D6
0224 D6
0225 C7
0229 C6
0231 A2
0232 B1
0239 D1
0240 E4
0242 D6
0246 D3
0251 C3
0259 C2
0262 E6
0277 B1
0283 E5
0285 E6
1000 E6
1001 E5
1003 E6
1116 D6
1117 D6
1118 D6
1119 D6
1121 D6
1122 D6
1124 D6
1125 D6
1126 D6
1127 D6
1184 C1
1185 D1
1201 D5
1202 E5
1462 C6
1463 C6
1500 A2
1501 A2
1508 B4
1509 B4
1515 B3
1516 B4
1520 A4
1521 B2
1522 B2
1523 B2
1524 B2
1560 C4
1570 C3
1571 D2
1572 D2
1600 C1
1601 C1
1602 D1
1603 D1
1604 D1
1606 A1
1621 D4
1622 D4
1681 C2
1821 D4
2002 E6
2006 E6
2007 E6
2105 C6
2106 C6
2205 E5
2405 B5
2406 B5
2407 B5
2408 B5
2423 A5
2424 A5
2428 C5
2441 A6
2444 B6
2446 B6
2447 A6
2455 C5
2457 A6
2460 B6
2463 C6
2465 B6
2470 C6
2488 E5
2491 E5
2492 E3
2493 E3
2494 E3
2495 E3
2498 E5
2500 A2
2501 A3
2502 A3
2503 A4
2504 A4
2505 B2
2507 A4
2515 B4
2521 B3
2523 B4
2528 B3
2560 C4
2561 C4
2562 C4
2564 C5
2570 C3
2571 C3
2572 C3
2579 C2
2580 C2
2581 D2
2582 C2
2583 C2
2584 B4
2604 E5
2612 D4
2616 D5
2691 B1
2821 D4
2823 C5
2824 C4
2830 C4
2831 D4
2832 C4
2833 D4
2834 D4
2838 C4
2839 C4
2844 D5
2845 D5
2846 D5
2847 D5
2850 D5
2903 D3
2908 D3
2909 D3
2981 B1
2983 B1
3005 E6
3136 C6
3164 D6
3181 B1
3182 B1
3183 C1
3185 C1
3208 D5
3210 D5
3232 D5
3402 B5
3403 B5
3410 D5
3422 A5
3424 C5
3425 C5
3426 A5
3428 C5
3439 C5
3442 A6
3443 B6
3444 B6
3445 A6
3446 B5
3448 A6
3449 C5
3450 C5
3452 C3
3459 C5
3464 C6
3468 C6
3469 C6
3470 B6
3471 C6
3472 C6
3473 C6
3474 C6
3475 C6
3476 C6
3477 C6
3478 B6
3479 E3
3482 D4
3483 E5
3484 E5
3488 D5
3490 D5
3491 E3
3493 E3
3494 E3
3495 E4
3496 E4
3497 E3
3498 D4
3500 A3
3501 A4
3502 A3
3503 B3
3504 B3
3505 A3
3506 B3
3507 B3
3508 B2
3509 A2
3510 B2
3519 B3
3521 B3
3523 A4
3526 A4
3527 B4
3542 B3
3543 C3
3544 B3
3546 C3
3549 B3
3550 C3
3572 D3
3574 C2
3582 B4
3603 E4
3604 E4
3605 E4
3606 E4
3618 E4
3619 D5
3620 D5
3621 D4
3624 D4
3631 E4
3632 E4
3633 D4
3634 D4
3641 E4
3683 B1
3693 A1
3825 C4
3827 D4
3828 D4
3842 C5
3843 C5
3901 D3
3902 D3
3903 D3
3905 D3
3908 D3
3981 B1
3982 B1
5001 E6
5002 E6
5003 E5
5201 D5
5401 B5
5402 B5
5421 C5
5441 A6
5482 D5
5500 B2
5501 B2
5502 B2
5505 C6
5506 A5
5509 C4
5515 A4
5520 B4
5521 B4
5560 C4
5562 B4
5563 B5
5570 B3
5571 C3
5572 C2
5573 D2
5574 C2
5575 C2
5601 D4
5602 D4
5603 D4
5821 D4
5841 D5
6001 E6
6181 B1
6407 B5
6408 B5
6421 A5
6422 A5
6423 C5
6444 B6
6446 B6
6447 A6
6453 C5
6461 B6
6462 B6
6463 B6
6500 A3
6501 A3
6502 A3
6503 A3
6504 A3
6520 B4
6521 B4
6522 B3
6540 B3
6541 B3
6560 C4
6561 C4
6562 C4
6563 C4
6565 C3
6570 C3
6571 C2
6580 C2
6625 D4
6691 A1
6692 B1
6909 D3
7200 E5
7421 A5
7440 C5
7463 B6
7464 C6
7465 B6
7493 E3
7494 E4
7495 E3
7496 E3
7515 B3
7521 A4
7540 B3
7571 C3
7641 E4
7821 C4
7901 D3
7902 D3
9002 E6
9101 D6
9102 D6
9103 D6
9121 D6
9125 D6
9126 C6
9140 C6
9141 C6
9142 C6
9143 C6
9144 D6
9145 D6
9146 D6
9147 C6
9148 D6
9149 D6
9150 D5
9151 D6
9152 D5
9181 D1
9186 D1
9201 E5
9240 D3
9241 D3
9242 D4
9243 D4
9244 D4
9245 D4
9246 D4
9247 D4
9248 D4
9249 D4
9250 D4
9251 E3
9252 E3
9253 E3
9254 E3
9255 E3
9256 E3
9257 E4
9258 E4
9259 E4
9260 E4
9261 E4
9262 E4
9263 E4
9264 D5
9265 D5
9266 D5
9267 D5
9268 D5
9269 D5
9270 D5
9271 D5
9273 D5
9274 D5
9275 D5
9276 D5
9277 D5
9278 D5
9279 E5
9282 E5
9283 E6
9284 D4
9285 E3
9286 E4
9287 E5
9288 E5
9400 C5
9402 B5
9407 B5
9410 D5
9445 A6
9446 B5
9448 A6
9500 A2
9501 A2
9502 A3
9503 B2
9504 C4
9505 C6
9506 A5
9507 B3
9508 C3
9509 C4
9510 C3
9513 B5
9514 C6
9515 A4
9516 C3
9517 C4
9518 B5
9519 B5
9520 B4
9521 B5
9522 C2
9523 C3
9524 C3
9525 C3
9526 C6
9560 C4
9565 C3
9570 C3
9581 C3
9604 D4
9683 B1
9685 C2
9691 B1
9694 C2
9696 D2
9697 D2
9698 D2
9821 C4
9840 C4
9841 C3
9842 C3
9843 D4
9844 D4
9845 D4
9847 C5
9848 C5
9849 C5
9850 C5
9851 C5
9852 C5
9853 C5
9854 C5
9855 C5
9856 D5
9857 D5
9901 D3
9902 D3
9903 D3
9905 D3
9910 D3
9911 D3
9912 D3
9913 D3
9914 D3
9915 C3
9916 C3
9917 D3
9918 D3
9919 D3
9920 C3
9921 C3
9922 D2
9982 B1
Mapeamento Mono Painel: Lado Cobreado
2001 A6
2003 A6
2004 A6
2005 A6
2101 B6
2102 A6
2103 B6
2104 B6
2107 B7
2108 B7
2111 B6
2112 B6
2113 B6
2121 B6
2122 B6
2123 B6
2124 B6
2125 B6
2127 B7
2128 B7
2131 C6
2132 C6
2133 B6
2134 C6
2135 C6
2136 C6
2137 C7
2138 B7
2141 C6
2161 B6
2163 B6
2181 D1
2182 C1
2183 C1
2185 D1
2186 C1
2201 A5
2202 A5
2203 B5
2204 B5
2206 A5
2207 A5
2208 A5
2209 B5
2210 B5
2211 B5
2212 A5
2231 B5
2232 B5
2233 B5
2420 C5
2421 C5
2426 C5
2427 C5
2429 C6
2452 C3
2453 C3
2461 C6
2462 C6
2464 D6
2471 C5
2472 D6
2473 C5
2481 B4
2482 A5
2483 A5
2484 A5
2485 A5
2486 A5
2487 A5
2489 A5
2490 A5
2496 A5
2497 A5
2520 D3
2522 D4
2524 E3
2525 E3
2526 D4
2527 D3
2540 D3
2541 D3
2542 D3
2543 D3
2573 C3
2574 C2
2575 C2
2576 C3
2577 B3
2578 C2
2585 E4
2601 A4
2602 A4
2603 A4
2605 A4
2606 B4
2607 A4
2608 B4
2609 A4
2615 A5
2641 A4
2642 A4
2643 A5
2693 C2
2694 C2
2695 C2
2696 C2
2822 C4
2825 C4
2826 C4
2827 C4
2828 C4
2829 C4
2835 C4
2836 C4
2837 B4
2841 B5
2842 C5
2843 C5
2848 B5
2849 B5
2851 B5
2852 B5
2855 C5
2856 C5
2857 C5
2858 C5
2859 C5
2860 C5
2861 B4
2862 B4
2863 C5
2901 B3
2904 B3
2905 B3
2906 B3
2907 B3
2947 B3
2948 B3
2949 B3
2950 B3
2951 B3
2952 B3
2982 D1
2984 D1
3001 A6
3002 A6
3003 A6
3004 A6
3101 A6
3102 A6
3103 B6
3104 B6
3105 B6
3106 B6
3111 B6
3112 B6
3113 B7
3114 B6
3115 B7
3116 B6
3121 B6
3122 B6
3123 B6
3124 B6
3125 B6
3126 B6
3131 C6
3132 C6
3133 B6
3134 B6
3135 C6
3137 C6
3138 C6
3141 C6
3151 A6
3152 B6
3153 B6
3154 C6
3155 C6
3156 C6
3157 C6
3158 C6
3159 C6
3161 B6
3162 B6
3163 B6
3184 C1
3186 C1
3201 A5
3202 B5
3203 B4
3204 B5
3205 B5
3206 B5
3207 A5
3209 B5
3231 A5
3233 B5
3430 C5
3432 C5
3440 D5
3441 E6
3447 C5
3451 C5
3453 D3
3454 D3
3455 C5
3456 C3
3460 C5
3461 C6
3462 C6
3463 D6
3465 C6
3466 C6
3480 A5
3481 A5
3485 A5
3486 A5
3487 B5
3489 A5
3492 A3
3499 B4
3520 D3
3522 D3
3524 E3
3525 E4
3528 D3
3541 D3
3545 D3
3547 D3
3548 D3
3551 C3
3570 C3
3571 C3
3573 C3
3575 C3
3580 C3
3581 D3
3601 A4
3602 A4
3607 A4
3608 A4
3609 A4
3642 A4
3643 A4
3644 A4
3645 B4
3646 A5
3681 C1
3682 C1
3684 B1
3685 B1
3686 B1
3687 C1
3688 C1
3689 B1
3691 E1
3692 E1
3694 E1
3695 C2
3822 C4
3823 C4
3824 C5
3826 C4
3841 B5
3852 B5
3904 B3
3906 B3
3907 B3
3909 B3
3910 B3
3911 B3
4000 A6
4001 A5
4101 A6
4102 B6
4104 B6
4105 B6
4112 B6
4114 B6
4116 B6
4121 B6
4122 B6
4123 B6
4124 B6
4126 B6
4127 B6
4128 B6
4129 B6
4131 C6
4132 B6
4133 B6
4151 C6
4152 C6
4161 B6
4162 B6
4163 B6
4164 C6
4405 D5
4491 A3
4560 C4
4571 C5
4602 B4
4603 A4
4604 A4
4606 B4
4610 B4
4661 B4
4692 C2
4694 C1
4695 E1
4698 B2
4699 B2
4821 C5
4822 C5
4841 C5
4842 C5
4843 C5
4844 C5
4845 C5
4847 B4
4848 B4
4849 B4
4850 C4
4851 C4
4921 B3
4922 B3
4981 D1
4982 D1
4983 D1
4984 D1
6127 B6
6151 C6
6152 C6
6161 C6
6426 C5
6445 C5
6451 C5
6452 C5
6460 C6
6464 C6
6481 B4
6491 A3
6492 A4
6505 D3
6624 B5
6626 B4
6627 B4
6628 B4
6681 B4
6908 B3
7101 B6
7151 C6
7152 C6
7161 B6
7162 B6
7201 B5
7202 B4
7422 C5
7423 C5
7451 D3
7461 C6
7462 C6
7466 C6
7491 A3
7520 E3
7522 E4
7523 D3
7541 D3
7570 C3
7580 C3
7601 B4
7841 C5
35L03.1L AA
Layout Mono Painel (Lado Cobreado)
36 L03.1L AA
Layout Mono Painel (Lado Cobreado)
37L03.1L AA
Layout Mono Painel (Lado Cobreado)
38 L03.1L AA
Layout Mono Painel (Parte 3 lado cobreado)
39L03.1L AA
Layout Mono Painel (Parte 4 lado cobreado)
40 L03.1L AA
Painel Cinescópio
Blue
Green
Red
3V
99V
17V
Pin 3Blue
Pin 10Pin 4Heater
Pin 9Pin 5
8V
3V6
Pin 7
Blue
Pin 8
D
E
F
G
A
B
C
D
E
F
G
VG2 F9
0165 A7
1300 B1
1301-1 B7
1302-A D7
1303 A7
390R
SM JUMP
SM JUMP
4304
-
SOC N-NECK
4303
1 2 3 4 5 6 7 8 9 10 11
1 2 3 4 5 6 7 8 9 10 11
A
B
C
2300 B3
2301 D4
2302 E4
2303 F2
2304 F1
14"/15RF
3311
-
330R
SIZE
2318 E4
3300 A3
3301 C5
3302 B2
3303 B3
3304 B3
3305 C5
3306 C2
3307 D3
3308 D4
3309 D5
3310 D2
3311 E4
3313 A4
3318 E4
3319 E6
4300 B2
4301 C2
4302 D2
4303 B1
4304 B1
4305 B1
4306 B1
4307 E2
6301 E3
6307 E2
6313 B4
Ground
Heater
Heater
Heater
371V
TOCRTSOCKET
SM JUMP4305
-
6316 C4
6317 D4
6318 E4
7307 B2
7308 B3
7309 C2
7310 C3
7311 D2
7312 D4
7313 A4
7314 B4
7315 B4
7316 C4
7317 C4
7318 D4
3V6
BAS321
BAS321
PAINEL CRT
680p
Red
BAS321
102V
4306
3V
Pin 8
Pin 7
TO1622OF
EHT
CRT
VG2
-
R
100V
-
20"/21"
1301 SOC M-NECK -
1302
98V
120V
TO CRT SOCKET
FOCUS
FROM MAIN CHASSIS TO LOT
2V2
5V9
98V
3V6
2V2
5V4
SM JUMP
B
97V
17V
Pin 11
171V
99V
8V
8V
3V
95V
VG1
VG1
G
2V3
2V3
5V4
3V
2V3
RES
Red
Green
Aquadag
RES
RES
RES
CRT 9 Pin 12 Pin
GND Pin 1 Pin 1 & 12
F302
F303
BZX284-C8V2
6318
Pin 6
Pin 6 Pin 5
Green Pin 9
VG2
H1
9
RES
7312
BF422
GND_CRT
3308
BF422
7308
9
3319
1K5
BF423
7318 6
GND
12
GND_CRT
2304
47n
6313
3309
1K5
1302-A
G3
1
4300
1301-1
160V
0165
F308
F309
3303
220R
BF422
7317
BAS316
6301
G2
P7
7
VG2
GND_CRT
P3
3
GND_CRT
CG
P8
8
7
CR
8
11
GND_CRT
2302
180p
CB
6
7
8
4305
DIPMATE
1300
1
2
3
4
5
7307
6317
F310
6316
GND_CRT1
7309
7311
220R
3310
4301
P1
1
160V
GND_CRT GND_CRT
33K
4306
1303
7316
BF423
4303
GND_CRT1
160V
3305
1K5
3306
220R
7310
BF422
H2
10
GND_CRT1
160V
4307
3302
220R
GND_CRT
2318
1n
7315
BF422
P5
5
BF423
7314
BAS316
3307
220R
6307
2303
1K5
3301
3318
220R
P6
6
2301
180p
GND_CRT1
P4
4
F301
P9
G1
5
3311
220R
2300
180p
4302
4304
3300
33K
33K
3304
BF422
7313
Filament
160V
68R
3313
GREEN
BLUE
RED
3139 123 5604.1
CL 36532044_011.eps
200603
F310
50V / div DC
20µs / div
F301
1V / div DC
20µs / div
F309
50V / div DC
20µs / div
F308
50V / div DC
20µs / div
F302
1V / div DC
20µs / div
F303
1V / div DC
20µs / div
41L03.1L AA
Layout Painel Cinescópio (Lado Componentes)
Layout Painel Cinescópio (Lado Cobreado)
CL 36532044_015.eps
2205033139 123 5604.1
VG2 A2
0165 A1
1300 A2
1301 A1
1302 A1
1303 A1
2303 A2
2304 A2
3300 A2
3301 A2
3304 A2
3305 A1
3308 A2
3309 A1
3310 A2
3313 A2
3318 A1
3319 A1
7308 A2
7310 A2
7312 A2
7313 A2
7314 A2
7315 A2
7316 A2
7317 A2
7318 A2
9300 A2
9302 A2
9303 A2
9304 A2
9314 A2
9315 A2
9316 A2
9317 A2
9318 A2
2300 A2
2301 A2
2302 A2
2318 A2
3302 A2
3303 A2
3306 A2
3307 A2
3311 A2
4300 A2
4301 A2
4302 A2
4303 A2
4304 A2
4305 A2
4306 A2
4307 A2
6301 A2
6307 A2
6313 A2
6316 A2
6317 A2
6318 A2
7307 A2
7309 A2
7311 A2
CL 36532044_016.eps
2205033139 123 5604.1
Notas:
42 L03.1L AA
Painel Controle Superior
Layout Painel Controle Superior (Lado Componentes)
1014
1 2 3
1 2 3
A
B
A
B
1010 A1
1011 B3
1012 B3
1013 B2
1014 B2
3010 A1
3011 A2
3012 A2
3013 A3
430R
3012
3014 A3
3015 A3
3016 A3
1010
1
2
3
TO 0239
RES
TOP CONTROL PANEL
3013
1013
V+C+ C- V-
0R
OF
PLUG&PLAY MENU
200R
3011
3010
1011
3014
200R
1012
3016
2K2
1K0
3015
3139 123 5716.1 CL 36532044_012.eps
130603
3139 123 5716.1
CL 36532044_013.eps
220503
1010 A2
1011 A2
1012 A1
1013 A1
1014 B1
Layout Painel Controle Superior (Lado Cobreado)
3139 123 5716.1
CL 36532044_014.eps
220503
3010 A1
3011 A1
3012 B2
3013 A1
3014 A1
3015 A2
3016 A2
43L03.1L AA
8. Ajustes
Índice deste capítulo:
1. Condições Gerais de Ajuste
2. Ajustes de Hardware
3. Configurações e Ajustes de Software
Notas: Modo Padrão de Ajuste de Serviço (SDAM) está descrito
na seção "Modos de Serviço, Códigos de Erro e Localização
de Falhas". A Navegação no Menu é feita com as teclas
‘CURSOR PARA CIMA, BAIXO, ESQUERDA ou DIREITA’ do
controle remoto.
8.1 Condições Gerais de Ajuste
Faça todos os ajustes elétricos, dentro das seguintes condições:
• Tensão AC e Frequência: 110 V (± 10 %), 60 Hz (± 5 %).
• Conecte o aparelho à rede elétrica através de um transformador
de isolação.
• Deixe o aparelho em funcionamento por pelo menos 20 minutos.
• Meça as tensões e formas de onda em relação ao terra do chas-
sis (com excessão das tensões no primário da fonte chaveada).
Nunca use os dissipadores como terra.
• Ponta de prova: Ri > 10 M; Ci < 2.5 pF.
• Use uma chave de fenda isolada para fazer os ajustes dos trim
mers.
8.2 Ajustes de Hardware
8.2.1 Ajuste Vg2
1. Ative o SDAM pressionando a seguinte sequência no controle
remoto: 062596 e em seguida aperte a tecla menu ( não
demore muito entre um número e outro)
2. Use as teclas de menu baixo/cima para marcar o sub menu
WHITE TONE.
3. Pressione as teclas ESQUERDA/DIREITA para entrar no sub
menu WHITE TONE.
4. No sub menu WHITE TONE pressime CIMA/BAIXO para
selecionar NORMAL RED, NORMAL GREEN ou NORMAL
BLUE.
5. Use as teclas ESQUERDA/DIREITA para ajustar os valores
NORMAL RED, NORMAL GREEN e NORMAL BLUE para '40'.
6. Pressione a tecla MENU duas vezes pata entrar no menu do
usuário.
7. No menu do usuário use as teclas CIMA/BAIXO para marcar o
sub menu PICTURE (se necessário).
8. Pressione as teclas ESQUERDA/DIREITA para entrar no sub
menu PICTURE
9. Use as teclas de menu CIMA/BAIXO para selecionar
CONTRAST. Certifique-se de gravar o valor atual de CON-
TRAST. 10. Use as teclas ESQUERDA/DIREITA para ajustar o
valor de CONTRAST para '0'
11. Use as teclas de menu CIMA/BAIXO para selecionar
BRIGHTNESS. Certifique-se de gravar o valor atual de
BRIGHTNESS.
12. Use as teclas ESQUERDA/DIREITA para ajustar o valor de
BRIGHTNESS para o mínimo (o OSD deve ser possível de ser
visto apenas em uma sala escura).
13. Pressione a tecla menu duas vezes para voltar ao nível
superior do menu SDAM.
14. Pressione a tecla OSD/STATUS para esconder o o menu
SDAM (a indicação "S" continua visível). Isto é feito para evitar
interferência durante a medição da forma de onda.
15. Conecte a saída de RF de um gerador de padrões na entrada
de antena da TV e selecione um padrão de testes "preto".
16. Ajuste o osciloscópio para 50V/div e base de tempo 0,2
milisegundos (com trigger externo no pulso vertical com ponta
10:1)
17. Aterre o osciloscópio no painel CRT e conecte uma ponta 100:
1 a um dos catodos do soquete do tubo de imagem (pino
7=vermelho, pino 9=verde e pino 3=azul, veja também o
esquema elétrico B1). Meça o nível da corrente de preto
medindo os pulsos, eles são a segunda linha(vermelho),
terceira linha (verde) e quarta linha (azul) logo após o quadro
de apagamento (veja figura "V_cut-off").
Obs: Este chassis usa um integrado da série TDA93XX. Ele
usa dois pulsos de medição diferentes para cada uma das
saídas R,G e B. O nível mencionado acima aplica-se ao nível
mais baixo de cada canhão.
18. Selecione o catodo com maior nível DC para o ajuste.
Ajuste o V_cut-off deste canhão através do potenciômetro
SCREEN (veja a figura Vista Superior do Painel) no LOT para
o valor correto (veja a tabela "valores de ajuste para Vg2").
19. Pressine a tecla OSD/STATUS para mostrar o menu SDAM.
20. Pressione a tecla MENU e entre no menu do usuário.
21. No menu do usuário use as teclas CIMA/BAIXO para marcar o
sub menu PICTURE (se necessário).
22. Pressione as teclas ESQUERDA/DIREITA para entrar no sub
menu PICTURE
23. Use as teclas de menu CIMA/BAIXO para selecionar
CONTRAST.
24. Use as teclas ESQUERDA/DIREITA para ajustar o valor de
CONTRAST para o valor original.
25. Use as teclas de menu CIMA/BAIXO para selecionar
BRIHTNESS.
26. Use as teclas ESQUERDA/DIREITA para ajustar o valor de
BRIGHTNESS para o valor original.
27. Pressione a tecla menu duas vezes para voltar ao nível supe
rior do menu SDAM.
28. Aperte a tecla power no Controle Remoto ou no próprio apare
lho para desligar o televisor. Isto irá salvar os dados no SDAM.
Figura 8-1 Vista Superior do Painel
0212
C
D
B
5441
LOT
Focus
Screen
VG2
A
5520
1003
ComPair
1000 (TUNER)
7200
9527
7641
SDAM
3606
0231
5500
2503
44 L03.1L AA
1 Valores de ajuste de Vg2
Tamanho da Tela/Marca Tensão de
Cut-off (V)
14" / LPD +135V
15" RF/Chunghwa +135V
20" / LPD +140V
21" / LPD +140V
8.2.2 Foco
1. Conecte um gerador de padrões RF na entrada de antena do
TV.
2. Sintonize o aparelho com um padrão círculo ou crosshatch
3. Escolha o modo de imagem NATURAL (ou MOVIES) com a
tecla ‘SMART PICTURE’ no controle remoto.
4. Ajuste o potenciômetro de foco (veja Fig. Vista Superior do
Painel) até que as linhas verticais próximas aos lados direito
e esquerdo da tela, e perto do centro horizontal da tela, este-
jam o mais finas possível e o mais focadas possível.
8.3 Configurações e Ajustes de Software
As seguintes opções são realizadas no Modo de Serviço de Ajuste
(SDAM). O SDAM está descrito na seção "Modos de Serviço,
Códigos de Erro e Localização de Falhas".
Os seguintes ajustes serão explicados:
1. OPTIONS
2. TUNER
3. WHITE TONE
4. GEOMETRY
5. AUDIO
8.3.1 Opções
As opções são usadas para controlar a existência ou não de certas
funções ou hardware.
Nota: Cada Option Byte controla várias funções do aparelho de
TV, portanto, antes de alterá-los, é importante que se anote o seu
valor atual. Isto assegurará que o televisor possa ser restaurado à
sua configuração original se necessário.
Como mudar o Option Byte
O Option Byte representa um úmero de diferentes opções.
Mudando este Bytes diretamente é possível ajustar todas as
opções rapidamente. Todas as opções são controladas através
dos sete bytes de opção. Selecione o Option byte (OP1.. OP7)
com as teclas MENU UP/DOWN, e entre com o novo valor.
1. Ative o SDAM pressionando a seguinte sequência no controle
remoto: 062596 e em seguida aperte a tecla menu ( não
demore muito entre um número e outro)
2. Use as teclas de menu baixo/cima para marcar o sub menu
OPTIONS.
3. Pressione as teclas ESQUERDA/DIREITA para entrar no sub
menu OPTIONS.
4. No sub menu OPTIONS pressione as teclas CIMA/BAIXO
para selecione de 'OP1' até 'OP7'.
5. Use as teclas numéricas do controle remoto para dar um novo
valor ao option byte selecionado. O valor deve ser no formato
de 3 digitos (por exemplo '4' deve ser digitado como '004').
6. O valor selecionado deve estar entre '0' e '255'.
7. Quando todas as mudanças desejadas no option byte forem
feitas, pressione a tecla MENU para voltar ao nível superior do
menu SDAM. Isto irá salvar as alterações.
8. Para assegurar que as mudanças façam efeito:
- Desligue o televisor utilizando a tecla power do controle
remoto ou do próprio aparelho.
- Desconecte o televisor da tomada de força por pelo menos
dez segundos.
- Reconecte o televisor à tomada.
- Ligue o televisor usando a tecla power do controle remoto ou
do próprio aparelho
Ao sair do sub menu OPTION as configurações do Option Byte
são gravadas automaticamente. Algumas alterações só terão
efeito após o aparelho ser desligado pela tecla standby do remoto
e ligado novamente na chave power.
Como calcular um valor do Option Byte
Calcule o valor do Option Byte (OP1.. OP7) da seguinte forma:
1. Cheque o status de cada bit option (OB): eles estão habilitados
(1) ou desabilitados (0).
2. Quando um bit option está habilitado (1) ele representa
um certo valor (veja primeira coluna ‘valor entre parêntesis’ na
primeira tabela abaixo). Quando o bit option está desabilitado,
seu valor é 0.
3. O valor total de um Option Byte é formado pela soma de seus
oito bits de opção.
Figura 8-2 Vcutoff
0V Ref.
VCUTOFF [VDC]
max.
Figura 8-3 Calculando Option Byte
Bit
(value)
OP1 OP2 OP3 OP4 OP5 OP6 OP7
0 (1) OB10 OB20 OB30 OB40 OB50 OB60 OB70
1 (2) OB11 OB21 OB31 OB41 OB51 OB61 OB71
2 (4) OB12 OB22 OB32 OB42 OB52 OB62 OB72
3 (8) OB13 OB23 OB33 OB43 OB53 OB63 OB73
4 (16) OB14 OB24 OB34 OB44 OB54 OB64 OB74
5 (32) OB15 OB25 OB35 OB45 OB55 OB65 OB75
6 (64) OB16 OB26 OB36 OB46 OB56 OB66 OB76
7 (128) OB17 OB27 OB37 OB47 OB57 OB67 OB77
Total: Sum Sum Sum Sum Sum Sum Sum
45L03.1L AA
Designação do Bit de Opção
A seguir estão as designações para todos os pacotes de softwares
dos TV L01.
• Option Byte 1 (OP1)
- OB10: CHINA OR NTSC_ONLY
- OB11: VIRGIN_MODE
- OB12: UK_PNP
- OB13: ACI
- OB14: ATS (EU), ou FINE _TUNING (NAFTA), ou LAN-
GUAGE_MALAY (AP)
- OB15: LNA
- OB16: FM_RADIO
- OB17: PHILIPS_TUNER
• OBtion Byte 2 (OP2)
- OB20: HUE
- OB21: COLOR_TEMP
- OB22: CONTRAST_PLUS
- OB23: TILT
- OB24: NOISE_REDUCTION
- OB25: CHANNEL_NAMING
- OB26: SMART_PICTURE
- OB27: SMART_SOUND
• OBtion Byte 3 (OP3)
- OB30: AVL
- OB31: WSSB
- OB32: WIDE_SCREEN
- OB33: Virtual Dolby
- OB34: MSP34X5_VOL_CTRL
- OB35: COMPRESS_16_9
- OB36: EXPAND_4_3
- OB37: EW_FUNCTION
• OBtion Byte 4 (OP4)
- OB40: STEREO_NON_DBX
- OB41: STEREO_DBX
- OB42: STEREO_PB
- OB43: STEREO_NICAM_2CS
- OB44: DELTA_VOLUME
- OB45: ULTRA_BASS
- OB46: VOLUME_LIMITER
- OB47: INCR_SUR
• OBtion Byte 5 (OP5)
- OB50: PIP ou CLOCK
- OB51: HOTEL_MODE
- OB52: SVHS
- OB53: CVI
- OB54: AV3
- OB55: AV2
- OB56: AV1
- OB57: NTSC_PLAYBACK
• OBtion Byte 6 (OP6)
- OB60: BASS_TREBLE,
- OB61: SMART_TEXT
- OB62: SMART_LOCK
- OB63: VCHIP (LATAM & NAFTA)/ Txt_1pg (EU)
- OB64: WAKEUP_CLOCK
- OB65: SMART_CLOCK
- OB66: SMART_SURF
- OB67: PERSONAL_ZAPPING
• OBtion Byte 7 (OP7)
- OB70: SOUND_SYSTEM_AP_3 /
MULTI_STANDARD_EUR / SYSTEM_LT_2
- OB71: SOUND_SYSTEM_AP_2 / WEST_EU
/ SYSTEM_LT_1
- OB72: SOUND_SYSTEM_AP_1
- OB73: COLOR_SYSTEM_AP
- OB74: SIGNAL_STRENGTH / DVD WAKEUP TIMER (DVD
COMBI)
- OB75: LNA_PP (for L01 AP cluster),
VOICE_CONTROL
- OB76: ACTIVE_CONTROL
- OB77: TIME_WIN1
46 L03.1L AA
Definição do Bit de Opção
OB10: CHINA ou NTSC_ONLY
0 : A sintonia não serve para aparelhos da China ou apenas NTSC,
ou este bit de Opção não é utilizado,
1 : A sintonia serve para aparelhos da China ou somente NTSC.
Ajuste padrão para LATAM:0 para aparelhos /77R e /78R, 1 para o
restante
Ajuste padrão LATAM: 0.
OB11: VIRGIN_MODE
0 : O Modo Virgin está desabilitado ou não é utilizado,
1 : Modo Virgin está habilitado. O item de Menu Plug and Play
será mostrado para fazer a instalação na primeira vez que o TV for
ligado, quando o VIRGIN_MODE está ajustado para 1. Após finali-
zada a instalação, este bit será automaticamente marcado como 0.
Ajuste padrão LATAM: 0
OB12: UK_PNP
0 : O Ajuste padrão Plug and Play para o Reino Unido não está
disponível ou não é utilizado,
1 : O Ajuste padrão Plug and Play para o Reino Unido está
disponível. Quando UK_PNP e VIRGIN_MODE estão ajustados
para 1 no setup inicial, LANGUAGE = ENGLISH, COUNTRY =
GREAT BRITAIN e depois de sair do menu, VIRGIN_MODE irá
automaticamente para 0 enquanto UK_PNP permanece em 1,
Ajuste padrão LATAM: 0.
OB13: ACI
0 : A função ACI está desabilitada ou não é utilizada,
1 : A função ACI está habilitada,
Ajuste padrão LATAM: 0.
OB14: ATS (EU), ou FINE _TUNING (NAFTA), ou LANGUAGE_
MALAY (AP)
0 : A função ATS está desabilitada ou não é utilizada,
1 : A função ATS está habilitada.
Ajuste padrão LATAM: 0.
OB15: LNA
0 : A função Auto Picture Booster não está disponível ou não é
utilizada,
1 : Auto Picture Booster está disponível,
Ajuste padrão LATAM: 0.
OB16: FM_RADIO
0 : A função FM Radio está desativada ou não é utilizada,
1 : A função FM Radio está habilitada,
Ajuste padrão LATAM: 0
OB17: PHILIPS_TUNER
0 : Tuner compatível com ALPS / MASCO está em uso,
1 : Tuner compatível com Philips está em uso,
Ajuste padrão LATAM: 0.
OB20: HUE
0 : O nível de Hue/Tint está desativado ou não é utilizado,
1 : O nível Hue/Tint está habilitado,
Ajuste padrão LATAM: 1.
OB21: COLOR_TEMP
0 : A temperatura de cor está desativada ou não é utilizada,
1 : A temperatura de cor está habilitada,
Ajuste padrão LATAM: 1.
OB22: CONTRAST_PLUS
0 : Contrast+ está desativada ou não é utilizada,
1 : Contrast+ está habilitada,
Ajuste padrão LATAM: 1.
OB23: TILT
0 : Rotate Picture está desativada ou não é utilizada,
1 : Rotate Picture está ativada,
Ajuste padrão LATAM: 0.
OB24: NOISE_REDUCTION
0 : Noise Reduction (NR) está desativada ou não é utilizada,
1 : Noise Reduction (NR) está habilitada,
Ajuste padrão LATAM: 0.
OB25: CHANNEL_NAMING
0 : A função Name FM Channel está desativada ou não é utilizada,
1 : A função Name FM Channel está habilitada,
Ajuste padrão: 0.
Note : Name FM channel pode ser habilitada apenas quando
FM_RADIO = 1.
OB26: SMART_PICTURE
0 : Smart Picture está desabilitada ou não é utilizada,
1 : Smart Picture está habilitada,
Ajuste padrão LATAM: 1
OB27: SMART_SOUND
0 : Smart Sound está desabilitada ou não é utilizada,
1 : Smart Sound está habilitada,
Ajuste padrão LATAM: 0 para aparelhos mono,1 para aparelhos
stereo
AP30: AVL
0 : AVL está desativada ou não é utilizada,
1 : AVL está habilitada,
Ajuste padrão LATAM: 1.
OB31: WSSB
0 : WSSB está desativada ou não é utilizada,
1 : WSSB está ativada
Ajuste padrão LATAM: 0.
Nota : Esta Opção pode ser 1 apenas quando WIDE_SCREEN = 1.
OB32: WIDE_SCREEN
0 : O Software é usado para aparelhos 4:3 ou não é utilizado,
1 : O Software é utilizado para aparelhos 16:9,
Ajuste padrão LATAM: 0.
OB33: Vitual Dolby
Ajuste padrão LATAM: 1.
OB34: MSP34X5_VOL_CTRL
Ajuste padrão LATAM: 0.
Nota: apenas para aparelhos 2x10W:
OB35: COMPRESS_16_9
0 : A seleção COMPRESS 16:9 não é utilizada. O item não deveria
estar na lista do menu FORMAT,
1 : A seleção COMPRESS 16:9 é utilizada. O item não deveria
estar na lista do menu FORMAT,
Ajuste padrão LATAM: 0.
OB36: EXPAND_4_3
0 : A seleção Expand 4:3 não é utilizada. O item não deveria estar
na lista do menu FORMAT,
1 : A seleção Expand 4:3 é utilizada. O item não deveria estar na
lista do menu FORMAT,
Ajuste padrão LATAM: 1.
OB37: EW_FUNCTION
0 : A função EW está desativada. Neste caso, apenas a função
Expand 4:3 é permitida, Compress 16:9 não é utilizada.
1 : A função EW está habilitada. Neste caso, ambas as funções
Expand 4:3 e Compress 16:9 são utilizadas.
Ajuste padrão LATAM: 0.
OB40: STEREO_NON_DBX
0 : Para AP_NTSC, o chip TDA 9853 não está presente,
1 : Para o AP_NTSC, chip TDA 9853 está presente,
Ajuste padrão LATAM: 0.
OB41: STEREO_DBX
0 : Para AP_NTSC, ochip MSP 3445 não está presente,
1 : Para AP_NTSC, ochip MSP 3445 está presente,
Ajuste padrão LATAM: 0 para aparelhos mono,1 para aparelhos
stereo.
OB42: STEREO_PB ou KOREAN_2CS
0 : Para AP_PAL, o chip MSP3465 não está presente,
1 : Para AP_PAL, o chip MSP3465 está presente,
Ajuste padrão LATAM: 0.
OB43: STEREO_NICAM_2CS
0 : Para EU e AP_PAL, o chip MSP 3415 não está presente,
1 : Para EU e AP_PAL, o chip MSP 3415 está presente,
Ajuste padrão LATAM: 0.
OB44: DELTA_VOLUME
0 : O nível Delta Volume está desativado ou não é utilizado,
1 : O nível Delta Volume está habilitado,
Ajuste padrão LATAM: 0.
47L03.1L AA
OB45: ULTRA_BASS
0 : Ultra Bass está desativado ou não é utilizado,
1 : Ultra Bass está habilitado,
Ajuste padrão LATAM: 0 para aparelhos mono,1 para aparelhos
stereo.
OB46: VOLUME_LIMITER
0 : O nível do limitador de volume não está ativado ou não
é utilizado,
1 : O nível do limitador de Volume está habilitado
Ajuste padrão LATAM: 0.
OB47: INCR_SUR
0 : A função Incredible Surround está desativada,
1 : A função Incredible Surround está ativada,
Ajuste padrão LATAM: 0 para aparelhos mono,1 para aparelhos
stereo.
OB50: PIP or ENERGY_SAVING
0 : PIP ou Economia de Energia está desativado ou não é utilizado,
1 : PIP ou Economia de energia está habilitado,
Ajuste padrão LATAM: 0.
OB51: HOTEL_MODE
0 : O modo Hotel está desativado ou não é utilizado,
1 : O modo Hotel está habilitado,
Ajuste padrão LATAM: 0 para aparelhos mono,1 para aparelhos
stereo.
OB52: SVHS
0 : Entrada SVHS não disponível.
1 : Entrada SVHS disponível,
Ajuste padrão LATAM: 0.
Nota : Este bit de Opção não é utilizado para EU
OB53: CVI
0 : Entrada CVI não disponível,
1 : Entrada CVI disponível,
Ajuste padrão LATAM: 0.
OB54: AV3
0 : Entrada Side/Front AV3 não disponível,
1 : Entrada Side/Front AV3 disponível,
Ajuste padrão LATAM: 0.
OB55: AV2
0 : Entrada AV2 não disponível,
1 : Entrada AV2 disponível,
Ajuste padrão LATAM: 0.
Nota : Para EU, quando AV2=1, ambos EXT2 e SVHS2 devem ser
incluídos no loop de OSD.
OB56: AV1
0 : Entrada AV1 não está presente,
1 : Entrada AV1 está presente,
Ajuste padrão LATAM: 1.
OB57: NTSC_PLAYBACK
0 : A função NTSC não disponível,
1 : A função NTSC disponível,
Ajuste padrão LATAM: 1.
OB60: BASS_TREBLE
0 : A função não disponível,
1 : A função está disponível,
Ajuste padrão LATAM: 0 para aparelhos mono,1 para aparelhos
stereo.
OB61: SMART_TEXT
0 : O modo Smart Text e Favorite Page estão desativados ou não
são utilizados,
1 : O modo Smart Text e Favorite Page estão habilitados,
Ajuste padrão LATAM: 0.
OB62: SMART_LOCK
0 : Child Lock e Lock Channel estão desativados ou não são utili-
zados por EU,
1 : Child Lock e Lock Channel estão habilitados para EU,
Ajuste padrão LATAM: 1.
OB63: VCHIP (LATAN & NAFTA)/ TXT_1PG(EU)
0 : A função VCHIP está desativada,
1 : A função VCHIP está habilitada
Ajuste padrão LATAM: 0.
OB64: WAKEUP_CLOCK
0 : A função Wake up clock está desativada ou não é utilizada,
1 : A função Wake up clock está habilitada,
Ajuste padrão LATAM: 0.
OB65: SMART_CLOCK
0 : Smart Clock usando Teletext e Smart Clock usando PBS está
desativada ou não é utilizada,
1 : Smart Clock usando Teletext e Smart Clock usando PBS está
ativada Para NAFTA, o item de menu AUTOCHRON está presente
no sub-menu INSTALL,
Ajuste padrão LATAM: 0.
OB66: SMART_SURF
0 : A função Smart Surf está desativada ou não é utilizada,
1 : A função Smart Surf está habilitada,
Ajuste padrão LATAM: 1.
OB67: PERSONAL_ZAPPING
0 : A função Personal Zapping está desativada ou não é utilizada,
1 : A função Personal Zapping está habilitada,
Ajuste padrão LATAM: 0.
OB70: MULTI_STANDARD_EUR
0 : Não para aparelho multi padrão Europeu, ou este bit de Opção
não é utilizado,
1 Para aparelhos Multi padrão Europeu.
Nota : Este bit de Opção é usado para controlar a seleção
de sistema manual :
Se MULTI_STANDARD_EUR = 1 então SYSTEM =
EurOBe, West EurOBe, East EurOBe, UK, France
senão SYSTEM = ‘EurOBe, West EurOBe, UK for West
EurOBe’ (WEST_EU=1) ou SYSTEM = ‘EurOBe, West
EurOBe, East EurOBe for East EurOBe’ (WEST_EU=0).
OB71: WEST_EU
0 : Para aparelhos do Leste Europeu, ou este bit de Opção não é utilizado,
1 : Para aparelhos do oeste Europeu,
OB71 and 70: SYSTEM_LT_1, SYSTEM_LT_2
Esses dois bits de Opção são alocados para seleção de sistema
do LATAM.
00 : NTSC-M
01 : NTSC-M, PAL-M
10 : NTSC-M, PAL-M, PAL-N
11 : NTSC-M, PAL-M, PAL-N, PAL-BG
Ajuste padrão LATAM : 00
OB70, 71 and 72: SOUND_SYSTEM_AP_1,
SOUND_SYSTEM_AP_2, SOUND_SYSTEM_AP_3
Esses três bits de Opção são alocados para seleção de sistema
AP_PAL de som.
000 : BG
001 : BG / DK
010 : I / DK
011 : BG / I / DK
100 : BG / I / DK / M
OB73: COLOR_SYSTEM_AP
Este bit de Opção é alocado para seleção de sistema de cor AP-PAL
0 : Auto, PAL 4.43, NTSC 4.43, NTSC 3.58
1 : Auto, PAL 4.43, NTSC 4.43, NTSC 3.58, SECAM
Ajuste padrão LATAM : 0
OB74: SIGNAL_STRENGTH / DVD WAKEUP TIMER (DVD
COMBI), 3D_COMBFILTER (NAFTA)
Ajuste padrão LATAM : 10
OB75: LNA_PP (for L01 AP cluster), VOICE_CONTROL
Ajuste padrão LATAM : 0
OB76: ACTIVE_CONTROL
Ajuste padrão LATAM : 1
OB77: TIME_WIN1
0 : A janela de tempo é ajustada para 1.2s
1 : A janela de tempo é ajustada para 2s
Ajuste padrão LATAM : 0
Nota :O time-out para todas as entradas de dados, depende desta
configuração.
48 L03.1L AA
8.3.3 Balanço de Branco
Os valores do nível de corte de preto podem ser ajustados no
sub menu do Balanço de Branco. Normalmente, nenhum ajuste
é necessário ao Balanço de Branco. Você pode usar os valores
padrão dados.
Ajustes Padrão para NORMAL (color temperature = 11500 K):
- NORMAL RED = 22
- NORMAL GREEN = 21
- NORMAL BLUE = 26
Para ajustar NORMAL RED, NORMAL GREEN e NORMAL BLUE:
1. Conecte a saída RF do gerador de padrões (ex.PM5418) à
entrada de antena da TV.
2. Ajuste a amplitude do gerador de padrões para pelo menos
1 mV e a frequência 475.25 MHz (PAL/SECAM) ou 61.25 MHz
(NTSC).
3. Selecione o padrão "100 IRE white" no gerador.
4. Ative o SDAM pressionando a seguinte sequência no controle
remoto: 062596 e em seguida aperte a tecla menu ( não demore
muito entre um número e outro).
5.Use as teclas CIMA/BAIXO para marcar o sub menu WHITE
TONE.
6. Presione as teclas ESQUERDA/DIREITA para entrar no sub
menu WHITE TONE.
7. Use as teclas CIMA/BAIXO para selecionar NORMAL RED,
NORMAL GREEN ou NORMAL BLUE.
8. Ajuste o analisador de cor Minolta CA100 (ou equivalente) para
o modo RGB e ajuste todas as temperaturas de cor para seu
valor padrão.
9. Coloque o sensor do analisador do meios da tela.
10. Ajuste o medidor para o modo "T-dUV-Y" e ajuste o
CONTRAST para fazer a saída de luz "Y" no medidor 90nit +/-
15%.
11. Use as teclas ESQUERDA/DIREITA para ajustar o valor de
NORMAL GREEN e/ou NORMAL BLUE.
12. Quando todo as mudanças no sub menu WHITE TONE
tiverem sido feitas, pressione a tecla MENU para voltar ao nível
superior do menu SDAM.
13. Para assegurar que as mudanças no SL sejam gravadas:
- Desligue o televisor utilizando a tecla power do controle remoto
ou do próprio aparelho.
- Desconecte o televisor da tomada de força por pelo menos dez
segundos.
- Reconecte o televisor à tomada.
- Ligue o televisor usando a tecla power do controle remoto ou do
próprio aparelho
8.3.2 Tuner
Nota: Os ajustes descritos são unicamente necessários quando o
NVM (item 7641) é trocado.
IF PLL
Esta função é auto-ajustada. Portanto, nenhuma ação é requerida
(padrão="30").
AGC (AGC ponto de recuperação)
1. Conecte a saída RF do gerador de padrões à entrada de
antena da TV.
2. Selecione um sinal de vídeo de barras coloridas.
3. Ajuste a amplitude do gerador de padrões para 10 mV e a
frequência 475.25 MHz (PAL/SECAM) ou 61.25 MHz (NTSC).
4. Conecte um multímetro DC no pino 1 do tuner (item 1000
no chassis principal).
5. Ative o SDAM pressionando a seguinte sequência no controle
remoto: 062596 e em seguida aperte a tecla menu (não demore
muito entre um número e outro).
6. Use as teclas CIMA/BAIXO para marcar o sub menu TUNER.
7. Presione as teclas ESQUERDA/DIREITA para entrar no sub
menu TUNER.
8. Use as teclas CIMA/BAIXO para selecionar AGC.
9. Use as teclas ESQUERDA/DIREITA para ajustar o valor AGC
(o padrão é “32”) até que a tensão DC no pino 1 do tuner caia a
3.3 V.
10. Pressione a tecla MENU para voltar ao nível superior do menu
SDAM.
11. Para assegurar que as mudanças no AGC façam efeito:
- Desligue o televisor utilizando a tecla power do controle
remoto ou do próprio aparelho.
- Desconecte o televisor da tomada de força por pelo menos
dez segundos.
- Reconecte o televisor à tomada.
- Ligue o televisor usando a tecla power do controle remoto ou
do próprio aparelho
SL (Nível de Slicing )
Este ajuste configura o nível de slicing do sincronismo para sinal
não padrão. Você deve ligá-lo para não ter instabilidade nas
imagem de canais a cabo decodificados.
• OFF : Nível de slicing dependente do detector de ruído.
• ON : Nível de slicing fixo em 70%.
Para ajustar o SL:
1. Ative o SDAM pressionando a seguinte sequência no controle
remoto: 062596 e em seguida aperte a tecla menu ( não demore
muito entre um número e outro).
2. Use as teclas CIMA/BAIXO para marcar o sub menu TUNER.
3. Presione as teclas ESQUERDA/DIREITA para entrar no sub
menu TUNER.
4. Use as teclas CIMA/BAIXO para selecionar SL.
5. Use tas teclas ESQUERDA/DIREITA para alternar SL ‘Off’ e
‘On’.
6. Pressione a tecla MENU para voltar ao nível superior do menu
SDAM.
7. Para assegurar que as mudanças no SL façam efeito:
- Desligue o televisor utilizando a tecla power do controle remoto
ou do próprio aparelho.
- Desconecte o televisor da tomada de força por pelo menos dez
segundos.
- Reconecte o televisor à tomada.
- Ligue o televisor usando a tecla power do controle remoto ou do
próprio aparelho
CL (Nível do drive do catodo)
O valor fixo é "7".
49L03.1L AA
8.3.4 Geometria
O menu de ajuste de geometria contem vários itens para ajustar o
aparelho, para que se obtenha uma geometria correta da figura.
1. Conecte a saída RF do gerador de padrões à entrada de antena
da TV.
2. Selecione o padrão Crosshatch no gerador.
3. Ajuste a amplitude do gerador de padrões para pelo menos 1 mV
e a frequência 475.25 MHz (PAL/SECAM) ou 61.25 MHz (NTSC/
PAL-M).
4. Pressione a tecla ‘Smart Picture’ no controle remoto e escolha
PERSONAL ou MOVIES.
5. Ative o SDAM pressionando a seguinte sequência no controle
remoto: 062596 e em seguida aperte a tecla menu ( não demore
muito entre um número e outro).
6. Use as teclas CIMA/BAIXO para marcar o sub menu GEOMETRY.
7. Presione as teclas ESQUERDA/DIREITA para entrar no sub menu
GEOMETRY.
8. Use as teclas CIMA/BAIXO para marcar ou o sub menu HORI-
ZONTAL ou o sub menu VERTICAL.
9. Presione as teclas ESQUERDA/DIREITA para entrar no sub menu
HORIZONTAL ou o sub menu VERTICAL.
10. Use as teclas CIMA/BAIXO para selecionar itens no sub menu
HORIZONTAL ou no sub menu VERTICAL.
11. Use as teclas ESQUERDA/DIREITA para ajustar valores dos itens
do sub menu HORIZONTAL ou o sub menu VERTICAL.
12. Quando todas as mudanças no sub menu HORIZONTAL ou o sub
menu VERTICAL tiverem sido feitas, pressione a tecla MENU para
voltar ao nível superior do menu SDAM.
13. Para assegurar que as mudanças no menu GEOMETRY sejam
gravadas:
- Desligue o televisor utilizando a tecla power do controle remoto
ou do próprio aparelho.
- Desconecte o televisor da tomada de força por pelo menos dez
segundos.
- Reconecte o televisor à tomada.
- Ligue o televisor usando a tecla power do controle remoto ou do
próprio aparelho.
Os seguintes ajustes podem ser feitos no sub menu GEOMETRY:
Ajustes do Horizontal:
• Deslocamento Horizontal (HSH)
Selecione este item para centralizar a imagem na tela.
• Tamanho da imagem (PW)
Ajusta o tamanho da imagem na tela.
Ajustes da Vertical:
• Rampa Vertical (VSL)
Alinha a imagem para que as proporções sejam as mesmas na
parede superior e inferior da tela. Este deve ser o primeiro dos
alinhamentos verticais a serem realizados. Para um alinhamento
fácil, ajuste SBL para ON.
• Amplitude Vertical (VAM)
Alinha a amplitude vertical (outros ajustes não são
compensados)
• Correção S Vertical (VSC)
Alinha a linearidade vertical, significando que os intervalos
verticais de um padrão de grade deve ter a mesma altura na tela
inteira.
• Deslocamento Vertical (VSH)
Alinha a centralização vertical da imagem ao centro vertical do
CRT. Após este ajuste pode ser necessário repetir o ajuste de
‘amplitude vertical’ (VAM).
• Apagamento de serviço (SBL)
Liga ou desliga o apagamento da metade inferior da tela (para
ser usado em conjunto com o ajuste da Rampa vertical.
• Deslocamento Horizontal Delta(H60)
• Amplitude Vertical Delta (V60)
Métodos de ajuste
Amplitude e Posição Vertical
1. Selecione SERVICE BLANKING (SBL) e ajuste-o para 1. A
parte inferior da imagem será apagada.
2.Use as teclas CIMA/BAIXO para selecionar VERTICAL SLOPE
(VSL).
3. Alinhe o VSL para começar o apagamento exatamente na linha
horizontal branca no centro do circulo de teste.
4. Use as teclas CIMA/BAIXO para selecionar SBL e ajuste-o para
0. A imagem completa reaparecerá.
5. Selecione VERTICAL AMPLITUDE (VAM) para ajustar a altura
da imagem para aproximadamente 13.0 - 13.1 blocos.
6. Selecione VERTICAL SHIFT (VSH) e ajuste a centralização da
imagem na tela.
Repita os dois últimos passos se necessário.
Fase Horizontal
1. Ajuste PW para "0".
2. Selecione HORIZONTAL SHIFT (HSH) para centralizar a
imagem na tela.
Offset de deslocamento Vertical e Horizontal para NTSC (Chassis
TRINORMA e PAL)
1. Ajuste o aparelho para VHS e HSH (de acordo com os procedi
mentos mencionados anteriormente) com um sinal PAL.
2. Troque o sinal para NTSC e ajuste HORIZONTAL SHIFT
OFFSET (H60) e VERTICAL SHIFT OFFSET (V60) para centra-
Figura 8-6 Ajuste de Geometria
1
2
3
4
5
6
7
8
9
10
11
12
VERT. SLOPE
VERT. SHIFT
VERT. AMPLITUDE
V.S-CORRECTION
HOR. SHIFT
HOR. AMPLITUDE
E/W PARABOLE
UPPER E/W CORNER
LOWER E/W CORNER
E/W TRAPEZIUM
HOR. PARALLELOGRAM
HOR. BOW
50 L03.1L AA
lizar a imagem na tela.
3. Repita se necessário.
Na tabela a seguir você vai encontrar os valores aproximados de
Geometria para os diferentes aparelhos.
Tabela 8-3 Valores padrão de Geometria (Valores de Referência)
Alinhamento
Descrição
Valor
PW Tamanho da imagem 31
HSH Deslocamento Horizontal 35
VSL Inclinação Vertical 33
VAM Amplitude Vertical 26
VSC Correção S Vertical 23
VSH Deslocamento Vertical 31
H60 Offset Deslocamento
Horizontal (NTSC)
9
V60 Offset Deslocamento Vertical
(NTSC)
-1
8.3.5 Áudio
Equipamentos de medição necessários:
Gerador MTS (Multi-channel Television Sound) (Ex Fluke 54200)
Milivoltímetro AC.
ILA (Ajuste do Nível de Entrada)
1. Ative o SDAM pressionando a seguinte sequência no controle
remoto: 062596 e em seguida aperte a tecla menu ( não demore
muito entre um número e outro).
2. Use as teclas CIMA/BAIXO para marcar o sub menu AUDIO.
3. Presione as teclas ESQUERDA/DIREITA para entrar no sub
menu AUDIO.
4. Use as teclas CIMA/BAIXO para selecionar ILA.
5. Aplique um sinal de som BTSC com força de 60dBuV (1mV_
rms) na entrada de antena. Meça a saída no pino 21 do IC7841
(L_OUT) com um milivoltímetro AC através de um filtro passa
baixa (R=10Kohm, C=1,5nF, medindo no capacitor.)
6. Use as teclas ESQUERDA/DIREITA para ajustar a leitura no
voltímetro para 106mV_rms +/-2mV_rms (o valor padrão de ILA
é "31").
7. Pressione a tecla MENU para voltar ao nível superior do menu
SDAM.
8. Para assegurar que as mudanças no ILA foram salvas:
- Desligue o televisor utilizando a tecla power do controle remoto
ou do próprio aparelho.
- Desconecte o televisor da tomada de força por pelo menos dez
segundos.
- Reconecte o televisor à tomada.
- Ligue o televisor usando a tecla power do controle remoto ou do
próprio aparelho
LSA (Ajuste de Separação Baixo)
1. Ative o SDAM pressionando a seguinte sequência no controle
remoto: 062596 e em seguida aperte a tecla menu ( não demore
muito entre um número e outro).
2. Use as teclas CIMA/BAIXO para marcar o sub menu AUDIO.
3. Presione as teclas ESQUERDA/DIREITA para entrar no sub
menu AUDIO.
4. Use as teclas CIMA/BAIXO para selecionar LSA.
5. Aplique um sinal de som BTSC de 300Hz com força de 60dBuV
(1mV_rms) na entrada de antena. Meça a saída no pino 22 do
IC7841 (R_OUT) com um milivoltímetro AC através de um filtro
passa baixa (R=10Kohm, C=1,5nF, medindo no capacitor.)
6. Use as teclas ESQUERDA/DIREITA para ajustar a leitura no
voltímetro para valor mínimo (o valor padrão de LSA é "7" para
aparelhos stereo e "0" para aparelhos mono).
7. Pressione a tecla MENU para voltar ao nível superior do menu
SDAM.
8. Para assegurar que as mudanças no LSA foram salvas:
- Desligue o televisor utilizando a tecla power do controle remoto
ou do próprio aparelho.
- Desconecte o televisor da tomada de força por pelo menos dez
segundos.
- Reconecte o televisor à tomada.
- Ligue o televisor usando a tecla power do controle remoto ou do
próprio aparelho
HSA (Ajuste de Separação Alto)
1. Ative o SDAM pressionando a seguinte sequência no controle
remoto: 062596 e em seguida aperte a tecla menu ( não demore
muito entre um número e outro).
2. Use as teclas CIMA/BAIXO para marcar o sub menu AUDIO.
3. Presione as teclas ESQUERDA/DIREITA para entrar no sub
menu AUDIO.
4. Use as teclas CIMA/BAIXO para selecionar HSA.
5. Aplique um sinal de som BTSC de 3KHz com força de 60dBuV
(1mV_rms) na entrada de antena. Meça a saída no pino 22 do
IC7841 (R_OUT) com um milivoltímetro AC através de um filtro
passa baixa (R=10Kohm, C=1,5nF, medindo no capacitor.)
6. Use as teclas ESQUERDA/DIREITA para ajustar a leitura no
voltímetro para valor mínimo (o valor padrão de HSA é "31" ).
7. Pressione a tecla MENU para voltar ao nível superior do menu
SDAM.
8. Para assegurar que as mudanças no LSA foram salvas:
- Desligue o televisor utilizando a tecla power do controle remoto
ou do próprio aparelho.
- Desconecte o televisor da tomada de força por pelo menos dez
segundos.
- Reconecte o televisor à tomada.
- Ligue o televisor usando a tecla power do controle remoto ou do
próprio aparelho
51L03.1L AA
Índice deste capítulo:
1. Introdução
2. Seleção de Fonte de Sinal
3. Áudio
4. Vídeo
5. Sincronização
6. Deflexão
7. Fonte de Alimentação
8. Controle
9. Abreviação
10. Data Sheets dos CIs
Notas:
• Apenas os novos circuitos (comparando com o chassis L01.2)
são descritos neste capítulo. Para os outros circuitos, veja o
manual do L01.2L AA.
• As figuras abaixo podem ser ligeiramente diferentes dos mode-
los reais.
• Para uma boa compreensão das seguintes descrições de
circuito, por favor usem o diagrama de blocos no capítulo 6
ou os diagramas elétricos no capítulo 7. Onde necessário, você
encontrará um desenho separado para esclarecimentos.
9.1 Introdução
O chassis "L03" é um chassis de TV global para o modelo do ano
2003 e é utilizado para aparelhos de TV com tela dimensionada
entre 14” e 21”, com Super Flat, Real Flat. Em comparação com o
antecessor (L01) o chassis é mais simplificado e contém econo-
mias na fonte de alimentação, processamento de vídeo (micropro-
cessador) e processamento de áudio.
A arquitetura padrão consiste de um painel Principal (chamado
mono painel), um painel do cinescópio, um painel I/O lateral e um
painel de Controle Superior.
O painel Principal consiste primeiramente de componentes con-
vencionais com poucos componentes SMD nas partes de proces-
samento de áudio e vídeo.
As funções para processamento de vídeo, microprocessador (P)
e decodificador de teletexto/CC (TXT) são combinadas em um CI
(TDA937x), o chamado One Chip Definitivo (UOC). Este chip é
montado no lado dos componentes do painel Principal.
O L03 é dividido em 2 sistemas básicos, ex. som mono e estéreo.
Enquanto o processamento de áudio para o mono é feito no bloco
áudio do UOC, um IC processador de áudio externo é utilizado
para os aparelhos estéreo.
9. Descrição do Circuito
O sistema de sintonia tem disponível 181 canais com display
na tela. O sistema de sintonia principal usa um tuner, um
microcomputador, e um CI de memória montado no painel
principal.
O microcomputador comunica-se com o CI de memória, com o
teclado, receptor remoto, tuner, CI processador de sinais e o CI de
saída de áudio via o barramento I2C. O CI de memória retêm os
ajustes para os canais favoritos, valores preferidos do cliente, e
serviço / dados de fábrica.
Os gráficos OSD e a decodificação Closed Caption são feitos
dentro do microprocessador, e então são enviados ao CI proces-
sador de sinal para seja adicionado ao sinal principal.
O chassis utiliza uma fonte chaveada (SMPS) como fonte de
tensão principal. O chassis tem uma referência de terra ‘quente’ no
lado do primário e uma referência de terra fria no lado secundário
da fonte de alimentação e para o resto do chassis.
9.2 Seleção de Fonte de Sinal
A seleção de fonte é dividida principalmente em dois tipos, a Sele-
ção de Fonte Mono e a Seleção de Fonte Stereo.
• A seleção de fonte mono para ambos áudio e vídeo, é feita intei-
ramente pelo UOC e é capaz de fazer a seleção de apenas uma
fonte externa de sinal de áudio.
• Para a seleção de fonte Stereo, o CI da Panasonic, que também
faz a decodificação BTSC tem 2 entradas de áudio usadas para
seleção de fonte, enquanto o UOC se encarrega da seleção de
vídeo.
9.2.1 Função de chaveamento para E/S Stereo
Seleção de Fonte de Vídeo
Seleção de Fonte de Vídeo é feita pelo UOC. A configuração de
vídeo parar LATAM / NAFTA é direta: a chamada ‘“WYSIWYG” (o
que você vê na tela é o que você terá na saída de vídeo).
Seleção de Fonte de Áudio
O CI AN5829 (BTSC decoder) faz a seleção da fonte de áudio
estéreo externa. Um máximo de três entradas para fontes de áudio
externas podem ser selecionadas. AV1 ou FRONT é selecionada
por uma chave mecânica no conector.
A fonte de sinal de áudio externa é então alimentada a entrada
AUX1 (pinos 2 e 3) do AN5829. A entrada AV2 é alimentada direta-
mente a entrada AUX2 (pinos 23 e 24) do AN5829. Então via I2C a
seleção de fonte no CI AN5829 pode ser feita
9.2.2 Função de chaveamento para E/S Mono
Para a configuração mono, apenas um pino de entrada está dispo-
Figura 9-1 Vista Superior do Painel
Audio Amplifier
Video Processing
Tuner + IF
Audio Processing
Power Supply
Front Control
CRT Panel
Deflection
Rear I/O
Figura 9-2 Vista Superior do Painel
Audio Amplifier
Video Processing Tuner + IF
Audio Processing
Power Supply
Front Control
Deflection
Rear I/O
52 L03.1L AA
nível no UOC.
Seleção de fonte de vídeo
A seleção de vídeo é similar a descrita acima.
Seleção de fonte de áudio
A entrada de áudio (L1_IN) está conectada ao pino 35 do UOC.
9.3 Áudio
Este chassis tem como alvo o mercado da LATAM com sistema de
som Mono, Stereo, ou SAP.
Para aparelhos “basicos” Mono e Stereo o processamento de
áudio inclui o controle de Volume e AVL.
Para aparelhos estéreo, o CI AN5829S é o decodificador de áudio
BTSC e o AN5891K é o CI de processamento de áudio.
9.3.1 Processamento
Este chassis utiliza o conceito de demodulação de interportadoras
(um filtro SAW para ambos áudio e vídeo). A banda base (largura
de banda total) do sinal de áudio BTSC proveniente do UOC é
alimentado ao pino14 do decodificador estéreo. Os registradores
da detecção da Piloto e do SAP indicam o tipo de sinal de áudio
transmitido como Mono, Stereo, e/our SAP. Baseado nesta
indicação, os controles do software irão ajudar a conseguir o sinal
de áudio apropriado nos pinos 21 e 22. Os controles são feitos
pelo barramento I2C conectado aos pinos 18 e 19.
O áudio interno ou externo (pinos 2, 3, 23, e24) também podem
ser selecionados pelo registro de seleção de fonte. Para a fonte de
áudio selecionada a função AGC pode ser aplicada. A saída é do
tipo fixo. A função de controle de volume está disponível através
do amplificador de potência (AN7522/23).
A saída de áudio selecionada proveniente do CI7841 (AN5829) é
alimentada aos pinos 3 e 2 do CI7821 (AN5891) para as funções
de processamento de áudio como Treble, Bass, Volume, Balance,
e funções de som Surround. L_out e R_out estão então disponível-
nos pinos 12 e 15.
O CI7821 também é controlado pelo I2C (pinos 13 e14). Uma
funçâo AVL também está disponível neste CI e pode ser acionada
pelo aparelho. Neste caso a função AVL do AN5829 é desabilitada.
A saída Subwoofer (opcional) está disponível no pino 20.
9.3.2 Amplificador
A saída é alimentada ao amplificador de áudio (CI7901 para
aparelhos estéreo ou CI7902 para mono). Este é um amplificador
BTL (Bridge Tied Load), que é na verdade um amplificador classe
AB com quatro transistores por canal. A vantagem do BTL sobre o
Classe AB padrão é que ele necessita de uma alimentação menor.
O nível de volume é controlado neste CI (pino 9) por uma linha de
controle ‘Volume’ do microprocessador.
O sinal áudio do CI 7902 é então enviado ao alto falante/conector
de fone de ouvido.
9.3.3 AVL (Limitador Automático de Volume)
A função “Mono AVL” opera através do UOC. Durante a mudança
de canal e seleção de fonte, o bit AVL é chaveado para “off” e
então pode voltar ao estado anterior (“on/off”) como mostrado no
diagrama de tempo.
A função “Stereo AVL” opera através do controle do AGB do CI
AN5829S. Durante a mudança de canal e seleção de fonte, a
função AGC é chaveada para “off” e então pode voltar ao estado
anterior (“on/off”) como mostrado no diagrama de tempo.
9.3.4 Mute
O aparelho deve ser silenciado:
• Sempre que o “User Mute” for ativado.
• Sempre que houver uma mudança de canal, RF para RF, RF
para AV, AV para RF, e AV para AV (se houver). Na mudança de
canal, MUTE deve ser ativado antes de qualquer outra ativadade e
o MUTE off deve ser feito depois que todas as atividades tiverem
sido concluídas.
• Sempre que houver perda de sinal.
• Durante a inicialização, MUTE deve estar ativado até que pro-
cesso seja finalizado.
• Quando o aparelho for para STANDBY, MUTE deve ser ativado
antes de qualquer outra atividade.
Nota:
1. MUTE mencionado acima aplica-se ao amplificador de áudio
(= mute do controle de volume PWM).
2. A primeira condição não se aplica ao UOC, CI AN5891K, ou CI
AN5829S.
3. As condições acima referem-se a ambos os aparelhos, estéreo
e mono.
9.4 Vídeo
Para a descrição detalhada desta parte do circuito, consulte o
manual do L01.2L AA. Por favor note que podem haver pequenas
diferenças no texto (ex. posições de componente), mas o principío
de descrição dos circuitos é compatível.
Este chassis usa a família de processador (UOC) TDA937x, que
é montado num encapsulamento SDIP 64. As várias versões da
série do UOC combinam a função de processamento de vídeo em
conjunto com microcontrolador e decodificador Closed Caption/
TXT.
9.5 Sincronismo
Na parte D interior ao CI7200 os pulsos do sincronismos horizontal
e vertical são separados. Esses sinais ‘H’ ‘V’ são sicronisados com
o sinal CVBS de entrada. Eles são então enviados aos circuitos
drivers H- e V- e ao circuito OSD/TXT para sincronização do OSD
e da informação de Teletexto (CC).
9.6 Deflexão
Para a descrição detalhada desta parte do circuito, consulte o
manual do L01.2L AA. Por favor note que podem haver pequenas
diferenças no texto (ex. posições de componente), mas o principío
de descrição dos circuitos é compatível.
O alcance do L03 consiste em aparelhos de TV de 14 a 21 polega-
das usando a mesma arquitetura de chassis. Devido a esta arqui-
Figura 9-3 Diagrama de Tempo AVL
Mono: AVL_ On/Off
Stereo: AGC_On/Off
channel / source
change active
Mute/Volume
user press
Ch+ / Ch- or
change
source
Volume Ctrl Voltage200 msecs
150 msecs
50 msecs
50 msecs
CL 36532044_038.eps
170603
53L03.1L AA
tetura, os CRTs usados não necessitam de correção Leste/Oeste.
Portanto a correção de geometria necessária é deslocamento
horizontal, rampa vertical, amplitude vertical, correção S vertical,
deslocamento vertical, e zoom vertical (com os offsets requeridos
para canais NTSC em aparelhos PAL)
9.6 Fonte de Alimentação
Para a descrição detalhada desta parte do circuito, consulte o
manual do L01.2L AA. Por favor note que podem haver pequenas
diferenças no texto (ex. posições de componente), mas o principío
de descrição dos circuitos é compatível.
9.7.1 Introdução
A alimentação é conseguida através de uma fonte chaveada
(SMPS). A frequência de operação varia com a carga de circuito.
Este comportamento ‘Quasi-ressonante Flyback’ tem alguns
benefícios importantes comparados a um conversor de flyback
com frequência fixa. A eficiência pode ser melhorada em até 90%,
o que resulta em abaixo consumo de energia. Além disso a fonte
trabalha fria e a segurança é melhorada.
O CI de controle nesta fonte de alimentação é o TEA1506
(L01=TEA1507). Diferentemente do CI de controle TEA1507, o
TEA 1506 não possui uma fonte interna de inicialização de alta
tensão, e portanto precisa ser iniciada através de um resistor de
sangria externo (R3506 e R3507). A tensão de operação para o
circuito driver é também retirada do lado ‘quente’ deste transforma-
dor.
O CI regulador chaveador 7520 começa a chavear o FET ‘on’ e
‘off’, para controlar o fluxo corrente através do enrolamento primá-
rio do transformador 5520. A energia armazenada no enrolamento
primário durante o tempo ‘on’ é entregue ao enrolamento secundá-
rio durante o tempo de ‘off ‘.
A linha ‘MainSupply’ é a tensão de referência para a fonte de
alimentação. Ela é amostrada pelos resistores 3543 e 3544 e
enviada à entrada do regulador 7540 / 6540.
Este regulador alimenta opto-acoplador de realimentação 7515
para ajustar a tensão de controle de realimentação no pino 6 de
7520.
A fonte neste aparelho está ligada sempre que ele estiver conec-
tado à rede elétrica.
9.7.2 Tensões Derivadas
As tensões geradas pelo enrolamento secundário de T5520 são:
• MainSupply’ para a saída horizontal
• ‘V_aux/V_audio’ para o circuito de áudio
• Uma opcional "DVD_Supply" para futuras expansões.
Outras tensões de alimentação são fornecidas pelo LOT. Ele
fornece-12 V a tensão do tuner, tensão do filamento, e uma fonte
de+160V para o driver de vídeo. As tensões secundárias do LOT
são monitoradas pelas linhas ‘EHT’.
9.8 Controle
O microprocessor UOC, tem o controle completo e a função de
teletexto/CC internamente. Menu do Usuário, Modo Padrão de
Serviço/Modo de Ajuste de Serviço são gerados pelo µP. Comuni-
cação para outro CIs é feito através do barramento I2C.
9.8.1 I2C-Bus
O sistema de controle principal, que consiste do microprocessor
UOC (7200), é ligado aos dispositivos externos (Tuner, NVM, MSP,
etc) por meio do barramento I2C. Um barramento interno I2C é
utilizado para controlar outras funções de processamento de sinal, como
processamento de vídeo, FI de som, FI de vídeo, sincronismo, etc.
9.8.2 Interface do Usuário
Este chassis utiliza controle remoto com protocolo RC5. O sinal
de entrada é enviado ao pino 67 do UOC. O teclado ‘Top Control’,
conectado ao pino 8 do UOC, pode também controlar o aparelho.
O reconhecimento das teclas é feito através de um divisor de
tensão.
Led frontal (6691) é conectado a uma linha de controle saída do
microprocessador (pino 11). Ele é ativado para fornecer a informa-
ção ao usuário se o aparelho está ou não funcionando correta-
mente (ex. respondendo ao controle remoto, operação normal
(apenas EUA) ou condição de falha)
9.8.3 Seleção de entrada e saída
Para o controle das seleções de entrada e de saída, há três linhas:
• STATUS1
Este sinal fornece a informação ao microprocessador
onde há um sinal de vídeo disponível na porta de entrada e
saída AV SCART1 (só para Europa).
Este sinal não está conectado nos aparelhos da LATAM/NAFTA.
• STATUS2
Este sinal fornece informação ao microprocessor
de onde existe um sinal de vídeo disponível na porta de entrada
e saída AV SCART2 (somente Europa). Para aparelhos com
uma entrada SVHS ele fornece a informação adicional se
uma fonteY/C ou CVBS está presente. A presença de uma fonte
externa Y/C deixa esta linha em nível ‘alto’ enquanto uma fonte
CVBS deixa esta linha em nível ‘baixo’.
• SEL-_AV1_AV2
Este é o sinal de controle de seleção de fonte do microproces-
sor. Esta linha de controle está sob o controle do usuário ou
pode ser ativada por outras duas linhas de controle.
9.8.4 Controle da Fonte de Alimentação
A fonte de alimentação tem uma interface com o microcontrolador
(UOC) para prover a fonte de alimentação com sinais de controle
necessários para operação no modo burst em standby e para
variar o tamanho da imagem através do ajuste de V_BAT.
A parte do microprocessor é alimentada com 3.3 V e 3.9 V ambas
derivadas da tensão ‘V_aux/V_audio’ através de um estabilizador
de 3V3 (7493). A linha de 8V é derivada da tensão do tuner de 33V
através de TS7491 e TS7496.
Dois sinais são usados para controlar a fonte de alimentação:
STD_CON e PW_ADJ.
STD_CON. Este sinal é gerado pelo microprocessador quando
ocorre uma sobre-corrente na linha ‘Main’. Isto é feito para habilitar
a fonte no modo burst de standby, e para habilitar este modo
durante a proteção. Este sinal é ‘alto’ (3.3 V) sob condições de
operação normais. Durante modo o ‘standby’ ou falha, este sinal
é um pulso de 5ms em estado "baixo" '0V' e um pulso ‘alto’ com
duração de 5 ms.
Nota: No chassis L01 a situação é invertida.
Figura 9-4 Diagrama em Bloco da Interface Fonte de
Alimentação com UOC
POWER SUPPLY
BLOCK WITH
TEA 1506
CONTROL IC
UOCAC INPUT
Std_Con
+3V3
PW_ADJ
54 L03.1L AA
PW_ADJ
Este sinal é gerado pelo UOC através da porta PWM. Esta porta
está configurada no modo Push-Pull para gerar um sinal de onda
quadrada com duty cycle de 0 a 100% com valor padrão de 50%
do duty cycle.
PW_ADJ eliminará a tolerância e pode ajustar ligeiramente a
amplitude da imagem.
9.8.5 Eventos de Proteção
Vários eventos de proteção são controlados pelo UOC. No caso
de uma destas proteções serem ativadas, o aparelho irá para o
modo Standby.
Proteções de Deflexão
As principais proteções de deflexão são Raio X, Detecção de falha
no amplificador de quadro, Proteção de estabilidade do loop da
corrente de preto, e proteção da fonte auxiliar de +8V.
Para proteção de Raios X, o bit de detecção de raios x, XDT, deve
sempre estar em '1' (modo de detecção). A proteção de EHT alta
deve ser diparada pelo software após a detecção de que o bit
XPR chaveou para '1'.
Um grande número de checagens são feitos antes de colocar o
aparelho no modo de proteção para precaver contra alarme falso.
Para requerimento de serviço, a habilitação de proteção vertical
(apagamento RGB), EVG, pode ser desabilitado (configurado para
'0') porém isto não é necessário.
Os seguintes bits são monitorados:
• SUP (Indicação de tensão de fonte)
• XPR (Proteção Raios X)
• EVG (Habilitação de Proteção Vertical)
• NDF (Saída de Proteção Vertical)
• BCF (Falha na Corrente de Preto)
Proteção I2C
Para checar se todos os CIs I2C estão Funcionando.
9.9 Lista de Abreviações
2CS 2a Portadora (ou canal) Stereo
ACI Instalação de Canal Automática:
algoritmo que instala o TV diretamente da rede emis-
soras a cabo por meios de uma página TXT pré-definida
ADC Conversor Analógico para Digital
AFC Controle Automático de Frequência:
sinal de controle utilizado para sintonizar a frequência
correta
AFT Sintonia fina Automática
AGC Controle Automático de Ganho:
algoritmo que controla a entrada de vídeo
AM Modulação em Amplitude
AP Ásia Pacífico
AR Relação de Aspecto: 4 por 3 ou 16 por 9
ATS Sistema de Sintonia Automática
AV Audio Video Externo
AVL Nível Automático de Volume
BCL Limitador de Corrente de Feixe
B/G Sistema de TV momocromático. A
distância da portadora de som é 5.5 MHz
BTSC Comite de Padrão deTransmissão de Televisão.
Multiplex FM sistema de som estéreo, originário dos
EUA usado por ex. em países LATAM e AP-NTSC
CC Closed Caption
ComPair Reparo auxiliado por computador
CRT Tubo de imagem
CSM Modo de Serviço do Cliente
CTI Melhoria de transiente de Cor
CVBS Vídeo composto
DAC Conversor digital para analógico
DBE Melhoria de Graves Dinâmicos:
amplificação extra para baixas frequências
DBX Expansor de Graves Dinâmico
D/K Sistema de TV monocromático. A distância da porta
dora de som é 6.5 MHz
DFU Diretizes de uso: descrição para o usuário final.
DNR Redução de Ruído Dinâmico
DSP Processamento de Sinal Digital
DST Ferramenta de serviço para representantes: Controle
remoto de serviço para representantes Ex. para entrar
no modo de serviço
DVD Disco Digital Versátil
EEPROM Memória apenas de leitura
programável e apagável eletricamente
EHT Tensão Extra Alta
EHT-INFO Informação de Tensão Extra Alta
EU Europa
EW Leste Oeste, relacionado com a deflexão horizontal do
aparelho
EXT Externa (fonte), entrada do aparelho via SCART ou
Cinch
FBL Apagamento rápido: Sinal Dc que acompanha os
sinais RGB
FILAMENT Filamento do CRT
FLASH Memória Flash
FM Memória de campo
FM Modulação em Frequência
HA Aquisição Horizontal : pulso horizontal
de sincronismo vindo do HIP
HFB Pulso do Flyback Horizontal : Pulso de sincronismo
horizontal de um sinal grande de deflexão
HP Fone de ouvido
I Sistema de TV monocromático. A distância da porta-
dora de som é 6 MHz
I2C Barramento integrado IC
IF Frequência Intermediária
IIC Barramento integrado IC
55L03.1L AA
ITV TV Institucional
LATAM América Latina
LED Diodo emissor de luz
L/L’ Sistema de TV monocromático. A distância da porta-
dora de som é 6,5 MHz
LS Tela Grande
LS Alto falante
M/N Sistema de TV monocromático. A distância da porta-
dora de som é 4,5 MHz
NICAM Multiplexação de áudio composto quase instantânea.
Este é um sistema de áudio digital usado principal-
mente na Europa.
NTSC Comite Nacional de Padrão de Televisão. Sistema de
cor usado principalmente nos EUA e Japão. Portadora
de cor NTSC M/N = 3.579545 MHz, NTSC 4.43 =
4.433619 MHz (esta é uma norma para VCr, não de
transmissão via ar)
NVM Memória Não volátil: CI que contém dados relativos ao
TV Ex.ajustes
OB Byte de Opção
OC Circuito aberto
OSD Display na tela
PAL Linha de fases alternadas. Sistema de cor mais utili-
zado no oeste da Europa (portadora de cor=
4.433619 MHz) e América do sul (portadora de cor
PAL M = 3.575612 MHz e PAL N = 3.582056 MHz)
PCB Placa de Circuito Impresso
PIP Picture In Picture
PLL Phase Locked Loop. Usado para sintonia de sistemas
FST, o cliente pode ditar diretamente a frequência
desejada
POR Reset de inicialização
PTP Painel do tubo de imagem
RAM Memória de acesso aleatório
RC Controle remoto
RC5 Sistema de Controle Remoto 5
RGB Vermelho verde azul
ROM Memória apenas de leitura
SAM Modo de Serviço de Ajuste
SAP Segundo Programa de Áudio
SC Sandcastle: pulso derivado dos sinais de sincronismo
S/C Curto circuito
SCAVEM Modulação de velocidade de varredura
SCL Clock Serial
SDA Dado Serial
SDM Modo Padrão de Serviço
SECAM Sequence Couleur Avec Memoire. Sistema de cor
usado principalmente na França e na Europa do Leste.
Portadora de cor= 4.406250 MHz e 4.250000 MHz
SIF Frequência Intermediária de Som
SS Tela Pequena
STBY Standby
SVHS Super Video Home System
SW Software
THD Distorção Harmônica Total
TXT Teletexto
P Microprocessador
UOC One Chip Definitive
VA Aquisição Vertical
VBAT Fonte de Alimentação Principal para o Estágio de
Deflexão (141 V)
V-chip Violence Chip
VCR Gravador de Video Cassete
WYSIWYR O que você vê é o que você ira gravar:
Seleção de gravação que segue a imagem e o som
principais
XTAL Cristal de Quartzo
YC Sinal de Luminância (Y) e Sinal Croma (C)
56 L03.1L AA
9.10 Data Sheets do CI
Esta seção mostra o diagrama em bloco interno e o layout do pino
dos CIs que são desenhados como "caixas pretas" nos
esquemas elétricos (com exceção dos CIs "memória" e lógica")
9.10.1 Diagrama A5, AN5829S (CI7841)
Figura 9-5 Diagrama em Bloco Interno e Layout Pino
Unit : mm
24-Lead P ANAFLAT Package (SO-24D)
Diagrama em Bloco
Vcc GND
Noise
Filter
Matrix
9
Input
VCA
SAP
Filter
Stereo
Filter
SAP
Demod
SAP
Det
Noise
Det
SAP Out
Filter
(L-R)/SAP
Switch
L-R
Demod
L-R
Filter
St. PLL
Pilot
Cancel
L+R
Demod
Pilot Det
L+R
Filter
75∝s
De-Emph
Offset
Cancel
OUT SW
AGC
Wide Band
Expand
Spectral
Expand
dbx
De-Emph
fH, 2fH
Trap Filter
Spectral
RMS Det
Spectral
Filter
Wide Band
RMS Det
Wide Band
Filter
DAC
I2C
Decoder
ZAP
10
11
6
8
5
3
2
23
24
19
18
20
1222141516177
14
13 12
Offset
Cancel
7.2
9.3
0.1
0.9
2.0
0.4
15.27
24
13
1
12
0.40.451.27
Circuito Teste
4.7∝
+
+
4.7∝
AN5829S
180k
I
0.022∝
AGC
1 2 3 4 65 7 8 9 10 12
1314151617181920212224
AUXL1
SPEC
FIL
0.33∝
+
4.7∝
+
G
11
23
4.7∝
+
J
2.2∝
+
4.7∝
+
10∝
(Ta)
+ SW1
a
b
B A
Vcc
5V
3.3∝
(Ta)
+
0.1∝ 0.1∝
0.1∝
F
4.7∝
+
0.1∝
0.047∝C
2.2k
D2.2k
Lout
4.7∝
+
H
Rout
4.7∝
+
K
4.7∝
+
L
AUXR1
OFFCAN1
OFFCAN2
WB
TIME
VCC
WB
DET
SPEC
TIME
SPEC
DET
NOISE
DET
SAP
DET
MPX
IN
PILOT
DET
PLL
GND
SCL
SDA
PE
Lout
Rout
AUXL2
AUXR2
* (Ta) tantalum capacitor
57L03.1L AA
ITEM , CÓDIGO DESCRIÇÃO ITEM , CÓDIGO DESCRIÇÃO
ACESSÓRIOS
96 4806 303 37039 ANTENA TELESCÓPICA
1096 4806 263 27013 CONVERSOR 75-300/75R
1986 3139 238 03799 CONTROLE REMOTO RC19335010/00
PARTES PLÁSTICAS GABINETE
9 , 3106 107 76591 GABINETE FRONTAL 14PT3131/78R
10 , 3139 177 63751 BOTAO REDE 14PT3131 L03
11 , 3139 177 63791 BOTAO CONTROLE
17 3139 120 01452 LOGOTIPO
190 , 3139 124 46721 TAMPA TRASEIRA 14”
DIVERSOS
18 , 4806 402 67293 ESPAÇADOR P/ CABOS TRC
38 4806 404 37413 BRAÇADEIRA 2,6 x 200 TRC
61 , 3106 107 66661 CABO DE REDE 1,8M
130 3139 123 21491 PLACA ISOLACAO 18x25
136 4806 492 17004 MOLA FIXAÇÃO
139 4806 492 67435 MOLA FIXAÇÃO TR
141 4806 492 17004 MOLA FIXAÇÃO
142 4806 492 37316 MOLA MALHA DE ATERRAMENTO
211 , 4822 265 20723 CONECTOR 2P M 7.92 VH B
217 2412 020 00725 CONECTOR 3P M 2.50
221 , 4806 402 67104 CONECTOR V 4P2 M 11.88 VH B
222 , 4806 402 67098 CONECTOR V 2P M 3.96 VH
223 4806 267 37130 CONECTOR CINCH H 4P F YEWH
231 , 2422 128 03064 CHAVE REDE 2P 4/128A 250V
246 4806 402 67106 CONECTOR V 03P M 2.50
270 4806 502 37227 PARAFUSO TRC PHILIPS M5X27
271 4806 502 17142 PARAFUSO TORX 10 M3X12
275 4806 502 37228 PARAFUSO TORX 10 M3X16
279 3139 120 41331 PARAFUSO TORX 10 M4X12
1500 , 2422 090 01101 SOQUETE FUSE 1P
1501 , 2422 090 01101 SOQUETE FUSE 1P
1622 4806 402 67239 CONECTOR 8P
1990 , 4806 131 27681 CINESCÓPIO A34EAK01X113
5203 , 3106 107 30371 BOBINA DESMAG 14”
5994 4806 240 27043 ALTO-FALANTE 16R 4W FR O51X91
PARTES ELÉTRICAS - MONOPAINEL [A]
1000 , 2422 542 90141 SINTONIZADOR TV V+U PLL F
1001 4806 154 77000 FILTRO SAW 45,75MHZ OFWM1971M
1201 4806 242 77156 FILTRO CERÂMICO 4,5MHz
1504 , 2422 086 10914 FUSÍVEL 4A 250V 5X20
1600 4806 277 27122 CHAVE TÁCTIL
1601 4806 277 27122 CHAVE TÁCTIL
1602 4806 277 27122 CHAVE TÁCTIL
1603 4806 277 27122 CHAVE TÁCTIL
1621 4806 242 77174 CRISTAL 12MHz 20P
2001 4822 126 14585 CAPACITOR CER 100 nF 10% 50V
2002 2022 020 00672 CAPACITOR ELCO 100µF 20% 16V
2003 2238 867 15229 CAPACITOR CER SMD 22pF 50V
2004 2238 867 15229 CAPACITOR CER SMD 22pF 50V
2005 2020 552 94012 CAPACITOR CER SMD 47nF 20% 50V
2006 4806 124 47049 CAPACITOR ELCO 10V 470µF
2007 4806 124 27022 CAPACITOR ELCO 10µF 20% 50V
2101 2238 246 19858 CAPACITOR CER SMD 470nF 10V
2102 2238 867 15229 CAPACITOR CER SMD 22pF 50V
2103 2238 586 15616 CAPACITOR CER SMD 330pF 50V
2105 2022 020 00627 CAPACITOR ELCO 10µF 20% 25V
2121 2238 867 15229 CAPACITOR CER SMD 22pF 50V
2122 2238 586 15616 CAPACITOR CER SMD 330pF 50V
2123 2020 552 95731 CAPACITOR SER SMD 1µF 20% 10V
2201 2238 586 15632 CAPACITOR SMD 4,7nF 10% 50V
2202 4806 122 37401 CAPACITOR ELCO 100µF 50 V
2203 2238 246 19858 CAPACITOR CER SMD 470nF 10V
2205 2022 020 00661 CAPACITOR ELCO 10µF 20% 50V
2206 2238 586 15632 CAPACITOR SMD 4,7nF 10% 50V
2207 4822 126 14585 CAPACITOR CER 100 nF 10% 50V
2208 4822 126 14585 CAPACITOR CER 100 nF 10% 50V
2209 4822 126 14585 CAPACITOR CER 100 nF 10% 50V
2210 4822 126 13879 CAPACITOR CER SMD 220nF 10V
2211 2238 916 11549 CAPACITOR CER SMD 1nF 5% 25V
2212 4822 126 13879 CAPACITOR CER SMD 220nF 10V
2231 2238 916 15641 CAPACITOR CER SMD 22nF 10% 25V
2232 2238 916 15641 CAPACITOR CER SMD 22nF 10% 25V
2233 2238 916 15641 CAPACITOR CER SMD 22nF 10% 25V
2405 2022 031 00103 CAPACITOR ELCO 47µF 20% 160V
2408 4806 120 47374 CAPACITOR FILM MPP 560nF 5% 250V
2420 4822 126 14585 CAPACITOR CER 100 nF 10% 50V
2421 4822 126 14585 CAPACITOR CER 100 nF 10% 50V
2423 , 4806 120 47011 CAPACITOR MPP 13nF 1K6V
2424 , 4806 122 37278 CAPACITOR CER 1nF 10% 2kV
2426 2238 916 11549 CAPACITOR CER SMD 1nF 5% 25V
2427 2238 916 19849 CAPACITOR CER SMD 100nF 20% 25V
2428 2022 020 00606 CAPACITOR ELCO 47µF 20% 16V
2429 2238 786 19854 CAPACITOR CER SMD 220nF 20% 16V
2441 2022 318 00126 CAPACITOR MPOL 22nF 10% 63V
2444 2022 020 00623 CAPACITOR ELCO 470µF 20% 16V
2446 2022 020 00623 CAPACITOR ELCO 470µF 20% 16V
2447 4806 124 27567 CAPACITOR ELCO 10µF 20% 250V
2455 4822 124 11947 CAPACITOR ELCO 10µF 20% 16V
2460 4806 120 47207 CAPACITOR 68nF 100V
2461 2238 916 11549 CAPACITOR CER SMD 1nF 5% 25V
2462 2238 916 11549 CAPACITOR CER SMD 1nF 5% 25V
2463 2038 035 11507 CAPACITOR ELCO 47µF 20% 50V
2464 2238 867 15471 CAPACITOR CER SMD 470pF5% 50V
2465 , 2022 031 00127 CAPACITOR ELCO 10µF 20% 160V
2470 2022 318 00126 CAPACITOR MPOL 15nF 10% 63V
2473 2238 867 15471 CAPACITOR CER SMD 470pF5% 50V
2481 2238 867 15101 CAPACITOR CER SMD 100pF 5% 50V
2482 2238 246 19863 CAPACITOR CER SMD 1µF 10V
2483 4806 122 37311 CAPACITOR CER SMD 4,7µF 20% 10V
2484 4822 126 14585 CAPACITOR CER 100 nF 10% 50V
2485 2238 246 19863 CAPACITOR CER SMD 1µF 10V
2486 2238 586 15632 CAPACITOR SMD 4,7nF 10% 50V
2487 2238 586 15627 CAPACITOR CER SMD 2,2nF 10% 50V
2488 4806 124 47069 CAPACITOR MPOL 100nF 10% 63V
2489 2238 586 15623 CAPACITOR CER SMD 1nF10% 50V
2490 4806 122 37311 CAPACITOR CER SMD 4,7µF 20% 10V
2491 4806 124 47049 CAPACITOR ELCO 10V 470µF
2492 3198 029 32290 CAPACITOR ELCO 22µF 20% 25V
2493 4806 124 47049 CAPACITOR ELCO 10V 470µF
2494 4806 124 27033 CAPACITOR ELCO 47µF 20% 16V
2496 2238 586 15623 CAPACITOR CER SMD 1nF10% 50V
2497 2238 586 15623 CAPACITOR CER SMD 1nF10% 50V
2500 , 2022 330 00018 CAPACITOR MKP 470nF 20% 275V
2501 , 4806 122 37266 CAPACITOR CER 2,2nF 10% 1kV
2502 , 4806 122 37266 CAPACITOR CER 2,2nF 10% 1kV
2503 2022 020 00743 CAPACITOR ELCO 100µF 20% 400V
2505 , 4806 122 37266 CAPACITOR CER 2,2nF 10% 1kV
2515 , 2020 554 90199 CAPACITOR CER 1N5 20% 250V
2520 2238 586 15636 CAPACITOR SMD 10nF 10% 50V
2521 4822 124 81151 CAPACITOR ELCO 22µF 20% 50V
2522 2238 586 15623 CAPACITOR CER SMD 1nF10% 50V
2523 , 4806 122 37277 CAPACITOR CER 1N8 2KV
2525 4806 122 37393 CAPACITOR SMD 680pF10% 50V
2527 2238 867 15101 CAPACITOR CER 56pF 5% 50V
2528 4822 124 81151 CAPACITOR ELCO 22µF 20% 50V
2540 2238 586 15638 CAPACITOR SMD 15nF 10% 50V
2541 2238 586 15632 CAPACITOR SMD 4,7nF 10% 50V
2542 2238 246 19858 CAPACITOR CER SMD 470nF 10V
2543 2238 586 15623 CAPACITOR CER SMD 1nF10% 50V
2560 2020 552 91156 CAPACITOR CER 2,2nF 50V
LISTA DE MATERIAL 14PT3131/78R
58 L03.1L AA
ITEM , CÓDIGO DESCRIÇÃO ITEM , CÓDIGO DESCRIÇÃO
2561 2022 020 00676 CAPACITOR ELCO 1000µF 16V
2562 , 4806 122 37281 CAPACITOR CER 2,2nF 1kV
2564 4806 124 27572 CAPACITOR ELCO 47µF 20% 160V
2584 , 4806 122 37262 CAPACITOR CER 220pF 10% 1KV
2585 , 2238 586 15623 CAPACITOR CER SMD 1nF10% 50V
2602 2020 552 96664 CAPACITOR SMD 33pF 2% 50V
2603 2020 552 96664 CAPACITOR SMD 33pF 2% 50V
2604 4822 124 11947 CAPACITOR ELCO 10µF 20% 16V
2605 4822 126 14585 CAPACITOR CER 100 nF 10% 50V
2607 4822 126 14585 CAPACITOR CER 100 nF 10% 50V
2608 2238 246 19863 CAPACITOR CER SMD 1µF 10V
2609 4822 126 14585 CAPACITOR CER 100 nF 10% 50V
2612 2022 020 00619 CAPACITOR ELCO 220µF 20% 16V
2615 2020 552 94371 CAPACITOR CER SMD 820pF10% 50V
2616 4822 124 11947 CAPACITOR ELCO 10µF 20% 16V
2641 2238 916 11549 CAPACITOR CER SMD 1nF 5% 25V
2642 2238 916 11549 CAPACITOR CER SMD 1nF 5% 25V
2643 2238 867 15221 CAPACITOR CER SMD 220pF 5% 50V
2691 4806 124 27016 CAPACITOR ELCO 100µF 20% 10V
2843 4822 051 30008 RESISTOR SMD JUMP MAX 0R05
2903 4806 124 27021 CAPACITOR ELCO 1µF 20% 50V
2904 2238 246 19863 CAPACITOR CER SMD 1µF 10V
2908 4822 124 40769 CAPACITOR ELCO 4,7µF 20% 50V
2909 4806 124 27022 CAPACITOR ELCO 10µF 20% 50V
2950 2238 586 15625 CAPACITOR CER SMD 1N5 10% 50V
2951 4806 122 37401 CAPACITOR ELCO 100µF 50 V
2952 4806 122 37401 CAPACITOR ELCO 100µF 50 V
3001 2322 702 60152 RESISTOR SMD 1K5 5% 0,062W
3002 2322 702 60822 RESISTOR SMD 8K2 5% 0,062W
3003 2322 702 60101 RESISTOR SMD 100R 5% 0,062W
3004 2322 702 60101 RESISTOR SMD 100R 5% 0,062W
3005 4822 050 21001 RESISTOR CRB 100R 5% 1/6W
3101 2322 702 60689 RESISTOR SMD 68R 5% 0,062W
3102 2322 702 60102 RESISTOR SMD 1K 5% 0,062W
3103 4806 111 97266 RESISTOR SMD 150R 5% 0,062W
3104 2322 702 60224 RESISTOR SMD 220K 5% 0,062W
3121 4806 111 97246 RESISTOR SMD 75R 5% 0,062W
3122 2322 702 60101 RESISTOR SMD 100R 5% 0,062W
3123 4806 111 97266 RESISTOR SMD 150R 5% 0,062W
3124 2322 702 60473 RESISTOR SMD 47K 5% 0,062W
3201 2322 702 60272 RESISTOR SMD 2K7 5% 0,062W
3202 2322 702 60101 RESISTOR SMD 100R 5% 0,062W
3203 2322 702 60102 RESISTOR SMD 1K 5% 0,062W
3204 4822 117 13501 RESISTOR SMD 82R 5% 0,062W
3205 4806 111 97179 RESISTOR SMD 270R 5% 0,062W
3206 2322 702 60102 RESISTOR SMD 1K 5% 0,062W
3207 2322 702 60391 RESISTOR SMD 390R 5% 0,062W
3208 2120 101 90461 RESISTOR CRB 560R 5% 0,5W
3209 2322 702 60471 RESISTOR SMD 470R 5% 0,062W
3210 4822 050 21001 RESISTOR CRB 100R 5% 1/6W
3231 2322 702 60561 RESISTOR SMD 560R 5% 0,062W
3232 4822 117 13666 RESISTOR CRB 1K 5% 0,5W
3403 , 4822 052 10471 RESISTOR FUSE 470R 5% 0,33W
3422 4822 053 20334 RESISTOR MGL 330K 5% 0,25W
3424 4806 116 97041 RESISTOR POT 47R 5% 2W
3425 4822 050 22201 RESISTOR MFLM 220R 1% 0,6W
3426 2120 101 90447 RESISTOR CRB RD1/4S 47R 5%
3428 2120 101 90448 RESISTOR CRB 68R 5%D1/4S
3430 2322 702 60102 RESISTOR SMD 1K 5% 0,062W
3432 2322 702 60471 RESISTOR SMD 470R 5% 0,062W
3441 2322 702 60473 RESISTOR SMD 47K 5% 0,062W
3442 4806 116 57215 RESISTOR MFILM 150K 5% 0,3W
3443 , 4806 113 97046 RESISTOR FUSE 3,3W NFR25
3444 , 4806 113 97046 RESISTOR FUSE 3,3W NFR25
3445 , 4806 113 97046 RESISTOR FUSE 1R 5% 0,33W
3446 , 4806 113 97046 RESISTOR FUSE 1R 5% 0,33W
3447 2322 702 60224 RESISTOR SMD 220K 5% 0,062W
3448 , 4806 113 97046 RESISTOR FUSE 1R 5% 0,33W
3449 2120 101 90483 RESISTOR CRB RD1/4S 27K 5%
3450 2120 101 90483 RESISTOR CRB RD1/4S 27K 5%
3451 2322 702 60822 RESISTOR SMD 680R 5% 0,062W
3452 2120 101 90497 RESISTOR CRB RD1/4S 1M 5%
3453 2322 702 60104 RESISTOR SMD 100K 5% 0,062W
3454 2322 702 60103 RESISTOR SMD 10K 5% 0,062W
3455 2322 702 60471 RESISTOR SMD 470R 5% 0,062W
3459 4806 116 57215 RESISTOR MFILM 150K 5% 0,3W
3460 2322 702 60104 RESISTOR SMD 100K 5% 0,062W
3461 4822 117 11449 RESISTOR SMD 2K2 5% 0,062W
3462 2322 702 60105 RESISTOR SMD 1M 5% 0,062W
3463 4822 117 11449 RESISTOR SMD 2K2 5% 0,062W
3464 2120 101 90468 RESISTOR CRB 2K2 5%D1/4S
3465 2322 702 60102 RESISTOR SMD 1K 5% 0,062W
3466 2322 702 60102 RESISTOR SMD 1K 5% 0,062W
3468 2120 101 90457 RESISTOR CRB 330R 5% 0,5W
3470 , 4806 113 97046 RESISTOR FUSE 1R 5% 0,33W
3471 2120 101 90455 RESISTOR CRB 220R 5% 0,5W
3472 2120 101 90455 RESISTOR CRB 220R 5% 0,5W
3473 4822 050 24708 RESISTOR MFLM 4R7 1% 0,6W
3474 2312 915 13308 RESISTOR MFLM 4R7 1% 0,6W
3475 2120 101 90477 RESISTOR CRB 10K 5% 0,5W
3476 2120 101 90476 RESISTOR CRB 8K2 5%D1/4S
3478 2120 101 90439 RESISTOR CRB RD1/4S 1R 5%
3479 , 4822 052 10189 RESISTOR FUSE 18R 5% 0,33W
3480 2322 702 60393 RESISTOR SMD 39K 5% 0,062W
3481 4806 111 97173 RESISTOR SMD 18K 5% 0,062W
3482 2120 101 90471 RESISTOR CRB 3K3 5% 0,5W
3483 2120 101 90497 RESISTOR CRB RD1/4S 1M 5%
3485 2322 702 60102 RESISTOR SMD 1K 5% 0,062W
3486 2322 702 60102 RESISTOR SMD 1K 5% 0,062W
3487 2322 702 60333 RESISTOR SMD 33K 5% 0,062W
3488 2120 101 90466 RESISTOR CRB RD1/4S 1K5 5%
3489 2322 702 60103 RESISTOR SMD 10K 5% 0,062W
3490 2120 101 90471 RESISTOR CRB 3K3 5% 0,5W
3491 2120 101 90486 RESISTOR CRB 47K 5% 0,5W
3492 4806 111 97173 RESISTOR SMD 18K 5% 0,062W
3493 , 4822 052 10189 RESISTOR FUSE 18R 5% 0,33W
3495 2120 101 90446 RESISTOR CRB 33R 5% 0,5W
3497 2120 101 90458 RESISTOR CRB 390R 5% 0,5W
3498 2120 101 90477 RESISTOR CRB 10K 5% 0,5W
3499 2322 702 60273 RESISTOR SMD 27K 5%
3500 , 4806 116 67007 RESISTOR 3,3M 5% 0,5W
3501 , 4806 116 67007 RESISTOR 3,3M 5% 0,5W
3502 , 2122 612 00055 RESISTOR NTC 4,7R 20% 3W1
3504 , 4806 116 47028 RESISTOR PTC 9R 200V 100R
3506 4822 053 20334 RESISTOR MGL 330K 5% 0,25W
3509 2322 245 11221 RESISTOR MGL 220R 20% 0,5W
3510 4806 209 87877 CENTELHADOR DSP-301N-A21F
3519 2120 101 90471 RESISTOR CRB 3K3 5% 0,5W
3520 4822 117 11817 RESISTOR 1K2 1% 1/16W
3522 2322 702 60334 RESISTOR SMD 330K 5% 0,062W
3523 , 2306 204 03689 RESISTOR FUSE 68R 5% 0,33W
3524 4822 051 30008 RESISTOR SMD JUMP MAX 0R05
3525 2322 702 60102 RESISTOR SMD 1K 5% 0,062W
3526 2120 106 90636 RESISTOR 0,18R 1W
3527 , 4806 116 57504 RESISTOR FUSE 2K2 5% 0,33W
3528 2322 702 60103 RESISTOR SMD 10K 5% 0,062W
3541 2322 702 60471 RESISTOR SMD 470R 5% 0,062W
3542 2120 101 90466 RESISTOR CRB RD1/4S 1K5 5%
3543 2312 915 18203 RESISTOR MFLM 82K 1% 0,6W
3544 2312 915 16802 RESISTOR MFLM 6K8 1% 0,6W
3545 4822 117 11449 RESISTOR SMD 2K2 5% 0,062W
3546 , 2120 101 90475 RESISTOR CRB 6K8 5% 0,5W
3547 2322 702 60154 RESISTOR SMD 330K 5% 0,062W
3548 4822 051 30153 RESISTOR SMD 15K 5% 0,062W
LISTA DE MATERIAL 14PT3131/78R
59L03.1L AA
ITEM , CÓDIGO DESCRIÇÃO ITEM , CÓDIGO DESCRIÇÃO
3549 2120 101 90455 RESISTOR CRB 220R 5% 0,5W
3581 , 4822 051 30569 RESISTOR SMD 56R 5% 0,062W
3601 4822 117 11449 RESISTOR SMD 2K2 5% 0,062W
3602 4822 117 11449 RESISTOR SMD 2K2 5% 0,062W
3603 2120 101 90468 RESISTOR CRB 2K2 5%D1/4S
3604 2120 101 90451 RESISTOR CRB 100R 5% 1/6W
3605 2120 101 90451 RESISTOR CRB 100R 5% 1/6W
3606 2120 101 90477 RESISTOR CRB 10K 5% 0,5W
3607 2322 702 60101 RESISTOR SMD 100R 5% 0,062W
3608 2322 702 60154 RESISTOR SMD 150K 5% 0,062W
3618 2120 101 90464 RESISTOR CRB 1K 5% 0,5W
3619 2120 101 90451 RESISTOR CRB 100R 5% 1/6W
3620 2120 101 90451 RESISTOR CRB 100R 5% 1/6W
3621 2120 101 90451 RESISTOR CRB 100R 5% 1/6W
3624 2120 101 90477 RESISTOR CRB 10K 5% 0,5W
3634 2120 101 90464 RESISTOR CRB 1K 5% 0,5W
3641 2120 101 90451 RESISTOR CRB 100R 5% 1/6W
3642 2322 702 60101 RESISTOR SMD 100R 5% 0,062W
3643 2322 702 60101 RESISTOR SMD 100R 5% 0,062W
3644 2322 702 60472 RESISTOR SMD 4,7K 5% 0,062W
3646 2322 702 60105 RESISTOR SMD 1M 5% 0,062W
3681 5322 117 13057 RESISTOR SMD 820R 1% 0,062W
3682 5322 117 13063 RESISTOR SMD 120R 1% 0,062W
3685 2322 704 62001 RESISTOR SMD 200R 1% 0,062W
3686 2322 704 64301 RESISTOR SMD 430R 1% 0,062W
3687 5322 117 13037 RESISTOR SMD 2K2 1% 0,062W
3688 2322 704 62001 RESISTOR SMD 200R 1% 0,062W
3691 4806 111 97022 RESISTOR SMD 330R 5% 0,1W
3693 2120 101 90455 RESISTOR CRB 220R 5% 0,5W
3694 2322 702 60472 RESISTOR SMD 4,7K 5% 0,062W
3901 2120 101 90464 RESISTOR CRB 1K 5% 0,5W
3902 2120 101 90471 RESISTOR CRB 3K3 5% 0,5W
3903 2120 101 90473 RESISTOR CRB 4K7 5% 0,5W
3904 2322 702 60103 RESISTOR SMD 2K7 5% 0,062W
3907 2322 702 60822 RESISTOR SMD 8K2 5% 0,062W
3911 2322 702 60104 RESISTOR SMD 100K 5% 0,062W
4101 4822 051 30008 RESISTOR SMD JUMP MAX 0R05
4104 4822 051 30008 RESISTOR SMD JUMP MAX 0R05
4122 4822 051 30008 RESISTOR SMD JUMP MAX 0R05
4123 4822 051 30008 RESISTOR SMD JUMP MAX 0R05
4126 4822 051 30008 RESISTOR SMD JUMP MAX 0R05
4129 4822 051 30008 RESISTOR SMD JUMP MAX 0R05
4151 4822 051 30008 RESISTOR SMD JUMP MAX 0R05
4161 4822 051 30008 RESISTOR SMD JUMP MAX 0R05
4304 4822 051 30008 RESISTOR SMD JUMP MAX 0R05
4305 4822 051 30008 RESISTOR SMD JUMP MAX 0R05
4405 4822 051 30008 RESISTOR SMD JUMP MAX 0R05
4491 4822 051 30008 RESISTOR SMD JUMP MAX 0R05
4571 4822 051 30008 RESISTOR SMD JUMP MAX 0R05
4610 4822 051 30008 RESISTOR SMD JUMP MAX 0R05
4661 4806 051 27042 RESISTOR SMD 0R - JUMP
4692 4822 051 30008 RESISTOR SMD JUMP MAX 0R05
4694 2322 702 60103 RESISTOR SMD JUMP MAX 0R05
4694 2322 702 60103 RESISTOR SMD 15K 5% 0,062W
4698 4822 051 30008 RESISTOR SMD JUMP MAX 0R05
4844 4822 051 30008 RESISTOR SMD JUMP MAX 0R05
4845 4822 051 30008 RESISTOR SMD JUMP MAX 0R05
4922 4822 051 30008 RESISTOR SMD JUMP MAX 0R05
5001 4806 157 57248 BOBINA 0,82µH 10%
5201 4822 157 11835 BOBINA 4,7µH 5%
5401 4806 157 57005 BOBINA 68µH 10%
5421 , 2422 531 02589 TRAFO DRIVER PSD10-204B
5441 , 2422 531 02598 TSH - LOT - FLY BACK JF0501-19255
5482 4806 157 57249 BOBINA 10µH 5%
5500 , 4806 157 17025 FILTRO DE REDE
5509 4806 526 17039 BOBINA BEAD 50MHZ 45R
5515 , 2422 549 43306 BOBINA BEAD 100MHZ 86R
5520 , 2422 531 02457 TRANSFORMADOR SS28010-06
5521 4806 526 17039 BOBINA BEAD 50MHZ 45R
5560 4806 526 17039 BOBINA BEAD 50MHZ 45R
5562 4806 526 17034 BOBINA BEAD 50MHZ 90R
5563 4806 157 57241 BOBINA 27µH 10%
5601 4806 158 67055 BOBINA 5µ6H 5%
5602 4806 158 67055 BOBINA 5µ6H 5%
5603 4806 158 67055 BOBINA 5µ6H 5%
6001 4822 130 34142 DIODO ZENER BZX79-C33
6127 9322 157 71685 DIODO ZENER SMD MM3Z6V8
6422 4806 130 37509 DIODO BYV97G
6423 9338 386 60673 DIODO 1N4006
6426 4806 130 37623 DIODO BAS316
6444 4806 130 37629 DIODO EGP20DL-5100
6445 4806 130 37623 DIODO BAS316
6446 4822 130 31607 DIODO RGP10D/23
6447 4822 130 31607 DIODO RGP10D/23
6451 4806 130 37623 DIODO BAS316
6452 4806 130 37623 DIODO BAS316
6453 4822 130 34142 DIODO ZENER BZX79-C33
6460 4806 130 37623 DIODO BAS316
6461 4822 130 31607 DIODO RGP10D/23
6462 4822 130 31607 DIODO RGP10D/23
6463 4822 130 31607 DIODO RGP10D/23
6464 4806 130 37623 DIODO BAS316
6481 4806 130 37623 DIODO BAS316
6491 5322 130 34331 DIODO SMD BAV70
6492 4806 130 37193 DIODO ZENER SMD MM3Z5V6
6500 4806 130 37036 DIODO 1N5062
6501 4806 130 37036 DIODO 1N5062
6502 4806 130 37036 DIODO 1N5062
6503 4806 130 37036 DIODO 1N5062
6520 4806 130 37375 DIODO BYV95A
6522 4806 130 37375 DIODO BYV95A
6540 9331 668 30133 DIODO ZENER BZX79-B6V2
6541 4806 130 37055 DIODO ZENER BZX79-B9V1
6560 9322 161 76682 DIODO SB340L-7024
6562 9322 127 32682 DIODO BYW76-RAS15/10
6624 4806 130 37623 DIODO BAS316
6625 4822 130 34382 DIODO ZENER BZX79-C8V2
6626 9340 549 45115 DIODO BAS316
6627 9340 549 45115 DIODO BAS316
6628 9340 549 45115 DIODO BAS316
6681 4806 130 37623 DIODO BAS316
6691 , 9322 185 69682 DIODO LED VS LTL-10234WHCR
6692 9322 127 54667 MÓDULO RECEP IR TSOP1836
6908 9322 102 64685 DIODO ZENER SM UDZ2.7B
6909 4806 130 37078 DIODO 1N4148
7101 4806 130 47473 TRANSISTOR BC847B
7200 3106 107 40151 CIRC INTGR OTP GRAV L3SLM1 1.2
7201 4806 130 47473 TRANSISTOR BC847B
7202 4806 130 47473 TRANSISTOR BC847B
7421 9322 183 16687 TRANSISTOR BUL312FP
7422 9336 286 30215 TRANSISTOR BC817-25
7423 5322 130 60845 TRANSISTOR BC807-25
7451 9335 897 60215 TRANSISTOR BC857C
7461 9335 897 60215 TRANSISTOR BC857C
7462 9335 897 60215 TRANSISTOR BC857C
7463 4806 130 47169 TRANSISTOR BC546B
7464 4806 130 47530 TRANSISTOR BD135 L
7465 4806 130 47055 TRANSISTOR BD136
7466 4806 130 47473 TRANSISTOR BC847B
7491 4806 130 47473 TRANSISTOR BC847B
7493 4806 209 87902 CIRC INTGR L78L33ACZ
7494 4806 130 47228 TRANSISTOR BC337-25
7496 4806 130 47530 TRANSISTOR BD135 L
7515 , 4806 209 87853 CIRC INTGR TCET1103(G)
LISTA DE MATERIAL 14PT3131/78R
60 L03.1L AA
ITEM , CÓDIGO DESCRIÇÃO ITEM , CÓDIGO DESCRIÇÃO
7520 9352 720 43118 CIRC INTGR TEA1506T/N1
7521 , 9322 194 21687 TRANSISTOR FET STP5NK80ZFP
7523 9335 897 60215 TRANSISTOR BC857C
7540 9331 976 30126 TRANSISTOR BC547B
7541 4806 116 27022 TRANSISTOR SMD PDTC114ET
7601 9340 310 60215 TRANSISTOR PDTA114ET
7641 9322 147 25682 CIRC INTGR M24C16-WBN6
7902 9322 181 42682 CIRC INTGR AN7523N
PAINEL CINESCÓPIO [B]
1300 4806 402 67239 CONECTOR 8P
1301 , 2422 500 80077 CONECTOR TRC V 9P F M-NECK
2300 2022 552 05495 CAPACITOR SMD 330pF 5% 50V
2301 2238 867 15391 CAPACITOR CER SMD 390pF 5% 50V
2302 2238 867 15391 CAPACITOR CER SMD 390pF 5% 50V
2303 4806 122 37278 CAPACITOR CER 1nF 10% 2kV
2304 4806 120 47371 CAPACITOR 47nF 10% 250V
3300 4806 116 57672 RESISTOR 15K
3301 2322 245 11152 RESISTOR MGL 1K5 20% 0,5W
3303 2322 702 60331 RESISTOR SMD 330R 5% 0,062W
3304 4806 116 57672 RESISTOR 15K
3305 2322 245 11152 RESISTOR MGL 1K5 20% 0,5W
3307 2322 702 60331 RESISTOR SMD 330R 5% 0,062W
3308 4806 116 57672 RESISTOR 15K
3309 2322 245 11152 RESISTOR MGL 1K5 20% 0,5W
3311 2322 702 60331 RESISTOR SMD 330R 5% 0,062W
3313 , 2306 204 03689 RESISTOR FUSE 68R 5% 0,33W
3318 , 4806 113 97068 RESISTOR FUSE 220R 5% 0,33W
3319 2322 245 11152 RESISTOR MGL 1K5 20% 0,5W
4300 4822 051 30008 RESISTOR SMD JUMP MAX 0R05
4301 4822 051 30008 RESISTOR SMD JUMP MAX 0R05
4302 4822 051 30008 RESISTOR SMD JUMP MAX 0R05
6301 4806 130 37623 DIODO BAS316
6307 4806 130 37623 DIODO BAS316
6318 9340 548 57115 DIODO ZENER SMD PDZ8.2B
7308 4806 130 47090 TRANSISTOR BF422
7310 4806 130 47090 TRANSISTOR BF422
7312 4806 130 47090 TRANSISTOR BF422
7313 4806 130 47090 TRANSISTOR BF422
7314 4806 130 47091 TRANSISTOR BF423
7315 4806 130 47090 TRANSISTOR BF422
7316 4806 130 47091 TRANSISTOR BF423
7317 4806 130 47090 TRANSISTOR BF422
7318 4806 130 47091 TRANSISTOR BF423
LISTA DE MATERIAL 14PT3131/78R
61L03.1L AA
ITEM , CÓDIGO DESCRIÇÃO ITEM , CÓDIGO DESCRIÇÃO
ACESSÓRIOS
1096 4806 263 27013 CONVERSOR 75-300/75R
1986 3139 238 03799 CONTROLE REMOTO RC19335010/00
PARTES PLÁSTICAS GABINETE
9 , 3106 107 76621 GABINETE FRONTAL 20PT3331/78R
10 , 3139 177 63881 BOTAO DE REDE
11 , 3139 177 63861 BOTAO CONTROLE
17 3139 120 01572 LOGOTIPO
190 3139 124 46731 TAMPA TRASEIRA 20”
DIVERSOS
18 , 4806 402 67293 ESPAÇADOR P/ CABOS TRC
38 4806 404 37413 BRAÇADEIRA 2,6 x 200 TRC
61 , 3106 107 66661 CABO DE REDE 1,8M
130 3139 123 21491 PLACA ISOLACAO 18x25
136 4806 492 17004 MOLA FIXAÇÃO
139 4806 492 67435 MOLA FIXAÇÃO TR
141 4806 492 17004 MOLA FIXAÇÃO
142 4806 492 37316 MOLA MALHA DE ATERRAMENTO
211 , 4822 265 20723 CONECTOR 2P M 7.92 VH B
217 2412 020 00725 CONECTOR 3P M 2.50
221 , 4806 402 67104 CONECTOR V 4P2 M 11.88 VH B
222 , 4806 402 67098 CONECTOR V 2P M 3.96 VH
223 4806 267 37130 CONECTOR CINCH H 4P F YEWH
231 , 2422 128 03064 CHAVE REDE 2P 4/128A 250V
246 4806 402 67106 CONECTOR V 03P M 2.50
270 4822 502 14508 PARAFUSO TRC PHILIPS M5X27
271 4806 502 17142 PARAFUSO TORX 10 M3X12
275 4806 502 37228 PARAFUSO TORX 10 M3X16
279 3139 120 41331 PARAFUSO TORX 10 M4X12
1003 2412 020 00725 CONECTOR 3P M 2.50
1500 , 2422 090 01101 SOQUETE FUSE 1P
1501 , 2422 090 01101 SOQUETE FUSE 1P
1622 4806 402 67239 CONECTOR 8P
1990 , 9301 883 40361 CINESCÓPIO 20” - A48EAK01X110
5203 , 3106 107 30361 BOBINA DESMAG 20”
5994 , 4806 240 27043 ALTO-FALANTE 16R 4W FR O51X91
PARTES ELÉTRICAS - MONOPAINEL [A]
1000 , 2422 542 90141 SINTONIZADOR TV V+U PLL F
1001 4806 154 77000 FILTRO SAW 45,75MHZ OFWM1971M
1201 4806 242 77156 FILTRO CERÂMICO 4,5MHz
1504 , 2422 086 10914 FUSÍVEL 4A 250V 5X20
1600 4806 277 27122 CHAVE TÁCTIL
1601 4806 277 27122 CHAVE TÁCTIL
1602 4806 277 27122 CHAVE TÁCTIL
1603 4806 277 27122 CHAVE TÁCTIL
1621 4806 242 77174 CRISTAL 12MHz 20P
2001 4822 126 14585 CAPACITOR CER 100 nF 10% 50V
2002 2022 020 00672 CAPACITOR ELCO 100µF 20% 16V
2003 2238 867 15229 CAPACITOR CER SMD 22pF 50V
2004 2238 867 15229 CAPACITOR CER SMD 22pF 50V
2005 2020 552 94012 CAPACITOR CER SMD 47nF 20% 50V
2006 4806 124 47049 CAPACITOR ELCO 470µF 20% 10V
2007 4806 124 27022 CAPACITOR ELCO 10µF 20% 50V
2101 2238 246 19858 CAPACITOR CER SMD 470nF 10V
2102 2238 867 15229 CAPACITOR CER SMD 22pF 50V
2103 2238 586 15616 CAPACITOR CER SMD 330pF 50V
2105 2022 020 00627 CAPACITOR ELCO 10µF 20% 25V
2121 2238 867 15229 CAPACITOR CER SMD 22pF 50V
2122 2238 586 15616 CAPACITOR CER SMD 330pF 50V
2123 2020 552 95731 CAPACITOR SER SMD 1µF 20% 10V
2201 2238 586 15632 CAPACITOR SMD 4,7nF 10% 50V
2202 4806 122 37401 CAPACITOR ELCO 100µF 50 V
2203 2238 246 19858 CAPACITOR CER SMD 470nF 10V
2205 2022 020 00661 CAPACITOR ELCO 10µF 20% 50V
2206 2238 586 15632 CAPACITOR SMD 4,7nF 10% 50V
2207 4822 126 14585 CAPACITOR CER 100 nF 10% 50V
2208 4822 126 14585 CAPACITOR CER 100 nF 10% 50V
2209 4822 126 14585 CAPACITOR CER 100 nF 10% 50V
2210 4822 126 13879 CAPACITOR CER SMD 220nF 20% 16V
2211 2238 916 11549 CAPACITOR CER SMD 1nF 5% 25V
2212 4822 126 13879 CAPACITOR CER SMD 220nF 20% 16V
2231 2238 916 15641 CAPACITOR CER SMD 22nF 10% 25V
2232 2238 916 15641 CAPACITOR CER SMD 22nF 10% 25V
2233 2238 916 15641 CAPACITOR CER SMD 22nF 10% 25V
2405 2022 031 00103 CAPACITOR ELCO 47µF 20% 160V
2408 4822 121 43397 CAPACITOR POL 680nF 5% 250V
2420 4822 126 14585 CAPACITOR CER 100 nF 10% 50V
2421 4822 126 14585 CAPACITOR CER 100 nF 10% 50V
2423 , 2222 375 90158 CAPACITOR MPP 15nF 5% 1K6V
2424 , 4806 122 37279 CAPACITOR CER 1,5nF 10% 2kV
2426 2238 916 11549 CAPACITOR CER SMD 1nF 5% 25V
2427 2238 916 19849 CAPACITOR CER SMD 100nF 20% 25V
2428 2022 020 00606 CAPACITOR ELCO 47µF 20% 16V
2429 2238 786 19854 CAPACITOR CER SMD 220nF 20% 16V
2441 2022 318 00126 CAPACITOR MPOL 15nF 10% 63V
2444 2022 020 00623 CAPACITOR ELCO 470µF 20% 16V
2446 2022 020 00623 CAPACITOR ELCO 470µF 20% 16V
2447 4806 124 27567 CAPACITOR ELCO 10µF 20% 250V
2452 2238 916 15641 CAPACITOR CER SMD 22nF 10% 25V
2453 2238 586 15627 CAPACITOR CER SMD 2,2nF 10% 50V
2455 4822 124 11947 CAPACITOR ELCO 10µF 16V
2460 4806 120 47207 CAPACITOR 68nF 100V
2461 2238 916 11549 CAPACITOR CER SMD 1nF 5% 25V
2462 2238 916 11549 CAPACITOR CER SMD 1nF 5% 25V
2463 2038 035 11507 CAPACITOR ELCO 47µF 20% 50V
2464 2238 867 15471 CAPACITOR CER SMD 470pF5% 50V
2465 , 2022 031 00127 CAPACITOR ELCO 10µF 20% 160V
2470 2022 318 00126 CAPACITOR MPOL 15nF 10% 63V
2473 2238 867 15471 CAPACITOR CER SMD 470pF5% 50V
2481 2238 867 15101 CAPACITOR CER SMD 100pF 5% 50V
2482 2238 246 19863 CAPACITOR CER SMD 1µF 10V
2483 4806 122 37311 CAPACITOR CER SMD 4,7µF 20% 10V
2484 4822 126 14585 CAPACITOR CER 100 nF 10% 50V
2485 2238 246 19863 CAPACITOR CER SMD 1µF 10V
2486 2238 586 15632 CAPACITOR SMD 4,7nF 10% 50V
2487 2238 586 15627 CAPACITOR CER SMD 2,2nF 10% 50V
2488 4806 124 47069 CAPACITOR MPOL 100nF 10% 63V
2489 2238 586 15623 CAPACITOR CER SMD 1nF10% 50V
2490 4806 122 37311 CAPACITOR CER SMD 4,7µF 20% 10V
2491 4806 124 47049 CAPACITOR ELCO 470µF 20% 10V
2492 3198 029 32290 CAPACITOR ELCO 22µF 20% 25V
2493 4806 124 47049 CAPACITOR ELCO 470µF 20% 10V
2494 4806 124 27033 CAPACITOR ELCO 47µF 20% 16V
2496 2238 586 15623 CAPACITOR CER SMD 1nF10% 50V
2497 2238 586 15623 CAPACITOR CER SMD 1nF10% 50V
2500 , 4806 120 47372 CAPACITOR POL 100nF 20% 275V
2501 , 4806 122 37266 CAPACITOR CER 2,2nF 10% 1kV
2502 , 4806 122 37266 CAPACITOR CER 2,2nF 10% 1kV
2503 2022 020 00744 CAPACITOR ELCO 150µF 20% 400V
2505 , 4806 122 37266 CAPACITOR CER 2,2nF 10% 1kV
2515 , 2020 554 90199 CAPACITOR CER 1,5nF 20% 250V
2520 2238 586 15636 CAPACITOR SMD 10nF 10% 50V
2521 4822 124 81151 CAPACITOR ELCO 22µF 20% 50V
2522 2238 586 15623 CAPACITOR CER SMD 1nF10% 50V
2523 , 4806 122 57008 CAPACITOR CER 1N8 2KV
2525 2238 586 15621 CAPACITOR SMD 680pF10% 50V
2527 2238 867 15569 CAPACITOR CER 56pF 5% 50V
2528 4822 124 81151 CAPACITOR ELCO 22µF 20% 50V
2540 2238 586 15638 CAPACITOR SMD 15nF 10% 50V
2541 2238 586 15632 CAPACITOR SMD 4,7nF 10% 50V
2542 2238 246 19858 CAPACITOR CER SMD 470nF 10V
LISTA DE MATERIAL 20PT3331/78R
62 L03.1L AA
ITEM , CÓDIGO DESCRIÇÃO ITEM , CÓDIGO DESCRIÇÃO
2543 2238 586 15623 CAPACITOR CER SMD 1nF10% 50V
2560 4806 122 37213 CAPACITOR CER 2,2nF 50V
2561 2022 020 00676 CAPACITOR ELCO 1000µF 16V
2562 , 4806 122 37281 CAPACITOR CER 2,2nF 10% 2kV
2564 4806 124 27572 CAPACITOR ELCO 47µF 160V
2584 , 2020 558 90553 CAPACITOR CER 220pF 10% 1KV
2585 , 2238 586 15623 CAPACITOR CER SMD 1nF10% 50V
2602 2020 552 96664 CAPACITOR SMD 33pF 2% 50V
2603 2020 552 96664 CAPACITOR SMD 33pF 2% 50V
2604 4822 124 11947 CAPACITOR ELCO 10µF 16V
2605 4822 126 14585 CAPACITOR CER 100 nF 10% 50V
2607 4822 126 14585 CAPACITOR CER 100 nF 10% 50V
2608 2238 246 19863 CAPACITOR CER SMD 1µF 10V
2609 4822 126 14585 CAPACITOR CER 100 nF 10% 50V
2612 2022 020 00619 CAPACITOR ELCO 220µF 20% 16V
2615 2020 552 94371 CAPACITOR CER SMD 820pF10% 50V
2616 4822 124 11947 CAPACITOR ELCO 10µF 16V
2641 2238 916 11549 CAPACITOR CER SMD 1nF 5% 25V
2642 2238 916 11549 CAPACITOR CER SMD 1nF 5% 25V
2643 2238 867 15221 CAPACITOR CER SMD 220pF 5% 50V
2691 2022 020 00615 CAPACITOR ELCO 100µF 20% 10V
2843 4822 051 30008 RESISTOR SMD JUMP MAX 0R05
2903 4806 124 27021 CAPACITOR ELCO 1µF 20% 50V
2904 2238 246 19863 CAPACITOR CER SMD 1µF 10V
2908 4822 124 40769 CAPACITOR ELCO 4,7µF 20% 50V
2909 4806 124 27022 CAPACITOR ELCO 10µF 20% 50V
2950 2238 586 15625 CAPACITOR CER SMD 1N5 10% 50V
2951 4806 122 37401 CAPACITOR ELCO 100µF 50 V
2952 4806 122 37401 CAPACITOR ELCO 100µF 50 V
3001 2322 702 60152 RESISTOR SMD 1K5 5% 0,062W
3002 2322 702 60822 RESISTOR SMD 8K2 5% 0,062W
3003 2322 702 60101 RESISTOR SMD 100R 5% 0,062W
3004 2322 702 60101 RESISTOR SMD 100R 5% 0,062W
3005 2120 101 90451 RESISTOR CRB 100R 5% 1/6W
3101 2322 702 60689 RESISTOR SMD 68R 5% 0,062W
3102 2322 702 60102 RESISTOR SMD 1K 5% 0,062W
3103 4806 111 97266 RESISTOR SMD 100R
3104 2322 702 60224 RESISTOR SMD 220K 5% 0,062W
3121 4806 111 97246 RESISTOR 75R 5% 0,062W
3122 2322 702 60101 RESISTOR SMD 100R 5% 0,062W
3123 4806 111 97266 RESISTOR SMD 100R
3124 2322 702 60473 RESISTOR SMD 47K 5% 0,062W
3201 2322 702 60272 RESISTOR SMD 2K7 5% 0,062W
3202 2322 702 60101 RESISTOR SMD 100R 5% 0,062W
3203 2322 702 60102 RESISTOR SMD 1K 5% 0,062W
3204 4822 117 13501 RESISTOR SMD 82R 5% 0,062W
3205 4806 111 97179 RESISTOR SMD 270R 5% 0,062W
3206 2322 702 60102 RESISTOR SMD 1K 5% 0,062W
3207 2322 702 60391 RESISTOR SMD 390R 5% 0,062W
3208 2120 101 90461 RESISTOR CRB 560R 5% 0,5W
3209 2322 702 60471 RESISTOR SMD 470R 5% 0,062W
3210 2120 101 90451 RESISTOR CRB 100R 5% 1/6W
3231 2322 702 60561 RESISTOR SMD 560R 5% 0,062W
3232 2120 101 90464 RESISTOR CRB 1K 5% 0,25W
3403 , 4822 052 10471 RESISTOR FUSE 470R 5% 0,33W
3422 4822 053 20334 RESISTOR MGL 330K 5% 0,25W
3424 4806 116 97041 RESISTOR POT 47R 5% 2W
3425 4822 050 22201 RESISTOR 220R 5% 0,6W
3426 2120 101 90447 RESISTOR CRB 47R 5% 0,25W
3428 2120 101 90448 RESISTOR CRB 68R 5% 0,25W
3430 2322 702 60102 RESISTOR SMD 1K 5% 0,062W
3432 2322 702 60471 RESISTOR SMD 470R 5% 0,062W
3441 2322 702 60103 RESISTOR SMD 10K 5% 0,062W
3442 4806 116 57215 RESISTOR MFILM 150K 5% 0,3W
3443 , 4806 113 97064 RESISTOR FUSE 3,3O 5% 0,33W
3444 , 4806 113 97064 RESISTOR FUSE 3,3O 5% 0,33W
3445 , 4806 113 97046 RESISTOR FUSE 1R 5% 0,33W
3446 , 4806 113 97046 RESISTOR FUSE 1R 5% 0,33W
3447 2322 702 60104 RESISTOR SMD 100K 5% 0,062W
3448 , 4806 113 97046 RESISTOR FUSE 1R 5% 0,33W
3449 2120 101 90483 RESISTOR CRB 27K 5% 0,25W
3450 2120 101 90483 RESISTOR CRB 27K 5% 0,25W
3451 2322 702 60822 RESISTOR SMD 8K2 5% 0,062W
3451 4806 111 97270 RESISTOR 1K8 1% 0.063W 0603
3452 2120 101 90497 RESISTOR CRB 1M 5% 0,25W
3453 2322 702 60104 RESISTOR SMD 100K 5% 0,062W
3454 2322 702 60103 RESISTOR SMD 10K 5% 0,062W
3455 4822 117 11449 RESISTOR SMD 2K2 5% 0,062W
3456 2322 702 60473 RESISTOR SMD 47K 5% 0,062W
3459 4806 116 57215 RESISTOR MFILM 150K 5% 0,3W
3460 2322 702 60473 RESISTOR SMD 47K 5% 0,062W
3461 4822 117 11449 RESISTOR SMD 2K2 5% 0,062W
3462 2322 702 60105 RESISTOR SMD 1M 5% 0,062W
3463 4822 117 11449 RESISTOR SMD 2K2 5% 0,062W
3464 2120 101 90468 RESISTOR CRB 2K2 5% 0,25W
3465 2322 702 60102 RESISTOR SMD 1K 5% 0,062W
3466 2322 702 60102 RESISTOR SMD 1K 5% 0,062W
3468 2120 101 90457 RESISTOR CRB 330R 5% 0,25W
3470 , 4806 113 97046 RESISTOR FUSE 1R 5% 0,33W
3471 2120 101 90455 RESISTOR CRB 220R 5% 0,25W
3472 2120 101 90455 RESISTOR CRB 220R 5% 0,25W
3473 2312 915 13308 RESISTOR MFLM 3R3 1% 0,6W
3474 2312 915 13908 RESISTOR MFLM 3R9 1% 0,6W
3475 2120 101 90477 RESISTOR CRB 10K 5% 0,25W
3476 2120 101 90476 RESISTOR CRB 8K2 5% 0,25W
3478 2120 101 90439 RESISTOR CRB 1R 5% 0,25W
3479 , 4822 052 10189 RESISTOR 18R 5% 0,33W
3480 2322 702 60393 RESISTOR SMD 39K 5% 0,062W
3481 4806 111 97173 RESISTOR 18K 5% 0,062W
3482 2120 101 90471 RESISTOR CRB 3K3 5% 0,25W
3483 2120 101 90497 RESISTOR CRB 1M 5% 0,25W
3485 2322 702 60102 RESISTOR SMD 1K 5% 0,062W
3486 2322 702 60102 RESISTOR SMD 1K 5% 0,062W
3487 2322 702 60333 RESISTOR SMD 33K 5% 0,062W
3488 2120 101 90466 RESISTOR CRB 1K5 5% 0,25W
3489 2322 702 60103 RESISTOR SMD 10K 5% 0,062W
3490 2120 101 90471 RESISTOR CRB 3K3 5% 0,25W
3491 2120 101 90486 RESISTOR CRB 47K 5% 0,25W
3492 4806 111 97173 RESISTOR 18K 5% 0,062W
3493 , 4822 052 10189 RESISTOR 18R 5% 0,33W
3495 2120 101 90446 RESISTOR CRB 33R 5% 0,25W
3497 2120 101 90458 RESISTOR CRB 390R 5% 0,25W
3498 2120 101 90477 RESISTOR CRB 10K 5% 0,25W
3499 2322 702 60273 RESISTOR SMD 27K 5% 0,062W
3500 , 4806 116 67007 RESISTOR MGL 3,3M 5% 0,5W
3501 , 4806 116 67007 RESISTOR MGL 3,3M 5% 0,5W
3502 , 2122 612 00055 RESISTOR NTC 4,7R 20% 3W1
3504 , 4806 116 47028 RESISTOR PTC 9R 200V 100R
3506 4822 053 20334 RESISTOR MGL 330K 5% 0,25W
3509 2322 245 11221 RESISTOR MGL 220R 20% 0,5W
3510 4806 209 87877 CENTELHADOR DSP-301N-A21F
3519 2120 101 90471 RESISTOR CRB 3K3 5% 0,25W
3520 4822 117 11817 RESISTOR 1K2 1% 1/16W
3522 2322 702 60334 RESISTOR SMD 330K 5% 0,062W
3523 , 2306 204 02479 RESISTOR FUS 47R 5% 0,33W
3524 4822 051 30008 RESISTOR SMD JUMP MAX 0R05
3525 2322 702 60102 RESISTOR SMD 1K 5% 0,062W
3526 2120 105 93479 RESISTOR MOX 0R15 5%
3527 , 4806 116 57504 RESISTOR FUSE 2K2 5% 0,33W
3528 2322 702 60103 RESISTOR SMD 10K 5% 0,062W
3541 2322 702 60471 RESISTOR SMD 470R 5% 0,062W
3542 2120 101 90466 RESISTOR CRB 1K5 5% 0,25W
3543 2312 915 18203 RESISTOR MFLM 82K 1% 0,6W
3544 2312 915 16802 RESISTOR MFLM 6K8 1% 0,6W
LISTA DE MATERIAL 20PT3331/78R
63L03.1L AA
ITEM , CÓDIGO DESCRIÇÃO ITEM , CÓDIGO DESCRIÇÃO
3545 4822 117 11449 RESISTOR SMD 2K2 5% 0,062W
3546 2120 101 90475 RESISTOR CRB 6K8 5% 0,25W
3547 2322 702 60334 RESISTOR SMD 330K 5% 0,062W
3548 4822 051 30153 RESISTOR SMD 15K 5% 0,062W
3549 2120 101 90455 RESISTOR CRB 220R 5% 0,25W
3581 , 4822 051 30569 RESISTOR SMD 56R 5% 0,062W
3601 4822 117 11449 RESISTOR SMD 2K2 5% 0,062W
3602 4822 117 11449 RESISTOR SMD 2K2 5% 0,062W
3603 2120 101 90468 RESISTOR CRB 2K2 5% 0,25W
3604 2120 101 90451 RESISTOR CRB 100R 5% 1/6W
3605 2120 101 90451 RESISTOR CRB 100R 5% 1/6W
3606 2120 101 90477 RESISTOR CRB 10K 5% 0,25W
3607 2322 702 60101 RESISTOR SMD 100R 5% 0,062W
3608 2322 702 60154 RESISTOR SMD 150K 5% 0,062W
3617 4822 051 30008 RESISTOR SMD JUMP MAX 0R05
3618 2120 101 90464 RESISTOR CRB 1K 5% 0,25W
3619 4822 050 21001 RESISTOR FUSE 100R 1% 0,6W
3620 4822 050 21001 RESISTOR FUSE 100R 1% 0,6W
3621 4822 050 21001 RESISTOR FUSE 100R 1% 0,6W
3624 4822 050 21003 RESISTOR CRB 10k 5% 0,25W
3634 2120 101 90464 RESISTOR CRB 1K 5% 0,25W
3641 2120 101 90451 RESISTOR CRB 100R 5% 1/6W
3642 2322 702 60101 RESISTOR SMD 100R 5% 0,062W
3643 2322 702 60101 RESISTOR SMD 100R 5% 0,062W
3644 2322 702 60472 RESISTOR SMD 4,7K 5% 0,062W
3646 2322 702 60105 RESISTOR SMD 1M 5% 0,062W
3681 5322 117 13057 RESISTOR SMD 820R 1% 0,062W
3682 5322 117 13063 RESISTOR SMD 120R 1% 0,062W
3685 2322 704 62001 RESISTOR SMD 200R 1% 0,062W
3686 2322 704 64301 RESISTOR SMD 430R 1% 0,062W
3687 5322 117 13037 RESISTOR SMD 2K2 1% 0,062W
3688 2322 704 62001 RESISTOR SMD 200R 1% 0,062W
3691 4806 111 97022 RESISTOR SMD 330R 5% 0,1W
3692 2322 702 60102 RESISTOR SMD 1K 5% 0,062W
3693 2120 101 90455 RESISTOR CRB 220R 5% 0,25W
3694 2322 702 60472 RESISTOR SMD 4,7K 5% 0,062W
3901 2120 101 90464 RESISTOR CRB 1K 5% 0,25W
3902 2120 101 90471 RESISTOR CRB 3K3 5% 0,25W
3903 2120 101 90473 RESISTOR CRB 4K7 5% 0,25W
3904 2322 702 60272 RESISTOR SMD 2K7 5% 0,062W
3907 2322 702 60822 RESISTOR SMD 8K2 5% 0,062W
3911 2322 702 60104 RESISTOR SMD 100K 5% 0,062W
4101 4822 051 30008 RESISTOR SMD JUMP MAX 0R05
4104 4822 051 30008 RESISTOR SMD JUMP MAX 0R05
4122 4822 051 30008 RESISTOR SMD JUMP MAX 0R05
4123 4822 051 30008 RESISTOR SMD JUMP MAX 0R05
4126 4822 051 30008 RESISTOR SMD JUMP MAX 0R05
4129 4822 051 30008 RESISTOR SMD JUMP MAX 0R05
4151 4822 051 30008 RESISTOR SMD JUMP MAX 0R05
4161 4822 051 30008 RESISTOR SMD JUMP MAX 0R05
4405 4822 051 30008 RESISTOR SMD JUMP MAX 0R05
4491 4822 051 30008 RESISTOR SMD JUMP MAX 0R05
4571 4822 051 30008 RESISTOR SMD JUMP MAX 0R05
4610 4822 051 30008 RESISTOR SMD JUMP MAX 0R05
4661 4806 051 27042 RESISTOR SMD 0R - JUMP
4692 4822 051 30008 RESISTOR SMD JUMP MAX 0R05
4694 4822 051 30008 RESISTOR SMD JUMP MAX 0R05
4694 2322 702 60393 RESISTOR SMD 39K 5% 0,062W
4698 4822 051 30008 RESISTOR SMD JUMP MAX 0R05
4844 4822 051 30008 RESISTOR SMD JUMP MAX 0R05
4845 4822 051 30008 RESISTOR SMD JUMP MAX 0R05
4922 4822 051 30008 RESISTOR SMD JUMP MAX 0R05
5001 4806 157 57248 BOBINA 0,82µH 10%
5201 4822 157 11835 BOBINA 4,7µH 5%
5401 4806 157 57005 BOBINA 33µH 10%
5421 , 2422 531 02589 TRAFO DRIVER PSD10-204B
5441 , 2422 531 02598 TSH - LOT - FLY BACK JF0501-19255
5482 4806 157 57249 BOBINA 10µH 5%
5500 , 4806 157 17025 FILTRO DE REDE
5509 4806 526 17039 BOBINA BEAD 50MHZ 45R
5515 , 2422 549 43306 BOBINA BEAD 100MHZ 86R
5520 , 4806 146 47019 TRAFO POT. SMT S359B4-09 B
5521 4806 526 17039 BOBINA BEAD 50MHZ 45R
5560 4806 526 17039 BOBINA BEAD 50MHZ 45R
5562 4806 526 17034 BOBINA BEAD 50MHZ 90R
5563 4806 157 57241 BOBINA 27µH 10%
5601 4806 158 67055 BOBINA 5µ6H 5%
5602 4806 158 67055 BOBINA 5µ6H 5%
5603 4806 158 67055 BOBINA 5µ6H 5%
5645 4822 157 11228 BOBINA 100µH 5%
5909 4806 526 17039 BOBINA BEAD 50MHZ 45R
6001 4822 130 34142 DIODO ZENER BZX79-C33
6127 9322 157 71685 DIODO ZENER SMD MM3Z6V8
6422 9335 214 80133 DIODO BYV97G
6423 9338 386 60673 DIODO 1N4006
6426 9340 549 45115 DIODO BAS316
6444 4806 130 37629 DIODO EGP20DL-5100
6445 9340 549 45115 DIODO BAS316
6446 4822 130 31607 DIODO RGP10D
6447 4822 130 31607 DIODO RGP10D
6451 9340 549 45115 DIODO BAS316
6452 9340 549 45115 DIODO BAS316
6453 4822 130 34142 DIODO ZENER BZX79-C33
6460 9340 549 45115 DIODO BAS316
6461 4822 130 31607 DIODO RGP10D
6462 4822 130 31607 DIODO RGP10D
6463 4822 130 31607 DIODO RGP10D
6464 9340 549 45115 DIODO BAS316
6481 9340 549 45115 DIODO BAS316
6491 5322 130 34331 DIODO SMD BAV70
6492 9322 157 70685 DIODO ZENER SMD MM3Z5V6
6500 4806 130 37036 DIODO 1N5062
6501 4806 130 37036 DIODO 1N5062
6502 4806 130 37036 DIODO 1N5062
6503 4806 130 37036 DIODO 1N5062
6520 4806 130 37375 DIODO BYD33D
6522 4806 130 37375 DIODO BYD33D
6540 9331 668 30133 DIODO ZENER BZX79-B6V2
6541 4806 130 37055 DIODO ZENER BZX79-B9V1
6560 9322 161 76682 DIODO SB340L-7024
6561 9322 127 32682 DIODO BYW76-RAS15/10
6562 9322 127 32682 DIODO BYW76-RAS15/10
6624 9340 549 45115 DIODO BAS316
6625 4822 130 34382 DIODO ZENER BZX79-C8V2
6626 9340 549 45115 DIODO BAS316
6627 9340 549 45115 DIODO BAS316
6628 9340 549 45115 DIODO BAS316
6681 9340 549 45115 DIODO BAS316
6691 , 9322 185 69682 DIODO LED VS LTL-10234WHCR
6692 9322 127 54667 MÓDULO RECEP IR TSOP1836
6908 9322 102 64685 DIODO ZENER SM UDZ2.7B
6909 4806 130 37078 DIODO 1N4148
7101 4806 130 47473 TRANSISTOR BC847B
7200 3106 107 40151 CIRC INTGR OTP GRAV L3SLM1 1.2
7201 4806 130 47473 TRANSISTOR BC847B
7202 4806 130 47473 TRANSISTOR BC847B
7421 9322 183 16687 TRANSISTOR BUL312FP
7423 5322 130 60845 TRANSISTOR BC807-25
7451 4806 130 47483 TRANSISTOR BC857C
7461 4806 130 47483 TRANSISTOR BC857C
7462 4806 130 47483 TRANSISTOR BC857C
7463 4806 130 47169 TRANSISTOR BC546B
7464 4806 130 47530 TRANSISTOR BD135 L
7465 4806 130 47055 TRANSISTOR BD136
LISTA DE MATERIAL 20PT3331/78R
64 L03.1L AA
ITEM , CÓDIGO DESCRIÇÃO ITEM , CÓDIGO DESCRIÇÃO
7466 4806 130 47473 TRANSISTOR BC847B
7491 4806 130 47473 TRANSISTOR BC847B
7492 4822 130 41109 TRANSISTOR BD135-16
7493 4806 209 87902 CIRC INTGR L78L33ACZ
7494 4806 130 47228 TRANSISTOR BC337-25
7496 4806 130 47530 TRANSISTOR BD135 L
7515 , 4806 209 87853 CIRC INTGR TCET1103(G)
7520 9352 720 43118 CIRC INTGR TEA1506T/N1
7521 , 9322 194 22687 TRANSITOR FET STP7NK80ZFP
7523 4806 130 47483 TRANSISTOR BC857C
7540 9331 976 30126 TRANSISTOR BC547B
7541 4806 116 27022 TRANSISTOR SMD PDTC114ET
7601 9340 310 60215 TRANSISTOR PDTA114ET
7641 4806 209 87874 CIRC INTGR M24C16-WBN6
7902 9322 181 42682 CIRC INTGR AN7523N
PAINEL CINESCÓPIO [B]
1300 4806 402 67239 CONECTOR 8P
1302 , 2422 500 80076 SOQUETE CINESCÓPIO 9 PINOS
2300 2238 867 15391 CAPACITOR CER SMD 390pF 5% 50V
2301 2238 867 15391 CAPACITOR CER SMD 390pF 5% 50V
2302 2238 867 15391 CAPACITOR CER SMD 390pF 5% 50V
2303 4822 126 14053 CAPACITOR CER 1nF 10% 2kV
2304 4806 120 47371 CAPACITOR FILM 47nF 10% 250V
3300 4806 116 57672 RESISTOR POT 15K 5% 3W
3301 2322 245 11152 RESISTOR MGL 1K5 20% 0,5W
3303 2322 702 60331 RESISTOR SMD 330R 5% 0,062W
3304 4806 116 57672 RESISTOR POT 15K 5% 3W
3305 2322 245 11152 RESISTOR MGL 1K5 20% 0,5W
3307 2322 702 60331 RESISTOR SMD 330R 5% 0,062W
3308 4806 116 57672 RESISTOR POT 15K 5% 3W
3309 2322 245 11152 RESISTOR MGL 1K5 20% 0,5W
3311 2322 702 60391 RESISTOR SMD 390R 5% 0,062W
3313 , 2306 204 03689 RESISTOR FUSE 68R 5% 0,33W
3318 , 4806 113 97068 RESISTOR FUSE 220R 5% 0,33W
3319 2322 245 11152 RESISTOR MGL 1K5 20% 0,5W
4300 4822 051 30008 RESISTOR SMD JUMP MAX 0R05
4301 4822 051 30008 RESISTOR SMD JUMP MAX 0R05
4302 4822 051 30008 RESISTOR SMD JUMP MAX 0R05
4303 4822 051 30008 RESISTOR SMD JUMP MAX 0R05
4306 4822 051 30008 RESISTOR SMD JUMP MAX 0R05
6301 9340 549 45115 DIODO BAS316
6307 9340 549 45115 DIODO BAS316
6318 9340 548 57115 DIODO ZENER SMD PDZ8.2B
7308 4806 130 47090 TRANSISTOR BF422
7310 4806 130 47090 TRANSISTOR BF422
7312 4806 130 47090 TRANSISTOR BF422
7313 4806 130 47090 TRANSISTOR BF422
7314 4806 130 47091 TRANSISTOR BF423
7315 4806 130 47090 TRANSISTOR BF422
7316 4806 130 47091 TRANSISTOR BF423
7317 4806 130 47090 TRANSISTOR BF422
7318 4806 130 47091 TRANSISTOR BF423
LISTA DE MATERIAL 20PT3331/78R
65L03.1L AA
ITEM , CÓDIGO DESCRIÇÃO ITEM , CÓDIGO DESCRIÇÃO
ACESSÓRIOS
96 4806 303 37054 ANTENA TELESCÓPICA
1096 4806 263 27013 CONVERSOR 75-300/75R
1986 3139 238 03799 CONTROLE REMOTO RC19335010/00
PARTES PLÁSTICAS GABINETE
9 , 3106 107 77141 GABINETE FRONTAL 14PT4131
10 , 3139 177 63771 BOTAO DE REDE
11 , 3139 177 63761 BOTAO DE CONTROLE
17 3139 120 01452 LOGOTIPO
190 , 3139 124 46951 TAMPA TRASEIRA 14”
DIVERSOS
18 , 4806 402 67293 ESPAÇADOR P/ CABOS TRC
38 4806 404 37413 BRAÇADEIRA 2,6 x 200 TRC
40 , 4806 402 67283 TAMPA CONEXÕES CINCH 3P ABS
61 , 3106 107 66661 CABO DE REDE 1,8M
130 3139 123 21491 PLACA ISOLACAO 18x25
136 4806 492 17004 MOLA FIXAÇÃO
139 4806 492 67435 MOLA FIXAÇÃO TR
141 4806 492 17004 MOLA FIXAÇÃO
142 4806 492 37316 MOLA MALHA DE ATERRAMENTO
155 , 3139 131 01331 CABO HR 5P480+560
211 , 4822 265 20723 CONECTOR 2P M 7.92 VH B
217 2412 020 00725 CONECTOR 3P M 2.50
218 , 4806 267 97004 CONECTOR CINCH H 3P F YEWHRD
221 , 4806 402 67104 CONECTOR V 4P2 M 11.88 VH B
222 , 4806 402 67098 CONECTOR V 2P M 3.96 VH
231 , 2422 128 03064 CHAVE POT 2P 4/128A 250V
232 , 4806 267 37121 CONECTOR PHONO 1P F 3.5
270 4822 502 14508 PARAFUSO TRC PHILIPS M5X27
271 4806 502 17142 PARAFUSO TORX 10 M3X12
274 4806 502 17142 PARAFUSO TORX 10 M3X12
279 3139 120 41331 PARAFUSO TORX 10 M4X12
1121 2412 020 00725 CONECTOR 3P M 2.50
1124 2422 025 12482 CONECTOR V 6P
1184 2412 020 00725 CONECTOR 3P M 2.50
1185 2422 025 12482 CONECTOR V 6P
1500 , 2422 090 01101 SOQUETE FUSE 1P
1501 , 2422 090 01101 SOQUETE FUSE 1P
1622 4806 402 67239 CONECTOR 8P
1990 , 4806 131 27681 CINESCÓPIO A34EAK01X113
5203 , 3106 107 30371 BOBINA DESMAG 14”
5994 2422 264 00417 ALTO-FALANTE 16R 3W O50X90
PARTES ELÉTRICAS - MONOPAINEL [A]
1000 , 2422 542 90141 SINTONIZADOR TV V+U PLL F
1001 4806 154 77000 FILTRO SAW 45,75MHZ OFWM1971M
1201 4806 242 77156 FILTRO CERÂMICO 4,5MHz
1504 , 2422 086 10914 FUSÍVEL 4A 250V 5X20
1600 4806 277 27122 CHAVE TÁCTIL
1601 4806 277 27122 CHAVE TÁCTIL
1602 4806 277 27122 CHAVE TÁCTIL
1603 4806 277 27122 CHAVE TÁCTIL
1621 4806 242 77174 CRISTAL 12MHz 20P
2001 4822 126 14585 CAPACITOR CER 100 nF 10% 50V
2002 2022 020 00672 CAPACITOR ELCO 100µF 20% 16V
2003 2238 867 15229 CAPACITOR CER SMD 22pF 50V
2004 2238 867 15229 CAPACITOR CER SMD 22pF 50V
2005 2020 552 94012 CAPACITOR CER SMD 47nF 20% 50V
2006 4806 124 47049 CAPACITOR ELCO 470µF 20% 10V
2007 2022 020 00626 CAPACITOR ELCO 10µF 20% 50V
2123 2020 552 95731 CAPACITOR SER SMD 1µF 20% 10V
2125 2020 552 95731 CAPACITOR SER SMD 1µF 20% 10V
2132 2020 552 95731 CAPACITOR SER SMD 1µF 20% 10V
2134 2020 552 95731 CAPACITOR SER SMD 1µF 20% 10V
2181 2238 867 15229 CAPACITOR CER SMD 22pF 50V
2182 2238 586 15616 CAPACITOR CER SMD 330pF 50V
2183 2238 586 15616 CAPACITOR CER SMD 330pF 50V
2201 2238 586 15632 CAPACITOR SMD 4,7nF 10% 50V
2202 2022 552 00549 CAPACITOR SMD 330pF 5% 50V
2203 2238 246 19858 CAPACITOR CER SMD 470nF 10V
2205 2022 020 00661 CAPACITOR ELCO 10µF 20% 50V
2206 2238 867 15339 CAPACITOR CER SMD 33pF 5% 50V
2207 4822 126 14585 CAPACITOR CER 100 nF 10% 50V
2208 4822 126 14585 CAPACITOR CER 100 nF 10% 50V
2209 4822 126 14585 CAPACITOR CER 100 nF 10% 50V
2210 4822 126 13879 CAPACITOR CER SMD 220nF 20% 16V
2211 2238 916 11549 CAPACITOR CER SMD 1nF 5% 25V
2212 4822 126 13879 CAPACITOR CER SMD 220nF 20% 16V
2231 2022 552 05517 CAPACITOR CER SMD 22nF 10% 25V
2232 2022 552 05517 CAPACITOR CER SMD 22nF 10% 25V
2233 2022 552 05517 CAPACITOR CER SMD 22nF 10% 25V
2405 2022 031 00103 CAPACITOR ELCO 47µF 20% 160V
2408 2222 479 90025 CAPACITOR 560nF 5% 250V
2420 4822 126 14585 CAPACITOR CER 100 nF 10% 50V
2421 4822 126 14585 CAPACITOR CER 100 nF 10% 50V
2423 , 4806 120 47011 CAPACITOR MPP 13nF 1K6V
2424 , 4822 126 14053 CAPACITOR CER 1nF 10% 2kV
2426 2238 916 11549 CAPACITOR CER SMD 1nF 5% 25V
2427 2238 916 19849 CAPACITOR CER SMD 100nF 20% 25V
2428 2022 020 00606 CAPACITOR ELCO 47µF 20% 16V
2429 2238 786 19854 CAPACITOR CER SMD 220nF 20% 16V
2441 2022 318 00127 CAPACITOR MPOL 22nF 10% 63V
2444 2022 020 00623 CAPACITOR ELCO 470µF 20% 16V
2446 2022 020 00623 CAPACITOR ELCO 470µF 20% 16V
2447 4822 124 11565 CAPACITOR ELCO 10µF 20% 250V
2452 2238 586 15636 CAPACITOR SMD 10nF 10% 50V
2455 4822 124 11947 CAPACITOR ELCO 10µF 16V
2460 4806 120 47207 CAPACITOR 68nF 100V
2461 2238 916 11549 CAPACITOR CER SMD 1nF 5% 25V
2462 2238 916 11549 CAPACITOR CER SMD 1nF 5% 25V
2463 2038 035 11507 CAPACITOR ELCO 47µF 20% 50V
2464 2238 867 15471 CAPACITOR CER SMD 470P 5% 50V
2465 , 2022 031 00127 CAPACITOR ELCO 10µF 20% 160V
2470 2022 318 00126 CAPACITOR MPOL 15nF 10% 63V
2473 2238 867 15471 CAPACITOR CER SMD 470P 5% 50V
2481 2238 867 15101 CAPACITOR CER SMD 100pF 5% 50V
2482 2238 246 19863 CAPACITOR CER SMD 1µF 10V
2483 4806 120 27019 CAPACITOR CER SMD 4,7µF 20% 10V
2484 4822 126 14585 CAPACITOR CER 100 nF 10% 50V
2485 2238 246 19863 CAPACITOR CER SMD 1µF 10V
2486 2238 586 15632 CAPACITOR SMD 4,7nF 10% 50V
2487 2238 586 15627 CAPACITOR CER SMD 2,2nF 10% 50V
2488 4806 124 47069 CAPACITOR MPOL 100nF 10% 63V
2489 2238 586 15623 CAPACITOR CER SMD 1nF10% 50V
2491 4806 124 47049 CAPACITOR ELCO 470µF 20% 10V
2492 3198 029 32290 CAPACITOR ELCO 22µF 20% 25V
2493 4806 124 47049 CAPACITOR ELCO 470µF 20% 10V
2494 2022 020 00667 CAPACITOR ELCO 47µF 20% 16V
2496 2238 586 15623 CAPACITOR CER SMD 1nF10% 50V
2497 2238 586 15623 CAPACITOR CER SMD 1nF10% 50V
2500 , 2222 338 22474 CAPACITOR MKP 470nF 20% 275V
2501 , 4806 122 37266 CAPACITOR CER 2,2nF 10% 1kV
2502 , 4806 122 37266 CAPACITOR CER 2,2nF 10% 1kV
2503 , 2022 020 00743 CAPACITOR ELCO 100µF 20% 400V
2505 , 4806 122 37266 CAPACITOR CER 2,2nF 10% 1kV
2515 , 2020 554 90199 CAPACITOR CER 1N5 20% 250V
2520 2238 786 15645 CAPACITOR SMD 47nF 10% 16V
2521 4822 124 81151 CAPACITOR ELCO 22µF 50V
2522 2238 586 15623 CAPACITOR CER SMD 1nF10% 50V
2523 , 4806 122 57008 CAPACITOR CER 1N8 2KV
2525 2238 586 15621 CAPACITOR SMD 680pF10% 50V
2527 2238 867 15569 CAPACITOR CER 56pF 5% 50V
LISTA DE MATERIAL 14PT4131/78R
66 L03.1L AA
ITEM , CÓDIGO DESCRIÇÃO ITEM , CÓDIGO DESCRIÇÃO
2528 4822 124 81151 CAPACITOR ELCO 22µF 50V
2540 2238 586 15638 CAPACITOR SMD 15nF 10% 50V
2541 2238 586 15632 CAPACITOR SMD 4,7nF 10% 50V
2542 2238 246 19858 CAPACITOR CER SMD 470nF 10V
2543 2238 586 15623 CAPACITOR CER SMD 1nF10% 50V
2560 4806 122 37213 CAPACITOR CER 2,2nF 50V
2561 2022 020 00677 CAPACITOR ELCO 2200µF 20% 16V
2562 4806 122 37228 CAPACITOR CER 2,2nF 1kV
2564 , 4806 124 27572 CAPACITOR ELCO 47µF 160V
2584 , 2020 558 90553 CAPACITOR CER 220pF 10% 1KV
2585 , 2238 586 15623 CAPACITOR CER SMD 1nF10% 50V
2602 2020 552 96664 CAPACITOR SMD 33pF 2% 50V
2603 2020 552 96664 CAPACITOR SMD 33pF 2% 50V
2604 4822 124 11947 CAPACITOR ELCO 10µF 16V
2605 4822 126 14585 CAPACITOR CER 100 nF 10% 50V
2607 4822 126 14585 CAPACITOR CER 100 nF 10% 50V
2608 2238 246 19863 CAPACITOR CER SMD 1µF 10V
2609 4822 126 14585 CAPACITOR CER 100 nF 10% 50V
2612 2022 020 00619 CAPACITOR ELCO 220µF 20% 16V
2615 2020 552 94371 CAPACITOR CER SMD 820pF10% 50V
2616 4822 124 11947 CAPACITOR ELCO 10µF 16V
2641 2238 916 11549 CAPACITOR CER SMD 1nF 5% 25V
2642 2238 916 11549 CAPACITOR CER SMD 1nF 5% 25V
2643 2238 867 15221 CAPACITOR CER SMD 220pF 5% 50V
2691 2022 020 00615 CAPACITOR ELCO 100µF 20% 10V
2821 2022 020 00615 CAPACITOR ELCO 100µF 20% 10V
2822 2238 786 15643 CAPACITOR CER SMD 33nF 10% 16V
2823 2038 035 11704 CAPACITOR ELCO 10µF 20% 100V
2824 2038 035 11704 CAPACITOR ELCO 10µF 20% 100V
2825 2238 786 55644 CAPACITOR CER SMD 39nF 10% 16V
2826 2238 586 15638 CAPACITOR SMD 15nF 10% 50V
2827 2238 786 15643 CAPACITOR CER SMD 33nF 10% 16V
2828 2238 586 15636 CAPACITOR SMD 10nF 10% 50V
2829 4822 126 14585 CAPACITOR CER 100 nF 10% 50V
2830 2038 035 11704 CAPACITOR ELCO 10µF 20% 100V
2831 2038 035 11704 CAPACITOR ELCO 10µF 20% 100V
2832 2038 035 11704 CAPACITOR ELCO 10µF 20% 100V
2833 2038 035 11704 CAPACITOR ELCO 10µF 20% 100V
2835 2238 586 15636 CAPACITOR SMD 10nF 10% 50V
2836 4822 126 14585 CAPACITOR CER 100 nF 10% 50V
2837 2238 246 19858 CAPACITOR CER SMD 470nF 10V
2838 2038 035 11704 CAPACITOR ELCO 10µF 20% 100V
2841 4806 120 27019 CAPACITOR CER SMD 4,7µF 20% 10V
2844 2022 020 00655 CAPACITOR ELCO 2,2µF 20% 50V
2845 2022 020 00657 CAPACITOR ELCO 4,7µF 20% 50V
2846 2038 035 11704 CAPACITOR ELCO 10µF 20% 100V
2847 2022 020 00608 CAPACITOR ELCO 100µF 20% 16V
2848 2238 786 19856 CAPACITOR CER SMD 330nF 16V
2849 2022 552 05517 CAPACITOR CER SMD 22nF 10% 25V
2850 2020 009 90103 CAPACITOR ELCO 3,3µF 20% 50V
2851 4822 126 14585 CAPACITOR CER 100 nF 10% 50V
2852 4822 126 14585 CAPACITOR CER 100 nF 10% 50V
2855 2238 246 19863 CAPACITOR CER SMD 1µF 10V
2856 2238 246 19863 CAPACITOR CER SMD 1µF 10V
2857 2238 786 15645 CAPACITOR SMD 47nF 10% 16V
2858 2238 246 19863 CAPACITOR CER SMD 1µF 10V
2859 2238 246 59863 CAPACITOR CER SMD 1µF 20% 10V
2860 4822 126 14585 CAPACITOR CER 100 nF 10% 50V
2861 2238 867 15221 CAPACITOR CER SMD 220pF 5% 50V
2862 2238 867 15221 CAPACITOR CER SMD 220pF 5% 50V
2863 2238 867 15221 CAPACITOR CER SMD 220pF 5% 50V
2903 4822 124 21913 CAPACITOR ELCO 1µF 20% 50V
2904 2238 246 19858 CAPACITOR CER SMD 470nF 10V
2906 2238 246 19858 CAPACITOR CER SMD 470nF 10V
2908 4822 124 40769 CAPACITOR ELCO 4,7µF 20% 50V
2909 2022 020 00626 CAPACITOR ELCO 10µF 20% 50V
2950 2238 586 15625 CAPACITOR CER SMD 1N5 10% 50V
2951 4806 122 37401 CAPACITOR ELCO 100µF 50 V
2952 4806 122 37401 CAPACITOR ELCO 100µF 50 V
2981 2022 020 00626 CAPACITOR ELCO 10µF 20% 50V
2982 2238 586 15618 CAPACITOR CER SMD 470P 10% 50V
2983 2022 020 00626 CAPACITOR ELCO 10µF 20% 50V
2984 2238 586 15618 CAPACITOR CER SMD 470P 10% 50V
3001 2322 702 60152 RESISTOR SMD 1K5 5% 0,062W
3002 2322 702 60822 RESISTOR SMD 8K2 5% 0,062W
3003 2322 702 60101 RESISTOR SMD 100R 5% 0,062W
3004 2322 702 60101 RESISTOR SMD 100R 5% 0,062W
3005 2120 101 90451 RESISTOR CRB 100R 5% 1/6W
3181 2122 101 01372 RESISTOR CRB 75R 5% 0,25W
3182 2120 101 90451 RESISTOR CRB 100R 5% 1/6W
3183 4822 116 83868 RESISTOR 150R 5% 0,25W
3184 2322 702 60473 RESISTOR SMD 47K 5% 0,062W
3185 4822 116 83868 RESISTOR 150R 5% 0,25W
3186 2322 702 60473 RESISTOR SMD 47K 5% 0,062W
3201 4822 051 30392 RESISTOR 3K9 5% 0.063W
3202 2322 702 60101 RESISTOR SMD 100R 5% 0,062W
3203 2322 702 60102 RESISTOR SMD 1K 5% 0,062W
3204 4822 117 13501 RESISTOR SMD 82R 5% 0,062W
3205 4806 111 97179 RESISTOR SMD 270R 5% 0,062W
3206 2322 702 60102 RESISTOR SMD 1K 5% 0,062W
3207 2322 702 60391 RESISTOR SMD 390R 5% 0,062W
3208 2120 101 90461 RESISTOR CRB 560R 5% 0,5W
3209 2322 702 60471 RESISTOR SMD 470R 5% 0,062W
3210 2120 101 90451 RESISTOR CRB 100R 5% 1/6W
3231 2322 702 60561 RESISTOR SMD 560R 5% 0,062W
3232 2120 101 90464 RESISTOR CRB 1K 5% 0,25W
3403 , 4822 052 10471 RESISTOR FUSE 470R 5% 0,33W
3422 4822 053 20334 RESISTOR MGL 330K 5% 0,25W
3424 4806 116 97041 RESISTOR POT 47R 5% 2W
3425 4822 050 22201 RESISTOR 220R 5% 0,6W
3426 2120 101 90447 RESISTOR CRB 47R 5% 0,25W
3428 2120 101 90448 RESISTOR CRB 68R 5% 0,25W
3430 2322 702 60102 RESISTOR SMD 1K 5% 0,062W
3432 2322 702 60471 RESISTOR SMD 470R 5% 0,062W
3441 2322 702 60473 RESISTOR SMD 47K 5% 0,062W
3442 4806 116 57215 RESISTOR MFILM 150K 5% 0,3W
3443 , 4822 052 11399 RESISTOR MFILM 3R9
3444 , 4806 113 97039 RESISTOR MFIL 4,7R 5% 0,5W
3445 , 4806 113 97046 RESISTOR FUSE 1R 5% 0,33W
3446 , 4806 113 97046 RESISTOR FUSE 1R 5% 0,33W
3447 2322 702 60224 RESISTOR SMD 220K 5% 0,062W
3448 , 4806 113 97046 RESISTOR FUSE 1R 5% 0,33W
3449 2120 101 90483 RESISTOR CRB 27K 5% 0,25W
3450 2120 101 90483 RESISTOR CRB 27K 5% 0,25W
3451 4806 111 97196 RESISTOR SMD 680R00 5% 0,062W
3452 2120 101 90497 RESISTOR CRB 1M 5% 0,25W
3453 2322 702 60104 RESISTOR SMD 100K 5% 0,062W
3454 2322 702 60103 RESISTOR SMD 10K 5% 0,062W
3455 2322 702 60471 RESISTOR SMD 470R 5% 0,062W
3459 4806 116 57215 RESISTOR MFILM 150K 5% 0,3W
3460 2322 702 60104 RESISTOR SMD 100K 5% 0,062W
3461 4822 117 11449 RESISTOR SMD 2K2 5% 0,062W
3462 2322 702 60105 RESISTOR SMD 1M 5% 0,062W
3463 4822 117 11449 RESISTOR SMD 2K2 5% 0,062W
3464 2120 101 90468 RESISTOR CRB 2K2 5% 0,25W
3465 2322 702 60102 RESISTOR SMD 1K 5% 0,062W
3466 2322 702 60102 RESISTOR SMD 1K 5% 0,062W
3468 2120 101 90457 RESISTOR CRB 330R 5% 0,25W
3470 , 4806 113 97046 RESISTOR FUSE 1R 5% 0,33W
3471 2120 101 90455 RESISTOR CRB 220R 5% 0,25W
3472 2120 101 90455 RESISTOR CRB 220R 5% 0,25W
3473 4822 050 24708 RESISTOR CRB 4,7R 5% 0,25W
3474 4822 050 24708 RESISTOR CRB 4,7R 5% 0,25W
3475 2120 101 90477 RESISTOR CRB 10K 5% 0,25W
LISTA DE MATERIAL 14PT4131/78R
67L03.1L AA
ITEM , CÓDIGO DESCRIÇÃO ITEM , CÓDIGO DESCRIÇÃO
3476 2120 101 90476 RESISTOR CRB 8K2 5% 0,25W
3478 2120 101 90439 RESISTOR CRB 1R 5% 0,25W
3479 , 4822 052 10189 RESISTOR FUSE 18R 5% 0,33W
3480 2322 702 60393 RESISTOR SMD 39K 5% 0,062W
3481 4806 111 97173 RESISTOR 18K 5% 0,062W
3482 2120 101 90471 RESISTOR CRB 3K3 5% 0,25W
3483 2120 101 90497 RESISTOR CRB 1M 5% 0,25W
3485 2322 702 60102 RESISTOR SMD 1K 5% 0,062W
3486 2322 702 60102 RESISTOR SMD 1K 5% 0,062W
3487 2322 702 60333 RESISTOR SMD 33K 5% 0,062W
3488 2120 101 90466 RESISTOR CRB 1K5 5% 0,25W
3489 2322 702 60103 RESISTOR SMD 10K 5% 0,062W
3490 2120 101 90471 RESISTOR CRB 3K3 5% 0,25W
3491 2120 101 90486 RESISTOR CRB 47K 5% 0,25W
3492 4806 111 97173 RESISTOR 18K 5% 0,062W
3493 , 4822 052 10189 RESISTOR FUSE 18R 5% 0,33W
3495 2120 101 90446 RESISTOR CRB 33R 5% 0,25W
3497 2120 101 90458 RESISTOR CRB 390R 5% 0,25W
3498 2120 101 90477 RESISTOR CRB 10K 5% 0,25W
3499 2322 702 60273 RESISTOR SMD 27K 5% 0,062W
3500 , 4806 116 67007 RESISTOR MGL 3,3M 5% 0,5W
3501 , 4806 116 67007 RESISTOR MGL 3,3M 5% 0,5W
3502 , 2122 612 00055 RESISTOR NTC 4,7R 20% 3W1
3504 , 4806 116 47028 RESISTOR PTC 9R 200V 100R
3506 4822 053 20334 RESISTOR MGL 330K 5% 0,25W
3509 2322 245 11221 RESISTOR MGL 220R 20% 0,5W
3510 4806 209 87877 CENTELHADOR DSP-301N-A21F
3519 2120 101 90471 RESISTOR CRB 3K3 5% 0,25W
3520 4822 117 11817 RESISTOR 1K2 1% 1/16W
3522 2322 702 60334 RESISTOR SMD 330K 5% 0,062W
3523 , 2306 204 03689 RESISTOR FUSE 68R 5% 0,33W
3524 4806 111 97101 RESISTOR SMD 0R00 JUMPER
3525 2322 702 60102 RESISTOR SMD 1K 5% 0,062W
3526 4806 116 57681 RESISTOR MET 0,18R 5% 1W
3527 , 4806 116 57504 RESISTOR FUSE 2K2 5% 0,33W
3528 2322 702 60103 RESISTOR SMD 10K 5% 0,062W
3541 2322 702 60471 RESISTOR SMD 470R 5% 0,062W
3542 2120 101 90466 RESISTOR CRB 1K5 5% 0,25W
3543 2312 915 18203 RESISTOR MFLM 82K 1% 0,6W
3544 2312 915 16802 RESISTOR MFLM 6K8 1% 0,6W
3545 4822 117 11449 RESISTOR SMD 2K2 5% 0,062W
3546 , 2120 101 90475 RESISTOR CRB 6K8 5% 0,25W
3547 2322 702 60334 RESISTOR SMD 330K 5% 0,062W
3548 4806 111 97108 RESISTOR SMD 15K 5% 0,062W
3549 2120 101 90455 RESISTOR CRB 220R 5% 0,25W
3581 , 4822 051 30569 RESISTOR SMD 56R 5% 0,062W
3601 4822 117 11449 RESISTOR SMD 2K2 5% 0,062W
3602 4822 117 11449 RESISTOR SMD 2K2 5% 0,062W
3603 2120 101 90468 RESISTOR CRB 2K2 5% 0,25W
3604 2120 101 90451 RESISTOR CRB 100R 5% 1/6W
3605 2120 101 90451 RESISTOR CRB 100R 5% 1/6W
3606 2120 101 90477 RESISTOR CRB 10K 5% 0,25W
3607 2322 702 60101 RESISTOR SMD 100R 5% 0,062W
3608 2322 702 60154 RESISTOR SMD 150K 5% 0,062W
3617 4806 111 97101 RESISTOR SMD 0R00 JUMPER
3618 2120 101 90464 RESISTOR CRB 1K 5% 0,25W
3619 2120 101 90451 RESISTOR CRB 100R 5% 1/6W
3620 2120 101 90451 RESISTOR CRB 100R 5% 1/6W
3621 2120 101 90451 RESISTOR CRB 100R 5% 1/6W
3624 2120 101 90477 RESISTOR CRB 10K 5% 0,25W
3634 2120 101 90464 RESISTOR CRB 1K 5% 0,25W
3641 2120 101 90451 RESISTOR CRB 100R 5% 1/6W
3642 2322 702 60101 RESISTOR SMD 100R 5% 0,062W
3643 2322 702 60101 RESISTOR SMD 100R 5% 0,062W
3644 2322 702 60472 RESISTOR SMD 4,7K 5% 0,062W
3646 2322 702 60105 RESISTOR SMD 1M 5% 0,062W
3681 5322 117 13057 RESISTOR SMD 820R 1% 0,062W
3682 5322 117 13063 RESISTOR SMD 120R 1% 0,062W
3685 2322 704 62001 RESISTOR SMD 200R 1% 0,062W
3686 2322 704 64301 RESISTOR SMD 430R 1% 0,062W
3687 5322 117 13037 RESISTOR SMD 2K2 1% 0,062W
3688 2322 704 62001 RESISTOR SMD 200R 1% 0,062W
3691 4806 111 97022 RESISTOR SMD 330R 5% 0,1W
3692 2322 702 60102 RESISTOR SMD 1K 5% 0,062W
3693 2120 101 90455 RESISTOR CRB 220R 5% 0,25W
3694 2322 702 60472 RESISTOR SMD 4,7K 5% 0,062W
3822 2322 702 60224 RESISTOR SMD 220K 5% 0,062W
3824 4806 111 97101 RESISTOR SMD 0R00 JUMPER
3827 2120 101 90451 RESISTOR CRB 100R 5% 1/6W
3828 2120 101 90451 RESISTOR CRB 100R 5% 1/6W
3841 2322 702 60184 RESISTOR SMD 180K 5% 0,1W
3842 2120 101 90451 RESISTOR CRB 100R 5% 1/6W
3843 2120 101 90451 RESISTOR CRB 100R 5% 1/6W
3901 2120 101 90464 RESISTOR CRB 1K 5% 0,25W
3902 2120 101 90471 RESISTOR CRB 3K3 5% 0,25W
3903 2120 101 90471 RESISTOR CRB 3K3 5% 0,25W
3904 2322 702 60103 RESISTOR SMD 10K 5% 0,062W
3905 2120 101 90471 RESISTOR CRB 3K3 5% 0,25W
3906 2322 702 60103 RESISTOR SMD 10K 5% 0,062W
3907 2322 702 60822 RESISTOR SMD 8K2 5% 0,062W
3911 2322 702 60104 RESISTOR SMD 100K 5% 0,062W
3981 2122 101 01378 RESISTOR CRB 270R 5% 0,25W
3982 2122 101 01378 RESISTOR CRB 270R 5% 0,25W
4126 4806 111 97101 RESISTOR SMD 0R00 JUMPER
4127 4806 111 97101 RESISTOR SMD 0R00 JUMPER
4132 4806 111 97101 RESISTOR SMD 0R00 JUMPER
4133 4806 111 97101 RESISTOR SMD 0R00 JUMPER
4161 4806 111 97101 RESISTOR SMD 0R00 JUMPER
4304 4806 111 97101 RESISTOR SMD 0R00 JUMPER
4305 4806 111 97101 RESISTOR SMD 0R00 JUMPER
4405 4806 111 97101 RESISTOR SMD 0R00 JUMPER
4491 4806 111 97101 RESISTOR SMD 0R00 JUMPER
4571 4806 111 97101 RESISTOR SMD 0R00 JUMPER
4610 4806 111 97101 RESISTOR SMD 0R00 JUMPER
4661 4806 051 27042 RESISTOR SMD 0R - JUMP
4692 4806 111 97101 RESISTOR SMD 0R00 JUMPER
4694 2322 702 60273 RESISTOR SMD 27K 5% 0,062W
4698 4806 111 97101 RESISTOR SMD 0R00 JUMPER
4821 4806 111 97101 RESISTOR SMD 0R00 JUMPER
4822 4806 111 97101 RESISTOR SMD 0R00 JUMPER
4847 4806 111 97101 RESISTOR SMD 0R00 JUMPER
4922 4806 111 97101 RESISTOR SMD 0R00 JUMPER
4981 4806 111 97101 RESISTOR SMD 0R00 JUMPER
4983 4806 111 97101 RESISTOR SMD 0R00 JUMPER
5001 4806 157 57248 BOBINA 0,82µH 10%
5201 4822 157 11835 BOBINA 4,7µH 5%
5401 4806 157 57005 BOBINA 33µH 10%
5421 , 2422 531 02589 TRAFO DRIVER PSD10-204B
5441 , 2422 531 02598 TSH - LOT - FLY BACK JF0501-19255
5482 4806 157 57249 BOBINA 10µH 5%
5500 , 4806 157 17025 FILTRO DE REDE
5509 4806 526 17039 BOBINA BEAD 50MHZ 45R
5515 , 2422 549 43306 BOBINA BEAD 100MHZ 86R
5520 , 4806 146 47018 TRANSFORMADOR SS28010-06
5521 4806 526 17039 BOBINA BEAD 50MHZ 45R
5560 4806 526 17039 BOBINA BEAD 50MHZ 45R
5562 4806 526 17034 BOBINA BEAD 50MHZ 90R
5563 4822 157 70698 BOBINA 27µH 10%
5601 4806 158 67055 BOBINA 5µ6H 5%
5602 4806 158 67055 BOBINA 5µ6H 5%
5603 4806 158 67055 BOBINA 5µ6H 5%
5645 4822 157 11228 BOBINA 100µH 5%
5821 4806 157 57249 BOBINA 10µH 5%
5841 4806 157 57249 BOBINA 10µH 5%
LISTA DE MATERIAL 14PT4131/78R
68 L03.1L AA
ITEM , CÓDIGO DESCRIÇÃO ITEM , CÓDIGO DESCRIÇÃO
5909 4806 526 17039 BOBINA BEAD 50MHZ 45R
6001 4806 130 37046 DIODO ZENER BZX79-C33
6181 4806 130 37489 DIODO ZENER BZX79-C6V8
6422 9335 214 80133 DIODO BYV97G
6423 4822 130 31603 DIODO 1N4006
6426 9340 549 45115 DIODO BAS316
6444 4806 130 37629 DIODO EGP20DL-5100
6445 9340 549 45115 DIODO BAS316
6446 4822 130 31607 DIODO RGP10D
6447 4822 130 31607 DIODO RGP10D
6451 9340 549 45115 DIODO BAS316
6452 9340 549 45115 DIODO BAS316
6453 4806 130 37046 DIODO ZENER BZX79-C33
6460 9340 549 45115 DIODO BAS316
6461 4822 130 31607 DIODO RGP10D
6462 4822 130 31607 DIODO RGP10D
6463 4822 130 31607 DIODO RGP10D
6464 9340 549 45115 DIODO BAS316
6481 9340 549 45115 DIODO BAS316
6491 5322 130 34331 DIODO SMD BAV70
6492 9322 157 70685 DIODO ZENER SMD MM3Z5V6
6500 4806 130 37036 DIODO 1N5062
6501 4806 130 37036 DIODO 1N5062
6502 4806 130 37036 DIODO 1N5062
6503 4806 130 37036 DIODO 1N5062
6520 4822 130 41601 DIODO BYV95A
6522 4822 130 41601 DIODO BYV95A
6540 9331 668 30133 DIODO ZENER BZX79-B6V2
6541 4806 130 37055 DIODO ZENER BZX79-B9V1
6560 9322 161 76682 DIODO SB340L-7024
6562 9322 127 32682 DIODO BYW76-RAS15/10
6624 9340 549 45115 DIODO BAS316
6625 5322 130 31804 DIODO ZENER BZX55 C8V2 A
6626 9340 549 45115 DIODO BAS316
6627 9340 549 45115 DIODO BAS316
6628 9340 549 45115 DIODO BAS316
6681 9340 549 45115 DIODO BAS316
6691 , 9322 185 69682 DIODO LED VS LTL-10234WHCR
6692 9322 127 54667 MÓDULO RECEP IR TSOP1836
6908 9322 102 64685 DIODO ZENER SM UDZ2.7B
6909 4806 130 37078 DIODO 1N4148
7200 3106 107 40161 CIRC INTGR UOC GRAV L3SLS1 1.3
7201 4822 130 60511 TRANSISTOR BC846B
7202 4822 130 60511 TRANSISTOR BC846B
7421 9322 183 16687 TRANSISTOR BUL312FP
7422 4822 130 42696 TRANSISTOR BC817-25
7423 5322 130 60845 TRANSISTOR BC807-25
7451 9335 897 60215 TRANSISTOR BC857C
7461 9335 897 60215 TRANSISTOR BC857C
7462 9335 897 60215 TRANSISTOR BC857C
7463 4806 130 47169 TRANSISTOR BC546B
7464 4806 130 47530 TRANSISTOR BD135 L
7465 4806 130 47055 TRANSISTOR BD136
7466 5322 130 60159 TRANSISTOR BC847B
7491 5322 130 60159 TRANSISTOR BC847B
7493 4806 209 87902 CIRC INTGR L78L33ACZ
7494 4806 130 47228 TRANSISTOR BC337-25
7496 4806 130 47530 TRANSISTOR BD135 L
7515 , 4806 209 87853 CIRC INTGR TCET1103(G)
7520 9352 720 43118 CIRC INTGR TEA1506T/N1
7521 , 9322 194 21687 TRANSISTOR FET STP5NK80ZFP
7523 9335 897 60215 TRANSISTOR BC857C
7540 9331 976 30126 TRANSISTOR BC547B
7541 4806 116 27022 TRANSISTOR SMD PDTC114ET
7601 9340 310 60215 TRANSISTOR PDTA114ET
7641 4806 209 87874 CIRC INTGR M24C16-WBN6
7821 9322 191 49682 CIRC INTGR AN5891K
7841 9322 189 97668 CIRC INTGR AN5829S
7901 9322 181 41682 CIRC INTGR AN7522N
PAINEL CINESCÓPIO [B]
1300 4806 402 67239 CONECTOR 8P
1301 , 2422 500 80077 CONECTOR TRC V 9P F M-NECK
2300 2022 552 00549 CAPACITOR SMD 330pF 5% 50V
2301 2238 867 15391 CAPACITOR CER SMD 390pF 5% 50V
2302 2238 867 15391 CAPACITOR CER SMD 390pF 5% 50V
2303 , 4822 126 14053 CAPACITOR CER 1nF 10% 2kV
2304 4806 120 47371 CAPACITOR FILM 47nF 10% 250V
3300 4806 116 57672 RESISTOR POT 15K 5% 3W
3301 2322 245 11152 RESISTOR MGL 1K5 20% 0,5W
3303 2322 702 60331 RESISTOR SMD 330R 5% 0,062W
3304 4806 116 57672 RESISTOR POT 15K 5% 3W
3305 2322 245 11152 RESISTOR MGL 1K5 20% 0,5W
3307 2322 702 60331 RESISTOR SMD 330R 5% 0,062W
3308 4806 116 57672 RESISTOR POT 15K 5% 3W
3309 2322 245 11152 RESISTOR MGL 1K5 20% 0,5W
3311 2322 702 60331 RESISTOR SMD 330R 5% 0,062W
3313 , 2306 204 03689 RESISTOR FUSE 68R 5% 0,33W
3318 , 4806 113 97068 RESISTOR FUSE 220R 5% 0,33W
3319 2322 245 11152 RESISTOR MGL 1K5 20% 0,5W
4300 4806 111 97101 RESISTOR SMD 0R00 JUMPER
4301 4806 111 97101 RESISTOR SMD 0R00 JUMPER
4302 4806 111 97101 RESISTOR SMD 0R00 JUMPER
6301 9340 549 45115 DIODO BAS316
6307 9340 549 45115 DIODO BAS316
6318 9322 157 72685 DIODO ZENER MM3Z8V2
7308 4806 130 47090 TRANSISTOR BF422
7310 4806 130 47090 TRANSISTOR BF422
7312 4806 130 47090 TRANSISTOR BF422
7313 4806 130 47090 TRANSISTOR BF422
7314 4806 130 47091 TRANSISTOR BF423
7315 4806 130 47090 TRANSISTOR BF422
7316 4806 130 47091 TRANSISTOR BF423
7317 4806 130 47090 TRANSISTOR BF422
7318 4806 130 47091 TRANSISTOR BF423
LISTA DE MATERIAL 14PT4131/78R
69L03.1L AA
ITEM , CÓDIGO DESCRIÇÃO ITEM , CÓDIGO DESCRIÇÃO
ACESSÓRIOS
1096 4806 263 27013 CONVERSOR 75-300/75R
1986 3139 238 03799 CONTROLE REMOTO RC19335010/00
PARTES PLÁSTICAS GABINETE
9 , 3106 107 77301 GABINETE FRONTAL 20PT4331
10 , 3139 177 63851 BOTAO DE REDE
11 , 3139 177 63841 BOTAO CONTROLE
17 3139 120 01371 LOGOTIPO PHILIPS (46.8X10.2)
190 , 3139 124 45631 TAMPA TRASEIRA 20”
DIVERSOS
18 , 4806 402 67293 ESPAÇADOR P/ CABOS TRC
38 4806 404 37413 BRAÇADEIRA 2,6 x 200 TRC
61 , 3106 107 66661 CABO DE REDE 1,8M
130 3139 123 21491 PLACA ISOLACAO 18x25
136 4806 492 17004 MOLA FIXAÇÃO
139 4806 492 67435 MOLA FIXAÇÃO TR
141 4806 492 17004 MOLA FIXAÇÃO
142 4806 492 37316 MOLA MALHA DE ATERRAMENTO
156 , 3139 131 01331 CABO HR 5P480+560
156 , 3139 131 01331 CABO HR 5P480+560
211 , 4822 265 20723 CONECTOR 2P M 7.92 VH B
217 2412 020 00725 CONECTOR 3P M 2.50
221 , 4806 402 67104 CONECTOR V 4P2 M 11.88 VH B
222 , 4806 402 67098 CONECTOR V 2P M 3.96 VH
223 2422 026 05236 CONECTOR CINCH H 9P
231 , 2422 128 03064 CHAVE POT 2P 4/128A 250V
270 4822 502 14508 PARAFUSO TRC PHILIPS M5X27
271 4806 502 17142 PARAFUSO TORX 10 M3X12
274 4806 502 17142 PARAFUSO TORX 10 M3X12
275 4806 502 37228 PARAFUSO TORX 10 M3X16
279 3139 120 41331 PARAFUSO TORX 10 M4X12
1500 , 2422 090 01101 SOQUETE FUSE 1P
1501 , 2422 090 01101 SOQUETE FUSE 1P
1622 4806 402 67239 CONECTOR 8P
1990 , 9301 883 40361 CINESCÓPIO 20” - A48EAK01X110
5203 , 3106 107 30361 BOBINA DESMAG 20”
5994 , 4806 240 27044 ALTO-FALANTE 16R 5W FR O45X154
PARTES ELÉTRICAS - MONOPAINEL [A]
1000 , 2422 542 90141 SINTONIZADOR TV V+U PLL F
1001 4806 154 77000 FILTRO SAW 45,75MHZ OFWM1971M
1201 4806 242 77156 FILTRO CERÂMICO 4,5MHz
1504 , 2422 086 10914 FUSÍVEL 4A 250V 5X20
1600 4806 277 27122 CHAVE TÁCTIL
1601 4806 277 27122 CHAVE TÁCTIL
1602 4806 277 27122 CHAVE TÁCTIL
1603 4806 277 27122 CHAVE TÁCTIL
1621 4806 242 77174 CRISTAL 12MHz 20P
2001 4822 126 14585 CAPACITOR CER 100 nF 10% 50V
2002 2022 020 00672 CAPACITOR ELCO 100µF 20% 16V
2003 2238 867 15229 CAPACITOR CER SMD 22pF 50V
2004 2238 867 15229 CAPACITOR CER SMD 22pF 50V
2005 2020 552 94012 CAPACITOR CER SMD 47nF 20% 50V
2006 4806 124 47049 CAPACITOR ELCO 470µF 20% 10V
2007 2022 020 00626 CAPACITOR ELCO 10µF 20% 50V
2101 2238 246 19858 CAPACITOR CER SMD 470nF 10V
2102 2238 867 15229 CAPACITOR CER SMD 22pF 50V
2103 2238 586 15616 CAPACITOR CER SMD 330pF 50V
2104 2238 586 15616 CAPACITOR CER SMD 330pF 50V
2105 2022 020 00627 CAPACITOR ELCO 10µF 20% 25V
2106 2022 020 00627 CAPACITOR ELCO 10µF 20% 25V
2111 2238 867 15229 CAPACITOR CER SMD 22pF 50V
2112 2238 867 15229 CAPACITOR CER SMD 22pF 50V
2113 2238 867 15229 CAPACITOR CER SMD 22pF 50V
2121 2238 867 15229 CAPACITOR CER SMD 22pF 50V
2122 2238 586 15616 CAPACITOR CER SMD 330pF 50V
2123 2020 552 95731 CAPACITOR SER SMD 1µF 20% 10V
2124 2238 586 15616 CAPACITOR CER SMD 330pF 50V
2125 2020 552 95731 CAPACITOR SER SMD 1µF 20% 10V
2132 2020 552 95731 CAPACITOR SER SMD 1µF 20% 10V
2134 2020 552 95731 CAPACITOR SER SMD 1µF 20% 10V
2201 2238 586 15632 CAPACITOR SMD 4,7nF 10% 50V
2202 2022 552 00549 CAPACITOR SMD 330pF 5% 50V
2203 2238 246 19858 CAPACITOR CER SMD 470nF 10V
2205 2022 020 00661 CAPACITOR ELCO 10µF 20% 50V
2206 2238 867 15339 CAPACITOR CER SMD 33pF 5% 50V
2207 4822 126 14585 CAPACITOR CER 100 nF 10% 50V
2208 4822 126 14585 CAPACITOR CER 100 nF 10% 50V
2209 4822 126 14585 CAPACITOR CER 100 nF 10% 50V
2210 4822 126 13879 CAPACITOR CER SMD 220nF 20% 16V
2211 3198 016 11549 CAPACITOR CER SMD 1nF 5% 25V
2212 4822 126 13879 CAPACITOR CER SMD 220nF 20% 16V
2231 2022 552 05517 CAPACITOR CER SMD 22nF 10% 25V
2232 2022 552 05517 CAPACITOR CER SMD 22nF 10% 25V
2233 2022 552 05517 CAPACITOR CER SMD 22nF 10% 25V
2405 2022 031 00103 CAPACITOR ELCO 47µF 20% 160V
2408 4822 121 43397 CAPACITOR POL 680nF 5% 250V
2420 4822 126 14585 CAPACITOR CER 100 nF 10% 50V
2421 4822 126 14585 CAPACITOR CER 100 nF 10% 50V
2423 , 4806 121 47005 CAPACITOR MPP 15nF 5% 1K6V
2424 , 4822 126 13862 CAPACITOR CER 1,5nF 10% 2KV
2426 3198 016 11549 CAPACITOR CER SMD 1nF 5% 25V
2427 2238 916 19849 CAPACITOR CER SMD 100nF 20% 25V
2428 2022 020 00606 CAPACITOR ELCO 47µF 20% 16V
2429 2238 786 19854 CAPACITOR CER SMD 220nF 20% 16V
2441 2022 318 00126 CAPACITOR MPOL 15nF 10% 63V
2444 2022 020 00623 CAPACITOR ELCO 470µF 20% 16V
2446 2022 020 00623 CAPACITOR ELCO 470µF 20% 16V
2447 4806 124 27567 CAPACITOR ELCO 10µF 20% 250V
2452 2022 552 05517 CAPACITOR CER SMD 22nF 10% 25V
2453 2238 586 15627 CAPACITOR CER SMD 2,2nF 10% 50V
2455 4822 124 11947 CAPACITOR ELCO 10µF 16V
2460 4806 120 47207 CAPACITOR 68nF 100V
2461 3198 016 11549 CAPACITOR CER SMD 1nF 5% 25V
2462 3198 016 11549 CAPACITOR CER SMD 1nF 5% 25V
2463 2038 035 11507 CAPACITOR ELCO 47µF 20% 50V
2464 2238 867 15471 CAPACITOR CER SMD 470pF5% 50V
2465 , 2022 031 00127 CAPACITOR ELCO 10µF 20% 160V
2470 2022 318 00126 CAPACITOR MPOL 15nF 10% 63V
2473 2238 867 15471 CAPACITOR CER SMD 470pF5% 50V
2481 2238 867 15101 CAPACITOR CER SMD 100pF 5% 50V
2482 2238 246 19863 CAPACITOR CER SMD 1µF 10V
2483 4806 122 37311 CAPACITOR CER SMD 4,7µF 20% 10V
2484 4822 126 14585 CAPACITOR CER 100 nF 10% 50V
2485 2238 246 19863 CAPACITOR CER SMD 1µF 10V
2486 2238 586 15632 CAPACITOR SMD 4,7nF 10% 50V
2487 2238 586 15627 CAPACITOR CER SMD 2,2nF 10% 50V
2488 4806 124 47069 CAPACITOR MPOL 100nF 10% 63V
2489 2238 586 15623 CAPACITOR CER SMD 1nF10% 50V
2491 4806 124 47049 CAPACITOR ELCO 470µF 20% 10V
2492 3198 029 32290 CAPACITOR ELCO 22µF 20% 25V
2493 4806 124 47049 CAPACITOR ELCO 470µF 20% 10V
2494 2022 020 00667 CAPACITOR ELCO 47µF 20% 16V
2496 2238 586 15623 CAPACITOR CER SMD 1nF10% 50V
2497 2238 586 15623 CAPACITOR CER SMD 1nF10% 50V
2500 , 2222 338 22474 CAPACITOR POL 100nF 20% 275V
2501 , 4806 122 37266 CAPACITOR CER 2,2nF 10% 1kV
2502 , 4806 122 37266 CAPACITOR CER 2,2nF 10% 1kV
2503 , 2022 020 00744 CAPACITOR ELCO 150µF 20% 400V
2505 , 4806 122 37266 CAPACITOR CER 2,2nF 10% 1kV
2515 , 2020 554 90199 CAPACITOR CER 1N5 20% 250V
2520 2238 586 15636 CAPACITOR SMD 10nF 10% 50V
LISTA DE MATERIAL 20PT4331/78R
70 L03.1L AA
ITEM , CÓDIGO DESCRIÇÃO ITEM , CÓDIGO DESCRIÇÃO
2521 4822 124 81151 CAPACITOR ELCO 22µF 20% 50V
2522 2238 586 15623 CAPACITOR CER SMD 1nF10% 50V
2523 , 4806 122 57008 CAPACITOR CER 1N8 2KV
2525 2238 586 15621 CAPACITOR SMD 680pF10% 50V
2527 2238 867 15569 CAPACITOR CER 56pF 5% 50V
2528 4822 124 81151 CAPACITOR ELCO 22µF 20% 50V
2540 2238 586 15638 CAPACITOR SMD 15nF 10% 50V
2541 2238 586 15632 CAPACITOR SMD 4,7nF 10% 50V
2542 2238 246 19858 CAPACITOR CER SMD 470nF 10V
2543 2238 586 15623 CAPACITOR CER SMD 1nF10% 50V
2560 4806 122 37213 CAPACITOR CER 2,2nF 50V
2561 2022 020 00677 CAPACITOR ELCO 2200µF 20% 16V
2562 , 4806 122 37228 CAPACITOR CER 2,2nF 1kV
2564 , 4806 124 27572 CAPACITOR ELCO 47µF 160V
2584 , 2020 558 90553 CAPACITOR CER 220pF 10% 1KV
2585 , 2238 586 15623 CAPACITOR CER SMD 1nF10% 50V
2602 2020 552 96664 CAPACITOR SMD 33pF 2% 50V
2603 2020 552 96664 CAPACITOR SMD 33pF 2% 50V
2604 4822 124 11947 CAPACITOR ELCO 10µF 16V
2605 4822 126 14585 CAPACITOR CER 100 nF 10% 50V
2607 4822 126 14585 CAPACITOR CER 100 nF 10% 50V
2608 2238 246 19863 CAPACITOR CER SMD 1µF 10V
2609 4822 126 14585 CAPACITOR CER 100 nF 10% 50V
2612 2022 020 00619 CAPACITOR ELCO 220µF 20% 16V
2615 2020 552 94371 CAPACITOR CER SMD 820pF10% 50V
2616 4822 124 11947 CAPACITOR ELCO 10µF 16V
2641 3198 016 11549 CAPACITOR CER SMD 1nF 5% 25V
2642 3198 016 11549 CAPACITOR CER SMD 1nF 5% 25V
2643 2238 867 15221 CAPACITOR CER SMD 220pF 5% 50V
2691 2022 020 00615 CAPACITOR ELCO 100µF 20% 10V
2821 2022 020 00615 CAPACITOR ELCO 100µF 20% 10V
2822 2238 786 15643 CAPACITOR CER SMD 33nF 10% 16V
2823 2038 035 11704 CAPACITOR ELCO 10µF 20% 100V
2824 2038 035 11704 CAPACITOR ELCO 10µF 20% 100V
2825 2238 786 55644 CAPACITOR CER SMD 39nF 10% 16V
2826 2238 586 15638 CAPACITOR SMD 15nF 10% 50V
2827 2238 786 15643 CAPACITOR CER SMD 33nF 10% 16V
2828 2238 586 15636 CAPACITOR SMD 10nF 10% 50V
2829 4822 126 14585 CAPACITOR CER 100 nF 10% 50V
2830 2038 035 11704 CAPACITOR ELCO 10µF 20% 100V
2831 2038 035 11704 CAPACITOR ELCO 10µF 20% 100V
2832 2038 035 11704 CAPACITOR ELCO 10µF 20% 100V
2833 2038 035 11704 CAPACITOR ELCO 10µF 20% 100V
2835 2238 586 15636 CAPACITOR SMD 10nF 10% 50V
2836 4822 126 14585 CAPACITOR CER 100 nF 10% 50V
2837 2238 246 19858 CAPACITOR CER SMD 470nF 10V
2838 2038 035 11704 CAPACITOR ELCO 10µF 20% 100V
2841 4806 122 37311 CAPACITOR CER SMD 4,7µF 20% 10V
2842 4822 051 30008 RESISTOR SMD 0R00 JUMPER
2843 4822 051 30008 RESISTOR SMD 0R00 JUMPER
2844 2022 020 00655 CAPACITOR ELCO 2,2µF 20% 50V
2845 2022 020 00657 CAPACITOR ELCO 4,7µF 20% 50V
2846 2038 035 11704 CAPACITOR ELCO 10µF 20% 100V
2847 2022 020 00608 CAPACITOR ELCO 100µF 20% 16V
2848 2238 786 19856 CAPACITOR CER SMD 330nF 16V
2849 2022 552 05517 CAPACITOR CER SMD 22nF 10% 25V
2850 2020 009 90103 CAPACITOR ELCO 3,3µF 20% 50V
2851 4822 126 14585 CAPACITOR CER 100 nF 10% 50V
2852 4822 126 14585 CAPACITOR CER 100 nF 10% 50V
2855 2238 246 19863 CAPACITOR CER SMD 1µF 10V
2856 2238 246 19863 CAPACITOR CER SMD 1µF 10V
2857 2238 786 15645 CAPACITOR SMD 47nF 10% 16V
2858 2238 246 19863 CAPACITOR CER SMD 1µF 10V
2859 2238 246 59863 CAPACITOR CER SMD 1µF 20% 10V
2860 4822 126 14585 CAPACITOR CER 100 nF 10% 50V
2861 2238 867 15221 CAPACITOR CER SMD 220pF 5% 50V
2862 2238 867 15221 CAPACITOR CER SMD 220pF 5% 50V
2863 2238 867 15221 CAPACITOR CER SMD 220pF 5% 50V
2903 4822 124 21913 CAPACITOR ELCO 1µF 20% 50V
2904 2238 246 19858 CAPACITOR CER SMD 470nF 10V
2906 2238 246 19858 CAPACITOR CER SMD 470nF 10V
2908 4822 124 40769 CAPACITOR ELCO 4,7µF 20% 50V
2909 2022 020 00626 CAPACITOR ELCO 10µF 20% 50V
2950 2238 586 15625 CAPACITOR CER SMD 1N5 10% 50V
2951 4806 122 37401 CAPACITOR ELCO 100µF 50 V
2952 4806 122 37401 CAPACITOR ELCO 100µF 50 V
3001 2322 702 60152 RESISTOR SMD 1K5 5% 0,062W
3002 2322 702 60822 RESISTOR SMD 8K2 5% 0,062W
3003 2322 702 60101 RESISTOR SMD 100R 5% 0,062W
3004 2322 702 60101 RESISTOR SMD 100R 5% 0,062W
3005 2120 101 90451 RESISTOR CRB 100R 5% 1/6W
3101 2322 702 60689 RESISTOR SMD 68R 5% 0,062W
3102 2322 702 60102 RESISTOR SMD 1K 5% 0,062W
3103 4806 111 97266 RESISTOR SMD 100R
3104 2322 702 60224 RESISTOR SMD 220K 5% 0,062W
3105 4806 111 97266 RESISTOR SMD 100R
3106 2322 702 60224 RESISTOR SMD 220K 5% 0,062W
3111 2322 702 60759 RESISTOR SMD 75R 5%
3112 2322 702 60101 RESISTOR SMD 100R 5% 0,062W
3113 2322 702 60759 RESISTOR SMD 75R 5%
3114 2322 702 60101 RESISTOR SMD 100R 5% 0,062W
3115 2322 702 60759 RESISTOR SMD 75R 5%
3116 2322 702 60101 RESISTOR SMD 100R 5% 0,062W
3121 2322 702 60759 RESISTOR SMD 75R 5%
3122 2322 702 60101 RESISTOR SMD 100R 5% 0,062W
3123 4806 111 97266 RESISTOR SMD 100R
3124 2322 702 60473 RESISTOR SMD 47K 5% 0,062W
3125 4806 111 97266 RESISTOR SMD 100R
3126 2322 702 60473 RESISTOR SMD 47K 5% 0,062W
3201 4822 051 30392 RESISTOR 3K9 5% 0.063W
3202 2322 702 60101 RESISTOR SMD 100R 5% 0,062W
3203 2322 702 60102 RESISTOR SMD 1K 5% 0,062W
3204 4822 117 13501 RESISTOR SMD 82R 5% 0,062W
3205 4806 111 97179 RESISTOR SMD 270R 5% 0,062W
3206 2322 702 60102 RESISTOR SMD 1K 5% 0,062W
3207 2322 702 60391 RESISTOR SMD 390R 5% 0,062W
3208 2120 101 90461 RESISTOR CRB 560R 5% 0,5W
3209 2322 702 60471 RESISTOR SMD 470R 5% 0,062W
3210 2120 101 90451 RESISTOR CRB 100R 5% 1/6W
3231 2322 702 60561 RESISTOR SMD 560R 5% 0,062W
3232 2120 101 90464 RESISTOR CRB 1K 5% 0,25W
3403 , 4822 052 10471 RESISTOR FUSE 470R 5% 0,33W
3422 4822 053 20334 RESISTOR MGL 330K 5% 0,25W
3424 4806 116 97041 RESISTOR POT 47R 5% 2W
3425 4822 050 22201 RESISTOR 220R 5% 0,6W
3426 2120 101 90447 RESISTOR CRB 47R 5% 0,25W
3428 2120 101 90448 RESISTOR CRB 68R 5% 0,25W
3430 2322 702 60102 RESISTOR SMD 1K 5% 0,062W
3432 2322 702 60471 RESISTOR SMD 470R 5% 0,062W
3441 2322 702 60103 RESISTOR SMD 10K 5% 0,062W
3442 4806 116 57215 RESISTOR MFILM 150K 5% 0,3W
3443 , 4822 052 11399 RESISTOR MFILM 3R9
3444 , 4806 113 97039 RESISTOR MFIL 4,7R 5% 0,5W
3445 , 4806 113 97046 RESISTOR FUSE 1R 5% 0,33W
3446 , 4806 113 97046 RESISTOR FUSE 1R 5% 0,33W
3447 2322 702 60104 RESISTOR SMD 100K 5% 0,062W
3448 , 4806 113 97046 RESISTOR FUSE 1R 5% 0,33W
3449 2120 101 90483 RESISTOR CRB 27K 5% 0,25W
3450 2120 101 90483 RESISTOR CRB 27K 5% 0,25W
3451 4822 117 12903 RESISTOR 1K8 1% 0.063W 0603
3452 2120 101 90497 RESISTOR CRB 1M 5% 0,25W
3453 2322 702 60104 RESISTOR SMD 100K 5% 0,062W
3454 2322 702 60103 RESISTOR SMD 10K 5% 0,062W
3455 4822 117 11449 RESISTOR SMD 2K2 5% 0,062W
LISTA DE MATERIAL 20PT4331/78R
71L03.1L AA
ITEM , CÓDIGO DESCRIÇÃO ITEM , CÓDIGO DESCRIÇÃO
3456 2322 702 60473 RESISTOR SMD 47K 5% 0,062W
3459 4806 116 57215 RESISTOR MFILM 150K 5% 0,3W
3460 2322 702 60473 RESISTOR SMD 47K 5% 0,062W
3461 4822 117 11449 RESISTOR SMD 2K2 5% 0,062W
3462 2322 702 60105 RESISTOR SMD 1M 5% 0,062W
3463 4822 117 11449 RESISTOR SMD 2K2 5% 0,062W
3464 2120 101 90468 RESISTOR CRB 2K2 5% 0,25W
3465 2322 702 60102 RESISTOR SMD 1K 5% 0,062W
3466 2322 702 60102 RESISTOR SMD 1K 5% 0,062W
3468 2120 101 90457 RESISTOR CRB 330R 5% 0,25W
3470 , 4806 113 97046 RESISTOR FUSE 1R 5% 0,33W
3471 2120 101 90455 RESISTOR CRB 220R 5% 0,25W
3472 2120 101 90455 RESISTOR CRB 220R 5% 0,25W
3473 2312 915 13308 RESISTOR MFLM 3R3 1% 0,6W
3474 2312 915 13908 RESISTOR MFLM 3R9 1% 0,6W
3475 2120 101 90477 RESISTOR CRB 10K 5% 0,25W
3476 2120 101 90476 RESISTOR CRB 8K2 5% 0,25W
3478 2120 101 90439 RESISTOR CRB 1R 5% 0,25W
3479 , 4822 052 10189 RESISTOR 18R 5% 0,33W
3480 2322 702 60393 RESISTOR SMD 39K 5% 0,062W
3481 4806 111 97173 RESISTOR 18K 5% 0,062W
3482 2120 101 90471 RESISTOR CRB 3K3 5% 0,25W
3483 2120 101 90497 RESISTOR CRB 1M 5% 0,25W
3485 2322 702 60102 RESISTOR SMD 1K 5% 0,062W
3486 2322 702 60102 RESISTOR SMD 1K 5% 0,062W
3487 2322 702 60333 RESISTOR SMD 33K 5% 0,062W
3488 2120 101 90466 RESISTOR CRB 1K5 5% 0,25W
3489 2322 702 60103 RESISTOR SMD 10K 5% 0,062W
3490 2120 101 90471 RESISTOR CRB 3K3 5% 0,25W
3491 2120 101 90486 RESISTOR CRB 47K 5% 0,25W
3492 4806 111 97173 RESISTOR 18K 5% 0,062W
3493 , 4822 052 10189 RESISTOR 18R 5% 0,33W
3495 2120 101 90446 RESISTOR CRB 33R 5% 0,25W
3497 2120 101 90458 RESISTOR CRB 390R 5% 0,25W
3498 2120 101 90477 RESISTOR CRB 10K 5% 0,25W
3499 2322 702 60273 RESISTOR SMD 27K 5% 0,062W
3500 , 4806 116 67007 RESISTOR MGL 3,3M 5% 0,5W
3501 , 4806 116 67007 RESISTOR MGL 3,3M 5% 0,5W
3502 , 2122 612 00055 RESISTOR NTC 4,7R 20% 3W1
3504 , 4806 116 47028 RESISTOR PTC 9R 200V 100R
3506 4822 053 20334 RESISTOR MGL 330K 5% 0,25W
3509 2322 245 11221 RESISTOR MGL 220R 20% 0,5W
3510 4806 209 87877 CENTELHADOR DSP-301N-A21F
3519 2120 101 90471 RESISTOR CRB 3K3 5% 0,25W
3520 4822 117 11817 RESISTOR 1K2 1% 1/16W
3522 2322 702 60334 RESISTOR SMD 330K 5% 0,062W
3523 , 2306 204 02479 RESISTOR FUS 47R 5% 0,33W
3524 4822 051 30008 RESISTOR SMD 0R00 JUMPER
3525 2322 702 60102 RESISTOR SMD 1K 5% 0,062W
3526 2120 105 93479 RESISTOR MOX 0R15 5%
3527 , 4806 116 57504 RESISTOR FUSE 2K2 5% 0,33W
3528 2322 702 60103 RESISTOR SMD 10K 5% 0,062W
3541 2322 702 60471 RESISTOR SMD 470R 5% 0,062W
3542 2120 101 90466 RESISTOR CRB 1K5 5% 0,25W
3543 2312 915 18203 RESISTOR MFLM 82K 1% 0,6W
3544 2312 915 16802 RESISTOR MFLM 6K8 1% 0,6W
3545 4822 117 11449 RESISTOR SMD 2K2 5% 0,062W
3546 2120 101 90475 RESISTOR CRB 6K8 5% 0,25W
3547 2322 702 60334 RESISTOR SMD 330K 5% 0,062W
3548 4822 051 30153 RESISTOR SMD 15K 5% 0,062W
3549 2120 101 90455 RESISTOR CRB 220R 5% 0,25W
3581 , 4822 051 30569 RESISTOR SMD 56R 5% 0,062W
3601 4822 117 11449 RESISTOR SMD 2K2 5% 0,062W
3602 4822 117 11449 RESISTOR SMD 2K2 5% 0,062W
3603 2120 101 90468 RESISTOR CRB 2K2 5% 0,25W
3604 2120 101 90451 RESISTOR CRB 100R 5% 1/6W
3605 2120 101 90451 RESISTOR CRB 100R 5% 1/6W
3606 2120 101 90477 RESISTOR CRB 10K 5% 0,25W
3607 2322 702 60101 RESISTOR SMD 100R 5% 0,062W
3608 2322 702 60154 RESISTOR SMD 150K 5% 0,062W
3618 2120 101 90464 RESISTOR CRB 1K 5% 0,25W
3619 2120 101 90451 RESISTOR CRB 100R 5% 1/6W
3620 2120 101 90451 RESISTOR CRB 100R 5% 1/6W
3621 2120 101 90451 RESISTOR CRB 100R 5% 1/6W
3624 2120 101 90477 RESISTOR CRB 10K 5% 0,25W
3634 2120 101 90464 RESISTOR CRB 1K 5% 0,25W
3641 2120 101 90451 RESISTOR CRB 100R 5% 1/6W
3642 2322 702 60101 RESISTOR SMD 100R 5% 0,062W
3643 2322 702 60101 RESISTOR SMD 100R 5% 0,062W
3644 2322 702 60472 RESISTOR SMD 4,7K 5% 0,062W
3646 2322 702 60105 RESISTOR SMD 1M 5% 0,062W
3681 5322 117 13057 RESISTOR SMD 820R 1% 0,062W
3682 5322 117 13063 RESISTOR SMD 120R 1% 0,062W
3685 2322 704 62001 RESISTOR SMD 200R 1% 0,062W
3686 2322 704 64301 RESISTOR SMD 430R 1% 0,062W
3687 5322 117 13037 RESISTOR SMD 2K2 1% 0,062W
3688 2322 704 62001 RESISTOR SMD 200R 1% 0,062W
3691 4806 111 97022 RESISTOR SMD 330R 5% 0,1W
3693 2120 101 90455 RESISTOR CRB 220R 5% 0,25W
3694 2322 702 60472 RESISTOR SMD 4,7K 5% 0,062W
3822 2322 702 60224 RESISTOR SMD 220K 5% 0,062W
3824 4822 051 30008 RESISTOR SMD 0R00 JUMPER
3827 2120 101 90451 RESISTOR CRB 100R 5% 1/6W
3828 2120 101 90451 RESISTOR CRB 100R 5% 1/6W
3841 2322 702 60184 RESISTOR SMD 180K 5% 0,1W
3842 2120 101 90451 RESISTOR CRB 100R 5% 1/6W
3843 2120 101 90451 RESISTOR CRB 100R 5% 1/6W
3901 2120 101 90464 RESISTOR CRB 1K 5% 0,25W
3902 2120 101 90471 RESISTOR CRB 3K3 5% 0,25W
3903 2120 101 90471 RESISTOR CRB 3K3 5% 0,25W
3904 2322 702 60103 RESISTOR SMD 10K 5% 0,062W
3905 2120 101 90471 RESISTOR CRB 3K3 5% 0,25W
3906 2322 702 60103 RESISTOR SMD 10K 5% 0,062W
3907 2322 702 60822 RESISTOR SMD 8K2 5% 0,062W
3911 2322 702 60104 RESISTOR SMD 100K 5% 0,062W
4122 4822 051 30008 RESISTOR SMD 0R00 JUMPER
4123 4822 051 30008 RESISTOR SMD 0R00 JUMPER
4124 4822 051 30008 RESISTOR SMD 0R00 JUMPER
4126 4822 051 30008 RESISTOR SMD 0R00 JUMPER
4127 4822 051 30008 RESISTOR SMD 0R00 JUMPER
4129 4822 051 30008 RESISTOR SMD 0R00 JUMPER
4132 4822 051 30008 RESISTOR SMD 0R00 JUMPER
4133 4822 051 30008 RESISTOR SMD 0R00 JUMPER
4151 4822 051 30008 RESISTOR SMD 0R00 JUMPER
4152 4822 051 30008 RESISTOR SMD 0R00 JUMPER
4161 4822 051 30008 RESISTOR SMD 0R00 JUMPER
4405 4822 051 30008 RESISTOR SMD 0R00 JUMPER
4491 4822 051 30008 RESISTOR SMD 0R00 JUMPER
4571 4822 051 30008 RESISTOR SMD 0R00 JUMPER
4610 4822 051 30008 RESISTOR SMD 0R00 JUMPER
4661 4806 051 27042 RESISTOR SMD 0R - JUMP
4692 4822 051 30008 RESISTOR SMD 0R00 JUMPER
4694 2322 702 60473 RESISTOR SMD 47K 5% 0,062W
4694 4822 051 30008 RESISTOR SMD 0R00 JUMPER
4698 4822 051 30008 RESISTOR SMD 0R00 JUMPER
4821 4822 051 30008 RESISTOR SMD 0R00 JUMPER
4822 4822 051 30008 RESISTOR SMD 0R00 JUMPER
4847 4822 051 30008 RESISTOR SMD 0R00 JUMPER
4922 4822 051 30008 RESISTOR SMD 0R00 JUMPER
5001 4806 157 57248 BOBINA 0,82µH 10%
5201 4822 157 11835 BOBINA 4,7µH 5%
5421 , 2422 531 02589 TRAFO DRIVER PSD10-204B
5441 , 2422 531 02598 TSH - LOT - FLY BACK JF0501-19255
5482 4806 157 57249 BOBINA 10µH 5%
LISTA DE MATERIAL 20PT4331/78R
72 L03.1L AA
ITEM , CÓDIGO DESCRIÇÃO ITEM , CÓDIGO DESCRIÇÃO
5500 , 4806 157 17025 FILTRO DE REDE
5509 4806 526 17039 BOBINA BEAD 50MHZ 45R
5515 , 2422 549 43306 BOBINA BEAD 100MHZ 86R
5520 , 4806 146 47019 TRAFO POT. SMT S359B4-09 B
5521 4806 526 17039 BOBINA BEAD 50MHZ 45R
5560 4806 526 17039 BOBINA BEAD 50MHZ 45R
5562 4806 526 17034 BOBINA BEAD 50MHZ 90R
5563 4822 157 70698 BOBINA 27µH 10%
5601 4806 158 67055 BOBINA 5µ6H 5%
5602 4806 158 67055 BOBINA 5µ6H 5%
5603 4806 158 67055 BOBINA 5µ6H 5%
5821 4806 157 57249 BOBINA 10µH 5%
5841 4806 157 57249 BOBINA 10µH 5%
6001 4822 130 34142 DIODO ZENER BZX79-C33
6127 9322 157 71685 DIODO ZENER SMD MM3Z6V8
6422 9335 214 80133 DIODO BYV97G
6423 4822 130 31603 DIODO 1N4006
6426 9340 549 45115 DIODO BAS316
6444 4806 130 37629 DIODO EGP20DL-5100
6445 9340 549 45115 DIODO BAS316
6446 4822 130 31607 DIODO RGP10D
6447 4822 130 31607 DIODO RGP10D
6451 9340 549 45115 DIODO BAS316
6452 9340 549 45115 DIODO BAS316
6453 4822 130 34142 DIODO ZENER BZX79-C33
6460 9340 549 45115 DIODO BAS316
6461 4822 130 31607 DIODO RGP10D
6462 4822 130 31607 DIODO RGP10D
6463 4822 130 31607 DIODO RGP10D
6464 9340 549 45115 DIODO BAS316
6481 9340 549 45115 DIODO BAS316
6491 5322 130 34331 DIODO SMD BAV70
6492 9322 157 70685 DIODO ZENER SMD MM3Z5V6
6500 4806 130 37036 DIODO 1N5062
6501 4806 130 37036 DIODO 1N5062
6502 4806 130 37036 DIODO 1N5062
6503 4806 130 37036 DIODO 1N5062
6520 4822 130 41601 DIODO BYV95A
6522 4822 130 41601 DIODO BYV95A
6540 9331 668 30133 DIODO ZENER BZX79-B6V2
6541 4806 130 37055 DIODO ZENER BZX79-B9V1
6560 9322 161 76682 DIODO SB340L-7024
6561 9322 127 32682 DIODO BYW76-RAS15/10
6562 9322 127 32682 DIODO BYW76-RAS15/10
6624 9340 549 45115 DIODO BAS316
6625 5322 130 31804 DIODO ZENER BZX79-C8V2
6626 9340 549 45115 DIODO BAS316
6627 9340 549 45115 DIODO BAS316
6628 9340 549 45115 DIODO BAS316
6681 9340 549 45115 DIODO BAS316
6691 , 9322 185 69682 DIODO LED VS LTL-10234WHCR
6692 4806 212 17035 MÓDULO RECEP IR TSOP1836
6908 9322 102 64685 DIODO ZENER SM UDZ2.7B
6909 4806 130 37078 DIODO 1N4148
7101 5322 130 60159 TRANSISTOR BC847B
7200 3106 107 40161 CIRC INTGR UOC GRAV L3SLS1 1.3
7201 5322 130 60159 TRANSISTOR BC847B
7202 5322 130 60159 TRANSISTOR BC847B
7421 9322 183 16687 TRANSISTOR BUL312FP
7422 4822 130 42696 TRANSISTOR BC817-25
7423 5322 130 60845 TRANSISTOR BC807-25
7451 9335 897 60215 TRANSISTOR BC857C
7461 9335 897 60215 TRANSISTOR BC857C
7462 9335 897 60215 TRANSISTOR BC857C
7463 4806 130 47169 TRANSISTOR BC546B
7464 4806 130 47530 TRANSISTOR BD135 L
7465 4806 130 47055 TRANSISTOR BD136
7466 5322 130 60159 TRANSISTOR BC847B
7491 5322 130 60159 TRANSISTOR BC847B
7493 4806 209 87902 CIRC INTGR L78L33ACZ
7494 4806 130 47228 TRANSISTOR BC337-25
7496 4806 130 47530 TRANSISTOR BD135 L
7515 , 4806 209 87853 CIRC INTGR TCET1103(G)
7520 9352 720 43118 CIRC INTGR TEA1506T/N1
7521 , 9322 194 22687 TRANSITOR FET STP7NK80ZFP
7523 9335 897 60215 TRANSISTOR BC857C
7540 9331 976 30126 TRANSISTOR BC547B
7541 4822 130 11155 TRANSISTOR SMD PDTC114ET
7601 9340 310 60215 TRANSISTOR PDTA114ET
7641 4806 209 87874 CIRC INTGR M24C16-WBN6
7821 9322 191 49682 CIRC INTGR AN5891K
7841 9322 189 97668 CIRC INTGR AN5829S
7901 9322 158 65667 CIRC INTGR AN7522N
PAINEL CINESCÓPIO [B]
1300 4806 402 67239 CONECTOR 8P
1302 , 2422 500 80076 SOQUETE CINESCÓPIO 9 PINOS
2300 2022 552 00549 CAPACITOR SMD 330pF 5% 50V
2301 2238 867 15391 CAPACITOR CER SMD 390pF 5% 50V
2302 2238 867 15391 CAPACITOR CER SMD 390pF 5% 50V
2303 , 4822 126 14053 CAPACITOR CER 1nF 10% 2kV
2304 4806 120 47371 CAPACITOR FILM 47nF 10% 250V
3300 2120 105 93596 RESISTOR MOX 15K 5% 3W
3301 2322 245 11152 RESISTOR MGL 1K5 20% 0,5W
3303 2322 702 60331 RESISTOR SMD 330R 5% 0,062W
3304 2120 105 93596 RESISTOR MOX 15K 5% 3W
3305 2322 245 11152 RESISTOR MGL 1K5 20% 0,5W
3307 2322 702 60331 RESISTOR SMD 330R 5% 0,062W
3308 2120 105 93596 RESISTOR MOX 15K 5% 3W
3309 2322 245 11152 RESISTOR MGL 1K5 20% 0,5W
3311 2322 702 60391 RESISTOR SMD 390R 5% 0,062W
3313 , 2306 204 03689 RESISTOR FUSE 68R 5% 0,33W
3318 , 4806 113 97068 RESISTOR FUSE 220R 5% 0,33W
3319 2322 245 11152 RESISTOR MGL 1K5 20% 0,5W
4300 4822 051 30008 RESISTOR SMD 0R00 JUMPER
4301 4822 051 30008 RESISTOR SMD 0R00 JUMPER
4302 4822 051 30008 RESISTOR SMD 0R00 JUMPER
4303 4822 051 30008 RESISTOR SMD 0R00 JUMPER
4306 4822 051 30008 RESISTOR SMD 0R00 JUMPER
6301 9340 549 45115 DIODO BAS316
6307 9340 549 45115 DIODO BAS316
6318 9322 157 72685 DIODO ZENER SMD PDZ8.2B
7308 4806 130 47090 TRANSISTOR BF422
7310 4806 130 47090 TRANSISTOR BF422
7312 4806 130 47090 TRANSISTOR BF422
7313 4806 130 47090 TRANSISTOR BF422
7314 4806 130 47091 TRANSISTOR BF423
7315 4806 130 47090 TRANSISTOR BF422
7316 4806 130 47091 TRANSISTOR BF423
7317 4806 130 47090 TRANSISTOR BF422
7318 4806 130 47091 TRANSISTOR BF423
LISTA DE MATERIAL 20PT4331/78R

21 pt6456 (1)

  • 1.
    Impresso no BrasilSujeito a Modificações Todos os Direitos Reservados 4806 727 17272 Colour Television Chassis L03.1L AA CL 36532044_000.eps 020603 07/2003 CONTEÚDO PÁGINA 1 Especificações Técnicas, Conexões e Vista Geral do Chassis 2 2 Precauções de Segurança e Manutenção Instruções, Avisos e Notas 4 3 Instruções de Uso 6 4 Instruções Mecânicas 16 5 Modos de Serviço, Códigos de Erro e Descoberta de Falhas 17 6 Diagrama em Blocos, Pontos de teste, I2C e Diagrama em Blocos 21 Vista Geral da Tensão de Alimentação 22 Vista Geral dos Pontos de Teste 23 7 Esquemas e Painéis Diagr. Painel Fonte de Alimentação (Diagrama A1) 24 33-39 Deflexão (Diagrama A2) 25 33-39 Tuner I/F (Diagrama A3) 26 33-39 Processamento de Vídeo (Diagrama A4) 27 33-39 Proces. de Áudio (Stereo + SAP) (Diagrama A5) 28 33-39 Amp. Áudio + Proc. Som Mono(Diagrama A6) 29 33-39 E/S Frontal + Controle + Headphone (Diagrama A7)30 33-39 E/S Traseiro (Diagrama A8) 31 33-39 Tabela de Diversidade 32 33-39 Alimentação DVD Opcional (Diagrama A9) 32 33-39 Painel CRT (Diagrama B1) 40 41-42 Painel Controle Superior (Diagrama E) 42 42 8 Ajustes 43 9 Descrição do Circuito 51 Lista de Abreviações 54 Data Sheets dos CIs 56 10 Listas de Material Lista de Material 14PT3131/78R 57 Lista de Material 20PT3331/78R 61 Lista de Material 14PT4131/78R 65 Lista de Material 20PT4331/78R 69 14PT3131/78R 14PT4131/78R 20PT3331/78R 20PT4331/78R ç Volta ao Menu
  • 2.
    2 L03.1L AA 1.2.2Conexões Traseiras Monitor Out 1 - Vídeo 1 Vpp / 75 ohm kq 2 - Áudio L (0.5 Vrms / 1 kohm) kq 3 - Áudio R (0.5 Vrms / 1 kohm) kq AV1 In (YUV) 1 - Y 0.7 Vpp / 75 ohm jq 2 - U 0.7 Vpp / 75 ohm jq 3 - V 0.7 Vpp / 75 ohm jq AV1 In 4 - Vídeo 1 Vpp / 75 ohm jq 5 - Áudio L (0.5 Vrms / 10 kohm) jq 6 - Áudio R (0.5 V rms / 10 kohm) jq 1.1 Especificações Técnicas 1.1.1 Recepção Sistema de sintonia : PLL Sistemas de cor : NTSC M : PAL M : PAL N :PAL-BG Playback Sistemas de áudio : Mono, ou : BTSC com SAP Seleções de canais : 181 Canais : Cabo Completo Frequência FI : 45.75 MHz Entrada de antena : 75 ohm (tipo F), Coaxial 1.1.2 Miscelânia Saída de Áudio : Mono: 3 W rms : Stereo: 2 x 3 W rms Tensão de Rede : 90 - 276 V (± 10 %) Frequência de Rede : 50 / 60 Hz (± 5 %) Temperatura Ambiente : + 5 to + 45 deg. C Pressão do ar mínima : 60 kPa (=600 mBar) Umidade Máxima : 90 % Consumo : 36 W (14”) to : 50 W (21”) Consumo de energia Standby : < 3 W 1.2 Conexões 1.2.1 Conexões Frontais e Controle Frontal/Superior Headphone 1 - Headphone, 3.5 mm 8 - 600 Ω / 4 mW rt Audio / Video In 2 - Vídeo 1 Vpp / 75 ohm jq 3 - Áudio Mono 0.2 V rms / 10 kohm jq Figura 1-1 Conexões Frontais. INSTALL MENU - VOLUME + LED IR LED VIDEO AUDIO - VOLUME + CHANNEL INSTALL/MENU CONTROLE SUPERIOR V+V- P- P+ Figura 1-2 Conexões traseiras MONITOR OUT AV1 IN AV1 INCVIAVout V L R Y U V V L R 75 Ohm ANT. 1. Especificações Técnicas, Conexões, e Vista Geral do Chassis
  • 3.
    3L03.1L AA 1.3 VistaGeral do Chassis Figura 1-3 Vista Geral do Chassis B1 PAINEL PRINCIPAL A1 E A2 A3 A4 A8 FONTE PAINEL CONTROLE SUPERIOR DEFLEXÃO HORIZONTAL A5 AUDIO AMP + MONO SOUND PROC. TUNER IF PROCESSAMENTO DE VÍDEO E/S FRONTAL+ CONTROLE FRONTAL + HEADPHONE PROCESSAM. ÁUDIO (STEREO +SAP) I/O TRASEIRO CINCH ALIMENTAÇÃODODVD A9 CL 36532044_021.eps 020603 PAINEL CRT A6 A7
  • 4.
    4 L03.1L AA 2.3Avisos • Para prevenir danos aos CIs e transistores, evitar qualquer faísca ou alta tensão. Para previnir danos ao tubo, use o método mostrado na Fig. 2-1, para descarregar o tubo. Use uma ponta de alta tensão e um multímetro (posição Vdc). Descarregue até que a leitura do multímetro esteja 0 V (depois de aprox. 30 s). Figura 2-1 Descarga do tubo de imagem • Todos os CIs e outros semicondutores são suscetíveis à descarga eletrostática (ESD w). Falta de cuidado no manuseio durante reparo pode reduzir drasticamente a vida do componente. Quando reparando, certifique-se que você está conectado com o mesmo potencial de terra do aparelho por uma pulseira com resistência. Mantenha componentes e ferramentas também neste potencial. • Equipamentos de Proteção ESD disponíveis : - kit Completo ESD3 (mesa de trabalho, pulseira, caixa de cone xão, cabo de extensão, e cabo de aterramento). - Testador de Pulseira. A unidade de deflexão e qualquer unidade multi-polo, tubos planos formam uma unidade integrada. A deflexão e as unidades multi- polo são otimizadas em fábrica. • Adaptação desta unidade durante reparo não é recomendada. • Cuidado durante medições na parte de alta tensão e no tubo. • Nunca troque módulos ou outros componentes enquanto a uni- dade está ligada. • Para ajustar o aparelho, use ferramentas de plástico em vez das de metal. Assim, prevenimos quaisquer curtos e o perigo de um circuito tornar-se instável. 2.4 Notas • Meça as tensões e formas de onda considerando o chassis (= tuner) terra ( H ), ou terra quente ( I ), dependendo da área do circuito a ser testado. • As tensões e formas de onda mostradas nos diagramas são indicativas. Meça-as no Modo de Default de Serviço (ver seção Modos de Serviços, Códigos de Erro...) com sinal barras coloridas e som estéreo (L:3 kHz, R: 1 kHz a menos que declarado de outro modo) e portadora de figura em 475.25 MHz (PAL) ou 61.25 MHz (NTSC/PAL-M canal 3). • Onde necessário, meça a forma de onda e as tensões com ( D ) e sem ( E ) sinal. Meça o voltages na seção de alimentação em ambas operações: normal ( G ) e standby ( F ). Esses valores são indicados por símbolos apropriados. Índice deste capítulo 1. Instruções de Segurança para os Reparos 2. Instruções de Manutenção 3. Avisos 4. Notas 2.1 Instruções de Segurança para Reparos Normas de Segurança requeridas durante um reparo: Devido as partes ‘quentes’ deste chassis, o conjunto deve ser conectado a energia AC via transformador de isolação. • Componentes de Segurança, indicados pelo símbolo h, deverão ser repostos por componentes idênticos aos originais. • Quando trocar o CRT, utilizar óculos de segurança. Instruções de Segurança requerem que depois um reparo, o conjunto deve voltar a sua condição original. Atenção aos seguintes pontos: • Instrução de reparo Geral: como uma precaução extra, recomen- damos resoldar as conexões de solda onde a corrente do deflexão horizontal está fluindo em particular: - todos os pinos do transformador de saída de linha (LOT) - capacitor(es) do fly-back - capacitor(es) da correção S - transistor de saída de linha - pinos do conector com os fios da bobina de deflexão - outros componentes que suportam a corrente de deflexão. Nota: Esta resoldagem é indicada para prevenir más conexões causa- das pela fadiga de metal em pontos de solda e é unicamente necessá- ria para televisores com mais de 2 anos. • Roteie os fios e cabos do EHT corretamente e prenda-os com as travas de cabo. • Cheque a isolação do cabo de alimentação AC de danos externos. • Cheque o alívio de esforço do cabo de alimentação AC, preve- nindo que o cabo toque o CRT, componentes quentes, ou fontes de calor. • Cheque a resistência elétrica DC entre o plug AC e o lado secun- dário (unicamente em aparelhos com fontes isoladas). Faça da seguintes forma: 1. Desligue o cabo AC e conecte um fio entre dois pinos do plug. 2. Ligue o interruptor principal ( com o cabo AC desconectado!). 3. Meça o valor da resistência entre os pinos do plug e a blinda- gem do tuner na conexão de antena do aparelho. A leitura deverá estar entre 4.5 M e12 M. 4. Desligue o interruptor e remova o fio entre os dois pinos do plug AC. • Cheque defeitos do gabinete, prevenindo que o cliente toque qual- quer peça interna. 2.2 Instruções de Manutenção É recomendado que a inspeção de manutenção seja realizada por pessoal qualificado. O intervalo de inspeção depende das condições de uso: • Quando o equipamento é utilizado sob circunstâncias normais, por exemplo, em uma sala de estar, o intervalo recomendado é de três a cinco anos. • Quando o equipamento é utilizado em um ambiente com presença de poeira, gordura ou altos níveis de umidade, por exemplo em uma cozinha, o intervalo recomendado é um ano. • A inspeção de manutenção inclui as seguintes ações: 1. Realizar a ‘ instrução de reparo geral’ descrita acima. 2. Limpe a fonte de alimentação e circuito de deflexão no chassis. 3. Limpe o painel e o pescoço do tubo. 2. Instruções de Segurança e de Manutenção, Avisos e Notas • V
  • 5.
    5L03.1L AA • Opainel do tubo tem impresso espaçamentos para faiscamento. Cada espaço de faiscamento é conectado entre um eletrodo do tubo e o revestimento Aquadag. • Os semicondutores indicados no diagrama do circuito e nas listas de partes e peças são completamente permutáveis com os semi- condutores na unidade independente da indicação de tipo neles. 2.4.2 Notas sobre o esquema • Todos os valores dos resistores são dados em Ohms e o valor multiplicador é geralmente usado no local do ponto decimal (ex: 2K2 indica 2,2 KOhms). • Valores de resistores sem multiplicador podem ser indicados tanto por “E” ou “R” (ex: 220E ou 220R indicam 220 Ohm) • Todos os valores dos capacitores são dados em Micro-Farads (u=x10-6), (Nano-Farads (n=x10-9), ou Pico-Farads (p=x10-12). • Os valores dos capacitores podem também usar o multiplicador como indicação do local do ponto decimal (ex: 2p2 indica 2,2 pF). • Um asterisco (*) indica variação no uso do componentes. Verifique a tabela de diversidades para saber os valores corretos. • O valor correto do componente estão listados na lista de mate- rias. Portanto, a lista deve ser consultado quando houver alguma dúvida. 2.4.3 Precauções Práticas de Serviço • Evite se expor a Choques Elétricos. Enquanto algumas fontes são reconhecidamente causadoras de impactos perigosos, outras de potencial tão perigoso quanto, ficam desapercebidas. • Sempre Respeite as Tensões. Enquanto algumas delas possam não ser perigosas, elas podem causar reações inexperadas e que devem ser evitadas. Antes de manusear um TV alimentado, é aconselhável fazer o teste de isolação de alta tensão. Ele é fácil de fazer e é uma boa precaução. • Antes de ligar o TV sem a tampa traseira, prenda um terminal no terra do CRT DAG e na ponta de uma chave de fenda com uma boa isolação. Após o TV ser ligado aproxime a chave do anodo, começando pela carcaça do fly-back. Passe a chave a 2 polega- das do conector do cinescópio. Se um arco voltaico for formado você achou uma fuga sem se machucar! Se o arco aparecer, troque o componente que causou o problema, o fly-back ou o terminal.
  • 6.
    6 L03.1L AA 3.Instruções de Uso PARABÉNSPORTERADQUIRIDOESTEPRODUTO... EBEM-VINDOÀFAMÍLIAPHILIPS. AgradecemossuaconfiançanaPhilipsetemoscertezadequeseutelevisorlhetrará muitosmomentosagradáveis,poiseleéumprodutodetecnologiamodernaecom muitosrecursos.Parausufruirdetodoseupotencial,bastaleratentamenteeste manualeseguirasorientaçõesdadas.Seapósleromanualaindarestaralgumadúvida, faleconoscoatravésdonossoCIC(CentrodeInformaçõesaoConsumidor). CIC,tel.08007010203(discagemdiretagratuita),desegundaasexta,das8:00às 20:00h.Aossábados,das8:00às13:00h. Atenciosamente, PhilipsdaAmazôniaInd.Elet.Ltda. INFORMAÇÃOAMBIENTAL Embalagem: Todoomaterialdesnecessáriofoiretiradodaembalagemdoproduto.Nós procuramos,acadaprojeto,fazerembalagenscujaspartessejamdefácilseparação, bemcomodemateriaisrecicláveis,sendo:calçodeisopor,caixadepapelãoesacos plásticos.Procurefazerodescartedaembalagemdemaneiraconsciente, preferencialmentedestinandoarecicladores. Produto: Oprodutoadquiridoconsistedemateriaisquepodemserrecicladosereutilizadosse desmontadosporcompanhiasespecializadas. Bateriasepilhas: AspilhasebateriasfornecidascomosprodutosPhilipsnãocausamdanosaomeio ambiente,poisestãodentrodoslimitesespecificadosnaresoluçãoCONAMANo. 257de30/06/99,podendodestaformaseremdescartadasjuntocomolixo doméstico. Descarte: Solicitamosobservaralegislaçãoexistenteemsuaregião,comrelaçãoàdestinação doprodutonoseufinaldevida,disposiçãodoscomponentesdaembalagemedas pilhasebaterias. Emcasodedúvidaouconsulta,favorligarparaoCentrodeInformaçõesao Consumidor-08007010203(ligaçãodiretagratuita)ouparaaLinhaVerde (0+XX+92)652-2525. APhilipsdaAmazôniaIndústriaEletrônicaLtda.eoMeioAmbienteagradecemsua colaboração. ÍNDICE DiretivadeReciclagem–SeuTVutilizamateriaisquesãoreutilizáveisouquepodemser reciclados.Paraminimizaraquantidadedematerialdescartadonomeioambiente,companhias especializadasrecuperamaparelhosusadosparadesmonteecoletadosmateriaisreutilizáveis OperandooTV InformaçõesdeSegurança....................................................................................................................................4 DicasÚteis...............................................................................................................................................................4 InstalaçãoBásicadoControleRemoto.............................................................................................................4 InstalaçãoBásicadoTV.........................................................................................................................................5 FunçõesdosControlesdoTV.............................................................................................................................5 ConectandoaEquipamentosPeriféricos(Reprodução)...............................................................................6 ConectandoaEquipamentosPeriféricos(Gravação)....................................................................................6 FunçõesdoControleRemoto............................................................................................................................7 AcessandooMenuPrincipaleosSub-Menus.................................................................................................8 VisãoGeraldoMenuPrincipaleSub-Menus...................................................................................................8 SelecionandooMenuInstalação...................................................................................................................9-10 ComoAjustaraImagemdoTV.........................................................................................................................11 UtilizandooControleSmartPicture...............................................................................................................11 ComoAjustaroSomdoTV......................................................................................................................................12 UtilizandooControleSmartSound................................................................................................................12 UtilizandooTimer...............................................................................................................................................13 UtilizandooActiveControl...............................................................................................................................13 UtilizandooClosedCaption.............................................................................................................................14 UtilizandooLimitadordeVolume....................................................................................................................14 UtilizandoaFunçãoNíveldeSinal...................................................................................................................14 UtilizandooSleeptimer......................................................................................................................................15 UtilizandooControleSurf.................................................................................................................................15 AntesdeChamaroServiçoTécnico...............................................................................................................16 ListadeServiçosAutorizados.....................................................................................................................17-18 EspecificaçõesTécnicas.......................................................................................................................................19 Garantia..................................................................................................................................................................20
  • 7.
    7L03.1L AA INFORMAÇÕESDESEGURANÇA •Desconecteocaboderedequando: –aluzverdeabaixodateladoTVestiverpiscandocontinuamente. –umalinhabrancaluminosaaparecernatela. –duranteumatempestadederaios. –oaparelhonãoforutilizadoporumperíodoprolongadodetempo. •AolimparateladoTV,nuncauseagentesdelimpezaabrasivos.Useumpanomacioumedecido. •Nenhumafontedechama,comovelasacesas,devesercolocadaemcimadoTVounasimediações. •NãocoloqueseuTVsobluzdiretadosoloucalor. •Deixeumespaçodenomínimo10cmaoredordotelevisorparapermitirumaadequadaventilação, evitandoaquecimentoexcessivo.Nãocubraotelevisorquandoestiveremuso. •Evitecolocarseuaparelhoondeelepossaserexpostoachuvaouumidade(próximoàjanela,porexemplo). •Nenhumobjetocontendolíquidodevesercolocadosobreotelevisor,paraevitarquelíquidosgotejem ouespirremnoaparelho. •Quandoseuaparelhoutilizarantenainternaearecepçãoestiverruim,nãoutilizepalhadeaçoou outrosprodutosnaantena,poiselespodemdanificaroseutelevisor. •Nuncatenterepararumaparelhodefeituoso.Consultesempretécnicosouoficinasautorizadas,evitando assimaperdadagarantiaeriscosàsuasaúde. 1m mín. INSTALAÇÃOBÁSICADOCONTROLEREMOTO + – •TroqueaspilhasdocontroleremotoassimqueoTVpassaranão reagiraosseuscomandos. •Pressioneaextremidadedatampaepuxe-aparateracessoao compartimentodepilhas. •Observeapolaridadedaspilhas(+e-). •Usesomentepilhas"AA"enuncamisturepilhasnovascomusadas oualcalinascomcomuns. DICASÚTEIS •Nãomovimenteougireoseuaparelhoquandoeleestiverligado.Imagenscomcoresnãouniformes poderãoserapresentadasnatela. •Limpecuidadosamenteassuperfíciesdogabinetecomumtecidolimpo.Nuncautilizesolventes,lustra móveis,spraysinseticidasououtrosprodutosquímicosnogabineteouemáreaspróximas,poiseles podemdanificarpermanentementeoacabamentodogabinete. INSTALAÇÃOBÁSICADOTV 751 g 1 10cm 10cm10cm 234 1PosicionamentodoaparelhodeTV •ColoqueoTVemumabasesólida(rack,estante,etc.) •Deixepelomenos10cmdeespaçoaoredordoaparelhoparaventilação,evitandoaquecimentoexcessivo. •Nãocoloqueoaparelhopertodeumaquecedorououtrasfontesdecalor. •NãocoloqueoTVondeelepossaserexpostoàchuvaouumidadeexcessiva. 2Conectandoaantena •Conecteaantenaaorespectivoconectornapartetraseiradoaparelho. 3Conectandoàrede •Oaparelhoestápreparadoparatensõesde90a255Volts(automático). Nota:Odiagramamostradonãoérepresentativodoplugetomadasderedereais. 4LigandooAparelho •Pressioneobotão3POWERparaligar/desligaroTV.Seoaparelhoestánomodostand-by(desligado pelocontroleremoto),pressioneateclaPOWERouCH+/–nocontroleremotoouatecla CHANNELdoaparelhoparaligá-lo. FUNÇÕESDOSCONTROLESDOTV &PowerLigaoudesligaotelevisor. éIndicaçãodeStandbyLedverdeacendequandooTVestiveremmodostandby (desligadopelocontroleremoto). “SensordeControleRemotoAponteoControleRemotoaosensorquandoestiver operandooTV. ‘Volume+/–Aumentaoudiminuiovolume. (Channel3/4Selecionacanaisemordemcrescente/decrescente. Nota: Nocasodeperdaouquebradocontroleremoto,oscontrolesdoTVpoderãoserfeitoscomasteclasdo televisor. •Pressionesimultaneamenteasteclasdevolume+e–paramostrar/cancelaromenuprincipal. •PressioneasteclasChannel3ou4paraselecionarositensdomenu. •PressioneasteclasVolume+ou–paraacessarossubmenuseajustaroscontroles. é & “ ‘( 3
  • 8.
    8 L03.1L AA ConexãoAVTraseiraouFrontal Equipamentos,taiscomo:DVD,VCR,LaserDiscPlayer, VCD,etc.podemserligadosàsentradasdeÁUDIOe VÍDEO(AV),localizadasnapartetraseiraoufrontal deseuTV.DesligueoTVeosequipamentosaserem conectadosantesderealizarquaisquerconexões. •Conecteassaídas(OUT)deÁUDIOeVÍDEOdos equipamentosaosconectoresdeentrada(IN)doTV. •Paravisualizarprogramas,selecioneocanaldeAV, atravésdateclaAVdocontroleremoto. Nota:Seoseuaparelhopossuiasduasconexõesde entrada(traseiroefrontal),apenasumaconexãopoderáser vistaporvez.Nestecasoaconexãofrontaltemprioridade, ouseja,paravisualizaroprogramatransmitidoviaconexão traseiraénecessáriodesconectaraconexãofrontal. ConexãoVídeoComponente VocêpodeassistirreproduçõesdediscosDVD utilizandoosconectoresdeentradaVÍDEO COMPONENTE,localizadosnatraseiradoTV. •Conecteasentradas“Y”,“Pb”e“Pr”(Component VideoInput)doTVàssaídas“Y”,“Pb”e“Pr”(ou “Y”,“Cb”e“Cr”)doseuaparelhoDVDpara reproduzirdiscosDVD. •ConecteassaídasdeAUDIOLeRdeseuDVDàs entradasAUDIOAV1-inLeRnatraseiradoTV. •Paravisualizarprogramas,selecioneocanaldeCVI, atravésdateclaAVdocontroleremoto. Nota:Seoseuaparelhopossuiconexãofrontalea mesmaestáligada,énecessáriodesconectaroáudioda conexãofrontal,parareproduziraconexãoVídeo Componentecorretamente. CONECTANDOAEQUIPAMENTOSPERIFÉRICOS(REPRODUÇÃO) Paraidentificarquaisasconexõesdisponíveisnoseutelevisor,videtabeladeEspecificaçõesTécnicasnapág.19. Nota:ParaosaparelhosMono,apenasaentradadeAUDIOLestádisponível. *Desenhoilustrativo(20PT4331) DVDequipado comsaídas“Y”, “Pb”e“Pr” TraseiradoDVD OUTOUT AUDIORL AV1inAVoutCVI L R VIDEO AUDIO YPbPr ConectoresAVnatraseiradoTV* VCRequipado comsaídasde ÁUDIOeVÍDEO TraseiradoVCR ConectoresAVnatraseiradoTV* ANTENNA OUT IN OUT IN AUDIORL VIDEO OUT IN AV1inAVoutCVI L R VIDEO AUDIO ConexãoaEquipamentosdeÁudio ParamelhorarosomdeseuTV,conecteassaídas (OUT)AUDIOLeRaumequipamentodesom, emvezdoVCR.Paraequipamentosmono,conecte apenasasaída(OUT)AUDIOL. AV1inAVoutCVI L R VIDEO AUDIO ConectoresAVnatraseiradoTV* GravandodeumcanaldeTV •Conecteasentradas(IN)AUDIOeVIDEOdoVCR àscorrespondentessaídasOUT(MONITOR OUT)natraseiradoTV. CONECTANDOAEQUIPAMENTOSPERIFÉRICOS(GRAVAÇÃO) VCRequipadocom saídasdeÁUDIOe VÍDEO TraseiradoVCR ANTENNA OUT IN OUT IN AUDIORL VIDEO OUT IN AV1inAVoutCVI L R VIDEO AUDIO ConectoresAVnatraseiradoTV* FUNÇÕESDOCONTROLEREMOTO 1Power -PressioneestateclaparaligaroudesligaroTV. -SeoTVestiveremmodostandby,pressioneCanal+/-, asTeclasNuméricas(0-9)ouateclaPower. 2TeclasdeDVD 5Rewind-retornar9Stop-parardisco 2Play-reproduzir6Forward-avançar 3Timer Permitedigitarumhorárioespecíficoparaqueo TVmudeparaoutroprograma.Essafunçãotambém servecomoalarmeparaacordá-loemumhorário específico,quandooaparelhoestiveremstand-by, etambémparadesligaroTVnohoráriodesejado. 4Stereo(teclasemfunçãoparaaparelhosMono) Pressionerepetidamenteparaselecionarentreos modosdesomMono,StereoeSAP,quando disponível.Seatransmissãonãoforestéreo,apenasa indicaçãoMONOapareceránatela. 5SmartSound(teclasemfunçãoparaaparelhosMono) PressioneateclaSmartSoundrepetidamentepara acessaros4tiposdiferentesdeajustesdesome escolheroajustequeformaisconveniente. 6Surf Permiteselecionarummáximode8canaisever rapidamenteoscanaisselecionados. 7Menu MostraoMenuprincipal.TambémretiraoMenudatela. 8cursorPARAAESQUERDA Permiteselecionarossubmenuseajustaroscontroles. 9cursorPARABAIXO Permiteselecionaropróximoitemnomenu. 10Volume+/– Permiteaumentar(+)oudiminuir(–)ovolume. 11TecladoNumérico(0-9) Pressioneparaselecionarumcanal.Paraumnúmerode canalcomdoisdígitos,pressioneoprimeiroe imediatamenteosegundo.Damesmaforma,paraum canalcomtrêsdígitos(TVaCabo),pressioneo primeiroseguidopelosoutrosdois. 12Sleep Permiteselecionarumperíododetempoapósoqualo aparelhoserácolocadonacondiçãodestand-by(desligado). 13IncredibleSurround(teclasemfunçãopara aparelhosMono) PermiteselecionarStereoouIncredibleSurround quandoatransmissãoforemestéreo,eEspacialou Monoquandoatransmissãoformono. 14AV Pressioneestateclarepetidamenteparaselecionaras entradasdeAV(conexões). 15SmartPicture PressioneateclaSmartPicturerepetidamentepara acessaros5diferentestiposdeajustesdeimageme escolheroajustequeformaisagradável. 16OSD Apresentanatelaonúmerodocanal,orelógio(se disponível),ostatusdomodoSLEEPe,tambémretirao menudatela.Paraqueonúmerodocanalfiquefixona tela,pressioneateclapor5segundos.Onúmeroirá piscarindicandoqueafunçãofoiativada.Pararemover datela,pressioneateclanovamente. 17cursorPARACIMA PermiteselecionaroitemanteriordoMenu. 18cursorPARAADIREITA Permiteacessarossubmenuseajustaros controles. 19vFormato Permiteselecionarosdiferentesmodosde formatodetela:4:3eExpande4:3. (Vejaaseção"ComoAjustaraImagemdoTV") 20Canal+/– Permiteselecionarcanaisemordemcrescente (+)oudecrescente(–). 21Mute Interrompeosom.Pararestaurá-lo,pressionea teclanovamenteouateclaVolume+. 22CC(ClosedCaption) Permiteleroconteúdofaladodeprogramas detelevisão.Vocêpodeescolher3modos: CC1,CC2eCCMudo.
  • 9.
    9L03.1L AA ACESSANDOOMENUPRINCIPALEOSSUB-MENUS Omenuprincipalpermiteacessarossub-menusImagem,Som,FunçõeseInstalação. Comoacionaromenuprincipal •PressioneateclaMENUMENUparaativaromenuprincipal. •Asquatroteclasdocontroleremoto,cursorPARACIMA ,PARABAIXO,PARAAESQUERDAe PARAADIREITA,permitemselecionaroitemdesejado domenu,fazerajustese,acessarossub-menus. •PressioneateclaOSDOSDparasairdomenu.Quandoomenu nãoestánatela,ateclaOSDapresentaváriasinformaçõesúteisaousuário. VISÃOGERALDOMENUPRINCIPALESUB-MENUS Imagem Brilho Cor Contraste Nitidez Matiz TomDeCor Contraste+ Formato Menuprincipal Imagem Som Funções Instalação Instalação Idioma SistemaCor Modo AutoSeleção SintoniaFina Seleção Funções Timer ActiveControl ClosedCaption Limit.Volume NívelSinal Menuo ✔ImagemÉBrilho ■SomCor ■FunçõesContraste ■InstalaçãoNitidez Matiz Próximo... œ OSDMENU Som (paraaparelhosEstéreo) Agudos Graves Balanço NivelarVol. Incr.Surround UltraBass Som Som (paraaparelhosMono) NivelarVol. SELECIONANDOOMENUINSTALAÇÃO Idioma:AfunçãoIdiomapermiteajustaromenuparasermostradonoidiomadesejado. PressioneatecladecursorPARAADIREITAouPARAAESQUERDA repetidamenteparaselecionaroidiomapreferido(Português,Españolou English). SistemaCor:SelecioneosistemadecorNTSC,PAL-MouPAL-N.QuandoaopçãoAutoestá selecionada,osistematransmitidoédetectadoeselecionadoautomaticamente. SelecioneosistemaapropriadosearecepçãoforruimnomodoAuto.Paraasentradas AV,osistemadecoréautomático,poristoquandoumadasentradasAVestiver selecionada,esteitemnãoapareceránestemenu. PressioneatecladecursorPARAADIREITAouPARAAESQUERDA repetidamenteparaselecionarosistemaapropriado. Modo:Escolhaotipodesintonia:Antena(canal2ao69),Cabo(canal1ao125)ouAuto.Use omodoCabosomenteseessesistemafordisponívelemsuaresidência.NomodoAuto, otipodesintoniaédetectadoeselecionadoautomaticamente. PressioneatecladecursorPARAADIREITAouPARAAESQUERDA repetidamenteparaselecionaromododesejado. AutoSeleção:Fazasintoniaautomáticadoscanaisdisponíveisoucomsinal,“saltando”oscanaisque nãoestãosendotransmitidos.Naautoseleçãoocorremoscilaçõesdeimagem.Aimagem voltaráaseestabilizaraotérminodaoperação. Dica:Antesdefazeraseleçãodecanais,certifique-sedequeaantenaoucaboestejaconectado. PressioneatecladecursorPARAADIREITAouPARAAESQUERDApara iniciaraautoseleção. AteclaOSDpodeserutilizadaparainterromperestaoperação. Apósaautoseleção,apenasoscanaisselecionadosserãoapresentadosaosepressionar asteclasCH(canal)3ou4,entretantotodososcanaispodemseracessadosatravésdo tecladonuméricodocontroleremoto. OSD PressioneMENU,pressioneasetaouatéoitemInstalaçãoepressione. OSDMENU Instalaçãoo ✔IdiomaPortuguêsÉ ■SistemaCor ■Modo ■AutoSeleção ■SintoniaFina ■Seleção œ
  • 10.
    10 L03.1L AA SELECIONANDOOMENUINSTALAÇÃO(CONT.) PressioneMENU,pressioneasetaouatéoitemInstalaçãoepressione. SintoniaFina:Usadanasrarassituaçõesemqueénecessáriofazerumpequenoajustenasintoniafina doTV,paramelhorararecepçãodeimagemoudesom.Quandoovalordasintoniafina estánocentrodaescala,asintoniaéautomática. PressioneatecladecursorPARAA DIREITAparaativaromenuSintonia Fina. Selecioneocanaldesejadoatravésdas teclasnuméricasdocontroleremoto. PressioneatecladecursorPARAA DIREITAouPARAAESQUERDAatéobteroajustedesejado. Quandoatingirasintoniadesejada,pressioneatecladecursorPARABAIXO paraselecionarMemorizar. PressioneatecladecursorPARAADIREITAparagravaroajusteefetuado. PressioneateclaMENUpararetornaraomenuInstalação. Seleção:Algumasvezespodesernecessárioainclusãodealgunscanais,comonocasodosvídeos cassetesligadospelaantenaoucanaisfracos(comchuviscos),ouaexclusãodealguns canaisindesejados. Nota:Umavezqueocanalécancelado,nãoépossívelacessarestecanalusandoateclade CH+ou-.Sóserápossívelselecioná-loatravésdasteclasnuméricas(0-9). PressioneatecladecursorPARAA DIREITAparaativaromenuSeleção. Selecioneocanaldesejadoatravésdas teclasnuméricasdocontroleremoto. PressioneatecladecursorPARABAIXO paraselecionarCancelado. PressioneatecladecursorPARAADIREITAeselecioneSimparaeliminaro canalouNãoparaadicionarocanal. PressioneateclaOSDparasairdomenu. MENU OSD 5 132 46 798 0 OSDMENU Instalaçãoo ✔IdiomaPortuguêsÉ ■SistemaCor ■Modo ■AutoSeleção ■SintoniaFina ■Seleção œ SintoniaFinao ✔AjusteÑ❘❘❘❘❘❘❘❘❘❘❘❘❘❘❘❘❘❘❘❘❘❘❘❘π ■Memorizar œ Seleçãoo ■Canal ✔CanceladoSim œ 5 132 46 798 0 COMOAJUSTARAIMAGEMDOTV PressioneMENU,pressioneasetaouatéoitemImagemepressione. ItemdomenuAtividade BrilhoEscureceouclareaaimagem. CorAumentaoudiminuioníveldecor(saturação)daimagem. ContrasteAumentaoudiminuioníveldecontraste. NitidezSuavizaaimagemouatornamaisnítida. MatizTornaaimagemmaisesverdeadaouavermelhada.Estafunçãoéaplicávelsomente nastransmissõesemNTSC. TomdeCorPermiteumaescolhade3ajustesdetonalidadedecor:Normal,QuenteouFrio. Contraste+SelecionandoaopçãoSim,ocontrastetotalseráotimizado,realçandoaimagem. FormatoPermiteselecionardiferentesformatosdetelaparaseuprazervisual,quesão:4:3e Expande4:3. ModoExpande4:3:Expandeasimagensdefilmes gravadosnoformatodecaixadetextos(letterbox16:9). Comesteformatoselecionado,asbarrashorizontais negrasexistentesnotopoenaparteinferiordas imagenssãoremovidasoureduzidas. Nota:Quandoomenunãoestivernatela,vocêpodeselecionaroformatodetela(q) diretamenteatravésdasteclasdecursorPARACIMAePARABAIXO. UtilizeatecladecursorPARACIMAouPARABAIXOparaselecionarositensno submenu.FaçaosajustesouaativaçãodorecursocomatecladecursorPARAADIREITAou PARAAESQUERDA.PressioneateclaOSDOSDparasairdomenu. OSDMENUImagemo ✔Brilhop❘❘❘❘❘❘❘❘❘❘❘❘❘❘❘❘❘❘❘❘❘❘❘59π ■Cor ■Contraste ■Nitidez ■Matiz ■TomDeCor œ Imagemo ✔Matizp❘❘❘❘❘❘❘❘❘❘❘❘❘❘❘❘❘❘❘❘❘❘❘59π ■TomDeCor ■Contraste+ ■Formato œ UTILIZANDOOCONTROLESMARTPICTURE Independentedevocêestarassistindoumfilmeoujogandovídeogame,seuTVtemumcontroleautomático deajustesdeimagemqueéidealparaoprogramaoufontequevocêestáutilizando.CadaopçãodoSmart Pictureépré-ajustadanafábricaparaselecionarautomaticamenteosníveisdebrilho,cor,contrasteenitidez. PressioneateclaSMARTPICTURErepetidamenteparacircularatravésdos5 ajustesdeimagem:Pessoal,Vibrante,Natural,SuaveeGames. DefiniçãodosajustedeImagem Pessoal:Opçãoquepodeserajustadapelousuário. Vibrante:Reforçacoresmaisvibrantes.(ApropriadoparamodoAVemambientesmaisluminosos) Natural:Reforçacoresoriginais. Suave:Reforçacores“suaves”.(Apropriadoparasinaisfracoseruidosos) Games:Reforçacores“quentes”.(Apropriadoparajogosdecomputadores,vídeogames,etc.) SMARTPICTURE
  • 11.
    11L03.1L AA PressioneMENU,pressioneasetaouatéoitemSomepressione. UtilizeatecladecursorPARACIMAouPARABAIXOparaselecionarositensno submenu.FaçaosajustesouaativaçãodorecursocomatecladecursorPARAADIREITAou PARAAESQUERDA.PressioneateclaOSDOSDparasairdomenu. OSDMENUSomo ✔Agudosp❘❘❘❘❘❘❘❘❘❘❘❘❘❘❘❘❘❘❘❘❘❘❘2π ■Graves ■Balanço ■NivelarVol. ■Incr.Surround ■UltraBass œ Somo ✔BalançopL❘❘❘❘❘❘❘❘❘❘❘❘❘❘❘❘❘❘❘❘Rπ ■NivelarVol. ■Incr.Surround ■UltraBass ■Som œ COMOAJUSTAROSOMDOTV ItemdomenuAtividade AgudosAumentaoudiminuioníveldealtasfreqüências(sonsagudos)nosom. GravesAumentaoudiminuioníveldebaixasfreqüências(sonsgraves)nosom. BalançoDistribuiosompelosalto-falantesdireitoeesquerdo. NivelarVolumeComovariaçõesnascondiçõesdosinalpodemresultarnumasúbitaalteraçãono volumeduranteintervaloscomerciaisoutrocasdecanal,selecionandoaopção Sim,ovolumeirápermanecernumnívelpadrão. IncredibleProporcionaasensaçãodeumsommaisenvolvente.Quandoatransmissãoforestéreo, SurroundpermiteselecionarIncr.SurroundouStereo,quandoformono,EspacialouMono. UltraBassSelecioneaopçãoSimparaapreciarumreforçodegravesnasaídadesom. SomPermiteaseleçãoentreStereo,MonoeSAP.SAPpermiteouvirosom originalemtransmissãosimultânea.Seoprogramatransmitidonãocontéma informaçãoSAP,aopçãoSAPnãoestarádisponívelnomenu.Aoassistirum programaemmodoSAPemudarparaoutrocanal,aopçãoSAPserádesligada quandoretornaraocanalanterior(comSAP).Énecessáriorefazeraseleçãoda opçãoSAPnorecursoSOM. Nota:Seatransmissãonãoforestéreo,apenasaindicaçãoMonoapareceránatela. aparelhos Estéreo UTILIZANDOOCONTROLESMARTSOUND (somenteparaaparelhosEstéreo) Independentedevocêestarassistindoumfilmeoujogandovídeogame,seuTVtemumcontroleautomático deajustesdesomqueéidealparaoprogramaoufontequevocêestáutilizando.CadaopçãodoSmart Soundépré-ajustadanafábrica,paraselecionarautomaticamenteosníveisdegraveseagudos. PressioneateclaSMARTSOUNDrepetidamenteparacircularatravésdos4 ajustesdesom:Pessoal,Voz,MúsicaeTeatro. DefiniçãodosajustesdeSom Pessoal:Opçãoquepodeserajustadapelousuário. Voz:Reforçatonsdealtafreqüência.(agudosreforçados) Música:Reforçatonsdebaixafreqüência.(gravesreforçados) Teatro:Reforçasensaçõesemprogramasdeação.(graveseagudosreforçados). SMARTSOUND aparelhos Mono ItemdomenuAtividade NivelarVolumeComovariaçõesnascondiçõesdosinalpodemresultarnumasúbitaalteraçãono volumeduranteintervaloscomerciaisoutrocasdecanal,selecionandoaopção Sim,ovolumeirápermanecernumnívelpadrão. UTILIZANDOOTIMER PressioneMENU,pressioneasetaouatéoitemFunçõesepressione. OSDMENU Funçõeso ✔TimerÉRelógio ■ActiveControlLigarÀs ■ClosedCaptionDesligarÀs ■Limit.VolumeCanal ■NívelSinalAtivar MostrarHora œ Esterecursopermitedigitarumhorárioemostrá-lonatelapressionandoateclaOSD.Permite,também,digitaro horárioquevocêdesejaqueoaparelhomudeparaoutroprograma,desligueoTVou,ainda,funcionarcomoumalarme paraacordá-loemhoráriosespecíficos,quandooaparelhoestivernomodostand-by(desligadopelocontroleremoto). PressioneatecladecursorPARAADIREITAparaativaro menuTimer. Relógio:Utilizeasteclasnuméricas(0-9)paradigitaro horárioatual. Ligaràs:Utilizeasteclasnuméricas(0-9)paradigitaro horárioquevocêdesejaqueoprogramasejaativado. Desligaràs:Utilizeasteclasnuméricas(0-9)paradigitar ohorárioquevocêdesejadesligaroaparelho. Canal:Utilizeasteclasnuméricas(0-9)paradigitaronúmerodocanal. Ativar:UseatecladecursorPARAADIREITAouPARAAESQUERDAparaselecionar entreosmodosUmavezeTododia. MostrarHora:UseatecladecursorPARAADIREITAouPARAAESQUERDApara selecionarSimemostrarohoráriocorrentenatela. Dica:Pode-seacessardiretamenteomenuTimeratravésdateclaTimerdocontroleremoto. 5 132 46 798 0 5 132 46 798 0 5 132 46 798 0 5 132 46 798 0 Timero ✔Relógioπ08:30 ■LigarÀs ■DesligarÀs ■Canal ■Ativar ■MostrarHora œ Esterecursoajustaautomaticamenteaqualidadedaimagem,dependendodosinalrecebidopelaantena. UseatecladecursorPARAADIREITAou PARAAESQUERDAparaselecionarSim, ExibirouNão. Nota:QuandoEXIBIRestiverselecionado,os ajustesdeBrilho,Contraste,Nitideze Contraste+serãomostradosnatelaaomudar decanal. Nota:EstafunçãonãoatuanasconexõesAVeCVI(sedisponível). UTILIZANDOOACTIVECONTROL Funçõeso ■Timer ✔ActiveControlSim ■ClosedCaption ■Limit.Volume ■NívelSinal œ
  • 12.
    12 L03.1L AA 14 Funçõeso ■Timer ■ActiveControl ■ClosedCaption ✔Limit.VolumeSim ■NívelSinal œ Limit.VolumeAtivado Volume............18 OClosedCaption(CC)permiteleroconteúdofaladodosprogramasnateladoTV.Esterecursoutiliza “caixasdetexto”paramostrarosdiálogoseconversasenquantooprogramaestásendoapresentado. NemtodososprogramasecomerciaisdeTVsãoproduzidoscomClosedCaption.AsopçõesCC1eCC2 dependemdastransmissõesdasemissoras.AsestaçõesdeTVpodemfreqüentementeutilizarabreviações daspalavras,símboloseoutrasreduçõesgramaticaisdeformaamanterodiálogosincronizadocomaação. Istovariadeacordocomafontedomaterialqueestásendotransformadoemtextoenãoindicaa existênciadeproblemasnatelevisão. PressioneatecladecursorPARAA DIREITAouPARAAESQUERDApara selecionaraopçãodeClosedCaption desejada(CC1,CC2,CCMudoeCCNão). Nota:CCMudoacionaomodoCC1somente quandoafunçãoMudoestiverativada. Dica:Pode-seacessarosdiversosmodosdeClosed CaptionatravésdateclaCCnocontroleremoto. UTILIZANDOOCLOSEDCAPTION Permiteconfigurarovolumemáximodesejadoparatodososcanais. PressioneateclaVOL+/–paraajustaro volumedesejado. PressioneatecladecursorPARAADIREITAou PARAAESQUERDAeselecioneSimparaativar aopçãoLimit.Volume.SelecioneNãocasoqueira desativarafunçãoLimit.Volume. Nota:DepoisqueaopçãoSimforselecionada,a mensagemLimit.VolumeAtivadojuntocom nívelmáximodesejadodoVolumevãoaparecer natelasemprequeateclaVolume+for pressionadaparaaumentarovolume. VOL UTILIZANDOOLIMITADORDEVOLUME Funçõeso ■Timer ■ActiveControl ✔ClosedCaptionCC1 ■Limit.Volume ■NívelSinal œ EsterecursopermiteveroníveldosinalquandoaopçãoSimestiverselecionada.Oníveldosinalserá mostradonaparteinferiordatelasemprequeforfeitaumatrocadecanal.Quantomaispróximodovalor 0,maisfracoéoníveldesinaldaTV. PressioneatecladecursorPARAA DIREITAparaselecionarSimouNão. Nota:Quandooníveldosinalforfraco,épossível acessaraopçãoActiveControlnomenuFunçõese selecionaraopçãoSim,queiráajustar automaticamenteaqualidadedaimagem.(Vejaa seção"UtilizandooActiveControl") Dica:MantendoafunçãoNíveldeSinalativadae selecionadadentrodomenu,épossívelajustara direçãodesuaantenaeescolheraposiçãoquelhe proporcioneomaiornível,ousejaomelhorsinal. UTILIZANDOAFUNÇÃONÍVELDESINAL Funçõeso ■Timer ■ActiveControl ■ClosedCaption ■Limit.Volume ✔NívelSinalSim œ NívelSinal.....................80 UTILIZANDOOSLEEPTIMER OrecursoSleeptimerpermiteselecionarumperíododetempoapósoqualoaparelhoiráautomaticamente paraomodoStand-by.Vocêpodeselecionarotemporizadordeumperíodoinicialde15minutosatéum máximode240minutos. PressioneateclaSLEEPparaativarumperíododetempo. PressioneateclaSLEEPrepetidamenteparacircularatravésdasopçõesde períodosdetempodisponíveiseselecioneodesejado. Notas: •DuranteoúltimominutodeumcomandoSleep,umacontagemregressivaseráapresentadanatela. •Pressionandoqualquertecladocontroleremotoduranteacontagemregressiva,oSleeptimerserácancelado. •Nosúltimos10segundosdacontagemregressiva,amensagemAtélogo...serámostradanatela. SLEEP SLEEP ComesterecursovocêpodefacilmentenavegarpelosdiferentesprogramasdeTVqueointeressam. Esterecursopermitecolocaratéoitocanaisemsualistadevisualização. ComoadicionarcanaisàlistaSurf •SelecioneumcanalparaseradicionadoàlistaSurf. •PressioneateclaSURF SURF paraativaralistaSurf. •Atelaaoladoapareceráperguntandosevocêdesejaincluiro canalselecionado. •PressioneatecladecursorPARAADIREITApara adicionarocanalàlistaSurf.ParaadicionarmaiscanaisàlistaSurf, repitaospassosanteriores. Nota:Umavezadicionadoumcanal,aopçãoCancelar?aparece, indicandoqueestecanalpoderásercancelado. Comoremovercanaisdalistasurf •PressioneateclaSURF SURF paraativaralistaSurf. •UseasteclasdecursorPARACIMAouPARABAIXO paracircularatravésdoscanaisdalistaSurfeselecioneo canalaserremovido. •Atelaaoladoapareceráperguntandosevocêdesejacancelaro canalselecionado. •PressioneatecladecursorPARAADIREITApara removerocanaldalistaSurf. Nota:Umavezeliminadoumcanal,aopçãoIncluir?aparece, indicandoqueestecanalpoderávoltaraseradicionado,seestiver apenasumcanalnalista.Casocontrário,aTVsintonizaráocanal anteriorqueestáarmazenadonalistaSURF. Comovisualizaroscanaisselecionadosnalistasurf •PressioneateclaSURF SURF paraativaralistaSurf. •UseasteclasdecursorPARACIMAouPARABAIXOparacircularatravésdos canaisdalistaSurf. UTILIZANDOOCONTROLESURF 8 Surf 8Cancelar? 8 Surf 8Incluir?
  • 13.
    13L03.1L AA AbaixoéapresentadaumalistadesintomasocorridosfreqüentementecomoTV.AntesdechamaroServiço Técnico,façaestasverificaçõessimples.Algunsdestessintomaspodemsercorrigidosfacilmentecomaajuda dasinformaçõesabaixo. Sintoma Manchanascores Nãoliga Semimagem Imagemboa,massem som Sombom,mascorpobre ousemimagem Imagemesomruidosos Linhaspontilhadas horizontais Imagensduplasou imagens“Fantasma” TVnãorespondeao controleremoto Oquefazer •Desligueotelevisorpelachavederede.Aguarde20minutosantesdeligaroaparelho novamente. •Verifiqueseoaparelhonãoestácolocadomuitopróximodealto-falantesouobjetos magnéticos. •Verifiqueseocaboderedeestáconectadonatomada.Seoaparelhoaindanãoligar, desligue-odatomada,espere60segundoseentãoreinsiraoplugnatomadaderede. Pressioneobotãoliga/desliganovamente. •Verifiqueaconexãodaantenanapartetraseiradoaparelho. •PossívelproblemanaestaçãodeTV.Tenteoutrocanal. •VerifiqueosajustesdomenuIMAGEMoupressioneateclaSMARTPICTURE. •Tenteaumentarovolume. •VerifiqueseafunçãoLIMITADORDEVOLUMEestáativada. •Tenteaumentarosajustesdecontraste,brilhoecor. •TenteoutraregulagemdeSMARTPICTUREviacontroleremoto. •VerifiqueaconexãodeantenanapartetraseiradoTV. •Emalgunscasos,somenteautilizaçãodeumaantenaexternapoderámelhoraraimagem. •Tenteajustarasintoniafina. •Possívelinterferênciaelétricaporex.:secadordecabelos,aspiradordepó,etc. Desligueoseletrodomésticos. •Possívelmauposicionamentodaantena.Autilizaçãodeumaantenamaisdirecional podemelhorararecepção. •Verifiqueasbateriasdocontroleremoto. •Dirijaocontroleremotodiretamenteàlentedosensordecontroleremoto. ANTESDECHAMAROSERVIÇOTÉCNICOLISTADESERVIÇOSAUTORIZADOS ACRE RIOBRANCO68-2249116 ALAGOAS ARAPIRACA82-5222367 MACEIO82-2417237 PALMEIRADOSINDIOS82-4213452 UNIAODOSPALMARES82-2811305 AMAZONAS MANAUS92-6333035 MANAUS92-6633366 AMAPÁ MACAPA96-2234869 MACAPA96-2175934 SANTANA96-2830406 BAHIA ALAGOINHAS75-4211128 BARREIRAS77-6117592 BOMJESUSDALAPA77-4814335 BRUMADO77-4412381 CAETITE77-4541183 CAMACARI71-6218288 CATU71-6411982 CICERODANTAS75-2781169 CRUZDASALMAS75-6212839 CRUZDASALMAS75-6212839 ESPLANADA75-4271454 EUNAPOLIS73-2815181 FEIRADESANTANA75-2232882 GANDU73-2541664 ILHEUS73-2315995 IPIAU73-5311219 IRECE74-6411248 ITABERABA75-2512358 ITABUNA73-6137777 ITAPETINGA77-2613003 JACOBINA74-6213451 JEQUIE73-5254141 JUAZEIRO74-6116456 JUAZEIRO74-6111002 MURITIBA75-4241908 PAULOAFONSO75-2811349 POCOES77-4311523 RIBEIRADOPOMBAL75-2761853 SALVADOR71-2473659 SALVADOR71-2072791 SALVADOR71-3356233 SANTOAMARO75-2413330 SENHORDOBONFIM74-5413143 SERRINHA75-2611794 STOANTONIOJESUS75-6314470 VALENCA75-6413710 VITORIADACONQUISTA77-4241183 CEARÁ BREJOSANTO88-5310133 FORTALEZA85-2573155 IBIAPINA88-6531223 IGUATU88-5810512 JUAZEIRODONORTE88-5112667 OROS88-5841271 SOBRAL88-6110605 DISTRITOFEDERAL BRASILIA61-2269898 GAMA61-5564840 TAGUATINGA61-3526655 ESPÍRITOSANTO ALEGRE28-5526349 ARACRUZ27-32561251 BAIXOGUANDU27-37321142 BARRASFRANCISCO27-37562245 CACHDOITAPEMIRIM28-35219372 CASTELO28-5421811 COLATINA27-37222288 GUARAPARI27-3614355 LINHARES27-33710148 NOVAVENECIA27-37521729 PINHEIROS27-7651303 SAODOMINGODONORTE27-7421237 SAOGABRIELDAPALHA27-7271153 SAOMATEUS27-7631366 VILAVELHA27-32891233 VITORIA27-32233899 GOIÁS ANAPOLIS62-3243562 CACU62-6561811 CATALAO64-4412786 GOIANESIA62-3531302 GOIANIA62-2919095 GOIANIA62-2292908 GOIATUBA64-4952401 INHUMAS62-5111840 IPAMERI62-4511184 ITAPURANGA62-3551484 ITUMBIARA64-4310837 JATAI64-6314819 JATAM64-6367458 JUSSARA62-3731806 PIRESDORIO64-4611133 PORANGATU62-3671799 RIALMA62-3971320 RIOVERDE64-6210173 TRINDADE62-5051505 URUACU62-3571285 MARANHÃO ACAILANDIA99-5381889 BACABAL99-6216370 BALSAS99-5410113 CAROLINA98-7311335 CHAPADINHA98-4711364 CAXIAS99-5212377 CODO99-6611277 COELHONETO98-4731351 IMPERATRIZ99-5244969 PRES.DUTRA99-6631815 SAOJOSEDERIBAMAR98-2241581 SAOLUIS98-2323236 MATOGROSSO ALTAFLORESTA66-5212460 ALTOARAGUAIA66-4811726 BARRADOGARÇAS66-4011438 CACERES65-2234760 CUIABA65-6230421 LUCASDORIOVERDE65-5491333 MIRASSOLD'OESTE65-2411716 PONTESELACERDA65-2662326 PRIMAVERADOLESTE66-4981682 RONDONOPOLIS66-4233888 SINOP66-5311473 SORRISO66-5441443 TANGARADASERRA65-3261431 MATOGROSSODOSUL AMAMBAI67-4811543 CAMPOGRANDE67-3242804 CORUMBA67-2313923 DOURADOS67-4217117 IVINHEMA67-4421244 NAVIRAI67-4612486 NOVAANDRADINA67-4413851 PONTAPORA67-4314313 RIOBRILHANTE67-4527950 TRESLAGOAS67-5212007 MINASGERAIS ALFENAS35-32923911 ALMENARA33-7211234 ANDRADAS35-37312970 ARAXA34-36611132 ARAXA34-36691869 ARCOS37-33513455 BAMBUI34-34311473 BARBACENA32-33310283 BELOHORIZONTE31-32257262 BELOHORIZONTE31-32254066 BELOHORIZONTE31-34420944 BELOHORIZONTE31-32733777 BETIM31-35322088 BOMDESPACHO37-35212906 BOMDESPACHO37-5222511 CARANGOLA32-37412017 CARATINGA33-33212379 CASSIA35-35412293 CATAGUASES32-34215321 CAXAMBU35-33413661 CONGONHAS31-37311683 CONSLAFAIETE31-37612871 CONTAGEM31-33912994 CONTAGEM31-3953461 CORONELFABRICIANO31-38411804 CURVELO38-37213009 DIVINOPOLIS37-32212353 FORMIGA37-33212868 FRUTAL34-34235279 GOVVALADARES33-32716650 GUAXUPE35-35513891 GUAXUPE35-5514124 IPATINGA31-8222332 ITABIRA31-38316218 ITAJUBA35-36211315 ITAPECERICA37-3411326 ITAUNA37-32412468 ITUIUTABA34-32682131 JANAUBA38-38211605 JOÃOMONLEVADE31-38512909 JOÃOMONLEVADE31-8521112 JOÃOPINHEIRO38-35611327 JUIZDEFORA32-32151514 LAGOADAPRATA37-2611908 LAGOASANTA31-6812311 LAVRAS35-38219188 MANHUACU33-3314735 MONTECARMELO34-38422082 MONTESANTODEMINAS35-35911888 MONTESCLAROS38-32218925 MURIAE32-7224334 MUZAMBINHO35-5712419 NANUQUE33-36212165 NOVALIMA31-35412026 OLIVEIRA37-33314444 PARADEMINAS37-32316369 PARACATU38-36711250 PASSOS35-35214342 PATOSDEMINAS34-38222588 PATROCINIO34-38311531 PIRAPORA38-37414197 PITANGUI37-32714101 PIUNHI37-33714632 POÇOSDECALDAS35-37222531 POÇOSDECALDAS35-37224448 POUSOALEGRE35-34212120 SANTOSDUMONT32-2514820 SAOJOÃODELREI32-33718306 SAOSEBASTIAOPARAISO35-5313094 SAOSEBASTIAOPARAISO35-35312054 SETELAGOAS31-7713307 STOANTONIOMONTE37-32811258 TIMOTEO31-38482728 TRESCORACOES35-32312493 UBA32-35323626 UBERABA34-33332520 UBERLANDIA34-32123636 VARGINHA35-32227889 VAZANTE34-8131420 VIÇOSA31-38918000 PARÁ ABAETETUBA91-37512272 BELEM91-2690400 BELEM91-2462100 CAPANEMA91-4621100 CASTANHAL91-37215052 ITAITUBA93-5181545 MARABA94-3211891 OBIDOS93-5471621 PARAGOMINAS91-7293356 PARAUAPEBAS94-3461137 PORTOTROMBETAS91-5491606 REDENCAO94-4240351 SANTAREM93-5235322 PARAÍBA CAMPINAGRANDE83-3212128 ESPERANCA83-3612273 GUARABIRA83-2711159 IGUATU88-5810512 JOAOPESSOA83-2467043 NOVAFLORESTA83-3741014 PATOS83-4232172 SAPE83-2832479 SOLANEA83-3633937 PARANÁ AMPERE46-5471605 ANTONINA41-4321404 APUCARANA43-4225306 ARAPONGAS43-2522882 ASSISCHATEAUBRIAND44-5285181 ASTORGA44-2341213 BANDEIRANTES43-5421711 CAMPOMOURAO44-5238970 CASCAVEL45-2254005 CIANORTE44-6292842 CURITIBA41-3334764 CURITIBA41-2648791 DOISVIZINHOS46-5361490 FOZDOIGUACU45-5233029 FOZDOIGUACU45-5234115 FRANCISCOBELTRAO46-5233230 GOIO-ERE44-5221446 GUARAPUAVA42-6235325 IBAITI43-5461162 IBIPORA43-2581863 IRATI42-4221337 LAPA41-6222410 LOANDA44-4252053 LONDRINA43-33241002 MALCANDIDORONDON45-2541949 MANDAGUARI44-2331335 MARINGA44-2264620 MEDIANEIRA45-2642580 NOVAESPERANCA44-2524705 NOVALONDRINA44-4322991 PALMEIRA42-522455 PALMEIRA42-2523006 PALOTINA446-495131 PARANAGUA41-4225804 PARANAVAI44-4234711 PATOBRANCO46-2242786 PEROLA44-6361419 PONTAGROSSA42-2226590 ROLANDIA43-2561947 SANTAFE44-2471147 SAOJORGED'OESTE46-5341305 SAOJOSEDOSAOPINHAIS41-2822522 SAOMIGUELDOIGUACU45-5651429 STOANTONIOPLATINA43-5341809 TOLEDO45-2522471 UMUARAMA44-6231233 WENCESLAUBRAZ43-8223066
  • 14.
    14 L03.1L AA LISTADESERVIÇOSAUTORIZADOS PERNAMBUCO BELOJARDIM81-37261918 CABOSTOAGOSTINHO81-35211823 CAMARAGIBE81-34581246 CARUARU81-37220235 FLORESTA81-8771274 GARANHUNS87-37611090 PAULISTA81-34331142 RECIFE81-32313399 RECIFE81-34452111 RECIFE81-34656042 SALGUEIRO87-38716309 SERRATALHADA87-38311401 PIAUÍ CAMPOMAIOR86-2521376 FLORIANO86-5221154 OEIRAS89-4621066 PARNAIBA86-3222877 PICOS89-4221444 PICOS89-4155135 PIRIPIRI86-2761092 TERESINA86-2230825 RIODEJANEIRO ARARUAMA22-26656286 BJESUSITABAPOANA24-38312216 BELFORDROXO21-27616060 CABOFRIO22-26451819 CAMPOSGOITACAZES22-7221499 CANTAGALO22-5555303 DUQUEDECAXIAS21-37711508 ITABORAI21-26351738 ITAOCARA22-38612740 ITAPERUNA22-38220605 MACAE22-27626235 MAGE21-26330605 MARICA21-26340069 NITEROI21-26220157 NOVAFRIBURGO22-5227692 NOVAIGUACU21-26675663 PETROPOLIS24-2312737 RIODEJANEIRO21-33940202 RIODEJANEIRO21-22779300 RIODEJANEIRO21-25900577 RIODEJANEIRO21-25894622 RIODEJANEIRO21-25892030 RIODEJANEIRO21-25097136 RIODEJANEIRO21-24457239 RIODEJANEIRO21-24315426 TERESOPOLIS21-27420036 TRESRIOS24-2555687 TRESRIOS242-2521388 VOLTAREDONDA24-33420806 RIOGRANDEDONORTE ASSU84-3311116 CAICO84-4173132 MOSSORO84-3217745 NATAL84-2234722 NATAL84-2132345 PAUDOSFERROS84-3512334 RIOGRANDEDOSUL CAPAODACANOA51-6652638 CARAZINHO54-3302292 CATUIPE55-3361008 CAXIASDOSUL54-2148011 CERROLARGO55-3591973 CORONELBICACO55-5571397 DOISIRMAOS51-5641286 ENCANTADO51-37511654 ERECHIM54-3211933 ESTANCIAVELHA51-5612142 FAXINALDOSOTURNO55-2632064 FREDERICOWESTPHALEN55-37441850 GETULIOVARGAS54-3411888 GIRUA55-3611764 GRAVATAI51-4882830 HORIZONTINA55-35371817 HORIZONTINA55-35371680 IBIRAIARAS54-3551359 IJUI55-33327766 ITAQUI55-4331305 JAGUARAO53-2612264 LAJEADO51-37145155 LIBERATOSALZANO55-7551236 MONTENEGRO51-6324187 NONOAI54-3621126 NOVAPRATA54-2421328 NOVOHAMBURGO51-5823191 OSORIO51-6632524 PALMEIRAMISSOES55-37421407 PANAMBI55-3753488 PASSOFUNDO54-3111104 PELOTAS53-2223633 PORTOALEGRE51-32226941 PORTOALEGRE54-33256653 RIOGRANDE53-2323211 RIOPARDO51-7312072 ROSARIODOSUL55-2311264 SANTLIVRAMENTO55-2422741 SANTAMARIA55-2222235 SANTAROSA55-35121991 SANTOAUGUSTO55-7811511 SAOBORJA55-4311850 SAOFCODEPAULA54-2441466 SAOGABRIEL55-2325833 SAOJOSEDOOURO54-3521216 SAOLOURENCOSUL53-2513225 SAOLUIZGONZAGA55-33521365 SAOMARCOS54-2911462 SAOSEPE55-2331691 SOLEDADE54-3812036 STACRUZDOSUL51-37153048 STAVITORIAPALMAR532-631284 TAPEJARA54-3442353 TAPERA54-3851160 TAQUARI51-6531291 TORRES51-6641940 TRESDEMAIO55-5352101 URUGUAIANA55-4112730 VACARIA54-2311396 VENANCIOAIRES51-7411443 VERACRUZ51-7181350 RONDÔNIA CACOAL69-4415171 GUAJARA-MIRIM69-5414430 JARU69-5211302 JI-PARANA69-4235512 JI-PARANA69-4215589 PIMENTABUENO69-4512934 PORTOVELHO69-2221298 PORTOVELHO69-2216671 PORTOVELHO69-2221298 ROLIMDEMOURA69-4421178 VILHENA69-3223321 RORAIMA BOAVISTA95-2249605 SANTACATARINA ARARANGUA48-5220229 BLUMENAU47-3227742 CACADOR49-5630858 CANOINHAS47-6223157 CAPINZAL49-5552266 CHAPECO49-3223304 CHAPECO49-3221144 CONCORDIA494-423704 CRICIUMA48-4375155 CUNHAPORA49-630043 CURITIBANOS49-2410851 DESCANSO49-6230245 FLORIANOPOLIS48-2254149 IBIRAMA473-572567 INDAIAL47-3330361 IPORADOOESTE498-341289 ITAIOPOLIS476-522282 ITAJAI47-3444777 JARAGUADOSUL47-3722050 JOACABA49-5220418 JOINVILLE47-4331146 LAGES49-2232355 LAGES49-2244414 LAGUNA48-6461221 LAUROMULLER484-643202 MARAVILHA49-8640052 ORLEANS48-4660674 PINHALZINHO497-661014 PORTOUNIAO42-5232839 RIODOSUL47-5211920 SANTAROSADOSUL48-5331225 SAOMIGUELD'OESTE49-6220026 SEARA49-4521034 SOMBRIO48-5330017 TAIO478-620576 TUBARAO48-6224448 TUBARAO48-6261651 TURVO48-5250373 URUSSANGA484-651137 XANXERE49-4333026 SÃOPAULO AGUASDELINDOIA19-38241524 AMERICANA19-34067180 AMERICANA19-34062914 AMPARO19-38072674 ARACATUBA18-6218775 ARARAQUARA16-2368710 ASSIS18-3228937 AVARE14-37322142 BARRETOS17-33222742 BATATAIS16-37614455 BAURU14-2239551 BIRIGUI18-6424011 BOTUCATU14-68221081 BOTUCATU14-68215044 BRAGANCAPAULISTA11-40341333 CAMPINAS19-37372500 CAMPINAS19-32369199 CAMPINAS19-32544819 CAMPINAS19-32336498 CAMPOSDOJORDAO12-2622142 CAPIVARI19-34911610 CASABRANCA19-36712771 CATANDUVA17-5232686 CERQUILHO152-842121 CRUZEIRO12-5433859 DIADEMA11-40574387 DRACENA18-58212479 FERNANDOPOLIS17-34423921 FRANCA16-37223898 FRANCODAROCHA11-4322608 GUARUJA13-33582942 GUARULHOS11-64227555 IGARAPAVA16-31724600 INDAIATUBA19-38753808 ITAPETININGA15-2710936 ITAPIRA19-38633802 ITAQUAQUECETUBA11-46420695 ITARARE15-5322743 ITU11-40230188 ITUVERAVA16-7293365 JABOTICABAL16-32021580 JAU14-6222117 JUNDIAI11-45862182 LEME19-5713528 LIMEIRA19-34413179 MARILIA14-4332375 MARILIA14-4247437 MATAO16-2821046 MAUA11-45145233 MOGIDASCRUZES11-47277025 MOGI-MIRIM19-38624401 MOJI-GUACU19-38311811 OLIMPIA17-2812184 OSASCO11-36837343 OURINHOS14-33225457 PIRACICABA19-34340454 PIRASSUNUNGA19-5614091 PORTOFERREIRA19-5812441 PRES.EPITACIO18-2814184 PRES.PRUDENTE18-2225168 PROMISSAO14-5411696 RIBEIRAOPRETO16-6106989 RIBEIRAOPRETO16-6368156 RIOCLARO19-5348543 SALTO11-40296563 SANTOANDRE11-49905288 SANTOS13-32272947 SANTOS13-32847339 SAOBERNARDOCAMPO11-41257000 SAOBERNARDOCAMPO11-43681788 SAOCAETANODOSUL11-42214334 SAOCARLOS16-2614913 SAOJOAODABOAVISTA19-36232990 SAOJOSEDORIOPARDO19-36085760 SAOJOSEDOSAOCAMPOS12-39216082 SAOJOSERIOPRETO17-2341209 SAOPAULO11-69791184 SAOPAULO11-38659897 SAOPAULO11-62156667 SAOPAULO11-69545517 SAOPAULO11-36726766 SAOPAULO11-69667101 SAOPAULO11-32077111 SAOPAULO11-39757996 SAOPAULO11-62976464 SAOPAULO11-55735583 SAOPAULO11-55321515 SAOPAULO11-56679695 SAOPAULO11-36173031 SAOPAULO11-66472819 SAOPAULO11-37714709 SAOPAULO11-5770899 SAOPAULO11-2222311 SAOROQUE11-4255635 SAOSEBASTIAO12-38924291 SOROCABA15-2241170 STABARBARAD'OESTE19-34631211 TAQUARITINGA16-32524039 TATUI15-2514922 TAUBATE12-2219080 TUPA144-422596 VINHEDO19-38765310 VOTUPORANGA17-4215726 SERJIPE ARACAJU79-2411567 ARACAJU79-2119764 ARACAJU79-2464143 ESTANCIA79-5222325 ITABAIANA79-4313023 TOCANTINS ARAGUAINA63-4212857 GUARAI63-4641590 GURUPI63-3511038 PALMAS63-2144502 PARAISOTOCANTINS63-6022695 SUJEITOAALTERAÇÕES OSDADOSDESTEMANUALESTÃOSUJEITOSAALTERAÇÕES Nota:ParaaTensãodeOperação,Freqüência,ConsumoeNúmerodeVersão,consulteonúmerodetiponapartetraseiradoaparelho. ESPECIFICAÇÕESTÉCNICAS Sistema AUTO PAL-M PAL-N NTSC PAL-BGPlayback Alimentação 90a255VAutomático 50/60Hz Consumoaprox. ConsumoemStand-by(220V) TubodeImagem FlatSquare TamanhodoTubo Diagonalvisualaprox. Recepçãodecanais VHF/UHF(2ao69) TVaCabo(1ao125) Conexõestraseiras Entradas ÁudioeVídeo ComponentedeVídeo(CVI) Antena75OhmsviatomadaF Saídas ÁudioeVídeo ConexõesFrontais Entradas ÁudioeVídeo SaídaFonedeouvidos IndicadordeStand-by Luzverdenopainelfrontal SaídadeÁudio Dimensõesaprox.LxAxP(cm) Pesoaprox.(Kg) Gabinete Acessórios ControleRemoto PilhastipoAA Adaptador75/300Ohms AntenaTelescópica • • • • • • • 46W <3W 20" 51cm 48cm • • 1x(mono) • • 1x3W 49x47x48 17Kg Plástico • • • 20PT3331 • • • • • • • 38W <3W 14" 36cm 33cm • • • 1x(estéreo) • • 2x3W 45x35x38 10Kg Plástico • • • • 14PT413114PT3131 • • • • • • • 36W <3W 14" 36cm 33cm • • 1x(mono) • • 1x3W 36x36x37 9Kg Plástico • • • • • • • • • • • 48W <3W 20" 51cm 48cm • • 1x(estéreo) • • 1x(estéreo) • 2x3W 59x45x48 17Kg Plástico • • • 20PT4331
  • 15.
    15L03.1L AA 310610527942JUN/03OSDADOSDESTEMANUALESTÃOSUJEITOSAALTERAÇÕES. CERTIFICADODEGARANTIAINTERNACIONAL ESTEAPARELHOÉGARANTIDOPELAPHILIPSDAAMAZÔNIAINDÚSTRIAELETRÔNICALTDA.,PORUMPERÍODO SUPERIORAOESTABELECIDOPORLEI.PORÉM,PARAQUEAGARANTIATENHAVALIDADE,ÉIMPRESCINDÍVELQUE, ALÉMDESTECERTIFICADO,SEJAAPRESENTADAANOTAFISCALDECOMPRADOPRODUTO. 1)APHILIPSDAAMAZÔNIAINDÚSTRIAELETRÔNICALTDA.ASSEGURAAOPROPRIETÁRIOCONSUMIDORDESTE APARELHOAGARANTIADE365DIAS(90DIASLEGALMAIS275ADICIONAL)CONTADOSAPARTIRDADATA DEENTREGADOPRODUTO,CONFORMEEXPRESSONANOTAFISCALDECOMPRA,QUEPASSAAFAZER PARTEDESTECERTIFICADO. 2)ESTAGARANTIAPERDERÁSUAVALIDADESE: A)ODEFEITOAPRESENTADOFOROCASIONADOPORUSOINDEVIDOOUEMDESACORDOCOMOSEUMANUALDE INSTRUÇÕES. B)OPRODUTOFORALTERADO,VIOLADOOUCONSERTADOPORPESSOANÃOAUTORIZADAPELAPHILIPS. C)OPRODUTOFORLIGADOAFONTEDEENERGIA(REDEELÉTRICA,PILHAS,BATERIA,ETC.)DECARACTERÍSTICAS DIFERENTESDASRECOMENDADASNOMANUALDEINSTRUÇÕESE/OUNOPRODUTO. D)ONÚMERODESÉRIEQUEIDENTIFICAOPRODUTOESTIVERDEALGUMAFORMAADULTERADOOURASURADO. 3)ESTÃOEXCLUÍDOSDESTAGARANTIADEFEITOSDECORRENTESDODESCUMPRIMENTODOMANUALDE INSTRUÇÕESDOPRODUTO,DECASOSFORTUITOSOUDEFORÇAMAIOR,BEMCOMOAQUELESCAUSADOSPOR AGENTESDANATUREZAEACIDENTES. 4)EXCLUEM-SEIGUALMENTEDESTAGARANTIAOSDEFEITOSDECORRENTESDOUSODOSPRODUTOSEM SERVIÇOSNÃODOMÉSTICO/RESIDENCIALREGULAROUEMDESACORDOCOMOUSORECOMENDADO. 5)NOSMUNICÍPIOSONDENÃOEXISTAOFICINAAUTORIZADADESERVIÇOPHILIPS,ASDESPESASDETRANSPORTE DOAPARELHOE/OUDOTÉCNICOAUTORIZADOCORREMPORCONTADOSR.CONSUMIDORREQUERENTEDO SERVIÇO. 6)ESTEPRODUTOTEMGARANTIAINTERNACIONAL.OSERVIÇOTÉCNICO(DURANTEOUAPÓSAGARANTIA)É DISPONÍVELEMTODOSOSPAÍSESONDEESTEPRODUTOÉOFICIALMENTEDISTRIBUÍDOPELAPHILIPS.NOS PAÍSESONDEAPHILIPSNÃODISTRIBUIESTEPRODUTO,OSERVIÇOTÉCNICODAPHILIPSLOCALPODERÁPRESTAR TALSERVIÇO,CONTUDOPODERÁOCORRERALGUMATRASONOPRAZODEATENDIMENTOSEADEVIDAPEÇADE REPOSIÇÃOEOMANUALTÉCNICONÃOFOREMPRONTAMENTEDISPONÍVEIS. 7)AGARANTIANÃOSERÁVÁLIDASEOPRODUTONECESSITARDEMODIFICAÇÕESOUADAPTAÇÕESPARA HABILITÁ-LOAOPERAREMQUALQUEROUTROPAÍSQUENÃOAQUELEPARAOQUALFOIDESIGNADO, FABRICADO,APROVADOE/OUAUTORIZADO,OUTERSOFRIDOQUALQUERDANODECORRENTEDESTETIPODE MODIFICAÇÃO. PHILIPSDAAMAZÔNIAINDÚSTRIAELETRÔNICALTDA. DentrodoBrasil,parainformaçõesadicionaissobreoprodutooupara eventualnecessidadedeutilizaçãodarededeoficinasautorizadas,liguepara oCentrodeInformaçõesaoConsumidortel.08007010203(discagemdireta gratuita)ouescrevaparaRuaVerboDivino,1400-5°andar-CEP04719-002 ChácaraSantoAntônio-SãoPaulo-SP ouenvieume-mailpara:cic@philips.com.br Horáriodeatendimento: desegundaàsexta-feira,das08:00às20:00h;aossábadosdas08:00às13:00h. ParaatendimentoforadoBrasilcontateaPhilipslocaloua: PhilipsConsumerService Beukenlaan2 5651CDEindhoven TheNetherlands
  • 16.
    16 L03.1L AA 4.Instruções Mecânicas Índice deste Capítulo: 1. Remoção da tampa traseira 2. Posição de Serviço do Painel Principal 3. Montagem da tampa traseira 4.1 Remoção da tampa traseira 1. Remova todos parafusos de fixação da tampa traseira. 2. Agora puxe a tampa traseira para trás para removê-la. 4.2 Posição de Serviço do Painel Principal 1. Desconecte o passa-fio do cabo de alimentação. 2. Remova o painel principal, empurrando as duas travas do centro para fora [1]. Ao mesmo tempo puxe o painel do CRT [2]. 3. Se necessário desconecte a bobina desmagnetizadora remo vendo o cabo (vermelho) do conector 0212. 4. Mova o painel um pouco para a esquerda e gire-o 90 graus [3], com os componentes na direção do CRT. 4.3 Montagem da tampa traseira Antes de montar a tampa traseira, faça as seguintes checagens: 1. Cheque se o cabo de força está montado corretamente em seus suportes e guias. 2. Re-coloque o passa-fio do cabo de força no gabinete. 3. Cheque se todos os cabos estão posicionados em sua posição original. Figura 4-1 Posição de Serviço A B 1 2 1 3
  • 17.
    17L03.1L AA Índice: 1. Pontosde teste. 2. Modos de Serviço. 3. Problemas e Dicas de Solução (relativo ao CSM). 4. ComPair. 5. O Procedimento do LED Piscando. 6. Proteções. 7. Dicas de Reparo. 5.1 Pontos de teste O chassis é equipado com pontos de teste impressos na PCI. Nos esquemas elétricos os pontos de teste são identificados com uma caixa retangular ao redor das indicações Fxxx ou Ixxx. Tabela 5-1 Visão Geral dos pontos de teste Realize as medições sob as seguintes condições: • Modo Padrão de Ajuste de Serviço. • Vídeo: Sinal de barras colorido. • Áudio: 3 kHz esquerdo, 1 kHz direito. 5.2 Modos de Serviço Modo Padrão de Serviço de Ajuste (SDAM) oferece vários recursos ao técnico de serviço. Existe também a opção de uso do ComPair, uma interface de hardware entre o PC (veja requerimentos) e o chassis do TV. Ele oferece a habilidade de um troubleshooting estruturado, leitura dos códigos de erro e da versão do software para todos os chassis. Requerimentos: Para rodar o ComPair, a configuração mínima é, processador 486, windows 3.1 e drive de CD-ROM. Um proces- sador Pentium e Windows 95/98 são preferíveis (veja também paragrafo 5.4). Tabela 5-2 Grupo SW ( Software) 5.2.1 Modo Padrão de Ajuste de Serviço (SDAM) Propósito • Mudar opções de Configuração. • Criar um valor pré-definido para obter os mesmos resultados de medição como neste manual. • Mostrar/ Limpar o buffer de Código de Erro. • Para sobrepor proteções SW. • Realizar ajustes. • Iniciar o procedimento de LED piscando. Especificações • Frequência de Sintonia : 61.25 MHz (Canal 3) para aparelhos NTSC/PAL-M (LATAM). • Sistema de Cores:PAL-M para LATAM BI/TRI/QUADRI-NORMA. • Todos valores de imagem em 50 % (brilho, contraste,cor, matiz). • Grave, agudo e balanço em 50 %; volume em 25 %. • Todos os serviços em modo não-amigável (se presente) estão desabilitados, como: - (sleep) timer, - trava para pais/filhos, - tela azul, - modo hotel/hospitaleiro - desligamento automático (quando nenhum sinal de vídeo ‘IDENT’ é recebido para 15 minutos), - skip / blank para os pré-ajustes não favoritos/ canais, - auto salvamento de pré-ajustes pessoais, - time-out do menu automático do usuário. • Contador de horas de operação. • Versão do Software. • Configuração de Opções. • Leitura e apagamento do buffer de erro. • Ajustes de Software. Como entrar no SDAM Use um dos seguintes métodos: • Use um controle remoto comum do usuário e digite o código ‘062596’ diretamente seguido pelo botão ‘M’ (menu) ou • Temporariamente curto circuite o jumper 9257 e o pino 4 de 7200 na portadora mono (veja Fig.8-1) e ligue a alimentação AC. Então pressione o botão de liga (remova o curto depois da inicialização). • Cuidado: Entrando no SDAM por curto-circuito no jumper 9257 e o pino 4 de 7200 sobrecarregaremos a proteção +8V. Faça isto apenas durante um período curto. Quando executando esta tarefa o técnico deve saber exatamente que está fazendo, porque esta ação poderá danificar o aparelho. • Ou via ComPair. Após entrar no SDAM, a seguinte tela estará visível, com o S no canto superior direito para identificação. 5. Modos de Serviço, Códigos de Erro e Localização de Falhas SW Cluster Nome do Software Tipo UOC Variação UOC Caract. especiais L3SLM1 L03LM1 x.y TDA9370 Tamanho 55K ROM Trinorma mono L3SLM1 L03LM1 x.y TDA9377 Tamanho 55K ROM NTSC mono L3SLM1 L03LS1 x.y TDA9370 Tamanho 55K ROM Trinorma BTSC SAP Stereo L3SLM1 L03LS1 x.y TDA9377 Tamanho 55K ROM NTSC BTSC SAP Stereo Abreviações nos nomes dos softwares: L = Latam, M = Mono, N = Stereo não-dBx and S = Stereo dBx. Figura 5-1 Menu SDAM L L L L A A A B C D X . Y S E R R X X X X X X X X X X X X X X X X X X X X X X X X X X X X X X X C L E A R C L E A R ? O P O P T I O N S > >A K B T U N E R > W H I T E T O N E > G E O M E T R Y > A U D I O > Ponto de Teste CIRCUITO Fxxx, Ixxx POWER SUPPLY A1 Fxxx, Ixxx Deflection A2 Fxxx, Ixxx TUNER & IF A3 Fxxx, Ixxx VIDEO PROCESSING A4 Fxxx, Ixxx AUDIO PROCESSING A5 Fxxx, Ixxx AUDIO AMPLIFIER + MONO SOUND PROCESSING A6 Fxxx, Ixxx FRONT IO + FRONT CONTROL + HEAD- PHONE A7 Fxxx, Ixxx DVD POWER SUPPLY A9 Fxxx, Ixxx CRT PANEL B1 DIAGRAMA
  • 18.
    18 L03.1L AA •LLLL. Este é o contador de horas de operação. Conta as horas de operação normais, e não as horas do standby. • AAABCD-X.Y. Este é o software de identificação do microcon- trolador principal: - A = nome do projeto (L03). - B = região: E = Europa, Uma = Ásia Pacífica, U = NAFTA, L = LATAM. - C = Característicase diversidade de software: N = stereo non- DBX, S = stereo dBx, M = mono, D = DVD - D = Idioma e número de grupo. - X = número da versão de software principal. - Y = número da versão de sub-software. • S Indicação do modo atual. S= SDAM= Modo Padrão de Ajuste de Serviço. • ERR. Buffer de erro. Cinco erros possíveis. • Bytes de opção. Sete códigos possíveis. • CLEAR. Limpa o conteúdo do Buffer de Erro. Selecione o item de menu Clear e aperte a tecla direita do cursor. O conteúdo do Buffer de Erro será limpo. • Opções. Para atribuir os Bytes de Opção. Veja capítulo 8.3.1 para uma descrição detalhada. • AKB. Loop de Corrente de Preto: Desabilitado (0) ou habilitado (1) (AKB = Auto Kine Bias). • Tuner. Para ajustar o Tuner. Veja capítulo 8.3.2 para descrição detalhada. • Balanço de branco. Para ajustar o balanço de branco. Veja capítulo 8.3.3 para descrição detalhada. • Geometria. Para alinhar a geometria de conjunto. Veja capítulo 8.3.4 para uma descrição detalhada. • Áudio. Nenhum ajuste de áudio é necessário neste aparelho. Como navegar • No modo SDAM, selecione itens de menu com a tecla CIMA/ BAIXO do cursor no controle remoto. O item selecionado será realçado. Quando todos itens de menu não encaixam na tela, mova a tecla CIMA/BAIXO do cursor para exibir o próximo /prévio menu. • Com as teclas DIREITA/ESQUERDA do cursor, é possível: - Ativar o item do menu selecionado. - Mudar o valor do item do menu selecionado. - Ativar o submenu selecionado. • Quando você pressiona o botão de MENU, o aparelho irá para o menu normal do usuário (com o modo SDAM ainda ativo no fundo). Para retornar ao menu SDAM pressione o botão OSD / STATUS. • Quando você pressiona o botão de MENU num submenu,você voltará ao menu anterior. Como armazenar as configurações Para salvar as configurações, deixe o SDAM apertando a tecla StandBy do controle remoto. Como sair Coloque o aparelho em STANDBY pressionando o botão power no controle remoto (removendo o cabo de alimentação, o aparelho voltará no SDAM quando energia for re-aplicada). O buffer de erro não estará limpo. 5.3 Dicas para resolução de Problemas 5.3.1 Problemas de Imagem Nota: Os problemas descritos a seguir estão todos relacionados com configurações do TV. Os procedimentos para alterar os valores (ou Status) das diferentes configurações serão descritos. Sem cores/ ruído na imagem Cheque linha do CSM 5. Instalado o sistema do cor errado. Para mudar o valor: 1. Pressione o botão MENU no controle remoto. 2. Selecione o sub menu INSTALLATION. 3. Selecione e altere o ajuste de sistema até que imagem e o som estejam corretos. 4. Selecione o Item de Menu STORE. Cores erradas/ imagem instável Cheque linha do CSM 5. Sistema de cor Errado instalado.Para mudar o valor: 1. Pressione o botão de MENU no controle remoto. 2. Selecione o sub menu INSTALLATION. 3. Selecione e mude o valor de SYSTEM até que a imagem e som estejam corrigidos. 4. Selecione STORE no menu. Imagem muito escura ou muito brilhante Aumentar / diminuir o BRILHO e /ou o valor do CONTRASTE quando: • A imagem melhora depois de ter pressionado o botão de ‘ Smart Picture’ no controle remoto. • A imagem melhora depois de ter ligado Modo de Serviço de Cliente - CSM O novo valor de preferência ‘Pessoal’ é automaticamente armaze- nado. Linha Branca ao redor de elementos de imagem e texto Diminua valor SHARPNESS quando: • A imagem melhora depois de ter pressionado o botão de "Smart Picture" no controle remoto. O novo valor de preferência ‘Pessoal’ é automaticamente armaze- nado. Imagem chuviscada • Ausência ou sinal de antena ruim. Conecte um sinal de antena apropriado. • Antena não conectada. Conecte a antena. • Nenhum canal / pré-ajustado está armazenado neste número de programa. Vá ao menu INSTALL e armazene um canal apro priado neste número de programa. • O tuner está com defeito (neste caso a linha de CÓDIGOS con- terá o número de erro 10). Cheque o tuner e o reponha / repare se necessário. Imagem chuviscada e/ou instável • Está recebendo um sinal decodificado ou embaralhado. Imagem preto e branco Aumente o valor de COR quando: • A imagem melhora depois você tem pressionado o botão "Smart Picture" no controle remoto. O novo valor de preferência ‘Pessoal’ é automaticamente armaze- nado. Texto de Menu não bastante definido Diminua o valor de CONTRASTE quando: A imagem melhora depois de ter pressionado o botão "Smart Picture" no controle remoto. O novo valor de preferência ‘Pessoal’ é automaticamente armaze- nado. 5.3.2 Problemas do Som Nenhum som ou som muito alto (depois mudança de canal / enquanto muda canal) Aumente / diminua o nível de VOLUME até quando o volume estiver OK depois de ter ligado CSM. O novo valor de preferência ‘Pessoal’ é automaticamente armazenado.
  • 19.
    19L03.1L AA 5.4 ComPair 5.4.1Introdução ComPair (Reparo Auxiliado por Computador ) é uma ferramenta de serviço para produtos Eletrônicos Philips. ComPair é um desenvol- vimento do DST Europeu (controle remoto de serviço), que permite diagnosticar mais precisa e rapidamente. ComPair tem três gran- des vantagens : • ComPair ajuda para que se possa realizar o reparo no chassis rapidamente e guiar sistematicamente o técnico através dos procedimentos de reparo. • ComPair permite um diagnóstico muito detalhado (no nível I2C) e está portanto capaz de indicar com exatidão áreas de problema. O operador não precisa saber nada sobre comandos I2C porque ComPair se encarrega disto. • ComPair acelera o tempo de reparo uma vez que pode se comunicar automatiamente com o chassis (quando o micro processador está trabalhando) e toda informação de reparo está diretamente disponível. Quando ComPair é instalado juntamente com o “ Searchman “ do chassis defeituoso, esquemas e PWBs podem ser acessados por um simples clique de mouse. 5.4.2 Especificações ComPair consiste de um programa baseado no Windows e uma interface entre PC e o produto (defeituoso). A interface do ComPair é conectada ao PC via cabo serial ou RS232. No caso do chassis L03, a interface do ComPair e a TV se comunicam via cabo bi-direcional de serviço via conector de serviço (localizado no painel Principal, veja também figura 8-1D). O programa de encontrar falhas do ComPair é capaz de deter- minar o problema do televisor defeituoso. ComPair pode juntar informação do diagnóstio em dois caminhos: • Automático (por comunicação com o televisor): ComPair pode automaticamente ler todo o conteúdo do buffer de erro. Diagnóstico é feito no nível de I2C. ComPair pode enviar e receber comandos I2C ao microcontrolador do televisor. Desta Forma, é possível ao ComPair comunicar-se (leitura e escrita) com dispositivos no barramento I2C da TV. • Manualmente (ao perguntar a você): Diagnóstico Automático é unicamente possível se o microcontrolador do televisor está trabalhando corretamente e para uma certa extensão. Quando não é o caso, ComPair guiará você através da árvore de falhas e perguntas (ex. A tela apresenta imagem? Selecione a resposta correta: YES / NO) e mostrando exemplos (ex. Meça ponto- teste F001 e selecione a onda que o osciloscópio apresenta). A resposta será um link (ex. texto ou uma forma de onda) que o levará para próximo estágio do processo de identificação de falhas. Por uma combinação de diagnóstico automático e uma questão interativa / procedimento de resposta, ComPair indicará a solução da maioria dos problemas num caminho efetivo e rápido. Além da descoberta de falha, ComPair fornece alguns recursos adicionais como: • Up ou downloading de pré-ajustes. • Administração de listas de pré-ajustes. • Emulação da Ferramenta de Serviço do revendedor (DST). • Se ambos ComPair e SearchMan (Manual de Serviço Eletrô- nico) estão instalados, todos os esquemas e o PWBs do apare- lho estão disponíveis no hyperlink apropriado. Exemplo: Meça a tensão DC no capacitor C2568 (esquema/ Painel) no mono Painel. - Pressione no hyperlink ‘Painel’ para automaticamente mostrar o PWB com um capacitor C2568 realçado. - Pressione no hyperlink ’Esquemático’ para mostrar a posição do capacitor realçado. 5.4.3 Como conectar o ComPair 1. Primeiramente instale o software de navegador do ComPair (veja o Cartão de Referência Rápido para instruções de insta- lação). 2. Conecte o cabo de interface RS232 entre porta serial (COM) de seu PC e o conector de PC (marcado com ‘PC’) da inter- face do ComPair. 3. Conecte o cabo de alimentação ao conector de alimentação (marcado com ‘POWER 9V DC’) na interface do ComPair. 4. Desligue a interface ComPair. 5. Desligue a televisor (remova cabo). 6. Conecte o cabo de interface do ComPair entre o conector traseiro da interface do ComPair (marcada com ‘I2C’) e conec tor ComPair na portadora mono (veja figura 8-1 sufixo D). 7. Ligue o adaptador de força AC na saída ligue a interface. Os LEDs verde e vermelho acendem ao mesmo tempo. O LED vermelho apaga depois aprox. 1 segundo enquanto o LED verde aceso. 8. Comece o programa ComPair e leia o capítulo de ‘introdução’. Figura 5-2 Conexão ComPair 5.4.4 Componentes do ComPair • kit de Início ComPair + software do SearchMan32 e interface do ComPair32 (excluindo transformador); • Interface ComPair (excluindo transformador); • Kit com software de inicialização ComPair32 (versão de regis- tro); • Kit com software de inicialização SearchMan32; • CD ComPair32 (atualizado); • CD SearchMan32 (atualizado); • Cabo de interface ComPair; 5.4.5 Buffer de Erro O buffer de códigos de erro contém todos os erros detectados desde de a última vez que buffer foi apagado. O buffer é escrito de esquerda para direita. Quando um erro ocorre que não está ainda no código de erro do buffer, é escrito no lado esquerdo e todos outros erros se movem uma posição à direita. 5.4.6 Como ler o Buffer de Erros Você pode ler o Buffer de erros de 3 formas: • Na tela via o SDAM (unicamente se você tem imagem). Exemplos: - ERROR: 0 0 0 0 0 : Nenhum erro detectado - ERROR: 6 0 0 0 0 : Código de Erro 6 é o último e único erro detectado - ERROR: 9 6 0 0 0 : Código de Erro 6 foi primeiro detectado e código de erro 9 é o último (o mais novo) erro detectado • Via procedimento de LED piscando (quando não existe PC VCR I2CPower 9V DC
  • 20.
    20 L03.1L AA imagem).Veja próximo parágrafo. • Via ComPair. 5.4.7 Como limpar Buffer de Erro O buffer de código de erro é limpo nos seguintes casos: • Ativando CLEAR no menu SDAM : • Se o conteúdo do buffer de erro não for mudado em 50 horas, ele se reseta automaticamente. Nota: quando saindo do SDAM desconectando da tomada, o buffer de erro não é limpo. 5.4.8 Códigos de Erro Em caso de falhas não-intermitentes, limpe o buffer de erro antes de começar o reparo. Assim, asseguramos que códigos de erro antigos não estarão presentes. Se possível, cheque o conteúdo do buffer de erro. Em algumas situações, um código de erro é o resultado de outro código de erro e não uma causa real (ex. uma falha na detecção do circuito de proteção pode também conduzir para uma falha de proteção). Tabela 5.3 - Tabela de Códigos de Erros Erro Dispositivo Descrição do erro Verifique item Diagrama 0 Não Aplicável Sem erro - - 1 Não Aplicável Proteção Raio-X (USA) - - 2 Não Aplicável Proteção Horizontal 7421, 7422, 7423, A2 3 Não Aplicável Proteção Vertical 7461,7462,7463, 7464,7465,7466 A2 4 AN5891K & AN5829S Ident. de erro I2C do Controle de tom e proces- sador de áudio 7821 (IC Tom), 7841 A5 5 TDA93XX POR3.3V / 8V Proteção 7200, 7541, 7491, 7493,7496 A4, A1 6 I2C Bus Erro geral no I2C Bus 7200, 36024, 3605 A4 7 Não Aplicável - - - 8 Não Aplicável Proteção E/W (Tela grande) - - 9 M24C16 NVM erro de identificação I2C 7641, 3641, 3642, 3643 A4 10 Tuner Tuner I2C - Erro de identificação 1000, 3003,3004 A3 11 Não Aplicável Proteção "Black current loop" 3313,7307,7308,73 09,7310,7311,7312, 7313,7314,7315,73 16,7317,7318,CRT B1 12 Não Aplicável MAPI2C erro de identificação (USA) - - 13 Não Aplicável VC I2C erro de identificação (Eu) - - 14 Não Aplicável DVD I2C erro de identificação - - 5.5 Procedimento do LED Piscando Por este procedimento, pode-se visualizar conteúdo do buffer de erro pelo LED frontal. Isto é especialmente útil quando não há imagem. Quando entra-se no SDAM, o led piscara o conteúdo do buffer de erro. • n piscadas curtas (n = 1 - 14), o quando todos os códigos de erro são exibidos, a seqüência termina com uma piscada de 3 seg. do LED, o a seqüência começa outra vez. Exemplo de buffer de erro: 12 9 6 0 0 Depois de entrar no SDAM: • 12 piscadas curtas seguidos de uma pausa de 3 s, • 9 piscadas curtas seguidos de uma pausa de 3 s, • 6 piscadas curtas seguidos de uma pausa de 3 s, • 1 piscada longa de 3 s para finalizar a sequência, • a seqüência começa outra vez. 5.6 Proteções Se uma situação de falha é detectada um código de erro será gerado e se necessário o aparelho entrará em modo de proteção. O LED vermelho piscará em uma frequência de 3 Hz indicando o modo de proteção. Em alguns casos de erro, o microprocessador não coloca o aparelho no modo de proteção. Os códigos de erro do buffer de erro podem ser lidos via o menu de serviço (SDAM) ou procedimento de LED piscando ou via ComPair. Para obter um diagnóstico rápido, o chassis tem um modo de serviço implementado: • O Modo Padrão de Ajuste de Serviço (SDAM). Início e ajuste de uma forma pré-definida e ajuste do aparelho via menu e com a ajuda de padrões de teste. 5.7 Dicas de Reparo Seguem alguns sintomas de falha, seguidos por uma dica de reparo. • Aparelho está apagado com um som intermitente. ‘Alimentação’ está disponível. Som intermitente para quando dessoldando L5563, significando que problema está na linha ‘MainSupply’. Nenhuma tensão de saída do LOT, nenhuma deflexão horizontal. Razão: transistor de linha 7421 está defeitu oso. • Aparelho está apagado e sem som. Cheque a alimentação IC 7520. Resultado: tensão nos pinos 2, 6, 7, 9 e 11 estão acima de 180 V e pino 14 está em 0 V. A razão porque a tensão nestes pinos está tão alta é que o driver de saída (pino 11) tem uma carga aberta. Por isso o MOSFET 7521 não é capaz de chavear. Razão: resistor de retorno 3523 está defeituoso. Atenção: cui- dado com a medição na porta 7521; a impedância ohmica é muito alta e pode facilmente ser danificada! (primeiro conecte o terra do equipamento de medição, e então a porta). • O aparelho está em um modo intermitente e desliga após 8s. LED piscando (aparelho no modo do SDAM) indica erro 5. É improvável que as proteções ‘POR’ e ‘+8V apareçam ao mesmo tempo, então, meça primeiramente o ‘+8V’. Se esta tensão não existe, cheque os transistores 7491 e 7496. • Aparelho funciona de forma intermitente. Aparelho está em modo de sobre-corrente; cheque o secundário (opto coupler 7515) e a tensão ‘MainSupply’. Sinal ‘Stdby_con’ deve ser de lógica baixa sob condições de operação normais e vai para alto (3.3 V) no standby e em condições de falha. • Aparelho liga, mas sem imagem nem som. A tela está com chuviscos, mas o OSD e outros menus estã o ok. Procedimento de LED piscando indica erro 11, assim problema é esperado no tuner (pos. 1000). Cheque presença de tensão de alimentação. Como ‘Vlotaux+5V’ nos pinos 5 e 7 estão ok, ‘VT_supply no pino 9 é que falha. Conclusão: resistores 3449 e 3450 estão defeituosos.
  • 21.
    21L03.1L AA 6. Diagramaem Blocos, I2C, Tensões de Alimentação, e Vista Geral dos Pontos de Teste Diagrama em Blocos POWER SUPPLY 0212 43 2 1 2 8 9 12 13 3 6 2 5 6 1 3504 CL 36532044_030.eps 190603 F510 I505 F567 F568 I533 I848 I830 I847 I836 0211 0231 (NOT USA) MAINS SWITCH 3543 5562 3544 6522 2528 A1 Degaussing Coil t 1515 5520 7580 7520 TEA1506 7200-D TDA93XX DRAIN DRIVER SENSE DEMAG CONTROL IC CTRL Vcc ENERGIZING CIRCUIT (optional) AC DC 65045500 10 1 2 4 3 1500 T4E 2503 6562 6563 6561 MAIN SUPPLY -12V 5563 5560 6560 F542 F540 I553 Vaux/Vaudio PW-ADJ DVD-SUPPLY 3549 A4 A4 A9 A2 Std_Con HOT GROUND COLD GROUND 7540, 6540 REFERENCE CIRCUIT 7541 +3V3B STANDBY CIRCUIT 7515 TCET1103 3527 3525 3523 3526 752114 11 9 3522 7 D S G F566 I514 6520 3528 7523 3506 5570 6570 (OPTIONAL) 1185 1124 1184 1121 DVD POWER SUPPLY (optional) A9 1 3 5 1572 1 4 1571 A1 A3 FRONT I/OA7 V L AUDIO PROCESSING (STEREO + SAP) (FOR STEREO SETS ONLY) A5REAR I/OA8 MONO V L 6 1 4 2 1 3 2 1 3 6 1 4 V L L1_IN R1_IN R R STEREO F905 AUDIO AMPLIFIERA6 A4 7901 AN7522N (STEREO) 7902 AN7523N (MONO) 6 2 L+ L 8 9VOLUME 1 0280 F906 4 L- F907 10 R- F908 12 R+ R 4 5 1 2Vaux/Vaudio A5 A4 A5 A8 A5 A5 A4 A4 A4 V L MONITOR OUTPUT YUV INPUT AV1 FRAME LINE R L-OUT SEL_AV1_AV2 SY_CVBS_IN L1_IN 7841 AN5829S 7821 AN5891K R1_IN 7161, 7162 CVBS_TER_OUT 7101 R-OUT V L R G-SC1_IN_Y_IN B-SC1_IN_U_IN R-SC1_IN_V_IN A4 A4 A4 A5 A5 C-IN L2-IN R2-IN V L R 4 6 5 1 5 4 32 SVHS AV2 (OPT.) STATUS2 MATRIX SWITCH 10 9 11 A8 A8 A4 A8 R2_IN 24 21 22 3 22 12 15 L_OUT Main_OutR Main_OutL R_OUT L_OUT R_OUT 23 2 3 14 19 3842 3843 SDA SCL 3828 3827 L_OUT MONO L2_IN SWITCH STEREO + SAP DEMODULATOR ERR 4 SURR TONE ERR 4 18 14 13 7451 3549 EHT 7570 SI2306D 7571 L4978 3 2 1 3571VTsupply-A DVD_SUPPLY MAINSUPPLY 5571 5572 5575 5574 5573 Vcc 4 1 CONTROL OUT 5 6571 +12V-DVD +8V-DVD DEFLECTIONA2SYNC.A4 A1 I461 F461 F422 F449 F448 A2 A1 F425 I462 I462 I468 -12V 7421 BUT11APX 5461 F407 3424 0221 1 2 HOR. DEFL. COIL 0222 1 2 VERT. DEFL. COIL 5445 1 V H 7 2 36 FOCUS VG2 EHT 10 EHT A4EHT 0 A4 A4 A3 A4 A2 BEAM- LIMIT 3447 9 33 22 34 21 20 6446 8 5 4 6463 3445 3446 3475 VT_SUPPLY 6447 +160V -12V FILAMENT 3448 3459 6452 6451 F446 6444 3443 3444 FRAME OUT 6422 2423 6408 6407 2406 5401 3402 3403 7423 7422 3425 6423 Vaux/Vaudio FILAMENT A2 EHT 0 H-DRIVE Hflybk H-DRIVE 2nd LOOP H-SHIFT V-DRVE + GEOMETRY VIDEO INTERNAL EW + GEOMETRY H/V SYNC SEPERATOR H-OSC +PLL TO MPEG CARD (optional) TO DVD ENGINE (optional) 3463 3465 3464 7463 7461 7465 7462 -12V V-DRIVE - N.C. V-DRIVE + 3470 7466 7464 3474 3451 2455 HEADPHONEA7 L+ L- R- R+ L+ L- R- R+ F642 F643 5602 36423643 3605 3604 56035601 A3 A1 A5 FRONT CONTROLA7 E TOP CONTROL CONTROLA4 +3.3V WP 36013602 +3V3 +3.3V F691 57 1621 12MHz58 1 KEYBOARD LOCAL KEYBOARD LOCAL KEYBOARD CHANNEL + / - VOLUME + / - CHANNEL + / - VOLUME + / - 7200-B TDA93XX VST PWM- DAC ROM RAM CPU IIC BUS I/O PORTS 11 7 3 2 5 8 6 5 54 61 56 IR 67 LED 11 8 7641 M24C04 EEPROM (NVM) SDA SCL Pvv_ADJ 7 63 64 ITV_POR A4 6 ITV_CLOCK A1 A4 1 Std_Con A8STATUS 2 A8SEL_AV1_AV2 60 A4POR (ITV) A6 4 VOLUME SDA N.C. N.C. N.C. SCLOR 9257 SDAM 1/10 PAGES MEMORY TELE TEXT/CC + OSD CVBS SYNC ERR 9 ERR 6 6692 TSOP1836 +3V3 IR LED 6691 OR 0239 1010 2 SPEAKER 2 X 5W 16 Ohm 2 X 3W 8 Ohm 2 X 1W 8 Ohm CRTB1 1300 1 2 3 5 6 7 8 3305 3309 3301 F301 F302 F303 F309 F310 4 R G B R G B CRT (9P) 25kV FOCUS EHT EHT VG2 VG2 7 9 3 4 5 6 8 7313 7314 R 7317 7318 B 7315 7316 G 0165 AQUADAG 6318 3418 +160V 3313 +160 V A8 A8 A8 A8 5201 IF, VIDEOA4 VIF_1 VIF_2 TUNER_AGC (MONO) +8V +8VD 23 38 7202 3203 3205 7201 44 24 27 L1_IN 35 AUDIO CARRIER FILTER 7200-A TDA93XX VIDEO IF AGC VIDEO PLL DEMOD. VIDEO AMPLIFIER SOUND FM-DEMOD. DE-EMPH. AUDIO SWITCH SOUND AMPL. + AVL F603 A8CVBS_TER_OUT AM_FM_MONO 40 1201 4.5MHz C-IN 43 SY-CVBS-IN 42 7200-C TDA93XX I/O SWITCHING Y-DELAY R-Y B-Y U V R G B RED GREEN BLUE 51 52 53 49 Y VIDEO FILTERS RGB MATRIX RGB INSERT BLACK STRETCH WHITE STRETCH RGB CONTROL OSD/TEXT/CC INSERT BLUE STRETCH WHITE-P. ADJ VIDEO IDENT 1622 PAL/NTSC DECODER BASE BAND DELAY 3620 3619 3621 R_SC1_IN_V_IN G_SC1_IN_Y_IN B_SC1_IN_U_IN FBL_SC1_IN 4746 48 45 50 F604 F605 1 2 3 4 5 6 7 8 OSD A2BEAM-LIMIT A2 FRAME_OUT +160 V A2 A2 FILAMENT F003 1003 SDA SCL COMPAIR CONNECTOR 5002 TV TUNER 3003 SDA SCL 3004 6001 BZX79-C33 TUNER IFA3 A4 A4 A2 1000 UV1336 6, 7 9 1 2 1 +5V VT_SUPPLY_AVT_SUPPLY VT AGC 5 4 IF 2 3 11 1001 ERR 10 9282 DVD EJECT POWER (USA only)
  • 22.
    22 L03.1L AA I2Ce Vista Geral das Tensões de Alimentação POWER SUPPLY 0212 43 2 1 2 8 12 10 13 3 6 2 5 6 1 3504 F510 I505 I533 3543 5562 3544 6520 2528 A1 Degaussing Coil t 1515 5520 7580 7520 TEA1507 DRAIN DRIVER SENSE DEMAG VCC CONTROL IC CTRL Vcc ENERGIZING CIRCUIT (optional) AC DC 65045500 9 1 2 4 3 2503 6562 6563 6561 MAIN SUPPLY -12V 5563 5560 6560 F542 F540 I553 Vaux/Vaudio 2 x 1 x DVD-SUPPLY 3549 Std_Con HOT GROUND COLD GROUND 7540, 6540 REFERENCE CIRCUIT 7541 +3V3B STANDBY CIRCUIT 7515 TCET1103 3527 3525 3523 3526 752114 11 9 3522 7 D S G I514 6520 3528 7523 3506 5570 6570 (OPTIONAL) FRAME LINE 3549 7451 EHT PW_ADJ DEFLECTIONA2 A1 F461 F422 F449 F448 H DRIVE A4 F425 -12V 7421 BUT11APX 5461 3424 0221 1 2 HOR. DEFL. COIL 0222 1 2 VERT. DEFL. COIL 5441 1 7 2 FOCUS VG2 EHT 10 EHT A4EHT 0 A4BEAM- LIMIT 3447 9 6446 8 5 4 6463 3445 3446 VT_SUPPLY 6447 +160V -12V 1x 2x 2x 2x 2x 3448 3459 6452 6451 F446 6444 3443 3444 FILAMENT 6422 2423 6408 6407 2406 5401 3402 3403 7423 7422 3425 6463 Vaux/Vaudio FILAMENT 3463 3465 3464 7463 7461 7465 7462 -12V 3470 7466 7464 3474 3451 2455 TUNER IFA3 FOCUS EHT VG2 CONTROLA7 TUNER IFA3 3605 7641 M24C04 EEPROM (NVM) 3604 3643 3642 65 3 2 11 WP 7 ERR 9 7200-B SET PROCESSOR PART OF VIDEO- PROCESSOR TDA9370 ERR 6 SDA SCL SCL SDA 3602 +3.3V 3644 +3.3V 3601 +3.3V 1000 TUNER UV1336 3003 3004 45 ERR 10 1 2 1003 3 AUDIO PROCESSING (only for stereo sets) A5 7821 AN5891K AUDIO PROC. 3828 3827 1314 ERR 4 7841 AN5829S AUDIO DECODER 3842 3843 4119 ERR 4 SCL SDA FOR COMPAIR ONLY I2C BUS INTERCONNECTION DIAGRAM ERROR CODE LIST A4 A4 A2 + 5 V + 5 V + 5 V + 8V 1300 7 8 9282 VT supply VT supply VT supply-A VT Supply-A CRTB1 VIDEO PROCESSINGB1A4 EHT FOCUS FILAMENT 160 V VG2 AUDIO PROCESSINGA5 7 - 7841 5841 5821 23 - 7821 + 5V AUDIO AMPLIFIERA6 1 - 7901 or 1 - 7902 + 5V FILAMENT FILAMENT + 3V3A + 3V3B AUDIO FRONT I/OA7 +3V3B 4698 3693 3 - 6692 + 8 V REAR I/O CINCHA8 +8V 4163 +8VA Vaux/Vaudio Vaux/VaudioFILA- MENT 160VD FILAMENT 4379 3493 7 1622 8 7493 3494 3 A1 A2 In 1 3495 5482 4491 +3V3 +5V +8V 1x 1x 1x +8VD +3V3A 6491 7494 6492 3496 3497 7496 7491 3492 3491 VTSupply-A -12V, FILAMENT, Vaux/Vaudio VT supply-A, VT supply, FILAMENT A4 V DRIVE- V DRIVE- 1x 1x 2x Error Device Error description Check item Diagram 0 Not applicable No Error - - 1 Not applicable X-Ray Protection (USA) - - 2 Not applicable Horizontal Protection 7421, 7422, 7423 A2 3 Not applicable Vertical Protection 7461, 7462, 7463, 7464, 7465, 7466 A2 4 AN5891K & AN5829S Tone control & Audio processor I2C identification error 7821 (tone IC), 7841 (Stereo/Sap) A5 5 TDA93XX POR 3.3V / 8V Protection 7200, 7541, 7491, 7493, 7496 A4, A1 6 I2C bus General I2C bus error 7200, 3604, 3605 A4 7 Not applicable - - - 8 Not applicable E/W Protection (Large Screen) - - 9 M24C16 NVM I2C identification error 7641, 3641, 3642, 3643 A4 10 Tuner Tuner I2C identification error 1000, 3003, 3004 A3 11 Not applicable Black current loop protection 3313, 7307, 7308, 7309, 7310, 7311, 7312, 7313, 7314, 7315, 7316, 7317, 7318, CRT B1 12 Not applicable MAP I2C identification error (USA) - - 13 Not applicable VC I2C identification error (Eu) - - 14 Not applicable DVD I2C identification error - - 0211 0231 (NOT USA) MAINS SWITCH 1500 T4E F567 F568 F566 DVD POWER SUPPLY (optional) A9 1 3 5 1572 1 4 1571 7570 SI2306D 7571 L4978 3 2 1 3571VTsupply-A DVD_SUPPLY 5571 5572 5575 5574 5573 Vcc 4 1 CONTROL OUT 5 6571 +12V-DVD +8V-DVD +8V-DVD TO MPEG CARD (optional) TO DVD ENGINE (optional) Vaux/Vaudio
  • 23.
    23L03.1L AA Vista Geraldos Pontos de Teste CL 36532044_031.eps 200603 Mains Switch COLD IRRCR HOT LIVE PART Supply Control Supply Output Line Output Power Trafo 5520 7 7 6 5 3 7421 6447 5441 LOT 6570 6560 0246 39033905 7496 3643 In Out 7901 7902 6562 2405 6446 7464 7465 7463 0222 6444 74617462 D C B E SG 2 1 10 9 8 5 B E C B B EE C C 4 3 2 6 7 1 8 1 B C E 112 2413 2 1 5 12 1 14 5 8 32 3364 44 18 9 10 12 13 12 8 14 COLDHOT F407 F510 I847 I848 I462 F481 F643 I553 I542 F603 F604 F605 I540 I533I505 F425 I514 I836 I830 F449 F448 F446 I461 I465 7520 + F422 F461 1 6692 F691 F907 F908 F909 F906 F903 F901 C B F 1 11 1 1 3 Audio Output Video Processor Tuner Compair conn. NVM Audio Processor Audio Demodulator Frame Output 7841 3488 1622 7200 1000 1003 2413 112 15 7821 F491 F494 F492 F493 F494 I211 F642 F003 3 45 6 7 8 8 9 10 11 12 1302 1300 CRT Socket F310 B F308 R F309 G F301 F302 F303 23 1 CRT TRACK SIDE VIEWMONO CARRIER TRACK SIDE VIEW F003 200mV / div AC 20µs / div. F308 50V / div DC 20µs / div. F309 50V / div DC 20µs / div. F310 50V / div DC 20µs / div. F407 100V / div DC 20µs/div. 7641 7493 6491 7494 F425 5V / div AC 20µs / div. F446 2V / div DC 20µs / div. F448 10V / div DC 20µs / div. F449 50V / div DC 20µs / div. F461 20V / div DC 5ms / div. F481 0,5V / div DC 20µs / div. F491 2V / div DC 20µs / div. F492 2V / div DC 20µms / div. F493 2V / div DC 20µs / div. F494 2V / div DC 20µs / div. F510 50V / div DC 5µs / div. F603 1V / div DC 20µs / div. F604 1V / div DC 20µs / div. F605 1V / div DC 20µs / div. F301 1V / div DC 20µs / div. F302 1V / div DC 20µs / div. F303 1V / div DC 20µs / div. F642 0.5V / div DC 20µs / div. F643 0,5V / div DC 20µs / div. F691 1V / div AC 2ms / div. F901 0.5V / div AC 1ms / div. 0.5V / div AC 1ms / div. F903 F905 0,5V / div AC 1ms / div. F906 0,5V / div AC 1ms / div. F907 0.5V / div AC 1ms / div. F908 0.5V / div AC 1ms / div. I211 1V / div DC 1ms / div. I461 0.5V / div DC 5ms / div. I462 0.5V / div DC 5ms / div. I465 1V / div AC 5ms / div. I533 2V / div DC 5µs / div. I830 1V / div DC 1ms / div. I836 1V / div DC 1ms / div. I847 0.5V / div DC 1ms / div. I848 0.5V / div DC 1ms / div. I514 100V / div DC 5µs / div. F422 97V DC F540 97V DC F542 13V5 DC I505 =17V8 DC 3642 A2 A1 K 21 22 E B C E B C
  • 24.
    24 L03.1L AA 7.Esquemas Elétricos e Layouts dos Painéis Mono Painel: Alimentação V START-UP CURRENT SOURCE VALLEY START-UP CURRENT SOURCE CURRENT SENSING OUTPUT DRIVER OVER POWER LOGIC CONTROL CIRCUIT MAXIMUM ON-TIME PROTECTION VOLTAGE CONTRLLED OSCILLATOR OVER TEMPERATURE PROTECTIOM POWER-ON RESET SUPPLY MANAGEMENT FREQUENCY Demag Driver PROTECTION CONTROL INPUT CONTROL CIRCUIT BURST DETECTOR Drain Sense Vcc Gnd Ctrl t +t Rs Rp +t G A B C D E F G 0211 C1 0212 B1 0213 C5 0231 C2 1500 B2 1501 B3 1508 E7 1509 E7 1515 A7 1516 E7 1520 B7 1560 D7 2503 1 2 3 4 5 6 7 8 9 10 11 1 2 3 4 5 6 7 8 9 10 11 A B 1N4148 6521 C D E F I505 1570 C8 2452 F11 2453 F10 2500 C3 2501 B5 2502 B5 2503 B6 2504 B6 2505 B2 2507 B6 2515 C7 2520 G2 2521 E2 2522 D6 2523 E6 2524 E5 2525 F5 2526 E2 2527 F1 2528 G6 2540 F9 2541 G9 2542 G7 2543 F6 2560 D8 2561 D9 2562 D9 2564 D10 2570 C9 2571 C8 2580 B7 2584 C6 2585 E6 3452 F11 3453 F10 3454 F9 3456 F11 3500 C2 3501 D2 3502 C4 3503 B4 3504 B4 3505 C4 3506 D4 3507 D2 3508 B4 3509 C3 3510 D3 3519 F6 1508 DVD_Gnd 3520 G2 3521 F2 3522 E5 3523 E5 3524 E5 3525 E5 3526 E6 3527 D5 3528 F1 3541 F8 3542 E9 3543 E10 3544 F9 3545 G8 3546 F11 3547 F9 3548 F9 3549 E9 3550 E10 3580 A7 3581 F6 3582 D10 4560 D8 5500 B4 5501 C4 5502 D4 5506 C7 5509 G4 5515 E5 5520 C7 5521 D6 5560 D8 5562 C9 5563 C10 5570 C7 6500 B5 6501 B5 6502 B5 6503 B5 6504 B5 6505 D2 6520 E2 6521 E6 6522 F6 6540 F8 6541 E9 6560 D8 6561 D9 2n2 2501 6562 C9 6563 C9 6570 C8 6580 A8 2585 1n 7451 F10 7515 F7 7520 D2 7521 E6 7522 F6 7523 F1 7540 F9 7541 G8 7580 A7 9500 B2 9501 C2 9502 C4 1570 9503 A6 9506 C7 9509 G4 9515 E5 9520 D6 9560 D7 3526 1n0 2543 400V 5521 1K0 3548 15K 2K2 3527 16V 150u 2504 3 6 7 8 9 4560 3541 470R PDTC114ET 7541 4n7 2453 11 12 132 3 5 6 7 8 9 330K 3522 1 4 2 5501 9509 3542 1K5 2542 470n 2520 47K 3456 3543 5560 0212 1 2 6K8 3544 6561 6560 SB340 5570 2 0211 1 3506 2580 47u 9501 BC857B 7451 10 11 142 7520 3503 1 2 S 56p 7521 * 90 - 276 V FULL RANGE 6561 3V3 100u/400V STP7NK80ZFP - - 5520 - - 1W/0R151W/0R18 9500 6V2 (..V..) Standy Mode 0V * * 0V * * 2V9 * * 220V AC 309V (317V) * MAINS 0V 22V60V * 1n5 T2.5AE 250V * MAINS SWITCH A4 D * 820K T4E.250V 82n TEA1506T SS28010-06 BZX79-C9V1 3V3 G RES RES 17V8 RES JUMP * - - 22K330K330K330K330K3547 21RF 3M3 * RES HOT GROUND LATAM * 3V3 * 9V3 * - For ITV 2503 0231 Size 8V3 3523 * * For Relay Cct. 302V 6K8 9501 330K - ALIMENTAÇÃO NAFTALATAMITEM STP7NK80ZFP A2 STP5NK80ZFP "$" STP5NK90ZFP S359B4-09SS28010-06 1W/0R15 BYW76-RAS15/10 6V8 10R-PTC RES 15RF/20"/21"Mexico14"MEXICO15RF/20"/21" JUMPJUMP 2V6 14" NFR25 68R 150u/400V SWITCH 100u/400V Region * SWITCH 3526 * S359B4-09 - (13V8) BYW76-RAS15/10 1V3 JUMP 150u/400V NFR25 68R FOR ITV ONLY NFR25 47RNFR25 47R JUMP COLD GROUND 330K 1W/0R18 FOR MAINS 120V AC 170V (177V) - ..V.. Normal Operation in " SERVICE MODE " A4 RES * 7V7 T1.8AE 250V 4V9 150 - 276 V SINGLE RANGE 2V6 RES 1515 G5P 23 14 2502 2n2 4V6 HOT 303V 302V ONLY COLD 2505 3503 3504 5500 9503 5502 Relay Cct. YES NO YES DMF2820 YES NO NO NO YES NO C914 NO YES YES RES RES RES DEGAUSSING COIL 3M3 "$" * * 5509 RES RES - - - - - - - 7523 BC857B BC547B 7540 3510 DSP 50V22u 2528 3521 F510 7521 1N5062 (COL) 6503 7580 BC847B 220p 2584 2505 2n2 2n2 2560 9520 6562 BYW76 1N5062 (COL) 6501 F540 1N5062 (COL) 6502 6500 1N5062 (COL) 1 2 3 2525 3504 470p 3582 1n0 2526 3581 1K0 3453 100K 10n 2541 3520 1K2 2527 6580 1M5 3508 1N4148 27u 5563 BZX384-C22 6505 3507 33K 3500 BYW29EX 6563 3580 47K 2515 2500 470n 22u 2521 BYD33D 6522 15n 2540 5506 7522 PDTC143ZT 9506 2523 1n8 220R 3549 2507 2522 470p PFC5000 1501 9560 47u 15209500 2564 I553 2n2 2562 I533 3547 3m3 2570 100n 2524 3502 3528 10K 1560 6541 3519 10K 3454 3K3 TCET1103(G) 7515 14 3 2 C914 5502 31 46 3452 3505 5520 1 10 5562 3545 2K2 2452 6520 BYD33D 9503 4 2 3 BZX79-B6V8 6540 5500 DMF-2820 1 9515 3 DVD_Gnd 5515 0213 1516 10n 2571 3509 220R 16V2m2 2561 1500 PFC5000 82K 1509 STPS10L60D 65701 2 56 3 4 3523 ESB92 0231 10n 3501 9502 35253524 47K 3550 10K 3546 I514 F542 6504 GBU8K PW_ADJ DVD_Supply (OPTIONAL) Vaux/Vaudio ITV_Vbatt EHT L_GND -12V Std_Con MainSupply +3V3B AudioSupplyGnd_A 3139 123 5596.1 CL 36532044_001.eps 200603 F540 97V DC F542 13V5 DC I505 17V8 DC F510 50V / div DC 5µs / div I533 2V / div DC 5µs / div I514 100V / div DC 5µs / div
  • 25.
    25L03.1L AA Mono Painel:Deflexão VG2 EHT FOCUS G A B C D E F G 0221 B4 0222 F6 1462 F6 1463 E7 2405 D3 2406 D4 2407 C4 2408 D4 2420 B2 2421 B2 2423 A4 2424 A4 2426 B1 2427 B1 2428 C1 2429 B1 2441 C9 2444 D8 2446 D8 2447 D7 2455 C8 2457 D7 2460 E5 1 2 3 4 5 6 7 8 9 10 1 2 3 4 5 6 7 8 9 10 A B C D E F 9505 2461 E1 2462 E3 2426 1n 2463 E3 2464 F3 2465 E5 2470 F5 0221 VH 1 4 2471 B1 2472 G4 2473 C7 3402 D4 3403 D3 3422 A3 3424 A1 3425 C1 3426 B3 33K 3449 3428 B2 3430 C2 3432 C2 3439 C8 3440 C8 3441 C7 3442 C7 3443 C6 3444 D6 3445 B6 3446 D6 3447 B8 3448 D6 3449 B8 3450 B8 3451 C8 3455 C9 3459 C7 3460 C9 3461 F1 3462 F1 3463 E2 3464 G2 3465 F2 3466 F2 3468 E3 3469 E4 3470 F4 3471 F4 3472 F4 3473 G5 3474 G5 3475 F5 3476 F5 3477 G4 3478 F5 4405 D3 5401 D4 5402 D4 5421 B3 5441 A5 5505 F8 6407 D4 6408 D4 6421 A4 6422 A3 6423 C1 6426 B2 3474 3R3 6444 D7 6445 C7 6446 D7 6447 D7 6451 C9 6452 C8 6453 C8 6460 E3 6461 E5 6462 E5 6463 E5 6464 E3 7421 A3 7422 B2 7423 C2 7440 C8 7461 F2 220R 7462 F2 7463 F3 7464 E4 7465 F4 7466 F3 9402 D4 9445 9407 C4 9445 B6 9446 E6 9448 D6 9505 F8 3446 1R 2R2 2455 10u16V 9446 82R 3425 MainSupply HDRIVE -12V VDrive- Frame_FB VDrive+ VTSupply MainSupplyGND -12V -12V Vaudio Filament -12V 160VD FILAMENT Beam_Limit Hflybk Frame_OUT EHTO FILAMENT EHT 2460 56n 2406 470n 3403 1K 3460 100K 9402 RGP10D 6447 I461 I462 6421 BYW76 3463 2K2 RGP10D 6463 68R 3469 6461 RGP10D 6460 3468 330R 1K 3432 9448 3428 68R I465 160V10u 2465 6422 BYD33M 2444 470u BAS316 8K2 3451 2K2 3464 BC857B 7461 HORIZONTAL 22n 100n 2453 - - 0V4 12V212V8 RES 12V2 0V6 0V9 120K A4 5V7 0V 94V4 TO PICTURE TUBE TO CRT PANEL DEFLEXÃO 3V3 0V3 0V9 1V5 A4 3V3 12V2 0V8 12V8 100K 150K - 68u/LHL08 10K NFR25H 2K2 1n5/2KV 3456 2K22K2470R 3R3- 47K 47K - 680n/250V 560n/250V 2423 5401 COIL DEFLECTION 5V4 A4 Frame Deflection 120K 0V9 4R73474 A4 VERTICAL 0V 20V6 3R33R93R9 A4 A4 A2 2K2 8K2 Line Deflection 0V5 5441 47K 3450 33K 47K - 3460 100K 3451 220K 150K150K 100K220K3447 Tube 2406 LINE DEFLECTION LPDLPDCPT 3455 8K21K8680R LPD CPT 3442 3R3- 360n/250V - JF0501-19255 15n/1K6V15n/1K6V13n/1K6V13n/1K6V 33u/LHL08 - 2424 1n/2KV - - - - 00425/82u 47K 15n 33n 2452 - 10n 3441 15n 2408 560n/250V 22n - 470p/500V 1n/2Kv 3646 JF0501-19276 - JF0501-19255 LPD 21"FSQ20" 10K 56K LATAMRegion Size 00511/33u--5402 14" 15RF 1M 1M - JF0501-19255 LINE DEFLECTION LPDLPD Size 0V RES A4 COIL A1 A4 15RF14" Tube 3473 470p 2457 2441 DEFLECTION LOT A2 RES RES RES RES RES 2n2 - 2457 - LATAMRegion 3402 - - NFR25H 2K2 20" 21"FSQ 100K 4R7 2R2 3441 3465 1K 1n 2461 F448 F449 1N4004 6423 F446 BC817-25 7422 BAV21 6408 3439 3R3 100K 3447 2471 22n 2472 2470 15n 3473 3R3 6451 2427 100n BAS316 3440 33K F461 6452 BAS316 3444 1R 1R0 3478 F425 3470 3455 2K2 3471 BC807-25 7423 470p 2464 2423 10n 2447 10u F422 3402 2K2 RGP10D 6446DC12 5402 6444 EGP20DL BAS316 6426 5505 2420 100n 3422 330K 6407 BAV21 2428 47u 220R 3472 9407 1 10 2 3 4 5 6 7 8 9 F407 1142 5441 BZX79-C33 6453 33u 5401 150K 3459 470u 2446 BD135 7464 3476 8K2 3424 22R BF423 7440 1R 3445 2463 100u50V 33n2441 6462 RGP10D 1K 3466 3430 1K0 2407 100p 1R 3448 7465 BD136 6445 BAS316 PSD10-204B 1 3 5 65421 6464 BAS316 1R 3443 3426 47R 100n 2421 7463 1462 BC546B 2408 12n 2424 820p BUT11APX 7421 2473 470p 2429 220n 1M 3461 2K2 1n 2462 3462 3477 3R3 2405 47u 1463 3475 10K 3442 7462 BC857B 4405 1 2 7466 BC847B VH 0222 3139 123 5596.1 CL 36532044_002.eps 200603 F407 F422 97VDC F449 50V / div DC 20µs / div F461 20V / div DC 5ms / div 100V / div DC 20µs/div F448 10V / div DC 20µs / div F446 2V / div DC 20µs / div F425 5V / div AC 20µs / div I461 0.5V / div DC 5ms / div I462 0.5V / div DC 5ms / div I465 1V / div AC 5ms / div
  • 26.
    26 L03.1L AA MonoPainel: Tuner FI GND NC A B C 0283 C7 0285 C7 1000 B3 1001 B6 1003 B1 2001 B2 2002 B3 2003 C3 2004 C3 2005 B5 1 2 3 4 5 6 7 1 2 3 4 5 6 7 A B C 2006 B1 2007 B5 3001 A2 3002 B2 3003 B2 3004 B2 3005 A1 4000 C4 4001 C2 5001 B5 5002 A4 5003 A4 6001 B5 9002 A4 100u 2002 9282 A4 2005 220n 10u 2007 4001 1000 TUNER UV1336 3002 RES TUNER FI A4 RES A4 A4 A4 A4 F003 22K 100R 3003 0285 0283 BZX79-C33 6001 3004 100R 22p 2003 3001 4K7 2004 22p 5001 820n 2 3 4 5 9002 2001 10n OFWG1984M 1001 1 9282 5002 5003 EH-B 1003 1 2 3 VS 9 VTS 4000 1 AGC 3 AS 10 11 IF 12 13 14 15 6 8 4 SCL 5 SDA 2 TU 7 3005 100R 10V470u 2006 +5V SCL SDA VIF_1 VIF_2 TUNER_AGC +5V VTSupply_A VTSupply 3139 123 5596.1 CL 36532044_003.eps 200603 F003 200mV / div AC 20µs / div
  • 27.
    27L03.1L AA Mono Painel:Processamento de Vídeo H-OSC + PLL AGC CIRCUIT NARROW BAND PLL DEMODULATOR VIDEO SWITCH VIDEO IDENT. VIDEO FILTERS VISION-IF ALIGNMT-FREE PLL DEMOD AGC/AFC VIDEO AMP DEEMPHASIS AUDIO SWITCH VOL CONTR RGB/YUV INSERT RGB/YUV MATRIX SATURATION YUV/RGB/MATRIX CPU I2C-BUS VST PWM-DAC I/O PORTS ROM/RAM TELETEXT CLOSED CAPTION ACQUISITION 1/10 PAGE MEMORY TXT/OSD/CC DISPLAY EW GEOMETRY V-DRIVE + GEOMETRY H-DRIVE 2nd LOOP H-SHIFT H/V SYNC SEP. G A B C D E F G 0217 C10 0240 F2 1201 B2 1202 D1 1621 B4 1622 E10 2201 A2 2202 A3 2203 A2 2204 B2 2205 B3 2206 B4 2207 B2 2208 C2 2209 C2 5u65601 1 2 3 4 5 6 7 8 9 10 11 1 2 3 4 5 6 7 8 9 10 11 A B C D E F 2210 D2 2211 D1 2212 D2 2231 F6 2232 F6 2233 F7 2481 F3 2482 F2 2483 F2 2484 F2 2485 F3 2486 F3 2487 F4 2488 F5 2489 F5 2490 F6 2491 E1 2492 B9 2493 A9 1u0 2494 B7 2495 G1 2496 G4 2497 G5 2498 F2 2601 B4 2602 B5 2603 B5 2604 A5 2605 C7 2606 C7 2607 C7 2608 C8 2609 A6 2612 D8 2615 E7 2616 E8 2641 B11 2642 B10 2643 F2 3201 A3 3202 A2 3203 A4 3204 B2 3205 B3 3206 B3 3207 B3 3208 C2 3209 C2 3210 D2 3231 F7 3232 F8 3233 F8 3410 G5 3479 B8 3480 F4 4661 F604 3481 F3 3482 G3 3483 F4 3484 F5 3485 G5 3486 G5 3487 G6 3488 G4 3489 G6 3490 G4 3491 A7 3492 B7 3493 B8 3494 A8 3495 A9 3496 A10 3497 A10 3498 G3 3499 G3 3601 A5 3602 A5 3603 A5 3604 B5 3605 B5 3606 A5 3607 B6 3608 B6 3609 B7 3618 A5 3619 D7 3620 D8 3621 D7 3624 E9 3631 A7 3632 B7 3633 A7 3634 C8 3641 A11 3642 C10 3643 B11 3644 A10 3645 C9 3646 F2 4491 A9 4602 A7 4603 A7 4604 A6 4606 A4 NC 6 SCL 5 SDA M24C04 7641 2 E1 3 E2 1 4661 C9 5201 B2 5482 E1 5601 B8 5602 C8 5603 C8 3634 1K0 6481 G3 6491 B9 6492 A10 6624 E9 6625 D10 6626 D8 6627 D8 6628 D8 6681 E8 7200 C2 7201 B3 7202 A4 7491 A7 7493 B9 7494 A10 7495 G2 7496 A8 7601 D9 33p 7641 A10 9201 A3 9240 G1 9286 A6 9410 G5 9604 A6 F605 A4 A8 3481 18K 2492 22u25V I211 33K 3487 2602 33p2485 1u 10V F493 3498 10K 100R 3631 0217 1 2 3 4 5 6 7 8K2 3632 2K2 3602 3491 56K 2612 220u 100R 3604 F481 3643 100R 3488 100R 6626 BAS316 470R 3621 2K2 3601 3607 100R 1n 2641 100n2605 2608 1u 2231 22n 9201 22K 3492 A2 1V 2V3 SDAM 3V2 A4 9257 3V6 A2 A4 A2 4V 0V 3V8 1V6 1V6 2V7 0V 1V3 1V4 3V2 0V 0V 100p 3V4 A2 Stereo To 1300 4n7 A3,A5 A4 12V A1 A4,A6 6V7 A3 A3 A4 A4 A4 6V3 3V3 3V3 3V4 8V 2V3 8V 5V 3V2 2V3 FOR ITV ONLY 3V8 0V8 3V4 3V9 3V8 1V9 A8 1N ITEM # A5 A1 A7 10R 3V3 2206 A8 3V6 4V 2V6 2V7 RES A8 A4 A8 2V7 A5 A4 A7 2V7 8V A6 A7 A4 4M5 A4 10R A8 A3,A5 A1 A4 A4 A4 A4 13V4 9V3 8V7 A8 4V A2 3V4 3V3 A8 A8 0V 2V4 0V2 1V5 3V4 NVM 1V9 1V9 3V3 4V 0V 0V 3V3 3V3 0V2 0V2 3V3 3V3 0V2 3V3 7V7 3V1 3V2 0V 3V7 0V2 0V4 1V Mono A4 3V3 3V3 5V 6V3 A2 PROCESS. VÍDEO A4 A4 A8 A2 A2 A2 5V7 of CRT PANEL 3V3 A3 6V3 39K 3480 3618 2K2 3V3 0V 1V1 1V9 A2 4603 4604 2u22498 6624 BAS316 TPS 1201 2G 1 I 3 O 12M 1621 1K 3206 3232 1K0 3231 560R 1K0 3645 3202 100R 2604 10u16V 348439K F494 BC847B 7202 7601 PDTA114ET 6625 3205 270R BZX79-C8V2 1M03646 2212 220n 4K7 3644 3482 3K3 100R 3641 2210 220n 7201 BC847B 9604 470u 2491 2207 100n 1n 2211 100n 2208 4606 4u7 5201 F491 680R 3494 BAS316 6481 3603 2K2 2490 4u7 2202 820p 1n0 2496 2603 BZX384-C5V6 6492 4491 3497 390R 470R 3619 2495 22u25V 3496 10R 100n 2488 100n 2203 3207 390R 2201 4n7 2489 100n 6681 BAS316 1K0 3633 2606 1202 100n 2486 4n7 6628 BAS316 7491 BC847B 16V 470R 3209 3499 27K 3489 1M 3483 5u65603 10K 5602 5u6 2483 360610K 22n 2232 4u7 2482 2205 10u 220n 2209 2 3 4 5 6 7 8 2487 2n2 1622 1 100n2484 5482 10u F642 F643 F603 2607100n 22n 2233 BAS316 6627 3605 100R 25V220u 2494 3201 2K7 34851K0 8 VCC 4 VSS 7 WC_ 26091n0 7494 BC337-25 3495 33R 100p 2481 6 4602 EH-B 0240 1 2 3 4 5 9286 3486 1K0 3493 10V 1n0 2615 2493 470u 1n0 2497 2616 10u16V 100R 3210 LE50CZ 7495 GND INOUT F492 82R 3204 1K0 3624 7496 BD135 660 616263 647 8 9 3620 470R 5 50 51 52 53 5455 56575859 40 41 42 43 44 4546 47 48 49 31 32 3334 35 36 37 38 39 4 2122 23 24 25 26 27 2829 3 30 11 12 13 14 15 1617 18 19 2 20 7200 TDA93XX 110 3K3 3490 220p2643 2206 4n7 L78L33 7493 2 GND 1 IN 3 OUT 470n 2601 BAV70 6491 3208 470R 100K 3608 10K 3609 1n0 2642 3479 100R 3642 3410 68K 9240 2204 56p 3233 100R 1K0 3203 9410 TV_BUZZER ITV_PORT ITV_MSG TV_BUZZER AM_FM_MONO +5V +8V +8VD GREEN RED BLUE +3V3 FILAMENT Vaudio (Vaux) VDrive+ EHTO +8V +3V3 +5V Frame_OUT +8V Hflybk Beam_Limit Frame_OUT SEL_AV1_AV2 Std_Con PW_ADJ ITV_DATA_OUT STATUS2 RESERVED_B RESERVED_A BLK_IN FILAMENT 160VDITV_CLOCK ITV_PORT VDrive- ITV_CLOCK FILAMENT +8V VTSupply_A SY_CVBS_IN C_IN +8VD WP KEYBOARD L1_IN +5VS Vaux +5V +3V3A +8V G_SC1_IN_Y_IN ITV_DATA_IN POR WP ITV_DATA_IN POR ITV_DATA_OUT B_SC1_IN_U_IN R_SC1_IN_V_IN FBL_SC1_IN CVBS_TER_OUT +8V SDA SCL SANDCASTLE SANDCASTLE VOLUME +3V3 LED VIF_1 VIF_2 TUNER_AGC HDRIVE SCL SDA +3V3 +8VD IR +3V3 REFO 3139 123 5596.1 CL 36532044_004.eps 200603 LUMA DELAY PEAKING BLACK STRETCH PAL/SEC/NTSC DECODER BASE-BAND DELAY LINE CONTR/BRIGHTN OSD/TXT INSERT CCC WHITE-P ADJ Y Y H V R R G B G B R G B BL U V F481 0,5V / div DC 20µs / div I211 1V / div DC 1ms / div F494 2V / div DC 20µs / div F603 1V / div DC 20µs / div F493 2V / div DC 20µs / div F643 0,5V / div DC 20µs / div F492 2V / div DC 20µms / div F642 0.5V / div DC 20µs / div F604 1V / div DC 20µs / div F491 2V / div DC 20µs / div F605 1V / div DC 20µs / div
  • 28.
    28 L03.1L AA MonoPainel: Processamento de Áudio (Stereo + SAP) PLL PILOT DET MPX IN SAP DET AGC AUXL1 AUXR1 OFFCAN1 OFFCAN2 WB TIME Vcc WB DET SPEC FIL SPEC TIME SPEC DET NOISE DET AUXL2 AUXR2 Rout Lout PE SDA SCL GND SUPER BAS BAL BAL VCA 10 11 A B C D E F A B C D E F 1821 A1 2821 A4 2822 B4 2823 D2 2824 D3 2825 B4 2826 A4 2827 B5 2828 E3 2829 E3 1 2 3 4 5 6 7 8 9 10 11 1 2 3 4 5 6 7 8 9 2830 F7 2831 E3 2832 C3 2833 B5 2834 A2 2835 C3 2836 C3 2837 B2 2838 E7 2839 D6 2841 C8 2842 B10 2843 B10 2844 C8 2845 D8 2846 D8 2847 D7 2848 D8 2849 D8 2850 E8 2851 E8 2852 E8 2855 C9 2856 C9 2857 D9 2858 E9 2859 E9 2860 E9 2861 B5 2862 A4 2863 D7 3822 D2 3823 D2 2K2 3824 3824 C2 3825 B2 3826 C2 3827 E5 3828 E5 3841 C8 3842 D9 3843 D9 3852 E8 4821 B8 4822 B8 4841 E10 4842 E10 4843 C10 4844 C10 4845 D10 4847 A3 4848 A3 4849 B2 4850 C2 4851 C3 5821 A4 5841 D10 7821 B3 7841 C8 9821 F11 100n 2860 100u 3825 2K2 35V 10n 282810u 2831 2846 10u 16V 4844 4847 330n 2848 2834 15n 2826 4848 I830 I836 I847 3842 100R JMP JMP JMP --- 2V7 2V1 4V1 4V1 3V 2V1 8V 4V1 4V1 1V1 0V5 4V1 4V1 3V3 3V3 1u RES PROCESS. ÁUDIO (STEREO + SAP ) A8 AN5829S 3V4 2V3 2V3 5V 0V6 1V 2V2 2V2 2V2 2V2 2V2 2V3 0V7 A4 A4 ITEM MONO BTSC STEREO 4841 --- A8 A8 A4 , A8 A8 A8 A6 1u 180K 3841 47n 2857 21VREF 4V1 4V1 4V1 4V1 4V1 4V1 4V1 4V1 A6 A4 A4 A4 3V2 2V2 3V5 3V2 3V3 3V3 2V2 2V2 2V2RES RES RES 4842 4845 --- RIN22 ROUT 15 RT18 SCL13 14SDA TD 16 VCC23 VD 11 12 LT8 MODE24 1PF1 PF24 5PF3 PF46 RB19 AGC2 BB20 BD 10 BLD 17 7GND LB9 LIN3 LOUT AN5891K 7821 LEVEL SENSE VOL TONE CONTROL AGC SURR AGC TONE VOL IIC BLOCK 10u 10u 2838 2832 1u 2856 2850 2858 2852 100n 4842 100u 2847 14 15 16 17 18 19 2 20 21 22 23 24 3 4 5 6 7 8 9 AudioSupplyGnd 7841 1 10 11 12 13 3843 100R 220p 2861 2K2 3826 33n 2822 1 2 3 470n 2837 1821 4841 10u 2824 3828 100R 2829 100n 10u 39n 2825 1u 2859 1u0 1u0 2842 2843 10u 2833 2839 10u16V 220p 2863 4843 2821 2830 10u 2855 1u 3827 100R 100n 2851 10u 5821 3823 2K2 50V2u2 2844 4845 10u 5841 4821 100n 2836 4849 2841 4u7 3852 2M2 2823 10u 22n 2849 33n 2827 2845 4u7 10n 2835 2862 220p 4822 4850 9821 4851 +5V R_OUT L_OUT I848 3822 220K L1_IN R2_IN SCL SDA +8V SDA SCL R1_IN L2_IN Main_OutL Main_OutR AM_FM_MONO 3139 123 5596.1 CL 36532044_005.eps 200603 AUDIO SOUND PROCESSOR SOUND MULTIPLEX DECODER I836 1V / div DC 1ms / div I847 I848 0.5V / div DC 1ms / div 0.5V / div DC 1ms / div I830 1V / div DC 1ms / div
  • 29.
    29L03.1L AA Mono Painel:Amplificador de Áudio + Processamento de Som Mono F905 10 A B C D E F A B C D E F 0246 B10 0251 F2 1n 2905 1 2 3 4 5 6 7 8 9 10 1 2 3 4 5 6 7 8 9 2901 A6 2903 A5 2904 B4 2905 B4 2906 C4 2907 C4 2908 C2 2909 D4 2947 C8 2948 C9 2949 C9 2950 C9 2951 B5 2952 C5 3551 F2 3901 A4 3902 A4 3903 B3 3904 B4 3905 C3 3906 C4 3907 D4 3908 B2 3909 B3 3910 B3 3911 C3 4921 A3 4922 C8 6565 F2 6908 D2 6909 D3 7901 B6 7902 D6 9565 F2 9901 B8 9902 B8 9903 B3 4922 9905 C3 9921 A3 9921 330K 3908 100p 2949 15K 3903 6909 1N4148 3906 F906 10K 3904 9902 0246 1 2 3 4 5 9903 A7 5V2 SPEAKER AmpOutR_Pos A7 A7 RES A4 A7 * 1V4 RES RES 2 X 1W 2 X 5W 8 ohm 5V2 AmpOutL_Pos RES RES RES RES 3906 YES NO 7901 A4 - 8 ohm 0V3 2 X 3W 5V2 6V 13V5 AN7523N FOR ITV ONLY - 7902 * 6V 16 ohm * * 1u 1V4 5V2 3V8 1V4 0V4 A4 MONO OUTPUT STEREO OUTPUT MONO * AUDIO_AMPLIFIER + MONO_SOUND_PROCESSING 11V8 3V7 2901 F903 0246 3 Pin 5 PinAN7522N A4 STEREO 1u 2904 CH1+ 2 CH1- 4 CH1-IN6 CH2+ 12 CH2- 10 CH2-IN8 GNDCH1 3 GNDCH2 11 GNDINP 7 STB 5 VCC 1 VOL9 7901 AN7522N 9901 1N4148 6565 1 2 3 4 3551 10K 2948 100p 0251 EH-B 3907 3K3 BZX384-C2V7 6908 330K 3909 3K3 3902 4921 2952 820p820p 2951 2903 100p 2947 2908 10u16V 2909 10u F907 F908 F901 100K 3911 5 VCC 1 VOL9 7902 AN7523N CH1+ 2 CH1- 4 CH1-IN6 GNDCH1 3 GNDINP 7 8 NC STB 3901 1K 2950 100p 1u 2906 9565 330K 3910 9905 1n 2907 15K 3905 Main_OutL AmpOutL_Neg AmpOutL+ TV_BUZZER FILAMENT Vaudio (Vaux) ITV_Vbatt +5V Vaux Vaudio (Vaux) VOLUME +5V AmpOutR_Pos AmpOutR+ AmpOutR_Neg Main_OutR AmpOutL_Pos 3139 123 5596.1 CL 36532044_006.eps 200603 L R F901 0.5V / div AC 1ms / div 0.5V / div AC 1ms / div F903 F908F907 0.5V / div AC 1ms / div 0.5V / div AC 1ms / div F905 0,5V / div AC 1ms / div F906 0,5V / div AC 1ms / div
  • 30.
    30 L03.1L AA MonoPainel: E/S Frontal + Controle Frontal + Headphone B C D E F A B C D E F 0218-A C1 0218-B B1 0218-C B1 0232 E4 0239 B6 0259 E8 0277-A B1 0277-B B1 1181 A2 1182 B2 1183 C2 1184 A4 1185 B4 1603 1 2 3 4 5 6 7 8 9 1 2 3 4 5 6 7 8 9 A 4692 1600 B9 1601 B9 1602 B8 1603 B8 1604 B8 1606 B7 1681 E9 1981 E3 1982 F3 2181 A3 2182 B3 2183 C3 2185 B2 2186 C2 2691 D9 2693 F7 2694 F7 2695 F8 2696 F8 1182 2981 E2 2982 E3 2983 F2 2984 F3 3181 A2 3182 A2 3183 B2 3184 B3 3185 C2 3186 C3 3681 A9 3682 B9 3683 A7 3684 A7 3685 A8 3686 A8 3687 A9 3688 B9 3689 B6 3691 D8 3692 D7 3693 D9 3694 D8 3695 C7 3981 E2 3982 F2 4692 D7 4694 F6 4695 C8 4698 C8 4699 C9 4981 E2 4982 E2 4983 F2 4984 F2 6181 A3 6691 D7 6692 D8 9181 B3 9683 A7 9694 D7 9982 E2 3687 2K2 3186 47K F691 3692 3 4 5 RES A6 DVD Eject 2 3 3691 330R 0232 3183 150R 2696 200R 3688 5 100u 2983 1604 3 0239 1 2 47K 3184 7 8 9 4698 1184 1 6691 LTL-10224WHCR RES HEADPHONE TO 1121 * SOCKET YES NO RES R A4 FRONT CINCH OF 0R * FOR ITV ONLY OF A4 * TO 1124 FRONT CONTROL ONLY volume+ TO A6 A6 A6 ITEM INTERF. FOR MTV YES TO volume- RES FRONT 0218 0277 MONO STEREO NO channel+ PANEL HEADPHONE POWER channel- RES RES RES L * FOR ITV ONLY MONO SET A4 * USA * RES E/S FRONTAL + CONTROLE FRONTAL + FONE RES For Engg Purpose Only RES RES TS RES V * 1010 OF RES RES 1681 1 2 0218-C 1 2 3 1600 3682 2695 1181 2694 2185 220R 3693 3689 2183 330p BZX79-C6V8 6181 4984 4983 9683 9694 1982 2982 470p 0218-A 0218-B 4 5 6 9982 2984 470p 1 2 3 4 5 6 7 8 9 1981 3181 75R 1606 2691 100u 2693 3185 150R 3685 200R 1185 1 2 3 4 5 6 0259 1 2 3 4 1183 4981 4982 4699* 3684 3K3 4695 4694 TSOP1836 6692 2 GND 1 OUT 3 VS 3182 100R 1602 22p 2181 120R 3981 3695 9181 3681 1K0 3694 4K7 2981 100u 120R 3982 330p 2182 2186 3686 430R 3683 120R 16010277-B IR_OUT IR IR +3V3B 0277-A +5VS AmpOutL+ AmpOutR+ LED LED_OUT KEYBOARD AmpOutL_Pos AmpOutR_Pos +3V3A 3139 123 5596.1 CL 36532044_007.eps 200603 F691 1V / div AC 2ms / div
  • 31.
    31L03.1L AA Mono Painel:E/S Traseira E F G A B C D E F G 0223-A A10 0223-B E1 0223-C C1 0223-D A1 0224 A6 0225-A D10 0225-B D10 0229 F9 0242 E2 0262 G5 1101 A2 1102 B2 1103 B2 1104 C2 1105 C2 1106 D2 1107 F1 1108 F1 1109 G1 1 2 3 4 5 6 7 8 9 10 1 2 3 4 5 6 7 8 9 10 A B C D 1110 A9 1111 B9 1112 B9 1113 C9 1114 D9 1115 E9 1116 C3 1117 C3 1118 D3 1119 A2 1121 E3 1122 F4 1124 F3 1125 E2 1126 F3 1127 G3 2101 A3 2102 A3 2103 B3 22p 2121 2104 B3 2105 B4 2106 B4 2107 B2 2108 B2 2111 C4 2112 C4 2113 D4 2121 F2 7161 BC847B 2122 F2 2123 F5 2124 G2 2125 F5 2127 F2 2128 G2 2131 B8 2132 B7 2133 B8 2134 B7 2135 C8 2136 D8 2137 B9 2138 B9 2141 E9 2161 D6 2163 D8 3101 A3 2127 3102 A3 3103 B3 3104 B3 3105 B3 3106 B3 3111 C2 3112 C4 3113 C2 3114 C4 3115 D2 3116 D4 3121 F2 3122 E2 3123 F2 3124 F2 3125 F2 3126 G2 3131 B8 3132 B8 3133 B8 3134 B8 330p 2122 3135 C9 3136 C8 3137 D9 3138 D8 3141 E9 3151 C4 3152 C4 3153 D4 3154 A4 3155 B4 3156 B5 3157 B5 3158 B4 3159 B5 3161 D7 3162 D7 3163 D7 4126 3164 D7 4101 B1 4102 B2 3153 4104 B1 4105 B1 4112 C4 4114 C4 4116 D4 4121 C9 4122 F3 4123 F3 4124 G3 4126 F5 4127 F5 4128 E5 4129 E2 4131 C9 4132 E5 4133 A7 4151 B4 4152 B5 4161 E7 4162 E8 4163 G2 4164 G2 6127 F3 6151 A4 6152 A5 6161 D8 7101 A4 7151 A5 7152 B4 7161 D7 7162 D7 3151 9101 D2 9102 C2 9103 C2 9121 F1 9125 F5 9126 E5 1109 1 2 3 EH-B 0224 3116 100R 75R 3135 L_OUT R_OUT +8VA +8VA +8VA +8V +8VA +8V 3111 75R 4133 2161 1u0 9101 4116 BC848B 7152 4114 4124 3136 3121 75R 1107 3106 220K 1117 4128 For ITV Only Y For ITV Only To 1126 1V8 FOR ITV ONLY (FOR SETS WITH 9 +3 P CINCH) U For ITV Only RES A4 A4 A4 A5 A5 FOR 1184 OF FOR 1185 OF RES To 1127 For ITV Only FOR ITV ONLY R RES SET RES RES R 2V4 V AV1 YUV INPUT V L For ITV Only (FOR SETS WITH AV1 & SVHS ONLY) AV2 INPUT INPUT V FOR ITV ONLY For ITV Only To 1116 * RES MONITOR OUTPUT * L OUT * E/S TRASEIRA SVHS INPUT VIDEO L WITH To SPLS Panel To 1125 To 1117 For ITV Only To 1118 RES A4 A4 A4 A4 A4 A5 A4 A4 A5 A5 A5 RES SET W/O SVHS FOR ITV ONLY R SET WITH VIDEO OUT RES 1 2 3 3141 1K0 4162 8V V RES FOR ITV ONLY RES 4131 0225-A 2 7 3 8 1 1113 5 10 4 9 6 11 0225-B 1127 1126 150R 3105 100p 2137 4 5 6 3123 150R 2u2 2123 2u2 2125 1119 4132 1101 1118 4129 10K 3154 3158 10K 1125 1116 47K 3126 1108 BZX384-C5V6 6151 3137 75R 3152 2103 330p 100R 3122 7101 BC847B 6152 BZX384-C5V6 22p 2102 100p 2138 11121111 2 4 1 1110 0223-A 3 9103 1115 1104 3103 150R 3112 100R 3155 216310K 1u0 BC848B 7151 4152 BZX384-C6V8 6127 22p 21352133 330p330p 2131 4101 22p 2112 0242 1 2 3 4 5 6 7 5K6 3164 7162 BC847B 4105 2128 3138 100R 4102 10u 4104 2105 4123 EH-B 1122 1 2 3 4 150R 3125 1105 3132 47K 4112 100K 3156 3157 10K 2u2 2134 2u2 2132 9126 4127 9121 0229 3115 75R 3124 47K 3133 150R 3 150R 3131 0262 67 89 1 2 4161 2108 9102 100R 2113 22p 4164 16 13 470n 2101 0223-D 15 14 1103 2141 330p 47K 3134 10K 3162 33K 3161 1114 9125 2136 22p 2111 22p BZX384-C6V8 6161 330p 2104 2107 3163 1K0 7 6 8 5 2124 330p 0223-B 0223-C 11 10 12 9 2106 10u 4121 4 5 6 75R 3113 1 2 3 1124 1 2 3 3114 1121 100R 4122 3159 100K 4151 4163 1K 3102 1106 3101 68R 1102 220K 3104 G_SC1_IN_Y_IN B_SC1_IN_U_IN R_SC1_IN_V_IN STATUS2 SY_CVBS_IN R2_IN SEL_AV1_AV2 R1_IN L2_IN L1_IN C_IN +8V GND FBL_SC1_IN CVBS_TER_OUT ITV_MSG 3139 123 5596 .1 CL 36532044_008.eps 200603 ** ** ** AV2 and SVHS inputs NOT for LATAM
  • 32.
    32 L03.1L AA MonoPainel: Tabela de diversidades para E/S Traseira - BC847B BZX384-C6V8 - JMP - - JMP - JMP JMP JMP JMP 75R 100R JMP 150R 47K - - - - - - ITEM - 1 2 3 4 5 1 - JMP - 2 3 4 5 A B C D E F A B C D E F - - 22P 330P 1U - - - - - - - 220N 1N 22N JMP 22N - JMP 68R 1K 150R 220K - - - - - - - 150R - JMP 4133 JMP JMP JMP JMP JMP JMP JMP JMP JMP JMP JMP JMP 1K - - 47K - 100R 560R 1K - JMP - JMP - - - - 100R - - - - - - - - JMP - - - - - BZX79-C6V8 - - - - - - JMP - 470N 22P 330P 10U - - - 22P 330P 220N - - - - - - - - - - - - 22N - - - - - - - - - - - - 75R 100R JMP 47K JMP JMP - - BZX79-C6V8 - - - JMP - - - - JMP - JMP - - - - - - - - - 1U - - - - 75R - 75R 100R 75R 100R 150R - 150R 47K - - - - 100R 560K - - - JMP JMP JMP - JMP BZX79-C6V8 BC847B JMP - - 1U - 47K 470N JMP 330P 330P 10U 10U 22P 22P 22P 22P 330P 1U 1U 1U 1U 330P - - - 220N 1N 22N 22N 22N JMP JMP 68R 1K 150R 220K 150R 220K - 100R JMP - - - 75R 100R 150R 47K - - 100R - - JMP - - - - JMP JMP - - - JMP JMP - - BZX79-C6V8 BC847B - - 22P - 1U - - - - 22P 330P - 220N - - - - - - - JMP 68R 1K 150R 220K - - - - - - - - - JMP - - 2113 22P 2122 - JMP JMP JMP JMP JMP JMP JMP - - BC847B JMP JMP JMP JMP - - - 470N 22P 330P - 10U - 330P - 1N 22N 22N 22N - - - - - - - - - - - - - - - - - - 75R 100R 150R 47K 150R 100R 560R 1K 100R - JMP - 75R 100R 150R 47K 150R 47K 100R 560R 1K - - - - BZX79-C6V8 - - - - - - - - - 1U 1U 1U 22P 330P 330P 220N 10U 22P 22P - - - 1U 1U 1U 22P 330P 330P 220N 1N 22N - 22N JMP JMP 68R 1K 150R 220K 150R 220K 75R 100R 75R 100R 75R 4101 - 4104 4122 4123 4124 4126 4127 4129 4132 4151 4152 4161 6127 6181 7101 9101 - 9103 9125 CN-F.11-ST- LA/NA L03S CN-F.11-MN- LA CN-R.11/10- MN-LA 470N 22P 330P 2231 10U 2233 2842 2843 3101 3102 3103 3104 3105 3106 3111 3112 3113 3114 3115 3116 22N 3122 3123 3124 3125 3126 3181 3182 3183 3184 3185 3186 3210 3231 3232 3121 4102 CN-R.11/10- YUV-F.11-ST- LA/NA CN-R.11/10- F.11-MN-LA L03S CN-R.11/10- YUV-ST- LA/NA L03S 2101 2102 2103 2104 2105 Diversity Table For 9102 2106 2111 2112 2121 2123 2124 2125 2132 2134 2181 2182 2183 2210 2211 Rear IO Cinch 2232 3139 123 5596.1 CL 36532044_009.eps 200603 Mono Painel: Alimentação DVD (Opcional) VCC OSC SS_INH COMP GND BOOT OUT FB 1 2 3 4 5 6 1 2 3 4 5 6 A B A B 1571 B6 1572 A6 2572 A2 1572 2573 A2 2574 B2 2575 B2 2576 B3 2577 B3 2578 B4 2579 B4 2581 A6 2582 A6 2583 B6 3570 B1 3571 A1 3572 A2 3573 B3 3574 A5 3575 B5 5571 A1 5572 A4 5573 A6 5574 A6 5575 B6 DVD_Gnd DVD_Gnd 6571 B4 7570 A1 7571 A3 9570 A1DVD_Gnd F566 SI2306DS 7570 3 1 2 DVD_Gnd DVD_Gnd 1n0 2578 ALIMENTAÇÃO DVD (OPCIONAL) RES ToDVDEngine 10u DVD_Gnd 10u 10u ToMPEGCard 10u 2K7 VTSupply_A +5V_DVD +12V_DVD DVD_Supply 16V DVD_Gnd 1m0 2579 25V100u 2572 100n 2577 5571 22n 2576 F568 DVD_Gnd 8K2 3573 DVD_Gnd DVD_Gnd 5574 100n 1571 1 2 3 4 2575 2n2 2574 22K 3572 4K7 DVD_Gnd 3574 3575 5572 47u 6571 SB340 10V470u 2583 DVD_Gnd 5573 33K 3571 33K 3570 2582 470u 10V 10V470u 2581 5575 F567 9570 220n 2573 DVD_Gnd DVD_Gnd DVD_Gnd 1 2 3 4 5 6 7571 L4978 1 2 3 4 5 67 8 3139 123 5596.1 CL 36532044_010.eps 200603
  • 33.
    33L03.1L AA Layout MonoPainel: Lado Componentes
  • 34.
    34 L03.1L AA MapeamentoMono Painel: Lado Componentes 0211 A2 0212 B2 0213 B3 0217 D4 0218 C1 0221 A5 0222 C6 0223 D6 0224 D6 0225 C7 0229 C6 0231 A2 0232 B1 0239 D1 0240 E4 0242 D6 0246 D3 0251 C3 0259 C2 0262 E6 0277 B1 0283 E5 0285 E6 1000 E6 1001 E5 1003 E6 1116 D6 1117 D6 1118 D6 1119 D6 1121 D6 1122 D6 1124 D6 1125 D6 1126 D6 1127 D6 1184 C1 1185 D1 1201 D5 1202 E5 1462 C6 1463 C6 1500 A2 1501 A2 1508 B4 1509 B4 1515 B3 1516 B4 1520 A4 1521 B2 1522 B2 1523 B2 1524 B2 1560 C4 1570 C3 1571 D2 1572 D2 1600 C1 1601 C1 1602 D1 1603 D1 1604 D1 1606 A1 1621 D4 1622 D4 1681 C2 1821 D4 2002 E6 2006 E6 2007 E6 2105 C6 2106 C6 2205 E5 2405 B5 2406 B5 2407 B5 2408 B5 2423 A5 2424 A5 2428 C5 2441 A6 2444 B6 2446 B6 2447 A6 2455 C5 2457 A6 2460 B6 2463 C6 2465 B6 2470 C6 2488 E5 2491 E5 2492 E3 2493 E3 2494 E3 2495 E3 2498 E5 2500 A2 2501 A3 2502 A3 2503 A4 2504 A4 2505 B2 2507 A4 2515 B4 2521 B3 2523 B4 2528 B3 2560 C4 2561 C4 2562 C4 2564 C5 2570 C3 2571 C3 2572 C3 2579 C2 2580 C2 2581 D2 2582 C2 2583 C2 2584 B4 2604 E5 2612 D4 2616 D5 2691 B1 2821 D4 2823 C5 2824 C4 2830 C4 2831 D4 2832 C4 2833 D4 2834 D4 2838 C4 2839 C4 2844 D5 2845 D5 2846 D5 2847 D5 2850 D5 2903 D3 2908 D3 2909 D3 2981 B1 2983 B1 3005 E6 3136 C6 3164 D6 3181 B1 3182 B1 3183 C1 3185 C1 3208 D5 3210 D5 3232 D5 3402 B5 3403 B5 3410 D5 3422 A5 3424 C5 3425 C5 3426 A5 3428 C5 3439 C5 3442 A6 3443 B6 3444 B6 3445 A6 3446 B5 3448 A6 3449 C5 3450 C5 3452 C3 3459 C5 3464 C6 3468 C6 3469 C6 3470 B6 3471 C6 3472 C6 3473 C6 3474 C6 3475 C6 3476 C6 3477 C6 3478 B6 3479 E3 3482 D4 3483 E5 3484 E5 3488 D5 3490 D5 3491 E3 3493 E3 3494 E3 3495 E4 3496 E4 3497 E3 3498 D4 3500 A3 3501 A4 3502 A3 3503 B3 3504 B3 3505 A3 3506 B3 3507 B3 3508 B2 3509 A2 3510 B2 3519 B3 3521 B3 3523 A4 3526 A4 3527 B4 3542 B3 3543 C3 3544 B3 3546 C3 3549 B3 3550 C3 3572 D3 3574 C2 3582 B4 3603 E4 3604 E4 3605 E4 3606 E4 3618 E4 3619 D5 3620 D5 3621 D4 3624 D4 3631 E4 3632 E4 3633 D4 3634 D4 3641 E4 3683 B1 3693 A1 3825 C4 3827 D4 3828 D4 3842 C5 3843 C5 3901 D3 3902 D3 3903 D3 3905 D3 3908 D3 3981 B1 3982 B1 5001 E6 5002 E6 5003 E5 5201 D5 5401 B5 5402 B5 5421 C5 5441 A6 5482 D5 5500 B2 5501 B2 5502 B2 5505 C6 5506 A5 5509 C4 5515 A4 5520 B4 5521 B4 5560 C4 5562 B4 5563 B5 5570 B3 5571 C3 5572 C2 5573 D2 5574 C2 5575 C2 5601 D4 5602 D4 5603 D4 5821 D4 5841 D5 6001 E6 6181 B1 6407 B5 6408 B5 6421 A5 6422 A5 6423 C5 6444 B6 6446 B6 6447 A6 6453 C5 6461 B6 6462 B6 6463 B6 6500 A3 6501 A3 6502 A3 6503 A3 6504 A3 6520 B4 6521 B4 6522 B3 6540 B3 6541 B3 6560 C4 6561 C4 6562 C4 6563 C4 6565 C3 6570 C3 6571 C2 6580 C2 6625 D4 6691 A1 6692 B1 6909 D3 7200 E5 7421 A5 7440 C5 7463 B6 7464 C6 7465 B6 7493 E3 7494 E4 7495 E3 7496 E3 7515 B3 7521 A4 7540 B3 7571 C3 7641 E4 7821 C4 7901 D3 7902 D3 9002 E6 9101 D6 9102 D6 9103 D6 9121 D6 9125 D6 9126 C6 9140 C6 9141 C6 9142 C6 9143 C6 9144 D6 9145 D6 9146 D6 9147 C6 9148 D6 9149 D6 9150 D5 9151 D6 9152 D5 9181 D1 9186 D1 9201 E5 9240 D3 9241 D3 9242 D4 9243 D4 9244 D4 9245 D4 9246 D4 9247 D4 9248 D4 9249 D4 9250 D4 9251 E3 9252 E3 9253 E3 9254 E3 9255 E3 9256 E3 9257 E4 9258 E4 9259 E4 9260 E4 9261 E4 9262 E4 9263 E4 9264 D5 9265 D5 9266 D5 9267 D5 9268 D5 9269 D5 9270 D5 9271 D5 9273 D5 9274 D5 9275 D5 9276 D5 9277 D5 9278 D5 9279 E5 9282 E5 9283 E6 9284 D4 9285 E3 9286 E4 9287 E5 9288 E5 9400 C5 9402 B5 9407 B5 9410 D5 9445 A6 9446 B5 9448 A6 9500 A2 9501 A2 9502 A3 9503 B2 9504 C4 9505 C6 9506 A5 9507 B3 9508 C3 9509 C4 9510 C3 9513 B5 9514 C6 9515 A4 9516 C3 9517 C4 9518 B5 9519 B5 9520 B4 9521 B5 9522 C2 9523 C3 9524 C3 9525 C3 9526 C6 9560 C4 9565 C3 9570 C3 9581 C3 9604 D4 9683 B1 9685 C2 9691 B1 9694 C2 9696 D2 9697 D2 9698 D2 9821 C4 9840 C4 9841 C3 9842 C3 9843 D4 9844 D4 9845 D4 9847 C5 9848 C5 9849 C5 9850 C5 9851 C5 9852 C5 9853 C5 9854 C5 9855 C5 9856 D5 9857 D5 9901 D3 9902 D3 9903 D3 9905 D3 9910 D3 9911 D3 9912 D3 9913 D3 9914 D3 9915 C3 9916 C3 9917 D3 9918 D3 9919 D3 9920 C3 9921 C3 9922 D2 9982 B1 Mapeamento Mono Painel: Lado Cobreado 2001 A6 2003 A6 2004 A6 2005 A6 2101 B6 2102 A6 2103 B6 2104 B6 2107 B7 2108 B7 2111 B6 2112 B6 2113 B6 2121 B6 2122 B6 2123 B6 2124 B6 2125 B6 2127 B7 2128 B7 2131 C6 2132 C6 2133 B6 2134 C6 2135 C6 2136 C6 2137 C7 2138 B7 2141 C6 2161 B6 2163 B6 2181 D1 2182 C1 2183 C1 2185 D1 2186 C1 2201 A5 2202 A5 2203 B5 2204 B5 2206 A5 2207 A5 2208 A5 2209 B5 2210 B5 2211 B5 2212 A5 2231 B5 2232 B5 2233 B5 2420 C5 2421 C5 2426 C5 2427 C5 2429 C6 2452 C3 2453 C3 2461 C6 2462 C6 2464 D6 2471 C5 2472 D6 2473 C5 2481 B4 2482 A5 2483 A5 2484 A5 2485 A5 2486 A5 2487 A5 2489 A5 2490 A5 2496 A5 2497 A5 2520 D3 2522 D4 2524 E3 2525 E3 2526 D4 2527 D3 2540 D3 2541 D3 2542 D3 2543 D3 2573 C3 2574 C2 2575 C2 2576 C3 2577 B3 2578 C2 2585 E4 2601 A4 2602 A4 2603 A4 2605 A4 2606 B4 2607 A4 2608 B4 2609 A4 2615 A5 2641 A4 2642 A4 2643 A5 2693 C2 2694 C2 2695 C2 2696 C2 2822 C4 2825 C4 2826 C4 2827 C4 2828 C4 2829 C4 2835 C4 2836 C4 2837 B4 2841 B5 2842 C5 2843 C5 2848 B5 2849 B5 2851 B5 2852 B5 2855 C5 2856 C5 2857 C5 2858 C5 2859 C5 2860 C5 2861 B4 2862 B4 2863 C5 2901 B3 2904 B3 2905 B3 2906 B3 2907 B3 2947 B3 2948 B3 2949 B3 2950 B3 2951 B3 2952 B3 2982 D1 2984 D1 3001 A6 3002 A6 3003 A6 3004 A6 3101 A6 3102 A6 3103 B6 3104 B6 3105 B6 3106 B6 3111 B6 3112 B6 3113 B7 3114 B6 3115 B7 3116 B6 3121 B6 3122 B6 3123 B6 3124 B6 3125 B6 3126 B6 3131 C6 3132 C6 3133 B6 3134 B6 3135 C6 3137 C6 3138 C6 3141 C6 3151 A6 3152 B6 3153 B6 3154 C6 3155 C6 3156 C6 3157 C6 3158 C6 3159 C6 3161 B6 3162 B6 3163 B6 3184 C1 3186 C1 3201 A5 3202 B5 3203 B4 3204 B5 3205 B5 3206 B5 3207 A5 3209 B5 3231 A5 3233 B5 3430 C5 3432 C5 3440 D5 3441 E6 3447 C5 3451 C5 3453 D3 3454 D3 3455 C5 3456 C3 3460 C5 3461 C6 3462 C6 3463 D6 3465 C6 3466 C6 3480 A5 3481 A5 3485 A5 3486 A5 3487 B5 3489 A5 3492 A3 3499 B4 3520 D3 3522 D3 3524 E3 3525 E4 3528 D3 3541 D3 3545 D3 3547 D3 3548 D3 3551 C3 3570 C3 3571 C3 3573 C3 3575 C3 3580 C3 3581 D3 3601 A4 3602 A4 3607 A4 3608 A4 3609 A4 3642 A4 3643 A4 3644 A4 3645 B4 3646 A5 3681 C1 3682 C1 3684 B1 3685 B1 3686 B1 3687 C1 3688 C1 3689 B1 3691 E1 3692 E1 3694 E1 3695 C2 3822 C4 3823 C4 3824 C5 3826 C4 3841 B5 3852 B5 3904 B3 3906 B3 3907 B3 3909 B3 3910 B3 3911 B3 4000 A6 4001 A5 4101 A6 4102 B6 4104 B6 4105 B6 4112 B6 4114 B6 4116 B6 4121 B6 4122 B6 4123 B6 4124 B6 4126 B6 4127 B6 4128 B6 4129 B6 4131 C6 4132 B6 4133 B6 4151 C6 4152 C6 4161 B6 4162 B6 4163 B6 4164 C6 4405 D5 4491 A3 4560 C4 4571 C5 4602 B4 4603 A4 4604 A4 4606 B4 4610 B4 4661 B4 4692 C2 4694 C1 4695 E1 4698 B2 4699 B2 4821 C5 4822 C5 4841 C5 4842 C5 4843 C5 4844 C5 4845 C5 4847 B4 4848 B4 4849 B4 4850 C4 4851 C4 4921 B3 4922 B3 4981 D1 4982 D1 4983 D1 4984 D1 6127 B6 6151 C6 6152 C6 6161 C6 6426 C5 6445 C5 6451 C5 6452 C5 6460 C6 6464 C6 6481 B4 6491 A3 6492 A4 6505 D3 6624 B5 6626 B4 6627 B4 6628 B4 6681 B4 6908 B3 7101 B6 7151 C6 7152 C6 7161 B6 7162 B6 7201 B5 7202 B4 7422 C5 7423 C5 7451 D3 7461 C6 7462 C6 7466 C6 7491 A3 7520 E3 7522 E4 7523 D3 7541 D3 7570 C3 7580 C3 7601 B4 7841 C5
  • 35.
    35L03.1L AA Layout MonoPainel (Lado Cobreado)
  • 36.
    36 L03.1L AA LayoutMono Painel (Lado Cobreado)
  • 37.
    37L03.1L AA Layout MonoPainel (Lado Cobreado)
  • 38.
    38 L03.1L AA LayoutMono Painel (Parte 3 lado cobreado)
  • 39.
    39L03.1L AA Layout MonoPainel (Parte 4 lado cobreado)
  • 40.
    40 L03.1L AA PainelCinescópio Blue Green Red 3V 99V 17V Pin 3Blue Pin 10Pin 4Heater Pin 9Pin 5 8V 3V6 Pin 7 Blue Pin 8 D E F G A B C D E F G VG2 F9 0165 A7 1300 B1 1301-1 B7 1302-A D7 1303 A7 390R SM JUMP SM JUMP 4304 - SOC N-NECK 4303 1 2 3 4 5 6 7 8 9 10 11 1 2 3 4 5 6 7 8 9 10 11 A B C 2300 B3 2301 D4 2302 E4 2303 F2 2304 F1 14"/15RF 3311 - 330R SIZE 2318 E4 3300 A3 3301 C5 3302 B2 3303 B3 3304 B3 3305 C5 3306 C2 3307 D3 3308 D4 3309 D5 3310 D2 3311 E4 3313 A4 3318 E4 3319 E6 4300 B2 4301 C2 4302 D2 4303 B1 4304 B1 4305 B1 4306 B1 4307 E2 6301 E3 6307 E2 6313 B4 Ground Heater Heater Heater 371V TOCRTSOCKET SM JUMP4305 - 6316 C4 6317 D4 6318 E4 7307 B2 7308 B3 7309 C2 7310 C3 7311 D2 7312 D4 7313 A4 7314 B4 7315 B4 7316 C4 7317 C4 7318 D4 3V6 BAS321 BAS321 PAINEL CRT 680p Red BAS321 102V 4306 3V Pin 8 Pin 7 TO1622OF EHT CRT VG2 - R 100V - 20"/21" 1301 SOC M-NECK - 1302 98V 120V TO CRT SOCKET FOCUS FROM MAIN CHASSIS TO LOT 2V2 5V9 98V 3V6 2V2 5V4 SM JUMP B 97V 17V Pin 11 171V 99V 8V 8V 3V 95V VG1 VG1 G 2V3 2V3 5V4 3V 2V3 RES Red Green Aquadag RES RES RES CRT 9 Pin 12 Pin GND Pin 1 Pin 1 & 12 F302 F303 BZX284-C8V2 6318 Pin 6 Pin 6 Pin 5 Green Pin 9 VG2 H1 9 RES 7312 BF422 GND_CRT 3308 BF422 7308 9 3319 1K5 BF423 7318 6 GND 12 GND_CRT 2304 47n 6313 3309 1K5 1302-A G3 1 4300 1301-1 160V 0165 F308 F309 3303 220R BF422 7317 BAS316 6301 G2 P7 7 VG2 GND_CRT P3 3 GND_CRT CG P8 8 7 CR 8 11 GND_CRT 2302 180p CB 6 7 8 4305 DIPMATE 1300 1 2 3 4 5 7307 6317 F310 6316 GND_CRT1 7309 7311 220R 3310 4301 P1 1 160V GND_CRT GND_CRT 33K 4306 1303 7316 BF423 4303 GND_CRT1 160V 3305 1K5 3306 220R 7310 BF422 H2 10 GND_CRT1 160V 4307 3302 220R GND_CRT 2318 1n 7315 BF422 P5 5 BF423 7314 BAS316 3307 220R 6307 2303 1K5 3301 3318 220R P6 6 2301 180p GND_CRT1 P4 4 F301 P9 G1 5 3311 220R 2300 180p 4302 4304 3300 33K 33K 3304 BF422 7313 Filament 160V 68R 3313 GREEN BLUE RED 3139 123 5604.1 CL 36532044_011.eps 200603 F310 50V / div DC 20µs / div F301 1V / div DC 20µs / div F309 50V / div DC 20µs / div F308 50V / div DC 20µs / div F302 1V / div DC 20µs / div F303 1V / div DC 20µs / div
  • 41.
    41L03.1L AA Layout PainelCinescópio (Lado Componentes) Layout Painel Cinescópio (Lado Cobreado) CL 36532044_015.eps 2205033139 123 5604.1 VG2 A2 0165 A1 1300 A2 1301 A1 1302 A1 1303 A1 2303 A2 2304 A2 3300 A2 3301 A2 3304 A2 3305 A1 3308 A2 3309 A1 3310 A2 3313 A2 3318 A1 3319 A1 7308 A2 7310 A2 7312 A2 7313 A2 7314 A2 7315 A2 7316 A2 7317 A2 7318 A2 9300 A2 9302 A2 9303 A2 9304 A2 9314 A2 9315 A2 9316 A2 9317 A2 9318 A2 2300 A2 2301 A2 2302 A2 2318 A2 3302 A2 3303 A2 3306 A2 3307 A2 3311 A2 4300 A2 4301 A2 4302 A2 4303 A2 4304 A2 4305 A2 4306 A2 4307 A2 6301 A2 6307 A2 6313 A2 6316 A2 6317 A2 6318 A2 7307 A2 7309 A2 7311 A2 CL 36532044_016.eps 2205033139 123 5604.1 Notas:
  • 42.
    42 L03.1L AA PainelControle Superior Layout Painel Controle Superior (Lado Componentes) 1014 1 2 3 1 2 3 A B A B 1010 A1 1011 B3 1012 B3 1013 B2 1014 B2 3010 A1 3011 A2 3012 A2 3013 A3 430R 3012 3014 A3 3015 A3 3016 A3 1010 1 2 3 TO 0239 RES TOP CONTROL PANEL 3013 1013 V+C+ C- V- 0R OF PLUG&PLAY MENU 200R 3011 3010 1011 3014 200R 1012 3016 2K2 1K0 3015 3139 123 5716.1 CL 36532044_012.eps 130603 3139 123 5716.1 CL 36532044_013.eps 220503 1010 A2 1011 A2 1012 A1 1013 A1 1014 B1 Layout Painel Controle Superior (Lado Cobreado) 3139 123 5716.1 CL 36532044_014.eps 220503 3010 A1 3011 A1 3012 B2 3013 A1 3014 A1 3015 A2 3016 A2
  • 43.
    43L03.1L AA 8. Ajustes Índicedeste capítulo: 1. Condições Gerais de Ajuste 2. Ajustes de Hardware 3. Configurações e Ajustes de Software Notas: Modo Padrão de Ajuste de Serviço (SDAM) está descrito na seção "Modos de Serviço, Códigos de Erro e Localização de Falhas". A Navegação no Menu é feita com as teclas ‘CURSOR PARA CIMA, BAIXO, ESQUERDA ou DIREITA’ do controle remoto. 8.1 Condições Gerais de Ajuste Faça todos os ajustes elétricos, dentro das seguintes condições: • Tensão AC e Frequência: 110 V (± 10 %), 60 Hz (± 5 %). • Conecte o aparelho à rede elétrica através de um transformador de isolação. • Deixe o aparelho em funcionamento por pelo menos 20 minutos. • Meça as tensões e formas de onda em relação ao terra do chas- sis (com excessão das tensões no primário da fonte chaveada). Nunca use os dissipadores como terra. • Ponta de prova: Ri > 10 M; Ci < 2.5 pF. • Use uma chave de fenda isolada para fazer os ajustes dos trim mers. 8.2 Ajustes de Hardware 8.2.1 Ajuste Vg2 1. Ative o SDAM pressionando a seguinte sequência no controle remoto: 062596 e em seguida aperte a tecla menu ( não demore muito entre um número e outro) 2. Use as teclas de menu baixo/cima para marcar o sub menu WHITE TONE. 3. Pressione as teclas ESQUERDA/DIREITA para entrar no sub menu WHITE TONE. 4. No sub menu WHITE TONE pressime CIMA/BAIXO para selecionar NORMAL RED, NORMAL GREEN ou NORMAL BLUE. 5. Use as teclas ESQUERDA/DIREITA para ajustar os valores NORMAL RED, NORMAL GREEN e NORMAL BLUE para '40'. 6. Pressione a tecla MENU duas vezes pata entrar no menu do usuário. 7. No menu do usuário use as teclas CIMA/BAIXO para marcar o sub menu PICTURE (se necessário). 8. Pressione as teclas ESQUERDA/DIREITA para entrar no sub menu PICTURE 9. Use as teclas de menu CIMA/BAIXO para selecionar CONTRAST. Certifique-se de gravar o valor atual de CON- TRAST. 10. Use as teclas ESQUERDA/DIREITA para ajustar o valor de CONTRAST para '0' 11. Use as teclas de menu CIMA/BAIXO para selecionar BRIGHTNESS. Certifique-se de gravar o valor atual de BRIGHTNESS. 12. Use as teclas ESQUERDA/DIREITA para ajustar o valor de BRIGHTNESS para o mínimo (o OSD deve ser possível de ser visto apenas em uma sala escura). 13. Pressione a tecla menu duas vezes para voltar ao nível superior do menu SDAM. 14. Pressione a tecla OSD/STATUS para esconder o o menu SDAM (a indicação "S" continua visível). Isto é feito para evitar interferência durante a medição da forma de onda. 15. Conecte a saída de RF de um gerador de padrões na entrada de antena da TV e selecione um padrão de testes "preto". 16. Ajuste o osciloscópio para 50V/div e base de tempo 0,2 milisegundos (com trigger externo no pulso vertical com ponta 10:1) 17. Aterre o osciloscópio no painel CRT e conecte uma ponta 100: 1 a um dos catodos do soquete do tubo de imagem (pino 7=vermelho, pino 9=verde e pino 3=azul, veja também o esquema elétrico B1). Meça o nível da corrente de preto medindo os pulsos, eles são a segunda linha(vermelho), terceira linha (verde) e quarta linha (azul) logo após o quadro de apagamento (veja figura "V_cut-off"). Obs: Este chassis usa um integrado da série TDA93XX. Ele usa dois pulsos de medição diferentes para cada uma das saídas R,G e B. O nível mencionado acima aplica-se ao nível mais baixo de cada canhão. 18. Selecione o catodo com maior nível DC para o ajuste. Ajuste o V_cut-off deste canhão através do potenciômetro SCREEN (veja a figura Vista Superior do Painel) no LOT para o valor correto (veja a tabela "valores de ajuste para Vg2"). 19. Pressine a tecla OSD/STATUS para mostrar o menu SDAM. 20. Pressione a tecla MENU e entre no menu do usuário. 21. No menu do usuário use as teclas CIMA/BAIXO para marcar o sub menu PICTURE (se necessário). 22. Pressione as teclas ESQUERDA/DIREITA para entrar no sub menu PICTURE 23. Use as teclas de menu CIMA/BAIXO para selecionar CONTRAST. 24. Use as teclas ESQUERDA/DIREITA para ajustar o valor de CONTRAST para o valor original. 25. Use as teclas de menu CIMA/BAIXO para selecionar BRIHTNESS. 26. Use as teclas ESQUERDA/DIREITA para ajustar o valor de BRIGHTNESS para o valor original. 27. Pressione a tecla menu duas vezes para voltar ao nível supe rior do menu SDAM. 28. Aperte a tecla power no Controle Remoto ou no próprio apare lho para desligar o televisor. Isto irá salvar os dados no SDAM. Figura 8-1 Vista Superior do Painel 0212 C D B 5441 LOT Focus Screen VG2 A 5520 1003 ComPair 1000 (TUNER) 7200 9527 7641 SDAM 3606 0231 5500 2503
  • 44.
    44 L03.1L AA 1Valores de ajuste de Vg2 Tamanho da Tela/Marca Tensão de Cut-off (V) 14" / LPD +135V 15" RF/Chunghwa +135V 20" / LPD +140V 21" / LPD +140V 8.2.2 Foco 1. Conecte um gerador de padrões RF na entrada de antena do TV. 2. Sintonize o aparelho com um padrão círculo ou crosshatch 3. Escolha o modo de imagem NATURAL (ou MOVIES) com a tecla ‘SMART PICTURE’ no controle remoto. 4. Ajuste o potenciômetro de foco (veja Fig. Vista Superior do Painel) até que as linhas verticais próximas aos lados direito e esquerdo da tela, e perto do centro horizontal da tela, este- jam o mais finas possível e o mais focadas possível. 8.3 Configurações e Ajustes de Software As seguintes opções são realizadas no Modo de Serviço de Ajuste (SDAM). O SDAM está descrito na seção "Modos de Serviço, Códigos de Erro e Localização de Falhas". Os seguintes ajustes serão explicados: 1. OPTIONS 2. TUNER 3. WHITE TONE 4. GEOMETRY 5. AUDIO 8.3.1 Opções As opções são usadas para controlar a existência ou não de certas funções ou hardware. Nota: Cada Option Byte controla várias funções do aparelho de TV, portanto, antes de alterá-los, é importante que se anote o seu valor atual. Isto assegurará que o televisor possa ser restaurado à sua configuração original se necessário. Como mudar o Option Byte O Option Byte representa um úmero de diferentes opções. Mudando este Bytes diretamente é possível ajustar todas as opções rapidamente. Todas as opções são controladas através dos sete bytes de opção. Selecione o Option byte (OP1.. OP7) com as teclas MENU UP/DOWN, e entre com o novo valor. 1. Ative o SDAM pressionando a seguinte sequência no controle remoto: 062596 e em seguida aperte a tecla menu ( não demore muito entre um número e outro) 2. Use as teclas de menu baixo/cima para marcar o sub menu OPTIONS. 3. Pressione as teclas ESQUERDA/DIREITA para entrar no sub menu OPTIONS. 4. No sub menu OPTIONS pressione as teclas CIMA/BAIXO para selecione de 'OP1' até 'OP7'. 5. Use as teclas numéricas do controle remoto para dar um novo valor ao option byte selecionado. O valor deve ser no formato de 3 digitos (por exemplo '4' deve ser digitado como '004'). 6. O valor selecionado deve estar entre '0' e '255'. 7. Quando todas as mudanças desejadas no option byte forem feitas, pressione a tecla MENU para voltar ao nível superior do menu SDAM. Isto irá salvar as alterações. 8. Para assegurar que as mudanças façam efeito: - Desligue o televisor utilizando a tecla power do controle remoto ou do próprio aparelho. - Desconecte o televisor da tomada de força por pelo menos dez segundos. - Reconecte o televisor à tomada. - Ligue o televisor usando a tecla power do controle remoto ou do próprio aparelho Ao sair do sub menu OPTION as configurações do Option Byte são gravadas automaticamente. Algumas alterações só terão efeito após o aparelho ser desligado pela tecla standby do remoto e ligado novamente na chave power. Como calcular um valor do Option Byte Calcule o valor do Option Byte (OP1.. OP7) da seguinte forma: 1. Cheque o status de cada bit option (OB): eles estão habilitados (1) ou desabilitados (0). 2. Quando um bit option está habilitado (1) ele representa um certo valor (veja primeira coluna ‘valor entre parêntesis’ na primeira tabela abaixo). Quando o bit option está desabilitado, seu valor é 0. 3. O valor total de um Option Byte é formado pela soma de seus oito bits de opção. Figura 8-2 Vcutoff 0V Ref. VCUTOFF [VDC] max. Figura 8-3 Calculando Option Byte Bit (value) OP1 OP2 OP3 OP4 OP5 OP6 OP7 0 (1) OB10 OB20 OB30 OB40 OB50 OB60 OB70 1 (2) OB11 OB21 OB31 OB41 OB51 OB61 OB71 2 (4) OB12 OB22 OB32 OB42 OB52 OB62 OB72 3 (8) OB13 OB23 OB33 OB43 OB53 OB63 OB73 4 (16) OB14 OB24 OB34 OB44 OB54 OB64 OB74 5 (32) OB15 OB25 OB35 OB45 OB55 OB65 OB75 6 (64) OB16 OB26 OB36 OB46 OB56 OB66 OB76 7 (128) OB17 OB27 OB37 OB47 OB57 OB67 OB77 Total: Sum Sum Sum Sum Sum Sum Sum
  • 45.
    45L03.1L AA Designação doBit de Opção A seguir estão as designações para todos os pacotes de softwares dos TV L01. • Option Byte 1 (OP1) - OB10: CHINA OR NTSC_ONLY - OB11: VIRGIN_MODE - OB12: UK_PNP - OB13: ACI - OB14: ATS (EU), ou FINE _TUNING (NAFTA), ou LAN- GUAGE_MALAY (AP) - OB15: LNA - OB16: FM_RADIO - OB17: PHILIPS_TUNER • OBtion Byte 2 (OP2) - OB20: HUE - OB21: COLOR_TEMP - OB22: CONTRAST_PLUS - OB23: TILT - OB24: NOISE_REDUCTION - OB25: CHANNEL_NAMING - OB26: SMART_PICTURE - OB27: SMART_SOUND • OBtion Byte 3 (OP3) - OB30: AVL - OB31: WSSB - OB32: WIDE_SCREEN - OB33: Virtual Dolby - OB34: MSP34X5_VOL_CTRL - OB35: COMPRESS_16_9 - OB36: EXPAND_4_3 - OB37: EW_FUNCTION • OBtion Byte 4 (OP4) - OB40: STEREO_NON_DBX - OB41: STEREO_DBX - OB42: STEREO_PB - OB43: STEREO_NICAM_2CS - OB44: DELTA_VOLUME - OB45: ULTRA_BASS - OB46: VOLUME_LIMITER - OB47: INCR_SUR • OBtion Byte 5 (OP5) - OB50: PIP ou CLOCK - OB51: HOTEL_MODE - OB52: SVHS - OB53: CVI - OB54: AV3 - OB55: AV2 - OB56: AV1 - OB57: NTSC_PLAYBACK • OBtion Byte 6 (OP6) - OB60: BASS_TREBLE, - OB61: SMART_TEXT - OB62: SMART_LOCK - OB63: VCHIP (LATAM & NAFTA)/ Txt_1pg (EU) - OB64: WAKEUP_CLOCK - OB65: SMART_CLOCK - OB66: SMART_SURF - OB67: PERSONAL_ZAPPING • OBtion Byte 7 (OP7) - OB70: SOUND_SYSTEM_AP_3 / MULTI_STANDARD_EUR / SYSTEM_LT_2 - OB71: SOUND_SYSTEM_AP_2 / WEST_EU / SYSTEM_LT_1 - OB72: SOUND_SYSTEM_AP_1 - OB73: COLOR_SYSTEM_AP - OB74: SIGNAL_STRENGTH / DVD WAKEUP TIMER (DVD COMBI) - OB75: LNA_PP (for L01 AP cluster), VOICE_CONTROL - OB76: ACTIVE_CONTROL - OB77: TIME_WIN1
  • 46.
    46 L03.1L AA Definiçãodo Bit de Opção OB10: CHINA ou NTSC_ONLY 0 : A sintonia não serve para aparelhos da China ou apenas NTSC, ou este bit de Opção não é utilizado, 1 : A sintonia serve para aparelhos da China ou somente NTSC. Ajuste padrão para LATAM:0 para aparelhos /77R e /78R, 1 para o restante Ajuste padrão LATAM: 0. OB11: VIRGIN_MODE 0 : O Modo Virgin está desabilitado ou não é utilizado, 1 : Modo Virgin está habilitado. O item de Menu Plug and Play será mostrado para fazer a instalação na primeira vez que o TV for ligado, quando o VIRGIN_MODE está ajustado para 1. Após finali- zada a instalação, este bit será automaticamente marcado como 0. Ajuste padrão LATAM: 0 OB12: UK_PNP 0 : O Ajuste padrão Plug and Play para o Reino Unido não está disponível ou não é utilizado, 1 : O Ajuste padrão Plug and Play para o Reino Unido está disponível. Quando UK_PNP e VIRGIN_MODE estão ajustados para 1 no setup inicial, LANGUAGE = ENGLISH, COUNTRY = GREAT BRITAIN e depois de sair do menu, VIRGIN_MODE irá automaticamente para 0 enquanto UK_PNP permanece em 1, Ajuste padrão LATAM: 0. OB13: ACI 0 : A função ACI está desabilitada ou não é utilizada, 1 : A função ACI está habilitada, Ajuste padrão LATAM: 0. OB14: ATS (EU), ou FINE _TUNING (NAFTA), ou LANGUAGE_ MALAY (AP) 0 : A função ATS está desabilitada ou não é utilizada, 1 : A função ATS está habilitada. Ajuste padrão LATAM: 0. OB15: LNA 0 : A função Auto Picture Booster não está disponível ou não é utilizada, 1 : Auto Picture Booster está disponível, Ajuste padrão LATAM: 0. OB16: FM_RADIO 0 : A função FM Radio está desativada ou não é utilizada, 1 : A função FM Radio está habilitada, Ajuste padrão LATAM: 0 OB17: PHILIPS_TUNER 0 : Tuner compatível com ALPS / MASCO está em uso, 1 : Tuner compatível com Philips está em uso, Ajuste padrão LATAM: 0. OB20: HUE 0 : O nível de Hue/Tint está desativado ou não é utilizado, 1 : O nível Hue/Tint está habilitado, Ajuste padrão LATAM: 1. OB21: COLOR_TEMP 0 : A temperatura de cor está desativada ou não é utilizada, 1 : A temperatura de cor está habilitada, Ajuste padrão LATAM: 1. OB22: CONTRAST_PLUS 0 : Contrast+ está desativada ou não é utilizada, 1 : Contrast+ está habilitada, Ajuste padrão LATAM: 1. OB23: TILT 0 : Rotate Picture está desativada ou não é utilizada, 1 : Rotate Picture está ativada, Ajuste padrão LATAM: 0. OB24: NOISE_REDUCTION 0 : Noise Reduction (NR) está desativada ou não é utilizada, 1 : Noise Reduction (NR) está habilitada, Ajuste padrão LATAM: 0. OB25: CHANNEL_NAMING 0 : A função Name FM Channel está desativada ou não é utilizada, 1 : A função Name FM Channel está habilitada, Ajuste padrão: 0. Note : Name FM channel pode ser habilitada apenas quando FM_RADIO = 1. OB26: SMART_PICTURE 0 : Smart Picture está desabilitada ou não é utilizada, 1 : Smart Picture está habilitada, Ajuste padrão LATAM: 1 OB27: SMART_SOUND 0 : Smart Sound está desabilitada ou não é utilizada, 1 : Smart Sound está habilitada, Ajuste padrão LATAM: 0 para aparelhos mono,1 para aparelhos stereo AP30: AVL 0 : AVL está desativada ou não é utilizada, 1 : AVL está habilitada, Ajuste padrão LATAM: 1. OB31: WSSB 0 : WSSB está desativada ou não é utilizada, 1 : WSSB está ativada Ajuste padrão LATAM: 0. Nota : Esta Opção pode ser 1 apenas quando WIDE_SCREEN = 1. OB32: WIDE_SCREEN 0 : O Software é usado para aparelhos 4:3 ou não é utilizado, 1 : O Software é utilizado para aparelhos 16:9, Ajuste padrão LATAM: 0. OB33: Vitual Dolby Ajuste padrão LATAM: 1. OB34: MSP34X5_VOL_CTRL Ajuste padrão LATAM: 0. Nota: apenas para aparelhos 2x10W: OB35: COMPRESS_16_9 0 : A seleção COMPRESS 16:9 não é utilizada. O item não deveria estar na lista do menu FORMAT, 1 : A seleção COMPRESS 16:9 é utilizada. O item não deveria estar na lista do menu FORMAT, Ajuste padrão LATAM: 0. OB36: EXPAND_4_3 0 : A seleção Expand 4:3 não é utilizada. O item não deveria estar na lista do menu FORMAT, 1 : A seleção Expand 4:3 é utilizada. O item não deveria estar na lista do menu FORMAT, Ajuste padrão LATAM: 1. OB37: EW_FUNCTION 0 : A função EW está desativada. Neste caso, apenas a função Expand 4:3 é permitida, Compress 16:9 não é utilizada. 1 : A função EW está habilitada. Neste caso, ambas as funções Expand 4:3 e Compress 16:9 são utilizadas. Ajuste padrão LATAM: 0. OB40: STEREO_NON_DBX 0 : Para AP_NTSC, o chip TDA 9853 não está presente, 1 : Para o AP_NTSC, chip TDA 9853 está presente, Ajuste padrão LATAM: 0. OB41: STEREO_DBX 0 : Para AP_NTSC, ochip MSP 3445 não está presente, 1 : Para AP_NTSC, ochip MSP 3445 está presente, Ajuste padrão LATAM: 0 para aparelhos mono,1 para aparelhos stereo. OB42: STEREO_PB ou KOREAN_2CS 0 : Para AP_PAL, o chip MSP3465 não está presente, 1 : Para AP_PAL, o chip MSP3465 está presente, Ajuste padrão LATAM: 0. OB43: STEREO_NICAM_2CS 0 : Para EU e AP_PAL, o chip MSP 3415 não está presente, 1 : Para EU e AP_PAL, o chip MSP 3415 está presente, Ajuste padrão LATAM: 0. OB44: DELTA_VOLUME 0 : O nível Delta Volume está desativado ou não é utilizado, 1 : O nível Delta Volume está habilitado, Ajuste padrão LATAM: 0.
  • 47.
    47L03.1L AA OB45: ULTRA_BASS 0: Ultra Bass está desativado ou não é utilizado, 1 : Ultra Bass está habilitado, Ajuste padrão LATAM: 0 para aparelhos mono,1 para aparelhos stereo. OB46: VOLUME_LIMITER 0 : O nível do limitador de volume não está ativado ou não é utilizado, 1 : O nível do limitador de Volume está habilitado Ajuste padrão LATAM: 0. OB47: INCR_SUR 0 : A função Incredible Surround está desativada, 1 : A função Incredible Surround está ativada, Ajuste padrão LATAM: 0 para aparelhos mono,1 para aparelhos stereo. OB50: PIP or ENERGY_SAVING 0 : PIP ou Economia de Energia está desativado ou não é utilizado, 1 : PIP ou Economia de energia está habilitado, Ajuste padrão LATAM: 0. OB51: HOTEL_MODE 0 : O modo Hotel está desativado ou não é utilizado, 1 : O modo Hotel está habilitado, Ajuste padrão LATAM: 0 para aparelhos mono,1 para aparelhos stereo. OB52: SVHS 0 : Entrada SVHS não disponível. 1 : Entrada SVHS disponível, Ajuste padrão LATAM: 0. Nota : Este bit de Opção não é utilizado para EU OB53: CVI 0 : Entrada CVI não disponível, 1 : Entrada CVI disponível, Ajuste padrão LATAM: 0. OB54: AV3 0 : Entrada Side/Front AV3 não disponível, 1 : Entrada Side/Front AV3 disponível, Ajuste padrão LATAM: 0. OB55: AV2 0 : Entrada AV2 não disponível, 1 : Entrada AV2 disponível, Ajuste padrão LATAM: 0. Nota : Para EU, quando AV2=1, ambos EXT2 e SVHS2 devem ser incluídos no loop de OSD. OB56: AV1 0 : Entrada AV1 não está presente, 1 : Entrada AV1 está presente, Ajuste padrão LATAM: 1. OB57: NTSC_PLAYBACK 0 : A função NTSC não disponível, 1 : A função NTSC disponível, Ajuste padrão LATAM: 1. OB60: BASS_TREBLE 0 : A função não disponível, 1 : A função está disponível, Ajuste padrão LATAM: 0 para aparelhos mono,1 para aparelhos stereo. OB61: SMART_TEXT 0 : O modo Smart Text e Favorite Page estão desativados ou não são utilizados, 1 : O modo Smart Text e Favorite Page estão habilitados, Ajuste padrão LATAM: 0. OB62: SMART_LOCK 0 : Child Lock e Lock Channel estão desativados ou não são utili- zados por EU, 1 : Child Lock e Lock Channel estão habilitados para EU, Ajuste padrão LATAM: 1. OB63: VCHIP (LATAN & NAFTA)/ TXT_1PG(EU) 0 : A função VCHIP está desativada, 1 : A função VCHIP está habilitada Ajuste padrão LATAM: 0. OB64: WAKEUP_CLOCK 0 : A função Wake up clock está desativada ou não é utilizada, 1 : A função Wake up clock está habilitada, Ajuste padrão LATAM: 0. OB65: SMART_CLOCK 0 : Smart Clock usando Teletext e Smart Clock usando PBS está desativada ou não é utilizada, 1 : Smart Clock usando Teletext e Smart Clock usando PBS está ativada Para NAFTA, o item de menu AUTOCHRON está presente no sub-menu INSTALL, Ajuste padrão LATAM: 0. OB66: SMART_SURF 0 : A função Smart Surf está desativada ou não é utilizada, 1 : A função Smart Surf está habilitada, Ajuste padrão LATAM: 1. OB67: PERSONAL_ZAPPING 0 : A função Personal Zapping está desativada ou não é utilizada, 1 : A função Personal Zapping está habilitada, Ajuste padrão LATAM: 0. OB70: MULTI_STANDARD_EUR 0 : Não para aparelho multi padrão Europeu, ou este bit de Opção não é utilizado, 1 Para aparelhos Multi padrão Europeu. Nota : Este bit de Opção é usado para controlar a seleção de sistema manual : Se MULTI_STANDARD_EUR = 1 então SYSTEM = EurOBe, West EurOBe, East EurOBe, UK, France senão SYSTEM = ‘EurOBe, West EurOBe, UK for West EurOBe’ (WEST_EU=1) ou SYSTEM = ‘EurOBe, West EurOBe, East EurOBe for East EurOBe’ (WEST_EU=0). OB71: WEST_EU 0 : Para aparelhos do Leste Europeu, ou este bit de Opção não é utilizado, 1 : Para aparelhos do oeste Europeu, OB71 and 70: SYSTEM_LT_1, SYSTEM_LT_2 Esses dois bits de Opção são alocados para seleção de sistema do LATAM. 00 : NTSC-M 01 : NTSC-M, PAL-M 10 : NTSC-M, PAL-M, PAL-N 11 : NTSC-M, PAL-M, PAL-N, PAL-BG Ajuste padrão LATAM : 00 OB70, 71 and 72: SOUND_SYSTEM_AP_1, SOUND_SYSTEM_AP_2, SOUND_SYSTEM_AP_3 Esses três bits de Opção são alocados para seleção de sistema AP_PAL de som. 000 : BG 001 : BG / DK 010 : I / DK 011 : BG / I / DK 100 : BG / I / DK / M OB73: COLOR_SYSTEM_AP Este bit de Opção é alocado para seleção de sistema de cor AP-PAL 0 : Auto, PAL 4.43, NTSC 4.43, NTSC 3.58 1 : Auto, PAL 4.43, NTSC 4.43, NTSC 3.58, SECAM Ajuste padrão LATAM : 0 OB74: SIGNAL_STRENGTH / DVD WAKEUP TIMER (DVD COMBI), 3D_COMBFILTER (NAFTA) Ajuste padrão LATAM : 10 OB75: LNA_PP (for L01 AP cluster), VOICE_CONTROL Ajuste padrão LATAM : 0 OB76: ACTIVE_CONTROL Ajuste padrão LATAM : 1 OB77: TIME_WIN1 0 : A janela de tempo é ajustada para 1.2s 1 : A janela de tempo é ajustada para 2s Ajuste padrão LATAM : 0 Nota :O time-out para todas as entradas de dados, depende desta configuração.
  • 48.
    48 L03.1L AA 8.3.3Balanço de Branco Os valores do nível de corte de preto podem ser ajustados no sub menu do Balanço de Branco. Normalmente, nenhum ajuste é necessário ao Balanço de Branco. Você pode usar os valores padrão dados. Ajustes Padrão para NORMAL (color temperature = 11500 K): - NORMAL RED = 22 - NORMAL GREEN = 21 - NORMAL BLUE = 26 Para ajustar NORMAL RED, NORMAL GREEN e NORMAL BLUE: 1. Conecte a saída RF do gerador de padrões (ex.PM5418) à entrada de antena da TV. 2. Ajuste a amplitude do gerador de padrões para pelo menos 1 mV e a frequência 475.25 MHz (PAL/SECAM) ou 61.25 MHz (NTSC). 3. Selecione o padrão "100 IRE white" no gerador. 4. Ative o SDAM pressionando a seguinte sequência no controle remoto: 062596 e em seguida aperte a tecla menu ( não demore muito entre um número e outro). 5.Use as teclas CIMA/BAIXO para marcar o sub menu WHITE TONE. 6. Presione as teclas ESQUERDA/DIREITA para entrar no sub menu WHITE TONE. 7. Use as teclas CIMA/BAIXO para selecionar NORMAL RED, NORMAL GREEN ou NORMAL BLUE. 8. Ajuste o analisador de cor Minolta CA100 (ou equivalente) para o modo RGB e ajuste todas as temperaturas de cor para seu valor padrão. 9. Coloque o sensor do analisador do meios da tela. 10. Ajuste o medidor para o modo "T-dUV-Y" e ajuste o CONTRAST para fazer a saída de luz "Y" no medidor 90nit +/- 15%. 11. Use as teclas ESQUERDA/DIREITA para ajustar o valor de NORMAL GREEN e/ou NORMAL BLUE. 12. Quando todo as mudanças no sub menu WHITE TONE tiverem sido feitas, pressione a tecla MENU para voltar ao nível superior do menu SDAM. 13. Para assegurar que as mudanças no SL sejam gravadas: - Desligue o televisor utilizando a tecla power do controle remoto ou do próprio aparelho. - Desconecte o televisor da tomada de força por pelo menos dez segundos. - Reconecte o televisor à tomada. - Ligue o televisor usando a tecla power do controle remoto ou do próprio aparelho 8.3.2 Tuner Nota: Os ajustes descritos são unicamente necessários quando o NVM (item 7641) é trocado. IF PLL Esta função é auto-ajustada. Portanto, nenhuma ação é requerida (padrão="30"). AGC (AGC ponto de recuperação) 1. Conecte a saída RF do gerador de padrões à entrada de antena da TV. 2. Selecione um sinal de vídeo de barras coloridas. 3. Ajuste a amplitude do gerador de padrões para 10 mV e a frequência 475.25 MHz (PAL/SECAM) ou 61.25 MHz (NTSC). 4. Conecte um multímetro DC no pino 1 do tuner (item 1000 no chassis principal). 5. Ative o SDAM pressionando a seguinte sequência no controle remoto: 062596 e em seguida aperte a tecla menu (não demore muito entre um número e outro). 6. Use as teclas CIMA/BAIXO para marcar o sub menu TUNER. 7. Presione as teclas ESQUERDA/DIREITA para entrar no sub menu TUNER. 8. Use as teclas CIMA/BAIXO para selecionar AGC. 9. Use as teclas ESQUERDA/DIREITA para ajustar o valor AGC (o padrão é “32”) até que a tensão DC no pino 1 do tuner caia a 3.3 V. 10. Pressione a tecla MENU para voltar ao nível superior do menu SDAM. 11. Para assegurar que as mudanças no AGC façam efeito: - Desligue o televisor utilizando a tecla power do controle remoto ou do próprio aparelho. - Desconecte o televisor da tomada de força por pelo menos dez segundos. - Reconecte o televisor à tomada. - Ligue o televisor usando a tecla power do controle remoto ou do próprio aparelho SL (Nível de Slicing ) Este ajuste configura o nível de slicing do sincronismo para sinal não padrão. Você deve ligá-lo para não ter instabilidade nas imagem de canais a cabo decodificados. • OFF : Nível de slicing dependente do detector de ruído. • ON : Nível de slicing fixo em 70%. Para ajustar o SL: 1. Ative o SDAM pressionando a seguinte sequência no controle remoto: 062596 e em seguida aperte a tecla menu ( não demore muito entre um número e outro). 2. Use as teclas CIMA/BAIXO para marcar o sub menu TUNER. 3. Presione as teclas ESQUERDA/DIREITA para entrar no sub menu TUNER. 4. Use as teclas CIMA/BAIXO para selecionar SL. 5. Use tas teclas ESQUERDA/DIREITA para alternar SL ‘Off’ e ‘On’. 6. Pressione a tecla MENU para voltar ao nível superior do menu SDAM. 7. Para assegurar que as mudanças no SL façam efeito: - Desligue o televisor utilizando a tecla power do controle remoto ou do próprio aparelho. - Desconecte o televisor da tomada de força por pelo menos dez segundos. - Reconecte o televisor à tomada. - Ligue o televisor usando a tecla power do controle remoto ou do próprio aparelho CL (Nível do drive do catodo) O valor fixo é "7".
  • 49.
    49L03.1L AA 8.3.4 Geometria Omenu de ajuste de geometria contem vários itens para ajustar o aparelho, para que se obtenha uma geometria correta da figura. 1. Conecte a saída RF do gerador de padrões à entrada de antena da TV. 2. Selecione o padrão Crosshatch no gerador. 3. Ajuste a amplitude do gerador de padrões para pelo menos 1 mV e a frequência 475.25 MHz (PAL/SECAM) ou 61.25 MHz (NTSC/ PAL-M). 4. Pressione a tecla ‘Smart Picture’ no controle remoto e escolha PERSONAL ou MOVIES. 5. Ative o SDAM pressionando a seguinte sequência no controle remoto: 062596 e em seguida aperte a tecla menu ( não demore muito entre um número e outro). 6. Use as teclas CIMA/BAIXO para marcar o sub menu GEOMETRY. 7. Presione as teclas ESQUERDA/DIREITA para entrar no sub menu GEOMETRY. 8. Use as teclas CIMA/BAIXO para marcar ou o sub menu HORI- ZONTAL ou o sub menu VERTICAL. 9. Presione as teclas ESQUERDA/DIREITA para entrar no sub menu HORIZONTAL ou o sub menu VERTICAL. 10. Use as teclas CIMA/BAIXO para selecionar itens no sub menu HORIZONTAL ou no sub menu VERTICAL. 11. Use as teclas ESQUERDA/DIREITA para ajustar valores dos itens do sub menu HORIZONTAL ou o sub menu VERTICAL. 12. Quando todas as mudanças no sub menu HORIZONTAL ou o sub menu VERTICAL tiverem sido feitas, pressione a tecla MENU para voltar ao nível superior do menu SDAM. 13. Para assegurar que as mudanças no menu GEOMETRY sejam gravadas: - Desligue o televisor utilizando a tecla power do controle remoto ou do próprio aparelho. - Desconecte o televisor da tomada de força por pelo menos dez segundos. - Reconecte o televisor à tomada. - Ligue o televisor usando a tecla power do controle remoto ou do próprio aparelho. Os seguintes ajustes podem ser feitos no sub menu GEOMETRY: Ajustes do Horizontal: • Deslocamento Horizontal (HSH) Selecione este item para centralizar a imagem na tela. • Tamanho da imagem (PW) Ajusta o tamanho da imagem na tela. Ajustes da Vertical: • Rampa Vertical (VSL) Alinha a imagem para que as proporções sejam as mesmas na parede superior e inferior da tela. Este deve ser o primeiro dos alinhamentos verticais a serem realizados. Para um alinhamento fácil, ajuste SBL para ON. • Amplitude Vertical (VAM) Alinha a amplitude vertical (outros ajustes não são compensados) • Correção S Vertical (VSC) Alinha a linearidade vertical, significando que os intervalos verticais de um padrão de grade deve ter a mesma altura na tela inteira. • Deslocamento Vertical (VSH) Alinha a centralização vertical da imagem ao centro vertical do CRT. Após este ajuste pode ser necessário repetir o ajuste de ‘amplitude vertical’ (VAM). • Apagamento de serviço (SBL) Liga ou desliga o apagamento da metade inferior da tela (para ser usado em conjunto com o ajuste da Rampa vertical. • Deslocamento Horizontal Delta(H60) • Amplitude Vertical Delta (V60) Métodos de ajuste Amplitude e Posição Vertical 1. Selecione SERVICE BLANKING (SBL) e ajuste-o para 1. A parte inferior da imagem será apagada. 2.Use as teclas CIMA/BAIXO para selecionar VERTICAL SLOPE (VSL). 3. Alinhe o VSL para começar o apagamento exatamente na linha horizontal branca no centro do circulo de teste. 4. Use as teclas CIMA/BAIXO para selecionar SBL e ajuste-o para 0. A imagem completa reaparecerá. 5. Selecione VERTICAL AMPLITUDE (VAM) para ajustar a altura da imagem para aproximadamente 13.0 - 13.1 blocos. 6. Selecione VERTICAL SHIFT (VSH) e ajuste a centralização da imagem na tela. Repita os dois últimos passos se necessário. Fase Horizontal 1. Ajuste PW para "0". 2. Selecione HORIZONTAL SHIFT (HSH) para centralizar a imagem na tela. Offset de deslocamento Vertical e Horizontal para NTSC (Chassis TRINORMA e PAL) 1. Ajuste o aparelho para VHS e HSH (de acordo com os procedi mentos mencionados anteriormente) com um sinal PAL. 2. Troque o sinal para NTSC e ajuste HORIZONTAL SHIFT OFFSET (H60) e VERTICAL SHIFT OFFSET (V60) para centra- Figura 8-6 Ajuste de Geometria 1 2 3 4 5 6 7 8 9 10 11 12 VERT. SLOPE VERT. SHIFT VERT. AMPLITUDE V.S-CORRECTION HOR. SHIFT HOR. AMPLITUDE E/W PARABOLE UPPER E/W CORNER LOWER E/W CORNER E/W TRAPEZIUM HOR. PARALLELOGRAM HOR. BOW
  • 50.
    50 L03.1L AA lizara imagem na tela. 3. Repita se necessário. Na tabela a seguir você vai encontrar os valores aproximados de Geometria para os diferentes aparelhos. Tabela 8-3 Valores padrão de Geometria (Valores de Referência) Alinhamento Descrição Valor PW Tamanho da imagem 31 HSH Deslocamento Horizontal 35 VSL Inclinação Vertical 33 VAM Amplitude Vertical 26 VSC Correção S Vertical 23 VSH Deslocamento Vertical 31 H60 Offset Deslocamento Horizontal (NTSC) 9 V60 Offset Deslocamento Vertical (NTSC) -1 8.3.5 Áudio Equipamentos de medição necessários: Gerador MTS (Multi-channel Television Sound) (Ex Fluke 54200) Milivoltímetro AC. ILA (Ajuste do Nível de Entrada) 1. Ative o SDAM pressionando a seguinte sequência no controle remoto: 062596 e em seguida aperte a tecla menu ( não demore muito entre um número e outro). 2. Use as teclas CIMA/BAIXO para marcar o sub menu AUDIO. 3. Presione as teclas ESQUERDA/DIREITA para entrar no sub menu AUDIO. 4. Use as teclas CIMA/BAIXO para selecionar ILA. 5. Aplique um sinal de som BTSC com força de 60dBuV (1mV_ rms) na entrada de antena. Meça a saída no pino 21 do IC7841 (L_OUT) com um milivoltímetro AC através de um filtro passa baixa (R=10Kohm, C=1,5nF, medindo no capacitor.) 6. Use as teclas ESQUERDA/DIREITA para ajustar a leitura no voltímetro para 106mV_rms +/-2mV_rms (o valor padrão de ILA é "31"). 7. Pressione a tecla MENU para voltar ao nível superior do menu SDAM. 8. Para assegurar que as mudanças no ILA foram salvas: - Desligue o televisor utilizando a tecla power do controle remoto ou do próprio aparelho. - Desconecte o televisor da tomada de força por pelo menos dez segundos. - Reconecte o televisor à tomada. - Ligue o televisor usando a tecla power do controle remoto ou do próprio aparelho LSA (Ajuste de Separação Baixo) 1. Ative o SDAM pressionando a seguinte sequência no controle remoto: 062596 e em seguida aperte a tecla menu ( não demore muito entre um número e outro). 2. Use as teclas CIMA/BAIXO para marcar o sub menu AUDIO. 3. Presione as teclas ESQUERDA/DIREITA para entrar no sub menu AUDIO. 4. Use as teclas CIMA/BAIXO para selecionar LSA. 5. Aplique um sinal de som BTSC de 300Hz com força de 60dBuV (1mV_rms) na entrada de antena. Meça a saída no pino 22 do IC7841 (R_OUT) com um milivoltímetro AC através de um filtro passa baixa (R=10Kohm, C=1,5nF, medindo no capacitor.) 6. Use as teclas ESQUERDA/DIREITA para ajustar a leitura no voltímetro para valor mínimo (o valor padrão de LSA é "7" para aparelhos stereo e "0" para aparelhos mono). 7. Pressione a tecla MENU para voltar ao nível superior do menu SDAM. 8. Para assegurar que as mudanças no LSA foram salvas: - Desligue o televisor utilizando a tecla power do controle remoto ou do próprio aparelho. - Desconecte o televisor da tomada de força por pelo menos dez segundos. - Reconecte o televisor à tomada. - Ligue o televisor usando a tecla power do controle remoto ou do próprio aparelho HSA (Ajuste de Separação Alto) 1. Ative o SDAM pressionando a seguinte sequência no controle remoto: 062596 e em seguida aperte a tecla menu ( não demore muito entre um número e outro). 2. Use as teclas CIMA/BAIXO para marcar o sub menu AUDIO. 3. Presione as teclas ESQUERDA/DIREITA para entrar no sub menu AUDIO. 4. Use as teclas CIMA/BAIXO para selecionar HSA. 5. Aplique um sinal de som BTSC de 3KHz com força de 60dBuV (1mV_rms) na entrada de antena. Meça a saída no pino 22 do IC7841 (R_OUT) com um milivoltímetro AC através de um filtro passa baixa (R=10Kohm, C=1,5nF, medindo no capacitor.) 6. Use as teclas ESQUERDA/DIREITA para ajustar a leitura no voltímetro para valor mínimo (o valor padrão de HSA é "31" ). 7. Pressione a tecla MENU para voltar ao nível superior do menu SDAM. 8. Para assegurar que as mudanças no LSA foram salvas: - Desligue o televisor utilizando a tecla power do controle remoto ou do próprio aparelho. - Desconecte o televisor da tomada de força por pelo menos dez segundos. - Reconecte o televisor à tomada. - Ligue o televisor usando a tecla power do controle remoto ou do próprio aparelho
  • 51.
    51L03.1L AA Índice destecapítulo: 1. Introdução 2. Seleção de Fonte de Sinal 3. Áudio 4. Vídeo 5. Sincronização 6. Deflexão 7. Fonte de Alimentação 8. Controle 9. Abreviação 10. Data Sheets dos CIs Notas: • Apenas os novos circuitos (comparando com o chassis L01.2) são descritos neste capítulo. Para os outros circuitos, veja o manual do L01.2L AA. • As figuras abaixo podem ser ligeiramente diferentes dos mode- los reais. • Para uma boa compreensão das seguintes descrições de circuito, por favor usem o diagrama de blocos no capítulo 6 ou os diagramas elétricos no capítulo 7. Onde necessário, você encontrará um desenho separado para esclarecimentos. 9.1 Introdução O chassis "L03" é um chassis de TV global para o modelo do ano 2003 e é utilizado para aparelhos de TV com tela dimensionada entre 14” e 21”, com Super Flat, Real Flat. Em comparação com o antecessor (L01) o chassis é mais simplificado e contém econo- mias na fonte de alimentação, processamento de vídeo (micropro- cessador) e processamento de áudio. A arquitetura padrão consiste de um painel Principal (chamado mono painel), um painel do cinescópio, um painel I/O lateral e um painel de Controle Superior. O painel Principal consiste primeiramente de componentes con- vencionais com poucos componentes SMD nas partes de proces- samento de áudio e vídeo. As funções para processamento de vídeo, microprocessador (P) e decodificador de teletexto/CC (TXT) são combinadas em um CI (TDA937x), o chamado One Chip Definitivo (UOC). Este chip é montado no lado dos componentes do painel Principal. O L03 é dividido em 2 sistemas básicos, ex. som mono e estéreo. Enquanto o processamento de áudio para o mono é feito no bloco áudio do UOC, um IC processador de áudio externo é utilizado para os aparelhos estéreo. 9. Descrição do Circuito O sistema de sintonia tem disponível 181 canais com display na tela. O sistema de sintonia principal usa um tuner, um microcomputador, e um CI de memória montado no painel principal. O microcomputador comunica-se com o CI de memória, com o teclado, receptor remoto, tuner, CI processador de sinais e o CI de saída de áudio via o barramento I2C. O CI de memória retêm os ajustes para os canais favoritos, valores preferidos do cliente, e serviço / dados de fábrica. Os gráficos OSD e a decodificação Closed Caption são feitos dentro do microprocessador, e então são enviados ao CI proces- sador de sinal para seja adicionado ao sinal principal. O chassis utiliza uma fonte chaveada (SMPS) como fonte de tensão principal. O chassis tem uma referência de terra ‘quente’ no lado do primário e uma referência de terra fria no lado secundário da fonte de alimentação e para o resto do chassis. 9.2 Seleção de Fonte de Sinal A seleção de fonte é dividida principalmente em dois tipos, a Sele- ção de Fonte Mono e a Seleção de Fonte Stereo. • A seleção de fonte mono para ambos áudio e vídeo, é feita intei- ramente pelo UOC e é capaz de fazer a seleção de apenas uma fonte externa de sinal de áudio. • Para a seleção de fonte Stereo, o CI da Panasonic, que também faz a decodificação BTSC tem 2 entradas de áudio usadas para seleção de fonte, enquanto o UOC se encarrega da seleção de vídeo. 9.2.1 Função de chaveamento para E/S Stereo Seleção de Fonte de Vídeo Seleção de Fonte de Vídeo é feita pelo UOC. A configuração de vídeo parar LATAM / NAFTA é direta: a chamada ‘“WYSIWYG” (o que você vê na tela é o que você terá na saída de vídeo). Seleção de Fonte de Áudio O CI AN5829 (BTSC decoder) faz a seleção da fonte de áudio estéreo externa. Um máximo de três entradas para fontes de áudio externas podem ser selecionadas. AV1 ou FRONT é selecionada por uma chave mecânica no conector. A fonte de sinal de áudio externa é então alimentada a entrada AUX1 (pinos 2 e 3) do AN5829. A entrada AV2 é alimentada direta- mente a entrada AUX2 (pinos 23 e 24) do AN5829. Então via I2C a seleção de fonte no CI AN5829 pode ser feita 9.2.2 Função de chaveamento para E/S Mono Para a configuração mono, apenas um pino de entrada está dispo- Figura 9-1 Vista Superior do Painel Audio Amplifier Video Processing Tuner + IF Audio Processing Power Supply Front Control CRT Panel Deflection Rear I/O Figura 9-2 Vista Superior do Painel Audio Amplifier Video Processing Tuner + IF Audio Processing Power Supply Front Control Deflection Rear I/O
  • 52.
    52 L03.1L AA nívelno UOC. Seleção de fonte de vídeo A seleção de vídeo é similar a descrita acima. Seleção de fonte de áudio A entrada de áudio (L1_IN) está conectada ao pino 35 do UOC. 9.3 Áudio Este chassis tem como alvo o mercado da LATAM com sistema de som Mono, Stereo, ou SAP. Para aparelhos “basicos” Mono e Stereo o processamento de áudio inclui o controle de Volume e AVL. Para aparelhos estéreo, o CI AN5829S é o decodificador de áudio BTSC e o AN5891K é o CI de processamento de áudio. 9.3.1 Processamento Este chassis utiliza o conceito de demodulação de interportadoras (um filtro SAW para ambos áudio e vídeo). A banda base (largura de banda total) do sinal de áudio BTSC proveniente do UOC é alimentado ao pino14 do decodificador estéreo. Os registradores da detecção da Piloto e do SAP indicam o tipo de sinal de áudio transmitido como Mono, Stereo, e/our SAP. Baseado nesta indicação, os controles do software irão ajudar a conseguir o sinal de áudio apropriado nos pinos 21 e 22. Os controles são feitos pelo barramento I2C conectado aos pinos 18 e 19. O áudio interno ou externo (pinos 2, 3, 23, e24) também podem ser selecionados pelo registro de seleção de fonte. Para a fonte de áudio selecionada a função AGC pode ser aplicada. A saída é do tipo fixo. A função de controle de volume está disponível através do amplificador de potência (AN7522/23). A saída de áudio selecionada proveniente do CI7841 (AN5829) é alimentada aos pinos 3 e 2 do CI7821 (AN5891) para as funções de processamento de áudio como Treble, Bass, Volume, Balance, e funções de som Surround. L_out e R_out estão então disponível- nos pinos 12 e 15. O CI7821 também é controlado pelo I2C (pinos 13 e14). Uma funçâo AVL também está disponível neste CI e pode ser acionada pelo aparelho. Neste caso a função AVL do AN5829 é desabilitada. A saída Subwoofer (opcional) está disponível no pino 20. 9.3.2 Amplificador A saída é alimentada ao amplificador de áudio (CI7901 para aparelhos estéreo ou CI7902 para mono). Este é um amplificador BTL (Bridge Tied Load), que é na verdade um amplificador classe AB com quatro transistores por canal. A vantagem do BTL sobre o Classe AB padrão é que ele necessita de uma alimentação menor. O nível de volume é controlado neste CI (pino 9) por uma linha de controle ‘Volume’ do microprocessador. O sinal áudio do CI 7902 é então enviado ao alto falante/conector de fone de ouvido. 9.3.3 AVL (Limitador Automático de Volume) A função “Mono AVL” opera através do UOC. Durante a mudança de canal e seleção de fonte, o bit AVL é chaveado para “off” e então pode voltar ao estado anterior (“on/off”) como mostrado no diagrama de tempo. A função “Stereo AVL” opera através do controle do AGB do CI AN5829S. Durante a mudança de canal e seleção de fonte, a função AGC é chaveada para “off” e então pode voltar ao estado anterior (“on/off”) como mostrado no diagrama de tempo. 9.3.4 Mute O aparelho deve ser silenciado: • Sempre que o “User Mute” for ativado. • Sempre que houver uma mudança de canal, RF para RF, RF para AV, AV para RF, e AV para AV (se houver). Na mudança de canal, MUTE deve ser ativado antes de qualquer outra ativadade e o MUTE off deve ser feito depois que todas as atividades tiverem sido concluídas. • Sempre que houver perda de sinal. • Durante a inicialização, MUTE deve estar ativado até que pro- cesso seja finalizado. • Quando o aparelho for para STANDBY, MUTE deve ser ativado antes de qualquer outra atividade. Nota: 1. MUTE mencionado acima aplica-se ao amplificador de áudio (= mute do controle de volume PWM). 2. A primeira condição não se aplica ao UOC, CI AN5891K, ou CI AN5829S. 3. As condições acima referem-se a ambos os aparelhos, estéreo e mono. 9.4 Vídeo Para a descrição detalhada desta parte do circuito, consulte o manual do L01.2L AA. Por favor note que podem haver pequenas diferenças no texto (ex. posições de componente), mas o principío de descrição dos circuitos é compatível. Este chassis usa a família de processador (UOC) TDA937x, que é montado num encapsulamento SDIP 64. As várias versões da série do UOC combinam a função de processamento de vídeo em conjunto com microcontrolador e decodificador Closed Caption/ TXT. 9.5 Sincronismo Na parte D interior ao CI7200 os pulsos do sincronismos horizontal e vertical são separados. Esses sinais ‘H’ ‘V’ são sicronisados com o sinal CVBS de entrada. Eles são então enviados aos circuitos drivers H- e V- e ao circuito OSD/TXT para sincronização do OSD e da informação de Teletexto (CC). 9.6 Deflexão Para a descrição detalhada desta parte do circuito, consulte o manual do L01.2L AA. Por favor note que podem haver pequenas diferenças no texto (ex. posições de componente), mas o principío de descrição dos circuitos é compatível. O alcance do L03 consiste em aparelhos de TV de 14 a 21 polega- das usando a mesma arquitetura de chassis. Devido a esta arqui- Figura 9-3 Diagrama de Tempo AVL Mono: AVL_ On/Off Stereo: AGC_On/Off channel / source change active Mute/Volume user press Ch+ / Ch- or change source Volume Ctrl Voltage200 msecs 150 msecs 50 msecs 50 msecs CL 36532044_038.eps 170603
  • 53.
    53L03.1L AA tetura, osCRTs usados não necessitam de correção Leste/Oeste. Portanto a correção de geometria necessária é deslocamento horizontal, rampa vertical, amplitude vertical, correção S vertical, deslocamento vertical, e zoom vertical (com os offsets requeridos para canais NTSC em aparelhos PAL) 9.6 Fonte de Alimentação Para a descrição detalhada desta parte do circuito, consulte o manual do L01.2L AA. Por favor note que podem haver pequenas diferenças no texto (ex. posições de componente), mas o principío de descrição dos circuitos é compatível. 9.7.1 Introdução A alimentação é conseguida através de uma fonte chaveada (SMPS). A frequência de operação varia com a carga de circuito. Este comportamento ‘Quasi-ressonante Flyback’ tem alguns benefícios importantes comparados a um conversor de flyback com frequência fixa. A eficiência pode ser melhorada em até 90%, o que resulta em abaixo consumo de energia. Além disso a fonte trabalha fria e a segurança é melhorada. O CI de controle nesta fonte de alimentação é o TEA1506 (L01=TEA1507). Diferentemente do CI de controle TEA1507, o TEA 1506 não possui uma fonte interna de inicialização de alta tensão, e portanto precisa ser iniciada através de um resistor de sangria externo (R3506 e R3507). A tensão de operação para o circuito driver é também retirada do lado ‘quente’ deste transforma- dor. O CI regulador chaveador 7520 começa a chavear o FET ‘on’ e ‘off’, para controlar o fluxo corrente através do enrolamento primá- rio do transformador 5520. A energia armazenada no enrolamento primário durante o tempo ‘on’ é entregue ao enrolamento secundá- rio durante o tempo de ‘off ‘. A linha ‘MainSupply’ é a tensão de referência para a fonte de alimentação. Ela é amostrada pelos resistores 3543 e 3544 e enviada à entrada do regulador 7540 / 6540. Este regulador alimenta opto-acoplador de realimentação 7515 para ajustar a tensão de controle de realimentação no pino 6 de 7520. A fonte neste aparelho está ligada sempre que ele estiver conec- tado à rede elétrica. 9.7.2 Tensões Derivadas As tensões geradas pelo enrolamento secundário de T5520 são: • MainSupply’ para a saída horizontal • ‘V_aux/V_audio’ para o circuito de áudio • Uma opcional "DVD_Supply" para futuras expansões. Outras tensões de alimentação são fornecidas pelo LOT. Ele fornece-12 V a tensão do tuner, tensão do filamento, e uma fonte de+160V para o driver de vídeo. As tensões secundárias do LOT são monitoradas pelas linhas ‘EHT’. 9.8 Controle O microprocessor UOC, tem o controle completo e a função de teletexto/CC internamente. Menu do Usuário, Modo Padrão de Serviço/Modo de Ajuste de Serviço são gerados pelo µP. Comuni- cação para outro CIs é feito através do barramento I2C. 9.8.1 I2C-Bus O sistema de controle principal, que consiste do microprocessor UOC (7200), é ligado aos dispositivos externos (Tuner, NVM, MSP, etc) por meio do barramento I2C. Um barramento interno I2C é utilizado para controlar outras funções de processamento de sinal, como processamento de vídeo, FI de som, FI de vídeo, sincronismo, etc. 9.8.2 Interface do Usuário Este chassis utiliza controle remoto com protocolo RC5. O sinal de entrada é enviado ao pino 67 do UOC. O teclado ‘Top Control’, conectado ao pino 8 do UOC, pode também controlar o aparelho. O reconhecimento das teclas é feito através de um divisor de tensão. Led frontal (6691) é conectado a uma linha de controle saída do microprocessador (pino 11). Ele é ativado para fornecer a informa- ção ao usuário se o aparelho está ou não funcionando correta- mente (ex. respondendo ao controle remoto, operação normal (apenas EUA) ou condição de falha) 9.8.3 Seleção de entrada e saída Para o controle das seleções de entrada e de saída, há três linhas: • STATUS1 Este sinal fornece a informação ao microprocessador onde há um sinal de vídeo disponível na porta de entrada e saída AV SCART1 (só para Europa). Este sinal não está conectado nos aparelhos da LATAM/NAFTA. • STATUS2 Este sinal fornece informação ao microprocessor de onde existe um sinal de vídeo disponível na porta de entrada e saída AV SCART2 (somente Europa). Para aparelhos com uma entrada SVHS ele fornece a informação adicional se uma fonteY/C ou CVBS está presente. A presença de uma fonte externa Y/C deixa esta linha em nível ‘alto’ enquanto uma fonte CVBS deixa esta linha em nível ‘baixo’. • SEL-_AV1_AV2 Este é o sinal de controle de seleção de fonte do microproces- sor. Esta linha de controle está sob o controle do usuário ou pode ser ativada por outras duas linhas de controle. 9.8.4 Controle da Fonte de Alimentação A fonte de alimentação tem uma interface com o microcontrolador (UOC) para prover a fonte de alimentação com sinais de controle necessários para operação no modo burst em standby e para variar o tamanho da imagem através do ajuste de V_BAT. A parte do microprocessor é alimentada com 3.3 V e 3.9 V ambas derivadas da tensão ‘V_aux/V_audio’ através de um estabilizador de 3V3 (7493). A linha de 8V é derivada da tensão do tuner de 33V através de TS7491 e TS7496. Dois sinais são usados para controlar a fonte de alimentação: STD_CON e PW_ADJ. STD_CON. Este sinal é gerado pelo microprocessador quando ocorre uma sobre-corrente na linha ‘Main’. Isto é feito para habilitar a fonte no modo burst de standby, e para habilitar este modo durante a proteção. Este sinal é ‘alto’ (3.3 V) sob condições de operação normais. Durante modo o ‘standby’ ou falha, este sinal é um pulso de 5ms em estado "baixo" '0V' e um pulso ‘alto’ com duração de 5 ms. Nota: No chassis L01 a situação é invertida. Figura 9-4 Diagrama em Bloco da Interface Fonte de Alimentação com UOC POWER SUPPLY BLOCK WITH TEA 1506 CONTROL IC UOCAC INPUT Std_Con +3V3 PW_ADJ
  • 54.
    54 L03.1L AA PW_ADJ Estesinal é gerado pelo UOC através da porta PWM. Esta porta está configurada no modo Push-Pull para gerar um sinal de onda quadrada com duty cycle de 0 a 100% com valor padrão de 50% do duty cycle. PW_ADJ eliminará a tolerância e pode ajustar ligeiramente a amplitude da imagem. 9.8.5 Eventos de Proteção Vários eventos de proteção são controlados pelo UOC. No caso de uma destas proteções serem ativadas, o aparelho irá para o modo Standby. Proteções de Deflexão As principais proteções de deflexão são Raio X, Detecção de falha no amplificador de quadro, Proteção de estabilidade do loop da corrente de preto, e proteção da fonte auxiliar de +8V. Para proteção de Raios X, o bit de detecção de raios x, XDT, deve sempre estar em '1' (modo de detecção). A proteção de EHT alta deve ser diparada pelo software após a detecção de que o bit XPR chaveou para '1'. Um grande número de checagens são feitos antes de colocar o aparelho no modo de proteção para precaver contra alarme falso. Para requerimento de serviço, a habilitação de proteção vertical (apagamento RGB), EVG, pode ser desabilitado (configurado para '0') porém isto não é necessário. Os seguintes bits são monitorados: • SUP (Indicação de tensão de fonte) • XPR (Proteção Raios X) • EVG (Habilitação de Proteção Vertical) • NDF (Saída de Proteção Vertical) • BCF (Falha na Corrente de Preto) Proteção I2C Para checar se todos os CIs I2C estão Funcionando. 9.9 Lista de Abreviações 2CS 2a Portadora (ou canal) Stereo ACI Instalação de Canal Automática: algoritmo que instala o TV diretamente da rede emis- soras a cabo por meios de uma página TXT pré-definida ADC Conversor Analógico para Digital AFC Controle Automático de Frequência: sinal de controle utilizado para sintonizar a frequência correta AFT Sintonia fina Automática AGC Controle Automático de Ganho: algoritmo que controla a entrada de vídeo AM Modulação em Amplitude AP Ásia Pacífico AR Relação de Aspecto: 4 por 3 ou 16 por 9 ATS Sistema de Sintonia Automática AV Audio Video Externo AVL Nível Automático de Volume BCL Limitador de Corrente de Feixe B/G Sistema de TV momocromático. A distância da portadora de som é 5.5 MHz BTSC Comite de Padrão deTransmissão de Televisão. Multiplex FM sistema de som estéreo, originário dos EUA usado por ex. em países LATAM e AP-NTSC CC Closed Caption ComPair Reparo auxiliado por computador CRT Tubo de imagem CSM Modo de Serviço do Cliente CTI Melhoria de transiente de Cor CVBS Vídeo composto DAC Conversor digital para analógico DBE Melhoria de Graves Dinâmicos: amplificação extra para baixas frequências DBX Expansor de Graves Dinâmico D/K Sistema de TV monocromático. A distância da porta dora de som é 6.5 MHz DFU Diretizes de uso: descrição para o usuário final. DNR Redução de Ruído Dinâmico DSP Processamento de Sinal Digital DST Ferramenta de serviço para representantes: Controle remoto de serviço para representantes Ex. para entrar no modo de serviço DVD Disco Digital Versátil EEPROM Memória apenas de leitura programável e apagável eletricamente EHT Tensão Extra Alta EHT-INFO Informação de Tensão Extra Alta EU Europa EW Leste Oeste, relacionado com a deflexão horizontal do aparelho EXT Externa (fonte), entrada do aparelho via SCART ou Cinch FBL Apagamento rápido: Sinal Dc que acompanha os sinais RGB FILAMENT Filamento do CRT FLASH Memória Flash FM Memória de campo FM Modulação em Frequência HA Aquisição Horizontal : pulso horizontal de sincronismo vindo do HIP HFB Pulso do Flyback Horizontal : Pulso de sincronismo horizontal de um sinal grande de deflexão HP Fone de ouvido I Sistema de TV monocromático. A distância da porta- dora de som é 6 MHz I2C Barramento integrado IC IF Frequência Intermediária IIC Barramento integrado IC
  • 55.
    55L03.1L AA ITV TVInstitucional LATAM América Latina LED Diodo emissor de luz L/L’ Sistema de TV monocromático. A distância da porta- dora de som é 6,5 MHz LS Tela Grande LS Alto falante M/N Sistema de TV monocromático. A distância da porta- dora de som é 4,5 MHz NICAM Multiplexação de áudio composto quase instantânea. Este é um sistema de áudio digital usado principal- mente na Europa. NTSC Comite Nacional de Padrão de Televisão. Sistema de cor usado principalmente nos EUA e Japão. Portadora de cor NTSC M/N = 3.579545 MHz, NTSC 4.43 = 4.433619 MHz (esta é uma norma para VCr, não de transmissão via ar) NVM Memória Não volátil: CI que contém dados relativos ao TV Ex.ajustes OB Byte de Opção OC Circuito aberto OSD Display na tela PAL Linha de fases alternadas. Sistema de cor mais utili- zado no oeste da Europa (portadora de cor= 4.433619 MHz) e América do sul (portadora de cor PAL M = 3.575612 MHz e PAL N = 3.582056 MHz) PCB Placa de Circuito Impresso PIP Picture In Picture PLL Phase Locked Loop. Usado para sintonia de sistemas FST, o cliente pode ditar diretamente a frequência desejada POR Reset de inicialização PTP Painel do tubo de imagem RAM Memória de acesso aleatório RC Controle remoto RC5 Sistema de Controle Remoto 5 RGB Vermelho verde azul ROM Memória apenas de leitura SAM Modo de Serviço de Ajuste SAP Segundo Programa de Áudio SC Sandcastle: pulso derivado dos sinais de sincronismo S/C Curto circuito SCAVEM Modulação de velocidade de varredura SCL Clock Serial SDA Dado Serial SDM Modo Padrão de Serviço SECAM Sequence Couleur Avec Memoire. Sistema de cor usado principalmente na França e na Europa do Leste. Portadora de cor= 4.406250 MHz e 4.250000 MHz SIF Frequência Intermediária de Som SS Tela Pequena STBY Standby SVHS Super Video Home System SW Software THD Distorção Harmônica Total TXT Teletexto P Microprocessador UOC One Chip Definitive VA Aquisição Vertical VBAT Fonte de Alimentação Principal para o Estágio de Deflexão (141 V) V-chip Violence Chip VCR Gravador de Video Cassete WYSIWYR O que você vê é o que você ira gravar: Seleção de gravação que segue a imagem e o som principais XTAL Cristal de Quartzo YC Sinal de Luminância (Y) e Sinal Croma (C)
  • 56.
    56 L03.1L AA 9.10Data Sheets do CI Esta seção mostra o diagrama em bloco interno e o layout do pino dos CIs que são desenhados como "caixas pretas" nos esquemas elétricos (com exceção dos CIs "memória" e lógica") 9.10.1 Diagrama A5, AN5829S (CI7841) Figura 9-5 Diagrama em Bloco Interno e Layout Pino Unit : mm 24-Lead P ANAFLAT Package (SO-24D) Diagrama em Bloco Vcc GND Noise Filter Matrix 9 Input VCA SAP Filter Stereo Filter SAP Demod SAP Det Noise Det SAP Out Filter (L-R)/SAP Switch L-R Demod L-R Filter St. PLL Pilot Cancel L+R Demod Pilot Det L+R Filter 75∝s De-Emph Offset Cancel OUT SW AGC Wide Band Expand Spectral Expand dbx De-Emph fH, 2fH Trap Filter Spectral RMS Det Spectral Filter Wide Band RMS Det Wide Band Filter DAC I2C Decoder ZAP 10 11 6 8 5 3 2 23 24 19 18 20 1222141516177 14 13 12 Offset Cancel 7.2 9.3 0.1 0.9 2.0 0.4 15.27 24 13 1 12 0.40.451.27 Circuito Teste 4.7∝ + + 4.7∝ AN5829S 180k I 0.022∝ AGC 1 2 3 4 65 7 8 9 10 12 1314151617181920212224 AUXL1 SPEC FIL 0.33∝ + 4.7∝ + G 11 23 4.7∝ + J 2.2∝ + 4.7∝ + 10∝ (Ta) + SW1 a b B A Vcc 5V 3.3∝ (Ta) + 0.1∝ 0.1∝ 0.1∝ F 4.7∝ + 0.1∝ 0.047∝C 2.2k D2.2k Lout 4.7∝ + H Rout 4.7∝ + K 4.7∝ + L AUXR1 OFFCAN1 OFFCAN2 WB TIME VCC WB DET SPEC TIME SPEC DET NOISE DET SAP DET MPX IN PILOT DET PLL GND SCL SDA PE Lout Rout AUXL2 AUXR2 * (Ta) tantalum capacitor
  • 57.
    57L03.1L AA ITEM ,CÓDIGO DESCRIÇÃO ITEM , CÓDIGO DESCRIÇÃO ACESSÓRIOS 96 4806 303 37039 ANTENA TELESCÓPICA 1096 4806 263 27013 CONVERSOR 75-300/75R 1986 3139 238 03799 CONTROLE REMOTO RC19335010/00 PARTES PLÁSTICAS GABINETE 9 , 3106 107 76591 GABINETE FRONTAL 14PT3131/78R 10 , 3139 177 63751 BOTAO REDE 14PT3131 L03 11 , 3139 177 63791 BOTAO CONTROLE 17 3139 120 01452 LOGOTIPO 190 , 3139 124 46721 TAMPA TRASEIRA 14” DIVERSOS 18 , 4806 402 67293 ESPAÇADOR P/ CABOS TRC 38 4806 404 37413 BRAÇADEIRA 2,6 x 200 TRC 61 , 3106 107 66661 CABO DE REDE 1,8M 130 3139 123 21491 PLACA ISOLACAO 18x25 136 4806 492 17004 MOLA FIXAÇÃO 139 4806 492 67435 MOLA FIXAÇÃO TR 141 4806 492 17004 MOLA FIXAÇÃO 142 4806 492 37316 MOLA MALHA DE ATERRAMENTO 211 , 4822 265 20723 CONECTOR 2P M 7.92 VH B 217 2412 020 00725 CONECTOR 3P M 2.50 221 , 4806 402 67104 CONECTOR V 4P2 M 11.88 VH B 222 , 4806 402 67098 CONECTOR V 2P M 3.96 VH 223 4806 267 37130 CONECTOR CINCH H 4P F YEWH 231 , 2422 128 03064 CHAVE REDE 2P 4/128A 250V 246 4806 402 67106 CONECTOR V 03P M 2.50 270 4806 502 37227 PARAFUSO TRC PHILIPS M5X27 271 4806 502 17142 PARAFUSO TORX 10 M3X12 275 4806 502 37228 PARAFUSO TORX 10 M3X16 279 3139 120 41331 PARAFUSO TORX 10 M4X12 1500 , 2422 090 01101 SOQUETE FUSE 1P 1501 , 2422 090 01101 SOQUETE FUSE 1P 1622 4806 402 67239 CONECTOR 8P 1990 , 4806 131 27681 CINESCÓPIO A34EAK01X113 5203 , 3106 107 30371 BOBINA DESMAG 14” 5994 4806 240 27043 ALTO-FALANTE 16R 4W FR O51X91 PARTES ELÉTRICAS - MONOPAINEL [A] 1000 , 2422 542 90141 SINTONIZADOR TV V+U PLL F 1001 4806 154 77000 FILTRO SAW 45,75MHZ OFWM1971M 1201 4806 242 77156 FILTRO CERÂMICO 4,5MHz 1504 , 2422 086 10914 FUSÍVEL 4A 250V 5X20 1600 4806 277 27122 CHAVE TÁCTIL 1601 4806 277 27122 CHAVE TÁCTIL 1602 4806 277 27122 CHAVE TÁCTIL 1603 4806 277 27122 CHAVE TÁCTIL 1621 4806 242 77174 CRISTAL 12MHz 20P 2001 4822 126 14585 CAPACITOR CER 100 nF 10% 50V 2002 2022 020 00672 CAPACITOR ELCO 100µF 20% 16V 2003 2238 867 15229 CAPACITOR CER SMD 22pF 50V 2004 2238 867 15229 CAPACITOR CER SMD 22pF 50V 2005 2020 552 94012 CAPACITOR CER SMD 47nF 20% 50V 2006 4806 124 47049 CAPACITOR ELCO 10V 470µF 2007 4806 124 27022 CAPACITOR ELCO 10µF 20% 50V 2101 2238 246 19858 CAPACITOR CER SMD 470nF 10V 2102 2238 867 15229 CAPACITOR CER SMD 22pF 50V 2103 2238 586 15616 CAPACITOR CER SMD 330pF 50V 2105 2022 020 00627 CAPACITOR ELCO 10µF 20% 25V 2121 2238 867 15229 CAPACITOR CER SMD 22pF 50V 2122 2238 586 15616 CAPACITOR CER SMD 330pF 50V 2123 2020 552 95731 CAPACITOR SER SMD 1µF 20% 10V 2201 2238 586 15632 CAPACITOR SMD 4,7nF 10% 50V 2202 4806 122 37401 CAPACITOR ELCO 100µF 50 V 2203 2238 246 19858 CAPACITOR CER SMD 470nF 10V 2205 2022 020 00661 CAPACITOR ELCO 10µF 20% 50V 2206 2238 586 15632 CAPACITOR SMD 4,7nF 10% 50V 2207 4822 126 14585 CAPACITOR CER 100 nF 10% 50V 2208 4822 126 14585 CAPACITOR CER 100 nF 10% 50V 2209 4822 126 14585 CAPACITOR CER 100 nF 10% 50V 2210 4822 126 13879 CAPACITOR CER SMD 220nF 10V 2211 2238 916 11549 CAPACITOR CER SMD 1nF 5% 25V 2212 4822 126 13879 CAPACITOR CER SMD 220nF 10V 2231 2238 916 15641 CAPACITOR CER SMD 22nF 10% 25V 2232 2238 916 15641 CAPACITOR CER SMD 22nF 10% 25V 2233 2238 916 15641 CAPACITOR CER SMD 22nF 10% 25V 2405 2022 031 00103 CAPACITOR ELCO 47µF 20% 160V 2408 4806 120 47374 CAPACITOR FILM MPP 560nF 5% 250V 2420 4822 126 14585 CAPACITOR CER 100 nF 10% 50V 2421 4822 126 14585 CAPACITOR CER 100 nF 10% 50V 2423 , 4806 120 47011 CAPACITOR MPP 13nF 1K6V 2424 , 4806 122 37278 CAPACITOR CER 1nF 10% 2kV 2426 2238 916 11549 CAPACITOR CER SMD 1nF 5% 25V 2427 2238 916 19849 CAPACITOR CER SMD 100nF 20% 25V 2428 2022 020 00606 CAPACITOR ELCO 47µF 20% 16V 2429 2238 786 19854 CAPACITOR CER SMD 220nF 20% 16V 2441 2022 318 00126 CAPACITOR MPOL 22nF 10% 63V 2444 2022 020 00623 CAPACITOR ELCO 470µF 20% 16V 2446 2022 020 00623 CAPACITOR ELCO 470µF 20% 16V 2447 4806 124 27567 CAPACITOR ELCO 10µF 20% 250V 2455 4822 124 11947 CAPACITOR ELCO 10µF 20% 16V 2460 4806 120 47207 CAPACITOR 68nF 100V 2461 2238 916 11549 CAPACITOR CER SMD 1nF 5% 25V 2462 2238 916 11549 CAPACITOR CER SMD 1nF 5% 25V 2463 2038 035 11507 CAPACITOR ELCO 47µF 20% 50V 2464 2238 867 15471 CAPACITOR CER SMD 470pF5% 50V 2465 , 2022 031 00127 CAPACITOR ELCO 10µF 20% 160V 2470 2022 318 00126 CAPACITOR MPOL 15nF 10% 63V 2473 2238 867 15471 CAPACITOR CER SMD 470pF5% 50V 2481 2238 867 15101 CAPACITOR CER SMD 100pF 5% 50V 2482 2238 246 19863 CAPACITOR CER SMD 1µF 10V 2483 4806 122 37311 CAPACITOR CER SMD 4,7µF 20% 10V 2484 4822 126 14585 CAPACITOR CER 100 nF 10% 50V 2485 2238 246 19863 CAPACITOR CER SMD 1µF 10V 2486 2238 586 15632 CAPACITOR SMD 4,7nF 10% 50V 2487 2238 586 15627 CAPACITOR CER SMD 2,2nF 10% 50V 2488 4806 124 47069 CAPACITOR MPOL 100nF 10% 63V 2489 2238 586 15623 CAPACITOR CER SMD 1nF10% 50V 2490 4806 122 37311 CAPACITOR CER SMD 4,7µF 20% 10V 2491 4806 124 47049 CAPACITOR ELCO 10V 470µF 2492 3198 029 32290 CAPACITOR ELCO 22µF 20% 25V 2493 4806 124 47049 CAPACITOR ELCO 10V 470µF 2494 4806 124 27033 CAPACITOR ELCO 47µF 20% 16V 2496 2238 586 15623 CAPACITOR CER SMD 1nF10% 50V 2497 2238 586 15623 CAPACITOR CER SMD 1nF10% 50V 2500 , 2022 330 00018 CAPACITOR MKP 470nF 20% 275V 2501 , 4806 122 37266 CAPACITOR CER 2,2nF 10% 1kV 2502 , 4806 122 37266 CAPACITOR CER 2,2nF 10% 1kV 2503 2022 020 00743 CAPACITOR ELCO 100µF 20% 400V 2505 , 4806 122 37266 CAPACITOR CER 2,2nF 10% 1kV 2515 , 2020 554 90199 CAPACITOR CER 1N5 20% 250V 2520 2238 586 15636 CAPACITOR SMD 10nF 10% 50V 2521 4822 124 81151 CAPACITOR ELCO 22µF 20% 50V 2522 2238 586 15623 CAPACITOR CER SMD 1nF10% 50V 2523 , 4806 122 37277 CAPACITOR CER 1N8 2KV 2525 4806 122 37393 CAPACITOR SMD 680pF10% 50V 2527 2238 867 15101 CAPACITOR CER 56pF 5% 50V 2528 4822 124 81151 CAPACITOR ELCO 22µF 20% 50V 2540 2238 586 15638 CAPACITOR SMD 15nF 10% 50V 2541 2238 586 15632 CAPACITOR SMD 4,7nF 10% 50V 2542 2238 246 19858 CAPACITOR CER SMD 470nF 10V 2543 2238 586 15623 CAPACITOR CER SMD 1nF10% 50V 2560 2020 552 91156 CAPACITOR CER 2,2nF 50V LISTA DE MATERIAL 14PT3131/78R
  • 58.
    58 L03.1L AA ITEM, CÓDIGO DESCRIÇÃO ITEM , CÓDIGO DESCRIÇÃO 2561 2022 020 00676 CAPACITOR ELCO 1000µF 16V 2562 , 4806 122 37281 CAPACITOR CER 2,2nF 1kV 2564 4806 124 27572 CAPACITOR ELCO 47µF 20% 160V 2584 , 4806 122 37262 CAPACITOR CER 220pF 10% 1KV 2585 , 2238 586 15623 CAPACITOR CER SMD 1nF10% 50V 2602 2020 552 96664 CAPACITOR SMD 33pF 2% 50V 2603 2020 552 96664 CAPACITOR SMD 33pF 2% 50V 2604 4822 124 11947 CAPACITOR ELCO 10µF 20% 16V 2605 4822 126 14585 CAPACITOR CER 100 nF 10% 50V 2607 4822 126 14585 CAPACITOR CER 100 nF 10% 50V 2608 2238 246 19863 CAPACITOR CER SMD 1µF 10V 2609 4822 126 14585 CAPACITOR CER 100 nF 10% 50V 2612 2022 020 00619 CAPACITOR ELCO 220µF 20% 16V 2615 2020 552 94371 CAPACITOR CER SMD 820pF10% 50V 2616 4822 124 11947 CAPACITOR ELCO 10µF 20% 16V 2641 2238 916 11549 CAPACITOR CER SMD 1nF 5% 25V 2642 2238 916 11549 CAPACITOR CER SMD 1nF 5% 25V 2643 2238 867 15221 CAPACITOR CER SMD 220pF 5% 50V 2691 4806 124 27016 CAPACITOR ELCO 100µF 20% 10V 2843 4822 051 30008 RESISTOR SMD JUMP MAX 0R05 2903 4806 124 27021 CAPACITOR ELCO 1µF 20% 50V 2904 2238 246 19863 CAPACITOR CER SMD 1µF 10V 2908 4822 124 40769 CAPACITOR ELCO 4,7µF 20% 50V 2909 4806 124 27022 CAPACITOR ELCO 10µF 20% 50V 2950 2238 586 15625 CAPACITOR CER SMD 1N5 10% 50V 2951 4806 122 37401 CAPACITOR ELCO 100µF 50 V 2952 4806 122 37401 CAPACITOR ELCO 100µF 50 V 3001 2322 702 60152 RESISTOR SMD 1K5 5% 0,062W 3002 2322 702 60822 RESISTOR SMD 8K2 5% 0,062W 3003 2322 702 60101 RESISTOR SMD 100R 5% 0,062W 3004 2322 702 60101 RESISTOR SMD 100R 5% 0,062W 3005 4822 050 21001 RESISTOR CRB 100R 5% 1/6W 3101 2322 702 60689 RESISTOR SMD 68R 5% 0,062W 3102 2322 702 60102 RESISTOR SMD 1K 5% 0,062W 3103 4806 111 97266 RESISTOR SMD 150R 5% 0,062W 3104 2322 702 60224 RESISTOR SMD 220K 5% 0,062W 3121 4806 111 97246 RESISTOR SMD 75R 5% 0,062W 3122 2322 702 60101 RESISTOR SMD 100R 5% 0,062W 3123 4806 111 97266 RESISTOR SMD 150R 5% 0,062W 3124 2322 702 60473 RESISTOR SMD 47K 5% 0,062W 3201 2322 702 60272 RESISTOR SMD 2K7 5% 0,062W 3202 2322 702 60101 RESISTOR SMD 100R 5% 0,062W 3203 2322 702 60102 RESISTOR SMD 1K 5% 0,062W 3204 4822 117 13501 RESISTOR SMD 82R 5% 0,062W 3205 4806 111 97179 RESISTOR SMD 270R 5% 0,062W 3206 2322 702 60102 RESISTOR SMD 1K 5% 0,062W 3207 2322 702 60391 RESISTOR SMD 390R 5% 0,062W 3208 2120 101 90461 RESISTOR CRB 560R 5% 0,5W 3209 2322 702 60471 RESISTOR SMD 470R 5% 0,062W 3210 4822 050 21001 RESISTOR CRB 100R 5% 1/6W 3231 2322 702 60561 RESISTOR SMD 560R 5% 0,062W 3232 4822 117 13666 RESISTOR CRB 1K 5% 0,5W 3403 , 4822 052 10471 RESISTOR FUSE 470R 5% 0,33W 3422 4822 053 20334 RESISTOR MGL 330K 5% 0,25W 3424 4806 116 97041 RESISTOR POT 47R 5% 2W 3425 4822 050 22201 RESISTOR MFLM 220R 1% 0,6W 3426 2120 101 90447 RESISTOR CRB RD1/4S 47R 5% 3428 2120 101 90448 RESISTOR CRB 68R 5%D1/4S 3430 2322 702 60102 RESISTOR SMD 1K 5% 0,062W 3432 2322 702 60471 RESISTOR SMD 470R 5% 0,062W 3441 2322 702 60473 RESISTOR SMD 47K 5% 0,062W 3442 4806 116 57215 RESISTOR MFILM 150K 5% 0,3W 3443 , 4806 113 97046 RESISTOR FUSE 3,3W NFR25 3444 , 4806 113 97046 RESISTOR FUSE 3,3W NFR25 3445 , 4806 113 97046 RESISTOR FUSE 1R 5% 0,33W 3446 , 4806 113 97046 RESISTOR FUSE 1R 5% 0,33W 3447 2322 702 60224 RESISTOR SMD 220K 5% 0,062W 3448 , 4806 113 97046 RESISTOR FUSE 1R 5% 0,33W 3449 2120 101 90483 RESISTOR CRB RD1/4S 27K 5% 3450 2120 101 90483 RESISTOR CRB RD1/4S 27K 5% 3451 2322 702 60822 RESISTOR SMD 680R 5% 0,062W 3452 2120 101 90497 RESISTOR CRB RD1/4S 1M 5% 3453 2322 702 60104 RESISTOR SMD 100K 5% 0,062W 3454 2322 702 60103 RESISTOR SMD 10K 5% 0,062W 3455 2322 702 60471 RESISTOR SMD 470R 5% 0,062W 3459 4806 116 57215 RESISTOR MFILM 150K 5% 0,3W 3460 2322 702 60104 RESISTOR SMD 100K 5% 0,062W 3461 4822 117 11449 RESISTOR SMD 2K2 5% 0,062W 3462 2322 702 60105 RESISTOR SMD 1M 5% 0,062W 3463 4822 117 11449 RESISTOR SMD 2K2 5% 0,062W 3464 2120 101 90468 RESISTOR CRB 2K2 5%D1/4S 3465 2322 702 60102 RESISTOR SMD 1K 5% 0,062W 3466 2322 702 60102 RESISTOR SMD 1K 5% 0,062W 3468 2120 101 90457 RESISTOR CRB 330R 5% 0,5W 3470 , 4806 113 97046 RESISTOR FUSE 1R 5% 0,33W 3471 2120 101 90455 RESISTOR CRB 220R 5% 0,5W 3472 2120 101 90455 RESISTOR CRB 220R 5% 0,5W 3473 4822 050 24708 RESISTOR MFLM 4R7 1% 0,6W 3474 2312 915 13308 RESISTOR MFLM 4R7 1% 0,6W 3475 2120 101 90477 RESISTOR CRB 10K 5% 0,5W 3476 2120 101 90476 RESISTOR CRB 8K2 5%D1/4S 3478 2120 101 90439 RESISTOR CRB RD1/4S 1R 5% 3479 , 4822 052 10189 RESISTOR FUSE 18R 5% 0,33W 3480 2322 702 60393 RESISTOR SMD 39K 5% 0,062W 3481 4806 111 97173 RESISTOR SMD 18K 5% 0,062W 3482 2120 101 90471 RESISTOR CRB 3K3 5% 0,5W 3483 2120 101 90497 RESISTOR CRB RD1/4S 1M 5% 3485 2322 702 60102 RESISTOR SMD 1K 5% 0,062W 3486 2322 702 60102 RESISTOR SMD 1K 5% 0,062W 3487 2322 702 60333 RESISTOR SMD 33K 5% 0,062W 3488 2120 101 90466 RESISTOR CRB RD1/4S 1K5 5% 3489 2322 702 60103 RESISTOR SMD 10K 5% 0,062W 3490 2120 101 90471 RESISTOR CRB 3K3 5% 0,5W 3491 2120 101 90486 RESISTOR CRB 47K 5% 0,5W 3492 4806 111 97173 RESISTOR SMD 18K 5% 0,062W 3493 , 4822 052 10189 RESISTOR FUSE 18R 5% 0,33W 3495 2120 101 90446 RESISTOR CRB 33R 5% 0,5W 3497 2120 101 90458 RESISTOR CRB 390R 5% 0,5W 3498 2120 101 90477 RESISTOR CRB 10K 5% 0,5W 3499 2322 702 60273 RESISTOR SMD 27K 5% 3500 , 4806 116 67007 RESISTOR 3,3M 5% 0,5W 3501 , 4806 116 67007 RESISTOR 3,3M 5% 0,5W 3502 , 2122 612 00055 RESISTOR NTC 4,7R 20% 3W1 3504 , 4806 116 47028 RESISTOR PTC 9R 200V 100R 3506 4822 053 20334 RESISTOR MGL 330K 5% 0,25W 3509 2322 245 11221 RESISTOR MGL 220R 20% 0,5W 3510 4806 209 87877 CENTELHADOR DSP-301N-A21F 3519 2120 101 90471 RESISTOR CRB 3K3 5% 0,5W 3520 4822 117 11817 RESISTOR 1K2 1% 1/16W 3522 2322 702 60334 RESISTOR SMD 330K 5% 0,062W 3523 , 2306 204 03689 RESISTOR FUSE 68R 5% 0,33W 3524 4822 051 30008 RESISTOR SMD JUMP MAX 0R05 3525 2322 702 60102 RESISTOR SMD 1K 5% 0,062W 3526 2120 106 90636 RESISTOR 0,18R 1W 3527 , 4806 116 57504 RESISTOR FUSE 2K2 5% 0,33W 3528 2322 702 60103 RESISTOR SMD 10K 5% 0,062W 3541 2322 702 60471 RESISTOR SMD 470R 5% 0,062W 3542 2120 101 90466 RESISTOR CRB RD1/4S 1K5 5% 3543 2312 915 18203 RESISTOR MFLM 82K 1% 0,6W 3544 2312 915 16802 RESISTOR MFLM 6K8 1% 0,6W 3545 4822 117 11449 RESISTOR SMD 2K2 5% 0,062W 3546 , 2120 101 90475 RESISTOR CRB 6K8 5% 0,5W 3547 2322 702 60154 RESISTOR SMD 330K 5% 0,062W 3548 4822 051 30153 RESISTOR SMD 15K 5% 0,062W LISTA DE MATERIAL 14PT3131/78R
  • 59.
    59L03.1L AA ITEM ,CÓDIGO DESCRIÇÃO ITEM , CÓDIGO DESCRIÇÃO 3549 2120 101 90455 RESISTOR CRB 220R 5% 0,5W 3581 , 4822 051 30569 RESISTOR SMD 56R 5% 0,062W 3601 4822 117 11449 RESISTOR SMD 2K2 5% 0,062W 3602 4822 117 11449 RESISTOR SMD 2K2 5% 0,062W 3603 2120 101 90468 RESISTOR CRB 2K2 5%D1/4S 3604 2120 101 90451 RESISTOR CRB 100R 5% 1/6W 3605 2120 101 90451 RESISTOR CRB 100R 5% 1/6W 3606 2120 101 90477 RESISTOR CRB 10K 5% 0,5W 3607 2322 702 60101 RESISTOR SMD 100R 5% 0,062W 3608 2322 702 60154 RESISTOR SMD 150K 5% 0,062W 3618 2120 101 90464 RESISTOR CRB 1K 5% 0,5W 3619 2120 101 90451 RESISTOR CRB 100R 5% 1/6W 3620 2120 101 90451 RESISTOR CRB 100R 5% 1/6W 3621 2120 101 90451 RESISTOR CRB 100R 5% 1/6W 3624 2120 101 90477 RESISTOR CRB 10K 5% 0,5W 3634 2120 101 90464 RESISTOR CRB 1K 5% 0,5W 3641 2120 101 90451 RESISTOR CRB 100R 5% 1/6W 3642 2322 702 60101 RESISTOR SMD 100R 5% 0,062W 3643 2322 702 60101 RESISTOR SMD 100R 5% 0,062W 3644 2322 702 60472 RESISTOR SMD 4,7K 5% 0,062W 3646 2322 702 60105 RESISTOR SMD 1M 5% 0,062W 3681 5322 117 13057 RESISTOR SMD 820R 1% 0,062W 3682 5322 117 13063 RESISTOR SMD 120R 1% 0,062W 3685 2322 704 62001 RESISTOR SMD 200R 1% 0,062W 3686 2322 704 64301 RESISTOR SMD 430R 1% 0,062W 3687 5322 117 13037 RESISTOR SMD 2K2 1% 0,062W 3688 2322 704 62001 RESISTOR SMD 200R 1% 0,062W 3691 4806 111 97022 RESISTOR SMD 330R 5% 0,1W 3693 2120 101 90455 RESISTOR CRB 220R 5% 0,5W 3694 2322 702 60472 RESISTOR SMD 4,7K 5% 0,062W 3901 2120 101 90464 RESISTOR CRB 1K 5% 0,5W 3902 2120 101 90471 RESISTOR CRB 3K3 5% 0,5W 3903 2120 101 90473 RESISTOR CRB 4K7 5% 0,5W 3904 2322 702 60103 RESISTOR SMD 2K7 5% 0,062W 3907 2322 702 60822 RESISTOR SMD 8K2 5% 0,062W 3911 2322 702 60104 RESISTOR SMD 100K 5% 0,062W 4101 4822 051 30008 RESISTOR SMD JUMP MAX 0R05 4104 4822 051 30008 RESISTOR SMD JUMP MAX 0R05 4122 4822 051 30008 RESISTOR SMD JUMP MAX 0R05 4123 4822 051 30008 RESISTOR SMD JUMP MAX 0R05 4126 4822 051 30008 RESISTOR SMD JUMP MAX 0R05 4129 4822 051 30008 RESISTOR SMD JUMP MAX 0R05 4151 4822 051 30008 RESISTOR SMD JUMP MAX 0R05 4161 4822 051 30008 RESISTOR SMD JUMP MAX 0R05 4304 4822 051 30008 RESISTOR SMD JUMP MAX 0R05 4305 4822 051 30008 RESISTOR SMD JUMP MAX 0R05 4405 4822 051 30008 RESISTOR SMD JUMP MAX 0R05 4491 4822 051 30008 RESISTOR SMD JUMP MAX 0R05 4571 4822 051 30008 RESISTOR SMD JUMP MAX 0R05 4610 4822 051 30008 RESISTOR SMD JUMP MAX 0R05 4661 4806 051 27042 RESISTOR SMD 0R - JUMP 4692 4822 051 30008 RESISTOR SMD JUMP MAX 0R05 4694 2322 702 60103 RESISTOR SMD JUMP MAX 0R05 4694 2322 702 60103 RESISTOR SMD 15K 5% 0,062W 4698 4822 051 30008 RESISTOR SMD JUMP MAX 0R05 4844 4822 051 30008 RESISTOR SMD JUMP MAX 0R05 4845 4822 051 30008 RESISTOR SMD JUMP MAX 0R05 4922 4822 051 30008 RESISTOR SMD JUMP MAX 0R05 5001 4806 157 57248 BOBINA 0,82µH 10% 5201 4822 157 11835 BOBINA 4,7µH 5% 5401 4806 157 57005 BOBINA 68µH 10% 5421 , 2422 531 02589 TRAFO DRIVER PSD10-204B 5441 , 2422 531 02598 TSH - LOT - FLY BACK JF0501-19255 5482 4806 157 57249 BOBINA 10µH 5% 5500 , 4806 157 17025 FILTRO DE REDE 5509 4806 526 17039 BOBINA BEAD 50MHZ 45R 5515 , 2422 549 43306 BOBINA BEAD 100MHZ 86R 5520 , 2422 531 02457 TRANSFORMADOR SS28010-06 5521 4806 526 17039 BOBINA BEAD 50MHZ 45R 5560 4806 526 17039 BOBINA BEAD 50MHZ 45R 5562 4806 526 17034 BOBINA BEAD 50MHZ 90R 5563 4806 157 57241 BOBINA 27µH 10% 5601 4806 158 67055 BOBINA 5µ6H 5% 5602 4806 158 67055 BOBINA 5µ6H 5% 5603 4806 158 67055 BOBINA 5µ6H 5% 6001 4822 130 34142 DIODO ZENER BZX79-C33 6127 9322 157 71685 DIODO ZENER SMD MM3Z6V8 6422 4806 130 37509 DIODO BYV97G 6423 9338 386 60673 DIODO 1N4006 6426 4806 130 37623 DIODO BAS316 6444 4806 130 37629 DIODO EGP20DL-5100 6445 4806 130 37623 DIODO BAS316 6446 4822 130 31607 DIODO RGP10D/23 6447 4822 130 31607 DIODO RGP10D/23 6451 4806 130 37623 DIODO BAS316 6452 4806 130 37623 DIODO BAS316 6453 4822 130 34142 DIODO ZENER BZX79-C33 6460 4806 130 37623 DIODO BAS316 6461 4822 130 31607 DIODO RGP10D/23 6462 4822 130 31607 DIODO RGP10D/23 6463 4822 130 31607 DIODO RGP10D/23 6464 4806 130 37623 DIODO BAS316 6481 4806 130 37623 DIODO BAS316 6491 5322 130 34331 DIODO SMD BAV70 6492 4806 130 37193 DIODO ZENER SMD MM3Z5V6 6500 4806 130 37036 DIODO 1N5062 6501 4806 130 37036 DIODO 1N5062 6502 4806 130 37036 DIODO 1N5062 6503 4806 130 37036 DIODO 1N5062 6520 4806 130 37375 DIODO BYV95A 6522 4806 130 37375 DIODO BYV95A 6540 9331 668 30133 DIODO ZENER BZX79-B6V2 6541 4806 130 37055 DIODO ZENER BZX79-B9V1 6560 9322 161 76682 DIODO SB340L-7024 6562 9322 127 32682 DIODO BYW76-RAS15/10 6624 4806 130 37623 DIODO BAS316 6625 4822 130 34382 DIODO ZENER BZX79-C8V2 6626 9340 549 45115 DIODO BAS316 6627 9340 549 45115 DIODO BAS316 6628 9340 549 45115 DIODO BAS316 6681 4806 130 37623 DIODO BAS316 6691 , 9322 185 69682 DIODO LED VS LTL-10234WHCR 6692 9322 127 54667 MÓDULO RECEP IR TSOP1836 6908 9322 102 64685 DIODO ZENER SM UDZ2.7B 6909 4806 130 37078 DIODO 1N4148 7101 4806 130 47473 TRANSISTOR BC847B 7200 3106 107 40151 CIRC INTGR OTP GRAV L3SLM1 1.2 7201 4806 130 47473 TRANSISTOR BC847B 7202 4806 130 47473 TRANSISTOR BC847B 7421 9322 183 16687 TRANSISTOR BUL312FP 7422 9336 286 30215 TRANSISTOR BC817-25 7423 5322 130 60845 TRANSISTOR BC807-25 7451 9335 897 60215 TRANSISTOR BC857C 7461 9335 897 60215 TRANSISTOR BC857C 7462 9335 897 60215 TRANSISTOR BC857C 7463 4806 130 47169 TRANSISTOR BC546B 7464 4806 130 47530 TRANSISTOR BD135 L 7465 4806 130 47055 TRANSISTOR BD136 7466 4806 130 47473 TRANSISTOR BC847B 7491 4806 130 47473 TRANSISTOR BC847B 7493 4806 209 87902 CIRC INTGR L78L33ACZ 7494 4806 130 47228 TRANSISTOR BC337-25 7496 4806 130 47530 TRANSISTOR BD135 L 7515 , 4806 209 87853 CIRC INTGR TCET1103(G) LISTA DE MATERIAL 14PT3131/78R
  • 60.
    60 L03.1L AA ITEM, CÓDIGO DESCRIÇÃO ITEM , CÓDIGO DESCRIÇÃO 7520 9352 720 43118 CIRC INTGR TEA1506T/N1 7521 , 9322 194 21687 TRANSISTOR FET STP5NK80ZFP 7523 9335 897 60215 TRANSISTOR BC857C 7540 9331 976 30126 TRANSISTOR BC547B 7541 4806 116 27022 TRANSISTOR SMD PDTC114ET 7601 9340 310 60215 TRANSISTOR PDTA114ET 7641 9322 147 25682 CIRC INTGR M24C16-WBN6 7902 9322 181 42682 CIRC INTGR AN7523N PAINEL CINESCÓPIO [B] 1300 4806 402 67239 CONECTOR 8P 1301 , 2422 500 80077 CONECTOR TRC V 9P F M-NECK 2300 2022 552 05495 CAPACITOR SMD 330pF 5% 50V 2301 2238 867 15391 CAPACITOR CER SMD 390pF 5% 50V 2302 2238 867 15391 CAPACITOR CER SMD 390pF 5% 50V 2303 4806 122 37278 CAPACITOR CER 1nF 10% 2kV 2304 4806 120 47371 CAPACITOR 47nF 10% 250V 3300 4806 116 57672 RESISTOR 15K 3301 2322 245 11152 RESISTOR MGL 1K5 20% 0,5W 3303 2322 702 60331 RESISTOR SMD 330R 5% 0,062W 3304 4806 116 57672 RESISTOR 15K 3305 2322 245 11152 RESISTOR MGL 1K5 20% 0,5W 3307 2322 702 60331 RESISTOR SMD 330R 5% 0,062W 3308 4806 116 57672 RESISTOR 15K 3309 2322 245 11152 RESISTOR MGL 1K5 20% 0,5W 3311 2322 702 60331 RESISTOR SMD 330R 5% 0,062W 3313 , 2306 204 03689 RESISTOR FUSE 68R 5% 0,33W 3318 , 4806 113 97068 RESISTOR FUSE 220R 5% 0,33W 3319 2322 245 11152 RESISTOR MGL 1K5 20% 0,5W 4300 4822 051 30008 RESISTOR SMD JUMP MAX 0R05 4301 4822 051 30008 RESISTOR SMD JUMP MAX 0R05 4302 4822 051 30008 RESISTOR SMD JUMP MAX 0R05 6301 4806 130 37623 DIODO BAS316 6307 4806 130 37623 DIODO BAS316 6318 9340 548 57115 DIODO ZENER SMD PDZ8.2B 7308 4806 130 47090 TRANSISTOR BF422 7310 4806 130 47090 TRANSISTOR BF422 7312 4806 130 47090 TRANSISTOR BF422 7313 4806 130 47090 TRANSISTOR BF422 7314 4806 130 47091 TRANSISTOR BF423 7315 4806 130 47090 TRANSISTOR BF422 7316 4806 130 47091 TRANSISTOR BF423 7317 4806 130 47090 TRANSISTOR BF422 7318 4806 130 47091 TRANSISTOR BF423 LISTA DE MATERIAL 14PT3131/78R
  • 61.
    61L03.1L AA ITEM ,CÓDIGO DESCRIÇÃO ITEM , CÓDIGO DESCRIÇÃO ACESSÓRIOS 1096 4806 263 27013 CONVERSOR 75-300/75R 1986 3139 238 03799 CONTROLE REMOTO RC19335010/00 PARTES PLÁSTICAS GABINETE 9 , 3106 107 76621 GABINETE FRONTAL 20PT3331/78R 10 , 3139 177 63881 BOTAO DE REDE 11 , 3139 177 63861 BOTAO CONTROLE 17 3139 120 01572 LOGOTIPO 190 3139 124 46731 TAMPA TRASEIRA 20” DIVERSOS 18 , 4806 402 67293 ESPAÇADOR P/ CABOS TRC 38 4806 404 37413 BRAÇADEIRA 2,6 x 200 TRC 61 , 3106 107 66661 CABO DE REDE 1,8M 130 3139 123 21491 PLACA ISOLACAO 18x25 136 4806 492 17004 MOLA FIXAÇÃO 139 4806 492 67435 MOLA FIXAÇÃO TR 141 4806 492 17004 MOLA FIXAÇÃO 142 4806 492 37316 MOLA MALHA DE ATERRAMENTO 211 , 4822 265 20723 CONECTOR 2P M 7.92 VH B 217 2412 020 00725 CONECTOR 3P M 2.50 221 , 4806 402 67104 CONECTOR V 4P2 M 11.88 VH B 222 , 4806 402 67098 CONECTOR V 2P M 3.96 VH 223 4806 267 37130 CONECTOR CINCH H 4P F YEWH 231 , 2422 128 03064 CHAVE REDE 2P 4/128A 250V 246 4806 402 67106 CONECTOR V 03P M 2.50 270 4822 502 14508 PARAFUSO TRC PHILIPS M5X27 271 4806 502 17142 PARAFUSO TORX 10 M3X12 275 4806 502 37228 PARAFUSO TORX 10 M3X16 279 3139 120 41331 PARAFUSO TORX 10 M4X12 1003 2412 020 00725 CONECTOR 3P M 2.50 1500 , 2422 090 01101 SOQUETE FUSE 1P 1501 , 2422 090 01101 SOQUETE FUSE 1P 1622 4806 402 67239 CONECTOR 8P 1990 , 9301 883 40361 CINESCÓPIO 20” - A48EAK01X110 5203 , 3106 107 30361 BOBINA DESMAG 20” 5994 , 4806 240 27043 ALTO-FALANTE 16R 4W FR O51X91 PARTES ELÉTRICAS - MONOPAINEL [A] 1000 , 2422 542 90141 SINTONIZADOR TV V+U PLL F 1001 4806 154 77000 FILTRO SAW 45,75MHZ OFWM1971M 1201 4806 242 77156 FILTRO CERÂMICO 4,5MHz 1504 , 2422 086 10914 FUSÍVEL 4A 250V 5X20 1600 4806 277 27122 CHAVE TÁCTIL 1601 4806 277 27122 CHAVE TÁCTIL 1602 4806 277 27122 CHAVE TÁCTIL 1603 4806 277 27122 CHAVE TÁCTIL 1621 4806 242 77174 CRISTAL 12MHz 20P 2001 4822 126 14585 CAPACITOR CER 100 nF 10% 50V 2002 2022 020 00672 CAPACITOR ELCO 100µF 20% 16V 2003 2238 867 15229 CAPACITOR CER SMD 22pF 50V 2004 2238 867 15229 CAPACITOR CER SMD 22pF 50V 2005 2020 552 94012 CAPACITOR CER SMD 47nF 20% 50V 2006 4806 124 47049 CAPACITOR ELCO 470µF 20% 10V 2007 4806 124 27022 CAPACITOR ELCO 10µF 20% 50V 2101 2238 246 19858 CAPACITOR CER SMD 470nF 10V 2102 2238 867 15229 CAPACITOR CER SMD 22pF 50V 2103 2238 586 15616 CAPACITOR CER SMD 330pF 50V 2105 2022 020 00627 CAPACITOR ELCO 10µF 20% 25V 2121 2238 867 15229 CAPACITOR CER SMD 22pF 50V 2122 2238 586 15616 CAPACITOR CER SMD 330pF 50V 2123 2020 552 95731 CAPACITOR SER SMD 1µF 20% 10V 2201 2238 586 15632 CAPACITOR SMD 4,7nF 10% 50V 2202 4806 122 37401 CAPACITOR ELCO 100µF 50 V 2203 2238 246 19858 CAPACITOR CER SMD 470nF 10V 2205 2022 020 00661 CAPACITOR ELCO 10µF 20% 50V 2206 2238 586 15632 CAPACITOR SMD 4,7nF 10% 50V 2207 4822 126 14585 CAPACITOR CER 100 nF 10% 50V 2208 4822 126 14585 CAPACITOR CER 100 nF 10% 50V 2209 4822 126 14585 CAPACITOR CER 100 nF 10% 50V 2210 4822 126 13879 CAPACITOR CER SMD 220nF 20% 16V 2211 2238 916 11549 CAPACITOR CER SMD 1nF 5% 25V 2212 4822 126 13879 CAPACITOR CER SMD 220nF 20% 16V 2231 2238 916 15641 CAPACITOR CER SMD 22nF 10% 25V 2232 2238 916 15641 CAPACITOR CER SMD 22nF 10% 25V 2233 2238 916 15641 CAPACITOR CER SMD 22nF 10% 25V 2405 2022 031 00103 CAPACITOR ELCO 47µF 20% 160V 2408 4822 121 43397 CAPACITOR POL 680nF 5% 250V 2420 4822 126 14585 CAPACITOR CER 100 nF 10% 50V 2421 4822 126 14585 CAPACITOR CER 100 nF 10% 50V 2423 , 2222 375 90158 CAPACITOR MPP 15nF 5% 1K6V 2424 , 4806 122 37279 CAPACITOR CER 1,5nF 10% 2kV 2426 2238 916 11549 CAPACITOR CER SMD 1nF 5% 25V 2427 2238 916 19849 CAPACITOR CER SMD 100nF 20% 25V 2428 2022 020 00606 CAPACITOR ELCO 47µF 20% 16V 2429 2238 786 19854 CAPACITOR CER SMD 220nF 20% 16V 2441 2022 318 00126 CAPACITOR MPOL 15nF 10% 63V 2444 2022 020 00623 CAPACITOR ELCO 470µF 20% 16V 2446 2022 020 00623 CAPACITOR ELCO 470µF 20% 16V 2447 4806 124 27567 CAPACITOR ELCO 10µF 20% 250V 2452 2238 916 15641 CAPACITOR CER SMD 22nF 10% 25V 2453 2238 586 15627 CAPACITOR CER SMD 2,2nF 10% 50V 2455 4822 124 11947 CAPACITOR ELCO 10µF 16V 2460 4806 120 47207 CAPACITOR 68nF 100V 2461 2238 916 11549 CAPACITOR CER SMD 1nF 5% 25V 2462 2238 916 11549 CAPACITOR CER SMD 1nF 5% 25V 2463 2038 035 11507 CAPACITOR ELCO 47µF 20% 50V 2464 2238 867 15471 CAPACITOR CER SMD 470pF5% 50V 2465 , 2022 031 00127 CAPACITOR ELCO 10µF 20% 160V 2470 2022 318 00126 CAPACITOR MPOL 15nF 10% 63V 2473 2238 867 15471 CAPACITOR CER SMD 470pF5% 50V 2481 2238 867 15101 CAPACITOR CER SMD 100pF 5% 50V 2482 2238 246 19863 CAPACITOR CER SMD 1µF 10V 2483 4806 122 37311 CAPACITOR CER SMD 4,7µF 20% 10V 2484 4822 126 14585 CAPACITOR CER 100 nF 10% 50V 2485 2238 246 19863 CAPACITOR CER SMD 1µF 10V 2486 2238 586 15632 CAPACITOR SMD 4,7nF 10% 50V 2487 2238 586 15627 CAPACITOR CER SMD 2,2nF 10% 50V 2488 4806 124 47069 CAPACITOR MPOL 100nF 10% 63V 2489 2238 586 15623 CAPACITOR CER SMD 1nF10% 50V 2490 4806 122 37311 CAPACITOR CER SMD 4,7µF 20% 10V 2491 4806 124 47049 CAPACITOR ELCO 470µF 20% 10V 2492 3198 029 32290 CAPACITOR ELCO 22µF 20% 25V 2493 4806 124 47049 CAPACITOR ELCO 470µF 20% 10V 2494 4806 124 27033 CAPACITOR ELCO 47µF 20% 16V 2496 2238 586 15623 CAPACITOR CER SMD 1nF10% 50V 2497 2238 586 15623 CAPACITOR CER SMD 1nF10% 50V 2500 , 4806 120 47372 CAPACITOR POL 100nF 20% 275V 2501 , 4806 122 37266 CAPACITOR CER 2,2nF 10% 1kV 2502 , 4806 122 37266 CAPACITOR CER 2,2nF 10% 1kV 2503 2022 020 00744 CAPACITOR ELCO 150µF 20% 400V 2505 , 4806 122 37266 CAPACITOR CER 2,2nF 10% 1kV 2515 , 2020 554 90199 CAPACITOR CER 1,5nF 20% 250V 2520 2238 586 15636 CAPACITOR SMD 10nF 10% 50V 2521 4822 124 81151 CAPACITOR ELCO 22µF 20% 50V 2522 2238 586 15623 CAPACITOR CER SMD 1nF10% 50V 2523 , 4806 122 57008 CAPACITOR CER 1N8 2KV 2525 2238 586 15621 CAPACITOR SMD 680pF10% 50V 2527 2238 867 15569 CAPACITOR CER 56pF 5% 50V 2528 4822 124 81151 CAPACITOR ELCO 22µF 20% 50V 2540 2238 586 15638 CAPACITOR SMD 15nF 10% 50V 2541 2238 586 15632 CAPACITOR SMD 4,7nF 10% 50V 2542 2238 246 19858 CAPACITOR CER SMD 470nF 10V LISTA DE MATERIAL 20PT3331/78R
  • 62.
    62 L03.1L AA ITEM, CÓDIGO DESCRIÇÃO ITEM , CÓDIGO DESCRIÇÃO 2543 2238 586 15623 CAPACITOR CER SMD 1nF10% 50V 2560 4806 122 37213 CAPACITOR CER 2,2nF 50V 2561 2022 020 00676 CAPACITOR ELCO 1000µF 16V 2562 , 4806 122 37281 CAPACITOR CER 2,2nF 10% 2kV 2564 4806 124 27572 CAPACITOR ELCO 47µF 160V 2584 , 2020 558 90553 CAPACITOR CER 220pF 10% 1KV 2585 , 2238 586 15623 CAPACITOR CER SMD 1nF10% 50V 2602 2020 552 96664 CAPACITOR SMD 33pF 2% 50V 2603 2020 552 96664 CAPACITOR SMD 33pF 2% 50V 2604 4822 124 11947 CAPACITOR ELCO 10µF 16V 2605 4822 126 14585 CAPACITOR CER 100 nF 10% 50V 2607 4822 126 14585 CAPACITOR CER 100 nF 10% 50V 2608 2238 246 19863 CAPACITOR CER SMD 1µF 10V 2609 4822 126 14585 CAPACITOR CER 100 nF 10% 50V 2612 2022 020 00619 CAPACITOR ELCO 220µF 20% 16V 2615 2020 552 94371 CAPACITOR CER SMD 820pF10% 50V 2616 4822 124 11947 CAPACITOR ELCO 10µF 16V 2641 2238 916 11549 CAPACITOR CER SMD 1nF 5% 25V 2642 2238 916 11549 CAPACITOR CER SMD 1nF 5% 25V 2643 2238 867 15221 CAPACITOR CER SMD 220pF 5% 50V 2691 2022 020 00615 CAPACITOR ELCO 100µF 20% 10V 2843 4822 051 30008 RESISTOR SMD JUMP MAX 0R05 2903 4806 124 27021 CAPACITOR ELCO 1µF 20% 50V 2904 2238 246 19863 CAPACITOR CER SMD 1µF 10V 2908 4822 124 40769 CAPACITOR ELCO 4,7µF 20% 50V 2909 4806 124 27022 CAPACITOR ELCO 10µF 20% 50V 2950 2238 586 15625 CAPACITOR CER SMD 1N5 10% 50V 2951 4806 122 37401 CAPACITOR ELCO 100µF 50 V 2952 4806 122 37401 CAPACITOR ELCO 100µF 50 V 3001 2322 702 60152 RESISTOR SMD 1K5 5% 0,062W 3002 2322 702 60822 RESISTOR SMD 8K2 5% 0,062W 3003 2322 702 60101 RESISTOR SMD 100R 5% 0,062W 3004 2322 702 60101 RESISTOR SMD 100R 5% 0,062W 3005 2120 101 90451 RESISTOR CRB 100R 5% 1/6W 3101 2322 702 60689 RESISTOR SMD 68R 5% 0,062W 3102 2322 702 60102 RESISTOR SMD 1K 5% 0,062W 3103 4806 111 97266 RESISTOR SMD 100R 3104 2322 702 60224 RESISTOR SMD 220K 5% 0,062W 3121 4806 111 97246 RESISTOR 75R 5% 0,062W 3122 2322 702 60101 RESISTOR SMD 100R 5% 0,062W 3123 4806 111 97266 RESISTOR SMD 100R 3124 2322 702 60473 RESISTOR SMD 47K 5% 0,062W 3201 2322 702 60272 RESISTOR SMD 2K7 5% 0,062W 3202 2322 702 60101 RESISTOR SMD 100R 5% 0,062W 3203 2322 702 60102 RESISTOR SMD 1K 5% 0,062W 3204 4822 117 13501 RESISTOR SMD 82R 5% 0,062W 3205 4806 111 97179 RESISTOR SMD 270R 5% 0,062W 3206 2322 702 60102 RESISTOR SMD 1K 5% 0,062W 3207 2322 702 60391 RESISTOR SMD 390R 5% 0,062W 3208 2120 101 90461 RESISTOR CRB 560R 5% 0,5W 3209 2322 702 60471 RESISTOR SMD 470R 5% 0,062W 3210 2120 101 90451 RESISTOR CRB 100R 5% 1/6W 3231 2322 702 60561 RESISTOR SMD 560R 5% 0,062W 3232 2120 101 90464 RESISTOR CRB 1K 5% 0,25W 3403 , 4822 052 10471 RESISTOR FUSE 470R 5% 0,33W 3422 4822 053 20334 RESISTOR MGL 330K 5% 0,25W 3424 4806 116 97041 RESISTOR POT 47R 5% 2W 3425 4822 050 22201 RESISTOR 220R 5% 0,6W 3426 2120 101 90447 RESISTOR CRB 47R 5% 0,25W 3428 2120 101 90448 RESISTOR CRB 68R 5% 0,25W 3430 2322 702 60102 RESISTOR SMD 1K 5% 0,062W 3432 2322 702 60471 RESISTOR SMD 470R 5% 0,062W 3441 2322 702 60103 RESISTOR SMD 10K 5% 0,062W 3442 4806 116 57215 RESISTOR MFILM 150K 5% 0,3W 3443 , 4806 113 97064 RESISTOR FUSE 3,3O 5% 0,33W 3444 , 4806 113 97064 RESISTOR FUSE 3,3O 5% 0,33W 3445 , 4806 113 97046 RESISTOR FUSE 1R 5% 0,33W 3446 , 4806 113 97046 RESISTOR FUSE 1R 5% 0,33W 3447 2322 702 60104 RESISTOR SMD 100K 5% 0,062W 3448 , 4806 113 97046 RESISTOR FUSE 1R 5% 0,33W 3449 2120 101 90483 RESISTOR CRB 27K 5% 0,25W 3450 2120 101 90483 RESISTOR CRB 27K 5% 0,25W 3451 2322 702 60822 RESISTOR SMD 8K2 5% 0,062W 3451 4806 111 97270 RESISTOR 1K8 1% 0.063W 0603 3452 2120 101 90497 RESISTOR CRB 1M 5% 0,25W 3453 2322 702 60104 RESISTOR SMD 100K 5% 0,062W 3454 2322 702 60103 RESISTOR SMD 10K 5% 0,062W 3455 4822 117 11449 RESISTOR SMD 2K2 5% 0,062W 3456 2322 702 60473 RESISTOR SMD 47K 5% 0,062W 3459 4806 116 57215 RESISTOR MFILM 150K 5% 0,3W 3460 2322 702 60473 RESISTOR SMD 47K 5% 0,062W 3461 4822 117 11449 RESISTOR SMD 2K2 5% 0,062W 3462 2322 702 60105 RESISTOR SMD 1M 5% 0,062W 3463 4822 117 11449 RESISTOR SMD 2K2 5% 0,062W 3464 2120 101 90468 RESISTOR CRB 2K2 5% 0,25W 3465 2322 702 60102 RESISTOR SMD 1K 5% 0,062W 3466 2322 702 60102 RESISTOR SMD 1K 5% 0,062W 3468 2120 101 90457 RESISTOR CRB 330R 5% 0,25W 3470 , 4806 113 97046 RESISTOR FUSE 1R 5% 0,33W 3471 2120 101 90455 RESISTOR CRB 220R 5% 0,25W 3472 2120 101 90455 RESISTOR CRB 220R 5% 0,25W 3473 2312 915 13308 RESISTOR MFLM 3R3 1% 0,6W 3474 2312 915 13908 RESISTOR MFLM 3R9 1% 0,6W 3475 2120 101 90477 RESISTOR CRB 10K 5% 0,25W 3476 2120 101 90476 RESISTOR CRB 8K2 5% 0,25W 3478 2120 101 90439 RESISTOR CRB 1R 5% 0,25W 3479 , 4822 052 10189 RESISTOR 18R 5% 0,33W 3480 2322 702 60393 RESISTOR SMD 39K 5% 0,062W 3481 4806 111 97173 RESISTOR 18K 5% 0,062W 3482 2120 101 90471 RESISTOR CRB 3K3 5% 0,25W 3483 2120 101 90497 RESISTOR CRB 1M 5% 0,25W 3485 2322 702 60102 RESISTOR SMD 1K 5% 0,062W 3486 2322 702 60102 RESISTOR SMD 1K 5% 0,062W 3487 2322 702 60333 RESISTOR SMD 33K 5% 0,062W 3488 2120 101 90466 RESISTOR CRB 1K5 5% 0,25W 3489 2322 702 60103 RESISTOR SMD 10K 5% 0,062W 3490 2120 101 90471 RESISTOR CRB 3K3 5% 0,25W 3491 2120 101 90486 RESISTOR CRB 47K 5% 0,25W 3492 4806 111 97173 RESISTOR 18K 5% 0,062W 3493 , 4822 052 10189 RESISTOR 18R 5% 0,33W 3495 2120 101 90446 RESISTOR CRB 33R 5% 0,25W 3497 2120 101 90458 RESISTOR CRB 390R 5% 0,25W 3498 2120 101 90477 RESISTOR CRB 10K 5% 0,25W 3499 2322 702 60273 RESISTOR SMD 27K 5% 0,062W 3500 , 4806 116 67007 RESISTOR MGL 3,3M 5% 0,5W 3501 , 4806 116 67007 RESISTOR MGL 3,3M 5% 0,5W 3502 , 2122 612 00055 RESISTOR NTC 4,7R 20% 3W1 3504 , 4806 116 47028 RESISTOR PTC 9R 200V 100R 3506 4822 053 20334 RESISTOR MGL 330K 5% 0,25W 3509 2322 245 11221 RESISTOR MGL 220R 20% 0,5W 3510 4806 209 87877 CENTELHADOR DSP-301N-A21F 3519 2120 101 90471 RESISTOR CRB 3K3 5% 0,25W 3520 4822 117 11817 RESISTOR 1K2 1% 1/16W 3522 2322 702 60334 RESISTOR SMD 330K 5% 0,062W 3523 , 2306 204 02479 RESISTOR FUS 47R 5% 0,33W 3524 4822 051 30008 RESISTOR SMD JUMP MAX 0R05 3525 2322 702 60102 RESISTOR SMD 1K 5% 0,062W 3526 2120 105 93479 RESISTOR MOX 0R15 5% 3527 , 4806 116 57504 RESISTOR FUSE 2K2 5% 0,33W 3528 2322 702 60103 RESISTOR SMD 10K 5% 0,062W 3541 2322 702 60471 RESISTOR SMD 470R 5% 0,062W 3542 2120 101 90466 RESISTOR CRB 1K5 5% 0,25W 3543 2312 915 18203 RESISTOR MFLM 82K 1% 0,6W 3544 2312 915 16802 RESISTOR MFLM 6K8 1% 0,6W LISTA DE MATERIAL 20PT3331/78R
  • 63.
    63L03.1L AA ITEM ,CÓDIGO DESCRIÇÃO ITEM , CÓDIGO DESCRIÇÃO 3545 4822 117 11449 RESISTOR SMD 2K2 5% 0,062W 3546 2120 101 90475 RESISTOR CRB 6K8 5% 0,25W 3547 2322 702 60334 RESISTOR SMD 330K 5% 0,062W 3548 4822 051 30153 RESISTOR SMD 15K 5% 0,062W 3549 2120 101 90455 RESISTOR CRB 220R 5% 0,25W 3581 , 4822 051 30569 RESISTOR SMD 56R 5% 0,062W 3601 4822 117 11449 RESISTOR SMD 2K2 5% 0,062W 3602 4822 117 11449 RESISTOR SMD 2K2 5% 0,062W 3603 2120 101 90468 RESISTOR CRB 2K2 5% 0,25W 3604 2120 101 90451 RESISTOR CRB 100R 5% 1/6W 3605 2120 101 90451 RESISTOR CRB 100R 5% 1/6W 3606 2120 101 90477 RESISTOR CRB 10K 5% 0,25W 3607 2322 702 60101 RESISTOR SMD 100R 5% 0,062W 3608 2322 702 60154 RESISTOR SMD 150K 5% 0,062W 3617 4822 051 30008 RESISTOR SMD JUMP MAX 0R05 3618 2120 101 90464 RESISTOR CRB 1K 5% 0,25W 3619 4822 050 21001 RESISTOR FUSE 100R 1% 0,6W 3620 4822 050 21001 RESISTOR FUSE 100R 1% 0,6W 3621 4822 050 21001 RESISTOR FUSE 100R 1% 0,6W 3624 4822 050 21003 RESISTOR CRB 10k 5% 0,25W 3634 2120 101 90464 RESISTOR CRB 1K 5% 0,25W 3641 2120 101 90451 RESISTOR CRB 100R 5% 1/6W 3642 2322 702 60101 RESISTOR SMD 100R 5% 0,062W 3643 2322 702 60101 RESISTOR SMD 100R 5% 0,062W 3644 2322 702 60472 RESISTOR SMD 4,7K 5% 0,062W 3646 2322 702 60105 RESISTOR SMD 1M 5% 0,062W 3681 5322 117 13057 RESISTOR SMD 820R 1% 0,062W 3682 5322 117 13063 RESISTOR SMD 120R 1% 0,062W 3685 2322 704 62001 RESISTOR SMD 200R 1% 0,062W 3686 2322 704 64301 RESISTOR SMD 430R 1% 0,062W 3687 5322 117 13037 RESISTOR SMD 2K2 1% 0,062W 3688 2322 704 62001 RESISTOR SMD 200R 1% 0,062W 3691 4806 111 97022 RESISTOR SMD 330R 5% 0,1W 3692 2322 702 60102 RESISTOR SMD 1K 5% 0,062W 3693 2120 101 90455 RESISTOR CRB 220R 5% 0,25W 3694 2322 702 60472 RESISTOR SMD 4,7K 5% 0,062W 3901 2120 101 90464 RESISTOR CRB 1K 5% 0,25W 3902 2120 101 90471 RESISTOR CRB 3K3 5% 0,25W 3903 2120 101 90473 RESISTOR CRB 4K7 5% 0,25W 3904 2322 702 60272 RESISTOR SMD 2K7 5% 0,062W 3907 2322 702 60822 RESISTOR SMD 8K2 5% 0,062W 3911 2322 702 60104 RESISTOR SMD 100K 5% 0,062W 4101 4822 051 30008 RESISTOR SMD JUMP MAX 0R05 4104 4822 051 30008 RESISTOR SMD JUMP MAX 0R05 4122 4822 051 30008 RESISTOR SMD JUMP MAX 0R05 4123 4822 051 30008 RESISTOR SMD JUMP MAX 0R05 4126 4822 051 30008 RESISTOR SMD JUMP MAX 0R05 4129 4822 051 30008 RESISTOR SMD JUMP MAX 0R05 4151 4822 051 30008 RESISTOR SMD JUMP MAX 0R05 4161 4822 051 30008 RESISTOR SMD JUMP MAX 0R05 4405 4822 051 30008 RESISTOR SMD JUMP MAX 0R05 4491 4822 051 30008 RESISTOR SMD JUMP MAX 0R05 4571 4822 051 30008 RESISTOR SMD JUMP MAX 0R05 4610 4822 051 30008 RESISTOR SMD JUMP MAX 0R05 4661 4806 051 27042 RESISTOR SMD 0R - JUMP 4692 4822 051 30008 RESISTOR SMD JUMP MAX 0R05 4694 4822 051 30008 RESISTOR SMD JUMP MAX 0R05 4694 2322 702 60393 RESISTOR SMD 39K 5% 0,062W 4698 4822 051 30008 RESISTOR SMD JUMP MAX 0R05 4844 4822 051 30008 RESISTOR SMD JUMP MAX 0R05 4845 4822 051 30008 RESISTOR SMD JUMP MAX 0R05 4922 4822 051 30008 RESISTOR SMD JUMP MAX 0R05 5001 4806 157 57248 BOBINA 0,82µH 10% 5201 4822 157 11835 BOBINA 4,7µH 5% 5401 4806 157 57005 BOBINA 33µH 10% 5421 , 2422 531 02589 TRAFO DRIVER PSD10-204B 5441 , 2422 531 02598 TSH - LOT - FLY BACK JF0501-19255 5482 4806 157 57249 BOBINA 10µH 5% 5500 , 4806 157 17025 FILTRO DE REDE 5509 4806 526 17039 BOBINA BEAD 50MHZ 45R 5515 , 2422 549 43306 BOBINA BEAD 100MHZ 86R 5520 , 4806 146 47019 TRAFO POT. SMT S359B4-09 B 5521 4806 526 17039 BOBINA BEAD 50MHZ 45R 5560 4806 526 17039 BOBINA BEAD 50MHZ 45R 5562 4806 526 17034 BOBINA BEAD 50MHZ 90R 5563 4806 157 57241 BOBINA 27µH 10% 5601 4806 158 67055 BOBINA 5µ6H 5% 5602 4806 158 67055 BOBINA 5µ6H 5% 5603 4806 158 67055 BOBINA 5µ6H 5% 5645 4822 157 11228 BOBINA 100µH 5% 5909 4806 526 17039 BOBINA BEAD 50MHZ 45R 6001 4822 130 34142 DIODO ZENER BZX79-C33 6127 9322 157 71685 DIODO ZENER SMD MM3Z6V8 6422 9335 214 80133 DIODO BYV97G 6423 9338 386 60673 DIODO 1N4006 6426 9340 549 45115 DIODO BAS316 6444 4806 130 37629 DIODO EGP20DL-5100 6445 9340 549 45115 DIODO BAS316 6446 4822 130 31607 DIODO RGP10D 6447 4822 130 31607 DIODO RGP10D 6451 9340 549 45115 DIODO BAS316 6452 9340 549 45115 DIODO BAS316 6453 4822 130 34142 DIODO ZENER BZX79-C33 6460 9340 549 45115 DIODO BAS316 6461 4822 130 31607 DIODO RGP10D 6462 4822 130 31607 DIODO RGP10D 6463 4822 130 31607 DIODO RGP10D 6464 9340 549 45115 DIODO BAS316 6481 9340 549 45115 DIODO BAS316 6491 5322 130 34331 DIODO SMD BAV70 6492 9322 157 70685 DIODO ZENER SMD MM3Z5V6 6500 4806 130 37036 DIODO 1N5062 6501 4806 130 37036 DIODO 1N5062 6502 4806 130 37036 DIODO 1N5062 6503 4806 130 37036 DIODO 1N5062 6520 4806 130 37375 DIODO BYD33D 6522 4806 130 37375 DIODO BYD33D 6540 9331 668 30133 DIODO ZENER BZX79-B6V2 6541 4806 130 37055 DIODO ZENER BZX79-B9V1 6560 9322 161 76682 DIODO SB340L-7024 6561 9322 127 32682 DIODO BYW76-RAS15/10 6562 9322 127 32682 DIODO BYW76-RAS15/10 6624 9340 549 45115 DIODO BAS316 6625 4822 130 34382 DIODO ZENER BZX79-C8V2 6626 9340 549 45115 DIODO BAS316 6627 9340 549 45115 DIODO BAS316 6628 9340 549 45115 DIODO BAS316 6681 9340 549 45115 DIODO BAS316 6691 , 9322 185 69682 DIODO LED VS LTL-10234WHCR 6692 9322 127 54667 MÓDULO RECEP IR TSOP1836 6908 9322 102 64685 DIODO ZENER SM UDZ2.7B 6909 4806 130 37078 DIODO 1N4148 7101 4806 130 47473 TRANSISTOR BC847B 7200 3106 107 40151 CIRC INTGR OTP GRAV L3SLM1 1.2 7201 4806 130 47473 TRANSISTOR BC847B 7202 4806 130 47473 TRANSISTOR BC847B 7421 9322 183 16687 TRANSISTOR BUL312FP 7423 5322 130 60845 TRANSISTOR BC807-25 7451 4806 130 47483 TRANSISTOR BC857C 7461 4806 130 47483 TRANSISTOR BC857C 7462 4806 130 47483 TRANSISTOR BC857C 7463 4806 130 47169 TRANSISTOR BC546B 7464 4806 130 47530 TRANSISTOR BD135 L 7465 4806 130 47055 TRANSISTOR BD136 LISTA DE MATERIAL 20PT3331/78R
  • 64.
    64 L03.1L AA ITEM, CÓDIGO DESCRIÇÃO ITEM , CÓDIGO DESCRIÇÃO 7466 4806 130 47473 TRANSISTOR BC847B 7491 4806 130 47473 TRANSISTOR BC847B 7492 4822 130 41109 TRANSISTOR BD135-16 7493 4806 209 87902 CIRC INTGR L78L33ACZ 7494 4806 130 47228 TRANSISTOR BC337-25 7496 4806 130 47530 TRANSISTOR BD135 L 7515 , 4806 209 87853 CIRC INTGR TCET1103(G) 7520 9352 720 43118 CIRC INTGR TEA1506T/N1 7521 , 9322 194 22687 TRANSITOR FET STP7NK80ZFP 7523 4806 130 47483 TRANSISTOR BC857C 7540 9331 976 30126 TRANSISTOR BC547B 7541 4806 116 27022 TRANSISTOR SMD PDTC114ET 7601 9340 310 60215 TRANSISTOR PDTA114ET 7641 4806 209 87874 CIRC INTGR M24C16-WBN6 7902 9322 181 42682 CIRC INTGR AN7523N PAINEL CINESCÓPIO [B] 1300 4806 402 67239 CONECTOR 8P 1302 , 2422 500 80076 SOQUETE CINESCÓPIO 9 PINOS 2300 2238 867 15391 CAPACITOR CER SMD 390pF 5% 50V 2301 2238 867 15391 CAPACITOR CER SMD 390pF 5% 50V 2302 2238 867 15391 CAPACITOR CER SMD 390pF 5% 50V 2303 4822 126 14053 CAPACITOR CER 1nF 10% 2kV 2304 4806 120 47371 CAPACITOR FILM 47nF 10% 250V 3300 4806 116 57672 RESISTOR POT 15K 5% 3W 3301 2322 245 11152 RESISTOR MGL 1K5 20% 0,5W 3303 2322 702 60331 RESISTOR SMD 330R 5% 0,062W 3304 4806 116 57672 RESISTOR POT 15K 5% 3W 3305 2322 245 11152 RESISTOR MGL 1K5 20% 0,5W 3307 2322 702 60331 RESISTOR SMD 330R 5% 0,062W 3308 4806 116 57672 RESISTOR POT 15K 5% 3W 3309 2322 245 11152 RESISTOR MGL 1K5 20% 0,5W 3311 2322 702 60391 RESISTOR SMD 390R 5% 0,062W 3313 , 2306 204 03689 RESISTOR FUSE 68R 5% 0,33W 3318 , 4806 113 97068 RESISTOR FUSE 220R 5% 0,33W 3319 2322 245 11152 RESISTOR MGL 1K5 20% 0,5W 4300 4822 051 30008 RESISTOR SMD JUMP MAX 0R05 4301 4822 051 30008 RESISTOR SMD JUMP MAX 0R05 4302 4822 051 30008 RESISTOR SMD JUMP MAX 0R05 4303 4822 051 30008 RESISTOR SMD JUMP MAX 0R05 4306 4822 051 30008 RESISTOR SMD JUMP MAX 0R05 6301 9340 549 45115 DIODO BAS316 6307 9340 549 45115 DIODO BAS316 6318 9340 548 57115 DIODO ZENER SMD PDZ8.2B 7308 4806 130 47090 TRANSISTOR BF422 7310 4806 130 47090 TRANSISTOR BF422 7312 4806 130 47090 TRANSISTOR BF422 7313 4806 130 47090 TRANSISTOR BF422 7314 4806 130 47091 TRANSISTOR BF423 7315 4806 130 47090 TRANSISTOR BF422 7316 4806 130 47091 TRANSISTOR BF423 7317 4806 130 47090 TRANSISTOR BF422 7318 4806 130 47091 TRANSISTOR BF423 LISTA DE MATERIAL 20PT3331/78R
  • 65.
    65L03.1L AA ITEM ,CÓDIGO DESCRIÇÃO ITEM , CÓDIGO DESCRIÇÃO ACESSÓRIOS 96 4806 303 37054 ANTENA TELESCÓPICA 1096 4806 263 27013 CONVERSOR 75-300/75R 1986 3139 238 03799 CONTROLE REMOTO RC19335010/00 PARTES PLÁSTICAS GABINETE 9 , 3106 107 77141 GABINETE FRONTAL 14PT4131 10 , 3139 177 63771 BOTAO DE REDE 11 , 3139 177 63761 BOTAO DE CONTROLE 17 3139 120 01452 LOGOTIPO 190 , 3139 124 46951 TAMPA TRASEIRA 14” DIVERSOS 18 , 4806 402 67293 ESPAÇADOR P/ CABOS TRC 38 4806 404 37413 BRAÇADEIRA 2,6 x 200 TRC 40 , 4806 402 67283 TAMPA CONEXÕES CINCH 3P ABS 61 , 3106 107 66661 CABO DE REDE 1,8M 130 3139 123 21491 PLACA ISOLACAO 18x25 136 4806 492 17004 MOLA FIXAÇÃO 139 4806 492 67435 MOLA FIXAÇÃO TR 141 4806 492 17004 MOLA FIXAÇÃO 142 4806 492 37316 MOLA MALHA DE ATERRAMENTO 155 , 3139 131 01331 CABO HR 5P480+560 211 , 4822 265 20723 CONECTOR 2P M 7.92 VH B 217 2412 020 00725 CONECTOR 3P M 2.50 218 , 4806 267 97004 CONECTOR CINCH H 3P F YEWHRD 221 , 4806 402 67104 CONECTOR V 4P2 M 11.88 VH B 222 , 4806 402 67098 CONECTOR V 2P M 3.96 VH 231 , 2422 128 03064 CHAVE POT 2P 4/128A 250V 232 , 4806 267 37121 CONECTOR PHONO 1P F 3.5 270 4822 502 14508 PARAFUSO TRC PHILIPS M5X27 271 4806 502 17142 PARAFUSO TORX 10 M3X12 274 4806 502 17142 PARAFUSO TORX 10 M3X12 279 3139 120 41331 PARAFUSO TORX 10 M4X12 1121 2412 020 00725 CONECTOR 3P M 2.50 1124 2422 025 12482 CONECTOR V 6P 1184 2412 020 00725 CONECTOR 3P M 2.50 1185 2422 025 12482 CONECTOR V 6P 1500 , 2422 090 01101 SOQUETE FUSE 1P 1501 , 2422 090 01101 SOQUETE FUSE 1P 1622 4806 402 67239 CONECTOR 8P 1990 , 4806 131 27681 CINESCÓPIO A34EAK01X113 5203 , 3106 107 30371 BOBINA DESMAG 14” 5994 2422 264 00417 ALTO-FALANTE 16R 3W O50X90 PARTES ELÉTRICAS - MONOPAINEL [A] 1000 , 2422 542 90141 SINTONIZADOR TV V+U PLL F 1001 4806 154 77000 FILTRO SAW 45,75MHZ OFWM1971M 1201 4806 242 77156 FILTRO CERÂMICO 4,5MHz 1504 , 2422 086 10914 FUSÍVEL 4A 250V 5X20 1600 4806 277 27122 CHAVE TÁCTIL 1601 4806 277 27122 CHAVE TÁCTIL 1602 4806 277 27122 CHAVE TÁCTIL 1603 4806 277 27122 CHAVE TÁCTIL 1621 4806 242 77174 CRISTAL 12MHz 20P 2001 4822 126 14585 CAPACITOR CER 100 nF 10% 50V 2002 2022 020 00672 CAPACITOR ELCO 100µF 20% 16V 2003 2238 867 15229 CAPACITOR CER SMD 22pF 50V 2004 2238 867 15229 CAPACITOR CER SMD 22pF 50V 2005 2020 552 94012 CAPACITOR CER SMD 47nF 20% 50V 2006 4806 124 47049 CAPACITOR ELCO 470µF 20% 10V 2007 2022 020 00626 CAPACITOR ELCO 10µF 20% 50V 2123 2020 552 95731 CAPACITOR SER SMD 1µF 20% 10V 2125 2020 552 95731 CAPACITOR SER SMD 1µF 20% 10V 2132 2020 552 95731 CAPACITOR SER SMD 1µF 20% 10V 2134 2020 552 95731 CAPACITOR SER SMD 1µF 20% 10V 2181 2238 867 15229 CAPACITOR CER SMD 22pF 50V 2182 2238 586 15616 CAPACITOR CER SMD 330pF 50V 2183 2238 586 15616 CAPACITOR CER SMD 330pF 50V 2201 2238 586 15632 CAPACITOR SMD 4,7nF 10% 50V 2202 2022 552 00549 CAPACITOR SMD 330pF 5% 50V 2203 2238 246 19858 CAPACITOR CER SMD 470nF 10V 2205 2022 020 00661 CAPACITOR ELCO 10µF 20% 50V 2206 2238 867 15339 CAPACITOR CER SMD 33pF 5% 50V 2207 4822 126 14585 CAPACITOR CER 100 nF 10% 50V 2208 4822 126 14585 CAPACITOR CER 100 nF 10% 50V 2209 4822 126 14585 CAPACITOR CER 100 nF 10% 50V 2210 4822 126 13879 CAPACITOR CER SMD 220nF 20% 16V 2211 2238 916 11549 CAPACITOR CER SMD 1nF 5% 25V 2212 4822 126 13879 CAPACITOR CER SMD 220nF 20% 16V 2231 2022 552 05517 CAPACITOR CER SMD 22nF 10% 25V 2232 2022 552 05517 CAPACITOR CER SMD 22nF 10% 25V 2233 2022 552 05517 CAPACITOR CER SMD 22nF 10% 25V 2405 2022 031 00103 CAPACITOR ELCO 47µF 20% 160V 2408 2222 479 90025 CAPACITOR 560nF 5% 250V 2420 4822 126 14585 CAPACITOR CER 100 nF 10% 50V 2421 4822 126 14585 CAPACITOR CER 100 nF 10% 50V 2423 , 4806 120 47011 CAPACITOR MPP 13nF 1K6V 2424 , 4822 126 14053 CAPACITOR CER 1nF 10% 2kV 2426 2238 916 11549 CAPACITOR CER SMD 1nF 5% 25V 2427 2238 916 19849 CAPACITOR CER SMD 100nF 20% 25V 2428 2022 020 00606 CAPACITOR ELCO 47µF 20% 16V 2429 2238 786 19854 CAPACITOR CER SMD 220nF 20% 16V 2441 2022 318 00127 CAPACITOR MPOL 22nF 10% 63V 2444 2022 020 00623 CAPACITOR ELCO 470µF 20% 16V 2446 2022 020 00623 CAPACITOR ELCO 470µF 20% 16V 2447 4822 124 11565 CAPACITOR ELCO 10µF 20% 250V 2452 2238 586 15636 CAPACITOR SMD 10nF 10% 50V 2455 4822 124 11947 CAPACITOR ELCO 10µF 16V 2460 4806 120 47207 CAPACITOR 68nF 100V 2461 2238 916 11549 CAPACITOR CER SMD 1nF 5% 25V 2462 2238 916 11549 CAPACITOR CER SMD 1nF 5% 25V 2463 2038 035 11507 CAPACITOR ELCO 47µF 20% 50V 2464 2238 867 15471 CAPACITOR CER SMD 470P 5% 50V 2465 , 2022 031 00127 CAPACITOR ELCO 10µF 20% 160V 2470 2022 318 00126 CAPACITOR MPOL 15nF 10% 63V 2473 2238 867 15471 CAPACITOR CER SMD 470P 5% 50V 2481 2238 867 15101 CAPACITOR CER SMD 100pF 5% 50V 2482 2238 246 19863 CAPACITOR CER SMD 1µF 10V 2483 4806 120 27019 CAPACITOR CER SMD 4,7µF 20% 10V 2484 4822 126 14585 CAPACITOR CER 100 nF 10% 50V 2485 2238 246 19863 CAPACITOR CER SMD 1µF 10V 2486 2238 586 15632 CAPACITOR SMD 4,7nF 10% 50V 2487 2238 586 15627 CAPACITOR CER SMD 2,2nF 10% 50V 2488 4806 124 47069 CAPACITOR MPOL 100nF 10% 63V 2489 2238 586 15623 CAPACITOR CER SMD 1nF10% 50V 2491 4806 124 47049 CAPACITOR ELCO 470µF 20% 10V 2492 3198 029 32290 CAPACITOR ELCO 22µF 20% 25V 2493 4806 124 47049 CAPACITOR ELCO 470µF 20% 10V 2494 2022 020 00667 CAPACITOR ELCO 47µF 20% 16V 2496 2238 586 15623 CAPACITOR CER SMD 1nF10% 50V 2497 2238 586 15623 CAPACITOR CER SMD 1nF10% 50V 2500 , 2222 338 22474 CAPACITOR MKP 470nF 20% 275V 2501 , 4806 122 37266 CAPACITOR CER 2,2nF 10% 1kV 2502 , 4806 122 37266 CAPACITOR CER 2,2nF 10% 1kV 2503 , 2022 020 00743 CAPACITOR ELCO 100µF 20% 400V 2505 , 4806 122 37266 CAPACITOR CER 2,2nF 10% 1kV 2515 , 2020 554 90199 CAPACITOR CER 1N5 20% 250V 2520 2238 786 15645 CAPACITOR SMD 47nF 10% 16V 2521 4822 124 81151 CAPACITOR ELCO 22µF 50V 2522 2238 586 15623 CAPACITOR CER SMD 1nF10% 50V 2523 , 4806 122 57008 CAPACITOR CER 1N8 2KV 2525 2238 586 15621 CAPACITOR SMD 680pF10% 50V 2527 2238 867 15569 CAPACITOR CER 56pF 5% 50V LISTA DE MATERIAL 14PT4131/78R
  • 66.
    66 L03.1L AA ITEM, CÓDIGO DESCRIÇÃO ITEM , CÓDIGO DESCRIÇÃO 2528 4822 124 81151 CAPACITOR ELCO 22µF 50V 2540 2238 586 15638 CAPACITOR SMD 15nF 10% 50V 2541 2238 586 15632 CAPACITOR SMD 4,7nF 10% 50V 2542 2238 246 19858 CAPACITOR CER SMD 470nF 10V 2543 2238 586 15623 CAPACITOR CER SMD 1nF10% 50V 2560 4806 122 37213 CAPACITOR CER 2,2nF 50V 2561 2022 020 00677 CAPACITOR ELCO 2200µF 20% 16V 2562 4806 122 37228 CAPACITOR CER 2,2nF 1kV 2564 , 4806 124 27572 CAPACITOR ELCO 47µF 160V 2584 , 2020 558 90553 CAPACITOR CER 220pF 10% 1KV 2585 , 2238 586 15623 CAPACITOR CER SMD 1nF10% 50V 2602 2020 552 96664 CAPACITOR SMD 33pF 2% 50V 2603 2020 552 96664 CAPACITOR SMD 33pF 2% 50V 2604 4822 124 11947 CAPACITOR ELCO 10µF 16V 2605 4822 126 14585 CAPACITOR CER 100 nF 10% 50V 2607 4822 126 14585 CAPACITOR CER 100 nF 10% 50V 2608 2238 246 19863 CAPACITOR CER SMD 1µF 10V 2609 4822 126 14585 CAPACITOR CER 100 nF 10% 50V 2612 2022 020 00619 CAPACITOR ELCO 220µF 20% 16V 2615 2020 552 94371 CAPACITOR CER SMD 820pF10% 50V 2616 4822 124 11947 CAPACITOR ELCO 10µF 16V 2641 2238 916 11549 CAPACITOR CER SMD 1nF 5% 25V 2642 2238 916 11549 CAPACITOR CER SMD 1nF 5% 25V 2643 2238 867 15221 CAPACITOR CER SMD 220pF 5% 50V 2691 2022 020 00615 CAPACITOR ELCO 100µF 20% 10V 2821 2022 020 00615 CAPACITOR ELCO 100µF 20% 10V 2822 2238 786 15643 CAPACITOR CER SMD 33nF 10% 16V 2823 2038 035 11704 CAPACITOR ELCO 10µF 20% 100V 2824 2038 035 11704 CAPACITOR ELCO 10µF 20% 100V 2825 2238 786 55644 CAPACITOR CER SMD 39nF 10% 16V 2826 2238 586 15638 CAPACITOR SMD 15nF 10% 50V 2827 2238 786 15643 CAPACITOR CER SMD 33nF 10% 16V 2828 2238 586 15636 CAPACITOR SMD 10nF 10% 50V 2829 4822 126 14585 CAPACITOR CER 100 nF 10% 50V 2830 2038 035 11704 CAPACITOR ELCO 10µF 20% 100V 2831 2038 035 11704 CAPACITOR ELCO 10µF 20% 100V 2832 2038 035 11704 CAPACITOR ELCO 10µF 20% 100V 2833 2038 035 11704 CAPACITOR ELCO 10µF 20% 100V 2835 2238 586 15636 CAPACITOR SMD 10nF 10% 50V 2836 4822 126 14585 CAPACITOR CER 100 nF 10% 50V 2837 2238 246 19858 CAPACITOR CER SMD 470nF 10V 2838 2038 035 11704 CAPACITOR ELCO 10µF 20% 100V 2841 4806 120 27019 CAPACITOR CER SMD 4,7µF 20% 10V 2844 2022 020 00655 CAPACITOR ELCO 2,2µF 20% 50V 2845 2022 020 00657 CAPACITOR ELCO 4,7µF 20% 50V 2846 2038 035 11704 CAPACITOR ELCO 10µF 20% 100V 2847 2022 020 00608 CAPACITOR ELCO 100µF 20% 16V 2848 2238 786 19856 CAPACITOR CER SMD 330nF 16V 2849 2022 552 05517 CAPACITOR CER SMD 22nF 10% 25V 2850 2020 009 90103 CAPACITOR ELCO 3,3µF 20% 50V 2851 4822 126 14585 CAPACITOR CER 100 nF 10% 50V 2852 4822 126 14585 CAPACITOR CER 100 nF 10% 50V 2855 2238 246 19863 CAPACITOR CER SMD 1µF 10V 2856 2238 246 19863 CAPACITOR CER SMD 1µF 10V 2857 2238 786 15645 CAPACITOR SMD 47nF 10% 16V 2858 2238 246 19863 CAPACITOR CER SMD 1µF 10V 2859 2238 246 59863 CAPACITOR CER SMD 1µF 20% 10V 2860 4822 126 14585 CAPACITOR CER 100 nF 10% 50V 2861 2238 867 15221 CAPACITOR CER SMD 220pF 5% 50V 2862 2238 867 15221 CAPACITOR CER SMD 220pF 5% 50V 2863 2238 867 15221 CAPACITOR CER SMD 220pF 5% 50V 2903 4822 124 21913 CAPACITOR ELCO 1µF 20% 50V 2904 2238 246 19858 CAPACITOR CER SMD 470nF 10V 2906 2238 246 19858 CAPACITOR CER SMD 470nF 10V 2908 4822 124 40769 CAPACITOR ELCO 4,7µF 20% 50V 2909 2022 020 00626 CAPACITOR ELCO 10µF 20% 50V 2950 2238 586 15625 CAPACITOR CER SMD 1N5 10% 50V 2951 4806 122 37401 CAPACITOR ELCO 100µF 50 V 2952 4806 122 37401 CAPACITOR ELCO 100µF 50 V 2981 2022 020 00626 CAPACITOR ELCO 10µF 20% 50V 2982 2238 586 15618 CAPACITOR CER SMD 470P 10% 50V 2983 2022 020 00626 CAPACITOR ELCO 10µF 20% 50V 2984 2238 586 15618 CAPACITOR CER SMD 470P 10% 50V 3001 2322 702 60152 RESISTOR SMD 1K5 5% 0,062W 3002 2322 702 60822 RESISTOR SMD 8K2 5% 0,062W 3003 2322 702 60101 RESISTOR SMD 100R 5% 0,062W 3004 2322 702 60101 RESISTOR SMD 100R 5% 0,062W 3005 2120 101 90451 RESISTOR CRB 100R 5% 1/6W 3181 2122 101 01372 RESISTOR CRB 75R 5% 0,25W 3182 2120 101 90451 RESISTOR CRB 100R 5% 1/6W 3183 4822 116 83868 RESISTOR 150R 5% 0,25W 3184 2322 702 60473 RESISTOR SMD 47K 5% 0,062W 3185 4822 116 83868 RESISTOR 150R 5% 0,25W 3186 2322 702 60473 RESISTOR SMD 47K 5% 0,062W 3201 4822 051 30392 RESISTOR 3K9 5% 0.063W 3202 2322 702 60101 RESISTOR SMD 100R 5% 0,062W 3203 2322 702 60102 RESISTOR SMD 1K 5% 0,062W 3204 4822 117 13501 RESISTOR SMD 82R 5% 0,062W 3205 4806 111 97179 RESISTOR SMD 270R 5% 0,062W 3206 2322 702 60102 RESISTOR SMD 1K 5% 0,062W 3207 2322 702 60391 RESISTOR SMD 390R 5% 0,062W 3208 2120 101 90461 RESISTOR CRB 560R 5% 0,5W 3209 2322 702 60471 RESISTOR SMD 470R 5% 0,062W 3210 2120 101 90451 RESISTOR CRB 100R 5% 1/6W 3231 2322 702 60561 RESISTOR SMD 560R 5% 0,062W 3232 2120 101 90464 RESISTOR CRB 1K 5% 0,25W 3403 , 4822 052 10471 RESISTOR FUSE 470R 5% 0,33W 3422 4822 053 20334 RESISTOR MGL 330K 5% 0,25W 3424 4806 116 97041 RESISTOR POT 47R 5% 2W 3425 4822 050 22201 RESISTOR 220R 5% 0,6W 3426 2120 101 90447 RESISTOR CRB 47R 5% 0,25W 3428 2120 101 90448 RESISTOR CRB 68R 5% 0,25W 3430 2322 702 60102 RESISTOR SMD 1K 5% 0,062W 3432 2322 702 60471 RESISTOR SMD 470R 5% 0,062W 3441 2322 702 60473 RESISTOR SMD 47K 5% 0,062W 3442 4806 116 57215 RESISTOR MFILM 150K 5% 0,3W 3443 , 4822 052 11399 RESISTOR MFILM 3R9 3444 , 4806 113 97039 RESISTOR MFIL 4,7R 5% 0,5W 3445 , 4806 113 97046 RESISTOR FUSE 1R 5% 0,33W 3446 , 4806 113 97046 RESISTOR FUSE 1R 5% 0,33W 3447 2322 702 60224 RESISTOR SMD 220K 5% 0,062W 3448 , 4806 113 97046 RESISTOR FUSE 1R 5% 0,33W 3449 2120 101 90483 RESISTOR CRB 27K 5% 0,25W 3450 2120 101 90483 RESISTOR CRB 27K 5% 0,25W 3451 4806 111 97196 RESISTOR SMD 680R00 5% 0,062W 3452 2120 101 90497 RESISTOR CRB 1M 5% 0,25W 3453 2322 702 60104 RESISTOR SMD 100K 5% 0,062W 3454 2322 702 60103 RESISTOR SMD 10K 5% 0,062W 3455 2322 702 60471 RESISTOR SMD 470R 5% 0,062W 3459 4806 116 57215 RESISTOR MFILM 150K 5% 0,3W 3460 2322 702 60104 RESISTOR SMD 100K 5% 0,062W 3461 4822 117 11449 RESISTOR SMD 2K2 5% 0,062W 3462 2322 702 60105 RESISTOR SMD 1M 5% 0,062W 3463 4822 117 11449 RESISTOR SMD 2K2 5% 0,062W 3464 2120 101 90468 RESISTOR CRB 2K2 5% 0,25W 3465 2322 702 60102 RESISTOR SMD 1K 5% 0,062W 3466 2322 702 60102 RESISTOR SMD 1K 5% 0,062W 3468 2120 101 90457 RESISTOR CRB 330R 5% 0,25W 3470 , 4806 113 97046 RESISTOR FUSE 1R 5% 0,33W 3471 2120 101 90455 RESISTOR CRB 220R 5% 0,25W 3472 2120 101 90455 RESISTOR CRB 220R 5% 0,25W 3473 4822 050 24708 RESISTOR CRB 4,7R 5% 0,25W 3474 4822 050 24708 RESISTOR CRB 4,7R 5% 0,25W 3475 2120 101 90477 RESISTOR CRB 10K 5% 0,25W LISTA DE MATERIAL 14PT4131/78R
  • 67.
    67L03.1L AA ITEM ,CÓDIGO DESCRIÇÃO ITEM , CÓDIGO DESCRIÇÃO 3476 2120 101 90476 RESISTOR CRB 8K2 5% 0,25W 3478 2120 101 90439 RESISTOR CRB 1R 5% 0,25W 3479 , 4822 052 10189 RESISTOR FUSE 18R 5% 0,33W 3480 2322 702 60393 RESISTOR SMD 39K 5% 0,062W 3481 4806 111 97173 RESISTOR 18K 5% 0,062W 3482 2120 101 90471 RESISTOR CRB 3K3 5% 0,25W 3483 2120 101 90497 RESISTOR CRB 1M 5% 0,25W 3485 2322 702 60102 RESISTOR SMD 1K 5% 0,062W 3486 2322 702 60102 RESISTOR SMD 1K 5% 0,062W 3487 2322 702 60333 RESISTOR SMD 33K 5% 0,062W 3488 2120 101 90466 RESISTOR CRB 1K5 5% 0,25W 3489 2322 702 60103 RESISTOR SMD 10K 5% 0,062W 3490 2120 101 90471 RESISTOR CRB 3K3 5% 0,25W 3491 2120 101 90486 RESISTOR CRB 47K 5% 0,25W 3492 4806 111 97173 RESISTOR 18K 5% 0,062W 3493 , 4822 052 10189 RESISTOR FUSE 18R 5% 0,33W 3495 2120 101 90446 RESISTOR CRB 33R 5% 0,25W 3497 2120 101 90458 RESISTOR CRB 390R 5% 0,25W 3498 2120 101 90477 RESISTOR CRB 10K 5% 0,25W 3499 2322 702 60273 RESISTOR SMD 27K 5% 0,062W 3500 , 4806 116 67007 RESISTOR MGL 3,3M 5% 0,5W 3501 , 4806 116 67007 RESISTOR MGL 3,3M 5% 0,5W 3502 , 2122 612 00055 RESISTOR NTC 4,7R 20% 3W1 3504 , 4806 116 47028 RESISTOR PTC 9R 200V 100R 3506 4822 053 20334 RESISTOR MGL 330K 5% 0,25W 3509 2322 245 11221 RESISTOR MGL 220R 20% 0,5W 3510 4806 209 87877 CENTELHADOR DSP-301N-A21F 3519 2120 101 90471 RESISTOR CRB 3K3 5% 0,25W 3520 4822 117 11817 RESISTOR 1K2 1% 1/16W 3522 2322 702 60334 RESISTOR SMD 330K 5% 0,062W 3523 , 2306 204 03689 RESISTOR FUSE 68R 5% 0,33W 3524 4806 111 97101 RESISTOR SMD 0R00 JUMPER 3525 2322 702 60102 RESISTOR SMD 1K 5% 0,062W 3526 4806 116 57681 RESISTOR MET 0,18R 5% 1W 3527 , 4806 116 57504 RESISTOR FUSE 2K2 5% 0,33W 3528 2322 702 60103 RESISTOR SMD 10K 5% 0,062W 3541 2322 702 60471 RESISTOR SMD 470R 5% 0,062W 3542 2120 101 90466 RESISTOR CRB 1K5 5% 0,25W 3543 2312 915 18203 RESISTOR MFLM 82K 1% 0,6W 3544 2312 915 16802 RESISTOR MFLM 6K8 1% 0,6W 3545 4822 117 11449 RESISTOR SMD 2K2 5% 0,062W 3546 , 2120 101 90475 RESISTOR CRB 6K8 5% 0,25W 3547 2322 702 60334 RESISTOR SMD 330K 5% 0,062W 3548 4806 111 97108 RESISTOR SMD 15K 5% 0,062W 3549 2120 101 90455 RESISTOR CRB 220R 5% 0,25W 3581 , 4822 051 30569 RESISTOR SMD 56R 5% 0,062W 3601 4822 117 11449 RESISTOR SMD 2K2 5% 0,062W 3602 4822 117 11449 RESISTOR SMD 2K2 5% 0,062W 3603 2120 101 90468 RESISTOR CRB 2K2 5% 0,25W 3604 2120 101 90451 RESISTOR CRB 100R 5% 1/6W 3605 2120 101 90451 RESISTOR CRB 100R 5% 1/6W 3606 2120 101 90477 RESISTOR CRB 10K 5% 0,25W 3607 2322 702 60101 RESISTOR SMD 100R 5% 0,062W 3608 2322 702 60154 RESISTOR SMD 150K 5% 0,062W 3617 4806 111 97101 RESISTOR SMD 0R00 JUMPER 3618 2120 101 90464 RESISTOR CRB 1K 5% 0,25W 3619 2120 101 90451 RESISTOR CRB 100R 5% 1/6W 3620 2120 101 90451 RESISTOR CRB 100R 5% 1/6W 3621 2120 101 90451 RESISTOR CRB 100R 5% 1/6W 3624 2120 101 90477 RESISTOR CRB 10K 5% 0,25W 3634 2120 101 90464 RESISTOR CRB 1K 5% 0,25W 3641 2120 101 90451 RESISTOR CRB 100R 5% 1/6W 3642 2322 702 60101 RESISTOR SMD 100R 5% 0,062W 3643 2322 702 60101 RESISTOR SMD 100R 5% 0,062W 3644 2322 702 60472 RESISTOR SMD 4,7K 5% 0,062W 3646 2322 702 60105 RESISTOR SMD 1M 5% 0,062W 3681 5322 117 13057 RESISTOR SMD 820R 1% 0,062W 3682 5322 117 13063 RESISTOR SMD 120R 1% 0,062W 3685 2322 704 62001 RESISTOR SMD 200R 1% 0,062W 3686 2322 704 64301 RESISTOR SMD 430R 1% 0,062W 3687 5322 117 13037 RESISTOR SMD 2K2 1% 0,062W 3688 2322 704 62001 RESISTOR SMD 200R 1% 0,062W 3691 4806 111 97022 RESISTOR SMD 330R 5% 0,1W 3692 2322 702 60102 RESISTOR SMD 1K 5% 0,062W 3693 2120 101 90455 RESISTOR CRB 220R 5% 0,25W 3694 2322 702 60472 RESISTOR SMD 4,7K 5% 0,062W 3822 2322 702 60224 RESISTOR SMD 220K 5% 0,062W 3824 4806 111 97101 RESISTOR SMD 0R00 JUMPER 3827 2120 101 90451 RESISTOR CRB 100R 5% 1/6W 3828 2120 101 90451 RESISTOR CRB 100R 5% 1/6W 3841 2322 702 60184 RESISTOR SMD 180K 5% 0,1W 3842 2120 101 90451 RESISTOR CRB 100R 5% 1/6W 3843 2120 101 90451 RESISTOR CRB 100R 5% 1/6W 3901 2120 101 90464 RESISTOR CRB 1K 5% 0,25W 3902 2120 101 90471 RESISTOR CRB 3K3 5% 0,25W 3903 2120 101 90471 RESISTOR CRB 3K3 5% 0,25W 3904 2322 702 60103 RESISTOR SMD 10K 5% 0,062W 3905 2120 101 90471 RESISTOR CRB 3K3 5% 0,25W 3906 2322 702 60103 RESISTOR SMD 10K 5% 0,062W 3907 2322 702 60822 RESISTOR SMD 8K2 5% 0,062W 3911 2322 702 60104 RESISTOR SMD 100K 5% 0,062W 3981 2122 101 01378 RESISTOR CRB 270R 5% 0,25W 3982 2122 101 01378 RESISTOR CRB 270R 5% 0,25W 4126 4806 111 97101 RESISTOR SMD 0R00 JUMPER 4127 4806 111 97101 RESISTOR SMD 0R00 JUMPER 4132 4806 111 97101 RESISTOR SMD 0R00 JUMPER 4133 4806 111 97101 RESISTOR SMD 0R00 JUMPER 4161 4806 111 97101 RESISTOR SMD 0R00 JUMPER 4304 4806 111 97101 RESISTOR SMD 0R00 JUMPER 4305 4806 111 97101 RESISTOR SMD 0R00 JUMPER 4405 4806 111 97101 RESISTOR SMD 0R00 JUMPER 4491 4806 111 97101 RESISTOR SMD 0R00 JUMPER 4571 4806 111 97101 RESISTOR SMD 0R00 JUMPER 4610 4806 111 97101 RESISTOR SMD 0R00 JUMPER 4661 4806 051 27042 RESISTOR SMD 0R - JUMP 4692 4806 111 97101 RESISTOR SMD 0R00 JUMPER 4694 2322 702 60273 RESISTOR SMD 27K 5% 0,062W 4698 4806 111 97101 RESISTOR SMD 0R00 JUMPER 4821 4806 111 97101 RESISTOR SMD 0R00 JUMPER 4822 4806 111 97101 RESISTOR SMD 0R00 JUMPER 4847 4806 111 97101 RESISTOR SMD 0R00 JUMPER 4922 4806 111 97101 RESISTOR SMD 0R00 JUMPER 4981 4806 111 97101 RESISTOR SMD 0R00 JUMPER 4983 4806 111 97101 RESISTOR SMD 0R00 JUMPER 5001 4806 157 57248 BOBINA 0,82µH 10% 5201 4822 157 11835 BOBINA 4,7µH 5% 5401 4806 157 57005 BOBINA 33µH 10% 5421 , 2422 531 02589 TRAFO DRIVER PSD10-204B 5441 , 2422 531 02598 TSH - LOT - FLY BACK JF0501-19255 5482 4806 157 57249 BOBINA 10µH 5% 5500 , 4806 157 17025 FILTRO DE REDE 5509 4806 526 17039 BOBINA BEAD 50MHZ 45R 5515 , 2422 549 43306 BOBINA BEAD 100MHZ 86R 5520 , 4806 146 47018 TRANSFORMADOR SS28010-06 5521 4806 526 17039 BOBINA BEAD 50MHZ 45R 5560 4806 526 17039 BOBINA BEAD 50MHZ 45R 5562 4806 526 17034 BOBINA BEAD 50MHZ 90R 5563 4822 157 70698 BOBINA 27µH 10% 5601 4806 158 67055 BOBINA 5µ6H 5% 5602 4806 158 67055 BOBINA 5µ6H 5% 5603 4806 158 67055 BOBINA 5µ6H 5% 5645 4822 157 11228 BOBINA 100µH 5% 5821 4806 157 57249 BOBINA 10µH 5% 5841 4806 157 57249 BOBINA 10µH 5% LISTA DE MATERIAL 14PT4131/78R
  • 68.
    68 L03.1L AA ITEM, CÓDIGO DESCRIÇÃO ITEM , CÓDIGO DESCRIÇÃO 5909 4806 526 17039 BOBINA BEAD 50MHZ 45R 6001 4806 130 37046 DIODO ZENER BZX79-C33 6181 4806 130 37489 DIODO ZENER BZX79-C6V8 6422 9335 214 80133 DIODO BYV97G 6423 4822 130 31603 DIODO 1N4006 6426 9340 549 45115 DIODO BAS316 6444 4806 130 37629 DIODO EGP20DL-5100 6445 9340 549 45115 DIODO BAS316 6446 4822 130 31607 DIODO RGP10D 6447 4822 130 31607 DIODO RGP10D 6451 9340 549 45115 DIODO BAS316 6452 9340 549 45115 DIODO BAS316 6453 4806 130 37046 DIODO ZENER BZX79-C33 6460 9340 549 45115 DIODO BAS316 6461 4822 130 31607 DIODO RGP10D 6462 4822 130 31607 DIODO RGP10D 6463 4822 130 31607 DIODO RGP10D 6464 9340 549 45115 DIODO BAS316 6481 9340 549 45115 DIODO BAS316 6491 5322 130 34331 DIODO SMD BAV70 6492 9322 157 70685 DIODO ZENER SMD MM3Z5V6 6500 4806 130 37036 DIODO 1N5062 6501 4806 130 37036 DIODO 1N5062 6502 4806 130 37036 DIODO 1N5062 6503 4806 130 37036 DIODO 1N5062 6520 4822 130 41601 DIODO BYV95A 6522 4822 130 41601 DIODO BYV95A 6540 9331 668 30133 DIODO ZENER BZX79-B6V2 6541 4806 130 37055 DIODO ZENER BZX79-B9V1 6560 9322 161 76682 DIODO SB340L-7024 6562 9322 127 32682 DIODO BYW76-RAS15/10 6624 9340 549 45115 DIODO BAS316 6625 5322 130 31804 DIODO ZENER BZX55 C8V2 A 6626 9340 549 45115 DIODO BAS316 6627 9340 549 45115 DIODO BAS316 6628 9340 549 45115 DIODO BAS316 6681 9340 549 45115 DIODO BAS316 6691 , 9322 185 69682 DIODO LED VS LTL-10234WHCR 6692 9322 127 54667 MÓDULO RECEP IR TSOP1836 6908 9322 102 64685 DIODO ZENER SM UDZ2.7B 6909 4806 130 37078 DIODO 1N4148 7200 3106 107 40161 CIRC INTGR UOC GRAV L3SLS1 1.3 7201 4822 130 60511 TRANSISTOR BC846B 7202 4822 130 60511 TRANSISTOR BC846B 7421 9322 183 16687 TRANSISTOR BUL312FP 7422 4822 130 42696 TRANSISTOR BC817-25 7423 5322 130 60845 TRANSISTOR BC807-25 7451 9335 897 60215 TRANSISTOR BC857C 7461 9335 897 60215 TRANSISTOR BC857C 7462 9335 897 60215 TRANSISTOR BC857C 7463 4806 130 47169 TRANSISTOR BC546B 7464 4806 130 47530 TRANSISTOR BD135 L 7465 4806 130 47055 TRANSISTOR BD136 7466 5322 130 60159 TRANSISTOR BC847B 7491 5322 130 60159 TRANSISTOR BC847B 7493 4806 209 87902 CIRC INTGR L78L33ACZ 7494 4806 130 47228 TRANSISTOR BC337-25 7496 4806 130 47530 TRANSISTOR BD135 L 7515 , 4806 209 87853 CIRC INTGR TCET1103(G) 7520 9352 720 43118 CIRC INTGR TEA1506T/N1 7521 , 9322 194 21687 TRANSISTOR FET STP5NK80ZFP 7523 9335 897 60215 TRANSISTOR BC857C 7540 9331 976 30126 TRANSISTOR BC547B 7541 4806 116 27022 TRANSISTOR SMD PDTC114ET 7601 9340 310 60215 TRANSISTOR PDTA114ET 7641 4806 209 87874 CIRC INTGR M24C16-WBN6 7821 9322 191 49682 CIRC INTGR AN5891K 7841 9322 189 97668 CIRC INTGR AN5829S 7901 9322 181 41682 CIRC INTGR AN7522N PAINEL CINESCÓPIO [B] 1300 4806 402 67239 CONECTOR 8P 1301 , 2422 500 80077 CONECTOR TRC V 9P F M-NECK 2300 2022 552 00549 CAPACITOR SMD 330pF 5% 50V 2301 2238 867 15391 CAPACITOR CER SMD 390pF 5% 50V 2302 2238 867 15391 CAPACITOR CER SMD 390pF 5% 50V 2303 , 4822 126 14053 CAPACITOR CER 1nF 10% 2kV 2304 4806 120 47371 CAPACITOR FILM 47nF 10% 250V 3300 4806 116 57672 RESISTOR POT 15K 5% 3W 3301 2322 245 11152 RESISTOR MGL 1K5 20% 0,5W 3303 2322 702 60331 RESISTOR SMD 330R 5% 0,062W 3304 4806 116 57672 RESISTOR POT 15K 5% 3W 3305 2322 245 11152 RESISTOR MGL 1K5 20% 0,5W 3307 2322 702 60331 RESISTOR SMD 330R 5% 0,062W 3308 4806 116 57672 RESISTOR POT 15K 5% 3W 3309 2322 245 11152 RESISTOR MGL 1K5 20% 0,5W 3311 2322 702 60331 RESISTOR SMD 330R 5% 0,062W 3313 , 2306 204 03689 RESISTOR FUSE 68R 5% 0,33W 3318 , 4806 113 97068 RESISTOR FUSE 220R 5% 0,33W 3319 2322 245 11152 RESISTOR MGL 1K5 20% 0,5W 4300 4806 111 97101 RESISTOR SMD 0R00 JUMPER 4301 4806 111 97101 RESISTOR SMD 0R00 JUMPER 4302 4806 111 97101 RESISTOR SMD 0R00 JUMPER 6301 9340 549 45115 DIODO BAS316 6307 9340 549 45115 DIODO BAS316 6318 9322 157 72685 DIODO ZENER MM3Z8V2 7308 4806 130 47090 TRANSISTOR BF422 7310 4806 130 47090 TRANSISTOR BF422 7312 4806 130 47090 TRANSISTOR BF422 7313 4806 130 47090 TRANSISTOR BF422 7314 4806 130 47091 TRANSISTOR BF423 7315 4806 130 47090 TRANSISTOR BF422 7316 4806 130 47091 TRANSISTOR BF423 7317 4806 130 47090 TRANSISTOR BF422 7318 4806 130 47091 TRANSISTOR BF423 LISTA DE MATERIAL 14PT4131/78R
  • 69.
    69L03.1L AA ITEM ,CÓDIGO DESCRIÇÃO ITEM , CÓDIGO DESCRIÇÃO ACESSÓRIOS 1096 4806 263 27013 CONVERSOR 75-300/75R 1986 3139 238 03799 CONTROLE REMOTO RC19335010/00 PARTES PLÁSTICAS GABINETE 9 , 3106 107 77301 GABINETE FRONTAL 20PT4331 10 , 3139 177 63851 BOTAO DE REDE 11 , 3139 177 63841 BOTAO CONTROLE 17 3139 120 01371 LOGOTIPO PHILIPS (46.8X10.2) 190 , 3139 124 45631 TAMPA TRASEIRA 20” DIVERSOS 18 , 4806 402 67293 ESPAÇADOR P/ CABOS TRC 38 4806 404 37413 BRAÇADEIRA 2,6 x 200 TRC 61 , 3106 107 66661 CABO DE REDE 1,8M 130 3139 123 21491 PLACA ISOLACAO 18x25 136 4806 492 17004 MOLA FIXAÇÃO 139 4806 492 67435 MOLA FIXAÇÃO TR 141 4806 492 17004 MOLA FIXAÇÃO 142 4806 492 37316 MOLA MALHA DE ATERRAMENTO 156 , 3139 131 01331 CABO HR 5P480+560 156 , 3139 131 01331 CABO HR 5P480+560 211 , 4822 265 20723 CONECTOR 2P M 7.92 VH B 217 2412 020 00725 CONECTOR 3P M 2.50 221 , 4806 402 67104 CONECTOR V 4P2 M 11.88 VH B 222 , 4806 402 67098 CONECTOR V 2P M 3.96 VH 223 2422 026 05236 CONECTOR CINCH H 9P 231 , 2422 128 03064 CHAVE POT 2P 4/128A 250V 270 4822 502 14508 PARAFUSO TRC PHILIPS M5X27 271 4806 502 17142 PARAFUSO TORX 10 M3X12 274 4806 502 17142 PARAFUSO TORX 10 M3X12 275 4806 502 37228 PARAFUSO TORX 10 M3X16 279 3139 120 41331 PARAFUSO TORX 10 M4X12 1500 , 2422 090 01101 SOQUETE FUSE 1P 1501 , 2422 090 01101 SOQUETE FUSE 1P 1622 4806 402 67239 CONECTOR 8P 1990 , 9301 883 40361 CINESCÓPIO 20” - A48EAK01X110 5203 , 3106 107 30361 BOBINA DESMAG 20” 5994 , 4806 240 27044 ALTO-FALANTE 16R 5W FR O45X154 PARTES ELÉTRICAS - MONOPAINEL [A] 1000 , 2422 542 90141 SINTONIZADOR TV V+U PLL F 1001 4806 154 77000 FILTRO SAW 45,75MHZ OFWM1971M 1201 4806 242 77156 FILTRO CERÂMICO 4,5MHz 1504 , 2422 086 10914 FUSÍVEL 4A 250V 5X20 1600 4806 277 27122 CHAVE TÁCTIL 1601 4806 277 27122 CHAVE TÁCTIL 1602 4806 277 27122 CHAVE TÁCTIL 1603 4806 277 27122 CHAVE TÁCTIL 1621 4806 242 77174 CRISTAL 12MHz 20P 2001 4822 126 14585 CAPACITOR CER 100 nF 10% 50V 2002 2022 020 00672 CAPACITOR ELCO 100µF 20% 16V 2003 2238 867 15229 CAPACITOR CER SMD 22pF 50V 2004 2238 867 15229 CAPACITOR CER SMD 22pF 50V 2005 2020 552 94012 CAPACITOR CER SMD 47nF 20% 50V 2006 4806 124 47049 CAPACITOR ELCO 470µF 20% 10V 2007 2022 020 00626 CAPACITOR ELCO 10µF 20% 50V 2101 2238 246 19858 CAPACITOR CER SMD 470nF 10V 2102 2238 867 15229 CAPACITOR CER SMD 22pF 50V 2103 2238 586 15616 CAPACITOR CER SMD 330pF 50V 2104 2238 586 15616 CAPACITOR CER SMD 330pF 50V 2105 2022 020 00627 CAPACITOR ELCO 10µF 20% 25V 2106 2022 020 00627 CAPACITOR ELCO 10µF 20% 25V 2111 2238 867 15229 CAPACITOR CER SMD 22pF 50V 2112 2238 867 15229 CAPACITOR CER SMD 22pF 50V 2113 2238 867 15229 CAPACITOR CER SMD 22pF 50V 2121 2238 867 15229 CAPACITOR CER SMD 22pF 50V 2122 2238 586 15616 CAPACITOR CER SMD 330pF 50V 2123 2020 552 95731 CAPACITOR SER SMD 1µF 20% 10V 2124 2238 586 15616 CAPACITOR CER SMD 330pF 50V 2125 2020 552 95731 CAPACITOR SER SMD 1µF 20% 10V 2132 2020 552 95731 CAPACITOR SER SMD 1µF 20% 10V 2134 2020 552 95731 CAPACITOR SER SMD 1µF 20% 10V 2201 2238 586 15632 CAPACITOR SMD 4,7nF 10% 50V 2202 2022 552 00549 CAPACITOR SMD 330pF 5% 50V 2203 2238 246 19858 CAPACITOR CER SMD 470nF 10V 2205 2022 020 00661 CAPACITOR ELCO 10µF 20% 50V 2206 2238 867 15339 CAPACITOR CER SMD 33pF 5% 50V 2207 4822 126 14585 CAPACITOR CER 100 nF 10% 50V 2208 4822 126 14585 CAPACITOR CER 100 nF 10% 50V 2209 4822 126 14585 CAPACITOR CER 100 nF 10% 50V 2210 4822 126 13879 CAPACITOR CER SMD 220nF 20% 16V 2211 3198 016 11549 CAPACITOR CER SMD 1nF 5% 25V 2212 4822 126 13879 CAPACITOR CER SMD 220nF 20% 16V 2231 2022 552 05517 CAPACITOR CER SMD 22nF 10% 25V 2232 2022 552 05517 CAPACITOR CER SMD 22nF 10% 25V 2233 2022 552 05517 CAPACITOR CER SMD 22nF 10% 25V 2405 2022 031 00103 CAPACITOR ELCO 47µF 20% 160V 2408 4822 121 43397 CAPACITOR POL 680nF 5% 250V 2420 4822 126 14585 CAPACITOR CER 100 nF 10% 50V 2421 4822 126 14585 CAPACITOR CER 100 nF 10% 50V 2423 , 4806 121 47005 CAPACITOR MPP 15nF 5% 1K6V 2424 , 4822 126 13862 CAPACITOR CER 1,5nF 10% 2KV 2426 3198 016 11549 CAPACITOR CER SMD 1nF 5% 25V 2427 2238 916 19849 CAPACITOR CER SMD 100nF 20% 25V 2428 2022 020 00606 CAPACITOR ELCO 47µF 20% 16V 2429 2238 786 19854 CAPACITOR CER SMD 220nF 20% 16V 2441 2022 318 00126 CAPACITOR MPOL 15nF 10% 63V 2444 2022 020 00623 CAPACITOR ELCO 470µF 20% 16V 2446 2022 020 00623 CAPACITOR ELCO 470µF 20% 16V 2447 4806 124 27567 CAPACITOR ELCO 10µF 20% 250V 2452 2022 552 05517 CAPACITOR CER SMD 22nF 10% 25V 2453 2238 586 15627 CAPACITOR CER SMD 2,2nF 10% 50V 2455 4822 124 11947 CAPACITOR ELCO 10µF 16V 2460 4806 120 47207 CAPACITOR 68nF 100V 2461 3198 016 11549 CAPACITOR CER SMD 1nF 5% 25V 2462 3198 016 11549 CAPACITOR CER SMD 1nF 5% 25V 2463 2038 035 11507 CAPACITOR ELCO 47µF 20% 50V 2464 2238 867 15471 CAPACITOR CER SMD 470pF5% 50V 2465 , 2022 031 00127 CAPACITOR ELCO 10µF 20% 160V 2470 2022 318 00126 CAPACITOR MPOL 15nF 10% 63V 2473 2238 867 15471 CAPACITOR CER SMD 470pF5% 50V 2481 2238 867 15101 CAPACITOR CER SMD 100pF 5% 50V 2482 2238 246 19863 CAPACITOR CER SMD 1µF 10V 2483 4806 122 37311 CAPACITOR CER SMD 4,7µF 20% 10V 2484 4822 126 14585 CAPACITOR CER 100 nF 10% 50V 2485 2238 246 19863 CAPACITOR CER SMD 1µF 10V 2486 2238 586 15632 CAPACITOR SMD 4,7nF 10% 50V 2487 2238 586 15627 CAPACITOR CER SMD 2,2nF 10% 50V 2488 4806 124 47069 CAPACITOR MPOL 100nF 10% 63V 2489 2238 586 15623 CAPACITOR CER SMD 1nF10% 50V 2491 4806 124 47049 CAPACITOR ELCO 470µF 20% 10V 2492 3198 029 32290 CAPACITOR ELCO 22µF 20% 25V 2493 4806 124 47049 CAPACITOR ELCO 470µF 20% 10V 2494 2022 020 00667 CAPACITOR ELCO 47µF 20% 16V 2496 2238 586 15623 CAPACITOR CER SMD 1nF10% 50V 2497 2238 586 15623 CAPACITOR CER SMD 1nF10% 50V 2500 , 2222 338 22474 CAPACITOR POL 100nF 20% 275V 2501 , 4806 122 37266 CAPACITOR CER 2,2nF 10% 1kV 2502 , 4806 122 37266 CAPACITOR CER 2,2nF 10% 1kV 2503 , 2022 020 00744 CAPACITOR ELCO 150µF 20% 400V 2505 , 4806 122 37266 CAPACITOR CER 2,2nF 10% 1kV 2515 , 2020 554 90199 CAPACITOR CER 1N5 20% 250V 2520 2238 586 15636 CAPACITOR SMD 10nF 10% 50V LISTA DE MATERIAL 20PT4331/78R
  • 70.
    70 L03.1L AA ITEM, CÓDIGO DESCRIÇÃO ITEM , CÓDIGO DESCRIÇÃO 2521 4822 124 81151 CAPACITOR ELCO 22µF 20% 50V 2522 2238 586 15623 CAPACITOR CER SMD 1nF10% 50V 2523 , 4806 122 57008 CAPACITOR CER 1N8 2KV 2525 2238 586 15621 CAPACITOR SMD 680pF10% 50V 2527 2238 867 15569 CAPACITOR CER 56pF 5% 50V 2528 4822 124 81151 CAPACITOR ELCO 22µF 20% 50V 2540 2238 586 15638 CAPACITOR SMD 15nF 10% 50V 2541 2238 586 15632 CAPACITOR SMD 4,7nF 10% 50V 2542 2238 246 19858 CAPACITOR CER SMD 470nF 10V 2543 2238 586 15623 CAPACITOR CER SMD 1nF10% 50V 2560 4806 122 37213 CAPACITOR CER 2,2nF 50V 2561 2022 020 00677 CAPACITOR ELCO 2200µF 20% 16V 2562 , 4806 122 37228 CAPACITOR CER 2,2nF 1kV 2564 , 4806 124 27572 CAPACITOR ELCO 47µF 160V 2584 , 2020 558 90553 CAPACITOR CER 220pF 10% 1KV 2585 , 2238 586 15623 CAPACITOR CER SMD 1nF10% 50V 2602 2020 552 96664 CAPACITOR SMD 33pF 2% 50V 2603 2020 552 96664 CAPACITOR SMD 33pF 2% 50V 2604 4822 124 11947 CAPACITOR ELCO 10µF 16V 2605 4822 126 14585 CAPACITOR CER 100 nF 10% 50V 2607 4822 126 14585 CAPACITOR CER 100 nF 10% 50V 2608 2238 246 19863 CAPACITOR CER SMD 1µF 10V 2609 4822 126 14585 CAPACITOR CER 100 nF 10% 50V 2612 2022 020 00619 CAPACITOR ELCO 220µF 20% 16V 2615 2020 552 94371 CAPACITOR CER SMD 820pF10% 50V 2616 4822 124 11947 CAPACITOR ELCO 10µF 16V 2641 3198 016 11549 CAPACITOR CER SMD 1nF 5% 25V 2642 3198 016 11549 CAPACITOR CER SMD 1nF 5% 25V 2643 2238 867 15221 CAPACITOR CER SMD 220pF 5% 50V 2691 2022 020 00615 CAPACITOR ELCO 100µF 20% 10V 2821 2022 020 00615 CAPACITOR ELCO 100µF 20% 10V 2822 2238 786 15643 CAPACITOR CER SMD 33nF 10% 16V 2823 2038 035 11704 CAPACITOR ELCO 10µF 20% 100V 2824 2038 035 11704 CAPACITOR ELCO 10µF 20% 100V 2825 2238 786 55644 CAPACITOR CER SMD 39nF 10% 16V 2826 2238 586 15638 CAPACITOR SMD 15nF 10% 50V 2827 2238 786 15643 CAPACITOR CER SMD 33nF 10% 16V 2828 2238 586 15636 CAPACITOR SMD 10nF 10% 50V 2829 4822 126 14585 CAPACITOR CER 100 nF 10% 50V 2830 2038 035 11704 CAPACITOR ELCO 10µF 20% 100V 2831 2038 035 11704 CAPACITOR ELCO 10µF 20% 100V 2832 2038 035 11704 CAPACITOR ELCO 10µF 20% 100V 2833 2038 035 11704 CAPACITOR ELCO 10µF 20% 100V 2835 2238 586 15636 CAPACITOR SMD 10nF 10% 50V 2836 4822 126 14585 CAPACITOR CER 100 nF 10% 50V 2837 2238 246 19858 CAPACITOR CER SMD 470nF 10V 2838 2038 035 11704 CAPACITOR ELCO 10µF 20% 100V 2841 4806 122 37311 CAPACITOR CER SMD 4,7µF 20% 10V 2842 4822 051 30008 RESISTOR SMD 0R00 JUMPER 2843 4822 051 30008 RESISTOR SMD 0R00 JUMPER 2844 2022 020 00655 CAPACITOR ELCO 2,2µF 20% 50V 2845 2022 020 00657 CAPACITOR ELCO 4,7µF 20% 50V 2846 2038 035 11704 CAPACITOR ELCO 10µF 20% 100V 2847 2022 020 00608 CAPACITOR ELCO 100µF 20% 16V 2848 2238 786 19856 CAPACITOR CER SMD 330nF 16V 2849 2022 552 05517 CAPACITOR CER SMD 22nF 10% 25V 2850 2020 009 90103 CAPACITOR ELCO 3,3µF 20% 50V 2851 4822 126 14585 CAPACITOR CER 100 nF 10% 50V 2852 4822 126 14585 CAPACITOR CER 100 nF 10% 50V 2855 2238 246 19863 CAPACITOR CER SMD 1µF 10V 2856 2238 246 19863 CAPACITOR CER SMD 1µF 10V 2857 2238 786 15645 CAPACITOR SMD 47nF 10% 16V 2858 2238 246 19863 CAPACITOR CER SMD 1µF 10V 2859 2238 246 59863 CAPACITOR CER SMD 1µF 20% 10V 2860 4822 126 14585 CAPACITOR CER 100 nF 10% 50V 2861 2238 867 15221 CAPACITOR CER SMD 220pF 5% 50V 2862 2238 867 15221 CAPACITOR CER SMD 220pF 5% 50V 2863 2238 867 15221 CAPACITOR CER SMD 220pF 5% 50V 2903 4822 124 21913 CAPACITOR ELCO 1µF 20% 50V 2904 2238 246 19858 CAPACITOR CER SMD 470nF 10V 2906 2238 246 19858 CAPACITOR CER SMD 470nF 10V 2908 4822 124 40769 CAPACITOR ELCO 4,7µF 20% 50V 2909 2022 020 00626 CAPACITOR ELCO 10µF 20% 50V 2950 2238 586 15625 CAPACITOR CER SMD 1N5 10% 50V 2951 4806 122 37401 CAPACITOR ELCO 100µF 50 V 2952 4806 122 37401 CAPACITOR ELCO 100µF 50 V 3001 2322 702 60152 RESISTOR SMD 1K5 5% 0,062W 3002 2322 702 60822 RESISTOR SMD 8K2 5% 0,062W 3003 2322 702 60101 RESISTOR SMD 100R 5% 0,062W 3004 2322 702 60101 RESISTOR SMD 100R 5% 0,062W 3005 2120 101 90451 RESISTOR CRB 100R 5% 1/6W 3101 2322 702 60689 RESISTOR SMD 68R 5% 0,062W 3102 2322 702 60102 RESISTOR SMD 1K 5% 0,062W 3103 4806 111 97266 RESISTOR SMD 100R 3104 2322 702 60224 RESISTOR SMD 220K 5% 0,062W 3105 4806 111 97266 RESISTOR SMD 100R 3106 2322 702 60224 RESISTOR SMD 220K 5% 0,062W 3111 2322 702 60759 RESISTOR SMD 75R 5% 3112 2322 702 60101 RESISTOR SMD 100R 5% 0,062W 3113 2322 702 60759 RESISTOR SMD 75R 5% 3114 2322 702 60101 RESISTOR SMD 100R 5% 0,062W 3115 2322 702 60759 RESISTOR SMD 75R 5% 3116 2322 702 60101 RESISTOR SMD 100R 5% 0,062W 3121 2322 702 60759 RESISTOR SMD 75R 5% 3122 2322 702 60101 RESISTOR SMD 100R 5% 0,062W 3123 4806 111 97266 RESISTOR SMD 100R 3124 2322 702 60473 RESISTOR SMD 47K 5% 0,062W 3125 4806 111 97266 RESISTOR SMD 100R 3126 2322 702 60473 RESISTOR SMD 47K 5% 0,062W 3201 4822 051 30392 RESISTOR 3K9 5% 0.063W 3202 2322 702 60101 RESISTOR SMD 100R 5% 0,062W 3203 2322 702 60102 RESISTOR SMD 1K 5% 0,062W 3204 4822 117 13501 RESISTOR SMD 82R 5% 0,062W 3205 4806 111 97179 RESISTOR SMD 270R 5% 0,062W 3206 2322 702 60102 RESISTOR SMD 1K 5% 0,062W 3207 2322 702 60391 RESISTOR SMD 390R 5% 0,062W 3208 2120 101 90461 RESISTOR CRB 560R 5% 0,5W 3209 2322 702 60471 RESISTOR SMD 470R 5% 0,062W 3210 2120 101 90451 RESISTOR CRB 100R 5% 1/6W 3231 2322 702 60561 RESISTOR SMD 560R 5% 0,062W 3232 2120 101 90464 RESISTOR CRB 1K 5% 0,25W 3403 , 4822 052 10471 RESISTOR FUSE 470R 5% 0,33W 3422 4822 053 20334 RESISTOR MGL 330K 5% 0,25W 3424 4806 116 97041 RESISTOR POT 47R 5% 2W 3425 4822 050 22201 RESISTOR 220R 5% 0,6W 3426 2120 101 90447 RESISTOR CRB 47R 5% 0,25W 3428 2120 101 90448 RESISTOR CRB 68R 5% 0,25W 3430 2322 702 60102 RESISTOR SMD 1K 5% 0,062W 3432 2322 702 60471 RESISTOR SMD 470R 5% 0,062W 3441 2322 702 60103 RESISTOR SMD 10K 5% 0,062W 3442 4806 116 57215 RESISTOR MFILM 150K 5% 0,3W 3443 , 4822 052 11399 RESISTOR MFILM 3R9 3444 , 4806 113 97039 RESISTOR MFIL 4,7R 5% 0,5W 3445 , 4806 113 97046 RESISTOR FUSE 1R 5% 0,33W 3446 , 4806 113 97046 RESISTOR FUSE 1R 5% 0,33W 3447 2322 702 60104 RESISTOR SMD 100K 5% 0,062W 3448 , 4806 113 97046 RESISTOR FUSE 1R 5% 0,33W 3449 2120 101 90483 RESISTOR CRB 27K 5% 0,25W 3450 2120 101 90483 RESISTOR CRB 27K 5% 0,25W 3451 4822 117 12903 RESISTOR 1K8 1% 0.063W 0603 3452 2120 101 90497 RESISTOR CRB 1M 5% 0,25W 3453 2322 702 60104 RESISTOR SMD 100K 5% 0,062W 3454 2322 702 60103 RESISTOR SMD 10K 5% 0,062W 3455 4822 117 11449 RESISTOR SMD 2K2 5% 0,062W LISTA DE MATERIAL 20PT4331/78R
  • 71.
    71L03.1L AA ITEM ,CÓDIGO DESCRIÇÃO ITEM , CÓDIGO DESCRIÇÃO 3456 2322 702 60473 RESISTOR SMD 47K 5% 0,062W 3459 4806 116 57215 RESISTOR MFILM 150K 5% 0,3W 3460 2322 702 60473 RESISTOR SMD 47K 5% 0,062W 3461 4822 117 11449 RESISTOR SMD 2K2 5% 0,062W 3462 2322 702 60105 RESISTOR SMD 1M 5% 0,062W 3463 4822 117 11449 RESISTOR SMD 2K2 5% 0,062W 3464 2120 101 90468 RESISTOR CRB 2K2 5% 0,25W 3465 2322 702 60102 RESISTOR SMD 1K 5% 0,062W 3466 2322 702 60102 RESISTOR SMD 1K 5% 0,062W 3468 2120 101 90457 RESISTOR CRB 330R 5% 0,25W 3470 , 4806 113 97046 RESISTOR FUSE 1R 5% 0,33W 3471 2120 101 90455 RESISTOR CRB 220R 5% 0,25W 3472 2120 101 90455 RESISTOR CRB 220R 5% 0,25W 3473 2312 915 13308 RESISTOR MFLM 3R3 1% 0,6W 3474 2312 915 13908 RESISTOR MFLM 3R9 1% 0,6W 3475 2120 101 90477 RESISTOR CRB 10K 5% 0,25W 3476 2120 101 90476 RESISTOR CRB 8K2 5% 0,25W 3478 2120 101 90439 RESISTOR CRB 1R 5% 0,25W 3479 , 4822 052 10189 RESISTOR 18R 5% 0,33W 3480 2322 702 60393 RESISTOR SMD 39K 5% 0,062W 3481 4806 111 97173 RESISTOR 18K 5% 0,062W 3482 2120 101 90471 RESISTOR CRB 3K3 5% 0,25W 3483 2120 101 90497 RESISTOR CRB 1M 5% 0,25W 3485 2322 702 60102 RESISTOR SMD 1K 5% 0,062W 3486 2322 702 60102 RESISTOR SMD 1K 5% 0,062W 3487 2322 702 60333 RESISTOR SMD 33K 5% 0,062W 3488 2120 101 90466 RESISTOR CRB 1K5 5% 0,25W 3489 2322 702 60103 RESISTOR SMD 10K 5% 0,062W 3490 2120 101 90471 RESISTOR CRB 3K3 5% 0,25W 3491 2120 101 90486 RESISTOR CRB 47K 5% 0,25W 3492 4806 111 97173 RESISTOR 18K 5% 0,062W 3493 , 4822 052 10189 RESISTOR 18R 5% 0,33W 3495 2120 101 90446 RESISTOR CRB 33R 5% 0,25W 3497 2120 101 90458 RESISTOR CRB 390R 5% 0,25W 3498 2120 101 90477 RESISTOR CRB 10K 5% 0,25W 3499 2322 702 60273 RESISTOR SMD 27K 5% 0,062W 3500 , 4806 116 67007 RESISTOR MGL 3,3M 5% 0,5W 3501 , 4806 116 67007 RESISTOR MGL 3,3M 5% 0,5W 3502 , 2122 612 00055 RESISTOR NTC 4,7R 20% 3W1 3504 , 4806 116 47028 RESISTOR PTC 9R 200V 100R 3506 4822 053 20334 RESISTOR MGL 330K 5% 0,25W 3509 2322 245 11221 RESISTOR MGL 220R 20% 0,5W 3510 4806 209 87877 CENTELHADOR DSP-301N-A21F 3519 2120 101 90471 RESISTOR CRB 3K3 5% 0,25W 3520 4822 117 11817 RESISTOR 1K2 1% 1/16W 3522 2322 702 60334 RESISTOR SMD 330K 5% 0,062W 3523 , 2306 204 02479 RESISTOR FUS 47R 5% 0,33W 3524 4822 051 30008 RESISTOR SMD 0R00 JUMPER 3525 2322 702 60102 RESISTOR SMD 1K 5% 0,062W 3526 2120 105 93479 RESISTOR MOX 0R15 5% 3527 , 4806 116 57504 RESISTOR FUSE 2K2 5% 0,33W 3528 2322 702 60103 RESISTOR SMD 10K 5% 0,062W 3541 2322 702 60471 RESISTOR SMD 470R 5% 0,062W 3542 2120 101 90466 RESISTOR CRB 1K5 5% 0,25W 3543 2312 915 18203 RESISTOR MFLM 82K 1% 0,6W 3544 2312 915 16802 RESISTOR MFLM 6K8 1% 0,6W 3545 4822 117 11449 RESISTOR SMD 2K2 5% 0,062W 3546 2120 101 90475 RESISTOR CRB 6K8 5% 0,25W 3547 2322 702 60334 RESISTOR SMD 330K 5% 0,062W 3548 4822 051 30153 RESISTOR SMD 15K 5% 0,062W 3549 2120 101 90455 RESISTOR CRB 220R 5% 0,25W 3581 , 4822 051 30569 RESISTOR SMD 56R 5% 0,062W 3601 4822 117 11449 RESISTOR SMD 2K2 5% 0,062W 3602 4822 117 11449 RESISTOR SMD 2K2 5% 0,062W 3603 2120 101 90468 RESISTOR CRB 2K2 5% 0,25W 3604 2120 101 90451 RESISTOR CRB 100R 5% 1/6W 3605 2120 101 90451 RESISTOR CRB 100R 5% 1/6W 3606 2120 101 90477 RESISTOR CRB 10K 5% 0,25W 3607 2322 702 60101 RESISTOR SMD 100R 5% 0,062W 3608 2322 702 60154 RESISTOR SMD 150K 5% 0,062W 3618 2120 101 90464 RESISTOR CRB 1K 5% 0,25W 3619 2120 101 90451 RESISTOR CRB 100R 5% 1/6W 3620 2120 101 90451 RESISTOR CRB 100R 5% 1/6W 3621 2120 101 90451 RESISTOR CRB 100R 5% 1/6W 3624 2120 101 90477 RESISTOR CRB 10K 5% 0,25W 3634 2120 101 90464 RESISTOR CRB 1K 5% 0,25W 3641 2120 101 90451 RESISTOR CRB 100R 5% 1/6W 3642 2322 702 60101 RESISTOR SMD 100R 5% 0,062W 3643 2322 702 60101 RESISTOR SMD 100R 5% 0,062W 3644 2322 702 60472 RESISTOR SMD 4,7K 5% 0,062W 3646 2322 702 60105 RESISTOR SMD 1M 5% 0,062W 3681 5322 117 13057 RESISTOR SMD 820R 1% 0,062W 3682 5322 117 13063 RESISTOR SMD 120R 1% 0,062W 3685 2322 704 62001 RESISTOR SMD 200R 1% 0,062W 3686 2322 704 64301 RESISTOR SMD 430R 1% 0,062W 3687 5322 117 13037 RESISTOR SMD 2K2 1% 0,062W 3688 2322 704 62001 RESISTOR SMD 200R 1% 0,062W 3691 4806 111 97022 RESISTOR SMD 330R 5% 0,1W 3693 2120 101 90455 RESISTOR CRB 220R 5% 0,25W 3694 2322 702 60472 RESISTOR SMD 4,7K 5% 0,062W 3822 2322 702 60224 RESISTOR SMD 220K 5% 0,062W 3824 4822 051 30008 RESISTOR SMD 0R00 JUMPER 3827 2120 101 90451 RESISTOR CRB 100R 5% 1/6W 3828 2120 101 90451 RESISTOR CRB 100R 5% 1/6W 3841 2322 702 60184 RESISTOR SMD 180K 5% 0,1W 3842 2120 101 90451 RESISTOR CRB 100R 5% 1/6W 3843 2120 101 90451 RESISTOR CRB 100R 5% 1/6W 3901 2120 101 90464 RESISTOR CRB 1K 5% 0,25W 3902 2120 101 90471 RESISTOR CRB 3K3 5% 0,25W 3903 2120 101 90471 RESISTOR CRB 3K3 5% 0,25W 3904 2322 702 60103 RESISTOR SMD 10K 5% 0,062W 3905 2120 101 90471 RESISTOR CRB 3K3 5% 0,25W 3906 2322 702 60103 RESISTOR SMD 10K 5% 0,062W 3907 2322 702 60822 RESISTOR SMD 8K2 5% 0,062W 3911 2322 702 60104 RESISTOR SMD 100K 5% 0,062W 4122 4822 051 30008 RESISTOR SMD 0R00 JUMPER 4123 4822 051 30008 RESISTOR SMD 0R00 JUMPER 4124 4822 051 30008 RESISTOR SMD 0R00 JUMPER 4126 4822 051 30008 RESISTOR SMD 0R00 JUMPER 4127 4822 051 30008 RESISTOR SMD 0R00 JUMPER 4129 4822 051 30008 RESISTOR SMD 0R00 JUMPER 4132 4822 051 30008 RESISTOR SMD 0R00 JUMPER 4133 4822 051 30008 RESISTOR SMD 0R00 JUMPER 4151 4822 051 30008 RESISTOR SMD 0R00 JUMPER 4152 4822 051 30008 RESISTOR SMD 0R00 JUMPER 4161 4822 051 30008 RESISTOR SMD 0R00 JUMPER 4405 4822 051 30008 RESISTOR SMD 0R00 JUMPER 4491 4822 051 30008 RESISTOR SMD 0R00 JUMPER 4571 4822 051 30008 RESISTOR SMD 0R00 JUMPER 4610 4822 051 30008 RESISTOR SMD 0R00 JUMPER 4661 4806 051 27042 RESISTOR SMD 0R - JUMP 4692 4822 051 30008 RESISTOR SMD 0R00 JUMPER 4694 2322 702 60473 RESISTOR SMD 47K 5% 0,062W 4694 4822 051 30008 RESISTOR SMD 0R00 JUMPER 4698 4822 051 30008 RESISTOR SMD 0R00 JUMPER 4821 4822 051 30008 RESISTOR SMD 0R00 JUMPER 4822 4822 051 30008 RESISTOR SMD 0R00 JUMPER 4847 4822 051 30008 RESISTOR SMD 0R00 JUMPER 4922 4822 051 30008 RESISTOR SMD 0R00 JUMPER 5001 4806 157 57248 BOBINA 0,82µH 10% 5201 4822 157 11835 BOBINA 4,7µH 5% 5421 , 2422 531 02589 TRAFO DRIVER PSD10-204B 5441 , 2422 531 02598 TSH - LOT - FLY BACK JF0501-19255 5482 4806 157 57249 BOBINA 10µH 5% LISTA DE MATERIAL 20PT4331/78R
  • 72.
    72 L03.1L AA ITEM, CÓDIGO DESCRIÇÃO ITEM , CÓDIGO DESCRIÇÃO 5500 , 4806 157 17025 FILTRO DE REDE 5509 4806 526 17039 BOBINA BEAD 50MHZ 45R 5515 , 2422 549 43306 BOBINA BEAD 100MHZ 86R 5520 , 4806 146 47019 TRAFO POT. SMT S359B4-09 B 5521 4806 526 17039 BOBINA BEAD 50MHZ 45R 5560 4806 526 17039 BOBINA BEAD 50MHZ 45R 5562 4806 526 17034 BOBINA BEAD 50MHZ 90R 5563 4822 157 70698 BOBINA 27µH 10% 5601 4806 158 67055 BOBINA 5µ6H 5% 5602 4806 158 67055 BOBINA 5µ6H 5% 5603 4806 158 67055 BOBINA 5µ6H 5% 5821 4806 157 57249 BOBINA 10µH 5% 5841 4806 157 57249 BOBINA 10µH 5% 6001 4822 130 34142 DIODO ZENER BZX79-C33 6127 9322 157 71685 DIODO ZENER SMD MM3Z6V8 6422 9335 214 80133 DIODO BYV97G 6423 4822 130 31603 DIODO 1N4006 6426 9340 549 45115 DIODO BAS316 6444 4806 130 37629 DIODO EGP20DL-5100 6445 9340 549 45115 DIODO BAS316 6446 4822 130 31607 DIODO RGP10D 6447 4822 130 31607 DIODO RGP10D 6451 9340 549 45115 DIODO BAS316 6452 9340 549 45115 DIODO BAS316 6453 4822 130 34142 DIODO ZENER BZX79-C33 6460 9340 549 45115 DIODO BAS316 6461 4822 130 31607 DIODO RGP10D 6462 4822 130 31607 DIODO RGP10D 6463 4822 130 31607 DIODO RGP10D 6464 9340 549 45115 DIODO BAS316 6481 9340 549 45115 DIODO BAS316 6491 5322 130 34331 DIODO SMD BAV70 6492 9322 157 70685 DIODO ZENER SMD MM3Z5V6 6500 4806 130 37036 DIODO 1N5062 6501 4806 130 37036 DIODO 1N5062 6502 4806 130 37036 DIODO 1N5062 6503 4806 130 37036 DIODO 1N5062 6520 4822 130 41601 DIODO BYV95A 6522 4822 130 41601 DIODO BYV95A 6540 9331 668 30133 DIODO ZENER BZX79-B6V2 6541 4806 130 37055 DIODO ZENER BZX79-B9V1 6560 9322 161 76682 DIODO SB340L-7024 6561 9322 127 32682 DIODO BYW76-RAS15/10 6562 9322 127 32682 DIODO BYW76-RAS15/10 6624 9340 549 45115 DIODO BAS316 6625 5322 130 31804 DIODO ZENER BZX79-C8V2 6626 9340 549 45115 DIODO BAS316 6627 9340 549 45115 DIODO BAS316 6628 9340 549 45115 DIODO BAS316 6681 9340 549 45115 DIODO BAS316 6691 , 9322 185 69682 DIODO LED VS LTL-10234WHCR 6692 4806 212 17035 MÓDULO RECEP IR TSOP1836 6908 9322 102 64685 DIODO ZENER SM UDZ2.7B 6909 4806 130 37078 DIODO 1N4148 7101 5322 130 60159 TRANSISTOR BC847B 7200 3106 107 40161 CIRC INTGR UOC GRAV L3SLS1 1.3 7201 5322 130 60159 TRANSISTOR BC847B 7202 5322 130 60159 TRANSISTOR BC847B 7421 9322 183 16687 TRANSISTOR BUL312FP 7422 4822 130 42696 TRANSISTOR BC817-25 7423 5322 130 60845 TRANSISTOR BC807-25 7451 9335 897 60215 TRANSISTOR BC857C 7461 9335 897 60215 TRANSISTOR BC857C 7462 9335 897 60215 TRANSISTOR BC857C 7463 4806 130 47169 TRANSISTOR BC546B 7464 4806 130 47530 TRANSISTOR BD135 L 7465 4806 130 47055 TRANSISTOR BD136 7466 5322 130 60159 TRANSISTOR BC847B 7491 5322 130 60159 TRANSISTOR BC847B 7493 4806 209 87902 CIRC INTGR L78L33ACZ 7494 4806 130 47228 TRANSISTOR BC337-25 7496 4806 130 47530 TRANSISTOR BD135 L 7515 , 4806 209 87853 CIRC INTGR TCET1103(G) 7520 9352 720 43118 CIRC INTGR TEA1506T/N1 7521 , 9322 194 22687 TRANSITOR FET STP7NK80ZFP 7523 9335 897 60215 TRANSISTOR BC857C 7540 9331 976 30126 TRANSISTOR BC547B 7541 4822 130 11155 TRANSISTOR SMD PDTC114ET 7601 9340 310 60215 TRANSISTOR PDTA114ET 7641 4806 209 87874 CIRC INTGR M24C16-WBN6 7821 9322 191 49682 CIRC INTGR AN5891K 7841 9322 189 97668 CIRC INTGR AN5829S 7901 9322 158 65667 CIRC INTGR AN7522N PAINEL CINESCÓPIO [B] 1300 4806 402 67239 CONECTOR 8P 1302 , 2422 500 80076 SOQUETE CINESCÓPIO 9 PINOS 2300 2022 552 00549 CAPACITOR SMD 330pF 5% 50V 2301 2238 867 15391 CAPACITOR CER SMD 390pF 5% 50V 2302 2238 867 15391 CAPACITOR CER SMD 390pF 5% 50V 2303 , 4822 126 14053 CAPACITOR CER 1nF 10% 2kV 2304 4806 120 47371 CAPACITOR FILM 47nF 10% 250V 3300 2120 105 93596 RESISTOR MOX 15K 5% 3W 3301 2322 245 11152 RESISTOR MGL 1K5 20% 0,5W 3303 2322 702 60331 RESISTOR SMD 330R 5% 0,062W 3304 2120 105 93596 RESISTOR MOX 15K 5% 3W 3305 2322 245 11152 RESISTOR MGL 1K5 20% 0,5W 3307 2322 702 60331 RESISTOR SMD 330R 5% 0,062W 3308 2120 105 93596 RESISTOR MOX 15K 5% 3W 3309 2322 245 11152 RESISTOR MGL 1K5 20% 0,5W 3311 2322 702 60391 RESISTOR SMD 390R 5% 0,062W 3313 , 2306 204 03689 RESISTOR FUSE 68R 5% 0,33W 3318 , 4806 113 97068 RESISTOR FUSE 220R 5% 0,33W 3319 2322 245 11152 RESISTOR MGL 1K5 20% 0,5W 4300 4822 051 30008 RESISTOR SMD 0R00 JUMPER 4301 4822 051 30008 RESISTOR SMD 0R00 JUMPER 4302 4822 051 30008 RESISTOR SMD 0R00 JUMPER 4303 4822 051 30008 RESISTOR SMD 0R00 JUMPER 4306 4822 051 30008 RESISTOR SMD 0R00 JUMPER 6301 9340 549 45115 DIODO BAS316 6307 9340 549 45115 DIODO BAS316 6318 9322 157 72685 DIODO ZENER SMD PDZ8.2B 7308 4806 130 47090 TRANSISTOR BF422 7310 4806 130 47090 TRANSISTOR BF422 7312 4806 130 47090 TRANSISTOR BF422 7313 4806 130 47090 TRANSISTOR BF422 7314 4806 130 47091 TRANSISTOR BF423 7315 4806 130 47090 TRANSISTOR BF422 7316 4806 130 47091 TRANSISTOR BF423 7317 4806 130 47090 TRANSISTOR BF422 7318 4806 130 47091 TRANSISTOR BF423 LISTA DE MATERIAL 20PT4331/78R